Skylab M and C Technology WG203 WIFI module User Manual WG203
Skylab M&C; Technology Co.,Ltd. WIFI module WG203
Contents
- 1. User Manual
- 2. Users manual
User Manual

Sk
y
lab M&C Technolo
gy
Co., Ltd. WG203-User Manual
WG203-UM-001,A/1
1
WG203 User Manual
General Description
WG203 is a highly integrated for 2.4/5G IEEE 802.11n 2x2 MIMO WLAN for CE
application, It implements half-duplex OFDM, CCK, and DSSS baseband processing, supporting
130Mbps for 20MHz and 300Mbps for 40MHz channel and IEEE 802.11b/g data rates. It
supports two transmit traffic stream and two receive traffic stream using two Tx chain and two
receive chain for high throughput and range performance.
Applications
IP Camera
IP TV
IP DVD(Internet VOD Player)
Set Top Box
Home Gateways
Gaming Consoles
DVR
Figure 1: WG203 Top View
Features
2.4/5G GHz Compliant to IEEE 802.11b/g/n 2x2 WLANs
Supports USB 2.0 interface

Sk
y
lab M&C Technolo
gy
Co., Ltd. WG203-User Manual
WG203-UM-001,A/1
2
2T2R Mode with support for a 300Mbps TX/RX PHY rate.
Security: WEP 64/128, WPA, WPA2, TKIP, AES, WAPI
Supports for Windows XP 32/64, 2000, Vista 32/64bit, Windows 7 32/64bit, Linux, Android
MIMO power save.
Data rates of up to 54 Mbps for 802.11g and 144.4 for 802.11n HT20, 300 Mbps for HT40.
RoHS compliance meets environment-friendly requirement.
29(L) x 17(W) x 2.80(H) mm small dimension
Applications Block Diagram
Figure 2: WG203 Block Diagram
Ordering Information
Module NO. RF Connector Type Antenna Option
WG203_E IPEX Connector Ext Antenna
WG203_P PCB PIN Ext Antenna

Sk
y
lab M&C Technolo
gy
Co., Ltd. WG203-User Manual
WG203-UM-001,A/1
3
Module Pinout
Figure 3: WG203 Pin Package
Pin Description
Pin No. Pin name I/O Description Remark
1 1.5V P Module Power Supply
2 GND G Ground
3 3.3V P Module Power Supply
4 USB_D- I/O USB Interface DM
5 USB_D+ I/O USB Interface DP
6 GND G Ground
7 GND G Ground
8 ANT1 RF Antenna1 50 OHM
9 GND G Ground
10 GND G Ground
11 ANT2 RF Antenna2 50 OHM

Sk
y
lab M&C Technolo
gy
Co., Ltd. WG203-User Manual
WG203-UM-001,A/1
4
12 GND G Ground
PCB Footprint and Dimensions
Figure 4: WG203 Footprint
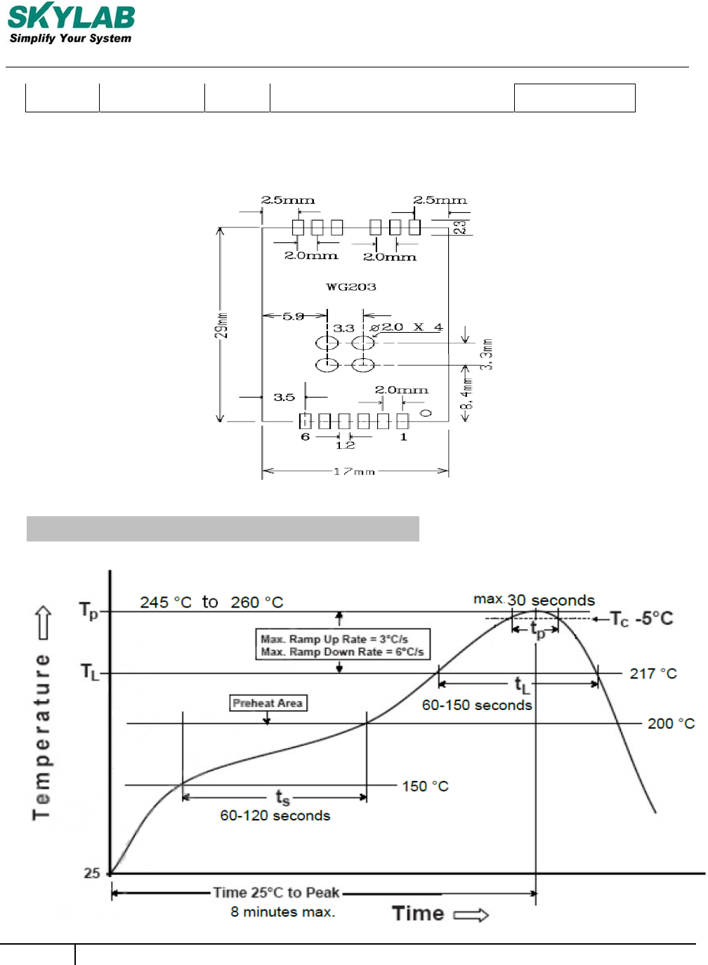
Manufacturing Process Recommendations

Sk
y
lab M&C Technolo
gy
Co., Ltd. WG203-User Manual
WG203-UM-001,A/1
5
Figure 5: WG203 Typical Leadfree Soldering Profile
Note:The final soldering temperature chosen at the factory depends on additional external factors
like choice of soldering paste,size,thickness and properties of the baseboard,etc. Exceeding
the maximum soldering temperature in the recommended soldering profile may permanently
damage the module.
Packaging Specification
Figure 6: WG203 Packaging
WA RN IN G:
This device complies with part 15 of the FCC rules. Operation is subject to the
following two conditions:
(1) this device may not cause harmful interference, and
(2) this device must accept any interference received, including interference that may
cause undesired operation.

Skylab M&C Technology Co., Ltd. WG203-User Manual
6 WG203-UM-001,A/1
FCC Statement
Changes or modifications not expressly approved by the party responsible for
compliance could void the user's authority to operate the equipment.
This equipment has been tested and found to comply with the limits for a Class B
digital device, pursuant to Part 15 of the FCC Rules. These limits are designed to
provide reasonable protection against harmful interference in a residential installation.
This equipment generates uses and can radiate radio frequency energy and, if not
installed and used in accordance with the instructions, may cause harmful
interference to radio communications.
However, there is no guarantee that interference will not occur in a particular
installation. If this equipment does cause harmful interference to radio or television
reception, which can be determined by turning the equipment off and on, the user is
encouraged to try to correct the interference by one or more of the following
measures:
-- Reorient or relocate the receiving antenna.
-- Increase the separation between the equipment and receiver.
-- Connect the equipment into an outlet on a circuit different from that to which the
-- Consult the dealer or an experienced radio/TV technician for help receiver is
connected.
This device complies with part 15 of the FCC rules. Operation is subject to the
following two conditions (1)this device may not cause harmful interference, and (2)
this device must accept any interference received, including interference that may
cause undesired operation.
FCC Radiation Exposure Statement
The modular can be installed or integrated in mobile or fix devices only. This modular cannot
be installed in any portable device, for example, USB dongle like transmitters is forbidden.
This modular complies with FCC RF radiation exposure limits set forth for an uncontrolled
environment. This transmitter must not be collocated or operating in conjunction with any other
antenna or transmitter.
This modular must be installed and operated with a minimum distance of 20 cm between the
radiator and user body.
If the FCC identification number is not visible when the module is installed inside another
device, then the outside of the device into which the module is installed must also display a
label referring to the enclosed module.
This exterior label can use wording such as the following:
“Contains Transmitter Module FCC ID:2ACOE-WG203 Or Contains FCC ID:2ACOE-WG203”
when the module is installed inside another device, the user manual of this device must
contain below warning statements;
1. This device complies with Part 15 of the FCC Rules. Operation is subject to the following
two conditions:
(1) This device may not cause harmful interference.

Skylab M&C Technology Co., Ltd. WG203-User Manual
7 WG203-UM-001,A/1
(2) This device must accept any interference received, including interference that may cause
undesired operation.
2. Changes or modifications not expressly approved by the party responsible for compliance
could void the user's authority to operate the equipment.
The devices must be installed and used in strict accordance with the manufacturer's
instructions as described in the user documentation that comes with the product.