Skyline Partners Technology Fastback Networks 102 Intelligent Backhaul Radio UNII 5.3GHz band User Manual
CBF Networks, Inc., dba Fastback Networks Intelligent Backhaul Radio UNII 5.3GHz band
Contents
- 1. Installation Guide
- 2. User Manual
User Manual

2460NFirstSt.,Suite200,SanJose,CA95131U.S.A. Doc#770‐00001‐13
(408)430‐5440www.fastbacknetworks.comSept.21
,2014
IntelligentBackhaulRadio
Installation&Operation
Guide

IBRInstallationGuide
Page2of40Doc#770‐00001‐13
Sept.21,2014
Purpose
&ApplicabilityofThisGuide
ThisGuideprovidesdetailedinformationrelatedtouseoftheGraphicalUserInterface(“GUI”)and
totheCommandLineInterface(“CLI”)commandsandsyntaxthatareimplementedinFastback
Network’sIntelligentBackhaulRadio(“IBR”)
*
.
ThisGuideprovidesinformationthatisspecificallyapplicabletothefollowing:
1. TheIBRthattransmitsinthe5.8GHzrangeandisidentifiedas:
ModelNumber
**
:IBR‐2A3xGECuinterfaces
ProductNumber
***
:IBR‐1000‐83‐NA
FederalCommunicationsCommissionID:2AAEH‐101
IndustryCanadaID:11158A‐101
2. TheIBRthattransmitsinthe5.3GHzrangeandisidentifiedas:
ModelNumber:IBR‐2B3xGECuinterfaces
ProductNumber:IBR‐1000‐38‐NA
FederalCommunicationsCommissionID:2AAEH‐102
IndustryCanadaID:11158‐102
3. ThefeaturescontainedinIBRsoftwarerelease1.5.0
NOTES:Patents:www.fastbacknetworks.com/patents
**
“ModelNumber”isusedbyregulatorybodiesforregulatorycompliancepurposes.
***
“ProductNumber”isusedtoidentifyauniqueproductandforordering.
SpecialConsiderationsandSafetyWarnings
Priortoinstallingandoperatingthisequipment,readallinstructionsandwarningnoticesmarked
ontheequipmentorinaccompanyingdocumentation.
Donotattempttoapplypowertoequipmentthatshowssignsofdamage,tampering,or
mishandling.
Donotopentheequipmentorattempttorepairormodifyit.Doingsowillvoidthewarrantyand
mightcreateasafetyhazardand/orcausetheequipmenttobeoutofcompliancewithregulations.
Thisequipmentshouldbeinstalled,operated,andservicedonlybyqualifiedpersonnelandina
locationthatisaccessibleonlybyauthorizedservicepersonnel.
Installationandoperationofthisequipmentshouldbeincompliancewithapplicablenationaland
localcodes.
Ensurethatthisequipmentisgroundedatalltimesinaccordancewithlocalcodes.
IBRInstallationGuide
Page3of40Doc#770‐00001‐13
Sept.21,2014
TableofContents
Purpose&ApplicabilityofThisGuide 2
SpecialConsiderationsandSafetyWarnings 2
TableofContents 3
1.Introducing Intelligent Backhaul Radio (“IBR”) 5
1.1Overview.........................................................................................................................................................5
1.2IBRModels‐Transmit&ReceiveFrequencies................................................................................................5
1.3RadioFeatures................................................................................................................................................5
1.4SwitchFeatures..............................................................................................................................................5
1.5DeploymentOptions.......................................................................................................................................6
1.6Physical&EnvironmentalFeatures................................................................................................................6
2.Getting Started 7
2.1PhysicalInspection.........................................................................................................................................7
2.2Inventory.........................................................................................................................................................7
2.3ExternalFeatures............................................................................................................................................8
2.4PowerRequirements......................................................................................................................................8
2.5TechnicalAssistance.......................................................................................................................................9
3.Communicating with IBR 9
3.1SerialConsole.................................................................................................................................................9
3.2GraphicalUserInterface(“GUI”or“WebUI”)..............................................................................................10
3.3CommandLineInterface(“CLI”)...................................................................................................................10
3.4AccessControl–Factory‐SetUserNames&Passwords...............................................................................10
3.5GigabitEthernetPorts&Interfaces..............................................................................................................11
3.6ExternalEthernetConnectors.......................................................................................................................12
3.7PowerConnector..........................................................................................................................................12
3.8LEDs..............................................................................................................................................................12
4.Preconfiguring IBRs 12
4.1Power............................................................................................................................................................12
4.2CLIPrivilegedMode......................................................................................................................................13
4.3RSL................................................................................................................................................................13
4.4ManagementTraffic.....................................................................................................................................13
4.5HostName....................................................................................................................................................16
4.6UserNames&Passwords.............................................................................................................................16
4.7PasswordRecovery&ReinstatingIBRDefaultSettings...............................................................................17
4.8SystemClock.................................................................................................................................................17
4.9NameServer.................................................................................................................................................18
4.10NTPServer....................................................................................................................................................18
4.11SNMPServer.................................................................................................................................................18
4.12LinkID...........................................................................................................................................................18
4.13RadioLink.....................................................................................................................................................18
5.MAC Address Table & Counters 18
5.1MACAddressTable.......................................................................................................................................18
5.2Counters.......................................................................................................................................................19
6.Installing IBR 20
6.1SafetyConsiderations...................................................................................................................................20
6.2InstallationChecklist.....................................................................................................................................20
6.3IBRMountingBracket...................................................................................................................................21
6.4Power&EthernetConnections.....................................................................................................................22
6.5FabricatinganEthernetCable......................................................................................................................22
6.6SurgeSuppressorInstallation.......................................................................................................................24
6.7CommunicationwithIBRViatheSerialPort,Telnet,orSSH(Optional).......................................................24
IBRInstallationGuide
Page4of40Doc#770‐00001‐13
Sept.21,2014
6.8LinkEstablishment........................................................................................................................................24
6.9Pointing&LinkOptimization........................................................................................................................25
6.10PathPredictionTools....................................................................................................................................26
7.Features & Functionality 26
7.1AnyLOSTechnology......................................................................................................................................26
7.2CommunicationProtocols.............................................................................................................................26
7.3SoftwareManagement.................................................................................................................................26
7.4SNMP............................................................................................................................................................26
7.5Switching&Transport..................................................................................................................................27
7.6DataHandling...............................................................................................................................................27
7.7CarrierEthernet............................................................................................................................................27
7.8Timing&Synchronization.............................................................................................................................27
7.9NetworkTimeProtocol(NTP).......................................................................................................................27
7.10SystemMessageLogging.............................................................................................................................28
7.11QualityofService(QoS)&ClassofService(CoS)..........................................................................................28
7.12Security.........................................................................................................................................................28
8.Field Test Procedure 28
8.1FirmwareUpgrade........................................................................................................................................28
8.2RFC2544TrafficTests..................................................................................................................................28
8.3EnduranceTest.............................................................................................................................................28
8.4TrafficClassificationTest..............................................................................................................................28
Appendix A: Troubleshooting Guide 30
A1.IBRRebootsDuringtheBootProcess...........................................................................................................30
A2.IBRsCannotEstablishALink.........................................................................................................................30
A3.PacketFloodorStormCondition..................................................................................................................32
A4.LinkIsEstablishedButNotPassingTraffic...................................................................................................33
A5.IBRCannotBeReachedViatheNetwork.....................................................................................................33
A6.IBRIsDroppingFrames.................................................................................................................................34
A7.CommunicatingWithIBRViaCommandLineInterface(CLI).......................................................................35
A8.ContactingFastbackTechnicalSupport........................................................................................................36
FederalCommunicationsCommission(Fcc)ComplianceStatement 37
IndustryCanadaLicence‐ExemptRSSCompliance 37
EuropeanUnion&EuropeanFairTradeAssociationRegulatoryCompliance 38
DeclarationofConformity 38
EuropeanCommunityDeclarationofConformity 38
WEEEStatement 40

IBRInstallationGuide
Page5of40Doc#770‐00001‐13
Sept.21,2014
1. IntroducingIntelligentBackhaulRadio(“IBR”)
1.1 Overview
IBRcombinesaCarrierEthernetswitchandanAnyLOS™radiowhichcanoperatesimultaneouslyinnon‐,
near‐,andclearlineofsightradioconditions.Itisdesignedforsmallcelldeploymentindenseurban
environmentswherelineofsightbetweenradiosisdifficultorimpossibletoachieve.
IBRissmall,passively‐cooled,andenvironmentallyprotectedforusemainlyinmacro‐cellularbackhaul,
commercialservicesfiberfill‐in,andsmallcellbackhaulapplications.Itcanbemountedonmasts,poles,
walls,celltowers,orinothersuchlocationsandrequireslittleornoalignmentwhentheradiosarepointedin
thegeneraldirectionofoneanother.
NOTE:Forsafetyreasonsandregulatorycompliance,IBRshouldbeinstalledinarestrictedaccess
locationthatisaccessibleonlybyauthorizedservicepersonnel.
1.2 IBRModels‐Transmit&ReceiveFrequencies
TwomodelsofIBRtransmitandreceiveindifferentbandsandoperateasapairtoformthetwoendsofa
link.IBRmaybeaccessedremotelyoverthenetworkfromtelnetorSSH.ThedefaultIPaddressesare:
192.168.128.101fortheradiothattransmitsinthe5.8GHzband(IBR101);and
192.168.128.102fortheradiothattransmitsinthe5.3GHzband(IBR102).
ThedefaulthostnamesareIBR101andIBR102respectivelyandthesubnetmaskis/16or255.255.0.0.
TheyarereferredtoasIBR101andIBR102throughoutthisdocument,andhavethefollowingcharacteristics:
BW(MHz)CenterTransmitFrequency(MHz)
IBR101
IBR102
1.3 RadioFeatures
IBRusesadaptiveratemodulation,proprietaryinterferenceavoidanceandcancellationtechniques,AES
encryption,andantennaarraysignalprocessingtodeliverreliableandsecurehighspeeddatatransmission
overlinkswhereline‐of‐sightbetweenradiosisdifficultorimpossibletoachieve.ThetablebelowshowsIBR
performanceinatypicalinstallation.
IBRPerformance1
DataRate Scalableto500Mbps
AverageLatency <500μsec
OperatingRange Upto500mNLOS2and2KmLOS3
EIRP <30dBm
1.4 SwitchFeatures
IBRprovidesthefollowingCarrierEthernet2.0features:
Layer2transport
‐ VLAN(upto4096)
‐ Bridgemode(passthrough)
Management
1 Performance might vary depending on environmental conditions
2 Non-line-of-sight
3 Line-of-sight

IBRInstallationGuide
Page6of40Doc#770‐00001‐13
Sept.21,2014
‐ CLI
‐ Telnet
‐ SSH
‐ Serialconsole
‐ SNMPv2MIB
‐ Interface‐MIB
‐ MIBII
‐ EnterpriseMIB
Packet‐basedtiming–1588v2transparentclockw/submicrosecondlatency
QinQ(IEEE802.1ad)
QoS
‐ Eightqueues
‐ 802.1pclassification
‐ Strictscheduling
‐ WeightedDeficitRoundRobin(WDRR)Scheduling
‐ PIRshaping
256bitAESencryption
Physicallinkandnetworklayerredundancyformaximumserviceuptime
Serviceprotectionandreliability
1.5 DeploymentOptions
IBRisdesignedtobedeployedinpairscreatingapoint‐to‐pointlink,asillustratedinthediagrambelow.In
referringtothetworadios,IBRnearesttothefiberconnectioniscalledthe“aggregationIBR”andtheone
nearesttothecellsiteisthe“remoteIBR”.
IBRcanbeconnectedtoanedgeswitch.
IBRscanbeconnectedtooneanotherinamulti‐hopconfiguration.
IBRcanprovidebackhaulforadirectconnectiontoasmallcellsite.
1.6 Physical&EnvironmentalFeatures
IBR:
Ispassivelycooledandcanoperatecontinuouslyatfullpoweranddutycycleundermaximumsolar
loadatambienttemperaturesfrom‐40ᵒCto+60ᵒC.
Canbestoredsafelyattemperaturesintherangefrom‐55ᵒCto+85ᵒC.
HasanIP664environmentalrating.
Weighsapproximately5kgwithandhastheapproximatedimensionsshownintheillustrationbelow.
4 Ingress Protection Rating

IBRInstallationGuide
Page7of40Doc#770‐00001‐13
Sept.21,2014
ReturntoTableofContents
2. GettingStarted
2.1 PhysicalInspection
Priortoopeningtheshippingcrate,inspectitvisuallyforevidencethatithasbeenopenedormishandled.
Afteropeningthecrate,carefullyinspectthecontentsforcompletenessorevidenceofdamageortampering.
Intheeventtheshippingcrateisdamagedorthecontentsaredamagedorincomplete,notifyFastback
Networksbytelephone,fax,oremail.Theshippingcrate,dividers,andpackingmaterialsshouldberetained
foruseintheeventthatequipmentmustbereturnedtoFastbackNetworks.
AfterremovingIBRfromitspackingcrate,recordtheserialnumberandproductnumber(e.g.,75JPor57JP),
bothofwhichwillbeneededincaseitisnecessarytoseekassistancefromFastbackNetwork’sCustomer
SupportGroup.
DONOTOPENIBRFORANYREASON.DOINGSOWILLVOIDTHEWARRANTYANDMIGHTCREATEA
SAFETYHAZARDAND/ORCAUSETHEEQUIPMENTTOBEOUTOFCOMPLIANCEWITHREGULATIONS.
DONOTATTEMPTTOAPPLYPOWERTOANIBRTHATSHOWSSIGNSOFDAMAGE,TAMPERING,OR
MISHANDLING.
2.2 Inventory
Thefollowingcomponentsarerequiredforsuccessfulinstallationofalink:
a. OneIBR101andoneIBR102,eachofwhichincludesthefollowing:
ThreeweatherproofRJ‐45cable‐endconnectorsforCAT5E&CAT6cables
*
;
Aweatherproofcapforthefour‐pinserialconnectorthatisattachedtoIBRwhentheIBRserial
connectorisnotinuse*.
TwoweatherproofcapsforRJ‐45connectorsthatareattachedtoIBRwhentheIBRRJ‐45connectors
arenotinuse*.
Atwo‐meterserialcablewithaDB‐9connectorononeendandafour‐pinconnectorontheother
end;

IBRInstallationGuide
Page8of40Doc#770‐00001‐13
Sept.21,2014
Sixcrimp‐onendsforRJ‐45connectors&instructions
Aninformationsheetforaccessingregulatorydocumentsandmanualsonline;
Aquickreferenceguide;
Awarrantyregistrationcard;
*
Note:ForproperoperationofIBR,theweatherproofintegrityofallcablesandconnectorsshouldbemaintained
andweatherproofcapsshouldbefirmlyinstalledonunusedconnectorsatalltimes.
b. AmountingbracketforeachIBRthatissuitableforthatradio’slocation.Mountingbracketsthatare
availablefromFastbackNetworksarediscussedinthesectiontitledInstallingIBRinthisGuide.
c. APoE
+
injectorcapableofsupplyingatleastthirty‐five(35)watts.
d. AgroundinglugasdescribedinthesectiontitledInstallingIBRinthisGuide.
e. AppropriatemountinghardwareforthePoEinjector.
2.3 ExternalFeatures
TheillustrationbelowidentifiesexternalfeaturesofIBR.Thesmallcapattheendoftheradome(facing
upwardintheillustration)housestheDFS(dynamicfrequencyselection)antenna.
Thesidewherethemountinglugsandserialportarelocatedisreferredtoasthe“back”,sinceitistheside
thatwillbeagainstawallormastwhenIBRismounted.
ThesidethathasthethreeEthernetconnectorsandtwoLEDsisreferredtoasthe“bottom”.Eventhough
theconnectorsareweatherproof,IBRshouldbemountedwiththeconnectorsfacingdownwardfor
maximumenvironmentalprotection.
2.4 PowerRequirements
IBRmustbepoweredviaPoE
+
throughtheRJ‐45connectorthatisnearesttheLEDs(port0).ApplyingPoE
+
throughanyoftheotherEthernetconnectorswillcausenoharm,butwillnotpowerIBR.
IBRrequiresthirty(30)watts.Basedonanestimatedlossoffive(5)wattsinaonehundredmeterrunof
Ethernetcable,thepowerinjectorshouldbecapableofdeliveringatleastthirty‐five(35)wattsat60ᵒC.
IBRdoesnothaveacapabilitytoprovidePoEtootherdevicesonthenetwork.

IBRInstallationGuide
Page9of40Doc#770‐00001‐13
Sept.21,2014
2.5 TechnicalAssistance
IntheeventthereisaproblemwithIBRorotherequipmentprovidedbyFastbackNetworks(e.g.,itarrives
damagedorincomplete,orappearstonotworkproperly),theoperatorshouldcontactFastbackNetworks’
servicecenterviatelephoneoremailandbepreparedtoprovide:
Producttypeandserialnumber
Productservicehistory(e.g.,whenwasitreceived,howlonghasitbeeninservice,otherrelevant
information)
Descriptionoftheproblem
Customercontactinformation
FastbackNetworks’CustomerServicecanbereachedbyanyofthefollowing:
Telephone:(408)430‐5440Selectserviceoption(2)between0800–1700PTonbusinessdays
Email:support@fastbacknetworks.com
Web:http://support.fastbacknetworks.com
ReturntoTableofContents
3. CommunicatingwithIBR
IBRhasnoexternalorinternalkeypads,switches,dials,knobs,orotherphysicalcontrols.Therefore,an
operatorwillrequireasmartterminal,computer,workstation,orothersuchdevicetocommunicatewithIBR
usingcommandlineinterfaceandaccessingIBRviaanyoftheEthernetportsusingTelnetorSSHorviathe
serialconsoleport.
3.1 SerialConsole
IBRhasafour‐pinconnectorthatprovidesaserialinterfaceforconnectiontoalocaloperatorterminal.This
interfacecanbeusedbyanoperatortocommunicatewithandcontroltheIBRduringpreconfigurationand
troubleshootingoratothertimeswhenalocaloperatorneedstocommunicatewithIBRotherthanoveran
Ethernetlink.
ThematingcablethatisprovidedwithIBRhasaDB9connectorontheotherend.Theillustrationsbelow
showthepinoutsofthetwoconnectorsandthecablewiringscheme.
Thisinterfacecanbeusedbyanoperatoronlytocontrol,configure,andtroubleshootIBR,butnotforgeneral
networkconnectivityordatatransmission.Pin‐outsofthefour‐pinserialconnectorareshowninthetable
below.

IBRInstallationGuide
Page10of40Doc#770‐00001‐13
Sept.21,2014
ThefollowingsettingsarerecommendedwhencommunicatingwithIBRviatheserialinterface:
115,200bps
8databits
1stopbit
Noparity
Noflowcontrol
25linesand80columnswindowsize
NOTE:Ifaserialdeviceisdisconnectedandthenreconnected,CLImightbeleftina“badcommand”stateandnotrespondto
legitimatecommands.Thisconditioncanbeclearedbyenteringthefollowingsequence:<cr><cr><Ctrl‐C>.
3.2 GraphicalUserInterface(“GUI”or“WebUI”)
IBR’sinternalHTTPbrowser‐basedGUIprovidesaneasyalternatewaytomonitorandcontrolIBR.A
detaileddiscussionoftheGUIcanbefoundintheCLIGuide.
3.3 CommandLineInterface(“CLI”)
WhenanoperatorlogsontoIBR,CLIwillbelaunchedinUserMode(i.e.,startupmode),whichprovides
minimalfunctionality.
CLIissupportedontheserialinterfaceandviaTelnetorSSHconnectionsthroughtheEthernet
interface.
CLIusesamixofIOSsyntax.
Accesstothefullfunctionalitymode(i.e.,“Privileged”mode)canbecontrolledbypassword.
ThecommandsshownbelowaretheonlycommandsavailableinUsermode.
UserModeCommands
CommandDescription
IBR102>
! Comments
enable EnterPrivilegedMode
exitExitfromCLI
ping Sendmessagestonetworkhosts
telnet IPaddressorhostnameofaremotesystem
traceroute Determineroute&transittimetoaremotehost
ipIPv4
ipv6IPv6
DetailedinformationcanbefoundintheCLIGuide.
3.4 AccessControl–Factory‐SetUserNames&Passwords
IBRcanbeconfiguredtorequireavaliduserIDandpasswordforaccess.Twolevelsofaccesscanbe
established:minimumfunctionalityandfullfunctionality.DetailedinstructionsforcontrollingaccesstoIBR
arecontainedintheCLIGuide.
WhenCLIislaunchedandthe“username”dialogboxappears,theusermustenteravalidusernameand
password.Factory‐setusernamesarefbnandadmin(eithercanbeused)andthefactory‐setpassword

IBRInstallationGuide
Page11of40Doc#770‐00001‐13
Sept.21,2014
(forbothusernames)isfastback.Thesamefactory‐setpasswordwillallowausertoenterthePrivileged
Mode(seetheCLIGuidefordetailedinformation).
Whenauserwithprivilegedaccesschangeseitherofthepasswordsforthefactory‐setusernames,both
factory‐setuseraccountswillbeassignedthenewpassword.
Afterlogin,CLIwillbeintheUserMode,whichoffersalimitedsetofcommands.TheCLIcommandprompt
inUserModeisthesymbol>followedbyaspace.Whenthecommandpromptisdisplayed,itwillbe
precededbythehostnameifonehasbeenassigned.ThroughoutthismanualandtheCLIGuide,thehost
nameIBR102willbeused.Withthishostname,theUserModepromptwillappearasshownbelow:
IBR102>
ThehostnamecanbechangedoromittedbyaPrivilegeduser.Antennas
TheradomeontopofIBRhousestransmitandreceiveantennaswhichfaceoutwardthroughtheflatsidesof
theradome.Thedirectioninwhichtheantennasarepointedcanbechangedonlybychangingthe
orientationoftheIBRitself.
IBRisnotdesignedtobeusedwithexternalantennas.
3.5 GigabitEthernetPorts&Interfaces
IBRincludesa4‐portEthernetswitch.ThreeGigabitEthernetportsareexposedexternally,andoneis
connectedinternallytotheradio.BeginningwiththeportnearesttheLEDsasseenintheillustrationbelow,
theexternalGigabitEthernetportsarenumbered0,1,and2(i.e.,ge0,ge1,ge2).
IBR
TheGigabitEthernetportthatisconnectedtotheradio(notexternallyavailable)isidentifiedasGigabit
Ethernet3(ge3).Radioparametersareconfiguredthroughtheradio0interface,whileswitchingparameters
thatapplybothtothephysicalGigabitEthernetportsandtheradioport,suchasVLAN,QoS,andCoS,are
configuredthroughtheGigabitEthernetinterface.
InthisGuideandintheCLIGuide,portisusedinreferencetothephysicalEthernetexternalconnections,and
interfaceisusedinreferencetothevirtualinterfacetowhichanIPaddresshasbeenassigned.Ethernet
interfaces,includingloopbackinterfaces,canbecreated,asdiscussedintheCLIGuide,andeachportcanbe
assignedtooneormoreinterfaces.Ethernetinterfaces,includingloopbackinterfaces,areassociatedwith
VLANsandcanbecreatedandconfiguredasdiscussedintheCLIGuideinthesectiontitledVLANs.

IBRInstallationGuide
Page12of40Doc#770‐00001‐13
Sept.21,2014
3.6 ExternalEthernetConnectors
IBRhasthreeRJ‐45connectorslocatedonthebottomoftheunit,asshownintheillustrationinthepreceding
section.BeginningwiththeportnearesttheLEDs,theGigabitEthernetportsarenumbered0,1,and2(ge0,
ge1,ge2).
AllthreeEthernetconnectorscanbeusedfortrafficandIBRmanagementdata,butonlytheonenearestthe
LEDs(ge0)canpowerIBRviaPoE+.
TheRJ‐45connectorswillacceptshieldedandbondedRJ‐45typematingconnectorswithaweatherproof
seal.ItisessentialthatonlyweatherproofconnectorsbeconnectedtoIBR.
3.7 PowerConnector
Powermustbeconnectedtoge0asshowninthegraphicbelow.Connectingpowertoge1orge2willnot
harmIBR,butwillnotpowerit.
3.8 LEDs
TwoweatherproofLEDsthataremountedadjacenttoge0provideavisualmeansforanoperatorto
determinethestatusofIBR.BothLEDscanbedeactivatedviatheCLI.SeetheCLIGuidefordetailed
information.TheLEDscanbeseenintheIBRimage.TheLEDnearesttothecoolingfinsistheradioLEDand
theLEDnearesttotheradomeisthesystemLED.
WhentheLEDsareactive(thedefaultcondition):
TheupperLED(whentheLEDsareontheleftfromtheviewer’sperspective)isasystemindicatorand
willprovidethefollowinginformation:
‐ Off:Systemhasnopower.
‐ Amber:Bootloaderactivated.
‐ Green:FastbackOperatingSystemloaded.
ThelowerLEDistheradioindicatorandwillprovidethefollowinginformation:
‐ Off:Radionotinitialized.
‐ Amber:Radioinitialized.
‐ Green:Radioinitializedandalinkestablished.
ReturntoTableofContents
4. PreconfiguringIBRs
ThefollowingprocedureisforpreconfiguringapairofIBRspriortoinstallation.ConsulttheCLIGuideas
necessaryfordetailedinformation.
4.1 Power
CAUTION:
Whenpowerisapplied,theradiosautomaticallywillbegintransmittingwithinsixty(60)seconds.
ToavoidthepossibilityofdamaginganIBRbyoverdrivingthefrontendofthereceiver,priorto

IBRInstallationGuide
Page13of40Doc#770‐00001‐13
Sept.21,2014
connectingapowersource,positionthetwoIBRssothattheyaretiltedawayfromeachother,facing
downward,andseparatedbyatleastonemeter.
IBRdoesnothaveapoweron/offswitch,eitherinhardwareorsoftware.Whenpowerisappliedtothe
unit,IBRwillbeina“poweron”conditionandthesystemLEDbesidethege0portconnectorwillbe
illuminated.
ApplypowertoeachIBRusingaPoE+sourceconnectedtoGigabitEthernetinterface0.AlthoughPoE+
sourcescanbeappliedharmlesslytoanyport,onlyge0canbeusedtopowerIBR.
4.2 CLIPrivilegedMode
EnterPrivilegedmodebyenteringtheenablecommand:
IBR102>enable
Thefactory‐setpasswordforenteringPrivilegedmodeisfastback.ThePrivilegedModecommandprompt,
withIBR102ashostnamewillbe:
IBR102#
ThefollowingCLIcommandsareavailableinPrivilegedmode.
PrivilegedModeCommands
CommandDescription
IBR102#
! Comments
clear Resetfunctions
alarms Clearalarmhistory
config Resettofactorydefaults
counters Clearcountersononeorallinterfaces
configureterminal EnterGlobalConfigmodetomanagedeviceparameters
copy Copyafile(e.g.,running‐config)
ethernet Ethernetsubcommands
exit ReturntoUserMode
ping[string] Sendmessagestonetworkhosts[hostnameorIPaddress]
reload Halt&performacoldrestart
show Showrunningsysteminfo(seeCLIGuideforacompletelistofshowcmds)
telnetIPaddressorhostnameofaremotesystem
traceroute Printtheroutepacketstracetonetworkhost
ipIPv4
ipv6IPv6
[string]HostnameorIPaddresstotracetheroute
upgradeUpgradecommands
httpUpgradehttp(enterA.B.C.D[/mask]oranyhttpserverIPaddress)
sftpUpgradesftp(enterA.B.C.D[/mask]oranysftpserverIPaddress)
tftpUpgradetftp(enterA.B.C.D[/mask]oranytftpserverIPaddress)
ForadetaileddiscussionofCLIcommands,refertotheCLIGuide.
4.3 RSL
ChecktheRSLoneachIBRusingthefollowingCLIcommandinthePrivilegedmode:
IBR102#showinterfaceradio0status
RSLshouldbe‐36dBmorless.IfRSLisgreaterthan‐36dBm(e.g.,‐30dBm)oneitherIBR,thereceived
signallevelistoohighandgreaterseparationoftheIBRsisrecommendedtoavoidreceiversaturation.
4.4 ManagementTraffic
IBRinterfacesshouldbeconfiguredinsuchawayastoseparateinternalmanagementtrafficfromuserdata
traffic(i.e.,preventmanagementtrafficfrombeingsentoverthenetwork).Thefollowingsequenceof

IBRInstallationGuide
Page14of40Doc#770‐00001‐13
Sept.21,2014
commandsillustratesawaytoaccomplishthis.VLAN2,VLAN823,andtheIPaddressesshownareusedonly
asexamples.(SeetheCLIGuidefordetailedinformationrelatingtotheVLANinterfaces.)
4.4.1 ConfigureVLANInterfaces.
Promp
t
Command
IBR102(config)# interfacevlan1
IBR102(config‐vlan‐1)# ipaddress192.168.128.101 255.255.255.0
IBR102(config‐vlan‐1)# exi
t
IBR102(config)# interfacevlan2
IBR102(config‐vlan‐2)# noshutdown
IBR102(config‐vlan‐2)# ipaddress10.22.12.201255.255.0.0
IBR102(config‐vlan‐2)# exi
t
IBR102(config)# interfacevlan823
IBR102(config‐vlan‐823)# ipaddress10.1.1.158255.255.0.0
IBR102(config‐vlan‐823)# exi
t
IBR102(config)#
Note:Whenthemanagementporthasbeenreassigned,theTelnetconnectionwillbelostandtheoperatorwill
berequiredtoTelnettothenewmanagementportaddress.SeetheCLIGuideformoreinformationrelatingto
theVLANinterfaces.
4.4.2 RemoveVLAN1fromge1,g2,andge3.
Promp
t
Command
IBR102(config)# interfacegigabitethernet1
IBR102(config‐if‐ge1)# noswitchporttrunknativevlan1
IBR102(config‐if‐ge1)# exi
t
IBR102(config)# interfacegigabitethernet2
IBR102(config‐if‐ge2)# noswitchporttrunknativevlan1
IBR102(config‐if‐ge2)# exi
t
IBR102(config)# interfacegigabitethernet3
IBR102(config‐if‐ge3)# noswitchporttrunknativevlan1
IBR102(config‐if‐ge3)# exi
t
IBR102(config)# interfacevlan823
4.4.3 AddVLAN2totheGigabitEthernetInterfaces(useTrunkNativetoallowbothuntaggedandVLAN2tagged
traffic).
Promp
t
Command
IBR102(config)# interfacegigabitethernet1
IBR102(config‐if‐ge1)#
s
witchporttrunknativevlan2
IBR102(config‐if‐ge1)# exi
t
IBR102(config)# interfacegigabitethernet2
IBR102(config‐if‐ge2)#
s
witchporttrunknativevlan2
IBR102(config‐if‐ge2)# exi
t
IBR102(config)# interfacegigabitethernet3
IBR102(config‐if‐ge3)#
s
witchporttrunknativevlan2
IBR102(config‐if‐ge3)# exi
t
IBR102(config)# interfacevlan823
4.4.4 AddVLAN823toGigabitEthernet3(useTrunkAllowedtoallowonlyVLAN823taggedtraffic).

IBRInstallationGuide
Page15of40Doc#770‐00001‐13
Sept.21,2014
Promp
t
Command
IBR102(config)# interfacegigabitethernet3
IBR102(config‐if‐ge3)#
s
witchporttrunkallowedvlan823
IBR102(config‐if‐ge3)# exi
t
4.4.5 VerifyVLANsettings.
Promp
t
Command
IBR102#
s
howvlanbrief
VLANNameStatusNativeAllowed
‐‐‐‐‐‐‐‐‐‐‐‐‐‐‐‐‐‐‐‐‐‐‐‐‐‐‐‐‐‐‐‐‐‐‐‐‐‐‐‐‐‐‐‐‐‐‐‐‐‐‐‐‐‐‐‐‐‐‐‐‐‐‐‐
1VLAN1activege0
2VLAN2activege1ge2ge3ge1ge2ge3
823VLAN823activege3
IBR102#
4.4.6 Confirmthattheinterfaceswerecorrectlyconfigured.
SampleOutputoftheshowipinterfacesCommand
Promp
t
Command
showipinterfaces
IBR102#
1:lo:<LOOPBACK,UP,LOWER_UP>mtu16436qdiscnoqueue
link/loopback00:00:00:00:00:00brd00:00:00:00:00:00
inet127.0.0.1/8scopehostlo
2:eth0:<BROADCAST,MULTICAST,UP,LOWER_UP>mtu1500qdiscpfifo_fastqlen1000
link/ether18:48:d8:00:00:49brdff:ff:ff:ff:ff:ff
3:danipc:<BROADCAST,MULTICAST,UP,LOWER_UP>mtu1500qdiscpfifo_fastqlen1000
link/ether00:24:86:00:00:00brdff:ff:ff:ff:ff:ff
4:eth0.1@eth0:<BROADCAST,MULTICAST,UP,LOWER_UP>mtu1500qdiscnoqueue
link/ether18:48:d8:00:00:49brdff:ff:ff:ff:ff:ff
inet192.168.128.158/24brd192.168.128.255scopeglobaleth0.1
5:eth0.2@eth0:<BROADCAST,MULTICAST,UP,LOWER_UP>mtu1500qdiscnoqueue
link/ether18:48:d8:00:00:49brdff:ff:ff:ff:ff:ff
inet10.22.12.201/16brd10.22.255.255scopeglobaleth0.2
6:eth0.823@eth0:<BROADCAST,MULTICAST,UP,LOWER_UP>mtu1500qdiscnoqueue
link/ether18:48:d8:00:00:49brdff:ff:ff:ff:ff:ff
inet10.1.1.158/16brd10.1.255.255scopeglobaleth0.823
IBR102#
Followingthefirstthreeinterfacesintheoutput,therewillbeanadditionalinterfaceforeachVLAN.The
nameofaninterfacewillbeeth0.nnwherennistheVLANnumbertowhichtheIPaddressisassigned.Note
thateventhoughtheinterfaceisshownaseth0,theIPaddresscanbereachedonlythroughinterfacesto
whichthatVLANhasbeenassigned.
4.4.7 Reviewthenewconfiguration.
TheconfigurationcreatedinthissectioncreatesthreedistinctinterfacesforuseonIBR.
a. eth0.1isthemanagementinterfaceonVLAN1(thedefaultVLANonIBR).VLAN1hasbeenassignedto
GigabitEthernetportge0andgiventheIPaddress192.168.128.101/16.
ThisinterfaceisisolatedfromtheotherinterfacesandcanbeusedtoaccesstheIBRandmanagethe
switchwithoutallowingmanagementtraffictotraversetheRFlink.BecauseVLAN1isassociatedonly
withge0andnotge3,VLAN1trafficwillnottransversethelink.
b. eth0.2isthedatainterfaceonVLAN2,whichhasbeenassignedtoGigabitEthernetportsge1,ge2,and
ge3.
TrafficonVLAN2canbesentacrosstheRFlinkandoutontothenetwork.Itallowsalluntaggedtraffic
andtraffictaggedwithVLANID2tobesenttothenetwork.
IBRInstallationGuide
Page16of40Doc#770‐00001‐13
Sept.21,2014
GigabitEthernetports1and2arephysicalportsallowingconnectionstotheprovidernetwork.
GigabitEthernet3isdedicatedtotheIBRRFlinkandcreatesawirelessbridgebetweentwonetwork
segments.
c. eth0.823isanisolateddebuginterfaceonVLAN823.
VLAN823willallowtrafficonlytobesentfromoneIBRtotheotheracrossthewirelesslinkandrequires
thatthesenderbeloggedontooneoftheIBRs.
OneuseofthisinterfaceistoallowausertosendpingpacketstotheoppositeIBRtoverifylinkintegrity.
ThisVLANhasnoexposuretoaphysicalnetworkinterfacesotrafficonthisVLANisisolatedfromthe
network.
AnotherimportantuseofthisconfigurationistomanagethelinkpartnerfromthelocalIBR.
4.4.8 SavetheNewConfiguration.
Usethefollowingcommandstosavethenewsettingstothestartupconfigurationfile.
IBR102#copyrunning‐configstartup‐config
4.5 HostName
Changethehostname(optional)usingthefollowingcommandinGlobalConfigmode.
IBR102(config)#hostname[newname]
4.6 UserNames&Passwords
IBRcanbeconfiguredtorequirevalidusernamesandpasswordsforaccesstoCLIUserMode,CLIPrivileged
Mode,andtheGUI.Eachusernameandpasswordwillbeindependentoftheothers.
PasswordsarestoredpermanentlyinIBRandarenotpartofthestartup‐configorrunning‐configfiles.
Passwordswillbedisplayedinencryptedformintheshowrunning‐configoutput.
Passwordsarestringsofatleastsixandnotmorethansixteencharactersandcanincludeanyletter,any
numeral,andanyofthefollowingsymbols:!@$%
4.6.1 CLIUserMode‐IBRcanbeconfiguredtorecognizeindividualusernames,eachwithitsownpassword.The
commandtoconfigureUserModeusernamesandpasswordsis:
IBR102(config)#username[user_id]password[newpassword]
Ifthepasswordofanexistinguserisbeingchanged,user_idwillbetheusername(orID)oftheexistinguser
andnewpasswordwillbethenewlyassignedpassword.
Ifanewuserisbeingcreated,user_idwillbethenewusernameandnewpasswordtheassignedpasswordfor
thatuser.
Thecommandtoremoveanexistingusernameis:
IBR102(config)#nousername[user_id]
whereuser_idisthenameoftheuserthatisbeingremoved.
Thefactory‐setusernameisfbnandthepasswordisfastback.Thefactory‐setusername(fbn)
cannotbechangedordeleted,butthepasswordforfbncanbechangedusingeitherofthefollowing
commands:
IBR102(config)#usernamefbnpassword[newpassword]or
IBR102(config)#enablepasswordlevel1[newpassword]
wherenewpasswordisthenewlyassignedpassword.

IBRInstallationGuide
Page17of40Doc#770‐00001‐13
Sept.21,2014
4.6.2 CLIPrivilegedMode–PrivilegedModecanbeenteredonlyfromUserModeandcanbeprotectedwithasingle
passwordforallusers.TherequirementtouseapasswordtoenterPrivilegedModecanbeenabledor
disabledfromthePrivilegedModeasfollows:
IBR102(config)#enablepassword{level(1‐15)}[newpassword]
wherelevelmusteitherbethenumber1orthenumber15andnewpasswordisthenewlyassignedpassword.
Whenlevel=1,thepasswordfortheusernamedfbnwillbechanged.
Whenlevel=15,thepasswordtoenterPrivilegedModewillbeaffected.
Whennoleveloptionisentered,PrivilegedModewillbeaffected.
TherequirementforausertoenterapasswordtomovefromUserModetoPrivilegedModecanbedisabled
usingthefollowingcommand;however,thisisnotarecommendedconfigurationbecauseitcancreate
securityproblems:
IBR102(config)#noenablepassword
Thefollowingareexamplesofcommandsforcreating,changing,ordisablingpasswords.
SettingPasswords
CommandDescription
IBR102(config)#
enablepasswordlevel1fastbackuserSetPWasfastbackuserfortheusernamedfbn
enablepasswordlevel15fastb@ckuser SetthePWforalluserstoenterPrivilegeModeasfastb@ckuser
enablepasswordfast$$$user SetthePWforalluserstoenterPrivilegeModeasfast$$$user
noenablepasswordlevel1 RemovetherequirementforfbntouseaPWtoenterUserMode
noenablepasswordlevel15 RemovetherequirementforalluserstouseaPWtoenterPrivilegedMode
noenablepasswordRemovetherequirementforalluserstouseaPWtoenterPrivilegedMode
4.6.3 WebGraphicalUserInterface(GUI)–UsernamesandpasswordsfortheGUIaremanagedindependentlyfrom
CLIusernamesandpasswords.Foradditionalinformation,seetheGUIsectionoftheCLIGuide.
4.7 PasswordRecovery&ReinstatingIBRDefaultSettings
IntheeventthatuserscannotgainaccesstoIBRbecausepasswordshavebeenforgotten,thefollowing
procedurecanbeusedtoresetallIBRsettingstotheirdefaultvalues,therebyallowingausertoregain
accesstoIBR.ThisprocedurewillbootIBRintoaLinuxrootshellsingle‐usermodewheretheusercan
changethePrivilegedModepassword.
Initiateasystemrebootand,withintwo(2)seconds,pressCtrlCtointerrupttherebootprocess.Enter
thefollowingcommandwhentheuMON>promptisdisplayed5:
uMON>runflashlinuxsingle
Thesystemwilltakeseveralminutestoreboot.WhentheLinuxpromptisdisplayed,enterthe
commandpasswordrootandthenrespondtothesucceedingpromptstochangethePrivilegedMode
passwordandrebootthesystembyenteringthecommandreboot.
WhenIBRrebootstoCLIUserMode,usethedefaultusernameandpasswordtologontothesystem.
UsethenewPrivilegeModepasswordtoenterPrivilegeMode.
ThenfollowthestandardproceduretochangetheUserModeusernameandpassword.
Note:Tointerruptanongoingreboot,interruptpowertoIBR.
4.8 SystemClock
ThecommandtosettheIBRsystemclockisexecutedinGlobalConfigmodeandhasthefollowingform.
5 This works only with a serial console connection.

IBRInstallationGuide
Page18of40Doc#770‐00001‐13
Sept.21,2014
IBR102(config)#clockset[hh:mm:ss][YYYY‐MM‐DD]
wherealloftheargumentsareintegers.
4.9 NameServer
ThefollowingcommandcanbeusedtoconfiguretheNameserver.
IBR102(config)#ipname‐server[ip‐address}
4.10 NTPServer
ThefollowingcommandcanbeusedtoconfiguretheNTPserver.
IBR102(config)#ntpserver[ip‐address}
4.11 SNMPServer
CommandsforconfiguringSNMPareshowninthetablebelow.Fordetailedinformation,seetheCLIGuide.
ConfiguringSNMP
CommandDescription
IBR102(config)#snmp‐server ConfigureSNMP
community SNMPcommunityconfiguration
contact Setthesystemcontact
enableEnableSNMPnotificationtypes(traps)
group SNMPgroupconfiguration
host SNMPtraphostconfiguration
location Setthesystemlocation
trap‐envSetSNMPtrapenvironment(standardorx.733)
trap‐thresholdsSetSNMPtrapthresholdvalues
view SNMPviewconfiguration
4.12 LinkID
ThecommandtosetLinkIDhasthefollowingsyntax:
IBR102(config)#link‐id[linkname]
wherelinknameisanalphanumericstringfromonetothirty‐twocharactersinlengththatcancontainanyof
thefollowingsymbols:!@#$%‐_
UsingLinkIDCommand
Promp
t
Command Remarks
IBR102(config)# interfaceradio0Configradiointerface“0”
IBR102(config‐if‐rad0)# link‐id58$a2 SetslinkIDto“58$a2”
IBR102(config‐if‐rad0)# exi
t
ReturntoGlobalConfig
IBR102(config)#
4.13 RadioLink
IBRswillautomaticallyestablishalinkusingthebestfrequenciestooptimizedatathroughput.
ReturntoTableofContents
5. MACAddressTable&Counters
5.1 MACAddressTable
TheMACAddresstable,sometimesreferredtoastheL2(orLayer2)table,associatesMACaddresseswith
theirrespectiveVLAN’sandports.
IBRInstallationGuide
Page19of40Doc#770‐00001‐13
Sept.21,2014
IBRautomaticallyrecordstheMACaddressofareceivedpacket,theportonwhichitwasreceived,and
whetherthepackethasaVLANdesignation.WhenanincomingpacketarrivesatIBR,thecorrectportand
VLANfordeliveryofthepacketisdeterminedbycomparingtheMACaddressofthepacketwiththe
correspondingentryinL2.IftheMACaddressisnotintheL2table,IBRwillsendthepacketouttoallports
excepttheoneonwhichitwasreceived,andthenrecordtheportandVLANofthedevicethatrespondstothe
packet.
WhenaMACaddressintheL2tablehasnotbeenusedwithinapresettime(the“agingtime”),theMAC
addressentryisautomaticallydeletedfromthetable.Thedefaultagingtimeisthreehundred(300)seconds.
AgingtimeistheonlypropertyoftheL2tablefunctionalitythatcanbechanged.TheL2tablecancontainup
tosixty‐fourthousandentriessothat,withareasonableagingtime,thereislittlechanceofanoverflow
condition.
UsingtheCLI“show”command,anoperatorcandisplaythecontentsoftheL2table.
5.2 Counters
Countersareimplementedastwo‐dimensionalarraysthatassociatetrafficmetricswiththecorresponding
IBRports(interfaces).Countersareactivatedbydefaultandcannotbedisabled;however,thecontentsof
counterscanberesettozeroordisplayedbyoperatorcommand.ThecountersinIBRarelistedbelow
organizedthewaytheywouldbedisplayedusingtheshowcommand.
IBR102#showinterfacecounters Showsabriefview,notincludingerrors
IBR102#showinterfacecountersall ShowsallexceptTxQueue
IBR102#showinterfacecountersdetail Showsthefollowingcounters
InBytes Bytesreceivedataport
InUcastPkts Unicastpacketsreceivedataport
InMcastPkts Multicastpacketsreceivedataport
InBcastPkts Broadcastpacketsreceivedataport
OutBytes Bytessentfromaport
OutUcastPkts Unicastpacketssentfromaport
OutMcastPkts Multicastpacketssentfromaport
OutBcastPkts Broadcastpacketssentfromaport
RxPause Pauserequestsreceived
TxPause Pauserequestssent
IBR102#showinterfacecounterserrorsShowserrorcounters
CrcAlign‐Err Frameswithoutaneven#ofoctetsorwithCRCerrors
Collisions Collisionsbeforesuccessfultransmission
Symbol‐Err Symbolerrors
Undersize Framesrcvdthatare<64bytes
Oversize Framesrcvdthatare>1514bytes
Fragments Oversizedpacketssentasfragments
Jabbers Frameslongerthan1518octets
FCS‐Err Framescorruptedduringtransmission
Deferred‐Xmit Timesxmsndelayed
Single‐Col Timesonlyonecollisionoccurredbeforesuccessfulxmsn
Multi‐Col Timesmultiplecollisionsoccurredbeforesuccessfulxmsn
Late‐Col Collisionsdetectedafter>512bitssent
Excess‐Col Framesnotsentduetoexcess#ofretries
IBR102#showinterfacecounterstxqueueShowsTxQueuecounters
Octets TXqueueoctets

IBRInstallationGuide
Page20of40Doc#770‐00001‐13
Sept.21,2014
Packets TXqueuepackets
MCScounterscanbedisplayedusingthefollowingcommand:
IBR102#showinterfacesradio0status
Counterscanbeclearedusingthefollowingcommands:
IBR102#clearcountersmcsclearsmcscounters
IBR102#clearcountersradioclearsradiocounters
IBR102#clearcountersswitchclearscountersonallswitchinterfaces
IBR102#clearcountersgigabitEthernet[arg]argcanbe0,1,2,or3
ReturntoTableofContents
6. InstallingIBR
6.1 SafetyConsiderations
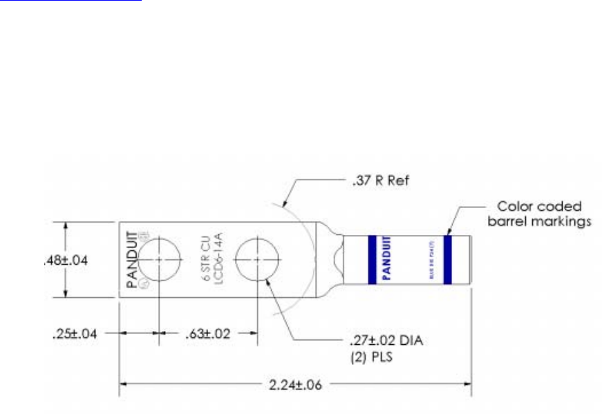
Ensurethatgroundingisinaccordancewithlocalcodes.IBRshouldbegroundedusingthegroundlug
connectoronthebackofIBRwithalugsuchasPanduitTwo‐HoleStandardBarrelCopperLug,Panduit
part#LCD6‐14A‐L(shownbelow).Notethatsincethegroundinglugmountsbetweenthefins,anylug
greaterthan0.48inchesinwidthwillnotfit.
Useoverheadworkmethodsand/orequipmentthatareappropriateforthelocation;e.g.,climbing
equipment,ladder,manlift,etc.
Notethelocationsofotherequipment,powerlines,vehicletraffic,andotherpotentialsafetyhazardsat
theinstallationsite.
6.2 InstallationChecklist
ApretestedandpreconfiguredIBR.Note:Alinkwillrequireoneeachofa5.5GHzIBRanda5.7GHz
IBR.
IBRmountingbrackets.
APoE+sourcecapableofsupplyingatleastthirty‐five(35)wattstotalontwopairs(pins4&5and7&8)
oronallfourpairs.
AsurgesuppressorthathasbeenvalidatedtofunctionproperlywithIBR,suchasTransectorModelT‐
419899.
MaterialsforgroundingIBR:
‐ GroundingIBRrequiresterminatingthetwo‐holegroundlug,whichwillaccommodatetwoeach12‐
24x1/2”orM6groundtaps.TheIBRchassishastwopre‐tappedholesforthislug.
IBRInstallationGuide
Page21of40Doc#770‐00001‐13
Sept.21,2014
‐ Groundterminationsshouldbecoatedwithano‐oxidecompoundsuchasadielectricgreaseto
protectthegroundconnectionsagainstoxidation.
‐ Groundshouldbeterminatedwith#6AWGsolidgroundwiretoalocalTelcogroundingbus.
‐ Thesurgesuppressorshouldbegroundedinaccordancewithitsmanufacturer’sspecifications.
Handtoolsandmaterialsasappropriateforthemountinglocationsthatwillbeused:
‐ Polemount:Bandingstraporhoseclamp,maximum¾”strapwidthofappropriatelengthforthe
polediameter.Note:Whenmountedonapole,FBN’sarticulatingmountrequiresthatthepolehave
aminimumdiameteroftwoinches(5.08cm).
‐ Wallmount:8mmor5/16”diameterboltappropriateforthemountingsurface.
‐ Torquewrenchtotightenallconnectionsto10ft‐lbs(138kgf‐cm).
‐ 2x13mmopen‐endedwrenchorsocketsfortheM8mountingbolts.
‐ 5mmAllenwrenchforthesocketbutton‐headcapscrewstoattachthemounttotheIBR.
Ethernetconnections:
‐ 17mmopen‐endedwrenchtotightentheweatherizedEthernetboot.SeethesectiononEthernet
connectorsfortorquespecifications.
‐ RJ45Ethernetterminationtools.
‐ Ethernetcables.TheIBRhasanintegratedswitchandcanacceptupto3individualEthernet
connections,thoughonlyoneisabsolutelyrequiredtopassdata.
Serialconnection(requiredforinitialconfiguration).
USB‐to‐DB9converter.RequiredifthePCusedforconfigurationdoesnothaveaDB9connector.Most
PCsdon’thaveaDB9connector,sothisusuallywillberequired.
Asafeandsuitablemeansofliftingtheequipmentandinstallerattheinstallationsite.(NOTE:The
mountingbracketforIBRhasholesthatcanbeusedtosuspendIBRfromautilitybeltorotherwiseas
anaidinliftingIBR.)
ShieldedEthernetcable.
AlaptopforconfiguringIBR.
6.3 IBRMountingBracket
IBRmustbemountedonasuitablebracketthatwillholdIBRsecurelyunderallenvironmentalconditions.
ThebaseofIBRhasfourmountingpostsformountingboltssetinasquarepattern.Operatorshavethe
optiontouseamountingbracketpurchasedfromFastbackNetworksortocreatecustommountingsolutions.
Fastbackoffersabracketthatcanbemountedeitheronawallorapolehavingaminimumdiameteroftwo
inches(5.08cm).Instructionsforinstallingthisbracketareshownbelow.
6.3.1 MountingLocation‐ChoosingthebestpossiblemountinglocationforIBRisimportantforsafety,security,
andlinkperformance.
InstallIBRinalocationwhereaccessisrestrictedtoauthorizedservicepersonnel.
SelectalocationthatiswithinonehundredmetersofaPoE+source.
Avoidlocationsthatmightpresenthazardstoinstallationormaintenancecrews.

IBRInstallationGuide
Page22of40Doc#770‐00001‐13
Sept.21,2014
6.3.2 FastbackNetworks’ArticulatingBracket‐FastbackNetworksoffersanarticulatingmountthatcanbe
mountedonwallsormastsandadjustedupto+45degreesinelevationandazimuthin15degree
increments.TheArticulatingMounthasaplatethatattachestoIBRandapartthatattachestothewallor
mast.AnarticulatingknuckleprovidesfreedomofmovementforpositioningandpointingIBR.Thediagram
belowisaguideforassemblingthearticulatingmountandattachingittoIBR.
6.4 Power&EthernetConnections
WhenIBRhasbeensecurelymounted,connectaPoE+sourcetoportge0.
IncludeasecureddriploopforallEthernetconnectionstoIBR.Theloopwillprovidesomestrainrelieftothe
RJ‐45connectionandpreventwaterfromflowingalongthecabletotheconnector.
ThepowerindicatorLEDwillturngreenwhenpowerisapplied.IfthePoE+sourceisalsoconnectedtoan
Ethernetsource,datawillflowthroughIBR’sEthernetportge0.
IfthepowerindicatorLEDdoesnotilluminatewhenthepowerconnectionismade,considerthefollowing:
IstheRJ‐45connectorsecurelyinsertedintoboththePoE+sourceandIBR?
IspowerappliedtothePoE+source?ChecktheindicatorlightsonthePoE+sourceifavailable.
Arethecablesofthepropertype(CAT5EorCAT6)?
Arethecablesingoodworkingorder?(CablesshouldbecertifiedusingaByteBrothers,Fluke,or
similarcertifier.)
6.5 FabricatinganEthernetCable
TheRJ‐45EthernetconnectorsonIBRwillmatewiththeGT225360‐00connectorfromGTContactCo.LTD.
Anexplodedviewoftheconnectorisshownbelow.

IBRInstallationGuide
Page23of40Doc#770‐00001‐13
Sept.21,2014
TheconnectorwillworkwithCAT5EandCAT6cablesandothercableshavinganouterdiameterbetween5.0
and6.0mm.NOTE:Useonlyweatherproof,shieldedcable.
ToinstalltheGT225360‐00connectorandRF‐45plugonashieldedcable:
Stripthecablejacket12.0mm.
Threadthecablethroughtheconnectorcomponentsintheordershowninthediagramabove.
InstalltheRJ‐45plug.
‐ Untwisttheindividualstrands.
‐ InsertthecablesintotheRJ‐45plugintheordershownbelow.
1. White/orange 5.White/blue
2. Orange 6.Green
3. White/green 7.White/brown
4. Blue 8.Brown
‐ WrapthegroundwirearoundthecablejacketunderneaththebackoftheRJ‐45plug.
‐ Crimptheplugusingacrimpingtool.
AssembletheGT225360‐00connector,tighteningtheglandnuttowithin0.6–0.7ft‐lb(9.0–10.0kgf‐
cm).
ConnectorsmaybeobtainedfromFastbackordirectlyfromthemanufacturer:
Model:GT225360‐00
Supplier:GTContactCo.LTD.
TheimagesbelowillustrateassemblyoftheRF‐45plug.
1. 2.
3. 4. 5.

IBRInstallationGuide
Page24of40Doc#770‐00001‐13
Sept.21,2014
6.6 SurgeSuppressorInstallation
InstallasurgesuppressorbetweenthePoE
+
injectorandIBRasnearaspossibletothePoE
+
injector.
Thesurgesuppressorshouldbeinstalledaheadofthecableingresstotheenclosureorstructurehousingthe
switchinordertomaximizeprotectiontotheswitch.Thesurgesuppressorshouldbeconnectedtoatrue
earthgroundwithmaterialsthatmeetthemanufacturer’sspecifications.
NOTE:ThetotallengthofcablebetweentheswitchandIBRmustnotexceedonehundredmeters(100m).
6.7 CommunicationwithIBRViatheSerialPort,Telnet,orSSH(Optional)
AlocaloperatorcanconfigureIBRbyconnectingtheFastback‐suppliedserialcabletoaPCwithaDB‐9RS‐
232connection.Ifsuchaconnectionisnotavailable,aUSB‐to‐serialconvertermaybeused.(Seethesection
titledSerialConsole.)
TheoperatormayalsotelnetorSSHtoaccesstheCLI.TheIBRdefaultIPaddressis192.168.128.101or
192.168.128.102forIBR‐1000‐57‐JPandIBR‐1000‐75‐JP,respectively.ConnectaPCviaEthernetcableto
thePoE+injector.IBRPort1andPort2aredisabledbydefault.OnlyPort0isaccessibleviatheconnection
onthePoE+supply.EnsurethePChasanIPaddressintherangeof192.168.128.<0‐254>.Immediatelyafter
configuringtheIBRIPaddressasindicatedbelow,changetheIPaddressonthePCtomatchthesubnet
configuredontheIBR.
OncetheoperatorhasaccesstotheCLI,setthesamelink‐IDonbothendsofthelinktoensurethelink
doesn’taccidentallycommunicatewithotherFastbacklinks.SettinganIPaddressallowsremoteIBRaccess.
Thefollowingarethecommandstosetthelink‐idandtheIPaddress:
Promp
t
Command
IBR102login: admin
Password: (factor
y
‐
s
e
t
passwordisfastback)
IBR102> enable
Password: (factor
y
‐
s
e
t
passwordisfastback)
IBR102# configuretermina
l
IBR102(config)# interfaceradio0
IBR102(config‐if‐rad0)# link‐id<yourlink‐id>
IBR102(config)# interfacevlan1
IBR102(config‐vlan‐1)# ipaddress<IPaddr><Netmask>
IBR102(config‐vlan‐1)# ipdefaul
t
‐
g
ateway<GWaddr>
IBR102(config)#exit
IBR102# copyrunning‐configstartup‐config
IBR102#
NOTE:Whentheserialportisnotinuse,aweatherproofprotectivecovershouldbeinstalledovertheserial
connectoronIBR.
6.8 LinkEstablishment
IBRwillautomaticallyselectthebestcombinationofchannelfrequenciesandbandwidthforalink.
Waitforradiostofinishbootingandestablishingalink.
UsetheCLIcommandshownbelowtoverifythatalinkhasbeenestablished.
IBRInstallationGuide
Page25of40Doc#770‐00001‐13
Sept.21,2014
IBR102#showinterfacesradio0status
Ifalinkisnotautomaticallyestablishedwithintenminutes,thenconsiderthefollowingtroubleshooting
suggestions:
ChecktoensurethatthepartnerIBRonthelinkisoperational.
ChangethedirectioninwhichtheIBRispointed.
ChangetheIBR’selevation.
Determineifthelinkistoolongfortheenvironment.
6.9 Pointing&LinkOptimization
IBR’stransmitandreceiveantennaseachhaveaonehundredandtwentydegree,3dBbeamwidthcentered
ontheridgeatthetopoftheradome.Therefore,aligningorpointinganIBR,asdiscussedbelow,means
orientingIBRsothattheridgeontheradomeisfacingthedesireddirection.
6.9.1 Line‐of‐SightandNearLine‐of‐SightLinks.
HorizontalAlignment‐OrienteachIBRsothatitsradomeispointedtowardtheotherendofthelink.
BecauseIBRhasarelativelywide(120‐degree)3‐dBbeamwidth,afewdegreesofmisalignmentisnotlikely
tohaveaneffectonlinkperformance.
VerticalAlignment–BecauseIBRhasonlyafifteendegree3‐dBbeamwidthintheverticaldirection,greater
careshouldbetakeninsettingtheelevationanglesothateachIBRispointingasnearlyaspossibletoward
theotherendofthelink.
6.9.2 Non‐Line‐of‐SightLinks.
HorizontalAlignment–Theprocessforfindingtheoptimumpositionforeachendofthelinkdependson
whetheritispossibletoestablishalinkbyaimingtheIBRsateachother,andifthereisthepossibilityof
reflectionfromabuilding.ThefollowingisasuggestedproceduretouseiftheIBRsdonotsynchronizeafter
beingaimedtowardseachotheranditispossibletobenefitfromreflectionoffabuilding:
StartwitheachIBRinabest‐guessorientationtowardtheotherendofthelink.
‐ KeepingthenearIBR’spositionfixed,rotatethedistantIBRhundredandtwentydegreesinazimuth.,
andallowoneminuteforthelinktosynchronize.
‐ RotatethedistantIBRanotheronehundredandtwentydegrees,andallowanotherminuteforthe
linktosynchronize.
‐ Repeattheprocessathirdtime.
RotatethedistantIBRanotheronehundredandtwentydegrees.Atthispoint,itwillbeinitsoriginal
position.
RotatethenearIBRonehundredandtwentydegrees.Nowrepeatthestepsin(a)above,rotatingthe
distantIBRthroughthreehundredandsixtydegreesinonehundredandtwentydegreeincrements.
Whenusingstepsofonehundredandtwentydegreesasindicatedabove,therewillbeatotalofninepossible
combinationsofpositionsforthetwoIBRs.Iftheradiosarerotatedonlyninetydegreeseachstep,therewill
beatotalofsixteencombinations,however,theresultingalignmentmightbemoreoptimal.
InasituationwheretheIBRssynchronizewhenpointedtowardeachother,anditisnotpossibletogeta
reflectionoffabuilding,amoreempiricalapproachmightproduceafasterresult.Whenalinkhasbeen
established,rotateoneIBRninetydegrees.IftheSNRimproves,rotateitanotherninetydegrees,and
continueinthiswayuntilSNRbeginstofall,thenmovebacktothepreviousposition.IfSNRdoesnot
improve,returntheIBRtoitsoriginalposition.Repeatattheotherendofthelink.
Ifalinkcannotbeestablished,tryallsixteenaimingcombinations,spendingoneminuteateachcombination
togivethelinktimetosynchronize.Dothisbylockingthenearendat0degreesazimuth,andthenaiming
thefarendofthelinkat0,90,180,and360degrees,spendingsixtysecondsateachposition.Next,movethe
nearendto90degreesandrepeatat0,90,180,and360degreesatthefarend.Continueuntilalinkhasbeen
establishedorallsixteencombinationshavebeentried.

IBRInstallationGuide
Page26of40Doc#770‐00001‐13
Sept.21,2014
6.10 PathPredictionTools
PathPredictionToolsareusefulfornon‐line‐of‐site,near‐line‐of‐site,andline‐of‐sitelinks.Fastbackdoesnot
recommendonepathpredictiontooloveranother;however,Fastbackiscommittedtoworkingwithvendors
ofpathpredictionproductstomaximizetheaccuracyofpredictedpathsforIBR.Fastbackhasworkedwith
thefollowingvendorstomaximizeaccuracy:
Siradel
InfoVistaEllipse
CTSPathloss
ReturntoTableofContents
7. Features&Functionality
7.1 AnyLOSTechnology
Fastback’sproprietaryAnyLOStechnologyenablesoperatorstouseIBRindifficultRFenvironmentswithout
worryingaboutRFtuning.IBRwillautomaticallyadjustthefollowingparameterstomaximizethroughput:
Channelbandwidth‐either10,19,or38MHz.
Centerfrequency.
Antennacombination‐IBRhaseight(8)internalantennasandwillautomaticallyselectthebestfour
forthelinkbeingestablished.
ModulationCodingScheme(MCS)–MCScanbeanyvaluefrom1–10.
Transmitteroutputpower‐IBRwilladjustthetransmitteroutputpowerautomaticallytoavoid
exceedingemissionsrequirements.IBRtakesoutputpowerintoaccountwhenestimatingthe
bandwidthavailableonanygivenfrequency.Thefrequencyvs.outputpowerrelationshipisshownin
theCLIGuide.
Theoperatorcannotmanuallyconfiguretheseradioparameters,butcanviewthesettingsusingCLI,SNMP,
ortheGUIasfollows:
CLIcommand:IBR102#showinterfacesradio0status
GUI:Monitor,Radio,Status
SNMP:FBN‐RADIO‐MIB
7.2 CommunicationProtocols
IBRcanbemanagedbyanoperatorusing:
CLI:SSH,Telnet,SerialConsole
SNMP
7.3 SoftwareManagement
SoftwareupgradestoIBRcanbemadebyanoperator.
BootloaderrecoverycanbeaccomplishedbyanoperatorviaCLI.
IBRhastheabilitytorecoveronitsownfromafailedsoftwareupgrade.
Add‐onlicensestoincreasetheavailablethroughputofIBRcanbedownloadedusingtheGUI.For
additionalinformation,seetheCLIGuide.
7.4 SNMP
IBRsupportsSNMP6agentsusingprotocolsv1andv2c.
6 Simple Network Management Protocol
IBRInstallationGuide
Page27of40Doc#770‐00001‐13
Sept.21,2014
IBRsupportsSNMPgetstatementsforSNMPv2‐MIB,IF‐MIB,andFBN‐RADIO‐MIB.Detailedinformationfor
configuringSNMPiscontainedintheCLIGuide.
7.5 Switching&Transport
IBRsupports802.1Q(VLAN).
7.6 DataHandling
IBRsupportsthefollowingOSI7Layer2standards:
IEEE802.3ab(GigabitEthernet);
IEEE802.3as(frameexpansion);
IEEE802.1Q(VLANs).
Inaddition,IBRsupportsportmirroringtomonitorporttraffic.
7.7 CarrierEthernet
IBRconformstothefollowingMEF8specifications:
MEF9–AbstractTestSuiteforEthernetServicesattheUNI
MEF14–AbstractTestSuiteforTrafficManagementPhase1
MEF19–AbstractTestSuiteforUNIType1
7.8 Timing&Synchronization
IBR’ssystemclockstartswhenIBRispoweredupandmaintainstimeanddatebasedonUniversalTime
Coordinated(UTC),alsoknownasGreenwichMeanTime(GMT).Thesystemclockcanbesetoverthe
networkviaNTP.
DetailedinstructionsforconfiguringIBRtimingandfordisplayingsystemtimeanddatearecontainedinthe
CLIGuide.
7.9 NetworkTimeProtocol(NTP)
NTPrunsoverUserDatagramProtocol(UDP),whichrunsoverIP.Itisveryefficientandtypicallyrequires
nomorethanoneNTPpacketperminutetosynchronizeIBR’ssystemclocktowithinonemillisecondofthe
NTPserver’sclock.
WhenIBRisconfiguredtoreceiveNTPpacketsfromanothernetworkdevice,therelationshipbetweenIBR
andthatdeviceiscalledan“association”anditisaserverrelationship,meaningthatIBRwillsynchronizeto
theotherdevice(the“server”)andtheotherdevicewillnotsynchronizetoIBR.
Bydefault,NTPisdisabledonIBR,noNTPassociationsaredefined,andtheNTPdaemonisnotrunning.
ProceduresforenablingandconfiguringNTParecontainedintheCLIGuide.
WhenIBRisrunningNTP,IBRcanbeassociatedwithmorethanoneNTPserver.Normally,IBRwill
synchronizetotheassociatedNTPserverthathastheloweststratumnumber;thatisthelowestnumberof
hopsbetweentheserveranditsclocksource.Astratum1timeserverhasaradiooratomicclockdirectly
attached,astratum2timeserverreceivesitstimethroughNTPfromastratum1timeserver,etc.
IBRwillavoidsynchronizingtoaserverwhosetimemightnothavebeensynchronizedortoonewhosetime
issignificantlydifferentthanthetimefromotherassociatedservers,evenifitsstratumislower.
WhenNTPisenabledonIBR,NTPtimewilltakeprecedenceovertimeprovidedbyanyothersourceor
method.
7 Open Systems Interconnection
8 Metro Ethernet Forum

IBRInstallationGuide
Page28of40Doc#770‐00001‐13
Sept.21,2014
7.10 SystemMessageLogging
IBRsendstheoutputofsystemmessagesandcertainPrivilegedcommandstoaloggingprocessthatcanbe
configuredtodistributesuchmessagestoaloggingfile,remotesyslogserver,oroperator’sconsole.Detailed
instructionsforconfiguringmessageloggingarecontainedintheCLIGuide.
7.11 QualityofService(QoS)&ClassofService(CoS)
IBRsupportsQoSpacketprioritizationincompliancewithIEEE802.p.Bydefault,QoSisdisabledandmust
beconfiguredandenabledbyanoperatorusingthecommandsandproceduresdescribedinthissection.
IBR’sCLIhascommandsthatallowanoperatortocreateandconfigureTrafficClassesandTrafficPolicies
thatareassociatedwithspecifiedIBRinterfaces.TheCLIGuidecontainsdetailedinformationforconfiguring
QoS/CoSfeatures.
7.12 Security
SecurityfeaturesofIBRinclude:
AESencryptiononover‐the‐airlinks;
Accesscontrollists;
Multicastandbroadcaststormcontrol;
Portprotectionandblocking
ReturntoTableofContents
8. FieldTestProcedure
ThefollowingprocedurecanberuntotestalinkaftersuccessfulinstallationofIBRsandlinkestablishment,
andatothertimesasnecessary.
8.1 FirmwareUpgrade
IfitisnecessarytoupgradeIBR’sfirmware,thiscanbeaccomplishedusingCLIorGUI.SeetheCLIGuidefor
detailedinstructions.
8.2 RFC2544TrafficTests
RebootbothIBRstoensuretheyareinfullautomaticmode.
EnsureMCSisat10/10inbothdirections.
ConnectanRFC2544testerandruntheRFC2544test.
Notetheresults,includinglatency.
Whenthechannelbandwidthissetto38MHz,theexpectedoutcomeis320Mbpsinbothdirectionswitha
packetdropratelessthan0.05%.
8.3 EnduranceTest
Establishtrafficinbothdirectionsat80%capacityandruncontinuouslyforseven(7)days.
Theexpectedoutcomeisthattherewillbenorebootsandtotalframelosseswillbelessthan5.0E‐4.
8.4 TrafficClassificationTest
ConfigureanEthernettesterfortwostreams,asfollows:
‐ Stream1:CoS=7;BW=50Mbps
‐ Stream2:CoS=6,BW=300Mbps

IBRInstallationGuide
Page29of40Doc#770‐00001‐13
Sept.21,2014
ObservethatthereareanegligiblenumberofdropsonStream1.
Theexpectedoutcomeisthatallhigherprioritytrafficwillbeservedaheadoflowerprioritytraffic.
ReturntoTableofContents
IBRInstallationGuide
Page30of40Doc#770‐00001‐13
Sept.21,2014
Appendix A: Troubleshooting Guide
NOTE:TheseprocedureshavebeendevelopedbyFastbackNetworkstoassistafieldengineerin
troubleshootinganIBRthatdoesnotappeartobeworkingproperly.Theseproceduresarenotintended
toreplaceorsupersedeacompany’sstandardproceduresforoperatingandtroubleshootingnetwork
devices.
ThisTroubleshootingGuideisorganizedbysymptomsthatanoperatormightobservethatsuggestthatIBRis
notoperatingproperly.
A1. IBRRebootsDuringtheBootProcess
IfIBRisrepeatedlyrebootingduringthebootprocessanddisplayingthefollowingmessage:
Message:“UncompressingLinux…done,bootingthekernel”.
Trythefollowing:ReplacethePoE+injectorandtrybootingtheIBRagain.ItmightbethatthePoE+power
sourceisnotprovidingsufficientpowertoIBR.IBRrequiresatleast35watts.
A2. IBRsCannotEstablishALink
BothIBRsonthelinkappeartobeworkingproperly,butcannotestablishalink.
2.1. TurnTransmittersON
TurnbothtransmittersONusingthefollowingprocedure:
a. CheckthestatusofthelinkwiththefollowingCLIcommand(whereIBR101isshownasthehost
name):
IBR101#showinterfaceradio0status
b. ThestatusreportthatisdisplayedshouldstatethatIBRisUPandtheTransmitterisON.
Status:UP,0d2h44m52s,TransmitterisON
c. IftheTransmitterisOFF,turnitonwiththefollowingCLIcommands:
IBR101#configureterminal
IBR101(config)#interfacesradio0
IBR101(config‐rad‐0)#txon
d. VerifythatthetransmitterisON:
IBR101(config‐rad‐0)#doshowinterfaceradio0status
e. IfthetransmitterstillisnotON,reboottheIBR:
IBR101(config‐rad‐0)#doreload
f. WhentheunitisbackuprepeatthesequenceabovetoturnONthetransmitter.Ifthetransmitterstill
innotON,escalatetheproblemtothenexthighersupportlevel.
2.2. CheckIBRCompatibility
WhenbothtransmittersareconfirmedtobeON,verifythattheirrespectivetransmitandreceivefrequencies
mirrored;thatis,thatthereceivefrequencyofeachIBRisthesameasthetransmitfrequencyoftheother
IBR.Thefollowingaresampleradiostatusoutputs:
5.8IBRFrequencyandBandwidth:
TX:5800MHzRX:5300MHz

IBRInstallationGuide
Page31of40Doc#770‐00001‐13
Sept.21,2014
TXBW:35MHzRXBW:35MHz
5.3IBRFrequencyandBandwidth:
TX:5300MHzRX:5800MHz
TXBW:35MHzRXBW:35MHz
NOTES:ThesevaluesmightbechangingaslongasRRCisrunning.
Thebandwidthsdonotneedtomatch.
Fromthereport,confirmthatthetwoIBRsarecompatible.Intheexampleabove,thelinkhasoneIBRthat
transmitsinthe5.8GHzbandreceivesinthe5.3GHzband,andoneIBRthattransmitsinthe5.3GHzband
andreceivesinthe5.8GHzband.Twoidenticalradioswillnotcommunicatewithoneanother.
2.3. ResettheLink
Resetthelinkwithasoftreset.(Ifpractical,dothisonbothendsofthelink.)
a. CheckthestatusofthelinkwiththefollowingCLIcommands:
IBR101#showinterfaceradio0status
b. IftheStatusindicatestheTransmitterisONbuttheStatusisDOWN,dothefollowing:
IBR101#configureterminal
IBR101(config)#interfacesradio0
IBR101(config‐rad‐0)#rrcsoft‐reset
Thiswillresetthelinkandradio,forcingaresync.
c. After3to5minuteschecktheradiostatusagain.
IBR101(config‐rad‐0)#exit
IBR101(config)#exit
IBR101#showinterfaceradio0status
2.4. ReboottheIBRs
a. IfaSoft‐ResetdoesnotestablishalinkthensaveanyconfigurationchangesandreboottheIBRs.
IBR101#copyrunning‐configstartup‐config
IBR101#reload
b. After3to5minuteschecktheradiostatusagain.
IBR101#showinterfaceradio0status
2.5. CheckEIRP,RSL,&SNR
IftheStatusindicatestheLinkStatusstillisDOWN,checkEIRP,RSL,andSNR.Valuesshownbeloware
samplesonly:
EIRP:(shouldbe>15dBm)
S0:27.0dBm S1:27.0dBm Total:30.0dBm
RSL:(shouldbe>‐84dBm;rememberthatthesearenegativenumbers)
1:‐68.5dBm 2:‐69.0dBm 3:‐68.0dBm 4:‐68.5dBm
SNR:(short‐termSNRshouldbe>3dB)
Short‐termSNR:S0:27dB S1:27dB
Long‐termSNR:S0:27dB S1:27dB

IBRInstallationGuide
Page32of40Doc#770‐00001‐13
Sept.21,2014
Ifanyofthesevaluesisoutsidetherequiredoperatingrange,itmightbenecessarytoreposition(i.e.,rotate,
elevate,ormove)oneorbothIBRs,ortoswapendsofthelink.
2.6. RepositionIBR
ItmightbenecessarytoperformoneormoreofthefollowingproceduresforeitherorbothIBRs.Which
repositioningstrategyshouldbetriedfirstwillbeadecisionthefieldengineerwillneedtomakebasedon
observationsatthemountinglocations.
Inallcases,bemindfulofcablelengthsandtie‐downs,andpowerconnections.
CAUTION:WHENPOWERISAPPLIEDTOIBR,IBRAUTOMATICALLYWILLBEGINTRANSMITTING.DONOT
TRYTOREPOSITIONIBRWHENPOWERISCONNECTED.
2.7. RotateIBR
IBRcanberotatedtopointmorecloselyinthedirectionoftheotherIBRortowardsomeobjectthatmight
providereflectionofthesignals.Theobjectiveistoimprovereceivedsignalsatbothendsofthelink.
1) Loosenthemountingbracket.
2) RotatetheIBRtothedesiredalignmentposition.
3) Retightenthemountingbracket.
4) Checktheradiostatustoverifysignallevelimprovement.
IBR101#showinterfaceradio0status
5) Repeatuntilthesignallevelimprovesandalinkisestablished.
2.8. ElevateIBR
IfIBRismountedonapoleormast,itmightbepossibletomoveitupwithoutremovingIBRfromits
mountingbracket.IfIBRismountedonawall,itwillbenecessarytoremoveIBRfromthebracketandmove
thewall‐mountportionofthebrackettoahigherlocation.
ElevatingIBRonlyafootortwocanmakeasignificantimprovementinreception.
2.9. ChangeLocation
Oftenamoresuitablelocationnearthecurrentlocationcanbeselectedtoreduceinterferencefromphysical
(non‐radiating)objects,and/orfromsourcesofRFradiations(e.g.,otherradios)thatareoperatinginthe
area.Anewlocationonthesamerooftoporevenonthesamemountingassetoftencanimprovereception
signallevels.
2.10. RepositionEachIBRtotheOtherEndoftheLink
BecausethetwoIBRsreceiveindifferentfrequencybands,swappingendsofthelinkcanimprovelink
performancewhenoneoftheradiosisoperatingnearanotherradiothatistransmittingneartotheIBR’s
receiveband.Thisisalsooftentheeasiestsolutionsincetheexistingmountsandconnectionscanbeutilized
andonlytheIBRsneedtobemoved.
ReturntoTableofContents
A3. PacketFloodorStormCondition
IfanIBRpairwithadefaultconfigurationestablishesawirelesslinkandtheconnectingEthernetinterfaces
areconnectedtothesamelayer2network,aloopwillbeformedandabroadcaststormwilloccur.Whenthis
happens,thenetworkinterfaceswillbecomeinaccessible,andtheIBRCLIwillbecomeslowtorespond.All
otherdevicesonthecollisiondomainwillbeinaccessible.

IBRInstallationGuide
Page33of40Doc#770‐00001‐13
Sept.21,2014
Bydefault,allIBREthernetportsareassignednativelytoVLAN1.Toavoidcreatingaloop,configureatrunk
nativeinterfaceongigabitEthernet3asshowninthefollowingexample:
IBR101(config)#interfacevlan2
IBR101(config‐vlan2)#noshutdown
IBR101(config‐vlan2)#exit
IBR101(config)#interfacegigabitEthernet3
IBR101(config‐if‐ge3)#noswitchporttrunknativevlan1
IBR101(config‐if‐ge3)#switchporttrunknativevlan2
IBR101(config‐if‐ge3)#docopyrunning‐configstartup‐config
Itisnecessarytoperformthissetupononlyonesideofthelink,unlessthereisuntaggedtrafficonthelink,in
whichcaseitshouldbeperformedonbothsidesofthelink.
NetworkloopsalsocanbeavoidedbycreatingaseparatemanagementinterfaceoneachIBR.SeetheIBR
Administration&CommandLineInterfaceGuideforinformationaboutcreatingamanagementinterface.
ReturntoTableofContents
A4. LinkIsEstablishedButNotPassingTraffic
Confirmthatalinkhasbeenestablishedby(i)pingingtheoppositeend,(ii)checkingtheinterfacecounters,
and/or(iii)viewingtheradiolinkstatususingthefollowingcommand:
IBR101#showinterfaceradio0status
Ifalinkhasbeenestablished,butwillnotpasstraffic,dothefollowing:
a. ConfirmthatIBRisconfiguredtopassallVLANtraffic,regardlessofVLAN,byusingthebridge
commandasshownbelow.
IBR101(config)#bridgelinklocalframesgigabitethernet1
DothisonbothsidesofthelinkusingtheconnecteddataportonVLAN2which,inthiscase,isge1.
b. Checksyslogformessagesthatindicatethatthelinkisgoingupanddown.
IBR101#showloggingactive
NOTE:UseCtrl‐Ctostopthedisplayfromcontinuingtoscroll.
c. ConfirmthatMTUissetcorrectlyonbothIBRs.
IBR101(config)#mtu9712
NOTE:WhenMTUissetto9712,itwillbe9712betweenthewiredswitchports;however,theover‐
the‐airMTUislimitedto2599.
d. Checkhistorylogsforradioconditionspriortothetimewhenthelinkwouldnotpasstraffic.
IBR101#showinterfaceradio0historymcs
IBR101#showinterfaceradio0historybler
IfhistoryshowsthatMCSdroppedto1andBLERincreasedbeforethelinkstoppedpassingtraffic,the
causemightbeinterference.
ReturntoTableofContents
A5. IBRCannotBeReachedViatheNetwork
FollowthesestepsifIBRcannotbereachedviathenetwork.

IBRInstallationGuide
Page34of40Doc#770‐00001‐13
Sept.21,2014
a. EstablishcommunicationswithIBRviatheserialinterface(Seethesectiononcommunicatingwith
IBRviaCLI).
b. ConfirmthatanEthernetinterfaceisenabledandconnectedtothenetwork:
IBR101#showinterfaces
c. Iftheinterfaceisconnected,butnotenabled,executethefollowingcommands:
IBR101(config)#interfacegigabitethernet2
where2isusedasanexample(couldbe0,1,or2).
IBR101(config‐if‐ge2)#noshutdown
IBR101(config‐if‐ge2)#exit
IBR101(config)#exit
IBR101#showipinterfaces
Thefollowingisasampleoutput.
Intheoutputabove:
upmeanstheinterfaceisenabledandconnected;
downmeanstheinterfaceisenabled,butnotconnectedtoanotherdevice;and
disabledmeanstheinterfacemightnotbeconnected.
d. IftheEthernetinterfaceisconnectedandenabled,checkthatthedefaultgatewayisconfigured
andrespondstopings.
e. VerifyanyVLANsettingsonbothIBRandtheconnectingdevice.
f. IfanEthernetlinkisunexpectedlydown:
ChecktheEthernetcablewithasuitablecablecertifier(e.g.,FlukeDTX1800,orByte
BrothersRWC1000K).
CheckthatspeedandduplexsettingsonIBRmatchthoseontheswitchport.
ReturntoTableofContents
A6. IBRIsDroppingFrames

IBRInstallationGuide
Page35of40Doc#770‐00001‐13
Sept.21,2014
Payloadframesmaybedroppedbytheswitch(inIBR)duetoafullqueueorbytheradioduetoerrors.
Framesdroppedovertheairaremeasuredatthereceiver.IBRreportsswitchandradiodropsinswitch
countersandradiocountersrespectivelythatcanbeviewedusingCLI,SNMPandGUIasdiscussedbelow.
a. Payloaddroppedbytheswitch.
CLI:
IBR101#showinterfacescountersdrops
SNMP:
IF‐MIBifInDiscardsandifInErrors
InErrorsshowthepacketsdiscardedbecausetheyfailCRCcheck.InDiscardsshowsthepackets
thatweredroppedbecausetheoutputqueuewasfull.
b. Payloaddroppedovertheair.
UseCLItoshowpayloadpacketerrorrateandcounters:
IBR101#showinterfacesradio0status
IBR101#showinterfacesradio0counters
UsingSNMP,payloadpacketerrorcanbeseenunderFBN‐RADIO‐MIBibrRxPktDropRate
UsingtheWebUI,payloadpacketerrorrateisshownontheMonitor/Dashboardscreen.
c. Framesdroppedbytheswitch.
Theswitchwilldropframeswhenthetransmitqueuefills.ThereisonetransmitqueueforeachCOS
level.TransmitqueueswillfillwhenevertheofferedloadexceedseithertheIBR‐imposedthroughput
limitortheover‐the‐aircapacity.TheIBR‐imposedthroughputlimitmightbeconfiguredviaapolicy
map.Policymapconfigurationscanbedisplayedwiththefollowingcommand:
IBR101#showrunning‐config
Todetermineiftheofferedloadisclosetothethroughputuseonofthefollowing:
CLI:
IBR101#showinterfacesradio0status
Compare“Payload”toRXMCSS0+RXMCSS1.
UsingWebUI,viewtheMonitor/Radio/Reportscreentoview:
MCSRXTheoretical&RXActualThroughput
MCSTXTheoretical&TXActualThroughput
UsingSNMP,FBN‐RADIO‐MIB:
ibrRxTputRateandibrTxTputRatewillshowthepayloadthroughput.
ibrRxTpS0+ibrRxTpS1andibrTxTpS0+ibrTxTpS1willshowcarryingcapacity.
ReturntoTableofContents
A7. CommunicatingWithIBRViaCommandLineInterface(CLI)
CLIcanbeusedtotroubleshootandconfigureIBR.ThefollowingarethestepsforloggingontoIBR.IfIBR
haspreviouslybeenconfigured,thefieldengineerwillneedtoknowthevalidusernameandpasswordto
use.
a. TocommunicatewithIBR,logontoIBRviaoneofthefollowingoptions:
SerialConsolew/settings

IBRInstallationGuide
Page36of40Doc#770‐00001‐13
Sept.21,2014
o XON/XOFFisdisabled
o Bitrate=115200bps
o NoParity
o 8bits
o 1stopbit
SSH
Telnet
SuccessfulconnectionwillreturntheLoginpromptshownbelow.
IBRlogin:
b. LogontoIBRusingavaliduserIDandpassword.IBRisshippedwiththefollowingdefaultcredentials:
usernames:fbnandadmin eithercanbeused
password:fastback validforbothusernames
EnteringavalidusernameandpasswordwillplacetheoperatorinCLIUserModeandthefollowing
promptwillbedisplayed(IBR101isshownasthedefaulthostname):
IBR101>
c. EnterCLIPrivilegedmodeusingthefollowingcommand:
IBR101>enable
ThesamepasswordthatwasusedtologontoIBRcanbeused(e.g.,fastbackforfactorydefault).
ThePrivilegedModepromptwillbedisplayed:
IBR101#
AllCLIresourcesareavailableinPrivilegedMode.Fordetailedinformation,seetheIBRAdministration
andCommandLineInterfaceGuide.
ReturntoTableofContents
A8. ContactingFastbackTechnicalSupport
FastbackNetworksProductDocumentationDownloads:
https://fastbacknetworks.zendesk.com/hc/en‐us/categories/200075157‐Documentation
FastbackNetworksSupportWebsite:
http://www.fastbacknetworks.com/support/
Forhelpwithaspecificproductissue:
http://www.fastbacknetworks.com/support/faq
ContactFastbackNetworksTechnicalSupport:
email:support@fastbacknetworks.com telephone(408)430‐5440option2
ReturntoTableofContents
IBRInstallationGuide
Page37of40Doc#770‐00001‐13
Sept.21,2014
FederalCommunicationsCommission(Fcc)ComplianceStatement
TheequipmentthatisthesubjectofthisGuidehasbeentestedandfoundtocomplywiththelimitsfora
ClassBdigitaldevicepursuanttoPart15oftheFCCRules.Theselimitsaredesignedtoprovidereasonable
protectionagainstharmfulinterferencewhentheequipmentisproperlyinstalledandoperatedin
accordancewithinstructionscontainedinthismanual.Inaddition,thisequipmentcomplieswithFCC
radiationexposurelimitsforoperationinanuncontrolledenvironment.
TheequipmentshouldnotbeoperatedifitbecomesoutofcompliancewithFCCRules.Inordertoensure
continuedcompliancewithFCCRules,theequipment:
Shouldbeinstalledinarestrictedareathatisaccessibleonlybyauthorizedservicepersonnel.
Shouldnotbeoperatedwithinthirtycentimeters(30cm)ofpersonnel.
Shouldnotbeoperatedifitisorbecomesdamaged.
Shouldbeconnectedtootherdevicesbyshieldedcablesofthecorrecttypes.
ShouldnotberepairedormodifiedexceptbyFastbackNetworks.
Thisdevicecomplieswithpart15ofFCCrules.Operationissubjecttothefollowingtwoconditions:(1)
Thisdevicemaynotcauseharmfulinterference,and(2)Thisdevicemustacceptanyinterferencereceived,
includinginterferencethatmaycauseundesiredoperation.
IndustryCanadaLicence‐ExemptRSSCompliance
ThisdevicecomplieswithIndustryCanadalicence‐exemptRSSstandard(s).Operationissubjecttothe
followingtwoconditions:(1)thisdevicemaynotcauseinterference,and(2)thisdevicemustacceptany
interference,includinginterferencethatmaycauseundesiredoperationofthedevice.
LeprésentappareilestconformeauxCNRd'IndustrieCanadaapplicablesauxappareilsradioexemptsde
licence.L'exploitationestautoriséeauxdeuxconditionssuivantes:(1)l'appareilnedoitpasproduirede
brouillage,et(2)l'utilisateurdel'appareildoitacceptertoutbrouillageradioélectriquesubi,mêmesile
brouillageestsusceptibled'encompromettrelefonctionnement.
High‐powerradarsareallocatedasprimaryusers(i.e.priorityusers)ofthebands5250‐5350MHzand
theseradarscouldcauseinterferenceand/ordamagetoLE‐LANdevices.
Failuretocomplywiththeseinstructions,orchangesormodificationstothisdevicethatarenotexpressly
approvedbythemanufacturer,couldvoidtheoperator’sauthorizationtooperatetheequipment.

IBRInstallationGuide
Page38of40Doc#770‐00001‐13
Sept.21,2014
EuropeanUnion&EuropeanFairTradeAssociationRegulatoryCompliance
IBR‐2AandIBR‐2BmaybeoperatedinthecountriesthatcomprisethemembercountriesoftheEuropeanUnionand
theEuropeanFairTradeAssociation.Thosecountries,listedbelow,arereferredtoasTheEuropeanCommunity
throughoutthisdocument:
Austria,Belgium,Bulgaria,Cyprus,CzechRepublic,Denmark,Estonia,Finland,France,Germany,Greece,Hungary,
Iceland,Ireland,Italy,Latvia,Lichtenstein,Lithuania,Luxembourg,Malta,Netherlands,Norway,Poland,Portugal,
Romania,Slovakia,Slovenia,Spain,Sweden,Switzerland,UnitedKingdom.
DeclarationofConformity
MarkingbythissymbolindicatescompliancewiththeEssentialRequirementsoftheR&TTEDirectiveofthe
EuropeanUnion(1999/5/EC).
Warning!
ThisisaClassBproduct.Inadomesticenvironment,thisproductmaycauseradiointerference,inwhichcase,the
usermayberequiredtotakeappropriatemeasures.
Achtung!
DiesesisteinGerätderFunkstörgrenzwertklasseB.InWohnbereichenkönnenbeiBetriebdiesesGerätes
Rundfunkstörungenauftreten,inwelchenFällenderBenutzerfürentsprechendeGegenmaßnahmenverantwortlich
ist.
Attention!
CeciestunproduitdeClasseB.Dansunenvironnementdomestique,ceproduitrisquedecréerdesinterférences
radioélectriques,ilappartiendraalorsàl’utilisateurdeprendrelesmesuresspécifiquesappropriées.
EuropeanCommunityDeclarationofConformity
AcopyofthesignedDeclarationofConformitycanbedownloadedfromthefollowingwebsite:
http://fbnet.co/IBR2A_IBR2B_DoC_May_2014.pdf
Bulgaria
български
Стова,FASTBACKNETWORKSобявява,четозимоделнарадионаIBR‐2A&IBR‐2B,е
съссъгласиессъщественитеизискванияидругиважниусловиянадиректива
1999/5наевропейскисъюз
Czech
Republic
Èesky
FASTBACKNETWORKStímtoprohlašuje,žetentoIBR‐2A&IBR‐2B,jeveshodìse
základnímipožadavkyadalšímipøíslušnýmiustanovenímismìrnice1999/5/ES.
Denmark Dansk
UndertegnedeFASTBACKNETWORKSerklærerherved,atfølgendeudstyrIBR‐2A&IBR‐
2B,overholderdevæsentligekravogøvrigerelevantekravidirektiv1999/5/EF.
English English
Hereby,FASTBACKNETWORKSdeclaresthatthisIBR‐2A&IBR‐2B,isincompliancewith
theessentialrequirementsandotherrelevantprovisionsofDirective1999/5/EC.
Estonia Eesti
KäesolevagakinnitabFASTBACKNETWORKSseadmeIBR‐2A&IBR‐2B,vastavust
direktiivi1999/5/EÜpõhinõuetelejanimetatuddirektiivisttulenevateleteistele
asjakohastelesätetele.
Finland Suomi
FASTBACKNETWORKSvakuuttaatätenettäIBR‐2A&IBR‐2B,tyyppinenlaiteon
IBRInstallationGuide
Page39of40Doc#770‐00001‐13
Sept.21,2014
direktiivin1999/5/EYoleellistenvaatimustenjasitäkoskeviendirektiivinmuidenehtojen
mukainen.
France Français
ParlaprésenteFASTBACKNETWORKSdéclarequel'appareilIBR‐2A&IBR‐2B,est
conformeauxexigenciesessentiellesetauxautresdispositionspertinentesdeladirective
1999/5/CE.
German Deutsch
HiermiterklärtFASTBACKNETWORKS,dasssichdasGerätIBR‐2A&IBR‐2B,in
ÜbereinstimmungmitdengrundlegendenAnforderungenunddenübrigeneinschlägigen
BestimmungenderRichtlinie1999/5/EGbefindet.
Greece Ελληνική
ΜΕΤΗΝΠΑΡΟΥΣΑFASTBACKNETWORKSΗΛ.ΝΕΙΟΤΙIBR‐2A&IBR‐2B,
ΣΥΜΜΟΡΦ.ΝΕΤΑΙΠΡΟΣΤΙΣΟΥΣΙ..ΕΙΣΑΠΑΙΤΗΣΕΙΣΚΑΙΤΙΣΛΟΙΠΕΣΣΧΕΤΙΚΕΣ.ΙΑΤΑΞΕΙΣ
ΤΗΣΟ.ΗΓΙΑΣ1999/5/ΕΚ.
Hungary Magyar
Alulírott,FASTBACKNETWORKSnyilatkozom,hogyaIBR‐2A&IBR‐2B,megfelela
vonatkozóalapvetõkövetelményeknekésaz1999/5/ECirányelvegyébelõírásainak.
Italy Italiano
ConlapresenteFASTBACKNETWORKSdichiarachequestoIBR‐2A&IBR‐2B,èconforme
airequisitiessenzialiedallealterdisposizionipertinentistabilitedalladirettiva
1999/5/CE.
Latvia Latviski
AršoFASTBACKNETWORKSdeklarç,kaIBR‐2A&IBR‐2B,atbilstDirektîvas1999/5/EK
bûtiskajâmprasîbâmuncitiemartosaistîtajiemnoteikumiem.
Lithuania Lietuviø
ŠiuoFASTBACKNETWORKSdeklaruoja,kadšisIBR‐2A&IBR‐2B,atitinkaesminius
reikalavimusirkitas1999/5/EBDirektyvosnuostatas.
Malta Malti
Hawnhekk,FASTBACKNETWORKS,jiddikjaralidanIBR‐2A&IBR‐2B,jikkonformamal‐
tiijietessenzjaliumaprovvedimentiorajnrelevantilihemmfid‐Dirrettiva1999/5/EC.
Netherlands Netherlands
HierbijverklaartFASTBACKNETWORKSdathettoestelIBR‐2A&IBR‐2B,in
overeenstemmingismetdeessentiëleeisenendeandererelevantebepalingenvan
richtlijn1999/5/EG.
Poland Polski
NiniejszymFASTBACKNETWORKSooewiadcza,¿eIBR‐2A&IBR‐2B,jestzgodnyz
zasadniczymiwymogamiorazpozosta³ymistosownymipostanowieniamiDyrektywy
1999/5/EC.
Portugal Português
FASTBACKNETWORKSdeclaraqueesteIBR‐2A&IBR‐2B,estáconformecomos
requisitosessenciaiseoutrasdisposiçõesdaDirectiva1999/5/CE.
Romania Român
Astfel,FASTBACKNETWORKSdeclarãacelacestIBR‐2A&IBR‐2B,esteînconformitatecu
cerinþelenecesareºiproviziilealtesemnificativedeDirective19995EC.
Slovakia Slovensky
FASTBACKNETWORKStýmtovyhlasuje,žeIBR‐2A&IBR‐2Bspåòazákladnépožiadavkya
všetkypríslušnéustanoveniaSmernice1999/5/ES.
Slovenia Slovensko
FASTBACKNETWORKSizjavlja,dajetaIBR‐2A&IBR‐2B,vskladuzbistvenimizahtevami
inostalimirelevantnimidoloèilidirective1999/5/ES.

IBRInstallationGuide
Page40of40Doc#770‐00001‐13
Sept.21,2014
Spain Español
PormediodelapresenteFASTBACKNETWORKSdeclaraqueelIBR‐2A&IBR‐2B,cumple
conlosrequisitosesencialesycualesquieraotrasdisposicionesaplicablesoexigiblesdela
Directiva1999/5/CE.
Sweden Svenska
HärmedintygarFASTBACKNETWORKSattdennaIBR‐2A&IBR‐2B,stårI
överensstämmelsemeddeväsentligaegenskapskravochövrigarelevantabestämmelser
somframgåravdirektiv1999/5/EG.
WEEEStatement
Thissymbolontheproductoritspackagingindicatesthatthisproductmustnotbedisposedofwithyourother
householdwaste.Instead,itisyourresponsibilitytodisposeofyourwasteequipmentbyhandingitovertoa
designatedcollectionpointfortherecyclingofwasteelectricalandelectronicequipment.Theseparatecollectionand
recyclingofyourwasteequipmentatthetimeofdisposalwillhelpconservenaturalresourcesandensurethatitis
recycledinamannerthatprotectshumanhealthandtheenvironment.Formoreinformationaboutwhereyoucan
dropoffyourwasteforrecycling,pleasecontactyourlocalauthority,orwhereyoupurchasedyourproduct.
Reference:TheWasteElectricalandElectronicEquipmentDirective(WEEEDirective2012/19/EU)
ReturntoTableofContents