Skyline Partners Technology Fastback Networks 104 Intelligent Backhaul Radio User Manual IBR Installation Guide
CBF Networks, Inc., dba Fastback Networks Intelligent Backhaul Radio IBR Installation Guide
Contents
- 1. User Manual
- 2. Installation Guide
Installation Guide

IBR Installation Guide
Page 2 of 38 Doc # 770-00023.1
Jan. 23, 2015
Purpose & Applicability of This Guide
This Guide provides detailed information related to installing, operating, and trouble-shooting
Fastback Network’s Intelligent Backhaul Radio (“IBR”)*.
This Guide provides information that is specifically applicable to the following:
A. The Matched Pair of Standard IBRs
1. Product Number: IBR-1201-38-NA
Transmit Frequency Band: 5150 - 5350 GHz
Transmit Power:
o 5150 - 5250 GHz; 40 dBm EIRP
o 5250 - 5350 GHz; 30 dBm EIRP
Receive Frequency Band: 5470 - 5850 GHz
2. Product Number: IBR-1201-83-NA
Transmit Frequency Range: 5470 - 5850 GHz
Transmit Power:
o 5470 - 5725 GHz; 30 dBm EIRP
o 5725 - 5850 GHz; 40 dBm EIRP
Receive Frequency Band: 5150–5350 GHz
B. The Matched Pair of Extended Range IBRs
1. Product Number: IBR-1211-38-NA
Transmit Frequency Band: 5150 - 5350 GHz
Transmit Power:
o 5150 - 5250 GHz; 44 dBm EIRP
o 5250 - 5350 GHz; 30 dBm EIRP
Receive Frequency Band: 5470–5850 GHz
2. Product Number: IBR-1211-83-NA
Transmit Frequency Band: 5470 - 5850 GHz
Transmit Power:
o 5470 - 5725 GHz; 30 dBm EIRP
o 5725 - 5850 GHz; 44 dBm ERIP
Receive Frequency Band: 5150 - 5350 GHz
C. The features contained in IBR software release 1.6.
NOTES: Patents: www.fastbacknetworks.com/patents
** “Model Number” is used by regulatory bodies for regulatory compliance purposes.
*** “Product Number” is used to identify a unique product and for ordering.

IBR Installation Guide
Page 3 of 38 Doc # 770-00023.1
Jan. 23, 2015
Special Considerations and Safety Warnings
Prior to installing and operating this equipment, read all instructions and warning notices marked
on the equipment or in accompanying documentation.
Do not attempt to apply power to equipment that shows signs of damage, tampering, or
mishandling.
Do not open the equipment or attempt to repair or modify it. Doing so will void the warranty and
might create a safety hazard and/or cause the equipment to be out of compliance with regulations.
This equipment should be installed, operated, and serviced only by qualified personnel and in a
location that is accessible only by authorized service personnel.
Installation and operation of this equipment should be in compliance with applicable national and
local codes.
Ensure that this equipment is grounded at all times in accordance with local codes.
IBR Installation Guide
Page 4 of 38 Doc # 770-00023.1
Jan. 23, 2015
Table of Contents
Purpose & Applicability of This Guide 2
Special Considerations and Safety Warnings 3
Table of Contents 4
1. Introducing Intelligent Backhaul Radio (“IBR”) 6
1.1 Overview ......................................................................................................................................................... 6
1.2 IBR Models - Transmit & Receive Frequencies ................................................................................................ 6
1.3 Radio Features ................................................................................................................................................ 6
1.4 Switch Features .............................................................................................................................................. 6
1.5 Deployment Options ....................................................................................................................................... 7
1.6 Physical & Environmental Features ................................................................................................................ 7
2. Getting Started 8
2.1 Physical Inspection.......................................................................................................................................... 8
2.2 Inventory ......................................................................................................................................................... 8
2.3 External Features ............................................................................................................................................ 9
2.4 Power Requirements ...................................................................................................................................... 9
2.5 Technical Assistance ..................................................................................................................................... 10
3. Communicating with IBR 10
3.1 Serial Console ............................................................................................................................................... 10
3.2 Graphical User Interface (“GUI” or “Web UI”) .............................................................................................. 11
3.3 Command Line Interface (“CLI”) ................................................................................................................... 11
3.4 Access Control – Factory-Set User Names & Passwords ............................................................................... 11
3.5 Gigabit Ethernet Ports & Interfaces .............................................................................................................. 12
3.6 External Ethernet Connectors ....................................................................................................................... 13
3.7 Power Connector .......................................................................................................................................... 13
3.8 LEDs .............................................................................................................................................................. 13
4. Preconfiguring IBRs 13
4.1 Power ............................................................................................................................................................ 13
4.2 CLI Privileged Mode ...................................................................................................................................... 14
4.3 RSL ................................................................................................................................................................ 14
4.4 Management Traffic ..................................................................................................................................... 14
4.5 Host Name .................................................................................................................................................... 17
4.6 User Names & Passwords ............................................................................................................................. 17
4.7 Password Recovery & Reinstating IBR Default Settings ............................................................................... 18
4.8 System Clock ................................................................................................................................................. 18
4.9 Name Server ................................................................................................................................................. 19
4.10 NTP Server .................................................................................................................................................... 19
4.11 SNMP Server ................................................................................................................................................. 19
4.12 Link ID ........................................................................................................................................................... 19
4.13 Radio Link ..................................................................................................................................................... 19
5. MAC Address Table & Counters 19
5.1 MAC Address Table ....................................................................................................................................... 19
5.2 Counters ....................................................................................................................................................... 20
6. Installing IBR 21
6.1 Safety Considerations ................................................................................................................................... 21
6.2 Installation Checklist for one end of a link .................................................................................................... 21
6.3 IBR Mounting Bracket ................................................................................................................................... 22
6.4 Power & Ethernet Connections ..................................................................................................................... 23
6.5 Fabricating an Ethernet Cable ...................................................................................................................... 23
6.6 Surge Suppressor Installation ....................................................................................................................... 25
6.7 Communication with IBR Via the Serial Port, Telnet, or SSH (Optional) ....................................................... 25
IBR Installation Guide
Page 5 of 38 Doc # 770-00023.1
Jan. 23, 2015
6.8 Link Establishment ........................................................................................................................................ 25
6.9 Pointing & Link Optimization ........................................................................................................................ 26
6.10 Path Prediction Tools .................................................................................................................................... 27
7. Features & Functionality 27
7.1 AnyLOS Technology ...................................................................................................................................... 27
7.2 Communication Protocols ............................................................................................................................. 27
7.3 Software Management ................................................................................................................................. 27
7.4 SNMP ............................................................................................................................................................ 27
7.5 Switching & Transport .................................................................................................................................. 28
7.6 Data Handling ............................................................................................................................................... 28
7.7 Carrier Ethernet ............................................................................................................................................ 28
7.8 Timing & Synchronization ............................................................................................................................. 28
7.9 Network Time Protocol (NTP) ....................................................................................................................... 28
7.10 System Message Logging ............................................................................................................................. 29
7.11 Quality of Service (QoS) & Class of Service (CoS) .......................................................................................... 29
7.12 Security ......................................................................................................................................................... 29
8. Field Test Procedure 29
8.1 Firmware Upgrade ........................................................................................................................................ 29
8.2 RFC 2544 Traffic Tests .................................................................................................................................. 29
8.3 Endurance Test ............................................................................................................................................. 29
8.4 Traffic Classification Test .............................................................................................................................. 29
Appendix A: Troubleshooting Guide 31
A 1. IBR Reboots During the Boot Process ........................................................................................................... 31
A 2. IBRs Cannot Establish A Link ......................................................................................................................... 31
A 3. Packet Flood or Storm Condition .................................................................................................................. 33
A 4. Link Is Established But Not Passing Traffic ................................................................................................... 34
A 5. IBR Cannot Be Reached Via the Network ..................................................................................................... 34
A 6. IBR Is Dropping Frames................................................................................................................................. 35
A 7. Communicating With IBR Via Command Line Interface (CLI) ....................................................................... 36
A 8. Contacting Fastback Technical Support ........................................................................................................ 37
Federal Communications Commission (FCC) Compliance Statement 38

IBR Installation Guide
Page 6 of 38 Doc # 770-00023.1
Jan. 23, 2015
1. Introducing Intelligent Backhaul Radio (“IBR”)
1.1 Overview
IBR combines a Carrier Ethernet switch and an AnyLOS™ radio which can operate simultaneously in non-,
near-, and clear line of sight radio conditions. It is designed for small cell deployment in dense urban
environments where line of sight between radios is difficult or impossible to achieve.
IBR is small, passively-cooled, and environmentally protected for use mainly in macro-cellular backhaul,
commercial services fiber fill-in, and small cell backhaul applications. It can be mounted on masts, poles,
walls, cell towers, or in other such locations and requires little or no alignment when the radios are pointed in
the general direction of one another.
NOTE: For safety reasons and regulatory compliance, IBR should be installed in a restricted access
location that is accessible only by authorized service personnel.
1.2 IBR Models - Transmit & Receive Frequencies
Two models of IBR transmit and receive in different bands and operate as a pair to form the two ends of a
link. IBR may be accessed remotely over the network from telnet or SSH. The default IP addresses are:
192.168.128.101 for the radio that transmits in the lower frequency band (IBR101); and
192.168.128.102 for the radio that transmits in the higher frequency band (IBR102).
The default host names are IBR101 and IBR102 respectively and the subnet mask is /16 or 255.255.0.0.
1.3 Radio Features
IBR uses adaptive rate modulation, proprietary interference avoidance and cancellation techniques, AES
encryption, and antenna array signal processing to deliver reliable and secure high speed data transmission
over links where line-of-sight between radios is difficult or impossible to achieve. The table below shows IBR
performance in a typical installation.
IBR Performance
1
Data Rate
Scalable to 500 Mbps
Average Latency
< 500 μsec
Operating Range
Up to 500m NLOS2 and 2Km LOS3
EIRP
< 44 dBm
1.4 Switch Features
IBR provides the following Carrier Ethernet 2.0 features:
Layer 2 transport
- VLAN (up to 4096)
- Bridge mode (pass through)
Management
- CLI
- Telnet
- SSH
- Serial console
- SNMPv2 MIB
- Interface-MIB
- MIB II
1
Performance might vary depending on environmental conditions
2
Non-line-of-sight
3
Line-of-sight

IBR Installation Guide
Page 7 of 38 Doc # 770-00023.1
Jan. 23, 2015
- Enterprise MIB
Packet-based timing – 1588v2 transparent clock w/submicrosecond latency
QinQ (IEEE 802.1ad)
QoS
- Eight queues
- 802.1p classification
- Strict scheduling
- Weighted Deficit Round Robin (WDRR) Scheduling
- PIR shaping
256 bit AES encryption
Physical link and network layer redundancy for maximum service uptime
Service protection and reliability
1.5 Deployment Options
IBR is designed to be deployed in pairs creating a point-to-point link, as illustrated in the diagram below. In
referring to the two radios, IBR nearest to the fiber connection is called the “aggregation IBR” and the one
nearest to the cell site is the “remote IBR”.
IBR can be connected to an edge switch.
IBRs can be connected to one another in a multi-hop configuration.
IBR can provide backhaul for a direct connection to a small cell site.
NOTE: The installer is responible for enuring that the system is used exclusively for fixed, point-to-point
operations.
1.6 Physical & Environmental Features
IBR:
Is passively cooled and can operate continuously at full power and duty cycle under maximum solar
load at ambient temperatures from -40ᵒ C to +60ᵒ C.
Can be stored safely at temperatures in the range from -55ᵒ C to +85ᵒ C.
Has an IP66
4
environmental rating.
Weighs approximately 5 kg with and has the approximate dimensions shown in the illustration below.
4
Ingress Protection Rating

IBR Installation Guide
Page 8 of 38 Doc # 770-00023.1
Jan. 23, 2015
Return to Table of Contents
2. Getting Started
2.1 Physical Inspection
Prior to opening the shipping crate, inspect it visually for evidence that it has been opened or mishandled.
After opening the crate, carefully inspect the contents for completeness or evidence of damage or tampering.
In the event the shipping crate is damaged or the contents are damaged or incomplete, notify Fastback
Networks by telephone, fax, or email. The shipping crate, dividers, and packing materials should be retained
for use in the event that equipment must be returned to Fastback Networks.
After removing IBR from its packing crate, record the serial number and product number (e.g., 75JP or 57JP),
both of which will be needed in case it is necessary to seek assistance from Fastback Network’s Customer
Support Group.
DO NOT OPEN IBR FOR ANY REASON. DOING SO WILL VOID THE WARRANTY AND MIGHT CREATE A
SAFETY HAZARD AND/OR CAUSE THE EQUIPMENT TO BE OUT OF COMPLIANCE WITH REGULATIONS.
DO NOT ATTEMPT TO APPLY POWER TO AN IBR THAT SHOWS SIGNS OF DAMAGE, TAMPERING, OR
MISHANDLING.
2.2 Inventory
The following components are required for successful installation of a link:
a. One IBR101 and one IBR102, each of which includes the following:
Three weatherproof RJ-45 cable-end connectors for CAT5E & CAT6 cables*;
A weatherproof cap for the four-pin serial connector that is attached to IBR when the IBR serial
connector is not in use*.
Two weatherproof caps for RJ-45 connectors that are attached to IBR when the IBR RJ-45 connectors
are not in use*.
A two-meter serial cable with a DB-9 connector on one end and a four-pin connector on the other
end;

IBR Installation Guide
Page 9 of 38 Doc # 770-00023.1
Jan. 23, 2015
Six crimp-on ends for RJ-45 connectors & instructions
An information sheet for accessing regulatory documents and manuals on line;
A quick reference guide;
A warranty registration card;
*Note: For proper operation of IBR, the weatherproof integrity of all cables and connectors should be maintained
and weatherproof caps should be firmly installed on unused connectors at all times.
b. A mounting bracket for each IBR that is suitable for that radio’s location. Mounting brackets that are
available from Fastback Networks are discussed in the section titled Installing IBR in this Guide.
c. A PoE+ injector capable of supplying at least thirty-five (35) watts.
d. A grounding lug as described in the section titled Installing IBR in this Guide.
e. Appropriate mounting hardware for the PoE injector.
2.3 External Features
The illustration below identifies external features of IBR. The small cap at the end of the radome (facing
upward in the illustration) houses the DFS (dynamic frequency selection) antenna.
The side where the mounting lugs and serial port are located is referred to as the “back”, since it is the side
that will be against a wall or mast when IBR is mounted.
The side that has the three Ethernet connectors and two LEDs is referred to as the “bottom”. Even though
the connectors are weatherproof, IBR should be mounted with the connectors facing downward for
maximum environmental protection.
2.4 Power Requirements
IBR must be powered via PoE+ through the RJ-45 connector that is nearest the LEDs (port 0). Applying PoE+
through any of the other Ethernet connectors will cause no harm, but will not power IBR.
IBR requires thirty (30) watts. Based on an estimated loss of five (5) watts in a one hundred meter run of
Ethernet cable, the power injector should be capable of delivering at least thirty-five (35) watts at 60ᵒ C.
IBR does not have a capability to provide PoE to other devices on the network.

IBR Installation Guide
Page 10 of 38 Doc # 770-00023.1
Jan. 23, 2015
2.5 Technical Assistance
In the event there is a problem with IBR or other equipment provided by Fastback Networks ( e.g., it arrives
damaged or incomplete, or appears to not work properly), the operator should contact Fastback Networks’
service center via telephone or email and be prepared to provide:
Product type and serial number
Product service history (e.g., when was it received, how long has it been in service, other relevant
information)
Description of the problem
Customer contact information
Fastback Networks’ Customer Service can be reached by any of the following:
Telephone: (408) 430-5440 Select service option (2) between 0800–1700 PT on business days
Email: support@fastbacknetworks.com
Web: http://support.fastbacknetworks.com
Return to Table of Contents
3. Communicating with IBR
IBR has no external or internal keypads, switches, dials, knobs, or other physical controls. Therefore, an
operator will require a smart terminal, computer, workstation, or other such device to communicate with IBR
using command line interface and accessing IBR via any of the Ethernet ports using Telnet or SSH or via the
serial console port.
3.1 Serial Console
IBR has a four-pin connector that provides a serial interface for connection to a local operator terminal. This
interface can be used by an operator to communicate with and control the IBR during preconfiguration and
troubleshooting or at other times when a local operator needs to communicate with IBR other than over an
Ethernet link.
The mating cable that is provided with IBR has a DB9 connector on the other end. The illustrations below
show the pinouts of the two connectors and the cable wiring scheme.
This interface can be used by an operator only to control, configure, and troubleshoot IBR, but not for general
network connectivity or data transmission. Pin-outs of the four-pin serial connector are shown in the table
below.

IBR Installation Guide
Page 11 of 38 Doc # 770-00023.1
Jan. 23, 2015
The following settings are recommended when communicating with IBR via the serial interface:
115,200 bps
8 data bits
1 stop bit
No parity
No flow control
25 lines and 80 columns window size
NOTE: If a serial device is disconnected and then reconnected, CLI might be left in a “bad command” state and not respond to
legitimate commands. This condition can be cleared by entering the following sequence: <cr> <cr> <Ctrl-C>.
3.2 Graphical User Interface (“GUI” or “Web UI”)
IBR’s internal HTTP browser-based GUI provides an easy alternate way to monitor and control IBR. A
detailed discussion of the GUI can be found in the CLI Guide.
3.3 Command Line Interface (“CLI”)
When an operator logs onto IBR, CLI will be launched in User Mode (i.e., startup mode), which provides
minimal functionality.
CLI is supported on the serial interface and via Telnet or SSH connections through the Ethernet
interface.
CLI uses a mix of IOS syntax.
Access to the full functionality mode (i.e., “Privileged” mode) can be controlled by password.
The commands shown below are the only commands available in User mode.
User Mode Commands
Command Description
IBR102 >
! Comments
enable Enter Privileged Mode
exit Exit from CLI
ping Send messages to network hosts
telnet IP address or host name of a remote system
traceroute Determine route & transit time to a remote host
ip IPv4
ipv6 IPv6
Detailed information can be found in the CLI Guide.
3.4 Access Control – Factory-Set User Names & Passwords
IBR can be configured to require a valid user ID and password for access. Two levels of access can be
established: minimum functionality and full functionality. Detailed instructions for controlling access to IBR
are contained in the CLI Guide.
When CLI is launched and the “user name” dialog box appears, the user must enter a valid user name and
password. Factory-set user names are fbn and admin (either can be used) and the factory-set password

IBR Installation Guide
Page 12 of 38 Doc # 770-00023.1
Jan. 23, 2015
(for both user names) is fastback. The same factory-set password will allow a user to enter the Privileged
Mode (see the CLI Guide for detailed information).
When a user with privileged access changes either of the passwords for the factory-set user names, both
factory-set user accounts will be assigned the new password.
After login, CLI will be in the User Mode, which offers a limited set of commands. The CLI command prompt
in User Mode is the symbol > followed by a space. When the command prompt is displayed, it will be
preceded by the host name if one has been assigned. Throughout this manual and the CLI Guide, the host
name IBR102 will be used. With this host name, the User Mode prompt will appear as shown below:
IBR102 >
The host name can be changed or omitted by a Privileged user. Antennas
The radome on top of IBR houses transmit and receive antennas which face outward through the flat sides of
the radome. The direction in which the antennas are pointed can be changed only by changing the
orientation of the IBR itself.
IBR is not designed to be used with external antennas.
3.5 Gigabit Ethernet Ports & Interfaces
IBR includes a 4-port Ethernet switch. Three Gigabit Ethernet ports are exposed externally, and one is
connected internally to the radio. Beginning with the port nearest the LEDs as seen in the illustration below,
the external Gigabit Ethernet ports are numbered 0, 1, and 2 (i.e., ge0, ge1, ge2).
IBR
The Gigabit Ethernet port that is connected to the radio (not externally available) is identified as Gigabit
Ethernet 3 (ge3). Radio parameters are configured through the radio 0 interface, while switching parameters
that apply both to the physical Gigabit Ethernet ports and the radio port, such as VLAN, QoS, and CoS, are
configured through the Gigabit Ethernet interface.
In this Guide and in the CLI Guide, port is used in reference to the physical Ethernet external connections, and
interface is used in reference to the virtual interface to which an IP address has been assigned. Ethernet
interfaces, including loopback interfaces, can be created, as discussed in the CLI Guide, and each port can be
assigned to one or more interfaces. Ethernet interfaces, including loopback interfaces, are associated with
VLANs and can be created and configured as discussed in the CLI Guide in the section titled VLANs.

IBR Installation Guide
Page 13 of 38 Doc # 770-00023.1
Jan. 23, 2015
3.6 External Ethernet Connectors
IBR has three RJ-45 connectors located on the bottom of the unit, as shown in the illustration in the preceding
section. Beginning with the port nearest the LEDs, the Gigabit Ethernet ports are numbered 0, 1, and 2 (ge0,
ge1, ge2).
All three Ethernet connectors can be used for traffic and IBR management data, but only the one nearest the
LEDs (ge0) can power IBR via PoE+.
The RJ-45 connectors will accept shielded and bonded RJ-45 type mating connectors with a weatherproof
seal. It is essential that only weatherproof connectors be connected to IBR.
3.7 Power Connector
Power must be connected to ge0 as shown in the graphic below. Connecting power to ge1 or ge2 will not
harm IBR, but will not power it.
3.8 LEDs
Two weatherproof LEDs that are mounted adjacent to ge0 provide a visual means for an operator to
determine the status of IBR. Both LEDs can be deactivated via the CLI. See the CLI Guide for detailed
information. The LEDs can be seen in the IBR image. The LED nearest to the cooling fins is the radio LED and
the LED nearest to the radome is the system LED.
When the LEDs are active (the default condition):
The upper LED (when the LEDs are on the left from the viewer’s perspective) is a system indicator and
will provide the following information:
- Off: System has no power.
- Amber: Bootloader activated.
- Green: Fastback Operating System loaded.
The lower LED is the radio indicator and will provide the following information:
- Off: Radio not initialized.
- Amber: Radio initialized.
- Green: Radio initialized and a link established.
Return to Table of Contents
4. Preconfiguring IBRs
The following procedure is for preconfiguring a pair of IBRs prior to installation. Consult the CLI Guide as
necessary for detailed information.
4.1 Power
CAUTION:
When power is applied, the radios automatically will begin transmitting within sixty (60) seconds.
To avoid the possibility of damaging an IBR by overdriving the front end of the receiver, prior to

IBR Installation Guide
Page 14 of 38 Doc # 770-00023.1
Jan. 23, 2015
connecting a power source, position the two IBRs so that they are tilted away from each other, facing
downward, and separated by at least one meter.
IBR does not have a power on/off switch, either in hardware or software. When power is applied to the
unit, IBR will be in a “power on” condition and the system LED beside the ge0 port connector will be
illuminated.
Apply power to each IBR using a PoE+ source connected to Gigabit Ethernet interface 0. Although PoE+
sources can be applied harmlessly to any port, only ge0 can be used to power IBR.
4.2 CLI Privileged Mode
Enter Privileged mode by entering the enable command:
IBR102 > enable
The factory-set password for entering Privileged mode is fastback. The Privileged Mode command prompt,
with IBR102 as host name will be:
IBR102 #
The following CLI commands are available in Privileged mode.
Privileged Mode Commands
Command Description
IBR102 #
! Comments
clear Reset functions
alarms Clear alarm history
config Reset to factory defaults
counters Clear counters on one or all interfaces
configure terminal Enter Global Config mode to manage device parameters
copy Copy a file (e.g., running-config)
ethernet Ethernet subcommands
exit Return to User Mode
ping [string] Send messages to network hosts [hostname or IP address]
reload Halt & perform a cold restart
show Show running system info (see CLI Guide for a complete list of show cmds)
telnet IP address or hostname of a remote system
traceroute Print the route packets trace to network host
ip IPv4
ipv6 IPv6
[string] Hostname or IP address to trace the route
upgrade Upgrade commands
http Upgrade http (enter A.B.C.D [/mask] or any http server IP address)
sftp Upgrade sftp (enter A.B.C.D [/mask] or any sftp server IP address)
tftp Upgrade tftp (enter A.B.C.D [/mask] or any tftp server IP address)
For a detailed discussion of CLI commands, refer to the CLI Guide.
4.3 RSL
Check the RSL on each IBR using the following CLI command in the Privileged mode:
IBR102 # show interface radio 0 status
RSL should be -36dBm or less. If RSL is greater than -36 dBm (e.g., -30dBm) on either IBR, the received
signal level is too high and greater separation of the IBRs is recommended to avoid receiver saturation.
4.4 Management Traffic
IBR interfaces should be configured in such a way as to separate internal management traffic from user data
traffic (i.e., prevent management traffic from being sent over the network). The following sequence of

IBR Installation Guide
Page 15 of 38 Doc # 770-00023.1
Jan. 23, 2015
commands illustrates a way to accomplish this. VLAN2, VLAN823, and the IP addresses shown are used only
as examples. (See the CLI Guide for detailed information relating to the VLAN interfaces.)
4.4.1 Configure VLAN Interfaces.
Prompt
Command
IBR102 (config)#
interface vlan 1
IBR102 (config-vlan-1)#
ip address 192.168.128.101 255.255.255.0
IBR102 (config-vlan-1)#
exit
IBR102 (config)#
interface vlan 2
IBR102 (config-vlan-2)#
no shutdown
IBR102 (config-vlan-2)#
ip address 10.22.12.201 255.255.0.0
IBR102 (config-vlan-2)#
exit
IBR102 (config) #
interface vlan 823
IBR102 (config-vlan-823) #
ip address 10.1.1.158 255.255.0.0
IBR102 (config-vlan-823) #
exit
IBR102 (config) #
Note: When the management port has been reassigned, the Telnet connection will be lost and the operator will
be required to Telnet to the new management port address. See the CLI Guide for more information relating to
the VLAN interfaces.
4.4.2 Remove VLAN 1 from ge1, g2, and ge3.
Prompt
Command
IBR102 (config)#
interface gigabitethernet 1
IBR102 (config-if-ge1)#
no switchport trunk native vlan 1
IBR102 (config-if-ge1)#
exit
IBR102 (config)#
interface gigabitethernet 2
IBR102 (config-if-ge2)#
no switchport trunk native vlan 1
IBR102 (config-if-ge2)#
exit
IBR102 (config) #
interface gigabitethernet 3
IBR102 (config-if-ge3)#
no switchport trunk native vlan 1
IBR102 (config-if-ge3)#
exit
IBR102 (config) #
interface vlan 823
4.4.3 Add VLAN 2 to the GigabitEthernet Interfaces (use Trunk Native to allow both untagged and VLAN2 tagged
traffic).
Prompt
Command
IBR102 (config)#
interface gigabitethernet 1
IBR102 (config-if-ge1)#
switchport trunk native vlan 2
IBR102 (config-if-ge1)#
exit
IBR102 (config)#
interface gigabitethernet 2
IBR102 (config-if-ge2)#
switchport trunk native vlan 2
IBR102 (config-if-ge2)#
exit
IBR102 (config) #
interface gigabitethernet 3
IBR102 (config-if-ge3)#
switchport trunk native vlan 2
IBR102 (config-if-ge3)#
exit
IBR102 (config) #
interface vlan 823
4.4.4 Add VLAN 823 to GigabitEthernet 3 (use Trunk Allowed to allow only VLAN823 tagged traffic).

IBR Installation Guide
Page 16 of 38 Doc # 770-00023.1
Jan. 23, 2015
Prompt
Command
IBR102 (config) #
interface gigabitethernet 3
IBR102 (config-if-ge3)#
switchport trunk allowed vlan 823
IBR102 (config-if-ge3)#
exit
4.4.5 Verify VLAN settings.
Prompt
Command
IBR102 #
show vlan brief
VLAN Name Status Native Allowed
--------- --------------- --------- ------------------ -------------
1 VLAN1 active ge0
2 VLAN2 active ge1 ge2 ge3 ge1 ge2 ge3
823 VLAN823 active ge3
IBR102 #
4.4.6 Confirm that the interfaces were correctly configured.
Sample Output of the show ip interfaces Command
Prompt
Command
show ip interfaces
IBR102 #
1: lo: <LOOPBACK,UP,LOWER_UP> mtu 16436 qdisc noqueue
link/loopback 00:00:00:00:00:00 brd 00:00:00:00:00:00
inet 127.0.0.1/8 scope host lo
2: eth0: <BROADCAST,MULTICAST,UP,LOWER_UP> mtu 1500 qdisc pfifo_fast qlen 1000
link/ether 18:48:d8:00:00:49 brd ff:ff:ff:ff:ff:ff
3: danipc: <BROADCAST,MULTICAST,UP,LOWER_UP> mtu 1500 qdisc pfifo_fast qlen 1000
link/ether 00:24:86:00:00:00 brd ff:ff:ff:ff:ff:ff
4: eth0.1@eth0: <BROADCAST,MULTICAST,UP,LOWER_UP> mtu 1500 qdisc noqueue
link/ether 18:48:d8:00:00:49 brd ff:ff:ff:ff:ff:ff
inet 192.168.128.158/24 brd 192.168.128.255 scope global eth0.1
5: eth0.2@eth0: <BROADCAST,MULTICAST,UP,LOWER_UP> mtu 1500 qdisc noqueue
link/ether 18:48:d8:00:00:49 brd ff:ff:ff:ff:ff:ff
inet 10.22.12.201/16 brd 10.22.255.255 scope global eth0.2
6: eth0.823@eth0: <BROADCAST,MULTICAST,UP,LOWER_UP> mtu 1500 qdisc noqueue
link/ether 18:48:d8:00:00:49 brd ff:ff:ff:ff:ff:ff
inet 10.1.1.158/16 brd 10.1.255.255 scope global eth0.823
IBR102 #
Following the first three interfaces in the output, there will be an additional interface for each VLAN. The
name of an interface will be eth0.nn where nn is the VLAN number to which the IP address is assigned. Note
that even though the interface is shown as eth0, the IP address can be reached only through interfaces to
which that VLAN has been assigned.
4.4.7 Review the new configuration.
The configuration created in this section creates three distinct interfaces for use on IBR.
a. eth0.1 is the management interface on VLAN1 (the default VLAN on IBR). VLAN1 has been assigned to
GigabitEthernet port ge0 and given the IP address 192.168.128.101/16.
This interface is isolated from the other interfaces and can be used to access the IBR and manage the
switch without allowing management traffic to traverse the RF link. Because VLAN1 is associated only
with ge0 and not ge3, VLAN1 traffic will not transverse the link.
b. eth0.2 is the data interface on VLAN 2, which has been assigned to GigabitEthernet ports ge1, ge2, and
ge3.
Traffic on VLAN2 can be sent across the RF link and out onto the network. It allows all untagged traffic
and traffic tagged with VLAN ID 2 to be sent to the network.
IBR Installation Guide
Page 17 of 38 Doc # 770-00023.1
Jan. 23, 2015
GigabitEthernet ports 1 and 2 are physical ports allowing connections to the provider network.
GigabitEthernet 3 is dedicated to the IBR RF link and creates a wireless bridge between two network
segments.
c. eth0.823 is an isolated debug interface on VLAN 823.
VLAN823 will allow traffic only to be sent from one IBR to the other across the wireless link and requires
that the sender be logged onto one of the IBRs.
One use of this interface is to allow a user to send ping packets to the opposite IBR to verify link integrity.
This VLAN has no exposure to a physical network interface so traffic on this VLAN is isolated from the
network.
Another important use of this configuration is to manage the link partner from the local IBR.
4.4.8 Save the New Configuration.
Use the following commands to save the new settings to the startup configuration file.
IBR102 # copy running-config startup-config
4.5 Host Name
Change the host name (optional) using the following command in Global Config mode.
IBR102 (config) # hostname [newname]
4.6 User Names & Passwords
IBR can be configured to require valid user names and passwords for access to CLI User Mode, CLI Privileged
Mode, and the GUI. Each user name and password will be independent of the others.
Passwords are stored permanently in IBR and are not part of the startup-config or running-config files.
Passwords will be displayed in encrypted form in the show running-config output.
Passwords are strings of at least six and not more than sixteen characters and can include any letter, any
numeral, and any of the following symbols: ! @ $ %
4.6.1 CLI User Mode - IBR can be configured to recognize individual user names, each with its own password. The
command to configure User Mode user names and passwords is:
IBR102 (config) # username [user_id] password [newpassword]
If the password of an existing user is being changed, user_id will be the user name (or ID) of the existing user
and newpassword will be the newly assigned password.
If a new user is being created, user_id will be the new user name and newpassword the assigned password for
that user.
The command to remove an existing user name is:
IBR102 (config) # no username [user_id]
where user_id is the name of the user that is being removed.
The factory-set user name is fbn and the password is fastback. The factory-set user name (fbn)
cannot be changed or deleted, but the password for fbn can be changed using either of the following
commands:
IBR102 (config) # username fbn password [newpassword] or
IBR102 (config) # enable password level 1 [newpassword]
where newpassword is the newly assigned password.

IBR Installation Guide
Page 18 of 38 Doc # 770-00023.1
Jan. 23, 2015
4.6.2 CLI Privileged Mode – Privileged Mode can be entered only from User Mode and can be protected with a single
password for all users. The requirement to use a password to enter Privileged Mode can be enabled or
disabled from the Privileged Mode as follows:
IBR102 (config) # enable password {level (1-15)} [newpassword]
where level must either be the number 1 or the number 15 and newpassword is the newly assigned password.
When level = 1, the password for the user named fbn will be changed.
When level = 15, the password to enter Privileged Mode will be affected.
When no level option is entered, Privileged Mode will be affected.
The requirement for a user to enter a password to move from User Mode to Privileged Mode can be disabled
using the following command; however, this is not a recommended configuration because it can create
security problems:
IBR102 (config) # no enable password
The following are examples of commands for creating, changing, or disabling passwords.
Setting Passwords
Command Description
IBR102 (config) #
enable password level 1 fastbackuser Set PW as fastbackuser for the user named fbn
enable password level 15 fastb@ckuser Set the PW for all users to enter Privilege Mode as fastb@ckuser
enable password fast$$$user Set the PW for all users to enter Privilege Mode as fast$$$user
no enable password level 1 Remove the requirement for fbn to use a PW to enter User Mode
no enable password level 15 Remove the requirement for all users to use a PW to enter Privileged Mode
no enable password Remove the requirement for all users to use a PW to enter Privileged Mode
4.6.3 Web Graphical User Interface (GUI) – User names and passwords for the GUI are managed independently from
CLI user names and passwords. For additional information, see the GUI section of the CLI Guide.
4.7 Password Recovery & Reinstating IBR Default Settings
In the event that users cannot gain access to IBR because passwords have been forgotten, the following
procedure can be used to reset all IBR settings to their default values, thereby allowing a user to regain
access to IBR. This procedure will boot IBR into a Linux root shell single-user mode where the user can
change the Privileged Mode password.
Initiate a system reboot and, within two (2) seconds, press Ctrl C to interrupt the reboot process. Enter
the following command when the uMON> prompt is displayed
5
:
uMON> run flash linuxsingle
The system will take several minutes to reboot. When the Linux prompt is displayed, enter the
command password root and then respond to the succeeding prompts to change the Privileged Mode
password and reboot the system by entering the command reboot.
When IBR reboots to CLI User Mode, use the default user name and password to log onto the system.
Use the new Privilege Mode password to enter Privilege Mode.
Then follow the standard procedure to change the User Mode user name and password.
Note: To interrupt an ongoing reboot, interrupt power to IBR.
4.8 System Clock
The command to set the IBR system clock is executed in Global Config mode and has the following form.
5
This works only with a serial console connection.

IBR Installation Guide
Page 19 of 38 Doc # 770-00023.1
Jan. 23, 2015
IBR102 (config) # clock set [hh:mm:ss] [YYYY-MM-DD]
where all of the arguments are integers.
4.9 Name Server
The following command can be used to configure the Name server.
IBR102 (config)# ip name-server [ip-address}
4.10 NTP Server
The following command can be used to configure the NTP server.
IBR102 (config)# ntp server [ip-address}
4.11 SNMP Server
Commands for configuring SNMP are shown in the table below. For detailed information, see the CLI Guide.
Configuring SNMP
Command Description
IBR102 (config) # snmp-server Configure SNMP
community SNMP community configuration
contact Set the system contact
enable Enable SNMP notification types (traps)
group SNMP group configuration
host SNMP trap host configuration
location Set the system location
trap-env Set SNMP trap environment (standard or x.733)
trap-thresholds Set SNMP trap threshold values
view SNMP view configuration
4.12 Link ID
The command to set Link ID has the following syntax:
IBR102 (config) # link-id [linkname]
where linkname is an alphanumeric string from one to thirty-two characters in length that can contain any of
the following symbols: ! @ # $ % - _
Using Link ID Command
Prompt
Command
Remarks
IBR102 (config) #
interface radio 0
Config radio interface “0”
IBR102 (config-if-rad0) #
link-id 58$a2
Sets link ID to “58$a2”
IBR102 (config-if-rad0) #
exit
Return to Global Config
IBR102 (config) #
4.13 Radio Link
IBRs will automatically establish a link using the best frequencies to optimize data throughput.
Return to Table of Contents
5. MAC Address Table & Counters
5.1 MAC Address Table
The MAC Address table, sometimes referred to as the L2 (or Layer 2) table, associates MAC addresses with
their respective VLAN’s and ports.
IBR Installation Guide
Page 20 of 38 Doc # 770-00023.1
Jan. 23, 2015
IBR automatically records the MAC address of a received packet, the port on which it was received, and
whether the packet has a VLAN designation. When an incoming packet arrives at IBR, the correct port and
VLAN for delivery of the packet is determined by comparing the MAC address of the packet with the
corresponding entry in L2. If the MAC address is not in the L2 table, IBR will send the packet out to all ports
except the one on which it was received, and then record the port and VLAN of the device that responds to the
packet.
When a MAC address in the L2 table has not been used within a preset time (the “aging time”), the MAC
address entry is automatically deleted from the table. The default aging time is three hundred (300) seconds.
Aging time is the only property of the L2 table functionality that can be changed. The L2 table can contain up
to sixty-four thousand entries so that, with a reasonable aging time, there is little chance of an overflow
condition.
Using the CLI “show” command, an operator can display the contents of the L2 table.
5.2 Counters
Counters are implemented as two-dimensional arrays that associate traffic metrics with the corresponding
IBR ports (interfaces). Counters are activated by default and cannot be disabled; however, the contents of
counters can be reset to zero or displayed by operator command. The counters in IBR are listed below
organized the way they would be displayed using the show command.
IBR102 # show interface counters Shows a brief view, not including errors
IBR102 # show interface counters all Shows all except TxQueue
IBR102 # show interface counters detail Shows the following counters
InBytes Bytes received at a port
InUcastPkts Unicast packets received at a port
InMcastPkts Multicast packets received at a port
InBcastPkts Broadcast packets received at a port
OutBytes Bytes sent from a port
OutUcastPkts Unicast packets sent from a port
OutMcastPkts Multicast packets sent from a port
OutBcastPkts Broadcast packets sent from a port
RxPause Pause requests received
TxPause Pause requests sent
IBR102 # show interface counters errors Shows error counters
CrcAlign-Err Frames without an even # of octets or with CRC errors
Collisions Collisions before successful transmission
Symbol-Err Symbol errors
Undersize Frames rcvd that are < 64 bytes
Oversize Frames rcvd that are > 1514 bytes
Fragments Oversized packets sent as fragments
Jabbers Frames longer than 1518 octets
FCS-Err Frames corrupted during transmission
Deferred-Xmit Times xmsn delayed
Single-Col Times only one collision occurred before successful xmsn
Multi-Col Times multiple collisions occurred before successful xmsn
Late-Col Collisions detected after > 512 bits sent
Excess-Col Frames not sent due to excess # of retries
IBR102 # show interface counters txqueue Shows TxQueue counters
Octets TX queue octets

IBR Installation Guide
Page 21 of 38 Doc # 770-00023.1
Jan. 23, 2015
Packets TX queue packets
MCS counters can be displayed using the following command:
IBR102 # show interfaces radio 0 status
Counters can be cleared using the following commands:
IBR102 # clear counters mcs clears mcs counters
IBR102 # clear counters radio clears radio counters
IBR102 # clear counters switch clears counters on all switch interfaces
IBR102 # clear counters gigabitEthernet [arg] arg can be 0, 1, 2, or 3
Return to Table of Contents
6. Installing IBR
6.1 Safety Considerations
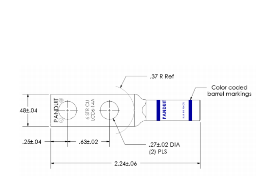
Ensure that grounding is in accordance with local codes. IBR should be grounded using the ground lug
connector on the back of IBR with a lug such as Panduit Two-Hole Standard Barrel Copper Lug, Panduit
part #LCD6-14A-L (shown below). Note that since the grounding lug mounts between the fins, any lug
greater than 0.48 inches in width will not fit.
Use overhead work methods and/or equipment that are appropriate for the location; e.g., climbing
equipment, ladder, man lift, etc.
Note the locations of other equipment, power lines, vehicle traffic, and other potential safety hazards at
the installation site.
6.2 Installation Checklist for one end of a link
6
A pretested and preconfigured IBR.
IBR mounting brackets.
A PoE+ source capable of supplying at least thirty-five (35) watts total on two pairs (pins 4&5 and 7&8)
or on all four pairs.
A surge suppressor that has been validated to function properly with IBR, such as Transector Model T-
419899.
Materials for grounding IBR:
6
A link will require a matching pair of IBRs; e.g., IBR101 and IBR102.
IBR Installation Guide
Page 22 of 38 Doc # 770-00023.1
Jan. 23, 2015
- Grounding IBR requires terminating the two-hole ground lug, which will accommodate two each 12-
24x1/2” or M6 ground taps. IBR’s chassis has two pre-tapped holes for this lug.
- Ground terminations should be coated with a no-oxide compound such as a dielectric grease to
protect the ground connections against oxidation.
- Ground should be terminated with #6 AWG solid ground wire to a local Telco grounding bus.
- The surge suppressor should be grounded in accordance with its manufacturer’s specifications.
Hand tools and materials as appropriate for the mounting location that will be used:
- Pole mount: Banding strap or hose clamp, maximum ¾” strap width of appropriate length for the
pole diameter. Note: When mounted on a pole, FBN’s articulating mount requires that the pole have
a minimum diameter of two inches (5.08 cm).
- Wall mount: 8mm or 5/16” diameter bolt appropriate for the mounting surface.
- Torque wrench to tighten all connections to 10 ft-lbs (138 kgf-cm).
- 2 x 13mm open-ended wrench or sockets for the M8 mounting bolts.
- 5mm Allen wrench for the socket button-head cap screws to attach the mount to the IBR.
Ethernet connections:
- A 17mm open-end wrench to tighten the weatherized Ethernet boot. See the section on Ethernet
connectors for torque specifications.
- RJ45 Ethernet termination tools.
- Ethernet cables. IBR has an integrated switch and can accept up to three individual Ethernet
connections, though only one is absolutely required to pass data.
Serial connection (required for initial configuration).
USB-to-DB9 converter. Required if the PC used for configuration does not have a DB9 connector. Most
PCs don’t have a DB9 connector, so this usually will be required.
A safe and suitable means of lifting the equipment and installer at the installation site. (NOTE: The
mounting bracket for IBR has holes that can be used to suspend IBR from a utility belt or otherwise as
an aid in lifting IBR.)
Shielded Ethernet cable.
A laptop computer for configuring IBR.
6.3 IBR Mounting Bracket
IBR must be mounted on a suitable bracket that will hold IBR securely under all environmental conditions.
The base of IBR has four mounting posts for mounting bolts set in a square pattern. Operators have the
option to use a mounting bracket purchased from Fastback Networks or to create custom mounting solutions.
Fastback offers a bracket that can be mounted either on a wall or a pole having a minimum diameter of two
inches (5.08 cm). Instructions for installing this bracket are shown below.
6.3.1 Mounting Location - Choosing the best possible mounting location for IBR is important for safety, security,
and link performance.
Install IBR in a location where access is restricted to authorized service personnel.
Select a location that is within one hundred meters of a PoE+ source.
Avoid locations that might present hazards to installation or maintenance crews.

IBR Installation Guide
Page 23 of 38 Doc # 770-00023.1
Jan. 23, 2015
6.3.2 Fastback Networks’ Articulating Bracket - Fastback Networks offers an articulating mount that can be
mounted on walls or masts and adjusted up to + 45 degrees in elevation and azimuth in 15 degree
increments. The Articulating Mount has a plate that attaches to IBR and a part that attaches to the wall or
mast. An articulating knuckle provides freedom of movement for positioning and pointing IBR. The diagram
below is a guide for assembling the articulating mount and attaching it to IBR.
6.4 Power & Ethernet Connections
When IBR has been securely mounted, connect a PoE+ source to port ge0.
Include a secured drip loop for all Ethernet connections to IBR. The loop will provide some strain relief to the
RJ-45 connection and prevent water from flowing along the cable to the connector.
The power indicator LED will turn green when power is applied. If the PoE+ source is also connected to an
Ethernet source, data will flow through IBR’s Ethernet port ge0.
If the power indicator LED does not illuminate when the power connection is made, consider the following:
Is the RJ-45 connector securely inserted into both the PoE+ source and IBR?
Is power applied to the PoE+ source? Check the indicator lights on the PoE+ source if available.
Are the cables of the proper type (CAT5E or CAT6)?
Are the cables in good working order? (Cables should be certified using a Byte Brothers, Fluke, or
similar certifier.)
6.5 Fabricating an Ethernet Cable
The RJ-45 Ethernet connectors on IBR will mate with the GT225360-00 connector from GT Contact Co. LTD.
An exploded view of the connector is shown below.

IBR Installation Guide
Page 24 of 38 Doc # 770-00023.1
Jan. 23, 2015
The connector will work with CAT5E and CAT6 cables and other cables having an outer diameter between 5.0
and 6.0 mm. NOTE: Use only weatherproof, shielded cable.
To install the GT225360-00 connector and RF-45 plug on a shielded cable:
Strip the cable jacket 12.0 mm.
Thread the cable through the connector components in the order shown in the diagram above.
Install the RJ-45 plug.
- Untwist the individual strands.
- Insert the cables into the RJ-45 plug in the order shown below.
1. White/orange 5. White/blue
2. Orange 6. Green
3. White/green 7. White/brown
4. Blue 8. Brown
- Wrap the ground wire around the cable jacket underneath the back of the RJ-45 plug.
- Crimp the plug using a crimping tool.
Assemble the GT225360-00 connector, tightening the gland nut to within 0.6 – 0.7 ft-lb (9.0 – 10.0 kgf-
cm).
Connectors may be obtained from Fastback or directly from the manufacturer:
Model: GT225360-00
Supplier: GT Contact Co. LTD.
The images below illustrate assembly of the RF-45 plug.
1. 2.
3. 4. 5.

IBR Installation Guide
Page 25 of 38 Doc # 770-00023.1
Jan. 23, 2015
6.6 Surge Suppressor Installation
Install a surge suppressor between the PoE+ injector and IBR as near as possible to the PoE+ injector.
The surge suppressor should be installed ahead of the cable ingress to the enclosure or structure housing the
switch in order to maximize protection to the switch. The surge suppressor should be connected to a true
earth ground with materials that meet the manufacturer’s specifications.
NOTE: The total length of cable between the switch and IBR must not exceed one hundred meters (100m).
6.7 Communication with IBR Via the Serial Port, Telnet, or SSH (Optional)
A local operator can configure IBR by connecting the Fastback-supplied serial cable to a PC with a DB-9 RS-
232 connection. If such a connection is not available, a USB-to-serial converter may be used. (See the section
titled Serial Console.)
The operator also may use telnet or SSH to access the CLI. The IBR default IP address is 192.168.128.101 or
192.168.128.102, as applicable. Connect a PC via Ethernet cable to the PoE+ injector. IBR Port 1 and Port 2
are disabled by default. Only Port 0 is accessible via the connection on the PoE+ supply. Ensure the PC has an
IP address in the range of 192.168.128.<0-254>. Immediately after configuring the IBR IP address as
indicated below, change the IP address on the PC to match the subnet configured on the IBR.
Once the operator has access to the CLI, set the same link-ID on both ends of the link to ensure the link
doesn’t accidentally communicate with other Fastback links. Setting an IP address allows remote IBR access.
The following are the commands to set the link-id and the IP address:
Prompt
Command
IBR102 login:
admin
Password:
(factory-set password is fastback)
IBR102>
enable
Password:
(factory-set password is fastback)
IBR102#
configure terminal
IBR102(config)#
interface radio 0
IBR102(config-if-rad0)#
link-id <your link-id>
IBR102(config)#
interface vlan 1
IBR102(config-vlan-1)#
ip address <IP addr> <Netmask>
IBR102(config-vlan-1)#
ip default-gateway <GW addr>
IBR102(config)# exit
IBR102#
copy running-config startup-config
IBR102#
NOTE: When the serial port is not in use, a weatherproof protective cover should be installed over the serial
connector on IBR.
6.8 Link Establishment
IBR will automatically select the best combination of channel frequencies and bandwidth for a link.
Wait for radios to finish booting and establishing a link.
Use the CLI command shown below to verify that a link has been established.
IBR102 # show interfaces radio 0 status
IBR Installation Guide
Page 26 of 38 Doc # 770-00023.1
Jan. 23, 2015
If a link is not automatically established within ten minutes, then consider the following troubleshooting
suggestions:
Check to ensure that the partner IBR on the link is operational.
Change the direction in which the IBR is pointed.
Change the IBR’s elevation.
Determine if the link is too long for the environment.
6.9 Pointing & Link Optimization
IBR’s transmit and receive antennas each have a one hundred and twenty degree, 3 dB beam width centered
on the ridge at the top of the radome. Therefore, aligning or pointing an IBR, as discussed below, means
orienting IBR so that the ridge on the radome is facing the desired direction.
6.9.1 Line-of-Sight and Near Line-of-Sight Links.
Horizontal Alignment - Orient each IBR so that its radome is pointed toward the other end of the link.
Because IBR has a relatively wide (120-degree) 3-dB beam width, a few degrees of misalignment is not likely
to have an effect on link performance.
Vertical Alignment – Because IBR has only a fifteen degree 3-dB beam width in the vertical direction, greater
care should be taken in setting the elevation angle so that each IBR is pointing as nearly as possible toward
the other end of the link.
6.9.2 Non-Line-of-Sight Links.
Horizontal Alignment – The process for finding the optimum position for each end of the link depends on
whether it is possible to establish a link by aiming the IBRs at each other, and if there is the possibility of
reflection from a building. The following is a suggested procedure to use if the IBRs do not synchronize after
being aimed towards each other and it is possible to benefit from reflection off a building:
Start with each IBR in a best-guess orientation toward the other end of the link.
- Keeping the near IBR’s position fixed, rotate the distant IBR hundred and twenty degrees in azimuth.,
and allow one minute for the link to synchronize.
- Rotate the distant IBR another one hundred and twenty degrees, and allow another minute for the
link to synchronize.
- Repeat the process a third time.
Rotate the distant IBR another one hundred and twenty degrees. At this point, it will be in its original
position.
Rotate the near IBR one hundred and twenty degrees. Now repeat the steps in (a) above, rotating the
distant IBR through three hundred and sixty degrees in one hundred and twenty degree increments.
When using steps of one hundred and twenty degrees as indicated above, there will be a total of nine possible
combinations of positions for the two IBRs. If the radios are rotated only ninety degrees each step, there will
be a total of sixteen combinations, however, the resulting alignment might be more optimal.
In a situation where the IBRs synchronize when pointed toward each other, and it is not possible to get a
reflection off a building, a more empirical approach might produce a faster result. When a link has been
established, rotate one IBR ninety degrees. If the SNR improves, rotate it another ninety degrees, and
continue in this way until SNR begins to fall, then move back to the previous position. If SNR does not
improve, return the IBR to its original position. Repeat at the other end of the link.
If a link cannot be established, try all sixteen aiming combinations, spending one minute at each combination
to give the link time to synchronize. Do this by locking the near end at 0 degrees azimuth, and then aiming
the far end of the link at 0, 90, 180, and 360 degrees, spending sixty seconds at each position. Next, move the
near end to 90 degrees and repeat at 0, 90, 180, and 360 degrees at the far end. Continue until a link has been
established or all sixteen combinations have been tried.

IBR Installation Guide
Page 27 of 38 Doc # 770-00023.1
Jan. 23, 2015
6.10 Path Prediction Tools
Path Prediction Tools are useful for non-line-of-site, near-line-of-site, and line-of-site links. Fastback does not
recommend one path prediction tool over another; however, Fastback is committed to working with vendors
of path prediction products to maximize the accuracy of predicted paths for IBR. Fastback has worked with
the following vendors to maximize accuracy:
Siradel
InfoVista Ellipse
CTS Pathloss
Return to Table of Contents
7. Features & Functionality
7.1 AnyLOS Technology
Fastback’s proprietary AnyLOS technology enables operators to use IBR in difficult RF environments without
worrying about RF tuning. IBR will automatically adjust the following parameters to maximize throughput:
Channel bandwidth - either 10, 19, or 38MHz.
Center frequency.
Antenna combination - IBR has eight (8) internal antennas and will automatically select the best four
for the link being established.
Modulation Coding Scheme (MCS) – MCS can be any value from 1–10.
Transmitter output power - IBR will adjust the transmitter output power automatically to avoid
exceeding emissions requirements. IBR takes output power into account when estimating the
bandwidth available on any given frequency. The frequency vs. output power relationship is shown in
the CLI Guide.
The operator cannot manually configure these radio parameters, but can view the settings using CLI, SNMP,
or the GUI as follows:
CLI command: IBR102 # show interfaces radio 0 status
GUI: Monitor, Radio, Status
SNMP: FBN-RADIO-MIB
7.2 Communication Protocols
IBR can be managed by an operator using:
CLI: SSH, Telnet, Serial Console
SNMP
7.3 Software Management
Software upgrades to IBR can be made by an operator.
Boot loader recovery can be accomplished by an operator via CLI.
IBR has the ability to recover on its own from a failed software upgrade.
Add-on licenses to increase the available throughput of IBR can be downloaded using the GUI. For
additional information, see the CLI Guide.
7.4 SNMP
IBR supports SNMP
7
agents using protocols v1 and v2c.
7
Simple Network Management Protocol
IBR Installation Guide
Page 28 of 38 Doc # 770-00023.1
Jan. 23, 2015
IBR supports SNMP get statements for SNMPv2-MIB, IF-MIB, and FBN-RADIO-MIB. Detailed information for
configuring SNMP is contained in the CLI Guide.
7.5 Switching & Transport
IBR supports 802.1Q (VLAN).
7.6 Data Handling
IBR supports the following OSI
8
Layer 2 standards:
IEEE 802.3ab (Gigabit Ethernet);
IEEE 802.3as (frame expansion);
IEEE 802.1Q (VLANs).
In addition, IBR supports port mirroring to monitor port traffic.
7.7 Carrier Ethernet
IBR conforms to the following MEF
9
specifications:
MEF 9 – Abstract Test Suite for Ethernet Services at the UNI
MEF 14 – Abstract Test Suite for Traffic Management Phase 1
MEF 19 – Abstract Test Suite for UNI Type 1
7.8 Timing & Synchronization
IBR’s system clock starts when IBR is powered up and maintains time and date based on Universal Time
Coordinated (UTC), also known as Greenwich Mean Time (GMT). The system clock can be set over the
network via NTP.
Detailed instructions for configuring IBR timing and for displaying system time and date are contained in the
CLI Guide.
7.9 Network Time Protocol (NTP)
NTP runs over User Datagram Protocol (UDP), which runs over IP. It is very efficient and typically requires
no more than one NTP packet per minute to synchronize IBR’s system clock to within one millisecond of the
NTP server’s clock.
When IBR is configured to receive NTP packets from another network device, the relationship between IBR
and that device is called an “association” and it is a server relationship, meaning that IBR will synchronize to
the other device (the “server”) and the other device will not synchronize to IBR.
By default, NTP is disabled on IBR, no NTP associations are defined, and the NTP daemon is not running.
Procedures for enabling and configuring NTP are contained in the CLI Guide.
When IBR is running NTP, IBR can be associated with more than one NTP server. Normally, IBR will
synchronize to the associated NTP server that has the lowest stratum number; that is the lowest number of
hops between the server and its clock source. A stratum 1 time server has a radio or atomic clock directly
attached, a stratum 2 time server receives its time through NTP from a stratum 1 time server, etc.
IBR will avoid synchronizing to a server whose time might not have been synchronized or to one whose time
is significantly different than the time from other associated servers, even if its stratum is lower.
When NTP is enabled on IBR, NTP time will take precedence over time provided by any other source or
method.
8
Open Systems Interconnection
9
Metro Ethernet Forum

IBR Installation Guide
Page 29 of 38 Doc # 770-00023.1
Jan. 23, 2015
7.10 System Message Logging
IBR sends the output of system messages and certain Privileged commands to a logging process that can be
configured to distribute such messages to a logging file, remote syslog server, or operator’s console. Detailed
instructions for configuring message logging are contained in the CLI Guide.
7.11 Quality of Service (QoS) & Class of Service (CoS)
IBR supports QoS packet prioritization in compliance with IEEE 802.p. By default, QoS is disabled and must
be configured and enabled by an operator using the commands and procedures described in this section.
IBR’s CLI has commands that allow an operator to create and configure Traffic Classes and Traffic Policies
that are associated with specified IBR interfaces. The CLI Guide contains detailed information for configuring
QoS/CoS features.
7.12 Security
Security features of IBR include:
AES encryption on over-the-air links;
Access control lists;
Multicast and broadcast storm control;
Port protection and blocking
Return to Table of Contents
8. Field Test Procedure
The following procedure can be run to test a link after successful installation of IBRs and link establishment,
and at other times as necessary.
8.1 Firmware Upgrade
If it is necessary to upgrade IBR’s firmware, this can be accomplished using CLI or GUI. See the CLI Guide for
detailed instructions.
8.2 RFC 2544 Traffic Tests
Reboot both IBRs to ensure they are in full automatic mode.
Ensure MCS is at 10/10 in both directions.
Connect an RFC 2544 tester and run the RFC 2544 test.
Note the results, including latency.
When the channel bandwidth is set to 38 MHz, the expected outcome is 320 Mbps in both directions with a
packet drop rate less than 0.05%.
8.3 Endurance Test
Establish traffic in both directions at 80% capacity and run continuously for seven (7) days.
The expected outcome is that there will be no reboots and total frame losses will be less than 5.0E-4.
8.4 Traffic Classification Test
Configure an Ethernet tester for two streams, as follows:
- Stream 1: CoS=7; BW=50 Mbps
- Stream 2: CoS=6, BW=300 Mbps
IBR Installation Guide
Page 31 of 38 Doc # 770-00023.1
Jan. 23, 2015
Appendix A: Troubleshooting Guide
NOTE: These procedures have been developed by Fastback Networks to assist a field engineer in
troubleshooting an IBR that does not appear to be working properly. These procedures are not intended
to replace or supersede a company’s standard procedures for operating and troubleshooting network
devices.
This Troubleshooting Guide is organized by symptoms that an operator might observe that suggest that IBR is
not operating properly.
A 1. IBR Reboots During the Boot Process
If IBR is repeatedly rebooting during the boot process and displaying the following message:
Message: “Uncompressing Linux… done, booting the kernel”.
Try the following: Replace the PoE+ injector and try booting the IBR again. It might be that the PoE+ power
source is not providing sufficient power to IBR. IBR requires at least 35 watts.
A 2. IBRs Cannot Establish A Link
Both IBRs on the link appear to be working properly, but cannot establish a link.
2.1. Turn Transmitters ON
Turn both transmitters ON using the following procedure:
a. Check the status of the link with the following CLI command (where IBR101 is shown as the host
name):
IBR101 # show interface radio 0 status
b. The status report that is displayed should state that IBR is UP and the Transmitter is ON.
Status: UP, 0d 2h 44m 52s, Transmitter is ON
c. If the Transmitter is OFF, turn it on with the following CLI commands:
IBR101 # configure terminal
IBR101 (config)# interfaces radio 0
IBR101 (config-rad-0)# tx on
d. Verify that the transmitter is ON:
IBR101 (config-rad-0)# do show interface radio 0 status
e. If the transmitter still is not ON, reboot the IBR:
IBR101 (config-rad-0)# do reload
f. When the unit is back up repeat the sequence above to turn ON the transmitter. If the transmitter still
in not ON, escalate the problem to the next higher support level.
2.2. Check IBR Compatibility
When both transmitters are confirmed to be ON, verify that their respective transmit and receive frequencies
mirrored; that is, that the receive frequency of each IBR is the same as the transmit frequency of the other
IBR. The following are sample radio status outputs:
5.8 IBR Frequency and Bandwidth:
TX: 5800 MHz RX: 5300 MHz

IBR Installation Guide
Page 32 of 38 Doc # 770-00023.1
Jan. 23, 2015
TX BW: 35 MHz RX BW: 35 MHz
5.3 IBR Frequency and Bandwidth:
TX: 5300 MHz RX: 5800 MHz
TX BW: 35 MHz RX BW: 35 MHz
NOTES: These values might be changing as long as RRC is running.
The bandwidths do not need to match.
From the report, confirm that the two IBRs are compatible. In the example above, the link has one IBR that
transmits in the 5.8 GHz band receives in the 5.3 GHz band, and one IBR that transmits in the 5.3 GHz band
and receives in the 5.8 GHz band. Two identical radios will not communicate with one another.
2.3. Reset the Link
Reset the link with a soft reset. (If practical, do this on both ends of the link.)
a. Check the status of the link with the following CLI commands:
IBR101 # show interface radio 0 status
b. If the Status indicates the Transmitter is ON but the Status is DOWN, do the following:
IBR101 # configure terminal
IBR101 (config) # interfaces radio 0
IBR101 (config-rad-0) # rrc soft-reset
This will reset the link and radio, forcing a resync.
c. After 3 to 5 minutes check the radio status again.
IBR101 (config-rad-0) # exit
IBR101 (config) # exit
IBR101 # show interface radio 0 status
2.4. Reboot the IBRs
a. If a Soft-Reset does not establish a link then save any configuration changes and reboot the IBRs.
IBR101 # copy running-config startup-config
IBR101 # reload
b. After 3 to 5 minutes check the radio status again.
IBR101 # show interface radio 0 status
2.5. Check EIRP, RSL, & SNR
If the Status indicates the Link Status still is DOWN, check EIRP, RSL, and SNR. Values shown below are
samples only:
EIRP: (should be > 15 dBm)
S0: 27.0 dBm S1: 27.0 dBm Total: 30.0 dBm
RSL: (should be > - 84 dBm; remember that these are negative numbers)
1: - 68.5 dBm 2: - 69.0 dBm 3: - 68.0 dBm 4: - 68.5 dBm
SNR: (short-term SNR should be > 3 dB)
Short-term SNR: S0: 27 dB S1: 27 dB
Long-term SNR: S0: 27 dB S1: 27 dB

IBR Installation Guide
Page 33 of 38 Doc # 770-00023.1
Jan. 23, 2015
If any of these values is outside the required operating range, it might be necessary to reposition (i.e., rotate,
elevate, or move) one or both IBRs, or to swap ends of the link.
2.6. Reposition IBR
It might be necessary to perform one or more of the following procedures for either or both IBRs. Which
repositioning strategy should be tried first will be a decision the field engineer will need to make based on
observations at the mounting locations.
In all cases, be mindful of cable lengths and tie-downs, and power connections.
CAUTION: WHEN POWER IS APPLIED TO IBR, IBR AUTOMATICALLY WILL BEGIN TRANSMITTING. DO NOT
TRY TO REPOSITION IBR WHEN POWER IS CONNECTED.
2.7. Rotate IBR
IBR can be rotated to point more closely in the direction of the other IBR or toward some object that might
provide reflection of the signals. The objective is to improve received signals at both ends of the link.
1) Loosen the mounting bracket.
2) Rotate the IBR to the desired alignment position.
3) Retighten the mounting bracket.
4) Check the radio status to verify signal level improvement.
IBR101 # show interface radio 0 status
5) Repeat until the signal level improves and a link is established.
2.8. Elevate IBR
If IBR is mounted on a pole or mast, it might be possible to move it up without removing IBR from its
mounting bracket. If IBR is mounted on a wall, it will be necessary to remove IBR from the bracket and move
the wall-mount portion of the bracket to a higher location.
Elevating IBR only a foot or two can make a significant improvement in reception.
2.9. Change Location
Often a more suitable location near the current location can be selected to reduce interference from physical
(non-radiating) objects, and/or from sources of RF radiations (e.g., other radios) that are operating in the
area. A new location on the same rooftop or even on the same mounting asset often can improve reception
signal levels.
2.10. Reposition Each IBR to the Other End of the Link
Because the two IBRs receive in different frequency bands, swapping ends of the link can improve link
performance when one of the radios is operating near another radio that is transmitting near to the IBR’s
receive band. This is also often the easiest solution since the existing mounts and connections can be utilized
and only the IBRs need to be moved.
Return to Table of Contents
A 3. Packet Flood or Storm Condition
If an IBR pair with a default configuration establishes a wireless link and the connecting Ethernet interfaces
are connected to the same layer 2 network, a loop will be formed and a broadcast storm will occur. When this
happens, the network interfaces will become inaccessible, and the IBR CLI will become slow to respond. All
other devices on the collision domain will be inaccessible.

IBR Installation Guide
Page 34 of 38 Doc # 770-00023.1
Jan. 23, 2015
By default, all IBR Ethernet ports are assigned natively to VLAN1. To avoid creating a loop, configure a trunk
native interface on gigabit Ethernet 3 as shown in the following example:
IBR101 (config) # interface vlan 2
IBR101 (config-vlan2) # no shutdown
IBR101 (config-vlan2) # exit
IBR101 (config) # interface gigabitEthernet 3
IBR101 (config-if-ge3)# no switchport trunk native vlan 1
IBR101 (config-if-ge3) # switchport trunk native vlan 2
IBR101 (config-if-ge3) # do copy running-config startup-config
It is necessary to perform this setup on only one side of the link, unless there is untagged traffic on the link, in
which case it should be performed on both sides of the link.
Network loops also can be avoided by creating a separate management interface on each IBR. See the IBR
Administration & Command Line Interface Guide for information about creating a management interface.
Return to Table of Contents
A 4. Link Is Established But Not Passing Traffic
Confirm that a link has been established by (i) pinging the opposite end, (ii) checking the interface counters,
and/or (iii) viewing the radio link status using the following command:
IBR101 # show interface radio 0 status
If a link has been established, but will not pass traffic, do the following:
a. Confirm that IBR is configured to pass all VLAN traffic, regardless of VLAN, by using the bridge
command as shown below.
IBR101 (config) # bridge linklocalframes gigabitethernet 1
Do this on both sides of the link using the connected data port on VLAN2 which, in this case, is ge1.
b. Check syslog for messages that indicate that the link is going up and down.
IBR101 # show logging active
NOTE: Use Ctrl-C to stop the display from continuing to scroll.
c. Confirm that MTU is set correctly on both IBRs.
IBR101 (config) # mtu 9712
NOTE: When MTU is set to 9712, it will be 9712 between the wired switch ports; however, the over-
the-air MTU is limited to 2599.
d. Check history logs for radio conditions prior to the time when the link would not pass traffic.
IBR101 # show interface radio 0 history mcs
IBR101 # show interface radio 0 history bler
If history shows that MCS dropped to 1 and BLER increased before the link stopped passing traffic, the
cause might be interference.
Return to Table of Contents
A 5. IBR Cannot Be Reached Via the Network
Follow these steps if IBR cannot be reached via the network.

IBR Installation Guide
Page 35 of 38 Doc # 770-00023.1
Jan. 23, 2015
a. Establish communications with IBR via the serial interface ( See the section on communicating with
IBR via CLI).
b. Confirm that an Ethernet interface is enabled and connected to the network:
IBR101 # show interfaces
c. If the interface is connected, but not enabled, execute the following commands:
IBR101 (config) # interface gigabitethernet 2
where 2 is used as an example (could be 0, 1, or 2).
IBR101 (config-if-ge2) # no shutdown
IBR101 (config-if-ge2) # exit
IBR101 (config) # exit
IBR101 # show ip interfaces
The following is a sample output.
In the output above:
up means the interface is enabled and connected;
down means the interface is enabled, but not connected to another device; and
disabled means the interface might not be connected.
d. If the Ethernet interface is connected and enabled, check that the default gateway is configured
and responds to pings.
e. Verify any VLAN settings on both IBR and the connecting device.
f. If an Ethernet link is unexpectedly down:
Check the Ethernet cable with a suitable cable certifier (e.g., Fluke DTX 1800, or Byte
Brothers RWC 1000K).
Check that speed and duplex settings on IBR match those on the switch port.
Return to Table of Contents
A 6. IBR Is Dropping Frames

IBR Installation Guide
Page 36 of 38 Doc # 770-00023.1
Jan. 23, 2015
Payload frames may be dropped by the switch (in IBR) due to a full queue or by the radio due to errors.
Frames dropped over the air are measured at the receiver. IBR reports switch and radio drops in switch
counters and radio counters respectively that can be viewed using CLI, SNMP and GUI as discussed below.
a. Payload dropped by the switch.
CLI:
IBR101 # show interfaces counters drops
SNMP:
IF-MIB ifInDiscards and ifInErrors
InErrors show the packets discarded because they fail CRC check. InDiscards shows the packets
that were dropped because the output queue was full.
b. Payload dropped over the air.
Use CLI to show payload packet error rate and counters:
IBR101 # show interfaces radio 0 status
IBR101 # show interfaces radio 0 counters
Using SNMP, payload packet error can be seen under FBN-RADIO-MIB ibrRxPktDropRate
Using the Web UI, payload packet error rate is shown on the Monitor/Dashboard screen.
c. Frames dropped by the switch.
The switch will drop frames when the transmit queue fills. There is one transmit queue for each COS
level. Transmit queues will fill whenever the offered load exceeds either the IBR-imposed throughput
limit or the over-the-air capacity. The IBR-imposed throughput limit might be configured via a policy
map. Policy map configurations can be displayed with the following command:
IBR101 # show running-config
To determine if the offered load is close to the throughput use on of the following:
CLI:
IBR101 # show interfaces radio 0 status
Compare “Payload” to RX MCS S0 + RX MCS S1.
Using Web UI, view the Monitor/Radio/Report screen to view:
MCS RX Theoretical & RX Actual Throughput
MCS TX Theoretical & TX Actual Throughput
Using SNMP, FBN-RADIO-MIB:
ibrRxTputRate and ibrTxTputRate will show the payload throughput.
ibrRxTpS0+ ibrRxTpS1 and ibrTxTpS0+ ibrTxTpS1 will show carrying capacity.
Return to Table of Contents
A 7. Communicating With IBR Via Command Line Interface (CLI)
CLI can be used to troubleshoot and configure IBR. The following are the steps for logging onto IBR. If IBR
has previously been configured, the field engineer will need to know the valid user name and password to
use.
a. To communicate with IBR, log onto IBR via one of the following options:
Serial Console w/settings

IBR Installation Guide
Page 37 of 38 Doc # 770-00023.1
Jan. 23, 2015
o XON/XOFF is disabled
o Bitrate = 115200bps
o No Parity
o 8 bits
o 1 stop bit
SSH
Telnet
Successful connection will return the Login prompt shown below.
IBR login:
b. Log onto IBR using a valid user ID and password. IBR is shipped with the following default credentials:
user names: fbn and admin either can be used
password: fastback valid for both user names
Entering a valid user name and password will place the operator in CLI User Mode and the following
prompt will be displayed (IBR101 is shown as the default host name):
IBR101 >
c. Enter CLI Privileged mode using the following command:
IBR101 > enable
The same password that was used to log onto IBR can be used (e.g., fastback for factory default).
The Privileged Mode prompt will be displayed:
IBR101 #
All CLI resources are available in Privileged Mode. For detailed information, see the IBR Administration
and Command Line Interface Guide.
Return to Table of Contents
A 8. Contacting Fastback Technical Support
Fastback Networks Product Documentation Downloads:
https://fastbacknetworks.zendesk.com/hc/en-us/categories/200075157-Documentation
Fastback Networks Support Website:
http://www.fastbacknetworks.com/support/
For help with a specific product issue:
http://www.fastbacknetworks.com/support/faq
Contact Fastback Networks Technical Support:
email: support@fastbacknetworks.com telephone (408) 430-5440 option 2
Return to Table of Contents

IBR Installation Guide
Page 38 of 38 Doc # 770-00023.1
Jan. 23, 2015
Federal Communications Commission (FCC) Compliance Statement
The equipment that is the subject of this Guide has been tested and found to comply with the
limits for a Class B digital device pursuant to Part 15 of the FCC Rules. These limits are designed to
provide reasonable protection against harmful interference when the equipment is properly
installed and operated in accordance with instructions contained in this manual. In addition, this
equipment complies with FCC radiation exposure limits for operation in an uncontrolled
environment.
The equipment should not be operated if it becomes out of compliance with FCC Rules. In order to
ensure continued compliance with FCC Rules, the equipment:
Should be installed in a restricted area that is accessible only by authorized service
personnel.
Should not be operated within one hundred centimeters (100 cm) of personnel.
Should not be operated if it is or becomes damaged.
Should be connected to other devices by shielded cables of the correct types.
Should not be repaired or modified except by Fastback Networks.
This device complies with part 15 of FCC rules. Operation is subject to the following two
conditions: (1) This device may not cause harmful interference, and (2) This device must accept
any interference received, including interference that may cause undesired operation.
Return to Table of Contents

