Smeg MI20X 1 652 Revised IM_new_it1 User Manual To The 6e7dbd8b Dba2 4c02 B788 B4f5c2defc12
User Manual: Smeg MI20X-1 to the manual
Open the PDF directly: View PDF
.
Page Count: 14

Litre Electronic Microwave
Owner’s Instruction Manual
MI20X-1
Read the Instructions carefully and Keep for Future Reference
20
- The temperature of accessible surfaces may be high when the appliance
is operating.
IMPORTANT SAFETY INSTRUCTIONS
READ CAREFULLY AND KEEP FOR FUTURE REFERENCE
- WARNING: when the appliance is operated in the combination mode,
children should only use the oven under adult supervision due to
the temperatures generated;
- WARNING: if the door or door seals are damaged, the oven must not be
operated until it has been repaired by a competent person;
- WARNING: it is hazardous for anyone other than a competent person to
carry out any service or repair operation that involves the removal
of a cover which gives protection against exposure to microwave
energy;
- WARNING: liquids and other foods must not be heated in sealed
containers since they are liable to explode
- only use utensils that are suitable for use in microwave ovens
- when heating food in plastic or paper containers, keep an eye on the
oven due to the possibility of ignition;
- if smoke is observed, switch of or unplug the appliance and keep the
door closed in order to stifle any flames;
- microwave heating of beverages can result in delayed eruptive boiling,
therefore care must be taken when handling the container;
- the contents of feeding bottles and baby food jars shall be stirred or
shaken and the temperature checked before consumption, in order to
avoid burns;
- eggs in their shell and whole hard-boiled eggs should not be heated in
microwave ovens since they may explode, even after microwave
heating has ended;
- the oven should be cleaned regularly and any food deposits removed;
- failure to maintain the oven in a clean condition could lead to
deterioration of the surface that could adversely affect the life of the
appliance and possibly result in a hazardous situation;
- if the supply cord is damaged, it must be replaced by the manufacturer,
its service agent or similarly qualified persons in order to avoid a
hazard.

SPECIFICATIONS
BEFORE YOU CALL FOR SERVICE
Power consumption:
Output:
Grill heater:
Operating Frequency:
Outside Dimensions:
Oven Cavity Dimensions:
Oven Capacity:
Net Weight:
230V~50Hz,1280W
1000W
2,450MHz
Approx. 14.35kg
1. If the oven will not perform at all, the display does
not
appear or the display disappears:
a) Check to ensure that the oven is plugged in
securely. If it is not, remove the plug from the
outlet, wait 10 seconds and plug it in again
securely.
b) Check the premises for a blown circuit fuse or a
tripped main circuit breaker. If these seem to be
operating properly, test the outlet with another
appliance.
2. If the microwave power does not function:
a) Check to see whether the timer is set.
b) Check to make sure that the door is securely
closed to engage the safety interlocks.
Otherwise, the microwave energy will not flow
into the oven.
IF NONE OF THE ABOVE RECTIFIES THE SITUATION, THEN CONTACT THE AUTHORIZED SERVICE
AGENT.
Note:
The appliance is for household use for heating food and beverages using electromagnetic energy and for
indoor use only.
RADIO INTERFERENCE
Microwave oven may cause interference to your radio, TV, or similar equipment. When interference occurs,
it may be
eliminated or reduced by the following procedures.
a. Clean the door and sealing surface of the oven.
b. Place the radio, TV, etc. as far away from your microwave oven as possible.
c. Use a properly installed antenna for your radio, TV, etc. to get a strong signal reception.
20 Litres
800W
592mm(W) X 360mm(D) X 390mm(H)
330mm(W) X 332mm(D) X 208mm(H)

INSTALLATION
1. Make sure all the packing materials are removed from
the inside of the door.
2. Inspect the oven after unpacking for any visual
damage such as:
Misaligned Door
Damaged Door
Dents or Holes in Door Window and Screen
Dents in Cavity
If any of the above are visible, DO NOT use the
oven.
3. This Microwave Oven weighs 14.35 kg and must be
placed on a horizontal surface strong enough to
WARNING-THIS APPLIANCE MUST BE EARTHED.
1. The plug socket should be within easy reach
of the power cord
2. This oven requires 1.5 KVA for its input.
consultation with service engineer is
suggested when installing the oven.
support this weight.
4. The oven must be placed away from high temperature
and steam.
5. DO NOT place anything on top of the oven.
6. DO NOT remove the turn -table drive shaft.
7. As with any appliance, close supervision is necessary
when used by children.
CAUTION:This oven is protected internally by
ac 250V, Amp Fuse. 8
IMPORTANT
The wires in this mains lead are coloured in accordance with the following code:
Green-and-yellow : Earth
Blue : Neutral
Brown : Live
As the colours of the wires in the mains leads of the appliance may not correspond with the coloured markings
identifying the terminals in your plug, proceed as follows:
The wire which is coloured green-and-yellow must be connected to the terminal in the plug which is marked with the
letter E or by the earth symbol coloured green of green-and-yellow.
The wire which is coloured blue must be connected to the terminal which is marked with the letter N or coloured black.
The wire which is coloured brown must be connected to the terminal which is marked with the letter L or coloured red.
SAFETY INSTRUCTIONS FOR GENERAL USE
Listed below are, as with all appliances, certain rules to follow and safeguards to assure top performance from
this oven:
1. Always have the glass tray, roller arms, coupling and roller track in place when operating the oven.
2. Do not use the oven for any reason other than food preparation, such as for drying clothes, paper, or any
other nonfood items, or for sterilizing purposes.
3. Do not operate the oven when empty. This could damage the oven.
4. Do not use the oven cavity for any type of storage,such a papers, cookbooks, etc.
5.Do not cook any food surrounded by a membrane,such as egg yolks,potatoes,chicken livers,etc without
first being pierced several times with a fork.

6. Do not insert any object into the openings on the outer
case.
7. Do not at any time remove parts from the oven such as
the feet, coupling, screws, etc.
8. Do not cook food directly on the glass tray. Place food
in/on proper cooking utensil before placing in the oven.
9. IMPORTANT-COOKWARE NOT TO USE IN YOUR
MICROWAVE OVEN
Do not use metal pans or dishes with metal handles.
Do not use anything with metal trim.
Do not use paper covered wire twist-ties on plastic bags.
Do not use melamine dishes as they contain a material
which will absorb microwave energy.This may cause
the dishes to crack or char and will slow down the
cooking speed.
Do not use Centura Tableware.The glaze is not suitable
for microwave use. Corelle Livingware closed handle
cups should not be used.
Do not cook in a container with a restricted opening,
such as a pop bottle or salad oil bottle, as they may
explode if heated in a microwave oven.
Do not use conventional meat or candy thermometers.
There are the thermometers available specifically for
microwave cooking. These may be used.
10. Microwave utensils should be used only in
accordance with manufacturer's instructions.
11. Do not attempt to deep-fry foods in this oven.
12. Please remember that a microwave oven only
heats the liquid in a container rather than the
container itself.Therefore, even though the lid
of a container is not hot to the touch when
removed from the oven, please remember that
the food/liquid inside will be releasing the same
amount of steam and/or spitting when the lid is
removed as in conventional cooking.
13. Always test the temperature of cooked food
yourself especially if you are heating or cooking
food/liquid for babies. It is advisable never to
consume food/liquid straight from the oven but
allow it to stand for a few minutes and stir food/
liquid to distribute heat evenly.
14. Food containing a mixture of fat and water,
e.g.stock,should stand for 30-60 seconds in the
oven after it has been turned off. This is to allow
the mixture to settle and to prevent bubbling when
a spoon is placed in the food/liquid or a stock cube
is added.
15. When preparing/cooking food/liquid and remember
that there are certain foods, e.g. Christmas
puddings, jam and mincemeat, which heat up very
quickly. When heating or cooking foods with a high
fat or sugar content do not use plastic containers.
16. Cooking utensil may become hot because of heat
transferred from the heated food. This is especially
true if plastic wrap has been covering the top and
handles of the utensil. Potholders may be needed
to handle the utensil.
17.To reduce the risk of fire in the oven cavity:
(a)Do not overcook food. Carefully attend microwave
oven if papet, plastic, or other combustible materials
are placed inside the oven to facilitate cooking.
(b)Remove wire twist-ties from bags before placing
bag in oven.
(c)If materials inside the oven should ignite, keep oven
door closed, turn the oven off at the wall switch, or
shut off power at the fuse or circuit breaker panel.
FEATURE DIAGRAM
(1) Door Safety Lock System
(2) Oven Window
(3) Oven Air Vent
(4) Roller Ring
(5) Glass Tray
(6) Control Panel
(7) Grill rack
7
3
4
2
1
56

COMPUTER CONTROL PANEL
(1) DISPLAY
WINDOW
(4) Micro Menu
(7) Auto Menu
(2) Grill
(3) Defrost
(11) Time etting
(10) Start
(9) Pause/Cancel
(5) Memory
(8) Clock/ imer
(6) Combi
Grill
Defrost Micro
Memory Combi
Auto Menu
Clock/Time Pause/
Cancel Start
T
i
m
e
S
e
t
t
i
n
g

E3UHVVWKHEXWWRQ6WDUWWKHPLFURZDYHRYHQZLOOZRUNRQSRZHUIRUPLQXWHV
HWF
7RXFKLQJWLPHV
0LFURZDYHSRZHU
'LVSOD\
3
3
3
3
3
FRPSOHWHG
D3UHVV0LFUREXWWRQVHOHFWSRZHU
6WDUW
6WDUW
PLON
PLON
$XWR0HQX
<RXRQO\QHHGWRVHOHFWWKHIRRGW\SHDQGZHLJKWLWZLOODXWRPDWLFDOO\DGMXVWWKHSRZHUDQGWLPH
([DPSOH$XWRFRRNLQJ400JILVK
food
a) Press the button "Defrost" ,
b) Rotate the knob "Time setting" to set the weight 500g.
c) Press "Start"
"dEF" will be displayed.
S
3.Auto weight defrost
$3UHVV$XWRPHQXEXWWRQXQWLO$GLVSOD\
%5RWDWHWKHNQRETime settingXQWLO400GLVSOD\
&3UHVV6WDUW

g
Weight
Touching Times
100
200
300
400
500
1
2
3
4
5
6
7
8
9
10
600
500
400
300
200
100
600
800
1000
500
400
300
200
600
700
800
900
1000
500
400
300
200
100
600
500
400
300
200
1001
2
Menu A-1
Rice
A-2
Vegetable
A-3
Meat
A-4 A-5
Fish
A-6
Spaghetti
5. Memory cooking function:
This function can memorize some useful cooking programes to avoid reseting time and power operation.
a) If no memory has been set press "memory" "1" will be displayed, input cooking power and time, press
"memory" again, the set program will be menorized. If you press "Start" instead of "menory" button, the
oven will start work, and the program also will be menorized.
b) It there is any memory has been set already, when you press "menory" button, "1" will be displayed, the
oven will operate according to the memorized program after you press "Start" button.
The progrume will not be kept when the electrity is off.
6. Grill
This function has two patterns, you may press "Grill" to select such functions: (the longest cooking time is
60 minutes).
Pattern 1: 85% grill power, display G-1
Pattern 2: 50% grill power, display G-2
Example: Cooking food with G-1 for 20 minutes
A) Press "Grill" until the LED displayed "G-1".
B) Set cooking time "20:00"
C) Press "Start"
When grilling, the food isn't heated by microwave, heat is radiated from the metal heater at the top of the oven.
When grill is working, the cooking time has 2 stages, after the 1st half of the cooking, the program will
automatically pause and sound 2 beeps, indicating you to open the oven and turn food over, close the door
after turn the food over, press "Start" button, the cooking will continue for the 2nd half. If you do not want to turn
the food over, the oven will re-start after 1 min pause.
Rehead

0
ombi
ombi
9
Clock/Time
11. Pause/Cancel
a) In the course of operation, pressing "Pause/Cancel" button will stop operation.
b) If any program was set before pressing start, pressing this button will cancel all the set program.
7. Combination Cooking
This appliance offers you a choice of two methods of combination cooking.
Option 1 : 55% Micro + 45% Grill), display "C-1"
Option 2 : 30% Micro + 70% Grill), display "C-2"
Example : Cooking food using option 2 for 30 minutes.
a) Press "Combi" button to select "C-2"
b) Set cooking time for 30 minutes
c) Press "Start "
8
Clock/Time
B)Press"Clock/Time"again
C) Press"Clock/Time"

CARE OF YOUR MICROWAVE OVEN
1.Turn the oven off and remove the power plug from the wall socket before cleaning.
2.Keep the inside of the oven clean. When food splatters or spilled liquids adhere to oven walls, wipe with a
damp cloth.The use of harsh detergent or abrasives is not recommended.
3.The outside oven surface should be cleaned with a damp cloth. To prevent damage to the operating parts
inside the oven,water should not be allowed to seep into the ventilation openings.
4.Do not allow the Control Panel to become wet. Clean with a soft, damp cloth, Do not use detergents,
abrasives or spray-on cleaners on the control Panel.
5.If steam accumulates inside or around the outside of the oven door, wipe with a soft cloth.This may occur
when the microwave oven is operated under high humidity conditions and in no way indicates malfunction
of the unit.
6.It is occasionally necessary to remove the glass tray for cleaning.Wash the tray in warm sudsy water or in
a dishwasher.
7.The roller ring and oven cavity floor should be cleaned regularly to avoid excessive noise.Simply wipe the
bottom surface of the oven with mild detergent,water or window cleaner and dry.The roller ring may be
washed in mild sudsy water or dish washer.Cooking vapour collect during repeated use but in no way
affect the bottom surface or roller ring wheels.
When removing the roller ring from cavity floor for cleaning,be sure to replace it in the proper position.
8.Remove odors from your oven by combining a cup of water with the juice and skin of one lemon in a
deep microwaveable bowl. Microwave for 5 minutes,wipe thoroughly and dry with a soft cloth.
9.When it becomes necessary to replace the oven light,please consult a dealer to have it replaced.
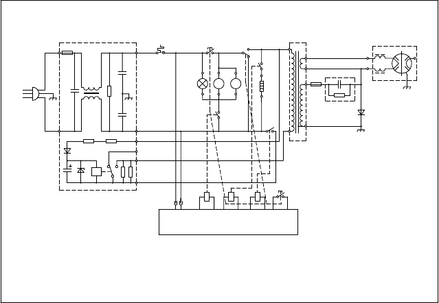
TRANSFORMER MAGNETRON
H: HEATER
TM: TURNTABLE MOTOR
FM: FAN MOTOR
L: LAMP
SWC: THE MONITOR INTERLOCK SWITCH
SWB: SECONDARY INTERLOCK SWITCH
SWA: PRIMARY INTERLOCK SWITCH
*CIRCUIT SUBJECT TO CHANGE WITHOUT NOTICE
( DOOR OPENED,COOK OFF CONDITION)
SCHEMATIC DIAGRAM
R4-1
C4
D2 RY
N
R3
D1 R2
CONTROLLER
JP1-2
JP1-1
RY
K4 K2 GNDK3 D_ SW
RY
H( OUT)
SW2
R4-2 T( IN)
N
P( OUT)
C2
RY SWB
SO
D
NEL
L
L
C1
R1
F1
NOISE FILTER
L
C3 FU
LFM TM
SWA
HSH
F2
C
SWC
FA
F

FRAME安装说明书
20L/23L/30L FULL BUILT-IN MICROWAVE
OVEN INSTALLATION MANUAL
vent
MICROWAVE
vent
MICROWAVE OVEN CABINETRY
COMPONENTS
Cabinet measurement Requirements(illustrated above):
1. Cabinet's inner dimension in transverse direction is 560-566mm.
This is the minimum distance from the left batten to right batten.
2. Cabinet's inner dimension in longitudinal direction is 360-368mm.
This is the minimum distance from the left batten to right batten.
3. Cabinet's depth should be no less than 550mm.
4. Outside dimension of cabinet should be no less than 596mm,
as the frame length is 592mm.
5. Cabinet's board less than 15mm or 20mm thick.
vent
FRAME dimensions
Width 592mm
Height 390mm
Depth 20mm
Cavity dimensions
Width 566mm
Height 365mm
Depth 550mm
TRIM KIT SPECIFICATIONS
1、Plastic buckle setting paper 1PCS
2、orientation 1PCS
3、bolt Ø4X10 3PCS
4、screw cover 1PCS
5、bolt Ø4X35 1PCS
50
550
3
2
1
5
4
550
50
360-368 IMPORTANT SIZE
100
560-566
IMPORTANT SIZE
500
20.25
55.4

3、Open the microwave oven,
fix the bolt (Component 5) and
beat it into the cabinet, then install
screw cover (Component 4)。
2.Put the microwave oven into the cabinet and keep
the microwave oven in a horizontal direction and keep
the edge distance of two side as same.Then fix the
orientation on then back of microwave oven.
FRAME安装说明书
FRAME INSTALLATION STEPS
1.Cabinet must be finished as per cabinet dimensions.
Put the plastic buckle setting paper( Component 1)
on the bottom board of cabinet cavity.
Keep the paper's front edge and the cabinet
outside edge in one line. Then put
the orientation(Component 2) on the paper
and adjust their holes as per the hole position
in the drawing. Then fix the bolt (Component 3).

Smeg Spa, Guastalla (RE), Italy