Snapper 355Z Series Users Manual PartsManual
2015-01-24
: Snapper Snapper-355Z-Series-Users-Manual-224774 snapper-355z-series-users-manual-224774 snapper pdf
Open the PDF directly: View PDF
.
Page Count: 54

Parts Manual fo
r
Revision C,
24HP HYDRO DRIVE ZT
R
355Z SERIES
TP 400-5275-C-HZ-N6/3/2008
Briggs & Stratton Yard Power Products Group
535 Macon Road
McDonough, GA, 30253 U.S.A.
800-935-2967 Manual No. 5101225
MODEL
355ZB2444 (5900681)
355ZB2450 (5900682)
355ZB2450CE (5900685)

Table Of Content
s
TP 400-5275-C-HZ-N
24HP HYDRO DRIVE ZTR
355Z SERIES 3
Manual No. 5101225
PAGE GROUP
4Wheel & Tire Group
6Main Frame Group
8Seat & Floor Plate Group
10 Fuel Tank & Replacement Parts Group
12 Engine & PTO Group - 24 HP Briggs & Stratton
14 Motion Control Group
18 Parking Brake Group
20 Pump Drive Group
22 Hydraulic Group
24 Transmission SERVICE PARTS
26 Rear Bumper Group
28 Decal Group - Brand & Model
30 Decal Group - Safety & Common
32 Export Decal Group - Safety & Common
34 Deck Lift Group
38 44" & 50" Mower Deck - Belt & Idler Group
40 44" & 50" Mower Deck - Housing, Arbors & Blades Group
44 44" & 50" Mower Deck - Rollers Group
46 Instrument Control Panel Group
48 Electrical Group
50 Wiring Schematic - 24 HP Briggs & Stratton

Wheel & Tire Group
TP 400-5275-C-HZ-N
24HP HYDRO DRIVE ZTR
355Z SERIES
4
Manual No. 5101225

Wheel & Tire Group
Footnotes:
TP 400-5275-C-HZ-N
Manual No. 510122524HP HYDRO DRIVE ZTR
355Z SERIES 5
Part No Descri
p
tionItem Qt
y
Note
1 5022433S 2 WHEEL & TIRE ASSEMBLY, 11 X 4.0 - 5, Complete (INCLUDES REF NO. 2 - 6)
(S/N: 2013129510 & Below)
2 5022433X1 2 TIRE, Front, 11 X 4.0 - 5 (SV)
3 5022433SX2 2 WHEEL ASSEMBLY, Complete (INCLUDES REF NO. 4 & 5)
4 2172353 4 VALVE STEM & CAP ASSEMBLY (SV)
5 5022579 4 BEARING, Roller (2 PER TIRE)
6 5021043 4 BEARING, Retainer (2 PER TIRE)
7 5045996 2 AXLE, Front Caster
8 5025017X52 2 CAPSCREW, Hex Head, 1/2-13 X 6-1/2
9 5025056 2 NUT, Hex Nylon Lock, 1/2-13
10 5023095 2 WHEEL & TIRE ASSEMBLY, 20 X 8.0 - 10, Complete (INCLUDES REF NO. 4, 11 &
12)
11 5023095X1 2 TIRE, Rear 20 X 8.0 X 10 (SV)
12 5023095X2 2 WHEEL ASSEMBLY, For 20 X 8.0 X 10 Tire (SV)
13 5020601 8 LUG NUT, 1/2-20
14 5025158 4 WASHER, SAE, 1/2
15 5101418 2 WHEEL, CASTER, 11 X 4.0-5 SILVER BEAD LO (INCLUDES REF NO. 2, 4-6,
16) (S/N: 2013129511 & Above)
16 5101418X1 2 WHEEL ASSEMBLY, Complete (INCLUDES REF NO. 4 & 5)

Main Frame Group
TP 400-5275-C-HZ-N
24HP HYDRO DRIVE ZTR
355Z SERIES
6
Manual No. 5101225

Main Frame Group
Footnotes:
TP 400-5275-C-HZ-N
Manual No. 510122524HP HYDRO DRIVE ZTR
355Z SERIES 7
Part No Descri
p
tionItem Qt
y
Note
1 5021541 4 BUSHING, FLANGE
2 5400405D 1 WELD, PIVOTING FRONT END - RED
3 5048775D 2 WELD, CASTER YOKE - RED
4 5025057 4 NUT, 5/16-18 HEX NYLON LOCK
5 5020095 2 GREASE FITTING, 1/4-28 STRAIGHT
6 5020602 2 COLLAR, 1" SPLIT
7 5402896D 1 WELD, MAINFRAME, SNAPPER ZT, RED
8 5025303 4 SCREW, 5/16-18 X 1 FLAT HD SC
9 5100930 2 PAD, FRICTION, .375 X 1.25 X 4.00
10 5025284 1 NUT, 3/4-16 HEX NYLON LOCK
11 5025160 1 WASHER, 3/4 SAE
12 5025265X56 1 BOLT, 3/4-16 X 7" YZ GD5
13 5047489 1 SPACER, .75 X 1.00 X 2.38
14 5022852 1 PIVOT BEARING, 1.00" X 1.125" OD X 1.50"
15 5100358 1 PIVOT BEARING, 1.00 X 1.125 OD X .50
16 5400756 1 SPACER, .76X 1.50 X .79
17 5023214 2 CAP, VINYL 1.687 X 1-1/2

Seat & Floor Plate Group
TP 400-5275-C-HZ-N
24HP HYDRO DRIVE ZTR
355Z SERIES
8
Manual No. 5101225

Seat & Floor Plate Group
Footnotes:
TP 400-5275-C-HZ-N
Manual No. 510122524HP HYDRO DRIVE ZTR
355Z SERIES 9
Part No Descri
p
tionItem Qt
y
Note
1 5402937D 1 PLATE, SEAT SUPPORT, CONS Z - RED
2 5025011X8 8 BOLT, 5/16-18 X 1 GD 5 YZ
3 5025292 6 WASHER, 5/16 GD. 9 FLAT
4 5025392 8 NUT, 5/16-18 HEX NYLOCK FLANGE
5 7078299 2 SPRING, SEAT SUPPORT
6 5025156 2 WASHER, 3/8 SAE
7 5100999 1 SAFETY WALK, FLOOR PLATE, 17.38 X 11.50
8 5101007 1 SAFETY WALK, FLOOR REST, 17.38 X 6.00
9 5061599 1 SEAT, XB-180, NO LOGO, BLACK
10 5025057 4 NUT, 5/16-18 HEX NYLON LOCK
11 5025394 2 NUT, 3/8-16 HEX NYLOCK FLANGE
12 5403488D 1 WELD, SEAT PLATE - RED
13 5403043D 1 PLATE, FLOOR, CONSUMER Z - RED
14 5403044D 1 PLATE, FLOOR, FRONT, CONS Z - RED
15 35097 6 MOUNT, VIBRATION, 30 DURO
16 197546 4 MOUNT, VIBRATION, RUBBER
17 5025481 6 BOLT, 3/8-16 X 5/8, SERRATED UNDER HEAD
18 5025013X28 2 BOLT, 3/8-16 X 3-1/2 GD5 YZ
19 5044617 2 WASHER, .34 X 1.25 X 10 GA
20 5025128 4 NUT, 3/8-18 HEX SERRATED FLANGE
21 5021500 1 CLAMP, VINYL INSULATED
22 5025010X6 1 BOLT, 1/4-20 X 3/4 GD5 YZ
23 5025154 1 WASHER, 1/4 SAE
24 5025391 1 NUT, 1/4-20 HEX NYLOCK FLANGE
25 1686907 1 ARM REST, SET OF TWO (SV)
26 5100636 1 SPRING, SEAT ADJUSTMENT (SV)
27 5061599X1 1 KIT, SEAT RAILS. COMPLETE (SV)
28 5025394 2 NUT, 3/8-16 HEX NYLOCK FLANGE
29 5025480 6 WASHER, 3/8" ID, INTERNAL TOOTH
30 5025011X6 1 BOLT, 5/16-18 X 3/4 GDS
31 5025392 1 NUT, 5/16-18 HEX NYLOCK FLANGE
32 5025155 1 WASHER, 5/16 SAE
33 5403372D 1 PLATE, SUPPORT, FRONT FLOOR - RED

Fuel Tank & Replacement Parts Group
TP 400-5275-C-HZ-N
24HP HYDRO DRIVE ZTR
355Z SERIES
10
Manual No. 5101225

Fuel Tank & Replacement Parts Group
Footnotes:
TP 400-5275-C-HZ-N
Manual No. 510122524HP HYDRO DRIVE ZTR
355Z SERIES 11
Part No Descri
p
tionItem Qt
y
Note
1 5101181 1 TANK, FUEL, LH (INCLUDES REF. NOS. 16 - 18)
2 5048752 1 TANK, FUEL, RH
3 5048909D 2 PLATE, FUEL TANK BADGE
4 5025011X6 18 BOLT, 5/16-18 X 3/4 GD5
5 5025155 18 WASHER, 5/16 SAE
6 5025170 10 WASHER, 5/16 LOCK YZ
7 5400836D 1 BRACKET, REAR SUPPORT - LH - RED
8 5048763D 1 BRACKET, REAR SUPPORT - RH
9 5022158 1 CAP, FUEL TANK, 3-1/2 NECK
10 5025386 6 SCREW, #10-24 X 3/8 ALLEN BHBZ
11 5025299X4 2 SCREW, 1/4-20 X 1/2 ALLEN BH
12 5403004D 1 PLATE, SUPPORT, REAR TANK - SNP RED
13 5025392 4 NUT, 5/16-18 HEX NYLOCK FLANGE
14 5050831X28 1 HOSE, 1/4" FUEL, 28.00"
15 5020835 2 CLAMP, HOSE, EXTERNAL, 1/2 - RED
16 5023197 1 FUEL GAUGE (SV)
17 5022917X1 1 GROMMET (SV)
18 5101190 1 PICK UP TUBE ASSM, FUEL TANK (SV)

Engine & PTO Group - 24 HP Briggs & Stratton
TP 400-5275-C-HZ-N
24HP HYDRO DRIVE ZTR
355Z SERIES
12
Manual No. 5101225

Engine & PTO Group - 24 HP Briggs & Stratton
Footnotes:
TP 400-5275-C-HZ-N
Manual No. 510122524HP HYDRO DRIVE ZTR
355Z SERIES 13
Part No Descri
p
tionItem Qt
y
Note
1 -- 1 * ENGINE, 24HP B&S, ELS Mod. #44M777-0121-E1
2 5023100 1 CLUTCH, #51110100, ELECTRIC, 1" SHAFT
3 5043636 1 CLUTCH ANCHOR PAD
4 5044617 5 WASHER, .34 X 1.25 X 10 GA
5 5023253 1 CAPSCREW, CRANKSHAFT, 7/16-20 x 3-1/4"YZ
6 5042132 1 SPACER, .45 X 1.62 X .37
7 5025011X8 1 BOLT, 5/16-18 X 1 GD5 YZ
8 5025155 6 WASHER, 5/16 SAE
9 5025392 7 NUT, 5/16-18 HEX NYLOCK FLANGE
10 5050407X18 1 KEY, 1/4" SQ. X 2 1/4
11 5025011X18 4 BOLT, 5/16-18 X 2-1/4" GD 5 YZ
12 5025188 4 WASHER, 5/16" INT. TOOTH LOCK
13 5403059D 1 PLATE, HEAT SHIELD - RED
14 5048681 1 HOSE, OIL DRAIN
15 690970 2 GASKET, EXHAUST
16 690341 4 SCREW, SEM HEX HEAD
17 5100907 1 MUFFLER, B&S-ELS 22-26HP
18 5100969 1 EXTENSION, TAILPIPE, 3"
19 5021808X8 2 SCREW
20 5022308 2 BODY CLIP, 5/16-18 X 1/2 DEEP
21 792303 1 PRE CLEANER (SV)
22 792105 1 AIR CLEANER W/ PRE CLEANER (SV) (INCLUDES REF NO 21)
23 95050 1 SCREW, CROSS RECESSED THREAD (EXPORT MODELS ONLY)
24 793821 1 COVER, STATIC / LABEL ASSY (EXPORT MODELS ONLY)
25 5021500 1 CLAMP, VINYL INSULATED (NOT SHOWN - FOR OIL
DRAIN HOSE)
26 5025010X6 1 BOLT, 1/4-20 X 3/4 GD5 YZ (NOT SHOWN - FOR OIL
DRAIN HOSE)
27 5025391 1 NUT, 1/4-20 HEX NYLOCK FLANGE (NOT SHOWN - FOR OIL
DRAIN HOSE)
28 5025154 1 WASHER, 1/4 SAE (NOT SHOWN - FOR OIL
DRAIN HOSE)
29 5025139 2 NUT, 5/16-18 HEX SERRATED FLANGE (LARGE)
30 5025011X10 2 BOLT, 5/16-18 X 1-1/4 GD5 YZ
31 696854 1 OIL FILTER (SV) (NOT SHOWN)
NOTE* Purchase engine parts from engine manufacturer dealer.

Motion Control Group
TP 400-5275-C-HZ-N
24HP HYDRO DRIVE ZTR
355Z SERIES
14
Manual No. 5101225

Motion Control Group
Footnotes:
TP 400-5275-C-HZ-N
Manual No. 510122524HP HYDRO DRIVE ZTR
355Z SERIES 15
Part No Descri
p
tionItem Qt
y
Note
1 5022068 2 GRIP, FOAM, 3/4 ID, 16 LONG
2 5025011X8 4 BOLT, 5/16-18 X 1 GD5 YZ
3 5025155 18 WASHER, 5/16 SAE
4 5025170 4 WASHER, 5/16 LOCK YZ
5 5048264 8 SPACER, .39 X .63 X 1.50
6 5025011X20 8 BOLT, 5/16-18 X 2-1/2" GD5 YZ
7 5025392 16 NUT, 5/16-18 HEX NYLOCK FLANGE
8 5025179X4 4 SCREW, #10-24 X 1/2 ROUND PHILLIPS
9 5025029 4 NUT, #10-24 HEX
10 5025055X16 4 BOLT, 5/16-18 X 2 GD5 TFL
11 5021499 2 BEARING, FLANGE
12 5021098 2 BEARING, BRONZE FLANGE, 3/4
13 5047004 2 MOUNT, CONTROL ARM
14 5025327 4 BOLT, 3/8-16 X 1-1/4 SHCS
15 5025096 4 NUT, 3/8-16 HEX NYLON LOCK
16 5025013X8 2 BOLT, 3/8-16 X 1 GD5 YZ
17 5025013X14 4 BOLT, 3/8-16 X 1-3/4 GD5
18 5025394 6 NUT, 3/8-16 HEX NYLOCK FLANGE
19 5025139 4 NUT, 5/16-18 HEX SERRATED FLANGE (LARGE)
20 5025011X10 4 BOLT, 5/16-18 X 1-1/4 GD5 YZ
21 5402852D 2 WELD, PLATE, NEUTRAL - RED
22 5100940 2 DAMPENER, CONTROL, #(P6709/P3610)
23 5402851D 1 WELD, CONTROL SHAFT, LH - RED
24 5402850D 1 WELD, CONTROL SHAFT, RH - RED
25 5100941 4 BALL STUD, 5/16 X .50, # PC-477-2)
26 5402872D 2 PLATE, CONTROL LINK, TRANSAXLE - RED
27 5101057 2 ROD, HYDRO LINKAGE - CONZ - YZ
28 5025015X6 2 BOLT, 7/16-14 X 3/4, GD 5 YZ
29 5025044 2 NUT, 7/16-14 HEX TOP LOCK
30 5025010X6 2 BOLT, 1/4-20 X 3/4 GD5 YZ
31 5025391 2 NUT, 1/4-20 HEX NYLOCK FLANGE
32 5023212 2 NUT, 5/16-24 HEX, LH
33 5023216 2 NUT, 5/16-24 JAM
34 5022628 2 BALL JOINT, 5/16-24, LH FEMALE
35 5021146 2 BALL JOINT, 5/16-24, FEMALE
36 5025127 8 NUT, 5/16-18 HEX SERRATED FLANGE (SMALL)
37 5025055X12 2 BOLT, 5/16-18 X 1-1/2" GD5 TFL

Motion Control Group
TP 400-5275-C-HZ-N
24HP HYDRO DRIVE ZTR
355Z SERIES
16
Manual No. 5101225

Motion Control Group
Footnotes:
TP 400-5275-C-HZ-N
Manual No. 510122524HP HYDRO DRIVE ZTR
355Z SERIES 17
Part No Descri
p
tionItem Qt
y
Note
38 5047055D 1 WELD, HANDLE MOTION CONTROL - LH
39 5047056D 1 WELD, HANDLE MOTION CONTROL - RH

Parking Brake Group
TP 400-5275-C-HZ-N
24HP HYDRO DRIVE ZTR
355Z SERIES
18
Manual No. 5101225

Parking Brake Group
Footnotes:
TP 400-5275-C-HZ-N
Manual No. 510122524HP HYDRO DRIVE ZTR
355Z SERIES 19
Part No Descri
p
tionItem Qt
y
Note
1 5101058 2 ROD, BRAKE CTRL, LOWER - CONZ
2 5021102 2 SPRING, COMPRESSION
3 5020047 5 COLLAR, 5/16" SET
4 5402883D 1 WELD, SHAFT, BRAKE HANDLE - RED
5 5402884D 1 WELD, BRAKE SHAFT - RED
6 5044992 2 SPACER, .38 X .50 X 1.56
7 5025013X18 2 BOLT, 3/8-16 X 2-1/4 GD5 YZ
8 5025394 2 NUT, 3/8-16 HEX NYLOCK FLANGE
9 5025158 2 WASHER, 1/2 SAE
10 5025337 2 WASHER, 5/16 USS
11 5025045 2 NUT, 5/16-24 HEX NYLON LOCK
12 5025010X6 4 BOLT, 1/4-20 X 3/4 GD5 YZ
13 5100171 1 GRIP, BLACK FLEXIBLE
14 5101123 2 BEARING, 1/2" FLANGED
15 5025391 4 NUT, 1/4-20 HEX NYLOCK FLANGE
16 5101116 1 ROD, PULLER ROD
17 1608395 1 SPRING, EXTN 1.040 OD X 04.000 LG .105 WIRE D
18 5023323 1 CLEVIS, 5/16-24, STEEL
19 5025213X8 1 PIN, CLEVIS, 5/16 X 1 YZ
20 5025210 1 PIN, HAIR, .0915 X 1-7/8
21 5025013X16 1 BOLT, 3/8-16 X 2 GD 5 YZ
22 5025128 2 NUT, 3/8-16 HEX SERRATED FLANGE

Pump Drive Group
TP 400-5275-C-HZ-N
24HP HYDRO DRIVE ZTR
355Z SERIES
20
Manual No. 5101225

Pump Drive Group
Footnotes:
TP 400-5275-C-HZ-N
Manual No. 510122524HP HYDRO DRIVE ZTR
355Z SERIES 21
Part No Descri
p
tionItem Qt
y
Note
1 5101296 1 PULLEY, CRANKSHAFT
2 5021079 1 IDLER PULLEY
3 5049184 1 SPACER, HYDRO PULLEY
4 5025013X24 1 BOLT, 3/8-16 X 3 GD5 YZ
5 5025013X16 1 BOLT, 3/8-16 X 2 GD5 YZ
6 5025156 2 WASHER, 3/8 SAE
7 5025394 3 NUT, 3/8-16 HEX NYLOCK FLANGE
8 5025165 2 WASHER, 3/8 FENDER
9 5101033 1 BELT, 79.46 EL, HYDRO DRIVE
10 5402847D 1 WELD, IDLER, PUMP DRIVE - RED
11 5022847 1 SPRING, EXTENSION, SWIVEL END
12 5101080 1 PULLEY, IDLER, SINGLE FLANGE, 4" OD
13 5044960 1 SPACER, .39 X 1.00 X .25
14 5042658 1 SPACER, .39 X .75 X 1.06
15 5020876B 1 BUSHING, BRASS, 3/4 X 1 X 1
16 5045943 1 SPACER, SHOULDER
17 5023497 1 EYE BOLT, 3/8-16 X 5", 1 EYE
18 5025034 2 NUT, 3/8-16 HEX
19 5025293 1 WASHER, 3/8 GD. 9 FLAT
20 5025013X28 1 BOLT, 3/8-16 X 3-1/2 GD5 YZ
21 5101105 1 PULLEY, IDLER, FLAT, 2.75 DIA X .376 ID

Hydraulic Group
TP 400-5275-C-HZ-N
24HP HYDRO DRIVE ZTR
355Z SERIES
22
Manual No. 5101225

Hydraulic Group
Footnotes:
TP 400-5275-C-HZ-N
Manual No. 510122524HP HYDRO DRIVE ZTR
355Z SERIES 23
Part No Descri
p
tionItem Qt
y
Note
1 5101026 1 TRANSMISSION, RH HYDRO-GEAR
2 5101027 1 TRANSMISSION, LH, HYDRO-GEAR
3 5025474 4 CLAMP, HOSE, 1/2
4 5101060 1 ROD, DUMP VALVE, LH - CONZ
5 5101061 1 ROD, DUMP VALVE, RH - CONZ
6 5025010X6 4 BOLT, 1/4-20 X 3/4 GD5 YZ
7 5025154 4 WASHER, 1/4 SAE
8 5025391 4 NUT, 1/4-20 HEX NYLOCK FLANGE
9 5025011X22 4 BOLT, 5/16-18 X 2-3/4, GD 5, YZ
10 5025011X18 4 BOLT, 5/16-18 X 2-1/4" GD5 YZ
11 5025392 8 NUT, 5/16-18 HEX NYLOCK FLANGE
12 5025155 8 WASHER, 5/16 SAE
13 5020047 2 COLLAR, 5/16" SET
14 5100473 2 RESERVOIR, HYDRO OIL, 350 ML
15 5050857X9 2 HOSE, 1/2" PUSH-ON, 9.00"

Transmission SERVICE PARTS
TP 400-5275-C-HZ-N
24HP HYDRO DRIVE ZTR
355Z SERIES
24
Manual No. 5101225

Transmission SERVICE PARTS
Footnotes:
TP 400-5275-C-HZ-N
Manual No. 510122524HP HYDRO DRIVE ZTR
355Z SERIES 25
Part No Descri
p
tionItem Qt
y
Note
23 5101026X1 1 OIL FILTER
41 5101026X2 1 SEAL, LIP, 18 X 32 X 7
56 5101026X3 1 SEAL, LIP, 17 X 40 X 7
57 5101026X4 1 RING, RET 2.06 INT
95 5101026X5 1 BEARING, BALL, 1.0 X 52 X 15 OPEN 6205M
120 5101026X6 1 FAN, 7", 10 BLADE
121 5101026X7 1 PULLEY, 4.5 INCH
200 5101026X8 1 KIT SEAL
210 5101026X9 1 KIT, INPUT SHAFT

Rear Bumper Group
TP 400-5275-C-HZ-N
24HP HYDRO DRIVE ZTR
355Z SERIES
26
Manual No. 5101225

Rear Bumper Group
Footnotes:
TP 400-5275-C-HZ-N
Manual No. 510122524HP HYDRO DRIVE ZTR
355Z SERIES 27
Part No Descri
p
tionItem Qt
y
Note
1 5402844D 1 WELD, BUMPER - CONS Z - SNP RED
2 5023484 6 PLUG, PANEL, 1.25 - BLACK
3 5025013X8 6 BOLT, 3/8-16 X 1 GD 5 YZ
4 5025156 6 WASHER, 3/8 SAE
5 5025394 6 NUT, 3/8-16 HEX NYLOCK FLANGE

Decal Group - Brand & Model
TP 400-5275-C-HZ-N
24HP HYDRO DRIVE ZTR
355Z SERIES
28
Manual No. 5101225

Decal Group - Brand & Model
Footnotes:
TP 400-5275-C-HZ-N
Manual No. 510122524HP HYDRO DRIVE ZTR
355Z SERIES 29
Part No Descri
p
tionItem Qt
y
Note
1 1731955 1 DECAL, SNAPPER-SILVER/BLACK 8.5LG
2 5100476 1 DECAL, BADGE, LH, SNAPPER
3 5100477 1 DECAL, BADGE, RH, SNAPPER
4 1725072 1 DECAL, TOUCH UP PAINT SNAPPER (LOCATED UNDER SEAT
PLATE)
5 5101327 1 DECAL, 355Z 24HP, SNAPPER (355Z MODELS ONLY)
6 5101556 1 DECAL, 360Z 24HP, SNAPPER (360Z MODELS ONLY)

Decal Group - Safety & Common
TP 400-5275-C-HZ-N
24HP HYDRO DRIVE ZTR
355Z SERIES
30
Manual No. 5101225

Decal Group - Safety & Common
Footnotes:
TP 400-5275-C-HZ-N
Manual No. 510122524HP HYDRO DRIVE ZTR
355Z SERIES 31
Part No Descri
p
tionItem Qt
y
Note
1 5100280 1 DECAL, THROTTLE CONTROL
2 5048970 1 DECAL, IGNITION SWITCH
3 5100710 1 DECAL, MAIN
4 1725703 1 DECAL, HEIGHT OF CUT
5 5100136 1 DECAL, DANGER, MOWER
6 5100137 1 DECAL, DANGER, MOWER DISCHARGE
7 1722789 1 DECAL, 44"- SILVER ON BLACK W/STRIPE
7 1722790 1 DECAL, 50"
8 -- 1 DECAL, OPEI CERTIFIED ANSI B71.12003 GOLD (NOT A SERVICABLE PART)
9 1722771 1 DECAL, FREE FLOATING MOWER- SILVER
10 5101062 2 DECAL, TRANSAXLE RELEASE
11 5101102 1 DECAL, BELT & BLADE, CONS Z (LOCATED UNDER SEAT
PLATE)
12 5020337 1 DECAL, WARNING (LOCATED BEHIND SEAT ON
SUPPORT PLATE)

Export Decal Group - Safety & Common
TP 400-5275-C-HZ-N
24HP HYDRO DRIVE ZTR
355Z SERIES
32
Manual No. 5101225

Export Decal Group - Safety & Common
Footnotes:
TP 400-5275-C-HZ-N
Manual No. 510122524HP HYDRO DRIVE ZTR
355Z SERIES 33
Part No Descri
p
tionItem Qt
y
Note
1 5061108 1 DECAL, MAIN, CE
2 5100280 1 DECAL, THROTTLE CONTROL
3 5048970 1 DECAL, IGNITION SWITCH
4 5101062 1 DECAL, TRANSAXLE RELEASE
5 5101102 1 DECAL, BELT & BLADE, CONS Z (LOCATED UNDER SEAT
PLATE)
6 1725703 1 DECAL, HEIGHT OF CUT
7 1722789 1 DECAL, 44"- SILVER ON BLACK W/STRIPE
7 1722790 1 DECAL, 50"- SILVER ON BLACK W/STRIPE
8 5061042 3 DECAL, CE DANGER
9 1720389 2 DECAL, DANGER ROTATING BLADE SYMBOLS
10 5061217 1 DECAL, DANGER, CE
11 1722771 1 DECAL, FREE FLOATING MOWER - SILVER
12 -- 1 TAG, PRINTED SERIAL (NOT A SERVICABLE PART)

Deck Lift Group
TP 400-5275-C-HZ-N
24HP HYDRO DRIVE ZTR
355Z SERIES
34
Manual No. 5101225

Deck Lift Group
Footnotes:
TP 400-5275-C-HZ-N
Manual No. 510122524HP HYDRO DRIVE ZTR
355Z SERIES 35
Part No Descri
p
tionItem Qt
y
Note
1 5025394 20 NUT, 3/8-16 HEX NYLOCK FLANGE
2 5025013X8 4 BOLT, 3/8-16 X 1 GD5 YZ
3 5025156 6 WASHER, 3/8 SAE
4 5403057D 1 WELD, HANDLE, DECK LIFT - RED
5 5025013X6 4 BOLT, 3/8-16 X 3/4 GD5 YZ
6 5403041D 1 WELD, SHAFT, REAR DECK LIFT - RED
7 5025128 2 NUT, 3/8-16 HEX SERRATED FLANGE
8 5044960 4 SPACER, .39 X 1.00 X .25
9 5025098 4 NUT, 1/2-20 HEX NYLON LOCK
10 5025018X20 2 BOLT, 1/2-20 X 2-1/2" GD5 YZ
11 5025155 4 WASHER, 5/16 SAE
12 5025170 2 WASHER, 5/16 LOCK YZ
13 5100144 4 SPACER, .53 X 1.00 X 1.00
14 5101008 1 SAFETY WALK, 4.50 X 3.50
15 5025305 4 WASHER, .41 X 1.75 X .14
16 5025013X10 2 BOLT, 3/8-16 X 1-1/4 GD5
17 5023497 2 EYE BOLT, 3/8-16 X 5", 1 EYE
18 5400382D 1 PLATE, DECK HANGER SUPPORT
19 5025011X8 4 BOLT, 5/16-18 X 1 GD5 YZ
20 5100135 1 SHAFT, HANDLE, DECK MOUNT
21 5400392D 1 WELD, DECK HANGER, RH
22 5400391D 1 WELD, DECK HANGER, LH
23 5100177 1 SHAFT, HANGER
24 5021102 4 SPRING, COMPRESSION
25 5400401D 2 WELD, QUICK RELEASE HANDLE - RED
26 5025089 2 NUT, 1/2-20 HEX JAM
27 5047125 2 SPACER, .39 X 1.00 X .88
28 5021812 2 EYE BOLT, 3/8-16 X 4-1/4", 1" EYE
29 5045947 2 ADJUSTER, BRAKE LINKAGE
30 5025013X14 2 BOLT, 3/8-16 X 1-3/4 GD5
31 5025096 2 NUT, 3/8-16 HEX NYLON LOCK
32 5025210 4 PIN, HAIR, .0915 X 1-7/8
33 5048258 2 BUSHING, DECK SUPPORT
34 5025328X12 2 PIN, CLEVIS, 1/2 X 1 1/2, YZP
35 5023174 2 CLEVIS, 1/2-20, STEEL
36 5100170 2 ROD, DECK LIFT LINKAGE
37 5100351 2 BUSHING, REAR QUICK TACH

Deck Lift Group
TP 400-5275-C-HZ-N
24HP HYDRO DRIVE ZTR
355Z SERIES
36
Manual No. 5101225

Deck Lift Group
Footnotes:
TP 400-5275-C-HZ-N
Manual No. 510122524HP HYDRO DRIVE ZTR
355Z SERIES 37
Part No Descri
p
tionItem Qt
y
Note
38 5400839D 2 WELD, QUICK RELEASE HANDLE, REAR - RED
39 5025356 2 BOLT, 3/8-16 X 3/8", 1/2" SHOULDER
40 5048733D 1 LINK, DECK LIFT SHAFT
41 5020639 1 SPRING, EXTENSION
42 5023198 1 COVER, VINYL HANDLE
43 5025203X6 1 PIN, COTTER, 1/8" X 3/4
44 5023202 1 WASHER, WAVE, M10
45 5048884D 1 WELD, DECK LOCK
46 5100171 1 GRIP, BLACK FLEXIBLE
47 5048335 1 SPACER, .76 X 1.00 X 1.00
48 5025392 4 NUT, 5/16-18 HEX NYLOCK FLANGE
49 5025011X6 4 BOLT, 5/16-18 X 3/4 GD5
50 5100561 2 BEARING, BRONZE FLANGE, 3/4"
51 5021098 2 BEARING, BRONZE FLANGE, 3/4
52 5100179 1 HITCH PIN ASSEMBLY, 1/2" X 2.50"
53 5025013X20 2 BOLT, 3/8-16 X 2-1/2 GD5 YZ
54 5400370D 1 PLATE, DECK HEIGHT- INNER -RED
55 5048264 2 SPACER, .39 X .63 X 1.50

44" & 50" Mower Deck - Belt & Idler Group
TP 400-5275-C-HZ-N
24HP HYDRO DRIVE ZTR
355Z SERIES
38
Manual No. 5101225

44" & 50" Mower Deck - Belt & Idler Group
Footnotes:
TP 400-5275-C-HZ-N
Manual No. 510122524HP HYDRO DRIVE ZTR
355Z SERIES 39
Part No Descri
p
tionItem Qt
y
Note
1 5023256 1 BELT, #7-8060, 151" E.L. (FOR 44" DECK ONLY)
2 5044960 1 SPACER, .39 X 1.00 X .25
3 5044933 1 SPACER, .39 X .75 X .38
4 5023156 1 BOLT, 5/16-18 X 1 1/4 FLANGE
5 5025013X22 1 BOLT, 3/8-16 X 2-3/4" GD5 YZ
6 5025394 3 NUT, 3/8-16 HEX NYLOCK FLANGE
7 5025013X18 1 BOLT, 3/8-16 X 2-1/4 GD5 YZ
8 5025156 5 WASHER, 3/8 SAE
9 5025013X28 1 BOLT, 3/8-16 X 3-1/2 GD5 YZ
10 5020095 1 GREASE FITTING, 1/4-28 STRAIGHT
11 1676148 2 BUSHING, 0.628 ID X 0.751 OD X 0.400 LG PWDR MTL
12 5402228D 1 WELD, DECK IDLER ARM, CONSZ - RED
13 5047125 1 SPACER, .39 X 1.00 X .88
14 5403492D 1 WELD, MOUNT, IDLER, TENSION (FOR 44" DECK ONLY)
15 5021002 3 PULLEY, IDLER
16 1674669 1 SPACER, 0.39 ID X 0.625 OD X 1.15 LG CASE HARD
17 1715435 1 SPRING, EXTENSION, 1.00
18 5025392 1 NUT, 5/16-18 HEX NYLOCK FLANGE
19 5402172D 1 BRACKET, SPRING ANCHOR - RED
20 5025305 1 WASHER, .41 X 1.75 X .14
21 5023255 1 BELT, #7-8055, 155" E.L. (FOR 50" DECK ONLY)
22 5400412D 1 WELD, MT, IDLER, TENSION (FOR 50" DECK ONLY)
23 5049184 3 SPACER, HYDRO PULLEY

44" & 50" Mower Deck - Housing, Arbors & Blades Group
TP 400-5275-C-HZ-N
24HP HYDRO DRIVE ZTR
355Z SERIES
40
Manual No. 5101225

44" & 50" Mower Deck - Housing, Arbors & Blades Group
Footnotes:
TP 400-5275-C-HZ-N
Manual No. 510122524HP HYDRO DRIVE ZTR
355Z SERIES 41
Part No Descri
p
tionItem Qt
y
Note
1 1714419 3 NUT, HEX FLANGE, 9/16-18
2 1713675 6 WASHER, BELLEVILLED, 9/16
3 1713161 3 PULLEY
4 1713613 3 HUB
5 1655729A 3 COVER, ARBOR HOUSING
6 2108202 3 BEARING, BALL, 3/4 X 1-3/4 X 5/8
7 1715724 3 SPACER, 21/32 X 3/4 X 5/8
8 1732544 3 SPACER, 11/16 X 5/32 X 2-11/16
9 1705897 3 BEARING, BALL, 11/16 X 1-9/16 X 15/32
10 1707335 3 SEAL, FOAM
11 1713338A 3 ARBOR HOUSING ASSEMBLY (INCLUDES REF. NO. 12)
12 1704314 3 FITTING, GREASE
13 1664847 24 SCREW, HEX WSHR HD TAP TT 5/16-18 X 0.750 BLK
14 5400403D 1 GUARD, BELT - LH
15 5022308 2 BODY CLIP, 5/16-18 X 1/2 DEEP
16 1713619 3 WASHER, 9/16, BLACK
17 1713609 3 SHAFT, ARBOR
18 1713196 3 SHIELD, GRASS, LOWER
19 1704100A 3 BLADE, MOWER 16.12 .196 THK 44" BM, CONQ (FOR 44" DECK ONLY)
20 1713089 3 WASHER, HEX, 11/16 X 2
21 1656916 3 WASHER, SPRING, 15/32, BLACK
22 2823471 3 BOLT, 7/16-14 X 1-1/4
23 5600124 1 DECK SHELL W/ DECALS, 44 - SNP (2008) (FOR 44" DECK ONLY)
24 1931318 1 BOLT-RD HD SH SQ NK 1/4-20X0. 875 G5 BLK
25 1705115 1 PLUG-BUTTON FOR 0.344 SQ HOLE BLACK POLY
26 5401091D 1 GUARD, BELT - RH, 44", SNAPPER RED
27 1960518 2 NUT-PUSH FOR .250 DIA THREAD .500 OD BLK
28 1960353 1 WASHER, 0.250 (0.26 ID X 0.84 OD X .12 THK) BLK
29 1704873 1 CLAMP, WIRE, .312DIA . (1) .281 HOLE BLK
30 1919326 1 WASHER, 0.312 (0.34 ID X 0.75 OD X .06THK) BLK
31 7101082 1 SPRING-TORSION CHUTE 44/50" BLK
32 1723323 1 CAP, VINYL
33 1916964 2 LOCKWASHER, SPRING .250 BLK
34 1916622 2 NUT, HEX 1/4-20 BLK 588514
35 5049245 1 ROD, DEFLECTOR
36 1705449 1 DEFLECTOR, BLACK
37 1710703 1 SPACER, 0.328 ID X 0.499 OD X 0.625 LG PM

44" & 50" Mower Deck - Housing, Arbors & Blades Group
TP 400-5275-C-HZ-N
24HP HYDRO DRIVE ZTR
355Z SERIES
42
Manual No. 5101225

44" & 50" Mower Deck - Housing, Arbors & Blades Group
Footnotes:
TP 400-5275-C-HZ-N
Manual No. 510122524HP HYDRO DRIVE ZTR
355Z SERIES 43
Part No Descri
p
tionItem Qt
y
Note
38 5025144X14 1 BOLT, CARRIAGE, 1/4-20 X 1.25, GD5, BLACK
39 5600125 1 DECK SHELL W/ DECALS, 50 - SNP (2008) (FOR 50" DECK ONLY)
40 5048446D 1 GUARD, BELT, RH (FOR 50" DECK ONLY)
41 1708229A 3 BLADE, MOWER, 18-1/8 (FOR 50" DECK ONLY)
42 5600127 1 EXPORT DECK SHELL W/DECALS, 50 - SNP (2008) (FOR 50" DECK EXPORT
MODELS ONLY)

44" & 50" Mower Deck - Rollers Group
TP 400-5275-C-HZ-N
24HP HYDRO DRIVE ZTR
355Z SERIES
44
Manual No. 5101225

44" & 50" Mower Deck - Rollers Group
Footnotes:
TP 400-5275-C-HZ-N
Manual No. 510122524HP HYDRO DRIVE ZTR
355Z SERIES 45
Part No Descri
p
tionItem Qt
y
Note
1 1714760 4 WHEEL, 2.00 WIDE 3.92 DIA 0.531 ID POLY
2 5025392 9 NUT, 5/16-18 HEX NYLOCK FLANGE
3 5025145X6 5 BOLT, 5/16-18 X 3/4", CARRIAGE
4 5025394 4 NUT, 3/8-16 HEX NYLOCK FLANGE
5 5025145X8 2 BOLT, 5/16-18 X 1, CARRIAGE
6 1724538A 1 SHORT BLOWOUT BAFFLE BLACK (S/N: 2012651720 & Below)
7 1960027 8 WASHER, 0500 (0.51 ID X 0.87 OD X .06 THK) BLK
8 2108765 4 BOLT, WHEEL 3/8-16 X 2.781 .750 THRD YELLOW
9 5049017D 1 BRACKET, GUAGE WHEEL, LH
10 5049018D 1 BRACKET, GAUGE WHEEL, RH
11 5025011X8 2 BOLT, 5/16-18 X 1 GD5 YZ
12 5025155 2 WASHER, 5/16 SAE
13 5025145X6 6 BOLT, 5/16-18 X 3/4", CARRIAGE (EXPORT MODELS ONLY)
14 5025392 6 NUT, 5/16-18 HEX NYLOCK FLANGE (EXPORT MODELS ONLY)
15 1735184A 1 BAFFLE, BLOWOUT RH 50" MWR - BLACK (EXPORT MODELS ONLY)
16 1716870A 1 BAFFLE, BLOWOUT LH 50" MWR - BLACK (EXPORT MODELS ONLY)
17 5401053D 2 PLATE, DECK STOP (FOR 44" MODELS ONLY)
18 1734181A 1 BAFFLE FRONT 50" MOWER (S/N: 2012651721 & Above)

Instrument Control Panel Group
TP 400-5275-C-HZ-N
24HP HYDRO DRIVE ZTR
355Z SERIES
46
Manual No. 5101225

Instrument Control Panel Group
Footnotes:
TP 400-5275-C-HZ-N
Manual No. 510122524HP HYDRO DRIVE ZTR
355Z SERIES 47
Part No Descri
p
tionItem Qt
y
Note
1 5047143 1 CABLE, THROTTLE CONTROL
2 5025095 2 NUT, 1/4-20 HEX NYLON LOCK
3 5025010X6 2 BOLT, 1/4-20 X 3/4 GD5 YZ
4 1709188 1 PLUG, .820 X 1.44 HOLE, BLACK PLASTIC
5 5022269 1 O-RING, 7/8 ID X 1/16 W
6 5022222 1 RING, SWITCH RETAINER
7 5025035 1 NUT, 3/8-24 HEX
8 5025270 1 SCREW, #10-24 X 1" RS
9 5025271 1 NUT, #10-24 HEX NYLON LOCK
10 5402842A 1 PLATE, CONTROL PANEL - BLACK
11 5020927 1 SWITCH, IGNITION, 6 POST
12 5100996 1 HOUR METER, W/ SUPRESSOR
13 5022180 1 SWITCH, BLADE ENGAGEMENT
14 1725337 1 KNOB, SLOTTED THROTTLE
15 5047779 1 CABLE, CHOKE CONTROL, 51"
16 5022789 1 KEY, IGNITION, MOLDED SET (SV) (SET OF TWO
17 5022790 1 COVER (SV)
18 5022791 1 PLASTIC NUT (SV)

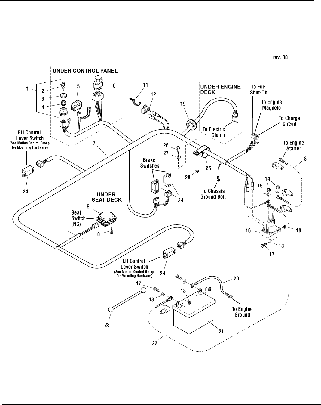
Electrical Group
TP 400-5275-C-HZ-N
24HP HYDRO DRIVE ZTR
355Z SERIES
48
Manual No. 5101225

Electrical Group
Footnotes:
TP 400-5275-C-HZ-N
Manual No. 510122524HP HYDRO DRIVE ZTR
355Z SERIES 49
Part No Descri
p
tionItem Qt
y
Note
1 5020927 1 SWITCH, IGNITION (Includes Ref No. 2-4)
2 5022789 1 KEY, IGNITION MOLDED (SV) (Set of 2)
3 5022790 1 COVER (SV)
4 5022791 1 PLASTIC NUT (SV)
5 1725523 1 HOUR METER, DIGITAL (Includes Retaining Ring)
6 5022180 1 SWITCH, PTO
7 5402849 1 WIRE HARNESS, CONSUMER Z
8 5023488 1 BATTERY CABLE, POSITIVE, 22"
9 1716368 1 SWITCH, SEAT, GRAY, NC (BOLT IN)
9 5100541 1 SWITCH, SEAT, GRAY, NC (TWIST IN)
10 1960536 2 BOLT, HEX WASHER HEAD PLASTITE, 1/4 X 1/2
11 5021199 1 CABLE TIE-PUSH MOUNT
12 5023222 1 CIRCUIT BREAKER, 20A
13 5025154 4 WASHER, 1/4" SAE
14 5023216 2 NUT, HEX JAM, 5/16-24 (SV)
15 5023217 2 WASHER, LIGHT LOCK, 5/16 (SV)
16 1724815 1 SOLENOID, 4 POLE 12 VOLT DC (TROMBETTA)
17 5025010X6 4 BOLT, 1/4-20 X 3/4" GD5 YZ
18 5025126 4 NUT, 1/4-20 HEX SERR. FLANGE
19 5023236 1 GROMMET, 3/4
20 5047690 1 BATTERY CABLE, NEGATIVE, 14"
21 5027098 1 BATTERY, WET ( BCIU1, 340 CCA)
22 5041736 1 BATTERY CABLE, POSITIVE, 15"
23 1722009 1 STRAP, BLACK RUBB
24 5022095 4 SWITCH, PLUNGER, N.O./N.C.
25 5023263 1 CLAMP, VINYL
26 5025013X8 1 BOLT, 3/8-16 X 1 GD5 YZ
27 5025156 1 WASHER, 3/8 SAE
28 5025394 1 NUT, 3/8-16 HEX, NYLOCK FLANGE

Wiring Schematic - 24 HP Briggs & Stratton
TP 400-5275-C-HZ-N
24HP HYDRO DRIVE ZTR
355Z SERIES
50
Manual No. 5101225

Wiring Schematic - 24 HP Briggs & Stratton
Footnotes:
TP 400-5275-C-HZ-N
Manual No. 510122524HP HYDRO DRIVE ZTR
355Z SERIES 51
Part No Descri
p
tionItem Qt
y
Note
1 -- 1 WIRING SCHEMATIC INCLUDES HARNESS # 5402849
2 -- 1 WIRING SCHEMATIC INCLUDES HARNESS # 5402479 (CE / EXPORT MODELS ONLY)

Parts Manual fo
r
24HP HYDRO DRIVE ZTR
355Z SERIES
IT IS THE POLICY OF BRIGGS & STRATTON CORP. TO IMPROVE ITS
PRODUCTS WHENEVER IT IS POSSIBLE AND PRACTICAL TO DO SO.
WE RESERVE THE RIGHT TO MAKE CHANGES OR ADD
IMPROVEMENTS AT ANY TIME WITHOUT INCURRING ANY OBLIGATION
TO MAKE SUCH CHANGES ON PRODUCTS MANUFACTURED
Revision C,
TP 400-5275-C-HZ-N
6/3/2008
Manual No. 5101225
Copyright © 2008
Milwaukee, WI USA. All Rights Reserved
Briggs & Stratton Corporation
www.sna
pp
er.com
Briggs & Stratton Yard Power Products Group
535 Macon Road
McDonough, GA, 30253 U.S.A.
800-935-2967