Snapper 381450Hbve Users Manual Parts For
2015-01-24
: Snapper Snapper-381450Hbve-Users-Manual-225588 snapper-381450hbve-users-manual-225588 snapper pdf
Open the PDF directly: View PDF
.
Page Count: 32

Parts Manual for
REAR ENGINE RIDING MOWER
HYDRO DRIVE
SERIES 0 & 1
MODELS
381450HBVE
381451HBVE
CONTENTS
DESCRIPTION PAGE(S) DESCRIPTION PAGE(S)
DECALS............................................................................... 2-3
FRONT AXLE & WHEEL ASSEMBLIES ............................. 4-5
FRAME ASSEMBLY ............................................................ 6-9
STEERING ASSEMBLY .................................................. 10-11
SEAT & SEAT MOUNT ASSEMBLIES............................ 12-13
ENGINE PLATE ASSEMBLY .......................................... 14-15
ENGINE & FUEL TANK ASSEMBLIES........................... 16-17
BRAKE & FORWARD/REVERSE CONTROL ASSY’S .... 18-19
HYDRO DRIVE & REAR WHEEL ASSEMBLIES ............. 20-21
DECK LIFT & BLADE ENGAGEMENT ASSEMBLIES..... 22-23
38” CUTTING DECK ASSEMBLY .................................... 24-27
CENTER SPINDLE ASSEMBLY ....................................... 28-29
ELECTRICAL COMPONENTS............................................... 30
WIRING SCHEMATIC ............................................................ 31
COPYRIGHT © 2002
SNAPPER INC.
ALL RIGHTS RESERVED
(REV. 3, 06/30/02) MANUAL No. 06123

2
DECALS
ITEM PART NO. DESCRIPTION
1 7-2207 DECAL, Control/Warning
2 7-2137 DECAL, Steering Column
3 7-2420 DECAL, Roll Release
4 1-2358 DECAL, Battery
5 4-6562 DECAL, Certification
MANUAL No. 06123 R. E. RIDER (HYDRO) SERIES 0 & 1
1
2
5
4
3

3
DECALS
ITEM PART NO. DESCRIPTION
6 7-2136 DECAL, Seat Pedestal
7 4-6720 DECAL, Chute/Deflector
8 7-2213 DECAL, Throttle Control
9 2-6831 DECAL, CPSC (Heavy Adhesive)
10 2-6154 DECAL, 38 Inch Deck
11 7-3335 DECAL, OPEI (Ride On)
R. E. RIDER (HYDRO) SERIES 0 & 1 MANUAL No. 06123
6
78
9
10 11

4
17
17
24
24
25
CAST AXLE PART
NUMBER APPEARS
IN THIS LOCATION
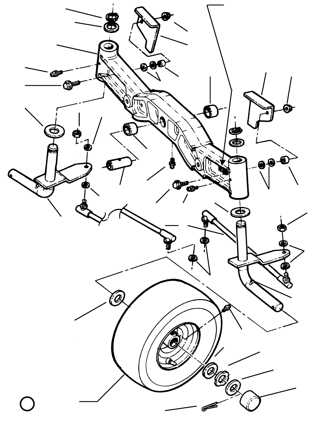
FRONT AXLE & WHEEL ASSEMBLIES
MANUAL No. 06123 R. E. RIDER (HYDRO) SERIES 0 & 1
25 24
27
28
23
3
5
29
23
420
7
20
19 21
22 21
5
29
26
2
24
14
10
15 16
15
18
8 ASSEMBLY
22
21
1
6
26
5
FRONT AXLE & WHEEL ASSEMBLIES
ITEM PART NO. DESCRIPTION
1 7-2411 AXLE, Cast OPPLT (Series 1) (shown)
-- 2-8647 AXLE, Cast (Series 0)
2 4-7111 TIE ROD (2)
3 4-6954 STOP, R.H. Steering
4 4-6953 STOP, L.H. Steering
5 4-7077 SPACER, Steering Stop (2)
6 7-2204 WELDMENT, R.H. Spindle
7 4-6715 WELDMENT, L.H. Spindle
8 5-7924 ASSEMBLY, Front Wheel (Incl. items 9 thru 13) (2)
9 5-4684 ASSEMBLY, Wheel (Incl. items 10 & 11)
10 1-3876 FITTING, Lube 1/4-28 Tapered Thread
11 2-8722 BEARING, Front Wheel (2)
12 4-7116 TIRE, 13 x 5.00-6 Square Shoulder
13 1-2234 VALVE STEM
14 3-4453 WASHER, 3/4” I.D.x 1-1/2” O.D. x 1/8” Thick Flat (4)
15 2-9617 WASHER, 3/4” I.D. x 1-5/16” O.D. x 1/16” Thick Flat (2)
16 2-9618 WASHER, Hub Cap Retaining (2)
17 9-1516 PIN, 5/32 x 1” Cotter (2)
18 1-1022 HUB CAP (2)
19 2-8689 SPACER, 1/2” I.D. x 3/4” O.D. x 1.78 Long
20 1-2706 BEARING, .875 O.D. x .7 Sleeve (2)
21 1-4669 FITTING, 3/16 Lube (3)
22 9-0700 BOLT, 5/16-18 x 1-1/2” Flange Head Lock, Grade 5 (2)
23 9-1601 NUT, 5/16-18 Hex Flange Lock, Grade 5 (2)
24 9-1315 WASHER, 5/16 Split Lock (6)
25 9-1297 NUT, 5/16-24 Hex, Grade 5 (2)
26 3-1036 WASHER, Thrust (2)
27 1-0935 WASHER, 3/4” I.D. x 1-1/8” O.D. x 1/16” Thick Flat (2)
28 1-0746 RING, 3/4” External Retaining (2)
29 9-1296 WASHER, .344 I.D. x 11/16 O.D. x 1/16” Thick Flat (4)
R. E. RIDER (HYDRO) SERIES 0 & 1 MANUAL No. 06123

6
FRAME ASSEMBLY
MANUAL No. 06123 R. E. RIDER (HYDRO) SERIES 0 & 1
16
11
18
19
4B
12
10
8
11
7
13
10
10
12
13
6
14
5A
7
2
7
7
3
5B
1
7
8
7
7
9
4A
7
1
10
10
93
7
10
8
17 10
15
11
20
21
11
11
7
10
7
FRAME ASSEMBLY
ITEM PART NO. DESCRIPTION
1 4-5299 FRAME RAIL, L.H. & R.H. (2)
2 4-6725 WELDMENT, Frame Reinforcement Tube
3 4-1853 SPACER BLOCK, Hydro (2)
4A 5-8288 GUIDE, Deck R.H.
4B 7-4219 GUIDE, Deck R.H.
5A 5-8289 GUIDE, Deck L.H.
5B 7-4220 GUIDE, Deck R.H.
6 5-8257 CHANNEL, Belt Finger
7 9-1601 NUT, 5/16-18 Hex Flange Lock, Grade 5 (20)
8 9-1058 SCREW, 5/16-18 x 3-3/4” Hex Head Cap (4)
9 9-1510 BOLT, 5/16-18 x 5/8” Hex Flange Lock, Grade 5 (10)
10 9-1508 BOLT, 5/16-18 x 3/4” Short Neck Carriage, Grade 5 (15)
11 1-1791 RETAINER, 5/16” Bolt (8)
12 1-6116 NUT, 5/16” Push On (2)
13 9-1084 SCREW, 1/4-20 x 3/8” Hex Washer Self-Tap (6)
14 5-8366 BELT GUIDE, Rear
15 4-5336 FLOOR PAN
16 9-0530 BOLT, #10-24 x 1/2” Short Neck Carriage, Grade 2 (2)
17 9-1000 SCREW, 5/16-18 x 7/8” Truss Head Torx (2)
18 7-2124 STOP, Park Brake
19 9-1079 NUT, #10-24 Hex Flange Lock (2)
20 7-2217 FLOOR MAT- R.H.
21 7-2172 FLOOR MAT- L.H.
R. E. RIDER (HYDRO) SERIES 0 & 1 MANUAL No. 06123

8
FRAME ASSEMBLY (continued)
MANUAL No. 06123 R. E. RIDER (HYDRO) SERIES 0 & 1
44
(SEE PAGE 16,
ITEMS 28 & 29)
47
37
38
45
46
39
40
41
42
9
9
7
35
(SEE PAGE 18
ITEM 1)
29
30
34
10
36
13
24
23
10
28
2733
27
25
23
22
26
32
31
36
10
40
9
FRAME ASSEMBLY (continued)
ITEM PART NO. DESCRIPTION
22 4-5309 ATTACHMENT PLATE, Front Frame
23 9-0613 NUT, 3/8-16 Hex Flange Lock (9)
24 3-4724 BRACKET, Switch
25 4-5324 ATTACHMENT PLATE, Front Axle
26 7-1925 BRACKET, Attachments
27 9-0795 SCREW, 3/8-16 x 2-3/4” Hex Head Cap, Grade 5
28 2-8666 SPACER, .19 I.D. x .5 O.D. x 1.8 Long (2)
29 7-6979 NUT, 3/8-16 Hex Nyloc (2)
30 9-0122 WASHER, 3/8” SAE Flat (2)
31 9-0250 WASHER, 1/2” SAE Flat
32 9-1121 NUT, 1/2-13 Hex Nyloc
33 9-1694 SCREW, 1/2-13 x 3” Hex Head Cap, Grade 5
34 9-0612 BOLT, 3/8-16 x 3/4” Hex Flange Lock (2)
35 4-7222 SHAFT, Forward/Reverse/Brake Pedals
36 7-1953 RING, External Retaining (5/8” Shaft) (2)
37 4-5301 ATTACHMENT PLATE, Rear Frame
38 5-8133 BRACKET, Fuel Tank
39 3-3587 BUMPER, Rear
40 9-1270 SCREW, 5/16-18 x 1-3/4” Hex Washer Self-Tap (4)
41 9-1523 SCREW, 5/16-18 x 5/8” Hex Washer Self-Tap (3)
42 7-2420 DECAL, Roll Release
44 7-2533 BRACKET, Fuel Tank
45 9-0803 BOLT, 1/4-20 x 5/8” Flat Head Square Neck, Grade 2 (2)
46 9-1584 NUT, 1/4-20 Hex Flange Lock, Grade 5 (2)
47 1-4755 COVER, Vinyl
R. E. RIDER (HYDRO) SERIES 0 & 1 MANUAL No. 06123

10
STEERING ASSEMBLY
MANUAL No. 06123 R. E. RIDER (HYDRO) SERIES 0 & 1
22
7
6
8
9
13
15
14
16
12
10
18
4
16
19
3
26
17
25
23
24
5
11
2
21
1
TIE ROD (Ref.)
SEE PAGE 4, ITEM 2
21
20
11
STEERING ASSEMBLY
ITEM PART NO. DESCRIPTION
1 9-1315 WASHER, 5/16 Split Lock (2)
2 9-1297 NUT, 5/16-24 Hex, Grade 5 (2)
3 5-8078 WELDMENT, Steering Column
4 4-7106 COVER PLATE, Steering Column
5 4-6726 WELDMENT, Steering Shaft
6 1-0935 WASHER, 3/4” I.D. x 1-1/8” O.D. x 1/16” Thick Flat
7 1-0986 BEARING, Nylon
8 2-3671 COVER, Steering Shaft
9 7-2594 FOAM COVER, Steering Shaft (6-1/8” Long)
-- 2-3667 FOAM COVER, Steering Shaft (8-1/4” Long)
10 5-1941 ASSEMBLY, Steering Wheel (Includes Item 18)
11 9-0364 PIN, 5/32 x 1” Cotter (2)
12 1-3862 PIN, 1/4 x 1-1/2” Roll
13 4-6956 CABLE, Throttle
14 2-3655 KNOB, Throttle
15 7-1921 RIVET, Plastic Snap
16 9-0913 SCREW, #10-24 x 1/2” Hex Washer Self-Tap (Torx) (8)
17 9-1601 NUT, 5/16-18 Hex Flange Lock, Grade 5 (4)
18 2-3781 LOGO, Snapper (Steering Wheel)
19 2-6343 SWITCH, Ignition
20 9-0880 WASHER, 5/8” Internal Tooth Lock
21 1-2685 NUT, 5/8-32 Special Hex
22 1-1138 KEY (Pair)
23 2-6196 BEARING, .75 I.D. PM Flange
24 7-6978 NUT, 1/4-20 Hex Nyloc (2)
25 9-1508 BOLT, 5/16-18 x 3/4” Short Neck Carriage, Grade 5 (4)
26 7-2137 DECAL, Steering Column
27 9-1495 SCREW, 1/4-20 x 3/4” Hex Head Cap, Grade 5 (2)
R. E. RIDER (HYDRO) SERIES 0 & 1 MANUAL No. 06123

12
10
13
11
12
5
3
6
2
4
8
1
27
31
31
28
25
26
24
6
7
18
29
17
14
23
16
15
18
30
22
21
20
20
19
23
26
7
11
SEAT & SEAT MOUNT ASSEMBLIES
MANUAL No. 06123 R. E. RIDER (HYDRO) SERIES 0 & 1
-ASSEMBLY, SEAT SUPPORT
(INCLUDES ITEMS 10 THRU 13)
9
13
SEAT & SEAT MOUNT ASSEMBLIES
ITEM PART NO. DESCRIPTION
1 2-8621 SEAT (Series 1)
-- 4-6221 SEAT (Series 0)
2 3-3318 BRACKET, Seat Support
3 7-4452 ROD, Seat Hinge
4 9-1503 PIN, 3/32 x 1-1/2” Hair
5 9-1525 BOLT, 5/16-18 x 1/2” Hex Flange Lock, Grade 5 (3)
6 1-7875 KNOB, Seat Adjustment (2)
7 9-1296 WASHER, .344 I.D. x 11/16 O.D. x 1/16” Thick Flat (2)
8 1-9109 RUBBER COVER, Spring (2)
9 5-9215 ASSEMBLY, Seat Support (Includes Items 10 thru 13)
10 2-8580 HOLDER, Seat Cushion
11 7-3266 SPRING, Cushion Holder (2)
12 2-3354 SWITCH, Seat
13 7-4204 SUPPORT, Seat
14 9-1761 RIV-NUT, 5/16-18 Round (2)
15 4-5346 PEDESTAL, Seat
16 4-6752 QUADRANT, Height-of-Cut
17 9-1508 BOLT, 5/16-18 x 3/4” Short Neck Carriage, Grade 5 (2)
18 9-1601 NUT, 5/16-18 Hex Flange Lock, Grade 5 (2)
19 4-6674 COVER, Seat Pedestal Front
20 9-0913 SCREW, #10-24 x 1/2” Hex Washer Self-Tap (Torx) (4)
21 1-7853 TRAY, Battery
22 4-6199 PLATE, Battery Holder
23 2-3295 U-NUT, 1/4-20 (4)
24 4-6203 HANDLE, Grab
25 9-1270 SCREW, 5/16-18 x 1-3/4” Hex Washer Self-Tap (4)
26 1-6116 NUT, 5/16 Push-On (2)
27 9-1530 BOLT, 1/4-20 x 3/4” Short Neck Carriage, Grade 5 (2)
28 9-0699 BOLT, 1/4-20 x 3/4” Hex Flange Lock, Grade 5
29 1-4098 WASHER, 5/16” I.D. x 1” O.D. x 3/32” Thick Flat (4)
30 7-2136 DECAL, Seat Pedestal (2)
31 9-0999 SCREW, 1/4-20 x 5/8 Truss Head Torx (4)
R. E. RIDER (HYDRO) SERIES 0 & 1 MANUAL No. 06123

14
2
25
3
10
19
1
9
8
7
21
3
24
FRAME
(REFERENCE)
23
10
19
10
20
11
4
4
2
3
6
17
9
8
7
22
15
26
5
16 14
13
12
4
4
2
2
3
4
19
18
20
4
4
20
4
ENGINE PLATE ASSEMBLY
MANUAL No. 06123 R. E. RIDER (HYDRO) SERIES 0 & 1
15
ENGINE PLATE ASSEMBLY
ITEM PART NO. DESCRIPTION
1 4-5306 PLATE, Engine
2 7-2362 ISOLATOR, Engine (4)
3 9-1807 WASHER, 7/16” I.D. x 1-3/8” O.D. x 1/4” Thick Flat (8)
4 9-0613 NUT, 3/8-16 Hex Flange Lock (15)
5 4-7079 WELDMENT, Idler/Brake (Incl. Item 26)
6 2-3954 PULLEY, 3.47 O.D. Flat Idler
7 9-1514 WASHER, .406 I.D. x .812 O.D. x .075 Thick Flat (2)
8 9-1320 WASHER, .38 I.D. x .68 O.D. x .09 Thick Flat (2)
9 9-1302 NUT, 3/8-16 Hex, Grade 5 or B (2)
10 9-1891 BOLT, 3/8-16 x 1” Hex Flange Lock, Grade 5 (3)
11 7-2198 GUIDE, Engine Belt
12 7-1698 SPACER, Pivot Collar
13 1-7415 WASHER, Special
14 9-1501 SCREW, 3/8-16 x 2-1/2” Hex Head Cap, Grade 5
15 9-1158 BOLT, 3/8-16 x 1-3/4” Short Neck Carriage, Grade 5
16 2-9272 SPRING, Primary Idler
17 2-4586 SWIVEL, 3/8 Brake Link
18 9-0665 NUT, 3/8-16 Hex Jam
19 7-2363 BRACE, Snubber Mount (3)
20 7-2361 MOUNT, Snubber (3)
21 9-0655 SCREW, 3/8-16 x 1-1/2” Hex Head Cap, Grade 5
22 2-4874 PIN, 1/2” Self-Locking Cotter
23 9-1513 SCREW, 5/16-24 x 1-3/4” Hex Head Cap, Grade 5 (4)
24 9-1296 WASHER, .344 I.D. x 11/16 O.D. x 1/16” Thick Flat (4)
25 1-1791 RETAINER, 5/16” Bolt (Black) (4)
26 1-4669 FITTING, 3/16 Lube
R. E. RIDER (HYDRO) SERIES 0 & 1 MANUAL No. 06123

16
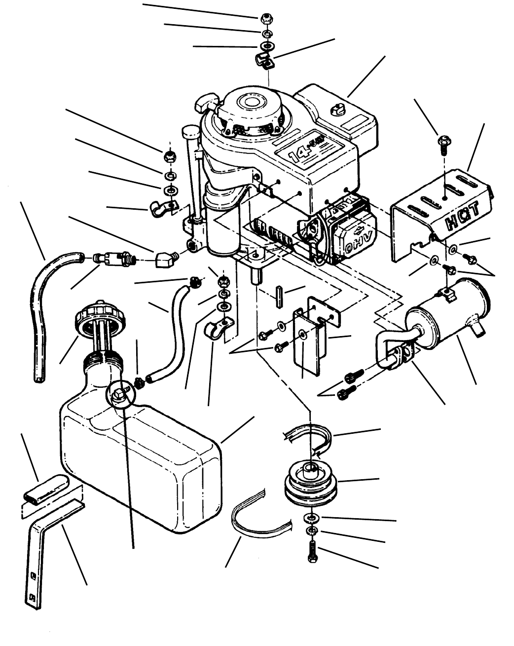
ENGINE & FUEL TANK ASSEMBLIES
MANUAL No. 06123 R. E. RIDER (HYDRO) SERIES 0 & 1
25
9
27
16
15
14
14
15
16
1
18
4
7
19
19
5
6
10
3
8
7
14
20
15
16
21
22
23
28
17
2
12
11
13
31
30
NOTE:
LOCATION & FASTENERS REQUIRED
FOR ITEMS 29 & 30 ARE SHOWN ON
PAGE 8 “FRAME ASSEMBLY”
24
29
28
8
20
20
26
17
ENGINE & FUEL TANK ASSEMBLIES
ITEM PART NO. DESCRIPTION
1 ------ ENGINE, Briggs 14.5 HP
2 4-6987 PULLEY, Engine, 38 Deck
3 7-2012 SHIELD, Muffler
4 4-7050 HEAT SHIELD, 14.5 HP Briggs Engine
5 7-1939 MUFFLER, 14.5 HP
6 1-5352 GASKET, Muffler
7 9-1906 SCREW, 1/4-20 x 3/4” Hex Head Flange, Grade 5 (4)
8 9-1294 WASHER, 1/4” I.D. x 5/8” O.D. x 1/16” Thick Flat (2)
9 9-1738 SCREW, 5/16-18 x 3/4” Socket Head Cap, Grade 8 (2)
10 1-0210 KEY, 1/4” Square x 2”
11 9-1301 WASHER, 7/16” Split Lock
12 9-1807 WASHER, 7/16” I.D. x 1-3/8” O.D. x 1/4” Thick Flat
13 9-1763 SCREW, 7/16-20 x 1-1/2” Hex Head Cap, Grade 5
14 9-1296 WASHER, .344 I.D. x 11/16 O.D. x 1/16” Thick Flat (4)
15 9-1315 WASHER, 5/16 Split Lock (4)
16 9-1297 NUT, 5/16-24 Hex, Grade 5 (4)
17 4-7117 BELT, Engine to Hydro
18 9-1525 BOLT, 5/16-18 x 1/2” Hex Flange Lock
19 9-1627 WASHER, 1/4” I.D. x 1” O.D. x 1/8” Thick, Flat (2)
20 1-2652 WIRE CLIP, 7/16” (3)
21 9-1849 FITTING, 45 Degree, 3/8 Male-3/8 Female Oil Drain
(used on Series 0 only)
22 2-7972 ASSEMBLY, Oil Valve (Drain)
23 9-1855 TUBING, 1/2 x 5/8 x 6” Clear (Drain)
24 5-8307 ASSEMBLY, Fuel Tank (Includes Item 25 & 26)
25 5-8363 ASSEMBLY, Fuel Cap & Fuel Gage
26 5-8308 ASSEMBLY, Fuel Pickup
27 4-7124 HOSE, Fuel 1/4” I.D. x 13-1/2” long
28 1-2222 CLAMP, Hose (2)
29 7-2533 BRACKET, Fuel Tank
30 1-4755 COVER, Vinyl
31 7-1991 BELT, Engine to Deck
32 1-5352 GASKET, Muffler
R. E. RIDER (HYDRO) SERIES 0 & 1 MANUAL No. 06123

18
BRAKE & FORWARD/REVERSE CONTROL ASSEMBLIES
MANUAL No. 06123 R. E. RIDER (HYDRO) SERIES 0 & 1
2
34
8
4
9
3
10
2
3
6
7
4
17 5
13
5
16
15 14
5
18
11
12
5
5
4
3
1
2
3
19
BRAKE & FORWARD/REVERSE CONTROL ASSEMBLIES
ITEM PART NO. DESCRIPTION
1 4-7222 SHAFT, Forward/Reverse/Brake Pedals
2 7-1953 RING, External Retaining (5/8” Shaft) (6)
3 9-1628 WASHER, .64 I.D. x .99 O.D. x .05 Thick, Flat (11)
4 1-0694 BUSHING, Nylon (6)
5 9-1514 WASHER, .406 I.D. x .812 O.D. x .075 Thick Flat (5)
6 1-0739 RING, 5/8” External Retaining
7 4-7120 PEDAL
8 1-2661 PAD, Pedal
9 4-7220 WELDMENT, Forward/Reverse
10 4-7221 WELDMENT, Brake
11 4-7005 ROD, Accelerator
12 4-7142 ROD, Brake
13 2-4607 SWIVEL, Brake Link- PM (2)
14 2-4586 SWIVEL, Brake Link- PM
15 7-4511 SPRING, Brake Compression
16 2-4874 PIN, 1/2” Self-Lock Cotter (2)
17 9-1593 PIN, 3/8” Self-Lock Cotter (4)
18 9-0555 PIN, 3/32 x 1/2” Cotter
R. E. RIDER (HYDRO) SERIES 0 & 1 MANUAL No. 06123

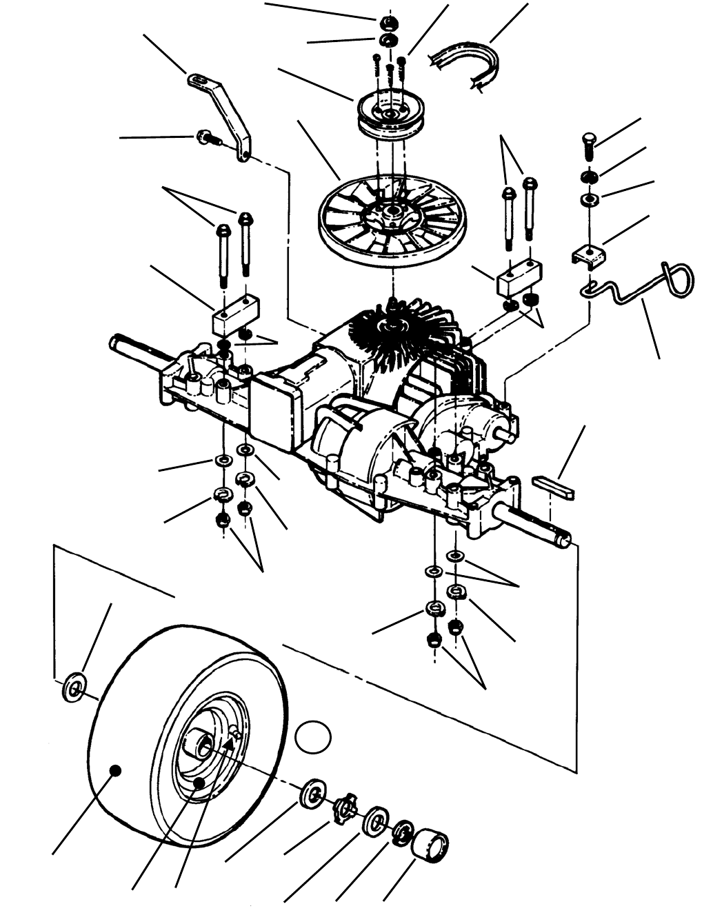
20
HYDRO DRIVE & REAR WHEEL ASSEMBLIES
MANUAL No. 06123 R. E. RIDER (HYDRO) SERIES 0 & 1
7
8
24
28
27
26
25
3
2
29
22
22
21
23
16
20
1817
14
15
14
10
12
13
11
9 ASSEMBLY
20
19
19 19
30
30
30 30
23
21
4
5
6

21
HYDRO DRIVE & REAR WHEEL ASSEMBLIES
ITEM PART NO. DESCRIPTION
1 4-1854 TRANSMISSION, Hydro (Peerless P/N 205-043D)
2 7-2125 RELEASE LEVER, Hydro
3 7-2126 RETAINER, Release Lever
4 1-4241 WASHER, 1/4” I.D. x 1” O.D. x 1/16” Thick, Flat
5 9-0052 WASHER, 1/4” Split Lock
6 9-0099 BOLT, 1/4-28 x 1/2” Hex Head Cap, Grade 5
7 4-1985 STRAP, Torque
8 9-1523 BOLT, 5/16-18 x 5/8” Hex Washer Self-Tap (Swage)
9 5-7875 ASSEMBLY, Rear Wheel (Incl. Items 10, 11 & 12) (2)
10 4-5211 RIM, 16 x 7.50
11 1-2234 VALVE STEM
12 2-2584 TIRE, 16 x 7.50-8 Rear Turf
13 3-4453 WASHER, 3/4” I.D. x 1-1/2” O.D. x 1/8” Thick, Flat (4)
14 2-9617 WASHER, 3/4” I.D. x 1-5/16” O.D. 1/16” Thick, Flat (4)
15 2-9618 WASHER, Hub Cap Retaining (2)
16 1-7173 KEY, 3/16” Square x 2-1/2” Long (2)
17 2-9738 RING, 3/4” Retaining (2)
18 1-1022 HUB CAP (2)
19 9-1296 WASHER, .344 I.D. x 11/16 O.D. x 1/16” Thick Flat (4)
20 9-1511 NUT, 5/16-18 Hex, Grade 5 or B (4)
21 4-1853 BLOCK, Hydro Spacer (2) (Also shown on Page 6)
22 9-1058 SCREW, 5/16-18 x 3-3/4” Hex Head Cap (Also shown on Page 6)
23 1-1791 RETAINER, 5/16” Bolt (4) (Also shown on Page 6)
24 ----- ASSEMBLY, Hydro Cooling Fan (Peerless P/N 6025-P91)
25 ----- PULLEY, Hydro Drive
26 ----- SCREW (3)
27 ----- WASHER, Lock
28 ----- NUT
29 4-7117 BELT, Engine to Hydro (Also shown on Page 16)
30 9-1315 WASHER, 5/16 Split Lock
NOTE: Obtain parts 24 thru 28 from Peerless Gear
R. E. RIDER (HYDRO) SERIES 0 & 1 MANUAL No. 06123

22
DECK LIFT & BLADE ENGAGEMENT ASSEMBLIES
MANUAL No. 06123 R. E. RIDER (HYDRO) SERIES 0 & 1
28 16
19
31
29
27
43
26
11
34
9
8
35
36
36
19
12
4
56
39
38
37
20
18
17
30
32
19
41
13
23
21
42
15
33
42
21
23
1
40
8
24
25
44
10
22
14
8
9
7
3
2
23
DECK LIFT & BLADE ENGAGEMENT ASSEMBLIES
ITEM PART NO. DESCRIPTION
1 4-6763 WELDMENT, Lift Handle Cross-Rod
2 1-9363 KNOB, Lift Handle
3 2-2295 BUTTON, Lift Handle Release
4 9-0362 SCREW, 1/4-20 x 5/8 Hex Washer Self-Tap
5 2-4742 PIVOT, Latch Detent
6 2-2568 DETENT, Lift Lever
7 2-2566 SPRING
8 9-1514 WASHER, .406 I.D. x .812 O.D. x .075 Thick Flat (2)
9 2-4874 PIN, 1/16 x 1-27/64” Self-Lock Cotter (2)
10 2-4607 SWIVEL, Brake Link
11 4-6959 ROD, Timing
12 4-6799 ROD, Lift Lever
13 7-1922 BRACKET, Blade Engagement
14 7-2201 WELDMENT, Engagement Arm
15 5-8260 SUPPORT, Shaft
16 5-8268 FORK, Cable Anchor
17 4-7125 LEVER, Blade Engagement
18 2-3657 GRIP, Blade Engagement Lever
19 1-0694 BUSHING, Nylon (2)
20 3-6521 SPRING
21 9-1601 NUT, 5/16-18 Hex Flange Lock, Grade 5 (5)
22 5-8246 SPACER, Cable Anchor
23 9-1584 NUT, 1/4-20 Hex Flange Lock, Grade 5 (3)
24 9-1528 WASHER, 3/8 Flat
25 9-1294 WASHER, 1/4” I.D. x 5/8” O.D. x 1/16” Thick Flat
26 9-0909 SCREW, 1/4-20 x 1-1/2” Hex Head Cap
27 9-0302 SCREW, 1/4-20 x 3/8” Hex Washer Self-Tap
28 1-3849 SPACER
29 2-7911 SPACER
30 9-1299 NUT, 3/8-16 Hex Nyloc
31 9-0911 SCREW, 1/4-20 x 1-1/4” Hex Washer Self-Tap
32 1-3072 PIN, 1/4 x 1” Roll
33 9-0606 BOLT, 5/16-18 x 5/8” Hex Flange Lock
34 4-6958 WELDMENT, Front Lift Arm
35 4-6930 BRACKET, Front Lift Arm
36 1-0746 RING, 3/4” External Retaining (2)
37 5-8293 LINK, Leveling
38 5-8292 SWIVEL, Deck Support
39 9-0250 WASHER, 1/2” Flat
40 9-1503 PIN, 3/32 x 1-1/2” Hair
41 2-7344 WASHER, 5/8” Flat
42 9-1530 BOLT, 1/4-20 x 3/4” Short Neck Carriage, Grade 5 (2)
(also shown on page 12)
43 9-1099 NUT, 1/4-20 Hex Center Lock (2)
44 5-8196 CABLE, Blade Engagement
R. E. RIDER (HYDRO) SERIES 0 & 1 MANUAL No. 06123

24
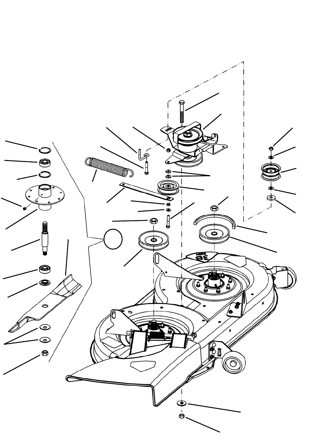
38” DECK SUB-ASSEMBLY
NOTE:
All bolt heads
are inside deck.
MANUAL No. 06123 R. E. RIDER (HYDRO) SERIES 0 & 1
24
24
18
24
14 13
5
3
23
17
9
21
10
19
15
1
2
22
11
20
12
13
22
16
16
9
17
23
23
23
23
4
6
7
8
24
24
24
25
38” DECK SUB-ASSEMBLY
ITEM PART NO. DESCRIPTION
1 5-8604 ASSEMBLY, Deck (Painted) (Includes 3-5645, 38” Deck)
2 5-8001 ASSEMBLY, Blade Spindle (Series 0) (2)
(see next two pages for components)
-- 5-8597 ASSEMBLY, Blade Spindle (Series 1) (2)
(see next two pages for components)
3 3-5494 BRACKET, Gage Wheel (RF 38 MY97)
4 3-3756 BRACKET, Gage Wheel
5 4-7160 BRACKET, Front Deck
6 4-7161 BRACKET, Left Rear
7 4-7157 BRACKET, Right Rear
8 3-5503 ROD, Side Discharge Mounting
9 2-6122 WHEEL, 4 x 1-1/2” Offset (2)
10 3-5502 ROD, 38” side Discharge Pivot
11 3-5813 SPRING, 38” side Discharge Torsion
12 2-9425 DISCHARGE CHUTE, 38” Deck
13 2-6831 DECAL, CPSC- Heavy Adhesive (2)
14 2-6154 DECAL, 38 Inch
15 4-6720 DECAL, Chute Deflector
16 9-1526 BOLT, 3/8-24 x 5/8” Shoulder (2)
17 9-1587 WASHER, 1/2” I.D. x 1-1/16” O.D. Flat (2)
18 9-1600 NUT, 3/8-24 Hex Center Lock (2)
19 9-0613 NUT, 3/8-16 Hex Flange Lock
20 9-1508 BOLT, 5/16-18 x 3/4” Short Neck Carriage, Grade 5
21 9-1575 NUT, 5/16-18 Hex Center Lock, Grade 5 or B
22 9-1681 BOLT, 5/16-18 x 1” Hex Flange Lock (5)
-- 9-0606 BOLT, 5/16-18 x 5/8” Hex Flange Lock (11)
-- 9-0721 BOLT, 5/16-18 x 1/2” Hex Flange Lock, Grade 5 (6)
23 9-0799 BOLT, 5/16-18 x 5/8” Short Neck Carriage, Grade 5 (11)
24 9-1601 NUT, 5/16-18 Hex Flange Lock, Grade 5 (35)
R. E. RIDER (HYDRO) SERIES 0 & 1 MANUAL No. 06123

26
38” CUTTING DECK, BELTS, BRAKES
MANUAL No. 06123 R. E. RIDER (HYDRO) SERIES 0 & 1
42
29
51
50
49
48
2
45
47
46
44
43
27
28
47
51
29
39
33
25
26
40
41
32
37
36
35
34
30
31
30
35
37
32
35
38
27
38” CUTTING DECK, BELTS, BRAKES
ITEM PART NO. DESCRIPTION
25 2-9355 BOLT, 1/2-13 x 3-3/4” Hex Head Cap, Grade 5
26 5-8121 ASSEMBLY, Center Spindle (See Page 28 & 29)
27 9-1194 WASHER, .531 I.D. x 1-1/2” O.D. Flat
28 9-0975 NUT, 1/2-13 Hex Center Lock, Grade A
29 1-4532 PULLEY, 5” O.D. (2)
30 7-4467 NUT, 3/4-16 Hex Spindle Jam, Grade 8 (2)
31 5-8231 V-BELT, Blade Drive (Spindle to Spindle)
32 9-1305 SCREW, 3/8-16 x 2” Hex Head Cap, Grade 5 (3)
33 1-5226 FINGER, Belt
34 9-1807 WASHER, 7/16” I.D. x 1-3/8” O.D. x 1/4” Thick Flat
35 9-1514 WASHER, .406 I.D. x .812 O.D. x .075 Thick Flat (4)
36 3-5867 PULLEY, 2-3/4” O.D. Flat Idler
37 9-1585 NUT, 3/8-16 Hex Center Lock, Grade 5 or B (2)
38 2-8774 SPACER, .39 x .625 x .19
39 5-8265 LINK, Blade Idler
40 2-3954 PULLEY, 3.47 O. D. Flat Idler
41 2-9000 SPACER, Blade Hub (2)
42 2-4914 SPRING, Extension
43 9-1633 NUT, 9/16-18 Hex, Grade B
44 2-4467 WASHER, 9/16” Belleville (2)
45 4-2998 BLADE, 19.64”
46 7-2109 WASHER, Spindle Blade
47 1-3313 BEARING, Spindle (2)
48 4-7163 SHAFT, Spindle (Series 0)
-- 7-2848 SHAFT, Spindle (Series 1)
49 4-7172 WELDMENT, 38” Deck Spindle Housing (Series 0)
-- 7-2847 WELDMENT, 38” Deck Spindle Housing (Series 1)
50 1-3324 FITTING, 3/16” Lube
51 1-2491 RING, 1-3/4” External Retaining (2)
R. E. RIDER (HYDRO) SERIES 0 & 1 MANUAL No. 06123

28
CENTER SPINDLE ASSEMBLY
MANUAL No. 06123 R. E. RIDER (HYDRO) SERIES 0 & 1
30
25
17 8
22 14
20
15
1
31
23
2
16
28
18
5
3
9
27
11
2110
13
3
4
25
26
5
4
12
2
24
6
7
24
19
29
29
CENTER SPINDLE ASSEMBLY
ITEM PART NO. DESCRIPTION
1 7-4467 NUT, 3/4-16 Hex Flange Jam, Grade 8
2 1-0740 RING, 2” External Retaining (3)
3 1-0935 WASHER, 3/4” I.D. x 1-1/8” O.D. x 1/16” Thick Flat (4)
4 1-2491 RING, 1.75 External Retaining (2)
5 1-3313 BEARING, Spindle
6 1-4304 WELD PIN, .37 x 2”
7 1-4314 SPACER, .31 I.D. x .39 O.D. x 1” Nylon
8 1-4343 BUSHING, .27 I.D. x .35 O.D. x .4 Flanged
9 1-4532 PULLEY, 5.0 O.D.
10 1-5290 PULLEY HUB, PM
11 3-2027 WASHER, 3/4” I.D. x 1-1/2” O.D. x 1/16” Flat (2)
12 6-3211 BAND, Brake
13 3-5378 DRUM, 17mm Brake
14 3-6521 SPRING
15 2-6677 EYE-BOLT, 1/4-20 Thread
16 4-6761 WELDMENT, Spindle Bracket/Housing
17 4-6782 SPRING, Rectangle Wire Die
18 4-7229 SPINDLE, Center
19 5-8235 WELDMENT, Idler Arm
20 5-8367 BELT GUIDE, Front
21 7-2145 PULLEY, Jack Shaft
22 7-2146 BRACKET, Brake Cable
23 7-2147 IDLER ARM
24 9-0037 PIN, 3/32 x 3/4” Cotter (2)
25 9-0055 WASHER, 1/4” Flat (2)
26 9-0122 WASHER, 3/8” SAE Flat
27 9-0356 NUT, 5/8-18 Hex Center Lock Jam
28 9-0585 NUT, 5/16-18 Hex Flange Lock (2)
29 9-0761 NUT, 1/4-20 Hex Top Lock
30 9-1303 BOLT, 5/16-18 x 1” Short Neck Carriage, Grade 5 (2)
31 7-1991 BELT, Engine to Deck
R. E. RIDER (HYDRO) SERIES 0 & 1 MANUAL No. 06123

30
ELECTRICAL COMPONENTS
ITEM PART NO. DESCRIPTION
1 5-9470 WIRING HARNESS
2 2-6343 SWITCH, Ignition
3 9-0880 WASHER, 5/8” Int. Tooth Lock
4 1-2685 NUT, 5/8-32 Hex (Special)
5 1-1138 KEY, Switch (2)
6 2-3355 SWITCH, DPDT NC/NO
7 2-2886 SWITCH, Seat DP NO/NC
Snap-In
8 9-1576 NUT, 1/4-20 Hex, Grade 5 or B
9 9-0053 WASHER, 1/4” Internal Tooth
Lock (5)
10 1-8817 SOLENOID
11 9-1584 NUT, 1/4-20 Hex Flange Lock,
Grade 5 (2)
12 1-2485 RETAINER, 1/4” Bolt (2)
13 2-7172 SCREW, 1/4-20 x 5/8” Hex
Head Cap, Grade 5 (2)
ITEM PART NO. DESCRIPTION
14 6-0753 BATTERY, No-Spill, 7 Plate,
210 CCA, Dry Charge Type
15 1-7853 TRAY, Battery
16 1-2444 COVER, Battery Cable
17 1-9326 CABLE, Positive (+), Red, 17”
18 2-8027 CABLE, Negative (-), Black, 14”
19 1-2080 CABLE TIE, 7” Long
20 9-1099 NUT, 1/4-20 Hex Center Lock,
Grade B or 5
21 9-0913 SCREW, #10-24 x 1/2” Hex
Washer Self-Tap (Torx) (2)
22 2-4649 WIRE TIE, Black Nylon, 11”
23 1-7590 SWITCH, Seat, NC (Grey)
-- 2-3354 SWITCH, Seat
24 2-8606 INTERLOCK, Module
25 2-3653 FUSE, 20A
26 9-1297 NUT, 5/16-24 Hex, Gr. 5 (2)
27 9-1530 BOLT, 1/4-20 x 3/4” Short
Neck Carriage, Gr. 5 (2)
MANUAL No. 06123 R. E. RIDER (HYDRO) SERIES 0 & 1
25
10
13 17
16 13
9
8
11
23
18
26
1
(
WIRING HARNESS
)
15
7
22
21
6
11
9
24 27
14
12
12
8
5
4
3
2
19
9

31
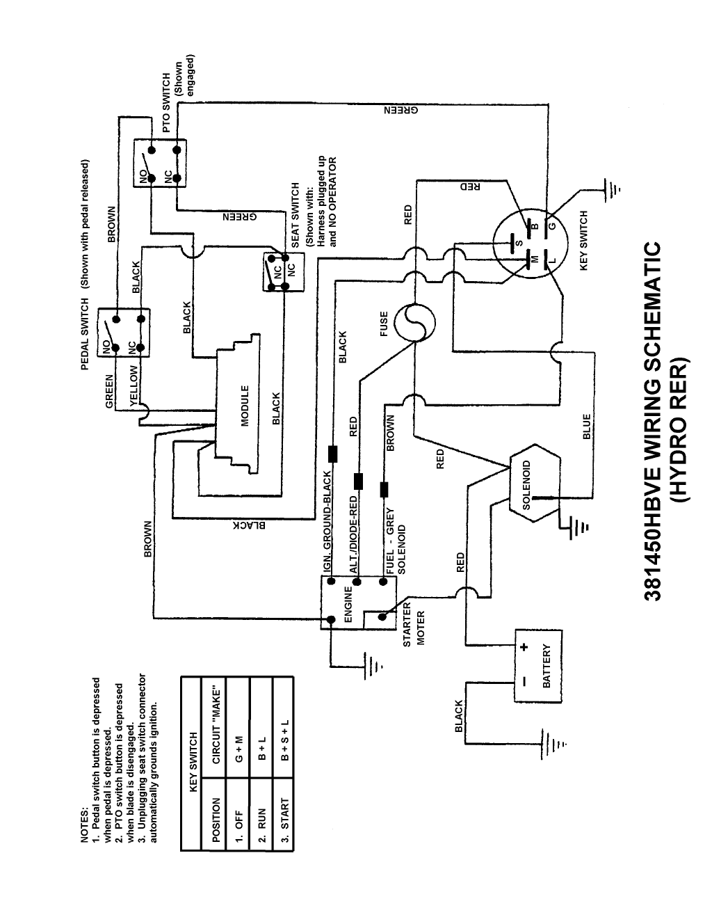
WIRING SCHEMATIC
R. E. RIDER (HYDRO) SERIES 0 & 1 MANUAL No. 06123

32
Parts Manual for
REAR ENGINE RIDING MOWER
HYDRO DRIVE
SERIES 0 & 1
IT IS THE POLICY OF SNAPPER TO IMPROVE ITS PRODUCTS WHENEVER IT IS
POSSIBLE AND PRACTICAL TO DO SO. WE RESERVE THE RIGHT TO MAKE CHANGES
OR ADD IMPROVEMENTS AT ANY TIME WITHOUT INCURRING ANY OBLIGATION TO
MAKE SUCH CHANGES ON PRODUCTS MANUFACTURED PREVIOUSLY.
COPYRIGHT © 2002
SNAPPER INC.
ALL RIGHTS RESERVED
MANUAL No. 06123 (Rev. 3, 06/30/02) Printed in U.S.A.