Snapper 75438 Users Manual #6 1888 Twin Bag Grass Catcher
2015-01-24
: Snapper Snapper-75438-Users-Manual-225101 snapper-75438-users-manual-225101 snapper pdf
Open the PDF directly: View PDF
.
Page Count: 7

#6-3318 TWIN BAG GRASS CATCHER KIT for
SNAPPER 28" & 33" REAR ENGINE RIDERS & 33” LAWN TRACTORS
This grass catcher kit fits Lawn Tractors with 33” Decks and Rear Engine Riders with 28” & 33” Decks. On
Series “A” & Later Lawn Tractors, Adapter Kit #6-1334 must be installed before this grass catcher can be
installed. On Series “0-2” Lawn Tractors, Adapter Kit #6-1068 must be installed before this grass catcher can
be installed. Install adapter kit as described by instructions provided with kit.
1
WARNING
DO NOT attempt any maintenance, adjustments,
service, or repairs with engine running. STOP
engine. STOP blade. Set park brake. Remove key.
Remove spark plug wire and secure away from
spark plug. Engine and components are HOT. Avoid
burns, allow sufficient time to cool.
STEP 1: Bumper Support Bracket & Muffler Guard
Installation (Riders Only)
Remove the muffler mounting screw and the two screws from
the R.H. side of the standup bumper. Install the bumper
support bracket and muffler guard against the standup
bumper. Align the holes and reinstall screws; tighten securely.
See Figure 1.
FIGURE 1
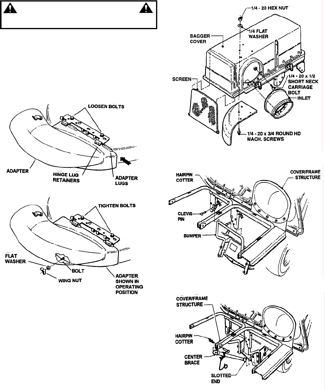
STEP 2: Removal Of Deflector
Remove wing nut, flat washer and bolt from deck (save for use
in step 4). (Riders) Flip up deflector, do not remove. (Tractors)
Remove the hinge nut, spring and hinge pin from deflector.
Remove deflector. Save for future use when not bagging
grass. See Figure 2.
STEP 3: Air Lift Installation
An optional Air Lift Kit 6-1777 has been included with this
grass catcher and may be installed to enhance bagging
performance in certain conditions. The air lifts can be installed
by reaching through the discharge opening or by removing the
blade. Attach one air lift to each end of the blade using the
hardware and instructions provided in the kit. Be certain to
install lifts on both ends of blade. Torque nuts and bolts on air
lifts to 20 to 30 ft. lbs. Torque blade retaining hardware to 45 to
55 ft. lbs. See Figure 3.
NOTE: Not all original equipment or accessory blades will
accept the Air Lift Kit. Contact an authorized dealer if you have
questions.
FIGURE 2
FIGURE 3
WARNING
The cutting blades and the edges of the cutting deck
are extremely sharp and can cause severe injury.
Always wear heavy leather gloves when working
around cutting blades and the cutting deck.
INSTRUCTION No. 7-5438 (I.R. 1/31/03)

2
WARNING
DO NOT operate machine without entire grass
catcher or guards in place.
STEP 4: ADAPTER INSTALLATION
Hold the adapter in front of the deck. Align the adapter lugs
with the hinge lug retainers, then push the adapter to the
rear. Loosen bolts (see Figure 4) & bump the adapter, if
necessary, to force the lugs under the lug retainers.
Secure the adapter to the deck with the previously
removed bolt, flat washer and wing nut (from step 2).
Tighten bolts. See Figure 4.
FIGURE 4
STEP 5: Cover Hood Assembly. Install sector to the
inside of cover using (3) 1/4 x 3/4” carriage bolts, 1/4 flat
washers and 1/4 hex nuts. Slide screen into cover.
Install inlet onto cover using (5) 1/4 x 1/2” carriage bolts
and 1/4 hex flange nuts. See Figure 5.
STEP 6: Cover/Frame Installation. Lower cover/frame
assembly onto bumper and secure with clevis pins and
hair pins. See Figure 6.
STEP 7: Lift cover up for access to frame. Attach center
brace to cover/frame with clevis pin and hair pin. Rotate
center brace up and hook into adapter bracket. See
Figure 7.
FIGURE 5
FIGURE 6
FIGURE 7

STEP 8: Bag Installation. Insert both grass bags onto
frame. Make sure the grass bag frame notches fit into
the frame recesses. See Figure 8.
FIGURE 8
STEP 9: Bag Installation. Lower cover assembly onto
frame. Lift up hook and insert it into hole in cover plate.
See Figure 9
3
FIGURE 9
STEP 10: Grass Tube Installation
Slide upper end of grass tube into opening of cover/frame
structure. Slide lower end of grass tube over adapter end
and rotate tube towards mower to secure handle hook
under latch. See Figure 10.
FIGURE 10
STEP 11: WEIGHT PLATE INSTALLATION (REAR
ENGINE RIDER ONLY)
IMPORTANT: Some model Riders may require the two
mounting holes to be drilled in the front frame. Refer to
Step 12 for drilling instructions. The mounting holes in
other models may be covered by the SNAPPER label.
Attach the nine (9) weights to the front frame using 3/8-16
x 2-1/4” hex cap screws, flat washers, 3/8” split lock
washers and 3/8-16 hex nuts. Tighten nuts and bolts
securely. See Figure 11.
MOUNT 9 WEIGHTS USING
CAP SCREWS, FLAT
WAHSERS, LOCK WASHERS
AND NUTS
PLACE HEAVY
WASHER ON
BOLT
FIGURE 11

4
WARNING
Weight Plates must be installed before operating the
machine with a grass catcher kit. Grass catchers
and other attachments affect the handling and
stability of the machine. Use extra care. Refer to the
Operator’s Manual for IMPORTANT SAFETY
INSTRUCTIONS
STEP 12 DRILL MOUNTING HOLES (SERIES M
RIDERS ONLY)
Measure and mark the location of the two holes using
dimensions shown. See Figure 12. Drill two 13/32”
holes. Attach weight plates. Refer to Step 11.
FIGURE 12

TWIN BAG GRASS CATCHER ILLUSTRATION
5
6
TWIN BAG GRASS CATCHER PARTS LIST
ITEM PART NO. DESCRIPTION
1 5-3668 COVER Assembly
2 1-9966 INLET
3 1-9725 SECTOR (Inside top baffle)
4 5-9951 MOUNTING Assembly (Includes following indented item)
- 3-6263 HOLDER, Inlet
5 5-1407 SPRING & Hook Assembly
6 3-6073 BRACE
7 9-1612 BOLT, 5/16-18 x 1-1/2” Carriage (2)
8 3-8087 HINGE, Top (2)
9 9-1611 SCREW, 1/4-28 x 3/4 Hex Head Cap (4)
10 9-1606 NUT, 5/16-24 Hex Center Lock (2)
11 2-3797 PAD, Bumper (2)
12 9-1605 NUT, 1/4-28 Hex (4)
13 1-4517 TUBE, Grass
14 1-1910 DECAL, Caution
- 6-0589 BAG, Hardware (Includes following indented items)
15 9-1576 NUT, 1/4-20 Hex (3)
16 9-1314 WASHER, 11/32" (3)
17 3-7745 HANDLE, Tube
18 3-1952 BASE, Tube Handle
19 9-1530 BOLT, 1/4-20 x 3/4" Carriage (4)
20 3-1951 LATCH, Tube Chute
21 9-1294 WASHER, 1/4 Flat (Gr. 5) (4)
22 2-9841 PIN, 5/16 x 11/16” Clevis (3)
23 9-1503 PIN, 3/32 x 1-1/2” Hair (3)
24 9-1545 NUT, 1/4-20 Flange Lock (5)
25 9-1604 BOLT, 1/4-20 x 1/2 Short Neck Carriage (5)
26 3-1954 BRACKET, Bumper Support (Shown on Page 1)
27 9-1614 SCREW, 1/4-20 x 1/2 (4)
28 9-1314 WASHER, 1/4 Internal Tooth Lock (4)
29 7-1677 GUARD, Muffler (Shown on Page 1)
30 5-3669 ADAPTER
31 9-1315 WASHER, 5/16 Split Lock (2)
32 9-1575 NUT, 5/16-18 Hex Center Lock (2)
33 5-1930 ASSEMBLY, Bag (Includes Indented Items)
-- 1-9250 BAG, Grass Catcher (2)
-- 1-9965 ROD, Bag Support
-- 1-4456 CONNECTOR
34 5-7652 ASSEMBLY, Screen (Includes Indented Items)
-- 1-9731 SCREEN
-- 1-9732 FRAME, Screen
35 9-0238 SCREW, 5/16-24 x 1 Hex Head Cap (2)
36 1-9295 DECAL, SNAPPER
-- 6-1777 KIT, Air Lift (Includes Indented Items)
37 3-4468 LIFTS, Air (2) (Shown on Page 1)
38 9-0223 NUT, 5/16-24 Hex (6) (Shown on Page 1)
39 9-0228 SCREW, 5/16-24 x 21/32 Machine (6) (Shown on Page 1)
40 9-0391 WASHER, 5/16 Internal Tooth Lock (6) (Shown on Page 1)
-- 7-2416 WEIGHT, Front Frame (9) (Rider only) (Shown on page 2)
-- 9-1976 SCREW, 5/8-11 x 1-3/4 Hex Cap (2) (Rider only) (Shown on page 2)
-- 9-1320 WASHER, 3/8 Split Lock (2) (Rider only) (Shown on page 2)
-- 9-0537 NUT, 5/8-11 Hex (2) (Rider only) (Shown on page 2)
-- 9-1560 SCREW, 3/8-16 x 2-1/4” Hex Cap (2) (Rider only) (Shown on page 3)
-- 9-1320 WASHER, 3/8 Split Lock (2) (Rider only) (Shown on page 3)
-- 9-1302 NUT, 3/8-16 Hex (2) (Rider only) (Shown on page 3)
-- 2-1746 WASHER, Thick
INSTRUCTION No. 7-5438 (I.R. 1/31/03)

GRASS CATCHER OPERATION
Your Grass Catcher equipped SNAPPER machine will keep your lawn cleaner than it would be by raking or using any
other vacuum method. The Hi-Vac models, which feature a patented rolled-lip deck design, will do an excellent job of
vacuuming and bagging grass clipping, leaves, litter, and even hard to pick-up pine straw. Following are some hints
for using the grass catcher.
• Grass clippings and litter are picked up by the vacuum created by the cutter blade and blown into the bag by the
air blast coming from the blade. The vacuum and air blast must be sufficient to handle the material you want to
collect.
• Light, dry clippings may be put into the bag by using the standard cutter blade and mowing at normal speeds.
• Heavier, more lush material will require more suction and air blast. Run engine faster and slow down the forward
speed of the mower.
• Very heavy, lush grass, matted leaves or pine straw will require the entire vacuum and blast you can give it. Run
the engine at top speed and the mower at its slowest forward speed. Take less than a full swath under most
severe conditions.
• For maximum lift, the cutter unit should be set about 2 1/2” to 3” high. The heavier the litter to be picked up, the
higher the unit should be set. Make more than one pass over the area to be cleaned, if needed.
• Normally, it is best to mow or clean by operating in a clockwise direction. However, if litter is matted and heavy,
make the first pass in a counterclockwise direction. As material is picked up on the left side of the cutter unit, it will
more easily enter the chute and go into the bag.
• The vacuum action of the blade will pick up dust unless the grass is very thick or the ground is wet. Be prepared
for this dust storm. You can minimize it if you learn to operate the cutter blade at the lowest speed that will put the
clippings and litter in the bag. Because of the dust, your engine air cleaner should be serviced more frequently
than usual.
• Never fertilize with dry-type fertilizer just before mowing. The vacuum action will pick up most of the fertilizer and
put it in the bag, where it will do very little good for your lawn.
• DO NOT be afraid to experiment with different blade speeds, cutter unit heights, and forward speeds until you have
learned how to make your SNAPPER machine operate best under YOUR conditions.
Some mower operator’s prefer to place a rigid piece of cardboard or plywood in the bottom of the bag for additional
ground clearance and easier handling. If you desire this feature, the dimensions should be 1/8” to 3/8” thick, 15” wide
by 35” long with a 4” radius on the corners.
COPYRIGHT © 2003
SNAPPER PRODUCTS INC.
ALL RIGHTS RESERVED
INSTRUCTION NO. 7-5438 (I.R. 1/29/03) Printed in U.S.A.
7