Snapper Commercial Walk Behind Users Manual 06929mod
!! 06929 Super Micro Computer Lawn Mower Manuals - Lawn Mower Manuals – The Best Lawn Mower Manuals Collection
Preview ! 06929 Super Micro Computer Lawn Mower Manuals - Lawn Mower Manuals – The Best Lawn Mower Manuals Collection
2015-01-24
: Snapper Snapper-Commercial-Walk-Behind-Users-Manual-227017 snapper-commercial-walk-behind-users-manual-227017 snapper pdf
Open the PDF directly: View PDF
.
Page Count: 68

Parts Manual for
COMMERCIAL WALK-BEHIND
ACCESSORIES
IT IS THE POLICY OF SNAPPER TO IMPROVE ITS PRODUCTS WHENEVER IT IS POSSIBLE
AND PRACTICAL TO DO SO. WE RESERVE THE RIGHT TO MAKE CHANGES OR ADD
IMPROVEMENTS AT ANY TIME WITHOUT INCURRING ANY OBLIGATION TO MAKE SUCH
CHANGES ON PRODUCTS MANUFACTURED PREVIOUSLY.
COPYRIGHT © 2002
SNAPPER INC.
ALL RIGHTS RESERVED
(IR, 12/02/02) MANUAL No. 06929

2
CONTENTS
COMMERCIAL WALK-BEHIND MODEL IDENTIFICATION
Positive identification of the machine will be necessary. Identify the machine with the model number to
insure the correct kit is used for that model. The series number or letter of the model number is used in this
manual to match the correct kit with the correct model. Refer to Owner’s Manual for correct Series number.
KIT No. DESCRIPTION PAGE
Caster Wheels
6-1004 Wheels, Caster (36” Pro Mid Size)..................................................................................................4
6-1005 Wheels, Caster (48”, 52” & 61” Pro Mid Size).................................................................................4
6-1097 Wheels, Caster (PRO 736, PRO 748 & PRO 752)..........................................................................5
6-0800 Quick Height Adjustment, (Caster) (Semi-pneumatic) .................................................................6
6-0801 Quick Height Adjustment, (Caster) (Pneumatic) ..........................................................................7
6-1300 Roller, Corner (PRO 736 & PRO 748) ............................................................................................8
Ballast/Weights
6-1194 Ballast, Front (for Sulky) (PRO 736)..............................................................................................9
6-1195 Ballast, Front (for Sulky) (PRO 748)..............................................................................................9
6-3048 Ballast, Front (PRO 36) ................................................................................................................10
6-3091 Ballast, Front (PRO Express 48” Deck)........................................................................................11
Dual-Wheel Conversion
6-0803 Dual Wheel Conversion (PRO Gear Drive w/bolt-in axles)..........................................................12
6-0804 Dual Wheel Conversion, complete (PRO Gear Drive w/bolt-in axles)........................................13
6-0937 Dual Traction Belt (PRO 36 & PRO 48 Hydro).............................................................................14
6-1001 Traction Idler.................................................................................................................................15
Sulky
6-3080 Sulky, Stand/Sit (PRO Walk-Behind)................................................................................... 16 & 17
6-1176 Sulky, PRO 7 (PRO 7 Gear & Hydro) ............................................................................................18
6-0848 Sulky, Riding ................................................................................................................................19
6-0799 Sulky, Riding (Kees Kit# 361700) .................................................................................................20
Note 1 Sulky, Riding (Kees Kit# 601700).................................................................................................21
Bagger Kits
6-0798 Grass Catcher w/Hopper (32, 36 & 48” Commercial Mowers, Kees Kit# 361502) ......................23
6-1105 Grass Catcher, Hopper Replacement (32, 36 & 48” Commercial Mowers)................................24
6-3032 Grass Catcher Mount (PRO units with SP, SPA & SPE Decks) ..................................................25
6-3033 Grass Catcher, Cloth (PRO units with SP, SPA & SPE Decks)...................................................26
6-3108 Grass Catcher, Cloth (PRO units with SP, SPA & SPE Decks)...................................................26
6-1853 Grass Catcher Mount ..................................................................................................................27
6-1110 Grass Catcher Mount (PRO 700 Walk-Behind) ...........................................................................28
6-1111 Grass Catcher, Cloth (PRO 700 Walk-Behind; requires 6-1853).................................................28
6-0835 Grass Catcher (Mid-Duty Walk-Behind)........................................................................................29
Blade Kits
6-1976 Mulching, 32” Deck (PRO Mowers) .............................................................................................30
6-1977 Mulching, 36” Deck (PRO Mowers) .............................................................................................30
6-1220 Mulching, 41” Deck (PRO Mowers) .............................................................................................30
6-1978 Mulching, 48” Deck (PRO Mowers) .............................................................................................31
6-1979 Mulching, 52” Deck (PRO Mowers) .............................................................................................31
6-1885 Mulching, 61” Deck (PRO Mowers) .............................................................................................31
6-1218 Mulching, 36” Deck (PRO 736 Deck)...........................................................................................32
6-1219 Mulching, 48” Deck (PRO 748 Deck)...........................................................................................33
Note 1: No Snapper Kit; however individual parts may be obtained from Snapper.

3
CONTENTS (continued)
KIT No. DESCRIPTION PAGE
R. A. D. Kits
6-3002 Quick Hitch (PRO Gear, PRO Hydro & PRO 7 Series 4 Mid-Size)...............................................34
6-3005 46” Dozer Blade (PRO Gear & PRO Hydro Mid-Size)..................................................................35
6-3006 Debris Blower (PRO Gear, PRO Hydro & PRO 7 Series 4 Mid-Size) .............................36 thru 41
6-3007 47” Rotary Broom (PRO Gear, PRO Hydro & PRO 7 Series 4 Mid-Size).......................42 thru 47
6-3004 40” 2 Stage Snowblower (PRO Gear, PRO Hydro & PRO 7 Series 4 Mid-Size)............48 thru 55
Miscellaneous Kits
6-1868 Belt Tension Reduction (SPA360 Deck) .....................................................................................56
6-1205 Belt Alignment Improvement (PRO 736 and PRO 748) .............................................................56
6-1871 Engine Frame Brace (some SP360, SPA360 & SPA480 decks; see chart).................................57
6-1207 Backside Idler (PP71250KW) .............................................................................................. 58 & 59
6-1208 Backside Idler (PP7140KWV).......................................................................................................60
6-1209 Backside Idler (PL71250KW) .......................................................................................................60
6-1210 Backside Idler (PL7140KWV).......................................................................................................60
6-0802 Gas Tank Retrofit, 4 Gallon (Kees Kit #362080) .........................................................................61
6-0896 Interlock Switch Update (PRO Mowers with 32”, 36” or 48” decks) ............................................62
6-3104 Belt Anti-Vibration (PRO Mowers with SP480 or SPA480 decks) ...............................................62
6-1783 Reverse Throttle Interlock (PRO 7 Series 1 & 2 Mowers)...........................................................63
6-0899 Taperlock Pulley (PRO Mowers with 48” decks) ..........................................................................63
6-3136 Shift Arm Extension (Electric Start PRO Hydro Series 0)............................................................64
6-1077 Driven Disc Replacement (Mid-Duty Walk-Behind).....................................................................64
7-7288 Oil Filters (engine and hydraulic system) ......................................................................................65
6-0974 Battery (Electric Start Models).......................................................................................................65
None Exhaust Mufflers & Heat Shields (Various models)........................................................... 66 & 67

4
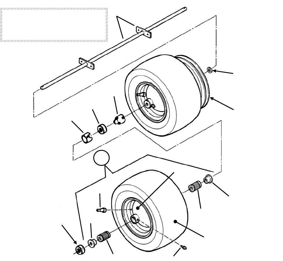
CASTER WHEEL ASSEMBLY
ITEM PART NO. DESCRIPTION
-- 6-1004* KIT, Caster (36” Deck only) (Incl. items 1A, 2A & 3 thru 22)
-- 6-1005* KIT, Caster (48/52/61” Decks) (Incl. items 1B, 2B & 3 thru 22)
1A 5-2086 ASSEMBLY, Caster (36” Deck only) (Incl. Items 2A, 3 & 4)
1B 5-2084 ASSEMBLY, Caster (48”, 52” & 61” Decks) (Incl. Items 2B, 3 & 4)
2A 4-0678 SUPPORT, Caster (36” Deck only) (Incl. Items 3 & 4)
2B 4-9798 SUPPORT, Caster (48”, 52’ & 61” Decks) (Incl. Items 3 & 4)
3 2-3556 BUSHING, Flange (2)
4 7-6998 FITTING, 1/4-28, Straight Lube
5 2-3747 BUSHING, Machinery, 1”
6 2-1960 BUSHING
7 1-9152 SPACER, Caster
8 4-9805 WELDMENT, Caster Yoke
9 1-7711 PIN, 7/16” Lynch
10 9-1050 BUSHING, Machinery, 3/4”
11 9-0603 SCREW, 3/8-16 x 7/8”, Hex Head, Grade 5
12 9-0118 WASHER, 3/8” Split Lock
13 9-0517 WASHER, 3/8” Flat
14 1-9289 MOUNT, caster Axle
15 1-6460 AXLE, Caster
16 1-2705 RING, 3/4” External Retaining
17 5-2085 ASSEMBLY, Wheel & Tire (Incl. Items 18, 19 & 20)
18 1-7786 BEARING, 3/4” Flange (2)
19 1-7785 BEARING, 3/4” x 1” Roller 92)
20 1-7784 TIRE, 4-Ply Smooth Tread
21 9-0613 NUT, 3/8-16 Hex Flange Lock (2)
22 9-0563 SCREW, 3/8-16 x 1” Hex Head Cap, Grade 5 (6)
*NOTE: Kit 6-1004 will fit models: PMA360 and PMA8360.
Kit 6-1005 will fit models: PMA8480, PMA520, PMA8610, PMA8520, PMA610 & PMA480.
MANUAL No. 06929 COMMERCIAL WALK-BEHIND ACCESSORIES
20
6 5
4
3
3
2A, 2B
13
12
11
10
9 8
7 19
18
16
15
14
17
18
19
20
4

5
CASTER WHEEL ASSEMBLY
ITEM PART NO. DESCRIPTION
-- 6-1097 KIT, Caster (Incl. items items 1 thru 20)
1 2-2258 ASSEMBLY, Wheel & Tire (Includes items 2 thru 5)
2 2-2394 RETAINER, Flanged (2)
3 2-2392 TIRE, 9 x 3.50 - 4 (Includes Tube)
4 2-2393 ASSEMBLY, Wheel (Includes Items 2 & 5)
5 2-2395 BEARING, Roller
6 2-2151 SLEEVE, Axle
7 9-1121 NUT, 1/2-13 Hex (Nyloc)
8 9-1123 BOLT, 1/2-13 x 5-1/2" Hex Head Cap, Grade 5
9 4-0726 YOKE, Caster (weldment)
10 1-7711 PIN, Lynch
11 1-9152 SPACER (3)
12 2-1960 SPACER, 1.005/1.010 I.D. x .270/.300 Thick
13 2-3747 BUSHING, 1.025/1.010 I.D. x .048 Thick
14 2-3556 BUSHING, Caster (2)
15 5-2298 ASSEMBLY, Caster Support (Includes Items 14 & 16)
16 7-6998 FITTING, Lube
17 9-0563 SCREW, 3/8-16 x 1" Hex Head Cap, Grade 5 (4)
18 9-0118 WASHER, 3/8 Split Lock (2)
19 9-0517 WASHER, 3/8 Flat (4)
20 7-6979 NUT, 3/8-16 Hex (Nyloc) (2)
MANUAL No. 06929 COMMERCIAL WALK-BEHIND ACCESSORIES
9 8
7
6
5
4
3
2 1
16
15
14
13
12
11
10
14
20
19
18
17
17
2
NOTE: Kit 6-1097 will fit models
PRO 736, PRO 748 and
PRO 752.

6
CASTER, HEIGHT ADJUSTMENT
*NOTE: Items marked with asterisk are pre-existing and are not a part of this kit.
ITEM PART NO. DESCRIPTION
-- 6-0800 KIT, Quick Height Adjust (Semi-
(Pneumatic) (Incl. 1-13 & 15)
1 7-6515 BUSHING, Straight (2)
2 7-6399 SUPPORT, Caster w/Bushings
(7-6514 & 7-6515) (2)
3 9-0517 WASHER, 3/8” Flat (4)
4 7-6979 NUT, 3/8-16 Hex Nyloc (4)
5 7-6997 FITTING, Lube, 1/8 NPT
Straight (2)
6 7-6514 BEARING, Flange Thrust
(powdered metal)
ITEM PART NO. DESCRIPTION
7 7-6400 YOKE, Caster (weldment) (2)
8 7-6506 ASSEMBLY, Semi-Pneumatic
Tire (2)
9 7-6552 AXLE, Caster (2)
10 7-6967 LYNCH PIN, 3/16” Diameter (2)
11 7-6998 FITTING, Lube, 1/4-28, Straight
12 7-7320 BEARING, Roller (2)
13 7-7321 CAP, End (2)
14 7-7000 COLLAR, Clamp 7/8” (existing)
15 7-6927 SCREW, 3/8-16 x 1-14”
Hex Head Cap (4)
16 7-6949 BOLT, 3/8-16 x 1-3/4” Hex Head
Cap (existing)
MANUAL No. 06929 COMMERCIAL WALK-BEHIND ACCESSORIES
This kit will fit on the following
Models:
W32080, W32120, W32120K,
W32081, W32121, W32121K,
W321252KW, W32142BV,
W36120, W36120K, W36121,
W36121K, W361252KW,
W36142BV, W48120, W48120K,
W48140S, W48121, W48121K,
W481252KW, W48142BV,
As well as PRO 736 and
PRO 748 units.
8
4
3
9
7
6
5
1
14*
10
3
4
16*
15
4
2
12
13
11
13

7
CASTER, HEIGHT ADJUSTMENT
*NOTE: Items marked with asterisk are pre-existing and are not a part of this kit.
ITEM PART NO. DESCRIPTION
-- 6-0801 KIT, Quick Height Adjust (Pneu.)
(Incl. 1-18 & 20)
1 7-6516 BUSHING, Straight (2)
2 7-6399 SUPPORT, Caster w/Bushings
(7-6514 & 7-6515) (2)
3 9-0517 WASHER, 3/8” Flat (4)
4 7-6979 NUT, 3/8-16 Hex Nyloc (4)
5 7-6997 FITTING, Lube, 1/8 NPT
Straight (2)
6 7-6514 BEARING, Flange Thrust
(powdered metal)
7 1-2234 STEM, Air Valve
8 7-6401 YOKE, Caster (weldment) (2)
9 7-6408 ASSEMBLY, Pneumatic Tire
(Incl. 7, 12-16 & 18 (2)
10 7-6549 AXLE, Caster (2)
ITEM PART NO. DESCRIPTION
11 7-6967 LYNCH PIN, 3/16” Diameter (2)
12 7-7356 CAP, End
13 7-6998 FITTING, Lube, 1/4-28, Straight
14 7-7353 BEARING, Roller (2)
15 7-7346 TIRE, Pneumatic
16 7-7350 RIM, Pneumatic Tire
17 7-7720 WASHER, Tab (4)
18 2-3557 CAP, End
19 7-7000 COLLAR, Clamp 7/8” (existing)
20 9-0563 SCREW, 3/8-16 x 1” Hex Head
Cap (4)
21 7-6949 BOLT, 3/8-16 x 1-3/4” Hex Head
Cap (existing)
22 1-0821 TUBE, Inner (optional)
MANUAL No. 06929 COMMERCIAL WALK-BEHIND ACCESSORIES
This kit will fit on the following
Models:
W32080, W32120, W32120K,
W32081, W32121, W32121K,
W321252KW, W32142BV,
W36120, W36120K, W36121,
W36121K, W361252KW,
W36142BV, W48120, W48120K,
W48140S, W48121, W48121K,
W481252KW, W48142BV,
As well as PRO 736 and
PRO 748 units.
9
4
3
10
8
6
5
22
1
19*
11
3
4
21*
20
4
2
16
18
14
13
7
14
12
15
17

8
CORNER ROLLER
ITEM PART NO. DESCRIPTION
-- 6-1300 KIT, Corner Roller (Incl. items 1 thru 8)
1 1-6829 ROLLER, Corner
2 2-7209 SPACER, Roller
3 9-0517 WASHER, 3/8” Flat (3)
4 2-7208 BOLT, 3/8-16 x 5-1/2” Hex Head Cap
5 9-0563 SCREW, 3/8-16 x 1” Hex Head Cap, Grade 5 (2)
6 9-0118 WASHER, 3/8” Split Lock
7 3-3080 BRACKET, Roller
8 7-6979* NUT, 3/8-16 Hex Nyloc (3)
*NOTE: Only two of these nuts are needed on the 48” Deck. The 48” Deck is equipped with
weld-nuts as illustrated above.
NOTE: Kit 6-1300 will fit models PRO 736 & PRO 748
MANUAL No. 06929 COMMERCIAL WALK-BEHIND ACCESSORIES
3
8
5
5
4
3
3
2
1
NOTE: THE WELDNUTS SHOWN
HERE ARE USED ON THE
48” DECK ONLY.
36” & 48”
CUTTING DECKS
7
6
8

9
FRONT BALLAST
ITEM PART NO. DESCRIPTION
-- 6-1194 KIT, Front Ballast (Incl. items 1 thru 5)
1 4-1338 STRUCTURE, Front Ballast
2 9-0629 BOLT, 3/8-16 x 2-1/4” Hex Head, Grade 5 (5)
3 9-0517 WASHER, 3/8” Flat (10)
4 9-0118 WASHER, 3/8” Split Lock (5)
5 7-6979 NUT, 3/8-16 Hex Nyloc (5)
NOTE: This kit is for the PRO 736 mid-size walk-behind mower.
ITEM PART NO. DESCRIPTION
-- 6-1195 KIT, Front Ballast (Incl. items 1 & 2)
1 2-4510 BALLAST, Front (2)
2 9-0655 SCREW, 3/8-16 x 1-1/2”, Grade 5 (6)
NOTE: This kit is for the PRO 748 mid-size walk-behind mower.
MANUAL No. 06929 COMMERCIAL WALK-BEHIND ACCESSORIES
2
4 3 3
2 1
5
1
1
LEFT IN PLACE
LEFT IN PLACE
NOTE:
Re-use existing washers

10
FRONT BALLAST
ITEM PART NO. DESCRIPTION
-- 6-3048 KIT, Weight (Incl. items 1 thru 8)
1 4-6664 WEIGHT, Front, PRO 36” Deck (painted)
2 9-1884 SCREW, 1/2-13 x 1-1/2” Hex Head Cap (2)
3 9-1322 WASHER, 1/2” Split Lock (2)
4 9-1316 NUT, 1/2-13 Hex, Grade 5 (2)
5 3-5756 WEIGHT, Top (2)
6 2-7181 BOLT, 3/8-16 x 1-1/4” Short Neck Carriage, Grade 5 (2)
7 9-1299 NUT, 3/8-16 Hex Nyloc (2)
8 7-3647 DECAL, Caution Guard/Catcher
NOTE: This weight kit fits the Express Deck used with gear drive units SPP1250KW,
SPP140KW, SPP140KH, SPL1250KW, SPL140KW & SPL140KH; as well as hydro drive
units SPLH140KW, SPLH140KH, SPLH160BV & SPLH180KHE.
MANUAL No. 06929 COMMERCIAL WALK-BEHIND ACCESSORIES
8
7
6
5
4
3
2
1

11
FRONT BALLAST
ITEM PART NO. DESCRIPTION
-- 6-3091 KIT, Ballast 48” Express Deck (Incl. items 1 thru 5)
1 7-2735 BALLAST, 48” Express Deck (2)
2 9-1328 SCREW, 3/8-16 x 1-1/4” Hex Head Cap, Grade 5 (4)
3 9-0122 WASHER, 3/8” Flat (8)
4 9-1299 NUT, 3/8-16 Nyloc (4)
5 7-3647 DECAL, Caution Guard/Catcher
NOTE: This kit fits the Pro Commercial Walk Behind with 48” Express Mower Deck.
MANUAL No. 06929 COMMERCIAL WALK-BEHIND ACCESSORIES
3
*
1
1
2
2
2
5
3
3 3
*NOTE:
These holes must be drilled
in the deck for installation
Of this kit.
4 4
4
4

12
DUAL WHEEL CONVERSION
ITEM PART NO. DESCRIPTION
-- 6-0803 KIT, Dual Wheel Conversion (Incl. items 1 thru )
1 7-6389 ASSEMBLY, Sulky Tire (complete) (Incl. items 2 thru 7) (2)
2 7-7311 RIM (Includes items 3 & 7)
3 1-2234 STEM, Air Valve
4 7-7313 BEARING, Roller (2)
5 2-3788* TIRE, 13 x 6.50-6
6 7-7312 BEARING, Flange (2)
7 7-6998 FITTING, Lube, 1/4-28, Straight
8 7-6539 COUPLING-DRIVE, Inside
9 7-6540 COUPLING, Drive, Outside
10 7-6396 WELDMENT, Rear Axle, Dual Wheel, PTD
11 7-6542 SPACER, Dual Wheel (2)
*or 77310
MANUAL No. 06929 COMMERCIAL WALK-BEHIND ACCESSORIES
existing
clamp
collar
7
6
5
4
3
2
1
4
6
existing
spacer
11
10
9
8
existing
tire
assembly
This kit will fit PRO Commercial
Walk-Behind (Gear Drive) mowers,
built prior to 1990, that have
bolt-in rear axles.

13
DUAL WHEEL CONVERSION
ITEM PART NO. DESCRIPTION
-- 6-0804 KIT, Dual Wheel Conversion (complete) (Incl. items 1 thru 16)
1 7-6394 ASSEMBLY, Drive Tire (complete, dual wheel) (Incl. items 2 thru 7) (2)
2 7-6410* RIM & PULLEY, Drive (dual wheel)
3 1-2234 STEM, Air Valve
4 7-7313 BEARING, Roller (2)
5 2-3788** TIRE, 13 x 6.50-6
6 7-7312 BEARING, Flange (2)
7 7-6998 FITTING, Lube, 1/4-28, Straight
8 9-0118 WASHER, 3/8” Split Lock (4)
9 7-7748 SCREW, 3/8-24 x 3/4” Hex Head Cap, Grade 5 (4)
10 7-6539 COUPLING-DRIVE, Inside
11 7-6440 DRUM, Brake, PTD
12 7-6395 TIRE, Driven (complete, dual wheel) (Incl item 14) (2)
13 7-7284 RIM, Driven
14 7-6540 COUPLING, Drive, Outside
15 7-6396 WELDMENT, Rear Axle, Dual Wheel, PTD
16 7-6542 SPACER, Dual Wheel (2)
*or 7-7283 **or 7-7310
MANUAL No. 06929 COMMERCIAL WALK-BEHIND ACCESSORIES
12
1
10
16
14
8
9
11
This kit will fit PRO Commercial
Walk-Behind (Gear Drive) mowers,
Built prior to 1990, that have
bolt-in rear axles. 2
4
6
5
3
13
15
existing spacer
6
7
4
existing
clamp
collar

14
DUAL TRACTION BELT
ITEM PART NO. DESCRIPTION
-- 6-0937 KIT, Dual Traction Belt
(Incl. 1 thru 25)
1 1-9202 BELT, Traction (Dual Band) (2)
2 1-9223 PULLEY, Output (2)
3 1-9224 HUB, Brake (2)
4 1-9225 PULLEY, Idler (2)
5 5-9800 ASSEMBLY, Wheel (Includes
1-9206 & items 17-22) (2)
-- 1-9206 ASSEMBLY, Wheel w/o pulley
6 2-3515 SPACER (8)
7 2-3787 BUSHING, 7/8” (2)
8 3-8473 PULLEY, Traction (4)
9 4-0606 SCRAPER (2)
10 7-7670* SCREW, 3/8-24 x 1-3/4” Hex
Head Cap, Grade 5 (2)
-- 9-0629 SCREW, 3/8-16 x 2-1/4” Hex
Head Cap, Grade 5 (2)
ITEM PART NO. DESCRIPTION
11 9-0118 WASHER, 3/8” Split Lock (10)
12 9-0187 WASHER, 5/16” Split Lock (2)
13 9-0196 NUT, 5/16” Hex, Gr. 5 or B (2)
14 9-0517 WASHER, 3/8” Flat (10)
15 9-0585 NUT, 5/16-18 Flange Lock (2)
16 9-0164 SCREW, 3/8-24 x 1-1/2” Hex
Head Cap, Grade 5 (8)
17 2-3788 TIRE, 13 x 6.50-6 (4 Ply)
18 7-7312 BUSHING, Flange (2)
19 7-7313 BEARING, Roller (2)
20 7-6998 FITTING, Lube, 1/4-28, Straight
21 1-9256 ASSEMBLY, RIM, w/Flange
22 1-2234 STEM, Air Valve
23 7-7000 COLLAR CLAMP w/Set
Screw (2)
24 3-8513 GUIDE, Belt (2)
25 3-2865** GUIDE, Belt (2)
*this bolt used on units with serial numbers starting with 9 **installs on idler pulley
MANUAL No. 06929 COMMERCIAL WALK-BEHIND ACCESSORIES
24
9
8
7
6
5
4
3
2
1
18
17
16
15
13
12
11
10
18
24
23
21
20
19
19
11
11
This kit will fit 36 & 48” PRO
Commercial Walk-Behind
(Hydro Drive) mowers built.
Prior to 1990.
22

15
TRACTION IDLER
ITEM PART NO. DESCRIPTION
-- 6-1001 KIT, Traction Idler (Incl. items 1 thru 13)
1 5-2090 ASSEMBLY, Left Support Bracket (Incl. items 2 thru 10)
2 4-0679 WELDMENT, Left Bearing Support
3 7-6998 FITTING, Lube, 1/4-28, Straight
4 7-7860 WELDMENT, Traction, Left
5 1-6473 COLLAR, Shaft
6 9-0517 WASHER, 3/8” Flat (3)
7 1-9225 IDLER PULLEY
8 9-0118 WASHER, 3/8” Split Lock
9 7-7670 SCREW, 3/8-24 x 1-3/4” Hex Head Cap, Grade 5
10 9-1030 BUSHING, Machine (3)
11 5-2091 ASSEMBLY, Right Support Bracket (Incl. items 3, 5, 12 & 13)
12 7-7846 WELDMENT, Right Support Bracket
13 7-7859 WELDMENT, Traction, Right
MANUAL No. 06929 COMMERCIAL WALK-BEHIND ACCESSORIES
7
5
8
6
7 6
13
5
12
11
1
10
BELLCRANK
(RE-USE)
10
2
3
4
9
This kit will fit SNAPPER
Commercial (KEES) Walk-
Behind mowers built
Prior to 1990.

16
STAND/SIT SULKY
MANUAL No. 06929 COMMERCIAL WALK-BEHIND ACCESSORIES
9
9
24
29
14
22
15
33 (orient
as shown)
23
3
10
3
6
3
24
30
30
6
2
1 19
3 20
17
20
5 15
16
4
13
18
6
3
20
29
29
30
31
19
6
20
5
2
12
11
25
25
27
27
1
29
32
30
26
28
8
7 21
17
STAND/SIT SULKY
ITEM PART NO. DESCRIPTION
-- 6-3080 KIT, Stand/Sit Sulky (Includes items 1 thru 36)
1 2-9617 WASHER, 3/4” Flat (4)
2 1-1022 CAP, Hub (2)
3 9-1891 BOLT, 3/8-16 x 1”, Grade 5 (6)
4 2-4351 PIN, 1/2 x 1-3/16” Clevis
5 2-4352 SPRING (2)
6 9-1619 NUT, 3/8-16 Hex Flange Lock (6)
7 3-3607 HITCH, Bottom
8 3-3608 HITCH, Top
9 5-2268 ASSEMBLY, Wheel ( includes 6 items below) (2)
-- 2-3828 TIRE, 4.10/3.50-4
-- 1-0821 TUBE, Tire
-- 1-7146 RIM, Wheel
-- 1-1807 BALL BEARING, Flange (2)
-- 1-4669 LUBE FITTING
-- 1-2234 VALVE STEM
10 7-2092 WELDMENT, Seat Support
11 7-2090 BRACKET, Seat
12 7-2091 SEAT
13 7-2268 HITCH, Draw Bar
14 7-2269 DRAW BAR
15 7-2270 BRACE, Draw Bar (2)
16 7-2271 PAD, Friction
17 9-1299 NUT, 3/8-16 Hex Nyloc (4)
18 7-7780 PIN, 7/16 HD Lynch
19 9-1516 PIN, 5/32 x 1” Cotter (2)
20 9-1514 WASHER, 13/32” Flat (4)
21 9-1821 SCREW, 1/2-13 x 3” Hex Head Cap, Grade 5
22 9-1811 BOLT, 5/16-18 x .5/8” Hex Flange Lock, Grade 5 (2)
23 9-1560 SCREW, 3/8-16 x 2-1/4” Hex Head Cap, Grade 5 (2)
24 9-1304 SCREW, 3/8-16 x 1”Hex Head Cap, Grade 5 (2)
25 9-1315 WASHER, 21/64” Split Lock (2)
26 9-1316 NUT, 1/2-13 Hex Grade 5 (2)
27 9-1527 SCREW, 5/16-18 x 1-1/4” Hex Head Cap, Grade 5 (2)
28 9-1587 WASHER, 17/32” Flat
29 9-1601 NUT 5/16-18 Hex Flange Lock, Grade 5 (6)
30 9-1908 SCREW, 5/16-18 x 1.3/4”, Grade 5 (4)
31 7-2093 WELDMENT, Carriage/Axle
32 7-2321 TUBE, Seat Extension
33 7-2646 DECAL, Warning
34 1-9293 NAMEPLATE, Snapper (not shown)
35 9-1585 NUT, 3/8-16 Hex Center Lock (Not shown in illustration) (2)
36 7-2536 DECAL, Snapper (not shown)
MANUAL No. 06929 COMMERCIAL WALK-BEHIND ACCESSORIES

18
SULKY, PRO 7
ITEM PART NO. DESCRIPTION
-- 6-1176 KIT, Sulky (Incl. 1 thru 47)
1 2-4353 ASSEMBLY, Wheel (incl. tire,
rim, 2 ball bearings, air valve &
grease fitting (2)
2 3-3516 TUBE, Seat Support
3 3-3604 BRACE, Draw Bar (2)
4 4-1308 WELDMENT, Seat Adjust
5 4-1329 WELDMENT, Channel Brace
6 5-2821 ASS’Y, Drawbar/Hitch (incl.
items 7 thru 15)
7 1-4438 HOOK (5/16-18 thread)
8 2-4352 SPRING, 3/4” O. D. x 1-1/2”
9 3-3610 HITCH
10 3-3611 DRAWBAR
11 7-6979 NUT, 3/8-16 Hex Nyloc (2)
12 9-0188 WASHER, 5/16” Flat (11)
13 9-0517 WASHER, 3/8” Flat (2)
14 9-0629 BOLT, 3/8-16 x 2-1/4” (2)
15 9-0717 NUT, 5/16-18 Hex Nyloc (6)
16 5-2822 SEAT (with 1-9295 Decal)
17 5-2823 WELDMENT, Frame
(with 7-7774 Decal)
18 1-3370 WASHER, 1” I. D. Flat
19 1-3492 WASHER, Special (8)
20 2-2960 SPACER, Seat (2)
21 2-3735 KNOB (5/16-18 thread)
22 2-4350 SPACER, Axle (2)
23 2-4351 PIN, 1/2 x 1-3/16” Clevis
24 2-4623 CHAIN, Hitch
25 3-3606 CLAMP
26 3-3607 HITCH, Bottom
ITEM PART NO. DESCRIPTION
27 3-3608 HITCH, Top
28 3-3626 LEVER, Shift Sulky
29 3-3638 SADDLE
30 7-6526 GRIP, Adj. Lever
31 7-6934 SCREW, 5/16-18 x 3/4” Hex
Head Cap, Grade 5 (6)
32 7-6938 SCREW, 5/16-18 x 2-1/4”
Hex Head Cap, Grade 5
33 7-6979 NUT, 3/8-16 Hex Nyloc (5)
34 7-7780 PIN, Lynch
35 9-0187 WASHER, 5/16” Split Lock (7)
36 9-0250 WASHER, 1/2” Flat (2)
37 9-0297 PIN, 1/8 x 1-1/2” Cotter
38 9-0364 PIN, 5/32 x 1” Cotter (2)
39 9-0563 SCREW, 3/8-16 x 1” Hex
Head Cap, Grade 5 (3)
40 9-0588 SCREW, 3/8-16 x 2” Hex
Head Cap, Grade 5 (2)
41 9-0669 SCREW, 5/16-18 x 1-3/4”
Hex Head Cap, Grade 5 (2)
42 9-0930 BOLT, 5/16-18 x 2” Hex,
Grade 5
43 9-0959 BOLT, 5/16-18 x 2-1/2”
Sq. Neck Carriage, Grade 5
44 9-0975 NUT, 1/2-13 Hex Center
Lock, Grade 5 or B (2)
45 9-1046 SCREW, 5/16-18 x 2-1/2”
Hex Head Cap, Grade 5
46 9-1170 BOLT, 1/2-13 x 1-3/4” Bolt,
Grade 5
47 2-4354 INSTRUCTIONS
MANUAL No. 06929 COMMERCIAL WALK-BEHIND ACCESSORIES
This kit will fit SNAPPER
PRO 7 Gear and Hydro
Walk-Behind mowers.

19
SULKY
ITEM PART NO. DESCRIPTION
-- 6-0848 KIT, Sulky (Includes 1 thru 28)
1 7-6926 SCREW, 5/16-18 x 1” Hex (2)
2 7-7768 WELDMENT, Hitch
3 7-7780 PIN, Lynch
4 9-0717 NUT, 5/16-18 Hex Nyloc (6)
5 7-7772 WELDMENT, Frame
6 7-7787 AXLE, Roller
7 9-0297 PIN, 1/8 x 1-1/2” Cotter
8 1-4661 ROLLER
9 9-0258 NUT, 1/2-13 Hex, Gr. 5 or B (2)
10 9-0254 WASHER, 1/2” Split Lock (3)
11 7-7778 PAD, Abrasive (2)
12 7-7777 FOOT REST (w/o pad)
13 9-0692 WASHER, 5/16” Flat (4)
14 7-6389 ASS’Y, Tire (incl. 16-20) (2)
ITEM PART NO. DESCRIPTION
15 7-7000 CLAMP, Collar (4)
16 7-7312 BEARING, Flange (2)
17 7-7313 BEARING, Roller (2)
18 7-6998 FITTING, 1/4-28 Grease
19 7-7310 TIRE, 2 Ply Turfmaster
20 7-7311 ASS’Y, Rim (incl. air valve
& grease fitting)
21 7-7776 AXLE, Main
22 7-6604 U-Bolt (5/16-18 threads) (2)
23 7-6596 STIFFENER
24 7-6929 SCREW, 1/2-13 x 2” Hex (2)
25 7-7774 DECAL, Warning
26 7-7775 SPRING, Seat (incl. item 25)
27 7-6928 SCREW, 1/2-13 x 1” Hex Head
28 7-7303 SEAT w/Decal
MANUAL No. 06929 COMMERCIAL WALK-BEHIND ACCESSORIES
8
2
27
10
21
22
16
15
15
16
28
19
18
20
17
4
1 23
24
25
26
4
13
7
6 9
10
11
12
5
3
14

20
SULKY, RIDING
ITEM PART NO. DESCRIPTION
-- 6-0799 KIT, Sulky (Includes 1 thru 28)
(Was Kees #361700)
1 7-7302 FRAME (with decal)
2 7-6595 SPRING
3 7-6596 STIFFENER
4 7-6603 SHIM (2)
5 7-6929 SCREW, 1/2-13 x 2” Hex (2)
6 7-6928 SCREW, 1/2-13 x 1” Hex
7 9-0254 WASHER, 1/2” Split Lock (4)
8 9-0258 NUT, 1/2-13 Hex, Gr. 5 or B (3)
9 7-6224 CHAIN, #8 Sash (9” long)
10 7-6995 PIN, Quick Release Hitch
11 7-6999 SPLIT RING
12 7-6602 EYEBOLT, 1/2” Dia. Forged
13 7-6925 BOLT, 5/16-18 x 3/4” Hex (2)
14 9-0717 NUT, 5/16-18 Hex Nyloc (10)
ITEM PART NO. DESCRIPTION
15 7-6413 HITCH
16 7-7313 BEARING, Roller (2)
17 7-7312 BEARING, Flange (2)
18 7-7310 TIRE, 2 Ply Turfmaster
19 7-7311 ASS’Y, Rim (incl. air valve
& grease fitting)
20 7-7000 CLAMP, Collar (4)
21 7-7303 SEAT w/Decal
22 7-6607 AXLE
23 7-6604 U-Bolt (5/16-18 threads) (2)
24 7-6606 FOOT REST
25 7-6389 ASS’Y, Tire (includes
items 16-19 & 26) (2)
26 7-6998 FITTING, 1/4-28 Grease
27 9-0692 WASHER, 5/16” Flat (8)
28 7-6996 GRIP, Foot Rest (2)
MANUAL No. 06929 COMMERCIAL WALK-BEHIND ACCESSORIES
14
21
18
20
26
19
16
17
17
20
14
27
3
23
5
6
7
2
22
24
28
23
8
8
7
1
4
14
27
13
15
12
11
9
10
25

21
SULKY, RIDING
ITEM PART NO. DESCRIPTION
-- *Note 1 KIT, Sulky (Includes 1 thru 21)
(Was Kees #601700)
1 7-6998 FITTING, 1/4-28 Grease (2)
2 7-7312 BEARING, Flange (2)
3 7-7313 BEARING, Roller (2)
4 7-7435 TIRE, Straight Ribbed w/Rim
5 7-7607 PIN, Axle
6 7-6508 SPACER (2)
7 9-0297 PIN, 1/8 x 1-1/2” Cotter (2)
8 7-7435 ASSEMBLY, Tire (2)
9 7-7437 WELDMENT, Swivel
10 7-7000 7/8” CLAMP, Collar
ITEM PART NO. DESCRIPTION
11 7-6979 NUT, 3/8-16 Hex Nyloc (4)
12 7-7612 BRACKET, Hitch
13 9-0563 SCREW, 3/8-16 x 1” Hex Head
Cap, Grade 5 (4)
14 7-6967 PIN, 3/16” Dia. Lynch
15 7-7436 FRAME
16 7-7666 SCREW, 1/2-13 x 3/4” Hex
17 9-0254 WASHER, 1/2” Split Lock (4)
18 7-7303 SEAT w/Decal
19 7-7438 KIT, Arm
20 7-7620 PLUG, Square (2)
21 7-7221 BEARING, Roller (2)
*NOTE1 : Although there is no Snapper Kit, individual parts may be ordered under the
Snapper part numbers as shown in the above table.
MANUAL No. 06929 COMMERCIAL WALK-BEHIND ACCESSORIES
14
2
12
15
16
17
18
19
20
1
10
2
21
6
6
9
5
7
2 3
1 4
13
11
12
8
22
THIS PAGE LEFT INTENTIONALLY BLANK

23
GRASS CATCHER, w/Hopper
ITEM PART NO. DESCRIPTION
-- 6-0798 KIT, Grass Catcher (Incl. 1- 34)
1 7-7296 HOPPER/FRAME (Complete)
2 9-0548 SCREW, 1/4-20 x 1” Hex Head (4)
3 7-6585 HANDLE, Hopper (2)
4 7-6586 PLATE, Handle Brace (2)
5 7-6978 NUT, 1/4-20 Hex Nyloc (4)
6 7-6926 SCREW, 5/16-18 x 1” Hex Hd.(10)
7 9-0717 NUT, 5/16-18 Hex Nyloc (11)
8 7-6983 WASHER, 1/4” Spring (4)
9 7-6581 CATCHER LATCH, Right
10 7-6977 NUT, #10-24 Hex Nyloc
11 7-6952 SCREW, #10-24 x 5/8” Pan Head
Machine (10)
12 7-6412 BACK PLATE (Complete)
13 7-6587 CATCHER BRACE, Front
14 7-6575 CATCHER BRACE, Rear Long
15 7-7753 BRACKET, Supp. (48” S.W.Only)
16 7-6580 CATCHER BRACE, Rear Short
ITEM PART NO. DESCRIPTION
17 9-0692 WASHER, 5/16” Flat (4)
18 7-6979 NUT, 3/8-16 Hex Nyloc
19 7-6582 CATCHER LATCH, Left
20 9-0517 WASHER, 3/8” Flat (2)
21 7-7297 HOPPER w/Decals
22 7-6411 FRAME, Hopper
23 7-6588 WASHER, Grass Catcher (15)
24 7-6958 POP RIVET (15)
25 7-6589 PLATE, Skid
26 7-6361 CATCHER BRACE, Rear Short
(32” Only)
27 7-6592 COVER, Screen
28 7-6591 SCREEN, Backplate
29 1-7051 DISC, Blade (3)
30 7-6949 SCREW, 3/8-16 x 1-3/4” Hex
31 1-9295 DECAL, Snapper
32 7-6583 DECAL, Warning
33 7-7359 SCREEN, Top Front
34 7-7360 SCREEN, Top Rear
NOTE: This kit fits 32”, 36” & 48” PRO Mowers
MANUAL No. 06929 COMMERCIAL WALK-BEHIND ACCESSORIES
7
15
6
7
30
26
7
7
13
7
20
18
29
10
19
8
7
11
6
11
7
14
6
7
11
8
27
11
12
10
9
6
17
11
10
28
6
24
17
6
24
24
25
23
5
23
4
22
10
31
33
2
2
3
5
4
21
32
2
2 3
34
ENGINE
HOLD
DOWN
BOLT
1

24
GRASS CATCHER, HOPPER REPLACEMENT
ITEM PART NO. DESCRIPTION
-- 6-1105 KIT, Grass Catcher Hopper Replacement (Includes items 1 thru 5)
1 7-6585 HANDLE, Hopper (2)
2 7-6586 PLATE, Handle Brace (2)
3 7-6978 NUT, 1/4-20 Hex Nyloc (4)
4 9-0548 SCREW, 1/4-20 x 1” Hex Head Cap, Grade 5 (4)
5 7-7296 ASSEMBLY, Hopper with Frame (Includes items 6 thru 11)
6 1-9295 DECAL, Snapper
7 7-6583 DECAL, Warning
8 7-6411 FRAME, Hopper
9 7-6588 WASHER, Grass Catcher (15)
10 7-6589 PLATE, Skid
11 7-7294 ASS’Y, HOPPER w/Screens (Includes items listed below)
12 7-7358 HOPPER, Grass Catcher
13 7-7360 SCREEN, Top Rear
14 7-7706 POP RIVET, 1/8 x .453 Aluminum (20)
15 7-7359 SCREEN, Top Front
16 9-2059 POP RIVET, 3/16 #66 (15)
NOTE: This kit fits 32”, 36” & 48” PRO Mowers. For a complete kit, or if you need to
replace parts not shown above you may order kit #6-0798. Pre-assembly of kit #6-1110
(Grass Catcher Mount Kit) is required before use of 6-1105.
MANUAL No. 06929 COMMERCIAL WALK-BEHIND ACCESSORIES
16
9
8
7
6
4
3
2
1
1
4
4
4
16
13
15
12
10
16
5
11

25
GRASS CATCHER, MOUNT
ITEM PART NO. DESCRIPTION
-- 6-3032 KIT, Catcher Mounting (Includes items 1 thru 9)
1 5-7700 ASSEMBLY, Back Plate
2 2-2522 DECAL, Warning
3 3-3198 PLATE, Backing
4 4-2750 STRIP, Side Sealing
5 9-1134 POP RIVET (3)
6 3-4156* CAP, Deflector
7 3-4157* DEFLECTOR, Exhaust
8 3-4158* SCREW, Deflector Mounting (3)
9 6-3034 BAG, Hardware (Includes the items listed below)
10 3-3433 LATCH, Left Side
11 3-3432 LATCH, Right Side
12 4-6383 STRIP, Top Seal
13 9-1495 SCREW, 1/4-20 x 3/4” Hex Head Cap (3)
14 9-1545 NUT, 1/4-20 Hex Flange Lock (3)
15 1-5464 STUD, 3/8-24 Thread
16 9-0854 NUT, 3/8-24 Hex Nyloc
17 7-6952 SCREW, #10-24 x 5/8” Pan Head (4)
18 9-1290 NUT, #10-24 Hex Nyloc (4)
19 7-6983 WAVE WASHER (spring)
This kit will fit on PRO Gear, PRO Gear Express and PRO Hydro Mid Size walk-behind mowers,
and must be installed prior to using Cloth Grass Catcher Kit #6-3033.
With deck models SP320, SP360, SPA360, SPE360, SP480, SPA520 & SPA610, install items
12, 13 and 14 as shown above. Omit this step in all other deck models.
MANUAL No. 06929 COMMERCIAL WALK-BEHIND ACCESSORIES
*NOTE:
These parts are required
on Kawasaki engines
only.
13
2
15
16
HOPPER
(REFERENCE)
)
8
7
6
17
18
19
19
11
12
19
19
10
5
3
4
BACKPLATE
(part of kit)
14

26
GRASS CATCHER, CLOTH
ITEM PART NO. DESCRIPTION
-- 6-3033 KIT, Cloth Bag Catcher (Includes items 1A thru 10)
-- 6-3108 KIT, Cloth Bag Catcher (Includes items 1B thru 10)
1A 5-7703 BAG, Cloth Grass
1B 5-8461 BAG, Cloth Grass
2 4-0740 WELDMENT, Top Frame
3 4-0741 WELDMENT, Front Frame
4 3-3381 HANDLE, Short
5 3-3171 HANDLE, Long
6 3-3380 BRACE, Large
7 3-3382 BRACE, Small
8 9-0825 SCREW, 1/4-20 x 1-1/4” Hex Head Cap (2)
9 9-0643 SCREW, 1/4-20 x 7/8” Hex Head Cap (3)
10 7-6978 NUT, 1/4-20 Hex Nyloc (7)
NOTE: These kits must be used with #6-3032 Catcher Mount Kit which must be installed first.
See previous page for listing of models which accept this kit.
MANUAL No. 06929 COMMERCIAL WALK-BEHIND ACCESSORIES
10
10
9
4 5
8 8
2
1A, 1B
7
3
10
10
9
6
9

27
GRASS CATCHER MOUNT
ITEM PART NO. DESCRIPTION
-- 6-1853 KIT, Grass Catcher Mount (Includes items 1 thru 9)
1 5-4067 ASSEMBLY, Backplate
2 2-2522 DECAL, Warning
3 3-3198 PLATE, Backing
4 3-3199 STRIP, Side Sealing
5 9-1134 POP RIVETS (3)
6 3-4156* CAP, Deflector
7 3-4157* DEFLECTOR, Exhaust
8 3-4158* SCREW, Deflector Mounting (3)
9 6-1108 BAG, Hardware (Includes the items listed below)
10 3-3433 LATCH, Left Side
11 3-3432 LATCH, Right Side
12 4-2751 STRIP, Top Seal
13 9-1495 SCREW, 1/4-20 x 3/4” Hex Head Cap (3)
14 9-1545 NUT, 1/4-20 Hex Flange Lock (3)
15 1-5464 STUD, 3/8-24 Thread
16 9-0854 NUT, 3/8-24 Hex Nyloc
17 7-6952 SCREW, #10-24 x 5/8” Pan Head (4)
18 9-1290 NUT, #10-24 Hex Nyloc (4)
19 7-6983 WAVE WASHER (spring)
MANUAL No. 06929 COMMERCIAL WALK-BEHIND ACCESSORIES
*NOTE:
These parts are required
on Kawasaki engines
only.
17
10
12
13
2
15
16
HOPPER
(REFERENCE)
6
7
8
5
3
4 11
18
18
19
19
19
BACKPLATE
(part of kit)
14

28
GRASS CATCHER, MOUNT
ITEM PART NO. DESCRIPTION
-- 6-1110 KIT, Grass Catcher Mount
(Includes items 1-12)
1 4-0736 PLATE, Mounting
2 3-3198 BACKING PLATE
3 3-3199 SEALING STRIP
4 9-1134 “POP” RIVET, 3/16 x 5/8” (3)
5 3-3433 LATCH, Left
ITEM PART NO. DESCRIPTION
6 3-3432 LATCH, Right
7 7-6952 SCREW, #10-32 x 5/8” Pan
Head (4)
8 7-6983 WASHER, Spring (4)
9 7-6977 NUT, #10-24 Hex Nyloc (4)
10 1-5464 STUD, 3/8-24 Thread
11 9-0854 NUT, 3/8-24 Hex Nyloc
12 2-2522 DECAL, Caution
GRASS CATCHER, CLOTH
ITEM PART NO. DESCRIPTION
-- 6-1111 KIT,Cloth Grass Catcher (Incl. items 1 thru 10)
1 5-2340 GRASS BAG, Cloth
2 4-0740 WELDMENT, Top Frame
3 4-0741 WELDMENT, Front Frame
4 3-3381 HANDLE, Short
5 3-3171 HANDLE, Long
6 3-3380 BRACE, Large
7 3-3382 BRACE, Small
8 9-0825 SCREW, 1/4-20 x 1-1/4” Hex Head Cap, Grade 5 (2)
9 9-0643 SCREW, 1/4-20 x 7/8” Hex Head Cap, Grade 5 (3)
10 7-6978 NUT, 1/4-20 Hex Nyloc (7)
MANUAL No. 06929 COMMERCIAL WALK-BEHIND ACCESSORIES
NOTE: Assembly of the above kit
(6-1110) is required prior
to use of kit no. 6-1111.
10
9 6
4
1
10
9
5
2 8 8
9 10
10
3
7
10
1
9
7
5
6
8
8
12
3 2 4 11
10
NOTE: The two kits shown on
this page are compatible
with SNAPPER PRO 7
commercial walk-behind
mowers.

29
GRASS CATCHER
ITEM PART NO. DESCRIPTION
-- 6-0835 KIT, Grass Catcher (Incl. 1-36)
1 5-1709 ASS’Y., Bag (Incl. 2 thru 13)
2 1-5896 BAG, Grass
3 5-1717 SLIDER, Grass Bag (Incl. rope)
4 1-8959 WIRE, Bag Support, Rear
5 1-7008 ADAPTER, Bag, front
6 2-7670 WIRE, Bag, Front
7 3-8336 ADAPTER, Handle
8 3-8337 LATCH, Chute
9 9-0803 BOLT, 1/4-20 x 5/8” Carr. (2)
10 9-0583 NUT, 1/4-20 Hex Flange (6)
11 9-0074 BOLT, 1/4-20 x 3/4” Carr. (4)
12 9-0155 NUT, 3/8-24 Hex
13 9-0390 WASHER, 3/8” Int. Tooth Lock
14 5-1710 ADAPTER ASS’Y (Incl. 15-19)
15 5-1663 CHUTE ASSEMBLY
16 9-0847 SCREW, 1/4-20 x 3/4” Rd. Hd.
17 1-0916 SPACER
18 1-1763 WASHER, 5/16” Flat (2)
ITEM PART NO. DESCRIPTION
19 9-0372 NUT, 1/4-20 Hex Center Lock
20 5-1711 SUPPORT ASS’y, Bag, Rear
(Includes items 21 thru 24)
21 2-7671 TUBE, Rear Support, Bag
22 9-0529 BOLT, 1/4-28 x 1-1/4” Hex (2)
23 9-0053 WASHER, 1/4” Lock (5)
24 9-0095 NUT, 1/4-28 Hex (7)
25 3-6229 SUPPORT TUBE, Rear Bag
26 3-8335 BRACKET, Support
27 1-5509 CABLE-TIE
28 1-4729 ROLLER
29 9-0959 BOLT, 5/16-18 x 2-1/2”
Carriage
30 9-0552 SCREW, 1/4-28 x 1-3/8” (3)
31 9-0541 SCREW, 1/4-28 x 3/4” Hex (2)
32 9-0598 WASHER, 1/4” Flat (2)
33 9-0228 SCREW, 5/16-24 x 21/32” (4)
34 9-0391 WASHER, 5/16” Int’l. Tooth (4)
35 9-0223 NUT, 5/16-24 Hex (4)
36 3-1724 AIR LIFT (2)
NOTE: This kit will fit models Y30080 & Y30120 Mid-Duty Commercial Walk-Behind mowers. Model Y41120 requires the
inclusion of 5-1739, Extension Assembly, in addition to kit 6-0835.
MANUAL No. 06929 COMMERCIAL WALK-BEHIND ACCESSORIES
24
10
BLADE
35
34
33
36
2
3
6
5
11
17
18
16
24
32
31
8
7
19
18
10
12
13
9
24
26
28
29
27
23
30
25
23
24
30
23
22
21
22
23
24
20
14
1 ASSEMBLY

30
MULCHING (PAGE 1 OF 2)
ITEM PART NO. DESCRIPTION
-- 6-1976 KIT, Mulching, 32” Deck (Includes items 1 thru 4)
1 2-4868 BLADE, 16.5” Quad Edge (2)
2 4-4733 WELDMENT, Mulching Cover, 32”
3 9-0367 SCREW, 1/2-20 x 3/4” Hex Head Cap
4 9-0559 NUT, 1/2-20 Hex Jam
NOTE: Kit # 6-1976 replaces Kit #6-1850.
ITEM PART NO. DESCRIPTION
-- 6-1977 KIT, Mulching, 36” Deck (Includes items 1 thru 4)
1 2-4869 BLADE, 18” Quad Edge (2)
2 4-4736 WELDMENT, Mulching Cover, 36”
3 9-0367 SCREW, 1/2-20 x 3/4” Hex Head Cap
4 9-0559 NUT, 1/2-20 Hex Jam
NOTE: Kit # 6-1977 replaces Kit #6-1851.
ITEM PART NO. DESCRIPTION
-- 6-1220 KIT, Mulching, 41” Deck (Includes items 1 thru 4)
1 2-6407 BLADE, 21” Ninja, Quad Edge (2)
2 4-1372 WELDMENT, 41” Recycling Cover
3 9-0316 BOLT, 5/16-18 x 3/4” Square Neck Carriage, Grade 5 (2)
4 9-0375 NUT, 5/16-18 Wing Lock (2)
NOTE: Kit # 6-1220 is for 41” & 42” non-adjustable roller decks.
MANUAL No. 06929 COMMERCIAL WALK-BEHIND ACCESSORIES
NOTE: THIS VIEW ILLUSTRATES
KIT #6-1220, FOR 41” DECKS.
3
2
41” CUTTING DECK
“EXISTING”
FASTENER
“EXISTING”
FASTENER
4

31
MULCHING (Page 2 of 2)
ITEM PART NO. DESCRIPTION
-- 6-1978 KIT, Mulching, 48” Deck (Includes items 1 thru 4)
1 2-4868 BLADE, 16.5” Quad Edge (3)
2 4-4733 WELDMENT, Mulching Cover, 32”
3 9-0367 SCREW, 1/2-20 x 3/4” Hex Head Cap
4 9-0559 NUT, 1/2-20 Hex Jam
NOTE: Kit # 6-1978 replaces Kit #6-1854.
ITEM PART NO. DESCRIPTION
-- 6-1979 KIT, Mulching, 52” Deck (Includes items 1 thru 4)
1 2-4869 BLADE, 18” Quad Edge (3)
2 4-4730 WELDMENT, Mulching Cover, 52”
3 9-0367 SCREW, 1/2-20 x 3/4” Hex Head Cap
4 9-0559 NUT, 1/2-20 Hex Jam
NOTE: Kit # 6-1979 replaces Kit #6-1852.
ITEM PART NO. DESCRIPTION
-- 6-1885 KIT, Mulching, 61” Deck (Includes items 1 thru 4)
1 4-2808 BLADE, 21” Ninja, Commercial (3)
2 4-2699 WELDMENT, 61” Baffle
3 9-0367 SCREW, 1/2-20 x 3/4” Hex Head Cap
4 9-0559 NUT, 1/2-20 Hex Jam
MANUAL No. 06929 COMMERCIAL WALK-BEHIND ACCESSORIES
HEIGHT
ADJUSTING
SPACERS
NINJA BLADE
(2-4868: 32” & 48” DECKS)
(2-6407: 41” DECK)
(2-4869: 36” & 52” DECKS)
(4-2808: 61” DECK)
INSTALL
OFFSET (UP)
PORTION OF
BLADE
FACING
BOTTOM SIDE
BEVEL
WASHER
BLADE
MOUNTING
BOLT
NUT (#9-0559)
CHUTE
SUPPORT
LIP
HOOK
SCREW
(#9-
0367)
MULCHING COVER
(4-4733: 32” & 48” DECKS)
(4-4736: 36” DECK)
(4-4730: 52” DECK)
(4-2699: 61” DECK)

32
MULCHING
ITEM PART NO. DESCRIPTION
-- 6-1218 KIT, Mulching, 36” Deck (Includes items 1 thru 12)
1 2-4810 WELDMENT, 36” Recycling Baffle
2 2-4869 BLADE, 18” Quad Edge (2)
3 3-1123 CLAMP
4 9-0188 WASHER, 5/16” Flat
5 9-0559 NUT, 1/2-20 Hex Jam
6 9-0577 BOLT, 5/16-18 x 1-1/2” Square Neck Carriage, Grade 5
7 9-1502 BOLT, 1/2-20 x 3/4” Hex Washer Face w/Nylon Patch, Grade 5
8 2-6197 SPRING, Idler Return
9 3-5744 KNOB, 5/16-18 Wing
10 7-6935 SCREW, 5/16-18 x 1-1/2” Hex Head Cap
11 9-0585 NUT, 5/16-18 Hex Flange Lock
12 9-0717 NUT, 5/16-18 Hex Nyloc
NOTE: Kit 6-1218 will fit the PRO 736 Deck.
MANUAL No. 06929 COMMERCIAL WALK-BEHIND ACCESSORIES
12
HEIGHT
ADJUSTING
SPACER
2
4
9
1
3
6
1
BEVEL
WASHER
BLADE
MOUNTING
BOLT
DECK
EXISTING BELT
GUIDE
11
10
8

33
MULCHING
ITEM PART NO. DESCRIPTION
-- 6-1219 KIT, Mulching, 48” Deck (Includes items 1 thru 8)
1 2-4811 WELDMENT, 48” Recycling Baffle
2 2-4868 BLADE, 16-1/2” Quad Edge (3)
3 3-1123 CLAMP
4 9-0188 WASHER, 5/16” Flat
5 9-0559 NUT, 1/2-20 Hex Jam
6 9-0577 BOLT, 5/16-18 x 1-1/2” Square Neck Carriage, Grade 5
7 9-1502 BOLT, 1/2-20 x 3/4” Hex Washer Face w/Nylon Patch, Grade 5
8 1-6324 T-KNOB, Plastic (accepts 5/16-18 nut)
NOTE: Kit 6-1219 will fit the PRO 748 Deck.
MANUAL No. 06929 COMMERCIAL WALK-BEHIND ACCESSORIES
6
3
4
8
1
2
1

34
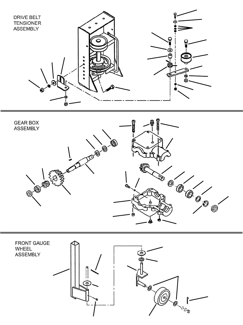
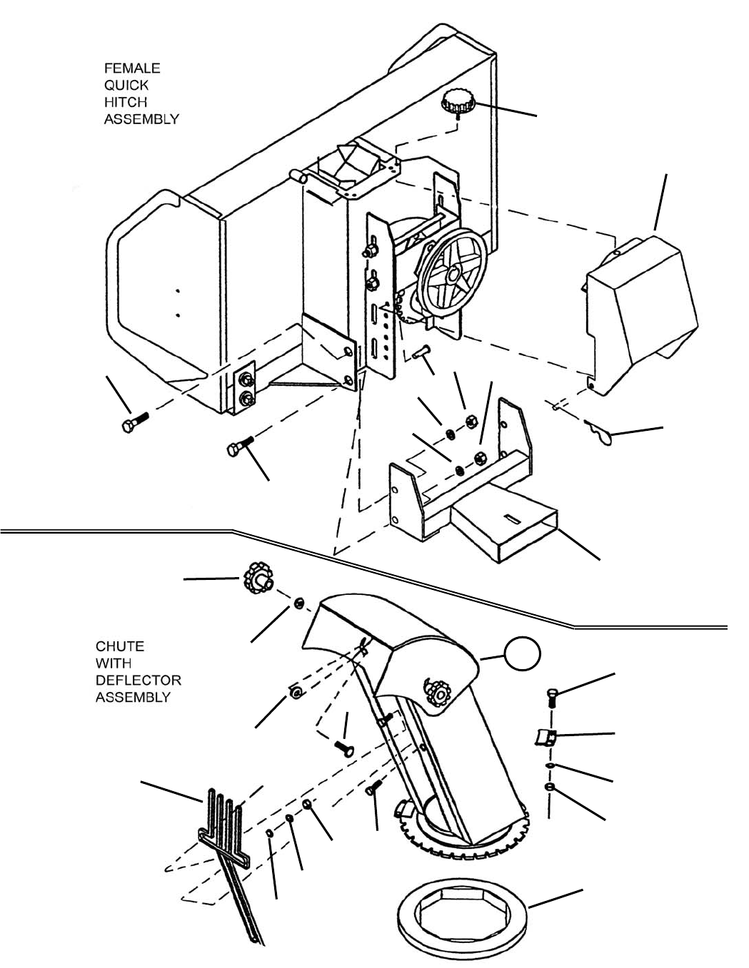
QUICK HITCH
ITEM PART NO. DESCRIPTION
-- 6-3002 KIT, Quick Hitch (Incl. items 1 thru 11; 12 thru 14 not part of kit)
1 663854* HITCH, Male Quick
2 664014* SUPPORT, Parking Stand
3 657384* PIN, 1/4” x 1-11/16” Clevis
4 657383* PLATE, Spring
5 664022* STAND, Parking
6 663601* BUTTON, Snap (2)
7 657385* SPRING
8 657632* ASSEMBLY, Chain & Linch Pin
9 656797* GRIP, Handle
10 664028* LEVER, Male Hitch
11 657382* LATCH
12 9-1304 BOLT, 3/8-16 x 1” Hex Head, Grade 5 (2)
13 9-0613 NUT, 3/8-16 Hex Lock (2)
14 -- PIN, 5/32 x 2” Cotter
*RAD Technologies, Inc. part number (other numbers are Snapper)
MANUAL No. 06929 COMMERCIAL WALK-BEHIND ACCESSORIES
14
12
11
10
9
8
7
6
5
4
3
2
1 13
This kit will fit SNAPPER
PRO GEAR, PRO HYDRO
and PRO 7 Series 4 Mid-
Size Walk- Behind
mowers.

35
46” DOZER BLADE
ITEM PART NO. DESCRIPTION
-- 6-3005 KIT, 46” Dozer Blade (Incl. items 1 thru 15; 16 thru 22 not part of kit)
1 657501* WELDMENT, Blade
2 657291* BOX, Hitch
3 662963* HITCH, Female Quick
4 657290* PIN, Adjustment
5 657293* PIN, Skid Shoe (2)
6 657289* PIN, Pivot
7 657488* LOCK OUT, Trip Spring (2)
8 657871* PIN, 3/4” Dia. x 17-3/4” Long
9 657489* PIN, Trip Spring Lock-Out (2)
10 657500* SKID SHOE (2)
11 656229* EYE BOLT, 5/16-18 x 5” Long w/Hex Nut
12 30089* SPRING
13 656783* COUNTERWEIGHT (4)
14 657483* EDGE, Cutting
15 662999* ROD, Retaining
16 1-3550 ROLL PIN, 3/16” Dia. x 1” Long
17 1-3072 ROLL PIN, 1/4” Dia. x 1” Long
18 -- HAIR PIN, 3,5mm x 65mm (3)
19 9-0208 BOLT, 5/16-18 x 1” Square Neck Carriage (6)
20 9-0187 WASHER, 5/16” Split Lock (6)
21 9-0196 NUT 5/16-18 Hex (6)
22 -- ROLL PIN, 3/16” Dia. x 1-1/2” Long
*RAD Technologies, Inc. part number (other numbers are Snapper)
MANUAL No. 06929 COMMERCIAL WALK-BEHIND ACCESSORIES
8
5
18
10
21
20
14
19
22
15
18
1
13
3
2
4 16
6
5
17
18
10
18
9
7 12
11
This kit will fit SNAPPER PRO GEAR
and PRO HYDRO Mid-Size Walk- Behind
mowers.

36
DEBRIS BLOWER (page 1 of 6)
MANUAL No. 06929 COMMERCIAL WALK-BEHIND ACCESSORIES
15
20
19
24
23
1
19
21
17
18
19
2
4
16
3
29
11
28
10
8
14
9
7
6
19
17
13
18
28
29
12
22
27
26
25
This kit will fit SNAPPER
PRO GEAR, PRO HYDRO
and PRO 7 Series 4 Mid-
Size Walk- Behind
mowers.
5

37
DEBRIS BLOWER (page 2 of 6)
ITEM PART NO. DESCRIPTION
-- 6-3006 KIT, Debris Blower (Incl. items 1 thru 15)
1 662643* HOUSING
2 656069* BELT, SP Models with Kohler Engine
- 663099* BELT, PL7H Models
- 663099* BELT, Models without Kohler Engine
3 662648* STAND, Parking (2)
4 663601* SNAP BUTTON (2)
5 (see pg. 40) ASSEMBLY, Idler
6 656589* FLANGE, Bearing (2)
7 654532* BEARING with Locking Collar
8 655379* KEY, 1/4” Square x 1” long
9 662806* SHAFT
10 662956* BEARING
11 662713* BOX, Reduction
12 663851* PULLEY, MB50
13 662710* COVER, Belt
14 660924* KEY, 1/4” Square x 2-1/2” long
15 662926* COVER PIN, 1/4” Dia. x 1/2” long (2)
16 -- PIN, 3/16” Dia. x 2” Cotter (3)
17 -- BOLT, 3/8-16 x 1-1/4” Hex (4)
18 -- WASHER, 3/8” Lock (2)
19 9-1595 WASHER, 7/16” Flat (13)
20 -- BOLT, 3/8-16 x 8-1/2” Hex Head (2)
21 9-0130 NUT, 3/8-16 Hex
22 9-0208 BOLT, 5/16-18 x 1” Square Neck Carriage (5)
23 -- WASHER, 5/16” Lock (7)
24 9-0196 NUT, 5/16-18 Hex, Grade 5 or B (7)
25 9-0449 NUT, 7/16-14 (4)
26 -- WASHER, 7/16” Lock (4)
27 -- BOLT, 7/16-14 x 1-1/4” Hex (4)
28 9-0585 NUT, 5/16-18 Hex Flange Lock, Grade 5 or B (14)
29 -- HAIR PIN, 2,5mm x 40mm (2)
NOTE: Items 16 thru 29, shown on the previous page, are not part of this kit.
*RAD Technologies, Inc. part number (other numbers are Snapper)
MANUAL No. 06929 COMMERCIAL WALK-BEHIND ACCESSORIES

38
DEBRIS BLOWER (page 3 of 6)
MANUAL No. 06929 COMMERCIAL WALK-BEHIND ACCESSORIES
36
37
52
51
34
38
39
50
48
22
49
40
41
50
37
46
43
56
47
44
54
55
33
47
35
53
30
42
31
16
32
28
45

39
DEBRIS BLOWER (page 4 of 6)
ITEM PART NO. DESCRIPTION
-- 6-3006 KIT, Debris Blower (continued) (Incl. items 30 thru 47)
30 662639* HOUSING, Impeller (weldment)
31 662644* IMPELLER (weldment)
32 662646* COVER, Intake (weldment)
33 663096* BRACKET, Rotation
34 661508* PLATE, Retaining
35 661498* SPACER, Rotation (4)
36 657331* WORM
37 657335* BUSHING, Plastic, 1-5/16” long (2)
38 657338* RING, Nylon
39 662672* NOZZLE, Air Blast
40 662734* DEFLECTOR
41 657309* KNOB, 5/16”
42 654988* NUT, 1” Castle
43 663053* SUPPORT, Wheel (weldment)
44 660953* ASSEMBLY, Wheel & Tire
45 662825* CAP (2)
46 662737* SPACER (for wheel support)
47 662822* SPACER (for wheel) (2)
48 9-0316 BOLT, 5/16-18 x 3/4” Square Neck Carriage, Grade 5 (4)
49 9-1493 NUT, 5/16-18 Hex Nyloc
50 -- WASHER, 11/32” Diameter (2)
51 -- WASHER, 1/4” Lock (12)
52 9-0063 NUT, 1/4-20 Hex, Grade 5 or B (9)
53 -- BOLT, 1/4-20 x 1” Hex Head (9)
54 -- LINCHPIN, 5/16” Diameter
55 -- BOLT, 5/8-18 x 5-1/2” Hex
56 -- NUT, 5/8-18 Hex Nyloc
NOTE: Items 48 thru 56, shown on the previous page, are not part of this kit.
*RAD Technologies, Inc. part number (other numbers are Snapper)
MANUAL No. 06929 COMMERCIAL WALK-BEHIND ACCESSORIES

40
DEBRIS BLOWER (page 5 of 6)
MANUAL No. 06929 COMMERCIAL WALK-BEHIND ACCESSORIES
70
73
19
60
78
78
67
71
68
72
69
62
19
77
19
74
17
49
61
49
17
19
76
66
65
64
19
60
19
20
75
19
62
19
19
76
19
63
17
19
17
74
19
57
59
58

41
DEBRIS BLOWER (page 6 of 6)
ITEM PART NO. DESCRIPTION
-- 6-3006 KIT, Debris Blower (continued) (Incl. items 57 thru 72)
57 662969* BRACKET, Left Idler (weldment)
58 662649* BRACKET, Right Idler (weldment)
59 663011* SPRING
60 663014* BRACKET, Adjusting (2)
61 663038* ROD, Adjusting
62 659519* IDLER PULLEY (2)
63 663050* BELT GUIDE (short bend)
64 663805* EYE BOLT, 5/16-18
65 663043* SPACER, Idler
66 663051* BELT GUIDE (long bend)
67 663962* SUPPORT, Rotation Handle (weldment)
68 657390* GROMMET
69 656797* GRIP, Handle
70 663749* HANDLE, Rotation
71 658025* TUBE, Handle
72 663600* BUTTON, Snap
73 9-1299 NUT, 3/8-16 Hex Nyloc
74 -- WASHER, 3/8” Lock (3)
75 9-0629 BOLT, 3/8-16 x 2-1/4” Hex
76 9-0390 WASHER, 3/8” Internal Tooth Lock (2)
77 -- BOLT, 3/8-16 x 2-3/4” Hex
78 -- BOLT, 3/8-16 x 1-1/4” Square Neck Carriage (2)
NOTE: Items 73 thru 78, shown on the previous page, are not part of this kit.
*RAD Technologies, Inc. part number (other numbers are Snapper)
MANUAL No. 06929 COMMERCIAL WALK-BEHIND ACCESSORIES

42
47” ROTARY BROOM (page 1 of 6)
MANUAL No. 06929 COMMERCIAL WALK-BEHIND ACCESSORIES
10
8
7
7
6
5
4
3
2
1
21
16
26
15
9 18
27
28
17
20
21
13
14
14
21
22
19
20
11
23
22
13
13
12
21
14
14
25
22
21
24
14
14
This kit will fit SNAPPER
PRO GEAR, PRO HYDRO
and PRO 7 Series 4 Mid-
Size Walk- Behind
mowers.

43
47” ROTARY BROOM (page 2 of 6)
ITEM PART NO. DESCRIPTION
-- 6-3007 KIT, 47” Rotary Broom (Incl. items 1 thru 19)
1 663505* HOUSING
2 663539* DISC, Brush Retaining
3 663734* WASHER, Chain Idler
4 663737* SPACER, Chain Idler
5 663840* ASSEMBLY, Left Gauge Wheel
6 663841* ASSEMBLY, Right Gauge Wheel
7 663537* SCREW, Locking (2)
8 663492* BRUSH, Zigzag (14)
9 657999* RING, Spacer (13)
10 663845* SPROCKET, Driven (40B48)
11 663866* CHAIN #40 w/Connecting Link
12 661175* IDLER, Chain
13 654532* BEARING w/Locking Collar (5)
14 656589* BEARING FLANGE (3 holes) (6)
15 663538* SUPPORT, Brush
16 663654* DRIVE SHAFT
17 663655* DRIVEN SHAFT
18 663656* ANCHOR NUT, 5/16-18 (3)
19 654643* KEY, 1/4” Square x 1-1/4” (3)
20 -- BOLT, 5/16-18 x 1” Hex (7)
21 -- WASHER, 5/16” Lock (24)
22 -- BOLT, 5/16-18 x 3/4” Hex (14)
23 -- BOLT, 3/8-16 x 2” Hex (2)
24 -- WASHER, 3/8” Lock (7)
25 -- NUT, 3/8-16 Hex (3)
26 9-0196 NUT, 5/16-18 Hex (11)
27 -- BOLT, 1/4-20 x 1-1/2” Hex
28 -- NUT, 1/4-20 Stover
NOTE: Items 20 thru 28, shown on the previous page, are not part of this kit.
*RAD Technologies, Inc. part number (other numbers are Snapper)
MANUAL No. 06929 COMMERCIAL WALK-BEHIND ACCESSORIES

44
47” ROTARY BROOM (page 3 of 6)
MANUAL No. 06929 COMMERCIAL WALK-BEHIND ACCESSORIES
68
21
19
41
26
13
49
37
63
66
38
46
43
44
53
22
29
31
47
51
45
55
56
64
65
54
26
21
39
46
13
53
70
63
61
20
50
36
30
60
59
58
32
40
57
62
21
33
35
52
34
64
48
64
19
41
69
24
42
ITEM 1 ON
PREVIOUS
PAGE

45
NOTE: Items 52 thru 70, shown on
the previous page, are not
part of this kit.
47” ROTARY BROOM (page 4 of 6)
ITEM PART NO. DESCRIPTION
-- 6-3007 KIT, 47” Rotary Broom (continued) (Incl. items 29 thru 51)
29 663549* HITCH, Female
30 663551* ANGLE ADJUSTMENT
31 663640* HANDLE
32 663663* COUPLER, Upper
33 663544* GUARD, Chain
34 663540* DRIVE SHAFT, Chain
35 663660* SPROCKET
36 663550* GUARD, Upper Pulley
37 663857* SHAFT, Pulley
38 663741* TENSIONER, Twin Belt (2)
39 663722* BELT GUIDE
40 659824* BUSHING, Upper
41 654732* KEY, 1/4” Square x 1-1/2” long (2)
42 663842* PULLEY, Twin Belt (2MA60)
43 663843* PULLEY, Twin Belt (2MA40)
44 663844* V-BELT (AX26) (2)
45 657989* SPRING, Torsion
46 654787* BEARING FLANGE (2 holes) (4)
47 656797* HANDLE, Plastic
48 663804* GEARBOX
49 656135* DRIVE PULLEY (MB65)
50 663946* GUARD, Rear Pulley
51 663332* DRIVE BELT, SP Models with Kohler Engine (B-57)
-- 664024* DRIVE BELT, PL7H Models (B-52)
-- 664024* DRIVE BELT, SP Models w/o Kohler Engine (B-52)
52 -- ROLL PIN, 1/4” Dia. x 1-1/4” long
53 9-0316 BOLT, 5/16-18 x 3/4” Square Neck Carriage, Grade 5 (4)
54 -- BOLT, 3/4-10 x 2-3/4” Hex
55 -- NUT, 3/4-10 Stover
56 -- ROLL PIN, 3/16” Dia. x 1”
57 -- BOLT, 7/16-14 x 1-3/4” Hex
58 9-0250 WASHER, 1/2” Flat
59 -- WASHER, 7/16” Lock
60 9-0449 NUT, 7/16-14 Hex
61 -- BOLT, 7/16-14 x 1-1/4” Hex
62 -- NUT, 7/16-14 Hex Nyloc
63 9-0122 WASHER, 3/8” Flat (6)
64 -- KNOB, 5/16-18 (2)
65 9-0395 WASHER, 5/16” External Tooth Lock (2)
66 -- NUT, 5/16-18 Stover (2)
67 9-0201 SET SCREW, 5/16-18 x 5/16” (2)
68 -- BOLT, 5/16-18 x 2-3/4” Hex
69 -- BOLT, 3/8-16 x 4-1/2” Hex
70 9-1493 NUT, 5/16-18 Hex Nyloc (2)
*RAD Technologies, Inc. part number (other numbers are Snapper)
MANUAL No. 06929 COMMERCIAL WALK-BEHIND ACCESSORIES

46
47” ROTARY BROOM (page 5 of 6)
MANUAL No. 06929 COMMERCIAL WALK-BEHIND ACCESSORIES
106
74
76
23
52
51
25
24
72
71
101
51
100
53
21
63
25
24
73
20
75
82
93
103
78
79
80
82
91
94
90
88
89
77
102
92
26
102
77
103
83
84
85
86
87
81
95
80
81
104
99
96
97
104
98
105
104

47
47” ROTARY BROOM (page 6 of 6)
ITEM PART NO. DESCRIPTION
-- 6-3007 KIT, 47” Rotary Broom (continued) (Incl. items 71 thru 99)
71 657876* PULLEY, Idler
72 663870* LEVER
73 663872* SUPPORT, Lever
74 663871* BUSHING
75 663867* SPRING, Torsion
76 661976* WASHER, 13/32” Dia. Hole
77 663915* CASING (2 halves)
78 661739* PLUG, 3/8”
79 661144* O-RING
80 661730* OIL SEAL (2)
81 661728* BEARING (2)
82 661734* SNAP RING (3)
83 661738* GEAR, Z25 M3,5
84 660063* PARALLEL KEY, A8 x 7 x 25
85 661729* SHAFT
86 661737* SHIM 25.6 x 0.8
87 661736* SHIM 25.6 x 1.0
88 661731* SHIM 25.6 x 0.7
89 661735* PINION 29 M3.5
90 661732* BEARING
91 661733* SHIM 25.6 x 0.6
92 663909* BREATHER
93 663855* PLUG, Oil Level
94 663916* BEARING
95 663534* SUPPORT (2)
96 663535* BRACKET, Right Hand Wheel
-- 663536* BRACKET, Left Hand Wheel (not shown)
97 658578* NYLON WASHER, 0.630” I. D. (2)
98 654106* GREASE FITTING, 1/4” NF (2)
99 661306* WHEEL, 6” Dia. x 2” (2)
100 9-0598 WASHER, 5/16” Flat
101 9-0730 BOLT, 3/8-16 x 1-3/4” Hex
102 -- BOLT, M8 x 45 (8)
103 -- NUT, M8 Hex (8)
104 -- WASHER, 11/16” Flat (8)
105 9-0753 PIN, 3/16 x 1-1/2” Cotter (2)
106 -- PIN, 1/4 x 1-1/2” Cotter (2)
NOTE: Items 100 thru 106, shown on the previous page, are not part of this kit.
*RAD Technologies, Inc. part number (other numbers are Snapper)
MANUAL No. 06929 COMMERCIAL WALK-BEHIND ACCESSORIES

48
40” TWO STAGE SNOWBLOWER (page 1 of 8)
MANUAL No. 06929 COMMERCIAL WALK-BEHIND ACCESSORIES
31
26
25
28
21
15
29
26
25
27
20
14
13
13
1
32
26
25
27
16
15
31
12
24
27
26
25
27
18
28
2
26
25
5
7
8
29
30
17
26
28
11
10
33
34
22
23
6
9
3
5
25
This kit will fit SNAPPER
PRO GEAR, PRO HYDRO
and PRO 7 Series 4 Mid-
Size Walk- Behind
mowers.
19
4

49
NOTE: Items 22 thru 34, shown on the
previous page, are not part of this kit.
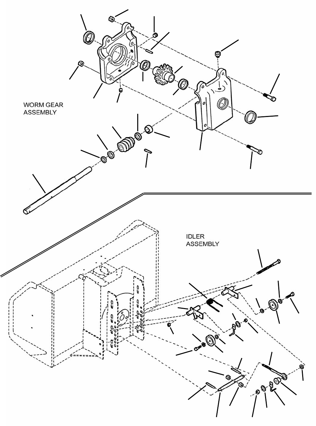
40” TWO STAGE SNOWBLOWER (page 2 of 8)
ITEM PART NO. DESCRIPTION
-- 6-3004 KIT, 40” Two Stage Snowblower (Incl. items 1 thru 21)
1 662878* FRAME
2 662881* AUGER, Right Hand (weldment)
3 662882* AUGER, Left Hand (weldment)
4 663030* ASSEMBLY, Worm Gear (see page 54 for components)
5 661667* BEARING (2)
6 662879* SUPPORT, Worm Gear
7 663025* SHAFT, Output
8 655967* KEY, Woodruff
9 658576* SHEAR BOLT, 5/16-18
x 2-1/4” (2)
10 658574* SHEAR BOLT, 1/4-20 x 1”
11 655874* SHEAR PLATE, Fan Adapter
12 662968* ASSEMBLY, Fan
13 656589* FLANGE, Bearing (2)
14 654532* BEARING, w/Locking Collar
15 655379* KEY, 1/4” Square x 1” (2)
16 663064* SPROCKET, 40B38
17 659591* CUTTING EDGE
18 659717* SKID SHOE (2)
19 663859* ASSEMBLY, Reduction Box (see page 52 for components)
20 659605* BELT, SP Models w/Kohler Engine
-- 662893* BELT, PL7H Models
-- 662893* BELT, SP Models w/o Kohler Engines
21 656135* PULLEY BK67
22 2-7175 BOLT, 5/16-18 x 1-1/2” Hex (2)
23 9-0196 NUT, 5/16-18 Hex (2)
24 -- BOLT, 5/16-18 x 3/4” Hex (2)
25 -- WASHER, 5/16” Lock (17)
26 9-0197 NUT, 5/16-18 Hex (17)
27 9-0122 WASHER, 3/8” Flat (10)
28 9-0208 BOLT, 5/16-18 x 1” Square Neck Carriage (7)
29 9-0316 BOLT, 5/16-18 x 3/4” Square Neck Carriage, Grade 5 (10)
30 -- NUT, 5/16-18 Stover (6)
31 -- SOCKET CAPSCREW, 5/16-18 x 5/16” (2)
32 -- BOLT, 3/8-16 x 1-1/4” Hex (4)
33 -- NUT, 5/16-18 Stover
34 7-6978 NUT, 1/4-20 Hex Nyloc
*RAD Technologies, Inc. part number (other numbers are Snapper)
MANUAL No. 06929 COMMERCIAL WALK-BEHIND ACCESSORIES

50
40” TWO STAGE SNOWBLOWER (page 3 of 8)
MANUAL No. 06929 COMMERCIAL WALK-BEHIND ACCESSORIES
56
53
52
44
56
55
45
57 or 53
51
52
36
48
35
40
41
42
43
54
55
46
47
38
37
50
49
39

51
40” TWO STAGE SNOWBLOWER (page 4 of 8)
ITEM PART NO. DESCRIPTION
-- 6-3004 KIT, 40” Two Stage Snowblower (continued) (Incl. items 35 thru 45)
35 662889* HITCH, Female Quick
36 662926* PIN, 1/4” Dia. x 1/2” (2)
37 663960* GUARD, Belt
38 661832* KNOB, 5/16-18
39 657319* ASSEMBLY, Chute, Base Knobs & Decal
40 657309* KNOB, 5/16-18 (2)
41 658467* WASHER, 11/32” Flat (nylon) (2)
42 658468* WASHER, 7/16” Flat (nylon) (2)
43 657308* HAND GUARD
44 657338* RING, Nylon
45 657333* PLATE, Retaining (4)
46 9-1304 BOLT, 3/8-16 x 1” Hex, Grade 5 (2)
47 9-0646 BOLT, 1/2-13 x 1” Hex, Grade 5 (2)
48 -- HAIR PIN, 2mm x 41mm (2)
49 -- WASHER, 1/2” Lock (2)
50 9-0258 NUT, 1/2-13 Hex (2)
51 -- WASHER, 3/8” Lock (2)
52 9-0577 BOLT, 5/16-18 x 1-1/2” Square Neck Carriage (2)
53 -- BOLT, 1/4-20 x 3/4” Hex (4)
54 9-0598 WASHER, 5/16” Flat (2)
55 -- WASHER, 1/4” Lock (2)
56 9-0063 NUT, 1/4-20 Hex, Grade 5 or B (2)
57 -- BOLT, 1/4-20 x 1/2” Hex (6)
NOTE: Items 46 thru 57, shown on the previous page, are not part of this kit.
*RAD Technologies, Inc. part number (other numbers are Snapper)
MANUAL No. 06929 COMMERCIAL WALK-BEHIND ACCESSORIES

52
40” TWO STAGE SNOWBLOWER (page 5 of 8)
MANUAL No. 06929 COMMERCIAL WALK-BEHIND ACCESSORIES
65
77
72
77
73
73
74
80
70
78
79
79
78
79
71
79
78
75
73
73
74
81
62
61
60
59
58
67
69
68
76
66
64
63

53
40” TWO STAGE SNOWBLOWER (page 6 of 8)
ITEM PART NO. DESCRIPTION
-- 6-3004 KIT, 40” Two Stage Snowblower (continued) (Incl. items 58 thru 75)
58 657335* BUSHING, 1-5/16” long (plastic)
59 657331* WORM, Rotation
60 657336* BUSHING, 1-11/16” long (plastic)
61 657329* SUPPORT, Rotation Worm
62 664006* TUBE, Handle
63 663600* BUTTON, Snap
64 664007* HANDLE, Rotation
65 656797* GRIP, Handle
66 663964* SUPPORT, Rotation Handle
67 657390* GROMMET
68 663973* TUBE, Extension (for models with Briggs Vanguard engine)
69 663974* BRACKET, Support (for models with Briggs Vanguard engine)
70 662880* REDUCTION BOX
71 663054* GUIDE, Pulley (2)
72 657251* ASSEMBLY, Sprocket with Shaft
73 656589* FLANGE, Bearing (4)
74 657294* BEARING w/Set Screws (2)
75 663247* CHAIN
76 -- BOLT, 3/8-16 x 1-1/4” Square Neck Carriage (2)
77 9-0605 BOLT, 5/16-18 x 5/8” Square Neck Carriage, Grade 5 (4)
78 -- WASHER, 5/16” Lock (6)
79 9-0196 NUT, 5/16-18 Hex, Grade 5 or B (8)
80 9-0208 BOLT, 5/16-18 x 1” Square Neck Carriage (2)
81 9-0390 WASHER, 3/8” Internal Tooth Lock (4)
NOTE: Items 76 thru 81, shown on the previous page, are not part of this kit.
*RAD Technologies, Inc. part number (other numbers are Snapper)
MANUAL No. 06929 COMMERCIAL WALK-BEHIND ACCESSORIES

54
40” TWO STAGE SNOWBLOWER (page 7 of 8)
MANUAL No. 06929 COMMERCIAL WALK-BEHIND ACCESSORIES
91
106
109
110
96
115
114
111
111
102
114
113
81
115
104
103
101
87
114
99
112
108
97
113
100
81
114
114
99
98
85
105
87
93
105
83
86
86
90
88
84
82
107
92
95
92
89
83
94

55
40” TWO STAGE SNOWBLOWER (page 8 of 8)
ITEM PART NO. DESCRIPTION
-- 6-3004 KIT, 40” Two Stage Snowblower (continued) (Incl. items 82 thru 104)
82 663239* CASING, Right Hand
83 656090* PLUG, 1/8” NPT (2)
84 654927* BREATHER, 1/8” NPT 5 PSI
85 663240* CASING, Left Hand
86 661147* BEARING (2)
87 663241* SEAL (2)
88 663245* PIN, 3/16 x 1/2” Long Dowel (2)
89 661150* FROST CAP
90 663242* BRASS GEAR, 8 DP 4 LH
91 661161* INPUT SHAFT
92 663234* BEARING
93 663243* PIN, 5/16 x 1-1/4” Long Spring
94 663244* SEAL
95 663238* WORM, 8 DP 4 LH
96 663040* BRACKET, Left Idler
97 663039* BRACKET, Right Idler
98 656040* SPRING
99 659519* PULLEY, Idler (2)
100 663050* BELT GUIDE (short bend)
101 663051* BELT GUIDE (long bend)
102 662896* TENSION ROD
103 663043* SPACER
104 663074* EYE BOLT, 5/16-18 x 5”
105 -- NUT, 5/16-18 Hex Lock (6)
106 9-0370 BOLT, 5/16-18 x 1-3/4” Hex (2)
107 -- BOLT, 5/16-18 x 2-1/4” Hex (4)
108 -- BOLT, 1/2-13 x 8” Hex
109 -- BOLT, 3/8-16 x 2-3/4” Hex
110 -- NUT, 1/2-13 Hex Nyloc
111 9-1809 PIN, 1/8 x 1-1/4” Cotter (2)
112 9-1595 WASHER, 7/16” Flat (4)
113 9-0130 NUT, 3/8-16 Hex (2)
114 9-1493 NUT, 5/16-18 Hex Nyloc (2)
115 9-0623 BOLT, 3/8-16 x 2-1/4” Hex
NOTE: Items 105 thru 115, shown on the previous page, are not part of this kit.
*RAD Technologies, Inc. part number (other numbers are Snapper)
MANUAL No. 06929 COMMERCIAL WALK-BEHIND ACCESSORIES

56
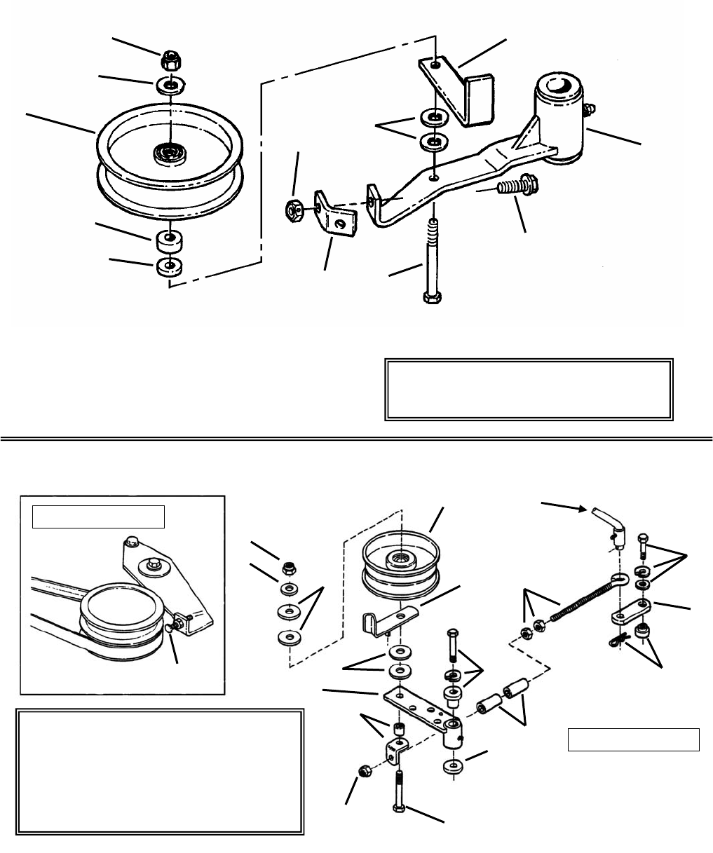
BELT TENSION REDUCTION
ITEM PART NO. DESCRIPTION
-- 6-1868 KIT, Belt Tension Reduction (Includes items 1 thru 5)
1 2-7198 BOLT, 3/8-16 x 1” Hex Flange Lock, Grade 5
2 3-5656 RETAINER, Belt
3 3-6429 BRACKET, Idler
4 9-1299 NUT, 3/8-16 Hex Nyloc
5 9-0122 WASHER, 3/8” Flat (2)
IDLER PULLEY ALIGNMENT
ITEM PART NO. DESCRIPTION
-- 6-1205 KIT, Improved Belt Alignment (Includes items 1thru 5)
1 2-4761 PULLEY, 5” Idler
2 3-3709 LINK, Blade Assist
3 9-0590 BOLT, 3/8-16 x 3” Hex, Grade 5
4 9-0905 WASHER, Flat (Case Hardened) (2)
5 9-1178 BOLT, 5/16-18 x 1-3/4” Square Neck Carriage , Grade 2
MANUAL No. 06929 COMMERCIAL WALK-BEHIND ACCESSORIES
This kit will reduce the belt tension on
Deck Model SP360 on PRO Gear and PRO
Hydro Mid Size Commercial mowers.
*existing components and
hardware (re-use)
4
3
1
*
2
*
5
*thick spacer
*idler
pulley
*
*
*thin spacer
This kit will fit PRO 736 and PRO 748
decks, and will improve blade brake
engagement and adjustment when
operating in lowest cutting position. On
748 models only it will also be necessary
to swap out engine drive belt with part
number 2-4511 (order separately).
2
3
Blade
Clutch
Rod
1
4
*
5
PRO 748 Model
PRO 736 Model
*existing components and
hardware (re-use)
*
*
*
*
4
* * *
*
*
*
*

57
ENGINE FRAME BRACE
ITEM PART NO. DESCRIPTION
-- 6-1871 KIT, Engine Frame Brace (Includes item 1)
1 4-2663 WELDMENT, Engine Frame Brace
MANUAL No. 06929 COMMERCIAL WALK-BEHIND ACCESSORIES
Rear Deck,
Engine Base
(reference)
* Existing hardware
(re-use)
1
(Remove &
Discard)
*
*
*

58
BACKSIDE IDLER
MANUAL No. 06929 COMMERCIAL WALK-BEHIND ACCESSORIES
23
1
4
BRAKE ROD
5 31
22
24
25
16
2
10
NOTE: Un-numbered components
shown are existing items
which should be re-used.
10
32
22
11
18
28
27
22
30
9
17
21
20
22
33
BELLCRANK
22
7
23
15
13
34
9
29
11
19
22
32
31
26
9
12
39
42
45
38
43
6
7
38
31
31
22
36
46
44
HANDLE, PISTOL
GRIP
35
39
23
40
41
23
35

59
BACKSIDE IDLER
ITEM PART NO. DESCRIPTION
-- 6-1207 KIT, Backside Dual Idler (Pistol Grip) (Includes items 1 thru 46)
1 2-4708 PULLEY, 3-1/4” (transmission out) (2)
2 2-4713 FENDER, Left (not shown)
3 2-4714 FENDER, Right (shown)
4 2-4891 BELT, PRO 7 Traction (2RA Section, 50.96” Effective Length)
5 3-3718 FLANGE, Output (2)
6 9-0548 SCREW, 1/4-20 x 1” Hex Head Cap, Grade 5
7 9-0583 NUT, 1/4-20 Hex Flange Lock (2)
8 5-2991 ASSEMBLY, Tank Bracket (Includes items 9 thru 32)
9 1-0739 RING, 5/8” External Retaining (4)
10 2-2768 STUD, Fender Mount (3/8-16 thread) (2)
11 2-4707 PULLEY, 3-1/4” Idler (4)
12 2-4717 SPRING, Extension (2)
13 3-3713 LINK, Short (2)
14 3-3714 LINK, Long Right Hand (not shown)
15 3-3715 LINK, Long Left Hand (shown)
16 3-3720 ARM, Brake (2)
17 3-3726 FORM, Tank Bracket
18 4-1357 WELDMENT, Idler Lower Left/Upper Right (2)
19 4-1358 WELDMENT, Upper Left/Lower Right (2)
20 4-1359 WELDMENT, Idler Pivot Right Hand
21 4-1360 WELDMENT, Idler Pivot Left Hand
22 7-6979 NUT, 3/8-16 Hex Nyloc (12)
23 9-0038 PIN, 3/32 x 1” Cotter (6)
24 9-0122 WASHER, 3/8” Flat (2)
25 9-0136 BOLT, 3/8-16 x 3/4” Square Neck, Grade 2 (2)
26 9-0206 SCREW, 5/16-18 x 3/4” Hex Head Cap, Grade 5 (2)
27 9-0585 NUT, 5/16-18 Hex Flange Lock (2)
28 9-0588 SCREW, 3/8-16 x 2” Hex Head Cap, Grade 5 (2)
29 9-0637 SCREW, 3/8-16 x 2-1/2” Hex Head Cap, Grade 5 (2)
30 9-0665 NUT, 3/8-16 Hex Jam (2)
31 9-0747 BOLT, 3/8-16 x 1” Round Head Square Neck, Grade 5 (12)
32 7-6998 FITTING, Grease, 1/4-28 Thread (4)
33 1-2306 BUSHING, .381 I. D. Flange (2)
34 1-6231 PIN, #13 Hair (2)
35 2-4590 PIN, Reverse PG (2)
36 2-4607 SWIVEL, Brake Link PM (2)
37 9-0563 SCREW, 3/8-16 x 1” Hex Head Cap, Grade 5 (2)
38 9-1294 WASHER, 1/4” Flat (2)
39 2-4710 ROD, Traction, Pistol Grip (2)
40 3-3719 STRAP, Brake Pistol Grip, Left Side
41 3-3725 STRAP, Brake Pistol Grip, Right Side
42 3-3687 LEVER, Reverse, Pistol Grip
43 2-4589 CHAIN, Reverse, Pistol Grip
44 3-3798 ARM, Reverse
45 9-1175 NUT, M6 Hex Lock
46 9-1176 SCREW, M6 x 14 Hex Head Cap
NOTE: Kit 6-1207 will fit model PP71250KW (Pistol Grip) PRO Commercial; Mower
MANUAL No. 06929 COMMERCIAL WALK-BEHIND ACCESSORIES

60
BACKSIDE IDLER
ITEM PART NO. DESCRIPTION
-- 6-1208 KIT, Backside Dual Idler (Pistol Grip) (Includes items 1 thru 41 of Kit #6-1207,
shown on pages 58 & 59, plus the following items):
42 4-1375 WELDMENT, Guide
43 4-1379 WELDMENT, Support
44 2-4855 ROD, Reverse
45 3-3655 STRAP, Reverse
46 3-3802 LEVER, Reverse
47 7-6934 SCREW, 5/16-18 x 3/4” Hex Head Cap, Grade 5 (2)
48 9-0717 NUT, 5/16-18 Hex Nyloc (2)
49 7-6978 NUT, 1/4-20 Hex Nyloc (2)
NOTE: Kit 6-1208 will fit model PP7140KWV (Pistol Grip) PRO Commercial; Mower
ITEM PART NO. DESCRIPTION
-- 6-1209 KIT, Backside Dual Idler (Loop Handle) (Includes items 1 thru 38 of Kit #6-1207,
shown on pages 58 & 59, plus the following items):
39 2-4711 ROD, Traction Loop (2)
40 3-3687 LEVER, Reverse
41 3-3721 STRAP, Brake Loop (2)
42 2-4589 CHAIN, Reverse
43 3-3798 ARM, Reverse
44 9-1175 NUT, M6 Hex Lock
45 9-1176 SCREW, M6 x 14 Hex Head Cap
NOTE: Kit 6-1209 will fit model PL71250KW (Loop Handle) PRO Commercial; Mower
ITEM PART NO. DESCRIPTION
-- 6-1210 KIT, Backside Dual Idler (Loop Handle) (Includes items 1 thru 38 of Kit #6-1207,
shown on pages 58 & 59, plus the following items):
39 2-4711 ROD, Traction Loop (2)
40 3-3721 STRAP, Brake Loop (2)
41 4-1375 WELDMENT, Guide
42 4-1379 WELDMENT, Support
43 2-4855 ROD, Reverse
45 3-3655 STRAP, Reverse
46 3-3802 LEVER, Reverse
47 7-6934 SCREW, 5/16-18 x 3/4”, Grade 5 (2)
48 9-0717 NUT, 5/16-18 Hex Nyloc (2)
49 7-6978 NUT, 1/4-20 Hex Nyloc (2)
50 9-0548 SCREW, 1/4-20 x 1” Hex Head Cap, Grade 5 (2)
NOTE: Kit 6-1210 will fit model PL7140KWV (Loop Handle) PRO Commercial; Mower
MANUAL No. 06929 COMMERCIAL WALK-BEHIND ACCESSORIES
4-1375
2-4855
3-3655
3-3721
3-3798
3-3802
2-4711
9-0717
7-6934
7-6978
2-4589
9-0548
9-0548
9-1175
4-1379
3-3687
9-1176

61
GAS TANK
ITEM PART NO. DESCRIPTION
-- 6-0802 KIT, Gas Tank Retrofit (4 Gallon) (Includes items 1 thru 11)
1 7-6535 GAS CAP w/Gage
2 7-7282 GAS TANK w/Decals
3 7-6532 TANK BAND, Short
4 7-6563 TANK BAND, Long
5 7-6966 CLAMP, Hose
6 7-6491 SHUT-OFF, Gas Line
7 7-6537 SADDLE PAD (2)
8 9-0563 SCREW, 3/8-16 x 1” Hex Head Cap, Grade 5 (2)
9 7-6392 SADDLE, Retrofit
10 7-6979 NUT, 3/8-16 Hex Nyloc (2)
11 7-7345 PAD, Gas Tank (4)
NOTE: Kit 6-0802 will fit PRO Heavy Duty Commercial Walk-Behind Mowers
MANUAL No. 06929 COMMERCIAL WALK-BEHIND ACCESSORIES
2
4
1
11
3
5
6 10
11
8
7
9

62
INTERLOCK SWITCH UPDATE
ITEM PART NO. DESCRIPTION
-- 6-0896 KIT, Interlock Switch Update (Includes items 1 thru 10)
1 2-3405 TAB, Traction Switch (2)
2 2-3406 PLATE, Switch
3 2-3407 HARNESS
4 2-3408 SWITCH, SP/NC Gray
5 1-5668 SWITCH, NO Black (2)
6 7-7873 SCREW, #12-14 x 1/2” Hex Washer Face, Slotted (6)
7 7-6856 TIE, Plastic (4)
8 9-0078 BOLT, 1/4-20 x 1-1/4” Square Neck Carriage (2)
9 7-6978 NUT, 1/4-20 Hex Nyloc (2)
10 9-0598 WASHER, 1/4” Flat (2)
BELT ANTI-VIBRATION
ITEM PART NO. DESCRIPTION
-- 6-3104 KIT, Belt Anti-Vibration
1 7-2418 GUIDE, Belt 4.3”
2 2-7132 PULLEY, 4” Cast
MANUAL No. 06929 COMMERCIAL WALK-BEHIND ACCESSORIES
10
7
6
4 5
3
2
1
9
8
NOTE: Kit 6-0896 will fit 32”, 36” and 48”
Steel Deck PRO Mowers.
TRACTION
ROD
1
2
NOTE: Kit 6-3104 will fit PRO Mowers
With SP480 and SPA480 decks.

63
REVERSE THROTTLE INTERLOCK
ITEM PART NO. DESCRIPTION
-- 6-1783 KIT, Reverse Throttle Interlock (Includes items 1 thru 9)
1 1-5707 SWITCH, Detent NO
2 3-4466 BRACKET, Reverse Switch
3 2-7225 SWITCH, Single Pole
4 3-4459 BRACKET, Reverse Throttle
5 2-8516 HARNESS, Reverse Throttle Wire
6 9-1603 NUT, 1/4-20 Hex Nyloc (2)
7 9-1495 SCREW, 1/4-20 x 3/4” Hex Head Cap, Grade 5 (2)
8 9-1290 NUT, #10-24 Hex Nyloc (2)
9 9-1631 SCREW, #10-24 x 1/2” Hex Head Cap (2)
TAPERLOCK PULLEY
ITEM PART NO. DESCRIPTION
-- 6-0899 KIT, Taperlock Pulley 48 (Includes items 1 & 2)
1 1-9101 PULLEY, Taperlock
2 2-3381 BUSHING, Taperlock
MANUAL No. 06929 COMMERCIAL WALK-BEHIND ACCESSORIES
NOTE: Kit 6-1783 will fit PRO 7 Series 1 & 2 Mowers. It is used to convert 1994
& earlier models to 1995 & later models.
NOTE: Kit 6-0899 will fit on PRO Mowers
with 48” decks to replace pulley
#7-6648. When used properly the
component pulley and bushing
securely attach to the spindle and
will not “float” up or down. on the
shaft.
2
3
9
8 5
4
7
6 1
2
1

64
SHIFT ARM EXTENSION
ITEM PART NO. DESCRIPTION
-- 6-3136 KIT, Shift Arm Extension (Includes items 1 thru 3)
1 7-3059 PLATE, Extension (2)
2 9-0969 BOLT, 1/4-20 x 1/2” Flat Head Short Square Neck (2)
3 9-1099 NUT, 1/4-20 Hex Center Lock, Grade B (2)
DRIVEN DISC REPLACEMENT
ITEM PART NO. DESCRIPTION
-- 6-1077 KIT, Driven Disc Replacement (Includes items 1 thru 9)
1 1-7339 SHIFT LEVER, Lower
2 1-9049 COVER, Shaft
3 5-2337 HUB ASSEMBLY
4 1-7226 DRIVEN DISC
5 1-5163 KEY, 3/32 x 1/2” Woodruff (#304)
6 9-0692 WASHER, 5/16” Flat
7 1-1731 WASHER, 3/8” Belleville
8 9-0583 NUT, 1/4-20 Hex Flange Lock (4)
9 9-0524 NUT, 3/8-24 Hex, Grade C
MANUAL No. 06929 COMMERCIAL WALK-BEHIND ACCESSORIES
NOTE: Kit 6-3136 will fit electric start
PRO Hydro Series 0 mowers.
1
NOTE: This kit will fit models
Y30080, Y30120 & Y41120 Mid-
Duty Commercial Walk-Behind
mowers.
3
6
5
9
7
8
4
Chain Case (Reference)
2 1
Clamps (Reference) Hex Shaft
(Reference)

65
OIL FILTERS
ITEM PART NO. DESCRIPTION
1 7-7288 KIT, Oil Filter
2 -- BASE, Oil Filter
3 7-7355 FILTER, Oil
4 7-6975 NUT, M8-1.25, Hex Nyloc (2)
5 -- BOLT, M8 x 1.25 x 45 Hex (2)
6 -- SEAL, Oil
ACCESSORIES, 12 VOLT, 3 AMP BATTERY
ITEM PART NO. DESCRIPTION
1 6-0974 KIT, Battery
2 9-0411 SCREW, #10-24 x 1/2” Hex Head Cap (2)
3 1-2688 NUT, #10-24 Hex Twin “Whiz” Lock (2)
MANUAL No. 06929 COMMERCIAL WALK-BEHIND ACCESSORIES
4
3
4
NOTE 1: Kit #7-7288 is only
for Kawasaki 12.5 HP
engines.
2
5
6
2
3
NOTE 2: The oil filter 7-7355
is used on a multitude of
PRO commercial walk-
behind mower engines.
On Hydro machines a
separate oil filter (part
number 2-7164) is used in
the hydraulic system.
1

66
EXHAUST MUFFLERS & HEAT SHIELDS
MANUAL No. 06929 COMMERCIAL WALK-BEHIND ACCESSORIES
26
28
26
13
21
1
30
31
7
33
32
17
18
12
33
8
6
23
29
22
36
24
35
11
9
34
10
29
38
3
20
37
2
19
14
16
15
24
23
26
25
27

67
EXHAUST MUFFLERS & HEAT SHIELDS
ITEM PART NO. DESCRIPTION
1 7-6507** MUFFLER, Super Lo-Tone (Briggs 11 & 12 HP)
2 7-7717* MUFFLER, Round Lo-Tone
3 1-7163 MUFFLER GROUP (Kohler 14HP)
4 2-8959 MUFFLER, Kohler V-Twin (SPLH231KHE only) (not shown)
5 2-8757 MUFFLER, Briggs 16HP V-2 (PRO 7) (not shown)
6 3-4618 SHIELD, Heat (Kawasaki and Kohler engines only; replaces 3-3319)
7 3-4653 SHIELD, Heat (Briggs only)
8 2-8958 SHIELD, Heat (SPLH231KHE only)
9 4-6755 SHIELD, Heat (Kohler 15HP only)
10 2-6881 SHIELD, Heat (Kohler 14HP & Kawasaki 14HP)
-- 3-3572 SHIELD, Heat (Kawasaki 12.5HP)
11 3-3489 SHIELD, Heat (Kawasaki 12.5HP)
12 3-2898 SHIELD, Heat (Kawasaki)
13 7-6384** BRACKET, Muffler Mount (Briggs 12 HP)
14 7-6503** CLAMP, Muffler w/Bolt & Nut
15 7-6569** TUBE, Exhaust Assembly
16 7-6570** GASKET, Exhaust
17 4-3813 ASSEMBLY, Clamp (Includes Clamp, U-Bolt, 2 Split Lock Washers and
2 Hex Nuts) (used on SPLH231KHE only)
18 4-3814 ELBOW, Exhaust (used on SPLH231KHE only)
19 7-7716* RING, Locking
20 7-6355* DEFLECTOR, Side Out
21 7-7762** SPACER, Muffler Bracket
22 2-3515 SPACER (2)
23 7-6934** SCREW, 5/16-18 x 3/4” Hex Head Cap, Grade 5 (2)
24 9-0187** WASHER, 5/16” Split Lock
25 9-0548** SCREW, 1/4-20 x 1” Hex Head Cap, Grade 5
26 9-0052** WASHER, 1/4” Split Lock (6)
27 9-0072** SCREW, 1/4-20 x 5/8” Hex Head Cap, Grade 5 (4)
28 7-6932** SCREW, 1/4-20 x 3/4” Hex Head Cap
29 9-0717 NUT, 5/16-18 Hex Nyloc
30 9-1631 SCREW, #10-24 x 1/2” Hex Head Machine (Briggs engine only)
31 9-0010 WASHER, #10 Flat
32 9-1267 NUT, #10-24 Hex Center Lock (Briggs engine only)
-- 9-1290 NUT, #10-24 Hex Nyloc
33 9-1649 SCREW, #8-18 x 9/16” Hex Washer Self-Tap (4 for SPLH231KHE;
2 for Briggs; 4 for Kohler 18HP)
-- 9-1581 SCREW, #8-18 x 1/2” Hex Head, Self-Tap
34 9-0206 SCREW, 5/16-18 x 3/4” Hex Head Cap, Grade 5
35 7-7692 SCREW, M8 1.25 x .25 Hex Head Cap (2)
36 9-0517 WASHER, 3/8” Flat (2)
37 7-7690* SCREW, Muffler Deflector
38 9-1113 SCREW, M6 x 16mm Hex Cap (2)
MANUAL No. 06929 COMMERCIAL WALK-BEHIND ACCESSORIES
*NOTE: For Briggs and Stratton 8HP engines only.
**NOTE: For Briggs and Stratton 11 & 12HP engines only.

68
Parts Manual for
COMMERCIAL WALK-BEHIND
ACCESSORIES
COPYRIGHT © 2002
SNAPPER INC.
ALL RIGHTS RESERVED
MANUAL No. 06929 (IR, 12/02/02) Printed in U.S.A.