Snapper Ei5223 Users Manual PARTS
I5223 to the manual 15f58a58-5985-4c76-aaed-ba4f599ce07e
2015-01-24
: Snapper Snapper-Ei5223-Users-Manual-224683 snapper-ei5223-users-manual-224683 snapper pdf
Open the PDF directly: View PDF
.
Page Count: 24

Parts Manual for
TWO-STAGE
INTERMEDIATE FRAME
SNOW THROWER
SERIES 3
MODELS
I4223
I5223
I55223
I6223
I7243
EI5223
EI55223
EI7243
IT IS THE POLICY OF SNAPPER TO IMPROVE ITS PRODUCTS WHENEVER IT IS POSSIBLE
AND PRACTICAL TO DO SO. WE RESERVE THE RIGHT TO MAKE CHANGES OR ADD
IMPROVEMENTS AT ANY TIME WITHOUT INCURRING ANY OBLIGATION TO MAKE SUCH
CHANGES ON PRODUCTS MANUFACTURED PREVIOUSLY.
COPYRIGHT © 2000
SNAPPER INC.
ALL RIGHTS RESERVED
(REV. 5, 7/03/00) MANUAL No. 06045

2
FAMILIARIZATION
MANUAL No. 06045 INTERMEDIATE SNOW THROWER
ENGINES
Page 18
HANDLES, CONTROLS
& PANELS
Pages 12 thru 15
BLOWER CLUTCH
CONTROLS
Pages 12 thru 15
DECALS
Pages 22 & 23
DISCHARGE
CHUTE
CONTROLS
Pa
g
es 10 & 11
TRACTION
CLUTCH
CONTROLS
Pages
12 thru 15
COLLECTOR HOUSING
Pages 4 & 5
FRAME
Pages 16 & 17
WHEELS & TIRES
Page 20
SHIFTER
Pages 16 & 17
DISCHARGE CHUTE
& DEFLECTOR
Page 3
HARDWARE BAGS
Page 21
ACCESSORIES
Page 21
SKID SHOES
Pages 4 & 5
AUGERS &
IMPELLER
Pages 6 thru 9
GEAR CASE
Pages 6 thru 9
DRIFT CUTTERS
Pages 4, 5 & 21

3
DISCHARGE CHUTE
ITEM PART NO. DESCRIPTION
1 5-3411 ASSEMBLY, Discharge Chute (Includes Item 2)
2 2-4773 DECAL, Danger
2A 2-8700 DECAL, Read Manual (Euro)
3 2-8184 DEFLECTOR, Discharge Chute
4A 1-6324 T-KNOB (Plastic)
4B 3-5744 T-KNOB (w/5/16-18 insert)
5 2-8253 PIN, Hinge
6 3-8205 RING, Chute (Models I7243, I55223, EI55223 & EI7243)
- 3-3284 RING, Chute (Models I4223, I6223, & I5223)
7 1-1938 RETAINER (Chute Ring to Housing) (3)
8 9-1075 SCREW, #10-24 x 5/8" Hex Washer Self-Tapping (6)
9 9-1077 BOLT, 5/16-18 x 5/8" Square Neck Carriage, Grade 5 (3)
10 9-1070 NUT, 5/16-18 Hex Flange Lock, Grade 5 (3)
11 9-1097 BOLT, 5/16-18 x 3/4" Square Neck Carriage, Grade 5
12 9-1076 WASHER, 5/16 Flat (2)
13 9-0196 NUT, 5/16-18 Hex, Grade B or 5
14 9-1021 SCREW, 5/16-24 x 3/4" Hex Head Cap, Grade 5
15 9-1074 NUT, 5/16-24 Hex Center Lock, Grade B
16 9-1552 WASHER, 7/32 Flat (6)
17 1-9692 WIRE, Safety (Euro)
18 2-3673 PUSH-ON Fastener, .5/32” Dia. (Euro) (2)
19 3-2559 RETAINER, Safety Wire (Euro)
INTERMEDIATE SNOW THROWER MANUAL No. 06045
9
19
15
12
14
5
18
17 8
18
6
16
8
7
10
4B
3
13
2
11
12
1
4A

4
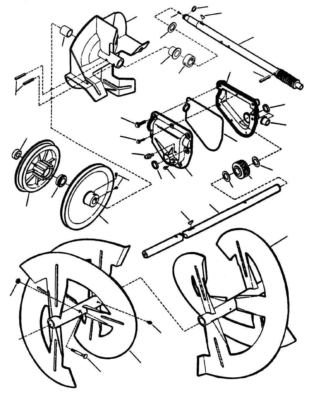
COLLECTOR HOUSING
(3 Piece Bolted)
MANUAL No. 06045 INTERMEDIATE SNOW THROWER
13
3A, 3B
13
24
13
11
2
20
21
24
11
22
4
12
13
12
10
8
7
5
17
18
19
1
16 9
15
14
6
13
23
25
5
COLLECTOR HOUSING
(3 Piece Bolted)
ITEM PART NO. DESCRIPTION
1 3-4285 PLATE, Right Side (I4223, I5523, I55223 EI55223 & I6223 Models)
- 3-4288 PLATE, Right Side (I7243 & EI7243Models)
2 5-3412 ASSEMBLY, 22” Blower Housing
(I4223, I5223, I55223 & I6223 Models) (Includes Item 3B)
- 5-3622 ASSEMBLY, 24” Blower Housing (I7243 Models) (Includes Item 3A)
3A 2-8280 DECAL, Foot Danger
3B 1-6578 DECAL, Danger (Collector)
4 3-4284 PLATE, Left Side (I4223, I5223, I55223 EI55223 & I6223 Models)
- 2-8231 PLATE, Left Side (I7243 & EI7243 Models)
5 3-3298 BLADE, Scraper (I4223, I5223, I55223 EI55223 & I6223 Models)
- 3-6163 BLADE, Scraper (I7243 & EI7243 Models)
6 2-8188 BEARING, Auger Shaft (I4223, I5223, I55223 EI55223 & I6223 Models) (2)
- 1-8736 BEARING, Auger Shaft (I7243 & EI7243 Models) (2)
7 3-2455 HOUSING, Bearing (2)
8 1-4608 BEARING, Ball
9 3-7982 SHOE, Skid (2)
10 1-7865 SPACER, 3/4 x 1/4 x 1"
11 9-0999 SCREW, 1/4-20 x 5/8" Self-Tapping (Truss Head Torx) (14)
12 9-0666 BOLT, 1/4-20 x 5/8" Square Neck Carriage, Grade 5 (7)
13 9-1065 NUT, 1/4-20 Hex Flange Lock (13)
14 9-0799 BOLT, 5/16-18 x 5/8” Short Neck Carriage, Grade 5 (4)
15 3-2070 WASHER, 5/16 Flat (4)
16 9-1070 NUT, 5/16-18 Hex Flange Lock (4)
17 9-0699 BOLT, 1/4-20 x 3/4” Hex Flange Lock, Grade 5 (6)
18 9-0361 SCREW, 5/16-18 x 5/8" Hex Washer Self-Tap (2)
19 1-6314 WASHER, 21/64” Flat (2)
20 3-8230 DRIFT-CUTTER (I7243 & EI7243 Models Only)
-- 3-8201 DRIFT-CUTTER (I55223 & EI55223 Models Only)
21 9-1059 SCREW, 1/4-20 x 1" Hex Head Cap, Grade 5 (4)
22 9-1099 NUT, 1/4-20 Hex Center Lock (4)
23 1-0817 FITTING, Lube (I7243 & EI7243 Models Only) (2)
24 4-2894 PLUG, Dome 3/16” Diameter (2)
25 3-4431 ADAPTER, Housing (22”)
-- 3-4432 ADAPTER, Housing (24”)
INTERMEDIATE SNOW THROWER MANUAL No. 06045

6
AUGERS, IMPELLER, GEAR CASE, SHAFT
(for units built prior to Model Year 2000)
MANUAL No. 06045 INTERMEDIATE SNOW THROWER
4
6
5
#6-1100 IMPELLER/SHAFT KIT
25 1279
15
14
13
11
10
9
8
17
18
17
16
5
24
2
1
3
19
20
21
23
22
7
AUGERS, IMPELLER, GEAR CASE, SHAFT
(for units built prior to Model Year 2000)
ITEM PART NO. DESCRIPTION
- 6-1100 KIT, Impeller/Shaft Weldment Replacement
1 5-1566 ASSEMBLY, Drive Plate (Includes Items 2 & 3)
2 1-0756 BEARING, Ball
3 1-4295 BEARING, Ball
4 1-7865 SPACER
5 1-0211 KEY, #9 (3/16 x 3/4") Woodruff (2)
6 9-0929 SCREW, 1/4-20 x 1/2" Truss Head Self-Tapping (Torx)
7 9-0913 SCREW, #10-24 x 1/2" Hex Washer Self-Tapping (Torx)
8 1-9779 COVER, Gear Case (Left Hand)
9 1-5136 SEAL (2)
10 1-5230 BUSHING
11 1-5137 "O" RING
12 1-9780 COVER, Gear Case (Right Hand)
13 9-0290 SCREW, 1/4-20 x 3/4" Hex Washer Self-Tapping (4)
14 9-1075 SCREW, #10-24 x 5/8" Hex Washer Self-Tap, Grade 5 (3)
15 9-1084 SCREW, 1/4-20 x 3/8” Hex Washer Self-Tapping
16 2-9554 SHAFT, Auger
17 1-3852 WASHER, Thrust (2)
18 2-7652 GEAR, Worm
19 4-9969 AUGER, (Left Hand)
20 1-3864 FITTING, Lube (2)
21 4-9968 AUGER, (Right Hand)
22 1-5257 BOLT, 1/4-20 x 1-1/2" Shear (2)
23 7-6978 NUT, 1/4-20 Hex Nyloc (2)
24 1-3867 SHEAVE (Includes Setscrews)
25 9-0201 SCREW, 5/16-18 x 5/16 Hex Socket Set (2)
INTERMEDIATE SNOW THROWER MANUAL No. 06045

8
AUGERS, IMPELLER, GEAR CASE, SHAFT
(for units built in Model Year 2000 and later)
MANUAL No. 06045 INTERMEDIATE SNOW THROWER
23
29
4
1
27
5
28
30
31
26
829
13
14
15
97 12
11
9
10
17
18
17
16
22
19
20
21
24
25
3A
2
3B
5
6
9
AUGERS, IMPELLER, GEAR CASE, SHAFT
(for units built in Model Year 2000 and later)
ITEM PART NO. DESCRIPTION
1 7-2423 WELDMENT, Impeller (Fan)
2 5-1566 ASSEMBLY, Drive Plate (Includes Items 3A & 3B)
3A 1-0756 BEARING, Ball
3B 1-4295 BEARING, Ball
4 1-7865 SPACER, .76 I.D. x 1” O.D. x .25” Thick
5 1-0211 KEY, #9 (3/16 x 3/4") Woodruff (2)
6 9-0929 SCREW, 1/4-20 x 1/2" Truss Head Self-Tapping (Torx)
7 9-0913 SCREW, #10-24 x 1/2" Hex Washer Self-Tapping (Torx)
8 1-9779 COVER, Gear Case (Left Hand)
9 1-5136 SEAL (2)
10 1-5230 BUSHING
11 1-5137 "O" RING
12 1-9780 COVER, Gear Case (Right Hand)
13 9-0290 SCREW, 1/4-20 x 3/4" Hex Washer Self-Tapping (4)
14 9-1075 SCREW, #10-24 x 5/8" Hex Washer Self-Tap, Grade 5 (3)
15 1-4247 FITTING, Lube 1/4-28 Thread Forming
16 2-9554 SHAFT, Auger
17 1-3852 WASHER, Thrust (2)
18 2-7652 GEAR, Worm
19 4-9969 AUGER, (Left Hand)
20 1-3864 FITTING, Lube (for 3/16” dia. hole)(2)
21 4-9968 AUGER, (Right Hand)
22 1-5257 BOLT, 1/4-20 x 1-1/2" Shear (2)
23 9-0372 NUT, 1/4-20 Hex Center Lock (2)
24 1-3867 SHEAVE (Includes Setscrews)
25 9-0201 SCREW, 5/16-18 x 5/16 Hex Socket Set (2)
26 2-1961 COLLAR
27 1-0776 RING, 1/2” Heavy Duty External Retaining
28 1-9783 SHAFT, Pinned Impeller (Worm)
29 9-0842 ROLL-PIN, 1/4 x 1-1/4” (3)
30 3-2479 WASHER, Thrust
31 1-5363 BEARING
INTERMEDIATE SNOW THROWER MANUAL No. 06045

10
CHUTE CRANK CONTROL
MANUAL No. 06045 INTERMEDIATE SNOW THROWER
LEFT SIDE
HANDLE BAR
12
3
4
78
7
4
6
16
9
17
1510
11
12
6
14
5
13
1
5
7
8
69
14
3
2
4
1
MODELS I4223, I5223
& I6223
13
2
1
11
10
MODELS I55223, EI55223, I7243 & EI7243

11
CHUTE CRANK CONTROL
(Models I4223, I5223 & I6223)
ITEM PART NO. DESCRIPTION
1 1-7626 CRANK, Chute
2 2-2332 GRIP, Vinyl
3 1-7623 BOLT, 5/16-18 Eye
4 1-7622 GROMMET
5 1-7606 WORM (Plastic)
6 2-8178 BRACKET, Worm Shaft
7 9-1135 NUT, 3/8” Push
8 9-1138 SCREW, 5/16-18 x 5/8” Hex Head Cap, Grade 5
9 9-1070 NUT, 5/16-18 Hex Flange Lock, Grade 5
10 9-1069 NUT, 5/16-18 Hex, Grade B or 5
11 9-0391 WASHER, 5/16 Internal Tooth Lock
12 9-1076 WASHER, 5/16 Flat
13 9-1067 NUT, 5/16-18 Hex Center Lock, Grade B
14 9-1012 SCREW, #10-32 x 3/8” Hex Washer Self-Tap, (Torx)
CHUTE CRANK CONTROL
(Model I55223, EI55223, I7243 & EI7243)
ITEM PART NO. DESCRIPTION
1 2-8180 CRANK, Chute
2 1-3901 KNOB, Chute Crank
3 9-1067 NUT, 5/16-18 Hex Center Lock, Grade B
4 1-2117 BUSHING (2)
5 9-0539 SCREW, 1/4-20 x 1/2" Hex Washer Self-Tapping
6 9-1070 NUT, 5/16-18 Hex Flange Lock, Grade 5 (2)
7 9-1082 PIN, 3/32 x 3/4" Cotter (3)
8 2-8222 BLOCK
9 3-4301 BRACKET, Shaft
10 1-4001 PIN, 1/8 x 3/4" Roll (3)
11 2-1828 WORM
12 1-1724 WASHER, Spring
13 9-1138 SCREW, 5/16-18 x 5/8" Hex Head Cap, Grade 5
14 2-8177 BRACKET, Worm Shaft
15A 2-8181 SHAFT, Worm (Model I7243 & EI7243)
15B 4-5204 SHAFT, Worm (long) (Model I55223 & EI55223)
16 9-0858 SCREW, 5/16-18 1/2” Hex Washer Self-Tapping (2)
17 9-1026 BOLT, 5/16-18 x 5/8” Short Neck Carriage, Grade 5
INTERMEDIATE SNOW THROWER MANUAL No. 06045

12
HANDLES, CONTROLS (CONVENTIONAL TYPE)
(I4223, I5223, I55223 EI55223 & I6223 Models)
SEE PAGE 12 FOR SINGLE HANDLE TYPE HANDLES
MANUAL No. 06045 INTERMEDIATE SNOW THROWER
2
3
576
5
4
1
10A, B, C, D, E
23
9
11
12
8
16A, 16B
4
613
11
14
17
15

13
HANDLES, CONTROLS (CONVENTIONAL TYPE)
(I4223, I5223, I55223 EI55223 & I6223 Models)
ITEM PART NO. DESCRIPTION
1 2-8189 GRIP, Handle (2)
2 3-4426 BAR, Handle (Right Hand)
-- 3-4425 BAR, Handle (Left Hand)
3 9-0303 NUT, 1/4-28 Hex Top Lock (2)
4 3-2921 BRACKET, Handle (2)
5 9-1020 NUT, 1/4 Push (2)
6 9-1025 SCREW, 1/4-28 x 1-3/8" Hex Head Cap, Grade 5 (2)
7 9-1067 NUT, 5/16-18 Hex Center Lock, Grade B (4)
8 9-1066 SCREW, 5/16-18 x 1-1/2" Hex Head Cap, Grade 5 (4)
9 3-2907 HANDLE, Left Side
10A 2-8276 DECAL, Snapper (I4223 Model)
10B 2-8251 DECAL, Snapper (I6223 Model)
10C 4-5207 DECAL, Snapper (I55223 Model)
10D 4-5217 DECAL, Snapper (EI55223 Model)
10E 2-8544 DECAL, Snapper (I5223 Model)
11 1-6297 PIN, 1/4x 1-7/8" Clevis (2)
12 2-8223 CABLE, Clutch Left Side (Short)
13 3-2908 HANDLE, Right Side
14 2-8194 CABLE, Auger Right Side (Long)
15 9-1070 NUT, 5/16-18 Hex Flange Lock, Grade 5 (4)
16A 3-4287 PANEL, Control
16B 4-5209 PANEL, Control (I55223 & EI55223 Models)
17 9-1026 BOLT, 5/16-18 x 5/8” Short Neck Carriage, Grade 5 (4)
#6-0990 SINGLE HANDLE CONTROL KIT
PARTS NO. DESCRIPTION
6-0990 KIT, Single Handle Control Kit
(Includes Items 1 Thru 10)
3-6237 PANEL, Control
5-2025 CABLE, Guide
5-7508 ASSEMBLY, Cam Lock
2-8267 CABLE, Auger
9-1064 BOLT, 1/4-20 x 1/2" Short Neck Carriage, Grade 5 (2)
9-1065 NUT, 1/4-20 Hex Flange Lock (2)
9-1085 BOLT, #10-24 x" 1/2 Flat Head Carriage (2)
9-1079 NUT, #10-24 Hex Flange Lock (2)
2-8276 DECAL, I4223
2-8251 DECAL, I6223
INTERMEDIATE SNOW THROWER MANUAL No. 06045

14
HANDLES, CONTROLS (SINGLE HANDLE TYPE)
(I7243 & EI7243 Models)
SEE PAGE 10 FOR CONVENTIONAL TYPE HANDLES
MANUAL No. 06045 INTERMEDIATE SNOW THROWER
8
9
10
6
5
3
11
2
10
8
175
11
9
34
23 18
16
24 1
25
23
34
22
19
2728
29
30
31
2120
6
34
26
19
32
1
33
7
15
14
2
13 4
7
12

15
HANDLES, CONTROLS (SINGLE HANDLE TYPE)
(I7243 & EI7243 Models)
ITEM PART NO. DESCRIPTION
1 3-4425 BAR, Handle (Left Hand)
1A 3-4426 BAR, Handle (Right Hand)
2 1-1870 GRIP, Handle (2)
3 3-2907 HANDLE (Left Hand)
4 2-8277 DECAL, Control Model 7/24
-- 2-8713 DECAL, Control Model E7/24
5 1-6297 PIN, 1/4 x 1-7/8" Clevis (2)
6 9-1066 SCREW, 5/16-18 x 1-1/2" Hex Head Cap, Grade 5 (4)
7 9-1067 NUT, 5/16-18 Hex Center Lock, Grade B (5)
8 9-1025 SCREW, 1/4-28 x 1-3/8" Hex Head Cap, Grade 5 (2)
9 9-1020 NUT, 1/4” Push (2)
10 3-2921 BRACKET, Handle (2)
11 9-0303 NUT, 1/4-28 Hex Top Lock (2)
12 1-2117 BUSHING
13 3-6237 PANEL, Control
14 2-8180 CRANK, Chute
15 1-3901 KNOB, Chute Crank
16 9-1064 BOLT, 1/4-20 x 1/2" Short Neck Carriage, Grade 5 (2)
17 3-2908 HANDLE (Right Side)
18 1-5960 GUIDE, Cable
19 2-8267 CABLE, Auger Right Side
20 3-8352 CAM BRACKET
21 9-1079 NUT, #10-24 Hex Flange Lock
22 9-1085 BOLT, #10-24 x 1/2" Flat Head Carriage
23 9-1065 NUT, 1/4-20 Hex Flange Lock (3)
24 9-0074 BOLT, 1/4-20 x 3/4" Short Neck Carriage, Grade 5
25 3-2651 BRACKET, Cable Guide Support
26 9-0548 SCREW, 1/4-20 x 1" Hex Head Cap, Grade 5
27 1-5966 SPRING, Cam Lock
28 1-5969 SPACER
29 1-8980 CAM LOCK
30 9-0055 WASHER, 1/4” Flat
31 9-1099 NUT, 1/4-20 Hex Center Lock, Grade B or 5
32 9-1026 BOLT, 5/16-18 x 5/8" Short Neck Carriage, Grade 5 (4)
33 9-1070 NUT, 5/16-18 Hex Flange Lock, Grade 5 (4)
34 2-8268 CABLE, Clutch (Left Hand)
SEE PAGE 10 FOR CONVENTIONAL TYPE HANDLES
SEE PAGE 12 FOR SINGLE HANDLE TYPE HANDLES
INTERMEDIATE SNOW THROWER MANUAL No. 06045

16
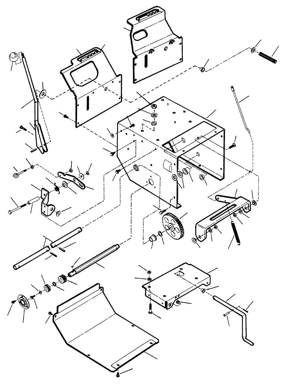
FRAME, TRACTION DRIVE
MANUAL No. 06045 INTERMEDIATE SNOW THROWER
27
22
21
20
3
19
23
24
25
26
10
11
12
11 12
28
13
15
16
17
18
17
16
1514
9
6
58 41
7
26
8
5
4
3
1A
2
1
42
43
37
35
34
33
32
31
30
29
36
39
38
40
31
51
31
49
48
56
53
50
55
52
56
57
47
46
45
15
44 28
50
25
54
17
FRAME, TRACTION DRIVE
ITEM PART NO. DESCRIPTION
1 3-6285 COVER, Rear Frame (I4223, I5223, I55223 & EI55223 Models)
1A 3-4298 COVER, Rear Frame (I6223, I7243 & EI7243 Models)
2 2-8282 DECAL, Direction Control
3 1-1016 BUSHING, 1/2” Nylon (2)
4 9-0250 WASHER, 1/2” Flat
5 1-5165 SPRING, Shift
6 3-4282 FRAME
7 9-0188 WASHER, 5/16” Flat (4)
8 1-5166 ROD, Clutch
9 9-0563 SCREW, 3/8-16 x 1" Hex Head Cap, Grade 5 (2)
10 1-5164 BEARING
11 1-5363 BUSHING (2)
12 1-0935 WASHER, 3/4” Flat (3)
13 1-8741 GEAR, Axle Shaft
14 4-7873 BRACKET, Clutch
15 1-4314 BUSHING (3)
16 9-0122 WASHER, 3/8” Flat (2)
17 9-0546 NUT, 3/8-16 Hex Center Lock, Grade B or 5 (2)
18 1-2264 SPRING, Clutch
19 3-6343 SUPPORT, Engine
20 1-8750 ROD, Shift
21 9-0673 PIN, 1/16 x 1/2" Cotter
22 1-5157 PIN, 3/16 x 7/8" Clevis
23 1-2117 BUSHING, 3/8” Plastic
24 9-0636 SCREW, 5/16-18 x 1" Hex Head Cap, Grade 5 (5)
25 1-1791 RETAINER, 5/16” Bolt (5)
26 9-1069 NUT, 5/16-18 Hex, Grade 5 (8)
27 3-4228 COVER, Bottom Frame
28 9-0858 SCREW, 5/16-18 x 1/2" Hex Washer Self-Tap (12)
29 9-0981 SCREW, #10-32 x 1/4" Hex Washer Self-Tap (3)
30 3-2460 RETAINER, Bearing
31 9-0539 SCREW, 1/4-20 x 1/2" Hex Washer Self-Tap (13)
32 9-0055 WASHER, 1/4” Flat
33 1-5141 BEARING, Ball
34 1-4296 WASHER, 1/2” Shim
35 1-8740 GEAR, Pinion
36 1-5163 KEY, 3/32 x 1/2 Woodruff (#304)
37 2-7653 SHAFT, Hex
38 9-0842 PIN, 1/4 x 1-1/4" Roll
39 1-3072 PIN, 1/4 x 1" Roll
40 2-7654 AXLE, Shaft
41 9-0187 WASHER, 5/16” Split Lock (4)
42 1-5198 SPACER
43 9-0553 SCREW, 5/16-18 x 3" Hex Head Cap, Grade 5
44 3-2466 BRACKET
45 1-5178 SPRING
46 1-5139 BUSHING
47 3-2838 LEVER
48 1-6314 WASHER, 5/16” Flat
49 9-1067 NUT, 5/16-18 Hex Center Lock, Grade B
50 3-4283 HUB
51 3-1036 WASHER, Thrust
52 1-3550 PIN, 3/16 x 1" Roll
53 3-4417 SHIFTER
54 1-2659 KNOB, Shifter
55 9-1289 SCREW, #10-32 x 5/8" Hex Washer Self-Tap
56 9-0583 NUT, 1/4-20 Hex Flange Lock (I6223, I7243 & EI7243 Models) (2)
57 2-3817 BOLT, 1/4-20 Eye (I6223, I7243 & EI7243 Models)
58 9-1026 BOLT, 5/16-18 x 5/8” Short Neck Carriage, Grade 5 (9)
INTERMEDIATE SNOW THROWER MANUAL No. 06045

18
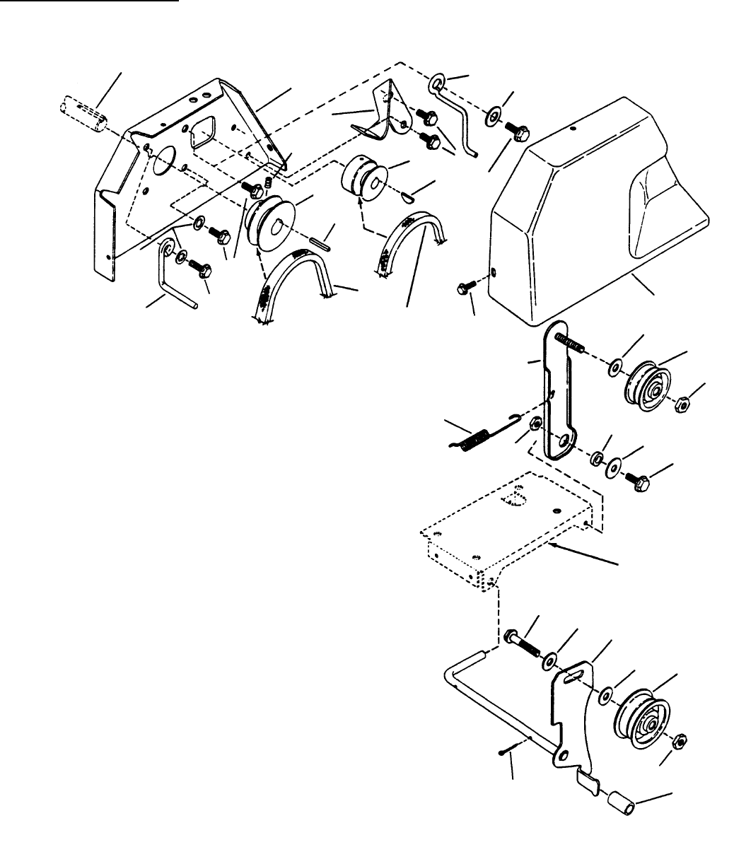
ENGINE, PULLEY, IDLER, CLUTCH SYSTEM
ENGINE SPECIFICATIONS.
4 HP Tecumseh 5HP Tecumseh 5.5HP Tecumseh 6 HP Tecumseh 7 HP Tecumseh
TEC. Model HSSK50 TEC. Model HSSK50 TEC. Model OHSK55 TEC. Model HSSK50 TEC. Model HSK70
ITEM P/N DESCRIPTION
1 4-5185 PLATE, Engine
2 3-8521 GUIDE, Belt (I4223 & I5223)
-- 4-5186 GUIDE, Belt (I5225 & EI5223) (looks similar to item 2)
2A 3-8534 GUIDE, Belt (I6223, I7243 & EI7243)
3 9-0322 SCREW, 5/16-18 x 1/2" Hex Head Cap (2)
4 9-0503 SCREW, 3/8-16 x 1-3/4" Hex Head Cap, Grade 5
5 5-3875 BRACKET, Idler (I4223 & I5223)
- 5-8462 BRKT., Idler (I55223, EI55223, I6223, I7243 & EI7243)
6 9-0122 WASHER, 3/8” Flat (2)
7 1-0948 IDLER, 2” O.D.
8 9-0546 NUT, 3/8-16 Hex Center Lock, Grade B or 5 (2)
9 3-5083 COVER, Belt
10 9-1075 SCREW, #10-24 x 5/8" H. Wshr. Self-Tap, Gr. 5 (3)
11 9-0636 SCREW, 5/16-18 x 1" Hex Head Cap, Grade 5
12 1-4098 WASHER, 5/16” Flat
13 1-5698 SPACER
-- 7-2576 SPACER (I55223, EI55223, I7243 & EI7243)
14 9-0184 NUT, 5/16-18 Hex Center Lock, Grade B or 5
15 1-5188 SPRING
16A 1-5151 BELT, Traction (I4223 & I5523)
16B 2-3416 BELT, Traction (I6223, I7243 & EI7243)
16C 4-5214 BELT, Traction (I55223 & EI55223)
17 1-0614 KEY, 1/8 x 5/8" Woodruff
18 1-5179 PULLEY, P.T.O. (I4223, I55223 & EI55223)
-- 2-3622 PULLEY, P.T.O. (I6223, I7243 & EI7243)
19 1-5180 PULLEY, Auger Drive
20 1-0061 KEY, 3/16 Square x 1"
21 1-5152 BELT, Blower
22 9-0322 SCREW, 5/16-24 x 1/2" Hex Head Cap (2)
23 9-0391 WASHER, 5/16” Internal Tooth Lock (4)
24 9-1021 SCREW, 5/16-24 x 3/4" Gr. 5 (2) (I4223, I55223 & EI55223)
-- 9-0233 SCREW, 5/16-24 x 3/4" Gr. 5 (2) (I6223, I7243 & EI7243)
25 1-5226 GUIDE, Belt
26 4-7875 BRAKE ARM & ROD
27 1-4340 IDLER, 2-1/2” Flat
28 1-5177 TUBE, Brake
29 9-0360 PIN, 1/16 x 3/4" Cotter (2)
30 9-0471 SCREW, 1/4-20 x 5/16 Socket Set
31 4-1995 MUFFLER GUARD, Tecumseh 5.5 HP (not shown)
MANUAL No. 06045 INTERMEDIATE SNOW THROWER
6
9
10
11
12
13
14
5
15
8
27
6
26
6
4
2829
ENGINE
SUPPORT
30
2
21
1
18173
24
16A, B, C
23
2A
8
7
24
22
25
23
20
(Engine Crankshaft Shown)
19

19
CHAIN CASE
ITEM PART NO. DESCRIPTION
1 5-1570 ASSEMBLY, Chain Case (Includes Items 2 thru 18)
2 5-1569 ASSEMBLY, Cover Sprocket (Includes Items 4 & 17)
3 1-8964 SHAFT & SPROCKET
4 1-5363 BEARING (2)
5 1-5142 SPACER (2)
6 4-0523 HUB & SPROCKET
7 1-5156 CHAIN
8 5-1568 ASSEMBLY, Sprocket Case (Includes Items 4 & 17)
9 1-8748 HUB, Driven Disc
10 1-0927 RING, Driven
11 3-1013 PLATE
12 9-0122 WASHER, 3/8” Flat (2)
13 9-0524 NUT, 3/8-24 Hex Top Lock, Grade C
14 9-0913 SCREW, #10-24 x 1/2" Hex Washer Self-Tap (Torx) (11)
15 1-0776 RING, 1/2” External Retaining (Heavy Duty)
16 2-0908 ROLLER
17 1-5141 BEARING, Ball (2)
18 1-5163 KEY, 3/32 x 1/2" Woodruff
INTERMEDIATE SNOW THROWER MANUAL No. 06045
14
10
98
14
12
15
16
17
18 3
17
4
57
6
5
4
2
14
13
ASSEMBLY1
11

20
WHEELS
(I4223, I5223, I55223, EI55223 & I6223 MODELS)
ITEM PART NO. DESCRIPTION
1 5-3415 ASSEMBLY, Wheels & Tire (Snow Hog) (Includes Items 2A, 3A & 4)
-- 5-8917* ASSEMBLY, Wheels & Tire (Kenda) (Includes Items 2B, 3B & 4)
2A 2-3646 TIRE, 4.10 x 3.50 x 6 (2)
2B 7-3454 TIRE, 4.10 x 3.50 x 6 (Kenda) (2)
3A 2-9575 RIM, 6 x 3.25 (2)
3B 2-9575 RIM, 6 x 4 (2)
4 1-2234 VALVE, Snap-In (2)
5 1-2407 PIN, 5/16 x 1-11/16" Clevis (2)
6 1-5067 PIN, 3/32 x 1-1/2" Hair (2)
SNOW HOG TIRE CHAIN KIT #6-0926
(I7243 & EI7243 MODELS)
ITEM PART NO. DESCRIPTION
1 5-3448 ASSEMBLY, Wheels & Tire (Snow Hog) (Includes Items 2A, 3A & 4)
-- 5-8919* ASSEMBLY, Wheels & Tire (Kenda) (Includes Items 2B, 3B & 4)
2A 2-8270 TIRE, 13 x 5.00 x 6 (2)
2B 7-3456 TIRE, 13 x 5.00 x 6 (2)
3A 2-8271 RIM, 6 x 4.00 (2)
3B 2-8271 RIM, 6 x 4.00 (2)
4 1-2234 VALVE, Snap-In (2)
5 1-2407 PIN, 5/16 x 1-11/16" Clevis (2)
6 1-5067 PIN, 3/32 x 1-1/2" Hair (2)
SNOW HOG TIRE CHAIN KIT #6-1409
MANUAL No. 06045 INTERMEDIATE SNOW THROWER
2
3
4
65
1 WHEEL & TIRE
ASSEMBLY
*NOTE: These wheel assemblies
are used on units built in
2000 for model year 2001)
*NOTE: These wheel assemblies
are used on units built in
2000 for model year 2001)

21
ACCESSORIES
MODELS I4223, I5223, I52223 & I6223
HARDWARE BAG KIT #6-1364
PART NO. DESCRIPTION
1-1938 RETAINER
9-1075 SCREW, #10-24 x 5/8" Self-Tapping (2)
1-2659 KNOB, Selector (Ball)
1-5257 BOLT, 1/4-20 x 1-1/2” Shoulder (2)
9-1099 NUT, 1/4-20 Hex Center Lock,
Grade B or 5 (2)
2-8194 CABLE, Auger Drive
2-8223 CABLE, Auger/Clutch
9-1138 SCREW, 5/16-18 x 5/8" Hex Cap, Gr. 5
9-1070 NUT, 5/16-18 Hex Fl. Lock, Gr. 5 (5)
2-2332 GRIP, Vinyl
9-0391 WASHER, 5/16 Internal Tooth Lock
9-1067 NUT, 5/16-18 Hex Center Lock, Gr. B
9-1069 NUT, 5/16-18 Hex, Grade B or 5
9-1076 WASHER, 5/16 Flat
MODELS I55223 & EI55223
HARDWARE BAG KIT #6-3001
PART NO. DESCRIPTION
1-1938 RETAINER
9-1075 SCREW, #10-24 x 5/8" Self-Tapping (2)
1-2659 KNOB, Selector (Ball)
1-5257 BOLT, 1/4-20 x 1-1/2” Shoulder (2)
9-0372 NUT, 1/4-20 Hex Center Lock,
Grade B or 5 (2)
2-8194 CABLE, Auger Drive
2-8223 CABLE, Auger/Clutch
9-1070 NUT, 5/16-18 Hex Fl. Lock, Gr. 5 (4)
9-1082 PIN, 3/32 x 3/4 Cotter (3)
9-1552 WASHER, .219 I.D., .5 O.D. Flat (2)
INTERMEDIATE SNOW THROWER
MODELS I7243 & EI7243
HARDWARE BAG KIT #6-1373
PART NO. DESCRIPTION
1-1938 RETAINER
9-1075 SCREW, #10-24 x 5/8” HWST, Gr. 5 (2)
1-2659 KNOB, Selector (Ball)
1-5257 BOLT, 1/4-20 x 1-1/2” Shoulder (2)
9-1070 NUT, 5/16-18 Hex Fl. Lock, Gr. 5 (4)
9-1082 PIN, 3/32 x 3/4 Cotter (3)
9-0372 NUT, 1/4-20 Hex Center Lock,
Grade B or 5 (2)
DRIFT CUTTER KIT # 6-1099
PART NO. DESCRIPTION
3-8201 DRIFT-CUTTER
9-0643 SCREW, 1/4-20 x 7/8" Hex Head
Cap, Grade 5
9-1099 NUT, 1/4-20 Hex Center
Lock, Grade B or 5
ELECTRIC START KIT for TECUMSEH ENGINES
KIT NO. TYPE FOR
6-0758 120 VOLT-GEAR I4223, I5223, I55223
& I6223 Models
6-0783 120 VOLT-GEAR I7243 & EI7243
Models
MANUAL No. 06045

22
DECALS
MANUAL No. 06045 INTERMEDIATE SNOW THROWER
6
5
4
3
2
1
9
8
7
10

23
DECALS
(Continued)
ITEM PART NO. DESCRIPTION
1 2-3009 DECAL, Noise
2 2-8280 DECAL, Foot Danger/Blank
3 2-9776 DECAL, European Community (CE)
4 2-8711 DECAL, Foot Danger (Euro)
5 2-4773 DECAL, Hand Danger
6 1-6578 DECAL, Danger (Collector)
7 7-2820 DECAL, 2000 Year of Manufacture
-- 7-2404 DECAL, 99 Year of Mfr. (not shown)
-- 3-6434 DECAL, 97 Year of Mfr. (not shown)
-- 2-9077 DECAL, 96 Year of Mfr. (not shown)
8 2-8282 DECAL, Gear Snow (Direction Control)
9 2-8700 DECAL, Chute/Read Manual (Euro)
ITEM PART NO. DESCRIPTION
10 4-5217 DECAL, Control- E5.5/22
11 2-8277 DECAL, Control- 7/24
12 2-8710 DECAL, Control- E5/22
-- 2-8251 DECAL, Chute Control- 6/22 (not shown)
-- 2-8544 DECAL, Control- 5/22 (not shown)
-- 4-5207 DECAL, Control- 5.5/22 (not shown)
-- 2-8713 DECAL, Control- E7/24 (not shown)
-- 2-8276 DECAL, Control- I4223 (not shown)
13 2-7733 DECAL, Ear Protection
14 7-3342 DECAL, OPEI Snow
15 7-3844 DECAL, Fuel Safety
INTERMEDIATE SNOW THROWER MANUAL No. 06045
11
12
14
13
15

24
Parts Manual for
TWO-STAGE
INTERMEDIATE FRAME
SNOW THROWER
SERIES 3
MODELS
I4223
I5223
I55223
I6223
I7243
EI5223
EI55223
EI7243
IT IS THE POLICY OF SNAPPER TO IMPROVE ITS PRODUCTS WHENEVER IT IS POSSIBLE
AND PRACTICAL TO DO SO. WE RESERVE THE RIGHT TO MAKE CHANGES OR ADD
IMPROVEMENTS AT ANY TIME WITHOUT INCURRING ANY OBLIGATION TO MAKE SUCH
CHANGES ON PRODUCTS MANUFACTURED PREVIOUSLY.
COPYRIGHT © 2000
SNAPPER INC.
ALL RIGHTS RESERVED
(REV. 5, 7/03/00) MANUAL No. 06045