Snapper Series 19 Ep216751Bv Users Manual PartsManual
2015-01-24
: Snapper Snapper-Series-19-Ep216751Bv-Users-Manual-227023 snapper-series-19-ep216751bv-users-manual-227023 snapper pdf
Open the PDF directly: View PDF
.
Page Count: 36

Parts Manual fo
r
Revision IR,
21" STEEL DECK EUROPEA
N
SERIES 19
COPYRIGHT
©
2006
McDonough, GA, 30253 U.S.A.
TP 400-5198-IR-WB-N
6/12/2006
Manual No. 7006157
SNAPPER PRODUCTS, INC.
ALL RIGHTS RESERVED.
WALK BEHIND MOWERS
MODEL
EP217019BV
ERP2167519BV
ERP217019B
V

Table Of Content
s
TP 400-5198-IR-WB-N
Manual No. 700615721" STEEL DECK EUROPEAN
SERIES 19 3
PAGE GROUP
4HANDLES & CONTROLS
8CUTTING DECK, BLADES
10 WHEEL BRACKETS, LATCHES
12 WHEELS, FRONT & REAR
14 DRIVE SYSTEM SELF-PROPELLED
18 TRANSMISSION (DIFFERENTIAL)
20 THROTTLE CONTROLS/ENGINE SPECS
22 SIDE CHUTE ADAPTER
24 ACCESSORY GRASS BAG
26 DECALS
28 RECYCLING KITS ACCESSORY
30 SNAPPERIZER ACCESSORY
32 THATCHERIZER ASSEMBLY

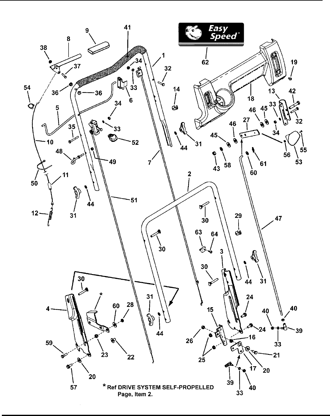
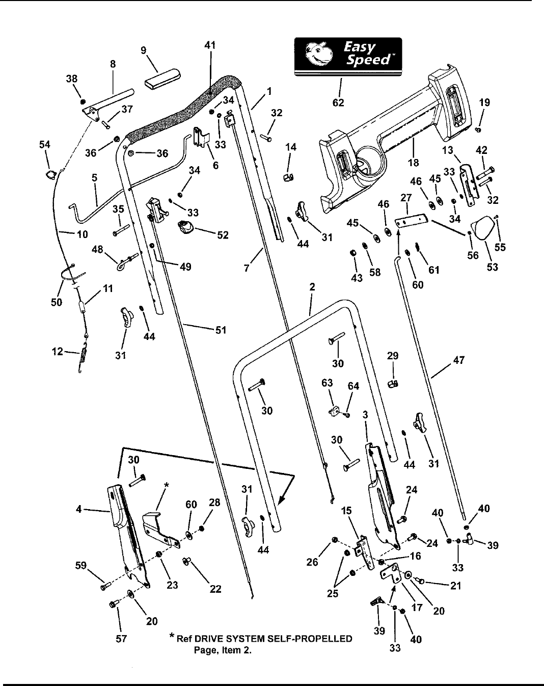
HANDLES & CONTROLS
TP 400-5198-IR-WB-N
Manual No. 7006157 21" STEEL DECK EUROPEAN
SERIES 19
4

HANDLES & CONTROLS
Footnotes:
TP 400-5198-IR-WB-N
Manual No. 700615721" STEEL DECK EUROPEAN
SERIES 19 5
Part No Descri
p
tionItem Qt
y
Note
1 7074411 1 HANDLE, Upper
2 7074156 1 HANDLE, Middle
3 7033985 1 HANDLE, Lower LH (Adjustable)
4 7033986 1 HANDLE, Lower RH (Adjustable)
5 7074418 1 BAIL, OPC Control
6 7034872 1 CLIP, Zone Control
7 7034608 1 CABLE, Zone Control (52-63/64” Long)
8 7074473 1 HANDLE, Clutch
9 7028407 1 GRIP, International Symbol
10 7034604 1 CABLE, Clutch Control (41-1/4” Long)
11 7012121 1 COVER, Vinyl
12 7012122 1 SPRING, Clutch- 21S
13 7074003 1 BRACKET, Shift
14 7024641 2 TIE, Wire, 1.29 long, black
15 7073822 1 BRACKET, Bell Crank
16 7013849 1 SPACER, .33 x .63 x .156
17 7073913 1 BELL CRANK
18 7074140 1 CONTROL PANEL (w/o Electrical Switch Hole)
19 7091200 4 SCREW, 1/4-20 x 1/2” Pan Head Self-Tap (Torx)
20 7091130 2 WASHER, .33 x .88 x .09 Flat
21 7091904 1 SCREW, 5/16-18 x 7/8” Hex Head Cap, GR 5
22 7090895 1 TEENUT 5/16-18
23 7012114 1 BUSHING, Differential, .328 x .625 x .41
24 7090595 2 BOLT, 5/16-18 x 3/4” Hex Flange Lock GR 5
25 7090585 2 NUT, 5/16-18 Hex Flange Lock, GR 5 or 7091601
26 7091067 1 NUT, 5/16-18 Hex Center Lock
27 7074113 1 LEVER, Shift
28 7091606 1 NUT, 5/16-24 Hex Center Lock GR 5
29 7023813 1 CLIP, Wiring Harness
30 7091189 4 SCREW, 5/16-18 x 1-7/8” Curved Head GR 2 or 7091740
31 7035744 4 KNOB, 5/16-18 Wing (Black)
32 7079577 2 SCREW, 1/4-20 x 1-1/2 Hex Head Cap GR 5
33 7090053 5 WASHER, 1/4” Internal Tooth Lock
34 7091100 3 NUT, 1/4-20 Hex or 7091576
35 7090505 1 SCREW, 1/4-20 x 2” Hex Head Cap, GR 5
36 7014343 2 BUSHING, .27 x .35 x .4 Flange
37 7023792 1 PIN, 1/4 x 1-1/2”
Note* See also Throttle Control Page

HANDLES & CONTROLS
TP 400-5198-IR-WB-N
Manual No. 7006157 21" STEEL DECK EUROPEAN
SERIES 19
6

HANDLES & CONTROLS
Footnotes:
TP 400-5198-IR-WB-N
Manual No. 700615721" STEEL DECK EUROPEAN
SERIES 19 7
Part No Descri
p
tionItem Qt
y
Note
38 7091020 1 PUSH-NUT, 1/4”
39 7015753 2 BALL JOINT, 1/4-28
40 7090095 4 NUT, 1/4-28 Hex
41 7023810 1 FOAM GRIP, 18.75” long
42 7091305 1 SCREW, 3/8-16 x 2” Hex Head Cap, GR 5
43 7091585 1 NUT, 3/8-16 Hex Center Lock
44 7090391 4 WASHER, 5/16” Internal Tooth Lock
45 7031961 8 WASHER, 7/16” Flat
46 7028465 2 WASHER, Nylon
47 7074133 1 ROD, Speed Control (1/4-28 thread)
48 7028488 1 GUIDE, Rope (1/4-20 thread)
49 7076978 1 NUT, 1/4-28 Hex GR 5 or B
50 7012080 1 CABLE-TIE, 7”
51 7074460 1 *THROTTLE CONTROL, .48 x .61
52 7075308 1 THROTTLE KNOB
53 7075182 1 KNOB, Shift
54 7026219 1 CLAMP, 7/8” Double Cable
55 7091167 1 SCREW, #8-32 x 1/2” Cross Recess Filister Head Machine
56 7091018 1 NUT, #8-32 Hex
57 7091151 1 SCREW, 5/16-18 x 1-1/4” Hex Washer Head Self-Tap
58 7028568 1 WASHER, Belleville
59 7090238 1 SCREW, 5/16-24 x 1” Hex Head Cap GR 5
60 7090188 1 WASHER, 11/32” Flat
61 7034162 1 COTTER PIN, 5/16 Self Lock
62 7100183 1 DECAL, Easy Speed, Control Panel
63 7023153 1 CLAMP, Casing
64 7023154 1 SCREW,#10-32 x 5/8” Self-Tap
Note* See also Throttle Control Page

CUTTING DECK, BLADES
TP 400-5198-IR-WB-N
Manual No. 7006157 21" STEEL DECK EUROPEAN
SERIES 19
8

CUTTING DECK, BLADES
Footnotes:
TP 400-5198-IR-WB-N
Manual No. 700615721" STEEL DECK EUROPEAN
SERIES 19 9
Part No Descri
p
tionItem Qt
y
Note
1 7400026 1 WELDMENT, Deck, 21” Non-Adjust Air finish: red painted but w/o decals
1 7400027 1 WELDMENT, Deck, 21”, S.P., HV, Core Model finish: red painted but w/o decals
2 7091070 5 NUT, 5/16-18 Hex Flange Lock, GR 5
3 7090731 3 BOLT, 5/16-18 x 1/2”, Short Neck Carriage, GR 5
4 7046780 2 PLUG, Hole, Polyethylene
5 7090001 1 BOLT, 5/16-18 x 3/4” Short Neck Carriage GR 5 or 7091508
6 7011791 1 RETAINER, 5/16” Bolt
7 7090167 1 SCREW, 3/8-24 x 2” Hex Head Cap, GR 5
8 7012063 2 WASHER, Cone
9 7019795 1 BLADE, 21” Air Lift
10 7026407 1 BLADE, 21” Ninja (Quad Edge) used on ERP2167519BV &
ERP217019BV
11 7074568 1 COVER, Belt
12 7015780 1 PULLEY, Engine (25mm I. D. x 2-1/8” O.D.)
13 7092086 1 SCREW, 5/16-18 x 1/2” Hex Socket Head
14 7091214 1 KEY, Woodruff #HP-506 Hi-Pro Used on EP217019BV &
ERP217019BV
15 7015626 1 HUB, Blade Drive 25mm I.D.
16 7090324 3 SCREW, 3/8-16 x 1” Self-Tapping engine mount bolts
17 7090228 4 SCREW, 5/16-24 x 21/32” Oval Head Machine
18 7032558 2 AIR LIFT
19 7090391 4 WASHER, 5/16” Internal Tooth Lock
20 7090223 4 NUT, 5/16-24 Hex, GR 5
21 7041400 1 FENDER (Weldment), EP21S
22 7090539 6 SCREW, 1/4-20 x 1/2” Hex Flange Self-Tap
23 7073462 1 DECAL, Caution Symbols (International)
24 7090702 1 BOLT, 5/16-18 x 2-1/4” Hex Flange Lock
25 7013320 1 BUSHING, .388 x .625 x 1.62 Flanged matl: powdered metal
26 7031961 2 WASHER, 7/16” Flat
27 7033863 1 COVER, Belt- IP21S
28 7090534 1 SCREW, 5/16-18 x 1/2” Hex Head Cap, GR 5
29 7091076 1 WASHER, 5/16” Flat
1 *ENGINE, 6.75 Briggs Quantum Mod 125K02-0142-E1 Used on ERP2167519BV
1 *ENGINE, 7HP Briggs Intek Euro Mod 128602-0112-E1 Used on EP217019BV &
ERP217019BV

WHEEL BRACKETS, LATCHES
TP 400-5198-IR-WB-N
Manual No. 7006157 21" STEEL DECK EUROPEAN
SERIES 19
10

WHEEL BRACKETS, LATCHES
Footnotes:
TP 400-5198-IR-WB-N
Manual No. 700615721" STEEL DECK EUROPEAN
SERIES 19 11
Part No Descri
p
tionItem Qt
y
Note
1A 7051885 1 ASSEMBLY, Left Wheel Arm
1B 7051886 1 ASSEMBLY, Right Wheel Arm not shown
2 7015761 1 BOLT, 5/16-18 x 3/4” Hex Washer Face Shoulder per wheel arm assembly
3 7012325 1 LATCH, Height per wheel arm assembly
4 7027702 1 GRIP, Height Latch per wheel arm assembly
5A 7031017 1 WHEEL ARM, R.H. Front (Round Hole)
5B 7031016 1 WHEEL ARM, L.H. Front (Square Hole) not shown
6 7011791 4 RETAINER, 5/16” Bolt
7 7090585 4 NUT, 5/16-18 Hex Flange Lock, GR 5 or 7091601
8 7021119 1 AXLE, 21”
9 7012312 1 BEARING, 9/16” I.D. per Rear Wheel Arm
10 7091012 3 SCREW, #10-32 x 3/8” Hex washer Self-Tap per Rear Wheel Arm
11 7035717 1 LATCH, Height Adjusting (long) per Rear Wheel Arm
12 7011078 1 BOLT, 5/16-18 x 1” Hex Washer Face Shoulder per wheel arm assembly
13 7054230 1 ASSY, Wheel Arm, Right Rear (S.P.) Incl. 4, 6, 9, 10, 11, 15 & 17
14 7054231 1 ASSY, Wheel Arm Left Rear Long SP21S Incl. 4, 6, 9, 10, 11, 16 & 17
15 7032722 1 ARM, Wheel, Right Rear
16 7032723 1 ARM, Wheel, Left Rear

WHEELS, FRONT & REAR
TP 400-5198-IR-WB-N
Manual No. 7006157 21" STEEL DECK EUROPEAN
SERIES 19
12

WHEELS, FRONT & REAR
Footnotes:
TP 400-5198-IR-WB-N
Manual No. 700615721" STEEL DECK EUROPEAN
SERIES 19 13
Part No Descri
p
tionItem Qt
y
Note
1 7029010 2 WHEEL, 8 x 1.75” Plastic
2 7090377 4 NUT, 7/16-20 Hex Center Lock Jam
3 7012309 2 BUSHING, Axle
4 7031961 2 WASHER, 7/16” Flat
5 7017829 4 PLUG, Wheel
6 7029011 2 WHEEL, 10 x 1.75” Plastic

DRIVE SYSTEM SELF-PROPELLED
TP 400-5198-IR-WB-N
Manual No. 7006157 21" STEEL DECK EUROPEAN
SERIES 19
14

DRIVE SYSTEM SELF-PROPELLED
Footnotes:
TP 400-5198-IR-WB-N
Manual No. 700615721" STEEL DECK EUROPEAN
SERIES 19 15
Part No Descri
p
tionItem Qt
y
Note
1 7012354 1 BELT, Poly-V
2 7011724 1 WASHER, 44 x .78 x .025 Curved
3 7034179 1 LINK, Differential
4 7090391 1 WASHER, 5/16” Internal Tooth Lock
5 7091542 1 SCREW, 5/16-18 x 1/2” Pan Head Self-Tap (Torx)
7051913 1 ASSEMBLY, Clutch Idler (incl. items 6, 10, 11 & 12)
6 7500154 1 ASSEMBLY, Idler Arm, Bushing & Spacer
7 7032832 1 ARM, Clutch Idler
8 7012306 4 BUSHING, Flange, .381 x .625 x .62
9 7100447 1 SPACER, Idler Arm
10 7090303 1 NUT, 1/4-28 Hex Top Lock
11 7012124 1 PULLEY, Idler, V21
12 7091025 1 SCREW, 1/4-28 x 1-3/8” Hex Head Cap, GR 5
13 7090555 1 COTTER PIN, 3/32 x 1/2”
14 7012122 1 SPRING, Clutch- 21S See also HANDLES &
CONTROLS page
15 7012126 1 SPRING, Idler- Torsion
16 7012111 1 STUD, Idler (3/8-24 thread)
17 7031873 1 HOLDER, Bearing (Inner Half)
18 7090390 3 WASHER, 3/8” Internal Tooth Lock
19 7091630 2 NUT, 3/8-24 Hex
20 7012316 1 WASHER, .390 I.D. Flat
21 7028014 1 BALL BEARING, Spherical O.D., .38 I.D.
22 7011025 1 O-RING, V21
23 7031809 1 HOLDER, Bearing (Outer Half)
24 7090539 2 SCREW, 1/4-20 x 1/2” Hex Flange Self-Tap or 7091122
25 7090289 1 NUT, 3/8-24 Hex Center Lock, GR 5
26 7012125 1 GUIDE, Thrust Plate (3/8-24 thread)
7042934 1 *ASSY, Driven Disc (Cantilever) Euro
27 7034281 1 THRUST PLATE, Short
28 7090122 1 WASHER, 3/8” Flat
29 7032664 1 SHIELD- Hex Shaft
30 7010746 2 RETAINING RING, .625 External
31 7091629 1 COTTER PIN, .06 x .50 YZ or 7090673
32 7091294 2 WASHER, .28 x .63 x .06 Flat
33 7074145 1 LINK, Transfer (1/4-28 thread)
34 7090095 2 NUT, 1/4-28 Hex See also HANDLES &
CONTROLS page
35 7015753 1 BALL JOINT, 1/4-28 See also HANDLES &
CONTROLS page
NOTE* 7042934 Assembly includes items 18, 19, 26-30, 32, 34, 36, 37 & 38.

DRIVE SYSTEM SELF-PROPELLED
TP 400-5198-IR-WB-N
Manual No. 7006157 21" STEEL DECK EUROPEAN
SERIES 19
16

DRIVE SYSTEM SELF-PROPELLED
Footnotes:
TP 400-5198-IR-WB-N
Manual No. 700615721" STEEL DECK EUROPEAN
SERIES 19 17
Part No Descri
p
tionItem Qt
y
Note
36 7090053 1 WASHER, 1/4” Internal Tooth Lock
37 7041855 1 DISC, Driven (Cantilever)
38 7026693 1 BALL BEARING- 3/4” Bore
39 7072284 1 SHAFT, Hex Drive
40 7024521 1 PULLEY, Poly-V (2” O.D.)
41 7046784 1 BELT, Engine Drive (Stretch)
42 7073528 1 ASSEMBLY, Steel Drive Disc 7053263, Drive Disc & Bushing
Assembly is made of items 42 &
43.
43 7017696 1 BUSHING, Powdered Metal
44 7011791 1 RETAINER, 5/16” Bolt
7052987 1 ASSEMBLY, Deck Bracket (Incl. items 8, 45 & 46)
45 7021758 1 SPACER, .500 x .65 x 1.75
46 7033774 1 BRACKET, Deck, P21S
47 7029025 1 SPRING, Wheel Drive
48 7090731 1 BOLT, 5/16-18 x 1/2”, Short Neck Carriage, GR 5
49 7091026 1 BOLT, 5/16-18 x 5/8” Short Neck Carriage GR 5 or 7090799
50 7090585 2 NUT, 5/16-18 Hex Flange Lock, GR 5 or 7091070
51 7091302 1 NUT, 3/8-16 Hex, GR 5 or B
NOTE* 7042934 Assembly includes items 18, 19, 26-30, 32, 34, 36, 37 & 38.

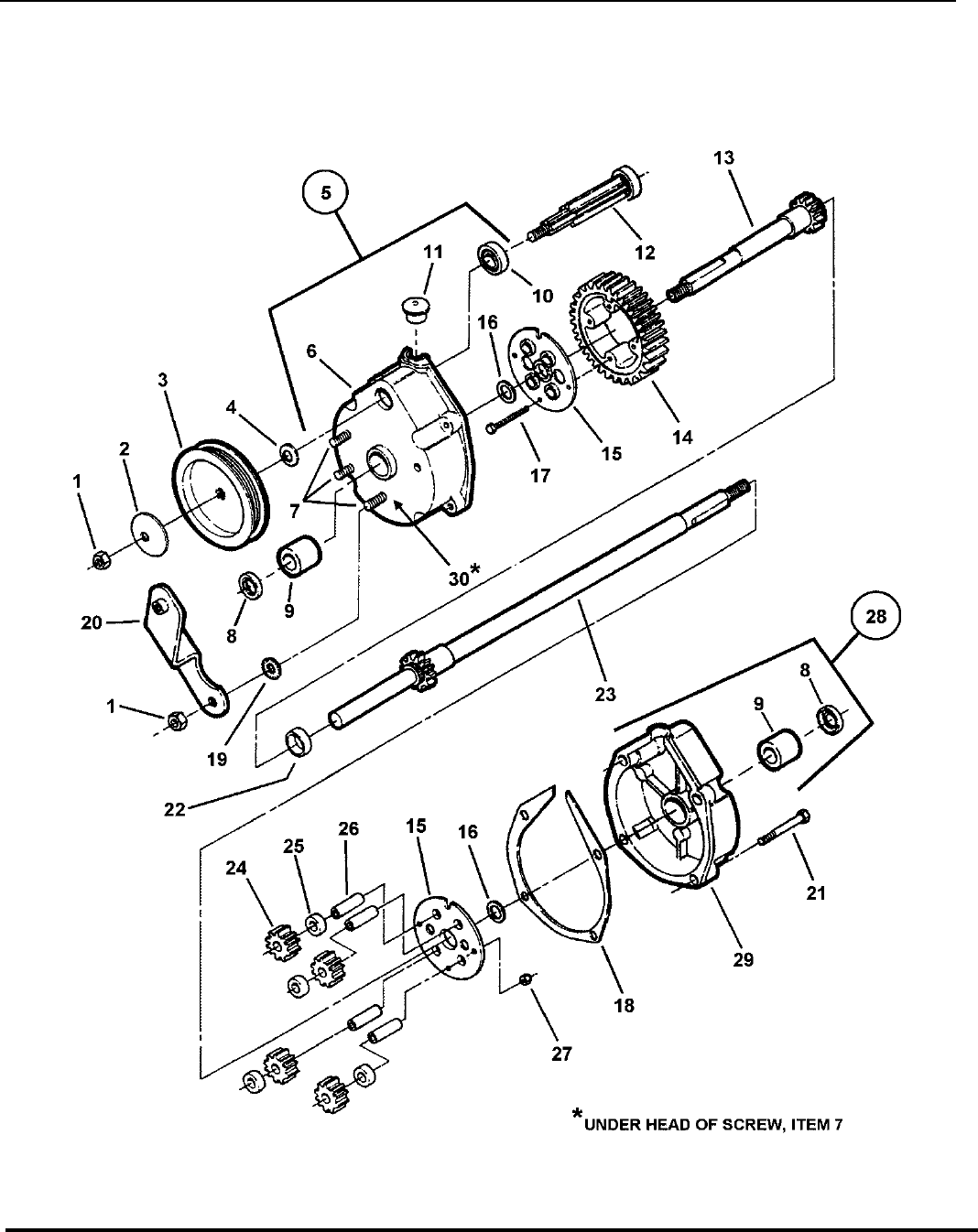
TRANSMISSION (DIFFERENTIAL)
TP 400-5198-IR-WB-N
Manual No. 7006157 21" STEEL DECK EUROPEAN
SERIES 19
18

TRANSMISSION (DIFFERENTIAL)
Footnotes:
TP 400-5198-IR-WB-N
Manual No. 700615721" STEEL DECK EUROPEAN
SERIES 19 19
Part No Descri
p
tionItem Qt
y
Note
7059070 1 ASSEMBLY, Transmission (Incl. items 1 thru 30)
1 7092062 4 NUT, 5/16-18 Hex Lock or 7011201
2 7092063 1 WASHER, Cone
3 7019213 1 PULLEY, Poly-V Belt (3.5” O.D.)
4 7011724 2 WASHER, 44 x .78 x .025 Curved
5 7053941 1 ASSEMBLY, Right Housing (Incl. items 6, 7, 8, 9, 10 & 30)
6 7029034 1 HOUSING, Right Side
7 7014155 3 SCREW, 5/16-24 x 1-1/8” Rib Neck, GR 5
8 7012314 1 SEAL, 5/8” Internal Diameter
9 7029035 1 BEARING, Tapered- (Differential Housing)
10 7073963 1 BALL BEARING, 7/16 I.D., 1/1/8” O.D. was 7011767
11 7016544 1 PLUG, Transmission Housing
12 7050767 1 GEAR, Input
13 7051932 1 AXLE, Short
14 7012495 1 GEAR, Differential (46 Tooth)
15 7031970 2 PLATE, 46T Gear
16 7031965 2 WASHER, Thrust, 3/4” I.D.
17 7090557 4 SCREW, #10-32 x 1-1/2” Hex Head Cap GR 5
18 7011774 1 GASKET, Housing
19 7090189 3 WASHER, 5/16” Internal/External Tooth Lock
20 7051903 1 BRACKET, Differential
21 7092064 4 SCREW, 1/4-20 x 1” Hex washer Self-Tap or 7091825
22 7012543 1 SPACER, Axle Gear
23 7051933 1 ASSEMBLY, Long Axle
24 7021115 4 GEAR, Pinion (12 tooth)
25 7012500 4 SPACER, Pinion Gear
26 7011110 4 SHAFT, Pinion
27 7090376 4 NUT, #10-32 Hex Nyloc
28 7053938 1 ASSY, Left Housing (Phantom)
29 7029033 1 HOUSING, Left
30 7024442 3 GASKET, 5/8” O. D.
7061017 32oz. *”00” Grease not shown
NOTE* Maximum capacity of transmission case is 4 oz. DO NOT OVERFILL!

THROTTLE CONTROLS/ENGINE SPECS
TP 400-5198-IR-WB-N
Manual No. 7006157 21" STEEL DECK EUROPEAN
SERIES 19
20

THROTTLE CONTROLS/ENGINE SPECS
Footnotes:
TP 400-5198-IR-WB-N
Manual No. 700615721" STEEL DECK EUROPEAN
SERIES 19 21
Part No Descri
p
tionItem Qt
y
Note
7074460 1 THROTTLE CONTROL, .48 x .61 (conduit length: 48-1/2”)

SIDE CHUTE ADAPTER
TP 400-5198-IR-WB-N
Manual No. 7006157 21" STEEL DECK EUROPEAN
SERIES 19
22

SIDE CHUTE ADAPTER
Footnotes:
TP 400-5198-IR-WB-N
Manual No. 700615721" STEEL DECK EUROPEAN
SERIES 19 23
Part No Descri
p
tionItem Qt
y
Note
1 7051951 1 ASSEMBLY, Bag Adapter/Cover (Includes items 2 thru 9)
2 7016107 1 ADAPTER, Grass Bag Euro 21” see Grass Bag Accessory page
3 7019287 1 COVER, Bag Adapter
4 7023000 1 HINGE, Chute Cover
5 7091064 5 BOLT, 1/4-20 x 1/2” Short Neck Carriage, GR 5
6 7090053 2 WASHER, 1/4” Internal Tooth Lock
7 7091100 2 NUT, 1/4-20 Hex or 7091576
8 7032661 1 STOP, Cover
9 7023042 1 TRIM, Moulding
10 7091169 2 BOLT, 5/16-18 x 1-1/8” Short Neck Carriage, GR 5
11 7024340 1 SPACER, .316 I.D. x .375 O.D. x .310 thick
12 7090951 3 NUT, 5/16-18 Hex Large Flange Center Lock
13 7011791 3 RETAINER, 5/16” Bolt
14 7090001 1 BOLT, 5/16-18 x 3/4” Short Neck Carriage GR 5 or 7091508
15 7042965 1 SIDE CHUTE, 21”
16 7029149 1 COVER, 21” Deck

ACCESSORY GRASS BAG
TP 400-5198-IR-WB-N
Manual No. 7006157 21" STEEL DECK EUROPEAN
SERIES 19
24

ACCESSORY GRASS BAG
Footnotes:
TP 400-5198-IR-WB-N
Manual No. 700615721" STEEL DECK EUROPEAN
SERIES 19 25
Part No Descri
p
tionItem Qt
y
Note
1 7058571 1 BAG ASSEMBLY (Door) includes items 2, 3 & 4
2 7075765 1 GRASS BAG (Door w/Gray Letters)
3 7042489 1 CONNECTOR, Grass Bag (weldment)
4 7051906 1 ASSEMBLY, Bag Wire (12” Wide)
5 7016814 1 PLUG, Chute Adapter
6 7016107 1 ADAPTER, Grass Bag Euro 21”
7 7091169 2 BOLT, 5/16-18 x 1-1/8” Short Neck Carriage, GR 5
8 7011791 2 RETAINER, 5/16” Bolt
9 7024340 1 SPACER, .316 I.D. x .375 O.D. x .310 thick
10 7090951 2 NUT, 5/16-18 Hex Large Flange Center Lock
11 7090001 1 BOLT, 5/16-18 x 3/4” Short Neck Carriage GR 5 or 7091508

DECALS
TP 400-5198-IR-WB-N
Manual No. 7006157 21" STEEL DECK EUROPEAN
SERIES 19
26

DECALS
Footnotes:
TP 400-5198-IR-WB-N
Manual No. 700615721" STEEL DECK EUROPEAN
SERIES 19 27
Part No Descri
p
tionItem Qt
y
Note
1 7100183 1 DECAL, Easy Speed, Control Panel
2 7100185 1 DECAL, SNAPPER, Steel Decks
3 7100611 1 DECAL, 2006 Year of Mfg.
4 7029776 1 DECAL,Euro Community (CE)
5 7072921 1 DECAL, Warning (Deck)
6 7029779 1 DECAL, Spart Plug International Symbol
7 7022841 2 DECAL, Warning (Euro)
8 7073462 1 DECAL, Caution, Symbols
9 7100579 1 DECAL, Noise, 98 dB
10 7075471 1 DECAL, Speed Shift
11 7075532 1 DECAL, Throttle Control, B&S
12 7029784 2 DECAL, Deck/Chute International Warning
13 7029782 1 DECAL, OPC Bail (International Symbol)
14 7100410 1 DECAL, Ninja, Mulching System
15 7100398 1 DECAL, Hi Vac, Cutting Deck

RECYCLING KITS ACCESSORY
TP 400-5198-IR-WB-N
Manual No. 7006157 21" STEEL DECK EUROPEAN
SERIES 19
28

RECYCLING KITS ACCESSORY
Footnotes:
TP 400-5198-IR-WB-N
Manual No. 700615721" STEEL DECK EUROPEAN
SERIES 19 29
Part No Descri
p
tionItem Qt
y
Note
7061200 KIT, Recycling Cover (Incl. items 1 & 3 below) for 4HP & above engines
7061201 KIT, Recycling Plug (Incl. items 2 & 3 below) for 4HP & above engines
1 7029149 1 COVER, 21” Deck
2 7016814 1 PLUG, Chute Adapter
3 7026407 1 BLADE, 21” Quad Edge Ninja

SNAPPERIZER ACCESSORY
TP 400-5198-IR-WB-N
Manual No. 7006157 21" STEEL DECK EUROPEAN
SERIES 19
30

SNAPPERIZER ACCESSORY
Footnotes:
TP 400-5198-IR-WB-N
Manual No. 700615721" STEEL DECK EUROPEAN
SERIES 19 31
Part No Descri
p
tionItem Qt
y
Note
7060440 KIT, Snapperizer “HV” (Incl. items 1 & 2 thru 5) used on EP217019BV
7063041 KIT, Snapperizer “F & M” (Incl. items 1& 2A thru 5) used on ERP2167519BV &
ERP217019BV
1 7051243 1 SCREEN, Fastener Assembly
2 7039579 1 RING, Bottom (21.77” Inside Diameter)
2A 7072002 1 RING, Bottom (22.60” Inside Diameter)
3 7090223 3 NUT, 5/16-24 Hex, GR5 only 1 shown
4 7090187 3 WASHER, 5/16” Split Lock only 1 shown
5 7012587 3 SPRING only 1 shown

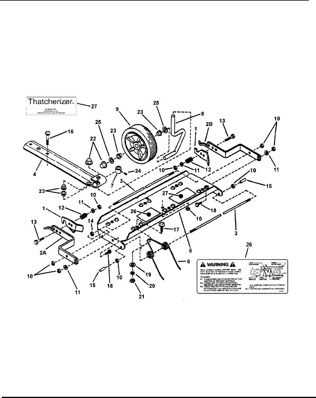
THATCHERIZER ASSEMBLY
TP 400-5198-IR-WB-N
Manual No. 7006157 21" STEEL DECK EUROPEAN
SERIES 19
32

THATCHERIZER ASSEMBLY
Footnotes:
TP 400-5198-IR-WB-N
Manual No. 700615721" STEEL DECK EUROPEAN
SERIES 19 33
Part No Descri
p
tionItem Qt
y
Note
7061256 KIT, Thatcherizer (Incl. items 1 thru 27)
1 7032891 2 LATCH, Frame Attachment
2A 7026572 1 BAR, Mount (Right Hand)
2B 7026573 1 BAR, Mount (Left Hand)
3 7018499 2 ROD, Tine
4 7018700 1 SUPPORT, Wheel
5 7019948 1 TRAY, Tine
6 7018496 6 KIT, Tine Thatching Spring was 7060574
7 7014100 1 BUSHING, Wheel Adjuster
8 7018493 1 AXLE, Wheel
9 7018189 1 WHEEL, 7.00 x 1.50 Gage
10 7091705 10 NUT, 1/4-20 Hex Top Lock was 7090761 (only 9 shown)
11 7091294 4 WASHER, 1/4” Flat was 7090055
12 7022425 2 SPRING, Compression
13 7090825 2 BOLT, 1/4-20 x 1-1/4” Hex, GR 5
14 7091576 2 NUT, 1/4-20 Hex, GR 5 was 7090063
15 7022424 2 CAP, Vinyl
16 7090015 2 BOLT, 1/4-20 x 2-1/2” Square Neck Carriage only 1 shown
17 7091303 6 BOLT, 5/16-18 x 1” Square Neck Carriage, GR 5 was 7090383 (only 1 shown)
18 7091530 2 BOLT, 1/4-20 x 3/4” Square Neck Carriage, GR 5 was 7090074
19 7014098 6 WASHER, Reinforcing only 1 shown
20 7090187 6 WASHER, 5/16” Split Lock only 1 shown
21 7091511 6 NUT, 5/16-18 Hex, GR 5 was 7090196 (only 1 shown)
22 7014101 2 NUT, 1/2” Push
23 7014342 4 BEARING, Nyliner
24 7014103 1 SCREW, 5/16-18 x 1/4” Set
25 7090250 2 WASHER, 1/2” Flat
26 7014115 1 DECAL, Adjustment
27 7014062 1 DECAL, Thatcherizer

Parts Manual fo
r
21" STEEL DECK EUROPEA
N
SERIES 19
IT IS THE POLICY OF SNAPPER TO IMPROVE ITS PRODUCTS
WHENEVER IT IS POSSIBLE AND PRACTICAL TO DO SO. WE
RESERVE THE RIGHT TO MAKE CHANGES OR ADD IMPROVEMENTS
AT ANY TIME WITHOUT INCURRING ANY OBLIGATION TO MAKE
SUCH CHANGES ON PRODUCTS MANUFACTURED PREVIOUSLY.
Revision IR,
COPYRIGHT
©
2006
TP 400-5198-IR-WB-N
6/12/2006
Manual No. 7006157
SNAPPER PRODUCTS, INC.
ALL RIGHTS RESERVED.
McDonough, GA, 30253 U.S.A.
WALK BEHIND MOWERS