Snapper Wp216512Bv P216012 P216512Bv Users Manual 7 4127D
WP216512BV, P216012, P216512BV to the manual c40b521b-9972-4816-8438-d928fb447807
2015-01-24
: Snapper Snapper-Wp216512Bv-P216012-P216512Bv-Users-Manual-226431 snapper-wp216512bv-p216012-p216512bv-users-manual-226431 snapper pdf
Open the PDF directly: View PDF
.
Page Count: 28

Safety Instructions & Operator’s Manual for
21” STEEL DECK
WALK MOWERS
SERIES 12
MODELS
P216012
P216512BV
WP216512BV
MODEL NUMBER EXPLANATION
WP 21 65 12 BV
SELF-PROPELLED ENGINE TYPE
CUTTING WIDTH SERIES DESIGNATION
ENGINE HORSE POWER
W – Model Designation 21 – 21” Cutting Width 12 - Series Designation
P – Self Propelled Model B – Briggs & Stratton
V – Overhead Valve
60 – 6.0 HP (Engine Horse Power)
65 – 6.5 HP (Engine Horse Power)
Thank you for buying a SNAPPER Product! Before operating your Walk Behind, read this manual carefully and pay
particular attention to the “IMPORTANT SAFETY INSTRUCTIONS” on Pages 2 & 3. Remember that all power
equipment can be dangerous if used improperly. Also keep in mind that SAFETY requires careful use in accordance
with the operating instructions and common sense.
COPYRIGHT © 2000
SNAPPER INC.
ALL RIGHTS RESERVED MANUAL No. 7-4127 (I.R.10/18/00)

2
IMPORTANT SAFETY INSTRUCTIONS
WARNING: This powerful cutting machine is capable of amputating hands and feet and can throw objects that
can cause injury and damage! Failure to comply with the following SAFETY instructions could result in serious
injury or death to the operator or other persons. The owner of the machine must understand these instructions
and must allow only persons who understand these instructions to operate machine. Each person operating the
machine must be of sound mind and body and must not be under the influence of any substance, which might
impair vision, dexterity or judgment. If you have any questions pertaining to your machine which your dealer
cannot answer to your satisfaction, call or write the Customer Service Department at SNAPPER, McDonough,
Georgia 30253. Phone: (1-800-935-2967).
PROTECTION FOR CHILDREN
Tragic accidents can occur if the operator is not
alert to the presence of children. Children are often
attracted to the machine and the mowing activity.
Never assume that children will remain where you
last saw them.
1. KEEP children out of the mowing area and
under the watchful care of a responsible adult.
2. DO NOT allow children in yard when machine is
operated and turn machine OFF if anyone
enters the area.
3. DO NOT allow pre-teenage children to operate
machine.
4. ALLOW only responsible adults & teenagers
with mature judgment under close adult
supervision to operate machine.
5. DO NOT pull mower backwards unless
absolutely necessary. LOOK and SEE behind
and down for children, pets and hazards before
and while backing.
6. USE EXTRA CARE when approaching blind
corners, shrubs, trees, or other objects that may
obscure vision.
SLOPE OPERATION
1. Slopes are a major factor related to slip and fall
accidents, which can result in severe injury. All
slopes require extra caution. If you feel uneasy
on a slope, DO NOT mow it.
2. Mow across slopes, never up-and-down.
Exercise extreme CAUTION when changing
directions on slopes. DO NOT mow steep
slopes or other areas where stability or traction
is in doubt.
3. Use extra care with grass catchers or other
attachments; these affect the handling and the
stability of the machine.
PREPARATION
1. Read, understand, and follow instructions and
warnings in this manual and on the mower,
engine and attachments. Know the controls and
the proper use of the mower before starting.
2. Only mature, responsible persons shall operate
the machine and only after proper instruction.
PREPARATION
(Continued From Previous Column)
3. Data indicates that operators age 60 and above,
are involved in a large percentage of mower-
related injuries. These operators should
evaluate their ability to operate the mower
safely enough to protect themselves and others
from serious injury.
4. Handle fuel with extra care. Fuels are flammable
and vapors are explosive. Use only an approved
fuel container. DO NOT remove fuel cap or add
fuel with engine running. Add fuel outdoors
only with engine stopped and cool. Clean
spilled fuel and oil from machine. DO NOT
smoke.
5. Check the area to be mowed and remove all
objects such as toys, wire, rocks, limbs and
other objects that could cause injury if thrown
by blade or interfere with mowing. Also note the
location of holes, stumps, and other possible
hazards.
6. Keep people and pets out of the mowing area.
Immediately, STOP Blade, Stop engine and Stop
mower if anyone enters the area.
7. Check shields, deflectors, switches, blade
controls and other safety devices frequently for
proper operation and location.
8. Make sure all safety decals are clearly legible.
Replace if damaged.
9. Protect yourself when mowing and wear safety
glasses, long pants and substantial footwear.
DO NOT mow barefooted or with sandals.
10. Know how to STOP blade and engine quickly in
preparation for emergencies.
11. Use extra care when loading or unloading the
machine into a trailer or truck.
12. Check grass catcher components frequently for
signs of wear or deterioration and replace as
needed to prevent injury from thrown objects
going through weak or torn spots.

3
IMPORTANT SAFETY INSTRUCTIONS
OPERATION
1. DO NOT put hands or feet near or under rotating
parts. Keep clear of discharge area while engine
is running.
2. STOP engine when crossing gravel drives,
walks, or roads, and under any conditions
where thrown objects might be a hazard.
3. Mow only in daylight or good artificial light.
4. DO NOT operate mower while under the
influence of alcohol or drugs.
5. After striking a foreign object or if mower
vibrates abnormally, STOP the engine,
disconnect and secure spark plug wire. Inspect
the mower for any damage and repair the
damage.
6. DO NOT mow near drop offs, ditches or
embankments. Operator could lose footing or
balance.
7. STAY ALERT for holes and other hidden
hazards. Tall grass can hide obstacles. Keep
away from ditches, washouts, culverts, fences
and protruding objects.
8. DO NOT mow on wet grass. Always be sure of
your footing. Keep a firm hold on the handle
and walk, never run. Slipping could cause
injury.
9. DO NOT leave the machine with the engine
running. STOP BLADE and STOP ENGINE
before leaving the operators position for any
reason.
10. Before cleaning, repairing or inspecting make
certain engine, blade and all moving parts have
STOPPED. Disconnect and secure spark plug
wire away from plug to prevent accidental
starting.
11. STOP engine and wait until the blade comes to
complete STOP before removing grass bag
and/or clearing grass.
12. DO NOT operate mower without the entire grass
catcher or guards in place. DO NOT point
discharge at people, passing cars, windows or
doors.
13. Slow down before turning.
14. Watch out for traffic when near or crossing
roadways.
15. DO NOT operate engine in enclosed areas.
Engine exhaust gases contain carbon
monoxide, a deadly poison.
MAINTENANCE AND STORAGE
1. DO NOT store mower or fuel container inside
where fumes may reach an open flame, spark or
pilot light such as in a water heater, furnace,
clothes dryer or other gas appliance. Allow
engine to cool before storing machine in an
enclosure. Store fuel container out of reach of
children in a well ventilated, unoccupied
building.
2. Keep mower and engine free of grass, leaves or
excess grease to reduce fire hazard and engine
overheating.
3. When draining fuel tank, drain fuel into an
approved container outdoors and away from
open flame.
4. Keep all bolts, especially blade bolts, nuts and
screws properly tight. Check that all cotter pins
are in proper position.
5. Always provide adequate ventilation when
running engine. Engine exhaust gases contain
carbon monoxide, a deadly poison.
6. Service engine and make adjustments only
when engine is stopped. Removed spark plug
wire from spark plug and secure wire away from
spark plug to prevent accidental starting.
7. DO NOT change engine governor speed
settings or overspeed engine.
8. Check grass bag assembly frequently for wear
or deterioration to avoid thrown objects and
exposure to moving parts. Replace with new
bag if loose seams or tears are evident. Replace
slider or bag adapter if broken or cracked.
9. Mower blades are sharp and can cut. Wrap the
blades or wear heavy leather gloves and use
CAUTION when handling them.
10. DO NOT test for spark by grounding spark plug
next to spark plug hole; spark plug could ignite
gas exiting engine.
11. Have machine serviced by an authorized
SNAPPER dealer at least once a year and have
the dealer install any new safety devices.
12. Use only genuine SNAPPER replacement parts
to assure that original standards are
maintained.
4
TABLE OF CONTENTS
IMPORTANT SAFETY INSTRUCTIONS.............................................2 & 3
TABLE OF CONTENTS ............................................................................ 4
SECTION 1 - FAMILIARIZATION.............................................................. 5
SECTION 2 - OPERATING INSTRUCTIONS......................................... 6-8
Pre-start Checklist ............................................................................................... 6
Starting & Stopping Engine & Blade...............................................................6-7
Starting & Stopping Wheel Drive ....................................................................... 7
Handle Height Adjustment.................................................................................. 7
Cutting Height Adjustment
Recycling Operation ............................................................................................ 8
Baffle Adjustment ................................................................................................ 8
Installation of Grass Catcher.............................................................................. 8
SECTION 3 - MAINTENANCE INSTRUCTIONS..................................9-10
Change Engine Oil............................................................................................... 9
Check Transmission Grease..........................................................................9-10
Check Mower Blade........................................................................................... 10
Check Engine Drive Belt ................................................................................... 10
Check Transmission Poly-V Belt...................................................................... 10
Service - Annually.............................................................................................. 10
Engine.............................................................................................................. 10
Air Filter ........................................................................................................... 10
Engine Oil........................................................................................................ 10
Storage Procedure............................................................................................. 10
SECTION 4 - ADJUSTMENTS AND REPAIR....................................11-17
Mower Blade Replacement ............................................................................... 11
Blade Sharpening .........................................................................................11-12
Wheel Drive Control Adjustment...................................................................... 12
Driven and Drive Disc Service.......................................................................... 13
Cleaning Drive Disc and Driven Disc............................................................ 13
Drive Spring Repair/Replacement................................................................. 13
Driven Disc Adjustment ............................................................................ 13-14
Driven Disc Replacement.......................................................................... 14-15
Driven Disc Bearing Replacement ................................................................ 15
Hex Shaft Bearing Replacement ................................................................... 16
Belt Service ........................................................................................................ 16
Engine Drive Belt Replacement ............................................................... 16-17
Transmission Poly-V Belt Replacement....................................................... 17
TROUBLESHOOTING ............................................................................ 18
SERVICE SCHEDULE ............................................................................ 19
Maintenance/Replacement Parts...................................................................... 19
WARRANTY............................................................................................ 20
PRIMARY MAINTENANCE ................................................................ 21-24
! IMPORTANT !
The pictures and illustrations in this manual are provided for reference only and may differ slightly from your
specific model. Contact your local SNAPPER dealer if you have questions.

5
Section 1 - FAMILIARIZATION
FIGURE 1.1
1.1 INTRODUCTION
This manual has been prepared for the operators of
the SNAPPER WALK BEHIND MOWERS. Its
purpose, aside from recommending operating and
routine service requirements, is to promote safety
through the use of accepted operating practices.
Read, Understand and Follow the “IMPORTANT
SAFETY INSTRUCTIONS” on Pages 2 & 3 of this
manual and all safety messages on the mower and
attachments before operating the mower.
1.2 NOMENCLATURE
The nomenclature drawing above, Figure 1.1, shows
the essential parts of the SNAPPER WALK BEHIND
MOWERS. It is recommended that all operators of
the mower become thoroughly familiar with the
controls, parts and operation of the mower before
operating. Specific details involving the engine are
found in the separate engine owner’s manual. Study
these manuals before operating and keep both handy
for future reference.

6
Section 2 - OPERATING INSTRUCTIONS
2.1 PRE-START CHECK LIST
Make the following checks and perform the service
required before each start-up.
2.1.1. Check guards, deflectors, grass bag, adapter
and covers to make sure all are in place and securely
tightened.
2.1.2. Check blade control and wheel drive control to
insure they work freely. See Figure 2.1.
FIGURE 2.1
2.1.3. Check cutting height. Adjust to desired height.
2.1.4. Check engine oil and add oil as needed to bring
level up to the full mark. Refer to Engine Owner’s
Manual for oil specifications. See Figure 2.2.
FIGURE 2.2
2.1.5. Add fuel to tank after pushing the mower
outside where fumes can safely dissipate. Make sure
cap is tightened after refueling. Refer to Engine
Owners Manual for specifications.
2.1.6. Clean exterior surfaces of cutting deck and
engine of any accumulation of spilled fuel, dirt, grass,
oil, etc. Keep engine air intake screen and cooling
fins clear at all times.
2.2 STARTING & OPERATION
2.2.1. ENGINE & BLADE
(Primer Models)
1. Move engine speed control to the “Fast” (Rabbit)
position. See Figure 2.3.
NOTE: Stop the engine (and blade) by releasing the
blade control.
FIGURE 2.3
2. Push primer bulb three times to start a cold
engine. NOTE: Primer Should not be required to
restart a hot engine.
3. Pull blade control against handle.
4. Pull rope start handle to crank engine.
5. After engine starts, allow a brief warm-up until
engine runs smooth.
BLADE
CONTROL
WHEEL DRIVE
CONTROL
RECYCLING MODEL SHOWN
(ROPE START MOUNTED ON
RIGHT SIDE OF HANDLE)
CATCHER MODEL SHOWN
(ROPE START MOUNTED
ON LEFT SIDE OF HANDLE)
BLADE
CONTROL
WHEEL
DRIVE
CONTROL
ENGINE SPEED
CONTROL
(SHOWN IN FAST

7
Section 2 - OPERATING INSTRUCTIONS
2.2.2. PROPELLING MOWER
(Self Propelled Models Only)
1. Move ground speed control to the desired speed
position. See Figure 2.4.
2. Start engine. Refer to Section “Starting &
Operation”.
3. Move wheel drive control against handle to
engage wheel drive and propel mower forward.
Forward speed can be adjusted while the mower is
moving by changing position of the ground speed
control. See Figure 2.4.
FIGURE 2.4
2.3 STOPPING
Stop engine and blade by releasing the blade
control. Stop forward motion of mower by releasing
the wheel drive control.
2.4 HANDLE HEIGHT ADJUSTMENT
The height of the mower handle can be adjusted as
follows:
1. Loosen the lower nuts on each lower handle as
shown in Figure 2.5.
FIGURE 2.5
2. Move upper mower handle up or down until the
desired position is achieved.
3. Tighten the lower nuts on each lower handle to
maintain desired position.
WARNING
STOP engine and mower blade by releasing the blade
control before adjusting cutting height or handle
height.
2.5 CUTTING HEIGHT ADJUSTMENT
1. Pull the height adjusting latch outward and move
to desired cutting height. See Figure 2.6.
FIGURE 2.6
2. Set all wheels at the same cutting height. The
highest cutting position is Notch 6. The lowest
cutting position is Notch 1. See Figure 2.7.
FIGURE 2.7
MOVE GROUND
SPEED CONTROL TO
DESIRED POSITION
RECYCLING MODEL SHOWN
(ROPE START MOUNTED ON
RIGHT SIDE OF HANDLE)
(SLOW)
FIRST SPEED
POSITION
(FAST)
SIXTH SPEED
POSITION
WHEEL DRIVE
CONTROL
FIRST
BLADE
CONTROL
SIXTH
HIGHER
LOWER
LOOSEN LOWER
NUTS ON EACH
LOWER HANDLE
LOWER
HANDLE
LOWEST CUTTING
HEIGHT
1
LATCH
HIGHEST
CUTTING
HEIGHT
6
2
1
3
4
5
6
LATCH
POSITIONS
CUTTING HEIGHT SETTINGS

8
Section 2 - OPERATING INSTRUCTIONS
WARNING
DO NOT attempt any maintenance, adjustments or
service with engine and blade running. STOP engine
and blade. Disconnect spark plug wire and secure
away from spark plug. Engine and components are
HOT. Avoid serious burns, allow sufficient time for all
components to cool.
2.6 RECYCLING OPERATION
(Optional Accessory)
NOTE: For best recycling results, cut up to a maximum of
1/3 of grass blade length and recycle ONLY when grass is
dry. 1. Set all wheels in the highest cutting position
(Notch 6).
2. Move engine speed control to “FAST” (Rabbit)
position.
3. Move ground speed control to slowest speed
setting.
4. Proceed mowing slowly. If grass is very dense,
lower each rear wheel latch one notch lower than
the front wheel latches to improve recycling
performance.
2.7 INSTALLATION of GRASS CATCHER
Install grass catcher by sliding connector over flange
of adapter. See Figure 2.8. Attach grass bag hooks
over middle handle cross bar. See Figure 2.9.
WARNING
DO NOT operate without entire Grass Catcher or
guard in place. Grass Catcher components are
subject to deterioration during normal use. Inspect
frequently and replace worn or damaged components
immediately.
FIGURE 2.8
FIGURE 2.9
POSITION BAG
BETWEEN HANDLES
SLIDE
CONNECTOR
DOWN OVER BAG
ADAPTER FLANGE
BAG
ADAPTER
CONNECTOR
ATTACH BAG HOOKS
OVER MIDDLE HANDLE
CROSS BAR
MIDDLE
HANDLE
CROSS
BAR

9
Section 3 - MAINTENANCE
3.1 INTRODUCTION
To retain the quality of the mower, use genuine
SNAPPER replacement parts only. Contact a local
SNAPPER dealer for parts and service assistance.
For the correct part or information for a particular
mower, always mention model and serial number.
3.2 SERVICE - AFTER FIRST 5 HOURS
3.2.1. CHANGE ENGINE OIL
WARNING
DO NOT attempt any maintenance, adjustments or
service with engine and blade running. STOP engine
and blade. Disconnect spark plug wire and secure
away from spark plug. Engine and components are
HOT. Avoid serious burns, allow sufficient time for all
components to cool.
1. Refer to Engine Manual for proper oil
specifications and procedures.
2. For simplest/cleanest oil change, loosen lower
handle wing nuts and stand mower up on lower
handle as shown in Figure 3.1. Drain oil through
dipstick tube into a container.
FIGURE 3.1
3.2.2. CHECK GREASE LEVEL IN TRANSMISSION
1. Remove transmission fill plug. Roll machine
forward or backward while looking down into plug
hole.
2. If liquid grease IS NOT visible on the input gear
(the small gear below the plug hole), add an
amount, to cover gear, of Snapper “00” grease. See
Figure 3.2.
FIGURE 3.2
NOTE: Snapper “00” Grease (Part No. 2-9443) is available
at your SNAPPER dealer.
(Continued on Next Page)
FILL PLUG

10
Section 3 – MAINTENANCE
3.2.2. CHECK GREASE LEVEL IN TRANSMISSION
(Continued from previous page)
NOTE: Do not spill grease or oil on surface of drive disc.
See Figure 3.3.
3. Reinstall transmission plug.
4. Check grease level after each 25 hours of
operation.
FIGURE 3.3
WARNING
DO NOT attempt any maintenance, adjustments or
service with engine and blade running. STOP engine
and blade. Disconnect spark plug wire and secure
away from spark plug. Engine and components are
HOT. Avoid serious burns, allow sufficient time for
all components to cool. Wear heavy leather gloves
when handling or working around cutting blades.
Blades are extremely sharp and can cause severe
injury.
IMPORTANT: DO NOT tip machine with carburetor or
spark plug down. Oil from crankcase will saturate the air
filter and cause the engine to be hard to start or not start
at all. If contamination does occur, the air filter will have to
be replaced.
3.2.3. CHECK MOWER BLADE
1. Disconnect spark plug wire and secure end away
from plug.
2. Tilt mower up on its rear wheels for access to
the blade cap screw. Do not tilt mower with spark
plug or carburetor down. See Figure 3.4.
3. Check torque of blade retaining cap screw.
Recommended torque should be 30 to 40 ft. lbs.
See Figure 3.4.
4. Check blade for sharpness, wear and damage.
Refer to Section “Blade Wear Limits”.
3.2.4. CHECK ENGINE DRIVE BELT
1. Visually check engine drive belt for cracking,
fraying, severed or belt strands exposed. If worn or
damaged, replace belt before operating mower.
3.2.5. CHECK TRANSMISSION POLY-V BELT
1. Visually check poly-v belt for cracking, fraying,
severed or belt strands exposed. If worn or
damaged, replace belt before operating mower.
FIGURE 3.4
3.3 SERVICE - ANNUALLY
Perform all maintenance as described in the “Service
Schedule” section of this manual.
3.3.1. Engine
Service engine according to engine owner’s manual.
3.3.2. Air Filter
Refer to engine owner’s manual for service instructions.
3.3.3. Engine Oil
Refer to engine owner’s manual for service instructions.
3.4 STORAGE PROCEDURE
Refer to the Engine Owner’s Manual for directions regarding
engine storage preparations. Prepare the mower for “end of
season” storage as follows:
1. Drain fuel from fuel tank and let engine run until all
fuel is out of the carburetor.
2. Disconnect and remove the spark plug wire
away from spark plug before any other preparations
are made!
3. Tape all openings closed to prevent spraying water
into exhaust or air intakes during washing.
4. Tilt mower up on its rear wheels and thoroughly
clean the underside of the deck. Do not tilt mower with
spark plug or carburetor down. Scrape away any
accumulation of grass with a putty knife and or wire
brush.
5. Lubricate all exposed metal with a light coating of oil
to prevent corrosion.
6. On self-propelled models, loosen wing nuts on
ground speed control rod before folding handles.
7. Loosen handle knobs. Carefully fold the handles
forward, “flexing” the control cables to prevent cable
damage.
8. Store the mower in a shed or other dry area,
protected from weather.
KEEP DRIVE DISC CLEAN ! RECOMMENDED
BLADE RETAINING
CAP SCREW
TORQUE VALUE
SHOULD BE 30 TO
40 FT. LBS.

11
Section 4 - REPAIR & ADJUSTMENTS
WARNING
DO NOT attempt any maintenance, adjustments or
service with engine and blade running. STOP engine
and blade. Disconnect spark plug wire and secure
away from spark plug. Engine and components are
HOT. Avoid serious burns, allow sufficient time for all
components to cool. Wear heavy leather gloves when
handling or working around cutting blades. Blades
are extremely sharp and can cause severe injury.
4.1 MOWER BLADE REPLACEMENT
4.1.1. STANDARD BLADE WEAR LIMIT
1. Inspect blade frequently for signs of excessive wear
or damage. See Figure 4.1.
FIGURE 4.1
4.1.1A. NINJA BLADE WEAR LIMIT
1A. Inspect blade frequently for signs of excessive
wear or damage. See Figure 4.2.
FIGURE 4.2
2. Replace the blade if it is badly chipped, bent,
noticeably out of balance or has cracks or notch in
either tip. See Figure 4.1 & 4.1A. Replace with new
blade.
WARNING
DO NOT use a cutting blade that shows signs of
excessive wear or damage. Refer to Section
“MOWER BLADE REPLACEMENT” for proper blade
inspection and service procedures.
4.1.2. BLADE SHARPENING
1. Disconnect spark plug wire and secure end away
from plug.
IMPORTANT: DO NOT tip machine with carburetor or
spark plug down. Oil from crankcase will saturate the air
filter and cause the engine to be hard to start or not start at
all. If contamination does occur, the air filter will have to be
replaced.
2. Tilt mower up on its rear wheels. Do not tilt
mower with spark plug or carburetor down.
3. Remove blade. See Figure 4.3.
FIGURE 4.3
BLADE
HUB
MAKE SURE THAT
BLADE HUB IS
SEATED
BETWEEN
FLANGES
FLANGE
BLADE
CONE WASHER
(Concave Side Up)
CAPSCREW
NEW BLADE
WEAR LIMIT
(NOTCH STARTS)
DANGEROUS CONDITION !
DO NOT USE ON MOWER !
REPLACE WITH NEW
BLADE.
NEW BLADE
WEAR LIMIT.
CRACKS OR
NOTCHES
BEGIN TO
APPEAR ON TIP
DANGEROUS !
DO NOT USE A BLADE IN
THIS CONDITION !

12
Section 4 - REPAIR & ADJUSTMENTS
WARNING
DO NOT attempt any maintenance, adjustments or
service with engine and blade running. STOP engine
and blade. Disconnect spark plug wire and secure
away from spark plug. Engine and components are
HOT. Avoid serious burns, allow sufficient time for all
components to cool.
4. Sharpen blade on a grinding wheel at an angle of
22 to 28 degrees. DO NOT sharpen blade beyond
original cutting edge. See Figure 4.4.
FIGURE 4.4
5. Check blade for balance. If necessary, correct
balance by grinding heavy end of blade.
6. Reinstall blade. See Figure 4.3. Check torque of
blade retaining cap screw. Recommended torque
should be 30 to 40 ft. lbs.
NOTE: The following sections 4.2 through
4.4 are for self-propelled models only.
4.2 WHEEL DRIVE CONTROL ADJUSTMENT
1. The wheel drive control is properly adjusted when
there is 1/16” to 1/8” clearance between the inside of
the spring hook and the inside of the clutch cable
eye with the wheel drive control released. See
Figure 4.5.
FIGURE 4.5
2. To adjust, unhook upper spring from cable eye
and rotate spring in direction required to extend or
shorten spring length.
3. Rehook upper spring to cable eye and check
clearance. Repeat procedure if required.
NOTE: The vinyl spring cover should be kept over the
spring at all times except for adjustments.
4. If the wheel drive control fails to return quickly to
the “OFF” position when released, check for binding
at the cable holdings located on the side of the right
handle. The upper clip should be located 2” below
the upper knob; the lower clip should be 4” above
the lower knob. The cable should slide freely with
the clips installed at these locations.
CLUTCH CABLE
VINYL SPRING
1/16” TO 1/8”
CLEARANCE
UPPER
SPRING
LOWER
SPRING
CLUTCH CABLE
EYE
SPRING HOOK
CABLE
CLUTCH CABLE EYE
SPRING
DO NOT SHARPEN
BEYOND ORIGINAL
CUTTING EDGE 22-28º
BLADE TIP
END VIEW OF
BLADE ASSEMBLY
ORIGINAL CUTTING EDGE

13
Section 4 - REPAIR & ADJUSTMENTS
WARNING
DO NOT attempt any maintenance, adjustments or
service with engine and blade running. STOP engine
and blade. Disconnect spark plug wire and secure
away from spark plug. Engine and components are
HOT. Avoid serious burns, allow sufficient time for all
components to cool.
4.3 DRIVEN DISC SERVICE
If the mower does not propel itself properly, See
Figure 4.6. Check for the following problems:
FIGURE 4.6
1. Grease on drive disc causing slippage.
2. Broken or disconnected drive spring.
3. Driven disc is out of adjustment.
4. Driven disc rubber ring is worn - does not contact
drive disc properly.
5. Worn Poly-V Belt or engine drive belt.
NOTE: If any of the above (1 thru 5) are causing
problems, service as follows:
4.3.1. Cleaning Drive Disc & Driven Disc.
If oil or grease on the drive disc or driven disc is
causing slippage, clean discs as follows:
1. Wipe away any oil or grease with a clean cloth.
2. Use either an approved grease solvent or hot,
soapy water to clean drive disc or driven disc.
3. Rinse components with clean water.
4. Dry components with a clean cloth.
4.3.2. Drive Spring Repair/Replacement
If drive spring is loose, reconnect as shown in Figure
4.7. If spring is broken, replace with new spring.
IMPORTANT: If machine drive system continues
slipping see Trouble Shooting section.
FIGURE 4.7
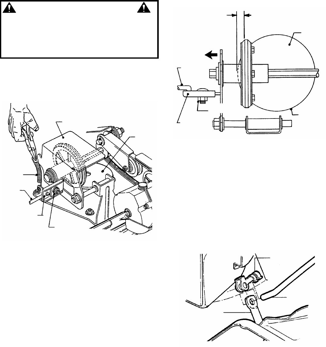
4.3.3. DRIVEN DISC ADJUSTMENT
If the drive disc and driven disc are clean and the
mower drive is still slipping, adjust the driven disc as
follows:
1. Place ground speed control in the number six
speed position. See Figure 4.8.
FIGURE 4.8
USE
NEEDLE
NOSE
PLIERS TO
INSTALL
DRIVE
SPRING
DRIVE
SPRING
MOVE GROUND
SPEED CONTROL TO
SIX SPEED POSITION
REYCLING MODEL SHOWN
(ROPE START MOUNTED ON
RIGHT SIDE OF HANDLE)
SIXTH SPEED
POSITION
SIXTH
FIRST FIRST SPEED
POSITION
DRIVEN DISC &
RUBBER RING
POLY-V
BELT
DRIVE
SPRING
ENGINE
DRIVE
BELT
DRIVE
DISC

14
Section 4 - REPAIR & ADJUSTMENTS
WARNING
DO NOT attempt any maintenance, adjustments or
service with engine and blade running. STOP engine
and blade. Disconnect spark plug wire and secure
away from spark plug. Engine and components are
HOT. Avoid serious burns, allow sufficient time for
all components to cool.
4.3.3. DRIVEN DISC ADJUSTMENT
(Continued From Previous Page)
2. Remove driven disc spring from driven disc
assembly. Loosen connector hex nut. See Figure 4.9.
FIGURE 4.9
3. Slide driven disc assembly over to 1/8” from outside
edge of drive disc. Maintaining the 1/8” measurement,
remove any looseness from the linkage. This can be
done by holding the transfer rod and applying pressure
to the left (as viewed from operators position). Then
retighten the connector hex nut securely. See Figure
4.10. Move ground speed control to the first speed
position, then back to the sixth speed position.
Recheck the 1/8” measurement described previously.
Reinstall driven disc spring to driven disc assembly.
FIGURE 4.10
4.3.4. Replacing Rubber Driven Disc Ring
If the rubber ring is badly chunked or worn down to
within 1/16” of the metal rim of the driven disc hub, it
must be replaced. Install new rubber ring as follows:
1. Using a small flat blade screwdriver, free the clip
from the transfer rod. Then remove the transfer rod
from the clip and the speed control rod. See Figure
4.11.
FIGURE 4.11
(Continued On Next Page)
1/8” MEASUREMENT TO
OUTSIDE EDGE OF DRIVE
DISC
DRIVE
DISC
SLIDE DRIVEN
DISC ASSEMBLY
TOWARD OUTSIDE
EDGE
TRANSFER
ROD
CONNECTOR
CONNECTOR
HEX NUT
OUTSIDE
EDGE
CONNECTOR
CLIP
SPEED CONTROL
ROD
TRANSFER
ROD
DRIVEN DISC
ASSEMBLY
DRIVE
DISC
DRIVEN DISC
SPRING
TRANSFER
ROD
CONNECTOR
CONNECTOR
HEX NUT

15
Section 4 - REPAIR & ADJUSTMENTS
WARNING
DO NOT attempt any maintenance, adjustments or
service with engine and blade running. STOP engine
and blade. Disconnect spark plug wire and secure
away from spark plug. Engine and components are
HOT. Avoid serious burns, allow sufficient time for
all components to cool.
4.3.4. Replacing Rubber Driven Disc Ring
(Continued From Previous Page)
2. Using needle nose pliers, unhook the drive spring
and slide the driven disc assembly off the hex shaft.
See Figure 4.12.
3. Remove the five machine screws and plate, which
secure the rubber ring to the driven disc hub. See
Figure 4.13.
4. Install new rubber ring.
5. Reverse above procedures for reassembly and
installation.
FIGURE 4.12
FIGURE 4.13
4.3.5. Replacing Bearing In Driven Disc Assembly
If the driven disc bearing fails, remove the driven
disc assembly and replace bearing as follows:
1. Using a small flat blade screwdriver, free the clip
from the transfer rod. Then remove the transfer rod
from the clip and the speed control rod. See Figure
4.11.
2. Using needle nose pliers, unhook the drive spring
and slide the driven disc assembly off the hex shaft.
See Figure 4.12.
3. Remove snap ring that secures driven disc hub
to thrust plate. See Figure 4.14.
FIGURE 4.14
4. Slide the hub assembly out of the bearing.
5. Remove the four screws.
6. Remove bearing and replace with new bearing.
7. Reassemble components in reverse order.
SHIM
WASHER
SNAP
RING
THRUST
PLATE
BEARING
REMOVE FOUR
MACHINE SCREWS
DRIVEN DISC
PLATE
DRIVEN
DISC HUB
RUBBER
DISC
DRIVE DISC
ASSEMBLY
MACHINE
SCREWS
DRIVEN DISC HUB
RUBBER
RING
PLATE

16
Section 4 - REPAIR & ADJUSTMENTS
WARNING
DO NOT attempt any maintenance, adjustments or
service with engine and blade running. STOP engine
and blade. Disconnect spark plug wire and secure
away from spark plug. Engine and components are
HOT. Avoid serious burns, allow sufficient time for
all components to cool.
4.3.6. Replacement Of Bearing On Pulley End Of
Hex Shaft
To replace the bearing on the pulley end of the hex
shaft, proceed as follows:
1. Hold the hex shaft with an adjustable wrench
held next to the pulley.
2. Remove the 3/8” hex lock nut which is located
on the outside of the right wheel bracket. See
Figure 4.15.
3. Remove holder, O-ring and bearing.
4. Install new bearing.
5. Carefully install new O-ring over the outside of the
new bearing.
6. Install bearing holder and secure with screws.
7. Install 3/8” hex lock nut.
FIGURE 4.15
4.4 BELT SERVICE
On self-propelled mowers, the engine belt transmits
power from engine to drive disc. The drive disc powers
the poly-v belt which engages the transmission that
powers the rear wheels. Should these belts become
worn, they could cause slippage which would impair
mower performance. The condition of the engine belt
and poly-v belt should be checked after every 25 hours
of mower operation.
4.4.1. Engine Drive Belt Replacement
1. Empty the fuel tank.
2. Unhook the idler spring from the right rear wheel
bracket. See Figures 4.16.
FIGURE 4.16
IMPORTANT: DO NOT tip machine with carburetor or
spark plug down. Oil from crankcase will saturate the air
filter and cause the engine to be hard to start or not start
at all. If contamination does occur, the air filter will have to
be replaced.
3. Remove the driven disc. Refer to Section
“Replacing Driven Disc Rubber Ring” for driven disc
removal procedure.
4. Do not tilt mower with spark plug or carburetor
down. Tilt mower up on its rear wheels and remove
blade and blade hub. Assistance from another
person may be necessary to hold mower in the
tilted position.
(Continued On Next Page)
BALL BEARING
“O” RING
3/8”
LOCK NUT
BALL BEARING
HOLDER
RIGHT REAR
WHEEL BRACKET
IDLER
ARM
IDLER
SPRING
SLOT IN
DECK
DRIVE DISC
DRIVE BELT
ENGINE DRIVE PULLEY
TOP VIEW OF ENGINE BELT ROUTING

17
Section 4 - REPAIR & ADJUSTMENTS
WARNING
DO NOT attempt any maintenance, adjustments or
service with engine and blade running. STOP engine
and blade. Disconnect spark plug wire and secure
away from spark plug. Engine and components are
HOT. Avoid serious burns, allow sufficient time for all
components to cool.
4.4.1. Engine Drive Belt Replacement
(Continued from Previous Page)
5. Hold the slotted end of the drive disc bolt with a
screwdriver and remove the nut and internal tooth
lock washer. See Figure 4.17.
FIGURE 4.17
6. Lift the drive disc off the idler arm and remove
worn belt.
7. Loop one end of new belt over engine pulley and
insert the other end through slot in deck. See Figure
4.17.
8. Loop the belt around the pulley on the bottom of
the drive disc.
9. Reinstall drive disc and retaining hardware.
10. Reinstall blade hub and cutter blade. Recom-
mended torque for blade cap screw is 30 to 40 ft. lbs.
11. Use a stiff wire, such as a coat hanger, with a
hook fashioned on one end to pull the hooked end of
the idler spring through the large hole in the right
wheel bracket. See Figure 4.18.
12. Reinstall the driven disc assembly.
FIGURE 4.18
4.4.2. Transmission Poly-V Belt Replacement
1. Remove the driven disc. Refer to Section on
“Replacing Driven Disc Rubber Ring” for procedure.
2. Note the routing of the old belt around the three
pulleys before removing it. See Figure 4.19.
3. Place new Poly-V Belt over end of hex shaft and
onto drive pulley.
4. Work belt onto top of idler pulley.
5. Twist belt sideways and pull it upward between
the differential bracket and driven pulley and then
down into the pulley groove. Make sure the Poly-V
Belt is above belt guide. See Figure 4.19.
FIGURE 4.19
DRIVE
DISC
SLOT IN END
OF DRIVE
DISC BOLT
BUSHING
POSITION SCRAPER
TO CLEAR “V” OF
PULLEY
SPACER
INTERNAL TOOTH
LOCKWASHER
NUT
DECK BRACKET
(PARTIALLY
SHOWN)
IDLER
ARM
IDLER
SPRING
RIGHT WHEEL
BRACKET
IDLER
SPRING
PULL SPRING THROUGH
LARGE HOLE & HOOK
INTO SMALL HOLE
IDLER
PULLEY
DRIVE
PULLEY
DIFFERENTIAL
BRACKET
POLY-V
BELT
DRIVEN
PULLEY
BELT GUIDE
HEX SHAFT
ROUTING OF POLY-V BELT

18
TROUBLESHOOTING
PROBLEM PROBABLE CAUSE CORRECTIVE ACTION
Engine Will Not Start
1. Fuel tank empty. 1. Fill fuel tank with fresh fuel.
Using Recoil Starter 2. Engine needs choking or priming. 2. Choke/Prime. Check Engine Manual for
Instructions.
3. Spark plug wire disconnected. 3. Place spark plug wire onto spark plug.
Engine Stalls or Stops
After Running 1. Blade control is released or is not being held securely
against handle. 1. Blade control should be held securely against
handle at all times during operation of mower.
2. Choke control in the “CHOKE” position. 2. Move choke control to “OFF” position.
3. Fuel tank empty. 3. Fill with fuel to proper level.
4. Engine air pre-cleaner and or air cleaner dirty. 4. Clean free of all debris.
5. Spark plug defective or gap set improperly. 5. Service spark plug.
6. Water, debris or stale fuel in fuel system. 6. Drain and clean fuel system.
Engine Loses Power 1. Engine air pre-cleaner or air cleaner dirty 1. Clean or replace filters.
2. Spark plug faulty. 2. Service spark plug.
3. Water, debris or stale fuel in fuel system. 3. Drain and clean fuel system.
Excessive Vibration 1. Damaged, out of balance or bent mower blade. 1. Service mower blade.
2. Loose blade components. 2. Service and tighten loose parts.
3. Loose or missing air lift (if equipped). 3. Replace air lifts. Tighten to proper torque.
4. Lumpy or frayed belt 4. Replace belt.
5. Bent Idler pulley 5. Replace pulley.
Mower Will Not Move
1. Damaged transmission 1. Contact authorized
SNAPPER
dealer.
Loss Of Traction 2. Traction drive belt requires replacement 2. Replace traction drive belt.
(Self-Propelled Models)
3. Driven disc slipping 3. Clean or replace driven disc.
Cutting Grass 1. Cutting height too low or high. 1. Adjust cutting height.
Improperly 2. Engine speed too slow. 2. Move engine speed control to “FAST” position.
3. Forward ground speed too fast. 3. Move ground speed control to a slower speed.
4. Terraced cut, side to side. 4. Adjust height of cut with height adjust levers.
5. Excessive deck pitch, front to rear. 5. Adjust height of cut with height adjust levers.
6. Cutting blade dull or damaged. 6. Sharpen cutting edges or replace blade.
Poor Grass Discharge
1. Engine speed too slow. 1. Move engine speed control to “FAST” position.
2. Forward speed too fast. 2. Move ground speed control to a slower speed.
3. Grass is wet. 3. Mow when grass is dry.
4. Excessively worn or damaged blade. 4. Service mower blade.
5. Build up of grass clippings and debris under deck. 5. Clean deck.
6. Improper blade installed on deck. 6. Install proper SNAPPER blade.
7. Blade installed improperly on deck. 7. Install blade properly.
Oil Leaking 1. Leaking engine case. 1. Contact authorized SNAPPER dealer.
2. Check and tighten drain plug.
3. Make sure dip stick or oil filler cap is securely
in place.

19
SERVICE SCHEDULE
ITEM SERVICE PERFORMED
REF. EACH
USE 5
HRS 25
HRS 50
HRS 100
HRS EACH
SEASON
Engine Oil Check Oil Level Page 6 X
Initial Oil Change Page 9 X
Periodic Oil Change Page 10 X*
Air Pre-Cleaner Clean Sponge Element Engine Manual
& Page 10. X**
Air Cleaner Clean or Replace Engine Manual. X**
Spark Plug Replace Engine Manual.
X
Engine Cooling
System Clean Shroud & Fins Engine Manual X**
Drive Belts Check For Wear And
Tension Page 16-17 X X X
Mower Blade Check For Wear, Damage
& Replacement Page 11-12 X
Mower Deck Clean Debris
Accumulation Page 10 X
Transmission
Grease Check Grease Level Pages 9 X X
Periodic Grease Check Pages 10 X
Drive Disc Check for Wear Damage
& Replacement Page 12-15 X
*Change oil every 25 hours when operating under heavy load or high temperatures.
**Clean more often under dusty conditions or when air debris is present
4.5 MAINTENANCE/REPLACEMENT PARTS
MAINTENANCE PARTS
Engine Speed Control (Briggs Engines) 2-9036
Blade Control Cable 2-5036
Clutch Pull Cable 2-5013
Cutter Blade (Air Lift Compatible) 1-9795
Cutter Blade (Mulching) 1-7168
Cutter Blade (Not Air Lift Compatible) 2-6691
Cutter Blade (Ninja - Quad Edge) 2-6407
Wheel Drive Pulley to Transmission Pulley Belt 1-2354
Engine to Drive Disc Belt 1-2353
Rubber Drive Tire 2-3364
Parts Manual for 21” Steel Deck Walk Behind Mower
Series 12, 14, 15 & 16 06059

20
3 YEAR LIMITED WARRANTY
For three (3) years from purchase date for the original purchaser's residential, non-commercial use, SNAPPER, through
any authorized SNAPPER dealer will replace, free of charge (except for taxes where applicable), any part or parts found
upon examination by the factory at McDonough, Georgia, to be defective in material or workmanship or both.
For ninety (90) days from purchase date for the original purchaser's commercial, rental, or other non-residential use,
SNAPPER, through any authorized SNAPPER dealer will replace, free of charge, any part or parts found upon
examination by the factory at McDonough, Georgia, to be defective in material or workmanship or both.
All transportation costs incurred by the purchaser in submitting material to an authorized SNAPPER dealer for
replacement under this warranty must be paid by the purchaser.
This warranty does not apply to engines and their components, and batteries, as these items are warranted separately.
This warranty does not apply to parts that have been damaged by accident, alteration, abuse, improper lubrication,
normal wear, or other cause beyond the control of SNAPPER. This warranty does not cover any machine or component
part that has been altered or modified changing safety, performance, or durability.
Batteries have a one (1) year prorated warranty period with free replacement if required during the first ninety (90) days
from the original purchase date. SNAPPER will not be responsible for any installation cost incurred. The battery warranty
only covers original equipment batteries and does not cover damage to the battery or machine caused by neglect or
abuse, destruction by fire, explosion, freezing, overcharging, improper maintenance, or use of improper electrolyte.
There is no other express warranty.
DISCLAIMER OF WARRANTY
Implied warranties, including those of merchantability and fitness for a particular purpose, are limited to three
(3) years from purchase date for the original purchaser's residential or other non-commercial use, and ninety
(90) days from purchase for the original purchaser's commercial, rental or other non-residential use, and to the
extent permitted by law, any and all implied warranties are excluded. This is the exclusive remedy. Liabilities for
consequential damages, under any and all warranties are excluded.
Some states do not allow limitations on how long an implied warranty lasts, or do not allow the exclusion or
limitation of incidental or consequential damages, so the above limitation or exclusion may not apply to you.
This warranty gives you specific legal rights, and you may also have other rights which vary from state to state.
WARNING: THE USE OF REPLACEMENT PARTS OTHER THAN GENUINE SNAPPER PARTS MAY IMPAIR THE
SAFETY OF SNAPPER PRODUCTS AND WILL VOID ANY LIABILITY AND WARRANTY BY SNAPPER
ASSOCIATED WITH THE USE OF SUCH PARTS.
IMPORTANT: Please fill out the attached SNAPPER Product Registration Card immediately and mail to:
Snapper’s Product Registration Center, P.O. Box 1379, McDonough, Georgia 30253

21
PRIMARY MAINTENANCE

22
PRIMARY MAINTENANCE

23
PRIMARY MAINTENANCE

24
PRIMARY MAINTENANCE
25
NOTES
___________________________________________________________________
___________________________________________________________________
___________________________________________________________________
___________________________________________________________________
___________________________________________________________________
___________________________________________________________________
___________________________________________________________________
___________________________________________________________________
___________________________________________________________________
___________________________________________________________________
___________________________________________________________________
___________________________________________________________________
___________________________________________________________________
___________________________________________________________________
___________________________________________________________________
___________________________________________________________________
___________________________________________________________________
___________________________________________________________________
___________________________________________________________________
___________________________________________________________________
___________________________________________________________________
___________________________________________________________________
___________________________________________________________________
___________________________________________________________________
___________________________________________________________________
___________________________________________________________________
___________________________________________________________________
___________________________________________________________________
___________________________________________________________________
___________________________________________________________________
___________________________________________________________________
___________________________________________________________________
___________________________________________________________________
___________________________________________________________________
___________________________________________________________________
___________________________________________________________________
___________________________________________________________________
___________________________________________________________________
___________________________________________________________________
___________________________________________________________________
___________________________________________________________________
___________________________________________________________________
26
NOTES
___________________________________________________________________
___________________________________________________________________
___________________________________________________________________
___________________________________________________________________
___________________________________________________________________
___________________________________________________________________
___________________________________________________________________
___________________________________________________________________
___________________________________________________________________
___________________________________________________________________
___________________________________________________________________
___________________________________________________________________
___________________________________________________________________
___________________________________________________________________
___________________________________________________________________
___________________________________________________________________
___________________________________________________________________
___________________________________________________________________
___________________________________________________________________
___________________________________________________________________
___________________________________________________________________
___________________________________________________________________
___________________________________________________________________
___________________________________________________________________
___________________________________________________________________
___________________________________________________________________
___________________________________________________________________
___________________________________________________________________
___________________________________________________________________
___________________________________________________________________
___________________________________________________________________
___________________________________________________________________
___________________________________________________________________
___________________________________________________________________
___________________________________________________________________
___________________________________________________________________
___________________________________________________________________
___________________________________________________________________
___________________________________________________________________
___________________________________________________________________
___________________________________________________________________
___________________________________________________________________
27
NOTES
___________________________________________________________________
___________________________________________________________________
___________________________________________________________________
___________________________________________________________________
___________________________________________________________________
___________________________________________________________________
___________________________________________________________________
___________________________________________________________________
___________________________________________________________________
___________________________________________________________________
___________________________________________________________________
___________________________________________________________________
___________________________________________________________________
___________________________________________________________________
___________________________________________________________________
___________________________________________________________________
___________________________________________________________________
___________________________________________________________________
___________________________________________________________________
___________________________________________________________________
___________________________________________________________________
___________________________________________________________________
___________________________________________________________________
___________________________________________________________________
___________________________________________________________________
___________________________________________________________________
___________________________________________________________________
___________________________________________________________________
___________________________________________________________________
___________________________________________________________________
___________________________________________________________________
___________________________________________________________________
___________________________________________________________________
___________________________________________________________________
___________________________________________________________________
___________________________________________________________________
___________________________________________________________________
___________________________________________________________________
___________________________________________________________________
___________________________________________________________________
___________________________________________________________________
___________________________________________________________________

28
Safety Instructions & Operator’s Manual for
21” STEEL DECK
WALK BEHIND MOWERS
SERIES 12
IMPORTANT
Snapper products are built using engines that meet or exceed all applicable emissions requirements on
the date manufactured. The labels on those engines contain very important emissions information and
critical safety warnings. Read, Understand, and Follow all warnings and instructions in this manual, the
engine manual, and on the machine, engine and attachments. If you have any questions about your
Snapper product, contact your local authorized Snapper dealer or contact Snapper Customer Service at
Snapper, McDonough, GA. 30253. Phone: (1-800-935-2967).
COPYRIGHT © 2000
SNAPPER INC.
ALL RIGHTS RESERVED MANUAL No. 7-4127 (I.R.10/18/00)
WARNING
ENGINE EXHAUST, SOME OF ITS CONSTITUENTS, AND CERTAIN VEHICLE COMPONENTS CONTAIN OR
EMIT CHEMICALS KNOWN TO THE STATE OF CALIFORNIA TO CAUSE CANCER OR OTHER
REPRODUCTIVE H
ARM.
WARNING
BATTERY POSTS, TERMINALS AND RELATED ACCESSORIES CONTAIN LEAD AND LEAD COMPOUN
DS,
CHEMICALS KNOWN TO THE STATE OF CALIFORNIA TO CAUSE CANCER AND BIRTH DEFECTS OR OTHER
REPRODUCTIVE HARM. WASH HANDS AFTER HANDLING.