Soaring Technology R1 Cyber Motions User Manual
Soaring Technology Co., Ltd Cyber Motions Users Manual
Users Manual

PowerHubsProductDescriptionsRev.0.2
HubsMasterInternationalCo.,Ltd.
(SubsidiaryofSoaringTechnologyCo.,Ltd.)
2F,No.34,ZhongxingRoad,XizhiDist.,
NewTaipeiCity22161,Taiwan.
TEL:+886‐02‐2691‐8000
FAX:+886‐02‐2691‐7000
sales@hubsmaster.com
www.hubsmaster.com
CyberMotions
ProductSpecifications
IssueDate:2017/05/31

PowerHubsProductDescriptionsRev.0.2
HubsMasterInternationalCo.,Ltd.
(SubsidiaryofSoaringTechnologyCo.,Ltd.)
2F,No.34,ZhongxingRoad,XizhiDist.,
NewTaipeiCity22161,Taiwan.
TEL:+886‐02‐2691‐8000
FAX:+886‐02‐2691‐7000
sales@hubsmaster.com
www.hubsmaster.com
1. Introduction
TheCyberMotionsismainlyprovidingriderstocatchtrainingdataforspeed,
power,cadenceandetc.Built‐inbatterydesigncanbechargedbypoweradapter(5V)
orbystandardUSBchargers.Also,thecybermotionsinconjunctionwithANT+/BLE
wirelesstransmission,thereal‐timeinformationcanbeeasilyconnectingtoyour
cyclingcomputerorsmartphone(Android4.3aboveandiOS).
2. KeyFeatures
‧ Timelyinteractivetrainingdataconnections.
‧ SupportANT+/BLE2.4GHzwirelesstransmission.
‧ Becompatiblewith2.4GHzcyclingcomputers.
‧ SupportonperipheralANT+/BLEwearabledevicestoenhancecyclingdata,
sportstrainingandhealthmanagement.
‧ SmartAppintegratesGPS,routetracking,time,photosandinformationtobe
sharedwithcommunitynetwork.
‧ Cassette:CompatiblewithShimano,SRAM,Campysystems.
‧ QuickReleasesupport.

PowerHubsProductDescriptionsRev.0.2
HubsMasterInternationalCo.,Ltd.
(SubsidiaryofSoaringTechnologyCo.,Ltd.)
2F,No.34,ZhongxingRoad,XizhiDist.,
NewTaipeiCity22161,Taiwan.
TEL:+886‐02‐2691‐8000
FAX:+886‐02‐2691‐7000
sales@hubsmaster.com
www.hubsmaster.com
3. PowerHubSpecifications
ItemsRoadBike
Brand/ModelCyberMotionsR1
Axlesize140mm
AxleType15mmAlloy,QRSupport
O.L.D.M10X130mm
SpokeTypeStraight‐Pull(Opt.J‐Bend)
SpokeHole24(Opt.)
BearingQty4set
SpokeGauge14G
MaterialAL6061(Body)
AL7075(Axle)Anodizing
BraketypeC‐Calip、Cyclocross
FreeHubBody3Paws
Weight336.5g(Approx.)
CassetteCompatibleShimano&SRAMcassettein9/10/11speed
Campycassettein10/11speed

PowerHubsProductDescriptionsRev.0.2
HubsMasterInternationalCo.,Ltd.
(SubsidiaryofSoaringTechnologyCo.,Ltd.)
2F,No.34,ZhongxingRoad,XizhiDist.,
NewTaipeiCity22161,Taiwan.
TEL:+886‐02‐2691‐8000
FAX:+886‐02‐2691‐7000
sales@hubsmaster.com
www.hubsmaster.com
4. TechnicalInformation
WirelessTransferANT+2.4GHz
SpeedRangeDetection0~90KM/H
PowerCalibrationYes(AvailableupdatecalibrationdatafromApp
softwareorcompatibleANT+cyclecomputer)
Accuracy2%
BatteryCapacity170mAh
BatteryLifeTime68Hours(by1timeCharged)
BatteryStandbyTime16,000Hours(Approx.)
BatteryTypeRechargeable
OperationConsumption2.5mA
Sleepmodecurrent10.6μA
(Includebatteryself‐currentconsumption7μA)
ChargePowerPowerAdapter5V(orUSBchargers)
ChargeTime2.5Hours(by0.7C)
Water‐ProofIPx7(TBD)
OperationTemperature0~+40℃
StorageTemperature‐10~+60℃

PowerHubsProductDescriptionsRev.0.2
HubsMasterInternationalCo.,Ltd.
(SubsidiaryofSoaringTechnologyCo.,Ltd.)
2F,No.34,ZhongxingRoad,XizhiDist.,
NewTaipeiCity22161,Taiwan.
TEL:+886‐02‐2691‐8000
FAX:+886‐02‐2691‐7000
sales@hubsmaster.com
www.hubsmaster.com
LEDIndicators
1. BatteryFull:Blue(LEDlightonwhenbatteryonfullstage)
2. BatteryCharging:Orange(LEDdisplayduringpowerchargingstage)
3. BatteryLow:Whensystemstart‐upandpowerremaining20%,LEDflashes
Red5seconds(1flashpersecond)
Appsoftwarecandisplaythepercentageofpower.(Smartphonefunctionality
requiredtosupportANT+/BLE.)
4. ANT+/BLEActive:GreenFlash5seconds(TheLEDflashlightingwhenbike
startupandpowerhubconnecttosmartphone)
AppSoftwareFunction
1. On‐LineIndicator:
ANT+/BLEWirelessConnectedtoSmartphone
IconLightOn:Wirelessconnection
IconLightOff:Wirelessdisconnection
2. BatteryPowerStatus:
2.1 Normal–GreenLight(MappingANT+/BLE
Profile:New、Good、OK)
2.2 Low–RedLight(Low、Critical)
2.3 Unavailable–GrayLight(Disabled)
3. Displaybatterypowerpercentage(%).
4. Availableenterthegearratiotoachievemoreprecisecadence.
5. Autocalibration.
6. CombinewithsmartphoneAPPtoprovidecyclingdata,suchaspower,speed,
distance,cadenceandsoon.
7. IntegratewithANT+/BLEperipheraldevices,suchastransmittedheartrateto
cyclingcomputer.
8. Enrichcyclinginformationthroughthefunctionalityofsmartphone,suchas
GPS,G‐Sensorandcommunitynetwork.
9. SupportAndroidandiOSplatform

PowerHubsProductDescriptionsRev.0.2
HubsMasterInternationalCo.,Ltd.
(SubsidiaryofSoaringTechnologyCo.,Ltd.)
2F,No.34,ZhongxingRoad,XizhiDist.,
NewTaipeiCity22161,Taiwan.
TEL:+886‐02‐2691‐8000
FAX:+886‐02‐2691‐7000
sales@hubsmaster.com
www.hubsmaster.com
6. MeasurementofTorque(Nm)&StrainGauge(με)
TestedUpdate2015/12
252.00
497.25
742.75
990.50
1,233.00
1,479.50
1,724.50
1,969.25
2,217.75
2,463.50
0.0
500.0
1,000.0
1,500.0
2,000.0
2,500.0
3,000.0
0 20 40 60 80 100 120
StrainCurve[Torque(Nm)&Strain(με)] (Static)
Strain(με)

PowerHubsProductDescriptionsRev.0.2
HubsMasterInternationalCo.,Ltd.
(SubsidiaryofSoaringTechnologyCo.,Ltd.)
2F,No.34,ZhongxingRoad,XizhiDist.,
NewTaipeiCity22161,Taiwan.
TEL:+886‐02‐2691‐8000
FAX:+886‐02‐2691‐7000
sales@hubsmaster.com
www.hubsmaster.com
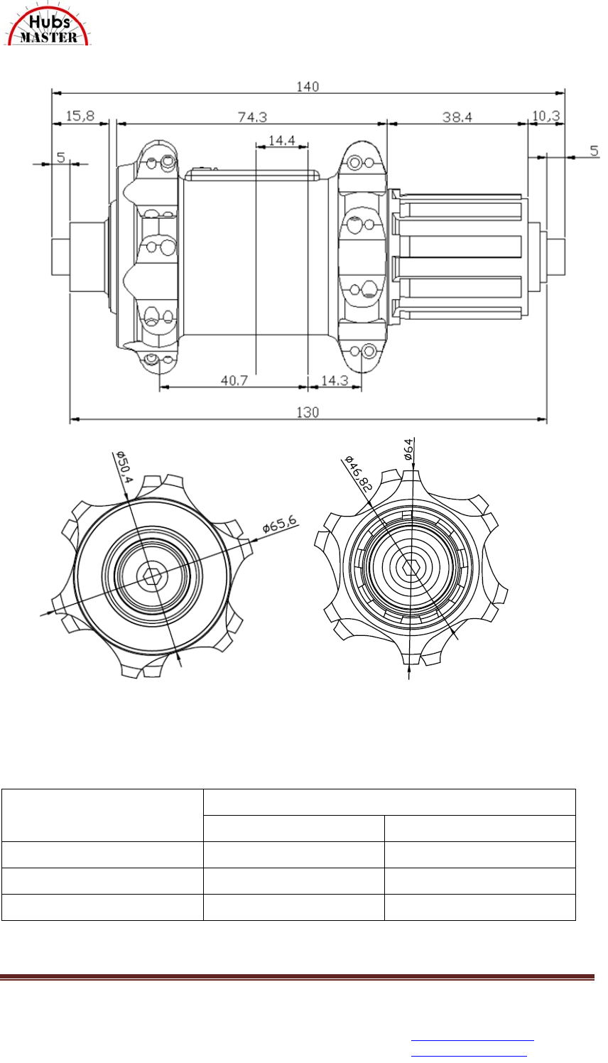
7. MechanicalDrawings–PowerHubsforRoadBike(NoneDiscBrake)
Unit:Millimeter(mm)
8. BuildWheelMeasurement:
MeasurementRoadBike
Non‐driveDrive
Hubcentertoflange40.7mm14.3mm
Flangediameter65.6mm64.0mm
Spokeholediameter2.50mm2.50mm
