Sony Ericsson Cdp Cx220 Users Manual
CDP-CX220 to the manual 888a2431-be54-4067-be29-6960f64c6cca
2015-02-04
: Sony-Ericsson Sony-Ericsson-Cdp-Cx220-Users-Manual-388563 sony-ericsson-cdp-cx220-users-manual-388563 sony-ericsson pdf
Open the PDF directly: View PDF .
Page Count: 56

MICROFILM
SERVICE MANUAL
COMPACT DISC PLAYER
US Model
Canadian Model
AEP Model
UK Model
E Model
Australian Model
Compact disc player
Laser Semiconductor laser (λ = 780 nm)
Emission duration: continuous
Laser output Max 44.6 µW*
* This output is the value measured at
a distance of 200 mm from the
objective lens surface on the
Optical Pick-up block with 7 mm
aperture.
Frequency response 20 Hz to 20 kHz ± 0.5 dB
Signal-to-noise ratio More than 105 dB
Dynamic range More than 98 dB
Harmonic distortion Less than 0.0045%
Channel separation More than 97 dB
Outputs
SPECIFICATIONS
CDP-CX220
Model Name Using Similar Mechanism CDP-CX250
CD Mechanism Type CDM-40B
Base Unit Type KSM-213BKN/M-N
Optical Pick-up Type KSS-213B/S-N
Jack Maximum Load impedance
type output
level
LINE OUT Phono 2V Over 10 kilohms
Jacks (at 50 kilohms)
DIGITAL Optical –18 dBm Wave length: 660 nm
OUT output
(OPTICAL) connector
Where purchased Power requirements
USA/Canada 120 V AC, 60 Hz
Australia 240 V AC, 50/60 Hz
Europe 220 V – 230 V AC, 50/60 Hz
Other countries 110 V – 120 V or 220 V – 240 V AC,
adjustable, 50/60 Hz
General
Power requirements
Power consumption 12 W
Dimensions (approx.) When the front cover is closed
(w/h/d) 430 × 200 × 480 mm (17 × 7 7/8 × 19 in.)
incl. projecting parts
Mass (approx.) 9.5 kg (21 lbs)
Supplied accessories
Audio cord (2 phono plugs – 2 phono plugs) (1)
Remote commander (remote) (1)
Sony SUM-3 (NS) batteries (2)
CD booklet holders (2) and label (1)
Design and specifications are subject to change without notice.

– 2 –
TABLE OF CONTENTS
1. SERVICING NOTES ............................................... 3
2. GENERAL ................................................................... 6
3. DISASSEMBLY ......................................................... 7
4. TEST MODE .............................................................. 10
5. MECHANICAL ADJUSTMENTS ....................... 13
6. ELECTRICAL ADJUSTMENTS......................... 19
7. DIAGRAMS ................................................................. 22
7-1. Note for Printed Wiring Boards and
Schematic Diagrams ....................................................... 23
7-2. Printed Wiring Board – BD Section – ........................... 25
7-3. Schematic Diagram – BD Section – ............................... 27
7-4. Printed Wiring Board – Main Section – ........................ 29
7-5. Schematic Diagram – Main Section – ........................... 31
7-6. Printed Wiring Boards – Jack Section – ........................ 33
7-7. Schematic Diagram – Jack Section – ............................ 35
7-8. Printed Wiring Boards – Panel Section – ...................... 37
7-9. Schematic Diagram – Panel Section – .......................... 39
7-10. Printed Wiring Board – Sensor/Motor Section – .......... 41
7-11. Schematic Diagram – Sensor/Motor Section – ............. 43
7-12. IC Pin Function Description ........................................... 47
8. EXPLODED VIEWS ................................................ 49
9. ELECTRICAL PARTS LIST ............................... 56
CAUTION
Use of controls or adjustments or performance of procedures
other than those specified herein may result in hazardous
radiation exposure.
The laser component in this product
is capable of emitting radiation
exceeding the limit for Class 1.
This appliance is classified as
a CLASS 1 LASER product.
The CLASS 1 LASER
PRODUCT MARKING is
located on the rear exterior.
4-998-525-0
4-998-525-1
4-998-525-2
4-998-525-4
4-998-525-5
4-998-525-6
US model
Canadian model
AEP, AED UK model
Singapore model
E model
Australian model
PART No. MODEL
MODEL IDENTIFICATION
— BACK PANEL —
• Abbreviation
AED: North European
CAUTION :
INVISIBLE LASER RADIATION WHEN OPEN AND
INTERLOCKS DEFEATED. AVOID EXPOSURE TO BEAM.
ADVARSEL :
USYNLIG LASERSTRÅLING VED ÅBNING NÅR
SIKKERHEDSAFBRYDERE ER UDE AF FUNKTION. UNDGÅ UDSAETTELSE
FOR STRÅLING.
VORSICHT :
UNSICHTBARE LASERSTRAHLUNG, WENN
ABDECKUNG GEÖFFNET UND SICHEREITSVERRIEGELUNG
ÜBERBRÜCKT. NICHT DEM STRAHL AUSSETZEN.
VARO
!
:
AVATTAESSA JA SUOJALUKITUS OHITETTAESSA OLET ALT-
TIINA NÄKYMÄTTÖMÄLLE LASERSÄTEILYLLE. ÄLÄ KATSO SÄTEESEEN.
VARNING :
OSYNLING LASERSTRÅLING NÄR DENNA DEL ÄR ÖPPNAD
OCH SPÄRREN ÄR URKOPPLAD. BETRAKTA EJ STRÅLEN.
ADVERSEL :
USYNLIG LASERSTRÅLING NÅR DEKSEL ÅPNES OG
SIKKERHEDSLÅS BRYTES. UNNGÅ EKSPONERING FOR STRÅLEN.
VIGYAZAT
!
:
A BURKOLAT NYITÁSAKOR LÁTHATATLAN LÉZERSU-
GÁRVESZÉLY
!
KERÜLJE A BESUGÁRZÁST
!
(Except for the customers in the United States and
Canada)
The following caution label is located inside the unit.
PART No.

– 3 –
ATTENTION AU COMPOSANT AYANT RAPPORT
À LA SÉCURITÉ!
LES COMPOSANTS IDENTIFIÉS PAR UNE MARQUE !
SUR LES DIAGRAMMES SCHÉMATIQUES ET LA LISTE
DES PIÈCES SONT CRITIQUES POUR LA SÉCURITÉ
DE FONCTIONNEMENT. NE REMPLACER CES COM-
POSANTS QUE PAR DES PIÈCES SONY DONT LES
NUMÉROS SONT DONNÉS DANS CE MANUEL OU
DANS LES SUPPLÉMENTS PUBLIÉS PAR SONY.
SAFETY-RELATED COMPONENT WARNING!!
COMPONENTS IDENTIFIED BY MARK ! OR DOTTED
LINE WITH MARK ! ON THE SCHEMATIC DIAGRAMS
AND IN THE PARTS LIST ARE CRITICAL TO SAFE
OPERATION. REPLACE THESE COMPONENTS WITH
SONY PARTS WHOSE PART NUMBERS APPEAR AS
SHOWN IN THIS MANUAL OR IN SUPPLEMENTS PUB-
LISHED BY SONY.
SAFETY CHECK-OUT
After correcting the original service problem, perform the follow-
ing safety check before releasing the set to the customer:
Check the antenna terminals, metal trim, “metallized” knobs,
screws, and all other exposed metal parts for AC leakage.
Check leakage as described below.
LEAKAGE
The AC leakage from any exposed metal part to earth ground and
from all exposed metal parts to any exposed metal part having a
return to chassis, must not exceed 0.5 mA (500 microampers.).
Leakage current can be measured by any one of three methods.
1. A commercial leakage tester, such as the Simpson 229 or RCA
WT-540A. Follow the manufacturers’ instructions to use these
instruments.
2. A battery-operated AC milliammeter. The Data Precision 245
digital multimeter is suitable for this job.
3. Measuring the voltage drop across a resistor by means of a
VOM or battery-operated AC voltmeter. The “limit” indica-
tion is 0.75 V, so analog meters must have an accurate low-
voltage scale. The Simpson 250 and Sanwa SH-63Trd are ex-
amples of a passive VOM that is suitable. Nearly all battery
operated digital multimeters that have a 2 V AC range are suit-
able. (See Fig. A)
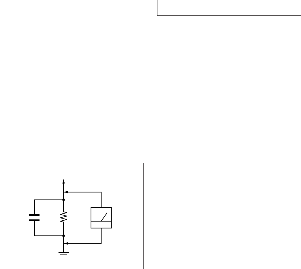
Fig. A. Using an AC voltmeter to check AC leakage.
1.5 k
Ω
0.15
µ
FAC
voltmeter
(0.75 V)
To Exposed Metal
Parts on Set
Earth Ground
SECTION 1
SERVICING NOTES
The laser diode in the optical pick-up block may suffer electro-
static break-down because of the potential difference generated
by the charged electrostatic load, etc. on clothing and the human
body.
During repair, pay attention to electrostatic break-down and also
use the procedure in the printed matter which is included in the
repair parts.
The flexible board is easily damaged and should be handled with
care.
NOTES ON LASER DIODE EMISSION CHECK
The laser beam on this model is concentrated so as to be focused
on the disc reflective surface by the objective lens in the optical
pick-up block. Therefore, when checking the laser diode emis-
sion, observe from more than 30 cm away from the objective lens.
LASER DIODE AND FOCUS SEARCH OPERATION
CHECK
Carry out the “S curve check” in ”CD section adjustment” and
check that the S curve waveform is output repeatedly.
NOTES ON HANDLING THE OPTICAL PICK-UP
BLOCK OR BASE UNIT

– 4 –
CD-TEXT TEST DISC
This unit is able to display the test data (character information) written in the CD on its fluorescent indicator tube.
The CD-TEXT TEST DISC (TGCS-313:4-989-366-01) is used for checking the display.
To check, perform the following procedure.
Checking Method:
1. Turn ON the power, set the disc on the disc table with the side labeled as “test disc” as the right side, close the front cover, and chuck the
disc.
2. Press the · button and play back the disc.
3. The following will be displayed on the fluorescent indicator tube.
Display : 1kHz/0 dB/ L&R
4. Press the ≠ and ± buttons to switch the track. The text data of each track will be displayed.
For details of the displayed contents for each track, refer to “Table 1 : CD-TEXT TEST DISC TEXT Data Contents” and “Table 2 : CD-
TEXT TEST DISC Recorded Contents and Display”.
Restrictions in CD-TEXT Display
In this unit, some special characters will not be displayed properly. These will be displayed as a space or a character resembling it. For
details, refer to “Table 2 : CD-TEXT DISC Recorded Contents and Display”.
Table 1 : CD-TEXT TEST DISC TEXT Data Contents (TRACKS No. 1 to 41:Normal Characters)
1 1kHz/0dB/L&R 22 1kHz/-90dB/L&R
2 20Hz/0dB/L&R 23 Infinity Zero w/o emphasis//L&R
3 40Hz/0dB/L&R 24 Infinity Zero with emphasis//L&R
4 100Hz/0dB/L&R 25 400Hz+7kHz(4:1)/0dB/L&R
5 200Hz/0dB/L&R 26 400Hz+7kHz(4:1)/-10dB/L&R
6 500Hz/0dB/L&R 27 19kHz+20kHz(1:1)/0dB/L&R
7 1kHz/0dB/L&R 28 19kHz+20kHz(1:1)/-10dB/L&R
8 5kHz/0dB/L&R 29 100Hz/0dB/L*
9 7kHz/0dB/L&R 30 1kHz/0dB/L*
10 10kHz/0dB/L&R 31 10kHz/0dB/L*
11 16kHz/0dB/L&R 32 20kHz/0dB/L*
12 18kHz/0dB/L&R 33 100Hz/0dB/R*
13 20kHz/0dB/L&R 34 1kHz/0dB/R*
14 1kHz/0dB/L&R 35 10kHz/0dB/R*
15 1kHz/-1dB/L&R 36 20kHz/0dB/R*
16 1kHz/-3dB/L&R 37 100Hz Squer Wave//L&R
17 1kHz/-6dB/L&R 38 1kHz Squer Wave//L&R
18 1kHz/-10dB/L&R 39 1kHz w/emphasis/-0.37dB/L&R
19 1kHz/-20dB/L&R 40 5kHz w/emphasis/-4.53dB/L&R
20 1kHz/-60dB/L&R 41 16kHz w/emphasis/-9.04dB/L&R
21 1kHz/-80dB/L&R
TRACK
No. Displayed Contents
NOTE: The contents of Track No. 1 to 41 are the same as those of the current TEST DISC-their titles are displayed.
TRACK
No. Displayed Contents

– 5 –
42 ! ” # $ % & ´ (21h to 27h)1kHz 0dB L&R N All the same
43 ( ) + , – . / (28h to 2Fh) N All the same
44 01234567 (30h to 37Fh) N All the same
45 8 9 : ; < = > ? (38h to 3Fh) N All the same
46 @A B C D E F G (40h to 47Fh) N All the same
47 H I J K L M N O (48h to 4Fh) N All the same
48 P Q R S T U VW (50h to 57Fh) PQ R S T U VW (50h to 57h)
49 X Y Z [ ¥ ] ^ _ (58h to 5Fh) XY Z [ \ ] ^ _ (58····
50 a b c d e f g (60h to 67Fh) a b c d e f g (60h to 67h)
51 h i j k l m n o (68h to 6Fh) N All the same
52 p q r s t u v w (70h to 77Fh) p q r s t u v w (70h to 77h)
53 x y z { I } (78h to 7Fh) x y z { } ~ (78····
54 i ¢£¤¥ § (A0h to A7h) 8859-1 i ¢ £ ¤ ¥ § (A0···· is not displayed
55 ≥Cª¬PR (A8h to AFh) ≥(A8···· C ª ¬ P R – are not displayed
56 •±23 µ¶ • (B0h to B7h) µ• (B0···· • ± 2 3 ¶ are not displayed
57 †1º¿ (B8h to BFh) † ¿ (B8···· 1 º are not displayed
58 ÀÁÂÃÄÅÆÇ (C0h to C7Fh) ÀÁ Â Ã Ä ÅÆÇ (C0h to C7h)
59 ÈÉÊË ÌÍÎÏ (C8h to CFh) N All the same
60 DÑÒÓÔÕÖ (D0h to D7Fh) D ÑÒÓÔÕÖ (D0h to D7h)
61 ØÙÚÛÜY ß (D8h to DFh) Ù Ú Û Ü Y ß (D8····
62 àáâãäåæç (E0h to E7h) à áâãäåæç (E0h to E7h)
63 èéêëìíîï (E8h to EFh) N All the same
64 ∂ñòóôõö÷(F0h to F7Fh) ñòóôõö÷(F0h to F7h)
65 øùúûüy ÿ (F8h to FFFh) ø ùúûüy ÿ (F8h to FFh)
66 No.66 N All the same
67 No.67 N All the same
to to to
99 No.99 N All the same
Table 2: CD-TEXT TEST DISC Recorded Contents and Display
(In this unit, some special characters cannot be displayed. This is no a fault.)
´
′
*
~
′′
´
˙
′
´
TRACK
No. Recorded Contents Display
–
1
41
23
41
41
23
4

– 6 –
SECTION 2
GENERAL
LOCATION OF PARTS AND CONTROLS
Front Panel
ª
Pp§
±
±
STANDBY
1/u
CONTINUE
GROUP 1
GROUP 5
SHUFFLE
GROUP 2
GROUP 6
PROGRAM
GROUP 3
GROUP 7
REPEAT
GROUP 4
GROUP 8
TIME/TEXT
GROUP FILE
CHECK
AMS
OPEN/CLOSE
CLEAR
INPUT
MEMO SEARCH
PUSH ENTER
DISC/CHARACTER
12 34567 89!º !¡
!™
!£
!¢
!∞!§!¶
!•!ª@º
1 I/u (power switch) button
2 CONTINUE button
3 SHUFFLE button
4 Display window
5 PROGRAM button
6 REPEAT button
7 TIME/TEXT button
8 Front cover
9 MEMO SEARCH button
!º INPUT button
!¡ ≠/± buttons
!™ JOG dial (DISC/CHARACTER/PUSH ENTER knob)
!£ CHECK button
!¢ CLEAR button
!∞ p button
!§ P button
!¶ · button
!• § (OPEN/CLOSE) button
!ª GROUP FILE button
@º GROUP 1 – 8 buttons

– 7 –
CASE
FRONT PANEL SECTION
Note: Follow the disassembly procedure in the numerical order given.
SECTION 3
DISASSEMBLY
3
Remove the case to
direction of arrow
A
.
1
five screws
(case 3 TP2
)
1
four screws
(case 3 TP2)
2
Open the case.
A
6
Remove the door (CD) ass’y
to direction of arrow
A
.
1
flat wire (CN501)
4
claw
3
five screws (BVTT3
×
6)
5
front panel section
2
four screws
(BVTP3
×
8)
4
claw
A

– 8 –
GUIDE ASS’Y
REAR PANEL SECTION
3
three screws
(BVTT3
×
6)
4
boss
2
screw
(PSW3
×
6)
5
guide ass’y
3
three screws
(BVTT3
×
6)
1
connector
(CN503)
5
PC board
holder
1
connector
(CN505)
8
bracket
1
connector
(CN904)
2
flat wire
(CN502)
3
three connectors
(CN504, 506, 507)
4
five screws
(BVTT3
×
6
)
3
four screws
(PTTWH3
×
6)
7
four screws
(BVTT3
×
6)
6
rear panel section

– 9 –
MECHANISM DECK
BASE UNIT
1
screw (BVTT3
×
8)
2
fulcrum plate
(BU upper) ass’y
3
base uni
t
2
mechanism deck
1
three screws
(BVTT3
×
8)
1
six screws
(BVTT3
×
8)

– 10 –
Button Button Number or Display
CLEAR 3
CHECK 4
± (AMS) 5
≠ (AMS) 6
PUSH ENTER 7
§
(OPEN/CLOSE)
9
INPUT 10
MEMO SEARCH 11
I/u18
TIME/TEXT 19
GROUP FILE 20
GROUP 8 21
GROUP 7 22
GROUP 6 23
GROUP 5 24
REPEAT 27
PROGRAM 28
SHUFFLE 29
CONTINUE 30
GROUP 4 31
GROUP 3 32
GROUP 2 33
GROUP 1 34
·All lit (LED lit)
PPartial lighting 1 (LED lit)
pPartial lighting 2
DISC/ Partial lighting 3
CHARACTER • When the jog dial is rotated to the right, the
GROUP LEDs light up in the order of 1 → 2..8
→ 2nd → 1.
• When the jog dial is rotated to the left, the
GROUP LEDs light up in the order of 8 → 7..1
→ 2nd → 8.
SECTION 4
TEST MODE
DISPLAY CHECK MODE
With the power turned off (standby state), press the I/ubutton
while pressing the P(pause) button.
All FL segments and grids light up together with the ·(play),
P(pause), and standby LEDs.
At the same time, the GROUP LEDs are scanned one by one.
Note: To exit this mode, press the p(stop) button.
ADJ MODE
1. Turn ON the power of the unit, set disc to disc table, and per-
form chucking.
2. Disconnect the power supply plug from the outlet.
3. To set ADJ mode, connect the test point (TP: ADJ) of the MAIN
board to Ground, and connect the power supply plug to the
outlet.
The power will turn on automatically, and the first track will be
played.
In this mode, table rotation and loading operations are not per-
formed because it is taken that the disc has already been chucked.
Note: The same operations are also performed in the following when the
test point (TP: ADJ) is connected to Ground after turning on the
power.
• Direct search (movement of sledding motor) is not performed
during accessing
• Ignored even when GFS becomes L
• Ignored even when the Q data cannot be read
• Focus gain does not decrease
• Spindle gain does not decrease
• Servo related settings can be set manually and checked (Refer
to ADJ Mode Special Functions Table)
ADJ Mode Special Functions Table
(The buttons shown with ( ) function by using the sup-
plied remote commander only)
KEY AND FLUORESCENT DISPLAY TUBE CHECK
MODE
1. Connect the test point (TP:AFADJ) of the MAIN board to the
Ground, and insert the power plug to the outlet to set this mode.
First, the external SRAM is checked, and if abnormal, “SRAM
NG” is displayed.
If OK, the following steps are performed.
* Fluorescent Display Tube Check Mode
The whole fluorescent display tube lights up when the con-
nection in step 1 is made.
* Key Check Mode
This mode is set when a button is pressed after the whole
fluorescent display tube lights.
All buttons have a button number.
When a button is pressed, the counter display is counted up,
and the number of that button is displayed.
However, the counter display will only count up to 26, but
the number of buttons pressed will always be displayed.
** **
O
Counter display Button number display
Buttons and Corresponding Button Numbers
Button Button Number or Display
CONTINUE Servo average display
Displays VC, FE, RF, TE and traverse in hexadecimal
numbers
SHUFFLE Focus bias display
Each time this is pressed, the focus bias is switched
between 1 and 2
1
Bias actually set Optimum bias Minimum jitter
2
U:Upper aliasing bias L:Lower aliasing bias
PROGRAM Auto gain display
Displays focus, tracking, sledding in hexadecimal
numbers
GROUP 1 (1) Increases the focus bias in 8 steps.
GROUP 2 (2) Sets the focus bias in the middle of aliasing.
GROUP 3 (3) Turns off the tracking and sledding servo
GROUP 4 (4) Returns the auto gain to the initial value (30)
GROUP 5 (5) Turns off the focus servo
GROUP 6 (6) Decreases the focus bias in 8 steps.
GROUP 7 (7) Re-adjusts the focus bias
GROUP 8 (8) Turns on the tracking and sledding servo
(9) Switches the focus servo gain between normal and down
FG. norm: normal, FG. down: down
(10/0) Sets the focus bias to 0 (no bias)
Next, displays the jitter measured at the focus bias set
CHECK S-curve observation mode
CLEAR Automatic eccentric measurement
The results of measurement is displayed in mm directly.

– 11 –
Partial lighting 1
Partial lighting 2
Partial lighting 3
Test Points Location:
AGING MODE
• Mode which repeatedly changes and plays back discs automati-
cally in the unit.
• It will repeat aging as long as no errors occur.
• If an error occurs during aging, it will stop all servos, motors,
etc. instantaneously, display the error number, and stop opera-
tions. However, the stopping conditions differ according to
whether the unit is equipped with the “self-protection function
during errors” described later.
The function serves to maintain the state of the unit when errors
occur.
Special Functions in Aging Mode
1. Disc setting mode:
5 discs are set before setting the aging mode. This mode makes
the setting of these discs more easy.
2. Self protection function during errors:
Function which voluntarily corrects errors which occur dur-
ing normal operations by retries.
If this function is not provided, all operations will be stopped
without retiring. It is suitable for checking errors with low re-
producibility.
If this function is provided, and errors can be corrected by
retries, aging will be continued without stopping.
3. Aging cycle count function:
Functions which displays the number of agings carried out on
the Fluorescent indicator tube in numbers. One aging cycle
consists of five discs.
A B C D E F G
O
O
2nd
**
O
*
: Counter displayed
TP
(ADJ) IC501
CN509 CN508
IC506
TP
(AFADJ)
IC502
[MAIN BOARD] – Component Side –
1DISC
CD1
DISC
2
number of agings
*DISC-40*
Sequence of Aging Mode
$
$
$
1. Disc change
2. Load in
3. TOC read
4. Access of last track
5. 3 second playback
6. Access of first track
7. 3 second playback
8. Load out
$
$
$
$
$
$
Order of Disc Change
(1 cycle takes 3 minutes)
$
$
$
1. No. 40
2. No. 120
3. No. 80
4. No. 200
5. No. 160
$
$
$

– 12 –
Aging Method
1. Change the [COMMANDMODE] switch (S901) on set to
[CD1].
2. Turn ON the power of the unit. Open the front cover.
3. Press the [AGINGSTART] button of the remote commander
for aging mode (J-2501-123-A).
4. When the disc set mode is set, the ·and PLEDs blink.
5. Rotate the JOG dial. The slits (No. 40, 80, 120, 160, 200) for
setting the discs will come forward. Insert the discs into these
slits. Do not set the discs in other slits.
6. Set whether the self-protection function during errors is
equipped with the unit. Press the [REPEAT] button. If “RE-
PEAT” is displayed on the Fluorescent indicator tube, it means
the function is provided. If “REPEAT” is not displayed, it
means the function is not provided.
7. Press the ·button.
8. The ·LED blinks, the aging mode is set, and aging is
started.
9. The aging cycle lasts 3 minutes. If errors occur during aging,
the error number will be displayed on the Fluorescent indica-
tor tube. (Refer to the following table for the details of the
errors.)
10. Aging will be repeated as long as no errors occur.
11. After each aging cycle, the number displayed on the Fluores-
cent indicator tube will increase.
12. To end aging, press the I/ubutton
Error Display
Error code
120 Err01
Disc number Error code
Code number Name Contents
Err 01 DISC sensor check 1 No disc in the specified slit
Err 02 DISC sensor check 2 Disc in other slits
Err 03 Table operation check 1 Table motor current over
Err 04 Table operation check 2 No table sensor input
Err 05 Loading operation check 1 Load in timeover
Err 06 Loading operation check 2 Load out timeover
Err *1 BU related check 1 Access timeover
Err *2 BU related check 2 High speed search NG
Err *3 BU related check 3 Q data read error
Err *4 BU related check 4 BU operation (from focus search to until signal can be read) timeover
Err *5 BU related check 5 GFS monitor error
Err *6 BU related check 6 Focus cannot be imposed by focus search
Err *7 BU related check 7 Auto focus bias adjustment cannot be performed
The * numbers mean the following according to the state of the unit during aging
2 : From checking to end of TOC read
3 : From end of TOC read to end of last track playback
4 : From end of last track playback to end of first track playback

– 13 –
SECTION 5
MECHANICAL ADJUSTMENTS
Perform the following steps before carrying out adjustments.
1. Turn ON the power of the unit, set disc to disc table No. 92,
and perform chucking.
2. Turn OFF the power.
3. Remove the case.
4. While pressing the [STOP] button, turn ON the I/ubutton.
The test mode is set.
5. The I/ubutton LED (STANDBY) starts blinking.
(Test mode)
Note 1: The cam will start rotating when the [GROUP1] or [GROUP5]
button is pressed continuously in the test mode.
Note 2: If the power cannot be supplied, the cam can be rotated by rotat-
ing the pulley with your finger.
p
LED (STANDBY)
1/u
1/u
button STOP button
GROUP 1
button
GROUP 5
button GROUP 1 button GROUP 5 butto
n
pulle
y
cam

– 14 –
cam
cam holder (guide T)
guide (disc T) fixed scre
w
guide (disc T)
disc
A
B
guide (disc T)
disc
holder
(guide T)
tapering screwdriver
holder (guide T)
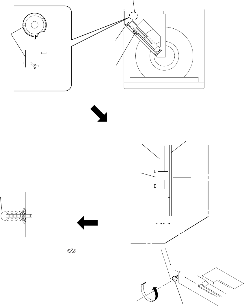
GUIDE (DISC T) ALIGNMENT
(2) Check that the state is as shown in
the figure.
(4) Move the holder (guide T) with a tapering screwdriver,
and set the position of the guide (disc T) to A:B=1:1.
(3) Loosen the fixed screw by about 60 °.
(1) Rotate the cam and adjust to the posi-
tion shown in the figure.

– 15 –
cam
cam holder (disc A2)
thrust
screw
disc
0 – 1 mm
holder (disc A2)
disc
holder (disc A2)
thrust
screw
HOLDER (DISC A2) ALIGNMENT
(1) Rotate the cam and adjust to the position
shown in the figure.
(3) After applying suitable locking compound to the part, rotate the thrust screw until the holder (Disc A2) comes to the center of
the disc.
(2) Check that the state is as shown in
the figure.

– 16 –
cam
cam
bracket (sensor)
lever (stopper) ass’y
table ass’y
lever (stopper) ass’y
disc table
swing
tapering screwdriver
LUMINOUS board
bracket (sensor)
PLAY button PAUSE button
fixed screw
(2) Check that the lever (stopper) ass’y secures
the disc table as shown in the figure.
(1) Rotate the cam and adjust to the position
shown in the figure.
(3) Loosen the fixed screw by 60° to 90°, and use a tapering screwdriver to adjust the screw as shown in the figure.
Move the bracket (sensor) with the tapering screwdriver little by little, and fix the fixed screw at where the play button's LED (green)
is switched to the pause button's LED (orange) (or its reverse).
SENSOR ALIGNMENT
Perform this adjustment after the “holder (disc A2) adjustment”.
If the disc table swings to the left and right just before the disc is
chucked, perform the following adjustment.
(4) Moving the disc table right and left with a hand after the
screw is fixed, the table will move by the play of a disc table.
If the LEDs light up alternately, the adjustment will be per-
formed correctly.

– 17 –
cam
cam
bracket
(BU adjustment)
magnet ass’y
base unit
0.5 – 2 mm
disc
base unit
holder (disc A2)
disc pulley
disc hole
fixed screw
tapering screwdriver
bracket
(BU adjustment)
magnet ass’y
(1) Rotate the cam and adjust to the position
shown in the figure.
(2) Check that the state is as shown
in the figure.
(3) Remove the Magnet ass’y.
PULLY AND DISC CENTER HOLE ALIGNMENT
Note: The disc should not
be fixed.
(4) Loosen the fixed screw by 60° to 90°, and move and adjust
the bracket (BU adjustment) up and down using a tapering
screwdriver so that the positions of the disc hole and disc
pulley become A=B or between A:B=2:1 and 1:2.

– 18 –
cam
adjustment
screw
magnet ass’y
cam
adjustment
screw
magnet holder disc
magnet ass’y
adjustment
screw
AB
MAGNET ASS’Y ALIGNMENT
(1) Rotate the cam and adjust to the position
shown in the figure.
(2) Rotate the adjustment screw until A=B or between A:B=2:1
and 1:2
(3) Apply suitable locking compaund to the part after ad-
justing.

– 19 –
Note: A clear RF signal waveform means that the shape “◊” can be clearly
distinguished at the center of the waveform.
E-F Balance Check
Procedure :
1. Connect oscilloscpe to test point TP (TE) on BD board.
2. Connect the test point TP (ADJ) on MAIN board to the ground
with a lead wire.
3. Turn the I/ubutton on to set the ADJ mode.
4. Put disc (YEDS-18) in to play the number five track.
5. Press the [GROUP3] button. (The tracking servo and the sled-
ding servo are turned OFF.)
6. Check the level B of the oscilliscope's waveform and the A
(DC voltage) of the center of the Traverse waveform.
Confirm the following :
A/B x 100 = less than ± 22%
7. Press the [GROUP8] button. (The tracking servo and sled-
ding servo are turned ON.) Confirm the C (DC voltage) is
almost equal to the A (DC voltage) is step 6.
8. Disconnect the lead wire of TP (ADJ) connected in step 1.
SECTION 6
ELECTRICAL ADJUSTMENTS
Note:
1. CD Block is basically designed to operate without adjustment. There-
fore, check each item in order given.
2. Use YEDS-18 disc (3-702-101-01) unless otherwise indicated.
3. Use an oscilloscope with more than 10MΩ impedance.
4. Clean the object lens by an applicator with neutral detergent when the
signal level is low than specified value with the following checks.
S-Curve Check
Procedure :
1. Connect oscilloscope to test point TP (FE1) on BD board.
2. Connect test point TP (ADJ) on MAIN board to ground with
lead wire.
3. Turn I/ubutton on to set the ADJ mode.
4. Put disc (YEDS-18) in and playback.
Press the [CHECK] button.
5. Check the oscilloscope waveform (S-curve) is symmetrical be-
tween A and B. And confirm peak to peak level within 3 ± 1
Vp-p.
6. After check, remove the lead wire connected in step 2.
Note: • Try to measure several times to make sure than the ratio of A : B
or B : A is more than 10 : 7.
• Take sweep time as long as possible and light up the brightness
to obtain best waveform.
RF Level Check
Procedure :
1. Connect oscilloscope to test point TP (RFO) on BD board.
2. Turn I/ubutton on.
3. Put disc (YEDS-18) in to play the number five track.
4. Confirm that oscilloscope waveform is clear and check RF sig-
nal level is correct or not.
BD board
TP (FE1)
TP (VC)
+
–
oscilloscop
e
S-curve waveform
symmetry
A
B
within 3
±
1 Vp-p
BD board
TP (RFO)
TP (VC)
+
–
oscilloscope
(AC range)
VOLT/DIV: 200 m
V
TIME/DIV: 500 ns
level: 1.2 Vp-p
RF signal waveform
+0.25
–0.20
BD board
TP (TE)
TP (VC)
+
–
oscilloscope
Traverse waveform
Center of the waveform
B
A (DC voltage
)
level: 1.3
±
0.6 Vp-p
0 V
Traverse waveform
C (DC
voltage)
0 V
Tracking servo
Sled servo
OFF
Tracking servo
Sled servo
ON

– 20 –
BD board
TP (XPCK) +
–
frequency counter
Procedure:
1. Connect the oscilloscope to Pins 1, 2, and 4 of CN506 of
the MAIN board. Also connect a 1 kΩ resistor to Pin 4 at the
same time. (Connection 1)
2. Check that no discs are loaded in the unit, and press the
I/ubutton while pressing the [INPUT] button.
3. The rotary table will continue rotating in the clockwise direc-
tion.
4. Observe the waveform at that time on the oscilloscope.
5. Loosen the screw securing the LUMINOUS board slightly.
6. Slide the LUMINOUS board to the left and right so that the
peak of the D0 waveform is at the center between the descend-
ing point of the T1 waveform and ascending point of the T2
waveform. (Waveform 1) After adjusting, apply locking com-
pound.
7. Disconnect the resistor connected to Pin 4 of CN506 of the
MAIN board. (Connection 2)
8. Observe the waveform on the oscilloscope. (Waveform 2)
9. Adjust RV501 of the MAIN board so that the waveform on the
oscilloscope satisfies the following adjustment value.
10. After the adjustment, load a disc only in slit 1, close the front
cover, and press the I/ubutton to turn off the power.
11. Press the I/ubutton while pressing the [PUSHENTER] button
to turn on the power.
12. If the rotary table makes round, and “YES” is displayed on the
fluorescent indicator tube after it stops, it means that the ad-
justment has been performed properly.
Adjustment value:
At the shoulder part of waveform D1, T1 becomes H and T2 be-
comes L, and at the same time, the Y width must not be smaller
than 1/4 of the Z width.
In order to satisfy this value more easily, adjust so that X=Y ap-
proximately and observe the deviation of the waveform.
RF PLL Free-run Frequency Check
Procedure :
1. Connect frequency counter to test point TP (XPCK) with lead
wire.
2. Turn I/ubutton on.
3. Put the disc (YEDS-18) in to play the number five track.
Confirm that reading on frequency counter is 4.3218MHz.
Disc Sensor Adjustment
Perform this adjustment after completing all adjustments of the
mechanism section.
If not performed accurately, the presence of the disc may not be
detected properly.
Connection 1:
Waveform 1:
Connection 2:
Waveform 2
+
–
oscilloscop
e
CN506 of MAIN board
T1: Pin
1
(T. SENS 1)
T2: Pin
2
(T. SENS 2)
D0: Pin
4
(D. SENS) 1 k
Ω
AB
T1
T2
D0
+
–
oscilloscop
e
CN506 of MAIN board
T1: Pin
1
(T. SENS 1)
T2: Pin
2
(T. SENS 2)
D0: Pin
4
(D. SENS)
Z
XY
T1
T2
D1
LUMINOUS boar
d

– 21 –
Adjustment Location:
CN501 CN506
61
RV501
IC502 TP
(AFADJ)
TP
(ADJ)
CN509 CN508
[MAIN BOARD] – Component Side –
IC501
[BD BOARD] – Side B –
TP
(XPCK)
IC101
TP
(VC)
TP
(FE)
TP (RFO)
TP (TE)
TP
(FE1)
TP
(FE2) IC103

– 22 –
SECTION 7
DIAGRAMS
• Circuit Boards Location
BD board
L. SW board
L. MOTOR board
ILLUMINATION board
D. SENS (RAY CATCHER) board
D. SENS (LUMINOUS) board
DISP board
T. SENS board
DOOR SN board
JOG board DOOR MOTOR board
T. MOTOR board
JACK boar
d
MAIN board

– 23 –
Note on Schematic Diagram:
• All capacitors are in µF unless otherwise noted. pF: µµF
50 WV or less are not indicated except for electrolytics
and tantalums.
• All resistors are in Ω and 1/4 W or less unless otherwise
specified.
•¢: internal component.
•C: panel designation.
Note on Printed Wiring Boards:
•X: parts extracted from the component side.
•Y: parts extracted from the conductor side.
•¢: internal component.
•b: Pattern from the side which enables seeing.
•: Solder bridge.
•Indication of transistor.
Note:
The components identi-
fied by mark ! or dotted
line with mark ! are criti-
cal for safety.
Replace only with part
number specified.
Note:
Les composants identifiés par
une marque ! sont critiques
pour la sécurité.
Ne les remplacer que par une
piéce portant le numéro
spécifié.
•U: B+ Line.
•V: B– Line.
•H: adjustment for repair.
• Voltages and waveforms are dc with respect to ground
under no-signal conditions.
no mark: PLAY
• Voltages are taken with a VOM (Input impedance 10 MΩ).
Voltage variations may be noted due to normal produc-
tion tolerances.
• Waveforms are taken with a oscilloscope.
Voltage variations may be noted due to normal produc-
tion tolerances.
• Circled numbers refer to waveforms.
• Signal path.
J: CD
c: digital out
• Abbreviation
AED : North European
AUS : Australian model.
CND : Canadian model.
E2 : 120 V AC Area in E model.
E3 : 240 V AC Area in E model.
SP : Singapore model.
THIS NOTE IS COMMON FOR PRINTED WIRING BOARDS AND SCHEMATIC DIAGRAMS.
(In addition to this, the necessary note is printed in each block.)
7-1. NOTE FOR PRINTED WIRING BOARDS AND SCHEMATIC DIAGRAMS
C
B
These are omitted.
E
Q
B
These are omitted.
CE
Q
B
These are omitted.
CE
Q

3.6 Vp-p
10 MHz
Approx.
600 mVp-p
Approx.
500 mVp-p
1.2 Vp-p
+0.25
–0.20
2.5 Vp-p
480 ns
3.6 Vp-p
16.9344 MHz
– 24 –
• Waveforms
– BD Section –
1IC101 ^§ (XTAI)
2IC101 %¡ (RFAC)
500 mV/DIV, 1 µs/DIV
3IC101 $¡ (TE)
200 mV/DIV, 1 µs/DIV
4IC101 #ª (FE)
200 mV/DIV, 10 µs/DIV
– PANEL Section –
1IC701 %• (OSC0)
– MAIN Section –
1IC501 #¡ (EXTAL)

– 25 –
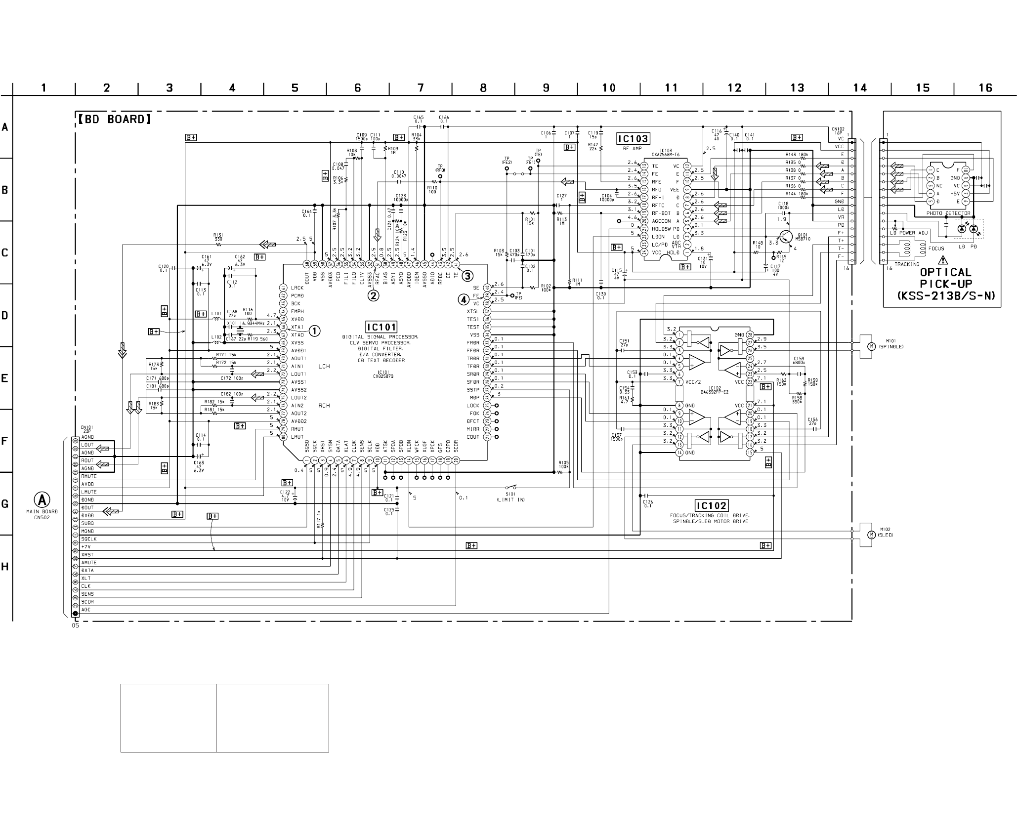
7-2. PRINTED WIRING BOARD – BD Section –
• See page 22 for Circuit Boards Location.

– 26 –
(Page 30)

CDP-CX220
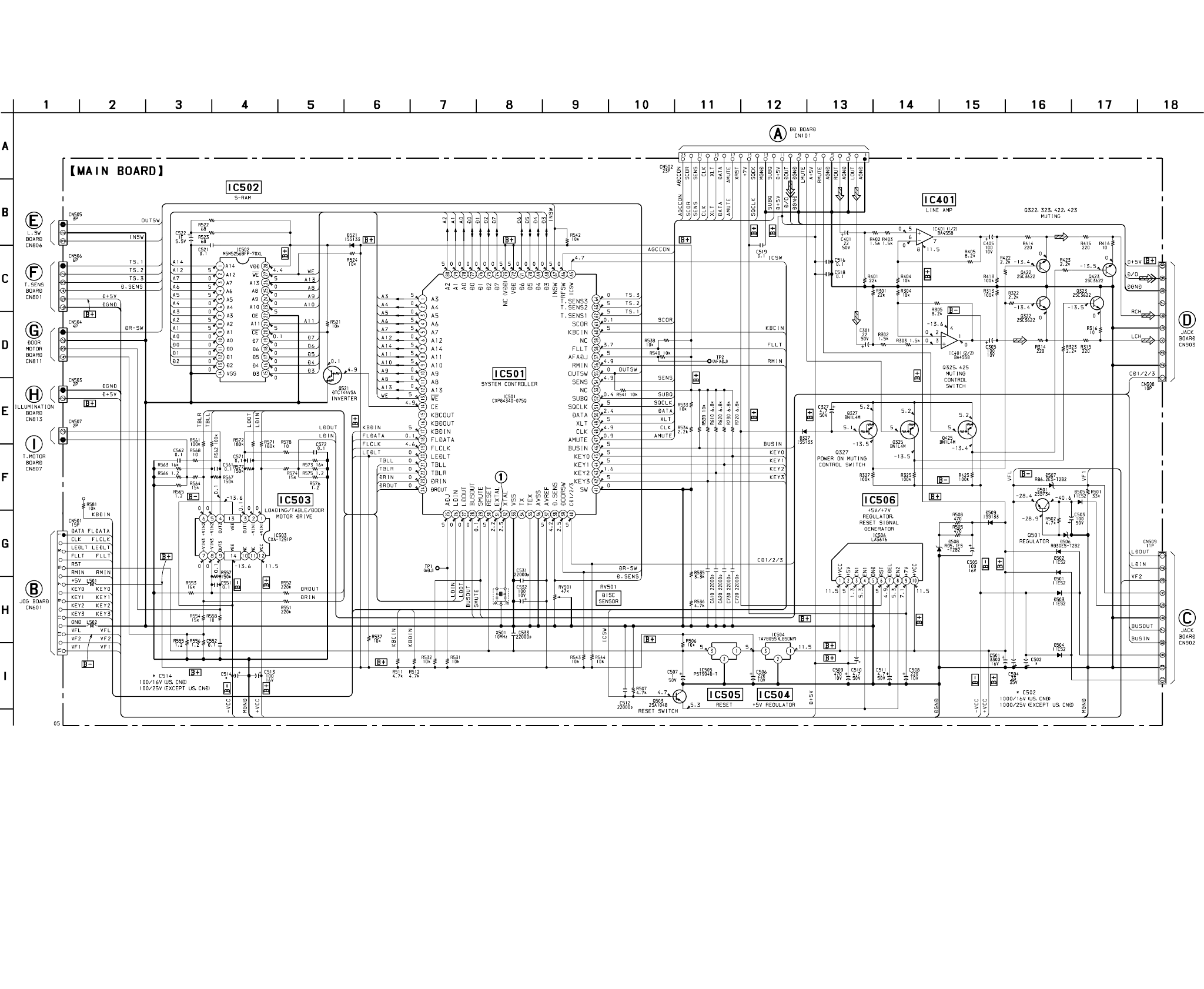
7-3. SCHEMATIC DIAGRAM – BD Section –
• See page 24 for Waveforms. • See page 44 for IC Block Diagrams.
• no mark: PLAY
• Signal path.
J: CD
c: digital out
– 27 – – 28 –
Note:
The components identi-
fied by mark ! or dotted
line with mark ! are criti-
cal for safety.
Replace only with part
number specified.
Note:
Les composants identifiés par
une marque ! sont critiques
pour la sécurité.
Ne les remplacer que par une
piéce portant le numéro
spécifié.
(Page 32)

CDP-CX220
D327 E-5
D501 E-4
D502 E-4
D503 E-4
D504 E-4
D505 E-3
D506 E-1
D507 E-1
D508 E-5
D509 E-5
D521 B-3
IC401 C-8
IC501 C-3
IC502 B-4
IC503 C-1
IC504 D-5
IC505 D-3
IC506 C-5
Q322 E-7
Q323 E-7
Q325 E-6
Q327 E-5
Q422 E-8
Q423 E-8
Q425 E-6
Q501 E-2
Q503 C-5
Q521 A-3
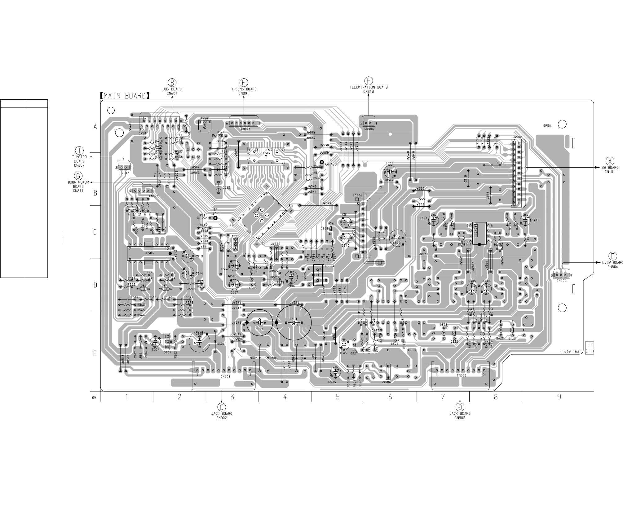
7-4. PRINTED WIRING BOARD – MAIN Section –
• See page 22 for Circuit Boards Location.
– 30 –
– 29 –
• Semiconductor
Location
Ref. No. Location
(Page 37) (Page 42)
(Page 41)
(Page 41)
(Page 33) (Page 34)
(Page 41)
(Page 26)
(Page 41)

CDP-CX220
7-5. SCHEMATIC DIAGRAM – MAIN Section –
• See page 24 for Waveforms. • See page 45 for IC Block Diagrams.
– 31 – – 32 –
• no mark: PLAY
• Signal path.
J: CD
c: digital out
(Page 43)
(Page 43)
(Page 43)
(Page 43)
(Page 43)
(Page 40)
(Page 35)
(Page 36)
(Page 27)

CDP-CX220
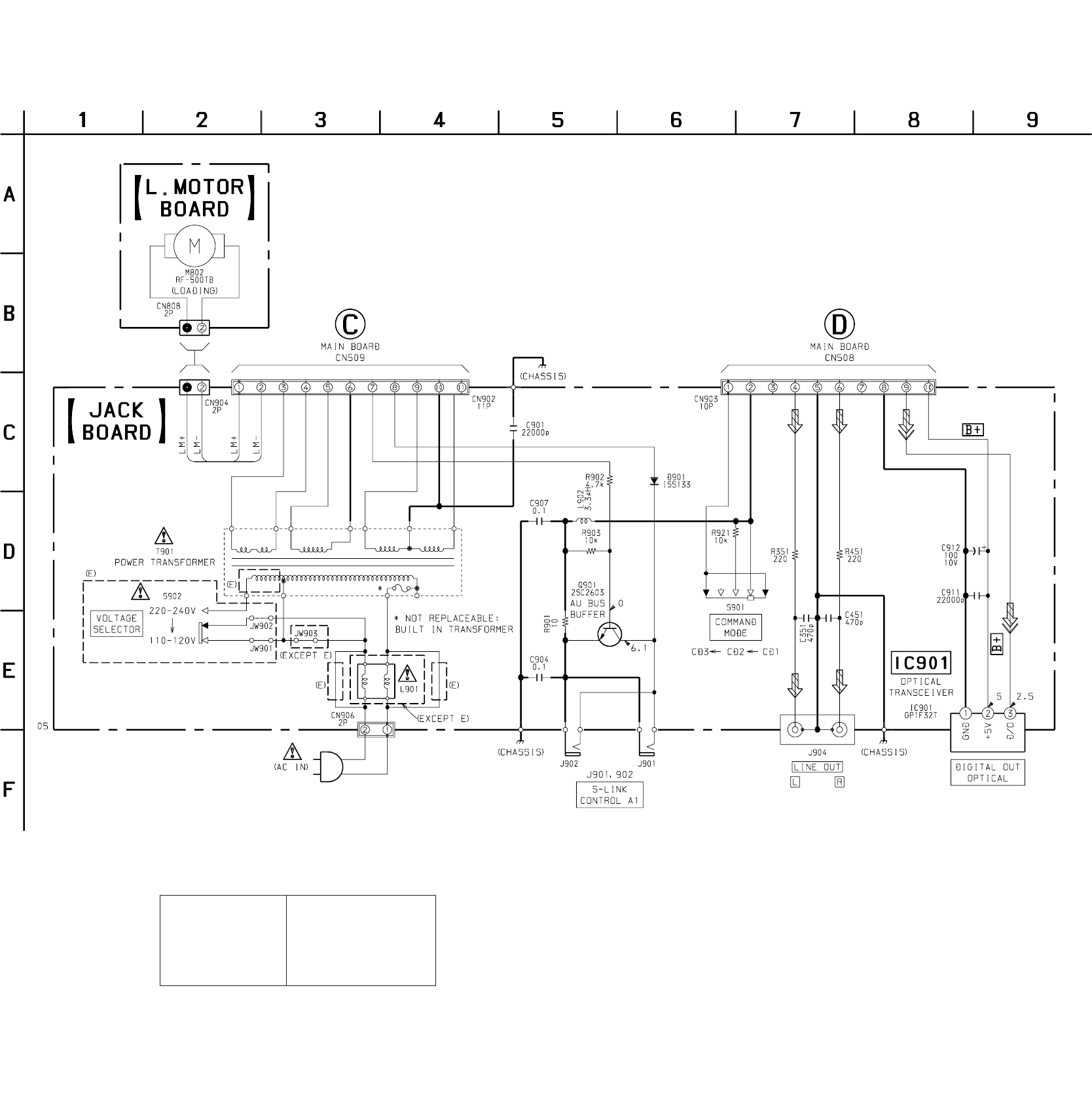
7-6. PRINTED WIRING BOARDS – JACK Section –
• See page 22 for Circuit Boards Location.
– 33 – – 34 –
(Page 29)
(Page 30)

CDP-CX220
7-7. SCHEMATIC DIAGRAM – JACK Section –
– 35 – – 36 –
• no mark: PLAY
• Signal path.
J: CD
c: digital out
Note:
The components identi-
fied by mark ! or dotted
line with mark ! are criti-
cal for safety.
Replace only with part
number specified.
Note:
Les composants identifiés par
une marque ! sont critiques
pour la sécurité.
Ne les remplacer que par une
piéce portant le numéro
spécifié.
(Page 32) (Page 32)

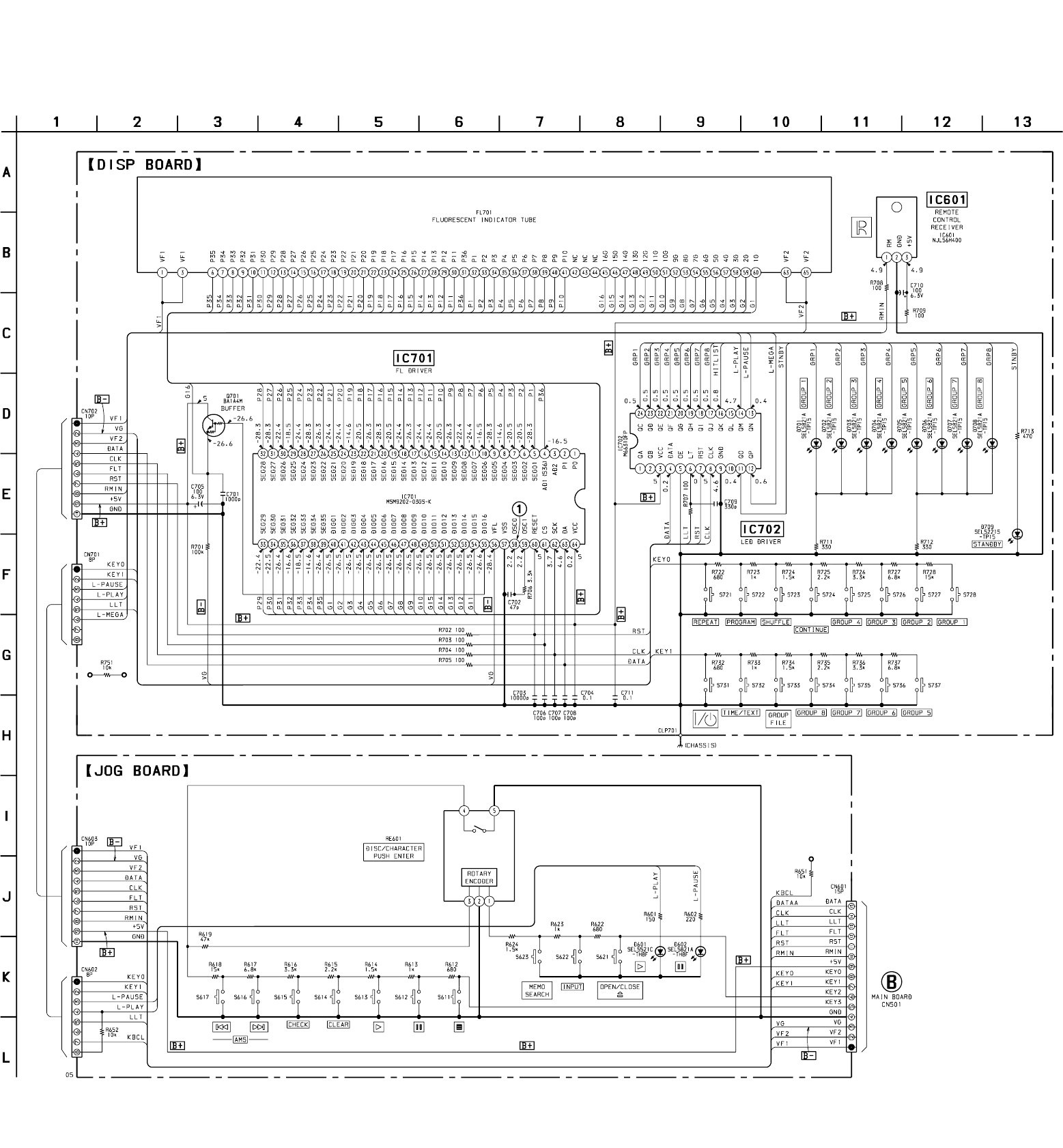
7-8. PRINTED WIRING BOARDS – PANEL Section –
• See page 22 for Circuit Boards Location.
– 37 –
(Page 38) (Page 38)
(Page 29)

– 38 –
• Semiconductor
Location
(DISP Board)
Ref. No. Location
D701 F-4
D702 F-3
D703 F-3
D704 F-2
D705 F-4
D706 F-3
D707 F-3
D708 F-2
D709 A-5
IC601 B-2
IC701 C-2
IC702 D-1
Q701 D-3
(Page 37)
(Page 37)

CDP-CX220
– 39 – – 40 –
7-9. SCHEMATIC DIAGRAM – PANEL Section –
• See page 24 for Waveforms. • See page 46 for IC Block Diagrams.
(Page 31)

– 41 –
7-10. PRINTED WIRING BOARDS – SENSOR/MOTOR Section –
• See page 22 for Circuit Boards Location.
(Page 30)
(Page 30)
(Page 29)
(Page 29)

– 42 –
(Page 29)

– 43 –
7-11. SCHEMATIC DIAGRAM – SENSOR/MOTOR Section –
CDP-CX220
(Page 31)
(Page 31)
(Page 31) (Page 31)
(Page 31)

– 44 –
• IC Block Diagrams
– BD Board –
IC101 CXD2587Q
TE
RFDC
CE
IGEN
AVSS0
ADIO
AVDD0
CLTV
FILO
AVSS3
VSS
AVDD3
DOUT
VDD
PCO
FILI
ASYO
ASYI
RFAC
BIAS
SSTP
DFCT
MIRR
MDP
LOCK
FOK
SFDR
VSS
TEST
FRDR
FE
VC
COUT
SE
XTSL
TES1
SRDR
TFDR
FFDR
TRDR
2
1
70
71
68
69
66
67
64
65
62
61
63
73
74
72
75
76
77
78
79
80
4
XRST
3
SQCK
SQSO
59
8
7
6
56
60 53
54
55
59 57
58 51
52 48
49
50 47 44
45
46 43 41
42
XLAT
CLOK
SENS
SYSM
DATA
XUGF
XPCK
GFS
C2PO
WFCK
10 11 12 13 14 15 16 17 18 19 20
21
22
23
24
25
26
32
33
30
31
36
37
34
35
39
40
38
28
27
29
SPOA
ATSK
SCLK
VDD
SCOR
SPOB
XLON
XTAI
XVDD
EMPH
AVDD1
AOUT1
AIN1
XTAO
XVSS
AIN2
AOUT2
AVDD2
RMUT
LOUT2
LOUT1
BCK
LRCK
PCMD
LMUT
AVSS1
AVSS2
CPU
INTERFACE
SERVO AUTO
SEQUENCER
SERIAL IN
INTERFACE
OVER SAMPLING
DIGITAL FILTER
3rd ORDER
NOISE SHAPER
PWM PWM
EFM
DEMODULATOR
TIMING
LOGIC
DIGITAL
OUT
D/A
INTERFACE
DIGITAL
PLL ASYMMETRY
CORRECTION
CLOCK
GENERATOR
MIRR, DFCT,
FOK
DETECTOR
DIGITAL
CLV
SUBCODE
PROCESSOR
SERVO
INTERFACE
SERVO DSP
FOCUS
SERVO
TRACKING
SERVO
SLED
SERVO
PWM GENERATOR
FOCUS PWM
GENERATOR
TRACKING
PWM GENERATOR
SLED PWM
GENERATOR
16K
RAM
ERROR
CORRECTOR
INTERNAL BUS
A/D
CONVERTER
OPERATIONAL
AMPLIFIER
ANALOG SWITCH

– 45 –
IC103 CXA2568M-T6
– MAIN Board –
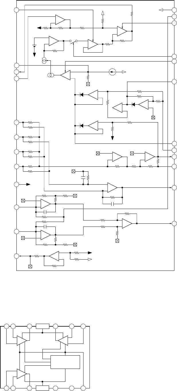
IC503 CXA1291P
APC PD AMP
APC LD AMP
RF SUMMING AMP RF EQ AMP
FOCUS ERROR AMP
TRACKING
ERROR AMP
VC BUFFER
VCC
50µA
VEE
VEE
VC
VC
VC
VC
VC
VC VC VC
VC
VC
VCC
VEE
VCC
VEE
VEE
VC
VCC
LC/PD
LD ON
HOLD SW
AGC CONT
RFTC
RF I
RF O
RFE
TE
FE
RF BOT
HOLD
AGC VTH
LD
PD
A
B
C
D
VEE
F
E
VC
1
2
3
4
5
6
7
8
9
10
11
12
13
14
15
16
17
18
19
20
21
22
23
24
+
–
+
–
+
–
+
–
+
–
+
–
+
–
VCC
+
–
+
–
+
–
+
–
+
–
+
–
+
–
+
–
+
–
1
236
9 10 16151411
AMP2
THERMAL SHUT
DOWN AND
CURRENT LIMITER
78
AMP1
AMP3
+VIN2
–VIN2
OUT2
OUT1
–VIN1
+VIN1
VEEVEE
+VIN3
–VIN3
OUT3
NC
NC
VCC

– 46 –
IC506 LA5616
– DISP Board –
IC702 M66310FP
ON/OFF
CURRENT
LIMITER
VREF
OVERHEAT
PROTECT
RESET
GENERATOR
ON/OFF
3
6
9
2
5
8
1
4
7
10
ERROR
AMP
ERROR
AMP
VIN1
VO1
CN
EN1
GND
RES
CD
EN2
VO2
VIN2
24
0
DR
CK
23
0
DR
CK
22
0
DR
CK
21
0
DR
CK
20
0
DR
CK
19
0
DR
CK
18
0
DR
CK
17
0
DR
CK
16
0
DR
CK
15
0
DR
CK
14
0
DR
CK
13
4 5 6 7 8 9 10 11 12
0
DR
CK
1
DR
CK 1
DR
CK 1
DR
CK 1
DR
CK 1
DR
CK 1
DR
CK 1
DR
CK 1
DR
CK 1
DR
CK 1
DR
CK 1
DR
CK 1
DR
CK
D
1R
CK D
1
00
R
CK
DR
CK DR
CK
1 2 3
D
1R
CK D
1
00
R
CK
DR
CK DR
CK
QC
QD
QE
QF
QG
QH
QI
QJ
QK
QL
QM
QN
QA
QB
VCC
D
ATA
OE
LT
RST
CLK
GND
SQP
QO
QP

– 47 –
7-12. IC PIN FUNCTION DESCRIPTION
• MAINN BOARD IC501 CXP84340-075Q (SYSTEM CONTROLLER)
Pin No. Pin Name I/O Function
1 to 5 A3 to A7 O
6 A12 O
7 A14 O Address signal output to the static RAM (IC502)
8 to 11 A11 to A8 O
12 A13 O
13 WE O Data write enable signal output to the static RAM (IC502) “L” active
14 CE O Chip enable signal output to the static RAM (IC502) “H” active
15 KBCOUT O Serial data transfer clock signal output terminal Not used (open)
16 KBDOUT O Serial data output terminal Not used (open)
17 KBDIN I Serial data input terminal Not used (open)
18 FLDATA O Serial data output to the FL driver (IC701) and LED driver (IC702)
19 FLCLK O Serial data transfer clock signal output to the FL driver (IC701) and LED driver (IC702)
20 LEDLT O Serial data latch pulse output to the LED driver (IC702) “L” active
21 TBLL O Table motor drive signal (counterclockwise) output to the CXA1291P (IC503) “H” active
22 TBLR O Table motor drive signal (clockwise) output to the CXA1291P (IC503) “H” active
23 DRIN O Door motor drive signal (door close) output to the CXA1291P (IC503) “H” active
24 DROUT O Door motor drive signal (door open) output to the CXA1291P (IC503) “H” active
25 ADJ I Setting terminal for the test mode “L”: ADJ mode, Normally: fixed at “H”
26 LDIN O Loading motor drive signal (load-in direction) output to the CXA1291P (IC503) “H” active
27 LDOUT O Loading motor drive signal (load-out direction) output to the CXA1291P (IC503) “H” active
28 BUSOUT O Sircs remote control signal output for the S-LINK CONTROL A1 “H” active
29 SMUTE O Muting on/off control signal output terminal “H” active Not used (pull up)
30 RESET I System reset signal input from the reset signal generator (IC505) “L”: reset
For several hundreds msec. after the power supply rises, “L” is input, then it changes to “H”
31 EXTAL I Main system clock input terminal (10 MHz)
32 XTAL O Main system clock output terminal (10 MHz)
33 VSS — Ground terminal
34 TX O Sub system clock output terminal Not used (open)
35 TEX I Sub system clock input terminal Not used (fixed at “L”)
36 AVSS — Ground terminal (for A/D converter)
37 AVREF I Reference voltage (+5V) input terminal (for A/D converter)
38 D.SENS I Inputs the disc sensor (Q801) detection signal (A/D input)
39 DOORSW I Door open/close detect switch (S810) input (A/D input) “L”: open
40 CD1/2/3 I COMMAND MODE switch (S901) input terminal (A/D input)
“L”: CD1, “H”: CD3 (CD2: center voltage input)
41 SW I Destination setting terminal (A/D input) Fixed at “L” in this set
42 KEY3 I Key input terminal (A/D input) p, P, ·, CLEAR, CHECK, ± AMS, ≠ AMS, PUSH
ENTER keys input and rotary encoder jog dial pulse input (S611 to 617 and RE601)
43 KEY2 I Key input terminal (A/D input) § OPEN/CLOSE, INPUT, MEMO SEARCH keys input and
rotary encoder jog dial pulse input (S621 to 623 and RE601)
44 KEY1 I Key input terminal (A/D input)
I/u, TIME/TEXT, GROUP FILE, GROUP 8/7/6/5 keys input (S731 to 737)
45 KEY0 I Key input terminal (A/D input)
REPEAT, PROGRAM, SHUFFLE, CONTINUE, GROUP 4/3/2/1 keys input (S721 to 728)
46 BUSIN I Sircs remote control signal input for the S-LINK CONTROL A1 “L” active
47 AMUTE O Muting on/off control signal output to the CXD2587Q (IC101) “H”: muting on

– 48 –
Pin No. Pin Name I/O Function
48 CLK O Command serial data transfer clock signal output to the CXD2587Q (IC101)
49 XLT O Command latch pulse output to the CXD2587Q (IC101) “L” active
50 DATA O Command serial data output to the CXD2587Q (IC101)
51 SQCLK O SENS serial data reading clock and subcode Q data reading clock signal output to the CXD2587Q
(IC101)
52 SUBQ I Subcode Q data input from the CXD2587Q (IC101)
53 NC O Not used (open)
54 SENS I Internal status monitor input from the CXD2587Q (IC101) “H” active
55 OUTSW I Inputs the loading in/out detect switch (S801) detection signal “L” active
56 RMIN I Remote control signal input from the remote control receiver (IC601) “L” active
57 AFADJ I Setting terminal for the test mode “L”: AFADJ mode, Normally: fixed at “H”
58 FLLT O Serial data latch pulse output to the FL driver (IC701) “L” active
59 NC O Not used (open)
60 KBCIN O Serial data transfer clock signal output terminal Not used (open)
61 SCOR I Subcode sync (S0+S1) detection signal input from the CXD2587Q (IC101) “H” active
62 T.SENS1 I Disc table flag detect sensor (IC802) input terminal
63 T.SENS2 I Disc table flag detect sensor (IC803) input terminal
64 T.SENS3 I Disc table home position detect sensor (IC801) input terminal
65 ICSW O Enable signal output to the LA5616 (IC506) Used for the BD section reset “H” active
66 RFSW O RF AGC hold control signal output to the CXA2568M (IC103) “H” active
67 INSW I Inputs the loading in/out detect switch (S801) detection signal “L” active
68 to 71 D3 to D6 I/O Two-way data bus with the static RAM (IC502)
72 VDD — Power supply terminal (+5V)
73 NC (VDD) — Not used (connected to power supply (+5V) line)
74 D7 I/O Two-way data bus with the static RAM (IC502)
75 to 77 D2 to D0 I/O Two-way data bus with the static RAM (IC502)
78 to 80 A0 to A2 O Address signal output to the static RAM (IC502)

– 49 –
SECTION 8
EXPLODED VIEWS
Les composants identifiés par une
marque ! sont critiquens pour la
sécurité.
Ne les remplacer que par une pièce
portant le numéro spécifié.
The components identified by
mark ! or dotted line with mark
! are critical for safety.
Replace only with part number
specified.
• The mechanical parts with no reference num-
ber in the exploded views are not supplied.
• Hardware (# mark) list and accessories and
packing materials are given in the last of the
electrical parts list.
• Abbreviation
AED : North European
AUS : Australian
CND : Canadian
SP : Singapore
NOTE:
• -XX and -X mean standardized parts, so they
may have some difference from the original
one.
• Color Indication of Appearance Parts
Example:
KNOB, BALANCE (WHITE) . . . (RED)
↑↑
Parts Color Cabinet's Color
• Items marked “*” are not stocked since they
are seldom required for routine service. Some
delay should be anticipated when ordering
these items.
Ref. No. Part No. Description Remark Ref. No. Part No. Description Remark
(1) CASE, FRONT PANEL SECTION
1 X-4949-616-1 DOOR (CD) ASSY
2 4-998-523-01 KNOB (JOG)
3 X-4949-618-1 PANEL ASSY, FRONT (US, CND)
3 X-4949-619-1 PANEL ASSY, FRONT (EXCEPT US, CND)
4 4-996-698-01 EMBLEM, SONY
5 4-951-620-01 SCREW (2.6X8), +BVTP
6 4-985-553-21 CUSHION
*7 A-4724-027-A DISP BOARD, COMPLETE (US, CND)
*7 A-4724-033-A DISP BOARD, COMPLETE (EXCEPT US, CND)
8 1-783-364-11 WIRE (FLAT TYPE) (15 CORE)
*9 1-669-161-11 JOG BOARD
10 3-363-099-01 SCREW (CASE 3 TP2)
*11 4-982-946-11 CASE
12 4-977-358-11 CUSHION (FOOT)
not supplied
#1
#1
#2
A
5
7
6
5
4
3
2
5
5
9
5
5
8
12
1
10
10
11
10
10

– 50 –
Ref. No. Part No. Description Remark Ref. No. Part No. Description Remark
(2) GUIDE ASSY, REAR PANEL SECTION
*51 4-982-802-01 RING (A)
*52 4-982-803-01 RING (B)
53 4-998-506-01 GUIDE (DOOR. T)
54 4-999-182-01 ILLUMINATOR
*55 1-669-166-11 ILLUMINATION BOARD
56 4-982-870-01 SHAFT (GUIDE FULCRUM)
57 3-356-601-11 SCREW, STEP
58 4-982-862-01 GUIDE (DISC T)
59 4-985-553-11 CUSHION
*60 3-378-434-01 CUSHION, SARANET
*61 4-982-807-01 COVER (FFC)
!62 1-575-042-21 CORD, POWER (US, CND)
!62 1-575-651-21 CORD, POWER (AEP, UK, AED, SP)
!62 1-696-027-11 CORD, POWER (E)
!62 1-696-845-11 CORD, POWER (AUS)
!63 1-569-007-11 ADAPTOR, CONVERSION 2P (E)
*64 3-703-244-00 BUSHING (2104), CORD (EXCEPT E)
64 3-703-571-11 BUSHING (S) (4516), CORD (E)
*65 4-998-525-01 PANEL, BACK (US)
*65 4-998-525-11 PANEL, BACK (CND)
*65 4-998-525-21 PANEL, BACK (AEP, UK, AED)
*65 4-998-525-41 PANEL, BACK (SP)
*65 4-998-525-51 PANEL, BACK (E)
*65 4-998-525-61 PANEL, BACK (AUS)
*66 A-4724-022-A MAIN BOARD, COMPLETE (US, CND)
*66 A-4724-031-A MAIN BOARD, COMPLETE (EXCEPT US, CND)
67 4-886-821-11 SCREW, S TIGHT, +PTTWH 3X6
68 4-053-543-01 RIVET, NYLON
*69 1-669-164-11 JACK BOARD
70 1-773-183-11 WIRE (FLAT TYPE) (23 CORE)
71 4-956-370-12 BAND, PLUG FIXED (AUS)
!T901 1-431-759-11 TRANSFORMER, POWER (US, CND)
!T901 1-431-760-11 TRANSFORMER, POWER
(AEP, UK, AED, SP, AUS)
!T901 1-431-761-11 TRANSFORMER, POWER (E)
The components identified by
mark ! or dotted line with
mark ! are critical for safety.
Replace only with part num-
ber specified.
Les composants identifiés par une
marque ! sont critiques pour la
sécurité.
Ne les remplacer que par une pièce
portant le numéro spécifié.
not supplied
not supplied
#2
#3
#2
not
supplied
T901
AUS AUS AEP, UK, AED,
SP
E
US, CND
#1
#2
#2
B
not
supplied
not
supplied
#2
not
supplied
#2
#2
#2
#4
#5
#4 #1
#1
#2 #1
#2
not
supplied
64
68
69
66
67
51
53
54
56
55
57
58 59 59 60
59
59
70
71
62 62
62
63
62
61
#2
#2
59
B
52
65

– 51 –
(3) CHASSIS SECTION
*101 1-669-167-11 DOOR MOTOR BOARD
*102 X-4949-615-1 BRACKET (GEAR) ASSY
103 4-998-510-01 GEAR (PULLEY)
104 4-998-509-01 GEAR (CENTER)
105 4-998-508-01 GEAR (DOOR)
106 3-325-697-21 WASHER
107 4-998-507-01 GUIDE (DOOR.B)
108 4-951-620-01 SCREW (2.6X8), +BVTP
*109 1-669-168-11 DOOR SW BOARD
*110 1-661-470-11 T. SENS BOARD
*111 1-661-468-11 D. SENS (LUMINOUS) BOARD
112 3-356-601-11 SCREW, STEP
113 4-210-030-01 BELT (42X1)
114 X-4947-230-2 BRACKET (TABLE) ASSY
115 X-4947-606-1 HOLDER (ROLLER 2) ASSY
116 3-701-446-21 WASHER, 8
*117 1-661-469-11 D. SENS (RAY CATCHER) BOARD
118 4-976-471-01 BEARING (TABLE)
119 X-4947-231-1 TABLE (200) ASSY
120 4-982-892-01 SHAFT (CENTER)
121 4-982-891-01 GEAR (TABLE)
122 4-962-822-01 BELT (TIMING)
123 4-982-893-01 GEAR (CENTER 2)
124 X-4947-607-1 GEAR (PULLEY) ASSY
*125 1-661-466-11 T. MOTOR BOARD
126 3-703-397-01 STOPPER, WIRING
127 4-985-574-01 SPACER (ROLLER)
128 X-4947-229-1 HOLDER (ROLLER) ASSY
129 4-983-279-01 CUSHION (RF)
130 4-931-169-01 FOOT
M801 A-4604-847-A MOTOR ASSY (TABLE)
M810 X-4950-062-1 DOOR MOTOR ASSY
Ref. No. Part No. Description Remark Ref. No. Part No. Description Remark
106
112
130
129
128
126
125
124
122
119
118
110
108
109
111
107
102
104
105 103
113
114
115
116
123
117
#2
#2
#8 #2
#2
not
supplied
#7
#8
#2
#2
#2
#2
#9 #10
M801
CDM-40B
#2
#2
#2
M810
#7
#2
#5
not
supplied
#2
not
supplied
127
101
112
#2
106
120
121

– 52 –
151 X-4947-241-1 LEVER (C) ASSY
152 4-982-882-01 SPRING (LIMITTER), TORSION
153 4-982-881-01 SPRING (HOLDER), TORSION
154 X-4947-239-1 LIMITTER (A) ASSY
155 4-982-853-01 LEVER (B)
156 X-4947-240-1 LEVER (A) ASSY
157 4-988-143-01 HOLDER (DISC A2)
158 4-982-855-01 HOLDER (DISC B)
159 4-982-856-01 PAD
160 4-976-458-01 HOLDER (MAGNET)
161 X-4946-326-1 HOLDER (CLAMP) ASSY
162 4-983-777-01 SPRING (MG), TENSION
163 A-4672-092-A MAGNET ASSY
164 3-366-559-02 MAGNET (CHUCK)
165 4-960-633-01 YOKE (MAGNET)
166 4-960-632-11 PULLEY (B)
167 4-983-319-01 SPRING (THRUST), COMPRESSION
*168 4-976-456-01 WASHER (STOPPER)
169 3-938-588-01 SPRING, COMPRESSION
170 X-4947-242-1 SLIDER (C) ASSY
171 X-4947-238-1 SLIDER (B) ASSY
172 X-4947-237-1 SLIDER (A) ASSY
173 4-982-880-01 SPRING (SLIDER A), TENSION
*174 4-982-863-01 GUIDE (DISC P)
Ref. No. Part No. Description Remark Ref. No. Part No. Description Remark
(4) MECHANISM DECK SECTION-1
(CDM-40B)
#2 not supplied
#2
#2
#11
#2
#4
#13
#12
#4
#1
not supplied
not supplied
not supplied
169
161
168167
153
151 152
154
160
162 170
174
171 173
172
159
158
157
156
166
165 164
163
#4
155

– 53 –
201 4-976-465-01 GEAR (LOADING 1)
202 4-976-466-01 GEAR (LOADING 2)
203 4-982-893-01 GEAR (CENTER 2)
204 X-4947-607-1 GEAR (PULLEY) ASSY
205 4-982-867-01 BELT (TIMING)
206 3-325-697-21 WASHER
*207 1-661-465-11 L. MOTOR BOARD
*208 1-661-467-11 L. SW BOARD
209 3-489-073-00 SCREW, THRUST
210 X-4947-227-1 LEVER (STOPPER) ASSY
211 4-951-291-01 SCREW
212 X-4947-234-1 SLIDER (LOCK) ASSY
213 4-982-857-01 BEARING (CAM)
214 4-982-860-01 CAM (A)
215 4-982-861-01 CAM (B)
216 3-356-601-11 SCREW, STEP
M802 A-4604-847-A MOTOR ASSY (LOADING)
Ref. No. Part No. Description Remark Ref. No. Part No. Description Remark
(5) MECHANISM DECK SECTION-2
(CDM-40B)
212
210
206
#4
205
206
206
202
206
201
213
214
204
203 215
216
#2
#2
not supplied
#2
not supplied
211
#10
209
M802
#8
208
207
not supplied
#14

– 54 –
(6) MECHANISM DECK SECTION-3
(CDM-40B)
251 3-356-601-11 SCREW, STEP
252 X-4947-244-1 SLIDER (BU ADJUSTMENT) ASSY
253 X-4947-243-1 HOLDER (BU) ASSY
254 4-982-859-01 HOLDER (DAMPER)
255 4-982-878-01 SPRING (F), COMPRESSION
256 4-982-872-01 SPRING (F-2), TENSION
257 4-982-871-01 SPRING (F-1), TENSION
258 4-982-858-01 DAMPER
259 4-960-617-01 CAP (F)
Ref. No. Part No. Description Remark Ref. No. Part No. Description Remark
#2
#15
#15
#15
#15
KSM-213BKN/M-N
259
255
258
257
256
255
254
251
252
253
254
255
254
255
254
258
255
259
258
255
259
258
255
259

– 55 –
(7) OPTICAL PICK-UP SECTION
(KSM-213BKN/M-N)
*301 A-4724-029-A BD BOARD, COMPLETE
302 2-626-907-01 GEAR (A)
303 2-627-003-02 GEAR (B) (RP)
304 1-769-069-11 WIRE (FLAT TYPE) (16 CORE)
305 2-626-908-01 SHAFT, SLED
!306 8-848-379-31 OPTICAL PICK-UP KSM-213BKN/M-N
M101 X-2626-234-1 T. T CHASSIS ASSY (MG) (K) (SPINDLE)
M102 X-2625-769-1 MOTOR GEAR ASSY (MB) (PP) (SLED)
Ref. No. Part No. Description Remark Ref. No. Part No. Description Remark
The components identified by
mark ! or dotted line with
mark ! are critical for safety.
Replace only with part num-
ber specified.
Les composants identifiés par une
marque ! sont critiques pour la
sécurité.
Ne les remplacer que par une pièce
portant le numéro spécifié.
not supplied
303
#16
M102
301
304
M101
#15
302
306
305

– 56 –
SECTION 9
ELECTRICAL PARTS LIST
NOTE:
• Due to standardization, replacements in the
parts list may be different from the parts speci-
fied in the diagrams or the components used
on the set.
• -XX and -X mean standardized parts, so they
may have some difference from the original
one.
• RESISTORS
All resistors are in ohms.
METAL: Metal-film resistor.
METAL OXIDE: Metal oxide-film resistor.
F: nonflammable
• Items marked “*” are not stocked since they
are seldom required for routine service.
Some delay should be anticipated when order-
ing these items.
• SEMICONDUCTORS
In each case, u: µ, for example:
uA. . : µA. . uPA. . : µPA. .
uPB. . : µPB. . uPC. . : µPC. .
uPD. . : µPD. .
• CAPACITORS
uF: µF
• COILS
uH: µH
• Abbreviation
AED : North European
AUS : Australian
CND : Canadian
SP : Singapore
Les composants identifiés par une
marque ! sont critiquens pour la
sécurité.
Ne les remplacer que par une pièce
portant le numéro spécifié.
The components identified by
mark ! or dotted line with mark
! are critical for safety.
Replace only with part number
specified.
When indicating parts by reference
number, please include the board.
Ref. No. Part No. Description Remark Ref. No. Part No. Description Remark
BD
*A-4724-029-A BD BOARD, COMPLETE
******************
< CAPACITOR >
C101 1-163-005-11 CERAMIC CHIP 470PF 10% 50V
C102 1-163-038-00 CERAMIC CHIP 0.1uF 25V
C103 1-163-005-11 CERAMIC CHIP 470PF 10% 50V
C104 1-164-232-11 CERAMIC CHIP 0.01uF 50V
C106 1-164-346-11 CERAMIC CHIP 1uF 16V
C107 1-164-346-11 CERAMIC CHIP 1uF 16V
C108 1-163-035-00 CERAMIC CHIP 0.047uF 50V
C109 1-163-145-00 CERAMIC CHIP 0.0015uF 5% 50V
C110 1-163-017-00 CERAMIC CHIP 0.0047uF 5% 50V
C111 1-163-251-11 CERAMIC CHIP 100PF 5% 50V
C112 1-163-038-00 CERAMIC CHIP 0.1uF 25V
C113 1-163-038-00 CERAMIC CHIP 0.1uF 25V
C114 1-163-038-00 CERAMIC CHIP 0.1uF 25V
C115 1-126-607-11 ELECT CHIP 47uF 20% 4V
C116 1-126-607-11 ELECT CHIP 47uF 20% 4V
C117 1-126-209-11 ELECT CHIP 100uF 20% 4V
C118 1-163-275-11 CERAMIC CHIP 0.001uF 5% 50V
C119 1-163-231-11 CERAMIC CHIP 15PF 5% 50V
C120 1-163-038-00 CERAMIC CHIP 0.1uF 25V
C121 1-163-038-00 CERAMIC CHIP 0.1uF 25V
C122 1-135-155-21 TANTALUM CHIP 4.7uF 10% 16V
C123 1-164-232-11 CERAMIC CHIP 0.01uF 50V
C124 1-164-005-11 CERAMIC CHIP 0.47uF 25V
C125 1-163-038-00 CERAMIC CHIP 0.1uF 25V
C126 1-163-038-00 CERAMIC CHIP 0.1uF 25V
C127 1-109-982-11 CERAMIC CHIP 1uF 10% 10V
C130 1-164-004-11 CERAMIC CHIP 0.1uF 10% 25V
C131 1-135-216-11 TANTALUM CHIP 10uF 20% 10V
C140 1-163-038-00 CERAMIC CHIP 0.1uF 25V
C141 1-163-038-00 CERAMIC CHIP 0.1uF 25V
C151 1-163-237-11 CERAMIC CHIP 27PF 5% 50V
C153 1-163-038-00 CERAMIC CHIP 0.1uF 25V
C154 1-164-336-11 CERAMIC CHIP 0.33uF 25V
C156 1-163-237-11 CERAMIC CHIP 27PF 5% 50V
C157 1-163-145-00 CERAMIC CHIP 0.0015uF 5% 50V
C159 1-163-019-00 CERAMIC CHIP 0.0068uF 10% 50V
C161 1-126-205-11 ELECT CHIP 47uF 20% 6.3V
C162 1-126-205-11 ELECT CHIP 47uF 20% 6.3V
C163 1-126-205-11 ELECT CHIP 47uF 20% 6.3V
C164 1-163-038-00 CERAMIC CHIP 0.1uF 25V
C165 1-163-038-00 CERAMIC CHIP 0.1uF 25V
C166 1-163-038-00 CERAMIC CHIP 0.1uF 25V
C167 1-163-235-11 CERAMIC CHIP 22PF 5% 50V
C168 1-163-237-11 CERAMIC CHIP 27PF 5% 50V
C171 1-163-137-00 CERAMIC CHIP 680PF 5% 50V
C172 1-163-251-11 CERAMIC CHIP 100PF 5% 50V
C181 1-163-137-00 CERAMIC CHIP 680PF 5% 50V
C182 1-163-251-11 CERAMIC CHIP 100PF 5% 50V
< CONNECTOR >
CN101 1-770-072-11 CONNECTOR, (LIF (NON-ZIF)) FFC23P
CN102 1-777-937-11 CONNECTOR, FFC/FPC 16P
< IC >
IC101 8-752-386-85 IC CXD2587Q
IC102 8-759-455-91 IC BA6392FP-E2
IC103 8-752-085-51 IC CXA2568M-T6
< COIL >
L101 1-414-234-11 INDUCTOR CHIP 0uH
L102 1-414-234-11 INDUCTOR CHIP 0uH
< TRANSISTOR >
Q101 8-729-010-08 TRANSISTOR MSB710-R
< RESISTOR >
R101 1-216-077-00 METAL CHIP 15K 5% 1/10W
R102 1-216-097-00 RES, CHIP 100K 5% 1/10W
R103 1-216-077-00 METAL CHIP 15K 5% 1/10W
R104 1-216-085-00 METAL CHIP 33K 5% 1/10W
R105 1-216-097-00 RES, CHIP 100K 5% 1/10W
R106 1-216-061-00 METAL CHIP 3.3K 5% 1/10W
R107 1-216-061-00 METAL CHIP 3.3K 5% 1/10W
R108 1-216-073-00 METAL CHIP 10K 5% 1/10W
R109 1-216-121-00 RES, CHIP 1M 5% 1/10W
R110 1-216-025-00 RES, CHIP 100 5% 1/10W
R111 1-216-121-00 RES, CHIP 1M 5% 1/10W
R113 1-216-121-00 RES, CHIP 1M 5% 1/10W
R116 1-216-025-00 RES, CHIP 100 5% 1/10W

– 57 –
Ref. No. Part No. Description Remark Ref. No. Part No. Description Remark
BD D. SENS (LUMINOUS) D. SENS (RAY CATCHER) DISP
R117 1-216-049-11 RES, CHIP 1K 5% 1/10W
R119 1-216-043-00 RES, CHIP 560 5% 1/10W
R123 1-216-073-00 METAL CHIP 10K 5% 1/10W
R124 1-216-097-00 RES, CHIP 100K 5% 1/10W
R131 1-216-037-00 METAL CHIP 330 5% 1/10W
R135 1-216-295-00 SHORT 0
R136 1-216-295-00 SHORT 0
R137 1-216-295-00 SHORT 0
R138 1-216-295-00 SHORT 0
R143 1-216-103-00 METAL CHIP 180K 5% 1/10W
R144 1-216-103-00 METAL CHIP 180K 5% 1/10W
R147 1-216-081-00 METAL CHIP 22K 5% 1/10W
R148 1-216-001-00 METAL CHIP 10 5% 1/10W
R149 1-216-003-11 RES, CHIP 12 5% 1/10W
R158 1-216-111-00 METAL CHIP 390K 5% 1/10W
R159 1-216-101-00 METAL CHIP 150K 5% 1/10W
R161 1-216-308-00 METAL CHIP 4.7 5% 1/10W
R162 1-216-101-00 METAL CHIP 150K 5% 1/10W
R171 1-216-077-00 METAL CHIP 15K 5% 1/10W
R172 1-216-077-00 METAL CHIP 15K 5% 1/10W
R173 1-216-077-00 METAL CHIP 15K 5% 1/10W
R181 1-216-077-00 METAL CHIP 15K 5% 1/10W
R182 1-216-077-00 METAL CHIP 15K 5% 1/10W
R183 1-216-077-00 METAL CHIP 15K 5% 1/10W
< SWITCH >
S101 1-572-085-11 SWITCH, LEAF (LIMIT)
< VIBRATOR >
X101 1-767-408-41 VIBRATOR, CRYSTAL (16.9344MHz)
************************************************************
*1-661-468-11 D.SENS (LUMINOUS) BOARD
***********************
*4-976-473-01 HOLDER (LED-S)
< DIODE >
D801 8-719-055-84 DIODE GL-528VS1
************************************************************
*1-661-469-11 D.SENS (RAY CATCHER) BOARD
**************************
*4-985-300-01 HOLDER (P-T)
< PHOTO TRANSISTOR >
Q801 8-729-926-31 PHOTO TRANSISTOR PT483F1S
************************************************************
*A-4724-027-A DISP BOARD, COMPLETE (US, CND)
*A-4724-033-A DISP BOARD, COMPLETE (EXCEPT US, CND)
********************
*4-982-811-01 HOLDER (FL)
< CAPACITOR >
C701 1-162-294-31 CERAMIC 0.001uF 10% 50V
C702 1-162-215-31 CERAMIC 47PF 5% 50V
C703 1-162-306-11 CERAMIC 0.01uF 20% 16V
C704 1-164-159-11 CERAMIC 0.1uF 50V
C705 1-124-584-00 ELECT 100uF 20% 10V
C706 1-162-282-31 CERAMIC 100PF 10% 50V
C707 1-162-282-31 CERAMIC 100PF 10% 50V
C708 1-162-282-31 CERAMIC 100PF 10% 50V
C709 1-162-288-31 CERAMIC 330PF 10% 50V
C710 1-124-584-00 ELECT 100uF 20% 10V
C711 1-164-159-11 CERAMIC 0.1uF 50V
C712 1-164-159-11 CERAMIC 0.1uF 50V
< LEAD PIN >
*CLP701 1-690-880-31 LEAD (WITH CONNECTOR)
< LED >
D701 8-719-046-39 LED SEL5821A-TH15 (GROUP 1)
D702 8-719-046-39 LED SEL5821A-TH15 (GROUP 2)
D703 8-719-046-39 LED SEL5821A-TH15 (GROUP 3)
D704 8-719-046-39 LED SEL5821A-TH15 (GROUP 4)
D705 8-719-046-39 LED SEL5821A-TH15 (GROUP 5)
D706 8-719-046-39 LED SEL5821A-TH15 (GROUP 6)
D707 8-719-046-39 LED SEL5821A-TH15 (GROUP 7)
D708 8-719-046-39 LED SEL5821A-TH15 (GROUP 8)
D709 8-719-046-44 LED SEL5221S (STANDBY)
< FLUORESCENT INDICATOR TUBE >
FL701 1-517-756-11 INDICATOR TUBE, FLUORESCENT
< IC >
IC601 8-749-014-66 IC NJL56H400
IC701 8-759-498-92 IC MSM9202-03GS-K
IC702 8-759-183-47 IC M66310FP
< TRANSISTOR >
Q701 8-729-900-80 TRANSISTOR DTC114ES
< RESISTOR >
R701 1-249-441-11 CARBON 100K 5% 1/4W
R702 1-247-807-31 CARBON 100 5% 1/4W
R703 1-247-807-31 CARBON 100 5% 1/4W
R704 1-247-807-31 CARBON 100 5% 1/4W
R705 1-247-807-31 CARBON 100 5% 1/4W
R706 1-247-843-11 CARBON 3.3K 5% 1/4W
R707 1-247-807-31 CARBON 100 5% 1/4W
R708 1-247-807-31 CARBON 100 5% 1/4W
R709 1-247-807-31 CARBON 100 5% 1/4W
R711 1-249-411-11 CARBON 330 5% 1/4W
R712 1-249-411-11 CARBON 330 5% 1/4W
R713 1-249-413-11 CARBON 470 5% 1/4W
R722 1-249-415-11 CARBON 680 5% 1/4W
R723 1-249-417-11 CARBON 1K 5% 1/4W
R724 1-249-419-11 CARBON 1.5K 5% 1/4W
R725 1-249-421-11 CARBON 2.2K 5% 1/4W
R726 1-247-843-11 CARBON 3.3K 5% 1/4W
R727 1-249-427-11 CARBON 6.8K 5% 1/4W
R728 1-249-431-11 CARBON 15K 5% 1/4W
R732 1-249-415-11 CARBON 680 5% 1/4W

– 58 –
Ref. No. Part No. Description Remark Ref. No. Part No. Description Remark
DISP DOOR MOTOR DOOR SW ILLUMINATION JACK
R733 1-249-417-11 CARBON 1K 5% 1/4W
R734 1-249-419-11 CARBON 1.5K 5% 1/4W
R735 1-249-421-11 CARBON 2.2K 5% 1/4W
R736 1-247-843-11 CARBON 3.3K 5% 1/4W
R737 1-249-427-11 CARBON 6.8K 5% 1/4W
R751 1-249-429-11 CARBON 10K 5% 1/4W
< SWITCH >
S721 1-572-184-11 SWITCH, KEYBOARD (REPEAT)
S722 1-572-184-11 SWITCH, KEYBOARD (PROGRAM)
S723 1-572-184-11 SWITCH, KEYBOARD (SHUFFLE)
S724 1-572-184-11 SWITCH, KEYBOARD (CONTINUE)
S725 1-572-184-11 SWITCH, KEYBOARD (GROUP 4)
S726 1-572-184-11 SWITCH, KEYBOARD (GROUP 3)
S727 1-572-184-11 SWITCH, KEYBOARD (GROUP 2)
S728 1-572-184-11 SWITCH, KEYBOARD (GROUP 1)
S731 1-572-184-11 SWITCH, KEYBOARD (I/u)
S732 1-572-184-11 SWITCH, KEYBOARD (TIME/TEXT)
S733 1-572-184-11 SWITCH, KEYBOARD (GROUP FILE)
S734 1-572-184-11 SWITCH, KEYBOARD (GROUP 8)
S735 1-572-184-11 SWITCH, KEYBOARD (GROUP 7)
S736 1-572-184-11 SWITCH, KEYBOARD (GROUP 6)
S737 1-572-184-11 SWITCH, KEYBOARD (GROUP 5)
************************************************************
*1-669-167-11 DOOR MOTOR BOARD
******************
< CONNECTOR >
*CN812 1-568-951-11 PIN, CONNECTOR 2P
************************************************************
*1-669-168-11 DOOR SW BOARD
**************
< RESISTOR >
R807 1-249-429-11 CARBON 10K 5% 1/4W
< SWITCH >
S810 1-571-300-21 SWITCH, ROTARY (DOOR SW)
************************************************************
*1-669-166-11 ILLUMINATION BOARD
******************
< CONNECTOR >
CN813 1-506-481-11 PIN, CONNECTOR 2P
< LED >
D802 8-719-059-65 LED HLMF-KL05 (INSIDE ILLUMINATION)
D803 8-719-059-65 LED HLMF-KL05 (INSIDE ILLUMINATION)
D804 8-719-059-65 LED HLMF-KL05 (INSIDE ILLUMINATION)
< RESISTOR >
R805 1-249-407-11 CARBON 150 5% 1/4W
R806 1-249-401-11 CARBON 47 5% 1/4W
************************************************************
*1-669-164-11 JACK BOARD
**********
*4-962-200-11 PLATE (TR), GROUND
< CAPACITOR >
C351 1-162-290-31 CERAMIC 470PF 10% 50V
C451 1-162-290-31 CERAMIC 470PF 10% 50V
C901 1-161-494-00 CERAMIC 0.022uF 25V
C904 1-164-159-11 CERAMIC 0.1uF 50V
C907 1-164-159-11 CERAMIC 0.1uF 50V
C911 1-161-494-00 CERAMIC 0.022uF 25V
C912 1-126-052-11 ELECT 100uF 20% 10V
< CONNECTOR >
CN902 1-569-497-11 SOCKET, CONNECTOR 11P
*CN903 1-569-496-11 SOCKET, CONNECTOR 10P
*CN904 1-568-951-11 PIN, CONNECTOR 2P
CN906 1-580-230-11 PIN, CONNECTOR (PC BOARD) 2P
< DIODE >
D901 8-719-911-19 DIODE 1SS119
< IC >
IC901 8-749-921-12 IC GP1F32T (DIGITAL OUT OPTICAL)
< JACK >
*J901 1-764-188-11 JACK (SMALL TYPE) (DIA. 3.5)
(S-LINK CONTROL A1)
*J902 1-764-188-11 JACK (SMALL TYPE) (DIA. 3.5)
(S-LINK CONTROL A1)
J904 1-770-719-11 JACK, PIN 2P (LINE OUT)
< LINE FILTER >
!L901 1-421-915-11 FILTER, LINE (EXCEPT E)
< COIL >
L902 1-410-503-11 INDUCTOR 3.3uH
< TRANSISTOR >
Q901 8-729-620-05 TRANSISTOR 2SC2603-EF
< RESISTOR >
R351 1-215-405-00 METAL 220 1% 1/4W
R451 1-215-405-00 METAL 220 1% 1/4W
R901 1-249-393-11 CARBON 10 5% 1/4W
R902 1-249-425-11 CARBON 4.7K 5% 1/4W
R903 1-249-429-11 CARBON 10K 5% 1/4W
R921 1-249-429-11 CARBON 10K 5% 1/4W
< SWITCH >
S901 1-762-910-11 SWITCH, SLIDE (COMMAND MODE)
!S902 1-572-675-11 SWITCH, POWER VOLTAGE CHANGE
(VOLTAGE SELECTOR) (E)
The components identified by
mark ! or dotted line with
mark ! are critical for safety.
Replace only with part num-
ber specified.
Les composants identifiés par une
marque ! sont critiques pour la
sécurité.
Ne les remplacer que par une pièce
portant le numéro spécifié.

– 59 –
Ref. No. Part No. Description Remark Ref. No. Part No. Description Remark
< TRANSFORMER >
!T901 1-431-759-11 TRANSFORMER, POWER (US, CND)
!T901 1-431-760-11 TRANSFORMER, POWER
(AEP, AED, UK, SP, AUS)
!T901 1-431-761-11 TRANSFORMER, POWER (E)
************************************************************
*1-669-161-11 JOG BOARD
**********
< CONNECTOR >
*CN601 1-569-306-11 SOCKET, CONNECTOR (L TYRE) 15P
< LED >
D601 8-719-046-40 LED SEL5521C-TH8F (·)
D602 8-719-046-38 LED SEL5821A-TH8F (P)
< RESISTOR >
R601 1-249-407-11 CARBON 150 5% 1/4W
R602 1-249-409-11 CARBON 220 5% 1/4W
R612 1-249-415-11 CARBON 680 5% 1/4W
R613 1-249-417-11 CARBON 1K 5% 1/4W
R614 1-249-419-11 CARBON 1.5K 5% 1/4W
R615 1-249-421-11 CARBON 2.2K 5% 1/4W
R616 1-247-843-11 CARBON 3.3K 5% 1/4W
R617 1-249-427-11 CARBON 6.8K 5% 1/4W
R618 1-249-431-11 CARBON 15K 5% 1/4W
R619 1-249-437-11 CARBON 47K 5% 1/4W
R622 1-249-415-11 CARBON 680 5% 1/4W
R623 1-249-417-11 CARBON 1K 5% 1/4W
R624 1-249-419-11 CARBON 1.5K 5% 1/4W
R651 1-249-429-11 CARBON 10K 5% 1/4W
R652 1-249-429-11 CARBON 10K 5% 1/4W
< ROTARY ENCODER >
RE601 1-475-543-11 ENCODER, ROTARY
(DISC/CHARACTER PUSH ENTER)
< SWITCH >
S611 1-572-184-11 SWITCH, KEYBOARD (p)
S612 1-572-184-11 SWITCH, KEYBOARD (P)
S613 1-572-184-11 SWITCH, KEYBOARD (·)
S614 1-572-184-11 SWITCH, KEYBOARD (CLEAR)
S615 1-572-184-11 SWITCH, KEYBOARD (CHECK)
S616 1-572-184-11 SWITCH, KEYBOARD (±, AMS)
S617 1-572-184-11 SWITCH, KEYBOARD (≠, AMS)
S621 1-572-184-11 SWITCH, KEYBOARD (§, OPEN/CLOSE)
S622 1-572-184-11 SWITCH, KEYBOARD (INPUT)
S623 1-572-184-11 SWITCH, KEYBOARD (MEMO SEARCH)
************************************************************
*1-661-465-11 L.MOTOR BOARD
**************
************************************************************
*1-661-467-11 L.SW BOARD
**********
< SWITCH >
S801 1-571-300-21 SWITCH, ROTARY (LOADING DET)
************************************************************
*A-4724-022-A MAIN BOARD, COMPLETE (US, CND)
*A-4724-031-A MAIN BOARD, COMPLETE (EXCEPT US, CND)
*********************
7-685-871-01 SCREW +BVTT 3X6 (S)
< CAPACITOR >
C301 1-126-233-11 ELECT 22uF 20% 50V
C305 1-126-052-11 ELECT 100uF 20% 10V
C327 1-126-163-11 ELECT 4.7uF 20% 50V
C401 1-126-233-11 ELECT 22uF 20% 50V
C405 1-126-052-11 ELECT 100uF 20% 10V
C501 1-128-489-11 ELECT 3300uF 20% 16V
C502 1-124-360-00 ELECT 1000uF 20% 16V
(US, CND)
C502 1-126-027-11 ELECT 1000uF 20% 25V
(EXCEPT US, CND)
C503 1-124-122-11 ELECT 100uF 20% 50V
C504 1-126-021-11 ELECT 33uF 20% 35V
C505 1-126-052-11 ELECT 100uF 20% 16V
C506 1-126-101-11 ELECT 100uF 20% 16V
C507 1-126-044-11 ELECT 1uF 20% 50V
C508 1-126-101-11 ELECT 100uF 20% 16V
C509 1-124-997-11 ELECT 470uF 20% 10V
C510 1-126-163-11 ELECT 4.7uF 20% 50V
C511 1-126-163-11 ELECT 4.7uF 20% 50V
C512 1-161-494-00 CERAMIC 0.022uF 25V
C513 1-126-052-11 ELECT 100uF 20% 16V
C514 1-126-023-11 ELECT 100uF 20% 25V
C516 1-164-159-11 CERAMIC 0.1uF 50V
C518 1-164-159-11 CERAMIC 0.1uF 50V
C519 1-164-159-11 CERAMIC 0.1uF 50V
C521 1-164-159-11 CERAMIC 0.1uF 50V
C522 1-110-489-11 CAPACITOR 1F 5.5V
C531 1-161-494-00 CERAMIC 0.022uF 25V
C532 1-126-052-11 ELECT 100uF 20% 10V
C533 1-161-494-00 CERAMIC 0.022uF 25V
C551 1-136-165-00 FILM 0.1uF 5% 50V
C552 1-164-159-11 CERAMIC 0.1uF 50V
C561 1-136-165-00 FILM 0.1uF 5% 50V
C562 1-164-159-11 CERAMIC 0.1uF 50V
C571 1-136-165-00 FILM 0.1uF 5% 50V
C572 1-164-159-11 CERAMIC 0.1uF 50V
C610 1-161-494-00 CERAMIC 0.022uF 25V
C620 1-161-494-00 CERAMIC 0.022uF 25V
C720 1-161-494-00 CERAMIC 0.022uF 25V
C730 1-161-494-00 CERAMIC 0.022uF 25V
< CONNECTOR >
CN501 1-569-321-11 SOCKET, CONNECTOR 15P
CN502 1-568-742-11 SOCKET, CONNECTOR 23P
JACK JOG L.MOTOR L.SW MAIN
The components identified by
mark ! or dotted line with
mark ! are critical for safety.
Replace only with part num-
ber specified.
Les composants identifiés par une
marque ! sont critiques pour la
sécurité.
Ne les remplacer que par une pièce
portant le numéro spécifié.

– 60 –
Ref. No. Part No. Description Remark Ref. No. Part No. Description Remark
*CN503 1-568-951-11 PIN, CONNECTOR 2P
CN504 1-506-469-11 PIN, CONNECTOR 4P
CN505 1-506-468-11 PIN, CONNECTOR 3P
*CN506 1-568-955-11 PIN, CONNECTOR 6P
*CN507 1-568-951-11 PIN, CONNECTOR 2P
*CN508 1-569-505-11 PIN, CONNECTOR 10P
*CN509 1-569-506-11 PIN, CONNECTOR 11P
< DIODE >
D327 8-719-911-19 DIODE 1SS119
D501 8-719-024-99 DIODE 11ES2-NTA2B
D502 8-719-024-99 DIODE 11ES2-NTA2B
D503 8-719-024-99 DIODE 11ES2-NTA2B
D504 8-719-024-99 DIODE 11ES2-NTA2B
D505 8-719-024-99 DIODE 11ES2-NTA2B
D506 8-719-110-72 DIODE RD30ESB2
D507 8-719-109-93 DIODE RD6.2ESB2
D508 8-719-109-85 DIODE RD5.1ES-B2
D509 8-719-911-19 DIODE 1SS119
D521 8-719-911-19 DIODE 1SS119
< IC >
IC401 8-759-145-58 IC uPC4558C
IC501 8-752-892-41 IC CXP84340-075Q
IC502 8-759-463-99 IC M5M5256DFP-70XL
IC503 8-759-821-32 IC CXA1291P
IC504 8-759-094-53 IC TA7805S
IC505 8-759-256-72 IC PST994D
IC506 8-759-330-29 IC LA5616
< COIL >
L501 1-412-473-21 INDUCTOR 0uH
L502 1-412-473-21 INDUCTOR 0uH
< TRANSISTOR >
Q322 8-729-141-26 TRANSISTOR 2SC3622A-LK
Q323 8-729-141-26 TRANSISTOR 2SC3622A-LK
Q325 8-729-900-65 TRANSISTOR DTA144ES
Q327 8-729-900-65 TRANSISTOR DTA144ES
Q422 8-729-141-26 TRANSISTOR 2SC3622A-LK
Q423 8-729-141-26 TRANSISTOR 2SC3622A-LK
Q425 8-729-900-65 TRANSISTOR DTA144ES
Q501 8-729-140-97 TRANSISTOR 2SB734-34
Q503 8-729-119-76 TRANSISTOR 2SA1175-HFE
Q521 8-729-030-08 TRANSISTOR DTC144VSA-TP
< RESISTOR >
R301 1-215-453-00 METAL 22K 1% 1/4W
R302 1-215-425-00 METAL 1.5K 1% 1/4W
R303 1-215-425-00 METAL 1.5K 1% 1/4W
R304 1-215-445-00 METAL 10K 1% 1/4W
R305 1-215-443-00 METAL 8.2K 1% 1/4W
R313 1-215-469-00 METAL 100K 1% 1/4W
R314 1-215-405-00 METAL 220 1% 1/4W
R315 1-215-405-00 METAL 220 1% 1/4W
R316 1-249-393-11 CARBON 10 5% 1/4W
R322 1-249-421-11 CARBON 2.2K 5% 1/4W
R323 1-249-421-11 CARBON 2.2K 5% 1/4W
R325 1-249-441-11 CARBON 100K 5% 1/4W
R327 1-249-441-11 CARBON 100K 5% 1/4W
R401 1-215-453-00 METAL 22K 1% 1/4W
R402 1-215-425-00 METAL 1.5K 1% 1/4W
R403 1-215-425-00 METAL 1.5K 1% 1/4W
R404 1-215-445-00 METAL 10K 1% 1/4W
R405 1-215-443-00 METAL 8.2K 1% 1/4W
R413 1-215-469-00 METAL 100K 1% 1/4W
R414 1-215-405-00 METAL 220 1% 1/4W
R415 1-215-405-00 METAL 220 1% 1/4W
R416 1-249-393-11 CARBON 10 5% 1/4W
R422 1-249-421-11 CARBON 2.2K 5% 1/4W
R423 1-249-421-11 CARBON 2.2K 5% 1/4W
R425 1-249-441-11 CARBON 100K 5% 1/4W
R501 1-249-435-11 CARBON 33K 5% 1/4W
R502 1-249-425-11 CARBON 4.7K 5% 1/4W
R505 1-249-413-11 CARBON 470 5% 1/4W
R506 1-249-429-11 CARBON 10K 5% 1/4W
R507 1-249-425-11 CARBON 4.7K 5% 1/4W
R508 1-249-413-11 CARBON 470 5% 1/4W
R511 1-249-425-11 CARBON 4.7K 5% 1/4W
R512 1-249-425-11 CARBON 4.7K 5% 1/4W
R521 1-249-429-11 CARBON 10K 5% 1/4W
R522 1-249-403-11 CARBON 68 5% 1/4W
R523 1-249-403-11 CARBON 68 5% 1/4W
R524 1-249-429-11 CARBON 10K 5% 1/4W
R531 1-249-429-11 CARBON 10K 5% 1/4W
R532 1-249-429-11 CARBON 10K 5% 1/4W
R533 1-249-429-11 CARBON 10K 5% 1/4W
R534 1-249-421-11 CARBON 2.2K 5% 1/4W
R535 1-247-843-11 CARBON 3.3K 5% 1/4W
R536 1-249-425-11 CARBON 4.7K 5% 1/4W
R537 1-249-429-11 CARBON 10K 5% 1/4W
R538 1-249-429-11 CARBON 10K 5% 1/4W
R539 1-249-429-11 CARBON 10K 5% 1/4W
R540 1-249-429-11 CARBON 10K 5% 1/4W
R541 1-249-429-11 CARBON 10K 5% 1/4W
R542 1-249-429-11 CARBON 10K 5% 1/4W
R543 1-249-429-11 CARBON 10K 5% 1/4W
R544 1-249-429-11 CARBON 10K 5% 1/4W
R551 1-247-887-00 CARBON 220K 5% 1/4W
R552 1-247-887-00 CARBON 220K 5% 1/4W
R553 1-247-860-11 CARBON 16K 5% 1/4W
R554 1-249-431-11 CARBON 15K 5% 1/4W
R555 1-249-382-11 CARBON 1.2 5% 1/6W
R556 1-249-382-11 CARBON 1.2 5% 1/6W
R557 1-247-883-00 CARBON 150K 5% 1/4W
R558 1-249-393-11 CARBON 10 5% 1/4W
R561 1-249-441-11 CARBON 100K 5% 1/4W
R562 1-249-441-11 CARBON 100K 5% 1/4W
R563 1-247-860-11 CARBON 16K 5% 1/4W
R564 1-249-431-11 CARBON 15K 5% 1/4W
R565 1-249-382-11 CARBON 1.2 5% 1/6W
R566 1-249-382-11 CARBON 1.2 5% 1/6W
R567 1-247-883-00 CARBON 150K 5% 1/4W
R568 1-249-393-11 CARBON 10 5% 1/4W
R571 1-247-885-00 CARBON 180K 5% 1/4W
MAIN

– 61 –
Ref. No. Part No. Description Remark Ref. No. Part No. Description Remark
R572 1-247-885-00 CARBON 180K 5% 1/4W
R573 1-247-860-11 CARBON 16K 5% 1/4W
R574 1-249-431-11 CARBON 15K 5% 1/4W
R575 1-249-382-11 CARBON 1.2 5% 1/6W
R576 1-249-382-11 CARBON 1.2 5% 1/6W
R577 1-247-883-00 CARBON 150K 5% 1/4W
R578 1-249-393-11 CARBON 10 5% 1/4W
R581 1-249-429-11 CARBON 10K 5% 1/4W
R610 1-249-427-11 CARBON 6.8K 5% 1/4W
R620 1-249-427-11 CARBON 6.8K 5% 1/4W
R720 1-249-427-11 CARBON 6.8K 5% 1/4W
R730 1-249-427-11 CARBON 6.8K 5% 1/4W
< VARIABLE RESISTOR >
RV501 1-241-787-11 RES, ADJ, CARBON 47K
< VIBRATOR >
X501 1-579-175-11 VIBRATOR, CERAMIC (10MHz)
************************************************************
*1-661-466-11 T.MOTOR BOARD
*************
************************************************************
*1-661-470-11 T.SENS BOARD
************
< CONNECTOR >
CN802 1-506-481-11 PIN, CONNECTOR 2P
CN803 1-506-481-11 PIN, CONNECTOR 2P
< PHOTO INTERRUPTER >
IC801 8-749-924-18 PHOTO INTERRUPTER RPI-1391
IC802 8-749-924-18 PHOTO INTERRUPTER RPI-1391
IC803 8-749-924-18 PHOTO INTERRUPTER RPI-1391
< RESISTOR >
R801 1-249-416-11 CARBON 820 5% 1/4W
R802 1-249-416-11 CARBON 820 5% 1/4W
R803 1-249-416-11 CARBON 820 5% 1/4W
R804 1-249-415-11 CARBON 680 5% 1/4W
************************************************************
MISCELLANEOUS
**************
8 1-783-364-11 WIRE (FLAT TYPE) (15 CORE)
!62 1-575-042-21 CORD, POWER (US, CND)
!62 1-575-651-21 CORD, POWER (AEP, UK, AED, SP)
!62 1-696-027-11 CORD, POWER (E)
!62 1-696-845-11 CORD, POWER (AUS)
!63 1-569-007-11 ADAPTOR, CONVERSION 2P (E)
70 1-773-183-11 WIRE (FLAT TYPE) (23 CORE)
304 1-769-069-11 WIRE (FLAT TYPE) (16 CORE)
!306 8-848-379-31 OPTICAL PICK-UP KSM-213BKN/M-N
M101 X-2626-234-1 T. T CHASSIS ASSY (MG) (K) (SPINDLE)
M102 X-2625-769-1 MOTOR GEAR ASSY (MB) (PP) (SLED)
M801 A-4604-847-A MOTOR ASSY (TABLE)
M802 A-4604-847-A MOTOR ASSY (LOADING)
MAIN T.MOTOR T.SENS
M810 X-4950-062-1 DOOR MOTOR ASSY
!T901 1-431-759-11 TRANSFORMER, POWER (US, CND)
!T901 1-431-760-11 TRANSFORMER, POWER
(AEP, UK, AED, SP, AUS)
!T901 1-431-761-11 TRANSFORMER, POWER (E)
************************************************************
**************
HARDWARE LIST
**************
#1 7-685-646-79 SCREW +BVTP 3X8 TYPE2 N-S
#2 7-685-871-01 SCREW +BVTT 3X6 (S)
#3 7-685-134-19 SCREW +PTPWH 2.6X8 (TYPE2)
#4 7-624-106-04 STOP RING 3.0, TYPE -E
#5 7-682-947-01 SCREW +PSW 3X6
#6 7-682-547-04 SCREW +BV 3X6, S TIGHT
#7 7-685-872-09 SCREW +BVTT 3X8 (S)
#8 7-621-775-00 SCREW +B 2.6X3
#9 7-685-647-79 SCREW +BVTP 3X10 TYPE2 N-S
#10 7-624-111-04 STOP RING 7.0, TYPE -E
#11 7-682-552-09 SCREW +B 3X16
#12 7-621-772-20 SCREW +B 2X5
#13 7-624-109-04 STOP RING 5.0, TYPE -E
#14 7-621-775-20 SCREW +B 2.6X5
#15 7-621-772-30 SCREW +B 2X6
#16 7-621-255-15 SCREW +P 2X3
************************************************************
ACCESSORIES & PACKING MATERIALS
*******************************
1-475-654-11 REMOTE COMMANDER (RM-DX220)
1-558-271-11 CORD, CONNECTION (AUDIO) 1.5m
1-777-172-11 CORD, CONNECTION (CONTROL A1) 1m (CND)
3-810-765-11 MANUAL, COMMONNESS INSTRUCTION
(ENGLISH) (US, AUS)
3-810-765-21 MANUAL, COMMONNESS INSTRUCTION
(ENGLISH, FRENCH, GERMAN, SPANISH,
DUTCH, SWEDISH, ITALIAN, PORTUGUESE,
CHINESE) (CND, AEP, UK, AED, E, SP)
3-862-563-11 MANUAL, INSTRUCTION (ENGLISH) (US, AUS)
3-862-563-21 MANUAL, INSTRUCTION (ENGLISH, FRENCH,
SPANISH) (CND, AEP, UK, E, SP)
3-862-563-31 MANUAL, INSTRUCTION (GERMAN, DUTCH,
ITALIAN, PORTUGUESE) (AEP, UK)
3-862-563-41 MANUAL, INSTRUCTION
(SWEDISH, DANISH, FINNISH) (AED)
3-862-563-51 MANUAL, INSTRUCTION (CHINESE) (E, SP)
4-981-643-01 COVER, BATTERY (for RM-DX220)
4-984-086-01 BOOKLET (100)
The components identified by
mark ! or dotted line with
mark ! are critical for safety.
Replace only with part num-
ber specified.
Les composants identifiés par une
marque ! sont critiques pour la
sécurité.
Ne les remplacer que par une pièce
portant le numéro spécifié.
– 62 –
CDP-CX220
Sony Corporation
Home A&V Products Company
9-922-819-11
98D0589-1
Printed in Japan © 1998. 4
Published by Quality Assurance Dept.
(Shibaura)