Sony FDR AX700 User Manual Help Guide (Printable PDF) 4725312112
User Manual: Sony FDR-AX700 Help Guide (Printable PDF)
Open the PDF directly: View PDF
.
Page Count: 303 [warning: Documents this large are best viewed by clicking the View PDF Link!]

Help Guide
Digital 4K Video Camera Recorder
FDR-AX700
Use this Help Guide when you have any questions on how to use your product.
This Help Guide is also available as a PDF, which can be downloaded here.
Before use
Parts and controls
Parts and controls (left front side/front)
Parts and controls (right front side/top)
Parts and controls (left back side/left back/bottom)
Parts and controls (right back side/back)
Parts and controls (wireless remote commander)
Changing the battery of the wireless remote commander
Screen indicators
Selecting the items on the LCD monitor
Recording formats available with the camcorder and their features
Getting started
1

Supplied items
Power source preparations
Attaching the battery pack
Charging the battery pack using the AC Adaptor
Turning the power on
Using the camcorder supplying power from a wall outlet (wall socket)
Adjusting the LCD monitor and viewfinder
Adjusting the viewfinder
Adjusting the LCD monitor
Initial setting
Preparing a memory card
Inserting a memory card
Selecting the memory card slot to be used for recording
Types of memory card you can use with your camcorder
Recording
Recording movies
Recording movies
Continuing recording on the memory cards one after another (Relay recording)
Recording movies on both the memory card A and B (Simultaneous recording)
Shooting photos
Using the zoom
Adjusting the zoom with the zoom lever
Adjusting the zoom with the manual lens ring
Adjusting the focus
Adjusting the focus manually
Adjusting the focus automatically
FOCUS AREA
Phase detection AF
AF DRIVE SPEED
AF SUBJ. TRACK SET
2

Adjusting focus by tracking the desired subject (LOCK-ON AF)
Focusing by magnifying an image (FOCUS MAGNIFIER)
Focusing by touching the LCD monitor (SPOT FOCUS)
Focusing on a detected face (FACE DETECTION)
Adjusting the brightness
Adjusting the iris
Adjusting the gain
Adjusting the ISO sensitivity
Adjusting the shutter speed
Adjusting the light quantity (ND filter)
Adjusting the color tone
Adjusting the color to the natural tone (WHITE BALANCE)
Storing the adjusted white balance value in memory A or B
Audio setup
Recording audio with the internal microphone
Recording audio with a Multi interface shoe compatible microphone (sold separately)
Recording audio with an external microphone (sold separately)
Useful functions
Shooting in dark conditions (NIGHTSHOT)
Shooting with the picture quality that is set in advance (PICTURE PROFILE)
Changing the picture profile
Copying the picture profile setting to another picture profile number
Resetting the picture profile settings
Recording with Slow & Quick Motion
Recording with Super Slow Motion
Performing shooting adjustment with Direct Menu
Proxy recording
Reviewing the most recently recorded scene (LAST SCENE REVIEW)
Assigning the functions to the ASSIGN buttons
Playback
3

Playing images on the camcorder
Playing back movies
Playing back photos
Changing/checking the settings of the camcorder
Changing the screen display
Displaying recording data (DATA CODE)
Checking the settings in the camcorder (STATUS CHECK)
Viewing images on the TV
On the HDMI cable
Viewing images on a 4K TV
Viewing images on a high definition TV
Viewing images on a non-high-definition TV
Editing
Notes on editing
Protecting movies and photos (PROTECT)
Deleting selected movies/photos
Dividing a movie
Saving images
Saving movies
Using the PlayMemories Home software
Import and utilize images on your computer (PlayMemories Home)
Checking the computer system
Installing the PlayMemories Home software in your computer
Disconnecting the camcorder from the computer
Creating a Blu-ray disc
Creating a disc with a recorder
Using the Wi-Fi function
About the PlayMemories Mobile software
Connecting a smartphone
Connecting to an NFC-enabled smartphone or tablet
4

Connecting to a smartphone or tablet using the QR Code
Connecting to your Android smartphone or tablet (by entering an SSID and password)
Connecting to your iPhone or iPad (by entering an SSID and password)
Controlling via a smartphone
Using your smartphone or tablet as a wireless remote commander
Using your smartphone or tablet as a wireless remote commander using the NFC function (NFC one-touch remote)
List of menu items
Setting up menu items
How to use the keyboard
CAMERA SET
ISO/GAIN SEL
AUTO ISO LIMIT
AGC LIMIT
WB PRESET
WB OUTDOOR LEVEL
WB TEMP SET
WB SET
AE SHIFT
D. EXTENDER
ZOOM SET
STEADYSHOT (Movie)
STEADYSHOT (Photo)
FOCUS AREA
AF DRIVE SPEED
AF SUBJ. TRACK SET
LOCK-ON AF
FACE DETECTION
SLOW & QUICK (S&Q MOTION)
SLOW & QUICK (SUPER SLOW MOTION)
AUTO MODE SET
5

SCENE SELECTION SET
SPOT METER/FOCUS
SPOT METER
SPOT FOCUS
LOW LUX
AUTO BACK LIGHT
NIGHTSHOT
NIGHTSHOT LIGHT
COLOR BAR
PICTURE PROFILE
REC/OUT SET
SHOOTING MODE
REC SET
IMAGE SIZE
FILE NUMBER
VIDEO OUT
AUDIO SET
VOLUME
AVCHD AUDIO FORMAT
AUDIO REC LEVEL
INT MIC WIND
MIC SELECT
AUDIO OUTPUT TIMING
DISPLAY SET
HISTOGRAM
ZEBRA
PEAKING
PHASE AF FRAMES
PHASE DETECT. AF AREA
MARKER
6

FOCUS MAG RATIO
CAMERA DATA DISPLAY
AUDIO LEVEL DISPLAY
ZOOM DISPLAY
FOCUS DISPLAY
SHUTTER DISPLAY
DATA CODE
GAMMA DISP ASSIST
LCD BRIGHT
VF COLOR TEMP.
DISPLAY OUTPUT
TC/UB SET
TC/UB DISPLAY
TC PRESET
UB PRESET
TC FORMAT
TC RUN
TC MAKE
UB TIME REC
NETWORK SET
CTRL W/SMARTPHONE
Wi-Fi SET
AIRPLANE MODE
NETWORK RESET
OTHERS
STATUS CHECK
CAMERA PROFILE
S&Q BUTTON SETTING
ASSIGN BUTTON
CLOCK SET
7

AREA SET
DST SET (SUMMERTIME)
LANGUAGE
DATE REC
BEEP
REC LAMP
REMOTE CONTROL
60i/50i SEL
MEDIA FORMAT
REPAIR IMAGE DB FILE
USB CONNECT
USB LUN SET
OPERATION TIME
VERSION DISPLAY
CALIBRATION
INITIALIZE
EDIT
PROTECT
DELETE
DIVIDE
Charging time/recording time of movies/number of recordable photos
Charging time
Expected recording and playback times for individual batteries
Expected recording time with each battery pack
Expected playback time with each battery pack
Expected movie recording time and number of recordable photos for memory cards
Notes on recording movies
Expected recording time of movie
Expected number of recordable photos
Bit-rate and recording pixels
8

Recording pixels and aspect ratio of Proxy recording
Recording pixels and aspect ratio of photos
Precautions/This product
Precautions
About XAVC S format
About the AVCHD format
About the memory card
About the InfoLITHIUM battery pack
Handling of this product
On use and care
On connecting to a computer or accessory etc.
Notes on optional accessories
On moisture condensation
Notes on disposal/transfer the ownership of the camcorder
Notes on disposal/transfer of the memory card
Maintenance
On handling the LCD monitor
Care of the OLED panel display
To clean the casing
About care and storage of the lens
Using the camcorder abroad
On trademarks
Notes on the License
Zoom magnifications
Using the camcorder after a long time
Troubleshooting
If you have problems
Self-diagnosis display
Warning Indicators
9

4-725-312-11(2) Copyright 2017 Sony Corporation
10

Help Guide
Digital 4K Video Camera Recorder
FDR-AX700
Parts and controls (left front side/front)
4-725-312-11(2) Copyright 2017 Sony Corporation
REMOTE jack
For connecting the camcorder and a peripheral. You can control the camcorder, such as recording movies, with that
device.
1.
ASSIGN4 button /FOCUS MAGNIFIER button/PHOTO button (Photo mode only)2.
Multi interface shoe
For details on compatible accessories of the Multi interface shoe, visit the Sony web site in your area, or consult
your Sony dealer or local authorized Sony service facility. Operations with other manufacture’s accessories are
not guaranteed.
If you use a shoe adaptor (sold separately), you can also use accessories compatible with an Active Interface
Shoe.
To prevent failure, do not use a commercially available flash with high-voltage synchro terminals or with reverse
polarity.
3.
ASSIGN5 button/IRIS PUSH AUTO button4.
(N mark)
Touch an NFC-enabled smartphone to the mark to establish a connection with the camcorder.
Near Field Communication (NFC) is an international standard for short-range wireless communication technology.
5.
Remote sensor6.
Recording lamp
Flashes when the remaining battery level is low or free space of the memory card is low.
7.
NIGHTSHOT light emitter8.
Multi/Micro USB Terminal
VIDEO OUT jack
9.
MIC jack (PLUG IN POWER)10.
Power zoom lever11.
Cable clamper
Dedicated to fix the HDMI cable only. Do not attach other objects such as the shoulder strap to here.
12.
Hook for shoulder strap13.
11

Help Guide
Digital 4K Video Camera Recorder
FDR-AX700
Parts and controls (right front side/top)
Attaching the lens hood
Align the marks on the lens hood to those on the camcorder, attach the lens hood to the camcorder ( ), and then turn
the lens hood in the direction of arrow until it is locked.
Hint
If you attach or remove a 62 mm (2 1/2 in.) PL filter or MC protector, remove the lens hood.
4-725-312-11(2) Copyright 2017 Sony Corporation
Manual lens ring1.
Lens hood2.
Lens (ZEISS lens)3.
Internal microphone4.
ZOOM/FOCUS switch5.
AF/MF button6.
MENU button7.
Manual dial8.
12

Help Guide
Digital 4K Video Camera Recorder
FDR-AX700
Parts and controls (left back side/left back/bottom)
4-725-312-11(2) Copyright 2017 Sony Corporation
Lens adjustment dial1.
START/STOP button2.
HDMI OUT Terminal3.
DC IN jack4.
/ / / /SET button5.
ASSIGN6 button6.
POWER/CHG (charge) lamp7.
Grip belt8.
Tripod receptacles (1/4 inch)
For 1/4-20UNC screws.
For attaching a tripod with a screw shorter than 5.5 mm (sold separately). Some tripods may not be designed to
attach in the proper direction.
9.
BATT (battery) release lever10.
13

Help Guide
Digital 4K Video Camera Recorder
FDR-AX700
Parts and controls (right back side/back)
4-725-312-11(2) Copyright 2017 Sony Corporation
Eye sensor1.
Viewfinder2.
Large eyecup3.
AUTO/MANUAL switch4.
ND FILTER switch5.
Battery pack6.
(Headphones) jack7.
SHUTTER SPEED button8.
ISO/GAIN button9.
IRIS button10.
SLOT SELECT button11.
THUMBNAIL (playback) button12.
Speaker13.
LCD monitor/touch panel
If you rotate the LCD monitor 180 degrees, you can close the LCD monitor with the screen facing out. This is
convenient during playback operations.
14.
Memory card slot A/Memory card access lamp15.
Memory card slot B/Memory card access lamp16.
DISPLAY button17.
ASSIGN3 button/PICTURE PROFILE button18.
ASSIGN2 button/STATUS CHECK button19.
ASSIGN1 button/S&Q button20.
WHITE BALANCE button21.
(On/Standby) button22.
14

Help Guide
Digital 4K Video Camera Recorder
FDR-AX700
Parts and controls (wireless remote commander)
Remove the insulation sheet before using the wireless remote commander.
A: Insulation sheet
Note
Aim the wireless remote commander towards the remote sensor to operate your camcorder.
Point the remote sensor away from strong light sources such as direct sunlight or overhead lighting. Otherwise, the wireless
remote commander may not function properly.
When you are operating the camcorder with the supplied wireless remote commander, your video device may also operate. In
that case, select a commander mode other than DVD2 for your video device, or cover the sensor of your video device with black
paper.
4-725-312-11(2) Copyright 2017 Sony Corporation
DATA CODE button1.
PHOTO button2.
SCAN/SLOW button3.
/ (PREV/NEXT) button4.
PLAY button5.
STOP button6.
DISPLAY button7.
Transmitter8.
START/STOP button9.
Power zoom lever10.
PAUSE button11.
VISUAL INDEX button12.
/ / / /ENTER button13.
15

Help Guide
Digital 4K Video Camera Recorder
FDR-AX700
Changing the battery of the wireless remote commander
Note
When the lithium battery becomes weak, the operating distance of the wireless remote commander may shorten, or the wireless
remote commander may not function properly. In this case, replace the battery with a Sony CR2025 lithium battery. Use of
another battery may present a risk of fire or explosion.
4-725-312-11(2) Copyright 2017 Sony Corporation
While pressing on the tab, inset your fingernail into the slit to pull out the battery case.
1
Place a new battery with the + side facing up.
2
Insert the battery case until it clicks into place.
A: Tab
3
16

Help Guide
Digital 4K Video Camera Recorder
FDR-AX700
Screen indicators
Upper left ( )
100% Remaining battery
Shooting mode
INTELLIGENT AUTO (face detection/scene detection/camera-shake
detection)
SCENE SELECTION
REC FORMAT (Movie mode)
Image size, aspect ratio (Photo mode)
Optical zoom
Z99 x1.2 Clear image zoom
Z99 x2.3 Digital zoom
SIMUL/RELAY REC
100-0001 Playback folder of memory card
Center ()
AE/AF lock (Photo mode)
Vibration warning
Memory card
REC STBY Recording status
Warning
Playback indicator
Processing
Relay recording
HDMI REC CONTROL
Proxy recording
Upper right ()
0 min Estimated remaining recording time
Folder number where photos are saved
9999 Approximate number of recordable photos
Recording/playback media
00:00:00:00 Time code (hour:minute:second:frame)
00 00 00 00 User bit (arbitrary digits)
Bottom ()
FACE DETECTION [ON]
PEAKING
17

ZEBRA
STEADYSHOT (Movie/Photo)
Manual focus
~ Picture profile
F5.6 Iris
1000/9dB ISO/Gain
100 180° Shutter speed
AVCHD AUDIO FORMAT
-2.0EV AE SHIFT
/ Auto setting/manual setting
A B White balance
LOW LUX
AUDIO LEVEL DISPLAY
AIRPLANE MODE
NFC is effective
D. EXTENDER
AUDIO REC LEVEL
NIGHTSHOT
MIC SELECT
ND FILTER
GAMMA DISP ASSIST
HISTOGRAM
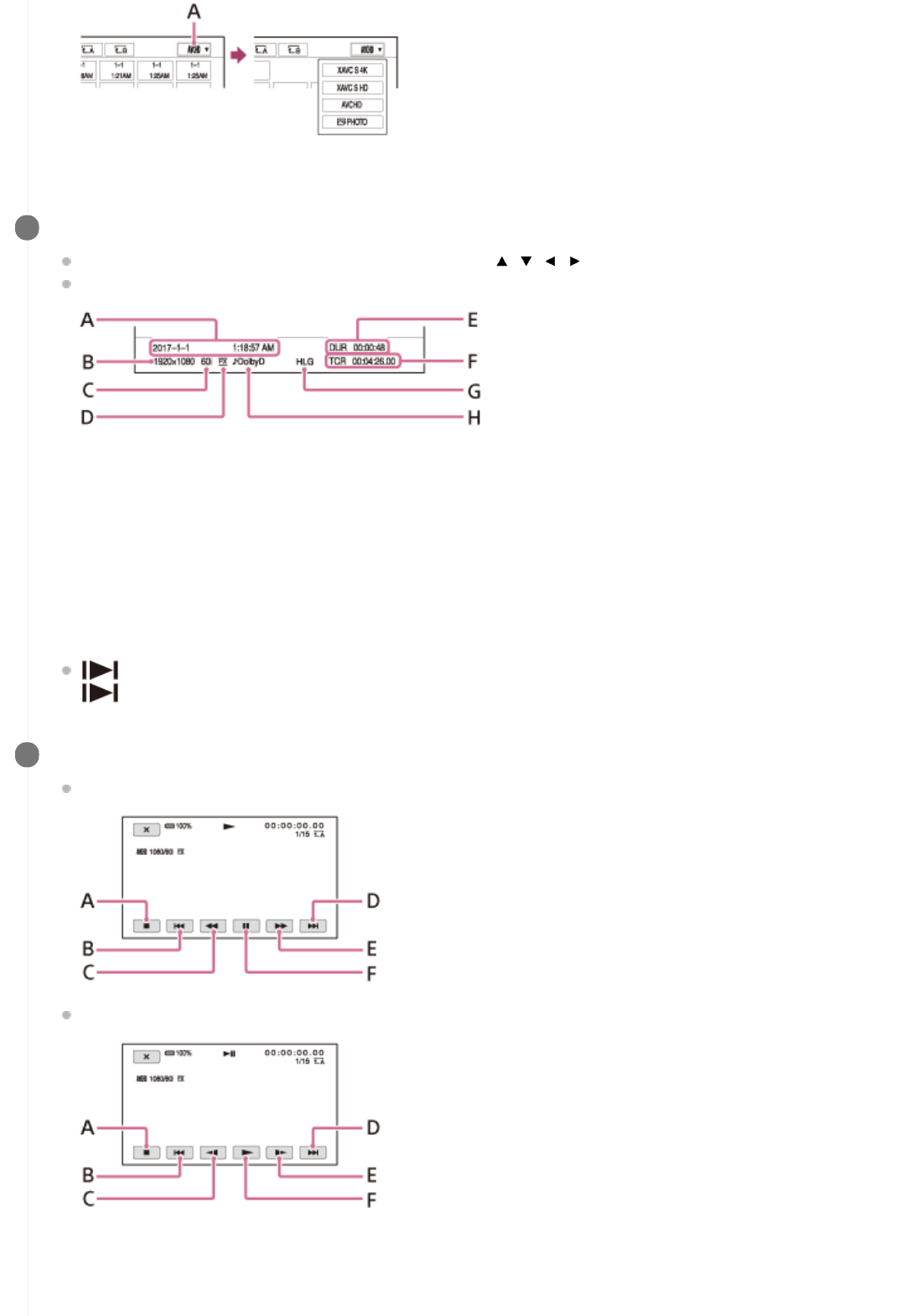
Data code during recording
The recording date, time and condition are recorded automatically. They are not displayed while recording. However, you
can check them by selecting (DISPLAY SET) - [DATA CODE] and choosing the data that you want to display, or by
pressing the ASSIGN button to which the DATA CODE function is assigned, during playback.
Note
Indicators may look different or appear at different positions.
4-725-312-11(2) Copyright 2017 Sony Corporation
18

Help Guide
Digital 4K Video Camera Recorder
FDR-AX700
Selecting the items on the LCD monitor
Use (move up) / (move down) / (move to the left) / (move to the right) / SET (to decide by pressing) on the
menu that is displayed on the LCD monitor.
Some items are operated directly by touching the LCD monitor (SPOT METER/FOCUS, CALIBRATION ,etc.).
A: MENU button
B: / / / /SET button
4-725-312-11(2) Copyright 2017 Sony Corporation
19

Help Guide
Digital 4K Video Camera Recorder
FDR-AX700
Recording formats available with the camcorder and their features
The camcorder supports XAVC S 4K, XAVC S HD and AVCHD. The image quality of XAVC S 4K is 4-times greater than
the conventional high definition image quality.
XAVC S 4K
Recording pixels:
3,840 × 2,160 dots
Bit-rate:
100 Mbps, 60 Mbps
Feature:
Records in 4K. Even if you do not have a 4K TV, recording in 4K format is recommended for future purpose.
XAVC S HD
Recording pixels:
1,920 × 1,080 dots
Bit-rate:
100 Mbps, 60 Mbps, 50 Mbps, 25 Mbps, 16 Mbps (When recording with S&Q MOTION: 50 Mbps or 25 Mbps)
Feature:
Allows you to record clearer images since XAVC S HD has more information compared with AVCHD.
AVCHD
Recording pixels:
1,920 × 1,080 dots
Bit-rate:
Max. 24 Mbps
Feature:
Allows you to save images on devices other than computers.
Hint
Bit-rate refers to the data amount recordable over a certain period of time.
Related Topic
REC SET
4-725-312-11(2) Copyright 2017 Sony Corporation
20

Help Guide
Digital 4K Video Camera Recorder
FDR-AX700
Supplied items
Make sure that you have following items supplied with your camcorder. The numbers in ( ) indicate the supplied quantity.
Camcorder (1)
AC Adaptor (1)
Power cord (mains lead) (1)
USB cable (1)
Wireless Remote Commander (1)
A button-type lithium battery is already installed.
Remove the insulation sheet before using the Wireless Remote Commander.
Large eyecup (1)
Lens hood (1)
Lens cap (Attached to lens) (1)
21

Rechargeable battery pack NP-FV70A (1)
When using the camcorder while connected to a wall outlet (wall socket), such as while charging, make sure to
attach the battery pack to the camcorder.
“Operating Guide” (1)
Related Topic
Parts and controls (wireless remote commander)
4-725-312-11(2) Copyright 2017 Sony Corporation
22

Help Guide
Digital 4K Video Camera Recorder
FDR-AX700
Attaching the battery pack
Attach the battery pack to the camcorder.
To remove the battery pack
Turn off the camcorder. Slide the BATT (battery) release lever ( ) and remove the battery pack ( ).
Note
You cannot use any InfoLITHIUM battery pack other than the V series to the camcorder.
4-725-312-11(2) Copyright 2017 Sony Corporation
Close the LCD monitor and retract the viewfinder , and then attach the battery pack ( ).
Align the indentation on the camcorder and projection on the battery pack, then slide the battery pack upwards.
1
23

Help Guide
Digital 4K Video Camera Recorder
FDR-AX700
Charging the battery pack using the AC Adaptor
Charge the battery pack using the supplied AC Adaptor. Attach the battery pack in advance.
Note
Be aware of the following notes on using the AC Adaptor.
Use a nearby wall outlet (wall socket) when using the AC Adaptor. Disconnect the AC Adaptor from the wall outlet (wall socket)
immediately if any malfunction occurs while using the camcorder.
Do not use the AC Adaptor placed in a narrow space, such as between a wall and furniture.
Do not short-circuit the DC plug of the AC Adaptor terminal with any metallic objects. This may cause a malfunction.
Hint
Close the LCD monitor .
When the viewfinder is pulled out, retract it.
1
Connect the AC Adaptor and the power cord (mains lead) to the camcorder and a wall outlet (wall socket).
The POWER/CHG (charge) lamp lights orange.
The POWER/CHG (charge) lamp turns off when the battery pack is fully charged. Disconnect the AC Adaptor
from the DC IN jack of the camcorder.
A: AC Adaptor
B: Power cord (mains lead)
C: DC IN jack
D: DC plug (Align the mark on the DC plug)
2
24

Help Guide
Digital 4K Video Camera Recorder
FDR-AX700
Turning the power on
Turn on the camcorder.
To turn off the power
Close the LCD monitor.
If the viewfinder is pulled out, retract the viewfinder as shown in the illustration below.
You can also turn off the camcorder by pressing (On/Standby) button.
Turning the camcorder on or off
The power of the camcorder is turned on or off depending on the status of the LCD monitor or the viewfinder.
LCD monitor: Open
Power on, regardless of the viewfinder status (retracted or pulled out)
LCD monitor: Closed
Power off, when viewfinder is retracted
Power on, when viewfinder is pulled out
Note
Even if the LCD monitor is closed, if the viewfinder is pulled out, the camcorder is not turned off. When you turn off the power of
the camcorder, make sure that the viewfinder is retracted to the original position.
If warning messages appear on the LCD monitor, follow the instructions.
When recording movies or when connected to another device via USB, the camcorder does not turn off even if the LCD monitor
is closed and the viewfinder is returned to its original position.
We recommend turning the camcorder off frequently by closing the LCD monitor or retracting the viewfinder to prevent
consumption of the battery.
Open the LCD monitor of the camcorder and turn the power on.
You can also turn on the camcorder by pressing (On/Standby) button.
1
26

4-725-312-11(2) Copyright 2017 Sony Corporation
27

Help Guide
Digital 4K Video Camera Recorder
FDR-AX700
Using the camcorder supplying power from a wall outlet (wall socket)
You can supply power to the camcorder from a wall outlet (wall socket) by using the AC adaptor.
Related Topic
Charging the battery pack using the AC Adaptor
4-725-312-11(2) Copyright 2017 Sony Corporation
Operate the camcorder while it is connected to a wall outlet (wall socket) as shown in “ Charging the battery
pack using the AC Adaptor .”
If you attach the battery pack to the camcorder while the AC adaptor is connected to the camcorder, the battery
is not charged, but also not consumed.
1
28

Help Guide
Digital 4K Video Camera Recorder
FDR-AX700
Adjusting the viewfinder
When using the viewfinder, extend it and position your eye near it.
If you extend the viewfinder while the LCD monitor is open, the display switches from the LCD monitor to the viewfinder
when you position your eye near the viewfinder.
If the viewfinder image appears blurred, turn the lens adjustment dial next to the viewfinder until the image is sharp.
A: Lens adjustment dial
Move it until the picture becomes clear.
When the picture in the viewfinder is hard to see
If you cannot see the picture in the viewfinder clearly under bright circumstances, use the supplied large eyecup. To
attach the large eyecup, stretch it slightly and fit it over the groove of the eyecup of to the camcorder. You can attach the
large eyecup facing either the right or left side.
A: Large eyecup (supplied)
Note
If the viewfinder is extended while the battery pack NP-FV100A (sold separately) is attached, the large eyecup and battery pack
may interfere with each other slightly. However, this does not affect the functionality of the camcorder.
4-725-312-11(2) Copyright 2017 Sony Corporation
29

Help Guide
Digital 4K Video Camera Recorder
FDR-AX700
Adjusting the LCD monitor
The LCD monitor can be rotated in the range as illustrated below, allowing a person other than the camera operator to
see the image.
If you rotate the LCD panel 180 degrees, you can close the LCD monitor with the screen facing out. This is convenient
during playback operations.
A: Open 90 degrees.
B: 180 degrees (max.)
C: 90 degrees (max.)
4-725-312-11(2) Copyright 2017 Sony Corporation
30

Help Guide
Digital 4K Video Camera Recorder
FDR-AX700
Initial setting
Set the language, date and time when using the camcorder for the first time.
Perform the setting with the / / / /SET button.
Hint
To change the screen language, press the MENU button and select (OTHERS) - [LANGUAGE].
The date and time are recorded automatically and can be displayed only during playback. To display them, press the MENU
button during playback, then select (DISPLAY SET) - [DATA CODE] - [DATE/TIME].
Related Topic
DATA CODE
4-725-312-11(2) Copyright 2017 Sony Corporation
Turn the camcorder on.
1
Select AREA SET , DST SET (SUMMERTIME), and DATE with the / / / /SET button.
A: LCD monitor
If you set [DST SET (SUMMERTIME)] to [ON], the clock advances 1 hour.
You can set any year up to the year 2037.
Midnight is indicated as 12:00 AM, and noon as 12:00 PM.
2
31

Help Guide
Digital 4K Video Camera Recorder
FDR-AX700
Inserting a memory card
Insert a memory card into the camcorder.
Note
To ensure stable operation of the memory card, it is recommended to format the memory card with the camcorder before the first
use. Formatting the memory card will erase all the data stored on it and the data will be irrecoverable. Save your important data
on your PC, etc.
Confirm the direction of the memory card. If you forcibly insert the memory card in the wrong direction, the memory card, memory
card slot, or image data may be damaged.
Do not insert any memory card other than those that fit into the memory card slot. Doing so may cause a malfunction.
Memory card slot A accepts either Memory Stick media or an SD card. Memory card slot B accepts an SD card only.
When inserting or ejecting the memory card, be careful so that the memory card does not pop out and drop.
Memory card will not be recognized by the camcorder unless it is inserted straight in the correct direction.
If [Preparing image database file. Please wait.] is displayed, wait until the message disappears.
If [The image database file is corrupted. The media must be restored to use again.] appears, perform [REPAIR IMAGE DB FILE].
Hint
To eject the memory card, open the cover and lightly push the memory card in once.
Related Topic
Types of memory card you can use with your camcorder
Expected recording time of movie
Expected number of recordable photos
Open the cover and insert the memory card until it clicks.
A: Memory card slot A
B: Memory card slot B
C: Insert the card with the notched edge in the direction as illustrated.
1
32

Help Guide
Digital 4K Video Camera Recorder
FDR-AX700
Selecting the memory card slot to be used for recording
Press SLOT SELECT button to change which slot is selected for recording. You can confirm the selected slot on the LCD
monitor.
A: SLOT SELECT button
Note
You can only select a slot that already has a memory card inserted.
While movies are being recorded on the memory card, you cannot switch the slot even if you press the SLOT SELECT button.
Hint
When only one slot has a memory card inserted, the slot that has the memory card is selected automatically (Movie mode only).
In Photo mode, change the slot to which the memory card is currently inserted by pressing the SLOT SELECT button.
Related Topic
Types of memory card you can use with your camcorder
4-725-312-11(2) Copyright 2017 Sony Corporation
34

Help Guide
Digital 4K Video Camera Recorder
FDR-AX700
Types of memory card you can use with your camcorder
The following types of memory cards can be used with the camcorder.
Select the type of memory card to use with the camcorder referr ing to the following table.
In this Help Guide, the types of memory cards you can use with the camcorder are called Memory Stick media or SD
card.
SD cards
Memory Stick media
Note
The movies recorded will be divided into files of 4 GB when an SDHC memory card is used to record XAVC S movies over
extended periods of time. The divided files will be played back continuously when played back on the camcorder. The divided
files can be integrated into the single file by using PlayMemories Home.
Proper operation with all memory cards is not guaranteed. Contact the manufacturer of each memory card for the compatibility of
memory cards other than Sony.
When you use the camcorder with the Memory Stick Micro media or microSD memory card, insert into a dedicated card adaptor
and connect it to the camcorder.
Related Topic
Expected recording time of movie
Recording formats Supporting memory cards
Photos SD/SDHC/SDXC memory card
AVCHD SD/SDHC/SDXC memory card (Class 4 or faster, or U1 or faster.)
XAVC S
4K 60Mbps*
4K 60Mbps*
HD 50Mbps or less*
SDHC/SDXC memory card (Class 10 or faster, or U1 or faster.)
4K 100Mbps*
HD 100Mbps SDHC/SDXC memory card (U3)
S&Q MOTION
SUPER SLOW MOTION SDHC/SDXC memory card (Class 10 or faster, or U1 or faster.)
Including in the Proxy recording mode.
*
Recording formats Supporting memory cards
Photos Memory Stick PRO Duo media, Memory Stick PRO-HG Duo media
AVCHD Memory Stick PRO Duo media (Mark2), Memory Stick PRO-HG Duo media
XAVC S ―
35

Help Guide
Digital 4K Video Camera Recorder
FDR-AX700
Recording movies
Record movies.
Movies are recorded on the memory card and in XAVC S 4K format at the factory setting.
Note
The maximum continuous recordable time of a movie is about 13 hours.
When an AVCHD movie file exceeds 2 GB, the next movie file is created automatically.
Press the latches on both sides of the lens cap and remove it.
1
Open the LCD monitor of the camcorder and turn the power on.
You can also turn on the camcorder by pressing the (On/Standby) button or by pulling out the viewfinder
(models with the viewfinder).
2
Press the ST ART/STOP button to start recording.
The recording lamp lights up during recording.
To stop recording, press the START/STOP button again.
3
37

When movie recording and outputting images to an external device (HDMI output) are performed simultaneously, [NIGHTSHOT
LIGHT] is fixed to [OFF]. Also, when recording a movie with the [XAVC S 4K] 100Mbps setting or [XAVC S 4K] 60Mbps setting
and outputting images to an external device (HDMI output) are performed simultaneously, [LCD BRIGHT] is fixed to [NORMAL].
When the access lamp is lit or flashing in red, the camcorder is reading or writing data on the memory card. Do not shake or
apply strong force to the camcorder, do not turn the power off, and do not remove the memory card, battery pack, or the AC
Adaptor. The image data may be destroyed.
The LCD monitor of the camcorder can display recording images across the entire monitor (full pixel display). However, this may
cause slight trimming of the top, bottom, right, and left edges of images when played back on a TV which is not compatible with
full pixel display. It is recommended you record images [MARKER] - [SAFETY ZONE] set to [80%] or [90%] using the displayed
outer frame as a guide.
The menu settings, picture profile settings, and settings made using the AUTO/MANUAL switch are stored when you close the
LCD monitor and turn off the camcorder. The POWER/CHG (charge) lamp flashes while the settings are being stored.
Check the subject on the LCD monitor, and then start recording.
Hint
You can set the recording lamp not to turn on. Select [OFF] on (OTHERS) - [REC LAMP].
Related Topic
Expected recording time of movie
Selecting the memory card slot to be used for recording
MARKER
REC LAMP
SHOOTING MODE
4-725-312-11(2) Copyright 2017 Sony Corporation
38

Help Guide
Digital 4K Video Camera Recorder
FDR-AX700
Continuing recording on the memory cards one after another (Relay recording)
The camcorder switches memory card A (or B) just before space on the other one runs out, and continues recording on
the next memory card automatically by inserting memory cards each in both slots A and B (In Movie mode only).
Do the following setting before recording.
A: MENU button
B: / / / /SET button
Note
Do not eject the memory card that is currently being used for recording. When replacing a memory card while recording, replace
only the one in the slot whose access lamp is off.
Even if you press the SLOT SELCT button while recording movies, you cannot switch the slot currently being used.
When the remaining recording time of the memory card being used is less than 1 minute and the other slot has recordable
memory card inserted, [ ] or [ ] appears on the LCD monitor. The indicator turns off when the memory
card is switched.
The maximum continuous recordable time of a movie is about 13 hours.
Press the MENU button.
1
Select (REC/OUT SET) - [REC SET] - [SIMUL/RELAY REC] -[RELAY REC] with / / / / SET button.
a: Start
b: Small space
c: Insert a recordable memory card
d: End
REC: Recording
2
39

If you start recording on a memory card with the remaining recording time of less than 1 minute, the camcorder may not be able
to perform Relay recording. To perform Relay recording without fail, make sure that the memory card has more than 1 minute
when you start recording.
You cannot play movies seamlessly on the camcorder when the movie is recorded with Relay recording on the camcorder.
You can re-combine movies with Relay recording using the software PlayMemories Home.
Related Topic
Inserting a memory card
Selecting the memory card slot to be used for recording
Types of memory card you can use with your camcorder
Import and utilize images on your computer (PlayMemories Home)
REC SET
4-725-312-11(2) Copyright 2017 Sony Corporation
40

Help Guide
Digital 4K Video Camera Recorder
FDR-AX700
Recording movies on both the memory card A and B (Simultaneous recording)
You can record movies on both the memory card A and B simultaneously.
Make the following setting before recording (Movie mode only).
A: MENU button
B: / / / /SET button
Note
You cannot perform Simultaneous recording when using the different types of memory cards for each slot.
Related Topic
Inserting a memory card
Selecting the memory card slot to be used for recording
Types of memory card you can use with your camcorder
REC SET
4-725-312-11(2) Copyright 2017 Sony Corporation
Press the MENU button.
1
Select (REC/OUT SET) - [REC SET] -[SIMUL/RELAY REC] - [SIMULTANEOUS REC] with / / / / SET
button.
2
41

Help Guide
Digital 4K Video Camera Recorder
FDR-AX700
Shooting photos
Shoot photos.
Press the latches on both sides of the lens cap and remove it.
1
Open the LCD monitor of the camcorder and turn the power on.
You can also turn on the camcorder by pressing (On/Standby) button or by pulling out the viewfinder.
2
Press the MENU button.
3
Select (REC/OUT SET) - [ / SHOOTING MODE] - [PHOTO] with / / / /SET button.
4
42

Note
You cannot shoot photos when the camcorder is in Movie mode.
When the access lamp is lit or flashing in red, the camcorder is reading or writing data on the memory card. Do not shake or
apply strong force to the camcorder, do not turn the power off, and do not remove the memory card, battery pack, or the AC
Adaptor. The image data may be destroyed.
Related Topic
SHOOTING MODE
IMAGE SIZE
Expected number of recordable photos
4-725-312-11(2) Copyright 2017 Sony Corporation
Press the PHOT O button lightly to adjust the focus, then press it fully .
When the focus is adjusted properly, the AE/AF lock indicator appears on the LCD monitor and the ISO value
appears when the ISO display is set to AUTO.
5
43

Help Guide
Digital 4K Video Camera Recorder
FDR-AX700
Adjusting the zoom with the zoom lever
Press the zoom lever slightly to zoom slowly, and press it further to zoom more quickly.
A: Wide view (Wide angle)
B: Close view (Telephoto)
Hint
When focusing, the minimum distance required between the camcorder and the subject is about 1 cm (about 13/32 in.) for wide
angle and about 1 meter (about 39 3/8 in.) for telephoto.
The focus may not be adjusted at certain zoom positions if the subject is within 1 meter (about 39 3/8 in.) from the camcorder.
Be sure to keep your finger on the zoom lever. If you move your finger off the zoom lever, the operation sound of the zoom lever
may also be recorded.
You can increase the zoom speed of the zoom lever. Select MENU button ‒ (CAMERA SET) ‒[ZOOM SET] - [SPEED
ZOOM].
Related Topic
ZOOM SET
ZOOM DISPLAY
4-725-312-11(2) Copyright 2017 Sony Corporation
44

Help Guide
Digital 4K Video Camera Recorder
FDR-AX700
Adjusting the zoom with the manual lens ring
You can zoom at the desired speed by turning the manual lens ring by setting the ZOOM/FOCUS switch to ZOOM. Fine
adjustment is also possible.
A: ZOOM/FOCUS switch
B: Manual lens ring
Note
Turn the manual lens ring at a moderate speed. If you turn it too fast, the zoom speed may lag behind the manual lens ring
rotation speed, or the operation sound of the zoom may also be recorded.
4-725-312-11(2) Copyright 2017 Sony Corporation
45

Help Guide
Digital 4K Video Camera Recorder
FDR-AX700
Adjusting the focus manually
You can adjust the focus manually.
A: Manual lens ring
B: ZOOM/FOCUS switch
C: AF/MF button
Hint
You can change this setting directly with / / / /SET button on the shooting standby screen (Direct Menu).
Related Topic
FOCUS DISPLAY
Performing shooting adjustment with Direct Menu
4-725-312-11(2) Copyright 2017 Sony Corporation
During recording or standby , press the AF/MF button to set the focus to manual.
appears.
1
Set the ZOOM/FOCUS switch to FOCUS, and turn the manual lens ring.
FOCUS: Adjusts the focus manually by turning the manual lens ring.
ZOOM: Adjust the zoom manually by turning the manual lens ring.
changes to when the focus cannot be adjusted any further, or changes to when the focus cannot be
adjusted any closer.
2
46

Help Guide
Digital 4K Video Camera Recorder
FDR-AX700
Adjusting the focus automatically
You can adjust the focus automatically in accordance with the situation.
A: Manual lens ring
B: ZOOM/FOCUS switch
C: AF/MF button
Note
In the Super Slow Motion recording mode, auto focus function is not available. Adjust the focus manually.
Hint
The focal length information (the distance at which the subject is in focus; for when it is dark and hard to adjust the focus)
appears for about 3 seconds in the following cases.
When you press AF/MF button to set the focus to manual and appears.
When you rotate the manual lens ring while appears.
You can switch the focal length information between meters and feet. Select the unit on MENU button - (DISPLAY SET) -
[FOCUS DISPLAY].
You can change the focus position for auto focus mode during movie recording.
You can select the focus speed for auto focus mode during movie recording.
You can select AF tracking sensitivity for auto focus mode during movie recording.
You can set whether to display the phase detection AF frames that appear when the phase detection AF function is effective.
Related Topic
Adjusting the focus manually
FOCUS DISPLAY
FOCUS AREA
AF DRIVE SPEED
Press the AF/MF button to set the focus to automatic.
disappears and the auto focus adjustment is effective.
When the phase detection AF function is effective, the phase detection AF frames appear (only when [PHASE
AF FRAMES] is set to [ON]). White frames are the area to where the camcorder tries to focus. Frame color
changes to green after focusing.
1
47

Help Guide
Digital 4K Video Camera Recorder
FDR-AX700
FOCUS AREA
You can change the focusing area for auto focus mode (Movie mode only). Use this function when the layout or range of
moving subject is decided in advance, or it is difficult to focus on the intended subject.
A: MENU button
B: LCD monitor
C: / / / /SET button
Description of menu items
WIDE:
Focuses on a subject covering the whole range of the screen automatically.
You can specify the subject that you want to focus by touching it during the phase detection AF frames appear.
Touch operation is possible only when [LOCK-ON AF] is set to [OFF].
When [FACE DETECTION] is set to [ON], the focus area is not displayed and touch operation is disabled.
A: Phase detection AF frames
White frames are the area to where the camcorder tries to focus. The frame color changes to green after becoming in
focus.
ZONE:
Select a zone by touching on the area selection screen or using the / / / /SET button. The camcorder then
focuses automatically in the zone.
The zone is divided 3 rows and 3 columns (9 zones).
Press the MENU button.
1
Select (CAMERA SET) - [ FOCUS AREA] with the / / / /SET button.
2
49

A: Focus area
Indicates the area where the auto focus works.
B: Phase detection AF frames
White frames are the area to where the camcorder tries to focus. The frame color changes to green after becoming in
focus.
CENTER:
Focuses automatically on a subject in the center of the image.
A: Focus frame
Indicates the area where the auto focus works.
The frame color is gray while the camcorder tries to focus on the subject and it turns to green when the subject is in
focus.
FLEXIBLE SPOT :
Move the focus frames to a desired point by touching on the area selection screen or using the / / / /SET button.
You can focus on a small subject in a narrow area.
A: Focus frame
Indicates the area where the auto focus works.
The frame color is gray while the camcorder tries to focus on the subject and it turns to green when the subject is in
focus.
Note
[FOCUS AREA] is fixed to [WIDE] on the following cases.
Using the clear image zoom or digital zoon.
[INTELLIGENT AUTO] or [SCENE SELECTION] is set for [AUTO MODE SET].
LOCK-ON AF is set.
[FOCUS AREA] setting is not available in Super Slow Motion recording.
The [FOCUS AREA] setting is not enabled when using a zoom other than the optical zoom and the focus area frames are
displayed as a dotted line.
50

Hint
You can select the focus speed for auto focus mode during movie recording.
You can select AF tracking sensitivity for auto focus mode during movie recording.
You can assign [FOCUS AREA] to the ASSIGN button.
When [FOCUS POSITION] is assigned to the ASSIGN button and [FOCUS AREA] is set to [FLEXIBLE SPOT] or [ZONE], you
can display the area selection screen directly by pressing the button.
You can set whether to display the phase detection AF area or phase detection AF frames.
Related Topic
Adjusting the focus automatically
Phase detection AF
AF DRIVE SPEED
AF SUBJ. TRACK SET
PHASE AF FRAMES
PHASE DETECT. AF AREA
Assigning the functions to the ASSIGN buttons
4-725-312-11(2) Copyright 2017 Sony Corporation
51

Help Guide
Digital 4K Video Camera Recorder
FDR-AX700
Phase detection AF
When there are phase detection AF points within the auto focus area, the camcorder uses the combined autofocus of the
phase detection AF and contrast AF.
Note
The phase detection AF is not effective under the following conditions. Only the contrast AF is effective.
During Photo mode.
When [FILE FORMAT] is [XAVC S HD] and [REC FORMAT] is 120p/100p.
When [HIGH FRAME RATE] is selected in [S&Q MOTION].
When [NIGHTSHOT] is set to [ON].
When the iris value is F8.0 or more.
Auto focus function is not available in the Super Slow Motion recording mode.
Hint
We recommend to use the ND filter when the iris value is F8.0 or more at an outdoor light place, etc.
4-725-312-11(2) Copyright 2017 Sony Corporation
52

Help Guide
Digital 4K Video Camera Recorder
FDR-AX700
AF DRIVE SPEED
You can select the auto focus speed during recording movies.
Descriptions of menu items
1[SLOW] - 7[F AST]:
Sets the auto focus speed.
When setting to the slow side, the excessive focus movement is reduced. The focus switches smoothly when the subject
to be focused is changed and shooting impressive images is possible. This is suitable for shooting a scene in constant
motion or a scene where an object does not move too much.
When setting to the fast side, the AF drive speed is set to fast and you can keep focusing on the subject with fast
movement. This is suitable for shooting active scenes, such as sports. The larger the value you set, the faster the AF
drive speed.
Note
This setting is not available under the following conditions.
When [NIGHTSHOT] is set to [ON].
When [FILE FORMAT] is [XAVC S HD] and [REC FORMAT] is 120p/100p.
When [HIGH FRAME RATE] is selected in [S&Q MOTION].
The auto focus function is not available in the Super Slow Motion recording mode.
Hint
You can assign this function to the ASSIGN button.
Related Topic
Assigning the functions to the ASSIGN buttons
4-725-312-11(2) Copyright 2017 Sony Corporation
MENU button - (CAMERA SET) - [ AF DRIVE SPEED].
1
53

Help Guide
Digital 4K Video Camera Recorder
FDR-AX700
AF SUBJ. TRACK SET
You can set the auto focus range to track a subject or auto focus sensitivity to switch between subjects during movie
recording.
Descriptions of menu items
AF TRACKING DEPTH :
Sets the AF tracking area for the subject in the depth direction.
1[NARROW] to 5[WIDE]: Set to the Wide side when shooting the subject with large motion in the depth direction.
Set to the Narrow side when shooting the subject that does not move so much.
When setting to the Wide side, you can focus on subjects whose distance from the camera changes one after
another. The larger the setting value you set, the faster the focusing another subject.
When setting to the Narrow side, you can keep focusing the desired subject under the condition where the another
subject crosses the desired subject. It is suitable for keeping focusing the desired subject.
AF SUBJ. SWITCH. SENS.:
Sets the switching time to focus another subject when the subject is switched or is not tracked because the subject
moves out from the focus area.
1[LOCKED ON] - 5[RESPONSIVE]: Set to the Locked on side when shooting one subject. Set to the Responsive
side when shooting plurality of subjects.
When setting to the Responsive side, you can focus subjects one after another when the subject is switched. The
larger the setting value you set, the faster the focusing another subject.
When setting to the Locked on side, you can keep focusing the desired subject because the tracking does not
respond quickly even if the subject moves out from the focus area. It is suitable for keeping focusing the desired
subject.
Setting example of AF TRACKING DEPTH/ AF SUBJ. SWITCH. SENS.
Trains/races:
Situation that you want to track the subject with fast and regular motion and nothing exists in front of it.
AF TRACKING DEPTH: 4 / AF SUBJ. SWITCH. SENS.: 5
Sports/wild animals:
Situation that you want to keep tracking the particular subject with fast and irregular motion.
AF TRACKING DEPTH: 4/ AF SUBJ. SWITCH. SENS.: 2
Landscape/macro :
Situation that you want to focus on the subject without delay which contains less motion but much scene changes.
AF TRACKING DEPTH: 1/ AF SUBJ. SWITCH. SENS.: 5
Party/festival:
Situation that you want to keep tracking a particular subject with moderate motion, or situation which contains
persons in front who are not main subject.
AF TRACKING DEPTH: 1/ AF SUBJ. SWITCH. SENS.: 1
Note
This setting is not available under the following conditions.
When [NIGHTSHOT] is set to [ON].
When [FILE FORMAT] is [XAVC S HD] and [REC FORMAT] is 120p/100p.
When [HIGH FRAME RATE] is selected in [S&Q MOTION].
Auto focus function is not available in the Super Slow Motion recording mode.
MENU button - (CAMERA SET) - [ AF SUBJ. TRACK SET ] - select the desired item.
1
54

Help Guide
Digital 4K Video Camera Recorder
FDR-AX700
Adjusting focus by tracking the desired subject ( LOCK-ON AF)
You can track a subject you select and adjust the focus automatically.
A: LCD monitor
Note
Lock-on AF function is not available when [LOCK-ON AF] is set to [OFF].
Lock-on AF function may not work properly under the following conditions.
Movement of the subject is too fast.
The subject is too small or too large.
The color of the subject and background is similar.
Dark scene.
The scene whose brightness changes.
This setting is not available under the following conditions.
During using clear image zoom or digital zoom
During using [D. EXTENDER]
During manual focus set by pressing the AF/MF button ( appears on the screen)
[COLOR BAR] is set to [ON].
When [FILE FORMAT] is set to [XAVC S HD] and [REC FORMAT] is 120p/100p.
When [FILE FORMAT] is set to [XAVC S 4K] and [PROXY REC MODE] is [ON].
When [FILE FORMAT] is set to [XAVC S 4K] and [4K REC OUTPUT] is set to [EXTERNAL OUTPUT].
When [HIGH FRAME RATE] is set to [ON] in [S&Q MOTION].
During [SUPER SLOW MOTION] recording.
You may not able to restart tracking the subject for a certain period of time after losing the tracking subject.
Hint
[FOCUS AREA] is fixed to [WIDE] during using LOCK-ON AF.
Related Topic
Touch the subject you want to track while recording.
To cancel the Lock-on AF function, select .
1
56

Help Guide
Digital 4K Video Camera Recorder
FDR-AX700
Focusing by magnifying an image ( FOCUS MAGNIFIER)
The selected area on the LCD monitor is magnified and displayed. This is useful to check that the subject is in focus.
A: FOCUS MAGNIFIER button (assigned to the ASSIGN4 button by default)
B: / / / /SET button
Note
Even though the image appears expanded on the LCD monitor, the recorded image is not expanded.
Hint
You can change the magnification ratio with [FOCUS MAG RATIO].
Related Topic
FOCUS MAG RATIO
Assigning the functions to the ASSIGN buttons
Press the FOCUS MAGNIFIER button.
The center of the screen is magnified.
The setting changes with each press of the button.
A: Enlarged display position
You can adjust the enlarged display position with / / / button. Press the SET button to set the enlarged
display position back to the center.
1
58

4-725-312-11(2) Copyright 2017 Sony Corporation
59

Help Guide
Digital 4K Video Camera Recorder
FDR-AX700
Focusing by touching the LCD monitor ( SPOT FOCUS)
You can focus on the point where you touch on the LCD monitor.
A: MENU button
B: / / / /SET button
To cancel the spot focus
Press the MENU button.
Note
[SPOT FOCUS] is available only with manual focus.
Spot focus function is not available in Super Slow Motion recording.
Hint
You can assign this function to an ASSIGN button.
Related Topic
SPOT FOCUS
Assigning the functions to the ASSIGN buttons
Set the AUT O/MANUAL switch to MANUAL and press the AF/MF button to set the focus mode to manual
(MF).
appears.
1
Press the MENU button.
2
Select (CAMERA SET) - [ SPOT FOCUS] with / / / /SET button.
3
Touch the point to be focused on the LCD monitor .
4
60

4-725-312-11(2) Copyright 2017 Sony Corporation
61

Help Guide
Digital 4K Video Camera Recorder
FDR-AX700
Focusing on a detected face ( FACE DETECTION)
The camcorder detects the face and focuses on it (the default setting is [ON]). This function is available only with auto
focus.
A: MENU button
B: / / / /SET button
To cancel the priority face
Move the selection cursor (orange underline) to the frame (double frame) on the priority face with the / / / /SET
button, then press it.
Note
Press the MENU button.
1
Select (CAMERA SET) - [ FACE DETECTION] - [ ON] with the / / / /SET button.
When the faces are detected, frames(*) appear.
2
When the faces are detected, gray face-detection frames appear. When the camcorder is in the status to be able to perform
autofocus, the frame turns white. When [PHASE AF FRAMES] is set to [ON ], or you press the PHOTO button halfway and the face is
in focus, the frame turns green.
*
Move the selection cursor (orange underline) to select the priority face with the / / / /SET button,
then press the button to enter .
A: Selection cursor (orange colored frame)
B: Priority face frame (double frame)
The frame on the priority face changes to a double frame.
3
62

Faces may not be detected or the proper effect may not be obtained depending on the recording environment, the condition of
the subject or the settings. If this happens, set [FACE DETECTION] to [OFF].
When [LOCK-ON AF] is set to [ON], the selection cursor does not appear and you cannot select priority face.
The face detection function is disabled when using digital zoom, clear image zoom or NIGHTSHOT.
Hint
Faces within the area that is set on [FOCUS AREA] are detected and focused.
The focus area frame does not appear when [FOCUS AREA] is set to [WIDE] and [FACE DETECTION] is set to [ON].
You can assign this function to an ASSIGN button.
To make it easy to detect faces, record under the following conditions.
Record in a moderately bright place
Do not obscure the face with a hat, mask, sunglasses, etc.
Face the front of the camera
Related Topic
FACE DETECTION
FOCUS AREA
Assigning the functions to the ASSIGN buttons
4-725-312-11(2) Copyright 2017 Sony Corporation
63

Help Guide
Digital 4K Video Camera Recorder
FDR-AX700
Adjusting the iris
This is useful for making the background blurred or sharp.
A: Manual dial
B: IRIS button
C: AUTO/MANUAL switch
D: IRIS PUSH AUTO button (assigned to the ASSIGN5 button by default)
To temporarily adjust the iris automatically
Hold the IRIS PUSH AUTO button down.
The iris is adjusted automatically for as long as you hold the button down.
To adjust the iris automatically
Press the IRIS button while the iris value is highlighted.
The iris value disappears or appears next to the iris value. When AE is fixed, appears next to the iris value.
Set the AUT O/MANUAL switch to MANUAL.
1
Press the IRIS button.
The or next to the iris value disappears, and the iris value is highlighted.
A: Iris value
2
Turn the manual dial to adjust the value and press the / / / /SET button to enter .
The light quantity increases the more that you open the aperture (decreasing iris value). The light quantity
decreases the more that you close the aperture (increasing iris value).
3
64

Note
When you set the AUTO/MANUAL switch to AUTO, the iris, gain, ISO sensitivity, shutter speed, and white balance are adjusted
automatically. You cannot adjust them manually.
Hint
You can change this setting directly with the / / / /SET button on the shooting standby screen (Direct Menu).
Related Topic
Performing shooting adjustment with Direct Menu
4-725-312-11(2) Copyright 2017 Sony Corporation
65

Help Guide
Digital 4K Video Camera Recorder
FDR-AX700
Adjusting the gain
You can use this if you do not want to increase the value by AGC (automatic gain control) during recording movies.
A: Manual dial
B: ISO/GAIN button
C: AUTO/MANUAL switch
To adjust the gain automatically
Press ISO/GAIN button while the gain value is highlighted.
The gain value disappears, or appears next to the gain value. When AE is fixed, appears next to the gain value.
Note
When you set the AUTO/MANUAL switch to AUTO, the iris, gain, ISO sensitivity, shutter speed, and white balance is adjusted
automatically. You cannot adjust them manually.
The adjusted screen for the ISO sensitivity appears during Photo mode.
Check that the camcorder is in Movie mode.
1
Set the AUT O/MANUAL switch to MANUAL.
2
Press the ISO/GAIN button.
The or next to the gain value disappears, and the gain value is highlighted.
A: Gain value
3
Turn the manual dial to adjust the value and press the / / / /SET button to enter .
4
66

Help Guide
Digital 4K Video Camera Recorder
FDR-AX700
Adjusting the ISO sensitivity
You can use this if you do not want to increase the value by AUTO ISO LIMIT.
A: Manual dial
B: ISO/GAIN button
C: AUTO/MANUAL switch
To adjust the ISO sensitivity automatically
Press the ISO/GAIN button while the ISO value is highlighted.
The ISO value disappears, or appears next to the ISO value. When AE is fixed, appears.
Note
When you set the AUTO/MANUAL switch to AUTO, the iris, gain, ISO sensitivity, shutter speed, and white balance is adjusted
automatically. You cannot adjust them manually.
In Movie mode, both ISO or gain can be displayed.
You can adjust the ISO sensitivity in Movie mode.
Set [ISO/GAIN SEL ] to [ ISO].
1
Set the AUT O/MANUAL switch to MANUAL.
2
Press the ISO/GAIN button.
The or next to the ISO value disappears, and the ISO value is highlighted.
A: ISO value
3
Turn the manual dial to adjust the value and press the / / / /SET button to enter .
4
68

Help Guide
Digital 4K Video Camera Recorder
FDR-AX700
Adjusting the shutter speed
You can adjust and fix the shutter speed manually.
A: Manual dial
B: SHUTTER SPEED button
C: AUTO/MANUAL switch
To adjust the shutter speed automatically
Press the SHUTTER SPEED button while the shutter speed value is highlighted.
The shutter speed value disappears or appears next to the shutter speed value. When AE is fixed, appears.
Set the AUT O/MANUAL switch to MANUAL.
1
Press the SHUTTER SPEED button.
The or next to the shutter speed value disappears, and the shutter speed value is highlighted.
A: Shutter speed value
2
Turn the manual dial to adjust the value and press the / / / /SET button to enter .
For example, [100] appears on the LCD screen when you set the shutter speed to 1/100 second. The larger the
value is, the faster the shutter speed is.
The setting items differ depending on the setting of (OTHERS) - [60i/50i SEL].
When selecting [ 60i]:
You can select from 1/8 to 1/10000 (from 1/6 to 1/10000 when recording with 24p).
When selecting [ 50i]:
You can select from 1/6 to 1/10000.
3
70

Note
When you set the AUTO/MANUAL switch to AUTO, the iris, gain, ISO sensitivity, shutter speed, and white balance is adjusted
automatically. You cannot adjust them manually.
Hint
It is difficult to focus automatically at a lower shutter speed. We recommend to perform manual focusing with the camcorder
attached to a tripod, or etc.
When shooting under fluorescent lamps, sodium lamps, or mercury lamps, the picture may flicker or change colors, or may have
horizontal bands of noise. You may be able to improve the situation by adjusting the shutter speed.
You can switch the shutter speed display between seconds and degrees on [SHUTTER DISPLAY].
You can change this setting directly with the / / / /SET button on the shooting standby screen (Direct Menu).
Related Topic
60i/50i SEL
SHUTTER DISPLAY
Performing shooting adjustment with Direct Menu
4-725-312-11(2) Copyright 2017 Sony Corporation
71

Help Guide
Digital 4K Video Camera Recorder
FDR-AX700
Adjusting the light quantity (ND filter)
You can record the subject clearly by using the ND FILTER switch when the recording environment is too bright.
The ND filters 1, 2, and 3 reduce the light quantity to about 1/4, 1/16 and 1/64, respectively.
A: ND FILTER switch
If flashes during the iris automatic adjustment, set the ND filter to 1. If flashes during the iris automatic
adjustment, set the ND filter to 2. If flashes during the iris automatic adjustment, set the ND filter to 3.
The ND filter indicator will stop flashing and remain on the screen.
If flashes, set the ND FILTER switch to CLEAR. The ND filter indicator disappears.
Note
If you switch the ND FILTER switch during recording, the movie and sound may be distorted.
When adjusting the iris manually, the ND filter indicator does not flash even if you need to adjust the light quantity with the ND
filter.
If flashed, make sure that the ND FILTER switch is set correctly.
When recording a bright scene such as under a clear sky with fast shutter speed, image movement may not be smooth. Use the
appropriate ND filter to adjust light quantity.
Hint
While recording a bright subject, diffraction may occur if you close the aperture further down, resulting in a fuzzy focus (this is a
common phenomenon with video cameras). The ND FILTER switch suppresses this phenomenon and gives better recording
results.
4-725-312-11(2) Copyright 2017 Sony Corporation
72

Help Guide
Digital 4K Video Camera Recorder
FDR-AX700
Adjusting the color to the natural tone ( WHITE BALANCE)
You can adjust and fix the white balance according to the lighting conditions of recording environment.
You can select A, B, or PRESET for the white balance setting.
A( A) or B( B) is the setting that is stored in memory A or B in advance.
PRESET is the preset setting of [OUTDOOR], [INDOOR], or [MANU WB TEMP] that is selected on [WB PRESET] in the
(CAMERA SET) menu in advance.
A: AUTO/MANUAL switch
B: WHITE BALANCE button
C: Manual dial
About the preset setting
OUTDOOR:
When shooting a night scene, neon lighting, fireworks, etc.
When shooting a sunrise, sunset, etc.
Under daylight fluorescent lamp
INDOOR:
Where lighting conditions change, such as at a party place, etc.
Under video light, such as in a studio, etc.
Under a sodium or mercury lamp
Set the AUT O/MANUAL switch to MANUAL.
1
Press the WHITE BALANCE button.
Status of camcorder changes from Auto (no indicator is displayed) to Manual and white balance value is
highlighted. Either indicator of the white balance value set in [WB PRESET], A, and B is displayed.
2
Turn the manual dial to select A, B, or PRESET .
Setting of A or B ︓
Select A or B for recording with the white balance setting stored in memory A or B.
Setting of PRESET
Select the desired setting on (CAMERA SET) - [WB PRESET].
3
73

MANU WB TEMP:
You can set a desired color temperature between 2300K and 15000K on (CAMERA SET) - [WB TEMP SET] (the
default setting is 6500K).
To adjust the white balance automatically
Press the WHITE BALANCE button.
Note
When you set the AUTO/MANUAL switch to AUTO, the iris, gain, ISO sensitivity, shutter speed, and white balance is adjusted
automatically. You cannot adjust them manually.
Hint
If [WB SET] is assigned to the ASSIGN button, the adjusted value is stored by pressing the ASSIGN button when the shooting
screen is displayed, instead of performing steps 4 to 7 of “Storing the adjusted white balance value in memory A or B.”
You can change this setting directly with / / / /SET button the on the shooting standby screen (Direct Menu).
Related Topic
Storing the adjusted white balance value in memory A or B
WB PRESET
WB OUTDOOR LEVEL
WB TEMP SET
Assigning the functions to the ASSIGN buttons
Performing shooting adjustment with Direct Menu
4-725-312-11(2) Copyright 2017 Sony Corporation
74

Help Guide
Digital 4K Video Camera Recorder
FDR-AX700
Storing the adjusted white balance value in memory A or B
You can store adjusted white balance values in memory A (A) and memory B (B), respectively.
You can shoot with the white balance setting that is set in advance by storing the adjusted white balance value.
Unless a white balance is readjusted, values will remain even after the power has been turned off.
A: MENU button
B: AUTO/MANUAL switch
C: WHITE BALANCE button
D: Manual dial
E︓/ / / /SET button
Note
If you cannot adjust the white balance during selecting A or B, A or B turns to slow flashing. Adjust the subject appropriately and
set the shutter speed to auto or around 1/60 (when [60i] is selected)/1/50 (when [50i] is selected), then try adjusting the white
Set the AUT O/MANUAL switch to MANUAL.
1
Press the WHITE BALANCE button to highlight the white balance value.
2
Turn the manual dial to select A( A) or B( B).
3
Press the MENU button.
4
Select (CAMERA SET) - [ WB SET] with / / / /SET button.
5
Frame a white object such as a piece of paper that fills the screen under the same lighting conditions as
your subject.
6
Press the SET button.
The adjusted value is stored in A or B.
The stored color temperature appears for about 3 seconds.
7
75

Help Guide
Digital 4K Video Camera Recorder
FDR-AX700
Recording audio with the internal microphone
You can record audio in stereo with the camcorder’s internal microphone.
A: MENU button
B: Internal microphone
C: / / / /SET button
Hint
To reduce wind noise, set MENU button - (AUDIO SET) - [INT MIC WIND] - [ON].
The recording level of audio is adjusted automatically. To adjust manually, select MENU - (AUDIO SET) - [AUDIO REC LEVEL]
- [REC LEVEL MODE] - [MANUAL REC LEVEL].
Related Topic
MIC SELECT
INT MIC WIND
AUDIO REC LEVEL
4-725-312-11(2) Copyright 2017 Sony Corporation
Press the MENU button.
1
Select (AUDIO SET) - [MIC SELECT] - [ INT MIC] with the / / / /SET button.
2
77

Help Guide
Digital 4K Video Camera Recorder
FDR-AX700
Recording audio with a Multi interface shoe compatible microphone (sold separately)
You can record audio in stereo with a Multi interface shoe compatible microphone.
A: MENU button
B: / / / /SET button
C: Multi interface shoe
Hint
The recording level of audio is adjusted automatically. You cannot adjust the recording level of audio manually when using a Multi
interface shoe compatible microphone.
Related Topic
MIC SELECT
4-725-312-11(2) Copyright 2017 Sony Corporation
Connect the Multi interface shoe compatible microphone (sold separately) to the Multi interface shoe.
For details about connection, refer to the instruction manuals of the Multi interface shoe compatible microphone.
1
Press the MENU button.
2
Select (AUDIO SET) - [MIC SELECT] - [ MI SHOE MIC] with / / / / SET button.
3
78

Help Guide
Digital 4K Video Camera Recorder
FDR-AX700
Recording audio with an external microphone (sold separately)
You can record audio in stereo with an external microphone (sold separately).
A: MENU button
B: / / / /SET button
C: MIC jack (PLUG IN POWER)
Hint
The recording level of audio is adjusted automatically. To adjust manually, set the MENU button - (AUDIO SET) - [AUDIO REC
LEVEL] - [REC LEVEL MODE] - [MANUAL REC LEVEL].
Related Topic
MIC SELECT
AUDIO REC LEVEL
4-725-312-11(2) Copyright 2017 Sony Corporation
Connect the external microphone (sold separately) to the MIC jack (PLUG IN POWER).
For details about connection, refer to the instruction manuals of the external microphone.
1
Press the MENU button.
2
Select (AUDIO SET) - [MIC SELECT] - [ STEREO MINI MIC] with the / / / /SET button.
3
79

Help Guide
Digital 4K Video Camera Recorder
FDR-AX700
Shooting in dark conditions ( NIGHTSHOT)
You can shoot scenes under very dark conditions by emitting infrared light.
A: MENU button
B: / / / /SET button
Note
NIGHTSHOT is available only when the AUTO/MANUAL switch is set to AUTO.
NIGHTSHOT uses infrared light. Make sure not to cover NIGHTSHOT light emitter with your fingers, etc.
Remove the lens hood so that they do not block the NIGHTSHOT light emitter.
The light is effective up to a distance of approximately 3 meters.
Do not use NIGHTSHOT in bright conditions. Doing so may damage the camcorder.
Hint
You can assign this function to an ASSIGN button.
Related Topic
Parts and controls (left front side/front)
NIGHTSHOT
NIGHTSHOT LIGHT
Assigning the functions to the ASSIGN buttons
4-725-312-11(2) Copyright 2017 Sony Corporation
Press the MENU button.
1
Select (CAMERA SET) - [NIGHTSHOT] - [ ON] with / / / /SET button.
appears.
2
80

81

Help Guide
Digital 4K Video Camera Recorder
FDR-AX700
Shooting with the picture quality that is set in advance ( PICTURE PROFILE)
You can change the setting of coloring or gradation of images to be recorded.
For details about each setting of [PICTURE PROFILE], refer to the following URL. Note that setting contents or setting
methods may differ depending on the camcorder you are using.
http://helpguide.sony.net/di/pp/v1/en/index.html
You can make adjustments for the time of day, weather conditions, or just personal preference. Connect the camcorder
to a TV or monitor, and adjust the picture quality while observing the picture on the TV or monitor screen.
Picture quality settings for different recording conditions have been stored in through (picture profile1
through 10) as default settings. You can select the desired picture profile and perform shooting with the settings of the
selected picture profile.
A: MENU button
B: PICTURE PROFILE button (assigned to the ASSIGN3 button by default)
C: / / / /SET button
Press the PICTURE PROFILE button during standby .
1
Select the picture profile number with the / / / /SET button.
The picture profiles are set as follows in advance.
OFF:
Does not use the picture profile.
PP1:
Example settings of a color tone with [STANDARD] gamma
PP2:
Example settings with color tone like an interchangeable-lens still camera movie with [STILL] gamma
PP3:
Example settings of natural color tone with [ITU709] gamma
PP4:
Example settings of a color tone with [ITU709 MATRIX] color mode
PP5:
Example settings of a color tone with [CINE1] gamma
PP6:
Example settings of a color tone with [CINE2] gamma
PP7:
Recommended setting when shooting with [S-LOG2] gamma and [S-GAMUT] color mode
PP8:
Recommended setting when shooting with [S-LOG3] gamma and [S-GAMUT3.CINE] color mode
PP9:
Recommended setting when shooting with [S-LOG3] gamma and [S-GAMUT3] color mode
PP10:
2
82

To cancel the picture profile recording
Select [OFF] in step 2.
HDR movie recording
The camcorder can record HDR movies if you select HLG, HLG1, HLG2, or HLG3 gamma in PICTURE PROFILE.
As an example setting of HDR recording is preset on PP10 in PICTURE PROFILE, you can view the movie with wider
brightness range than ever if it is played back on a TV supported Hybrid Log-Gamma (HLG).
This makes it possible to record images with blocked-up shadows and blown-out highlights, which have been unable to
reproduce faithfully in the past.
HLG is a system of high dynamic range TV defined in the international standard Recommendation ITU-R BT.2100.
Note
To view images recorded with HDR on a TV, connect the camcorder to an HDR (HLG) compatible TV manufactured by Sony with
a USB cable.
When you connect a TV with an HDMI cable, you need to change the image quality setting of the TV manually in order to display
images properly. Set the image quality of the TV as follows.
Gamma: Setting compatible with HLG
Color mode: Setting compatible with BT.2020 or 709
Related Topic
Changing the picture profile
Copying the picture profile setting to another picture profile number
Resetting the picture profile settings
Assigning the functions to the ASSIGN buttons
4-725-312-11(2) Copyright 2017 Sony Corporation
Example settings for recording HDR movies with [HLG2] gamma
Select [ OK] with the / / / /SET button.
You can record movies with selected picture profile setting.
3
83

Help Guide
Digital 4K Video Camera Recorder
FDR-AX700
Changing the picture profile
You can change the settings stored in through .
A: MENU button
B: PICTURE PROFILE button (assigned to the ASSIGN3 button by default)
C: / / / /SET button
Setting items of the picture profile
You can change the following items.
BLACK LEVEL:
Sets the black level.
-15 to +15
Press the PICTURE PROFILE button.
1
Select the picture profile number that you want to change with / / / /SET button.
2
Select [ SETTING] with / / / /SET button.
3
Select the item that you want to adjust with / / / /SET button.
4
Adjust the picture quality with / / / /SET button.
5
Repeat steps 4 and 5 to adjust other items.
6
Select [ RETURN] with / / / /SET button.
7
Select [ OK] with / / / /SET button.
The picture profile indicator appears.
8
84

GAMMA:
Select a gamma curve.
STANDARD: Standard gamma curve for movies
STILL: Gamma curve like an interchangeable-lens still camera movie.
CINE1: Makes soft color images by decreasing dark area contrast and sharpening bright area tone changes
(equivalent to HG4609G33 ).
CINE2: Almost the same effect as [CINE1]; select this if you want to treat the image in a range within 100% of video
signal when editing, etc. (equivalent to HG4600G30).
CINE3: Increases contrast between bright areas and dark areas more than those of [CINE1] and [CINE2],
sharpening dark area tone changes.
CINE4: Increases dark area contrast more than that of [CINE3]. The dark area contrast is weaker and the bright area
contrast is stronger than that of [STANDARD].
ITU709: Gamma curve that corresponds to ITU-709. Gain in low intensity area: 4.5
ITU709(800%): Gamma curve for checking scenes when shooting using [S-LOG2] or [S-LOG3].
S-LOG2: [S-LOG2] gamma curve. This setting presumes editing in post-production after shooting.
S-LOG3: [S-LOG3] gamma curve. Gamma curve with characteristics similar to film, and which presumes editing in
post-production after shooting.
HLG: Gamma curve for HDR recording that corresponds to ITU-R BT.2100.
HLG1: Gamma curve for HDR recording. In this setting, reduction of the noise level takes priority, but dynamic range
for shooting is narrower than that of [HLG2] or [HLG3].
HLG2: Gamma curve for HDR recording. This setting considers the balance between dynamic range and noise.
HLG3: Gamma curve for HDR recording. Dynamic range is wider than that of [HLG2] but the noise level is higher.
[HLG1], [HLG2], or [HLG3] is gamma curve with same characteristics whose balance between dynamic range and
noise are different. Maximum video output level value of each differs as follows:
[HLG1]: approx. 87%, [HLG2]: approx. 95%, [HLG3]: approx. 100%
BLACK GAMMA:
Corrects gamma in low intensity area.
When [HLG], [HLG1], [HLG2] or [HLG3] is selected for [GAMMA], [BLACK GAMMA] is disabled.
RANGE: Select a correcting range.
HIGH/MIDDLE/LOW
LEVEL: Select a correcting level.
‒7 (maximum black compression) to +7 (maximum black stretch)
KNEE:
Sets the knee point and slope for video signal compression to prevent over-exposure by limiting signals in high intensity
areas of the subject to the dynamic range of the camcorder.
When [CINE1], [CINE2], [CINE3], [CINE4], [STILL], [ITU709(800%)], [S-LOG2], [S-LOG3], [HLG], [HLG1], [HLG2], or
[HLG3] is selected in [GAMMA], [KNEE] is disabled if [MODE] is set to [AUTO]. To use functions in [KNEE], set [MODE]
to [MANUAL].
MODE: Select automatic or manual mode.
AUTO: Sets the knee point and slope automatically.
MANUAL: Sets the knee point and slope manually.
AUTO SET: Set the maximum point and sensitivity in [AUTO] mode.
MAX POINT: Sets the maximum value of the knee point.
90.0% to 100.0%
SENSITIVITY: Sets the sensitivity.
HIGH/SENSITIVITY/LOW
MANUAL SET : Set the knee point and slope in [MANUAL] mode.
POINT: Set the knee point.
75.0% to 105.0%
85

SLOPE: Sets the knee slope.
‒5 (gentle) to +5 (steep)
[KNEE] is set off when you set to +5.
COLOR MODE:
Sets type and level of colors.
When [HLG], [HLG1], [HLG2] or [HLG3] is selected in [GAMMA], only [BT.2020] and [709] can be selected for [COLOR
MODE].
When [BT.2020] is selected, the color bar is not output properly.
STANDARD: Suitable color tone when [GAMMA] is set to [STANDARD].
STILL: Suitable color tone when [GAMMA] is set to [STILL].
CINEMA: Film camera image-like color tone good with [GAMMA] set to [CINE1].
PRO: Natural color tone when [GAMMA] is set to [ITU709].
ITU709 MATRIX: Color tone which is faithful to the ITU-709 standard.
B/W: Sets the saturation to 0 and records in black and white.
S-GAMUT/3200K, S-GAMUT/4300K , S-GAMUT/5500K: Setting that presumes editing in post-production after
recording when [GAMMA] is set to [S-LOG2].
S-GAMUT3.CINE/3200K, S-GAMUT3.CINE/4300K, S-GAMUT3.CINE/5500K: Setting that presumes editing in post-
production after recording when [GAMMA] is set to [S-LOG3]. Supports recording in a color gamut for easy
adjustment to digital cinema color gamut.
S-GAMUT3/3200K, S-GAMUT3/4300K, S-GAMUT3/5500K: Setting that presumes editing in post-production after
recording when [GAMMA] is set to [S-LOG3]. Supports recording with wide color gamut.
BT.2020:Standard color tone when [HLG], [HLG1], [HLG2] or [HLG3] is selected for [GAMMA].
709: Color tone when [HLG], [HLG1], [HLG2] or [HLG3] is selected for [GAMMA], and record movies with the color of
High Definition TV system (BT.709).
SATURATION:
Sets the color level.
‒32 (light) to +32 (dark)
COLOR PHASE:
Set the color phase.
‒7 (greenish) to +7 (reddish)
COLOR DEPTH:
Sets the color depth for each color phase.
This function is more effective for chromatic colors and ineffective for achromatic colors.
The color looks deeper as you increase the setting value to more positive side, and lighter as you decrease the value to
more negative side.
This function is effective even if you set [SATURATION] to [-32] (black and white).
R: ‒7 (light red) to +7 (deep red)
G: ‒7 (light green) to +7 (deep green)
B: ‒7 (light blue) to +7 (deep blue)
C: ‒7 (light cyan) to +7 (deep cyan)
M: ‒7 (light magenta) to +7 (deep magenta)
Y: ‒7 (light yellow) to +7 (deep yellow)
COLOR CORRECTION:
Sets the color correction.
TYPE: Select color correction type.
OFF: Does not correct colors.
86

COLOR REVISION: Corrects colors stored in memory.
Colors not stored in memory (displayed in black and white when [COLOR EXTRACT] is set) is not corrected.
COLOR EXTRACT: Displays areas in colors that are stored in the memory. The other areas are displayed in
black and white. You can use this function to add effects on your movies or to confirm the colors to be stored in
the memory.
MEMORY SELECTION: Select a memory to be effective.
1: Sets Memory 1 to be effective.
2: Sets Memory 2 to be effective.
1&2: Sets both Memory 1 and 2 to be effective.
MEMORY1 COLOR: Sets colors stored in Memory 1.
PHASE: Sets color phase.
0 (purple) - 8 (red) - 16 (yellow) - 24 (green) - 31 (blue)
PHASE RANGE: Sets color phase range.
0 (no color selection), 1 (narrow: to select only a single color) to 31 (wide: to select multiple colors in similar color
phase)
SATURATION: Sets saturation.
0 (to select from light colors to dark colors) to 31 (to select dark color)
ONE PUSH SET: Automatically sets [PHASE] for a subject at the center of the marker.
[SATURATION] is set to 0.
MEMORY1 REVISION: Corrects colors in Memory 1.
PHASE: Corrects the phase of the color in Memory 1.
-15 to +15 (0 for no correction.)
SATURATION: Corrects the saturation of the color in Memory 1.
-15 to +15 (0 for no correction.)
MEMORY2 COLOR: Sets colors stored in Memory 2.
PHASE: Sets color phase.
0 (purple) - 8 (red) - 16 (yellow) - 24 (green) - 31 (blue)
PHASE RANGE: Sets color phase range.
0 (no color selection), 1 (narrow: to select only a single color) to 31 (wide: to select multiple colors in similar color
phase)
SATURATION: Sets saturation.
0 (to select from light colors to dark colors) to 31 (to select dark color)
ONE PUSH SET: Automatically sets [PHASE] for a subject at the center of the marker.
[SATURATION] is set to 0.
MEMORY2 REVISION: Corrects colors in Memory 2.
PHASE: Corrects the phase of the color in Memory 2.
-15 to +15 (0 for no correction.)
SATURATION: Corrects the saturation of the color in Memory 2.
-15 to +15 (0 for no correction.)
WB SHIFT:
Sets items for the white balance shift.
Items you can adjust differ depending on the filter type.
FILTER TYPE: Select a color filter type for the white balance shift.
LB-CC: Film type (color conversion and correction)
R-B: Video type (correction of R and B levels)
LB[COLOR TEMP] : Sets a color temperature offset value.
-9 (bluish) to +9 (reddish)
CC[MG/GR]: Sets a color correct offset value.
-9 (greenish) to +9 (magentish)
87

R GAIN: Sets an R level.
-9 (low R level) to +9 (high R level)
B GAIN: Sets a B level.
-9 (low B level) to +9 (high B level)
DETAIL:
Sets items for the detail.
LEVEL: Sets the level of [DETAIL].
-7 to +7
MANUAL SET :
ON/OFF: Turns on and off the manual adjustment of [DETAIL].
When setting to [ON], you can perform the manual adjustment of [DETAIL] (automatic optimization is not
performed).
V/H BALANCE: Sets the vertical (V) and horizontal (H) balance of detail.
-2 (vertical (V) side) to +2 (horizontal (H) side)
B/W BALANCE : Selects the balance of the lower detail (B) and the upper detail (W).
TYPE1 (lower (B) side) to TYPE5 (upper (W) side)
LIMIT: Sets the limit level of [DETAIL].
0 (Low limit level: likely to be limited) to 7 (High limit level: not likely to be limited)
CRISPENING: Sets the crispening level.
0 (shallow crispening level) to 7 (deep crispening level)
HI-LIGHT DETAIL: Sets the detail level in the high intensity areas.
0 to 4
COPY:
Copies the settings of the picture profile to another picture profile number.
RESET:
Resets the picture profile to the default setting.
Hint
Setting both memory1 and momory2 to the same setting doubles the color correction effect.
The settings of [COLOR CORRECTION] will be retained even if the power is turned off. However, if you want to correct colors
that may change according to time of the day, weather, location, etc., it is recommended that you set [COLOR CORRECTION]
again prior to shooting.
If you change the white balance value or the settings of [WB SHIFT], [SATURATION], or [COLOR PHASE] of the picture profile,
the settings of [PHASE RANGE] and [PHASE] of the selected memory will change. When you change the white balance value or
the settings of the above picture profile items after you have set [PHASE RANGE] and [PHASE], check the settings of [COLOR
CORRECTION] prior to shooting.
During the automatic white balance adjustment, the white balance value automatically varies according to the lighting conditions
of your recording environment. The manual white balance adjustment is recommended when you use [COLOR CORRECTION].
Related Topic
Shooting with the picture quality that is set in advance (PICTURE PROFILE)
Copying the picture profile setting to another picture profile number
Resetting the picture profile settings
Assigning the functions to the ASSIGN buttons
4-725-312-11(2) Copyright 2017 Sony Corporation
88

Help Guide
Digital 4K Video Camera Recorder
FDR-AX700
Copying the picture profile setting to another picture profile number
You can copy the picture profile setting to another picture profile number. This is useful for setting similar settings to the
camcorder.
A: MENU button
B: PICTURE PROFILE button (assigned to the ASSIGN3 button by default)
C: / / / /SET button
Related Topic
Shooting with the picture quality that is set in advance (PICTURE PROFILE)
Changing the picture profile
Resetting the picture profile settings
Assigning the functions to the ASSIGN buttons
4-725-312-11(2) Copyright 2017 Sony Corporation
Press the PICTURE PROFILE button.
1
Select the picture profile number that you want to copy from with the / / / /SET button.
2
Select [ SETTING] - [ COPY] with the / / / /SET button.
3
Select the picture profile number that you want to copy with the / / / /SET button.
4
Select [ YES] - [ RETURN] - [OK] with the / / / /SET button.
5
89

Help Guide
Digital 4K Video Camera Recorder
FDR-AX700
Resetting the picture profile settings
You can reset the picture profile settings by each picture profile number. You cannot reset all picture profile settings at
once.
A: MENU button
B: PICTURE PROFILE button (assigned to the ASSIGN3 button by default)
C: / / / /SET button
Related Topic
Shooting with the picture quality that is set in advance (PICTURE PROFILE)
Changing the picture profile
Copying the picture profile setting to another picture profile number
Adjusting the color to the natural tone (WHITE BALANCE)
Assigning the functions to the ASSIGN buttons
4-725-312-11(2) Copyright 2017 Sony Corporation
Press the PICTURE PROFILE button.
1
Select the picture profile number that you want to reset with / / / /SET button.
2
Select [ SETTING] - [ RESET] - [YES] - [ RETURN] - [OK] with the / / / /SET button.
3
90

Help Guide
Digital 4K Video Camera Recorder
FDR-AX700
Recording with Slow & Quick Motion
By shooting with a frame rate that is different from the playback frame rate, you can record images to be played back as
slow motion or quick motion images. The images recorded with Slow & Quick Motion will appear smoother than slow or
fast-forward playback of images recorded at normal speed (XAVC S 4K and XAVC S HD only).
A: MENU button
B: S&Q button
C: START/STOP button
D: / / / /SET button
Preparation for the Slow & Quick Motion recording
Set the recording format and frame rate on MENU button - (CAMERA SET) - [SLOW & QUICK] - [S&Q MOTION].
To record with Slow & Quick Motion
To stop the Slow & Quick Motion recording
Press the START/STOP button again.
To change the frame rate setting
Hold the S&Q button down for about 1 second and change the value with the / / / /SET button, then press the
/ / / /SET button to enter.
To cancel the Slow & Quick Motion recording
Press the S&Q button or MENU button.
Note
Press the S&Q button to display [ S&Q MOTION].
The camcorder is in the Slow & Quick Motion recording mode.
You can set the camcorder to the Slow & Quick Motion recording mode by selecting (CAMERA SET) -
[SLOW & QUICK] - [S&Q MOTION] - [EXECUTE].
1
Press the ST ART/STOP button.
The Slow & Quick Motion recording starts.
2
91

The supported memory cards vary depending on the file format.
When recording with Quick Motion, the camcorder may continue recording for some time (approximately 30 seconds at most)
after you press the START/STOP button to stop recording. Do not operate the camcorder while the [REC] indicator is flashing on
the LCD monitor. Wait until it turns to [STBY].
After you press the START/STOP button to stop recording, the camcorder continues recording until it completes writing of the
minimum unit of data (0.5 seconds of replay time). When recording with slow frame rate, it may take time to stop recording after
pressing the START/STOP button.
The frame rate setting cannot be changed while Slow & Quick Motion recording. To change the setting, stop recording.
The time code is recorded in [REC RUN] mode.
The Slow & Quick Motion recording mode is canceled automatically when the camcorder is turned off, but the frame rate setting
is retained.
You cannot record audio during the Slow & Quick Motion recording.
You cannot perform Simultaneous recording during the Slow & Quick Motion recording.
[S&Q MOTION] is disabled when [FILE FORMAT] is set to [AVCHD].
[S&Q MOTION] is disabled when the AUTO/MANUAL switch is set to AUTO.
Related Topic
Types of memory card you can use with your camcorder
Recording movies on both the memory card A and B (Simultaneous recording)
SLOW & QUICK (S&Q MOTION)
TC RUN
S&Q BUTTON SETTING
4-725-312-11(2) Copyright 2017 Sony Corporation
92

Help Guide
Digital 4K Video Camera Recorder
FDR-AX700
Recording with Super Slow Motion
By recording with a frame rate much higher than the playback frame rate, you can record images to be played back as
super slow motion images. Images recorded with the Super Slow Motion function will appear smoother than slow
playback of images recorded at normal speed (XAVC S HD only).
A: MENU button
B: S&Q button
C: START/STOP button
D︓/ / / /SET button
Preparation for the Super Slow Motion recording
Set the recording format, frame rate, and recording timing on MENU button - (CAMERA SET) - [SLOW & QUICK] -
[SUPER SLOW MOTION].
To record with Super Slow Motion
To decide the recording time manually
If [REC TIMING] is set to [START TRIGGER], you can stop recording at any time by pressing START/STOP button.
If you missed a scene you wished to record
To stop recording, select [Cancel] on the recording screen.
Recording stops, and the contents you have shot are not saved. This is convenient when you wish to start recording
again soon.
To change the frame rate setting
Press the S&Q button repeatedly to display [ SUPER SLOW MOTION].
The camcorder is in the Super Slow Motion recording mode.
You can set the camcorder to the Super Slow Motion recording mode by selecting (CAMERA SET) -
[SLOW & QUICK] - [SUPER SLOW MOTION] - [EXECUTE].
1
Press the ST ART/STOP button.
The Super Slow Motion recording starts.
2
93

Hold the S&Q button down for about 1 second and change the value with / / / /SET button, then press / / /
/SET button to enter.
To cancel the Super Slow Motion recording
Press the S&Q button or MENU button during standby.
Note
The supported memory cards vary depending on the file format.
When recording with Super Slow Motion recording, the camcorder may continue recording for some time (approximately 3
minutes at most) after you press the START/STOP button to stop recording. Do not operate your camcorder while the [REC]
indicator is flashing on the LCD monitor. Wait until it turns to [STBY].
After you press the START/STOP button to stop recording, the camcorder continues recording until it completes writing of the
minimum unit of data (0.5 seconds of replay time).
The Super Slow Motion recording is available only when full auto mode is off. Note that iris, gain, focus, and shutter speed are
fixed to manual.
When [960fps] ([1000fps]) is selected in [FRAME RATE], the image to be displayed and recorded shifts approximately 1.35 times
toward the telephoto side.
When [480fps], [960fps] ([500fps], [1000fps]) is selected in [FRAME RATE], the image quality is deteriorated compared with the
image with normal recording.
If you adjust the gain or shutter speed, or change the white balance, the image on the LCD screen changes. However, the
camera setting at the time the recording ends is reflected in the recorded image.
To change the frame rate setting, first stop recording.
The time code is recorded in [REC RUN] mode.
The Super Slow Motion recording mode is canceled automatically when the camcorder is turned off, but the frame rate setting is
retained.
Flicker adjustment is not available.
You cannot record audio during the Super Slow Motion recording.
Auto focus function is not available.
You cannot select a shutter speed value slower than the frame rate.
[SUPER SLOW MOTION] is disabled when [FILE FORMAT] is set to [XAVC S 4K] or [AVCHD].
[SUPER SLOW MOTION] is disabled when the AUTO/MANUAL switch is set to AUTO.
Related Topic
Types of memory card you can use with your camcorder
SLOW & QUICK (SUPER SLOW MOTION)
TC RUN
S&Q BUTTON SETTING
4-725-312-11(2) Copyright 2017 Sony Corporation
94

Help Guide
Digital 4K Video Camera Recorder
FDR-AX700
Performing shooting adjustment with Direct Menu
You can change the settings for shooting that is displayed on the LCD monitor directly with the / / / /SET button.
The following settings can be changed using Direct Menu.
Focus value
AE shift level value
Iris value
ISO sensitivity/gain
Shutter speed value
White balance value
A︓/ / / /SET button
Press the ASSIGN button to which the Direct Menu function is assigned.
The camcorder is in Direct Menu mode and a cursor (underline) is displayed for items along the bottom of the
LCD screen.
Orange cursor indicates the selected item.
White cursor indicates selectable items.
A: Focus value
B: AE shift level value
C: Iris value
D: ISO sensitivity/gain
E: Shutter speed value
F: White balance value
For details about assigning the function to the ASSIGN button, see “Assigning the functions to the ASSIGN
buttons.”
1
Move the / / / /SET button right and left to move the orange cursor to select the target item that you
want to set.
2
95

Note
Direct Menu is not available when using the following functions (including operation using operation buttons/ASSIGN buttons).
During menu screen
During play mode
S&Q MOTION
SUPER SLOW MOTION
FOCUS MAGNIFIER
SPOT METER/FOCUS
SPOT METER
SPOT FOCUS
Focus area setting
Controlling volume
CTRL W/SMARTPHONE
If an item (such as iris value or focus value) is changed using buttons or switches while Direct Menu is displayed, the Direct Menu
may be canceled.
When (auto) appears for the item to set, move the / / / /SET button up and down to delete the
mark.
3
Press the / / / /SET button to select the setting.
The set value is highlighted, allowing you to change the value.
The following diagram shows an example of changing the shutter speed value.
A: Shutter speed value
4
Move the / / / /SET button up and down to display the desired value.
You can also change the value with the manual dial.
A: Changed shutter speed value
5
To set another item, repeat steps 3 to 5 to shift the orange cursor to the item you want to set by moving the
/ / / /SET button right or left.
6
When all desired values are displayed, press the / / / /SET button.
The setting is applied, and the camcorder exits from the Direct Menu.
7
96

Hint
When white balance is set to be adjusted automatically, [ATW] is displayed.
When focus is set to autofocus, [AF] is displayed.
You can assign this function to the ASSIGN button.
Related Topic
Assigning the functions to the ASSIGN buttons
AE SHIFT
Adjusting the focus manually
Adjusting the iris
Adjusting the gain
Adjusting the ISO sensitivity
Adjusting the shutter speed
Adjusting the color to the natural tone (WHITE BALANCE)
4-725-312-11(2) Copyright 2017 Sony Corporation
97

Help Guide
Digital 4K Video Camera Recorder
FDR-AX700
Proxy recording
You can record a low bitrate proxy file at the same time as recording the high bitrate original movie file.
The proxy file is suitable for data transferring as the size of proxy files is smaller than that of the high bitrate original
movie file.
Proxy recording is supported only when [FILE FORMAT] is set to [XAVC S 4K] or [XAVC S HD].
A: MENU button
B: START/STOP button
C︓/ / / /SET button
About Proxy recording files
Proxy files cannot be played on the camcorder. appears on the thumbnail of the original file.
A proxy file is also deleted/protected when the corresponding original file is deleted/protected.
We recommend using an SDXC memory card (UHS-I U3) for Proxy recording.
Proxy recording supported formats
The image size of the recorded original movie file and recorded proxy file is as follows.
Press the MENU button.
1
Select (REC/OUT SET) - [REC SET] - [PROXY REC MODE] - [ ON/OFF] - [ON] with the / / / /SET
button.
appears on the shooting screen.
You can select the image size for Proxy recording on (REC/OUT SET) - [REC SET] - [PROXY REC MODE] -
[SIZE].
2
Press the ST ART/STOP button to start recording.
3
[60i/50i SEL]
Original file Proxy file
[FILE FORMAT] [REC FORMAT] Image size: 1,280 × 720 Image size: 640 × 360
60i
XAVC S 4K
3840x2160/30p 1280x720/30p 9Mbps 640x360/30p 3Mbps
3840x2160/24p 1280x720/24p 9Mbps 640x360/24p 3Mbps
XAVC S HD 1920x1080/60p 1280x720/60p 9Mbps 640x360/60p 3Mbps
98

Note
The camcorder cannot perform Proxy recording when the number of XAVC S movie files reaches to 600.
The following function is not available during Proxy recording.
S&Q MOTION
SUPER SLOW MOTION
COLOR BAR
DATE REC
When [XAVC S HD] is selected for [FILE FORMAT] and 120p/100p is selected in [REC FORMAT].
When [SIMULTANEOUS REC] or [RELAY REC] is selected for [SIMUL/RELAY REC] in [REC SET].
When [EXTERNAL OUTPUT] is selected for [OUTPUT SELECT] in [VIDEO OUT].
Related Topic
Recording movies
COLOR BAR
REC SET
DATE REC
SLOW & QUICK (S&Q MOTION)
4-725-312-11(2) Copyright 2017 Sony Corporation
1920x1080/30p 1280x720/30p 9Mbps 640x360/30p 3Mbps
1920x1080/24p 1280x720/24p 9Mbps 640x360/24p 3Mbps
50i
XAVC S 4K 3840x2160/25p 1280x720/25p 9Mbps 640x360/25p 3Mbps
XAVC S HD
1920x1080/50p 1280x720/50p 9Mbps 640x360/50p 3Mbps
1920x1080/25p 1280x720/25p 9Mbps 640x360/25p 3Mbps
99

Help Guide
Digital 4K Video Camera Recorder
FDR-AX700
Reviewing the most recently recorded scene (LAST SCENE REVIEW )
You can review the most recently recorded scene on the LCD screen. This function is available when it is assigned to the
ASSIGN button.
A: ASSIGN1 button
B: ASSIGN2 button
C: ASSIGN3 button
D: ASSIGN4 button
E: ASSIGN5 button
F: ASSIGN6 button
To stop reviewing the last scene
Press the ASSIGN button that you assign the [LAST SCENE REVIEW] during playback.
Reviewing is canceled and the camcorder returns to standby mode.
Note
If you edit the movie or remove the memory card after you stop recording, the Last Scene Review function may not work
correctly.
The Last Scene Review function is not available during the [SUPER SLOW MOTION] recording.
Related Topic
Assigning the functions to the ASSIGN buttons
4-725-312-11(2) Copyright 2017 Sony Corporation
Assign [LAST SCENE REVIEW ] to one of the ASSIGN1 to 6 buttons.
For details about assigning the function to the ASSIGN button, see “Assigning the functions to the ASSIGN
buttons.”
1
Right after you stop recording, press the ASSIGN button that you assign the [ LAST SCENE REVIEW].
The camcorder plays from the top to the end of the most recently recorded scene, then returns to standby
mode.
2
100

Help Guide
Digital 4K Video Camera Recorder
FDR-AX700
Assigning the functions to the ASSIGN buttons
You can assign the desired function to one of the ASSIGN 1 to 6 buttons.
See “Setting up menu items” on the function of each item.
A: ASSIGN1 button
B: ASSIGN2 button
C: ASSIGN3 button
D: ASSIGN4 button
E: ASSIGN5 button
F: ASSIGN6 button
Default function of each ASSIGN button
ASSIGN1: S&Q MOTION
ASSIGN2: STATUS CHECK
ASSIGN3: PICTURE PROFILE
ASSIGN4: FOCUS MAGNIFIER
ASSIGN5: IRIS PUSH AUTO
ASSIGN6: ― (no function)
Functions you can assign to the ASSIGN buttons
― (no function)
LOW LUX
FOCUS MAGNIFIER
LAST SCENE REVIEW
WHITE BALANCE
WB PRESET
WB SET
AE SHIFT
D. EXTENDER
STEADYSHOT
FOCUS AREA
FOCUS POSITION
AF DRIVE SPEED
AF TRACKING DEPTH
AF SUBJ. SWITCH. SENS.
FACE DETECTION
S&Q MOTION
AUTO MODE SET
SCENE SELECTION SET
NIGHTSHOT
IRIS PUSH AUTO
SPOT METER/FOCUS
SPOT METER
101

SPOT FOCUS
COLOR BAR
DIRECT
MENU
PICTURE PROFILE
VOLUME
HISTOGRAM
ZEBRA
PEAKING
PHASE AF FRAMES
MARKER
CAMERA DATA DISPLAY
AUDIO LEVEL DISPLAY
DATA CODE
GAMMA DISP ASSIST
TC/UB DISPLAY
SMARTPHONE CONNECT
STATUS CHECK
REC LAMP
THUMBNAIL
/ SHOOTING MODE
To assign the functions to the ASSIGN buttons
Note
When the camcorder is in Photo mode, the ASSIGN4 button is for the shutter release button only.
Press the MENU button.
1
Select (OTHERS) - [ASSIGN BUTTON] with the / / / /SET button.
2
Select the ASSIGN button that you want to set with the / / / /SET button and press the button to
enter.
3
Select the function that you want to assign with the / / / /SET button and press the button to enter .
4
Select [ OK] with the / / / /SET button and press the button to assign the function.
5
102

4-725-312-11(2) Copyright 2017 Sony Corporation
103

Help Guide
Digital 4K Video Camera Recorder
FDR-AX700
Playing back movies
You can play movies on the camcorder.
A: THUMBNAIL (playback) button
Open the LCD panel.
1
Press the THUMBNAIL (playback) button.
The THUMBNAIL screen appears after a few seconds.
A: Memory card
B: Previous
C: Next
D: Current movie data
E: Playback mode
F: Thumbnails of movies (You can turn on or off the date and time display on the thumbnails by pressing
DISPLAY button.)
2
Touch the memory card you want to play back.
: Memory card A
: Memory card B
You can also select the memory card with the / / / /SET button.
3
Touch the playback mode, and select the desired file format of movies.
Movies that are recorded in the selected file format are displayed.
4
104

A: Playback mode
Touch twice the thumbnail of the movie you want to play back.
You can also select the movie to be played back with the / / / /SET button.
The first touch of the thumbnail will show the information on the movie at the lower part of the LCD monitor.
A: Date and time of recording started
B: Resolution
C: Frame rate
D: Recording mode
E: Duration
F: Time code of recording started (Time code is not displayed correctly when you play back memory card with
no time code, or memory card with time code that the camcorder does not support.)
G: HLG (Hybrid Log-Gamma) recording (Appears when the movie is recorded with GAMMA set to HLG.)
H: DOLBY DIGITAL recording (Appears when audio is recorded in Dolby Digital format.)
appears with the movie that has been most recently played back or recorded. If you touch the movie with
, you can continue playback from the previous time.
5
The selected movie starts playing.
During playback
During pause
A: Stop
B: Previous
C: Fast reverse (during playback)/Slow reverse (during pause)
D: Next
6
105

To adjust the volume
Adjust the volume with MENU button - (AUDIO SET) - [VOLUME].
To return to the recording mode
Press the THUMBNAIL (playback) button.
Note
Movies recorded using this camcorder may not be played back normally on devices other than this camcorder. Also, movies
recorded on other devices may not play back properly on this camcorder.
To play back HDR movies on a device other than the camcorder, you need an HDR compatible device that is set appropriately.
When recording with XAVC S, metadata (additional information) which is needed to play back and display HDR movies, such as
the color space and gamma, is recorded. If a device to play back or display movies supports these metadata, movies are
automatically displayed with the appropriate settings. If a device does not support these metadata, you need make settings
manually.
Also, AVCHD recording with the camcorder does not support recording HDR metadata. To play back/display HDR movies
properly, make settings manually or add metadata in editing.
Hint
When playback from the selected movie reaches the last movie, the screen returns to the thumbnail screen.
The movie starts playing slowly by touching / during pause.
The playback speed increases based on the number of times that you touch / .
Related Topic
VOLUME
Recording movies
REC SET
4-725-312-11(2) Copyright 2017 Sony Corporation
E: Fast forward (during playback)/Slow forward (during pausing)
F: Play/Pause
106

Help Guide
Digital 4K Video Camera Recorder
FDR-AX700
Playing back photos
You can play photos on the camcorder.
A: THUMBNAIL (playback) button
Open the LCD panel.
1
Press the THUMBNAIL (playback) button.
The THUMBNAIL screen appears after a few seconds.
A: Memory card
B: Previous
C: Next
D: Current photo data
E: Playback mode
F: Thumbnail of photos (You can turn on or off the date and time display on the thumbnails by pressing
DISPLAY button.)
2
Touch the memory card you want to play back.
: Memory card A
: Memory card B
You can also select the memory card with the / / / /SET button.
3
Touch the playback mode, and select [ PHOTO].
Photos that are recorded in the selected file format are displayed.
4
107

To enlarge
Touch (playback zoom) when playing back the photo.
You can adjust the zoom with / , or with the zoom lever.
When you touch the enlarged image, the touched point is displayed at the center of the screen.
To return to the recording mode
Press the THUMBNAIL (playback) button.
Note
Photos recorded using this camcorder may not be played back normally on devices other than this camcorder. Also, photos
recorded on other devices may not play back properly on this camcorder.
Related Topic
Shooting photos
A: Playback mode
B: PHOTO
Touch twice the thumbnail of the photo you want to play back.
You can also select the photo to be played back with the / / / /SET button.
The first touch of the thumbnail will show the information on the photo at the lower part of the LCD monitor.
A: Date and time of recording
B: Number of pixels
C: Image size
5
The selected photo starts playing.
The following screen appears.
A: Next
B: Previous
6
108

4-725-312-11(2) Copyright 2017 Sony Corporation
109

Help Guide
Digital 4K Video Camera Recorder
FDR-AX700
Changing the screen display
You can display information such as time code, etc., on the image.
A: DISPLAY button
Hint
You can display the screen indicators during playback on a TV when you set MENU button - (CAMERA SET) - [DISPLAY
OUTPUT] to [ALL OUTPUT].
Related Topic
DISPLAY OUTPUT
4-725-312-11(2) Copyright 2017 Sony Corporation
Press the DISPLA Y button.
The screen indicators turn on (displayed) and off (not displayed) as you press the button.
In the recording mode, the screen changes in the order, detailed display - simple display - no display with each
press of the button.
1
110

Help Guide
Digital 4K Video Camera Recorder
FDR-AX700
Displaying recording data ( DATA CODE)
You can display information, including date, time and camera data automatically stored during recording on the screen
during playback.
A: MENU button
B: / / / /SET button
Note
When you play back the memory card on other devices, the camera data may be displayed incorrectly. Confirm the correct
camera data on your camcorder.
Press the MENU button.
1
Select the data that you want to display on (DISPLAY SET) – [DATA CODE] with the / / / /SET
button.
You can also display the data with the ASSIGN button to which the DATA CODE function is assigned, during
playback or pause.
When using the ASSIGN button, the screen changes in the order, date and time display - camera data display -
no display with each press of the button.
A: White balance ( appears when playing images recorded with [WB PRESET] set to [MANU WB TEMP].)
B: Shutter speed
C: Iris
D: Gain
E: Exposure ( appears when playing images recorded with the iris, gain or shutter speed automatically
adjusted. appears when playing images recorded with the iris, gain or shutter speed manually
adjusted.)
F: STEADYSHOT
2
111

Help Guide
Digital 4K Video Camera Recorder
FDR-AX700
Checking the settings in the camcorder ( STATUS CHECK)
You can check the settings of the following items.
Audio settings
Output settings
Functions assigned to the ASSIGN buttons
Camera settings
Memory card information
You can check the estimated used and free spaces.
Battery information
You can check the remaining capacity of the attached battery.
A: MENU button
B: STATUS CHECK button (assigned to the ASSIGN2 button by default)
C: / / / /SET button
Press the ST ATUS CHECK button.
You can also display the STATUS CHECK screen by selecting MENU button - (OTHERS) – [STATUS
CHECK].
1
Select the displayed item with the / / / /SET button.
The displayed items switch in the order of [AUDIO] - [OUTPUT] - [ASSIGN] - [CAMERA] - [MEDIA INFO] -
[BATTERY INFO].
Setup items are displayed according to the status or shooting mode of the camcorder when it is turned on.
2
113

Help Guide
Digital 4K Video Camera Recorder
FDR-AX700
On the HDMI cable
We recommend to use the supplied HDMI cable, an HDMI cable with the HDMI logo, or Sony HDMI cable.
Copyright-protected images are not output from the HDMI OUT jack of the camcorder.
Some devices may not function correctly (e.g., no sound or image) with this connection.
Do not connect the HDMI OUT Terminal of the camcorder to an external device HDMI OUT Terminal, as malfunction
may result.
HDMI (High-Definition Multimedia Interface) is an interface to send both video/audio signals. The HDMI OUT
Terminal outputs high quality images and digital audio.
The camcorder is not compatible with the BRAVIA Sync Function.
4-725-312-11(2) Copyright 2017 Sony Corporation
115

Help Guide
Digital 4K Video Camera Recorder
FDR-AX700
Viewing images on a 4K TV
You can play movies recorded in [XAVC S 4K], in high definition image quality by connecting the camcorder to a TV with
an HDMI jack.
When you cannot view images with [ AUTO]
[OUTPUT SELECT] is set to [AUTO] in default setting which adjusts camcorder's output setting automatically depending
on the connected TV. When you cannot play back images with [AUTO] after performing step 2, select (REC/OUT
SET) - [VIDEO OUT] - [HMDI] - one of the following output resolutions. If you select a setting other than following, the
image will be played back with high definition quality.
When 60i is selected
[2160p/1080p/480i]
[2160p/720p/480i]
[2160p/1080i/480i]
When 50i is selected
[2160p/1080p/576i]
[2160p/720p/576i]
[2160p/1080i/576i]
Note
Also refer to the instruction manual of the TV.
When you view images on a TV, use the AC Adaptor (supplied) as the power source.
Photos cannot be played in 4K image quality.
The camcorder does not support BRAVIA Sync.
To view images recorded with HDR on a TV, connect the camcorder to an HDR (HLG) compatible TV manufactured by Sony via
a USB cable.
Connect the HDMI OUT T erminal of the camcorder ( ) and HDMI input jack of the TV ( ) with the HDMI
cable ( ) (sold separately).
1
Switch the input on the TV to the connected jack.
2
Play the movie on the camcorder .
3
116

When you connect a TV with an HDMI cable, you need to change the image quality setting of the TV manually in order to display
images properly. Set the image quality of the TV as follows;
Gamma: Setting compatible with HLG
Color mode: Setting compatible with BT.2020 or 709
Related Topic
Using the camcorder supplying power from a wall outlet (wall socket)
VIDEO OUT
REC SET
4-725-312-11(2) Copyright 2017 Sony Corporation
117

Help Guide
Digital 4K Video Camera Recorder
FDR-AX700
Viewing images on a high definition TV
You can play movies/photos in high definition image quality by connecting the camcorder to a TV with an HDMI jack.
When you cannot view images with [ AUTO]
[OUTPUT SELECT] is set to [AUTO] in default setting which adjusts camcorder's output setting automatically depending
on the connected TV. When you cannot play back images with [AUTO] after performing step 2, select (REC/OUT
SET) - [VIDEO OUT] - [HDMI] - one of the following output resolutions.
XAVC S 4K movies (When 60i is selected)
[1080p/480i]
[720p/480i]
[1080i/480i]
XAVC S HD/AVCHD movies (When 60i is selected)
[2160p/1080p/480i]
[2160p/720p/480i]
[2160p/1080i/480i]
[1080p/480i]
[720p/480i]
[1080i/480i]
XAVC S 4K movies (When 50i is selected)
[1080p/576i]
[720p/576i]
[1080i/576i]
XAVC S HD/AVCHD movies (When 50i is selected)
[2160p/1080p/576i]
[2160p/720p/576i]
Connect the HDMI OUT T erminal of the camcorder ( ) and HDMI input jack of the TV ( ) with the HDMI
cable ( ) (sold separately).
1
Switch the input on the TV to the connected jack.
2
Play the movie/photo on the camcorder .
3
118

[2160p/1080i/576i]
[1080p/576i]
[720p/576i]
[1080i/576i]
Note
Refer to the instruction manuals of the TV as well.
Use the supplied AC Adaptor as the power source.
If the TV does not have an HDMI input jack, use an AV cable (sold separately). Images are output in standard definition.
The camcorder does not support BRAVIA Sync.
Related Topic
Using the camcorder supplying power from a wall outlet (wall socket)
VIDEO OUT
REC SET
4-725-312-11(2) Copyright 2017 Sony Corporation
119

Help Guide
Digital 4K Video Camera Recorder
FDR-AX700
Viewing images on a non-high-definition TV
Play back movies/photos on the camcorder by connecting to a TV with an AV cable (sold separately).
A: AV cable (sold separately)
Note
Refer to the instruction manuals of the TV as well.
When you view images on a TV, use the AC Adaptor (supplied) as the power source.
Perform the setting of the MENU button - (REC/OUT SET) – [VIDEO OUT] – [DOWN CONVERT TYPE] to match the TV
screen size.
Related Topic
Using the camcorder supplying power from a wall outlet (wall socket)
VIDEO OUT
4-725-312-11(2) Copyright 2017 Sony Corporation
Connect the Multi/Micro USB T erminal of the camcorder and VIDEO/AUDIO jack of the TV with the A V cable
(sold separately).
1
Switch the input on the TV to the connected jack.
2
Play a movie/photo on the camcorder .
3
120

Help Guide
Digital 4K Video Camera Recorder
FDR-AX700
Notes on editing
Some basic editing operations can be done on the camcorder. If you want to do advanced editing operations, install
and use the PlayMemories Home software.
You cannot restore images once they are deleted. Save important movies and photos before deleting.
Do not remove the battery pack or the AC Adaptor from the camcorder while deleting or dividing the images. Doing
so may damage the memory card.
Do not eject the memory card while deleting or dividing images saved on the memory card.
Related Topic
Import and utilize images on your computer (PlayMemories Home)
Protecting movies and photos (PROTECT)
Deleting selected movies/photos
Dividing a movie
4-725-312-11(2) Copyright 2017 Sony Corporation
121

Help Guide
Digital 4K Video Camera Recorder
FDR-AX700
Protecting movies and photos ( PROTECT)
Protect movies and photos to avoid deleting them by mistake.
A: MENU button
B: THUMBNAIL (playback) button
C︓/ / / /SET button
To undo the protection
Touch thumbnails with in step 4 to hide .
4-725-312-11(2) Copyright 2017 Sony Corporation
Press the THUMBNAIL (playback) button.
The thumbnail screen is displayed.
1
Press the MENU button.
2
Select (EDIT) - [PROTECT] with the / / / /SET button.
3
Touch movies or photos that you want to protect.
appears on the selected thumbnails.
Press and hold the image down to preview the image. Touch to return to the previous screen.
You can select up to 100 images at one time.
4
Touch and follow the on-screen instructions to touch .
5
122

123

Help Guide
Digital 4K Video Camera Recorder
FDR-AX700
Deleting selected movies/photos
You can free media space by deleting movies and still images from memory card.
A: MENU button
B: THUMBNAIL (playback) button
C: / / / /SET button
Note
You cannot restore images once they are deleted.
Do not remove the battery pack, AC Adaptor or memory card that contains the movies or photos from your camcorder during the
operation. It may damage the memory card.
Press the THUMBNAIL (playback) button.
The thumbnail screen is displayed.
1
Press the MENU button.
2
Select (EDIT) - [DELETE] with the / / / /SET button.
3
Touch the movies or photos that you want to delete.
appears on the selected thumbnails.
Press and hold the image down to preview the image. Touch to return to the previous screen.
You can select up to 100 images at one time.
appears at the upper right corner on the thumbnail of protected images.
No check box appears on the thumbnail of protected images.
4
Touch , then follow the on-screen instructions to touch .
5
124

You cannot delete protected movies and photos. Undo the protection before you try to delete them.
Save important movies and photos onto the computes in advance.
Hint
To delete all data recorded on the memory card and recover all the recordable space of it, format the memory card.
Related Topic
Protecting movies and photos (PROTECT)
Saving movies
MEDIA FORMAT
4-725-312-11(2) Copyright 2017 Sony Corporation
125

Help Guide
Digital 4K Video Camera Recorder
FDR-AX700
Dividing a movie
You can divide a movie at a designated point.
A: MENU button
B: / / / /SET button
Note
You cannot restore movies once they are divided.
Do not remove the battery pack, AC Adaptor or memory card that contains the movies to be divided from your camcorder during
the operation. It may damage the memory card.
A slight difference may occur from the point where you touch and the actual dividing point, as the camcorder selects the
dividing point based in about half-second increments.
Movies recorded in XAVC S cannot be divided.
Press the MENU button while playing back a movie.
1
Select (EDIT) - [DIVIDE] with the / / / /SET button.
2
Touch at the point where you want to divide.
A: After you select the point with make fine adjustment with these buttons.
B: Returns to the beginning of the selected movie.
3
Touch - .
4
126

Help Guide
Digital 4K Video Camera Recorder
FDR-AX700
Saving movies
How to save images in each format is as follows.
XAVC S 4K
How to save:
Save images on your computer using the PlayMemories Home software.(*)
Saving format:
XAVC S 4K
XAVC S HD
How to save:
Save images on your computer using the PlayMemories Home software.(*)
Saving format:
XAVC S HD
AVCHD
How to save:
Save images on your computer using the PlayMemories Home software.
Saving format:
AVCHD
http://www.sony.net/
Hint
You may also save by connecting a recorder with an AV cable (sold separately). The image quality will be standard definition.
Related Topic
Installing the PlayMemories Home software in your computer
Creating a disc with a recorder
4-725-312-11(2) Copyright 2017 Sony Corporation
For the latest storage environment, visit the following website.
*
128

Help Guide
Digital 4K Video Camera Recorder
FDR-AX700
Import and utilize images on your computer ( PlayMemories Home)
PlayMemories Home allows you to import movies and photos to your computer to use them in a variety of ways.
PlayMemories Home is necessary to import XAVC S or AVCHD movies to your computer.
A: Import images from the camcorder
B: The functions below are also available on a Windows PC
C: View images in a calendar
D: Create a movie disc
E: Upload images to online services
F: Play the imported images
G: Share images on PlayMemories Online
Installing the PlayMemories Home software in your computer
PlayMemories Home can be downloaded from the following URL.
http://www.sony.net/pm/
Related Topic
Checking the computer system
Installing the PlayMemories Home software in your computer
4-725-312-11(2) Copyright 2017 Sony Corporation
129

Help Guide
Digital 4K Video Camera Recorder
FDR-AX700
Installing the PlayMemories Home software in your computer
Installing the PlayMemories Home software on your computer enables you to make use of your recorded images.
Note
Log on to your computer as an administrator.
You may need to restart your computer. When prompted to restart, follow the on-screen instructions.
Depending on the usage environment, DirectX can then be installed.
Hint
For details on PlayMemories Home, refer to the help of PlayMemories Home.
Related Topic
Checking the computer system
Access the following download page using an Internet browser on your computer to download the
PlayMemories Home software.
http://www.sony.net/pm/
Install the software according to the on-screen instructions.
When the installation has completed, PlayMemories Home starts.
If the PMB (Picture Motion Browser) software is installed on your computer, it will be overwritten by the
PlayMemories Home software. Use PlayMemories Home, the successor software of PMB.
1
Connect the camcorder and your computer with the micro USB Cable.
If the PlayMemories Home software is already installed on your computer, connect the camcorder to your
computer.
To the Multi/Micro USB Terminal
To the USB jack of your computer
2
131

4-725-312-11(2) Copyright 2017 Sony Corporation
132

Help Guide
Digital 4K Video Camera Recorder
FDR-AX700
Disconnecting the camcorder from the computer
Disconnect the camcorder from the computer connected with the USB Cable.
Note
If you use a Mac computer, drag and drop the memory card or the drive icon to the Trash before disconnecting. The connection
with the computer is released.
If you use a Windows 7, Window 8.1 or Windows 10 computer, a disconnection icon may not be displayed. In this case, you can
release the connection without performing the above operations.
4-725-312-11(2) Copyright 2017 Sony Corporation
Click in the task tray , and then click .
1
Click the message displayed on the computer screen.
2
Select - [YES] on the LCD monitor , and then disconnect the USB Cable.
3
133

Help Guide
Digital 4K Video Camera Recorder
FDR-AX700
Creating a Blu-ray disc
You can create a Blu-ray disc with an AVCHD movie previously imported to a computer.
To create a Blu-ray disc, the “BD Add-on Software” must be installed.
http://support.d-imaging.sony.co.jp/BDUW/
Your computer must support the creation of Blu-ray discs.
BD-R (unrewritable) and BD-RE (rewritable) media are available for creating Blu-ray discs. You cannot add contents
to either type of disc after creating the disc.
You cannot save XAVC S movies onto a Blu-ray disc.
4-725-312-11(2) Copyright 2017 Sony Corporation
134

Help Guide
Digital 4K Video Camera Recorder
FDR-AX700
Creating a disc with a recorder
You can copy images on the camcorder onto a disc or video cassette. Connect the camcorder to a disc recorder with an
AV cable (sold separately).
Note
Connect the AC Adaptor to the camcorder, and then connect the AC Adaptor to a wall outlet (wall socket).
Refer to the instruction manual supplied with the device connected.
Note
Set the aspect ratio according to the display monitor such as TV by pressing MENU button - select (REC/OUT SET) - [VIDEO
OUT] - [DOWN CONVERT TYPE].
You cannot copy images to recorders connected with the HDMI cable.
Since copying is performed via analog data transfer, the image quality may deteriorate.
Images will be copied with standard definition image quality.
When you connect a monaural device, connect the yellow plug of an AV cable (sold separately) to the video input jack, and the
white (left channel) or the red (right channel) plug to the audio input jack on the device.
Hint
Insert a recording medium in a recording device (a disc recorder , etc.).
If your recording device has an input selector, set it to the input mode.
1
Connect the camcorder to the recording device with an A V cable (sold separately).
Connect the camcorder to the input jacks of the recording device.
A: AV cable (sold separately)
2
Start playback on the camcorder , and record it on the recording device.
3
When copying is finished, stop the recording device, and then the camcorder .
4
135

To not show the counter on the display of the connected device, press the MENU button - select (DISPLAY SET) - [DISPLAY
OUTPUT] - [LCD PANEL].
To copy the date and time or shooting information, press the ASSIGN button which DATA CODE function is assigned and make
your desired setting. Then, press the MENU button - select (DISPLAY SET) - [DISPLAY OUTPUT] - [ALL OUTPUT].
Related Topic
Using the camcorder supplying power from a wall outlet (wall socket)
DATA CODE
VIDEO OUT
DISPLAY OUTPUT
Assigning the functions to the ASSIGN buttons
4-725-312-11(2) Copyright 2017 Sony Corporation
136

Help Guide
Digital 4K Video Camera Recorder
FDR-AX700
About the PlayMemories Mobile software
To perform operations of [CTRL W/SMARTPHONE], the PlayMemories Mobile application for smartphone is required.
Install the application from the applications store for your smartphone.
If PlayMemories Mobile is already installed in your smartphone, update the application to the latest version.
For details on PlayMemories Mobile, visit the PlayMemories Mobile support page (http://www.sony.net/pmm/).
Note
PlayMemories Mobile is not guaranteed to work on all smartphones and tablets.
Related Topic
CTRL W/SMARTPHONE
4-725-312-11(2) Copyright 2017 Sony Corporation
137

Help Guide
Digital 4K Video Camera Recorder
FDR-AX700
Connecting to an NFC-enabled smartphone or tablet
You can easily connect the camcorder to your NFC-enabled Android smartphone or tablet.
Note
Make sure that your smartphone is not in sleep mode and the screen is unlocked in advance.
When the camcorder is in shooting mode
[CTRL W/SMARTPHONE] starts up.
Note
To use the one-touch functions of the camcorder, an NFC-enabled smartphone or tablet is required.
NFC (Near Field Communication) is an international standard for short-range wireless communication technology.
If the connection is not made successfully, try the procedures shown in “ Connecting to your Android smartphone or tablet (by
entering an SSID and password) .”
Related Topic
About the PlayMemories Mobile software
Connecting to your Android smartphone or tablet (by entering an SSID and password)
Using your smartphone or tablet as a wireless remote commander
Install PlayMemories Mobile on your smartphone.
If PlayMemories Mobile is already installed on your smartphone, update the software to the latest version.
1
Set the camcorder to the shooting mode.
You can use the NFC function only when (N Mark) is displayed on the screen.
2
Touch (N mark) of your smartphone to (N mark) of the camcorder .
Make sure that (N mark) is displayed on the LCD monitor of the camcorder.
Hold the camcorder and your smartphone together and keep them still for about 1-2 seconds until
PlayMemories Mobile starts up on your smartphone.
3
138

Help Guide
Digital 4K Video Camera Recorder
FDR-AX700
Connecting to a smartphone or tablet using the QR Code
You can easily connect the camcorder to your smartphone or tablet by reading the QR Code.
Install PlayMemories Mobile on your smartphone.
If PlayMemories Mobile is already installed on your smartphone, update the software to the latest version.
1
Press the MENU button - select (NETWORK SET) - [CTRL W/SMARTPHONE ].
The QR Code, SSID, password and device name are displayed.
2
Start up PlayMemories Mobile, and select [ Scan QR Code of the Camera] from the screen of PlayMemories
Mobile.
3
Select [ OK]. (If a message appears, select [OK] again.)
4
140

With your smartphone, read the QR Code displayed on the LCD monitor of the camcorder .
Android
When [Connect with the camera?] is displayed, select [Connect].
iPhone/iPad
Follow the on-screen instructions and install the profile (setting information).
On Home, select [Settings] - [Wi-Fi].
Select the SSID of the camcorder.
Go back to the Home screen and start up PlayMemories Mobile.
5
141

Note
If the camcorder cannot be connected with the smartphone by NFC or by reading the QR Code, connect by using the SSID and
the password.
Hint
Once the QR Code is read and the connection has been successfully established, the SSID (DIRECT-xxxx) and the password of
the camcorder will be registered onto your smartphone. Subsequent Wi-Fi connections between the camcorder and your
smartphone will only require selecting the SSID of the camcorder registered on your smartphone.
Related Topic
Connecting to your Android smartphone or tablet (by entering an SSID and password)
Connecting to your iPhone or iPad (by entering an SSID and password)
About the PlayMemories Mobile software
Using your smartphone or tablet as a wireless remote commander
CTRL W/SMARTPHONE
4-725-312-11(2) Copyright 2017 Sony Corporation
142

Help Guide
Digital 4K Video Camera Recorder
FDR-AX700
Connecting to your Android smartphone or tablet (by entering an SSID and
password)
Shows how to connect the camcorder to your Android smartphone or tablet. Display the SSID and password in advance
by selecting [CTRL W/SMARTPHONE] on the camcorder.
Start up PlayMemories Mobile on the smartphone.
1
Select the SSID displayed on the camcorder .
2
Enter the password displayed on the camcorder .
3
143

Help Guide
Digital 4K Video Camera Recorder
FDR-AX700
Connecting to your iPhone or iPad (by entering an SSID and password)
Shows how to connect the camcorder to your iPhone or iPad. Display the SSID and password in advance by selecting
[CTRL W/SMARTPHONE] on the camcorder.
Open the settings menu on your iPhone.
1
Select W i-Fi.
2
Select the SSID displayed on the camcorder .
3
Enter the password displayed on the camcorder .
4
145

Help Guide
Digital 4K Video Camera Recorder
FDR-AX700
Using your smartphone or tablet as a wireless remote commander
You can operate the camcorder using your smartphone or tablet as a wireless remote commander.
Note
Movies and photos are recorded on the camcorder and are not stored on the smartphone.
The operation methods and display screens for the application are subject to change without notice by future upgrades.
This application is not guaranteed to work on all smartphones and tablets.
Hint
For the latest supported OS, refer to the download page of PlayMemories Mobile.
Related Topic
About the PlayMemories Mobile software
Connecting to an NFC-enabled smartphone or tablet
Connecting to a smartphone or tablet using the QR Code
Connecting to your Android smartphone or tablet (by entering an SSID and password)
Connecting to your iPhone or iPad (by entering an SSID and password)
CTRL W/SMARTPHONE
Install PlayMemories Mobile on your smartphone.
If PlayMemories Mobile is already installed in your smartphone, update the software to the latest version.
1
On the camcorder , press the MENU button - select (NETWORK SET) - [CTRL W/SMARTPHONE ].
The QR Code, SSID, password and device name are displayed on the LCD monitor of the camcorder. The
camcorder is now ready to be operated using your smartphone.
2
Start PlayMemories Mobile , select [ Scan QR Code of the Camera] - [ OK] - [ OK], then scan the QR Code
displayed on the LCD monitor of the camcorder with your smartphone or tablet.
Connect to the camcorder using your smartphone.
For details on connecting your smartphone, see “Related Topic.”
3
Operate the camcorder using your smartphone.
4
147

4-725-312-11(2) Copyright 2017 Sony Corporation
148

Help Guide
Digital 4K Video Camera Recorder
FDR-AX700
Using your smartphone or tablet as a wireless remote commander using the NFC
function (NFC one-touch remote)
You can operate the camcorder using your NFC-enabled smartphone or tablet as a wireless remote commander.
Note
Make sure that your smartphone is not in sleep mode and the screen is unlocked in advance.
Note
Movies and photos are recorded on the camcorder and are not stored on the smartphone.
The operation methods and display screens for the application are subject to change without notice by future upgrades.
Install PlayMemories Mobile on your smartphone.
If PlayMemories Mobile is already installed in your smartphone, update the software to the latest version.
1
Select [ Settings] on the smartphone, then select [ More] and place a checkmark next to [ NFC].
2
Enter the recording mode and touch (N mark) of your smartphone to (N mark) of the camcorder .
Make sure that (N mark) is displayed on the LCD monitor of the camcorder.
Hold the camcorder and your smartphone together and keep them still for about 1-2 seconds until
PlayMemories Mobile starts up on your smartphone.
3
Operate the camcorder using your smartphone.
4
149

This application is not guaranteed to work on all smartphones and tablets.
If the connections is not made successfully, try the procedures shown in “ Connecting to your Android smartphone or tablet (by
entering an SSID and password) .”
Hint
For the latest supported OS, refer to the download page of PlayMemories Mobile.
Related Topic
About the PlayMemories Mobile software
Connecting to an NFC-enabled smartphone or tablet
Connecting to a smartphone or tablet using the QR Code
Connecting to your Android smartphone or tablet (by entering an SSID and password)
CTRL W/SMARTPHONE
4-725-312-11(2) Copyright 2017 Sony Corporation
150

Help Guide
Digital 4K Video Camera Recorder
FDR-AX700
Setting up menu items
You can change various settings or make detailed adjustments using the menu items displayed on the LCD monitor.
The camcorder has various menu items under each of 8 menu categories.
A: MENU button
B: / / / /SET button
Press the MENU button.
The menu screen appears.
1
Use the / / / /SET button to select the desired menu icon, then press the button.
(CAMERA SET) (appears when shooting)
(REC/OUT SET)
(AUDIO SET)
(DISPLAY SET)
(TC/UB SET)
(NETWORK SET)
(OTHERS)
(EDIT)
The (EDIT) menu appears when pressing the MENU button on the thumbnail or playback screen.
2
Use the / / / /SET button to select the item that you want to set, then press the button.
3
151

Note
The available menu items vary depending on the state of the camcorder during recording or playback.
The available menu items vary depending on the shooting mode (Movie mode/Photo mode).
Items and setting values that are not available due to other settings are grayed out.
Hint
You can assign the function of the MENU button to the ASSIGN button.
Related Topic
How to use the keyboard
Assigning the functions to the ASSIGN buttons
4-725-312-11(2) Copyright 2017 Sony Corporation
Use the / / / /SET button to select the desired setting, then press the button.
4
Press the MENU button to turn the menu screen off.
To return to the previous screen, select [ RETURN].
5
152

Help Guide
Digital 4K Video Camera Recorder
FDR-AX700
How to use the keyboard
A keyboard is displayed on the LCD monitor when text needs to be entered.
To cancel text entry, select .
4-725-312-11(2) Copyright 2017 Sony Corporation
Switch character types
Each time you touch the key, the type of character to be input switches between letters, numerals and symbols.
1.
Keyboard
Each time you touch the key, the displayed character switches between the choices available.
For example: If you want to enter “abd”
Select [abc], touching it once to display “a” - touch - select [abc], touching it twice to display “b” - select [def]
touching it once to display “d.”
2.
Space
Enters a space.
3.
Input box
The characters you entered are displayed. indicates the limit to text length.
4.
Move cursor
Moves the cursor in the input box to the right or left.
5.
Delete
Deletes the character preceding the cursor.
6.
Switches the next character to a capital or small letter.
7.
Fix
Finalizes the entry.
8.
153

Help Guide
Digital 4K Video Camera Recorder
FDR-AX700
ISO/GAIN SEL
You can switch the displayed value between the ISO sensitivity and gain when adjusting the ISO sensitivity or gain
manually by pressing ISO/GAIN (Movie mode only).
Descriptions of menu items
ISO:
Adjusts the ISO sensitivity.
GAIN:
Adjusts the gain.
Note
The value of the ISO sensitivity or gain is stored individually.
This item does not appear during Photo mode. When pressing ISO/GAIN during Photo mode, you can adjust the ISO sensitivity
only.
Related Topic
Adjusting the gain
Adjusting the ISO sensitivity
4-725-312-11(2) Copyright 2017 Sony Corporation
MENU button - (CAMERA SET) - [ ISO/GAIN SEL ] .
1
154

Help Guide
Digital 4K Video Camera Recorder
FDR-AX700
AUTO ISO LIMIT
You can set the upper limit for the ISO sensitivity when adjusting it automatically.
In Photo mode, only ISO appears.
You can use this function during Movie mode when [ISO/GAIN SEL] is set to [ISO].
Descriptions of menu items
OFF, ISO200—ISO4000:
Select the upper limit for the ISO sensitivity.
The upper limit is not set when selecting [OFF].
Note
This setting is not effective when adjusting the ISO sensitivity manually.
When selecting picture profile1 through 10, the selectable range of AUTO ISO LIMIT depends on the [GAMMA] setting in
[PICTURE PROFILE] as follows.
STANDARD: ISO200–ISO4000
STILL: ISO200–ISO5000
CINE1: ISO250–ISO5000
CINE2: ISO200–ISO4000
CINE3: ISO320–ISO6400
CINE4: ISO400–ISO8000
ITU709: ISO200–ISO4000
ITU709(800%): ISO1600–ISO32000
S-LOG2: ISO1600–ISO32000
S-LOG3: ISO1600–ISO32000
HLG: ISO400–ISO8000
HLG1: ISO200–ISO4000
HLG2: ISO320–ISO6400
HLG3: ISO400–ISO8000
Related Topic
Adjusting the ISO sensitivity
ISO/GAIN SEL
Shooting with the picture quality that is set in advance (PICTURE PROFILE)
Changing the picture profile
4-725-312-11(2) Copyright 2017 Sony Corporation
MENU button - (CAMERA SET) - [ AUTO ISO LIMIT].
1
155

Help Guide
Digital 4K Video Camera Recorder
FDR-AX700
AGC LIMIT
You can set the upper limit for AGC (Auto Gain Control).
[AGC LIMIT] appears during Movie mode only.
[AGC LIMIT] is available when [GAIN] is selected in [ISO/GAIN SEL], and [AUTO ISO LIMIT] is available when [ISO] is
selected in [ISO/GAIN SEL],
Descriptions of menu items
OFF, 24dB ‒ 0dB (3 dB increments):
Select the upper limit for AGC.
The upper limit is not set when selecting [OFF].
Note
This setting is not effective when adjusting the gain manually.
Related Topic
Adjusting the gain
ISO/GAIN SEL
4-725-312-11(2) Copyright 2017 Sony Corporation
MENU button - (CAMERA SET) - [ AGC LIMIT ] .
1
156

Help Guide
Digital 4K Video Camera Recorder
FDR-AX700
WB PRESET
You can select the preset when setting the white balance.
Descriptions of menu items
OUTDOOR:
When shooting a night scene, neon lighting, fireworks, etc.
When shooting a sunrise, sunset, etc.
Under daylight fluorescent lamp
You can adjust the offset level with [WB OUTDOOR LEVEL].
INDOOR:
Where lighting conditions change, such as at a party place, etc.
Under video light, such as in a studio, etc.
Under a sodium or mercury lamp
MANU WB TEMP:
Sets to the color temperature that is selected on [MANU WB TEMP].
You can set the color temperature between 2300K and 15000K (the default setting is 6500K).
Hint
You can select the preset by using the WHITE BALANCE button.
You can assign this function to the ASSIGN button.
Related Topic
Adjusting the color to the natural tone (WHITE BALANCE)
Storing the adjusted white balance value in memory A or B
WB OUTDOOR LEVEL
WB TEMP SET
Assigning the functions to the ASSIGN buttons
4-725-312-11(2) Copyright 2017 Sony Corporation
MENU button - (CAMERA SET) - [ WB PRESET].
1
157

Help Guide
Digital 4K Video Camera Recorder
FDR-AX700
WB OUTDOOR LEVEL
You can set an offset value when [WB PRESET] is set to [OUTDOOR].
Descriptions of menu items
-7 – 0 – +7:
Bluish – Normal – Reddish
Related Topic
Adjusting the color to the natural tone (WHITE BALANCE)
WB PRESET
4-725-312-11(2) Copyright 2017 Sony Corporation
MENU button - (CAMERA SET) - [ WB OUTDOOR LEVEL ].
1
158

Help Guide
Digital 4K Video Camera Recorder
FDR-AX700
WB TEMP SET
You can set the color temperature when [WB PRESET] is set to [MANU WB TEMP].
The color temperature is the measure, indicated in units called Kelvin (K), that indicates light color emitted from a light
source such as sunlight, artificial lighting, etc. The color becomes warmer as the color temperature unit (K) is lower, and
colder as the color temperature unit (K) is higher, regardless of the temperature or brightness of the light source. The
color temperature of sunlight is about 5000K to 6000K.
Descriptions of menu items
2300K ‒ 15000K (100K increments) :
Select the color temperature.
Related Topic
Adjusting the color to the natural tone (WHITE BALANCE)
WB PRESET
4-725-312-11(2) Copyright 2017 Sony Corporation
MENU button - (CAMERA SET) - [ WB TEMP SET].
1
159

Help Guide
Digital 4K Video Camera Recorder
FDR-AX700
WB SET
You can store the adjusted white balance value in memory A or B. Unless a white balance is readjusted, values will
remain even after the power has been turned off.
Use this function when fixing the white balance according to the lighting conditions of shooting environment.
Hint
You can assign this function to the ASSIGN button.
Related Topic
Adjusting the color to the natural tone (WHITE BALANCE)
WB PRESET
Assigning the functions to the ASSIGN buttons
4-725-312-11(2) Copyright 2017 Sony Corporation
Turn the MANUAL dial to select A or B during adjusting the white balance, then press MENU button
- select (CAMERA SET) - [ WB SET].
1
Frame a white object such as a piece of paper that fills the LCD monitor under the same lighting conditions
as your subject.
2
Press SET button.
The adjusted value is stored in A or B. The stored color temperature appears for about 3 seconds.
3
160

Help Guide
Digital 4K Video Camera Recorder
FDR-AX700
AE SHIFT
You can adjust the exposure according to user’s preference.
Descriptions of menu items
ON/OFF:
Sets the AE SHIFT function to on/off.
ON: The selected value (-2.0EV for example) appears.
OFF: Does not use the AE Shift function.
LEVEL:
Adjusts the exposure with / / / /SET button.
-2.0EV - 0EV - +2.0EV: Dark - Standard - Bright
Note
This function is not effective while you adjust the iris, shutter speed, and gain all manually.
Hint
You can assign this function to the ASSIGN button.
You can change the setting directly on the shooting standby screen with / / / /SET button (Direct Menu).
Related Topic
Adjusting the iris
Adjusting the gain
Adjusting the ISO sensitivity
Adjusting the shutter speed
Assigning the functions to the ASSIGN buttons
Performing shooting adjustment with Direct Menu
4-725-312-11(2) Copyright 2017 Sony Corporation
MENU button - (CAMERA SET) - [ AE SHIFT] ‒ select the desired item.
1
161

Help Guide
Digital 4K Video Camera Recorder
FDR-AX700
D. EXTENDER
You can double the magnification of the displayed image when shooting movies (XAVC S HD/AVCHD movie only).
Descriptions of menu items
OFF:
Does not magnify images.
ON:
Magnify the image double.
Hint
You can assign this function to the ASSIGN button.
Related Topic
Assigning the functions to the ASSIGN buttons
4-725-312-11(2) Copyright 2017 Sony Corporation
MENU button - (CAMERA SET) - [ D. EXTENDER].
1
162

Help Guide
Digital 4K Video Camera Recorder
FDR-AX700
ZOOM SET
You can set the movement of the zoom operation.
Descriptions of menu items
ZOOM TYPE:
You can select the zoom type.
OPTICAL ZOOM ONLY: Uses only the optical zoom. You can zoom up to 12×.
ON[CLEAR IMAGE ZOOM] : Uses the clear image zoom in addition to the optical zoom.
You can zoom up to 24×, which includes 12× optical zoom for AVCHD or XAVC S HD, up to 18×, which includes 12×
optical zoom for XAVC S 4K.
ON[DIGITAL ZOOM] : Uses the digital zoom in addition to the optical zoom and clear image zoom.
You can zoom up to 192× but the image quality deteriorates within the range where appears.
SPEED ZOOM:
You can increase the zoom speed of the zoom lever.
OFF: Does not use the speed zoom function.
ON: Uses the speed zoom function.
Note
When [SPEED ZOOM] is set to [ON], the zoom operation sound may be recorded.
The following functions do not work while using the digital zoom.
FACE DETECTION
FOCUS AREA
LOCK-ON AF
Hint
Clear image zoom maintains an image quality that is close to the original.
Related Topic
Adjusting the zoom with the zoom lever
Adjusting the zoom with the manual lens ring
FACE DETECTION
FOCUS AREA
Adjusting focus by tracking the desired subject (LOCK-ON AF)
4-725-312-11(2) Copyright 2017 Sony Corporation
MENU button - (CAMERA SET) - [ ZOOM SET] ‒ select the desired item.
1
163

Help Guide
Digital 4K Video Camera Recorder
FDR-AX700
STEADYSHOT (Movie)
You can set the camera shake reduction when shooting.
Descriptions of menu items
STANDARD ( ):
Uses SteadyShot function when shooting under relatively stable conditions.
ACTIVE ( ):
Uses SteadyShot function with more powerful effect.
OFF ( ):
Does not use SteadyShot function.
This setting is recommended when you use a tripod.
Note
When [ACTIVE] is selected, the angle of view shifts 1.08 times toward the telephoto side.
Hint
You can assign this function to the ASSIGN button.
Related Topic
Assigning the functions to the ASSIGN buttons
4-725-312-11(2) Copyright 2017 Sony Corporation
MENU button - (CAMERA SET) - [ STEADYSHOT].
1
164

Help Guide
Digital 4K Video Camera Recorder
FDR-AX700
STEADYSHOT (Photo)
You can set the camera shake reduction when shooting.
Descriptions of menu items
ON( ):
Uses SteadyShot function.
OFF ( ):
Does not use SteadyShot function.
This setting is recommended when you use a tripod.
Hint
You can assign this function to the ASSIGN button.
Related Topic
Assigning the functions to the ASSIGN buttons
4-725-312-11(2) Copyright 2017 Sony Corporation
MENU button - (CAMERA SET) - [ STEADYSHOT].
1
165

Help Guide
Digital 4K Video Camera Recorder
FDR-AX700
FOCUS AREA
You can change the focusing area for auto focus mode (Movie mode only). Use this function when the layout or range of
moving subject is decided in advance, or it is difficult to focus on the intended subject.
A: MENU button
B: LCD monitor
C: / / / /SET button
Description of menu items
WIDE:
Focuses on a subject covering the whole range of the screen automatically.
You can specify the subject that you want to focus by touching it during the phase detection AF frames appear.
Touch operation is possible only when [LOCK-ON AF] is set to [OFF].
When [FACE DETECTION] is set to [ON], the focus area is not displayed and touch operation is disabled.
A: Phase detection AF frames
White frames are the area to where the camcorder tries to focus. The frame color changes to green after becoming in
focus.
ZONE:
Select a zone by touching on the area selection screen or using the / / / /SET button. The camcorder then
focuses automatically in the zone.
The zone is divided 3 rows and 3 columns (9 zones).
Press the MENU button.
1
Select (CAMERA SET) - [ FOCUS AREA] with the / / / /SET button.
2
166

A: Focus area
Indicates the area where the auto focus works.
B: Phase detection AF frames
White frames are the area to where the camcorder tries to focus. The frame color changes to green after becoming in
focus.
CENTER:
Focuses automatically on a subject in the center of the image.
A: Focus frame
Indicates the area where the auto focus works.
The frame color is gray while the camcorder tries to focus on the subject and it turns to green when the subject is in
focus.
FLEXIBLE SPOT :
Move the focus frames to a desired point by touching on the area selection screen or using the / / / /SET button.
You can focus on a small subject in a narrow area.
A: Focus frame
Indicates the area where the auto focus works.
The frame color is gray while the camcorder tries to focus on the subject and it turns to green when the subject is in
focus.
Note
[FOCUS AREA] is fixed to [WIDE] on the following cases.
Using the clear image zoom or digital zoon.
[INTELLIGENT AUTO] or [SCENE SELECTION] is set for [AUTO MODE SET].
LOCK-ON AF is set.
[FOCUS AREA] setting is not available in Super Slow Motion recording.
The [FOCUS AREA] setting is not enabled when using a zoom other than the optical zoom and the focus area frames are
displayed as a dotted line.
167

Hint
You can select the focus speed for auto focus mode during movie recording.
You can select AF tracking sensitivity for auto focus mode during movie recording.
You can assign [FOCUS AREA] to the ASSIGN button.
When [FOCUS POSITION] is assigned to the ASSIGN button and [FOCUS AREA] is set to [FLEXIBLE SPOT] or [ZONE], you
can display the area selection screen directly by pressing the button.
You can set whether to display the phase detection AF area or phase detection AF frames.
Related Topic
Adjusting the focus automatically
Phase detection AF
AF DRIVE SPEED
AF SUBJ. TRACK SET
PHASE AF FRAMES
PHASE DETECT. AF AREA
Assigning the functions to the ASSIGN buttons
4-725-312-11(2) Copyright 2017 Sony Corporation
168

Help Guide
Digital 4K Video Camera Recorder
FDR-AX700
AF DRIVE SPEED
You can select the auto focus speed during recording movies.
Descriptions of menu items
1[SLOW] - 7[F AST]:
Sets the auto focus speed.
When setting to the slow side, the excessive focus movement is reduced. The focus switches smoothly when the subject
to be focused is changed and shooting impressive images is possible. This is suitable for shooting a scene in constant
motion or a scene where an object does not move too much.
When setting to the fast side, the AF drive speed is set to fast and you can keep focusing on the subject with fast
movement. This is suitable for shooting active scenes, such as sports. The larger the value you set, the faster the AF
drive speed.
Note
This setting is not available under the following conditions.
When [NIGHTSHOT] is set to [ON].
When [FILE FORMAT] is [XAVC S HD] and [REC FORMAT] is 120p/100p.
When [HIGH FRAME RATE] is selected in [S&Q MOTION].
The auto focus function is not available in the Super Slow Motion recording mode.
Hint
You can assign this function to the ASSIGN button.
Related Topic
Assigning the functions to the ASSIGN buttons
4-725-312-11(2) Copyright 2017 Sony Corporation
MENU button - (CAMERA SET) - [ AF DRIVE SPEED].
1
169

Help Guide
Digital 4K Video Camera Recorder
FDR-AX700
AF SUBJ. TRACK SET
You can set the auto focus range to track a subject or auto focus sensitivity to switch between subjects during movie
recording.
Descriptions of menu items
AF TRACKING DEPTH :
Sets the AF tracking area for the subject in the depth direction.
1[NARROW] to 5[WIDE]: Set to the Wide side when shooting the subject with large motion in the depth direction.
Set to the Narrow side when shooting the subject that does not move so much.
When setting to the Wide side, you can focus on subjects whose distance from the camera changes one after
another. The larger the setting value you set, the faster the focusing another subject.
When setting to the Narrow side, you can keep focusing the desired subject under the condition where the another
subject crosses the desired subject. It is suitable for keeping focusing the desired subject.
AF SUBJ. SWITCH. SENS.:
Sets the switching time to focus another subject when the subject is switched or is not tracked because the subject
moves out from the focus area.
1[LOCKED ON] - 5[RESPONSIVE]: Set to the Locked on side when shooting one subject. Set to the Responsive
side when shooting plurality of subjects.
When setting to the Responsive side, you can focus subjects one after another when the subject is switched. The
larger the setting value you set, the faster the focusing another subject.
When setting to the Locked on side, you can keep focusing the desired subject because the tracking does not
respond quickly even if the subject moves out from the focus area. It is suitable for keeping focusing the desired
subject.
Setting example of AF TRACKING DEPTH/ AF SUBJ. SWITCH. SENS.
Trains/races:
Situation that you want to track the subject with fast and regular motion and nothing exists in front of it.
AF TRACKING DEPTH: 4 / AF SUBJ. SWITCH. SENS.: 5
Sports/wild animals:
Situation that you want to keep tracking the particular subject with fast and irregular motion.
AF TRACKING DEPTH: 4/ AF SUBJ. SWITCH. SENS.: 2
Landscape/macro :
Situation that you want to focus on the subject without delay which contains less motion but much scene changes.
AF TRACKING DEPTH: 1/ AF SUBJ. SWITCH. SENS.: 5
Party/festival:
Situation that you want to keep tracking a particular subject with moderate motion, or situation which contains
persons in front who are not main subject.
AF TRACKING DEPTH: 1/ AF SUBJ. SWITCH. SENS.: 1
Note
This setting is not available under the following conditions.
When [NIGHTSHOT] is set to [ON].
When [FILE FORMAT] is [XAVC S HD] and [REC FORMAT] is 120p/100p.
When [HIGH FRAME RATE] is selected in [S&Q MOTION].
Auto focus function is not available in the Super Slow Motion recording mode.
MENU button - (CAMERA SET) - [ AF SUBJ. TRACK SET ] - select the desired item.
1
170

Help Guide
Digital 4K Video Camera Recorder
FDR-AX700
LOCK-ON AF
You can track a subject you select by touching on the LCD monitor and adjust the focus automatically.
Descriptions of menu items
OFF:
Disables the lock-on AF function.
ON:
Enables the lock-on AF function.
Related Topic
Adjusting focus by tracking the desired subject (LOCK-ON AF)
4-725-312-11(2) Copyright 2017 Sony Corporation
MENU button - (CAMERA SET) - [ LOCK-ON AF ].
1
172

Help Guide
Digital 4K Video Camera Recorder
FDR-AX700
FACE DETECTION
The camcorder can detects the face and focuses on it.
[FACE DETECTION] is available only with auto focus.
Descriptions of menu items
OFF:
Does not use the Face Detection function.
ON:
Uses the Face Detection function.
When the faces are detected, frames appear.
Hint
You can assign this function to the ASSIGN button.
Related Topic
Focusing on a detected face (FACE DETECTION)
Adjusting the focus automatically
Assigning the functions to the ASSIGN buttons
4-725-312-11(2) Copyright 2017 Sony Corporation
MENU button - (CAMERA SET) - [ FACE DETECTION].
1
173

Help Guide
Digital 4K Video Camera Recorder
FDR-AX700
SLOW & QUICK (S&Q MOTION)
By shooting with a frame rate that is different from the playback frame rate, you can record images to be played back as
slow motion or quick motion images. The images recorded with the Slow & Quick Motion function appear smoother than
slow or fast-forward playback of images recorded at normal speed (XAVC S HD, XAVC S 4K only).
The setting value differs depending on the setting of (OTHERS) - [60i/50i SEL].
Descriptions of menu items
EXECUTE:
Displays the Slow & Quick Motion recording screen.
HIGH FRAME RATE:
Sets the high speed recording format (XAVC S HD only).
Setting value differs depending on the setting of [REC FORMAT] and [FRAME RATE].
OFF: Does not record movies with high frame rate.
ON: Records movies with high frame rate.
REC FORMAT:
Sets the recording format for the Slow & Quick Motion recording (bit-rate, image size, scanning system).
When selecting [60i]:
When selecting [XAVC S 4K] on (REC/OUT SET) - [REC SET] - [FILE FORMAT]
2160/30p 100Mbps, 2160/30p 60Mbps, 2160/24p 100Mbps, 2160/24p 60Mbps
When selecting [XAVC S HD] on (REC/OUT SET) - [REC SET] - [FILE FORMAT]
[HIGH FRAME RATE] is set to [ OFF]: 1080/60p 50Mbps, 1080/30p 50Mbps, 1080/24p 50Mbps
[HIGH FRAME RATE] is set to [ ON]: 1080/60p 50Mbps, 1080/30p 25Mbps, 1080/24p 25Mbps
When selecting [50i]:
When selecting [XAVC S 4K] on (REC/OUT SET) - [REC SET] - [FILE FORMAT]
2160/25p 100Mbps, 2160/25p 60Mbps
When selecting [XAVC S HD] on (REC/OUT SET) - [REC SET] - [FILE FORMAT]
[HIGH FRAME RATE] is set to [ OFF]: 1080/50p 50Mbps, 1080/25p 50Mbps
[HIGH FRAME RATE] is set to [ ON]: 1080/50p 50Mbps, 1080/25p 25Mbps
FRAME RATE:
Sets the frame rate for the Slow & Quick Motion recording.
MENU button - (CAMERA SET) - [ SLOW & QUICK ] - [ S&Q MOTION] - select the desired item.
1
174

When selecting [60i]:
When selecting [ OFF] in [ HIGH FRAME RATE]: 1fps, 2fps, 4fps, 8fps, 15fps, 30fps, 60fps
When selecting [ ON] in [ HIGH FRAME RATE]: 120fps
When selecting [ 50i]:
When selecting [ OFF] in [ HIGH FRAME RATE]: 1fps, 2fps, 3fps, 6fps, 12fps, 25fps, 50fps
When selecting [ ON] in [ HIGH FRAME RATE]: 100fps
Hint
When [FILE FORMA T] is set to [ XAVC S 4K], 60fps or 50fps cannot be selectable.
When [FILE FORMA T] is set to [ XAVC S 4K], [HIGH FRAME RATE] is set to [ OFF].
You can set this function with ASSIGN1/S&Q button.
You can assign this function to the ASSIGN button.
About the playback speed by the [REC FORMA T] and [ FRAME RATE] settings for Slow & Quick
Motion recording
The playback speeds based on the recording format and frame rate setting are as follows.
The playback speeds differ depending on the setting of (OTHERS) - [60i/50i SEL ].
When selecting [ XAVC S 4K] on (REC/OUT SET) - [REC SET] - [ FILE FORMAT]
When selecting [ 60i]
When selecting [ 50i]
Frame rate
Recording format
2160/24p 2160/30p
30 fps 80% slow 100% (standard)
15 fps 160% quick 200% quick
8 fps 300% quick 375% quick
4 fps 600% quick 750% quick
2 fps 1,200% quick 1,500% quick
1 fps 2,400% quick 3,000% quick
Frame rate
Recording format
2160/25p
50 fps 50% slow
25 fps 100% (standard)
12 fps 208% quick
175

When selecting [ XAVC S HD] on (REC/OUT SET) - [REC SET] - [FILE FORMAT]
When selecting [ 60i]
When selecting [ 50i]
Related Topic
6 fps 417% quick
3 fps 833% quick
2 fps 1,250% quick
1 fps 2,500% quick
Frame rate
Recording format
1080/24p 1080/30p 1080/60p
120 fps 20% slow 25% slow 50% slow
60 fps 40% slow 50% slow 100% (standard)
30 fps 80% slow 100% (standard) 200% quick
15 fps 160% quick 200% quick 400% quick
8 fps 300% quick 375% quick 750% quick
4 fps 600% quick 750% quick 1,500% quick
2 fps 1,200% quick 1,500% quick 3,000% quick
1 fps 2,400% quick 3,000% quick 6,000% quick
Frame rate
Recording format
1080/25p 1080/50p
100 fps 25% slow 50% slow
50 fps 50% slow 100% (standard)
25 fps 100% (standard) 200% quick
12 fps 208% quick 417% quick
6 fps 417% quick 833% quick
3 fps 833% quick 1,667% quick
2 fps 1,250% quick 2,500% quick
1 fps 2,500% quick 5,000% quick
176

Help Guide
Digital 4K Video Camera Recorder
FDR-AX700
SLOW & QUICK (SUPER SLOW MOTION)
You can record slower movies than movies that are recorded with the Slow & Quick Motion recording.
The Super Slow Motion recording is compatible with [ XAVC S HD] only .
The setting items differ depending on the setting of (OTHERS) - [60i/50i SEL ].
Descriptions of menu items
EXECUTE:
Displays the Super Slow Motion recording screen.
REC FORMAT:
Sets the recording format for the Super Slow Motion recording (bit-rate, image size, scanning system).
When selecting [ 60i]:
1080/60p 50Mbps, 1080/30p 50Mbps, 1080/24p 50Mbps
When selecting [ 50i]:
1080/50p 50Mbps, 1080/25p 50Mbps
FRAME RATE:
Sets the frame rate for the Super Slow Motion recording.
When selecting [ 60i]:
240fps, 480fps, 960fps
When selecting [ 50i]:
250fps, 500fps, 1000fps
REC TIMING:
You can select the timing to start recording when pressing the ST ART/STOP button.
START TRIGGER
Starts/stops recording by pressing the ST ART/STOP button after displaying the SUPER SLOW MOTION
recording screen.
END TRIGGER
MENU button - (CAMERA SET) - [SLOW & QUICK] - [ SUPER SLOW MOTION] - select the desired item.
1
178

Starts recording just after displaying the SUPER SLOW MOTION recording screen. Recording stops by
pressing the START/STOP button.
END TRIGGER HALF
Works equally to [ END TRIGGER] but the recording time is reduced to a half.
A: Select [ EXECUTE] on the SUPER SLOW MOTION screen.
B: Press the ST ART/STOP button
REC: During recording
Hint
You can set this function with the ASSIGN1/S&Q button.
You can assign this function to the ASSIGN button.
About the playback speed by the [REC FORMA T] and [ FRAME RATE] settings for Super Slow
Motion recording
The playback speeds based on the recording format and frame rate setting are as follows.
The playback speeds differ depending on the setting of (OTHERS) – [60i/50i SEL ].
When selecting [ 60i]
When selecting [ 50i]
Frame rate
Recording format
1080/24p 1080/30p 1080/60p
960 fps 2.5% slow 3.125% slow 6.25% slow
480 fps 5% slow 6.25% slow 12.5% slow
240 fps 10% slow 12.5% slow 25% slow
Frame rate
Recording format
1080/25p 1080/50p
1,000 fps 2.5% slow 5% slow
500 fps 5% slow 10% slow
250 fps 10% slow 20% slow
179

About the recording time by the [REC FORMA T] and [ FRAME RATE] settings for Super Slow Motion
recording
The recording times based on the recording format and frame rate setting are as follows.
The recording times differ depending on the setting of (OTHERS) – [60i/50i SEL ].
When selecting [ 60i]
When selecting [ 50i]
Related Topic
Recording with Super Slow Motion
Recording with Slow & Quick Motion
SLOW & QUICK (S&Q MOTION)
REC SET
60i/50i SEL
Assigning the functions to the ASSIGN buttons
4-725-312-11(2) Copyright 2017 Sony Corporation
Frame rate
Recording format
START TRIGGER END TRIGGER END TRIGGER HALF
960 fps 3 sec. 3 sec. 1 sec.
480 fps 4 sec. 4 sec. 2 sec.
240 fps 5 sec. 5 sec. 2 sec.
Frame rate
Recording format
START TRIGGER END TRIGGER END TRIGGER HALF
1,000 fps 3 sec. 3 sec. 1 sec.
500 fps 4 sec. 4 sec. 2 sec.
250 fps 5 sec. 5 sec. 2 sec.
180

Help Guide
Digital 4K Video Camera Recorder
FDR-AX700
AUTO MODE SET
You can shoot with an optimum setting in matching with various scene (Movie mode only).
Descriptions of menu items
AUTO:
Sets to an optimum setting in matching with an imaging scene automatically .
INTELLIGENT AUT O:
Sets to an optimum setting by detecting the following scenes.
Face detection: (Portrait), (Baby)
Scene detection: (Backlight), (Landscape), (Night Scene), (Spotlight), (Low Brightness),
(Macro)
Camera-shake detection: (Walk), (Tripod)
[STEADYSHOT] is set to [ ACTIVE] automatically , and the angle of view shifts 1.08 times toward the
telephoto side.
SCENE SELECTION:
Sets to an optimum setting in matching with the scene that is selected on [ SCENE SELECTION SET].
Hint
When [FILE FORMA T] in [ REC SET] is set to [ XAVC S 4K], [AUTO MODE SET] is fixed to [ AUTO].
You can assign this function to the ASSIGN button.
Related Topic
SCENE SELECTION SET
STEADYSHOT (Movie)
Assigning the functions to the ASSIGN buttons
4-725-312-11(2) Copyright 2017 Sony Corporation
MENU button - (CAMERA SET) - [ AUTO MODE SET].
1
181

Help Guide
Digital 4K Video Camera Recorder
FDR-AX700
SCENE SELECTION SET
You can select the scene setting when [ AUTO MODE SET] is set to [ SCENE SELECTION] (Movie mode only).
Descriptions of menu items
NIGHT SCENE:
Shoots a night view with a proper exposure, using a tripod (sold separately).
SUNRISE&SUNSET:
Shoots the scenes under the glow of sunset/sunrise vividly .
FIREWORKS:
Shoots fireworks with optimal exposure.
LANDSCAPE:
Shoots distant subjects clearly .
This setting also prevents your camcorder from focusing on any glass or mesh in windows between the
camcorder and the subject.
PORTRAIT:
Brings out the subject, such as people or flowers, while creating a soft background.
MENU button - (CAMERA SET) - [ SCENE SELECTION SET].
1
182

SPOTLIGHT:
Prevents people's faces from appearing excessively white when subjects are lit by strong light.
BEACH:
Takes the vivid blue of the ocean or a lake.
Note
When [SCENE SELECTION ] is set, the following settings are canceled.
White balance
Iris
Shutter speed
ISO/gain
When [SCENE SELECTION ] is set, [ FOCUS AREA ] is fixed to [ WIDE].
Hint
You can assign this function to the ASSIGN button.
Related Topic
AUTO MODE SET
FOCUS AREA
Assigning the functions to the ASSIGN buttons
4-725-312-11(2) Copyright 2017 Sony Corporation
183

Help Guide
Digital 4K Video Camera Recorder
FDR-AX700
SPOT METER/FOCUS
You can automatically adjust the brightness and focus for the subject touched on the screen.
Note
[SPOT METER/FOCUS] is available only with manual focus.
Hint
If you press the SET button, next to the iris, ISO/gain, and shutter speed value returns to .
Automatic brightness adjustment can be canceled by setting the AUTO/MANUAL switch to AUT O.
You can assign this function to the ASSIGN button.
Related Topic
Parts and controls (right back side/back)
Assigning the functions to the ASSIGN buttons
4-725-312-11(2) Copyright 2017 Sony Corporation
Set the AUT O/MANUAL switch to MANUAL, and press the AF/MF button to set the focus mode to manual
(MF).
appears.
1
MENU button - (CAMERA SET) - [ SPOT METER/FOCUS].
2
Touch the LCD monitor to select the subject.
The brightness and focus for the selected subject are adjusted automatically .
next to the iris, ISO/gain, and shutter speed value turns to .
3
184

Help Guide
Digital 4K Video Camera Recorder
FDR-AX700
SPOT METER
You can adjust the brightness for the selected subject automatically .
Hint
If you press the SET button, next to the iris, ISO/gain, and shutter speed value returns to .
Automatic brightness adjustment can be canceled by setting the AUTO/MANUAL switch to AUT O.
You can assign this function to the ASSIGN button.
Related Topic
Parts and controls (right back side/back)
Assigning the functions to the ASSIGN buttons
4-725-312-11(2) Copyright 2017 Sony Corporation
Set the AUT O/MANUAL switch to MANUAL.
1
MENU button - (CAMERA SET) - [ SPOT METER].
2
Touch the LCD monitor to select the subject.
The brightness for the selected subject is adjusted automatically .
next to the iris, ISO/gain, and shutter speed value turns to .
3
185

Help Guide
Digital 4K Video Camera Recorder
FDR-AX700
SPOT FOCUS
You can automatically adjust the focus for the selected subject.
Note
[SPOT FOCUS] is available only with manual focus.
Hint
You can assign this function to the ASSIGN button.
Related Topic
Parts and controls (right back side/back)
Assigning the functions to the ASSIGN buttons
4-725-312-11(2) Copyright 2017 Sony Corporation
Set the AUT O/MANUAL switch to MANUAL, and press the AF/MF button to set the focus mode to manual
(MF).
appears.
1
MENU button - (CAMERA SET) - [ SPOT FOCUS].
2
Touch the LCD monitor to select the subject.
The focus for the selected subject is adjusted automatically .
3
186

Help Guide
Digital 4K Video Camera Recorder
FDR-AX700
LOW LUX
You can shoot bright color images, even in dim light, by adjusting the gain and shutter speed automatically
(Movie mode only).
Descriptions of menu items
OFF:
Does not use the Low Lux function.
ON:
Uses the Low Lux function.
Hint
This setting is available only when AUT O/MANUAL switch is set to AUT O and [ AUTO MODE SET] is set to [ AUTO].
You can assign this function to the ASSIGN button.
Related Topic
Assigning the functions to the ASSIGN buttons
4-725-312-11(2) Copyright 2017 Sony Corporation
MENU button - (CAMERA SET) - [ LOW LUX ].
1
187

Help Guide
Digital 4K Video Camera Recorder
FDR-AX700
AUTO BACK LIGHT
You can automatically perform backlight correction (Movie mode only).
Descriptions of menu items
OFF:
Does not perform backlight correction automatically .
ON:
Automatically performs backlight correction.
Note
[AUTO BACK LIGHT ] is set to [ ON] in the following situation.
When [AUT O MODE SET] is set to [ INTELLIGENT AUT O].
When [AUTO MODE SET] is set to [ SCENE SELECTION] and [ FIREWORKS] is selected for [ SCENE SELECTION].
[AUTO BACK LIGHT ] is not available in the following situation.
When recording with [HIGH FRAME RA TE] in [ S&Q MOTION] set to [ON ].
When recording with SUPER SLOW MOTION.
When 120p/100p setting is selected in [ REC FORMAT].
When [GAMMA] in [ PICTURE PROFILE] is set to either of [ HLG], [ HLG1], [HLG2], [ HLG3].
4-725-312-11(2) Copyright 2017 Sony Corporation
MENU button - (CAMERA SET) - [ AUTO BACK LIGHT ].
1
188

Help Guide
Digital 4K Video Camera Recorder
FDR-AX700
NIGHTSHOT
You can set the NIGHTSHOT function (Movie mode only). The screen turns green when [ ON] is selected.
When [ NIGHTSHOT LIGHT] is set to [ OFF], the infrared light does not emit even if [ NIGHTSHOT] is set to [ ON].
Descriptions of menu items
OFF:
Disables the NIGHTSHOT function.
ON:
Enables the NIGHTSHOT function.
Note
This setting is available only when the AUT O/MANUAL switch is set to AUT O.
Make sure that your finger does not cover the NIGHTSHOT light e mitter when shooting.
Remove the lens hood so that it does not block the infrared lig ht emitter .
The light is effective up to a distance of approximately 3 mete rs.
Hint
You can assign this function to the ASSIGN button.
Related Topic
Parts and controls (left front side/front)
NIGHTSHOT LIGHT
Assigning the functions to the ASSIGN buttons
4-725-312-11(2) Copyright 2017 Sony Corporation
MENU button - (CAMERA SET) - [ NIGHTSHOT].
1
189

Help Guide
Digital 4K Video Camera Recorder
FDR-AX700
NIGHTSHOT LIGHT
When shooting with NIGHTSHOT, infrared light is emitted from the NIGHTSHOT light emitter (Movie mode only).
You can shoot clear images.
The infrared light does not turn on when [ NIGHTSHOT LIGHT] is set to [ OFF].
Descriptions of menu items
ON:
Emits the infrared light.
OFF:
Does not emit the infrared light.
Note
Make sure that your finger does not cover the NIGHTSHOT light e mitter when shooting.
Remove the lens hood so that it does not block the NIGHTSHOT li ght emitter .
The light is effective up to a distance of approximately 3 mete rs.
When [FILE FORMA T] is set to [ XAVC S 4K] and [ 4K REC OUTPUT] is set to [ EXTERNAL OUTPUT], [ NIGHTSHOT LIGHT]
is fixed to [ OFF].
Related Topic
Parts and controls (left front side/front)
NIGHTSHOT
4-725-312-11(2) Copyright 2017 Sony Corporation
MENU button - (CAMERA SET) - [ NIGHTSHOT LIGHT].
1
190

Help Guide
Digital 4K Video Camera Recorder
FDR-AX700
COLOR BAR
You can set the color bar display (Movie mode only).
This function helps you to adjust colors when you view movies recorded with the camcorder on a TV or a
monitor .
Descriptions of menu items
ON/OFF:
Sets the color bar display to on/off.
OFF: Does not display color bars.
ON: Displays color bars.
TONE:
Sets whether to output audio tone signals during displaying color bars.
OFF: Does not output audio tone signals.
ON: Outputs audio tone signals.
Note
This setting is disabled in the following situations:
When [FILE FORMA T] is set to [ XAVC S 4K].
When 120p/100p is selected for [ REC FORMAT].
When [PROXY REC MODE] is set to [ ON].
During recording with S&Q MOTION.
During recording with SUPER SLOW MOTION.
[ON/OFF] is automatically set to [ OFF] when you change the recording format, perform the function on the menu, or turn
the camcorder off.
You cannot change the [ COLOR BAR] setting during recording or focus magnification oper ation (FOCUS MAGNIFIER).
Hint
The gamma curve equivalent to ITU709 is applied while color bar s are displayed.
If you record color bars with [ TONE] set to [ OFF], the camcorder records sound from the microphone.
Audio tone signals are output in “1 kHz: full bit -10 dB.”
You can assign this function to the ASSIGN button.
Related Topic
Assigning the functions to the ASSIGN buttons
4-725-312-11(2) Copyright 2017 Sony Corporation
MENU button - (CAMERA SET) - [ COLOR BAR ] ‒ select the desired item.
1
191

Help Guide
Digital 4K Video Camera Recorder
FDR-AX700
PICTURE PROFILE
You can customize the picture quality by adjusting picture profile items, such as [ GAMMA ] and [ DETAIL] (Movie
mode only).
Picture quality settings for different recording conditions have been stored in through (picture
profile1 through 10) as default settings. Y ou can select the desired picture profile and perform shooting with the
settings of the selected picture profile.
You can also change the settings of picture profile.
For details, see “ Changing the picture profile .”
Descriptions of menu items
OFF:
Does not use the picture profile.
PP1 ‒ PP10:
Select the picture profile.
Hint
You can assign this function to the ASSIGN button.
Related Topic
Changing the picture profile
Assigning the functions to the ASSIGN buttons
4-725-312-11(2) Copyright 2017 Sony Corporation
192

Help Guide
Digital 4K Video Camera Recorder
FDR-AX700
SHOOTING MODE
You can switch the shooting mode between Movie mode and Photo mode.
The icon of the selected shooting mode appears on the LCD monitor .
: Movie mode
: Photo mode
Descriptions of menu items
MOVIE:
Shoots movies.
PHOTO:
Shoots photos.
Hint
You can assign this function to the ASSIGN button.
Related Topic
Recording movies
Shooting photos
Screen indicators
Assigning the functions to the ASSIGN buttons
4-725-312-11(2) Copyright 2017 Sony Corporation
MENU button - (REC/OUT SET) - [ / SHOOTING MODE].
1
193

Help Guide
Digital 4K Video Camera Recorder
FDR-AX700
REC SET
You can set the file format, recording format, simultaneous recording, and relay recording for movie recording.
Descriptions of menu items
FILE FORMAT:
Sets the file format for recording.
XAVC S 4K: Records 4K images in XA VC S format.
This setting is suitable for watching on a 4K TV . Both formats for recording and playback are set to this
format. Movies you can play are also changed depending on the frame rate setting.
XAVC S HD: Records HD (high definition) images in XA VC S format.
This setting is suitable for watching on an HD (high definition) TV . Both formats for recording and playback
are set to this format.
AVCHD: Records HD (high definition) images in A VCHD format.
This setting is suitable for watching on an HD (high definition) TV and Blu-ray disc recording. Both of
formats for recording and playback are set to this format.
REC FORMAT:
Sets the recording format (bit-rate, image size, frame rate, scanning system) during recording.
The setting items differ depending on the setting of (OTHERS) - [60i/50i SEL ].
When selecting [ 60i]:
When selecting [ XAVC S 4K] on [ FILE FORMAT]
2160/30p 100Mbps, 2160/30p 60Mbps, 2160/24p 100Mbps, 2160/24p 60Mbps
When selecting [ XAVC S HD] on [ FILE FORMAT]
1080/120p 100Mbps, 1080/120p 60Mbps, 1080/60p 50Mbps, 1080/60p 25Mbps, 1080/30p 50Mbps, 1080/30p
16Mbps, 1080/24p 50Mbps
When selecting [ AVCHD] on [ FILE FORMAT]
1080/60i FX, 1080/60i FH, 1080/60i LP
When selecting [ 50i]:
When selecting [ XAVC S 4K] on [ FILE FORMAT]
2160/25p 100Mbps, 2160/25p 60Mbps
When selecting [ XAVC S HD] on [ FILE FORMAT]
1080/100p 100Mbps, 1080/100p 60Mbps, 1080/50p 50Mbps, 1080/50p 25Mbps, 1080/25p 50Mbps, 1080/25p
16Mbps
When selecting [ AVCHD] on [ FILE FORMAT]
MENU button - (REC/OUT SET) - [REC SET] ‒ select the desired item.
1
194

1080/50i FX, 1080/50i FH, 1080/50i LP
SIMUL/RELAY REC:
Performs the settings of the simultaneous and relay recording.
OFF: Does not perform the simultaneous and relay recording.
SIMULTANEOUS REC: Performs the simultaneous recording.
You can record movies on both memory card A and memory card B simultaneously .
RELAY REC: Performs the relay recording.
By inserting memory cards in slots A and B, the camcorder automatically switches memory cards just
before space on the other one runs out, and continues recording.
PROXY REC MODE:
Sets whether to record MP4 movies simultaneously when recording movies in XA VC S 4K or XA VC S HD format.
MP4 movies are useful for uploading to video-sharing site or using for video editing.
ON/OFF: Records MP4 movies simultaneously when setting to [ ON].
SIZE: Select the image size (1280×720 or 640×360).
About the setting values of [REC FORMA T]
The setting values of [ REC FORMAT] indicate bit-rate, image size, frame rate, and scanning system.
Bit-rate: 100Mbps, 60Mbps, 50Mbps, 25Mbps, 16Mbps, FX (max. 24 Mbps), FH (approx. 17 Mbps (average)),
LP (approx. 5 Mbps (average))
Image size: 2160 (3,840 × 2,160), 1080 (1,920 × 1,080)
Frame rate: Either 120, 100, 60, 50, 30, 25, or 24
Scanning system: i (interlace), p (progressive)
About the frame rate indication
The frame rate displayed on the LCD monitor differs from the actual frame rate.
Note
Proxy recording is disabled in the following situations:
[DATE REC] is set to [ ON].
[COLOR BAR] is set to [ ON].
[SIMUL/RELA Y REC] is set to [SIMUL TANEOUS REC] or [ RELAY REC] and [EXTERNAL OUTPUT] is selected in [VIDEO
OUT] - [OUTPUT SELECT] - [4K REC OUTPUT ].
120p/100p is selected in [ REC FORMAT].
[PROXY REC MODE] is automatically set to [ OFF] during recording with [ S&Q MOTION] or [ SUPER SLOW MOTION].
The Proxy recording is not available when recording in A VCHD format.
Proxy files cannot be played on the camcorder . Use or view them after copying them to the computer .
Frame rate on the LCD monitor Actual frame rate
24 23.98
30 29.97
60 59.94
120 119.88
195

Related Topic
Recording with Slow & Quick Motion
Recording with Super Slow Motion
Continuing recording on the memory cards one after another (Relay recording)
Recording movies on both the memory card A and B (Simultaneous recording)
Import and utilize images on your computer ( PlayMemories Home)
60i/50i SEL
4-725-312-11(2) Copyright 2017 Sony Corporation
196

Help Guide
Digital 4K Video Camera Recorder
FDR-AX700
IMAGE SIZE
You can select a size for the photos. The expected number of recordable photos differs depending on this
setting.
Descriptions of menu items
3:2(12.0M):
Aspect ratio 3:2 (suitable for standard prints), effective pixels in Photo mode: Approx. 12.00 mega pixels
16:9(14.2M):
Aspect ratio 16:9 (for viewing on a high-definition TV), effective pixels in Photo mode: Approx. 14.20 mega
pixels
Related Topic
Shooting photos
4-725-312-11(2) Copyright 2017 Sony Corporation
MENU button - (REC/OUT SET) - [IMAGE SIZE].
1
197

Help Guide
Digital 4K Video Camera Recorder
FDR-AX700
FILE NUMBER
You can select how to assign file numbers to recorded photos.
Descriptions of menu items
SERIES:
Assigns file numbers of photos in sequence.
The file number becomes larger each time you shoot a photo.
Even if the memory card is replaced with another one, the file number is assigned in sequence.
RESET:
Assigns file numbers in sequence, following the largest file number existing on the memory card.
When the memory card is replaced with another one, the file number is assigned for each memory card.
Related Topic
Shooting photos
4-725-312-11(2) Copyright 2017 Sony Corporation
MENU button - (REC/OUT SET) - [FILE NUMBER].
1
198

Help Guide
Digital 4K Video Camera Recorder
FDR-AX700
VIDEO OUT
You can set the output destination or output method of pictures.
Descriptions of menu items
OUTPUT SELECT:
4K REC OUTPUT:
Outputs picture signals during recording in XA VC S 4K format to either of the camcorder's viewfinder/LCD
monitor or an external device.
You can use the face detection function during 4K recording.
VF/LCD PANEL: Outputs to the viewfinder/LCD monitor .
EXTERNAL OUTPUT: Outputs to the external devices.
HDMI:
You can select the resolution of the output signal from the HDMI OUT terminal.
The setting items differ depending on the setting of (OTHERS) - [60i/50i SEL ].
When selecting [ 60i]:
AUTO, 2160p/1080p/480i, 2160p/720p/480i, 2160p/1080i/480i, 1080p/480i, 720p/480i, 1080i/480i, 480p, 480i
When selecting [ 50i]:
AUTO, 2160p/1080p/576i, 2160p/720p/576i, 2160p/1080i/576i, 1080p/576i, 720p/576i, 1080i/576i, 576p, 576i
24p OUTPUT (when 60i is selected for [ 60i/50i SEL ] only):
You can set the output format when the frame rate setting of [ REC FORMAT] is 24p.
24p: Outputs in 24p.
60p: Outputs in 60p.
DOWN CONVERT TYPE:
You can set the picture output method.
Use this function for outputting movies or photos recorded in 16:9.
SQUEEZE: Outputs a horizontally compressed image while maintaining its original height.
LETTER BOX(16:9) : Outputs a vertically compressed image while maintaining its original aspect ratio.
EDGE CROP: Outputs the central portion of the original image by cropping its right and left edges.
HDMI TC OUTPUT:
You can set whether to output time code to other devices via HDMI.
OFF: Does not overlap the time code information on HDMI output signal.
ON: Overlaps the time code information on HDMI output signal.
The data is transmitted as digital data, not as a projected image, and the connected device identifies the time
data by referencing the transmitted digital data.
MENU button - (REC/OUT SET) - [VIDEO OUT] ‒ select the desired item.
1
199

If the frame rate is 24p, 2-3 pulldown is performed and the converted information is automatically added and
transmitted.
HDMI REC CONTROL:
When the camcorder is connected to an external recorder , the recording start/stop operation of the external
recorder is controlled by the camcorder ’s operation.
OFF: Does not start recording on an external recorder by the camcorder ’s operations.
ON: Starts recording on an external recorder by the camcorder ’s operations.
Note
The [4K REC OUTPUT ] setting is enabled only when (REC/OUT SET) - [REC SET] - [FILE FORMA T] is set to [ XAVC S
4K].
You can use one of the following functions during recording in X AVC S 4K format.
Outputting signals to an external device during recording
FACE DETECTION function
Proxy recording (not available when satisfying all the followin g conditions)
(REC/OUT SET) - [REC SET] - [REC FORMAT] is set to 100Mbps.
(REC/OUT SET) - [REC SET] - [SIMUL/RELA Y REC] is set to other than [OFF].
Related Topic
REC SET
60i/50i SEL
Viewing images on a 4K TV
Viewing images on a high definition TV
On the HDMI cable
4-725-312-11(2) Copyright 2017 Sony Corporation
200

Help Guide
Digital 4K Video Camera Recorder
FDR-AX700
VOLUME
You can adjust the volume.
Hint
You can assign this function to the ASSIGN button.
Related Topic
Assigning the functions to the ASSIGN buttons
4-725-312-11(2) Copyright 2017 Sony Corporation
MENU button - (AUDIO SET) - [VOLUME].
Adjust the volume with / .
1
201

Help Guide
Digital 4K Video Camera Recorder
FDR-AX700
AVCHD AUDIO FORMAT
You can set the audio format for A VCHD recording.
Descriptions of menu items
LINEAR PCM:
Records audio in LPCM format.
DOLBY DIGITAL:
Records audio in Dolby Digital format.
4-725-312-11(2) Copyright 2017 Sony Corporation
MENU button - (AUDIO SET) - [AVCHD AUDIO FORMAT].
1
202

Help Guide
Digital 4K Video Camera Recorder
FDR-AX700
AUDIO REC LEVEL
You can set the recording level of the audio input for the camcorder ’s internal microphone or external
microphone (sold separately).
Descriptions of menu items
REC LEVEL MODE:
Sets the recording mode.
AUTO: Adjusts the recording level automatically .
MANUAL: Sets the recording sensitivity between 1 and 31 at [ MANUAL REC LEVEL ].
MANUAL REC LEVEL :
Sets the recording sensitivity when [ REC LEVEL MODE ] is set to [ MANUAL].
1 ‒ 31: Select the recording sensitivity .
Note
It is recommended that you wear headphones to operate while che cking the level.
When continuously recording loud sound, lower the recording lev el to record the sound with high presence.
The limiter is always active regardless of the setting value of the recording level.
When you are using a dedicated microphone that is connected wit h the Multi interface shoe, the recording level setting
will be invalid, and you will not be able to adjust the recordi ng level.
Related Topic
Recording audio with the internal microphone
Recording audio with a Multi interface shoe compatible microphone (sold separately)
Recording audio with an external microphone (sold separately)
4-725-312-11(2) Copyright 2017 Sony Corporation
MENU button - (AUDIO SET) - [AUDIO REC LEVEL] - select the desired item.
1
203

Help Guide
Digital 4K Video Camera Recorder
FDR-AX700
INT MIC WIND
You can diminish low tone in input sound with the internal microphone, and reduce wind noise.
Descriptions of menu items
OFF:
Disables wind noise reduction.
ON:
Enables wind noise reduction.
4-725-312-11(2) Copyright 2017 Sony Corporation
MENU button - (AUDIO SET) - [INT MIC WIND].
1
204

Help Guide
Digital 4K Video Camera Recorder
FDR-AX700
MIC SELECT
You can select the microphone to use for recording audio.
Descriptions of menu items
AUTO:
Selects the microphone used for recording audio automatically based on the microphone that is connected.
The microphone is selected in the following order of priority .
External microphone connected to MIC jack (PLUG IN POWER) - Multi interface shoe compatible microphone -
Internal microphone
INT MIC:
Uses the camcorder ’s internal microphone to record audio.
MI SHOE MIC:
Uses a Multi interface shoe compatible microphone to record audio.
STEREO MINI MIC:
Uses a microphone connected to the MIC jack (PLUG IN POWER) to record audio.
Related Topic
Recording audio with the internal microphone
Recording audio with a Multi interface shoe compatible microphone (sold separately)
Recording audio with an external microphone (sold separately)
4-725-312-11(2) Copyright 2017 Sony Corporation
MENU button - (AUDIO SET) - [MIC SELECT].
1
205

Help Guide
Digital 4K Video Camera Recorder
FDR-AX700
AUDIO OUTPUT TIMING
You can set the timing of the audio output when recording.
Descriptions of menu items
LIVE:
Outputs audio without any delay during recording.
LIP SYNC:
Outputs audio synchronized with movie that is output during recording.
Note
Select [ LIP SYNC] when recording to an external device via the HDMI.
Related Topic
Viewing images on a 4K TV
Viewing images on a high definition TV
4-725-312-11(2) Copyright 2017 Sony Corporation
MENU button - (AUDIO SET) - [AUDIO OUTPUT TIMING].
1
206

Help Guide
Digital 4K Video Camera Recorder
FDR-AX700
HISTOGRAM
You can set the histogram display that indicates level distributions of images.
Descriptions of menu items
OFF:
Does not display the histogram.
ON:
Displays the histogram.
A line appears at the 100% position, and the background color of the zone above the line changes.
A: Histogram
ON[ZEBRA POINT]:
Shows the point where the zebra pattern appears in the histogram.
A line is displayed at the brightness level set on [ ZEBRA].
Hint
You can assign this function to the ASSIGN button.
Related Topic
ZEBRA
Assigning the functions to the ASSIGN buttons
4-725-312-11(2) Copyright 2017 Sony Corporation
MENU button - (DISPLAY SET) - [HISTOGRAM].
1
207

Help Guide
Digital 4K Video Camera Recorder
FDR-AX700
ZEBRA
You can set the zebra function.
The zebra is a stripe pattern that appears in areas of brightness equal to or exceeding the brightness level you
set.
It is useful for adjusting brightness as a guide.
Descriptions of menu items
ZEBRA SELECT :
Selects the type of zebra display ( ZEBRA1 or ZEBRA2).
OFF: Does not display the zebra patterns.
ZEBRA1: Displays the zebra patterns in the areas of brightness that are set on [ ZEBRA1 LEVEL ] within the
range set on [ ZEBRA1 APERTURE LEVEL].
ZEBRA2: Displays the zebra patterns for a brightness level higher than that set on [ ZEBRA2 LEVEL ].
ZEBRA1 LEVEL :
Sets the brightness level for [ ZEBRA1].
0% - 109%: Select the brightness level.
ZEBRA1 APERTURE LEVEL:
Sets the range of brightness for the level that is set on [ ZEBRA1 LEVEL ].
2% - 20%: Select the range.
ZEBRA2 LEVEL :
Sets the brightness level for [ ZEBRA2].
0% - 109%: Select the brightness level.
Hint
You can assign this function to the ASSIGN button.
Related Topic
Assigning the functions to the ASSIGN buttons
4-725-312-11(2) Copyright 2017 Sony Corporation
MENU button - (DISPLAY SET) - [ZEBRA] ‒ select the desired item.
1
208

Help Guide
Digital 4K Video Camera Recorder
FDR-AX700
PEAKING
You can set the peaking display (enhances outlines of an image on the LCD monitor).
You can focus more easily using this function in combination with the focus magnifier function (FOCUS
MAGNIFIER).
Descriptions of menu items
ON/OFF:
Sets the peaking display to on/off.
OFF: Does not display the peaking.
ON: Displays an image on the LCD monitor with its outlines enhanced.
This function helps you to adjust the focus.
COLOR:
Select peaking color .
WHITE, RED, YELLOW
LEVEL:
Select a peaking sensitivity .
HIGH, MIDDLE, LOW
Note
The enhanced outlines are not recorded on the memory card.
Hint
You can assign [ON/OFF ] of this function to the ASSIGN button.
Related Topic
Focusing by magnifying an image ( FOCUS MAGNIFIER)
Assigning the functions to the ASSIGN buttons
4-725-312-11(2) Copyright 2017 Sony Corporation
MENU button - (DISPLAY SET) - [PEAKING] ‒ select the desired item.
1
209

Help Guide
Digital 4K Video Camera Recorder
FDR-AX700
PHASE AF FRAMES
You can set whether to display the phase detection AF frames when selecting [ WIDE] or [ ZONE] on [ FOCUS
AREA] while recording movies with auto focus.
Descriptions of menu items
ON:
Displays the phase detection AF frames.
OFF:
Does not display the phase detection AF frames.
Note
When the camcorder is in focus, the focus frame lights in green if [FOCUS AREA ] is set to the following.
[CENTER]
[FLEXIBLE SPOT ]
The phase AF detection frames are not displayed when [ DATE REC] is set to [ ON].
Hint
You can assign this function to the ASSIGN button.
Related Topic
Adjusting the focus automatically
Phase detection AF
Assigning the functions to the ASSIGN buttons
4-725-312-11(2) Copyright 2017 Sony Corporation
MENU button- (DISPLAY SET) - [PHASE AF FRAMES ].
1
210

Help Guide
Digital 4K Video Camera Recorder
FDR-AX700
PHASE DETECT. AF AREA
You can set whether to display the phase detection AF area during auto focus.
Descriptions of menu items
ON:
Displays the phase detection AF area.
A: Phase detection AF area
OFF:
Does not display the phase detection AF area.
Note
The phase detection AF area is not displayed when the phase det ection AF is not effective.
Related Topic
Adjusting the focus automatically
Phase detection AF
4-725-312-11(2) Copyright 2017 Sony Corporation
MENU button - (DISPLAY SET) - [PHASE DETECT. AF AREA ].
1
211

Help Guide
Digital 4K Video Camera Recorder
FDR-AX700
MARKER
You can set the marker display that is used for a shooting guide on the LCD monitor .
Descriptions of menu items
ON/OFF:
Sets the marker display to on/off.
OFF: Does not display the marker .
ON : Displays the marker .
The marker is not recorded on a memory card.
CENTER:
Sets the center marker (indicates center of the LCD monitor) display to on/off.
ON: Displays the center marker .
OFF: Does not display the center marker .
ASPECT:
Sets the aspect marker display to on/off.
OFF: Does not display the aspect marker .
4:3, 13:9, 14:9, 15:9, 1.66︓1, 1.85︓1, 2.35︓1: Displays markers at boundaries of display area defined by the
aspect ratio.
SAFETY ZONE:
Sets the safety zone marker to on/off.
OFF: Does not display the safety zone marker .
80%, 90%: Displays markers at the boundaries of the display area that regular home TVs can display .
MENU button - (DISPLAY SET) - [MARKER] ‒ select the desired item.
1
212

GUIDEFRAME:
Sets the guide frame to on/off.
OFF: Does not display the guide frame.
ON: Displays the guide frame.
Note
Only the time code is output when [MARKER ] is set to [ ON], even if [ DISPLAY OUTPUT] is set to [ ALL OUTPUT].
You cannot display markers while using the FOCUS MAGNIFIER funct ion.
You cannot output markers to an external device.
Hint
You can display all types of markers at the same time.
You can obtain a balanced composition by positioning the subject at the cross points of the guide frame.
You can assign [ON/OFF ] of this function to the ASSIGN button.
Related Topic
Focusing by magnifying an image ( FOCUS MAGNIFIER)
Assigning the functions to the ASSIGN buttons
DISPLAY OUTPUT
4-725-312-11(2) Copyright 2017 Sony Corporation
213

Help Guide
Digital 4K Video Camera Recorder
FDR-AX700
FOCUS MAG RATIO
You can set the magnification ratio of the focus magnification function (FOCUS MAGNIFIER).
Descriptions of menu items
x4.0:
4 times
x8.0︓
8 times
x4.0/x8.0:
The setting changes in the order of [ x4.0] - [ x8.0] - [ OFF] with each press of the FOCUS MAGNIFIER button.
Related Topic
Focusing by magnifying an image ( FOCUS MAGNIFIER)
4-725-312-11(2) Copyright 2017 Sony Corporation
MENU - (DISPLAY SET) - [FOCUS MAG RATIO].
1
214

Help Guide
Digital 4K Video Camera Recorder
FDR-AX700
CAMERA DATA DISPLAY
You can set the display of the iris, ISO/gain, and shutter speed settings.
Descriptions of menu items
OFF:
Does not display the iris, ISO/gain, and shutter speed settings.
ON:
Constantly displays the iris, ISO/gain, and shutter speed settings.
A: Iris value
B: Gain value (or ISO value)
C: Shutter speed value
Hint
The settings appear during the manual adjustment regardless of the settings of this function.
indicates that the settings are automatically adjusted values.
appears when exposure is fixed by [SPOT METER] or [ SPOT METER/FOCUS].
The displayed value is different from the [ CAMERA DATA] setting in [DA TA CODE].
You can assign this function to the ASSIGN button.
Related Topic
SPOT METER/FOCUS
SPOT METER
DATA CODE
Assigning the functions to the ASSIGN buttons
4-725-312-11(2) Copyright 2017 Sony Corporation
MENU button - (DISPLAY SET) - [CAMERA DATA DISPLAY].
1
215

Help Guide
Digital 4K Video Camera Recorder
FDR-AX700
AUDIO LEVEL DISPLA Y
You can set the audio level meter display (Movie mode only).
Descriptions of menu items
ON:
Displays the audio level meters.
A: Audio level meters
OFF:
Does not display the audio level meters.
Hint
You can assign this function to the ASSIGN button.
Related Topic
Assigning the functions to the ASSIGN buttons
4-725-312-11(2) Copyright 2017 Sony Corporation
MENU button - (DISPLAY SET) - [AUDIO LEVEL DISPLA Y].
1
216

Help Guide
Digital 4K Video Camera Recorder
FDR-AX700
ZOOM DISPLAY
You can set the display of the zoom position.
Descriptions of menu items
BAR:
Displays a bar that indicates the zoom position.
NUMBER:
Displays a number that indicates the zoom position.
Related Topic
Adjusting the zoom with the zoom lever
Adjusting the zoom with the manual lens ring
4-725-312-11(2) Copyright 2017 Sony Corporation
MENU button - (DISPLAY SET) - [ZOOM DISPLAY].
1
217

Help Guide
Digital 4K Video Camera Recorder
FDR-AX700
FOCUS DISPLAY
You can set the unit for the focal length.
Descriptions of menu items
METER:
Displays the focal length in meters.
FEET:
Displays the focal length in feet.
4-725-312-11(2) Copyright 2017 Sony Corporation
MENU button - (DISPLAY SET) - [FOCUS DISPLAY].
1
218

Help Guide
Digital 4K Video Camera Recorder
FDR-AX700
SHUTTER DISPLAY
You can set the shutter speed display (Movie mode only).
Descriptions of menu items
SECOND:
Displays the shutter display in seconds.
DEGREE:
Displays the shutter display in degrees.
The shutter speed equal to the period that your camcorder reads image data from the image sensor is defined
as 360 degrees. The degree is calculated based on this definition and displayed.
The setting items differ depending on the setting of (OTHERS) - [60i/50i SEL ].
When selecting [ 60i]:
When selecting the setting value of [ REC FORMAT] whose frame rate value is 60, the shutter angle is 360
degrees when the shutter speed is 1/60.
When selecting the setting value of [ REC FORMAT] whose frame rate value is 30, the shutter angle is 360
degrees when the shutter speed is 1/30.
When selecting the setting value of [ REC FORMAT] whose frame rate value is 24, the shutter angle is 360
degrees when the shutter speed is 1/24.
When selecting [ 50i]:
When selecting the setting value of [ REC FORMAT] whose frame rate value is 50, the shutter angle is 360
degrees when the shutter speed is 1/50.
When selecting the setting value of [ REC FORMAT] whose frame rate value is 25, the shutter angle is 360
degrees when the shutter speed is 1/25.
Note
When you press the ASSIGN button to which [ DATA CODE] is assigned, the shutter speed is displayed in seconds
regardless of this setting.
Hint
If the shutter speed is more than 360 degrees, it is displayed as an integral multiple of 360 degrees (360˚x2, etc.).
Related Topic
Adjusting the shutter speed
REC SET
DATA CODE
60i/50i SEL
MENU button - (DISPLAY SET) - [SHUTTER DISPLAY].
1
219

4-725-312-11(2) Copyright 2017 Sony Corporation
220

Help Guide
Digital 4K Video Camera Recorder
FDR-AX700
DATA CODE
You can select the information that is displayed during playback.
Descriptions of menu items
OFF:
Does not display the information.
DATE/TIME:
Displays the date and time.
CAMERA DATA:
Displays camera data.
Hint
You can assign this function to the ASSIGN button.
Related Topic
CAMERA DATA DISPLAY
Displaying recording data ( DATA CODE)
Assigning the functions to the ASSIGN buttons
4-725-312-11(2) Copyright 2017 Sony Corporation
Press the MENU button while playing back movies - (DISPLAY SET) - [DATA CODE].
1
221

Help Guide
Digital 4K Video Camera Recorder
FDR-AX700
GAMMA DISP ASSIST
When shooting or playing the movies with S-LOG or HLG applied, you can convert movie images displayed on
the viewfinder or LCD monitor to a movie with normal image quality (Movie mode only).
Descriptions of menu items
ON/OFF:
Sets the gamma display assist function to on/off.
ON: Use the gamma display assist function.
OFF: Does not use the gamma display assist function.
TYPE:
Sets the convert type.
AUTO: Displays movies with gamma or color mode set in [ PICTURE PROFILE] after converting to the
following.
Gamma [S-LOG2 ] to [ S-LOG2→709(800%)]
Gamma [S-LOG3 ] to [ S-LOG3→709(800%)]
Gamma [HLG], [ HLG1], [HLG2], [ HLG3] and color mode [ 709] to [ HLG(709)]
Gamma [HLG], [ HLG1], [HLG2], [ HLG3] and color mode [ BT.2020] to [ HLG(BT.2020)]
S-LOG2→709(800%): Displays movies after converting S-LOG2 gamma to the gamma equivalent to
ITU709(800%).
S-LOG3→709(800%): Displays movies after converting S-LOG3 gamma to the gamma equivalent to
ITU709(800%).
HLG(709): Displays movies after adjusting the image quality of the camcorder's LCD panel or viewfinder to a
quality that is almost the same as when movies are displayed on an HLG(709) compatible monitor .
HLG(BT.2020): Displays movies after adjusting the image quality of the camcorder's LCD panel or viewfinder
to a quality that is almost the same as when movies are displayed on an HLG(BT.2020) compatible monitor .
About the gamma display assist function
Movie images applied with [ S-LOG2] or [ S-LOG3] have low contrast because they are assumed to be processed
after recording.
Also, movie images applied with [ HLG], [ HLG1], [HLG2] or [ HLG3] are displayed in low contrast if the images are
displayed in a finder or LCD monitor which does not support HDR, and movie images with the [ BT.2020] color
mode setting are displayed in faint color . Either of the images are therefore difficult to monitor as it is.
Using [ GAMMA DISP ASSIST ], an image contrast equivalent to that of movies recorded normally can be
reproduced on the LCD monitor or viewfinder of the camcorder , and this makes it easy to monitor the image.
Note
When setting to [ AUTO] during playback, images of the A VCHD and XAVC S movies other than those recorded with
[HLG] are displayed based on the current gamma setting and colo r mode setting in [ PICTURE PROFILE].
Hint
You can assign this function to the ASSIGN button.
MENU button - (DISPLAY SET) - [GAMMA DISP ASSIST ] ‒ select the desired item.
1
222

Help Guide
Digital 4K Video Camera Recorder
FDR-AX700
LCD BRIGHT
You can adjust the brightness of the LCD monitor . Changes in the LCD brightness do not affect the brightness
of recording images.
Descriptions of menu items
NORMAL:
Displays in normal brightness.
BRIGHT:
Displays brightly .
4-725-312-11(2) Copyright 2017 Sony Corporation
MENU button - (DISPLAY SET) - [LCD BRIGHT].
1
224

Help Guide
Digital 4K Video Camera Recorder
FDR-AX700
VF COLOR TEMP.
You can adjust the color temperature of the viewfinder .
Low color temperature makes the viewfinder appear reddish, and high color temperature makes it appear bluish.
4-725-312-11(2) Copyright 2017 Sony Corporation
MENU button - (DISPLAY SET) - [VF COLOR TEMP.].
Adjust the color temperature of the viewfinder with / .
1
225

Help Guide
Digital 4K Video Camera Recorder
FDR-AX700
DISPLAY OUTPUT
You can select where to output the display information, such as time code.
Descriptions of menu items
LCD PANEL:
Outputs the information to the LCD monitor .
ALL OUTPUT :
Outputs information to the HDMI OUT terminal, VIDEO OUT jack (Multi/Micro USB T erminal), and the LCD
monitor .
Zebra, peaking, and the face detection frame are also output.
Note
Only the time code, zebra, peaking, and the face detection fram e are output when [MARKER ] is set to [ ON] and a marker
is displayed on the LCD monitor .
Nothing is displayed on the LCD monitor in the following cases.
The LCD monitor is rotated 180 degrees.
The eye sensor detects something nearby and the camcorder switc hes to viewfinder view .
Related Topic
MARKER
TC/UB DISPLAY
ZEBRA
PEAKING
Focusing on a detected face ( FACE DETECTION)
4-725-312-11(2) Copyright 2017 Sony Corporation
MENU button - (DISPLAY SET) - [DISPLAY OUTPUT].
1
226

Help Guide
Digital 4K Video Camera Recorder
FDR-AX700
TC/UB DISPLAY
The camcorder records time data, such as the time code and user bit, as the data associated with the movie.
You can select whether to display the time code or the user bit (Movie mode only).
Descriptions of menu items
TC:
Displays the time code.
U-BIT:
Displays the user bit.
Hint
You can assign this function to the ASSIGN button.
Related Topic
Assigning the functions to the ASSIGN buttons
4-725-312-11(2) Copyright 2017 Sony Corporation
MENU button - (TC/UB SET) - [TC/UB DISPLAY].
1
227

Help Guide
Digital 4K Video Camera Recorder
FDR-AX700
TC PRESET
You can set the time code that is recorded as the time data associated with the movie (Movie mode only).
Descriptions of menu items
PRESET:
Input the time code with / / / /SET button and select [ OK].
The setting range differs depending on the setting of (OTHERS) - [60i/50i SEL ].
When selecting [ 60i]:
Sets the time code within 00:00:00:00 - 23:59:59:29.
When setting 24p, you can set the last 2 time code digits of the frames in multiples of 4, between 0 and 23.
To return to the previous screen without reflecting the setting, select [ CANCEL].
When selecting [ 50i]:
Sets the time code within 00:00:00:00 - 23:59:59:24.
RESET:
Reset the time code (00:00:00:00).
Related Topic
60i/50i SEL
4-725-312-11(2) Copyright 2017 Sony Corporation
MENU button - (TC/UB SET) - [TC PRESET].
1
228

Help Guide
Digital 4K Video Camera Recorder
FDR-AX700
UB PRESET
You can set the user bit that is recorded as the time data associated with the movie (Movie mode only).
Descriptions of menu items
PRESET:
Input the user bit with / / / /SET button, then select [ OK].
Sets the user bit within 00 00 00 00 - FF FF FF FF .
To return to the previous screen without reflecting the setting, select [ CANCEL].
RESET:
Reset the user bit (00 00 00 00).
4-725-312-11(2) Copyright 2017 Sony Corporation
MENU button - (TC/UB SET) - [UB PRESET].
1
229

Help Guide
Digital 4K Video Camera Recorder
FDR-AX700
TC FORMAT
You can select the time code recording method when (OTHERS) - [60i/50i SEL ] is set to [ 60i] (Movie mode
only).
When selecting [ 50i], this setting is fixed to [ NDF].
Descriptions of menu items
DF:
Records the time code in drop frame.
NDF:
Records the time code in non-drop frame.
About drop frame
Time code is based on 30 frames per second; however , gaps in the actual time occur during extended periods of
recording as the actual frame frequency of NTSC image signal is 29.97 frames per second. Drop frame corrects
this gap to make time code and actual time equal.
In drop frame, the first 2 frame numbers are removed every minute except in every tenth minute. T ime code
without this correction is called non-drop frame.
Note
This setting is fixed to [NDF ] when [ REC FORMAT] is set to the setting value whose frame rate is 24p even if [ 60i] is
selected in [ 60i/50i SEL ].
Related Topic
REC SET
60i/50i SEL
4-725-312-11(2) Copyright 2017 Sony Corporation
MENU button - (TC/UB SET) - [TC FORMAT].
1
230

Help Guide
Digital 4K Video Camera Recorder
FDR-AX700
TC RUN
You can select how the time code advances (Movie mode only).
Descriptions of menu items
REC RUN:
Advances the time code only during recording.
Select this setting to record the time code sequentially from the last time code of the previous recording.
FREE RUN:
Advances the time code regardless of operation of your camcorder .
Note
Even if the time code advances in the [ REC RUN] mode, the time code may not be recorded sequentially i n the following
cases.
When the recording format is changed.
When the memory card is removed.
Related Topic
REC SET
4-725-312-11(2) Copyright 2017 Sony Corporation
MENU button - (TC/UB SET) - [TC RUN].
1
231

Help Guide
Digital 4K Video Camera Recorder
FDR-AX700
TC MAKE
You can select method for recording the time code on the memory card (Movie mode only).
Descriptions of menu items
PRESET:
Records the newly set time code on the memory card.
REGENERATE:
Reads the last time code of the previous recording from the memory card and records the new time code
consecutively from the last time code during the backspace editing.
The time code runs in [ REC RUN] mode regardless of the setting of [ TC RUN].
Related Topic
TC RUN
4-725-312-11(2) Copyright 2017 Sony Corporation
MENU button - (TC/UB SET) - [TC MAKE ].
1
232

Help Guide
Digital 4K Video Camera Recorder
FDR-AX700
UB TIME REC
You can set whether to record the actual time as the user bit code (Movie mode only).
Descriptions of menu items
OFF:
Does not record the actual time as the user bit code.
ON:
Records the actual time as the user bit code.
Note
The last 2 digits are fixed to 00 when it is set to [ON ].
4-725-312-11(2) Copyright 2017 Sony Corporation
MENU button - (TC/UB SET) - [UB TIME REC].
1
233

Help Guide
Digital 4K Video Camera Recorder
FDR-AX700
CTRL W/SMARTPHONE
You can control the camcorder remotely with your smartphone.
Hint
You can assign this function to the ASSIGN button.
Related Topic
Connecting to an NFC-enabled smartphone or tablet
Connecting to a smartphone or tablet using the QR Code
Connecting to your Android smartphone or tablet (by entering an SSID and password)
Connecting to your iPhone or iPad (by entering an SSID and password)
Assigning the functions to the ASSIGN buttons
4-725-312-11(2) Copyright 2017 Sony Corporation
MENU button - (NETWORK SET) - [CTRL W/SMARTPHONE].
Connect the smartphone to the camcorder using the information that appears on the LCD monitor when
the camcorder is ready to be connected.
The connection method differs depending on the type of smartphone.
1
234

Help Guide
Digital 4K Video Camera Recorder
FDR-AX700
Wi-Fi SET
You can perform or change the W i-Fi setting.
Descriptions of menu items
EDIT DEVICE NAME:
Changes the camcorder ’s device name.
SSID/PW RESET:
Resets the SSID and password for the smartphone operation.
Note
If [SSID/PW RESET] is performed, it will be necessary to set up the smartphone a gain, in order to connect it to the
camcorder .
Related Topic
Connecting to an NFC-enabled smartphone or tablet
Connecting to a smartphone or tablet using the QR Code
Connecting to your Android smartphone or tablet (by entering an SSID and password)
Connecting to your iPhone or iPad (by entering an SSID and password)
4-725-312-11(2) Copyright 2017 Sony Corporation
MENU button - (NETWORK SET) - [Wi-Fi SET].
1
235

Help Guide
Digital 4K Video Camera Recorder
FDR-AX700
AIRPLANE MODE
You can disable the W i-Fi-related settings temporarily when boarding a plane, etc.
Descriptions of menu items
OFF:
Sets Airplane mode to off.
ON:
Sets Airplane mode to on.
Related Topic
Connecting to an NFC-enabled smartphone or tablet
Connecting to a smartphone or tablet using the QR Code
Connecting to your Android smartphone or tablet (by entering an SSID and password)
Connecting to your iPhone or iPad (by entering an SSID and password)
4-725-312-11(2) Copyright 2017 Sony Corporation
MENU button - (NETWORK SET) - [AIRPLANE MODE ].
1
236

Help Guide
Digital 4K Video Camera Recorder
FDR-AX700
NETWORK RESET
You can reset the following network related settings.
SSID and password for the smartphone operation
Device name
4-725-312-11(2) Copyright 2017 Sony Corporation
MENU button - (NETWORK SET) - [NETWORK RESET] - [OK].
The network settings are reset.
Select [ CANCEL] to cancel resetting.
1
237

Help Guide
Digital 4K Video Camera Recorder
FDR-AX700
STATUS CHECK
You can check the current settings of the camcorder .
Hint
You can assign this function to the ASSIGN button.
Related Topic
Checking the settings in the camcorder ( STATUS CHECK)
Assigning the functions to the ASSIGN buttons
4-725-312-11(2) Copyright 2017 Sony Corporation
MENU button - (OTHERS) - [STATUS CHECK].
Switch the setting items with the / button.
1
238

Help Guide
Digital 4K Video Camera Recorder
FDR-AX700
CAMERA PROFILE
You can save up to 99 camera settings as the camera profile in a memory card for easy recall at any time.
In addition, if you should require multiple camcorders with the same settings, you can load the desired settings
to all cameras via the memory card.
Descriptions of menu items
LOAD:
Loads the camera profile and executes the settings.
Select the camera profile to be loaded with the / / / /SET button and select [ YES] on the confirmation
screen.
The camcorder restarts and the loaded camera profile becomes effective.
SAVE:
Saves the camera profile.
Select [ NEW FILE] or an existing profile name with the / / / /SET button and select [ YES] on the
confirmation screen.
DELETE:
Deletes the camera profile.
Select the camera profile to be deleted with the / / / /SET button and select [ YES] on the confirmation
screen.
Note
The camera profile may not be shown properly if the file name i s changed on the computer , or the power turned off
during generation.
Formatting the memory card also deletes saved camera profiles.
A camera profile saved on a camcorder with different model name , or edited on a computer cannot be loaded.
Hint
Items that can be saved include setting values for menus, pictu re profiles, buttons, etc. Y ou can save these setting
values all together in the camera profile.
When you select [NEW FILE ] for [ SAVE], the camera profile is named [01] (when saving for the first time).
If you select an existing camera profile when saving the camera profile, the current setting values are overwritten.
You cannot use a computer to edit saved settings.
4-725-312-11(2) Copyright 2017 Sony Corporation
MENU button - (OTHERS) - [CAMERA PROFILE] - select the memory card ([MEMOR Y CARD A] or
[MEMORY CARD B]).
1
239

Help Guide
Digital 4K Video Camera Recorder
FDR-AX700
S&Q BUTTON SETTING
You can assign the slow & quick function to the S&Q button (Movie mode only).
Descriptions of menu items
S&Q/SUPER SLOW:
Switches the effective function in order of Slow & Quick Motion - Super Slow Motion - off each time you press
the S&Q button.
S&Q MOTION:
Assigns Slow & Quick Motion.
SUPER SLOW MOTION:
Assigns Super Slow Motion.
Related Topic
Recording with Slow & Quick Motion
Recording with Super Slow Motion
4-725-312-11(2) Copyright 2017 Sony Corporation
MENU button- (OTHERS) - [S&Q BUTTON SETTING].
1
240

Help Guide
Digital 4K Video Camera Recorder
FDR-AX700
ASSIGN BUTTON
You can assign the function used frequently to the ASSIGN button for easy operation.
Functions you can assign to the ASSIGN buttons
— (no function)
LOW LUX
FOCUS MAGNIFIER
LAST SCENE REVIEW
WHITE BALANCE
WB PRESET
WB SET
AE SHIFT
D. EXTENDER
STEADYSHOT
FOCUS AREA
FOCUS POSITION
AF DRIVE SPEED
AF TRACKING DEPTH
AF SUBJ. SWITCH. SENS.
FACE DETECTION
S&Q MOTION
AUTO MODE SET
SCENE SELECTION SET
NIGHTSHOT
IRIS PUSH AUTO
SPOT METER/FOCUS
SPOT METER
SPOT FOCUS
COLOR BAR
DIRECT
MENU
PICTURE PROFILE
VOLUME
HISTOGRAM
ZEBRA
PEAKING
PHASE AF FRAMES
MARKER
CAMERA DATA DISPLAY
AUDIO LEVEL DISPLA Y
DATA CODE
GAMMA DISP ASSIST
TC/UB DISPLAY
SMARTPHONE CONNECT
STATUS CHECK
REC LAMP
MENU button- (OTHERS) - [ASSIGN BUTTON].
Select the ASSIGN button (ASSIGN1 - ASSIGN6), then select the function that you want to assign with
/ / / SET button.
1
241

Help Guide
Digital 4K Video Camera Recorder
FDR-AX700
CLOCK SET
You can set the date and time.
Descriptions of menu items
AREA SET:
Sets the area where the camcorder is used.
You can adjust a time difference without stopping the clock. When you use your camcorder abroad, you can
adjust the clock to the local time.
DST SET (SUMMERTIME):
Performs the daylight saving time (summer time) setting.
OFF: Does not set the daylight saving time (summer time).
ON: Sets the daylight saving time (summer time).
Set to [ ON] to move the time forward 1 hour .
DATE:
Sets the date and time.
Input the date and time with the / / / /SET button.
Related Topic
Initial setting
AREA SET
DST SET (SUMMERTIME)
4-725-312-11(2) Copyright 2017 Sony Corporation
MENU button- (OTHERS) - [CLOCK SET] ‒ select the desired item .
1
243

Help Guide
Digital 4K Video Camera Recorder
FDR-AX700
AREA SET
You can adjust a time difference without stopping the clock by setting the area where the camcorder is used.
When you use your camcorder abroad, you can adjust the clock to the local time.
Related Topic
Initial setting
4-725-312-11(2) Copyright 2017 Sony Corporation
MENU button- (OTHERS) - [AREA SET ] ‒ select the desired area.
1
244

Help Guide
Digital 4K Video Camera Recorder
FDR-AX700
DST SET (SUMMERTIME)
You can set the daylight saving (summer time).
Set to [ ON] to move the time forward 1 hour .
Descriptions of menu items
OFF:
Does not set the daylight saving time (summer time).
ON:
Sets the daylight saving time (summer time).
Related Topic
Initial setting
4-725-312-11(2) Copyright 2017 Sony Corporation
MENU button - (OTHERS) - [DST SET] or [SUMMERTIME] .
1
245

Help Guide
Digital 4K Video Camera Recorder
FDR-AX700
DATE REC
You can set whether to superimpose the date and time of shooting on images (only when [ FILE FORMAT] in
[REC SET] is set to [ AVCHD]).
Descriptions of menu items
OFF:
Does not superimpose the date and time on images.
ON:
Superimposes the date and time on images.
Hint
The phase detection AF frames are not displayed when [ DATE REC] is set to [ ON].
When zebra or peaking is activated, the date and time character s are affected by the signal, but properly recorded on
images.
Related Topic
REC SET
ZEBRA
PEAKING
PHASE AF FRAMES
4-725-312-11(2) Copyright 2017 Sony Corporation
MENU button - (OTHERS) - [DATE REC].
1
247

Help Guide
Digital 4K Video Camera Recorder
FDR-AX700
BEEP
You can set whether to activate a melody when you start/stop recording, or during operation.
Descriptions of menu items
OFF:
Does not activate the melody .
ON:
Activates a melody when you start/stop recording, or when you are warned with warning indicators, etc.
4-725-312-11(2) Copyright 2017 Sony Corporation
MENU button - (OTHERS) - [BEEP].
1
248

Help Guide
Digital 4K Video Camera Recorder
FDR-AX700
REC LAMP
You can set whether to turn the recording lamp on during recording.
Descriptions of menu items
ON:
Turns the recording lamp on during recording.
OFF:
Does not turn the recording lamp on during recording.
Hint
You can assign this function to the ASSIGN button.
Related Topic
Assigning the functions to the ASSIGN buttons
4-725-312-11(2) Copyright 2017 Sony Corporation
MENU button - (OTHERS) - [REC LAMP ].
1
249

Help Guide
Digital 4K Video Camera Recorder
FDR-AX700
REMOTE CONTROL
You can set whether to enable the supplied wireless remote commander .
Descriptions of menu items
ON:
Enables the supplied wireless remote commander .
OFF:
Disables the supplied wireless remote commander .
You can prevent misoperation by the remote control of another device.
Related Topic
Parts and controls (wireless remote commander)
4-725-312-11(2) Copyright 2017 Sony Corporation
MENU button - (OTHERS) - [REMOTE CONTROL].
1
250

Help Guide
Digital 4K Video Camera Recorder
FDR-AX700
60i/50i SEL
You can select the setting depending on the TV system of the countries and regions where the camcorder is
used.
The camcorder automatically restarts if you change the setting.
Descriptions of menu items
YES:
Changes the setting to 60i (50i).
NO:
Cancels changing the setting.
Note
Select [ 60i] when the TV system is NTSC and [ 50i] when the TV system is P AL. TV system currently set is displayed on
the setting message.
A memory card formatted or recorded at 60i (50i) cannot record or play back at 50i (60i), and vice versa.
Use another memory card or perform [ MEDIA FORMAT] if the [A movie with a different video signal format from th is
device has been recorded. Movie recording disabled.] message ap pears after you change the [ 60i/50i SEL ] setting.
Protected movies are also deleted when [MEDIA FORMA T] is performed.
Related Topic
MEDIA FORMAT
4-725-312-11(2) Copyright 2017 Sony Corporation
MENU button - (OTHERS) - [60i/50i SEL ].
1
251

Help Guide
Digital 4K Video Camera Recorder
FDR-AX700
MEDIA FORMAT
Formatting deletes data from the memory card to recover recordable free space.
If a memory card is used repeatedly , garbage data accumulate which may prevent the image data from being
written at the fixed speed. In this case, recording may stop suddenly . You can reduce the writing error during
recording by performing [ Empty ] that can erase all the data on the memory card.
Descriptions of menu items
OK:
Formats the selected memory card.
Empty :
Erase all the data on the memory card.
[Empty ] is performed by selecting after selecting [ Empty ].
Note
Connect the camcorder to the wall outlet (wall socket) using the supplied AC adaptor to prevent your cam corder from
running out of power during the operation.
You cannot perform [ Empty ] unless you connect the AC Adaptor to the wall outlet (wall socket).
Disconnect all cables except the AC Adaptor .
To avoid the loss of important images, you should save them befo re the operation.
Protected movies and photos are also deleted.
While [ Executing…] is displayed, do not turn off the camcorder , do not operate any buttons on the camcorder ,
disconnect the AC Adaptor , or remove the memory card from the camcorder . (The access lamp is lit or flashing while
formatting memory card.)
Related Topic
Using the camcorder supplying power from a wall outlet (wall socket)
About the memory card
Notes on disposal/transfer of the memory card
4-725-312-11(2) Copyright 2017 Sony Corporation
MENU button - (OTHERS) - [MEDIA FORMAT] - select the memory card that you want to format or
perform [ Empty ].
1
252

Help Guide
Digital 4K Video Camera Recorder
FDR-AX700
REPAIR IMAGE DB FILE
This function checks the database information and the consistency of movies and photos on the memory card,
and repairs if any inconsistencies found.
Note
Connect your camcorder to the wall outlet (wall socket) using the supplied AC Adaptor to prevent your cam corder from
running out of power during the operation.
If you cancel the operation while [Repairing the image database file. ] is displayed, be sure to complete the operation as
described above before you use the memory card next time.
Related Topic
Using the camcorder supplying power from a wall outlet (wall socket)
4-725-312-11(2) Copyright 2017 Sony Corporation
MENU button - (OTHERS) - [REPAIR IMAGE DB FILE ] - select the memory card that you want to check
the database file.
1
Touch .
The database file check starts.
Touch and quit the database file check if no inconsistency is found.
2
Touch - .
3
253

Help Guide
Digital 4K Video Camera Recorder
FDR-AX700
USB CONNECT
Select this item when the device is not recognized even if it is connected to the camcorder with the USB cable.
Related Topic
Import and utilize images on your computer ( PlayMemories Home)
Installing the PlayMemories Home software in your computer
4-725-312-11(2) Copyright 2017 Sony Corporation
MENU button - (OTHERS) - [USB CONNECT].
1
254

Help Guide
Digital 4K Video Camera Recorder
FDR-AX700
USB LUN SET
You can improve compatibility with external devices by limiting the functions of the USB connection.
Descriptions of menu items
MULTI:
Select this in normal conditions.
SINGLE:
Select this if you cannot make USB connection.
Related Topic
Import and utilize images on your computer ( PlayMemories Home)
Installing the PlayMemories Home software in your computer
4-725-312-11(2) Copyright 2017 Sony Corporation
MENU button - (OTHERS) - [USB LUN SET ].
1
255

Help Guide
Digital 4K Video Camera Recorder
FDR-AX700
VERSION DISPLAY
You can display the current version of the camcorder .
Be sure to check for firmware updates.
Note
When performing an update, use the AC Adaptor .
Related Topic
Using the camcorder supplying power from a wall outlet (wall socket)
4-725-312-11(2) Copyright 2017 Sony Corporation
MENU button - (OTHERS) - [VERSION DISPLAY].
1
257

Help Guide
Digital 4K Video Camera Recorder
FDR-AX700
CALIBRA TION
You can adjust to match the touch position and touched position on the LCD monitor if the buttons on the touch
panel display does not work correctly .
Note
When performing the calibration, use the AC Adaptor .
Related Topic
Using the camcorder supplying power from a wall outlet (wall socket)
4-725-312-11(2) Copyright 2017 Sony Corporation
MENU button - (OTHERS) - [CALIBRA TION].
1
Touch “×” displayed on the LCD monitor three times with a fine-tipped object such as the corner of
memory card.
2
258

Help Guide
Digital 4K Video Camera Recorder
FDR-AX700
INITIALIZE
You can reset all settings to their default values.
Note
The picture profile settings are not reset.
4-725-312-11(2) Copyright 2017 Sony Corporation
MENU button - (OTHERS) - [INITIALIZE ].
1
Select [ OK].
All the settings are reset and the camcorder restarts.
To cancel resetting, select [ CANCEL].
2
259

Help Guide
Digital 4K Video Camera Recorder
FDR-AX700
PROTECT
You can protect movies and photos to avoid deleting them by mistake.
To cancel protection
Touch the movies or photos marked with in step 2 to hide the mark.
Related Topic
Protecting movies and photos ( PROTECT)
4-725-312-11(2) Copyright 2017 Sony Corporation
On the thumbnail or playback screen, select MENU button - (EDIT) - [PROTECT].
1
Touch the movies or photos to be protected.
is displayed on the selected images.
You can preview the image by pressing and holding the image down. T o return to the previous screen,
touch .
You can select up to 100 images at one time.
2
Touch , then follow the on-screen instructions to touch .
3
260

Help Guide
Digital 4K Video Camera Recorder
FDR-AX700
DELETE
You can delete unnecessary movies and photos from the memory card.
Note
You cannot restore images once they are deleted.
Do not remove the battery pack, the AC Adaptor , or the memory card that contains the movies or photos from th e
camcorder during the operation. It may damage the memory card.
You cannot delete protected movies and photos. Cancel the protec tion of the movies and photos before deleting them.
Save important movies and photos to the computer , etc. in advance.
Hint
To delete all data recorded on the memory card and recover all t he recordable space of the memory card, format the
memory card.
Related Topic
Protecting movies and photos ( PROTECT)
Deleting selected movies/photos
Saving movies
MEDIA FORMAT
4-725-312-11(2) Copyright 2017 Sony Corporation
On the thumbnail or playback screen, select MENU button - (EDIT) - [DELETE].
1
Touch the movies or photos to be deleted.
is displayed on the selected images.
You can preview the image by pressing and holding the image down. T o return to the previous screen,
touch .
You can select up to 100 images at one time.
appears at the upper right corner on the thumbnail of protected images.
No check box appears on the thumbnail of protected images.
2
Touch , then follow the on-screen instructions to touch .
3
261

262

Help Guide
Digital 4K Video Camera Recorder
FDR-AX700
DIVIDE
You can divide a movie at a designated point (A VCHD movies only).
Note
You cannot restore movies once they are divided.
Do not remove the battery pack, AC Adaptor , or memory card that contains the movies from the camcorder du ring the
operation. It may damage the memory card.
A slight difference may occur from the point where you touch and the actual dividing point, as the camcorder
selects the dividing point based in about half-second increment s.
Movies recorded in XA VC S cannot be divided.
Related Topic
Playing back movies
Dividing a movie
4-725-312-11(2) Copyright 2017 Sony Corporation
During playing movies, select MENU button - (EDIT) - [DIVIDE].
1
Touch at the point where you want to divide.
A: After selecting the point with , make fine adjustment with these buttons.
B: Returns to the beginning of the selected movie.
2
Touch - .
3
263

Help Guide
Digital 4K Video Camera Recorder
FDR-AX700
Charging time
Approximate time (min.) required when you fully charge a fully discharged battery pack.
NP-FV70A (supplied):
170 min.
NP-FV100A (sold separately):
275 min.
Hint
The charging times shown above are measured when charging the c amcorder at a temperature of 25˚C (77°F). It is
recommended that you charge the battery in a temperature range of 10˚C to 30˚C (50°F to 86°F).
Related Topic
Charging the battery pack using the AC Adaptor
4-725-312-11(2) Copyright 2017 Sony Corporation
264

Help Guide
Digital 4K Video Camera Recorder
FDR-AX700
Expected recording time with each battery pack
Approximate recording time with each battery pack is shown as follows.
NP-FV70A (supplied):
190 min.
205 min.
NP-FV100A (sold separately):
345 min.
365 min.
Upper time:
When the LCD monitor is opened.
Lower time:
When using the viewfinder with the LCD monitor closed.
Hint
Each recording time is the default setting measured with the fo llowing settings.
[FILE FORMAT]: [XA VC S 4K]
[REC FORMAT]: [2160/30p 60Mbps] (60i) or [2160/25p 60Mbps] (50i)
[PROXY REC MODE]: [OFF]
Times measured when using the camcorder at 25˚C (77°F). 10˚C to 30˚C (50°F to 86°F) is recommended.
The recording and playback time will be shorter , depending on the conditions under which you use the camcorder , such
as when use the camcorder in low temperatures.
4-725-312-11(2) Copyright 2017 Sony Corporation
265

Help Guide
Digital 4K Video Camera Recorder
FDR-AX700
Expected playback time with each battery pack
Approximate playback time with each battery pack is shown as follows.
NP-FV70A (supplied):
275 min.
300 min.
NP-FV100A (sold separately):
485 min.
525 min.
Upper time:
When the LCD monitor is opened.
Lower time:
When using the viewfinder with the LCD monitor closed.
Hint
Above time is measured when playing back movies continuously wi th the following default settings.
[FILE FORMAT] is [ XAVC S 4K] and [ REC FORMAT] is [ 2160/30p 60Mbps].
[PROXY REC MODE] is [ OFF].
4-725-312-11(2) Copyright 2017 Sony Corporation
266

Help Guide
Digital 4K Video Camera Recorder
FDR-AX700
Notes on recording movies
Read the following precautions regarding movie recording.
Note
The recordable time may vary depending on the recording and sub ject conditions and [ REC SET].
You can record movies of a maximum of 600 scenes in XAVC S format or 3,999 scenes in AVCHD format. And you can
record a maximum of 40,000 photos.
The maximum continuous recording time of a movie is approximate ly 13 hours.
The camcorder uses the VBR (Variable Bit Rate) format to automatically adjust image quality to suit the recording scene.
This technology causes fluctuations in the recording time of th e memory card. Movies containing quickly moving and
complex images are recorded at a higher bit-rate, and this redu ces the overall recording time.
4-725-312-11(2) Copyright 2017 Sony Corporation
267

Help Guide
Digital 4K Video Camera Recorder
FDR-AX700
Expected recording time of movie
The following are expected maximum recordable time of total movie files which can be recorded on the memory
card formatted by the camcorder .
The recordable time may vary depending on the recording condition and the memory card.
XAVC S 4K
When selecting [60i ] for [60i/50i SEL]
When selecting [50i] for [60i/50i SEL]
XAVC S HD
When selecting [60i ] for [60i/50i SEL]
REC FORMAT PROXY REC MODE 16 GB 32 GB 64 GB 128 GB 256 GB
2160/30p 100Mbps
ON (1280x720) 15 min. 35 min. 70 min. 145 min. 290 min.
ON (640x360) 15 min. 35 min. 75 min. 150 min. 305 min.
OFF 15 min. 35 min. 75 min. 155 min. 315 min.
2160/30p 60Mbps
ON (1280x720) 25 min. 50 min. 110 min. 220 min. 450 min.
ON (640x360) 25 min. 55 min. 120 min. 240 min. 490 min.
OFF 30 min. 60 min. 125 min. 255 min. 515 min.
2160/24p 100Mbps
ON (1280x720) 15 min. 35 min. 70 min. 145 min. 290 min.
ON (640x360) 15 min. 35 min. 75 min. 150 min. 305 min.
OFF 15 min. 35 min. 75 min. 155 min. 315 min.
2160/24p 60Mbps
ON (1280x720) 25 min. 50 min. 110 min. 220 min. 450 min.
ON (640x360) 25 min. 55 min. 120 min. 240 min. 490 min.
OFF 30 min. 60 min. 125 min. 255 min. 515 min.
REC FORMAT PROXY REC MODE 16 GB 32 GB 64 GB 128 GB 256 GB
2160/25p 100Mbps
ON (1280x720) 15 min. 35 min. 70 min. 145 min. 290 min.
ON (640x360) 15 min. 35 min. 75 min. 150 min. 305 min.
OFF 15 min. 35 min. 75 min. 155 min. 315 min.
2160/25p 60Mbps
ON (1280x720) 25 min. 50 min. 110 min. 220 min. 450 min.
ON (640x360) 25 min. 55 min. 120 min. 240 min. 490 min.
OFF 30 min. 60 min. 125 min. 255 min. 515 min.
268

When selecting [50i ] for [60i/50i SEL]
REC FORMAT PROXY REC MODE 16 GB 32 GB 64 GB 128 GB 256 GB
1080/120p 100Mbps OFF 15 min. 35 min. 75 min. 155 min. 315 min.
1080/120p 60Mbps OFF 30 min. 60 min. 125 min. 255 min. 515 min.
1080/60p 50Mbps
ON (1280x720) 30 min. 60 min. 130 min. 260 min. 530 min.
ON (640x360) 30 min. 70 min. 145 min. 290 min. 585 min.
OFF 35 min. 75 min. 150 min. 310 min. 625 min.
1080/60p 25Mbps
ON (1280x720) 50 min. 110 min. 220 min. 445 min. 900 min.
ON (640x360) 60 min. 130 min. 265 min. 535 min. 1,080 min.
OFF 70 min. 145 min. 300 min. 600 min. 1,210 min.
1080/30p 50Mbps
ON (1280x720) 30 min. 60 min. 130 min. 260 min. 530 min.
ON (640x360) 30 min. 70 min. 145 min. 290 min. 585 min.
OFF 35 min. 75 min. 150 min. 310 min. 625 min.
1080/30p 16Mbps
ON (1280x720) 70 min. 150 min. 300 min. 610 min. 1,230 min.
ON (640x360) 90 min. 190 min. 390 min. 790 min. 1,585 min.
OFF 110 min. 230 min. 465 min. 940 min. 1,885 min.
1080/24p 50Mbps
ON (1280x720) 30 min. 60 min. 130 min. 260 min. 530 min.
ON (640x360) 30 min. 70 min. 145 min. 290 min. 585 min.
OFF 35 min. 75 min. 150 min. 310 min. 625 min.
REC FORMAT PROXY REC MODE 16 GB 32 GB 64 GB 128 GB 256 GB
1080/100p 100Mbps OFF 15 min. 35 min. 75 min. 155 min. 315 min.
1080/100p 60Mbps OFF 30 min. 60 min. 125 min. 255 min. 515 min.
1080/50p 50Mbps
ON (1280x720) 30 min. 60 min. 130 min. 260 min. 530 min.
ON (640x360) 30 min. 70 min. 145 min. 290 min. 585 min.
OFF 35 min. 75 min. 150 min. 310 min. 625 min.
1080/50p 25Mbps
ON (1280x720) 50 min. 110 min. 220 min. 445 min. 900 min.
ON (640x360) 60 min. 130 min. 265 min. 535 min. 1,080 min.
OFF 70 min. 145 min. 300 min. 600 min. 1,210 min.
1080/25p 50Mbps
ON (1280x720) 30 min. 60 min. 130 min. 260 min. 530 min.
ON (640x360) 30 min. 70 min. 145 min. 290 min. 585 min.
OFF 35 min. 75 min. 150 min. 310 min. 625 min.
1080/25p 16Mbps
ON (1280x720) 70 min. 150 min. 300 min. 610 min. 1,230 min.
ON (640x360) 90 min. 190 min. 390 min. 790 min. 1,585 min.
OFF 110 min. 230 min. 465 min. 940 min. 1,885 min.
269

AVCHD
When selecting [60i ] for [60i/50i SEL]
When selecting [50i ] for [60i/50i SEL]
Note
The times shown are recordable times using a Sony memory card.
The maximum continuous recording time for a movie is approximat ely 13 hours.
The camcorder uses the VBR (V ariable Bit Rate) format to automatically adjust image quality to suit the recording scene.
This technology causes fluctuations in the recording time of th e media. Movies containing quickly moving and complex
images are recorded at a higher bit-rate, and this reduces the overall recording time.
Related Topic
Notes on recording movies
60i/50i SEL
4-725-312-11(2) Copyright 2017 Sony Corporation
REC FORMAT 16 GB 32 GB 64 GB 128 GB 256 GB
1080/60i FX 85 min. 175 min. 360 min. 725 min. 1,455 min.
1080/60i FH 120 min. 245 min. 495 min. 995 min. 1,995 min.
1080/60i LP 375 min. 765 min. 1,540 min. 3,090 min. 6,200 min.
REC FORMAT 16 GB 32 GB 64 GB 128 GB 256 GB
1080/50i FX 85 min. 175 min. 360 min. 725 min. 1,455 min.
1080/50i FH 120 min. 245 min. 495 min. 995 min. 1,995 min.
1080/50i LP 375 min. 765 min. 1,540 min. 3,090 min. 6,200 min.
270

Help Guide
Digital 4K Video Camera Recorder
FDR-AX700
Expected number of recordable photos
The following are expected recordable number of photos which can be recorded on the memory card formatted
by the camcorder .
Number of photos of 14.2 M
(Units: Images)
Number of photos of 12.0 M
(Units: Images)
Note
The numbers shown are when using a Sony memory card.
The above number is for the maximum image size of the camcorder . The actual number of recordable photos is
displayed on the LCD monitor during recording.
When the number of recordable photos is 9,999 or more, it is sh own as ">9999".
The number of recordable photos of memory card may vary dependi ng on the recording conditions.
Related Topic
Notes on recording movies
4-725-312-11(2) Copyright 2017 Sony Corporation
Capacity 16 GB 32 GB 64 GB 128 GB 256 GB
Recordable number of photos 1,750 3,550 7,100 14,000 28,500
Capacity 16 GB 32 GB 64 GB 128 GB 256 GB
Recordable number of photos 2,100 4,250 8,400 16,500 33,500
271

Help Guide
Digital 4K Video Camera Recorder
FDR-AX700
Bit-rate and recording pixels
The following list shows the bit-rate, pixels and aspect ratio of each recording mode for movies (movie + audio,
etc.).
XAVC S 4K:
When selecting 100Mbps format for [ REC FORMAT]:
Max. 100 Mbps 3,840 × 2,160 pixels/30p, 24p (60i), 25p (50i), 16:9
When selecting 60Mbps format for [ REC FORMAT]:
Max. 60 Mbps 3,840 × 2,160 pixels/30p, 24p (60i), 25p (50i), 16:9
XAVC S HD:
Approx. 100 Mbps 1,920 × 1,080 pixels/120p (60i), 100p (50i), 16:9
Approx. 60 Mbps 1,920 × 1,080 pixels/120p (60i), 100p (50i), 16:9
Approx. 50 Mbps 1,920 × 1,080 pixels/60p, 30p, 24p (60i), 50p, 25p (50i), 16:9
Approx. 25 Mbps 1,920 × 1,080 pixels/60p (60i), 50p (50i), 16:9
Approx. 16 Mbps 1,920 × 1,080 pixels/30p (60i), 25p (50i), 16:9
AVCHD:
FX︓
Max. 24 Mbps 1,920 × 1,080 pixels/60i (60i), 50i (50i), A VCHD 24 M (FX), 16:9
FH (bit-rate is average value):
Approx. 17 Mbps 1,920 × 1,080 pixels/60i (60i), 50i (50i), A VCHD 17 M (FH), 16:9
LP (bit-rate is average value) ︓
Approx. 5 Mbps 1,440 × 1,080 pixels/60i (60i), 50i (50i), A VCHD 5M (LP), 16:9
Related Topic
Notes on recording movies
4-725-312-11(2) Copyright 2017 Sony Corporation
272

Help Guide
Digital 4K Video Camera Recorder
FDR-AX700
About XA VC S format
What is XA VC S?
XAVC S is a recording format that allows high-resolution images, such as 4K, to be highly compressed with
MPEG-4 AVC/H.264 and recorded in the MP4 file format. High image quality will be obtained while keeping the
data size within a certain level.
Related Topic
REC SET
4-725-312-11(2) Copyright 2017 Sony Corporation
275

Help Guide
Digital 4K Video Camera Recorder
FDR-AX700
About the A VCHD format
What is the A VCHD format?
The AVCHD format is a high definition digital video camera format used to record a high definition (HD) signal
using efficient data compression coding technology . The MPEG-4 AVC/H.264 format is adopted to compress
video data, and the Dolby Digital or Linear PCM system is used to compress audio data.
The MPEG-4 AVC/H.264 format is capable of compressing images at higher efficiency than that of the
conventional image compressing format.
Hint
As the A VCHD format uses a compression coding technology , the picture may be disturbed in scenes where picture,
field angles or brightness, etc. change drastically , but this is not a malfunction.
Related Topic
REC SET
4-725-312-11(2) Copyright 2017 Sony Corporation
276

Help Guide
Digital 4K Video Camera Recorder
FDR-AX700
About the memory card
A memory card formatted by a computer (W indows OS/Mac OS) is not guaranteed to be compatible with the
camcorder .
Data read/write speed may vary depending on the combination of the memory card and memory card
compliant product you use.
Data may be damaged or lost in the following cases (the data will not be compensated for):
If you eject the memory card, or turn off the camcorder while the camcorder is reading or writing image
files on the memory card (while the access lamp is lit or flashing)
If you use the memory card near magnets or magnetic fields
It is recommended that you make a back-up of important data on the hard disk of a computer .
Do not attach a label or the like on memory card or memory card adaptor . Doing so may cause a
malfunction.
Do not touch, or allow metallic objects to come into contact with the terminals.
Do not bend, drop or apply strong force to the memory card.
Do not disassemble or modify the memory card.
Do not allow the memory card to get wet.
Keep the memory card out of the reach of small children. There is danger that a child might swallow it.
Do not insert anything other than the compliant size of memory card into the memory card slot. Doing so
may cause a malfunction.
Do not use or keep the memory card in the following locations:
Places subject to extremely high temperature, such as a car parked outside in the sun
Places under direct sunlight
Places with extremely high humidity or subject to corrosive gases
On types of memory card you can use with the camcorder
You can use only Memory Stick PRO Duo media , Memory Stick PRO-HG Duo media, or standard sized SD
card.
On the memory card adaptor
When you use the camcorder with the Memory Stick Micro media or microSD memory card, insert into a
dedicated card adaptor and connect it to the camcorder .
On image data compatibility
Image data files recorded on memory card by the camcorder conform to the “Design rule for Camera File
system” universal standard established by the JEIT A (Japan Electronics and Information T echnology
Industries Association).
If you cannot use memory cards that have been used with another device, format them with the camcorder .
Note that formatting erases all information on the memory card.
Movies saved on SDXC memory cards cannot be imported to or played back on computers or A V devices not
supporting the exF AT(*) file system by connecting the camcorder to these devices with the USB cable.
Confirm in advance that the connecting equipment is supporting the exF AT system. If you connect
equipment not supporting the exF AT system and a message that prompts you to perform formatting
appears, do not perform the formatting. All the data saved will be lost.
You may not be able to play back images with the camcorder:
When playing back image data modified on your computer
When playing back image data recorded with other devices
The exFAT is a file system that is used for SDXC memory cards.
*
277

About the Memory Stick media
Memory Stick Duo media (with MagicGate):
Recording/Playback: not supported
Memory Stick PRO Duo (Mark2) media:
Recording/Playback: supported (*)
Memory Stick PRO-HG Duo media :
Recording/Playback: supported (*)
The camcorder does not support 8-bit parallel data transfer but it supports 4-bit parallel data transfer the
same as with Memory Stick PRO Duo media.
The camcorder cannot record or play back data that uses MagicGate technology . MagicGate is a copyright
protection technology that records and transfers the contents in an encrypted format.
4-725-312-11(2) Copyright 2017 Sony Corporation
Except for XAVC S format
*
278

Help Guide
Digital 4K Video Camera Recorder
FDR-AX700
About the InfoLITHIUM battery pack
The camcorder operates only with InfoLITHIUM V series battery packs. Other series battery packs are not
available. InfoLITHIUM V series battery packs have the mark.
What is an InfoLITHIUM battery pack?
An InfoLITHIUM battery pack is a lithium-ion battery pack that has functions for communicating information
related to operating conditions between the camcorder and an AC Adaptor/charger (sold separately).
The InfoLITHIUM battery pack calculates the power consumption according to the operating conditions of
the camcorder , and displays the remaining battery capacity in percent (%).
To charge the battery pack
Be sure to charge the battery pack before you start using the camcorder .
We recommend that you charge the battery pack in an ambient temperature range of 10˚C to 30˚C (50°F to
86°F) until the POWER/CHG (charge) lamp turns off. If you charge the battery pack outside of this
temperature range, you may not be able to charge it efficiently .
The POWER/CHG (charge) lamp flashes during charging under the following conditions.
The battery pack is not attached correctly .
The battery pack is damaged.
The temperature of the battery pack is low .
Remove the battery pack from the camcorder and put it in a warm place.
The temperature of the battery pack is high.
Remove the battery pack from the camcorder and put it in a cool place.
To use the battery pack effectively
Battery pack performance decreases when the ambient temperature is 10˚C (50°F) or below , and the length
of time you can use the battery pack becomes shorter . If that happens, one of the following is recommended
to enable longer use of the battery pack:
Put the battery pack in a pocket to warm it up, and install it on the camcorder immediately before you
start shooting.
Use a large capacity battery pack: NP-FV100A (sold separately).
Frequent use of the LCD monitor or a frequent playback, fast forward or reverse operation wears out the
battery pack faster .
Be sure to close the LCD monitor when not recording or playing back on the camcorder . The battery pack is
also consumed when the camcorder is in recording standby or playback pause.
Have spare battery packs ready for 2 or 3 times the expected recording time, and make trial recordings
before making the actual recording.
Do not expose the battery pack to water . The battery pack is not water resistant.
About the remaining battery power indicator
When the power goes off even though the remaining battery power indicator indicates that the battery pack
has enough power to operate, charge the battery pack fully again. Remaining battery power will be indicated
correctly . Note, however , that the battery indication will not be restored if it is used in high temperatures for a
long time, or if left in a fully charged state, or when the battery pack is frequently used.
Depending on the operating conditions or ambient temperature, the icon that indicates a low battery
may flash even if there are still about 10% of power remaining.
279

About storage of the battery pack
If the battery pack is not used for a long time, fully charge the battery pack and use it up on the camcorder
once a year to maintain proper function. T o store the battery pack, remove it from the camcorder and put it in
a dry, cool place.
To discharge the battery pack on the camcorder completely , leave the camcorder in recording standby until
the power goes off.
About battery life
Battery capacity decreases over time and through repeated use. If the interval between charges becomes
significantly short, the battery pack may need to be replaced with a new one.
Each battery’ s life depends on storage, operating and environmental conditions.
4-725-312-11(2) Copyright 2017 Sony Corporation
280

Help Guide
Digital 4K Video Camera Recorder
FDR-AX700
On use and care
On recording
Before starting to record, test the recording function to make sure the image and sound are recorded
without any problems.
Compensation for the contents of recordings cannot be provided, even if recording or playback is not
possible due to a malfunction of the camcorder , memory card, etc.
TV color systems differ depending on the country/region. T o view your recordings on a TV , you need a TV
that supports the signal format for the camcorder .
Television programs, films, video tapes, and other materials may be copyrighted. Unauthorized recording of
such materials may be contrary to the copyright laws.
LCD monitor
The LCD monitor is manufactured using extremely high-precision technology , so over 99.99% of the pixels
are operational for effective use. However , there may be some tiny black points and/or bright points (white,
red, blue, or green in color) that appear constantly on the LCD monitor . These points are normal results of
the manufacturing process and do not affect the shooting in any way .
A: White, red, blue or green points
B: Black points
About this Help Guide, illustrations and on-screen displays
The example images used in this Help Guide for illustration purposes are captured using a digital still
camera, and therefore may appear different from images and screen indicators that actually appear on the
camcorder . And, the illustrations of the camcorder and its screen indication are exaggerated or simplified for
understandability .
Design and specifications of the camcorder and accessories are subject to change without notice.
In this Help Guide, DVD discs recorded with high definition image quality (HD) are called A VCHD disc.
On use and storage place
The camcorder is not dustproofed, dripproofed or waterproofed.
Do not hold the camcorder by the following parts, and also do not hold the camcorder by the jack covers.
A: Lens hood
B: LCD monitor
C: Viewfinder
281

Do not aim the camcorder at the sun. Doing so might cause the camcorder to malfunction. T ake images of
the sun only in low light conditions, such as at dusk.
Do not use or store the camcorder and accessories in the following locations:
Anywhere extremely hot, cold or humid.
Never leave them exposed to temperatures above 60˚C (140°F), such as under direct sunlight, near
heaters or in a car parked in the sun.
They may malfunction or become deformed.
Near strong magnetic fields or mechanical vibration.
The camcorder may malfunction.
Near strong radio waves or radiation.
The camcorder may not be able to record properly .
Near tuner devices such as TVs or radio.
Noise may occur .
On a sandy beach or anywhere dusty .
If sand or dust gets in the camcorder , it may malfunction. Sometimes this malfunction cannot be
repaired.
Near windows or outdoors, where the LCD monitor , the viewfinder , or the lens may be exposed to direct
sunlight.
This damages the inside of the LCD monitor or the viewfinder .
When not using the camcorder for a long time
To keep the camcorder in optimum state for a long time, turn it on and let it run by recording and playing
back images about once a month.
Use up the battery pack completely before storing it.
Note on the camcorder/battery pack temperature
When the temperature of the camcorder or battery pack becomes extremely high or extremely low , you may
not be able to record or play back on the camcorder , due to the protection features of the camcorder being
activated in such situations. In this case, a message appears on the LCD monitor or the viewfinder .
LCD monitor
Do not apply excessive pressure on the LCD monitor , as it may cause uneven color and other damage.
If the camcorder is used in a cold place, a residual image may appear on the LCD monitor . This is not a
malfunction.
While using the camcorder , the back of the LCD monitor may heat up. This is normal.
Multi interface shoe
When using a dedicated microphone or portable speaker , their power turns on or off according to the power
of the camcorder .
For details, refer to the operating instructions supplied with the accessories.
To attach an accessory , insert and fix the accessory to the Multi interface shoe by holding it down and
sliding forward until it stops. T o remove the accessory , hold it down and slide it back.
When you are recording movies with an external flash (sold separately) connected to the Multi interface
shoe, turn off the power of the external flash to prevent charging noise from being recorded.
When an external microphone (sold separately) is connected, it takes priority over the built-in microphone.
ZEISS lens
The camcorder is equipped with a ZEISS lens, which was developed jointly by ZEISS, in Germany , and Sony
Corporation, and produces superior images. It adopts the MTF(*) measurement system for video cameras
and offers a quality typical of a ZEISS lens.
Also, the lens for the camcorder is T*-coated to suppress unwanted reflections and faithfully reproduce
colors.
On the pre-installed rechargeable battery
MTF= Modulation T ransfer Function. The number value indicates the amount of ligh t from a subject coming into the lens.
*
282

The camcorder has a pre-installed rechargeable battery to retain the date, time, and other settings even
when the LCD monitor is closed. The pre-installed rechargeable battery is always charged while the
camcorder is connected to a wall outlet (wall socket) via the AC Adaptor or while the battery pack is
inserted. The rechargeable battery will be fully discharged in about 2 months if you do not use the
camcorder at all. Charge the pre-installed rechargeable battery before you start using the camcorder .
However , even if the pre-installed rechargeable battery is not charged, the camcorder operation other than
date recording will not be affected.
How to charge the pre-installed rechargeable battery
Connect the camcorder to a wall outlet (wall socket) using the supplied AC Adaptor , or attach the fully-
charged battery pack and leave it with the LCD monitor closed for more than 24 hours.
4-725-312-11(2) Copyright 2017 Sony Corporation
283

Help Guide
Digital 4K Video Camera Recorder
FDR-AX700
On connecting to a computer or accessory etc.
Do not try to format the memory card of the camcorder with a computer . If you do so, the camcorder may not
operate correctly .
When connecting the camcorder to another device with communication cables, be sure to insert the
connector plug in the correct way . Pushing the plug forcibly into the terminal will damage the terminal and
may result in a malfunction of the camcorder .
When the camcorder is connected to a computer through a USB connection and the camcorder is turned on,
do not turn off the computer . The image data that has been recorded may be lost.
4-725-312-11(2) Copyright 2017 Sony Corporation
284

Help Guide
Digital 4K Video Camera Recorder
FDR-AX700
On moisture condensation
If the camcorder is brought directly from a cold place to a warm place, moisture may condense inside the
camcorder . This may cause a malfunction to the camcorder .
If moisture condensation occurs
Leave the camcorder for about 1 hour without turning it on.
Where moisture condensation frequently occurs
Moisture may condense when you bring the camcorder from a cold place into a warm place (or vice versa) or
when you use the camcorder in a humid place as follows:
You bring the camcorder from a ski slope into a place warmed up by a heating device.
You bring the camcorder from an air conditioned car or room into a hot place outside.
You use the camcorder after a squall or a rain.
You use the camcorder in a hot and humid place.
How to prevent moisture condensation
When you bring the camcorder from a cold place into a warm place, put the camcorder in a plastic bag and seal
it tightly . Remove the bag when the air temperature inside the plastic bag has reached the surrounding
temperature (after about 1 hour).
4-725-312-11(2) Copyright 2017 Sony Corporation
286

Help Guide
Digital 4K Video Camera Recorder
FDR-AX700
Notes on disposal/transfer of the memory card
Even if you perform [ MEDIA FORMAT] or format the memory card by using the computer function, you may not
delete data from the memory card completely . When you give the memory card to somebody , it is recommended
that you delete data completely using data deletion software on a computer . Also, when you dispose of the
memory card, it is recommended that you destroy the actual body of the memory card.
Related Topic
MEDIA FORMAT
4-725-312-11(2) Copyright 2017 Sony Corporation
288

Help Guide
Digital 4K Video Camera Recorder
FDR-AX700
On handling the LCD monitor
If you leave fingerprints, hand cream, etc. on the LCD monitor , the coating of the LCD monitor will come off
easily . Wipe those off as soon as possible.
If you wipe the LCD monitor strongly with a tissue, etc., the coating of the LCD monitor may be scratched.
If the LCD monitor becomes dirty with fingerprints or dust, it is recommended that you gently remove those
from the screen then clean it with a soft cloth, etc.
4-725-312-11(2) Copyright 2017 Sony Corporation
289

Help Guide
Digital 4K Video Camera Recorder
FDR-AX700
To clean the casing
Wipe the casing gently with a soft cloth such as a cleaning cloth or eyeglass cleaning cloth.
If the casing is very dirty , clean the casing of the camcorder with a soft cloth lightly moistened with water ,
and then wipe the casing with a dry soft cloth.
Avoid the following so as not to deform the casing or damage the finish and lens surface:
Using chemicals such as thinner , benzine, alcohol, chemical cloths, insect repellent, insecticide and
sunscreen
Handling the camcorder with the above substances on your hands
Leaving the camcorder in contact with rubber or vinyl objects for a long period of time
4-725-312-11(2) Copyright 2017 Sony Corporation
291

Help Guide
Digital 4K Video Camera Recorder
FDR-AX700
About care and storage of the lens
Wipe the surface of the lens clean with a soft cloth in the following instances:
When there are fingerprints on the lens surface
In hot or humid locations
When the lens is exposed to salty air such as at the seaside
Store in a well-ventilated location subject to little dirt or dust.
To prevent mold, periodically clean and store the lens as described above.
4-725-312-11(2) Copyright 2017 Sony Corporation
292

Help Guide
Digital 4K Video Camera Recorder
FDR-AX700
Using the camcorder abroad
Power supply
You can use the camcorder in any countries/regions using the AC Adaptor supplied with the camcorder
within the AC 100 V to 240 V , 50 Hz/60 Hz range. You can also charge the battery pack.
Viewing images in 4K
To view 4K images in 4K, you need to connect the camcorder to a 4K compatible TV (or monitor) using an
HDMI cable (sold separately). T o view the movies recorded with your camcorder on a TV , set [ 60i/50i SEL ] in
advance to the appropriate TV system for the country/region in which you intend to watch the movies. See
"Countries/regions where you need to set [ 60i/50i SEL ] to [60i ]" and "Countries/regions where you need to
set [ 60i/50i SEL ] to [ 50i]" for countries and regions where your TV system supports each setting.
Viewing high definition image quality (HD) movies
To view high definition (HD) images in HD, you need to connect the camcorder to an HD compatible TV (or
monitor) using an HDMI cable (sold separately). T o view the movies recorded with your camcorder on a TV ,
set [ 60i/50i SEL ] in advance to the appropriate TV system for the country/region in which you intend to watch
the movies. See "Countries/regions where you need to set [ 60i/50i SEL ] to [60i]" and "Countries/regions
where you need to set [ 60i/50i SEL ] to [ 50i]" for countries and regions where your TV system supports each
setting.
Viewing images on a TV connected
To view images on a TV (or monitor), you need to connect the camcorder to a TV (or monitor) using an HDMI
cable (sold separately) or an A V cable (sold separately). T o view the movies recorded with your camcorder
on a TV, set [ 60i/50i SEL ] in advance to the appropriate TV system for the country/region in which you intend
to watch the movies. See "Countries/regions where you need to set [ 60i/50i SEL ] to [60i ]" and
"Countries/regions where you need to set [ 60i/50i SEL ] to [ 50i]" for countries and regions where your TV
system supports each setting.
Countries/regions where you need to set [ 60i/50i SEL ] to [60i ]
Bahama Islands, Bolivia, Canada, Central America, Chile, Colombia, Ecuador , Guyana, Jamaica, Japan,
Korea, Mexico, Peru, Surinam, T aiwan, the Philippines, the U.S.A., V enezuela, etc.
Countries/regions where you need to set [ 60i/50i SEL ] to [50i ]
Argentina, Australia, Austria, Belgium, Brazil, Bulgaria, China, Croatia, Czech Republic, Denmark, Finland,
France, French Guiana, Germany , Greece, Holland, Hong Kong, Hungary , Indonesia, Iran, Iraq, Italy , Kuwait,
Malaysia, Monaco, New Zealand, Norway , Paraguay , Poland, Portugal, Romania, Russia, Singapore, Slovak
Republic, Spain, Sweden, Switzerland, Thailand, Turkey , Ukraine, United Kingdom, Uruguay , Vietnam, etc.
Setting to the local time
You can easily set the clock to the local time by setting a time difference when using the camcorder abroad.
Press the MENU button - select (OTHERS) - [AREA SET].
Related Topic
293

Help Guide
Digital 4K Video Camera Recorder
FDR-AX700
On trademarks
Handycam and are registered trademarks of Sony Corporation.
AVCHD and AVCHD logotype are trademarks of Sony Corporation and Panasonic Corporation.
XAVC S and are registered trademarks of Sony Corporation.
PlayMemories Home, the PlayMemories Home logo, PlayMemories Online, the PlayMemories Online logo,
PlayMemories Mobile and the PlayMemories Mobile logo are trademarks of Sony Corporation.
Memory Stick, , Memory Stick Duo, , Memory Stick PRO Duo,
, Memory Stick PRO-HG Duo, , MagicGate,
, MagicGate Memory Stick and MagicGate Memory Stick Duo are trademarks or
registered trademarks of Sony Corporation.
InfoLITHIUM is a trademark of Sony Corporation.
BRAVIA is a trademark of Sony Corporation.
Blu-ray Disc™ and Blu-ray™ are trademarks of the Blu-ray Disc Association.
Dolby and the double-D symbol are trademarks of Dolby Laboratories.
The terms HDMI and HDMI High-Definition Multimedia Interface, and the HDMI logo are trademarks or
registered trademarks of HDMI Licensing LLC in the United States and other countries.
Microsoft, W indows, and DirectX are either registered trademarks or trademarks of Microsoft Corporation in
the United States and/or other countries.
Mac and Mac OS are registered trademarks of Apple Inc. in the United States and other countries.
iPhone and iPad are trademarks of Apple Inc., registered in the U.S. and other countries.
Android and Google Play are trademarks of Google Inc.
Wi-Fi, the W i-Fi logo and W i-Fi PROTECTED SET-UP are registered trademarks of the W i-Fi Alliance.
The N mark is a trademark or registered trademark of NFC Forum, Inc. in the United States and in other
countries.
QR Code is registered trademark of DENSO W AVE INCORPORATED.
SDXC logo is a trademark of SD-3C, LLC.
Facebook and the “f” logo are trademarks or registered trademarks of Facebook, Inc.
Twitter and the T witter logo are trademarks or registered trademarks of T witter , Inc.
YouTube and the Y ouTube logo are trademarks or registered trademarks of Google Inc.
All other product names mentioned herein may be the trademarks or registered trademarks of their
respective companies. Furthermore, ™ and ® are not mentioned in each case in this Help Guide.
4-725-312-11(2) Copyright 2017 Sony Corporation
295

Help Guide
Digital 4K Video Camera Recorder
FDR-AX700
Notes on the License
THIS PRODUCT IS LICENSED UNDER THE AVC PATENT PORTFOLIO LICENSE FOR THE PERSONAL AND NON-
COMMERCIAL USE OF A CONSUMER T O
(i) ENCODE VIDEO IN COMPLIANCE WITH THE A VC STANDARD ( “A VC VIDEO”) AND/OR
(ii) DECODE AVC VIDEO THAT WAS ENCODED BY A CONSUMER ENGAGED IN A PERSONAL AND NON-
COMMERCIAL ACTIVITY AND/OR W AS OBTAINED FROM A VIDEO PROVIDER LICENSED T O PROVIDE AVC
VIDEO.
NO LICENSE IS GRANTED OR SHALL BE IMPLIED FOR ANY OTHER USE.
ADDITIONAL INFORMA TION MAY BE OBTAINED FROM MPEG LA, L.L.C.
SEE <HTTP://WWW.MPEGLA.COM>
We provide the software in this product based on license agreements with the owners of the respective
copyrights. Based on requests by the owners of copyright of these software applications, we have an obligation
to inform you of the following. Please read the following sections.
On GNU GPL/LGPL applied software
The software that is eligible for the following GNU General Public License (hereinafter referred to as “GPL”) or
GNU Lesser General Public License (hereinafter referred to as “LGPL”) are included in this product.
This informs you that you have a right to have access to, modify , and redistribute source code for these
software programs under the conditions of the supplied GPL/LGPL.
Source code is provided on the web. Use the following URL to download it.
http://oss.sony .net/Products/Linux
We would prefer you do not contact us about the contents of source code.
Copies of the licenses (in English) are stored in the internal memory of this product. Establish a Mass Storage
connection between this product and a computer , and read the files in the “LICENSE” folder in “PMHOME.”
4-725-312-11(2) Copyright 2017 Sony Corporation
296

Help Guide
Digital 4K Video Camera Recorder
FDR-AX700
Zoom magnifications
Optical zoom: 12× when [ZOOM TYPE] is set to [ OPTICAL ZOOM ONLY].
Clear image zoom: 24× (18× in 4K) when [ ZOOM TYPE] is set to [ ON[CLEAR IMAGE ZOOM] ].
Digital zoom: 192× when [ ZOOM TYPE] is set to [ ON[DIGITAL ZOOM]].
Related Topic
Adjusting the zoom with the zoom lever
Adjusting the zoom with the manual lens ring
ZOOM SET
4-725-312-11(2) Copyright 2017 Sony Corporation
297

Help Guide
Digital 4K Video Camera Recorder
FDR-AX700
Using the camcorder after a long time
In case you have not used the camcorder for several months, check the following before use.
When the date and clock settings are initialized, reset it by pressing the MENU button and selecting
(OTHERS) - [CLOCK SET].
Be sure to charge the battery pack of the camcorder before use. For details, see “ Charging the battery pack
using the AC Adaptor ”
It may be required to change the movie format to view images recorded in the past. For details, see “ Playing
back movies .”
Related Topic
CLOCK SET
Charging the battery pack using the AC Adaptor
Playing back movies
4-725-312-11(2) Copyright 2017 Sony Corporation
298

Help Guide
Digital 4K Video Camera Recorder
FDR-AX700
If you have problems
If you run into any problems using the camcorder , follow the steps below .
Related Topic
INITIALIZE
4-725-312-11(2) Copyright 2017 Sony Corporation
Check the items under “T roubleshooting,” and inspect the camcorder .
1
Disconnect the power source, attach the power source again after about 1 minute, and turn the camcorder
on.
2
Perform [INITIALIZE ] to restart the camcorder .
If you perform this operation, settings such as the clock setting or area setting are reset.
3
Contact your Sony dealer or local authorized Sony service facility .
4
299

Help Guide
Digital 4K Video Camera Recorder
FDR-AX700
Self-diagnosis display
If indicators appear on the LCD monitor or in the viewfinder , check the following. If the problem persists even
after you have tried to fix a couple of times, contact your Sony dealer or local authorized Sony service facility .
When you contact them, give them the complete error code beginning with C or E displayed on the LCD monitor .
You may hear a melody when an important warning indicator appears on the LCD monitor .
C:(or E:) : (Self-diagnosis display)
C:04:
You are not using the designated battery pack. Make sure to use the designated battery pack.
Connect the DC plug of the AC Adaptor to the DC IN jack of the camcorder firmly .
C:06:
The battery pack temperature is high. Change the battery pack or place it in a cool place.
C:13:
Remove the memory cards. After installing them again, operate your camcorder .
C:32:
Remove the power source. Reconnect it and operate the camcorder again.
E: :
Follow the steps from 2 on “ If you have problems .”
(Battery level warning)
Low battery .
Depending on the operating environment or battery conditions, may flash even with about 10% of power
remaining.
(Warning indicator pertaining to the temperature of the camcorder /battery pack)
The temperature of the camcorder/battery pack is high. In this case, leave the power off and wait until the
temperature of the camcorder/battery pack goes down.
(Warning indicator pertaining to memory card)
Slow flashing
Free spaces for recording images are running out.
No memory card is inserted.
Fast flashing
There is not enough free space for recording images. After storing the images on other media, delete
unnecessary images, or format the memory card.
The image data base file may be damaged. Check the file with [ REPAIR IMAGE DB FILE ].
300

The memory card is damaged.
When you record movies whose bit-rate is set to 100 Mbps in [ REC FORMAT], use an SDXC memory card of
UHS-I U3 or faster .
(Warning indicator pertaining to memory card formatting)
The memory card is damaged.
The memory card is not formatted correctly .
(Warning indicator pertaining to incompatible memory card)
Incompatible memory card is inserted.
(Warning indicator pertaining to the write-protect of the memory card)
The memory card is write-protected.
Access to the memory card was restricted on another device.
(Warning indicator pertaining to camera-shake warning)
The camcorder is unsteady , so camera-shake easily occurs. Hold the camcorder steady with both hands and
record the image. However , note that the camera shake warning indicator does not disappear .
ND filter warning
When , , or is flashing, check the position of the ND filter switch is correct.
Related Topic
If you have problems
Inserting a memory card
MEDIA FORMAT
About the InfoLITHIUM battery pack
REPAIR IMAGE DB FILE
STEADYSHOT (Movie)
STEADYSHOT (Photo)
Adjusting the light quantity (ND filter)
4-725-312-11(2) Copyright 2017 Sony Corporation
301

Help Guide
Digital 4K Video Camera Recorder
FDR-AX700
Warning Indicators
If messages appear on the LCD monitor , follow the instructions.
Data error .
This may occur when you keep applying shock to the camcorder .
Movies recorded on other devices may not be played back.
Inconsistencies found in image database file. Do you want to re pair the image database file?
You cannot record or play back movies because image management file is damaged. Select to record
or play back HD movies.
Buffer overflow . Writing to the media was not completed in time.
You have performed recording and erasing operations repeatedly , or a memory card that has been formatted
by other device is used. Copy and take data backup to other device (such as a computer), and then format
the memory card on the camcorder .
The size of the inserted memory card is not sufficient for copying the movie(s). Use the recommended
memory card.
Recovering data. Please wait.
If writing data onto memory card of the camcorder has failed, attempts will be automatically made to recover
the data.
Cannot recover data.
Writing data onto the memory card has failed. Attempts were made to recover the data, but they were
unsuccessful. The camcorder may not be able to write data onto the memory card or edit data.
Reinsert the memory card.
Reinsert the memory card a few times. If the indicator continues to flash even after reinserting, the memory
card could be damaged. T ry with another memory card.
Cannot recognize this memory card. Format and use again.
Format the memory card. Note that when you format the memory card, all the recorded movies and photos
are deleted.
The maximum number of still image folders has been reached. Can not record still images.
You cannot create folders exceeding 999MSDCF . You cannot create or delete created folders using the
camcorder .
Format the memory card, or delete folders using your computer .
This memory card may not be able to record or play movies.
This memory card may not be able to record or play images corre ctly .
Use a memory card recommended for the camcorder .
Do not eject the memory card during writing. Data may be damage d.
Reinsert the memory card.
Others
302

Maximum number of images already selected.
You can select only 100 images at one time for:
Deleting movies/photos
Protecting movies/photos, or releasing the protection
Protected file. Cannot delete.
You tried to delete protected data. Release the protection of the data.
Related Topic
REPAIR IMAGE DB FILE
MEDIA FORMAT
Protecting movies and photos ( PROTECT)
Deleting selected movies/photos
4-725-312-11(2) Copyright 2017 Sony Corporation
303



























