Sony MEX XB100BT User Manual Operating Instructions MEXXB100BT EN FR
User Manual: Sony MEX-XB100BT Operating Instructions
Open the PDF directly: View PDF
.
Page Count: 84
- GB
- FR

MEX-XB100BT
4-563-800-12(1)
Bluetooth®
Audio System
The warranty for this product is included in this manual
(page 38, 39).
La garantie de ce produit est inclus dans le présent manuel
(page 42).
Owner’s Record
The model and serial numbers are located on the bottom of the unit.
Record the serial number in the space provided below.
Refer to these numbers whenever you call upon your Sony dealer
regarding this product.
Model No. MEX-XB100BT
Serial No.
Operating Instructions GB
Mode d’emploi FR
For the connection/installation, see page 32.
Pour le raccordement/l’installation, reportez-vous à la
page 36.
To cancel the demonstration (DEMO) display, see page 19.
Pour annuler l’affichage de démonstration (DEMO), reportez-
vous à la page 21.

2GB
The nameplate indicating operating voltage, etc., is
located on the bottom of the chassis.
Warning
This device complies with Part 15 of the FCC Rules
and Industry Canada licence-exempt RSS
standard(s).
Operation is subject to the following two
conditions: (1) this device may not cause harmful
interference, and (2) this device must accept any
interference received, including interference that
may cause undesired operation of the device.
This transmitter must not be co-located or operated
in conjunction with any other antenna or
transmitter.
Under Industry Canada regulations, this radio
transmitter may only operate using an antenna of a
type and maximum (or lesser) gain approved for
the transmitter by Industry Canada. To reduce
potential radio interference to other users, the
antenna type and its gain should be so chosen that
the equivalent isotropically radiated power (e.i.r.p.)
is not more than that necessary for successful
communication.
This equipment complies with FCC/IC radiation
exposure limits set forth for an uncontrolled
environment and meets the FCC radio frequency
(RF) Exposure Guidelines and RSS-102 of the IC
radio frequency (RF) Exposure rules. This
equipment has very low levels of RF energy that it
deemed to comply without maximum permissive
exposure evaluation (MPE). But it is desirable that it
should be installed and operated keeping the
radiator at least 20 cm or more away from person’s
body.
CAUTION
The use of optical instruments with this product will
increase eye hazard.
For the State of California, USA only
Perchlorate Material – special handling may apply,
See
www.dtsc.ca.gov/hazardouswaste/perchlorate
Note on the lithium battery
Do not expose the battery to excessive heat such as
direct sunlight, fire or the like.
Disclaimer regarding services offered by
third parties
Services offered by third parties may be changed,
suspended, or terminated without prior notice.
Sony does not bear any responsibility in these sorts
of situations.
For safety, be sure to install this unit in the
dashboard of the car as the left side of the unit
becomes hot during use.
For details, see “Connection/Installation”
(page 32).
FOR THE CUSTOMERS IN THE USA. NOT
APPLICABLE IN CANADA, INCLUDING IN THE
PROVINCE OF QUEBEC.
POUR LES CLIENTS AUX ÉTATS-UNIS. NON
APPLICABLE AU CANADA, Y COMPRIS LA
PROVINCE DE QUÉBEC.
This equipment has been tested and found to
comply with the limits for a Class B digital device,
pursuant to Part 15 of the FCC Rules.
These limits are designed to provide reasonable
protection against harmful interference in a
residential installation. This equipment
generates, uses, and can radiate radio frequency
energy and, if not installed and used in
accordance with the instructions, may cause
harmful interference to radio communications.
However, there is no guarantee that interference
will not occur in a particular installation. If this
equipment does cause harmful interference to
radio or television reception, which can be
determined by turning the equipment off and
on, the user is encouraged to try to correct the
interference by one or more of the following
measures:
Reorient or relocate the receiving antenna.
Increase the separation between the
equipment and receiver.
Connect the equipment into an outlet on a
circuit different from that to which the receiver
is connected.
Consult the dealer or an experienced radio/TV
technician for help.
You are cautioned that any changes or
modifications not expressly approved in this
manual could void your authority to operate this
equipment.
Warning if your car’s ignition has no ACC
position
Be sure to set the AUTO OFF function (page 19).
The unit will shut off completely and
automatically in the set time after the unit is
turned off, which prevents battery drain. If you
do not set the AUTO OFF function, press and hold
OFF until the display disappears each time you
turn the ignition off.

3GB
Caution
IN NO EVENT SHALL SONY BE LIABLE FOR ANY
INCIDENTAL, INDIRECT OR CONSEQUENTIAL
DAMAGES OR OTHER DAMAGES INCLUDING,
WITHOUT LIMITATION, LOSS OF PROFITS, LOSS OF
REVENUE, LOSS OF DATA, LOSS OF USE OF THE
PRODUCT OR ANY ASSOCIATED EQUIPMENT,
DOWNTIME, AND PURCHASER’S TIME RELATED TO
OR ARISING OUT OF THE USE OF THIS PRODUCT, ITS
HARDWARE AND/OR ITS SOFTWARE.
Dear customer, this product includes a radio
transmitter.
Please check your vehicle operation manual or
contact the manufacturer of your vehicle or your
vehicle dealer, before you install this product into
your vehicle.
Emergency calls
This BLUETOOTH car handsfree and the electronic
device connected to the handsfree operate using
radio signals, cellular, and landline networks as well
as user-programmed function, which cannot
guarantee connection under all conditions.
Therefore do not rely solely upon any electronic
device for essential communications (such as
medical emergencies).
On BLUETOOTH communication
Microwaves emitting from a BLUETOOTH device
may affect the operation of electronic medical
devices. Turn off this unit and other BLUETOOTH
devices in the following locations, as it may cause
an accident.
where inflammable gas is present, in a hospital,
train, airplane, or petrol station
near automatic doors or a fire alarm
This unit supports security capabilities that
comply with the BLUETOOTH standard to provide
a secure connection when the BLUETOOTH
wireless technology is used, but security may not
be enough depending on the setting. Be careful
when communicating using BLUETOOTH wireless
technology.
We do not take any responsibility for the leakage
of information during BLUETOOTH
communication.
If you have any questions or problems concerning
your unit that are not covered in this manual,
consult your nearest Sony dealer.
Important notice

4GB
Table of Contents
Warning . . . . . . . . . . . . . . . . . . . . . . . . . . . . . . . . . . . 2
Guide to Parts and Controls . . . . . . . . . . . . . . . . . . . 5
Getting Started
Detaching the Front Panel . . . . . . . . . . . . . . . . . . . . 7
Resetting the unit . . . . . . . . . . . . . . . . . . . . . . . . . . . 7
Setting the Clock . . . . . . . . . . . . . . . . . . . . . . . . . . . . 7
Preparing a BLUETOOTH Device. . . . . . . . . . . . . . . . 8
Connecting an iPod/USB Device . . . . . . . . . . . . . . . 9
Connecting Other Portable Audio Device . . . . . . . 10
Listening to the Radio
Listening to the Radio. . . . . . . . . . . . . . . . . . . . . . . 10
Using Radio Data System (RDS) . . . . . . . . . . . . . . . 11
Listening to the SiriusXM Radio . . . . . . . . . . . . . . . 11
Playback
Playing a Disc . . . . . . . . . . . . . . . . . . . . . . . . . . . . . 12
Playing an iPod/USB Device. . . . . . . . . . . . . . . . . . 12
Playing a BLUETOOTH Device. . . . . . . . . . . . . . . . . 13
Searching and Playing Tracks. . . . . . . . . . . . . . . . . 13
Listening to Pandora®
Setting up Pandora® . . . . . . . . . . . . . . . . . . . . . . . . 14
Streaming Pandora® . . . . . . . . . . . . . . . . . . . . . . . . 14
Available Operations in Pandora® . . . . . . . . . . . . . 15
Handsfree Calling (via BLUETOOTH
only)
Receiving a Call . . . . . . . . . . . . . . . . . . . . . . . . . . . . 15
Making a Call . . . . . . . . . . . . . . . . . . . . . . . . . . . . . . 15
Available Operations during Call . . . . . . . . . . . . . . 16
Useful Functions
SongPal with iPhone/Android Phone . . . . . . . . . . 17
Using Siri Eyes Free . . . . . . . . . . . . . . . . . . . . . . . . . 18
Settings
Canceling the DEMO Mode . . . . . . . . . . . . . . . . . . 19
Basic Setting Operation . . . . . . . . . . . . . . . . . . . . . 19
General Setup (GENERAL). . . . . . . . . . . . . . . . . . . . 19
Sound Setup (SOUND) . . . . . . . . . . . . . . . . . . . . . . 20
Display Setup (DISPLAY) . . . . . . . . . . . . . . . . . . . . . 21
BLUETOOTH Setup (BT). . . . . . . . . . . . . . . . . . . . . . 22
SongPal Setup (SONGPAL) . . . . . . . . . . . . . . . . . . . 22
Additional Information
Updating the Firmware . . . . . . . . . . . . . . . . . . . . . 23
Precautions . . . . . . . . . . . . . . . . . . . . . . . . . . . . . . . 23
Maintenance . . . . . . . . . . . . . . . . . . . . . . . . . . . . . . 24
Specifications . . . . . . . . . . . . . . . . . . . . . . . . . . . . . 24
Troubleshooting . . . . . . . . . . . . . . . . . . . . . . . . . . . 26
Connection/Installation
Cautions . . . . . . . . . . . . . . . . . . . . . . . . . . . . . . . . . 32
Parts List for Installation . . . . . . . . . . . . . . . . . . . . 32
Connection . . . . . . . . . . . . . . . . . . . . . . . . . . . . . . . 33
Installation . . . . . . . . . . . . . . . . . . . . . . . . . . . . . . . 35
Important notice
The warranty for this product is included in this
manual (page 38, 39). Keep this manual for
future use.

5GB
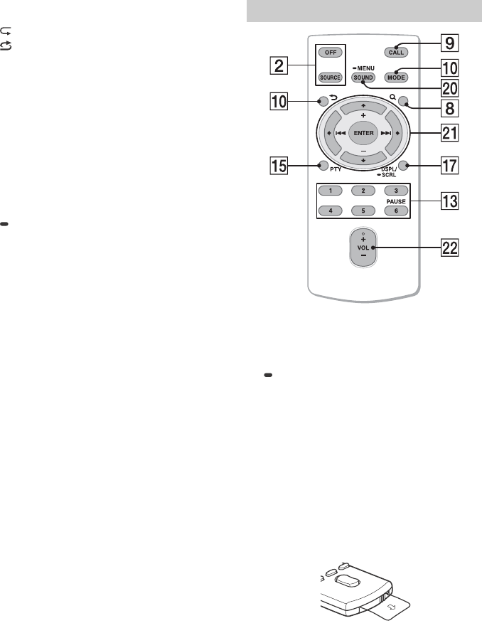
Guide to Parts and Controls
Front panel removed (inner panel)
Front panel release button
SRC (source)
Turn on the power.
Change the source.
OFF
Press and hold for 1 second to turn the source
off and display the clock.
Press and hold for more than 2 seconds to turn
off the power and the display.
If the unit is turned off and the display
disappears, operation by the remote
commander is not available.
Control dial
Rotate to adjust the volume.
PUSH ENTER
Enter the selected item.
Press SRC, rotate then press to change the
source.
Press and hold for more than 2 seconds to
establish “SongPal” function (connection).
VOICE (page 16, 18)
Activate voice dial, voice recognition when the
“SongPal” function is on (Android™ phone
only), or the Siri function (iPhone only).
N-Mark
Touch the control dial with Android phone to
make BLUETOOTH connection.
Disc slot
Display window
SEEK +/–
Tune in radio stations automatically. Press and
hold to tune manually.
/ (prev/next)
/ (fast-reverse/fast-forward)
(disc eject)
(browse) (page 13, 14, 15)
Enter the browse mode during playback.
CALL
Enter the call menu. Receive/end a call.
Press and hold for more than 2 seconds to
switch the BLUETOOTH signal.
(back)
Return to the previous display.
MODE (page 10, 13, 15, 16)
Receptor for the remote commander
MENU*
Open the setup menu.
* Not available when the BT phone is selected.
Number buttons (1 to 6)
Receive stored radio stations. Press and hold to
store stations.
Call a stored phone number. Press and hold to
store a phone number.
ALBUM /
Skip an album for audio device. Press and hold
to skip albums continuously.
Main unit

6GB
Press to thumbs up, or to thumbs down in
Pandora® (page 15).
(repeat)
(shuffle)
MIC (page 16)
PAUSE
MEGA BASS
Press to turn on/off the MEGA BASS function.
PTY (program type)
Select PTY in RDS.
CAT (category)
Select radio channels in SiriusXM.
AUX input jack
DSPL (display)
Press to change display items.
SCRL (scroll)
Press and hold to scroll a display item.
USB port
RESET (inner panel) (page 7)
The VOL (volume) + button has a tactile dot.
SOUND*
Open the SOUND menu directly.
MENU*
Press and hold to open the setup menu.
* Not available when the BT phone is selected.
///
Select a setup item, etc.
ENTER
Enter the selected item.
/ (prev/next)
+/– (album +/–)
VOL (volume) +/–
Remove the insulation film before use.
RM-X231 Remote commander

7GB
Detaching the Front Panel
You can detach the front panel of this unit to
prevent theft.
1Press and hold OFF until the unit turns
off, press the front panel release button
, then pull the panel towards you to
remove.
Caution alarm
If you turn the ignition switch to the OFF position
without detaching the front panel, the caution
alarm will sound for a few seconds. The alarm will
only sound if the built-in amplifier is used.
Serial numbers
Make sure the serial numbers on the bottom of the
unit and the back of the front panel are matched
correctly. Otherwise you cannot make BLUETOOTH
pairing, connection and disconnection by NFC.
Resetting the unit
Before operating the unit for the first time, after
replacing the car battery, or changing the
connections, you must reset the unit. Press RESET
on the inner panel with a ball-point pen, etc., after
detaching the front panel.
Note
Pressing RESET will erase the clock setting and some
stored contents.
Setting the Clock
1Press MENU, rotate the control dial to
select [SET GENERAL], then press it.
2Rotate the control dial to select [SET
CLOCK ADJ], then press it.
The hour indication flashes.
3Rotate the control dial to set the hour
and minute.
To move the digital indication, press SEEK +/–.
4After setting the minute, press MENU.
The setup is complete and the clock starts.
To display the clock*
Press DSPL.
* Available only when [SUB DISPLAY] is set to [SOURCE]
(page 21).
Getting Started
Attaching the front panel

8GB
Preparing a BLUETOOTH Device
You can enjoy music, or perform handsfree calling
depending on the BLUETOOTH compatible device
such as a smartphone, cellular phone and audio
device (hereafter “BLUETOOTH device” if not
otherwise specified). For details on connecting,
refer to the operating instructions supplied with the
device.
Before connecting the device, turn down the
volume of this unit; otherwise, loud sound may
result.
By touching the control dial on the unit with an
NFC* compatible smartphone, the unit is paired and
connected with the smartphone automatically.
* NFC (Near Field Communication) is a technology
enabling short-range wireless communication
between various devices, such as mobile phones and
IC tags. Thanks to the NFC function, data
communication can be achieved easily just by
touching the relevant symbol or designated location
on NFC compatible devices.
For a smartphone with Android OS 4.0 or lower
installed, downloading the app “NFC Easy Connect”
available at Google Play™ is required. The app may
not be downloadable in some countries/regions.
1Activate the NFC function on the
smartphone.
For details, refer to the operating instructions
supplied with the smartphone.
2Touch the N-Mark part of the unit with
the N-Mark part of the smartphone.
Make sure that lights up on the display of the
unit.
To disconnect by One touch
Touch the N-Mark part of the unit with the N-Mark
part of the smartphone again.
Notes
When making the connection, handle the
smartphone carefully to prevent scratches.
One touch connection is not possible when the unit is
already connected to another NFC compatible device.
In this case, disconnect the other device, and make
connection with the smartphone again.
When connecting a BLUETOOTH device for the first
time, mutual registration (called “pairing”) is
required. Pairing enables this unit and other devices
to recognize each other.
1Place the BLUETOOTH device within 1 m
(3 ft) of this unit.
2Press CALL, rotate the control dial to
select [SET PAIRING], then press it.
flashes while the unit is in pairing standby
mode.
3Perform pairing on the BLUETOOTH
device so it detects this unit.
4Select [MEX-XB100BT] shown in the
display of the BLUETOOTH device.
If your model name does not appear, repeat
from step 2.
5If passkey* input is required on the
BLUETOOTH device, input [0000].
* Passkey may be called “Passcode,” “PIN code,”
“PIN number” or “Password,” etc., depending on
the device.
When pairing is made, stays lit.
6Select this unit on the BLUETOOTH device
to establish the BLUETOOTH connection.
or lights up when the connection is made.
Note
While connecting to a BLUETOOTH device, this unit
cannot be detected from another device. To enable
detection, enter the pairing mode and search for this
unit from another device.
Connecting with a Smartphone by One
touch (NFC)
Pairing and connecting with a
BLUETOOTH device
[0000]
Input passkey

9GB
To start playback
For details, see “Playing a BLUETOOTH Device”
(page 13).
To cancel pairing
Perform step 2 to cancel the pairing mode after this
unit and the BLUETOOTH device are paired.
To use a paired device, connection with this unit is
required. Some paired devices will connect
automatically.
1Press CALL, rotate the control dial to
select [SET BT SIGNL], then press it.
Make sure that lights up.
2Activate the BLUETOOTH function on the
BLUETOOTH device.
3Operate the BLUETOOTH device to
connect to this unit.
or lights up.
Icons in the display:
To connect the last-connected device from
this unit
Activate the BLUETOOTH function on the
BLUETOOTH device.
Press SRC, then select [BT PHONE] or [BT AUDIO].
Press ENTER to connect with the cellular phone, or
PAUSE to connect with the audio device.
Note
While streaming BLUETOOTH audio, you cannot
connect from this unit to the cellular phone. Connect
from the cellular phone to this unit instead.
Tip
With BLUETOOTH signal on: when the ignition is turned
to on, this unit reconnects automatically to the last-
connected cellular phone.
To install the microphone
For details, see “Installing the microphone”
(page 35).
When an iPhone/iPod with iOS5 or later installed is
connected to the USB port, the unit is paired and
connected with the iPhone/iPod automatically.
To enable BLUETOOTH Auto Pairing, make sure [SET
AUTO PAIR] in [BT] is set to [ON] (page 22).
1Activate the BLUETOOTH function on the
iPhone/iPod.
2Connect an iPhone/iPod to the USB port.
Make sure that lights up on the display of the
unit.
Notes
BLUETOOTH Auto Pairing is not possible if the unit is
already connected to another BLUETOOTH device. In
this case, disconnect the other device, then connect
the iPhone/iPod again.
If BLUETOOTH Auto Pairing is not established, see
“Preparing a BLUETOOTH Device” for details (page 8).
Connecting an iPod/USB Device
1Turn down the volume on the unit.
2Connect the iPod/USB device to the unit.
To connect an iPod/iPhone, use the USB
connection cable for iPod (not supplied).
Connecting with a paired BLUETOOTH
device
Lights up when handsfree calling is
available by enabling the HFP (Handsfree
Profile).
Lights up when the audio device is
playable by enabling the A2DP
(Advanced Audio Distribution Profile).
Connecting with an iPhone/iPod
(BLUETOOTH Auto Pairing)

10GB
Connecting Other Portable
Audio Device
1Turn off the portable audio device.
2Turn down the volume on the unit.
3Connect the portable audio device to the
AUX input jack (stereo mini jack) on the
unit with a connecting cord (not
supplied)*.
* Be sure to use a straight type plug.
4Press SRC to select [AUX].
To match the volume level of the connected
device to other sources
Start playback of the portable audio device at a
moderate volume, and set your usual listening
volume on the unit.
Press MENU, then select [SET SOUND] [SET AUX
VOLUME] (page 21).
Listening to the Radio
To listen to the radio, press SRC to select [TUNER].
1Press MODE to change the band (FM1,
FM2, FM3, AM1 or AM2).
2Press MENU, rotate the control dial to
select [SET GENERAL], then press it.
3Rotate the control dial to select [SET
BTM], then press it.
The unit stores stations in order of frequency on
the number buttons.
1Press MODE to change the band (FM1,
FM2, FM3, AM1 or AM2).
2Perform tuning.
To tune manually
Press and hold SEEK +/– to locate the
approximate frequency, then press SEEK +/–
repeatedly to fine adjust to the desired
frequency.
To tune automatically
Press SEEK +/–.
Scanning stops when the unit receives a station.
1While receiving the station that you want
to store, press and hold a number button
(1 to 6) until [MEM] appears.
1Select the band, then press a number
button (1 to 6).
Listening to the Radio
Storing automatically (BTM)
Tuning
Storing manually
Receiving the stored stations

11GB
Using Radio Data System (RDS)
1Press PTY during FM reception.
2Rotate the control dial until the desired
program type appears, then press it.
The unit starts to search for a station
broadcasting the selected program type.
Type of programs
The CT data from the RDS transmission sets the
clock.
1Set [SET CT-ON] in [SET GENERAL]
(page 20).
Listening to the SiriusXM Radio
Only SiriusXM brings you more of what you love to
listen to, all in one place. Get over 140 channels,
including commercial-free music plus the best
sports, news, talk, comedy and entertainment.
Welcome to the world of satellite radio. A SiriusXM
Connect Vehicle Tuner and Subscription are
required. For more information, visit
www.siriusxm.com
After installing your SiriusXM Connect Vehicle Tuner
and antenna, press SRC to select [SIRIUSXM]. You
should be able to hear the SiriusXM preview
channel on Channel 1. After verifying that you can
hear the preview channel, select Channel 0 to find
the Radio ID of your tuner. In addition, the Radio ID
is located on the bottom of the SiriusXM Connect
Vehicle Tuner and its packaging. You will need this
number to activate your subscription. Write the
number down for reference.
In the USA, you can activate online or by calling
SiriusXM Listener Care:
Online: Visit www.siriusxm.com/activatenow
Phone: Call 1-866-635-2349
In Canada, you can activate online or by calling
SiriusXM Listener Care:
Online: Visit www.siriusxm.ca/activatexm
Phone: Call 1-877-438-9677
As part of the activation process, the SiriusXM
satellites will send an activation message to your
tuner. When your radio detects that the tuner has
received the activation message, your radio will
display: [SUBSCRIPTION UPDATED - ENTER TO
CONTINUE]. Once subscribed, you can tune to
channels in your subscription plan.
Notes
The activation process usually takes 10 to 15 minutes,
but may take up to an hour.
Your radio will need to be turned on and receiving the
SiriusXM signal to receive the activation message.
1Press (browse).
2Rotate the control dial to select the
desired channel, then press it.
To select channels from categories
1Press CAT.
2Rotate the control dial to select the desired
category, then press it.
To store channels
1While receiving the channel that you want to store,
press and hold a number button (1 to 6) until [MEM]
appears.
To receive the stored channel, press MODE to select
[SXM1], [SXM2] or [SXM3], then press a number
button (1 to 6).
Selecting program types (PTY)
NEWS (News), INFORM (Information), SPORTS
(Sports), TALK (Talk), ROCK (Rock), CLS ROCK
(Classic Rock), ADLT HIT (Adult Hits), SOFT RCK (Soft
Rock), TOP 40 (Top 40), COUNTRY (Country),
OLDIES (Oldies), SOFT (Soft), NOSTALGA
(Nostalgia), JAZZ (Jazz), CLASSICL (Classical),
R AND B (Rhythm and Blues), SOFT R B (Soft
Rhythm and Blues), LANGUAGE (Foreign
Language), REL MUSC (Religious Music), REL TALK
(Religious Talk), PERSNLTY (Personality), PUBLIC
(Public), COLLEGE (College), WEATHER (Weather)
Setting clock time (CT)
Activating your SiriusXM Subscription
Selecting channels for SiriusXM

12GB
To set a parental control
The parental control feature allows you to limit
access to SiriusXM channels with mature content.
When enabled, the parental control feature requires
you to enter a passcode to tune to the locked
channels. Information on setting up the passcode
and locking channels can be found below.
1Press MENU and rotate the control dial.
2Select [SET GENERAL] [SET PARENTAL]
[SET LOCK SELECT] [SET LOCK-ON].
3Enter the passcode by rotating the control dial on
the unit or pressing / on the remote
commander.
To move the entry position, press SEEK +/– on the
unit or / on the remote commander.
The initial passcode is [0000].
4After entering the passcode, press ENTER.
To unlock the channels, select [SET LOCK-OFF].
To change the passcode
1Press MENU and rotate the control dial.
2Select [SET GENERAL] [SET PARENTAL]
[SET CODE EDIT].
3Enter the current passcode on the current passcode
input display, then press ENTER.
The initial passcode is [0000].
4Enter your new 4-digit passcode on the new
passcode input display, then press ENTER.
To change display items
Press DSPL to change as follows:
Channel Number (Default) Channel Name Artist
Name Song Title Content Info Category Name
Clock*
* Does not appear when [SUB DISPLAY] is set to
[CLOCK] (page 21).
Playing a Disc
1Insert the disc (label side up).
Playback starts automatically.
Playing an iPod/USB Device
In these Operating Instructions, “iPod” is used as a
general reference for the iPod functions on an iPod
and iPhone, unless otherwise specified by the text
or illustrations.
For details on the compatibility of your iPod, see
“About iPod” (page 23) or visit the support site on
the back cover.
MSC (Mass Storage Class) and MTP (Media Transfer
Protocol) type USB devices (such as a USB flash
drive, digital media player, Android phone)
compliant with the USB standard can be used.
Depending on the digital media player or Android
phone, setting the USB connection mode to MTP is
required.
Notes
For details on the compatibility of your USB device,
visit the support site on the back cover.
Playback of the following files is not supported.
MP3/WMA/AAC/FLAC:
copyright-protected files
DRM (Digital Rights Management) files
Multi-channel audio files
MP3/WMA/AAC:
lossless compression files
WAV:
Multi-channel audio files
1Connect an iPod/USB device to the USB
port (page 9).
Playback starts.
If a device is already connected, to start
playback, press SRC to select [USB] ([IPD]
appears in the display when the iPod is
recognized).
2Adjust the volume on this unit.
Playback

13GB
To stop playback
Press and hold OFF for 1 second.
To remove the device
Stop playback, then remove the device.
Caution for iPhone
When you connect an iPhone via USB, phone call
volume is controlled by the iPhone, not the unit. Do
not inadvertently increase the volume on the unit
during a call, as a sudden loud sound may result
when the call ends.
1During playback, press and hold MODE
until [MODE IPOD] appears.
Operations of the iPod become available.
Note that the volume can be adjusted only by
the unit.
To exit passenger control
Press and hold MODE until [MODE AUDIO] appears.
Playing a BLUETOOTH Device
You can play contents on a connected device that
supports BLUETOOTH A2DP (Advanced Audio
Distribution Profile).
1Make BLUETOOTH connection with the
audio device (page 8).
2Press SRC to select [BT AUDIO].
3Operate the audio device to start
playback.
4Adjust the volume on this unit.
Notes
Depending on the audio device, information such as
title, track number/time and playback status may not
be displayed on this unit.
Even if the source is changed on this unit, playback of
the audio device does not stop.
[BT AUDIO] does not appear in the display while
running the “SongPal” application via the BLUETOOTH
function.
To match the volume level of the BLUETOOTH
device to other sources
Start playback of the BLUETOOTH audio device at a
moderate volume, and set your usual listening
volume on the unit.
Press MENU, then select [SET SOUND] [SET BTA
VOLUME] (page 21).
Searching and Playing Tracks
1During playback, press (repeat) or
(shuffle) repeatedly to select the desired
play mode.
Playback in the selected play mode may take
time to start.
Available play modes differ depending on the
selected sound source.
1During CD, USB or BT AUDIO*1 playback,
press (browse)*2 to display the list of
search categories.
When the track list appears, press (back)
repeatedly to display the desired search
category.
*1 Available only for audio devices supporting
AVRCP (Audio Video Remote Control Profile) 1.4
or above.
*2 During USB playback, press (browse) for
more than 2 seconds to directly return to the
beginning of the category list.
2Rotate the control dial to select the
desired search category, then press it to
confirm.
3Repeat step 2 to search the desired track.
Playback starts.
To exit the Quick-BrowZer mode
Press (browse).
Operating an iPod directly (Passenger
control)
Repeat play and shuffle play
Searching a track by name (Quick-
BrowZer™)

14GB
1Press (browse).
2Press SEEK +.
3Rotate the control dial to select the item.
The list is jumped in steps of 10% of the total
number of items.
4Press ENTER to return to the Quick-
BrowZer mode.
The selected item appears.
5Rotate the control dial to select the
desired item, then press it.
Playback starts.
Pandora® is available to stream music through your
iPhone and Android phone. You can control
Pandora® on a BLUETOOTH connected iPhone/
Android phone from this unit.
The Pandora® service is not available in some
countries/regions.
Setting up Pandora®
1Check the compatibility of your mobile
device by visiting the support site on the
back cover.
2Download the latest version of the
Pandora® application from your
smartphone’s app store. A list of
compatible devices can be found at
www.pandora.com/everywhere/mobile
Streaming Pandora®
1Connect the mobile device with this unit
(page 8).
2Press SRC to select [PANDORA].
3Launch Pandora® application on your
mobile device.
4Press PAUSE to start playback.
If the device number appears
Make sure that the same numbers are displayed
(e.g., 123456) in this unit and the mobile device,
then press ENTER on this unit and select [Yes] on
the mobile device.
When activating the BLUETOOTH function
You can adjust the volume level.
Press MENU, then select [SET SOUND] [SET BTA
VOLUME] (page 21).
Searching by skipping items
(Jump mode) Listening to Pandora®

15GB
Available Operations in
Pandora®
“Thumbs Up” or “Thumbs Down” feedback allows
you to personalize stations.
1During playback, press (Thumbs Up) or
(Thumbs Down).
The station list allows you to easily select a desired
station.
1During playback, press (browse).
2Press SEEK + to select the sorting order
[BY DATE] or [A TO Z].
3Rotate the control dial to select the
desired station, then press it.
Playback starts.
The track currently being played can be
bookmarked and stored in your Pandora® account.
1During playback, press MODE.
To use a cellular phone, connect it with this unit. For
details, see “Preparing a BLUETOOTH Device”
(page 8).
Receiving a Call
1Press CALL when a call is received with a
ringtone.
The phone call starts.
Note
The ringtone and talker’s voice are output only from the
front speakers.
To reject the call
Press and hold OFF for 1 second.
To end the call
Press CALL again.
Making a Call
You can make a call from the phonebook or call
history when a cellular phone supporting PBAP
(Phone Book Access Profile) is connected.
1Press CALL, rotate the control dial to
select [SET PHONE BOOK], then press it.
2Rotate the control dial to select an initial
from the initial list, then press it.
3Rotate the control dial to select a name
from the name list, then press it.
4Rotate the control dial to select a
number from the number list, then press
it.
The phone call starts.
“Thumbs” feedback
Using the station list
Bookmarking
Handsfree Calling (via BLUETOOTH
only)
From the phonebook

16GB
1Press CALL, rotate the control dial to
select [SET RECENT CALL], then press it.
A list of the call history appears.
2Rotate the control dial to select a name
or phone number from the call history,
then press it.
The phone call starts.
1Press CALL, rotate the control dial to
select [SET DIAL NUMBER], then press it.
2Rotate the control dial to enter the
phone number, and lastly select [ ]
(space), then press ENTER*.
The phone call starts.
* To move the digital indication, press SEEK +/–.
Note
[_] appears instead of [#] on the display.
1Press CALL, rotate the control dial to
select [SET REDIAL], then press it.
The phone call starts.
1Press SRC, rotate the control dial to select
[BT PHONE], then press it.
2Press a number button (1 to 6) to select
the contact you want to call.
3Press ENTER.
The phone call starts.
Presetting phone numbers
You can store up to 6 contacts in the preset dial.
1Select a phone number that you want to store in
the preset dial, from the phonebook, call history or
by inputting the phone number directly.
The phone number appears in the display of this
unit.
2Press and hold a number button (1 to 6) until [MEM]
appears.
The contact is stored in the selected preset number.
You can make a call by saying the voice tag stored
in a connected cellular phone that has a voice
dialing function.
1Press CALL, rotate the control dial to
select [SET VOICE DIAL], then press it.
Alternatively, press VOICE while the “SongPal”
function is off.
2Say the voice tag stored on the cellular
phone.
Your voice is recognized, and the call is made.
To cancel voice dialing
Press VOICE.
Available Operations during
Call
To adjust the ringtone volume
Rotate the control dial while receiving a call.
To adjust the talker’s voice volume
Rotate the control dial during a call.
To adjust the volume for the other party (Mic
gain adjustment)
Press MIC.
Adjustable volume levels: [BTP MIC GAIN-LOW],
[BTP MIC GAIN-MID], [BTP MIC GAIN-HI].
To reduce echo and noise (Echo Canceler/
Noise Canceler Mode)
Press and hold MIC.
Settable mode: [BTP EC/NC-1], [BTP EC/NC-2].
To switch between handsfree mode and
handheld mode
During a call, press MODE to switch the phone call
audio between the unit and cellular phone.
Note
Depending on the cellular phone, this operation may
not be available.
From the call history
By phone number input
By redial
By preset number
By voice tags

17GB
SongPal with iPhone/Android
Phone
Downloading the “SongPal”
application (version 2.1 or later)
is required from the App Store
for iPhone or from Google Play
for Android phone.
Notes
For your safety, follow your local
traffic laws and regulations, and
do not operate the application
while driving.
“SongPal” is an app for
controlling Sony audio devices
which are compatible with “SongPal”, by your iPhone/
Android phone.
What you can control with “SongPal” varies
depending on the connected device.
To make use of “SongPal” features, see the details on
your iPhone/Android phone.
For further details on “SongPal,” visit the following
URL: http://rd1.sony.net/help/speaker/songpal/
1Make the BLUETOOTH connection with
iPhone/Android phone (page 8).
2Launch the “SongPal” application.
3Press and hold ENTER on the unit for
more than 2 seconds.
Connection to iPhone/Android phone starts.
For details on the operations on iPhone/
Android phone, see the help of the application.
If the device number appears
Make sure that the number is displayed (e.g.,
123456), then select [Yes] on the iPhone/Android
phone.
To terminate connection
Press and hold ENTER.
Selecting the source or application
You can operate to select the desired source or
application on iPhone/Android phone.
To select the source
Press SRC repeatedly. Alternatively, press SRC,
rotate the control dial to select the desired source,
then press ENTER.
To display the source list
Press SRC.
Announcement of various information by
voice guide (Android phone only)
When SMS, Twitter/Facebook/Calendar
notifications, etc., are received, they are
automatically announced through the unit
speakers.
For details on settings, refer to the help of the
application.
Useful Functions
Establishing the SongPal connection

18GB
Activating voice recognition (Android
phone only)
By registering applications, you can control an
application by voice command. For details, refer to
the help of the application.
To activate voice recognition
1Press VOICE to activate voice recognition.
2Say the desired voice command into the
microphone when [Say Source or App] appears on
the Android phone.
Notes
Voice recognition may not be available in some cases.
Voice recognition may not work properly depending
on the performance of the connected Android phone.
Operate under conditions where noise such as engine
sound is minimized during voice recognition.
Replying a message of SMS (Android
phone only)
You can reply a message by voice recognition.
1Activate voice recognition, then input “Reply.”
The message input display appears on the “SongPal”
application.
2Input a reply message by voice recognition.
The list of message candidates appears on the
“SongPal” application.
3Rotate the control dial to select the desired
message, then press it.
The message is sent out.
Making various settings
You can adjust the various settings via iPhone/
Android phone.
For details on settings, refer to the help of the
application.
Using Siri Eyes Free
Siri Eyes Free allows you to use an iPhone
handsfree by simply speaking into the microphone.
This function requires you to connect an iPhone to
the unit with BLUETOOTH Auto Pairing. Availability
is limited iPhone 4s or later. Make sure that your
iPhone is running the latest iOS version.
You must complete BLUETOOTH registration and
connection configurations for the iPhone with the
unit in advance. For details, see “Preparing a
BLUETOOTH Device” (page 8).
1Activate the Siri function on the iPhone.
For details, refer to the operating instructions
supplied with the iPhone.
2Press VOICE.
The voice command display appears.
3After the iPhone beeps, speak into the
microphone.
The iPhone beeps again, then Siri starts
responding.
To deactivate Siri Eyes Free
Press VOICE.
Notes
The iPhone may not recognize your voice depending
on usage conditions. (For example, if you are in a
moving car.)
Siri may not function properly, or the response time
may lag in locations where iPhone signals are difficult
to receive.
Depending on the iPhone’s operating condition, Siri
may not function properly, or may quit.
If you play a track with an iPhone using the
BLUETOOTH audio connection, when the track starts
playback via BLUETOOTH, the Siri function
automatically quits and the unit switches to the
BLUETOOTH audio source.
When Siri is activated during audio playback, the unit
may switch to the BLUETOOTH audio source even if
you do not specify a track to play.
When connecting the iPhone to the USB port, Siri may
not function properly, or may quit.
When connecting the iPhone to the unit, do not
activate Siri with the iPhone. Siri may not function
properly, or may quit.
There is no audio sound while Siri Eyes Free is
activated.

19GB
Canceling the DEMO Mode
You can cancel the demonstration display which
appears when the source is off and the clock is
displayed.
1Press MENU, rotate the control dial to
select [SET DISPLAY], then press it.
2Rotate the control dial to select [SET
DEMO], then press it.
3Rotate the control dial to select [SET
DEMO-OFF], then press it.
The setting is complete.
4Press (back) twice.
The display returns to normal reception/play
mode.
Basic Setting Operation
You can set items in the following setup categories:
General setup (GENERAL), Sound setup (SOUND),
Display setup (DISPLAY), BLUETOOTH setup (BT),
SongPal setup (SONGPAL)
(Not available when the BT phone is selected.)
1Press MENU.
2Rotate the control dial to select the setup
category, then press it.
The items that can be set differ depending on
the source and settings.
3Rotate the control dial to select the
options, then press it.
To return to the previous display
Press (back).
General Setup (GENERAL)
CLOCK ADJ (clock adjust) (page 7)
CHARGE
Switches the current (A) capacity of the USB
port: [HIGH], [STD].
(Available only while the source is off and the
clock is displayed.)
CAUT ALARM (caution alarm)
Activates the caution alarm: [ON], [OFF] (page 7).
(Available only while the source is off and the
clock is displayed.)
BEEP
Activates the beep sound: [ON], [OFF].
AUTO OFF
Shuts off automatically after a desired time
when the unit is turned off: [NO], [30S] (30
seconds), [30M] (30 minutes), [60M] (60
minutes).
STEERING
Registers/resets the setting of the steering
wheel remote control.
(Available when connected with the connection
cable (not supplied).) (Available only while the
source is off and the clock is displayed.)
STR CONTROL (steering control)
Selects the input mode for the connected
remote control. To prevent malfunction, be sure
to match the input mode with the connected
remote control before use.
USER
Input mode for the steering wheel remote
control (Automatically selected when [STR
EDIT] is complete, or [STR RESET] is
performed.)
EXTERNAL
Input mode for the wired remote control
excluding the steering wheel remote control.
STR EDIT (steering edit)
Registers the functions (SOURCE, ATT, VOL +/–,
SEEK +/–, VOICE, CALL) to the steering wheel
remote control:
Rotate the control dial to select the function
you want to assign to the steering wheel
remote control, then press it.
While [REGISTER] is blinking, press and hold
the button on the steering wheel remote
control you want to assign the function to.
When registration is complete, [REGISTERED]
is displayed.
To register other functions, repeat steps
and .
STR RESET (steering reset)
Resets the setting of the steering wheel remote
control: [YES], [NO].
Notes
While making settings, only button operation on
the unit is available. For safety, park your car
before making this setting.
If an error occurs while registering, all the
previously-registered information remains. Restart
registration from the function where the error
occurred.
This function may not be available on some
vehicles. For details on the compatibility of your
vehicle, visit the support site on the back cover.
AUX AUDIO
Activates the AUX source display: [ON], [OFF].
(Available only while the source is off and the
clock is displayed.) (Not available when the
“SongPal” connection is established.)
Settings

20GB
CT (clock time)
Activates the CT function: [ON], [OFF].
BTM (page 10)
(Available only when the tuner is selected.)
PARENTAL
Sets the parental lock to [ON], [OFF], and edits
the passcode (page 12).
(Available only when SiriusXM is selected.)
SXM RESET (SiriusXM reset)
Initializes the SiriusXM Connect Vehicle Tuner
settings (preset channels/parental lock): [YES],
[NO].
(Available only when SiriusXM is selected.)
FIRMWARE
Checks/updates the firmware version. For
details, visit the following support site:
http://esupport.sony.com/
FW VERSION (firmware version)
Displays current firmware version.
FW UPDATE (firmware update)
Enters firmware update process: [YES], [NO].
(Available only while the source is off and the
clock is displayed.)
Sound Setup (SOUND)
This setup menu is available when any source
except for the BT phone is selected.
MEGA BASS
Reinforces bass sound in synchronization with
the volume level: [ON], [OFF].
(Automatically sets to [OFF] when [CLEAR
AUDIO+] is set to [ON].)
CLEAR AUDIO+
Reproduces sound by optimizing the digital
signal with the Sony recommended sound
settings: [ON], [OFF].
(Automatically sets to [OFF] when [EQ10 PRESET]
is changed and/or [MEGA BASS] is set to [ON].)
EQ10 PRESET
Selects an equalizer curve from 10 equalizer
curves or off: [OFF], [R AND B], [ROCK], [POP],
[DANCE], [HIP-HOP], [ELECTRONICA], [JAZZ],
[SOUL], [COUNTRY], [CUSTOM].
The equalizer curve setting can be memorized
for each source.
EQ10 SETTING
Sets [CUSTOM] of EQ10.
BASE
Selects a preset equalizer curve as a basis for
further customizing: [BAND1] 32 Hz, [BAND2] 63
Hz, [BAND3] 125 Hz, [BAND4] 250 Hz, [BAND5]
500 Hz, [BAND6] 1 kHz, [BAND7] 2 kHz, [BAND8]
4 kHz, [BAND9] 8 kHz, [BAND10] 16 kHz.
The volume level is adjustable in 1 dB steps,
from -6 dB to +6 dB.
POSITION (listening position)
F/R POSITION (front/rear position)
Simulates a natural sound field by delaying the
sound output from speakers to suit your
position:
[FRONT L] (front left),
[FRONT R] (front right),
[FRONT] (center front),
[ALL] (center of your car),
[OFF] (no position set)
ADJ POSITION* (adjust position)
Fine-tunes the listening position setting: [+3] –
[CENTER] – [-3].
SW POSITION* (subwoofer position)
[NEAR] (near),
[NORMAL] (normal),
[FAR] (far)
BALANCE
Adjusts the sound balance: [RIGHT-15] –
[CENTER] – [LEFT-15].
FADER
Adjusts the relative level: [FRONT-15] – [CENTER]
– [REAR-15].
DSEE (digital sound enhancement engine)
Improves digitally compressed sound by
restoring high frequencies lost in the
compression process.
This setting can be memorized for each source
other than the tuner.
Selects the DSEE mode: [ON], [OFF].
AAV (advanced auto volume)
Adjust the playback volume level of all playback
sources to the optimum level: [ON], [OFF].

21GB
REARBAS ENH (rear bass enhancer)
Rear Bass Enhancer enhances the bass sound by
applying a low pass filter setting to the rear
speakers. This function allows the rear speakers
to work as a subwoofer if one is not connected.
(Available only when [SUBW DIRECT] is set to
[OFF].)
RBE MODE (rear bass enhancer mode)
Selects the rear bass enhancer mode: [1], [2], [3],
[OFF].
LPF FREQ (low pass filter frequency)
Selects the subwoofer cut-off frequency: [50Hz],
[60Hz], [80Hz], [100Hz], [120Hz].
LPF SLOPE (low pass filter slope)
Selects the LPF slope: [1], [2], [3].
SUBW DIRECT (subwoofer direct connection)
You can use the subwoofer without a power
amplifier when it is connected to the rear
speaker lead. (Available only when [RBE MODE]
is set to [OFF].)
Be sure to connect a 4 – 8 ohm subwoofer to
either of the rear speaker leads. Do not connect
a speaker to the other rear speaker lead.
SUBW MODE (subwoofer mode)
Selects the subwoofer mode: [1], [2], [3], [OFF].
SUBW PHASE (subwoofer phase)
Selects the subwoofer phase: [NORM], [REV].
SW POSITION* (subwoofer position)
Selects the subwoofer position: [NEAR],
[NORMAL], [FAR].
LPF FREQ (low pass filter frequency)
Selects the subwoofer cut-off frequency: [50Hz],
[60Hz], [80Hz], [100Hz], [120Hz].
LPF SLOPE (low pass filter slope)
Selects the LPF slope: [1], [2], [3].
SUB WOOFER
SUBW LEVEL (subwoofer level)
Adjusts the subwoofer volume level:
[+10 dB] – [0 dB] – [-10 dB].
([ATT] is displayed at the lowest setting.)
SUBW PHASE (subwoofer phase)
Selects the subwoofer phase: [NORM], [REV].
SW POSITION* (subwoofer position)
Selects the subwoofer position: [NEAR],
[NORMAL], [FAR].
LPF FREQ (low pass filter frequency)
Selects the subwoofer cut-off frequency: [50Hz],
[60Hz], [80Hz], [100Hz], [120Hz].
LPF SLOPE (low pass filter slope)
Selects the LPF slope: [1], [2], [3].
HPF (high pass filter)
HPF FREQ (high pass filter frequency)
Selects the front/rear speaker cut-off frequency:
[OFF], [50Hz], [60Hz], [80Hz], [100Hz], [120Hz].
HPF SLOPE (high pass filter slope)
Selects the HPF slope (effective only when [HPF
FREQ] is set to other than [OFF]): [1], [2], [3].
AUX VOLUME (AUX volume level)
Adjusts the volume level for each connected
auxiliary device: [+18 dB] – [0 dB] – [-8 dB].
This setting negates the need to adjust the
volume level between sources.
BTA VOLUME (BLUETOOTH audio volume level)
Adjusts the volume level for each connected
BLUETOOTH device: [+6 dB] – [0 dB] – [-6 dB].
This setting negates the need to adjust the
volume level between sources.
* Does not appear when [F/R POSITION] is set to [OFF].
Display Setup (DISPLAY)
DEMO (demonstration)
Activates the demonstration: [ON], [OFF].
DIMMER
Dims the display: [ON], [OFF], [AT] (auto)
([AT] is available only when the illumination
control lead is connected, and turn on the head
light).
SUB DISPLAY
Selects the item to display as sub information:
[SOURCE], [CLOCK].
BUTTON COLOR
Sets a preset color or customized color for the
buttons.
COLOR
Selects from 15 presets colors, 1 customized
color.
CUSTOM COLOR
Registers a customized color for the buttons.
RGB RED, RGB GREEN, RGB BLUE
Adjustable color range: [0] – [32] ([0] cannot
be set for all color ranges).
DSPL COLOR (display color)
Sets a preset color or customized color for the
display.
COLOR
Selects from 15 presets colors, 1 customized
color.
CUSTOM COLOR
Registers a customized color for the display.
RGB RED, RGB GREEN, RGB BLUE
Adjustable color range: [0] – [32] ([0] cannot
be set for all color ranges).

22GB
ALL COLOR
Sets a preset color or customized color for the
display and buttons.
COLOR
Selects from 15 presets colors, 1 customized
color.
CUSTOM COLOR
Registers a customized color for the display and
buttons.
RGB RED, RGB GREEN, RGB BLUE
Adjustable color range: [0] – [32] ([0] cannot
be set for all color ranges).
SOUND SYNC (sound synchronization)
Selects the color with sound synchronization:
[ON], [OFF].
WHITE MENU
You can display the menu more clearly (white)
without concern for color setting: [ON], [OFF].
START WHITE
When SRC is pressed, the display and buttons on
the main unit turn white once, then change to
the customized color: [ON], [OFF].
MOTION DSPL (motion display)
Shows moving patterns: [ON], [OFF], [SA]
(spectrum analyzer).
AUTO SCROLL
Scrolls long items automatically: [ON], [OFF].
(Not available when the AUX or tuner is
selected.)
BLUETOOTH Setup (BT)
PAIRING (page 8)
PHONE BOOK (page 15)
REDIAL (page 16)
RECENT CALL (page 16)
VOICE DIAL (page 16)
DIAL NUMBER (page 16)
RINGTONE
Selects whether this unit or the connected
cellular phone outputs the ringtone: [1] (this
unit), [2] (cellular phone).
AUTO ANSWER
Sets this unit to answer an incoming call
automatically: [OFF], [1] (about 3 seconds), [2]
(about 10 seconds).
AUTO PAIR (auto pairing)
Start BLUETOOTH pairing automatically when
iOS device version 5.0 or later is connected via
USB: [ON], [OFF].
BT SIGNL (BLUETOOTH signal) (page 9)
Activates/deactivates the BLUETOOTH function.
BT INIT (BLUETOOTH initialize)
Initializes all the BLUETOOTH related settings
(pairing information, preset number, device
information, etc.): [YES], [NO].
When disposing the unit, initialize all the
settings.
(Available only while the source is off and the
clock is displayed.)
SongPal Setup (SONGPAL)
Establish and terminate “SongPal” function
(connection).

23GB
Updating the Firmware
You can update the firmware of this unit from the
following support site:
http://esupport.sony.com/
To update the firmware, visit the support site, then
follow the online instructions.
Precautions
Cool off the unit beforehand if your car has been
parked in direct sunlight.
Do not leave the front panel or audio devices
brought in inside the car, or it may cause
malfunction due to high temperature in direct
sunlight.
Power antenna (aerial) extends automatically.
Moisture condensation
Should moisture condensation occur inside the
unit, remove the disc and wait for about an hour for
it to dry out; otherwise the unit will not operate
properly.
To maintain high sound quality
Do not splash liquid onto the unit or discs.
Do not expose discs to direct sunlight or heat
sources such as hot air ducts, nor leave it in a car
parked in direct sunlight.
Before playing, wipe the discs
with a cleaning cloth from the
center out. Do not use
solvents such as benzine,
thinner, commercially
available cleaners.
This unit is designed to play
discs that conform to the
Compact Disc (CD) standard.
DualDiscs and some of the music discs encoded
with copyright protection technologies do not
conform to the Compact Disc (CD) standard,
therefore, these discs may not be playable by this
unit.
Discs that this unit CANNOT play
Discs with labels, stickers, or sticky tape or
paper attached. Doing so may cause a
malfunction, or may ruin the disc.
Discs with non-standard shapes (e.g., heart,
square, star). Attempting to do so may damage
the unit.
8 cm (3 1/4 in) discs.
Notes on CD-R/CD-RW discs
If the multi-session disc begins with a CD-DA
session, it is recognized as a CD-DA disc, and
other sessions are not played.
Discs that this unit CANNOT play
CD-R/CD-RW of poor recording quality.
CD-R/CD-RW recorded with an incompatible
recording device.
CD-R/CD-RW which is finalized incorrectly.
CD-R/CD-RW other than those recorded in
music CD format or MP3 format conforming to
ISO9660 Level 1/Level 2, Joliet/Romeo or multi-
session.
You can connect to the following iPod models.
Update your iPod devices to the latest software
before use.
Compatible iPhone/iPod models
Additional Information
Notes on discs
Playback order of MP3/WMA/AAC files
About iPod
Compatible Model Bluetooth® USB
iPhone 5s
iPhone 5c
iPhone 5
iPhone 4s
iPhone 4
iPhone 3GS
iPhone 3G*
iPod touch
(5th generation)
iPod touch
(4th generation)
iPod touch
(3rd generation)*
iPod touch
(2nd generation)*
MP3/WMA/AAC Folder (album)
MP3/WMA/AAC file (track)

24GB
* “SongPal” does not support iPhone 3G, iPod touch
(3rd generation), iPod touch (2nd generation), iPod
classic and iPod nano.
“Made for iPod,” and “Made for iPhone,” mean
that an electronic accessory has been designed to
connect specifically to iPod or iPhone,
respectively, and has been certified by the
developer to meet Apple performance standards.
Apple is not responsible for the operation of this
device or its compliance with safety and
regulatory standards. Please note that the use of
this accessory with iPod or iPhone may affect
wireless performance.
If you have any questions or problems concerning
your unit that are not covered in this manual,
consult your nearest Sony dealer.
Maintenance
Replacing the lithium battery of the remote
commander
Under normal conditions, the battery will last
approximately 1 year. (The service life may be
shorter, depending on the conditions of use.)
When the battery becomes weak, the range of the
remote commander becomes shorter.
CAUTION
Danger of explosion if battery is incorrectly
replaced. Replaced only with the same or
equivalent type.
Notes on the lithium battery
Keep the lithium battery out of the reach of children.
Should the battery be swallowed, immediately
consult a doctor.
Wipe the battery with a dry cloth to ensure a good
contact.
Be sure to observe the correct polarity when installing
the battery.
Do not hold the battery with metallic tweezers,
otherwise a short-circuit may occur.
Cleaning the connectors
The unit may not function properly if the
connectors between the unit and the front panel
are not clean. In order to prevent this, detach the
front panel (page 7) and clean the connectors with
a cotton swab. Do not apply too much force.
Otherwise, the connectors may be damaged.
Notes
For safety, turn off the ignition before cleaning the
connectors, and remove the key from the ignition
switch.
Never touch the connectors directly with your fingers
or with any metal device.
Specifications
FOR THE CUSTOMERS IN THE USA. NOT
APPLICABLE IN CANADA, INCLUDING IN THE
PROVINCE OF QUEBEC.
POUR LES CLIENTS AUX ÉTATS-UNIS. NON
APPLICABLE AU CANADA, Y COMPRIS LA
PROVINCE DE QUÉBEC.
AUDIO POWER SPECIFICATIONS
CEA2006 Standard
Power Output: 40 Watts RMS × 4 at 4
Ohms < 1% THD+N
SN Ratio: 80 dBA
(reference: 1 Watt into 4 Ohms)
Tuner section
FM
Tuning range: 87.5 – 107.9 MHz
Antenna (aerial) terminal:
External antenna (aerial) connector
Intermediate frequency:
FM CCIR: -1,956.5 to -487.3 kHz and
+500.0 to +2,095.4 kHz
Usable sensitivity: 8 dBf
Selectivity: 75 dB at 400 kHz
Signal-to-noise ratio: 73 dB
iPod classic*
iPod nano
(7th generation)*
iPod nano
(6th generation)*
iPod nano
(5th generation)*
iPod nano
(4th generation)*
iPod nano
(3rd generation)*
Compatible Model Bluetooth® USB
+ side up
25GB
Separation: 50 dB at 1 kHz
Frequency response: 20 – 15,000 Hz
AM
Tuning range: 530 – 1,710 kHz
Antenna (aerial) terminal:
External antenna (aerial) connector
Sensitivity: 26 μV
CD Player section
Signal-to-noise ratio: 120 dB
Frequency response: 10 – 20,000 Hz
Wow and flutter: Below measurable limit
The maximum number of: (CD-R/CD-RW only)
folders (albums): 150 (including root folder)
files (tracks) and folders: 300 (may less than 300
if folder/file names contain many characters)
displayable characters for a folder/file name: 32
(Joliet)/64 (Romeo)
Corresponding codec: MP3 (.mp3), WMA (.wma)
and AAC (.m4a)
USB Player section
Interface: USB (High-speed)
Maximum current: 1.5 A
The maximum number of recognizable tracks:
10,000
Corresponding codec:
MP3 (.mp3), WMA (.wma), WAV (.wav), AAC
(.m4a), AAC (.mp4) and FLAC (.flac)
Wireless Communication
Communication System:
BLUETOOTH Standard version 3.0
Output:
BLUETOOTH Standard Power Class 2
(Max. +4 dBm)
Maximum communication range:
Line of sight approx. 10 m (33 ft)*1
Frequency band:
2.4 GHz band (2.4000 – 2.4835 GHz)
Modulation method: FHSS
Compatible BLUETOOTH Profiles*2:
A2DP (Advanced Audio Distribution Profile) 1.3
AVRCP (Audio Video Remote Control Profile) 1.5
HFP (Handsfree Profile) 1.6
PBAP (Phone Book Access Profile)
SPP (Serial Port Profile)
MAP (Message Access Profile)
HID (Human Interface Device Profile)
Corresponding codec:
SBC (.sbc) and AAC (.m4a)
*1 The actual range will vary depending on factors such
as obstacles between devices, magnetic fields
around a microwave oven, static electricity,
reception sensitivity, antenna (aerial)’s performance,
operating system, software application, etc.
*2 BLUETOOTH standard profiles indicate the purpose
of BLUETOOTH communication between devices.
Power amplifier section
Output: Speaker outputs
Speaker impedance: 4 – 8 ohms
Maximum power output: 100 W × 4 (at 4 ohms)
General
Outputs:
Audio outputs terminal: front, rear, sub
Power antenna (aerial)/Power amplifier control
terminal (REM OUT)
Inputs:
SiriusXM input terminal
Remote controller input terminal
Antenna (aerial) input terminal
MIC input terminal
AUX input jack (stereo mini jack)
USB port
Power requirements: 12 V DC car battery (negative
ground (earth))
Rated current consumption: 10 A
Dimensions:
Approx. 178 mm × 50 mm × 178 mm
(7 1/8 in × 2 in × 7 1/8 in) (w/h/d)
Mounting dimensions:
Approx. 182 mm × 53 mm × 161 mm
(7 1/4 in × 2 1/8 in × 6 3/8 in) (w/h/d)
Mass: Approx. 1.3 kg (2 lb 14 oz)
Package contents:
Main unit (1)
Remote commander (1): RM-X231
Microphone (1)
Parts for installation and connections (1 set)
Optional accessories/equipment:
SiriusXM Connect Vehicle Tuner: SXV100
Cable for steering wheel remote input: RC-SR1
Your dealer may not handle some of the above
listed accessories. Please ask the dealer for detailed
information.
Design and specifications are subject to change
without notice.

26GB
SiriusXM Connect Vehicle Tuner and Subscription
sold separately.
www.siriusxm.com
Sirius, XM and all related marks and logos are
trademarks of Sirius XM Radio Inc. All rights
reserved.
The Bluetooth® word mark and logos are registered
trademarks owned by Bluetooth SIG, Inc. and any
use of such marks by Sony Corporation is under
license. Other trademarks and trade names are
those of their respective owners.
The N-Mark is a trademark or registered trademark
of NFC Forum, Inc. in the United States and in other
countries.
Windows Media is either a registered trademark or
trademark of Microsoft Corporation in the United
States and/or other countries.
This product is protected by certain intellectual
property rights of Microsoft Corporation. Use or
distribution of such technology outside of this
product is prohibited without a license from
Microsoft or an authorized Microsoft subsidiary.
iPhone, iPod, iPod classic, iPod nano, iPod touch,
and Siri are trademarks of Apple Inc., registered in
the U.S. and other countries. App Store is a service
mark of Apple Inc.
MPEG Layer-3 audio coding technology and patents
licensed from Fraunhofer IIS and Thomson.
Pandora®, the Pandora® logo, and the Pandora®
trade dress are trademarks or registered
trademarks of Pandora Media, Inc., used with
permission.
Google, Google Play and Android are trademarks of
Google Inc.
libFLAC
Copyright (C) 2000-2009 Josh Coalson
Copyright (C) 2011-2013 Xiph.Org Foundation
Redistribution and use in source and binary forms,
with or without modification, are permitted
provided that the following conditions are met:
Redistributions of source code must retain the
above copyright notice, this list of conditions and
the following disclaimer.
Redistributions in binary form must reproduce
the above copyright notice, this list of conditions
and the following disclaimer in the
documentation and/or other materials provided
with the distribution.
Neither the name of the Xiph.org Foundation nor
the names of its contributors may be used to
endorse or promote products derived from this
software without specific prior written
permission.
THIS SOFTWARE IS PROVIDED BY THE COPYRIGHT
HOLDERS AND CONTRIBUTORS “AS IS” AND ANY
EXPRESS OR IMPLIED WARRANTIES, INCLUDING,
BUT NOT LIMITED TO, THE IMPLIED WARRANTIES OF
MERCHANTABILITY AND FITNESS FOR A
PARTICULAR PURPOSE ARE DISCLAIMED. IN NO
EVENT SHALL THE FOUNDATION OR CONTRIBUTORS
BE LIABLE FOR ANY DIRECT, INDIRECT, INCIDENTAL,
SPECIAL, EXEMPLARY, OR CONSEQUENTIAL
DAMAGES (INCLUDING, BUT NOT LIMITED TO,
PROCUREMENT OF SUBSTITUTE GOODS OR
SERVICES; LOSS OF USE, DATA, OR PROFITS; OR
BUSINESS INTERRUPTION) HOWEVER CAUSED AND
ON ANY THEORY OF LIABILITY, WHETHER IN
CONTRACT, STRICT LIABILITY, OR TORT (INCLUDING
NEGLIGENCE OR OTHERWISE) ARISING IN ANY WAY
OUT OF THE USE OF THIS SOFTWARE, EVEN IF
ADVISED OF THE POSSIBILITY OF SUCH DAMAGE.
Troubleshooting
The following checklist will help you remedy
problems you may encounter with your unit.
Before going through the checklist below, check
the connection and operating procedures.
For details on using the fuse and removing the unit
from the dashboard, see “Connection/Installation”
(page 32).
If the problem is not solved, visit the support site on
the back cover.
General
No power is being supplied to the unit.
If the unit is turned off and the display
disappears, the unit cannot be operated with the
remote commander.
Turn on the unit.
The unit is turned off when playing at a high
volume.
The power from the power supply lead of the car
may not be sufficient.
Check the power connection. If no problem is
found in the connection, make the power
connection to the battery directly.
If the situation does not improve, consult your
nearest dealer.
Copyrights

27GB
No sound or the sound is very low.
The position of the fader control [FADER] is not
set for a 2-speaker system.
The volume of the unit and/or connected device
is very low.
Increase the volume of the unit and connected
device.
No beep sound.
An optional power amplifier is connected and
you are not using the built-in amplifier.
The contents of the memory have been erased.
The reset button has been pressed.
Store again into the memory.
The power supply lead or battery has been
disconnected or not connected properly.
Stored stations and correct time are erased.
The fuse has blown.
Makes a noise when the position of the ignition
is switched.
The leads are not matched correctly with the car’s
accessory power connector.
During playback or reception, the demonstration
mode starts.
If no operation is performed for 5 minutes with
[DEMO-ON] set, the demonstration mode starts.
Set [DEMO-OFF] (page 21).
The display disappears from/does not appear in
the display window.
The dimmer is set to [DIMMER-ON] (page 21).
The display disappears if you press and hold OFF.
Press OFF on the unit until the display appears.
The connectors are dirty (page 24).
The operation buttons do not function.
The disc will not eject.
The connection is not correct.
Check the connection of the unit.
If the situation does not improve, press RESET
(page 7).
The contents stored in memory are erased.
For your safety, do not reset the unit while you
are driving.
Radio reception
Stations cannot be received.
The sound is hampered by noises.
The connection is not correct.
If your car has built-in radio antenna (aerial) in
the rear/side glass, connect an REM OUT lead
(blue/white striped) or accessory power supply
lead (red) to the power supply lead of a car’s
antenna (aerial) booster.
Check the connection of the car antenna
(aerial).
If the auto antenna (aerial) will not extend,
check the connection of the power antenna
(aerial) control lead.
Preset tuning is not possible.
The broadcast signal is too weak.
RDS
PTY displays [- - - - - - - -].
The current station is not an RDS station.
RDS data has not been received.
The station does not specify the program type.
CD playback
The disc does not play.
Defective or dirty disc.
The CD-R/CD-RW is not for audio use (page 23).
MP3/WMA/AAC files cannot be played.
The disc is incompatible with the MP3/WMA/AAC
format and version. For details on playable discs
and formats, visit the support site on the back
cover.
MP3/WMA/AAC files take longer to play than
others.
The following discs take a longer time to start
playback.
A disc recorded with a complicated tree
structure.
A disc recorded in Multi Session.
A disc to which data can be added.
The sound skips.
Defective or dirty disc.
USB device playback
You cannot play items via a USB hub.
This unit cannot recognize USB devices via a USB
hub.
A USB device takes longer to play.
The USB device contains files with a complicated
tree structure.
The sound is intermittent.
The sound may be intermittent at a high-bit-rate
of more than 320 kbps.
Audio file cannot be played.
USB device formatted with file systems other
than FAT16 or FAT32 are unsupported.*
* This unit supports FAT16 and FAT32, but some USB
device may not support all of these FAT. For details,
refer to the operating instruction of each USB device
or contact the manufacturer.

28GB
NFC function
One touch connection (NFC) is not possible.
If the smartphone does not respond to the
touching.
Check that the NFC function of the smartphone
is turned on.
Move the N-Mark part of the smartphone
closer to the N-Mark part on this unit.
If the smartphone is in a case, remove it.
NFC receiving sensitivity depends on the device.
If One touch connection with the smartphone
fails several times, make BLUETOOTH connection
manually.
BLUETOOTH function
The connecting device cannot detect this unit.
Before the pairing is made, set this unit to pairing
standby mode.
While connected to a BLUETOOTH device, this
unit cannot be detected from another device.
Disconnect the current connection and search
for this unit from another device.
When the device pairing is made, set the
BLUETOOTH signal output to on (page 9).
Connection is not possible.
The connection is controlled from one side (this
unit or BLUETOOTH device), but not both.
Connect to this unit from a BLUETOOTH device
or vice versa.
The name of the detected device does not
appear.
Depending on the status of the other device, it
may not be possible to obtain the name.
No ringtone.
Adjust the volume by rotating the control dial
while receiving a call.
Depending on the connecting device, the
ringtone may not be sent properly.
Set [RINGTONE] to [1] (page 22).
The front speakers are not connected to the unit.
Connect the front speakers to the unit. The
ringtone is output only from the front speakers.
The talker’s voice cannot be heard.
The front speakers are not connected to the unit.
Connect the front speakers to the unit. The
talker’s voice is output only from the front
speakers.
A call partner says that the volume is too low or
high.
Adjust the volume accordingly using mic gain
adjustment (page 16).
Echo or noise occurs in phone call conversations.
Lower the volume.
Set EC/NC Mode to [BTP EC/NC-1] or [BTP EC/NC-
2] (page 16).
If the ambient noise other than the phone call
sound is loud, try reducing this noise.
E.g.: If a window is open and road noise, etc., is
loud, shut the window. If an air conditioner is
loud, lower the air conditioner.
The phone is not connected.
When BLUETOOTH audio is played, the phone is
not connected even if you press CALL.
Connect from the phone.
The phone sound quality is poor.
Phone sound quality depends on reception
conditions of cellular phone.
Move your car to a place where you can
enhance the cellular phone’s signal if the
reception is poor.
The volume of the connected audio device is low
(high).
Volume level will differ depending on the audio
device.
Adjust the volume of the connected audio
device or this unit.
The sound skips during playback of a
BLUETOOTH audio device.
Reduce the distance between the unit and the
BLUETOOTH audio device.
If the BLUETOOTH audio device is stored in a case
which interrupts the signal, remove the audio
device from the case during use.
Several BLUETOOTH devices or other devices
which emit radio waves are in use nearby.
Turn off the other devices.
Increase the distance from the other devices.
The playback sound stops momentarily when the
connection between this unit and the cellular
phone is being made. This is not a malfunction.
The connected BLUETOOTH audio device cannot
be controlled.
Check that the connected BLUETOOTH audio
device supports AVRCP.
Some functions do not work.
Check if the connecting device supports the
functions in question.
A call is answered unintentionally.
The connecting phone is set to answer a call
automatically.
Pairing failed due to a timeout.
Depending on the connecting device, the time
limit for pairing may be short.
Try completing the pairing within the time.

29GB
BLUETOOTH function cannot operate.
Turn off the unit by pressing OFF for more than 2
seconds, then turn the unit on again.
No sound is output from the car speakers during
handsfree call.
If the sound is output from the cellular phone, set
the cellular phone to output the sound from the
car speakers.
Siri Eyes Free is not activated.
Perform the handsfree registration for an iPhone
that supports Siri Eyes Free.
Set the Siri function on the iPhone to on.
Cancel the BLUETOOTH connection with the
iPhone and the unit, and reconnect.
SongPal operation
Application name is mismatched with the actual
application in “SongPal”.
Launch the application again from the “SongPal”
application.
While running the “SongPal” application via
BLUETOOTH, the display automatically switches
to [BT AUDIO].
The “SongPal” application or BLUETOOTH
function has failed.
Run the application again.
The “SongPal” application is automatically
disconnected when the display switches to [IPD].
The “SongPal” application on iPhone/iPod does
not support iPod playback.
Change the source of the unit to other than
[IPD], then establish the “SongPal” connection
(page 17).
Pandora® operation
Pandora® connection is not possible.
Shut down the Pandora® application on the
mobile device, and then launch it again.
Error displays/Messages
CD ERROR: The disc cannot be played. The disc will
be ejected automatically.
Clean or insert the disc correctly, or make sure the
disc is not blank or defective.
CD NO MUSIC: There is no playable file. The disc
will be ejected automatically.
Insert a disc containing playable files (page 25).
CD PUSH EJT: The disc could not be ejected
properly.
Press (eject).
HUB NO SUPRT: USB hubs are not supported.
IPD STOP: iPod playback has finished.
Operate your iPod/iPhone to start playback.
OUTPUT ERROR: There may be an internal
malfunction.
Check the connection. If the error message still
remains on in the display, consult your nearest
Sony dealer.
OVERLOAD: The USB device is overloaded.
Disconnect the USB device, then press SRC to
select another source.
The USB device has a fault, or an unsupported
device is connected.
READ: Now reading information.
Wait until reading is complete and playback
starts automatically. This may take some time
depending on the disc structure.
TEMP CAUTION: The thermal protector is activated.
Reduce the volume.
USB ERROR: The USB device cannot be played.
Connect the USB device again.
USB NO DEV: A USB device is not connected or
recognized.
Make sure the USB device or USB cable is securely
connected.
USB NO MUSIC: There is no playable file.
Connect a USB device containing playable files
(page 25).
USB NO SUPRT: The USB device is not supported.
For details on the compatibility of your USB
device, visit the support site on the back cover.
or : The beginning or
the end of the disc has been reached.
: The character cannot be displayed.
For BLUETOOTH function:
BT BUSY: The BLUETOOTH device is busy.
Wait for a while, then try again.
ERROR: The selected operation could not be
performed.
Wait for a while, then try again.
NO DEV: The BLUETOOTH device is not connected
or recognized.
Make sure the BLUETOOTH device is securely
connected, or the BLUETOOTH connection is
established with the BLUETOOTH device.

30GB
P EMPTY: No phone numbers are stored.
UNKNOWN: A name or phone number cannot be
displayed.
WITHHELD: The phone number is hidden by the
caller.
For SongPal operation:
APP --------: A connection with the application is
not established.
Make the “SongPal” connection again (page 17).
APP DISCNCT: The application is disconnected.
Make the “SongPal” connection (page 17).
APP DISPLAY: A screen setting display of the
application is open.
Exit the screen setting display of the application
to enable button operation.
APP LIST: The contents list of the CD/USB/iPod is
open.
Exit the list of the application to enable button
operation.
APP MENU: A setting display of the application is
open.
Exit the setting display of the application to
enable button operation.
APP NO DEV: The device with the application
installed is not connected or recognized.
Make the BLUETOOTH connection and establish
the “SongPal” connection again (page 17).
APP SOUND: A sound setting display of the
application is open.
Exit the sound setting display of the application
to enable button operation.
OPEN APP: The “SongPal” application is not
running.
Launch the application.
For Pandora® operation:
CANNOT SKIP: Skipping tracks is not allowed.
Wait until the commercial ends, next track
begins, or select another station on the list.
Pandora® limits the number of skips allowed on
their service.
NO NETWORK: The network connection is unstable
or lost.
Make the network connection again on the
device, or wait until the network connection is
established.
NO STATION: No stations on your account.
Create the station on the mobile device.
NOT ALLOWED: The selected operation is not
allowed.
“Thumbs” feedback is not allowed.
Wait until the commercial ends.
Some functions, such as Shared Station, do not
permit feedback. Wait until the next track
begins, or select another station on the list.
Bookmark is not allowed.
Wait until the commercial ends.
Select another track or station, then try it again.
PAN ERROR: The selected operation could not be
performed.
Wait for a while, then try again.
PAN MAINT: The Pandora® server is under
maintenance.
Wait for a while, then try again.
PAN OPEN APP - PRESS PAUSE: Pandora® is not
running.
Launch the Pandora® application on the mobile
device, then press PAUSE.
PAN RESTRICT: Pandora® is not available outside
your country.
PLEASE LOGIN - PANDORA APP: You are not
logged into your Pandora® account.
Disconnect the device, log into your Pandora®
account, then connect the device again.
UPDATE PAN: An old version of Pandora® is
connected.
Update the Pandora® application to the latest
version.
For SiriusXM operation:
CH LOCKED
The channel that you have requested is locked by
the radio parental control feature.
See “To set a parental control” (page 12) for more
information on the parental control feature and
how to access locked channels.
CH UNAVAIL
The channel that you have requested is not a
valid SiriusXM channel or the channel that you
were listening to is no longer available.
You may also see this message briefly when first
connecting a new SiriusXM Connect Vehicle
Tuner.
Visit www.siriusxm.com in the USA or
www.siriusxm.ca in Canada for SiriusXM channel
lineup information.

31GB
CHAN UNSUB
The channel that you have requested is not
included in your SiriusXM subscription package
or the channel that you were listening to is no
longer included in your SiriusXM subscription
package.
If you have questions about your subscription
package or would like to subscribe to this
channel, please contact SiriusXM.
In the USA, visit www.siriusxm.com or call
1-866-635-2349.
In Canada, visit www.siriusxm.ca or call
1-877-438-9677.
CHK ANT
The radio has detected a fault with the SiriusXM
antenna.
The antenna cable may be either disconnected or
damaged.
Verify that the antenna cable is connected to
the SiriusXM Connect Vehicle Tuner.
Inspect the antenna cable for damage and
kinks.
Replace the antenna if the cable is damaged.
SiriusXM products are available at your local car
audio retailer or online at -
www.shop.siriusxm.com
CHECK TUNER
The radio is having difficulty communicating with
the SiriusXM Connect Vehicle Tuner.
The tuner may be disconnected or damaged.
Verify that the SiriusXM Connect Vehicle Tuner
cable is securely connected to the radio.
MEM FAILURE
This unit failed to store the channel in the preset
dial.
Make sure that the channel you intend to store
is correct.
NO SIGNAL
SiriusXM Connect Vehicle Tuner is having
difficulty receiving the SiriusXM satellite signal.
Verify that your vehicle is outdoors with a clear
view of the sky.
Verify that the SiriusXM magnetic mount
antenna is mounted on a metal surface on the
outside of the vehicle.
Move the SiriusXM antenna away from any
obstructions.
Inspect the antenna cable for damage and
kinks.
Consult the SiriusXM Connect Vehicle Tuner
installation manual for more information on
antenna installation.
Replace the antenna if the cable is damaged.
SiriusXM products are available at your local car
audio retailer or online at -
www.shop.siriusxm.com
SUBSCRIPTION UPDATE - ENTER TO CONTINUE
The radio has detected a change in your SiriusXM
subscription status.
Press ENTER to clear the message.
If you have questions about your subscription,
please contact SiriusXM.
In the USA, visit www.siriusxm.com or call
1-866-635-2349.
In Canada, visit www.siriusxm.ca or call
1-877-438-9677.
For steering wheel remote control
operation:
ERROR: An error occurred during the function
registration.
Register again from the function where the error
occurred (page 19).
TIMEOUT: The function registration failed due to a
timeout.
Try completing the registration while [REGISTER]
is blinking (about 6 seconds) (page 19).
If these solutions do not help improve the situation,
consult your nearest Sony dealer.
If you take the unit to be repaired because of CD
playback trouble, bring the disc that was used at
the time the problem began.

32GB
Cautions
Run all ground (earth) leads to a common
ground (earth) point.
Do not get the leads trapped under a screw, or
caught in moving parts (e.g., seat railing).
Before making connections, turn the car ignition
off to avoid short circuits.
Connect the yellow and red power supply leads
only after all other leads have been connected.
Be sure to insulate any loose unconnected leads
with electrical tape for safety.
Choose the installation location carefully so that
the unit will not interfere with normal driving
operations.
Avoid installing the unit in areas subject to dust,
dirt, excessive vibration, or high temperature,
such as in direct sunlight or near heater ducts.
Use only the supplied mounting hardware for a
safe and secure installation.
Note on the power supply lead (yellow)
When connecting this unit in combination with other
stereo components, the amperage rating of the car
circuit to which the unit is connected must be higher
than the sum of each component’s fuse amperage
rating.
Mounting angle adjustment
Adjust the mounting angle to less than 45°.
Parts List for Installation
This parts list does not include all the package
contents.
The bracket and the protection collar are
attached to the unit before shipping. Before
mounting the unit, use the release keys to
remove the bracket from the unit. For details,
see “Removing the protection collar and the
bracket” (page 35).
Keep the release keys for future use as they are
also necessary if you remove the unit from your
car.
Connection/Installation
Precautions
× 4
5 × max. 8 mm
(7/32 × max. 5/16 in)
× 2

33GB
Connection
*5*6
from a wired remote control
(not supplied)*4
Satellite radio tuner
(SiriusXM)*1
White
White/black striped
Gray
Black
Yellow
Red
Blue/white striped (MAX 0.4A)
from a car antenna (aerial)
Front speaker*1*2*7
Rear speaker*1*2*7
Gray/black striped
Green
Green/black striped
Purple
Purple/black striped
Orange/white striped
*3
*3
*3
Subwoofer*1
Power amplifier*1
For details, see “Making
connections” (page 34).
Black
Yellow
When connecting to the battery directly*8

34GB
*1 Not supplied
*2 Speaker impedance: 4 – 8 Ω × 4
*3 RCA pin cord (not supplied)
*4 Depending on the type of car, use an adaptor for a
wired remote control (not supplied).
For details on using the wired remote control, see
“Using the wired remote control” (page 35).
*5 Whether in use or not, route the microphone input
cord such that it does not interfere with driving
operations. Secure the cord with a clamp, etc., if it is
installed around your feet.
*6 For details on installing the microphone, see
“Installing the microphone” (page 35).
*7 Use speakers with 50W RMS or higher power input
capacity. Using Sony XB series full range speakers is
recommended.
*8 When the amperage rating of the fuse used on your
car is 10 A, make the power connection to the
battery directly to avoid short circuits.
To the +12 V power terminal which is
energized when the ignition switch is set to
the accessory position
If there is no accessory position, connect to the
+12 V power (battery) terminal which is
energized at all times.
Be sure to first connect the black ground (earth)
lead to a common ground (earth) point.
To the power antenna (aerial) control lead or
the power supply lead of the antenna (aerial)
booster
It is not necessary to connect this lead if there is
no power antenna (aerial) or antenna (aerial)
booster, or with a manually-operated telescopic
antenna (aerial).
To AMP REMOTE IN of an optional power
amplifier
This connection is only for amplifiers and a
power antenna (aerial). Connecting any other
system may damage the unit.
To a car’s illumination signal
Be sure to first connect the black ground (earth)
lead to a common ground (earth) point.
To a common ground (earth) point
First connect the black ground (earth) lead, then
connect the yellow and red power supply leads.
To the +12 V power terminal which is
energized at all times
Be sure to first connect the black ground (earth)
lead to a common ground (earth) point.
When connecting to the battery directly
When the amperage rating of the fuse used on your
car is 10 A, make the power connection to the
battery directly to avoid short circuits.
to a metal point of car
to the positive battery terminal
Notes
Despite connecting to the power supply lead of the
car, the unit may not fully provide its performance
due to insufficient power. In this case, make the
power connection to the battery directly.
All power wires connected to the positive battery post
should be fused within 450 mm (18 in) of the battery
post, and before they pass through any metal.
Make sure that the car’s battery wires connected to
the car (ground (earth) to chassis)* are of a wire
gauge at least equal to that of the main power wire
connected from the battery to the head unit.
During full-power operation, a current of more than
15 A will run through the system. Therefore, make
sure that the wires to be connected to the +12 V and
GND terminals of this unit are at least 14-Gauge
(AWG14) or have a sectional area of more than 2mm²
(3/32 in).
If you have any questions or problems concerning
the connection, consult the dealer for details.
Subwoofer Easy Connection
You can use a subwoofer without a power amplifier
when it is connected to a rear speaker cord.
Note
Use a subwoofer with an impedance of 4 to 8 ohms,
and with adequate power handling capacities to avoid
damage.
Memory hold connection
When the yellow power supply lead is connected,
power will always be supplied to the memory
circuit even when the ignition switch is turned off.
Speaker connection
Before connecting the speakers, turn the unit off.
Use speakers with an impedance of 4 to 8 ohms,
and with adequate power handling capacities to
avoid damage.
Making connections
*
Less than 450 mm (18 in)
+12 V car battery
Fuse (15 A)
Front speaker
Subwoofer

35GB
To capture your voice during handsfree calling, you
need to install the microphone .
Cautions
It is extremely dangerous if the cord becomes
wound around the steering column or gearstick.
Be sure to keep it and other parts from interfering
with your driving operations.
If airbags or any other shock-absorbing
equipment is in your car, contact the store where
you purchased this unit, or the car dealer, before
installation.
Note
Before attaching the double-sided tape , clean the
surface of the dashboard with a dry cloth.
When using the steering wheel remote
control
Installation of the connection cable RC-SR1 (not
supplied) is required before use.
1To enable the steering wheel remote control, select
[SET STEERING] [SET STR EDIT] to make the
registration (page 19).
When the registration completes, the steering wheel
remote control becomes available.
Notes on installing the connection cable RC-SR1 (not
supplied)
Refer to the support sites on the back cover for
details, then connect each lead properly to the
appropriate leads. Making an improper connection
may damage the unit.
Consulting the dealer or an experienced technician
for help is recommended.
When using the wired remote control
1To enable the wired remote control, set [SET STR
CONTROL] in [SET STEERING] to [EXTERNAL]
(page 19).
Installation
Before installing the unit, remove the protection
collar and the bracket from the unit.
1Pinch both edges of the protection collar
, then pull it out.
2Insert both release keys until they
click, and pull down the bracket , then
pull up the unit to separate.
Installing the microphone
Using the wired remote control
Clip (not supplied)
Removing the protection collar and the
bracket
Face the hook inwards.

36GB
Before installing, make sure the catches on both
sides of the bracket are bent inwards 2 mm (3/32
in). When mounting in a Japanese car, see
“Mounting the unit in a Japanese car” (page 36).
1Position the bracket inside the
dashboard, then bend the claws outward
for a tight fit.
2Mount the unit onto the bracket , then
attach the protection collar .
Notes
If the catches are straight or bent outwards, the unit
will not be installed securely and may spring out.
Make sure the 4 catches on the protection collar
are properly engaged in the slots of the unit.
Mounting the unit in a Japanese car
You may not be able to install this unit in some
makes of Japanese cars. In such a case, consult your
Sony dealer.
TOYOTA
NISSAN
Note
To prevent malfunction, install only with the supplied
screws .
For details, see “Detaching the Front Panel”
(page 7).
For details, see “Resetting the unit” (page 7).
Mounting the unit in the dashboard
CAUTION
Do not touch the left side of the unit when
removing from the dashboard. The heatsink on
the left side of the unit remains hot right after
use.
182 mm (7 1/4 in)
53 mm (2 1/8 in)
Catch
Detaching and attaching the front panel
Resetting the unit
to dashboard/center console
Existing parts supplied with
your car
Bracket
Bracket
to dashboard/center console
Existing parts supplied with
your car
Bracket
Bracket

37GB
When replacing the fuse, be sure to use one
matching the amperage rating stated on the
original fuse. If the fuse blows, check the power
connection and replace the fuse. If the fuse blows
again after replacement, there may be an internal
malfunction. In such a case, consult your nearest
Sony dealer.
Note
Use an appropriate tool to replace a fuse.
Fuse replacement
Fuse (15 A)

38GB

39GB

2FR
La plaque signalétique indiquant la tension
d’alimentation, etc. se trouve sur le dessous du
châssis.
Avertissement
Le présent appareil est conforme aux CNR
d’Industrie Canada applicables aux appareils radio
exempts de licence.
L’exploitation est autorisée aux deux conditions
suivantes : (1) l’appareil ne doit pas produire de
brouillage, et (2) l’utilisateur de l’appareil doit
accepter tout brouillage radioélectrique subi,
même si le brouillage est susceptible d’en
compromettre le fonctionnement.
Cet équipement ne doit pas être placé au même
endroit ni utilisé avec une autre antenne ou un
autre émetteur.
Conformément à la réglementation d’Industrie
Canada, le présent émetteur radio peut fonctionner
avec une antenne d’un type et d’un gain maximal
(ou inférieur) approuvé pour l’émetteur par
Industrie Canada. Dans le but de réduire les risques
de brouillage radioélectrique à l’intention des
autres utilisateurs, il faut choisir le type d’antenne
et son gain de sorte que la puissance isotrope
rayonnée équivalente (p.i.r.e.) ne dépasse pas
l’intensité nécessaire à l’établissement d’une
communication satisfaisante.
Cet équipement est conforme aux limites
d’exposition aux rayonnements énoncées pour un
environnement non contrôlé et respecte les règles
les radioélectriques (RF) de la FCC lignes directrices
d’exposition et d’exposition aux fréquences
radioélectriques (RF) CNR-102 de l’IC. Cet
équipement émet une énergie RF très faible qui est
considérée conforme sans évaluation de
l’exposition maximale autorisée. Cependant, cet
équipement doit être installé et utilisé en gardant
une distance de 20 cm ou plus entre le dispositif
rayonnant et le corps.
ATTENTION
L’utilisation d’instruments optiques avec ce produit
augmente les risques pour les yeux.
Remarque sur la pile au lithium
N’exposez pas la pile à une chaleur excessive
comme à la lumière directe du soleil, au feu ou
autre.
Avis d’exclusion de responsabilité relatif aux
services proposés par des tiers
Les services proposés par des tiers peuvent être
modifiés, suspendus ou clôturés sans avis
préalable. Sony n’assume aucune responsabilité
dans ce genre de situation.
Pour plus de sécurité, installez cet appareil dans
le tableau de bord du véhicule, car la partie
gauche de l’appareil devient chaude en cours de
fonctionnement.
Pour plus de détails, reportez-vous à la section
« Raccordement/Installation » (page 36). Avertissement si le contact de votre
véhicule ne comporte pas de position ACC
Veillez à régler la fonction AUTO OFF (page 21).
L’appareil s’éteint complètement et
automatiquement après le laps de temps choisi
une fois l’appareil arrêté afin d’éviter que la
batterie ne se décharge. Si vous ne réglez pas la
fonction AUTO OFF, appuyez sur la touche OFF et
maintenez-la enfoncée jusqu’à ce que l’affichage
disparaisse chaque fois que vous coupez le
contact.

3FR
Attention
SONY NE PEUT EN AUCUN CAS ÊTRE TENU
RESPONSABLE DE TOUT DOMMAGE DIRECT,
INDIRECT OU CONSÉCUTIF OU DE TOUT AUTRE
DOMMAGE, Y COMPRIS, SANS LIMITATION, TOUTE
PERTE DE PROFITS, DE REVENU, DE DONNÉES,
D’UTILISATION DU PRODUIT OU DE TOUT APPAREIL
ASSOCIÉ, DE DISPONIBILITÉ ET DE TEMPS DE
L’UTILISATEUR LIÉE À OU DÉCOULANT DE
L’UTILISATION DE CE PRODUIT, MATÉRIEL ET/OU
LOGICIEL.
Cher client, ce produit comprend un émetteur radio.
Veuillez consulter le mode d’emploi de votre
véhicule ou contacter le constructeur ou le
concessionnaire de votre véhicule avant d’installer
ce produit dans votre véhicule.
Appels d’urgence
Cet appareil mains libres BLUETOOTH et l’appareil
électronique connecté au système mains libres
fonctionnent grâce à des signaux radio, des
réseaux cellulaires et terrestres, ainsi que des
fonctions programmées par l’utilisateur, qui ne
peuvent garantir la connexion dans toutes les
conditions.
Par conséquent, ne vous fiez pas uniquement sur
les périphériques électroniques pour vos
communications importantes (telles que les
urgences médicales).
Communication BLUETOOTH
Les émissions d’hyperfréquences d’un
périphérique BLUETOOTH peuvent perturber le
fonctionnement des appareils médicaux
électroniques. Pour éviter de causer un accident,
éteignez cet appareil et les autres périphériques
BLUETOOTH dans les endroits suivants :
endroits où du gaz inflammable est présent,
dans un hôpital, un train, un avion ou une
station-service
à proximité de portes automatiques ou d’un
avertisseur d’incendie
Cet appareil prend en charge les capacités de
sécurité conformes à la norme BLUETOOTH pour
offrir une connexion sécurisée lors de l’utilisation
de la technologie BLUETOOTH sans fil; cependant,
la sécurité peut être insuffisante selon le réglage.
Soyez prudent lorsque vous communiquez au
moyen de la technologie BLUETOOTH sans fil.
Nous ne pouvons être tenus responsables de la
fuite d’informations lors d’une communication
BLUETOOTH.
Si vous avez des questions ou des problèmes
concernant cet appareil qui ne sont pas abordés
dans ce mode d’emploi, contactez votre détaillant
Sony le plus proche.
Avis important

4FR
Table des matières
Avertissement . . . . . . . . . . . . . . . . . . . . . . . . . . . . . . 2
Guide des pièces et commandes . . . . . . . . . . . . . . 5
Préparation
Retrait de la façade . . . . . . . . . . . . . . . . . . . . . . . . . . 7
Réinitialisation de l’appareil. . . . . . . . . . . . . . . . . . . 7
Réglage de l’horloge . . . . . . . . . . . . . . . . . . . . . . . . 7
Préparation d’un périphérique BLUETOOTH. . . . . . 8
Raccordement d’un iPod/périphérique USB . . . . 10
Raccordement d’un autre appareil audio
portatif . . . . . . . . . . . . . . . . . . . . . . . . . . . . . . . . 10
Écoute de la radio
Écoute de la radio . . . . . . . . . . . . . . . . . . . . . . . . . . 11
Utilisation du RDS
(système de radiocommunication de
données) . . . . . . . . . . . . . . . . . . . . . . . . . . . . . . 11
Écoute de la radio SiriusXM . . . . . . . . . . . . . . . . . . 12
Lecture
Lecture d’un disque . . . . . . . . . . . . . . . . . . . . . . . . 13
Lecture d’un iPod/périphérique USB . . . . . . . . . . 13
Lecture d’un périphérique BLUETOOTH . . . . . . . . 14
Recherche et lecture des plages . . . . . . . . . . . . . . 14
Écoute de Pandora®
Configuration de Pandora® . . . . . . . . . . . . . . . . . . 15
Transmission en continu Pandora® . . . . . . . . . . . . 15
Opérations disponibles dans Pandora® . . . . . . . . 16
Appel en mains libres (via BLUETOOTH
uniquement)
Réception d’un appel . . . . . . . . . . . . . . . . . . . . . . . 16
Faire un appel . . . . . . . . . . . . . . . . . . . . . . . . . . . . . 16
Opérations disponibles en cours d’appel . . . . . . . 17
Fonctions pratiques
SongPal avec iPhone/téléphone Android. . . . . . . 18
Utilisation de Siri Eyes Free. . . . . . . . . . . . . . . . . . . 20
Réglages
Annulation du mode DEMO . . . . . . . . . . . . . . . . . . 21
Configuration de base . . . . . . . . . . . . . . . . . . . . . . 21
Configuration générale (GENERAL) . . . . . . . . . . . . 21
Configuration sonore (SOUND) . . . . . . . . . . . . . . . 22
Configuration d’affichage (DISPLAY) . . . . . . . . . . . 24
Configuration BLUETOOTH (BT) . . . . . . . . . . . . . . . 24
Configuration SongPal (SONGPAL) . . . . . . . . . . . . 25
Informations complémentaires
Mise à jour du micrologiciel. . . . . . . . . . . . . . . . . . 25
Précautions . . . . . . . . . . . . . . . . . . . . . . . . . . . . . . . 25
Entretien . . . . . . . . . . . . . . . . . . . . . . . . . . . . . . . . . 27
Caractéristiques techniques . . . . . . . . . . . . . . . . . 27
Dépannage . . . . . . . . . . . . . . . . . . . . . . . . . . . . . . . 29
Raccordement/Installation
Mises en garde . . . . . . . . . . . . . . . . . . . . . . . . . . . . 36
Liste des pièces nécessaires à l’installation . . . . . 36
Raccordement. . . . . . . . . . . . . . . . . . . . . . . . . . . . . 37
Installation . . . . . . . . . . . . . . . . . . . . . . . . . . . . . . . 39
Avis important
La garantie de ce produit est inclus dans le
présent manuel (page 42). Conservez le présent
manuel pour référence ultérieure.

5FR
Guide des pièces et commandes
Sans la façade (panneau interne)
Touche de déverrouillage de la façade
SRC (source)
Permet de mettre l’appareil en marche.
Permet de changer la source.
OFF
Appuyez sur la touche et maintenez-la
enfoncée pendant 1 seconde pour désactiver la
source et afficher l’horloge.
Appuyez sur la touche et maintenez-la
enfoncée pendant plus de 2 secondes pour
éteindre l’appareil et l’affichage.
Si l’appareil est éteint et que l’affichage
disparaît, le fonctionnement par télécommande
est désactivé.
Molette de réglage
Tournez pour régler le volume.
PUSH ENTER
Permet d’entrer l’élément sélectionné.
Appuyez sur SRC, tournez la molette, puis
appuyez sur celle-ci pour changer la source.
Appuyez sur la touche et maintenez-la
enfoncée pendant plus de 2 secondes pour
activer la fonction « SongPal » (connexion).
VOICE (pages 17, 19, 20)
Permet d’activer la composition vocale, la
reconnaissance vocale lorsque la fonction
« SongPal » est activée (téléphone Android™
uniquement) ou la fonction Siri (iPhone
uniquement).
Symbole N
Touchez à la molette de réglage avec un
téléphone Android pour établir une connexion
BLUETOOTH.
Fente d’insertion des disques
Fenêtre d’affichage
SEEK +/–
Permet de syntoniser automatiquement des
stations de radio. Appuyez sur la touche et
maintenez-la enfoncée pour syntoniser des
stations manuellement.
/ (précédente/suivante)
/ (retour rapide/avance rapide)
(éjection du disque)
(navigation) (pages 15, 16)
Permet d’accéder au mode de navigation
pendant la lecture.
CALL
Permet d’accéder au menu d’appel. Permet de
recevoir/mettre fin à un appel.
Appuyez sur la touche et maintenez-la
enfoncée pendant plus de 2 secondes pour
sélectionner le signal BLUETOOTH.
(retour)
Permet de retourner à l’écran précédent.
MODE (pages 11, 14, 16, 18)
Récepteur de télécommande
Appareil principal

6FR
MENU*
Permet d’ouvrir le menu de configuration.
* Non disponible lorsque le téléphone BT est
sélectionné.
Touches numériques (1 à 6)
Permettent de capter des stations de radio
mémorisées. Appuyez sur la touche et
maintenez-la enfoncée pour mémoriser des
stations.
Permettent de composer un numéro de
téléphone mémorisé. Appuyez sur la touche et
maintenez-la enfoncée pour mémoriser un
numéro de téléphone.
ALBUM /
Permet de sauter un album sur un appareil
audio. Appuyez sur la touche et maintenez-la
enfoncée pour sauter des albums en continu.
Appuyez sur pour laisser une appréciation
positive ou sur pour laisser une appréciation
négative dans Pandora® (page 16).
(répétition)
(aléatoire)
MIC (page 17)
PAUSE
MEGA BASS
Appuyez sur la touche pour activer/désactiver
la fonction MEGA BASS.
PTY (type d’émission)
Permet de sélectionner PTY en mode RDS.
CAT (catégorie)
Permet de sélectionner des canaux de radio
dans SiriusXM.
Prise d’entrée AUX
DSPL (affichage)
Appuyez sur la touche pour changer les
éléments d’affichage.
SCRL (défilement)
Appuyez sur la touche et maintenez-la
enfoncée pour faire défiler un élément
d’affichage.
Port USB
RESET (panneau interne) (page 7)
La touche VOL (volume) + comporte un point
tactile.
SOUND*
Permet d’ouvrir le menu SOUND directement.
MENU*
Appuyez sur la touche et maintenez-la
enfoncée pour ouvrir le menu de configuration.
* Non disponible lorsque le téléphone BT est
sélectionné.
///
Permet de sélectionner un élément de
configuration, etc.
ENTER
Permet d’entrer l’élément sélectionné.
/ (précédente/suivante)
+/– (album +/–)
VOL (volume) +/–
Retirez la feuille de protection avant l’utilisation.
Télécommande RM-X231

7FR
Retrait de la façade
Vous pouvez retirer la façade de cet appareil pour le
protéger du vol.
1Appuyez sur la touche OFF et
maintenez-la enfoncée jusqu’à ce que
l’appareil s’éteigne. Appuyez sur la
touche de déverrouillage de la façade ,
puis retirez la façade en la tirant vers
vous.
Alarme d’avertissement
Si vous mettez la clé de contact en position OFF
sans retirer la façade, l’alarme d’avertissement
retentit pendant quelques secondes. L’alarme
retentit uniquement lorsque l’amplificateur intégré
est utilisé.
Numéros de série
Assurez-vous que le numéro de série indiqué sous
l’appareil correspond bien à celui indiqué à l’arrière
de la façade. Sinon, vous ne pourrez pas établir le
pairage BLUETOOTH ou effectuer la connexion et la
déconnexion à l’aide de la fonction NFC.
Réinitialisation de l’appareil
Avant la première utilisation de l’appareil ou après
avoir remplacé la batterie du véhicule ou modifié
les raccordements, vous devez réinitialiser
l’appareil. Appuyez sur la touche RESET du panneau
interne avec un stylo à bille, etc., après avoir retiré
la façade.
Remarque
Une pression sur RESET efface le réglage de l’heure et
certaines informations mémorisées.
Réglage de l’horloge
1Appuyez sur MENU, tournez la molette
de réglage pour sélectionner [SET
GENERAL], puis appuyez dessus.
2Tournez la molette de réglage pour
sélectionner [SET CLOCK ADJ], puis
appuyez dessus.
L’indication des heures clignote.
3Tournez la molette de réglage pour
régler l’heure et les minutes.
Appuyez sur SEEK +/– pour déplacer l’indication
numérique.
4Appuyez sur MENU après avoir réglé les
minutes.
Le réglage est terminé et l’horloge démarre.
Affichage de l’horloge*
Appuyez sur la touche DSPL.
* Disponible uniquement lorsque [SUB DISPLAY] est
réglé à [SOURCE] (page 24).
Préparation
Installation de la façade

8FR
Préparation d’un périphérique
BLUETOOTH
Vous pouvez écouter de la musique ou effectuer un
appel en mains libres selon le périphérique
compatible BLUETOOTH, tel que téléphone
intelligent, téléphone cellulaire ou périphérique
audio (ci-après nommé « périphérique
BLUETOOTH », sauf en cas d’indication différente).
Pour plus de détails sur la connexion, reportez-vous
au mode d’emploi fourni avec le périphérique.
Avant de connecter le périphérique, diminuez le
volume de cet appareil; sinon, une accentuation du
volume pourrait se produire.
Lorsque vous touchez la molette de réglage de
l’appareil avec un téléphone intelligent compatible
NFC*, l’appareil est automatiquement jumelé et
connecté avec le téléphone intelligent.
* La technologie NFC (Near Field Communication –
Communication en champ proche) permet d’établir
une communication sans fil à courte portée entre
différents périphériques, tels que des téléphones
cellulaires et des étiquettes CI. Grâce à la fonction
NFC, la communication des données peut être
réalisée en touchant simplement le symbole
correspondant ou la zone spécifiée sur les
périphériques compatibles NFC.
Pour les téléphones intelligents avec Android
OS 4.0 ou version antérieure, le téléchargement de
l’application « NFC Easy Connect » à partir de
Google Play™ est requis. Il est possible que
l’application ne soit pas disponible en
téléchargement dans certains pays/certaines
régions.
1Activez la fonction NFC sur le téléphone
intelligent.
Pour plus de détails, reportez-vous au mode
d’emploi fourni avec le téléphone intelligent.
2Touchez le symbole N de l’appareil avec
le symbole N du téléphone intelligent.
Assurez-vous que s’allume dans la fenêtre
d’affichage de l’appareil.
Pour effectuer la déconnexion par simple
contact
Touchez de nouveau le symbole N de l’appareil
avec le symbole N du téléphone intelligent.
Remarques
Pendant que vous établissez la connexion, manipulez
le téléphone intelligent avec soin pour éviter de
l’égratigner.
Il n’est pas possible d’établir la connexion par simple
contact lorsque l’appareil est déjà connecté à un
autre périphérique compatible NFC. En pareil cas,
déconnectez l’autre périphérique, puis établissez de
nouveau la connexion avec le téléphone intelligent.
Lorsque vous connectez un périphérique
BLUETOOTH pour la première fois, un
enregistrement mutuel (nommé « pairage ») est
nécessaire. Le pairage permet à cet appareil et aux
autres périphériques de se reconnaître entre eux.
1Placez le périphérique BLUETOOTH à 1 m
(3 pi) maximum de cet appareil.
2Appuyez sur la touche CALL, tournez la
molette de réglage pour sélectionner
[SET PAIRING], puis appuyez dessus.
clignote pendant que l’appareil est en mode
de veille de pairage.
3Procédez au pairage sur le périphérique
BLUETOOTH afin qu’il détecte cet
appareil.
4Sélectionnez [MEX-XB100BT] sur
l’affichage du périphérique BLUETOOTH.
Si le nom de votre modèle n’apparaît pas,
recommencez la procédure à partir de l’étape 2.
Connexion par simple contact avec un
téléphone intelligent (NFC)
Pairage et connexion avec un
périphérique BLUETOOTH

9FR
5Si la saisie d’un code d’authentification*
est requise sur le périphérique
BLUETOOTH, saisissez [0000].
* Le code d’authentification peut également être
nommé « clé d’authentification », « code NIP »,
« numéro NIP » ou « mot de passe », etc., en
fonction du périphérique.
Une fois le pairage effectué, demeure
allumé.
6Sélectionnez cet appareil sur le
périphérique BLUETOOTH pour établir la
connexion BLUETOOTH.
ou s’allume lorsque la connexion est
établie.
Remarque
Pendant la connexion à un périphérique BLUETOOTH,
cet appareil ne peut pas être détecté par un autre
périphérique. Pour permettre la détection, accédez au
mode de pairage et recherchez cet appareil à partir de
l’autre périphérique.
Pour démarrer la lecture
Pour plus de détails, reportez-vous à la section
« Lecture d’un périphérique BLUETOOTH »
(page 14).
Annulation du pairage
Effectuez l’étape 2 pour quitter le mode de pairage
après avoir jumelé cet appareil et le périphérique
BLUETOOTH.
Pour utiliser le périphérique une fois le pairage
effectué, établissez la connexion à cet appareil.
Certains périphériques jumelés se connectent
automatiquement.
1Appuyez sur la touche CALL, tournez la
molette de réglage pour sélectionner
[SET BT SIGNL], puis appuyez dessus.
Vérifiez que s’allume.
2Activez la fonction BLUETOOTH sur le
périphérique BLUETOOTH.
3Réglez le périphérique BLUETOOTH afin
qu’il se connecte à cet appareil.
ou s’allume.
Icônes dans la fenêtre d’affichage :
Connexion au dernier périphérique connecté
à partir de cet appareil
Activez la fonction BLUETOOTH sur le périphérique
BLUETOOTH.
Appuyez sur SRC, puis sélectionnez [BT PHONE] ou
[BT AUDIO].
Appuyez sur ENTER pour connecter l’appareil au
téléphone cellulaire ou sur PAUSE pour le connecter
au périphérique audio.
Remarque
Pendant la transmission BLUETOOTH audio en continu,
vous ne pouvez pas établir la connexion au téléphone
cellulaire à partir de cet appareil. Établissez plutôt la
connexion à cet appareil à partir du téléphone
cellulaire.
Conseil
Avec le signal BLUETOOTH activé : lorsque la clé de
contact est tournée sur la position ON, cet appareil se
reconnecte automatiquement au dernier téléphone
cellulaire connecté.
Pour installer le microphone
Pour plus de détails, reportez-vous à la section
« Installation du microphone » (page 39).
Connexion avec un périphérique
BLUETOOTH jumelé
[0000]
Entrez le code d’authentification
S’allume lorsque la fonction d’appel en
mains libres est disponible grâce à
l’activation du profil HFP (Handsfree
Profile).
S’allume lorsque la lecture du
périphérique audio est possible grâce à
l’activation du profil A2DP (Advanced
Audio Distribution Profile).

10FR
Lorsqu’un iPhone/iPod muni d’iOS5 ou version
ultérieure est raccordé au port USB, l’appareil est
automatiquement jumelé et connecté avec le
iPhone/iPod.
Pour permettre le pairage BLUETOOTH
automatique, assurez-vous de régler [SET AUTO
PAIR] dans [BT] à [ON] (page 24).
1Activez la fonction BLUETOOTH sur le
iPhone/iPod.
2Raccordez un iPhone/iPod au port USB.
Assurez-vous que s’allume dans la fenêtre
d’affichage de l’appareil.
Remarques
Le pairage BLUETOOTH automatique ne démarrera
pas si l’appareil est déjà raccordé à un autre
périphérique BLUETOOTH. Dans ce cas, déconnectez
l’autre périphérique, puis raccordez à nouveau le
iPhone/iPod.
Si le pairage BLUETOOTH automatique n’est pas
établi, reportez-vous à la section « Préparation d’un
périphérique BLUETOOTH » pour plus de détails
(page 8).
Raccordement d’un iPod/
périphérique USB
1Réduisez le volume de l’appareil.
2Raccordez le iPod/périphérique USB à
l’appareil.
Pour raccorder un iPod/iPhone, utilisez le câble
de raccordement USB pour iPod (non fourni).
Raccordement d’un autre
appareil audio portatif
1Éteignez l’appareil audio portatif.
2Réduisez le volume de l’appareil.
3Raccordez l’appareil audio portatif à la
prise d’entrée AUX (mini-prise stéréo) de
l’appareil à l’aide d’un câble de
raccordement (non fourni)*.
* Veillez à utiliser une fiche droite.
4Appuyez sur SRC pour sélectionner
[AUX].
Pour faire correspondre le niveau de volume
de l’appareil raccordé à celui des autres
sources
Démarrez la lecture sur l’appareil audio portatif
avec un niveau de volume modéré, puis réglez
votre appareil sur le volume d’écoute habituel.
Appuyez sur MENU, puis sélectionnez [SET SOUND]
[SET AUX VOLUME] (page 23).
Raccordement d’un iPhone/iPod
(pairage BLUETOOTH automatique)

11FR
Écoute de la radio
Pour écouter la radio, appuyez sur SRC pour
sélectionner [TUNER].
1Appuyez sur MODE pour changer de
bande (FM1, FM2, FM3, AM1 ou AM2).
2Appuyez sur MENU, tournez la molette
de réglage pour sélectionner [SET
GENERAL], puis appuyez dessus.
3Tournez la molette de réglage pour
sélectionner [SET BTM], puis appuyez
dessus.
L’appareil mémorise les stations sur les touches
numériques en respectant l’ordre des
fréquences.
1Appuyez sur MODE pour changer de
bande (FM1, FM2, FM3, AM1 ou AM2).
2Réglez la fréquence.
Pour syntoniser des stations manuellement
Appuyez sur la touche SEEK +/– et maintenez-la
enfoncée pour localiser la fréquence
approximativement, puis appuyez plusieurs fois
sur SEEK +/– pour régler la fréquence souhaitée
avec précision.
Pour syntoniser des stations automatiquement
Appuyez sur SEEK +/–.
Le balayage s’interrompt lorsque l’appareil
capte une station.
1Lorsque vous captez la station que vous
souhaitez mémoriser, appuyez sur une
touche numérique (1 à 6) et maintenez-la
enfoncée jusqu’à ce que [MEM]
apparaisse.
1Sélectionnez la bande, puis appuyez sur
une touche numérique (1 à 6).
Utilisation du RDS (système de
radiocommunication de
données)
1Appuyez sur PTY pendant la réception
FM.
2Tournez la molette de réglage jusqu’à ce
que le type d’émission souhaité
apparaisse, puis appuyez dessus.
L’appareil commence à chercher une station
diffusant le type d’émission sélectionné.
Type d’émission
Les données CT de la transmission RDS règlent
l’horloge.
1Réglez l’appareil à [SET CT-ON] dans [SET
GENERAL] (page 22).
Écoute de la radio
Mémorisation automatique (BTM)
Syntonisation
Mémorisation manuelle
Réception des stations mémorisées
Sélection des types d’émission (PTY)
NEWS (nouvelles), INFORM (information), SPORTS
(sports), TALK (infovariétés), ROCK (rock), CLS
ROCK (rock classique), ADLT HIT (succès adultes),
SOFT RCK (rock détente), TOP 40 (palmarès),
COUNTRY (country), OLDIES (anciens succès), SOFT
(détente), NOSTALGA (nostalgie), JAZZ (jazz),
CLASSICL (classique), R AND B (rhythm and blues),
SOFT R B (rhythm and blues léger), LANGUAGE
(langue étrangère), REL MUSC (musique religieuse),
REL TALK (infovariétés religieuses), PERSNLTY
(personnalités), PUBLIC (publique), COLLEGE
(collège), WEATHER (météo)
Réglage de l’heure (CT)

12FR
Écoute de la radio SiriusXM
Seule la radio SiriusXM vous permet d’écouter
encore plus de canaux que vous aimez, le tout au
même endroit. Obtenez plus de 140 canaux, y
compris des chaînes musicales exemptes de
publicité, ainsi que les meilleures émissions de
sports, de nouvelles, d’infovariétés, d’humour et de
divertissement. Bienvenue dans le monde de la
radio satellite. Un récepteur SiriusXM Connect
Voiture et un abonnement sont requis. Pour plus
d’informations, visitez
www.siriusxm.com
Après l’installation du récepteur SiriusXM Connect
Voiture et de l’antenne, appuyez sur SRC pour
sélectionner [SIRIUSXM]. Vous devriez être en
mesure d’écouter le canal d’aperçu de SiriusXM au
Canal 1. Après avoir vérifié qu’il est possible
d’écouter le canal d’aperçu, sélectionnez le Canal 0
pour obtenir l’identifiant de radio de votre
récepteur. L’identifiant de radio est également
indiqué sur la partie inférieure du récepteur
SiriusXM Connect Voiture et son emballage. Vous
aurez besoin de ce numéro pour activer votre
abonnement. Notez le numéro pour référence
ultérieure.
Aux États-Unis, vous pouvez effectuer l’activation
en ligne ou en appelant le service à l’auditoire de
SiriusXM :
En ligne : Visitez www.siriusxm.com/activatenow
Téléphone : Composez le 1-866-635-2349
Au Canada, vous pouvez effectuer l’activation en
ligne ou en appelant le service à l’auditoire de
SiriusXM :
En ligne : Visitez www.siriusxm.ca/activatexm
Téléphone : Composez le 1-877-438-9677
Dans le cadre du processus d’activation, les
satellites SiriusXM envoient un message
d’activation à votre récepteur. Lorsque votre radio
détecte que le récepteur a reçu le message
d’activation, elle affiche : [SUBSCRIPTION
UPDATED - ENTER TO CONTINUE]. Une fois abonné,
vous pouvez syntoniser les canaux offerts dans
votre plan d’abonnement.
Remarques
Le processus d’activation prend normalement de 10 à
15 minutes, mais peut parfois prendre jusqu’à une
heure.
Votre radio doit être allumée et syntonisée sur le
signal SiriusXM pour recevoir le message d’activation.
1Appuyez sur (navigation).
2Tournez la molette de réglage pour
sélectionner le canal de votre choix, puis
appuyez dessus.
Pour sélectionner des canaux à partir des
catégories
1Appuyez sur CAT.
2Tournez la molette de réglage pour sélectionner la
catégorie de votre choix, puis appuyez dessus.
Pour mémoriser des canaux
1Lorsque vous captez le canal que vous souhaitez
mémoriser, appuyez sur une touche numérique (1 à
6) et maintenez-la enfoncée jusqu’à ce que [MEM]
apparaisse.
Pour capter le canal mémorisé, appuyez sur MODE
pour sélectionner [SXM1], [SXM2] ou [SXM3], puis
appuyez sur une touche numérique (1 à 6).
Pour régler le contrôle parental
La fonction de contrôle parental vous permet de
limiter l’accès aux canaux SiriusXM proposant un
contenu destiné aux adultes. Lorsqu’elle est
activée, la fonction de contrôle parental vous
demande d’entrer un mot de passe pour syntoniser
les canaux verrouillés. Vous trouverez ci-dessous
les informations relatives au réglage du mot de
passe et au verrouillage des canaux.
1Appuyez sur MENU et tournez la molette de
réglage.
2Sélectionnez [SET GENERAL] [SET PARENTAL]
[SET LOCK SELECT] [SET LOCK-ON].
3Entrez le mot de passe en tournant la molette de
réglage de l’appareil ou en appuyant sur / sur la
télécommande.
Pour déplacer la position de saisie, appuyez sur
SEEK +/– sur l’appareil ou / sur la
télécommande.
Le mot de passe initial est [0000].
4Après avoir entré le mot de passe, appuyez sur
ENTER.
Pour déverrouiller les canaux, sélectionnez [SET
LOCK-OFF].
Pour modifier le mot de passe
1Appuyez sur MENU et tournez la molette de
réglage.
2Sélectionnez [SET GENERAL] [SET PARENTAL]
[SET CODE EDIT].
3Entrez le mot de passe actuel sur l’affichage
d’entrée du mot de passe actuel, puis appuyez sur
ENTER.
Le mot de passe initial est [0000].
4Entrez votre nouveau mot de passe à 4 chiffres sur
l’affichage d’entrée du nouveau mot de passe, puis
appuyez sur ENTER.
Activation de votre abonnement
SiriusXM
Sélection des canaux pour SiriusXM

13FR
Pour changer les éléments d’affichage
Appuyez sur DSPL pour les changer comme suit :
Numéro de canal (par défaut) Nom de canal
Nom de l’artiste Titre de chanson Informations
de contenu Nom de catégorie Horloge*
* Ne s’affiche pas lorsque [SUB DISPLAY] est réglé à
[CLOCK] (page 24).
Lecture d’un disque
1Insérez le disque (côté imprimé vers le
haut).
La lecture démarre automatiquement.
Lecture d’un iPod/périphérique
USB
Dans ce mode d’emploi, « iPod » est utilisé comme
référence générale pour des fonctions iPod sur les
iPod et iPhone, sauf mention contraire dans le texte
ou les illustrations.
Pour plus de détails sur la compatibilité de votre
iPod, reportez-vous à la section « À propos du
iPod » (page 26) ou visitez notre site d’assistance à
l’adresse indiquée sur la couverture arrière.
Vous pouvez utiliser des périphériques USB de type
MSC (stockage de masse) ou MTP (protocole de
transfert des médias) (par exemple, mémoire flash
USB, lecteur média numérique, téléphone Android)
conformes à la norme USB.
Selon le lecteur média numérique ou le téléphone
Android, il peut être nécessaire de régler le mode
de connexion USB à MTP.
Remarques
Pour plus de détails sur la compatibilité de votre
périphérique USB, visitez notre site d’assistance à
l’adresse indiquée sur la couverture arrière.
La lecture des fichiers suivants n’est pas prise en
charge.
MP3/WMA/AAC/FLAC :
fichiers avec protection des droits d’auteur
fichiers DRM (Gestion des droits numériques)
fichiers audio multicanal
MP3/WMA/AAC :
fichiers avec compression sans perte
WAV :
fichiers audio multicanal
Lecture

14FR
1Raccordez un iPod/périphérique USB au
port USB (page 10).
La lecture commence.
Si un périphérique est déjà raccordé, appuyez
sur SRC pour sélectionner [USB] afin de lancer la
lecture ([IPD] apparaît dans l’affichage lorsque
le iPod est reconnu).
2Réglez le volume sur cet appareil.
Pour arrêter la lecture
Appuyez sur la touche OFF et maintenez-la
enfoncée pendant 1 seconde.
Pour retirer le périphérique
Arrêtez la lecture, puis retirez le périphérique.
Précaution relative au iPhone
Lorsque vous raccordez un iPhone via un câble USB,
le volume de l’appel téléphonique est contrôlé par
le iPhone plutôt que par l’appareil. N’augmentez
pas le volume de l’appareil par inadvertance
pendant un appel téléphonique, car cela causerait
une accentuation soudaine du volume après
l’appel.
1En cours de lecture, appuyez sur la
touche MODE et maintenez-la enfoncée
jusqu’à ce que [MODE IPOD] apparaisse.
Les fonctions du iPod deviennent alors
disponibles.
Veuillez noter que le volume peut être réglé
uniquement par l’appareil.
Pour désactiver la commande passager
Appuyez sur la touche MODE et maintenez-la
enfoncée jusqu’à ce que [MODE AUDIO] apparaisse.
Lecture d’un périphérique
BLUETOOTH
Vous pouvez lire les contenus d’un périphérique
connecté qui prend en charge le profil BLUETOOTH
A2DP (Advanced Audio Distribution Profile).
1Établissez une connexion BLUETOOTH
avec le périphérique audio (page 8).
2Appuyez sur SRC pour sélectionner [BT
AUDIO].
3Faites fonctionner le périphérique audio
pour démarrer la lecture.
4Réglez le volume sur cet appareil.
Remarques
Selon le périphérique audio utilisé, les informations
telles que le titre, le numéro de plage/la durée et
l’état de lecture peuvent ne pas s’afficher sur cet
appareil.
Même si vous changez la source sur cet appareil, la
lecture ne s’interrompt pas sur le périphérique audio.
[BT AUDIO] ne s’affiche pas pendant l’utilisation de
l’application « SongPal » via la fonction BLUETOOTH.
Pour faire correspondre le niveau de volume
du périphérique BLUETOOTH à celui des
autres sources
Démarrez la lecture sur le périphérique audio
BLUETOOTH avec un niveau de volume modéré,
puis réglez votre appareil sur le volume d’écoute
habituel.
Appuyez sur MENU, puis sélectionnez [SET SOUND]
[SET BTA VOLUME] (page 23).
Recherche et lecture des plages
1En cours de lecture, appuyez plusieurs
fois sur (répétition) ou (aléatoire)
pour sélectionner le mode de lecture
souhaité.
La lecture dans le mode de lecture sélectionné
peut prendre un instant à démarrer.
Les modes de lecture disponibles diffèrent selon la
source sonore sélectionnée.
Commande directe d’un iPod
(Commande passager)
Lecture répétée et lecture aléatoire

15FR
1En cours de lecture CD, USB ou BT
AUDIO*1, appuyez sur (navigation)*2
pour afficher la liste des catégories de
recherche.
Lorsque la liste de plages apparaît, appuyez
plusieurs fois sur (retour) pour afficher la
catégorie de recherche souhaitée.
*1 Disponible uniquement pour les périphériques
audio prenant en charge AVRCP (Audio Video
Remote Control Profile) 1.4 ou version ultérieure.
*2 En cours de lecture USB, appuyez sur
(navigation) pendant plus de 2 secondes pour
retourner directement au début de la liste des
catégories.
2Tournez la molette de réglage pour
sélectionner la catégorie de recherche de
votre choix, puis appuyez pour valider.
3Répétez l’étape 2 pour rechercher la
plage souhaitée.
La lecture commence.
Pour quitter le mode Quick-BrowZer
Appuyez sur (navigation).
1Appuyez sur (navigation).
2Appuyez sur SEEK +.
3Tournez la molette de réglage pour
sélectionner l’élément.
L’appareil effectue des sauts dans la liste par
incréments de 10 % du nombre total
d’éléments.
4Appuyez sur ENTER pour retourner au
mode Quick-BrowZer.
L’élément sélectionné apparaît.
5Tournez la molette de réglage pour
sélectionner l’élément de votre choix,
puis appuyez dessus.
La lecture commence.
Pandora® est disponible pour la transmission de
musique en continu à l’aide de votre iPhone et
téléphone Android. Vous pouvez commander
Pandora® sur un iPhone/téléphone Android
raccordé via BLUETOOTH à partir de cet appareil.
Le service Pandora® n’est pas disponible dans
certains pays ou certaines régions.
Configuration de Pandora®
1Pour plus de détails sur la compatibilité
de votre périphérique mobile, visitez le
site d’assistance à l’adresse indiquée sur
la couverture arrière.
2Pour télécharger la plus récente version
de l’application Pandora®, visitez le
magasin d’applications de votre
téléphone intelligent. Vous trouverez
une liste des périphériques compatibles
au
www.pandora.com/everywhere/mobile
Transmission en continu
Pandora®
1Connectez le périphérique mobile avec
cet appareil (page 8).
2Appuyez sur SRC pour sélectionner
[PANDORA].
3Démarrez l’application Pandora® sur le
périphérique mobile.
4Appuyez sur PAUSE pour démarrer la
lecture.
Si le numéro de périphérique s’affiche
Assurez-vous que les mêmes numéros s’affichent
(par exemple, 123456) sur cet appareil et le
périphérique mobile, puis appuyez sur la touche
ENTER de cet appareil et sélectionnez [Oui] sur le
périphérique mobile.
Lors de l’activation de la fonction
BLUETOOTH
Vous pouvez régler le niveau de volume.
Appuyez sur MENU, puis sélectionnez [SET SOUND]
[SET BTA VOLUME] (page 23).
Recherche d’une plage par nom (Quick-
BrowZer™)
Recherche d’éléments par saut
(mode Saut)
Écoute de Pandora®

16FR
Opérations disponibles dans
Pandora®
L’appréciation positive ou négative vous permet de
personnaliser les stations.
1En cours de lecture, appuyez sur
(appréciation positive) ou
(appréciation négative).
La liste des stations vous permet de sélectionner
facilement la station souhaitée.
1En cours de lecture, appuyez sur
(navigation).
2Appuyez sur SEEK + pour sélectionner
l’ordre de tri [BY DATE] ou [A TO Z].
3Tournez la molette de réglage pour
sélectionner la station de votre choix,
puis appuyez dessus.
La lecture commence.
La plage en cours de lecture peut être mise en
signet et mémorisée dans votre compte Pandora®.
1En cours de lecture, appuyez sur MODE.
Pour utiliser un téléphone cellulaire, connectez-le à
cet appareil. Pour plus de détails, reportez-vous à la
section « Préparation d’un périphérique
BLUETOOTH » (page 8).
Réception d’un appel
1Appuyez sur la touche CALL lors de la
réception d’un appel avec une sonnerie.
L’appel téléphonique commence.
Remarque
La sonnerie et la voix de l’appelant sont émises
uniquement par les haut-parleurs avant.
Pour refuser l’appel
Appuyez sur la touche OFF et maintenez-la
enfoncée pendant 1 seconde.
Pour terminer l’appel
Appuyez sur la touche CALL à nouveau.
Faire un appel
Lorsque vous connectez un téléphone cellulaire qui
prend en charge le profil PBAP (Phone Book Access
Profile), vous pouvez faire un appel à partir du
répertoire ou de l’historique des appels.
1Appuyez sur la touche CALL, tournez la
molette de réglage pour sélectionner
[SET PHONE BOOK], puis appuyez
dessus.
2Tournez la molette de réglage pour
sélectionner une initiale dans la liste des
initiales, puis appuyez dessus.
3Tournez la molette de réglage pour
sélectionner un nom dans la liste des
noms, puis appuyez dessus.
Appréciation positive ou négative
Utilisation de la liste des stations
Mise en signet
Appel en mains libres (via BLUETOOTH
uniquement)
À partir du répertoire

17FR
4Tournez la molette de réglage pour
sélectionner un numéro dans la liste des
numéros, puis appuyez dessus.
L’appel téléphonique commence.
1Appuyez sur la touche CALL, tournez la
molette de réglage pour sélectionner
[SET RECENT CALL], puis appuyez dessus.
Une liste de l’historique des appels apparaît.
2Tournez la molette de réglage pour
sélectionner un nom ou un numéro de
téléphone à partir de l’historique des
appels, puis appuyez dessus.
L’appel téléphonique commence.
1Appuyez sur la touche CALL, tournez la
molette de réglage pour sélectionner
[SET DIAL NUMBER], puis appuyez
dessus.
2Tournez la molette de réglage pour
entrer le numéro de téléphone,
sélectionnez [ ] (espace), puis appuyez
sur ENTER*.
L’appel téléphonique commence.
* Appuyez sur SEEK +/– pour déplacer l’indication
numérique.
Remarque
[_] s’affiche à la place de [#] dans la fenêtre d’affichage.
1Appuyez sur la touche CALL, tournez la
molette de réglage pour sélectionner
[SET REDIAL], puis appuyez dessus.
L’appel téléphonique commence.
1Appuyez sur la touche SRC, tournez la
molette de réglage pour sélectionner [BT
PHONE], puis appuyez dessus.
2Appuyez sur une touche numérique (1 à
6) pour sélectionner le contact que vous
souhaitez appeler.
3Appuyez sur ENTER.
L’appel téléphonique commence.
Préréglage des numéros de téléphone
Vous pouvez mémoriser un maximum de
6 contacts dans la fonction de présélection.
1Sélectionnez un numéro de téléphone que vous
souhaitez mémoriser dans la fonction de
présélection à partir du répertoire ou de
l’historique des appels, ou en entrant le numéro de
téléphone directement.
Le numéro de téléphone apparaît dans la fenêtre
d’affichage de cet appareil.
2Appuyez sur une touche numérique (1 à 6) et
maintenez-la enfoncée jusqu’à ce que [MEM]
apparaisse.
Le contact est mémorisé dans le numéro de
présélection sélectionné.
Vous pouvez effectuer un appel en prononçant le
repère vocal mémorisé sur un téléphone cellulaire
connecté muni d’une fonction de composition
vocale.
1Appuyez sur la touche CALL, tournez la
molette de réglage pour sélectionner
[SET VOICE DIAL], puis appuyez dessus.
Vous pouvez également appuyer sur VOICE
pendant que la fonction « SongPal » est
désactivée.
2Prononcez le repère vocal mémorisé sur
le téléphone cellulaire.
Votre voix est reconnue et l’appel est effectué.
Pour annuler la composition vocale
Appuyez sur VOICE.
Opérations disponibles en
cours d’appel
Pour régler le volume de la sonnerie
Tournez la molette de réglage pendant la réception
d’un appel.
Pour régler le volume de la voix de
l’appelant
Tournez la molette de réglage pendant un appel.
Réglage du volume pour le correspondant
(Réglage de gain de micro)
Appuyez sur MIC.
Niveaux de volume réglables : [BTP MIC GAIN-
LOW], [BTP MIC GAIN-MID], [BTP MIC GAIN-HI].
Pour atténuer l’écho et les bruits (Mode
Correcteur d’écho/Correcteur de bruits)
Appuyez sur la touche MIC et maintenez-la
enfoncée.
Modes disponibles : [BTP EC/NC-1], [BTP EC/NC-2].
À partir de l’historique des appels
Par saisie du numéro de téléphone
Par recomposition
À l’aide d’un numéro de présélection
À l’aide de repères vocaux

18FR
Pour alterner entre le mode mains libres et
le mode téléphone cellulaire
Pendant un appel, appuyez sur MODE pour faire
passer le son de l’appel téléphonique entre
l’appareil et le téléphone cellulaire.
Remarque
Selon le téléphone cellulaire utilisé, cette opération
pourrait ne pas être disponible.
SongPal avec iPhone/
téléphone Android
Le téléchargement de
l’application « SongPal »
(version 2.1 ou ultérieure) est
requis à partir de la boutique
App Store pour le iPhone ou à
partir de Google Play pour le
téléphone Android.
Remarques
Pour votre sécurité, respectez les
réglementations et lois locales
relatives à la circulation routière
et n’utilisez pas l’application pendant la conduite.
« SongPal » est une application permettant de
contrôler des périphériques audio Sony compatibles
avec « SongPal » à l’aide de votre iPhone/téléphone
Android.
Les options qu’il est possible de contrôler à l’aide de
« SongPal » varient selon le périphérique connecté.
Pour utiliser les fonctions de « SongPal », consultez
les détails sur votre iPhone/téléphone Android.
Pour plus de détails sur « SongPal », visitez l’adresse
URL suivante : http://rd1.sony.net/help/speaker/
songpal/
1Établissez la connexion BLUETOOTH avec
le iPhone/téléphone Android (page 8).
2Démarrez l’application « SongPal ».
3Appuyez sur la touche ENTER de
l’appareil et maintenez-la enfoncée
pendant plus de 2 secondes.
La connexion au iPhone/téléphone Android
démarre.
Pour plus de détails sur le fonctionnement du
iPhone/téléphone Android, consultez la section
d’aide de l’application.
Si le numéro de périphérique s’affiche
Assurez-vous que le numéro s’affiche (par exemple,
123456), puis sélectionnez [Oui] sur le iPhone/
téléphone Android.
Pour mettre fin à la connexion
Appuyez sur la touche ENTER et maintenez-la
enfoncée.
Fonctions pratiques
Établissement de la connexion SongPal

19FR
Sélection de la source ou de l’application
Vous pouvez utiliser l’appareil pour sélectionner la
source ou l’application souhaitée sur le iPhone/
téléphone Android.
Pour sélectionner la source
Appuyez plusieurs fois sur SRC. Vous pouvez
également appuyer sur SRC, tourner la molette de
réglage pour sélectionner la source souhaitée, puis
appuyer sur ENTER.
Pour afficher la liste des sources
Appuyez sur SRC.
Annonce de la réception de diverses
informations par commande vocale
(téléphone Android uniquement)
Dès leur réception, les SMS, les notifications
Twitter/Facebook/Calendrier, etc., sont
automatiquement annoncés par les haut-parleurs
de l’appareil.
Pour plus de détails sur les réglages, consultez la
section d’aide de l’application.
Activation de la reconnaissance vocale
(téléphone Android uniquement)
Vous pouvez commander une application par
commande vocale en enregistrant des applications.
Pour plus de détails, consultez la section d’aide de
l’application.
Activation de la reconnaissance vocale
1Appuyez sur VOICE pour activer la reconnaissance
vocale.
2À l’affichage de [Say Source or App] à l’écran du
téléphone Android, énoncez la commande vocale
dans le microphone.
Remarques
La reconnaissance vocale pourrait ne pas être
disponible dans certains cas.
La reconnaissance vocale pourrait ne pas fonctionner
correctement selon le niveau de performance du
téléphone Android connecté.
Utilisez cette fonction dans des conditions où les
bruits tels que les sons du moteur sont réduits
pendant la reconnaissance vocale.
Réponse à un message SMS (téléphone
Android uniquement)
Vous pouvez répondre à un message à l’aide de la
reconnaissance vocale.
1Activez la reconnaissance vocale, puis entrez
« Reply (Répondre) ».
L’affichage d’entrée de message apparaît sur
l’application « SongPal ».
2Entrez un message de réponse à l’aide de la
reconnaissance vocale.
La liste de messages disponibles apparaît sur
l’application « SongPal ».
3Tournez la molette de réglage pour sélectionner le
message souhaité, puis appuyez dessus.
Le message est envoyé.

20FR
Divers réglages
Vous pouvez ajuster les divers réglages via le
iPhone/téléphone Android.
Pour plus de détails sur les réglages, consultez la
section d’aide de l’application.
Utilisation de Siri Eyes Free
Siri Eyes Free vous permet d’utiliser un iPhone en
mains libres en parlant simplement dans le
microphone. Cette fonction nécessite la connexion
d’un iPhone à l’appareil à l’aide du pairage
BLUETOOTH automatique. La disponibilité est
limitée aux iPhone 4s ou modèles ultérieurs.
Assurez-vous que votre iPhone utilise la plus
récente version d’iOS.
Vous devez effectuer préalablement les
configurations d’enregistrement et de connexion
BLUETOOTH avec l’appareil pour le iPhone. Pour
plus de détails, reportez-vous à la section
« Préparation d’un périphérique BLUETOOTH »
(page 8).
1Activez la fonction Siri sur votre iPhone.
Pour plus de détails, reportez-vous au mode
d’emploi fourni avec le iPhone.
2Appuyez sur VOICE.
L’affichage de commande vocale apparaît.
3Après le bip émis par le iPhone, parlez
dans le microphone.
Le iPhone émet un bip à nouveau, puis la
fonction Siri commence à répondre.
Pour désactiver Siri Eyes Free
Appuyez sur VOICE.
Remarques
Le iPhone pourrait ne pas reconnaître votre voix,
selon les conditions d’utilisation. (Par exemple, si
vous êtes dans un véhicule en mouvement.)
Siri pourrait ne pas fonctionner correctement ou le
temps de réponse pourrait présenter un décalage
dans les endroits où les signaux du iPhone sont
difficiles à recevoir.
Selon les conditions d’utilisation du iPhone, la
fonction Siri pourrait ne pas fonctionner correctement
ou être désactivée.
Si vous effectuez la lecture d’une plage avec un
iPhone en utilisant la connexion audio BLUETOOTH,
lors du démarrage de la lecture via BLUETOOTH, la
fonction Siri est automatiquement désactivée et
l’appareil passe à la source audio BLUETOOTH.
Lorsque la fonction Siri est activée pendant la lecture
audio, l’appareil pourrait passer à la source audio
BLUETOOTH même si vous ne spécifiez aucune plage
pour la lecture.
Lors du raccordement du iPhone au port USB, la
fonction Siri pourrait ne pas fonctionner correctement
ou être désactivée.
Lors du raccordement du iPhone à l’appareil, n’activez
pas Siri avec le iPhone. La fonction Siri pourrait ne pas
fonctionner correctement ou être désactivée.
Aucun son n’est audible pendant que la fonction Siri
Eyes Free est activée.

21FR
Annulation du mode DEMO
Vous pouvez désactiver l’affichage de
démonstration qui apparaît lorsque la source est
désactivée et que l’horloge est affichée.
1Appuyez sur MENU, tournez la molette
de réglage pour sélectionner [SET
DISPLAY], puis appuyez dessus.
2Tournez la molette de réglage pour
sélectionner [SET DEMO], puis appuyez
dessus.
3Tournez la molette de réglage pour
sélectionner [SET DEMO-OFF], puis
appuyez dessus.
Le réglage est terminé.
4Appuyez deux fois sur (retour).
La fenêtre d’affichage retourne au mode de
réception/lecture normal.
Configuration de base
Vous pouvez configurer des paramètres dans les
catégories de configuration suivantes :
Configuration générale (GENERAL), Configuration
sonore (SOUND), Configuration d’affichage
(DISPLAY), Configuration BLUETOOTH (BT),
Configuration SongPal (SONGPAL)
(Non disponible lorsque le téléphone BT est
sélectionné.)
1Appuyez sur MENU.
2Tournez la molette de réglage pour
sélectionner la catégorie de
configuration, puis appuyez dessus.
Les paramètres peuvent être réglés selon la
source et le réglage.
3Tournez la molette de réglage pour
sélectionner les options, puis appuyez
dessus.
Pour retourner à l’écran précédent
Appuyez sur (retour).
Configuration générale
(GENERAL)
CLOCK ADJ (réglage de l’horloge) (page 7)
CHARGE
Permet de commuter la capacité de courant de
charge (A) du port USB : [HIGH], [STD].
(Disponible uniquement lorsque la source est
désactivée et que l’horloge est affichée.)
CAUT ALARM (alarme d’avertissement)
Permet d’activer l’alarme d’avertissement : [ON],
[OFF] (page 7).
(Disponible uniquement lorsque la source est
désactivée et que l’horloge est affichée.)
BEEP
Permet d’activer le bip : [ON], [OFF].
AUTO OFF
Permet d’éteindre automatiquement après un
laps de temps souhaité lors de l’arrêt de
l’appareil : [NO], [30S] (30 secondes), [30M]
(30 minutes), [60M] (60 minutes).
STEERING
Permet d’enregistrer/de réinitialiser le réglage
de la télécommande du volant.
(Disponible lors du raccordement à l’aide du
câble de raccordement (non fourni).) (Disponible
uniquement lorsque la source est désactivée et
que l’horloge est affichée.)
STR CONTROL (commande du volant)
Permet de sélectionner le mode d’entrée pour la
télécommande raccordée. Pour éviter tout
problème de fonctionnement, assurez-vous de
faire correspondre le mode d’entrée avec la
télécommande raccordée avant l’utilisation.
USER
Mode d’entrée pour la télécommande du
volant (Sélectionné automatiquement
lorsque vous complétez [STR EDIT] ou
effectuez [STR RESET].)
EXTERNAL
Mode d’entrée pour la télécommande filaire,
excluant la télécommande du volant.
STR EDIT (modification du volant)
Permet d’enregistrer les fonctions (SOURCE, ATT,
VOL +/–, SEEK +/–, VOICE, CALL) sur la
télécommande du volant :
Tournez la molette de réglage pour
sélectionner la fonction que vous souhaitez
assigner à la télécommande du volant, puis
appuyez dessus.
Pendant que [REGISTER] clignote, maintenez
enfoncée la touche de la télécommande du
volant à laquelle vous souhaitez assigner la
fonction. Lorsque l’enregistrement est
terminé, [REGISTERED] s’affiche.
Réglages

22FR
Pour enregistrer d’autres fonctions, répétez
les étapes et .
STR RESET (réinitialisation du volant)
Permet de réinitialiser le réglage de la
télécommande du volant : [YES], [NO].
Remarques
Pendant que vous effectuez les réglages, seul le
fonctionnement à l’aide des touches de l’appareil
est disponible. Par mesure de sécurité, stationnez
votre voiture avant d’effectuer ce réglage.
Lorsqu’une erreur se produit pendant
l’enregistrement, toutes les informations
enregistrées précédemment sont conservées.
Recommencez l’enregistrement à partir de la
fonction où l’erreur s’est produite.
Cette fonction pourrait ne pas être disponible sur
certains véhicules. Pour plus de détails sur la
compatibilité de votre véhicule, visitez notre site
d’assistance à l’adresse indiquée sur la couverture
arrière.
AUX AUDIO
Permet d’activer l’affichage de la source AUX :
[ON], [OFF]. (Disponible uniquement lorsque la
source est désactivée et que l’horloge est
affichée.) (Non disponible lorsque la connexion
« SongPal » est établie.)
CT (heure)
Permet d’activer la fonction CT : [ON], [OFF].
BTM (page 11)
(Disponible uniquement lorsque le récepteur est
sélectionné.)
PARENTAL
Permet de régler le verrouillage parental à [ON]
ou [OFF] et de modifier le mot de passe
(page 12).
(Disponible uniquement lorsque SiriusXM est
sélectionné.)
SXM RESET (réinitialisation SiriusXM)
Permet d’initialiser les réglages du récepteur
SiriusXM Connect Voiture (canaux
présélectionnés/verrouillage parental) : [YES],
[NO].
(Disponible uniquement lorsque SiriusXM est
sélectionné.)
FIRMWARE
Permet de vérifier/mettre à jour la version du
micrologiciel. Pour plus de détails, visitez le site
d’assistance suivant :
http://esupport.sony.com/
FW VERSION (version du micrologiciel)
Affiche la version de micrologiciel actuelle.
FW UPDATE (mise à jour du micrologiciel)
Permet d’accéder au processus de mise à jour du
micrologiciel : [YES], [NO].
(Disponible uniquement lorsque la source est
désactivée et que l’horloge est affichée.)
Configuration sonore (SOUND)
Ce menu de configuration est disponible lorsqu’une
source autre que le téléphone BT est sélectionnée.
MEGA BASS
Permet d’accentuer les graves en
synchronisation avec le niveau de volume : [ON],
[OFF].
(Réglage automatique à [OFF] si [CLEAR AUDIO+]
est réglé à [ON].)
CLEAR AUDIO+
Reproduit le son en optimisant le signal
numérique à l’aide des réglages sonores
recommandés par Sony : [ON], [OFF].
(Réglage automatique à [OFF] si [EQ10 PRESET]
est modifié et/ou [MEGA BASS] est réglé à [ON].)
EQ10 PRESET
Permet de sélectionner une courbe d’égaliseur
parmi 10 courbes d’égaliseur ou de désactiver la
fonction : [OFF], [R AND B], [ROCK], [POP],
[DANCE], [HIP-HOP], [ELECTRONICA], [JAZZ],
[SOUL], [COUNTRY], [CUSTOM].
Le réglage de courbe d’égaliseur peut être
mémorisé pour chaque source.
EQ10 SETTING
Permet de sélectionner l’option [CUSTOM] de la
fonction EQ10.
BASE
Permet de sélectionner une courbe d’égaliseur
préréglée comme point de départ pour apporter
des modifications : [BAND1] 32 Hz, [BAND2]
63 Hz, [BAND3] 125 Hz, [BAND4] 250 Hz, [BAND5]
500 Hz, [BAND6] 1 kHz, [BAND7] 2 kHz, [BAND8]
4 kHz, [BAND9] 8 kHz, [BAND10] 16 kHz.
Le niveau de volume peut être réglé par
incréments de 1 dB, de -6 dB à +6 dB.
POSITION (position d’écoute)
F/R POSITION (position avant/arrière)
Permet de simuler un champ acoustique naturel
en retardant les sons émis par les haut-parleurs
en fonction de votre position :
[FRONT L] (avant gauche),
[FRONT R] (avant droite),
[FRONT] (centre avant),
[ALL] (centre de votre véhicule),
[OFF] (aucune position réglée)
ADJ POSITION* (ajustement de position)
Permet de régler la position d’écoute avec
précision : [+3] – [CENTER] – [-3].

23FR
SW POSITION* (position du caisson de graves)
[NEAR] (rapprochée),
[NORMAL] (normale),
[FAR] (éloignée)
BALANCE
Permet de régler l’équilibre du son : [RIGHT-15] –
[CENTER] – [LEFT-15].
FADER
Permet de régler le niveau relatif : [FRONT-15] –
[CENTER] – [REAR-15].
DSEE (moteur d’amélioration sonore numérique)
Permet d’améliorer la qualité des sons
compressés numériquement en restaurant les
hautes fréquences supprimées lors du processus
de compression.
Ce réglage peut être mémorisé pour chaque
source autre que le récepteur.
Permet de sélectionner le mode DSEE : [ON],
[OFF].
AAV (volume automatique avancé)
Permet de régler le niveau du volume de lecture
de toutes les sources au niveau optimal : [ON],
[OFF].
REARBAS ENH (amplificateur de graves à l’arrière)
La fonction Amplificateur de graves à l’arrière
accentue les graves en appliquant un réglage de
filtre passe-bas aux haut-parleurs arrière. Cette
fonction permet d’utiliser les haut-parleurs
arrière comme caisson de graves si vous n’en
raccordez aucun. (Disponible uniquement
lorsque [SUBW DIRECT] est réglé à [OFF].)
RBE MODE (mode d’amplificateur de graves à
l’arrière)
Permet de sélectionner le mode d’amplificateur
de graves à l’arrière : [1], [2], [3], [OFF].
LPF FREQ (fréquence de filtre passe-bas)
Permet de sélectionner la fréquence de coupure
du caisson de graves : [50Hz], [60Hz], [80Hz],
[100Hz], [120Hz].
LPF SLOPE (pente de filtre passe-bas)
Permet de sélectionner la pente du filtre passe-
bas LPF : [1], [2], [3].
SUBW DIRECT (raccordement direct d’un caisson de
graves)
Vous pouvez utiliser un caisson de graves sans
amplificateur de puissance lorsque vous
effectuez le raccordement au câble de haut-
parleur arrière. (Disponible uniquement lorsque
[RBE MODE] est réglé à [OFF].)
Assurez-vous de raccorder un caisson de graves
de 4 – 8 ohms à l’un ou l’autre des câbles de
haut-parleur arrière. Ne raccordez pas de haut-
parleur à l’autre câble de haut-parleur arrière.
SUBW MODE (mode du caisson de graves)
Permet de sélectionner le mode du caisson de
graves : [1], [2], [3], [OFF].
SUBW PHASE (phase du caisson de graves)
Permet de sélectionner la phase du caisson de
graves : [NORM], [REV].
SW POSITION* (position du caisson de graves)
Permet de sélectionner la position du caisson de
graves : [NEAR], [NORMAL], [FAR].
LPF FREQ (fréquence de filtre passe-bas)
Permet de sélectionner la fréquence de coupure
du caisson de graves : [50Hz], [60Hz], [80Hz],
[100Hz], [120Hz].
LPF SLOPE (pente de filtre passe-bas)
Permet de sélectionner la pente du filtre passe-
bas LPF : [1], [2], [3].
SUB WOOFER
SUBW LEVEL (niveau du caisson de graves)
Permet de régler le niveau du caisson de
graves : [+10 dB] – [0 dB] – [-10 dB].
([ATT] est affiché au réglage le plus bas.)
SUBW PHASE (phase du caisson de graves)
Permet de sélectionner la phase du caisson de
graves : [NORM], [REV].
SW POSITION* (position du caisson de graves)
Permet de sélectionner la position du caisson de
graves : [NEAR], [NORMAL], [FAR].
LPF FREQ (fréquence de filtre passe-bas)
Permet de sélectionner la fréquence de coupure
du caisson de graves : [50Hz], [60Hz], [80Hz],
[100Hz], [120Hz].
LPF SLOPE (pente de filtre passe-bas)
Permet de sélectionner la pente du filtre passe-
bas LPF : [1], [2], [3].
HPF (filtre passe-haut)
HPF FREQ (fréquence de filtre passe-haut)
Permet de sélectionner la fréquence de coupure
du haut-parleur avant/arrière : [OFF], [50Hz],
[60Hz], [80Hz], [100Hz], [120Hz].
HPF SLOPE (pente de filtre passe-haut)
Permet de sélectionner la pente de filtre passe-
haut HPF (applicable uniquement lorsque
l’option [HPF FREQ] n’est pas réglée à [OFF]) : [1],
[2], [3].
AUX VOLUME (niveau de volume AUX)
Permet de régler le niveau de volume de chaque
périphérique auxiliaire raccordé : [+18 dB] –
[0 dB] – [-8 dB].
Ce réglage évite de régler le niveau de volume
entre les sources.
BTA VOLUME (niveau de volume du périphérique
audio BLUETOOTH)
Permet de régler le niveau de volume de chaque
périphérique BLUETOOTH connecté : [+6 dB] –
[0 dB] – [-6 dB].
Ce réglage évite de régler le niveau de volume
entre les sources.
* Ne s’affiche pas lorsque [F/R POSITION] est réglé à
[OFF].

24FR
Configuration d’affichage
(DISPLAY)
DEMO (démonstration)
Permet d’activer le mode de démonstration :
[ON], [OFF].
DIMMER
Réduit l’intensité de la fenêtre d’affichage : [ON],
[OFF], [AT] (automatique) ([AT] est disponible
uniquement lorsque le câble de commande
d’éclairage est raccordé et que les phares sont
allumés).
SUB DISPLAY
Permet de sélectionner l’élément à afficher en
tant qu’information secondaire : [SOURCE],
[CLOCK].
BUTTON COLOR
Permet de sélectionner une couleur préréglée
ou personnalisée pour les touches.
COLOR
Permet de sélectionner 15 couleurs préréglées
ou 1 couleur personnalisée.
CUSTOM COLOR
Permet d’enregistrer une couleur personnalisée
pour les touches.
RGB RED, RGB GREEN, RGB BLUE
Gamme de couleur réglable : [0] – [32] ([0] ne
peut pas être sélectionné pour toutes les
gammes de couleur).
DSPL COLOR (couleur de la fenêtre d’affichage)
Permet de sélectionner une couleur préréglée
ou personnalisée pour la fenêtre d’affichage.
COLOR
Permet de sélectionner 15 couleurs préréglées
ou 1 couleur personnalisée.
CUSTOM COLOR
Permet d’enregistrer une couleur personnalisée
pour la fenêtre d’affichage.
RGB RED, RGB GREEN, RGB BLUE
Gamme de couleur réglable : [0] – [32] ([0] ne
peut pas être sélectionné pour toutes les
gammes de couleur).
ALL COLOR
Permet de sélectionner une couleur préréglée
ou personnalisée pour la fenêtre d’affichage et
les touches.
COLOR
Permet de sélectionner 15 couleurs préréglées
ou 1 couleur personnalisée.
CUSTOM COLOR
Permet d’enregistrer une couleur personnalisée
pour la fenêtre d’affichage et les touches.
RGB RED, RGB GREEN, RGB BLUE
Gamme de couleur réglable : [0] – [32] ([0] ne
peut pas être sélectionné pour toutes les
gammes de couleur).
SOUND SYNC (synchronisation sonore)
Permet de sélectionner la couleur avec la
synchronisation sonore : [ON], [OFF].
WHITE MENU
Vous pouvez afficher le menu avec plus de clarté
(blanc) sans affecter le réglage de couleur : [ON],
[OFF].
START WHITE
Lorsque vous appuyez sur SRC, la fenêtre
d’affichage et les touches de l’appareil principal
deviennent blanches, puis leur couleur est
remplacée par la couleur personnalisée : [ON],
[OFF].
MOTION DSPL (affichage animé)
Permet d’afficher des motifs animés : [ON],
[OFF], [SA] (analyseur de spectre).
AUTO SCROLL
Permet de faire défiler automatiquement les
éléments longs : [ON], [OFF].
(Non disponible lorsque AUX ou le récepteur est
sélectionné.)
Configuration BLUETOOTH (BT)
PAIRING (page 8)
PHONE BOOK (page 16)
REDIAL (page 17)
RECENT CALL (page 17)
VOICE DIAL (page 17)
DIAL NUMBER (page 17)
RINGTONE
Permet de sélectionner la sonnerie de cet
appareil ou du téléphone cellulaire connecté : [1]
(cet appareil), [2] (téléphone cellulaire).
AUTO ANSWER
Permet de configurer cet appareil pour répondre
automatiquement aux appels reçus : [OFF], [1]
(environ 3 secondes), [2] (environ 10 secondes).
AUTO PAIR (pairage automatique)
Permet de démarrer le pairage BLUETOOTH
automatiquement lorsqu’un périphérique avec
iOS version 5.0 ou ultérieure est raccordé via
USB : [ON], [OFF].
BT SIGNL (signal BLUETOOTH) (page 9)
Permet d’activer/de désactiver la fonction
BLUETOOTH.

25FR
BT INIT (initialisation BLUETOOTH)
Permet d’initialiser tous les réglages
BLUETOOTH (informations de pairage, numéro
de présélection, informations sur le
périphérique, etc.) : [YES], [NO].
Avant de mettre l’appareil au rebut, initialisez
tous les réglages.
(Disponible uniquement lorsque la source est
désactivée et que l’horloge est affichée.)
Configuration SongPal
(SONGPAL)
Cette configuration permet d’activer et de
désactiver la fonction « SongPal » (connexion).
Mise à jour du micrologiciel
Vous pouvez mettre à jour le micrologiciel de cet
appareil à partir du site d’assistance suivant :
http://esupport.sony.com/
Pour mettre à jour le micrologiciel, visitez le site
d’assistance, puis suivez les instructions en ligne.
Précautions
Si votre véhicule est resté stationné en plein
soleil, laissez l’appareil refroidir avant de l’utiliser.
Ne laissez pas la façade ou les appareils audio à
l’intérieur du véhicule, car la température élevée
résultant du rayonnement direct du soleil pourrait
causer un problème de fonctionnement.
L’antenne électrique se déploie
automatiquement.
Condensation
Si de la condensation s’est formée dans l’appareil,
retirez le disque et attendez environ une heure pour
que l’appareil puisse sécher; sinon, il ne
fonctionnera pas correctement.
Pour conserver un son de haute qualité
Ne renversez pas de liquide sur l’appareil ou sur les
disques.
N’exposez pas les disques au rayonnement direct
du soleil ou à des sources de chaleur telles que
des conduits d’air chaud, et ne les laissez pas
dans un véhicule stationné en plein soleil.
Avant la lecture, essuyez les
disques avec un chiffon de
nettoyage en partant du
centre vers l’extérieur.
N’utilisez pas de solvants tels
que de l’essence, du diluant
ou des nettoyants disponibles
sur le marché.
Cet appareil est conçu pour la
lecture des disques conformes à la norme
Compact Disc (CD). Les DualDiscs et certains
disques de musique encodés avec des
technologies de protection des droits d’auteur ne
sont pas conformes à la norme Compact Disc
(CD). Par conséquent, il est possible que ces
disques ne soient pas lus par cet appareil.
Informations complémentaires
Remarques sur les disques

26FR
Disques ne pouvant PAS être lus sur cet appareil
Les disques sur lesquels sont collés des
étiquettes, des autocollants, du ruban adhésif
ou du papier. De tels disques peuvent
provoquer des problèmes de fonctionnement
ou être endommagés.
Les disques de forme non standard (notamment
en forme de cœur, de carré ou d’étoile). Vous
risquez d’endommager votre appareil si vous
essayez de lire ces types de disques.
Les disques de 8 cm (3 1/4po).
Remarques sur les disques CD-R/CD-RW
Si le disque multisession commence avec une
session CD-DA, il est reconnu comme un disque
CD-DA et les autres sessions ne sont pas lues.
Disques ne pouvant PAS être lus sur cet appareil
CD-R/CD-RW dont la qualité d’enregistrement
est mauvaise.
CD-R/CD-RW enregistrés avec un appareil
d’enregistrement non compatible.
CD-R/CD-RW n’ayant pas été finalisés
correctement.
CD-R/CD-RW autres que ceux enregistrés au
format CD audio ou MP3 conformément à la
norme ISO9660 Level 1/Level 2, Joliet/Romeo
ou multisession.
Vous pouvez raccorder cet appareil aux modèles
d’iPod suivants. Mettez vos périphériques iPod à
jour avec le logiciel le plus récent avant toute
utilisation.
Modèles de iPhone/iPod compatibles
* « SongPal » ne prend pas en charge les iPhone 3G,
iPod touch (3ème génération), iPod touch (2ème
génération), iPod classic et iPod nano.
« Made for iPod » et « Made for iPhone » signifient
qu’un accessoire électronique a été conçu pour
être connecté spécifiquement à un iPod ou un
iPhone, respectivement, et qu’il a été certifié par
le développeur comme étant conforme aux
normes de performances Apple. Apple n’est pas
responsable du bon fonctionnement de cet
appareil ni de sa conformité aux normes et
réglementations de sécurité. Veuillez noter que
l’utilisation de cet accessoire avec un iPod ou un
iPhone peut affecter les performances des
transmissions sans fil.
Ordre de lecture des fichiers MP3/
WMA/AAC
MP3/WMA/AAC Dossier (album)
Fichier MP3/WMA/AAC
(plage)
À propos du iPod
Modèle compatible Bluetooth® USB
iPhone 5s
iPhone 5c
iPhone 5
iPhone 4s
iPhone 4
iPhone 3GS
iPhone 3G*
iPod touch
(5ème génération)
iPod touch
(4ème génération)
iPod touch
(3ème génération)*
iPod touch
(2ème génération)*
iPod classic*
iPod nano
(7ème génération)*
iPod nano
(6ème génération)*
iPod nano
(5ème génération)*
iPod nano
(4ème génération)*
iPod nano
(3ème génération)*

27FR
Si vous avez des questions ou des problèmes
concernant cet appareil qui ne sont pas abordés
dans ce mode d’emploi, contactez votre détaillant
Sony le plus proche.
Entretien
Remplacement de la pile au lithium de la
télécommande
Sous des conditions normales d’utilisation, la pile
durera environ 1 an (selon les conditions
d’utilisation, la durée de vie utile peut être réduite).
Lorsque la pile est faible, la portée de la
télécommande diminue.
ATTENTION
La pile pourrait exploser si elle n’est pas remplacée
correctement. Remplacez-la uniquement avec le
même type de pile ou un type équivalent.
Remarques sur la pile au lithium
Tenez la pile au lithium hors de la portée des enfants.
En cas d’ingestion de la pile, consultez
immédiatement un médecin.
Essuyez la pile avec un chiffon sec pour assurer un
bon contact.
Veillez à respecter la polarité lors de l’installation de la
pile.
Ne tenez pas la pile avec des pinces métalliques, car
cela pourrait causer un court-circuit.
Nettoyage des connecteurs
L’appareil peut ne pas fonctionner correctement si
les connecteurs entre l’appareil et la façade sont
sales. Pour éviter cette situation, retirez la façade
(page 7) et nettoyez les connecteurs avec un coton-
tige. N’exercez pas une pression trop forte, car vous
pourriez endommager les connecteurs.
Remarques
Pour plus de sécurité, coupez le contact avant de
nettoyer les connecteurs et retirez la clé de contact.
Ne touchez jamais les connecteurs directement avec
les doigts ou avec un objet métallique.
Caractéristiques techniques
Radio
FM
Plage de syntonisation : 87,5 à 107,9 MHz
Borne d’antenne :
Connecteur d’antenne externe
Fréquence intermédiaire :
FM CCIR : -1 956,5 à -487,3 kHz et
+500,0 à +2 095,4 kHz
Sensibilité utile : 8 dBf
Sélectivité : 75 dB à 400 kHz
Rapport signal/bruit : 73 dB
Séparation : 50 dB à 1 kHz
Réponse en fréquence : 20 à 15 000 Hz
AM
Plage de syntonisation : 530 à 1 710 kHz
Borne d’antenne :
Connecteur d’antenne externe
Sensibilité : 26 μV
Lecteur CD
Rapport signal/bruit : 120 dB
Réponse en fréquence : 10 à 20 000 Hz
Pleurage et scintillement : En dessous du seuil
mesurable
Nombre maximal de : (CD-R/CD-RW uniquement)
dossiers (albums) : 150 (y compris le répertoire
racine)
fichiers (plages) et dossiers : 300 (lorsque les
noms de dossier/fichier contiennent un grand
nombre de caractères, ce nombre peut être
inférieur à 300)
caractères affichables pour un nom de dossier/
fichier : 32 (Joliet)/64 (Romeo)
Codecs correspondants : MP3 (.mp3), WMA (.wma)
et AAC (.m4a)
Lecteur USB
Interface : USB (haute vitesse)
Courant maximal : 1,5 A
Nombre maximal de plages reconnaissables :
10 000
Codecs correspondants :
MP3 (.mp3), WMA (.wma), WAV (.wav), AAC
(.m4a), AAC (.mp4) et FLAC (.flac)
Communication sans fil
Système de communication :
Norme BLUETOOTH version 3.0
Sortie :
Norme BLUETOOTH Power Class 2
(Max. +4 dBm)
Portée de communication maximale :
En ligne directe, environ 10 m (33 pi)*1
Bande de fréquence :
Bande de 2,4 GHz (2,4000 à 2,4835 GHz)
Pôle + vers le haut

28FR
Méthode de modulation : FHSS
Profils BLUETOOTH compatibles*2:
A2DP (Advanced Audio Distribution Profile) 1.3
AVRCP (Audio Video Remote Control Profile) 1.5
HFP (Handsfree Profile) 1.6
PBAP (Phone Book Access Profile)
SPP (Serial Port Profile)
MAP (Message Access Profile)
HID (Human Interface Device Profile)
Codecs correspondants :
SBC (.sbc) et AAC (.m4a)
*1 La portée réelle varie en fonction de nombreux
facteurs, tels que la présence d’obstacles entre les
périphériques, les champs magnétiques autour des
fours à micro-ondes, l’électricité statique, la
sensibilité de la réception, les performances de
l’antenne, le système d’exploitation, les applications
logicielles, etc.
*2 Les profils standard BLUETOOTH sont destinés à la
communication BLUETOOTH entre les périphériques.
Amplificateur de puissance
Sorties : Sorties de haut-parleurs
Impédance des haut-parleurs : 4 à 8 ohms
Puissance de sortie maximale : 100 W × 4 (à
4ohms)
Généralités
Sorties :
Borne de sorties audio : avant, arrière, caisson
de graves
Borne de commande de relais d’antenne
électrique/d’amplificateur de puissance (REM
OUT)
Entrées :
Borne d’entrée SiriusXM
Borne d’entrée de télécommande
Borne d’entrée de l’antenne
Borne d’entrée MIC
Prise d’entrée AUX (mini-prise stéréo)
Port USB
Alimentation requise : Batterie de véhicule 12 V CC
(masse négative)
Consommation de courant nominale : 10 A
Dimensions :
Environ 178 mm × 50 mm × 178 mm
(7 1/8po × 2 po × 7 1/8po) (l/h/p)
Dimensions de montage :
Environ 182 mm × 53 mm × 161 mm
(7 1/4po × 2 1/8po × 6 3/8po) (l/h/p)
Poids : Environ 1,3 kg (2 lb 14 oz)
Contenu de l’emballage :
Appareil principal (1)
Télécommande (1) : RM-X231
Microphone (1)
Composants destinés à l’installation et aux
raccordements (1 jeu)
Accessoires/appareils en option :
Récepteur SiriusXM Connect Voiture : SXV100
Câble pour entrée de télécommande du volant :
RC-SR1
Il est possible que votre détaillant ne dispose pas
de certains accessoires énoncés ci-dessus. Veuillez
vous adresser à lui pour tout renseignement
complémentaire.
La conception et les caractéristiques techniques
sont sujettes à modification sans préavis.
Récepteur SiriusXM Connect Voiture et
abonnement et frais d’activation requis.
www.siriusxm.com
Sirius, XM et tous les autres logos et marques
connexes sont des marques de commerce de Sirius
XM Radio Inc. Tous droits réservés.
La marque et les logos Bluetooth® sont des
marques déposées de Bluetooth SIG, Inc. qui sont
utilisées sous licence uniquement par Sony
Corporation. Les autres marques de commerce et
noms de commerce appartiennent à leurs
propriétaires respectifs.
Le symbole N est une marque de commerce de NFC
Forum, Inc. déposée ou non, aux États-Unis et dans
d’autres pays.
Windows Media est une marque déposée ou une
marque de commerce de Microsoft Corporation aux
États-Unis et/ou dans les autres pays.
Ce produit est protégé par des droits de propriété
intellectuelle de Microsoft Corporation. Toute
utilisation ou diffusion de la technologie décrite
sortant du cadre de l’utilisation de ce produit est
interdite sans licence accordée par Microsoft ou
une filiale autorisée de Microsoft.
iPhone, iPod, iPod classic, iPod nano, iPod touch et
Siri sont des marques de Apple Inc., déposées aux
États-Unis et dans d’autres pays/régions. App Store
est une marque de service de Apple Inc.
Licence de la technologie de codage audio MPEG
Layer-3 et des brevets obtenue de Fraunhofer IIS et
Thomson.
Pandora®, le logo Pandora® et la présentation
Pandora® sont des marques commerciales ou des
marques déposées de Pandora Media, Inc., utilisées
avec permission.
Google, Google Play et Android sont des marques
de Google Inc.
Droits d’auteur

29FR
libFLAC
Copyright (C) 2000-2009 Josh Coalson
Copyright (C) 2011-2013 Fondation Xiph.Org
La redistribution et l’utilisation sous formes binaire
et source, avec ou sans modification, sont permises
sous réserve des conditions suivantes :
Les redistributions du code source doivent
conserver l’avis de droit d’auteur ci-dessus, cette
liste de conditions et la renonciation suivante.
Les redistributions sous forme binaire doivent
reproduire l’avis de droit d’auteur ci-dessus, cette
liste de conditions et la renonciation suivante
dans la documentation et/ou tout autre matériel
fourni lors de la distribution.
Ni le nom de la Fondation Xiph.org ni les noms de
ses contributeurs ne doivent être utilisés pour
endosser ou promouvoir les produits dérivés de
ce logiciel sans autorisation écrite préalable.
CE LOGICIEL EST FOURNI « TEL QUEL » PAR LES
DÉTENTEURS DE DROITS D’AUTEUR ET
CONTRIBUTEURS, ET TOUTES LES GARANTIES
EXPRESSES OU IMPLICITES, Y COMPRIS, SANS EN
EXCLURE D’AUTRES, LES GARANTIES IMPLICITES DE
VALEUR MARCHANDE ET D’ADAPTATION À UN
USAGE PARTICULIER SONT DÉCLINÉES. LA
FONDATION OU LES CONTRIBUTEURS NE PEUVENT
EN AUCUN CAS ÊTRE TENUS RESPONSABLES DES
DOMMAGES DIRECTS, INDIRECTS, ACCESSOIRES,
SPÉCIAUX, EXEMPLAIRES OU CONSÉCUTIFS (Y
COMPRIS, SANS EN EXCLURE D’AUTRES,
L’APPROVISIONNEMENT DE BIENS OU DE SERVICES
DE REMPLACEMENT; LA PERTE D’UTILISATION, DE
DONNÉES OU DE PROFITS; OU L’INTERRUPTION
D’ACTIVITÉS COMMERCIALES) QUELLES QU’EN
SOIENT LA CAUSE ET LA THÉORIE DE
RESPONSABILITÉ, PAR CONTRAT, RESPONSABILITÉ
ABSOLUE OU CIVILE (Y COMPRIS LA NÉGLIGENCE OU
AUTRE) SURVENANT DE QUELQUE FAÇON QUI SOIT
DE L’UTILISATION DE CE LOGICIEL, MÊME SI AVERTIS
DE LA POSSIBILITÉ DE TELS DOMMAGES.
Dépannage
La liste de vérification suivante vous aidera à
remédier aux problèmes que vous pourriez
rencontrer avec cet appareil.
Avant de passer en revue la liste ci-dessous, vérifiez
les procédures de raccordement et d’utilisation.
Pour plus de détails sur l’utilisation du fusible et le
retrait de l’appareil du tableau de bord, reportez-
vous à « Raccordement/Installation » (page 36).
Si vous ne parvenez pas à régler le problème,
visitez le site d’assistance à l’adresse indiquée sur la
couverture arrière.
Généralités
L’appareil n’est pas alimenté.
Si l’appareil est éteint et que l’affichage disparaît,
il est impossible de commander l’appareil avec la
télécommande.
Mettez l’appareil en marche.
L’appareil s’éteint lors de l’utilisation à un
volume élevé.
L’alimentation fournie par le câble d’alimentation
de la voiture pourrait être insuffisante.
Vérifiez le raccordement de l’alimentation. Si le
raccordement ne présente aucun problème,
effectuez le raccordement de l’alimentation
directement à la batterie.
Si la situation ne s’améliore pas, consultez
votre détaillant le plus proche.
Aucun son n’est émis ou le son est très faible.
La position de la commande d’équilibre avant/
arrière [FADER] n’est pas réglée pour un système
à 2 haut-parleurs.
Le volume de l’appareil et/ou du périphérique
connecté est très faible.
Augmentez le volume de l’appareil et du
périphérique connecté.
Aucun bip n’est émis.
Un amplificateur de puissance en option est
raccordé et vous n’utilisez pas l’amplificateur
intégré.
Le contenu de la mémoire a été effacé.
La touche de réinitialisation a été enfoncée.
Recommencez la procédure d’enregistrement
dans la mémoire.
Le câble d’alimentation ou la batterie a été
déconnecté(e) ou n’est pas raccordé(e)
correctement.

30FR
Les stations mémorisées sont effacées et l’heure
est remise à zéro.
Le fusible est grillé.
Émission d’un bruit lorsque la position de la clé
de contact est modifiée.
Les câbles ne sont pas raccordés correctement au
connecteur d’alimentation du véhicule destiné
aux accessoires.
Pendant la lecture ou la réception, l’écran du
mode de démonstration apparaît.
Si aucune opération n’est effectuée pendant
5 minutes alors que le réglage [DEMO-ON] est
sélectionné, l’écran du mode de démonstration
apparaît.
Sélectionnez le réglage [DEMO-OFF] (page 24).
L’affichage disparaît de la fenêtre d’affichage ou
il n’apparaît pas.
Le régulateur de luminosité est réglé à [DIMMER-
ON] (page 24).
L’affichage est désactivé si vous maintenez la
touche OFF enfoncée.
Maintenez enfoncée la touche OFF de l’appareil
jusqu’à ce que l’affichage apparaisse.
Les connecteurs sont sales (page 27).
Les touches de commande ne fonctionnent pas.
Impossible d’éjecter le disque.
Le raccordement est incorrect.
Vérifiez le raccordement de l’appareil.
Si la situation ne s’améliore pas, appuyez sur
RESET (page 7).
Les contenus de la mémoire sont effacés.
Pour votre sécurité, ne réinitialisez pas
l’appareil pendant que vous conduisez.
Réception radio
Impossible de capter les stations.
Le son est parasité.
Le raccordement est incorrect.
Si votre véhicule est équipé d’une antenne de
radio intégrée dans la fenêtre arrière ou
latérale, raccordez un câble REM OUT (rayé
bleu/blanc) ou un câble d’alimentation
d’accessoires (rouge) au câble d’alimentation
de l’amplificateur d’antenne du véhicule.
Vérifiez le raccordement de l’antenne du
véhicule.
Si l’antenne automatique ne se déploie pas,
vérifiez le raccordement du câble de
commande d’antenne électrique.
Impossible de capter une station
présélectionnée.
Le signal capté est trop faible.
RDS
PTY affiche [- - - - - - - -].
La station captée n’est pas une station RDS.
Aucune donnée RDS n’a été reçue.
La station ne spécifie pas le type d’émission.
Lecture de CD
La lecture du disque ne commence pas.
Le disque est défectueux ou sale.
Les CD-R/CD-RW ne sont pas destinés à un
usage audio (page 26).
Impossible de lire des fichiers MP3/WMA/AAC.
Le disque n’est pas compatible avec le format et
la version MP3/WMA/AAC. Pour plus de détails
sur les formats et disques pouvant être lus,
visitez le site d’assistance à l’adresse indiquée sur
la couverture arrière.
Certains fichiers MP3/WMA/AAC exigent un délai
plus long que d’autres avant le début de la
lecture.
La lecture des types de disques suivants exige un
délai de démarrage plus long :
Disques comportant une hiérarchie de dossiers
complexe.
Disques enregistrés en multisession.
Disques auxquels il est possible d’ajouter des
données.
Le son est saccadé.
Le disque est défectueux ou sale.
Lecture de périphérique USB
Impossible de lire des éléments à l’aide d’un
concentrateur USB.
Cet appareil ne peut pas reconnaître les
périphériques USB raccordés au moyen d’un
concentrateur USB.
La lecture sur un périphérique USB exige un délai
de démarrage plus long.
Le périphérique USB contient des fichiers avec
une hiérarchie de dossiers complexe.
Le son est intermittent.
Il est possible que le son soit intermittent à un
débit binaire supérieur à 320 kbit/s.
Impossible de lire le fichier audio.
Les systèmes de fichier autres que FAT16 ou
FAT32 d’un périphérique USB ne sont pas pris en
charge.*
* Cet appareil prend en charge les systèmes FAT16 et
FAT32. Par contre, certains périphériques USB
pourraient ne pas prendre en charge ces systèmes
FAT. Pour plus de détails, reportez-vous au mode
d’emploi de chacun des périphériques USB ou
communiquez avec le fabricant.

31FR
Fonction NFC
Impossible d’établir la connexion par simple
contact (NFC).
Si le téléphone intelligent ne répond pas au
contact.
Vérifiez que la fonction NFC du téléphone
intelligent est activée.
Rapprochez le symbole N du téléphone
intelligent du symbole N de cet appareil.
Si le téléphone intelligent est placé dans un
étui, retirez ce dernier.
La sensibilité de réception NFC varie en fonction
du périphérique.
Si la connexion par simple contact avec le
téléphone intelligent échoue à plusieurs reprises,
établissez la connexion BLUETOOTH
manuellement.
Fonction BLUETOOTH
Le périphérique à connecter ne détecte pas cet
appareil.
Avant d’effectuer le pairage, réglez cet appareil
en mode de veille de pairage.
Pendant la connexion avec un périphérique
BLUETOOTH, cet appareil ne peut pas être
détecté par un autre périphérique.
Désactivez la connexion en cours et recherchez
cet appareil à partir de l’autre périphérique.
Une fois le pairage du périphérique effectué,
activez la transmission du signal BLUETOOTH
(page 9).
Impossible d’établir la connexion.
La connexion est contrôlée à partir d’un côté (cet
appareil ou le périphérique BLUETOOTH), mais
pas des deux.
Établissez la connexion à cet appareil à partir
d’un périphérique BLUETOOTH ou vice versa.
Le nom du périphérique détecté ne s’affiche pas.
Selon l’état de l’autre périphérique, il peut être
impossible d’obtenir un nom.
Pas de sonnerie.
Réglez le volume en tournant la molette de
réglage pendant la réception d’un appel.
Selon le périphérique à connecter, la sonnerie
peut ne pas être émise correctement.
Réglez [RINGTONE] sur [1] (page 24).
Les haut-parleurs avant ne sont pas raccordés à
l’appareil.
Raccordez les haut-parleurs avant à l’appareil.
La sonnerie est émise uniquement par les
haut-parleurs avant.
La voix de l’appelant est inaudible.
Les haut-parleurs avant ne sont pas raccordés à
l’appareil.
Raccordez les haut-parleurs avant à l’appareil.
La voix de l’appelant est émise uniquement par
les haut-parleurs avant.
Un interlocuteur trouve le volume trop faible ou
trop élevé.
Réglez le volume en conséquence à l’aide du
réglage de gain de micro (page 17).
Il y a de l’écho ou des parasites pendant les
conversations téléphoniques.
Réduisez le volume.
Réglez le mode EC/NC sur [BTP EC/NC-1] ou [BTP
EC/NC-2] (page 17).
Si le niveau de bruit environnant est plus élevé
que celui de l’appel téléphonique, essayez de
réduire ce bruit.
Par exemple, si une fenêtre est ouverte et que le
niveau de bruit de la rue, etc., est élevé, fermez la
fenêtre. Si la climatisation produit beaucoup de
bruit, réduisez son intensité.
Le téléphone n’est pas connecté.
Pendant la lecture d’un périphérique audio
BLUETOOTH, le téléphone n’est pas connecté,
même si vous appuyez sur la touche CALL.
Établissez la connexion à partir du téléphone.
La qualité sonore du téléphone est mauvaise.
La qualité sonore du téléphone dépend des
conditions de réception du téléphone cellulaire.
Si la réception est mauvaise, déplacez votre
véhicule dans un endroit permettant
d’améliorer la réception du signal.
Le volume du périphérique audio connecté est
faible (ou élevé).
Le niveau de volume varie d’un périphérique
audio à l’autre.
Réglez le volume du périphérique audio
connecté ou de cet appareil.
Le son est saccadé pendant la lecture d’un
périphérique audio BLUETOOTH.
Réduisez la distance entre l’appareil et le
périphérique audio BLUETOOTH.
Si le périphérique audio BLUETOOTH est rangé
dans un étui qui interrompt le signal, sortez-le de
cet étui pendant l’utilisation.
Plusieurs périphériques BLUETOOTH ou autres
périphériques qui émettent des ondes radio sont
utilisés à proximité.
Éteignez les autres périphériques.
Augmentez la distance des autres
périphériques.
Le son de la lecture s’interrompt
momentanément lorsque la connexion entre cet
appareil et le téléphone cellulaire est en cours. Il
ne s’agit pas d’un problème de fonctionnement.

32FR
Impossible de commander le périphérique audio
BLUETOOTH connecté.
Assurez-vous que le périphérique audio
BLUETOOTH connecté soit compatible avec le
profil AVRCP.
Certaines fonctions sont inopérantes.
Assurez-vous que le périphérique à connecter
soit compatible avec les fonctions en question.
Un appel commence involontairement.
Le téléphone à connecter est réglé pour répondre
à un appel automatiquement.
Échec du pairage dans le temps alloué.
Selon le périphérique à connecter, le temps
alloué pour le pairage peut être court.
Essayez de terminer le pairage dans le temps
alloué.
La fonction BLUETOOTH est inopérante.
Appuyez sur OFF pendant plus de 2 secondes
pour éteindre l’appareil, puis rallumez-le.
Aucun son n’est émis par les haut-parleurs du
véhicule lors d’un appel en mains libres.
Si le son est émis par le téléphone cellulaire,
réglez ce dernier de façon à ce qu’il émette le son
au moyen des haut-parleurs du véhicule.
La fonction Siri Eyes Free n’est pas activée.
Procédez à l’enregistrement mains libres d’un
iPhone prenant en charge Siri Eyes Free.
Activez la fonction Siri sur le iPhone.
Annulez la connexion BLUETOOTH entre le
iPhone et l’appareil, puis rétablissez la connexion.
Utilisation de SongPal
Le nom d’application ne correspond pas à
l’application actuelle dans « SongPal ».
Démarrez l’application à nouveau à partir de
l’application « SongPal ».
Pendant l’utilisation de l’application « SongPal »
via BLUETOOTH, l’affichage passe
automatiquement à [BT AUDIO].
L’application « SongPal » ou la fonction
BLUETOOTH n’a pas fonctionné adéquatement.
Redémarrez l’application.
L’application « SongPal » est automatiquement
déconnectée lorsque l’affichage passe à [IPD].
L’application « SongPal » sur le iPhone/iPod ne
prend pas en charge la lecture d’un iPod.
Changez la source de l’appareil en
sélectionnant une option autre que [IPD], puis
établissez la connexion « SongPal » (page 18).
Utilisation de Pandora®
Impossible d’établir la connexion Pandora®.
Fermez l’application Pandora® sur le périphérique
mobile, puis redémarrez-la.
Affichage des erreurs et messages
CD ERROR : Le disque ne peut pas être lu. Le
disque sera éjecté automatiquement.
Nettoyez le disque ou insérez-le correctement.
Assurez-vous que le disque est exempt de défaut
et qu’il n’est pas vierge.
CD NO MUSIC : Il n’y a aucun fichier à lire. Le disque
sera éjecté automatiquement.
Insérez un disque avec des fichiers lisibles
(page 27).
CD PUSH EJT : Le disque n’a pas pu être éjecté
correctement.
Appuyez sur (éjecter).
HUB NO SUPRT : Les concentrateurs USB ne sont
pas pris en charge.
IPD STOP : La lecture iPod est terminée.
Faites fonctionner le iPod/iPhone pour démarrer
la lecture.
OUTPUT ERROR : Il est possible que l’appareil soit
défectueux.
Vérifiez le raccordement. Si le message d’erreur
ne disparaît pas de l’affichage, contactez votre
détaillant Sony le plus proche.
OVERLOAD : Le périphérique USB est saturé.
Débranchez le périphérique USB, puis changez la
source en appuyant sur SRC.
Le périphérique USB présente une défaillance ou
un périphérique non pris en charge est raccordé.
READ : En cours de lecture.
Attendez que la lecture soit terminée et la lecture
commence automatiquement. Selon la structure
du disque, cette opération peut prendre
quelques instants.
TEMP CAUTION : La protection thermique est
activée.
Réduisez le volume.
USB ERROR : Le périphérique USB ne peut pas être
lu.
Raccordez le périphérique USB de nouveau.
USB NO DEV : Le périphérique USB n’est pas
raccordé ni reconnu.
Assurez-vous que le périphérique USB ou son
câble est solidement raccordé.

33FR
USB NO MUSIC : Il n’y a aucun fichier à lire.
Raccordez un périphérique USB avec des fichiers
lisibles (page 27).
USB NO SUPRT : Le périphérique USB n’est pas pris
en charge.
Pour plus de détails sur la compatibilité de votre
périphérique USB, visitez notre site d’assistance à
l’adresse indiquée sur la couverture arrière.
ou : La fin du disque
ou le début a été atteint.
: Impossible d’afficher le caractère.
Pour la fonction BLUETOOTH :
BT BUSY : Le périphérique BLUETOOTH est occupé.
Attendez un instant, puis essayez à nouveau.
ERROR : La fonction sélectionnée n’a pas pu être
exécutée.
Attendez un instant, puis essayez à nouveau.
NO DEV : Le périphérique BLUETOOTH n’est pas
raccordé ni reconnu.
Assurez-vous que le périphérique BLUETOOTH
est solidement raccordé ou que la connexion
BLUETOOTH est établie avec le périphérique
BLUETOOTH.
P EMPTY : Aucun numéro de téléphone n’est
mémorisé.
UNKNOWN : Un nom ou numéro de téléphone ne
peut pas être affiché.
WITHHELD : Le numéro de téléphone est caché par
l’appelant.
Pour l’utilisation de SongPal :
APP -------- : Aucune connexion n’est établie avec
l’application.
Effectuez de nouveau la connexion « SongPal »
(page 18).
APP DISCNCT : L’application est déconnectée.
Établissez la connexion « SongPal » (page 18).
APP DISPLAY : Un affichage de réglage d’écran de
l’application est ouvert.
Quittez l’affichage de réglage d’écran de
l’application pour permettre le fonctionnement à
l’aide des touches.
APP LIST : La liste de contenus de la fonction CD/
USB/iPod est ouverte.
Quittez la liste de l’application pour permettre le
fonctionnement à l’aide des touches.
APP MENU : Un affichage de réglage de
l’application est ouvert.
Quittez l’affichage de réglage de l’application
pour permettre le fonctionnement à l’aide des
touches.
APP NO DEV : Le périphérique avec l’application
installée n’est pas connecté ou reconnu.
Effectuez la connexion BLUETOOTH et établissez
de nouveau la connexion « SongPal » (page 18).
APP SOUND : Un affichage de réglage sonore de
l’application est ouvert.
Quittez l’affichage de réglage sonore de
l’application pour permettre le fonctionnement à
l’aide des touches.
OPEN APP : L’application « SongPal » ne fonctionne
pas actuellement.
Démarrez l’application.
Pour l’utilisation de Pandora® :
CANNOT SKIP : Le saut des plages n’est pas
permis.
Attendez la fin du message publicitaire ou le
début de la plage suivante ou sélectionnez une
autre station dans la liste. Pandora® limite le
nombre de sauts permis sur leur service.
NO NETWORK : La connexion au réseau est
instable ou perdue.
Établissez de nouveau la connexion entre le
réseau et le périphérique ou attendez
l’établissement d’une connexion réseau.
NO STATION : Votre compte ne contient aucune
station.
Créez la station sur votre périphérique mobile.
NOT ALLOWED : La fonction sélectionnée est
interdite.
Il n’est pas permis de laisser une appréciation.
Attendez que le message publicitaire se
termine.
Certaines fonctions, telles que la station
partagée, ne permettent pas de laisser une
appréciation. Attendez le début de la plage
suivante ou sélectionnez une autre station
dans la liste.
La mise en signet n’est pas permise.
Attendez que le message publicitaire se
termine.
Sélectionnez une autre plage ou station, puis
essayez à nouveau.
PAN ERROR : La fonction sélectionnée n’a pu être
exécutée.
Attendez un instant, puis essayez à nouveau.

34FR
PAN MAINT : Le serveur Pandora® est en cours
d’entretien.
Attendez un instant, puis essayez à nouveau.
PAN OPEN APP - PRESS PAUSE : L’application
Pandora® ne fonctionne pas actuellement.
Démarrez l’application Pandora® sur le
périphérique mobile, puis appuyez sur PAUSE.
PAN RESTRICT : Pandora® n’est pas offert à
l’extérieur de votre pays.
PLEASE LOGIN - PANDORA APP : Aucune session
n’est ouverte à votre compte Pandora®.
Débranchez le périphérique, ouvrez une session
à votre compte Pandora®, puis raccordez-le de
nouveau.
UPDATE PAN : L’application Pandora® fonctionne
avec une ancienne version.
Mettez à jour l’application Pandora® à la dernière
version.
Pour l’utilisation de SiriusXM :
CH LOCKED
Le canal que vous avez syntonisé est verrouillé
par la fonction de contrôle parental de la radio.
Reportez-vous à la section « Pour régler le
contrôle parental » (page 12) pour plus
d’informations sur la fonction de contrôle
parental et la manière d’accéder aux canaux
verrouillés.
CH UNAVAIL
Le canal que vous avez syntonisé n’est pas un
canal SiriusXM valide ou le canal que vous
écoutiez n’est plus disponible.
Ce message pourrait s’afficher brièvement
lorsque vous raccordez pour la première fois un
récepteur SiriusXM Connect Voiture.
Visitez www.siriusxm.com aux États-Unis ou
www.siriusxm.ca au Canada pour obtenir plus
d’informations sur la gamme de canaux SiriusXM.
CHAN UNSUB
Le canal que vous avez syntonisé n’est pas inclus
dans votre forfait d’abonnement SiriusXM ou le
canal que vous écoutiez n’est plus inclus dans
votre forfait d’abonnement SiriusXM.
Si vous avez des questions au sujet de votre
forfait d’abonnement ou si vous souhaitez vous
abonner à ce canal, veuillez contacter SiriusXM.
Aux États-Unis, visitez www.siriusxm.com ou
composez le 1-866-635-2349.
Au Canada, visitez www.siriusxm.ca ou composez
le 1-877-438-9677.
CHK ANT
La radio a détecté une défaillance de l’antenne
SiriusXM.
Le câble d’antenne pourrait être déconnecté ou
endommagé.
Vérifiez que le câble d’antenne est raccordé au
récepteur SiriusXM Connect Voiture.
Inspectez le câble d’antenne pour vérifier s’il
est endommagé ou entortillé.
Remplacez l’antenne si le câble est
endommagé. Les produits SiriusXM sont
disponibles auprès de votre détaillant local de
systèmes audio pour voiture ou en ligne sur le
site www.shop.siriusxm.com
CHECK TUNER
La radio éprouve de la difficulté à communiquer
avec le récepteur SiriusXM Connect Voiture.
Le récepteur pourrait être déconnecté ou
endommagé.
Vérifiez que le câble du récepteur SiriusXM
Connect Voiture est solidement raccordé à la
radio.
MEM FAILURE
Cet appareil n’a pas réussi à mémoriser le canal
dans la fonction de présélection.
Assurez-vous de sélectionner un canal
approprié.
NO SIGNAL
Le récepteur SiriusXM Connect Voiture éprouve
de la difficulté à recevoir le signal satellite
SiriusXM.
Vérifiez que votre véhicule se trouve à
l’extérieur, avec une vue dégagée du ciel.
Vérifiez que l’antenne à monture magnétique
SiriusXM est installée sur une surface
métallique à l’extérieur du véhicule.
Éloignez l’antenne SiriusXM de tout obstacle.
Inspectez le câble d’antenne pour vérifier s’il
est endommagé ou entortillé.
Consultez le manuel d’installation du récepteur
SiriusXM Connect Voiture pour obtenir plus
d’informations sur l’installation de l’antenne.
Remplacez l’antenne si le câble est
endommagé. Les produits SiriusXM sont
disponibles auprès de votre détaillant local de
systèmes audio pour voiture ou en ligne sur le
site www.shop.siriusxm.com
SUBSCRIPTION UPDATE - ENTER TO CONTINUE
La radio a détecté une modification dans les
conditions de votre abonnement SiriusXM.
Appuyez sur ENTER pour effacer le message.
Si vous avez des questions au sujet de votre
abonnement, veuillez contacter SiriusXM.
Aux États-Unis, visitez www.siriusxm.com ou
composez le 1-866-635-2349.
Au Canada, visitez www.siriusxm.ca ou
composez le 1-877-438-9677.

35FR
Pour l’utilisation de la télécommande du
volant :
ERROR : Une erreur s’est produite pendant
l’enregistrement de la fonction.
Enregistrez de nouveau à partir de la fonction où
l’erreur s’est produite (page 21).
TIMEOUT : Échec de l’enregistrement de la fonction
dans le temps alloué.
Essayez de compléter l’enregistrement pendant
que [REGISTER] clignote (environ 6 secondes)
(page 21).
Si ces solutions ne permettent pas d’améliorer la
situation, contactez votre détaillant Sony le plus
proche.
Si vous devez faire réparer l’appareil en raison d’un
problème de lecture de CD, apportez le disque
utilisé au moment où le problème s’est produit.

36FR
Mises en garde
Rassemblez tous les câbles de mises à la masse
en un point de masse commun.
Évitez de fixer des vis sur les câbles ou de coincer
ceux-ci dans les pièces mobiles (par exemple, le
rail du siège).
Avant d’effectuer les raccordements, coupez le
contact du véhicule pour éviter un court-circuit.
Raccordez les câbles d’alimentation jaune et
rouge seulement après avoir terminé le
raccordement de tous les autres câbles.
Pour des raisons de sécurité, veillez à isoler avec
du ruban isolant tout câble libre non raccordé.
Choisissez soigneusement l’emplacement
d’installation pour que l’appareil ne gêne pas le
conducteur pendant la conduite.
Évitez d’installer l’appareil à un endroit exposé à
la poussière, à la saleté, à des vibrations
excessives ou à des températures élevées comme
en plein soleil ou à proximité de conduits de
chauffage.
Pour garantir un montage sûr, n’utilisez que la
quincaillerie fournie.
Remarque concernant le câble d’alimentation (jaune)
Lorsque cet appareil est raccordé à d’autres éléments
stéréo, la valeur nominale du circuit du véhicule sur
lequel l’appareil sera raccordé doit être supérieure à la
somme des fusibles de chaque élément.
Réglage de l’angle de montage
Réglez l’inclinaison à un angle inférieur à
45 degrés.
Liste des pièces nécessaires à
l’installation
Cette liste de pièces ne comprend pas tout le
contenu de l’emballage.
Le support et le tour de protection sont fixés
en usine. Avant l’installation de l’appareil, utilisez
les clés de déblocage pour détacher le support
de l’appareil. Pour plus de détails, reportez-
vous à la section « Retrait du tour de protection et
du support » (page 39).
Conservez les clés de déblocage pour une
utilisation ultérieure, car vous en aurez également
besoin pour retirer l’appareil du véhicule.
Raccordement/Installation
Précautions
× 4
5×max. 8mm
(7/32 ×max.
5/16 po)
× 2

37FR
Raccordement
*5*6
d’une télécommande filaire
(non fournie)*4
Récepteur radio
satellite (SiriusXM)*1
Blanc
Rayé blanc/noir
Gris
Noir
Jaune
Rouge
Rayé bleu/blanc (MAX. 0.4 A)
d’une antenne de véhicule
Haut-parleur avant*1*2*7
Haut-parleur arrière*1*2*7
Rayé gris/noir
Vert
Rayé vert/noir
Violet
Rayé violet/noir
Rayé orange/blanc
Caisson de graves*1
Amplificateur de puissance*1
Pour plus de détails, reportez-
vous à la section
« Raccordements » (page 38).
Lors du raccordement direct à la batterie*8
Noir
Jaune
*3
*3
*3

38FR
*1 Non fourni
*2 Impédance des haut-parleurs : 4 à 8 ohms x 4
*3 Cordon à broche RCA (non fourni)
*4 Selon le type de véhicule, utilisez un adaptateur pour
une télécommande filaire (non fourni).
Pour plus de détails sur l’utilisation de la
télécommande filaire, reportez-vous à la section
« Utilisation de la télécommande filaire » (page 39).
*5 Qu’il soit utilisé ou non, faites passer le cordon
d’entrée du microphone de manière à ce qu’il ne
gêne pas la conduite. Fixez le cordon avec un serre-
câbles, etc., s’il se trouve au niveau de vos pieds.
*6 Pour plus de détails sur l’installation du microphone,
reportez-vous à la section « Installation du
microphone » (page 39).
*7 Utilisez des haut-parleurs avec capacité de
puissance admissible de 50 W efficaces RMS ou
supérieure. L’utilisation des haut-parleurs pleine
gamme Sony XB est recommandée.
*8 Lorsque l’intensité en ampères du fusible utilisé
dans votre voiture est 10 A, effectuez le
raccordement de l’alimentation directement à la
batterie pour éviter un court-circuit.
À la borne d’alimentation +12 V qui est
alimentée lorsque la clé de contact est à la
position accessoires
S’il n’y a pas de position accessoires, raccordez
la borne d’alimentation (batterie) +12 V qui est
alimentée en permanence.
Raccordez d’abord le câble de mise à la masse
noir à un point de mise à la masse commun.
Au câble de commande d’antenne électrique
ou au câble d’alimentation de l’amplificateur
d’antenne
Il n’est pas nécessaire de raccorder ce câble s’il
n’y a pas d’antenne électrique ni d’amplificateur
d’antenne ou avec une antenne télescopique
manuelle.
Au niveau de AMP REMOTE IN de
l’amplificateur de puissance en option
Ce raccordement s’applique uniquement aux
amplificateurs et à une antenne électrique. Le
raccordement de tout autre système risque
d’endommager l’appareil.
Vers le signal d’éclairage de la voiture
Raccordez d’abord le câble de mise à la masse
noir à un point de mise à la masse commun.
À un point de mise à la masse commun
Raccordez d’abord le câble de mise à la masse
noir et ensuite les câbles d’alimentation jaune
et rouge.
À la borne d’alimentation +12 V qui est
alimentée en permanence
Raccordez d’abord le câble de mise à la masse
noir à un point de mise à la masse commun.
Lors du raccordement direct à la batterie
Lorsque l’intensité en ampères du fusible utilisé
dans votre voiture est 10 A, effectuez le
raccordement de l’alimentation directement à la
batterie pour éviter un court-circuit.
à un point métallique de la voiture
à la borne positive de la batterie
Remarques
Bien qu’il soit raccordé au câble d’alimentation de la
voiture, l’appareil pourrait ne pas offrir un niveau de
performance optimal en raison d’une alimentation
insuffisante. En pareil cas, effectuez le raccordement
de l’alimentation directement à la batterie.
Tous les fils d’alimentation raccordés à la borne
positive de la batterie doivent être protégés par un
fusible à une distance maximale de 450 mm (18 po)
de la borne de la batterie et avant de passer dans une
partie métallique quelconque.
Assurez-vous que les fils de batterie raccordés à la
voiture (mise à la masse au châssis)* sont d’un calibre
au moins égal à celui du fil d’alimentation principal
permettant de raccorder la batterie à l’appareil
principal.
Pendant le fonctionnement à pleine puissance, un
courant de plus de 15 A circule dans le système. Par
conséquent, assurez-vous que les fils à raccorder aux
bornes +12 V et GND de cet appareil soient au moins
de calibre 14 (AWG14) ou qu’ils possèdent une zone
sectionnelle supérieure à 2 mm² (3/32 po).
Si vous avez des questions ou des problèmes
concernant le raccordement, contactez le détaillant
pour obtenir plus de détails.
Raccordement facile d’un caisson de
graves
Vous pouvez utiliser un caisson de graves sans
amplificateur de puissance lorsque vous effectuez
le raccordement au cordon de haut-parleur arrière.
Remarque
Utilisez un caisson de graves avec une impédance de
4 à 8 ohms avec une capacité électrique adéquate pour
éviter de l’endommager.
Raccordements
*
Moins de 450 mm (18 po)
Batterie de voiture +12 V
Fusible (15 A)
Haut-parleur avant
Caisson de graves

39FR
Raccordement pour la conservation de la
mémoire
Lorsque le câble d’alimentation jaune est raccordé,
le circuit de la mémoire est alimenté en
permanence même si la clé de contact est à la
position d’arrêt.
Raccordement des haut-parleurs
Avant de raccorder les haut-parleurs, éteignez
l’appareil.
Utilisez des haut-parleurs avec une impédance de
4 à 8 ohms avec une capacité électrique
adéquate pour éviter de les endommager.
Pour capter votre voix pendant les appels en mains
libres, vous devez installer le microphone .
Mises en garde
Il est extrêmement dangereux de laisser le cordon
s’enrouler autour de la colonne de direction ou du
levier de vitesses. Assurez-vous de placer le
cordon et les autres pièces de manière à ce qu’ils
ne gênent pas la conduite.
Si des coussins gonflables ou d’autres
équipements amortisseurs sont installés dans
votre voiture, contactez le magasin où vous avez
acheté cet appareil ou le concessionnaire
automobile avant l’installation.
Remarque
Avant de fixer l’adhésif double face , nettoyez la
surface du tableau de bord avec un chiffon sec.
Lors de l’utilisation de la télécommande du
volant
L’installation du câble de raccordement RC-SR1 (non
fourni) est requise avant l’utilisation.
1Pour activer la télécommande du volant,
sélectionnez [SET STEERING] [SET STR EDIT] pour
effectuer l’enregistrement (page 21).
Une fois l’enregistrement terminé, la télécommande
du volant devient disponible.
Remarques sur l’installation du câble de
raccordement RC-SR1 (non fourni)
Reportez-vous aux sites d’assistance indiqués sur la
couverture arrière pour obtenir plus de détails, puis
raccordez chaque câble correctement aux câbles
adéquats. Un raccordement incorrect pourrait
endommager l’appareil.
Il est recommandé de consulter le détaillant ou un
technicien spécialisé pour obtenir de l’aide.
Lors de l’utilisation de la télécommande
filaire
1Pour activer la télécommande filaire, réglez [SET
STR CONTROL] dans [SET STEERING] à [EXTERNAL]
(page 21).
Installation
Avant d’installer l’appareil, retirez le tour de
protection et le support de l’appareil.
1Pincez les deux bords du tour de
protection , puis sortez-le.
Installation du microphone
Clip (non fourni)
Utilisation de la télécommande filaire
Retrait du tour de protection et du
support

40FR
2Insérez les clés de déblocage en
même temps jusqu’au déclic. Tirez le
support vers le bas, puis tirez sur
l’appareil vers le haut pour les séparer.
Avant l’installation, assurez-vous que les loquets
des deux côtés du support sont bien pliés de
2 mm (3/32 po) vers l’intérieur. Lors de l’installation
de l’appareil dans un véhicule japonais, consultez
« Installation de l’appareil dans un véhicule
japonais » (page 40).
1Positionnez le support à l’intérieur du
tableau de bord, puis pliez les griffes
vers l’extérieur pour assurer une prise
correcte.
2Insérez l’appareil dans le support ,
puis fixez le tour de protection .
Remarques
Si les loquets sont droits ou pliés vers l’extérieur,
l’appareil ne peut pas être fixé solidement et peut se
détacher.
Assurez-vous que les 4 loquets situés sur le tour de
protection sont correctement engagés dans les
fentes de l’appareil.
Installation de l’appareil dans un
véhicule japonais
Cet appareil ne peut pas être installé dans certaines
voitures japonaises. Dans ce cas, consultez votre
détaillant Sony.
TOYOTA
NISSAN
Remarque
Pour éviter tout problème de fonctionnement, utilisez
uniquement les vis fournies pour l’installation.
Installation de l’appareil dans le
tableau de bord
Tourner le crochet vers l’intérieur.
182 mm (7 1/4po)
53 mm (2 1/8po)
Loquet
MISE EN GARDE
Ne touchez pas au côté gauche de l’appareil
pendant le retrait du tableau de bord. Le
dissipateur thermique sur le côté gauche de
l’appareil demeure chaud immédiatement après
l’utilisation.
vers le tableau de bord/la console
centrale
Pièces existantes fournies
avec la voiture
Support
Support
vers le tableau de bord/la console
centrale
Pièces existantes fournies
avec la voiture
Support
Support

41FR
Pour plus de détails, reportez-vous à la section
« Retrait de la façade » (page 7).
Pour plus de détails, reportez-vous à la section
« Réinitialisation de l’appareil » (page 7).
Lorsque vous remplacez le fusible, veillez à utiliser
un fusible dont l’intensité, en ampères, correspond
à la valeur indiquée sur le fusible original. Si le
fusible grille, vérifiez le raccordement de
l’alimentation et remplacez le fusible. Si le fusible
neuf grille également, il est possible que l’appareil
soit défectueux. Dans ce cas, consultez votre
détaillant Sony le plus proche.
Remarque
Utilisez un outil approprié pour remplacer le fusible.
Retrait et fixation de la façade
Réinitialisation de l’appareil
Remplacement du fusible
Fusible (15 A)

42FR

http://www.sony.net/
©2015 Sony Corporation Printed in Thailand
http://esupport.sony.com/
Site d’assistance
Si vous avez des questions ou si vous souhaitez consulter
les toutes dernières informations techniques sur ce
produit, rendez-vous sur le site Web suivant :
Support site
If you have any questions or for the latest support
information on this product, please visit
the web site below:
If you have any questions/problems
regarding this product, try the following:
1
Read Troubleshooting in these
Operating Instructions.
2
Please contact (U.S.A. only);
Call 1-800-222-7669
URL http://www.SONY.com