Sony STR DA1000ES / DB790 User Manual Operating Instructions (STRDA1000ES)
User manual STRDA1000ESrevision Sony STR-DA1000ES Hifi Receiver User Manuals and Instruction Guides
User Manual: Sony STR-DA1000ES Operating Instructions (STRDA1000ES)
Open the PDF directly: View PDF
.
Page Count: 56
- Getting Started
- 1: Check how to hookup your components
- 1a: Connecting components with digital audio output jacks
- 1b: Connecting components with multi channel output jacks
- 1c: Connecting components with only analog audio jacks
- 2: Connecting the antennas
- 3: Connecting speakers
- 4: Connecting the AC power cord
- 5: Setting up the speakers
- 6: Adjusting the speaker levels and balance
- Amplifier Operation
- Enjoying Surround Sound
- Advanced Adjustments and Settings
- Other Operations
- Additional Information

©2003 Sony Corporation
4-246-802-16(1)
FM Stereo
FM/AM Receiver
Operating Instructions
Owner’s Record
The model and serial numbers are located on the rear of the unit. Record the serial
number in the space provided below. Refer to them whenever you call upon your
Sony dealer regarding this product.
Model No. Serial No.
STR-DA1000ES
STR-DB790

2GB
To prevent fire or shock hazard, do not
expose the unit to rain or moisture.
To prevent fire, do not cover the ventilation of the
apparatus with news papers, table-cloths, curtains, etc.
And don’t place lighted candles on the apparatus.
To prevent fire or shock hazard, do not place objects
filled with liquids, such as vases, on the apparatus.
Don’t throw away batteries with
general house waste; dispose of
them correctly as chemical waste.
For customers in the United States
This symbol is intended to alert
the user to the presence of
uninsulated “dangerous voltage”
within the product’s enclosure
that may be of sufficient
magnitude to constitute a risk of
electric shock to persons.
This symbol is intended to alert
the user to the presence of
important operating and
maintenance (servicing)
instructions in the literature
accompanying the appliance.
WARNING
This equipment has been tested and found to comply with the
limits for a Class B digital device, pursuant to Part 15 of the
FCC Rules. These limits are designed to provide reasonable
protection against harmful interference in a residential
installation. This equipment generates, uses, and can radiate
radio frequency energy and, if not installed and used in
accordance with the instructions, may cause harmful
interference to radio communications. However, there is no
guarantee that interference will not occur in a particular
installation. If this equipment does cause harmful
interference to radio or television reception, which can be
determined by turning the equipment off and on, the user is
encouraged to try to correct the interference by one or more
of the following measures:
– Reorient or relocate the receiving antenna.
– Increase the separation between the equipment and
receiver.
– Connect the equipment into an outlet on a circuit
different from that to which the receiver is
connected.
– Consult the dealer or an experienced radio/TV
technician for help.
CAUTION
You are cautioned that any changes or modification not
expressly approved in this manual could void your
authority to operate this equipment.
Note to CATV system installer:
This reminder is provided to call CATV system
installer’s attention to Article 820-40 of the NEC that
provides guidelines for proper grounding and, in
particular, specifies that the cable ground shall be
connected to the grounding system of the building, as
close to the point of cable entry as practical.
For customers in Canada
CAUTION
TO PREVENT ELECTRIC SHOCK, DO NOT USE
THIS POLARIZED AC PLUG WITH AN
EXTENSION CORD, RECEPTACLE OR OTHER
OUTLET UNLESS THE BLADES CAN BE FULLY
INSERTED TO PREVENT BLADE EXPOSURE.
Except for European model
ENERGY STAR® is a U.S.
registered mark. As an ENERGY
STAR® partner, Sony Corporation
has determined that this product
meets the ENERGY STAR®
guidelines for energy efficiency.
WARNING
Do not install the appliance in a confined space,
such as a bookcase or built-in cabinet.

3GB
About This Manual
• The instructions in this manual are for model STR-
DA1000ES and STR-DB790. Check your model
number by looking at the lower right corner of the
front panel. In this manual, STR-DA1000ES is used
for illustration purposes unless stated otherwise. Any
difference in operation is clearly indicated in the text,
for example, “STR-DA1000ES only”.
• The instructions in this manual describe the controls
on the receiver. You can also use the controls on the
supplied remote if they have the same or similar
names as those on the receiver. For details on the use
of your remote:
– STR-DA1000ES:
RM-LG112
–STR-DB790:
RM-PP412
See the separate operating instructions supplied with
the remote.
This receiver incorporates Dolby* Digital and Pro
Logic Surround and the DTS** Digital Surround
System.
* Manufactured under license from Dolby
Laboratories.
“Dolby”, “Pro Logic” and the double-D symbol are
trademarks of Dolby Laboratories.
**“DTS”, “DTS-ES Digital Surround”, and “Neo:6”
are trademarks of Digital Theater Systems, Inc.
About area codes
The area code of the receiver you purchased is
shown on the lower portion of the rear panel (see
the illustration below).
Any differences in operation, according to the area
code, are clearly indicated in the text, for example,
“Models of area code AA only”.
4-XXX-XXX-XX AA
AC OUTLET
SUB WOOFER
LR
+
–
CENTER
SURROUND BACK
Area code

4GB
Getting Started
1: Check how to hookup your
components.......................................6
1a: Connecting components with
digital audio output jacks ...........8
1b: Connecting components with
multi channel output jacks........11
1c: Connecting components with only
analog audio jacks ....................13
2: Connecting the antennas...................15
3: Connecting speakers .........................16
4: Connecting the AC power cord ........19
5: Setting up the speakers .....................20
6: Adjusting the speaker levels and
balance............................................23
— TEST TONE
Amplifier Operation
Selecting the component.......................24
Listening to multi channel sound..........24
— MULTI CH IN
Listening to FM/AM radio....................25
Storing FM stations automatically........26
— AUTOBETICAL
(Models of area code CEL, CEK
only)
Presetting radio stations........................26
Using the Radio Data System (RDS)....27
(Models of area code CEL, CEK
only)
Changing the display.............................29
About the indications in the display......30
Enjoying Surround Sound
Using only the front speakers ...............31
Enjoying higher fidelity sound..............31
— AUTO FORMAT DIRECT
Selecting a sound field..........................32
Selecting the surround back decoding
mode ...............................................34
— SURR BACK DECODING
Advanced Adjustments and
Settings
Switching the audio input mode for digital
components..................................... 36
— INPUT MODE
Customizing sound fields ..................... 36
Adjusting the equalizer......................... 38
Advanced settings................................. 38
Other Operations
Naming preset stations and inputs........ 42
Using the Sleep Timer.......................... 43
Selecting the speaker system................ 43
Recording ............................................. 44
CONTROL A1II Control System ........ 45
Additional Information
Precautions ........................................... 46
Troubleshooting.................................... 47
Specifications ....................................... 49
List of button locations and reference
pages............................................... 52
Index..................................................... 54
Table of Contents
5GB

6GB
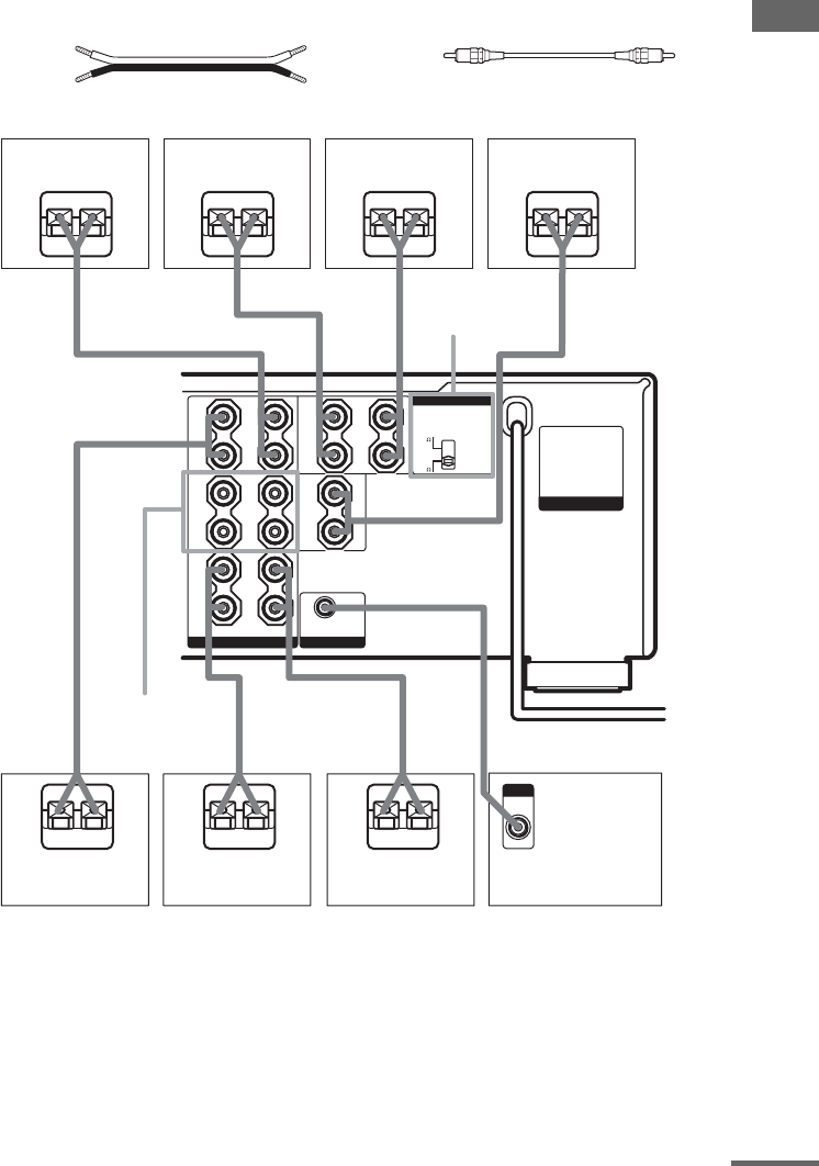
Steps 1a through 1c beginning on page 8 describe how to hook up your components to this receiver.
Before you begin, refer to “Connectable components” below for the pages which describe how to
connect each component.
After hooking up all your components, proceed to “2: Connecting the antennas” (page 15).
Connectable components
a) Model with a DIGITAL OPTICAL OUTPUT or DIGITAL COAXIAL OUTPUT jack, etc.
b) Model with a MULTI CH OUTPUT jacks, etc. This connection is used to output the audio decoded by the
component’s internal multi-channel decoder through this receiver.
c) Model equipped only with AUDIO OUT L/R jacks, etc.
d) Model with component video (Y, B-Y, R-Y) input jacks.
Getting Started
1: Check how to hookup your components
Component to be connected Page
DVD player
With digital audio outputa) 8–9
With multi-channel audio outputb) 11–12
With analog audio output onlyc) 8–9
TV monitor
With component video inputd) 9 or 12
With S-Video or composite video input only 14
Satellite tuner
With digital audio outputa) 8–9
With analog audio output onlyc) 8–9
CD/Super Audio CD player
With multi-channel audio outputb) 11
With analog audio output onlyc) 13
MD/Tape deck
With digital audio outputa) 10
With analog audio output onlyc) 13
Analog disc turntable 13
Multi-channel decoder 11
VCR, video camera, video game, etc. 14

Getting Started
7GB
Required cords
The hookup diagrams on the subsequent pages assume the use of the following optional connection
cords (A to H) (not supplied).
AAudio cord
White (L)
Red (R)
BAudio/video cord
Yellow (video)
White (L/audio)
Red (R/audio)
CVideo cord
Yellow
DS-video cord
EOptical digital cord
FCoaxial digital cord
GMonaural audio cord
Black
Tip
Audio cord A can be torn into two monaural
audio cords G.
HComponent video cord
Green
Blue
Red
Notes
• Turn off the power to all components before making any connections.
• Be sure to make connections firmly to avoid hum and noise.
• When connecting an audio/video cord, be sure to match the color-coded pins to the appropriate jacks on the
components: yellow (video) to yellow; white (left, audio) to white; and red (right, audio) to red.
• When connecting optical digital cords, insert the cord plugs straight in until they click into place.
• Do not bend or tie optical digital cords.
If you have Sony components with CONTROL A1II jacks
See “CONTROL A1II Control System” on page 45.

8GB
.
Hooking up a DVD player, TV, or satellite tuner
For details on the required cords (A–H), see page 7.
1 Connect the audio jacks.
* Connect to either the ASSIGNABLE COAXIAL IN (DVD CD/SACD) or the OPTICAL DVD IN jack. We
recommend making connections to the ASSIGNABLE COAXIAL IN (DVD CD/SACD) jack.
Note
You can listen to the sound of your TV by connecting your TV’s audio output jacks to the TV/SAT AUDIO IN jacks
on the receiver. In this case, do not connect the TV’s video output jack to the TV/SAT VIDEO IN jack on the
receiver.
1a: Connecting components with digital audio output jacks
CONTROL
A1
ANALOG VIDEO
OUT
OUTMONITOR
I N
OUT
IN
SURR
CENTER
SUB WOOFER
FRONT
IN
OUT
IN
IN
IN
DIGITAL COMPONENT VIDEO
MD
IN
TV/
SAT
IN
DVD
IN
MD
OUT
COAXIAL IN
ASSIGNABLE
OPTICAL
Y
P
B
/C
B
/B-Y
P
R
/C
R
/R-Y
MONITOR
OUT
DVD
IN
DVD
CD/SACD
TV/SAT
IN
VIDEO
1
VIDEO
2
TV/
SAT
DVD
AUDIO VIDEO S-VIDEO
MULTI CH IN
CD/
SACD
MD/
TAPE LR
LR
LR
LR
IN
PHONO
LR
SIGNAL
GND
U
COAXIAL
ANTENNA
75
AM
FM
U
LR
DIGITAL
OPTICAL
OUTPUT
AF*
E*
R
AUDIO
OUT
OUTPUT
L
DIGITAL
COAXIAL
OUTPUT
DIGITAL
OPTICAL
OUTPUT
EA
R
AUDIO
OUT
OUTPUT
L
Satellite tuner
DVD player

Getting Started
9GB
2 Connect the video jacks.
The following illustration shows how to connect a TV or satellite tuner and a DVD player with
COMPONENT VIDEO (Y, B-Y, R-Y) output jacks. Connecting a TV with component video input
jacks allows you to enjoy higher quality video.
Note
On this receiver, the component video signals cannot be converted to S-video or standard video signals (or vice
versa).
CONTROL
A1
ANALOG VIDEO
OUT
I N
OUT
IN
FRONT
IN
OUT
IN
IN
IN
DIGITAL COMPONENT VIDEO
MD
IN
TV/
SAT
IN
DVD
IN
MD
OUT
OPTICAL
P
B
/C
B
/B-Y
MONITOR
OUT
VIDEO
1
VIDEO
2
TV/
SAT
DVD
AUDIO VIDEO S-VIDEO
CD/
SACD
LR
LR
MD/
TAPE
LR
IN
PHONO
LR
SIGNAL
GND
U
OUTMONITOR
COAXIAL
ANTENNA
75
AM
FM
U
LR
SURR
Y
P
R
/C
R
/R-Y
DVD
IN
TV/SAT
IN
MULTI CH IN
LR
CENTER
SUB WOOFER
COAXIAL IN
ASSIGNABLE
DVD
CD/SACD
HCDCDH
CDH
B-Y
COMPONENT Y
R-Y
OUTPUT
VIDEO
OUTPUT
S VIDEO
OUTPUT
B-Y
COMPONENT Y
R-Y
OUTPUT
VIDEO
OUTPUT
S VIDEO
OUTPUT
B-Y
COMPONENT Y
R-Y
INPUT
VIDEO
INPUT
S VIDEO
INPUT
Satellite tuner
DVD player
TV monitor
continued

10GB
Hooking up an MD/Tape deck
For details on the required cords (A–H), see page 7.
Tip
All the digital audio jacks are compatible with 32 kHz, 44.1 kHz, 48 kHz and 96 kHz sampling frequencies.
Note
You cannot make digital recordings of digital multi channel surround signals.
CONTROL
A1
ANALOG VIDEO
OUT
I N
OUT
IN
FRONT
IN
OUT
IN
IN
IN
DIGITAL COMPONENT VIDEO
MD
IN
TV/
SAT
IN
DVD
IN
MD
OUT
OPTICAL
P
B
/C
B
/B-Y
MONITOR
OUT
VIDEO
1
VIDEO
2
TV/
SAT
DVD
AUDIO VIDEO S-VIDEO
CD/
SACD
MD/
TAPE LR
LR
L
R
IN
PHONO
LR
SIGNAL
GND
U
OUTMONITOR
COAXIAL
ANTENNA
75
AM
FM
U
LR
SURR
Y
P
R
/C
R
/R-Y
DVD
IN
TV/SAT
IN
MULTI CH IN
LR
CENTER
SUB WOOFER
COAXIAL IN
ASSIGNABLE
DVD
CD/SACD
INOUT
l
l
l
l
LINE
L
R
LINE
INPUT OUTPUT
DIGITAL
OPTICAL
IN OUT
INOUT
EE AA
MD/Tape deck

Getting Started
11GB
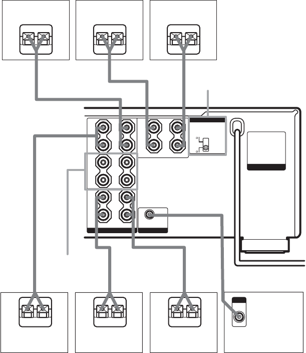
1 Connect the audio jacks.
If your DVD or Super Audio CD player is equipped with multi channel output jacks, you can connect
it to this receiver’s MULTI CH IN jacks to enjoy the multi channel sound. Alternatively, the multi
channel input jacks can be used to connect an external multi channel decoder.
For details on the required cords (A–H), see page 7.
Tip
This connection also allows you to enjoy software with multi-channel audio recorded in formats other than the Dolby
Digital, and DTS.
1b: Connecting components with multi channel output
jacks
CONTROL
A1
ANALOG VIDEO
OUT
I N
OUT
IN
FRONT
IN
OUT
IN
IN
IN
DIGITAL COMPONENT VIDEO
MD
IN
TV/
SAT
IN
DVD
IN
MD
OUT
OPTICAL
P
B
/C
B
/B-Y
MONITOR
OUT
VIDEO
1
VIDEO
2
TV/
SAT
DVD
AUDIO VIDEO S-VIDEO
CD/
SACD
LR
LR
MD/
TAPE
LR
IN
PHONO
LR
SIGNAL
GND
U
OUTMONITOR
COAXIAL
ANTENNA
75
AM
FM
U
LR
SURR
Y
P
R
/C
R
/R-Y
DVD
IN
TV/SAT
IN
MULTI CH IN
LR
CENTER
SUB WOOFER
COAXIAL IN
ASSIGNABLE
DVD
CD/SACD
L
R
MULTI CH OUT
FRONT
SURROUND
AA GG
CENTER
SUB
WOOFER
DVD player,
Super Audio CD player,
Multi channel decoder, etc.
continued

12GB
2 Connect the video jacks.
The following illustration shows how to connect a DVD player with COMPONENT VIDEO (Y, B-Y,
R-Y) output jacks. Connecting a TV with component video input jacks allows you to enjoy higher
quality video.
Note
On this receiver, the component video signals cannot be converted to S-video or standard video signals (or vice
versa).
CONTROL
A1
ANALOG VIDEO
OUT
I N
OUT
IN
FRONT
IN
OUT
IN
IN
IN
DIGITAL COMPONENT VIDEO
MD
IN
TV/
SAT
IN
DVD
IN
MD
OUT
OPTICAL
P
B
/C
B
/B-Y
MONITOR
OUT
VIDEO
1
VIDEO
2
TV/
SAT
DVD
AUDIO VIDEO S-VIDEO
CD/
SACD
LR
LR
MD/
TAPE
LR
IN
PHONO
LR
SIGNAL
GND
U
OUTMONITOR
COAXIAL
ANTENNA
75
AM
FM
U
LR
SURR
Y
P
R
/C
R
/R-Y
DVD
IN
TV/SAT
IN
MULTI CH IN
LR
CENTER
SUB WOOFER
COAXIAL IN
ASSIGNABLE
DVD
CD/SACD
HCDCDH
B-Y
COMPONENT Y
R-Y
OUTPUT
VIDEO
OUTPUT
S VIDEO
OUTPUT
B-Y
COMPONENT Y
R-Y
INPUT
VIDEO
INPUT
S VIDEO
INPUT
TV monitor
DVD player

Getting Started
13GB
Hooking up audio components
For details on the required cords (A–H), see page 7.
Note
If your turntable has a ground wire, connect it to the U SIGNAL GND terminal.
1c: Connecting components with only analog audio jacks
CONTROL
A1
ANALOG VIDEO
OUT
IN
OUT
IN
FRONT
IN
OUT
IN
IN
IN
DIGITAL COMPONENT VIDEO
MD
IN
TV/
SAT
IN
DVD
IN
MD
OUT
OPTICAL
P
B
/C
B
/B-Y
MONITOR
OUT
VIDEO
1
VIDEO
2
TV/
SAT
DVD
AUDIO VIDEO S-VIDEO
CD/
SACD
LR
LR
LR
MD/
TAPE
IN
PHONO
LR
SIGNAL
GND
U
OUTMONITOR
COAXIAL
ANTENNA
75
AM
FM
U
LR
SURR
Y
P
R
/C
R
/R-Y
DVD
IN
TV/SAT
IN
MULTI CH IN
LR
CENTER
SUB WOOFER
COAXIAL IN
ASSIGNABLE
DVD
CD/SACD
A
LINE
L
R
OUTPUT
LINE
L
R
LINE
INPUT OUTPUT
AA
l
l
INOUT
A
Turntable
CD/Super Audio CD
player MD/Tape deck
continued

14GB
Hooking up video components
If you connect your TV to the MONITOR jacks, you can watch the video from the selected input
(page 24). For details on the required cords (A–H), see page 7.
CONTROL
A1
ANALOG VIDEO
OUT
IN
OUT
IN
FRONT
IN
OUT
IN
IN
IN
DIGITAL COMPONENT VIDEO
MD
IN
TV/
SAT
IN
DVD
IN
MD
OUT
OPTICAL
P
B
/C
B
/B-Y
MONITOR
OUT
VIDEO
1
VIDEO
2
TV/
SAT
DVD
AUDIO VIDEO S-VIDEO
CD/
SACD
LR
LR
MD/
TAPE
IN
PHONO
LR
SIGNAL
GND
U
OUTMONITOR
COAXIAL
ANTENNA
75
AM
FM
U
LR
SURR
Y
P
R
/C
R
/R-Y
DVD
IN
TV/SAT
IN
MULTI CH IN
LR
CENTER
SUB WOOFER
COAXIAL IN
ASSIGNABLE
DVD
CD/SACD
INOUT
VIDEO
OUT
R
AUDIO
OUT
VIDEO
IN
AUDIO
IN
OUTPUTINPUT
L
L
L
BB DD
S VIDEO
INPUT
S VIDEO
OUTPUT
INOUT
VIDEO
OUT
R
AUDIO
OUT
VIDEO
IN
AUDIO
IN
OUTPUTINPUT
L
L
L
BBDC
VIDEO
INPUT
S VIDEO
INPUT
B, D
R
L
OUT
L
IN
L
Camcorder or
TV game
TV monitor
VCR
VCR
To the
VIDEO 3
INPUT jacks

Getting Started
15GB
Connect the supplied AM loop antenna and FM wire antenna.
*The shape of the connector varies depending on the area code.
Notes
• To prevent noise pickup, keep the AM loop antenna away from the receiver and other components.
• Be sure to fully extend the FM wire antenna.
• After connecting the FM wire antenna, keep it as horizontal as possible.
• Do not use the U SIGNAL GND terminal for grounding the receiver.
2: Connecting the antennas
CONTROL
A1
ANALOG VIDEO
OUT
OUTMONITOR
I N
OUT
IN
FRONT
IN
OUT
IN
IN
IN
DIGITAL COMPONENT VIDEO
MD
IN
TV/
SAT
IN
DVD
IN
MD
OUT
OPTICAL
P
B
/C
B
/B-Y
MONITOR
OUT
VIDEO
1
VIDEO
2
TV/
SAT
DVD
AUDIO VIDEO S-VIDEO
CD/
SACD
MD/
TAPE LR
LR
L
R
IN
PHONO
LR
SIGNAL
GND
U
COAXIAL
ANTENNA
75
AM
FM
U
LR
SURR
Y
P
R
/C
R
/R-Y
DVD
IN
TV/SAT
IN
MULTI CH IN
LR
CENTER
SUB WOOFER
COAXIAL IN
ASSIGNABLE
DVD
CD/SACD
*
AM loop antenna
(supplied)
FM wire antenna
(supplied)

16GB
Connect your speakers to the receiver. This receiver allows you to use a 7.1 channel system (STR-
DA1000ES) or 6.1 channel speaker system (STR-DB790).
To fully enjoy theater-like multi channel surround sound requires five speakers (two front speakers, a
center speaker, and two surround speakers) and a sub woofer (5.1 channel).
You can enjoy high fidelity reproduction of DVD software recorded in the Surround EX format if you
connect one additional surround back speaker (6.1 channel) or two surround back speakers (7.1
channel, STR-DA1000ES only) (see “Selecting the surround back decoding mode” on page 34).
Example of 7.1 channel speaker system configuration
Tips
• When you connect 6.1 channel speaker system, place the surround back speaker right behind the listening position.
• Since the sub woofer does not emit highly directional signals, you can place it wherever you want.
Speaker impedance
To enjoy the best possible multi channel surround, connect speakers with a nominal impedance of 8
ohms or higher to the FRONT, CENTER, SURROUND and SURROUND BACK terminals, and set
the IMPEDANCE SELECTOR to “8Ω”. Refer to the operating instructions supplied with your
speakers if you are not sure of their impedance. (This information is often on the back of the speaker.)
Alternatively, you may connect speakers with nominal impedances between 4 and 8 ohms to any or all
of the speaker terminals. However, be sure to set the IMPEDANCE SELECTOR to “4Ω” if you
connect even one speaker with a nominal impedance between 4 and 8 ohms.
3: Connecting speakers
Note
Be sure to turn the power off before adjusting the IMPEDANCE SELECTOR.
Front speaker (R)
Surround speaker (R)
Center speaker
Front speaker (L)
Sub woofer
Surround speaker (L)
Surround back speaker (L)
Surround back speaker (R)

Getting Started
17GB
Required cords
ASpeaker cords (not supplied)
(+)
BMonaural audio cord (not supplied)
Black
(–)
STR-DA1000ES
* You can select the front speakers you want to use with SPEAKERS. For details, see “Selecting the speaker system”
(page 43).
**If you connect only one surround back speaker, connect it to the SPEAKERS SURR BACK L terminal.
AC OUTLET
SUB WOOFERSPEAKERS
LR
LR
LR
LR
+
–
+
–
+
–
+
–
+
–
SURR
FRONT
A
FRONT
B
SURR
BACK
CENTER
IMPEDANCE SELECTOR
8
4
Ee
AA
Ee
A
Ee
A
Ee
SPEAKERS
FRONT B**
IMPEDANCE
SELECTOR
E
e
A
E
e
A
INPUT
AUDIO
IN
B
E
e
A
Surround speaker
(R)
Surround speaker
(L)
Sub woofer
Surround back
speaker (R)*Surround back
speaker (L)*Center speaker
Front speaker (L)
Front speaker (R)
continued

18GB
STR-DB790
* You can select the front speakers you want to use with SPEAKERS. For details, see “Selecting the speaker system”
(page 43).
AC OUTLET
SUB WOOFERSPEAKERS
LR
LR
LR
+
–
+
–
+
–
+
–
SURR
CENTER
FRONT
A
FRONT
B
SURROUND BACK
Ee
AA
Ee
A
Ee
E
e
A
E
e
A
INPUT
AUDIO
IN
B
E
e
A
SPEAKERS
FRONT B*
IMPEDANCE SELECTOR
IMPEDANCE
SELECTOR
Surround speaker
(R)
Surround speaker
(L)
Sub woofer
Front speaker (R)
Surround back
speaker Center speaker
Front speaker (L)

Getting Started
19GB
Connect the AC power cord to a wall outlet.
* Models of area code U, CA, SP only.
The configuration, shape, and number of AC outlets
vary according to the model and the area code.
Notes
• The AC OUTLET(s) on the rear of the receiver is a
switched outlet, which supplies power to the
connected component only while the receiver is
turned on.
• Make sure that the total power consumption of the
component(s) connected to the receiver’s AC
OUTLET(s) does not exceed the wattage stated on
the rear panel. Do not connect high-wattage
electrical home appliances such as electric irons,
fans, or TVs to this outlet. This may cause a
malfunction.
Performing initial setup
operations
Before using the receiver for the first time,
initialize the receiver by performing the
following procedure.
This procedure can also be used to return
settings you have made to their factory defaults.
1Press ?/1 to turn off the receiver.
2Hold down ?/1 for 5 seconds.
“INITIAL” appears in the display.
The following are reset to their factory
settings.
• All settings in the SP SETUP, LEVEL,
EQ, CUSTOMIZE and TUNER menus.
• The sound field memorized for each
input and preset station.
• All preset stations.
• All index names for inputs and preset
stations.
4: Connecting the AC
power cord
AC OUTLET
AC OUTLET*
b
To a wall outlet
AC power
cord

20GB
You can use the SP SETUP menu to set the size
and distance of the speakers connected to this
system.
1Press ?/1 to turn on the system.
2Press MAIN MENU repeatedly to select
“SP SETUP”.
3Rotate MENU to select the menu item
you want.
For more information, see “Speaker setup
parameters”.
Note
Some speaker setup items may appear dimmed in
the display. This means that they have been
adjusted automatically due to other speaker
settings. Depending on the settings, you may or
may not be able to adjust certain speakers.
4Rotate –/+ to select the parameter.
5Repeat steps 3 and 4 until you have set
all of the items that follow.
Speaker setup parameters
The initial settings are underlined.
xXXXX SET (Speaker easy setup)
•EASY SET
You can set up your speakers automatically
by selecting a pre-defined speaker pattern (see
the supplied “Easy Setup Guide”).
• NORM. SET
Select to adjust the settings of each speaker
manually.
xSP PAT. XXX (Speaker setup pattern)
When you select EASY SET, select the speaker
setup pattern. Rotate –/+ to select the speaker
setup pattern and press MEMORY/ENTER to
enter the selection. Check your speaker pattern
using the supplied “Easy Setup Guide”.
x (SUB WOOFER) (Sub woofer)
•YES
If you connect a sub woofer, select “YES”.
•NO
If you did not connect a sub woofer, select
“NO”. The front speakers are automatically
set to “LARGE”. This activates the bass
redirection circuitry and outputs the LFE
signals from other speakers.
x (FRONT) (Front speakers)
• LARGE
If you connect large speakers that will
effectively reproduce bass frequencies, select
“LARGE”. Normally, select “LARGE”.
•SMALL
If the sound is distorted, or you feel a lack of
surround effects when using multi channel
surround sound, select “SMALL” to activate
the bass redirection circuitry and output the
front channel bass frequencies from the sub
woofer. When the front speakers are set to
“SMALL”, the center, surround and surround
back speakers are also automatically set to
“SMALL” (unless previously set to “NO”).
x (CENTER) (Center speaker)
• LARGE
If you connect a large speaker that will
effectively reproduce bass frequencies, select
“LARGE”. Normally, select “LARGE”.
However, if the front speakers are set to
“SMALL”, you cannot set the center speaker
to “LARGE”.
•SMALL
If the sound is distorted, or you feel a lack of
surround effects when using multi channel
surround sound, select “SMALL” to activate
the bass redirection circuitry and output the
center channel bass frequencies from the front
speakers (if set to “LARGE”) or sub woofer.
• NO or MIX
If you did not connect a center speaker, select
“NO” or “MIX”. The sound of the center
channel will be output from the front
speakers.
When you select “MIX”, the sound of the
center channel will be output from the front
speakers through analog processing (analog
downmix) if the front speakers are set to
“LARGE”. This reproduces better sound than
digital processing. When the multi channel
input is selected, analog downmixing is
performed whether the setting is “NO” or
“MIX”.
5: Setting up the speakers
SW
LR
C

Getting Started
21GB
x (SURROUND)
(Surround speakers)
• LARGE
If you connect large speakers that will
effectively reproduce bass frequencies, select
“LARGE”. Normally, select “LARGE”.
However, if the front speakers are set to
“SMALL”, you cannot set the surround
speakers to “LARGE”.
•SMALL
If the sound is distorted, or you feel a lack of
surround effects when using multi channel
surround sound, select “SMALL” to activate
the bass redirection circuitry and output the
surround channel bass frequencies from the
sub woofer or other “LARGE” speakers.
•NO
If you did not connect surround speakers,
select “NO”.
x (SURR BACK)
(Surround back speakers)
STR-DA1000ES
• DUAL
If you connect two surround back speakers,
select “DUAL”. The sound will be output to a
maximum of 7.1 channels.
•SINGLE
If you connect only one surround back
speaker, select “SINGLE”. The sound will be
output to a maximum of 6.1 channels.
•NO
If you did not connect surround back
speakers, select “NO”.
STR-DB790
•YES
If you connect a surround back speaker, select
“YES”.
•NO
If you did not connect surround back speaker,
select “NO”.
Tip
The “LARGE” and “SMALL” settings for each
speaker determine whether or not the internal sound
processor will cut the bass signal from that channel.
When the bass is cut from a channel, the bass
redirection circuitry sends the corresponding bass
frequencies to the sub woofer or other “LARGE”
speakers.
However, it best not to cut them, if possible. Therefore,
even when using small speakers, you can set them to
“LARGE” if you want to output the bass frequencies
from that speaker. On the other hand, if you are using
a large speaker, but prefer not to have bass frequencies
output from that speaker, set it to “SMALL”.
If the overall sound level is lower than you prefer, set
all speakers to “LARGE”. If there is not enough bass,
you can use the equalizer to boost the bass levels. To
adjust the equalizer, see page 38.
x DIST. X.X m
(Front speaker distance)
Initial setting: 3.0 m (10 ft)
Lets you set the distance from your listening position
to the front speakers (A). You can adjust from 1.0
meter to 7.0 meters (3 to 23 feet) in 0.1 meter (1 foot)
steps.
If both front speakers are not placed an equal distance
from your listening position, set the distance to the
closest speaker.
When placing only one surround back speaker
When placing two surround back speakers
(The angle B should be the same)
x DIST. X.X m
(Center speaker distance)
Initial setting: 3.0 m (10 ft)
SL SR
SB
LR
30˚30˚
100˚-120˚100˚-120˚
A A
30˚30˚
100˚-120˚100˚-120˚
AA
B
B
B
C
continued

22GB
Lets you set the distance from your listening position
to the center speaker. You can adjust from 1.0 meter to
7.0 meters (3 to 23 feet) in 0.1 meter (1 foot) steps.
x DIST. X.X m
(Surround speaker distance)
Initial setting: 3.0 m (10 ft)
Lets you set the distance from your listening position
to the surround speakers. You can adjust from 1.0
meter to 7.0 meters (3 to 23 feet) in 0.1 meter (1 foot)
steps.
If both surround speakers are not placed an equal
distance from your listening position, set the distance
to the closest speaker.
x DIST. X.X m
(Surround back speaker distance)
Initial setting: 3.0 m (10 ft)
Lets you set the distance from your listening position
to the surround back speaker. You can adjust from 1.0
meter to 7.0 meters (3 to 23 feet) in 0.1 meter (1 foot)
steps.
If you connect two surround back speakers and both
surround back speakers are not placed an equal
distance from your listening position (STR-
DA1000ES only), set the distance to the closest
speaker.
Tip
The receiver lets you to input the speaker position in
terms of distance. However, it is not possible to set the
center speaker further than the front speakers. Also, the
center speaker cannot be set more that 1.5 meters (5
feet) closer than the front speakers.
Likewise, the surround speakers can not be set farther
away from the listening position than the front
speakers. And they can be no more than 4.5 meters (15
feet) closer.
This is because incorrect speaker placement is not
conducive to the enjoyment of surround sound.
Please note that, setting the speaker distance closer than
the actual location of the speakers will cause a delay in
the output of the sound from that speaker. In other
words, the speaker will sound like it is farther away.
For example, setting the center speaker distance 1–2
meters (3–6 feet) closer than the actual speaker
position will create a fairly realistic sensation of being
“inside” the screen. If you cannot obtain a satisfactory
surround effect because the surround speakers are too
close, setting the surround speaker distance closer
(shorter) than the actual distance will create a larger
sound stage.
Adjusting these parameter while listening to the sound
often results in much better surround sound. Give it a
try!
For advanced speaker setups
Use the CUSTOMIZE menu and set “MENU”
to “MENU EXP.”. This enables advanced setups
including those of the heights of the surround
speakers.
For details on “MENU”, see page 38. For details
on how to set the items, see page 39.
SL SR
SB

Getting Started
23GB
Adjust the speaker levels and balance while
listening the test tone from your listening
position. Use the remote for the operation.
Tip
The receiver employs a test tone with a frequency
centered at 800 Hz.
1Press ?/1 on the remote to turn on the
receiver.
2Press TEST TONE on the remote.
“T.TONE” appears in the display and the
test tone is output from each speaker in
sequence.
3Adjust the speaker level and balance
using the LEVEL menu so that the level
of the test tone sounds the same from
each speaker.
For details on the LEVEL menu settings,
see page 36.
Tips
• To adjust the level of all speakers at the same
time, press MASTER VOL +/– on the remote or
turn MASTER VOLUME –/+ on the receiver.
• You can also use –/+ on the receiver for the
adjustment.
4Press TEST TONE again after
adjustment.
The test tone turns off.
To output the test tone only from
a specific speaker
Set “T.TONE” in the LEVEL menu to “FIX”
(page 36). The test tone is output only from the
selected speaker.
For more precise adjustment
You can output the test tone or sound source
from two adjacent speakers to adjust their
balance and level.
Set “MENU” in the CUSTOMIZE menu to
“MENU EXP.” (page 38). Then select the two
speakers you want to adjust using “P.NOISE” or
“P.AUDIO” in the LEVEL menu (page 41).
Note
The test tone cannot be used when ANALOG DIRECT
or MULTI CH IN function is used.
6: Adjusting the speaker
levels and balance
— TEST TONE

24GB
1Rotate INPUT SELECTOR to select the
input.
The selected input appears in the display.
2Turn on the component and start
playback.
3Rotate MASTER VOLUME –/+ to adjust
the volume.
To mute the sound
Press MUTING on the remote.
Notes on using headphones
• When headphones are connected, you can select only
the following sound fields (page 33).
– HEADPHONE (2CH)
– HEADPHONE THEATER
• When headphones are connected and you use the
MULTI CH IN function (see “Listening to multi
channel sound”), the sound of all channels may not
output depending on the speaker settings.
You can select the audio directly from the
components connected to the MULTI CH IN
jacks. This enables you to enjoy high quality
analog inputs like DVD or Super Audio CD.
Also see “D.PWR.” (page 39).
Surround effects are not activated when using
this input.
STR-DA1000ES
Move the easy scroll key on the remote to
select “MULTI CH”, then press the key to
enter the selection.
STR-DB790
Press MULTI CH on the remote.
When a center speaker or sub
woofer is not connected
If you have set the center speaker to “NO” or
“MIX”, or set the sub woofer to “NO” in the SP
SETUP menu (page 20), and you activate the
MULTI CH IN function, the analog center or
sub woofer audio will be output from the front
left and right speakers.
Amplifier Operation
Selecting the component
To select the Display
VCR VIDEO 1 or
VIDEO 2
Camcorder or TV game VIDEO 3
DVD player DVD
Satellite tuner TV/SAT
MD or tape deck MD/TAPE
CD or Super Audio CD
player
CD/SACD
Built-in tuner (FM) Tuner (FM)
Built-in tuner (AM) Tuner (AM)
Turntable PHONO
Listening to multi channel
sound
— MULTI CH IN

Amplifier Operation
25GB
You can listen to FM and AM broadcasts
through the built-in tuner. Before operation,
make sure you have connected the FM and AM
antennas to the receiver (see page 15).
Tip
The tuning scale for direct tuning differs depending on
the model.
* The AM tuning scale can be changed (see page 50).
Automatic tuning
1Rotate INPUT SELECTOR to select FM
or AM.
2Press TUNING + or TUNING –.
Press TUNING + to scan from low to high;
press TUNING – to scan from high to low.
The receiver stops scanning whenever a
station is received.
Direct tuning
Enter a frequency of the station directly by using
the numeric buttons on the remote.
For details on the supplied remote, refer to the
operating instructions supplied with the remote.
1STR-DA1000ES:
Move the easy scroll key on the remote
to select “TUNER”, then press the key
repeatedly to select FM or AM.
STR-DB790:
Press TUNER on the remote repeatedly
to select FM or AM.
You can also use INPUT SELECTOR on
the receiver.
2Press ALT, then press D.TUNING on
the remote.
3Press the numeric buttons on the
remote to enter the frequency.
Example 1: FM 102.50 MHz
Example 2: AM 1,350 kHz
(You don’t have to enter the last “0” when
the tuning scale is set to 10 kHz.)
If you’ve tuned in an AM station, adjust the
direction of the AM loop antenna for
optimum reception.
If you cannot tune in a station
and the entered numbers flash
Make sure you’ve entered the right frequency. If
not, repeat step 3. If the entered numbers still
flash, the frequency is not used in your area.
Listening to FM/AM radio
Model FM AM
STR-DA1000ES 100 kHz 10 kHz*
STR-DB790 50 kHz 9 kHz
bbbb
1 0 2 50
bbb
1 3 50

26GB
(Models of area code CEL, CEK only)
This function lets you store up to 30 FM and FM
RDS stations in alphabetical order without
redundancy. Additionally, it only stores the
stations with the clearest signals.
If you want to store FM or AM stations one by
one, see “Presetting radio stations”.
1Press ?/1 to turn off the receiver.
2Hold down MEMORY/ENTER and press
?/1 to turn the receiver back on.
“AUTO-BETICAL SELECT” appears in
the display and the receiver scans and stores
all the FM and FM RDS stations in the
broadcast area.
For RDS stations, the tuner first checks for
stations broadcasting the same program,
then stores only the one with the clearest
signal. The selected RDS stations are sorted
alphabetically by their Program Service
name, then assigned a 2-character preset
code. For more details on RDS, see
page 27.
Regular FM stations are assigned 2-
character preset codes and stored after the
RDS station.
When done, “FINISH” appears in the
display momentarily and the receiver
returns to the normal operation.
Notes
• Do not press any button on the receiver or supplied
remote during autobetical operation, except ?/1.
• If you move to another area, repeat this procedure to
store stations in your new area.
• For details on tuning the stored stations, see “Tuning
to preset stations”.
• If you move the antenna after storing stations with
this procedure, the stored settings may no longer be
valid. If this happens, repeat this procedure to store
the stations again.
You can preset up to 30 FM or AM stations.
Then you can easily tune in the stations you
often listen to.
Presetting radio stations
1Rotate INPUT SELECTOR to select FM
or AM.
2Tune in the station that you want to
preset using Automatic Tuning
(page 25) or Direct Tuning (page 25).
3Press MEMORY/ENTER.
“MEMORY” appears in the display for a
few seconds. Do steps 4 to 5 before the
display goes out.
4Press PRESET TUNING + or PRESET
TUNING – to select a preset number.
If you want to switch the memory page,
press SHIFT on the remote.
If “MEMORY” goes out before you select
the preset number, start again from step 3.
5Press MEMORY/ENTER again.
The station is stored to the selected preset
number.
If “MEMORY” goes out before you press
MEMORY/ENTER, start again from step
3.
6Repeat steps 2 to 5 to preset another
station.
Tuning to preset stations
1Rotate INPUT SELECTOR to select FM
or AM.
2Press PRESET TUNING + or PRESET
TUNING – repeatedly to select the
preset station you want.
Each time you press the button, you can
select the preset station as follows:
Storing FM stations
automatically
— AUTOBETICAL
Presetting radio stations
tA1yA2y...yA0yB1yB2y...yB0T
tC0y...yC2yC1T

Amplifier Operation
27GB
Using the remote
1STR-DA1000ES:
Move the easy scroll key to select “TUNER”,
then press the key repeatedly to select FM
or AM.
STR-DB790:
Press TUNER repeatedly to select FM or
AM.
2Press D.SKIP/CH/PRESET +/– repeatedly
to select the preset station you want.
To select the Preset station
directly
Press the numeric buttons on the remote.
The preset station of the selected number in the
current memory page is tuned in. Press SHIFT
on the remote to change the memory page.
(Models of area code CEL, CEK only)
This receiver also allows you to use RDS (Radio
Data System), which enables radio stations to
send additional information along with the
regular program signal. You can also display
RDS information.
Receiving RDS broadcasts
Simply select a station on the FM band
using direct tuning (page 25), automatic
tuning (page 25), or preset tuning
(page 26).
When you tune in a station that provides RDS
services, the RDS indicator lights up and the
program service name appears in the display.
Note
RDS may not work properly if the station you tuned to
is not transmitting the RDS signal properly or if the
signal strength is weak.
Displaying RDS information
While receiving an RDS station, press
DISPLAY.
Each time you press the button, RDS
information on the display changes cyclically as
follows:
PS (Program Service name) or preset station
namea) t Frequencyb) t PTY (Program
Type) indicationc) t RT (Radio Text)
indicationd) t CT (Current Time) indication
(in 24-hour system) t Sound field currently
applied t Volume level
a) This information appears only when PS is received
or the preset station is indexed.
b) This information also appears for non-RDS FM
stations.
c) Type of program being broadcast (see page 28).
d) Text messages sent by the RDS station.
Notes
• If there is an emergency announcement by
government authorities, “ALARM” flashes in the
display.
Using the Radio Data
System (RDS)
continued

28GB
• If a station does not provide a particular RDS
service, “NO XX” (such as “NO CT”) appears in the
display.
• When a station broadcasts radio text data, it is
displayed at the same rate at which it is sent from the
station. Any change in this rate is reflected in the
display rate of the data.
Description of program types
Program type
indication Description
NEWS News programs
AFFAIRS Topical programs that expand on
current news
INFO Programs offering information on
a wide spectrum of subjects,
including consumer affairs and
medical advice
SPORT Sports programs
EDUCATE Educational programs, such as
“how-to” and advice programs
DRAMA Radio plays and serials
CULTURE Programs about national or
regional culture, such as language
and social concerns
SCIENCE Programs about the natural
sciences and technology
VARIED Other types of programs such as
celebrity interviews, panel games,
and comedy
POP M Popular music programs
ROCK M Rock music programs
EASY M Easy Listening
LIGHT M Instrumental, vocal, and choral
music
CLASSICS Performances of major orchestras,
chamber music, opera, etc.
OTHER M Music that does not fit into any
categories above, such as Rhythm
& Blues and Reggae
WEATHER Weather information
FINANCE Stock market reports and trading,
etc.
CHILDREN Programs for children
SOCIAL Programs about people and the
things that affect them
RELIGION Programs of religious content
PHONE IN Programs where members of the
public express their views by
phone or in a public forum
TRAVEL Programs about travel. Not for
announcements that are located by
TP/TA.
LEISURE Programs on recreational
activities such as gardening,
fishing, cooking, etc.
JAZZ Jazz programs
COUNTRY Country music programs
NATION M Programs featuring the popular
music of the country or region
OLDIES Programs featuring oldies music
FOLK M Folk music programs
DOCUMENT Investigative features
NONE Any programs not defined above
Program type
indication Description

Amplifier Operation
29GB
Changing the information in
the display
You can check the sound field etc. by changing
the information in the display.
Press DISPLAY repeatedly.
Each time you press DISPLAY, the display will
change as follows.
Index name* t Input name t Sound field
name t Volume level
* Index name appears only when you have assigned
one to the input or preset station (page 42). Index
name does not appear when only blank spaces have
been entered, or it is the same as the input name.
Changing the display

30GB
ASLEEP: Lights up when sleep timer is
activated.
BSPA/SPB: Lights up in accordance with the
speaker system being used (A or B). Turns off
when speaker output is turned off or when
headphones are connected.
C; DIGITAL (EX): Lights up when the
receiver is decoding signals recorded in the
Dolby Digital format.
D; PRO LOGIC (II): Lights up when the
receiver applies Pro Logic processing to 2
channel signals in order to output the center
and surround channel signals. This indicator
also lights when the Pro Logic II movie/music
decoder is activated. However, this indicator
does not light if both the center and surround
speakers are set to “NO”.
EDTS (-ES): Lights up when DTS signals are
input.
FNEO:6: Lights up when DTS Neo:6 cinema/
music mode decoding is activated.
GDIRECT: Lights up when the ANALOG
DIRECT function is activated.
HTuner indicators: Lights up when using the
receiver to tune in radio stations, etc. See
pages 25–28 for tuner operations.
IEQ: Lights up when the equalizer is activated.
JD.RANGE: Lights up when dynamic range
compression is activated (page 41).
KMULTI CH IN: Lights up when adjusting the
multi channel sub woofer level.
LCOAX: Lights up when the source signal is a
digital signal being input through the
COAXIAL terminal.
MOPT: Lights up when the source signal is a
digital signal being input through the
OPTICAL terminal.
NLFE: Lights up when the disc being played
back contains the LFE (Low Frequency
Effect) channel and the LFE channel signal is
actually being reproduced.
OPlayback channel indicators: The letters
(L, C, R, etc.) indicate the channels being
played back. The boxes around the letters vary
to show how the receiver downmixes the
source sound (based on the speakers settings).
L (Front Left), R (Front Right), C (Center
(monaural)), SL (Surround Left), SR
(Surround Right), S (Surround (monaural
or the surround components obtained by
Pro Logic processing)), SB (Surround Back
(the surround back components obtained by
6.1 channel decoding))
Example:
Recording format (Front /Surround): 3/2
Output channel: Surround speakers absent
Sound Field: A.F.D. AUTO
PSW: Lights up when sub woofer selection is
set to “YES” (page 20). While this indicator
lights up, the receiver outputs the LFE signal
recorded on the disc or generates a low
frequency signal for output to the sub woofer.
This indicator does not light during the 2CH
STEREO mode.
About the indications in the display
D.RANGE
EQ
RDS
STEREO MONO
DIRECT
MEMORY
DTS-ES
NEO:6
OPT
SL
SW
SB SR
LCR
L F E
DIGITAL
;
PRO LOGIC II
;
COAX MULTI CH IN
EX
SP BSP ASLEEP
2134
7
5 6
qgqh 98
qs 0qdqf qa
SL
SW
SR
LCR

Enjoying Surround Sound
31GB
In this mode, the receiver outputs the sound
from the front L/R speakers only. There is no
sound from the sub woofer.
Listening to 2 channel stereo
sources (2CH STEREO)
Standard 2 channel stereo sources completely
bypass the sound field processing and multi
channel surround formats are downmixed to 2
channel.
Press 2CH.
“2CH ST.” appears in the display and the
receiver switches to the 2CH STEREO mode.
Note
No sound is output from the sub woofer in the 2CH
STEREO mode. To listen to the 2 channel stereo
sources using the front L/R speakers and a sub woofer,
set to the A.F.D. mode.
Listening to analog audio
(ANALOG DIRECT)
You can switch the audio of the selected input to
the two channel analog input. This function
enables you to enjoy high quality analog
sources. Also see “D.PWR.” on page 39.
When using this function, only the volume and
front speaker balance can be adjusted.
1Rotate INPUT SELECTOR to select the
input you want to listen to in analog
audio.
2Press DIRECT on the remote.
“A.DIRECT” appears in the display and the
analog audio is output.
Notes
• This function is cancelled when you switch the sound
field (pages 31-33).
• When this function is used, test tone function cannot
be used.
The Auto Format Direct (A.F.D.) mode allows
you to select the decoding mode you want for
your audio sound.
Decoding the input audio
signal automatically
In this mode, the receiver automatically detects
the type of audio signal being input (Dolby
Digital, DTS, standard 2 channel stereo, etc.)
and performs the proper decoding if necessary.
This mode presents the sound as it was recorded/
encoded, without adding any surround effects.
However, if there are no low frequency signals
(Dolby Digital LFE, etc.) it will generate a low
frequency signal for output to the sub woofer.
Press A.F.D. repeatedly to select “A.F.D.
AUTO”.
The receiver automatically detects the type of
audio signal being input and performs the proper
decoding if necessary.
Tip
In most cases, “A.F.D. AUTO” provides the most
appropriate decoding. You may want to use SURR
BACK DECODING (page 34) to match the input
stream to the mode you prefer.
Enjoying Surround Sound
Using only the front
speakers
Enjoying higher fidelity
sound
— AUTO FORMAT DIRECT
A.F.D. mode
(Display) Decoding mode
A.F.D. AUTO
(A.F.D. AUTO)
As encoded
PRO LOGIC
(DOLBY PL)
Dolby Pro Logic
PRO LOGIC II MOVIE
(PLII MOV)
Dolby Pro Logic II
PRO LOGIC II MUSIC
(PLII MUS)
Neo:6 Cinema
(NEO6 CIN)
DTS Neo:6
Neo:6 Music
(NEO6 MUS)
continued

32GB
Enjoying stereo sound in multi
channel (2 channel decoding
mode)
This mode lets you specify the type of decoding
for 2 channel audio sources. This receiver can
reproduce 2 channel sound in 5 channels
through Dolby Pro Logic II; 6 channels through
DTS Neo:6; or 4 channels through Dolby Pro
Logic. However, DTS 2CH sources are not
decoded by DTS Neo:6; they are output in 2
channels.
Press A.F.D. repeatedly to select the 2
channel decoding mode.
xPRO LOGIC
Performs Dolby Pro Logic decoding. The source
recorded in 2 channel is decoded into 4.1 channels.
xPRO LOGIC II MOVIE
Performs Dolby Pro Logic II Movie mode decoding.
This setting is ideal for movies encoded in Dolby
Surround. In Addition, this mode can reproduce sound
in 5.1 channel when watching videos of overdubbed or
old movies.
xPRO LOGIC II MUSIC
Performs the Dolby Pro Logic II Music mode
decoding. This setting is ideal for normal stereo
sources such as CDs.
xNeo:6 Cinema
Performs the DTS Neo:6 Cinema mode decoding.
xNeo:6 Music
Performs the DTS Neo:6 Music mode decoding. This
setting is ideal for normal stereo sources such as CDs.
If you connect a sub woofer
When the audio signal is 2 channel stereo or if
the source signal does not include a LFE signal,
the receiver generates a low frequency signal for
output to the sub woofer. However the low
frequency signal is not generated when “Neo:6
Cinema” or “Neo:6 Music” is selected.
You can take advantage of surround sound
simply by selecting one of the receiver’s pre-
programmed sound fields. They bring the
exciting and powerful sound of movie theaters
and concert halls into your home.
Selecting a sound field for
movies
Press MOVIE repeatedly to select the
sound field you want.
The selected sound field appears in the display.
About DCS (Digital Cinema
Sound)
Sound fields with DCS marks use DCS
technology.
DCS is the concept name of the surround
technology for home theater developed by Sony.
DCS uses the DSP (Digital Signal Processor)
technology to reproduce the sound
characteristics of an actual cinema cutting studio
in Hollywood.
When played at home, DCS will create a
powerful theater effect that mimics the artistic
combination of sound and action as envisioned
by the movie director.
xC.ST.EX A (CINEMA STUDIO EX A) DCS
Reproduces the sound characteristics of the Sony
Pictures Entertainment “Cary Grant Theater” cinema
production studio. This is a standard mode, great for
watching most any type of movies.
xC.ST.EX B (CINEMA STUDIO EX B) DCS
Reproduces the sound characteristics of the Sony
Pictures Entertainment “Kim Novak Theater” cinema
production studio. This mode is ideal for watching
science-fiction or action movies with lots of sound
effects.
Selecting a sound field
Sound field Display
CINEMA STUDIO EX A DCS C.ST.EX A
CINEMA STUDIO EX B DCS C.ST.EX B
CINEMA STUDIO EX C DCS C.ST.EX C
VIRTUAL MULTI DIMENSION
DCS
V.M.DIM

Enjoying Surround Sound
33GB
xC.ST.EX C (CINEMA STUDIO EX C) DCS
Reproduces the sound characteristics of the Sony
Pictures Entertainment scoring stage. This mode is
ideal for watching musicals or films where orchestra
music is featured in the soundtrack.
xV.M.DIM (VIRTUAL MULTI DIMENSION)
DCS
Creates 5 sets of virtual speakers from a single pair of
actual surround speakers.
About CINEMA STUDIO EX modes
CINEMA STUDIO EX modes are suitable for
watching motion picture DVDs (etc.), with
multi channel surround effects. You can
reproduce the sound characteristics of Sony
Pictures Entertainment’s dubbing studio in your
home.
The CINEMA STUDIO EX modes consist of
the following three elements.
• Virtual Multi Dimension
Creates 5 sets of virtual speakers from a single
pair of actual surround speakers.
• Screen Depth Matching
Creates the sensation that the sound is coming
from inside the screen like in theaters.
• Cinema Studio Reverberation
Reproduces the type of reverberation found in
theaters.
The CINEMA STUDIO EX modes integrate
these three elements simultaneously.
Tip
You can identify the encoding format of DVD
software, etc. by looking at the logo on the package.
– : Dolby Digital discs
– : Dolby Surround encoded programs
– : DTS Digital Surround encoded programs
Notes
• The effects provided by the virtual speakers may
cause increased noise in the playback signal.
• When listening with sound fields that employ the
virtual speakers, you will not be able to hear any
sound coming directly from the surround speakers.
Selecting a sound field for
music
Press MUSIC repeatedly to select the
sound field you want.
The selected sound field appears in the display.
xHALL
Reproduces the acoustics of a classical concert hall.
xJAZZ (JAZZ CLUB)
Reproduces the acoustics of a jazz club.
dance club.
xCONCERT (LIVE CONCERT)
Reproduces the acoustics of a 300-seat live house.
When the headphones are
connected
You can select only from the following sound
fields.
xHEADPHONE (2CH)
Outputs the sound in 2 channel (stereo). Standard 2
channel stereo sources completely bypass the sound
field processing and multi channel surround formats
are downmixed to 2 channels.
xHEADPHONE THEATER DCS
Allows you to experience a theater-like environment
while listening through a pair of headphones.
Note
If you connect a pair of headphones while a sound field
is operating, the system will automatically switch to
HEADPHONE (2CH) if using a sound field selected
with the 2CH or A.F.D. button, or to HEADPHONE
THEATER if using a sound field selected with the
MOVIE or MUSIC button.
To turn off the surround effect
Press 2CH or A.F.D.
Note
Sound fields does not function for PCM 96 kHz
signals.
Sound field Display
HALL HALL
JAZZ CLUB JAZZ
LIVE CONCERT CONCERT

34GB
This function lets you select the decoding mode
for the surround back signals of the multi
channel input stream.
By decoding the surround back signal of DVD
software (etc.) recorded in Dolby Digital EX,
DTS-ES Matrix, DTS-ES Discrete 6.1, etc.
format, you can enjoy the surround sound
intended by the filmmakers.
Press SURR BACK DECODING repeatedly
to select the surround back decoding
mode.
For details, see “How to select the surround back
decoding mode” on page 35.
Tip
You can select the surround back decoding mode using
“SB XXXX” in the CUSTOMIZE menu (page 39).
Note
You can select the surround back decoding mode only
when A.F.D. mode is selected.
Selecting the surround
back decoding mode
— SURR BACK DECODING

Enjoying Surround Sound
35GB
How to select the surround back decoding mode
You can select the surround back mode you want according to the input stream.
When you select “SB AUTO”
When the input stream contains the 6.1 channel decode flaga), the appropriate decoder is applied to
decode the surround back signal.
When you select “SB MTRX”
Dolby Digital EX is applied to decode the surround back signal regardless of the 6.1 channel decode
flaga) in the input stream. This decoder conforms to Dolby Digital EX and functions the same as the
decodersf) used in movie theaters.
When you select “SB OFF”
Surround back decoding is not performed.
a) 6.1 channel decode flag is the information recorded in software like DVDs.
b) Dolby Digital DVD that includes a Surround EX flag. The Dolby Corporation web page can help you distinguish
Surround EX films.
c) Software encoded with a flag to denote it has both Surround EX and 5.1 channel signals.
d) Software encoded with both 5.1 channel signals and an extension stream designed for returning those signals to
6.1 discrete channels. Discrete 6.1 channel signals are DVD specific signals not used in movie theaters.
e) When two surround back speakers are connected, the output channel will be 7.1 channels (STR-DA1000ES only).
f) This decoder can be used for all 6.1 formats (Dolby Digital EX, DTS-ES Matrix 6.1, DTS-ES Discrete 6.1).
Note
There may be no sound from the surround back speaker in Dolby Digital EX mode. Some discs have no Dolby Digital
EX flag even though the packages have Dolby Digital EX logos. In this case, select “SB MTRX”.
Input stream Output channel Applied surround back decoder
Dolby Digital 5.1 5.1e) —
Dolby Digital EXb) 6.1e) Matrix decoder conforms to Dolby Digital EX
DTS 5.1 5.1e) —
DTS-ES Matrix 6.1c) 6.1e) DTS Matrix decoder
DTS-ES Discrete 6.1d) 6.1e) DTS Discrete decoder
Input stream Output channel Applied surround back decoder
Dolby Digital 5.1 6.1e) Matrix decoder conforms to Dolby Digital EX
Dolby Digital EXb) 6.1e) Matrix decoder conforms to Dolby Digital EX
DTS 5.1 6.1e) Matrix decoder conforms to Dolby Digital EX
DTS-ES Matrix 6.1c) 6.1e) Matrix decoder conforms to Dolby Digital EX
DTS-ES Discrete 6.1d) 6.1e) Matrix decoder conforms to Dolby Digital EX

36GB
You can switch the audio input mode for
components which have digital audio input
jacks.
1Rotate INPUT SELECTOR to select the
input.
2Press INPUT MODE repeatedly to
select the audio input mode.
The selected audio input mode appears in
the display.
Audio input modes
• AUTO IN
Gives priority to the analog audio signals
input to the AUDIO IN (L/R) jacks when
there is no digital audio signals.
• COAX IN
Specifies the digital audio signals input to the
DIGITAL COAXIAL input jack.
•OPT IN
Specifies the digital audio signals input to the
DIGITAL OPTICAL input jacks.
• ANALOG
Specifies the analog audio signals input to the
AUDIO IN (L/R) jacks.
By adjusting the LEVEL menu, you can
customize the sound fields to suit your particular
listening situation.
Note on the displayed items
The setup items you can adjust in each menu vary
depending on the sound field. Certain setup parameters
may be dimmed in the display. This means that the
selected parameter is either unavailable or fixed and
unchangeable.
Adjusting the LEVEL menu
You can adjust the balance and level of each
speaker. These settings are applied to all sound
fields.
1Start playing a source encoded with
multi channel surround effects (DVD,
etc.).
2Press MAIN MENU repeatedly to select
“LEVEL”.
3Rotate MENU to select the parameter.
For details, see “LEVEL menu parameters”
below.
4While monitoring the sound, rotate –/+
to adjust the selected parameter.
5Repeat steps 3 and 4 to adjust the other
parameters.
LEVEL menu parameters
xT.TONE (Test Tone)
Initial setting: OFF
Lets you output the test tone sequentially from each
speaker. When set to “AUTO”, the test tone is output
from each speaker automatically. When set to “FIX”,
you can select which speaker will output the test tone.
xBAL. XXXX (Front speaker balance)
Initial setting: 0 (BALANCE)
Lets you adjust the balance between front left and right
speakers. You can adjust in the range of L (+1 to +16),
0, R (+1 to +16) in 33 steps.
Advanced Adjustments and Settings
Switching the audio input
mode for digital
components
— INPUT MODE
Customizing sound fields

Advanced Adjustments and Settings
37GB
xCTR XXX.X dB
(Center speaker level)
xSUR.L. XXX.X dB
(Surround speaker (L) level)
xSUR.R. XXX.X dB
(Surround speaker (R) level)
xSB XXX.X dB
(Surround back speaker level)*
xSBL XXX.X dB
(Surround back (L) level)**
xSBR XXX.X dB
(Surround back (R) level)**
xS.W. XXX dB
(Sub woofer level)
Initial setting: 0 dB
You can adjust from –20 dB to +10 dB in 0.5 dB steps.
x SW. XXX dB
(Multi channel sub woofer level)
Initial setting: 0 dB
Lets you increase the level of the MULTI CH IN sub
woofer channel by +10 dB. This adjustment may be
necessary when connecting a DVD player to the
MULTI CH IN jacks. The sub woofer level from DVD
players is 10 dB lower than Super Audio CD players.
* Only when the surround back speaker is set to
“SINGLE” (STR-DA1000ES) or “YES” (STR-
DB790) in the SP SETUP menu.
**Only when the surround back speaker is set to
“DUAL” in the SP SETUP menu (STR-DA1000ES
only).
xEFCT. XXX (Effect level)
Initial setting: STD
Lets you adjust the size of the surround effect.
Note
When one of the following sound fields are selected,
no sound is output from the sub woofer if all the
speakers are set to “LARGE” in the SP SETUP menu.
However, the sound will be output from the sub woofer
if the digital input signal contains LFE (Low
Frequency Effect) signals, or if the front, center, or
surround speakers are set to “SMALL”.
– HALL
– JAZZ CLUB
– LIVE CONCERT
For advanced LEVEL menu
adjustments
Use the CUSTOMIZE menu and set “MENU”
to “MENU EXP.” to enable advanced
adjustments.
For details on “MENU”, see page 38. For details
on how to set the items, see page 41.
Resetting sound fields to the
initial settings
1Press ?/1 to turn off the power.
2While holding down MUSIC, press
?/1.
“S.F CLR.” appears in the display and all
sound fields are reset to the initial setting.
MULTI CH IN

38GB
You can adjust the tonal quality (bass, treble
level) of each speaker using the EQ menu.
1Start playing a source encoded with
multi channel surround effects (DVD,
etc.).
2Press MAIN MENU repeatedly to select
“EQ”.
3Rotate MENU to select the parameter.
For details, see “EQ menu parameters”
below.
4While monitoring the sound, rotate –/+
to adjust the selected parameter.
5Repeat steps 3 and 4 to adjust the other
items.
Note
You cannot adjust the equalizer when the system is
decoding PCM 96 kHz signals, or when DTS 96/24,
DTS-ES Matrix or DTS Neo:6 decoding is applied.
EQ menu parameters
xEQ
Initial setting: OFF
Select “ON” to activate the equalizer.
x BASS XXX.X dB
(Front speaker bass level)
x TREB. XXX.X dB
(Front speaker treble level)
Initial setting: 0 dB
You can adjust from –10 dB to +10 dB in 1 dB steps.
Using the CUSTOMIZE menu
to adjust the receiver
You can adjust various receiver settings using
the CUSTOMIZE menu.
1Press MAIN MENU repeatedly to select
“CUSTOM”.
2Rotate MENU to select the parameter.
For details, see “CUSTOMIZE menu
parameters” below.
3Rotate –/+ to adjust the selected
parameter.
4Repeat steps 2 and 3 to adjust the other
items.
CUSTOMIZE menu parameters
The initial setting is underlined.
xMENU (Menu expanding)
• MENU EXP.
The advanced parameters for the SP SETUP and
LEVEL menus are displayed and can be adjusted.
For details on each setup item, see pages 20, 36 and
the following pages.
• MENU STD
The advanced parameters are not displayed.
x96 XXXX (DTS 96/24 decoding mode)
• 96 AUTO
When a DTS 96/24 signal is input, it is played back
at 96 kHz sampling frequencies.
• 96 OFF
Even when a DTS 96/24 signal is input, it is played
back at 48 kHz sampling frequencies.
Notes
• This parameter is valid only in the A.F.D. mode
(page 31). In other sound fields, this parameter is
always set to “96 OFF”.
• DTS 96/24 decoding is only valid in the A.F.D. mode
(page 31). When the system is set to other sound
fields, standard 48 kHz decoding is used.
• Even when a DTS 96/24 signal is input, standard 48
kHz decoding is used if any speakers are set to
“SMALL” or if the sub woofer is set to “NO”.
Adjusting the equalizer
Level
(dB)
Bass Treble
Frequency
(Hz) Frequency
(Hz)
LR
LR
Advanced settings
DTS

Advanced Adjustments and Settings
39GB
xSB XXXX
(Surround back decoding mode)
You can use the CUSTOMIZE menu to set the
surround back decoding mode (page 34).
For details on each decoding mode, see page 35.
• SB AUTO
•SB MTRX
•SB OFF
Note
This parameter is valid only in the A.F.D. mode
(page 31).
xS.F XXXX (Sound field link)
• S.F LINK
Lets you apply the last selected sound field to an
input whenever it is selected. For example, if you
select HALL for the CD/SACD input, then change to
a different input and return to CD/SACD, HALL will
automatically be applied again.
• S.F FIX
Sound field link is not activated.
xDEC. XXXX
(Digital audio input decoding priority)
Lets you specify the input mode for the digital signal
input to the DIGITAL IN jacks.
The initial setting is “DEC. AUTO” for VIDEO 3 and
TV/SAT, and “DEC. PCM” for DVD and MD/TAPE.
• DEC. AUTO
Automatically switches the input mode between
DTS, Dolby Digital, or PCM.
•DEC. PCM
PCM signals are given priority (to prevent the
interruption when playback starts). Even when other
signals are input, the sound is output. However, this
receiver cannot decode DTS-CD when set to “DEC.
PCM”. When set to “DEC. AUTO” and the sound
from the digital audio jacks (for CD, etc.) is
interrupted when playback starts, set to “DEC.
PCM”.
xD.PWR. XXXX
(Digital power management)
•D.PWR. OFF
Lets you turn off the power of the unnecessary digital
circuits automatically when outputting the analog
audio signals using the ANALOG DIRECT or
MULTI CH IN function. You can enjoy high quality
analog audio without the influence of digital circuits.
•D.PWR. ON
Lets you keep the power of digital circuits on. Select
if you do not like the time lag that occurs with the
“D.PWR. OFF” setting.
xPWR.S. XXX
(CONTROL A1: Power link)
•PWR.S. ON
The power link function is not activated, but you can
decrease the power consumption of the receiver
during standby mode.
•PWR.S. OFF
Lets you turn on the system automatically when the
component connected via CONTROL A1 cords
(page 45) is turned on.
xCOAX-XXX
(Coaxial Input Assignment)
• DVD
Lets you assign the COAXIAL input jack to DVD
input.
•CD
Lets you assign the COAXIAL input jack to CD/
SACD input.
x[DIMMER]
Lets you adjust the brightness of the display.
xNAME IN
(Naming preset stations and inputs)
Lets you set the name of preset stations and inputs
selected with INPUT SELECTOR. For details, see
“Naming preset stations and inputs” on page 42.
Advanced SP SETUP menu
parameters
When “MENU” is set to “MENU EXP.”, all of
the following parameters are displayed and
adjustable.
See page 20 for the SP SETUP menu
adjustments. Initial settings are underlined.
continued

40GB
All SP SETUP menu parameters
* Default unit is “ft.” (feet) for STR-DA1000ES.
Default unit is “m” (meter) for STR-DB790.
**Adjustable only when “MENU” is set to “MENU
EXP.”.
xDISTANCE (Distance unit)
Lets you select the unit of measure for setting
distances.
• ft. (default for STR-DA1000ES)
The distance is displayed in feet.
• m (default for models for STR-DB790)
The distance is displayed in meters.
xPL. XXXX
(Surround speaker position)*
Lets you specify the location of your surround speakers
for proper implementation of the surround effects in
the Cinema Studio EX modes (page 32).
•SIDE
Select if the location of your surround speakers
corresponds to section A.
•BEHD
Select if the location of your surround speakers
corresponds to section B.
Tip
Surround speaker position is designed specifically for
implementation of the Cinema Studio EX modes.
For other sound fields, speaker position is not so
critical. Those sound fields were designed under the
premise that the surround speakers would be located
behind the listening position, but presentation remains
fairly consistent even with the surround speakers
positioned at a rather wide angle. However, if the
speakers are pointing toward the listener from the
immediate left and right of the listening position, the
surround effects becomes unclear unless set to “SIDE”.
Nevertheless, each listening environment has many
variables, like wall reflections, and you may obtain
better results using “BEHD” if your speakers are
located high above the listening position, even if they
are to the immediate left and right.
Therefore, although it may result in a setting contrary
to the above explanation, we recommend that you
playback multi channel surround encoded software and
select the setting that provides a good sense of
spaciousness and that best succeeds in forming a
cohesive space between the surround sound from the
surround speakers and the sound of the front speakers.
If you are not sure which sounds best, select “BEHD”
and then use the speaker distance parameter and
speaker level adjustments to obtain proper balance.
xHGT. XXXX
(Surround speaker height)*
Lets you specify the height of your surround speakers
for proper implementation of the surround effects of
the Cinema Studio EX modes (page 32).
•LOW
Select if the height of your surround speakers
corresponds to section A.
•HIGH
Select if the height of your surround speakers
corresponds to section B.
* This setup item is not available when the surround
speaker parameter is set to “NO”.
XXXX SET
SP PAT. XXX
(SUB WOOFER)
(FRONT)
(CENTER)
(SURROUND)
(SURR BACK)
DIST. X.X m (FRONT)*
DIST. X.X m (CENTER)*
DIST. X.X m (SURROUND)*
DIST. X.X m (SURR BACK)*
DISTANCE**
PL. XXXX**
HGT. XXXX**
SP > XXX Hz**
SW
LR
C
SL SR
SB
LR
C
SL SR
SB
B
B
A
A
100˚ 120˚
60
30
A
B
A
B

Advanced Adjustments and Settings
41GB
xSP > XXX Hz
(Speaker crossover frequency)
Initial setting: 100 Hz
Lets you set the bass crossover frequency of speakers
set to “SMALL” in the SP SETUP menu. You can
adjust the bass crossover frequency in three steps
(60 Hz, 100 Hz and 150 Hz).
Advanced LEVEL menu
parameters
When “MENU” is set to “MENU EXP.”, all of
the following parameters are displayed and
adjustable.
See page 36 for the LEVEL menu adjustments.
Initial settings are underlined.
All LEVEL menu parameters
* Adjustable only when “MENU” is set to “MENU
EXP.”
**Adjustable only when surround back speaker is set
to “DUAL” (page 21) (STR-DA1000ES only).
xP.NOISE (Phase noise)
Initial setting: OFF
Lets you output the test tone sequentially from two
adjacent speakers.
xP.AUDIO (Phase audio)
Initial setting: OFF
Lets you output the front 2 channel source sound
(instead of the test tone) sequentially from adjacent
speakers.
x COMP.
(Dynamic range compressor)
Lets you compress the dynamic range of the sound
track. This may be useful when you want to watch
movies at low volumes late at night.
•OFF
The dynamic range is not compressed.
•STD
The dynamic range is compressed as intended by the
recording engineer.
•MAX
The dynamic range is compressed dramatically.
Tip
Dynamic range compressor lets you compress the
dynamic range of the soundtrack based on the dynamic
range information included in the Dolby Digital signal.
We recommend using the “MAX” setting. This greatly
compresses the dynamic range and lets you view
movies late at night at low volumes. Unlike analog
limiters, the levels are predetermined and provide a
very natural compression.
Note
Dynamic range compression is possible with Dolby
Digital sources only.
T.TONE
P.NOISE*
P.AUDIO*
BAL. XXXX
CTR XXX.X dB
SUR.L. XXX.X dB
SUR.R. XXX.X dB
SB XXX.X dB
SBL XXX.X dB**
SBR XXX.X dB**
S.W. XXX dB
S.W. XXX dB
COMP.*
EFCT. XXX
MULTI CH IN
D.RANGE
D.RANGE

42GB
You can enter a name of up to 8 characters for
preset stations and inputs selected with INPUT
SELECTOR, and display it in the receiver’s
display.
To index a preset station
1Rotate INPUT SELECTOR to select FM
or AM.
2Tune in the preset station you want to
create an index name for (page 26).
3Press MAIN MENU repeatedly to select
“TUNER”.
4Rotate MENU to select “NAME IN”.
5Press MEMORY/ENTER.
The cursor flashes and you can select a
character. Follow the procedure of “To
create an index name”.
To index an input
1Rotate INPUT SELECTOR to select an
input you want to create an index name
for.
2Press MAIN MENU repeatedly to select
“CUSTOM”.
3Rotate MENU to select “NAME IN”.
4Press MEMORY/ENTER.
The cursor flashes and you can select a
character. Follow the procedure of “To
create an index name”.
To create an index name
1Use MENU and –/+ to create an index
name.
Rotate –/+ to select a character, then rotate
MENU to move the cursor to the next
position.
Tips
• You can select the character type as follows by
rotating –/+.
Alphabet (upper case) t Numbers t Symbols
• To enter a blank space, rotate –/+ until a blank
space appears in the display.
• If you made a mistake, rotate MENU until the
character you want to change flashes, then rotate
–/+ to select the correct character.
2Press MEMORY/ENTER.
The entered name is registered.
Note (Models of area code CEL, CEK only)
When you name an RDS station and tune in the station,
the Program Service (PS) name appears instead of the
name you entered. (You cannot change the name of a
Program Service (PS) name. The name you entered
will be overwritten by the Program Service (PS)
name.)
Other Operations
Naming preset stations
and inputs

Other Operations
43GB
You can set the receiver to turn off automatically
at a specified time by using the remote.
For details, refer to the operating instructions
supplied with the remote.
Press ALT, then press SLEEP on the
remote while the power is on.
Each time you press SLEEP, the display changes
cyclically as follows:
2:00:00 t 1:30:00 t 1:00:00 t 0:30:00 t
OFF
While using Sleep Timer, “SLEEP” lights up in
the display.
Tip
To check the remaining time before the receiver turns
off, press ALT, then press SLEEP on the remote. The
remaining time appears in the display.
You can select the front speaker system you
want to use.
Press SPEAKERS repeatedly to select the
front speaker system you want to use.
The selected speaker system appears in the
display. To turn off the speaker output, press
SPEAKERS repeatedly until SP A and SP B
indication turn off.
The speaker system
•SP A
The speakers connected to the FRONT
SPEAKERS A terminals.
•SP B
The speakers connected to the FRONT
SPEAKERS B terminals.
•SP A SP B
The speakers connected to both the FRONT
SPEAKERS A and B terminals (parallel
connection). In this case, be sure to connect
front speakers with a nominal impedance of 8
ohms or higher, and set the IMPEDANCE
SELECTOR to “4Ω”.
Using the Sleep Timer Selecting the speaker
system

44GB
Before you begin, make sure you’ve connected
all components properly.
Recording on an audio tape or
MiniDisc
You can record on a MiniDisc or cassette tape
using the receiver. See the operating instructions
of your cassette deck or MD deck if you need
help.
1Select the component to be recorded.
2Prepare the component for playing.
For example, insert a CD into the CD
player.
3Insert a blank tape or MD into the
recording deck and adjust the
recording level, if necessary.
4Start recording on the recording deck,
then start playback on the playback
component.
Notes
• You cannot record a digital audio signal using a
component connected to the analog MD/TAPE OUT
jacks. To record a digital audio signal, connect a
digital component to the DIGITAL OPTICAL MD
OUT jacks.
• Sound adjustments do not affect the signal output
from the MD/TAPE OUT jacks.
• The analog audio signals of the current input is
output from the MD/TAPE OUT jacks.
• The signals input to the MULTI CH IN jacks are not
output from the MD/TAPE OUT jacks even when
MULTI CH IN is being used. The analog audio
signals of the current or previously used input are
output.
• No signals are output from DIGITAL OPTICAL MD
OUT jacks when ANALOG DIRECT is being used.
The digital circuitry power is cut off to ensure
superior sound quality when “D.PWR.” is set to
“D.PWR. OFF”.
Recording on a video tape
You can record from a VCR or a TV using the
receiver. You can also add audio from a variety
of audio sources when editing a video tape. See
the operating instructions of your VCR if you
need help.
1Select the program source to be
recorded.
2Prepare the component for playing.
For example, insert a video tape you want to
record into VCR.
3Insert a blank video tape into the VCR
(VIDEO 1 or VIDEO 2) for recording.
4Start recording on the recording VCR,
then start playing the video tape or
laser disc you want to record.
Notes
• You cannot record a digital audio signal using a
component connected to the analog VIDEO 1 OUT
or VIDEO 2 OUT jacks.
• Make sure to make both digital and analog
connections to the TV/SAT and DVD inputs. Analog
recording is not possible if you make only digital
connections.
• Some sources contain copy guards to prevent
recording. In this case, you may not be able to record
from the sources.
• The analog audio signals of the current input are
output from the VIDEO 1 OUT or VIDEO 2 OUT
jacks.
• The signals input to the MULTI CH IN jacks are not
output from VIDEO 1 OUT or VIDEO 2 OUT jacks
even when MULTI CH IN is being used. The analog
audio signals of the current or previously used input
are output.
Recording

Other Operations
45GB
The CONTROL A1II Control System was
designed to simplify the operation of audio
systems composed of separate Sony
components. CONTROL A1II connections
provide a path for the transmission of control
signals which enable automatic operation and
control features usually associated with
integrated systems.
Currently, CONTROL A1II connections
between a Sony CD player, amplifier (receiver),
MD deck and cassette deck provide automatic
function selection.
Note
Do not operate a 2 way remote control unit when the
CONTROL A1II jacks are connected via a PC
interface kit to a personal computer running “MD
Editor” or similar application. Also, do not operate the
connected component in a manner contrary to the
functions of the application, as this may cause the
application to operate incorrectly.
CONTROL A1II and CONTROL A1
compatibility
The CONTROL A1 control system has been updated
to the CONTROL A1II which is the standard system
in the Sony 300 disc CD changer and other recent Sony
components. Components with CONTROL A1 jacks
are compatible with components with CONTROL
A1II, and can be connected to each other. Basically,
the majority of the functions available with the
CONTROL A1 control system will be available with
the CONTROL A1II control system.
However, when making connections between
components with CONTROL A1 jacks and
components with CONTROL A1II jacks, the
number of functions that can be controlled may be
limited depending on the component. For detailed
information, refer to the operating instructions
supplied with the component(s).
If you have a Sony CD changer with a
COMMAND MODE selector
If your CD changer’s COMMAND MODE
selector can be set to CD 1, CD 2, or CD 3, be
sure to set the command mode to “CD 1” and
connect the changer to the CD jacks on the
amplifier (receiver).
If, however, you have a Sony CD changer with
VIDEO OUT jacks, set the command mode to
“CD 2” and connect the changer to the VIDEO
2 jacks on the amplifier (receiver).
Connections
You can connect up to 10 CONTROL A1II
compatible components in any order. However,
you can connect only one of each type of
component (i.e., 1 CD player, 1 MD deck, 1 tape
deck and 1 receiver).
(You may be able to connect more than one CD
player or MD deck, depending on the model.
Refer to the operating instructions supplied with
the respective component for details.)
Example
In the CONTROL A1II control system, the
control signals flow both ways, so there is no
distinction of IN and OUT jacks. If a component
has more than one CONTROL A1II jack, you
can use either one, or connect different
components to each jack.
Some CONTROL A1 compatible components
are supplied with a connecting cord as an
accessory. In this case, use the connecting cord
for your connection.
When using a commercially available cord, use
a monaural (2P) mini-plug cord less than 2
meters long, with no resistance.
Basic Functions
The input selector on the receiver automatically
switches to the correct input when you press the
play button on one of the connected components
(Auto input selection).
The CONTROL A1II functions will operate as
long as the component you want to operate is
turned on, even if all of the other connected
components are not turned on.
Note
When recording, do not play any components other
than the recording source. It will cause the automatic
input selection to operate.
CONTROL A1II Control
System
CD
player
MD
deck Tape
deck Other
components
Amplifier
(Reciever)

46GB
On safety
Should any solid object or liquid fall into the cabinet,
unplug the receiver and have it checked by qualified
personnel before operating it any further.
On power sources
• Before operating the unit, check that the operating
voltage is identical with your local power supply.
The operating voltage is indicated on the nameplate
at the rear of the receiver.
• The unit is not disconnected from the AC power
source (mains) as long as it is connected to the wall
outlet, even if the unit itself has been turned off.
• If you are not going to use the receiver for a long
time, be sure to disconnect the receiver from the wall
outlet. To disconnect the AC power cord, grasp the
plug itself; never pull the cord.
• (Models of area code U, CA only)
One blade of the plug is wider than the other for the
purpose of safety and will fit into the wall outlet only
one way. If you are unable to insert the plug fully into
the outlet, contact your dealer.
• AC power cord must be changed only at the qualified
service shop.
On heat buildup
Although the unit heats up during operation, this is not
a malfunction. If you continuously use this unit at a
large volume, the cabinet temperature of the top, side
and bottom rises considerably. To avoid burning
yourself, do not touch the cabinet.
On placement
• Place the receiver in a location with adequate
ventilation to prevent heat buildup and prolong the
life of the receiver.
• Do not place the receiver near heat sources, or in a
place subject to direct sunlight, excessive dust or
mechanical shock.
• Do not place anything on top of the cabinet that
might block the ventilation holes and cause
malfunctions.
On operation
Before connecting other components, be sure to turn
off and unplug the receiver.
On cleaning
Clean the cabinet, panel and controls with a soft cloth
slightly moistened with a mild detergent solution. Do
not use any type of abrasive pad, scouring powder or
solvent such as alcohol or benzine.
If you have any question or problem concerning your
receiver, please consult your nearest Sony dealer.
Additional Information
Precautions

Additional Information
47GB
If you experience any of the following
difficulties while using the receiver, use this
troubleshooting guide to help you remedy the
problem. Should any problem persist, consult
your nearest Sony dealer.
There is no sound no matter which component
is selected.
• Check that both the receiver and all components
are turned on.
• Check that the MASTER VOLUME –/+ control is
not set at –∞ dB.
• Check that the SPEAKERS is not set to off
(page 43).
• Check that all speaker cords are connected
correctly.
• Press MUTING on the remote to cancel the
muting function.
There is no sound from a specific component.
• Check that the component is connected correctly
to the audio input jacks for that component.
• Check that the cord(s) used for the connection is
(are) fully inserted into the jacks on both the
receiver and the component.
There is no sound from one of the front
speakers.
• Connect a pair of headphones to the PHONES
jack to verify that sound is output from the
headphones. If only one channel is output from the
headphones, the component may not be connected
to the receiver correctly. Check that all the cords
are fully inserted into the jacks on both the
receiver and the component. If both channels are
output from the headphones, the front speaker
may not be connected to the receiver correctly.
Check the connection of the front speaker which is
not outputting any sound.
There is no sound or only a very low-level
sound is heard.
• Check that the speakers and components are
connected securely.
• Check that you have selected the correct
component on the receiver.
• Check that the SPEAKERS is not set to off
(page 43).
• Check that the headphones are not connected.
• Press MUTING on the remote to cancel the
muting function.
• The protective device on the receiver has been
activated because of a short circuit. Turn off the
receiver, eliminate the short-circuit problem and
turn on the power again.
There is no sound from analog 2 channel
sources.
•Check that the INPUT MODE is not set to “COAX
IN” nor “OPT IN” (page 36).
•Check that the MULTI CH IN function is selected.
There is no sound from digital sources (from
COAXIAL or OPTICAL input jack).
•Check that the INPUT MODE is not set to
“ANALOG” (page 36). Check that the INPUT
MODE is not set to “COAX IN” for the sources from
OPTICAL input jack, nor set to “OPT IN” for the
sources from COAXIAL input jack.
•Check that the MULTI CH IN function is selected.
The left and right sounds are unbalanced or
reversed.
• Check that the speakers and components are
connected correctly and securely.
• Adjust balance parameters in the LEVEL menu.
There is severe hum or noise.
• Check that the speakers and components are
connected securely.
• Check that the connecting cords are away from a
transformer or motor, and at least 3 meters away
from a TV set or fluorescent light.
• Move your TV away from the audio components.
• Make sure you have grounded U SIGNAL GND
terminal (only when a turntable is connected).
• The plugs and jacks are dirty. Wipe them with a
cloth slightly moistened with alcohol.
There is no sound from the center speaker.
• Make sure the sound field function is on (press
A.F.D., MOVIE or MUSIC).
• Select the CINEMA STUDIO EX mode
(page 32).
• Adjust the speaker level (page 23).
• Make sure the center speaker is set to either
“SMALL” or “LARGE” (page 20).
There is no sound from the surround back
speakers.
• Some discs have no Dolby Digital EX flag even
though the packages have Dolby Digital EX
logos. In this case, select “SB MTRX” (page 39).
There is no sound or only a very low-level
sound is heard from the surround/surround
back speakers.
• Make sure the sound field function is on (press
A.F.D., MOVIE or MUSIC).
• Select a CINEMA STUDIO EX mode (page 32).
Troubleshooting
continued

48GB
• Adjust the speaker level (page 23).
• Make sure the surround speakers are set to either
“SMALL” or “LARGE” (page 21).
• Make sure the surround back speaker is set to
either “DUAL” or “SINGLE” (STR-DA1000ES),
or “YES” (STR-DB790) (page 21).
The surround effect cannot be obtained.
• Make sure the sound field function is on (press
A.F.D., MOVIE or MUSIC).
• Sound fields do not function for the signals with a
sampling frequency of more than 48 kHz.
Dolby Digital or DTS multi channel sound is
not reproduced.
• Check that the playing DVD, etc. is recorded in
Dolby Digital or DTS format.
• When connecting the DVD player, etc. to the
digital input jacks of this receiver, check the audio
setting (settings for the audio output) of the
connected component.
Recording cannot be done.
• Check that the components are connected
correctly.
• Select the source component with INPUT
SELECTOR.
The FM reception is poor.
• Use a 75-ohm coaxial cable (not supplied) to
connect the receiver to an outdoor FM antenna as
shown below. If you connect the receiver to an
outdoor antenna, ground it against lightning. To
prevent a gas explosion, do not connect the ground
wire to a gas pipe.
Radio stations cannot be tuned in.
• Check that the antennas are connected securely.
Adjust the antennas and connect an external
antenna if necessary.
• The signal strength of the stations is too weak
(when tuning in with automatic tuning). Use direct
tuning.
• Make sure you set the tuning interval correctly
(when tuning in AM stations with direct tuning).
• No stations have been preset or the preset stations
have been cleared (when tuning by scanning
preset stations). Preset the stations (page 26).
• Press DISPLAY so that the frequency appears in
the display.
RDS does not work.*
• Make sure that you’re tuned to an FM RDS
station.
• Select a stronger FM station.
The RDS information that you want does not
appear.*
• Contact the radio station and find out whether or
not they actually provide the service in question.
If so, the service may be temporarily out of order.
There is no picture or an unclear picture
appears on the TV screen or monitor.
• Select the appropriate input on the receiver.
• Set your TV to the appropriate input mode.
• Move your TV away from the audio components.
The DIGITAL OPTICAL MD OUT jack flashes
red.
• When “AUTO IN” is selected for INPUT MODE,
the jack flashes red when no digital audio signal is
input. This is dependent on the INPUT MODE
function, and is not a malfunction.
Remote control
The remote does not function.
• Point the remote at the remote sensor on the
receiver.
• Remove any obstacles in the path between the
remote and the receiver.
• Replace all the batteries in the remote with new
ones, if they are weak.
• Check if the command modes of the receiver and
the remote is the same. If the command mode of
the receiver and the remote is different, you
cannot operate the receiver with the remote. To
switch the command mode of the remote, press
?/1 while pressing INPUT MODE. Each time
you press ?/1, the command mode switches
between “C.MODE. AV2” and “C.MODE. AV1”.
(The initial setting is “C.MODE. AV2”.)
• Make sure you select the correct input on the
remote.
* Models of area code CEL, CEK only.
COAXIAL
ANTENNA
75
AM
FM
U
Receiver
To ground
Ground wire
(not supplied)
Outdoor FM antenna

Additional Information
49GB
Error messages
If there is a malfunction, the display shows a
code of two numbers and a message. You can
check the condition of the system by the
message. Refer to the following table to solve
the problem. If any problem persists, consult
your nearest Sony dealer.
DEC. EROR
Appears when the signal which the receiver cannot
decode (ex. DTS-CD) is input when “DEC.” is set to
“DEC. PCM”. Set to “DEC. AUTO”.
PROTECT
Irregular current is output from the speakers. Turn
off the receiver, check the speaker connection and
turn on the power again. If this problem persists,
turn off the receiver and consult your nearest Sony
dealer.
Reference sections for clearing
the memory
AUDIO POWER SPECIFICATIONS
POWER OUTPUT AND TOTAL HARMONIC
DISTORTION:
(Models of area code U only)
With 8 ohm loads, both channels driven, from
20 – 20,000 Hz; rated 100 watts per channel minimum
RMS power, with no more than 0.09% total harmonic
distortion from 250 milliwatts to rated output.
Amplifier section
POWER OUTPUT
STR-DA1000ES:
Rated Power Output at Stereo Mode
(8 ohms 20 Hz – 20 kHz, THD 0.09%) 100 W + 100 W
(4 ohms 20 Hz – 20 kHz, THD 0.09%) 80 W + 80 W
Reference Power Output
(8 ohms 20 Hz – 20 kHz, THD 0.09%)
FRONT1): 100 W + 100 W
CENTER1): 100 W
SURR1): 100 W + 100 W
SURR BACK1):
100 W + 100 W
(4 ohms 20 Hz – 20 kHz, THD 0.09%)
FRONT1): 80 W + 80 W
CENTER1): 80 W
SURR1): 80 W + 80 W
SURR BACK1):
80 W + 80 W
STR-DB790:
Rated Power Output at Stereo Mode
(8 ohms 1 kHz, THD 0.7%) 100 W + 100 W
2)
90 W + 90 W3)
(4 ohms 1 kHz, THD 0.7%) 90 W + 90 W
2)
80 W + 80 W3)
Reference Power Output2)
(8 ohms 1 kHz, THD 0.7%)
FRONT1): 100 W + 100 W
CENTER1): 100 W
SURR1): 100 W + 100 W
SURR BACK1): 100 W
(4 ohms 1 kHz, THD 0.7%)
FRONT1): 90 W + 90 W
CENTER1): 90 W
SURR1): 90 W + 90 W
SURR BACK1): 90 W
(8 ohms 20 Hz – 20 kHz, THD 0.09%)
FRONT1): 90 W + 90 W
CENTER1): 90 W
SURR1): 90 W + 90 W
SURR BACK1): 90 W
(4 ohms 20 Hz – 20 kHz, THD 0.09%)
To clear See
All memorized settings page 19
Customized sound fields page 37
Specifications
continued

50GB
FRONT1): 80 W + 80 W
CENTER1): 80 W
SURR1): 80 W + 80 W
SURR BACK1): 80 W
Actual Rated Maximum Output at Stereo Mode2)
(8 ohms, JEITA) 110 W + 110 W
Actual Rated Maximum Output at Surround Mode
(8 ohms, JEITA) FRONT2): 110 W + 110 W
CENTER2): 110 W
SURR2): 110 W + 110 W
SURR BACK2): 110 W
1) Depending on the sound field settings and the
source, there may be no sound output.
2) Measured under the following conditions:
3) Measured under the following conditions:
Frequency response
Inputs (Analog)
4) INPUT SHORT.
5) Weighted network, input level.
Inputs (Digital)
Outputs
EQ
FM tuner section
Tuning range 87.5 - 108.0 MHz
Antenna FM wire antenna
Antenna terminals 75 ohms, unbalanced
Sensitivity
Mono: 18.3 dBf, 2.2 µV/75 ohms
Stereo: 38.3 dBf, 22.5 µV/75 ohms
Useable sensitivity 11.2 dBf, 1 µV/75 ohms
S/N
Mono: 76 dB
Stereo: 70 dB
Harmonic distortion at 1 kHz
Mono: 0.3%
Stereo: 0.5%
Separation 45 dB at 1 kHz
Frequency response 30 Hz – 15 kHz,
+0.5/–2 dB
Selectivity 60 dB at 400 kHz
AM tuner section
Tuning range
STR-DA1000ES: 530 – 1,710 kHz6)
(With 10-kHz tuning scale)
531 – 1,710 kHz6)
(With 9-kHz tuning scale)
STR-DB790: 531 – 1,602 kHz
(With 9-kHz tuning scale)
Antenna Loop antenna
Usable sensitivity 50 dB/m (at 1,000 kHz or
999 kHz)
S/N 54 dB (at 50 mV/m)
Harmonic distortion 0.5% (50 mV/m, 400 Hz)
Selectivity
At 9 kHz: 35 dB
At 10 kHz: 40 dB
6) You can change the AM tuning scale to 9 kHz or 10
kHz. After tuning in any AM station, turn off the
receiver. While holding down PRESET TUNING +
or TUNING +, press ?/1. All preset stations will be
erased when you change the tuning scale. To reset
the scale to 10 kHz (or 9 kHz), repeat the procedure.
Area code Power requirements
SP, CEL, CEK 230 V AC, 50 Hz
AU 240 V AC, 50 Hz
TW 110 V AC, 60 Hz
Area code Power requirements
KR 220 V AC, 60 Hz
CN 220 V AC, 50 Hz
PHONO RIAA equalization curve
±0.5 dB
MULTI CH IN, CD/
SACD, MD/TAPE, DVD,
TV/SAT, VIDEO 1, 2, 3
10 Hz – 100 kHz
+0.5/–2 dB (when
ANALOG DIRECT is
selected)
PHONO Sensitivity: 2.5 mV
Impedance: 50 kilohms
S/N3): 86 dB (A, 2.5
mV4))
MULTI CH IN, CD/
SACD, MD/TAPE, DVD,
TV/SAT, VIDEO 1, 2, 3
Sensitivity: 150 mV
Impedance: 50 kilohms
S/N4): 96 dB
(A, 150 mV5))
DVD (Coaxial) Impedance: 75 ohms
S/N: 100 dB
(A, 20 kHz LPF)
DVD, TV/SAT, MD,
VIDEO3 (Optical)
S/N: 100 dB
(A, 20 kHz LPF)
MD/TAPE (REC OUT),
VIDEO 1, 2 (AUDIO OUT)
Voltage: 150 mV
Impedance: 2.2 kilohms
SUB WOOFER Voltage: 2 V
Impedance: 1 kilohms
Gain levels ±10 dB, 1 dB step

Additional Information
51GB
Video section
Inputs/Outputs
Video: 1 Vp-p, 75 ohms
S-video: Y: 1 Vp-p, 75 ohms
C: 0.286 Vp-p, 75 ohms
COMPONENT VIDEO: Y: 1 Vp-p, 75 ohms
B-Y: 0.7 Vp-p, 75 ohms
R-Y: 0.7 Vp-p, 75 ohms
80 MHz HD Pass Through
General
Power requirements
Power consumption
Power consumption (during standby mode)
1 W
AC outlets
Dimensions 430 × 161 × 400 mm
including projecting parts
and controls
Mass (Approx.) 14.5 kg
Supplied accessories
FM wire antenna (1)
AM loop antenna (1)
STR-DA1000ES:
Remote commander RM-LG112 (1)
R6 (size-AA) batteries (2)
STR-DB790:
Remote commander RM-PP412 (1)
R6 (size-AA) batteries (2)
Design and specifications are subject to change
without notice.
Area code Power requirements
U, CA 120 V AC, 60 Hz
CEL, CEK 230 V AC, 50/60 Hz
AU 240 V AC, 50 Hz
SP 220 – 230 V AC, 50/60 Hz
TW 110 V AC, 60 Hz
KR 220 V AC, 60 Hz
CN 220 V AC, 50 Hz
Area code Power consumption
U 290 W
CA 340 VA
CEL, CEK, AU 290 W
SP, KR, CN 290 W
TW 290 W
Area code AC outlets
U, CA 1 switched, 120 W/1A MAX
SP 1 switched, 100 W MAX
For details on the area code of the component you are
using, see page 3.

52GB
Main unit
A.F.D. qd (31, 32, 33, 38)
DISPLAY 7 (29)
Display 5 (30)
INPUT MODE 8 (36)
INPUT SELECTOR 0 (24, 25,
26, 31, 36, 39, 42)
IR receptor 1
MAIN MENU 3 (20, 36, 38, 42)
MASTER VOLUME –/+ 9 (23,
24)
MEMORY/ENTER 4 (20, 26,
42)
MENU w; (20, 22, 36, 38, 42)
MOVIE qs (32, 33)
MULTI CHANNEL DECODING
indicator 6
MUSIC qa (33, 37)
PHONES jack wa
PRESET TUNING –/+ qj (26)
SPEAKERS ws (43)
SURR BACK DECODING qg
(34)
TUNING –/+ qh (25, 50)
VIDEO 3 INPUT jacks ql (14)
2CH qf (31, 33)
–/+ qk (20, 36, 38, 42)
?/1 (power) 2
List of button locations and reference pages
How to use this page
Use this page to find the location of buttons and other
parts of the system that are mentioned in the text.
Ill
us
t
ra
ti
on num
b
er
r
DISPLAY 7 (29)
RR
Name of button/part Reference page
ALPHABETICAL ORDER NUMBERS AND SYMBOLS

Additional Information
53GB
PUSH
289653 4
7
1
qlws waw; qk qj qh qg qf qd qs qa q;
To remove the cover
Press PUSH to remove the cover. When you remove the
cover, keep the cover out of reach of the children.

54GB
A
Adjusting
CUSTOMIZE parameters
38
EQ parameter 38
LEVEL parameter 36, 41
SP SETUP parameters 20,
39
speaker volume 23
Automatic tuning 25
C
Changing
display 29
Clearing receiver’s memory 19
Crossover frequency 41
CUSTOMIZE menu 38
D
Digital Cinema Sound 32
Direct tuning 25
Dubbing. See Recording
E
Editing. See Recording
EQ menu 38
I
Indexing. See Naming
L
Labeling. See Naming
LEVEL menu 36, 41
N
Naming 42
P
Preset stations
how to 26
how to tune 26
R
RDS 27
Recording
on a video tape 44
on an audio tape or MD 44
S
Selecting
component 24
front speaker system 43
sound field 32–33
Sleep Timer 43
Sound field
customizing 36
pre-programmed 32–33
resetting 37
selecting 32–33
SP SETUP menu 20, 39
Speakers
adjusting speaker volume
23
connection 16
impedance 16
placement 16
Supplied accessories 51
T
Test tone 23
Tuning
automatically 25
directly 25
preset stations 26
Index

Sony Corporation Printed in Malaysia