Sony STR K850P HT 6600DP User Manual Operating Instructions HT6600DP
HT-6600DP Operating Instructions HT6600DP
User manual HT6600DP Sony HT-6600DP Home Theater System User Manuals and Instruction Guides
User Manual: Sony STR-K850P Operating Instructions
Open the PDF directly: View PDF
.
Page Count: 52

HT-6600DP 4-244-560-12(1) US
Home Theater
System
4-244-560-12(1)
HT-6600DP
Owner’s Record
The model and serial numbers are located at the rear of the unit. Record the serial
number in the space provided below. Refer to them whenever you call upon your Sony
dealer regarding this product.
Model No. Serial No.
© 2003 Sony Corporation
Operating Instructions

2US
HT-6600DP 4-244-560-12(1) US
– Reorient or relocate the receiving antenna.
– Increase the separation between the equipment and
receiver.
– Connect the equipment into an outlet on a circuit
different from that to which the receiver is
connected.
– Consult the dealer or an experienced radio/TV
technician for help.
CAUTION
You are cautioned that any changes or modification
not expressly approved in this manual could void
your authority to operate this equipment.
Note to CATV system installer:
This reminder is provided to call CATV system
installer’s attention to Article 820-40 of the NEC that
provides guidelines for proper grounding and, in
particular, specifies that the cable ground shall be
connected to the grounding system of the building, as
close to the point of cable entry as practical.
For customers in Canada
CAUTION
TO PREVENT ELECTRIC SHOCK, MATCH WIDE
BLADE OF PLUG TO WIDE SLOT, FULLY
INSERT.
CAUTION
TO PREVENT ELECTRIC SHOCK, DO NOT USE
THIS POLARIZED AC PLUG WITH AN
EXTENSION CORD, RECEPTACLE OR OTHER
OUTLET UNLESS THE BLADES CAN BE FULLY
INSERTED TO PREVENT BLADE EXPOSURE.
ENERGY STAR® is a U.S. registered
mark.
As an
E
NERGY
S
TAR
®
partner, Sony
Corporation has determined that this
product meets the
E
NERGY
S
TAR
®
guidelines for energy efficiency.
This receiver incorporates Dolby* Digital and Pro
Logic Surround and the DTS** Digital Surround
System.
* Manufactured under license from Dolby
Laboratories.
“Dolby”, “Pro Logic” and the double-D symbol are
trademarks of Dolby Laboratories.
** “DTS” and “DTS Digital Surround” are registered
trademarks of Digital Theater Systems, Inc.
WARNING
To prevent fire or shock hazard, do not
expose the unit to rain or moisture.
To prevent fire, do not cover the ventilation of the
apparatus with newspapers, table-cloths, curtains, etc.
And don’t place lighted candles on the apparatus.
To prevent fire or shock hazard, do not place objects
filled with liquids, such as vases, on the apparatus.
Don’t throw away the battery with
general house waste, dispose of it
correctly as chemical waste.
Do not install the appliance in a confined space, such
as a bookcase or built-in cabinet.
For customers in the United States
This symbol is intended to alert the
user to the presence of uninsulated
“dangerous voltage” within the
product’s enclosure that may be of
sufficient magnitude to constitute a
risk of electric shock to persons.
This symbol is intended to alert the
user to the presence of important
operating and maintenance (servicing)
instructions in the literature
accompanying the appliance.
WARNING
This equipment has been tested and found to comply
with the limits for a Class B digital device, pursuant
to Part 15 of the FCC Rules. These limits are
designed to provide reasonable protection against
harmful interference in a residential installation. This
equipment generates, uses, and can radiate radio
frequency energy and, if not installed and used in
accordance with the instructions, may cause harmful
interference to radio communications. However, there
is no guarantee that interference will not occur in a
particular installation. If this equipment does cause
harmful interference to radio or television reception,
which can be determined by turning the equipment
off and on, the user is encouraged to try to correct the
interference by one or more of the following
measures:
01US02TOCU.p65 3/21/03, 8:48 AM2

3US
HT-6600DP 4-244-560-11(1) US
Table of Contents
List of Button Locations and
Reference Pages
Main unit ............................................... 5
Hooking Up the Components
Required cords ....................................... 6
Antenna hookups ................................... 7
Audio component hookups .................... 8
Video component hookups .................... 9
Digital component hookups ................. 10
Multi channel input hookups ............... 12
Other hookups ..................................... 13
Hooking Up and Setting Up
the Speaker System
Speaker system hookups ..................... 14
Performing initial setup operations ..... 16
Multi channel surround setup .............. 16
Checking the connections .................... 21
Basic Operations
Selecting the component ..................... 22
Changing the display ........................... 23
Enjoying Surround Sound
Using only the front speakers
(2 Channel Stereo) ........................ 24
Enjoying higher fidelity sound ............ 24
Selecting a sound field ........................ 25
Understanding the multi channel
surround displays .......................... 27
Customizing sound fields .................... 28
Receiving Broadcasts
Direct tuning ........................................ 30
Automatic tuning ................................. 31
Preset tuning ........................................ 31
Other Operations
Naming preset stations and program
sources ........................................... 33
Recording ............................................ 33
Using the Sleep Timer ......................... 34
Adjustments using the SET UP
menu .............................................. 35
Changing the command mode of the
receiver .......................................... 35
Operations Using the Remote
RM-PP412
Before you use your remote ................ 36
Remote button description ................... 36
Selecting the command mode of the
remote ............................................ 39
Programming the remote ..................... 40
Additional Information
Precautions .......................................... 43
Troubleshooting ................................... 43
Specifications ...................................... 46
Tables of settings using the
MAIN MENU button .................... 49
Adjustable parameters for each
sound field ..................................... 50

4US
HT-6600DP 4-244-560-11(1) US
RL
SURROUNDCENTER
NCE USE 8-16Ω
4-XXX-XXX-XX AA
Area code
About This Manual
The HT-6600DP consists of:
– Receiver STR-K850P
– Speaker system
• Front/surround speakers SS-MSP95
• Center speaker SS-CNP95
• Sub woofer SA-WMSP85
– DVD player DVP-NC665P
About area codes
The area code of the receiver you purchased is
shown on the lower portion of the rear panel (see
the illustration below).
Any differences in operation, according to the
area code, are clearly indicated in the text, for
example, “Models of area code AA only”.
Tip
The instructions in this manual describe the controls
on the receiver. You can also use the controls on the
supplied remote if they have the same or similar
names as those on the receiver. For details on the use
of your remote, see pages 36 – 42. For details on the
use of your DVD player, refer to the separate
operating instructions supplied with the DVD player.
Note for the supplied remote
RM-PP412
The VIDEO3, TV/SAT, PHONO, AUX,
SOURCE, DIRECT, AAC BI-LING, SB
DECODING, 12 and ON SCREEN buttons on
the remote are not available.

List of Button Locations and Reference Pages
5US
HT-6600DP 4-244-560-11(1) US
List of Button Locations and Reference Pages
?/1
g
qj qh qg qfqkqlw;wawswdwjwkwl wh wfwg
1235 90
6qaqs qd
7
48
Main unit
MD/TAPE 9 (22)
MEMORY wj (31)
MOVIE (button/indicator) ws (25,
44)
MULTI CHANNEL DECODING
(indicator) ql (22)
MULTI CH IN w; (22)
MUSIC (button/indicator) wa (25,
26, 44)
P – Z
PHONES (jack) wl (23, 27, 44)
PRESET TUNING +/– wg (31, 32
47)
SPEAKERS (OFF/A/B/A+B) 2
(14, 23, 44)
TUNER FM/AM qa (22, 31, 32,
33)
TUNING +/– wh (30, 31)
VIDEO 1 6 (22)
VIDEO 2 7 (22)
NUMBERS AND SYMBOLS
2CH (button/indicator) wf (24,
26, 29)
?/1 (power) 1 (16, 21, 29, 35,
47)
</> qk (17, 28, 29, 33, 35, 49)
ALPHABETICAL ORDER
A – H
A.F.D. (button/indicator) wd
(24–26)
CD/SACD q; (22)
DIMMER 4 (23)
DISPLAY 3 (23, 45)
Display qs (23)
DVD 8 (22)
ENTER qh (33, 35)
FM MODE wk (30)
I – O
INPUT MODE qf (22)
IR (receptor) 5 (36, 45)
Jog dial qj (17, 28, 29, 33, 35,
49)
MAIN MENU qg (17, 28, 29, 33,
35, 49)
MASTER VOLUME qd (20, 22,
44)
How to use this page
Use this page to find the location of buttons that are
mentioned in the text.
Illustration number
r
DISPLAY 3 (23, 45)
RR
Name of button/part Reference page

6US
HT-6600DP 4-244-560-11(1) US
Hooking Up the Components
Before you get started
• Turn off the power to all components before making any connections.
• Do not connect the AC power cord until all of the connections are completed.
• Be sure to make connections firmly to avoid hum and noise.
• When connecting an audio/video cord, be sure to match the color-coded pins to the appropriate jacks on
the components: yellow (video) to yellow; white (left, audio) to white; and red (right, audio) to red.
• When you connect optical digital cords, insert the cord plugs straight in until they click into place.
• Do not bend or tie the optical digital cord.
Required cords
The following optional connection cords A – H are required when you hook up the components
(pages 8 – 12).
AAudio cord (not supplied)
White (L)
Red (R)
BAudio/video cord (not supplied)
Yellow (video)
White (L/audio)
Red (R/audio)
CVideo cord (not supplied)
Yellow
DS-video cord (not supplied)
EOptical digital cord (not supplied)
FCoaxial digital cord (supplied)
GMonaural audio cord (not supplied)
Black
Tip
Audio cord A can be torn into two monaural audio
cords G.
HComponent video cord (not supplied)
Green
Blue
Red

Hooking Up the Components
7US
HT-6600DP 4-244-560-11(1) US
Antenna hookups
FM wire antenna
(supplied)
AM loop antenna
(supplied)
Notes on antenna hookups
• To prevent noise pickup, keep the AM loop
antenna away from the receiver and other
components.
• Be sure to fully extend the FM wire antenna.
• After connecting the FM wire antenna, keep it
as horizontal as possible.
y
AM
FM
75Ω
COAXIAL
DIGITAL
ANTENNA
MD/TAPE
CD
/
SACD
OPTICAL
VIDEO 2
IN
MD/
TAPE
IN
MD/
TAPE
OUT
CD/
SACD
IN
DVD
IN
COAXIAL
IN OUT IN
DVD
S-VIDEO
IN
VIDEO IN
L
R
VIDEO 2
S-VIDEO
IN
VIDEO IN
VIDEO 1
AUDIO OUT AUDIO IN
S-VIDEO
OUT S-VIDEO
IN
VIDEO OUT VIDEO IN
S-VIDEO
OUT
VIDEO OUT
L
R
FRONT SURROUND SUB
WOOFER
CENTER
MONITOR
AUDIO IN AUDIO IN
MULTI CH IN
L
R
L
R
SUB
WOOFER
AUDIO
OUT
* The shape of the connector varies depending on the area code.
*

8US
HT-6600DP 4-244-560-11(1) US
y
AM
FM
75Ω
COAXIAL
DIGITAL
ANTENNA
MD/TAPE
CD
/
SACD
OPTICAL
VIDEO 2
IN
MD/
TAPE
IN
MD/
TAPE
OUT
CD/
SACD
IN
DVD
IN
COAXIAL
IN OUT IN
DVD
S-VIDEO
IN
VIDEO IN
L
R
VIDEO 2
S-VIDEO
IN
VIDEO IN
VIDEO 1
AUDIO OUT AUDIO IN
S-VIDEO
OUT S-VIDEO
IN
VIDEO OUT VIDEO IN
S-VIDEO
OUT
VIDEO OUT
L
R
FRONT SURROUND SUB
WOOFER
CENTER
MONITOR
AUDIO IN AUDIO IN
MULTI CH IN
L
R
L
R
SUB
WOOFER
AUDIO
OUT
LINE
L
R
OUTPUT
A
INOUT
LINE
L
R
LINE
INPUT OUTPUT
ç
ç
AA
Audio component hookups
MD or Tape deck
CD or Super Audio
CD player

Hooking Up the Components
9US
HT-6600DP 4-244-560-11(1) US
Y
PB/B—Y
PR/R—Y
y
AM
FM
75Ω
COAXIAL
DIGITAL
ANTENNA
MD/TAPE
CD
/
SACD
OPTICAL
VIDEO 2
IN
MD/
TAPE
IN
MD/
TAPE
OUT
CD/
SACD
IN
DVD
IN
COAXIAL
IN OUT IN
DVD
S-VIDEO
IN
VIDEO IN
L
R
VIDEO 2
S-VIDEO
IN
VIDEO IN
VIDEO 1
AUDIO OUT AUDIO IN
S-VIDEO
OUT S-VIDEO
IN
VIDEO OUT VIDEO IN
S-VIDEO
OUT
VIDEO OUT DVD
IN
VIDEO 2
IN
MONITOR
OUT
L
R
FRONT SURROUND SUB
WOOFER
CENTER
MONITOR
COMPONENT VIDEO
AUDIO IN AUDIO IN
MULTI CH IN
L
R
L
R
R
R
L
R
L
FRONT B
SUB
WOOFER
AUDIO
OUT
SP
E
VIDEO
IN
INPUT
C
IN
VIDEO
OUT
R
AUDIO
OUT
OUTPUT
L
Ç
B
VIDEO
OUT
R
AUDIO
OUT
VIDEO
IN
AUDIO
IN
OUTPUTINPUT
L
INOUT
Ç
Ç
BB
AUDIO OUT VIDEO
OUT
L
R
OUTPUT
BH
COMPONENT VIDEO
Video component hookups
TV monitor
DVD player
Note on video component
hookups
You can connect your TV’s audio output jacks
to the VIDEO 2 AUDIO IN jacks on the
receiver and apply sound effects to the audio
from the TV. In this case, do not connect the
TV’s video output jack to the VIDEO 2
VIDEO IN jack on the receiver. If you are
connecting a separate satellite tuner, connect
both the audio and video output jacks to the
receiver as shown above.
If you have a DVD player, TV or satellite tuner
with COMPONENT VIDEO (Y, B-Y, R-Y)
output jacks and a monitor with COMPONENT
VIDEO input jacks, use a component video
cord (not supplied) to connect to the receiver.
Satellite
tuner or
VCR VCR
Tip
When using the S-video jacks instead of the video
jacks, your monitor must also be connected via an
S-video jack. S-video signals are on a separate bus
from the video signals and will not be output through
the video jacks.
Note
On this receiver, the component video signals are not
compatible with S-video signals or video signals.

10US
HT-6600DP 4-244-560-11(1) US
y
AM
FM
75Ω
COAXIAL
DIGITAL
ANTENNA
MD/TAPE
CD
/
SACD
OPTICAL
VIDEO 2
IN
MD/
TAPE
IN
MD/
TAPE
OUT
CD/
SACD
IN
DVD
IN
COAXIAL
IN OUT IN
DVD
S-VIDEO
IN
VIDEO IN
L
R
VIDEO 2
S-VIDEO
IN
VIDEO IN
VIDEO 1
AUDIO OUT AUDIO IN
S-VIDEO
OUT S-VIDEO
IN
VIDEO OUT VIDEO IN
S-VIDEO
OUT
VIDEO OUT
L
R
FRONT SURROUND SUB
WOOFER
CENTER
MONITOR
AUDIO IN AUDIO IN
MULTI CH IN
L
R
L
R
SUB
WOOFER
AUDIO
OUT
VIDEO
OUT
R
AUDIO
OUT
OUTPUT
L
DIGITAL
OPTICAL
OUTPUT
BE
DIGITAL
COAXIAL
OUTPUT
VIDEO
OUT
R
AUDIO
OUT
OUTPUT
L
FB
Digital component hookups
DVD player
(etc.)*
Connect the digital output jacks of your DVD player and satellite tuner (etc.) to the receiver’s digital
input jacks to bring the multi channel surround sound of a movie theater into your home. To fully
enjoy multi channel surround sound, five speakers (two front speakers, two surround speakers, and a
center speaker) and a sub woofer are required.
Satellite tuner
or DVD player*
* Make either coaxial or optical connections. We recommend making coaxial connections instead of optical
connections.

Hooking Up the Components
11US
HT-6600DP 4-244-560-11(1) US
y
AM
FM
75Ω
COAXIAL
DIGITAL
ANTENNA
MD/TAPE
CD
/
SACD
OPTICAL
VIDEO 2
IN
CD/
SACD
IN
DVD
IN
COAXIAL
IN OUT IN
DVD
S-VIDEO
IN
VIDEO IN
L
R
VIDEO 2
S-VIDEO
IN
VIDEO IN
VIDEO 1
AUDIO OUT AUDIO IN
S-VIDEO
OUT S-VIDEO
IN
VIDEO OUT VIDEO IN
S-VIDEO
OUT
VIDEO OUT
L
R
FRONT SURROUND SUB
WOOFER
CENTER
MONITOR
AUDIO IN AUDIO IN
MULTI CH IN
L
R
L
R
SUB
WOOFER
AUDIO
OUT
MD/
TAPE
IN
MD/
TAPE
OUT
INOUT
ç
ç
ç
LINELINE
INPUT OUTPUT
DIGITAL
IN
OPTICAL
OUT
IN
E
OUT
ç
EAA
L
R
Connect the digital output jacks of your MD or tape deck to the receiver’s digital input jack and
connect the digital input jacks of your MD or tape deck to the receiver’s digital output jack. These
connections allow you to make digital recordings of TV broadcasts, etc.
MD or tape deck
Notes
• You cannot make digital recordings when the source is a multi channel digital source.
• All the OPTICAL and COAXIAL jacks are compatible with 96 kHz, 48 kHz, 44.1 kHz and 32 kHz sampling
frequencies.
• It is not possible to record analog signals to the components connected to MD/TAPE and VIDEO jacks with
only digital connections. To record analog signals, make analog connections. To record digital signals, make
digital connections.
• The sound is not output when you play a Super Audio CD disc on the Super Audio CD player connected to the
CD/SACD OPTICAL IN jack on this unit. Connect to the analog input jacks (CD/SACD IN jacks). Refer to the
operating instructions supplied with the Super Audio CD player.

12US
HT-6600DP 4-244-560-11(1) US
Multi channel input hookups
Although this receiver incorporates a multi channel decoder, it is also equipped with multi channel
input jacks. These connections allow you to enjoy multi channel software encoded in formats other
than Dolby Digital and DTS. If your DVD player is equipped with multi channel output jacks, you
can connect them directly to the receiver to enjoy the sound of the DVD player’s multi channel
decoder. Alternatively, the multi channel input jacks can be used to connect an external multi channel
decoder.
To fully enjoy multi channel surround sound, five speakers (two front speakers, two surround
speakers, and a center speaker) and a sub woofer are required. Refer to the operating instructions
supplied with your DVD player, multi channel decoder, etc., for details on the multi channel
hookups.
Notes
• When using the connections described below, adjust the level of the surround speakers and sub woofer from the
DVD player or multi channel decoder.
• See page 14 for details on speaker system hookup.
DVD player, CD/Super
Audio CD player,
Multichannel decoder, etc.
y
AM
FM
75Ω
COAXIAL
DIGITAL
ANTENNA
MD/TAPE
CD
/
SACD
OPTICAL
VIDEO 2
IN
MD/
TAPE
IN
MD/
TAPE
OUT
CD/
SACD
IN
DVD
IN
COAXIAL
IN OUT IN
DVD
S-VIDEO
IN
VIDEO IN
L
R
VIDEO 2
S-VIDEO
IN
VIDEO IN
VIDEO 1
AUDIO OUT AUDIO IN
S-VIDEO
OUT S-VIDEO
IN
VIDEO OUT VIDEO IN
S-VIDEO
OUT
VIDEO OUT
L
R
FRONT SURROUND SUB
WOOFER
CENTER
MONITOR
AUDIO IN AUDIO IN
L
R
L
R
SUB
WOOFER
AUDIO
OUT
L
R
FRONT
SURROUND
SUB
WOOFER
AAG G
MULTI CH OUT
CENTER
MULTI CH IN

Hooking Up the Components
13US
HT-6600DP 4-244-560-11(1) US
Connecting the AC power
cord
Before connecting the AC power cord of this
receiver to a wall outlet, connect the speaker
system to the receiver (page 14).
Connect the AC power cord(s) of your audio/
video components to a wall outlet.
Other hookups
RL
FRONT A
RL
SURROUNDCENTER
IMPEDANCE USE 8-16Ω
SPEAKERS
b
AC power cord
To a wall outlet

14US
HT-6600DP 4-244-560-11(1) US
Hooking Up and Setting Up the Speaker System
BMonaural audio cord (supplied)
Black
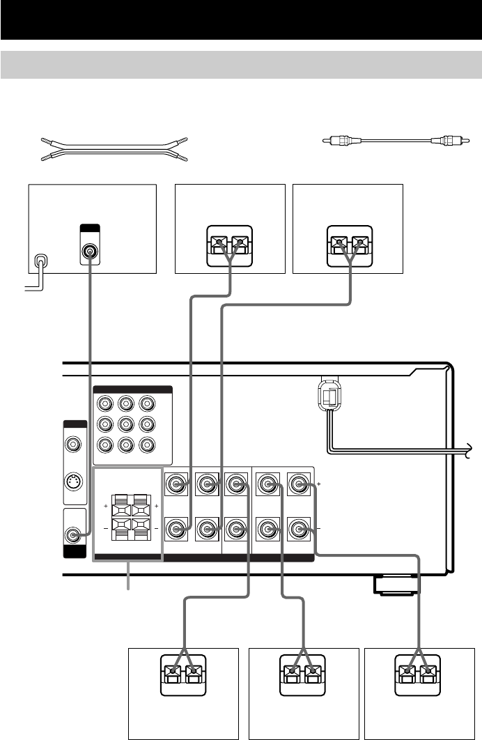
Speaker system hookups
Required cords
ASpeaker cords (supplied)
(+)
(–)
Y
P
B
/B—Y
P
R
/R—Y
S-VIDEO
OUT
VIDEO OUT DVD
IN
VIDEO 2
IN
MONITOR
OUT
MONITOR
COMPONENT VIDEO
R
R
L
RL
L
FRONT B FRONT A
RL
CENTER
SUB
WOOFER
AUDIO
OUT
IMPEDANCE USE 8-16Ω
SPEAKERS
E
eEe
AA
INPUT
AUDIO
IN
B
E
e
A
E
e
A
E
e
A
b
SURROUND
SPEAKERS
FRONT B*
Front speaker (L)Front speaker (R)
Center speaker Surround speaker
(L)
Surround speaker
(R)
Active sub woofer
To a wall outlet
(Switch the power
(POWER) to off
before connecting
the power cord.)
* If you have an additional front speaker system, connect them to the SPEAKERS FRONT B terminals.
You can select the front speakers you want to use with the SPEAKERS (OFF/A/B/A+B) button (page 23).

Hooking Up and Setting Up the Speaker System
15US
HT-6600DP 4-244-560-11(1) US
Stripped cords are touching each other
due to excessive removal of insulation.
Stripped cords are not fully attached and
are touching the rear panel of the receiver.
After connecting all the components,
speakers, and AC power cord, output
a test tone to check that all the
speakers are connected correctly.
For details on outputting a test tone,
see page 20.
If no sound is heard from a speaker while
outputting a test tone or a test tone is output
from a speaker other than the one whose name
is currently displayed on the receiver, the
speaker may be short-circuited. If this happens,
check the speaker connection again.
To avoid damaging your
speakers
Make sure that you turn down the volume
before you turn off the receiver. When you turn
on the receiver, the volume remains at the level
you turn off the receiver.
Tip
To prevent speaker vibration or movement while
listening, attach the supplied foot pads at the bottom
of the speakers.
Notes
• Connect the long speaker connecting cords to the
surround speaker terminals and the short speaker
connecting cords to the front and center speaker
terminals.
• Twist the stripped ends of the speaker cords about
2/3 inch. Be sure to match the speaker cord to the
appropriate terminal on the components: + to + and
– to –. If the cords are reversed, the sound will be
distorted and will lack bass.
• If you use speakers with low maximum input rating,
adjust the volume carefully to avoid excessive
output on the speakers.
To avoid short-circuiting the
speakers
Short-circuiting of the speakers may damage
the receiver. To prevent this, make sure to take
the following precautions when connecting the
speakers.
Make sure the stripped ends of each
speaker cord does not touch another
speaker terminal, the stripped end of
another speaker cord, or the metal parts of
the receiver.
Examples of poor conditions of the
speaker cord
Stripped speaker cord is touching another
speaker terminal.

16US
HT-6600DP 4-244-560-11(1) US
45°
90°
20°
B
CC
AA
Performing initial setup
operations
Once you have hooked up the speakers and
turned on the power, clear the receiver’s
memory. Then specify the speaker parameters
(size, position, etc.) and perform any other
initial setup operations necessary for your
system.
Tip
To check the audio output during settings (to set up
while outputting the sound), check the connection
(page 21).
Clearing the receiver’s
memory
Before using your receiver for the first time, or
when you want to clear the receiver’s memory,
do the following.
1Turn off the receiver.
2Hold down ?/1 for 5 seconds.
“INITIAL” appears in the display.
The following are reset to their factory
settings.
• All settings in the SET UP, LEVEL and
TONE menus.
• The sound field memorized for each
input selector and preset station.
• All sound field parameters.
• All preset stations.
• All index names of input selectors and
preset stations.
• The master volume is set to “VOL
MIN”.
Performing initial setup
operations
Before using your receiver for the first time,
adjust SET UP parameters so that the receiver
correspond to your system. For the adjustable
parameters, see the table on page 49. See pages
16–20 for speaker settings and page 35 for
other settings.
Multi channel surround
setup
For the best possible surround sound, all
speakers should be the same distance from the
listening position (A).
However, the receiver lets you place the center
speaker up to 5 feet closer (B) and the
surround speakers up to 15 feet closer (C) to
the listening position.
The front speakers can be placed from 3 to 23
feet from the listening position (A).
You can place the surround speakers either
behind you or to the side, depending on the
shape of your room (etc.). However, we
recommend that you place the surround
speakers behind you.
When placing surround speakers to your side
(long room)
Sub woofer

Hooking Up and Setting Up the Speaker System
17US
HT-6600DP 4-244-560-11(1) US
45°
90°
20°
B
CC
AA
continued
When placing surround speakers behind you
(wide room)
Note
Do not place the center speaker further away from the
listening position than the front speakers.
Normal Speaker and Micro
Satellite Speaker
For HT-6600DP, the speaker size and the sub
woofer selection has been preset to “MICRO
SP.” (Micro Satellite Speaker) according to the
supplied speaker system.
When you select “MICRO SP.”, the speaker
size and sub woofer selection has been
configurated as follows:
Speaker Settings
FRONT SMALL
CENTER SMALL
SURROUND SMALL
SUB WOOFER YES
You cannot change the configuration if you
select “MICRO SP.”.
If you change the speaker system, select
“NORM. SP.”. You can adjust the speaker size
and sub woofer selection when you select
“NORM. SP.” (page 19).
To select “NORM. SP.”, turn off the power,
then turn on again while pressing MAIN
MENU. (To reset to “MICRO SP.”, do the
same procedure.)
Tip
The setting for Micro Satellite Speaker (MICRO SP.)
has been programmed to optimize the sound balance.
If you use Sony’s Micro Satellite Speakers, select
“MICRO SP.”.
Caution
When you use Micro Satellite Speakers and the
speaker size is set to “LARGE”, you may not obtain
the correct soundstage. The speaker may also be
damaged at high volume position.
Specifying the speaker
parameters
1Press MAIN MENU repeatedly to select
“SET UP ”.
2Press or to select the parameter
you want to adjust.
3Turn the jog dial to select the setting
you want.
The setting is entered automatically.
4Repeat steps 2 and 3 until you have set
all of the parameters that follow.
Initial settings
Parameter Initial setting
L
R
DIST. XX ft. 10 ft.
C
DIST. XX ft. 10 ft.
SL
SR
DIST. XX ft. 10 ft.
SL
SR
PL. XXXX LOW
Sub woofer

18US
HT-6600DP 4-244-560-11(1) US
Multi channel surround setup
(continued)
xFront speaker distance (
L
R
DIST.
XX ft.)
Set the distance from your listening position to
the front speakers (A on page 16).
xCenter speaker distance (
C
DIST.
XX ft.)
Set the distance from your listening position to
the center speaker. Center speaker distance
should be set from a distance equal to the front
speaker distance (A on page 16) to a distance
5 feet closer to your listening position (B on
page 16).
xSurround speaker distance (
SL
SR
DIST. XX ft.)
Set the distance from your listening position to
the surround speakers. Surround speaker
distance should be set from a distance equal to
the front speaker distance (A on page 16) to a
distance 15 feet closer to your listening
position (C on page 16).
Tip
The receiver allows you to input the speaker position
in terms of distance. However, it is not possible to set
the center speaker further than the front speakers.
Also, the center speaker cannot be set more than
5 feet closer than the front speakers.
Likewise, the surround speakers can not be set further
away from the listening position than the front
speakers. And they can be no more than 15 feet
closer.
This is because incorrect speaker placement is not
conducive to enjoy surround sound.
Please note that, setting the speaker distance closer
than the actual location of the speakers will cause a
delay in the output of the sound from that speaker. In
other words, the speaker will sound like it is further
away.
For example, setting the center speaker distance
3~6 feet closer than the actual speaker position will
create a fairly realistic sensation of being “inside” the
screen. If you cannot obtain a satisfactory surround
effect because the surround speakers are too close,
setting the surround speaker distance closer (shorter)
than the actual distance will create a larger sound
stage.
Adjusting these parameter while listening to the
sound often results in much better surround sound.
Give it a try!
xSurround speaker placement (
SL
SR
PL. XXXX)*
This parameter lets you specify the height of
your surround speakers for proper
implementation of the Digital Cinema Sound
surround modes. Refer to the illustration below.
• Select “PL. LOW” if the location of your
surround speakers corresponds to section A.
• Select “PL. HIGH” if the location of your
surround speakers corresponds to section B.
* These parameters are not available when
“Surround speaker size (
SL
SR
)” is set to “NO”.
60
30
A
B
A
B

Hooking Up and Setting Up the Speaker System
19US
HT-6600DP 4-244-560-11(1) US
continued
Tip
The surround speaker placement parameter is
designed specifically for implementation of the
Digital Cinema Sound modes with virtual elements.
With the Digital Cinema Sound modes, speaker
placement is not as critical as other modes. All modes
with virtual elements were designed under the
premise that the surround speaker would be located
behind the listening position, but presentation remains
fairly consistent even with the surround speakers
positioned at a rather wide angle. However, if the
speakers are pointing towards the listener from the
immediate left and right of the listening position, the
sound fields with virtual elements will not be as
effective.
Nevertheless, each listening environment has many
variables, like wall reflections.
Therefore, we recommend that you playback multi
channel surround encoded software and listen to the
effect each setting has on your listening environment.
Choose the setting that provides a good sense of
spaciousness and that best succeeds in forming a
cohesive space between the surround sound from the
surround speakers and the sound of the front
speakers. If you are not sure which sounds best, select
“PL. LOW” and then use the speaker distance
parameter and speaker level adjustments to obtain
proper balance.
Only when you use the speaker system
other than the supplied one, be sure to
set the following parameters.
For details on “NORM. SP.” (Normal Speaker), see
page 17.
xSub woofer selection (
SW
S.W. XXX)
• If you connect a sub woofer, select “YES”.
• If you do not connect a sub woofer, select
“NO”. This activates the bass redirection
circuitry and outputs the LFE signals from other
speakers.
xFront speaker size (
L
R
XXXXX)
• If you connect large speakers that will
effectively reproduce bass frequencies, select
“LARGE”. Normally, select “LARGE”.
• If the sound is distorted, or you feel a lack of
surround effects when using multi channel
surround sound, select “SMALL” to activate
the bass redirection circuitry and output the
front channel bass frequencies from the sub
woofer.
• When the front speakers are set to “SMALL”,
the center and surround speakers are also
automatically set to “SMALL” (unless
previously set to “NO”).
• When the sub woofer is set to “NO”, the front
speakers are automatically set to “LARGE” and
you cannot change this setting.
xCenter speaker size (
C
XXXXX)
• If you connect a large speaker that will
effectively reproduce bass frequencies, select
“LARGE”. Normally, select “LARGE”.
However, if the front speakers are set to
“SMALL”, you cannot set the center speaker to
“LARGE”.
• If the sound is distorted, or you feel a lack of
surround effects when using multi channel
surround sound, select “SMALL” to activate
the bass redirection circuitry and output the
center channel bass frequencies from the front
speakers (if set to “LARGE”) or sub woofer.*1
• If you do not connect a center speaker, select
“NO”. The sound of the center channel will be
output from the front speakers.*2

20US
HT-6600DP 4-244-560-11(1) US
Multi channel surround setup
(continued)
xSurround speaker size (
SL
SR
XXXXX)
• If you connect large speakers that will
effectively reproduce bass frequencies, select
“LARGE”. Normally, select “LARGE”.
However, if the front speakers are set to
“SMALL”, you cannot set the surround
speakers to “LARGE”.
• If the sound is distorted, or you feel a lack of
surround effects when using multi channel
surround sound, select “SMALL” to activate
the bass redirection circuitry and output the
surround channel bass frequencies from the sub
woofer or other “LARGE” speakers.
• If you do not connect surround speakers, select
“NO”.*3
Tip
*1–*3 correspond to the following Dolby Pro Logic
modes
*1 NORMAL
*2 PHANTOM
*3 3 STEREO
Tip
Internally, the LARGE and SMALL settings for each
speaker determine whether the internal sound
processor will cut the bass signal from that channel.
When the bass is cut from a channel, the bass
redirection circuitry sends the corresponding bass
frequencies to the sub woofer or other “LARGE”
speakers.
However, since bass sounds have a certain amount of
directionality, it is best not to cut them, if possible.
Therefore, even when using small speakers, you can
set them to “LARGE” if you want to output the bass
frequencies from that speaker. On the other hand, if
you are using a large speaker, but prefer not to have
bass frequencies output from that speaker, set it to
“SMALL”.
If the overall sound level is lower than you prefer, set
all speakers to “LARGE”. If there is not enough bass,
you can use the BASS parameter in the TONE menu
to boost the bass levels. To adjust the bass, see page
29.
Adjusting the speaker level
Use the remote while seated in your listening
position to adjust the level of each speaker.
Note
The receiver incorporates a new test tone with a
frequency centered at 800 Hz for easier speaker level
adjustment.
1Press ?/1 on the remote to turn on the
receiver.
2Press TEST TONE on the remote.
“T. TONE” appears in the display and you
will hear the test tone from each speaker in
sequence.
Front (left) t Center t Front (right) t
Surround (right) t Surround (left) t
Sub woofer
3Adjust the speaker level and balance
using the LEVEL menu so that the level
of the test tone sounds the same from
each speaker.
For details on the LEVEL menu, see page
28.
While adjusting, the test tone is output from
the speaker whose adjustment is performed.
4Press TEST TONE again to turn off the
test tone.
Tip
You can adjust the level of all speakers at the same
time. Press MASTER VOL +/– on the remote or turn
MASTER VOLUME on the receiver.
Notes
• The adjusted value are shown in the display during
adjustment.
• Although these adjustments can also be made via
the front panel using the LEVEL menu (when the
test tone is output, the receiver switches to the
LEVEL menu automatically), we recommend you
follow the procedure described above and adjust the
speaker levels from your listening position using the
remote.

Hooking Up and Setting Up the Speaker System
21US
HT-6600DP 4-244-560-11(1) US
LEVEL
POWER
POWER indicator
Listening to the sub woofer
First, turn down the volume on the receiver.
The volume should be set to minimum before
you begin playing the program source.
1Turn on the receiver and select the
program source.
2Press POWER on the sub woofer.
The POWER indicator on the sub woofer
lights up in green.
3Play the program source.
Adjusting the sound
Slight adjustments to the system can enhance
your sound enjoyment.
Adjusting the sub woofer
1Rotate LEVEL to adjust the volume.
Set the volume level to best suit your
preference according to the program source.
Note
Do not turn the volume of the woofer to maximum.
Extraneous noise may be heard.
Checking the connections
After connecting all of your components to the
receiver, do the following to verify that the
connections were made correctly.
1Press ?/1 to turn on the receiver.
2Turn on the component that you
connected (e.g., CD player or tape
deck).
3Press the input selector button (e.g.,
CD/SACD or MD/TAPE) to select the
component (program source).
4Start playing.
If you do not obtain normal sound output after
performing this procedure, see
“Troubleshooting” on page 43 and take the
appropriate measures to correct the problem.

22US
HT-6600DP 4-244-560-11(1) US
Basic Operations
Selecting the component
Input Selector buttons
Press the input selector button to select the
component you want to use.
To select Press
VCR VIDEO 1 or VIDEO 2
Satellite tuner VIDEO 2
DVD player DVD
MD or Tape deck MD/TAPE
CD player CD/SACD
Built in tuner TUNER FM/AM
After turning on the component you selected,
select the component and play the program
source.
• After selecting VCR or DVD player, turn on the
TV and set the TV’s video input to match the
component you selected.
INPUT MODE
Press INPUT MODE to select the input mode
for your digital components.
Each time you press the button, the input mode
of the currently selected component switches.
Select To
AUTO IN Give priority to digital
signals when there are both
digital and analog
connections. If there are no
digital signals, analog is
selected.
COAX IN Specify the digital audio
signals input to the
DIGITAL COAXIAL input
jacks.
Select To
OPT IN Specify the digital audio
signals input to the
DIGITAL OPTICAL input
jacks.
ANALOG Specify the analog audio
signals input to the AUDIO
IN (L/R) jacks.
Note
When the 96 kHz digital signal is input, the tone,
sound field and effect level do not function.
MULTI CH IN
Press MULTI CH IN to enjoy the audio source
connected to the MULTI CH IN jacks. You can
adjust balance and level of all the speakers.
When this function is on, the equalizer and
effect level are turned off.
MULTI CHANNEL DECODING
indicator
This indicator lights up when the unit is
decoding signals recorded in a multi channel
format.
MUTING
Press MUTING on the remote to mute the
sound. Press again to cancel the muting
function. The muting function is also canceled
when you turn the power on or turn the
MASTER VOLUME to turn the volume up.

Basic Operations
23US
HT-6600DP 4-244-560-11(1) US
PHONES
Use to connect headphones.
• When the headphones are connected, speaker
output is automatically canceled and “SP A”
and “SP B” do not light up in the display.
SPEAKERS (OFF/A/B/A+B)
Press SPEAKERS (OFF/A/B/A+B) to output
the sound from the speakers connected to the
SPEAKERS FRONT terminals.
Each time you press the button, the display will
light up cyclically as follows:
SP A t SP B t SP A and SP B t
No display*
To drive Select
Speaker System A SP A (default setting)
(Connected to the
SPEAKERS FRONT A
terminals)
Speaker System B SP B
(Connected to the
SPEAKERS FRONT B
terminals)
Both Speaker System A SP A and SP B
and B (Connected to the
SPEAKERS FRONT A
and B terminals)
* If you do not want to drive Speaker System A
and B, press SPEAKERS (OFF/A/B/A+B) until
“SP A” and “SP B” do not light up in the display
(no display).
Changing the display
DIMMER
Press DIMMER repeatedly to adjust the
brightness of the display (3 steps).
However, when you press any button, the
display becomes the brightest setting
temporary.
DISPLAY
Each time you press DISPLAY, the display
changes cyclically as follows:
Index name of the component* t Selected
component t Sound field applied to the
program source
When the tuner is selected
Index name of the preset station* t
Frequency t Sound field applied to the band
or the preset station
* Index name appears only when you have assigned
one to the component or preset station (page 33).
Index name does not appear when only blank
spaces have been entered, or it is the same as the
input selector.

24US
HT-6600DP 4-244-560-11(1) US
Enjoying Surround Sound
Enjoying higher fidelity
sound
The Auto Format Direct (A.F.D.) mode allows
you to select the decoding mode you want for
your audio sound.
Mode Decoding Mode
A.F.D. AUTO As encoded
DOLBY PL Dolby Pro Logic
PLII MOV Dolby Pro Logic II
PLII MUS
Decoding the input audio
signal automatically
Press A.F.D. repeatedly to select “A.F.D.
AUTO”.
The A.F.D. indicator lights up.
This mode automatically detects the type of
audio signal being input (Dolby Digital, DTS,
or standard 2 channel stereo) and performs the
proper decoding if necessary. This mode
presents the sound as it was recorded/encoded,
without adding any effects (e.g. reverberation).
However, if there are no low frequency signals
(Dolby Digital LFE, etc.) it will generate a low
frequency signal for output to the sub woofer.
You can take advantage of surround sound
simply by selecting one of the receiver’s pre-
programmed sound fields. They bring the
exciting and powerful sound of movie theaters
and concert halls into your home. You can also
customize the sound fields to obtain the sound
you want by changing the surround parameter.
To fully enjoy surround sound, you must
register the number and location of your
speakers. See “Multi channel surround setup”
starting from page 16 to set the speaker
parameters before enjoying surround sound.
Using only the front
speakers (2 Channel Stereo)
Press 2CH.
The 2CH indicator lights up and “2CH ST.”
appears in the display.
This mode outputs the sound from the front left
and right speakers only. Standard 2 channel
(stereo) sources completely bypass the sound
field processing. Multi channel surround
formats are downmixed to 2 channel.
Notes
• No sound is output from the sub woofer when
“2CH ST.” is selected. To listen to 2 channel
(stereo) sources using the front left and right
speakers and a sub woofer, press A.F.D. repeatedly
to select “A.F.D. AUTO”.
• When you select “Micro Satellite Speaker” (page
17), internal sound processor will automatically
redirect bass sound to sub woofer. If you want to
listen to two channel (stereo) sources under this
setting, we recommend that you choose
“A.F.D. AUTO” mode so that you can take
advantage of your sub woofer to obtain the correct
bass signal.

Enjoying Surround Sound
25US
HT-6600DP 4-244-560-11(1) US
continued
Selecting a sound field
You can enjoy surround sound simply by
selecting one of the pre-programmed sound
fields according to the program you want to
listen to.
Press To select
MOVIE C.ST.EX A DCS *
C.ST.EX B DCS *
C.ST.EX C DCS *
MUSIC HALL
JAZZ
CONCERT
* Sound field with DCS mark use DCS technology.
About DCS (Digital Cinema Sound)
In collaboration with Sony Pictures
Entertainment, Sony measured the sound
environment of their studios and integrated the
data of the measurement and Sony’s own DSP
(Digital Signal Processor) technology to
develop “Digital Cinema Sound”. In a home
theater, “Digital Cinema Sound” simulates an
ideal movie theater sound environment based
on the preference of the movie director.
Enjoying movies with Cinema
Studio EX
Cinema Studio EX is ideal for enjoying the
movie software encoded with multi channel
format, such as the Dolby Digital DVD. This
mode reproduces the sound characteristics of
Sony Pictures Entertainment’s studios.
Press MOVIE repeatedly to select
“C.ST.EX A”, “C.ST.EX B” or “C.ST.EX C”.
The MOVIE indicator lights up and the
selected sound field is indicated in the display.
Enjoying stereo sound in
multi channel (Dolby Pro
Logic )
This receiver incorporates with Dolby Pro
Logic II which has movie mode and music
mode, and the receiver can reproduce the 2
channel sound in 5.1 channel through Dolby
Pro Logic II.
Press A.F.D. repeatedly to select “DOLBY
PL”, “PL MOV” or “PL MUS”.
The A.F.D. indicator lights up and the selected
type of decoding is indicated in the display.
xDOLBY PL (Dolby Pro Logic)
Performs the Pro Logic decoding. Software
with multi channel surround audio signals is
played back according to the way it was
recorded. Software with 2 channel audio
signals is decoded with Dolby Pro Logic to
create surround effects (4 channels).
xPL MOV (Pro Logic Movie)
Performs the Pro Logic II movie mode
decoding. This setting is ideal for the movies
encoded in Dolby Surround. Besides, this mode
can reproduce the sound in 5.1 channel when
watching the videos of old movies or in the
dubbed language.
xPL MUS (Pro Logic Music)
Performs the Pro Logic II music mode decoding.
This setting is ideal for the normal stereo
sources, such as CDs.
Note
Dolby Pro Logic and Dolby Pro Logic II decoding
does not function for DTS format signals.

26US
HT-6600DP 4-244-560-11(1) US
Selecting other sound fields
Press MUSIC repeatedly to select the
sound field you want.
The music indicator lights up and the current
sound field is indicated in the display.
xHALL
Reproduces the acoustics of a rectangular
concert hall.
xJAZZ (Jazz Club)
Reproduces the acoustics of a jazz club.
xCONCERT (Live Concert)
Reproduces the acoustics of a 300-seat live
concert.
To turn the surround effect off
Press A.F.D. repeatedly to select “A.F.D.
AUTO” or press 2CH.
Tips
• The receiver lets you apply the last selected sound
field to a program source whenever it is selected
(Sound Field Link). For example, if you listen to
CD with “JAZZ” as the sound field, change to a
different program source, then return to CD,
“JAZZ” will be applied again.
• You can identify the encoding format of DVD
software, etc. by looking at the logo on the
package.
–: Dolby Digital discs
–: Dolby Surround encoded
programs
–: DTS Digital Surround encoded programs
• When sound signals with a sampling frequency of
96 kHz are input, the sound signals are output in
stereo automatically, and the sound field is turned
off.
Selecting a sound field (continued)
xC.ST.EX A (Cinema Studio EX A)
Reproduces the sound characteristics of the
Sony Pictures Entertainment “Cary Grant
Theater” cinema production studio. This is a
standard mode, great for watching most any
type of movie.
xC.ST.EX B (Cinema Studio EX B)
Reproduces the sound characteristics of the
Sony Pictures Entertainment “Kim Novak
Theater” cinema production studio. This mode
is ideal for watching science-fiction or action
movies with lots of sound effects.
xC.ST.EX C (Cinema Studio EX C)
Reproduces the sound characteristics of the
Sony Pictures Entertainment scoring stage.
This mode is ideal for watching musicals or
classic films where music is featured in the
soundtrack.
About Cinema Studio EX
Cinema Studio EX consists of the following
three elements.
• Virtual Multi Dimension
Creates 5 sets of virtual speakers
surrounding the listener from a single pair of
actual surround speakers.
• Screen Depth Matching
In a movie theater, sound seems to come
from inside the image reflected on the movie
screen. This element creates the same
sensation in your listening room by shifting
the sound of the front speakers “into” the
screen.
• Cinema Studio Reverberation
Reproduces the reverberations peculiar to a
movie theater.
Cinema Studio EX is the integrated mode
which operates these elements simultaneously.
Notes
• The effects provided by the virtual speakers may
cause increased noise in the playback signal.
• When listening with sound fields that employ the
virtual speakers, you will not be able to hear any
sound coming directly from the surround speakers.

Enjoying Surround Sound
27US
HT-6600DP 4-244-560-11(1) US
Understanding the multi channel surround displays
STEREOD.RANGECOAXOPT MONO
MEMORY
DIGITALSP BSP A PRO LOGIC II
aa
SLEEP
DTS
LCR
SW
SL SR
S
LFE
1456 7
qsqd
2 3
qa 9q; 8
7Tuner indicators: Lights up when using the
receiver to tune in radio stations, etc. See
pages 30 – 32 for tuner operations.
8SLEEP: Lights up when sleep timer is
activated.
9D.RANGE: Lights up when dynamic range
compression is activated. See page 28 to
adjust the dynamic range compression.
0COAX: Lights up when the source signal is a
digital signal being input through the
COAXIAL terminal.
qa OPT: Lights up when the source signal is a
digital signal being input through the
OPTICAL terminal.
qs LFE: Lights up when the disc being played
back contains the LFE (Low Frequency
Effect) channel and when the sound of the
LFE channel signal is actually being
reproduced.
continued
1SW: Lights up when sub woofer selection is
set to “YES” (page 19) and the audio signal is
output from the SUB WOOFER jacks.
2SP A*: Lights up when you select to drive
Speaker System A.
3SP B*: Lights up when you select to drive
Speaker System B.
Note
Does not light up when you connect headphones
to the PHONES jack.
4; DIGITAL: Lights up when the receiver is
decoding signals recorded in the Dolby
Digital format.
5; PRO LOGIC II: “; PRO LOGIC”
lights up when the receiver applies Pro Logic
processing to 2 channel signals in order to
output the center and surround channel
signals. “; PRO LOGIC II” lights up when
Pro Logic II processing (“PLII MOV” or
“PLII MUS”) is applied (page 25). However,
both indicators do not light up if the center
and surround speakers are set to “NO”, and
“A.F.D. AUTO”, “DOLBY PL”, “PLII
MOV” or “PLII MUS” is selected.
Note
Dolby Pro Logic and Dolby Pro Logic II
decoding does not function for DTS format
signals.
6DTS: Lights up when DTS signals are input.
Note
When playing a DTS format disc, be sure that
you have made digital connections and that
INPUT MODE is NOT set to “ANALOG”
(page 22).

28US
HT-6600DP 4-244-560-11(1) US
qd Playback channel indicators: The letters
(L, C, R, etc.) indicate the channels being
played back. The boxes around the letters
vary to show how the receiver downmixes the
source sound (based on the speakers settings).
When using sound fields like “C.ST.EX”, the
receiver adds reverberation based on the
source sound.
L (Front Left), R (Front Right), C (Center
(monaural)), SL (Surround Left), SR
(Surround Right), S (Surround (monaural or
the surround components obtained by Pro
Logic processing)).
Example:
Recording format (Front /Surround): 3/2
Output channel: Surround speakers absent
Sound Field: A.F.D. AUTO
Customizing sound fields
By adjusting the surround parameters and the
tone characteristics of the front speakers, you
can customize the sound fields to suit your
particular listening situation.
Once you customize a sound field, the changes
are stored in the memory indefinitely. You can
change a customized sound field any time by
making new adjustments to the parameters.
See the tables on page 50 for the parameters
available in each sound field.
To get the most from multi
channel surround sound
Position your speakers and do the procedures
described in “Multi channel surround setup”
starting from page 16 before you customize a
sound field.
SL SR
LC R
Adjusting the level
parameters
The LEVEL menu contains parameters that let
you adjust the balance and volumes of each
speaker. You can also customize various
aspects of the current sound field. The settings
are applied to all sound fields except for EFCT.
parameter. For EFCT. parameter, the settings
are stored individually for each sound field.
1Start playing a program source
encoded with multi channel surround
sound.
2Press MAIN MENU repeatedly to select
“LEVEL ”.
3Press or to select the parameter
you want to adjust.
4Turn the jog dial to select the setting
you want.
The setting is entered automatically.
Initial settings
Parameter Initial setting
L
R
BAL. L/R XX* BALANCE
CTR XXX dB* 0 dB
SUR.L. XXX dB* 0 dB
SUR.R. XXX dB* 0 dB
S.W. XXX dB* 0 dB
D. RANGE
COMP. XXX OFF
EFCT. XXX STD
* The parameters can be adjusted separately for
MULTI CH IN.
Understanding the multi channel
surround displays (continued)

Enjoying Surround Sound
29US
HT-6600DP 4-244-560-11(1) US
Front balance (
L
R
BAL. L/R XX)
Lets you adjust the balance between front left
and right speakers.
Center level (CTR XXX dB)
Lets you adjust the level of the center speaker.
Surround left level (SUR.L. XXX dB)
Lets you adjust the level of the surround left
speaker.
Surround right level (SUR.R. XXX dB)
Lets you adjust the level of the surround right
speaker.
Sub woofer level (S.W. XXX dB)
Lets you adjust the level of the sub woofer.
Dynamic range compressor ( D. RANGE
COMP. XXX)
Lets you compress the dynamic range of the
sound track. This may be useful when you want
to watch movies at low volumes late at night.
We recommend using the “MAX” setting.
• To reproduce the sound track with no
compression, select “OFF”.
• To reproduce the sound track with the dynamic
range intended by the recording engineer, select
“STD”.
• To reproduce a dramatic compression of the
dynamic range, select “MAX”.
Note
Dynamic range compression is possible with Dolby
Digital sources only.
Effect level (EFCT. XXX)
Lets you adjust the “presence” of the current
surround effect.
Adjusting the tone
parameters
The TONE menu contains parameters that lets
you adjust the tone of the front speakers for
optimum sound. The settings are applied to all
sound fields.
1Start playing a program source
encoded with multi channel surround
sound.
2Press MAIN MENU repeatedly to select
“TONE ”.
3Press or to select the parameter
you want to adjust.
4Turn the jog dial to select the setting
you want.
The setting is stored automatically.
Initial settings
Parameter Initial setting
BASS XX dB 0 dB
TREB. XX dB 0 dB
Bass (BASS XX dB)
Lets you adjust the bass tone.
Treble (TREB. XX dB)
Lets you adjust the treble tone.
Note
When you use the Micro Satellite Speakers or other
small speakers, adjust LEVEL on the subwoofer
(page 21) to reinforce the bass.
Resetting customized sound
fields to the factory settings
1If the power is on, press ?/1 to turn off
the power.
2Hold down 2CH and press ?/1.
“SF. CLR.” appears in the display and all
sound fields are reset at once.

30US
HT-6600DP 4-244-560-11(1) US
Receiving Broadcasts
bbbb
1 0 2 5 0
bbb
1 3 5 0
Before receiving broadcasts, make sure you
have connected FM and AM antennas to the
receiver (page 7).
Direct tuning
You can enter a frequency of the station you
want directly by using the numeric buttons on
the supplied remote. For details on the buttons
used in this section, see pages 36–42.
1Press TUNER on the remote repeatedly
to select the FM or AM band.
The last received station is tuned in.
2Press D. TUNING on the remote.
3Press the numeric buttons to enter the
frequency.
Example 1: FM 102.50 MHz
Example 2: AM 1350 kHz
(You don’t have to enter the last “0” when the
tuning scale is set to 10 kHz.)
If you cannot tune in a station and the
entered numbers flash
Make sure you’ve entered the right
frequency. If not, repeat steps 2 and 3.
If the entered numbers still flash, the
frequency is not used in your area.
4If you’ve tuned in an AM station, adjust
the direction of the AM loop antenna for
optimum reception.
5Repeat steps 1 to 4 to receive another
station.
Tips
• If you do not remember the precise frequency, press
TUNING + or TUNING – after entering the value
close to the frequency you want. The receiver
automatically tunes in the station you want. If the
frequency seems to be higher than the entered
value, press TUNING +, and if the frequency seems
to be lower than the entered value, press
TUNING –.
• If “STEREO” flashes in the display and the FM
stereo reception is poor, press FM MODE to change
to monaural (MONO). You will not be able to enjoy
the stereo effect, but the sound will be less
distorted. To return to stereo mode, press FM
MODE again.
The tuning scale differs depending on the area code
as shown in the following table. For details on area
codes, see page 4.
Area code FM AM
U, CA 100 kHz 10 kHz*
* The AM tuning scale can be changed (page 47).

Receiving Broadcasts
31US
HT-6600DP 4-244-560-11(1) US
continued
Automatic tuning
If you don’t know the frequency of the station
you want, you can let the receiver scan all
available stations in your area.
1Press TUNER FM/AM repeatedly to
select the FM or AM band.
The last received station is tuned in.
2Press TUNING + or TUNING –.
Press TUNING + to scan from low to high;
press TUNING – to scan from high to low.
The receiver stops scanning whenever a
station is received.
When the receiver reaches either end of
the band
Scanning is repeated in the same direction.
3To continue scanning, press TUNING +
or TUNING – again.
Preset tuning
After you have tuned in stations using Direct
Tuning or Automatic Tuning, you can preset
them to the receiver. Then you can tune in any
of the stations directly by entering its
2-character preset code using the supplied
remote. Up to 30 FM or AM stations can be
preset. The receiver will also scan all the
stations that you have preset.
Before tuning to preset stations, be sure to
preset them by performing steps on “Presetting
radio stations”.
nA1˜A2˜...˜A0˜B1˜B2˜...˜B0N
nC0˜...C2˜C1N
Presetting radio stations
1Press TUNER FM/AM.
The last received station is tuned in.
2Tune in the station that you want to
preset using Direct Tuning (page 30) or
Automatic Tuning (page 31).
3Press MEMORY.
“MEMORY” appears in the display for a
few seconds.
Do steps 4 to 5 before “MEMORY” goes
out.
4Press PRESET TUNING + or PRESET
TUNING – repeatedly to select a preset
station number.
Each time you press the button, the preset
station number changes in the
corresponding number and direction as
follows:
If “MEMORY” goes out before you select
the preset station number, start again from
step 3.
5Press MEMORY again to store the
station.
If “MEMORY” goes out before you can
store the station, start again from step 3.
6Repeat steps 2 to 5 to preset another
station.
To change a preset number to
another station
Do steps 1 to 5 to preset a new station to the
number.
Tip
In step 4, you can also use the remote to select a
preset station number. Press SHIFT repeatedly to
select a memory page (A, B or C) and then press the
numeric buttons to select a preset number.

32US
HT-6600DP 4-244-560-11(1) US
Tuning to preset stations
You can tune the preset stations by either of the
following two ways.
Scanning the preset stations
1Press TUNER FM/AM.
The last received station is tuned in.
2Press PRESET TUNING + or PRESET
TUNING – repeatedly to select the
preset station you want.
Each time you press the button, the receiver
tunes in one preset station at a time, in the
corresponding order and direction as
follows:
Using the preset codes
Use the supplied remote to perform the
following operations. For details on the buttons
used in this section, see pages 36–42.
1Press TUNER on the remote.
The last received station is tuned in.
2Press SHIFT to select a memory page
(A, B, or C), then press the preset
number of the station you want using
the numeric buttons.
Preset tuning (continued)
nA1˜A2˜...˜A0˜B1˜B2˜...˜B0N
nC0˜...C2˜C1N

Other Operations
33US
HT-6600DP 4-244-560-11(1) US
Other Operations
4Press ENTER.
5Repeat steps 2 to 4 to assign index
name for another station or program
source.
Recording
Before you begin, make sure you’ve connected
all components properly.
Recording on an audio tape
or MiniDisc
You can record on a cassette tape or MiniDisc
using the receiver. See the operating
instructions of your cassette deck or MD deck
if you need help.
1Select the component to be recorded.
2Prepare the component for playing.
For example, insert a CD into the CD
player.
3Insert a blank tape or MD into the
recording deck and adjust the
recording level, if necessary.
4Start recording on the recording deck,
then start playback on the playback
component.
Naming preset stations
and program sources
You can enter a name (index name) of up to 8
characters for preset stations and program
sources. These names (for example, “VHS”)
appear in the receiver’s display when a station
or program source is selected. Note that no
more than one name can be entered for each
preset station or program source.
This function is useful for distinguishing
components of the same kind. For example,
two VCRs can be specified as “VHS” and
“8MM”, respectively. It is also handy for
identifying components connected to jacks
meant for another type of component, for
example, a second CD player connected to the
MD/TAPE jacks.
1To name a preset station
Press TUNER FM/AM, then tune in the
preset station you want to create an
index name for.
If you are not familiar with how to tune in
preset stations, see “Tuning to preset
stations” on page 32.
To name a program source
Select the program source (component)
to be named.
2Press MAIN MENU repeatedly to select
“NAME ”.
3Create an index name by using the jog
dial and or :
Turn the jog dial to select a character, then
press to move the cursor to the next
position.
To insert a space
Turn the jog dial until a blank space appears
in the display.
If you’ve made a mistake
Press or repeatedly until the character
to be changed flashes, then turn the jog dial
to select the character you want.
continued

34US
HT-6600DP 4-244-560-11(1) US
Recording (continued)
Tip
You can record the sound from any audio source onto
a video tape while copying from a video tape or DVD.
Locate the point where you want to start recording
from another audio source, select the program source,
then start playback. The audio from that source will
be recorded onto the audio track of the video tape
instead of the audio from the original medium. To
resume audio recording from the original medium,
select the video source again.
Notes
• Make sure to make both digital and analog
connections to the VIDEO 2 and DVD inputs.
Analog recording is not possible if you make only
digital connections.
• When MULTI CH IN is selected, the analog audio
signals of the current input source is output from the
REC OUT jacks.
Using the Sleep Timer
You can set the receiver to turn off
automatically at a specified time.
Press SLEEP on the remote while the
power is on.
Each time you press the button, the display
changes cyclically as follows:
2-00-00 t 1-30-00 t 1-00-00 t 0-30-00
t OFF
Tips
• Press ALT before you press SLEEP (page 39).
• To check the remaining time before the receiver
turns off, press SLEEP. The remaining time appears
in the display.
Notes
• Sound adjustments do not affect the signal output
from the MD/TAPE OUT jacks.
• The analog audio signals of the current input source
is output from the REC OUT jacks.
• When MULTI CH IN is selected, the analog audio
signals of the current input source is output from the
REC OUT jacks.
• You cannot record a digital audio signal using a
component connected to the analog MD/TAPE
OUT jacks. To record a digital audio signal,
connect a digital component to the DIGITAL MD/
TAPE OUT jacks.
• Some sources contain copy guards to prevent
recording. In this case, you may not be able to
record from the sources.
• When MULTI CH IN is selected, no signals are
output from DIGITAL OUT jacks (MD/TAPE
OPTICAL OUT).
Recording on a video tape
You can record from a VCR, a TV or a DVD
player using the receiver. You can also add
audio from a variety of audio sources when
editing a video tape. See the operating
instructions of your VCR or DVD player if you
need help.
1Select the program source to be
recorded.
2Prepare the component for playing.
For example, insert the DVD you want to
record into the DVD player.
3Insert a blank video tape into the VCR
(VIDEO 1) for recording.
4Start recording on the recording VCR,
then start playing the video tape or
DVD you want to record.

Other Operations
35US
HT-6600DP 4-244-560-11(1) US
Adjustments using the
SET UP menu
The SET UP menu allows you to make the
following adjustments.
1Press MAIN MENU repeatedly to select
“SET UP ”.
2Press or to select the parameter
you want to adjust.
3Turn the jog dial to select the setting
you want.
The setting is entered automatically.
Initial settings
Parameter Initial setting
DEC. XXXX PCM (for DVD,
CD/SACD and
MD/TAPE),
AUTO (for VIDEO 2)
xDecode priority (DEC. XXXX)
Sets the appropriate decoding for incoming
digital signals.
• PCM priority mode (DEC. PCM)
Use to enjoy playback from audio CD
(PCM), DVD and MD. When used with
media other than CD, DVD or MD, you may
experience noise. If this happens, switch to
AUTO mode.
• AUTO mode (DEC. AUTO)
Use to enjoy playback from audio CD
(PCM), DVD, DTS-CD and DTS-LD
sources. However, with audio CDs, you may
not be able to listen the very first moments
of each track.
Normally, use as-is with the initial settings
above.
Changing the command
mode of the receiver
This function is useful when you use 2 Sony
receivers in the same room.
1Turn off the receiver.
2Hold down ENTER and press 1/u to
turn on the receiver.
“C.MODE.AVX” appears in the display.
Each time you repeat the procedure above,
the display changes as follows:
C.MODE.AV1 y C.MODE.AV2
Tip
The initial setting is “C.MODE.AV2”.
Notes
• The initial setting for the command mode of the
supplied remote is “AV2”.
• If the command mode of the receiver and the
remote is different, you cannot use the remote to
operate the receiver.

36US
HT-6600DP 4-244-560-11(1) US
You can use the remote RM-PP412 to operate
the components in your system.
Before you use your
remote
Inserting batteries into the
remote
Insert R6 (size-AA) batteries with the + and –
properly oriented in the battery compartment.
When using the remote, point it at the remote
sensor g on the receiver.
Tip
Under normal conditions, the batteries should last for
about 6 months. When the remote no longer operates
the receiver, replace all batteries with new ones.
Notes
• Do not leave the remote in an extremely hot or
humid place.
• Do not use a new battery with an old one.
• Do not expose the remote sensor to direct sunlight
or lighting apparatuses. Doing so may cause a
malfunction.
• If you don’t use the remote for an extended period
of time, remove the batteries to avoid possible
damage from battery leakage and corrosion.
Remote button
description
HX
mM
.>
-
VIDEO1 VIDEO2
USE MODE
SYSTEM STANDBY SLEEP
AV1 AV2
TV ?/1 AV ?/1
VIDEO3 DVD
TV/SAT
MD/TAPE CD/SACD
TUNER
PHONO AUX
MULTI CH SOURCE
SHIFT
TOP MENU/
GUIDE AV MENU
MUTING
MASTER
VOL
DISPLAY
TV VOL TV CH
WIDE ON SCREEN
TV/
VIDEO
MAIN
MENU
RETURN/EXIT
D.TUNING DISC ALT
ANT
CLEAR
SEARCH MODE
2CH A.F.D.
123
456
789
0/10 >10/11 12
MOVIE
SUBTITLE ENTER
MUSIC
AUDIO
SWAP/
ANGLE
JUMP/
TIME
PRESET/
CH/D.SKIP
TEST
TONE
SB
DECODINGDIRECT
AAC
BI-LING
x
?/1
P
O
f
F
Gg
Operations Using the Remote RM-PP412
The tables below show the settings of each
button.
Remote Operations Function
Button
?/1 Receiver
Turns the receiver on or off.
SLEEP Receiver Activates the sleep
function and the duration
which the receiver turns
off automatically.
VIDEO1 Receiver To watch VCR.
(VTR mode 3)
VIDEO2 Receiver To watch VCR.
(VTR mode 1)
ENTER/
EXECUTE

Operations Using the Remote RM-PP412
37US
HT-6600DP 4-244-560-11(1) US
Remote Operations Function
Button
VIDEO3 Receiver To watch VCR.
(VTR mode 2)
DVD Receiver To watch DVD.
TV/SAT Receiver To watch TV programs
or satellite receiver.
MD/TAPE Receiver To listen to Minidisc
or audio tape.
CD/SACD Receiver To listen to compact disc.
TUNER Receiver To listen to radio
programs.
PHONO Receiver To listen to turntable.
AUX Receiver To listen to an audio
equipment.
MULTI CH Receiver Selects MULTI CH IN
source.
2CH Receiver Selects 2CH mode.
A.F.D. Receiver Selects A.F.D. AUTO,
DOLBY PL, PLII MOV
and PLII MUS.
MOVIE Receiver Selects C.ST.EX A,
C.ST.EX B and
C.ST.EX C.
MUSIC Receiver Selects HALL, JAZZ and
CONCERT.
TEST TONE Receiver Press to output test tone.
DIRECT Receiver Selects 2CH ANALOG
DIRECT
AAC Receiver Selects Dual Mono or
BI-LING Bilingual sound of Dolby
Digital, DTS or AAC,
etc.
SB Receiver Press to select the
DECODING surround back decoding
modes.
SHIFT Receiver Press repeatedly to select
a memory page for
presetting radio stations
or tuning to preset
stations.
D.TUNING Receiver Tuner station direct key-
in-mode.
MUTING Receiver Mutes the sound from the
receiver.
Remote Operations Function
Button
V/vReceiver Select a menu item.
B/bReceiver Makes adjustment or
change the setting.
MASTER Receiver Adjusts the master
VOL +/– volume of the receiver.
MAIN Receiver Press this button
MENU repeatedly to select one
of the four cursor
modes: SET UP,
LEVEL, TONE and
NAME.
ON Receiver To display the menus
SCREEN of the receiver on the
TV screen.
AV ?/1 TV/VCR/ Turns the audio and
CD player/ video components on or
VCD player/ off.
LD player
DVD player/
MD deck/
DAT deck
SYSTEM Receiver/ Turns off the receiver
STANDBY TV/VCR/ and other Sony audio/
(Press Satellite tuner/ video components.
AV ?/1 CD player/
and ?/1 VCD player/
at the LD player/
same time) DVD player/
MD deck/
DAT deck
1–9 and Receiver Use with “SHIFT”
0/10 button to preset radio
station or tuning to
preset stations and with
“D.TUNING” for direct
tuning.
CD player/ Select track numbers.
VCD player/ 0/10 selects track 10.
LD player/
MD deck/
DAT deck
TV/VCR/ Select channel
Satellite tuner numbers.
>10/11 CD player/ Select track numbers
VCD player/ over 10.
LD player/
MD deck/
Tape deck
continued

38US
HT-6600DP 4-244-560-11(1) US
Remote Button Description
(continued)
Remote Operations Function
Button
AUDIO TV/ VCR/ Changes the sound to
DVD player Multiplex, Bilingual or
Multi channel TV
Sound.
SWAP*/ TV Swaps the small and
ANGLE large picture.
DVD player To select viewing
angle or changes the
angles.
JUMP/ TV Toggles between the
TIME previous and the
current channels.
CD player/ Shows the time or
VCD player/ displays the playing
DVD player time of disc, etc.
PRESET/ Receiver Scans and selects
CH/ preset stations.
D.SKIP +/– TV/VCR/ Selects preset
Satellite tuner channels.
CD player/ Skips discs (multi-disc
VCD player/ changer only).
DVD player/
MD deck
ENTER TV/VCR/ After selecting a
Satellite tuner/
channel, disc or track
LD player/ using the numeric
MD deck/ buttons, press to enter
DAT deck/ the value.
Tape deck
DISC CD player/ Selects a disc directly
VCD player (multi-disc changer
only).
ANT VCR Selects output signal
from aerial terminal:
TV signal or VCR
program.
* Only for Sony TVs with the picture-in-picture
function.
Remote Operations Function
Button
./> VCR/ Skips tracks.
CD player/
VCD player/
DVD player/
LD player/
MD deck/
DAT deck/
Tape deck
m/M CD player/ Searches tracks
VCD player/ (forward or backward).
DVD player/
LD player/
MD deck
VCR/ Fastforwards or
DAT deck/ rewinds.
Tape deck
NVCR/ Starts play.
CD player/
VCD player/
LD player/
DVD player/
MD deck/
DAT deck/
Tape deck
XVCR/ Pauses play or record.
CD player/ (Also starts recording
VCD player/ with components in
LD player/ record standby.)
DVD player/
MD deck/
DAT deck/
Tape deck
xVCR/ Stops play.
CD player/
VCD player/
LD player/
DVD player/
MD deck/
DAT deck/
Tape deck
DISPLAY TV/VCR/ Selects information
VCD player/ displayed on the TV
LD player/ screen.
DVD player
RETURN/ VCD player/ Returns to the previous
EXIT LD player/ menu.
DVD player
Satellite Exits the menu.
tuner
SUBTITLE
DVD player Changes the subtitles.

Operations Using the Remote RM-PP412
39US
HT-6600DP 4-244-560-11(1) US
Remote Operations Function
Button
CLEAR DVD player Press if you made a
mistake when you press
the number button or
press to return to the
continuous play etc.
SEARCH DVD player Select searching mode.
MODE Press to select the unit
for search (track, index,
etc.)
TOP MENU/
DVD player Displays DVD title.
GUIDE Satellite tuner Displays guide menu.
AV MENU VCR/ Displays menu.
Satellite tuner/
DVD player
OVCD player/ Returns to the previous
LD player/ menu or exits the menu.
DVD player
V/v/B/bVCR/ Selects a menu item.
Satellite tuner/
DVD player
ENTER/ VCR/ Press to enter the
EXECUTE
Satellite tuner/ selection.
DVD player
TV ?/1 TV Turns the TV on or off.
-/-- TV Selects the channel
entry mode, either one
or two digit.
TV VOL TV Adjust the volume of
+/– the TV.
TV CH +/– TV Select preset TV
channels.
TV/ TV Selects input signal: TV
VIDEO input or video input.
WIDE TV Selects the wide picture
mode.
USE MODE Remote To set up the remote.
AV1 and Remote Select the command
AV2 mode of the remote.
SOURCE Remote Selects 2ND AV
output.
ALT Remote Change remote key
function to activate
those buttons with
orange printing.
Notes
• Some functions explained in this section may not
work depending on the model of the receiver.
• The above explanation is intended to serve as an
example only. Therefore, depending on the
component the above operation may not be possible
or may operate differently than described.
• To activate the buttons with orange printing, press
ALT first before pressing the buttons.
• Press MAIN MENU on the remote before you use
the V/v/B/b buttons for receiver operation.
• Press TOP MENU/GUIDE or AV MENU on the
remote before you use the remote to control the
satellite tuner, VCR and DVD player.
• The VIDEO3, TV/SAT, PHONO, AUX, SOURCE,
DIRECT, AAC BI-LING, SB DECODING, 12 and
ON SCREEN functions are not available for set
operation.
Selecting the command
mode of the remote
Set the remote command mode using the USE
MODE button and the remote command mode
buttons.
Selecting the command mode
You can switch the command mode (AV1 or
AV2) of the remote. If the command mode of
the receiver and the remote is different, you
cannot use the remote to operate the receiver.
Press AV1 or AV2 while pressing down
USE MODE.
The indicator lights once (twice for AV2) , then
the command mode switches.
To check the command mode of the
remote
Press USE MODE. You can check the remote
by the indicator.
Mode Indicator lights
AV1 once
AV2 twice
To reset the remote to factory
settings
Press =/1, AV =/1, and MASTER VOL – at
the same time.
The indicator lights 3 times, then goes off.

40US
HT-6600DP 4-244-560-11(1) US
Programming the remote
You can program the remote to control non-
Sony components by changing the code. Once
the control signals have been memorized, you
can use those components as part of your
system.
Furthermore, you can also program the remote
for Sony components that the remote is unable
to control. Note that the remote can only
control components that accept infrared
wireless control signals.
1Press AV ?/1 while pressing down USE
MODE.
The indicator lights.
2Press the input selector button
(including TV ?/1) for the component
you want to control.
For example, if you are going to control a
CD player, press CD/SACD.
3Press the numeric buttons to enter the
numeric code (or one of the codes if
more than one code exists)
corresponding to the component and
the maker of the component you want
to control.
See the tables on pages 41–42 for
information on the numeric code(s)
corresponding to the component and the
maker of the component (the first digit and
the last two digits of the numeric code
correspond to the category and the maker’s
code respectively.)
4Press ENTER.
Once the numeric code has been verified,
the indicator slowly flashes twice and the
remote automatically exits the programming
mode.
5Repeat steps 1 to 4 to control other
components.
To cancel programming
Press USE MODE during any step. The remote
automatically exits the programming mode.
To activate the input source after
programming
Press the programmed button to activate the
input source you want.
If programming is unsuccessful,
check the following:
• If the indicator does not light up in step 1, the
batteries are weak. Replace both batteries.
• If the indicator flashes 4 times in quick succession
while entering the numeric code, an error has
occurred. Start again from step 1.
Notes
• The indicator turns off while a valid button is
pressed.
• In step 2, if several input selector buttons are
pressed, only the last pressed button is valid.
• In step 2, if you press TV ?/1, only TV VOL +/–,
TV CH +/–, TV/VIDEO and WIDE buttons are
reprogrammed.
• In step 3, if an input selector button is pressed, the
new input source is selected and the programming
procedure returns to the beginning of step 3.
• For the numeric codes, only the first three numbers
entered are valid.
To clear the memory of the remote
To clear all programmed and learned signals,
do the following to reset the remote to factory
settings.
Press ?/1, AV ?/1 and MASTER VOL – at
the same time.
The indicator flashes 3 times, then goes off.

Operations Using the Remote RM-PP412
41US
HT-6600DP 4-244-560-11(1) US
The numeric codes corresponding to
the component and the maker of the
component
Use the numeric codes in the tables below to
control non-Sony components and also Sony
components that the remote is normally unable
to control. Since the remote signal that a
component accepts differs depending on the
model and year of the component, more than
one numeric code may be assigned to a
component. If you fail to program your remote
using one of the codes, try using other codes.
Notes
• The numeric codes are based on the latest
information available for each brand. There is a
chance, however, that your component will not
respond to some or all of the codes.
• All of the input selectors on this remote may not be
available when used with your particular
component.
To control a CD player
Maker Code(s)
SONY 101, 102, 103
DENON 104, 123
JVC 105, 106, 107
KENWOOD 108, 109, 110
MAGNAVOX 111, 116
MARANTZ 116
ONKYO 112, 113, 114
PANASONIC 115
PHILIPS 116
PIONEER 117
TECHNICS 115, 118, 119
YAMAHA 120, 121, 122
To control a DAT deck
Maker Code(s)
SONY 203
PIONEER 219
To control an MD deck
Maker Code(s)
SONY 301
DENON 302
JVC 303
KENWOOD 304
To control a tape deck
Maker Code(s)
SONY 201, 202
DENON 204, 205
KENWOOD 206, 207, 208, 209
NAKAMICHI 210
PANASONIC 216
PHILIPS 211, 212
PIONEER 213, 214
TECHNICS 215, 216
YAMAHA 217, 218
To control an LD player
Maker Code(s)
SONY 601, 602, 603
PIONEER 606
To control a video CD player
Maker Code(s)
SONY 605
continued

42US
HT-6600DP 4-244-560-11(1) US
To control a TV
Maker Code(s)
SONY 501, 502
DAEWOO 504, 505, 506, 507, 515,
544
FISHER 508
GOLDSTAR 503, 511, 512, 515, 534,
544
GRUNDIG 517, 534
HITACHI 513, 514, 515, 544
ITT/NOKIA 521, 522
JVC 516
MAGNAVOX 503, 518, 544
MITSUBISHI/MGA 503, 519, 544
NEC 503, 520, 544
PANASONIC 509, 524
PHILIPS 515, 518
PIONEER 509, 525, 526, 540
RCA/PROSCAN 510, 527, 528, 529, 544
SAMSUNG 503, 515, 531, 532, 533,
534, 544
SANYO 508, 545, 546, 547
SHARP 535
TELEFUNKEN 523, 536, 537, 538
THOMSON 530, 537, 539
TOSHIBA 535, 540, 541
ZENITH 542, 543
To control a satellite tuner or cable
box
Maker Code(s)
SONY 801, 802, 803, 804
JERROLD/G.I. 806, 807, 808, 809, 810,
811, 812, 813, 814
PANASONIC 818
RCA 805, 819
S. ATLANTA 815, 816, 817
To control a tuner
Maker Code(s)
SONY 002, 003, 004, 005
Programming the remote (continued)
To control a VCR
Maker Code(s)
SONY 701, 702, 703, 704, 705,
706
AIWA 710, 750, 757, 758
AKAI 707, 708, 709, 759
BLAUPUNKT 740
EMERSON 711, 712, 713, 714, 715,
716, 750
FISHER 717, 718, 719, 720
GENERAL ELECTRIC 721, 722, 730
GOLDSTAR 723, 753
GRUNDIG 724
HITACHI 722, 725, 729, 741
ITT/NOKIA 717
JVC 726, 727, 728, 736
MAGNAVOX 730, 731, 738
MITSUBISHI/MGA 732, 733, 734, 735
NEC 736
PANASONIC 729, 730, 737, 738, 739,
740
PHILIPS 729, 730, 731
PIONEER 729
RCA/PROSCAN 722, 729, 730, 731, 741,
747
SAMSUNG 742, 743, 744, 745
SANYO 717, 720, 746
SHARP 748, 749
TELEFUNKEN 751, 752
TOSHIBA 747, 755, 756
ZENITH 754
To control a DVD player
Maker Code(s)
SONY 401, 402, 403
PANASONIC 406, 408
PHILIPS 407
PIONEER 409
TOSHIBA 404
DENON 405

Additional Information
43US
HT-6600DP 4-244-560-11(1) US
Additional Information
If you encounter color irregularity on a nearby
TV screen
This speaker system is magnetically shielded to
allow it to be installed near a TV set. However,
color irregularities may still be observed on certain
types of TV sets.
If color irregularity is observed...
Turn off the TV set once, then turn it on again after
15 to 30 minutes.
If color irregularity is observed again...
Place the speaker further away from the TV set.
If howling occurs
Reposition the speakers or turn down the volume
on the receiver.
On cleaning
Clean the cabinet, panel and controls with a soft cloth
slightly moistened with a mild detergent solution. Do
not use any type of abrasive pad, scouring powder or
solvent such as alcohol or benzine.
If you have any question or problem concerning your
receiver, please consult your nearest Sony dealer.
Troubleshooting
If you experience any of the following
difficulties while using the receiver, use this
troubleshooting guide to help you remedy the
problem. Also, see “Checking the connections”
on page 21 to verify that the connections are
correct.
Precautions
On safety
Should any solid object or liquid fall into the cabinet,
unplug the receiver and have it checked by qualified
personnel before operating it any further.
On power sources
• Before operating the unit, check that the operating
voltage is identical with your local power supply.
The operating voltage is indicated on the nameplate
at the rear of the receiver.
• The unit is not disconnected from the AC power
source (mains) as long as it is connected to the wall
outlet, even if the receiver itself has been turned off.
• If you are not going to use the receiver for a long
time, be sure to disconnect the receiver from the
wall outlet. To disconnect the AC power cord,
grasp the plug itself; never pull the cord.
• (Models of area code U, CA only)
One blade of the plug is wider than the other for the
purpose of safety and will fit into the wall outlet
only one way. If you are unable to insert the plug
fully into the outlet, contact your dealer.
• AC power cord must be changed only at the
qualified service shop.
On heat buildup
Although the unit heats up during operation, this is
not a malfunction. If you continuously use this unit at
a large volume, the cabinet temperature of the top,
side and bottom rises considerably. To avoid burning
yourself, do not touch the cabinet.
On placement
• Place the receiver in a location with adequate
ventilation to prevent heat buildup and prolong the
life of the receiver.
• Do not place the receiver near heat sources, or in a
place subject to direct sunlight, excessive dust or
mechanical shock.
• Do not place anything on top of the cabinet that
might block the ventilation holes and cause
malfunctions.
• Use caution when placing the unit or speakers on
surfaces that have been specially treated (with wax,
oil, polish, etc.) as staining or discoloration of the
surface may result.
On operation
Before connecting other components, be sure to turn
off and unplug the receiver.
continued

44US
HT-6600DP 4-244-560-11(1) US
Troubleshooting (continued)
There is no sound or only a very low-level sound
no matter which component is selected.
• Check that the speakers and components are
connected securely and correctly.
• Check that both the receiver and all the
components are turned on.
• Check that the MASTER VOLUME control is
not set at “VOL MIN”.
• Check that the SPEAKERS (OFF/A/B/A+B)
button is not set to off and is set accordingly to
your SPEAKERS FRONT system (page 23).
• Press MUTING on the remote to cancel the
muting function.
• Check that the headphones are not connected.
• The protective device on the receiver has been
activated because of a short circuit (“PROTECT”
flashes). Turn off the receiver, eliminate the
short-circuit problem and turn on the power
again.
There is no sound from a specific component.
• Check that the component is connected correctly
to the audio input jacks for that component.
• Check that the cord(s) used for the connection is
(are) fully inserted into the jacks on both the
receiver and the component.
• Check that you have selected the correct
component on the receiver.
There is no sound from one of the front
speakers.
Connect a pair of headphones to the PHONES jack
to verify that sound is output from the headphones
(page 23).
If only one channel is output from the headphones,
the component may not be connected to the
receiver correctly. Check that all the cords are fully
inserted into the jacks on both the receiver and the
component.
If both channels are output from the headphones,
the front speaker may not be connected to the
receiver correctly. Check the connection of the
front speaker which is not outputting any sound.
The left and right sounds are unbalanced or
reversed.
• Check that the speakers and components are
connected correctly and securely.
• Adjust balance parameters in the LEVEL menu.
There is severe hum or noise.
• Check that the speakers and components are
connected securely.
• Check that the connecting cords are away from a
transformer or motor, and at least 3 meters away
from a TV set or fluorescent light.
• Move your TV away from the audio components.
• The plugs and jacks are dirty. Wipe them with a
cloth slightly moistened with alcohol.
There is no sound or only a very low-level sound
is heard from the center or / and surround
speaker.
• Make sure the sound field function is on (press
MOVIE or MUSIC).
• Select a sound field containing the word
“C.ST.EX” (pages 25).
• Adjust the speaker level (page 20).
• Make sure the center or/and surround speaker
size parameter is set to either “SMALL” or
“LARGE” (page 19).
There is no sound from the active sub woofer.
• Check that the sub woofer is connected correctly
and securely.
• There is no sound output from the SUB
WOOFER terminal depending on the sound field
(page 50).
The surround effect cannot be obtained.
Make sure the sound field function is on (press
MOVIE or MUSIC).
Dolby Digital or DTS multi channel sound is not
reproduced.
• Check that the playing DVD, etc. is recorded in
Dolby Digital or DTS format.
• When connecting the DVD player, etc. to the
digital input jacks of this receiver, check the
audio setting (settings for the audio output) of the
connected component.

Additional Information
45US
HT-6600DP 4-244-560-11(1) US
Recording cannot be done.
• Check that the components are connected
correctly.
• Select the source component with input selector
button.
• Make sure that INPUT MODE is set to
“ANALOG” (page 22) before recording from a
digital component connected to the analog
MD/TAPE terminal.
• Make sure that INPUT MODE is set to “COAX
IN” or “OPT IN” (page 22) before recording
from a digital component connected to the
DIGITAL MD/TAPE OUT terminals.
The FM reception is poor.
Use a 75-ohm coaxial cable (not supplied) to
connect the receiver to an outdoor FM antenna as
shown below. If you connect the receiver to an
outdoor antenna, ground it against lightning. To
prevent a gas explosion, do not connect the ground
wire to a gas pipe.
Radio stations cannot be tuned in.
• Check that the antennas are connected securely.
Adjust the antennas and connect an external
antenna if necessary.
• The signal strength of the stations is too weak
(when tuning in with automatic tuning). Use
direct tuning.
• Make sure you set the tuning interval correctly
(when tuning in AM stations with direct tuning).
• No stations have been preset or the preset
stations have been cleared (when tuning by
scanning preset stations). Preset the stations
(page 31).
• Press DISPLAY so that the frequency appears in
the display.
Outdoor FM antenna
Receiver
Ground wire
(not supplied)
To ground
y
AM
FM
75Ω
COAXIAL
ANTENNA
There is no picture or an unclear picture appears
on the TV screen or monitor.
• Select the appropriate input selector on the
receiver.
• Set your TV to the appropriate input mode.
• Move your TV away from the audio components.
The remote does not function.
• The VIDEO3, TV/SAT, PHONO, AUX,
SOURCE, DIRECT, AAC BI-LING, SB
DECODING, 12 and ON SCREEN buttons on
the remote are not available.
• Point the remote at the remote sensor g on the
receiver.
• Check that the command mode of the remote
corresponds to that of the receiver. If the
command mode of the receiver and the remote is
different, you cannot use the remote to operate
the receiver (pages 35 and 39).
• Press MAIN MENU on the remote before you
use the V/v/B/b buttons for receiver operation.
• To activate the buttons with orange printing,
press ALT first before pressing the buttons.
• Remove any obstacles in the path between the
remote and the receiver.
• Replace both batteries in the remote with new
ones, if they are weak.
• Make sure you select the correct input selector
on the remote.
• If the remote is set to operate the TV only, use
the remote to select a source or component other
than TV before operating the receiver or other
component.
If you are unable to remedy the
problem using the troubleshooting
guide
Clearing the receiver’s memory may remedy
the problem (page 16). However, note that all
memorized settings will be reset to their factory
settings and you will have to readjust all
settings on the receiver.
If the problem persist
Consult your nearest Sony dealer.
Clearing the receiver’s memory
To clear See
All memorized settings page 16
Customized sound fields page 29

46US
HT-6600DP 4-244-560-11(1) US
Sensitivity: –
Impedance: 75 ohms
S/N: 100 dB
(A, 20 kHz LPF)
Sensitivity: –
Impedance: –
S/N: 100 dB
(A, 20 kHz LPF)
Inputs (Digital)
DVD (Coaxial)
VIDEO 2, CD/SACD,
MD/TAPE (Optical)
Outputs
MD/TAPE (OUT),
VIDEO 1
(AUDIO OUT)
SUB WOOFER
Outputs (Digital)
MD/TAPE (Optical) Sensitivity: –
Tone
Gain levels: ±6 dB, 1 dB step
FM tuner section
Tuning range 87.5 - 108.0 MHz
Antenna terminals 75 ohms, unbalanced
Intermediate Frequency
10.7 MHz
Sensitivity
Mono: 18.3 dBf, 2.2 µV/75 ohms
Stereo:
38.3 dBf, 22.5 µV/75 ohms
Usable sensitivity 11.2 dBf, 1 µV/75 ohms
S/N
Mono: 76 dB
Stereo: 70 dB
Harmonic distortion at 1 kHz
Mono: 0.3%
Stereo: 0.5%
Separation 45 dB at 1 kHz
Frequency response 30 Hz – 15 kHz,
+0.5/–2 dB
Selectivity 60 dB at 400 kHz
Sensitivity: 500 mV
Impedance: 50 kilohms
S/N2): 96 dB
(A, 500 mV3))
Voltage: 500 mV
Impedance: 10 kilohms
Voltage: 2 V
Impedance: 1 kilohms
Specifications
AUDIO POWER SPECIFICATIONS
POWER OUTPUT AND TOTAL
HARMONIC DISTORTION:
With 8 ohm loads, both channels driven, from
40 – 20,000 Hz; rated 110 watts per channel
minimum RMS power, with no more than
0.7 % total harmonic distortion from 250
milliwatts to rated output (Models of area code
U only).
Amplifier section
POWER OUTPUT
Models of area code U, CA
Rated Power Output at Stereo Mode
(8 ohms 40 Hz – 20 kHz, THD 0.7 %)
STR-K850P: 110 W + 110 W
Reference Power Output
(8 ohms 1 kHz, THD 0.7 %)
STR-K850P: FRONT1):120 W/ch
CENTER1): 120 W
SURR1): 120 W/ch
1) Depending on the sound field settings and the
source, there may be no sound output.
Frequency response
MULTI CH IN,
CD/SACD,
MD/TAPE, DVD,
VIDEO 1, 2
Inputs (Analog)
MULTI CH IN,
CD/SACD,
MD/TAPE, DVD,
VIDEO 1, 2
2) INPUT SHORT (with sound field and tone
bypassed).
3) Weighted network, input level.
10 Hz – 70 kHz
+0.5/–2 dB (with sound
field and tone bypassed)

Additional Information
47US
HT-6600DP 4-244-560-11(1) US
AM tuner section
Tuning range
Models of area code U, CA
With 10-kHz tuning scale: 530 – 1710 kHz4)
With 9-kHz tuning scale: 531 – 1710 kHz4)
Antenna Loop antenna
Intermediate Frequency
450 kHz
Usable sensitivity 50 dB/m (at 1,000 kHz or
999 kHz)
S/N 54 dB (at 50 mV/m)
Harmonic distortion 0.5 % (50 mV/m, 400 Hz)
Selectivity
At 9 kHz: 35 dB
At 10 kHz: 40 dB
4) You can change the AM tuning scale to 9 kHz or
10 kHz. After tuning in any AM station, turn off
the receiver. Hold down PRESET TUNING + and
press ?/1. All preset stations will be erased when
you change the tuning scale. To reset the scale to
10 kHz (or 9 kHz), repeat the procedure.
Video section
Inputs
Video: 1 Vp-p, 75 ohms
S-video: Y: 1 Vp-p, 75 ohms
C: 0.286 Vp-p, 75 ohms
Component Video:
Y: 1 Vp-p, 75 ohms
PB/B-Y: 0.7 Vp-p, 75 ohms
PR/R-Y: 0.7 Vp-p, 75 ohms
Outputs
Video: 1 Vp-p, 75 ohms
S-video: Y: 1 Vp-p, 75 ohms
C: 0.286 Vp-p, 75 ohms
Component Video:
Y: 1 Vp-p, 75 ohms
PB/B-Y: 0.7 Vp-p, 75 ohms
PR/R-Y: 0.7 Vp-p, 75 ohms
continued
General
Power requirements
Area code Power requirements
U, CA 120 V AC, 60 Hz
Power consumption
Area code Power consumption
U 230 W
CA 315 VA
Power consumption (during standby mode)
0.3 W
Dimensions 16 7/8 × 6 2/8 × 12 1/8
inches (430 × 157.5 ×
308.5 mm) including
projecting parts and
controls
Mass (Approx.) 16 lb 13 oz (7.6 kg)
Speaker section
SS-MSP95 for front and surround speakers
SS-CNP95 for center speaker
Speaker system Full range, magnetically
shielded
Speaker units 70 mm × 100 mm cone
type
Enclosure type Bass reflex
Rated Impedance 8 ohms
Power handling capacity (Maximum input
power)
120 W
Sensitivity level 86 dB (1 W, 1 m)
Frequency range 160 Hz – 20,000 Hz
Dimensions (w/h/d)
SS-MSP95
Approx.
10 2/8 × 4 × 5 2/8
inches (260 × 101.7 ×
133 mm)
SS-CNP95
Approx.
4 × 6 6/8 × 5 2/8
inches (101.7 × 169.7 ×
133 mm)
Mass
SS-MSP95 1 lb 16 oz (0.9 kg)
SS-CNP95 2 lb 7 oz (1.1 kg)

48US
HT-6600DP 4-244-560-11(1) US
Specifications (continued)
Supplied accessories
FM wire antenna (1)
AM loop antenna (1)
Speaker connecting cord, long (2)
Speaker connecting cord, short (3)
Monaural connecting cord (1 phono to 1 phono) (1)
Coaxial digital cord (1)
Foot pads (speakers) (20)
Foot pads (subwoofer) (4)
Remote commander (1)
R6 (size -AA) batteries (2)
Speakers
• Front speakers (2)
• Surround speakers (2)
• Center speaker (1)
• Sub woofer (1)
For details on the area code of the component you
are using, see page 4.
Design and specifications are subject to change
without notice.
SA-WMSP85 for sub woofer
AUDIO POWER SPECIFICATIONS
POWER OUTPUT AND TOTAL
HARMONIC DISTORTION:
With 6 ohm loads, from 28 – 200 Hz;
rated 100 watts, minimum RMS power, with no
more than 0.8% total harmonic distortion from
250 milliwatts to rated output (Models of area
code U only).
Speaker system Active subwoofer,
magnetically shielded
Speaker unit Woofer: 20 cm cone type
Enclosure type Acoustically loaded bass
reflex
Continuous RMS power output
(6 ohms, 20 – 250 Hz)
100 W
Reproduction frequency range
28 Hz – 200 Hz
High frequency cut-off frequency
150 Hz
Input LINE IN (input pin jacks)
Power requirements
Area code Power requirements
U, CA 120 V AC, 60 Hz
Power consumption 100 W
Dimensions (w/h/d) Approx. 10 3/4 × 12 7/8 ×
15 3/4 inches including
front panel
Mass 22 lb 1 oz

Additional Information
49US
HT-6600DP 4-244-560-11(1) US
Tables of settings using the MAIN MENU button
You can make various settings using the MAIN MENU, / buttons and jog dial. The tables
below show each of the settings that these buttons can make.
Press MAIN MENU Press or to select Turn jog dial to select Page
repeatedly to select
LEVEL
L
R
BAL. L/R XX L +8 to R +8 (1 steps) 28
CTR XXX dB –10 dB to +10 dB (1 dB steps)
SUR.L. XXX dB –10 dB to +10 dB (1 dB steps)
SUR.R. XXX dB –10 dB to +10 dB (1 dB steps)
S.W. XXX dB –10 dB to +10 dB (1 dB steps)
D. RANGE COMP. XXX OFF, STD, MAX
EFCT. XXX depends on the sound field
(MIN, STD, MAX)
SET UP
SW
(SUB WOOFER) S.W. XXX1) YES, NO 17
L
R
(FRONT) XXXXX1) LARGE, SMALL
C
(CENTER) XXXXX1) LARGE, SMALL, NO
SL
SR
(SURROUND) XXXXX1) LARGE, SMALL, NO
L
R
DIST. XX ft. between 3 feet and 23 feet (1 foot steps)
C
DIST. XX ft. between
L
R
DIST. and 5 feet
(1 foot steps)
SL
SR
DIST. XX ft. between
L
R
DIST. and 15 feet
(1 foot steps)
SL
SR
PL. XXXX LOW, HIGH
DEC. XXXX AUTO, PCM 35
TONE BASS XX dB –6 dB to +6 dB (1 dB step) 29
TREB. XX dB –6 dB to +6 dB (1 dB step)
1) Only when you select “NORM. SP.”

50US
HT-6600DP 4-244-560-11(1) US
< LEVEL >
FRONT CENTER SUR.L. SUR.R. S.W. D.RANGE EFCT.
BAL LEVEL LEVEL LEVEL LEVEL COMP1) LEVEL
2CH ST. zz
A.F.D. AUTO zzzzz z
DOLBY PL zzzzz z
PLII MOV zzzzz z
PLII MUS zzzzz z
C.ST.EX A zzzzz zz
C.ST.EX B zzzzz zz
C.ST.EX C zzzzz zz
HALL zzzz z
2) zz
JAZZ zzzz z
2) zz
CONCERT zzzz z
2) zz
MULTI CH IN zzzzz
PCM 96K z
1) These parameters may not operate depending on the source or adjustments. For details, see each item in
“Adjusting the level parameters” (page 28).
2) When these sound fields are selected, there is no sound output from the sub woofer if the front speaker size is
set to “LARGE”. However, sound will be output from the sub woofer if the digital input signal contains LFE
signals.
< TONE >
BASS TREB.
2CH ST. zz
A.F.D. AUTO zz
DOLBY PL zz
PLII MOV zz
PLII MUS zz
C.ST.EX A zz
C.ST.EX B zz
C.ST.EX C zz
HALL zz
JAZZ zz
CONCERT zz
MULTI CH IN zz
PCM 96K
The adjusted LEVEL parameters are applied to all the sound fields except for EFCT. parameter. For
EFCT. parameter, the settings are stored individually for each sound field.
Adjustable parameters for each sound field
The adjusted BASS and TREB. parameters are applied to all sound fields

Additional Information
51US
HT-6600DP 4-244-560-11(1) US

52US
HT-6600DP 4-244-560-11(1) US
Sony Corporation Printed in Malaysia