Sony Hcd Xgr60 Users Manual XGR6/XGR60
HCD-XGR60 to the manual 4d755285-6678-4f60-9126-6857c888fa8c
2015-01-23
: Sony Sony-Hcd-Xgr60-Users-Manual-297935 sony-hcd-xgr60-users-manual-297935 sony pdf
Open the PDF directly: View PDF
.
Page Count: 74
- GENERAL
- DISASSEMBLY
- TEST MODE
- MECHANICAL ADJUSTMENTS
- ELECTRICAL ADJUSTMENTS
- DIAGRAMS
- 6-1. CIRCUIT BOARD LOCATION
- 6-2. BLOCK DIAGRAMS
- 6-3. PRINTED WIRING BOARD – BD SECTION –
- 6-4. SCHEMATIC DIAGRAM – BD SECTION –
- 6-5.PRINTED WIRING BOARD – MOTOR LED SECTION –
- 6-6. SCHEMATIC DIAGRAM – MOTOR LED SECTION –
- 6-7. SCHEMATIC DIAGRAM – MIC/GUITAR SECTION –
- 6-8.PRINTED WIRING BOARD – MIC/GUITAR SECTION –
- 6-9.SCHEMATIC DIAGRAM – MAIN (1/3) SECTION –
- 6-10.SCHEMATIC DIAGRAM – MAIN(2/3) SECTION –
- 6-11. SCHEMATIC DIAGRAM – MAIN (3/3) SECTION –
- 6-12.PRINTED WIRING BOARD – MAIN SECTION –
- 6-13.PRINTED WIRING BOARD – CD-L, CD-R, HEADPHONE, FRONT INPUT, D-SW SECTION –
- 6-14. SCHEMATIC DIAGRAM – CD-L, CD-R, HEADPHONE, FRONT INPUT, D-SW SECTION –
- 6-15.PRINTED WIRING BOARD – PANEL VR SECTION –
- 6-16. SCHEMATIC DIAGRAM – PANEL VR SECTION –
- 6-17.PRINTED WIRING BOARD – PANEL FL, TC-A, TC-B SECTION –
- 6-18.SCHEMATIC DIAGRAM – PANEL FL, TC-A, TC-B SECTION –
- 6-19.PRINTED WIRING BOARD – PA SECTION –
- 6-20.SCHEMATIC DIAGRAM – PA SECTION –
- 6-21.SCHEMATIC DIAGRAM – TRANS, SUB TRANS SECTION (XGR6, XGR60: MX MODEL) –
- 6-22.SCHEMATIC DIAGRAM – TRANS, SUB TRANS SECTION (XGR6, XGR60: MX MODEL) –
- 6-23.PRINTED WIRING BOARD – TRANS, SUB TRANS SECTION (XGR60:E, E51, AR MODEL) –
- 6-24.SCHEMATIC DIAGRAM – TRANS, SUB TRANS SECTION (XGR60:E, E51, AR MODEL) –
- 6-25. IC PIN FUNCTIONS
- 6-26. IC BLOCK DIAGRAMS
- EXPLODED VIEWS
- ELECTRICAL PARTS LIST

HCD-XGR6/XGR60
US Model
HCD-XGR6
E Model
HCD-XGR60
COMPACT Hi-Fi STEREO SYSTEM
— Continued on next page —
SPECIFICATIONS
• HCD-XGR6/XGR60 are the Amplifier,
CD player, tape deck and tuner in LBT-
XGR6/XGR60.
Ver 1.0 2002.02
9-873-567-01
2002B0200-1
© 2002. 02
Model Name Using Similar Mechanism NEW
CD CD Mechanism Type CDM37B-30BD60C
Section Base Unit Name BU-30BD60C
Optical Pick-up Name A-MAX.3
TAPE Model Name Using Similar Mechanism NEW
Section
SERVICE MANUAL
Sony Corporation
Home Audio Company
Published by Sony Engineering Corporation
PHOTO :HCD-XGR60
AUDIO POWER SPECIFICATIONS
(LBT-XGR6 USA models only)
POWER OUTPUT AND TOTAL
HARMONIC DISTORTION:
With 6 ohm loads, both channels driven, from
120-10,000 Hz; rated 140 watts per channel
minimum RMS power, with no more than 10%
total harmonic distortion from 250 milli watts
to rated output.
Amplifier section
North American models:
LBT-XGR6
Continuous RMS power output (reference)
160 + 160 watts (6 ohms at
1 kHz, 10% THD)
Total harmonic distortion less than 0.07%
(6 ohms at 1 kHz, 70 W)
Other models:
LBT-XGR60
The following measured at AC 120/220/240V, 50 Hz
DIN power output (rated) 150 + 150 watts
(6 ohms at 1 kHz, DIN)
Continuous RMS power output (reference)
200 + 200 watts
(6 ohms at 1 kHz, 10% THD)
Inputs
DJ MIX RETURN*:
(phono jacks) sensitivity 250 mV,
impedance 47 kilohms
GUITAR:
(phone jack) sensitivity 75 mV,
impedance 470 kilohms
PHONO IN:
(phono jacks) sensitivity 3 mV,
impedance 47 kilohms
MIX MIC:
(phone jack) sensitivity 1 mV,
impedance 10 kilohms
GAME INPUT:
(phono jacks) sensitivity 250 mV,
impedance 47 kilohms
MD (VIDEO) IN:
(phono jack) sensitivity 450 mV
(250 mV), impedance
47 kilohms
Outputs
DJ MIX SEND*:
(phono jacks) sensitivity 250 mV,
impedance 1 kilohms
PHONES:
(stereo phone jack) accepts headphones of
8 ohms or more

2
HCD-XGR6/XGR60
This appliance is classified as a CLASS 1 LASER product. The
CLASS 1 LASER PRODUCT MARKING is located on the rear
exterior.
CAUTION
Use of controls or adjustments or performance of procedures
other than those specified herein may result in hazardous radiation
exposure.
Notes on chip component replacement
• Never reuse a disconnected chip component.
• Notice that the minus side of a tantalum capacitor may be
damaged by heat.
Flexible Circuit Board Repairing
• Keep the temperature of soldering iron around 270˚C
during repairing.
• Do not touch the soldering iron on the same conductor of the
circuit board (within 3 times).
• Be careful not to apply force on the conductor when soldering
or unsoldering.
MD (VIDEO) OUT:
(phono jacks) voltage 250 mV
impedance 1 kilohms
FRONT SPEAKER: accepts impedance of 6 to
16 ohms
* North American and Mexican models only
CD player section
System Compact disc and digital
audio system
Laser Semiconductor laser
(λ=795 nm), Emission
duration: continuous
Frequency response 2 Hz – 20 kHz (±0.5 dB)
Signal-to-noise ratio More than 90 dB
Dynamic range More than 90 dB
CD OPTICAL DIGITAL OUT
(Square optical connector jack, rear panel)
Wavelength: 660 nm
Output level –18 dBm
Tape player section
Recording system 4-track 2-channel stereo
Frequency response 40 – 13,000 Hz (±3 dB),
using Sony TYPE I cassette
Tuner section
FM stereo, FM/AM superheterodyne tuner
FM tuner section
Tuning range
North American models: 87.5 – 108.0 MHz
(100 kHz step)
Other models: 87.5 – 108.0 MHz
(50 kHz step)
Antenna FM lead antenna
Antenna terminals 75 ohms unbalanced
Intermediate frequency 10.7 MHz
AM tuner section
Tuning range
Pan- American models: 530 – 1,710 kHz
(with the interval set at 10 kHz)
531 – 1,710 kHz
(with the interval set at 9 kHz)
Other models: 531 – 1,602 kHz
(with the interval set at 9 kHz)
530 – 1,710 kHz
(with the interval set at 10 kHz)
Antenna AM loop antenna
Antenna terminals External antenna terminal
Intermediate frequency 450 kHz
General
Power requirements
North American models: 120 V AC, 60 Hz
Mexican model: 120 V AC, 60 Hz
Other models: 120 V, 220 V or 230 –
240 V AC, 50/60 Hz
Adjustable with voltage
selector
Power consumption
U.S.A. models:
LBT-XGR6 240 watts
Other models:
LBT-XGR60 180 watts
Dimensions (w/h/d) Approx. 355 x 425 x 451 mm
Mass :
LBT-XGR6 Approx. 13.0 kg
LBT-XGR60 Approx. 14.7 kg
Supplied accessories: AM loop antenna (1)
FM lead antenna (1)
Speaker cords (2)
Speaker pads (8)
Remote commander (1)
Batteries (2)
Design and specifications are subject to change without notice.

3
HCD-XGR6/XGR60
SAFETY-RELATED COMPONENT WARNING!!
COMPONENTS IDENTIFIED BY MARK 0 OR DOTTED LINE WITH
MARK 0 ON THE SCHEMATIC DIAGRAMS AND IN THE PARTS
LIST ARE CRITICAL TO SAFE OPERATION. REPLACE THESE
COMPONENTS WITH SONY PARTS WHOSE PART NUMBERS
APPEAR AS SHOWN IN THIS MANUAL OR IN SUPPLEMENTS
PUBLISHED BY SONY.
To Exposed Metal
Parts on Set
0.15 µF1.5 kΩ
AC
Voltmeter
(0.75 V)
Earth Ground
Fig. A. Using an AC voltmeter to check AC leakage.
After correcting the original service problem, perform the
following safety checks before releasing the set to the customer:
Check the antenna terminals, metal trim, “metallized” knobs, screws,
and all other exposed metal parts for AC leakage. Check leakage as
described below.
LEAKAGE
The AC leakage from any exposed metal part to earth ground
and from all exposed metal parts to any exposed metal part having
a return to chassis, must not exceed 0.5 mA (500 microampers).
Leakage current can be measured by any one of three methods.
1. A commercial leakage tester, such as the Simpson 229 or RCA
WT-540A. Follow the manufacturers’ instructions to use these
instruments.
2. A battery-operated AC milliammeter. The Data Precision 245
digital multimeter is suitable for this job.
3. Measuring the voltage drop across a resistor by means of a
VOM or battery-operated AC voltmeter. The “limit” indication
is 0.75 V, so analog meters must have an accurate low-voltage
scale. The Simpson 250 and Sanwa SH-63Trd are examples of
a passive VOM that is suitable. Nearly all battery operated
digital multimeters that have a 2V AC range are suitable. (See
Fig. A)
SAFETY CHECK-OUT NOTES ON HANDLING THE OPTICAL PICK-UP
BLOCK OR BASE UNIT
The laser diode in the optical pick-up block may suffer electrostatic
break-down because of the potential difference generated by the
charged electrostatic load, etc. on clothing and the human body.
During repair, pay attention to electrostatic break-down and also
use the procedure in the printed matter which is included in the
repair parts.
The flexible board is easily damaged and should be handled with
care.
NOTES ON LASER DIODE EMISSION CHECK
The laser beam on this model is concentrated so as to be focused on
the disc reflective surface by the objective lens in the optical pick-
up block. Therefore, when checking the laser diode emission,
observe from more than 30 cm away from the objective lens.
LASER DIODE AND FOCUS SEARCH OPERATION
CHECK
Carry out the “S curve check” in “CD section adjustment” and
check that the S curve waveforms is output three times.
• MODEL IDENTIFICATION
– Rear Panel –
PART No.
MODEL
US model
E model
E51 model
Mexican model
Argentina model
PARTS No.
4-237-748-0s
4-237-748-2s
4-237-748-3s
4-237-748-4s
4-237-748-5s
•Abbreviation
E51 : Chilean and Peruvian model
4
HCD-XGR6/XGR60
TABLE OF CONTENTS
1. GENERAL ·········································································· 5
2. DISASSEMBY··································································· 7
3. TEST MODE ···································································· 15
4. MECHANICAL ADJUSTMENTS ····························· 17
5. ELECTRICAL ADJUSTMENTS ······························· 17
6. DIAGRAMS
6-1. CIRCUIT BOARD LOCATION ······································· 21
6-2. BLOCK DIAGRAM – CD SERVO SECTION – ············· 22
BLOCK DIAGRAM
– TUNER/TAPE DECK SECTION – ························ 23
BLOCK DIAGRAM – MAIN SECTION – ····················· 24
BLOCK DIAGRAM – DISPLAY/KEY CONTROL/
POWER SUPPLY SECTION – ··································· 25
6-3. PRINTED WIRING BOARD – BD SECTION – ············· 26
6-4. SCHEMATIC DIAGRAM – BD SECTION – ·················· 27
6-5. PRINTED WIRING BOARD
– MOTOR LED SECTION – ······································ 28
6-6. SCHEMATIC DIAGRAM
– MOTOR LED SECTION – ······································ 28
6-7. SCHEMATIC DIAGRAM
– MIC/GUITAR SECTION – ····································· 29
6-8. PRINTED WIRING BOARD
– MIC/GUITAR SECTION – ······································ 29
6-9. SCHEMATIC DIAGRAM – MAIN (1/3) SECTION – ···· 30
6-10.SCHEMATIC DIAGRAM – MAIN (2/3) SECTION – ···· 31
6-11. SCHEMATIC DIAGRAM – MAIN (3/3) SECTION – ···· 32
6-12.PRINTED WIRING BOARD – MAIN SECTION – ········ 33
6-13.PRINTED WIRING BOARD
– CD-L,CD-R,HEADPHONE,FRONT INPUT,
D-SW SECTION – ··················································· 34
6-14.SCHEMATIC DIAGRAM
– CD-L,CD-R,HEADPHONE,FRONT INPUT,
D-SW SECTION – ··················································· 35
6-15.PRINTED WIRING BOARD
– PANEL VR SECTION – ·········································· 36
6-16.SCHEMATIC DIAGRAM
– PANEL VR SECTION – ·········································· 37
6-17.PRINTED WIRING BOARD
– PANEL FL,TC-A,TC-B SECTION –······················· 38
6-18.SCHEMATIC DIAGRAM
– PANEL FL,TC-A,TC-B SECTION –······················· 39
6-19.PRINTED WIRING BOARD – PA SECTION – ·············· 40
6-20.SCHEMATIC DIAGRAM – PA SECTION – ··················· 41
6-21. PRINTED WIRING BOARD– TRANS,SUB
– TRANS(XGR6,XGR60:MX MODEL) SECTION –42
6-22.SCHEMATIC DIAGRAM – TRANS,SUB
– TRANS(XGR6,XGR60:MX MODEL) SECTION –42
6-23. PRINTED WIRING BOARD– TRANS,SUB
– TRANS(XGR60:E,E51,AR MODEL) SECTION – 43
6-24. SCHEMATIC DIAGRAM – TRANS,SUB
– TRANS(XGR60:E,E51,AR MODEL) SECTION – 43
6-25. IC PIN FUNCTION DESCRIPTION ······························· 44
6-26. IC BLOCK DIAGRAMS ·················································· 50
7. EXPLODED VIEWS
7-1. CASE,BACK PANEL SECTION ······································ 53
7-2. FRONT PANEL SECTION-1············································ 54
7-3. FRONT PANEL SECTION-2············································ 55
7-4. CHASSIS SECTION ························································· 56
7-5. CD MECHANISM DECK SECTION
(CDM-30BD60C) ······························································· 57
7-6. BASE UNIT SECTION (BU-30BD60C) ·························· 58
8. ELECTRICAL PARTS LIST ······································· 59

5
HCD-XGR6/XGR60
This section is extracted from
instruction manual.
SECTION 1
GENERAL
ALPHABETICAL ORDER
E – G
EDIT ea (15)
EFFECT 5 (17)
ENTER 5 (8, 15, 17, 19)
FM MODE 8 (12)
FUNCTION qd (7, 9, 10, 14, 20,
22, 26)
GAME qf (22)
GAME INPUT AUDIO L/R wd
(25)
GAME INPUT VIDEO wd (25)
GAME MIXING qg (22)
GROOVE ek (16)
GUITAR DISTORTION wl (21)
GUITAR jack ed (21)
GUITAR LEVEL ef (21)
H – R
H SPEED DUB ql (14)
MIC LEVEL ef (20)
MIX GUITAR/KARAOKE wl (20,
21)
MIX MIC jack ed (20)
P FILE 5 (17)
PHONES jack w;
PLAY MODE es (9, 10)
POWER SAVE/DEMO
(STANDBY) 3 (23)
Power stream indicator 6
PUSH OPEN wj (9)
REPEAT es (10)
Main unit
wfwgwhwjwle;
ea
es
ed
ef
eg
eh
ek
ej
wk
qf
qd
23
45 76 890 qa qs
qg
qh
qj
qk
ql
w;
wa
ws
wd
1
A – D
A EJECTZ/Z B EJECT wh (13)
AMS./> wa (9, 10)
CD SYNC ql (14, 15)
Direct equalizer qh ej (17)
GUITAR/ROCK/JAZZ/DANCE/
GAME
SALSA/REGGAE/TANGO/
SAMBA/MOVIE
DIRECTION eg (13, 14, 15, 20)
DISC SKIP es (9, 10)
DISC 1 to 5 e; (9)
DISPLAY 2
(23)

6
HCD-XGR6/XGR60
Remote control
ALPHABETICAL ORDER
ql
qk
qj
qh
qg
qf
ws
wa
w;
5
6
7
9
8
q;
3
2
1
4
qd
qs
qa
S – X
SLEEP 0 (18)
SPECTRUM ANALYZER 4 (20)
SUPER WOOFER ek (16)
SUPER WOOFER MODE ek (16)
SURROUND ek (18)
TIMER SELECT qa (16, 19)
TUNER/BAND 9 (11, 12)
TUNER ENTER wf (11)
TUNER MEMORY wf (11)
TUNING MODE 8 (11, 12)
TUNING - /+ 9 (11, 12)
VOLUME control 7 (10)
X-GROOVE wg (16)
BUTTON DESCRIPTIONS
@/1 1
c/CLOCK SET qs
h/H qj eh
x qj eh
.m /M> qj eh
X qk
z REC qk
HX ws
x ws
m /M ws
R/r/T/t (cursor) wk
C – F
CD N qg (9)
CLEAR 4 (10)
CLOCK/TIMER SELECT ws (16,
19)
CLOCK/TIMER SET 1 (8, 15,
19)
DISC SKIP w; (9, 10)
DISPLAY qa (23)
EFFECT 9 (17)
ENTER 0 (8, 15, 17, 19)
FILE SELECT +/- qd (17)
FUNCTION 3 (7, 9, 10, 14, 20,
22, 26)
P – V
PRESET - /+ ql
SLEEP wa (18)
SURROUND 5 (18)
TUNER/BAND qf (11, 12)
TUNING - /+ qk (11, 12)
VOL +/- 6 (10)
BUTTON DESCRIPTIONS
@/1 2
nN 78
R/r/T/t(cursor) qs
x qh
X qj
m/M qk
./> ql
This section is extracted from
instruction manual.

7
HCD-XGR6/XGR60
SECTION 2
DISASSEMBLY
Note : Follow the disassembly procedure in the numerical order given.
2-1. CASE
• The equipment can be removed using the following procedure.
3
Five screws (BVTT 3
×
6)
4
Two screws (BVTP 3
×
8
)
2
Three screws (CASE3 TP2)
1
Three screws
(CASE3 TP2)
8
Case
6
7
5
5
6
Set Case Front panel section Tape mechanism deck
PANEL FL board, TC-A board, TC-B board
PANEL VR board
MIC/GUITAR board, HEADPHONE board
FRONT INPUT board
D-SW board, CD-L board, Lid (CD) assy, CD-R board
Back panel, DC fan, MAIN board
CD mechanism deck (CDM37B-30BD60C)
Base unit-1 (BU-30BD60C)
Disc table
Base unit-2 (BU-30BD60C) BD board

8
HCD-XGR6/XGR60
2-2. FRONT PANEL SECTION
2-3. TAPE MECHANISM DECK
2
Flat type wire (CN431)
8
Lug
7
Screw (BVTP 3 X 8)
3
Connector (CN311)
4
Connector (CN903)
5
Connector (CN722)
1
Flat type wire
(CN371)
9
Screw (BVTP 3 X 8
)
qs
Screw (BVTP 3 X 8)
qd
Four screws (BVTP 3 X 8)
qg
Front panel section
qf
Claw
0
Lug
6
Connector (CN806)
qa
Connector (B deck)
1
Flat type wire (15 core)
2
Two screws
(BVTP 2.6 X 8)
3
Two screws
(BVTP 2.6 X 8)
5
Tape mechanism dec
k
Front panel
4

9
HCD-XGR6/XGR60
2-4. PANEL FL BOARD, TC-A BOARD, TC-B BOARD
2-5. PANEL VR BOARD
2
Lug
1
Screw (BVTP 2.6 X 8)
qa
Four screws (BVTP 2.6 X 8)
qs
Three screws
(BVTP 2.6 X 8)
qk
PANEL FL board
w;
TC-A board
qd
Eight screws
(BVTP 2.6 X 8)
qg
Four screws
(BVTP 2.6 X 8)
8
Connector (CN703)
6
Connector
(CN812)
7
Connector
(CN704)
ws
TC-B board
0
Two knobs (MIC)
ql
Two claws
4
Screw
(BVTP 2.6 X 8)
qf
Four screws
(BVTP 2.6 X 8)
5
Bracket (TA)
qh
Three claws
3
Bracket (TA)
qj
9
Flat type wire
(CN601)
wa
Two claws
Front panel
1
Screws
(BVTP 2.6 X 8)
2
Lug
4
Knob (VOLUME)
3
Bracket (TA)
7
6
Preess the two buttons (EJECT)
Front panel
qs
PANEL VR board
qa
Nine screws
(BVTP 2.6 X 8)
0
Eight screws
(BVTP 2.6 X 8)
5
Flat type wire
(CN701)
9
Lever (EJECT) ass
y
8
Two screws
(BVTP 2.6 X 8)

10
HCD-XGR6/XGR60
2-6. MIC/GUITAR BOARD, HEADPHONE BOARD
1
Connector
(CN812)
2
Two screws
(BVTP 2.6 X 8)
4
MIC/GUITAR board
7
HEADPHONE board
5
Two screws
(BVTP 2.6 X 8)
3
MIC bracket
6
HEADPHONE bracke
t
Front panel
2-7. FRONT INPUT BOARD
2
Bumper (Panel)
Front panel
FRONT INPUT board
J804
4
FRONT INPUT board
1
Four screws
(BVTP 2.6 X 8
)
3
Front panel

11
HCD-XGR6/XGR60
2-9. BACK PANEL, DC FAN, MAIN BOARD
qs
DC FAN
(M901)
1
Flat type wire (CN441)
9
Back panel
2
Jumper plug
4
Seven screws
(BVTP 3 X 8)
7
Four screws
(BVTP 3 X 8)
6
Three screws
(BVTP 3 X 8)
qg
Two screws
(BVTP 3 X 8)
qh
Two connectors
(CN901, 902)
5
Two screws
(BVTP 3 X 8)
qa
Two screws
(BVTP 3 X 8)
3
Screw
(BVTP 3 X 8)
0
Connector (CN961)
XGR6, XGR60: MX model
qf
Connector (CN411)
qd
Flat type wire
(CN401)
qj
MAIN board
8
2-8. D-SW BOARD, CD-L BOARD, LID (CD) ASSY, CD-R BOARD
5
Two screws
(BVTP 2.6 X 8)
7
Four screws
(BVTP 2.6 X 8)
qj
Four screws
(BVTP 2.6 X 8)
qk
CD-Rboard
4
Two screws
(BVTP 2.6 X 8)
qg
Two screws
(BVTP 2.6 X 8)
qf
Two screws
(BVTP 2.6 X 8)
2
D-SW board
1
Screw (BVTP 2.6 X8)
0
Spring (CD)
3
Connector
(CN704)
qd
Knob
(CD)
qa
Lid (CD) assy
9
Sub panel (CD-L) assy
8
CD-L board
6
ql
Sub panel
(CD-R) assy
qs
Connector (CN703)
qh

12
HCD-XGR6/XGR60
2-10. CD MECHANISM DECK (CDM37B-30BD60C)
qa
CD mechanism deck
(CDM37B-30BD60)
6
Two screws (BVTP 3 X 8)
5
Two screws
(BVTP 3 X 8)
4
Three screws
(BVTP 3 X 8)
1
Flat type wire
(CN401)
2
Connector
(CN411)
3
Four screws (BVTP 3 X 8)
Wire holder
0
Five screws
(BVTP3
×
8)
7
7
8
9
remove two cables from
wire holder.

13
HCD-XGR6/XGR60
2-11. BASE UNIT-1 (BU-30BD60C)
2-12. BASE UNIT-2 (BU-30BD60C)
3
base unit
(BU-30BD60C)
1
BU fitting screw
2
boss
1
Two floating screws (DIA.12)
6
Base unit (BU-30BD60C)
2
Two screws
(BVTP 2.6 X 8)
3
Two stoppers
(BU)
5
Two coil
springs
(insulator
)
4
Two coil springs
(insulator)
Holder (BU30) assy

14
HCD-XGR6/XGR60
2-14. DISC TABLE
2-13. BD BOARD
Note: When the disc table is installed, adjust the positions of roller cam
and mark B as shown in the figure, then set to the groove of disc
table.
1
Screw (BVTP 3
×
8)
2
Bracket (BU)
3
Step screw
4
Disc tabl
e
A
A
1
Remove the two solders.
4
Flat type wire (CN102)
BU-30BD60C
5
BD board
3
Rivet
2
Remove the two solders.

15
HCD-XGR6/XGR60
SECTION 3
TEST MODE
[MC Cold Reset]
• The cold reset clears all data including preset data stored in the
RAM to initial conditions. Execute this mode when returning
the set to the customer.
Procedure:
1. Turn the power ON or set to the DEMO mode.
2. Press three buttons of c/CLOCK SET , TUNER ENTER ,
and \/1 simultaneously.
3. The set is reset, and displays “COLD RESET”, then becomes
DEMO mode.
[Change-over the AM Tuning Interval]
• The AM tuning interval can be changed over 9 kHz or 10 kHz.
Procedure:
1. Press the \/1 button to turn the power ON.
2. Select the function “TUNER”, and press the TUNER/BAND
button to select the BAND “AM”.
3. Press the \/1 button to turn the power OFF.
4. Press the ENTER/NEXT and \/1 buttons simultaneously,
and the display on the fluorescent indicator tube changes to
“AM 9 K STEP” or “AM 10 K STEP”, and thus the tuning
interval is changed over.
[CD Ship Mode] (No memory clear)
• This mode moves the optical pick-up to the position durable to
vibration. Use this mode when returning the set to the customer
after repair.
Procedure:
1. Press the \/1 button to turn the power ON.
2. Press the EDIT and \/1 buttons simultaneously.
3. A message “LOCK” is displayed on the fluorescent indicator
tube, and the CD delivery mode is set.
[LED and Fluorescent Indicator Tube All Lit, Key Check
Mode]
Procedure:
1. Press three buttons of c/CLOCK SET , ENTER/NEXT ,
and DISC 2 simultaneously.
2. LEDs and fluorescent indicator tube are all turned on.
3. Press the DISC 1 button, the MODE and DESTINATION are
displayed fluorescent indicator tube.
4. Each time the DISC 1 button is pressed, the MC/GC category
version is displayed in the following order.
5. Press the DISC 2 button, and the key check mode is acti-vated.
6. In the key check mode, the fluorescent indicator tube displays
“K 0 J0 V0”. Each time a button is pressed, “K” value in-creases
to “K69”call the button is pressed.However, once a button is
pressed, it is no longer taken into account.
“J” value increases like 1, 2, 3 ... if turn the . AMS >
JOG dial clock-wise,or it decreases like 0, 9, 8 ... if turn the
. AMS > JOG dial counter-clockwise.
“V” value increases like 1, 2, 3 ... if turn the VOLUME dial
clockwise (“+” direction), or it decreases like 0, 9, 8 ... if turn
the VOLUME dial counterclockwise (“–” direction).
7. To release from this mode, press three buttons in the same
manner as step 1, or disconnect the power cord.
NR MC GC CD CDDM CDMA
CDM
B
BDABDBSTTATMTC
[Sled Servo Mode] (CD service mode)
• This mode can run the CD sled motor freely. Use this mode, for
instance, when cleaning the pick-up.
Procedure:
1. Select the function “CD”.
2. Press three buttons c/CLOCK SET , TUNER ENTER , and
DISC 5 simultaneously.
3. The Sled Servo mode is selected, if “CD” is blanking on the
fluorescent indicator tube.
4. With the CD in stop status, press M button in CD section to
move the pick-up to outside track, or m button to inside track.
5. To exit from this mode, press \/1 button turn to the power
OFF.
Note:
•Always move the pick-up to most inside track when exiting from
this mode. Otherwise, a disc will not be unloaded.
•Do not run the sled motor excessively, otherwise the gear can
be chipped.
[Change-over of FUNCTION Name]
•The FUNCTION name of external input terminal can be changed
over to VIDEO or MD. With the FUNCTION selected to “MD”,
about 5dB mute is applied to the input gain.
Procedure:
1. Press \/1 button to turn the power OFF.
2. Press \/1 button together with FUNCTION button for
several seconds, and the power is turned on, the display of
fluorescent indicator tube changes to “MD” or “VIDEO”
instantaneously, and thus the FUNCTION is changed over.
[Aging Mode]
This mode can be used for operation check of tape deck section.
Tape deck section work in parallel.
•If an error occurred:
The aging operation stops and display then status.
•If no error occurs:
The aging operation continues repeatedly.
Procedure:
1. Load the tapes into the decks A and B respectively.
2. Press the FUNCTION button to select the function “CD”.
3. Press the PLAY MODE button to set the “ALL DISCS” mode,
and press the REPEAT button to “REPEAT” off.
4. Press three buttons of c/CLOCK SET , TUNER ENTER ,
and DISC 4 simultaneously.
5. The aging mode is activated, if the indicator of disc tray num-
ber on the fluorescent indicator tube is blinking.
6. To release from the aging mode, press the \/1 button to turn
the power OFF and operate the cold reset. (Refer to the “MC
Cold Reset”)
1. Display at the Aging Mode
•Display operating state of tape deck section alternately.
•If an error occurred, stop display.

16
HCD-XGR6/XGR60
FWD the tape A
“TAPE A AG-2”
Fast forward the tape A
“TAPE A AG-3”
RVS the tape A
“TAPE A AG-4”
Rewind the tape A
“TAPE A AG-5”
FWD the tape B
“TAPE B AG-2”
Rewind the tape A
“TAPE A AG-1”
Fast forward the tape B
“TAPE B AG-3”
RVS the tape B
“TAPE B AG-4”
Rewind the tape B
“TAPE B AG-5”
Shut off
2 minutes
Shut off or 20 seconds
2 minutes
Shut off
2 minutes
Shut off or 20 seconds
2 minutes
Shut off
Aging mode sequence (Tape deck section):
2. Tape Deck Section
• The sequence during the aging mode is following as below.
• If an error occurred, stop display that step.
Note: “TAPE * AG- * ” is display of each step.
3. CD Section
• The sequence during the aging mode is following as below.
• If an error occurred, stop display that step.
Aging mode sequence (CD section):
DISC 1
chucking
TOC Read
Track 1 Play
Tray Tun
Tray Turn
DISC 4
Chucking
2 seconds
Last Track Play
TOC Read
Track 1 Play
Last Track play
[VACS ON/OFF]
•The volume control by VACS is turned ON/OFF.
Procedure:
1. Press the \/1 button to turn the power ON.
2. Press the PLAY MODE and \/1 buttons simultaneously.
3. The reaction display appears when switcing ON/OFF.
2 seconds
2 seconds

17
HCD-XGR6/XGR60
Torque Measurement
Mode Torque Meter Meter Reading
2.9~6.9 mN•m
FWD (30 to 70 g•cm)
(0.42 – 0.97 oz•inch)
FWD
CQ-102C
0.19~0.59 mN•m
back tension (2 to 6 g•cm)
(0.03 – 0.08 oz•inch)
7.8~16.7 mN•m
FF/REW CQ-201B (80 to 170 g•cm)
(1.11 – 2.36 oz • inch)
SECTION 4
MECHANICAL ADJUSTMENTS
Precaution
1. Clean the following parts with a denatured alcohol-moistened
swab:
record/playback heads pinch rollers
erase head rubber belts
capstan idlers
2. Demagnetize the record/playback head with a head demagne-
tizer.
3. Do not use a magnetized screwdriver for the adjustments.
4. After the adjustments, apply suitable locking compound to the
parts adjusted.
5. The adjustments should be performed with the rated power sup-
ply voltage unless otherwise noted.
SECTION 5
ELECTRICAL ADJUSTMENTS
DECK SECTION 0 dB = 0.775 V
Precaution
1. Demagnetize the record/playback head with a head demagne-
tizer.
2. Do not use a magnetized screwdriver for the adjustments.
3. After the adjustments, apply suitable locking compound to the
parts adjust.
4. The adjustments should be performed with the rated power
supply voltage unless otherwise noted.
5. The adjustments should be performed in the order given in
this service manual. (As a general rule, playback circuit
adjustment should be completed before performing recording
circuit adjustment.)
6. The adjustments should be performed for both L-CH and R-CH.
7. Switches and controls should be set as follows unless other-
wise specified.
8. Set to the DOLBY NR OFF.
9. Set to the test mode.
(1) Press the \/1 button to turn the power ON.
(2) Select the function “TAPE A or B”.
(3) Press the button of c/CLOCK SET , TUNER ENTER ,
and DISC 3 simultaneously, to set the tape deck test mode
and displays “TEST MODE” on the fluorescent indicator
tube.
(4) To release from the test mode, press the \/1 button.
• Test Tape
Tape Signal Used for
P-4-A100 10 kHz, – 10 dB Azimuth Adjustment
WS-48B 3 kHz, 0 dB Tape Speed Adjustment
P-4-L300 315 Hz, 0 dB Playback Level Adjustment

18
HCD-XGR6/XGR60
Record/Playback Head Azimuth Adjustment
DECK A DECK B
Note: Perform this adjustments for both decks
Procedure:
1. Mode: Playback (FWD)
set
MAIN board
MD (VIDEO) OUT jack (J701
)
L-CH, R-CH
+
–
level meter
test tape
P-4-A100
(10 kHz, – 10 dB)
Screw
position
L-CH
peak
within
1dB
Output
level
L-CH
peak R-CH
peak
within
1dB
Screw
position
R-CH
peak
3. Mode: Playback
set
test tape
P-4-A100
(10 kHz, – 10 dB)
R-CH
oscilloscope
L-CH
R-CH
VH
waveform of oscilloscope
in phase 45
°
90
°
135
°
180
°
good wrong
MAIN board
MD (VIDEO) OUT jack (J701)
L-CH
4. Repeat step 1 to 3 in playback (REV) mode.
5. After the adjustments, apply suitable locking compound to the
pats adjusted.
Adjustment Location: Playback Head (Deck A).
Record/Playback/Erase Head (Deck B).
Tape Speed Adjustment DECK B
Mode: Playback
+
–
set
test tape
WS-48B
(3 kHz, 0 dB)
MAIN board
MD (VIDEO) OUT jack (J701)
L-CH, R-CH
frequency counter
1. Insert the WS-48B into the deck B.
2. Press the H button on the deck B.
3. Press the H SPEED DUB button in playback mode.
Then at HIGH speed mode.
4. Adjust RV392 on the LEAF SW board do that frequency
counter reads 6,000 ± 180 Hz.
5. Press the H SPEED DUB button.
Then back to NORMAL speed mode.
6. Adjust RV391 on the LEAF SW board so that frequency
counter reads 3,000 ± 90 Hz.
Adjustment Location: MAIN board
Sample value of Wow and Flutter: 0.3% or less W.RMS (JIS)
(WS-48B)
forward reverse
2. Turn the adjustment screw and check output peaks. If the peaks
do not match for L-CH and R-CH, turn the adjustment screw
so that outputs match within 1dB of peak.

19
HCD-XGR6/XGR60
REC Bias Adjustment DECK B
Procedure:
1. Mode: Record
FUNCTION: VIDEO
attenuator
set
MAIN board
MD(VIDEO) IN jack (J701)
L-CH, R-CH
1) 315 Hz
2) 10 kHz 50 mV (– 23.8 dB)
600
Ω
blank tap
e
CS-123
AF OSC
2. Mode: Playback
+
–
set
recorded
portion
MAIN board
CN301 pin
1
(L-CH)
pin
3
(R-CH)
level mete
r
3. Confirm playback the signal recorded in step 1 become speci-
fication values as follows.
If these values are out of specification values, adjust the RV321
(L-CH) and RV322 (R-CH) on the MAIN board to repeat
steps 1and 2.
Adjustment level: The playback output of 10kHz level difference
against 315 Hz reference should ±0.5 dB.
Adjustment Location: MAIN board
REC Level Adjustment DECK B
Procedure:
1. Mode: Record
FUNCTION: VIDEO
set
MAIN board
MD (VIDEO) IN jack (J701)
L-CH, R-CH
315 Hz, 50 mV (– 23.8 dB)
blank tape
CS-123
600
Ω
attenuator
AF OSC
2. Mode: Playback
+
–
set
recorded
portion
MAIN board
CN301 pin
1
(L-CH)
pin
3
(R-CH)
level meter
3. Confirm playback the signal recorded in step 1 become speci-
fication values as follows.
If these values are out of specification values, adjust the RV351
(L-CH) and RV301 (R-CH) on the MAIN board to repeat steps
1 and 2.
Specification values:
CN301 playback level: 47.2 to 53.0 mV (– 24.3 to – 23.3 dB)
Adjustment Location: MAIN board
– MAIN BOARD (Component Side) –
118
115
CN431
CN371
13
IN OUT
MD (VIDEO)
CN301
IC301
IC501
RV321
REC BIAS
L-CH
RV351
REC LEVEL
L-CH
RV301
REC LEVEL
R-CH
RV391
TAPE SPEED
(NORMAL)
RV392
TAPE SPEED
(HIGH)
RV322
REC BIAS
R-CH

20
HCD-XGR6/XGR60
CD SECTION
Note :
1. CD Block is basically designed to operate without adjustment.
Therefore, check each item in order given.
2. Use LUV-P01 (4-999-032-01) unless otherwise indicated.
3. Use an oscilloscope with more than 10M impedance.
4. Clean the object lens by an applicator with neutral detergent
when the signal level is low than specified value with the
following checks.
S-Curve Check
BD board
Oscilloscope
TP(FE)
TP(DVC)
Procedure :
1. Connect oscilloscope to TP (FE).
2. Connect between TP (FE) and TP (DVC ( 1.65 V) by lead
wire.
3. Press the \/1 button to turn the power ON.
4. Load a disc (LUV-P01) and actuate the focus search. (In conse-
quence of open and close the disc tray, actuate the focus search)
5. Confirm that the oscilloscope waveform (S-curve) is symmetri-
cal between A and B. And confirm peak to peak level within 2
±0.5 Vp-p.
symmetry
S-curve waveform
within 4
±
1Vp-p
A
B
6. After check, remove the lead wire connected in step 2.
Note : • Try to measure several times to make sure than the ratio
of A : B or B : A is more than 10 : 7.
• Take sweep time as long as possible and light up the
brightness to obtain best waveform.
RF Level Check
TP(RFDC)
TP(RFAC)
BD board
oscilloscope
Procedure :
1. Connect oscilloscope to TP2 (RFDC) and TP1 (RFAC).
2. Press the \/1 button to turn the power ON.
3. Load a disc (LUV-P01) and playback.
4. Confirm that oscilloscope waveform is clear and check RF
signal level is correct or not.
Note: Clear RF signal waveform means that the shape “◊” can be
clearly distinguished at the center of the waveform.
VOLT/DIV : 200mV
TIME/DIV : 500ns
level : 1.45
±
0.3Vp-p
E-F Balance (1 Track jump) Check
TP(TE)
TP(DVC)
BD board
oscilloscop
e
Procedure:
1. Connect oscilloscope to TP (TE) and TP (DVC) board.
2. Press the \/1 button to turn the power ON.
3. Load a disc (LUV-P01) and playback the number nine track.
4. Press the bB button. (Becomes the 1track jump mode.)
5. Confirm that the level B and A (DC voltage) on the oscillo-
scope waveform.
B=1.3
±
0.6Vp-p symmetry
A (DC voltage
)
center of
waveform
B
0V
Specified level: × 100=less than – 22%
B
A
6. Adjust RV101 so that A (DC voltage) becomes 0.
Checking Location:
[BD BOARD]
DVC
RFAC
FE
SE
TE
RFDC
RV101

2121
HCD-XGR6/XGR60
Note on Schematic Diagram:
• All capacitors are in µF unless otherwise noted. pF: µµF
50 WV or less are not indicated except for electrolytics
and tantalums.
• All resistors are in Ω and 1/4 W or less unless otherwise
specified.
•2: nonflammable resistor.
•5: fusible resistor.
•C: panel designation.
Note on Printed Wiring Boards:
•X: parts extracted from the component side.
•: Pattern from the side which enables seeing.
(The other layers´ Patterns are not indicated.)
• Indication of transistor.
•A: B+ Line.
•B: B– Line.
•H: adjustment for repair.
• Voltages and waveforms are dc with respect to ground
under no-signal conditions.
BD board section
no mark: CD PLAY
Other board section
no mark: TUNER (FM/AM)
( ): TAPE PLAY
< >: TAPE REC
[ ]: CD PLAY
• Voltages are taken with a VOM (Input impedance 10 MΩ).
Voltage variations may be noted due to normal produc-
tion tolerances.
• Waveforms are taken with a oscilloscope.
Voltage variations may be noted due to normal produc-
tion tolerances.
• Circled numbers refer to waveforms.
• Signal path.
F: TUNER (FM/AM)
E: TAPE PALY (DECK A)
d: TAPE PALY (DECK B)
G: RECORD
J: CD PALY (ANALOG OUT)
c: CD PALY (DIGITAL OUT)
N: MIC INPUT
• Abbreviation
AR : Argentina model
MX : Mexican model
E51 : Chilean and Peruvian model
Note:
The components identified by mark 0 or dotted line
with mark 0 are critical for safety.
Replace only with part number specified.
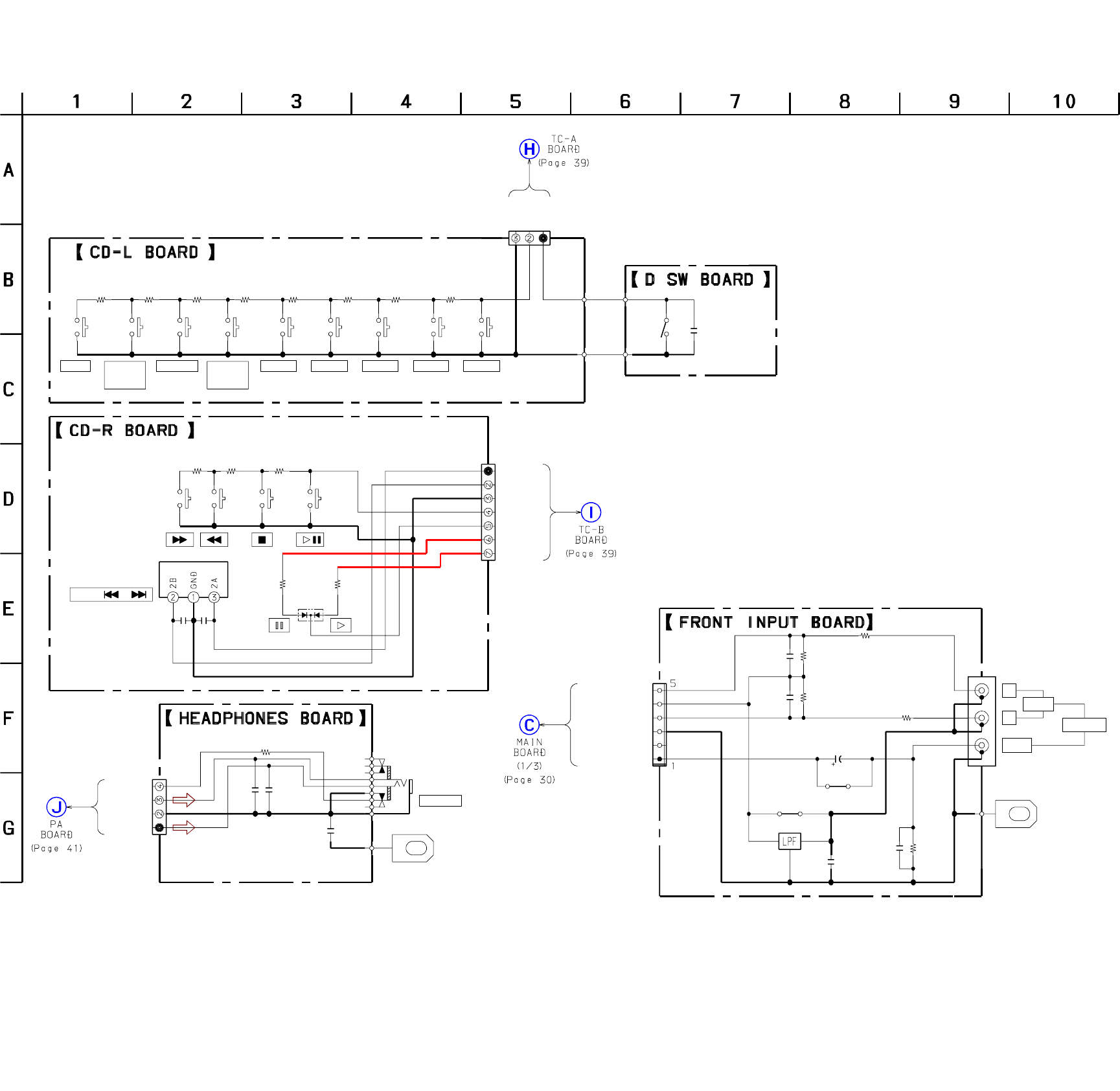
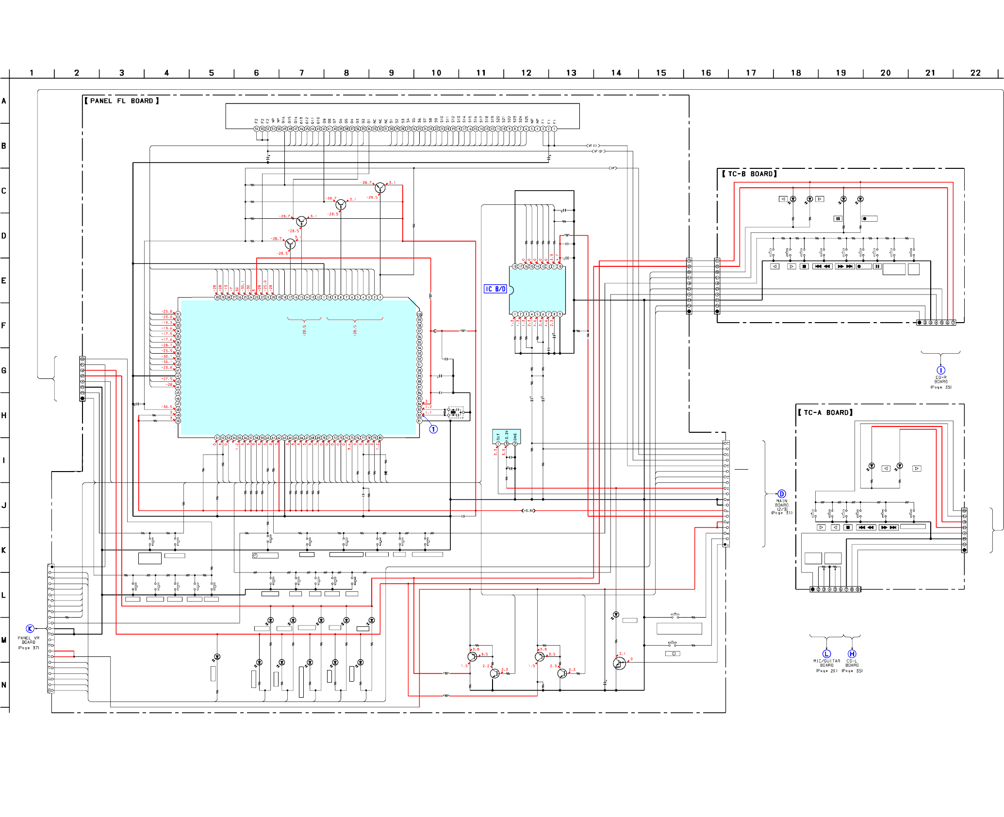
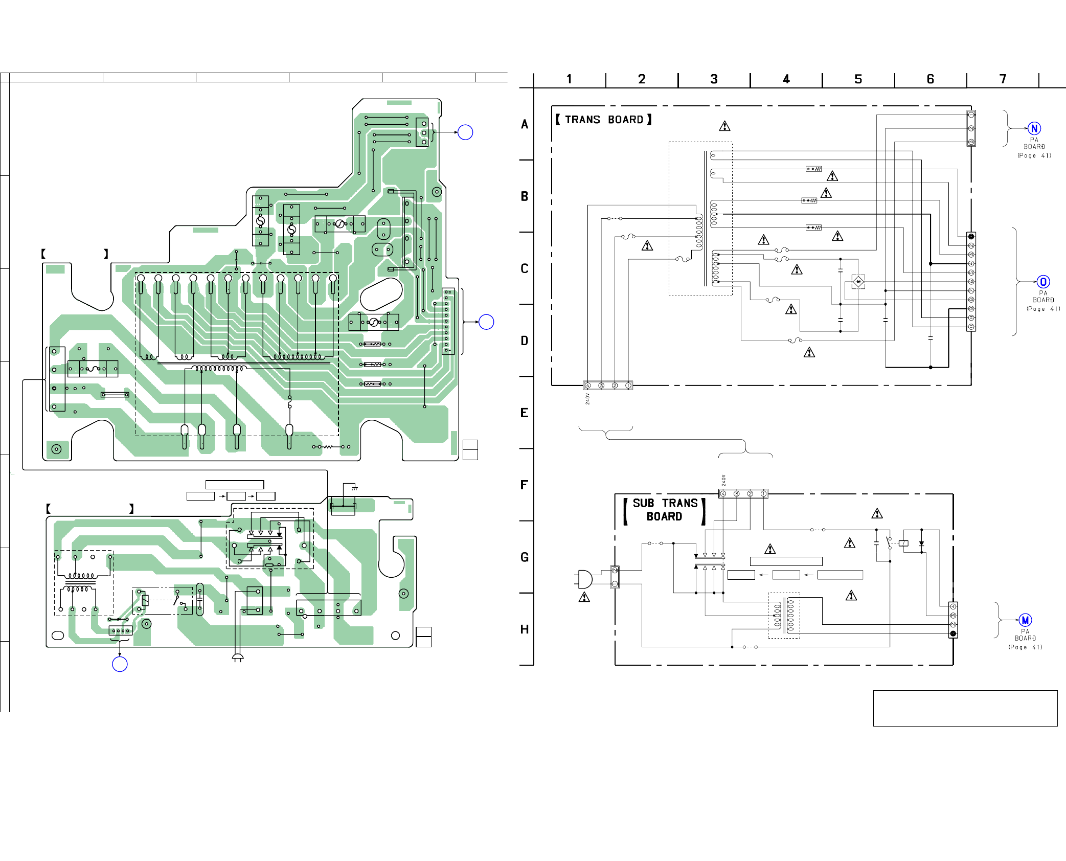
SECTION 6
DIAGRAMS
PANEL FL board
TRANS board SUB TRANS board
MAIN boar
d
PA board
TC-B board
HEADPHONE board
FRONT INPUT board
CD-R board
SENSOR board
D-SW board
MOTOR board LED board
BD board
CD-L board
MIC/GUITAR board
TC-A board
PANEL VR board
TUNER PACK
(FM/AM TUNER UNIT)
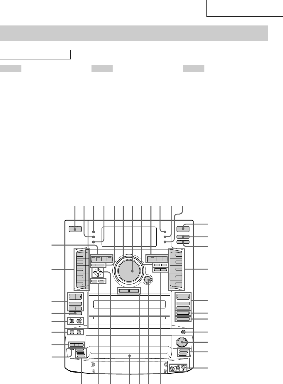
6-1. CIRCUIT BOARD LOCATION
B
These are omitted.
CE
Q
B
These are omitted.
CE
Q
C
B
These are omitted.
E
Q

HCD-XGR6/XGR60
2222
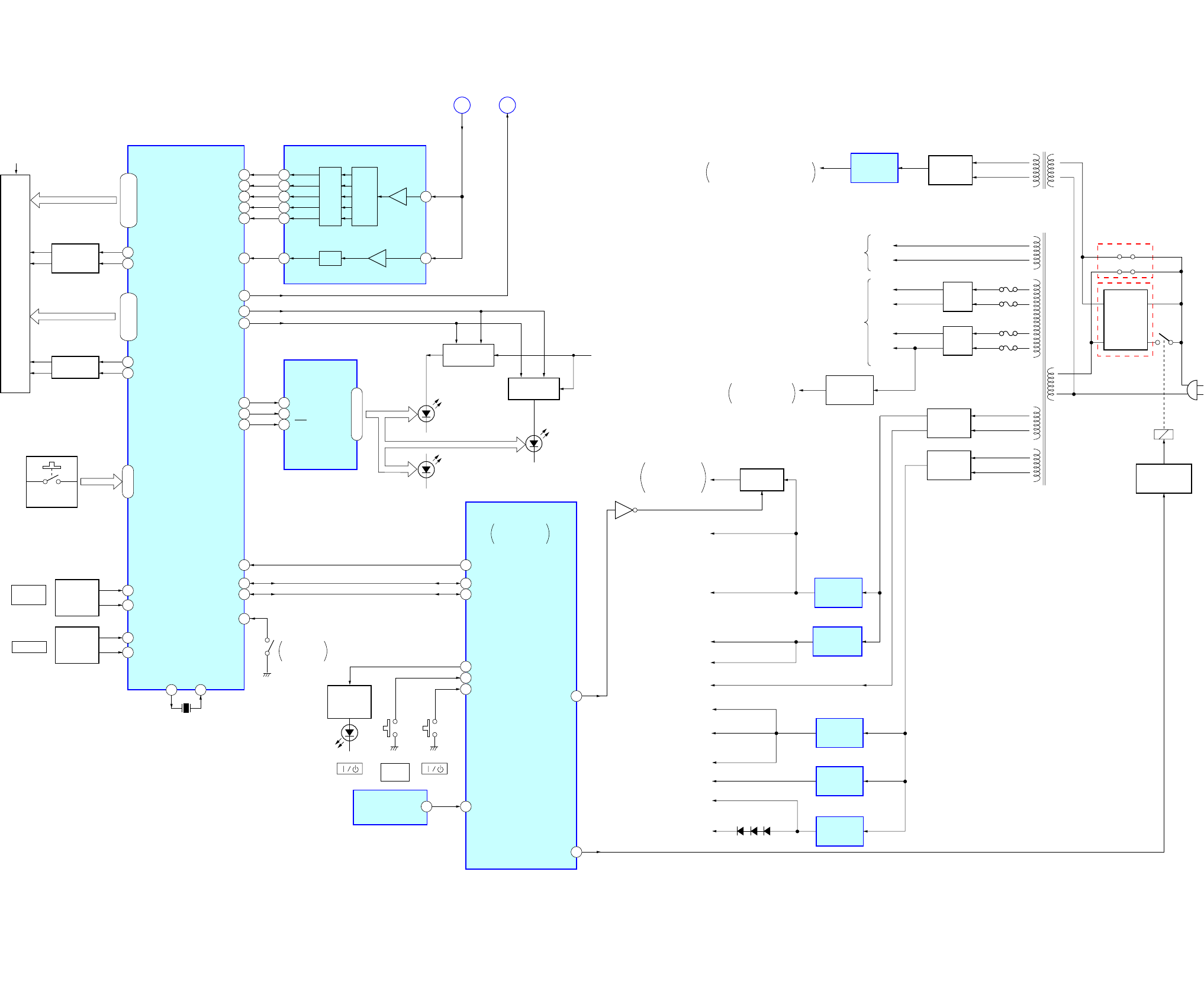
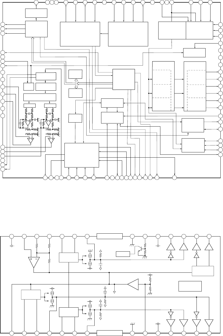
6-2. BLOCK DIAGRAMS
– CD SERVO SECTION –
SQSO
SQCK
A/D
CONVERTER
CH1OUTF
CH1OUTR
6
7
8
9
15
16
18
11
10
12
2
1
51
49
48
43
24
41
40 39
64 15
28
29
30
31
32
33
24
25
23
5
6
2
3
17
18
15
16
E
B
C
D
APD1
PD2
I1-6
I5-10
LD
PWM3
PWM1
PWM2
PD
CD D+5V
F
A
B
C
D
RF
SUMMING
AMP
∑ A-D
FOCUS
ERROR AMP
RF EQ
AMP
DC
AMP
TRACKING
ERROR AMP
RFAC
RFDCO
RFDCI
FE
FEI
RF AMP,
FOCUS/TRACKING ERROR AMP
IC103
TE
E
FF I-V AMP
E I-V AMP
LD
DRIVE
Q101
APC LD
AMP
APC PD
AMP
BUFFER
Q451-454
LD
LD
PD
LASER DIODE
RFAC
ASYO
ASYI
ASYMMETRY
CORRECTION
DIGITAL
PLL
DIGITAL SIGNAL PROCESSOR,
DIGITAL FILTER, D/A CONVERTER
IC101 (1/2)
DATA
XLAT
CLOK
14 5 6
MDP
26 78
XLON
3
XRST
DIGITAL
CLV
D/A
INTERFACE
SE
TE
FE
RFDC
FOCUS/TRACKING/SLED
SERVO DSP
FOCUS/TRACKING/SLED
PWM GENERATOR
SFDR
CH3FIN
CH4SIN
CH3RIN
CH3OUTF
CH3OUTR
CH2FIN
T+
T-
F+
F-
CH2RIN
CH1FIN
CH1RIN
20
MUTE
SRDR
TFDR
TRDR
FFDR
FRDR
S101
(LIMIT)
EMPH
WFCK
GFS
MIRR/DFCT/
FOK
DETECTOR
SERVO AUTO
SEQUENCER
SERVO
INTERFACE
CPU INTERFACE
18
63
62
61
19
SENS
20
35
40
36
37
34
19
SCOR
SQ-DATA
SQ-CLK
CD-DATA
XLT
CD-CLK
SENS
SCOR
1 2
32
33
SCLK
COUT
9 21
SSTP
27
FOK
22
23
MIRR
DFCT
TO SERVO INTERFACE
CH4OUTF
CH4OUTR
M101
SPINDLE
MOTOR
MOTOR
DRIVE
MOTOR
DRIVE
COIL
DRIVE
CH2OUTF
CH2OUTR
COIL
DRIVE
M
M
M102
SLED
MOTOR
FOCUS/TRACKING COIL DRIVE,
SPINDLE/SLED MOTOR DRIVE
IC102
TRACKING
COIL
FOCUS
COIL
DIGITAL SERVO
PROCESSOR
IC101 (2/2)
OPTICAL PICK-UP BLOCK
(A-MAX.3) SW
PD
I-V AMP
12
11
13
14
54 56 53 55
FILTER
FILO
PCO
CLTV
FILI
EFM
DEMODULATOR
SERIAL
IN
INTERFACE
DIGITAL
FILTER,
NOISE SHAPER
PWM
&
INTEGRATOR
BUFFER
CLOCK
GENERATOR
OPTICAL
TRANSCEIVER
IC451
CD DIGITALOUT
OPTICAL
TIMING
LOGIC
MUTE
Q401
DIGITAL
OUT
INTERNAL BUS
16K
RAM
ERROR
CORRECTOR
SUBCODE
PROCESSOR
60
HOLD
26
28 BU-PWM1
BU-PWM2
BU-PWM3
PWM1
PWM2
PWM3 24
43 XRST
XTAI
X101
16.9344MHz
AIN1
AIN2 R-CH
J702
CD-L
XGR6/XGR60: MX
XGR60: E,E51,AR
R-CH
R-CH R
SEND
R
L
L
AOUT1
AOUT2
TO MIRR/DFCT/
FOK DETECTOR
PCMD
BCK
LRCK
C2PO
DOUT
66
XTAO 67
70
77
LOUT1
LOUT2
72
75
71
76
: CD PLAY (ANALOG OUT)
: CD PLAY (DIGITAL OUT)
SYSTEM CONTROLLER
(CD MECHANISM CONTROL)
IC501 (1/4)
When the optical pick-up
is inner position.
ON :
(Page 24)
A
• SIGNAL PATH
• R-ch is omitted due to same as L-ch.
MTR-CTRL1
MTR-CTR2
M
TABLE MOTOR DRIVER
IC201
OUT2
OUT1
IN2
IN1
M201
(TABLE)
DISC TABLE
SENSOR
IC202
BU UP/DW SW
S201
(UP SWITCH)
TBL-SENS
MOTOR
DRIVE
49
CD-MUTE 5
48
45
44
LED-DISK 47
1
9
3
7
LED DRIVE
Q201
D201
(DISC No.)
28
29
NC
NC
NC
NC
NCNC NC NC NC
17
NC
NC
NC
Q412
Q411
RETURN
DJ MIX

2323
HCD-XGR6/XGR60
–TUNER/TAPE DECK SECTION –
PB-L
B
(Page 24)
ST-L RV391
D
(Page 24)
REC-L
C
(Page 24)
PB
HEAD
DECK-A
DECK-B
TC BLOCK
32
BIAS OSC
Q331,332
RIPPLE
FILTER
Q333
A TRIG
DRIVE
• SIGNAL PATH
: PLAYBACK (DECK A)
: PLAYBACK (DECK B)
: RECORD
: TUNER (FM/AM)
R-CH
FM/AM TUNER UNIT
CN371
ANTENNA
ST-LOUT
FM ANT
FM ANT
AM ANT
AM ANT
ST-ROUT
ST-MUTE
STEREO
TUNED
OUT(ST-DIN)
IN(ST-DOUT)
ST-CLK
ST-CE
FM
75Ω
MOTOR-H
MOTOR-L
CAP M+
B-SOL
A-SOL
A-HALF
B-HALF
A-MODE
B-MODE
B-PHOTO
A-PHOTO
REC(FWD)
REC(REW)
CAPM-H/L
CAPM-CTRL
B-TRIG
A-TRIG
TC-RELAY
A-HALF
B-HALF
A-PLAY SW
B-PLAY SW
B-SHUT
A-SHUT
REC-A
REC-B
BIAS
PB-A/B
EQ-H/N
ALC
REC-MUTE
TC-MUTE
AMS-IN
AM
• R-ch is omitted due to same as L-ch.
70
A
B
120
ST-MUTE
STEREO
TUNED
ST-DIN
ST-DOUT
ST-CLK
ST-CE
ST-MUTE
STEREO
TUNED
ST-DIN
ST-DOUT
ST-CLK
ST-CE
RV392
BIAS
TRAP
REC
BIAS(L)
34
1
2
3
4
28 27 26
23
21
65
67
66
68
61
58
53
50
46
90
89
57
56
91
70
69
51
B TRIG
DRIVE 52
CAP MOTOR
DRIVE 55
CAP MOTOR
SPEED CONT 54
21
2
3
27
22
25
23
13 12 11 15 14
SWITCH
Q321,322
HPF
R-CH
PB-OUT1
ALC1
MUTE
Q344,345
AMS DETECT
Q341-343
R-CH
R-CH
R-CH
R-CH
RV321
REC(L)
LEVEL
RV351
C322,L321
TC A+10
REC/PB SWITCH
IC321
REC/PB
HEAD
ERASE
HEAD
A/B
NORM/HIGH
ALC ON/OFF
REC MUTE ON/OFF
MUTE ON/OFF
IC341
DECK A/B SELECT
PB/REC EQUALIZER AMP
IC301
Q334,335
T331
Q383,384
Q381,382
Q385,386
TAPE SPEED
LOW
RV931
TAPE SPEED
HIGH
RV932
Q387,388
SYSTEM CONTROL
(CD MECHANISM CONTROL)
IC501(2/4)
REC-OUT
+

HCD-XGR6/XGR60
2424
– MAIN SECTION –
RESET SIGNAL
GENERATOR
IC801
RESET
SWITCH
Q801
PHONO
EQ AMP
IC601
POWER AMP
IC801
CD-L
J701 (1/2)
A
(Page 22)
(Page 25)
(Page 23)
C
(Page 23)
PB-L
B
FUNCTION SELECT
SWITCH
IC181
R-CH
VOLUME
CONTROL
CPU
INTERFACE
INPUT
SELECT
SWITCH
SURROUND OR
DPL BUFFER
MID/
BASS &
TREBLE
R-CH
R-CH
COMMAND
F OUT2 OUT1
VL
IN1
+
EVER +3.9V
Q802,803
LEVEL SHIFT
D803
Q112
Q165,166
Q169,170 Q167,168
R-CH
R-CHR-CH
Q113 Q111
R-CH
+
+
+
RV601
MIC AMP
IC850 (2/2)
MUTE
Q115
MUTE
Q701
MUTE
Q805,855
DELAY
Q833
MUTE
Q114
OVER LOAD
DETECT
Q801, 851
TEMPERATURE
DETECT SWITCH
Q831, 832
DC DETECT
SWITCH
Q433, 434
INPUT SELECT SWITCH,
GRAPHIC EQUALIZER CONTROL,
ELECTRICAL VOLUME
IC111
INA1
INEX1
IND1
L+R
SPEANA
DATA
CLK
EQIC-DAT
EQIC-CLK
SW-MODE
BB-A1
BB-B1
SWOUT
REC-L
R-CH
R-CH
X0 X
AB
X1
TH831
XGR60
XGR6
R-CH
R-CH
+
R-CH
M901
(FAN)
R-CH
–1
–2
FAN MOTOR
DRIVE
Q961, 962
R-CH
R-CH
OVER LOAD
DETECT SWITCH
Q432
PROTECT SWITCH
Q439
OVER LOAD
DETECT SWITCH
Q437
FRONT SPEAKER PROTECT
RELAY DRIVE
Q401, 402
STANDBY SWITCH
Q803, 804, 834
TM401
J802
J801
L
R
PHONO
IN
L
R
MD IN
GAME
INPUT
AUDIO
J701 (2/2)
L
R
MD OUT
D401
RY401
J803
PHONES
+
–
–
+
SYSTEM CONTROLLER
(CD MECHANISM CONTROL)
IC501 (3/4)
+
GUITAR AMP
IC853
88
FRONT-RELAY 87
94
97
AUDIO-OUT 1
STK-MUTE 83
LINE-MUTE 82
HP-MUTE 86
RESET 12
AC-CUT 20
1
18 11
12
POWER AMP
IC801
14 7
8
3
HP-IN 95
80
81
2
14 15
24
18
22 1621
5
3
6
INB1
INC1
4
M
L
R
19
XC-OUT
X502
16MHz
X501
32.768kHz
XC-IN
X-OUT
X-IN
FUNC-SEL0
FUNC-SEL1
11
10
13
71
14
13
10 9
12
15
J804 (2/2)
L
R
X2
15 X3
11
72
PROTECT
DBFB-H/L
GUITAR
MIX MIC
DISTORTION
E
(Page 25)
F
DISTORTION
ON/OFF SWITCH
Q880 – 883
GUITAR AMP
IC852
MIC AMP
IC850 (1/2)
MIC LEVEL
RV602
GUITAR LEVEL
ST-L
D
(Page 23)
J804 (1/2)
J721
GAME
INPUT
VIDEO
VIDEO OUT
• SIGNAL PATH
: TUNER (FM/AM)
: CD PLAY
• R-ch is omitted due to same as L-ch.
: TAPE PLAY
: RECORD
: MIC INPUT
PROTECT SWITCH
Q431
FRONT SPEAKER
IMPEDANCE
USE 4 – 16Ω
R-CH
TC
+10V
-VEE
17
NC
Q805,806
LEVEL SHIFT
8
MIC
RECB1
7
MIC OUT
C
A
B
C
A
B
Q181 Q182

2525
HCD-XGR6/XGR60
– DISPLAY/KEY CONTROL/POWER SUPPLY SECTION –
+10V
REGULATOR
IC931
+12V
REGULATOR
IC911
+12V
REGULATOR
IC961
+3.9V
REGULATOR
IC922
ST +10V
(FM/AM TUNER UNIT B+)
FAN MOTOR B+
TC M+9V
(TC MOTOR SECTION B+)
CD M+7V
(CD MOTOR SECTION B+)
+5V
REGULATOR
IC921
RECT
D833 – 836
RECT
D841 – 844
POWER AMP (IC801),
PROTECT CIRCUIT
POWER
TRANSFORMER
T951
RECT
D832
RECT
D831
–35V
REGULATOR
Q903, 908
AC IN
XGR6/
XRF60:MX
D+3.9V
LED
3.9V
–VEE
VF
TO FLUORESCENT
INDICATOR TUBE
(FL601) VF
+VL
–VL
+VH
–VH
GRID DRIVE
Q608,609
FLUORESCENT INDICATOR TUBE DRIVER,
KEY CONTROL
IC601
SYSTEM CONTROLLER
CD MECHANISM
CONTROL
IC501 (4/4)
LED DRIVER
IC701
BAND-PASS FILTER
IC602
LED
+3.9V
BPF-F02
BPF-F03
BPF-F04
BPF-F05
BPF-F06
72
73
74
GRID DRIVE
Q606,Q607
DET
DET
B.P.F.
75
ALL BAND REC IN
LINE
IN
ROTARY
ENCODER
S763
LED
DRIVE
Q601
REMOTE CONTROL
RECEIVER
IC603
ROTARY
ENCODER
S700
59 JOG A
57 VOL A
58 JOG B
56
82 83
VOL B
XOUT
XIN
B+ SWITCH
Q901-904
B+ SWITCH
Q602-605
KEY 0 – KEY 5
NFF02
NFF04
INF05
F06
INF03
GR-3
(Page 24)
F
D701-723
D603-613
D700
D801-804
SPEANA
LED SELB 55
LED SELA 80
LED DAT 78
LED SCK 76
LED LATCH
DATA
CLK
79
16
17
18
15
GR-1
17
GR-16
1
GR-9
8
I2C-DATA
I2C-CLK
IIC-DATA
IIC-CLK
71
61
60
29
LED-STBY
D-SW
S746
52
75
KEY-POWER
74
KEY-ECO
73
SIRCS
41
30
CD-POWER 38
A+10V
TC+10V
70
14
13
12
REC
LEVEL
11
15
16
4
6
64 – 69
SEG-1 – SEG-25
18 – 21,24 – 41
43,44
GR-2 ,GR-4-GR8
GR9-GR15
20-29,1-7,9-12
P1 – P21
S763
(JOG DIAL)
S611,612,S741-751
S613-634,S801-809
S601-605,S701-716
S606-610,S752-755
S713-725
S700
VOLUME
AMS
X601
4MHz
STB
+5V (LED)
(PANEL SECTION B+)
D+5V (UNSW)
(CD TRAY SECTION B+)
FLUORESCENT INDICATOR TUBE
FL601
LID (CD)
OPEN/CLOSE
–35V
FL DRIVER (IC601)
B–
CD A+5V (SW) ,
CD D+5V (SW)
CD MECHANISM
DECK SECTION
B+
Q922
AU D+5V
M62493FP (IC101) B+
D+5V (SW)
(CD SENSOR SECTION B+)
RESET OTM-RESET
77 41
S620
ON/FF
D602 S619
POWER
SAVE
(Page 24)
E
DIST 53
DISTORTION
B+ SWITCH
Q921
RECT
D902 – 905
+5V
REGULATOR
IC901
EVER +3.9V
SYSTEM CONTROLLER (IC501) ,
FL DRIVER (IC601) B+
F963
F964
F961
F962 XGR60:E,E51,AR
RY901
STBY-RELAY 84
SUB POWER
TRANSFORMER
T901
POWER ON/OFF
RELAY DRIVE
Q901
16,14 – 12
10,9,7-2
.>
VOLTAGE
SELECTOR
S901
D911-913
VF

HCD-XGR6/XGR60
2626
6-3.PRINTED WIRING BOARD – BD SECTION – • See page 21 for Circuit Boards Location.
Ref. No. Location
D101 D-4
IC101 C-2
IC102 B-4
IC103 C-1
Q101 B-2
Q102 D-4
• Semiconductor
Location
12
(12)
1-680-003-
BD BOARD
M101
SPINDLE
MOTOR
M
JR106
JR124
JR125
C183
C185
R122
C110
C192
C196
R143
C130
R144
C126
IC102
C153
C195
C197
R148
C159
R158
R159
C109
R103
C145
R118
JR104
C143
C111
C182
IC101
C172
R191
C129
R149
C165
RN101
R116
R102
R193
R194
C125
R192
R190
C181
C121
R105
R109
R196
C167
R114
C108
C104
R120
C114
R104
R173
R108
R147
C194
C112
C171
R107
R183
R131
C123
C103
R172
C102
R181
R124
R119
Q101
R182
R106
C168
R171
C190
R195
C124
R117
R123
JR103
C118
JR123
JR101
JR122
JR105
JR102
R101
C101
IC103
FB101
Q102
D101
R198
C184
C133
R111
JW102
FB102
L101
R162
JW132
JW136
JW126
JW142
C131
JW120
JW110
JW128
JW111
C117
C116
JW133
C191
CN102
X101
C162
C198
C122
JW121
CN101
JW119
JW118
JW127
JW113
JW114
JW141
JW125
JW131
JW138
JW143
JW135
JW145
JW129
JW144
JW117
JW139
JW137
JW130
JW116
JW124
JW123
JW140
C127
C193
JW134
JW122
RV101
JW115
JW112
–+
OPTICAL PICK-UP
BLOCK
OP ASSY(A-MAX.3)
M
–
+
E
1
2
7
8
M102
SLED
MOTOR
A
MAIN
BOARD
(Page 33)
17814
28 22 21 15
1
15
30
16
E
23 4 5
A
1
B
C
D
E

2727
HCD-XGR6/XGR60
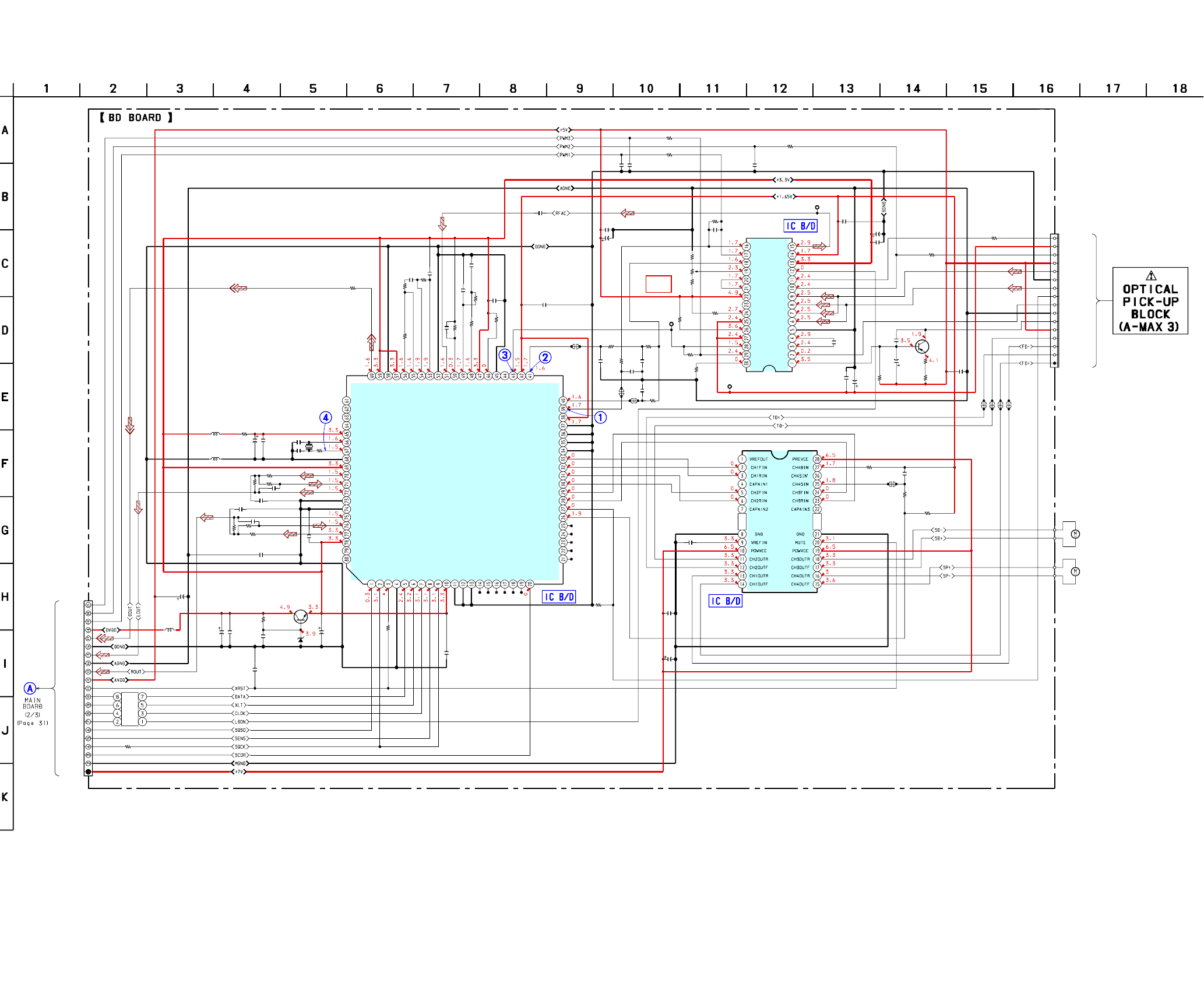
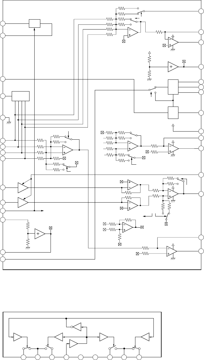
6-4. SCHEMATIC DIAGRAM – BD SECTION – • See page 44 for Waveforms. • See page 44 for IC Pin Function. • See page 50,51 for IC Block Diagrams.
FE1
TE1
SE1
SPD1
TD1
TD2
FD1
FD2
C109
M102
M101
TP1
TP2
TP3
C101
C102
C103
C104
C108
C114
C121
C124
C125
C126
C129
C143
C145
C162
C171 C172
C181
C182
C190
C196
CN101
CN102
D101
IC101
Q101
Q102
R101
R102
R103
R104
R105
R106
R107
R108
R114
R116
R117
R119
R120
R131
R143
R144
R149
R171
R172
R173
R181
R182
R183
R190
R191
R192
R193
R198
RV101
X101
C112
C168
C198
C122 C191
C127
C195
R158
R159
R162
FB101
FB102
L101
4.7µH
C183 C184
C185
R196
R195
R194
C192
C116
C130
C118
C131 R122
C117
R148
C110
R123
C123
C111
R109
C159
R118
RN101
R124 C165
C197
C153
IC103
IC102
R147
R111
C133
C193
C194
C167
1500p B
SLED
MOTOR
SPINDLE
MOTOR
RFAC
RFDC
VC
3300p
B
0.1
B
470p
B
470p
B
0.1
B
0.1
F
0.1
F
0.47 B
0.1
F
0.1
F
0.01
F
0.1
F
0.1
F
100
10V
680p
CH
100p CH
680p
CH 100p CH
1
F
0.1
F
21P
16P
UDZ-TE-17-3.9B
CXD3017Q
2SB710-RTX
2SD1664
1k
100k
15k
33k
1k
1k
10k
3.3k
160k
10
1k
2.7k
15k
220
33k
33k
10
22k
22k
22k
22k
22k
22k
220
33k
33k
120k
0
47k
16.9344
1
B
33p
CH
100
10V
5L
100
10V
5L
100
10V
5L
100
10V
5L
0.1
F
27k
27k
100k
1-500-445-21
1-500-445-21
22000p
B1µ
B 0.01µ B
680
220k
33k
0.1
F
100
10V
0.1
F
1000p
B
100
10V 100k
100
10V
10
3300p
B
10k
0.01
B
100p CH
1M
0.01
B
100
100
100k 0.1
F
0.1
B
0.1
F
BA5974FM-E2
2.4k
120k
33p CXA2581N
CH
100 10V
0.1 F
22p
CH
RCH
LCH
FE
SE
VC
XTSL
TES1
TEST
VSS
FRDR
FFDR
TRDR
TFDR
SRDR
SFDR
SSTP
MDP
LOCK
FOK
DFCT
MIRR
COUT
SQSO
SQCK
XRST
SYSM
DATA
XLAT
CLOK
SENS
SCLK
VDD
ATSK
SPOA
SPOB
XLON
WFCK
XUGF
XPCK
GFS
C2PO
SCOR
LRCK
PCMD
BCK
EMPH
XVDD
XTAI
XTAO
XVSS
AVDD1
AOUT1
AIN1
LOUT1
AVSS1
AVSS2
LOUT2
AIN2
AOUT2
AVDD2
RMUT
LMUT
DOUT
VDD
VSS
AVDD3
PCO
FILI
FILO
CLTV
AVSS3
RFAC
BIAS
ASYI
ASYO
AVDDO
IGEN
AVSSO
ADIO
RFDC
CE
TE
LOUT
ROUT
AVDD
DOUT
SQCK
XRST
DATA
SENS
SCOR
MGND
DGND
DVDD
SQSO
VC
VCC
T-
T+
F+
F-
PD
LD
LD DRIVE
AGND
+7V
XLT
CLOK
PWM1
PWM2
PWM3
PD1
PD2
LDON
SW
VCC
GND
LD GND
I1-6
I5-10
FE
FEI
TE
TE_BAL
CEI
CE
VCC
RFG
BST
VFC
RFC
VC
RFDCO
RFDCI
DC_OFST LD
PD
EQ_IN
AC_SUM
GND
A
B
C
D
E
F
SW
DVCC
DVC
RFAC
PROCESSOR
DIGITAL SIGNAL
DIGITAL SERVO
RF AMP
DRIVE
MOTOR/CIL
RV101
E-F
BALANCE
.

HCD-XGR6/XGR60
2828
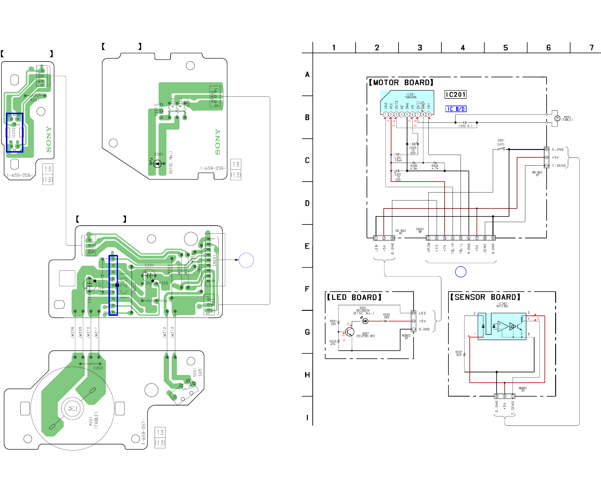
6-6.SCHEMATIC DIAGRAM – MOTOR LED SECTION – • See page 56 for IC Block Diagrams.
B
MAIN BOARD
(Page 33)
SENSOR BOARD
LED BOARD
MOTOR BOARD
6-5.PRINTED WIRING BOARD – MOTOR LED SECTION – • See page 21 for Circuit Boards Location.
B
MAIN BOARD(2/3)
(Page 31)
4.8
4.8
4.8
4.8
LED DRIVE
TABLE MOTOR DRIVER
DISC TABLE SENSOR
TRAY

2929
HCD-XGR6/XGR60
6-8.PRINTED WIRING BOARD – MIC/GUITAR SECTION –
• See page 21 for Circuit Boards Location.
Ref. No. Location
IC850 B-3
IC852 C-4
IC853 C-5
Q880 C-6
Q881 D-6
Q882 C-6
Q883 C-6
Q884 B-4
•Semiconductor
Location
6-7.SCHEMATIC DIAGRAM – MIC/GUITAR SECTION –
C802
C801
C836
R854
C810
R852
C805
C818
IC850(1/2)
IC850(2/2)
C821
R855
C803
C804
IC852(2/2)R869
C814
IC852(1/2)
R872
C815
FL801
IC853(2/2)
IC853(1/2)
Q881
Q883
Q882
Q880
C880
C813
C816
C884
C881
C882R891
C806
R807
R809
J801
J802
C817
R853
NO802
R882
R881
R880
R883
R884
R885
R887
CN812
R888
C822
R874
R867
R873
R857
C837
R878
Q884
R876
R877
R879C838
R850
R870
C819
R856
NO811
C824
R886
47p
10000p
10000p
47k
220p
100k
1000p
47p
NJM4558L
NJM4558L
47/16
10k
1
50V
0.47
50V
NJM4558L68k
47p
NJM4558L
2.2k
47p
NJM4558L
NJM4558L
DTC124ESA
DTA124ESA
DTC124ESA
2SC2603
2.2
50V
0.022
2.2
50V
2.2
50V
47p
47p1M
47p
10k
1k
2.2
50V
1k
47k
47k
10k
47k
470
10k
10k
8P
CT-S
1k
47/16
15k
2.2k
2.2k
4.7k
10
50V
1k
2SC2785
1k
330
1k10
50V
1k
220k
47p
680k
3P
2.2
50V
390k
MIC-VR-IN
MIC-VR-OUT
GND
MIC-OUT
MIC_GND
ECHO/GUITAR-IN
ECHO/GUITAR-OUT
DISTORTION
GUITAR
MIX MIC
+10V
(CHASSIS)
1
2
3
4
5
6
78
12
3
4
5
6
78
GUITAR AMP
IC852
AMP
IC850
MIC
12
3
4
5
6
78
GUITAR AMP
Q880-883
DISTORTION
ON/OFF SWITCH
IC853
MIC/GUITAR BOARD
11
(11)
1-683-455-
J802
GUITAR
J801
MIX MIC
IC852
IC853
C881
1
8
1
8
IC850
C806
C818
R858
R887
JW813
JW817
Q880
R857
R873
JW824
JW818
FL801
C838
C837
C880
C884
R876
R879
R877 R874
Q884
Q883
JW812
R888
Q882
R885
Q881
R883
R880
R882
R881 C882 JW822
R886 R872
JW823
JW814 JW819
JW805
JW820
JW806
C824
R884
C810
R867
C836
C801
R807
R809
R854
C804
C802
C813
R891
C814
R870
C815
R850
R855 C819
R856
R853
JW801
R878
JW816
C821
C805
R852
C817 C803
C822
CN812
C816
JW821
JW481
JW804
NO811
CLP804
NO802
(CHASSIS)
JW815
E
E
1
6
E
E
E
L
TC–A
BOARD
(Page 38) E
MAIN
BOARD
(Page 33)
1
8
1
3
23 4
A
1
B
C
D
E
F

HCD-XGR6/XGR60
3030
6-9.SCHEMATIC DIAGRAM – MAIN (1/3) SECTION –
C603 C607
C653
C724
R602
R607
R657
C774
IC601(2/2)
IC601(1/2)
C602
C652
R604
C654
R654
C655 C656
R656
R655
C605 C606
R605 R606
R609
C604
R701 R702
R703 R704
R751 R752
R753 R754
C701
C751
Q751
Q611
R611
R612
R614
C612 R613
CN722
JR723
R724
C753
C112
C161
C162
C163
C164
C165 C115
C113
C114
C111
C166
C167
C170
C171
C168
C121
C118
C120
C117
C116
R172
R163
R122
R113
R111
R161
R112
R162
C133
C132
C610
C182
Q182
Q167 Q169
Q168 Q170
Q165
C160 C110
Q113
Q163
Q111
Q112
Q162
Q161
R127
R128
R125
R179
C124
C174
Q114
Q164
R174
R124 R126
R180
Q115
Q116
R134
R118
R116
R115
R165
R166
C137
C138
R135
C772
R603
R653
R608
R658
C657
C702
C752
Q701
R755
R705
C704
C754
R706
R756
C703
C183
R182
R181
C722
C613
C611 C135
C134
R167
R117
R129
R130
Q166
C771
C136
R707
J721
J702
R708
R709
R758
R759
R710 R760
C705 C755
JW701
JW751
R131
C131
JR181
JR182
J701
C169 C119
R114 R132
R164
R123
R173
R119
R169
R175
R177
R178
C609
C193
C181
JW722 R722
Q181
R136
R133
R176
R168
C122
C123
R137
R120 R121
C173
C172
R170 R138
R171
IC111
IC181
C601
C651
R601
C608
R652
R651
C658
R757
100p
100p
470p
1k
1k
1k
0.1
NJM4558M
NJM4558M
100p
100p
0.0047
PET
0.0015
PET
47k
560k
0.0047
PET
0.0015
PET
560k 47k
220
1/10W
1k 100k
1k 100k
1k 100k
1k 100k
220p
220p
2SC3623A
2SC2603 1k
1k
1k
0.01 330
5P EH-S
0
10k
10 50V
10 50V
10 50V
10 50V
10 50V
10 50V
10 50V 10 50V
10 50V
10 50V
10 50V
0.022
0.022
4700p
10
50V
10
50V
10
50V
10
50V
4700p
0.022
0.022
2.2k
1M
2.2k
1M
2.2k
2.2k
10k
10k
10 50V
100 16V
100
16V
0.1
DTC124ESA
DTA124ESA DTA124ESA
DTC124ESA DTC124ESA
DTA124ESA
10 50V 10 50V
2SK1825
2SK1825
2SK1825
2SK1825
2SK1825
2SK1825
220k
220k
10k
10k
2.2
50V
2.2
50V
2SC3623ATP
2SC3623ATP
10k
10k 10k
10k
2SC3623ATP
2SC3623ATP
1M
220k
47k
47k
47k
47k
3300p
3300p
0
0.1
47k
47k
100k
100k
220p
220p
2SC3623A
10k
10k
10
50V
10
50V
2.2k
2.2k
10
50V
0.1
10k
10k
1000
10V
47
16V
47
16V 47
16V
0.01
220k
220k
1M
1M
2SC2603
0.1
10
50V
47k
1P
1P
1k
1k
1k
1k
100k 100k
220p 220p
10k
10
50V
0
0
6P
0.047 0.047
1M 10k
1M
100k
100k
560
560
47k
47k
47k
0.01
0.1
0.1
39
DTC124ESA
0
4.7k
22k
220k
0.33 MF
0.33
MF
100k
100k 680k
0.33
MF
0.33
MF
100k 100k
680k
M61519FP
MC14052BF-
330p
330p
1k
10
50V
1k
1k
10
50V
47k
TA-MUTE
MC1
SPE-SIG
DBFB
MIC-SIG
L-CH SIG
R-CH SIG
CD-R
CD-L
TCPB-R
TCPB-L
ST-L
ST-R
TCREC-R
TCREC-L
PL A+10V
+10V
RECOUT-MUTE
AC-MUTE
80
81
71
72
94
97
*
MF
*
*
50
*
*
50
*
MF
VIDEO2
V.GND
V2.AU.L-CH
A.GND
V2.AU.R-CH
2.2/50V 4.7/50V
820
1K
0.033 MF 0.1 MF
C607,657
C604,654
R604,654
XGR60 XGR6 IC601
PHONO EQ AMP LL
RR
SEND RETURN
DJ MIX
L
R
L
R
L
R
PHONO IN
MD IN
MD OUT
VIDEO OUT
(CHASSIS)
1
2
3
4
8
5
67
MUTE
MUTE
MUTE
MUTE
Q116,164
Q114,115
S
S
S
S
S
S
XGR6,
XGR60:MX
MODEL
VOLUME
INPUT SELECT
SWITCH,
EQ CONTROL,
GRAPHIC
ELECTRICAL
INVERTER
Q181,182
FUNCTION
SELECT
SWITCH
AMP
Q167-170
SWITCH
Q111,112,113
SWITCH
Q161,162,163 AMP
Q165,166
EXCEPT
XGR6,
XGR60:MX
MODEL

3131
HCD-XGR6/XGR60
6-10.SCHEMATIC DIAGRAM – MAIN(2/3) SECTION – • See page 44 for Waveforms. • See page 46 for IC Pin Function.
R513
R527
R529
R530
R532
R533
R543
R557
R573
R574
R575
R580
R581
R584
R585
R587
R588
R589
R590
R591
R802
R804
R805
R806
Q801
R517
D802
X502
D808
D807
D806
D805
D431
D809
R556
R595
C598
C599
FB599
R504
R549
JW404
JW405
C401
C402
C407
Q401
Q402
R407
R408
JW406
JW407
JW408
JW409
JW410
C410
CN411
R413 R414
Q411
Q412
R534
TP539
R541
R547
R521
R522
R523
C801
C802
C803
C806
FB516
FB562
R570
TP563
FB402
FB403
R586
R583
R503
R501
R505
R572 R571
R509
C512
JW600
R803
IC801
C804
R453
R452
R454
Q452
Q454
Q453
Q451
R412
R810
R808
Q803
Q805
C405
C406
FB404
L451
100µH
C452
JW401
JW402
JW403
R525
R528
C510 C511
IC451
R540
Q802
Q806
R812
JW414
R519
R531
R516
CN431
R537
R536
R535
R599
R582
R451
R403
R406
R405
C414
C431
R410
R401
D810
C562
C563
R511
C516
JW518
R402
R404
C403
C404
CN401
IC501
CN441
R597 R598 R592
R593
R596
R594
R524
R526
R801
R502
C408
R807
X501
R548
D803
R813
R431
0
100
100
100
100
100
100
100
100
100
100
100
100
100
100
100
100
100
100
100
4.7k
47k
47k
10k
2SC2603
10k
1SS355
16MHz
1SS355TE-1
1SS355TE-1
1SS355TE-1
1SS355TE-1
1SS355
EC10DS2
100
100
0.1
47 16V
100
10k
0.1
1000
6.3V
0.1
2SC3623A
2SC3623A
0
0
470
10V
9P
CT-S
10k 10k
DTC124ESA
DTC124ESA
100
100
100
100
100
100
10 50
0.1 MF
0.1
MF
2.2
50V
B.P.
100
100
100
100
10k
10k
15k 15k
10k
0.1
4.7k
M62703ML
1000
6.3
10k
10k
10k
2SA1115
2SC2603
2SA1115
2SC2603
15k
100k
100k
DTA124ESA
DTA124ESA
100p
100p
47
16V
100
100k
18p 22p
TOTX141
47k
DTC124ESA
DTC124ESA
3.3k
100
10k
10k
19P
FFC-S
100
100
100
10k
10k
10k
100
10k
10k
0.1
0.1
4.7k
100
EC10DS2-TE
0.1
47
16V
330k
0.1
3.3k
3.3k
2.2
50V
2.2
50V
21P
M30622MCN-A01FP
11P
75k 75k
4.7k
0
4.7k
100
100
470
100
1000
6.3V
0
32.768kHz
100
1SS355
10k
100k
TA-MUTE
MC1
ST-R
ST-L
ST +10V
CD-L
CD-R
CD D+5V SW
CD A+5V SW
M +7V
SPE-SIG
VFDP
MC2
VF1
VF2
MIC-SIG MIC
D+5V UNSW
EVER+3.9V
RECOUT-MUTE
TC+10V
-VEE
LED 3.9V
D 3.9V
BPF+10V
AC-MUTE
MC3
D+3.3V
33
37
38
32
35
30
29
35
37
32
33
19
29
30
29
30
49
45
44
47
48
44
45
47
48
49
19
34
34
43
43
80
81
97
71
72
24
26
28
24
26
28
83
84
85
87
88
95
4
4
73
74
75
73
74
75
82
51
52
53
54
55
56
57
58
65
66
67
68
69
70
61
40
40
41
41
94
86
46
50
36
36
82
89
90
91
27
25
23
22
3
2
21
2
3
23
22
21
25
27
*
ST-CE
ST+10V
STER EO
TUNED
ST-MUTE
ST-CLK
A-GND
RESET
X-OUT
VSS
X-IN
NMI
SCOR
IIC-CLK
IIC-DATA
SQ-CLK
CD-DATA
CD-CLK
VSS
B-SHUT
A-SHUT
AVSS
VREF
AVCC
XC-IN
XC-OUT
D-GND
D-0UT
R-CH
A-GND
L-CH
M-GND
X-RST
X-LAT
SENS
SQ-CLK
SQ-DATA
SCOR
CD-DATA
CD-CLK
D.GND
D.OUT
M+7V(UNSW)
TBL.R
TBL.L
M.GND
TRAY.SENS
D.GND
LED
UP.SW
VF
VF
VFDP
SPEANA
RESET
MIC-SIG
CD-POWER
REAR-RELAY
STBY-RELAY
FRONT-RELAY
PROTECT
STK-MUTE
HP-IN
EQIC
-CLK
LINE-MUTE
EQIC-DAT
PL-CLK
PL-DAT
PL-LAT
VIDEO-MUTE
LED-STBY
KEY-POWER
KEY-ECO
FUNC-SEL1
FUNC-SEL0
MODEL-IN
DEST-IN
SW-MODE
AUDIO
-OUT
STEREO
TUNED
SIRCS
BYTE
CNVSS
VCC
RDS-INT
ST-MUTE
ST-CE
ST-DOUT
BU-PWM3
ST-DIN
BU-PWM2
ST-CLK
BU-PWM1
SENS
SQ-DATA
CLK-OUT
HOLD
OTM-RESET
XLT
XRST
MTR-CTRL2
MTR-CTRL1
LED-DISC
BU UP/DW SW
TBL-SENS
A-HALF
TC-RELAY
ALC
PB-A/B
EQ-H/N
BIAS
SOFT-TEST
VCC
REC-MUTE
NR-ON/OFF
REC/PB/PASS
TC-MUTE
B-PLAY SW
A-PLAY SW
CAPM-CTRL
CAPM-H/L
AMS-IN
B-TRG
A-TRG
PWM3
PWM2
PWM1
LD-ON
ST-LOUT
ST-ROUT
IIC DATA
IIC CLK
3.3V
EVER 3.3V
SIRCS
KEY ECO
KEY POWER
LED STBY
+5V
+7V
GC 3.3V
DBFB-H/L
CD-MUTE
HP-MUTE
+10V
PANEL GND
REC-B
REC-A
RDS-DATA
AC-CUT
IN(ST-DOUT)
OUT(ST-DIN)
B-HALF
LED 3.9V
DSP+5V(SW)
RF+5V(SW)
PANEL GND
LED 3.9V
INVERTER
Q411,412
BUFFER
Q451-454
MUTE
Q401,402
RESET SWITCH
GENERATOR
SYSTEM
CONTROL
LEVEL SHIFT
Q802,803
LEVEL SHIFT
Q805,806
RESET SIGNAL
*R594
1k
2.2k
CD
DIGITAL
OUT
OPTICAL
TUNER PACK
XGR60
XGR6

HCD-XGR6/XGR60
3232
C354
TP351
TP352
R354
C356
C306
TP302
TP301
C304
R304
C307
C357
TP303
TP304
IC321
µPC1330H
C321
RV321 RV322
C327
C326
T331
Q331
Q332
C334
C335
C336
R333
R334
C338
C332
C333
Q381 Q383
R381 R384
R383 R386 R390
R388
R389
C381
R382
C382
R385
CN301
C312
C341
R350
R346
R347
IC341(2/2)
IC341(1/2)
R378
R371
R372
CN371
Q384
Q385
Q386
R387
C351
C301
R377
R375
R374
C347
C358
C308
C359
C309
R393
C322
C323
L322
L321
C324
C325
D381
D382
Q382
Q388
Q387
R394
RV392
RV391
CN311
CN321
R349
R338
R339
Q342
Q343
Q341 R340
C342
R341
R342
R326
R327
R324
R325
C328
C329
C343
C344
C348
R308
RV351
R328
R329
R336
C337
Q333
C331
Q322
Q321
R330
Q335
Q334
R337
JR301
L301
100µ
C353
C303
R302
C302
R352
C313
R311
Q344
Q345
R318
R320
C350
JR353
JR303
C912
C911
Q922
C924
C926
IC931
C903
CN902
CN903
C921
C962
CN901
C902
C925
C922
C963
C311
D913
D912
D911
R963
CN961
JW962 C961
R961
Q962
Q961
R962
IC911
IC922
µPC3504AHF
C923
R922
C901
R391
R392
R309
IC301
R301
R303
C305
RV301 R310
R358
R305
R351
C355
R353
R355
C352
JR351
C310
R343
C349
R348
Q921
R321
R331
R332
R335
EP901
C913
R344
C345
R345
C346
R319
IC921
µPC7805AHF
IC961
µPC7812AHF
10
50V
2.2k
2.2
50V
2.2
50V
10
50V
2.2k
47 16V
47 16V
10
50V
220k 220k
27p
50V
27p
50V
BIAS TRANS
2SC2001
2SC2001
6800p PET
6800p PET
18000p PET
18k
18k
47
16V
2.2
50V
15000p
PET
2SB1116 2SB1116
680 680
2.2k 2.2k 3.3k
3.3k
3.3k
0.0047
2.2k
0.0047
2.2k
3P
MOLEX
10 50V
470
10V
10k
10k
10k
NJM4558M
10k
10k
10k
15P
FFC-S
DTC124ESA
2SB1068
DTC124ESA
47k
0.01
PET
0.01
PET
10k
10k
10k
10
50V
390p
390p
390p
390p
10k
0.00012
PET
0.00012
PET
27mH
27mH
330p
330p
1SS355
1SS355
DTC124ESA
2SK1825
DTC124ESA
220k
2.2k
4.7k
3P EH
8P EH
4.7k
22k
10k
DTC124ESA
DTC124ESA
2SC2603 10k
0.1
1k
1k
10k
10k
2.2k
2.2k
10000p
B
10000p
B
0.022
PET
0.022
PET
22
50V
22k
22k
12k
12k
2.2k
10
50V
2SD1387
0.01
100V
PET
DTA124ESA
DTC124ESA
22k
2SB1116
DTC124ESA
3.3k
0
0.1
MF
0.1
MF
4.7k
10 50V
4.7k
10
50V
4.7k
DTC124ESA
DTC124ESA
10k
2.2k
1
0
0
470
10V
100
25V
DTC124ESA
47
16V
470
6.3V
M5F7810L
470
16V
13P
3P
CT-S
2200
16V
0.1
13P
0.1
25V
0.1
16V
0.1
16V
47
16V
100
16V
EC10DS2
EC10DS2
EC10DS2
2.2k
3P
EH-L
0.1
4.7k
2SB1116A-L
2SC2603-EF
22k
TA8662N
1000
6.3V
0
4700
25V
1.5k
2.7k
2.2k
HA12236F
4.7k
10k
0.1
50V
22k 10k
10k
8.2k
4.7k
0.1
50V
10k
8.2k
10
50V
0
470p
47k
470p
4.7k
2SB1375
10k
5.6
1/4W
FR
5.6
1/4W
FR
5.6k
47
16V
4.7k
2.2
50V
4..7k
2.2
50V
100k
TCREC-L
TCPB-L
TCREC-R
TCPB-R
D+3.3V
D+5V UNSW
CD D+5V SW
CD A+5V SW
M +7V
ST +10V
+10V
VF1
VF2
VFDP
MC2
DBFB
L-CH SIG
R-CH SIG
MIC
TC+10V EVER+3.9V
BPF+10V
LED 3.9V
-VEE
D 3.9V
PL A+10V
MC3
69
52
65
51
54
55
84
83
88
85
38
87
95
86
50
46
57
70
56
53
61
67
66
68
58
89
90
91
46
56
57
70
91
50
L-PB
L-REC
R-PB
E-HOT
R-REC
L-PB
R-PB
GND
GND
GND
A-HALF
B-HALF
REC(REW)
REC(FWD)
A-SOL
B-SOL
A-MODE
B-MODE
A-PHOTO
CAPM+
B-PHOTO
MOTOR-H
MOTOR-L
GND
M-GND
SW-GND
FAN+
FAN-
A.GND
DBFB
LCH-IN
RCH-IN
F-RELAY
FAN.DE T
PL-RELA Y
POWER GND
VF
VF
VF(-35V)
D.GND
MIC GND
MIC
HP.SW
POWER
STK POWER
FAN+
HP MUTE
EVER+3.9V
+10V
NC
UNR EG+10V
UNR EG+15V
+10V
NC
15VGN D
10VGN D
-VEE
PROTECT
PB-REC SWITCH
IC321
1
2
3
5
4
6
7
8
Q961,962
FAN SWITCH
+12V REGULATOR
+12V REGULATOR
+5V REGULATOR
+10V REGULATOR
+3.9V REGULATOR
M901
DRIVE
B TRIG
Q381,382
DRIVE DRIVE
Q383,384 Q385,386
Q387,388
CAP MOTOR
SPEED CONT
CAP MOTOR
A TRIG
SELECT
DECK A/B
REC/PB EQ AMP
IC341
HPF
MUTE
Q344,345
Q341-343
AMS DETECT
INVERTER
INVERTER
SWITCH
Q321,322
OSC
BIAS
Q331,332
RIPPLE
FILTER
SWITCH
Q334,335
Q333
CHECK
FOR
TAPE A
HEAD
HEAD
TAPE B
TAPE
MECHANISM DECK
(CHASSIS)
TAPE SPEED
TAPE SPEED
(NORMAL)
(HIGH)
REC LEVEL
(R)
REC LEVEL
(L)
(L)
REC BIAS REC BIAS
(R)
6-11. SCHEMATIC DIAGRAM – MAIN (3/3) SECTION – • See page 44 for Waveforms. • See page 51 for IC Block Diagrams.
The components identified by mark 0 or dotted line
with mark 0 are critical for safety.
Replace only with part number specified.

3333
HCD-XGR6/XGR60
6-12.PRINTED WIRING BOARD – MAIN SECTION – • See page 21 for Circuit Boards Location.
11
(11)
1-683-458-
MAIN BOARD
D802
C922
C925
C902
D911 D912
D913
FB404
FB402
FB403
L451
IC111
R111
R112
R131
R161
R162
R113
R114
R115 R116
R117
R118
R119
R120
R121
R122
R123
R124
R163
R164
R165
R166
R167
R168
R169
R170
R171
R172
R173
R174
R132
JR22
R405
R406
R451
R452
R453
R454
R412
R413
R414
D805
R963
R961
R962
R922
R402
R401 R408
R407
R403
R404
R810
R808
R807
R519
R521
R524
R523
R527
R535
JR191 D806
C961
C451
CD DIGITAL
OUT
OPTICAL
C405
C407
C401
C406
JR7
R133
C134
R177
R178
R175
R176
C962
C414
R410
C413
R812
R813
R127
R128 R125
R179
R180 R126
R134
R130
R129
C138
R136
C137 R135
JR23
JR27
JR21
JR20
JR14
JR1
R138
R137
IC181 IC601
IC501
R757
D810
R534
FB562
R599
R592
FB599
FB516
D809
R509
C512 R598
R652
R651 R654
R655
R653 R656 R657
R658
R609
R605
R604
R602 R601
R606 R607
R759
R760
R709
R758
R710
R708
R754
R753
R756 R701
R755
R751
R752
R702
R707
R703
R704
R706
R705
R724
R722
R803
R505
R503R504
R593
R596
R595
R591
R594 R590
R597
R588
R586
R587
R585
R584 R583
R581
R580
R578
R570
R573
R574 R577
R575
R572
R557
R556
R548
R547
R549
R541
R529
R530
R513
R579
R377
R374
R375
R371
R372
R378
R431
R600
R501
R502
C653
C652
C609
C603
C601
C651
C602
C755
C705
C772
C771
C752
C701
C751
C702
C193
C182
C724
C183
C181
C516
C511
C510
R511
C598
C562
C431
R603
JR182
JR724
JR181
D803
R381
R382
R383
R384
R385
R386
R387
R388
R389
R390
R391
C381
C382
R341
R342
R343
R344
R345
R346
R347
R348
IC341
C342
R350
C326
C327
R333
R334
R321
R324 R325
C324 C325
C308
C358
C359 C309
R309
R308
R301
R302
R303
R304
R305
R351
R352
R353
R354
R355
R392
C349
R340
R571
C612
R614
R612
R611
R613
R608
D431
R589
JR30
R182
R181
C329
C328 R327
R326
R358
R349
R339
R338
R310
R393
R394
D381
D382
R582
R328
R329
R330
R335
R336
R337
JR16
JR17
JR25
JR15
JR29
JR31
JR3
JR4
JR5
JR6
JR26
R318
R319
R320
JR301
JR351
L301
JR353
JR303
R311
JR13
D807
D808
R802
R804
R801
R806
R805
R543
R532
R533
R526 R525
R522
R517
R537
R540
C774
JR723
JR192
R531
R516 R528
R536
CLP2
CLP4
IC921
IC931
Q803
Q921
CN901
EP901
Q962
Q961
CN902
C923
Q922
C924
IC922
C926
C903
C901
IC911
C912
C911
CN961
M901
FAN
C913
CN411
C410
JW407
JW408
C408
IC451
C452
C111
C112
C113
C114
C115
C116
C117
C118
C119
C120 21 1
22 42
C121
C131
C161
C162
C163
C164
C165
C166
C167
C168
C169
C170 C171
C133
C135
C124
C174
Q113
Q114
Q164
Q163
Q162 Q161
Q112
Q111
C122
C123
C172
C173
C132
Q401
Q402
Q453
Q454
Q451
Q452
Q411
Q412
JW405
JW404
JW401
JW402
JW403
C806
C801
Q805 Q806
JW409
JW410
CN401
C404
C403
C402
JW12
JW110
JW112
JW113
JW116
JW117
JW119
JW121
JW123
JW124
JW125
JW126
JW127
JW131
JW133
JW190
JW191
JW192
JW193
JW196
JW197
JW198
JW199
JW200
JW201
JW202
JW203
JW204
JW205
JW206
JW207
JW208
JW209
JW210 JW211
JW212
JW213
JW214
JW215
JW216
JW217
JW218
JW219 JW221
JW223
JW227 JW228
JW229
JW230
JW231
JW232
JW233
JW234
JW235
JW236
JW237
JW238
JW239
JW248
JW249
JW250
JW251
JW252
JW253
JW254
JW255
JW256
JW257
JW258
JW259
JW260
JW262
JW267
JW268
JW269
JW270
JW271
JW272
JW273
JW274
JW275
JW332
JW333
JW338
JW343
JW344
JW347
JW348
JW353
JW357
JW380
JW381
JW382
JW386
JW388
JW553
JW336
JW337
JW182
JW246
JW247
JW414
JW379
JW378
JW377
JW559
JW560
JW264
JW345
JW70
JW130
JW129
JW242
JW243
JW244
JW128
Q165
Q166
Q167
Q168
Q169
Q170
JW575
JW114
JW384
JW330
JW263
JW298
JW265
JW261
JW266
JW346 C160
C110
IC961
C963
JW961
JW962
JW135
JW120
JW579
JW580
JW352
JW350
JW581
JW582
JW576
Q115
Q116
JW583
JW342
C136
C921
JW220
JW222
JW225
JW226
JW224
JW340
JW587
JW588
JW115
JW122
JW136
JW137
JW240
JW245
JW132
JW241 JW134
JW194
JW406
JW339
JW584
JW411
JW328
JW329
C604
C654
C722 X502
C599
RV301
J701
CN722
Q751
Q701
C753
C754
C703
J702
JW751
JW701
C704
C658
C608
C610
C657
Q611
C611
C613
CN903
X501
JW518
JW600
CN441
Q381 Q383
Q385
CN371
C563
C341
C345
C346
C347
C348
Q341
C343
C344
IC321
T331
C331
RV321
RV322
C332
Q331
Q332
C333
C334
C335
C336
Q334
Q321
C321
C322
C323
C311
R331
R332
L321
L322
C307
C312
C357
C301
C351
C304
C306
C302
C354
C352
RV351
C356
Q386
Q384
Q382 JW16
JW25
JW28
JW34
JW36
JW37
JW38
JW39
JW40
JW41
JW42
JW43
JW44
JW49
JW51
JW55
JW57
JW58
JW59
JW60
JW61
JW64
JW65
JW66
JW67
JW74
JW75
JW76
JW80
JW81
JW82
JW83
JW84
JW85 JW86
JW87 JW88
JW90
JW91
JW92
JW93
JW95
JW96
JW97
JW101
JW138
JW139
JW142
JW143
JW145
JW146
JW147
JW148
JW149
JW150
JW151
JW153
JW154
JW155
JW157
JW158
JW163
JW166
JW167
JW168
JW169
JW170
JW171
JW172
JW173
JW174
JW175
JW176
JW183
JW184
JW185
JW280
JW281
JW282
JW286
JW301
JW302
JW304
JW305
JW306
JW307
JW308
JW309
JW359
JW360
JW366
JW367
JW368
JW371
JW372
JW373
JW374
JW375
JW397
JW399
JW501
JW502
JW503
JW504
JW505
JW506
JW507
JW508
JW509
JW510
JW511
JW512
JW513
JW514
JW515
JW516
JW517
JW520
JW521
JW522
JW523
JW524
JW525
JW526
XGR6,XGR60:MX MODEL
EXCEPT
XGR6,
XGR60:MX MODEL
EXCEPT
XGR6,
XGR60:MX MODEL
JW527
JW528
JW529
JW530
JW531
JW532
JW533
JW534
JW535
JW536
JW537
JW538
JW539
JW540
JW541
JW542
JW543
JW544
JW545
JW546
JW547
JW550
JW551
C607
C606
C605
C655
C656
JW556
JW376
JW287
JW288
JW285
JW284
JW283
JW156
JW310
JW361
JW396
JW398
JW295
JW296
JW297
JW164
RV392
RV391
JW557
JW18
JW558
JW500
JW561
JW562
JW563
JW564
JW565
JW566
JW573
JW574
JW141
JW144
JW140
JW56
JW20
JW19
JW161
JW162
JW71
JW72
JW62
JW63
JW1
JW73
JW94
JW77
JW79
JW78
JW15
JW17
JW5
JW4
JW2
JW3
JW14
JW13
Q388
Q387
JW548
JW549
JW10
JW89
JW98
Q181 Q182
JW577
JW395
JW394
JW7
JW290
JW294
JW555
JW165
JW299
JW293
JW289
JW292
JW291
JW300
JW6
JW365
JW9
JW21
JW370
JW369
JW571
JW572
JW364
JW363
JW362
JW569
JW570
JW320
JW322
JW324
JW325
JW326
JW567
JW311
JW312
JW313
JW315
JW316
JW317
CN152
JW319
JW349
Q342
Q343
JW568
JW24
CN311
CN321
C310
JW32
JW31
JW103
JW578
JW29
JW35
JW160
JW159
JW48
JW50
JW30
JW46
JW53
JW585
JW586
Q322
JW45
JW47
JW52
JW152
JW100
JW99
Q335
C338
Q333
C337
JW303
C305
C355
JW27
JW26
JW33
JW415
JW321
JW400
JW23
JW554
JW602
JW603
Q344
Q345
C350
JW341
C313
JW331
C303
C353
CN431
JW54
Q802
C803
C804
IC801
Q801
JW102
JW105
JW106
JW107
JW177
JW178
JW179
JW180
JW181
JW186
JW187
JW188
JW189
JW276
JW277
JW278
JW323
JW354
JW355 JW356
JW358
JW385 JW387
JW389
JW391
C802
JW279
J721
VIDEO
OUT
JW118 JW111
JW327
JW314
JW318 JW22
JW68
JW104 JW69
JW108
JW109 JW601
E
E
E
E
E
E
E
E
E
E
E
E
E
E
E
E
E
E
E
E
E
E
E
E
E
E
E
E
E
E
E
E
E
E
E
E
E
E
E
E
E
EE
EE
E
E
E
E
E
E
E
E
E
E
E
E
(CHASSIS)
PA
BOARD
(Page 40)
G
PA
BOARD
(Page 40)
F
19
A
MOTOR
BOARD
(Page 28)
BD
BOARD
(Page 26)
B
PANEL FL
BOARD
(Page 38)
TAPE
MECHANISM
DECK
D
TUNER
PACK
TAPE B
HEAD
TAPE A
HEAD
1
3
E
MIC/GUITAR
BOARD
(Page 29)
15
C
FRONT INPUT
BOARD
(Page 34)
MD
(VIDEO)
PHONO
IN
L
OUT SEND RETURN
DJ MIX
IN
R
L
R
1
15
1
814
2
1
8
4
5
1
8
16
9
11 10
30 31
IC301
20
21 1
40
1
3
CN301
1
8
4
5
1 100
81
80
50 51
30
31
2
121
20
23 4 5 6 7 89 10 11
A
1
B
C
D
E
F
G
H
I
D381 B-9
D382 B-9
D431 B-7
D802 B-5
D803 B-6
D805 B-5
D806 B-5
D807 B-5
D808 B-6
D809 B-7
D810 B-7
D911 C-3
D912 C-3
D913 C-3
IC111 F-4
IC181 H-7
IC301 D-10
IC321 E-9
IC341 B-10
IC451 H-2
IC501 C-7
IC601 H-10
IC801 B-5
IC911 C-3
IC921 D-3
IC922 E-3
IC931 F-3
IC961 H-2
Q111 F-3
Q112 F-3
Q113 F-3
Q114 G-2
Q115 G-2
Q116 G-2
Q161 G-3
Q162 G-2
Q163 G-3
Q164 G-2
Q165 G-2
Q166 G-2
Q167 H-3
Q168 H-2
•Semiconductor
Location
Ref. No. Location Ref. No. Location
Q169 H-3
Q170 H-2
Q181 H-6
Q182 H-6
Q321 E-9
Q322 E-9
Q331 F-9
Q332 F-9
Q333 F-9
Q334 F-8
Q335 E-8
Q341 B-9
Q342 C-10
Q343 B-10
Q344 B-11
Q345 B-10
Q381 B-9
Q382 B-8
Q383 B-9
Q384 B-8
Q385 B-9
Q386 B-9
Q387 B-8
Q388 B-8
Q401 B-3
Q402 B-4
Q411 B-2
Q412 B-2
Q451 D-4
Q452 D-4
Q453 D-3
Q454 D-4
Q611 G-10
Q701 H-6
Q751 H-7
Q801 B-6
Q802 B-6
Q803 B-5
Q805 B-5
Q806 B-5
Q921 C-3
Q922 D-4
Q961 H-3
Q962 H-3

HCD-XGR6/XGR60
3434
6-13.PRINTED WIRING BOARD – CD-L, CD-R, HEADPHONE, FRONT INPUT, D-SW SECTION – • See page 21 for Circuit Boards Location.
HEADPHONE BOARD
11
(11)
1-683-450-
D–SW BOARD
11
(11)
1-684-683-
CD–R BOARD
11
(11)
1-683-453-
S741
S742
S743
S745
S746 S747
S748
DISC
SKIP PLAY
MODE
REPEAT
EDIT
DISC 1
DISC 2
DISC 3
DISC 4
DISC 5
R771
R772
R773
R774
R775
R776 R777
R778
S744
S749
CN704
NO705
J804
EPT720
R724
C705
C703
R721
C702
FL730
R723
C701
1
5
NO801
R725
C704
R722
JW799
JW798
FRONT INPUT BOARD
11
(11)
1-683-454-
CD–L BOARD
11
(11)
1-683-452-
R891
C891
C892
C893
NO801
CLP891
NO802
J891
PHONES
JW891
C741
S704
(DOOR)
NO706
S763
321
AMS
S752
S753
S754
S755
R783
R784
R782
R790
R791
C751
C752
CN703
D700
JW898
JW897
JW896
I
H
C
TC–A
BOARD
(Page 38) TC–B
BOARD
(Page 38)
MAIN
BOARD
(Page 33)
GAME INPUT
VIDEO
AUDIO LR
(CHASSIS)
>
>
M
x
B
X
M
J
PA
BOARD
(Page 40)
1
4
23 4 5 6 7 8
A
1
B
C
D
E
F

3535
HCD-XGR6/XGR60
6-14. SCHEMATIC DIAGRAM – CD-L, CD-R, HEADPHONE, FRONT INPUT, D-SW SECTION –
C701
C702
C703
C704
C705
JW798
JW799
R721 R722
R723
R724
R725
J804
FL730
S752
S753
S754
S755
C752 C751
S743
S744
S745
S746
S747
S740
S741
S742
S749
CN704
S748
D700
C741
S763
C891 J803
C893 NO801
R891
C892
R771
R772
R773
R774
R775
R776
R777
R778
R784 R783 R782
EPT720
CN703
NO801
NO802
R790 R791
1000p
1000p
1
50V
0.1
100p
47k 1k
47k
75
1k
10000p 10000p
3P
SML79423C
ORG/GREEN
10000p
CD-JOG
1000p
0.1
100
1000p
1.5k
1.5k
2.2k
3.3k
4.7k
6.8k
10k
15k
6.8k 4.7k 3.3k 7P
4P
22 22
JOG
GND
D-SW
DISC1
DISC2
DISC3
DISC4
DISC5
KEY0
JOGA
JOGB
GND
+5VL
LED CD
KEY4
+5VH
HP.SW
HP-R
HP.GND
HP-L
(DOOR SW)
EDIT REPEAT
SKIP
DISC
PLAY
MODE
PHONES
VIDEO2
V.GND
V2.AU.L-CH
A.GND
V2.AU.R-CH
(CHASSIS)
(CHASSIS)
AMS /
R
LGAME INPUT
AUDIO
VIDEO

HCD-XGR6/XGR60
3636
6-15.PRINTED WIRING BOARD – PANEL VR SECTION – • See page 21 for Circuit Boards Location.
1
2
21
20
K
PANEL FL
BOARD
(Page 38)
1
15
16 30
SURROUND SUPER
WOOFER
MODE
SUPER
WOOFER
D713
S701
S703
EFFECT
ON/OFF
S710
MIX GUITER
/KARAOKE
GUITAR
DISTORTION
S708
S704
P FILE
D717
S705
ENTER
S709
D715
D701
D703
D704
D705
S715
S716
S717
S718
S719
S721
S720
D719
D716
S711
S722
D720
IC701
R702
R708
R709
R710
R711
R712
R713
R714
R716
C704
R718 R743
R744
R747
R719
R720
R721
R722
TUNING
+TUNING
–
R723
R724 R725
R726
R731
R732 R733
R734
R735
R736
D702
D706
D707
D708
D709
D710
D711
D712
R737
R738
R704
R703
C701
C702
R739
R750
R749
R741
R742
R740
R715
D714
S707
JW704
JW705
JW706
JW710
JW708
JW709
JW713
JW712
JW711
JW714
JW717
JW719
JW720
JW724
JW725
JW726
JW731
R701
L701
JW730
JW716
JW715
S702
S714 S713
JW700
JW740
JW734
CN701
C703
JW750
C706
JW721
R705
C707
C708
JW718
JW732
R707
R746 R745
JW722
JW723
JW701
JW728
C705
JW727
S706
JW707
JW733
R706
JW751
EPT701
S700
VOLUME
PANEL VR BOARD
11
(11)
1-683-447-
TUNINER
/BAND
FM
MODE TUNING
MODE
TUNER
MEMORY
TUNER
ENTER
X–GROOVE
GROOVE
23 4 5 6 7
A
1
B
C
D
D701 C-5
D702 C-5
D703 B-5
D704 B-5
D705 B-5
D706 A-4
D707 A-4
D708 B-3
D709 B-3
D710 B-3
D711 C-3
D712 C-3
D713 A-7
D714 A-7
D715 A-6
D716 B-6
D717 C-6
D719 A-2
D720 B-1
IC701 C-4
Ref. No. Location
•Semiconductor
Location

3737
HCD-XGR6/XGR60
6-16. SCHEMATIC DIAGRAM – PANEL VR SECTION –
S716
S717
S718
S719
R723
R701
C703
C702
C701
D705
D706
D709
R702
R703
R704
S715 S714 S713
R713
R709 R714 R715 R716
R712
R711
R710
R708
C708
C707
C706
S721
R725
S720
D715
D717
R726
S722
D707
D708
D711
R707
S700
R721
R722
L701
10µ
R718
R719
D702
D701
S707
S703 S708 S709 S710 S711
S706
S705
S704
S701
EPT701
R724
D712
D713
D714
R720
D720
D703
D704 D710
D719
IC701
S702
C705
CN701
R732 R734 R736 R738 R740 R742
R731 R733 R735 R737 R739 R741 R743 R745 R747 R749
D716
R744 R746 R750
C704
R706
R705
3.3k
10k
1000p
1000p
1000p
SEL5823A
AMBER
SEL5823A
AMBER
SEL5823A
AMBER
100
100
100
6.8k
1.5k 10k 15k 22k
4.7k
3.3k
2.2k
1.5k
10000p
10000p
0.1
6.8k
SEL5223S
RED
SEL5223S
RED
10k
SEL5823A
AMBER
SEL5823A
AMBER
SEL5223E
RED
1k
1.5k
2.2k 680
1k
SEL5823A
AMBER
SEL5823A
AMBER
4.7k
SEL5223S
RED
SEL5223S
RED
SEL5223S
RED
1.5k
SEL5223S
RED
SEL5823A
AMBER
SEL5823A
AMBER SEL5223S
RED
SEL5423E
RED
NJU 3719L
10000p
21P
22 22 22 22 47 47
22 22 22 22 22 47 100 100 100 22
SEL5223S
RED
100 100 100
47
16
1k
1k
P11
P12
P13
P14
P15
P16
P17
P18
P19
P20
P1
P2
P3
P4
P5
P6
P10
P9
STB
DATA
P8
P7
CLK
P15
P14
P16
P17
P18
P19
P11
P12
P13
P20
P10
P9
P8
P7
P6
P5
P4
P3
P2
P1
DATA
CLK
STB
VOLUME
GND
STB
CLK
DATA
VU 1
VU 3
VU 5
VU 7
VU 9
VU 11
VU 2 VU 4 VU 6 VU 8 VU 10 VU 12
TUNER/BAND
DATA
CLK
STB
CLR
P1
P2
P3
P4
P5
P6
P7
P8
Vdd
P9
P10
P11
P12
P13
P14
Vss
P15
P16
P17
P18
P19
P20
GROOVE
KEY 3
TUNER/BAND
KEY 5
P21
P22
P23
P24
GROOVE
ENTER
FM MODE
LED P10
LED P9
LED P8
LED P7
LED P6
LED P5
LED P4
LED P3
LED P2
LED P1
TUNING(-)
TUNING(+)
VOL A
VOL B
GND
LED3.9V
LED3.9V
+3.9V VH
+3.9V VL
X-GROOVE SUPER WOOFER
GUITAR DISTORSION
SURROUND P FILE ENTER
TUNER ENTER
GUITAR DISTORTION
SURROUND
TUNING
MODE
TUNER
MEMORY
TUNER
ENTER
SUPER
WOOFER
MODE
MIX GUITAR
/KARAOKE
LCD DRIVER
(CHASSIS)
EFFECT
ON/OFF
SUPER
WOOFER

HCD-XGR6/XGR60
3838
Ref. No. Location
D601 C-9
D602 A-11
D603 D-11
D604 D-11
D605 E-11
D606 E-11
D607 F-11
D608 B-1
D609 D-2
D610 D-2
D611 E-2
D612 E-2
D613 F-2
D801 F-4
D802 G-4
D803 F-6
D804 G-6
D805 D-8
D806 E-8
IC601 B-7
IC602 B-4
IC603 A-9
Q601 B-10
Q602 C-8
Q603 C-8
Q604 C-8
Q605 C-8
Q606 A-8
Q607 A-8
Q608 B-8
Q609 B-8
•Semiconductor
Location
6-17.PRINTED WIRING BOARD – PANEL FL, TC-A, TC-B SECTION – • See page 21 for Circuit Boards Location.
12
16
17
D
MAIN
BOARD
(Page 33)
GAME
SALSA
REGGAE
TANGO
SAMBA
MOVIE
TC-B BOARD
11
(11)
1-683-449-
TC-A BOARD
11
(11)
1-683-448-
IC601
IC602
R644
R645
R646
R647
R648
R649 R650
R654
R655
R656
R657
R658
R659
C616 C617
C619
S601
S602
S603
S604
S605
S607
S608
S609
S610
S611
SPECTRUM
ANALYZER
S612
DISPLAY
S613
TIMER
SELECT
S614
SLEEP
S615
CN602
S616
FUNCTION
S617
GAME
GAME
MIXING S618
S619
POWER
SAVE/DEMO
(STANDBY)
D602
D603
D604
D605
D606
D607
D613
D612
D611
D610
D609
ROCK
GUITAR
JAZZ
DANCE
D608
NO601
11
10
10
NO602
Q604
Q605
R688
R689
L604
L605
R681
R683
R684
R685
Q602
Q603
X601
R620
R612
R613
R614
R615
R616
R617
R696
R618
R619
C612
R601
R694
R693
C628
R602
R603
FB601
IC603
L602
C603
C604
R624
R625
R626
R627
R628
R637
S606
R638
R639
R641
R640
R675
R676
R679
R678
R677
R669
R670
R671
R672
R673
R692
R621
R622
R629
R630
R631
Q601 R680
R635
R636
R674
R642
R700
R608
R610
R643
C601
C602
L603
R600
R623
L601
C613
C615
R651
R652
R632
R633
R634
Q606
Q607
Q608
Q609
R665
R666 R667
R668
R609
R606
C618
R653
C625
C614
R607
C607
JW603
JW604
JW608
JW609
JW610
JW614
JW616
JW617
JW618
JW619
JW620
JW621
JW622
JW623
JW624
JW625
JW626
JW627
JW628
JW629
JW630
JW631
JW632
JW633
JW634
JW635 JW636
JW638
JW641
JW642
JW645
JW648
JW649
JW650
JW651
JW652
JW653
JW657
JW658
JW659
JW660
JW661
R699
R698
JW601
JW662
JW663
JW612
JW665
JW600
R605
R691
S620
C605
80 81
31 30
50
51 1
100
R695
FL601
R697
JW637
D601
CN601
JW644
JW643
JW667
JW668
JW656
JW655
R686
R604
C606
C627
JW640
JW639
JW646
JW647
JW605
JW606
JW607
JW602
R690
JW613
JW611
JW669
JW671
JW672
JW654
JW664
JW803
JW670
EE
E
EE
E
EE
E
PANEL FL BOARD
11
(11)
1-683-446-
CLOCK SET
K
PANEL VR
BOARD
(Page 36)
D805
D806
S810
S811
S813
S814
S815
DIERCTION
S812
D801
D802
S801
S802
S803
S804
S805
S809
CD
SYNC
S808
H SPEED
DUB
D803
D804
NO805
R819
R813
R814
R815 R816
R817
NX602
NO803
1
1
9
7
NX601
R809
R801
R802
R803
R804
R807
R808
R811
R812
JW741
R810
RV801
GUITAR
LEVEL
RV802
MIC
LEVEL
S806
S807
REC
R805 R806
JW801
R820
JW802
I
L
H
MIC/
GUITAR
BOARD
(Page 29)
CD–L
BOARD
(Page 34)
CD–R
BOARD
(Page 34)
>M
>M
x
h
h
z
X
>M
>M
x
h
h
1
8
1
8
1
9
18
10
23 4 5 6 7 8910 11
A
1
B
C
D
E
F
G

3939
HCD-XGR6/XGR60
6-18.SCHEMATIC DIAGRAM – PANEL FL, TC-A, TC-B SECTION – • See page 44 for Waveforms. • See page 48 for IC Pin Function. • See page 52 for IC Block Diagrams.
S810 S811 S812 S813 S814 S815
S809
S808
S805 S806 S807
S801 S802 S803 S804
S616 S617 S618
L601
C601
S615
S612
L602
S606
S602
S607 S608 S609
S604
S603
S601
S610
S611 S614
S613
D802
NO601 NX601
NX602
NO602
D801 D803
D805
D806
D804
Q601
S605
NO805
NO803
Q606
D602
D603
D604
D605
D606
D607
D608
D609
D610
D611
D612
D613
R604
R605
R606
R607
R608
R610
R628
C617
C619
C606
R693
R694
R683
R688
R643
R695
R696
R697
R602
R603
R629 R630 R631 R632 R633
R801 R802 R803 R804 R805 R806 R807 R808
R635
R636
R637 R638 R639 R640 R641 R642
R627 R626 R625 R624 R623
R813 R814 R815 R816 R817
R621
R634
R622
R648
R600
L603
47µ
R609
C602
C614
R698
R644
R645
S620
S619 R692
R691
IC602
Q607
Q608
Q609
R668
R666
R665
R667
C628
C627
Q605
R689
Q604
Q603
Q602
R684
R686 R681
R620
C605
C604
C603
X601
R809 R810
R811 R812
CN602
R654
R699
R646
R647
C613
IC603
R651
C615
R652
C607
R680
R690
L604
47µ
47µ
R685
L605
IC601
FB601
0µH
R601
R671 R673 R675 R677 R679
R670 R672 R674 R676 R678
R669
R820 R819
RV802
RV801
R618
R653
C625
R612
R613
R614
R615
R616
R617
C612
0.1µF
R619
R650
R649
C616
C618
D601
R700
CN601
FL601 FL TUBE
R655
R656
R657
R658
R659
JW
1000p
50V
JW
SEL5423E
GREEN
10P 10P
8P
8P
SEL5423E
GREEN SEL5923A
ORANGE
SEL5423E
GREEN
SEL5423E
GREEN
SEL5223S
RED
DTC124ESA-TP
9P
7P
DTC114TLTL2
SEL5223S
RED
SEL5423E
GREEN
SEL5423E
GREEN
SEL5423E
GREEN
SEL5423E
GREEN
SEL5423E
GREEN
SEL5423E
GREEN
SEL5423E
GREEN
SEL5423E
GREEN
SEL5423E
GREEN
SEL5423E
GREEN
SEL5423E
GREEN
10k
100
10k
10k
100
100
470
10 16V
10000p
16V
4.7
50V
10k
10k
47k
47k
47
100
100
100
10k
10k
470 680 1k 1.5k 1.5k
3.3k 4.7k 6.8k 10k 15k 22k 33k 68k
470
680
470 680 1k 1.5k 1.5k 2.2k
680 1k 1.5k 1.5k 2.2k
3.3k 4.7k 6.8k 10k 15k
470
2.2k
680
47k
1k
10k
47
16V
47
16V
680
330k
330k
470
470
BA3830F-E2
DTC114TLTL2
DTC114TLTL2
DTC114TLTL2
100k
100k
100k
100k
1
50V 1
50V
2SB1116
1k
2SC2603
2SB1116
2SC2603
1k
47k 47k
1M
10000p
16V
47
16V
10000p
16V
4MHz
22 22
22 47
19P
6.8k
470
100k
82k
10
50V
NJL64H400A-1
10k
10
50
3.3k
0.1
330
1k 1k
100k
22 22 22 22 22
22 22 22 22 22
22
22 22
50k
50k
100
100k
10
50V
15k
15k
15k
15k
15k
15k
22k
82k
100k
3300p
16V
10
16V
1SS133T-77
470
21P
JW
JW
JW
JW
JW
64
65
66
66
69
70
71
72
73
74
24
25
26
27
28
29
30
31
32
33
34
35
36
37
38
39
40
41
43
44
67
68
75
58
57
53
52
56
59
80
77
60
61
52
64
67
53
2
3
5
6
7
9
10
12
13
14
16
44
43
41
40
39
38
37
22
21
20
19
18
59
58
75
16
14
13
12
10
9
7
6
5
4
3
2
80
55
P2
P3
68
22
21
20
19
18
76
78
79
24
25
26
27
28
29
30
31
32
33
35
34
36
55
65
70
71
72
73
74
P1
69
P9
P8
P7
P6
P2
P3
P4
P5
P6
57
56
76
79
78
P9
P8
P7
P1
77
60
61
51
51
56
57
58
59
64
65
66
67
68
69
4
P5
P4
F01
F02
F03
F04
VCC
BIAS
GND
LINE IN
LINE NF
RST.C
RST
R02
REC NF
REC IN
F06
F05
VCC-CPU
VSS-CPU
AVSS
AVCC
MD2
VSS-IO
VKK
MD0
VSS-IO
VDD-FIP
RESET
KEY 0
KEY 1
KEY 2
XIN
XOUT
GND
D-SW
MIC-VR-OUT
MIC-VR-IN
TIMER SELECT
DISPLAY FUNCTION GAME
LED LATCH
LED DAT
GND
JOG A
JOG B
KEY0
KEY 3
KEY 4
JOG A
JOG B
VOL A
VOL B
LED SCK
LEVEL
REC
TANGO
GUITAR DANCE GAME
SALSA MOVIE
REGGAE SAMBA
GUITAR
ROCK
JAZZ
DANCE
GAME
POWER
NO USE
NO USE
NO USE
NO USE
NO USE
NO USE
NO USE
NO USE
D-SW
I2C-DAT
I2C-CLK
ALL BAND
JOG B
JOG A
GND
MD1/VDD-VFT
DIST
R01
KEY 4
SOFT TEST
KEY 5
BPF1-F02
BPF2-F03
BPF3-F04
BPF4-F05
BPF5-F06
NO USE
NO USE
NO USE
NO USE
NO USE
NO USE
NO USE
NO USE
SLEEP
KEY2
ROCK JAZZ
KEY 4
SEG-25
SEG-24
SEG-23
SEG-22
SEG-21
SEG-20
SEG-19
SEG-18
SEG-17
SEG-16
SEG-15
SEG-14
SEG-13
SEG-12
SEG-11
SEG-10
SEG-9
SEG-8
SEG-7
SEG-6
SEG-5
SEG-4
SEG-3
SEG-2
SEG-1
GR-1
GR-2
GR-3
GR-4
GR-5
GR-6
GR-7
GR-8
GR-9
GR-10
GR-11
GR-12
GR-13
GR-14
GR-15
GR-16
NO USE
NO USE
NO USE
SALSA
REGGAE
TANGO
SAMBA
MOVIE
LED SELB
LED SELA
+3.3VH
+3.3VL
LED P3
LED P2
LED P1
KEY 1
LEDP10
+3.3VH
+3.3VL
DIST
D-GND
KEY 0
D-SW
LED P1
+3.3V VL
+3.3V VH
VC
GAME MIXING
ECHO/GUITAR-IN
ECHO/GUITAR-OUT
DISTORTION
D GND
VF
VF
SPEANA
MIC SIG
SIRCS
I2C CLK
I2C DATA
EVER3.3V
GC+3.3V
A+10V
LED STBY
RESET
VFDP
KEY-ECO
KEY POWER
D GND
LED+3.9V
LED+3.9V
REC
REC
(STANDBY)
POWER SAVE/DEMO
GAME MIXING
/CLOCK SET
DIRECTION
SPECTRUM
ANALYZER
FILTER
BANDPASS
KEY 1
LEDP10
+3.3VH
+3.3VL
DIST
D-GND
KEY 0
D-SW
SYNC
CD
DUB
H SPEED
I/
REMOTE
CONTROL
RECEIVER
LED DRIVE
B+ SWITCH
Q602-605
FLUORESCENT
KEY CONTROL
MB90M407AFP-G-112-BND
INDICATOR TUBE DRIVER,
DRIVE
Q606-609
GRID
LEVEL
LEVEL
GUITAR MIC

HCD-XGR6/XGR60
4040
6-19.PRINTED WIRING BOARD – PA SECTION – • See page 21 for Circuit Boards Location.
1
4
J
HEADPHONE
BOARD
(Page 34)
JW475
R432
TM401
IC801
Q851
Q804
Q803
R820
Q431
Q401
R808
R858
1114
18
RY401
D831
TH831
EPT801
Q402
IC901
R857
R859
R406
JW406
C811 C812
C861 C862
C413
D841
C852
R802
R809
C432
C433
C801
C804
C807
C831
C903
C904
C851
C854
C857
C905
CN803
R407
JW405
R431
JW447
R434 R437
R439
R440
R441
JW462
R447
R801
R811
C853
R807
R861
R812
R813
R815
R816
R817
R821
R822 R823
R824
R827
R828
R831R833
R832
R851
R852
R853
JW75
R863
R903
R904
R905
R906
R907
D401
JW493
R446
D801
D803
D842
D912
D911
D836
D833
D835
D834
EPT802
JW438
JW481
JW482
JW478
JW480
JW473
JW483
XGR60
XGR60
XGR60
XGR6
D402
C412
JW402
JW403
JW404
JW453
JW458
C802
JW412
C401
JW410
D844
JW432
JW411
JW409
JW414
JW427
D843
JW415
JW419
JW455
JW456
Q832
JW445
JW460
JW446
JW461
JW477 JW459
JW434
R401
Q833
Q834
C832
D805
R837
R838
D804
R836
R840
R880
R818
R868
JW422
JW499
Q831
C813
R860
R835
R834
C808
C809
JW454
JW452
R814
C844
C894
C848
JW485
JW486
C906
R429
C842
C892
JW420
JW418
D406
D405
JW820
JW821
JW822
JW823
JW824
D853
R864
R865
C909
Q805
Q434
Q432
Q437
JW466
Q433
R803
Q855
R805
R806
JW504
R855
R825
D802
C841
C891
C850
C895
C830
JW421
JW500
JW495
JW472
JW442
JW441
R460
JW813
JW494
JW449
C863
R839
R889
Q908
R915
R888 R898
JW507 JW508
JW511
JW516
JW519
C803
R804
R810
R916
JW
JW423
JW448
JW451
JW429
R819
JW444
JW443
JW496
JW474
JW435
JW700
JW433
JW430
JW701
C849
C847
NO702
1
1
11
3
JW505
JW809
JW517
JW512
CN804
LP802
CN904
C902
C910
Q901
NO701
JW704
JW513
JW514
JW515
JW476
Q903
E
E
C815
D902
D905
D904
D903
R901
R902
C845
CN806
C810
D852
C858 C859
C814
JW439
JW520 JW522
JW488
JW450
JW424
JW426
JW436
JW521
JW497 JW524
JW523
JW416
JW811
JW808
JW479
JW491
JW816
JW817
JW465
JW407
JW490
JW440
JW818
JW509
JW815
JW810
R866
R867
C864
JW489
JW807
JW805
JW806
JW825
JW826
JW487
JW506
Q439
D851
R862
Q801
JW431
E
E
41
EE
EE
E
E
E
E
E
E
E
E
E
E
E
E
PA BOARD
11
(11)
1-683-443-
+–+–
L
FRONT SPEAKER
R
1
13
F
MAIN
BOARD
(Page 33)
1
13
G
MAIN
BOARD
(Page 33)
(CHASSIS)
(CHASSIS)
M
SUB
TRANS
BOARD
(Page 42,43)
N O
TRANS
BOARD
(Page 42,43)
TRANS
BOARD
(Page 42,43)
–+
--
XGR60
XGR60
XGR6
XGR6
23 4 5 6 7
A
1
B
C
D
E
F
G
Ref. No. Location
D401 C-5
D402 E-6
D405 F-6
D406 F-6
D801 C-5
D802 D-4
D803 D-3
D804 C-6
D805 D-5
D831 B-2
D833 A-4
D834 A-4
D835 A-4
D836 A-4
D841 A-5
D842 A-5
D843 A-5
D844 A-5
D851 C-5
D852 D-4
D853 A-3
D902 C-2
D903 C-1
D904 B-1
D905 B-2
D911 A-2
D912 A-2
IC801 E-4
IC901 B-1
Q401 E-6
Q402 E-6
Q431 C-2
Q432 C-2
Q433 C-2
Q434 C-2
Q437 C-2
Q439 C-2
Q801 C-5
Q803 C-3
Q804 C-3
Q805 B-5
Q831 C-6
Q832 C-6
Q833 C-5
Q834 C-5
Q851 C-4
Q855 B-5
Q901 C-1
Q903 A-1
Q908 B-1
•Semiconductor
Location

4141
HCD-XGR6/XGR60
6-20.SCHEMATIC DIAGRAM – PA SECTION –
2
2
2
C831
C904
D401
D801
D834
D835
D836
D851
R429
R437
R439
R447
R811
R812
R813
R814
R815
R823
R827
R831
R832
R861
R862
R863
C909
D402
D833
Q402
Q801
Q804
Q851
Q803
EPT801
EPT802
R820
R804
R821
R837
C832
Q831
D853
R865C863
Q832
JW820
JW821
R864
CN803
R819
C845
D842
D843
D844
D841
C841
C891
R833
R401
TH831
R858
JW809
JW807
C804
C854
JW701
R460
C401
R406R407
D406
D405
C807
C857
Q908
Q901R901
R902
R802
R852
C812
R839
R889
C903
C902
D911
R915
R905
R904
Q903
D803
R822
R828
R441
R434
C906
C412
C413
C432
C802
C803
C808
C809
C811
C813
C814
C815
C830
C847
C849
C852
C853
C858
C859
C861
C862
C905
D912
Q432
Q433Q437
Q434
Q805
Q834
Q855
R809
R818
R825
R834
R835
R836
R838
R840
R857
R859
R868
R880
R903
RY401
D805
R888
C801
C851
R801
C850
C895R855
CN804
D904
D905
D902
D903
R866
JW818
JW819
CN806
CN904
R817
D906
R867
R816
R431
R432
C848
C864
R807
C433
R440
Q401
D802
D852
R806
R805
R810
R860
R803
R853
C894
D831
C842
C892
C844
C810
R824
C910
R916
TM401
D804
R446
R808
R898
JW806
R851JW827
NO702
NO701
JW
IC901
µPC3504AHF
Q431
Q439
Q833
R907
R906
1050
1050
1SS133T
1SS133T
11ES2
11ES2
11ES2
1SS133T
47k
10k
4.7k
47k
1k
15k
100k
2.2k
22k
22k
100k
100k
100k
1k
15k
100k
0.1
1SS133T
11ES2
2SC1841
2SC1841
2SC1841
2SC1841
2SA988
1
33k
33k
33k
4750
DTC124ESA
22K/22K
1SS133T
22k2.2 50V
2SC2603
4.7k
13P
BTB
68k
2200
25
11ES2
11ES2
11ES2
11ES2
0.22/5W
47
50
47
50
10k
4.7
50
47k47k
1SS133T
1SS133T
22 100
22 100
2SA1115
2SC260310k
100k
47k
47k
0.047
PE
100k
1/4W
100k
1/4W
100
16
0.1
HZS33-1L
22
10k
1k
2SB1375
2SA1932
1SS133T
22k
1M
33k
22k
2200
25
0.01
0.01
10016
470p
220p
0.1 100V TF
0.1 100V TF
0.047
PE
0.01
1000p
0.47
50V
10
50
0.1
0.1
470p
220p
0.1
0.1
0.047
PE
0.047
PE
100
50
MTZJ-7-77-5.6
2SA1115
2SC26032SC2603
2SC2603
2SC2878AB
2SC1841
2SC2878AB
10
1/2W
220
6802W
10k
47k
1k
33k
56
100
1/4W
10
1/2W
220
56
10k
24V
1SS133T
0.22/5W
10/100
10/100
1k
4.7/100
4.7/100680/2W
13PBTB
11ES2
11ES2
11ES2
11ES2
10k
4P AMP
47k
1SS133T
2.2k
10k
56k
47k
0.1
10
50V
100 1/4W
DTA1124ESA
MTZJ-T-77-15A
MTZJ-T-77-15A
3.9k
1W
3.9k
1W
560
560
0.1
100V
D5SBA204101
3300
80V
3300
80V
0.1
100V
470
47
16V
680
3W
1SS133T
10k
0.22
5W
0.22
5W
1k
11P
2SC1841
2SC2603
DTA124ESA
100
100
2
2
3
1
3
2
1
2
3
1
1
3
2
3
1
5
1
2
3
5
*
*
*
*
*
*
*
**
*
*
*
*
GND
+10V
VF
VF
VF(-35V)
PROTECT
HP-L
HP.GND
HP-R
D.GND
A.GND
DBFB
FAN.DET
LCH-IN
RCH-IN
F-RELAY
POWERGND
AC12V
AC12V
PRI-GND
AC7V
AC7V
AC-L
P-GND
AC-H
FRONT
POWER
AC-H
AC-L
S-GND
+UN10V
STK POWER
HP-SW
HP-SW
HP-MUTE
VF
VF
P-GND
PL/SW RELAY
-VEE
D.GND
+10V
EVER +3.9V
POWERGND
+UNREG.15V
10V GND
15V GND
STBY_RY
+9V
AC_IN
AC_IN
SPEAKER
70
35.4
21.5
-21.8
-35.8
-70.5
0
-12.4
-12.4
0
70.4
70.4
0
0.6
0
0
9.8
9.8
0
0
3.5
-12.4
2.7
3.9
10.5
0
62.4 -30.7
-30.7
-30.4
-31.3
0.6
00
9.8
35.4 35.2
34.8
0
3.1
70
0
1010
0
10
10
10
0
0.7
0
3.3
3.3
0
0.7
(CHASSIS)
(CHASSIS)
XGR60
XGR6
XGR60
XGR6
*C433*R440
22k
47k
3.3/50V
2.2/50V
XGR60
XGR6
*R401
560
1.8k
XGR60
XGR6
*R833
18k
22k
XGR60
XGR60
47k
*R810
33k
47k
XGR60
XGR6
33k
*R860
*C841,891
3300/50V
3300/71V
XGR60
XGR6
*C810
1/100V
47/100V
XGR60
STK412-040
STK442-130
R
L
–
–
+
+
IC801
IC801
POWER AMPPOWER AMP
XGR60
SWITCH
STANDBY
Q831,832
TEMPERATURE
DETECT SWITCH
DETECT
SWITCH
STANDBY
SWITCH
STANDBY
Q801,851
OVER LOAD
RELAY DRIVE
Q401,402
FRONT SPEAKER PROTECT
MUTE
MUTE
XGR6
-35V REGULATOR
Q903,908
+5V REGULATOR
RELAY DRIVE
POWER ON/OFF
Q901
DELAY
SWITCH
Q732,437
OVER LOAD
Q433,434
SWITCH
DETECT
DC DETECT
PROTECT SWITCH
PROTECT SWITCH
XGR6
35.4
-70.5
0
0
0
0
0
0
0
0
0
-68.8
69.1
-67.5
XGR6
XGR60
XGR60
XGR6
XGR60
-69.6
-70.6
-70.5
XGR60
XGR6
0
0
0
0
0
0
0
0
0
-68.8
69.1
-67.5
The components identified by mark 0 or dotted line
with mark 0 are critical for safety.
Replace only with part number specified.

HCD-XGR6/XGR60
4242
6-21.SCHEMATIC DIAGRAM – TRANS, SUB TRANS SECTION (XGR6, XGR60: MX MODEL) –
• See page 21 for Circuit Boards Location. 6-22.SCHEMATIC DIAGRAM – TRANS, SUB TRANS SECTION (XGR6, XGR60: MX MODEL) –
(CHASSIS)
RY901
C901 CN901
CN902
JW944
JW948
JW945
JW946
MT901
NO903
T901
SUB
TRANSFORMER
D901
LP901
LP903
JW950
D832
+–
C893
F961
F962
XGR60:MX
XGR60:MX
F963
F964
R953
R951
R952
C834
LP963
LP961
C961
C963
JW968
R961
CN952
CN951
JW973
JW975
JW706
JW702
CN905
JW965
JW960
JW972
JW974
JW976
JW977
JW978
JW979
JW980
JW981
JW982
JW983 JW984
JW985
JW986
TRANS BOARD
11
(11)
1-683-444-
SUB TRANS BOARD
11
(11)
1-683-445-
14
MPA
BOARD
(Page 40)
O
PA
BOARD
(Page 40)
AC IN
T951
POWER
TRANSFORMER
12
1
2
N
PA
BOARD
(Page 40)
1
3
--
*
* NOT REPLACEABLE:
BUILT IN TRANSFORMER
JW942
23 4 5
A
1
B
C
D
E
F
C893
C834
CN901
R951
R952
R953
C963
C961
CN952
CN951
JW944
D832
RY901
D901
C901
R961
NO903
JW945
JW946
JW942
JW965
F964
F963
F962
F961
CN902
CN905
0.1
100
0.1
100
2P
AMP
0.33
0.33
0.1
10000p
10000p
EH
VH-3P
D5SBA20
STANDBY
RELAY
9V 1SS133T
0.01
250V
3.3M
T8.0AL
250V
T8.0AL
250V
*1
*1
VF
VF
AC IN
AC12V
AC12V
PRI-GND
AC7V
AC7V
AC-L
P-GND
AC-L
S-GND
STBY_RY
+9V
AC_IN
AC_IN
120V
NEUTRAL
*
AC-H
AC-H
P-GND
120V
NEUTRAL
POWER
TRANSFORMER
T951
BUILT IN TRANSFORMER
NOT REPLACEABLE:
*
TRANSFORMER
T901
SUB
XGR6
XGR60:MX
XGR60:MX
*1 F963,964
6.3AL 250V
6.3A 125V XGR6
XGR60:MX
XGR60:MX
The components identified by mark 0 or dotted line
with mark 0 are critical for safety.
Replace only with part number specified.

4343
HCD-XGR6/XGR60
6-23.PRINTED WIRING BOARD – TRANS, SUB TRANS SECTION (XGR60:E, E51, AR MODEL) –
• See page 21 for Circuit Boards Location. 6-24.SCHEMATIC DIAGRAM – TRANS, SUB TRANS SECTION (XGR60:E, E51, AR MODEL) –
C893
C834
CN901
R951
R952
R953
C963
C961
CN952
CN905
JW971
CN951
JW941
JW944
JW949
D832
RY901
D901
C901
NO903
CN902
S901
F951
F963
F964
F962
F961
0.1
100
0.1
100
2P
AMP
0.33
0.33
0.1
10000p
10000p
EH
VH-4P
VH-3P
D5SBA20
STANDBY
RELAY
9V 1SS133T
0.01
250V
VH-4P
T6.3AL
250V
T6.3AL
250V
T6.3AL
250V
T8.0AL
250V
T8.0AL
250V
VF
VF
AC IN
AC12V
AC12V
PRI-GND
AC7V
AC7V
AC-L
P-GND
AC-L
S-GND
STBY_RY
+9V
AC_IN
AC_IN
120V
230V
NEUTRAL
*
AC-H
AC-H
P-GND
120V
230V
NEUTRAL
POWER
TRANSFORMER
T951
BUILT IN TRANSFORMER
NOT REPLACEABLE:
*
TRANSFORMER
T901
SUB
VOLTAGE SELECTOR
120V 220-240V
220V
VOLTAGE SELECTOR
120V220V220-240V
(CHASSIS)
RY901
C901 CN901
CN902
S901
JW944
JW949
MT901
NO903
T901
SUB
TRANSFORMER
D901
LP901
LP903
JW950
JW941
D832
+–
C893
F961
F962
F963
F964
R953
R951
R952
C834
LP963
LP961
C961
C963
JW971
F951
R961
CN952
CN951
JW973
JW975
JW706
JW702
CN905
JW960
JW972
JW974
JW976
JW977
JW978
JW979
JW980
JW981
JW982
JW983 JW984
JW985
JW986
TRANS BOARD
11
(11)
1-683-444-
SUB TRANS BOARD
11
(11)
1-683-445-
14
M
PA
BOARD
(Page 40)
O
PA
BOARD
(Page 40)
AC IN
T951
POWER
TRANSFORMER
1
4
1
4
N
PA
BOARD
(Page 40)
1
3
--
*
* NOT REPLACEABLE:
BUILT IN TRANSFORMER
23 4 5
A
1
B
C
D
E
F
G
The components identified by mark 0 or dotted line
with mark 0 are critical for safety.
Replace only with part number specified.

HCD-XGR6/XGR60
4444
T331 5
r WAVEFORMS
1IC501 qa XC-OUT
2
3
IC501 qd X-OUT
T331 4
4
– MAIN BOARD –– BD BOARD –
IC101 el FE
1
IC101 ra TE
2
IC101 rd RFDC
3
IC101 yj XTAO
4
– PANEL FL BOARD –
IC601 is X OUT
1
3.0Vp-p
32KHz
VOL/DIV : 1V AC
TIME/DIV : 10
µ
sec
VOL/DIV : 1V AC
TIME/DIV : 50nsec
2.0Vp-p
16MHz
240Vp-p
13
µ
sec
VOL/DIV : 50V AC
TIME/DIV : 10
µ
sec
TAPE REC only
VOL/DIV : 50V AC
TIME/DIV : 10
µ
sec
TAPE REC only
64Vp-p
13
µ
sec
4MHz
2.4Vp-
p
VOL/DIV : 1V AC
TIME/DIV : 0.2
µ
sec
VOL/DIV : 0.1V AC
TIME/DIV : 1msec
VOL/DIV : 0.2V AC
TIME/DIV : 0.2msec
VOL/DIV : 0.2V AC
TIME/DIV : 0.5
µ
sec
VOL/DIV : 0.2V AC
TIME/DIV : 50nsec
0.15Vp-p
0.4Vp-
p
0.62Vp-p
0.8Vp-p
16.9344MHz
6-25. IC PIN FUNCTIONS
1 SOSQ O Sub-Q serial output
2 SQCK I Clock input for SQSO read-out
3 XRST I System reset
4 SYSM I Muting input
5 DATA I Serial date input,supplied from CPU
6 XLAT I Latch input,supplied from CPU
7 CLOK I Serial date transfer clock input,supplied from CPU
8 SENS O SENS output
9 SCLK I SENS serial data read-out clock
10 VDD — Power supply (+3.3V)
11 ATSK — Input pin for anti-shock (Ground)
12 SPOA — Ground
13 SPOB — Ground
14 XLON O Not used (open)
15 WFCK O Not used (open)
16 XUGF O Not used (open)
17 XPCK O Not used (open)
18 GFS O Not used (open)
19 2SPO O Not used (open)
20 SCOR O Sub-code sync output
21 COUT I/O Not used (open)
22 MIRR I/O Not used (open)
23 DFCT I/O Not used (open)
24 FOK I/O Not used (open)
25 LOCK I/O Not used (open)
26 MDP O Output to control spindle motor servo
27 SSTP I Input signal to detect disc inner most trak
28 SFDR O Sled drive output
29 SRDR O Sled drive output
30 TFDR O Tracking drive output
31 TRDR O Tracking drive output
32 FFDR O Focus drive output
33 FRDR O Focus drive output
34 VSS — Ground
35 TEST I TEST pin (connected to ground)
36 TES1 I TEST pin (connected to ground)
37 XTSL I X’tal selection circuit input (connected to ground)
38 VC I Center voltage input
39 FE I FOCUS error signal input
40 SE I Sled error signal input
41 TE I Tracking error signal input
42 CE I Center servo analog input
43 RFDC I RF signal input
44 ADIO O Not used (open)
45 AVSS0 — Analog ground
46 IGEN I Power supply pin operational amplifiers
47 AVDDO — Power supply (+3.3V)
48 ASYO O EFM full swing output
49 ASYI I Asymmetry comparator voltage input
50 BIAS I Asymmetry circuit constant current input
51 RFAC I EFM signal input
52 AVSS3 — Ground
DescriptionPin NamePin No. I/O
•IC101 DIGITAL SIGNAL PROCESSOR (CXD3017Q) (BD Board)

45
HCD-XGR6/XGR60
53 CLTV I Control voltage input for master VCO
54 FILO O Filter output for master PLL
55 FILI I Filter input for master PLL
56 PCO O Chage-pump output for master PLL
57 AVDD3 — Powr supply (+3.3V)
58 VSS — Ground
59 VDD — Power supply (+3.3V)
60 DOUT O CD data output
61 LRCK O Not used (open)
62 PCMD O Not used (open)
63 BCK O Not used (open)
64 EMPH O Not used (open)
65 XVDD — Power supply (+3.3V)
66 XTAI I X’tal oscillator circuit input (16.9344MHz)
67 XTAO O X’tal oscillator circuit output (16.9344MHz)
68 XVSS — Ground
69 AVDD1 — Power supply (+3.3V)
70 AOUT1 O Lch : Analog output
71 AIN1 I Lch : OPAMP input
72 LOUT1 O Lch : LINE output
73 AVSS1 — Ground
74 AVSS2 — Ground
75 LOUT2 O Rch : LINE output
76 AIN2 I Rch : OPAMP input
77 AOUT2 O Rch : Analog output
78 AVDD2 — Power supply (+3.3V)
79 RMUT O Not used (open)
80 LMUT O Not used (open)
DescriptionPin Name
Pin No. I/O

46
HCD-XGR6/XGR60
Description
Pin NamePin No. I/O
1 AUDIO-OUT O MD output mute signal output
2 STEREO I Stereo signal input
3 TUNED I Tuned signal input
4 SIRCS I SIRCS input
5 CD-MUTE O CD mute signal output
6 – — Not used (open)
7 – — Not used (open)
8 BYTE I Not used (connected to ground)
9 CNVSS — Not used (Connected to ground with resistor)
10 XC-IN I Sub clock input
11 XC-OUT O Sub clock output
12 RESET I System reset input
13 X-OUT O Main system clock output (16MHz)
14 VSS — Ground
15 X-IN I Main system clock input (16MHz)
16 VCC — Power supply (+5V)
17 NMI I Not used (Pull up with resistor)
18 RDS-INT I Not used (Connected to ground with resistor)
19 SCOR I CD Q-Data request input
20 AC-CUT I AC cut check signal input
21 ST-MUTE O Tuner mute signal output
22 ST-CE O Tuner chip enable signal output
23 ST-DOUT O Tuner data output
24 BU-PWM3 O BU PWM 3 (for CD-RW) signal output
25 ST-DIN I Tuner data input
26 BU-PWM2 O BU PWM 2 (for CD-RW) signal output
27 ST-CLK O Tuner clock signal output
28 BU-PWM1 O BU PWM 1 (for CD-RW) signal output
29 IIC-CLK I IIC serial data clock input
30 IIC-DATA I IIC serial data input
31 – — Not used (open)
32 SQ-DATA I CD data input
33 SQ-CLK O CD data clock output
34 SENS I SENS signal input from CXD3017Q
35 CD-DATA O CD data output
36 XLT O CD latch signal output
37 CD-CLK O CD data clock output
38 CD-POWER O CD power on/off signal output
39 CLK-OUT O Not used (open)
40 HOLD O Laser diode control signal output
41 OTM-RESET O Other micom reset
42 – — Not used (open)
43 XRST O CD reset signal output
44 MTR-CTRL1 O CD motor control 1 output
45 MTR-CTRL2 O CD motor control 2 output
46 REC-A I Record tab switch for SIDE-A signal input
47 LED-DISC O DISC LED on/off signal output
48 BU UP/DW SW I BU up switch signal input
49 TBL-SENS I Table sensor signal input
50 REC-B I Record tab switch for SIDE-B signal input
51 A-TRG O TCM-A trigger output
52 B-TRG O TCM-B Trigger output
53 AMS-IN I AMS signal input
• IC501 M30620MCN-A01FP SYSTEM CONTOL (MAIN Board)

47
HCD-XGR6/XGR60
Pin Name
Pin No. I/O Discription
54 CAPM-H/L O Capstan motor high/low signal output
55 CAPM-CTRL O Capstan motor REV/FWD/STOP control signal output
56 A-PLAY I TCM-A play switch input
57 B-PLAY I TCM-B play switch input
58 TC-MUTE O TC line mute signal output
59 REC/PB/PASS O Not used (open)
60 NR ON/OFF O Not used (open)
61 REC-MUTE O REC mute signal output
62 VCC — Power supply (+3.3V)
63 SOFT-TEST O Soft check output
64 VSS — Ground
65 BIAS O Bias on/off signal output
66 EQ-H/N O EQ high/Normal signal output
67 PB-A/B O TC A/B select signal output
68 ALC O ALC signal output
69 TC-RELAY O TC relay control signal output
70 A-HALF I A deck half detection signal input
71 FUNC-SEL0 O Function select A signal output
72 FUNC-SEL1 O Function select B signal output
73 KEY-ECO I ECO key signal input
74 KEY-POWER I Power key signal input
75 LED-STBY O Standby LED driver signal output
76 VIDEO-MUTE O Video mute signal output
77 PL-LAT O Not used (open)
78 PL-DAT O Not used (open)
79 PL-CLK O Not used (open)
80 EQIC-DAT O Serial data output to Audio EQIC
81 EQIC-CLK O Serial data clock output to Audio EQIC
82 LINE-MUTE O TA LINE mute signal output
83 STK-MUTE O Mute signal output to power IC
84 STBY-RELAY O Standby relay driver signal output
85 REAR-RELAY O Rear speaker relay driver signal output
86 HP-MUTE O Headphone mute signal output
87 FRONT-RELAY O Front speaker relay driver signal output
88 PROTECT I Speaker protection signal input
89 A-SHUT I TCM-A reel pulse input
90 B-SHUT I TCM-B reel pulse input
91 B-HALF I B deck half detection input
92 MODEL-IN I Model input
93 DEST-IN I Destination input
94 DBFB-H/L O DBFB high/low signal output
95 HP-IN I Headphone detect input
96 AVSS — Ground
97 SW-MODE O Super woofer mode signal output
98 VREF I Reference voltage input
99 AVCC — Power supply (+3.3V)
100 RDS-DATA I Not used (Connected to ground)

48
HCD-XGR6/XGR60
• IC601 MB90M407APF-G-112-BND DISPLAY CONTROL (PANEL FL Board)
Description
Pin NamePin No. I/O
1 GR-16 O FLD grid output
2 GR-15 O FLD grid output
3 GR-14 O FLD grid output
4 GR-13 O FLD grid output
5 GR-12 O FLD grid output
6 GR-11 O FLD grid output
7 GR-10 O FLD grid output
8 GR-9 O FLD grid output
9 GR-8 O FLD grid output
10 GR-7 O FLD grid output
11 VSS-IO — Ground
12 GR-6 O FLD grid output
13 GR-5 O FLD grid output
14 GR-4 O FLD grid output
15 GR-3 O FLD grid output
16 GR-2 O FLD grid output
17 GR-1 O FLD grid output
18 SEG-1 O FLD segment output
19 SEG-2 O FLD segment output
20 SEG-3 O FLD segment output
21 SEG-4 O FLD segment output
22 SEG-5 O FLD segment output
23 VDD-FIP — Power supply (+3.3V)
24 SEG-6 O FLD segment output
25 SEG-7 O FLD segment output
26 SEG-8 O FLD segment output
27 SEG-9 O FLD segment output
28 SEG-10 O FLD segment output
29 SEG-11 O FLD segment output
30 SEG-12 O FLD segment output
31 SEG-13 O FLD segment output
32 SEG-14 O FLD segment output
33 SEG-15 O FLD segment output
34 SEG-16 O FLD segment output
35 SEG-17 O FLD segment output
36 SEG-18 O FLD segment output
37 SEG-19 O FLD segment output
38 SEG-20 O FLD segment output
39 SEG-21 O FLD segment output
40 SEG-22 O FLD segment output
41 SEG-23 O FLD segment output
42 VSS-IO — Ground
43 SEG-24 O FLD segment output
44 SEG-25 O FLD segment output
45 NO USED O Not used (open)
46 NO USED O Not used (open)
47 NO USED O Not used (open)
48 VKK — Power supply (-35V)
49 MD0 I Not used (pull up with resistor)
50 MD1/VDD-VFT I Not used (pull up with resistor)
51 MD2 I Not used (pull down with resistor)
52 D-SW I CD lid open/close detect signal input
53 DIST O Guitar distortion ON/OFF signal output

49
HCD-XGR6/XGR60
Description
Pin NamePin No. I/O
54 SOFT TEST O Not used (open)
55 LED SELB O LED group B select signal output
56 VOL A I Volume encoder signal A input
57 VOL B I Volume encoder signal B input
58 JOG A I AMS jog dial encoder signal A input
59 JOG B I AMS jog dial encoder signal B input
60 I2C-DATA O IIC serial data output
61 I2C-CLOCK O IIC clock signal output
62 AVCC — Power supply (+3.3V)
63 AVSS — Ground
64 KEY0 I Key input (A/D port)
65 KEY1 I Key input (A/D port)
66 KEY2 I Key input (A/D port)
67 KEY3 I Key input (A/D port)
68 KEY4 I Key input (A/D port)
69 KEY5 I Key input (A/D port)
70 BPF1-F02 I Spectrum analyzer BPF signal input
71 BPF2-F03 I Spectrum analyzer BPF signal input
72 BPF2-F04 I Spectrum analyzer BPF signal input
73 BPF2-F05 I Spectrum analyzer BPF signal input
74 BPF2-F06 I Spectrum analyzer BPF signal input
75 ALL BAND I L+R signal input
76 LED-SCK O Serial clock output to LED driver
77 RESET I Reset input
78 LED-DAT O Serial data output to LED driver
79 LED-LATCH O Latch signal output to LED driver
80 LED-SELA O LED group A select signal output
81 VSS-CPU — Ground
82 XOUT O Crystal oscillator output (4MHz)
83 XIN I Crystal oscillator input (4MHz)
84 VCC-CPU — Power supply (+3.3V)
85 to 100 NO USED O Not used (open)

50
HCD-XGR6/XGR60
6-26. IC BLOCK DIAGRAMS
IC101 CXD3017Q (BD BOARD)
IC102 BA5974FM-E2 (BD BOARD)
1 2 310 11 12 13 14 15 16 17 18 19 20
60 59 58 57 56 55 54 52 51 50 49 48 47 46 45 4453
21
39
40
414243
22
23
79
24
26
25
28
27
29
30
31
32
35
36
37
38
33
34
80
62
61
77
78
75
76
73
74
72
71
70
69
66
65
64
63
68
67
456789
D/A
Interface Digital
PLL
CPU
Interface
Digital
OUT
Serial-In
Interface
Over Sampling
Digital Filter
Timing
Logic
PWM
3rd-Order
Noise Shaper
PWM
Asymmetry
Corrector
A/D
Converter
OP Amp
Analog SW
Clock
Generator
Digital
CLV
MIRR
DFCT
FOK
SERVO DSP
FOCUS
SERVO
TRACKING
SERVO
SELED
SERVO
EFM
Demodurator
Servo Auto
Sequencer
SERVO
Interface
Error
Corrector
16K
RAM
Sub Code
Processor
PWM
GENERATOR
FOCUS PWM
GENERATOR
TRACKING
PWM
GENERATOR
SLED PWM
GENERATOR
SQSO
SQCK
XRST
DATA
XLAT
CLOK
SENS
SCLK
VDD
SPOA
SPOB
XLON
XPCK
SCOR
COUT
MIRR
DFCT
FOK
LOCK
MDP
SSTP
SFDR
SRDR
TFDR
TRDR
FFDR
FRDR
TEST
TES1
VC
FE
SE
TE
CE
RFDC
ADIO
IGEN
ASYO
ASYI
BIAS
RFAC
CLTV
FILO
FILI
PCO
DOUT
XTAI
XTAO
AVDD1
AOUT1
AIN1
LOUT1
LOUT2
AIN2
AOUT2
LMUT
XVSS
RMUT
SYSM
ATSK
WFCK
XUGF
GFS
C2PO
VSS
XTSL
AVDD
AVSS
AVSS
AVDD
VSS
VDD
LRCK
PCMD
BCK
EMPH
XVDD
AVSS1
AVSS2
AVDD2
LEVEL SHIFT
INTERFACE
INTERFACE
INTERFACE
1 2 3 4 5 6 7 8 9 10 11 12 13 14
202122232425262728 19 18 17 16 15
F
R
RF F
R
RF
RR
F
F
MUTE
THERMAL
SHUTDOWN
VREFOUT
VREFIN
POWVCC
CH1FIN
CH1RIN
CH2FIN
CH2RIN
CH2OUTR
CH2OUTF
CH1OUTR
CH1OUTF
CAPAIN1
CAPAIN2
GND
PRFVCC
MUTE
POWVCC
CH4SIN'
CH4SIN
CH4BIN
CH3FIN
CH3RIN
CH3OUTR
CH3OUTF
CH4OUTR
CH4OUTF
CAPAIN3
GND

51
HCD-XGR6/XGR60
IC321 µPC1330HA (MAIN BOARD (3/3))
IC103 CXA2581N-T4 (BD BOARD)
12345 6 7 8 9
INVERTER
COMPARATER
SW R1 GND SW P1 CONT GND VCC SW P2 GND SW R2
27
29
30
4
3
EQ IN
9
D
10
F
E
8
C
7
B
6
A
AC SUM
DC_OFST
RFDCI
28 RFDCO
VC
24 BST
25 VFC
CEI
EQ
APC
5
GND
AC
SUM
26 RFC
AC
VCA 23 RFG
22 VCC
20
21
CE
19 TE_BAL
18 TE
17 FEI
16 FE
1LD
2
PD
11
SW 12
13
DVCC
14
DVC
15
RFAC
VC
EQ
ON/OFF
VC
VC
VC
VC
DVC
DVC
APC-OFF(Hi-Z)
RW/ROM
(H/L)
DVC
DVC
AVC
DVCC
VC
DVC
RW/ROM
RW/ROM
RW/ROM
RW/ROM
RW/ROM
RW/ROM
DVCC
VCC
VCC
VCC
VOFST
VOFST
VOFST
B
C
A
D
gm
gm
DVCC

52
HCD-XGR6/XGR60
IC201 TA8409 (MOTOR BOARD)
IC602 BA3830F (PANEL FL BOARD)
12 3 45 6 789
HEAT
CUT OFF
BLOCK
STANDBY
BLOCK
VREF
BLOCK
IN2 VCC OUT2 NC GND VS OUT1 VREF IN1
F01
R02
R01
LINE NF
LINE IN
REFERENCE
CURRENT
REFERENCE
CURRENT
RESET
BAND
PASS
FILTER
DET
17
RESET
18
F02
16
F03
15
F04
14
F05
13
F06
12
REC LEVEL
11
VCC
10
4
3
2
1
+
–
REC NF
REC IN 6
RESET C 7
BIAS C 8
GND 9
5
+
–

53
HCD-XGR6/XGR60
Ref. No. Part No. Description Remarks Ref. No. Part No. Description Remarks
SECTION 7
EXPLODED VIEWS
The components identified by
mark 0 or dotted line with mark
0 are critical for safety.
Replace only with part number
specified.
7-1. CASE, BACK PANEL SECTION
NOTE:
• -XX, -X mean standardized parts, so they may
have some differences from the original one.
• Items marked “*” are not stocked since they
are seldom required for routine service. Some
delay should be anticipated when ordering these
items.
• The mechanical parts with no reference number
in the exploded views are not supplied.
• Hardware (# mark) list and accessories are
given in the last of this parts list.
• Abbreviation
MX : Mexican model
E51 : Chilean and Peruvian model
AR : Argentina model
1 4-948-236-21 CUSHION (107)
2 3-363-099-01 SCREW (CASE 3 TP2)
3 4-237-661-11 CASE
4 1-693-572-11 TUNER (FM/AM) (XGR60:AR,MX)
4 1-693-573-11 TUNER (FM/AM) (XGR6)
4 1-693-574-11 TUNER (FM/AM) (XGR60:E,E51)
5 1-769-945-11 WIRE (FLAT TYPE) (11 CORE)
6 4-237-748-01 PANEL, BACK (XGR6)
6 4-237-748-21 PANEL, BACK (XGR60:E)
3
2
2
5
4
6
7
1
#3
#1
a
a
#1
#1
#1
not
supplied
not supplied
Front panel section
Chassis section
M901
#1
#1
#2
#1
#1
#1
#1
#1
#1
XGR6, XGR60:
MX model
6 4-237-748-31 PANEL, BACK (XGR60:E51)
6 4-237-748-41 PANEL, BACK (XGR60:MX)
6 4-237-748-51 PANEL, BACK (XGR60:AR)
7 1-535-706-21 PLUG, JUMPER (XGR6,XGR60:MX)
M901 1-763-072-11 FAN, DC
#1 7-685-646-79 SCREW +BVTP 3X8 TYPE2 N-S
#2 7-685-872-09 SCREW +BVTT 3X8 (S)
#3 7-685-871-01 SCREW +BVTT 3X6 (S)

54
HCD-XGR6/XGR60
7-2. FRONT PANEL SECTION-1
Ref. No. Part No. Description Remarks Ref. No. Part No. Description Remarks
54
53 54
54
54
54
54
63
64
63
65
54
62
60 61
55 56 57
58
54
59
52
51
not supplied
not supplied
Front panel section-2
#1
not supplied
54
51 4-237-635-01 KNOB (MIC)
52 A-4727-633-A MIC/GUITAR BOARD, COMPLETE
53 1-683-448-11 TC-A BOARD
54 4-951-620-01 SCREW (2.6X8), +BVTP
55 4-237-648-01 COVER (EJECT)
56 4-237-645-01 LEVER (EJECT-A)
57 4-237-647-01 LEVER (EJECT-C)
58 4-237-646-01 LEVER (EJECT-B)
59 4-237-659-01 SPRING (LEVER)
60 1-796-333-11 DECK, MECHANICAL
61 1-773-021-11 WIRE (FLAT TYPE) (15 CORE)
62 1-683-449-11 TC-B BOARD
63 3-354-963-01 DAMPER
64 1-683-450-11 HEADPHONE BOARD
65 1-684-683-11 D-SW BOARD
#1 7-685-646-79 SCREW +BVTP 3X8 TYPE2 N-S

55
HCD-XGR6/XGR60
7-3. FRONT PANEL SECTION-2
Ref. No. Part No. Description Remarks Ref. No. Part No. Description Remarks
109
109
114 109
109
109
109
109 109
109
109
109
109
107 118
102
103
105
106
104 108
109
117
122
121
120
119
101
109
112
114
115
116
123
113
111
110
110
not supplied
not
supplied
not supplied
supplied with S763
#7 #7
FL601
101 4-237-649-01 BUMPER (PANEL) (XGR6)
101 4-237-649-11 BUMPER (PANEL) (XGR60)
102 1-683-452-11 CD-L BOARD
103 X-4954-371-1 SUB PANEL (CD-L) ASSY
104 4-237-638-01 LID(CD)
105 4-237-630-01 WINDOW (CD)
106 4-237-658-01 SPRING (CD)
107 4-040-472-01 LATCH, D.C.
108 4-237-634-01 KNOB (VOLUME)
109 4-951-620-01 SCREW (2.6X8), +BVTP
110 4-949-935-81 CUSHION (FL)
111 4-225-511-01 HOLDER FL TUBE
112 A-4727-623-A PANEL FL BOARD, COMPLETE
113 1-773-118-11 WIRE (FLAT TYPE) (19 CORE)
114 4-237-639-01 HOLDER (LED 1)
115 1-773-178-11 WIRE (FLAT TYPE) (23 CORE)
116 A-4727-624-A PANEL VR BOARD, COMPLETE
117 X-4954-360-1 FRONT PANEL ASSY (XGR6)
117 X-4954-378-1 FRONT PANEL ASSY (XGR60)
118 4-224-104-01 DAMPER
119 X-4954-372-1 SUB PANEL (CD-R) ASSY
120 4-237-636-01 KNOB (CD)
121 1-683-453-11 CD-R BOARD
122 1-683-454-11 FRONT INPUT BOARD
123 4-237-640-01 HOLDER (LED 2)
FL601 1-518-794-11 INDICATOR TUBE, FLUORESCENT
#7 7-685-533-19 SCREW +BTP 2.6X6 TYPE2 N-S

56
HCD-XGR6/XGR60
7-4. CHASSIS SECTION
Ref. No. Part No. Description Remarks Ref. No. Part No. Description Remarks
154
153 159
155
156
158
160
152
151 161
#2
#4
#1
#2
not supplied
not supplied
not supplied
not supplied
not supplied
CDM37B-30BD60C
#5
#1
#1
#1
#1
#1
#1
#1
#5
F951
F961
F962
F964
F963
T951
bb
151 1-823-750-11 WIRE (FLAT TYPE) (21 CORE)
152 4-235-701-01 DUST COVER
153 A-4727-618-A PA BOARD, COMPLETE (XGR60)
153 A-4727-641-A PA BOARD, COMPLETE (XGR6)
154 1-683-444-11 TRANS BOARD
155 3-703-244-00 BUSHING (FBS001), CORD
(XGR6,XGR60:AR,E51)
155 4-966-266-01 BUSHING (S) (FBS002), CORD (XGR60:E,MX)
0156 1-575-653-11 CORD, POWER (XGR60:MX)
0156 1-777-071-81 CORD, POWER (XGR60:E51)
0156 1-783-820-11 CORD, POWER (XGR6)
0156 1-783-941-12 CORD, POWER (XGR60:AR)
0156 1-791-901-11 CORD, POWER (XGR60:E)
158 1-683-445-11 SUB TRANS BOARD
*159 4-988-533-01 HOLDER, PWB
160 A-4440-764-A MAIN BOARD, COMPLETE (XGR60:AR,E,E51)
160 A-4676-330-A MAIN BOARD, COMPLETE (XGR60:MX)
160 A-4727-645-A MAIN BOARD, COMPLETE (XGR6)
161 X-494-122-81 FOOT (F22125H-M)
0F951 1-532-506-31 FUSE (6.3A 250V) (XGR60:AR,E,E51)
0F961 1-533-949-31 FUSE, CYLINDRICAL (TIME LUG) (8.0A 250V)
(XGR60)
0F962 1-533-949-31 FUSE, CYLINDRICAL (TIME LUG) (8.0A 250V)
(XGR60)
0F963 1-532-506-31 FUSE (6.3A 250V) (XGR60)
0F963 1-533-310-11 FUSE, GLASS CYLINDRICAL(DIA.5)
(6.3A 125V) (XGR6)
0F964 1-532-506-31 FUSE (6.3A 250V) (XGR60)
0F964 1-533-310-11 FUSE, GLASS CYLINDRICAL(DIA.5)
(6.3A 125V)(XGR6)
0T951 1-433-606-11 TRANSFORMER, POWER (XGR60)
0T951 1-435-797-11 TRANSFORMER, POWER (XGR6)
#1 7-685-646-79 SCREW +BVTP 3X8 TYPE2 N-S
#2 7-685-872-09 SCREW +BVTT 3X8 (S)
#4 7-685-650-79 SCREW +BVTP 3X16 TYPE2 IT-3
#5 7-685-881-09 SCREW +BVTT 4X8 (S)
The components identified by
mark 0 or dotted line with mark
0 are critical for safety.
Replace only with part number
specified.

57
HCD-XGR6/XGR60
Ref. No. Part No. Description Remarks Ref. No. Part No. Description Remarks
7-5. CD MECHANISM DECK SECTION
(CDM-30BD60C)
501
509
504
506
505
511
501
503
501
502
502
M201
514 516
520
520
519
518
522
521
523
524
521
520
519
518
520
510
508
517
507
515
513
510
510
512
#1
#1
#1 #1
#1
BU-30BD60C
501 4-987-976-01 SCREW, STEP
502 4-944-490-01 BELT (TIMING)
503 A-4660-978-A GEAR (PULLEY) ASSY
504 4-978-421-01 GEAR (MID)
505 4-978-425-01 ROLLER (CAM)
506 4-978-420-01 CAM (HOLDER)
507 4-237-981-01 PULLEY (B) (30), CHUCKING
508 X-4953-307-1 PULLEY (A) ASSY, CHUCKING
509 4-238-261-01 TABLE, DISK
510 X-4947-960-1 ROLLER ASSY
*511 4-978-583-01 BRACKET (BU)
512 4-238-260-01 CHASSIS
*513 A-4673-765-A MOTOR BOARD, COMPLETE
514 4-978-426-01 INDICATOR (NO.)
515 1-659-059-13 LED BOARD
516 1-659-058-13 SENSOR BOARD
517 4-228-414-01 BRACKET (YOKE)
518 4-951-620-01 SCREW (2.6X8), +BVTP
519 4-231-151-01 STOPPER (BU)
520 4-231-451-11 INSULATOR (BU-30)
521 4-227-045-11 SPRING (INSULATOR), COIL
522 4-227-899-01 SCREW (DIA. 12), FROATING
523 4-998-716-01 SCREW, BU FITTING
524 X-4954-451-1 HOLDER (BU30) ASSY
M201 A-4660-977-A MOTOR ASSY
#1 7-685-646-79 SCREW +BVTP 3X8 TYPE2 N-S

58
HCD-XGR6/XGR60
7-6. BASE UNIT SECTION
(BU-30BD60C)
Ref. No. Part No. Description Remarks Ref. No. Part No. Description Remarks
555
552
551
554
553
556
551 3-531-576-11 RIVET
552 A-4728-678-A BD BOARD, COMPLETE
553 4-233-832-01 GEAR (LB)
554 4-233-831-01 GEAR (LA)
555 1-757-710-11 WIRE (FLAT TYPE) (16 CORE)
556 A-4735-188-A BU-30 (60) ASSY

59
Ref. No. Part No. Description Remarks Ref. No. Part No. Description Remarks
HCD-XGR6/XGR60
SECTION 8
ELECTRICAL PARTS LIST
Ref. No. Part No. Description Remarks Ref. No. Part No. Description Remarks
NOTE:
• Due to standardization, replacements in the
parts list may be different from the parts
specified in the diagrams or the components
used on the set.
• -XX, -X mean standardized parts, so they
may have some difference from the original
one.
• Items marked “*” are not stocked since they
are seldom required for routine service.
Some delay should be anticipated when
ordering these items.
• CAPACITORS:
uF: µF
• RESISTORS
All resistors are in ohms.
METAL: metal-film resistor
METAL OXIDE: Metal Oxide-film resistor
F: nonflammable
• COILS
uH: µH
• SEMICONDUCTORS
In each case, u: µ, for example:
uA...: µA... , uPA... , µPA... ,
uPB... , µPB... , uPC... , µPC... ,
uPD..., µPD...
• Abbreviation
MX : Mexican model
E51 : Chilean and Peruvian model
AR : Argentina model
When indicating parts by reference
number, please include the board
name.
The components identified by
mark 0 or dotted line with mark
0 are critical for safety.
Replace only with part number
specified.
BD
A-4728-678-A BD BOARD, COMPLETE
*****************
< CAPACITOR >
C101 1-162-967-11 CERAMIC CHIP 0.0033uF 10% 50V
C102 1-107-826-11 CERAMIC CHIP 0.1uF 10% 16V
C103 1-162-962-11 CERAMIC CHIP 470PF 10% 50V
C104 1-162-962-11 CERAMIC CHIP 470PF 10% 50V
C108 1-107-826-11 CERAMIC CHIP 0.1uF 10% 16V
C109 1-162-965-11 CERAMIC CHIP 0.0015uF 10% 50V
C110 1-162-967-11 CERAMIC CHIP 0.0033uF 10% 50V
C111 1-162-927-11 CERAMIC CHIP 100PF 5% 50V
C112 1-125-837-91 CERAMIC CHIP 1uF 10% 6.3V
C114 1-164-360-11 CERAMIC CHIP 0.1uF 16V
C116 1-104-665-11 ELECT 100uF 20% 10V
C117 1-104-665-11 ELECT 100uF 20% 10V
C118 1-162-964-11 CERAMIC CHIP 0.001uF 10% 50V
C121 1-164-360-11 CERAMIC CHIP 0.1uF 16V
C122 1-124-584-00 ELECT 100uF 20% 10V
C123 1-162-970-11 CERAMIC CHIP 0.01uF 10% 25V
C124 1-125-891-11 CERAMIC CHIP 0.47uF 10% 10V
C125 1-164-360-11 CERAMIC CHIP 0.1uF 16V
C126 1-164-360-11 CERAMIC CHIP 0.1uF 16V
C127 1-124-584-00 ELECT 100uF 20% 10V
C129 1-162-974-11 CERAMIC CHIP 0.01uF 50V
C130 1-164-360-11 CERAMIC CHIP 0.1uF 16V
C131 1-104-665-11 ELECT 100uF 20% 10V
C133 1-162-921-11 CERAMIC CHIP 33PF 5% 50V
C143 1-164-360-11 CERAMIC CHIP 0.1uF 16V
C145 1-164-360-11 CERAMIC CHIP 0.1uF 16V
C153 1-164-360-11 CERAMIC CHIP 0.1uF 16V
C159 1-162-970-11 CERAMIC CHIP 0.01uF 10% 25V
C162 1-104-665-11 ELECT 100uF 20% 10V
C165 1-164-360-11 CERAMIC CHIP 0.1uF 16V
C167 1-162-919-11 CERAMIC CHIP 22PF 5% 50V
C168 1-162-921-11 CERAMIC CHIP 33PF 5% 50V
C171 1-115-412-11 CERAMIC CHIP 680PF 5% 25V
C172 1-162-927-11 CERAMIC CHIP 100PF 5% 50V
C181 1-115-412-11 CERAMIC CHIP 680PF 5% 25V
C182 1-162-927-11 CERAMIC CHIP 100PF 5% 50V
C183 1-164-227-11 CERAMIC CHIP 0.022uF 10% 25V
C184 1-162-970-11 CERAMIC CHIP 0.01uF 10% 25V
C185 1-125-837-91 CERAMIC CHIP 1uF 10% 6.3V
C190 1-115-156-11 CERAMIC CHIP 1uF 10V
C191 1-124-584-00 ELECT 100uF 20% 10V
C192 1-164-360-11 CERAMIC CHIP 0.1uF 16V
C193 1-104-665-11 ELECT 100uF 20% 10V
C194 1-164-360-11 CERAMIC CHIP 0.1uF 16V
C195 1-164-360-11 CERAMIC CHIP 0.1uF 16V
C196 1-164-360-11 CERAMIC CHIP 0.1uF 16V
C197 1-107-826-11 CERAMIC CHIP 0.1uF 10% 16V
C198 1-124-584-00 ELECT 100uF 20% 10V
< CONNECTOR >
CN101 1-568-864-11 CONNECTOR, FFC 21P
CN102 1-793-907-11 CONNECTOR, FFC/FPC 16P
< DIODE >
D101 8-719-083-58 DIODE UDZSTE-173.9B
< FERRITE BEAD >
FB101 1-500-445-21 FERRITE 0UH
FB102 1-500-445-21 FERRITE 0UH
< IC >
IC101 8-752-402-31 IC CXD3017Q
IC102 8-759-827-41 IC BA5974FM-E2
IC103 8-752-089-74 IC CXA2581N-T4
< JUMPER RESISTOR >
JR101 1-216-864-11 METAL CHIP 0 5% 1/16W
JR102 1-216-864-11 METAL CHIP 0 5% 1/16W
JR103 1-216-864-11 METAL CHIP 0 5% 1/16W
JR104 1-216-864-11 METAL CHIP 0 5% 1/16W
JR105 1-216-864-11 METAL CHIP 0 5% 1/16W
JR106 1-216-864-11 METAL CHIP 0 5% 1/16W
JR122 1-216-296-11 SHORT 0
JR123 1-216-296-11 SHORT 0
JR124 1-216-296-11 SHORT 0
JR125 1-216-296-11 SHORT 0
< COIL >
L101 1-469-553-21 INDUCTOR 4.7uH
< TRANSISTOR >
Q101 8-729-049-31 TRANSISTOR 2SB710A-RTX
Q102 8-729-920-85 TRANSISTOR 2SD1664-T100-QR
< RESISTOR >
R101 1-216-821-11 METAL CHIP 1K 5% 1/16W

60
Ref. No. Part No. Description Remarks Ref. No. Part No. Description Remarks
HCD-XGR6/XGR60
BD
R102 1-216-845-11 METAL CHIP 100K 5% 1/16W
R103 1-216-835-11 METAL CHIP 15K 5% 1/16W
R104 1-216-839-11 METAL CHIP 33K 5% 1/16W
R105 1-216-821-11 METAL CHIP 1K 5% 1/16W
R106 1-216-821-11 METAL CHIP 1K 5% 1/16W
R107 1-216-833-11 METAL CHIP 10K 5% 1/16W
R108 1-216-827-11 METAL CHIP 3.3K 5% 1/16W
R109 1-216-857-11 METAL CHIP 1M 5% 1/16W
R111 1-216-846-11 METAL CHIP 120K 5% 1/16W
R114 1-218-745-11 RES-CHIP 160K 5% 1/10W
R116 1-216-001-00 METAL CHIP 10 5% 1/10W
R117 1-216-821-11 METAL CHIP 1K 5% 1/16W
R118 1-216-809-11 METAL CHIP 100 5% 1/16W
R119 1-216-826-11 METAL CHIP 2.7K 5% 1/16W
R120 1-216-835-11 METAL CHIP 15K 5% 1/16W
R122 1-216-845-11 METAL CHIP 100K 5% 1/16W
R123 1-216-833-11 METAL CHIP 10K 5% 1/16W
R124 1-216-845-11 METAL CHIP 100K 5% 1/16W
R131 1-216-813-11 METAL CHIP 220 5% 1/16W
R143 1-216-839-11 METAL CHIP 33K 5% 1/16W
R144 1-216-839-11 METAL CHIP 33K 5% 1/16W
R147 1-218-701-11 RES-CHIP 2.4K 5% 1/10W
R148 1-216-797-11 METAL CHIP 10 5% 1/16W
R149 1-216-797-11 METAL CHIP 10 5% 1/16W
R158 1-216-838-11 METAL CHIP 27K 5% 1/16W
R159 1-216-838-11 METAL CHIP 27K 5% 1/16W
R162 1-216-845-11 METAL CHIP 100K 5% 1/16W
R171 1-216-837-11 METAL CHIP 22K 5% 1/16W
R172 1-216-837-11 METAL CHIP 22K 5% 1/16W
R173 1-216-837-11 METAL CHIP 22K 5% 1/16W
R181 1-216-837-11 METAL CHIP 22K 5% 1/16W
R182 1-216-837-11 METAL CHIP 22K 5% 1/16W
R183 1-216-837-11 METAL CHIP 22K 5% 1/16W
R190 1-216-813-11 METAL CHIP 220 5% 1/16W
R191 1-216-839-11 METAL CHIP 33K 5% 1/16W
R192 1-216-839-11 METAL CHIP 33K 5% 1/16W
R193 1-216-846-11 METAL CHIP 120K 5% 1/16W
R194 1-216-839-11 METAL CHIP 33K 5% 1/16W
R195 1-216-849-11 METAL CHIP 220K 5% 1/16W
R196 1-216-819-11 METAL CHIP 680 5% 1/16W
R198 1-216-864-11 METAL CHIP 0 5% 1/16W
< NETWORK >
RN101 1-233-576-11 RES, CHIP NETWORK 100
< VARIABLE RESISTOR >
RV101 1-238-602-11 RES, ADJ, CARBON 47K (E-F BALANCE)
< VIBRATOR >
X101 1-579-280-11 VIBRATOR, CRYSTAL (16.9344MHz)
******************************************************
1-683-452-11 CD-L BOARD
*********
< CONNECTOR >
*CN704 1-564-719-11 PIN, CONNECTOR (SMALL TYPE) 3P
< RESISTOR >
R771 1-249-419-11 CARBON 1.5K 5% 1/4W F
R772 1-249-419-11 CARBON 1.5K 5% 1/4W F
R773 1-249-421-11 CARBON 2.2K 5% 1/4W F
R774 1-247-843-11 CARBON 3.3K 5% 1/4W
R775 1-249-425-11 CARBON 4.7K 5% 1/4W F
R776 1-249-427-11 CARBON 6.8K 5% 1/4W F
R777 1-249-429-11 CARBON 10K 5% 1/4W
R778 1-249-431-11 CARBON 15K 5% 1/4W
< SWITCH >
S741 1-762-875-21 SWITCH, KEYBOARD (DISC 1)
S742 1-762-875-21 SWITCH, KEYBOARD (DISC 2)
S743 1-762-875-21 SWITCH, KEYBOARD (DISC 3)
S744 1-762-875-21 SWITCH, KEYBOARD (DISC 4)
S745 1-762-875-21 SWITCH, KEYBOARD (DISC 5)
S746 1-762-875-21 SWITCH, KEYBOARD (DISC SKIP)
S747 1-762-875-21 SWITCH, KEYBOARD (REPEAT)
S748 1-762-875-21 SWITCH, KEYBOARD (PLAY MODE)
S749 1-762-875-21 SWITCH, KEYBOARD (EDIT)
******************************************************
1-683-453-11 CD-R BOARD
**********
< CAPACITOR >
C751 1-162-306-11 CERAMIC 0.01uF 30% 16V
C752 1-162-306-11 CERAMIC 0.01uF 30% 16V
< CONNECTOR >
CN703 1-785-333-11 PIN, CONNECTOR (LIGHT ANGLE)7P
< DIODE >
D700 8-719-056-13 DIODE SML79423C-TP15 (GX )
< RESISTOR >
R782 1-247-843-11 CARBON 3.3K 5% 1/4W
R783 1-249-425-11 CARBON 4.7K 5% 1/4W F
R784 1-249-427-11 CARBON 6.8K 5% 1/4W F
R790 1-247-791-91 CARBON 22 5% 1/4W
R791 1-247-791-91 CARBON 22 5% 1/4W
< SWITCH >
S752 1-762-875-21 SWITCH, KEYBOARD (GX )
S753 1-762-875-21 SWITCH, KEYBOARD (x )
S754 1-762-875-21 SWITCH, KEYBOARD (m )
S755 1-762-875-21 SWITCH, KEYBOARD (M )
S763 1-473-393-11 ENCODER, ROTARY ( . AMS > )
******************************************************
1-684-683-11 D-SW BOARD
**********
< CAPACITOR >
C741 1-162-306-11 CERAMIC 0.01uF 30% 16V
< SWITCH >
S740 1-762-587-11 SWITCH, PUSH (1 KEY) (DOOR)
******************************************************
1-683-454-11 FRONT INPUT BOARD
****************
< CAPACITOR >
C701 1-162-294-31 CERAMIC 0.001uF 10% 50V
C702 1-162-294-31 CERAMIC 0.001uF 10% 50V
CD-L CD-R D-SW FRONT INPUT

61
Ref. No. Part No. Description Remarks Ref. No. Part No. Description Remarks
HCD-XGR6/XGR60
LED
C703 1-126-960-11 ELECT 1uF 20% 50V
C704 1-164-159-21 CERAMIC 0.1uF 50V
C705 1-162-282-31 CERAMIC 100PF 10% 50V
< FILTER >
FL730 1-424-228-11 FILTER, NOISE
< JACK >
J804 1-815-310-11 JACK 3P (GAME INPUT)
< RESISTOR >
R721 1-249-437-11 CARBON 47K 5% 1/4W
R722 1-249-417-11 CARBON 1K 5% 1/4W F
R723 1-249-437-11 CARBON 47K 5% 1/4W
R724 1-247-804-11 CARBON 75 5% 1/4W
R725 1-249-417-11 CARBON 1K 5% 1/4W F
******************************************************
1-683-450-11 HEADPHONE BOARD
***************
< CAPACITOR >
C891 1-162-294-31 CERAMIC 0.001uF 10% 50V
C892 1-162-294-31 CERAMIC 0.001uF 10% 50V
C893 1-164-159-21 CERAMIC 0.1uF 50V
< JACK >
J891 1-770-226-11 JACK (LARGE TYPE) (PHONES)
< RESISTOR >
R891 1-247-807-31 CARBON 100 5% 1/4W
******************************************************
*1-659-059-13 LED BOARD
*********
< DIODE >
D201 8-719-032-98 DIODE SEL5820A (DISC No.)
< TRANSISTOR >
Q201 8-729-119-78 TRANSISTOR 2SC2785-HFE
< RESISTOR >
R201 1-249-433-11 CARBON 22K 5% 1/4W
R202 1-249-411-11 CARBON 330 5% 1/4W
R203 1-249-437-11 CARBON 47K 5% 1/4W
******************************************************
A-4440-764-A MAIN BOARD, COMPLETE (XGR60:AR,E,E51)
A-4676-330-A MAIN BOARD, COMPLETE (XGR60:MX)
A-4727-645-A MAIN BOARD, COMPLETE (XGR6)
*******************
4-875-327-31 HEAT SINK
4-948-236-21 CUSHION (107)
7-685-646-79 SCREW +BVTP 3X8 TYPE2 N-S
< CAPACITOR >
C72 1-136-169-00 FILM 0.22uF 5% 50V
C73 1-136-169-00 FILM 0.22uF 5% 50V
C110 1-126-795-11 ELECT 10uF 20% 50V
C111 1-126-795-11 ELECT 10uF 20% 50V
C112 1-126-795-11 ELECT 10uF 20% 50V
C113 1-126-795-11 ELECT 10uF 20% 50V
C114 1-126-795-11 ELECT 10uF 20% 50V
C115 1-126-795-11 ELECT 10uF 20% 50V
C116 1-130-487-00 MYLAR 0.022uF 5% 50V
C117 1-130-487-00 MYLAR 0.022uF 5% 50V
C118 1-126-795-11 ELECT 10uF 20% 50V
C119 1-130-491-00 MYLAR 0.047uF 5% 50V
C120 1-130-479-00 MYLAR 0.0047uF 5% 50V
C121 1-126-795-11 ELECT 10uF 20% 50V
C122 1-136-171-00 FILM 0.33uF 5% 50V
C123 1-136-171-00 FILM 0.33uF 5% 50V
C124 1-126-961-11 ELECT 2.2uF 20% 50V
C131 1-126-795-11 ELECT 10uF 20% 50V
C132 1-125-972-91 ELECT 100uF 20% 16V
C133 1-126-795-11 ELECT 10uF 20% 50V
C134 1-162-974-11 CERAMIC CHIP 0.01uF 50V
C135 1-124-589-11 ELECT 47uF 20% 16V
C136 1-126-964-11 ELECT 10uF 20% 50V
C137 1-162-967-11 CERAMIC CHIP 3300pF 10% 50V
C138 1-162-967-11 CERAMIC CHIP 3300pF 10% 50V
C160 1-126-795-11 ELECT 10uF 20% 50V
C161 1-126-795-11 ELECT 10uF 20% 50V
C162 1-126-795-11 ELECT 10uF 20% 50V
C163 1-126-795-11 ELECT 10uF 20% 50V
C164 1-126-795-11 ELECT 10uF 20% 50V
C165 1-126-795-11 ELECT 10uF 20% 50V
C166 1-130-487-00 MYLAR 0.022uF 5% 50V
C167 1-130-487-00 MYLAR 0.022uF 5% 50V
C168 1-126-795-11 ELECT 10uF 20% 50V
C169 1-130-491-00 MYLAR 0.047uF 5% 50V
C170 1-130-479-00 MYLAR 0.0047uF 5% 50V
C171 1-126-795-11 ELECT 10uF 20% 50V
C172 1-136-171-00 FILM 0.33uF 5% 50V
C173 1-136-171-00 FILM 0.33uF 5% 50V
C174 1-126-961-11 ELECT 2.2uF 20% 50V
C181 1-164-156-11 CERAMIC CHIP 0.1uF 25V
C182 1-164-156-11 CERAMIC CHIP 0.1uF 25V
C183 1-164-156-11 CERAMIC CHIP 0.1uF 25V
C193 1-164-156-11 CERAMIC CHIP 0.1uF 25V
C301 1-130-483-00 MYLAR 0.01uF 5% 50V
C302 1-126-964-11 ELECT 10uF 20% 50V
C303 1-136-165-00 FILM 0.1uF 5% 50V
C304 1-126-964-11 ELECT 10uF 20% 50V
C305 1-136-165-00 FILM 0.1uF 5% 50V
C306 1-126-961-11 ELECT 2.2uF 20% 50V
C307 1-126-947-11 ELECT 47uF 20% 16V
C308 1-164-392-11 CERAMIC CHIP 390PF 10% 50V
C309 1-164-392-11 CERAMIC CHIP 390PF 10% 50V
C310 1-162-962-11 CERAMIC CHIP 470PF 10% 50V
C311 1-126-933-11 ELECT 100uF 20% 16V
C312 1-126-964-11 ELECT 10uF 20% 50V
C313 1-126-964-11 ELECT 10uF 20% 50V
C321 1-126-964-11 ELECT 10uF 20% 50V
C322 1-135-575-11 MYLAR 120PF 5% 50V
C323 1-135-575-11 MYLAR 120PF 5% 50V
C324 1-162-961-11 CERAMIC CHIP 330PF 10% 50V
C325 1-162-961-11 CERAMIC CHIP 330PF 10% 50V
C326 1-162-946-11 CERAMIC CHIP 27PF 5% 50V
C327 1-162-946-11 CERAMIC CHIP 27PF 5% 50V
C328 1-162-974-11 CERAMIC CHIP 0.01uF 50V
C329 1-162-974-11 CERAMIC CHIP 0.01uF 50V
HEADPHONE MAINFRONT INPUT

62
Ref. No. Part No. Description Remarks Ref. No. Part No. Description Remarks
HCD-XGR6/XGR60
C331 1-137-150-11 MYLAR 0.01uF 5% 100V
C332 1-126-961-11 ELECT 2.2uF 20% 50V
C333 1-130-485-00 MYLAR 0.015uF 5% 50V
C334 1-130-481-00 MYLAR 0.0068uF 5% 50V
C335 1-130-481-00 MYLAR 0.0068uF 5% 50V
C336 1-130-486-00 MYLAR 0.018uF 10% 50V
C337 1-126-964-11 ELECT 10uF 20% 50V
C338 1-126-947-11 ELECT 47uF 20% 16V
C341 1-126-935-11 ELECT 470uF 20% 10V
C342 1-164-156-11 CERAMIC CHIP 0.1uF 25V
C343 1-130-487-00 MYLAR 0.022uF 5% 50V
C344 1-130-487-00 MYLAR 0.022uF 5% 50V
C345 1-126-961-11 ELECT 2.2uF 20% 50V
C346 1-126-961-11 ELECT 2.2uF 20% 50V
C347 1-126-964-11 ELECT 10uF 20% 50V
C348 1-126-965-11 ELECT 22uF 20% 50V
C349 1-162-962-11 CERAMIC CHIP 470PF 10% 50V
C350 1-137-198-11 FILM 1uF 5% 50V
C351 1-130-483-00 MYLAR 0.01uF 5% 50V
C352 1-126-964-11 ELECT 10uF 20% 50V
C353 1-136-165-00 FILM 0.1uF 5% 50V
C354 1-126-964-11 ELECT 10uF 20% 50V
C355 1-136-165-00 FILM 0.1uF 5% 50V
C356 1-126-961-11 ELECT 2.2uF 20% 50V
C357 1-126-947-11 ELECT 47uF 20% 16V
C358 1-164-392-11 CERAMIC CHIP 390PF 10% 50V
C359 1-164-392-11 CERAMIC CHIP 390PF 10% 50V
C381 1-162-968-11 CERAMIC CHIP 0.0047uF 10% 50V
C382 1-162-968-11 CERAMIC CHIP 0.0047uF 10% 50V
C401 1-164-156-11 CERAMIC CHIP 0.1uF 25V
C402 1-126-916-11 ELECT 1000uF 20% 6.3V
C403 1-126-961-11 ELECT 2.2uF 20% 50V
C404 1-126-961-11 ELECT 2.2uF 20% 50V
C405 1-162-927-11 CERAMIC CHIP 100PF 5% 50V
C406 1-162-927-11 CERAMIC CHIP 100PF 5% 50V
C407 1-164-156-11 CERAMIC CHIP 0.1uF 25V
C408 1-126-916-11 ELECT 1000uF 20% 6.3V
C410 1-126-935-11 ELECT 470uF 20% 10V
C414 1-164-156-11 CERAMIC CHIP 0.1uF 25V
C431 1-164-156-11 CERAMIC CHIP 0.1uF 25V
C452 1-126-947-11 ELECT 47uF 20% 16V
C510 1-162-918-11 CERAMIC CHIP 18PF 5% 50V
C511 1-162-919-11 CERAMIC CHIP 22PF 5% 50V
C512 1-164-156-11 CERAMIC CHIP 0.1uF 25V
C516 1-164-156-11 CERAMIC CHIP 0.1uF 25V
C562 1-164-156-11 CERAMIC CHIP 0.1uF 25V
C563 1-126-947-11 ELECT 47uF 20% 16V
C598 1-164-156-11 CERAMIC CHIP 0.1uF 25V
C599 1-126-947-11 ELECT 47uF 20% 16V
C601 1-162-959-11 CERAMIC CHIP 330PF 5% 50V
C602 1-162-927-11 CERAMIC CHIP 100PF 5% 50V
C603 1-162-927-11 CERAMIC CHIP 100PF 5% 50V
C604 1-126-961-11 ELECT 2.2uF 20% 50V
(XGR60)
C604 1-126-963-11 ELECT 4.7uF 20% 50V
(XGR6)
C605 1-130-479-00 MYLAR 0.0047uF 5% 50V
C606 1-130-473-00 MYLAR 0.0015uF 5% 50V
C607 1-136-159-00 FILM 0.033uF 5% 50V
(XGR60)
C607 1-136-165-00 FILM 0.1uF 5% 50V
(XGR6)
C608 1-126-964-11 ELECT 10uF 20% 50V
C609 1-162-974-11 CERAMIC CHIP 0.01uF 50V
C610 1-126-933-11 ELECT 100uF 20% 16V
C611 1-126-947-11 ELECT 47uF 20% 16V
C612 1-162-974-11 CERAMIC CHIP 0.01uF 50V
C613 1-126-947-11 ELECT 47uF 20% 16V
C651 1-162-959-11 CERAMIC CHIP 330PF 5% 50V
C652 1-162-927-11 CERAMIC CHIP 100PF 5% 50V
C653 1-162-927-11 CERAMIC CHIP 100PF 5% 50V
C654 1-126-961-11 ELECT 2.2uF 20% 50V
(XGR60)
C654 1-126-963-11 ELECT 4.7uF 20% 50V
(XGR6)
C655 1-130-479-00 MYLAR 0.0047uF 5% 50V
C656 1-130-473-00 MYLAR 0.0015uF 5% 50V
C657 1-136-159-00 FILM 0.033uF 5% 50V
(XGR60)
C657 1-136-165-00 FILM 0.1uF 5% 50V
(XGR6)
C658 1-126-964-11 ELECT 10uF 20% 50V
C701 1-162-960-11 CERAMIC CHIP 220PF 10% 50V
C702 1-162-960-11 CERAMIC CHIP 220PF 10% 50V
C703 1-126-964-11 ELECT 10uF 20% 50V
C704 1-126-964-11 ELECT 10uF 20% 50V
C705 1-162-960-11 CERAMIC CHIP 220PF 10% 50V
(XGR6,XGR60:MX)
C722 1-126-926-11 ELECT 1000uF 20% 10V
C724 1-162-962-11 CERAMIC CHIP 470PF 10% 50V
C751 1-162-960-11 CERAMIC CHIP 220PF 10% 50V
C752 1-162-960-11 CERAMIC CHIP 220PF 10% 50V
C753 1-126-964-11 ELECT 10uF 20% 50V
C754 1-126-964-11 ELECT 10uF 20% 50V
C755 1-162-960-11 CERAMIC CHIP 220PF 10% 50V
(XGR6,XGR60:MX)
C771 1-164-156-11 CERAMIC CHIP 0.1uF 25V
C772 1-164-156-11 CERAMIC CHIP 0.1uF 25V
C774 1-164-156-11 CERAMIC CHIP 0.1uF 25V
C801 1-126-964-11 ELECT 10uF 20% 50V
C802 1-136-165-00 FILM 0.1uF 5% 50V
C803 1-136-165-00 FILM 0.1uF 5% 50V
C804 1-126-916-11 ELECT 1000uF 20% 6.3V
C806 1-109-953-11 ELECT 2.2uF 20% 50V
C901 1-128-548-11 ELECT 4700uF 20% 25V
C902 1-164-156-11 CERAMIC CHIP 0.1uF 25V
C903 1-126-935-11 ELECT 470uF 20% 16V
C911 1-104-665-11 ELECT 100uF 20% 25V
C912 1-126-935-11 ELECT 470uF 20% 10V
C913 1-126-947-11 ELECT 47uF 20% 16V
C921 1-126-768-11 ELECT 2200uF 20% 16V
C922 1-164-156-11 CERAMIC CHIP 0.1uF 25V
C923 1-126-916-11 ELECT 1000uF 20% 6.3V
C924 1-126-947-11 ELECT 47uF 20% 16V
C925 1-164-156-11 CERAMIC CHIP 0.1uF 25V
C926 1-126-935-11 ELECT 470uF 20% 6.3V
C961 1-164-156-11 CERAMIC CHIP 0.1uF 25V
C962 1-164-156-11 CERAMIC CHIP 0.1uF 25V
C963 1-126-947-11 ELECT 47uF 20% 16V
< CONNECTOR >
*CN301 1-568-449-11 HOUSING, CONNECTOR(PC BOARD)3P
CN311 1-691-765-11 PLUG (MICRO CONNECTOR) 3P
CN321 1-691-770-11 PLUG (MICRO CONNECTOR) 8P
MAIN

63
Ref. No. Part No. Description Remarks Ref. No. Part No. Description Remarks
HCD-XGR6/XGR60
CN371 1-784-776-11 CONNECTOR, FFC 15P
CN401 1-568-838-11 CONNECTOR, FFC 21P
CN411 1-785-321-11 PIN, CONNECTOR (STRAIGHT) 9P
CN431 1-784-780-11 CONNECTOR, FFC 19P
CN441 1-563-614-31 CONNECTOR, FLEXIBLE 11P
CN722 1-691-767-11 PLUG (MICRO CONNECTOR) 5P
CN901 1-778-982-21 CONNECTOR, BOARD TO BOARD 13P
CN902 1-778-982-21 CONNECTOR, BOARD TO BOARD 13P
CN903 1-785-315-11 PIN, CONNECTOR (STRAIGHT) 3P
CN961 1-564-506-11 PLUG, CONNECTOR 3P
< DIODE >
D381 8-719-988-61 DIODE 1SS355TE-17
D382 8-719-988-61 DIODE 1SS355TE-17
D431 8-719-988-61 DIODE 1SS355TE-17
D802 8-719-988-61 DIODE 1SS355TE-17
D803 8-719-988-61 DIODE 1SS355TE-17
D805 8-719-988-61 DIODE 1SS355TE-17
D806 8-719-988-61 DIODE 1SS355TE-17
D807 8-719-988-61 DIODE 1SS355TE-17
D808 8-719-988-61 DIODE 1SS355TE-17
D809 8-719-210-33 DIODE EC10DS2
D810 8-719-210-33 DIODE EC10DS2
D911 8-719-210-33 DIODE EC10DS2
D912 8-719-210-33 DIODE EC10DS2
D913 8-719-210-33 DIODE EC10DS2
< FERRITE BEAD >
FB402 1-414-772-11 FERRITE 0UH
FB403 1-414-772-11 FERRITE 0UH
FB404 1-414-772-11 FERRITE 0UH
FB516 1-414-772-11 FERRITE 0UH
FB562 1-414-772-11 FERRITE 0UH
FB599 1-414-772-11 FERRITE 0UH
< IC >
IC111 6-701-686-01 IC M61519FPD60G
IC181 8-759-009-06 IC MC14052BFEL
IC301 6-701-655-01 IC HA12236F
IC321 8-759-143-54 IC uPC1330HA
IC341 8-759-100-96 IC NJM4558M-TE2
IC451 8-749-019-25 IC TOTX141 (CD DIGITAL OUT OPTICAL)
IC501 6-801-051-01 IC M30620MCN-A01FP
IC601 8-759-100-96 IC NJM4558M-TE2
IC801 8-759-533-04 IC M62703ML-E1
IC911 8-759-231-09 IC TA8662N
IC921 8-759-039-69 IC uPC7805AHF
IC922 6-701-760-01 IC uPC3504AHF
IC931 8-759-604-32 IC M5F7810L
IC961 8-759-088-08 IC uPC7812AHF
< JACK >
J701 1-691-887-11 JACK, PIN 6P (PHONO IN, MD IN/OUT)
J702 1-573-028-31 JACK, PIN 4P (DJ MIX) (XGR6,XGR60:MX)
J721 1-774-227-11 JACK, PIN 1P (VIDEO OUT)
< JUMPER RESISTOR >
JR1 1-216-295-00 SHORT 0
JR2 1-216-295-00 SHORT 0
JR3 1-216-295-00 SHORT 0
JR4 1-216-295-00 SHORT 0
JR5 1-216-295-00 SHORT 0
JR6 1-216-295-00 SHORT 0
JR7 1-216-295-00 SHORT 0
JR12 1-216-295-00 SHORT 0
JR13 1-216-296-11 SHORT 0
JR14 1-216-296-11 SHORT 0
JR15 1-216-295-00 SHORT 0
JR16 1-216-295-00 SHORT 0
JR17 1-216-295-00 SHORT 0
JR18 1-216-295-00 SHORT 0
JR19 1-216-296-11 SHORT 0
JR20 1-216-295-00 SHORT 0
JR21 1-216-295-00 SHORT 0
JR22 1-216-295-00 SHORT 0
JR23 1-216-295-00 SHORT 0
JR27 1-216-295-00 SHORT 0
JR28 1-216-296-11 SHORT 0
JR29 1-216-295-00 SHORT 0
JR181 1-216-295-00 SHORT 0
JR182 1-216-295-00 SHORT 0
JR191 1-216-295-00 SHORT 0
JR192 1-216-295-00 SHORT 0
JR301 1-216-295-00 SHORT 0
JR303 1-216-295-00 SHORT 0
JR351 1-216-295-00 SHORT 0
JR353 1-216-295-00 SHORT 0
JR721 1-216-295-00 SHORT 0
JR722 1-216-295-00 SHORT 0
JR723 1-216-295-00 SHORT 0
JR910 1-216-296-11 SHORT 0 (XGR6)
< COIL >
L301 1-412-032-11 INDUCTOR CHIP 100uH
L321 1-410-780-11 INDUCTOR 27mH
L322 1-410-780-11 INDUCTOR 27mH
L331 1-412-033-11 INDUCTOR CHIP 220uH
L451 1-412-032-11 INDUCTOR CHIP 100uH
< TRANSISTOR >
Q111 8-729-048-96 TRANSISTOR 2SK1825
Q112 8-729-048-96 TRANSISTOR 2SK1825
Q113 8-729-048-96 TRANSISTOR 2SK1825
Q114 8-729-141-30 TRANSISTOR 2SC3623A-LK
Q115 8-729-141-30 TRANSISTOR 2SC3623A-LK
Q116 8-729-141-30 TRANSISTOR 2SC3623A-LK
Q161 8-729-048-96 TRANSISTOR 2SK1825
Q162 8-729-048-96 TRANSISTOR 2SK1825
Q163 8-729-048-96 TRANSISTOR 2SK1825
Q164 8-729-141-30 TRANSISTOR 2SC3623A-LK
Q165 8-729-029-40 TRANSISTOR DTA124ESA
Q166 8-729-620-05 TRANSISTOR 2SC2603-EF
Q167 8-729-029-40 TRANSISTOR DTA124ESA
Q168 8-729-029-86 TRANSISTOR DTC124ESA
Q169 8-729-029-40 TRANSISTOR DTA124ESA
Q170 8-729-029-86 TRANSISTOR DTC124ESA
Q181 8-729-029-86 TRANSISTOR DTC124ESA
Q182 8-729-029-86 TRANSISTOR DTC124ESA
Q321 8-729-029-86 TRANSISTOR DTC124ESA
Q322 8-729-029-40 TRANSISTOR DTA124ESA
Q331 8-729-113-07 TRANSISTOR 2SC2001TP-K
Q332 8-729-113-07 TRANSISTOR 2SC2001TP-K
MAIN

64
Ref. No. Part No. Description Remarks Ref. No. Part No. Description Remarks
HCD-XGR6/XGR60
Q333 8-729-801-93 TRANSISTOR 2SD1387
Q334 8-729-029-86 TRANSISTOR DTC124ESA
Q335 8-729-140-04 TRANSISTOR 2SB1116A-L
Q341 8-729-620-05 TRANSISTOR 2SC2603-EF
Q342 8-729-029-86 TRANSISTOR DTC124ESA
Q343 8-729-029-86 TRANSISTOR DTC124ESA
Q344 8-729-029-86 TRANSISTOR DTC124ESA
Q345 8-729-029-86 TRANSISTOR DTC124ESA
Q381 8-729-140-04 TRANSISTOR 2SB1116A-L
Q382 8-729-029-86 TRANSISTOR DTC124ESA
Q383 8-729-140-04 TRANSISTOR 2SB1116A-L
Q384 8-729-029-86 TRANSISTOR DTC124ESA
Q385 8-729-116-59 TRANSISTOR 2SB1068TP
Q386 8-729-029-86 TRANSISTOR DTC124ESA
Q387 8-729-029-86 TRANSISTOR DTC124ESA
Q388 8-729-048-96 TRANSISTOR 2SK1825
Q401 8-729-141-30 TRANSISTOR 2SC3623A-LK
Q402 8-729-141-30 TRANSISTOR 2SC3623A-LK
Q411 8-729-029-86 TRANSISTOR DTC124ESA
Q412 8-729-029-86 TRANSISTOR DTC124ESA
Q451 8-729-620-05 TRANSISTOR 2SC2603-EF
Q452 8-729-119-76 TRANSISTOR 2SA1175-HFE
Q453 8-729-119-76 TRANSISTOR 2SA1175-HFE
Q454 8-729-620-05 TRANSISTOR 2SC2603-EF
Q611 8-729-620-05 TRANSISTOR 2SC2603-EF
Q701 8-729-141-30 TRANSISTOR 2SC3623A-LK
Q751 8-729-141-30 TRANSISTOR 2SC3623A-LK
Q801 8-729-620-05 TRANSISTOR 2SC2603-EF
Q802 8-729-029-86 TRANSISTOR DTC124ESA
Q803 8-729-029-40 TRANSISTOR DTA124ESA
Q805 8-729-029-40 TRANSISTOR DTA124ESA
Q806 8-729-029-86 TRANSISTOR DTC124ESA
Q921 8-729-209-60 TRANSISTOR 2SB1375
Q922 8-729-029-86 TRANSISTOR DTC124ESA
Q961 8-729-620-05 TRANSISTOR 2SC2603-EF
Q962 8-729-140-04 TRANSISTOR 2SB1116A-L
< RESISTOR >
R111 1-216-825-11 METAL CHIP 2.2K 5% 1/16W
R112 1-216-833-11 METAL CHIP 10K 5% 1/16W
R113 1-216-857-11 METAL CHIP 1M 5% 1/16W
R114 1-216-857-11 METAL CHIP 1M 5% 1/16W
R115 1-216-841-11 METAL CHIP 47K 5% 1/16W
R116 1-216-841-11 METAL CHIP 47K 5% 1/16W
R117 1-216-849-11 METAL CHIP 220K 5% 1/16W
R118 1-216-849-11 METAL CHIP 220K 5% 1/16W
R119 1-216-818-11 METAL CHIP 560 5% 1/16W
R120 1-216-845-11 METAL CHIP 100K 5% 1/16W
R121 1-216-855-11 METAL CHIP 680K 5% 1/16W
R122 1-216-825-11 METAL CHIP 2.2K 5% 1/16W
R123 1-216-845-11 METAL CHIP 100K 5% 1/16W
R124 1-216-833-11 METAL CHIP 10K 5% 1/16W
R125 1-216-833-11 METAL CHIP 10K 5% 1/16W
R126 1-216-833-11 METAL CHIP 10K 5% 1/16W
R127 1-216-849-11 METAL CHIP 220K 5% 1/16W
R128 1-216-849-11 METAL CHIP 220K 5% 1/16W
R129 1-216-857-11 METAL CHIP 1M 5% 1/16W
R130 1-216-857-11 METAL CHIP 1M 5% 1/16W
R131 1-216-833-11 METAL CHIP 10K 5% 1/16W
R132 1-216-833-11 METAL CHIP 10K 5% 1/16W
R133 1-216-829-11 METAL CHIP 4.7K 5% 1/16W
R134 1-216-857-11 METAL CHIP 1M 5% 1/16W
R135 1-216-295-00 SHORT 0
R136 1-216-295-00 SHORT 0
R137 1-216-845-11 METAL CHIP 100K 5% 1/16W
R138 1-216-845-11 METAL CHIP 100K 5% 1/16W
R161 1-216-825-11 METAL CHIP 2.2K 5% 1/16W
R162 1-216-833-11 METAL CHIP 10K 5% 1/16W
R163 1-216-857-11 METAL CHIP 1M 5% 1/16W
R164 1-216-857-11 METAL CHIP 1M 5% 1/16W
R165 1-216-841-11 METAL CHIP 47K 5% 1/16W
R166 1-216-841-11 METAL CHIP 47K 5% 1/16W
R167 1-216-849-11 METAL CHIP 220K 5% 1/16W
R168 1-216-849-11 METAL CHIP 220K 5% 1/16W
R169 1-216-818-11 METAL CHIP 560 5% 1/16W
R170 1-216-845-11 METAL CHIP 100K 5% 1/16W
R171 1-216-855-11 METAL CHIP 680K 5% 1/16W
R172 1-216-825-11 METAL CHIP 2.2K 5% 1/16W
R173 1-216-845-11 METAL CHIP 100K 5% 1/16W
R174 1-216-833-11 METAL CHIP 10K 5% 1/16W
R175 1-216-841-11 METAL CHIP 47K 5% 1/16W
R176 1-216-081-00 METAL CHIP 22K 5% 1/10W
R177 1-216-841-11 METAL CHIP 47K 5% 1/16W
R178 1-216-841-11 METAL CHIP 47K 5% 1/16W
R179 1-216-833-11 METAL CHIP 10K 5% 1/16W
R180 1-216-833-11 METAL CHIP 10K 5% 1/16W
R181 1-216-833-11 METAL CHIP 10K 5% 1/16W
R182 1-216-833-11 METAL CHIP 10K 5% 1/16W
R301 1-216-829-11 METAL CHIP 4.7K 5% 1/16W
R302 1-216-829-11 METAL CHIP 4.7K 5% 1/16W
R303 1-216-833-11 METAL CHIP 10K 5% 1/16W
R304 1-216-825-11 METAL CHIP 2.2K 5% 1/16W
R305 1-216-832-11 METAL CHIP 8.2K 5% 1/16W
R308 1-216-081-00 METAL CHIP 22K 5% 1/10W
R309 1-216-825-11 METAL CHIP 2.2K 5% 1/16W
R310 1-216-833-11 METAL CHIP 10K 5% 1/16W
R311 1-216-829-11 METAL CHIP 4.7K 5% 1/16W
R318 1-216-833-11 METAL CHIP 10K 5% 1/16W
R319 1-216-845-11 METAL CHIP 100K 5% 1/16W
R320 1-216-825-11 METAL CHIP 2.2K 5% 1/16W
R321 1-216-833-11 METAL CHIP 10K 5% 1/16W
R324 1-216-825-11 METAL CHIP 2.2K 5% 1/16W
R325 1-216-825-11 METAL CHIP 2.2K 5% 1/16W
R326 1-216-833-11 METAL CHIP 10K 5% 1/16W
R327 1-216-833-11 METAL CHIP 10K 5% 1/16W
R328 1-216-834-11 METAL CHIP 12K 5% 1/16W
R329 1-216-834-11 METAL CHIP 12K 5% 1/16W
R330 1-216-081-00 METAL CHIP 22K 5% 1/10W
0R331 1-219-787-17 FUSIBLE 5.6 5% 1/4W
0R332 1-219-787-17 FUSIBLE 5.6 5% 1/4W
R333 1-216-836-11 METAL CHIP 18K 5% 1/16W
R334 1-216-836-11 METAL CHIP 18K 5% 1/16W
R335 1-216-830-11 METAL CHIP 5.6K 5% 1/16W
R336 1-216-825-11 METAL CHIP 2.2K 5% 1/16W
R337 1-216-827-11 METAL CHIP 3.3K 5% 1/16W
R338 1-216-081-00 METAL CHIP 22K 5% 1/10W
R339 1-216-833-11 METAL CHIP 10K 5% 1/16W
R340 1-216-833-11 METAL CHIP 10K 5% 1/16W
MAIN
The components identified by mark 0 or dotted line
with mark 0 are critical for safety.
Replace only with part number specified.

65
Ref. No. Part No. Description Remarks Ref. No. Part No. Description Remarks
HCD-XGR6/XGR60
MAIN
R341 1-216-821-11 METAL CHIP 1K 5% 1/16W
R342 1-216-821-11 METAL CHIP 1K 5% 1/16W
R343 1-216-841-11 METAL CHIP 47K 5% 1/16W
R344 1-216-829-11 METAL CHIP 4.7K 5% 1/16W
R345 1-216-829-11 METAL CHIP 4.7K 5% 1/16W
R346 1-216-833-11 METAL CHIP 10K 5% 1/16W
R347 1-216-833-11 METAL CHIP 10K 5% 1/16W
R348 1-216-829-11 METAL CHIP 4.7K 5% 1/16W
R349 1-216-829-11 METAL CHIP 4.7K 5% 1/16W
R350 1-216-833-11 METAL CHIP 10K 5% 1/16W
R351 1-216-829-11 METAL CHIP 4.7K 5% 1/16W
R352 1-216-829-11 METAL CHIP 4.7K 5% 1/16W
R353 1-216-833-11 METAL CHIP 10K 5% 1/16W
R354 1-216-825-11 METAL CHIP 2.2K 5% 1/16W
R355 1-216-832-11 METAL CHIP 8.2K 5% 1/16W
R358 1-216-833-11 METAL CHIP 10K 5% 1/16W
R371 1-216-833-11 METAL CHIP 10K 5% 1/16W
R372 1-216-833-11 METAL CHIP 10K 5% 1/16W
R374 1-216-833-11 METAL CHIP 10K 5% 1/16W
R375 1-216-833-11 METAL CHIP 10K 5% 1/16W
R377 1-216-833-11 METAL CHIP 10K 5% 1/16W
R378 1-216-833-11 METAL CHIP 10K 5% 1/16W
R381 1-216-819-11 METAL CHIP 680 5% 1/16W
R382 1-216-825-11 METAL CHIP 2.2K 5% 1/16W
R383 1-216-825-11 METAL CHIP 2.2K 5% 1/16W
R384 1-216-819-11 METAL CHIP 680 5% 1/16W
R385 1-216-825-11 METAL CHIP 2.2K 5% 1/16W
R386 1-216-825-11 METAL CHIP 2.2K 5% 1/16W
R387 1-216-841-11 METAL CHIP 47K 5% 1/16W
R388 1-216-827-11 METAL CHIP 3.3K 5% 1/16W
R389 1-216-827-11 METAL CHIP 3.3K 5% 1/16W
R390 1-216-827-11 METAL CHIP 3.3K 5% 1/16W
R391 1-216-823-11 METAL CHIP 1.5K 5% 1/16W
R392 1-216-826-11 METAL CHIP 2.7K 5% 1/16W
R393 1-216-833-11 METAL CHIP 10K 5% 1/16W
R394 1-216-849-11 METAL CHIP 220K 5% 1/16W
R401 1-216-809-11 METAL CHIP 100 5% 1/16W
R402 1-216-827-11 METAL CHIP 3.3K 5% 1/16W
R403 1-216-809-11 METAL CHIP 100 5% 1/16W
R404 1-216-827-11 METAL CHIP 3.3K 5% 1/16W
R405 1-216-833-11 METAL CHIP 10K 5% 1/16W
R406 1-216-833-11 METAL CHIP 10K 5% 1/16W
R407 1-216-295-00 SHORT 0
R408 1-216-295-00 SHORT 0
R410 1-216-829-11 METAL CHIP 4.7K 5% 1/16W
R412 1-216-835-11 METAL CHIP 15K 5% 1/16W
R413 1-216-833-11 METAL CHIP 10K 5% 1/16W
R414 1-216-833-11 METAL CHIP 10K 5% 1/16W
R431 1-216-845-11 METAL CHIP 100K 5% 1/16W
R451 1-216-833-11 METAL CHIP 10K 5% 1/16W
R452 1-216-833-11 METAL CHIP 10K 5% 1/16W
R453 1-216-833-11 METAL CHIP 10K 5% 1/16W
R454 1-216-833-11 METAL CHIP 10K 5% 1/16W
R501 1-216-833-11 METAL CHIP 10K 5% 1/16W
R502 1-216-809-11 METAL CHIP 100 5% 1/16W
R503 1-216-809-11 METAL CHIP 100 5% 1/16W
R504 1-216-809-11 METAL CHIP 100 5% 1/16W
R505 1-216-833-11 METAL CHIP 10K 5% 1/16W
R509 1-216-833-11 METAL CHIP 10K 5% 1/16W
R511 1-216-851-11 METAL CHIP 330K 5% 1/16W
R513 1-216-295-00 SHORT 0
R516 1-216-833-11 METAL CHIP 10K 5% 1/16W
R517 1-216-833-11 METAL CHIP 10K 5% 1/16W
R519 1-216-809-11 METAL CHIP 100 5% 1/16W
R521 1-216-809-11 METAL CHIP 100 5% 1/16W
R522 1-216-809-11 METAL CHIP 100 5% 1/16W
R523 1-216-809-11 METAL CHIP 100 5% 1/16W
R524 1-216-809-11 METAL CHIP 100 5% 1/16W
R525 1-216-809-11 METAL CHIP 100 5% 1/16W
R526 1-216-809-11 METAL CHIP 100 5% 1/16W
R527 1-216-809-11 METAL CHIP 100 5% 1/16W
R528 1-216-809-11 METAL CHIP 100 5% 1/16W
R529 1-216-809-11 METAL CHIP 100 5% 1/16W
R530 1-216-809-11 METAL CHIP 100 5% 1/16W
R531 1-216-833-11 METAL CHIP 10K 5% 1/16W
R532 1-216-809-11 METAL CHIP 100 5% 1/16W
R533 1-216-809-11 METAL CHIP 100 5% 1/16W
R534 1-216-809-11 METAL CHIP 100 5% 1/16W
R535 1-216-809-11 METAL CHIP 100 5% 1/16W
R536 1-216-809-11 METAL CHIP 100 5% 1/16W
R537 1-216-809-11 METAL CHIP 100 5% 1/16W
R540 1-216-841-11 METAL CHIP 47K 5% 1/16W
R541 1-216-809-11 METAL CHIP 100 5% 1/16W
R542 1-216-809-11 METAL CHIP 100 5% 1/16W
R543 1-216-809-11 METAL CHIP 100 5% 1/16W
R547 1-216-809-11 METAL CHIP 100 5% 1/16W
R548 1-216-809-11 METAL CHIP 100 5% 1/16W
R549 1-216-833-11 METAL CHIP 10K 5% 1/16W
R556 1-216-809-11 METAL CHIP 100 5% 1/16W
R557 1-216-809-11 METAL CHIP 100 5% 1/16W
R570 1-216-809-11 METAL CHIP 100 5% 1/16W
R571 1-216-835-11 METAL CHIP 15K 5% 1/16W
R572 1-216-835-11 METAL CHIP 15K 5% 1/16W
R573 1-216-809-11 METAL CHIP 100 5% 1/16W
R574 1-216-809-11 METAL CHIP 100 5% 1/16W
R575 1-216-809-11 METAL CHIP 100 5% 1/16W
R580 1-216-809-11 METAL CHIP 100 5% 1/16W
R581 1-216-809-11 METAL CHIP 100 5% 1/16W
R582 1-216-833-11 METAL CHIP 10K 5% 1/16W
R583 1-216-809-11 METAL CHIP 100 5% 1/16W
R584 1-216-809-11 METAL CHIP 100 5% 1/16W
R585 1-216-809-11 METAL CHIP 100 5% 1/16W
R586 1-216-809-11 METAL CHIP 100 5% 1/16W
R587 1-216-809-11 METAL CHIP 100 5% 1/16W
R588 1-216-809-11 METAL CHIP 100 5% 1/16W
R589 1-216-809-11 METAL CHIP 100 5% 1/16W
R590 1-216-809-11 METAL CHIP 100 5% 1/16W
R591 1-216-809-11 METAL CHIP 100 5% 1/16W
R592 1-216-829-11 METAL CHIP 4.7K 5% 1/16W
R593 1-216-295-00 SHORT 0
R594 1-216-821-11 METAL CHIP 1K 5% 1/16W
(XGR60)
R594 1-216-825-11 METAL CHIP 2.2K 5% 1/16W
(XGR6)
R595 1-216-809-11 METAL CHIP 100 5% 1/16W
R596 1-216-829-11 METAL CHIP 4.7K 5% 1/16W
R597 1-218-892-11 METAL CHIP 75K 0.5% 1/10W
R598 1-218-892-11 METAL CHIP 75K 0.5% 1/10W
R599 1-216-821-11 METAL CHIP 1K 5% 1/16W
R601 1-216-821-11 METAL CHIP 1K 5% 1/16W
R602 1-216-821-11 METAL CHIP 1K 5% 1/16W
R603 1-216-841-11 METAL CHIP 47K 5% 1/16W

66
Ref. No. Part No. Description Remarks Ref. No. Part No. Description Remarks
HCD-XGR6/XGR60
MAIN
R604 1-216-820-11 METAL CHIP 820 5% 1/16W
(XGR6)
R604 1-216-821-11 METAL CHIP 1K 5% 1/16W
(XGR60)
R605 1-216-854-11 METAL CHIP 560K 5% 1/16W
R606 1-216-841-11 METAL CHIP 47K 5% 1/16W
R607 1-216-821-11 METAL CHIP 1K 5% 1/16W
R608 1-216-845-11 METAL CHIP 100K 5% 1/16W
R609 1-216-033-00 METAL CHIP 220 5% 1/10W
R611 1-216-821-11 METAL CHIP 1K 5% 1/16W
R612 1-216-821-11 METAL CHIP 1K 5% 1/16W
R613 1-216-815-11 METAL CHIP 330 5% 1/16W
R614 1-216-821-11 METAL CHIP 1K 5% 1/16W
R651 1-216-821-11 METAL CHIP 1K 5% 1/16W
R652 1-216-821-11 METAL CHIP 1K 5% 1/16W
R653 1-216-841-11 METAL CHIP 47K 5% 1/16W
R654 1-216-820-11 METAL CHIP 820 5% 1/16W
(XGR6)
R654 1-216-821-11 METAL CHIP 1K 5% 1/16W
(XGR60)
R655 1-216-854-11 METAL CHIP 560K 5% 1/16W
R656 1-216-841-11 METAL CHIP 47K 5% 1/16W
R657 1-216-821-11 METAL CHIP 1K 5% 1/16W
R658 1-216-845-11 METAL CHIP 100K 5% 1/16W
R701 1-216-821-11 METAL CHIP 1K 5% 1/16W
R702 1-216-845-11 METAL CHIP 100K 5% 1/16W
R703 1-216-821-11 METAL CHIP 1K 5% 1/16W
R704 1-216-845-11 METAL CHIP 100K 5% 1/16W
R705 1-216-833-11 METAL CHIP 10K 5% 1/16W
R706 1-216-825-11 METAL CHIP 2.2K 5% 1/16W
R707 1-216-841-11 METAL CHIP 47K 5% 1/16W
R708 1-216-821-11 METAL CHIP 1K 5% 1/16W
(XGR6,XGR60:MX)
R709 1-216-821-11 METAL CHIP 1K 5% 1/16W
(XGR6,XGR60:MX)
R710 1-216-845-11 METAL CHIP 100K 5% 1/16W
(XGR6,XGR60:MX)
R722 1-216-804-11 METAL CHIP 39 5% 1/16W
R724 1-216-833-11 METAL CHIP 10K 5% 1/16W
R751 1-216-821-11 METAL CHIP 1K 5% 1/16W
R752 1-216-845-11 METAL CHIP 100K 5% 1/16W
R753 1-216-821-11 METAL CHIP 1K 5% 1/16W
R754 1-216-845-11 METAL CHIP 100K 5% 1/16W
R755 1-216-833-11 METAL CHIP 10K 5% 1/16W
R756 1-216-825-11 METAL CHIP 2.2K 5% 1/16W
R757 1-216-841-11 METAL CHIP 47K 5% 1/16W
R758 1-216-821-11 METAL CHIP 1K 5% 1/16W
(XGR6,XGR60:MX)
R759 1-216-821-11 METAL CHIP 1K 5% 1/16W
(XGR6,XGR60:MX)
R760 1-216-845-11 METAL CHIP 100K 5% 1/16W
(XGR6,XGR60:MX)
R801 1-216-817-11 METAL CHIP 470 5% 1/16W
R802 1-216-829-11 METAL CHIP 4.7K 5% 1/16W
R803 1-216-829-11 METAL CHIP 4.7K 5% 1/16W
R804 1-216-841-11 METAL CHIP 47K 5% 1/16W
R805 1-216-841-11 METAL CHIP 47K 5% 1/16W
R806 1-216-833-11 METAL CHIP 10K 5% 1/16W
R807 1-216-295-00 SHORT 0
R808 1-216-845-11 METAL CHIP 100K 5% 1/16W
R810 1-216-845-11 METAL CHIP 100K 5% 1/16W
R812 1-216-827-11 METAL CHIP 3.3K 5% 1/16W
R813 1-216-833-11 METAL CHIP 10K 5% 1/16W
R922 1-216-295-00 SHORT 0
R961 1-216-829-11 METAL CHIP 4.7K 5% 1/16W
R962 1-216-837-11 METAL CHIP 22K 5% 1/16W
R963 1-216-825-11 METAL CHIP 2.2K 5% 1/16W
< VARIABLE RESISTOR >
RV301 1-241-765-11 RES, ADJ, CARBON 22K (REC LEVEL (R))
RV321 1-241-768-11 RES, ADJ, CARBON 220K (REC BIAS (L))
RV322 1-241-768-11 RES, ADJ, CARBON 220K (REC BIAS (R))
RV351 1-241-765-11 RES, ADJ, CARBON 22K (REC LEVEL (L))
RV391 1-238-599-11 RES, ADJ, CARBON 4.7K (TAPE SPEED
(NORMAL))
RV392 1-238-598-11 RES, ADJ, CARBON 2.2K (TAPE SPEED (HIGH))
< TRANSFORMER >
T331 1-423-980-11 TRANSFORMER, BIAS OSCILLATION
< VIBRATOR >
X501 1-567-098-41 VIBRATOR, CRYSTAL (32.768kHz)
X502 1-781-107-21 VIBRATOR, CERAMIC (16MHz)
******************************************************
A-4727-633-A MIC/GUITAR BOARD, COMPLETE
***********************
< CAPACITOR >
C801 1-162-306-11 CERAMIC 0.01uF 30% 16V
C802 1-162-215-31 CERAMIC 47PF 5% 50V
C803 1-126-960-11 ELECT 1uF 20% 50V
C804 1-126-959-11 ELECT 0.47uF 20% 50V
C805 1-162-294-31 CERAMIC 0.001uF 10% 50V
C806 1-162-215-31 CERAMIC 47PF 5% 50V
C810 1-162-286-21 CERAMIC 220PF 10% 50V
C813 1-137-372-11 MYLAR 0.022uF 5% 50V
C814 1-162-215-31 CERAMIC 47PF 5% 50V
C815 1-162-215-31 CERAMIC 47PF 5% 50V
C816 1-126-961-11 ELECT 2.2uF 20% 50V
C817 1-126-961-11 ELECT 2.2uF 20% 50V
C818 1-162-215-31 CERAMIC 47PF 5% 50V
C819 1-162-215-31 CERAMIC 47PF 5% 50V
C821 1-126-947-11 ELECT 47uF 20% 16V
C822 1-126-947-11 ELECT 47uF 20% 16V
C824 1-126-961-11 ELECT 2.2uF 20% 50V
C836 1-162-306-11 CERAMIC 0.01uF 30% 16V
C837 1-126-964-11 ELECT 10uF 20% 50V
C838 1-126-964-11 ELECT 10uF 20% 50V
C880 1-126-961-11 ELECT 2.2uF 20% 50V
C881 1-162-215-31 CERAMIC 47PF 5% 50V
C882 1-162-215-31 CERAMIC 47PF 5% 50V
C884 1-126-961-11 ELECT 2.2uF 20% 50V
< CONNECTOR >
*CN812 1-564-708-11 PIN, CONNECTOR (SMALL TYPE) 6P
< FILTER >
FL801 1-424-228-11 FILTER, NOISE
< IC >
IC850 8-759-505-55 IC NJM4558L
IC852 8-759-505-55 IC NJM4558L
MIC/GUITAR

67
Ref. No. Part No. Description Remarks Ref. No. Part No. Description Remarks
HCD-XGR6/XGR60
IC853 8-759-505-55 IC NJM4558L
< JACK >
J801 1-770-226-11 JACK (LARGE TYPE) (MIX MIC)
J802 1-770-226-11 JACK (LARGE TYPE) (GUITAR)
< TRANSISTOR >
Q880 8-729-620-05 TRANSISTOR 2SC2603-EF
Q881 8-729-029-86 TRANSISTOR DTC124ESA
Q882 8-729-029-86 TRANSISTOR DTC124ESA
Q883 8-729-029-40 TRANSISTOR DTA124ESA
Q884 8-729-119-78 TRANSISTOR 2SC2785-HFE
< RESISTOR >
R807 1-249-429-11 CARBON 10K 5% 1/4W
R809 1-249-417-11 CARBON 1K 5% 1/4W F
R850 1-249-417-11 CARBON 1K 5% 1/4W F
R852 1-249-441-11 CARBON 100K 5% 1/4W
R853 1-249-417-11 CARBON 1K 5% 1/4W F
R854 1-249-437-11 CARBON 47K 5% 1/4W
R855 1-249-429-11 CARBON 10K 5% 1/4W
R856 1-247-899-11 CARBON 680K 5% 1/4W
R857 1-249-425-11 CARBON 4.7K 5% 1/4W F
R867 1-249-421-11 CARBON 2.2K 5% 1/4W F
R869 1-249-439-11 CARBON 68K 5% 1/4W
R870 1-247-887-00 CARBON 220K 5% 1/4W
R872 1-249-421-11 CARBON 2.2K 5% 1/4W F
R873 1-249-421-11 CARBON 2.2K 5% 1/4W F
R874 1-249-431-11 CARBON 15K 5% 1/4W
R876 1-249-417-11 CARBON 1K 5% 1/4W F
R877 1-249-411-11 CARBON 330 5% 1/4W
R878 1-249-417-11 CARBON 1K 5% 1/4W F
R879 1-249-417-11 CARBON 1K 5% 1/4W F
R880 1-249-429-11 CARBON 10K 5% 1/4W
R881 1-249-437-11 CARBON 47K 5% 1/4W
R882 1-249-437-11 CARBON 47K 5% 1/4W
R883 1-249-437-11 CARBON 47K 5% 1/4W
R884 1-249-413-11 CARBON 470 5% 1/4W F
R885 1-249-429-11 CARBON 10K 5% 1/4W
R886 1-247-893-11 CARBON 390K 5% 1/4W
R887 1-249-429-11 CARBON 10K 5% 1/4W
R888 1-249-417-11 CARBON 1K 5% 1/4W F
R891 1-247-903-00 CARBON 1M 5% 1/4W
*******************************************************
*A-4673-765-A MOTOR BOARD, COMPLETE
********************
*4-980-385-01 HOLDER (SW)
< CAPACITOR >
C201 1-126-964-11 ELECT 10uF 20% 50V
C202 1-164-159-21 CERAMIC 0.1uF 50V
C203 1-126-964-11 ELECT 10uF 20% 50V
< CONNECTOR >
*CN201 1-568-947-11 PIN, CONNECTOR 9P
< IC >
IC201 8-759-365-94 IC TA8409S
< COIL >
L201 1-408-117-00 INDUCTOR 10uH
< RESISTOR >
R205 1-249-427-11 CARBON 6.8K 5% 1/4W F
R206 1-249-425-11 CARBON 4.7K 5% 1/4W F
< SWITCH >
S201 1-762-587-11 SWITCH, PUSH (1 KEY) (UP)
******************************************************
A-4727-618-A PA BOARD, COMPLETE (XGR60)
A-4727-641-A PA BOARD, COMPLETE (XGR6)
*****************
7-685-646-79 SCREW +BVTP 3X8 TYPE2 N-S
< CAPACITOR >
C401 1-126-963-11 ELECT 4.7uF 20% 50V
C412 1-162-306-11 CERAMIC 0.01uF 30% 16V
C413 1-162-306-11 CERAMIC 0.01uF 30% 16V
C432 1-126-933-11 ELECT 100uF 20% 16V
C433 1-126-962-11 ELECT 3.3uF 20% 50V
(XGR60)
C433 1-126-961-11 ELECT 2.2uF 20% 50V
(XGR6)
C801 1-128-582-11 ELECT 10uF 20% 100V
C802 1-162-290-31 CERAMIC 470PF 10% 50V
C803 1-162-286-21 CERAMIC 220PF 10% 50V
C804 1-126-967-11 ELECT 47uF 20% 50V
C807 1-128-560-11 ELECT 22uF 20% 100V
C808 1-137-749-11 MYLAR 0.1uF 100V
C809 1-137-749-11 MYLAR 0.1uF 100V
C810 1-128-562-11 ELECT 47uF 20% 100V
(XGR60)
C810 1-128-578-11 ELECT 1uF 20% 100V
(XGR6)
C811 1-130-491-00 MYLAR 0.047uF 5% 50V
C812 1-130-491-00 MYLAR 0.047uF 5% 50V
C813 1-162-306-11 CERAMIC 0.01uF 30% 16V
C814 1-162-294-31 CERAMIC 0.001uF 10% 50V
C815 1-126-959-11 ELECT 0.47uF 20% 50V
C830 1-107-714-11 ELECT 10uF 20% 50V
C831 1-126-964-11 ELECT 10uF 20% 50V
C832 1-126-967-11 ELECT 47uF 20% 50V
C841 1-127-811-11 ELECT 3300uF 20% 50V
(XGR60)
C841 1-127-753-11 ELECT 3300uF 20% 71V
(XGR6)
C842 1-127-814-11 ELECT 3300uF 20% 80V
(XGR60)
C844 1-137-749-11 MYLAR 0.1uF 100V
(XGR60)
C845 1-126-943-11 ELECT 2200uF 20% 25V
C847 1-164-159-21 CERAMIC 0.1uF 50V
C848 1-164-159-21 CERAMIC 0.1uF 50V
C849 1-164-159-21 CERAMIC 0.1uF 50V
C850 1-107-721-11 ELECT 4.7uF 20% 100V
C851 1-128-582-11 ELECT 10uF 20% 100V
C852 1-162-290-31 CERAMIC 470PF 10% 50V
C853 1-162-286-21 CERAMIC 220PF 10% 50V
PAMOTORMIC/GUITAR

68
Ref. No. Part No. Description Remarks Ref. No. Part No. Description Remarks
HCD-XGR6/XGR60
C854 1-126-967-11 ELECT 47uF 20% 50V
C857 1-128-560-11 ELECT 22uF 20% 100V
C858 1-164-159-21 CERAMIC 0.1uF 50V
C859 1-164-159-21 CERAMIC 0.1uF 50V
C861 1-130-491-00 MYLAR 0.047uF 5% 50V
C862 1-130-491-00 MYLAR 0.047uF 5% 50V
C863 1-126-961-11 ELECT 2.2uF 20% 50V
C864 1-126-964-11 ELECT 10uF 20% 50V
C891 1-127-811-11 ELECT 3300uF 20% 50V
(XGR60)
C891 1-127-753-11 ELECT 3300uF 20% 71V
(XGR6)
C892 1-127-814-11 ELECT 3300uF 20% 80V
(XGR60)
C894 1-137-749-11 MYLAR 0.1uF 100V
(XGR60)
C895 1-107-721-11 ELECT 4.7uF 20% 100V
C902 1-164-159-21 CERAMIC 0.1uF 50V
C903 1-126-933-11 ELECT 100uF 20% 16V
C904 1-126-964-11 ELECT 10uF 20% 50V
C905 1-126-968-11 ELECT 100uF 20% 50V
C906 1-126-943-11 ELECT 2200uF 20% 25V
C909 1-164-159-21 CERAMIC 0.1uF 50V
C910 1-126-947-11 ELECT 47uF 20% 16V
(XGR6)
< CONNECTOR >
CN803 1-778-981-21 CONNECTOR, BOARD TO BOARD 13P
CN804 1-778-981-21 CONNECTOR, BOARD TO BOARD 13P
CN806 1-785-316-11 PIN, CONNECTOR (STRAIGHT) 4P
CN904 1-785-316-11 PIN, CONNECTOR (STRAIGHT) 4P
< DIODE >
D401 8-719-991-33 DIODE 1SS133T-77
D402 8-719-991-33 DIODE 1SS133T-77
D405 8-719-991-33 DIODE 1SS133T-77
D406 8-719-991-33 DIODE 1SS133T-77
D801 8-719-991-33 DIODE 1SS133T-77
D802 8-719-110-39 DIODE RD15ESB1 (XGR60)
D803 8-719-991-33 DIODE 1SS133T-77
D804 8-719-991-33 DIODE 1SS133T-77
D805 8-719-991-33 DIODE 1SS133T-77
D831 8-719-510-68 DIODE D5SBA204101 (XGR60)
D833 8-719-200-82 DIODE 11ES2
D834 8-719-200-82 DIODE 11ES2
D835 8-719-200-82 DIODE 11ES2
D836 8-719-200-82 DIODE 11ES2
D841 8-719-200-82 DIODE 11ES2
D842 8-719-200-82 DIODE 11ES2
D843 8-719-200-82 DIODE 11ES2
D844 8-719-200-82 DIODE 11ES2
D851 8-719-991-33 DIODE 1SS133T-77
D852 8-719-110-39 DIODE MTZJ-T-77-15A (XGR60)
D853 8-719-991-33 DIODE 1SS133T-77
D902 8-719-200-82 DIODE 11ES2
D903 8-719-200-82 DIODE 11ES2
D904 8-719-200-82 DIODE 11ES2
D905 8-719-200-82 DIODE 11ES2
D911 8-719-982-24 DIODE MTZJ-33A
D912 8-719-109-89 DIODE RD5.6ESB2
< IC >
IC801 8-749-017-05 IC STK412-040 (XGR60)
IC801 8-749-017-16 IC STK442-130 (XGR6)
IC901 6-701-760-01 IC uPC3504AHF
< TRANSISTOR >
Q401 8-729-029-40 TRANSISTOR DTA124ESA (XGR60)
Q401 8-729-140-82 TRANSISTOR 2SA988-PAFAEA (XGR6)
Q402 8-729-140-84 TRANSISTOR 2SC1841-PAFAEA
Q431 8-729-140-84 TRANSISTOR 2SC1841-PAFAEA
Q432 8-729-119-76 TRANSISTOR 2SA1175-HFE
Q433 8-729-620-05 TRANSISTOR 2SC2603-EF
Q434 8-729-620-05 TRANSISTOR 2SC2603-EF
Q437 8-729-620-05 TRANSISTOR 2SC2603-EF
Q439 8-729-620-05 TRANSISTOR 2SC2603-EF
Q801 8-729-140-84 TRANSISTOR 2SC1841-PAFAEA
Q803 8-729-140-82 TRANSISTOR 2SA988-PAFAEA
Q804 8-729-140-84 TRANSISTOR 2SC1841-PAFAEA
Q805 8-729-231-55 TRANSISTOR 2SC2878-AB
Q831 8-729-029-86 TRANSISTOR DTC124ESA
Q832 8-729-620-05 TRANSISTOR 2SC2603-EF
Q833 8-729-029-40 TRANSISTOR DTA124ESA
Q834 8-729-140-84 TRANSISTOR 2SC1841-PAFAEA
Q851 8-729-140-84 TRANSISTOR 2SC1841-PAFAEA
Q855 8-729-231-55 TRANSISTOR 2SC2878-AB
Q901 8-729-620-05 TRANSISTOR 2SC2603-EF
Q903 8-729-048-52 TRANSISTOR 2SA1932(TP)
Q908 8-729-119-76 TRANSISTOR 2SA1175-HFE
< RESISTOR >
0R401 1-216-431-11 METAL OXIDE 560 5% 1W
(XGR60)
0R401 1-216-458-11 METAL OXIDE 1.8K 5% 2W
(XGR6)
R406 1-249-437-11 CARBON 47K 5% 1/4W
R407 1-249-437-11 CARBON 47K 5% 1/4W
R429 1-249-437-11 CARBON 47K 5% 1/4W
R431 1-249-438-11 CARBON 56K 5% 1/4W
R432 1-249-437-11 CARBON 47K 5% 1/4W
R434 1-249-433-11 CARBON 22K 5% 1/4W
R437 1-249-429-11 CARBON 10K 5% 1/4W
R439 1-249-425-11 CARBON 4.7K 5% 1/4W F
R440 1-249-433-11 CARBON 22K 5% 1/4W
(XGR60
R440 1-249-437-11 CARBON 47K 5% 1/4W
(XGR6)
R441 1-249-435-11 CARBON 33K 5% 1/4W
R446 1-249-429-11 CARBON 10K 5% 1/4W
R447 1-249-437-11 CARBON 47K 5% 1/4W
R460 1-249-429-11 CARBON 10K 5% 1/4W
(XGR6)
R801 1-249-417-11 CARBON 1K 5% 1/4W F
R802 1-249-437-11 CARBON 47K 5% 1/4W
R803 1-249-414-11 CARBON 560 5% 1/4W F
R804 1-249-435-11 CARBON 33K 5% 1/4W
R805 1-216-436-00 METAL OXIDE 3.9K 5% 1W
(XGR60)
R806 1-216-436-00 METAL OXIDE 3.9K 5% 1W
(XGR60)
0R807 1-212-881-11 FUSIBLE 100 5% 1/4W
0R808 1-220-893-11 METAL 0.22 10% 5W
R809 1-260-076-11 CARBON 10 5% 1/2W
PA
The components identified by mark 0 or dotted line
with mark 0 are critical for safety.
Replace only with part number specified.

69
Ref. No. Part No. Description Remarks Ref. No. Part No. Description Remarks
HCD-XGR6/XGR60
R810 1-249-435-11 CARBON 33K 5% 1/4W
(XGR60)
R810 1-249-437-11 CARBON 47K 5% 1/4W
(XGR6)
R811 1-249-417-11 CARBON 1K 5% 1/4W F
R812 1-249-431-11 CARBON 15K 5% 1/4W
R813 1-249-441-11 CARBON 100K 5% 1/4W
R814 1-249-421-11 CARBON 2.2K 5% 1/4W F
R815 1-249-433-11 CARBON 22K 5% 1/4W
R816 1-249-429-11 CARBON 10K 5% 1/4W
(XGR6)
R817 1-249-437-11 CARBON 47K 5% 1/4W
R818 1-249-409-11 CARBON 220 5% 1/4W F
R819 1-249-439-11 CARBON 68K 5% 1/4W
0R820 1-202-972-61 FUSIBLE 1 5% 1/4W
R821 1-249-435-11 CARBON 33K 5% 1/4W
R822 1-249-433-11 CARBON 22K 5% 1/4W
R823 1-249-433-11 CARBON 22K 5% 1/4W
R824 1-249-413-11 CARBON 470 5% 1/4W F
0R825 1-215-891-11 METAL OXIDE 680 5% 2W
R827 1-249-441-11 CARBON 100K 5% 1/4W
R828 1-247-903-00 CARBON 1M 5% 1/4W
R831 1-249-441-11 CARBON 100K 5% 1/4W
R832 1-249-441-11 CARBON 100K 5% 1/4W
R833 1-249-432-11 CARBON 18K 5% 1/4W
(XGR60)
R833 1-249-433-11 CARBON 22K 5% 1/4W
(XGR6)
R834 1-249-429-11 CARBON 10K 5% 1/4W
R835 1-249-437-11 CARBON 47K 5% 1/4W
R836 1-249-417-11 CARBON 1K 5% 1/4W F
R837 1-249-435-11 CARBON 33K 5% 1/4W
R838 1-249-435-11 CARBON 33K 5% 1/4W
R839 1-249-441-11 CARBON 100K 5% 1/4W
(XGR60)
R840 1-249-402-11 CARBON 56 5% 1/4W F
R851 1-249-417-11 CARBON 1K 5% 1/4W F
R852 1-249-437-11 CARBON 47K 5% 1/4W
R853 1-249-414-11 CARBON 560 5% 1/4W F
0R855 1-215-891-11 METAL OXIDE 680 5% 2W
0R857 1-212-881-11 FUSIBLE 100 5% 1/4W
0R858 1-220-893-11 METAL 0.22 10% 5W
R859 1-260-076-11 CARBON 10 5% 1/2W
R860 1-249-435-11 CARBON 33K 5% 1/4W
(XGR60)
R860 1-249-437-11 CARBON 47K 5% 1/4W
(XGR6)
R861 1-249-417-11 CARBON 1K 5% 1/4W F
R862 1-249-431-11 CARBON 15K 5% 1/4W
R863 1-249-441-11 CARBON 100K 5% 1/4W
R864 1-249-425-11 CARBON 4.7K 5% 1/4W F
R865 1-249-433-11 CARBON 22K 5% 1/4W
R866 1-249-429-11 CARBON 10K 5% 1/4W
R867 1-249-421-11 CARBON 2.2K 5% 1/4W F
(XGR6)
R868 1-249-409-11 CARBON 220 5% 1/4W F
R880 1-249-402-11 CARBON 56 5% 1/4W F
0R888 1-220-893-11 METAL 0.22 10% 5W
R889 1-249-441-11 CARBON 100K 5% 1/4W
(XGR60)
0R898 1-220-893-11 METAL 0.22 10% 5W
R901 1-249-429-11 CARBON 10K 5% 1/4W
R902 1-249-441-11 CARBON 100K 5% 1/4W
R903 1-249-429-11 CARBON 10K 5% 1/4W
R904 1-249-417-11 CARBON 1K 5% 1/4W F
R905 1-249-429-11 CARBON 10K 5% 1/4W
R906 1-247-807-31 CARBON 100 5% 1/4W
R907 1-247-807-31 CARBON 100 5% 1/4W
R915 1-247-791-91 CARBON 22 5% 1/4W
0R916 1-215-916-00 METAL OXIDE 680 5% 3W
(XGR60)
< RELAY >
RY401 1-515-920-11 RELAY
< THERMISTOR >
TH831 1-807-796-11 THERMISTOR
< TERMINAL >
TM401 1-537-925-62 TERMINAL BOARD (FRONT SPEAKER)
******************************************************
A-4727-623-A PANEL FL BOARD, COMPLETE
************************
4-225-511-01 HOLDER FL TUBE
*4-949-935-81 CUSHION (FL)
< CAPACITOR >
C601 1-162-294-31 CERAMIC 0.001uF 10% 50V
C602 1-126-947-11 ELECT 47uF 20% 16V
C603 1-162-306-11 CERAMIC 0.01uF 30% 16V
C604 1-126-947-11 ELECT 47uF 20% 16V
C605 1-162-306-11 CERAMIC 0.01uF 30% 16V
C606 1-126-963-11 ELECT 4.7uF 20% 50V
C607 1-164-159-21 CERAMIC 0.1uF 50V
C612 1-162-294-31 CERAMIC 0.001uF 10% 50V
C613 1-126-964-11 ELECT 10uF 20% 50V
C614 1-126-947-11 ELECT 47uF 20% 16V
C615 1-126-964-11 ELECT 10uF 20% 50V
C616 1-162-303-11 CERAMIC 0.0033uF 30% 16V
C617 1-126-157-11 ELECT 10uF 20% 16V
C618 1-126-157-11 ELECT 10uF 20% 16V
C619 1-162-306-11 CERAMIC 0.01uF 30% 16V
C625 1-126-964-11 ELECT 10uF 20% 50V
C627 1-126-960-11 ELECT 1uF 20% 50V
C628 1-126-960-11 ELECT 1uF 20% 50V
< CONNECTOR >
*CN601 1-568-865-11 SOCKET, CONNECTOR 23P
CN602 1-784-780-11 CONNECTOR, FFC 19P
< DIODE >
D601 8-719-991-33 DIODE 1SS133T-77
D602 8-719-058-04 DIODE SEL5223S-TP15 (]/1)
D603 8-719-058-03 DIODE SEL5423E-TP15 (SALSA)
D604 8-719-058-03 DIODE SEL5423E-TP15 (REGGAE)
D605 8-719-058-03 DIODE SEL5423E-TP15 (TANGO)
D606 8-719-058-03 DIODE SEL5423E-TP15 (SAMBA)
D607 8-719-058-03 DIODE SEL5423E-TP15 (MOVIE)
D608 8-719-058-03 DIODE SEL5423E-TP15 (GAME MIXING)
D609 8-719-058-03 DIODE SEL5423E-TP15 (GUITAR)
D610 8-719-058-03 DIODE SEL5423E-TP15 (ROCK)
PA
The components identified by mark 0 or dotted line
with mark 0 are critical for safety.
Replace only with part number specified.
PANEL FL

70
Ref. No. Part No. Description Remarks Ref. No. Part No. Description Remarks
HCD-XGR6/XGR60
D611 8-719-058-03 DIODE SEL5423E-TP15 (JAZZ)
D612 8-719-058-03 DIODE SEL5423E-TP15 (DANCE)
D613 8-719-058-03 DIODE SEL5423E-TP15 (GAME)
< FERRITE BEAD >
FB601 1-412-473-21 INDUCTOR 0UH
< FLUORESCENT INDICATOR TUBE >
FL601 1-518-794-11 INDICATOR TUBE, FLUORESCENT
< IC >
IC601 6-801-052-01 IC MB90M407APF-G-112-BND
IC602 8-759-083-77 IC BA3830F
IC603 8-759-826-34 IC NJL74H400A
< COIL >
L603 1-410-517-11 INDUCTOR 47uH
< TRANSISTOR >
Q601 8-729-029-86 TRANSISTOR DTC124ESA
Q602 8-729-620-05 TRANSISTOR 2SC2603-EF
Q603 8-729-140-04 TRANSISTOR 2SB1116A-L
Q604 8-729-620-05 TRANSISTOR 2SC2603-EF
Q605 8-729-140-04 TRANSISTOR 2SB1116A-L
Q606 8-729-047-58 TRANSISTOR DTC114TLTL2
Q607 8-729-047-58 TRANSISTOR DTC114TLTL2
Q608 8-729-047-58 TRANSISTOR DTC114TLTL2
Q609 8-729-047-58 TRANSISTOR DTC114TLTL2
< RESISTOR >
R600 1-249-417-11 CARBON 1K 5% 1/4W F
R601 1-249-441-11 CARBON 100K 5% 1/4W
R602 1-249-429-11 CARBON 10K 5% 1/4W
R603 1-249-429-11 CARBON 10K 5% 1/4W
R604 1-249-429-11 CARBON 10K 5% 1/4W
R605 1-247-807-31 CARBON 100 5% 1/4W
R606 1-249-429-11 CARBON 10K 5% 1/4W
R607 1-249-429-11 CARBON 10K 5% 1/4W
R608 1-247-807-31 CARBON 100 5% 1/4W
R609 1-249-429-11 CARBON 10K 5% 1/4W
R610 1-247-807-31 CARBON 100 5% 1/4W
R612 1-249-431-11 CARBON 15K 5% 1/4W
R613 1-249-431-11 CARBON 15K 5% 1/4W
R614 1-249-431-11 CARBON 15K 5% 1/4W
R615 1-249-431-11 CARBON 15K 5% 1/4W
R616 1-249-431-11 CARBON 15K 5% 1/4W
R617 1-249-431-11 CARBON 15K 5% 1/4W
R618 1-247-807-31 CARBON 100 5% 1/4W
R619 1-249-433-11 CARBON 22K 5% 1/4W
R620 1-247-903-00 CARBON 1M 5% 1/4W
R621 1-249-413-11 CARBON 470 5% 1/4W F
R622 1-249-415-11 CARBON 680 5% 1/4W F
R623 1-249-421-11 CARBON 2.2K 5% 1/4W F
R624 1-249-419-11 CARBON 1.5K 5% 1/4W F
R625 1-249-419-11 CARBON 1.5K 5% 1/4W F
R626 1-249-417-11 CARBON 1K 5% 1/4W F
R627 1-249-415-11 CARBON 680 5% 1/4W F
R628 1-249-413-11 CARBON 470 5% 1/4W F
R629 1-249-413-11 CARBON 470 5% 1/4W F
R630 1-249-415-11 CARBON 680 5% 1/4W F
R631 1-249-417-11 CARBON 1K 5% 1/4W F
R632 1-249-419-11 CARBON 1.5K 5% 1/4W F
R633 1-249-419-11 CARBON 1.5K 5% 1/4W F
R634 1-249-421-11 CARBON 2.2K 5% 1/4W F
R635 1-249-413-11 CARBON 470 5% 1/4W F
R636 1-249-415-11 CARBON 680 5% 1/4W F
R637 1-249-413-11 CARBON 470 5% 1/4W F
R638 1-249-415-11 CARBON 680 5% 1/4W F
R639 1-249-417-11 CARBON 1K 5% 1/4W F
R640 1-249-419-11 CARBON 1.5K 5% 1/4W F
R641 1-249-419-11 CARBON 1.5K 5% 1/4W F
R642 1-249-421-11 CARBON 2.2K 5% 1/4W F
R643 1-249-401-11 CARBON 47 5% 1/4W F
R644 1-247-891-00 CARBON 330K 5% 1/4W
R645 1-247-891-00 CARBON 330K 5% 1/4W
R646 1-249-441-11 CARBON 100K 5% 1/4W
R647 1-249-440-11 CARBON 82K 5% 1/4W
R648 1-249-437-11 CARBON 47K 5% 1/4W
R649 1-249-441-11 CARBON 100K 5% 1/4W
R650 1-249-440-11 CARBON 82K 5% 1/4W
R651 1-249-429-11 CARBON 10K 5% 1/4W
R652 1-247-843-11 CARBON 3.3K 5% 1/4W
R653 1-249-441-11 CARBON 100K 5% 1/4W
R654 1-249-427-11 CARBON 6.8K 5% 1/4W F
R665 1-249-441-11 CARBON 100K 5% 1/4W
R666 1-249-441-11 CARBON 100K 5% 1/4W
R667 1-249-441-11 CARBON 100K 5% 1/4W
R668 1-249-441-11 CARBON 100K 5% 1/4W
R669 1-247-791-91 CARBON 22 5% 1/4W
R670 1-247-791-91 CARBON 22 5% 1/4W
R671 1-247-791-91 CARBON 22 5% 1/4W
R672 1-247-791-91 CARBON 22 5% 1/4W
R673 1-247-791-91 CARBON 22 5% 1/4W
R674 1-247-791-91 CARBON 22 5% 1/4W
R675 1-247-791-91 CARBON 22 5% 1/4W
R676 1-247-791-91 CARBON 22 5% 1/4W
R677 1-247-791-91 CARBON 22 5% 1/4W
R678 1-247-791-91 CARBON 22 5% 1/4W
R679 1-247-791-91 CARBON 22 5% 1/4W
R680 1-249-411-11 CARBON 330 5% 1/4W
R681 1-249-437-11 CARBON 47K 5% 1/4W
R683 1-249-437-11 CARBON 47K 5% 1/4W
R684 1-249-417-11 CARBON 1K 5% 1/4W F
R685 1-249-417-11 CARBON 1K 5% 1/4W F
R686 1-249-437-11 CARBON 47K 5% 1/4W
R688 1-249-437-11 CARBON 47K 5% 1/4W
R689 1-249-417-11 CARBON 1K 5% 1/4W F
R690 1-249-417-11 CARBON 1K 5% 1/4W F
R691 1-249-413-11 CARBON 470 5% 1/4W F
R692 1-249-413-11 CARBON 470 5% 1/4W F
R693 1-249-429-11 CARBON 10K 5% 1/4W
R694 1-249-429-11 CARBON 10K 5% 1/4W
R695 1-247-807-31 CARBON 100 5% 1/4W
R696 1-247-807-31 CARBON 100 5% 1/4W
R697 1-247-807-31 CARBON 100 5% 1/4W
R698 1-249-415-11 CARBON 680 5% 1/4W F
R699 1-249-413-11 CARBON 470 5% 1/4W F
R700 1-249-413-11 CARBON 470 5% 1/4W F
< SWITCH >
S601 1-762-875-21 SWITCH, KEYBOARD (SALSA)
S602 1-762-875-21 SWITCH, KEYBOARD (REGGAE)
S603 1-762-875-21 SWITCH, KEYBOARD (TANGO)
PANEL FL

71
Ref. No. Part No. Description Remarks Ref. No. Part No. Description Remarks
HCD-XGR6/XGR60
S604 1-762-875-21 SWITCH, KEYBOARD (SAMBA)
S605 1-762-875-21 SWITCH, KEYBOARD (MOVIE)
S606 1-762-875-21 SWITCH, KEYBOARD (GUITAR)
S607 1-762-875-21 SWITCH, KEYBOARD (ROCK)
S608 1-762-875-21 SWITCH, KEYBOARD (JAZZ)
S609 1-762-875-21 SWITCH, KEYBOARD (DANCE)
S610 1-762-875-21 SWITCH, KEYBOARD (GAME)
S611 1-762-875-21 SWITCH, KEYBOARD (SPECTRUM ANALYZER)
S612 1-762-875-21 SWITCH, KEYBOARD (DISPLAY)
S613 1-762-875-21 SWITCH, KEYBOARD (SLEEP)
S614 1-762-875-21 SWITCH, KEYBOARD (TIMER SELECT)
S615 1-762-875-21 SWITCH, KEYBOARD ( c/CLOCK SET)
S616 1-762-875-21 SWITCH, KEYBOARD (FUNCTION)
S617 1-762-875-21 SWITCH, KEYBOARD (GAME)
S618 1-762-875-21 SWITCH, KEYBOARD (GAME MIXING)
S619 1-762-875-21 SWITCH, KEYBOARD
(POWER SAVE/DEMO(STANDBY))
S620 1-762-875-21 SWITCH, KEYBOARD ( ]/1)
< VIBRATOR >
X601 1-577-358-21 VIBRATOR, CERAMIC (4MHz)
******************************************************
A-4727-624-A PANEL VR BOARD, COMPLETE
**********************
< CAPACITOR >
C701 1-162-294-31 CERAMIC 0.001uF 10% 50V
C702 1-162-294-31 CERAMIC 0.001uF 10% 50V
C703 1-162-294-31 CERAMIC 0.001uF 10% 50V
C704 1-126-947-11 ELECT 47uF 20% 16V
C705 1-162-306-11 CERAMIC 0.01uF 30% 16V
C706 1-164-159-21 CERAMIC 0.1uF 50V
C707 1-162-306-11 CERAMIC 0.01uF 30% 16V
C708 1-162-306-11 CERAMIC 0.01uF 30% 16V
< CONNECTOR >
*CN701 1-568-865-11 SOCKET, CONNECTOR 23P
< DIODE >
D701 8-719-058-64 DIODE SEL5823A-TP15 (VU1)
D702 8-719-058-64 DIODE SEL5823A-TP15 (VU2)
D703 8-719-058-64 DIODE SEL5823A-TP15 (VU3)
D704 8-719-058-64 DIODE SEL5823A-TP15 (VU4)
D705 8-719-058-64 DIODE SEL5823A-TP15 (VU5)
D706 8-719-058-64 DIODE SEL5823A-TP15 (VU6)
D707 8-719-058-64 DIODE SEL5823A-TP15 (VU7)
D708 8-719-058-64 DIODE SEL5823A-TP15 (VU8)
D709 8-719-058-64 DIODE SEL5823A-TP15 (VU9)
D710 8-719-058-04 DIODE SEL5223S-TP15 (VU10)
D711 8-719-058-04 DIODE SEL5223S-TP15 (VU11)
D712 8-719-058-04 DIODE SEL5223S-TP15 (VU12)
D713 8-719-058-04 DIODE SEL5223S-TP15 (GROOVE)
D714 8-719-058-04 DIODE SEL5223S-TP15 (SUPER WOOFER)
D715 8-719-058-04 DIODE SEL5223S-TP15 (SURROUND)
D716 8-719-058-04 DIODE SEL5223S-TP15 (ENTER)
D717 8-719-058-04 DIODE SEL5223S-TP15 (GUITAR DISTORSION)
D719 8-719-058-03 DIODE SEL5423E-TP15 (TUNER/BAND)
D720 8-719-058-04 DIODE SEL5223S-TP15 (TUNER ENTER)
< IC >
IC701 8-759-373-50 IC NJU3719L
< COIL >
L701 1-410-509-11 INDUCTOR 10uH
< RESISTOR >
R701 1-249-429-11 CARBON 10K 5% 1/4W
R702 1-247-807-31 CARBON 100 5% 1/4W
R703 1-247-807-31 CARBON 100 5% 1/4W
R704 1-247-807-31 CARBON 100 5% 1/4W
R705 1-249-417-11 CARBON 1K 5% 1/4W F
R706 1-249-417-11 CARBON 1K 5% 1/4W F
R707 1-249-417-11 CARBON 1K 5% 1/4W F
R708 1-249-419-11 CARBON 1.5K 5% 1/4W F
R709 1-249-419-11 CARBON 1.5K 5% 1/4W F
R710 1-249-421-11 CARBON 2.2K 5% 1/4W F
R711 1-247-843-11 CARBON 3.3K 5% 1/4W
R712 1-249-425-11 CARBON 4.7K 5% 1/4W F
R713 1-249-427-11 CARBON 6.8K 5% 1/4W F
R714 1-249-429-11 CARBON 10K 5% 1/4W
R715 1-249-431-11 CARBON 15K 5% 1/4W
R716 1-249-433-11 CARBON 22K 5% 1/4W
R718 1-249-415-11 CARBON 680 5% 1/4W F
R719 1-249-417-11 CARBON 1K 5% 1/4W F
R720 1-249-419-11 CARBON 1.5K 5% 1/4W F
R721 1-249-419-11 CARBON 1.5K 5% 1/4W F
R722 1-249-421-11 CARBON 2.2K 5% 1/4W F
R723 1-247-843-11 CARBON 3.3K 5% 1/4W
R724 1-249-425-11 CARBON 4.7K 5% 1/4W F
R725 1-249-427-11 CARBON 6.8K 5% 1/4W F
R726 1-249-429-11 CARBON 10K 5% 1/4W
R731 1-247-791-91 CARBON 22 5% 1/4W
R732 1-247-791-91 CARBON 22 5% 1/4W
R733 1-247-791-91 CARBON 22 5% 1/4W
R734 1-247-791-91 CARBON 22 5% 1/4W
R735 1-247-791-91 CARBON 22 5% 1/4W
R736 1-247-791-91 CARBON 22 5% 1/4W
R737 1-247-791-91 CARBON 22 5% 1/4W
R738 1-247-791-91 CARBON 22 5% 1/4W
R739 1-247-791-91 CARBON 22 5% 1/4W
R740 1-249-401-11 CARBON 47 5% 1/4W F
R741 1-249-401-11 CARBON 47 5% 1/4W F
R742 1-249-401-11 CARBON 47 5% 1/4W F
R743 1-247-807-31 CARBON 100 5% 1/4W
R744 1-247-807-31 CARBON 100 5% 1/4W
R745 1-247-807-31 CARBON 100 5% 1/4W
R746 1-247-807-31 CARBON 100 5% 1/4W
R747 1-247-807-31 CARBON 100 5% 1/4W
R749 1-247-791-91 CARBON 22 5% 1/4W
R750 1-247-807-31 CARBON 100 5% 1/4W
< SWITCH >
S700 1-473-392-11 ENCODER, ROTARY (VOLUME)
S701 1-762-875-21 SWITCH, KEYBOARD (GROOVE)
S702 1-762-875-21 SWITCH, KEYBOARD (SURROUND)
S703 1-762-875-21 SWITCH, KEYBOARD (EFFECT ON/OFF)
S704 1-762-875-21 SWITCH, KEYBOARD (P FILE)
S705 1-762-875-21 SWITCH, KEYBOARD (ENTER)
S706 1-762-875-21 SWITCH, KEYBOARD (R)
S707 1-762-875-21 SWITCH, KEYBOARD (r)
S708 1-762-875-21 SWITCH, KEYBOARD (t)
S709 1-762-875-21 SWITCH, KEYBOARD (T)
S710 1-762-875-21 SWITCH, KEYBOARD (MIX GUITAR/KARAOKE)
PANEL VRPANEL FL

72
Ref. No. Part No. Description Remarks Ref. No. Part No. Description Remarks
HCD-XGR6/XGR60
S711 1-762-875-21 SWITCH, KEYBOARD (GUITAR DISTORTION)
S713 1-762-875-21 SWITCH, KEYBOARD (SUPER WOOFER)
S714 1-762-875-21 SWITCH, KEYBOARD (SUPER WOOFER MODE)
S715 1-762-875-21 SWITCH, KEYBOARD (X-GROOVE)
S716 1-762-875-21 SWITCH, KEYBOARD (TUNER/BAND)
S717 1-762-875-21 SWITCH, KEYBOARD (TUNING -)
S718 1-762-875-21 SWITCH, KEYBOARD (TUNUNG +)
S719 1-762-875-21 SWITCH, KEYBOARD (FM MODE)
S720 1-762-875-21 SWITCH, KEYBOARD (TUNER ENTER)
S721 1-762-875-21 SWITCH, KEYBOARD (TUNER MEMORY)
S722 1-762-875-21 SWITCH, KEYBOARD (TUNING MODE)
******************************************************
*1-659-058-13 SENSOR BOARD
************
< IC >
IC202 8-749-924-18 PHOTO INTERRUPTER RPI-1391
< RESISTOR >
R207 1-249-416-11 CARBON 820 5% 1/4W F
******************************************************
1-683-445-11 SUB TRANS BOARD
**************
< CAPACITOR >
0C901 1-113-925-11 CERAMIC 0.01uF 20% 250V
< CONNECTOR >
CN901 1-564-321-00 PIN, CONNECTOR 2P
CN902 1-568-106-11 PIN, CONNECTOR 4P (XGR60:AR,E,E51)
*CN902 1-564-321-21 PIN, CONNECTOR 2P (XGR6,XGR60:MX)
< DIODE >
D901 8-719-983-61 DIODE MTZJ-T-72-3.3 (XGR60)
D901 8-719-991-33 DIODE 1SS133T-77 (XGR6)
< RELAY >
0RY901 1-755-276-11 RELAY, POWER
< SWITCH >
0S901 1-786-055-21 SELECTOR, VOLTAGE (VOLTAGE SELECT)
(XGR60:AR,E,E51)
< TRANSFORMER >
0T901 1-437-331-11 TRANSFORMER, POWER (XGR60)
0T901 1-435-826-11 TRANSFORMER, POWER (XGR6)
******************************************************
1-683-448-11 TC-A BOARD
*********
< DIODE >
D805 8-719-058-03 DIODE SEL5423E-TP15 (G )
D806 8-719-058-03 DIODE SEL5423E-TP15 (g )
< RESISTOR >
R813 1-247-843-11 CARBON 3.3K 5% 1/4W
R814 1-249-425-11 CARBON 4.7K 5% 1/4W F
R815 1-249-427-11 CARBON 6.8K 5% 1/4W F
R816 1-249-429-11 CARBON 10K 5% 1/4W
R817 1-249-431-11 CARBON 15K 5% 1/4W
R819 1-247-791-91 CARBON 22 5% 1/4W
R820 1-247-791-91 CARBON 22 5% 1/4W
< VARIABLE RESISTOR >
RV801 1-225-739-11 RES, VAR CARBON 50K (GUITAR LEVEL)
RV802 1-225-739-11 RES, VAR CARBON 50K (MIC LEVEL)
< SWITCH >
S810 1-762-875-21 SWITCH, KEYBOARD (G)
S811 1-762-875-21 SWITCH, KEYBOARD (g)
S812 1-762-875-21 SWITCH, KEYBOARD (x)
S813 1-762-875-21 SWITCH, KEYBOARD (.m)
S814 1-762-875-21 SWITCH, KEYBOARD (M>)
S815 1-762-875-21 SWITCH, KEYBOARD (DIRECTION)
******************************************************
1-683-449-11 TC-B BOARD
**********
< DIODE >
D801 8-719-058-03 DIODE SEL5423E-TP15 (G)
D802 8-719-058-03 DIODE SEL5423E-TP15 (g)
D803 8-719-057-97 DIODE SEL5923A-TP15 (X)
D804 8-719-058-04 DIODE SEL5223S-TP15 (zREC)
< RESISTOR >
R801 1-247-843-11 CARBON 3.3K 5% 1/4W
R802 1-249-425-11 CARBON 4.7K 5% 1/4W F
R803 1-249-427-11 CARBON 6.8K 5% 1/4W F
R804 1-249-429-11 CARBON 10K 5% 1/4W
R805 1-249-431-11 CARBON 15K 5% 1/4W
R806 1-249-433-11 CARBON 22K 5% 1/4W
R807 1-249-435-11 CARBON 33K 5% 1/4W
R808 1-249-439-11 CARBON 68K 5% 1/4W
R809 1-247-791-91 CARBON 22 5% 1/4W
R810 1-247-791-91 CARBON 22 5% 1/4W
R811 1-247-791-91 CARBON 22 5% 1/4W
R812 1-249-401-11 CARBON 47 5% 1/4W F
< SWITCH >
S801 1-762-875-21 SWITCH, KEYBOARD (G)
S802 1-762-875-21 SWITCH, KEYBOARD (g)
S803 1-762-875-21 SWITCH, KEYBOARD (x)
S804 1-762-875-21 SWITCH, KEYBOARD (.m)
S805 1-762-875-21 SWITCH, KEYBOARD (M>)
S806 1-762-875-21 SWITCH, KEYBOARD (zREC)
S807 1-762-875-21 SWITCH, KEYBOARD (X)
S808 1-762-875-21 SWITCH, KEYBOARD (H SPEED DUB)
S809 1-762-875-21 SWITCH, KEYBOARD (CD SYNC)
******************************************************
1-683-444-11 TRANS BOARD
***********
7-685-646-79 SCREW +BVTP 3X8 TYPE2 N-S
< CAPACITOR >
C834 1-137-749-11 MYLAR 0.1uF 100V
SUB TRANS TC-A TC-B TRANS
The components identified by mark 0 or dotted line
with mark 0 are critical for safety.
Replace only with part number specified.
SENSORPANEL VR

73
Ref. No. Part No. Description Remarks Ref. No. Part No. Description Remarks
HCD-XGR6/XGR60
C893 1-137-749-11 MYLAR 0.1uF 100V
C961 1-162-306-11 CERAMIC 0.01uF 30% 16V
C963 1-162-306-11 CERAMIC 0.01uF 30% 16V
< CONNECTOR >
*CN951 1-564-214-11 PIN, CONNECTOR (B3PS-VH) 3P (XGR60)
*CN952 1-564-526-11 PLUG, CONNECTOR 11P
< DIODE >
D832 8-719-510-68 DIODE D5SBA204101
< FUSE HOLDER >
FH951 1-533-217-31 HOLDER, FUSE (XGR60:AR,E,E51)
FH952 1-533-217-31 HOLDER, FUSE (XGR60:AR,E,E51)
FH961 1-533-217-31 HOLDER, FUSE (XGR60)
FH962 1-533-217-31 HOLDER, FUSE (XGR60)
FH963 1-533-217-31 HOLDER, FUSE
FH964 1-533-217-31 HOLDER, FUSE
FH965 1-533-217-31 HOLDER, FUSE
FH966 1-533-217-31 HOLDER, FUSE
FH967 1-533-217-31 HOLDER, FUSE (XGR60)
FH968 1-533-217-31 HOLDER, FUSE (XGR60)
< RESISTOR >
0R951 1-219-122-91 FUSIBLE 0.33 5% 1/4W
0R952 1-219-122-91 FUSIBLE 0.33 5% 1/4W
0R953 1-219-591-11 FUSIBLE 0.1 5% 1/2W
0R961 1-219-777-91 CARBON 3.3M 10% 1/2W
(XGR6)
*******************************************************
TRANS
The components identified by mark 0 or dotted line
with mark 0 are critical for safety.
Replace only with part number specified.
MISCELLANEOUS
*************
01-569-008-21 ADAPTOR, CONVERSION (XGR60:E51)
4 1-693-572-11 TUNER (FM/AM) (XGR60:AR,MX)
4 1-693-573-11 TUNER (FM/AM) (XGR6)
4 1-693-574-11 TUNER (FM/AM) (XGR60:E,E51)
5 1-769-945-11 WIRE (FLAT TYPE) (11 CORE)
7 1-535-706-21 PLUG, JUMPER (XGR6,XGR60:MX)
60 1-796-333-11 DECK, MECHANICAL
61 1-773-021-11 WIRE (FLAT TYPE) (15 CORE)
113 1-773-118-11 WIRE (FLAT TYPE) (19 CORE)
115 1-773-178-11 WIRE (FLAT TYPE) (23 CORE)
151 1-823-750-11 WIRE (FLAT TYPE) (21 CORE)
0156 1-575-653-11 CORD, POWER (XGR60:MX)
0156 1-777-071-81 CORD, POWER (XGR60:E51)
0156 1-783-820-11 CORD, POWER (XGR6)
0156 1-783-941-12 CORD, POWER (XGR60:AR)
0156 1-791-901-11 CORD, POWER (XGR60:E)
556 A-4735-188-A BU-30 (60) ASSY
0F951 1-532-506-31 FUSE (6.3A 250V) (XGR60:AR,E.E51)
0F961 1-533-949-31 FUSE, CYLINDRICAL (TIME LUG) (8.0A 250V)
(XGR60)
0F962 1-533-949-31 FUSE, CYLINDRICAL (TIME LUG) (8.0A 250V)
(XGR60)
0F963 1-532-506-31 FUSE (6.3A 250V) (XGR60)
0F963 1-533-310-11 FUSE, GLASS CYLINDRICAL(DIA.5)
(6.3A 125V)(XGR6)
0F964 1-532-506-31 FUSE (6.3A 250V) (XGR60)
0F964 1-533-310-11 FUSE, GLASS CYLINDRICAL(DIA.5)
(6.3A 125V)(XGR6)
M201 A-4660-977-A MOTOR ASSY
M901 1-763-072-11 FAN, DC
0T951 1-433-606-11 TRANSFORMER, POWER (XGR60)
0T951 1-435-797-11 TRANSFORMER, POWER (XGR6)

HCD-XGR6/XGR60
REVISION HISTORY
Clicking the version allows you to jump to the revised page.
Also, clicking the version at the upper right on the revised page allows you to jump to the next revised
page.
Ver. Date Description of Revision
1.0 2002. 02 New