Sony Portable Minidisc Recorder Mz Nh1 Users Manual
MZ-NH1_sm MZ-NH1_sm
MZ-NH1 to the manual 927531d5-ad2f-42c1-9534-dd3e15a02838
2015-01-23
: Sony Sony-Portable-Minidisc-Recorder-Mz-Nh1-Users-Manual-294765 sony-portable-minidisc-recorder-mz-nh1-users-manual-294765 sony pdf
Open the PDF directly: View PDF
.
Page Count: 60
- COVER
- TABLE OF CONTENTS
- 1. SERVICING NOTES
- 2. GENERAL
- 3. DISASSEMBLY
- 3-1. DISASSEMBLY FLOW
- 3-2. BOTTOM PANEL SUB ASSY
- 3-3. MAIN BOARD
- 3-4. UPPER PANEL SUB ASSY
- 3-5. CONTROL ORNAMENT BLOCK
- 3-6. MECHANISM DECK ASSY (MT-MZNH1-181)
- 3-7. GEAR (BSA), GEAR (SB)
- 3-8. OP SERVICE ASSY
- 3-9. DC SSM18D/C-NP MOTOR (SPINDLE) (M701), DC SSM21A/C-NP MOTOR (SLED) (M702), DC MOTOR UNIT (OVER WRITE HEAD UP/DOWN) (M70
- 3-10. HOLDER ASSY
- 4. TEST MODE
- 5. ELECTRICAL ADJUSTMENTS
- 6. DIAGRAMS
- 6-1. BLOCK DIAGRAM – MD SERVO Section –
- 6-2. BLOCK DIAGRAM – AUDIO Section –
- 6-3. BLOCK DIAGRAM – POWER SUPPLY Section –
- 6-4. SCHEMATIC DIAGRAM – MAIN Section (1/9) –
- 6-5. SCHEMATIC DIAGRAM – MAIN Section (2/9) –
- 6-6. SCHEMATIC DIAGRAM – MAIN Section (3/9) –
- 6-7. SCHEMATIC DIAGRAM – MAIN Section (4/9) –
- 6-8. SCHEMATIC DIAGRAM – MAIN Section (5/9) –
- 6-9. SCHEMATIC DIAGRAM – MAIN Section (6/9) –
- 6-10. SCHEMATIC DIAGRAM – MAIN Section (7/9) –
- 6-11. SCHEMATIC DIAGRAM – MAIN Section (8/9) –
- 6-12. SCHEMATIC DIAGRAM – MAIN Section (9/9) –
- 6-13. PRINTED WIRING BOARD – MAIN Section (1/2) –
- 6-14. PRINTED WIRING BOARD – MAIN Section (2/2) –
- 7. EXPLODED VIEWS
- 8. ELECTRICAL PARTS LIST
- REVISION HISTORY

SERVICE MANUAL
PORTABLE MINIDISC RECORDER
US Model
AEP Model
UK Model
E Model
Australian Model
Chinese Model
Tourist Model
SPECIFICATIONS
MZ-NH1
Audio playing system
MiniDisc digital audio system
Laser diode properties
Material: GaAlAs
Wavelength: λ = 790 nm
Emission duration: continuous
Laser output: less than 44.6 µW
(This output is the value measured at a distance
of 200 mm from the lens surface on the optical
pick-up block with 7 mm aperture.)
Recording and playback time (Refer
to page 94 for details)
When using HMD1G (1GB disc):
Maximum 34 hours in Hi-LP stereo
When using MDW-80 in Hi-MD mode:
Maximum 10 hours and 10 min. in Hi-LP
stereo
When using MDW-80 in MD mode:
Maximum 160 min. in monaural
Maximum 320 min. in LP4 stereo
Revolutions
350 rpm to 3,600 rpm (CLV)
Error correction
Hi-MD:
LDC (Long Distance Code)/BIS (Burst
Indicator Subcode)
MD:
ACIRC (Advanced Cross Interleave Reed
Solomon Code)
Sampling frequency
44.1 kHz
Sampling rate converter
Input: 32 kHz/44.1 kHz/48 kHz
Coding
Hi-MD:
Linear PCM (44.1 kHz/16 bit) — PCM
ATRAC3plus (Adaptive TRansform
Acoustic Coding 3 plus)
MD:
ATRAC
ATRAC3 — LP2/LP4
Modulation system
Hi-MD:
1-7RLL (Run Length Limited)/PRML
(Partial Response Maximum Likelihood)
MD:
EFM (Eight to Fourteen Modulation)
Frequency response
20 to 20,000 Hz ± 3 dB
Inputs
1)
MIC: stereo mini-jack
(minimum input level 0.13 mV)
Line in:
stereo mini-jack for analog input
(minimum input level 49 mV)
optical (digital) mini-jack for optical
(digital) input
Outputs
i/LINE OUT
2)
: stereo mini-jack (dedicated
emote control jack)/194 mV (10 kΩ)
Maximum output (DC)
2)
Headphones:
5 mW + 5 mW (16 Ω)
Power requirements
Sony AC Power Adaptor connected at the DC
IN 6V jack:
120 V AC, 60 Hz (Models for USA, Canada,
Mexico, and Taiwan)
240 V AC, 50 Hz (Model for Australia)
230 V AC, 50 Hz (Models for U.K. and
Hong Kong)
220 V AC, 50 Hz (Model for China)
100 - 240 V AC, 50/60 Hz (Other models)
The recorder:
Lithium-ion rechargeable battery
LIP-4WM, 3.7 V, 370 mAh, Li-ion
Battery charging stand:
AC power adaptor DC 6V
Operating temperature
+5°C (+41°F) to +35°C (+95°F)
Hi-MD mode (When using a 60/74/80-
minute standard disc)
(Unit: approx.hours)(JEITA)
Battery life
4)
Hi-MD mode (When using a 1GB Hi-
MD disc)
(Unit: approx.hours)(JEITA
3)
)
When Linear
PCM Hi-SP Hi-LP
Recording
continuously 68.59.5
Playing
continuously 10 15.5 18
When Linear
PCM Hi-SP Hi-LP
Recording
continuously 589
Playing
continuously 8 14.5 17.5
Ver 1.1 2004.09
US and foreign patents licensed from Dolby
Laboratories.
Model Name Using Similar Mechanism NEW
MD Mechanism Type MT-MZNH1-181
Optical Pick-up Name ABX-U
9-879-075-02
2004I05-1
© 2004.09
Sony Corporation
Personal Audio Company
Published by Sony Engineering Corporation
– Continued on next page –
•SonicStage and SonicStage logo are trademarks or registered trademarks of Sony Corporation.
•MD Simple Burner, OpenMG, “MagicGate”, “MagicGate Memory Stick”, “Memory Stick”, Hi-
MD, Net MD, ATRAC, ATRAC3, ATRAC3plus and their logos are trademarks of Sony Corporation.
•Microsoft, Windows, Windows NT and Windows Media are trademarks or registered trademarks
of Microsoft Corporation in the United States and/or other countries.
•IBM and PC/AT are registered trademarks of International Business Machines Corporation.
•Macintosh is a trademark of Apple Computer, Inc. in the United States and/or other countries.
•Pentium is a trademark or registered trademark of Intel Corporation.
•All other trademarks and registered trademarks are trademarks or registered trademarks of their
respective holders.
For other Service and User Manuals, go to www.ManualDepot.com

2
MZ-NH1
Dimensions
Approx. 81.7 × 76.1 × 14.8 mm (w/h/d)
(3
1
/
4
× 3 ×
19
/
32
in.) (excluding projecting parts
and controls)
Mass
Approx. 97 g (3.4 oz) (the recorder only)
Approx. 107 g (3.8 oz) (including the
rechargeable battery)
1)
The LINE IN (OPT) jack is used to connect
either a digital (optical) cable or a line
(analog) cable.
2)
The i/LINE OUT jack connects either
headphones/earphones or a line cable.
Design and specifications are subject to change
without notice.
Your dealer may not handle some of the above
listed accessories. Please ask the dealer for
detailed information about the accessories in
your country.
When using optional headphones, use only
headphones/earphones with stereo mini
plugs. You cannot use headphones/
earphones with micro plugs.
4)
When using a 100% fully charged lithium-ion
rechargeable battery
3)
Measured in accordance with the JEITA
(Japan Electronics and Information
Technology Industries Association) standard.
On power sources
Use house current or rechargeable battery.
For use in your house: For the supplied battery
charging stand, use the AC power adaptor
supplied with this recorder. Do not use any
other AC power adaptor since it may cause the
recorder to malfunction.
Polarity of the plug
MD mode (Unit: approx.hours)(JEITA)
When SP
Stereo LP2
Stereo LP4
Stereo
Recording
continuously 81010.5
Playing
continuously 14.5 17 18.5

3
MZ-NH1
TABLE OF CONTENTS
1. SERVICING NOTES ............................................... 4
2. GENERAL ................................................................... 5
3. DISASSEMBLY
3-1. Disassembly Flow ........................................................... 7
3-2. Bottom Panel Sub Assy ................................................... 7
3-3. MAIN Board.................................................................... 8
3-4. Upper Panel Sub Assy ..................................................... 8
3-5. Control Ornament Block ................................................. 9
3-6. Mechanism Deck Assy (MT-MZNH1-181) .................... 9
3-7. Gear (SA), Gear (SB) ...................................................... 10
3-8. Op Service Assy .............................................................. 10
3-9. DC SSM18D/C-NP Motor (Spindle) (M701),
DC SSM21A/C-NP Motor (Sled) (M702),
DC Motor Unit (Over Write Head Up/Down) (M703) ... 11
3-10. Holder Assy ..................................................................... 11
4. TEST MODE ............................................................... 12
5. ELECTRICAL ADJUSTMENT ............................. 16
6. DIAGRAMS
6-1. Block Diagram –MD SERVO Section – ......................... 21
6-2. Block Diagram –AUDIO Section – ................................. 22
6-3. Block Diagram –POWER SUPPLY Section – ................ 23
6-4. Schematic Diagram –MAIN Section (1/9) – ................... 25
6-5. Schematic Diagram –MAIN Section (2/9) – ................... 26
6-6. Schematic Diagram –MAIN Section (3/9) – ................... 27
6-7. Schematic Diagram –MAIN Section (4/9) – ................... 28
6-8. Schematic Diagram –MAIN Section (5/9) – ................... 29
6-9. Schematic Diagram –MAIN Section (6/9) – ................... 30
6-10. Schematic Diagram –MAIN Section (7/9) – ................... 31
6-11. Schematic Diagram –MAIN Section (8/9) – ................... 32
6-12. Schematic Diagram –MAIN Section (9/9) – ................... 33
6-13. Printed Wiring Board –MAIN Section (1/2) – ................ 34
6-14. Printed Wiring Board –MAIN Section (2/2) – ................ 35
7. EXPLODED VIEWS
7-1. PANEL SECTION........................................................... 49
7-2. MAIN SECTION ............................................................ 50
7-3. MECHANISM DECK SECTION ................................... 51
8. ELECTRICAL PARTS LIST ................................ 52
Notes on chip component replacement
•Never reuse a disconnected chip component.
•Notice that the minus side of a tantalum capacitor may be
damaged by heat.
Flexible Circuit Board Repairing
•Keep the temperature of the soldering iron around 270 ˚C
during repairing.
•Do not touch the soldering iron on the same conductor of the
circuit board (within 3 times).
•Be careful not to apply force on the conductor when soldering
or unsoldering.
CAUTION
Use of controls or adjustments or performance of procedures
other than those specified herein may result in hazardous radiation
exposure.
SAFETY-RELATED COMPONENT WARNING!!
COMPONENTS IDENTIFIED BY MARK 0 OR DOTTED LINE
WITH MARK 0 ON THE SCHEMATIC DIAGRAMS AND IN
THE PARTS LIST ARE CRITICAL TO SAFE OPERATION.
REPLACE THESE COMPONENTS WITH SONY PARTS WHOSE
PART NUMBERS APPEAR AS SHOWN IN THIS MANUAL OR
IN SUPPLEMENTS PUBLISHED BY SONY.

4
MZ-NH1
The laser diode in the optical pick-up block may suffer electrostatic
break-down because of the potential difference generated by the
charged electrostatic load, etc. on clothing and the human body.
During repair, pay attention to electrostatic break-down and also
use the procedure in the printed matter which is included in the
repair parts.
The flexible board is easily damaged and should be handled with
care.
NOTES ON LASER DIODE EMISSION CHECK
The laser beam on this model is concentrated so as to be focused on
the disc reflective surface by the objective lens in the optical pick-
up block. Therefore, when checking the laser diode emission,
observe from more than 30 cm away from the objective lens.
NOTES ON HANDLING THE OPTICAL PICK-UP
BLOCK OR BASE UNIT
SECTION 1
SERVICING NOTES
– MAIN Board (Conductor Side) –
SL894
(OPEN/CLOSE)
Installing
Providing the required system environment
The following system environment is required in order to use the SonicStage/MD Simple
Burner software for the MD Walkman.
This software is not supported by the following environments:
OSs other than the indicated above
Personally constructed PCs or operating systems
An environment that is an upgrade of the original manufacturer-installed operating system
Multi-boot environment
Multi-monitor environment
Macintosh
We do not ensure trouble-free operation on all computers that satisfy the system requirements.
The NTFS format of Windows XP/Windows 2000 Professional can be used only with the standard
(factory) settings.
We do not ensure trouble-free operation of the system suspend, sleep, or hibernation function on all
computers.
For Windows 2000 Professional users, install Service Pack 3 or later version before using the
software.
System requirements
Computer IBM PC/AT or Compatible
CPU: Pentium II 400 MHz or higher (Pentium III 450 MHz or higher
is recommended.)
Hard disk drive space: 200 MB or more (1.5 GB or more is
recommended) (The amount space will vary according to Windows
version and the number of music files stored on the hard disk.)
RAM: 64 MB or more (128 MB or more is recommended)
Others
CD drive (capable of digital playback by WDM)
Sound Board
USB port (supports USB (previously USB 1.1))
Operating
System Factory installed:
Windows XP Media Center Edition 2004/Windows XP Media Center
Edition/Windows XP Professional/Windows XP Home Edition/
Windows 2000 Professional/Windows Millennium Edition/Windows
98 Second Edition
Display High Color (16bit) or higher, 800 × 600 dots or better (1024 × 768 dots
or better is recommended)
Others Internet access: for Web registration, EMD services and CDDB
Windows Media Player (version 7.0 or higher) installed for playing
WMA files
Notes
UNLEADED SOLDER
Boards requiring use of unleaded solder are printed with the lead-
free mark (LF) indicating the solder contains no lead.
(Caution: Some printed circuit boards may not come printed with
the lead free mark due to their particular size)
: LEAD FREE MARK
Unleaded solder has the following characteristics.
•Unleaded solder melts at a temperature about 40 °C higher
than ordinary solder.
Ordinary soldering irons can be used but the iron tip has to be
applied to the solder joint for a slightly longer time.
Soldering irons using a temperature regulator should be set to
about 350 °C.
Caution: The printed pattern (copper foil) may peel away if
the heated tip is applied for too long, so be careful!
•Strong viscosity
Unleaded solder is more viscou-s (sticky, less prone to flow)
than ordinary solder so use caution not to let solder bridges
occur such as on IC pins, etc.
•Usable with ordinary solder
It is best to use only unleaded solder but unleaded solder may
also be added to ordinary solder.
OPERATION CHECK WHEN THE MAIN BOARD IS
REMOVED
In making an operation check with the MAIN Board removed from
the set, short the SL894 (OPEN/CLOSE) of the MAIN Board with
the solder before starting the operation check.
Note: Be sure to remove the solder used for shortcircuit after the repaire
completed.

5
MZ-NH1
SECTION 2
GENERAL This section is extracted from
instruction manual.
Looking at controls
The recorder
Ax (stop) • CANCEL button
BDisplay window
COPEN switch
DBattery compartment
E5-way control key
FMENU button
GGROUP button
HT MARK button
IX (pause) button
JzREC (record) switch/lamp
KLINE IN (OPT) jack
LMIC (PLUG IN POWER) jack
There is a tactile dot beside the MIC
(PLUG IN POWER) jack.
Mi (headphones/earphones)/LINE
OUT jack
NUSB connecting jack
1
2
3
4
8
5
6
7
9
0
qa
qs
qd
qf
qg
qh Operation Function
Press NENT
1)
play, enter
Press towards
FR find the beginning
of the previous
track, rewind
Press towards
FF find the beginning
of the next track,
fast forward
Press towards
VOL +
1)
or
VOL –.
volume
1)
There are tactile dots beside the
N
ENT and
VOL +
buttons.
OHOLD switch (at the rear)
Slide the switch in the direction of the
arrow to disable the buttons on the
recorder. To prevent the buttons from
being accidentally operated when you
carry the recorder, use this function.
PCHG (Charge) lamp
The display window of the recorder
ADisc indication
Shows that the disc is rotating for
recording or playing.
BBattery indication
Shows the approximate remaining
battery power. If the rechargeable
battery is weak, the indication
becomes empty and starts flashing.
CSYNC (synchro-recording) indication
DREC indication
Lights up during recording or file
transfers from the computer. When
flashing, the recorder is in record
standby mode.
EGroup indication
FHi-MD/MD indication
“Hi-MD” lights up when the
operation mode of the recorder is in
Hi-MD mode and “MD” lights up
when the operation mode is in MD
mode.
GTrack number display
H“R” (Remain) indication
Lights up when remaining recordable
time is displayed.
ICharacter information display
Displays the menu items, date, error
messages, etc.
JTrack mode (PCM, Hi-SP, Hi-LP, SP,
LP2, LP4, MONO) indication
KLevel meter
12345 6 7 8
9
qa0

6
MZ-NH1
The headphones/earphones with a remote control
ADisplay window
BJog lever (NX • ENTER, .,
>)
CClip
Dx (stop) • CANCEL button
EVOL +, – buttons
FHOLD switch
Slide the switch in the direction of the
arrow (a yellow mark appears) to
disable the buttons on the remote
control. To prevent the buttons from
being accidentally operated when you
carry the recorder, use this function.
G•DISPLAY, BACKLIGHT button*
H•P-MODE, REPEAT button*
I•SOUND, SOUND SET button*
JJog dial (•NAVI/ MENU/ENTER)*
*• indicates a function that requires a slight
press of the button. indicates a function
that requires pressing the button for 2 seconds
or more.
1
2
3
4
50
9
8
7
6
Operation Function
Press NX •
ENTER play, pause, enter
Slide towards
. cue to the beginning of
the previous track,
rewind
Slide towards
> cue to the beginning of
the next track, fast
forward
Using the clip for the remote control
.
The display window of the remote control
ACharacter information display
BBattery level indication
CDisc indication
DSND (sound), SUR (surround)
indications
123
4
It may be hard for you to read the indications in the display if the remote
control is attached upside down with the clip in its current position.
In this case, turn the clip in the opposite direction until it attaches firmly,
as shown below.

MZ-NH1
7
• This set can be disassembled in the order shown below.
3-1. DISASSEMBLY FLOW
SECTION 3
DISASSEMBLY
3-2. BOTTOM PANEL SUB ASSY
(Page 7)
3-3. MAIN BOARD
(Page 8) 3-4. UPPER PANEL SUB ASSY
(Page 8)
3-6. MECHANISM DECK ASSY (MT-MZNH1-181)
(Page 9)
3-7. GEAR (SA), GEAR (SB)
(Page 10)
3-8. OP SERVICE ASSY
(Page 10)
3-9. DC SSM18D/C-NP MOTOR (SPINDLE) (M701),
DC SSM21A/C-NP MOTOR (SLED) (M702),
DC MOTOR UNIT(OVER WRITE HEAD UP/DOWN) (M703)
(Page 11)
3-10. HOLDER ASSY
(Page 11)
3-5. CONTROL ORNAMENT BLOCK
(Page 9)
SET
Note 1: The process described in can be performed in any order.
Note 2: Without completing the process described in , the next process can not be performed.
S895
Note: When installing the bottom pane
l
sub assy, adjust the position of
switch (S895) and knob (hold).
3
bottom panel sub assy
2
two screws
(M1.4) L=1.6
knob (hold)
1
two screws
(M1.4) L=1.6
Note: Follow the disassembly procedure in the numerical order given.
3-2. BOTTOM PANEL SUB ASSY

MZ-NH1
8
3-4. UPPER PANEL SUB ASSY
B
A
5
two screws (M1.4) L=1.6
6
upper panel sub assy
4
two screws
(M1.4) L=1.6
3
screw (M1.4) L=3.0
1
flexible boar
d
(CN471)
2
Slide the lever (lock) in the direction of arrow
A
,
and open the upper panel sub assy in the direction of arrow
B
.
3-3. MAIN BOARD
1
sheet (shield A)
7
leaf spring
(EMC) (1)
8
toothed lock screw
(M1.4)
9
leaf spring
(EMC) (2)
q;
MAIN board
4
two flexible boards
(CN471, 701)
2
Remove two solders.
3
flexible cable
4
flexible board
(CN491)
5
three toothed loc
k
screws (M1.4)
4
flexible board
(CN501)
6
toothed lock screws (M1.4)

MZ-NH1
9
3-5. CONTROL ORNAMENT BLOCK
6
A
1
Open the battery case lid.
3
two screws
(M1.4) L=2.5
2
battery case lid.
8
control ornament bloc
k
7
flexible board
(CN491)
4
two claws
5
claw
4
claw
3-6. MECHANISM DECK ASSY
(MT-MZNH1-181)
1
two step screws
(MD)
2
mechanism deck assy
(MT-MZNH1-181)
3
battery case

MZ-NH1
10
3-8. OP SERVICE ASSY
1
Lead screw block assy is turned
and it removes from OP service assy.
2
OP service assy
3-7. GEAR (BSA), GEAR (SB)
1
self tap screw
2
thrust retainer spring
3
washer (0.8-2.5)
4
gear (SA)
5
gear (SB)

MZ-NH1
11
3-9. DC SSM18D/C-NP MOTOR (SPINDLE) (M701), DC SSM21A/C-NP MOTOR (SLED) (M702),
DC MOTOR UNIT (OVER WRITE HEAD UP/DOWN) (M703)
3
two screws (M1.4)
4
DC SSM21A/C-NP motor (sled)
(M702)
1
Remove four solders of flexible board.
2
Remove two solders of flexible board.
6
three self tap screws
7
DC SSM18D/C-NP motor
(spindle) (M701)
5
motor base assy
9
DC motor unit
(over write head up/down)
(M703)
8
self tap screw
3-10. HOLDER ASSY
4
Remove the holder assy
to the direction of the arrow
A
.
3
Open the holder assy.
1
boss
2
boss
A

12
MZ-NH1
OUTLINE
A key having no particular description in the text, indicates a set
key.
1. ENTERING THE TEST MODE
Preparation:
Copy the “TestMode_Enter_For_NH1_NH3D_Ver***.exe” folder
of the PC application of the latest version to your PC in advance.
(operating system: Windows 2000, Windows XP)
Also, when using this application, the SonicStage Ver. 2.0 or 2.1 is
necessary, and install it in your PC in advance.
Procedure:
1. If a Simple Burner has run on the PC, finish it (including the
one that is resident in the task tray).
2. Start the “TestMode_Enter_For_NH1_NH3D_Ver***.exe”.
3. Insert the fully charged lithium-ion battery (LIP-4WM).
4. Open and close the top panel of the main unit to wait until the
system reading finished.
5. Connect the main unit and PC by USB cable.
6. Check by device manager screen from property of “My
computer” that the set is recognised to your PC normally.
7. Click the [Enter TestMode] button on the screen of application
8. Disconnect the USB cable, when “OK” message is displayed
on the application screen.
9. Remove the lithium-ion battery.
Screen of the PC application “TestMode_Enter_For_NH1_NH3D_
Ver***.exe”
(“***” is version number)
Note: Once the test mode is activated with this application, the test mode
is then activated forcibly by only turning on the power.
After the repair completed, be sure to release the test mode by using
this application once more.
SECTION 4
TEST MODE
2. OPERATION IN SETTING THE TEST MODE
•When the test mode becomes active, first the Display Check
mode is selected.
•Other mode can be selected from the Display Check mode.
•When the test mode is set, the LCD repeats the following
display.
•When the x key is pressed and hold down, the display at that
time is held so that display can be checked.
Display check mode:
•
Display of the main unit
•
Display of the remote commander
3. RELEASING THE TEST MODE
Procedure:
1. If a Simple Burner has run on the PC, finish it (including the
one that is resident in the task tray).
2. Start the “TestMode_Enter_For_NH1_NH3D_Ver***.exe”.
3. Insert the fully charged lithium-ion battery (LIP-4WM).
4. Open and close the top panel of the main unit to wait until the
system reading finished.
5. Connect the main unit and PC by USB cable.
6. Check by device manager screen that the set is recognised to
your PC normally.
7. Click the [Exit TestMode] button on the screen of application
8. Disconnect the USB cable, when “OK” message is displayed
on the application screen.
9. Remove the lithium-ion battery.
All lit
All off
Microcomputer
version
display
001
Ver *.***
All lit
All off
Microcomputer
version display
Ver *.***

13
MZ-NH1
4. CONFIGURATION OF THE TEST MODE
Flow of the test mode:
5. MANUAL MODE
This is mode to adjust or check the operation of the set by function.
Operation of The Manual Mode
1. Enter the test mode (Display Check mode).
2. Press the [VOL+] key to activate the Manual mode where the
LCD displays as shown below.
Display of the remote commander
3. During each test, the optical pick-up moves outward or inward
while the [FF] or [FR] key is pressed for several seconds
respectively.
4. Each test item is assigned with a four-digit item number; 1000th
place is a top item, 100th place is a major item, 10th place is a
medium item, and unit place is a minor item.
The values adjusted in the test mode are written to the non-
volatile memory (for the items where adjustment was made).
5. To quit the Manual mode, press the x key and return to the
Display Check mode.
Flow of manual mode operation:
Display Check Mode
Version display
→
All lit
→
All off
→
Version display...
[VOL +]
key
x
key
x
key
N
ENT
key
x
key
[FF]
key
x
key
[T MARK]
key
[GROUP]
key
[VOL --]
key
x
key
Open the lid
Manual Mode
Sound Skip Check Result
Display Mode (Play)
Self-Diagnosis Result Display Mode
Sound Skip Check Result
Display Mode (REC)
Key Check Mode
Overall Adjustment Mode
Key Count Mode
[MENU]
key
[FF]
or
[FR]
key
(press a few seconds)
(Not used in servicing)
001
Ver *.***
000
Manual
000
AdjF**
000
10
000
1 0000
000
P00r00
000
p00R00
000
MENU 000
Number of 1000th place
(000 to 009)
000
Manual
x
key
[FF]
key
[FF]
key
[FF]
key
Top item switching
Major item switching
x
key
[VOL +]
key: 1000th place of item
number increase.
[VOL --]
key: 1000th place of item
number decrease.
[VOL +]
key: 100th place of item
number increase.
[VOL --]
key: 100th place of item
number decrease.
Medium item switching
x
key
[VOL +]
key: 10th place of item
number increase.
[VOL --]
key: 10th place of item
number decrease.
[FF]
key: 1st place of item
number increase.
[FR]
key: 1st place of item
number decrease.
Minor item switching
[VOL +]
key: Increases the adjusted
value.
[VOL --]
key: Decreases the adjusted
value.
Adjusted value variation
Adjusted value write
key: Adjusted value is written.
X

14
MZ-NH1
6. OVERALL ADJUSTMENT MODE
6-1. Operation of The Overall Adjustment Mode
1. Enter the test mode (Display Check mode).
2. Press the [VOL--] key to activate the Overall Adjustment mode
where the LCD displays as shown below.
Display of the remote commander
Disc mark:
Lit the inner segments: Completed the power supply adjustment.
Lit the outer segments: Completed the check of charge function.
“**”:
If “DF” or “FF” is displayed, it mean that completed the servo
overall adjustment.
3. To quit the Overall Adjustment mode, press the x key and
return to the Display Check mode.
Flow of overall adjustment mode:
***
$$####
000
AdjF**
Overall Adjustment Mode
x
key
x
key
x
key
x
key
[FF]
key
[FR]
key
(rotation)
x
key
[T MARK]
key
[GROUP]
key
CD Overall Adjustment Mode
Optical Pick-up Operation
Check Mode
Stray Light Offset Overall
Adjustment Mode
Initialize The Adjustment Values
Hi-MD3 Overall Adjustment Mode
MD1 Overall Adjustment Mode
[VOL +]
key
[VOL --]
key
x
key
000
AdjF**
***
CD Run
***
MD1Run
***
HM3Run
***
OfsRun
000
OPChk
911
ResOK?
6-2. Error Message in The Overall Adjustment Mode
In the Overall Adjustment mode, if an error occurred, it displays as
following table.
Display Description
Close! Dose not close the lid
DfDis! Unsuitableness disc was inserted
NoChg! Does not finish the check of charge function yet
NoTmp! Does not setting the temperature correction value
NotCD! Does not complete the CD Overall adjustment beforethe
MD1 Overall adjustment
NotM1! Does not complete the MD1 Overall adjustment
before the Hi-MD3 Overall adjustment
NotH3! Does not complete the Hi-MD3 Overall adjustment
before the Stray Light Offset Overall adjustment
****NG Error of item number “****”
7. SELF-DIAGNOSIS RESULT DISPLAY MODE
This set uses the self-diagnostic function system in which if an error
occurred during the recording or playing, the mechanism control
block and the power supply control block in the microcomputer
detect it and record its cause as history in the nonvolatile memory.
By checking this history in the test mode, you can analyze a fault
and determine its location.
Total recording time is recorded as a guideline of how long the
optical pick-up has been used, and by comparing it with the total
recording time at the time when an error occurred in the self-
diagnosis result display mode, you can determine when the error
occurred.
Clear the total recording time, if the optical pick-up was replaced.
7-1. Operation of The Self-Diagnosis Result Display
Mode
1. Enter the test mode (Display Check mode).
2. Press the [FF] key to activate the Self-Diagnosis Result Display
mode where the LCD displays as shown below.
Display of the remote commander
3. To quit the Self-Diagnosis Result Display mode, press the x key
and return to the Display Check mode.

15
MZ-NH1
8. KEY CHECK MODE
This mode is used for key check.
Operation of The Key Check Mode
1. Enter the test mode (Display Check mode).
2. Press the [GROUP] key to activate the Key Check mode where
the LCD displays as shown below.
Display of the remote commander
“*”:Remote commander (0: with, 4: without)
“$$$$$$”:Pressed key name.
When remote commander key is pressed, display becomes
as “r$$$$$”.
When the jog dial is turned, it displays “JOG+ X” or “JOG-
X” (“X” is number of 1 to 3). If the jog dial is turned four
click, it displays “JOG+OK” or “JOG-OK”.
“##”:Key voltage of remote commander. (Hexadecimal number)
3. When all keys check is OK on the main unit, it displays as
follows.
Display of the remote commander
When all keys check is OK on the remote commander, it
displays as follows.
Display of the remote commander
*) Turn the jog dial four click upside and downside to jog test is OK.
4. When all keys check are OK both the main unit and the remote
commander, it display backs to the Display Check mode
automatically.
5. To quit the Key Check mode, open the lid and return to the
Display check mode.
The first error
[VOL +]
key
[VOL --]
key
The last error
One error before
the last
Two error before
the last
Total recording time
***
1 ####
***
N ####
***
N1####
***
N2####
***
R_####
[VOL +]
key
[VOL --]
key
[VOL +]
key
[VOL --]
key
[VOL +]
key
[VOL --]
key
[VOL +]
key
[VOL --]
key
Flow of Self-diagnosis Result Display mode operation:
7-2. Error Code of The Self-Diagnosis Result Display
Mode
Error code Description
00 No error
01 Attempt to access an abnormal address
02 High temperature detected
03 Focus error (no change)
04 Abnormal rotation of disc
05 Fault of disc discriminate
06 Error of access loop (no change)
07 Error of access loop (with change)
08 Could not read address
09 Focus error (with change)
12 Could not read data with SYNC
13 TOC address data error
32 Focus error, ABCD offset error
33 Tracking error, offset error
34 Tracking error, X1 tracking error, offset error
7-3. Clear The Total Recording Time
After replacing the optical pick-up, clear the total recording time.
1. Enter the test mode (Display Check mode).
2. Press the [FF] key to activate the Self-Diagnosis Result Display
mode.
3. Press the [VOL--] key once to display the total recording time
indication.
4. Press the X key and display “ClrOK?”.
5. Press the X key again to display “RecT 0” and clear the total
recording time.
11*
$$$$$$ ##
888
SET OK ##
888
RMC OK ##

16
MZ-NH1 SECTION 5
ELECTRICAL ADJUSTMENTS
1. PRECAUTIONS FOR ADJUSTMENT
1. Adjustment must be done in the test mode only. After adjusting,
release the test mode. A key having no particular description
in the text, indicates a set key.
2. Use the following tools and measuring instruments.
•Digital voltmeter
•Regulated dc power supply (two sets)
•Thermometer (using the “Setting The Temperature Correction
Value”)
•Laser power meter
•CD adjustment disc TDYS-1 (Part No. : 4-963-646-01)
•MD1/HiMD1 hybrid adjustment disc MDW-74/GA1
(Part No. : 4-229-747-01)
•Hi-MD3 adjustment disc HMD1GSDJ
(Part No. : 7-819-098-37) *1
•Remote commander in accessories (with LCD)
•Battery charging stand and AC adapter in accessories
•Lithium-ion battery (LIP-4WM) in accessories
(full charged)
•PC application software for test mode
“TestMode_Enter_For_NH1_NH3D_Ver***.exe” *2
•USB cable
*1) Hi-MD3 adjustment disc (HMD1GSDJ) is consumable.
Therefore if it is used 400 times, exchange it for a new.
*2) Use the newest version every time.
Copy the whole folder of this program to your PC.
Operating system: Windows 2000, Windows XP
When using this application, the SonicStage Ver. 2.0 or 2.1 is
necessary, and install it in your PC in advance.
3. Unless specified otherwise, use the AC adaptor and battery
charging stand in accessories.
2. ADJUSTMENT SEQUENCE
Adjustment must be done with the following order.
Adjustment order:
1. Entering the test mode
2. Initialize the adjustment value
3. Setting the temperature correction value
4. Power supply voltage adjustment
5. Charge function check
6. Laser power check
7. Setting the adjustment values
8. Servo Overall adjustment
9. Resume clear
10. Releasing the test mode
3. ADJUSTMENT OF THE EACH ITEM
3-1. Entering The Test Mode
Refer to the “SECTION 4. TEST MODE”.
3-2. Initialize The Adjustment Value
Procedure:
1. In the test mode (Display Check mode), press the [VOL--] key
to enter the Overall adjustment mode.
2. Press the [T MARK] key and display “911 ResOK?”.
3. Press the X key to display “911 Reset!” and initialize the
adjustment values.
4. Press the x key and back to Display Check mode.
3-3. Setting The Temperature Correction Value
Procedure:
1. In the test mode (Display Check mode), press the [VOL+] key
to enter the Manual mode.
2. Press the [FF] key twice, and press the [VOL+] key twice to
display as follows.
Display of the remote commander
3. Press the [FF] key once to select the item number 0131 and
display as follows.
Display of the remote commander
4. Measure the ambient temperature.
5. Adjust with [VOL+]/[VOL--] keys so that the adjusted value
(hexadecimal value) becomes the ambient temperature.
(example: 25 °C = 19h)
6. Press the X key to write the adjusted value.
7. Press the x key four times and back to the Display Check
mode.
3-4. Power Supply Voltage Adjustment
Adjustment must be done with the following order.
3-4-1. Setting
Procedure:
1. Apply the voltage of 3.7 V to the battery terminals, and enter
the test mode (Display Check mode).
2. Press the [VOL+] key to enter the Manual mode.
3. Press the [VOL+] key twice to display as follows.
Display of the remote commander
4. Press the [FF] key once, press the [VOL+] key once, and press
the [FF] key once again to display as follows.
Display of the remote commander
5. Repeat the next procedures (3-4-2. PwrAdj Adjustments), and
adjust all contents of “table 3-4-1. PwrAdj Specifications”.
130
Temp
131
SetTmp **
adjustment value (hexadecimal)
002
POWER
210
PwrAdj
Ver 1.1

17
MZ-NH1
3-4-2. PwrAdj adjustments
Repeat the following procedures and adjust all contents of “table 3-
4-1. PwrAdj Specifications”.
Example Display (Item No. 2211)
Procedure:
1. Connect the digital voltmeter to measuring point (refer to the
following table) and ground (CL433).
2. Press the [FF] key to change the item number.
3. Adjust with [VOL+]/[VOL--] keys so that the value of digital
voltmeter becomes specification value.
4. Press the X key to write the adjusted value.
5. Press the [FF] key to select the next item.
6. Repeat adjustment from step 1 until item number 2233.
ItemNo. Display Specification value Measuring point
2211 211 VC1 ** 2.05V +0.02V CL8003
2212 212 VC1H N ** 2.25V ±0.01V CL8003
2213 213 VC2 ** 1.20V +0.01V CL603
2214 214 DDC3 L ** 2.60V ±0.015V CL604
2215 215 DDC3 H ** 3.10V ±0.015V CL604
2216 216 REG1 L ** 2.32V ±0.02V CL362
2217 217 REG1 H ** 3.02V ±0.02V CL362
2218 218 REG2 1 ** 2.27V ±0.02V CL509
2219 219 REG2 2 ** 2.47V ±0.02V CL509
2221 221 REG2 3 ** 2.72V ±0.02V CL509
2222 222 REG2 4 ** 2.97V ±0.02V CL509
2223 223 REG3 ** 2.52V ±0.02V CL516
2224 224 VREC 1 ** 0.89V ±0.02V CL624
2225 225 VREC 2 ** 1.08V ±0.02V CL624
2226 226 VREC 3 ** 1.52V ±0.02V CL624
2227 227 VREC 4 ** 2.27V ±0.02V CL624
2228 228 VREC 5 ** 2.97V ±0.02V CL624
2229 229 VREC 6 ** 0.94V ±0.02V CL624
2231 231 VREC 7 ** 1.28V ±0.02V CL624
2232 232 VREC 8 ** 2.57V ±0.02V CL624
2233 233 VREC 9 ** 2.57V ±0.02V CL624
Note1: “**” is adjustment value (hexadecimal number).
Note2: Ground point of all measuring points is CL433.
Table 3-4-1. PwrAdj Specifications
211
VC1 **
adjustment value (hexadecimal)
R518R512
R517
R519
C550
C545
C547
C528
C525
R502
R501
C574
C517
C516
C515
C511
C533
C531
R504
R503
C557
R526
R561
R883
R958
R952
R940 C927
R923
R922
C926
C954
R914
R908
R910
C901
R902
R944 R941
R931
R924
C929
C928
R917
R918
C957
R882
R894
R885
R884
C890
C845
C503
R809
R863
R657
C660
C701C710
C716
C324
R314
C314
R313
R926
C920
R929
R933
R925
C201
C101
FB301
C714
R610
R619
R310
R309
C709
C708
C707
C706
C322
R103
R101
FB101
R947
R946
FB201
R307 C308 R106
R203
R201
R937
R938
R939
R927
R934
R936
R935
C319
R633R650
R609
C705
C702
C703
R315
C820
R507
C560
C568
R508
C569
C538
C559
R509
C555
R524
R520
C526
R511
S892
(HALF LOCK)
C565
C566
C554
R505
C536
C537
C539
C530
C524
R525
R510
FB503
C561
C434
C942
C328
FB302 FB202
C647
C327
C934
C906
L904
C931
C941
L903
C918
C562
FB502
FB803
R636
R637
R641
R642
C643
R402
C370
C368
FB355
FB354
FB353
FB357
FB251
FB151
FB351
C367
C351
R638
R635
L803
C879
C880 L804
L802
L870
R833
R850
FB809
FB810
FB802
FB807
R608
C805
FB808
C628
L303
C202
C102
C938
C936
C919
C905
C713
R308
C412
C364
C354 C365
FB102
C360
C634
L507
Q504
BCE
C567 +
C564 +
C570 +
C553
+
C518
+
C556
+
L506
L502
L503
L505
L504
L801
L501
C552
C529
C527
C522
C513
C519
C523
IC501
C558
C520
R516
C575
C894
C433
C431
R957
R953
R945
R956
R954
C903
C925
C902
C917
R904
R907
R912
R906
R903
C932
R515
R513
R514
C521
D501
KA
Q501
Q503
BCE
Q502
E
C
B
C573
C835
C852
R860
R888
C888
R887
R890
C884
R886
R864
CN501
D803
IC891
IC801
IC601
IC401
IC351
IC871
IC873
AK
R893
R868
X872
R846
R493
R492
R491
R827
R865 R858
R810
R861 R854
C826
C825
C851
C822
C811
C892
R813
C821C855
X802
R706
R640
R656
R617
C642
C641
R616
R404
R455
R604
R418
C410
R354
C407
C415
R355
C311
R356
C352
R352
C252
C306
R416
R363
R364
C205
C105
C204
C104
R808
C602
C625
R458
R453
R459
R456
R431
R471
R475
CN471 R474
R473
C406
R407
C457
C460
C630C636
C804 C861
C604 C662
C626
R872
R867
C891
C847
R876
C881
C877C878
C871
C849
R802
C873
R895
C827
R870
C810
R866
R848
C823
C629
R855
C801
C802
C814
R832
C455
C452
R663
C453
C456
C432
R360
R401
C401
R417
C405
R351
R154
C152
R254
C151
R151
R251
C251
C404
C803
C839
R856
C624
C712
R707
R658
R629
C644R654
R628
R405
C645
C638
R357
C206
R207
R206
C307
R358
R353
C106
R107
R361
R415
C409
C408
C715 C717
FB501
SL803
SL801
C874 +
D801
KA
X801
FB801 CN491
Q803
BCE
D491
AK
C819 +
C617 +
C321 +
C207 +
C107 +
C313 +
C316 +
C924 +
C909 +
C910 +
C911 +
C912 +
C913 +
C612 +
C838
+
C836
+
C622
+
IC804
IC604
IC701
IC872
IC605
IC302
IC901
D871
AK
D611
KA
Q802
BP801
D884
KA
Q884 Q882
Q883
IC502
D883
D881
D882
KA
AK
AK
1
2
4
3
IC881
IC902
3
4
2
1
Q881
BCE
SL892
S895
SL891
L902 L901
C818 +
3
4
2
1
1
2
43
1
2
4
3
+C615
+C632
+C635
+C359
+C358
+C357
+C312
+C355
+C361
+C614
+C613
+C856
D601
AK
D610
AK
D609
KA
C816 +
D618
KA
D617
KA
D603
KA
D616
KA
FB454
FB451
FB453
D456
KA
K
A
K
D451
CN701
RB701
IC903
43
12
C914 +
Q951
RB702
BP701
C323 +
C315 +
C916 +
C318 +
C362 +
C310 +
C637 +
C402
R403
+
C356
F351
+
C403 +
D455
Q431
AK
D431
AK
S
D
G
BP471
Q352
BCE
Q151
Q351
BCE
Q251
BCE
Q405
Q607
C320
+
C108
+
C208
+
Q404
Q606
BCE
BP351
D614
KA
1
7
21
15
814
2822
1
1
14
42
29
28 15
43 56
7
2115
8
14
28
22
IC301
+C955
+C948
+C939
+C949
+C922
+C940
SL901
+C952
+C951
D904
AK
D906
KA
D903
AK
D901
AK
D902
KA
BP352
BP312
15
1511
10
6
16
20
C325
GDS
SL894
2D
1G
1S
2S
2G
1D
2C
1B
1E
2E
2B
1C
1C
2B
2E
1E
1B
2C
D
D
S
D
D
G
26
1
1
1
8
1
4
6
12
10
3
97
34
5
13
54
OFF ON
HOLD
LITHIUM-ION
RECHARGEABLE BATTERY
LIP-4WM
1C 2B 2E
1E 1B 2C
1
117
33 49
18
32
64
50
216
4834
3
54
1
110
3
54
1C
GDD
SDD
2B
2E
1E
1B
2C
1C
2B
2E
1E
2G2D
2S2D
1G1D
1S1D
1B
2C
111
CL451
(DC IN 6V)
CL453
(VBUS 5V)
CL460
(VBUS GND) CL433
(GND)
CL362
CL604
CL624
CL603
CL509
CL516
CL8003
CL935
CL8007
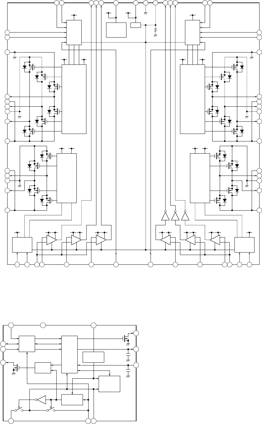
Adjustment Location:
– MAIN BOARD –
(Conductor Side)

18
MZ-NH1
3-4-3. VBsAdj adjustments
Procedure:
1. In the “3-4-2. PwrAdj Adjustments” completed status, press
the [FF] key to display as follows.
Display of the remote commander
2. Apply the voltage of 5 V to the CL453 (VBUS 5V) and CL460
(VBUS GND).
3. Press the [FF] key to change the item number to 2241.
4. Adjust with [VOL+]/[VOL--] keys so that the value of digital
voltmeter becomes specification value. (refer to “table 3-4-2.
VBsAdj Specifications”)
5. Press the X key to write the adjusted value.
6. Press the [FF] key to select the next item, and repeat
adjustments to item number 2243 at the same manner as step
3 to step 5.
Item No. Display Specification value Measuring point
2241 241 REG4 ** 1.13 V ± 0.01 V CL603
2242 242 REG5 ** 2.05 V + 0.02 V CL8003
2243 243 REG6 ** 3.30 V ± 0.01 V CL8007
Note1: “**” is adjustment value (hexadecimal number).
Note2: Ground point of all adjustment points is CL433.
Note3: Refer to page 17 for adjustment location.
Table 3-4-2. VBsAdj Specifications
7. Press the [FF] key to select the item number 2244, and turn off
the power supply of battery terminal.
8. Adjust with [VOL+]/[VOL--] keys so that the voltage of between
CL935 and CL433 (GND) becomes 4.10 V (− 0.02 V).
9. Press the X key to write the adjusted value.
10. Apply the voltage of 3.7 V to the battery terminal again.
11. Press the x key to display “240 VBsAdj” (Item number:
2240).
12. Turn off the voltage of 5 V to the CL453 (VBUS 5V) and
CL460 (VBUS GND).
13. Press the x key three times and back to the Display Check
mode.
3-5. Charge Function Check
Note1: When perform this check, don’t apply a voltage to battery terminals.
Note2: Be sure to disconnect the AC adapter when connecting the resistors.
Doing so with the power supply connected causes a trouble.
Procedure:
1. Connect the 10 ohms resistor (more than 3 watts) to battery
terminals.
2. Connect the AC adapter to the battery charging stand in
accessories and set the main unit.
3. Enter the test mode (Display Check mode).
4. Press the [VOL+] key once to enter the Manual mode.
5. Press the [VOL+] key twice, press the [FF] key once, press the
[VOL+] key once, press the [FF] key once, press the [VOL+]
key twice to display as follows.
Display of the remote commander
6. And [FF] key once again to select the item number 2251 and
display “251 ChgChk **” on the LCD of remote commander.
7. Press the X key confirm that “ChgCOK” is displayed.
8. Press the x key four times and back to the Display Check
mode.
9. Cut the power supply and remove the resistor that connected
to the battery terminals.
3-6. Laser Power Check
Procedure:
1. In the test mode (Display Check mode), press the [VOL+] key
to enter the Manual mode.
2. Open the lid and press the [FR] key continuously until the
optical pick-up moves to the most inward track.
3. Set the laser power meter so that the laser beam from the optical
pick-up aims at the objective lens of laser power meter at right
angle.
4. Press the [VOL--] key once to display as follows.
Display of the remote commander
5. Press the [FF] key three times to select the item number 9111
and display as follows.
Display of the remote commander
6. Confirm that the value of laser power meter is 0.67 mW ±
21%.
7. Press the [FF] key to select the item number 9112.
8. Confirm that the value of laser power meter is 0.76 mW ±
18%.
9. Press the [FF] key to select the item number 9113.
10. Confirm that the value of laser power meter is 6.25 mW ±
12%.
11. Press the x key four times and back to the Display Check
mode.
240
VBsAdj
250
ChrgLi
009
DESIGN
111
LrefPw **

19
MZ-NH1
3-7. Setting The Adjustment Values
3-7-1. Hi-MD3 setting
Preparation:
1. Perform calculation every item based on the data given by the
Hi-MD3 adjustment disc by referring to the following table.
(Round off the value in decimal place)
2. Convert the calculated value into hexadecimal number.
Note: The Hi-MD3 adjustment parameters vary depending on the disc,
and therefore use the parameters of the disc used when performing
the adjustment.
Item No. Calculating formula (*3)
0211 Pr_nominal / 0.05
(*1) Por / 0.05
0212 Kr × (−100)
0213 Pw_nominal / 0.05
(*2) Ppw / 0.05
0214 Kw × (−100)
0215 Prmin / 0.05
0216 Pwmin / 0.05
*1) If the “Pr_nominal” value is indicated, use the “Pr_nominal” value
and not used “Por” value.
*2) If the “Pw_nominal” value is indicated, use the “Pw_nominal” value
and not used “Ppw” value.
*3) Round off after the decimal point.
Table 3-7-1. Hi-MD3 adjustment parameter
Example of Calculation:
Item No. Parameter Result
Decimal Hexadecimal
0211 Pr_nominal 2.50 mW 50 32h
0212 Kr −0.3 %/°C30 1Eh
0213 Pw_nominal 7.35 mW 147 93h
0214 Kw −0.4 %/°C40 28h
0215 Prmin 1.9 mW 38 26h
0216 Pwmin 5.8 mW 116 74h
Procedure:
1. In the test mode (Display Check mode), press the [VOL+] key
to enter the Manual mode.
2. Press the [FF] key once, press the [VOL+] key once, and press
the [FF] key once again to display as follows.
Display of the remote commander
3. Press the [FF] key once to select the item number 0211.
4. Adjust with [VOL+]/[VOL--] keys so that the adjustment value
of LCD becomes calculated value.
5. Press the X key to write the adjusted value.
6. Press the [FF] key to next item.
7. Repeat adjustment from step 4 until item number 0216.
3-7-2. Other setting
1. In the test mode (Display Check mode), press the [VOL+] key
to enter the Manual mode.
2. Press the [FF] key five time to select the item number 0113
and display as follows.
Display of the remote commander
3. Press the [VOL+]/[VOL--] key and set the according value to
each model type and destination referring to the following
table.
4. Press the X key to write the adjusted value.
Destination Setting value
US, Australian 01
AEP, UK 81
E18, Hong Kong, Taiwan,
Korean, Chinese, Tourist 05
• Abbreviation
E18: 100V - 240V AC area in E model
Table 3-7-2. Mode Type and Destination Setting
3-8. Servo Overall Adjustment
Note1: Be sure to adjustment so that the set is horizontal and the LCD is
upside. Unless performed in that state, it is not adjusted correctly.
Note2: If NG is displayed in the middle of this adjustments, perform “3-2.
Initialize The Adjustment Value” and “3-7. Setting The Adjustment
Values” again, then retry this adjustments from step 1.
Procedure:
1. Insert the full charged lithium-ion battery (LIP-4WM)
and enter the test mode (Display Check mode).
2. Press the [VOL--] key to enter the Overall Adjustment mode.
3. Insert the CD adjustment disc (TDYS-1).
4. Put the main unit horizontal so that the LCD becomes upside,
and press the [FR] key.
5. Wait until “CD OK” is displayed on the LCD.
6. Insert the MD1/HiMD1 hybrid adjustment disc
(MDW-74/GA1).
7. Put the main unit horizontal so that the LCD becomes upside,
and press the [FF] key.
8. Wait until “MD1 OK” is displayed on the LCD.
9. Insert the Hi-MD3 adjustment disc (HMD1GSDJ).
10. Put the main unit horizontal so that the LCD becomes upside,
and press the [VOL+] key.
11. Wait until “HMD OK” is displayed on the LCD.
12. Eject the disc.
13. Put the main unit horizontal so that the LCD becomes upside,
and press the [VOL--] key.
14. Wait until “OfstOK” is displayed on the LCD.
15. Press the x key and back to the Display Check mode.
210
PwrAdj
113
DistF **
adjustment value (hexadecimal)

20
MZ-NH1
3-9. Resume Clear
Procedure:
1. In the test mode (Display Check mode), press the [VOL+] key
to enter the Manual mode.
2. Press the [VOL+] key once, press the [FF] key once, press the
[VOL--] key once, press the [FF] key once, and press the [VOL+]
key twice, press the [FF] key three times to select the item
number 1933.
3. Press the X key to resume clear.
4. Press the x key four times and back to the Display Check
mode. And remove the lithium-ion battery.
3-10. Releasing The Test Mode
Refer to the “SECTION 4. TEST MODE”.
Note: Once the test mode is activated with this application, the test mode
is then activated forcibly by only turning on the power.
After the repair completed, be sure to release the test mode by using
this application once more.

MZ-NH1
2121
MZ-NH1
SECTION 6
DIAGRAMS
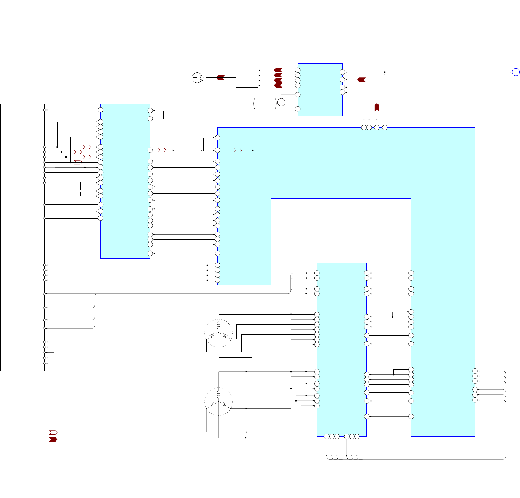
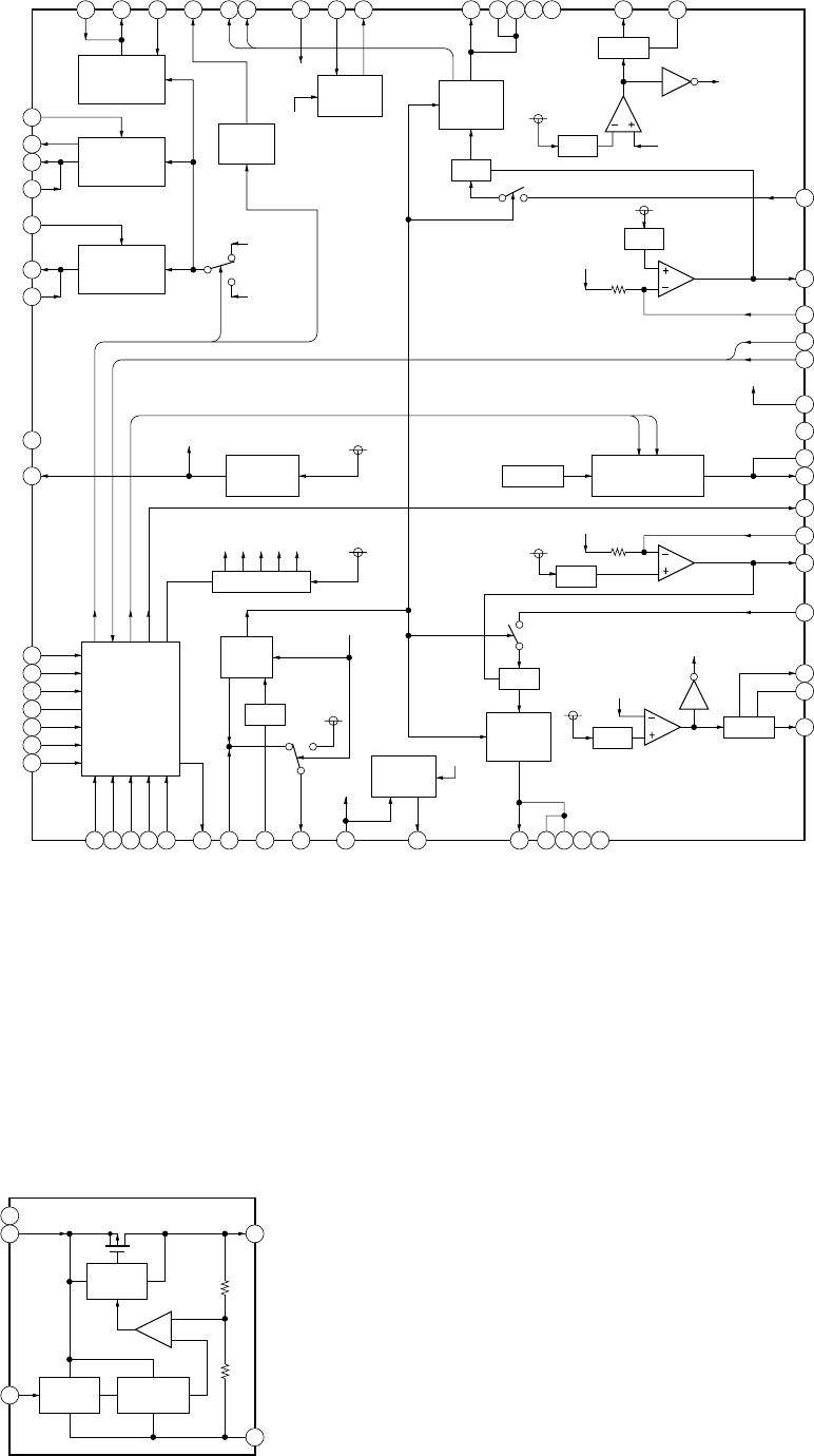
6-1. BLOCK DIAGRAM – MD SERVO Section –
8
48
47
40
41
42
23
9
35
21
32
33
7
56
1
54
55
50
51
52
49
15
14
18
19
IY
VREF
OPTICAL
PICK-UP
BLOCK
(ABX-U)
HR601
OVER
WRITE
HEAD
D
D_C
PD_I
PDO_SOURCE
C
B
A
VREF10
A_C
JY
JX
IX
IY RFO
PEAK
BOTM
ABCD
FE
TE
ADFG
PD-NI
VREF09
SBUS
SCK
S-MON
XRESET
RF AMP, FOCUS/TRACKING ERROR AMP
IC501
M703
OVER WRITE
HEAD
UP/DOWN
17
IX
JX
JY
A
B
C
D
S0
S1
L2
TRK+
FCS+
FCS–
FCS+
FCS–
TRK–
TRK+
TRK–
101
106
107
108
109
114
153
110
225
113
252
209
210
251
142
77
84
82
60
62
169
170
164
165
166
160
232
168
167
172
216
157
156
154
155
16
15
27
28
162
163
26
41
42
43
1
2
4
47 46 45
48 238
24
39
25
11
13
32
30
35
8
6
37
23
56
55
18
19
28
17
182
IIN
PD_BUF
20
F
OVER WRITE
HEAD DRIVE
Q601, 602
MM
HB
OUTA
OUTB
CLK
EFM
EFMO
OVER WRITE HEAD DRIVE
IC601 (1/2)
RFI TO IC801 (2/3)
(AUDIO SECTION)
145 VIN
PEAK
BOTM
ABCD
FE
TE
ADFG
VC
XRF_RST
SE
SSB_CLK
PD_S0
PD_S1
SSB_DATA
38
45
OFTRK
VC 123
180
VREF_MON
OFTRK
APCREF_DA
SYSTEM CONTROLLER,
DIGITAL SIGNAL PROCESSOR
IC801 (1/3)
A
CLK
SLCU
SLCV
SPCU
SPCV
SPCW
SLD MON U
SLD MON V
CLV MON U
CLV MON V
CLV MON W
SPRD
SPDL_MON
SLDW
SLDV
SRDR
SLD_MON
FRDR
FFDR
TRDR
TFDR
SPDV
SPDW
XRST_MTR_DRV
RI1
FI1
RI2
FI2
WI2
VI2
UI2
VI1
WI1
CPWO2
CPVO2
CPUO2
SLD MON W
SLD MON V
SLD MON U
OE
UI1
PWM1
FO2
FCS–
FCS+
TRK–
TRK+
COM2
WO1
CPVI2
WO2
CPUI2
CPWI2
CPUI1
CPVI1
CPWI1
COM1
FOCUS/TRACKING
COIL DRIVE,
SPINDLE/SLED
MOTOR DRIVE
IC701
M701
(SPINDLE)
11 RF_IY
10 RF_IX
26
CLK 174 FS256_OUT
PLSE_XDC
CONT
254
272
LDPEN
XLSRCK
158
FS4
52 53 54
CPWO1
CPVO1
CPUO1
CLV MON W
CLV MON V
CLV MON U
15944 SFDR
PWM2
28922 HI_Z_SLO
ZI2
29021 HI_Z_SPDL
ZI1
63
175
EFM_CLK
CHOPPERCLK
56
245
LATCH
XCS_REC_DRV
69 HBB
78 HA
70 HAB
U
WV
M702
(SLED)
U
WV
171SLCW SLD MON W
161 SPFD
NPPO 43
ADIP_IN 39
13 RF_JX
12 RF_JY
RF BUFFER
Q504
• SIGNAL PATH
: PLAYBACK
: REC
L2 B+
L1 L1 B+
VCC REG3 B+
PVCC REG2 B+
MVCC MDVCC
UO2
UO1
VO1
VO2
RO2
FO1
RO1
(Page 23)

MZ-NH1
2222
MZ-NH1
+2.1V
REGULATOR
IC302
MUTING
CONTROL
Q352
+3.9V
REGULATOR
IC872
SYSTEM CONTROLLER,
DIGITAL SIGNAL PROCESSOR
IC801 (2/3)
XMUTE 212
BEEP 199
314UDP
318UPUEN
315UDM
6
5
DATA+
DATA–
CN451 (1/2)
(USB)
320
UOSCO
319
UOSCI
X801
48MHz
311
OSCO
4
VSB
239XCS_NV
310
OSCI
X802
22.5792MHz
195SI0
196SO0
197SCK0
1SIO
2SCLK
17
15
5
7
3
4
SWITCHING DRIVER,
HEADPHONE AMP
IC351
OUT_
BEEP2
OUT_BEEP1
OUT2
OUT1
7
SDT0
DIN2
DIN1
2BEEP_IN
D_EN2 296 26 EN2
D_EN1 295 25 EN1
D_ENREG 211 27 ENREG
FS512 312 23 MCK
D_VCONT_PWM 243 11 VCONT
28 LIN
1RIN
3
AVDD
19 PRER
18 PREL
22 MICR
15 MICL
21 PREOR
16 PREOL
SDO0
SCK0
E
SDO0, SCK0
C
B
XWK1, XWK2,
XWK4
J351
i
1
12
11
2
XCS
SCK
SI
SO
EEPROM
IC891
REAL TIME
CLOCK
IC871
• SIGNAL PATH
: PLAYBACK
: OPTICAL IN
: LINE IN
: USB input from PC
: MIC IN
: USB output to PC
RVDD
MUTEON
D
RMC KEY
RVDD
DTCK
KEY-R
RGND
F351
313DTCK
131RMC_KEY
151
DCLSOUTL
150
DCLSOUTR
173 DIN
200 XOPT_CTL
185 OPT_DET
J301
186XJACK_DET
307 ADDT
306 FS256
309 XBCK
308 LRCK
190 XPD_ADC
189 XCS_ADC
REG1 B+
A/D CONVERTER, MIC AMP
IC301
FROM IC801 (1/3)
(MD SERVO SECTION)
187 XMIC_DET
B+ SWITCH
Q302
9
MCLK
8
BCLK
10
LRCK
14
PDN
11
CDTI
12
CCLK
13
CSN
MUTING
Q351
VC01 B+
LINE IN
(OPT)
J302
MIC
(PLUG IN POWER)
133
REC/DOWNLOAD
227
XHOLD_SW
124
SET_KEY_1
125
SET_KEY_2
203
REC_LED/ACCESS_LED
DOWNLOAD
SET_KEY_1
SET_KEY_1
REC KEY
SET_KEY_2
SWITCH MODULE
REC LED
WK_DET
XWK1
XWK4
REG VSTB B+
253
S891–2
Hi-MD
PROTECT
DETECT
HIMD_PROTECT
188
S893
OPEN/CLOSE
DETECT
OPEN_CLOSE_SW
184
S891–1
PROTECT
DETECT
OFF
ON
PROTECT
12
CE
–1 –2
135
S892
HALF
LOCK
XWK2
HALF_LOCK_SW/
OPEN_SW
193 USB_WAKE
WAKE UP SWITCH
Q803
LED DRIVE
Q491
128
WK_DET
REC LED
244
CHG_OPR_LED
CHG_LED
LED DRIVE
Q405
MUTING
Q151, 251
LEVEL SHIFT
IC873
7
8
X872
32.768kHz
OSCIN
OSCOUT
VB B+
D871
247
CS_RTC
S895
HOLD
213
SI1
214
SO1
215
SCK1
236
XCS_LCD
SDI1
SDO1
SCK1
XCS_LCD
LCD MODULE
183
PAUSE_KEY
PAUSE
192
XRST_LCD
LCD_RST
6-2. BLOCK DIAGRAM – AUDIO Section –
(Page 23)
(Page 23)
(Page 23)
(Page 23)

MZ-NH1
2323
MZ-NH1
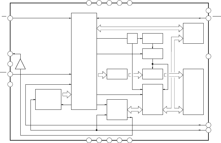
4-3. BLOCK DIAGRAM – POWER SUPPLY Section –
SYSTEM CONTROLLER
IC801 (3/3)
219 73 256 257 207
25
LG
VCO1
11 8
HVB
27
VB
55
REGI1
52
REGI2
48
REGI3
DATA
SDO0
SCK0 58 CLK 63
STRB
59
SCK
60
XWK2 4
XWK4 2
VG
24
VG
B+
VC01
B+
VCO2
B+
VSTB
B+
DDC3 B+
REGO2
51
REG2 B+
REGO1
54
REG1 B+
VREF
57
VSTB
9
VCO2
40
REGO3
47
RF1 26
CHG_SW1
VO 32
VI 6
IN1– 12
TYPE2 16
TYPE1 11
BAT+ 31
CHARGE CONTROL
IC401
4
7
29
23
VI_CTL
CHG_CTL
I_CTL2
I_CTL3
A/D
22
REG3 B+
MDVCC
D602
VREC B+
218 233
SLEEP
XCS_PWR_IC
181
RECP
231
RECP_MON
XRST2
34
XRST1
17
229
XRST2_DET
POWER CONTROL
IC601 (2/2)
83
VG
101
TSBV_IN
97
REG_IN
90
DVDD_IN
105
VSTB_IN
18
VREF_IN
112
VREC
4
VRECO_2
5
VRECO_1
81
VREC_IN
80
VREC_IN
6
L1_2
7
L1_1
SDO0
SCK0
SDO0 SCK0
E
CLK
A
MUTEON 45 MUTEON
C
XWK1, XWK2,
XWK4
B
VRMC 6
XWK3 3REC KEY
D
129VBUS_MON VBUS B+
127HIDC_MON DC IN B+
121VB_MON VB B+
LITHIUM-ION
RECHARGEABLE
BATTERY
LIP-4WM
299
PWM_L1
+1.2V
REGULATOR
IC603
VOLTAGE
DETECT
IC605
OR GATE
IC604
WAKE UP SWITCH
Q951
136
XRST
297
D_ENVG
141
DACVREFH
5
XWK1
XWK2
XWK4
XWK1
D401
DCIN6V
VBUS
B+ SWITCH
Q883, 884
B+ SWITCH
Q502, 503
REG4 B+
HPOUT B+
B+ SWITCH
Q604, 611
87 64 94 59 58
RST_OUT
VBUSSEL2
SLEEP_IN
DATA
SCK
54
VBUS
36
VPDRV
88
PVBUS
43
VBUSSEL
38
CLP
42
CLM
37
POWP1
41
POWP2
91 DVDD_OUT
REG5 B+
+5.5V
REGULATOR
IC902
+2.2V
REGULATOR
IC882
98 REG_OUT
+1.2V
REGULATOR
IC602
REG5 OSC B+
REG F B+
93 OSC_OUT
+2.5V
REGULATOR
IC804
USB IF VDD 108 V33RO
13 VC
VC B+
D609 D610
61 VIF
14 VC
67 RECP
250
VBUS_DET 51 VBUS_DET
316
USBHOLD 86 HOLD_OUT
317
SUSPEND 99 SUS_IN
132
RST_CONT 95 RST_IN
REG5 VSTB B+ 106 VSTB_OUT
REG5 TSBV B+ 102 TSBV_OUT
D603
22 V3O_2
DDC3 B+
VB B+
L1 B+
L2 B+
21 V3O_1
28 V3FB
66 VG2
73 VG3
2
DW_1B
3
DW_1T
27
DW_3B
26
DW_3T
B+ SWITCH
Q603
B+ SWITCH
Q605
25
L3_2
24
L3_1
B+ SWITCH
Q801, 802
REGULATOR
Q401
CHARGE
CONTROL
Q431
CHARGE
CONTROL
Q432
300
PWM_L2
SWITCHING
Q501
VOLTAGE
LIMITER
Q606, 607
LEVEL
SHIFT
Q882
VOLTAGE
DETECT
IC881
REGULATOR
CONTROL
Q881
204
MDVCC_CTL
+3V
REGULATOR
IC502
POWER CONTROL
IC901
D881
D882
D883 D884
CHG_SW2 5
30
BAT– 25
RS 24
BATT_MINUS_MON 130
XGUM_ON S431
(BATTERY INSERT DETECT)
198
20 I_CTL1
Q404
237
240
221
222
N1_VI_CTL
CHG_PWM
CHG_I_CTL2
CHG_I_CTL3
CHG_MON 122
13
14
18
A7CAL_SW
XRESET
I_SEL
IAMP_CAL
27
194
208
230
A7CAL_SW
XRST_CHG_IC
CHG_SEL
CHG_IAMP_CAL 241
CN451 (2/2)
(USB)
1
11
12
3
VB B+
VB B+
FCRAM_VDD
FFCLR
DRAM_
HOLD_DET
DRAM_
VDD_CLR
DRAM_ALONE
FFCLR
FCRAM_VDD
DRAM_HOLD_DET
DRAM_VDD_CLR
DRAM_ALONE
FFCLR
FCRAM_VDD
DRAM_HOLD_DET
DRAM_VDD_CLR
DRAM_ALONE
220
CHG_I_CTL1
8
PWR_WAKE
REG5 B+
12
VO1
39
VO2
RESET SIGNAL
GENERATOR
IC903
(Page 22)
(Page 21)
(Page 22)
(Page 22)
(Page 22)

MZ-NH1
2424
MZ-NH1
•Note For Printed Wiring Boards and Schematic Diagrams
•Main board is multi-layer printed board.
However, the patterns of intermediate-layer have not been in-
cluded in this diagrams.
•Lead Layouts
Note on Schematic Diagram:
•All capacitors are in µF unless otherwise noted. (p: pF)
50 WV or less are not indicated except for electrolytics
and tantalums.
•All resistors are in Ω and 1/4 W or less unless otherwise
specified.
•f: internal component.
•C: panel designation.
•A: B+ Line.
•Total current is measured with MD installed.
•Power voltage is dc 6 V and fed with regulated dc power
supply from CL451 (DC IN 6V) and CL460 (VBUS GND).
•Voltages and waveforms are dc with respect to ground
under no-signal conditions.
no mark : PLAYBACK
(): PLAYBACK (servo on)
[]: PLAYBACK (servo stop)
∗: Impossible to measure
•Voltages are taken with a VOM (Input impedance 10 MΩ).
Voltage variations may be noted due to normal produc-
tion tolerances.
•Waveforms are taken with a oscilloscope.
Voltage variations may be noted due to normal produc-
tion tolerances.
•Circled numbers refer to waveforms.
•Signal path.
E: PLAYBACK
j: REC
J: OPTICAL IN
F: LINE IN
d: USB input from PC
G: USB output to PC
N: MIC IN
•Abbreviation
E18 : 100V - 240V AC area in E model
JE : Tourist model
Note on Printed Wiring Board:
•X: parts extracted from the component side.
•Y: parts extracted from the conductor side.
•f: internal component.
•: Pattern from the side which enables seeing.
(The other layers' patterns are not indicated.)
Caution:
Pattern face side: Parts on the pattern face side seen from
(Conductor Side) the pattern face are indicated.
Parts face side: Parts on the parts face side seen from
(Component Side) the parts face are indicated.
surfac
e
Lead layout of conventional IC CSP (chip size package)
•Waveforms
Note: The components identified by mark 0 or dotted line
with mark 0 are critical for safety.
Replace only with part number specified.
7.6 ms
2.2 Vp-p
11.3
µ
s
2.5 Vp-p
190 mVp-p
1.2 Vp-p
Approx.
60 mVp-p
Approx.
350 mVp-p
88 ns
3 Vp-p
5.7
µ
s
2.7 Vp-p
354 ns
2.6 Vp-p
88 ns
2.9 Vp-p
22.8
µ
s
2.6 Vp-p
30.8
µ
s
960 mVp-p
44 ns
2.7 Vp-p
1IC701 1 (VI1), 2 (WI1),
th (UI1) (Servo on)
1 V/DIV, 5 ms/DIV
7IC501 wh (CLK) (Servo on)
1 V/DIV, 50 ns/DIV
2IC701 tg (PWM1) (Servo on)
1 V/DIV, 5
µ
s/DIV
8IC901 yd (CLK)
1 V/DIV, 5
µ
s/DIV
3IC501 1 (IX) (Servo on)
50 mV/DIV, 200 ns/DIV
9IC301 8 (BCLK)
1 V/DIV, 200 ns/DIV
4501 8 (RFO) (Servo on)
500 mV/DIV, 200 ns/DIV
q; IC301 9 (MCLK)
1 V/DIV, 50 ns/DIV
5IC501 ra (FE) (Servo on)
20 mV/DIV, 1
µ
s/DIV
qa IC301 q; (LRCK)
1 V/DIV, 10
µ
s/DIV
6IC501 rs (TE) (Servo on)
100 mV/DIV, 1
µ
s/DIV
qs IC871 8 (OSCOUT)
500 mV/DIV, 50
µ
s/DIV
qd IC801 <czz (OSCO)
1 V/DIV, 20 ns/DIV

MZ-NH1
2525
MZ-NH1
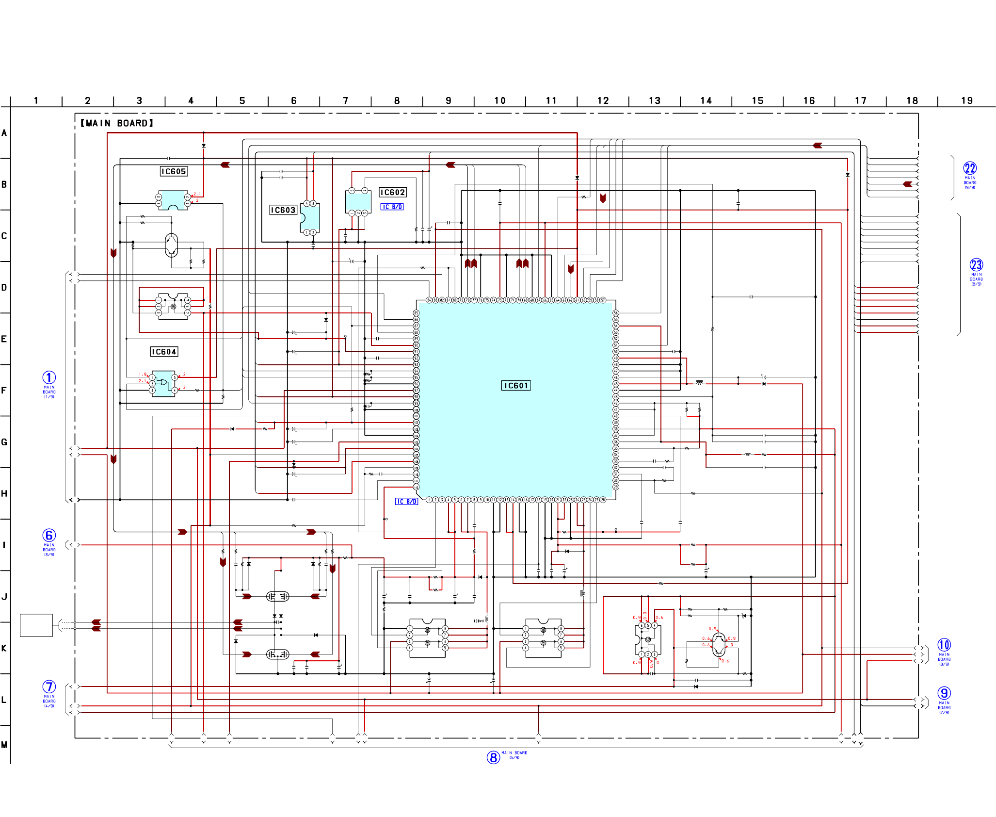
6-4. SCHEMATIC DIAGRAM – MAIN Section (1/9) – • See page 36 for IC Block Diagram. • See page 24 for Waveforms.
CN701
C712
C713
C715
C714
C705
C706
C707
C708
C710
C709
RB701
RB702
R701 R703
C716
R706
R707
C701
C702
C703
L704
22µH
R702 R704
C717
IC701
L702L701
L703
10P
0.1
0.1
0.1
0.1
0.01
0.022
0.01
0.022
0.022
0.01
2.2k
10k
00
0.1
0
1k
0.022
0.022
0.022
00
0.1
SC981583EPR2
0
0
A1
A2
A3
A4
B1
B2
B3
B4
A5
E1
E2
C1
D1
D2
D3
XRST_MTR_DRV
SLD_CON_W
SLD_CON_V
SLD_CON_U
SLD_PWM
SLD_MON_U
SLD_MON_V
SLD_MON_W
CLV_CON_W
CLV_CON_V
CLV_CON_U
CLV_PWM
CLV_MON_U
CLV_MON_V
CLV_MON_W
TF1
TR1
ZI2
ZI1
FR1
FF1
TRK+
TRK-
FCS-
FCS+
XRST_MTR_DRV
SLD_MON_W
SLD_MON_V
SLD_MON_U
SLD_PWM
SLD_CON_U
XRST_MTR_DRV
SLD_CON_W
SLD_CON_V
SLD_CON_U
SLD_PWM
SLD_MON_U
SLD_MON_V
SLD_MON_W
CLV_CON_U
CLV_CON_V
CLV_PWM
CLV_MON_U
CLV_MON_V
CLV_MON_W
CLV_CON_W
CLV_CON_W
CLV_CON_V
CLV_CON_U
CLV_PWM
CLV_MON_U
CLV_MON_V
CLV_MON_W
FF1
TF1
TR1
FR1
FF1
FR1
TF1
TR1
ZI1
ZI2
SLD_CON_W
SLD_CON_V
ZI1
ZI2
HD_DRV-
HD_DRV+
CLVW
CLVV
CLVU
CLVN
SLEDN
SLEDU
SLEDV
SLEDW
VI2
UI2
PWM2
CPUO2
CPVO2
CPWO2
VG
CPWO1
CPVO1
CPUO1
PWM1
UI1
VI1
WI1
PGNDW1
WO1
VMVW1
VO1
PGNDUV1
UO1
VMU1
VMR1
RO1
PGND1
FO1
VMF1
FI1
RI1
COM1
CPUI1
CPVI1
CPWI1
CPWI2
CPVI2
CPUI2
COM2
RI2
FI2
VMF2
FO2
PGND2
RO2
VMR2
VMU2
UO2
PGNDUV2
VO2
VMVW2
WO2
PGNDW2
WI2
ZI2
ZI1VC
GND1
OE
(1/9)
V
UN
W
V
UN
W
(SPINDLE)
OVER WRITE
HEAD UP/DOWN
(SLED)
M702
M701
M703
FOCUS/TRACKING COIL DRIVE,
SPINDLE/SLED MOTOR DRIVE
(Page 27)
(Page 28)
(Page 29)
(Page 26)
(Page 30)
(Page 33)

MZ-NH1
2626
MZ-NH1
6-5. SCHEMATIC DIAGRAM – MAIN Section (2/9) – • See page 36 for IC Block Diagrams.
W601
W602
D610
R619
C647
R609
C639
D615
D614
L606
C652
R660
R656
C622 C624 R636
C626
C628
D602
R635
C633
R658
R637
R638
C635
C638
C632
C637
C630
R608
IC605
C660
R640
IC604
R643
Q604
R634
R603
R644
D613
C612
C645
R629
C642
R617
C641 R616 R654
C651
C654
R651L601
4.7µH
C659
R641 R642
R628
C643
C658
L607
100µH
C644
C636R604
R668
R620 R621R622 R623
C649
C663
C650
R625
C648
C646
R624
D607D606
Q601
D617
C611
C620
R605
D608D605
C617
D611
C616
R663
R657
C614
R632
R631
C604
C613
C602
R648
C625
C601
R630
C619
C621
D603
C634
Q611
D601
C662
C615
C629
R645
R647
L605
100µH
Q607
R610
Q605Q603
R612
IC601
C655
C656
IC603
IC602
C653
Q602
D616
Q606
CL604
CL624
CL603
C674
D618
D609
D604
R633 R650
R653
MA2Z748001S0
220
0.047
220k
0.1
MA22D2800LS0
MA8056-L-TX
10
10V
0
0
10
6.3V 220p 0
0.01
1
MA22D2800LS0
0
0.01
0
0
0
47
6.3V
1000p
47
6.3V
10
6.3V
0.1
1
XC61CN1702NR
0.1
1M
TC7S32FU(TE85L)
220k
XP4601-TXE
100k
470k
470k
MA2Z748001S0
22 6.3V
0.01
2.2M
0.022
10k
0.01 1k 2.2M
4.7
0.1
2.2
4.7
11
22
2.2
22
10V
4700p
0.10
0
2.2 2.22.2 2.2
0.1
1000p
10
6.3V
470k
0.047
0.047
470k
MA22D1700LS0MA22D1700LS0
CPH5614
MA22D1700LS0
0.01
0.022
10k
MA2SO3000LS0MA2SO3000LS0
22 6.3V
MA2SD3100LS0
22 6.3V
220
220
22 6.3V
1M
470k
0.1
22 6.3V
0.1
22k
0.1
1
0
1
106.3V
MA22D2800LS0
1
SI1410EDH-T1
MA2Z748001S0
0.01
22 6.3V
0.1
470k
0
XP4601-TXE
10k
NTHC5513T1NTHC5513T1
2.2M
SC901585VAR2
1
1
R1180Q121C-TR-F
R1160N121B-TR-F
10
10V
MCH6617
MA22D1700LS0
RTQ035P02TR
33p
100V
MA2SD3100LS0
MA2Z748001S0
MA22D2800LS0
100k 2.2M
0
A1
A2
A3
A4
A5
F1
G1
G2
G3
H1
H2
H3
H4
H5
H6
H7
H8
H9
H10
I1
I2
J1
J2
J3
RMC_DTCK
XCS_REC_DRV
VBUS_DET
REG_F
EFM_CLK
EFM
RECP
SUSPEND
USB_HOLD
3.3V
4FS
SDO0
SCK0
RST_CONT
SLEEP
XRST
REG5_REG
REG5_VSTB
REG5_TSBV
REG5_OSC
REG4_DVDD
REG_DACVREFH
XRST2
XCS_REC_DRV
XCS_REC_DRV
VBUS_DET
VBUS_DET
REG_F
REG_F
EFM_CLK
EFM_CLK
EFM
EFM
RECP
RECP
SUSPEND
SUSPEND
USB_HOLD
USB_HOLD
3.3V
3.3V
4FS
4FS
SDO0
SDO0
SCK0
SCK0
RST_CONT
RST_CONT
SLEEP
SLEEP
XRST
REG5_REG
REG5_REG
HBB
HAB
HA
HB
REG5_VSTB
REG5_VSTB
REG5_TSBV
REG5_TSBV
REG5_OSC
REG5_OSC
REG4_DVDD
REG4_DVDD
HB
HA
HBB
HAB
REG_DACVREFH
XRST2
RST_OUT
REG_DACVREFH
XRST2
RST_OUT
RMC_DTCK
XRST1
XRST
S
S
NC
VSS
VIN
VOUT
NC
VOUT
VDD
GND
VOUT
ECO
VDD
GND
CE
S
S
NC_AI2
HOLD_OUT
RST_OUT
PVBUS
CRST
DVDD_IN
DVDD_OUT
HOLDC
OSC_OUT
SLEEP_IN
RST_IN
PGND2
REG_IN
REG_OUT
SUS_IN
PGND2
TSBV_IN
TSBV_OUT
V33R
PGND1
VSTB_IN
VSTB_OUT
BATSEL
V33RO
RF1
IMM1
DTC1
VREC
NC_A1
DW_1B
DW_IT
VRECQ_2
VRECQ_1
L1_2
L1_1
INP1
UP_17
UP_18
GND
PGND1
VC
VC
PGND3
PGND1
UP_38
VREFIN
PGND3
PGND3
V30_1
V30_2
33USEL
L3_1
L3_2
DW_37
DW_38
V3FB
OUTA
VG
OUTB
VRECIN
VRECIN
PGND2
HA
HB
PGND4
CL
VCP
VG2
GND
CH
HAB
HBB
GND
RECP
VO3
PGND4
VBUSSEL2
EFM_CLK
EFM
VIF
CLK
DATA
SCK
NC_M12
LATCH
XWKO
VBUS
WAKEC
V33UO
VBUS_DET
VBUSREF
L5_2
PGND5
VBUSSEL
CLM
POWP2
INP3
INP2
CLP
POWP1
VPDRV
RF2
DTC2
INM2
INM3
DTC3
NC_M1
RF3
L5_1
POWFB
PGND5
PGND5
S
S
SS
S
(2/9)
-1
-2
Q606,607
B+ SWITCHB+ SWITCH
Q601,602
HEAD DRIVE
OVER WRITE
OVER WRITE HEAD DRIVE,
POWER CONTROL
∗
CSP(Chip Size Package)
OR GATE
V
G
-1
-2
Q604,611
B+ SWITCH
VOLTAGE DETECT
+1.2V REGULATOR
+1.2V REGULATOR
HR601
OVER WRITE
HEAD
-1 -2
-2-1 -2
-1 -1
-2
VOLTAGE
LIMITER
(Page 25)
(Page 27)
(Page 28)
(Page 29)
(Page 31)
(Page 32)
(Page 32)
(Page 33)

MZ-NH1
2727
MZ-NH1
The components identified by mark 0 or dotted
line with mark 0 are critical for safety.
Replace only with part number specified.
6-6. SCHEMATIC DIAGRAM – MAIN Section (3/9) – • See page 36 for IC Block Diagram. • See page 24 for Waveforms.
L504
L502
10µH
10µH
10µH
C527
L503
10µH
Q501
C517
C516
C515
C511
R526
R561
C561
C562
IC502
R503 R504
R507
R508
C568
C569
CN501
FB501
C573
FB502
C570
C556
C557
C538
R501 R502
L506
C567
C559 R512
R517
R518 R519
R509
C565
C555
R511
R524
R520
C526
L505
10µH
C564
C560
R514
R515
R516
Q502
Q504
Q503
C558
FB503
C531 C533
C521
C522
C525
C529 C518 C520
C513
C519
C545
C547
C550
C536 C537 C539
C553 C554
R505
C530
C528
C524
C523
R510
R525
D501
C566
C574
IC501
C552
L501
L507
C503
R513
CL509
CL516
0.1
MCH6604
0.1
0.1
0.1
0.1
0
220k
1
1
R1180Q3018-TR-F
100k 100k 2.2k
2.2k
0.01
0.01
26P
1000p
0
4.7
6.3V
4.7
6.3V
0.1
1000p
2.2k 1k
4.7
6.3V
4700p 0
10k
47k 1k
0
0.1
4700p
0
220
470
100p
4.7
10V
0.1
47k
10k
47k
2SA1745-6.7-TL
2SC4627J-C
(TX).SO
2SC4738F-Y/
GR(TPL3)
1000p
0
0.01 0.01
10p
10p
4700p
0.1 4.7
6.3V 0.1
0.01
0.1
0.1
0.047
0.047
0.022 1 1
4.7
6.3V 0.1
10
1
0.1
0.01
0.1
0
0
MAZS068008SO
∗ C574
470p (US, E18, JE)
1000p (EXCEPT US, E18, JE)
0.1
∗
SN761059ZQLR
0.01
0
0
1000p
10k
B1
B2
B3
B4
F1
K1
K2
L1
L2
R1
LC_DRV1
LC_DRV2
PEAK
PLSE_XDC
XLDON
BOTM
OFTRK
MDVCC_CTL
RFI
VIN
ADIP
VC
S_MON
APCREF_DA
SSB_DATA
SSB_CLK
XRST_RF
VREF
ABCD
FE
TE
A_FS257
S0
S1
LC_DRV1
LC_DRV2
LC_DRV1
LC_DRV2
PEAK
PEAK
PLSE_XDC
PLSE_XDC
XLDON
XLDON
BOTM
BOTM
OFTRK
OFTRK
MDVCC_CTL
MDVCC_CTL
RFI
RFI
VIN
VIN
VC
ADIP ADIP
VC
S_MON
S_MON
APCREF_DA
APCREF_DA
TE
FE
ABCD
VREF
XRST_RF
SSB_DATA
SSB_CLK
SSB_DATA
SSB_CLK
XRST_RF
VREF
ABCD
TE
FE
TRK-
TRK+
FCS+
FCS-
A_FS256
A_FS256
S0
S1
S1
S0
DVCC
CP
CPOUT
SCK
SBUS
VGIN
XRESET
DGND
CIG
VC
ADIP_IN
ABCD
FE
TE
NPPO
AVCC2
DFTRK
TON_C
BOTM
PEAK
D
A
B
C
AVCC
JX
JY
IY
IX
PS
EQ
AGND
OFC_C1
OFC_C2
VREF10
RFO
VREF09
RF_IX
RF_IY
RF_JY
RF_JX
A_C
O_C
PDO_SINK
PDO_SOURCE
PD_I
PD_NI
PD_BUF
SMON
VPP_LPF
ADFG
CON
CCSL2
CLK
CPGND
CN
TRK+
FCS-
FCS+
TRK-
L1
L2
CONT
PLSE_XDC
PVCC
IIN
LDK
MDVCC
GND
F
VREF
VCC
JY
JX
IY
IX
A
B
C
D
GNDVOUT
VDD CE
S
S
(3/9)
RF BUFFER
Q502,503
B+ SWITCH
RF AMP,
FOCUS/TRACKING ERROR AMP
∗
CSP(Chip Size Package)
-1
-2
SWITCHING
+3V REGULATOR
S1
S0
(Page 28)
(Page 29)
(Page 33)
(Page 33)
(Page 26)
(Page 25)

MZ-NH1
2828
MZ-NH1
6-7. SCHEMATIC DIAGRAM – MAIN Section (4/9) – • See page 36 for IC Block Diagram.
Q432
Q401
C575
R411
R421
R412 R413 R414
C402 C403 C406
C404
D401
C412
R418
C415
C407
Q405
R407
R416
R415
C410
C409
C408
R431 R432 R433
Q431
(US, E18, JE)
R401
R405
R417
C405
C454
C433
C431
D455
C434
C455
FB454
FB453
C456
R456 R459
R458 R453
R455
D451
LF451
W431
W432
C460
1 (E18, JE)
470p (EXCEPT E18, JE)
D456
C432
C453
FB451
C452
C457
C401
R402
CN451
R403 R404
Q404
D431
S431
IC401
CL451
CL453
CL460 CL433
FZT688B-TP
FZT968TA
1000p
100k
100k
0 2.2M 220k
22
10V
22
10V 0.1
1000p
FTIJ3TP
0.1
100k
0.1
0.1
UP04313008S0
0
1M
2.2k
0.1
0.01
0.1
1M 1 0.47
SI2302DS-T1
2.2k
0
2.2k
0.1
470p
2200p
2200p
MAZS868008SO
1000p
2200p
2200p
470k 220k
2.2M 2.2M
1M
MAZW068H0LS0
MAZS06800SO
2200p
2200p
2200p
2200p
0.1
0.022
14P
2.2
1/2W
1
1W
DTC144EETI
MA22D2800SL0
MM1655LCBE
(DC IN 6V)
(VBUS 5V)
(VBUS GND) (GND)
C1
G1
G2
G3
K1
K2
M1
S1
S2
UDP
UDM
MINUS_MON
CHG_MON
CHG_I_CTL2
CHG_I_CTL3
CHG_PWM
CHG_I_CTL1
CHG_XRST
CHG_SW
CHG_I_SEL
CHG_LED
CHG_OPR
CHG_CTL
CHG_CAL
XGUM_ON
HIDC_MON
VBUS_MON
VB_MON
UDM
UDP
CHG_I_CTL2
CHG_I_CTL3
CHG_MON
UDP
UDM
CHG_I_CTL3
CHG_I_CTL2
CHG_MON
CHG_XRST
CHG_XRST
CHG_I_CTL1
CHG_I_CTL1
CHG_SW
CHG_SW
CHG_I_SEL
CHG_I_SEL
WK_DET
CHG_CTL
CHG_CTL
CHG_PWM
CHG_PWM
MINUS_MON
CHG_CAL
CHG_CAL
MINUS_MON
MINUS_MON
CHG_OPR
CHG_OPR
XGUM_ON
XGUM_ON
HIDC_MON
HIDC_MON
VBUS_MON
VBUS_MON
VB_MON
VB_MON
CHG_LED
CHG_LED
BAT-
RF1
IAMP_CAL
AMP_SEL
I_CTL2
CHG_SW1
BAT+
V0
VI2
VG
PWT
VI_CTL
CHG_SW2
VI
CHG_CTL
PWR_WAKE
RS
I_CTL3
A/D
GND
I_SEL
AD_SEL
PGND
I_CTL1
TYPE2
CFB
IAMP_CTL
A7CAL_SW
IN1-
TYPE1
WDT
LED_CTL
DCIN6V
NC
VBUS
NC
DATA-
DATA+
NC
VGH
NC
GND
(4/9)
(USB)
GND
GND
SW_B
SW_A
BATTERY
LITHIUM ION
RECHARGEABLE
3.7V 370mAh
S
Q431,432
CHARGE
CONTROL
-2
-1
LED DRIVE
LIP-4WM
BATTERY INSERT
DETECT
REGULATOR
CHARGE CONTROL
INVERTER
(Page 32)
(Page 33)
(Page 26)
(Page 33)
(Page 29)
(Page 25)(Page 27)

MZ-NH1
2929
MZ-NH1
IC901
L904
10µH
L903
10µH
C942
D901
C905
C936
R936
R935
R927
R939 R937
R938
C938
C934
R933
R934
C940
C948
C939
C932
SL901
C931
R931
R924
R953R952
R956
R957R954
R958
R923
R917
R918
R922
C903
R941
C927
C926
C928 C929
C949
C925
R914
C922 C951 C952
D904
IC903
C954 C914
C957
C920
R946
R947
C955C924
D905
L907 220µH
R944
R940
R945
C941
R902
R904
C919
R907
D902
D906
C909
C916
C910
C911
C912
C913
C906
D903
C901
C902
IC902
L901
100µH100µH
L902
Q951
L906
220µH
R908R910 R912
R903
R906
C918
C917
CL935
R925
R929R926
SC901584EPR2
1
MA2Z748001S0
1
2.2
47k
100k
1k
47k
22k
47k
2.2
2.2
220k
22k
22
6.3V
22
6.3V
22
6.3V
0.01
2.2
0
470k
47k47k
47k
470k470k
0
0
220k
470k
100k
1000p
0
100p
1000p
100p 1000p
22
10V
0.1
10k
22
6.3V
100
6.3V
100
6.3V
MA2Z748001S0
XC61CN1702NR
0.1 10
6.3V
0.1
0.1
100k
47k
22
10V
47
6.3V
MA2Z748001S0
0
220k
0
1
100
1M
0.022
10k
MA2Z748001S0
MA2Z748001S0
10 16V
10
6.3V
10 16V
10 16V
10 16V
10 16V
1
MA2Z748001S0
0.1
0.1
XC62HR5502WR
XP4601-TXE
22k22k 220k
1M
100k
0.022
0.1
47k
100k100k
D1
D2
D3
H1
H2
H3
H4
H5
H6
H7
H8
H9
H10
M1
L1
L2
N1
N2
N3
N4
N5
N6
SDO0
SCK0
4FS
XCS_PWR_IC
XRST2
WK_DET
RMC_KEY
REC_KEY
HALF_LOCK
REG5_VSTB
XRST1
MUTEON
D_ENVG
SLEEP
CLK
SEQSEL
MOT
SCK
STRB
DATA
VREF
GND
REGI1
REGO1
REGC1
REGI2
REGO2
REG2G
REGC2
FFCLR
XWK4
XWK3
XWK2
XWK1
VRMC
LVB
HVB
VSTB
VC1
VCO1
VO1
L1
L1
PGND1
PGND1
CRST2
XRST2
PGND2
PGND2
L2
L2
VO2
VCO2
VCIN
VC2
DW_2T
DW_2Q
MUTEON
REGC3
REGO3
REGI3
XRST1
CRST1
XRSTIADJ
OTC1
RF1
INM1
CTL
VG
LG
PGND3
VB
VGSEL2
VGSEL1
INM2
RF2
DTC2
NC
VSS
VIN
VOUT
VOUT
CE
VSS
NC
VIN
(5/9)
POWER CONTROL
RESET SIGNAL
GENERATOR
+5.5V REGULATOR
WAKE UP SWITCH
-1 -2
6-8. SCHEMATIC DIAGRAM – MAIN Section (5/9) – • See page 36 for IC Block Diagrams. • See page 24 for Waveform.
(Page 27)
(Page 25)
(Page 28)
(Page 31)
(Page 26)

MZ-NH1
3030
MZ-NH1
6-9. SCHEMATIC DIAGRAM – MAIN Section (6/9) – • See page 36 for IC Block Diagrams. • See page 24 for Waveforms.
C302
C208
C108
C207C107
R313
C314
C316
C315
C313
C311
C312
C310
C318
R309
R310
C324
C322
C323
L303
10µH
C321 C319
C320
R308
R314
C325
C202
C102
C328
C327
IC302
R315
R201
R101
R203
R103
C201 C101
R206 R207 R107 R106
C205 C105
C206 C106 C204 C104
D301
C305 C304
C307C308
BP312
R307
FB202
FB102
FB302
FB304
FB201
FB101
FB301
C303R301
FB303
R305
R306
R304
IC301
Q301
J301
J302
2200p
4.7
6.3V
4.7
6.3V
47
4V
47
4V
10
0.1
22 6.3V
10 6.3V
47 6.3V
0.1
47 6.3V
10
6.3V
2.2
10V1k
1k
0.1
0.1
10
6.3V
47
6.3V 0.1
2.2
10V
0
0
0.1
1
1
1
1
XC6219B212MR
0
47k
47k
22k
22k
100p 100p
10k 22k 22k 10k
0.1 0.1
1000p 1000p 2200p 2200p
MAZS068008SO
100p 100p
1000p1000p
100
0.11k
100
10k
100k
AK5356VN-L
2SA2018TL
E1
E2
O1
O2
SDO0
SCK0
XPD_ADC
XCS_ADC
XBCK
LRCK
FS256
ADDT
XOPT_CTL
DIN1
XJACK_DET
OPT_DET
XMIC_DET
SDO0
SCK0
XJACK_DET
DIN1
XOPT_CTL
OPT_DET
ADDT
LRCK
FS256
XBCK
XCS_ADC
XPD_ADC
SDO0
SCK0
XBCK
LRCK
FS256
XCS_ADC
XPD_ADC
ADDT
XOPT_CTL
DIN1
XJACK_DET
OPT_DET
XMIC_DET
XMIC_DET
BCLK
MCLK
LRCK
CDTI
CCLK
CSN
PDN
LIN
MPWR
MRF
MVCM
MVSS
MVDD
MICR
SDTO
DVDD
DVSS
AVSS
AVDD
VCOM
RIN
MICL
PREOL
PRENL
PREL
PRER
PRENR
PREOR
VIN
VSS
CE
NC VOUT
(6/9)
+2.1V REGULATOR
A/D CONVERTER,
MIC AMP
B+ SWITCH
(OPT)
LINE IN
MIC
(PLUG IN POWER)
(Page 33)
(Page 33)
(Page 25)
(Page 31)

MZ-NH1
3131
MZ-NH1
FB355
FB353
FB357
IC351
C353
D152
D252
FB354
BP351
C370
C352
FB351
FB151
FB251
C151
C251
R352
R251 R151
R355
R360
R254
R154
C351
R351
Q352
L152
L252
47µH
47µH
C255
C155
C253
C153
C154
C254
Q251
Q151
C252
C152
R361
C361
C364
R354
R363
R364
R358
C356
C355
C357
C358
C359
C365
C360
C362
C354
C368
C367
R353
R357
BP352
Q351
D352
C306
R356
F351
J351
CL362
CXD9811K(TE4)
1000p
MA2S111-TX
MA2S111-TX
1
0.1
0.1
0.1
47k
2.2k 2.2k
1M
0
2.2k
2.2k
0.47
1k
UN9113J-(TX).SO
0.1
0.1
0.22
0.22
220
2.5V
220
2.5V
2SC5585TL
2SC5585TL
1000p
1000p
10
47
6.3V
2.2
0
0
0
0
47 6.3V
47 6.3V
47 6.3V
47 6.3V
47 6.3V
1
2.2
10 6.3V
2.2
0.22
1
22k
0
NTHD4508NT1G
DF8A6.8FK(TE85R)
2200p
0
0.25A
125V
I1
I2
N1
N2
N3
N4
N5
N6
O1
O2
P1
Q1
BEEP
RMC_KEY
XCS_PWR_IC
WK_DET
REC_KEY
HALF_LOCK
FFCLR
D_VREG0
D_VCONT_PWM
DCLSOUTR
DCLSOUTL
D_ENVG
D_ENREG
D_EN2
D_EN1
FS512
XMUTE
BEEP
RMC_DTCK
RMC_KEY
RMC_KEY
XCS_PWR_IC
WK_DET
REC_KEY
HALF_LOCK
MUTEON
XMUTEFS512
D_EN1
D_EN2
D_ENREG
BEEP
DCLSOUTL
DCLSOUTR
D_VCONT_PWM
FFCLR
D_VREG0
D_VCONT_PWM
DCLSOUTR
DCLSOUTL
D_ENVG
D_ENREG
D_EN2
D_EN1
FS512
XMUTE
RVDD
DTCK
RGND
KEY_R
ENVG
ENREG
EN2
EN1
VDD
MCK
VSS
CL
CH
VG
OUT_BEEP2
VSS0
OUT2
NC
VDD02
CFB
VREF
VCONT
VREG
VREG0
VDD01
OUT1
VSS0
OUT_BEEP1
DIN1
DIN2
BEEP_IN
MODE_B
S
S
(7/9)
MUTING
CONTROL
MUTING
Q151,251
MUTING
HEADPHONE AMP
SWITCHING DRIVER,
-1
-2
/LINE OUT
6-10. SCHEMATIC DIAGRAM – MAIN Section (7/9) – • See page 36 for IC Block Diagram.
(Page 29)
(Page 32)
(Page 32)
(Page 33)
(Page 33)
(Page 30)
(Page 26)

MZ-NH1
3232
MZ-NH1
6-11. SCHEMATIC DIAGRAM – MAIN Section (8/9) – • See page 36 for IC Block Diagrams. • See page 24 for Waveform.
BL892
BL891
BL894
R492
BP471
R891
R895
C891
C894
R892
R893
C892
IC891
IC882
C884R881C883
R882
Q884
C890
C885
R883
D882 D881
D883
R888
R885 R894
R887
Q883
R884 C888 R886
R491
IC881
Q881
R890
Q882
D491
(US, E18, JE)
S891
S892
S893
S895
D884
CN491
C873 C877 C878
C871
IC872
D871
IC871
R871
C874
R872
IC873
C879 C880
X872
C881
R493
R474
R473
R475
R471
CN471
4.7k
100k
0
0.1
1000p
100k
0
100p
AK5614CN
R1180Q221B-TR-F
0.011M1
100k
SI1410EDH-T1
0.1
1
100k MA2Z748001S0 MA2Z748001S0
MA2Z748001S0
0
47k 10k
220k
XP4314-TX
220k 0.1 2.2M
4.7k
XC61CN3102NR
UN9214J-(TX).SO
10k
XP4314-TX
MAZS068008SO
MA22D2800LS0
8P
2p 0.1 0.1
0.1
R1180Q331C-TR-F
MA2SD32008S0
R2061K01-E2
220k
47
6.3V
0
TC7SZ126AFE
11
32.768KHz
0.1
0
100
100
0
0
11P
J1
J2
J3
P1
S1
S2
T1
T2
T3
T4
T5
T6
T7
RMC_DTCK
RMC_KEY
REG_F
3.3V
4FS
SDO0
SCK0
SLEEP
RST_CONT
XRST
REG5_REG
REG5_TSBV
REG5_VSTB
REG5_OSC
REG4_DVDD
XCS_PWR_IC
WK_DET
REC_KEY
HALF_LOCK
XRST2
REG_DACVREFH
CHG_LED
FFCLR
CHG_LED
REG5_VSTB
WK_DET
REC_KEY
HALF_LOCK
RMC_KEY
XCS_PWR_IC
SET_KEY_2
SET_KEY_1
REC_KEY
WK_DET
RMC_DTCK
4FS
SDO0
SCK0
RST_CONT
SLEEP
XRST
REG_F
REG5_REG
3.3V
REG5_TSBV
REG5_VSTB
REG5_OSC
REG4_DVDD
PROTECT
HALF_LOCK
REG_DACVREFH
XHOLD_SW
XCS_NV
SDI0
REG5_REG
SCK0
SDO0
CS_RTC
SDI0
SDO0
SCK0
DRAM_VDD_CLR
DRAM_ALONE
FFCLR
DRAM_HOLD_DET
O/C_SW
FFCLR
XRST2
UMD_PROTECT
REC_LED
REC_KEY
SET_KEY_1
PAUSE
REC_LED
XCS_LED
SDI1
SDO1
LCD_RST
SCK1
SET_KEY_2
SET_KEY_1
DGND
SGND
WK_DET
CHG_LED
REC_LED
DOWNLOAD
NC
NC
NC
NC
NC
NC
NC
NC
NC
NC
NC NC
XCS
SO
XWP
GND SI
SCK
XHOLD
VCC
GND
VCC
VCC
CIN
VSS
CE
SIO
SCLK
/VDCC
VSB
VDD
OSCIN
OSCOUT
/INTR
VOUT
VDDCE
GND
CE
GND
VDD
VOUT
VOUT
VIN
VSS
NC
S
(8/9)
REGULATOR
CONTROL
-2
-1
-2
-1
B+ SWITCH
Q883,884
EEPROM
-1
-2
(HALF LOCK)
(OPEN/CLOSE DETECT)
ON OFF
HOLD
S891-1
DETECT
PROTECT
DETECT
Hi-MD PROTECT
S891-2
SWITCH
MODULE
LEVEL SHIFT
CLOCK
REAL TIME
+3.3V REGULATOR
+2.2V REGULATOR
VOLTAGE
DETECT LEVEL
SHIFT
REC_KEY
SET_KEY_1
PAUSE
REC_LED
XCS_LED
SDI1
SDO1
LCD_RST
SCK1
DVDD
DGND
LCD
MODULE
(Page 31)
(Page 26)
(Page 31)
(Page 28)
(Page 33)
(Page 26)

MZ-NH1
3333
MZ-NH1
IC804
L802
22µH
C845
C822 C823
C849
Q801
Q802
C852
R859
R860
L801
C820
R839
C821
L870 10µH
R826
R847
C809 R820
R817
R815
C861
R824C839 C816
C856
C811
C835 R850
R802
FB801
R855
R856
R837
C827
C803
R870
R814
C825
C826
D803
C812
C814 C843
R840
R821
R822R818 R819 C808
R811 R812
C804
C805
R813R810
R857
R876
R846
C847
Q803
R867
R866
R828
C855
C851
R858
R835
R834
C813
R845
R836
R852
R869
R823
SL803
R827
R849
R848
R806
R807
R865
R854
FB808
R804
R805
R833
R832
R868
C810
C817
FB803
IC801
L804
L803
D801
C819
C818
SL801
X802 R808
C802
X801
C836
C838
C801
FB807
FB810
FB809
FB802
R863
R809
R864
R843
R825
R861
R862
R830
R801
CL8007
CL8003
XC61CC2502NR
0.1
0.1 0.1
0.1
XP152A12C0MR
2SK1838-TE85L
0.1
1M
1M
0.1
0
100p
0
0
0.1
220
1k
220k
22p
100.1 47 6.3V
47 6.3V
0.1
0.1 0
47
0
0
2.2k
0.1
0.01
0
10k
1000p
1000p
MA2SD32000SB
1
0.1 0.1
0
2.2M
1M2.2k 1k 1
10k 100k
0.01
0.47
00
0
0
47k
0.1
2SC4738F-Y/GR
(TPL3)
0
0
2.2k
0.1
0.1
2.2k
470k
220k
0.047
220k
47k
0
1M
10k
10
0
0
4.7k
2.2k
0
0
0
22
22
0
22k
0
0.1
0.1
0
CXD2681-222GG
10
10
MA2SD3100LS0
47 6.3V
47
6.3V
22.5792MHz
1k
10p
48MHz
10 6.3V
10 6.3V
10p
0
0
0
0
0
0
0
0
0
100
0
0
4.7k
Q1
R1
T1
T2
T3
T4
T5
T6
T7
BEEP
UDP
UDM
XCS_REC_DRV
VBUS_DET
EFM_CLK
EFM
RECP
SUSPEND
USB_HOLD
VBUS_MON
LC_DRV1
LC_DRV2
PLSE_XDC
XLDON
SI
SO
PEAK
BOTM
OFTRK
TE
FE
ABCD
VREF
XRST_RF
SSB_DATA
SSB_CLK
ADIP
S_MON
APCREF_DA
VC
RFI
MDVCC_CTL
VIN
XRST_MTR_DRV
SLD_MON_W
SLD_MON_V
SLD_MON_U
SLD_PWM
SLD_CON_U
SLD_CON_V
SLD_CON_W
CLV_MON_W
CLV_MON_V
CLV_MON_U
CLV_PWM
CLV_CON_U
CLV_CON_V
CLV_CON_W
TF1
TR1
ZI2
ZI1
FR1
FF1
MINUS_MON
A_FS257
DCLSOUTR
DCLSOUTL
D_VREG0
CHG_MON
VB_MON
HIDC_MON
CHG_SW
XGUM_ON
CHG_XRST
D_ENREG
XMUTE
CHG_I_CTL3
CHG_I_CTL1
CHG_I_CTL2
CHG_I_SEL
CHG_CTL
CHG_PWM
CHG_CAL
CHG_OPR
D_EN1
D_EN2
D_ENVG
D_VCONT_PWM
FS512
CHG_LED
OPT_DET
XJACK_DET
XMIC_DET
XCS_ADC
XPD_ADC
XBCK
LRCK
ADDT
FS256
XOPT_CTL
DIN1
SDO0
SCK0
BEEP
VBUS_MON
VIN
APCREF_DA
EFM_CLK
FF1
TF1
TR1
FR1
4FS
SLD_PWM
CLV_CON_U
ADIP
XRST
HALF_LOCK
REC_KEY
RST_CONT
RMC_KEY
WK_DET
SET_KEY_1
SET_KEY_2
VREF
TE
S_MON
VC
FE
ABCD
BOTM
PEAK
RFI
SSB_DATA
SSB_CLK
PLSE_XDC
XCS_NV
XRST_MTB_DRV
XCS_PWR_IC
CLV_CON_U
XHOLD_SW
XRST_RF
SLEEP
SLD_CON_U
MDVCC_CTL
BEEP
SCK0
SDO0
SDI0
PROTECT
EFM
OFTRK
SLD_CON_U
SLD_CON_W
SLD_CON_V
SLD_MON_V
SLD_MON_W
CLV_MON_W
CLV_MON_V
CLV_MON_U
CLV_CON_W
CLV_CON_V
CLV_PWM
SLD_MON_U
MINUS_MON
A_FS256
LC_DRV1
LC_DRV2
EFM_CLK
EFM
RECP
SUSPEND
USB_HOLD
VBUS_DET
XCS_REC_DRV
XRST_MTR_DRV
SLD_CON_W
SLD_CON_V
SLD_CON_U
SLD_PWM
SLD_MON_U
SLD_MON_V
SLD_MON_W
TF1
TR1
ZI2
ZI1
FR1
FF1
CLV_CON_W
CLV_CON_V
CLV_CON_U
CLV_PWM
CLV_MON_U
CLV_MON_V
CLV_MON_W
USB_HOLD
SUSPEND
VBUS_MON
MINUS_MON
SO
SI
XLDON
PLSE_XDC
LC_DRV1
LC_DRV2
PEAK
BOTM
OFTRK
TE
FE
ABCD
VREF
XRST_RF
SSB_DATA
SSB_CLK
ADIP
S_MON
APCREF_DA
VC
RFI
MDVCC_CTL
A_FS256
VIN
REG4_DVDD
3.3V
REG_F
REG5_VSTB
REG5_OSC
REG5_REG
REG5_REG
REG5_REG
ZI2
ZI1
REG_DACVREFH
DRAM_HOLD_DET
DRAM_VDD_CLR
DRAM_ALONE
DCLSOUTL
DCLSOUTR
DCLSOUTR
DCLSOUTL
D_VREG0
D_VREG0
CHG_MON
CHG_MON
VB_MON
VB_MON
HIDC_MON
HIDC_MON
RECP
OPT_DET
XJACK_DET
XMIC_DET
O/C_SW
XCS_ADC
XPD_ADC
REG5_REG
WK_DET
CHG_SW
CHG_SW
XGUM_ON
XGUM_ON
XOPT_CTL
REC_LED
CHG_XRST
CHG_XRST
D_ENREG
D_ENREG
XMUTE
XMUTE
FFCLR
CHG_I_CTL1
CHG_I_CTL2
CHG_I_CTL3
CHG_I_CTL1
CHG_I_CTL2
CHG_I_CTL3
XRST2
CHG_I_SEL
CHG_I_SEL
CHG_CTL
CHG_CTL
CHG_PWM
CHG_PWM
CHG_CAL
D_VCONT_PWM
CHG_OPR
CHG_OPR
CS_RTC
UMD_PROTECT
D_EN1
D_EN2
D_EN1
D_EN2
D_ENVG
D_ENVG
FS512
FS512
RMC_DTCK
D_VCONT_PWM
CHG_LED
XLDON
CHG_CAL
XCS_REG_DRV
VBUS_DET
XBCK
LRCK
ADDT
FS256
XOPT_CTL
XPD_ADC
XCS_ADC
XMIC_DET
XJACK_DET
OPT_DET
DIN1
FS256
ADDT
LRCK
XBCK
DIN1
PAUSE
LCD_RST
S1
S0
SDI1
SDO1
SCK1
XCS_LED
SDO0
SCK0
VOUT
VIN
VSS
NC
S
S
DVDD1_0
DVSS1_0
DVDD1_1
DVSS1_1
DVDD1_2
DVSS1_2
DVDD1_3
DVSS1_3
DVDD1_4
DVSS1_4
DVDD1_5
DVSS1_5
DVDD1_6
DVSS1_6
DVDD1_7
DVSS1_7
DVDD1_8
DVSS1_8
DVDD1_9
DVSS1_9
DVDD1_10
DVSS1_10
DVDD1_11
DVSS1_11
DVDD3
VSS_3
AVDD1A
AVSS1A
AVDD1B
AVSS1B
AVDD1C
AVDD2
DVDD25SVAD
AVSS2
AVDD3
AVSS3
AVDD4A
AVSS4A
AVDD4B
AVSS4B
AVDD4C
AVSS4C
AVDD5
AVSS5
AVDD6
AVSS6
DAVDD
DVDD25LPF
DAVSS
OSCVDD
USBOSCVDD
TSMVDD
MAIFVDD
MSJTAGVDD
USBIFVDD
VSS_0
VSS_1
VSS_2
IFVDD_1
IFVDD_2
IFVDD_3
IFVDD_4
IFVSS_1
IFVSS_2
DRAMVDD0
DRAMVSS0
DRAMVDD1
DRAMVDD2
DRAMVDD3
DRAMVDD4
DRAMVSS1
DRAMVSS2
FCRAMVDD0
FCRAMVSS0
FCRAMVDD1
FCRAMVSS1
FVDD0
FVSS0
SRAMVDD0
SRAMVSS0
UPUEN
UOSCI
UOSCO
SRAMVDD1
SRAMVSS1
EBIFVDD0
EBIFVSS0
EBIFVDD1
EBIFVSS1
EBIFVDD2
EBIFVSS2
EBIFVDD3
EBIFVSS3
EBIFVDD4
EBIFVSS4
EBIFVDD5
EBIFVSS5
EBIFVDD6
EBIFVSS6
EBIFVDD7
EBIFVSS7
ASYO
ASYI
RFI
PCO
FILI
FILO
CLTV
PEAK
BOTM
ABCD
FE
VC
ADIO
ADRB
SE
TE
AUX1
ADRT
DCHG
APC
ADC1EXTC
D_VREGO
VB_MON
CHG_MON
VREF_MON
SET_KEY_1
SET_KEY_2
DCIN_DET
HIDC_MON
WK_DET
VBUS_MON
RMC_KEY
RST_CONT
RADIO_ON
XRST
PLL2EXTCI
PLL2EXTCO
PLL3EXTCI
PLL3EXTCO
DACVREFH
APCREF_DA
ADC3VREFH
AD3EXTC
VIN
VREFL
AOUTL
AOUTR
VREFR
DCLSOUTR
DCLSOUTL
RTCK
ADFG
TFDR
FFDR
FRDR
FS4
SFDR
SPRD
SPFD
SPDV
SPDW
SPCU
SPCV
SPCW
SLCU
SLCV
DIN
FS256_OUT
CHOPPERCLK
MNT0
MNT1
MNT2
MNT3
OFTRK
RECP
SLCW
SRDR
SLDW
SLDV
EFMO
PAUSE_KEY
PROTECT
OPT_DET
XJACK_DET
XMIC_DET
OPEN_CLOSE_SW
XCS_ADC
XPD_ADC
NC
XRST_LCD
USB_WAKE
A7CAL_SW
SI0
SO0
SCK0
XGUM_ON
BEEP
XOPT_CTL
LAM_REQCHK
LAM_SPREQ
MDVCC_CTL
VBUS_VB_CTL
LAM_NAME
SI1
SO1
SCK1
SLD_MON
AOUT_SEL
FFCLR
CHGI_CTL1
CHGI_CTL2
CHGI_CTL3
SLBUSY
XTEST
XRF_RST
VREC_SEL
XHOLD_SW
T_MARK_SW
XRST2_DET
CHGI_SEL
RECP_MON
SPDL_MON
XCS_PWR_IC
RXD
TXD
XCS_LCD
XRST_MTR_DRV
XCS_NV
CHG_PWM
IAMP_CAL
NC
D_VCONT_PWM
CHG_OPR_LED
XCS_REC_DRV
GND_SW
CS_RTC
JOG_A
JOG_B
VBUS_DET
SSB_DATA
SSB_CLK
HIMD_PROTECT
LDPEN
CHG_TYPE2
AD2ENDF
TEST
SRAM_MODE
HSALF
XLSRCK
TAT
TAN
NAR
IDO
SAK
LRCKI
XBCKI
DATAI
SI3
SO3
SCK3
SI4
SO4
SCK4
SCS3
SCS4
HI_Z_SLD
HI_Z_SPDL
SET_CODE0
SET_CODE1
SET_CODE2
SET_CODE3
D_EN1
D_EN2
D_ENVG
DADT
PWM_L1
PWM_L2
JTAG0
JTAG1
CLKIN2
FS256
ADDT
LRCK
XBCK
OSCI
OSCO
FS512
DTCK
UDP
UDM
USBHOLD
SUSPEND
I2C_1
I2C_2
∗
CSP(Chip Size Package)
SYSTEM CONTROLLER,DIGITAL SIGNAL PROCESSOR
REC_KEY/DOWNLOAD
BATT_MINUS_MON
TRDR
REC_LED/ACCESS_LED
DRAM_HOLD_DET
DRAM_VDD_CLR
DRAM_ALONE
(9/9)
MON0
MON1
MON2
MON3
MON4
MON5
MON6
MON7
MON8
MON9
B+ SWITCH
Q801,802
+2.5V REGULATOR
HALF_LOCK_SW
SLEEP
XMUTE
D_ENREG
XRST_CHG_IC
WAKE UP
SWITCH
PD_S1
PD_S0
N1_VI_CTL
6-12. SCHEMATIC DIAGRAM – MAIN Section (9/9) – • See page 24 for Waveform. • See page 42 for IC Pin Function Description.
(Page 31)
(Page 27)
(Page 30)
(Page
31)
(Page 28)
(Page 27)
(Page
25)
(Page
28)
(Page
26)
(Page 32)
(Page 30)

MZ-NH1
3434
MZ-NH1
S891
S893
L906L907
D905
AK
C304
C305
C353
R414
R421
R623
R612 R632
R843
R826
R605
C843
C817
R811
R823
R828 R834
R836
R845
R852
R837
R871 R892 R891
R805
R804
R806
R807
R825
R812
R815
R625 R624
C813
R840
C620
R622
C255
C155
R411
R412R413
C648
R631C611
R648
R849
R822
R821
R824
R862
R869
R857
R801 R814
R830
R835
R819
R818
R817
R847
R820
C809
R839
R620 R621
C649
C663
C646
C654
C633
R630
R301
R305
R881
R645
R859
R634
R643
R603
C303
R647
R653
R644
R306
R304
C302
FB303
FB304
D301 AK
Q301 BCE
D604
AK
D615
IC602
IC882
AK
K
D252
A
1
4
8
5
K
D152
KA
D352
R433
C454
C253
C153
R432
R651
C639
C885
C883
C619
R701
C655
R702
R704
C656
C601
R703
L601
C254 +
C154
+
L252
L152
D401
Q401
Q432
AK
C659
C651
L704
L702
S431
C616 +
C653 +
C652 +
C658 +
L607
IC603
D613
KA
Q611
Q605
Q801
Q604
C621 +
Q603
CN451
D602
D607
KA E
E
B
AK
D606
Q601
AK
L605
C808
C812
R660
R668
LF451
L606
L703
L701
D605
D608
AK
AK
Q602
C650
C674
+
MAIN BOARD (COMPONENT SIDE)
1-861-115- (11)
11
A
B
C
D
E
F
G
H
I
1 2 3 4 5 6 7 8 9 10 11
J
S891-1
(PROTECT DETECT) -1
-2
S891-2
Hi-MD
PROTECT DETECT
OPEN/CLOSE
DETECT
J301
LINE IN
(OPT)
DIN
DGND
DVCC
J351
i/LINE OUT
RVDD
DTCK
KEY_R
RGND
B
(USB)
C
C
1
2G
1D1S
2G1G
2S2D
1G
2D
1D
S
10
2D 2D 1D 1D
2G 2S 1G 1S 2D 2D 1D 1D
2G 2S 1G 1S
D
D
S
1C
2B
2E
1E
1B
2C
D
D
G
12
34
5
GS
D4
1
21
34
3
BATTERY INSERT
DETECT
6-13. PRINTED WIRING BOARD – MAIN Section (1/2) – : Uses unleaded solder.
•Semiconductor
Location
Ref. No. Location
D152 G-10
D252 F-10
D301 D-9
D352 G-10
D401 I-9
D602 H-6
D604 F-9
D605 I-5
D606 I-6
D607 I-5
D608 I-4
D613 D-7
D615 F-8
D905 C-10
IC602 E-7
IC603 F-7
IC882 E-8
Q301 C-9
Q401 H-8
Q432 H-7
Q601 J-5
Q602 I-5
Q603 F-6
Q604 D-6
Q605 F-7
Q611 E-7
Q801 E-6

MZ-NH1
3535
MZ-NH1
R518R512
R517
R519
C550
C545
C547
C528
C525
R502
R501
C574
C517
C516
C515
C511
C533
C531
R504
R503
C557
R526
R561
R883
R958
R952
R940 C927
R923
R922
C926
C954
R914
R908
R910
C901
R902
R944 R941
R931
R924
C929
C928
R917
R918
C957
R882
R894
R885
R884
C890
C845
C503
R809
R863
R657
C660
C701C710
C716
C324
R314
C314
R313
R926
C920
R929
R933
R925
C201
C101
FB301
C714
R610
R619
R310
R309
C709
C708
C707
C706
C322
R103
R101
FB101
R947
R946
FB201
R307 C308
J302
R106
R203
R201
R937
R938
R939
R927
R934
R936
R935
C319
R633R650
R609
C705
C702
C703
R315
C820
R507
C560
C568
R508
C569
C538
C559
R509
C555
R524
R520
C526
R511
S892
(HALF LOCK)
C565
C566
C554
R505
C536
C537
C539
C530
C524
R525
R510
FB503
C561
C434
C942
C328
FB302 FB202
C647
C327
C934
C906
L904
C931
C941
L903
C918
C562
FB502
FB803
R636
R637
R641
R642
C643
R402
C370
C368
FB355
FB354
FB353
FB357
FB251
FB151
FB351
C367
C351
R638
R635
L803
C879
C880 L804
L802
L870
R833
R850
FB809
FB810
FB802
FB807
R608
C805
FB808
C628
L303
C202
C102
C938
C936
C919
C905
C713
R308
C412
C364
C354 C365
FB102
C360
C634
L507
Q504
BCE
C567 +
C564 +
C570 +
C553
+
C518
+
C556
+
L506
L502
L503
L505
L504
L801
L501
C552
C529
C527
C522
C513
C519
C523
IC501
C558
C520
R516
C575
C894
C433
C431
R957
R953
R945
R956
R954
C903
C925
C902
C917
R904
R907
R912
R906
R903
C932
R515
R513
R514
C521
D501
KA
Q501
Q503
BCE
Q502
E
C
B
C573
C835
C852
R860
R888
C888
R887
R890
C884
R886
R864
CN501
D803
IC891
IC801
IC601
IC401
IC351
IC871
IC873
AK
R893
R868
X872
R846
R493
R492
R491
R827
R865 R858
R810
R861 R854
C826
C825
C851
C822
C811
C892
R813
C821C855
X802
R706
R640
R656
R617
C642
C641
R616
R404
R455
R604
R418
C410
R354
C407
C415
R355
C311
R356
C352
R352
C252
C306
R416
R363
R364
C205
C105
C204
C104
R808
C602
C625
R458
R453
R459
R456
R431
R471
R475
CN471 R474
R473
C406
R407
C457
C460
C630C636
C804 C861
C604 C662
C626
R872
R867
C891
C847
R876
C881
C877C878
C871
C849
R802
C873
R895
C827
R870
C810
R866
R848
C823
C629
R855
C801
C802
C814
R832
C455
C452
R663
C453
K A
C456
C432
R360
R401
C401
R417
C405
R351
R154
C152
R254
C151
R151
R251
C251
C404
C803
C839
R856
C624
C712
R707
R658
R629
C644R654
R628
R405
C645
C638
R357
C206
R207
R206
C307
R358
R353
C106
R107
R361
R415
C409
C408
C715 C717
FB501
SL803
SL801
C874 +
D801
KA
X801
FB801 CN491
Q803
BCE
D491
AK
C819 +
C617 +
C321 +
C207 +
C107 +
C313 +
C316 +
C924 +
C909 +
C910 +
C911 +
C912 +
C913 +
C612 +
C838
+
C836
+
C622
+
IC804
IC604
IC701
IC872
IC605
IC302
IC901
D871
AK
D611
KA
Q802
BP801
D884
KA
Q884 Q882
Q883
IC502
D883
D881
D882
KA
AK
AK
1
2
4
3
IC881
IC902
3
4
2
1
Q881
BCE
SL892
S895
(US, E18, JE)
SL891
L902 L901
C818 +
3
4
2
1
1
2
43
1
2
4
3
+C615
+C632
+C635
+C359
+C358
+C357
+C312
+C355
+C361
+C614
+C613
+C856
D601
AK
D610
AK
D609
KA
C816 +
D618
KA
D617
KA
D603
KA
D616
KA
FB454
FB451
FB453
D456
D457
KA
K
A
K
D451
CN701
RB701
IC903
43
12
C914 +
Q951
RB702
BP701
C323 +
C315 +
C916 +
C318 +
C362 +
C310 +
C637 +
C402
R403
+
C356
F351
+
C403 +
D455
Q431
AK
D431
AK
S
D
G
BP471
Q352
BCE
Q151
Q351
BCE
Q251
BCE
Q405
Q607
C320
+
C108
+
C208
+
Q404
Q606
BCE
BP351
D614
KA
1
7
21
15
814
2822
1
1
14
42
29
28 15
43 56
7
2115
8
14
28
22
IC301
+C955
+C948
+C939
+C949
+C922
+C940
SL901
+C952
+C951
D904
AK
D906
KA
D903
AK
D901
AK
D902
KA
BP352
BP312
15
1511
10
6
16
20
MAIN BOARD
(CONDUCTOR SIDE)
1-861-115-
(11)
11
C325
GDS
SL894
A
B
C
D
E
F
G
H
I
J
1 2 3 4 5 6 7 8 9 10 11 12
(CHASSIS)
2D
1G
1S
2S
2G
1D
2C
1B
1E
2E
2B
1C
1C
2B
2E
1E
1B
2C
D
D
S
D
D
G
26
1
OPTICAL PICK-UP
BLOCK
ABX-U
1
1
8
1
4
6
12
10
3
97
34
5
SWITCH
MODULE
HR601
OVER WRITE HEAD
(CHASSIS)
(EXCEPT US, E18, JE)
(CHASSIS)
(CHASSIS)
CL451
(DC IN 6V)
CL453
(VBUS 5V)
CL460
(VBUS GND)
CL433
(GND)
13
54
OFF ON
HOLD
LITHIUM-ION
RECHARGEABLE BATTERY
LIP-4WM
1C 2B 2E
1E 1B 2C
1
117
33 49
18
32
64
50
216
4834
3
54
1
110
3
54
U
U
N
VW
N
VW
M702
(SLED)
M701
(SPINDLE)
M703
OVER WRITE
HEAD UP/DOWN M
1
10
MIC
(PLUG IN POWER)
(CHASSIS)
1C
GDD
SDD
2B
2E
1E
1B
2C
1C
2B
2E
1E
2G2D
2S2D
1G1D
1S1D
1B
2C
111
LCD
MODULE
CL362
CL604
CL624
CL603
CL509
CL516
CL8007
CL8003
CL935
6-14. PRINTED WIRING BOARD – MAIN Section (2/2) – : Uses unleaded solder.
•Semiconductor
Location
Ref. No. Location
D431 I-5
D451 I-6
D455 I-5
D456 I-7
D457 J-7
D491 J-12
D501 D-12
D601 H-8
D603 G-7
D609 I-7
D610 I-7
D611 F-8
D614 F-5
D616 I-7
D617 I-7
D618 I-7
D801 H-11
D803 F-11
D871 E-8
D881 C-8
D882 C-8
D883 C-8
D884 D-8
D901 C-3
D902 C-3
D903 C-3
D904 B-3
D906 C-3
IC301 E-4
IC302 D-5
IC351 G-4
IC401 H-5
IC501 C-11
IC502 C-9
IC601 H-7
IC604 E-7
IC605 E-7
IC701 F-6
IC801 H-9
IC804 E-8
IC871 G-11
IC872 E-8
IC873 G-11
IC881 C-7
IC891 F-11
IC901 C-4
IC902 C-6
IC903 B-6
Q151 I-4
Q251 H-4
Q351 I-4
Q352 I-4
Q404 G-6
Q405 G-5
Q431 I-4
Q501 D-9
Q502 C-9
Q503 B-9
Q504 B-11
Q606 G-5
Q607 G-5
Q802 E-8
Q803 H-12
Q881 C-7
Q882 C-8
Q883 D-8
Q884 D-8
Q951 C-6

MZ-NH1
3636
MZ-NH1
•IC Block Diagrams
IC301 AK5356VN-L
CONTROL
LOGIC
1
MODEB
2
BEEPIN
28
ENVG
27
ENREG
26
EN2
25
EN1
LEVEL
SHIFTER
3
DIN2
LEVEL
SHIFTER
4
DIN1
6
VSS
LEVEL
SHIFTER
5
OBEEP1
7
OUT1
24
VDD
23
MCK
22
VSS
BEEP
AMP
21
CL
20
CH
19
VG
18
NC
17
OBEEP2
CHARGE
PUMP
16
VSS
15
OUT2
BEEP
AMP
LEVEL
SHIFTER
LEVEL
SHIFTER
PRE
DRIVER
PRE
DRIVER
HEADPHONE AMP
(N-N)
LINE AMP
(P-N)
HEADPHONE AMP
(N-N)
LINE AMP
(P-N)
8VDDO1
14 VDDO2
9VREGO
12 VREF
10 VREG
11 VCONT
13 CFB
REGULATOR
C351 CXD9811K
LIN 28
A/D
CONVERTER
AUDIO
INTERFACE
CONTROLLER
CDTI
11
SDTO
MICL
PREOL
PRENL
PREL
PRER
PRENR
PREOR
7
RIN
1
VCOM
2
AVDD
3
AVSS
4
DVSS
5
DVDD
6
CSN
13
CCLK
12
LRCK
10
MCLK
9
BCLK
8
CONTROL
REGISTER
INTERFACE
MIC POWER
SUPPLY
PDNRESET 14
17 16 1518192021
MPWR 27
MRF 26
MVSS 24
MVDD 23
MICR 22
MVCM VCOM
VCOM
25
IC401 MM1655LCBE
VREF
+
–
+–
+–
+–
A/D
CONVERTER
A/D
VREF
VREF
A7CAL_SW
13
WDT
10
LED_CTL
9
IAMP_CTL
14
CFB
15
TYPE1
11
BAT+ 31
CHG_SW1 30
I_CTL2 29
BAT– 25
RF1 26
IAMP_CAL 27
AMP_SEL 28
VO 32
22
I_CTL3
23
RS
24
I_CTL1
20
I_SEL
18
AD_SEL
17
VI
6
CHG_SW2
5
VI_CTL
4
PWT
3
VG
2
VI2
1
GND
21
PGND
19
SWITCHING
CIRCUIT
TIME
DIVIDER
ERROR LED
CONTROL
OSC
DET
COMPARATOR
BLOCK
IN1–
12
CHG_CTL
7
TYPE2
16
CHARGE CONTROL
ON/OFF
CHARGE SWITCH
CONTROL
CHARGE
CONTROL
ON/OFF
CONTROL
RECEIVER
PWR_WAKE
8
WAKE-UP
CONTROL
SWITCHING

37
MZ-NH1
IC501 SN761059ZQLR
RF
PEAK/
BOTTOM
SERIAL
INTERFACE
ABCD
1 2 3 4 5 6 10 11 12 13 14
38 37 36 35 34 33 32 31 30 29
16
15
17
18
19
20
22
21
23
24
25
8 97
LX
PS
EQ
AGND
OFC-C1
OFC-C2
RF_LX
RF_LY
RF_JY
RF_JX
D-C
RFO
VREF09
VREF10
28
27
26
PDO-SINK
A-C
PDO-SOURCE
PD-I
PD-NI
PD-BUF
WPP-LPF
SMON
ADFG
CDN
CCSL2
CN
CPGND
CLK
42 41 40 39
VC
CIG
DGND
XRESET
VGIN
SBUS
SCK
CPOUT
CP
DVCC
TE
FE
ABCD
ADIP-IN
43
47
48
51
52
49
50
53
54
55
56 FE
TE
POWER
SUPPLY
T-ON
APC
TPP/WPP
OFTRK
ADIP
45
46
VCC
VCC2
VCC
44
NPPO
BOTM
PEAK
B
C
D
A
AVCC
JX
JY
LY
OFTRK
TON-C
AVCC2 VCC2
TEMP
VREF09
A-C
D-C
MALFA
MIJ
AWBPF
DW
DWBPF
OFTTH
APC
ADIP-BPF
VFREF0.4
I-J
A+B+C+D
I+J
NPP
TON
CSL
AW+DW
TON PEAK
TON BOTM
ADIP
TE
TWPP
PK/BTM
AW
CSLO
S-MONITOR

38
MZ-NH1
IC601 SC901585VAR2
IC602 R1160N121B-TR-FA
85NC A12
86HOLD OUT
87RST OUT
88PVBUS
1
NC_A1
2
DW 1B
3
DW 1T
4
VRECO 2
5
VRECO 1
L1 1
6
L1 2
7
INP1
8
UP 1T
9
UP 1B
10
GND
11
PGND1
13
VC
14
VC
15
PGND3
16
PGND1
17
UP 3B
18
VREF IN
12
57
NC M12
58
SCK
59
DATA
60
CLK
61
VIF
29 NC M1
30 RF3
31 DTC3
32 INM3
33 INM2
34 DTC2
35 RF2
36 VPDRV
37 POWP1
38 CLP
39 INP2
40 INP3
41 POWP2
42 CLM
43 VBUSSEL
44 PGND5
45 L5 1
46 POWFB
47 PGND5
48 PGND5
19
PGND3
20
PGND3
21
V3C 1
22
V3C 2
23
33USEL
24
L3 1
25
L3 2
26
DW 3T
27
DW 3B
28
V3FB
49 L5 2
50 VBUSREF
51 VBUS DET
52 V33UO
53 WAKEC
54 VBUS
55 XWKO
56 LATCH
62
EFM
63
EFM CLK
64
VBUSSEL2
65
PGND4
66
VG3
67
RECP
68
GND
69
HBB
70
HAB
71
CH
72
GND
73
VG2
74
VCP
75
CL
76
PGND4
77
HB
78
HA
79
PGND2
80
VRECIN
81
VRECIN
82
OUTB
83
VG
84
OUTA
89CRST
90DVDD IN
91DVDD OUT
92HOLDC
93OSC OUT
94SLEEP IN
95RST IN
96PGND2
97REG IN
98REG OUT
99SUS IN
100PGND2
101TSBV IN
102TSBV OUT
103V33R
104PGND1
105VSTB IN
106VSTB OUT
107BATSEL
108V33RO
109RF1
110INM1
111DTC1
112VREC
HOLD
LOGIC
BUFFER
CHARGE PUMP
PVBUS
VG
VREC
POWER SWITCH
DRIVER
CIRCUIT
2.0V
RESET
RESET
LOGIC
VREC STEP UP-DOWN
CONVERTER DRIVER
PWM
V3 STEP UP-DOWN
CONVERTER DRIVER
PWM
VC
V3FB
VREF
BUFFER
DAC
VPDRV
VBUS
VBUS
VG3 VIF
H-BRIDGE
DRIVER
CONTROL
SYSTEM
BUS POWER
STEP DOWN CONVERTER
DRIVER
SELFPOWER
STEP UP-DOWN CONVERTER
DRIVER
BANDGAP
REFERENCE
DAC
WAKELVDT
LVDT
CONTROL
EFM TOP
PRE DRIVER
EFM BOTTOM
PRE DRIVER
1
2
VDD
GND
CE
REGULATOR
CURRENT
LIMIT
3
VOUT
5
ECO
4

39
MZ-NH1
IC701 SC901583EPR2
IC871 R2061K01-E2
VI1 1
WI1 2
GNDW1 3
GNDUV1 7
WO1 4
VMU1 9
3PHASE
CONTROL
CH1
3PHASE
PRE DRIVER
CH1
UI1
56
PWM1
55
CPUO1
54
CPVO1
53
CPWO1
52
VG
51
VC
VCVG
VMVW1 5
VO1 6
UO1 8
PGND1 12
VMF1 14
H-BRIDGE
PRE DRIVER
CH1
H-BRIDGE
CONTROL
CH1
VC
VC VCVG
VG
VMR1 10
RO1 11
FO1 13
FI1
15
RI1
16
ZI1
21
COM1
17
CPUI1
18
+
–U
VC
VG
CPVI1
19
+
–V
VC
VG
CPWI1
20
+
–W
VI242
WI241
GNDW2
40
GNDUV2
36
WO2
39
VMU2
34
3PHASE
CONTROL
CH2
3PHASE
PRE DRIVER
CH2
UI2
43
PWM2
44
CPUO2B
45
CPVO2B
46
CPWO2B
47
OE
48
VC
VC VG
VMVW238
VO237
UO235
PGND231
VMF2
29
H-BRIDGE
PRE DRIVER
CH2
HI-BRIDGE
CONTROL
CH2
VC
VCVC VG
VG
VMR233
RO232
FO230
FI2
28
RI2
27
ZI2
22
COM2
26
CPUI2
25
+
–
U
VC VG
CPVI2
24
+
–
V
VC VG
CPWI2
23
+
–
W
VC
50
GND
49
VC LOW
VOLTAGE
DETECTOR
BIAS
VG VC
ROE
SIO 1
SCLK 2
7 OSCIN
VSB
4
VCC
5
VDD
6
CE
12
CIN
10
VSS
11
LEVEL
SHIFTER
DELAY
REAL
TIME
CLOCK
/VDCC 3
VOLTAGE
DETECTOR
BATTERY
VOLTAGE
MONITOR
8 OSCOUT
9 /INTR
VOLTAGE
REFERENCE

40
MZ-NH1
CS 1
WP 4
SO 2
NC
NC
3
GND 5
INSTRUCTION
REGISTER
DATA
REGISTER
R/W AMPS
&
AUTO ERASE
DECODER
ADD
BUFFERS
VPP SW
VPP
GENERATOR
VREF
EEPROM
128K bit
16384 × 8
STATUS
REGISTER
14 HOLD
13 NC
12 SCK
15 VCC
11 SI
INSTRUCTION
DECODE
CONTROL
&
CLOCK
GENERATION
8
NC
9
NC
10
NC
7
NC
6
NC
18
NC
17
NC
16
NC
19
NC
20
IC891 AK6514CN-L

41
MZ-NH1
IC901 SC901584EPR2
POWER
SWITCH 2
SERIAL
PASS
REGULATOR 3
49REGC2
50REG2G
51REGO2
52REGI2
53REGC1
54REGO1
55REGI1
22 INM1
21 RF1
58DATA
59STRB
60CLK
61WDT
62SEQSEL
63CLK
64SLEEP
1
FFCLR
2
XWK4
3
XWK3
4
XWK2
5
XWK1
LVB
6
VRMC FFCLR
7
HVB
8
VTSB
9
VC1
10
VCO1
11
VO1
13
L1
14
L1
15
PGND1
16
PGND1
12
34
XRST2
33
CRST2
20 DTC1
19 XRST1ADJ
18 CRST1
17 XRST1
25 LG
24 VG
26 PGND3
23 C1L
29 VGSEL1
28 VGSEL2
30 INM2
31 RF2
32 DTC2
RST2
REF2
VG SELECT, VG DUTY
CLK
36
PGND2
35
PGND2
L2
37
L2
38
VO2
39
VCO2
40
VCIN
41
VC2
42
DW 2T
43
DW 2B
44
MUTEON
45
REGC3
46
REGO3
47
REGI3
48
SERIAL
PASS
REGULATOR 2
SERIAL
PASS
REGULATOR 1
RST1
RST2
SEQSEL
MUTE ON
MUTING
BUFFER
VC2
RST2
POWER
SWITCH 1
RST2
STEP
UP-DOWN
DRIVER
PWM
START UP
RESET 2
VC2
REF2
VREF
VB
REF1
VC
VREF
27 VB
STEP UP
DC/DC CONVERTER
CONTROL
REF1
REF2
REF3
REF4
REF5
REF DAC
VREF0
RST1
LVB
DRIVER
VREF VC
VC
STEP
UP-DOWN
DRIVER
PWM
VREF
RESET 1
VC
RST1
VREF
REF1
56GND
57VREF
VCVREF0
BANDGAP
REFERENCE
IC902 XC62HR5502MR
+
–
3OUTPUT
CONTROL
REFERENCE
VOLTAGE
4
1
2 5
CURRENT
LIMIT
NC
VIN
CE
VSS
VOUT

42
MZ-NH1
•IC Pin Function Description
IC801 CXD2681-222GG (SYSTEM CONTROLLER, DIGITAL SIGNAL PROCESSOR)
Pin No. Pin Name I/O Description
1DVDD1_0 — Power supply terminal
2 DVSS1_0 — Ground terminal
3DVDD1_1 — Power supply terminal
4 DVSS1_1 — Ground terminal
5DVDD1_2 — Power supply terminal
6 DVSS1_2 — Ground terminal
7DVDD1_3 — Power supply terminal
8 DVSS1_3 — Ground terminal
9DVDD1_4 — Power supply terminal
10 DVSS1_4 — Ground terminal
11 DVDD1_5 — Power supply terminal
12 DVSS1_5 — Ground terminal
13 DVDD1_6 — Power supply terminal
14 DVSS1_6 — Ground terminal
15 DVDD1_7 — Power supply terminal
16 DVSS1_7 — Ground terminal
17 DVDD1_8 — Power supply terminal
18 DVSS1_8 — Ground terminal
19 DVDD1_9 — Power supply terminal
20 DVSS1_9 — Ground terminal
21 DVDD3 — Power supply terminal
22 VSS_3 — Ground terminal
23 DVDD1_10 — Power supply terminal
24 DVSS1_10 — Ground terminal
25 DVDD1_11 — Power supply terminal
26 DVSS1_11 — Ground terminal
27 AVDD1A — Power supply terminal (for PLL)
28 AVSS1A — Ground terminal (for PLL)
29 AVDD1B — Power supply terminal
30 AVSS1B — Ground terminal
31 AVDD1C — Power supply terminal
32 AVDD2 — Power supply terminal (for A/D converter)
33
DVDD25SVADC
— Power supply terminal (for A/D converter)
34 AVSS2 — Ground terminal (for A/D converter)
35 AVDD3 — Power supply terminal (for A/D converter)
36 AVSS3 — Ground terminal (for A/D converter)
37 AVDD4A — Power supply terminal (for PLL)
38 AVSS4A — Ground terminal (for PLL)
39 AVDD4B — Power supply terminal (for PLL)
40 AVSS4B — Ground terminal (for PLL)
41 AVDD4C — Power supply terminal (for D/A converter)
42 AVSS4C — Ground terminal (for D/A converter)
43 AVDD5 — Power supply terminal (for PLL)
44 AVSS5 — Ground terminal (for PLL)
45 AVDD6 — Power supply terminal (for A/D converter)
46 AVSS6 — Ground terminal (for A/D converter)

43
MZ-NH1
Pin No. Pin Name I/O Description
47 DAVDD — Power supply terminal (for D/A converter)
48 DVDD25LPF — Power supply terminal (for D/A converter)
49 DAVSS — Ground terminal (for D/A converter)
50 OSCVDD — Power supply terminal (for 22 MHz OSC)
51 USBOSCVDD — Power supply terminal (for the USB 48 MHz OSC)
52 TSMVDD — Power supply terminal (for the TSB master communication)
53 MAIFVDD — Power supply terminal (for MA interface)
54 MSJTAGVDD — Power supply terminal (for AUX)
55 USBIFVDD — Power supply terminal (for USB interface)
56 to 58
VSS_0 to VSS_2
— Ground terminal
59 to 62 IFVDD_1 to
IFVDD_4 — Power supply terminal (for interface)
63 IFVSS_1 — Ground terminal (for interface)
64 IFVSS_2 — Ground terminal (for interface)
65 to 69 DRAMVDD0 to
DRAMVDD4 — Power supply terminal (for D-RAM/DSP interface)
70 to 72 DRAMVSS0 to
DRAMVSS2 — Ground terminal (for D-RAM/DSP interface)
73 FCRAMVDD0 — Power supply terminal (for D-RAM)
74 FCRAMVSS0 — Ground terminal (for D-RAM)
75 FCRAMVDD1 — Power supply terminal (for D-RAM)
76 FCRAMVSS1 — Ground terminal (for D-RAM)
77 FVDD0 — Power supply terminal (for AUX)
78 FVSS0 — Ground terminal (for AUX)
79 SRAMVDD0 — Power supply terminal (for AUX)
80 SRAMVSS0 — Ground terminal (for AUX)
81 SRAMVDD1 — Power supply terminal (for AUX)
82 SRAMVSS1 — Ground terminal (for AUX)
83 EBIFVDD0 — Power supply terminal (for interface circuit)
84 EBIFVSS0 — Ground terminal (for interface circuit)
85 EBIFVDD1 — Power supply terminal (for interface circuit)
86 EBIFVSS1 — Ground terminal (for interface circuit)
87 EBIFVDD2 — Power supply terminal (for interface circuit)
88 EBIFVSS2 — Ground terminal (for interface circuit)
89 EBIFVDD3 — Power supply terminal (for interface circuit)
90 EBIFVSS3 — Ground terminal (for interface circuit)
91 EBIFVDD4 — Power supply terminal (for interface circuit)
92 EBIFVSS4 — Ground terminal (for interface circuit)
93 EBIFVDD5 — Power supply terminal (for interface circuit)
94 EBIFVSS5 — Ground terminal (for interface circuit)
95 EBIFVDD6 — Power supply terminal (for interface circuit)
96 EBIFVSS6 — Ground terminal (for interface circuit)
97 EBIFVDD7 — Power supply terminal (for interface circuit)
98 EBIFVSS7 — Ground terminal (for interface circuit)
99 ASYO O Playback EFM duplex signal output
100 ASYI I Playback EFM comparator slice level input
101 RFI I Playback EFM RF signal input from the RF amplifier

44
MZ-NH1
Pin No. Pin Name I/O Description
102 PCO O Phase comparison output terminal for the playback EFM system master PLL
103 FILI I Filter input terminal for the playback EFM system master PLL
104 FILO O Filter output terminal for the playback EFM system master PLL
105 CLTV I Internal VCO control voltage input terminal for the playback EFM system master PLL
106 PEAK I Peak hold signal input of the light amount signal (RF/ABCD) the RF amplifier
107 BOTM I Bottom hold signal input of the light amount signal (RF/ABCD) the RF amplifier
108 ABCD I Light amount signal (ABCD) input from the RF amplifier
109 FE I Focus error signal input from the RF amplifier
110 VC I Middle point voltage input from the RF amplifier
111 ADIO O Monitor output terminal of A/D converter input signal Not used
112 ADRB I A/D converter the lower limit voltage input terminal
113 SE I Sled error signal input from the RF amplifier
114 TE I Tracking error signal input from the RF amplifier
115 AUX1 I Auxiliary A/D input terminal
116 ADRT I The upper limit voltage of A/D converter input terminal Not used
117 DCHG — Connecting terminal with the analog power supply of low impedance
118 APC I Error signal input for the laser automatic power control
119 ADC1EXTC — Connection terminal for an external capacitor
120 D_VREGO I Voltage sensibility of regulator from the headphone amplifier
121 VB_MON I Unregulated power supply voltage monitoring terminal
122 CHG_MON I Charge or discharge current monitoring terminal
123 VREF_MON I Reference voltage input terminal
124 SET_KEY_1 I Front panel key input terminal
125 SET_KEY_2 I Front panel key input terminal
126 DCIN_DET I DC input voltage for battery charge monitoring terminal
127 HIDC_MON I High DC voltage monitoring terminal
128 WK_DET I Panel key input for wake-up
129 VBUS_MON I USB power supply voltage monitoring terminal
130 BATT_MINUS
_MON I Voltage monitoring terminal for the minus terminal of rechargeable battery
131 RMC_KEY I Remote commander key input terminal
132 RST_CONT O System reset signal output to the power control IC
133 REC_KEY
/DOWNLOAD I REC key input terminal
134 RADIO_ON I Radio on detection input from the remote commander jack Not used
135
HALF_LOCK_
SW /OPEN_SW
I Front panel open switch detection terminal
136 XRST I System reset signal input from the power control IC
137 PLL2EXTCI I Connection terminal for an external capacitor
138 PLL2EXTCO O Connection terminal for an external capacitor
139 PLL3EXTCI I Connection terminal for an external capacitor
140 PLL3EXTCO O Connection terminal for an external capacitor
141 DACVREFH I Reference voltage input terminal
142 APCREF_DA O Reference voltage output terminal
143 ADC3VREFH I Reference voltage input terminal
144 ADC3EXTC — Connection terminal for an external capacitor
145 VIN I RF signal input from the RF amplifier

45
MZ-NH1
Pin No. Pin Name I/O Description
146 VREFL I Reference voltage terminal connected to the capacitor (for the built-in D/A converter L-CH)
147 AOUTL O Built-in D/A converter L-CH signal output
148 AOUTR O Built-in D/A converter R-CH signal output
149 VREFR I Reference voltage terminal connected to the capacitor (for the built-in D/A converter R-CH)
150 DCLSOUTR O PWM modulator signal output to the headphone amplifier (R-CH)
151 DCLSOUTL O PWM modulator signal output to the headphone amplifier (L-CH)
152 RTCK — Not used
153 ADFG I ADIP duplex FM signal (22.05±1kHz) input from the RF amplifier
154 TRDR O Tracking servo drive PWM signal output (–) to the coil driver
155 TFDR O Tracking servo drive PWM signal output (+) to the coil driver
156 FFDR O Focus servo drive PWM signal output (+) to the coil driver
157 FRDR O Focus servo drive PWM signal output (–) to the coil driver
158 FS4 O 176.4 kHz clock signal output
159 SFDR O Sled servo drive PWM signal output to the motor driver
160 SPRD O Spindle motor drive control signal output (U) to the motor driver
161 SPFD O Spindle servo drive PWM signal output to the motor driver
162 SPDV O Spindle motor drive control signal output (V) to the motor driver
163 SPDW O Spindle motor drive control signal output (W) to the motor driver
164 SPCU I Spindle motor drive comparison signal input (U) from the motor driver
165 SPCV I Spindle motor drive comparison signal input (V) from the motor driver
166 SPCW I Spindle motor drive comparison signal input (W) from the motor driver
167 SLDV O Sled motor drive control signal output (V) to the motor driver
168 SLDW O Sled motor drive control signal output (W) to the motor driver
169 SLCU I Sled motor drive comparison signal input (U) from the motor driver
170 SLCV I Sled motor drive comparison signal input (V) from the motor driver
171 SLCW I Sled motor drive comparison signal input (W) from the motor driver
172 SRDR O Sled motor drive control signal output (U) to the motor driver
173 DIN I Digital audio signal input terminal
174 FS256_OUT O 11.2896 MHz clock output
175 CHOPPERCLK O Clock signal output for chopper
176 to 179
MNT0 to MNT3 O Monitor output for DSP
180 OFTRK I/O Tracking signal input/output for MD3
181 RECP O Laser power changeover signal output
182 EFMO O EFM encode data output for the record
183 PAUSE_KEY I Pause key input terminal
184 PROTECT I Recording protector detection input for normal disc
185 OPT_DET I Optical digital input plug detection input terminal “H”: optical in
186 XJACK_DET I Line input plug detection input terminal “L”: plug in
187 XMIC_DET I Microphone input plug detection input terminal “L”: plug in
188 OPEN_CLOSE
_SW I Open switch input terminal
189 XCS_ADC O Chip select signal output for A/D converter
190 XPD_ADC O Power control signal output for A/D converter
191 NC — Not used
192 XRST_LCD O Reset signal output for the LCD module
193 USB_WAKE O System wake up signal output by USB connect

46
MZ-NH1
Pin No. Pin Name I/O Description
194 A7CAL_SW O A7 offset voltage CAL on/off control signal output terminal
195 SI0 I Serial data input from the EEPROM and real time clock IC
196 SO0 O Serial data output to the EEPROM, real time clock IC, A/D converter and power controller
197 SCK0 O Serial clock output to the EEPROM, real time clock IC, A/D converter and power controller
198 XGUM_ON I Rechargeable battery detection switch input terminal
199 BEEP O Beep sound control signal output to the headphone amplifier
200 XOPT_CTL O Power supply on/off control signal output for the optical input jack
201 LAM_REQCHK I LAM power check terminal Not used
202 LAM_SPREQ O LAM force stop request signal output Not used
203 REC_LED
/ACCESS_LED O REC LED drive signal output terminal
204 MDVCC_CTL O Power supply control signal output for the OP modulation
205 VBUS_VB_CTL O USB power supply control signal output terminal Not used
206 LAM_NAME O LAM name data request signal output terminal Not used
207 DRAM_ALONE O Self-refresh signal output for internal D-RAM
208 XRST_CHG_IC O Reset signal output to the charge controller
209 PD_S0 O Connect to the optical pick-up block
210 PD_S1 O Connect to the optical pick-up block
211 D_ENREG O Enable signal output to the headphone amplifier
212 XMUTE
/MUTE O Muting on/off control signal output terminal
213 SI1 I Serial data input from the LCD module
214 SO1 O Serial data output to the LCD module
215 SCK1 I/O Serial data transfer clock signal input/output terminal with the LCD module
216 SLD_MON I Sled servo monitoring terminal
217 AOUT_SEL O Headphone/line output switching terminal Not used
218 SLEEP O Chip enable output to the power control IC
219 FFCLR O Power on/off control signal output for FCRAM (internal RAM)
220 CHGI_CTL1 O Charge current limiter control signal output at the time of AC adaptor use
“L”: limit off, “H”: limit on
221 CHGI_CTL2 O Charge current control signal output terminal “L”: low current charge
222 CHGI_CTL3 O Charge current control signal output terminal “L”: low current charge
223 SLBUSY I Receive signal monitoring terminal for sled command
224 XTEST I Terminal for the test mode setting (normally open) “L”: test mode
225 XRF_RST O Reset signal output to the RF amplifier
226 VREC_SEL O VREC start-up timing control signal output terminal Not used
227 XHOLD_SW I HOLD switch input terminal
228 T_MARK_SW I Track mark switch input terminal Not used
229 XRST2_DET I Reset signal input from the power control IC
230 CHGI_SEL O Charge/discharge control signal output for current sense amplifier
231 RECP_MON I Laser power changeover signal monitoring terminal
232 SPDL_MON I Spindle servo monitoring terminal
233 XCS_PWR_IC O Chip select signal output to the power control IC
234 RXD I Not used
235 TXD O Not used
236 XCS_LCD O Chip select signal output to the LCD module
237 N1_VI_CTL O Constant current circuit control signal output terminal

47
MZ-NH1
Pin No. Pin Name I/O Description
238 XRST_MTR
_DRV O Reset signal output to the motor driver
239 XCS_NV O Chip select signal output to the EEPROM
240 CHG_PWM O Charge current or voltage control signal output terminal
241 IAMP_CAL O Offset signal output of current sense amplifier
242 NC — Not used
243 D_VCONT
_PWM O For voltage control signal output to the headphone amplifier
244 CHG_OPR_LED O Charge indication LED drive signal output terminal
245 XCS_REC_DRV O Chip select signal output to the over write head driver
246 GND_SW O Ground line switching signal output terminal Not used
247 CS_RTC O Chip select signal output for real time clock
248 JOG_A I Jog dial pulse input terminal Not used
249 JOG_B I Jog dial pulse input terminal Not used
250 VBUS_DET I USB power supply voltage detection terminal
251 SSB_DATA I/O SSB data input/output with the RF amplifier
252 SSB_CLK O SSB clock output to the RF amplifier
253 HIMD_
PROTECT I Recording protector detection input for Hi-MD disc
254 LDPEN O Pulse/DC light-emit switching signal output terminal
255 CHG_TYPE2 O Battery charge control signal output terminal “H”: charging Not used
256 DRAM_HOLD
_DET IDetection terminal for internal D-RAM power supply information keeping
257 DRAM_VDD
_CLR O Internal D-RAM power latch clear signal output for quick mode sleep
258 AD2ENDF I Monitoring terminal for flag of servo signal A/D measuring finish
259 TEST — Not used
260 SRAM_MODE I Not used
261 HSALF I Not used
262 to
271
TIGER_MON0 to
TIGER_MON9 O Trigger monitoring terminal output clock=18.5 MHz
272 XLSRCK O Pulse output for laser strobe recording
273 TAT — Not used
274 TAN — Not used
275 NAR — Not used
276 IDO — Not used
277 SAK — Not used
278 LRCKI I L/R sampling clock signal input terminal for PCM data interface Not used
279 XBCKI I Bit clock signal input terminal for the PCM data interface Not used
280 DATAI I Serial clock signal input terminal for the PCM data interface Not used
281 SI3 I Serial data input for LAM microcomputer communication Not used
282 SO3 O Serial data output for LAM microcomputer communication Not used
283 SCK3 O Serial data transfer clock signal output for LAM microcomputer communication Not used
284 SI4 I Data input from ATRAC3 plus encoder communication Not used
285 SO4 O Data output for ATRAC3 plus encoder communication Not used
286 SCK4 O Clock signal output for ATRAC3 plus encoder communication Not used
287 SCS3 O Chip select signal output for LAM microcomputer communication Not used

48
MZ-NH1
Pin No. Pin Name I/O Description
288 SCS4 O Chip select signal output for ATRAC3 plus encoder communication Not used
289 HI_Z_SLD O Standby signal output terminal for the sled motor
290 HI_Z_SPDL O Standby signal output terminal for the spindle motor
291 to
294
SET_CODE0 to
SET_CODE3 I Setting terminal for the destination
295, 296 D_EN1, D_EN2 O Headphone/LINE/beep switching signal output to the headphone amplifier
297 D_ENVG O Power on/off control signal output for headphone amplifier
298 DADT O Audio data output terminal Not used
299 PWM_L1 O LC drive PWM output terminal
300 PWM_L2 O LC drive PWM output terminal
301 I2C_1 — Open drain for IIC
302 I2C_2 — Open drain for IIC
303, 304 TEST — Not used
305 CLKIN2 I Clock signal input terminal (13.5 MHz or 27 MHz) Not used
306 FS256 O Master clock signal (256Fs=11.2896 MHz) output to A/D converter
307 ADDT I Data input from A/D converter
308 LRCK O L/R sampling clock signal (44.1kHz) output to external A/D converter
309 XBCK O Bit clock (2.8224 MHz) output to the external A/D converter
310 OSCI I Main system clock input terminal (22.5792 MHz)
311 OSCO O Main system clock output terminal (22.5792 MHz)
312 FS512 O Clock signal output to the headphone amplifier
313 DTCK I/O TSB master data clock input/output or SSB data input/output
314 UDP I/O USB data (+) input/output terminal
315 UDM I/O USB data (–) input/output terminal
316 USBHOLD I USB hold signal input terminal
317 SUSPEND O USB suspend signal output
318 UPUEN O USB pull-up resistor connection control output terminal
319 UOSCI I Resonator (48MHz) connection terminal for the USB oscillation circuit
320 UOSCO O Resonator (48MHz) connection terminal for the USB oscillation circuit
321 to 325 NC — Not used

49
MZ-NH1
SECTION 7
EXPLODED VIEWS
Ref. No. Part No. Description Remark Ref. No. Part No. Description Remark
13-264-157-01 KNOB (HOLD) (SILVER)
13-264-157-31 KNOB (HOLD) (GOLD)
23-264-158-01 KNOB (OPEN)
33-225-873-09 SCREW (M1.4)
4X-2023-574-1 PANEL (S-CE) SUB ASSY, BOTTOM (SILVER)
(AEP, UK)
4X-2023-575-1 PANEL (S-NONCE)SUB ASSY,BOTTOM (SILVER)
(EXCEPT AEP, UK)
4X-2023-576-1 PANEL (N-NONCE)SUB ASSY,BOTTOM (GOLD)
(HK, KR, CH, E18, JE)
53-264-156-01 ESCUTCHEON (CONNECTOR) (SILVER)
53-264-156-41 ESCUTCHEON (CONNECTOR) (GOLD)
62-050-812-02 SHEET (LOWER PANEL)
73-264-154-11 BADGE (HI-MD)
8X-2021-801-1 PANEL (S) SUB ASSY, UPPER (SILVER)
8X-2021-802-1 PANEL (N) SUB ASSY, UPPER (GOLD)
93-225-873-29 SCREW (M1.4)
10 1-805-493-11 LCD MODULE
11 3-254-003-01 SCREW
12 3-264-153-01 SPRING (REC), COMPRESSION
13 2-189-608-01 SHEET (LCD MODULE), INSULATING
14 2-186-565-01 SHEET (EMC LOWER B), ADHESIVE
15 2-177-997-01 SHEET (EMC LOWER)
16 2-024-015-01 SPACER (HP)
17 2-067-920-01 SPACER (COIL)
7-1. PANEL SECTION
•Items marked “*” are not stocked since they
are seldom required for routine service. Some
delay should be anticipated when ordering
these items.
•The mechanical parts with no reference
number in the exploded views are not supplied.
•Accessories are given in the last of the
electrical parts list.
NOTE:
•-XX and -X mean standardized parts, so they
may have some difference from the original
one.
•Color Indication of Appearance Parts
Example:
KNOB, BALANCE (WHITE) . . . (RED)
↑↑
Parts Color Cabinet's Color
The components identified by mark
0 or dotted line with mark 0 are
critical for safety.
Replace only with part number
specified.
•Abbreviation
CH : Chinese model
E18 : 100 V - 240 V AC Area in E model
HK : Hong Kong model
1
2
3
3
3
3
4
514
15
6
7
8
12
11
9
13
10
main section
not supplied
not
supplied
16
17
JE : Tourist model
KR : Korea model
•Color Variation
Silver : All models
Gold : HK, KR, CH, E18, JE models

50
MZ-NH1
7-2. MAIN SECTION
Ref. No. Part No. Description Remark Ref. No. Part No. Description Remark
51 3-238-876-07 SCREW (M1.4), TOOTHED LOCK
52 X-2023-571-1 MAIN BOARD, COMPLETE (for SERVICE)
(E18, JE)
52 X-2024-720-1 MAIN BOARD, COMPLETE (for SERVICE) (US)
52 X-2024-721-1 MAIN BOARD, COMPLETE (for SERVICE)
(EXCEPT US, E18, JE)
53 3-264-138-01 TERMINAL, BATTERY
54 3-264-137-01 HOLDER, TERMINAL
55 3-264-139-01 SPRING (BATT)
56 3-264-140-01 CASE, BATTERY
57 3-264-131-01 SPRING (OPEN)
58 3-264-132-01 SPRING (LIMITER)
59 X-3384-755-2 CHASSIS ASSY, SET
60 3-264-136-01 SPRING (POP-L)
61 3-264-135-01 SPRING (POP-R)
62 3-246-996-01 SCREW (MD), STEP
63 3-254-003-01 SCREW
64 1-478-469-11 SWITCH UNIT
65 3-264-144-01 BUTTON CONTROL (5 DIRECTION) (B ENT)
67 3-264-161-01 LID, BATTERY CASE
68 3-234-449-25 SCREW (M1.4)
69 2-190-061-01 SPACER (MIC-LINE)
70 2-178-887-01 SPACER (HEAD FLEXIBLE)
71 X-2024-190-1 ORNAMENT SUB ASSY, CONTROL
72 2-176-415-01 SPRING (EMC) (2), LEAF
73 2-176-392-01 SPACER (RECEPTACLE)
74 2-176-414-01 SPRING (EMC) (1), LEAF
75 2-067-920-01 SPACER (COIL)
76 2-024-013-01 SPACER (LINE IN)
77 2-024-015-01 SPACER (HP)
78 2-108-116-01 COVER (RECEPTACLE)
79 2-024-014-01 SPACER (MIC)
80 3-266-842-01 SPACER (SLED MOTOR)
81 2-067-464-01 SPACER (MIC) 2
82 2-190-444-01 SPACER (HP) 2
83 3-264-143-01 CONTROL, BUTTON (SIDE)
84 2-178-130-01 SHEET (SHEILD C)
85 2-178-129-01 SHEET (SHEILD B)
86 2-178-128-01 SHEET (SHEILD A)
87 2-159-395-01 SPACER (IC)
88 2-178-259-01 SHEET (LEAF SPRING), INSULATING
51
51
74
73
88
87
86
80
52
53
69
81
79
76 78
77
84
82
54 55
56
57
58
75
85
59 60
61
62
63
70
64
65
83
67
68
71
mechanism deck section
not
supplied
MAIN board
72

51
MZ-NH1
7-3. MECHANISM DECK SECTION
Ref. No. Part No. Description Remark Ref. No. Part No. Description Remark
151 3-338-645-31 WASHER (0.8-2.5)
152 3-244-882-02 GEAR (SA)
153 3-248-370-01 SCREW, SELF TAP
154 3-225-996-17 SCREW (M1.4) (EG), PRECISION PAN
155 3-244-880-01 SPRING, THRUST RETAINER
156 3-244-883-02 GEAR (SB)
157 3-259-972-12 CHASSIS (REC)
158 X-3382-398-3 BASE ASSY, MOTOR
159 X-3384-181-2 HOLDER ASSY
160 3-245-021-03 PLATE, RATCHET
161 X-2023-012-1 SCREW SERVICE ASSY, LEAD
162 3-244-879-01 SPRING, RACK
0163 X-2021-779-1 SERVICE ASSY, OP (ABX-U)
(including HR601 (OVER WRITE HEAD))
164 3-259-981-01 SPRING (EJECT), TENSION
M701 8-835-782-02 MOTOR, DC SSM18D/C-NP (SPINDLE)
M702 8-835-778-11 MOTOR, DC SSM21A/C-NP (SLED)
M703 1-477-519-21 MOTOR UNIT, DC
(OVER WRITE HEAD UP/DOWN)
M701 M703
M702
not supplied
151
152
153
154
154
157
160
161
164
158
159
162
153
155
156
153
163
(including HR601
(over write head) )
not supplied HR601
(over write head)
The components identified by mark 0 or dotted
line with mark 0 are critical for safety.
Replace only with part number specified.

52
MZ-NH1 SECTION 8
ELECTRICAL PARTS LIST
Ref. No. Part No. Description Remark Ref. No. Part No. Description Remark
NOTE:
•Due to standardization, replacements in the
parts list may be different from the parts
specified in the diagrams or the components
used on the set.
•-XX and -X mean standardized parts, so they
may have some difference from the original
one.
•RESISTORS
All resistors are in ohms.
METAL: Metal-film resistor.
METAL OXIDE: Metal oxide-film resistor.
F: nonflammable
•Items marked “*” are not stocked since they
are seldom required for routine service.
Some delay should be anticipated when
ordering these items.
•SEMICONDUCTORS
In each case, u: µ, for example:
uA... : µA... uPA... : µPA...
uPB... : µPB... uPC... : µPC...
uPD... : µPD...
•CAPACITORS
uF: µF
•COILS
uH: µH
•Abbreviation
CH : Chinese model
E18 : 100 V - 240 V AC Area in E model
MAIN
The components identified by mark
0 or dotted line with mark 0 are
critical for safety.
Replace only with part number
specified.
When indicating parts by reference
number, please include the board.
X-2023-571-1 MAIN BOARD, COMPLETE (for SERVICE)
(E18, JE)
X-2024-720-1 MAIN BOARD, COMPLETE (for SERVICE) (US)
X-2024-721-1 MAIN BOARD, COMPLETE (for SERVICE)
(EXCEPT US, E18, JE)
*********************
2-024-013-01 SPACER (LINE IN)
2-024-014-01 SPACER (MIC)
2-024-015-01 SPACER (HP)
2-067-464-01 SPACER (MIC) 2
2-067-920-01 SPACER (COIL)
2-108-116-01 COVER (RECEPTACLE)
2-159-395-01 SPACER (IC)
2-176-392-01 SPACER (RECEPTACLE)
2-190-061-01 SPACER (MIC-LINE)
2-178-128-01 SHEET (SHIELD A)
2-178-129-01 SHEET (SHIELD B)
2-178-130-01 SHEET (SHIELD C)
2-178-259-01 SHEET (LEAF SPRING), INSULATING
2-190-444-01 SPACER (HP) 2
3-266-842-01 SPACER (SLED MOTOR)
< CAPACITOR >
C101 1-164-874-11 CERAMIC CHIP 100PF 5% 50V
C102 1-125-837-11 CERAMIC CHIP 1uF 10% 6.3V
C104 1-164-939-11 CERAMIC CHIP 0.0022uF 10% 50V
C105 1-125-777-11 CERAMIC CHIP 0.1uF 10% 10V
C106 1-164-937-11 CERAMIC CHIP 0.001uF 10% 50V
C107 1-100-843-11 TANTALUM CHIP 47uF 20% 4V
C108 1-125-926-11 TANTALUM CHIP 4.7uF 20% 6.3V
C151 1-125-777-11 CERAMIC CHIP 0.1uF 10% 10V
C152 1-164-937-11 CERAMIC CHIP 0.001uF 10% 50V
C153 1-127-715-11 CERAMIC CHIP 0.22uF 10% 16V
C154 1-135-868-11 TANTALUM CHIP 220uF 20% 2.5V
C155 1-125-777-11 CERAMIC CHIP 0.1uF 10% 10V
C201 1-164-874-11 CERAMIC CHIP 100PF 5% 50V
C202 1-125-837-11 CERAMIC CHIP 1uF 10% 6.3V
C204 1-164-939-11 CERAMIC CHIP 0.0022uF 10% 50V
C205 1-125-777-11 CERAMIC CHIP 0.1uF 10% 10V
C206 1-164-937-11 CERAMIC CHIP 0.001uF 10% 50V
C207 1-100-843-11 TANTALUM CHIP 47uF 20% 4V
C208 1-125-926-11 TANTALUM CHIP 4.7uF 20% 6.3V
C251 1-125-777-11 CERAMIC CHIP 0.1uF 10% 10V
C252 1-164-937-11 CERAMIC CHIP 0.001uF 10% 50V
C253 1-127-715-11 CERAMIC CHIP 0.22uF 10% 16V
C254 1-135-868-11 TANTALUM CHIP 220uF 20% 2.5V
C255 1-125-777-11 CERAMIC CHIP 0.1uF 10% 10V
C302 1-164-939-11 CERAMIC CHIP 0.0022uF 10% 50V
C303 1-125-777-11 CERAMIC CHIP 0.1uF 10% 10V
C304 1-164-874-11 CERAMIC CHIP 100PF 5% 50V
C305 1-164-874-11 CERAMIC CHIP 100PF 5% 50V
C306 1-164-939-11 CERAMIC CHIP 0.0022uF 10% 50V
C307 1-164-937-11 CERAMIC CHIP 0.001uF 10% 50V
C308 1-164-937-11 CERAMIC CHIP 0.001uF 10% 50V
C310 1-117-919-11 TANTALUM CHIP 10uF 20% 6.3V
C311 1-125-777-11 CERAMIC CHIP 0.1uF 10% 10V
C312 1-100-842-11 TANTALUM CHIP 47uF 20% 6.3V
C313 1-100-842-11 TANTALUM CHIP 47uF 20% 6.3V
C314 1-125-777-11 CERAMIC CHIP 0.1uF 10% 10V
C315 1-117-919-11 TANTALUM CHIP 10uF 20% 6.3V
C316 1-100-453-11 TANTALUM CHIP 22uF 20% 6.3V
C318 1-100-840-11 TANTALUM CHIP 2.2uF 20% 10V
C319 1-125-777-11 CERAMIC CHIP 0.1uF 10% 10V
C320 1-100-840-11 TANTALUM CHIP 2.2uF 20% 10V
C321 1-100-842-11 TANTALUM CHIP 47uF 20% 6.3V
C322 1-125-777-11 CERAMIC CHIP 0.1uF 10% 10V
C323 1-117-919-11 TANTALUM CHIP 10uF 20% 6.3V
C324 1-125-777-11 CERAMIC CHIP 0.1uF 10% 10V
C325 1-125-777-11 CERAMIC CHIP 0.1uF 10% 10V
C327 1-125-837-11 CERAMIC CHIP 1uF 10% 6.3V
C328 1-125-837-11 CERAMIC CHIP 1uF 10% 6.3V
C351 1-125-891-11 CERAMIC CHIP 0.47uF 10% 10V
C352 1-125-777-11 CERAMIC CHIP 0.1uF 10% 10V
C353 1-164-937-11 CERAMIC CHIP 0.001uF 10% 50V
C354 1-165-884-11 CERAMIC CHIP 2.2uF 10% 6.3V
C355 1-112-011-21 TANTALUM CHIP 47uF 20% 6.3V
C356 1-100-842-11 TANTALUM CHIP 47uF 20% 6.3V
C357 1-100-842-11 TANTALUM CHIP 47uF 20% 6.3V
C358 1-100-842-11 TANTALUM CHIP 47uF 20% 6.3V
C359 1-100-842-11 TANTALUM CHIP 47uF 20% 6.3V
C360 1-165-884-11 CERAMIC CHIP 2.2uF 10% 6.3V
C361 1-100-842-11 TANTALUM CHIP 47uF 20% 6.3V
C362 1-117-919-11 TANTALUM CHIP 10uF 20% 6.3V
C364 1-165-884-11 CERAMIC CHIP 2.2uF 10% 6.3V
C365 1-125-837-11 CERAMIC CHIP 1uF 10% 6.3V
C367 1-125-837-11 CERAMIC CHIP 1uF 10% 6.3V
C368 1-127-715-11 CERAMIC CHIP 0.22uF 10% 16V
C370 1-100-352-11 CERAMIC CHIP 1uF 20% 16V
HK : Hong Kong model
JE : Tourist model
KR : Korea model

Ref. No. Part No. Description Remark Ref. No. Part No. Description Remark
53
MZ-NH1
MAIN
C401 1-125-777-11 CERAMIC CHIP 0.1uF 10% 10V
C402 1-100-844-11 TANTALUM CHIP 22uF 20% 10V
C403 1-100-844-11 TANTALUM CHIP 22uF 20% 10V
C404 1-164-937-11 CERAMIC CHIP 0.001uF 10% 50V
C405 1-125-777-11 CERAMIC CHIP 0.1uF 10% 10V
C406 1-125-777-11 CERAMIC CHIP 0.1uF 10% 10V
C407 1-125-777-11 CERAMIC CHIP 0.1uF 10% 10V
C408 1-125-777-11 CERAMIC CHIP 0.1uF 10% 10V
C409 1-164-943-11 CERAMIC CHIP 0.01uF 10% 16V
C410 1-125-777-11 CERAMIC CHIP 0.1uF 10% 10V
C412 1-107-826-11 CERAMIC CHIP 0.1uF 10% 16V
C415 1-125-777-11 CERAMIC CHIP 0.1uF 10% 10V
C431 1-164-939-11 CERAMIC CHIP 0.0022uF 10% 50V
C432 1-164-939-11 CERAMIC CHIP 0.0022uF 10% 50V
C433 1-164-939-11 CERAMIC CHIP 0.0022uF 10% 50V
C434 1-162-964-11 CERAMIC CHIP 0.001uF 10% 50V
C452 1-164-939-11 CERAMIC CHIP 0.0022uF 10% 50V
C453 1-164-939-11 CERAMIC CHIP 0.0022uF 10% 50V
C454 1-162-962-11 CERAMIC CHIP 470PF 10% 50V
C455 1-164-939-11 CERAMIC CHIP 0.0022uF 10% 50V
C456 1-164-939-11 CERAMIC CHIP 0.0022uF 10% 50V
C457 1-164-939-11 CERAMIC CHIP 0.0022uF 10% 50V
C460 1-100-506-11 CERAMIC CHIP 1uF 20% 6.3V
(E18, JE)
C460 1-164-935-11 CERAMIC CHIP 470PF 10% 50V
(EXCEPT E18, JE)
C503 1-164-937-11 CERAMIC CHIP 0.001uF 10% 50V
C511 1-125-777-11 CERAMIC CHIP 0.1uF 10% 10V
C513 1-164-943-11 CERAMIC CHIP 0.01uF 10% 16V
C515 1-125-777-11 CERAMIC CHIP 0.1uF 10% 10V
C516 1-125-777-11 CERAMIC CHIP 0.1uF 10% 10V
C517 1-125-777-11 CERAMIC CHIP 0.1uF 10% 10V
C518 1-125-926-11 TANTALUM CHIP 4.7uF 20% 6.3V
C519 1-125-777-11 CERAMIC CHIP 0.1uF 10% 10V
C520 1-125-777-11 CERAMIC CHIP 0.1uF 10% 10V
C521 1-164-850-11 CERAMIC CHIP 10PF 0.5PF 50V
C522 1-164-850-11 CERAMIC CHIP 10PF 0.5PF 50V
C523 1-125-777-11 CERAMIC CHIP 0.1uF 10% 10V
C524 1-162-970-11 CERAMIC CHIP 0.01uF 10% 25V
C525 1-164-941-11 CERAMIC CHIP 0.0047uF 10% 16V
C526 1-164-874-11 CERAMIC CHIP 100PF 5% 50V
C527 1-125-777-11 CERAMIC CHIP 0.1uF 10% 10V
C528 1-125-777-11 CERAMIC CHIP 0.1uF 10% 10V
C529 1-125-777-11 CERAMIC CHIP 0.1uF 10% 10V
C530 1-125-837-11 CERAMIC CHIP 1uF 10% 6.3V
C531 1-164-943-11 CERAMIC CHIP 0.01uF 10% 16V
C533 1-164-943-11 CERAMIC CHIP 0.01uF 10% 16V
C536 1-107-819-11 CERAMIC CHIP 0.022uF 10% 16V
C537 1-125-837-11 CERAMIC CHIP 1uF 10% 6.3V
C538 1-164-937-11 CERAMIC CHIP 0.001uF 10% 50V
C539 1-125-837-11 CERAMIC CHIP 1uF 10% 6.3V
C545 1-125-777-11 CERAMIC CHIP 0.1uF 10% 10V
C547 1-119-923-11 CERAMIC CHIP 0.047uF 10% 10V
C550 1-119-923-11 CERAMIC CHIP 0.047uF 10% 10V
C552 1-164-943-11 CERAMIC CHIP 0.01uF 10% 16V
C553 1-125-926-11 TANTALUM CHIP 4.7uF 20% 6.3V
C554 1-125-777-11 CERAMIC CHIP 0.1uF 10% 10V
C555 1-164-941-11 CERAMIC CHIP 0.0047uF 10% 16V
C556 1-125-926-11 TANTALUM CHIP 4.7uF 20% 6.3V
C557 1-125-777-11 CERAMIC CHIP 0.1uF 10% 10V
C558 1-164-937-11 CERAMIC CHIP 0.001uF 10% 50V
C559 1-164-941-11 CERAMIC CHIP 0.0047uF 10% 16V
C560 1-125-777-11 CERAMIC CHIP 0.1uF 10% 10V
C561 1-125-837-11 CERAMIC CHIP 1uF 10% 6.3V
C562 1-125-837-11 CERAMIC CHIP 1uF 10% 6.3V
C564 1-131-860-11 TANTALUM CHIP 4.7uF 20% 10V
C565 1-125-777-11 CERAMIC CHIP 0.1uF 10% 10V
C566 1-125-777-11 CERAMIC CHIP 0.1uF 10% 10V
C567 1-125-926-11 TANTALUM CHIP 4.7uF 20% 6.3V
C568 1-164-943-11 CERAMIC CHIP 0.01uF 10% 16V
C569 1-164-943-11 CERAMIC CHIP 0.01uF 10% 16V
C570 1-112-014-11 TANTALUM CHIP 4.7uF 20% 6.3V
C573 1-164-937-11 CERAMIC CHIP 0.001uF 10% 50V
C574 1-164-935-11 CERAMIC CHIP 470PF 10% 50V
(EXCEPT US, E18, JE)
C574 1-164-937-11 CERAMIC CHIP 0.001uF 10% 50V
(US, E18, JE)
C575 1-164-937-11 CERAMIC CHIP 0.001uF 10% 50V
(US, E18, JE)
C601 1-125-837-11 CERAMIC CHIP 1uF 10% 6.3V
C602 1-125-777-11 CERAMIC CHIP 0.1uF 10% 10V
C604 1-125-777-11 CERAMIC CHIP 0.1uF 10% 10V
C611 1-164-943-11 CERAMIC CHIP 0.01uF 10% 16V
C612 1-100-453-11 TANTALUM CHIP 22uF 20% 6.3V
C613 1-100-453-11 TANTALUM CHIP 22uF 20% 6.3V
C614 1-100-453-11 TANTALUM CHIP 22uF 20% 6.3V
C615 1-100-453-11 TANTALUM CHIP 22uF 20% 6.3V
C616 1-100-844-11 TANTALUM CHIP 22uF 20% 10V
C617 1-100-453-11 TANTALUM CHIP 22uF 20% 6.3V
C619 1-125-837-11 CERAMIC CHIP 1uF 10% 6.3V
C620 1-107-819-11 CERAMIC CHIP 0.022uF 10% 16V
C621 1-117-919-11 TANTALUM CHIP 10uF 20% 6.3V
C622 1-100-442-11 TANTALUM CHIP 10uF 20% 6.3V
C624 1-164-933-11 CERAMIC CHIP 220PF 10% 50V
C625 1-125-777-11 CERAMIC CHIP 0.1uF 10% 10V
C626 1-164-943-11 CERAMIC CHIP 0.01uF 10% 16V
C628 1-125-837-11 CERAMIC CHIP 1uF 10% 6.3V
C629 1-125-777-11 CERAMIC CHIP 0.1uF 10% 10V
C630 1-125-777-11 CERAMIC CHIP 0.1uF 10% 10V
C632 1-100-842-11 TANTALUM CHIP 47uF 20% 6.3V
C633 1-164-943-11 CERAMIC CHIP 0.01uF 10% 16V
C634 1-125-837-11 CERAMIC CHIP 1uF 10% 6.3V
C635 1-100-842-11 TANTALUM CHIP 47uF 20% 6.3V
C636 1-125-777-11 CERAMIC CHIP 0.1uF 10% 10V
C637 1-117-919-11 TANTALUM CHIP 10uF 20% 6.3V
C638 1-164-937-11 CERAMIC CHIP 0.001uF 10% 50V
C639 1-107-826-11 CERAMIC CHIP 0.1uF 10% 16V
C641 1-164-943-11 CERAMIC CHIP 0.01uF 10% 16V
C642 1-107-819-11 CERAMIC CHIP 0.022uF 10% 16V
C643 1-165-884-11 CERAMIC CHIP 2.2uF 10% 6.3V
C644 1-164-941-11 CERAMIC CHIP 0.0047uF 10% 16V
C645 1-164-943-11 CERAMIC CHIP 0.01uF 10% 16V
C646 1-119-923-11 CERAMIC CHIP 0.047uF 10% 10V
C647 1-165-176-11 CERAMIC CHIP 0.047uF 10% 16V
C648 1-119-923-11 CERAMIC CHIP 0.047uF 10% 10V
C649 1-125-777-11 CERAMIC CHIP 0.1uF 10% 10V

Ref. No. Part No. Description Remark Ref. No. Part No. Description Remark
54
MZ-NH1
MAIN
C650 1-100-442-11 TANTALUM CHIP 10uF 20% 6.3V
C651 1-100-353-11 CERAMIC CHIP 4.7uF 10% 16V
C652 1-104-851-11 TANTALUM CHIP 10uF 20% 10V
C653 1-104-851-11 TANTALUM CHIP 10uF 20% 10V
C654 1-125-777-11 CERAMIC CHIP 0.1uF 10% 10V
C655 1-125-837-11 CERAMIC CHIP 1uF 10% 6.3V
C656 1-125-837-11 CERAMIC CHIP 1uF 10% 6.3V
C658 1-100-844-11 TANTALUM CHIP 22uF 20% 10V
C659 1-100-353-11 CERAMIC CHIP 4.7uF 10% 16V
C660 1-125-777-11 CERAMIC CHIP 0.1uF 10% 10V
C662 1-164-943-11 CERAMIC CHIP 0.01uF 10% 16V
C663 1-164-937-11 CERAMIC CHIP 0.001uF 10% 50V
C674 1-112-010-11 CAP-CHIP 33PF 5% 100V
C701 1-107-819-11 CERAMIC CHIP 0.022uF 10% 16V
C702 1-107-819-11 CERAMIC CHIP 0.022uF 10% 16V
C703 1-107-819-11 CERAMIC CHIP 0.022uF 10% 16V
C705 1-164-943-11 CERAMIC CHIP 0.01uF 10% 16V
C706 1-107-819-11 CERAMIC CHIP 0.022uF 10% 16V
C707 1-164-943-11 CERAMIC CHIP 0.01uF 10% 16V
C708 1-107-819-11 CERAMIC CHIP 0.022uF 10% 16V
C709 1-164-943-11 CERAMIC CHIP 0.01uF 10% 16V
C710 1-107-819-11 CERAMIC CHIP 0.022uF 10% 16V
C712 1-125-777-11 CERAMIC CHIP 0.1uF 10% 10V
C713 1-107-826-11 CERAMIC CHIP 0.1uF 10% 16V
C714 1-125-777-11 CERAMIC CHIP 0.1uF 10% 10V
C715 1-125-777-11 CERAMIC CHIP 0.1uF 10% 10V
C716 1-125-777-11 CERAMIC CHIP 0.1uF 10% 10V
C717 1-125-777-11 CERAMIC CHIP 0.1uF 10% 10V
C801 1-164-850-11 CERAMIC CHIP 10PF 0.5PF 50V
C802 1-164-850-11 CERAMIC CHIP 10PF 0.5PF 50V
C803 1-164-943-11 CERAMIC CHIP 0.01uF 10% 16V
C804 1-164-943-11 CERAMIC CHIP 0.01uF 10% 16V
C805 1-125-891-11 CERAMIC CHIP 0.47uF 10% 10V
C808 1-125-837-11 CERAMIC CHIP 1uF 10% 6.3V
C809 1-125-777-11 CERAMIC CHIP 0.1uF 10% 10V
C810 1-125-777-11 CERAMIC CHIP 0.1uF 10% 10V
C811 1-125-777-11 CERAMIC CHIP 0.1uF 10% 10V
C812 1-125-837-11 CERAMIC CHIP 1uF 10% 6.3V
C813 1-119-923-11 CERAMIC CHIP 0.047uF 10% 10V
C814 1-125-777-11 CERAMIC CHIP 0.1uF 10% 10V
C816 1-100-842-11 TANTALUM CHIP 47uF 20% 6.3V
C817 1-125-777-11 CERAMIC CHIP 0.1uF 10% 10V
C818 1-100-842-11 TANTALUM CHIP 47uF 20% 6.3V
C819 1-100-842-11 TANTALUM CHIP 47uF 20% 6.3V
C820 1-125-777-11 CERAMIC CHIP 0.1uF 10% 10V
C821 1-164-874-11 CERAMIC CHIP 100PF 5% 50V
C822 1-125-777-11 CERAMIC CHIP 0.1uF 10% 10V
C823 1-125-777-11 CERAMIC CHIP 0.1uF 10% 10V
C825 1-164-937-11 CERAMIC CHIP 0.001uF 10% 50V
C826 1-164-937-11 CERAMIC CHIP 0.001uF 10% 50V
C827 1-125-777-11 CERAMIC CHIP 0.1uF 10% 10V
C835 1-125-777-11 CERAMIC CHIP 0.1uF 10% 10V
C836 1-100-442-11 TANTALUM CHIP 10uF 20% 6.3V
C838 1-100-442-11 TANTALUM CHIP 10uF 20% 6.3V
C839 1-125-777-11 CERAMIC CHIP 0.1uF 10% 10V
C843 1-125-777-11 CERAMIC CHIP 0.1uF 10% 10V
C845 1-125-777-11 CERAMIC CHIP 0.1uF 10% 10V
C847 1-125-777-11 CERAMIC CHIP 0.1uF 10% 10V
C849 1-125-777-11 CERAMIC CHIP 0.1uF 10% 10V
C851 1-125-777-11 CERAMIC CHIP 0.1uF 10% 10V
C852 1-125-777-11 CERAMIC CHIP 0.1uF 10% 10V
C855 1-125-777-11 CERAMIC CHIP 0.1uF 10% 10V
C856 1-100-842-11 TANTALUM CHIP 47uF 20% 6.3V
C861 1-164-858-11 CERAMIC CHIP 22PF 5% 50V
C871 1-125-777-11 CERAMIC CHIP 0.1uF 10% 10V
C873 1-164-842-11 CERAMIC CHIP 2PF 0.25PF 50V
C874 1-100-842-11 TANTALUM CHIP 47uF 20% 6.3V
C877 1-125-777-11 CERAMIC CHIP 0.1uF 10% 10V
C878 1-125-777-11 CERAMIC CHIP 0.1uF 10% 10V
C879 1-100-352-11 CERAMIC CHIP 1uF 20% 16V
C880 1-100-352-11 CERAMIC CHIP 1uF 20% 16V
C881 1-125-777-11 CERAMIC CHIP 0.1uF 10% 10V
C883 1-125-837-11 CERAMIC CHIP 1uF 10% 6.3V
C884 1-164-943-11 CERAMIC CHIP 0.01uF 10% 16V
C885 1-125-837-11 CERAMIC CHIP 1uF 10% 6.3V
C888 1-125-777-11 CERAMIC CHIP 0.1uF 10% 10V
C890 1-125-777-11 CERAMIC CHIP 0.1uF 10% 10V
C891 1-125-777-11 CERAMIC CHIP 0.1uF 10% 10V
C892 1-164-874-11 CERAMIC CHIP 100PF 5% 50V
C894 1-164-937-11 CERAMIC CHIP 0.001uF 10% 50V
(US, E18, JE)
C901 1-125-777-11 CERAMIC CHIP 0.1uF 10% 10V
C902 1-125-777-11 CERAMIC CHIP 0.1uF 10% 10V
C903 1-164-937-11 CERAMIC CHIP 0.001uF 10% 50V
C905 1-100-352-11 CERAMIC CHIP 1uF 20% 16V
C906 1-100-352-11 CERAMIC CHIP 1uF 20% 16V
C909 1-100-845-11 TANTALUM CHIP 10uF 20% 16V
C910 1-100-845-11 TANTALUM CHIP 10uF 20% 16V
C911 1-100-845-11 TANTALUM CHIP 10uF 20% 16V
C912 1-100-845-11 TANTALUM CHIP 10uF 20% 16V
C913 1-100-845-11 TANTALUM CHIP 10uF 20% 16V
C914 1-100-442-11 TANTALUM CHIP 10uF 20% 6.3V
C916 1-100-442-11 TANTALUM CHIP 10uF 20% 6.3V
C917 1-125-777-11 CERAMIC CHIP 0.1uF 10% 10V
C918 1-164-227-11 CERAMIC CHIP 0.022uF 10% 25V
C919 1-164-227-11 CERAMIC CHIP 0.022uF 10% 25V
C920 1-125-777-11 CERAMIC CHIP 0.1uF 10% 10V
C922 1-100-453-11 TANTALUM CHIP 22uF 20% 6.3V
C924 1-100-842-11 TANTALUM CHIP 47uF 20% 6.3V
C925 1-125-777-11 CERAMIC CHIP 0.1uF 10% 10V
C926 1-164-937-11 CERAMIC CHIP 0.001uF 10% 50V
C927 1-164-874-11 CERAMIC CHIP 100PF 5% 50V
C928 1-164-874-11 CERAMIC CHIP 100PF 5% 50V
C929 1-164-937-11 CERAMIC CHIP 0.001uF 10% 50V
C931 1-165-884-11 CERAMIC CHIP 2.2uF 10% 6.3V
C932 1-164-943-11 CERAMIC CHIP 0.01uF 10% 16V
C934 1-165-884-11 CERAMIC CHIP 2.2uF 10% 6.3V
C936 1-165-884-11 CERAMIC CHIP 2.2uF 10% 6.3V
C938 1-165-884-11 CERAMIC CHIP 2.2uF 10% 6.3V
C939 1-100-453-11 TANTALUM CHIP 22uF 20% 6.3V
C940 1-100-453-11 TANTALUM CHIP 22uF 20% 6.3V
C941 1-100-352-11 CERAMIC CHIP 1uF 20% 16V
C942 1-100-352-11 CERAMIC CHIP 1uF 20% 16V
C948 1-100-453-11 TANTALUM CHIP 22uF 20% 6.3V
C949 1-100-844-11 TANTALUM CHIP 22uF 20% 10V

Ref. No. Part No. Description Remark Ref. No. Part No. Description Remark
55
MZ-NH1
MAIN
C951 1-100-841-11 TANTALUM CHIP 100uF 20% 6.3V
C952 1-100-841-11 TANTALUM CHIP 100uF 20% 6.3V
C954 1-125-777-11 CERAMIC CHIP 0.1uF 10% 10V
C955 1-100-844-11 TANTALUM CHIP 22uF 20% 10V
C957 1-125-777-11 CERAMIC CHIP 0.1uF 10% 10V
< CONNECTOR >
CN451 1-818-137-21 CONNECTOR (CRADLE) (USB)
CN471 1-818-537-21 CONNECTOR, FPC (ZIF) 11P
CN491 1-818-471-21 CONNECTOR, FPC (ZIF) 8P
CN501 1-818-539-21 CONNECTOR, FPC (ZIF) 26P
CN701 1-818-536-21 CONNECTOR, FPC (ZIF) 10P
< DIODE >
D152 8-719-046-91 DIODE MA2S111
D252 8-719-046-91 DIODE MA2S111
D301 8-719-056-54 DIODE MAZS068008SO
D352 8-719-081-71 DIODE DF8A6.8FK (TE85R)
D401 6-500-369-01 DIODE FT1J3TP
D431 6-500-483-01 DIODE MA22D2800LS0
D451 6-500-776-01 DIODE MAZW068H0LS0
D455 8-719-056-54 DIODE MAZS068008SO
D456 8-719-056-54 DIODE MAZS068008SO
D457 8-719-056-54 DIODE MAZS068008SO (EXCEPT US, E18, JE)
D491 8-719-056-54 DIODE MAZS068008SO
D501 8-719-056-54 DIODE MAZS068008SO
D601 8-719-072-27 DIODE MA2Z748001S0
D602 6-500-483-01 DIODE MA22D2800LS0
D603 6-500-483-01 DIODE MA22D2800LS0
D604 6-500-483-01 DIODE MA22D2800LS0
D605 6-500-910-01 DIODE MA2SD3000LS0
D606 6-500-909-01 DIODE MA22D1700LS0
D607 6-500-909-01 DIODE MA22D1700LS0
D608 6-500-910-01 DIODE MA2SD3000LS0
D609 8-719-072-27 DIODE MA2Z748001S0
D610 8-719-072-27 DIODE MA2Z748001S0
D611 6-500-912-01 DIODE MA2SD3100LS0
D613 8-719-072-27 DIODE MA2Z748001S0
D614 8-719-422-49 DIODE MA8056-L
D615 6-500-483-01 DIODE MA22D2800LS0
D616 6-500-909-01 DIODE MA22D1700LS0
D617 6-500-909-01 DIODE MA22D1700LS0
D618 6-500-912-01 DIODE MA2SD3100LS0
D801 6-500-912-01 DIODE MA2SD3100LS0
D803 6-500-813-01 DIODE MA2SD32008S0
D871 6-500-813-01 DIODE MA2SD32008S0
D881 8-719-072-27 DIODE MA2Z748001S0
D882 8-719-072-27 DIODE MA2Z748001S0
D883 8-719-072-27 DIODE MA2Z748001S0
D884 6-500-483-01 DIODE MA22D2800LS0
D901 8-719-072-27 DIODE MA2Z748001S0
D902 8-719-072-27 DIODE MA2Z748001S0
D903 8-719-072-27 DIODE MA2Z748001S0
D904 8-719-072-27 DIODE MA2Z748001S0
D905 8-719-072-27 DIODE MA2Z748001S0
D906 8-719-072-27 DIODE MA2Z748001S0
< FUSE >
F351 1-576-439-41 FUSE (SMD)
< FERRITE BEAD/SHORT >
FB101 1-400-807-21 BEAD, FERRITE (1005)
FB102 1-414-594-11 INDUCTOR, FERRITE BEAD
FB151 1-400-180-21 INDUCTOR, EMI FERRITE (1608)
FB201 1-400-807-21 BEAD, FERRITE (1005)
FB202 1-414-594-11 INDUCTOR, FERRITE BEAD
FB251 1-400-180-21 INDUCTOR, EMI FERRITE (1608)
FB301 1-400-807-21 BEAD, FERRITE (1005)
FB302 1-414-594-11 INDUCTOR, FERRITE BEAD
FB303 1-400-807-21 BEAD, FERRITE (1005)
FB304 1-400-807-21 BEAD, FERRITE (1005)
FB351 1-400-180-21 INDUCTOR, EMI FERRITE (1608)
FB353 1-414-594-11 INDUCTOR, FERRITE BEAD
FB354 1-414-594-11 INDUCTOR, FERRITE BEAD
FB355 1-414-594-11 INDUCTOR, FERRITE BEAD
FB357 1-414-594-11 INDUCTOR, FERRITE BEAD
FB451 1-469-869-21 INDUCTOR (EMI FERRITE) (2012)
FB453 1-469-869-21 INDUCTOR (EMI FERRITE) (2012)
FB454 1-469-869-21 INDUCTOR (EMI FERRITE) (2012)
FB501 1-400-620-21 INDUCTOR, FERRITE BEAD (1005)
FB502 1-216-864-11 SHORT CHIP 0
FB503 1-216-864-11 SHORT CHIP 0
FB801 1-414-226-21 INDUCTOR, FERRITE BEAD
FB802 1-216-864-11 SHORT CHIP 0
FB803 1-216-864-11 SHORT CHIP 0
FB807 1-216-864-11 SHORT CHIP 0
FB808 1-216-864-11 SHORT CHIP 0
FB809 1-216-864-11 SHORT CHIP 0
FB810 1-216-864-11 SHORT CHIP 0
< IC >
IC301 6-702-894-01 IC AK5356VN-L
IC302 6-706-528-01 IC XC6219B212MR
IC351 6-704-998-01 IC CXD9811K (TE4)
IC401 6-704-638-01 IC MM1655LCBE
IC501 6-705-012-01 IC SN761059ZQLR
IC502 6-706-095-01 IC R1180Q301B-TR-FA
IC601 6-705-000-01 IC SC901585VAR2
IC602 6-703-317-01 IC R1160N121B-TR-FA
IC603 6-706-079-01 IC R1180Q121C-TR-FA
IC604 6-706-214-01 IC TC7SL32FU (TE85R)
IC605 6-702-590-01 IC XC61CN1702NR
IC701 6-705-001-01 IC SC901583EPR2
IC801 8-753-225-26 IC CXD2681-222GG
IC804 6-706-089-01 IC XC61CC2502NR
IC871 6-703-012-01 IC R2061K01-E2
IC872 6-706-096-01 IC R1180Q331C-TR-FA
IC873 6-703-011-01 IC TC7SZ126AFE
IC881 8-759-664-89 IC XC61CN3102NR
IC882 6-706-094-01 IC R1180Q221B-TR-FA
IC891 (Not supplied) IC AK6514CN-L
IC901 6-704-997-01 IC SC901584EPR2
IC902 6-706-090-01 IC XC62HR5502MR
IC903 6-704-245-01 IC XC61CC1702NR

Ref. No. Part No. Description Remark Ref. No. Part No. Description Remark
56
MZ-NH1
MAIN
< JACK >
J301 1-815-950-12 JACK (LINE IN (OPT))
J302 1-818-135-11 JACK (MIC (PLUG IN POWER))
J351 1-816-153-21 JACK (i/LINE)
< COIL/SHORT >
L152 1-400-582-21 INDUCTOR 47uH
L252 1-400-582-21 INDUCTOR 47uH
L303 1-400-342-21 INDUCTOR 10uH
L501 1-216-296-11 SHORT CHIP 0
L502 1-469-535-21 INDUCTOR 10uH
L503 1-469-535-21 INDUCTOR 10uH
L504 1-469-535-21 INDUCTOR 10uH
L505 1-469-535-21 INDUCTOR 10uH
L506 1-469-535-21 INDUCTOR 10uH
L507 1-216-864-11 SHORT CHIP 0
L601 1-400-402-21 INDUCTOR 4.7uH
L605 1-456-711-21 INDUCTOR 100uH
L606 1-400-306-11 INDUCTOR 100uH
L607 1-456-722-21 INDUCTOR 100uH
L701 1-216-296-11 SHORT CHIP 0
L702 1-456-724-21 FERRITE 22uH
L703 1-216-296-11 SHORT CHIP 0
L704 1-456-724-21 FERRITE 22uH
L801 1-469-535-21 INDUCTOR 10uH
L802 1-400-343-21 INDUCTOR 22uH
L803 1-216-797-11 METAL CHIP 10 5% 1/10W
L804 1-216-797-11 METAL CHIP 10 5% 1/10W
L870 1-400-342-21 INDUCTOR 10uH
L901 1-456-725-21 INDUCTOR 100uH
L902 1-456-725-21 INDUCTOR 100uH
L903 1-400-342-21 INDUCTOR 10uH
L904 1-400-342-21 INDUCTOR 10uH
L906 1-456-723-21 COIL, CHOKE 220uH
L907 1-456-723-21 COIL, CHOKE 220uH
< LINE FILTER >
LF451 1-456-111-11 COIL, COMMON MODE CHOKE
< TRANSISTOR >
Q151 8-729-050-32 TRANSISTOR 2SC5585TL
Q251 8-729-050-32 TRANSISTOR 2SC5585TL
Q301 8-729-051-23 TRANSISTOR 2SA2018TL
Q351 6-550-859-01 FET NTHD4508NT1G
Q352 8-729-037-61 TRANSISTOR UN9113J-(TX).SO
Q401 6-550-326-01 TRANSISTOR FZT968TA
Q404 6-550-192-01 TRANSISTOR DTC144EET1
Q405 8-729-055-00 TRANSISTOR UP04313008S0
Q431 8-729-046-45 FET SI2302DS-T1
Q432 8-729-044-57 TRANSISTOR FZT688B-TP
Q501 6-550-674-01 FET MCH6604-K-TL-E
Q502 8-729-034-59 TRANSISTOR 2SA1745-6.7-TL-E
Q503 8-729-037-52 TRANSISTOR 2SD2216J-QR (TX).SO
Q504 8-729-037-89 TRANSISTOR 2SC4627J-C (TX).SO
Q601 6-550-357-01 FET CPH5614-TL-E
Q602 6-550-740-01 FET MCH6617-TL-E
Q603 6-550-671-01 FET NTHC5513T1G
Q604 8-729-427-74 TRANSISTOR XP4601
Q605 6-550-671-01 FET NTHC5513T1G
Q606 6-550-354-01 FET RTQ035P02TR
Q607 8-729-427-74 TRANSISTOR XP4601
Q611 6-550-353-01 FET SI1410EDH-T1
Q801 8-729-051-50 FET XP152A12C0MR
Q802 8-729-047-68 FET SSM3K03FE (TPL3)
Q803 8-729-037-52 TRANSISTOR 2SD2216J-QR (TX).SO
Q881 8-729-037-75 TRANSISTOR UN9214J-(TX).SO
Q882 8-729-030-46 TRANSISTOR XP4314-TX
Q883 8-729-030-46 TRANSISTOR XP4314-TX
Q884 6-550-353-01 FET SI1410EDH-T1
Q951 8-729-427-74 TRANSISTOR XP4601
< RESISTOR >
R101 1-208-927-11 METAL CHIP 47K 0.5% 1/16W
R103 1-208-715-11 METAL CHIP 22K 0.5% 1/16W
R106 1-208-707-11 METAL CHIP 10K 0.5% 1/16W
R107 1-208-715-11 METAL CHIP 22K 0.5% 1/16W
R151 1-218-957-11 RES-CHIP 2.2K 5% 1/16W
R154 1-218-957-11 RES-CHIP 2.2K 5% 1/16W
R201 1-208-927-11 METAL CHIP 47K 0.5% 1/16W
R203 1-208-715-11 METAL CHIP 22K 0.5% 1/16W
R206 1-208-707-11 METAL CHIP 10K 0.5% 1/16W
R207 1-208-715-11 METAL CHIP 22K 0.5% 1/16W
R251 1-218-957-11 RES-CHIP 2.2K 5% 1/16W
R254 1-218-957-11 RES-CHIP 2.2K 5% 1/16W
R301 1-218-953-11 RES-CHIP 1K 5% 1/16W
R304 1-218-977-11 RES-CHIP 100K 5% 1/16W
R305 1-218-941-11 RES-CHIP 100 5% 1/16W
R306 1-218-965-11 RES-CHIP 10K 5% 1/16W
R307 1-218-941-11 RES-CHIP 100 5% 1/16W
R308 1-216-864-11 SHORT CHIP 0
R309 1-218-953-11 RES-CHIP 1K 5% 1/16W
R310 1-218-953-11 RES-CHIP 1K 5% 1/16W
R313 1-208-635-11 METAL CHIP 10 0.5% 1/16W
R314 1-218-990-11 SHORT CHIP 0
R315 1-218-990-11 SHORT CHIP 0
R351 1-218-953-11 RES-CHIP 1K 5% 1/16W
R352 1-218-973-11 RES-CHIP 47K 5% 1/16W
R353 1-208-715-11 METAL CHIP 22K 0.5% 1/16W
R354 1-218-990-11 SHORT CHIP 0
R355 1-218-989-11 RES-CHIP 1M 5% 1/16W
R356 1-218-990-11 SHORT CHIP 0
R357 1-218-990-11 SHORT CHIP 0
R358 1-218-990-11 SHORT CHIP 0
R360 1-218-990-11 SHORT CHIP 0
R361 1-208-635-11 METAL CHIP 10 0.5% 1/16W
R363 1-218-990-11 SHORT CHIP 0
R364 1-218-990-11 SHORT CHIP 0
R401 1-218-957-11 RES-CHIP 2.2K 5% 1/16W
R402 1-245-454-21 METAL CHIP 0.022 1% 1/5W
R403 1-245-639-11 METAL CHIP 2.2 1% 1/2W
R404 1-245-638-21 METAL CHIP 1 1% 1W
R405 1-218-990-11 SHORT CHIP 0
R407 1-218-990-11 SHORT CHIP 0
R411 1-208-935-11 METAL CHIP 100K 0.5% 1/16W

Ref. No. Part No. Description Remark Ref. No. Part No. Description Remark
57
MZ-NH1
MAIN
R412 1-218-990-11 SHORT CHIP 0
R413 1-220-804-11 RES-CHIP 2.2M 5% 1/16W
R414 1-208-943-11 METAL CHIP 220K 0.5% 1/16W
R415 1-218-957-11 RES-CHIP 2.2K 5% 1/16W
R416 1-218-989-11 RES-CHIP 1M 5% 1/16W
R417 1-218-957-11 RES-CHIP 2.2K 5% 1/16W
R418 1-218-977-11 RES-CHIP 100K 5% 1/16W
R421 1-208-935-11 METAL CHIP 100K 0.5% 1/16W
R431 1-218-989-11 RES-CHIP 1M 5% 1/16W
R432 1-245-456-21 METAL CHIP 1 1% 1/5W
R433 1-245-455-21 METAL CHIP 0.47 1% 1/5W
R453 1-220-804-11 RES-CHIP 2.2M 5% 1/16W
R455 1-218-989-11 RES-CHIP 1M 5% 1/16W
R456 1-218-985-11 RES-CHIP 470K 5% 1/16W
R458 1-220-804-11 RES-CHIP 2.2M 5% 1/16W
R459 1-218-981-11 RES-CHIP 220K 5% 1/16W
R471 1-218-990-11 SHORT CHIP 0
R473 1-218-941-11 RES-CHIP 100 5% 1/16W
R474 1-218-941-11 RES-CHIP 100 5% 1/16W
R475 1-218-990-11 SHORT CHIP 0
R491 1-208-699-11 METAL CHIP 4.7K 0.5% 1/16W
R492 1-208-699-11 METAL CHIP 4.7K 0.5% 1/16W
R493 1-218-990-11 SHORT CHIP 0
R501 1-218-957-11 RES-CHIP 2.2K 5% 1/16W
R502 1-218-953-11 RES-CHIP 1K 5% 1/16W
R503 1-218-977-11 RES-CHIP 100K 5% 1/16W
R504 1-218-977-11 RES-CHIP 100K 5% 1/16W
R505 1-208-635-11 METAL CHIP 10 0.5% 1/16W
R507 1-218-957-11 RES-CHIP 2.2K 5% 1/16W
R508 1-218-957-11 RES-CHIP 2.2K 5% 1/16W
R509 1-218-990-11 SHORT CHIP 0
R510 1-216-864-11 SHORT CHIP 0
R511 1-218-990-11 SHORT CHIP 0
R512 1-218-990-11 SHORT CHIP 0
R513 1-218-965-11 RES-CHIP 10K 5% 1/16W
R514 1-218-973-11 RES-CHIP 47K 5% 1/16W
R515 1-218-965-11 RES-CHIP 10K 5% 1/16W
R516 1-218-973-11 RES-CHIP 47K 5% 1/16W
R517 1-218-965-11 RES-CHIP 10K 5% 1/16W
R518 1-218-973-11 RES-CHIP 47K 5% 1/16W
R519 1-218-953-11 RES-CHIP 1K 5% 1/16W
R520 1-218-949-11 RES-CHIP 470 5% 1/16W
R524 1-218-945-11 RES-CHIP 220 5% 1/16W
R525 1-216-864-11 SHORT CHIP 0
R526 1-218-990-11 SHORT CHIP 0
R561 1-218-981-11 RES-CHIP 220K 5% 1/16W
R603 1-218-985-11 RES-CHIP 470K 5% 1/16W
R604 1-218-990-11 SHORT CHIP 0
R605 1-218-965-11 RES-CHIP 10K 5% 1/16W
R608 1-218-446-11 METAL CHIP 1 5% 1/10W
R609 1-218-981-11 RES-CHIP 220K 5% 1/16W
R610 1-218-965-11 RES-CHIP 10K 5% 1/16W
R612 1-220-804-11 RES-CHIP 2.2M 5% 1/16W
R616 1-218-953-11 RES-CHIP 1K 5% 1/16W
R617 1-218-965-11 RES-CHIP 10K 5% 1/16W
R619 1-218-945-11 RES-CHIP 220 5% 1/16W
R620 1-244-161-11 RES-CHIP 2.2 5% 1/16W
R621 1-244-161-11 RES-CHIP 2.2 5% 1/16W
R622 1-244-161-11 RES-CHIP 2.2 5% 1/16W
R623 1-244-161-11 RES-CHIP 2.2 5% 1/16W
R624 1-218-985-11 RES-CHIP 470K 5% 1/16W
R625 1-218-985-11 RES-CHIP 470K 5% 1/16W
R628 1-218-933-11 RES-CHIP 22 5% 1/16W
R629 1-220-804-11 RES-CHIP 2.2M 5% 1/16W
R630 1-218-990-11 SHORT CHIP 0
R631 1-218-985-11 RES-CHIP 470K 5% 1/16W
R632 1-218-989-11 RES-CHIP 1M 5% 1/16W
R633 1-208-935-11 METAL CHIP 100K 0.5% 1/16W
R634 1-218-977-11 RES-CHIP 100K 5% 1/16W
R635 1-216-864-11 SHORT CHIP 0
R636 1-216-864-11 SHORT CHIP 0
R637 1-216-864-11 SHORT CHIP 0
R638 1-216-864-11 SHORT CHIP 0
R640 1-218-989-11 RES-CHIP 1M 5% 1/16W
R641 1-245-456-21 METAL CHIP 1 1% 1/5W
R642 1-245-456-21 METAL CHIP 1 1% 1/5W
R643 1-218-981-11 RES-CHIP 220K 5% 1/16W
R644 1-218-985-11 RES-CHIP 470K 5% 1/16W
R645 1-218-985-11 RES-CHIP 470K 5% 1/16W
R647 1-218-990-11 SHORT CHIP 0
R648 1-218-969-11 RES-CHIP 22K 5% 1/16W
R650 1-220-804-11 RES-CHIP 2.2M 5% 1/16W
R651 1-216-789-11 METAL CHIP 2.2 5% 1/10W
R653 1-218-990-11 SHORT CHIP 0
R654 1-220-804-11 RES-CHIP 2.2M 5% 1/16W
R656 1-218-990-11 SHORT CHIP 0
R657 1-218-945-11 RES-CHIP 220 5% 1/16W
R658 1-218-990-11 SHORT CHIP 0
R660 1-216-864-11 SHORT CHIP 0
R663 1-218-945-11 RES-CHIP 220 5% 1/16W
R668 1-216-864-11 SHORT CHIP 0
R701 1-216-864-11 SHORT CHIP 0
R702 1-216-864-11 SHORT CHIP 0
R703 1-216-864-11 SHORT CHIP 0
R704 1-216-864-11 SHORT CHIP 0
R706 1-218-990-11 SHORT CHIP 0
R707 1-218-953-11 RES-CHIP 1K 5% 1/16W
R801 1-218-961-11 RES-CHIP 4.7K 5% 1/16W
R802 1-218-937-11 RES-CHIP 47 5% 1/16W
R804 1-218-933-11 RES-CHIP 22 5% 1/16W
R805 1-218-933-11 RES-CHIP 22 5% 1/16W
R806 1-218-961-11 RES-CHIP 4.7K 5% 1/16W
R807 1-218-957-11 RES-CHIP 2.2K 5% 1/16W
R808 1-218-953-11 RES-CHIP 1K 5% 1/16W
R809 1-218-990-11 SHORT CHIP 0
R810 1-218-990-11 SHORT CHIP 0
R811 1-218-965-11 RES-CHIP 10K 5% 1/16W
R812 1-218-977-11 RES-CHIP 100K 5% 1/16W
R813 1-218-990-11 SHORT CHIP 0
R814 1-218-965-11 RES-CHIP 10K 5% 1/16W
R815 1-218-981-11 RES-CHIP 220K 5% 1/16W
R817 1-218-953-11 RES-CHIP 1K 5% 1/16W
R818 1-218-957-11 RES-CHIP 2.2K 5% 1/16W
R819 1-218-953-11 RES-CHIP 1K 5% 1/16W
R820 1-218-945-11 RES-CHIP 220 5% 1/16W

Ref. No. Part No. Description Remark Ref. No. Part No. Description Remark
58
MZ-NH1
MAIN
The components identified by mark 0 or dotted
line with mark 0 are critical for safety.
Replace only with part number specified.
R821 1-220-804-11 RES-CHIP 2.2M 5% 1/16W
R822 1-218-989-11 RES-CHIP 1M 5% 1/16W
R823 1-218-965-11 RES-CHIP 10K 5% 1/16W
R824 1-208-635-11 METAL CHIP 10 0.5% 1/16W
R825 1-218-990-11 SHORT CHIP 0
R826 1-218-990-11 SHORT CHIP 0
R827 1-208-635-11 METAL CHIP 10 0.5% 1/16W
R828 1-218-957-11 RES-CHIP 2.2K 5% 1/16W
R830 1-218-990-11 SHORT CHIP 0
R832 1-218-933-11 RES-CHIP 22 5% 1/16W
R833 1-216-864-11 SHORT CHIP 0
R834 1-208-943-11 METAL CHIP 220K 0.5% 1/16W
R835 1-218-985-11 RES-CHIP 470K 5% 1/16W
R836 1-208-927-11 METAL CHIP 47K 0.5% 1/16W
R837 1-218-957-11 RES-CHIP 2.2K 5% 1/16W
R839 1-218-990-11 SHORT CHIP 0
R840 1-218-990-11 SHORT CHIP 0
R843 1-218-990-11 SHORT CHIP 0
R845 1-208-943-11 METAL CHIP 220K 0.5% 1/16W
R846 1-218-973-11 RES-CHIP 47K 5% 1/16W
R847 1-218-990-11 SHORT CHIP 0
R848 1-218-990-11 SHORT CHIP 0
R849 1-218-990-11 SHORT CHIP 0
R850 1-216-864-11 SHORT CHIP 0
R852 1-218-990-11 SHORT CHIP 0
R854 1-218-990-11 SHORT CHIP 0
R855 1-218-990-11 SHORT CHIP 0
R856 1-218-990-11 SHORT CHIP 0
R857 1-218-990-11 SHORT CHIP 0
R858 1-218-957-11 RES-CHIP 2.2K 5% 1/16W
R859 1-218-989-11 RES-CHIP 1M 5% 1/16W
R860 1-218-989-11 RES-CHIP 1M 5% 1/16W
R861 1-218-941-11 RES-CHIP 100 5% 1/16W
R862 1-218-990-11 SHORT CHIP 0
R863 1-218-990-11 SHORT CHIP 0
R864 1-218-990-11 SHORT CHIP 0
R865 1-218-990-11 SHORT CHIP 0
R866 1-218-990-11 SHORT CHIP 0
R867 1-218-990-11 SHORT CHIP 0
R868 1-218-990-11 SHORT CHIP 0
R869 1-218-989-11 RES-CHIP 1M 5% 1/16W
R870 1-218-990-11 SHORT CHIP 0
R871 1-218-981-11 RES-CHIP 220K 5% 1/16W
R872 1-218-990-11 SHORT CHIP 0
R876 1-218-990-11 SHORT CHIP 0
R881 1-218-989-11 RES-CHIP 1M 5% 1/16W
R882 1-218-977-11 RES-CHIP 100K 5% 1/16W
R883 1-218-977-11 RES-CHIP 100K 5% 1/16W
R884 1-218-981-11 RES-CHIP 220K 5% 1/16W
R885 1-218-973-11 RES-CHIP 47K 5% 1/16W
R886 1-220-804-11 RES-CHIP 2.2M 5% 1/16W
R887 1-218-981-11 RES-CHIP 220K 5% 1/16W
R888 1-218-990-11 SHORT CHIP 0
R890 1-218-965-11 RES-CHIP 10K 5% 1/16W
R891 1-218-977-11 RES-CHIP 100K 5% 1/16W
R892 1-218-977-11 RES-CHIP 100K 5% 1/16W
R893 1-218-990-11 SHORT CHIP 0
R894 1-218-965-11 RES-CHIP 10K 5% 1/16W
R895 1-218-990-11 SHORT CHIP 0
R902 1-218-941-11 RES-CHIP 100 5% 1/16W
R903 1-218-989-11 RES-CHIP 1M 5% 1/16W
R904 1-218-989-11 RES-CHIP 1M 5% 1/16W
R906 1-218-977-11 RES-CHIP 100K 5% 1/16W
R907 1-218-965-11 RES-CHIP 10K 5% 1/16W
R908 1-218-969-11 RES-CHIP 22K 5% 1/16W
R910 1-208-715-11 METAL CHIP 22K 0.5% 1/16W
R912 1-218-981-11 RES-CHIP 220K 5% 1/16W
R914 1-208-707-11 METAL CHIP 10K 0.5% 1/16W
R917 1-218-981-11 RES-CHIP 220K 5% 1/16W
R918 1-218-985-11 RES-CHIP 470K 5% 1/16W
R922 1-218-977-11 RES-CHIP 100K 5% 1/16W
R923 1-218-990-11 SHORT CHIP 0
R924 1-218-985-11 RES-CHIP 470K 5% 1/16W
R925 1-208-927-11 METAL CHIP 47K 0.5% 1/16W
R926 1-208-935-11 METAL CHIP 100K 0.5% 1/16W
R927 1-208-683-11 METAL CHIP 1K 0.5% 1/16W
R929 1-208-935-11 METAL CHIP 100K 0.5% 1/16W
R931 1-218-990-11 SHORT CHIP 0
R933 1-208-943-11 METAL CHIP 220K 0.5% 1/16W
R934 1-208-715-11 METAL CHIP 22K 0.5% 1/16W
R935 1-208-935-11 METAL CHIP 100K 0.5% 1/16W
R936 1-208-927-11 METAL CHIP 47K 0.5% 1/16W
R937 1-208-715-11 METAL CHIP 22K 0.5% 1/16W
R938 1-208-927-11 METAL CHIP 47K 0.5% 1/16W
R939 1-208-927-11 METAL CHIP 47K 0.5% 1/16W
R940 1-218-981-11 RES-CHIP 220K 5% 1/16W
R941 1-218-990-11 SHORT CHIP 0
R944 1-218-990-11 SHORT CHIP 0
R945 1-218-990-11 SHORT CHIP 0
R946 1-218-977-11 RES-CHIP 100K 5% 1/16W
R947 1-218-973-11 RES-CHIP 47K 5% 1/16W
R952 1-218-973-11 RES-CHIP 47K 5% 1/16W
R953 1-218-973-11 RES-CHIP 47K 5% 1/16W
R954 1-218-985-11 RES-CHIP 470K 5% 1/16W
R956 1-218-973-11 RES-CHIP 47K 5% 1/16W
R957 1-218-985-11 RES-CHIP 470K 5% 1/16W
R958 1-218-990-11 SHORT CHIP 0
< COMPOSITION CIRCUIT BLOCK >
RB701 1-233-963-21 RES, NETWORK (CHIP TYPE) 2.2K
RB702 1-233-967-11 RES, NETWORK (CHIP TYPE) 10K
< SWITCH >
S431 1-786-545-21 SWITCH, PUSH LEVER (S)
(BATTERY INSERT DETECT)
S891 1-786-672-21 SWITCH, PUSH (2 KEY) (PROTECT DETECT)
S892 1-786-448-21 SWITCH, PUSH (1 KEY) (HALF LOCK)
S893 1-786-101-22 SWITCH, DETECTION (OPEN/CLOSE DETECT)
S895 1-786-436-21 SWITCH, SLIDE (HOLD)
< VIBRATOR >
X801 1-795-780-21 VIBRATOR, CERAMIC (48MHz)
X802 1-795-779-21 VIBRATOR, CRYSTAL (22.5792MHz)
X872 1-795-602-11 VIBRATOR, CRYSTAL (32.768kHZ)
************************************************************

Ref. No. Part No. Description Remark Ref. No. Part No. Description Remark
59
MZ-NH1
MISCELLANEOUS
**************
10 1-805-493-11 LCD MODULE
64 1-478-469-11 SWITCH UNIT
0163 X-2021-779-1 SERVICE ASSY, OP (ABX-U)
(including HR601 (OVER WRITE HEAD))
M701 8-835-782-02 MOTOR, DC SSM18D/C-NP (SPINDLE)
M702 8-835-778-11 MOTOR, DC SSM21A/C-NP (SLED)
M703 1-477-519-21 MOTOR UNIT, DC
(OVER WRITE HEAD UP/DOWN)
************************************************************
ACCESSORIES
************
1-469-089-11 FILTER, CLAMP (FERRITE CORE)
(for RM-MC40ELK: SIZE S) (EXCEPT E18, JE)
1-543-793-11 FILTER, CLAMP (FERRITE CORE)
(for OPTIONAL STEREO MIKE: SIZE S)
(EXCEPT E18, JE)
1-543-798-11 FILTER, CLAMP (FERRITE CORE)
(for OPTIONAL CONNECTING CORD
(ANALOG TYPE): SIZE L)
(AEP, UK, HK, TW, KR, AUS, CH)
01-569-007-12 ADAPTOR, CONVERSION 2P (JE)
1-794-451-11 CONNECTOR, OPTICAL
(US, AEP, UK, TW, AUS, E18)
1-794-451-51 CONNECTOR, OPTICAL (HK, KR, CH, JE)
2-109-705-12 CD-ROM (APPLICATION)
(SonicStage/MD Single Burner) (US)
2-109-705-22 CD-ROM (APPLICATION)
(SonicStage/MD Single Burner) (AEP, UK)
2-179-850-31 CD-ROM (APPLICATION)
(SonicStage/MD Single Burner)
(HK, TW, KR, AUS, CH, E18)
2-179-850-41 CD-ROM (APPLICATION) (JE)
3-220-749-01 CASE, CARRYING (EXCEPT US)
3-266-450-12 MANUAL, INSTRUCTION (ENGLISH)
(EXCEPT KR)
3-266-450-21 MANUAL, INSTRUCTION (FRENCH) (AEP)
3-266-450-31 MANUAL, INSTRUCTION (GERMAN) (AEP)
3-266-450-41 MANUAL, INSTRUCTION (SPANISH) (AEP, JE)
3-266-450-51 MANUAL, INSTRUCTION (DUTCH) (AEP)
3-266-450-61 MANUAL, INSTRUCTION (SWEDISH) (AEP)
3-266-450-71 MANUAL, INSTRUCTION (ITALIAN) (AEP)
3-266-450-81 MANUAL, INSTRUCTION (PORTUGUESE)
(AEP, JE)
3-266-450-91 MANUAL, INSTRUCTION (FINNISH) (AEP)
3-266-451-11 MANUAL, INSTRUCTION
(TRADITIONAL CHINESE) (HK, TW, E18, JE)
3-266-451-21 MANUAL, INSTRUCTION
(SIMPLIFIED CHINESE) (CH, JE)
3-266-451-31 MANUAL, INSTRUCTION (KOREAN) (KR, JE)
The components identified by mark 0 or dotted
line with mark 0 are critical for safety.
Replace only with part number specified.
501 502
AC power adaptor (1) Battery charging stand (1)
503 504
Remote control (1) Headphones/earphones (1)
505 506
Dedicated USB cable (1)
507
Rechargeable battery case (1)
LIP-4WM Lithium-ion
rechargeable battery (1)
0501 1-478-393-11 ADAPTOR, AC (AC-ES608K) (US, TW)
0501 1-478-394-11 ADAPTOR, AC (AC-ES608K) (AEP, E18)
0501 1-478-395-11 ADAPTOR, AC (AC-ES608K) (UK, HK)
0501 1-478-396-11 ADAPTOR, AC (AC-ES608K) (KR)
0501 1-478-397-11 ADAPTOR, AC (AC-ES608K) (JE)
0501 1-478-398-11 ADAPTOR, AC (AC-ES608K) (CH)
0501 1-478-399-11 ADAPTOR, AC (AC-ES608K) (AUS)
0502 1-478-470-11 STAND, CHARGE (for SILVER)
0502 1-478-470-21 STAND, CHARGE (for GOLD)
503 1-478-468-11 REMOTE COMMANDER (RM-MC40ELK)
(US, AEP, UK, TW, KR, AUS)
503 1-478-468-21 REMOTE COMMANDER (RM-MC40ELK)
(HK, CH, E18, JE)
504 8-953-218-91 RECEIVER MDR-E838SP/SK SET
505 1-828-071-11 CORD, CONNECTION (USB)
(including FERRITE CORE)
506 1-756-425-21 BATTERY, STORAGE, LITHIUM (LIP-4WM) (US)
506 1-756-425-31 BATTERY, STORAGE, LITHIUM (LIP-4WM)
(EXCEPT US)
507 X-2022-498-1 BATTERY CASE ASSY

2
MZ-NH1
REVISION HISTORY
Clicking the version allows you to jump to the revised page.
Also, clicking the version at the upper right on the revised page allows you to jump to the next revised
page.
Ver. Date Description of Revision
1.0 2004.07 New
1.1 2004.09 Change of Part No. for Hi-MD3 adjustment disc HMD1GSDJ (SPM-04101)