Sony Portable Minidisc Recorder Mz R900 Users Manual
sony_MZ-R900_service_manual sony_MZ-R900_service_manual
MZ-R900 to the manual 25b24c9c-101a-4ea1-9f74-73fe389f5db8
2015-01-23
: Sony Sony-Portable-Minidisc-Recorder-Mz-R900-Users-Manual-294768 sony-portable-minidisc-recorder-mz-r900-users-manual-294768 sony pdf
Open the PDF directly: View PDF
.
Page Count: 50
- COVER
- TABLE OF CONTENTS
- SERVICING NOTES
- GENERAL
- DISASSEMBLY
- DISASSEMBLY FLOW
- PANEL ASSY, BOTTOM
- PANEL ASSY, UPPER SECTION
- “LCD MODULE”, “PANEL ASSY, UPPER”
- MAIN BOARD ASSY
- “CASE ASSY, BATTERY”, “MAIN BOARD”
- STRIP, ORNAMENTAL
- “MD MECHANISM DECK (MT-MZR900-171)”, “CHASSIS ASSY, SET”
- SERVICE ASSY, OP (LCX-4R)
- HOLDER ASSY
- MOTOR FLEXIBLE BOARD
- MOTOR, DC (SLED) (M602)
- “MOTOR, DC (SPINDLE) (M601)”, “MOTOR, DC (OVER WRITE HEAD UP/DOWN) (M603)”
- TEST MODE
- ELECTRICAL ADJUSTMENTS
- DIAGRAMS
- EXPLODED VIEWS
- ELECTRICAL PARTS LIST
- REVISION HISTORY

SERVICE MANUAL
Audio playing system
MiniDisc digital audio system
Laser diode properties
Material: GaAlAs
Wavelength: λ = 790 nm
Emission duration: continuous
Laser output: less than 44.6 µW
(This output is the value measured at a distance
of 200 mm from the lens surface on the optical
pick-up block with 7 mm aperture.)
Recording and playback time
When using MDW-80:
Maximum 160 min. in monaural
Maximum 320 min. in stereo
Revolutions
350 rpm to 2,800 rpm (CLV)
Error correction
ACIRC (Advanced Cross Interleave Reed
Solomon Code)
Sampling frequency
44.1 kHz
Sampling rate converter
Input: 32 kHz/44.1 kHz/48 kHz
Coding
ATRAC (Adaptive TRansform Acoustic
Coding)
ATRAC3 — LP2
ATRAC3 — LP4
Modulation system
EFM (Eight to Fourteen Modulation)
Number of channels
2 stereo channels
1 monaural channel
Wow and Flutter
Below measurable limit
Inputs
Microphone: stereo mini-jack, minimum input
level 0.25 mV
Line in1): stereo mini-jack, minimum input
level 49 mV
Optical (Digital) in1): optical (digital) mini-jack
Outputs
i/LINE OUT2): stereo mini-jack
headphones/earphones: maximum output
level 5 mW + 5 mW, load impedance 16 ohm
LINE OUT: 194 mV, load impedance 10
kilohm
1)The LINE IN (OPT) jack is used to connect
either a digital (optical) cable or a line
(analog) cable.
2)The i/LINE OUT jack connects either
headphones/earphones or a line cable.
Power requirements
Sony AC Power Adaptor connected at the DC
IN 3V jack:
230–240 V AC, 50/60 Hz (UK and Hong
Kong model)
220–230 V AC, 50/60 Hz (European model)
120 V AC, 50 Hz (Canadian model)
240 V AC, 50 Hz (Australian model)
220 V AC, 50 Hz (Chinese model)
110/220 V AC, 60 Hz (Korean model)
100–240 V AC, 50/60 Hz (Other models)
Nickel metal hydride rechargeable battery NH-
14WM
LR6 (size AA) alkaline battery
Battery operation time
Battery life
1)
When recording2)
(Unit: approx.hours)(EIAJ3))
1) The battery life may be shorter due to
operating conditions and the temperature of
the location.
2) When you record, use a fully charged
rechargeable battery. Recording time may
differ according to the alkaline batteries.
Batteries Stereo LP2 LP4
NH-14WM
nickel metal
hydride
rechargeable
battery4)
8 10.5 13
LR6 (SG)
Sony alkaline
dry battery5)
71014
NH-14WM
nickel metal
hydride
rechargeable
battery4)
+ One LR6
(SG)5)
19 26 30
Frequency response
20 to 20,000 Hz ± 3 dB
120 V AC, 60 Hz (US model)
PORTABLE MINIDISC RECORDER
US Model
Canadian Model
AEP Model
UK Model
E Model
Australian Model
Chinese Model
Tourist Model
SPECIFICATIONS
MZ-R900
US and foreign patents licensed from Dolby
Laboratories Licensing Corporation.
Photo: Red type
– Continued on next page –
Model Name Using Similar Mechanism NEW
Mechanism Type MT-MZR900-171
Optical Pick-up Name LCX-4R
9-927-991-13 Sony Corporation
2001C0500-1 Audio Entertainment Group
C 2001.3 General Engineering Dept.
Ver 1.2 2001. 03

2
MZ-R900
TABLE OF CONTENTS
1. SERVICING NOTES ............................................... 3
2. GENERAL ................................................................... 4
3. DISASSEMBLY
3-1. Disassembly Flow ........................................................... 5
3-2. Panel Assy, Bottom ......................................................... 5
3-3. Panel Assy, Upper Section .............................................. 6
3-4. “LCD Module”, “Panel Assy, Upper” ............................ 6
3-5. MAIN Board Assy .......................................................... 7
3-6. “Case Assy, Battery”, “MAIN Board” ........................... 7
3-7. Strip, Ornamental ............................................................ 8
3-8. “MD Mechanism Deck (MT-MZR900-171)”,
“Chassis Assy, Set” ......................................................... 8
3-9. Service Assy, OP (LCX-4R) ........................................... 9
3-10. Holder Assy ..................................................................... 10
3-11. MOTOR FLEXIBLE Board............................................ 10
3-12. Motor, DC (Sled) (M602) ............................................... 11
3-13. “Motor, DC (Spindle) (M601)”,
“Motor, DC (Over Write Head UP/DOWN) (M603) ..... 11
4. TEST MODE.............................................................. 12
5. ELECTRICAL ADJUSTMENTS......................... 17
6. DIAGRAMS
6-1. Block Diagram –SERVO Section– ................................. 27
6-2. Block Diagram –AUDIO Section– ................................. 28
6-3. Block Diagram –KEY CONTROL/DISPLAY/
POWER SUPPLY Section– ............................................ 29
6-4. Printed Wiring Boards..................................................... 30
6-5. Schematic Diagram ......................................................... 31
6-6. IC Pin Function Description ........................................... 33
7. EXPLODED VIEWS
7-1. Panel Section ................................................................... 39
7-2. Chassis Section ............................................................... 40
7-3. MD Mechanism Deck Section (MT-MZR900-171) ....... 41
8. ELECTRICAL PARTS LIST ............................... 42
SAFETY-RELATED COMPONENT WARNING!!
COMPONENTS IDENTIFIED BY MARK 0 OR DOTTED
LINE WITH MARK 0 ON THE SCHEMATIC DIAGRAMS
AND IN THE PARTS LIST ARE CRITICAL TO SAFE
OPERATION. REPLACE THESE COMPONENTS WITH
SONY PARTS WHOSE PART NUMBERS APPEAR AS
SHOWN IN THIS MANUAL OR IN SUPPLEMENTS PUB-
LISHED BY SONY.
Dimensions
Approx. 78.9 × 17.1 × 72.0 mm (w/h/d)
(31/8 × 11/16 × 27/8 in.)
Mass
Approx. 110 g (3.9 oz) the recorder only
Supplied accessories
AC power adaptor (1)
Headphones/earphones with a remote control
(1)
Rechargeable battery (1)
Dry battery case (1)
Rechargeable battery carrying case (1)
Carrying pouch/carrying case with a belt clip
AC plug adaptor (World model only) (1)
Optical cable (1)
Design and specifications are subject to change
without notice.
1) Measured in accordance with the
EIAJ(Electronic Industries Association of
Japan) standard.
2) When using a 100% fully charged
rechargeable battery.
3) When using a Sony LR6 (SG) “STAMINA”
alkaline dry battery (produced in Japan).
On power sources
•For use in your house: Use the AC power adaptor
supplied with this recorder. Do not use any other
AC power adaptor since it may cause the recorder
to malfunction.
Polarity of the
plug
4) When using a 100% fully charged
rechargeable battery.
5) When using a Sony LR6 (SG) “STAMINA”
alkaline dry battery (produced in Japan).
When playing
(Unit: approx.hours)(EIAJ1))
Batteries Stereo LP2 LP4
NH-14WM
nickel metal
hydride
rechargeable
battery2)
21 23 26
LR6 (SG)
Sony alkaline
dry battery3)
30 35 38
NH-14WM
nickel metal
hydride
rechargeable
battery2)
+ One LR6
(SG)3)
53 60 66
3) Measured in accordance with the
EIAJ(Electronic Industries Association of
Japan) standard.
(except U.S.A model) (1)
ATTENTION AU COMPOSANT AYANT RAPPORT
À LA SÉCURITÉ!
LES COMPOSANTS IDENTIFIÉS PAR UNE MARQUE 0
SUR LES DIAGRAMMES SCHÉMATIQUES ET LA LISTE
DES PIÈCES SONT CRITIQUES POUR LA SÉCURITÉ
DE FONCTIONNEMENT. NE REMPLACER CES COM-
POSANTS QUE PAR DES PIÈCES SONY DONT LES
NUMÉROS SONT DONNÉS DANS CE MANUEL OU
DANS LES SUPPLÉMENTS PUBLIÉS PAR SONY.

3
MZ-R900
NOTES ON HANDLING THE OPTICAL PICK-UP
BLOCK OR BASE UNIT
The laser diode in the optical pick-up block may suffer electro-
static break-down because of the potential difference generated
by the charged electrostatic load, etc. on clothing and the human
body.
During repair, pay attention to electrostatic break-down and also
use the procedure in the printed matter which is included in the
repair parts.
The flexible board is easily damaged and should be handled with
care.
NOTES ON LASER DIODE EMISSION CHECK
Never look into the laser diode emission from right above when
checking it for adjustment. It is feared that you will lose your sight.
NOTES ON HANDLING THE OPTICAL PICK-UP BLOCK
(LCX-4R)
The laser diode in the optical pick-up block may suffer electro-
static break-down easily. When handling it, perform soldering
bridge to the laser-tap on the flexible board. Also perform mea-
sures against electrostatic break-down sufficiently before the op-
eration. The flexible board is easily damaged and should be handled
with care.
OPTICAL PICK-UP FLEXIBLE BOARD
SECTION 1
SERVICING NOTES
• In performing the repair with the power supplied to the set,
removing the MAIN board causes the set to be disabled.
In such a case, fix a convex part of the open/close detect switch
(S806 on MAIN board) with a tape in advance.
Handle the FLEXIBLE board (overwrite head) with care, as it
has been soldered directly to the MAIN board.
In repairing the component side of MAIN board, connect the
FLEXIBLE board (overwrite head) and the MAIN board with
the lead wires in advance. (See page 7)
laser-tap
upper panel assy
MAIN board
Tape
S806
FLEXIBLE board
(Over write head)
• Replacement of CDX2671-203GA (IC801) used in this set
requires a special tool.
• On the set having the microcomputer version 1.000, some
adjusted values were set in the manual mode at the shipment,
but these data will be cleared when the NV is reset. Therefore,
on the set having the microcomputer version 1.000, change the
adjusted values following the Change of Adjusted Values
immediately after the NV was reset. (See page 17)
• If the nonvolatile memory was replaced on the set, the modified
program data must be written to the nonvolatile memory. In such
a case, write the modified data that meets the microcomputer
version following the patch data rewriting procedure at the
replacement of nonvolatile memory. (See page 22)
Notes on chip component replacement
• Never reuse a disconnected chip component.
• Notice that the minus side of a tantalum capacitor may be dam-
aged by heat.
Flexible Circuit Board Repairing
• Keep the temperature of the soldering iron around 270 ˚C dur-
ing repairing.
• Do not touch the soldering iron on the same conductor of the
circuit board (within 3 times).
• Be careful not to apply force on the conductor when soldering
or unsoldering.
CAUTION
Use of controls or adjustments or performance of procedures
other than those specified herein may result in hazardous ra-
diation exposure.

4
MZ-R900 SECTION 2
GENERAL This section is extracted from
instruction manual.
8
Looking at controls
See pages in ( ) for more details.
The recorder
AEND SEARCH button (17) (47)
BBattery compartment (13)
CJog lever (L) (MENU/ENTER) (11)
(20) (25) (34) (43) (53)
DVOL +/– button (19) (47)
EREC MODE button (23)
FREC indicator (29)
GTerminals for attaching dry battery
case (14)
HSYNCHRO REC ON/OFF (synchro-
recording) switch (at the rear) (24)
IDC IN 3V jack (13) (16)
JHOLD switch (at the rear) (14) (55)
KREC (record) switch (17) (25)
LOPEN button (15)
MX (pause) button (17) (19) (27) (31)
(44) (47) (51)
NDisplay window (24) (34) (53)
OJog lever (R) (N, ./>) (12)
(17) (19) (44) (47)
Px (stop)/CHARGE button (13) (17)
(19) (23) (43)
QLINE IN (OPT) jack (16) (22)
RMIC (PLUG IN POWER) jack (25)
ST MARK button (44)
Ti (headphones/earphones)/LINE
OUT jack (14) (31) (41)
1
2
3
4
5
q;
6
7
ql
w;
qk
qj
qh
qg
qf
qd
qs
qa
9
8
9
The display window of the recorder
AAlarm indication (53)
BCharacter information display (29)
(34)
Displays the disc and track names,
date, error messages, track numbers,
etc.
CAM/PM indication (30)
Lights up along with the time
indication in the 12-hour system.
DTime display (29) (40)
Shows the recorded time, current
time, elapsed time of the track or MD
being recorded or played.
EBattery indication (13)
Shows approximate battery condition.
FSound indication (36)
Lights up when Digital Sound Preset
is on.
GLevel meter (28)
Shows the volume of the MD being
played or recorded.
HLP2, LP4, MONO (monaural)
indication (23)
ISYNC (synchro-recording) indication
(24)
Lights up while synchro-recording.
JREC indication (17)
Lights up while recording. When
flashing, the recorder is in record
standby mode.
KREC DATE (recorded/current date)
indication (40)
Lights up along with the date and time
the MD was recorded. When only
“DATE” lights up, the current date
and time are displayed.
LREMAIN (remaining time/tracks)
indication (28) (40)
Lights up along with the remaining
time of the track, the remaining time
of the MD, or the remaining number
of tracks.
MPlay mode indication (34)
Shows the play mode of the MD.
NDisc indication (24) (34)
Shows that the disc is rotating for
recording, playing or editing an MD.
12 345
6 7 8 9 q; qa qs qd qf
10
The headphones/earphones with a remote control
ADISPLAY button (29) (38) (46) (48)
(53)
BPLAYMODE button (35) (48)
CRPT/ENT (repeat/enter) button (36)
(37)
DSOUND button (36)
EClip
FX (pause) button (19) (48) (51)
GControl (./N>) (12) (19)
(36) (46) (48) (51) (53)
N> : play, AMS, FF
. : REW
HControl (VOL +/–) (12) (19) (48)
Pull and turn to adjust the volume.
IDisplay window (29) (36)
JHOLD switch (14) (55)
Kx (stop) button (19) (38) (46) (53)
The display window of the remote control
ATrack number display (29) (36) (54)
BCharacter information display (29)
(36) (54)
CDisc indication (29) (36) (54)
DAlarm indication (54)
EPlay mode indication (36)
FBattery indication (29) (36) (54)
GREC indication (17) (29)
HSOUND indication (36)
+
–
A B C DE
K
FG
IJ
H
F
HG
ABCDE

5
MZ-R900
• This set can be disassembled in the order shown below.
3-1. DISASSEMBLY FLOW
SECTION 3
DISASSEMBLY
Note: Follow the disassembly procedure in the numerical order given.
3-2. PANEL ASSY, BOTTOM
3-2. PANEL ASSY,
BOTTOM 3-3. PANEL ASSY,
UPPER SECTION
SET
3-4. “LCD MODULE”,
“PANEL ASSY, UPPER”
3-6. “CASE ASSY, BATTERY”,
“MAIN BOARD”
3-8. “MD MECHANISM DECK
(MT-MZR900-171)”,
“CHASSIS ASSY, SET”
3-7. STRIP,
ORNAMENTAL
3-5. MAIN BOARD ASSY
3-9. SERVICE ASSY, OP
(LCX-4R) 3-10. HOLDER ASSY
3-11. MOTOR FLEXIBLE BOARD
3-12. MOTOR, DC (SLED) (M602)
3-13. “MOTOR, DC (SPINDLE) (M601)”,
“MOTOR, DC (OVER WRITE HEAD UP/DOWN)
(M603)”
5
two screws
(1.4)
6
Remove the “panel assy, bottom”
in the direction of arrow
A
.
5
screw (1.4)
5
two screws
(1.4)
4
Close the
battery terminal (plus).
1
Open the
lid, battery case.
3
lid, battery case
S802
S801
2
claw
A
knob (hold)
Note: On installation,
adjust the position of
both two switches (S801, S802)
and two knobs (hold).

6
MZ-R900
3-3. PANEL ASSY, UPPER SECTION
3-4. “LCD MODULE”, “PANEL ASSY, UPPER”
3
two screws
(1.4)
4
panel assy, upper section
2
Push button (open).
3
two screw
s
(1.4)
1
flexible board
(CN801)
1
four screws (1.7)
3
button (A), control
Note: On installation,
adjust the hole of
“button (A), control”
and boss of “panel assy,
upper”. (in the fig. , )
4
button (B), control
Note: On installation,
adjust the boss of
“button (B), control” and
hole of “panel assy, upper”.
(in the fig. , )
5
panel assy, upper
2
LCD module
ab
a
a
b
bc
c
d
d
d
c

7
MZ-R900
3-5. MAIN BOARD ASSY
3-6. “CASE ASSY, BATTERY”, “MAIN BOARD”
3
four screws
(M1.4 toothed lock)
4
screw
(1.4)
2
flexible board
(CN502)
1
Remove two solder
s
of flexible board.
6
flexible board
(CN501)
57
main board assy
2
case assy, battery
3
main board
1
Remove the solder
of terminal (minus).
1
Remove the solder
of terminal (plus).

8
MZ-R900
3-7. STRIP, ORNAMENTAL
3-8. “MD MECHANISM DECK (MT-MZR900-171)”, “CHASSIS ASSY, SET”
)
)
)
)
@
@
4
two convex portions
pointed with
@
3
three bosses
5
Remove the “strip, ornamental”
in the direction of arrow
C
.
2
Open toward the direction
B
to disengage two bosses
and convex portions pointed
with
*
.
2
Open toward the direction
B
to disengage two bosses
and convex portions pointed
with
*
.
1
Pull toward the direction
A
to disengage two bosses .
A
A
B
B
C
boss
boss
boss
boss
Note: As the “strip, ornamental”
is very fragile, do not
give an excessive force
to the entire assy when
removing it.
a
a
a
b
b
b
b
2
boss
2
boss
3
MD mechanism deck
(MT-MZR900-171)
1
screw
(1.4)
1
screw (1.4)
5
chassis assy, se
t
4
spring (arm), tension

9
MZ-R900
3-9. SERVICE ASSY, OP (LCX-4R)
0
bearing (N)
5
screw
4
spring (S), rack
3
screw (M1.4)
1
washer (0.8-2.5)
2
gear (SA)
6
screw (M1.4)
7
spring, thrust
9
Pull off “screw, lead”
8
over write head section
service assy, OP (LCX-4R)
qa
Opening the over write head
toward the direction
A
, remove the “service assy, OP
(LCX-4R) toward the direction
B
.
A
B
Note: Do not open the entire assy forcibly,
when opening the over write head.

10
MZ-R900
3-10. HOLDER ASSY
3-11. MOTOR FLEXIBLE BOARD
2
Push the convex portion
toward the direction
B
and
open the holder assy toward
the direction
A
to erect uprightly.
3
Remove the concave portion
in the direction of arrow
C
.
5
Remove the holder assy in the
direction of arrow
D
.
D
C
B
A
1
Open the holder assy.
4
boss
1
Remove four solders of
“motor, DC (sled) (M602)”.
1
Remove four solders of
“motor, DC (spindle) (M601)”.
3
motor flexible board
DC motor (sled)
circular hole
1
Remove two solders of
DC motor (over write head up/down) (M603).
2
adhesive sheet
Note: Align a circular hole in the
stripping paper with a circular hole
in the “motor, DC (sled)”,
when mounting the motor
flexible board.

11
MZ-R900
5
motor, DC
(spindle) (M601)
4
three screws
(M1.4)
1
Remove six solders of
motor flexible board.
qa
motor, DC (over write head up/down)
(M603)
6
two screws (M1.4)
qs
chassis assy, gear
9
screw (M1.2)
0
gear (HA)
gear (HA)
chassis assy, gear
2.65 mm
motor, DC (over write head
up/down) (M603)
8
gear (HB)
7
washer (0.8-2.5)
2
washer (0.8-2.5)
3
gear (HC)
Note: Press-fit the gear (HA) up to the
position of the “motor, DC (over
write head up/down) (M603) as shown
below.
3-12. MOTOR, DC (SLED) (M602)
3-13. “MOTOR, DC (SPINDLE) (M601)”, “MOTOR, DC (OVER WRITE HEAD UP/DOWN) (M603)”
5
motor, DC (sled) (M602)
4
two screws
(M1.4)
1
Remove four solders of motor flexible board.
2
washer (0.8-2.5)
3
gear (SA)

12
MZ-R900
888
003 V1.000
Microcomputer
version
display
Destination code
002 : Except US, Canadian models
003 : US, Canadian models
All off
All lit
BASS12
C830
+
L801
C809
+
C813
C801
1112241
51048
316
7229
9419
189596
22827
341521
381723
401628
262025
4224113
513031
453635
475044
534959
565455
615762
5860
68
63
81
137
65
70
135
67
77
133
74
79
3
1
667376
4
0
3
IC801
SL801
(TEST)
– MAIN Board (Conductor Side) –
2In the normal mode, turn on the [HOLD] switch. While press-
ing the [VOL --] key press the following order:
>t>t.t.t>t
.t > t.tXtX
SECTION 4
TEST MODE
Operation in Setting the Test Mode
• When the test mode becomes active, first the display check mode
is selected.
• Other mode can be selected from the display check mode.
• When the test mode is set, the LCD repeats the following dis-
play.
Remote commander LCD display
•When the Xkey is pressed and hold down, the display at that
time is held so that display can be checked.
Caution: On the set having the microcomputer version 1.000,
some adjusted values were set in the manual mode at
the shipment, but these data will be cleared when the
NV is reset. Therefore, on the set having the micro-
computer version 1.000, change the adjusted values
following the Change of Adjusted Values immediately
after the NV was reset (see page 17).
Releasing the Test Mode
For test mode set with the method 1:
Turn off the power and open the solder bridge on SL801 (TEST)
on the MAIN board.
Note: Remove the solders completely. Remaining could be shorted with
the chassis, etc.
For test mode set with the method 2:
Turn off the power.
Note: If electrical adjustment (see page 17) has not been finished com-
pletely, always start in the test mode. (The set cannot start in nor-
mal mode)
Outline
• This set provides the Overall adjustment mode that allows CD
and MO discs to be automatically adjusted when in the test mode.
In this overall adjustment mode, the disc is discriminate between
CD and MO, and each adjustment is automatically executed in
order. If a fault is found, the system displays its location. Also,
the manual mode allows each individual adjustment to be auto-
matically adjusted.
• Operation in the test mode is performed with the set. A key
having no particular description in the text, indicates a set key.
• For the LCD display, the LCD on the remote commander is
shown, but the contents of LCD display on the set are same.
Setting Method of Test Mode
There are two different methods to set the test mode:
1Short SL801 (TEST) on the MAIN board with a solder bridge
(connect pin 3 of IC801 to the ground). Then, turn on the
power.

13
MZ-R900
Configuration of Test Mode
Manual Mode
Mode to adjust or check the operation of the set by function.
Normally, the adjustment in this mode is not executed.
However, the Manual mode is used to clear the memory, power
supply adjustment, and laser power check before performing
automatic adjustments in the Overall Adjustment mode.
• Transition method in Manual Mode
1. Setting the test mode (see page 12).
2. Press the >or[VOL +] key activates the manual mode where
the LCD display as shown below.
3. During each test, the optical pick-up moves outward or in-
ward while the >or .key is pressed for several sec-
onds respectively.
4. Each test item is assigned with a 3-digit item number;
100th place is a major item, 10th place is a medium item, and
unit place is a minor item.
The values adjusted in the test mode are written to the
nonvolatile memory (for the items where adjustment was
made).
Remote commander LCD display
000 Manual
[Manual Mode]
[Servo Adjustment]
[Audio Adjustment]
[Power Supply Adjustment]
[OP Alignment Adjustment]
[Overall Adjustment Mode]
[Sound Skip Check Result Display Mode]
[Key Check Mode]
[Test Mode $Display Check Mode%]
Press the
x key
Press the x key
Press the x key
Press the . or
[VOL --] key
Press the
N or
[REC] key
Press the
> or
[VOL +] key
[Electrical Offset Adjustment]
Power Supply Adjustment
Auto Item Feed
CD Overall Adjustment/
MO Overall Adjustment
[Self-Diagnosis Result Display Mode]
Press the
x key
Press the
[JOG LEVER $L% ] (up) key,
or [DISPLAY] key on the remote commander
Press the [T MARK] key, or [DISPLAY] key
on the remote commander for several
seconds (about 3 seconds)
The key check quits, or open the upper panel
R
[VOL +] key:100th place of item number
increase.
[VOL --] key:100th place of item number
decrease.
[Major item switching]
[VOL +] key:10th place of item number
increase.
[VOL --] key:10th place of item number
decrease.
[VOL +] key:Increases the
adjusted value
[VOL --] key:Decreases the
adjusted value
[Medium item switching]
N
key
N
key
x
key
[Minor item switching]
[Adjusted value variation]
X
key: When adjusted value is
changed:
Adjusted value is written.
When adjusted value is
not changed:
That item is adjusted
automatically.
[Adjusted value write]
N
key: Unit place of item number
increase.
.
key: Unit place of item number
decrease.
x
key

14
MZ-R900
Self-Diagnosis Result Display Mode
This set uses the self-diagnostic function system in which if an
error occurred during the recording or playing, the mechanism
control block and the power supply control block in the
microcomputer detect it and record its cause as history in the
nonvolatile memory.
By checking this history in the test mode, you can analyze a fault
and determine its location.
Total recording time is recorded as a guideline of how long the
optical pickup has been used, and by comparing it with the total
recording time at the time when an error occurred in the self-
diagnosis result display mode, you can determine when the error
occurred.
Clear both self-diagnosis history data and total recording time, if
the optical pickup was replaced.
• Self-Diagnosis Result Display Mode Setting Method
1. Setting the test mode (see page 12).
2. In the display check mode, press the [JOG LEVER $L% ] (up)
key or [DISPLAY] key on the remote commander activates the
self-diagnosis result display mode where the LCD display as
shown below.
3. Then, each time the >key is pressed, LCD display descends
by one as shown below. Also, the LCD display ascends by one
when the .key is pressed.
If the [JOG LEVER $L% Q] (up) key or the [DISPLAY] key on
remote commander is pressed with this display, the LCD switches
to the simple display mode.
4. Quit the self-diagnosis result display mode, and press the xkey
to return to the test mode (display check mode).
5. The display changes a shown below each time the
[JOG LEVER $L% ] (up) key or [DISPLAY] key on the remote
commander is pressed.
However in the power mode (item number 700’s), only the
item is displayed.
6. Quit the manual mode, and press the xkey to return to the
test mode (display check mode).
Overall Adjustment Mode
Mode to adjust the servo automatically in all items.
Normally, automatic adjustment is executed in this mode at the
repair.
For further information, refer to “Section 5 Electrical Adjustments”
(see page 17).
• Address & Adjusted Value Display
Remote commander LCD display
• Jitter Value & Adjusted Value Display
Remote commander LCD display
• Block Error Value & Adjusted Value Display
Remote commander LCD display
• ADIP Error Value & Adjusted Value Display
Remote commander LCD display
• Item Title Display
Remote commander LCD display
item numberaddress adjusted value
item number
jitter value adjusted value
item number
block error value adjusted value
item number
ADIP error value adjusted value
item numberitem title adjusted value
011 C68S01
011 OFFJ01
011 063B01
011 059A01
011 LrefPw 01
R
R
0XX 1 0000
Remote commander LCD display
history code
Total recording time when error occurre
d
error display code
0XX 1 ****
0XX N ****
0XX N1****
0XX N2****
0XX R_****
1
1
XX
: Error code
****
: Total recording time

15
MZ-R900
• Description of Indication History
History code number Description
1 The first error
N The last error
N1 One error before the last.
N2 Two errors before the last.
R_ Total recording time
Reset the error display code
After servicing, reset the error display code.
• Setting method of Reset the Error Display Code
1. Setting the test mode (see page 12).
2. Press the [JOG LEVER $L% ] (up) key or [DISPLAY] key on the
remote commander activates the self-diagnosis result display
mode.
3. To reset the error display code, press the Xkey (2 times) when
the code is displayed (except “R_****”).
(All the data on the 1, N, N1, and N2 will be reset)
• Description of Error Indication Codes
Problem Indication code Meaning of code Simple display Description
No error 00 No error --- No error
01 Illegal access target Adrs Attempt to access an abnormal address
address was specified
Servo system error 02 High temperature Temp High temperature
03 Focus error Fcus Disordered focus
04 Spindle error Spdl Abnormal rotation of disc
TOC error 11 TOC error TOC Faulty TOC contents
12 Data reading error Data Data could not be read at SYNC
Power supply system error 22 Low battery LBat Momentary interruption detected
31 Offset error Ofst Offset error
32 Focus error ABCD ABCD Focus error ABCD offset error
offset error
Offset system error 33 Tracking error TE Tracking error Offset error
Offset error
34 X1 tracking error X1TE X1 tracking error Offset error
Offset error
R

16
MZ-R900
4. When all the keys on the set and on the remote commander are
considered as OK, the following displays are shown for 4 sec-
onds.
Example1: When the keys on the set are considered as OK:
Example2: When the keys on the remote commander are con-
sidered as OK:
5. When all keys were checked or if the upper panel is opened,
the key check mode quits and the test mode (display check
mode) comes back.
Key Check Mode
This set can check if the set and remote commander function nor-
mally.
• Setting Method of Key Check Mode
1. Setting the test mode (see page 12).
2. Press the [T MARK] key or [DISPLAY] key on the remote commander
for several seconds (about 3 seconds) activates the key check
mode. (At the last two digits, AD value of remote commander
key line is displayed in hexadecimal)
3. When each key on the set and on remote commander is pressed,
its name is displayed on the remote commander LCD. (The
operated position is displayed for 4 seconds after the slide
switch is operated. If any other key is pressed during this
display, the remote commander LCD switches to its name
display)
Example1: When >key on the set is pressed:
Example2: When N >key on the remote commander is
pressed:
000 **
Remote commander LCD display
**
: AD value of the remote commander key (hexadecimal
00 to FF)
000 FF **
Remote commander LCD display
**
: AD value of the remote commander key (hexadecimal
00 to FF)
000 rPLAY **
Remote commander LCD display
**
: AD value of the remote commander key (hexadecimal
00 to FF)
888 SET OK **
Remote commander LCD display
**
: AD value of the remote commander key (hexadecimal
00 to FF)
888 RMC OK **
Remote commander LCD display
**
: AD value of the remote commander key (hexadecimal
00 to FF)
Sound Skip Check Result Display Mode
This set can display the count of errors that occurred during the
recording/playing for checking.
• Setting method of sound skip check result display
mode
1. Set the test mode (see page 12).
2. Press the Nkey or [REC] key, and the playing or recording
sound skip result display mode becomes active respectively
where the LCD displays the following.
3. When the Nkey is pressed, total error count is displayed on
the LCD, and each time the >key is pressed, the display
item moves down by one as shown below. Also, if the .key
is pressed, the display item moves up by one, then if the [REC]
key is pressed, the display in the record mode appears.
When the [REC] key is pressed, total error count is displayed
on the LCD, and each time the >key is pressed, the display
item moves down by one as shown below. Also, if the .key
is pressed, the display item moves up by one, then if
the Nkey is pressed, the display in the play mode appears.
• Cause of Sound Skip Error
Cause of error Description of error
EIB Sound error correction error
Play Stat Decoder status error
Adrs Address access error
BEmp Buffer is empty
BOvr Buffer is full, and sounds were
dumped
Record Bful Buffer capacity becomes less,
and forcible writing occurred
Rtry Retry times over
4. To quit the sound skip check result display mode and to return
to the test mode (display check mode), press the xkey.
000 P**R**
Remote commander LCD display
Total count of play
system errors (hex.)
Total count of record
system errors (hex.)
000 P**R**
000 EIB **
000 Stat**
000 Adrs**
000 BEmp**
000 ######
000 P**R**
000 BOvr**
000 Bful**
000 Rtry**
000 ######
P**R**
: Total play/record errors (hex.)
**
: Counter of sound skip check each item (hex.)
######
: 6-digit address where sound was skipped last (hex.)
Playing sound skip
result display Recording sound skip
result display

17
MZ-R900
• Setting method of NV reset
1. Select the manual mode of the test mode, and set item number
021NV Reset (see page 13).
2. Press the Xkey.
3. Press the Xkey once more.
4. Press the xkey to quit the manual mode, and activate the
test mode (display check mode).
• Change of Adjusted Values
On the set having the microcomputer version 1.000, some adjusted
values were set in the manual mode at the shipment, but these data
will be cleared when the NV is reset. Therefore, on the set having
the microcomputer version 1.000, modify the adjusted values
through the following procedure immediately after the NV was
reset.
1. Item numbers in which the adjusted values are to be modified
Item number 832
Item number 862
Item number 871
Item number 872
2. Adjusted values modifying procedure
1) Select the manual mode of the test mode, and set item number
832 (see page 13).
2) Adjust with the [VOL+] key (adjusted value up) or [VOL--]
key (adjusted value down) so that the adjusted value becomes
E4.
3) Press the Xkey to write the adjusted value.
4) Select the manual mode of the test mode, and set item number
862 (see page 13).
5) Adjust with the [VOL+] key (adjusted value up) or [VOL--]
key (adjusted value down) so that the adjusted value becomes
01.
6) Press the Xkey to write the adjusted value.
832 Pw-T W **
Remote commander LCD display
**
:Adjusted value
SECTION 5
ELECTRICAL ADJUSTMENTS
Outline
• In this set, automatic adjustment of CD and MO can be per-
formed by entering the test mode (see page 12).
However, before starting automatic adjustment, the memory
clear, power supply adjustment, and laser power check must be
performed in the manual mode.
• A key having no particular description in the text, indicates a
set key.
• For the LCD display, the LCD on the remote commander is
shown, but the contents of LCD display on the set are same.
Precautions for Adjustment
1. Adjustment must be done in the test mode only.
After adjusting, release the test mode.
2. Use the following tools and measuring instruments.
• Test CD disc TDYS-1
(Part No. : 4-963-646-01)
• SONY MO disc available on the market
• Digital voltmeter
• Laser power meter LPM-8001
(Part No. : J-2501-046-A)
• Thermometer (using the Temperature Correction)
3. Unless specified otherwise, supply DC 3V from the DC IN
3V jack (J601).
4. Switch position
SYNCHRO REC switch .............................. OFF
HOLD switch ............................................... OFF
Adjustment Sequence
1. NV Reset (Memory clear) Manual Mode
r
2. Power Supply Manual Adjustment Overall Mode
r
3. Temperature Correction (item number: 014)
rManual Mode
4. Laser Power Check
r
5. Electrical offset Adjustment
Caution: This adjustment must be made with
no disc loaded.
rOverall Mode
6. CD Overall Adjustment
r
7. MO Overall Adjustment
rManual Mode
8. RESUME Clear
NV Reset
Caution: On the set having the microcomputer version 1.000,
some adjusted values were set in the manual mode at
the shipment, but these data will be cleared when the
NV is reset. Therefore, on the set having the micro-
computer version 1.000, change the adjusted values
following the Change of Adjusted Values immediately
after the NV was reset.
021 Res***
021 Reset!
Remote commander LCD display
NV reset (after several seconds)
021 ResNV CC
Remote commander LCD display
021 ResOK?
Remote Commander LCD display
862 V1dat **
Remote commander LCD display
**
:Adjusted value

18
MZ-R900
• Adjustment method of Vc PWM Duty (L)
(item number: 762)
1. Connect a digital voltmeter to the AP914 (VC) on the MAIN
board, and adjust [VOL +] key (voltage up) or [VOL --] key
(voltage down) so that the voltage becomes 2.40 V.
2. Press the Xkey to write the adjusted value.
(The item number changes to 763 when Xkey is pressed)
Adjustment and Connection Location:MAIN board
(see page 19)
• Adjustment method of Vc PWM Duty (H)
(item number: 763)
1. Connect a digital voltmeter to the AP914 (VC) on the MAIN
board, and adjust [VOL +] key (voltage up) or [VOL --] key
(voltage down) so that the voltage becomes 2.75 ± 0.015 V.
2. Press the Xkey to write the adjusted value.
(The item number changes to 764 when Xkey is pressed)
Adjustment and Connection Location:MAIN board
(see page 19)
• Adjustment method of Vl PWM Duty
(item number: 764)
1. Connect a digital voltmeter to the AP915 (VL) on the MAIN
board, and adjust [VOL +] key (voltage up) or [VOL --] key
(voltage down) so that the voltage becomes 2.30 V.
digital
voltmete
r
MAIN board
AP914 (VC)
AP912 (GND)
digital
voltmete
r
MAIN board
AP914 (VC)
AP912 (GND)
digital
voltmete
r
MAIN board
AP915 (VL)
AP912 (GND)
762 Vc1PWM **
Remote commander LCD display
**
: Adjusted value
763 VchPWM **
Remote commander LCD display
**
: Adjusted value
764 Vl PWM **
Remote commander LCD display
**
: Adjusted value
7) Select the manual mode of the test mode, and set item number
871 (see page 13).
8) Adjust with the [VOL+] key (adjusted value up) or [VOL--]
key (adjusted value down) so that the adjusted value becomes
20.
9) Press the Xkey to write the adjusted value.
10) Select the manual mode of the test mode, and set item number
872 (see page 13).
11) Adjust with the [VOL+] key (adjusted value up) or [VOL--]
key (adjusted value down) so that the adjusted value becomes
39.
12) Press the Xkey to write the adjusted value.
Power Supply Manual Adjustment
• Adjustment sequence
Adjustment must be done with the following steps.
1. Vc PWM Duty (L) adjustment (item number: 762)
r
2. Vc PWM Duty (H) adjustment (item number: 763)
r
3. Vl PWM Duty adjustment (item number: 764)
• Setting method of power supply manual adjustment
1. Make sure that the power supply voltage is 3V.
2. Set the test mode (see page 12).
3. Press the .or [VOL--] key to activate the overall adjustment
mode.
4. Press the [JOG LEVER $L% ] (down) key, or [PLAYMODE] key
on the remote commander.
(Pressing the [JOG LEVER $L% ] (down) key, or [PLAYMODE]
key on the remote commander causes the item number to be
switched to 762.)
871 V5num **
Remote commander LCD display
**
:Adjusted value
872 V5dat **
Remote commander LCD display
**
:Adjusted value
Remote commander LCD display
000 Assy00
r
r
+ 0.005
– 0.01
+ 0.005
– 0.01

19
MZ-R900
7. Press the Nkey, and set the laser CD read adjustment
mode (item number 012).
8. Check that the laser power meter reading is 0.97 ± 0.10 mW.
9. Check that the voltage both ends (TP (+) and TP (–)) of resistor
R521 at this time is below 44 mV.
10. Press the Nkey, and set the laser MO write adjustment mode
(item number 013).
11. Check that the laser power meter reading is 4.95 ± 0.50 mW.
12. Check that the voltage both ends (TP (+) and TP (–)) of resistor
R521 at this time is below 80 mV.
13. Press the xkey to quit the manual mode, and activate the
test mode (display check mode).
Checking and Connection Location: MAIN board
Adjustment/checking and Connection Location:
2. When press the Xkey to write the adjusted value, LCD dis-
plays as follows and power supply manual adjustment has com-
pleted.
Adjustment and Connection Location:MAIN board
Temperature Correction
• Adjustment Method of temperature correction
1. Select the manual mode of test mode, and set the mode num-
ber 014 (see page 13).
2. Measure the ambient temperature.
3. Adjust with [VOL +], [VOL --] key so that the adjusted value
(hexadecimal value) becomes the ambient temperature.
(Initial value: 14h = 20 °C, Adjusting range: 80h to 7fh (–128
°C to +127 °C)
4. Press the Xkey to write the adjusted value.
000 ADJ OK
Remote commander LCD display
014 SetTmp **
Remote commander LCD display
**
: Adjusted value
Laser Power Check
Connection :
Checking Method :
1. Select the manual mode of test mode (see page 13), and set the
laser power adjusting mode (item number 010).
2. Press the .key continuously until the optical pick-up
moves to the most inward track.
3. Open the cover and set the laser power meter on the objective
lens of the optical pick-up.
4. Press the Nkey, and set the laser MO read adjustment mode
(item number 011).
5. Check that the laser power meter reading is 0.81 ± 0.08 mW.
6. Check that the voltage both ends (TP (+) and TP (–)) of resistor
R521 at this time is below 44 mV.
digital voltmeter
MAIN board
laser
power meter
Optical pick-up
objective lens
TP (+)
TP (–)
010 Laser
Remote commander LCD display
011 LrefPw **
Remote commander LCD display
012 HrefPw **
Remote commander LCD display
013 WritPw **
Remote commander LCD display
Q302
G
D
S
C325
C326
R318
R317
C211
R212
R211
C111
R111
C210
C314
C323
+
C116
C118
C117
R118
C318
C320 +
R218
C216
C217
C218
C202
R202
R201
C102
R102
R101
C101
C112
C212
R112
C110
C340
C330
R302 R307
C203
C103
C201
C305 +
R319
C327
C344
R310
L303
C316
+
C105 +
C205 +
C331
C329
C106
R104
R105
C836
R103
C107 R846
C206
C207
R203
R205
C335
C338
C317
C324
C333
C319
C328
FB306
FB305
FB304
FB303 FB302
FB301
R816
R815
R303
R301
R309
C345
+
C303
+
C315
+
C304
L302
C925
C924
C923
C922
R942
D303
AK
C906
R905
R904
R910
C908
R813
R903
R915
C337
R811
C825
R204
Q801
C1
C2 B1
E
B2
F801
D904
KA
R902
C905
C921
R909
R941
D903
KA
C306
C302
L301
R916
C904
+
C927
D901
AK
C901 +
D602
AK
C601
R936
R947
C902
+
R913
R948
R906
R901
R912
R949
C301
+
C914 C912
R306
C336
R305
R304
C913
C910
C909
R920
D902
AK
C926
R919
C915
C918
R932
R916
R918
R917
R911
C919
+
C920
+
R946
C911 +
C602 R602 C605
R603
R914
C928
C525
C524
+
R519
R521
L502
L501
D605
AK
C837
R622
C633
C529
+
C521
C501
C531
R501
R502
R507
C503
C504
C518
+
C526 C505
C506
C507
C
IC551
IC301
IC901
IC302
D301
K
A/K
A
D302
IC303
IC902
181 5 10 15
CN801
Q903
BCE
15 10 5 1
CN502
B
C
E
Q803
S
D
G
Q904
B
C
E
Q501
TH601
DC IN 3V
–+
J601
114
42 29
15
28
56
43
56
43
15
28
114
4229
28 22
814
1
7
21
15
16
13
5
8
129
14
21
34
14
129
5
8
16
13
– MAIN Board (Conductor side) –
AP912
(GND)
AP914
(VC) AP915
(VL)
TP (+) TP (–)

20
MZ-R900
>
key
.
key
Overall adjustment mode
(Title display)
CD overall
adjusting
CD overall
adjustment
OK
MO overall
adjusting
MO overall
adjustment
OK
CD overall
adjustment
NG
MO overall
adjustment
NG
All item
OK
Protect switch
ON
Protect switch
OFF
[JOG LEVER $L% ]
(up) key or
[DISPLAY]
key on the remote commander
NG item exists
or
x
key
NG item exists
or
x
key
x
key
x
key
x
key
x
key
x
key
[JOG LEVER $L% ]
(down) key or
[PLAYMODE]
key on the remote commander
x
key
[Test mode $display check mode%]
N
key
N
key
R
r
Electrical
offset
adjustment
Power supply
adjustment
auto item feed
Overall Adjustment Mode
•Configuration of overall adjustment
Note: Adjust the CD first, when performing adjustment.
•Overall Adjustment Mode (Title Display)
000 Assy**
Remote commander LCD display
: (Disc mark) At end of power supply adjustment: Outside lit
At end of electrical offset adj.: Inside lit
Note: On the set having microcomputer version 1.000, the disc
mark is displayed on the remote commander LCD only.
**
: Left side = MO overall adjustment information
F*
: MO overall adjustment completed
1*
: Manual adjustment exists (overall adj. not completed)
0*
: Not adjusted
Right side = CD overall adjustment information
F*
: CD overall adjustment completed
1*
: Manual adjustment exists (overall adj. not completed)
0*
: Not adjusted
•Electrical Offset Adjusting Method
Caution: The electrical offset adjustment must be made with no
disc loaded.
1. Make sure that the power supply voltage is 3 V.
2. Set the test mode (see page 12).
3. Press the .or [VOL--] key to activate the overall adjustment
mode.
4. Press the [JOG LEVER $L% ] (up) key, or [DISPLAY] key on
the remote commander.
5. Electrical offset adjustment is over, if the following display
appears.
000 Assy11
Remote commander LCD display
035 Ofst**
Remote commander LCD display
000 OfstOK
Remote commander LCD display
R

21
MZ-R900
8. If OK through the overall MO adjustments, press the xkey
to return to the test mode and terminate the Overall Adjustment
mode.
6. Insert MO disc in the set, and press the >key to set the
Overall MO Adjustment mode. Automatic adjustments are
made.
•Overall CD and MO adjustment items
1. Overall CD adjustment items
Item No. Description
312
313 CD electrical offset adjustment
314
321 CD tracking error gain adjustment
328 CD TWPP gain adjustment
324 CD tracking error offset adjustment
332
336 CD ABCD gain adjustment
344 CD focus gain adjustment
345 CD tracking gain adjustment
521 CD two-axis sensitivity adjustment
522
XXX MO RUN
Remote commander LCD display
XXX
: Item number for which an adjustment is being executed.
7. In case of MO overall adjustment NG, reset the NV (see page
17), then readjust from the temperature correction (see page
19).
000
***
NG
Remote commander LCD display
***
: NG item number.
000 MO OK
Remote commander LCD display
•Adjustment Method of Overall CD and MO Adjustment
Mode
1. Setting the test mode (see page 12).
2. Press the .or [VOL --] key activates the overall adjust-
ment mode.
000 Assy11
Remote commander LCD display
3. Insert CD disc in the set, and press the .key to set the
Overall CD Adjustment mode. Automatic adjustments are made.
4. In case of CD overall adjustment NG, reset the NV (see page
17), then readjust from the temperature correction (see page
19).
XXX CD RUN
Remote commander LCD display
XXX
: Item number for which an adjustment is being executed.
000
***
NG
Remote commander LCD display
***
: NG item number.
5. If OK through the overall CD adjustments, then perform over-
all MO adjustments.
000
CD
OK
Remote commander LCD display
2. Overall MO adjustment items
Item No. Description
112
113 MO electrical offset adjustment
114
118
221 Low reflective CD tracking error gain adjustment
224 Low reflective CD tracking error offset adjustment
232
236 Low reflective CD ABCD level adjustment
244 Low reflective CD focus gain adjustment
245 Low reflective CD tracking gain adjustment
121 MO tracking error gain adjustment
122 MO TON offset adjustment
134 MO TWPP gain adjustment
131 MO double speed read TWPP offset adjustment
132
136 MO ABCD gain adjustment
144 MO focus gain adjustment
145 MO tracking gain adjustment
138 MO RF gain adjustment
434 MO write TWPP gain adjustment
431 MO write TWPP offset adjustment
432 MO tracking error offset adjustment
436 MO write ABCD gain adjustment
445 MO write tracking gain adjustment
411 MO normal speed read TWPP offset adjustment
412 MO tracking error offset adjustment
448 20 sec full recording

22
MZ-R900
Resume Clear
Perform the Resume clear when all adjustments completed.
•Resume Clear Setting Method
1. Select the manual mode of the test mode, and set item number
043 (see page 13).
2. Press the Xkey.
3. Press the xkey to return to the test mode (display check
mode).
Patch Data Rewriting When Nonvolatile Memory
was Replaced
On this set, if the nonvolatile memory was replaced, the modified
program data must be written to the nonvolatile memory.
In such a case, write the modified data that meets the
microcomputer version following the procedure provided below.
•Modified Data Writing Method (version 1.000)
1. Select the manual mode of the test mode, and set item number
022 (see page 13).
2. Press the Xkey to initialize the patch data.
(The modified data writing is over, if the adjusted value changes
to DD)
3. Press the Nkey or >key to set item number 023.
4. Press the [VOL+] key once to change the adjusted value to 01.
5. Press the [DISPLAY] key on the remote commander for several
seconds (about 3 seconds) to activate the patch data write mode.
(The following display will appear where 00 is blinking)
6. Adjust with the [VOL+] key (adjusted value up) or [VOL--]
key (adjusted value down) so that the adjusted value becomes
1E.
7. Press the Xkey.
(0D58 is blinking)
8. Press the [VOL+] key once to change the blinking portion to
0D59.
9. Press the xkey.
(00 is blinking)
10. Adjust with the [VOL+] key (adjusted value up) or [VOL--]
key (adjusted value down) so that the adjusted value becomes
B2.
11. Press the Xkey.
(0D59 is blinking)
12. Press the [VOL+] key once to change the blinking portion to
0D5E.
13. Press the xkey.
(00 is blinking)
14. Adjust with the [VOL+] key (adjusted value up) or [VOL--]
key (adjusted value down) so that the adjusted value becomes
8B.
15. Press the Xkey.
(0D5E is blinking)
16. Press the [VOL+] key once to change the blinking portion to
0D5F.
17. Press the xkey.
(00 is blinking)
18. Adjust with the [VOL+] key (adjusted value up) or [VOL--]
key (adjusted value down) so that the adjusted value becomes
20.
19. Press the Xkey.
(0D5F is blinking)
043 Resume CC
Remote commander LCD display
043 Res***
043 ResClr
Remote commander LCD display
Resume clear complete
023 Patch00
Remote commander LCD display
00
:Adjusted value
023 0D5800
Remote commander LCD display
00
:Adjusted value
023 0D581E
Remote commander LCD display
1E
:Adjusted value
023 0D581E
Remote commander LCD display
1E
:Adjusted value
023 0D5900
Remote commander LCD display
00
:Adjusted value
023 0D59B2
Remote commander LCD display
B2
:Adjusted value
023 0D5E00
Remote commander LCD display
00
:Adjusted value
023 0D5E8B
Remote commander LCD display
8B
:Adjusted value
023 0D5F00
Remote commander LCD display
00
:Adjusted value
023 0D5F20
Remote commander LCD display
20
:Adjusted value
022 PatClr CC
Remote commander LCD display
022 ***SDD
Remote commander LCD display
DD
:Adjusted value

23
MZ-R900
34. Adjust with the [VOL+] key (adjusted value up) or [VOL--]
key (adjusted value down) so that the adjusted value becomes
20.
35. Press the Xkey.
(0D65 is blinking)
36. Press the [DISPLAY] key on the remote commander for sev-
eral seconds (about 3 seconds) to exit the patch data write mode
(to return to the manual mode display in the test mode).
37. Press the Xkey to write the modified data. (The adjusted value
changes to CC)
38. The modified data writing is over, if the adjusted value changes
to DD.
39. Turn the power off.
20. Press the [VOL+] key once to change the blinking portion to
0D60.
21. Press the xkey.
(00 is blinking)
22. Adjust with the [VOL+] key (adjusted value up) or [VOL--]
key (adjusted value down) so that the adjusted value becomes
08.
23. Press the Xkey.
(0D60 is blinking)
24. Press the [VOL+] key once to change the blinking portion to
0D61.
25. Press the xkey.
(00 is blinking)
26. Adjust with the [VOL+] key (adjusted value up) or [VOL--]
key (adjusted value down) so that the adjusted value becomes
A1.
27. Press the Xkey.
(0D61 is blinking)
28. Press the [VOL+] key once to change the blinking portion to
0D62.
29. Press the xkey.
(00 is blinking)
30. Adjust with the [VOL+] key (adjusted value up) or [VOL--]
key (adjusted value down) so that the adjusted value becomes
04.
31. Press the Xkey.
(0D62 is blinking)
32. Press the [VOL+] key once to change the blinking portion to
0D65.
33. Press the xkey.
(00 is blinking)
023 0D6000
Remote commander LCD display
00
:Adjusted value
023 0D6008
Remote commander LCD display
08
:Adjusted value
023 0D6100
Remote commander LCD display
00
:Adjusted value
023 0D61A1
Remote commander LCD display
A1
:Adjusted value
023 0D6200
Remote commander LCD display
00
:Adjusted value
023 0D6204
Remote commander LCD display
04
:Adjusted value
023 0D6500
Remote commander LCD display
00
:Adjusted value
023 0D6520
Remote commander LCD display
20
:Adjusted value
023 Patch01
Remote commander LCD display
01
:Adjusted value
023 ***SDD
Remote commander LCD display
DD
:Adjusted value
•Modified Data Writing Method (version 1.100)
1. Select the manual mode of the test mode, and set item number
022 (see page 13).
2. Press the Xkey to initialize the patch data.
(The modified data writing is over, if the adjusted value changes
to DD)
3. Press the Nkey or >key to set item number 023.
4. Press the [VOL+] key once to change the adjusted value to 01.
5. Press the [DISPLAY] key on the remote commander for sev-
eral seconds (about 3 seconds) to activate the patch data write
mode.
(The following display will appear where 00 is blinking)
6. Press the Xkey.
(0D5C is blinking)
7. Press the [VOL+] key once to change the blinking portion to
0D5D.
023 0D5C00
Remote commander LCD display
00
:Adjusted value
023 0D5D00
Remote commander LCD display
00
:Adjusted value
023 Patch00
Remote commander LCD display
00
:Adjusted value
022 PatClr CC
Remote commander LCD display
022 ***SDD
Remote commander LCD display
DD
:Adjusted value

24
MZ-R900
23. Press the [VOL+] key once to change the blinking portion to
0D65.
24. Press the xkey.
(00 is blinking)
25. Adjust with the [VOL+] key (adjusted value up) or [VOL--]
key (adjusted value down) so that the adjusted value becomes
1C.
26. Press the Xkey.
(0D65 is blinking)
27. Press the [VOL+] key once to change the blinking portion to
0D66.
28. Press the xkey.
(00 is blinking)
29. Adjust with the [VOL+] key (adjusted value up) or [VOL--]
key (adjusted value down) so that the adjusted value becomes
03.
30. Press the Xkey.
(0D66 is blinking)
31. Press the [VOL+] key to change the blinking portion to 0D68.
32. Press the xkey.
(00 is blinking)
33. Adjust with the [VOL+] key (adjusted value up) or [VOL--]
key (adjusted value down) so that the adjusted value becomes
80.
34. Press the Xkey.
(0D68 is blinking)
35. Press the [VOL+] key once to change the blinking portion to
0D69.
36. Press the xkey.
(00 is blinking)
8. Press the xkey.
(00 is blinking)
9. Adjust with the [VOL+] key (adjusted value up) or [VOL--]
key (adjusted value down) so that the adjusted value becomes
AA.
10. Press the Xkey.
(0D5D is blinking)
11. Press the [VOL+] key once to change the blinking portion to
0D5E.
12. Press the xkey.
(00 is blinking)
13. Adjust with the [VOL+] key (adjusted value up) or [VOL--]
key (adjusted value down) so that the adjusted value becomes
04.
14. Press the Xkey.
(0D5E is blinking)
15. Press the [VOL+] key to change the blinking portion to 0D61.
16. Press the xkey.
(00 is blinking)
17. Adjust with the [VOL+] key (adjusted value up) or [VOL--]
key (adjusted value down) so that the adjusted value becomes
20.
18. Press the Xkey.
(0D61 is blinking)
19. Press the [VOL+] key to change the blinking portion to 0D64.
20. Press the xkey.
(00 is blinking)
21. Adjust with the [VOL+] key (adjusted value up) or [VOL--]
key (adjusted value down) so that the adjusted value becomes
F4.
22. Press the Xkey.
(0D64 is blinking)
023 0D5E04
Remote commander LCD display
04
:Adjusted value
023 0D6100
Remote commander LCD display
00
:Adjusted value
023 0D6120
Remote commander LCD display
20
:Adjusted value
023 0D6400
Remote commander LCD display
00
:Adjusted value
023 0D64F4
Remote commander LCD display
F4
:Adjusted value
023 0D6500
Remote commander LCD display
00
:Adjusted value
023 0D6600
Remote commander LCD display
00
:Adjusted value
023 0D6603
Remote commander LCD display
03
:Adjusted value
023 0D6800
Remote commander LCD display
00
:Adjusted value
023 0D6880
Remote commander LCD display
80
:Adjusted value
023 0D6900
Remote commander LCD display
00
:Adjusted value
023 0D5DAA
Remote commander LCD display
AA
:Adjusted value
023 0D5E00
Remote commander LCD display
00
:Adjusted value
023 0D651C
Remote commander LCD display
1C
:Adjusted value

25
MZ-R900
023 0D6909
Remote commander LCD display
09
:Adjusted value
023 0D6CF6
Remote commander LCD display
F6
:Adjusted value
023 0D6D00
Remote commander LCD display
00
:Adjusted value
023 0D6D1C
Remote commander LCD display
1C
:Adjusted value
023 0D6E00
Remote commander LCD display
00
:Adjusted value
023 0D6E03
Remote commander LCD display
03
:Adjusted value
023 0D7200
Remote commander LCD display
00
:Adjusted value
023 0D7300
Remote commander LCD display
00
:Adjusted value
023 0D73D3
Remote commander LCD display
D3
:Adjusted value
023 0D7400
Remote commander LCD display
00
:Adjusted value
023 0D74F8
Remote commander LCD display
F8
:Adjusted value
023 0D7500
Remote commander LCD display
00
:Adjusted value
37. Adjust with the [VOL+] key (adjusted value up) or [VOL--]
key (adjusted value down) so that the adjusted value becomes
09.
38. Press the Xkey.
(0D69 is blinking)
39. Press the [VOL+] key to change the blinking portion to 0D6C.
40. Press the xkey.
(00 is blinking)
41. Adjust with the [VOL+] key (adjusted value up) or [VOL--]
key (adjusted value down) so that the adjusted value becomes
F6.
42. Press the Xkey.
(0D6C is blinking)
43. Press the [VOL+] key once to change the blinking portion to
0D6D.
44. Press the xkey.
(00 is blinking)
45. Adjust with the [VOL+] key (adjusted value up) or [VOL--]
key (adjusted value down) so that the adjusted value becomes
1C.
46. Press the Xkey.
(0D6D is blinking)
47. Press the [VOL+] key once to change the blinking portion to
0D6E.
48. Press the xkey.
(00 is blinking)
49. Adjust with the [VOL+] key (adjusted value up) or [VOL--]
key (adjusted value down) so that the adjusted value becomes
03.
50. Press the Xkey.
(0D6E is blinking)
023 0D6C00
Remote commander LCD display
00
:Adjusted value
51. Press the [VOL+] key to change the blinking portion to 0D72.
52. Press the xkey.
(00 is blinking)
53. Adjust with the [VOL+] key (adjusted value up) or [VOL--]
key (adjusted value down) so that the adjusted value becomes
05.
54. Press the Xkey.
(0D72 is blinking)
55. Press the [VOL+] key once to change the blinking portion to
0D73.
56. Press the xkey.
(00 is blinking)
57. Adjust with the [VOL+] key (adjusted value up) or [VOL--]
key (adjusted value down) so that the adjusted value becomes
D3.
58. Press the Xkey.
(0D73 is blinking)
59. Press the [VOL+] key once to change the blinking portion to
0D74.
60. Press the xkey.
(00 is blinking)
61. Adjust with the [VOL+] key (adjusted value up) or [VOL--]
key (adjusted value down) so that the adjusted value becomes
F8.
62. Press the Xkey.
(0D65 is blinking)
63. Press the [VOL+] key once to change the blinking portion to
0D75.
64. Press the xkey.
(00 is blinking)
023 0D7205
Remote commander LCD display
05
:Adjusted value

26
MZ-R900
023 0D7603
Remote commander LCD display
03
:Adjusted value
023 0D7800
Remote commander LCD display
00
:Adjusted value
023 0D7801
Remote commander LCD display
01
:Adjusted value
023 0D7900
Remote commander LCD display
00
:Adjusted value
023 0D79E0
Remote commander LCD display
E0
:Adjusted value
023 Patch 01
Remote commander LCD display
01
:Adjusted value
023 ***SDD
Remote commander LCD display
DD
:Adjusted value
65. Adjust with the [VOL+] key (adjusted value up) or [VOL--]
key (adjusted value down) so that the adjusted value becomes
1C.
66. Press the Xkey.
(0D75 is blinking)
67. Press the [VOL+] key once to change the blinking portion to
0D76.
68. Press the xkey.
(00 is blinking)
69. Adjust with the [VOL+] key (adjusted value up) or [VOL--]
key (adjusted value down) so that the adjusted value becomes
03.
70. Press the Xkey.
(0D76 is blinking)
71. Press the [VOL+] key to change the blinking portion to 0D78.
72. Press the xkey.
(00 is blinking)
73. Adjust with the [VOL+] key (adjusted value up) or [VOL--]
key (adjusted value down) so that the adjusted value becomes
01.
74. Press the Xkey.
(0D78 is blinking)
75. Press the [VOL+] key once to change the blinking portion to
0D79.
76. Press the xkey.
(00 is blinking)
77. Adjust with the [VOL+] key (adjusted value up) or [VOL--]
key (adjusted value down) so that the adjusted value becomes
E0.
78. Press the Xkey.
(0D79 is blinking)
79. Press the [DISPLAY] key on the remote commander for sev-
eral seconds (about 3 seconds) to exit the patch data write mode
(to return to the manual mode display in the test mode).
80. Press the Xkey to write the modified data. (The adjusted value
changes to CC)
81. The modified data writing is over, if the adjusted value changes
to DD.
82. Turn the power off.
•Modified Data Writing Method (version 1.200 and later)
1. Select the manual mode of the test mode, and set item number
022 (see page 13).
2. Press the Xkey to initialize the patch data.
(The modified data writing is over, if the adjusted value changes
to DD)
3. Turn the power off.
023 0D751C
Remote commander LCD display
1C
:Adjusted value
023 0D7600
Remote commander LCD display
00
:Adjusted value
022 PatClr CC
Remote commander LCD display
022 ***SDD
Remote commander LCD display
DD
:Adjusted value

MZ-R900
2727
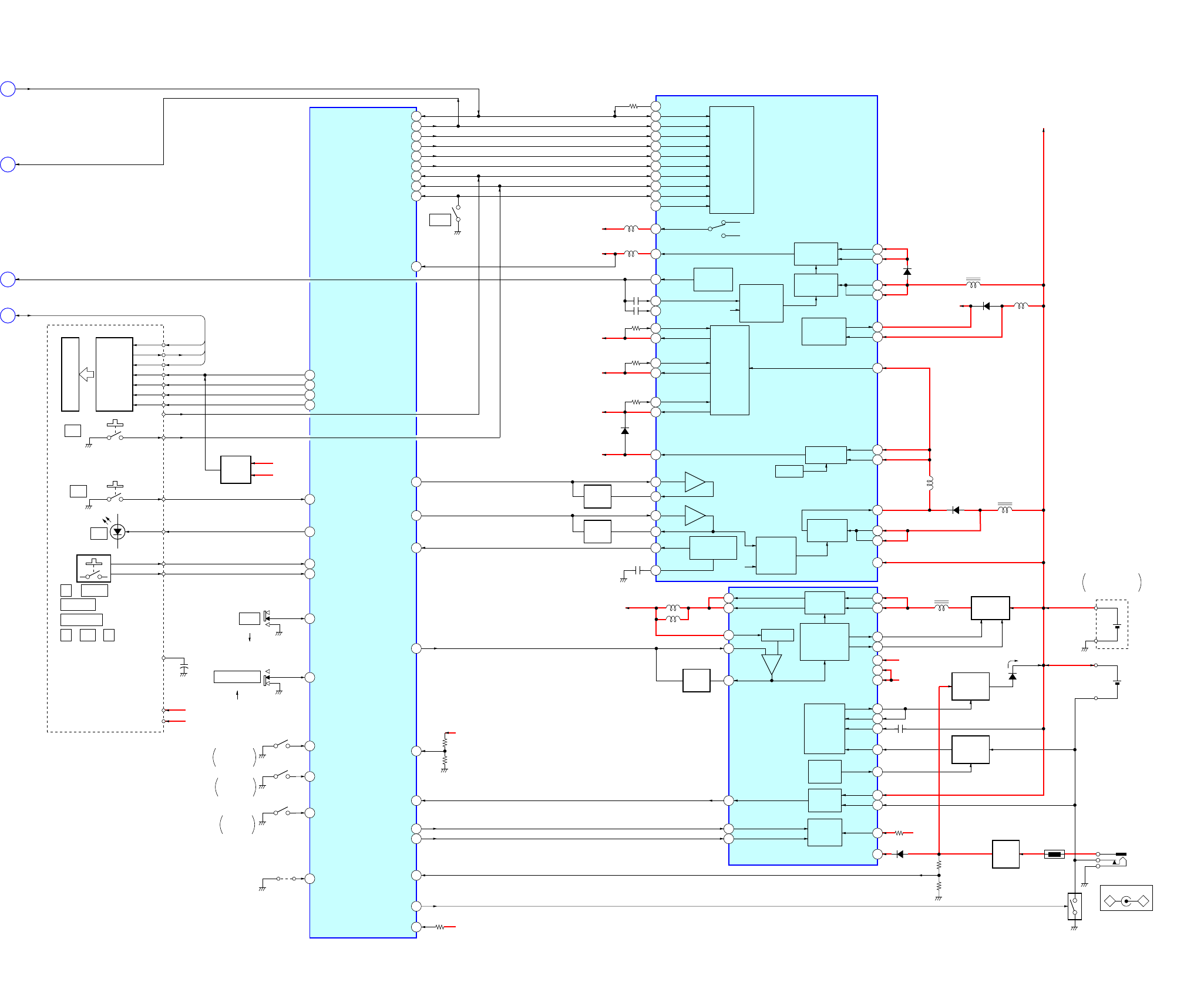
SECTION 6
DIAGRAMS
6-1. BLOCK DIAGRAM – SERVO Section –
33
29
28
41
42
1
44
21
31
26
25
43
24
23
4
8
9
10
11
12
14
5
6
13
7
18 19
JX JY JX
IX IY
IY
IX
JX
JY
A
B
C
D
MON
IX
ABCD
OPTICAL PICK-UP BLOCK
(LCX-4R)
HR601
OVER
WRITE
HEAD
S0
S1
D
D-C
PD-NI
PD-O
C
B
A
VREF
A-C
JY
JX
IX
IY
RF AMP,
FOCUS
ERROR,
TRACKING
ERROR
TPP/WPP
APC
S-MONITER
RF OUT
PEAK
BOTM
ABCD
FE
ADIP IN
TE
ADIP
PD-I
OFTRK
VC
SBUS
SCK
S-MON
RESET
PEAK
/BOTM
RF AMP, FOCUS/TRACKING ERROR AMP
IC501
M603
OVER WRITE
HEAD
UP/DOWN
+
–
+
–
+
–
+
–
+
–
+
–
+
–
+
–
+
–
AUTOMATIC
POWER
CONTROL
Q501
20
LD
SERIAL
INTERFACE
TRK+
FCS+
FCS–
FCS+
FCS–
TRK–
TRK+
TRK–
37
44
45
46
47
56
74
49
12
217
221
9
161
194
195
160
78
35
33
41
38
37
42
25 38
31
1 2 3 5 6
199 198 197 201 200
4
7
CHARGE
PUMP 2
27
28
CHARGE
PUMP 1
100
101
93
94
95
87
223
88
166
102
99
97
98
96
233
83
82
80
81
18
19
24
25
8
10
35
33
89
90
2731
26
20
16
17
3
2
46
44
55 56 1
6220
14
12
41
29
42
40
39
38
37
4
5
48
53
52
51
54
105
62
68
67
LD-A
(TRACKING)
(FOCUS)
2-AXIS
DEVICE
OVER WRITE
HEAD DRIVE
Q604, 605
MM
EFM
PRE DRIVER
H-BRIDGE
PRE DRIVER
SYSTEM CONTROL (1/2)
HB
HA
OUTA
OUTB
VREF
C1H
C1L
C2H
C2L
VRECIN2
CLK
EFM
VRECIN1
VRECO
B+
SW
RECON
OE
RI
FI
MODE3
MODE2
MODE1
HD CON2
HD CON1
EFMD
OVER WRITE HEAD DRIVE
IC601 (1/2)
RFI
PEAK
BOTM
ABCD
FE
TE
ADIP
VC
VREF MON
OFTRK
XRF RST
S MON
M602
(SLED)
SSB CLK
PD S0
PD S1
SSB DATA
APCREF
SYSTEM CONTROLLER,
DIGITAL SIGNAL PROCESSOR,
16M BIT D-RAM
IC801 (1/3)
• SIGNAL PATH
: PLAYBACK
: REC (ANALOG IN)
: REC (DIGITAL IN)
A
B
C
D
DIN1
ADDT
DADT
DIN1 (Page28)
(Page 28)
(Page 28)
(Page 29)
(Page 29)
ADDT
DADT
CLK
E
VREF
SLCU
SLCV
SPCU
SPCV
SPCW
SLD1 MON
SLD2 MON
CLV MON U
CLV MON V
CLV MON W
SPDU
SPDL MON
SPFD/SPVS/PWM3
SPDL AUX PWM
SLCW
SLDW
SFDR
SLDV
SLDR
SLD MON
FRDR
FFDR
TRDR
TFDR
SPDV
SPDW
XRST MTR DRV
SPINDLE
SERVO
DRIVE
SWITCH
IC805
RI1
FI1
RI3
FI3
RI4
FI4
PWMI4
RI2
FI2
VI
WI
CPWO
CPVO
CPUO
CLV MON W
CLV MON V
CLV MON U
OF
UI
PWM
RO1
FO1
RO3
FO3
FCS–
FCS+
TRK–
TRK+
RO4
VO
WO
FO2
RO2
CPAIM
FO4
CPAIP
CPBIP
CPBIM
CPA0
SLD 2 MON
SLD 1 MON
CPB0
UO
CPUI
CPVI
CPWI
COM
TRACKING
COIL DRIVE
FOCUS
COIL DRIVE
SLED VOLTAGE
MONITER
SPINDLE
VOLTAGE MONITOR
SLED
MOTOR
DRIVE
SPINDLE
MOTOR
DRIVE
FOCUS/TRACKING
COIL DRIVE,
SPINDLE/SLED
MOTOR DRIVE
IC551
BIAS
M601
(SPINDLE)
MM
U
WV

MZ-R900
2828
6-2. BLOCK DIAGRAM – AUDIO Section –
VC B+ F801
F
RMC KEY
RVDD
DTCK
CDWM 2V
CDWM DATA
KEY-R
RGND
(LINE IN JACK)
OPTICAL
RECEIVER
J302
i/LINE OUT
J301
LINE IN
(OPT)
J303
MIC
(PLUG IN POWER)
• SIGNAL PATH
: PLAYBACK
: REC (ANALOG IN)
: REC (DIGITAL IN)
2
1113
5
4
16
10
9
12
13
3
1
14 15 16
183 186 178
AOUT
SEL
143
142
144
145
192215 191 2193
5
7
4
6
2
3
27
1
26
28
19
71
25
6970
25
23
22
21
20
17
16
15
179
180
181
1
219
234
B+ SWITCH
Q302
VIF B+
REGULATOR
MUTING
MIC AMP
IC303
IN2
IN1
STBY
GV
OUT1
OUT2
HP/LINE
SWITCH
GAIN
AMP
GAIN
AMP
CLOCK
DIVIDER
D/A
CONVERTER
AUDIO
I/F
CONTROL
CONTROL
REGISTER
I/F
A/D
CONVERTER
&
HPF
HEADPNONE AMP
IC302
LOUT
ROUT
GA-L
GA-R
L-IN
R-IN
HP/L
MUTE
BEEP
210
TSB SLAVE
DETECT
Q803
BEEP
XMUTE
XJAC DET
XOPT CTL
FS256
LRCK
XBCK
OSCO
OSCI
XCS NV
SDIO
SCK0
SDO0
OPT DET
MIC SENSE
XMIC DET
TSB SLV VDD
RMC DTCK
TSB SLVI
TSB SLVO
TSB SLV CHK
SYSTEM CONTROLLER,
DIGITAL SIGNAL PROCESSOR
16M BIT D-RAM
IC801 (2/3)
RIN1
RIN2
LIN1
LIN2
A/D, D/A
CONVERTER
IC301
LOUT2
ROUT2
OPGAL
OPGAR
24
X801
45.1584MHz
SIO
SO0
SCK0
SDI0
SDO0
SCK0
SCK0
SDO0
DADT
ADDT
DIN1
SDO0, SDI0, SCK0
XCS
SK
DI
DO
LOUT1
ROUT2
MCLK
SDTO
SDTI
BCLK
CCLK
CSN
SSB
LRCK
CDTI
B
A
C
G
EEPROM
IC804
(Page 27)
(Page 27)
(Page 27)
(Page 29)
(Page 29)

MZ-R900
29
29 29
2929 29
7
4
56
52
54
55
1
2
3
5
20
86
169
236
235
234
17
18
19
6
10
49
24
25
39
44
38
42
40
41
35
22
23
26
46
47
50
28
32
34
11
14
10
15
22
16
19
20
51
54
55
21
8
9
26
49
47
46
45
43
44
56
50
48
33
36
45
18
19
16
12
10
9
27
53
+–
15
164
165
8
163
48
11
237
238
16
171
10
216
1
208
13
14
228
170
205
206
187
182
230
3
227
VB
HEADPHONE AMP (IC302),
MOTOR/COIL DRIVER (IC551)
B+
POWER CONTROL
IC901
SWITCHING
REGURATOR
SYSTEM
CONTROL
BANDGAP
REFERENCE
SERIES
PASS
REGULATOR
REGURATOR
STEP-UP
DC/DC
CONVERTER
STEP-UP
PRE DRIVER
&
PWM
D902
D903
L902
L905
VG
MOTOR/COIL
DRIVER (IC551)
B+
VL
VL
VG
LG
VC2
VC
VC
VOUT
L1
L1
VB
L2
L2
RF2
VB
VC
VRMC
XWK3
CLK
CLK SEL
FFCLR
SLEEP
VLON
XWK1
XWK2
XWK4
VAIFON
VSTB
VLO
VREF
DTC2
DTC1
VDFB
VIFFB
VIF
VAFB
VA
VCO
INM2
INM1
RF2
RF1
XRST
CRST DTC1
VD
D904
L801
L904
VSTB
SYSTEM CONTROLLER (IC801)
B+
SYSTEM CONTROLLER
IC801 (3/3)
RMC KEY
(Page 28)
(Page 27)
(Page 27)
(Page 28)
CLK
VRFF
SDO0, SDI0, SCK0
VL
LASER APC CIRCUIT
B+
VD
SYSTEM CONTROLLER (IC801)
B+
VIF
A/D, D/A CONVERTER (IC301),
SYSTEM CONTROLLER (IC801),
EEPROM (IC804)
B+
VA
A/D, D/A CONVERTER (IC301),
SYSTEM CONTROLLRE (IC801)
B+
VC
MIC AMP (IC303),
RF AMP (IC501),
MOTOR/COIL DRIVER (IC551),
REMOTE CONTROL CIRCUIT
B+
RMC KEY
FS4
CLK SEL
FFCLR
SLEEP
VLON
WK DET
REC KEY
HALF LOCK SW
VL MON
OPEN
S805
CS RTC
VIF B+
VB B+
XCS LCD
LCD STB
LCD RST AUX
F
D
E
G
LCD
DRIVER
&
REAL TIME
CLOCK
LCD
SDO0
SDI0
SCK0
SD0
SI0
SCK
RST
STB
CS
CS RTC
REC
PAUSE
REC LED
SE1 KEY 1
SE1 KEY 2
DVDD
BACKUP
UNREG
XWK1
REC
T MARK
REC MODE
END SEATCH
+ –
HOLD
S801
OFF
HOLD
SYNCHRO REC
S802
ON
OFF
–– VOL
REC
X
x
+
,
,
,
,,
(JOG LEVER L/R)
VIF B+
VB B+
SWITCH & LCD MUDULE UNIT
SL801
(TEST)
S803
PROTECT
DETECT
S804
BATTERY IN
DETECT
S806
OPEN/CLOSE
DETECT
SYNC REC
OPEN CLOSE SW
XGUM ON
PROTECT
XTEST
AUXI
CHG MON
CHG GAIN
CHG
HIDC MON
GND SW
VB MON
PAUSE KEY
REC LED
SET KEY1
SET KEY2
XHOLD SW
VIF B+
VB B+
VL PWM
VC PWM
XRST
VREC PWM
RESET
SWITCH
Q801
NOISE
FILTER
NOISE
FILTER
NOISE
FILTER
L603
L602
VRECO
OVER WRITE
HEAD DRIVE
CIRCUIT
B+
SWITCH
SWITCHING
REGULATOR
RESET SIGNAL
GENERATOR
SWITCHING
REGULATOR
CHARGE
CONTROL
CHARGE
MONITOR
POWER
CONTROL
IC601 (2/2)
STEP-UP DOWN
PRE DRIVER
&
PWM
STEP-UP
PRE DRIVER
&
PWM
BATTERY
CHARGER
&
REGULATOR
SYSTEM
CONTROL
(2/2)
VRECO1
VRECO2
VREC
INM1
RF1
CHGMON
GAIN
CHG
L1 1
L1 2
DW BT
DW TP
VIO
VC2
VC
RF2
INM2
INP2
RS
CHG SW
VB
BATM
DREG
DCIN
VIF
B+
D605
VC B+
VIF B+
L601
L901
D901
L903
D603
B+ SWITCH
Q603
CHARGE
CONTROL
Q602 (2/2)
CHARGE
CONTROL
Q602 (1/2)
LINE
FILTER
T601
CHARGE
RECHARGEABLE
BATTERY
(NICKEL-METAL)
NH-14WM
1.2V 1400mAh
–+
DC IN 3V
J601
GROUND
LINE
SWITCHING
Q601
THP601
(BATTERY CASE)
DRY BATTERY
SIZE “AA”
IEC DESIGNATION
R6
1PC. 1.5V
REGULATOR
SWITCH
6-3. BLOCK DIAGRAM – KEY CONTROL/DISPLAY/POWER SUPPLY Section –
1 Vp-p
5.68
µ
s
2.5 Vp-p
352 ns
2.5 Vp-p
88.5 ns
2.5 Vp-p
22.8
µ
s
1 Vp-p
5.68
µ
s
2.5 Vp-p
88.5 ns
Approx.
1.3 Vp-p
Approx.
35 mVp-p
2.5 Vp-p
352 ns
Approx.
200 mVp-p
2.5 Vp-p
22.8
µ
s
1 Vp-p
5.68
µ
s
Approx.
200 mVp-p
Approx.
35 mVp-p
Approx.
20 mVp-p
Approx.
200 mVp-p
Approx.
20 mVp-p
Approx.
1.3 Vp-p
Approx.
200 mVp-p
• Waveforms
1IC501 8 (IY) (PLAYBACK mode)
100 mV/DIV, 1 µs/DIV
2IC501 9 (IX) (PLAYBACK mode)
100 mV/DIV, 1 µs/DIV
3IC501 0 (JX) (PLAYBACK mode)
100 mV/DIV, 1 µs/DIV
4IC501 qa (JY) (PLAYBACK mode)
100 mV/DIV, 1 µs/DIV
5IC501 1 (TE) (PLAYBACK mode)
20 mV/DIV, 500 ns/DIV
6IC501 ed (RF OUT) (PLAYBACK mode)
500 mV/DIV, 500 ns/DIV
7IC501 rs (FE) (PLAYBACK mode)
10 mV/DIV, 500 ns/DIV
8IC601 4 (CLK)
500 mV/DIV, 2 µs/DIV
9IC801 wg (OSCO)
200 mV/DIV, 10 ns/DIV
0IC801 ej (RFI) (PLAYBACK mode)
500 mV/DIV, 500 ns/DIV
qa IC801 rj (FE) (PLAYBACK mode)
10 mV/DIV, 500 ns/DIV
qs IC801 th (TE) (PLAYBACK mode)
20 mV/DIV, 500 ns/DIV
qd IC801 yl (LRCK)
1 V/DIV, 10 µs/DIV
qf IC801 u; (XBCK)
1 V/DIV, 200 ns/DIV
qg IC801 ua (FS256)
1 V/DIV, 50 ns/DIV
qh IC801 ih (FS4)
500 mV/DIV, 2 µs/DIV
qj IC301 w; (LRCK)
1 V/DIV, 10 µs/DIV
qk IC301 ql (MCLK)
1 V/DIV, 50 ns/DIV
ql IC301 qj (BCLK)
1 V/DIV, 200 ns/DIV
w; IC901 th (CLK)
500 mV/DIV, 2 µs/DIV
1 Vp-p
22.1 ns

MZ-R900
29
29 29
2929 29
7
4
56
52
54
55
1
2
3
5
20
86
169
236
235
234
17
18
19
6
10
49
24
25
39
44
38
42
40
41
35
22
23
26
46
47
50
28
32
34
11
14
10
15
22
16
19
20
51
54
55
21
8
9
26
49
47
46
45
43
44
56
50
48
33
36
45
18
19
16
12
10
9
27
53
+–
15
164
165
8
163
48
11
237
238
16
171
10
216
1
208
13
14
228
170
205
206
187
182
230
3
227
VB
HEADPHONE AMP (IC302),
MOTOR/COIL DRIVER (IC551)
B+
POWER CONTROL
IC901
SWITCHING
REGURATOR
SYSTEM
CONTROL
BANDGAP
REFERENCE
SERIES
PASS
REGULATOR
REGURATOR
STEP-UP
DC/DC
CONVERTER
STEP-UP
PRE DRIVER
&
PWM
D902
D903
L902
L905
VG
MOTOR/COIL
DRIVER (IC551)
B+
VL
VL
VG
LG
VC2
VC
VC
VOUT
L1
L1
VB
L2
L2
RF2
VB
VC
VRMC
XWK3
CLK
CLK SEL
FFCLR
SLEEP
VLON
XWK1
XWK2
XWK4
VAIFON
VSTB
VLO
VREF
DTC2
DTC1
VDFB
VIFFB
VIF
VAFB
VA
VCO
INM2
INM1
RF2
RF1
XRST
CRST DTC1
VD
D904
L801
L904
VSTB
SYSTEM CONTROLLER (IC801)
B+
SYSTEM CONTROLLER
IC801 (3/3)
RMC KEY
(Page 28)
(Page 27)
(Page 27)
(Page 28)
CLK
VRFF
SDO0, SDI0, SCK0
VL
LASER APC CIRCUIT
B+
VD
SYSTEM CONTROLLER (IC801)
B+
VIF
A/D, D/A CONVERTER (IC301),
SYSTEM CONTROLLER (IC801),
EEPROM (IC804)
B+
VA
A/D, D/A CONVERTER (IC301),
SYSTEM CONTROLLRE (IC801)
B+
VC
MIC AMP (IC303),
RF AMP (IC501),
MOTOR/COIL DRIVER (IC551),
REMOTE CONTROL CIRCUIT
B+
RMC KEY
FS4
CLK SEL
FFCLR
SLEEP
VLON
WK DET
REC KEY
HALF LOCK SW
VL MON
OPEN
S805
CS RTC
VIF B+
VB B+
XCS LCD
LCD STB
LCD RST AUX
F
D
E
G
LCD
DRIVER
&
REAL TIME
CLOCK
LCD
SDO0
SDI0
SCK0
SD0
SI0
SCK
RST
STB
CS
CS RTC
REC
PAUSE
REC LED
SE1 KEY 1
SE1 KEY 2
DVDD
BACKUP
UNREG
XWK1
REC
T MARK
REC MODE
END SEATCH
+ –
HOLD
S801
OFF
HOLD
SYNCHRO REC
S802
ON
OFF
–– VOL
REC
X
x
+
,
,
,
,,
(JOG LEVER L/R)
VIF B+
VB B+
SWITCH & LCD MUDULE UNIT
SL801
(TEST)
S803
PROTECT
DETECT
S804
BATTERY IN
DETECT
S806
OPEN/CLOSE
DETECT
SYNC REC
OPEN CLOSE SW
XGUM ON
PROTECT
XTEST
AUXI
CHG MON
CHG GAIN
CHG
HIDC MON
GND SW
VB MON
PAUSE KEY
REC LED
SET KEY1
SET KEY2
XHOLD SW
VIF B+
VB B+
VL PWM
VC PWM
XRST
VREC PWM
RESET
SWITCH
Q801
NOISE
FILTER
NOISE
FILTER
NOISE
FILTER
L603
L602
VRECO
OVER WRITE
HEAD DRIVE
CIRCUIT
B+
SWITCH
SWITCHING
REGULATOR
RESET SIGNAL
GENERATOR
SWITCHING
REGULATOR
CHARGE
CONTROL
CHARGE
MONITOR
POWER
CONTROL
IC601 (2/2)
STEP-UP DOWN
PRE DRIVER
&
PWM
STEP-UP
PRE DRIVER
&
PWM
BATTERY
CHARGER
&
REGULATOR
SYSTEM
CONTROL
(2/2)
VRECO1
VRECO2
VREC
INM1
RF1
CHGMON
GAIN
CHG
L1 1
L1 2
DW BT
DW TP
VIO
VC2
VC
RF2
INM2
INP2
RS
CHG SW
VB
BATM
DREG
DCIN
VIF
B+
D605
VC B+
VIF B+
L601
L901
D901
L903
D603
B+ SWITCH
Q603
CHARGE
CONTROL
Q602 (2/2)
CHARGE
CONTROL
Q602 (1/2)
LINE
FILTER
T601
CHARGE
RECHARGEABLE
BATTERY
(NICKEL-METAL)
NH-14WM
1.2V 1400mAh
–+
DC IN 3V
J601
GROUND
LINE
SWITCHING
Q601
THP601
(BATTERY CASE)
DRY BATTERY
SIZE “AA”
IEC DESIGNATION
R6
1PC. 1.5V
REGULATOR
SWITCH
6-3. BLOCK DIAGRAM – KEY CONTROL/DISPLAY/POWER SUPPLY Section –
1 Vp-p
5.68
µ
s
2.5 Vp-p
352 ns
2.5 Vp-p
88.5 ns
2.5 Vp-p
22.8
µ
s
1 Vp-p
5.68
µ
s
2.5 Vp-p
88.5 ns
Approx.
1.3 Vp-p
Approx.
35 mVp-p
2.5 Vp-p
352 ns
Approx.
200 mVp-p
2.5 Vp-p
22.8
µ
s
1 Vp-p
5.68
µ
s
Approx.
200 mVp-p
Approx.
35 mVp-p
Approx.
20 mVp-p
Approx.
200 mVp-p
Approx.
20 mVp-p
Approx.
1.3 Vp-p
Approx.
200 mVp-p
• Waveforms
1IC501 8 (IY) (PLAYBACK mode)
100 mV/DIV, 1 µs/DIV
2IC501 9 (IX) (PLAYBACK mode)
100 mV/DIV, 1 µs/DIV
3IC501 0 (JX) (PLAYBACK mode)
100 mV/DIV, 1 µs/DIV
4IC501 qa (JY) (PLAYBACK mode)
100 mV/DIV, 1 µs/DIV
5IC501 1 (TE) (PLAYBACK mode)
20 mV/DIV, 500 ns/DIV
6IC501 ed (RF OUT) (PLAYBACK mode)
500 mV/DIV, 500 ns/DIV
7IC501 rs (FE) (PLAYBACK mode)
10 mV/DIV, 500 ns/DIV
8IC601 4 (CLK)
500 mV/DIV, 2 µs/DIV
9IC801 wg (OSCO)
200 mV/DIV, 10 ns/DIV
0IC801 ej (RFI) (PLAYBACK mode)
500 mV/DIV, 500 ns/DIV
qa IC801 rj (FE) (PLAYBACK mode)
10 mV/DIV, 500 ns/DIV
qs IC801 th (TE) (PLAYBACK mode)
20 mV/DIV, 500 ns/DIV
qd IC801 yl (LRCK)
1 V/DIV, 10 µs/DIV
qf IC801 u; (XBCK)
1 V/DIV, 200 ns/DIV
qg IC801 ua (FS256)
1 V/DIV, 50 ns/DIV
qh IC801 ih (FS4)
500 mV/DIV, 2 µs/DIV
qj IC301 w; (LRCK)
1 V/DIV, 10 µs/DIV
qk IC301 ql (MCLK)
1 V/DIV, 50 ns/DIV
ql IC301 qj (BCLK)
1 V/DIV, 200 ns/DIV
w; IC901 th (CLK)
500 mV/DIV, 2 µs/DIV
1 Vp-p
22.1 ns

MZ-R900
30
30 30
30
30
30
R831
C808
C807
R806
C804
R807
C835
R619
R607
C834
C613
C619
R610
R606
C629
C630
R809
R808
C802
C812
C818
R817
C814
R814
R845
R840
R838
R812
R810
R802
R803
R801
C621
R613
R837
R839
C806
R828
C819
R829
C820
C833
R804
C805
R833
R835
C803
R805
C823
R830
C522 C560
C552
C551
C512
C554
+
C553
+
C556
+
C555
+
C558
C559
C557
R604
R605
R917
R921 R908
R907
C307 C308
C334
+
L905
C332
+
C322
+
C113
+
C213
+
C310
+
C907
C311
+
C903
+
C104
+
C204
+
C309
+
C313
+
R308
C312
+
C831
+
C826
L554
L553
L903
L551
L904
D603
KA
Q602
L601
L901
L902
RB801
RB551 RB552
RB553
CN501
C625
+
IC805
C832
L552
S802
SYNCHRO REC
ON T OFF
S801
HOLD
HOLD T OFF
S803
PROTECT
DETECT
S805
OPEN
S804
BATTERY IN
DETECT
OPTICAL
PICK-UP BLOCK
(LCX-4R)
i / LINE OUT
J302
J301(1/2)
LINE IN
(OPT)
MAIN BOARD (COMPONENT SIDE)
1-679-610-
11
(11)
1
20
3
1
4
5
S806
(OPEN/CLOSE DETECT)
05
Q302
G
D
S
R318
R317
C211
R212
R211
C111
R111
C210
C314
C323
+
C116
C118
C117
R118
C318
C320 +
R218
C216
C217
C218
R201
R102
R101
C101
C112
C212
R112
C110
C340
C330
R302 R307
C203
C103
C201
C305 +
R319
C344
R310
L303
C316
+
C105 +
C205 +
C329 C106
R104
R105
C836
R103
R846
C206
R203
R205
C335
C338
FB306
FB305
FB304
FB303 FB302
FB301
R816
R815
R303
R301
R309
C303
+
C315
+
C304
L302
C925
C924
C923
C922
D303
AK
C906
R905
R910
C908
R813
R903
R915
C337
R811
C825
R204
Q801
C1
C2 B2
E
B1
F801
D904
KA
R902
C905
C921
R909
R941 D903
KA
C306
C302
L301
C904
+
D901
AK
C901 +
D602
AK
C601
R936
R947
C902
+
R948
R906
R901
R912
R949
C301
+
C914
R306
C336
R305
R304
C913
R920
D902
AK
C926
C915
C917
R911
C919
+
C920
+
R946
C911 +
C602 R602 C605
R603
C524
+
R519
R521
L502
L501
D605
AK
C837
R622
C633
C529
+
C521
C501
R501
R507
C503
C504
C518
+
C526 C505
C506
C507
C523
C530
C502
C561
R841
R517 R505
C508
C827
R844
C509
C510
C516
C515
C514
C532
C519
C511
C513
R832
R312
C604
R601
R825
C822
FB803 FB801 FB802
FB804
C811
C821
+
C817
C828
C829
R824
C815
+
C810
R822
C816
R823
R821
C612 +C611
+
R611 C614
C610
+
C618
C616
X801
C830
+
L801
C809
+
C813
C801
R608
C606 R608 C607
R621
R620
Q601
G
D
S
C631
+
D601
AK
C608
D607
AK
L603
L602
C603
+
C626
+
Q605
5
8
4
1
41
41
Q604
Q603
5
8
4
1
C623
+
C624
+
C609
+
IC601
*
IC801
IC501
144
22 23
IC551
IC301
IC901
IC302
D301
K
A/K
A
D302
IC303
1815 1015
CN801
D606
KA
D608
KA
C615
15 10 5 1
CN502
D801
KA
IC804 L802
B
C
E
Q803
B
C
E
Q501
SWITCH
&
LCD MODULE UNIT
MOTOR FLEXIBLE
BOARD
1-679-392- 11
MAIN BOARD (CONDUCTOR SIDE)
1-679-610- 11
(11)
J303
MIC
(PLUG IN POWER)
J301(2/2)
LINE IN
(OPT)
RECHARGEBLE
BATTERY
(NICKEL-METAL)
NH-14WM
1.2V 1400mAh
DRY BATTERY
SIZE “AA”
(IEC DESIGNATION R6)
1PC. 1.5V
TH601
DC IN 3V
–+
J601
56
43
15
28
114
4229
114
42 29
15
28
56
43
56
43
15
28
114
4229
28 22
814
1
7
21
15
16
13
5
8
129
14
5
8
4
1
14
129
5
8
16
13
24223923723633230
32234240
131437
1112241
51048
316
7229
9419
189596
22827
341521
381723
401628
262025
4224113
513031
453635
475044
534959
565455
615762
5860
68
63
81
137
65
70
135
67
77
133
74
79
131
66737684
80
83
130
91
87
92
129
143
94
88
128
103
97
104
127
98
101
105
243
119
99
112
114
102
120
117
100
121
69 71
116
111
122
64
115
110
123
78
93
109
124
75
72
108
86
85
107
82
90
145
106
89
159
164
118
147
157
125174170
126224172
132161180
134149182
136166181
138
154
153
151
142
139168165
141146140
163148152
183179185
193189191
205206207
156158232
169160144
171167150
231175178
195197187
23852
39412354346233229227190213200202225208210211209201203204155
218222219214198192186223217188220226162177
212194221196215184216176228173199
123 4 5 6 7 8 9 10 11 12 13 14 15 16 17 18 19 20 21 22
A
B
C
D
E
F
G
H
I
J
T601
SL801(TEST)
(CHASSIS)
(CHASSIS)
(CHASSIS)
(CHASSIS)
MD
MECHANISM
AP915
(VL)
AP914
(VC)
AP912
(GND)
1
4
8
5
(BATTERY CASE)
HR601
OVER WRITE
HEAD
85
14
TP
(–)
TP
(+)
EXECEPT
US, Canadian
6-4. PRINTED WIRING BOARDS
D301 H-13
D302 H-13
D303 F-13
D601 I-20
D602 I-15
D603 F-9
D605 I-16
D606 I-19
D607 H-21
D608 H-18
D801 D-18
D901 H-14
D902 F-15
D903 G-14
D904 G-14
IC301 E-15
IC302 G-13
IC303 E-13
IC501 G-18
IC551 E-17
IC601 H-21
IC801 E-20
IC804 D-19
IC805 E-6
IC901 G-15
Q302 D-14
Q501 F-17
Q601 I-20
Q602 G-9
Q603 I-20
Q604 H-19
Q605 H-18
Q801 I-14
Q803 H-14
• Semiconductor
Location
Ref. No. Location
Note on Schematic Diagram:
• All capacitors are in µF unless otherwise noted. pF: µµF
50 WV or less are not indicated except for electrolytics
and tantalums.
• All resistors are in Ω and 1/4 W or less unless otherwise
specified.
• % : indicates tolerance.
•C: panel designation.
•A: B+ Line.
• Total current is measured with MD installed.
• Power voltage is dc 3 V and fed with regulated dc power
supply from external power voltage jack.
• Voltages and waveforms are dc with respect to ground in
playback mode.
no mark : PLAYBACK
( ) : REC
∗: Impossible to measure
• Voltages are taken with a VOM (Input impedance 10 MΩ).
Voltage variations may be noted due to normal produc-
tion tolerances.
• Waveforms are taken with a oscilloscope.
Voltage variations may be noted due to normal produc-
tion tolerances.
• Circled numbers refer to waveforms.
• Signal path.
E: PLAYBACK
k: REC (ANALOG IN)
l: REC (DIGITAL IN)
• The voltage and waveform of CSP (chip size package)
cannot be measured, because its lead layout is different
form that of conventional IC.
*Replacement of IC801 used in this set requires a
special tool.
Note on Printed Wiring Board:
•X: parts extracted from the component side.
•Y: parts extracted from the conductor side.
•: Pattern from the side which enables seeing.
(The other layers' patterns are not indicated.)
Caution:
Pattern face side: Parts on the pattern face side seen from
(Conductor Side) the pattern face are indicated.
Parts face side: Parts on the parts face side seen from
(Component Side) the parts face are indicated.
• MAIN board is four-layer printed board.
However, the patterns of layers 2 and 3 have not been
included in this diagrams.
*Replacement of IC801 used in this set requires a
special tool.
• Lead Layouts
surfac
e
Lead layout of conventional IC CSP (chip size package)
Note:
The components identi-
fied by mark 0 or dotted
line with mark 0 are criti-
cal for safety.
Replace only with part
number specified.
Note:
Les composants identifiés par
une marque 0 sont critiques
pour la sécurité.
Ne les remplacer que par une
pièce portant le numéro
spécifié.

MZ-R900
32
32 32
32
32
32
2930313233343536373839404142
43
44
45
46
47
48
49
50
51
52
54
55
56
1
53
2 3 4 5 6 7 8 9 10 11 12 13 14
15
16
17
18
19
20
21
22
24
23
25
26
27
28
VB
BATM
CHGSW
RS
INP2
INM2
RF2
DCIN
CHGMON
SVREF
GAIN
CHG
DREG
GND
SW
RECON
OE
CLK
RI
FI
EFM
VIO
VC
V
RECO1
LI1
PGND1
PGND1
LI1
VRECO2
VREC
DTC
INP1
INM1
RF1
DW TP
DW BT
CVREF
GND
VREF
VC2
C1L
C1H
VG2
C2L
C2H
VG3
HA
PGND3
HB
VG
VRECIN
2
OUTB
PGND2
PGND2
OUTA
VRECIN1
OUTPUT SW
CONTROL
OUTPUT SW
CONTROL
PWM
SYSTEM
OUTPUT SW
CHARGE
CONTROL
DC IN
DETECT
DC IN
BANDGAP
HI-BRIDGE
PRE DRIVER
EFM
PRE DRIVER
CHARGE
PUMP 2
CHARGE
PUMP 1
VREF
BUFFER
SET-UP DOWN
PRE DRIVER
LEVEL
SHIFT
VC AMP
CHARGE
MONITOR
X2/X4
BATTERY
CHARGER
&
REGULATOR
VC VG DC IN
DC IN
DC IN
DC IN
DC IN
VIO
VIO VC
VC
VC
VC VC2
VC2 VG
VC
VG
VG2
SW
VGC
VG3
VG3VG2
VG
VC
VG3
42 41 40 39 38 36 35 34 33 32 31 30 2937
28
27
26
25
24
23
22
21
20
19
18
17
16
15
1413121110987654321
56
55
54
53
52
51
50
49
48
47
46
45
44
43
+
–
+
–
CLK
SLEEP
FFCLR
VAIFON
CLKSEL
GND
VB
VREF
RSTREF
CRST
XRST
VC2
VD
NC
P
GND2
P
GND2
L2
VL
VLO
VL
GND
VRMC
VSTB
XWK4
XWK3
XWK2
XWK1
VLON
L1
RF1
INM1
DTC1
DTC2
RF2
INM2
PWM1
PWM2
VG
LG
PGND2
L2
NC
VIF
VA
VAFB
VDFB
VIFFB
VC
VCO
VC
VC OUT
L1
NC
PGND1
PGND1
GND
SERIES PASS
REGULATOR VA
SERIES PASS
REGULATOR VD
POWER
SWITCH 2
STEP-UP
PRE DRIVER
STEP-UP
PRE DRIVER
POWER
SWITCH 1
OUTPUT
SW
PWM
START-UP
PWM
OUTPUT SW
SERIES PASS
REGULATOR VIF
BANDGAP
REFERENCE
OUTPUT SW
SYSTEM
CONTROL
STEP-UP
DC/DC
CONVERTER
OUTPUT
SW
OUTPUT SW
OUTPUT SW
VC VC VC
VC
VC
VC
VSTB
VSTB
VB
VG VG
VB VB VC VG
VG
VG
VC
VB
VG
VC
• IC Block Diagrams
IC301 AK4562VNS-L
IC302 AN7536FHNABV IC303 NJM2173APC1 (TE2)
IC501 SN761057DBT IC551 SC111257FCR2 IC601 XPC18A22FCR2
IC901 XPC18A32FCR2
8
9
10
11
12
13
14
28
27
26
25
24
23
22
1 2 3 4 5 6 7
15161719 182021
CLOCK
DIVIDER
AUDIO I/F
CONTROLLER
A/D CONVERTER
/HPF
D/A
CONVERTER
GAIN
AMP
GAIN
AMP
GAIN
AMP
GAIN
AMP
CONTROL
REGISTER
I/F
ROUT1
OPGAL
LOUT1
SSB
PDN
CSN
CCLK
SDTO
SDTI
BCLK
MCLK
TST
LRCK
CDTI
VCOM
AGND
VA
VREF
VD
DGND
VT
OPGAR
LOUT2
ROUT2
LIN1
RIN1
LIN2
RIN2
1
2
5
3
4
6 7 8
13141516
12
11
10
9
+
–
+
–
MUTE
RF1 RF2
BEEP
HEADPHONE
/LINE
SW
GA R
BEEP
MUT
E
HP/L
R IN
GND
L IN
RIP FI
CR
VCC1
RIP F2
VCC2
ROUT
GND
L OUT
GA L
9
8
7
6
5
101112
4321
13
14
15
16
AMP 1
AMP 2 GV
REG
REG
MIC V+1
IN1
DC CUT 1
GV
MIC V+2
IN2
D
C CUT 2
NOISE
GND
V+
STBY
OUT 1
NC
NC
OUT 2
1
TE
REXT
Wpp LPF
VREF
C
D
D-C
Iy
Ix
Jx
Jy
A
A-C
B
ADIP-IN
FE
ABCD
OFC-C1
OFC-C2
PS
LP
EQ
AGND
RF
CCSL2
VC
RESET
SCK
SBUS
VREF075
PEAK
BOTM
DGND
OFTRK
S-MON
TON-C
CIG
CDN
ADFG
DVDD
PD-NI
PD-I
PD-O
43
44
TWpp
PK/BTM
Aw
CSLO
VREF075
A-C
D-C
Malfa
Mij
AwBPF
Dw
DwBPF
42
39
AVCC
38
37
36
35
34
31
30
29
28
27
26
25
24
23
40
41
2
3
4
5
6
7
8
9
10
11
12
13
14
15
16
17
18
19
20
21
22
A+B+C+D
I+J
NPP
TON
CSL
Aw+Dw
TON Peak
TON Botm
ADIP
TE
TEMP
33
32
S-MONITOR
TE
RF
FE
APC
ADIP
T-ON
SERIAL
I/F
PEAK/BOTM
OF TRK
ABCD
Tpp/Wpp
43
PRE DRIVER
PRE DRIVER
+
–
48
47
44
45
46
49
50
51
+
–
52
+
–
53
54
55
56
1 2 3 4 5
42 41 39 373840
+
–
+
–
6
3PHASE
CONTROL
35 34 3336 31 30 2932
8 9 10712 13 14
15
11
H-BRIDGE
CONTROL
PRE DRIVER
H-BRIDGE
CONTROL
26
27
28
24
23
22
21
20
25
17
16
18
19
VC
VC
VG
VG
VC
VC VC
H-BRIDGE
CONTROL
H-BRIDGE
CONTROL
VC
VG
VC
VC
VC VG
PRE DRIVER PRE DRIVER
VC
VC
VG VC VG
BIAS
PGNDW
UO
PGNDUV
WO
VMVW
VO
VMU
GND2
CPWI
CPVI
CPUI
COM
CPWO
CPVO
CPUO
WI
VI
UI
PWM
OE
RO1
PGND1
FO1
VM1
RO2
PGND2
FO2
VM12
VM2
FI4
RI4
VM4
FI3
VG
VC
GND1
PWM24
RI3
FI2
RI2
RI1
FI1
CPAIP
CPAIM
CPBIM
CPBO
CPAO
CPBIP
RO3
PGND3
FO3
VM3
RO4
PGND4
FO4
VM34

MZ-R900
32
32 32
32
32
32
2930313233343536373839404142
43
44
45
46
47
48
49
50
51
52
54
55
56
1
53
2 3 4 5 6 7 8 9 10 11 12 13 14
15
16
17
18
19
20
21
22
24
23
25
26
27
28
VB
BATM
CHGSW
RS
INP2
INM2
RF2
DCIN
CHGMON
SVREF
GAIN
CHG
DREG
GND
SW
RECON
OE
CLK
RI
FI
EFM
VIO
VC
V
RECO1
LI1
PGND1
PGND1
LI1
VRECO2
VREC
DTC
INP1
INM1
RF1
DW TP
DW BT
CVREF
GND
VREF
VC2
C1L
C1H
VG2
C2L
C2H
VG3
HA
PGND3
HB
VG
VRECIN
2
OUTB
PGND2
PGND2
OUTA
VRECIN1
OUTPUT SW
CONTROL
OUTPUT SW
CONTROL
PWM
SYSTEM
OUTPUT SW
CHARGE
CONTROL
DC IN
DETECT
DC IN
BANDGAP
HI-BRIDGE
PRE DRIVER
EFM
PRE DRIVER
CHARGE
PUMP 2
CHARGE
PUMP 1
VREF
BUFFER
SET-UP DOWN
PRE DRIVER
LEVEL
SHIFT
VC AMP
CHARGE
MONITOR
X2/X4
BATTERY
CHARGER
&
REGULATOR
VC VG DC IN
DC IN
DC IN
DC IN
DC IN
VIO
VIO VC
VC
VC
VC VC2
VC2 VG
VC
VG
VG2
SW
VGC
VG3
VG3VG2
VG
VC
VG3
42 41 40 39 38 36 35 34 33 32 31 30 2937
28
27
26
25
24
23
22
21
20
19
18
17
16
15
1413121110987654321
56
55
54
53
52
51
50
49
48
47
46
45
44
43
+
–
+
–
CLK
SLEEP
FFCLR
VAIFON
CLKSEL
GND
VB
VREF
RSTREF
CRST
XRST
VC2
VD
NC
P
GND2
P
GND2
L2
VL
VLO
VL
GND
VRMC
VSTB
XWK4
XWK3
XWK2
XWK1
VLON
L1
RF1
INM1
DTC1
DTC2
RF2
INM2
PWM1
PWM2
VG
LG
PGND2
L2
NC
VIF
VA
VAFB
VDFB
VIFFB
VC
VCO
VC
VC OUT
L1
NC
PGND1
PGND1
GND
SERIES PASS
REGULATOR VA
SERIES PASS
REGULATOR VD
POWER
SWITCH 2
STEP-UP
PRE DRIVER
STEP-UP
PRE DRIVER
POWER
SWITCH 1
OUTPUT
SW
PWM
START-UP
PWM
OUTPUT SW
SERIES PASS
REGULATOR VIF
BANDGAP
REFERENCE
OUTPUT SW
SYSTEM
CONTROL
STEP-UP
DC/DC
CONVERTER
OUTPUT
SW
OUTPUT SW
OUTPUT SW
VC VC VC
VC
VC
VC
VSTB
VSTB
VB
VG VG
VB VB VC VG
VG
VG
VC
VB
VG
VC
• IC Block Diagrams
IC301 AK4562VNS-L
IC302 AN7536FHNABV IC303 NJM2173APC1 (TE2)
IC501 SN761057DBT IC551 SC111257FCR2 IC601 XPC18A22FCR2
IC901 XPC18A32FCR2
8
9
10
11
12
13
14
28
27
26
25
24
23
22
1 2 3 4 5 6 7
15161719 182021
CLOCK
DIVIDER
AUDIO I/F
CONTROLLER
A/D CONVERTER
/HPF
D/A
CONVERTER
GAIN
AMP
GAIN
AMP
GAIN
AMP
GAIN
AMP
CONTROL
REGISTER
I/F
ROUT1
OPGAL
LOUT1
SSB
PDN
CSN
CCLK
SDTO
SDTI
BCLK
MCLK
TST
LRCK
CDTI
VCOM
AGND
VA
VREF
VD
DGND
VT
OPGAR
LOUT2
ROUT2
LIN1
RIN1
LIN2
RIN2
1
2
5
3
4
6 7 8
13141516
12
11
10
9
+
–
+
–
MUTE
RF1 RF2
BEEP
HEADPHONE
/LINE
SW
GA R
BEEP
MUT
E
HP/L
R IN
GND
L IN
RIP FI
CR
VCC1
RIP F2
VCC2
ROUT
GND
L OUT
GA L
9
8
7
6
5
101112
4321
13
14
15
16
AMP 1
AMP 2 GV
REG
REG
MIC V+1
IN1
DC CUT 1
GV
MIC V+2
IN2
D
C CUT 2
NOISE
GND
V+
STBY
OUT 1
NC
NC
OUT 2
1
TE
REXT
Wpp LPF
VREF
C
D
D-C
Iy
Ix
Jx
Jy
A
A-C
B
ADIP-IN
FE
ABCD
OFC-C1
OFC-C2
PS
LP
EQ
AGND
RF
CCSL2
VC
RESET
SCK
SBUS
VREF075
PEAK
BOTM
DGND
OFTRK
S-MON
TON-C
CIG
CDN
ADFG
DVDD
PD-NI
PD-I
PD-O
43
44
TWpp
PK/BTM
Aw
CSLO
VREF075
A-C
D-C
Malfa
Mij
AwBPF
Dw
DwBPF
42
39
AVCC
38
37
36
35
34
31
30
29
28
27
26
25
24
23
40
41
2
3
4
5
6
7
8
9
10
11
12
13
14
15
16
17
18
19
20
21
22
A+B+C+D
I+J
NPP
TON
CSL
Aw+Dw
TON Peak
TON Botm
ADIP
TE
TEMP
33
32
S-MONITOR
TE
RF
FE
APC
ADIP
T-ON
SERIAL
I/F
PEAK/BOTM
OF TRK
ABCD
Tpp/Wpp
43
PRE DRIVER
PRE DRIVER
+
–
48
47
44
45
46
49
50
51
+
–
52
+
–
53
54
55
56
1 2 3 4 5
42 41 39 373840
+
–
+
–
6
3PHASE
CONTROL
35 34 3336 31 30 2932
8 9 10712 13 14
15
11
H-BRIDGE
CONTROL
PRE DRIVER
H-BRIDGE
CONTROL
26
27
28
24
23
22
21
20
25
17
16
18
19
VC
VC
VG
VG
VC
VC VC
H-BRIDGE
CONTROL
H-BRIDGE
CONTROL
VC
VG
VC
VC
VC VG
PRE DRIVER PRE DRIVER
VC
VC
VG VC VG
BIAS
PGNDW
UO
PGNDUV
WO
VMVW
VO
VMU
GND2
CPWI
CPVI
CPUI
COM
CPWO
CPVO
CPUO
WI
VI
UI
PWM
OE
RO1
PGND1
FO1
VM1
RO2
PGND2
FO2
VM12
VM2
FI4
RI4
VM4
FI3
VG
VC
GND1
PWM24
RI3
FI2
RI2
RI1
FI1
CPAIP
CPAIM
CPBIM
CPBO
CPAO
CPBIP
RO3
PGND3
FO3
VM3
RO4
PGND4
FO4
VM34

33
MZ-R900
6-6. IC PIN FUNCTION DESCRIPTION
• IC501 SN761057DBT (RF AMP, FOCUS/TRACKING ERROR AMP)
Pin No. Pin Name I/O Description
1 TE O Tracking error signal output to the system controller (IC801)
2 REXT — Connect terminal to the external resistor for ADIP amp control
3 WPPLPF —Connect terminal to the external capacitor for TPP/WPP low-pass filter
4 VREF11 O Reference voltage output terminal (+1V)
5 C I Signal (C) input from the optical pickup detector
6 D I Signal (D) input from the optical pickup detector
7 D-C I Signal (D) input from the optical pickup detector (AC input)
8 IY I I-V converted RF signal (IY) input from the optical pickup detector
9 IX I I-V converted RF signal (IX) input from the optical pickup detector
10 JX I I-V converted RF signal (JX) input from the optical pickup detector
11 JY I I-V converted RF signal (JY) input from the optical pickup detector
12 A I Signal (A) input from the optical pickup detector
13 A-C I Signal (A) input from the optical pickup detector (AC input)
14 B I Signal (B) input from the optical pickup detector
15 TON-C —Connect terminal to the external capacitor for TON hold
16 CIG —Connect terminal to the external capacitor for the low-pass filter of NPP divider
denominator
17 CDN —Connect terminal to the external capacitor for the low-pass filter of CSL divider
denominator
18 PD-NI I Light amount monitor input terminal (non-invert input)
19 PD-I I Light amount monitor input terminal (invert input)
20 PD-O O Light amount monitor output terminal
21 ADFG O ADIP duplex FM signal (22.05kHz ± 1kHz) output to the system controller (IC801)
22 DVDD —Power supply terminal (+2.3V) (digital system)
23 SBUS I/O SSB serial data input/output with the system controller (IC801)
24 SCK I SSB serial clock signal input from the system controller (IC801)
25 RESET I Reset signal input from the system controller (IC801) “L”: reset
26 OFTRK I Off track signal input from the system controller (IC801)
27 DGND —Ground terminal (digital system)
28 BOTM O Bottom hold signal output of the light amount signal (RF/ABCD) to the system controller
(IC 801)
29 PEAK O Peak hold signal output of the light amount signal (RF/ABCD) to the system controller
(IC 801)
30 VREF075 —Connect terminal to the external capacitor for the internal reference voltage
31 VC O Middle point voltage (+1.2V) generation output terminal
32 CCSL2 —Connect terminal to the external capacitor for TPP/WPP low-pass filter
33 RF OUT O Playback EFM RF signal output to the system controller (IC801)
34 AGND —Ground terminal (analog system)
35~37 EQ, LP, PS —Connect terminal to the external capacitor for the RF equalizer
38 AGND —Power supply terminal (analog system) (+2.3V)
39, 40 OFC2, OFC-1 —Connect terminal to the external capacitor for RF AC coupling
41 ABCD O Light amount signal (ABCD) output to the system controller (IC801)
42 FE O Focus error signal output to the system controller (IC801)
43 S-MON O Servo signal monitor output to the system controller (IC801)
44 ADIP-IN I ADIP duplex FM signal (22.05kHz ± 1kHz) input terminal (not used in this set)

34
MZ-R900
• IC801 CXD2671-202GA (SYSTEM CONTROLLER, DIGITAL SIGNAL PROCESSOR, 16M BIT D-RAM)
Pin No. Pin Name I/O Description
1PAUSE KEY ISet key input terminal (X key input)
2MIC SENSE OControl signal output to the microphone amp (IC303) “H”: HIGH, “L”: LOW,
normally: “H”
3XTEST IInput terminal for the test mode set up “L”: test mode (normally fixed at “H”)
4, 5 NC ONot used (open)
6MCUVDD0 —Power supply terminal (for microcomputer block) (+1.5V)
7MIFVSS3 —Ground terminal (for microcomputer I/F)
8XRST ISystem reset signal input terminal from the power control (IC901) “L”: reset
9S MON IServo signal monitor input terminal (A/D input) from RF amp (IC501)
10 VB MON IVoltage monitor input terminal of UNREG power supply (A/D input)
11 CHG MON ICharge voltage monitor input terminal (A/D input) from XPC18A22FCR2 (IC601)
12 VREF MON I Clear reference voltage input terminal (A/D input) from RF amp (IC501)
13, 14 SET KEY 1,
SET KEY 2 I Set key input terminal (A/D input)
15 VL MON I VL voltage monitor input terminal (A/D input)
16 HIDC MON IHIGH DC voltage monitor input terminal (A/D input)
17 WK DET ISet key start switching detection signal input terminal (A/D input)
18 REC KEY IREC key input terminal (A/D input)
19 HALF LOCK
SW IOpen button detection switch (S805) input terminal (A/D input) “L”: when normal position,
“H”: when locked
20 RMC KEY IKey input terminal (A/D input) of the remote commander attached headphone
21 AVDD —Power supply terminal (for the analog circuit block) (+2.8V)
22 AVSS —Ground terminal (for the analog circuit block)
23 VDIOSC —Power supply terminal (for OSC cell) (+2.4V)
24 OSCI ISystem clock (45.1584MHz) input terminal
25 OSCO OSystem clock (45.1584MHz) output terminal
26 VSIOSC —Ground terminal (for OSC cell)
27 DAVDD —Power supply terminal (for the built-in D/A converter) (+2.4V)
28 VREFL I Reference voltage input terminal (for the internal D/A converter L-CH)
29 AOUTL OBuilt-in D/A converter (L-CH) output terminal Not used (open)
30 AOUTR OBuilt-in D/A converter (R-CH) output terminal Not used (open)
31 VREFR IReference voltage input terminal (for the built-in D/A converter R-CH)
32 DAVSS —Ground terminal (for the built-in D/A converter)
33 ASYO OPlayback EFM duplex signal output terminal
34 ASYI I Playback EFM comparison slice level input terminal
35 AVD1 —Ground terminal (for the analog) (+2.4V)
36 BIAS IBias input for the playback EFM comparison
37 RFI IPlayback EFM RF signal input from RF amp (IC501)
38 AVS1 —Ground terminal (for the analog)
39 PCO O Phase comparison output for the master clock of playback EFM system master PLL
40 PDO OPhase comparison output for the analog PLL Not used (open)
41 FILI IFilter input for the master clock of the playback EFM system master PLL
42 FILO O Filter output for the master clock of the playback EFM system master PLL
43 CLTV I Internal VCO control voltage input for the playback EFM system master PLL
44 PEAK IPeak hold signal input of the light amount signal (RF/ABCD) from RF amp (IC501)
45 BOTM IBottom hold signal input of the light amount signal (RF/ABCD) from RF amp (IC501)
46 ABCD I Light amount signal (ABCD) input from RF amp (IC501)

35
MZ-R900
Pin No.
Pin Name I/O Description
47 FE I Focus error signal input from RF amp (IC501)
48 AUX1 I Support signal (I
3
signal/temperature signal) input terminal (A/D input)
49 VC I Middle point voltage (+1.2V) input terminal
50 ADIO O Monitor output of A/D converter input signal Not used (open)
51 ADRT I A/D converter the upper limit voltage input (fixed at “H” in this set)
52
AVD2 —Power supply terminal (for the analog) (+2.4V)
53
AVS2 —Ground terminal (for the analog)
54
ADRB IA/D converter the lower limit voltage input (fixed at “L” in this set)
55
SE ISled error signal input terminal Not used ( fixed at “L”)
56
TE ITracking error signal input from RF amp (IC501)
57
DCHG —Connecting analog power supply of the low impedance (fixed at “H” in this set)
58
APC IError signal input for the laser automatic power control Not used (fixed at “H”)
59
DSPVDD0 —Power supply terminal (for DSP block) (+1.5V)
60
DSPVSS0 —Ground terminal (for DSP block)
61
XTSL IInput terminal for the frequency set up of the system clock “L”: 45.1584MHz,
“H”: 22.5792MHz (fixed at “L” in this set)
62
DIN1 IInput terminal of the record system digital audio signal
63
DOUT OOutput terminal of the playback system digital audio signal Not used (open)
64
DAPWMLP O D/A converter PWM output (L-CH right phase) Not used (open)
65
DAPWMLN OD/A converter PWM output (L-CH reverse phase) Not used (open)
66
DAPWMRP O D/A converter PWM output (R-CH right phase) Not used (open)
67
DADT O Audio data output to the external A/D, D/A converter (IC301)
68
ADDT IData signal input from the external A/D, D/A converter (IC301)
69
LRCK O L/R sampling block signal (44.1KHz) output to the external A/D, D/A converter (IC301)
70
XBCK O Bit clock signal (2.8224MHz) output to the external A/D, D/A converter (IC301)
71
FS256 O11.2896MHz clock signal output to the external A/D, D/A converter (IC301)
72
MVCI IVibrate input for the digital in PLL from the external VCO Not used (fixed at “L”)
73
DSPVDD1 —Power supply terminal (for DSP block) (+1.5V)
74
ADFG IADIP duplex FM signal (20.05±1KHz) input from RF amp (IC501)
75
F0CNT OFilter cut off control signal output Not used
76
DIFVDD0 —Power supply terminal (for DSP I/F) (+2.3V)
77
DIFVSS0 —Ground terminal (for DSP I/F)
78
APCREF O Control signal output to the reference voltage generation circuit for the laser automatic power
control
79
LDDR O PWM signal output for the laser automatic power control Not used (open)
80
TRDR O Tracking servo drive PWM signal output (–) to the motor driver (IC551)
81
TFDR O Tracking servo drive PWM signal output (+) to the motor driver (IC551)
82
FFDR O Focus servo drive PWM signal output (+) to the motor driver (IC551)
83
FRDR O Focus servo drive PWM signal output (–) to the motor driver (IC551)
84
MCUVDD1 —Power supply terminal (for the microcomputer block) (+1.5V)
85
FGIN I FG signal input terminal for the spindle servo Not used (open)
86
FS4 O 176.4MHz clock signal output to the power control (IC601, IC901)
87
SPRD/SPDU/
RTG0 O Spindle servo drive PWM signal output terminal (–) to the motor driver (IC551)
88
SPFD/SPVS/
PWM3 O Spindle servo drive PWM signal output (+)
89
SPDV/RTG1 O Spindle motor drive control signal output (V)/RTG output 1 to the motor driver (IC551)
90
SPDW/RTG2 O Spindle motor drive control signal output (W)/RTG output 2 to the motor driver (IC551)

36
MZ-R900
Pin No. Pin Name I/O Description
91 DSPVDD2 —Power supply terminal (for DSP block) (+1.5V)
92 DSPVSS1 —Ground terminal (for DSP block)
93 SPCU I Spindle motor drive comparison signal input (U) from the motor driver (IC551)
94 SPCV I Spindle motor drive comparison signal input (V) from the motor driver (IC551)
95 SPCW I Spindle motor drive comparison signal input (W) from the motor driver (IC551)
96 SRDR O Sled servo drive PWM signal output (–) to the motor driver (IC551)
97 SFDR O Sled servo drive PWM signal output (+) to the motor driver (IC551)
98 SLDV O Sled motor drive signal output (V) to the motor driver (IC551)/ drive control signal
output (1–)
99 SLDW O Sled motor drive signal output (W) to the motor driver (IC551)/ drive control signal
output (2+)
100 SLCU I Spindle motor drive comparison signal input (U) from the motor driver (IC551)
101 SLCV I Spindle motor drive comparison signal input (V) from the motor driver (IC551)
102 SLCW I Spindle motor drive comparison signal input (W) from the motor driver (IC551)
103 DIFVDD1 —Power supply terminal (for DSP I/F) (+2.3V)
104 DIFVSS1 —Ground terminal (for DSP I/F)
105 EFMO O EFM encode data output for the record to the over write head drive (IC601)
106 MNT0 O Internal DSP monitor output (0) terminal Not used (open)
107 MNT1 O Internal DSP monitor output (1) terminal Not used (open)
108 MNT2 O Internal DSP monitor output (2) terminal Not used (open)
109 MNT3 O Internal DSP monitor output (3) terminal Not used (open)
110 SENSE O Internal DSP (SENS) monitor output terminal Not used (open)
111 TX O Record data output enable signal output monitor terminal of the internal DSP
Not used (open)
112 RECP O Laser power changeover signal output monitor terminal Not used (open)
113 DSPVDD3 —Power supply terminal (for DSP block) (+1.5V)
114 to
117 NC O Output terminal for the external D-RAM Not used (open)
118 DRAMVSS0 —Ground terminal (for the external D-RAM)
119 DRAMVDD0 —Power supply terminal (for the external D-RAM) (+2.4V)
120 to
138 NC O Output terminal for the external D-RAM Not used (open)
139 DRAMVDD1 —Power supply terminal (for the external D-RAM) (+2.4V)
140 DRAMVSS1 —Ground terminal (for the external D-RAM)
141 TSB MST VDD —Power supply terminal (for TSB master communication) (+2.8V)
142 RMC DTCK I/O TSB serial data input/output with the remote commander attached headphone
143 TSB SLV VDD —Power supply terminal (for I/F to TSB slave communication) (+2.3V)
144 TSB SLVI I TSB slave signal input from the remote commander attached headphone
145 TSB SLVO O TSB slave signal output from the remote commander attached headphone
146 TDI I Data input terminal for JTAG Not used (open)
147 TMS I Test mode control input terminal for JTAG Not used (open)
148 TCK I Clock input terminal for JTAG Not used (open)
149 XTRST I Reset input terminal for JTAG Not used (open)
150 TDO O Data output terminal for JTAG Not used (open)
151 JTAGVDD —Power supply terminal (for JTAG) (+2.4V)
152 JTAGVSS —Ground terminal (for JTAG)
153 MCUVDD2 —Power supply terminal (for the microcomputer block) (+1.5V)
154 MIFVDD0 —Power supply terminal (for the microcomputer I/F block) (+2.3V)
155 MIFVSS0 —Ground terminal (for the microcomputer I/F block)

37
MZ-R900
Pin No.
Pin Name I/O Description
156, 157 TEST1, TEST0 I Input terminal for the main test (normally fixed at “L”)
158 EVA I EVA/FLASH chip discrimination terminal “L”: FLASH chip, “H”: EVA chip
159 NC O Not used (open)
160 SSB DATA I/O Input/output of SSB serial data with RF amp (IC501)
161 SSB CLK O SSB serial clock output to RF amp (IC501)
162 MCUVSS0 —Ground terminal (for the microcomputer block)
163 VREC PWM O Over write head control spare terminal Not used (open)
164 VL PWM I PWM for the laser automatic power supply voltage control signal output to the power control
(IC901)
165 VC PWM I PWM signal output for the system power supply voltage control to the power control (IC901)
166 SPDL AUX
PWM O PWM signal output for the spindle support to the motor driver (IC551)
167, 168 NC O Not used (open)
169 CLK SEL O System clock select signal output to the power control (IC901)
170 OPEN CLOSE
SW IOpen/close detection switch (S806) of the upper panel input terminal (A/D input)
“L”: when upper panel close
171 GND SW O Control signal output to the ground (GND) changeover switch
172 SET CODE0 O Input terminal for the set (fixed at “L” except for US/Canadian)
173 SET CODE1 O Input terminal for the set (open in this set)
174, 175 SET CODE2, 3 O Input terminal for the set (fixed at “L” in this set)
176 MIFVDD1 —Power supply terminal (for the microcomputer I/F block) (+2.3V)
177 MIFVSS1 —Ground terminal (for the microcomputer I/F block)
178 AOUT SEL O HP/LINE changeover signal output to the headphone amp (IC302)
179 SI0 I Serial data input from the nonvolatile memory (IC804) and liquid crystal display element
module
180 SO0 O Serial data output to the nonvolatile memory (IC804), A/D, D/A converter (IC301) and
liquid crystal display element module
181 SCK0 O Serial clock signal output to the nonvolatile memory (IC804), A/D, D/A converter (IC301)
and liquid crystal display element module
182 XGUM ON I Battery pack detection switch (S804) input terminal for the charge “L”: there is battery pack
for the charge
183 BEEP O Beep sound control signal output to the headphone amp (IC302)
184 NC O Not used (open)
185 VD SEL O VD power supply changeover signal output terminal Not used (open)
186 XMUTE O Analog muting control signal output terminal to the headphone amp (IC302)
“L”: muting ON
187 LCD RST AUX O Reset control signal output terminal to the liquid crystal display element “L”: reset
188, 189 NC O Not used (open)
190 XPATCH I Patch function detection input terminal “L”: patch function Not used (open)
191 OPT DET I DIN plug detection signal input terminal
192 XJACK DET I LINE IN plug detection signal input terminal
193 XMIC DET I Microphone plug detection signal input terminal
194, 195 PD S0, PD S1 O PD IC mode changeover signal output to the optical pick up
196 MIFVDD2 —Power supply terminal (for the microcomputer I/F block) (+2.3V)
197 to
199 MODE1 to 3 O Power supply control signal output (for the over write head drive) to the over write head
drive (IC601)
200, 201 HD CON 1, 2 O Over write head control signal output to the over write head drive (IC601)
202 REC WBL SW O LPF changeover switch input terminal when REC/PB control Not used (open)
203 XCS ADA O Chip select signal output to A/D, D/A converter (IC301)

38
MZ-R900
Pin No. Pin Name I/O Description
204 XPD ADA O Power supply control signal output for the drive to A/D, D/A converter (IC301)
205 XCS LCD O Chip select signal output to the liquid crystal display element
206 LCD STB O Strobe signal output to the liquid crystal display element
207 LCD RST O Reset control signal output to the liquid crystal display element Not used (open)
208 REC LED O LED ON/OFF control signal output for REC display
209 LD ON O ON/OFF control signal output terminal of the laser diode Not used (open)
210 TSB SLV CHK I TSB slave detection signal input terminal
211, 212 NC I Not used (open)
213 MCUVSS1 —Ground terminal (for the microcomputer block)
214 CAV CLV SW O CAV/CLV changeover control signal output Not used (open)
215 XOPT CTL O Power supply ON/OFF control signal output for DIN PD drive
216 CS RTC O Chip select signal output to the clock IC
217 OFTRK I Off track signal input from RF amp (IC501)
218 NC O Analog muting control signal output “H”: muting ON Not used (open)
219 XCS NV O Chip select signal output to EEPROM (IC804)
220 XRST MTR
DRV O Reset control signal output to the motor driver (IC551)
221 XRF RST O Reset control signal output to RF amp (IC501)
222 MCUVDD3 —Power supply terminal (for the microcomputer block) (+1.5V)
223 SPDL MON I Spindle servo monitor signal input from the motor driver (IC551)
224 to
226 NC I Not used (open)
227 XHOLD SW I HOLD switch (S801) input terminal “L”: hold ON, “H”: hold OFF
228 SYNC REC I SYNCHRO REC switch (S802) input terminal “L”: OFF, “H”: ON
229 NC O Not used (open)
230 PROTECT I Detection input terminal of the record check claw from the protect detection switch (S803)
“L”: recording possible condition, “H”: protect
231 FLASHVDD —Power supply terminal (for the internal FLASH ROM) (+2.4V)
232 FLASHVSS —Ground terminal (for the internal FLASH ROM)
233 SLD MON I Sled servo monitor signal input from the motor driver (IC551)
234 VLON O Power supply control signal output for the laser diode drive to the power control (IC901)
235 SLEEP O System sleep control signal output to the power control (IC901) “H”: sleep ON
236 FFCLR O Input latch output for the start switching to the power control (IC901)
237 CHG GAIN O Charge gain control signal output to the power control (IC601)
238 CHG O Charge ON/OFF control signal output to the power control (IC601) “H”: charge ON
239, 240 NC O Not used (open)
241 MIFVDD3 —Power supply terminal (for the microcomputer I/F block) (+2.3V)
242 MIFVSS2 —Ground terminal (for the microcomputer I/F block)
243 TEST2 O Input terminal for the main test (normally open)
244 NC — Not used (open)

39
MZ-R900
7-1. PANEL SECTION
SECTION 7
EXPLODED VIEWS
• Items marked “*” are not stocked since they
are seldom required for routine service. Some
delay should be anticipated when ordering
these items.
• The mechanical parts with no reference num-
ber in the exploded views are not supplied.
• Accessories and packing materials are given
in the last of the electrical parts list.
NOTE:
• -XX and -X mean standardized parts, so they
may have some difference from the original
one.
• Color Indication of Appearance Parts
Example:
KNOB, BALANCE (WHITE) . . . (RED)
↑↑
Parts Color Cabinet's Color
Ref. No. Part No. Description Remark Ref. No. Part No. Description Remark
1
2
2
4
2
2
8
2
7
3
5
66
9
6
1 X-3380-263-3 SERVICE ASSY, UPPER PANEL (L)
(BLUE)...(BLUE)
1 X-3380-264-3 SERVICE ASSY, UPPER PANEL (R)
(RED)...(RED)
1 X-3380-265-3 SERVICE ASSY, UPPER PANEL (W)
(WHITE)...(WHITE)
1 X-3380-266-3 SERVICE ASSY, UPPER PANEL (S)
(SILVER)...(SILVER)
2 4-218-229-09 SCREW (1.4), MI
3 3-220-461-01 BUTTON (A), CONTROL
4 3-221-119-01 BUTTON (B), CONTROL
5 1-804-171-11 LCD MODULE (for BLUE, RED, WHITE)
5 1-804-171-21 LCD MODULE (for SILVER)
6 4-984-017-01 SCREW (1.7), TAPPING
7 3-220-484-02 LID, BATTERY CASE (SILVER)...(SILVER)
7 3-220-484-12 LID, BATTERY CASE (BLUE)...(BLUE)
7 3-220-484-22 LID, BATTERY CASE (RED)...(RED)
7 3-220-484-32 LID, BATTERY CASE (WHITE)...(WHITE)
8 X-3379-323-1 PANEL (S) ASSY, BOTTOM
(SILVER)...(SILVER)
8 X-3379-411-1 PANEL (L) ASSY, BOTTOM (BLUE)...(BLUE)
8 X-3379-412-1 PANEL (R) ASSY, BOTTOM (RED)...(RED)
8 X-3379-901-1 PANEL (W) ASSY, BOTTOM (WHITE)...(WHITE)
9 3-232-771-01 SPACER (HOLDER)
• Abbreviation
CND : Canadian model
JEW : Tourist model
Les composants identifiés par une
marque 0 sont critiquens pour la
sécurité.
Ne les remplacer que par une pièce
portant le numéro spécifié.
The components identified by mark
0 or dotted line with mark 0 are
critical for safety.
Replace only with part number
specified.

40
MZ-R900
7-2. CHASSIS SECTION
Ref. No. Part No. Description Remark Ref. No. Part No. Description Remark
MT-MZR900-171
not supplied
51
52
53
73
71 54
60
68
70
53
58
56
72
55
55
57
59
61
63
62
74
51 3-220-477-01 SHEET (MD), INSULATING
52 X-3379-320-5 CHASSIS ASSY, SET
53 4-218-233-07 SCREW (1.4), MI
54 3-224-089-01 SHEET (TERMINAL), INSULATING
55 4-218-229-29 SCREW (1.4), MI
56 3-220-465-03 BUTTON (OPEN)
57 3-220-464-03 STRIP, ORNAMENTAL (SILVER)...(SILVER)
57 3-220-464-13 STRIP, ORNAMENTAL
(DARK SILVER)...(BLUE, RED, WHITE)
58 X-3379-321-4 CASE ASSY, BATTERY
*59 A-3323-597-A MAIN BOARD, COMPLETE (JEW)
*59 A-3323-598-A MAIN BOARD, COMPLETE
(EXCEPT US, CND, JEW)
*59 A-3323-704-A MAIN BOARD, COMPLETE (US, CND)
60 3-220-471-01 SPRING (ARM), TENSION
61 3-335-797-91 SCREW (M1.4), TOOTHED LOCK
62 4-223-110-01 TERMINAL (3)
63 3-226-169-01 SPACER (PRO)
68 3-226-758-01 SPACER (FULCRUM PLATE R2)
70 3-226-168-01 SPACER (REAR) (2)
71 3-225-171-01 SHEET (CLV) (2)
72 3-220-472-01 SPRING (OPEN), TENSION
73 3-225-899-01 SPRING (LOCK), COMPRESSION
74 3-229-882-01 SPACER (MINUS)

41
MZ-R900
7-3. MD MECHANISM DECK SECTION
(MT-MZR900-171)
Ref. No. Part No. Description Remark Ref. No. Part No. Description Remark
M603
M601
M602
not supplied
101
102
105
106
107
108
109 115
122
121
119
118
117
120
118
103
104
110
123
111
109
112
103
109
114
113
115
109
116
103
A
A
B
B
101 X-3379-498-1 HOLDER ASSY
102 3-224-779-01 SPRING, THRUST DETENT
103 4-218-233-01 SCREW (1.4), MI
104 X-3379-497-1 CHASSIS ASSY
105 4-222-218-01 GEAR (HD)
106 4-222-223-01 SHAFT, SUB
107 4-222-226-01 SPRING (EJECT), TENSION
108 4-222-222-01 GEAR (RACK)
109 3-338-645-31 WASHER (0.8-2.5)
110 X-3380-408-1 CHASSIS ASSY, GEAR
111 3-222-545-01 GEAR (HB)
112 4-224-885-01 SCREW (M1.2X1.5)
113 4-222-215-01 GEAR (HC)
114 1-679-372-11 MOTOR FLEXIBLE BOARD
115 4-963-883-31 SCREW (M1.4), PRECISION PAN
116 4-222-216-01 GEAR (SA)
117 4-222-208-01 GEAR (SB)
118 4-222-204-01 BEARING (N)
119 4-222-203-01 SCREW, LEAD
120 3-349-825-21 SCREW
0121 X-3379-508-1 SERVICE ASSY, OP (LCX-4R)
122 3-049-336-01 SPRING (S), RACK
123 3-222-544-01 GEAR (HA)
M601 8-835-706-01 MOTOR, DC SSM18A/C-NP (SPINDLE)
(WITH TURN TABLE)
M602 1-763-399-11 MOTOR, DC (SLED) (WITH GEAR)
M603 1-763-400-21 MOTOR, DC (OVER WRITE HEAD UP/DOWN)
The components identified by
mark 0 or dotted line with
mark 0 are critical for safety.
Replace only with part num-
ber specified.
Les composants identifiés par une
marque 0 sont critiques pour la
sécurité.
Ne les remplacer que par une pièce
portant le numéro spécifié.

42
MZ-R900 SECTION 8
ELECTRICAL PARTS LIST
Ref. No. Part No. Description Remark Ref. No. Part No. Description Remark
MAIN
NOTE:
• Due to standardization, replacements in the
parts list may be different from the parts speci-
fied in the diagrams or the components used
on the set.
• -XX and -X mean standardized parts, so they
may have some difference from the original
one.
• RESISTORS
All resistors are in ohms.
METAL: Metal-film resistor.
METAL OXIDE: Metal oxide-film resistor.
F: nonflammable
• Items marked “*” are not stocked since they
are seldom required for routine service.
Some delay should be anticipated when order-
ing these items.
• SEMICONDUCTORS
In each case, u: µ, for example:
uA. . : µA. . uPA. . : µPA. .
uPB. . : µPB. . uPC. . : µPC. .
uPD. . : µPD. .
• CAPACITORS
uF: µF
• COILS
uH: µH
• Abbreviation
AUS : Australian model
CND : Canadian model
CH : Chinese model
E13 : 220 V–230 V AC area model
E33 : 100 V–240 V AC area model
EE : East European model
FR : French model
HK : Hong Kong model
JEW : Tourist model
*A-3323-597-A MAIN BOARD, COMPLETE (JEW)
*A-3323-598-A MAIN BOARD, COMPLETE
(EXCEPT US, CND, JEW)
*A-3323-704-A MAIN BOARD, COMPLETE (US, CND)
*****************************
3-226-169-01 SPACER (PRO)
3-229-882-01 SPACER (MINUS)
4-223-110-01 TERMINAL (3)
< CAPACITOR >
C101 1-125-837-11 CERAMIC CHIP 1uF 10% 6.3V
C103 1-125-837-11 CERAMIC CHIP 1uF 10% 6.3V
C104 1-135-868-11 TANTALUM CHIP 220uF 20% 2.5V
C105 1-113-600-11 TANTALUM CHIP 2.2uF 20% 6.3V
C106 1-164-939-11 CERAMIC CHIP 0.0022uF 10% 16V
C110 1-125-837-11 CERAMIC CHIP 1uF 10% 6.3V
C111 1-164-874-11 CERAMIC CHIP 100PF 5% 16V
C112 1-125-837-11 CERAMIC CHIP 1uF 10% 6.3V
C113 1-131-862-11 TANTALUM CHIP 47uF 20% 4V
C116 1-164-937-11 CERAMIC CHIP 0.001uF 10% 16V
C117 1-125-777-11 CERAMIC CHIP 0.1uF 10% 10V
C118 1-164-939-11 CERAMIC CHIP 0.0022uF 10% 16V
C201 1-125-837-11 CERAMIC CHIP 1uF 10% 6.3V
C203 1-125-837-11 CERAMIC CHIP 1uF 10% 6.3V
C204 1-135-868-11 TANTALUM CHIP 220uF 20% 2.5V
C205 1-113-600-11 TANTALUM CHIP 2.2uF 20% 6.3V
C206 1-164-939-11 CERAMIC CHIP 0.0022uF 10% 16V
C210 1-125-837-11 CERAMIC CHIP 1uF 10% 6.3V
C211 1-164-874-11 CERAMIC CHIP 100PF 5% 16V
C212 1-125-837-11 CERAMIC CHIP 1uF 10% 6.3V
C213 1-131-862-11 TANTALUM CHIP 47uF 20% 4V
C216 1-164-937-11 CERAMIC CHIP 0.001uF 10% 16V
C217 1-125-777-11 CERAMIC CHIP 0.1uF 10% 10V
C218 1-164-939-11 CERAMIC CHIP 0.0022uF 10% 16V
C301 1-125-839-11 TANTALUM CHIP 47uF 20% 6.3V
C302 1-107-820-11 CERAMIC CHIP 0.1uF 16V
C303 1-117-919-11 TANTALUM CHIP 10uF 20% 6.3V
C304 1-107-820-11 CERAMIC CHIP 0.1uF 16V
C305 1-113-600-11 TANTALUM CHIP 2.2uF 20% 6.3V
C306 1-107-820-11 CERAMIC CHIP 0.1uF 16V
C307 1-125-777-11 CERAMIC CHIP 0.1uF 10% 10V
C308 1-107-820-11 CERAMIC CHIP 0.1uF 16V
C309 1-127-895-11 TANTALUM CHIP 22uF 20% 4V
C310 1-125-899-11 TANTALUM CHIP 220uF 20% 4V
Les composants identifiés par une
marque 0 sont critiquens pour la
sécurité.
Ne les remplacer que par une pièce
portant le numéro spécifié.
The components identified by
mark 0 or dotted line with mark
0 are critical for safety.
Replace only with part number
specified.
When indicating parts by reference
number, please include the board.
KR : Korean model
C311 1-128-964-11 TANTALUM CHIP 100uF 20% 6.3V
C312 1-127-895-11 TANTALUM CHIP 22uF 20% 4V
C313 1-127-895-11 TANTALUM CHIP 22uF 20% 4V
C314 1-119-923-11 CERAMIC CHIP 0.047uF 10% 10V
C315 1-127-578-11 TANTALUM CHIP 3.3uF 20% 6.3V
C316 1-131-734-11 TANTALUM CHIP 4.7uF 20% 6.3V
C318 1-164-943-11 CERAMIC CHIP 0.01uF 10% 16V
(US, CND)
C318 1-125-777-11 CERAMIC CHIP 0.1uF 10% 10V
(EXCEPT US, CND)
C320 1-117-919-11 TANTALUM CHIP 10uF 20% 6.3V
C321 1-125-777-11 CERAMIC CHIP 0.1uF 10% 10V
C322 1-131-862-11 TANTALUM CHIP 47uF 20% 4V
C323 1-117-919-11 TANTALUM CHIP 10uF 20% 6.3V
C239 1-164-943-11 CERAMIC CHIP 0.01uF 10% 16V
(US, CND)
C329 1-125-777-11 CERAMIC CHIP 0.1uF 10% 10V
(EXCEPT US, CND)
C330 1-107-820-11 CERAMIC CHIP 0.1uF 16V
C332 1-117-919-11 TANTALUM CHIP 10uF 20% 6.3V
C334 1-117-919-11 TANTALUM CHIP 10uF 20% 6.3V
C335 1-164-933-11 CERAMIC CHIP 220PF 10% 16V
C336 1-125-837-11 CERAMIC CHIP 1uF 10% 6.3V
C337 1-117-863-11 CERAMIC CHIP 0.47uF 10% 6.3V
C338 1-164-874-11 CERAMIC CHIP 100PF 5% 16V
C340 1-125-777-11 CERAMIC CHIP 0.1uF 10% 10V
C344 1-164-943-11 CERAMIC CHIP 0.01uF 10% 16V
C501 1-164-874-11 CERAMIC CHIP 100PF 5% 16V
C502 1-127-772-11 CERAMIC CHIP 33000PF 10% 10V
C503 1-164-940-11 CERAMIC CHIP 0.0033uF 10% 16V
C504 1-164-940-11 CERAMIC CHIP 0.0033uF 10% 16V
C505 1-164-943-11 CERAMIC CHIP 0.01uF 10% 16V
C506 1-127-772-11 CERAMIC CHIP 33000PF 10% 10V
C507 1-127-772-11 CERAMIC CHIP 33000PF 10% 10V
C508 1-164-938-11 CERAMIC CHIP 0.0015uF 10% 16V
C509 1-164-940-11 CERAMIC CHIP 0.0033uF 10% 16V
C510 1-164-850-11 CERAMIC CHIP 10PF 0.5PF 16V
C511 1-164-850-11 CERAMIC CHIP 10PF 0.5PF 16V
C512 1-125-777-11 CERAMIC CHIP 0.1uF 10% 10V
C513 1-164-850-11 CERAMIC CHIP 10PF 0.5PF 16V
C514 1-107-819-11 CERAMIC CHIP 0.022uF 10% 16V
C515 1-125-777-11 CERAMIC CHIP 0.1uF 10% 10V
C516 1-125-777-11 CERAMIC CHIP 0.1uF 10% 10V
C518 1-131-734-11 TANTALUM CHIP 4.7uF 20% 6.3V

Ref. No. Part No. Description Remark Ref. No. Part No. Description Remark
43
MZ-R900
MAIN
C519 1-164-940-11 CERAMIC CHIP 0.0033uF 10% 16V
C521 1-125-777-11 CERAMIC CHIP 0.1uF 10% 10V
C522 1-125-777-11 CERAMIC CHIP 0.1uF 10% 10V
C523 1-125-837-11 CERAMIC CHIP 1uF 10% 6.3V
C524 1-117-919-11 TANTALUM CHIP 10uF 20% 6.3V
C526 1-125-777-11 CERAMIC CHIP 0.1uF 10% 10V
C529 1-125-840-11 TANTALUM 10uF 20% 6.3V
C530 1-164-939-11 CERAMIC CHIP 0.0022uF 10% 16V
C532 1-119-923-11 CERAMIC CHIP 0.047uF 10% 10V
C551 1-125-837-11 CERAMIC CHIP 1uF 10% 6.3V
C552 1-125-837-11 CERAMIC CHIP 1uF 10% 6.3V
C553 1-127-578-11 TANTALUM CHIP 3.3uF 20% 6.3V
C554 1-127-578-11 TANTALUM CHIP 3.3uF 20% 6.3V
C555 1-131-621-11 TANTALUM CHIP 6.8uF 20% 6.3V
C556 1-131-621-11 TANTALUM CHIP 6.8uF 20% 6.3V
C557 1-127-772-11 CERAMIC CHIP 33000PF 10% 10V
C558 1-127-772-11 CERAMIC CHIP 33000PF 10% 10V
C559 1-127-772-11 CERAMIC CHIP 33000PF 10% 10V
C561 1-125-777-11 CERAMIC CHIP 0.1uF 10% 10V
C601 1-164-943-11 CERAMIC CHIP 0.01uF 10% 16V
C602 1-125-777-11 CERAMIC CHIP 0.1uF 10% 10V
C603 1-125-839-11 TANTALUM CHIP 47uF 20% 6.3V
C604 1-164-943-11 CERAMIC CHIP 0.01uF 10% 16V
C605 1-164-937-11 CERAMIC CHIP 0.001uF 10% 16V
C606 1-164-874-11 CERAMIC CHIP 100PF 5% 16V
C607 1-164-874-11 CERAMIC CHIP 100PF 5% 16V
C608 1-125-777-11 CERAMIC CHIP 0.1uF 10% 10V
C609 1-137-762-11 TANTALUM CHIP 10uF 20% 4V
C610 1-104-851-11 TANTALUM CHIP 10uF 20% 10V
C611 1-117-919-11 TANTALUM CHIP 10uF 20% 6.3V
C612 1-117-919-11 TANTALUM CHIP 10uF 20% 6.3V
C613 1-125-777-11 CERAMIC CHIP 0.1uF 10% 10V
C614 1-125-777-11 CERAMIC CHIP 0.1uF 10% 10V
C615 1-137-760-11 CAP-CHIP 100PF 5% 100V
C616 1-125-777-11 CERAMIC CHIP 0.1uF 10% 10V
C618 1-125-777-11 CERAMIC CHIP 0.1uF 10% 10V
C619 1-125-777-11 CERAMIC CHIP 0.1uF 10% 10V
C621 1-164-943-11 CERAMIC CHIP 0.01uF 10% 16V
C623 1-127-895-11 TANTALUM CHIP 22uF 20% 4V
C624 1-127-895-11 TANTALUM CHIP 22uF 20% 4V
C625 1-131-862-11 TANTALUM CHIP 47uF 20% 4V
C626 1-125-839-11 TANTALUM CHIP 47uF 20% 6.3V
C629 1-164-943-11 CERAMIC CHIP 0.01uF 10% 16V
C630 1-164-874-11 CERAMIC CHIP 100PF 5% 16V
C631 1-117-919-11 TANTALUM CHIP 10uF 20% 6.3V
C633 1-125-777-11 CERAMIC CHIP 0.1uF 10% 10V
C801 1-125-777-11 CERAMIC CHIP 0.1uF 10% 10V
C802 1-164-943-11 CERAMIC CHIP 0.01uF 10% 16V
C803 1-164-943-11 CERAMIC CHIP 0.01uF 10% 16V
C804 1-125-777-11 CERAMIC CHIP 0.1uF 10% 10V
C805 1-119-923-11 CERAMIC CHIP 0.047uF 10% 10V
C806 1-119-923-11 CERAMIC CHIP 0.047uF 10% 10V
C807 1-164-850-11 CERAMIC CHIP 10PF 0.5PF 16V
C808 1-164-850-11 CERAMIC CHIP 10PF 0.5PF 16V
C809 1-117-919-11 TANTALUM CHIP 10uF 20% 6.3V
C810 1-125-837-11 CERAMIC CHIP 1uF 10% 6.3V
C811 1-125-837-11 CERAMIC CHIP 1uF 10% 6.3V
C812 1-164-943-11 CERAMIC CHIP 0.01uF 10% 16V
C813 1-125-891-11 CERAMIC CHIP 0.47uF 10% 10V
C814 1-164-935-11 CERAMIC CHIP 470PF 10% 16V
C815 1-125-839-11 TANTALUM CHIP 47uF 20% 6.3V
C816 1-125-777-11 CERAMIC CHIP 0.1uF 10% 10V
C817 1-125-837-11 CERAMIC CHIP 1uF 10% 6.3V
C818 1-125-777-11 CERAMIC CHIP 0.1uF 10% 10V
C819 1-127-772-11 CERAMIC CHIP 33000PF 10% 10V
C820 1-127-772-11 CERAMIC CHIP 33000PF 10% 10V
C821 1-127-895-11 TANTALUM CHIP 22uF 20% 4V
C822 1-125-777-11 CERAMIC CHIP 0.1uF 10% 10V
C823 1-107-820-11 CERAMIC CHIP 0.1uF 16V
C825 1-125-777-11 CERAMIC CHIP 0.1uF 10% 10V
C826 1-127-715-11 CERAMIC CHIP 0.22uF 10% 16V
C827 1-164-850-11 CERAMIC CHIP 10PF 0.5PF 16V
C828 1-125-837-11 CERAMIC CHIP 1uF 10% 6.3V
C829 1-127-715-11 CERAMIC CHIP 0.22uF 10% 16V
C830 1-117-919-11 TANTALUM CHIP 10uF 20% 6.3V
C831 1-128-964-11 TANTALUM CHIP 100uF 20% 6.3V
C832 1-107-820-11 CERAMIC CHIP 0.1uF 16V
C833 1-164-874-11 CERAMIC CHIP 100PF 5% 16V
C834 1-125-777-11 CERAMIC CHIP 0.1uF 10% 10V
C835 1-125-777-11 CERAMIC CHIP 0.1uF 10% 10V
C836 1-125-777-11 CERAMIC CHIP 0.1uF 10% 10V
C837 1-125-777-11 CERAMIC CHIP 0.1uF 10% 10V
C901 1-125-840-11 TANTALUM CHIP 10uF 20% 6.3V
C902 1-137-762-11 TANTALUM CHIP 10uF 20% 4V
C903 1-128-964-11 TANTALUM CHIP 100uF 20% 6.3V
C904 1-137-762-11 TANTALUM CHIP 10uF 20% 4V
C905 1-125-777-11 CERAMIC CHIP 0.1uF 10% 10V
C906 1-164-943-11 CERAMIC CHIP 0.01uF 10% 16V
C907 1-125-889-11 CERAMIC CHIP 2.2uF 10% 10V
C908 1-125-777-11 CERAMIC CHIP 0.1uF 10% 10V
C911 1-117-919-11 TANTALUM CHIP 10uF 20% 6.3V
C913 1-164-941-11 CERAMIC CHIP 0.0047uF 10% 16V
C914 1-125-777-11 CERAMIC CHIP 0.1uF 10% 10V
C915 1-125-777-11 CERAMIC CHIP 0.1uF 10% 10V
C917 1-125-777-11 CERAMIC CHIP 0.1uF 10% 10V
C919 1-117-919-11 TANTALUM CHIP 10uF 20% 6.3V
C920 1-117-919-11 TANTALUM CHIP 10uF 20% 6.3V
C921 1-125-777-11 CERAMIC CHIP 0.1uF 10% 10V
C922 1-164-937-11 CERAMIC CHIP 0.001uF 10% 16V
C923 1-125-891-11 CERAMIC CHIP 0.47uF 10% 10V
C924 1-125-891-11 CERAMIC CHIP 0.47uF 10% 10V
C925 1-125-891-11 CERAMIC CHIP 0.47uF 10% 10V
C926 1-164-937-11 CERAMIC CHIP 0.001uF 10% 16V
C932 1-125-777-11 CERAMIC CHIP 0.1uF 10% 10V
< CONNECTOR >
*CN501 1-778-168-11 CONNECTOR, FFC/FPC (ZIF) 20P
*CN502 1-794-756-21 CONNECTOR, FPC (ZIF) 15P
*CN801 1-794-755-21 CONNECTOR, FPC (ZIF) 18P
< DIODE >
D301 8-719-081-71 DIODE DF8A6.8FK (TE85R)
D302 8-719-081-73 DIODE DF3A6.8FE (TPL3)
D303 8-719-046-91 DIODE MA2S111
D601 8-719-081-33 DIODE MA2YD1500LS0

Ref. No. Part No. Description Remark Ref. No. Part No. Description Remark
44
MZ-R900
MAIN
@Replacement of CXD2671-203GA (IC801)
used in this set requires a special tool.
D602 8-719-081-33 DIODE MA2YD1500LS0
D603 8-719-081-34 DIODE RB160M-30TR
D605 8-719-081-34 DIODE RB160M-30TR
D606 8-719-081-35 DIODE MA2YD1700LS0
D607 8-719-081-33 DIODE MA2YD1500LS0
D608 8-719-081-35 DIODE MA2YD1700LS0
D801 8-719-056-54 DIODE MAZS068008SO
D901 8-719-081-33 DIODE MA2YD1500LS0
D902 8-719-081-33 DIODE MA2YD1500LS0
D903 8-719-420-51 DIODE MA729
D904 8-719-073-01 DIODE MA111- (K8).S0
< FUSE >
0F801 1-576-439-21 FUSE (SMD) (0.25A/125V)
< FERRITE BEAD >
FB301 1-216-864-11 SHORT 0
FB302 1-216-864-11 SHORT 0
FB303 1-216-809-11 METAL CHIP 100 5% 1/16W
FB304 1-216-809-11 METAL CHIP 100 5% 1/16W
FB305 1-216-864-11 SHORT 0
FB306 1-216-864-11 SHORT 0
FB801 1-216-864-11 SHORT 0
FB802 1-216-864-11 SHORT 0
FB803 1-216-864-11 SHORT 0
FB804 1-216-864-11 SHORT 0
< IC >
IC301 8-759-829-44 IC AK4562VNS-L
IC302 8-759-829-77 IC AN7536FHNABV
IC303 8-759-699-54 IC NJM2173APC1 (TE2)
IC501 8-759-689-67 IC SN761057DBT
IC551 8-759-698-62 IC SC111257FCR2
IC601 8-759-698-60 IC XPC18A22FCR2
@ IC801 8-752-410-49 IC CXD2671-203GA
IC804 8-759-680-85 IC AK6417AL-L
IC805 8-759-196-97 IC TC7SH32FU-TE85R
IC901 8-759-698-61 IC XPC18A32FCR2
< JACK >
J301 1-793-619-21 JACK (LINE IN (OPT))
J302 1-793-509-11 JACK (i/LINE OUT)
J303 1-793-620-21 JACK (MIC (PLUG POWER)
J601 1-785-383-11 JACK, DC (POLARITY UNIFIED TYPE)
(DC IN 3V)
< COIL >
L301 1-469-535-21 INDUCTOR 10uH
L302 1-469-535-21 INDUCTOR 10uH
L303 1-469-535-21 INDUCTOR 10uH
L501 1-469-535-21 INDUCTOR 10uH
L502 1-469-535-21 INDUCTOR 10uH
L551 1-410-389-31 INDUCTOR CHIP 47uH
L552 1-410-389-31 INDUCTOR CHIP 47uH
L553 1-469-422-21 INDUCTOR 22uH
L554 1-469-422-21 INDUCTOR 22uH
L601 1-419-959-21 INDUCTOR 6.8uH
L602 1-469-535-21 INDUCTOR 10uH
L603 1-469-535-21 INDUCTOR 10uH
L801 1-469-535-21 INDUCTOR 10uH
L802 1-469-535-21 INDUCTOR 10uH
L901 1-419-952-21 INDUCTOR 68uH
L902 1-419-949-21 INDUCTOR 22uH
L903 1-469-367-21 INDUCTOR 10uH
L904 1-414-398-11 INDUCTOR 10uH
L905 1-469-426-21 INDUCTOR 100uH
< TRANSISTOR >
Q302 8-729-046-49 FET FDV304P
Q501 8-729-922-10 TRANSISTOR 2SA1577-QR
Q601 8-729-046-45 FET SI2302DS-T1
Q602 8-729-046-44 TRANSISTOR ZDT6718TA
Q603 8-729-053-71 FET TS8K1TB
Q604 8-729-046-43 FET HAT2051T-EL
Q605 8-729-046-42 FET HAT2050T-EL
Q801 8-729-429-44 TRANSISTOR XP1501
Q803 8-729-029-14 TRANSISTOR DTC144EUA-T106
< RESISTOR >
R101 1-208-703-11 METAL CHIP 6.8K 0.5% 1/16W
R103 1-218-965-11 RES-CHIP 10K 5% 1/16W
R104 1-218-990-11 SHORT 0
R111 1-208-715-11 METAL CHIP 22K 0.5% 1/16W
R112 1-208-927-11 METAL CHIP 47K 0.5% 1/16W
R118 1-208-703-11 METAL CHIP 6.8K 0.5% 1/16W
R201 1-208-703-11 METAL CHIP 6.8K 0.5% 1/16W
R203 1-218-965-11 RES-CHIP 10K 5% 1/16W
R204 1-218-990-11 SHORT 0
R211 1-208-715-11 METAL CHIP 22K 0.5% 1/16W
R212 1-208-927-11 METAL CHIP 47K 0.5% 1/16W
R218 1-208-703-11 METAL CHIP 6.8K 0.5% 1/16W
R301 1-208-707-11 METAL CHIP 10K 0.5% 1/16W
R302 1-218-953-11 RES-CHIP 1K 5% 1/16W
R303 1-218-983-11 RES-CHIP 330K 5% 1/16W
R304 1-218-953-11 RES-CHIP 1K 5% 1/16W
R305 1-218-953-11 RES-CHIP 1K 5% 1/16W
R306 1-218-985-11 RES-CHIP 470K 5% 1/16W
R307 1-218-941-11 RES-CHIP 100 5% 1/16W
R308 1-218-989-11 RES-CHIP 1M 5% 1/16W
R309 1-208-943-11 METAL CHIP 220K 0.5% 1/16W
R310 1-218-957-11 RES-CHIP 2.2K 5% 1/16W
R312 1-218-990-11 SHORT 0
R317 1-218-941-11 RES-CHIP 100 5% 1/16W
R318 1-218-941-11 RES-CHIP 100 5% 1/16W
R319 1-218-941-11 RES-CHIP 100 5% 1/16W
R501 1-218-971-11 RES-CHIP 33K 5% 1/16W
R505 1-208-703-11 METAL CHIP 6.8K 0.5% 1/16W
R507 1-218-953-11 RES-CHIP 1K 5% 1/16W
R517 1-208-691-11 METAL CHIP 2.2K 0.5% 1/16W
R519 1-218-977-11 RES-CHIP 100K 5% 1/16W
R521 1-218-446-11 METAL CHIP 1 5% 1/16W
R601 1-218-989-11 RES-CHIP 1M 5% 1/16W
R602 1-218-981-11 RES-CHIP 220K 5% 1/16W
R603 1-218-977-11 RES-CHIP 100K 5% 1/16W
R604 1-219-724-11 METAL CHIP 1 1% 1/4W
R605 1-242-996-91 METAL CHIP 0.68 1% 1/4W
The components identified by
mark 0 or dotted line with
mark 0 are critical for safety.
Replace only with part num-
ber specified.
Les composants identifiés par une
marque 0 sont critiques pour la
sécurité.
Ne les remplacer que par une pièce
portant le numéro spécifié.

Ref. No. Part No. Description Remark Ref. No. Part No. Description Remark
45
MZ-R900
MAIN
R606 1-218-949-11 RES-CHIP 470 5% 1/16W
R607 1-218-945-11 RES-CHIP 220 5% 1/16W
R608 1-218-983-11 RES-CHIP 330K 5% 1/16W
R609 1-219-724-11 METAL CHIP 1 1% 1/4W
R610 1-218-990-11 SHORT 0
R611 1-218-990-11 SHORT 0
R613 1-218-957-11 RES-CHIP 2.2K 5% 1/16W
R619 1-218-990-11 SHORT 0
R620 1-218-965-11 RES-CHIP 10K 5% 1/16W
R621 1-218-965-11 RES-CHIP 10K 5% 1/16W
R622 1-216-797-11 METAL CHIP 10 5% 1/16W
R801 1-218-981-11 RES-CHIP 220K 5% 1/16W
R802 1-208-927-11 METAL CHIP 47K 0.5% 1/16W
R803 1-208-927-11 METAL CHIP 47K 0.5% 1/16W
R804 1-218-959-11 RES-CHIP 3.3K 5% 1/16W
R805 1-218-959-11 RES-CHIP 3.3K 5% 1/16W
R806 1-218-949-11 RES-CHIP 470 5% 1/16W
(US, CND)
R806 1-218-951-11 RES-CHIP 680 5% 1/16W
(EXCEPT US, CND)
R807 1-218-929-11 RES-CHIP 10 5% 1/16W
R808 1-218-965-11 RES-CHIP 10K 5% 1/16W
R809 1-218-977-11 RES-CHIP 100K 5% 1/16W
R810 1-208-715-11 METAL CHIP 22K 0.5% 1/16W
R811 1-218-983-11 RES-CHIP 330K 5% 1/16W
R812 1-208-939-11 METAL CHIP 150K 0.5% 1/16W
R813 1-218-989-11 RES-CHIP 1M 5% 1/16W
R814 1-218-929-11 RES-CHIP 10 5% 1/16W
R815 1-218-971-11 RES-CHIP 33K 5% 1/16W
R816 1-218-953-11 RES-CHIP 1K 5% 1/16W
R817 1-218-977-11 RES-CHIP 100K 5% 1/16W
R821 1-218-981-11 RES-CHIP 220K 5% 1/16W
R822 1-218-953-11 RES-CHIP 1K 5% 1/16W
R823 1-218-945-11 RES-CHIP 220 5% 1/16W
R824 1-218-959-11 RES-CHIP 3.3K 5% 1/16W
R825 1-202-974-11 RES-CHIP 3.3M 5% 1/16W
R828 1-208-691-11 METAL CHIP 2.2K 0.5% 1/16W
R829 1-208-691-11 METAL CHIP 2.2K 0.5% 1/16W
R830 1-218-989-11 RES-CHIP 1M 5% 1/16W
R831 1-218-990-11 SHORT 0 (EXCEPT US, CND)
R831 1-469-580-21 INDUCTOR, FERRITE BEAD (US, CND)
R832 1-218-990-11 SHORT 0
R833 1-218-990-11 SHORT 0
R835 1-218-990-11 SHORT 0 (EXCEPT US, CND)
R837 1-218-990-11 SHORT 0
R838 1-218-990-11 SHORT 0
R839 1-218-990-11 SHORT 0
R840 1-218-990-11 SHORT 0
R841 1-216-809-11 METAL CHIP 100 5% 1/16W
R844 1-216-864-11 SHORT 0
R845 1-218-990-11 SHORT 0
R846 1-218-941-11 RES-CHIP 100 5% 1/16W
R902 1-218-985-11 RES-CHIP 470K 5% 1/16W
R903 1-218-957-11 RES-CHIP 2.2K 5% 1/16W
R905 1-218-957-11 RES-CHIP 2.2K 5% 1/16W
R906 1-218-990-11 SHORT 0
R907 1-218-985-11 RES-CHIP 470K 5% 1/16W
R908 1-218-977-11 RES-CHIP 100K 5% 1/16W
R909 1-218-965-11 RES-CHIP 10K 5% 1/16W
R910 1-218-965-11 RES-CHIP 10K 5% 1/16W
R911 1-218-949-11 RES-CHIP 470 5% 1/16W
R912 1-218-987-11 RES-CHIP 680K 5% 1/16W
R915 1-218-941-11 RES-CHIP 100 5% 1/16W
R917 1-218-990-11 SHORT 0
R920 1-208-707-11 METAL CHIP 10K 0.5% 1/16W
R921 1-218-979-11 RES-CHIP 150K 5% 1/16W
R936 1-218-977-11 RES-CHIP 100K 5% 1/16W
R941 1-218-971-11 RES-CHIP 33K 5% 1/16W
R946 1-208-715-11 METAL CHIP 22K 0.5% 1/16W
R947 1-218-985-11 RES-CHIP 470K 5% 1/16W
R948 1-208-939-11 METAL CHIP 150K 0.5% 1/16W
R949 1-218-989-11 RES-CHIP 1M 5% 1/16W
< COMPOSITION CIRCUIT BLOCK >
RB551 1-233-959-21 RES, NETWORK (CHIP TYPE) 470
RB552 1-233-973-11 RES, NETWORK (CHIP TYPE) 100K
RB553 1-233-967-11 RES, NETWORK (CHIP TYPE) 10K
RB801 1-233-973-11 RES, NETWORK (CHIP TYPE) 100K
< SWITCH >
S801 1-786-030-21 SWITCH, SLIDE (HOLD)
S802 1-786-030-21 SWITCH, SLIDE (SYNCHRO REC)
S803 1-771-860-21 SWITCH, PUSH (1 KEY) (PROTECT DETECT)
S804 1-771-806-61 SWITCH, PUSH (1 KEY) (BATTERY IN DETECT)
S805 1-762-947-12 SWITCH, PUSH (1 KEY) (OPEN)
S806 1-762-805-21 SWITCH, PUSH (1 KEY)
(OPEN/CLOSE DETECT)
< TRANSFORMER >
T601 1-416-405-21 FILTER, CHIP EMI (COMMON MODE)
< THERMISTOR >
TH601 1-533-817-21 THERMISTOR
< VIBRATOR >
X801 1-795-000-21 VIBRATOR, CRYSTAL (45.1584MHz)
**************************************************************
MISCELLANEOUS
**************
5 1-804-171-11 LCD MODULE (for BLUE, RED, WHITE)
5 1-804-171-21 LCD MODULE (for SILVER)
114 1-679-372-11 MOTOR FLEXIBLE BOARD
0121 X-3379-508-1 SERVICE ASSY, OP (LCX-4R)
M601 8-835-706-01 MOTOR, DC SSM18A/C-NP (SPINDLE)
(WITH TURN TABLE)
M602 1-763-399-11 MOTOR, DC (SLED) (WITH GEAR)
M603 1-763-400-21 MOTOR, DC (OVER WRITE HEAD UP/DOWN)
************************************************************
ACCESSORIES & PACKING MATERIALS
*******************************
1-251-895-11 BATTERY CASE
01-418-028-12 ADAPTOR, AC (AC-MZR55) (E33, JEW)
01-418-784-11 ADAPTOR, AC (AC-MZR55) (CH)
The components identified by
mark 0 or dotted line with
mark 0 are critical for safety.
Replace only with part num-
ber specified.
Les composants identifiés par une
marque 0 sont critiques pour la
sécurité.
Ne les remplacer que par une pièce
portant le numéro spécifié.

Ref. No. Part No. Description Remark Ref. No. Part No. Description Remark
46
MZ-R900
1-476-395-11 REMOTE CONTROL UNIT (RM-MC11EL)
01-476-275-11 ADAPTOR, AC (AC-MZR55) (AEP, E13, FR, EE)
01-476-277-11 ADAPTOR, AC (AC-MZR55) (UK, HK)
01-476-278-11 ADAPTOR, AC (AC-MZR55) (AUS)
01-476-279-11 ADAPTOR, AC (AC-MZR55) (US, CND)
01-569-007-11 ADAPTOR, CONVERSION 2P (E33, JEW)
1-756-120-21 BATTERY, NICKEL HYDROGEN
1-794-451-11 CONNECTOR, LIGHT
(US, CND, AEP, UK, E33, FR, EE, AUS)
1-794-451-51 CONNECTOR, LIGHT (E13, HK, KR, CH, JEW)
3-008-521-01 CASE, BATTERY CHARGE (EXCEPT JEW)
3-043-060-01 CASE, CHARGE (C/D) (JEW)
3-220-298-13 MANUAL, INSTRUCTION (ENGLISH, SPANISH,
PORTUGUESE) (AEP, E33, JEW)
3-220-298-23 MANUAL, INSTRUCTION (ENGLISH)
(US, UK, E13, EE, HK, KR, AUS, CH)
3-220-298-31 MANUAL, INSTRUCTION (ENGLISH, FRENCH,
GERMAN, DUTCH, ITALIAN) (CND, AEP, FR)
3-220-298-43 MANUAL, INSTRUCTION
(JAPANESE, TRADITIONAL CHINESE, KOREAN)
(E13, E33, HK, KR, JEW)
3-220-298-51 MANUAL, INSTRUCTION
(SIMPLIFIED CHINESE) (CH)
3-220-298-61 MANUAL, INSTRUCTION (SWEDISH, FINNISH)
(AEP)
3-220-298-71 MANUAL, INSTRUCTION (RUSSIAN, CZECH,
HUNGARIAN, POLISH, SLOVAKIAN) (EE)
3-220-749-01 CASE, CARRYING
(E13, E33, HK, KR, AUS, CH, JEW)
3-228-300-01 CASE, BELT CLIP CARRYING
(CND, AEP, UK, FR, EE)
8-953-278-90 HEADPHONE MDR-A34SP (US)
8-953-304-90 RECEIVER MDR-E805SP (EXCEPT US)
The components identified by
mark 0 or dotted line with
mark 0 are critical for safety.
Replace only with part num-
ber specified.
Les composants identifiés par une
marque 0 sont critiques pour la
sécurité.
Ne les remplacer que par une pièce
portant le numéro spécifié.

47
MZ-R900
MEMO

MZ-R900
REVISION HISTORY
Clicking the version allows you to jump to the revised page.
Also, clicking the version at the upper right on the revised page allows you to jump to the next revised
page.
Ver. Date Description of Revision
1.2 2001.03 Addition of Destination (US, Canadian Model)
1.1 2000.12 Addition of Destination (AEP, UK, Australian, Chinese Model)
1.0 2000.10 New
