Sony Camcorder Hdr Sr11 Users Manual 0_0 07_DCRSR90E_31
HDR-SR11 to the manual 7c18531c-4ffa-4f43-834c-2d9922bee09b
2015-01-23
: Sony Sony-Sony-Camcorder-Hdr-Sr11-Users-Manual-287034 sony-sony-camcorder-hdr-sr11-users-manual-287034 sony pdf
Open the PDF directly: View PDF
.
Page Count: 110 [warning: Documents this large are best viewed by clicking the View PDF Link!]
- COVER
- SPECIFICATIONS
- MODEL INFORMATION TABLE
- SERVICE NOTE
- DISASSEMBLY
- HELP
- BLOCK DIAGRAMS
- PRINTED WIRING BOARDS AND SCHEMATIC DIAGRAMS
- REPAIR PARTS LIST
- HARDWARE LIST
- Revision History

SERVICE MANUAL
Sony EMCS Co.
LEVEL 2
Link
SERVICE NOTE
MODEL INFORMATION TABLE
SPECIFICATIONS
FRAME SCHEMATIC DIAGRAM
BLOCK DIAGRAMS
DISASSEMBLY
PRINTED WIRING BOARDS
REPAIR PARTS LIST
SCHEMATIC DIAGRAMS
Link
Revision History
Revision History
HDR-SR11/SR11E/SR12/SR12E_L2
Ver. 1.0 2008.01
DIGITAL HD VIDEO CAMERA RECORDER
The components identified by
mark 0 or dotted line with
mark 0 are critical for safety.
Replace only with part num-
ber specified.
Les composants identifiés par une
marque 0 sont critiques pour la
sécurité.
Ne les remplacer que par une pièce
portant le numéro spécifié.
2008A0800-1
© 2008.01
Published by Kohda TEC
9-852-254-31
•Precaution on Replacing the VC-516 Board
•Precaution on Replacing the CABINET (G(900)) ASSY
RMT-835
Photo: HDR-SR12
US Model
Canadian Model
AEP Model
UK Model
North European Model
E Model
Australian Model
Hong Kong Model
Chinese Model
Korea Model
Tourist Model
Japanese Model
HDR-SR11/SR11E/SR12/SR12E

— 2 —
ENGLISH JAPANESE
ENGLISH JAPANESE
HDR-SR11/SR11E/SR12/SR12E_L2
SPECIFICATIONS
These specifications are extracted from instruction manual of
HDR-SR11E/SR12E.
System
Video compression format: AVCHD (HD)/
MPEG2 (SD)/JPEG (Still images)
Audio compression format: Dolby Digital 2/5.1ch
Dolby Digital 5.1 Creator
Video signal: PAL color, CCIR standards
1080/50i specification
Hard disk: HDR-SR11E: 60 GB
HDR-SR12E: 120 GB
When measuring media capacity, 1 GB equals
1billion bytes, a portion of which is used for
data management.
Recording format: Movie (HD): AVCHD 1080/
50i
Movie (SD): MPEG2-PS
Still image: Exif Ver.2.2*
Viewfinder: Electric viewfinder: color
Image device: 5.8 mm (1/3.13 type) CMOS sensor
Recording pixels (still image, 4:3):
Max. 10.2 mega (3 680 × 2 760) pixels**
Gross: Approx. 5 660 000 pixels
Effective (movie, 16:9):
Approx. 3 810 000 pixels
Effective (still image, 16:9):
Approx. 3 810 000 pixels
Effective (still image, 4:3):
Approx. 5 080 000 pixels
Lens: Carl Zeiss Vario-Sonnar T
12 × (Optical), 24 ×, 150 × (Digital)
Focal length: F1.8 ~ 3.1
Filter diameter: 37 mm (1 1/2 in.)
f=4.9 ~ 58.8 mm (7/32 ~ 2 3/8 in.)
When converted to a 35 mm still camera
For movies: 40 ~ 480 mm (1 5/8 ~ 19 in.)
(16:9)
For still images: 37 ~ 444 mm (1 1/2 ~ 17 1/2
in.) (4:3)
Color temperature: [AUTO], [ONE PUSH],
[INDOOR] (3 200 K),
[OUTDOOR] (5 800 K)
Minimum illumination: 5 lx (lux) ([AUTO SLW
SHUTTR] [ON], Shutter speed 1/25 sec)
0 lx (lux) (during NightShot function)
Input/Output connectors
A/V Remote Connector: Component/video and
audio output jack
HDMI OUT jack: HDMI Type C mini connector
Headphone jack: Stereo minijack (∅ 3.5mm)
MIC input jack: Stereo minijack (∅ 3.5mm)
USB jack: mini-B
LCD screen
Image: 8.0 cm (3.2 type, aspect ratio 16:9)
Total dot number: 921 600 (1 920 × 480)
General
Power requirements: DC 6.8 V/7.2 V (battery
pack)
DC 8.4 V (AC Adaptor)
Average power consumption: During camera
recording using the viewfinder with normal
brightness:
Hard disk:
HD: 4.2 W SD: 3.6 W
“Memory Stick PRO Duo”:
HD: 4.2 W SD: 3.5 W
During camera recording using the LCD with
normal brightness:
Hard disk:
HD: 4.5 W SD: 3.8 W
“Memory Stick PRO Duo”:
HD: 4.5 W SD: 3.8 W
Operating temperature: 0 ˚C to + 40 ˚C (32 ˚F to
104 ˚F)
Storage temperature: -20 ˚C to + 60 ˚C (-4 ˚F to +
140 ˚F)
Dimensions (approx.): 83 × 76 × 138 mm
(3 3/8 × 3 × 51/2 in.) (w/h/d)
including the projecting parts
83 × 76 × 138 mm
(3 3/8 × 3 × 51/2 in.) (w/h/d)
including the projecting parts, and the supplied
rechargeable battery pack attached
*“Exif” is a file format for still images,
established by the JEITA (Japan
Electronics and Information Technology
Industries Association). Files in this
format can have additional information
such as your camcorder’s setting
information at the time of recording.
** The unique pixel array of Sony’s ClearVid
CMOS sensor and image processing
system (BIONZ) allows for still image
resolution equivalent to the sizes
described.
Handycam Station DCRA-C210
Input/Output connectors
A/V OUT jack: Component/video and audio
output jack
USB jack: mini-B
AC Adaptor AC-L200/L200B
Power requirements: AC 100 V - 240 V, 50/60 Hz
Current consumption: 0.35 - 0.18 A
Power consumption: 18 W
Output voltage: DC 8.4 V*
Operating temperature: 0 ˚C to + 40 ˚C (32 ˚F to
104 ˚F)
Storage temperature: -20 ˚C to + 60 ˚C (-4 ˚F to +
140 ˚F)
Dimensions (approx.): 48 × 29 × 81 mm
(1 15/16 × 1 3/16 × 31/4 in.) (w/h/d)
excluding the projecting parts
Mass (approx.): 170 g (6.0 oz) excluding the
power cord (mains lead)
*See the label on the AC Adaptor for other
specifications.
Rechargeable battery pack NP-FH60
Maximum output voltage: DC 8.4 V
Output voltage: DC 7.2 V
Capacity: 7.2 Wh (1 000 mAh)
Type: Li-ion
Design and specifications of your camcorder and
accessories are subject to change without notice.
Mass (approx.): HDR-SR11E: 560 g (1 lb 3 oz)
main unit only
640 g (1 lb 6 oz) including the supplied
rechargeable battery pack
HDR-SR12E: 570 g (1 lb 4 oz) main unit only
650 g (1 lb 6 oz) including the supplied
rechargeable battery pack

— 3 —
ENGLISH JAPANESE
ENGLISH JAPANESE
HDR-SR11/SR11E/SR12/SR12E_L2
SPECIFICATIONS
System
Video compression format: AVCHD (HD)/
MPEG2 (SD)/JPEG (Still images)
Audio compression format: Dolby Digital 2/5.1ch
Dolby Digital 5.1 Creator
Video signal: NTSC color, EIA standards
1080/60i specification
Hard disk: HDR-SR11: 60 GB
HDR-SR12: 120 GB
When measuring media capacity, 1 GB equals
1billion bytes, a portion of which is used for
data management.
Recording format: Movie (HD): AVCHD 1080/
60i
Movie (SD): MPEG2-PS
Still image: Exif Ver.2.2*
Viewfinder: Electric viewfinder: color
Image device: 5.8 mm (1/3.13 type) CMOS sensor
Recording pixels (still image, 4:3):
Max. 10.2 mega (3 680 × 2 760) pixels**
Gross: Approx. 5 660 000 pixels
Effective (movie, 16:9):
Approx. 3 810 000 pixels
Effective (still image, 16:9):
Approx. 3 810 000 pixels
Effective (still image, 4:3):
Approx. 5 080 000 pixels
Lens: Carl Zeiss Vario-Sonnar T
12 × (Optical), 24 ×, 150 × (Digital)
Focal length: F1.8 ~ 3.1
Filter diameter: 37 mm (1 1/2 in.)
f=4.9 ~ 58.8 mm (7/32 ~ 2 3/8 in.)
When converted to a 35 mm still camera
For movies: 40 ~ 480 mm (1 5/8 ~ 19 in.)
(16:9)
For still images: 37 ~ 444 mm (1 1/2 ~ 17 1/2
in.) (4:3)
Color temperature: [AUTO], [ONE PUSH],
[INDOOR] (3 200 K),
[OUTDOOR] (5 800 K)
Minimum illumination: 5 lx (lux) ([AUTO SLW
SHUTTR] [ON], Shutter speed 1/30 sec)
0 lx (lux) (during NightShot function)
Input/Output connectors
A/V Remote Connector: Component/video and
audio output jack
HDMI OUT jack: HDMI Type C mini connector
Headphone jack: Stereo minijack (∅ 3.5mm)
MIC input jack: Stereo minijack (∅ 3.5mm)
USB jack: mini-B
LCD screen
Image: 8.0 cm (3.2 type, aspect ratio 16:9)
Total dot number: 921 600 (1 920 × 480)
General
Power requirements: DC 6.8 V/7.2 V (battery
pack)
DC 8.4 V (AC Adaptor)
Average power consumption: During camera
recording using the viewfinder with normal
brightness:
Hard disk:
HD: 4.5 W SD: 3.6 W
“Memory Stick PRO Duo”:
HD: 4.4 W SD: 3.6 W
During camera recording using the LCD with
normal brightness:
Hard disk:
HD: 4.8 W SD: 4.0 W
“Memory Stick PRO Duo”:
HD: 4.6 W SD: 3.9 W
Operating temperature: 0 ˚C to + 40 ˚C (32 ˚F to
104 ˚F)
Storage temperature: -20 ˚C to + 60 ˚C (-4 ˚F to +
140 ˚F)
Dimensions (approx.): 83 × 76 × 138 mm
(3 3/8 × 3 × 51/2 in.) (w/h/d)
including the projecting parts
83 × 76 × 138 mm
(3 3/8 × 3 × 51/2 in.) (w/h/d)
including the projecting parts, and the supplied
rechargeable battery pack attached
*“Exif” is a file format for still images,
established by the JEITA (Japan
Electronics and Information Technology
Industries Association). Files in this
format can have additional information
such as your camcorder’s setting
information at the time of recording.
** The unique pixel array of Sony’s ClearVid
CMOS sensor and image processing
system (BIONZ) allows for still image
resolution equivalent to the sizes
described.
Mass (approx.): HDR-SR11: 560 g (1 lb 3 oz)
main unit only
640 g (1 lb 6 oz) including the supplied
rechargeable battery pack
HDR-SR12: 570 g (1 lb 4 oz) main unit only
650 g (1 lb 6 oz) including the supplied
rechargeable battery pack
Handycam Station DCRA-C210
Input/Output connectors
A/V OUT jack: Component/video and audio
output jack
USB jack: mini-B
AC Adaptor AC-L200/L200B
Power requirements: AC 100 V - 240 V, 50/60 Hz
Current consumption: 0.35 - 0.18 A
Power consumption: 18 W
Output voltage: DC 8.4 V*
Operating temperature: 0 ˚C to + 40 ˚C (32 ˚F to
104 ˚F)
Storage temperature: -20 ˚C to + 60 ˚C (-4 ˚F to +
140 ˚F)
Dimensions (approx.): 48 × 29 × 81 mm
(1 15/16 × 1 3/16 × 3 1/4 in.) (w/h/d)
excluding the projecting parts
Mass (approx.): 170 g (6.0 oz) excluding the
power cord (mains lead)
*See the label on the AC Adaptor for other
specifications.
Rechargeable battery pack NP-FH60
Maximum output voltage: DC 8.4 V
Output voltage: DC 7.2 V
Capacity: 7.2 Wh (1 000 mAh)
Type: Li-ion
Design and specifications of your camcorder and
accessories are subject to change without notice.
These specifications are extracted from instruction manual of
HDR-SR11/SR12.

— 4 —
ENGLISH JAPANESE
ENGLISH JAPANESE
HDR-SR11/SR11E/SR12/SR12E_L2
概略仕様
システム
映像圧縮方式:
AVCHD
(
HD
)
/MPEG2
(
SD
)
/JPEG
(静止画)
音声圧縮方式:
Dolby Digital2/5.1ch
ドルビーデジタル
5.1
クリエーター搭載
映像信号:
NTSC
カラー、
EIA
標準方式
1080/60i
方式
ハードディスク:
HDR-SR11
:
60 GB
HDR-SR12
:
120 GB
容量は、
1GB
を
10
億バイトで計算した場合の数
値です。また管理用ファイルなどを含むため、実
際使用できる容量は若干減少する場合がありま
す。
動画記録方式:動 画
HD
:
AVCHD 1080/60i
動画
SD
:
MPEG2-PS
静止画記録方式:
Exif Ver.2.2*
ファインダー:電 子 フ ァインダー:カ ラ ー
撮像素子:
5.8 mm
(
1/3.13
型)
CMOS
センサー
記録画素数:静止画時最大
1020
万画素相当
**
(
3680
×
2760
)(
4
:
3
時)
総画素数:約
566
万画素
動画時有効画素数(
16
:
9
):約
381
万画素
静止画時有効画素数(
16
:
9
):約
381
万画素
静止画時有効画素数(
4
:
3
):約
508
万画素
ズームレンズ:カ ール ツァイス バリオゾナー
T
12
倍(光学)、
24
倍、
150
倍(デジタル)
フィルター径
37 mm
F1.8
∼
3.1
f=4.9
∼
58.8 mm
35mm
カメラ換算では動画撮影時
40
∼
480 mm
(
16
:
9
)
静止画撮影時:
37
∼
444 mm
(
4
:
3
)
色温度切り換え:[オート]、[ワンプッシュ]、[屋内]
(
3 200 K
)、[屋外](
5 800 K
)
最低被写体照度:
5 lx
(ルクス)([オートスロシャッ
タ][入]、[シャッタースピード]
1/30
秒)
0 lx
(ルクス)(
NightShot
時)
*
(社)電子情報技術産業協会(
JEITA
)にて制定
された、撮影情報などの付帯情報を追加する
ことができる静止画用のファイルフォーマッ
ト。
**
ソニー独自のクリアビッド
CMOS
センサー
の画素配列と画像処理システム
BIONZ
によ
り、静止画は表記の記録サイズを実現してい
ます。
入
/
出力端子
A/V
リモート端子:コ ンポーネント、映像音声出力兼
用端子
HDMI OUT
端子:
HDMI
タイプ
C
ミニ端子
ヘッドホン端子:ステレオミニジャック(
¯ 3.5 mm
)
MIC
入力端子:ス テレオミニジャック(
¯ 3. 5 mm
)
USB
端子:
mini-B
液晶画面
画面サイズ:
8.0 cm
(
3.2
型、アスペクト比
16
:
9
)
総ドット数:
921 600
ドット
横
1920
×縦
480
電源部、その他
電源電圧:バッテリー端子入力
6.8 V/7.2 V
DC
端子入力
8.4 V
消費電力:ファインダー使用時、明るさ標準:
ハードディスク:
HD
:
4.5 W SD
:
3.6 W
“メモリースティック
PRO
デュオ”:
HD
:
4.4 W SD
:
3.6 W
液晶画面使用時、明るさ標準:
ハードディスク:
HD
:
4.8 W SD
:
4.0 W
“メモリースティック
PRO
デュオ”:
HD
:
4.6 W SD
:
3.9 W
動作温度:
0
℃∼
+40
℃
保存温度:−
20
℃∼
+60
℃
外形寸法:
83
×
76
×
138 mm
(突起部を含む)
(幅×高さ×奥行き)
83
×
76
×
138 mm
(突起部を含む、付属バッテリー装着状態)
(幅×高さ×奥行き)
本体質量:
HDR-SR11
:約
560 g
(本体のみ)
HDR-SR12
:約
570 g
(本体のみ)
撮影時総質量:
HDR-SR11
:約
640 g
(付属バッテ
リー含む。)
HDR-SR12
:約
650 g
(付属バッテリー含む。)
ハンディカムステーション
DCRA-C210
入
/
出力端子
A/V OUT
端子:コンポーネント、映像音声出力兼用端
子
USB
端子:
mini-B
ACアダプター AC-L200/L200B
電源:
AC 100 V - 240 V
、
50/60 Hz
消費電力:
18 W
定格出力:
DC 8.4 V *
動作温度:
0
℃∼
+40
℃
保存温度:−
20
℃∼
+60
℃
外形寸法:約
48
×
29
×
81 mm
(最大突起部をのぞ
く)(幅×高さ×奥行き)
質量:約
170 g
(本体のみ)
*その他の仕様については
AC
アダプターのラベル
をご覧ください。
リチャージャブルバッテリーパック
NP-FH60
最大電圧:
DC 8.4 V
公称電圧:
DC 7.2 V
容量:
7.2 Wh
(
1 000 mAh
)
使用電池:
Li-ion
本機やアクセサリーの仕様および外観は、改良のた
め予告なく変更することがありますが、ご了承くだ
さい。

— 5 —
HDR-SR11/SR11E/SR12/SR12E_L2
Model information table
•Abbreviation
AUS: Australian model
CH : Chinese model
CND : Canadian model
HK : Hong Kong model
J: Japanese model
JE : Tourist model
KR : Korea model
NE : North European model
HDR-SR11E
AEP, UK, NE, E,
CH, HK, AUS, JE
PAL
HDR-SR11
US, CND, E, KR, JE, J
NTSC
Model
Destination
Color system
60GB 60GB
HDR-SR12E
AEP, UK, NE, E,
CH, HK, AUS, JE
PAL
HDR-SR12
US, CND, E, KR, JE, J
NTSC
120GB 120GBHard disk

— 6 —
ENGLISH JAPANESE
ENGLISH JAPANESE
HDR-SR11/SR11E/SR12/SR12E_L2
SAFETY-RELATED COMPONENT WARNING!!
COMPONENTS IDENTIFIED BY MARK 0 OR DOTTED LINE WITH
MARK 0 ON THE SCHEMATIC DIAGRAMS AND IN THE PARTS
LIST ARE CRITICAL TO SAFE OPERATION. REPLACE THESE
COMPONENTS WITH SONY PARTS WHOSE PART NUMBERS
APPEAR AS SHOWN IN THIS MANUAL OR IN SUPPLEMENTS
PUBLISHED BY SONY.
1. Check the area of your repair for unsoldered or poorly-soldered
connections. Check the entire board surface for solder splashes
and bridges.
2. Check the interboard wiring to ensure that no wires are
"pinched" or contact high-wattage resistors.
3. Look for unauthorized replacement parts, particularly
transistors, that were installed during a previous repair. Point
them out to the customer and recommend their replacement.
4. Look for parts which, through functioning, show obvious signs
of deterioration. Point them out to the customer and
recommend their replacement.
5. Check the B+ voltage to see it is at the values specified.
6. Flexible Circuit Board Repairing
•Keep the temperature of the soldering iron around 270˚C
during repairing.
•Do not touch the soldering iron on the same conductor of the
circuit board (within 3 times).
•Be careful not to apply force on the conductor when soldering
or unsoldering.
SAFETY CHECK-OUT
After correcting the original service problem, perform the following
safety checks before releasing the set to the customer.
ATTENTION AU COMPOSANT AYANT RAPPORT
À LA SÉCURITÉ!
LES COMPOSANTS IDENTIFÉS PAR UNE MARQUE 0 SUR LES
DIAGRAMMES SCHÉMATIQUES ET LA LISTE DES PIÈCES SONT
CRITIQUES POUR LA SÉCURITÉ DE FONCTIONNEMENT. NE
REMPLACER CES COMPOSANTS QUE PAR DES PIÈSES SONY
DONT LES NUMÉROS SONT DONNÉS DANS CE MANUEL OU
DANS LES SUPPÉMENTS PUBLIÉS PAR SONY.
Unleaded solder
Boards requiring use of unleaded solder are printed with the lead-
free mark (LF) indicating the solder contains no lead.
(Caution: Some printed circuit boards may not come printed with
the lead free mark due to their particular size.)
: LEAD FREE MARK
Unleaded solder has the following characteristics.
•Unleaded solder melts at a temperature about 40°C higher than
ordinary solder.
Ordinary soldering irons can be used but the iron tip has to be
applied to the solder joint for a slightly longer time.
Soldering irons using a temperature regulator should be set to
about 350°C.
Caution: The printed pattern (copper foil) may peel away if the
heated tip is applied for too long, so be careful!
•Strong viscosity
Unleaded solder is more viscous (sticky, less prone to flow) than
ordinary solder so use caution not to let solder bridges occur such
as on IC pins, etc.
•Usable with ordinary solder
It is best to use only unleaded solder but unleaded solder may
also be added to ordinary solder.
CAUTION
Danger of explosion if battery is incorrectly replaced.
Replace only with the same or equivalent type.

— 7 —
ENGLISH JAPANESE
ENGLISH JAPANESE
HDR-SR11/SR11E/SR12/SR12E_L2
1. 注意事項をお守りください。
サービスのとき特に注意を要する個所については,
キャビネット,シャーシ,部品などにラベルや捺印で
注意事項を表示しています。これらの注意書き及び取
扱説明書等の注意事項を必ずお守り下さい。
2. 指定部品のご使用を
セットの部品は難燃性や耐電圧など安全上の特性を
持ったものとなっています。従って交換部品は,使用
されていたものと同じ特性の部品を使用して下さい。
特に回路図,部品表に0印で指定されている安全上重要
な部品は必ず指定のものをご使用下さい。
3. 部品の取付けや配線の引きまわしはもとどおりに
安全上,チューブやテープなどの絶縁材料を使用した
り,プリント基板から浮かして取付けた部品がありま
す。また内部配線は引きまわしやクランパによって発
熱部品や高圧部品に接近しないよう配慮されています
ので,これらは必ずもとどおりにして下さい。
4. サービス後は安全点検を
サービスのために取外したネジ,部品,配線がもとど
おりになっているか,またサービスした個所の周辺を
劣化させてしまったところがないかなどを点検し,安
全性が確保されていることを確認して下さい。
5. チップ部品交換時の注意
•取外した部品は再使用しないで下さい。
•タンタルコンデンサのマイナス側は熱に弱いため交
換時は注意して下さい。
サービス,点検時には次のことにご注意下さい。
注意
電池の交換は,正しく行わないと破裂する恐れがあり
ます。電池を交換する場合には必ず同じ型名の電池
又は同等品と交換してください。
6. フレキシブルプリント基板の取扱いについて
•コテ先温度を270℃前後にして行なって下さい。
•同一パターンに何度もコテ先を当てないで下さい。
(3回以内)
•パターンに力が加わらないよう注意して下さい。
7. 無鉛半田について
無鉛半田を使用している基板には,無鉛(LeadFree)を
意味するレッドフリーマークがプリントされています。
(注意:基板サイズによっては,無鉛半田を使用して
いてもレッドフリーマークがプリントされて
いないものがあります)
:レッドフリーマーク
無鉛半田には,以下の特性があります。
•融点が従来の半田よりも約40℃高い。
従来の半田こてをそのまま使用することは可能です
が,少し長めにこてを当てる必要があります。
温度調節機能のついた半田こてを使用する場合,約
350℃に設定して下さい。
注意: 半田こてを長く当てすぎると,基板のパター
ン(銅箔)がはがれてしまうことがあります
ので,注意して下さい。
•粘性が強い
従来の半田よりも粘性が強いため,IC端子などが半田
ブリッジしないように注意して下さい。
•従来の半田と混ぜて使用可能
無鉛半田には無鉛半田を追加するのが最適ですが,
従来の半田を追加しても構いません。

1-1
ENGLISH JAPANESE
ENGLISH JAPANESE
HDR-SR11/SR11E/SR12/SR12E_L2
1. SERVICE NOTE
1-1. POWER SUPPLY DURING REPAIRS
In this unit, about 10 seconds after power is supplied to the battery terminal using the regulated power supply (8.4V), the power is shut off so
that the unit cannot operate.
These following method is available to prevent this.
Method:
Use the AC power adaptor (AC-L200/L200B).
1-2. SELF-DIAGNOSIS FUNCTION
1-2-1. Self-diagnosis Function
When problems occur while the unit is operating, the self-diagnosis
function starts working, and displays on the Viewfinder or the LCD
screen what to do. This function consists of two display; self-
diagnosis display and service mode display.
Details of the self-diagnosis functions are provided in the Instruction
manual.
1-2-2. Self-diagnosis Display
When problems occur while the unit is operating, the counter of the
Viewfinder or the LCD screen shows a 4-digit display consisting of
an alphabet and numbers, which blinks at 3.2 Hz. This 5-character
display indicates the “repaired by:”, “block” in which the problem
occurred, and “detailed code” of the problem.
1 1
3 1C
Repaired by:
Refer to “1-2-3. Self-diagnosis Code Table”.
Indicates the appropriate
step to be taken.
E.g.
31 ....Reload the tape.
32 ....Turn on power again.
Block Detailed Code
Blinks at 3.2Hz
C : Corrected by customer
H : Corrected by dealer
E : Corrected by service
engineer
Viewfinder or LCD screen
C : 3 1 : 1 1

1-2
ENGLISH JAPANESE
ENGLISH JAPANESE
HDR-SR11/SR11E/SR12/SR12E_L2
1-2-3. Self-diagnosis Code Table
C
C
C
C
E
E
E
E
E
E
E
E
E
E
E
E
E
E
Block
Function
04
13
13
32
20
31
61
61
62
62
62
62
62
62
62
62
91
94
Detailed
Code
00
01
02
60
00
00
10
11
00
01
02
03
10
11
12
20
01
00
Symptom/State
Non-standard battery is used.
“Memory Stick Duo” is unformatted.
“Memory Stick Duo” is broken.
Disc access error
Difficult to adjust focus
(Cannot initialize focus)
Flash memory data are rewritten.
Drive fault
Zoom operations fault
(Cannot initialize zoom lens.)
The abnormalities in initialization of
the focus lens and the abnormalities in
initialization of the zoom lens occurred
simultaneously.
Handshake correction function does not
work well. (With PITCH angular
velocity sensor output stopped.)
Handshake correction function does not
work well. (With YAW angular velocity
sensor output stopped.)
Abnormality of IC for steadyshot.
IC for steadyshot and micro controller
communication abnormality among.
Shift lens initializing failure.
Shift lens overheating (Pitch)
Shift lens overheating (Yaw)
Abnormality of thermistor.
Abnormality when flash is being charged.
Fault of writing or erasing the
flash memory
Self-diagnosis Code
Repaired by:
Correction
Use the InfoLITHIUM battery.
Format the “Memory Stick Duo”.
Insert a new “Memory Stick Duo”.
Remove the power source. Reconnect it again and operate your
camcorder again
Retry turn the power on by the power switch. If it does not
recover, check the focus MR sensor of lens block (pin w;, wa of
CN5103 on the LD-230 board). If it is OK, check the focus
motor drive IC (IC5201 on the LD-230 board).
Make flash memory data correct value. (Note 1)
Inspect or replacement of the hard disk drive.
Inspect the lens block zoom MR sensor (pin qh, qj of CN5103
on the LD-230 board) when zooming is performed when the
zoom lever is operated, and the zoom motor drive circuit
(IC5201 on the LD-230 board) when zooming is not performed.
Check both C: 32: 60 and E: 61: 10 of the self-diagnosis code.
Inspect PITCH angular velocity sensors (SE9001 on the FR-278
board) peripheral circuits.
Inspect YAW angular velocity sensors (SE9002 on the FR-278
board) peripheral circuits.
Refer to [1-3-1. E : 62 : 02 (Abnormality of IC for Steadyshot)
Occurred].
Inspect the steadyshot circuit (IC5501 on the LD-230 board).
Replacement of lens block. If an error occurs again, replace the
LD-230 board. (Note 2)
Refer to [1-3-2. E : 62 : 11 (Shift Lens Overheating (Pitch))
Occurred].
Refer to [1-3-3. E : 62 : 12 (Shift Lens Overheating (Yaw))
Occurred].
Refer to [1-3-4. E : 62 : 20 (Abnormality of Thermistor)
Occurred].
Checking of flash unit or replacement of flash unit.
Inspect the flash memory (IC2101 on the VC-516 board).
Note 1 : Refer to Service Manual, ADJ (“1-3. DESTINATION DATA WRITE”).
Note 2 : When the lens block was replaced, execute the necessary adjustment items referring to Service Manual, ADJ.
After the adjustment, make sure with the STEADYSHOT turned ON that the steadyshot functions appropriately in the
handheld operation.

1-3
ENGLISH JAPANESE
ENGLISH JAPANESE
HDR-SR11/SR11E/SR12/SR12E_L2
1-3. METHOD OF COPING WITH SHIFT LENS ERROR
about 330 msec
Fig. 2
Change in output voltage of R5549 on the LD-230 board
Note: The length of low section will vary a little depending on the
conditions.
1-3-1. E : 62 : 02 [Abnormality of IC for Steadyshot] Occurred
Order Procedure
1Turn the power OFF.
2While measuring with an oscilloscope the output voltage of R5549 in the periphery of IC5501 on the LD-230 board, turn the
power ON to check that the output voltage immediately after the power on change as shown in Fig. 2.
3If the output voltage change as shown in Fig. 2, replace the lens block (Note). If it does not change as shown in Fig. 2, inspect
the camera control circuit (IC1301 of VC-516 board) periphery.
Note: When the lens block was replaced, execute a necessary adjustment items referring to Service Manual, ADJ.
After the adjustment, make sure with the STEADYSHOT turned ON that the steadyshot functions appropriately in the
handheld operation.
VC-516 BOARD (SIDE A)LD-230 BOARD (SIDE A)
IC5501
R5534
R5549
R5526
C5513
4
R5525
31
R5538
R5549: No Mount
(Short Land)
IC1301
Fig. 1
Measurement points on the LD-230 board and the VC-516 board

1-4
ENGLISH JAPANESE
ENGLISH JAPANESE
HDR-SR11/SR11E/SR12/SR12E_L2
1-3-2. E : 62 : 11 [Shift Lens Overheating (Pitch)] Occurred
Connect by the SeusEX and perform the following process.
Order Block Page Address Data Procedure
111807430 01 Write the data. (After it starts, set it before caution is displayed.)
2118EF946 F0 Write the data.
3118EF948 01 Write the data. (Note 1)
4118EF948 00 Write the data.
5118EF946 10 Write the data.
6118EF948 01 Write the data. (Note 1)
7118EF948 00 Write the data.
811807430 00 Write the data.
9Check if the shift lens moves while setting the order 2 to 7. If the shift lens does not move,
replace the lens block (Note 2). When the shift lens moved, proceed to the order 10.
10 While setting the order 2 to 7, measure with an oscilloscope the output voltage of R5526 in the
periphery of IC5501 on the LD-230 board to check the output voltage varies.
11 If the output voltage does not vary, replace the lens block (Note 2). When the output voltage
varied, proceed to the order 12.
12 Turn the power OFF.
While measuring with an oscilloscope the output voltage of R5549 in the periphery of IC5501
13 on the LD-230 board, turn the power ON to check that the output voltage immediately after the
power on change as shown in Fig. 2.
If the output voltage change as shown in Fig. 2, replace the lens block (Note 2). If it does not
14 change as shown in Fig. 2, inspect the camera control circuit (IC1301 of VC-516 board)
periphery.
Note 1: Finish this operation within 10 seconds. If it is likely to take more than 10 seconds, set block: 11, page: 8E, address:
F948, data: 00, and then retry.
Note 2: When the lens block was replaced, execute the necessary adjustment items referring to Service Manual, ADJ.
After the adjustment, make sure with the STEADYSHOT turned ON that the steadyshot functions appropriately in the
handheld operation.

1-5
ENGLISH JAPANESE
ENGLISH JAPANESE
HDR-SR11/SR11E/SR12/SR12E_L2
1-3-3. E : 62 : 12 [Shift Lens Overheating (Yaw)] Occurred
Connect by the SeusEX and perform the following process.
Order Block Page Address Data Procedure
111807430 01 Write the data. (After it starts, set it before caution is displayed.)
2118EF947 F0 Write the data.
3118EF949 01 Write the data. (Note 1)
4118EF949 00 Write the data.
5118EF947 10 Write the data.
6118EF949 01 Write the data. (Note 1)
7118EF949 00 Write the data.
811807430 00 Write the data.
9Check if the shift lens moves while setting the order 2 to 7. If the shift lens does not move,
replace the lens block (Note 2). When the shift lens moved, proceed to the order 10.
10 While setting the order 2 to 7, measure with an oscilloscope the output voltage of R5534 in the
periphery of IC5501 on the LD-230 board to check the output voltage varies.
11 If the output voltage does not vary, replace the lens block (Note 2). When the output voltage
varied, proceed to the order 12.
12 Turn the power OFF.
While measuring with an oscilloscope the output voltage of R5549 in the periphery of IC5501
13 on the LD-230 board, turn the power ON to check that the output voltage immediately after the
power on change as shown in Fig. 2.
If the output voltage change as shown in Fig. 2, replace the lens block (Note 2). If it does not
14 change as shown in Fig. 2, inspect the camera control circuit (IC1301 of VC-516 board)
periphery.
Note 1: Finish this operation within 10 seconds. If it is likely to take more than 10 seconds, set block: 11, page: 8E, address:
F949, data: 00, and then retry.
Note 2: When the lens block was replaced, execute the necessary adjustment items referring to Service Manual, ADJ.
After the adjustment, make sure with the STEADYSHOT turned ON that the steadyshot functions appropriately in the
handheld operation.
1-3-4. E : 62 : 20 [Abnormality of Thermistor] Occurred
Order Procedure
1Turn the power ON.
2Confirm the connections of flexible flat cables and connectors between the lens block and LD-230 board, LD-230 board and
VC-516 board.
3In case of no malfunction of connections, replace the lens block with new one. (Note) When the error has occurred in spite of the
lens replacement, replace LD-230 board with new one.
Note: When the lens block was replaced, execute the necessary adjustment items referring to Service Manual, ADJ.
After the adjustment, make sure with the STEADYSHOT turned ON that the steadyshot functions appropriately in the
handheld operation.

1-6
ENGLISH JAPANESE
ENGLISH JAPANESE
HDR-SR11/SR11E/SR12/SR12E_L2
1-4. PRECAUTION ON REPLACING THE VC-516 BOARD
DESTINATION DATA
When you replace to the repairing board, the written destination data of repairing board also might be changed to original setting.
Refer to Service Manual ADJ, and perform “DESTINATION DATA WRITE”.
USB SERIAL No.
The set is shipped with a unique ID (USB Serial No.) written in it.
This ID has not been written in a new board for service, and therefore it must be entered after the board replacement.
Refer to Service Manual ADJ, and perform “USB SERIAL No. INPUT”.

1-7
ENGLISH JAPANESE
ENGLISH JAPANESE
HDR-SR11/SR11E/SR12/SR12E_L2
1-2. 自己診断機能
1-2-1.自己診断機能について
本機の動作に不具合が生じたとき,自己診断機能が働き,
ビューファインダまたはLCD画面に,どう処置したらよい
か判断できる表示を行います。「自己診断表示」と「サービス
モード表示」の2つの表示があります。自己診断機能につい
ては取扱説明書にも掲載されています。
1-2-2.自己診断表示
本機の動作に不具合が生じたとき,ビューファインダまたは
LCD画面のカウンタ表示部分がアルファベットと数字の4桁
表示になり,3.2Hzで点滅します。この5文字の表示によっ
て対応者分類および不具合の生じたブロックの分類,不具合
の詳細コードを示します。
1. SERVICE NOTE
1-1. 修理時の電源供給について
本機では,安定化電源(8.4Vdc)からバッテリ端子に電源を供給した場合,約10秒後にシャットオフし,動作しなくなります。
これを避けるため,下記の方法を用いてください。
方法:
DC入力端子を使用する。(ACアダプタ(AC-L200/L200Bなど)を使用する。)
1 1
3 1C
対応者分類
「1-2-3.自己診断コード表」
を参照
対応方法の違いにより分類
例 31・・・テープを入れ直す
32・・・電源を入れ直す
ブロック分類 詳細コード
3.2Hz点滅
C :お客さま自身で対応
H:販売店で対応
E :サービスエンジニア
で対応
ビューファインダまたはLCD画面
C : 3 1 : 1 1

1-8
ENGLISH JAPANESE
ENGLISH JAPANESE
HDR-SR11/SR11E/SR12/SR12E_L2
1-2-3. 自己診断コード表
C
C
C
C
E
E
E
E
E
E
E
E
E
E
E
E
E
E
ブロック
機能
04
13
13
32
20
31
61
61
62
62
62
62
62
62
62
62
91
94
詳細
コード
00
01
02
60
00
00
10
11
00
01
02
03
10
11
12
20
01
00
症状/状態
標準以外のバッテリを使用している
フォーマットしていない“メモリー
ステック デュオ”を入れた
“メモリーステック デュオ”が壊
れている
ディスクアクセスエラー
フォーカスが合いにくい
(フォーカスの初期化ができない)
フラッシュメモリが書き換えられている
ドライブ不良
ズーム動作の異常(ズームレンズの
初期化ができない)
フォーカス,ズーム異常
手振れ補正が効きにくい(PITCH
角速度センサ出力張り付き)
手振れ補正が効きにくい(YAW 角
速度センサ出力張り付き)
手振れ補正用ICの異常
手振れ補正用ICとマイクロコント
ローラーとの通信異常
シフトレンズ初期化異常
シフトレンズオーバーヒート
(PITCH)
シフトレンズオーバーヒート
(YAW)
サーミスタの異常
フラッシュの充電異常
フラッシュメモリの書込み/消去動
作不良
自己診断コード
対応/方法
インフォリチウムバッテリを使用する。
“メモリーステック デュオ”をフォーマットする。
新しい“メモリーステック デュオ”に交換する。
電源を外し,再度入れ直してから操作する。
操作スイッチの電源を入れ直す。
復帰しない場合,レンズブロックのフォーカスMRセンサ
(LD-230基板CN5103 w;,waピン)を点検する。異常なけ
ればフォーカスモータ駆動回路(LD-230基板IC5201)を点
検する。
フラッシュメモリのデータを元の値に戻す。(注意1)
ハードディスクドライブを点検または交換する。
ズームレバーを操作したときにズーム動作をすれば,レン
ズブロックのズームMRセンサ(LD-230基板CN5103 qh,
qjピン)を点検する。ズーム動作をしなければズームモー
タ駆動回路(LD-230基板IC5201)を点検する。
自己診断コードC:32:60とE:61:10の両方を点検す
る。
PITCH角速度センサ(FR-278基板SE9001)周辺回路を点検
する。
YAW角速度センサ(FR-278基板SE9002)周辺回路を点検
する。
「1-3-1. E:62:02(手振れ補正用ICの異常)が出た場合」を参照。
手振れ補正回路(LD-230基板IC5501)を点検。
レンズブロックを交換する
。
エラーが再度発生する場合
は, LD-230基板を交換する。 (注意2)
「1-3-2. E:62:11(シフトレンズオーバーヒート(PITCH))が出
た場合」を参照。
「1-3-3. E:6 2:12(シフトレンズオーバーヒート(YAW))が出
た場合」を参照。
「1-3-4. E:6 2:2 0(サーミスタの異常)が出た場合」を参照。
フラッシュユニットの点検または交換をする。
フラッシュメモリ(VC-516基板IC2101)を点検する。
対
応
者
注意1:ADJ編,「1-3. DESTINATION DATA WRITE」を参照してください。
注意2:レンズブロックを交換した場合は,ADJ編を参照して必要な調整項目を実施すること。調整後は手振れ補正ONの状
態にして,手持ち動作で手振れ補正が適切に動作していることを確認する。

1-9
ENGLISH JAPANESE
ENGLISH JAPANESE
HDR-SR11/SR11E/SR12/SR12E_L2
1-3. シフトレンズエラーの対処方法
図2. LD-230基板R5549の出力電圧の変化
注意:Lowの区間の長さは場合によって多少異なる
約 330 msec
図2
図1
順序 作業内容
1 電源を切る。
2LD-230基板IC5501の周辺にあるR5549の出力電圧をオシロスコープで測定しながら電源を入れる。電源投入直後の
出力電圧が図2の様に変化することを確認する。
3出力電圧が図2の様に変化するときはレンズブロックを交換する(注意)。図2の様に変化しないときはカメラコン
トロール回路(VC-516基板IC1301)周辺を点検する。
注意: レンズブロックを交換した場合は,A D J 編を参照して必要な調整項目を実施すること。調整後は手振れ補正O N の状
態にして,手持ち動作で手振れ補正が適切に動作していることを確認する。
1-3-1. E:62:02(手振れ補正用ICの異常)が出た場合
VC-516 BOARD (SIDE A)LD-230 BOARD (SIDE A)
IC5501
R5534
R5549
R5526
C5513
4
R5525
31
R5538
R5549: No Mount
(Short Land)
IC1301
図1.LD-230基板,VC-516基板測定箇所

1-10
ENGLISH JAPANESE
ENGLISH JAPANESE
HDR-SR11/SR11E/SR12/SR12E_L2
順序 ブロック ページ アドレス データ 作業内容
111807430 01 データを書き込む。
(セット起動後,コーションが表示される前に設定する事。)
2118EF946 F0 データを書き込む。
3118EF948 01 データを書き込む。(注意1)
4118EF948 00 データを書き込む。
5118EF946 10 データを書き込む。
6118EF948 01 データを書き込む。(注意1)
7118EF948 00 データを書き込む。
811807430 00 データを書き込む。
順序2〜7を設定している間にシフトレンズが動いたか確認する。もしシフト
9レンズが動かない場合はレンズブロックを交換する(注意2)。動く場合は順序
10に進む。
10 LD-230基板IC5501の周辺にあるR5526の出力電圧をオシロスコープで測定しな
がら,順序2∼7を設定したときに出力電圧が変化することを確認する。
11
出力電圧が変化しないときはレンズブロックを交換する(
注意
2)。変化するときは
順序12に進む。
12 電源を切る。
LD-230基板IC5501の周辺にあるR5549の出力電圧をオシロスコープで測定しな
13 がら電源を入れる。電源投入直後の出力電圧が図2の様に変化することを確認
する。
出力電圧が図2の様に変化するときはレンズブロックを交換する(注意2)。図2の
14 様に変化しないときはカメラコントロール回路(VC-516基板IC1301)周辺を点検
する。
1-3-2. E:62:11(シフトレンズオーバーヒート(PITCH))が出た場合
SeusEXで接続し、次の手順を行う。
注意1:この操作は10秒以内に終了してください。もし10秒以上経過しそうな場合は,ブロック:11,ページ:8E,アドレ
ス:F948,データ:00 に設定しなおしてから再度実行してください。
注意2:レンズブロックを交換した場合は,ADJ編を参照して必要な調整項目を実施すること。調整後は手振れ補正ONの状
態にして,手持ち動作で手振れ補正が適切に動作していることを確認する。

1-11
ENGLISH JAPANESE
ENGLISH JAPANESE
HDR-SR11/SR11E/SR12/SR12E_L2
1-3-3. E:62:12(シフトレンズオーバーヒート(YAW))が出た場合
SeusEXで接続し、次の手順を行う。
順序 ブロック ページ アドレス データ 作業内容
111807430 01 データを書き込む。
(セット起動後,コーションが表示される前に設定する事。)
2118EF947 F0 データを書き込む。
3118EF949 01 データを書き込む。(注意1)
4118EF949 00 データを書き込む。
5118EF947 10 データを書き込む。
6118EF949 01 データを書き込む。(注意1)
7118EF949 00 データを書き込む。
811807430 00 データを書き込む。
順序2〜7を設定している間にシフトレンズが動いたか確認する。もしシフトレ
9ンズが動かない場合はレンズブロックを交換する(注意2)。動く場合は順序10
に進む。
10 LD-230基板IC5501の周辺にあるR5534の出力電圧をオシロスコープで測定しな
がら,順序2∼7を設定したときに出力電圧が変化することを確認する。
11
出力電圧が変化しないときはレンズブロックを交換する(
注意
2)。変化するときは
順序12に進む。
12 電源を切る。
LD-230基板IC5501の周辺にあるR5549の出力電圧をオシロスコープで測定しな
13 がら電源を入れる。電源投入直後の出力電圧が図2の様に変化することを確認す
る。
出力電圧が図2の様に変化するときはレンズブロックを交換する(注意2)。図2の
様に変化しないときはカメラコントロール回路(VC-516基板IC1301)周辺を点検
する。
注意1:この操作は10秒以内に終了してください。もし10秒以上経過しそうな場合は,ブロック:11,ページ:8E,アドレ
ス:F949,データ:00 に設定しなおしてから再度実行してください。
注意2:レンズブロックを交換した場合は,ADJ編を参照して必要な調整項目を実施すること。調整後は手振れ補正ONの状
態にして,手持ち動作で手振れ補正が適切に動作していることを確認する。
順序 作業内容
1 電源を入れる。
2レンズブロックとLD-230基板間,LD-230基板とVC-516基板間の各フレキシブルフラットケーブルとコネクタの接
続を確認する。
3接続に異常がなければレンズブロックを交換する。
(
注意
)
交換してもエラーが発生する場合はLD-230基板を交
換する。
注意: レンズブロックを交換した場合は,A D J 編を参照して必要な調整項目を実施すること。調整後は手振れ補正O N の状
態にして,手持ち動作で手振れ補正が適切に動作していることを確認する。
1-3-4. E:62:20(サーミスタの異常)が出た場合

1-12
ENGLISH JAPANESE
ENGLISH JAPANESE
HDR-SR11/SR11E/SR12/SR12E_L2
1-4. VC-516基板交換時の注意
仕向けデータ
補修用基板と交換する時,補修用基板に書かれている仕向けデータは元の設定と違っている場合があります。
ADJ編を参照して,「DESTINATIONDATAWRITE」を行ってください。
USBシリアルNo.
セットは,1台毎に異なる固有のID(USBSerialNo.)を書き込んだ後,出荷されています。
新品の補修用基板には,このIDが書き込まれていないので,基板交換後にIDを入力する必要があります。
ADJ編を参照して,「USBSERIALNo.INPUT」を行ってください。

1-13
HDR-SR11/SR11E/SR12/SR12E_L2
(ENGLISH)
1-6. PRECAUTION ON REPLACING
THE CABINET (G(900)) ASSY
(HDR-SR11)
The model display adopts the laser printing method.Therefore, the
cabinet (G(900)) assy for replacement differs depending on the
destination.
As similar displays are provided, choose the suitable one for order.
Note1: After replacing the cabinet (G(900)) assy, the serial number
for it will be changed to the one exclusive for service use.
Inform a customer of the serial number change and change the serial
number in the repair data.
Note 2: When replacing the cabinet (G(900)) assy for US, affix the
“Manufacturing year” label and the “Factory” label on the specified
location as shown in the figure.
The replacement caution label and inset (how to affix) are supplied
together with the cabinet (G(900)) assy.
Note 3: When replacing the cabinet (G(900)) assy for Korea, affix
the “Manufacturing year” label on the specified location as shown
in the figure.
The replacement caution label and inset (how to affix) are supplied
together with the cabinet (G(900)) assy.
(JAPANESE)
1-6.
キャビネット(G(900))組立交換時の注意
(HDR-SR11)
機種の表示部はレーザー印字方式を採用しております。
この為,交換用のキャビネット(G(900))組立は仕向けによ
り異なります。類似の表示もありますので,該当するもの
を選んで注文して下さい。
注意1: キャビネット(G(900))組立交換後はシリアルナン
バーがサービス専用のシリアルナンバーに変更されます。
お客様への案内と修理データのシリアルナンバー変更を
行ってください。
注意2: US仕向けキャビネット(G(900))組立を交換した際
は「製造年月」を表すラベルと,「製造所」を表すラベル
を図の指定位置に貼り付けてください。
なお,キャビネット(G(900))組立には時期表示ラベル,投
げ込み(ラベル貼り方)がセットで供給されます。
注意3: Korean仕向けキャビネット(G(900))組立を交換し
た際は,「製造年月」を表すラベルを図の指定位置に貼り
付けてください。
なお,キャビネット(G(900))組立には時期表示ラベル,投
げ込み(ラベル貼り方)がセットで供給されます。
HDR-SR11
(JAPANESE Model)
Part No.
A-1526-522-A
Description
CABINET(G(900))(SR11J1)
HDR-SR11
(US Model)
Part No.
A-1526-525-A
Description
CABINET(G(900))(SR11U2)
HDR-SR11
(Korea Model)
Part No.
A-1526-528-A
Description
CABINET(G(900))(SR11KR2)
HDR-SR11
(Canadian Model)
Part No.
A-1526-526-A
Description
CABINET(G(900))(SR11CA2)
HDR-SR11
(Tourist Model)
Part No.
A-1526-524-A
Description
CABINET(G(900))(SR11JE3)
HDR-SR11
(E Model)
Part No.
A-1526-527-A
Description
CABINET(G(900))(SR11E23)
*
Affix the label
*
Affix the label
*
Affix the label
Serial No.
*
Factory
*
Manufacturing year
Serial No.
Serial No.
Serial No.
Serial No.
*
Manufacturing year
*
Manufacturing year
Serial No.

1-14
HDR-SR11/SR11E/SR12/SR12E_L2
(ENGLISH)
1-7. PRECAUTION ON REPLACING
THE CABINET (G(900)) ASSY
(HDR-SR11E)
The model display adopts the laser printing method.Therefore, the
cabinet (G(900)) assy for replacement differs depending on the
destination.
As similar displays are provided, choose the suitable one for order.
Note1: After replacing the cabinet (G(900)) assy, the serial number
for it will be changed to the one exclusive for service use.
Inform a customer of the serial number change and change the serial
number in the repair data.
(JAPANESE)
1-7.
キャビネット(G(900))組立交換時の注意
(HDR-SR11E)
機種の表示部はレーザー印字方式を採用しております。
この為,交換用のキャビネット(G(900))組立は仕向けによ
り異なります。類似の表示もありますので,該当するもの
を選んで注文して下さい。
注意1: キャビネット(G(900))組立交換後はシリアルナン
バーがサービス専用のシリアルナンバーに変更されます。
お客様への案内と修理データのシリアルナンバー変更を
行ってください。
HDR-SR11E
(E, Hong Kong, Australian Models)
Part No.
A-1526-529-A
Description
CABINET(G(900))(SR11EE34)
HDR-SR11E
(NE Models)
Part No.
A-1526-530-A
Description
CABINET(G(900))(SR11ECEL)
HDR-SR11E
(Tourist Model)
Part No.
A-1526-560-A
Description
CABINET(G(900))(SR11EJE3)
HDR-SR11E
(AEP, UK Model)
Part No.
A-1526-561-A
Description
CABINET(G(900))(SR11ECEH)
HDR-SR11E
(Chinese Model)
Part No.
A-1526-562-A
Description
CABINET(G(900))(SR11ECN2)
Serial No.
Serial No.
Serial No.
Serial No.
Serial No.

1-15
HDR-SR11/SR11E/SR12/SR12E_L2
(ENGLISH)
1-8. PRECAUTION ON REPLACING
THE CABINET (G(900)) ASSY
(HDR-SR12)
The model display adopts the laser printing method.Therefore, the
cabinet (G(900)) assy for replacement differs depending on the
destination.
As similar displays are provided, choose the suitable one for order.
Note1: After replacing the cabinet (G(900)) assy, the serial number
for it will be changed to the one exclusive for service use.
Inform a customer of the serial number change and change the serial
number in the repair data.
Note 2: When replacing the cabinet (G(900)) assy for US, affix the
“Manufacturing year” label and the “Factory” label on the specified
location as shown in the figure.
The replacement caution label and inset (how to affix) are supplied
together with the cabinet (G(900)) assy.
Note 3: When replacing the cabinet (G(900)) assy for Korea, affix
the “Manufacturing year” label on the specified location as shown
in the figure.
The replacement caution label and inset (how to affix) are supplied
together with the cabinet (G(900)) assy.
(JAPANESE)
1-8.
キャビネット(G(900))組立交換時の注意
(HDR-SR12)
機種の表示部はレーザー印字方式を採用しております。
この為,交換用のキャビネット(G(900))組立は仕向けによ
り異なります。類似の表示もありますので,該当するもの
を選んで注文して下さい。
注意1: キャビネット(G(900))組立交換後はシリアルナン
バーがサービス専用のシリアルナンバーに変更されます。
お客様への案内と修理データのシリアルナンバー変更を
行ってください。
注意2: US仕向けキャビネット(G(900))組立を交換した際
は「製造年月」を表すラベルと,「製造所」を表すラベル
を図の指定位置に貼り付けてください。
なお,キャビネット(G(900))組立には時期表示ラベル,投
げ込み(ラベル貼り方)がセットで供給されます。
注意3: Korean仕向けキャビネット(G(900))組立を交換し
た際は,「製造年月」を表すラベルを図の指定位置に貼り
付けてください。
なお,キャビネット(G(900))組立には時期表示ラベル,投
げ込み(ラベル貼り方)がセットで供給されます。
HDR-SR12
(Japanese Model)
Part No.
A-1526-563-A
Description
CABINET(G(900))(SR12J1)
HDR-SR12
(Tourist Model)
Part No.
A-1526-565-A
Description
CABINET(G(900))(SR12JE3)
HDR-SR12
(US Model)
Part No.
A-1526-566-A
Description
CABINET(G(900))(SR12U2)
HDR-SR12
(Canadian Model)
Part No.
A-1526-567-A
Description
CABINET(G(900))(SR12CA2)
HDR-SR12
(E Model)
Part No.
A-1526-568-A
Description
CABINET(G(900))(SR12E23)
HDR-SR12
(Korean Model)
Part No.
A-1526-575-A
Description
CABINET(G(900))(SR12KR2)
*
Affix the label
*
Affix the label
*
Affix the label
Serial No.
Serial No.
* Factory * Manufacturing year
Serial No.
* Manufacturing yearSerial No.
* Manufacturing year
Serial No.
Serial No.

1-16E
HDR-SR11/SR11E/SR12/SR12E_L2
(ENGLISH)
1-9. PRECAUTION ON REPLACING
THE CABINET (G(900)) ASSY
(HDR-SR12E)
The model display adopts the laser printing method.Therefore, the
cabinet (G(900)) assy for replacement differs depending on the
destination.
As similar displays are provided, choose the suitable one for order.
Note1: After replacing the cabinet (G(900)) assy, the serial number
for it will be changed to the one exclusive for service use.
Inform a customer of the serial number change and change the serial
number in the repair data.
(JAPANESE)
1-9.
キャビネット(G(900))組立交換時の注意
(HDR-SR12E)
機種の表示部はレーザー印字方式を採用しております。
この為,交換用のキャビネット(G(900))組立は仕向けによ
り異なります。類似の表示もありますので,該当するもの
を選んで注文して下さい。
注意1: キャビネット(G(900))組立交換後はシリアルナン
バーがサービス専用のシリアルナンバーに変更されます。
お客様への案内と修理データのシリアルナンバー変更を
行ってください。
HDR-SR12E
(E, Hong Kong, Australian Models)
Part No.
A-1526-576-A
Description
CABINET(G(900))(SR12EE34)
HDR-SR12E
(NE Models)
Part No.
A-1526-577-A
Description
CABINET(G(900))(SR12ECEL)
HDR-SR12E
(Tourist Model)
Part No.
A-1526-578-A
Description
CABINET(G(900))(SR12EJE3)
HDR-SR12E
(AEP, UK Model)
Part No.
A-1526-579-A
Description
CABINET(G(900))(SR12ECEH)
HDR-SR12E
(Chinese Model)
Part No.
A-1526-580-A
Description
CABINET(G(900))(SR12ECN2)
Serial No.
Serial No.
Serial No.
Serial No.
Serial No.

2-1
2. DISASSEMBLY
HDR-SR11/SR11E/SR12/SR12E_L2
NOTE FOR REPAIR
• Make sure that the flat cable and flexible board are not cracked of bent at the terminal.
Do not insert the cable insufficiently nor crookedly.
• When remove a connector, don’t pull at wire of connector. It is possible that a wire is snapped.
•When installing a connector, don’t press down at wire of connector.
It is possible that a wire is snapped.
Cut and remove the part of gilt
which comes off at the point.
(Be careful or some
pieces of gilt may be left inside)
DISCHARGING OF THE ST-185 BOARD’S CHARGING CAPACITOR (C5006)
The charging capacitor (C5006) of the ST-185 board is charged
up to the maximum 330 V potential.
There is a danger of electric shock by this high voltage when the
capacitor is handled by hand. The electric shock is caused by
the charged voltage which is kept without discharging when the
main power of the unit is simply turned off. Therefore, the
remaining voltage must be discharged as described below.
Preparing the Short Jig
To preparing the short jig, a small clip is attached to each end of
a resistor of 1 kΩ /1 W (1-215-869-11).
Wrap insulating tape fully around the leads of the resistor to
prevent electrical shock.
Harness
(coaxial cable)
Tweezers etc.
1 kΩ/1 W
Wrap insulating tape.
C5006
Note: High-voltage cautions
Discharging the Capacitor
Short-circuit between the two points
with the short jig about 10 seconds.
ST-185 Board
R:1 kΩ/1 W
(Part code: 1-215-869-11)
NOTE FOR DISCONNECTING THE HARNESS (COAXIAL CABLE)
When disconnecting the harness (COAXIAL CABLE), do not
pull the harness part but pull off the connector body with tweezers
etc.

2-2
HDR-SR11/SR11E/SR12/SR12E_L2
2-2-1. OVERALL SECTION-1
- Cabinet (G) Assy
- HDD
- Bottom Cabinet Block
2-2-2. OVERALL SECTION-2
- Cabinet (R) Section
- Cabinet (Top) Block
- EVF Block
2-2-3. OVERALL SECTION-3
- BT Panel Block
- Cabinet (F) Section
2-2-6. CABINET (F) SECTION
- Lens Block
- Control Switch Block (RS28900)
- Lens Barrier Unit
2-2-7. LENS BLOCK
- ST-185 Board
- LD-230 Board
- Flash Unit
2-2-8. CABINET (R) SECTION
- Loud Speaker
- CK-185 Board
- Panel Block
2-2-9. PANEL BLOCK
- Hinge Assy
- PD-343 Board
- LCD
- DISASSEMBLY FLOW -
2-2-4. CABINET (L) SECTION-1
- VC-516 Board
2-2-5. CABINET (L) SECTION-2
- JK-356 Board
- Control Switch Block (PS28100)
- FR-278 Board
Cabinet (R) Section
⋅ CK-185 Board
⋅ PD-343 Board
Cabinet (L) Section
⋅ VC-516 Board
⋅ JK-356 Board
⋅ FR-278 Board
EVF Block
⋅ BL-017 Board
Cabinet (F) Section
⋅ ST-185 Board
⋅ LD-230 Board
Bottom Cabinet Block
⋅ CR-089 Board
BT Panel Block
⋅ MS-381 Board
Cabinet (Top) Block
2-1. IDENTIFYING PARTS

2-3
HDR-SR11/SR11E/SR12/SR12E_L2
2-2. DISASSEMBLY
2-2-1. OVERALL SECTION-1
Follow the disassembly in the numerical order given.
1Cabinet (G) Assy (1-1 to 1-6)
2HDD (2-1 to 2-3)
3Bottom Cabinet Block (3-1 to 3-2)
HELP
HELP
EXPLODED VIEW
HARDWARE LIST
1
Cabinet (G)
Assy
3-2
Overall
Section-2
(See Page 2-4)
1-3
(#2)
1-5
(#2)
1-4
(Slide the
Jack Cover(G))
1-2
(Slide the
LF Jack Cover)
1-1
(#2)
1-6
(Claw)
2
HDD
2-3
2-1
2-2
3
Bottom Cabinet Block 3-1 (#2)

2-4
HDR-SR11/SR11E/SR12/SR12E_L2
2-2-2. OVERALL SECTION-2
Follow the disassembly in the numerical order given.
1Cabinet (R) Section (1-1 to 1-8)
2Cabinet (Top) Block (2-1 to 2-5)
3EVF Block (3-1 to 3-3)
EXPLODED VIEW
HARDWARE LIST
A
A
2-1
(#2)
3-1
(#2)
3-2
(#2)
3-3
2
Cabinet (Top)
Block
2-4
(Open the
LCD Panel)
1-1
(Open the
LCD Panel)
1
Cabinet (R)
Section
(See Page 2-10)
2-2
(#2)
2-3
(#12)
3
EVF Block
Overall
Section-3
(See Page 2-5)
2-5
(Claw)
1-2
(#2)
1-4
1-3
(Claw)
1-5
(#2)
1-6
(#2)
1-7(#12)
1-8
HELP01

2-5
HDR-SR11/SR11E/SR12/SR12E_L2
2-2-3. OVERALL SECTION-3
Follow the disassembly in the numerical order given.
1BT Panel Block (1-1 to 1-4)
2Cabinet (F) Section (2-1 to 2-9)
EXPLODED VIEW
HARDWARE LIST
A
A
2
Cabinet (F)
Section
(See Page 2-8)
2-1
(#3)
2-7
(#3)
2-6
2-5
2-9
2-2
2-4
2-3
1-3
1-4
1
BT Panel Block
1-2
HELP02
1-1
(#2)
Note: High-voltage cautions
Discharging the Capacitor
Short-circuit between the two points with the short jig
about 10 seconds. To avoid the spark with the metal
plate, wrap the short jig with the insulation tape.
R:1 kΩ/1 W
(Part code: 1-215-869-11)
C5006
(Charging
Capacitor)
ST-185
Board
2-8
(#2)
HELP03
Refer to page 2-1 “Note
for disconnecting the
harness (caoxial cable)”.

2-7
HDR-SR11/SR11E/SR12/SR12E_L2
2-2-5. CABINET (L) SECTION-2
Follow the disassembly in the numerical order given.
1 JK-356 Board (1-1 to 1-6)
2 Control Switch Block (PS28100) (2-1)
3 FR-278 Board (3-1 to 3-4)
EXPLODED VIEW
HARDWARE LIST
1-1(#11)
1-3(#11)
1-4
(#3)
1-2
1
JK-356 Board
1-5
1-6
2-1
(#11)
2Control Switch Block
(PS28100)
3-1
(#11)
3
FR-278 Board
3-2
3-4
(#3)
3-3

2-8
HDR-SR11/SR11E/SR12/SR12E_L2
EXPLODED VIEW
HARDWARE LIST
2-2-6. CABINET (F) SECTION
Follow the disassembly in the numerical order given.
1Lens Block (1-1 to 1-4)
2Control Switch Block (RS28900) (2-1)
3Lens Barrier Unit (3-1 to 3-3)
1
Lens Block
(See Page 2-9)
3-1
(#3)
2-1
(#11)
3-3
(#11)
3-2
1-4
(#11)
1-1
1-3
1-2
HELP06
HELP06
HELP07
HELP09
3
Lens Barrier Unit
2
Control Switch Block
(RS28900)
HELP08

2-9
HDR-SR11/SR11E/SR12/SR12E_L2
2-2-7. LENS BLOCK
Follow the disassembly in the numerical order given.
1 ST-185 Board (1-1 to 1-4)
2 LD-230 Board (2-1 to 2-3)
3 Flash Unit (3-1 to 3-6)
EXPLODED VIEW
HARDWARE LIST
LD-230
3
Flash Unit
1-1
3-1 (#3)
3-2
(#3)
3-4 (#11)
3-5
Lens Block
HELP13
HELP12
HELP11
HELP10
1-2
(#3)
1-4
1
ST-185 Board
1-3 (Claw)
2-2
(#3)
2-3
2-1
2
LD-230 Board
Refer to page 2-1 "Note
for disconnecting the
harness (coaxial cable) "
3-3 (Dowels)
3-6
(Peel off the
Flexible Board)

2-10
HDR-SR11/SR11E/SR12/SR12E_L2
2-2-8. CABINET (R) SECTION
Follow the disassembly in the numerical order given.
1 Loud Speaker (1-1 to 1-3)
2 CK-185 Board (2-1 to 2-3)
3 Panel Block (3-1 to 3-2)
EXPLODED VIEW
HARDWARE LIST
3-1
(#2)
3-2
3
Panel Block
(See Page 2-11)
2-2
(#11)
2-3
2-1
2
CK-185
Board
1
Loud Speaker
1-2 (#11)
1-1
1-3
HELP14
HELP14

2-11E
HDR-SR11/SR11E/SR12/SR12E_L2
2-2-9. PANEL BLOCK
Follow the disassembly in the numerical order given.
1 Hinge Assy (1-1 to 1-12)
2 PD-343 Board (2-1 to 2-9)
3 LCD (3-1)
EXPLODED VIEW
HARDWARE LIST
PD-343
C
A
D
D
A
B
C
B
1
Hinge Assy
1-1
(#2)
1-7
(#2)
1-5
1-10
1-9
1-11 3-1
(Claw)
3
LCD
2
PD-343
Board
HELP16
HELP15
HELP16
1-6
1-12
2-5 (#11)
2-6
(#11)
2-1
2-8
2-2
1-2
(Claw)
1-3
(Claw)
1-4
1-8
(Claw)
2-3
2-4
2-9
2-7

HELP
HDR-SR11/SR11E/SR12/SR12E_L2
HELP02
Open slightly
the BT Panel Block
BT Panel
(900) Assy
BT Harness Retainer
Main Frame
DC Jack Harnesses
(to the DC IN Jack)
DC Jack Harnesses DC Jack Harnesses
Secure the space by arranging DC Jack Harness
as shown in the figure.
Insert the lib portion to
Main Frame.
DC Jack Harnesses
(to the Battery Terminal Board)
Claw BT Harness Retainer

HELP
HDR-SR11/SR11E/SR12/SR12E_L2
Microphone Unit Be careful not to overlap the bended
the flexible board to the Microphone unit.
Printed end
Microphone Unit
1mm
Microphone
Frame (900)
Microphone Holder
Assy (900) Mountain fold
Valley fold
NON WOVEN (T0.25)
(16mm
× 7mm)
HELP09
Claws
Push the Flexible Board
LD-230 BoardFlexible Board
(Flash Unit)
HELP10

HELP
HDR-SR11/SR11E/SR12/SR12E_L2
CMOS Block Assy
(CM-094 Board)
CM Radiation Sheet (900)
Be sure not to load to CM-094 Board
and not to bend the sheet.
Lens Frame
(R(900))
HELP13
CK-185 Board
Harnesses
(Loud Speaker(1.6cm))
NS Nkob
Slide Switch
Engage the NS knob with
the Slide witch.
Lib
Lib Dowel
Harness
(Red)
Harness
(Black)
HELP14

HELP
HDR-SR11/SR11E/SR12/SR12E_L2
A
Adhesive part
1Fold dotted line parts of the FP-807 flexible board
as shown in figure.
5Put the adhesive part and FP-807 flexible
board on the hinge assy according to the
position of the boss.
Boss
Hinge assy
2Pass the FP-807 flexible board through
the flexible clamp
.
3Install the flexible clamp in the hinge assy.
Flexible clamp
Flexible clamp
4Roll the the FP-807 flexible board 1.5 times,
in the direction of arrow
A
.
A
Adhesive tape
Adhesive tape
Mountain fold
Mountain fold
Valley fold
Overlap the corners.
Valley fold
THE METHOD OF ATTACHMENT OF FP-807 FLEXIBLE BOARD AND FP-454 FLEXIBLE BOARD
HELP16

HELP
HDR-SR11/SR11E/SR12/SR12E_L2
6Insert the FP-454 flexible board to the flexible clamp as shown in figure.
FP-454 flexible board
Flexible clamp

3-1
HDR-SR11/SR11E/SR12/SR12E_L2
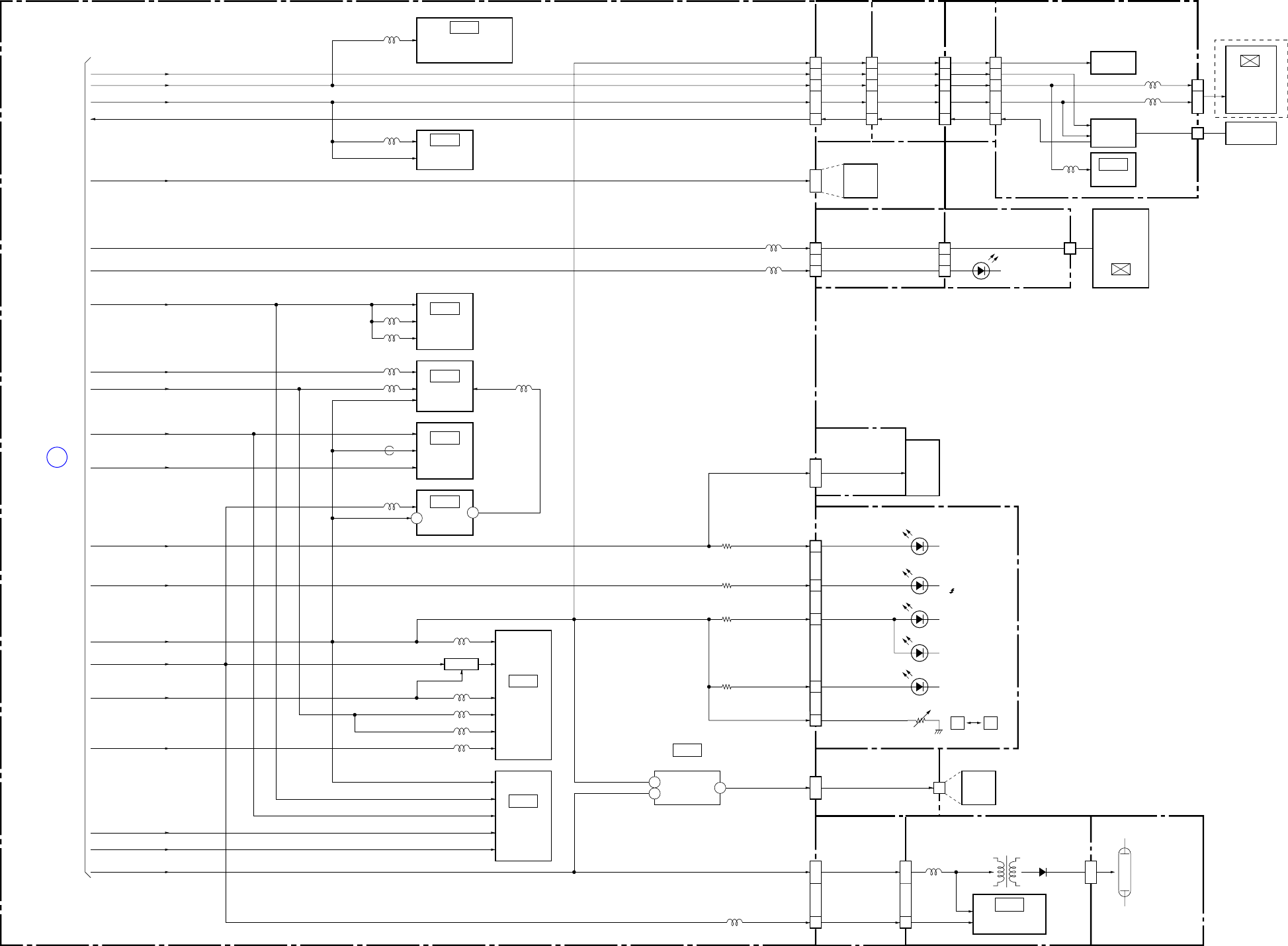
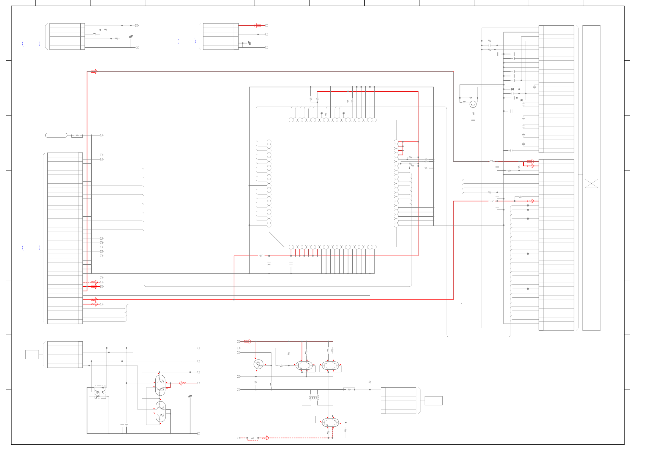
3. BLOCK DIAGRAMS
3-1. OVERALL BLOCK DIAGRAM (1/6) ( ) : Number in parenthesis ( ) indicates the division number of schematic diagram where the component is located.
OVERALL (3/6)
(PAGE 3-3)
2
XFLASH_RST
XFLASH_RST
: VIDEO SIGNAL
CPU
(6/22, 7/22, 8/22)
IC1701
(1/4)
512M
SDRAM
(9/22)
IC2101
(1/2)
512M
OneNAND
FLASH
(9/22)
IC2101
(2/2)
MOBILE DDR
SDRAM
(5/22)
IC1601
VIN_C0 - VIN_C7
VIN_HD, VIN_VD, VIN_FLD,
EXT_CAM_CLK EMC_ADDR [0] - EMC_ADDR [12],
EMC_ADDR [14], EMC_ADDR [15]
EMC_ADDR [0] - EMC_ADDR [15]
EMC_XCS [1]
EMC_ADDR [0] - EMC_ADDR [15]
J13
AF10
EMC_CKE F3
AJ15
EMC_XCAS
J11
AE16
EMC_XRESET_OUT
P11
AF16
EMC_RDY0 R6
AG17
EMC_XOE
N10
AG15
EMC_XWE
J10
AF17
EMC_XRAS
EMC_XWE
EMC_XRAS
J12
EMC_XWE P7
EMC_XRAS T5
AG16
EMC_CLK0_OUT
EMC_XCS [1]
EMC_CKE
EMC_XCAS
EMC_CLK0_OUT
EMC_CLK0_IN
K11
W25
W26
Y4, Y5,
AA1, U1
V5, T6, P8, P9, R9, R10,
T11, U11, U6, R7, R8,
P10, T9, R11, T12, U12
R12, P12, P13, N11, M10,
M11, L10, L11, H11, H10,
G11, G10, F11, E13, E12,
D13, P2, P3, N2, N3, P4,
P5, N5, N4, J4, H5, H4,
G5, G4, F5, G2, G3
AJ22, AJ25, AH23, AJ26,
AJ23, AF26, AH21, AG25,
AH24, AG21, AG26, AH22,
AJ24, AG20, AH25, AD19,
AD18, AJ21, AH26, AG19,
AE20, AH20, AH19, AF18,
AE18, AJ20, AF19, AH18,
AE19, AJ19, AF20, AG18
AA9, U12, V12, U11,
V11, W10, W12, Y9,
Y11, T10, V9, V10,
T11, W11, Y10, Y8
R5, R4, T3, R3, E2,
D4, F4, E4, E3, D3,
P6, E5, K5, L4, L5
F6, C4, D5, C5,
E6, D6, C6, E7,
C10, B10, D10, F8,
C11, B11, D11, E9
EMC_XDQM[0] - EMC_XDQM[3]EMC_XDQM[0] - EMC_XDQM[3]
AE17, AH16,
AD17, AH15
J5, N13,
M4, F13
EMC_DATA [0] - EMC_DATA [31]EMC_DATA [0] - EMC_DATA [31]
EMC_DATA [0] - EMC_DATA [15]
EMC_XCS [0] U3
AG10
EMC_CLK1_OUT
EMC_XRESET_OUT
EMC_RDY0
EMC_XOE
EMC_XCS [0]
EMC_CLK1_OUT
EMC_CLK1_IN T4
E8
Y25
Y26
VIN_Y0 - VIN_Y7
U4, U5, R5, V1,
V2, T4, T5, R4
B16, B17, C15, D15
D16, C16, A15, B15,
D25
C28
D29
SYS_V
SSS
XWEN
PCI_XGNTTS1_AR
AP18
AM21
H24
PCI_XINTB_AR
XIC_1301_COM_REQ
PCI_XREQFS1_AR
B23
XRESET_REQ
AN20
M2
P5
U7
AE1
N4
OVERALL (5/6)
(PAGE 3-5)
1
EXT_CAM_VD
B20
CPU
(SIGNAL
PROCESS)
(3/22, 4/22)
IC1301
(1/3)
B19, D19, D18,
A19, C18, C19,
D17, C17
C20, D20,
A17, A20,
Y2, Y1, V5, V4,
W4, W2, W1,W5
IC_1301_DDR2_XCS_0, IC_1301_DDR2_XWE,
IC_1301_DDR2_XRAS, IC_1301_DDR2_XCAS,
IC_1301_DDR2_CKE1, IC_1301_DDR2_BA_1,
IC_1301_DDR2_BA_0, IC_1301_DDR2_CLK,
IC_1301_DDR2_DCLKN
IC_1301_DDR2_DATA_0 - IC_1301_DDR2_DATA_31
A3 - A5, A7, A8, A17,
A18, A20, A21, B3 - B5,
B7, B8, B17, B18, B20,
B21, D6 - D8, D18 - D21,
E6 - E8, E18 - E21
R8, P7, P8, N7, N8, M7, M8,
L7, L3, M2, M3, N2, N3, P2,
D3, R2, A8, B7, B8, C7, C8,
D7, D8, E7, E3, D2, D3, C2,
C3, B2, B3, A2
IC_1301_DDR2_ADDR_0 - IC_1301_DDR2_ADDR_13
F3, H1 - H3, J1 - J3,
J7 - J9, K1, K3, K7, K9
B13, D10, D11, E11, E10,
D17, E17, A13, A14
G7 - G9, H7 - H9,
G1 - G3
A6, E9, B16, B19,
B6, D9, A16, A19
E8, F8, L2, K2, E2,
F2, L8, K8
IC_1301_DDR2_DQS_0 - IC_1301_DDR2_DQS_3,
IC_1301_DDR2_DQM_0 - IC_1301_DDR2_DQM_3
A11, A12, B12,
D12 - D16, E11 - E16
VC-516 BOARD (1/5)
CN1301
33
SENS_CLK_P, SENS_CLK_M
XFLASH_RST
34 - 38
SENSSCK, SENS_VD, SENS_HD,
IC_1301_SDO, SENSXCS
AJ12 - AJ15, AJ17 - AJ20,
AH12 - AH15, AH17 - AH20
AE19, AF19, AJ23,
AC19, AH22
CMOS IMAGER
IC6804
D13, D14, E13, E14,
F13, F14, G13, G14,
H13, H14, J13, J14,
K13, K14, L13, L14,
M13, M14
M5, M6,
N5 - N7
CM-094 BOARD
10, 11, 13, 14, 16, 17, 19, 20, 25, 26, 28, 29, 31, 32, 34, 35
6, 7, 9, 10, 12, 13, 15, 16, 21, 22, 24, 25, 27, 28, 30, 31
3 - 7
22, 23
18, 19
CN6801
SCK, XVS, XHS, IC_1301_SDO, XCE
10M_DOAP, 10M_DOAM, 10M_DOBP,
10M_DOBM, 10M_DOCP, 10M_DOCM,
10M_DODP, 10M_DODM, 10M_DOEP,
10M_DOEM, 10M_DOFP, 10M_DOFM,
10M_DOGP, 10M_DOGM, 10M_DOHP,
10M_DOHM
SENS_DATA_P_0 - SENS_DATA_P_7,
SENS_DATA_M_0 - SENS_DATA_M_7
DCKP, DCKM
XCLR
N4 8
H13, H14
AJ16, AH16
40 SYSTEM_CLOCK
A_1.8V
X1301
48MHz
INCK
N11
1
BUFFER
(3/22)
IC1303
42
P1
IRIS
(SHUTTER)
(TO LENS BLOCK 2/2)
LENS BLOCK (1/2)

3-2
HDR-SR11/SR11E/SR12/SR12E_L2
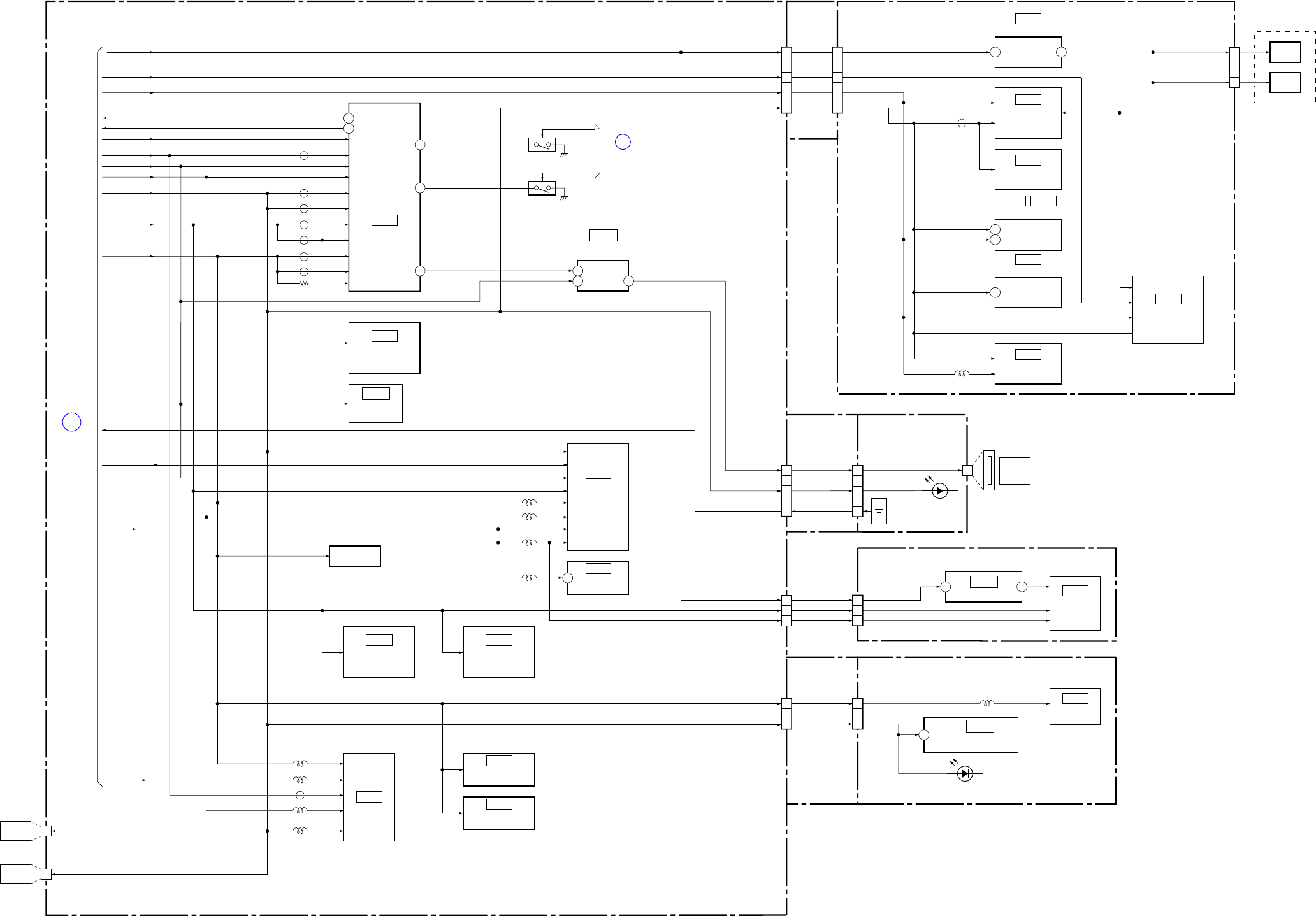
3-2. OVERALL BLOCK DIAGRAM (2/6) ( ) : Number in parenthesis ( ) indicates the division number of schematic diagram where the component is located.
VC-516 BOARD (2/5)
: VIDEO SIGNAL
BB_SO
1, 2
34, 36, 38, 40, 42, 44, 46, 48
CN3301
XBATT_VIEW
FR_XRESET
4
6
FP-808 FLEXIBLE
TO CK-185 BOARD
OVERALL (6/6)
(PAGE 3-6)
15
13
HARD
DISK
DRIVE
SOC
(12/22)
D35, E34, D33, D34,
D32, C34, B33, C33
B17, A17, D18, B18,
A18, B19, A20, B21
L4, L1, K5, L5,
L2, M4, M5, M2
E32, G33,
E33, F33
B16, A16,
A15, A14
G32, G34,
F32, F34
D14, B14,
D13, A13
DR_VDATA0 - DR_VDATA7
DR_GHDATA0 - DR_GHDATA3
DR_GSDATA0 - DR_GSDATA3
H35 B15
DR_GHPILOT
G35 D12
DR_GSPILOT
F35
DR_VINCK
E21
H1
XBB_SCK
BB_SO
IC_2401_C/PB_OUT
IC_2401_Y_OUT
IC_2401_PR_OUT
Y7
Y6
AA7
G2
U27
XCS_IC_2401
G20
7
PANEL_O/C
PANEL_O/C
G24
16
XBB_RST
BB_SI
XBB_SCK
BB_SO
BB_SI
L18
PANEL_NOR/REV
9
KEY_AD3
31
P_BL_ON 50
BL_BRT
32
PANEL_NOR/REV
H25
M18
M19
14
XCS_LCD
XCS_LCD
T27
5
KEY_AD2
KEY_AD2
KEY_AD2
AJ35
BL_BRT
Y2 P_BL_ON
Y4
23
KEY_AD0KEY_AD0
AH35
XBB_RST
XBB_RST
H2
E35
DR_SCK54
F20
J21
J1
TP_Y TP_Y
TP_SEL2
AN34
B28
TP SEL
SWITCH
Q1701 30
TP_SEL1 TP_SEL1
B29
29
TP_X TP_X
AM35
28
ATA_A0 - ATA_A2
XATA_CS1, XATA_CS0, ATA_INTRQ, XATA_DMACK, ATA_IORDY, XATA_DIOR, XATA_DIOW, ATA_DMARQ
ATA_D0 - ATA_D15
AM9 - AM11
AL4
AG34
AF34
XATA_RESET
MEM_SEL1
MEM_SEL2
XATA_RESET
AJ8 - AJ14
AH8 - AH14
AM12, AN12
AL1, AM1, AM3,
AM4, AN4,
AK1, AJ4, AM2
FP-805
FLEXIBLE
BOARD
FP-809 FLEXIBLE BOARD
CN1006
DA0 - DA2
CS1-, CS0-, INTRQ, DMACK-, IORDY, DIOR-, DIOW-, DMARQ
DD0 - DD15
CN1103
4, 6, 8, 12
14
2
34 - 49
14 - 16
12, 13, 17, 18, 21, 26, 27, 31
10
MS-381 BOARD
CN7301 CN7302
3, 4, 5, 7
8
2
11, 15, 17, 19
9
122
21
MS_SCLK
MS_BS
613
51
1
11
XMS_IN
AM31
AR32
MSDATA0 - MSDATA3
MSX_CLK
MS_BS
XMS_IN
BOOT_MODE_PORT0
BOOT_MODE_PORT0
XBB_SCK
BB_SO
HDD_UNLOAD
XMS_IN
XBATT_VIEW
HDD_ACCESS
HDD_ACCESS
RESET-
DASP-
MSX_CLK
H23
CN1009
7BOOT_MODE_PORT0
AA1
5UART2_SI
H27
4UART2_SO
G27
3UART3_SI
J25
2UART3_SO
UART2_SI
UART2_SO
UART3_SI
UART3_SO
K26
XMS_ACC_LEDXMS_ACC_LED
MSX_BS
MSX_BIO0 - MSX_BIO3
AM30, AN33,
AN30, AM32
MEMORY
STICK
PRO DUO
D7301
(ACCESS)
SP
OVERALL (3/6)
(PAGE 3-3)
3
HDD_UNLOAD HDD_UNLOAD
FR_XRESET
DPNVD, DPNHD, DPNCKO
D_2.8V
R1019 R1009
R1008
: VIDEO SIGNAL
: AUDIO SIGNAL
: VIDEO/AUDIO SIGNAL
(For check)
CPC
XBB_SCK
OVERALL (3/6)
(PAGE 3-3)
6
OVERALL (3/6)
(PAGE 3-3)
9
OVERALL (3/6)
(PAGE 3-3)
7
OVERALL (3/6)
(PAGE 3-3)
8
OVERALL (3/6) (PAGE 3-3)
OVERALL (4/6) (PAGE 3-4)
5
OVERALL (4/6)
(PAGE 3-4)
4
CPU
(6/22, 7/22, 8/22)
IC1701
(2/4)
K4 EVF_HD
J2 EVF_VD
EVF_HD
EVF_VD
EVF DRIVER
(17/22)
IC3101
27bit DISPLAY SERIAL
INTERFACE TRANSMITTER
(19/22)
IC3301
H2 EVF_HST
G1 EVF_HCK2
F1 EVF_HCK1
G11
EVF_REF
K3 EVF_VST
J2 EVF_STB
K1 EVF_EN
L3 EVF_VCK
H1 EVF_PCG
L8 EVF_VB
L6 EVF_VR
L7 EVF_VG
L10
EVF_PSIG
K11
EVF_COM
EVF_HST
EVF_HCK2
EVF_HCK1
EVF_REF
EVF_VST
EVF_STB
EVF_EN
EVF_VCK
EVF_PCG
EVF_VB
EVF_VR
EVF_VG
EVF_PSIG
EVF_COM
G10
LED_K
EVF_BL_ON
Q3101
EVF BL SWITCH
CN3101 CN5701 CN5702
13
12
11
10
9
8
FP-811
FLEXIBLE BOARD
BL-017
BOARD
15
16
17
3
1
6
7
4
5
11
13
15
12
14
16
7
6
5
21
18
17
20
19
A2
B1
D11
E11
EVF_R
EVF_G
F11
EVF_B
EVF_R
EVF_G
EVF_B
A4
XBB_SCK
B4
BB_SO
A5
BB_SI
C1
XBB_RST
B5
XCS_EVF D5701
(EVF BACKLIGHT)
LCD902
COLOR
EVF
UNIT
XCS_EVF
R27
EVF_BL_ON
D26
IC2401
(1/2)
BB_SI
AA11
AA9
Y10
13
12
11
10
9
8
15
16
17
3
6
7
4
5
1
DPNR0 - DPNR7
M1, N1, N2, P5,
R5, P1, P2, P4
DPNG0 - DPNG7
R1, R2, T5, W2,
T1, T2, U1, U2
DPNB0 - DPNB7
D0+_TSY - D2+_TSY, D0-_TSY - D2-_TSY, CLK+_TSY, CLK-_TSY
C1, C2, D2, D1,
E1, F2, F1, G2
A2 - A4,
B1 - B5
A5 - A8,
B6 - B9
D9, E9, F9, G9
J4 - J7
H2, H1, G1
V1, V2, W1
FB1801
FB1802
OVERALL (5/6)
(PAGE 3-5)
17

3-3
HDR-SR11/SR11E/SR12/SR12E_L2
3-3. OVERALL BLOCK DIAGRAM (3/6) ( ) : Number in parenthesis ( ) indicates the division number of schematic diagram where the component is located.
SYS_SOUND
SP
VC-516 BOARD (3/5)
A4
AUDIO/VIDEO
PROCESSOR
(16/22)
IC2801
V_TO_PR
XCS_IC2801
CN1007
9
2
7
11
5
19
17
16
3
4
J14
XBB_SCK
J13
BB_SO
K13
N14
M14
M13
ADA_SOA0
N13
ADA_SOA1
P13
P12
N4
N3
K14
L1 C_TO_PB
M2 Y_TO_Y
CN1104
VIDEO/D3_PR
KEY_AD3KEY_AD3
JACK_AD_CRADLE
LANC_SIG
USB_D+_CR
USB_D-_CR
S_C/D3_PB
S_Y/D3_Y
K1
B1, C2
XCS_EX
H3 FR_SI
J4 FR_SO
L5 WD_DIS
D9 XHOT_STBY
E10
XFR_SCK
K5 STABLE_RUN
E9
XSYS_RST
XCS_EX
FR_SI
FR_SO
WD_DIS
XHOT_STBY
XFR_SCK
STABLE_RUN
XSYS_RST
A8
BOOT_MODE_PORT0 H9
XFLASH_RST
F2
L8
K7
XMS_IN
FR_XRESET
VTR_DD_ON
B8
B6 HDD_ACCESS
XBATT_VIEW
XMS_IN
XBATT_VIEW
B2
J11
LANC_IN J3
B10
LANC_OUT
LANC_SIG
VTR_DD_ON J2
C10
FR_XRESET P3
K3
N5
N7
K2
F11
G11
A2
B4 XPOWER_SW
XMODE_SW
XCHARGE_LED
XCAM_LED
XPOWER_SW
XMODE_SW
XCHARGE_LED
XCAM_LED
JACK_AD_CRADLE
LANC PROCESSOR
(22/22)
IC4901
POWER SUPPLY
(21/22)
IC4701
PHOTO_REC
KEY_AD1
PHOTO_FREEZE
ZOOM_VR_AD
XPHOTO_LED
HDD_ACCESS
START/STOP
CN1106
VIDEO/D3_PR
JACK_AD
LANC_SIG
USB_D+_CN
USB_D-_CN
USB_VCC_CN
S_C/D3_PB
S_Y/D3_Y
VIDEO/D3_PR
S_C/D3_PB
S_Y/D3_Y
CONTROL SWITCH BLOCK (PS28100)
D002
XPHOTO_LED
D005
(QUICK ON)
W T
PHOTO
RV001
(PHOTO)
S002
S004
(PHOTO FREEZE)
START/
STOP
START/STOP
14
XQUICKREC_LED XQUICKREC_LED
PHOTO_FREEZE
PHOTO_REC S003
(PHOTO REC)
D003
XCAM_LED
D006
(ACCESS)
(CAM)
X_ACCESS_LED
D004
ON POWER
MODE
OFF (CHG)
XCHARGE_LED
XPOWER_SW
XMODE_SW
ZOOM_VR
12
QUICKREC_SW S005
QUICKREC_SW
AV/ R
(USB)
: VIDEO SIGNAL
(QUICK ON)
X4901
32.768kHz L2
L3
CN1004
CN1003
FP-802 FLEXIBLE BOARD
F2
G1
C13
C14
B14
B13
3
1
11
3
4
8
5
10
B10
A11
INT_MIC_L
AUDIO_L_I/O
INT_MIC_R
MIC901
MICROPHONE
UNIT
AUDIO_R_I/O
IC_2401_Y_OUT
IC_2401_C/PB_OUT
A10
INT_MIC_F
SHOE_MIC_FL
SHOE_MIC_FR
LANC_SIG
EXT_STOROBE_ON
HOTSHOE_ID1
HOTSHOE_ID2
HOTSHOE_ID1
HOTSHOE_ID2
5
AUDIO_L_I/O
AUDIO_R_I/O
AUDIO_L_I/O
AUDIO_R_I/O
HOT
SHOE
FP-799 FLEXIBLE BOARD
MIC
(PLUG IN POWER)
EXT_MIC_L
J7222
EXT_MIC_R
MIC_JACK_IN
CN1002
Q2802 Q2803
4
2
9
11
7
B11
B12
L14
A13
A12
B3
D1
D2
HP_R_OUT
J7221
HP_L_OUT
HP_JACK_IN
HP MUTEHP MUTE
D4 DRIVER
(13/22)
IC2501
35 Y_TO_Y(S_Y/D3_Y)
33 C_TO_PB(S_C/D3_PB)
31 V_TO_PR(VIDEO/D3_PR)
20
XCS_DDRA
2
4
IC_2401_Y_OUT
IC_2401_C/PB_OUT
6
IC_2401_PR_OUT
22
XBB_SCK
23
BB_SO
CPU
(6/22, 7/22, 8/22)
IC1701
(3/4)
XMIC_MONO
XSYS_RST
L13 U24
J26
D23
HP_JACK_IN
T25
USB_SELECT
AN7
AM34
AM33
OVERALL (5/6)
(PAGE 3-5)
10
OVERALL (5/6)
(PAGE 3-5)
12
OVERALL (2/6)
(PAGE 3-2)
8
OVERALL (1/6)
(PAGE 3-1)
2
OVERALL (2/6)
(PAGE 3-2)
9
OVERALL (2/6)
(PAGE 3-2)
6
OVERALL (2/6)
(PAGE 3-2)
3
OVERALL (4/6)
(PAGE 3-4)
11
OVERALL (2/6)
(PAGE 3-2)
7
OVERALL (2/6) (PAGE 3-2)
OVERALL (4/6) (PAGE 3-4)
5
R35
P29
U26
N28
D22
AJ34
B22
C22
G23
C23
A22
AH34
H26
AK3
V2
G2
AJ33
M29
M28
N29
R29
JACK_AD
KEY_AD1
START/STOP
AN6
XQUICKREQ_LED
XPHOTO_LED
ZOOM_VR_AD
AH33
KEY_AD3
KEY_AD3
ADA_FCK
ADA_BCK
ADA_LRCK
ADA_SIA0
SYS_SOUND
XCS_IC2801
ADA_SOA0
ADA_SOA1
MIC_JACK_IN
XMIC_MONO
ADA_FCK
ADA_BCK
ADA_LRCK
ADA_SIA0
ADA_FCK
ADA_BCK
ADA_LRCK
ADA_SIA0
AL33
AK35
AF35
AG35
GSENS_REF GSENS_REF
GSENS_TEMP
GSENS_Z
GSENS_Y
GSENS_X
AP10
HDD_UNLOAD
HDD_UNLOAD
SE3202
G SENSOR
5
10
9
8
USB_D+
W35
USB_D-
V35
XBB_SCK
BB_SO
: AUDIO SIGNAL
CR-089 BOARD
39
41
CN7402
26
24
22
30
34
36
32
44
CRADLE
(Handycam Station)
USB_D-
USB_D+
8
6
CN7401
15
19
20
12
7
3
AUDIO_R
AUDIO_L
VIDEO/D3_Pr
S_C/D3_Pb
S_Y/D3_Y
LANC_SIG
MULTI_JACK_IN 11
DISC_BURN (KEY_AD3) 1
20
22
24
2
14
16
5
7
10
12
CN7201
3
4
7
USB_D+
USB_D-
USB_VCC
JK-356 BOARDFP-804
FLEXIBLE
BOARD
FP-806
FLEXIBLE
BOARD
CN7202
3
2
1
16
20
14
17
10
9
CN7203
7
9
5
LANC_SIG
AUDIO_R
AUDIO_L
MULTI_JACK_IN
12 10
2
6
1
25
19
17
21
22
3
5
9
13
14
(headphone)
USB SW
(2/22)
IC1101 3USB_D+_CR
4USB_D-_CR
8
7
91USB_D+_CN
2USB_D-_CN
( /CHG)
GENERAL_AD
K11
D_2.8V
*1
R1026
*1
R1027
SYSTEM_AD K8
0
R1025
SR12
*1
SR11 SR11E SR12E
100K
22K
R1026
R1027
100K
22K
22K
100K
22K
100K

3-4
HDR-SR11/SR11E/SR12/SR12E_L2
3-4. OVERALL BLOCK DIAGRAM (4/6) ( ) : Number in parenthesis ( ) indicates the division number of schematic diagram where the component is located.
D_2.8V REMOTE
COMMANDER
RECEIVER
IC9002
41
FR-278 BOARD
D9001
(NIGHTSHOT)
D9002
(TALLY)
FP-812
FLEXIBLE
BOARD
1
7
6
2
5
HDMI PROCESSOR
(14/22)
IC2601
SOC
(12/22)
IC2401
(2/2)
HDMI TRANSMITTER
(15/22)
IC2701
F4 XHDMI_RST
C2 XCS_IC_2601
J10
TMDS_DATA2+
K10
TMDS_DATA2-
K8
TMDS_DATA1+
K7
TMDS_DATA1-
K5
TMDS_DATA0+
K4
TMDS_DATA0-
K2
TMDS_CLOCK+
K1
TMDS_CLOCK-
SDA
SCL
CEC
F9
I2C_SDA
F10
I2C_SCK
G9
G10
F2
XBB_SCK
D2
BB_SO
D3
BB_SI
E11
ADA_LRCK
DE_HDMI, IDCK, HSYNC_HDMI, VSYNC_HDMI,
256FS_HDMI, ADAO2_HDMI, ADAO1_HDMI,
FS_HDMI, 64FS_HDMI
E10
ADA_BCK
D10
ADA_FCK
C11
ADA_SIA0
C4
HM_FLD
C6
HM_VD
C7
HM_HD
G1
HM74CK
E1
HMCK
R21
U20
T21
P21
T20
J1, K1, K2,
K12,L1 - L11,
M3 - M11
A1 - A10,
B1 - B10,
C9, C10,
D9, D10
D0_HDMI - D23_HDMI
F10, F12, J9,
G9 - G11, J9
J10, K10, J12
C1, D1, E1,
F1, H1,C2,
D2, F2, H2
K3
HPD
TMDS DATA2+
TMDS DATA2-
TMDS DATA1+
TMDS DATA1-
TMDS DATA0+
TMDS DATA0-
TMDS CLOCK+
TMDS CLOCK-
SDA
SCL
HPD
TMDS_DATA2_+
TMDS_DATA2_-
TMDS_DATA1_+
TMDS_DATA1_-
TMDS_DATA0_+
TMDS_DATA0_-
TMDS_CLOCK_+
TMDS_CLOCK_-
SDA
SCL
HPD
Q2704
LEVEL SHIFT
CN1101
19
16
15
12
11
FP-798 FLEXIBLE BOARD
20
23
24
3
7
6
CN7191
6
8
9
11
12
5
3
2
19
15
16
HDMI
OUT
Y19, AA19, Y18,
AA18,Y17, AA17,
Y16, AA16
Y15, AA15, Y14,
AA14, Y13, AA13,
Y12, AA12
U21, V20, V21,
W20, W21, Y20,
Y21, AA20
HM_R0 - HM_R7
A9, A10, B9 - B12,
C12, D12
A5 - A8,
B5 - B8
A2 - A4, B2 - B4,
C1, D1
HM_Y0 - HM_Y7
HM_B0 - HM_B7
XPON_SW
CPU
(6/22, 7/22, 8/22)
IC1701
(4/4)
WAVEFORM SHAPER
(6/22)
IC1702
PCI PROCESSOR
(10/22)
IC2201
C30
XCS_IC_2601
T26
XHDMI_RST
A28
IC_2201_ADATA
CLK_SYS_OUT_IC_2201
CLK_SYS_OUT_CEC
HDMI_JACK_IN
HDMI_JACK_IN
H28
G7
I2C_SCK
AR12
H10
CEC_INT
CEC_INT
D31
I2C_SDA
AR13
MOBILE
DDR SDRAM
(11/22)
IC2301
M32, M33,
L32 - L34, K32,
K33, J32
AA10, AA11,
AB9 - AB11,
AC9, Y8, Y11
IC_2201_DATA0 - IC_2201_DATA7
IC_2201_FLD, IC_2201_IVCLK,
IC_2201_MCK, IC_2201_LRCK
IC_2201_DDR_DQS0 - IC_2201_DDR_DQS3,
IC_2201_DDR_DQM0 - IC_2201_DDR_DQM3
K34, K35,
H32, H33
IC_2201_DDR_D00 - IC_2201_DDR_D31
AB12, AB16,
AC8, AC16
AA16
J33
IC_2201_SYSCLK
AC12
AC13
L35
PCI_XREQFS0_AN B2
AM20
PCI_XGNTTS0_AN B3
AP17
PCI_XINTA_AN A3
AR20
B3
X1701
12MHz
A_2.8V
34
WAVEFORM SHAPER
(6/22)
IC1705
3 4
AC21, AB21, AB22,
AA21 - AA23, Y21, Y22,
U20 - U22, V21 - V23, W22,
W23, E21, F20 - F23, G22,
G23, H21, B21, B22,
C21 - C23, D21 - D23
A2, A8, B2, B3, B7, B8, C2,
C3, C7, C8, D2, D3, D7, D8,
E3, E7, L3, L7, M2, M3, M7,
M8, N2, N3, N7, N8, P2, P3,
P7, P8, R2, R8
IC_2201_DDR_A00 - IC_2201_DDR_A13
N21, M21, M22, L21 - L23,
K22, K23, R20, R22,
P20 - P23
F3, H1 - H3, J1 - J3,
J7 - J9, K1, K3, K7, K9
Y23, W21, U23, T23,
H22, H23, E22, E23
E2, E8, F2, F8, K2,
K8, L2, L8
N23, M23, N22, K21, J21,
H20, J22, R21, T22
G1 - G3, G7 - G9,
H7 - H9
SIRCS_SIGSIRCS_SIG
NS_LED_K
IR_LED_ON
Q1101
NS_LED_A D_2.8V
12
6
7
XTALLY_LED
NS_LED_K
NS_LED_A
XTALLY_LED
D_2.8V
D_2.8V
11
8
Y3
AM5
VC-516 BOARD (4/5)
FP-803
FLEXIBLE
BOARD
ST-185 BOARD FLASH UNIT
(FL25500)
ST_UNREG
Q5001
SWITCH
FLASH
UNIT
8
4
7
6
FLASH
CONTROL/
CHARGE
CONTROL
IC5001
XE_A
XE_K
+
C5006
CHARGING
CAPACITOR
D5003
5
62
1
4
3
1
2
T5001
XSCHARGE_FULL
STROBO_ON
SCHARGE_ON
CN5001
9
8
ADAPTER DETECT
1ADAPTER DETECT
10
CN1005
6
7
14
5
CN5002
15 - 18
5 - 8
2
ADAPTOR_DET ADAPTOR_DET
STROBE_ON
XSTRB_FULL
STRB_CHARGE
L5001
S001
(ADAPTER DETECT)
AP9
OVERALL (3/6)
(PAGE 3-3)
11
OVERALL (2/6) (PAGE 3-2)
OVERALL (3/6) (PAGE 3-3)
5
OVERALL (2/6)
(PAGE 3-2)
4
OVERALL (5/6)
(PAGE 3-5)
13
OVERALL (5/6)
(PAGE 3-5)
14
OVERALL (5/6)
(PAGE 3-5)
15
E2 SPDIF_O
SPDIF_O
AA17
J8
CEC CEC
9
14
XIC_2201_DDR_CLK, IC_2201_DDR_CLK,
XIC_2201_DDR_CS0, XIC_2201_DDR_RAS,
XIC_2201_DDR_CAS, XIC_2201_DDR_WE,
IC_2201_DDR_CKE1, IC_2201_DDR_BA0,
IC_2201_DDR_BA1
T3, M3,
J2, E2
M4
K2
K4
M1
L2
M2
K3
K1
H1
J1
A4
W3, W2, V2, V1,
U1- U3, T1, T2, R3,
R2, P1 - P3, N1, N2,
H2 - H4, G2 - G4, E4,
E1, D1 - D4, C1 - C4
PCI_AD0 - PCI_AD31
PCI_XBE0 - PCI_XBE3
AM16, AN16
AM17, AP15
PCI_PAR
AM15
PCI_XFRM
AN13
PCI_XTRDY
AN14
PCI_XSERR
AM13
PCI_XDEVSEL
AM14
PCI_XPERR
AN17
PCI_XSTOP
AR19
PCI_XIRDY
AR21
PCI_XRESET
AP19
PCI_CLK
AR16
AR17
PCI_CLKRUN
PCI_AD0 - PCI_AD31
PCI_XBE0 - PCI_XBE3
PCI_PAR
PCI_XFRM
PCI_XTRDY
PCI_XSERR
PCI_XDEVSEL
PCI_XPERR
PCI_XSTOP
PCI_XIRDY
PCI_XRESET
PCI_CLK
PCI_CLKRUN
AM19
AR22 - AR29,
AM22 - AM29,
AN15, AN22 - AN29,
AP22 - AP29
PCI_AD0 - PCI_AD31
PCI_XBE0 - PCI_XBE3
PCI_PAR
PCI_XFRM
PCI_XTRDY
PCI_XSERR
PCI_XDEVSEL
PCI_XPERR
PCI_XSTOP
PCI_XIRDY
PCI_XRESET
PCI_CLK
PCI_CLKRUN
CPU
(SIGNAL
PROCESS)
(3/22, 4/22)
IC1301
(2/3)
L4, K1,
K2, M4
K5, K4, J1, J2, M7, J5, J4,
H1, K7, H2, L7, H5, H4, G1,
G2, J7, G5, G4, F1, F2, H7,
F5, F4, E1, G7, E2, E4, E5,
D1, D2, D4, D5
N1
L5
M5
L2
N7
L1
P7
M1
P4
N5
P2
CN9002
SE9002
SE9001
PITCH SENSOR
YAW SENSOR PITCH/YAW
SENSOR
AMP
IC9001
6
5
10
16
17
20
VST_C_RESET
YAW_AD
PITCH_AD
VST_C_RESET
YAW_AD
PITCH_AD
11
12
11
10
CN1102
1
2
3
OVERALL (5/6)
(PAGE 3-5)
16
FB2701

3-5
HDR-SR11/SR11E/SR12/SR12E_L2
3-5. OVERALL BLOCK DIAGRAM (5/6) ( ) : Number in parenthesis ( ) indicates the division number of schematic diagram where the component is located.
LD-230 BOARD
VC-516 BOARD (5/5)FP-801
FLEXIBLE
BOARD
ZOOM AND FOCUS
DRIVE
(2/4)
IC5201
DIRB1
DIRA1
J9
M9
EN1
DIRB1
DIRA1
EN1
AE21
AC21
AC20
NF_SW
M8
AF7
CAM_UART_TXD
AH2
CAM_UART_RXD
AH3
IC_1301_1_CS
AB11
XRST_IC_5201
H11 AF5
AC1
XCAM_SCK
H12
CAM_SO
J11
CAM_SI
K11
XCS_IC_5201
IC_5201_VD
IC_5501_CLK
XCAM_SCK
CAM_SO
CAM_SI
XCS_IC_5201
J12
DIRB0
DIRA0
EN0
DIRB0
DIRA0
EN0
NF_SW
XRST_IC_5201
K12
Y7
AB5
AC2
LENS_TEMP_AD
AE11
CN5103
THERM THERM
L12
STEADYSHOT
PROCESSOR
(3/4)
IC5501
INVERTER
(3/4)
IC5504
PITCH DRIVER
(3/4)
IC5502
XSYS_RST XSYS_RST
LENS_TEMP_AD
IC_5501_SO
IC_5501_SI
XCS_IC_5501
IC_5501_SCK
IC_5501_SO
IC_5501_SI
XCS_IC_5501
IC_5501_SCK
EXT_CAM_VD
A7
XRST_IC_5501_CPU
A4
B4
A5
B5
C9
YAW_AD
PITCH_AD
J5
G5 VST_C_RESET
D5
7
2
C2
B3
B4
PWM_OUT_PITCH
1PWM_OUT_YAW
INA_PITCH
INB_PITCH
YAW DRIVER
(3/4)
IC5503 C2
B3
B4 INA_YAW
INB_YAW
6
F2
F9
YAW_AD
PITCH_AD
VST_C_RESET
IC_5501_CLKIC_5501_CLK
A3
EXT_CAM_VD
IR_LED_ON
AH4
STRB_CHARGE
AC11
XSTRB_FULL
AJ5
OVERALL (4/6)
(PAGE 3-4)
14
OVERALL (3/6)
(PAGE 3-3)
12
OVERALL (4/6)
(PAGE 3-4)
13
OVERALL (2/6)
(PAGE 3-2)
17
OVERALL (4/6)
(PAGE 3-4)
15
OVERALL (3/6)
(PAGE 3-3)
10
AB4
AA5
AB1
SYS_V
SSS
XWEN
STROBE_ON
AE20
EXT_CAM_VD
AF20
AC13
OVERALL (1/6)
(PAGE 3-1)
1
OVERALL (4/6)
(PAGE 3-4)
16
SHUTTER
DRIVER
(4/4)
IC5601
SHUTTER_XA F2
SHUTTER_XB E6
SHUTTER_A F3
SHUTTER_B D6
C5
C6
SHUTTER_XA
SHUTTER_XB
SHUTTER_A
SHUTTER_B
LENS_COVER_OPEN
LENS_COVER_LED_ON
XRST_IC_5501_CPU
AB10
XSYS_RST
LENS_COVER_LED_ON
LENS_COVER_LED_ON
Q5601
D_2.8V
LENS_COVER_OPEN
LENS_COVER_LED_ON
LENS_COVER_OPEN
AJ4
1
3
2
8
9
4
LENS
BARRIER
CPU
(SIGNAL
PROCESS)
(3/22, 4/22)
IC1301
(3/3)
CN5102
CN5601
CN1105
42
11
10
40
43
44
46
45
10
41
42
12
29 23
31 21
9
8
12 40
14 38
13 39
21 31 IC_5201_VD
AC18
26
20
19
24
26
23 29
25 27
30
22
32
33
28
30
22
33 19
27 25
36 16
39 13
32 20
16 36
6
7
L9, K9
B5, B6
CONTROL SWITCH BLOCK
(RS28900)
CAM
CTRL
S002
Dial_B
S001
Dial_A
CN5104
DIAL_B
XPON SW XPON_SW
XPON_SW XPON_SW
KEY_AD2
DIAL_B
DIAL_A
DIAL_B
DIAL_A
DIAL_B
DIAL_ADIAL_A 4
5
BACKLIGHT_KEYAD
2
3
4
3
1
5
48
49
BACKLIGHT_KEYAD 51
47
S003 PUSH MANUAL
AE13
AF13
B_SW
S004
(BACKLIGHT)
AC23
AF22
AJ26
AE9
AA7
AC4
AD2
AJ3
AD1
D1301
EXT_STOROBE_ON
AC22
D1302
AC5
A6
G2
E2
G9
E9
CN1008
4
5
6
7
2
CPC
(For check)
IC_1301_1_CS
IC_5501_SI
IC_5501_SO
IC_5501_SCK
CAM_UART_TXD
3
CAM_UART_RXD
I_DRIVE±I_DRIVE±
I_BIAS±
I_HALL±
ND_DRIVE±
ND_BIAS±
I_BIAS±
I_HALL±
ND_DRIVE±
ND_BIAS±
ND_HALL±ND_HALL±
FOCUS±FOCUS±
F_MR_A,
F_MR_B
F_MR_A,
F_MR_B
ZOOM_A,
ZOOM_B,
ZOOM_XA,
ZOOM_XB
ZOOM_A,
ZOOM_B,
ZOOM_XA,
ZOOM_XB
NF_DRIVE±NF_DRIVE±
TEMP_OUT LENS_TEMP_AD
Z_MR_A,
Z_MR_B
Z_MR_A,
Z_MR_B
I_DRIVE±
I_BIAS±
I_HALL±
ND_DRIVE±
ND_BIAS±
ND_HALL±
FOCUS±
F_MR_A,
F_MR_B
ZOOM_A,
ZOOM_B,
ZOOM_XA,
ZOOM_XB
NF_DRIVE±
Z_MR_A,
Z_MR_B
H
M
IRIS
MOTOR
M
FOCUS MR
SENSOR
ZOOM MR
SENSOR
FOCUS MOTOR
ZOOM MOTOR
M
LENS TEMP
SENSOR
H
M
ND FILTER
MOTOR
M
NF MOTOR
19
7, 12, 43, 514, 89, 1110, 1223, 2421, 2051-4816, 1728-25
YAW
MOTOR
M
HALL
ELEMENT
40 - 43
OIS TEMP
SENSOR
THERM THERM
PITCH
MOTOR
M
HALL
ELEMENT
OPTICAL IMAGE STABILIZER
YAW±YAW±
YAW_OUT YAW_HALL±
PITCH±PITCH±
PITCH_OUT PITCH_HALL±
PITCH_IN PITCH_HALLBIAS±
33, 3236, 37
38
47 - 44
YAW_IN YAW_HALLBIAS±
YAW_HALL±
PITCH_HALL±
PITCH_HALLBIAS±
YAW_HALLBIAS±
34, 3530, 31
(TO LENS BLOCK 1/2)
LENS BLOCK (2/2)
H1, J1C6, A5C5, B6K2, L2A11, A9
C10, B11
L6, L7
D2, A2D2, A2
J9, J7G6, J8 H2, J4J3, J2
E12, E10 K6, F1, L4, G3
B1, C4 F3, E3
NF_EN
AC9
NF_ENNF_EN 28 24
EX OR
(2/4)
IC5206
1
4
3
L8

3-6
HDR-SR11/SR11E/SR12/SR12E_L2
3-6. OVERALL BLOCK DIAGRAM (6/6) ( ) : Number in parenthesis ( ) indicates the division number of schematic diagram where the component is located.
TOUCH
PANEL
3.2 inch
WIDE
COLOR
LCD
UNIT
LCD901 (1/2)
LCD901 (2/2)
: VIDEO SIGNAL
CN5802 CN5901
CN5907
CN5801
XSCK
BB_SO
XBB_RST
XCS XCS
R0_T - R7_T
TP_Y_T
TP_SEL1_T
PANEL_NOR/REV PANEL_NOR/REV
TP_SEL1
TP_X_T
TP_Y_T
PANEL_NOR/REV
TP_X_T
TP_Y
TP_X
TP_Y
TP_X
CN5902
2
1
4
5
CN5903
6
CN5906
1
TP_R
TP_BOT
START/STOP
S001
S002 (ZOOM)
T
TOUCH
PANEL
I/F
Q5901, Q5902
BACKLIGHT
DRIVE
Q5907 - Q5910
KEY_AD0
EP_2.8V_T
BL_-V_T
XSCK_T
BB_SO_T
XBB_RST_T
XCS_T
XSCK_T
BB_SO_T
XBB_RST_T
XCS_T
BL_L
TCOM2
TCOM1
VS_T, HS_T, DCLK_T
14
PANEL_NOR/REV
32
1, 2
34, 36, 38, 40, 42, 44, 46, 48
4
7
13
15
16
5
6
9
38
37
39
36
P_BL_ON
BL_BRT
P_BL_ON_T
BL_BRT_T
50
31 21
2
30
28
29
22
24
23
KEY_AD0
XSCK
BB_SO
XBB_RST
TP_SEL1
PANEL_NOR/REV
P_BL_ON
BL_BRT
KEY_AD0
KEY_AD2
23 29
38
23
30 - 3722 - 2914 - 2111 - 13
24
22
29
SP901
(SPEAKER)
SP
CN5803
1, 2
S5806
PANEL
OPEN/CLOSE
S5808
NIGHTSHOT
PANEL_O/C
S5801
RESET
FR_XRESET
S5802
EASY
S5805
DISP/
BATT INFO
XBATT_VIEW
LCD DRIVE
IC5901
PANEL
REVERSE
DETECT
IC001
A2 - A5,
B1- B4
G0_T - G7_T
A6 - A8,
B5- B9
B0_T - B7_T
C8, C9, D8,
D9, E8, E9
,
F9, F8
H8, H9, G9
W
T
PD-343 BOARDFP-807 FLEXIBLE
BOARD
CK-185 BOARD
HOME_SW
2ND_S/S_SW
2ND_ZOOM(W)
2ND_ZOOM(T)
: VIDEO SIGNAL
: AUDIO SIGNAL
FP-808 FLEXIBLE
TO VC-516 BOARD
OVERALL (2/6)
(PAGE 3-2)
BACKLIGHT
LED
37
39
36
S5804
S5803
5
4
3
SP
HOME
S004
S003
W
CONTROL SWITCH BLOCK
FP-454 FLEXIBLE BOARD
(SB28900)
D0± - D2±, CLK±D0+_T - D2+_T, D0-_T - D2-_T, CLK+_T, CLK-_T
21
2
KEY_AD3
4, 6, 8, 10, 12, 14, 16, 18
4, 6, 8, 10, 12, 14, 16, 18
20 20
D1, E1, F1, G1, J3 - J6
39
CN5905
1
CN5909
4
7
6
5
8
5
OFF ON

3-7
HDR-SR11/SR11E/SR12/SR12E_L2
3-7. POWER BLOCK DIAGRAM (1/3) ( ) : Number in parenthesis ( ) indicates the division number of schematic diagram where the component is located.
FAST_CHARGE
CN1001
BATT_UNREG
VTR_UNREG
ACV_UNREG_CN
VC-516 BOARD (1/3)
FP-806
FLEXIBLE
BOARD
CR-089
BOARD
CN1104
38 - 45
BATT/XEXT_CN
3
1
2
CN7402CN7401
20 BATT/XEXT_CR
ACV_UNREG_CN
26
1
INIT_CHARGE_ON
Q4603,
Q4605, Q4606
Q4604
Q4601,
Q4602
D4601
BATTERY
BH901
( )
TERMINAL
BATT_UNREG_CN
BATT_SIG
+
C
-
5
4
6
VTR_UNREG
VTR2_UNREG
HDD_UNREG
MT_BL_UNREG
CLAMP_ON
A_1.2V
MT_5.0V
F4602
F4603
F4604
F4606
MUTE
Q4709(1/2)
D4702
VOUTM2
WAKEUP
L3
P71_INT01
C7
P53
E11
P52
F10
SIO2
A4
BATT/XEXT_CN
FAST_CHARGE
INIT_CHARGE_ON
LANC PROCESSOR
(22/22)
IC4901
POWER SUPPLY
(21/22)
IC4701
P05_INT09
B1
P06_INT10
C2
BATT/XEXT_CR
XUNREG_RESET VTR_UNREG
VBATT
R1
VCH
R2
B_UNREG
N1
P23 XLANC_ON
H2
P07_INT11 XLANC_PWR_ON
C1
P22 G2
P61_PPG11
C11
P31_AN01
VCC1
VCC2
AVR
AVCC
P11_SO1
P12_SCK1
P21_PPG01
L6
P30_AN00 J5
CLAMP_ON
1.8/3VCTRL
L4728
L4714
A
B
POWER (2/3) (PAGE 3-8)
POWER (3/3) (PAGE 3-9)
C
POWER (3/3)
(PAGE 3-9)
VOUT
XCTL2
M3
CS_OUT
N2
P70_INT00 BATT_IN
A7
F4601
OUT9-1
A13
OUT9-2
A14
CAP_IN
A11
1.8/3V_GATE_CTRL
L4708
F4607 ST_UNREG
DVDD3
D15
VRO
P2
CH6_SW
N12
CH9_SW1
C10
VOUT3
B2
L4701 IC_1301_D_1.2V
3.3V_OUT
L4705
EVER_3.0V
EP_8.5V
SHOE_UNREG
SHOE_UNREG
ST_UNREG
F4605
BATT/XEXT_CN
BATT_LI_3V
G1, D1, D2 B11, J2, K10, L10
DIN
CLK
LD
K13, L13, M13
FR_EVER_SO, FR_EVER_SCK, XCS_DD
CN1001
SHOE_ON
USB_VCC_CRUSB_DET_VBUS
LOAD SWITCH SIG GEN
Q4701
PVDD5b
PVDD5a
B10, A10
L4704 L4716
L4721
PVDD4b
LX4a EP_4.6V
AU_4.6V
L4724 A_4.6V
LX4b
PVDD4a
P11, R11P12, R12
LX5a
LX5b
B9, A9
PVDD1b
PVDD1a
H14, H15
LX1a
LX1b
G14, G15
V_UNREG
AVDD1
AVDD3
DVDD4
P1, R5, L1, P15
LX8a
LX8b
B6, A6
PVDD8a
PVDD8b
B5, A5
EP_2.8V
L4715
L4719 D_2.8V
L4723 AU_2.8V
L4720 A_1.8V
L4726 A_2.8V
L4703
LOAD SWITCH
Q4708
PVDD3b
PVDD3a
J14, J15
LX3a
LX3b
K14, K15
D_1.8V
L4717
EP_1.8V
L4725L4706
LOAD SWITCH
Q4710
PVDD6b
PVDD6a
P10, R10
LX6a
LX6b
P9, R9
CMOS_A_3.3V
L4711
L4707
VB
SWITCH
Q4704
MUTE
Q4714
MUTE
Q4713
MUTE
Q4709(2/2)
LOAD SWITCH
Q4707
MUTE
Q4712
MUTE
Q4705
PVDD7b
PVDD7a
F2, F1
LX7a
LX7b
G2, G1
L4702 D_1.5V
PVDD2b
PVDD2a
E2, E1
LX2a
LX2b
D2, D1
L4713
D_1.2V
L4709
BL_-V
OUT10-1
C15
SD1 N9
VREF(2.5V) P5
SWITCH
Q4706 L4731
BL_CONT
Q4702
Q4703
1 - 8
45
23
31 - 34
2
18 LANC_DC
2816
CRADLE
(Handycam Station)
FP-804
FLEXIBLE
BOARD
JK-356
BOARD
CN1106
CN7201CN7202
7USB_VCC_CN
VCC
1
CN7203
18 LANC_DC
LANC_DC
4
AV/ R
SWITCH
Q4715, Q4716, Q4718
D_3.3V
HDD_PON
HDD_3.3V
LOAD SWITCH
Q4711
1.8/3V_GATE_CTRL
D_3.3V
L4729
DVDD1
OP AMP
(21/22)
IC4702
41
OUT
VCC
5
+
3-
D4708
D4705
D4707
B1
OUT11
R15
DVDD1 A1
PVDD11 A2
DVDD2
A12
VTR_UNREG
BATT_UNREG
LANC_DC
(5.6V)
L2
D4706
POWER ON RESET
(20/22)
IC4601
2VDD
OUT
1
DC IN
J901
9
23
IN8 C7
IN7 F3
IN6
N10
IN5 C8
IN4
N11
IN3
J13
IN2 E3
IN1
H13
(USB)
D_1.2V
A_1.8V
D_1.8V
EP_1.8V
MT_5.0V
A_2.8V
D_2.8V
D_1.5V

3-8
HDR-SR11/SR11E/SR12/SR12E_L2
3-8. POWER BLOCK DIAGRAM (2/3) ( ) : Number in parenthesis ( ) indicates the division number of schematic diagram where the component is located.
CONTROL SWITCH BLOCK (PS28100)
FP-811 FLEXIBLE BOARD BL-017 BOARD
MODE_LED_VDD
D006
(ACCESS)
CHARGE_LED_VDD
ACCESS_LED_VDD
D_2.8V
MODE_LED_VDD
D_2.8V
EVER_3.0V
ACCESS_LED_VDD
HDD_3.3V
EVER_3.0V
D_2.8V
VC-516 BOARD (2/3)
SWITCH
Q2801
VIDEO, AUDIO
PROCESSOR
(16/22)
IC2801
L2805
L2803
AU_2.8V
D_2.8V
MT_5.0V
A_2.8V
A_2.8V
L2801
AU_4.6V L2802
L2804
POWER (1/3)
(PAGE 3-7)
A
SHOE_UNREG
CN1007
10
8
CN3101
18
2
CN5701
18
2
CN5702
2
6
20
RV001
(ZOOM)
TW
SHOE_UNREG
6, 7
CN1003
FP-802 FLEXIBLE BOARD
HOT
SHOE
FP-803 FLEXIBLE
BOARD
ST_UNREG ST_UNREG XE_A
MT_5.0V MT_5V
ST-185 BOARD FLASH UNIT (FL25500)
CN5001
D5003
T5001
L5001
FLASH CONTROL/
CHARGE CONTROL
IC5001
6
12 - 14
CN1005
9
1 - 3
CN5002
15-18
FLASH
UNIT
PCI
PROCESSOR
(10/22)
IC2201
A_1.8V
D_1.8V
D_1.2V
A_1.8V
D_1.2V
D_3.3V
D_2.8V
L1001
D_2.8V D4_-2.8V
D4_-2.8V
-2.8V REG
(21/22)
IC4781
A3
C2
A_4.6VA_4.6V
D4 DRIVER
(13/22)
IC2501
L2501
A_2.8VA_2.8V
L2502
L4781
D_2.8V
D_3.3V
HDMI
TRANSMITTER
(15/22)
IC2701
L2701
L2503
L2702
D_1.8VD_1.8V
EP_8.5V
L3103
EP_4.6V
EVF_VDD
EP_4.6V
L3102
D_3.3V
HDMI
PROCESSOR
(14/22)
IC2601
D_2.8V
FB2601
D_1.5VD_1.5V
FP-798 FLEXIBLE BOARD
CN1101
4, 5
CN7191
18
ST_UNREG
5VPOWER
D_2.8V
5V REG (15/22)
IC2702
4
5
1
HDMI
OUT
D5701
(EVF BACKLIGHT)
LCD902
COLOR
EVF
UNIT
EP_2.8V
EVF DRIVER
(17/22)
IC3101
L3101
EP_1.8V
27 bit DISPLAY SERIAL
INTERFACE TRANSMITTER
(19/22)
IC3301
L3302
FP-809 FLEXIBLE
35
34
31, 32
30
1
PD-343 BOARD
CN5901
LCD DRIVE
IC5901
17
CN3301
18
22
17
18
22
EP_1.8V
BL_-V
EP_2.8V
D_2.8V
EP_1.8V
BL_-V BL_-V
EP_2.8V
D_2.8V_T
EP_1.8V
BL_-V_T
EP_2.8V_T
51
BL_CONT
D_2.8V
EP_1.8V
EP_2.8V
BL_CONTBL_CONT BL_CONT_T
FP-808
FLEXIBLE
BOARD
FP-807
FLEXIBLE
BOARD
CN5801
51
35
34
30
1
CK-185
BOARD
CN5802
10
1, 2
CN5907
CN5905
LCD901
TOUCH
PANEL I/F
Q5901, Q5902
3.2 inch
WIDE
COLOR
LCD UNIT
BL_L 1BACKLIGHT
LED
L5901
L5903
L5902
BACKLIGHT
DRIVE
Q5907 - Q5910
BOARD
CN1103
HDD_3.3V
3 - 10
HARD
DISK
DRIVE
D004
( /CHG)
QUICKREC_LED_VDDQUICKREC_LED_VDD
13
D005
(QUICK ON)
D002
(PHOTO)
D003
(CAM)
31, 32
20, 21
20, 21

3-9E
HDR-SR11/SR11E/SR12/SR12E_L2
3-9. POWER BLOCK DIAGRAM (3/3) ( ) : Number in parenthesis ( ) indicates the division number of schematic diagram where the component is located.
FP-805
FLEXIBLE
BOARD
FP-812
FLEXIBLE
BOARD
VC-516 BOARD (3/3)
CPU
(6/22, 7/22, 8/22)
IC1701
FB2401
SOC
(12/22)
IC2401
512M SDRAM,
512M OneNAND FLASH
(9/22)
IC2101
G-SENSOR
SE3202
AP11
AM6
EXIO/CF_ADDR[9]
SHOE_ON
BATT_LI_3V
D_3.3V
D_2.8V
D_1.8V
D_2.8V
D_1.2V
A_2.8V
MT_5.0V
I/O_1.8V
D_1.8V
CMOS_A_3.3V
A_2.8V
D_3.3V
D_2.8V
A_2.8V
3.3V_OUT
FB2001
FB2004
FB2003
FB1701
FB1702
FB2002
MOBILE
DDR SDRAM
(5/22)
IC1601
MOBILE
DDR SDRAM
(11/22)
IC2301
FB2005
L2402
L2401
L2403
CN1008
8
D_2.8V
CN1009
8
A_1.2V
A_2.8V
D_1.8V
USB_VCC_CN
MS_VCC
CN1006
D_2.8V
BATT_LI_3V
MS_VCC VCC
ACCESS_LED_A
20
21
17
6
3
2
MEMORY STICK 2.9V REG
(1/22)
IC1001
VOUT
CE
VDD
1
3
4
Q1103
D_1.5V
H20
GPIO_S[14]
MS_PWR_ON
D_3.3V
G25
GPIO_S[2]
XVBUS_DET_CN
EXIO_DREQ
HDD_PON
CN7301
CN6801
MS-381
BOARD
CM-094 BOARD
CN7302
9MEMORY
STICK
PRO DUO
(ACCESS)
D7301
(TALLY)
D9002
USB_VCC_CR
Q1102
J21
GPIO_S[12] XVBUS_DET_CR
CPC
(For check)
CPC
(For check)
A_2.8V
A_1.8V
CPU
IC1301
(SIGNAL PROCESS)
(3/22)
(POWER)
(4/22)
D_2.8V
IC_1301_D_1.2V
D_3.3V
A_1.2V
IC_1301_D_1.2V
D_1.2V
A_1.2V
L2404
EP_1.8V
2.7V REG
IC6803
OUT
IN 3
4
CMOS IMAGER
IC6804
CMOS_A_3.3V
D_1.8V
LVDS_I/O_1.8V
37
38
39
CN9002
CN1102
FR-278 BOARD
REMOTE COMMANDER
RECEIVER
IC9002
VCC
1
A_2.8V
D_2.8V
PITCH/YAW
SENSOR AMP
IC9001
8
5
5
8
CN1301
4
2
3
L9001
L1501
A_2.8V A_2.8V
D_2.8V D_2.8V
L1502
BT7301
3V
STEADYSHOT
IC5501
PROCESSOR
(3/4)
MT_5.0V
D_1.5V
D_2.8V
ZOOM AND FOCUS
IC5201
DRIVE
(2/4)
D_2.8V FB5201
MT_5.0V
MR_A_2.8V
D_2.8V
SHUTTER DRIVER
IC5601
(4/4)
D_2.8V
INVERTER (3/4)
IC5504
8
L5601
PITCH SENSOR, YAW DRIVER (3/4)
IC5502 IC5503
C4
D_2.8V VCC
2.8V REG (2/4)
IC5205
IN 3
OUT
VCC
MT_5.0V B1 VM
CN1105
CMOS_A_3.3V
CMOS_A_3.3V
D_2.8V
D_1.5V
MT_5.0V
D_2.8V
D_1.5V
MT_5.0V
FP-801
FLEXIBLE
BOARD
LD-230 BOARD
44
43
46, 47
45
CN5102
8
9
5, 6
7
F_MR_VCC
Z_MR_VCC
CN5103
LENS BLOCK
22
15
CMOS_A_3.3V MR_A_2.8V
4
C
POWER (1/3)
(PAGE 3-7)
POWER (1/3)
(PAGE 3-7)
B
L1301
L1302
BUFFER
IC1303
(3/22)
5
D_3.3V
USB SW
(2/22)
IC1101
EX OR
IC5206
(2/4)
WAVEFORM SHAPER
IC1702
(6/22)
WAVEFORM SHAPER
IC1705
(6/22)

4-1
HDR-SR11/SR11E/SR12/SR12E_L2
4-1. FRAME SCHEMATIC DIAGRAM
FRAME
4. PRINTED WIRING BOARDS AND SCHEMATIC DIAGRAMS
FP-799
FLEXIBLE
BOARD
FP-801 FLEXIBLE BOARD
FP-806 FLEXIBLE BOARD
FP-803 FLEXIBLE BOARD
FP-804 FLEXIBLE BOARD
FP-809 FLEXIBLE BOARD
FP-812 FLEXIBLE
BOARD
FP-798
FLEXIBLE
BOARD
FP-808 FLEXIBLE BOARD
FP-807 FLEXIBLE BOARD
FP-811 FLEXIBLE BOARD
FP-802 FLEXIBLE BOARD
FP-454 FLEXIBLE
BOARD
LEVEL3
VC-516 BOARD (SIDE A)
LEVEL3
VC-516 BOARD (SIDE B)
LEVEL3
CM-094 BOARD
LEVEL3
LD-230 BOARD
CR-089
BOARD
(SIDE B)
ST-185 BOARD
(SIDE A)
JK-356 BOARD
FR-278
BOARD
CK-185 BOARD
PD-343 BOARD
BL-017
BOARD
ST-185 BOARD
(SIDE B)
CR-089
BOARD
(SIDE A)
2
1
50
51
1
238
39 21
CN5801
CN5802
CN5803
2
1
38
39
16
16
16
1
2
29
28 2
1
38
39
16
CN5901
CN5902
CN5903
CN5905 CN5906 CN5907
CN5909
112
CN9002
2
1
50
51
1
2
7
8
1
2
7
8
126
112
250
151
CN3301
CN1008
CN1009
CN1101
CN1102
CN1103
118
16
112
112
16
114
1
2
21
22
122
2
1
44
45
2
1
50
51
1
224
25
140
4142
CN3101
CN1001
CN1002
CN1003 CN1004
CN1005
CN1006
CN1007
CN1104
CN1105
CN1106
CN1301
HARNESS (COAXIAL CABLE)
118
1
220
21
CN5701
CN5702
1
20
7
6
9
8
15
162910 7384
510 11
12
13
14
CN7201
CN7202
CN7203
1
2
13
14
CN5001
118
CN5002
2
1
44
45
CN7402
36 35
234 133
CN7401
1
CN6801
IC6804
(not supplied)
IC2101
(not supplied)
40
41 42
110
2
1
50
51
250
151
16
CN5601
CN5102
CN5103
CN5104
1
26
119
23
22
21
20
CN7191
HDMI
OUT
MS-381 BOARD
(SIDE A)
MS-381 BOARD
(SIDE B)
12
11
10 1
CN7302
MEMORY STICK
CONNECTOR
1
2
21
22
CN7301
1
6
BH7301
BATTERY
HOLDER
( )
( )
( )
(HEADPHONE)
J7222
MIC
(PLUG IN POWER)
MIC901
MICROPHONE
UNIT
LENS BLOCK
HOT SHOE
Active
Interface Shoe
LCD901
CONTROL
SWITCH
BLOCK
(RS28900)
CONTROL
SWITCH
BLOCK
(PS28100)
3.2 INCH
WIDE COLOR
LCD UNIT
TOUCH
PANEL
BACKLIGHT
LED
HARD DISK
DRIVE
LENS
BARRIER
CN7401
(MULTI CONNECTOR)
TO CRADLE
(Handycam Station)
FLASH UNIT
(FL25500)
LCD902
COLOR
EVF UNIT
J7221
SP901
(SPEAKER)
CONTROL
SWITCH
BLOCK
(SB28900)
W
T
DC IN
J901
C
BH901
TERMINAL
BATTERY
BT7301
LITHIUM STORAGE
BATTERY
( )
CPC
(For Check)
CN7202
(USB)
CN7203
A/V
R
( )
FP-805 FLEXIBLE BOARD
FP-712 FLEXIBLE
BOARD
FP-712 flexible board is not supplied,
but this is included in LENS BARRIER UNIT.

4-2. SCHEMATIC DIAGRAMS
HDR-SR11/SR11E/SR12/SR12E_L2
PD-343 BOARD
(LCD DRIVE)
FP-801 FLEXIBLE BOARD
(LD-VC CONNECTION)
FP-804 FLEXIBLE BOARD
(VC-JK CONNECTION)
FP-805 FLEXIBLE BOARD
(VC-MS CONNECTION)
FP-806 FLEXIBLE BOARD
(VC-CR CONNECTION)
FP-807 FLEXIBLE BOARD
(PD-CK CONNECTION)
FP-808 FLEXIBLE BOARD
(VC-CK CONNECTION)
FP-809 FLEXIBLE BOARD
(HDD CONNECTION)
FP-811 FLEXIBLE BOARD
(BL-VC CONNECTION)
FP-812 FLEXIBLE BOARD
(VC-FR CONNECTION)
FLASH UNIT
(FL25500)
CONTROL SWITCH BLOCK
(RS28900)
CONTROL SWITCH BLOCK
(PS28100)
CONTROL SWITCH BLOCK
(SB28900)
FP-712 FLEXIBLE BOARD
(BARRIER UNIT CONNECTION)
FR-278 BOARD
(PITCH/YAW SENSOR AMP, REMOTE COMMANDER RECEIVER)
CK-185 BOARD
(CONTROL SWITCH)
ST-185 BOARD
(FLASH DRIVER)
CR-089 BOARD
(CRADLE TERMINAL)
JK-356 BOARD
(JACK)
BL-017 BOARD
(EVF, EVF BACKLIGHT)
MS-381 BOARD
(MS CONNECTOR)
FP-454 FLEXIBLE BOARD
(PANEL REVERSE DETECT)
FP-798 FLEXIBLE BOARD
(HDMI CONECTOR)
FP-799 FLEXIBLE BOARD
(HP, MIC JACK)
FP-803 FLEXIBLE BOARD
(VC-ST CONNECTION)
FP-802 FLEXIBLE BOARD
(HOT SHOE CONNECTION)
Link
Link
COMMON NOTE FOR SCHEMATIC DIAGRAMS

4-2
HDR-SR11/SR11E/SR12/SR12E_L2
4-2. SCHEMATIC DIAGRAMS
4-2. SCHEMATIC DIAGRAMS
4-2. SCHEMATIC DIAGRAMS
(ENGLISH)
1. Connection
2. Adjust the distance so that the output waveform of
Fig. a and the Fig. b can be obtain.
When indicating parts by reference number, please
include the board name.
(For schematic diagrams)
• All capacitors are in µF unless otherwise noted. pF : µ
µF. 50 V or less are not indicated except for electrolytics
and tantalums.
• Chip resistors are 1/10 W unless otherwise noted.
kΩ=1000 Ω, MΩ=1000 kΩ.
• Caution when replacing chip parts.
New parts must be attached after removal of chip.
Be careful not to heat the minus side of tantalum
capacitor, Because it is damaged by the heat.
• Some chip part will be indicated as follows.
Example C541 L452
22U 10UH
TA A2520
• Constants of resistors, capacitors, ICs and etc with XX
indicate that they are not used.
In such cases, the unused circuits may be indicated.
• Parts with ★ differ according to the model/destination.
Refer to the mount table for each function.
• All variable and adjustable resistors have characteristic
curve B, unless otherwise noted.
• Signal name
XEDIT → EDIT PB/XREC → PB/REC
•2: non flammable resistor
•5: fusible resistor
•C: panel designation
•A: B+ Line
•B: B– Line
•J: IN/OUT direction of (+,–) B LINE.
•C: adjustment for repair.
•A: not use circuit
(Measuring conditions voltage and waveform)
• Voltages and waveforms are measured between the
measurement points and ground when camera shoots
color bar chart of pattern box. They are reference values
and reference waveforms.
(VOM of DC 10 MΩ input impedance is used)
• Voltage values change depending upon input
impedance of VOM used.)
Kinds of capacitor
Case size
External dimensions (mm)
Yellow
AABBA=B
Fig. a (Video output terminal output waveform)
H
Cyan
Green
White
Magenta
Red
Blue
Fig.b (Picture on monitor TV)
CRT picture frame
Electronic beam scanning frame
THIS NOTE IS COMMON FOR SCHEMATIC DIAGRAMS
(In addition to this, the necessary note is printed in each block)
Pattern box
Pattern box PTB-450
J-6082-200-A
or
Small pattern box
PTB-1450
J-6082-557-A
Color bar chart
For PTB-450:
J-6020-250-A
For PTB-1450:
J-6082-559-A
Pattern box Front of the lens
L = 1 m (PTB-450)
L = 40 cm (PTB-1450)
LCamera
Precautions for Replacement of Imager
• If the imager has been replaced, carry out all the adjustments
for the camera section.
• As the imager may be damaged by static electricity from
its structure, handle it carefully like for the MOS IC.
In addition, ensure that the receiver is not covered with
dusts nor exposed to strong light.
The components identified by mark 0 or dotted line with
mark 0 are critical for safety.
Replace only with part number specified.
Les composants identifiés par une marque 0 sont
critiques pour la sécurité.
Ne les remplacer que par une pièce portant le numéro
spécifie.
ENGLISH JAPANESE
ENGLISH JAPANESE

4-3
HDR-SR11/SR11E/SR12/SR12E_L2
4-2. SCHEMATIC DIAGRAMS
4-2. SCHEMATIC DIAGRAMS
ENGLISH JAPANESE
ENGLISH JAPANESE
(JAPANESE)
回路図共通ノート
(他に必要なノートは各ブロックに記載してあります)
【回路図ノート】
・ケミコン,タンタルを除くコンデンサで,耐圧50V以下のもの
はその耐圧を省略。単位はすべてμF(pはpF)。
・チップ抵抗で指示のないものは,1/10W以下。
kΩ=1000Ω,MΩ=1000kΩ
・チップ部品交換時の注意
取り外した部品は再使用せず,未使用の部品をご使用くださ
い。
タンタルコンデンサのマイナス側は熱に弱いため注意してくだ
さい。
・チップ部品には下記のように表示したものがあります。
例 C 541 L 452
22U 10UH
TA A 2520
↑↑ ↑
種類 ケースサイズ 外形寸法(mm)
・抵抗,コンデンサ,ICなど定数にXXがあるものは,使用して
いない事を示しています。このため,使用していない回路が記
載されている事があります。
・★印のある部品は,機種などにより異なりますので機能別マウ
ント一覧表を参照してください。
・可変抵抗と半固定抵抗で,B特性の表示を省略。
・信号名表記について,下記のような場合があります。
XEDIT → EDIT PB/XREC → PB/REC
・2は不燃性抵抗。
・1はヒューズ抵抗。
・Cはパネル表示名称。
・AはB+ライン。
・BはB−ライン。
・JはBライン(+,−)の入出力方向を示す。
・Cは調整名称。
・Aは未使用回路。
【電圧・波形測定条件ノート】
・電圧値及び信号波形はパターンボックスのカラーバーチャート
を被写体としたときの測定点対アース間の参考値。
(デジタルマルチメータ;入力インピーダンス DC10MΩ使
用)
・使用テスタの入力インピーダンスにより電圧値が多少異なりま
す。
0印の部品,または0印付きの点線で囲まれた部品は,
安全性を維持するために重要な部品です。
従って交換時は,必ず指定の部品を使用して下さい。
お願い
図面番号で部品を指定するときは基板名又はブロック
を併せて指定して下さい。
1. 接続図
2. 図a及び図bの波形が得られるように画枠調整して下さい。
AABBA=B
図a(映像入出力端子出力波形)
図b(テレビモニタの映像)
H
黄
シ
ア
ン白
緑
マ
ゼ
ン
ダ赤青
ブラウン管の画像
枠
電子ビーム走査線
イメージャ交換時の注意
・イメージャを交換した場合は,カメラ部の全調整を
行ってください。
・イメージャは構造上,静電気により破壊される恐れが
あるため,MOS ICと同様に注意して取り扱ってくだ
さい。
また,受光部にはゴミの付着,および強い光がはいる
ことのないように注意してください。
パターンボックス
Pattern box PTB-450
J-6082-200-A
or
Small pattern box
PTB-1450
J-6082-557-A
カラーバーチャート
For PTB-450:
J-6020-250-A
For PTB-1450:
J-6082-559-A
パターンボックス レンズ前面
L = 1 m (PTB-450)
L = 40 cm (PTB-1450)
Lカメラ

HDR-SR11/SR11E/SR12/SR12E_L2
Schematic diagrams of the CM-094, VC-516 and LD-230 boards are not shown.
Pages 4-4 to 4-30 are not shown.

4-31
HDR-SR11/SR11E/SR12/SR12E_L2 PD-343
LND001-LND006
(SB28900)
PAGE 4-42
of LEVEL2
CONTROL
SWITCH
BLOCK
LN7901-LN7906
FLEXIBLE
PAGE 4-36
FP-454
of LEVEL2
FP-807
PAGE 4-39
FLEXIBLE
LND001-LND039
of LEVEL2
NO MARK:REC/PB MODE
Note: LCD901 is not included in PD-343 complete board.
2.8
2.8 2.8
2.8
2.8
0
0
2.8
0
2.8
2.8
0
2.8 2.7
1.0
2.7
2.2
2.2 1.6
2.1
1.6
2.1
1.6
1.0
-9.8
-9.8
-9.8
1.6
0
0
B6_T
B7_T
G0_T
G1_T
G2_T
G3_T
G4_T
G6_T
G5_T
G7_T
R0_T
R1_T
R2_T
R3_T
R4_T
R5_T
R6_T
R7_T
B5_T
B4_T
B3_T
B2_T
B1_T
B0_T
HS_T
VS_T
D0-_T
D0+_T
CLK-_T
CLK+_T
D1-_T
D1+_T
D2+_T
D2-_T
XBB_RST_T
XSCK_T
XCS_T
BB_SO_T
D2+_T
D1+_T
D1-_T
CLK+_T
CLK-_T
D0+_T
D0-_T
D2-_T
BB_SO_T
XSCK_T
XCS_T
VS_T
HS_T
DCLK_T
B0_T
B1_T
B2_T
B3_T
B4_T
B5_T
B6_T
B7_T
G0_T
G1_T
G2_T
G3_T
G4_T
G5_T
G6_T
G7_T
R0_T
R1_T
R2_T
R3_T
R4_T
R5_T
R6_T
R7_T
DCLK_T
XBB_RST_T
C5912
0.1u
CN5906 29P
1
2
3
4
5
6
7
8
9
10
11
12
13
14
15
16
17
18
19
20
21
22
23
24
25
26
27
28
29
C5917 2.2u
C5918
4.7u
C5926
2.2u
D5904
MA2SD320G8S0
CN5905 6P
1
2
3
4
5
6
C5919
4.7u
C5923
2.2u
CN5907 39P
1
2
3
4
5
6
7
8
9
10
11
12
13
14
15
16
17
18
19
20
21
22
23
24
25
26
27
28
29
30
31
32
33
34
35
36
37
38
39
C5909
10u
C5914 2.2u
C5927
2.2u
C5922
2.2u
C5924
2.2u
C5920 1u
C5913 4.7u
C5915 2.2u
C5925
2.2u
C5921 1u
IC5901
SN65LVDS302ZQER
C2
VDD
C4
VDD
C6
VDD
D7
VDD
E7
VDD
F7
VDD
G7
VDD
C5
GND
C7
GND
D3
GND
D4
GND
D5
GND
D6
GND
E3
GND
E4
GND
E5
GND
E6
GND
F3
GND
F4
GND
F5
GND
GND
F6
GND
G3
GND
G4
GND
G5
GND
G6
D2+
D1
D2-
E1
D1+
F1
D1-
G1
CLK+
J3
CLK-
J4
D0+
J5
D0-
J6
LS0
C1
LS1
D2
CPOL
H1
VDD_PLLD
F2
VDD_PLLA
H3
VDD_LVDS
H2
VDD_LVDS
H5
GND_PLLD
E2
GND_PLLA
H4
GND_LVDS
G2
GND_LVDS
J1
GND_LVDS
H6
SWAP
J2
RXEN
J7
DE
J8
VS
H8
HS
H9
GND
H7
PCLK
G9
CPE
J9
F/S
G8
B0
F9
B1
F8
B2
E9
B3
E8
B4
D9
B5
D8
B6
C9
B7
C8
G0
B9
G1
B8
G2
A8
G3
B7
G4
A7
G5
B6
G6
A6
G7
B5
GND
A9
R0
A5
R1
B4
R2
A4
R3
B3
R4
A3
R5
B2
R6
A2
R7
B1
GND
A1
Q5901
XP411F-TXE
6
2
1
3
5
4
CN5902 6P
1
2
3
4
5
6
D5901
XX
1
2
6
5
43
C5901
0.0047u
Q5902
XP421F-TXE
6
2
1
3
5
4
C5907
0.1u
R5919
47k
R5916 47k
R5921
47k
R5914 47k
R5913
47k
R5909
47k
TP_X_T
TP_SEL1_T
TP_Y_T
D_2.8V_T
C5903
4.7u
R5918
XX
R5908
XX
R5917
XX
R5920
XX
BL_CONT_T
P_BL_ON_T
BL_BRT_T
TP_Y_T
TP_X_T
BL_-V_T
TP_SEL1_T
D_2.8V_T
CN5901
39P
1
2
3
4
5
6
7
8
9
10
11
12
13
14
15
16
17
18
19
20
21
22
23
24
25
26
27
28
29
30
31
32
33
34
35
36
37
38
39
REG_GND
KEY_AD0
PANEL_NOR/REV
C5905
22u
6.3V
L5902
10uH
L5901
10uH
REG_GND
REG_GND
PANEL_NOR/REV
C5928
4.7u
R5925 XX
R5926
10k
R5928 10k
R5922
XX
R5929
0
LND001
CH_GND
R5930
XX
R5931
XX
CL5902
CL5903
CL5901
R5932 0
C5929
XX
CL5904
CL5905
R5934
XX
C5931
XX
R5933
XX Q5906
XX
R5935
XX
D5903
MA2SD320G8S0
C5930
2.2u
CN5909 6P
1
2
3
4
5
6D_2.8V_T
VD5902
XX
VD5903
XX
R5902
1500
R5903
1200
CN59036P
1
2
3
4
5
6
R5901 2200
KEY_AD0
VD5901
XX
REG_GND
R5923
10k
R5944
15
R5940
4700
R5939
10k
R5942
1k
R5943
2200
BL_CONT_T
BL_-V_T
R5936
3300
Q5909
UP04401G08S0
6
2
1
3
5
4
Q5908
UP04601G08S0 3
5
4
6
2
1
BL_BRT_T R5941
2200
Q5910
UP04601G08S0
3
5
4
6
2
1
P_BL_ON_T
EP_2.8V_T
Q5907
UNR31A3G0LS0
R5937
22k
R5938
33k
EP_2.8V_T
REG_GND
RB5901
100k
12
34
56
78
R5945
XX
R5946
XX
C5902
0.0047u
L5903
10uH CL5906
CL5907
B3
R1
R2
TCOM2
VCL
C11P
C12P
B0
C13P
SLV18
R4
RESB
VSS
C31P
B4
C14M
C11M
SCK
B1
GVSS_IN
R6
G0
B2
SDI
VDDIO
COMH
C12M
BL_H
R5
BL_L
C14P
R3
C21M
VGH
G4
G6
SGND
VRCP1
R7
COMC
VSYNC
VS
VGMH
C13M
HSYNC
G5
COMDC
G7
GVDD_IN
C31M
VR
B5
G1
VRCP2
NC
VGL
PVDD(3.3V)
C21P
TCOM1
G2
SCS
SGND
NC
DCLK
VSS
V18OUT
PVDD(3.3V)
R0
B7
VSS
G3
B6
TP_L
NC
NC
TP_TOP
TP_BOT
TP_R
XBB_RST
EP_1.8V
XSCK
EP_2.8V
D_2.8V
TP_Y
REGGND
REGGND
N.C.
P_BL_ON
BL_-V
BB_SO
BL_BRT
BL_CONT
TP_SEL1
XCS
TP_X
REGGND
REGGND
REGGND
REGGND
D2+
D2-
D1+
D1-
CLK+
CLK-
D0-
D0+
N.C.
N.C.
N.C.
N.C.
REGGND
REGGND
KEY_AD0
PANEL_NOR/REV
EP_2.8V
NC
NC
REGGND
N.C.
N.C.
D_2.8V
REG_GND
REG_GND
PANEL_NOR/REV
N.C.
2ND_S/S_SW
HOME_SW
REG_GND
2ND_ZOOM(W)
2ND_ZOOM(T)
EP_2.8V
EP_2.8V
C
5
B
E
H
911
H
G
B
A
104
A
6
DD
C
1
E
2 8
F F
G
712
08
3
XX MARK:NO MOUNT
LCD DRIVE
LCD
LCD901
UNIT
COLOR
3.2inch
WIDE
TOUCH
TOUCH PANEL I/F
TOUCH PANEL I/F
BACKLIGHT DRIVE
BACKLIGHT DRIVE
BACKLIGHT DRIVE
BACKLIGHT DRIVE
BACKLIGHT
LCD DRIVE
PANEL
LED
PD-343 BOARD

4-32
HDR-SR11/SR11E/SR12/SR12E_L2 FR-278
PAGE 4-41
of LEVEL2
FLEXIBLE
FP-812
LND001-LND012
NO MARK:REC/PB MODE
2.8 2.8
1.4
0
0
0.8
0.6 0
2.8
1.2
1.3
1.2
1.4
1.4
1.4
1.2
1.3
1.3
1.1
1.1
FB9003
C9014
4.7u
C9010
0.047u
R9005
1M
C9005
0.1u
FB9001
C9013
22u
R9004
10k
C9008
0.047u
FB9002
R9007
10k
C9009
0.047u
FB9004
YAW_AD
C9012
22u
RB9001
22k
12
34
56
78
C9001
0.1u
R9006
1M
PITCH_AD
IC9001
NJM3230SE7
1
AM1
2
VREF1
3
HO1
4
HI1
5
LO1
6
LIA1
7
LIB1
8
GND
9
LIB2
10
LIA2
11
LO2
12
HI2
13
HO2
14
VREF2
15
AM2
16
OUT2
17
CRST
18
V+
19
NC
20
OUT1
L9001
10uH
C9004
0.1u
C9003
0.1u
C9011
0.047u
R9010
220
IC9002
RS-770
1
VCC
2
GND
3
GND
4
OUT
R9008
0
C9015
1u
D9002
CL-196HR-CD-T
NS_LED_K
REG_GND
VST_C_RESET
NS_LED_A
NS_LED_K
D_2.8V
XTALLY_LED
D_2.8V
SIRCS_SIG
R9012
15k
C9016
0.33u
C9017
0.33u
R9013
15k
REG_GND
CN9002 12P
1SIRCS_SIG
2XTALL_LED
3REG_GND
4REG_GND
5D_2.8V
6NS_A
7NS_K
8A_2.8V
9REG_GND
10 PITCH_AD
11 VST_C_RESET
12 YAW_AD
A_2.8V
PITCH_AD
YAW_AD
NS_LED_A
D_2.8V
XTALLY_LED
REG_GND
REG_GND
VST_C_RESET
A_2.8V
SIRCS_SIG
REG_GND
D9001
CL-330IRS-X-TU
SE9001
30.8kHz
4
OUT
1
VREF
2
GND
3
VCC
SE9002
32.2kHz
4
OUT
1
VREF
2
GND
3
VCC
B
08
21
D
A
F
A
F
B
5
E
7
E
C
XX MARK:NO MOUNT
D
8
PITCH/YAW SENSOR AMP,
REMOTE COMMANDER RECEIVER
46
C
3
PITCH/YAW SENSOR AMP
YAW SENSOR
PITCH SENSOR
(NIGHTSHOT)
(TALLY)
REMOTE COMMANDER RECEIVER
FR-278 BOARD

4-33
HDR-SR11/SR11E/SR12/SR12E_L2 CK-185
FLEXIBLE
LND040-LND078
PAGE 4-39
FP-807
of LEVEL2
FLEXIBLE
LND091-LND141
PAGE 4-41
FP-808
of LEVEL2
Note: SP901 is not included in CK-185 complete board.
C
CN5803 2P
1
2
SP+
REG_GND
SP-
FR_XRESET
PANEL_O/C
XBATT_VIEW
S5805
1
3
2
4
KEY_AD2
R5802
1500
LND582
CH GND
LND583
CH GND
LND581
CH GND
S5806
12
34
S5803
1
3
2
4
S5804
1
3
2
4
R5801
2200
S5802
1
3
2
4
PANEL_O/C
KEY_AD2
XBATT_VIEW
SP+
SP-
REG_GND
FR_XRESET
CN5802
39P
1
2
3
4
5
6
7
8
9
10
11
12
13
14
15
16
17
18
19
20
21
22
23
24
25
26
27
28
29
30
31
32
33
34
35
36
37
38
39
S5801
1
3
2
4
R5804
1200
VD5801
XX
VD5803
XX
VD5804
XX
VD5805
XX
VD5806
XX
VD5807
XX
S5808
12 34 5
6
8
7
KEY_AD3
R5805
1200
1005
KEY_AD3
VD5808 XX
CN5801 51P
1
2
3
4
5
6
7
8
9
10
11
12
13
14
15
16
17
18
19
20
21
22
23
24
25
26
27
28
29
30
31
32
33
34
35
36
37
38
39
40
41
42
43
44
45
46
47
48
49
50
51
RESET
SP(+)
SP(-)
DISP
/BATT INFO
PANEL_O/C
BL_CONT
BL_BRT
REGGND
BL_-V
REGGND
REGGND
REGGND
P_BL_ON
KEY_AD3
REGGND
D_2.8V
N.C.
TP_SEL1
XBATT_VIEW
REGGND
REGGND
FR_XRESET
N.C.
REGGND
Nor/Rev
SP+
KEY_AD0
REGGND
SP-
REGGND
KEY_AD2
EP_2.8V
D0+
TP_X
BB_SO
D1+
CLK+
D1-
N.C.
REGGND
XCS
REGGND
D2-
XBB_RST
N.C.
CLK-
XSCK
TP_Y
D2+
REGGND
D0-
CLK+
D1-
BL_-V
P_BL_ON
REGGND
REGGND
TP_Y
D_2.8V
EP_2.8V
XSCK
REGGND
XBB_RST
REGGND
REGGND
REGGND
TP_X
XCS
D1+
D2-
N.C.
D2+
N.C.
N.C.
REGGND
N.C.
REGGND
KEY_AD0
PANEL_NOR/REV
REGGND
TP_SEL1
BL_CONT
BL_BRT
BB_SO
D0+
D0-
CLK-
N.C.
N.C.
N.C.
EP_1.8V EP_1.8V
EP_2.8V EP_2.8V
B
3
B
D
A
6
C C
8
08
5
E
F
D
7
E
A
F
21 4
XX MARK:NO MOUNT
CONTROL SWITCH
NIGHTSHOT
OFF ON
(PANEL OPEN/CLOSE)
(SPEAKER)
EASY
SP901
CK-185 BOARD

4-34
HDR-SR11/SR11E/SR12/SR12E_L2 ST-185, JK-356
•Refer to page 4-2 (English), 4-3 (Japanese) for mark 0.
of LEVEL2
LND101-LND114
FP-803
FLEXIBLE
PAGE 4-38
FLASH UNIT
(FL25500)
of LEVEL2
PAGE 4-43
LND001-LND004,
LND009, LND010,
LND014-LND017,
LND023, LND024
NO MARK:REC/PB MODE
0
283
0
2.8
0
1.9
0
5.1
8.3
8.3
C5003
2.2u
C5004
10u
C5002
0.1u
C5005
220p
D5003
CRF02(TE85R)
IC5001
TPS65552DGQR
1
VBAT
2
SW
3
VCC
4
F_ON
5
I_PEAK
6
G_IGBT
7
XINCHG
8
CHG
9
PGND
10
NC
11
HGND
R5003
330k
R5011
1M
R5004
100k
R5008
4700
R5005
XX
T5001
2
1
4
35
6
R5010
100
LD5002
MC+
R5001 XX
R5009
XX
D5001
XX R5006
XX
R5007
XX
CL5001
C5006
70u
330V
CN5002 18P
1
2
3
4
5
6
7
8
9
10
11
12
13
14
15
16
17
18
CN500114P
1
2
3
4
5
6
7
8
9
10
11
12
13
14
LD5003
GND
LD5001
GND
R5002
XX
D5002
RB520S-40TE61
C5001
XX
L5001
2.2uH
Q5001
TIG030TS-S-TL-E
1
85
234
6
7
ST_GND
MT_5V
IGBT
XSCHARGE_FULL
STROBO_ON
SCHARGE_ON
ST_GND
ST_GND
ST_GND
N.C.
XE_A
XE_A
XE_A
Adapter Detect
REG_GND(ST_GND)
N.C.
XE_K
XE_A
XE_K
XE_K
XE_K
N.C.
ST_GND
ST_GND
N.C.
N.C.
N.C.
ST_UNREG
ST_UNREG
ST_UNREG
NC
NC
Adapter Detect
C
5
B
911
B
A
104
A
6
DD
C
12 87 12
08
3
XX MARK:NO MOUNT
FLASH DRIVE
FLASH CONTROL CHARGE CONTROL
SWITCH
CHARGING
CAPACITOR
ST-185 BOARD
of LEVEL2
FLEXIBLE
LND026-LND045
FP-804
PAGE 4-38
LF7201
XX
1
3
42
R7204 0
VD7202
FB7202
FB7201
VD7205
R7202 0
R7205 0
CN7203 10P
1
2
3
4
5
6
7
8
9
10
1112
13
14
R7203 100
LN7202
CHASSIS_GND
CN7201
20P
1
2
3
4
5
6
7
8
9
10
11
12
13
14
15
16
17
18
19
20
VD7204
VD7203
LN7201
CHASSIS_GND
R7201 0
VD7201
CN7202 5P
1VCC
2D-
3D+
4ID
5GND
7
9
6
8
R7206 0
LANC_DC
REG_GND
AUDIO_L_I/O
AUDIO_R
S_C/D3_Pb
VIDEO/AUDIO_GND
REG_GND
USB_D+
AUDIO_R_I/O
S_Y/D3_Y
AUDIO_L
LANC_SIG
S_Y/D3_Y
VIDEO/D3_Pr
USB_VCC
S_GND
USB_GND
LANC_SIG
USB_GND
JACK_AD
REG_GND
USB_D-
S_C/D3_Pb
USB_GND
USB_GND
REG_GND
REG_GND
LANC_DC
MULTI_JACK_IN
VIDEO/D3_Pr
08
C
A
B
3
B
2
C
1 86
A
574
XX MARK:NO MOUNT
JACK
A/V R
(USB)
JK-356 BOARD

4-35
HDR-SR11/SR11E/SR12/SR12E_L2 CR-089
LND040-LND084
FLEXIBLE
PAGE 4-39
FP-806
of LEVEL2
CN7402 45P
1
2
3
4
5
6
7
8
9
10
11
12
13
14
15
16
17
18
19
20
21
22
23
24
25
26
27
28
29
30
31
32
33
34
35
36
37
38
39
40
41
42
43
44
45
LN7401
GND
VD7401XX
VD7402XX
VD7403XX
VD7404XX
VD7405XX
VD7406XX
VD7407XX
VD7409XX
VD7408XX
VD7410XX
CN7401
(MULTI CONNECTOR)
32P
1
3
5
7
9
11
13
15
17
21
23
27
29
31
33
2
4
6
8
10
12
14
16
18
1920
2526
28
30
32
34
REG_GND
AUDIO_L
USB_DET/VBUS
ACV_UNREG
AUDIO_R
REG_GND
AV_JACK_IN
LANC_DC
(USB_ID)
ACV_GND
REG_GND
ACV_GND
USB_GND
ACV_GND
USB_GND
LANC_SIG
S_C_I/O
REG_GND
REG_GND
REG_GND
N.C
ACV_UNREG
USB_D+
ACV_UNREG
ACV_GND
VIDEO_I/O
ACV_UNREG
N.C
USB_D-
S_Y_I/O
BATT/XEXT_CR
MULTI_JACK_IN
VIDEO/D3_Pr
S_C/D3_Pb
S_Y/D3_Y
LANC_DC
LANC_SIG
AUDIO_R
AUDIO_L
N.C
ACV_UNREG
ACV_UNREG
ACV_UNREG
ACV_UNREG
ACV_UNREG
ACV_UNREG
ACV_UNREG
ACV_UNREG
N.C
ACV_REG_GND
ACV_REG_GND
ACV_REG_GND
ACV_REG_GND
ACV_REG_GND
ACV_REG_GND
ACV_REG_GND
ACV_REG_GND
ACV_REG_GND
BATT/XEXT_CR
REG_GND
S_Y/D3_Y
REG_GND
S_C/D3_PB
REG_GND
VIDEO/D3_PR
REG_GND
LANC_DC
REG_GND
JACK_AD_CRADLE
REG_GND
LANC_SIG
REG_GND
AUDIO_R_I/O
REG_GND
REG_GND
AUDIO_L_I/O
REG_GND
USB_D-
REG_GND(USB_GND)
USB_D+
REG_GND
REG_GND
DISC_BURN(KEY_AD3)
USB_VCC
USB_D+
USB_D-
USB_VCC
BATT/XEXT_CR
DISC_BURN(KEY_AD3)
B
3
B
D
A
6
C C
8
08
5
E
F
D
7
E
A
F
21 4
XX MARK:NO MOUNT
CRADLE TERMINAL
TO CRADLE
(Handycam Station)
CR-089 BOARD

4-36
HDR-SR11/SR11E/SR12/SR12E_L2 BL-017, MS-381, FP-454
PAGE 4-38
of LEVEL2
LND023-LND044
FP-805
FLEXIBLE
Note: BT7301(lithium starage battery) is not
included in the MS-381 complete board.
LN7301
REG_GND
LN7302
REG_GND
C7305
XX
R7305 180
R7303 180
R7306 180
R7304 180
FB7301
FB7302
FB7303
FB7304
CN7302 10P
1VSS
2MSBS
3MSDATA1
4MSDATA0
5MSDATA2
6XMS_IN
7MSDATA3
8MS_SCLK
9VCC
10 VSS
11
12
C7304
XX
BH7301
D7303
XX
C7303
XX
D7302
XX
D7301
CL-271HR-C-TS
C7302
22u
6.3V
C7301
XX
R7308 0
R7307
0
R7301
XX
R7302
0
CN7301
22P
1XMS_ACCESS_LED
2LI_3V
3ACCESS_LED_A
4LI_GND
5LI_GND
6MS_VCC
7REG_GND
8REG_GND
9MS_SCLK
10REG_GND
11MS_DATA3
12REG_GND
13MS_IN
14REG_GND
15MS_DATA2
16REG_GND
17MS_DATA0
18REG_GND
19
MS_DATA1
20REG_GND
21MS_BS
22
REG_GND
A
3
A
C C
241
08
B B
XX MARK:NO MOUNT
MS CONNECTOR
MEMORY
PRO DUO
STICK
(ACCESS)
(BATTERY HOLDER)
(LITHIUM STARAGE BATTERY)
BT7301
MS-381 BOARD
LND101-LND118
PAGE 4-41
of LEVEL2
FP-811
FLEXIBLE
Note: LCD902 is not included
in BL-017 complete board.
C5701
0.1u
BC5703
XX
CN5702 21P
1
2
3
4
5
6
7
8
9
10
11
12
13
14
15
16
17
18
19
20
21
D5702
MAZS056G08S0
R5701
XX
R5702
XX
C5702
1u
B
1608
D5701
NESW007AT-T099
(EVF BACKLIGHT)
R5704
XX
RB5701
47k
12
34
56
78
CN570118P
1
2
3
4
5
6
7
8
9
10
11
12
13
14
15
16
17
18
EVF_VDD
VSS
N.C.
VSSG
EP_4.6V
LED_K
EVF_VST
EVF_REF
EVF_HCK2
EVF_HCK1
EVF_EN
EVF_VR
EVF_NRW
EVF_PSIG
EVF_DWN
EVF_VG
EVF_HST
EVF_VDD
EVF_VCK
EVF_PCG
EVF_RGT
EVF_COM
EVF_STB
EVF_VB
EVF_HST
EVF_COM
EVF_HCK2
EVF_REF
EVF_PSIG
EVF_VR
EVF_VG
EVF_VCK
EVF_VB
EVF_PCG
EVF_HCK1
EVF_STB
EVF_VST
EVF_EN
EVF_GND
421
B
F
3
B
C
08
E
D
A
F
A
C
D
E
XX MARK:NO MOUNT
EVF, EVF BACKLIGHT
UNIT
COLOR EVF
LCD902
BL-017 BOARD
of LEVEL 2
PD-343
PAGE 4-31
CN5909
2.5 2.5
NO MARK:REC/PB MODE
IC001
AN48830B-NL
1
45
LN7905
LN7903
LN7906
LN7902
LN7901
LN7904
D_2.8V
N.C
6
3
PANEL_NON/REV
N.C.
2REG_GND
1
PANEL REVERSE DETECT
REG_GND
5
4
DETECT
PANEL REVERSE
08
2
B
41
C
A
5
IC001
FP-454 FLEXIBLE BOARD
3
3
2
•Refer to page 4-2 (English), 4-3 (Japanese) for mark 0.

4-37
HDR-SR11/SR11E/SR12/SR12E_L2 FP-798, FP-799, FP-801
LND027
LF7191 XX
1
3
42
LF7192 XX
1
3
42
LF7193 XX
1
3
42
LF7194 XX
1
3
42
LND017
LND021
LND001
LND020
LND022
LND016
LND023
LND018
LND005
LND002
LND024
LND008
LND011
LND003
LND009
LND006
LND019
LND014
LND007
LND012
LND004
LND015
LND010
LND013
LND025
LND026
CN7191 23P
1TMDS_DATA2_SHIELD
2TMDS_DATA2_+
3TMDS_DATA2_-
4TMDS_DATA1_SHIELD
5TMDS_DATA1_+
6TMDS_DATA1_-
7TMDS_DATA0_SHIELD
8TMDS_DATA0_+
9TMDS_DATA0_-
10 TMDS_CLOCK_SHIELD
11 TMDS_CLOCK_+
12 TMDS_CLOCK_-
13 DDC_CEC_GND
14 CEC
15 SCL
16 SDA
21
22
20
23
17 RESERVED
18 +5V_POWER
19 HPD
GND
HPD
TMDS DATA2 +
GND
TMDS DATA0 -
TMDS DATA1 -
TMDS CLOCK +
GND
GND
SDA
TMDS CLOCK -
TMDS DATA0 +
+5V POWER
GND
TMDS DATA1 +
GND
SCL
+5V POWER
GND
GND
TMDS DATA2 -
GND
GND
GND
GND
GND
CEC
XX MARK:NO MOUNT
HDMI CONNECTOR
421
B
3
B
C
08
A A
C
26
1
3
Pin
2
25
24
HDMI
OUT
FP-798 FLEXIBLE BOARD
VC-516
CN1101
of LEVEL3
PAGE 4-6
(2/22)
(PRINTED WIRING BOARD is omitted.)
Note: J7221 and J7222 are not included in FP-799 flexible board.
LND005
LND010
LND006
LND004
LND011
LND001
LND002
J7221
L
2
R
4
GND
1
S
3LND009
LND007
LND003
LND012
LND008
J7222
L
2
R
4
GND
1
S
3
HP_JACK_IN
MIC_GND
MIC_GND
HP_GND
MIC_GND
EXT_MIC_R
HP_GND
HP_L_OUT
HP_GND
HP_GND
HP_R_OUT
EXT_MIC_L
HP, MIC JACK
421
B
3
B
C
08
A A
C
12
1
3
Pin
2
11
10
(HEADPHONE)
(PLUG IN POWER)
MIC
FP-799 FLEXIBLE BOARD
VC-516
CN1002
of LEVEL3
PAGE 4-5
(1/22)
(PRINTED WIRING BOARD is omitted.)
LND072
LND008
LND015
LND033
LND014
LND038
LND076
LND032
LND065
LND054
LND059
LND082
LND067
LND023
LND080
LND026
LND070
LND005
LND090
LND021
LND088
LND068
LND031
LND055
LND079
LND061
LND030
LND071
LND017
LND016
LND009
LND087
LND057
LND064
LND084
LND052
LND019
LND069
LND063
LND037
LND022
LND066
LND011
LND089
LND006
LND010
LND056
LND081
LND029
LND078
LND085
LND077
LND020
LND039
LND024
LND018
LND083
LND062
LND074
LND001
LND036
LND027
LND073
LND004
LND028
LND058
LND025
LND003
LND053
LND007
LND075
LND012
LND086
LND034
LND002
LND035
LND060
LND013
LND040LND091
LND041LND092
LND042LND093
LND043LND094
LND044LND095
LND045LND096
LND046LND097
LND047LND098
LND048LND099
LND049LND100
LND050LND101
LND051LND102
421
B
F
3
B
C
08
E
D
A
F
A
C
D
E
LD-VC CONNECTION
MT_GND
MT_5.0V
D_1.5V
CMOS_A_3.3V
D_2.8V
DIRA1
DIRB1
XCAM_SCK
CAM_S1
CAM_SO
REG_GND
IC_5501_CLK
REG_GND
ND_NOISE
XCS_IC_5501
IC_5501_SI
XCS_IC_5201
IC_5501_SO
LENS_TEMP_AD
IC_5501_SCK
THERM
IC_5201_VD
EXT_CAM_VD
NF_EN
NF_SW
XRST_IC_5501_CPU
XRST_IC_5201
VST_C_RST
XSYS_RST
REG_GND
YAW_AD
REG_GND
PITCH_AD
EN1
REG_GND
ENO
DIRB0
DIRA0
LENS_COVER_OPEN
LENS_COVER_LED_ON
DIAL_B
DIAL_A
PON_SW
REG_GND
KEY_AD2
REG_GND
REG_GND
MT_5.0V
MT_GND
MT_GND
MT_GND
MT_5.0V
D_1.5V
MT_GND
THERM
IC_5501_SCK
IC_5201_VD
MT_GND
XRST_IC_5501_CPU
D_2.8V
IC_5501_CLK
DIRA1
REG_GND
DIRA0
REG_GND
REG_GND
XCS_IC_5501
NF_EN
PITCH_AD
EN1
ND_NOISE
REG_GND
DIAL_B
PON_SW
IC_5501_SO
XCAM_SCK
DIRB0
EXT_CAM_VD
MT_GND
XCS_IC_5201
IC_5501_SI
NF_SW
LENS_COVER_LED_ON
CAM_SO
XRST_IC_5201
CAM_S1
ENO
LENS_COVER_OPEN
MT_5.0V
KEY_AD2
REG_GND
YAW_AD
DIRB1
DIAL_A
REG_GND
XSYS_RST
REG_GND
CMOS_A_3.3V
VST_C_RST
MT_GND
LENS_TEMP_AD
REG_GND
51
1
3
Pin
2
50
49
1
51
49
Pin
50
2
3
FP-801 FLEXIBLE BOARD
VC-516
CN1105
of LEVEL3
PAGE 4-6
(2/22)
CN5102
of LEVEL3
PAGE 4-27
(1/4)
LD-230

4-38
HDR-SR11/SR11E/SR12/SR12E_L2 FP-802, FP-803, FP-804, FP-805
(PRINTED WIRING BOARD is omitted.)
LND011
LND027
LND020
LND015
LND021
LND001
LND022
LND016
LND008
LND025
LND013
LND009
LND012
LND014
LND006
LND005
LND002
LND018
LND003
LND026
LND010
LND028
LND017
LND004
LND007
LND019
LND029
LND030
LND031
ID2
LANC
GND
MIC_GND
GND
MIC_FR
HOTSHOE_ID1
EXT_STROBE
N.C
HOTSHOE_ID2
LANC_SIG
N.C
SHOE_UNREG
REG_GND
STROBE
N.C
N.C
SHOE_UNREG
MIC_FL
SHOE_MIC_GND
UNREG
UNREG
REG_GND(SHOE_GND)
MIC_FR
MIC_FL
ID1
N.C
N.C
421
B
3
B
C
08
A A
C
HOT SHOE CONNECTION
GND
1
12
10
Pin
11
2
3
HOT SHOE
Active
Interface Shoe
FP-802 FLEXIBLE BOARD
VC-516
CN1003
of LEVEL3
PAGE 4-5
(1/22)
CN5001
of LEVEL2
PAGE 4-34
ST-185
(PRINTED WIRING BOARD is omitted.)
LD014
LD001
LD010
LD011
LD007
LD005
LD012
LD006
LD009
LD002
LD003
LD013
LD112
LD114
LD113
LD110
LD109
LD108
LD106
LD105
LD104
LD103
LD102
LD101
XSCHARGE_FULL
ST_UNREG
N.C
STROBE_ON
N.C
SCHARGE_ON
MT_5.0V
ST_GND
ST_UNREG
ST_UNREG
ST_GND
ST_GND
ADAPTOR-DETECT
ST_GND
421
B
3
B
C
08
A A
C
VC-ST CONNECTION
XSCHARGE_FULL
SCHARGE_ON
ST_UNREG
N.C
MT_5.0V
ST_GND
ST_UNREG
ST_GND
N.C
ST_GND
STROBE_ON
ST_GND
ADAPTOR-DETECT
ST_UNREG
14
1
3
Pin
2
13
12
VC-516
CN1005
1
of LEVEL3
14
PAGE 4-5
12
Pin
13
2
3
(1/22)
FP-803 FLEXIBLE BOARD
CN7201
of LEVEL2
PAGE 4-34
JK-356
(PRINTED WIRING BOARD is omitted.)
LND026
LND027
LND028
LND029
LND030
LND031
LND032
LND033
LND034
LND035
LND036
LND037
LND038
LND039
LND040
LND041
LND042
LND043
LND044
LND045
LND001
LND002
LND003
LND004
LND005
LND006
LND007
LND008
LND009
LND010
LND011
LND012
LND013
LND014
LND015
LND016
LND017
LND018
LND019
LND020
LND021
LND022
LND023
LND024
LND025
USB_D-
LANC_SIG
REG_GND
REG_GND
REG_GND
S_C/D3_Pb
VIDEO/D3_Pr
USB_VCC
AUDIO_R_I/O
REG_GND
JACK_AD
USB_GND
USB_GND
S_Y/D3_Y
AUDIO_L_I/O
USB_GND
LANC_DC
USB_D+
REG_GND
USB_GND
AUDIO_R_I/O
REG_GND
JACK_AD
REG_GND
S_C/D3_Pb
REG_GND
N.C.
N.C.
REG_GND
N.C.
REG_GND
USB_VCC
AUDIO_L_I/O
REG_GND
REG_GND
REG_GND
S_Y/D3_Y
USB_D+
LANC_SIG
USB_D-
LANC_DC
REG_GND
VIDEO/D3_Pr
REG_GND
REG_GND
421
B
3
B
C
08
A A
C
VC-JK CONNECTOR
1
20
18
Pin
19
2
3
1
25
23
Pin
24
2
3
FP-804 FLEXIBLE BOARD
VC-516
CN1106
of LEVEL3
PAGE 4-6
(2/22)
CN7301
of LEVEL2
PAGE 4-36
MS-381
(PRINTED WIRING BOARD is omitted.)
LND001
LND002
LND003
LND004
LND005
LND006
LND007
LND008
LND009
LND010
LND011
LND012
LND013
LND014
LND015
LND016
LND017
LND018
LND019
LND020
LND021
LND022
LND042
LND039
LND025
LND044
LND026
LND041
LND040
LND037
LND030
LND031
LND028
LND029
LND043
LND032
LND034
LND033
LND035
LND027
LND023
LND038
LND024
LND036
XMS_ACCESS_LED
MS_VCC
REG_GND
MS_DATA3
REG_GND
REG_GND
REG_GND
REG_GND
REG_GND
REG_GND
ACCESS_LED_A
MS_SCLK
REG_GND
XMS_IN
MS_BS
LI_3V
REG_GND
MS_DATA2
MS_DATA0
REG_GND
MS_DATA1
REG_GND
REG_GND
XMS_IN
REG_GND
REG_GND
MS_DATA2
XMS_ACCESS_LED
REG_GND
REG_GND
BATT_LI_3V
REG_GND
MS_DATA0
REG_GND
MS_DATA1
MS_BS
REG_GND
ACCESS_LED_A
REG_GND
REG_GND
REG_GND
MS_DATA3
MS_VCC
MS_SCLK
421
B
3
B
C
08
A A
C
VC-MS CONNECTOR
1
22
20
Pin
21
2
3
22
1
3
Pin
2
21
20
FP-805 FLEXIBLE BOARD
VC-516
CN1006
of LEVEL3
PAGE 4-5
(1/22)

4-39
HDR-SR11/SR11E/SR12/SR12E_L2 FP-806, FP-807
CN7402
of LEVEL2
PAGE 4-35
CR-089
(PRINTED WIRING BOARD is omitted.)
LND056
LND009
LND002
LND069
LND040
LND020
LND053
LND047
LND005
LND063
LND031
LND055
LND010 LND049
LND045
LND035
LND030
LND006
LND018
LND017
LND013
LND037
LND068
LND051
LND074
LND050
LND034
LND048
LND022
LND027
LND042
LND044
LND070
LND057
LND003
LND076
LND062
LND058
LND033
LND075
LND012
LND065
LND007
LND052
LND064
LND041
LND078
LND036
LND043
LND067
LND025
LND061
LND023
LND072
LND021
LND073
LND066
LND046
LND024
LND001
LND039
LND060
LND054
LND077
LND011
LND014
LND008
LND028
LND015
LND026
LND029
LND016
LND059
LND032
LND004
LND038
LND019
LND071
LND083
LND079
LND081
LND082
LND084
LND080
LND086
LND087
LND090
LND085
LND088
LND089
ACV_REG_GND
BATT/XEXT_CR
USB_VCC
REG_GND
JACK_AD_CRADLE
AUDIO_L_I/O
ACV_REG_GND
REG_GND
ACV_REG_GND
ACV_UNREG
REG_GND
ACV_UNREG
LANC_DC
ACV_UNREG
ACV_UNREG
REG_GND
ACV_REG_GND
AUDIO_R_I/O
ACV_REG_GND
ACV_REG_GND
ACV_REG_GND
ACV_UNREG
USB_D-
REG_GND
USB_D+
REG_GND
REG_GND
REG_GND
S_Y/D3_Y
REG_GND
DISC_BURN
REG_GND
VIDEO/D3_PR
REG_GND
LANC_SIG
REG_GND
S_C/D3_PB
ACV_REG_GND
ACV_REG_GND
ACV_UNREG
N.C
ACV_UNREG
ACV_UNREG
N.C
REG_GND(USB_GND)
ACV_UNREG
ACV_UNREG
BATT/XEXT_CR
ACV_REG_GND
AUDIO_L_I/O
ACV_REG_GND
REG_GND
ACV_REG_GND
ACV_UNREG
REG_GND
ACV_UNREG
USB_VCC
LANC_DC
REG_GND
ACV_UNREG
JACK_AD_CRADLE
ACV_UNREG
REG_GND
ACV_REG_GND
AUDIO_R_I/O
ACV_REG_GND
ACV_REG_GND
ACV_REG_GND
ACV_UNREG
USB_D-
REG_GND(USB_GND)
REG_GND
USB_D+
REG_GND
REG_GND
REG_GND
N.C
S_Y/D3_Y
REG_GND
DISC_BURN
REG_GND
VIDEO/D3_PR
REG_GND
LANC_SIG
REG_GND
S_C/D3_PB
ACV_REG_GND
ACV_REG_GND
ACV_UNREG
N.C
VC-CR CONNECTION
421
B
F
3
B
C
08
E
D
A
F
A
C
D
E
45
1
3
Pin
2
44
43
1
45
43
Pin
44
2
3
FP-806 FLEXIBLE BOARD
VC-516
CN1104
of LEVEL3
PAGE 4-6
(2/22)
CN5802
of LEVEL2
PAGE 4-33
CK-185
(PRINTED WIRING BOARD is omitted.)
LND011
LND004
LND023
LND001
LND003
LND029
LND006
LND030
LND026
LND018
LND022
LND020
LND027
LND014
LND008
LND013
LND002
LND025
LND019
LND028
LND016
LND010
LND024
LND007
LND017
LND012
LND021
LND015
LND009
LND005
LND031
LND032
LND033
LND034
LND035
LND036
LND037
LND038
LND039
LND057
LND040
LND063
LND061
LND042
LND078
LND046
LND059
LND068
LND056
LND066
LND045
LND073
LND070
LND051
LND053
LND069
LND060
LND047
LND071
LND065
LND074
LND052
LND054
LND072
LND050
LND041
LND048
LND075
LND064
LND044
LND043
LND058
LND062
LND076
LND067
LND055
LND077
LND049
N.C.
REGGND
D1-
KEY_AD0
BB_SO
N.C.
CLK+
REGGND
REGGND
BL_V
BL_CONT
N.C.
BL_BRT
TP_X
EP_2.8V
D0+
D0-
BL_-V
D_2.8V
TP_Y
TP_SEL1
REGGND
XBB_RST
REGGND
P_BL_ON
XSCK
REGGND
D2-
EP_1.8V
D2+
XCS
REGGND
N.C.
Nor/Rev
REGGND
CLK-
REGGND
D1+
REGGND
D0+
TP_Y
TP_SEL1
BL_BRT
CLK+
N.C.
REGGND
D2-
Nor/Rev
REGGND
N.C.
BL_CONT
CLK-
P_BL_ON
D1+
D2+
D1-
REGGND
N.C.
REGGND
D0-
N.C.
TP_X
XBB_RST
XCS
EP_1.8V
KEY_AD0
XSCK
BB_SO
EP_2.8V
BL_-V
REGGND
REGGND
D_2.8V
REGGND
BL_V
REGGND
EP_2.8V EP_2.8V
421
B
F
3
B
C
08
E
D
A
F
A
C
D
E
PD-CK CONNECTION
1
39
37
Pin
38
2
3
1
39
37
Pin
38
2
3
FP-807 FLEXIBLE BOARD
CN5901
of LEVEL3
PAGE 4-31
PD-343

4-40
HDR-SR11/SR11E/SR12/SR12E_L2 FP-809
(PRINTED WIRING BOARD is omitted.)
LND008
LND103
LND104
LND106
LND108
LND105
LND107
LND116
LND114
LND110
LND112
LND115
LND109
LND113
LND111
LND130
LND128
LND124
LND125
LND122
LND127
LND132
LND126
LND118
LND120
LND123
LND131
LND117
LND129
LND121
LND119
LND136
LND139
LND133
LND140
LND137
LND138
LND135
LND134
LND033
LND012
LND040
LND015
LND023
LND009
LND030
LND039
LND031
LND013
LND028
LND006
LND017
LND011
LND050
LND024
LND037
LND005
LND029
LND007
LND025
LND038
LND021
LND022
LND035
LND001
LND019
LND027
LND036
LND016
LND002
LND026
LND014
LND003
LND004
LND010
LND018
LND034
LND041
LND042
LND043
LND044
LND045
LND046
LND047
LND048
LND049
LND051
LND032
LND020
DD14
DD4
DD12
DD1
3.3V
HDD_UNLOAD
DD13
DD9
DD7
DD2
DD0
DAPS-
DA0
GROUND
GROUND
DD11
DD8
GROUND
GROUND
DD10
GROUND
GROUND
3.3V
GROUND
GROUND
3.3V
HDD_GND
INTRQ
-RESET
DD3
GROUND
DIOW-
GROUND
DA2
3.3V
DD15
CS0-
3.3V
GROUND
DIOR-
DD5
DMARQ
DA1
IORDY
DMACK-
3.3V
CS1-
GROUND
3.3V
3.3V
DD6
DD7
DD6
CS0-
DD4
DMARQ
GND
DD2
DIOW-
DA1
DD10
RESET-
GND
DD15
DD14
DD5
NC(PDIAG-)
reserved
reserved
CS1-
GND
DMACK-
DD11
DD12
DA0
GND
DA2
3.3V
DD8
DD9
INTRQ
DD3
IORDY
HDD_UNLOAD
DD13
DD0
DASP-
DIOR-
GND
DD1
3.3V
B
3
B
D
A
6
C C
8
08
5
E
F
D
7
E
A
F
21 4
HDD CONNECTION
3
Pin
1
2
51
49
50
HARD DISC DRIVE
Pin
38
40
39
3
5
4
FP-809 FLEXIBLE BOARD
CN1103
of LEVEL3
(2/22)
PAGE 4-6
VC-516

4-41
HDR-SR11/SR11E/SR12/SR12E_L2 FP-808, FP-811, FP-812
PAGE 4-33
CN5801
CK-185
of LEVEL2
(PRINTED WIRING BOARD is omitted.)
LND009
LND002
LND020
LND005
LND031
LND010
LND035
LND030
LND006
LND018
LND017
LND013
LND037
LND034
LND022
LND027
LND003
LND033
LND012
LND007
LND036
LND025
LND023
LND021
LND024
LND001
LND039
LND011
LND014
LND008
LND028
LND015
LND026
LND029
LND016
LND032
LND004
LND038
LND019
LND086
LND082
LND088
LND090
LND081
LND079
LND084
LND087
LND089
LND085
LND083
LND080
LND135
LND129
LND128
LND098
LND138
LND113
LND122
LND103
LND123
LND094
LND119
LND100
LND131
LND102
LND093
LND111
LND140
LND118
LND109
LND091
LND116
LND136
LND096
LND108
LND099
LND104
LND126
LND101
LND110
LND139
LND106
LND141
LND125
LND132
LND097
LND105
LND120
LND134
LND114
LND127
LND095
LND124
LND117
LND137
LND121
LND133
LND115
LND112
LND130
LND092
LND107
BL_BRT
BL_-V
REGGND
REGGND
REGGND
KEY_AD0
XSCK
TP_Y
XCS
D0+
TP_X
EP_2.8V
PANEL_O/C
BB_SO
FR_XRESET
D1+
SP+
REGGND
SP-
D_2.8V
KEY_AD2
N.C.
XBATT_VIEW
N.C.
REGGND
REGGND
REGGND
REGGND
KEY_AD3
D2-
REGGND
P_BL_ON
TP_SEL1
D2+
REGGND
CLK+
REGGND
D1-
D0-
EP_2.8V
BL_CONT
REGGND
N.C.
XBB_RST
N.C.
Nor/Rev
REGGND
CLK-
BL_BRT
XBB_RST
N.C.
XCS
REGGND
D0+
REGGND
KEY_AD3
FR_XRESET
D1+
SP+
D2+
REGGND
REGGND
SP-
D2-
CLK-
EP_2.8V
KEY_AD0
PANEL_O/C
XSCK
BB_SO
REGGND
EP_2.8V
BL_CONT
BL_-V
REGGND
XBATT_VIEW
N.C.
Nor/Rev
REGGND
REGGND
REGGND
REGGND
D_2.8V
D1-
KEY_AD2
D0-
N.C.
TP_X
N.C.
TP_Y
REGGND
REGGND
CLK+
REGGND
P_BL_ON
TP_SEL1
N.C.
N.C.
N.C.
N.C.
EP_1.8V
EP_1.8V
B
3
B
D
A
C C
08
E
F
D
E
A
F
21 4
VC-CK CONNECTION
3
50
51
1
Pin
51
50
2
1
3
49 49
Pin
2
FP-808 FLEXIBLE BOARD
PAGE 4-23
VC-516
CN3301
of LEVEL3
(19/22)
FR-278
of LEVEL2
PAGE 4-32
CN9002
(PRINTED WIRING BOARD is omitted.)
LND001
LND007
LND003
LND008
LND002
LND005
LND004
LND006
LND011
LND010
LND012
LND009
LND017
LND018
LND019
LND020
LND021
LND022
LND023
LND024
LND025
LND026
LND027
LND028
NS_LED_A
REG_GND
NS_LED_K
D_2.8V
REG_GND
XTALLY_LED
REG_GND
SIRCS_SIG
A_2.8V
PITCH_AD
YAW_AD
VST_C_RESET
XTALLY_LED
VST_C_RESET
REG_GND
REG_GND
NS_LED_K
D_2.8V
PITCH_AD
NS_LED_A
A_2.8V
REG_GND
YAW_AD
SIRCS_SIG
421
B
3
B
C
08
A A
C
VC-FR CONNECTOR
112
2
12
10
103
Pin
11
11
1
3
Pin
2
FP-812 FLEXIBLE BOARD
(2/22)
of LEVEL3
VC-516
CN1102
PAGE 4-6
CN5701
of LEVEL2
PAGE 4-36
BL-017
(PRINTED WIRING BOARD is omitted.)
LND004
LND011
LND010
LND002
LND006
LND005
LND009
LND013
LND017
LND007
LND001
LND012
LND003
LND008
LND015
LND016
LND014
LND110
LND107
LND118
LND106
LND115
LND117
LND109
LND101
LND114
LND102
LND112
LND103
LND116
LND104
LND111
LND105
LND113
LND108
LND018
EVF_HST
EVF_EN
LED_K
EVF_HCK1
EVF_COM
EVF_VST
EVF_GND
EP_4.6V
EVF_VCK
EVF_VR
EVF_VG
EVF_VDD
EVF_REF
EVF_HCK2
EVF_PCG
EVF_STB
EVF_VB
EVF_PSIG
EVF_VR
EVF_HST
EVF_COM
EVF_PCG
EVF_PSIG
EVF_VCK
EVF_HCK2
EVF_VB
EVF_REF
EVF_GND
EVF_VDD
EVF_STB
LED_K
EVF_HCK1
EVF_VST
EVF_VG
EP_4.6V
EVF_EN
BL-VC CONNECTION
421
B
3
B
C
08
A A
C
Pin
2
1
17
18
16
3
18
1
3
Pin
2
17
16
FP-811 FLEXIBLE BOARD
VC-516
PAGE 4-21
(17/22)
of LEVEL3
CN3101

4-42
HDR-SR11/SR11E/SR12/SR12E_L2 CONTROL SWITCH BLOCK (RS28900), CONTROL SWITCH BLOCK (SB28900),
CONTROL SWITCH BLOCK (PS28100)
CONTROL SWITCH BLOCK(RS28900) is replaced as block,
so that PRINTED WIRING BOARD is omitted.
S003
1
3
2
4
S002
S001
S004
1
3
2
4
DIAL_A
REG_GND(RS)
XPON SW
DIAL_B
Dial_A
Dial_B
REG_GND(BSW)
B_SW
A
3
A
C C
241
08
B B
Pin
1
6
CAM CTRL
PUSH MANUAL
(BACKLIGHT)
(RS28900)
CONTROL SWITCH BLOCK
CN5104
LD-230
PAGE 4-27
of LEVEL3
(1/4)
CONTROL SWITCH BLOCK(PS28100) is replaced as block,
so that PRINTED WIRING BOARD is omitted.
LND005
LND006
LND011
LND013
LND003
LND017
LND001
LND021
LND004
LND008
LND002
LND015
LND014
LND010
LND016
LND022
LND020
LND007
LND012
LND019
LND009
RV001
22k
1
2
3
S004
1
3
2
4
S002
1
3
2
4
D003
SML-D12M8WT86SM
D004
SML-D12Y8WT86SP
D002
SML-D12M8WT86SM
S005
1
3
2
4
D005
SML-D12Y8WT86SP
LND026
LND027
LND025
LND018
D006
SML-D12V8WT86SN
S003
1
3
2
4
REG_GND
XPOWER_SW
XMODE_SW
D
E
A
3
D
A
F
C C
E
241
F
08
B B
REG_GND
START/STOP
XPOWER_SW
XMODE_SW
XPHOTO_LED
MODE_LED_VDD
XCAM_LED
CHARGE_LED_VDD
XCHARGE_LED
ACCESS_LED_VDD
XACCESS_LED
QUICKREC_SW
QUICKREC_LED_VDD
XQUICKREC_LED
REC_GND
PHOTO_REC
PHOTO_FREEZE
REG_GND
ZOOM_VR
D_2.8V
N.C.
REG_GND
START/STOP
QUICK ON
PHOTO
(PHOTO FREEZE)
ON
POWER
MODE
OFF
(CHG)
WT(ZO0M)
(ACCESS)
(QUICK ON)
(PHOTO)
(CAM)
( /CHG)
3
21
Pin
1
20
2
22
(PHOTO REC)
(PS28100)
CONTROL SWITCH BLOCK
of LEVEL3
(1/22)
CN1007
PAGE 4-5
VC-516
of LEVEL2
PAGE 4-31
PD-343
CN5903
CONTROL SWITCH BLOCK(SB28900) is replaced as block,
so that PRINTED WIRING BOARD is omitted.
LND004
LND005
LND002
LND006
LND001
LND003
S004
1
3
2
4
S003
1
3
2
4
S001
1
3
2
4
S002
1
3
2
4
REG_GND
2ND_ZOOM(W)
HOME_SW
2ND_S/S_SW
N.C
2ND_ZOOM(T)
A
3
A
C C
241
08
B B
(ZO0M)
W
T
HOME
START/STOP
Pin
6
1
(SB28900)
CONTROL SWITCH BLOCK

4-43
HDR-SR11/SR11E/SR12/SR12E_L2 FLASH UNIT (FL25500), FP-712
ST-185
PAGE 4-34
of LEVEL2
CN5002
FLASH UNIT(FL25500) is replaced as block,
so that PRINTED WIRING BOARD is omitted.
OFF
ON
C001
0.033u
B
250V
LND016
LND024
LND015
LND010
LND003
LND002
LND009
LND001
LND004
LND051
XE_A
LND050
XE_K
LND023
LND014
R001
1M
1/8W
3216
LND017
S001
(ADAPTER DETECT)
12
34
LND052
COMMON
LND053
TRIGEER
ST_GND
XE-A
XE-A
XE-A
XE-A
ST_GND
XE-K
XE-K
XE-K
adapter detect
ST_GND
N.C.
N.C.
N.C.
N.C.
N.C.
N.C.
XE-K
A
3
A
C C
241
08
B B
FLASH
UNIT
1
18
2
17
16
Pin
FLASH UNIT(FL25500)
•Refer to page 4-2 (English), 4-3 (Japanese) for mark 0.
LND001
LND007
LND005
LND008
LND004
LND009
LND002
LND003
LND010
LENS
BARRIER
LND103
LND110
LND106
LND102
LND109
LND107
LND108
LND104
LND101
LND105 LND006
CHASSIS_GND
LENS_COVER_OPEN
REG_GND
LENS_COVER_CLOSE
LENS_COVER_LED_ON
SHUTTER_XB
SHUTTER_XA
SHUTTER_B
SHUTTER_A
CHASSIS_GND
SHUTTER_B
SHUTTER_A
LENS_COVER_OPEN
REG_GND
LENS_COVER_CLOSE
LENS_COVER_LED_ON
SHUTTER_XB
SHUTTER_XA
LENS_COVER_LED_ONLENS_COVER_LED_ON
3
BB
4
A
2
A
C C
1
(4/4)
PAGE 4-30
of LEVEL 3
CN5601
LD-230
Pin
1
2
3
9
8
10
Pin
9
10
3
2
1
8
FP-712 FLEXIBLE BOARD
(PRINTED WIRING BOARD is omitted.)
BARRIER UNIT CONNECTION

4-44
HDR-SR11/SR11E/SR12/SR12E_L2
4-3. PRINTED WIRING BOARDS
•: Uses unleaded solder.
•: Circuit board
: Flexible board
Pattern from the side which enables seeing.
: pattern of the rear side
(The other layers’ patterns are not indicated)
•Through hole is omitted.
•There are a few cases that the part printed on diagram
isn’t mounted in this model.
•C: panel designation
(ENGLISH)
THIS NOTE IS COMMON FOR PRINTED WIRING BOARDS
4-3. PRINTED WIRING BOARDS
21
3
21
3
21
3
345
21
123
654
EB
C
31
5
2
46
123
654
31
5
2
46
123
54
43
12
312
45
534
12
14
23
46
2
5
31
12
4
3
14
23
•Chip parts.
Transistor Diode
(JAPANESE)
プリント図共通ノート
【プリント図ノート】
・ :無鉛半田を使用しています。
・ :基板
:フレキシブル配線板
見ている面側のパターン。
:裏側のパターン
(他のパターンについては表示されていません)
・スルーホールは省略。
・プリント図には,本機で使用していない部品が記載されている
場合があります。
・Cはパネル表示名称。

HDR-SR11/SR11E/SR12/SR12E_L2
Printed wiring boards of the CM-094, VC-516 and LD-230 boards are not shown.
Pages 4-45 to 4-48 are not shown.

4-49
HDR-SR11/SR11E/SR12/SR12E_L2
17
28
13
46 1
1
3
3
44
6
6
13
46
13
46
13
46
A1
A2
A3
A4
A5
A6
A7
A8
A9
B1
B2
B3
B4
B5
B6
B7
B8
B9
C1
C2
C4
C5
C6
C7
C8
C9
D1
D2
D3
D4
D5
D6
D7
D8
D9
E1
E2
E3
E4
E5
E6
E7
E8
E9
F1
F2
F3
F4
F5
F6
F7
F8
F9
G1
G2
G3
G4
G5
G6
G7
G8
G9
H1
H2
H3
H4
H5
H6
H7
H8
H9
J1
J2
J3
J4
J5
J6
J7
J8
J9
2
1
38
39
16
16
16
1
2
29
28 2
1
38
39
16
+
C
BE
C
BE
R5934
R5935
R5936
R5937
R5938 R5939
R5940
R5941
R5942
R5943 R5944
R5945
R5946
RB5901
LND001
L5901
L5902
L5903
CL5901
CL5902
CL5903
CL5904CL5905
CL5906
CL5907
CN5901
CN5902
CN5903
CN5905
CN5906 CN5907
CN5909
C5901
C5902
C5905
Q5901 Q5902
C5907
Q5906
Q5907
Q5908
Q5909
C5912
C5914
Q5910
C5917
C5920
C5921
C5923
C5924
C5925
D5901
C5926
C5927
D5903
C5928
D5904
C5929
R5901
R5902
R5903
R5908
C5931
R5909
IC5901
R5913
R5914
R5916R5917 R5918
R5919 R5920
VD5901
R5921
VD5902
R5922
VD5903
R5923
R5925
R5926 R5928
R5929
R5930
R5931
R5932
R5933
C5930
C5915 C5922
C5919
C5913
C5918
C5903
C5909
PD-343 BOARD (SIDE A)
PD-343 BOARD (SIDE B)
1-874-486- 11
1-874-486- 11
08
08
No part is mounted and no pattern exists on the side B.
Therefore the mounting diagram for the side B is omitted.
PD-343 (4 layers)
: Uses unleaded solder.
PD-343

4-50
HDR-SR11/SR11E/SR12/SR12E_L2
FR-278 (4 layers), CK-185 (2 layers)
: Uses unleaded solder.
FR-278, CK-185
1
2
3
4
145
6
7
8
LND582
S5801 S5802 S5803
S5804
S5805
S5806
S5808
2
1
50
51
1
238
39
21
LND581
LND583
CN5801
CN5802
CN5803
R5801
R5802
R5804
R5805
VD5801
VD5803
VD5804 VD5805
VD5806
VD5807
VD5808
CK-185 BOARD (SIDE A)
1-874-485-
CK-185 BOARD (SIDE B)
11
08
08
1-874-485- 11
Bb
EASY
DISP/
BATT INFO
RESET
PANEL
OPEN/CLOSE
( )
OFF
NIGHTSHOT
ON
24
13
24
13
24
13
24
13
24
13
10
9
8
7
6
16
17
18
19
20
11 12 13 14 15
54321
17
28
43
12
43
12
21
34
112
C9015
D9001
D9002
R9008
IC9002
R9010
L9001
CN9002
C9014
C9010
C9011
C9016
C9017
R9004
R9005 R9006 R9007
IC9001
R9012
R9013
RB9001
FB9001
FB9002
FB9003
FB9004
SE9001
(PITCH SENSOR)
SE9002
(YAW SENSOR)
C9001
C9003
C9004
C9005
C9008
C9009
C9013
C9012
FR-278 BOARD (SIDE A) FR-278 BOARD (SIDE B)
1-874-482- 11
08
1-874-482-
11
08
g
(TALLY)
(NIGHTSHOT)

4-51
HDR-SR11/SR11E/SR12/SR12E_L2
ST-185 (4 layers), JK-356 (2 layers), CR-089 (2 layers)
: Uses unleaded solder.
ST-185, JK-356, CR-089
1
2
13
14
11
15
610
153
624
CL5001
CN5001
C5002
C5004
C5005
C5006
(CHARGING CAPACITOR)
D5001
D5002
D5003 KA
R5001
R5002
R5003
R5004
R5006
R5007
R5008
IC5001
T5001
LD5001
LD5002
LD5003
L5001
118
85
14
CN5002
C5001
C5003
Q5001
R5005
R5009
R5010
R5011
ST-185 BOARD (SIDE A) ST-185 BOARD (SIDE B)
1-874-687- 11
08
08
1-874-687- 11
1
20
7
6
9
8
15
162910 7384
510
11
12
13
14
FB7201
FB7202
LF7201
CN7201
CN7202
CN7202
CN7203
(USB)
CN7203
R7201
R7202
R7203
R7204
R7205
R7206
VD7201
VD7202
VD7203
VD7204
VD7205
LN7201
LN7202
JK-356 BOARD
1-874-487- 11
08
A/V
R
12
34
2
1
44
45
CN7402
LN7401
VD7401
VD7403
VD7404
VD7406
VD7408
VD7409
3635
234
1
33
CN7401
(MULTI CONNECTOR)
VD7402
VD7405
VD7407
VD7410
CR-089 BOARD (SIDE A) CR-089 BOARD (SIDE B)
1-874-723- 11
08
1-874-723-
11
08

4-52
HDR-SR11/SR11E/SR12/SR12E_L2
12
AK
11
10 1
CN7302
(MEMORY STICK CONNECTOR)
D7301
(ACCESS)
LN7301
1
2
21
22
+
+
CN7301
C7301
C7302
C7303 C7304
C7305
D7302
D7303
R7301
R7302
R7303
R7304
R7305
R7306
R7307
R7308
LN7302
BH7301
(BATTERY HOLDER)
FB7301
FB7302
FB7303
FB7304
Note: BT7301 (lithium storage battery) is not included
in the MS-381 complete board.
BT7301
LITHIUM STORAGE
BATTERY
( )
MS-381 BOARD (SIDE A) MS-381 BOARD (SIDE B)
1-874-483- 11
08 1-874-483- 11
08
MS-381 (2 layers)
: Uses unleaded solder.
MS-381
Note: Replace the battery holder (BH7301) together
when replacing the lithium storage battery
(BT7301) on the MS-381 board. (The battery
holder removed once cannot be used again.)
When mounting these parts, mount new bat-
tery holder first and attach new lithium battery
next.
Note: MS-381基板のリチウム蓄電池(BT7301)を交
換する場合はバッテリホルダ(BH7301)も同
時に新品に交換して下さい。(一度使用した
バッテリホルダは再使用できません。)
部品取り付けの際は,先にバッテリホルダを
取り付けてからリチウム電池を装着して下さ
い。
CAUTION
Danger of explosion if battery is incorrectly replaced.
Replace only with the same or equivalent type.
注意
電池の交換は,正しく行わないと破裂する恐れがあり
ます。電池を交換する場合には必ず同じ型名の電池
又は同等品と交換してください。

4-53E
HDR-SR11/SR11E/SR12/SR12E_L2
BL-017 (2 layers), FP-454 (1 layer), FP-798 (2 layers)
: Uses unleaded solder.
BL-017, FP-454, FP-798
119
23
22
21
20
LF7191LF7192LF7193
LF7194
CN7191
LND001
LND002
LND003
LND004
LND005
LND006
LND007
LND008
LND009
LND010
LND011
LND012
LND013
LND014
LND015
LND016
LND017
LND018
LND019
LND020
LND021
LND022
LND023
LND024
LND025
LND026
LND027
KA101
FP-798
FLEXIBLE BOARD
1-874-797-
HDMI
OUT
11
08
12
34
12
34
12
34
12
34
118
1
220
21
CN5701
CN5702
BL-017 BOARD
(SIDE A)
BL-017 BOARD
(SIDE B)
1-874-484-
11
08 1-874-484- 11
08
RB5701
C5701
C5702 C5703
D5701
(EVF BACKLIGHT)
KA
D5702
R5701
R5702
R5704
17
28
FP-454 FLEXIBLE BOARD
13
45
IC001
LND001
LND002
LND003
LND004
LND005
LND006
08
1-869-026- 21

NOTE
NOTE: Characters A to Z of the electrical parts list indicate location of exploded views in which the desired part is shown.
Link
Link ELECTRICAL PARTS LIST
ELECTRICAL PARTS LIST
ACCESSORIES
HDR-SR11/SR11E/SR12/SR12E_L2
Link
Link
5. REPAIR PARTS LIST
OVERALL SECTION-1
OVERALL SECTION-2 OVERALL SECTION-3
CABINET (L) SECTION-1
CABINET (L) SECTION-2
CABINET (F) SECTION LENS BLOCK
EXPLODED VIEWS
EXPLODED VIEWS
NOTE: Characters A to Z of the electrical parts list indicate location of exploded views in which the desired part is shown.
CABINET (R) SECTION
ABCD
EF H
I
G
PANEL BLOCK
JK
EVF BLOCK BT PANEL BLOCK
CK-185 BOARD
BL-017 BOARD
FP-454 FLEXIBLE BOARD
CR-089 BOARD
FP-798 FLEXIBLE BOARD
FP-799 FLEXIBLE BOARD
FP-801 FLEXIBLE BOARD
FP-804 FLEXIBLE BOARD
FP-803 FLEXIBLE BOARD
FP-806 FLEXIBLE BOARD
FP-805 FLEXIBLE BOARD
FP-807 FLEXIBLE BOARD
FP-808 FLEXIBLE BOARD
FP-809 FLEXIBLE BOARD
FP-812 FLEXIBLE BOARD
FP-811 FLEXIBLE BOARD
JK-356 BOARD
FR-278 BOARD
MS-381 BOARD
PD-343 BOARD
ST-185 BOARD
FP-802 FLEXIBLE BOARD
H
J
I
A
E
E
G
E
C
A
D
I
D
A
E
J
E
E
K
I
G
C

5. REPAIR PARTS LIST
5-1
5. REPAIR PARTS LIST
5. REPAIR PARTS LIST
HDR-SR11/SR11E/SR12/SR12E_L2
(ENGLISH)
NOTE:
•-XX, -X mean standardized parts, so they may have some differences from
the original one.
•Items marked “*” are not stocked since they are seldom required for routine
service. Some delay should be anticipated when ordering these items.
•The mechanical parts with no reference number in the exploded views are not
supplied.
•Due to standardization, replacements in the parts list may be different from
the parts specified in the diagrams or the components used on the set.
•CAPACITORS:
uF: µF
•COILS
uH: µH
•RESISTORS
All resistors are in ohms.
METAL: metal-film resistor
METAL OXIDE: Metal Oxide-film resistor
F: nonflammable
•SEMICONDUCTORS
In each case, u: µ, for example:
uA...: µA... , uPA... , µPA... ,
uPB... , µPB... , uPC... , µPC... ,
uPD..., µPD...
When indicating parts by reference number,
please include the board name.
(JAPANESE)
The components identified by mark 0 or
dotted line with mark 0 are critical for safety.
Replace only with part number specified.
Les composants identifiés par une marque
0 sont critiques pour la sécurité.
Ne les remplacer que par une pièce portant
le numéro spécifié.
【使用上の注意】
•ここに記載されている部品は, 補修用部品であるため, 回路図及び
セットに付いている部品と異なる場合があります。
•-XX, -Xは標準化部品のため, セットに付いている部品と異なる場合
があります。
•*印の部品は常備在庫しておりません。
•コンデンサの単位でuFはμFを示します。
•抵抗の単位Ωは省略してあります。
金 被:金属被膜抵抗。
サンキン:酸化金属被膜抵抗。
•インダクタの単位でuHはμHを示します。
•半導体の名称でuA..., uPA..., uPB..., uPC..., uPD...等はそれぞれμ
A..., μPA..., μPB..., μPC..., μPD...を示します。
0印の部品,または0印付の点線で囲まれた部品は,
安全性を維持するために,重要な部品です。
従って交換時は,必ず指定の部品を使用してください。
図面番号で部品を指定するときは基板名又はブロック
を併せて指定してください。
お願い
•Color Indication of Appearance Parts
Example:
(SILVER) : Cabinet’s Color
(Silver) : Parts Color
•外装部品色表示
例:
(SILVER):セットの色を表す。
(Silver) : 部品の色を表す。
•Abbreviation
AUS: Australian model
CH : Chinese model
CND : Canadian model
HK : Hong Kong model
J: Japanese model
JE : Tourist model
KR : Korea model
NE : North European model

5-2
5. REPAIR PARTS LIST
5. REPAIR PARTS LIST
HDR-SR11/SR11E/SR12/SR12E_L2
Ref. No. Part No. Description Ref. No. Part No. Description
1X-2188-804-1 CABINET (700) ASSY, BOTTOM
2A-1494-362-A CR-089 BOARD, COMPLETE
32-664-982-01 SCREW, TRIPOD
*43-290-644-01 FRAME, BOTTOM CABINET
5(Note) CABINET (G(900)) ASSY
63-294-308-01 DAMPER (1), 08STYLE (SR11/SR11E)
63-298-143-01 DAMPER (2), 08STYLE (SR12/SR12E)
5-1-1. OVERALL SECTION-1
ns: not supplied
5-1. EXPLODED VIEWS
DISASSEMBLY
HARDWARE LIST
1
Overall Section-
2
(See Page 5-3)
(Note)
5
#3
#2
#2
#2
#2
ns
2
3
4
10
6
6
8
7
9
#2
#2
#2
7 1-797-994-21 HDD (MK6014GAL-60GB) (SR11/SR11E)
71-797-995-21 HDD (MK1214GAH-120GB) (SR12/SR12E)
81-874-808-11 FP-809 FLEXIBLE BOARD
*92-890-813-01 SHEET (CK), SHIELD
10 1-874-805-11 FP-806 FLEXIBLE BOARD
#2 2-635-562-31 SCREW (M1.7) (Black)
#3 2-660-401-01 SCREW (M1.7), NEW TRU-STAR, P2 (Red)
Note: Refer to page 1-13 “Precuation on replacing the Cabinet
(G(900)) Assy” when changing the Cabinet (G(900)) Assy.
Note: キャビネット( G(900))組立の交換時は1-13ページの
“キャビネット(G(900))組立の交換時の注意” を参照して
ください。

5-3
5. REPAIR PARTS LIST
5. REPAIR PARTS LIST
HDR-SR11/SR11E/SR12/SR12E_L2
5-1-2. OVERALL SECTION-2
DISASSEMBLY
HARDWARE LIST
Ref. No. Part No. Description Ref. No. Part No. Description
51 X-2189-073-1 BASE (900) ASSY, SHOE COVER
52 X-2189-071-1 COVER (900S) ASSY, SHOE (SR11: J)
52 X-2189-072-1 COVER (900B) ASSY, SHOE (EXCEPT SR11: J)
53 X-2189-068-1 TOP (900S) ASSY (SR11: J)
53 X-2189-069-1 TOP (900B2) ASSY (SR12/SR12E)
53 X-2189-070-1 TOP (900B) ASSY (SR11: EXCEPT J/SR11E)
54 3-292-369-01 COVER (R (900)), HINGE (SR11: J)
54 3-292-369-11 COVER (R (900)), HINGE (EXCEPT SR11: J)
#2 2-635-562-31 SCREW (M1.7) (Black)
#3 2-660-401-01 SCREW (M1.7), NEW TRU-STAR, P2 (Red)
#12 3-080-204-21 SCREW, TAPPING, P2 (Black)
#124 2-599-475-01 SCREW (M1.7) (Silver)
A
A
#124
#2
#12
#12
#3
#2
#2
#2
#2 #2
#2
#2
51
54
52
53
EVF Block
(See Page 5-11)
Cabinet (R) Section
(See Page 5-9)
Overall Section-3
(See Page 5-4)

5-4
5. REPAIR PARTS LIST
5. REPAIR PARTS LIST
HDR-SR11/SR11E/SR12/SR12E_L2
5-1-3. OVERALL SECTION-3
DISASSEMBLY
HARDWARE LIST
Ref. No. Part No. Description Ref. No. Part No. Description
101 1-818-890-11 CONNECTOR, EXTERNAL (HOT SHOE)
102 1-874-801-11 FP-802 FLEXIBLE BOARD
103 3-292-296-01 FRAME (900), SHOE
104 1-874-802-11 FP-803 FLEXIBLE BOARD
*105 3-290-652-01 RETAINER, BT HARNESS
A
A
#124
#3
#3
#2
#3
#2
BT Panel Block
(See Page 5-12)
105
103
101
102
104
Cabinet (L) Section-1
(See Page 5-5)
Cabinet (F) Section
(See Page 5-7)
#2 2-635-562-31 SCREW (M1.7) (Black)
#3 2-660-401-01 SCREW (M1.7), NEW TRU-STAR, P2 (Red)
#124 2-599-475-01 SCREW (M1.7) (Silver)

5-5
5. REPAIR PARTS LIST
5. REPAIR PARTS LIST
HDR-SR11/SR11E/SR12/SR12E_L2
5-1-4. CABINET (L) SECTION-1
DISASSEMBLY
HARDWARE LIST
Ref. No. Part No. Description Ref. No. Part No. Description
*151 3-292-179-01 HEAT SINK (B (900)), VC
152 3-292-178-01 FRAME (900), MAIN
153 3-290-677-01 SHEET (B), VC RADIATION
154 A-1508-553-A VC-516 BOARD, COMPLETE (SERVICE)
(SR11/SR12)
154 A-1508-554-A VC-516 BOARD, COMPLETE (SERVICE)
(SR11E/SR12E)
155 3-290-676-01 SHEET (A), VC RADIATION
156 1-874-807-11 FP-808 FLEXIBLE BOARD
*157 3-290-678-01 LABEL, FUSE REPLACEMENT CAUTION
*158 3-398-042-01 SHEET (AN), SHIELD
159 1-874-804-11 FP-805 FLEXIBLE BOARD
#2 2-635-562-31 SCREW (M1.7) (Black)
#3 2-660-401-01 SCREW (M1.7), NEW TRU-STAR, P2 (Red)
#11 3-078-890-11 SCREW, TAPPING (Silver)
Cabinet (L) Section-2
(See Page 5-6)
#3
#3
VC-516
155
159
154
156
153
158
151
152
157
#2
#2
#2
#2
#2
#11

5-6
5. REPAIR PARTS LIST
5. REPAIR PARTS LIST
HDR-SR11/SR11E/SR12/SR12E_L2
5-1-5. CABINET (L) SECTION-2
ns: not supplied
DISASSEMBLY
HARDWARE LIST
Ref. No. Part No. Description Ref. No. Part No. Description
201 1-874-811-11 FP-812 FLEXIBLE BOARD
202 A-1508-570-A FR-278 BOARD, COMPLETE (SERVICE)
203 A-1494-357-A FP-798 FLEXIBLE BOARD, COMPLETE
*204 3-292-182-01 RETAINER, JACK
*205 3-292-181-01 FRAME (900), LF
206 1-874-798-11 FP-799 FLEXIBLE BOARD
*207 3-292-180-01 FRAME (F (900)), STRAP
208 X-2189-050-1 LF (900) ASSY, CABINET
209 3-290-483-01 CABINET (L) (EXCEPT SR11: US/SR12: US)
209 3-290-483-03 CABINET (L) (SR11: US/SR12: US)
210 2-664-928-41 BELT, GRIP
211 1-480-427-51 SWITCH BLOCK, CONTROL (PS28100)
212 3-290-484-01 RETAINER, GRIP BELT
*213 3-290-485-01 FRAME, BELT
*214 3-290-672-01 FRAME, JK
215 A-1494-355-A JK-356 BOARD, COMPLETE
216 1-874-803-11 FP-804 FLEXIBLE BOARD
J7221 1-569-950-41 JACK (SMALL TYPE) (HEADPHONE)
J7222 1-691-737-41 JACK (SMALL TYPE) (MIC)
#2 2-635-562-31 SCREW (M1.7) (Black)
#3 2-660-401-01 SCREW (M1.7), NEW TRU-STAR, P2 (Red)
#11 3-078-890-11 SCREW, TAPPING (Silver)
#3
#11
#11
#2 #3
#11
#11
#11
#3
J7222
J7221
ns
212
207
208
204
213
214
215
216
#11
211
210
209
203
202
205
201
206

5-7
5. REPAIR PARTS LIST
5. REPAIR PARTS LIST
HDR-SR11/SR11E/SR12/SR12E_L2
DISASSEMBLY
HARDWARE LIST
5-1-6. CABINET (F) SECTION
Ref. No. Part No. Description Ref. No. Part No. Description
251 3-292-211-01 RING (900), LENS (SR11: J)
251 3-292-211-11 RING (900), LENS (EXCEPT SR11: J)
252 X-2189-053-1 CABINET (F (900S)) ASSY (SR11: J)
252 X-2189-054-1 CABINET (F (900B)) ASSY (EXCEPT SR11: J)
253 3-292-212-01 FRAME (900), F
254 CAUTION TAPE (0716)
255 3-292-213-01 FRAME (900), MICROPHONE
256 X-2189-055-1 HOLDER (900S) ASSY, MICROPHONE (SR11: J)
256 X-2189-056-1 HOLDER (900B) ASSY, MICROPHONE
(EXCEPT SR11: J)
257 A-1217-971-A LENS BARRIER UNIT
258 3-080-272-01 TAPE (A)
259 1-480-432-11 SWITCH BLOCK, CONTROL (RS28900)
MIC901 1-542-711-31 MICROPHONE UNIT
#3 2-660-401-01 SCREW (M1.7), NEW TRU-STAR, P2 (Red)
#11 3-078-890-11 SCREW, TAPPING (Silver)
#124 2-599-475-01 SCREW (M1.7) (Silver)
#11
MIC901
#11 #11
#11
#3
#124
#124
#124
251
254
(16mm
×
7mm)
252
259
257
258
258
Lens Block
(See Page 5-8)
256
255
253
注意: 254 : TAPE (0716) (3-084-668-01) は, ヒメロン T0.25
(3-076-631-01)を切って使用してください。
CAUTION: For the part of 254 : TAPE (0716) (3-084-668-01), cut
NON WOVEN (T0.25) (3-076-631-01) into the desired
length and use it.

5-8
5. REPAIR PARTS LIST
5. REPAIR PARTS LIST
HDR-SR11/SR11E/SR12/SR12E_L2
5-1-7. LENS BLOCK
ns: not supplied
DISASSEMBLY
HARDWARE LIST
Ref. No. Part No. Description Ref. No. Part No. Description
301 1-874-800-11 FP-801 FLEXIBLE BOARD
302 3-292-207-01 CLAMP (900), HARNESS
303 A-1494-364-A LD-230 BOARD, COMPLETE
304 A-1497-729-A LSV-1270A (SERVICE)
305 3-292-204-01 FRAME (L (900)), LENS
306 X-2189-052-1 HOLDER ASSY, ST
0307 1-480-263-11 FLASH UNIT
308 3-292-208-01 GUARD (900), ST
309 3-292-206-01 HEAT SINK (A (900)), VC
310 3-290-663-01 HOLDER, CAPACITOR
311 1-481-251-11 CORE, FERRITE
312 A-1494-365-A ST-185 BOARD, COMPLETE
*313 3-292-209-01 SHEET (900), CM RADIATION
314 A-1512-350-A CMOS BLOCK ASSY (1270) (including CM-094
complete board, IC6803 and IC6804 (CMOS imager))
(Note 1)
315 3-216-044-01 RUBBER (1270), SEAL
316 1-788-709-11 OPTICAL FILTER BLOCK (OFB-03-37)
317 1-965-256-31 HARNESS (COAXIAL CABLE) (Note 2)
318 3-292-205-01 FRAME (R (900)), LENS
0*
C5006
1-114-393-11 ELECT 70uF 99% 330V
#2 2-635-562-31 SCREW (M1.7) (Black)
#3 2-660-401-01 SCREW (M1.7), NEW TRU-STAR, P2 (Red)
#11 3-078-890-11 SCREW, TAPPING (Silver)
#12 3-080-204-21 SCREW, TAPPING, P2 (Black)
• Refer to page 5-1 for mark 0.
LD-230
317
(Note 2)
318
313
#12
#2
#2
#11
#3
#3
#11
#2
#11
#3
303
301 302
#3
ns
C5006
#3
310
311
315
312
304
305
306
307
308
309
316
314
(including CM-094 complete board,
IC6803 and IC6804 (CMOS imager))
(Note 1)
Note 1: Be sure to read “Precuations for Replacement of Imager”
on page 4-2 when changing the imager.
Note 1: イメージャの交換時は4-3ページの“イメージャ交換時
の注意”を必ずお読みください。
Note 2: Refer to page 2-1 “Note for disconnecting the harness
(coaxial cable)” when changing the harness (coaxial
cable).
Note 2: ハーネス(同軸ケーブル)の交換時は2-1ページの
“Note for disconnecting the harness (coaxial cable)”
を参照してください。

5-9
5. REPAIR PARTS LIST
5. REPAIR PARTS LIST
HDR-SR11/SR11E/SR12/SR12E_L2
5-1-8. CABINET (R) SECTION
DISASSEMBLY
HARDWARE LIST
Ref. No. Part No. Description Ref. No. Part No. Description
351 X-2189-086-1 CABINET (R (900)) ASSY
352 A-1494-360-A CK-185 BOARD, COMPLETE
*353 3-292-375-01 FRAME (900), CK
*354 3-292-376-01 RETAINER (900), SP
SP901 1-825-262-82 LOUD SPEAKER (1.6CM)
#2 2-635-562-31 SCREW (M1.7) (Black)
#11 3-078-890-11 SCREW, TAPPING (Silver)
#11
#11
Panel Block
(See Page 5-10
)
351
352
353
354
#2
SP901

5-10
5. REPAIR PARTS LIST
5. REPAIR PARTS LIST
HDR-SR11/SR11E/SR12/SR12E_L2
5-1-9. PANEL BLOCK
DISASSEMBLY
HARDWARE LIST
Ref. No. Part No. Description Ref. No. Part No. Description
401 3-292-370-01 COVER (O (900)), HINGE (SR11: J)
401 3-292-370-11 COVER (O (900)), HINGE (EXCEPT SR11: J)
402 1-471-278-11 MAGNET
403 A-1239-344-A FP-454 FLEXIBLE BOARD, COMPLETE (Note)
404 1-874-806-11 FP-807 FLEXIBLE BOARD (Note)
*405 3-292-372-01 CLAMP, FLEXIBLE
406 X-2189-085-1 HINGE (Y), 08 STYLE ASSY
407 3-292-371-01 COVER (U (900)), HINGE
408 A-1527-539-A P CABINET(C (900)) SILVER (SR11: J)
408 X-2189-088-1 CABINET (C (900B)) ASSY, P (EXCEPT SR11: J)
409 A-1494-361-A PD-343 BOARD, COMPLETE
410 3-292-378-01 SHEET (P), INSULATING
*411 3-292-374-01 RETAINER, P
412 1-480-358-21 BLOCK, LIGHT GUIDE PLATE (3.2)
413 3-292-368-01 CABINET (M (900)), P
*414 3-292-373-01 PLATE (900), P GROUND
415 3-292-377-01 CUSHION (900), TP
416 1-480-458-11 SWITCH BLOCK, CONTROL (SB28900)
LCD901 A-1363-618-A TP BLOCK ASSY (32ESHGU08)
#2 2-635-562-31 SCREW (M1.7) (Black)
#11 3-078-890-11 SCREW, TAPPING (Silver)
PD-343
C
A
D
D
A
B
C
B
#2 #11
#11
LCD901
406
407
401
402 403
(Note)
405
404
(Note)
#2
408
409
410
411
412
413
415
416
414
Note: FP-454, FP-807フレキシブル基板取付時は「HELP16」を
必ずお読みください。
Note: Be sure to read “HELP16” when you install the FP-454, FP-
807 flexible boards.

5-11
5. REPAIR PARTS LIST
5. REPAIR PARTS LIST
HDR-SR11/SR11E/SR12/SR12E_L2
5-1-10. EVF BLOCK
HARDWARE LIST
Ref. No. Part No. Description Ref. No. Part No. Description
451 A-1494-359-A BL-017 BOARD, COMPLETE
452 2-664-672-01 GUIDE, LAMP
*453 2-638-819-01 CUSHION, LCD
*454 2-638-818-01 ILLUMINATOR
*455 2-638-816-01 PLATE (TFT), DEFLECTION
456 2-664-671-01 SPACER, LCD
*457 2-699-236-01 CABINET (222), INNER
458 3-292-322-01 CABINET (UPPER), VF (SR11: J)
458 3-292-322-11 CABINET (UPPER), VF (EXCEPT SR11: J)
459 X-2189-076-1 EYE CUP ASSY
*460 2-668-134-01 PANEL (CF), POLARIZATION
461 3-292-323-01 CABINET (LOWER), VF
462 3-292-324-01 COVER, VF BASE (SR11: J)
462 3-292-324-11 COVER, VF BASE (EXCEPT SR11: J)
463 X-2189-075-1 BASE ASSY, VF TILT
464 1-874-810-11 FP-811 FLEXIBLE BOARD
LCD902 8-753-241-14 LCX076AKE-1
#12 3-080-204-21 SCREW, TAPPING, P2 (Black)
#12
#12
LCD902
451
452
457
458
459
461
460
453
454
455
456
462
463
464

5-12
5. REPAIR PARTS LIST
5. REPAIR PARTS LIST
HDR-SR11/SR11E/SR12/SR12E_L2
5-1-11. BT PANEL BLOCK
ns: not supplied
HARDWARE LIST
Ref. No. Part No. Description Ref. No. Part No. Description
501 A-1494-358-A MS-381 BOARD, COMPLETE
502 3-290-650-01 CABINET, MS
*503 3-290-649-01 FRAME (700), BT TERMINAL
*504 3-290-651-01 RETAINER, DCIN
0505 1-821-575-21 DC JACK (including BH901 and J901)
506 X-2189-081-1 PANEL (900) ASSY, BT
0*BH7301 1-756-615-51 HOLDER, BATTERY (Note)
0BT7301 1-756-134-12 BATTERY, STORAGE, LITHIUM (Note)
#11 3-078-890-11 SCREW, TAPPING (Silver)
#12 3-080-204-21 SCREW, TAPPING, P2 (Black)
• Refer to page 5-1 for mark 0.
501
502
#11
#12
#11
: BT7301 (LITHIUM STORAGE BATTERY)
Board on the mount position.
(See page 4-52.)
ns
BH7301
BT7301
(Note)
(Note)
MS-381
503
504
506
505
(including BH901 and J901)
ノート: MS-381基板のリチウム蓄電池(BT7301)を交換する場
合はバッテリホルダ(BH7301)も同時に新品に交換し
て下さい。(一度使用したバッテリホルダは再使用でき
ません。)
部品取り付けの際は,先にバッテリホルダを取り付けて
からリチウム電池を装着して下さい。
CAUTION
Danger of explosion if battery is incorrectly replaced.
Replace only with the same or equivalent type.
注意
電池の交換は,正しく行わないと破裂する恐れがあり
ます。電池を交換する場合には必ず同じ型名の電池
又は同等品と交換してください。
Note: Replace the battery holder (BH7301) together when re-
placing the lithium storage battery (BT7301) on the MS-
381 board. (The battery holder removed once cannot be
used again.)
When mounting these parts, mount new battery holder
first and attach new lithium battery next.

5-13
Ref. No. Part No. Description Ref. No. Part No. Description
5-2. ELECTRICAL PARTS LIST
HDR-SR11/SR11E/SR12/SR12E_L2
A-1494-359-A BL-017 BOARD, COMPLETE
**********************
< CAPACITOR >
C5701 1-125-777-11 CERAMIC CHIP 0.1uF 10% 10V
C5702 1-165-908-11 CERAMIC CHIP 1uF 10% 10V
< CONNECTOR >
*CN5701 1-816-647-51 FFC/FPC CONNECTOR (LIF) 18P
*CN5702 1-817-698-81 CONNECTOR, FPC (ZIF) 21P
< DIODE >
*D5701 6-501-591-01 DIODE NESW007AT-T099 (EVF BACKLIGHT)
*D5702 6-501-955-01 DIODE MAZS056G08S0
< COMPOSITION CIRCUIT BLOCK >
*RB5701 1-234-380-21 RES, NETWORK 47K (1005X4)
************************************************************
A-1494-360-A CK-185 BOARD, COMPLETE
**********************
< CONNECTOR >
*CN5801 1-820-729-61 CONNECTOR, FPC (ZIF) 51P
*CN5802 1-816-058-61 CONNECTOR, FPC (ZIF) 39P
CN5803 1-778-506-21 PIN, CONNECTOR (PC BOARD) 2P
< RESISTOR >
R5801 1-218-957-11 RES-CHIP 2.2K 5% 1/16W
R5802 1-218-955-11 RES-CHIP 1.5K 5% 1/16W
R5804 1-218-954-11 RES-CHIP 1.2K 5% 1/16W
R5805 1-218-954-11 RES-CHIP 1.2K 5% 1/16W
< SWITCH >
S5801 1-771-138-21 SWITCH, KEY BOARD (RESET)
S5802 1-771-138-21 SWITCH, KEY BOARD (EASY)
S5803 1-771-138-21 SWITCH, KEY BOARD (DISC BURN)
S5804 1-771-138-21 SWITCH, KEY BOARD (PLAY)
S5805 1-771-138-21 SWITCH, KEY BOARD (DISP/BATT INFO)
S5806 1-786-148-11 SWITCH, PUSH (1 KEY) (PANEL OPEN/CLOSE)
S5808 1-771-731-11 SWITCH, SLIDE (NIGHTSHOT)
************************************************************
Electrical parts list of the CM-094 is not
shown.
Pages 5-14 is not shown.
CK-185BL-017

5-15
Ref. No. Part No. Description Ref. No. Part No. Description
HDR-SR11/SR11E/SR12/SR12E_L2
A-1494-362-A CR-089 BOARD, COMPLETE
**********************
< CONNECTOR >
*CN7401 1-821-664-21 CONNECTOR, MULTIPLE (PLUG) 32P
(MULTI CONNECTOR)
*CN7402 1-821-202-71 CONNECTOR, FPC (ZIF) 45P
************************************************************
A-1239-344-A FP-454 FLEXIBLE BOARD, COMPLETE
******************************
< IC >
IC001 6-705-011-01 IC AN48830B-NL
************************************************************
A-1494-357-A FP-798 FLEXIBLE BOARD, COMPLETE
******************************
< CONNECTOR >
CN7191 1-821-166-21 CONNECTOR, HDMI (HDMI OUT)
************************************************************
1-874-798-11 FP-799 FLEXIBLE BOARD
********************
(J7221 and J7222 are not included in FP-799 flexible board.)
< JACK >
J7221 1-569-950-41 JACK (SMALL TYPE) (HEADPHONE)
J7222 1-691-737-41 JACK (SMALL TYPE) (MIC)
************************************************************
1-874-800-11 FP-801 FLEXIBLE BOARD
********************
(There isn’t mounted electrical parts in FP-801 flexible board.)
************************************************************
1-874-801-11 FP-802 FLEXIBLE BOARD
********************
(There isn’t mounted electrical parts in FP-802 flexible board.)
************************************************************
1-874-802-11 FP-803 FLEXIBLE BOARD
********************
(There isn’t mounted electrical parts in FP-803 flexible board.)
************************************************************
1-874-803-11 FP-804 FLEXIBLE BOARD
********************
(There isn’t mounted electrical parts in FP-804 flexible board.)
************************************************************
1-874-804-11 FP-805 FLEXIBLE BOARD
********************
(There isn’t mounted electrical parts in FP-805 flexible board.)
************************************************************
1-874-805-11 FP-806 FLEXIBLE BOARD
********************
(There isn’t mounted electrical parts in FP-806 flexible board.)
************************************************************
1-874-806-11 FP-807 FLEXIBLE BOARD
********************
(There isn’t mounted electrical parts in FP-807 flexible board.)
************************************************************
1-874-807-11 FP-808 FLEXIBLE BOARD
********************
(There isn’t mounted electrical parts in FP-808 flexible board.)
************************************************************
1-874-808-11 FP-809 FLEXIBLE BOARD
********************
(There isn’t mounted electrical parts in FP-809 flexible board.)
************************************************************
1-874-810-11 FP-811 FLEXIBLE BOARD
********************
(There isn’t mounted electrical parts in FP-811 flexible board.)
************************************************************
1-874-811-11 FP-812 FLEXIBLE BOARD
********************
(There isn’t mounted electrical parts in FP-812 flexible board.)
************************************************************
A-1508-570-A FR-278 BOARD, COMPLETE (SERVICE)
*******************************
< CAPACITOR >
C9001 1-125-777-11 CERAMIC CHIP 0.1uF 10% 10V
C9003 1-125-777-11 CERAMIC CHIP 0.1uF 10% 10V
C9004 1-125-777-11 CERAMIC CHIP 0.1uF 10% 10V
C9005 1-125-777-11 CERAMIC CHIP 0.1uF 10% 10V
C9008 1-119-923-11 CERAMIC CHIP 0.047uF 10% 10V
C9009 1-119-923-11 CERAMIC CHIP 0.047uF 10% 10V
C9010 1-119-923-11 CERAMIC CHIP 0.047uF 10% 10V
C9011 1-119-923-11 CERAMIC CHIP 0.047uF 10% 10V
C9012 1-100-611-91 CERAMIC CHIP 22uF 20% 6.3V
C9013 1-100-611-91 CERAMIC CHIP 22uF 20% 6.3V
C9014 1-127-760-11 CERAMIC CHIP 4.7uF 10% 6.3V
C9015 1-165-908-11 CERAMIC CHIP 1uF 10% 10V
C9016 1-114-411-21 CERAMIC CHIP 0.33uF 10% 6.3V
C9017 1-114-411-21 CERAMIC CHIP 0.33uF 10% 6.3V
< CONNECTOR >
*CN9002 1-816-644-51 FFC/FPC CONNECTOR (LIF) 12P
< DIODE >
D9001 6-500-512-01 DIODE CL-330IRS-X-TU (NIGHTSHOT)
D9002 8-719-077-09 DIODE CL-196HR-CD-T (TALLY)
< FERRITE BEAD >
FB9001 1-400-833-21 SMD EMI FERRITE
FB9002 1-400-833-21 SMD EMI FERRITE
FB9003 1-400-833-21 SMD EMI FERRITE
FB9004 1-400-833-21 SMD EMI FERRITE
< IC >
IC9001 6-707-333-01 IC NJM3230SE7
IC9002 6-600-163-01 IC RS-770
FR-278
FP-803
FP-809
FP-802
FP-808
FP-801
FP-807
FP-799
FP-806
FP-798
FP-805FP-804
FP-454CR-089
FP-812FP-811

5-16
Ref. No. Part No. Description Ref. No. Part No. Description
HDR-SR11/SR11E/SR12/SR12E_L2
< COIL >
L9001 1-400-588-11 INDUCTOR 10uH
< RESISTOR >
R9004 1-218-965-11 RES-CHIP 10K 5% 1/16W
R9005 1-218-989-11 RES-CHIP 1M 5% 1/16W
R9006 1-218-989-11 RES-CHIP 1M 5% 1/16W
R9007 1-218-965-11 RES-CHIP 10K 5% 1/16W
R9008 1-218-990-11 SHORT CHIP 0
R9010 1-218-945-11 RES-CHIP 220 5% 1/16W
R9012 1-208-711-11 METAL CHIP 15K 0.5% 1/16W
R9013 1-208-711-11 METAL CHIP 15K 0.5% 1/16W
< COMPOSITION CIRCUIT BLOCK >
*RB9001 1-234-379-21 RES, NETWORK 22K (1005X4)
< SENSOR >
*SE9001 1-479-022-51 SENSOR, ANGULAR VELOCITY (PITCH)
*SE9002 1-479-022-61 SENSOR, ANGULAR VELOCITY (YAW)
************************************************************
A-1494-355-A JK-356 BOARD, COMPLETE
**********************
< CONNECTOR >
*CN7201 1-816-648-51 FFC/FPC CONNECTOR (LIF) 20P
CN7202 1-819-436-11 CONNECTOR (SQUARE TYPE) (USB) 5P (USB)
CN7203 1-815-794-13 CONNECTOR (MULTIPLE) (A/V R)
< FERRITE BEAD >
FB7201 1-500-238-11 BEAD, FERRITE (CHIP) (1608)
FB7202 1-500-238-11 BEAD, FERRITE (CHIP) (1608)
< RESISTOR >
R7201 1-216-864-11 SHORT CHIP 0
R7202 1-216-864-11 SHORT CHIP 0
R7203 1-216-809-11 METAL CHIP 100 5% 1/10W
R7204 1-218-990-11 SHORT CHIP 0
R7205 1-218-990-11 SHORT CHIP 0
R7206 1-218-990-11 SHORT CHIP 0
< VARISTOR >
*VD7201 1-802-279-11 VARISTOR (SMD)
*VD7202 1-802-279-11 VARISTOR (SMD)
*VD7203 1-802-279-11 VARISTOR (SMD)
*VD7204 1-802-279-11 VARISTOR (SMD)
*VD7205 1-802-279-11 VARISTOR (SMD)
************************************************************
Electrical parts list of the LD-230 is not
shown.
Pages 5-17 to 5-18 are not shown.
JK-356FR-278

5-19
Ref. No. Part No. Description Ref. No. Part No. Description
HDR-SR11/SR11E/SR12/SR12E_L2
A-1494-358-A MS-381 BOARD, COMPLETE
***********************
(BT7301 (lithium storage battery) is not included in MS-381 complete board.)
< BATTERY HOLDER >
0*
BH7301
1-756-615-51 HOLDER, BATTERY (Note)
< BATTERY >
0BT7301 1-756-134-12 BATTERY, STORAGE, LITHIUM (Note)
< CAPACITOR >
C7302 1-100-786-91 TANTAL. CHIP 22uF 20% 6.3V
< CONNECTOR >
*CN7301 1-779-335-51 CONNECTOR, FFC/FPC 22P
*CN7302 1-819-990-21 MEMORY STICK DUO CONNECTOR 10P
(PRO DUO)
< DIODE >
D7301 6-501-216-01 DIODE CL-271HR-C-TS (ACCESS)
< FERRITE BEAD >
FB7301 1-469-580-21 INDUCTOR, FERRITE BEAD (1005)
FB7302 1-469-580-21 INDUCTOR, FERRITE BEAD (1005)
FB7303 1-469-580-21 INDUCTOR, FERRITE BEAD (1005)
FB7304 1-469-580-21 INDUCTOR, FERRITE BEAD (1005)
< RESISTOR >
R7302 1-218-990-11 SHORT CHIP 0
R7303 1-218-944-11 RES-CHIP 180 5% 1/16W
R7304 1-218-944-11 RES-CHIP 180 5% 1/16W
R7305 1-218-944-11 RES-CHIP 180 5% 1/16W
R7306 1-218-944-11 RES-CHIP 180 5% 1/16W
R7307 1-218-990-11 SHORT CHIP 0
R7308 1-218-990-11 SHORT CHIP 0
************************************************************
A-1494-361-A PD-343 BOARD, COMPLETE
**********************
< CAPACITOR >
C5901 1-100-581-81 CERAMIC CHIP 0.0047uF 10% 50V
C5902 1-100-581-81 CERAMIC CHIP 0.0047uF 10% 50V
C5903 1-112-300-91 CERAMIC CHIP 4.7uF 10% 10V
C5905 1-100-786-91 TANTAL. CHIP 22uF 20% 6.3V
C5907 1-125-777-11 CERAMIC CHIP 0.1uF 10% 10V
C5909 1-165-875-11 CERAMIC CHIP 10uF 10% 10V
C5912 1-125-777-11 CERAMIC CHIP 0.1uF 10% 10V
C5913 1-112-300-91 CERAMIC CHIP 4.7uF 10% 10V
C5914 1-165-884-91 CERAMIC CHIP 2.2uF 10% 6.3V
C5915 1-127-861-11 CERAMIC CHIP 2.2uF 10% 16V
C5917 1-165-884-91 CERAMIC CHIP 2.2uF 10% 6.3V
C5918 1-112-300-91 CERAMIC CHIP 4.7uF 10% 10V
C5919 1-112-300-91 CERAMIC CHIP 4.7uF 10% 10V
C5920 1-165-908-11 CERAMIC CHIP 1uF 10% 10V
C5921 1-165-908-11 CERAMIC CHIP 1uF 10% 10V
C5922 1-127-861-11 CERAMIC CHIP 2.2uF 10% 16V
C5923 1-165-884-91 CERAMIC CHIP 2.2uF 10% 6.3V
C5924 1-165-884-91 CERAMIC CHIP 2.2uF 10% 6.3V
C5925 1-165-884-91 CERAMIC CHIP 2.2uF 10% 6.3V
C5926 1-165-884-91 CERAMIC CHIP 2.2uF 10% 6.3V
C5927 1-165-884-91 CERAMIC CHIP 2.2uF 10% 6.3V
*C5928 1-112-746-11 CERAMIC CHIP 4.7uF 10% 6.3V
C5930 1-125-889-11 CERAMIC CHIP 2.2uF 10% 10V
< CONNECTOR >
*CN5901 1-817-544-71 CONNECTOR, FPC (ZIF) 39P
*CN5902 1-794-322-51 CONNECTOR, FPC (ZIF) 6P
CN5903 1-816-180-71 CONNECTOR, FPC (ZIF) 6P
*CN5905 1-794-322-51 CONNECTOR, FPC (ZIF) 6P
*CN5906 1-819-914-71 CONNECTOR, FPC (ZIF) 29P
*CN5907 1-817-544-71 CONNECTOR, FPC (ZIF) 39P
*CN5909 1-816-654-51 FFC/FPC CONNECTOR (LIF) 6P
< DIODE >
D5903 6-500-813-01 DIODE MA2SD32008S0
D5904 6-500-813-01 DIODE MA2SD32008S0
< IC >
*IC5901 6-712-051-01 IC SN65LVDS302ZQER
< COIL >
L5901 1-400-588-11 INDUCTOR 10uH
L5902 1-400-588-11 INDUCTOR 10uH
L5903 1-400-588-11 INDUCTOR 10uH
< TRANSISTOR >
Q5901 8-729-427-37 TRANSISTOR XP411F-TXE
Q5902 8-729-427-67 TRANSISTOR XP421F-TXE
*Q5907 6-551-760-01 TRANSISTOR UNR31A3G0LS0
Q5908 8-729-053-48 TRANSISTOR 2SK3235
*Q5909 6-551-846-01 TRANSISTOR UP04401G08S0
Q5910 8-729-053-48 TRANSISTOR 2SK3235
• Refer to page 5-1 for mark 0.
ノート: MS-381基板のリチウム蓄電池(BT7301)を交換する場
合はバッテリホルダ(BH7301)も同時に新品に交換し
て下さい。(一度使用したバッテリホルダは再使用でき
ません。)
部品取り付けの際は,先にバッテリホルダを取り付けて
からリチウム電池を装着して下さい。
Note: Replace the battery holder (BH7301) together when re-
placing the lithium storage battery (BT7301) on the MS-
381 board. (The battery holder removed once cannot be
used again.)
When mounting these parts, mount new battery holder
first and attach new lithium battery next.
CAUTION
Danger of explosion if battery is incorrectly replaced.
Replace only with the same or equivalent type.
注意
電池の交換は,正しく行わないと破裂する恐れがあり
ます。電池を交換する場合には必ず同じ型名の電池
又は同等品と交換してください。
PD-343MS-381

5-20
Ref. No. Part No. Description Ref. No. Part No. Description
HDR-SR11/SR11E/SR12/SR12E_L2
< RESISTOR >
R5901 1-218-957-11 RES-CHIP 2.2K 5% 1/16W
R5902 1-218-955-11 RES-CHIP 1.5K 5% 1/16W
R5903 1-218-954-11 RES-CHIP 1.2K 5% 1/16W
R5909 1-218-973-11 RES-CHIP 47K 5% 1/16W
R5913 1-218-973-11 RES-CHIP 47K 5% 1/16W
R5914 1-218-973-11 RES-CHIP 47K 5% 1/16W
R5916 1-218-973-11 RES-CHIP 47K 5% 1/16W
R5919 1-218-973-11 RES-CHIP 47K 5% 1/16W
R5921 1-218-973-11 RES-CHIP 47K 5% 1/16W
R5923 1-218-965-11 RES-CHIP 10K 5% 1/16W
R5926 1-216-833-11 METAL CHIP 10K 5% 1/10W
R5928 1-218-965-11 RES-CHIP 10K 5% 1/16W
R5929 1-218-990-11 SHORT CHIP 0
R5932 1-218-990-11 SHORT CHIP 0
R5936 1-208-695-11 METAL CHIP 3.3K 0.5% 1/16W
R5937 1-218-969-11 RES-CHIP 22K 5% 1/16W
R5938 1-208-923-11 METAL CHIP 33K 0.5% 1/16W
R5939 1-208-911-11 METAL CHIP 10K 0.5% 1/16W
R5940 1-208-699-11 METAL CHIP 4.7K 0.5% 1/16W
R5941 1-208-691-11 METAL CHIP 2.2K 0.5% 1/16W
R5942 1-208-683-11 METAL CHIP 1K 0.5% 1/16W
R5943 1-208-691-11 METAL CHIP 2.2K 0.5% 1/16W
R5944 1-211-973-11 METAL CHIP 15 0.5% 1/10W
< COMPOSITION CIRCUIT BLOCK >
RB5901 1-234-381-11 RES, NETWORK 100K (1005X4)
************************************************************
A-1494-365-A ST-185 BOARD, COMPLETE
**********************
< CAPACITOR >
C5002 1-125-777-11 CERAMIC CHIP 0.1uF 10% 10V
C5003 1-165-884-91 CERAMIC CHIP 2.2uF 10% 6.3V
C5004 1-165-875-11 CERAMIC CHIP 10uF 10% 10V
C5005 1-163-001-11 CERAMIC CHIP 220PF 10% 50V
0*
C5006
1-114-393-11 ELECT 70uF 99% 330V
< CONNECTOR >
*CN5001 1-779-331-51 CONNECTOR, FFC/FPC 14P
*CN5002 1-816-647-51 FFC/FPC CONNECTOR (LIF) 18P
< DIODE >
D5002 6-500-619-01 DIODE RB520S-40TE61
0D5003 6-501-096-01 DIODE CRF02 (TE85R)
< IC >
0IC5001 6-707-554-01 IC TPS65552DGQR
< COIL >
L5001 1-412-027-11 INDUCTOR 2.2uH
< TRANSISTOR >
*0
Q5001
6-551-686-01 TRANSISTOR TIG030TS-S-TL-E
• Refer to page 5-1 for mark 0.
< RESISTOR >
R5003 1-208-947-11 METAL CHIP 330K 0.5% 1/16W
R5004 1-208-935-11 METAL CHIP 100K 0.5% 1/16W
R5008 1-216-065-91 RES-CHIP 4.7K 5% 1/10W
R5010 1-216-809-11 METAL CHIP 100 5% 1/10W
R5011 1-218-989-11 RES-CHIP 1M 5% 1/16W
< TRANSFORMER >
0
T5001
1-443-568-31 TRANSFORMER, D.C.-D.C.CONVERTER
************************************************************
Electrical parts list of the VC-516 is not
shown.
Pages 5-21 to 5-28 are not shown.
ST-185PD-343

5-29
HDR-SR11/SR11E/SR12/SR12E_L2
• EXCEPT J MODEL
to J MODEL
Checking supplied accessories.
• Refer to page 5-1 for mark 0.
AC Adaptor
(AC-L200/L200B)
* Compatible in
L200 and L200B.
0 1-479-285-21
Conversion (2P) Adaptor
0 1-569-007-12 (E:NTSC, JE)
21-Pin Adaptor
1-770-783-21 (AEP, UK, NE) Component A/V cable
1-834-647-11
A/V connecting cable
1-823-156-51
Handycam Handbook (PDF)
CD-ROM "Handycam
Application Software"
-
Picture Motion Browser
(Software)
-
PMB Guide
-
Handycam Handbook
3-286-588-01
Handycam Station
(DCRA-C210)
1-821-692-11
Wireless Remote Commander
(RMT-835)
1-479-275-41 Rechargeable battery pack
(NP-FH60)
0 A-1201-666-A (US, CND)
0 A-1201-667-A
(EXCEPT US, CND, CH)
0 A-1201-668-A (CH)
USB cable
1-829-868-31 DVD-ROM
“ENJOY HANDYCAM”
3-282-264-01 (KR)
ENGLISH/KOREA/JAPANESE
3-282-264-11 (US, CND)
ENGLISH/FRENCH/SPANISH/PORTUGUESE
3-282-264-21 (UK, NE)
ENGLISH/RUSSIAN/GERMAN/TURKISH
3-282-264-51 (AEP)
ENGLISH / FRENCH / GERMAN / DUTCH / SPANISH
/ PORTUGUESE / ITALIAN / TURKISH
3-282-264-61 (HK, AUS, CH, E)
ENGLISH / FRENCH / SIMPLIFIED CHINESE / TRADITIONAL CHINESE
3-282-264-71 (E)
ENGLISH / TRADITIONAL CHINESE / SPANISH / PORTUGUESE
Power cord (Mains lead)
0 1-555-074-91 (AUS)
0 1-790-107-61 (US, CND)
0 1-792-549-41 (JE)
0 1-824-910-71 (AEP, NE, E:PAL)
0 1-827-269-12 (UK, HK)
0 1-832-121-31 (CH)
0 1-833-892-21 (KR)
0 1-834-852-11 (E:NTSC)
Operating Guide
(HDR-SR11/SR12)
3-286-585-11 (ENGLISH, SPANISH) (US, CND, JE, E:NTSC)
3-286-585-21 (FRENCH) (CND)
3-286-585-31 (PORTUGUESE) (JE)
3-286-585-41 (TRADITIONAL CHINESE) (E:NTSC)
3-286-585-51 (KOREAN) (KR, JE)
Operating Guide
(HDR-SR11E/SR12E)
3-286-586-11 (ENGLISH) (AEP, UK, HK, AUS, JE, E:PAL)
3-286-586-21 (FRENCH, DUTCH, GREEK) (AEP)
3-286-586-31 (GERMAN, ITALIAN, TURKISH) (AEP)
3-286-586-41 (SPANISH, PORTUGUESE, POLISH) (AEP)
3-286-586-51 (CZECH, HUNGARIAN, SLOVAK) (AEP)
3-286-586-61 (RUSSIAN, UKRAINIAN) (NE, JE)
3-286-586-71 (SWEDISH, DANISH, FINNISH) (NE)
3-286-586-81 (SIMPLIFIED CHINESE) (CH, JE, E:PAL)
3-286-586-91 (ARABIC, PERSIAN) (E:PAL)
3-286-587-41 (TRADITIONAL CHINESE) (HK)
* 3-286-591-71 (SWEDISH)
* 3-286-591-81 (DANISH)
* 3-286-591-91 (FINNISH)
* 3-286-592-11 (SIMPLIFIED
CHINESE)
* 3-286-592-21 (ARABIC)
* 3-286-592-31 (PERSIAN)
* 3-286-592-41 (MALAY)
* 3-286-592-51 (THAI)
* 3-286-592-61 (INDONESIAN)
* 3-286-592-71 (TRADITIONAL
CHINESE)
The CD-ROM supplied contains all of language version of
the Instruction Manual in pdf (Handycam Handbook.pdf) for printing.
(Only for destination Japanese model)
日本国内については日本語のみが印刷での部品供給可能です。
The printed matter is not supplied. If required,
please order it with the part number below.
* 3-286-589-01 (JAPANESE)
* 3-286-589-11 (ENGLISH)
* 3-286-589-21 (FRENCH)
* 3-286-589-31 (SPANISH)
* 3-286-589-41 (PORTUGUESE)
* 3-286-589-51 (TRADITIONAL CHINESE)
* 3-286-589-61 (KOREAN)
HDR-SR11/SR12
* 3-286-590-11 (ENGLISH)
* 3-286-590-21 (FRENCH)
* 3-286-590-31 (DUTCH)
* 3-286-590-41 (GREEK)
* 3-286-590-51 (GERMAN)
* 3-286-590-61 (ITALIAN)
* 3-286-590-71 (TURKISH)
* 3-286-590-81 (SPANISH)
* 3-286-590-91 (PORTUGUESE)
* 3-286-591-11 (POLISH)
* 3-286-591-21 (CZECH)
* 3-286-591-31 (HUNGARIAN)
* 3-286-591-41 (SLOVAK)
* 3-286-591-51 (RUSSIAN)
* 3-286-591-61 (UKRAINIAN)
HDR-SR11E/SR12E

5-30E
HDR-SR11/SR11E/SR12/SR12E_L2
• J MODEL
付属品
• 0マークについては,5-1ページを参照して下さい。
ACアダプター
(AC-L200/L200B)
* L200とL200Bには
互換性があります。
0 1-479-285-21
ハンディカムステーション
(DCRA-C210)
1-821-692-11
A/V接続ケーブル
1-823-156-51
USBケーブル
1-829-868-31
D端子A/Vケーブル
1-834-646-21
ワイヤレスリモコン
(RMT-835)
1-479-275-41
リチャージャブルバッテリーパック
(NP-FH60)
0 A-1201-665-A
DVD-ROM
“エンジョイハンディーカム”
3-282-264-01
英語/韓国語/日本語
CD-ROM「Handycam
Application Software」
-
「Picture Motion Browser」
(ソフトウェア)
-
「PMB ガイド」
-
「ハンディカムハンドブック」
3-286-588-01
印刷用の取扱説明書.pdf(ハンディカム ハンドブック.pdf)は
全ての言語が付属品のCD-ROMに含まれています。
印刷物は付属されておりません。
必要な場合は下記部品番号にて注文となります。
* 3-286-589-01(日本語)
ハンディカムハンドブック (PDF)
電源コード
0 1-792-549-41
取扱説明書
3-286-585-01 (日本語)

#1: M1.7 X 2.5
(Black)
2-635-562-11
2.5
1.7
#10: M1.7 X 4.0
(Silver)
2-599-475-31
1.6
1.7
#6: M1.4 X 1.7
(Silver)
2-598-474-01
1.7
1.4
#7: M1.7 X 1.6
(Black)
7-627-552-18
#3: M1.7 X 2.5
(Red)
2-660-401-01
2.5
1.7
#2: M1.7 X 4.0
(Black)
2-635-562-31
4.0
1.7
4.0
1.7
#5: M1.7 X 3.5 (Tapping)
(Black)
3-080-204-01
3.5
1.7
#4: M1.4 X 2.5 (Tapping)
(Dark Silver)
3-348-998-81
2.5
1.4
#12: M1.7 X 5.0 (Tapping)
(Black)
3-080-204-21
1.7
#9: M1.7 X 5.0 (Tapping)
(Silver)
3-078-890-21
5.0
1.7
#14: M1.7 X 2.5
(Silver)
2-599-475-11
#13: M1.7 X 2.5 (Tapping)
(Silver)
3-085-397-01
2.5
1.7
#11: M1.7 X 4.0 (Tapping)
(Silver)
3-078-890-11
#8: M1.7 X 3.5 (Tapping)
(Silver)
3-078-890-01
3.5
1.7
4.0
1.7
5.0
2.5
#17: M1.7 X 1.5
(Silver)
2-586-389-01
2.5
1.7
#15: M1.4 X 1.5
(Silver)
3-062-214-01
1.5
1.4 1.4
#16: M1.4 X 2.5
(Silver)
2-586-337-01
1.5
3.5
1.7 2.2
#18: M1.4 X 2.5
(Silver)
2-635-591-21
2.5
1.4
#19: M1.2 X 4.0 (Tapping)
(Red)
3-086-156-21
4.0
1.2
#20: M1.4 X 3.0
(Silver)
2-635-591-31
3.0
1.4
HARDWARE LIST (1/7)

HARDWARE LIST (2/7)
#21: M1.4 X 3.0
(Black)
2-662-396-21
3.0
1.4
#22: M1.7 X 5.0 (Tapping)
(Silver)
3-083-261-01
1.7
5.0
1.7
5.5
#23: M1.7 X 4.0 (Tapping)
(Black)
3-080-204-11
4.0
1.7
#24: B1.7 X 5.5 (Tapping)
(Black)
4-679-805-11
#25: M1.7 X 3.0
(Black)
2-635-562-21
3.0
1.7
#26: M1.4 X 2.0
(Silver)
2-635-591-11
2.0
1.4
#27: M1.4 X 2.0
(Black)
2-662-396-11
2.0
1.4
#28: M1.4 X 4.0 (Tapping)
(Silver)
3-348-998-61
1.4
4.0
#29: M1.4 X 2.5
(Black)
2-662-396-01
#31: M3.0 X 4.0
(Silver)
2-102-434-01
2.5
1.4
#30: M1.2 X 4.0 (Tapping)
(White)
3-086-156-11
3.5
1.2
#32: M2.0 X 4.5 (Tapping)
(Silver)
2-102-498-01
#33: M3.0 X 6.0
(Silver)
3-077-331-21
#35: M4.0 X 6.0 (Tapping)
(Silver)
3-975-291-02
#34: M3.0 X 8.0
(Black)
3-077-331-41
#36: M3.0 X 6.0
(Silver)
4-886-821-11
#37: M2.0 X 6.0 (Tapping)
(Black)
3-080-206-31
#38: M3.0 X 20.0 (Tapping)
(Silver)
7-685-651-79
#40: M2.0 X 4.0 (Tapping)
(Silver)
7-685-851-04
#39: M2.6 X 5.0 (Tapping)
(Black)
7-685-791-09
4.0
3.0
4.5
2.0
6.0
3.0
8.0
3.0 4.0
6.0 6.0
3.0
6.0
2.0
20.0
3.0
4.0
2.0
5.0
2.6

HARDWARE LIST (3/7)
#41: M3.0 X 8.0 (Tapping)
(Silver)
3-065-748-01
8.0
3.0
#42: M2.0 X 4.0 (Tapping)
(Silver)
7-628-253-00
2.0
4.0
#43: M1.7 X 4.0
(Red)
2-660-401-31
4.0
1.7
#46: M1.7 X 3.0
(Red)
2-660-401-11
#45: M1.4 X 2.5
(Silver)
2-587-151-01
#47: M1.4 X 3.0 (Tapping)
(Silver)
2-665-774-01
3.0
1.4
#44: M1.7 X 3.0 (Tapping)
(Silver)
3-078-890-61
3.0
1.7
3.0
1.7
2.5
1.4
#48: M1.7 X 2.5
(Silver)
3-973-497-91
2.5
1.7
#49: M2.0 X 4.0
(Black)
2-630-005-31
#50: M2.0 X 3.0
(Red)
2-891-494-11
#51: M2.0 X 2.5
(Silver)
3-073-686-01
#54: M1.75 X 6.0 (Tapping)
(Black)
3-318-203-11
#53: M2.0 X 5.0 (Tapping)
(Black)
3-080-206-21
#55: M2.0 X 4.0
(Silver)
2-655-582-11
#52: M2.0 X 4.0 (Tapping)
(Black)
3-080-206-11
#56: M2.0 X 3.5
(Silver)
3-067-187-11
4.0
2.0
3.0
2.0
2.5
2.0
5.0
2.0
4.0
2.0
6.0
1.75
4.0
2.0
3.5
2.0
#57: M1.7 X 4.0
(Black)
7-627-852-18
4.0
1.7
#58: M2.0 X 6.0 (Tapping)
(Silver)
3-719-408-11
6.0
2.0
#59: M2.0 X 5.0 (Tapping)
(Silver)
3-080-205-21
#60: M2.6 X 5.0
(Black)
3-061-062-11
5.0
2.0
5.0
2.6

HARDWARE LIST (4/7)
#61: M3.0 X 10.0
(Black)
7-682-549-09
10.0
3.0
#62: M2.0 X 3.0
(Silver)
3-080-202-21
3.0
2.0
#63: M5.0 X 12.5
(Black)
3-060-811-21
12.5
5.0
#64: M1.7 X 5.0 (Tapping)
(Silver)
2-666-551-21
5.0
1.7
#65: M1.4 X 3.5
(Silver)
2-635-591-01
3.5
1.4
#66: M1.4 X 1.4
(Silver)
2-635-591-41
1.4
1.4
#71: M1.4 X 2.0
(Red)
3-208-537-01
2.0
1.4
2.0
1.4
2.0
1.4
#67: M1.4 X 2.0
(Silver)
3-389-523-16
2.0
1.4
#68: M1.7 X 4.0
(Silver)
2-655-581-01
4.0
1.7
#72: M1.4 X 2.0
(Silver)
4-663-621-41
2.0
1.4
#69: M1.7 X 3.0
(Silver)
2-599-475-21
3.0
1.7
#70: M1.7 X 5.0
(Silver)
2-599-475-41
5.0
1.7
#75: M1.7 X 3.5 (Tapping)
(Silver)
2-666-551-01
#76: M1.7 X 4.0 (Tapping)
(Silver)
2-666-551-11
#73: M1.2 X 4.0 (Tapping)
(Black)
3-086-156-61
#74: M1.7 X 6.0 (Tapping)
(Silver)
2-666-551-31
#78: M1.4 X 3.5
(Red)
3-208-537-11
#79: M1.4X 2.0
(Silver)
2-587-151-11
#80: M1.4X 2.0
(Black)
3-279-411-01
6.0
1.7
3.5
1.7
4.0
1.7
4.0
1.2
#77: M1.2 X 5.0 (Tapping)
(Silver)
3-086-156-31
5.0
1.2
3.5
1.4

HARDWARE LIST (5/7)
#81: M1.7 X 2.5
(Silver)
2-515-756-01
2.5
1.7
#82: M1.4 X 1.4
(Silver)
3-272-251-01
1.4
1.4
#83: M1.7 X 7.0 (Tapping)
(Black)
3-080-204-41
#84: M2.0 X 3.0
(Silver)
3-072-453-11
#85: M1.7 X 2.5
(Black)
2-515-483-11
#86: M1.7 X 4.0 (Tapping)
(Silver)
2-695-434-21
4.0
1.7
#87: M1.6 X 5.3
(Black)
2-689-328-01
5.3
1.6
#88: M1.6 X 5.9 (Tapping)
(Silver)
2-689-015-01
5.9
1.6
#89: M2.0 X 5.5 (Tapping)
(Silver)
2-695-575-01
5.0
2.0
#90: M1.7 X 3.0
(Silver)
3-271-395-01
3.0
1.7
#91: M1.7 X 3.0 (Tapping)
(Silver)
2-695-434-11
#92: M2.0 X 3.9
(Black)
3-268-954-01
3.9
2.0
#93: M1.7 X 3.5 (Tapping)
(Silver)
3-254-082-01
#94: M1.7 X 4.0
(Black)
2-515-483-31
1.7
7.0 3.0
2.0
2.5
1.7
4.0
1.7
3.5
1.7
3.5
1.7
#95: M3.0 X 8.0 (Tapping)
(Black)
7-685-646-79
8.0
3.0
#99: M2.5 X 6.0 (Tapping)
(Silver)
3-776-750-02
6.0
2.5
#96: M1.4 X 2.5
(Silver)
2-587-151-21
2.5
1.4
#97: M1.4 X 2.5
(Black)
2-662-396-31
2.5
1.4
#98: M3.0 X 8.0
(Silver)
3-077-331-01
8.0
3.8
#100: M2.0 X 6.0
(Black)
3-080-203-51
6.0
2.0

HARDWARE LIST (6/7)
#101: M2.0 X 5.0
(Silver)
7-621-555-39
5.0
2.0
#107: M2.0 X 5.0
(Silver)
3-032-750-01
5.0
2.0
#108: M1.7 X 3.0 (Tapping)
(Black)
2-695-430-01
#111: M1.7 X 4.0 (Tapping)
(Black)
2-887-124-01
#102: M2.6 X 8.0
(Black)
7-621-284-30
8.0
2.6
#105: M2.0 X 4.0
(Red)
2-891-494-31
#106: M2.0 X 6.0
(Black)
3-713-786-11
#103: M2.6 X 10.0
(Silver)
7-685-794-09
10.0
2.6
#104: M3.0 X 8.0
(Black)
7-682-548-09
8.0
3.0
6.0
2.6
4.0
2.0
6.0
2.0
3.0
1.7
#109: M1.7 X 3.0
(Black)
2-515-483-21
3.0
1.7
3.0
2.0
#110: M2.0 X 3.0
(Black)
2-630-005-21
4.0
1.7
#114: M2.0 X 5.5 (Tapping)
(Silver)
2-698-464-01
5.5
2.0
#112: M1.4 X 5.0
(Black)
2-178-410-11
5.0
1.4
#113: M1.7 X 5.0
(Black)
2-635-562-41
5.0
1.7
#115: M1.4 X 3.5 (Tapping)
(Silver)
3-348-998-51
1.4
3.5
#116: M2.0 X 3.5 (Tapping)
(Silver)
2-695-435-01
3.5
2.0
#117: M1.7 X 4.5 (Tapping)
(Silver)
2-695-429-31
#118: M1.4 X 2.0
(Black)
2-655-580-01
4.5
1.7
2.0
1.4
#119: M2.6 X 5.0
(Black)
7-627-556-58
5.0
2.6
#120: M2.6 X 6.0
(Silver)
7-621-770-67

HARDWARE LIST (7/7)
#121: M2.0 X 4.0 (Tapping)
(Silver)
3-080-205-11
#123: M4.0 X 8.0
(Black)
7-682-561-09
8.0
4.0
6.0
3.0
#122: M3.0 X 6.0
(Black)
7-682-547-09
4.0
2.0
2.0
1.7
#124: M1.7 X 2.0
(Silver)
2-599-475-01










