Sony Car Stereo System 2008H05 1 Users Manual SCD XA5400ES
Sony CD Player SCD-XA5400ES SONY_SCD-XA5400ES_Service_Manual
2008H05-1 to the manual 14f4c045-3733-434b-b8da-c9315f2ddb4a
2015-01-23
: Sony Sony-Sony-Car-Stereo-System-2008H05-1-Users-Manual-287932 sony-sony-car-stereo-system-2008h05-1-users-manual-287932 sony pdf
Open the PDF directly: View PDF
.
Page Count: 66
- COVER
- TABLE OF CONTENTS
- 1. SERVICING NOTES
- 2. GENERAL
- 3. DISASSEMBLY
- 4. TEST MODE
- 5. ELECTRICAL ADJUSTMENT
- 6. DIAGRAMS
- 6-1. BLOCK DIAGRAM - SA-CD/CD SERVO Section -
- 6-2. BLOCK DIAGRAM - HDMI Section -
- 6-3. BLOCK DIAGRAM - MAIN Section -
- 6-4. BLOCK DIAGRAM - PANEL, POWER SUPPLY Section -
- 6-5. PRINTED WIRING BOARD - MAIN Section (1/2) -
- 6-6. PRINTED WIRING BOARDS - MAIN Section (2/2) -
- 6-7. SCHEMATIC DIAGRAM - MAIN Section (1/4) -
- 6-8. SCHEMATIC DIAGRAM - MAIN Section (2/4) -
- 6-9. SCHEMATIC DIAGRAM - MAIN Section (3/4) -
- 6-10. SCHEMATIC DIAGRAM - MAIN Section (4/4) -
- 6-11. PRINTED WIRING BOARD - AUDIO Section (1/2) -
- 6-12. PRINTED WIRING BOARDS - AUDIO Section (2/2) -
- 6-13. SCHEMATIC DIAGRAM - AUDIO Section (1/2) -
- 6-14. SCHEMATIC DIAGRAM - AUDIO Section (2/2) -
- 6-15. PRINTED WIRING BOARDS - PANEL Section -
- 6-16. SCHEMATIC DIAGRAM - DISPLAY Board -
- 6-17. SCHEMATIC DIAGRAM - KEY Section -
- 6-18. SCHEMATIC DIAGRAM - POWER Board -
- 6-19. SCHEMATIC DIAGRAM - STANDBY Board -
- 6-20. PRINTED WIRING BOARDS - POWER Section -
- 7. EXPLODED VIEWS
- 8. ELECTRICAL PARTS LIST
- REVISION HISTORY

SERVICE MANUAL
Sony Corporation
Audio&Video Business Group
Published by Sony Techno Create Corporation
SCD-XA5400ES
SPECIFICATIONS
SUPER AUDIO CD PLAYER
9-889-205-01
2008H05-1
© 2008.08
US Model
Canadian Model
AEP Model
Ver. 1.0 2008.08
Model Name Using Similar Mechanism NEW
Mechanism Type CDM66F-DVBU101
Optical Pick-up Block Name KHM-313CAB
When a Super Audio CD is played
Playing frequency range 2 Hz to 100 kHz
Frequency response 2 Hz to 50 kHz (–3 dB)
Dynamic range 110 dB or more
Total harmonic distortion rate
0.0012 % or less
Wow and flutter Value of measurable limit
(±0.001 % W. PEAK) or
less
When a CD is played
Frequency response 2 Hz to 20 kHz (±0.5 dB)
Dynamic range 100 dB or more
Total harmonic distortion rate
0.0017 % or less
Wow and flutter Value of measurable limit
(±0.001 % W. PEAK) or
less
General
Laser Diode Properties
Emission duration:
Continuous
Laser Output*: Less than
44.6 μW
* This output is the value
measurement at a
distance of 200 mm from
the objective lens surface
on the Optical Pick-up
Block with 7 mm
aperture.
Power requirements North America:
120 V AC, 60 Hz
Europe:
230 V AC, 50/60 Hz
Power consumption 25 W
Power consumption (during standby mode)
0.5 W
Dimensions (w/h/d) 430 × 124 × 390 mm
(17 × 5 × 15 3/8 inch) incl.
projecting parts
Mass (approx.) 10.2 kg (22 lb 8 oz)
Supplied accessories
Audio connecting cord Red and White plugs (1)
Remote commander RM-ASU042 (1)
AC power cord (1)
Battery R6 (size-AA) (2)
Design and specifications are subject to change
without notice.
Output jacks
* Outputs only the audio signals of the CD
Jack type Output
level
Load
impedance
ANALOG
OUT UN-
BALANCED
Phono
jacks
2 Vrms
(at 50
kilohms)
Over 10
kilohms
ANALOG
OUT
BALANCED
XLR 2 Vrms
(at 50
kilohms)
Over 600
ohms
HDMI HDMI
DIGITAL
OUT (CD)
OPTICAL*
Square
optical
output
connector
–18 dBm (Light
emitting
wave
length: 660
nm)
DIGITAL
OUT (CD)
COAXIAL*
Coaxial
output
connector
0.5 Vp-p 75 ohms
PHONES Stereo
phone jack
5 mW 32 ohms

SCD-XA5400ES
2
NOTES ON CHIP COMPONENT REPLACEMENT
• Never reuse a disconnected chip component.
• Notice that the minus side of a tantalum capacitor may be dam-
aged by heat.
FLEXIBLE CIRCUIT BOARD REPAIRING
• Keep the temperature of soldering iron around 270 °C during
repairing.
• Do not touch the soldering iron on the same conductor of the
circuit board (within 3 times).
• Be careful not to apply force on the conductor when soldering
or unsoldering.
SAFETY CHECK-OUT
After correcting the original service problem, perform the follow-
ing safety check before releasing the set to the customer:
Check the antenna terminals, metal trim, “metallized” knobs,
screws, and all other exposed metal parts for AC leakage.
Check leakage as described below.
LEAKAGE TEST
The AC leakage from any exposed metal part to earth ground and
from all exposed metal parts to any exposed metal part having a
return to chassis, must not exceed 0.5 mA (500 microamperes.).
Leakage current can be measured by any one of three methods.
1. A commercial leakage tester, such as the Simpson 229 or RCA
WT-540A. Follow the manufacturers’ instructions to use these
instruments.
2. A battery-operated AC milliammeter. The Data Precision 245
digital multimeter is suitable for this job.
3. Measuring the voltage drop across a resistor by means of a
VOM or battery-operated AC voltmeter. The “limit” indication
is 0.75 V, so analog meters must have an accurate low-voltage
scale. The Simpson 250 and Sanwa SH-63Trd are examples
of a passive VOM that is suitable. Nearly all battery operated
digital multimeters that have a 2 V AC range are suitable. (See
Fig. A)
1.5 kΩ0.15 μF
AC
voltmeter
(0.75 V)
To Exposed Metal
Parts on Set
Earth Ground
Fig. A. Using an AC voltmeter to check AC leakage.
SAFETY-RELATED COMPONET WARNING!
COMPONENTS IDENTIFIED BY MARK 0 OR DOTTED LINE
WITH MARK 0 ON THE SCHEMATIC DIAGRAMS AND IN
THE PARTS LIST ARE CRITICAL TO SAFE OPERATION.
REPLACE THESE COMPONENTS WITH SONY PARTS
WHOSE PART NUMBERS APPEAR AS SHOWN IN THIS
MANUAL OR IN SUPPLEMENTS PUBLISHED BY SONY.
ATTENTION AU COMPOSANT AYANT RAPPORT
À LA SÉCURITÉ!
LES COMPOSANTS IDENTIFIÉS PAR UNE MARQUE 0 SUR
LES DIAGRAMMES SCHÉMATIQUES ET LA LISTE DES
PIÈCES SONT CRITIQUES POUR LA SÉCURITÉ DE FONC-
TIONNEMENT. NE REMPLACER CES COMPOSANTS QUE
PAR DES PIÈCES SONY DONT LES NUMÉROS SONT DON-
NÉS DANS CE MANUEL OU DANS LES SUPPLÉMENTS
PUBLIÉS PAR SONY.
CAUTION
Use of controls or adjustments or performance of procedures
other than those specifi ed herein may result in hazardous radia-
tion exposure.
This appliance is
classified as a CLASS
1 LASER product.
This marking is
located on the rear
exterior.

SCD-XA5400ES
3
1. SERVICING NOTES ............................................. 4
2. GENERAL .................................................................. 6
3. DISASSEMBLY
3-1. Disassembly Flow ........................................................... 8
3-2. Case ................................................................................. 8
3-3. Loading Panel Assy ........................................................ 9
3-4. Front Panel Assy ............................................................. 9
3-5. MAIN Board ................................................................... 10
3-6. Mechanism Deck (CDM66F-DVBU101) ....................... 10
3-7. MOTOR Board, Motor (L) Assy (Loading) ................... 11
3-8. Base Unit Block .............................................................. 11
4. TEST MODE ............................................................ 12
5. ELECTRICAL ADJUSTMENT ........................... 16
6. DIAGRAMS
6-1. Block Diagram - SA-CD/CD SERVO Section - ............. 17
6-2. Block Diagram - HDMI Section - ................................... 18
6-3. Block Diagram - MAIN Section - ................................... 19
6-4. Block Diagram
- PANEL, POWER SUPPLY Section - ........................... 20
6-5. Printed Wiring Board - MAIN Section (1/2) - ................ 22
6-6. Printed Wiring Boards - MAIN Section (2/2) - .............. 23
6-7. Schematic Diagram - MAIN Section (1/4) - ................... 24
6-8. Schematic Diagram - MAIN Section (2/4) - ................... 25
6-9. Schematic Diagram - MAIN Section (3/4) - ................... 26
6-10. Schematic Diagram - MAIN Section (4/4) - ................... 27
6-11. Printed Wiring Board - AUDIO Section (1/2) - .............. 28
6-12. Printed Wiring Boards - AUDIO Section (2/2) - ............ 29
6-13. Schematic Diagram - AUDIO Section (1/2) - ................. 30
6-14. Schematic Diagram - AUDIO Section (2/2) - ................. 31
6-15. Printed Wiring Boards - PANEL Section - ..................... 32
6-16. Schematic Diagram - DISPLAY Board - ........................ 33
6-17. Schematic Diagram - KEY Section - .............................. 34
6-18. Schematic Diagram - POWER Board - .......................... 35
6-19. Schematic Diagram - STANDBY Board - ...................... 36
6-20. Printed Wiring Boards - POWER Section - .................... 37
7. EXPLODED VIEWS
7-1. Case Section .................................................................... 47
7-2. DISPLAY Board Section ................................................ 48
7-3. Front Panel Section ......................................................... 49
7-4. MAIN Board Section ...................................................... 50
7-5. AUDIO Board Section .................................................... 51
7-6. Chassis Section ............................................................... 52
7-7. Mechanism Deck Section (CDM66F-DVBU101) .......... 53
7-8. Base Unit Section ............................................................ 54
8. ELECTRICAL PARTS LIST .............................. 55
Accessories are given in the last of the electrical parts list.
TABLE OF CONTENTS

SCD-XA5400ES
4
SECTION 1
SERVICING NOTES
Model Part No.
US and Canadian models 3-873-299-1[]
AEP model 3-873-299-2[]
UNLEADED SOLDER
Boards requiring use of unleaded solder are printed with the lead-
free mark (LF) indicating the solder contains no lead.
(Caution: Some printed circuit boards may not come printed with
the lead free mark due to their particular size)
: LEAD FREE MARK
Unleaded solder has the following characteristics.
• Unleaded solder melts at a temperature about 40 °C higher
than ordinary solder.
Ordinary soldering irons can be used but the iron tip has to be
applied to the solder joint for a slightly longer time.
Soldering irons using a temperature regulator should be set to
about 350 °C.
Caution: The printed pattern (copper foil) may peel away if
the heated tip is applied for too long, so be careful!
• Strong viscosity
Unleaded solder is more viscous (sticky, less prone to fl ow)
than ordinary solder so use caution not to let solder bridges
occur such as on IC pins, etc.
• Usable with ordinary solder
It is best to use only unleaded solder but unleaded solder may
also be added to ordinary solder.
NOTES ON HANDLING THE OPTICAL PICK-UP
BLOCK OR BASE UNIT
The laser diode in the optical pick-up block may suffer electrostat-
ic break-down because of the potential difference generated by the
charged electrostatic load, etc. on clothing and the human body.
During repair, pay attention to electrostatic break-down and also
use the procedure in the printed matter which is included in the
repair parts.
The fl exible board is easily damaged and should be handled with
care.
NOTES ON LASER DIODE EMISSION CHECK
The laser beam on this model is concentrated so as to be focused
on the disc refl ective surface by the objective lens in the optical
pickup block. Therefore, when checking the laser diode emission,
observe from more than 30 cm away from the objective lens.
NOTE OF REPLACING THE IC1103 ON THE MAIN
BOARD
IC1103 on the MAIN board cannot exchange with single. When
this part is damaged, exchange the entire mounted board.
MODEL IDENTIFICATION
– Rear View –
Part No.
You can play the following types of discs on this player.
• Super Audio CDs
• Audio CDs
• DSD Discs
This player cannot play the following discs.
• CD-ROMs (MP3, JPEG, etc.)
• DVDs
• DTS-CDs
• DualDiscs, etc.
If you try to play CD-ROMs/DVDs, the error message
“Cannot Play” or “No Disc” will appear.
For DTS-CDs/DualDiscs, refer to their respective notes below.
Music discs encoded with copyright protection
technologies
This product is designed to play back discs that conform to the Compact
Disc (CD) standard.
Recently, various music discs encoded with copyright protection
technologies are marketed by some record companies. Please be aware
that among those discs, there are some that do not conform to the CD
standard and may not be playable by this product.
Notes on CD-R/CD-RW playback
Discs recorded on CD-R/CD-RW drives may not be played back because
of scratches, dirt, recording condition, or the drive’s characteristics.
Besides, the discs, which are not yet finalized at the end of recording,
cannot be played back. In these cases, “Reading” will remain or
“Cannot Play” will appear on the display.
Note on DTS-CDs
DTS signals are output from the DIGITAL OUT (CD) jacks only.
The DTS signals must be decoded on a DTS-compliant digital device to
be listened to.
Note on DualDiscs
A DualDisc is a two sided disc product which mates DVD recorded
material on one side with digital audio material on the other side.
However, since the audio material side does not conform to the Compact
Disc (CD) standard, playback on this product is not guaranteed.
Note on DSD Discs
A DSD Disc is a disc recorded in the DSF file format.
This player can play DSF files that you have recorded on DVD-ROM
compatible DVD-R, DVD-RW, DVD+R and DVD+RW discs. For details
on DSD Discs.
Compatible Disc Types

SCD-XA5400ES
5
Pull out the tray
in the direction of arrow #.
Rotate the cam (66)
with a tapering driver
in the direction of arrow ".
cam (66)
– BOTTOM VIEW –
#"
HOW TO OPEN THE TRAY WHEN POWER SWITCH TURNS OFF
connect jig (extension cable J-2501-102-A) to
MAIN board (CN501, CN1100) and
AUDIO board (CN151, CN152).
MAIN board
(CN501)
AUDIO board
(CN152)
MAIN board
(CN1100)
AUDIO board
(CN151)
insulator sheet
Note: insert the insulator sheet to prevent short.
CAUTION
Be sure to execute a solder bridge as a measure against
static electricity when removing the optical pick-up or
DMB-FIT board.
(Otherwise, the OP block will be destroyed.)
mechanism deck
– BOTTOM VIEW –
MAIN BOARD SERVICE POSITION
In checking the MAIN board, prepare jig (extension cable J-2501-102-A: 1 mm Pitch, 13 cores, Length 300 mm).
PRECAUTION WHEN REMOVING OPTICAL PICK-UP BLOCK OR DMB-FIT BOARD

SCD-XA5400ES
6
SECTION 2
GENERAL This section is extracted
from instruction manual.
Front Panel
" /(power) switch
Turns the power of the player on or off.
To let the player enter power-saving mode
(standby mode), press =/(power) on the remote
or on the player.
#TIME/TEXT button
Switches the playing time of the track, the
remaining time of the disc, or TEXT information
on the display.
$MULTI/2CH button
Selects the playback area when a disc with the 2-
channel area and the multi-channel area (page 8) is
loaded.
%SA-CD/CD button
Switches between the Super Audio CD layer and
the CD layer of a hybrid disc.
&HDMI button/lamp
Sets whether the audio signal is output from the
HDMI OUT jack or not.
When the lamp is lit, sound is output from the
HDMI OUT jack.
When the lamp is not lit, sound is output from the
ANALOG OUT jacks and DIGITAL OUT (CD)
jacks.
'Disc tray
Holds a disc.
("button
Opens and closes the disc tray.
)/button and lamp
Plays a disc. The lamp lights up during playback.
*9button and lamp
Pauses playback. The lamp lights up during
playback pause.
+Ybutton
Stops playback
,AMS dial (AMS: Automatic Music
Sensor)
Selects a track.
-Display window
Displays information on the disc or current track.
.Remote sensor
Receives the signal from the remote.
/PHONE LEVEL
Adjusts the headphones volume.
0PHONES jack
Connects the headphones.
Rear Panel
"IR REMOTE IN jack
Equipped on the models for the U.S. and Canada
only.
Connects an IR repeater.
#ANALOG OUT BALANCED L/R jacks
Connects a component with XLR input jacks, such
as stereo amplifiers, etc., using an XLR (balanced)
cable (not supplied).
$HDMI PRIORITY MULTI/2CH switch
When both multi-channel area and 2-channel area
are recorded on a Super Audio CD layer, sets the
area that is given priority to be played back.
%HDMI OUT jack
Connects components with HDMI jacks, such as
HDMI-compliant amplifiers, etc.
&DIGITAL OUT (CD) COAXIAL jack
Connects a component with the coaxial digital
input jack, such an MD deck, etc.
'DIGITAL OUT (CD) OPTICAL jack
Connects a component with the optical digital
input jack, such an MD deck, etc.
(DIGITAL OUT (CD) ON/OFF switch
Sets whether audio signals are output from the
DIGITAL OUT (CD) jacks or not.
)AC IN jack
Connects the supplied AC power cord (mains
lead).
*ANALOG OUT UNBALANCED L/R jacks
Connects a component with analog input jacks,
such as stereo amplifiers, etc., using an audio
connecting cord.
About the IR REMOTE jack
You can operate the player without pointing the
remote toward the remote sensor of the player if
you connect an IR repeater (not supplied) to the
IR REMOTE jack.
Use an IR repeater when you install the player in
aplacewheresignalsfrom theremotecannot
reach.
IR repeater
(not supplied)
SCD-XA5400ES
RM-ASU042

SCD-XA5400ES
7
Remote
" /(power) switch
Turns the power of the player on or off.
To let the player enter power-saving mode
(standby mode), press =/(power) on the remote
or on the player.
#SA-CD/CD button
Switches between the Super Audio CD layer and
the CD layer of a hybrid disc.
$HDMI button
Sets whether the audio signal is output from the
HDMI OUT jack or not.
%REPEAT button
Performs Repeat Play.
&SHUFFLE button
Performs Shuffle Play.
'ENTER button
Select a track directly.
(/button
9button
Ybutton
Plays back discs, pauses playback, and stops
playback.
)AMS buttons (AMS: Automatic
Music Sensor)
Selects a track.
*N. buttons
Fast-forwards or fast-reverses the track during
playback.
+DISPLAY button
Turns the display information off or on.
,TIME/TEXT button
Switches the playing time of the track, the
remaining time of the disc, or TEXT information
on the display.
-CLEAR button
Resumes Continuous Play from Repeat Play or
Shuffle Play.
.Number buttons
Select a track directly.
/CONTINUE button
Resumes Continuous Play from Shuffle Play.
0MULTI/2CH button
Selects the playback area when a disc with the 2-
channel area and the multi-channel area is loaded.
1;button
Opens or closes the disc tray.
Inserting batteries into the
remote
Insert two R6 (size-AA) batteries into the
battery compartment with the + and – correctly
oriented to the markings. When using the
remote, point it at the remote sensor on the
player.
Tip
Under normal conditions, the batteries should last for
about 6 months. When the remote no longer operates
the player, replace both batteries with new ones.
Notes
• Do not leave the remote in an extremely hot or a
humid place.
• Do not drop any foreign object into the remote
casing, particularly when replacing the batteries.
• Do not use a new battery with an old one.
• Do not expose the remote sensor to direct sunlight or
lighting apparatus. Doing so may cause a
malfunction.
• If you do not intend to use the remote for an extended
period of time, remove the batteries to avoid possible
damage from battery leakage and corrosion.

SCD-XA5400ES
8
SECTION 3
DISASSEMBLY
• This set can be disassembled in the order shown below.
3-1. DISASSEMBLY FLOW
Note: Follow the disassembly procedure in the numerical order given.
3-2. CASE
SET
3-8. BASE UNIT
BLOCK
(Page 11)
3-7. MOTOR BOARD,
MOTOR (L) ASSY (LOADING)
(Page 11)
3-6. MECHANISM DECK
(CDM66F-DVBU101)
(Page 10)
3-4. FRONT PANEL ASSY
(Page 9)
3-5. MAIN BOARD
(Page 10)
3-3. LOADING PANEL ASSY
(Page 9)
3-2. CASE
(Page 8)
two screws
(BVST4
× 8)
two screws
(BVST4
× 8)
flat head screw
(TP)
case

SCD-XA5400ES
9
3-3. LOADING PANEL ASSY
3-4. FRONT PANEL ASSY
two screws
(BVTP2.6 (3CR))
loading panel assy
Pull out the tray
in the direction of arrow #.
Rotate the cam (66)
with a tapering driver
in the direction of arrow ".
cam (66)
– BOTTOM VIEW –
#
"
connector
(CN291)
connector
(CN103)
wire (flat type) (19 core)
(CN502)
two cushions
two screws
(BVTP3
× 8)
two brackets
(panel)
six screws
(BV/ring)
front panel assy

SCD-XA5400ES
10
3-5. MAIN BOARD
3-6. MECHANISM DECK (CDM66F-DVBU101)
six screws
(BVTP3
× 8)
two screws
(BVTP3
× 8)
screw
(B3
× 6)
connector (CN506, CN1201, CN1202)
wire (flat type) (19 core)
(CN502)
R MAIN board
wire (flat type) (13 core)
(CN501)
wire (flat type) (13 core)
(CN1100)
wire (flat type) (24 core)
(CN1101)
three screws
(BVTP3
× 8)
mechanism deck
(CDM66F-DVBU101)
connector
(CN1201)
wire (flat type) (24 core)
(CN1101)
connector
(CN010)

SCD-XA5400ES
11
3-7. MOTOR BOARD, MOTOR (L) ASSY (LOADING)
3-8. BASE UNIT BLOCK
gear (LD)
cushion
connector
(CN012)
two claws
belt (LD)
two screws
(B2.6
× 4)
R MOTOR board
Remove two solders.
RB motor (L) assy
(loading)
tray (66F)
floating screw (DIA.12)
base unit block
base unit block
cam (66)
– BOTTOM VIEW –

SCD-XA5400ES
12
SECTION 4
TEST MODE
COLD RESET
The cold reset clears data stored in microcomputer’s RAM to ini-
tial conditions.
Procedure:
1. Press three buttons of [x], [A] and [?/1] on the set simultane-
ously.
2. “COLD RESET” appears on the fl uorescent indicator tube. Af-
ter that, the fl uorescent indicator tube becomes blank then the
system becomes standby states.
PANEL TEST
Procedure:
1. Press the [?/1] button to turn on.
2. Press three buttons of [x], [. AMS >, PUSH ENTER]
and [?/1] on the set simultaneously.
3. All segments turned on.
4. When [x] button on the set is pressed after half segments in
fl uorescent indicator tube light up. If you press [x] button on
the set again, another half segments in fl uorescent indicator
tube light up. Pressing [x] button on the set again would cause
all segments in fl uorescent indicator tube light up.
5. Press [N] button on the set, in the key check mode, the fl uo-
rescent indicator tube displays “K0 J0”.
6. Each time an another button is pressed, “KEY” value increas-
es. However, once a button is pressed, it is no longer taken into
account. When all keys are pressed correctly, “K10” and “OK”
are alternately displayed.
7. When the [. AMS >, PUSH ENTER] dial on the set is
turned in the direction of right,“J0” is changed to “J1”, then ...
“J9”. When the [. AMS >, PUSH ENTER] dial on the
set is turned in the direction of left, “J0” is changed to “J9”,
then ... “J0”.
8. To release from this mode, press three buttons in the same
manner as step 1.
Note 1: According to the following procedures when you ship it
(Return it to the customer).
1. SERVICE MODE of step 6 and 7
(DVD EEPROM clearness)
2. COLD RESET
Note 2: “DVD” displayed by the test mode shows "super audio
CD”.
CDM TEST
Aging test mode of CDM.
Procedure:
1. Press three buttons of [X], [A] and [?/1] on the set simultane-
ously.
2. After the “Open” display blinks, “SINGLE LOADING” is dis-
played on the fl uorescent indicator tube.
3. Press [. AMS >, PUSH ENTER] and then aging starts.
4. To stop aging, Press [x] button.
5. To release from this mode, press three buttons of [X], [A] and
[?/1] on the set simultaneously.
SERVICE MODE
When HDMI is connected in this mode, various information is dis-
played on the fl uorescent indicator tube. Refer to the following
table for displayed various information.
EEPROM CLEAR
Procedure:
1. Press two buttons of [x] and [A] on the set simultaneously for
3 seconds.
2. Various information is displayed on the fl uorescent indicator
tube.
3. When [R] button is pressed of the remote commander. Reboot-
ing emergence fuctor appears of toggle article number on the
fl uorescent indicator tube.
4. When [t] button is pressed of the remote commander. MTK
communication error factor appears of toggle article number
on the fl uorescent indicator tube.
5. When [r] button is pressed of the remote commander. Power
ON/OFF error factor appears of toggle article number on the
fl uorescent indicator tube.
6. Press the button in order of the [4] t [Time/Text] t [CLEAR]
on the remote commander of attachment.
7. The message “Complete” is displayed on the fl uorescent indi-
cator tube, and DVD EEPROM is cleared.
8. To release from this mode, disconnect the power cord.
Note: Don't press the [?/1] button when to release from this mode.
Necessarily disconnect the power cord. The set doesn't operate
when turning off power with [?/1] button of the set.

SCD-XA5400ES
13
List of trouble log
Note: “nnn” of toggle article number is a generation frequency of the error.
Type Test key
(Remote commander)
Toggle article
number Content
Rebooting emergence
(Rebooting emergence
factor)
Test key2 (R)
2Annn It was not possible to communicate with MTK fi ve seconds more continu-
ously
2Bnnn Compulsion power off demand was received from MTK
2Cnnn Only MTK reset it
(Distination, model and region for are the disagreements)
2Dnnn Fails in the start of MTK
2Ennn Fails in the switch of the input mode of MTK
2Fnnn Input mode of MTK changed without permission
2Gnnn Reacts to the key notifi cation no though the communication with MTK is
alive
Serial communications
(MTK communication
error factor)
Test key3 (t)
3Annn It was not possible to communicate with MTK with 48ms
3Bnnn A non-standard packet length was received (Excluding 16 bytes)
3Cnnn Checksum NG
3Dnnn Type of the communication header is NG
3Ennn PEQ data reading operation (8032tDVDLIB) terminated abnormally
3Fnnn PEQ data writing operation (DVDLIBt8032) terminated abnormally
MTK power control
(Power ON/OFF error
factor)
Test key2 (r)
4Annn Fails in AC ON Initial
4Bnnn Fails in power on of MTK
4Cnnn Initialization response of CDM is abnormal
4Dnnn CDM mechanism error notifi cation is received
4Ennn Input mode is NG MTK is started
4Fnnn MTK input mode switch at time fails usually
4Gnnn Fails in power off of MTK
4Hnnn Fails in power off of CDM

SCD-XA5400ES
14
DVD SERVICE MODE
When the DVD service mode is operated, the following, remote
commander is necessary.
(The DVD service mode cannot be operated by remote commander
to which this machine is attached)
Remote commander (RM-ASP003) (for US, Canadian models):
Part No. 1-479-272-11
Remote commander (RM-ASP004) (for AEP model):
Part No. 1-479-272-21
Note: Above-mentioned remote commander is one example. If it is the
one printed under a remote commander as "DVD", any remote com-
mander can be operated.
1. DVD Service Mode General Description
This mode let you make diagnosis and adjustment easily by us-
ing the remote commander and the TV screen for HDMI input.
The instructions, diagnostic results, etc. are given on the on-screen
display.
Be sure to execute the IOP measurement when a base unit is re-
placed.
2. Enterring DVD Service Mode
Procedure:
1. Press the [?/1] button to turn the power on.
2. Press two buttons of [x] and [A] on the set simultaneously for
3 seconds
3. The message “SERVICE IN” appears on the fl uorescent in-
dicator tube and top menu of the Remocon Diagnosis Menu
appears on the on-screen display on the TV screen for HDMI
input as follows. The model name, IF-con version and Syscon
version are displayed at the bottom of the on-screen display.
Remocon Diagnosis Menu
0. External Chip Check
1. Servo Parameter Check
2. Drive Manual Operation
3. Emergency History
4. Version Information
Model Name :xxxx_xx
IF-con:Ver.xx.xx(xxxx)
Syscon:Ver.x.xxx
4. To execute each function, press its number by using numeric
button on the remote commander.
5. To release from this mode, disconnect the power cord.
Note: Don't press the [?/1] button when to release from this mode.
Necessarily disconnect the power cord. The set doesn't operate
when turning off power with [?/1] button of the set.
3. Executing IOP Measurement
In order to execute IOP measurement, the following standard pro-
cedures must be followed.
Procedure:
1. From the top menu of Remocon Diagnosis Menu, select “2
Drive Manual Operation” by pressing the [2] button on the
remote commander. The following screen appears on the on-
screen display
Drive Manual Operation
1. Servo Control
2. Track/Layer Jump
3. Manual Adjustment
4. Mecha test mode
5. MIRR time Adjust
0. Return to Top Menu
2. Select “3. Manual Adjustment” by pressing the [3] button on
the remote commander. The following screen appears on the
on-screen display.
Manual Adjust
1. Track Balance Adjust:
2. Track Gain Adjust:
3. Focus Balance Adjust:
4. Focus Gain Adjust:
5. Eq Boost Adjust:
6. Iop:
7. TRV. Level:
8. S curve(FE) Level:
9. RFL(PI) Level:
0. MIRR Time:
[V][v] Change Value
[RETURN]Return to previous menu
3. Select “6. Iop:” by pressing [6] button on the remote com-
mander.
4. Wait until a hexadecimal number appear in the on-screen dis-
play as below.
Manual Adjust
1. Track Balance Adjust:
2. Track Gain Adjust:
3. Focus Balance Adjust:
4. Focus Gain Adjust:
5. Eq Boost Adjust:
6. Iop: xx
7. TRV. Level:
8. S curve(FE) Level:
9. RFL(PI) Level:
0. MIRR Time:
[V][v] Change Value
[RETURN]Return to previous menu
5. Convert data from hexadecimal to decimal by using conver-
sion table.
6. If the value is smaller than 93 (decimal), then it is OK. How-
ever if the value is higher than 93, then BU (base unit) is defec-
tive and need to be change.
Note: DVD SERVICE MODE is a service mode of super audio
CD.

SCD-XA5400ES
15
7. Press the [O RETURN] button on the remote commander to
return to previous menu.
8. Press the [0] button on the remote commander to return to the
top menu of Remocon Diagnosis Menu.
9. Disconnect the power cord to turn off.
Note: Don't press the [?/1] button when to release from this mode.
Necessarily disconnect the power cord. The set doesn't operate
when turning off power with [?/1] button of the set.
4. Checking Emergency History
To check the emergency history, please follow the following pro-
cedure.
Procedure:
1. From the top menu of Remocon Diagnosis Menu, select “3.
Emergency History” by pressing the [3] button on the remote
commander. The following screen appears on the on-screen
display.
Emg. History Check
Laser Hours CD 999h 59min
DVD 999h 59min
01. 01 05 04 04 00 92 46 00
00 00 00 00 00 00 23 45
02. 02 02 01 01 00 A9 4B 00
00 00 00 00 00 00 23 45
[Next]Next page [Prev]Prev page
[0]Return to Top Menu
2. You can check the total time when the laser is turned on during
playback of super audio CD and CD from the above menu. The
maximum time, which can be displayed are 999h 59min.
3. You can check the error code of latest 10 emergency history
from the above menu. To view the previous or next page of
emergency history, press the [.] or [>] button on the re-
mote commander. The error code consists of three kinds of
error codes.
A. Error code
Example of Error code
01. 01 05 04 04 00 92 46 00
00 00 00 00 00 00 23 45
The meaning of error code is as below:
01: Communication error (No reply from syscon)
02: Syscon hung up
03: Power OFF request when syscon hung up
19: Thermal shutdown
24: MoveSledHome error
25: Mechanical move error (5 changer)
26: Mechanical move stack error
30: DC motor adjustment error
31: DPD offset adjustment error
32: TE balance adjustment error
33. TE sensor adjustment error
34. TE loop gain adjustment error
35. FE loop gain adjustment error
36. Bad jitter after adjustment
40. Focus NG
42. Focus layer jump NG
51: Spindle stop error
52. Open kick spindle error
60: Focus on error
61: Seek fail error
62: Read Q data/ID error
70: Lead in data read fail
71: TOC read time out (CD)
80: Can’t buffering
81: Unknown media type
B. Parameter of error code
This is the detail of error code.
Example of Error code
01. 01 05 04 04 00 92 46 00
00 00 00 00 00 00 23 45
C. Time of error code
This is the laser time when an error occurred.
Example of Error code
01. 01 05 04 04 00 92 46 00
00 00 00 00 00 00 23 45
To Clear the Laser Hour
Press the [DISPLAY] button on the remote commander and then
press the [CLEAR] button on the remote commander. The data for
both super audio CD and CD data are reset.
Emg. History Check
Laser Hours CD 0h 0min
DVD 0h 0min
01. 01 05 04 04 00 92 46 00
00 00 00 00 00 00 23 45
02. 02 02 01 01 00 A9 4B 00
00 00 00 00 00 00 23 45
[Next]Next page [Prev]Prev page
[0]Return to Top Menu
To Clear the Emergency History
Press the [TOP MENU] button on the remote commander and then
press the [CLEAR] button on the remote commander. The error
code for all emergency history would be reset.
Emg. History Check
Laser Hours CD 999h 59min
DVD 999h 59min
01. 00 00 00 00 00 00 00 00
00 00 00 00 00 00 00 00
02. 00 00 00 00 00 00 00 00
00 00 00 00 00 00 00 00
[Next]Next page [Prev]Prev page
[0]Return to Top Menu

SCD-XA5400ES
16
To Execute the Initialize Setup Data
Procedure:
1. Press the [MENU] button on the remote commander and then
press the [CLEAR] button on the remote commander. The fol-
lowing screen appears on the on-screen display.
Emg. History Check
Laser Hours CD 999h 59min
DVD 999h 59min
Initialize setup data...
[Next]Next page [Prev]Prev page
[0]Return to Top Menu
2. The screen after a while returns to former display.
To Return to the Top Menu of Remocon Diagnosis
Menu
Press the [0] button on the remote commander.
5. Checking Version Information
To check the version information, please follow the following pro-
cedure.
Procedure:
1. From the top menu of Remocon Diagnosis Menu, select “4.
Version Information” by pressing the [4] button on the remote
commander. The following screen appears on the on-screen
display.
Version information
Firm(Main): Ver. X.XXXX
Firm(Sub): XX.XX
RISC: XXXXXX
8032: XXXXXX
Audio DSP: XX.XX.XX.XX
Servo DSP: XX.XX.XX.XX
[0]Return to Top Menu
2. To return to the top menu of Remocon Diagnosis Menu, press
the [0] on the remote commander.
SECTION 5
ELECTRICAL ADJUSTMENT
When the base unit is replaced, perform the adjustment and the
measurement as shown below in this order.
EXECUTING IOP MEASUREMENT (See page 14)

SCD-XA5400ES
SCD-XA5400ES
1717
SECTION 6
DIAGRAMS
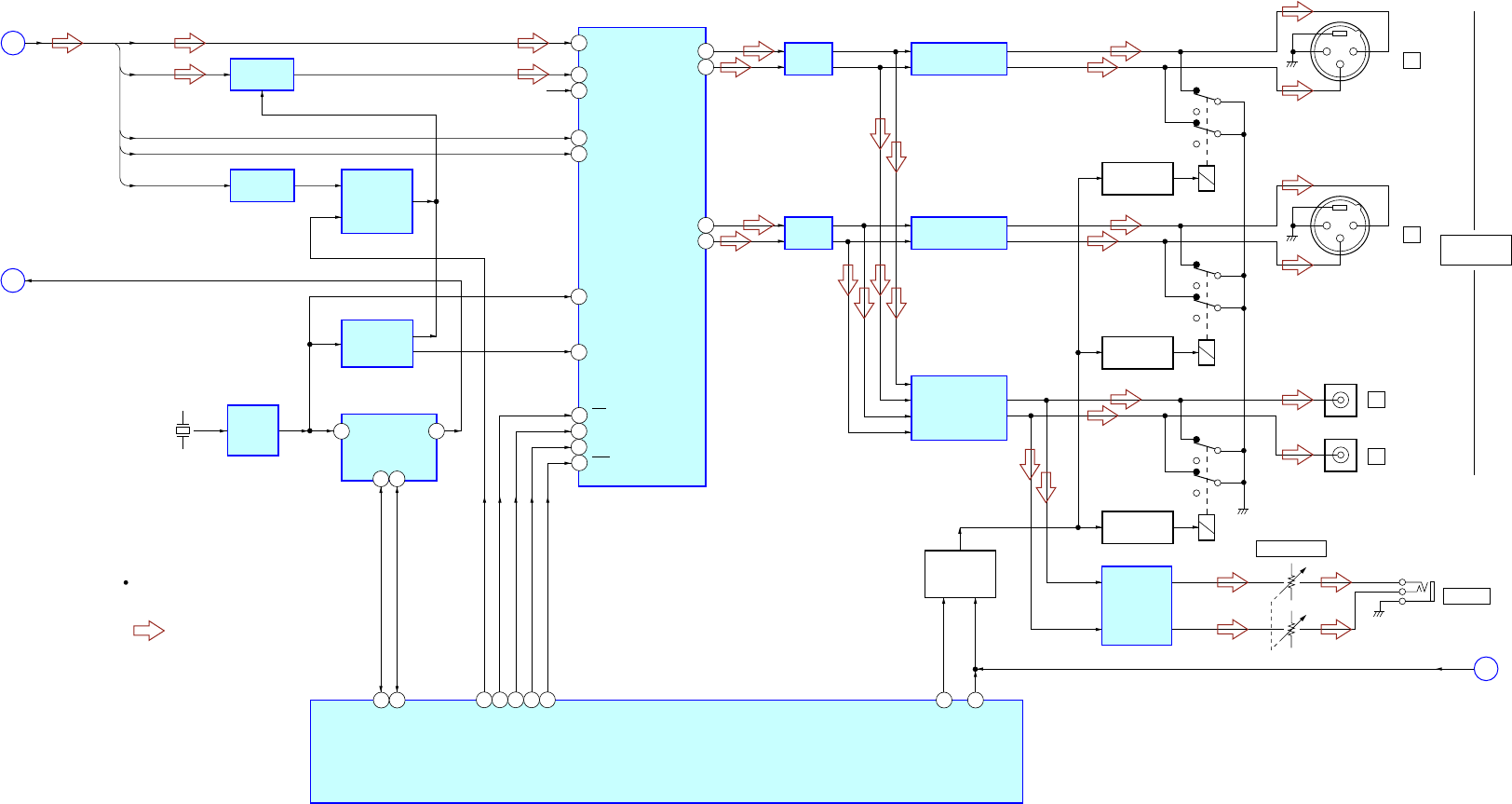
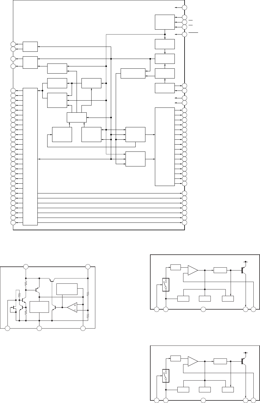
6-1. BLOCK DIAGRAM - SA-CD/CD SERVO Section -
MULTIPLEXER
IC1901
LEVEL SHIFT
IC1703
OPTICAL
TRANSMITTER
IC1701
11Y BDTL
PDT
SBCK
PLRCK
PBCK
20Y R-CH
Ycom
15
9
C
10
B
PDT, BDTR, PBCK,
PLRCK, SBCK
J1701
LEVEL SHIFT
IC1702 DIGITAL
OUT(CD)
COAXIAL
OPTICAL
R-ch is omitted due to same as L-ch.
RF
OPTICAL PICK-UP
BLOCK
(KHM-313CAB)
Q1102-1
AUTO POWER
CONTROL (FOR CD)
DVDRFIP
10
SPDIF
DVDA
VOA/A
VOB/B
VOC/C
VOD/D
VOF/F+H
VOE/E+G
VC
LIMIT
PD
LD (780)
6
DVDB
7
DVDC
8
DVDD
9
TNI
17
TPI
18
NA
11
NB
12
MC
13
MD
14
V2O
LIMIT SW
28
LDO1
22
MDI1
19
MDI2
53
20
Q1102-2
AUTO POWER
CONTROL (FOR SA-CD)
IC1201
FOCUS/TRACKING COIL DRIVE,
SPINDLE SLED, LOADING MOTOR DRIVE
VREF
IN+3
IN4+
MUTE123
MUTE4
TSD_M
PS
IC1101 (1/2)
RF AMP, SERVO DSP,
HDMI TRANSMITTER
IC501 (1/4)
SYSTEM CONTROLLER
BUFFER
VR (650)
VR (780)
MSW
Q1103
VCC
LD (650) LDO2
MSW
21
D+3.3V
DVD_SCO
37
DVD_SOD
32
DVD_SID
31
DVD XIFCS
37
STT_D/P
43
DMUTE
45
STT_M/2
44
OCSW
84
CKSW
83
DVD_XIFBUSY
(CHUCKING)
SW010
(DISC IN/OUT)
SW011
34
98
FMO
37
FOO
41
DMO
36
TRO
40
V REFO
29
RFRAPC
FWD
94
REV
95
IOPMON
39
OP_INP
35
MUTE123
MUTE
TSD_M
42
25
21
22
20
19
45
7
6
17
40
16
13
12
10
9
4
3
1
48
43
15
24
41
54
REG01
REG02
FCS+
FCS-
TRK+
TRK-
SP-
SP+
SL-
SL+
BUFFER
46
47
MCS
BUFFER
32
31
30
29
SPINDLE MOTOR
DRIVE
27
28
SLED MOTOR
DRIVE
FOCUS COIL
DRIVE
36
37
TRACKING COIL
DRIVE
35
34
(LOADING)
M001 MM
130
158
157
252
215
IFCK
99
xIFCS
97
IFSDO
xIFBSY 11 0
IFSDI 100
TRG_SW
DSEL 210
WIDE 209
ASDATA 226
ASDATA3 222
KMOD 213
ALRCK 205
ABCK 204
211
• SIGNAL PATH
: CD PLAY (ANALOG)
: SA-CD PLAY
: CD PLAY (DIGITAL)
A
Q1101-2
SA-CD ON
SWITCH
Q1101-2
CD ON
SWITCH
(Page 19)

SCD-XA5400ES
SCD-XA5400ES
1818
6-2. BLOCK DIAGRAM - HDMI Section -
X501
5MHz
27M
MTK_RST 3
22
CSC_RX_IN
CEC_TX_OUT
239
XTALI
180TX2P
179TX2N
177TX1P
176TX1N
174TX0P
173TX0N
171TXCP
170TXCN
162HTPLG
CN1701
1TMDS DATA2+
3TMDS DATA2–
4TMDS DATA1+
6TMDS DATA1–
7TMDS DATA0+
9TMDS DATA0–
10 TMDS CLOCK+
12 TMDS CLOCK–
19 HPD
HDMI OUT
SW+6V
IC1103
EEPROM
IC1705
LEVEL SHIFT
IC1102
FLASH ROM
IC1101 (2/2)
REAMP, SERVO DSP, HDMI TRANSMITTER
IC501 (2/4)
SYSTEM CONTROLLER
IC1104
SD-RAM
IC1707
+5V REGULATOR
WE
EEWP
SCL
SDA
18 +5V POWER
13 CEC
15 SCL
16 SDA
Q9724, 9726, 9728, 9729
CEC DATA SWITCH
7
101
112
102
xSYSRST
108
DDC_CLK 161
DDC_DAC 159
CLKE 37
UDQM 39
LDQM 15
WE 11
OE 28
CE 26
45
12
CAS 17
RAS 18
WE 16
CS 19
CLK 38
BA1 21
BA0 20
CKE
147
DQM1
132
DQM0
111
_CAS
134
_RAS
135
_RWE
133
_RCS
136
DRCLK
146
BA1
138
BA0
137
XWR
66
XRD
78
XROMCS
76
SCL
6
SDA
5
Q1701
LEVEL SHIFT
140, 141, 143, 144
23 – 26,
29 – 34, 22, 35
121-119,117-113,
129-122155, 150, 139, 149
2,4,5,7,8,10,11,13,42,
44,45,47,48,50,51,53
RD0 – RD15
RA0 – RA11
DQ0 – DQ15
A0 – A11
97, 56 – 62, 74 – 67,
91, 63, 64, 75, 87
29, 31, 33, 35,
38, 40, 42, 44
25 – 18, 8 – 1,
48, 17, 16, 9, 10
79, 80, 82 – 86, 89
HD0 – HD7
HA0 – HA21
DQ0 – DQ7
A0 – A19,
N.C
DQ15/A-1
RESET
Q1105
B+ SWITCH
B
166AVDD3
165AVDD3
• SIGNAL PATH
: SA-CD PLAY
38
XOUT
13
XIN
15
SW+3.3V
(Page 19)

SCD-XA5400ES
SCD-XA5400ES
1919
6-3. BLOCK DIAGRAM - MAIN Section -
• SIGNAL PATH
: SA-CD
A
B
BDTR
PBCK
PLRCK
PDT
PDT, BDTR, PBCK,
PLRCK, SBCK
27M
C
AC_DET
SWITCHING
IC206
SBCK INVERTER
IC292
CLOCK
BUFFER
IC152
X151
22.5792MHz
D-FLIP FLOP
IC155
CLOCK GENERATOR
IC151
COUNTER
IC156
15CLKP
REF
2
PBCK
PLRCK
6
AB CK
3
SCK
7
RST
14
MS
10
PDATA
5
DSDL
1
DSDRR-CH 2
4
MDI
MDO
12
11
1
SCL
2
SDA
78
PLL_IC_ISC_SCL
77
PLL_IC_I2C_SDA
87
DAC_CS2
88
DAC_CS1
30
DAC_DATA
28
DAC_CLK
85
DAC_INT
6
XAMUTE
19
ASDMUTE
17IOUTR+
18IOUTR-
RY252
BUFFER
IC253
LOW-PASS FILTER
IC255
RELAY DRIVE
Q252, 253
12
4
3
4
J252
R
25IOUTL+
26IOUTL-
RY202
BUFFER
IC203
LOW-PASS FILTER
IC205
D/A CONVERTER
IC202
SYSTEM CONTROLLER
IC501 (3/4)
LINE AMP
IC291
BUFFER
IC204
RELAY DRIVE
Q202, 203
12
3J202
L
PHONE LEVEL
ANALOG OUT
UNBALANCED
R
L
RY201
RV801
PHONES
J801
-1
-2
RELAY DRIVE
Q201, 204
RELAY
CONTROL
Q151, 293
J251
J201
R-ch is omitted due to same as L-ch.
(Page 17)
(Page 18)
(Page 20)

SCD-XA5400ES
SCD-XA5400ES
2020
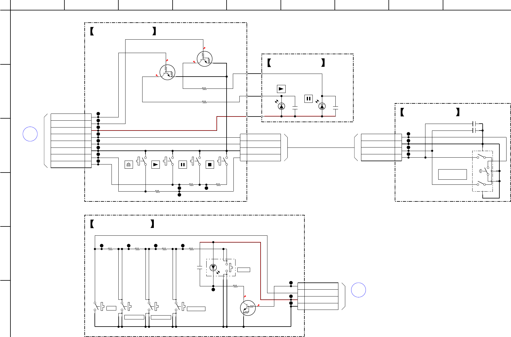
6-4. BLOCK DIAGRAM - PANEL, POWER SUPPLY Section -
DAC+3.3V
AC_DET
C
(AC IN)
L51
LINE FILTER
RECT
D52 – 55
T002
SUB POWER
TRANSFORMER
PT002
MAIN POWER
TRANSFORMER
AC
DETECT
Q51
RESET
SWITCH
Q503
RELAY DRIVE
Q52
D56, 57
RECT
D101 – 104
RECT
D113 – 116
+4V
REGULATOR
IC51
+4V
REGULATOR
IC103
+1.8V
REGULATOR
IC1110
RECT
D105 – 108
+6V
REGULATOR
IC101
RY01
F002
PT003
MAIN POWER
TRANSFORMER
RECT
D117 – 120
E3.3V
E3.3V
+3.3V
REGULATOR
IC506
+3.2V
REGULATOR
IC52
RESET SIGNAL
GENERATOR
IC503
DSP+1.8V
DISPLAY-27V
+3.3V
DSP+3.3V
RF+3.3V
SW+5V
SW+6V
M+9V
FL+6V
FL+3.3V
RECT
D109 – 112
+10V
REGULATOR
IC102
+6V
REGULATOR
IC104
RECT
D121 – 124
CL+3.3V
+5V
REGULATOR
IC105
+3.3V
REGULATOR
IC201
RY+3.3V
+3.3V
REGULATOR
IC153
+3.3V
REGULATOR
IC154
RECT
D121 – 124
AMP+12V
+9V
REGULATOR
IC504
+3.3V
REGULATOR
IC803
+12V
REGULATOR
IC106
AMP–12V
–12V
REGULATOR
IC107
+5V
REGULATOR
IC505
SYSTEM CONTROLLER
IC501 (4/4)
LED_PLAY
89
ND801
FLUORESCENT
INDICATOR TUBE
FLUORESCENT INDICATOR
TUBE DRIVER
IC802
AD1, S1 – 35G2 – 15
DAT FL_O_OUT
2463
CLK FL_CLK
2162
XCS FL_STB
2361
XRST
G1
40
60
40 – 54 4 – 39
GRID DRIVE
Q802
LED DRIVE
Q803
D802
/
LED_PAUSE
90
LED DRIVE
Q804
LED_HDMI
91
KEY0
97
KEY1
95
KEY3
94
XDOUT_EN
55
MULTI_PRIO
56
EN_A
10
EN_B
11
LED DRIVE
Q801
ROTARY
ENCODER
S805
D803
9
(US, Canadian)
(AEP)
D502
F001
+3.3V
REGULATOR
IC1105
+3.3V
REGULATOR
IC1107
RESET 12
AC_OUT 20
P_CONT0 41
P_CONT1 39
S801 – 804
S807 – 810
AMS
PUSH ENTER
S805
HDMI
SIRCS_IN
4
REMOTE CONTROL
RECEIVER
IC801
REMOTE CONTROL
RECEIVER
IC693
D890
J691
IR REMOTE
IN
S501 OFF
ON
DIGITAL
OUT(CD)
7
6
1
SIRCS
SELECT SWITCH
IC692
REMOTE
CONTROL
TRANSMITTER
CH1
COM
CH0
S502 MULTI
2CH
HDMI
PRIORITY
-27V
REGULATOR
Q101
(Page 19)

SCD-XA5400ES
SCD-XA5400ES
2121
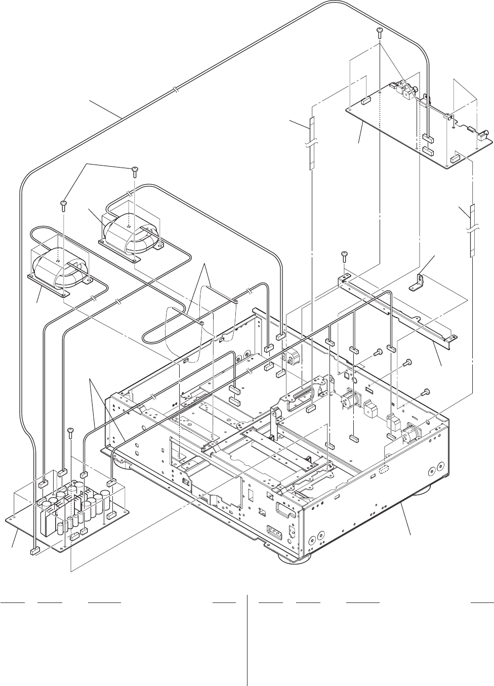
• Circuit Boards Location
For Schematic Diagrams.
Note:
• All capacitors are in μF unless otherwise noted. (p: pF) 50
WV or less are not indicated except for electrolytics and
tantalums.
• All resistors are in Ω and 1/4 W or less unless otherwise
specifi ed.
• f : internal component.
• C : panel designation.
THIS NOTE IS COMMON FOR PRINTED WIRING BOARDS AND SCHEMATIC DIAGRAMS.
(In addition to this, the necessary note is printed in each block.)
• A : B+ Line.
• B : B– Line.
• Voltages and waveforms are dc with respect to ground
under no-signal conditions.
no mark
: SA-CD PLAY
( ) : CD PLAY
• Voltages are taken with VOM (Input impedance 10 MΩ).
Voltage variations may be noted due to normal production
tolerances.
• Waveforms are taken with a oscilloscope.
Voltage variations may be noted due to normal production
tolerances.
• Circled numbers refer to waveforms.
• Signal path.
F : SA-CD PLAY
J : CD PLAY (ANALOG)
c : CD PLAY (DIGITAL)
• Abbreviation
CND : Canadian model
For Printed Wiring Boards.
Note:
• X : Parts extracted from the component side.
• Y : parts extracted from the conductor side.
• f : internal component.
• : Pattern from the side which enables seeing.
(The other layers' patterns are not indicated.)
Note:
The components identi-
fi ed by mark 0 or dotted
line with mark 0 are criti-
cal for safety.
Replace only with part
number specifi ed.
Note:
Les composants identifi és
par une marque 0 sont
critiques pour la sécurité.
Ne les remplacer que par
une piéce portant le nu-
méro spécifi é.
Caution:
Pattern face side:
(Conductor Side)
Parts face side:
(Component Side)
Parts on the pattern face side seen from
the pattern face are indicated.
Parts on the parts face side seen from
the parts face are indicated.
• AUDIO and MAIN boards are multi-layer printed board.
However, the patterns of intermediate layers have not
been included in diagrams.
• Indication of transistor.
C
B
These are omitted.
E
Q
B
These are omitted.
CE
Q
MAIN board
OUT-SW board
STANDBY board
AUDIO board
POWER board
JOG board
DISPLAY board
HP board
MOTOR board
KEY-R board
LED board
KEY-L board

SCD-XA5400ES
SCD-XA5400ES
2222
6-5. PRINTED WIRING BOARD - MAIN Section (1/2) - • : Uses unleaded solder.
• See page 21 for Circuit Boards Location.
Note: IC1103 cannot exchange with single. When this part
is damaged, exchange the entire mounted board.
119
D1
G2
S2 G1
D2
S1
241
25
48
5
81
4
1
89
16
BE
1
12
13
48
2425 3637
12
13 12
191
182
19
BE
B
E
B
E
BE
224
1
23
12
13 12
D1
G2S2
G1
D2
S1
C1
E1
B1
B2
E2
C2
BE
D
G
S
C1118
C1119
CN1701
C1120
C1121
C1122
C1123
CL2118
C1124
CL2119
R601
R602
C1703
R603
C1704
R604
C1705
Q1701
C1706
R1102
R1107
R1108
IC1101
R1109
IC1102
C1132
CL2127
IC1103
C1133
CL2128
IC1104
CL2129
C1135
IC1105
C1136
IC1107
C1137
C1138
R1110
C1139
R1111
R1112
R1113
CL2130
R1114
CL2131
R1115
CL2132
R1116
R1117
R1118
IC1110
C1145
C1147
R1120
C1148
C1725
R1121
C1727
R1123
R1124
C1728
C1729
R1125
R1126
C1730
IC1702IC1703
IC1705
IC1707
R1135
R1136
R1137
CL2154
R1138
CL2155 R1139
IC1901
R1142
R1143
R1146
R650
CL500
L1801
CL501
CL502
CL503
CL504
R1151
CL505
CL506 CL507
CL508
CL509
R1156
R1159
C1182
C1183
C1184
CL510
CL511
C1186
CL512
C1187
CL513
R1160
CL514
R1161
R2101
CL515
CL516
CL517
CL518
CL519
R1742
R1744 C1190
C2130
C1192
R1746
R1747
C1193
R1748
C1195
R2110
C1198
R2114
R2115
R1752
R1754 R1757
CL1201
R1185
CL1202
CL1203
CL1204
CL1205
CL1206
CL1207
CL1208
R693
R694
R695
R1191
R696 R697
Q503
R2133
R1193
CL1213
RB1103
RB1104
RB1105RB1106
RB1107RB1108
RB1109
R1783
R1784
R1785
R1786
RB1110
RB1111
RB1112
RB1113
RB1114
RB1115
EB503
C691
C692 C693
R2176
R2177
C1203
C1205
C1206
C1208
C1209
R2187
C1210
C1211
C1212
C1213 C1214
C1215
C1217
C1218
R501
C1219
R504
R506
C1220
R508
R509
C1221
C1222
FB1106
C1223
FB1108
C1224
C1801
C1225
C1802
C1226
R510
R511 R512
R513 R514
R1204
R515
FB1111
R516
R1206
R1207
R518
R1208
R519
IC1201
R1209
C1233
CN501
CN502
R520
R1210
CN504
R521
R522
R1212
R523
R524
R1214
R525
R1215
R526
R1216
R527
R528
R529
R1219
R530
R1220
D1801
R531
R1221
D1802
R532
R533
R1223
R534
R1224
R1801
R535
R1225
R536
R1226
R538
R1229
D693
Q9724
R1230
R1231
R542
Q9726
R543
R1233
R544
Q9728
R545
Q9729
R1236
R546
R1237
R1238
R1239 C510
X501
D9712
C515
R551
L1701
L1702
R1243
L1703
L1704
R556
R1246
R557
R1247
R559
IC692
C520
C521
C522 C523
R561
R562
R563
R564
R1254
R565
R566
R567
R568
R569
R9920
C531
C533
R9924
R9928
R9929
R9934
R9935
R583
R584
R585
R586
R587
R588
CL1101
R589
R9941
CL1105
CL1106
CL1107
CL1108
R590
R9945
CL1301
C9972
R596
CL1302
R597
CL1303
CL1110
R598
CL1304
R599
CL1305
CL1112
CL1113
CL1114
D501
CL1115
CL1116
D502
CL1117
CL1118
D505
CL1121
CL1123
CL1702
CL1900
IC501
IC503
JL577
CN1101
C1101
C1103
CN1110
C1105 Q1101
Q1102
Q1103
Q1105
CL1160
CL2101
CL1161
CL2102
CL1162
CL2103
CL1163
C1110
CL2104
CL1164
C1111
CL1165
C1112
CL1166
C1113
CL1167
CL1168
CL2109
C1117
1
3
5
4
1
3
5
4
1
3
5
4
164
192
193
256
128
65
129
1
3
1 4
1 4
8 5
5
4
B
AUDIO BOARD
CN152
GDISPLAY BOARD
CN803
A
AUDIO
BOARD
CN151
127
54
28
MAIN BOARD (COMPONENT SIDE)
1-877-065-
11, 12
(11, 12)
HDMI OUT
(NC)
81
100
50
51 80
30 1
31
(CHASSIS)
OPTICAL PICK-UP
BLOCK
(KHM-313CAB)
(1/2)
(AEP)
(US, CND)
1
3
5
4
1
3
132
5
4
1
3
54
A
B
C
D
E
12345678910
(Page 28)
(Page 32)
(Page 28)
Ref. No. Location
• Semiconductor Location
Ref. No. Location Ref. No. Location Ref. No. Location
D501 B-8
D502 D-9
D505 C-9
D693 B-9
D1801 B-2
D1802 B-2
D9712 C-6
IC501 C-8
IC503 B-8
IC692 B-9
IC1101 C-4
IC1102 C-6
IC1103 B-6
IC1104 B-5
IC1105 C-3
IC1107 D-3
IC1110 D-3
IC1201 D-6
IC1702 B-2
IC1703 B-2
IC1705 B-4
IC1707 B-4
IC1901 C-2
Q503 B-8
Q1101 E-5
Q1102 E-3
Q1103 E-5
Q1105 B-4
Q1701 B-4
Q9724 C-6
Q9726 C-6
Q9728 C-6
Q9729 C-6

SCD-XA5400ES
SCD-XA5400ES
2323
6-6. PRINTED WIRING BOARDS - MAIN Section (2/2) - • : Uses unleaded solder.
• See page 21 for Circuit Boards Location.
6
15
6
15
6
15
C1701
C1125
C1702
C1126
C1127
C1128
R1101
C1129
R1103
R1105
JL2101
R1106
JL2102
JL2103
C1130
JL2104
JL2105
JL2106
JL2107
JL2108
JL2109
JL2110
JL2111
JL2112
JL2113
C1140
JL2114
JL2115
JL2116
JL2117
C1144
JL2118
JL2119
C1146
C1149
JL2120
R1701
JL2121
R1702
JL2122
JL2123
JL2124
R1128
C1151
JL2125
JL2126
C1154
C1155
C1156
C1158
C1159
R1132
R1133
JL2130
JL2133
C1160
C2100
JL2134
C1161
JL2135
C1162
JL2136
C1163
JL2137
C1164
JL2138
C1165
JL2139
R1140
C2108
C1169
R1141
JL2140
R1145
JL2141
JL2142
R1147
JL2143
R1148
C1170
JL2144
C1171
JL2145
C1172
JL2146 JL2147
C1174
C2114
JL2148
C1175
C2115
JL2149
C1176
C2116
C2117
C2118
C1179
C2119
R1152
C2502
R1153
C2503
R1730
R1154
JL600
JL2150
R1155
JL601
JL2151
JL602
JL2152
JL603
JL2153
C1180
JL604
C1181
JL605
JL606 JL607
JL608 JL609
JL610 JL611
JL2161
JL612
JL2162
JL613
JL2163
JL614
JL2164
C1191
JL615
JL616
JL617
JL618 R1749
JL619
C1197
C1199
R1750
JL620
R1175
R1751
JL621
JL622
R1753
JL623
JL624
R2119
JL625
JL626 JL627
JL628
JL629
JL630
R1186
R2129
JL638
R691
CL1209
R692
R2134
CL1210
CL1211
CL1212
JL642
JL643
R1198
JL644JL645JL646 JL647 JL648 JL649 JL650
JL1201
R1781
JL1202
R1782
JL1203
JL1204 JL1205
JL1206
JL1207
JL1208
JL1209
R2150
R2151 R2152
JL1210
JL1211
R2155
JL1212
R2156
JL1213
R2157
R2158
R2159
R2160
R2178
R2180
R2184
FB505
R2185
FB508 FB510
FB1107 FB1109
R1205
FB1112
R517
FB1113
FB1115
FB1116
FB1117
FB1118
R1213
D691
R539
C501
C502
C503
R540
R1232
C507
C508
R1234
C517
C518 R558
JL500
JL501
JL502
JL503
JL504
JL505 JL506
JL507
R560
S501
JL508
JL509
R9918
FB2101
FB2103
JL510
JL511
JL514
JL515
R9922
JL516
JL517
R570
R2200
JL518
R571
JL519
C538
R574
JL520
R579
JL521
JL522 JL523
JL524 JL525
JL526 JL527
R580
JL528
R581
JL529
R582
JL530
JL531 JL532
JL533
JL534
JL535
JL536
JL537
JL538
JL539
R592
JL541
JL542
JL543
JL544
JL545
JL546
JL547
JL548
JL549
JL550
JL551
JL552
JL553
JL554
JL555 JL556
JL1107
JL557
JL1108
JL558
JL1109
JL559
C577 C578
JL1110
JL560 JL1111
JL561
JL1112
JL562
JL1113
JL563
JL564
C581
JL565
C582
JL566
JL567
JL568
IC504
JL569
IC505IC506
JL570
JL571
JL572
JL573
JL574
C591
JL1701
JL575
C592
JL576
JL578
JL579
JL580
JL1130
JL581
JL1131
JL582
JL1132
JL583
JL1133
JL584
JL1134
JL585
JL1135
JL586
JL1136
JL587
JL588
JL589
C1106
C1108
C1109
JL590
JL591
JL592
JL593
JL594
JL595
JL596 JL597
C1114
JL598
C1115
JL599
C1116
231
14
IC1701
C2110
CN1801
J1701
L1705
17
1
6
1
11
1
6
C2109
EB501
CN1201
CN1202
CN506
C526
C527
C528 C579C580
C583C584C593C594
CN1105
C1177
EB502
D692
IC693
S502
J691
12
CN012
SW011
CL015
CL016
CL010
CL011
CL012
CL013
CL014
1
5
21
CN010
CN011
SW010
MAIN BOARD (CONDUCTOR SIDE)
FPOWER BOARD
CN104
(CHASSIS)
1-877-065-
11, 12
(11, 12)
(CHASSIS)
D692
REMOTE
CONTROL
TRANSMITTER
IR REMOTE
IN
OPTICAL PICK-UP
BLOCK
(KHM-313CAB)
(2/2)
(NC)
(NC)
COAXIAL
MDMI PRIORITY OPTICAL OFF ONMULTI 2CH
DIGITAL OUT (CD)
OUT SW BOARD
1-877-109-
11
(11)
(DISC IN/OUT)
MOTOR BOARD
1-877-108-
11
(11)
(CHUCKING)
M001
(LOADING)
M
(US, CND)
1
3
2
A
B
C
D
E
F
G
12345678910
(Page 37)
Ref. No. Location
• Semiconductor
Location
D691 B-2
D692 B-1
IC504 D-4
IC505 D-3
IC506 D-3
IC693 B-2
IC1701 B-9

SCD-XA5400ES
SCD-XA5400ES
2424
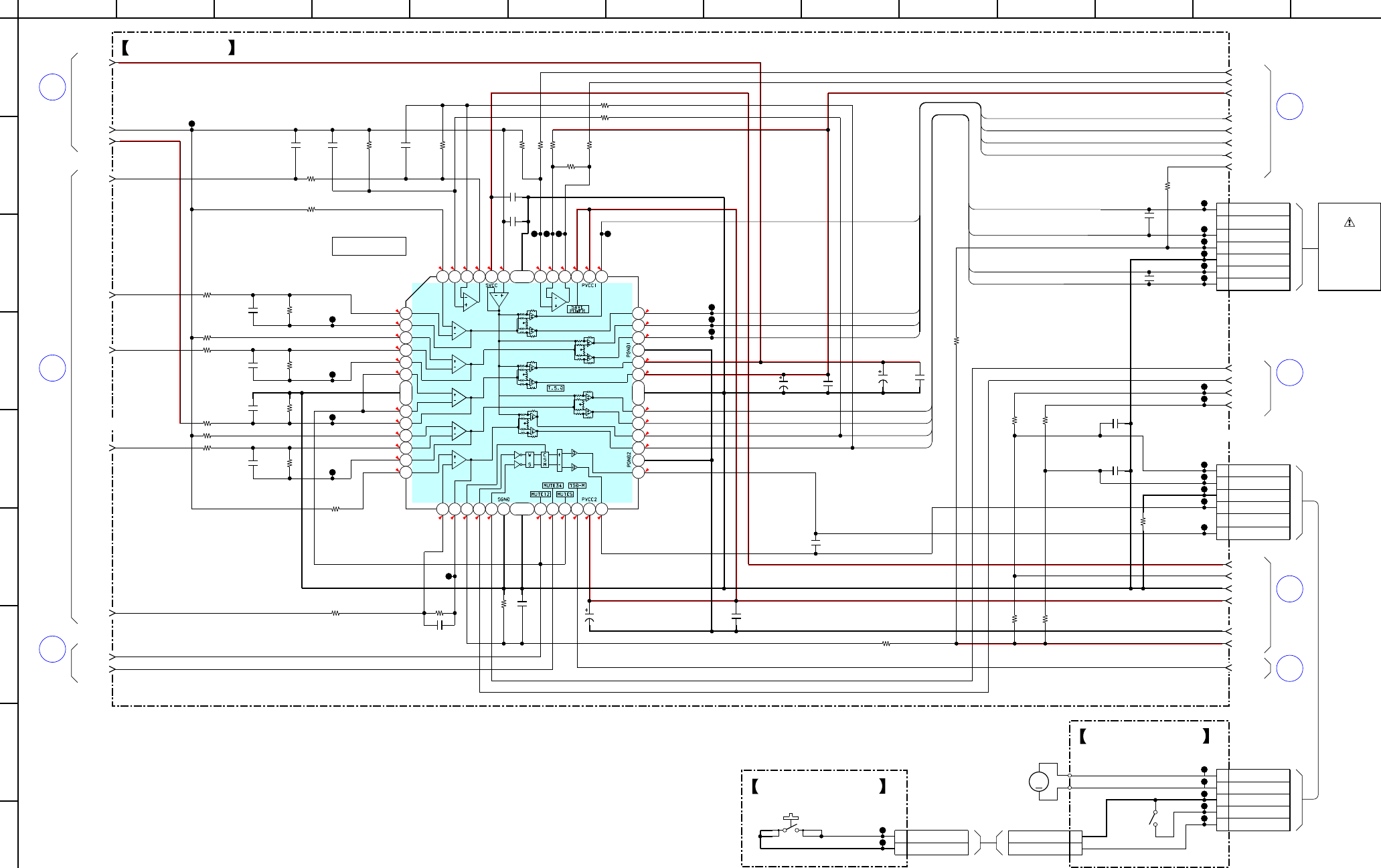
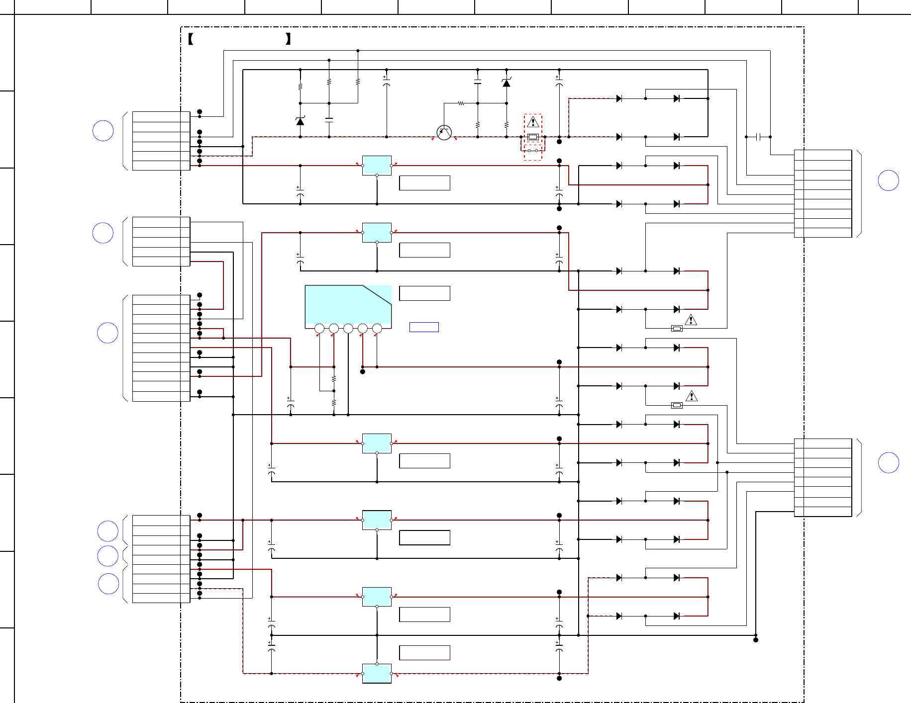
6-7. SCHEMATIC DIAGRAM - MAIN Section (1/4) -
5
(2/4)
BOARD
MAIN
6
(2/4)
BOARD
MAIN
3
(3/4)
BOARD
MAIN
1
(3/4)
BOARD
MAIN
2
(3/4)
BOARD
MAIN
8
(4/4)
BOARD
MAIN
4
(3/4)
BOARD
MAIN
1.4
2
2.1
0
5
1.4
2.9
2.9
1.7
9.2
9.2
4.6
0
1.4
1
0
3.2
3.2
3.2
3.2
3.2
3.2
9.2
4.5
4.4
4.5
4.5
4.9
3.5
4.5
4.5
3.3
5.8
4.8
1.4
1.4
1.4
1.4
1.4
3.2
3.2
2.2
1.4
1.4
1.4
1.4
0.01
C1212
100kR1223
33k
R1208
220p
C1205
56k
R1221
15k
R1231
27k
R1219
16V
10
C1218
1.2k
R1204
0.033
C1211
0.01
C1203
1000p
C1226
12k
R1216
0.01
C1219
15k
R1214
56k
R1226
0.01
C1213
0.01
C1210
1k
R1237
4700p
C1233
16V
10
C1220
33k
R1209
10kR1205
10k
R1206
18k
R1232
1000p
C1225
82k
R1230
100kR1225
0.033
C1209
0.1
C1223
1k
R1236
10k
R1224
0.01
C1208
1k
R1247
47k
R1210
10k
R1234
0.01
C1224
10k
R1212
6.8k
R1213
12k
R1215
4.7k
R1246
1k
R1220
220p
C1206
0.01
C1215
1000p
C1214
2.7k
R1207
JL1206
JL1205
JL1203
JL1204
JL1202
JL1201
1
2
3
4
5
6
7
8
9
10
11
12
13 14 15 16 17 18 19 20 21 22 23 24
25
26
27
28
29
30
31
32
33
34
35
36
373839404142434445464748
FIN
FIN
FIN
FIN
IC1201
FAN8036L
JL1207
JL1208
JL1209
JL1210
JL1211
JL1212
JL1213
CL1213
SPFG
TRO
VREFO
CKSW
FMO
D3.3V
TSD_M
OCSW
FWD
REV
DMO
OCSW1
5V
FCS-
D-GND
LIMITSW
FCS+
TRK+
MUTE123
FOO
TRK-
REG02
IOP
IOPMON
RF+3.3V
MUTE
REG01
M+9V
M-GND
0.1
C1222
CL1201
CL1202
CL1203
CL1204
CL1205
CL1206
CL1207
CL1208
CL1209
CL1210
CL1211
CL1212
0.1
C1221
33k
R1233
1k
R1239
1k
R1238
47
R1243
1
3
4
5
6
7
7P
CN1201
SP-
SP+
2NC
LIMIT
(GND)LMIT
SL-
SL+
16V
47
C1217
R1254
10k
1
3
4
5
6
6P
CN1202
LDM+
LDM-
2NC
GND
CKSW
OCSW
12k
R1229
FCS-
FCS+
TRK+
TRK-
FCS+
TRK+
TRK-
SL+
SP-
SP+
SL-
FCS-
SP-
SP+
SL-
SL+
IC1201
FOCUS/TRACKING COIL DRIVE
SPINDLE/SLED/LOADING MOTOR DRIVE
(1/4)
MAIN BOARD
PICK-UP
BLOCK
(KHM-313CAB)
(1/2)
OPTICAL
1
2
3
4
5
LDM+
LDM-
GND
CKSW
OCSW
5P
CN010
SW010
(CHUCKING)
CL010
CL011
CL012
CL013
CL014
1
2
GND
OCSW
2P
CN011
MOTOR BOARD
M001
(LOADING) M
SW011
(DISC IN/OUT)
CL015
CL016 1
2
OSCW
GND
2P
CN012
OUT-SW BOARD
4
B
6911
D
H
1035 12
C
F
1
E
8
G
14
A
213
I
7
(Page 26)
(Page 25)
(Page 25)
(Page 27)
(Page 26)
(Page 26)
(Page 26)

SCD-XA5400ES
SCD-XA5400ES
2525
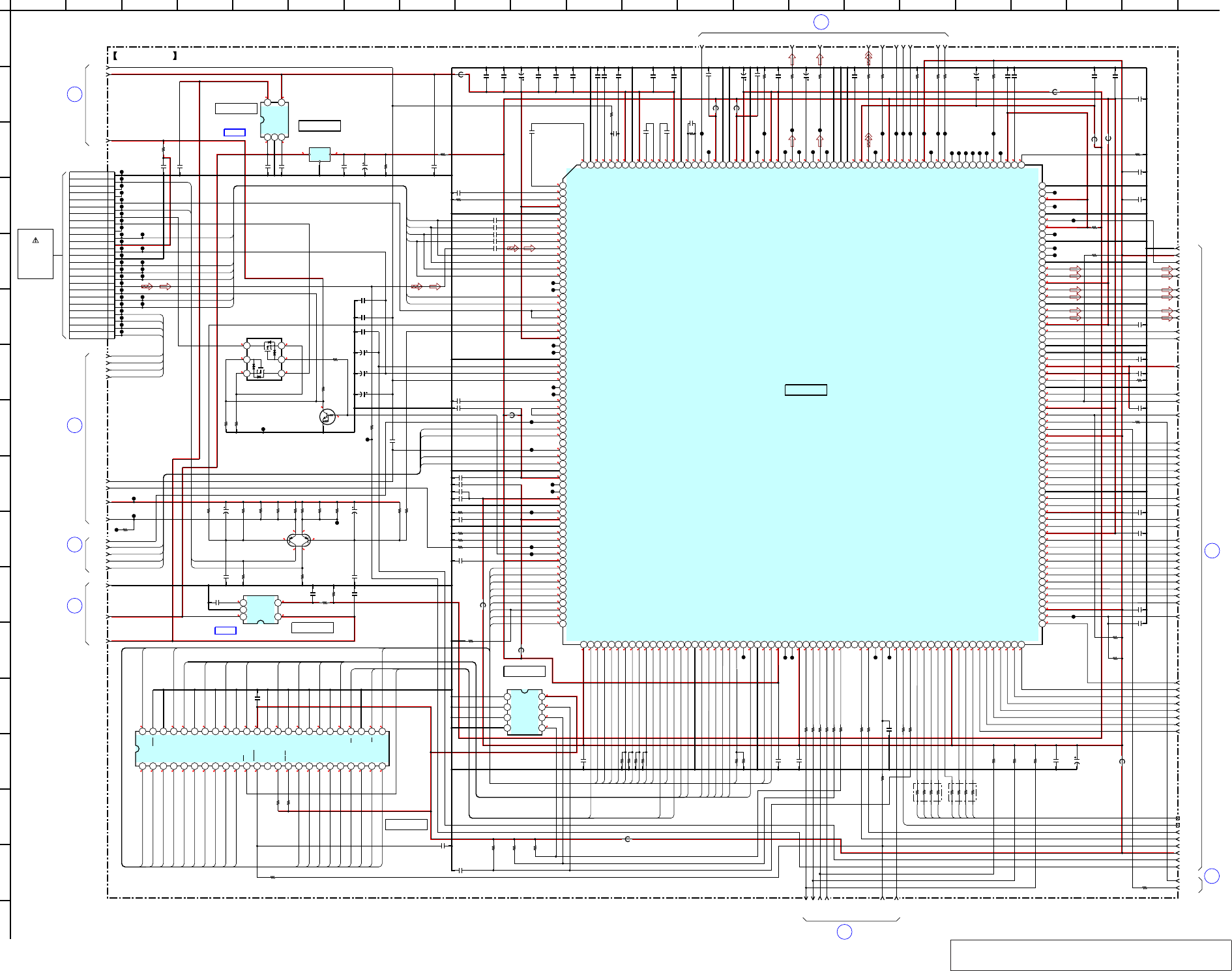
6-8. SCHEMATIC DIAGRAM - MAIN Section (2/4) - • See page 38 for waveforms. • See page 38 for IC Block Diagrams. • See page 41 for IC Pin Function Description.
BOARD
F
POWER
CN104
BOARD
12
MAIN
(3/4)
BOARD
11
MAIN
(4/4)
BOARD
10
MAIN
(4/4)
BOARD
6
MAIN
(1/4)
BOARD
7
MAIN
(3/4)
BOARD
9
MAIN
(4/4)
CN803
DISPLAY
G
BOARD
BOARD
CN152
B
AUDIO
(1/2)
BOARD
5
MAIN
(1/4)
IC B/D
IC B/D
IC B/D
IC B/D
IC B/D
1
0
1.8
0
0
0
0
1.7
1.6
3.2
3.2
0
3
2.8
0
2.6
0
3.3
3.2
0
0
3.2
3.3
3.2
3.3 (2.7)
3.3 (2.7)
0
3.3
0
0
3.2
3.2
3.2 (0)
3.2
3.3
0.2
3.2
3.2
3
3.2
3.3 (0)
3.2
0
0
0
0.4 (∗)
0.1
3.3
2.2
3.2 (2.8)
3.2 (2.8)
3.3 (3)
3.2 (3)
3.2
3.1
3.3 (0)
0
0
3.3 (0)
0 (3.3)
0
3.6
03.2
3.2
3.2
0.9
3.3
4
3.2
0
5
5.9
3.2
0
9
10.1
3.2
1
2
3
4
5
6
7
8
9
9P
CN504
D-GND
RESET
CNVSS
RXD1
CLK1 (NC)
E3.3V
RTS1
TXD1
D-GND
VCC
OUT
GND
NJL23H400A
IC693
123
CEC_RX_IN
JL501
JL577
10k
R512
JL500
JL584
R506 10k
100
R650
JL583
0.1
C507
JL539
1.5k
R598
5
43
2
1
PST3635NR
IC503
OUT
VDD
GND NC
CD
12k
R584
CL519
1
2
3
4
5
6
7
8
9
10
11
12
13
14
15
16
17
18
19
19P
CN502
LED_LAT
LED_PLAY
LED_PAUSE
LED_HDMI
NC
EN_A
NC
EN_B
D-GND
KEY2
E+4V
KEY1
SIRCS
KEY0
D-GND(FL)
P_CONT1
FL_CS
FL_DATA
FL_CLK
R586
1k
R581 100
R521 10k
JL560
JL515
47k
R557
5V
FWD
JL533
R518 10k
JL624
CL512
JL547
10k
R587
SID307BRTP19
D692
0.22
C522
E
EB501
D-GND
JL618
JL629
JL649
0.01
C581
OCSW
JL520
JL601
JL588
0.22
C520
R590
1k
JL642
JL561
100
R697
JL528
0.1
C501
JL503
IFSDI
JL585
10k
R583
E
EB503
JL551
JL617
0.1C582
1M
R538
R504 10k
JL509
CL511
CL513
FB508
1k
R513
JL646
JL589
JL575
JL510
10k
R514
R566 100
6.8k
R589
R532 1k
100k
R695
R522
10k
R544
10k
10k
R516
JL565
JL628
6.3V
1000
C528
0.1
C515
CL508
JL546
R508
0
0.1
C502
JL596
JL582
JL598
R542
10k
JL650
R565 100
R564
100
JL530
10k
R596
JL611
XIFBSY
JL522
JL543
JL621
JL606
JL615
JL517
JL586
JL597
CL505
JL554
JL552
M+9V
CL500
JL506
IFSCK
1234
6
5
SI-3010KM-TLS
IC504
VCONT
VIN
GND
VOUT
SENSE
JL562
10k
R694
R546
10k
R540 10k
0.1
C508
R531
10k
R592
0
47k
R562
47k
R570
33k
R588
JL525
JL544
MA2J1110GLS0
D693
JL527
JL564
JL559
E
EB502
1
3
4
5
6
7
8
9
10
11
11P
CN506
M-GND
M10V
2NC
D_GND
D_GND
D6V
D4V
D4V
P_CONT0
E4V
P_CONT1
R603
0
68k
R585
JL537
E3.3V
JL620
REV
JL605
S502
10V
100
C583
C527
2200
6.3V
0.1
C503
JL592
R559 10k
JL599
JL505
M-GND
JL595
JL600
CL516
100k
R561
CL514
10k
R527
JL538
JL531
JL581
10k
R563
FB505
STT_M/2
JL602
JL578
8765
4321
TC7W53FK(TE85R)
IC692
COM
INH
VEE
GND A
CH1
CH0
VCC
JL534
JL609
JL536
JL630
0.01
C592
JL627
R519 10k
JL558
JL535
XSYSRST
100R530
CL517
JL648
10k
R515
10
R692
JL576
50V
C693
2.2
JL574
JL502
CL518
JL521
JL556
22k
R597
MC2836
D502
R569 100
1234
6
5
SI-3010KM-TLS
IC506
VCONT
VIN
GND
VOUT
SENSE
R568 100
2SC3052EF-T1-LEF
RESET SWITCH
Q503
47k
R556
JL644
100
R579
JL563
CEC_TX_OUT
JL508
0
R536
JL616
JL550
CL502
10k
R691
100R526
0.1
C523
10V
100
C584
J691
JL607
JL542
JL573
1M
R501
1234
6
5
SI-3010KM-TLS
IC505
VCONT
VIN
GND
VOUT
SENSE
JL590
16V
100
C579
100k
R693
DMUTE
JL568
JL541
IFSDO
JL587
JL626
JL549
0.01
C577
100
R580
R604 0
JL647
0.1
C531
JL625
100R533
FB510
R599
1k
0.1
C692
100R551
JL514
JL569
10kR558
JL610
CKSW
10V100
C593
JL523
R567 100
MA2J1110GLS0
D501
JL545
0.1C510
JL567
JL507
JL548
JL579
D3.3V
JL518
JL519
CL507
JL623
JL580
CL501
CL503
JL532
+6V
STT_D/P
JL613
XIFCS
R545
10k
JL614
JL622
JL572
10k
R510
JL594
10V
100
C594
1
2
3
4
5
6
7
8
9
10
11
12
13
13P
CN501
DGND
XAMUTE
SA/CD
MU/ST
DAC_INIT
DAC_DATA
DAC_CLK
DAC_CS1
DAC_CS2
ASDMUTE
SDA
SCL
DGND
JL516
JL571
1000p
C538
JL526
JL645
JL529
0.1
C518
JL555
R601
100
0.01C578
JL557
10k
R517
JL570
JL553
MC2836
D505
10kR539
JL511
123456789101112131415161718192021222324252627282930
31
32
33
34
35
36
37
38
39
40
41
42
43
44
45
46
47
48
49
50
515253545556575859606162636465666768697071727374757677787980
81
82
83
84
85
86
87
88
89
90
91
92
93
94
95
96
97
98
99
100
IC501
R5F3640DDFAR
CEC_RX_IN
No Use
No Use
No Use
No Use
No Use
No Use
No Use
No Use
SIRCS_IN
BYTE
CNVss
EN_A
EN_B
RESET
XOUT
VSS
XIN
VCC1
NMI
ASDMUTE
AC_CU0
FL_CLK
CEC_TX_OUT
FL_STB
FL_D_OUT
TROPENPWM
CDM_OPEN_SW
DAC_CLK
DAC_DATA
DVD_SID
DVD_SOD
DVD_SCO
DVD_XIFBUSY
FWD
REV
DVD XIFCS
MTK RST
P_CONT1
P_CONT2
P_CONT0
No Use
No Use
No Use
No Use
No Use
No Use
No Use
No Use
No Use
No Use
No Use
No Use
No Use
No Use
No Use
No Use
No Use
No Use
No Use
No Use
No Use
No Use
No Use
No Use
No Use
STT_D/P
STT_M2
DMUTE
I2C_DATA
I2C_CLK
SA-CD/CD
MULTI/STEREO
XAMUTE
XDOUT_EN
MULTI_PRIO
VCC2
VSS
KEY_INT
LED_LAT
PLL-IC_I2C_SDA
PLL-IC_ISC_SCL
CKSW
OCSW
DAC_INT
DAC_CS3
DAC_CS2
DAC_CS1
LED_PLAY
LED_PAUSE
LED_HDMI
DESTINATION
MODEL
KEY2
KEY1
AVS S
KEY0
VREF
AVC C
1k
R511
0.01
C591
CL506
JL603
R534
10k
CL504
S501
OCSW1
JL524
0.1
C517
16V
100
C580
MA2J1110GLS0
D691
JL608
47k
R560
0.1
C533
R582 10k
0.01
C521
R523
10k
R602
100
R574
0
10V
47
C691
CL509
JL566
R543
10k
R528
10k
JL591
JL604
CL510
100
R696
10V
100
C526
R520 10k
100
R509
100R535
JL619
R525
10k
JL643
JL638
JL593
5MHz
X501
CL515
1kR529
R524
10k
JL504
JL612
LED_PAUSE
LED_PLAY
DAC_DATA
EN_A
FL_CS
FWD
STT_M/2
SCL
XAMUTE
DAC_CS2
XIFBSY
EN_B
FL_DATA
DAC_CLK
CEC_TX_OUT
FL_CLK
FL_CS
ASDMUTE
XIFBSY
SA/CD
MU/ST
DAC_INIT
FL_CLK
SIRCS
IFSCK
REV
IFSDI
REV
EN_B
SA/CD
LED_PLAY
DAC_CS1
IFSDO
XAMUTE
FWD
DAC_CS1
IFSDI
CKSW
DAC_CS2
LED_PAUSE
XIFCS
DAC_INIT
SDA
DMUTE
IFSDO
DMUTE
OCSW1SIG
LED_HDMI
OCSW
RESET
STT_D/P
CEC_TX_OUT
CKSW
CNVSS
FL_DATA
IFSCK
CNVSS
STT_M/2
CEC_RX_IN
XSYSRST
KEY1
KEY2
KEY0
OCSW
IFSDI
IFSDO
IFSCK
XIFBSY
STT_D/P
LED_HDMI
EN_A
KEY2
KEY1
KEY0
SCL
SDA
XIFCS
XSYSRST
MU/ST
ASDMUTE
CEC_RX_IN
OCSW1SIG
DAC_DATA
DAC_CLK
M+9V
SIRCS
RESET
D-GND
D3.3V
5V
D-GND
D3.3V
SYSTEM CONTROLLER
IC501
MAIN BOARD (2/4)
IC503
RESET SIGNAL GENERATOR
+9V REGULATOR
IC504
+5V REGULATOR
IC505
+3.3V REGULATOR
IC506
(CHASSIS)
REMOTE CONTROL
RECEIVER
IC693
SIRCS SELECT SWITCH
IC692
IR REMOTE
IN
TRANSMITTER
REMOTE CONTROL
2CH
HDMI
PRUORITY
MULTI
ON
DIGITAL
OUT (CD)
OFF
(AEP)
(US,CND)
(US,CND)
5V
D-GND
D3.3V
J
4
B
166911
D
15
H
L
10
K
1735 12
C
F
18
M
119
E
8
G
14
A
213
I
7
(US,CND)
(Page
30)
(Page 24)
(Page
33)
(Page
35)
(Page 27)
(Page 26)
(Page 24)
(Page 27)
(Page 27)
(Page 26)

SCD-XA5400ES
SCD-XA5400ES
2626
6-9. SCHEMATIC DIAGRAM - MAIN Section (3/4) - • See page 38 for IC Block Diagrams. • See page 41 for IC Pin Function Description.
Note: IC1103 cannot exchange with single. When this part
is damaged, exchange the entire mounted board.
MAIN
14
BOARD
(4/4)
MAIN
3
BOARD
(1/4)
BOARD
(4/4)
MAIN
13
BOARD
(2/4)
MAIN
12
IC B/D
IC B/D
3.3
6
3.2 1.3
1.8
3.3
0.1 (0)
2.8 (0)
0
0
4.7 (0.1)
0.1 (0)
4.7 (0.1)
3.3 (0)
3.6 (3.1)
3.2
3.2
3.2
3.2
2.1 (2.4)
2 (3.4)
2.5 (3.3)
0.1 (2.5) 0 (1.9)
1.3
3.3
3.3
5
∗
∗
∗
∗
∗
∗
3.2
∗
∗
∗
∗
0
0
1.9 (∗)
0.1
0.7 (∗)
0.6 (∗)
∗
∗
∗
∗
∗
∗
0
3.2
3.2
3.2
3.2
∗
∗
∗
∗
∗
∗
∗
2.2
2.1
1.5
1.3
0.9
3.3
1.7
1.7
1.7
1.7
1.7
2.1
2.1
2.1
2.1
2.1
2.1
2.1
2.1
2.5 (3.3)
2.1 (2.4)
3.3
2.7
2.1
1.5
1.2
1.7
1.7
1.4
1.4
1.4
1.7
1.4
1.4
1.8
3.3
0.8
1.8
0
0
0
3.3 (0)
1.8
2.1
∗
∗
∗
∗
∗
∗
∗
∗
3.3
0.2
3.3
0
0
1.8
0
0
0
0
1.8
0
0
0
3.3
3.3
1.4
0
3.2
1.8
1.6
3.3
3.3
3.3
0 (1.7)
1.4
2 (1.4)
1.2 (1.6)
0
0
0
3.3
1.6
3.3
1.3
1.3
1.8
1.8
0.4
0.1
1.2
1.5 (1.2)
3.1
3.3
3.3
3.3
2.8
3.3
3.2
0.1
1.7
1.7
1.4
1.4
1.8
3.3
3.3
1.6
1.8
1.6
1.8
3.3
1.8
1.4
0.5
1.8
1.8
3.3
0
3.3
3.3
1.6
1.6
1.6
0
3.3
0
1.7
1.8
0
0
0
0
3.3
0
0
0
3.3
1.2
1.2
3.3
3.3
0.1
0.7 (∗)
0.6 (∗)
∗
∗
∗
∗
∗
∗
0
1.9 (∗)
0
∗
∗
∗
∗
∗
∗
∗
0
∗
∗
∗
1.8
3.3
0
3.2
3.3
∗
3.2
3.2
3.2
3.2
3.3
2.8
2.8 (2.4)
3.3
1.3
0
1.8
1.3
0.1
3.3
0.1
0.1
0.1
0 (1.3)
0
0 (0.5)
0
0.1
0.1
0.1
0.1
C1149
47k
R1124
0.1
C1133
47
R1161
3.3k
R2151
0.01
C1192
100R1156
5
43
2
1
TK11133CSCL-G
IC1105
CONT
GND
NOISE VOUT
VIN
22
R1112
0.01
C1156
4700p
C1199
0
RB1113
100k
R1114
0.1
C1116
0.1
C1137
0
R1109
0.01
C1113
10k
R1105
1C1120
22
R1115
0.033
C1135
0
R1152
1C1122
100
R1101
10k
R1107
0.01
C1136
10V
47
C1105
1k
R1193
0.22
C1195
47k
R1117
0.22
C1182
1k
R111 6
0.1C1126
1C1124
3.3k
R2150
0.047
C1148
0.01
C1101
22
R1121
0.1
C1115
0.01
C1184
10V
47
C111 2
0.1
C1130
1M
R1108
0.01
C1155
0.1
C1140
47
R1160
0.1
C1125
1
2
3
4
5
6
7
8
9
10
11
12
13
14
15
16
17
18
19
20
21
22
23
24
CN1101
24P
GND (LD)
LD (650)
NC
NC
PD
LD (780)
VR (650)
VR (780)
NC
VOE/E+G
VCC
VC
GND (PDIC)
VOF/F+H
VOB/B
VOA/A
RF
(LO:DVD.HI:CD)MSW
VOD/D
VOC/C
TRK-
TRK+
FCS+
FCS-
3.3k
R2152
0.01
C1163
0.1
C1132
0
R1155
22p
C1139
22
R1113
0.01
C1158
0
RB 1112
54
321
TK11133CSCL-G
IC1107
CONT
GND
NOISE VOUT
VIN
0
R1123
100kR1132
0.01
C1127
10k
R1106
1k
R1191
47k
R1110
0.22
C1193
0.1
C1146
22
R111 8
RT1N241C-TP-1
INVERTER
Q1103
0.01C1160
22
R1120
1C1123
0.047
C1147
100k
R2129
15k
R1136
100
R1111
R2115 0
C1169
0.1
1C1121
D1
G2
S2
D2
G1
S1
UM6K1N-TN
Q1101
Q1102
QST8TR
JL2101
JL2102
JL2105
JL2106
JL2107
JL2108
JL2110
JL2111
JL2112
JL2113
JL2114
JL2115
JL2116
JL2117
JL2118
JL2119
JL2120
JL2121
JL2122
JL2123
JL2124
0
R2133
REG01
D3.3V
TRK-
TRK+
FCS+
FCS-
REG02
TRO
IOP
FOO
IOPMON
SPFG
DMO
FMO
VREFO
RF+3.3V
IO
G
MM1661JTRE
IC 1110
1
C1198
0.33
C1183 1k
R2178
5V
D-GND
0.22
C1186
10k
R1151
FB1112
0
R2134
1k
R1135
0.01
C2130
FB 1111
0R2176
CL1121
CL2101
CL2102
0
R1145
0R1147
0
R1148
0
R2119
0
R1153
0
R1154
LIMITSW
0
R1139
0
R1175
MUTE
MUTE123
R2187
47
0.1
C1171
1000p
C1151
680kR1141
FB1107
16V
10
C1145
FB2101
4.7
C2108
FB2103
CL 1112
CL 1113
CL 1114
CL 1115
CL 1116
CL 1117
CL 1118
FB1106
1000pC1138
CL2103
CL2104
0.1
C111 4
0.1
C1154
0.1
C1165
FB1109
JL2103
JL2104
JL2109
3.3k
R1782
100
R2184
100
R2185
10
C1129
0.1
C1159
10V
47
C111 7
10V
47
C111 8
10V
47
C1119
5600p
C2502
0.1
C1108
0.1
C1109
FB1115
FB1116
10
C2115
0.1
C2114
0.1
C2116
10
C2117
FB1117
4.7C2503
FB1118
1500p
C1170
10k
R2155
10kR2156
10kR2157
10kR2158
10kR2159
2.7k
R1730
560
R2101
XSYSRST
XIFCS
XIFBSY
IFSDI
100
R1198
0.01
C1144
0.01
C2100
IFSCK
IFSDO
CL1301
R1102
0
47
R1146
47
R1185
47
R1143
CL2127
CL2128
CL2129
CL2130
CL2131
CL2132
CL1160
CL2154
CL2155
CL2119
10k
R1137
10k
R1138
10k
R1186
10k
R1159
10k
R2160
C1110
1
JL2130
JL1113
JL2152
JL2153
JL2161
JL2162
JL2144
JL2145
JL2146
JL2147
JL2139
JL2148
JL2143
JL2142
JL2140
JL2151
JL2149
JL2150
JL2135
JL2137
JL2138
JL2141
JL2163
JL2164JL2125
JL2126
JL2136
JL2133
JL2134
10V
470
C1177
6.3V
180
C1187
6.3V
180
C1111
6.3V
1000
C2109
6.3V
1000
C2110
CL1123
CL1101
CL1105
CL1106
CL1107
CL1108
CL 1110
CL2109
CL2118
1
2
3
4
5
6
7
8
9
10
11
12
13
14
15
16
17
18
19
20
21
22
23
24
25
26
27
28
29
30
31
32
33
34
35
36
37
38
39
40
41
42
43
44
45
46
47
48
49
50
51
52
53
54
55
56
57
58
59
60
61
62
63
64
65 66 67 68 69 70 71 72 73 74 75 76 77 78 79 80 81 82 83 84 85 86 87 88 89 90 91 92 93 94 95 96 97 98 99 100 101 102 103 104 105 106 107 108 109 11 0 111 112 113 11 4 115 11 6 117 118 119 120 121 122 123 124 125 126 127 128
129
130
131
132
133
134
135
136
137
138
139
140
141
142
143
144
145
146
147
148
149
150
151
152
153
154
155
156
157
158
159
160
161
162
163
164
165
166
167
168
169
170
171
172
173
174
175
176
177
178
179
180
181
182
183
184
185
186
187
188
189
190
191
192
193194195196197198199200201202203204205206207208
209210
211
212213214215216217218219220221222
223224225
226227228229230240 231232233234235236237238239241242243244255256 245246247248
249250251252253254
IC1101
CXD9927R
OSN
RFGC
IREF
AVDD3
AGND
DVDA
DVDB
DVDC
DVDD
DVDRFIP
MA
MB
MC
MD
SA
SB
TNI
TPI
MDI1
MDI2
LDO2
LDO1
SVDD3
CSO
RFLVL
SGND
V2REFO
V2O
VREFO
FEO
TEO
TEZISLV
OP_OUT
OP_INN
OP_INP
DMO
FMO
TROPENPWM
IOPMON
TRO
FOO
AGND18
AVDD18
USB_DP
USB_DM
USB_VDD3
USB_VSS
PAD _V RT
USB_VDD18
USB_VSS
DIR_ERROR/NC
DIR_AUDIO/NC
LIMITSW
MSW
DVDD18
HA2
HA3
HA4
HA5
HA6
HA7
HA8
HA18
HA19
DVDD3
XWR
HA16
HA15
HA14
HA13
HA12
HA11
HA10
HA9
HA20
XROMCS
HA1
XRD
HD0
HD1
DVSS
HD2
HD3
HD4
HD5
HD6
HA21
RESERVED
HD7
DVSS
HA17
HA0
DVDD18
FWD
REV
DVDD3
IFSDO
IFCK
xIFCS
IFSDI
SCL
SDA
CKSW
OCSW
RXD
TXD
ICE
xSYSRST
RESERVED
xIFBSY
DQM0
EEWP
RD7
RD6
RD5
RD4
RD3
DVDD3
RD2
RD1
RD0
RD15
RD14
RD13
RD12
RD11
RD10
RD9
RD8
TSD_M
DVDD3
DQM1
_RWE
_CAS
_RAS
_RCS
BA0
BA1
RA10
RA0
RA1
DVDD18
RA2
RA3
DVDD3
DRCLK
CKE
DVSS
RA11
RA9
RA8
RA7
RA6
RA5
RA4
DVDD3
MUTE123
MUTE
DDC_DA
DVDD18
DDC_CLK
HTPLG
AGND3
EXT_RES
AVDD3
AVDD3
EXT_CAP
AGND3
AGND18
TXCN
TXCP
AVDD18
TX0N
TX0P
AGND18
TX1N
TX1P
AVDD18
TX2N
TX2P
AGND18
R/CR/PR
B/CB/PB
DACVSSA
Y/G
DACVDDA
CVBS
DACVSSB
C
DACVDDB
Y
DACVSSC
FS
VREF
DACVDDC
VBUS_OE
VBUS_OC
SCORE/DIR_XSTATE
SPMCK
SPBCK
SPLRCK
ADIN(SPDATA)
ACLK
ABCK
ALRCK
MC_DATA(ADIN)
DVDD3
NO_USE
WIDE
RGB_SEL/DSEL
TRG_SW
DVDD18
KMOD
XVOICE/DIR_CSFLAG
SPDIF
APLLVDD3
APLLCAP
APLLVSS
ADACVSS2
ADACVSS1
DIR_CE
ASDATA3
ASDATA2
AVC M
ASDATA1
ASDATA0
DIR_CL
ADACVDD1
ADACVDD2
Rt/DIR_DI
Lt/DIR_DO
ADACVSS3
ADACVDD3
SADCVDD18
SADCVSS18
RFGND18
RFVDD18
XTALO
XTALI
JITFO
JITFN
PLLVSS
PLLVDD3
LPFON
LPFIP
LPFIN
LPFOP
ADCVDD3
ADCVSS
RFVDD3
RFRPDC
RFRPAC
HRFZC
CRTPLP
RFGND18
OSP
0
R2177
10k
R2180
0.01
C1106
48 43
65
46
4321
47 45 44 42 41 37383940
1210 11987
36 3132333435
181716151413
30 29 28 27 26 25
242322212019
S29AL032D70TF-SCD-0801
IC1102
A15
A14
A13
A12
A11
A10
A9
A8
A19
N.C
WE
RESET
N.C.
N.C.
RY/BY
A18
A17
A7
A6
A5
A4
A3
A2
A1
A0
CE
VSS
OE
DQ0
DQ8
DQ1
DQ9
DQ2
DQ10
DQ3
DQ11
VCC
DQ4
DQ12
DQ5
DQ13
DQ6
DQ14
DQ7
DQ15/A-1
VSS
BYTE
A16
0.01
C1175
0.01
C1174
0.1
C1172
0.01
C1176
0.01
C1162
0.01
C1164
0.01
C1161
0.1
C2118
5.1k
R1103
8
7
6
54
3
2
1
S-24CS64A01-J8T1G
IC1103
A0
A1
A2
GND SDA
SCL
WE
VCC
1000p
C2119
3.3k
R1781
1k
R1140
TRK+
FCS+
FCS-
FCS+
TRK-
FCS-
TRK+
TRK-
A17
A0
A1
A16
A15
A14
A13
A12
A11
A10
A9
A20
A19
A18
A8
A7
A6
A5
A4
A3
A2
HD7
HD6
HD5
HD4
HD3
HD2
HD1
HD0
XRD
XROMCS
XWR
A0
A20
A13
A14
A15
A16
XWR
HD2
HD3
HD4
HD6
CD_LD
RD6
RD5
RD4
RD3
RD2
RD1
RD0
VOE
VOF
VOB
VOA
VOD
VOC
A19
A18
A2
A3
A4
A5
A6
A7
XROMCS
A1
XRD
HD0
HD1
HD5
HD7
A17
DQMO
RD7
A21
VOD
VOC
VOB
VOA
VOE
VOF
CL1305
CL1303
CL1304
DMO
FMO
TRO
FOO
DMO
FMO
TRO
FOO
DVD_LD
A21
A12
A11
A10
A9
CD_LD
DVD_LD
A8
IC1101
RF AMP, SERVO DSP, HDMI TRANSMITTER
IC1107
+3.3V REGULATOR
IC1110
+1.8V REGULATOR
IC1105
+3.3V REGULATOR
FLASH ROM
IC1102
IC1103
EEPROM
MAIN BOARD (3/4)
11
12
13
14
15
16
17
18
19
20
22
23
24
25
21
26
27
28
29
30
31
32
33
34
35
36
37
38
39
40
41
42
43
44
45
46
47
48
49
50
51
52
53
54
55
56
57
58
59
60
61
62
63
64
65
68
69
70
71
72
73
66
67
PICK-UP
BLOCK
(KHM-313CAB)
(2/2)
OPTICAL
7
(2/4)
BOARD
MAIN
1
(1/4)
BOARD
MAIN
2
(1/4)
BOARD
MAIN
4
(1/4)
BOARD
MAIN
CL1302
12
3
-2 -1
Q1102-2
AUTOMATIC POWER
CONTROL (SA-CD)
Q1102-1
AUTOMATIC POWER
CONTROL (CD)
Q1101-1
CD ON SWITCH
Q1101-2
SA-CD ON SWITCH
J
4
B
16621911
D
N
15
H
L
10
K
1735 12
C
F
18
M
Q
O
P
119
E
8
G
20 2214
A
213
I
7
(Page
27)
(Page 24)
(Page 25)
(Page 27)
(Page 24)
(Page 24)
(Page 24)
(Page 25)

SCD-XA5400ES
SCD-XA5400ES
2727
6-10. SCHEMATIC DIAGRAM - MAIN Section (4/4) - • See page 38 for IC Block Diagrams.
(1/2)
CN151
A
BOARD
AUDIO
MAIN
14
BOARD
(3/4)
(3/4)
BOARD
13
MAIN
(2/4)
BOARD
9
MAIN
(2/4)
BOARD
11
MAIN
(2/4)
BOARD
10
MAIN
(2/4)
BOARD
8
MAIN
IC B/D
IC B/D
2
3.3
0 (1.4)
3.3
0 (1.4)
3.3
0 (1.4)
3.3
0 (1.4)
3.3
0 (1.4)
3.3 0
0
3.3
3.2
3.3
5
5
3.3
3.2
3.3
9
3.3
5
0
6
1.3
0
3
0
1.6
3.2
3.3
2.7
2.7
0
3.3
0
3.3
3.3
1.6
3.3
1.6
0
0
1.6
3.3
1.3
1.3
1.8
0.4
0.1
1.2
1.5 (1.2)
3.1
3.3
3.3
3.3
2.8
3.3
1.3
0
1.8
3.3
1.3
0.1
0.1
0.1
3.3
0.1
3.3
0 (1.7)
1.4
2 (1.4)
1.2 (1.6)
0
0
0
3.3
1.6
2.8 (2.4)
0.1
3.3
0.1
0.1
0.1
0
3.3
0 (0.5)
0
0 (1.3)
47
RB1106
0.1
C1179
2.7kR2110
47
RB1105
0.1
C1191
0.1
C1197
0.1
C1180
JL1107
JL1108
JL1109
JL1110
JL 1111
JL1112
D-GND
D3.3V
TSD_M
FB1108
0.1
C1181
0
RB 1110
0
RB1104
0
RB 1111
0
RB1109
0
RB1103
0
RB 1115
0
RB 1114
0
R1133
0
RB1107
0
RB1108
1
2
4
3
L1701
1
2
4
3
L1702
1
2
4
3
L1703
1
2
4
3
L1704
D1
G2
S2 D2
G1
S1
UM6K1N-TN
LEVEL SHIFT
Q1701
54
321
TK11150CSCL-G
IC1707
CONT
GND
NOISE VOUT
VIN
0
R1786
0
R1785
0
R1784
0
R1783
0R1747
0R1748
1.8kR1750
0.01
C1725
4.7k
R1744
0.01
C1727
0
R1753
0.22
C1730
0.22
C1729
10V
47
C1728
R1757
0
CL1702
220
R9945
0
R9935
RT1N141C-TP-1
Q9729
2SC4154TP-1EF
Q9728 2SC4154TP-1EF
Q9726
27k
R9941
22k
R9928
1k
R9924
10k
R9934
22k
R9929
10k
R9922
R9920
0
1k
R9918
0.1
C9972
E3.3V
CEC_TX_OUT
1.8kR1749
M+9V
1
2
3
4
5
6
6P
CN1105
TXD
RXD
GND
+3.3V
V2REFO
RFMON
ISA1602AM1TP-1EF
Q9724
+6V
0
R1754
47k
R1742
CEC_RX_IN
MA2J1110GLS0
D9712
47
48
49
8
50
51
52
53
54 1
2
3
4
5
6
7
41
42
43
44
45
46
14
13
12
11
10
9
34
40
35
36
37
38
39 16
15
17
18
19
20
21
28 27
29
30
31
32
33
26
25
24
23
22
V54C365164VEI7
IC1104
VDD
DQ0
VDDQ
DQ1
DQ2
VSSQ
DQ3
DQ4
VDDQ
DQ5
DQ6
VSSQ
DQ7
VDD
LDQM
/WE
/CAS
/RAS
/CS
BA0
BA1
A10
A0
A1
A2
A3
VDDVSS
A4
A5
A6
A7
A8
A9
A11
NC
CKE
CLK
UDQM
NC
VSS
DQ8
VDDQ
DQ9
DQ10
VSSQ
DQ11
DQ12
VDDQ
DQ13
DQ14
VSSQ
DQ15
VSS
S
2SK2009(TE85L)
B+ SWITCH
Q1105
R2200
10k
FB 1113
1
2
34
6
L1705
J1701
1P
75
R1701
0.1
C1704
0.1
C1705
TOTX147L(RED)
IC1701
5
43
2
1
TC7S08FU(TE85R)
IC1703
GND
VCC
5
43
2
1
TC7S08FU(TE85R)
IC1702
GND
VCC
6.3V
180
C1706
0.1
C1703
22R1702
D3.3V
D-GND
DMUTE
STT_D/P
STT_M/2
5V
47R1125
47R1126
R1128
47
JL1701
JL1130
JL1131
JL1132
JL1133
JL1136
6.3V
180
C1190
JL1135
JL1134
1
2
3
4
5
6
7
8
9
10
11
12
13
14
15
16
17
18
19
19P
CN1701
TMDS DATA2+
TMDS DATA2 SHIELD
TMDS DATA2-
TMDS DATA1+
TMDS DATA1 SHIELD
TMDS DATA1-
TMDS DATA0+
TMDS DATA0 SHIELD
TMDS DATA0-
TMDS CLOCK+
TMDS CLOCK SHIELD
TMDS CLOCK-
CEC
Reserved
SCL
SDA
DOC/CEC GND
+5 POWER
HPD
161514131211109
87654321
TC74LVX4053FT(EL)
IC1901
1Y
0Y
1Z
ZCOM
0Z
INH
VEE
GND
C
B
A
0X
1X
XCOM
YCOM
VCC
47p
C1801
MA2J1110GLS0
D1801
47p
C1802 MA2J1110GLS0
D1802
2.2uH
L1801
75
R1801
CL1161
CL1162
CL1163
CL1164
CL1165
CL1166
CL1167
1C1702
C1103
0.1
47p
C1701
1
3
4
4P
CN1801
5V
2NC
CVBS
GND
1
2
3
4
5
6
7
8
9
10
11
12
13
13P
CN 1110
PBCK
GND
PLRCK
GND
SBCK
GND
PDT
GND
SDTL
GND
SDTR
GND
27M
CL1168
100
R1142
22
R2114
54
321
TC7SZ08FU(TE85R)
IC1705
VSS
VDD
0
R1746
0
R1752
0R1751
RA4
RA5
RA6
RA7
RA8
RA9
RA11
RA4
RA5
RA6
RA7
RA8
RA9 CLKE
RA11
CLKE
RA3
RA2
RA1
RA0
RA10
BA1
BA0
RCS
RAS
CAS
RWE
DQMO
RAS
CAS
RWE
DQM1
DQM1
RD8
RD9
RD10
RD11
RD12
RD13
RD14
RD15
RD8 RD7
RD6
RD5
RD4
RD3
RD2
RD1
RD0
RA3
RA2
RA1
RA0
RA10
BA1
BA0
RCS
RD12
RD13
RD14
RD15
RD9
RD10
RD11
VCC
IN
GND
1
2
3
SD-RAM
IC1104
IC1705
LEVEL SHIFT
IC1707
+5V REGULATOR
LEVEL SHIFT
IC1703
OPTICAL TRANSMITTER
IC1701
IC1702
LEVEL SHIFT
20
12
13
14
17
11
16
18
15
19
24
44
54
65
22
37
61
63
51
29
50
46
31
35
32
69
70
60
45
48
55
43
39
47
36
58
33
57
66
59
72
71
42
26
56
67
41
68
38
25
28
30
40
27
21
52
23
34
73
53
62
64
49
IC1901
MULTIPLEXER
(4/4)
MAIN BOARD
(NC)
(NC)
CEC DATA SWITCH
Q9724,9726,9728,9729
HDMI
OUT
COAXIAL
OPTICAL
DIGITAL
OUT (CD)
J
4
B
166911
D
15
H
L
10
K
1735 12
C
F
18
M
1
E
8
G
14
A
213
I
7
(Page
30)
(Page 26)
(Page 25)
(Page 26)
(Page 25)
(Page 25)
(Page 24)

SCD-XA5400ES
SCD-XA5400ES
2828
6-11. PRINTED WIRING BOARD - AUDIO Section (1/2) - • : Uses unleaded solder.
• See page 21 for Circuit Boards Location.
18
916
85
41
1
85
4
18
916
114
1528
1
4 5
8
1
4 5
8
1
85
4
BE
1
45
8
8
14
5
1213
12
1213
12
BE
BE
81
45
8
1
45
IC151
IC152
IC153
IC154
IC155
IC156
Q291
Q292
EE151
EE152
EE153
C205
C206
C207
C208
C209
C210
C213 C214
C216
C218 C219
C221
C226 C227
C229 C231
R288
R289
C255
C256
R293
R299
C263 C264
CL151
CL152
CL153
CL154
CL155
CL156
CL157
CL158
CL159
C271
CL160
CL161
C276
CL162
C277
CL163 CL164
C279
CL165
CL166 CL167 CL168
CL169
C281
IC201
IC202
IC203
CL170
IC204
CL171
IC205
IC206
CL172
CL173
CL174
CL175
CL176
CL177
CL178
CL179 C291
C292
CL180
CL181
CL182
CL183
CL184
CL185
CL186
CL187
CL188
CL189
CL190
CL191
CL192
CL193
CL194
CL195
Q151
CL196
CL197
CL198
CL199
IC253
IC255
FB151 FB152
FB153
R150
R151
R152
R153
R154
R155
R156
R157
R158
IC291
R159
IC292
CL200
CL201
CL202
R160
R161
R162
R166
R167
R168
R169
CN151 CN152
CL212 CL213 CL214
R171
CL215
CL216
R173
CL217
R174
CL218
R175
CL219
R176
R177
R178
R179
CL220 CL221
CL222 CL223
R180
R181
R182
R183
R184R185
C151
C152
C153
C154
C155
C156
C157C158
C159
C160
C161
X151
C162
C163
C164
C168
C171
C172
C173
C174
C175
C176
C177
C179
C180
C181
C182
C183
CL271
CL272
CL273
JW150
R201
AUDIO BOARD (COMPONENT SIDE)
1-0877-066-
11, 12
(11, 12)
A
MAIN
BOARD
CN1110
B
MAIN BOARD
CN501
1
3
5
4
1
3
54
13
54
(CHASSIS)
(CHASSIS)
3
1
4
5
(CHASSIS)
A
B
C
D
E
F
12345678910
Ref. No. Location
• Semiconductor
Location
IC151 F-3
IC152 F-5
IC153 B-7
IC154 F-3
IC155 E-4
IC156 E-4
IC201 F-6
IC202 E-5
IC203 D-5
IC204 C-5
IC205 D-3
IC206 E-5
IC253 D-6
IC255 D-8
IC291 E-8
IC292 E-3
Q151 E-9
Q291 E-8
Q292 E-8
(Page 22)
(Page 22)

SCD-XA5400ES
SCD-XA5400ES
3030
6-13. SCHEMATIC DIAGRAM - AUDIO Section (1/2) - • See page 38 for waveforms. • See page 38 for IC Block Diagrams.
AUDIO
11
BOARD
(2/2)
BOARD
E
POWER
CN105
CN1110
BOARD
A
MAIN
(4/4)
CN501
BOARD
B
MAIN
(2/4)
BOARD
D
POWER
CN105
IC B/D
IC B/D
IC B/D
IC B/D
IC B/D
IC B/D
11
53.3
53.4
3.3
1.7
3.3
1.7
3.3
3.3
1.6
1.7
1.7
1.6
0
0
0
0
0
3.3
3.3 1.7
1.7
3.3
3.3
3.2
3.3
1.6
2.2
3.3
1.7
1.7
1.7
1.7
1.7
1.6
3.3
1.6
3.3
3.3
1.7
3.3
3.3
5
5 3.3
1.2
1.7
1.7
0
0
0
0
1.7
3.3
3.2
0
3.2
3
5
0
0
5
3.3
3.3
2.5
0
0
5
0.1
C152
0.1
C158
1M
R154
330
R153
0.1
C151
16 15 14 13 12 11 10 9
87654321
FS7140-01G
IC151
SCL
SDA
A0
VSS
XIN
XOUT
A1
VDD IPRG
NC
VSS
REF
NC
VDD
CLKP
CLKN
0.1
C206
0.1
C256
0.1
C207
6.3V
180
C209
10k
R201
0.1
C210
16V
39
C205
6.3V
180
C163
0.1
C164
54
321
NJM2870F33(TE2) (AEP)
TK11131CSCL-G (US,CND)
IC154
CTL
GND
NB
VIN
VOUT
16V
39
C208
16V
39
C255
0.1
C157
0.1
C162
0.1
C161
54
321
NJM2870F33(TE2)
IC201
100
R166
100
R167
100
R168
100
R169
0.1
C170
470p
C169
22
R161
22
R162
22
R163
22
R164
22
R165
22
R160
CL170
CL171
CL172
CL173
CL174
CL175
CL176
CL177
CL178
CL179
CL180
16V
470
C165
CL151
CL155
CL152
CL153
CL154
CL156
CL157
CL158
CL159
CL160
CL161
CL162
CL163
CL164
CL165
22
R156
22
R157
470p
C155
470p
C160
10k
R173
10k
R174
CL185
CL186
10k
R171
CL187
CL194
CL195
CL196
CL197
CL198
CL199
CL200
8765
4321
TC7W74FU(TE12R)
IC155
16 15 14 13 12 11 10 9
87654321
SN74LV161APWR
IC156
CLR
CK
A
B
C
D
ENP
GND LOAD
ENT
QD
QC
QB
QA
CARRY
OUTPUT
VCC
16V
39
C159
6.3V
180
C156
0.1
C171
8
7
6
5
4
3
2
1
TC7W08FU(TE12R)
IC206
0.1
C172
0.1
C174
22
R152
22R175
22R176
22R177
22R178
22R179
22R180
22
R182
22
R181
22
R183
CL181
CL182
CL183
CL184
CL188
CL189
CL190
1
2
3
3P
CN154
DAC5V
NC
DAC_GND
28
27
26
25
24
23
22
7
6
5
4
3
2
1
21
20
16
17
18
19
13
12
11
10
8
9
1514
DSD1796DBR
IC202
54
321
TC7SZ04FU(TE85R)
IC292
0.1
C173
22
R150
8765
4321
TC7WU04F(TE12R)
IC152
22.5792MHz
X151
15p
C153
18p
C154
100
R158
100
R155
0.001
C175
CL201
0.001
C176
E
EE152
E
EE151
E
EE153 0.001
C177
FB151
CL202
FB152
1
2
3
4
5
6
7
8
9
10
11
12
13
13P
CN152
DGND
SCL
SDA
ASDMUTE
SBCLK_INI
DAC_CS1
DAC_CLK
DAC_DATA
DAC_INIT
MU/ST
SA/CD
XAMUTE
DGND
1
2
3
4
5
6
7
8
9
10
11
12
13
13P
CN151
27M
GND
SDTR
GND
SDTL
GND
PDT
GND
SBCK
GND
PLRCK
GND
PBCK
1
2
2P
CN156
CL5V
CL_GND
470p
C182
150
R151
FB153
6.3V
180
C183
IC202
D/A CONVERTER
+3.3V REGULATOR
VIN
VOUT NB
GND
CTL
IC201
(CHASSIS)
SWITCHING
IC206
COUNTER
IC156
+3.3V REGULATOR
IC154
CLOCK BUFFER
IC152
D-FILP FLOP
IC155
INVERTER
IC292
CLOCK GENERATOR
IC151
(1/2)
AUDIO BOARD
1
2
3
4
5
6
7
8
(CHASSIS)
NC
GND
CLK
D
Q
GND Q
CLR
PR
VCC
VCC
GND
VCC
DSDL
DSDR
DBCK
PLRCK
PDATA
PBCK
SCK
DGND
VDD
MS
MDI
MC
MDO
RST VCC2R
AGND3R
IOUTR+
IOUTR-
AGND1
IREF
VCOMR
VCOML
VCC1
AGND2
IOUTL+
IOUTL-
AGND3L
VCC2L
VDD
GND
J
4
B
6911
D
15
H
10
K
35 12
C
F
1
E
8
G
14
A
213
I
7
(Page 31)
(Page 35)
(Page 27)
(Page 25)
(Page 35)

SCD-XA5400ES
SCD-XA5400ES
3131
6-14. SCHEMATIC DIAGRAM - AUDIO Section (2/2) - • See page 38 for IC Block Diagrams.
BOARD
POWER
C
CN105
11
AUDIO
(1/2)
BOARD
IC B/D
1.9
0.1
-11.8
-8.5
-11.8
12.1
9.3
12.1
0
3.3
3.3 3.3
1.3 12.1
12.1
12.1
0.2
0.2
0.1
0.2
0.2
0.2
-11.8
-11.8
0
-2.3
0
-2.3
12.1
-11.8
0
-2.3
0
-2.3
12.1
-11.8
0
2.7
0
2.8
12.1
-11.8
0
-1.2
-1.2
-1.2
-1.2
0
12.1
-11.8
0
-2.3
0
-2.3
12.1
9.3
12.1
12.1
-11.8 -11.8
-8.5
-11.8 -11.8
-8.5
-11.8 -11.8
-8.5
9.3
12.1
12.1
9.3
12.1
12.1
8765
4321
OPA2132UA/2K5
IC204
0.1
C214
0.1
C213
0.1
C263
0.1
C264
0.1
C221
0.1
C271
0.1
C219
0.1
C218
25V
220
C166
25V
220
C167
DTC114EKA-T146
RELAY CONTROL
Q151
DTA114EKA
RELAY DRIVE
Q201
MA2J1110GLS0
D201
0.047
C200
10k
R159
0.1
C168
CL212
CL213
CL214
CL215
CL216
CL217
CL218
CL219
CL220
CL221
CL166
CL167
CL168
0.1
C227
0.1
C226
0.047
C201
0.1
C229
DTA114EKA
RELAY DRIVE
Q202
MA2J1110GLS0
D202
0.1
C231
0.047
C252
0.1
C277
DTA114EKA
RELAY DRIVE
Q252
0.1
C281
0.1
C276
0.1
C279
MA2J1110GLS0
D252
CL191
47k
R292
CL192
0.1
C291
47k
R291
0.1
C292
CL169
CL222
CL223
CL272
CL273
100V
1500p
C223
100V
1500p
C225
100V
1500p
C216
100V
1500p
C217
100V
1500p
C266
100V
1500p
C267
100V
1500p
C273
100V
1500p
C275
4P
J202
12
3
J201
1P
4P
J252
12
3
8765
4321
OPA2132UA/2K5
IC203
8765
4321
OPA2132UA/2K5
IC253
1
3
4
4P
CN291
GND
L
2NC
R
100V
8200p
C215
100V
8200p
C265
100V
0.015
C222
100V
0.015
C224
100V
0.015
C272
100V
0.015
C274
100V
4700p
C262
100V
4700p
C261
100V
4700p
C212
100V
4700p
C211
8765
4321
NJM2043M-D-TE2
IC291
1/3W
560
R257
1/3W
560
R259
1/3W
560
R254
1/3W
560
R256
1/3W
560
R204
1/3W
560
R207
1/3W
560
R209
1/3W
560
R206
1/3W
560
R272
1/3W
560
R274
1/3W
560
R275
1/3W
560
R277
1/3W
680
R276
1/3W
680
R273
1/3W
680
R255
1/3W
680
R258
1/3W
680
R208
1/3W
680
R205
1/3W
680
R226
1/3W
680
R223
1/3W
560
R222
1/3W
560
R224
1/3W
560
R225
1/3W
560
R227
1/3W
220
R231
1/3W
220
R228
1/3W
220
R210
1/3W
220
R260
1/3W
220
R278
1/3W
220
R281
1/3W
220k
R229
1/3W
220k
R232
1/3W
220k
R211
1/3W
220k
R261
1/3W
220k
R279
1/3W
220k
R282
1/3W
10
R212
1/3W
10
R262
1/3W
10
R280
1/3W
10
R283
1/3W
10
R233
1/3W
10
R230
1
3
4
5
5P
CN155
A+12V
AGND
2NC
A-12V
ASDMUTE
CL271
0.047
C293
DTA114EKA
RELAY DRIVE
Q291
MA2J1110GLS0
D291
10V
470
C294
10V
470
C295
DTC114EKA-T146
RELAY DRIVE
Q292
DTA114EKA
RELAY CONTROL
Q293
10k
R213
DTC114EKA-T146
RELAY DRIVE
Q253
DTC114EKA-T146
RELAY DRIVE
Q204
DTC114EKA-T146
RELAY DRIVE
Q203
CL193
10k
R185
10k
R184
C204
0.001
C254
0.001
J251
1P
54
321
TK11133CSCL-G
IC153
NOISE
GND
CONT VIN
VOUT
16V
10
C181
0.1
C180
0.1
C179
100
R288
100
R289
100
R299
100
R293
1/3W
680
R202
1/3W680
R203
1/3W680
R253
1/3W680
R252
8765
4321
NJM2114M-TE2
IC205
8765
4321
NJM2114M-TE2
IC255
JW150
JW150
0
50V
4.7
C296
50V
4.7
C297
470k
R294
470k
R295
100V
47
C228
100V
47
C230
100V
47
C220
100V
47
C270
100V
47
C278
100V
47
C280
470P
C232
470p
C282
(AEP)
(AEP)
+
-
RY202
+
-
RY201
+
-
RY252
+
-
RY291
LOW-PASS FILTER
IC205
BUFFER
IC204
LOW-PASS FILTER
IC255
IC203
BUFFER
BUFFER
IC253
+3.3V REGULATOR
IC153
LINE AMP
IC291
(2/2)
AUDIO BOARD
7
6
5
2
4
3
1
8
VCC
VEE
VCC
VEE
VCC
VEE
VCC
VEE
VCC
VEE
VCC
VEE
R
L
R
L
UNBALANCED
ANALOG OUT
(US,CND)
(AEP)
1k
RV801
0.001
C801
0.001
C802
CL801
CL802
CL804
1
3
4
4P
CN801
GND
LCH
2NC
RCH
CL904
CL905
J801 0.1
C819
L801
L802
L803
HP BOARD
PHONES
(CHASSIS)
PHONE LEVEL
-1
-2
J
4
B
166911
D
15
H
L
10
K
1735 12
C
F
18119
E
8
G
2014
A
213
I
7
(Page
30)
(Page 35)

SCD-XA5400ES
SCD-XA5400ES
3232
6-15. PRINTED WIRING BOARDS - PANEL Section - • : Uses unleaded solder.
• See page 21 for Circuit Boards Location.
1
59 55 5
19
18
1
2
1
63
18
1
4
CN802
CN803
CN804
CN805
C804
C811
CLP801
JW801
JW802
JW803
JW804 JW805
JW806
JW807
JW808
JW809
JW810
JW811
JW812
JW813
JW814
JW815
JW816
JW817
JW818
JW819
JW820
JW823
JW824
JW825
JW826
JW827
JW828
JW829
IC801
JW830
JW831
JW832
JW833 JW834 JW835
JW836
ND801
BE
1
33
32
64
CL893
CL894
CL895
CL896
CL897
CL898
CL899
R804
R807
R808
R809
R810
R811
R812 C803
C806
C807
C808
C810
C812 C813
C818
CL900
CL914
CL915
CL916
CL917
CL918
CL919
CL920
D801
CL811
CL814
CL815
CL817
CL819
CL820
CL821
CL822
CL823
CL824
CL825
CL826
CL827
CL828
CL829
CL830
CL831
CL832
CL833
CL834
CL835
CL836
CL837
CL838
CL839
CL840
CL841
CL842
CL843
CL844
CL845
CL846
Q802
CL847
CL848
CL849
CL850
CL851
CL852
CL853
CL854
CL855
CL856
CL857
CL858
CL859
CL860
CL861
CL862
CL863
CL864
CL865
CL866
CL867
CL868
CL869
CL870
CL871
CL872
CL873
CL874
CL875
CL876
CL877
CL878
CL879
CL880
CL881
CL884 CL885
CL886 CL887
IC802
IC803
18
14
CN806
CN807
S807
S808
S809
S810
D802
D803
JW851JW852 JW853
BEBE
CL890
CL891
CL892
R813
R814
R815
R816
R817
C814
C815
CL910
CL911
CL912
CL913
Q803Q804
CL882
CL883
CL888
CL889
1
4
CN808
S806
CLP805
CLP806
C816
C817
CL906
CL907
CL908
CL909
1
4CN809
S801
S802S803S804
S805
JW855
JW856
JW857
BE
R801
R802
R803
R805 R806
C805
CL901
CL902
CL903
CL803
CL807
CL810
CL816
CL818 Q801
HPOWER BOARD
CN103
G
MAIN
BOARD
CN502
1-877-069-
11
(11)
DISPLAY BOARD
13
45
FLUORESCENT INDICATOR TUBE
13
KEY-R BOARD
LED BOARD
S801, 807 – 810 1-877-071-
11
(11)
Y9/
9/
"
1-877-073-
11
(11)
JOG BOARD
13
54
AMS
PUSH ENTER
S806
ROTARY ENCODER
KEY-L BOARD
1-877-070-
11
(11)
S802 – 804 S805
SA-CD/CD TIME/TEXT
MULTI/2CH
HDMI
A
B
C
D
E
F
G
12345678910 11
1-877-072-
11
(11)
Ref. No. Location
• Semiconductor
Location
D801 A-10
D802 C-3
D803 C-4
IC801 B-10
IC802 A-5
IC803 B-3
Q801 E-10
Q802 B-4
Q803 D-4
Q804 D-4
(Page 22)
(Page 37)

SCD-XA5400ES
SCD-XA5400ES
3333
6-16. SCHEMATIC DIAGRAM - DISPLAY Board - • See page 38 for waveforms. • See page 38 for IC Block Diagrams.
M
BOARD
CN809
KEY-L
H
BOARD
CN103
POWER
G
BOARD
CN502
(2/4)
MAIN
N
BOARD
CN806
KEY-R
IC B/D
IC B/D
21
-26.2
-26.2
-20.6
-24.4
-24.4
-26.2
-22.5
-24.4
-26.2
-18.8
-20.8
-24.4
-26.2
-20.6
-24.4
-26.2
-26.2
-24.3
-20.7
-24.3
-24.3
-24.3
-24.3
-24.4
-18.8
-22.5
-20.6
-24.4
-20.6
6
1.2
6
3.3
-24.4 3.3
3.3
3.2
-24.4
-24.4
-22.5
-18.8
0
-18.8
-22.6
-24.6
-24.5
-24.5
-24.5
-24.5
-24.5
-24.5
-24.5
-24.5
-24.5
-24.5
-24.5
-24.5
-24.5
-24.5
-26.2
1.4
1.4
3.1
2.9
0
0
3.3
VCC
OUT
GND
NJL24H400A
IC801
0.01
C803
MA2J1110GLS0
D801
47
R804
16V
10
C804
0.1
C812
5
43
2
1
NJM2870F33(TE2)
IC803
0.1
C813
C810
47p
3.3k
R811
1k
R810
DTC114EKA-T146
Q802
100k
R812
100
R807
100
R808
100
R809
CL819CL822CL825
CL839
CL823
CL826
CL829
CL827
CL828
CL830
CL831
CL832
CL833
CL834
CL835
CL836
CL820
CL821
CL824
CL837
CL838
CL840
CL841
CL842
CL843
CL844
CL845
CL846
CL847
CL848
CL849
CL850
CL851
CL852
CL853
CL854
CL855
CL856
CL857
CL858
CL859
CL860
CL861
CL862
CL863
CL864
CL865
CL866
CL867
CL868
CL869
CL870
CL871
CL872
CL873
CL874
CL875
CL876
CL877
CL817
CL811
CL814
CL815 CL900
CL899
CL898
CL896
CL894
CL886
CL885
CL884
CL881
CL880
CL879
CL893
CL887
CL895
CL897
CL914
CL878
16V
10
C811
1
2
3
4
5
6
7
8
9
10
11
12
13
14
15
16
17
18
19
19P
CN803
LED_LAT
LED_PLAY
LED_PAUSE
LED_HDMI
NC
EN_A
NC
EN_B
D_GND
KEY2
E+4V
KEY1
SIRCS
KEY0
D_GND_FL
PCONT1
FL_CS
FL_DATA
FL_CLK
CL915
CL916
CL917
CL918
CL919
CL920
0.1
C818
56 505152535455
7654321
44 434546474849
141312111098
3839
404142
15 16 17 18 19 20
37
32
33343536
21 22 23 24 25 313029
26 27 28
5758596061626364
ML9208-03MBZ03B
IC802
VDD P1
P2
AD2
AD1
S1
S2
S3
S4
S5
S6
S7
S8
S9
S10
S11
S12
S13
S14
S15
S16
S17
S18
S19
S20
S21
S22
S23
S24
S25
S26
S27
S28
DAT
CLK
XCS
XRST
OSC1
OSC0
GND
VFL
G16
G15
G14
G13
G12
G11
G10
G9
G8
G7
G6
G5
G4
G3
G2
G1
S35
S34
S33
S32
S31
S30
S29
C807 470p
C806 470p
C808 470p
1
3
4
5
6
CN802
6P
FLAC4.3
FLAC4.3
2NC
FL_G
FL-27
FL6V
1
2
3
4
5
6
7
8
8P
CN804
LED_PLAY
LED_PAUSE
FL6V
EN_A
EN_B
FL_GND
KEY2
KEY1
1
2
3
4
4P
CN805
FL_G
FL6V
KEY0
LED_HDMI
1 7 8 9 10 11 125 6 14 19181713 16 2015 23 24 2721 28262522 31 33 3530 32 363429 42 44434037 3938 41 46 52484745 5149 50 53 54 55 59
ND801
G1
G2
G3
G4
G5
G6
G7
G8
G9
G10
G11
G12
G13
G14
G15
S1
S2
S3
S4
S5
S6
S7
S8
S9
S10
S11
S12
S13
S14
S15
S16
S17
S18
S19
S20
S21
S22
S23
S24
S25
S26
S27
S29
S30
S31
S32
S33
S34
S35
G2
G3
G4
G5
G6
G7
G8
G9
G10
G11
G12
G13
G14
G15
S5
S6
S7
S8
S9
S10
S11
S12
S13
S15
S16
S17
S18
S19
S20
S21
S22
S23
S24
S25
S26
S27
S28
S29
S30
S31
S32
S33
S34
S35
AD1
AD1
S14
S4
S3
S2
S1
G1
S28
FLUORESCENT
INDICATOR
TUBE DRIVER
IC802
+3.3V REGULATOR
IC803
REMOTE CONTROL
RECEIVER
IC801
FLUORESCENT INDICATOR TUBE
GRID DRIVE
DISPLAY BOARD
VIN
VOUT NB
GND
CLT
132
4
B
6911
D
1035 12
C
F
1
E
8
G
14
A
2137
(Page 34)
(Page
35)
(Page
25)
(Page
34)

SCD-XA5400ES
SCD-XA5400ES
3434
6-17. SCHEMATIC DIAGRAM - KEY Section -
N
DISPLAY
CN804
BOARD
CN805
M
BOARD
DISPLAY
4.6
0
3.1
0.2
0
4.5
S807 S808 S809 S810
SEL5821A-TP15
SEL5521C-TP15
DTC114EKA-T146
LED DRIVE
Q804
DTC114EKA-T146
LED DRIVE
Q803
0.1
C814
0.1
C815
1k
R813
1k
R814
2.2k
R815
CL888
CL889
CL892
CL891
CL890
CL883
CL882
CL911
CL912
CL913
CL910
JW853
1
2
3
4
5
6
7
8
CN806
8P
LED_PLAY
LED_PAUSE
FL6V
EN_A
EN_B
FL_GND
KEY2
KEY1
1
2
3
4
CN807
4P
KEY2_JOG
GND
EN_B
EN_A
KEY-R BOARD
LED BOARD
JW851
JW852
D803
D802
220
R817
150
R816
S806
CL906
CL907
CL908
CL909
0.01
C817
0.01
C816
1
2
3
4
4P
CN808
KEY2_JOG
GND
EN_B
EN_A
JOG BOARD
1
2
3
4
5
ROTARY ENCODER
AMS
PUSH ENTER
S805
S801
DTC114EKA-T146
LED DRIVE
Q801
150
R806
0.1
C805
1k
R801
2.2k
R802
2.2k
R803
4.7k
R805
CL803 CL807 CL810 CL816
CL818
CL901
CL902
CL903
S804
S803S802
1
2
3
4
CN809
4P
GND
LED6V
KEY0
LED_HDMI
KEY-L BOARD
HDMI
I/
TIME/TEXT MULTI/2CH
SA-CD/CD
4
B
69
D
35
C
F
1
E
8
A
27
(Page 33)
(Page 33)

SCD-XA5400ES
SCD-XA5400ES
3535
6-18. SCHEMATIC DIAGRAM - POWER Board - • See page 38 for IC Block Diagrams.
H
BOARD
DISPLAY
CN802
L
BOARD
STANDBY
CN001
F
CN506
BOARD
MAIN
(2/4)
E
CN156
AUDIO BOARD
(1/2)
D
CN154
AUDIO BOARD
(1/2)
C
CN155
AUDIO BOARD
(2/2)
J
TRANSFORMER
MAIN POWER
PT002
K
TRANSFORMER
MAIN POWER
PT003
69.8
10 14
68.5
58.5
12.1 16.7
-26.8 -35.4
-11.9 -16
1.2
3.8
5
5
25V
6800
C103
35V
2200
C107
35V
2200
C108
16V
10000
C105
16V
10000
C104
25V
2200
C106
10V
470
C109
50V
10
C110
VCC
GND
OUT
BA10T
IC102
12
3
VCC
GND
OUT
BA05T
IC105
12
3
25V
2200
C114
12345
BA00BC0WT-V5
IC103
0.01
C111
0.01
C112
0.01
C113
10k
R101
10k
R102
3.3k
R103
R104
100
100
R105
150k
R107
68k
R108
22k
R106
2SA1213Y-TE12L
-27V REGULATOR
Q101
EC10DS2-TE12L5
D101
EC10DS2-TE12L5
D103
EC10DS2-TE12L5
D102
EC10DS2-TE12L5
D104
EC10QS04-TE12L5
D105
EC10QS04-TE12L5
D107
EC10QS04-TE12L5
D106
EC10QS04-TE12L5
D108
EC10QS04-TE12L5
D109
EC10QS04-TE12L5
D111
EC10QS04-TE12L5
D110
EC10QS04-TE12L5
D112
EC10QS04-TE12L5
D113
EC10QS04-TE12L5
D115
EC10QS04-TE12L5
D114
EC10QS04-TE12L5
D116
EC10QS04-TE12L5
D117
EC10QS04-TE12L5
D119
EC10QS04-TE12L5
D118
EC10QS04-TE12L5
D120
EC10QS04-TE12L5
D121
EC10QS04-TE12L5
D123
EC10QS04-TE12L5
D122
EC10QS04-TE12L5
D124
EC10QS04-TE12L5
D125
EC10QS04-TE12L5
D127
EC10QS04-TE12L5
D126
EC10QS04-TE12L5
D128
CL101
CL102
CL103
CL104
CL105
CL106
CL107
CL108
CL109
CL110
CL111
CL112
CL113
CL114
CL115
CL116
CL117
CL118
CL119
CL120
CL121
CL122
CL123
CL124
CL125
CL126
CL127
CL128
CL129
CL130
CL131
25V
2200
C117
25V
2200
C118
25V
2200
C119
1
3
4
5
6
7
8
9
10
11
11P
CN104
M_GND
2
NC
M10V
D_GND
D_GND
D6V
D4V
D4V
P_CONT0
E4V
P_CONT1
1
3
4
5
6
6P
CN103
FLAC4.3
2NC
FLAC4.3
FL_G
FL-27V
FL6V
1
3
4
5
5P
CN106
P_CONT0
2NC
ASDMUTE
D_GND
E4V
IO
G
KIA7912PI
IC107
12
3
1
3
4
5
6
7
8
9
9P
CN105
CL5V
2NC
CL_GND
DAC5V
DAC_GND
A+12V
A_GND
A-12V
ASDMUTE
CL132
1
8
3
4
5
6
7
8P
CN102
ACG
2NC
AC4V1
AC-15V1
AC15V1
AC6V2
AC6V1
AC4V2
16V
1000
C102
IO
G
UPC2406AHF
IC101
12
3
IO
G
UPC2406AHF
IC104
12
3
UDZS-TE17-5.1B
D130
UDZSTE-1727B
D129
1
3
4
5
6
7
8
9
9P
CN101
FLAC4.3
2NC
FLAC4.3
FL30
FL30
P8
P8
M13
M13
IO
G
KIA7812API-U/PF
IC106
12
3
16V
2200
C115
16V
2200
C116
63V
100
C101
JW115
TH102
TH103
TH101
-12V REGULATOR
IC107
IC106
+12V REGULATOR
IC105
+5V REGULATOR
IC104
+6V REGULATOR
IC103
+4V REGULATOR
+10V REGULATOR
IC102
+6V REGULATOR
IC101
POWER BOARD
(AEP)
(US,CND)
IC B/D
CONT
VI
GND
VO
F.B .
4
B
6911
D
H
1035 12
C
F
1
E
8
G
A
2
I
7
(Page 33)
(Page 36)
(Page 25)
(Page 36)
(Page 30)
(Page 36)
(Page 30)
(Page 31)

SCD-XA5400ES
SCD-XA5400ES
3636
• See page 38 for IC Block Diagrams.
6-19. SCHEMATIC DIAGRAM - STANDBY Board -
POWER
CN106
BOARD
L
POWER
CN101
BOARD
J
POWER
CN102
BOARD
K
0
3.2
4
5
412.1 0
0
0
0.6
4700p
C55
0.056
C56
4.7
R60
E
EE51
RY01
C57
25V
470
JL001
VCC
GND
OUT
BA05T
IC51
12
3C51
50V
10
C53
25V
2200
C60
25V
470
12345
BA00BC0WT-V5
IC52
2SC1740S-QRT
RELAY DEIVE
Q52
2SC1740S-QRT
AC DETECT
Q51
1SS133T-72
D58
680
R61
1SS133T-72
D57
1SS133T-72
D56
2.2k
R54
10k
R55
22k
R53
6.8k
R52
10k
R51
150k
R56
11EQS04-NTA2B
D55
11EQS04-NTA2B
D53
11EQS04-NTA2B
D54
11EQS04-NTA2B
D52
1
2
3
L2
NC
GND
3P
CN003
1
3
4
5
5P
CN001
F.B
VO
GND
VI
CONT
P_CONT0
2NC
ASDMUTE
D_GND
E4V
0.1
C58
470p
C54
2
3
3P
CN004
NC
1L
N
250V
0.01
C59
250V
C52
0.01
12
34
10mH
L51
1
2
3
L1
NC
GND
3P
CN002
68k
R57
TH50
10
9
3
2
11
1
4
5
8
7
6
T002
SUB POWER
TRANSFORMER
F002
∗
F001
∗
(CHASSIS)
IC51
+4V REGULATOR
IC52
+3.2V REGULATOR
STANDBY BOARD
IC B/D
∗F001,002
T800mAL 250V (US,CND)
T500mAL 250V (AEP)
AC IN
MAIN POWER
TRANSFORMER
PT003
MAIN POWER
TRANSFORMER
PT002
4
B
6911
D
1035 12
C
1 8
A
2137
(Page 35)
(Page 35)
(Page 35)

SCD-XA5400ES
SCD-XA5400ES
3737
6-20. PRINTED WIRING BOARDS - POWER Section - • : Uses unleaded solder.
• See page 21 for Circuit Boards Location.
2
4
1
5
16
1
11
51
19
18
1
9
A101
A102
A103
A104
A105A106
A107
R101
R102
R103
R104 R105
R106
R107
R108
CN101
CN102
CN103
CN104
CN105
CN106
C101
C102
C103
C104
TH101
C105
TH102
C106
TH103
C107
C108
C109
C110
C111
C112
C113
C114
C115
C116
C117C118C119
CLP101
CLP102
CLP103 CLP104
CLP105
JW101 JW102
JW103
JW104
JW105
JW106
JW107
JW108
JW110
JW111
JW112
JW113
JW114
JW115
JW116
JW117
IC101
IC102
IC103
IC104
IC105IC106IC107
C
B
E
CL101
CL102 CL103
CL104
CL105
CL106
CL107
CL108
CL109
CL110
CL111 CL112 CL113
CL114
CL115
CL116
CL117CL118CL119CL120CL121
CL122 CL123
CL124
CL125
CL126
CL127
CL128
CL129
CL130
CL131
CL132
CL133
Q101
D101D102 D103D104 D105D106 D107D108
D109
D110
D111
D112
D113
D114
D115
D116
D117
D118
D119
D120
D121D122 D123D124D125D126 D127D128
D129
D130
1
3
24
15
1
3
51
13
EB
E
B
CN001
CN002 CN003
CN004
C51
C52
C53
C55
C56
C57
C59
IC51
IC52
C60
CLP51
Q51
Q52 T002
EE51
JW51
JW54
D52
D53
D54
D55
D56
D57
D58
HT51
HT52
F001 F002
L51
R51
R52
R53
R54
TH50
R55
R56
R57
R60
R61
FH01
FH02
FH03
FH04
RY01
C54
C58
JL001
C
AUDIO
BOARD
CN155 D
AUDIO
BOARD
CN154 EAUDIO
BOARD
CN156 FMAIN BOARD
CN506 H
DISPLAY BOARD
CN802
POWER BOARD
1-877-067-
11
(11)
13 2 13 2 13 2
1
3
2
1
3
2
13 2
(US, CND)
(AEP)
(US, CND)
(CHASSIS)
SUB POWER
TRANSFORMER
1-877-068-
11
(11)
STANDBY BOARD
23 1
14
511
~AC IN
PT002
MAIN
POWER
TRANSFORMER
PT003
MAIN
POWER
TRANSFORMER
A
B
C
D
E
F
1234567891011 12
Ref. No. Location
• Semiconductor Location
Ref. No. Location Ref. No. Location Ref. No. Location Ref. No. Location
D52 B-12
D53 C-12
D54 B-12
D55 B-12
D56 B-12
D57 C-12
D58 C-9
D101 B-4
D102 B-4
D103 B-4
D104 B-4
D105 B-6
D106 B-5
D107 B-6
D108 B-5
D109 C-5
D110 C-5
D111 C-5
D112 C-5
D113 C-5
D114 C-5
D115 C-5
D116 C-5
D117 C-3
D118 C-3
D119 C-3
D120 C-3
D121 B-3
D122 B-2
D123 B-3
D124 B-2
D125 B-2
D126 B-2
D127 B-2
D128 B-2
D129 B-3
D130 B-5
IC51 B-10
IC52 B-9
IC101 B-6
IC102 D-6
IC103 D-5
IC104 D-4
IC105 D-3
IC106 D-2
IC107 D-1
Q51 B-12
Q52 C-9
Q101 B-4
(Page 29) (Page 29) (Page 29) (Page 23) (Page 32)

SCD-XA5400ES
SCD-XA5400ES
3838
• Waveforms
– MAIN Board –
IC501 RE (XOUT)
1 V/DIV, 200 μs/DIV
200 μs
2.9 Vp-p
RB IC152
1 V/DIV, 20 ns/DIV
20 ns
1.4 Vp-p
XB IC802 UM (OSC1)
2 V/DIV, 200 ns/DIV
632 ns
3.9 Vp-p
CL1168 (27MHz)
100 mV/DIV, 50 ns/DIV
37 ns
3.1 Vp-p
– AUDIO Board – – DISPLAY Board –
• IC Block Diagrams
– MAIN Board –
IC503 PST3635NR
VDD 2
OUT 1
GND 3
+
–
VREF
CD5
NC
4
IC504 – 506 SI-3010KM-TLS
1VC
TSD
2VIN
3GND
4VOUT
5ADJ
+
–
REF
IC692 TC7W53FK (TE85R)
COMMON 1
INH 2
VEE 3
GND 4CH 07
VCC
8
A5
LOGIC
LEVEL
CONVERTER
C
OUT IN
CH 1
6
C
OUT IN
IC1105, 1107 TK11133CSCL-G
IC1707 TK11150CSCL-G
CONTROL
CIRCUIT
BANDGAP
REFERENCE
+
–
OVER HEAT &
OVER CURRENT
PROTECTION
1
VCONT
3
NP
2
GND
4
VOUT
5
VIN
IC1901 TC74LVX4053FT (EL)
16 15 14 13 12 11 10 9
1 2 3 4 5 6 7 8
C
B
A
OX
IX
X-COM
Y-COM
VCC
GND
VEE
INH
OZ
Z-COM
IZ
OY
IY
C
OUTIN
C
OUTIN
C
OUTIN
C
OUTIN
C
OUTIN
C
OUTIN
LOGIC LEVEL CONVERTOR
– AUDIO Board –
IC151 FS7140-01G
SCL 1
SDA 2
XIN 5
XOUT 6
ADDR0 3
ADDR1 7
VDD 8
VSS 4
I2C
INTERFACE
LOOP
FILTER
CRYSTAL
OSCILLATOR REFERNCE
DIVIDER
(NR)
CHARGE
PUMP
REGISTERS
REF12
IPRG
9
N/C10
VSS
11
N/C
13
VDD14
CLKN16
CLKP
15
FEEDBACK
DIVIDER
(NF)
PHASE-
FREQUENCY
DETECTOR
UP
DOWN
VOLTAGE
CONTROLLED
OSCILLATOR
POST
DIVIDER
(NPX)
CMOS/PECL
OUTPUT
IC153 TK11133CSCL-G
CONTROL
CIRCUIT
BANDGAP
REFERENCE
+
–
OVER HEAT &
OVER CURRENT
PROTECTION
1
VCONT
3
NP
2
GND
4
VOUT
5
VIN
IC154 TK11131CSCL-G (US, Canadian models)
IC154 NJM2870F33 (TE2) (AEP model)
IC201 NJM2870F33 (TE2)
5
VIN
4
VOUT
2
GND
3
NOISE
BYPASS
1
CONTROL
BANDGAP
REFERENCE
THERMAL
PROTECTION

SCD-XA5400ES
39
IC155 TC7W74FU
6
CLR
7
PR
8
VCC
5
Q
RSQ
3
Q
2
D
4
GND
1
CK
QDC
IC156 HD74LV161ATELL
12 3 45 6 7 8
91016 15 14 13 12 11
CK ABCD
ENABLE
P
QA QB QC QD ENABLE
T
RIPPLE
CARRY
OUTPUT
CLEAR
GND
LOAD
VCC
IC202 DSD1796DBR
AUDIO
DATA INPUT
INTERFACE
&
FUNCTION
CONTROL
INTERFACE
ADVANCED
SEGMENT
D/A
CONVERTER
MODULATOR
? 8
OVERSAMPLING
DIGITAL FILTER
&
FUNCTION
CONTROL
DSDL 1
DSDR 2
DBCK 3
PLRCK 4
PDATA 5
PBCK 6
MS 10
MDI 11
MC 12
MDO 13
RST 14
SCK 7
DGND 8
VDD 9
IOUTL–
26
IOUTL+
25
VCOML
22
VCOMR
21
IREF
20
AGND2
24
AGND1
19
VCC123
VCC2L
28
AGND3L
27
AGND3R
16
VCC2R
15
SYSTEM
CLOCK
MANAGER
CURRENT
SEGMENT
D/A
CONVERTER
BIAS
&
VREF
POWER
SUPPLY
IOUTR–18
IOUTR+
17
CURRENT
SEGMENT
D/A
CONVERTER

SCD-XA5400ES
40
– STANDBY Board –
IC52 BA00BC0WT-V5
– DISPLAY Board –
IC802 ML9208-03MBZ03B
64 VDD
56 VFL
57 GND
1P1
2P2
63 DA
62 CP
61 CS
55 COM16
59 OSC1
58 OSC0
54 COM15
53 COM14
52 COM13
51 COM12
50 COM11
49 COM10
48 COM9
47 COM8
46 COM7
45 COM6
44 COM5
43 COM4
42 COM3
41 COM2
40 COM1
39
38
37
36
35
34
33 SEG29
SEG30
SEG31
SEG32
SEG33
SEG34
SEG35
60 RESET
8 BIT SHIFT
REGISTER
COMMAND
DECODER
PORT
DRIVER
3AD2
4AD1
AD
DRIVER
5SEG1
6SEG2
7SEG3
8SEG4
9SEG5
10SEG6
11SEG7
12SEG8
13SEG9
14SEG10
15SEG11
16SEG12
17SEG13
18SEG14
19SEG15
20SEG16
21SEG17
22SEG18
23SEG19
24SEG20
25SEG21
26SEG22
27SEG23
28SEG24
29SEG25
30SEG26
31SEG27
32SEG28
SEGMENT
DRIVER
ADRAM
16W × 2B
CGRAM
248W × 35B
DCRAM
16W × 8B
ADDRESS
SELECTOR
READ
ADDRESS
COUNTER
WRITE
ADDRESS
COUNTER
CGRAM
8W × 35B
CONTROL
CIRCUIT
TIMING
GENERATOR1
OSCILLATOR
TIMING
GENERATOR2
DIGIT
CONTROL
DUTY
CONTROL
GRID
DRIVER
IC803 NJM2870F33 (TE2)
5
VIN
4
VOUT
2
GND
3
NOISE
BYPASS
1
CONTROL
BANDGAP
REFERENCE
THERMAL
PROTECTION
VCC
VCC
2
GND
3
C
5
OUT
4
CTL
1
–
+
VREF DRIVER
OCPTSDOVP
– POWER Board –
IC103 BA00BC0WT-V5
VCC
VCC
2
GND
3
C
5
OUT
4
CTL
1
–
+
VREF DRIVER
OCPTSDOVP

SCD-XA5400ES
41
• IC Pin Function Description
MAIN BOARD IC501 R5F3640DDFAR (SYSTEM CONTROLLER)
Pin No. Pin Name I/O Description
1, 2 No Use O Not used
3 CEC_RX_IN I CEC serial data input from the HDMI OUT connector
4 SIRCS_IN I SIRCS signal input from the remote control receiver
5 to 7 No Use O Not used
8 BYTE I External data bus width selection signal input terminal Fixed at "L" in this set
9 CNVSS I Processor mode switch input terminal
10 EN_A I Jog dial pulse input from the rotary encoder (A phase input)
11 EN_B I Jog dial pulse input from the rotary encoder (B phase input)
12 RESET I System reset signal input from the reset signal generator "L": reset
For several hundreds msec. after the power supply rises, "L" is input, then it change to "H"
13 XOUT O Main system clock output terminal (5 MHz)
14 VSS - Ground terminal
15 XIN I Main system clock input terminal (5 MHz)
16 VCC1 - Power supply terminal (+3.3V)
17 NMI I Non-maskable interrupt input terminal Fixed at "H" in this set
18 No Use O Not used
19 ASDMUTE I AC detection signal input terminal
20 AC_CUT I AC cut detection signal input terminal "L": AC cut on
21 FL_CLK O Serial data transfer clock signal output to the fl uorescent indicator tube driver
22 CEC_TX_OUT O CEC serial data output to the HDMI OUT connector
23 FL_STB O Chip select signal output to the fl uorescent indicator tube driver
24 FL_D_OUT O Serial data output to the fl uorescent indicator tube driver
25 No Use O Not used
26 TROPENPWM O Tray speed PWM control signal output terminal Not used
27 CDM_OPEN_SW I Disc insert (8/12cm) detect switch input terminal "L": disc insert
28 DAC_CLK O Serial data transfer clock signal output to the D/A converter
29 No Use I Not used
30 DAC_DATA O Serial data output to the D/A converter
31 DVD_SID O Serial data output to the servo DSP
32 DVD_SOD I Serial data input from the servo DSP
33 DVD_SCO I Serial data transfer clock signal input from the servo DSP
34 DVD_XIFBUSY O Busy signal output to the servo DSP
35 FWD O Loading motor drive signal output terminal (forward direction)
36 REV O Loading motor drive signal output terminal (reverse direction)
37 DVD_XIFCS I Chip select signal input from the servo DSP
38 MTK RST O Reset signal output to the servo DSP and fl ash memory "L": reset
39 P_CONT1 O Power on/off control signal output terminal "H": power on
40 P_CONT2 O Power on/off control signal output terminal Not used
41 P_CONT0 O Power on/off control signal output terminal "H": power on
42 No Use O Not used
43 STT_D/P I Normal/squeeze selection signal input from servo DSP
44 STT_M/2 I Trigger detection switch input from the servo DSP
45 DMUTE I Audio muting signal input from the servo DSP
46 No Use O Not used
47 I2C_DATA I/O I2C Two-way data bus terminal Not used
48 I2C_CLK I I2C data transfer clock signal input terminal Not used
49, 50 No Use O Not used
51 Super Audio CD/CD O Not used
52 MULTI/STEREO O Not used
53 XAMUTE O Relay control signal output terminal
54 No Use O Not used
55 DOUT_EN I Digital out (CD) On/Off signal input terminal
56 MULTI_PRIO I HDMI priority selection signal input terminal
57 to 61 No Use O Not used
62 VCC2 - Power supply terminal (+3.3V)
63 No Use O Not used
64 VSS - Ground terminal

SCD-XA5400ES
42
Pin No. Pin Name I/O Description
65 to 73 No Use O Not used
74 KEY_INT I Wake up signal input terminal
75 LED_LAT O Serial data latch pulse signal output terminal Not used
76 No Use O Not used
77 PLL_IC_I2C_SDA I/O I2C Two-way data bus with the clock generator
78 PLL_IC_I2C_SCL I/O I2C data transfer clock signal input/output with the clock generator
79 to 82 No Use O Not used
83 CKSW I Chucking detection switch input terminal
84 OCSW I Disc table open/close detection switch input terminal
85 DAC_INT O Reset signal output to the D/A converter "L": reset
86 DAC_CS3 O Not used
87 DAC_CS2 O Bit clock signal output to the d-fl ip fl op
88 DAC_CS1 O Chip select signal output to the D/A converter
89 LED_PLAY O Play LED drive signal output terminal "H": LED on
90 LED_PAUSE O Pause LED drive signal output terminal "H": LED on
91 LED_HDMI O HDMI on/off LED drive signal output terminal "H": LED on
92 DESTINATION I Setting terminal for the destination
93 MODEL I Setting terminal for the model
94, 95 KEY2, KEY1 I Front panel key input terminal
96 AVSS - Ground terminal
97 KEY0 I Front panel key input terminal
98 VREF I Reference voltage (+3.3V) input terminal
99 AVCC - Power supply terminal (+3.3V)
100 No Use O Not used

SCD-XA5400ES
43
MAIN BOARD IC1101 CXD9927R (RF AMP, SERVO DSP, HDMI TRANSMITTER)
Pin No. Pin Name I/O Description
1 OSC O RF offset cancellation capacitor connecting terminal
2 RFGC O RF AGC loop capacitor connecting Not used
3 IREF I Reference current input terminal
4 AVDD3 - Power supply terminal (+3.3V)
5 AGND - Ground terminal
6 DVDA I AC coupled input path A
7 DVDB I AC coupled input path B
8 DVDC I AC coupled input path C
9 DVDD I AC coupled input path D
10 DVDRF IP I AC coupled super audio CD RF signal input from the optical pick-up block
11 MA I DC coupled main-beam RF signal input A
12 MB I DC coupled main-beam RF signal input B
13 MC I DC coupled main-beam RF signal input C
14 MD I DC coupled main-beam RF signal input D
15 SA I DC coupled sub-beam RF signal input A Not used
16 SB I DC coupled sub-beam RF signal input B Not used
17 TNI I 3 beam satellite PD signal negative input from the optical pick-up block
18 TPI I 3 beam satellite PD signal positive input from the optical pick-up block
19, 20 MDI1, MDI2 I Laser power monitor input from the optical pick-up block
21 LDO2 O Laser diode drive signal output to the optical pick-up block (for super audio CD)
22 LDO1 O Laser diode drive signal output to the optical pick-up block (for CD)
23 SVDD3 - Power supply terminal (+3.3V)
24 CSO O Central servo signal output terminal Not used
25 RFLVL O RFRP low pass output terminal Not used
26 SGND - Ground terminal
27 V2REFO - Reference voltage (+2.8V) output terminal
28 V2O - Reference voltage (+2V) output to the optical pick-up block
29 VREFO O Reference voltage (+1.4V) output terminal
30 FEO O Focus error monitor output terminal Not used
31 TEO O Tracking error monitor output terminal Not used
32 TEZISLV O O Slice level of tracking error signal output terminal Not used
33 OP_OUT O Output to the internal operational amplifi er Not used
34 OP_INN I Negative input from the internal operational amplifi er Not used
35 OP_INP I Positive input from the motor driver
36 DMO O Spindle motor control signal output to the motor driver
37 FMO O Sled motor control signal output to the motor driver
38 TROPENPWM O Loading motor control signal output terminal
39 IOPMON I Power monitor terminal
40 TRO O Tracking coil control signal output to the coil driver
41 FOO O Focus coil control signal output to the coil driver
42 AGND18 - Ground terminal
43 AVDD18 - Power supply terminal (+1.8V)
44 USB_DP I/O Two-way data (positive) bus terminal Not used
45 USB_DM I/O Two-way data (negative) bus terminal Not used
46 USB_VDD3 - Power supply terminal (+3.3V)
47 USB_VSS - Ground terminal
48 PAD_VRT - Not used
49 USB_VDD18 - Power supply terminal (+1.8V)
50 USB_VSS - Ground terminal
51 DIR_ERROR O PLL lock error signal and data error fl ag output termnal Not used
52 DIR_AUDIO O PCM audio data output termnal Not used
53 LIMITSW I Limit detection switch input terminal
54 MSW O CD/super audio CD selection signal output terminal "L": CD, "H": super audio CD
55 DVDD18 - Power supply terminal (+1.8V)
56 to 64 HA2 to HA8, HA18,
HA19 O Address signal output to the fl ash ROM
65 DVDD3 - Power supply terminal (+3.3V)
66 XWR O Write enable signal output to the fl ash ROM
67 to 75 HA16 to HA9, HA20 O Address signal output to the fl ash ROM

SCD-XA5400ES
44
Pin No. Pin Name I/O Description
76 XROMCS O Chip select signal output to the fl ash ROM
77 HA1 O Address signal output to the fl ash ROM
78 XRD O Read enable signal output to the fl ash ROM
79, 80 HD0, HD1 I/O Two-way data bus terminal with the fl ash ROM
81 DVSS - Ground terminal
82 to 86 HD2 to HD6 I/O Two-way data bus terminal with the fl ash ROM
87 HA21 O Address signal output to the fl ash ROM
88 RESERVED - Not used
89 HD7 I/O Two-way data bus terminal with the fl ash ROM
90 DVSS - Ground terminal
91, 92 HA17, HA0 O Address signal output to the fl ash ROM
93 DVDD18 - Power supply terminal (+1.8V)
94 FWD O Loading motor drive signal output terminal Not used
95 REV O Loading motor drive signal output terminal Not used
96 DVDD3 - Power supply terminal (+3.3V)
97 IFSDO O Serial data output to the system controller
98 IFCK O Serial data transfer clock signal output to the system controller
99 xIFCS O Chip select signal output to the system controller
100 IFSDI I Serial data input from the system controller
101 SCL I Serial data transfer clock signal output to the EEPROM
102 SDA I/O Two-way data bus with the EEPROM
103 CKSW I Chucking detection switch input terminal Not used
104 OCSW I Disc table open/close detection switch input terminal Not used
105 RXD I Receive data input terminal Not used
106 TXD O Transmit data output terminal Not used
107 ICE I ICE mode enable signal input terminal Not used
108 xSYSRST I Reset signal input from the system controller "L": reset
109 RESERVED - Not used
110 xIFBSY I Busy signal input from the system controller
111 DQM0 O Data mask signal output to the SD-RAM
112 EEWP O Write protect signal output to the EEPROM
113 to 117 RD7 to RD3 I/O Two-way data bus with the SD-RAM
118 DVDD3 - Power supply terminal (+3.3V)
119 to 129 RD2 to RD0,
RD15 to RD8 I/O Two-way data bus with the SD-RAM
130 TSD_M O Thermal shut down signal output to the motor/coil driver
131 DVDD3 - Power supply terminal (+3.3V)
132 DQM1 O Data mask signal output to the SD-RAM
133 _RWE O Write enable signal output to the SD-RAM
134 _CAS O Column address strobe signal output to the SD-RAM
135 _RAS O Row address strobe signal output to the SD-RAM
136 _RCS O Chip select signal output to the SD-RAM
137, 138 BA0, BA1 O Bank address signal output to the SD-RAM
139 to 141 RA10, RA0, RA1 O Address signal output to the SD-RAM
142 DVDD18 - Power supply terminal (+1.8V)
143, 144 RA2, RA3 O Address signal output to the SD-RAM
145 DVDD3 - Power supply terminal (+3.3V)
146 DRCLK O Serial data transfer clock signal output to the SD-RAM
147 CKE O Clock enable signal output to the SD-RAM
148 DVSS - Ground terminal
149 to 155 RA11, RA9 to RA4 O Address signal output to the SD-RAM
156 DVDD3 - Power supply terminal (+3.3V)
157 MUTE123 O Muting signal output to the motor/coil driver
158 MUTE O Muting signal output to the motor/coil driver
159 DDC_DA O Serial data transfer clock signal output terminal
160 DVDD18 - Power supply terminal (+1.8V)
161 DDC_CLK I/O Two-way data bus with terminal
162 HTPLG I HDMI hot-plug detection signal input terminal
163 AGND3 - Ground terminal
164 EXT_RES - Not used

SCD-XA5400ES
45
Pin No. Pin Name I/O Description
165, 166 AVDD3 - Power supply terminal (+3.3V)
167 EXT_CAP - Not used
168, 169 AGND3, AGND18 - Ground terminal
170 TXCN O TMDS clock signal (negative) output to the HDMI OUT connector
171 TXCP O TMDS clock signal (positive) output to the HDMI OUT connector
172 AVDD18 - Power supply terminal (+1.8V)
173 TX0N O TMDS data (negative) output to the HDMI OUT connector
174 TX0P O TMDS data (positive) output to the HDMI OUT connector
175 AGND18 - Ground terminal
176 TX1N O TMDS data (negative) output to the HDMI OUT connector
177 TX1P O TMDS data (positive) output to the HDMI OUT connector
178 AVDD18 - Power supply terminal (+1.8V)
179 TX2N O TMDS data (negative) output to the HDMI OUT connector
180 TX2P O TMDS data (positive) output to the HDMI OUT connector
181 AGND18 - Ground terminal
182, 183 R/Cr/Pr, B/Cb/Pb O Component video signal output terminal Not used
184 DACVSSA - Ground terminal
185 Y/G O Component video signal output terminal Not used
186 DACVDDA - Power supply terminal (+3.3V)
187 CVBS O Video signal output terminal Not used
188 DACVSSB - Ground terminal
189 C O Chroma signal output terminal Not used
190 DACVDDB - Power supply terminal (+3.3V)
191 Y O Y signal output terminal Not used
192 DACVSSC - Ground terminal
193 FS - Full scale adjustment terminal
194 VREF - For reference voltage terminal
195 DACVDDC - Power supply terminal (+3.3V)
196 VBUS_OE O VBUS control signal output terminal Not used
197 VBUS_OC I VBUS control signal input terminal
198 SCORE/DIR_XSTATE I Source clock switching monitor input terminal Not used
199 SPMCK O Master clock signal output terminal Not used
200 SPBCK O Bit clock signal output terminal Not used
201 SPLRCK O L/R sampling clock signal output terminal Not used
202 ADIN(SPDATA) I Audio serial data input terminal Not used
203 ACLK O Master clock signal output terminal Not used
204 ABCK O Bit clock signal output to the D/A converter
205 ALRCK O L/R sampling clock signal output to the D/A converter
206 MC_DATA(ADIN) I Audio serial data input terminal Not used
207 DVDD3 - Power supply terminal (+3.3V)
208 NO_USE - Not used
209 WIDE O Normal/squeeze selection signal output terminal
210 REG_SEL/DSEL O Audio muting signal output to the system controller
211 TRG_SW I Trigger detection switch input terminal Not used
212 DVDD18 - Power supply terminal (+1.8V)
213 KMOD O Karaoke mode status signal output terminal
214 XVOICE/DIR_CSFCAG I Detection of MIC signal input terminal Not used
215 SPDIF O SPDIF digital audio signal output to the D/A converter
216 APLLVDD3 - Power supply terminal (+3.3V)
217 APLLCAP - Connection terminal for an external capacitor
218 to 220 APLLVSS, ADACVSS2,
ADACVSS1 - Ground terminal
221 DIR_CE - Not used
222 ASDATA3 O Audio serial data output to the D/A converter
223 ASDATA2 O Audio serial data output terminal Not used
224 AVCM - Not used
225 ASDATA1 O Audio serial data output terminal Not used
226 ASDATA0 O Audio serial data output terminal
227 DIR_CL - Not used

SCD-XA5400ES
46
Pin No. Pin Name I/O Description
228, 229 ADACVDD1,
ADACVDD2 - Power supply terminal (+3.3V)
230 Rt/DIR_DI I Serial data input terminal Not used
231 Lt/DIR_DO O Serial data output terminal Not used
232 ADACVSS1 - Ground terminal
233 ADACVDD1 - Power supply terminal (+3.3V)
234 SADCVDD18 - Power supply terminal (+1.8V)
235 SADCVSS18 - Ground terminal
236 RFGND18 - Ground terminal
237 RFVDD18 - Power supply terminal (+1.8V)
238 XTALO O System clock output terminal Not used
239 XTALI I System clock input terminal
240 JITFO O Output terminal of the RF jitter meter
241 JITFN I Input terminal of the RF jitter meter
242 PLLVSS - Ground terminal
243 PLLVDD3 - Power supply terminal (+3.3V)
244 LPFON O Data PLL loop fi lter output terminal
245 LPFIP I Data PLL loop fi lter input terminal
246 LPFIN I Data PLL loop fi lter input terminal
247 LPFOP O Data PLL loop fi lter output terminal
248 ADCVDD3 - Power supply terminal (+3.3V)
249 ADCVSS - Ground terminal
250 RFVDD3 - Power supply terminal (+3.3V)
251 RFRPDC O RF ripple detect output terminal
252 RFRPAC I RF ripple detect input terminal
253 HRFZC I High frequency RF ripple zero crossing terminal
254 CRTPLP O Defect level fi lter capacitor connecting terminal
255 RFGND18 - Ground terminal
256 OSP O RF offset cancellation capacitor connecting terminal

47
SCD-XA5400ES
SECTION 7
EXPLODED VIEWS
1 A-1544-225-A PANEL ASSY, LOADING
2 3-087-053-01 +BVTP2.6 (3CR)
3 4-860-518-00 CUSHION
4 3-704-515-11 SCREW (BV/RING)
5 2-580-630-01 SCREW, +BVST 4X8
6 4-220-301-32 CASE
7 4-227-843-03 SCREW (TP), FLAT HEAD
#1 7-685-646-79 SCREW +BVTP 3X8 TYPE2 IT-3
Ref. No. Part No. Description Remark Ref. No. Part No. Description Remark
Note:
• -XX and -X mean standardized parts, so
they may have some difference from the
original one.
• Items marked “*” are not stocked since
they are seldom required for routine ser-
vice. Some delay should be anticipated
when ordering these items.
• The mechanical parts with no reference
number in the exploded views are not sup-
plied.
• Color Indication of Appearance Parts Ex-
ample:
KNOB, BALANCE (WHITE) . . . (RED)
↑ ↑
Parts Color Cabinet’s Color
• Abbreviation
CND : Canadian model
7-1. CASE SECTION
The components identifi ed by mark 0
or dotted line with mark 0 are critical for
safety.
Replace only with part number specifi ed.
Les composants identifi és par une marque
0 sont critiques pour la sécurité.
Ne les remplacer que par une pièce portant
le numéro spécifi é.
mechanism deck section
(CDM66F-DVBU101) #1
not supplied
3
not supplied
MAIN board section
#1
3
7
6
5
5
3
4
2
1
#1
#1
not supplied
DISPLAY board section
not supplied
The components identifi ed by mark 9 con-
tain confi dential information.
Strictly follow the instructions whenever the
components are repaired and/or replaced.
Les composants identifi és par la marque
9 contiennent des informations confi den-
tielles.
Suivre scrupuleusement les instructions
chaque fois qu’un composant est remplacé
et / ou réparé.

48
SCD-XA5400ES
7-2. DISPLAY BOARD SECTION
51 X-4955-656-2 KNOB (SEL) ASSY
52 3-873-313-01 PLATE, INDICATION
53 4-250-532-01 KNOB (HP-VOL)
54 2-893-374-01 SPRING, RING
55 4-942-568-41 EMBLEM (NO.5), SONY
56 3-087-053-01 +BVTP2.6 (3CR)
57 4-220-711-01 INDICATOR (FILTER)
58 A-1544-255-A DISPLAY BOARD, COMPLETE
59 1-835-567-51 WIRE (FLAT TYPE) (19 CORE)
J801 1-770-904-11 JACK (LARGE TYPE) (PHONES)
RV801 1-227-185-11 RES, VAR, CARBON (PHONE LEVEL)
Ref. No. Part No. Description Remark Ref. No. Part No. Description Remark
not supplied
not supplied
56
56
56
58
56
59
56
56
56
57
56
not supplied
not
supplied
not supplied
not supplied
not supplied
(HP board)
J801
supplied with
J801
supplied with RV801
RV801
not supplied
not supplied
(JOG board)
front panel section
not supplied
(KEY-R board)
not supplied
(LED board)
not supplied
(KEY-L board)
53
54
52
51
55
Note: If wire (fl at type) is replaced, install it after bending
it in the same form as that before replacement.

49
SCD-XA5400ES
7-3. FRONT PANEL SECTION
101 3-873-309-01 PANEL, FRONT (AEP)
101 3-873-309-11 PANEL, FRONT (US, CND)
102 4-250-643-01 SHEET (ES-A), ADHESIVE
103 4-246-567-91 BUTTON (PLAY) (I/1)
104 4-246-563-31 ESCUTCHEON (A)
105 3-325-697-21 WASHER
106 4-220-317-01 BUTTON (FILTER)
107 4-975-105-01 WINDOW, RAY CATCHER
108 4-246-563-21 ESCUTCHEON (A)
109 4-246-568-01 BUTTON (OPEN) (A)
110 4-246-567-01 BUTTON (PLAY) (N)
111 4-246-567-31 BUTTON (PLAY) (X)
112 4-246-567-61 BUTTON (PLAY) (x)
113 X-4950-462-1 LENS ASSY, LED
114 3-873-310-01 BASE (L), PANEL
115 3-873-312-01 BASE (C), PANEL
116 4-235-619-01 PACKING (LOADING)
117 3-087-053-01 +BVTP2.6 (3CR)
118 3-873-311-01 BASE (R), PANEL
#1 7-685-646-79 SCREW +BVTP 3X8 TYPE2 IT-3
Ref. No. Part No. Description Remark Ref. No. Part No. Description Remark
not
supplied
not
supplied
not
supplied
not supplied
114
104
105
106
107
108
109
110
111
112
113
101
103
102
115
117
116
118
105
#1

50
SCD-XA5400ES
7-4. MAIN BOARD SECTION
151 A-1544-253-A POWER BOARD, COMPLETE (US, CND)
151 A-1560-484-A POWER BOARD, COMPLETE (AEP)
152 3-703-249-02 SCREW, S TIGHT, +PTTWH 3X6
153 3-655-653-01 BAND (TAITON), BINDING
154 1-828-326-51 WIRE (FLAT TYPE) (13 CORE)
9 155 A-1567-301-A MAIN BOARD, COMPLETE (for SERVICE)
(US, CND)
9 155 A-1567-313-A MAIN BOARD, COMPLETE (for SERVICE) (AEP)
0 PT002 1-445-487-11 TRANSFORMER, POWER (US, CND)
0 PT002 1-445-488-11 TRANSFORMER, POWER (AEP)
0 PT003 1-445-483-11 TRANSFORMER, POWER (US, CND)
0 PT003 1-445-484-11 TRANSFORMER, POWER (AEP)
#1 7-685-646-79 SCREW +BVTP 3X8 TYPE2 IT-3
#2 7-682-547-04 SCREW +B 3X6
Ref. No. Part No. Description Remark Ref. No. Part No. Description Remark
#1
#2
#1
#1
#1
154
152
153
#1
151
154
155
not supplied
not
supplied
not supplied
AUDIO board section
PT003
PT002
not supplied

51
SCD-XA5400ES
#1
not supplied F001
F002
#1
#1
#1
#1
#3
#1
202
202
201
204
205 202
202
206
203
206
not supplied
chassis section
7-5. AUDIO BOARD SECTION
201 A-1544-254-A STANDBY BOARD, COMPLETE (US, CND)
201 A-1544-320-A STANDBY BOARD, COMPLETE (AEP)
202 4-237-065-01 CLAMP (L35)
203 A-1544-251-A AUDIO BOARD, COMPLETE (US, CND)
203 A-1560-483-A AUDIO BOARD, COMPLETE (AEP)
0 204 1-821-082-41 AC INLET (2P) (- AC IN)
205 2-580-644-01 SCREW, +KTP2 3X8
206 4-860-518-00 CUSHION
0 F001 1-532-389-33 FUSE (T500mA/250V) (AEP)
0 F001 1-532-501-33 FUSE (T800mA/250V) (US, CND)
0 F002 1-532-389-33 FUSE (T500mA/250V) (AEP)
0 F002 1-532-501-33 FUSE (T800mA/250V) (US, CND)
#1 7-685-646-79 SCREW +BVTP 3X8 TYPE2 IT-3
#3 7-621-770-67 SCREW +B 2.6X6
Ref. No. Part No. Description Remark Ref. No. Part No. Description Remark

52
SCD-XA5400ES
#1
not supplied
252
#5
#1
#1
#5
#1
#1
#1
#1
#1
#1
#1
#1
#4 #1
#1
#1 #4
#1
#1
#1
#1
#1
#1
#1
#4
#4
252
253
253
251
251
252
not supplied
not supplied
not
supplied
not
supplied
not supplied
not supplied
not supplied
not supplied
not supplied
not
supplied
not
supplied
251
251
7-6. CHASSIS SECTION
251 X-4955-348-1 FOOT ASSY
252 4-237-065-01 CLAMP (L35)
253 4-860-518-00 CUSHION
#1 7-685-646-79 SCREW +BVTP 3X8 TYPE2 IT-3
#4 7-685-885-09 SCREW +BVTT 4X16 (S)
#5 7-685-645-79 SCREW +BVTP 3X6 TYPE2 IT-3
Ref. No. Part No. Description Remark Ref. No. Part No. Description Remark

53
SCD-XA5400ES
506
505
507
508
504
503
501
502
509
not supplied
(OUT-SW board)
not supplied
(MOTOR board)
not supplied
not supplied
M001
base unit section
#6
510
507
512
511
not supplied
7-7. MECHANISM DECK SECTION
(CDM66F-DVBU101)
501 3-452-881-01 TRAY (66F)
502 4-232-682-01 CUSHION (66)
503 4-232-712-01 CAM (66)
504 4-232-710-01 PULLEY (LD)
505 4-232-713-01 BELT (LD)
506 4-232-711-01 GEAR (LD)
507 3-087-053-01 +BVTP2.6 (3CR)
508 3-452-884-01 HOLDER (YOKE)
509 4-227-899-31 SCREW (DIA. 12), FROATING
510 4-860-518-00 CUSHION
511 3-452-883-01 YOKE
512 4-237-065-01 CLAMP (L35)
M001 A-4604-363-A MOTOR (L) ASSY (LOADING)
#6 7-621-775-10 SCREW +B 2.6X4
Ref. No. Part No. Description Remark Ref. No. Part No. Description Remark

54
SCD-XA5400ES
552
551
551 551
553
553
553
555
554
553
556
7-8. BASE UNIT SECTION
551 3-087-599-01 INSULATOR SCREW
0 552 8-820-322-04 OPTICAL PICK-UP BLOCK (KHM-313CAB/C2RP)
553 2-634-618-11 INSULATOR
554 3-452-882-01 HOLDER (66F)
555 1-835-373-51 WIRE (FLAT TYPE) (24 CORE)
556 4-113-450-01 CUSHION (66F)
Ref. No. Part No. Description Remark Ref. No. Part No. Description Remark
Note: If wire (fl at type) is replaced, install it after bending
it in the same form as that before replacement.

55
SCD-XA5400ES
SECTION 8
ELECTRICAL PARTS LIST
A-1544-251-A AUDIO BOARD, COMPLETE (US, CND)
A-1560-483-A AUDIO BOARD, COMPLETE (AEP)
**********************
< CAPACITOR >
C151 1-100-566-91 CERAMIC CHIP 0.1uF 10% 25V
C152 1-100-566-91 CERAMIC CHIP 0.1uF 10% 25V
C153 1-162-917-11 CERAMIC CHIP 15PF 5% 50V
C154 1-162-918-11 CERAMIC CHIP 18PF 5% 50V
C155 1-162-962-11 CERAMIC CHIP 470PF 10% 50V
C156 1-100-390-21 ELECT CHIP 180uF 20% 6.3V
C157 1-100-566-91 CERAMIC CHIP 0.1uF 10% 25V
C158 1-100-566-91 CERAMIC CHIP 0.1uF 10% 25V
C159 1-100-388-21 ELECT CHIP 39uF 20% 16V
C160 1-162-962-11 CERAMIC CHIP 470PF 10% 50V
C161 1-100-566-91 CERAMIC CHIP 0.1uF 10% 25V
C162 1-100-566-91 CERAMIC CHIP 0.1uF 10% 25V
C163 1-100-390-21 ELECT CHIP 180uF 20% 6.3V
C164 1-127-956-21 FILM CHIP 0.1uF 5% 16V
C165 1-128-528-11 ELECT 470uF 20% 25V
C166 1-124-699-11 ELECT 220uF 20% 25V
C167 1-124-699-11 ELECT 220uF 20% 25V
C168 1-100-566-91 CERAMIC CHIP 0.1uF 10% 25V
C169 1-162-962-11 CERAMIC CHIP 470PF 10% 50V
C170 1-100-566-91 CERAMIC CHIP 0.1uF 10% 25V
C171 1-100-566-91 CERAMIC CHIP 0.1uF 10% 25V
C172 1-100-566-91 CERAMIC CHIP 0.1uF 10% 25V
C173 1-100-566-91 CERAMIC CHIP 0.1uF 10% 25V
C174 1-100-566-91 CERAMIC CHIP 0.1uF 10% 25V
C175 1-162-971-11 CERAMIC CHIP 0.001uF 10% 50V
C176 1-162-971-11 CERAMIC CHIP 0.001uF 10% 50V
C177 1-162-971-11 CERAMIC CHIP 0.001uF 10% 50V
C179 1-100-566-91 CERAMIC CHIP 0.1uF 10% 25V
C180 1-100-566-91 CERAMIC CHIP 0.1uF 10% 25V
C181 1-124-779-00 ELECT CHIP 10uF 20% 16V
C182 1-162-962-11 CERAMIC CHIP 470PF 10% 50V
C183 1-100-390-21 ELECT CHIP 180uF 20% 6.3V
C200 1-100-756-91 CERAMIC CHIP 0.047uF 50V
C201 1-100-756-91 CERAMIC CHIP 0.047uF 50V
C204 1-130-471-00 MYLAR 0.001uF 5% 50V
C205 1-100-388-21 ELECT CHIP 39uF 20% 16V
C206 1-127-956-21 FILM CHIP 0.1uF 5% 16V
C207 1-127-956-21 FILM CHIP 0.1uF 5% 16V
C208 1-100-388-21 ELECT CHIP 39uF 20% 16V
C209 1-100-390-21 ELECT CHIP 180uF 20% 6.3V
C210 1-127-956-21 FILM CHIP 0.1uF 5% 16V
C211 1-136-287-11 FILM 0.0047uF 5% 100V
C212 1-136-287-11 FILM 0.0047uF 5% 100V
C213 1-127-956-21 FILM CHIP 0.1uF 5% 16V
C214 1-127-956-21 FILM CHIP 0.1uF 5% 16V
C215 1-136-293-11 FILM 0.0082uF 5% 100V
C216 1-136-480-11 FILM 0.0015uF 5% 100V
C217 1-136-480-11 FILM 0.0015uF 5% 100V
C218 1-127-956-21 FILM CHIP 0.1uF 5% 16V
C219 1-127-956-21 FILM CHIP 0.1uF 5% 16V
C220 1-114-959-91 ELECT 47uF 20% 100V
C221 1-127-956-21 FILM CHIP 0.1uF 5% 16V
C222 1-137-350-11 FILM 0.015uF 5% 100V
C223 1-136-480-11 FILM 0.0015uF 5% 100V
C224 1-137-350-11 FILM 0.015uF 5% 100V
C225 1-136-480-11 FILM 0.0015uF 5% 100V
C226 1-127-956-21 FILM CHIP 0.1uF 5% 16V
C227 1-127-956-21 FILM CHIP 0.1uF 5% 16V
C228 1-114-959-91 ELECT 47uF 20% 100V
C229 1-127-956-21 FILM CHIP 0.1uF 5% 16V
C230 1-114-959-91 ELECT 47uF 20% 100V
C231 1-127-956-21 FILM CHIP 0.1uF 5% 16V
C232 1-163-133-00 CERAMIC CHIP 470PF 5% 50V (AEP)
C252 1-100-756-91 CERAMIC CHIP 0.047uF 50V
C254 1-130-471-00 MYLAR 0.001uF 5% 50V
C255 1-100-388-21 ELECT CHIP 39uF 20% 16V
C256 1-127-956-21 FILM CHIP 0.1uF 5% 16V
C261 1-136-287-11 FILM 0.0047uF 5% 100V
C262 1-136-287-11 FILM 0.0047uF 5% 100V
C263 1-127-956-21 FILM CHIP 0.1uF 5% 16V
C264 1-127-956-21 FILM CHIP 0.1uF 5% 16V
C265 1-136-293-11 FILM 0.0082uF 5% 100V
C266 1-136-480-11 FILM 0.0015uF 5% 100V
C267 1-136-480-11 FILM 0.0015uF 5% 100V
C270 1-114-959-91 ELECT 47uF 20% 100V
C271 1-127-956-21 FILM CHIP 0.1uF 5% 16V
C272 1-137-350-11 FILM 0.015uF 5% 100V
Ref. No. Part No. Description Remark Ref. No. Part No. Description Remark
AUDIO
When indicating parts by reference num-
ber, please include the board name.
Note:
• Due to standardization, replacements in
the parts list may be different from the
parts specifi ed in the diagrams or the com-
ponents used on the set.
• -XX and -X mean standardized parts, so
they may have some difference from the
original one.
• Items marked “*” are not stocked since
they are seldom required for routine ser-
vice. Some delay should be anticipated
when ordering these items.
• CAPACITORS
uF: μF
• COILS
uH: μH
• RESISTORS
All resistors are in ohms.
METAL: Metal-fi lm resistor.
METAL OXIDE: Metal oxide-fi lm resistor.
F: nonfl ammable
• SEMICONDUCTORS
In each case, u: μ, for example:
uA. . : μA. . , uPA. . , μPA. . ,
uPB. . : μPB. . , uPC. . , μPC. . ,
uPD. . : μPD. .
• Abbreviation
CND : Canadian model
The components identifi ed by mark 9 con-
tain confi dential information.
Strictly follow the instructions whenever the
components are repaired and/or replaced.
Les composants identifi és par la marque
9 contiennent des informations confi den-
tielles.
Suivre scrupuleusement les instructions
chaque fois qu’un composant est remplacé
et / ou réparé.
The components identifi ed by mark 0
or dotted line with mark 0 are critical for
safety.
Replace only with part number specifi ed.
Les composants identifi és par une marque
0 sont critiques pour la sécurité.
Ne les remplacer que par une pièce portant
le numéro spécifi é.

Ref. No. Part No. Description Remark Ref. No. Part No. Description Remark
SCD-XA5400ES
56
C273 1-136-480-11 FILM 0.0015uF 5% 100V
C274 1-137-350-11 FILM 0.015uF 5% 100V
C275 1-136-480-11 FILM 0.0015uF 5% 100V
C276 1-127-956-21 FILM CHIP 0.1uF 5% 16V
C277 1-127-956-21 FILM CHIP 0.1uF 5% 16V
C278 1-114-959-91 ELECT 47uF 20% 100V
C279 1-127-956-21 FILM CHIP 0.1uF 5% 16V
C280 1-114-959-91 ELECT 47uF 20% 100V
C281 1-127-956-21 FILM CHIP 0.1uF 5% 16V
C282 1-163-133-00 CERAMIC CHIP 470PF 5% 50V (AEP)
C291 1-127-956-21 FILM CHIP 0.1uF 5% 16V
C292 1-127-956-21 FILM CHIP 0.1uF 5% 16V
C293 1-100-756-91 CERAMIC CHIP 0.047uF 50V
C294 1-112-080-11 ELECT 470uF 20% 10V
C295 1-112-080-11 ELECT 470uF 20% 10V
C296 1-112-099-11 ELECT 4.7uF 20% 50V
C297 1-112-099-11 ELECT 4.7uF 20% 50V
< CONNECTOR >
CN151 1-785-468-41 CONNECTOR, FFC/FPC 13P
CN152 1-785-468-41 CONNECTOR, FFC/FPC 13P
* CN154 1-569-974-11 PIN, CONNECTOR (PC BOARD) 3P
CN155 1-691-766-11 PLUG (MICRO CONNECTOR) 4P
CN156 1-564-505-11 PLUG, CONNECTOR 2P
CN291 1-779-978-11 PIN, CONNECTOR 3P
< DIODE >
D201 6-501-817-01 DIODE MA2J1110GLS0
D202 6-501-817-01 DIODE MA2J1110GLS0
D252 6-501-817-01 DIODE MA2J1110GLS0
D291 6-501-817-01 DIODE MA2J1110GLS0
< TERMINAL >
EE151 1-780-318-11 TERMINAL
EE152 1-780-318-11 TERMINAL
EE153 1-780-318-11 TERMINAL
< FERRITE BEAD >
FB151 1-469-139-21 FERRITE, EMI (SMD) (2012)
FB152 1-469-152-11 FERRITE, EMI (SMD) (2012)
FB153 1-469-152-11 FERRITE, EMI (SMD) (2012)
< IC >
IC151 6-708-071-01 IC FS7140-01G
IC152 8-759-242-70 IC TC7WU04F
IC153 6-702-302-01 IC TK11133CSCL-G
IC154 6-703-227-01 IC TK11131CSCL-G (US, CND)
IC154 8-759-828-44 IC NJM2870F33 (TE2) (AEP)
IC155 8-759-083-94 IC TC7W74FU
IC156 6-700-067-01 IC HD74LV161ATELL
IC201 8-759-828-44 IC NJM2870F33 (TE2)
IC202 6-707-503-01 IC DSD1796DBR
IC203 8-759-566-39 IC OPA2132UA/2K5
IC204 8-759-566-39 IC OPA2132UA/2K5
IC205 8-759-447-30 IC NJM2114M-TE2
IC206 8-759-082-58 IC TC7W08FU
IC253 8-759-566-39 IC OPA2132UA/2K5
IC255 8-759-447-30 IC NJM2114M-TE2
IC291 8-759-700-09 IC NJM2043M-D
IC292 8-759-592-44 IC TC7SZ04FU (TE85R)
AUDIO
< JACK >
J201 1-818-094-11 JACK, PIN 1P (AUDIO OUT UNBALANCED L)
J202 1-764-393-11 CONNECTOR (XLR TYPE) 3P
(AUDIO OUT UNBALANCED L)
J251 1-818-095-11 JACK, PIN 1P (AUDIO OUT UNBALANCED R)
J252 1-764-393-11 CONNECTOR (XLR TYPE) 3P
(AUDIO OUT UNBALANCED R)
< JUMPER RESISTOR/FERRITE BEAD >
JW150 1-216-295-91 SHORT CHIP 0 (AEP)
JW150 1-469-670-21 FERRITE, EMI (SMD) (2012) (US, CND)
< TRANSISTOR >
Q151 8-729-027-43 TRANSISTOR DTC114EKA-T146
Q201 8-729-027-23 TRANSISTOR DTA114EKA-T146
Q202 8-729-027-23 TRANSISTOR DTA114EKA-T146
Q203 8-729-027-43 TRANSISTOR DTC114EKA-T146
Q204 8-729-027-43 TRANSISTOR DTC114EKA-T146
Q252 8-729-027-23 TRANSISTOR DTA114EKA-T146
Q253 8-729-027-43 TRANSISTOR DTC114EKA-T146
Q291 8-729-027-23 TRANSISTOR DTA114EKA-T146
Q292 8-729-027-43 TRANSISTOR DTC114EKA-T146
Q293 8-729-027-23 TRANSISTOR DTA114EKA-T146
< RESISTOR >
R150 1-216-801-11 METAL CHIP 22 5% 1/10W
R151 1-216-811-11 METAL CHIP 150 5% 1/10W
R152 1-216-801-11 METAL CHIP 22 5% 1/10W
R153 1-216-815-11 METAL CHIP 330 5% 1/10W
R154 1-216-857-11 METAL CHIP 1M 5% 1/10W
R155 1-216-809-11 METAL CHIP 100 5% 1/10W
R156 1-216-801-11 METAL CHIP 22 5% 1/10W
R157 1-216-801-11 METAL CHIP 22 5% 1/10W
R158 1-216-809-11 METAL CHIP 100 5% 1/10W
R159 1-216-833-11 METAL CHIP 10K 5% 1/10W
R160 1-216-801-11 METAL CHIP 22 5% 1/10W
R161 1-216-801-11 METAL CHIP 22 5% 1/10W
R162 1-216-801-11 METAL CHIP 22 5% 1/10W
R163 1-216-801-11 METAL CHIP 22 5% 1/10W
R164 1-216-801-11 METAL CHIP 22 5% 1/10W
R165 1-216-801-11 METAL CHIP 22 5% 1/10W
R166 1-216-809-11 METAL CHIP 100 5% 1/10W
R167 1-216-809-11 METAL CHIP 100 5% 1/10W
R168 1-216-809-11 METAL CHIP 100 5% 1/10W
R169 1-216-809-11 METAL CHIP 100 5% 1/10W
R171 1-216-833-11 METAL CHIP 10K 5% 1/10W
R173 1-216-833-11 METAL CHIP 10K 5% 1/10W
R174 1-216-833-11 METAL CHIP 10K 5% 1/10W
R175 1-216-801-11 METAL CHIP 22 5% 1/10W
R176 1-216-801-11 METAL CHIP 22 5% 1/10W
R177 1-216-801-11 METAL CHIP 22 5% 1/10W
R178 1-216-801-11 METAL CHIP 22 5% 1/10W
R179 1-216-801-11 METAL CHIP 22 5% 1/10W
R180 1-216-801-11 METAL CHIP 22 5% 1/10W
R181 1-216-801-11 METAL CHIP 22 5% 1/10W
R182 1-216-801-11 METAL CHIP 22 5% 1/10W
R183 1-216-801-11 METAL CHIP 22 5% 1/10W
R184 1-216-833-11 METAL CHIP 10K 5% 1/10W
R185 1-216-833-11 METAL CHIP 10K 5% 1/10W
R201 1-218-716-11 METAL CHIP 10K 0.5% 1/10W

Ref. No. Part No. Description Remark Ref. No. Part No. Description Remark
SCD-XA5400ES
5757
DISPLAY
R202 1-247-750-11 CARBON 680 5% 1/2W
R203 1-247-750-11 CARBON 680 5% 1/2W
R204 1-247-749-11 CARBON 560 5% 1/2W
R205 1-247-750-11 CARBON 680 5% 1/2W
R206 1-247-749-11 CARBON 560 5% 1/2W
R207 1-247-749-11 CARBON 560 5% 1/2W
R208 1-247-750-11 CARBON 680 5% 1/2W
R209 1-247-749-11 CARBON 560 5% 1/2W
R210 1-249-194-11 CARBON 220 5% 1/3W
R211 1-214-921-00 CARBON 220K 5% 1/3W
R212 1-249-162-11 CARBON 10 5% 1/3W
R213 1-216-833-11 METAL CHIP 10K 5% 1/10W
R222 1-247-749-11 CARBON 560 5% 1/2W
R223 1-247-750-11 CARBON 680 5% 1/2W
R224 1-247-749-11 CARBON 560 5% 1/2W
R225 1-247-749-11 CARBON 560 5% 1/2W
R226 1-247-750-11 CARBON 680 5% 1/2W
R227 1-247-749-11 CARBON 560 5% 1/2W
R228 1-249-194-11 CARBON 220 5% 1/3W
R229 1-214-921-00 CARBON 220K 5% 1/3W
R230 1-249-162-11 CARBON 10 5% 1/3W
R231 1-249-194-11 CARBON 220 5% 1/3W
R232 1-214-921-00 CARBON 220K 5% 1/3W
R233 1-249-162-11 CARBON 10 5% 1/3W
R252 1-247-750-11 CARBON 680 5% 1/2W
R253 1-247-750-11 CARBON 680 5% 1/2W
R254 1-247-749-11 CARBON 560 5% 1/2W
R255 1-247-750-11 CARBON 680 5% 1/2W
R256 1-247-749-11 CARBON 560 5% 1/2W
R257 1-247-749-11 CARBON 560 5% 1/2W
R258 1-247-750-11 CARBON 680 5% 1/2W
R259 1-247-749-11 CARBON 560 5% 1/2W
R260 1-249-194-11 CARBON 220 5% 1/3W
R261 1-214-921-00 CARBON 220K 5% 1/3W
R262 1-249-162-11 CARBON 10 5% 1/3W
R272 1-247-749-11 CARBON 560 5% 1/2W
R273 1-247-750-11 CARBON 680 5% 1/2W
R274 1-247-749-11 CARBON 560 5% 1/2W
R275 1-247-749-11 CARBON 560 5% 1/2W
R276 1-247-750-11 CARBON 680 5% 1/2W
R277 1-247-749-11 CARBON 560 5% 1/2W
R278 1-249-194-11 CARBON 220 5% 1/3W
R279 1-214-921-00 CARBON 220K 5% 1/3W
R280 1-249-162-11 CARBON 10 5% 1/3W
R281 1-249-194-11 CARBON 220 5% 1/3W
R282 1-214-921-00 CARBON 220K 5% 1/3W
R283 1-249-162-11 CARBON 10 5% 1/3W
R288 1-216-809-11 METAL CHIP 100 5% 1/10W
R289 1-216-809-11 METAL CHIP 100 5% 1/10W
R291 1-216-841-11 METAL CHIP 47K 5% 1/10W
R292 1-216-841-11 METAL CHIP 47K 5% 1/10W
R293 1-216-809-11 METAL CHIP 100 5% 1/10W
R294 1-216-853-11 METAL CHIP 470K 5% 1/10W
R295 1-216-853-11 METAL CHIP 470K 5% 1/10W
R299 1-216-809-11 METAL CHIP 100 5% 1/10W
< RELAY >
RY201 1-755-485-11 RELAY
RY202 1-755-485-11 RELAY
RY252 1-755-485-11 RELAY
RY291 1-755-485-11 RELAY
< VIBRATOR >
X151 1-767-286-11 VIBRATOR, CRYSTAL (22.5792MHz)
************************************************************
A-1544-255-A DISPLAY BOARD, COMPLETE
***********************
* 4-945-292-01 HOLDER, INDICATION TUBE
4-949-935-41 CUSHION (FL)
< CAPACITOR >
C803 1-162-970-11 CERAMIC CHIP 0.01uF 10% 25V
C804 1-126-157-11 ELECT 10uF 20% 16V
C806 1-162-962-11 CERAMIC CHIP 470PF 10% 50V
C807 1-162-962-11 CERAMIC CHIP 470PF 10% 50V
C808 1-162-962-11 CERAMIC CHIP 470PF 10% 50V
C810 1-162-949-11 CERAMIC CHIP 47PF 5% 50V
C811 1-126-157-11 ELECT 10uF 20% 16V
C812 1-100-566-91 CERAMIC CHIP 0.1uF 10% 25V
C813 1-100-566-91 CERAMIC CHIP 0.1uF 10% 25V
C818 1-115-339-11 CERAMIC CHIP 0.1uF 10% 50V
< CONNECTOR >
CN803 1-779-556-21 CONNECTOR, FFC (LIF (NON-ZIF)) 19P
* CN804 1-568-946-11 PIN, CONNECTOR 8P
* CN805 1-568-942-11 PIN, CONNECTOR 4P
< DIODE >
D801 6-501-817-01 DIODE MA2J1110GLS0
< IC >
IC801 6-600-349-31 IC NJL24H400A
IC802 6-705-899-01 IC ML9208-03MBZ03B
IC803 8-759-828-44 IC NJM2870F33 (TE2)
< FLUORESCENT INDICATOR TUBE >
ND801 1-483-035-11 INDICATOR TUBE, FLUORESCENT
< TRANSISTOR >
Q802 8-729-027-43 TRANSISTOR DTC114EKA-T146
< RESISTOR >
R804 1-216-805-11 METAL CHIP 47 5% 1/10W
R807 1-216-809-11 METAL CHIP 100 5% 1/10W
R808 1-216-809-11 METAL CHIP 100 5% 1/10W
R809 1-216-809-11 METAL CHIP 100 5% 1/10W
R810 1-216-821-11 METAL CHIP 1K 5% 1/10W
R811 1-216-827-11 METAL CHIP 3.3K 5% 1/10W
R812 1-216-845-11 METAL CHIP 100K 5% 1/10W
************************************************************
HP BOARD
*********
< CAPACITOR >
C801 1-162-971-11 CERAMIC CHIP 0.001uF 10% 50V
C802 1-162-971-11 CERAMIC CHIP 0.001uF 10% 50V
C819 1-100-566-91 CERAMIC CHIP 0.1uF 10% 25V
AUDIO HP

Ref. No. Part No. Description Remark Ref. No. Part No. Description Remark
SCD-XA5400ES
58
< CONNECTOR >
CN801 1-779-978-11 PIN, CONNECTOR 3P
< JACK >
J801 1-770-904-11 JACK (LARGE TYPE) (PHONES)
< FERRITE BEAD >
L801 1-410-397-21 FERRITE 1.1uH
L802 1-410-397-21 FERRITE 1.1uH
L803 1-410-397-21 FERRITE 1.1uH
< VARIABLE RESISTOR >
RV801 1-227-185-11 RES, VAR, CARBON (PHONE LEVEL)
************************************************************
JOG BOARD
**********
< CAPACITOR >
C816 1-162-970-11 CERAMIC CHIP 0.01uF 10% 25V
C817 1-162-970-11 CERAMIC CHIP 0.01uF 10% 25V
< CONNECTOR >
* CN808 1-568-942-11 PIN, CONNECTOR 4P
< ROTARY ENCODER >
S806 1-478-268-11 ENCODER, ROTARY
(. ANS >, PUSH ENTER)
************************************************************
KEY-L BOARD
***********
< CAPACITOR >
C805 1-100-566-91 CERAMIC CHIP 0.1uF 10% 25V
< TRANSISTOR >
Q801 8-729-027-43 TRANSISTOR DTC114EKA-T146
< RESISTOR >
R801 1-216-821-11 METAL CHIP 1K 5% 1/10W
R802 1-216-825-11 METAL CHIP 2.2K 5% 1/10W
R803 1-216-825-11 METAL CHIP 2.2K 5% 1/10W
R805 1-216-829-11 METAL CHIP 4.7K 5% 1/10W
R806 1-216-811-11 METAL CHIP 150 5% 1/10W
< SWITCH >
S801 1-762-875-21 SWITCH, KEYBOARD (l/1)
S802 1-570-969-11 SWITCH, KEY BOARD (TIME/TEXT)
S803 1-570-969-11 SWITCH, KEY BOARD (MULTI/2CH)
S804 1-570-969-11 SWITCH, KEY BOARD (SA-CD/CD)
S805 1-570-101-51 SWITCH, KEY BOARD (HDMI)
************************************************************
KEY-R BOARD (including LED board)
***********
< TRANSISTOR >
Q803 8-729-027-43 TRANSISTOR DTC114EKA-T146
Q804 8-729-027-43 TRANSISTOR DTC114EKA-T146
< RESISTOR >
R813 1-216-821-11 METAL CHIP 1K 5% 1/10W
R814 1-216-821-11 METAL CHIP 1K 5% 1/10W
R815 1-216-825-11 METAL CHIP 2.2K 5% 1/10W
R816 1-216-811-11 METAL CHIP 150 5% 1/10W
R817 1-216-813-11 METAL CHIP 220 5% 1/10W
< SWITCH >
S807 1-762-875-21 SWITCH, KEYBOARD (A)
S808 1-762-875-21 SWITCH, KEYBOARD (N)
S809 1-762-875-21 SWITCH, KEYBOARD (X)
S810 1-762-875-21 SWITCH, KEYBOARD (x)
************************************************************
LED BOARD (included in KEY-R board)
**********
< CAPACITOR >
C814 1-100-566-91 CERAMIC CHIP 0.1uF 10% 25V
C815 1-100-566-91 CERAMIC CHIP 0.1uF 10% 25V
< LED >
D802 8-719-046-41 LED SEL5521C-TP15 (N)
D803 8-719-046-39 LED SEL5821A-TP15 (X)
************************************************************
9 A-1567-301-A MAIN BOARD, COMPLETE (for SERVICE)
(US, CND)
9 A-1567-313-A MAIN BOARD, COMPLETE (for SERVICE) (AEP)
*********************
< CAPACITOR >
C501 1-107-826-11 CERAMIC CHIP 0.1uF 10% 16V
C502 1-107-826-11 CERAMIC CHIP 0.1uF 10% 16V
C503 1-107-826-11 CERAMIC CHIP 0.1uF 10% 16V
C507 1-107-826-11 CERAMIC CHIP 0.1uF 10% 16V
C508 1-107-826-11 CERAMIC CHIP 0.1uF 10% 16V
C510 1-107-826-11 CERAMIC CHIP 0.1uF 10% 16V
C515 1-107-826-11 CERAMIC CHIP 0.1uF 10% 16V
C517 1-107-826-11 CERAMIC CHIP 0.1uF 10% 16V
C518 1-107-826-11 CERAMIC CHIP 0.1uF 10% 16V
C520 1-127-715-11 CERAMIC CHIP 0.22uF 10% 16V
C521 1-162-970-11 CERAMIC CHIP 0.01uF 10% 25V
C522 1-127-715-11 CERAMIC CHIP 0.22uF 10% 16V
C523 1-107-826-11 CERAMIC CHIP 0.1uF 10% 16V
C526 1-104-658-91 ELECT 100uF 20% 10V
C527 1-104-656-11 ELECT 2200uF 20% 6.3V
C528 1-126-916-11 ELECT 1000uF 20% 6.3V
C531 1-107-826-11 CERAMIC CHIP 0.1uF 10% 16V
C533 1-107-826-11 CERAMIC CHIP 0.1uF 10% 16V
C538 1-162-964-11 CERAMIC CHIP 0.001uF 10% 50V
C577 1-162-970-11 CERAMIC CHIP 0.01uF 10% 25V
C578 1-162-970-11 CERAMIC CHIP 0.01uF 10% 25V
C579 1-126-933-11 ELECT 100uF 20% 16V
C580 1-126-933-11 ELECT 100uF 20% 16V
C581 1-162-970-11 CERAMIC CHIP 0.01uF 10% 25V
C582 1-107-826-11 CERAMIC CHIP 0.1uF 10% 16V
C583 1-104-658-91 ELECT 100uF 20% 10V
C584 1-104-658-91 ELECT 100uF 20% 10V
C591 1-162-970-11 CERAMIC CHIP 0.01uF 10% 25V
C592 1-162-970-11 CERAMIC CHIP 0.01uF 10% 25V
KEY-LJOGHP KEY-R LED MAIN

Ref. No. Part No. Description Remark Ref. No. Part No. Description Remark
SCD-XA5400ES
5959
C593 1-104-658-91 ELECT 100uF 20% 10V
C594 1-104-658-91 ELECT 100uF 20% 10V
C691 1-128-994-21 ELECT CHIP 47uF 20% 10V
(US, CND)
C692 1-107-826-11 CERAMIC CHIP 0.1uF 10% 16V
(US, CND)
C693 1-126-601-11 ELECT CHIP 2.2uF 20% 50V
(US, CND)
C1101 1-162-970-11 CERAMIC CHIP 0.01uF 10% 25V
C1103 1-107-826-11 CERAMIC CHIP 0.1uF 10% 16V
C1105 1-128-994-21 ELECT CHIP 47uF 20% 10V
C1106 1-162-970-11 CERAMIC CHIP 0.01uF 10% 25V
C1108 1-107-826-11 CERAMIC CHIP 0.1uF 10% 16V
C1109 1-107-826-11 CERAMIC CHIP 0.1uF 10% 16V
C1110 1-165-908-11 CERAMIC CHIP 1uF 10% 10V
C1111 1-100-390-21 ELECT CHIP 180uF 20% 6.3V
C1112 1-128-994-21 ELECT CHIP 47uF 20% 10V
C1113 1-162-970-11 CERAMIC CHIP 0.01uF 10% 25V
C1114 1-107-826-11 CERAMIC CHIP 0.1uF 10% 16V
C1115 1-107-826-11 CERAMIC CHIP 0.1uF 10% 16V
C1116 1-107-826-11 CERAMIC CHIP 0.1uF 10% 16V
C1117 1-128-994-21 ELECT CHIP 47uF 20% 10V
C1118 1-128-994-21 ELECT CHIP 47uF 20% 10V
C1119 1-128-994-21 ELECT CHIP 47uF 20% 10V
C1120 1-165-908-11 CERAMIC CHIP 1uF 10% 10V
C1121 1-165-908-11 CERAMIC CHIP 1uF 10% 10V
C1122 1-165-908-11 CERAMIC CHIP 1uF 10% 10V
C1123 1-165-908-11 CERAMIC CHIP 1uF 10% 10V
C1124 1-165-908-11 CERAMIC CHIP 1uF 10% 10V
C1125 1-107-826-11 CERAMIC CHIP 0.1uF 10% 16V
C1126 1-107-826-11 CERAMIC CHIP 0.1uF 10% 16V
C1127 1-162-970-11 CERAMIC CHIP 0.01uF 10% 25V
C1129 1-165-989-11 CERAMIC CHIP 10uF 10% 6.3V
C1130 1-107-826-11 CERAMIC CHIP 0.1uF 10% 16V
C1132 1-107-826-11 CERAMIC CHIP 0.1uF 10% 16V
C1133 1-107-826-11 CERAMIC CHIP 0.1uF 10% 16V
C1135 1-164-677-11 CERAMIC CHIP 0.033uF 10% 16V
C1136 1-162-970-11 CERAMIC CHIP 0.01uF 10% 25V
C1137 1-107-826-11 CERAMIC CHIP 0.1uF 10% 16V
C1138 1-162-964-11 CERAMIC CHIP 0.001uF 10% 50V
C1139 1-162-919-11 CERAMIC CHIP 22PF 5% 50V
C1140 1-107-826-11 CERAMIC CHIP 0.1uF 10% 16V
C1144 1-162-970-11 CERAMIC CHIP 0.01uF 10% 25V
C1145 1-124-779-00 ELECT CHIP 10uF 20% 16V
C1146 1-107-826-11 CERAMIC CHIP 0.1uF 10% 16V
C1147 1-165-176-11 CERAMIC CHIP 0.047uF 10% 16V
C1148 1-165-176-11 CERAMIC CHIP 0.047uF 10% 16V
C1149 1-107-826-11 CERAMIC CHIP 0.1uF 10% 16V
C1151 1-162-964-11 CERAMIC CHIP 0.001uF 10% 50V
C1154 1-107-826-11 CERAMIC CHIP 0.1uF 10% 16V
C1155 1-162-970-11 CERAMIC CHIP 0.01uF 10% 25V
C1156 1-162-970-11 CERAMIC CHIP 0.01uF 10% 25V
C1158 1-162-970-11 CERAMIC CHIP 0.01uF 10% 25V
C1159 1-107-826-11 CERAMIC CHIP 0.1uF 10% 16V
C1160 1-162-970-11 CERAMIC CHIP 0.01uF 10% 25V
C1161 1-162-970-11 CERAMIC CHIP 0.01uF 10% 25V
C1162 1-162-970-11 CERAMIC CHIP 0.01uF 10% 25V
C1163 1-162-970-11 CERAMIC CHIP 0.01uF 10% 25V
C1164 1-162-970-11 CERAMIC CHIP 0.01uF 10% 25V
C1165 1-107-826-11 CERAMIC CHIP 0.1uF 10% 16V
C1169 1-107-826-11 CERAMIC CHIP 0.1uF 10% 16V
C1170 1-162-965-11 CERAMIC CHIP 0.0015uF 10% 50V
C1171 1-107-826-11 CERAMIC CHIP 0.1uF 10% 16V
C1172 1-107-826-11 CERAMIC CHIP 0.1uF 10% 16V
C1174 1-162-970-11 CERAMIC CHIP 0.01uF 10% 25V
C1175 1-162-970-11 CERAMIC CHIP 0.01uF 10% 25V
C1176 1-162-970-11 CERAMIC CHIP 0.01uF 10% 25V
C1177 1-126-925-91 ELECT 470uF 20% 10V
C1179 1-107-826-11 CERAMIC CHIP 0.1uF 10% 16V
C1180 1-107-826-11 CERAMIC CHIP 0.1uF 10% 16V
C1181 1-107-826-11 CERAMIC CHIP 0.1uF 10% 16V
C1182 1-127-715-11 CERAMIC CHIP 0.22uF 10% 16V
C1183 1-128-934-11 CERAMIC CHIP 0.33uF 20% 10V
C1184 1-162-970-11 CERAMIC CHIP 0.01uF 10% 25V
C1186 1-127-715-11 CERAMIC CHIP 0.22uF 10% 16V
C1187 1-100-390-21 ELECT CHIP 180uF 20% 6.3V
C1190 1-100-390-21 ELECT CHIP 180uF 20% 6.3V
C1191 1-107-826-11 CERAMIC CHIP 0.1uF 10% 16V
C1192 1-162-970-11 CERAMIC CHIP 0.01uF 10% 25V
C1193 1-127-715-11 CERAMIC CHIP 0.22uF 10% 16V
C1195 1-127-715-11 CERAMIC CHIP 0.22uF 10% 16V
C1197 1-107-826-11 CERAMIC CHIP 0.1uF 10% 16V
C1198 1-165-908-11 CERAMIC CHIP 1uF 10% 10V
C1199 1-162-968-11 CERAMIC CHIP 0.0047uF 10% 50V
C1203 1-162-970-11 CERAMIC CHIP 0.01uF 10% 25V
C1205 1-164-230-11 CERAMIC CHIP 220PF 5% 50V
C1206 1-164-230-11 CERAMIC CHIP 220PF 5% 50V
C1208 1-162-970-11 CERAMIC CHIP 0.01uF 10% 25V
C1209 1-164-677-11 CERAMIC CHIP 0.033uF 10% 16V
C1210 1-162-970-11 CERAMIC CHIP 0.01uF 10% 25V
C1211 1-164-677-11 CERAMIC CHIP 0.033uF 10% 16V
C1212 1-162-970-11 CERAMIC CHIP 0.01uF 10% 25V
C1213 1-162-970-11 CERAMIC CHIP 0.01uF 10% 25V
C1214 1-162-964-11 CERAMIC CHIP 0.001uF 10% 50V
C1215 1-162-970-11 CERAMIC CHIP 0.01uF 10% 25V
C1217 1-126-204-11 ELECT CHIP 47uF 20% 16V
C1218 1-124-779-00 ELECT CHIP 10uF 20% 16V
C1219 1-162-970-11 CERAMIC CHIP 0.01uF 10% 25V
C1220 1-124-779-00 ELECT CHIP 10uF 20% 16V
C1221 1-107-826-11 CERAMIC CHIP 0.1uF 10% 16V
C1222 1-107-826-11 CERAMIC CHIP 0.1uF 10% 16V
C1223 1-107-826-11 CERAMIC CHIP 0.1uF 10% 16V
C1224 1-162-970-11 CERAMIC CHIP 0.01uF 10% 25V
C1225 1-162-964-11 CERAMIC CHIP 0.001uF 10% 50V
C1226 1-162-964-11 CERAMIC CHIP 0.001uF 10% 50V
C1233 1-162-968-11 CERAMIC CHIP 0.0047uF 10% 50V
C1701 1-162-923-11 CERAMIC CHIP 47PF 5% 50V
C1702 1-165-908-11 CERAMIC CHIP 1uF 10% 10V
C1703 1-127-956-21 FILM CHIP 0.1uF 5% 16V
C1704 1-127-956-21 FILM CHIP 0.1uF 5% 16V
C1705 1-127-956-21 FILM CHIP 0.1uF 5% 16V
C1706 1-100-390-21 ELECT CHIP 180uF 20% 6.3V
C1725 1-162-970-11 CERAMIC CHIP 0.01uF 10% 25V
C1727 1-162-970-11 CERAMIC CHIP 0.01uF 10% 25V
C1728 1-128-994-21 ELECT CHIP 47uF 20% 10V
C1729 1-127-715-11 CERAMIC CHIP 0.22uF 10% 16V
C1730 1-127-715-11 CERAMIC CHIP 0.22uF 10% 16V
C1801 1-162-923-11 CERAMIC CHIP 47PF 5% 50V
C1802 1-162-923-11 CERAMIC CHIP 47PF 5% 50V
C2100 1-162-970-11 CERAMIC CHIP 0.01uF 10% 25V
MAIN

Ref. No. Part No. Description Remark Ref. No. Part No. Description Remark
SCD-XA5400ES
60
C2108 1-127-760-11 CERAMIC CHIP 4.7uF 10% 6.3V
C2109 1-126-916-11 ELECT 1000uF 20% 6.3V
C2110 1-126-916-11 ELECT 1000uF 20% 6.3V
C2114 1-107-826-11 CERAMIC CHIP 0.1uF 10% 16V
C2115 1-165-989-11 CERAMIC CHIP 10uF 10% 6.3V
C2116 1-107-826-11 CERAMIC CHIP 0.1uF 10% 16V
C2117 1-165-989-11 CERAMIC CHIP 10uF 10% 6.3V
C2118 1-107-826-11 CERAMIC CHIP 0.1uF 10% 16V
C2119 1-162-964-11 CERAMIC CHIP 0.001uF 10% 50V
C2130 1-162-970-11 CERAMIC CHIP 0.01uF 10% 25V
C2502 1-164-172-11 CERAMIC CHIP 0.0056uF 10% 25V
C2503 1-127-760-11 CERAMIC CHIP 4.7uF 10% 6.3V
C9972 1-107-826-11 CERAMIC CHIP 0.1uF 10% 16V
< CONNECTOR >
CN501 1-785-468-41 CONNECTOR, FFC/FPC 13P
CN502 1-820-117-41 CONNECTOR, FFC/FPC 19P
CN504 1-817-199-51 CONNECTOR, FFC/FPC 9P
* CN506 1-691-772-11 PLUG (MICRO CONNECTOR) 10P
CN1101 1-815-763-32 CONNECTOR, FFC/FPC 24P
* CN1105 1-564-708-11 PIN, CONNECTOR (SMALL TYPE) 6P
CN1110 1-785-468-41 CONNECTOR, FFC/FPC 13P
CN1201 1-779-977-11 PIN, CONNECTOR 6P
CN1202 1-784-922-11 PIN, CONNECTOR 5P
CN1701 1-820-735-31 HDMI CONNECTOR (HDMI OUT)
CN1801 1-779-978-11 PIN, CONNECTOR 3P
< DIODE >
D501 6-501-817-01 DIODE MA2J1110GLS0
D502 6-500-334-01 DIODE MC2836-T112-1
D505 6-500-334-01 DIODE MC2836-T112-1
D691 6-501-817-01 DIODE MA2J1110GLS0 (US, CND)
D692 8-719-075-86 DIODE SID307BRTP19 (US, CND)
D693 6-501-817-01 DIODE MA2J1110GLS0 (US, CND)
D1801 6-501-817-01 DIODE MA2J1110GLS0
D1802 6-501-817-01 DIODE MA2J1110GLS0
D9712 6-501-817-01 DIODE MA2J1110GLS0
< GROUND TERMINAL >
EB501 1-537-770-21 TERMINAL BOARD, GROUND
EB502 1-537-770-21 TERMINAL BOARD, GROUND
EB503 1-780-318-11 TERMINAL
< FERRITE BEAD >
FB505 1-469-324-21 FERRITE, EMI (SMD) (2012)
FB508 1-469-324-21 FERRITE, EMI (SMD) (2012)
FB510 1-469-324-21 FERRITE, EMI (SMD) (2012)
FB1106 1-469-324-21 FERRITE, EMI (SMD) (2012)
FB1107 1-469-324-21 FERRITE, EMI (SMD) (2012)
FB1108 1-469-324-21 FERRITE, EMI (SMD) (2012)
FB1109 1-469-324-21 FERRITE, EMI (SMD) (2012)
FB1111 1-469-670-21 FERRITE, EMI (SMD) (2012)
FB1112 1-469-670-21 FERRITE, EMI (SMD) (2012)
FB1113 1-469-670-21 FERRITE, EMI (SMD) (2012)
FB1115 1-469-670-21 FERRITE, EMI (SMD) (2012)
FB1116 1-469-670-21 FERRITE, EMI (SMD) (2012)
FB1117 1-469-670-21 FERRITE, EMI (SMD) (2012)
FB1118 1-469-670-21 FERRITE, EMI (SMD) (2012)
FB2101 1-469-324-21 FERRITE, EMI (SMD) (2012)
FB2103 1-469-324-21 FERRITE, EMI (SMD) (2012)
< IC >
IC501 A-1567-243-A IC R5F3640DDFAR (for SERVICE)
IC503 6-708-922-01 IC PST3635NR
IC504 6-712-613-01 IC SI-3010KM-TLS
IC505 6-712-613-01 IC SI-3010KM-TLS
IC506 6-712-613-01 IC SI-3010KM-TLS
IC692 8-759-675-54 IC TC7W53FK (TE85R) (US, CND)
IC693 6-600-349-21 IC NJL23H400A (US, CND)
IC1101 6-711-953-01 IC CXD9927R
IC1102 6-808-155-01 IC S29AL032D70TF-SCD-0801
IC1103 (Not supplied) IC S-24CS64A01-J8T1G
IC1104 6-707-897-01 IC EDS6416AHTA-75-E
IC1105 6-702-302-01 IC TK11133CSCL-G
IC1107 6-702-302-01 IC TK11133CSCL-G
IC1110 6-707-739-01 IC MM1661JTRE
IC1201 6-704-524-01 IC FAN8036L
IC1701 6-600-461-11 IC TOTX147L (R) (DIGITAL OUT(CD) OPTICAL)
IC1702 8-759-058-62 IC TC7S08FU (TE85R)
IC1703 8-759-058-62 IC TC7S08FU (TE85R)
IC1705 8-759-592-47 IC TC7SZ08FU (TE85R)
IC1707 6-705-337-01 IC TK11150CSCL-G
IC1901 6-700-596-01 IC TC74LVX4053FT (EL)
< JACK >
J691 1-563-330-31 JACK (IR REMOTE IN) (US, CND)
J1701 1-818-300-11 JACK, PIN 1P (DIGITAL OUT(CD) COAXIAL)
< COIL >
* L1701 1-813-308-11 COMMON MODE CHOKE
* L1702 1-813-308-11 COMMON MODE CHOKE
* L1703 1-813-308-11 COMMON MODE CHOKE
* L1704 1-813-308-11 COMMON MODE CHOKE
L1705 1-416-701-11 COIL (WITH CORE)
L1801 1-410-997-42 INDUCTOR 2.2uH
< TRANSISTOR >
Q503 8-729-620-07 TRANSISTOR 2SC3052EF-T1-LEF
Q1101 6-550-008-01 TRANSISTOR UM6K1N-TN
Q1102 6-550-653-01 TRANSISTOR QST8TR
Q1103 8-729-027-52 TRANSISTOR DTC124EKA-T146
Q1105 8-729-028-27 FET 2SK2009 (TE85L)
Q1701 6-550-008-01 TRANSISTOR UM6K1N-TN
Q9724 6-551-699-01 TRANSISTOR ISA1602AM1TP-1EF
Q9726 8-729-620-13 TRANSISTOR 2SC4154TP-1EF
Q9728 8-729-620-13 TRANSISTOR 2SC4154TP-1EF
Q9729 8-729-027-43 TRANSISTOR DTC114EKA-T146
< RESISTOR >
R501 1-216-857-11 METAL CHIP 1M 5% 1/10W
R504 1-216-833-11 METAL CHIP 10K 5% 1/10W
R506 1-216-833-11 METAL CHIP 10K 5% 1/10W
R508 1-216-864-11 SHORT CHIP 0 (AEP)
R509 1-216-809-11 METAL CHIP 100 5% 1/10W
R510 1-216-833-11 METAL CHIP 10K 5% 1/10W
R511 1-216-821-11 METAL CHIP 1K 5% 1/10W
R512 1-216-833-11 METAL CHIP 10K 5% 1/10W
R513 1-216-821-11 METAL CHIP 1K 5% 1/10W
R514 1-216-833-11 METAL CHIP 10K 5% 1/10W
MAIN
Note: IC1103 cannot exchange with single. When this part
is damaged, exchange the entire mounted board.

Ref. No. Part No. Description Remark Ref. No. Part No. Description Remark
SCD-XA5400ES
6161
R515 1-216-833-11 METAL CHIP 10K 5% 1/10W
R516 1-216-833-11 METAL CHIP 10K 5% 1/10W
R517 1-216-833-11 METAL CHIP 10K 5% 1/10W
R518 1-216-833-11 METAL CHIP 10K 5% 1/10W
R519 1-216-833-11 METAL CHIP 10K 5% 1/10W
R520 1-216-833-11 METAL CHIP 10K 5% 1/10W
R521 1-216-833-11 METAL CHIP 10K 5% 1/10W
R522 1-216-833-11 METAL CHIP 10K 5% 1/10W
R523 1-216-833-11 METAL CHIP 10K 5% 1/10W
R524 1-216-833-11 METAL CHIP 10K 5% 1/10W
R525 1-216-833-11 METAL CHIP 10K 5% 1/10W
R526 1-216-809-11 METAL CHIP 100 5% 1/10W
R527 1-216-833-11 METAL CHIP 10K 5% 1/10W
R528 1-216-833-11 METAL CHIP 10K 5% 1/10W
R529 1-216-821-11 METAL CHIP 1K 5% 1/10W
R530 1-216-809-11 METAL CHIP 100 5% 1/10W
R531 1-216-833-11 METAL CHIP 10K 5% 1/10W
R532 1-216-821-11 METAL CHIP 1K 5% 1/10W
R533 1-216-809-11 METAL CHIP 100 5% 1/10W
R534 1-216-833-11 METAL CHIP 10K 5% 1/10W
R535 1-216-809-11 METAL CHIP 100 5% 1/10W
R536 1-216-864-11 SHORT CHIP 0
R538 1-216-857-11 METAL CHIP 1M 5% 1/10W
R539 1-216-833-11 METAL CHIP 10K 5% 1/10W
R540 1-216-833-11 METAL CHIP 10K 5% 1/10W
R542 1-216-833-11 METAL CHIP 10K 5% 1/10W
R543 1-216-833-11 METAL CHIP 10K 5% 1/10W
R544 1-216-833-11 METAL CHIP 10K 5% 1/10W
R545 1-216-833-11 METAL CHIP 10K 5% 1/10W
R546 1-216-833-11 METAL CHIP 10K 5% 1/10W
R551 1-216-809-11 METAL CHIP 100 5% 1/10W
R556 1-216-841-11 METAL CHIP 47K 5% 1/10W
R557 1-216-841-11 METAL CHIP 47K 5% 1/10W
R558 1-216-833-11 METAL CHIP 10K 5% 1/10W
R559 1-216-833-11 METAL CHIP 10K 5% 1/10W
R560 1-216-841-11 METAL CHIP 47K 5% 1/10W
R561 1-216-845-11 METAL CHIP 100K 5% 1/10W
R562 1-216-841-11 METAL CHIP 47K 5% 1/10W
R563 1-216-833-11 METAL CHIP 10K 5% 1/10W
R564 1-216-809-11 METAL CHIP 100 5% 1/10W
R565 1-216-809-11 METAL CHIP 100 5% 1/10W
R566 1-216-809-11 METAL CHIP 100 5% 1/10W
R567 1-216-809-11 METAL CHIP 100 5% 1/10W
R568 1-216-809-11 METAL CHIP 100 5% 1/10W
R569 1-216-809-11 METAL CHIP 100 5% 1/10W
R570 1-216-841-11 METAL CHIP 47K 5% 1/10W
R574 1-216-864-11 SHORT CHIP 0
R579 1-216-809-11 METAL CHIP 100 5% 1/10W
R580 1-216-809-11 METAL CHIP 100 5% 1/10W
R581 1-216-809-11 METAL CHIP 100 5% 1/10W
R582 1-216-833-11 METAL CHIP 10K 5% 1/10W
R583 1-218-871-11 METAL CHIP 10K 0.5% 1/10W
R584 1-218-873-11 METAL CHIP 12K 0.5% 1/10W
R585 1-218-891-11 METAL CHIP 68K 0.5% 1/10W
R586 1-216-821-11 METAL CHIP 1K 5% 1/10W
R587 1-218-871-11 METAL CHIP 10K 0.5% 1/10W
R588 1-218-883-11 METAL CHIP 33K 0.5% 1/10W
R589 1-218-867-11 METAL CHIP 6.8K 0.5% 1/10W
R590 1-216-821-11 METAL CHIP 1K 5% 1/10W
R592 1-216-864-11 SHORT CHIP 0
R596 1-218-871-11 METAL CHIP 10K 0.5% 1/10W
R597 1-218-879-11 METAL CHIP 22K 0.5% 1/10W
R598 1-218-851-11 METAL CHIP 1.5K 0.5% 1/10W
R599 1-216-821-11 METAL CHIP 1K 5% 1/10W
R601 1-216-809-11 METAL CHIP 100 5% 1/10W
R602 1-216-809-11 METAL CHIP 100 5% 1/10W
R603 1-216-864-11 SHORT CHIP 0
R604 1-216-864-11 SHORT CHIP 0
R650 1-216-809-11 METAL CHIP 100 5% 1/10W
R691 1-216-833-11 METAL CHIP 10K 5% 1/10W
(US, CND)
R692 1-216-797-11 METAL CHIP 10 5% 1/10W
(US, CND)
R693 1-216-845-11 METAL CHIP 100K 5% 1/10W
(US, CND)
R694 1-216-833-11 METAL CHIP 10K 5% 1/10W
(US, CND)
R695 1-216-845-11 METAL CHIP 100K 5% 1/10W
(US, CND)
R696 1-216-809-11 METAL CHIP 100 5% 1/10W
(US, CND)
R697 1-216-809-11 METAL CHIP 100 5% 1/10W
(US, CND)
R1101 1-216-809-11 METAL CHIP 100 5% 1/10W
R1102 1-216-864-11 SHORT CHIP 0
R1103 1-218-864-11 METAL CHIP 5.1K 0.5% 1/10W
R1105 1-216-833-11 METAL CHIP 10K 5% 1/10W
R1106 1-216-833-11 METAL CHIP 10K 5% 1/10W
R1107 1-216-833-11 METAL CHIP 10K 5% 1/10W
R1108 1-216-857-11 METAL CHIP 1M 5% 1/10W
R1109 1-216-864-11 SHORT CHIP 0
R1110 1-216-841-11 METAL CHIP 47K 5% 1/10W
R1111 1-216-809-11 METAL CHIP 100 5% 1/10W
R1112 1-211-977-11 METAL CHIP 22 0.5% 1/10W
R1113 1-211-977-11 METAL CHIP 22 0.5% 1/10W
R1114 1-216-845-11 METAL CHIP 100K 5% 1/10W
R1115 1-211-977-11 METAL CHIP 22 0.5% 1/10W
R1116 1-216-821-11 METAL CHIP 1K 5% 1/10W
R1117 1-216-841-11 METAL CHIP 47K 5% 1/10W
R1118 1-216-801-11 METAL CHIP 22 5% 1/10W
R1120 1-216-801-11 METAL CHIP 22 5% 1/10W
R1121 1-216-801-11 METAL CHIP 22 5% 1/10W
R1123 1-216-864-11 SHORT CHIP 0
R1124 1-216-841-11 METAL CHIP 47K 5% 1/10W
R1125 1-216-805-11 METAL CHIP 47 5% 1/10W
R1126 1-216-805-11 METAL CHIP 47 5% 1/10W
R1128 1-216-805-11 METAL CHIP 47 5% 1/10W
R1132 1-216-845-11 METAL CHIP 100K 5% 1/10W
R1133 1-216-864-11 SHORT CHIP 0
R1135 1-216-821-11 METAL CHIP 1K 5% 1/10W
R1136 1-216-835-11 METAL CHIP 15K 5% 1/10W
R1137 1-216-833-11 METAL CHIP 10K 5% 1/10W
R1138 1-216-833-11 METAL CHIP 10K 5% 1/10W
R1139 1-216-864-11 SHORT CHIP 0
R1140 1-216-821-11 METAL CHIP 1K 5% 1/10W
R1141 1-216-855-11 METAL CHIP 680K 5% 1/10W
R1142 1-216-809-11 METAL CHIP 100 5% 1/10W
R1143 1-216-805-11 METAL CHIP 47 5% 1/10W
R1145 1-216-864-11 SHORT CHIP 0
R1146 1-216-805-11 METAL CHIP 47 5% 1/10W
R1147 1-216-864-11 SHORT CHIP 0
R1148 1-216-864-11 SHORT CHIP 0
MAIN

Ref. No. Part No. Description Remark Ref. No. Part No. Description Remark
SCD-XA5400ES
62
R1151 1-216-833-11 METAL CHIP 10K 5% 1/10W
R1152 1-216-864-11 SHORT CHIP 0
R1153 1-216-864-11 SHORT CHIP 0
R1154 1-216-864-11 SHORT CHIP 0
R1155 1-216-864-11 SHORT CHIP 0
R1156 1-216-809-11 METAL CHIP 100 5% 1/10W
R1159 1-216-833-11 METAL CHIP 10K 5% 1/10W
R1160 1-216-805-11 METAL CHIP 47 5% 1/10W
R1161 1-216-805-11 METAL CHIP 47 5% 1/10W
R1175 1-216-864-11 SHORT CHIP 0
R1185 1-216-805-11 METAL CHIP 47 5% 1/10W
R1186 1-216-833-11 METAL CHIP 10K 5% 1/10W
R1191 1-216-821-11 METAL CHIP 1K 5% 1/10W
R1193 1-216-821-11 METAL CHIP 1K 5% 1/10W
R1198 1-216-809-11 METAL CHIP 100 5% 1/10W
R1204 1-216-822-11 METAL CHIP 1.2K 5% 1/10W
R1205 1-216-833-11 METAL CHIP 10K 5% 1/10W
R1206 1-216-833-11 METAL CHIP 10K 5% 1/10W
R1207 1-216-826-11 METAL CHIP 2.7K 5% 1/10W
R1208 1-216-839-11 METAL CHIP 33K 5% 1/10W
R1209 1-216-839-11 METAL CHIP 33K 5% 1/10W
R1210 1-216-841-11 METAL CHIP 47K 5% 1/10W
R1212 1-216-833-11 METAL CHIP 10K 5% 1/10W
R1213 1-218-867-11 METAL CHIP 6.8K 0.5% 1/10W
R1214 1-216-835-11 METAL CHIP 15K 5% 1/10W
R1215 1-216-834-11 METAL CHIP 12K 5% 1/10W
R1216 1-216-834-11 METAL CHIP 12K 5% 1/10W
R1219 1-216-838-11 METAL CHIP 27K 5% 1/10W
R1220 1-216-821-11 METAL CHIP 1K 5% 1/10W
R1221 1-218-889-11 METAL CHIP 56K 0.5% 1/10W
R1223 1-218-895-11 METAL CHIP 100K 0.5% 1/10W
R1224 1-216-833-11 METAL CHIP 10K 5% 1/10W
R1225 1-218-895-11 METAL CHIP 100K 0.5% 1/10W
R1226 1-218-889-11 METAL CHIP 56K 0.5% 1/10W
R1229 1-216-834-11 METAL CHIP 12K 5% 1/10W
R1230 1-218-893-11 METAL CHIP 82K 0.5% 1/10W
R1231 1-218-875-11 METAL CHIP 15K 0.5% 1/10W
R1232 1-218-877-11 METAL CHIP 18K 0.5% 1/10W
R1233 1-218-883-11 METAL CHIP 33K 0.5% 1/10W
R1234 1-216-833-11 METAL CHIP 10K 5% 1/10W
R1236 1-216-821-11 METAL CHIP 1K 5% 1/10W
R1237 1-216-821-11 METAL CHIP 1K 5% 1/10W
R1238 1-216-821-11 METAL CHIP 1K 5% 1/10W
R1239 1-216-821-11 METAL CHIP 1K 5% 1/10W
R1243 1-216-805-11 METAL CHIP 47 5% 1/10W
R1246 1-216-829-11 METAL CHIP 4.7K 5% 1/10W
R1247 1-216-821-11 METAL CHIP 1K 5% 1/10W
R1254 1-216-833-11 METAL CHIP 10K 5% 1/10W
R1701 1-218-285-11 METAL CHIP 75 5% 1/10W
R1702 1-216-801-11 METAL CHIP 22 5% 1/10W
R1730 1-216-826-11 METAL CHIP 2.7K 5% 1/10W
R1742 1-216-841-11 METAL CHIP 47K 5% 1/10W
R1744 1-216-829-11 METAL CHIP 4.7K 5% 1/10W
R1746 1-216-864-11 SHORT CHIP 0
R1747 1-216-864-11 SHORT CHIP 0
R1748 1-216-864-11 SHORT CHIP 0
R1749 1-216-824-11 METAL CHIP 1.8K 5% 1/10W
R1750 1-216-824-11 METAL CHIP 1.8K 5% 1/10W
R1751 1-216-864-11 SHORT CHIP 0
R1752 1-216-864-11 SHORT CHIP 0
R1753 1-216-864-11 SHORT CHIP 0
R1754 1-216-864-11 SHORT CHIP 0
R1757 1-216-864-11 SHORT CHIP 0
R1781 1-216-827-11 METAL CHIP 3.3K 5% 1/10W
R1782 1-216-827-11 METAL CHIP 3.3K 5% 1/10W
R1783 1-216-864-11 SHORT CHIP 0
R1784 1-216-864-11 SHORT CHIP 0
R1785 1-216-864-11 SHORT CHIP 0
R1786 1-216-864-11 SHORT CHIP 0
R1801 1-211-990-11 METAL CHIP 75 0.5% 1/10W
R2101 1-218-841-11 METAL CHIP 560 0.5% 1/10W
R2110 1-216-826-11 METAL CHIP 2.7K 5% 1/10W
R2114 1-216-801-11 METAL CHIP 22 5% 1/10W
R2115 1-216-864-11 SHORT CHIP 0
R2119 1-216-864-11 SHORT CHIP 0
R2129 1-216-845-11 METAL CHIP 100K 5% 1/10W
R2133 1-216-864-11 SHORT CHIP 0
R2134 1-216-864-11 SHORT CHIP 0
R2150 1-216-827-11 METAL CHIP 3.3K 5% 1/10W
R2151 1-216-827-11 METAL CHIP 3.3K 5% 1/10W
R2152 1-216-827-11 METAL CHIP 3.3K 5% 1/10W
R2155 1-216-833-11 METAL CHIP 10K 5% 1/10W
R2156 1-216-833-11 METAL CHIP 10K 5% 1/10W
R2157 1-216-833-11 METAL CHIP 10K 5% 1/10W
R2158 1-216-833-11 METAL CHIP 10K 5% 1/10W
R2159 1-216-833-11 METAL CHIP 10K 5% 1/10W
R2160 1-216-833-11 METAL CHIP 10K 5% 1/10W
R2176 1-216-864-11 SHORT CHIP 0
R2177 1-216-864-11 SHORT CHIP 0
R2178 1-216-821-11 METAL CHIP 1K 5% 1/10W
R2180 1-216-833-11 METAL CHIP 10K 5% 1/10W
R2184 1-216-809-11 METAL CHIP 100 5% 1/10W
R2185 1-216-809-11 METAL CHIP 100 5% 1/10W
R2187 1-216-805-11 METAL CHIP 47 5% 1/10W
R2200 1-216-833-11 METAL CHIP 10K 5% 1/10W
R9918 1-216-821-11 METAL CHIP 1K 5% 1/10W
R9920 1-216-864-11 SHORT CHIP 0
R9922 1-216-833-11 METAL CHIP 10K 5% 1/10W
R9924 1-216-821-11 METAL CHIP 1K 5% 1/10W
R9928 1-216-837-11 METAL CHIP 22K 5% 1/10W
R9929 1-216-837-11 METAL CHIP 22K 5% 1/10W
R9934 1-216-833-11 METAL CHIP 10K 5% 1/10W
R9935 1-216-864-11 SHORT CHIP 0
R9941 1-216-838-11 METAL CHIP 27K 5% 1/10W
R9945 1-216-813-11 METAL CHIP 220 5% 1/10W
< COMPOSITION CIRCUIT BLOCK >
RB1103 1-234-400-21 CONDUCTOR, NETWORK (1005X4)
RB1104 1-234-400-21 CONDUCTOR, NETWORK (1005X4)
RB1105 1-234-944-21 RES, NETWORK 47 (1005X4)
RB1106 1-234-944-21 RES, NETWORK 47 (1005X4)
RB1107 1-234-400-21 CONDUCTOR, NETWORK (1005X4)
RB1108 1-234-400-21 CONDUCTOR, NETWORK (1005X4)
RB1109 1-234-400-21 CONDUCTOR, NETWORK (1005X4)
RB1110 1-234-400-21 CONDUCTOR, NETWORK (1005X4)
RB1111 1-234-400-21 CONDUCTOR, NETWORK (1005X4)
RB1112 1-234-400-21 CONDUCTOR, NETWORK (1005X4)
RB1113 1-234-400-21 CONDUCTOR, NETWORK (1005X4)
RB1114 1-234-400-21 CONDUCTOR, NETWORK (1005X4)
RB1115 1-234-400-21 CONDUCTOR, NETWORK (1005X4)
MAIN

Ref. No. Part No. Description Remark Ref. No. Part No. Description Remark
SCD-XA5400ES
6363
< SWITCH >
S501 1-692-991-11 SWITCH, SLIDE (DIGITAL OUT(CD))
S502 1-692-991-11 SWITCH, SLIDE (HDMI PRIORITY)
< VIBRATOR >
X501 1-795-121-21 VIBRATOR, CERAMIC (5MHz)
************************************************************
MOTOR BOARD
*************
< CONNECTOR >
CN010 1-564-721-11 PIN, CONNECTOR (SMALL TYPE) 5P
CN011 1-506-481-11 PIN, CONNECTOR 2P
< SWITCH >
SW010 1-572-086-11 SWITCH, LEAF (CHUCKING)
************************************************************
OUT-SW BOARD
*************
< SWITCH >
SW011 1-762-424-11 SWITCH, MICRO (DISC IN/OUT)
************************************************************
A-1544-253-A POWER BOARD, COMPLETE (US, CND)
A-1560-484-A POWER BOARD, COMPLETE (AEP)
***********************
< CAPACITOR >
C101 1-128-576-11 ELECT 100uF 20% 63V
C102 1-126-767-11 ELECT 1000uF 20% 16V
C103 1-112-425-11 ELECT 6800uF 20% 25V
C104 1-107-887-31 ELECT 10000uF 20% 16V
C105 1-107-887-31 ELECT 10000uF 20% 16V
C106 1-112-093-11 ELECT 2200uF 20% 25V
C107 1-112-094-11 ELECT 2200uF 20% 35V
C108 1-112-094-11 ELECT 2200uF 20% 35V
C109 1-126-925-91 ELECT 470uF 20% 10V
C110 1-126-964-11 ELECT 10uF 20% 50V
C111 1-137-150-11 FILM 0.01uF 5% 100V
C112 1-137-150-11 FILM 0.01uF 5% 100V
C113 1-137-150-11 FILM 0.01uF 5% 100V
C114 1-112-093-11 ELECT 2200uF 20% 25V
C115 1-128-339-31 ELECT 2200uF 20% 16V
C116 1-128-339-31 ELECT 2200uF 20% 16V
C117 1-124-703-51 ELECT 2200uF 20% 25V
C118 1-124-703-51 ELECT 2200uF 20% 25V
C119 1-124-703-51 ELECT 2200uF 20% 25V
< CONNECTOR >
CN101 1-691-770-21 PLUG (MICRO CONNECTOR) 8P
CN102 1-691-769-11 PLUG (MICRO CONNECTOR) 7P
CN103 1-784-922-11 PIN, CONNECTOR 5P
* CN104 1-691-772-11 PLUG (MICRO CONNECTOR) 10P
CN105 1-691-770-11 PLUG (MICRO CONNECTOR) 8P
CN106 1-784-921-11 PIN, CONNECTOR 4P
< DIODE >
D101 8-719-210-33 DIODE EC10DS2
D102 8-719-210-33 DIODE EC10DS2
D103 8-719-210-33 DIODE EC10DS2
D104 8-719-210-33 DIODE EC10DS2
D105 8-719-210-39 DIODE EC10QS-04
D106 8-719-210-39 DIODE EC10QS-04
D107 8-719-210-39 DIODE EC10QS-04
D108 8-719-210-39 DIODE EC10QS-04
D109 8-719-210-39 DIODE EC10QS-04
D110 8-719-210-39 DIODE EC10QS-04
D111 8-719-210-39 DIODE EC10QS-04
D112 8-719-210-39 DIODE EC10QS-04
D113 8-719-210-39 DIODE EC10QS-04
D114 8-719-210-39 DIODE EC10QS-04
D115 8-719-210-39 DIODE EC10QS-04
D116 8-719-210-39 DIODE EC10QS-04
D117 8-719-210-39 DIODE EC10QS-04
D118 8-719-210-39 DIODE EC10QS-04
D119 8-719-210-39 DIODE EC10QS-04
D120 8-719-210-39 DIODE EC10QS-04
D121 8-719-210-39 DIODE EC10QS-04
D122 8-719-210-39 DIODE EC10QS-04
D123 8-719-210-39 DIODE EC10QS-04
D124 8-719-210-39 DIODE EC10QS-04
D125 8-719-210-39 DIODE EC10QS-04
D126 8-719-210-39 DIODE EC10QS-04
D127 8-719-210-39 DIODE EC10QS-04
D128 8-719-210-39 DIODE EC10QS-04
D129 8-719-083-70 DIODE UDZSNPTE-1727B
D130 8-719-069-54 DIODE UDZSNPTE-175.1B
< IC >
IC101 8-759-390-48 IC uPC2406AHF
IC102 8-759-473-41 IC BA10T
IC103 6-708-659-01 IC BA00BC0WT-V5
IC104 8-759-390-48 IC uPC2406AHF
IC105 8-759-450-47 IC BA05T
IC106 6-713-034-01 IC KIA7812API-U/PF
IC107 6-712-106-01 IC KIA7912PI
< TRANSISTOR >
Q101 8-729-230-27 TRANSISTOR 2SA1213Y-TE12L
< RESISTOR >
R101 1-249-429-11 CARBON 10K 5% 1/4W
R102 1-249-429-11 CARBON 10K 5% 1/4W
R103 1-247-843-11 CARBON 3.3K 5% 1/4W
R104 1-247-807-31 CARBON 100 5% 1/4W
R105 1-247-807-31 CARBON 100 5% 1/4W
R106 1-247-863-91 CARBON 22K 5% 1/4W
R107 1-247-883-00 CARBON 150K 5% 1/4W
R108 1-249-439-11 CARBON 68K 5% 1/4W
< THERMISTOR >
0 TH101 1-803-988-11 THERMISTOR, POSITIVE
0 TH102 1-803-988-11 THERMISTOR, POSITIVE
0 TH103 1-804-046-21 THERMISTOR, POSITIVE (RXE030) (AEP)
************************************************************
OUT-SWMOTOR POWERMAIN

Ref. No. Part No. Description Remark Ref. No. Part No. Description Remark
SCD-XA5400ES
64
A-1544-254-A STANDBY BOARD, COMPLETE (US, CND)
A-1544-320-A STANDBY BOARD, COMPLETE (AEP)
************************
7-685-646-79 SCREW +BVTP 3X8 TYPE2 IT-3
< CAPACITOR >
C51 1-126-964-11 ELECT 10uF 20% 50V
0 C52 1-112-887-51 CERAMIC 0.01uF 20% 250V
C53 1-126-943-11 ELECT 2200uF 20% 25V
C54 1-164-315-11 CERAMIC CHIP 470PF 5% 50V
C55 1-136-287-11 FILM 0.0047uF 5% 100V
C56 1-137-465-11 MYLAR 0.056uF 5% 100V
C57 1-126-941-11 ELECT 470uF 20% 25V
C58 1-100-566-91 CERAMIC CHIP 0.1uF 10% 25V
0 C59 1-112-887-51 CERAMIC 0.01uF 20% 250V
C60 1-126-941-11 ELECT 470uF 20% 25V
< CONNECTOR >
CN001 1-784-921-11 PIN, CONNECTOR 4P
CN002 1-770-128-11 PIN, CONNECTOR (3.96mm PITCH) 2P
CN003 1-564-321-00 PIN, CONNECTOR (3.96mm PITCH) 2P
* CN004 1-564-321-21 PIN, CONNECTOR (3.96mm PITCH) 2P
< DIODE >
D52 8-719-210-21 DIODE 11EQS04
D53 8-719-210-21 DIODE 11EQS04
D54 8-719-210-21 DIODE 11EQS04
D55 8-719-210-21 DIODE 11EQS04
D56 8-719-991-33 DIODE 1SS133T-77
D57 8-719-991-33 DIODE 1SS133T-77
D58 8-719-991-33 DIODE 1SS133T-77
< EARTH TERMINAL >
* EE51 1-537-738-21 TERMINAL, EARTH
< FUSE HOLDER >
FH01 1-533-233-11 FUSE HOLDER
FH02 1-533-233-11 FUSE HOLDER
FH03 1-533-233-11 FUSE HOLDER
FH04 1-533-233-11 FUSE HOLDER
< IC >
IC51 8-759-450-47 IC BA05T
IC52 6-708-659-01 IC BA00BC0WT-V5
< COIL >
0 L51 1-421-915-11 COIL, LINE FILTER
< TRANSISTOR >
Q51 8-729-119-78 TRANSISTOR 2SC2785-HFE
Q52 8-729-119-78 TRANSISTOR 2SC2785-HFE
< RESISTOR >
R51 1-249-429-11 CARBON 10K 5% 1/4W
R52 1-249-427-11 CARBON 6.8K 5% 1/4W
R53 1-247-863-91 CARBON 22K 5% 1/4W
R54 1-249-421-11 CARBON 2.2K 5% 1/4W
R55 1-249-429-11 CARBON 10K 5% 1/4W
R56 1-247-883-00 CARBON 150K 5% 1/4W
R57 1-249-439-11 CARBON 68K 5% 1/4W
0 R60 1-249-389-91 CARBON 4.7 5% 1/4W F
R61 1-249-415-11 CARBON 680 5% 1/4W
< RELAY >
0 RY01 1-755-266-11 RELAY, AC POWER
< TRANSFORMER >
0 T002 1-445-518-11 POWER SOURCE TRANSFORMER (US, CND)
0 T002 1-445-519-11 POWER SOURCE TRANSFORMER (AEP)
< THERMISTOR >
0 TH50 1-804-046-21 THERMISTOR, POSITIVE (RXE030)
*************************************************************
MISCELLANEOUS
**************
59 1-835-567-51 WIRE (FLAT TYPE) (19 CORE)
154 1-828-326-51 WIRE (FLAT TYPE) (13 CORE)
0 204 1-821-082-41 AC INLET (2P) (- AC IN)
0 552 8-820-322-04 OPTICAL PICK-UP BLOCK (KHM-313CAB/C2RP)
555 1-835-373-51 WIRE (FLAT TYPE) (24 CORE)
0 F001 1-532-389-33 FUSE (T500mA/250V) (AEP)
0 F001 1-532-501-33 FUSE (T800mA/250V) (US, CND)
0 F002 1-532-389-33 FUSE (T500mA/250V) (AEP)
0 F002 1-532-501-33 FUSE (T800mA/250V) (US, CND)
M001 A-4604-363-A MOTOR (L) ASSY (LOADING)
0 PT002 1-445-487-11 TRANSFORMER, POWER (US, CND)
0 PT002 1-445-488-11 TRANSFORMER, POWER (AEP)
0 PT003 1-445-483-11 TRANSFORMER, POWER (US, CND)
0 PT003 1-445-484-11 TRANSFORMER, POWER (AEP)
*************************************************************
ACCESSORIES
************
1-480-856-11 REMOTE COMMANDER (RM-ASU042)
1-791-732-12 CORD, CONNECTION
(Audio connecting cord (Red and White plugs))
0 1-824-964-13 CORD, POWER (US, CND)
0 1-831-474-11 CORD, POWER (AEP)
4-000-691-11 MANUAL, INSTRUCTION (ENGLISH, FRENCH)
4-000-691-21 MANUAL, INSTRUCTION (SPANISH, GERMAN)
(AEP)
4-000-691-31 MANUAL, INSTRUCTION (DUTCH, ITALIAN)
(AEP)
4-000-691-41 MANUAL, INSTRUCTION (SPANISH, POLISH)
(AEP)
4-000-691-51 MANUAL, INSTRUCTION (DANISH, FINNISH)
(AEP)
4-000-691-61 MANUAL, INSTRUCTION (PORTUGUESE) (AEP)
4-000-691-71 MANUAL, INSTRUCTION (RUSSIAN) (AEP)
4-000-692-11 MANUAL, INSTRUCTION (GREEK) (AEP)
4-000-692-21 MANUAL, INSTRUCTION (HUNGARIAN, CZECH)
(AEP)
4-000-692-31 MANUAL, INSTRUCTION (TURKISH) (AEP)
4-000-692-41 MANUAL, INSTRUCTION (SLOVAKIAN) (AEP)
STANDBY
Note: If wire (fl at type) is replaced, install it after bending
it in the same form as that before replacement.

MEMO
SCD-XA5400ES
65

SCDXA5400ES
REVISION HISTORY
Checking the version allows you to jump to the revised page.
Also, clicking the version at the top of the revised page allows you to jump to the next revised page.
Ver. Date Description of Revision
1.0 2008.08 New
