Sony Trinitron Color Tv Kv 27V40 Users Manual
KV-27V40 to the manual 655cd9c8-91e9-449e-ae7d-25a70748eeb7
2015-01-23
: Sony Sony-Trinitron-Color-Tv-Kv-27V40-Users-Manual-290363 sony-trinitron-color-tv-kv-27v40-users-manual-290363 sony pdf
Open the PDF directly: View PDF
.
Page Count: 72
- Front Cover
- Specifications
- Table of Contents
- Self-Diagnostic Function
- Safety Check Out
- General (User's Manual)
- Disassembly
- Set-up Adjustments
- Safety Related Adjustments
- Circuit Adjustments
- Circuit Board Locations
- Block Diagram
- A Board Schematic
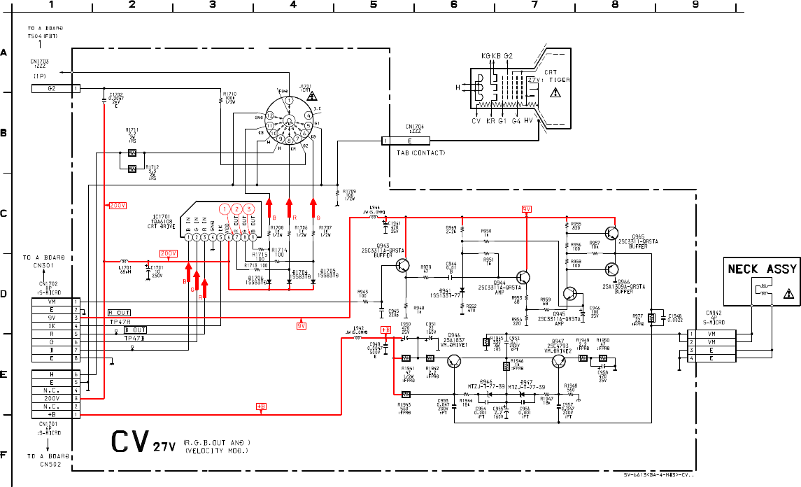
- CV Board Schematic
- HV Board
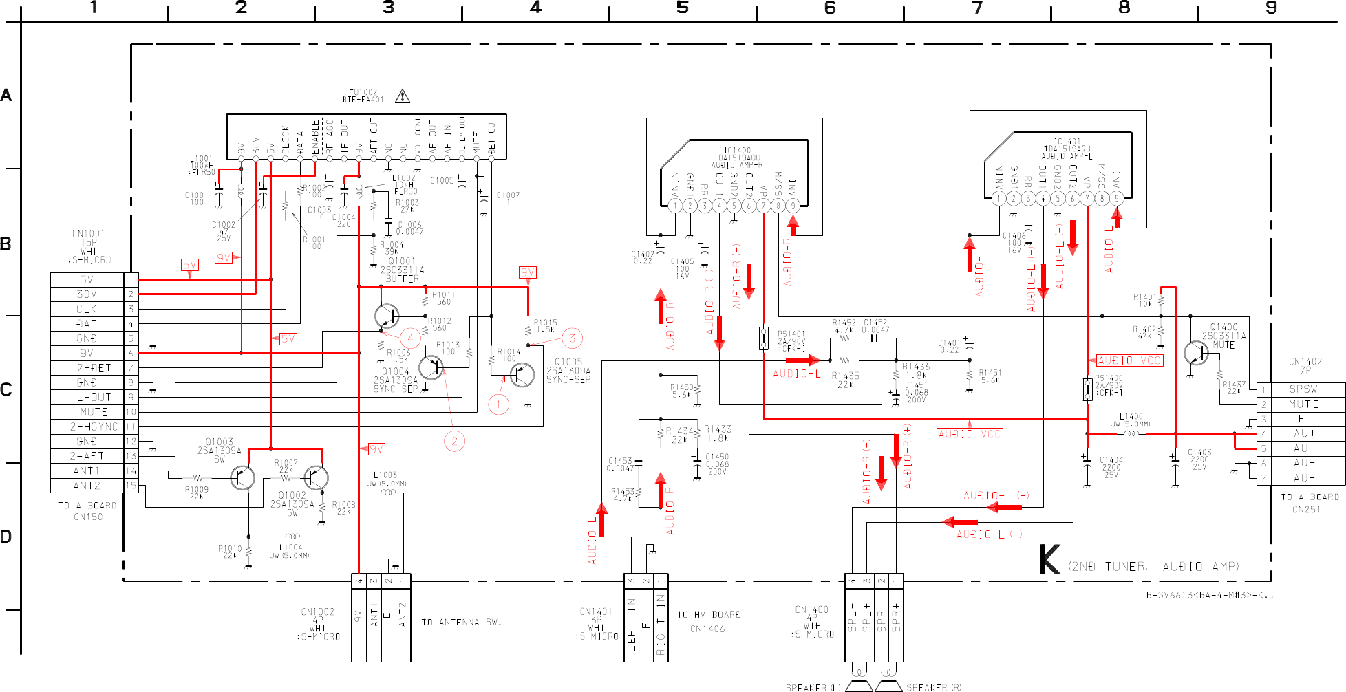
- K Board Schematic
- P Board Schematic
- HZ Board Schematic
- Exploded Views
- Electrical Parts List

— 1 —
KV-27V40 / 27V45 / 27V65 / 29VL40 / 29VL65A / 29VL65C / 29VL85 / 29VL95
TRINITRON
®
COLOR TV
KV-27V40
RM-Y165 US SCC-S01L-A
KV-27V40
RM-Y165 CND SCC-S03H-A
KV-27V45
RM-Y167 US SCC-S01M-A
KV-27V45
RM-Y167 CND SCC-S03J-A
KV-27V65
RM-Y167 US SCC-S01N-A
KV-27V65
RM-Y167 CND SCC-S03K-A
KV-29VL40
RM-Y165 E SCC-S06B-A
KV-29VL65A
RM-Y167 E SCC-S06A-A
KV-29VL65C
RM-Y167 E SCC-S06D-A
KV-29VL85
RM-Y167 E SCC-S06C-A
KV-29VL95
RM-Y167 E SCC-S06E-A
MODEL COMMANDER DEST. CHASSIS NO.
KV-27V45
SERVICE MANUAL
CHASSIS
BA-4
SELF-DIAGNOSTIC FUNCTION
RM-Y167

— 2 —
KV-27V40 / 27V45 / 27V65 / 29VL40 / 29VL65A / 29VL65C / 29VL85 / 29VL95
SPECIFICATIONS
Television system
American TV standard (all models except KV-29VL65A)
PAL-M, PAL-L, NTSC (KV-29VL65A only)
Channel coverage
VHF:2-13/UHF:14-69/CATV:1-125
Visible screen size
27-inch picture measured (KV-27V40/V45/V65)
29-inch picture measured (KV-29VL40/65A/65C/85/95)
Actual screen size
27-inch picture measured (KV-27V40/V45/V65)
29-inch picture measured (KV-29VL40/65A/65C/85/95)
Antenna
75 ohm external terminal for VHF/UHF
Supplied Accessories
Remote commander (w/2 size AA (R6) batteries)
RM-Y165: (KV-27V40/29VL40)
RM-Y167: (KV-27V45/65, 29VL65A/65C/85/95)
Optional Accessory
Connecting Cables:
VMC-810S/820S, VMC-720M, YC-15V/30V
TV Stand SU-27A3
VHF, UHF Mixer EAC-66
1) 1 Vp-p 75 ohms unbalanced, sync negative
2) Y: 1 Vp-p 75 ohms unbalanced, sync negative
C: 0.286 Vp-p (Burst signal), 75 ohms
3) 500 mVrms (100% modulation), Impedance: 47 kilohms
4) More than 408 mVrms at the maximum volume setting (variable)
Design and specifications are subject to change without notice.
(l ) SRS (SOUND RETRIEVAL SYSTEM)
The ( l ) SRS (SOUND RETRIEVAL SYSTEM) is manu-
factured by Sony Corporation under license from SRS
Labs, Inc. It is covered by U.S. Patent No. 4,748,669. Other
U.S. and foreign patents pending.
The word ‘SRS’ and the SRS symbol (l ) are registered
trademarks of SRS Labs, Inc.
BBE and BBE symbol are trademarks of BBE Sound,Inc.
and are licensed by BBE Sound, Inc. under U.S.Patent
No. 4,638,258 and 4,482,866.
KV-27V65
KV-27V40 KV-27V45 KV-29VL65A/65C
KV-27VL40 KV-29VL85 KV-29VL95
120V,60Hz (KV-27V65/29VL95)
Power requirements 120V,60Hz 120V,60Hz 220V, 50/60Hz (KV-29VL65A/65C)
Number of inputs/outputs
Video 1) 233
S Video 2) 111
Audio 3) 233
Audio Out 4) 111
Monitor Out 1 1 1
Speaker output (W) 5Wx2 5W x 2 10WX2
Power Consumption (W)
In use (max.) 140W 140W 170W
In standby 2W 2W 2W (KV-29VL95)
3W (KV-27V65/29VL65A/65C)
Dimensions (W/H/D)
(mm) 690 x 575.4
x 503.4mm
(in.) 271/4 x 22 3/4
X197/8
Mass (kg.) 42.4kg
(lbs.) 93 lbs.

— 3 —
KV-27V40 / 27V45 / 27V65 / 29VL40 / 29VL65A / 29VL65C / 29VL85 / 29VL95
Warnings and Caution ..................................................... 4
Self-Diagnostic Function ................................................ 4
Safety Check Out Instructions ........................................ 7
1. GENERAL
Connecting and Installing the TV ............................. 8
Basic Set Up .............................................................. 12
Using Your TV.............................................................12
Using Your Menus.......................................................15
Operating Video Equipment....................................... 19
Operating a Cable Box or DBS Receiver....................20
Troubleshooting.......................................................... 20
2. DISASSEMBLY
2-1. Rear Cover Removal .....................................................22
2-2. Control Switch Removal ...........................................22
2-3. Chassis Assembly Removal....................................... 22
2-4. Service Position ........................................................ 22
2-5. Picture Tube Removal ................................................... 23
3. SET-UP ADJUSTMENTS
3-1. Beam Landing............................................................. 24
3-2. Convergence............................................................... 25
3-3. Focus........................................................................... 26
3-4. Screen (G2)................................................................. 26
3-5. Method of Setting the Service Adjustment Mode....... 26
3-6. White Balance Adjustments........................................ 26
4. SAFETY RELATED ADJUSTMENTS......................... 27
5. CIRCUIT ADJUSTMENTS
5-1. Electrical Adjustment by Remote Commander...........29
5-2. A Board Adjustments.................................................. 32
TABLE OF CONTENTS
Section Title Page
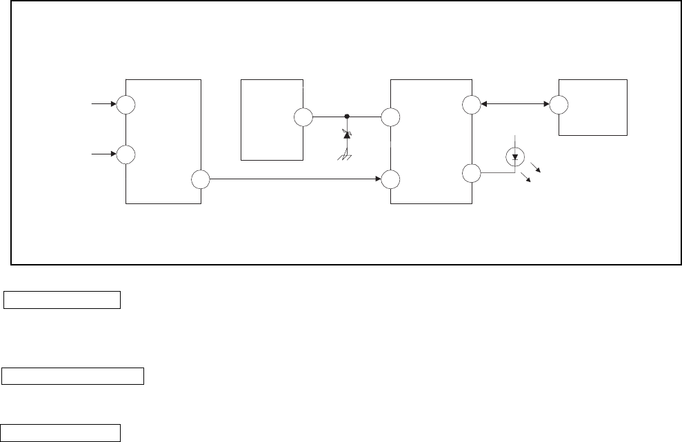
6. DIAGRAMS
6-1. Block Diagrams.......................................................... 35
6-2. Circuit Boards Location.............................................. 38
6-3. Printed Wiring Boards and Schematic Diagrams .......38
• A Board...................................................................... 39
• P Board....................................................................... 47
• K Board ..................................................................... 49
• HZ Board.................................................................... 50
• E Board ...................................................................... 50
• CV Board.....................................................................51
• HV Board.................................................................... 53
6-4. Semiconductors...........................................................55
7. EXPLODED VlEWS
7-1. One Tuner Chassis .........................................................56
(KV-27V40/27V45/29VL40/29VL85)
7-2 . Two Tuner Chassis.........................................................57
(KV-27V65/29VL65A/29VL65C/29VL95)
7-3. Main Power Switch...................................................... 58
(KV-29VL65A)
8. ELECTRICAL PARTS LIST
• Table of Contents for Parts List...................................59
• A Board Common Parts List....................................... 61
• A Board Variant Lists.................................................. 70
• CV Board Parts List.................................................... 79
• E Board Parts List....................................................... 80
• HV Board Parts List.................................................... 81
• HZ Board Parts List.....................................................82
• K Board Parts List..................................................... 83
• P Board Parts List..................................................... 84
• Accessories and Packaging........................................ 86
Section Title Page

— 4 —
KV-27V40 / 27V45 / 27V65 / 29VL40 / 29VL65A / 29VL65C / 29VL85 / 29VL95
CAUTION!
SHORT CIRCUIT THE ANODE OF THE PICTURE TUBE AND
THE ANODE CAP TO THE METAL CHASSIS, CRT SHIELD,
OR CARBON PAINTED ON THE CRT, AFTER REMOVING
THE ANODE.
WARNING!!
AN ISOLATION TRANSFORMER SHOULD BE USED
DURING ANY SERVICE TO AVOID POSSIBLE SHOCK
HAZARD, BECAUSE OF LIVE CHASSIS.THE CHASSIS OF
THIS RECEIVER IS DIRECTLY CONNECTED TO THE AC
POWER LINE.
SAFETY-RELATED COMPONENT WARNING!!
COMPONENTS IDENTIFIED BY SHADING AND MARK
¡ ON THE SCHEMATIC DIAGRAMS, EXPLODED VIEWS
AND IN THE PARTS LIST ARE CRITICAL FOR SAFE
OPERATION. REPLACE THESE COMPONENTS WITH
SONY PARTS WHOSE PART NUMBERS APPEAR AS
SHOWN IN THIS MANUAL OR IN SUPPLEMENTS
PUBLISHED BY SONY. CIRCUIT ADJUSTMENTS THAT
ARE CRITICAL FOR SAFE OPERATION ARE IDENTIFIED
IN THIS MANUAL. FOLLOW THESE PROCEDURES
WHENEVER CRITICAL COMPONENTS ARE REPLACED
OR IMPROPER OPERATION IS SUSPECTED.
ATTENTION
APRES AVOIR DECONNECTE LE CAP DE L'ANODE, COURT-CIRCUITER
L'ANODE DU TUBE CATHODIQUE ET CELUI DE L'ANODE DU CAP AU
CHASSIS METALLIQUE DE L'APPAREIL, OU AU COUCHE DE CARBONE
PEINTE SUR LE TUBE CATHODIQUE OU AU BLINDAGE DU TUBE
CATHODIQUE.
ATTENTION!!
AFIN D'EVITER TOUT RESQUE D'ELECTROCUTION PROVENANT D'UN
CHÁSSIS SOUS TENSION, UN TRANSFORMATEUR D'ISOLEMENT DOIT ETRE
UTILISÉ LORS DE TOUT DÉPANNAGE. LE CHÁSSIS DE CE RÉCEPTEUR EST
DIRECTEMENT RACCORDÉ À L'ALIMENTATION SECTEUR.
ATTENTION AUX COMPOSANTS RELATIFS A LA SECURITE!!
LES COMPOSANTS IDENTIFIES PAR UNE TRAME ET PAR UNE MARQUE
¡ SUR LES SCHEMAS DE PRINCIPE, LES VUES EXPLOSEES ET LES
LISTES DE PIECES SONT D'UNEIMPORTANCE CRITIQUE POUR LA
SECURITE DU FONCTIONNEMENT. NE LES REMPLACER QUE PAR DES
COMPOSANTS SONY DONT LE NUMERO DE PIECE EST INDIQUE DANS
LE PRESENT MANUEL OU DANS DES SUPPLEMENTS PUBLIES PAR
SONY. LES REGLAGES DE CIRCUIT DONT L'IMPORTANCE EST CRITIQUE
POUR LA SECURITE DU FONCTIONNEMENT SONT IDENTIFIES DANS
LE PRESENT MANUEL. SUIVRE CES PROCEDURES LORS DE CHAQUE
REMPLACEMENT DE COMPOSANTS CRITIQUES, OU LORSQU'UN
MAUVAIS FONTIONNEMENT SUSPECTE.
WARNINGS AND CAUTIONS
SELF-DIAGNOSTIC FUNCTION
The units in this manual contain a self-diagnostic function. If an error occurs, the STANDBY/TIMER lamp will automatically begin to
flash. The number of times the lamp flashes translates to a probable source of the problem. A definition of the STANDBY/TIMER lamp
flash indicators is listed in the instruction manual for the user's knowledge and reference. If an error symptom cannot be reproduced, the
remote commander can be used to review the failure occurrence data stored in memory to reveal past problems and how often these
problems occur.
1. DIAGNOSTIC TEST INDICATORS
When an error occurs, the STANDBY/TIMER lamp will flash a set number of times to indicate the possible cause of the problem. If there
is more than one error, the lamp will identify the first of the problem areas.
Results for all of the following diagnostic items are displayed on screen. No error has occured if the the screen displays a "0" .
Note 1: If a +B overcurrent is detected, stoppage of the vertical deflection is detected simultaneously.
The symptom that is diagnosed first by the microcontroller is displayed on the screen.
Note 2: Refer to Screen (G2) Adjustment in Section 3-4 of this manual.
Diagnostic Item No. of times Self-dia
g
nostic dis
p
la
y
/ Probable Cause Detected S
y
m
p
toms
Description STANDBY/TIMER Dia
g
nostic result Location
lamp flashes
* Power does not turn on Does not li
g
ht * Power cord is not plu
gg
ed in. * Power does not come on.
* Fuse is burned out
(
F5050
)
(
E Board
)
* No power is suppled to the TV.
* AC power suppl
y
is fault
y
.
* +B overcurrent
(
OCP
)
2 times 2:0 or 2:1 * H.OUT
(
Q502
)
is shorted.
(
A board
)
* Power does not come on.
* IC1701, Q946, Q947 is shorted.
(
C board
)
* Load on power line is shorted.
* Vertical deflection stopped 4 times 4:0 or 4:1 * +13V is not supplied.
(
A board
)
* Has entered standb
y
state after horizontal raster.
* IC 541 is fault
y
(
A board
)
* Vertical deflection pulse is stopped.
* Power line is shorted or power suppl
y
is stopped.
* White balance failure 5 times 5:0 or 5:1 * Video OUT
(
Q306, Q307, Q308
)
is fault
y
.
(
A board
)
* No raster is
g
enerated.
(
not balanced
)
* IC301 is fault
y
.
(
A board
)
* CRT cathode current detection reference pulse
* G2 is improperl
y
ad
j
usted.
(
Note 2
)
output is small.

— 5 —
KV-27V40 / 27V45 / 27V65 / 29VL40 / 29VL65A / 29VL65C / 29VL85 / 29VL95
2. DISPLAY OF STANDBY/TIMER LIGHT FLASH COUNT
Diagnostic Item Flash Count*
+B overcurrent 2 times
Vertical deflection stopped 4 times
White balance failure 5 times
* One flash count is not used for self-diagnostic.
3. STOPPING THE STANDBY/TIMER FLASH
Turn off the power switch on the TV main unit or unplug the power cord from the outlet to stop the STANDBY/TIMER lamp from flashing.
4. SELF-DIAGNOSTIC SCREEN DISPLAY
For errors with symptoms such as "power sometimes shuts off" or "screen sometimes goes out" that cannot be confirmed, it is possible to bring up
past occurances of failure for confirmation on the screen:
[To Bring Up Screen Test]
In standby mode, press buttons on the remote commander sequentially in rapid succession as shown below:
Screen display
channel
5
Sound volume
–
Power ON
Note that this differs from entering the service mode (sound volume
+
).
Self-Diagnostic screen display
5. HANDLING OF SELF-DIAGNOSTIC SCREEN DISPLAY
Since the diagnostic results displayed on the screen are not automatically cleared, always check the self-diagnostic screen during repairs. When
you have completed the repairs, clear the result display to "0".
Unless the result display is cleared to "0", the self-diagnostic function will not be able to detect subsequent faults after completion of the repairs.
[Clearing the result display]
To clear the result display to "0", press buttons on the remote commander sequentially as shown below when the diagnostic screen is being
displayed.
Channel
8
ENTER
[Quitting Self-diagnostic screen]
To quit the entire self-diagnostic screen, turn off the power switch on the remote commander or the main unit.
SELF DIAGNOSTIC
2: 0 <-------------Numeral "0" means that no fault has been detected.
3: N/A 0
4: 0
5: 1 <-------------Numeral "1" means a fault has been detected one time only.
101: N/A 0
STANDBY/SLEEP lamp
Lamp ON 0.3 sec.
Lamp OFF 0.3 sec. Lamp OFF
3 sec.
2 times
4 times
5 times

— 6 —
KV-[13M40/50/51], KV-[14MB40/40C/40A], KV-[20M40/S40/S41/V80], KV-[21SE40/40A/40C/80/80A/80C],
KV-[21MB40C/40M/40P], KV-[21ME40/40P], KV-[21SB40/40M/40P], KV-21XT4A
6. SELF-DIAGNOSTIC CIRCUIT
+B overcurrent (OCP) Occurs when an overcurrent on the +B(115V) line is detected by pin 18 of IC301. If the
voltage to pin 18 of IC301 is less than 1V when V.SYNC is more than seven verticals in a
period, the unit will automatically turn off.
Vertical deflection stopped Occurs when an absence of the vertical deflection pulse is detected by pin 17 of IC001.
Power supply will shut down when waveform interval exceeds 2 seconds.
White balance failure If the RGB levels* do not balance within 2 seconds after the power is turned on, this error
will be detected by IC301. TV will stay on, but there will be no picture.
*(Refers to the RGB levels of the AKB detection Ref pulse that detects IK.)
3
21
18
IK IN
HP/PROTECT
FROM
CRT
FROM
IC521
PIN 7
17 I-PROT
O-LED 18
IC001
SYSTEM
IC301
Y/CHROMA JUNGLE
REF
IC541
V.OUT
36 5
IC003
MEMORY
B-DATIO-BDAT
37 SDAT
35
SDA

— 7 —
KV-27S40 / 27S45 / 27S65 / 29SL40 / 29SL40A / 29SL40C/
29SL45 / 29SL65 / 29SL65C/ 29XL40M / 29XL40P / 29XT11A
SAFETY CHECK-OUT
After correcting the original service problem, perform the
following safety checks before releasing the set to the
customer:
LEAKAGE TEST
The AC leakage from any exposed metal part to earth ground
and from all exposed metal parts to any exposed metal part having
a return to chassis, must not exceed 0.5 mA (500 microampere).
Leakage current can be measured by any one of three methods.
1. A commercial leakage tester, such as the Simpson 229 or
RCA WT-540A. Follow the manufacturers' instructions to
use these instructions.
2. A battery-operated AC milliammeter. The Data Precision
245 digital multimeter is suitable for this job.
3. Measuring the voltage drop across a resistor by means of
a VOM or battery-operated AC voltmeter. The "limit"
indication is 0.75 V, so analog meters must have an accurate
low voltage scale. The Simpson's 250 and Sanwa
SH-63Trd are examples of passive VOMs that are suitable.
Nearly all battery operated digital multimeters that have a
2V AC range are suitable. (See Fig. A)
1. Check the area of your repair for unsoldered or poorly-
soldered connections. Check the entire board surface
for solder splashes and bridges.
2. Check the interboard wiring to ensure that no wires
are “pinched” or contact high-wattage resistors.
3. Check that all control knobs, shields, covers, ground
straps, and mounting hardware have been replaced.
Be absolutely certain that you have replaced all the
insulators.
4. Look for unauthorized replacement parts, particularly
transistors, that were installed during a previous
repair. Point them out to the customer and
recommend their replacement.
5. Look for parts which, though functioning, show
obvious signs of deterioration. Point them out to
the customer and recommend their replacement.
6. Check the line cords for cracks and abrasion.
Recommend the replacement of any such line cord
to the customer.
7. Check the B+ and HV to see if they are specified
values. Make sure your instruments are accurate;
be suspicious of your HV meter if sets always have
low HV.
8. Check the antenna terminals, metal trim, “metallized"
knobs, screws, and all other exposed metal parts for
AC Leakage. Check leakage as described below.
HOW TO FIND A GOOD EARTH GROUND
A cold-water pipe is guaranteed earth ground; the cover-plate
retaining screw on most AC outlet boxes is also at earth ground.
If the retaining screw is to be used as your earth-ground, verify
that it is at ground by measuring the resistance between it and a
cold-water pipe with an ohmmeter. The reading should be zero
ohms. If a cold-water pipe is not accessible, connect a 60-l00 watts
trouble light (not a neon lamp) between the hot side of the re-
ceptacle and the retaining screw. Try both slots, if necessary, to
locate the hot side of the line, the lamp should light at normal
brilliance if the screw is at ground potential. (See Fig. B)
1.5 k
Ω
0.15 µF AC
Voltmeter
(0.75 V)
To Exposed Metal
Parts on Set
Earth Ground
Fig. A. Using an AC voltmeter to check AC leakage.

— 8 —
KV-27S40 / 27S45 / 27S65 / 29SL40 / 29SL40A / 29SL40C/
29SL45 / 29SL65 / 29SL65C/ 29XL40M / 29XL40P / 29XT11A
4
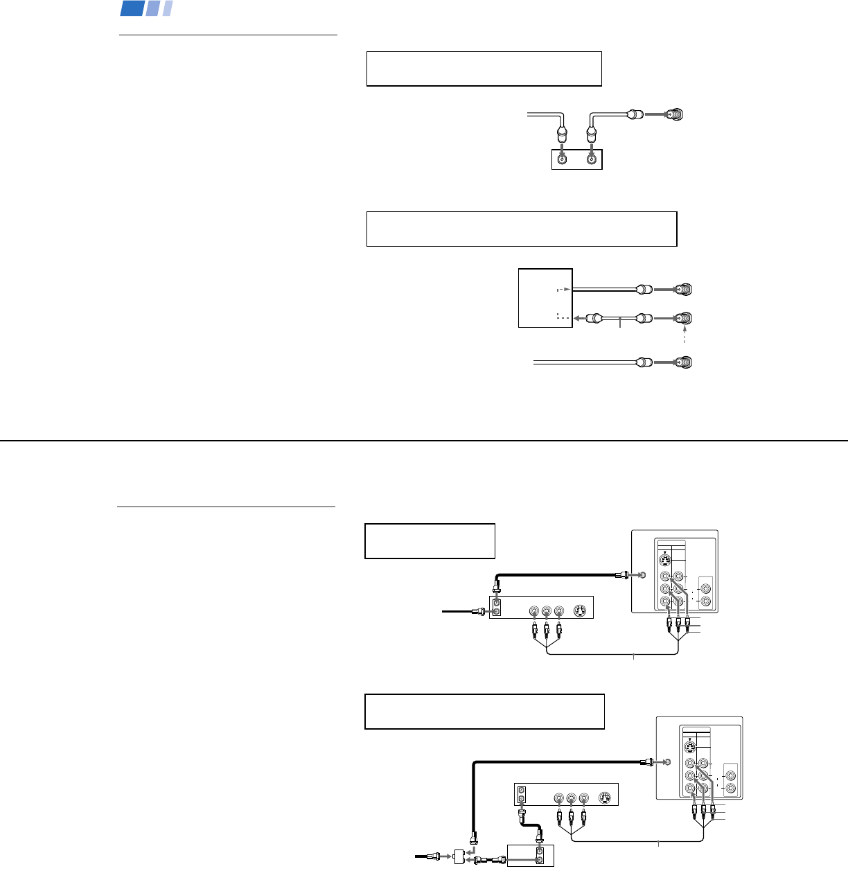
Making Connections
Connecting and Installing the TV
Refer to the table below, it will direct you to the diagram suitable to the components you will be
connecting.
Cable or antenna only 5
Cable and antenna (KV-27S65, 27V65 only) 5
Cable box 6
Cable box and cable to view scrambled channels (KV-27S65, 27V65 only) 6
VCR and cable or antenna 7
VCR and cable box 7
Direct Broadcast Satellite Receiver (DBS) 8
VCR and Direct Broadcast Satellite Receiver (DBS) 9
Digital Versatile Disc receiver (DVD) 10
Audio system 10
Two VCRs for tape editing (KV-27V40, 27V45, 27V65 only) 11
Camcorder to view tapes 11
If you will be connecting See page
SECTION 1
GENERAL
5
B
•VHF only
or
•UHF only
or
•VHF/UHF
C
• VHF
and
• UHF
Cable or Antenna Connections
A
•VHF only
or
•VHF/UHF
or
•Cable
Antenna connector
(Rear of TV)
VHF/UHF
300-ohm twin
lead cable (Rear of TV)
VHF/UHF
75-ohm
coaxial cable
75-ohm coaxial cable
300-ohm twin lead cable
(Rear of TV)
VHF/UHF
EAC-66 U/V mixer
(not supplied)
(No connection "TO
CONVERTER" in this case)
CATV cable
Antenna cable
Connecting directly to cable or an
antenna
Cable and antenna
Note
• In order to receive channels with an
antenna, you will need to turn your CABLE
to OFF (see page 23) and perform the
AUTO PROGRAM function.
The connection you choose will depend on the
cable found in your home. Newer homes will
be equipped with standard coaxial cable
(see
A
); older homes will probably have
300-ohm twin lead cable (see
B
); still other
homes may contain both (see
C
).
• KV-27S65, 27V65 only
If your cable provider does not feature local
channels, you may find this set up convenient.
Select Cable or ANT mode by pressing ANT
on the remote control. You will be able to
alternate between the two input sources.
TO CONVERTER
VHF/UHF
(Rear of TV)
AUX
The instructions mentioned here are partial abstracts from the Operating Instruction Manual.
The page numbers shown reflect those of the Operating Instruction Manual.

— 9 —
KV-27S40 / 27S45 / 27S65 / 29SL40 / 29SL40A / 29SL40C/
29SL45 / 29SL65 / 29SL65C/ 29XL40M / 29XL40P / 29XT11A
6
Connecting and Installing the TV (continued)
Cable Box Connections
*Cable box
Cable
OUTIN
(Rear of TV)
VHF/UHF
TO CONVERTER
*Cable box
VHF/UHF
(Rear of TV)
AUX
75-ohm coaxial
cable (not supplied)
CATV cable
(unscrambled channels)
(signal)
Some pay cable TV systems use scrambled or
encoded signals that require a cable box* to
view all channels.
scrambled
channels
If you will be controlling all channel selection
through your cable box, you should consider using
the CHANNEL FIX feature discussed on page 23.
If you are connecting a cable box through the AUX input and would
like to switch between the AUX and normal (CATV) input you should
consider using the CHANNEL FIX feature discussed on page 23.
Cable box
1
Connect the coaxial connector from your
cable or antenna to the IN on your cable
box.
2
Using a coaxial cable, connect OUT on
your cable box to VHF/UHF on your TV.
Cable box and cable
• KV-27S65, 27V65 only
For this set up, you can switch between
scrambled channels (through your cable box),
and normal (CATV) channels by pressing
ANT on your remote control.
Notes
• Your Sony remote control can be
programmed to operate your cable box.
(see page 28)
• When using PIP, you cannot view the
window picture with the AUX input.
7
Disconnect all power sources before making any connections.
VCR must be connected and
turned on to operate PIP
(KV-27S45, 27V45 only).
VCR Connections
AUDIO OUT
(VAR/FIX)
VIDEO
IN
12
VHF/UHF S VIDEO
VIDEO
L
R
AUDIO
(MONO)
AUDIO R AUDIO L VIDEO
S VIDEO
LINE
OUT
OUT
IN
Coaxial cable
(Rear of TV)
VMC-810S/820S (not supplied)
Cable VCR
3
12
AUDIO-R (red)
AUDIO-L (white)
VIDEO (yellow)
AUDIO OUT
(VAR/FIX)
VIDEO
IN
12
VHF/UHF S VIDEO
VIDEO
L
R
AUDIO
(MONO)
AUDIO R AUDIO L VIDEO
S VIDEO
LINE
OUT
OUT
IN
OUT
IN
VMC-810S/820S (not supplied)
Cable box
Splitter
(not supplied)
3
AUDIO-R (red)
AUDIO-L (white)
VIDEO (yellow)
VCR
Cable
Coaxial cable
2
1
For optimum picture quality, use S VIDEO instead of
the yellow A/V cable. S Video does not provide sound,
your audio connectors must still be connected.
Connecting an antenna/cable TV
system with a VCR
(Rear of TV)
You will need a splitter (not supplied) for the
following connection.
1
Connect the single (input) jack of the splitter
to your incoming cable connection. Connect
the other two (output) jacks (using coaxial
cable) to IN on your cable box and VHF/UHF
on your TV.
2
Using a coaxial connector, connect OUT on
your cable box to IN on your VCR.
3
Using A/V connectors, connect AUDIO and
VIDEO OUT on your VCR to AUDIO and
VIDEO IN on your TV (Yellow-VIDEO,
White-AUDIO Left, Red-AUDIO Right).
1
Attach the coaxial connector from your cable
or antenna to IN on your VCR.
2
Using A/V connectors, connect AUDIO and
VIDEO OUT on your VCR to AUDIO and
VIDEO IN on your TV (Yellow-VIDEO,
White-AUDIO Left, Red-AUDIO Right).*
3
Using a coaxial connector, connect OUT on
your VCR to VHF/UHF on your TV.
* If you are connecting a monaural VCR, connect only the
single white audio output to the left input on your TV.
Connecting a VCR and TV with a
cable box

— 10 —
KV-27S40 / 27S45 / 27S65 / 29SL40 / 29SL40A / 29SL40C/
29SL45 / 29SL65 / 29SL65C/ 29XL40M / 29XL40P / 29XT11A
8
Disconnect all power sources before making any connections.
AUDIO OUT
(VAR/FIX)
VIDEO
IN
12
VHF/UHF S VIDEO
VIDEO
L
R
AUDIO
(MONO)
VHF/UHF
S VIDEO
OUT
IN
LINE OUT
SATELLITE IN
AUDIO R AUDIO L VIDEO
DBS receiver
Satellite
antenna
cable
VMC-810S/820S (not supplied)
1
3
2
AUDIO-R (red)
AUDIO-L (white)
VIDEO (yellow)
Connecting a DBS (Direct
Broadcast Satellite) receiver
Connecting and Installing the TV (continued)
For optimum picture quality, use S VIDEO
instead of the yellow A/V cable. S Video does
not provide sound, your audio connectors
must still be connected.
DBS Connections
(Rear of TV)
1
Connect the cable from your satellite
antenna to your DBS receiver.
2
Attach the coaxial connector from your
cable or antenna to VHF/UHF on your
TV.
3
Using A/V connectors, connect AUDIO
and VIDEO OUT on your DBS receiver to
AUDIO and VIDEO IN on your TV.
9
AUDIO OUT
(VAR/FIX)
VIDEO
IN
12
VHF/UHF S VIDEO
VIDEO
L
R
AUDIO
(MONO)
AUDIO R AUDIO L VIDEO AUDIO R AUDIO L VIDEO
SATELLITE IN
VHF/UHF
S VIDEO
OUT
IN
LINE OUT
LINE IN
VHF/UHF
S VIDEO
OUT
IN
LINE OUT
AUDIO-R (red)
AUDIO-L (white)
VIDEO (yellow)
1
2
3
VMC-810S/820S (not supplied)
VMC-810S/820S (not supplied)
4
5
(Rear of TV)
DBS receiver
VCR
Connecting a DBS (Direct Broadcast
Satellite) receiver and a VCR
Note
• To view from the DBS or VCR, select the
video input to which your DBS receiver or
VCR is connected by pressing TV/VIDEO
on the remote control.
For optimum picture quality, use S VIDEO instead of
the yellow A/V cable. S Video does not provide sound,
your audio connectors must still be connected.
Disconnect all power sources before making any connections.
DBS Connections (continued)
1
Connect the cable from your satellite
antenna to your DBS receiver.
2
Attach the coaxial connector from your
cable or antenna to VHF/UHF IN on your
VCR.
3
Using a coaxial connector, connect
VHF/UHF OUT on your VCR to
VHF/UHF on your TV.
4
Using A/V connectors, connect AUDIO
and VIDEO OUT on your DBS receiver to
AUDIO and VIDEO IN on your VCR.
5
Using A/V connectors, connect AUDIO
and VIDEO OUT on your VCR to AUDIO
and VIDEO IN on your TV.

— 11 —
KV-27S40 / 27S45 / 27S65 / 29SL40 / 29SL40A / 29SL40C/
29SL45 / 29SL65 / 29SL65C/ 29XL40M / 29XL40P / 29XT11A
10
The following connections are for accessories
that will enhance your viewing options.
Connecting a DVD Player
AUDIO OUT
(VAR/FIX)
VIDEO
IN
12
VHF/UHF S VIDEO
VIDEO
L
R
AUDIO
(MONO)
AUDIO R AUDIO L VIDEO
S VIDEO
LINE OUT
Additional Connections
VMC-810S/820S (not supplied)
AV outputs
1
(Rear of DVD player)
AUDIO-R (red)
AUDIO-L (white)
VIDEO (yellow)
Connecting and Installing the TV (continued)
AUDIO OUT
(VAR/FIX)
VIDEO
IN
12
VHF/UHF S VIDEO
VIDEO
L
R
AUDIO
(MONO)
HRD
Line
input
AUDIO-R (red)
AUDIO-L (white) RK-74A
(not supplied)
1
2
Disconnect all power sources before making any connections.
For optimum picture quality, use S VIDEO
instead of the yellow A/V cable. S Video
does not provide sound, your audio
connectors must still be connected.
Note
• For the best picture quality, connect the
DVD player directly to the TV.
(Rear of TV)
(Rear of TV)
1
Using A/V connectors, connect LINE OUT
on your DVD to VIDEO IN on your TV
(Red-AUDIO Right, White-AUDIO Left,
Yellow-VIDEO).
Connecting an audio system
For enhanced sound, connect your audio
system to your TV.
1
Using AUDIO connectors, connect AUDIO
OUT on your TV to one of the unused line
inputs (e.g. TV, AUX, TAPE 2) on your
stereo (White-AUDIO Left, Red-AUDIO
Right).
2
Set your stereo to the chosen line input
(e.g. TV, AUX, TAPE 2). Refer to page 20
of this manual for additional audio setup
instructions.
11
If you have an S Video equipped
camcorder, you can use an S Video
connection for optimum picture quality.
IN
VIDEO 1
VHF/UHF
L
R
AUDIO
(MONO)
VIDEO 3 MONITOR AUDIO
(VAR/FIX)
OUT
TO
CONVERTER
AUX
S VIDEO
VIDEO
LINE
OUT
OUT
IN LINE
IN
OUT
IN
AUDIO R AUDIO L VIDEO AUDIO R AUDIO L VIDEO
Disconnect all power sources before making any connections.
Connecting two VCRs for tape
editing using MONITOR OUT
VCR (for playback) VCR (for recording)
VMC-810S/820S (not supplied) VMC-810S/820S (not supplied)
(Rear of KV-27V65)
VIDEO (yellow)
AUDIO-L (white)
AUDIO-R (red)
12
You cannot change video
inputs while editing using
MONITOR OUT.
VIDEO 2 INPUT
L
(MONO)
-
AUDIO
-RVIDEO
VIDEO 2 INPUT
VIDEO
L
(MONO)
-
AUDIO
-R
AUDIO-L (white)
AUDIO-R (red)
VIDEO (yellow)
AV output VMC-810S/820S
(not supplied)
(Front of KV-27V40, 27V45, 27V65 only)
• KV-27V40, 27V45, 27V65 only
MONITOR OUT gives you the ability to use a
second VCR to record a program being played
by the primary VCR or to perform tape
editing and dubbing.
1
Connect the VCR intended for playback
using the setup instructions on page 7 of
this manual.
2
Using A/V connectors, connect AUDIO
and VIDEO IN on your VCR intended for
recording to MONITOR AUDIO and
VIDEO OUT on your TV.
Connecting a camcorder
This connection is convenient for viewing a
picture directly from your camcorder.
Using A/V connectors, connect AUDIO and
VIDEO OUT on your camcorder to AUDIO
and VIDEO IN on your TV (Yellow-VIDEO,
White-AUDIO Left, Red-AUDIO Right).
Connection can also be made directly to your
A/V input located on the rear of your TV.
Note
•
If you are connecting a monaural camcorder,
connect only the single white audio output
to the left input on your TV.

— 12 —
KV-27S40 / 27S45 / 27S65 / 29SL40 / 29SL40A / 29SL40C/
29SL45 / 29SL65 / 29SL65C/ 29XL40M / 29XL40P / 29XT11A
12
Insert two size AA (R6) batteries (supplied) by
matching the + and – on the batteries to the
diagram inside the battery compartment.
Notes
• Remove the batteries to avoid damage
from possible battery leakage whenever
you anticipate that the remote control will
not be used for an extended period.
• Handle the remote control with care.
Avoid dropping it, getting it wet, or
placing it in direct sunlight, near a heater,
or where the humidity is high.
• Your remote control can be programmed to
operate most video equipment. (see page 26)
Inserting batteries Using the remote control,
Move & Select buttons
The supplied remote control has "arrow"
buttons (V, v, B, b) which allow for
movement of the on-screen selector in four
directions. Pressing on the outer buttons will
cause the selector to move in the
corresponding direction. Pressing the center
button ( ) will select the item.
Adjustments bars
When menu items present an adjustment bar
( or ), use the arrow buttons to
change the setting.
On-Screen Help/Instructions
Several menu windows will provide prompts
and instructions to assist you in navigating
through the different functions. When
presented, use these to supplement the instructions
in this manual.
Note
• To reset your TV to factory settings, turn
the TV on. Then, while pressing the RESET
button, press the POWER key on your TV.
The TV will turn itself off, then back on.
(except KV-20V80).
Select
0
CHVOL
CODE SET
RESET MENU
MTS
GUIDE
TV DBS
Basic Set up
Move
13
AUTO PROGRAM appears and the TV
starts scanning and presetting channels
automatically. When all the receivable
channels are stored, the lowest numbered
channel is displayed. If the TV receives
cable TV channels, CABLE is set ON
automatically.
To perform AUTO SET UP again
• Press SET UP on the TV.
•
Press CH + or CH – to select a language.
• Press VOL + to restore factory settings
(CONTINUE TO AUTO PROGRAM? will
appear on the screen). Press CH + to
continue or CH – to exit.
• Press SET UP to exit.
Note
• When you perform AUTO PROGRAM,
your CHANNEL FIX, CHANNEL BLOCK
and ON/OFF TIMER settings will be
erased.
Setting up the TV automatically
The Easy Setup Guide allows you to set the
on-screen language and set all receivable
channels. The Easy Setup Guide screen
appears every time you turn on the TV until
you perform AUTO PROGRAM.
The Easy Setup Guide feature does not apply for
installations that use a cable box for all channel
selection.
To set up the TV manually, refer to “Using the
SET UP menu” on page 23.
Tips
z
• Perform this function during the day, with the antenna
and/or cable properly connected, to ensure that all available
channels will be broadcasting and receivable.
• After using the Easy Setup Guide you will still have the
option of adjusting any of the system settings, like skipping
channels, through the SET UP menu (page 24).
•
The TV must be set to the TV input to execute AUTO
PROGRAM. Press ANT until a channel number appears.
• If your cable or antenna is connected to AUX, then
press ANT until AUX appears next to the channel
number. (KV-27S65, 27V65 only)
Using the buttons on the front of the TV:
For KV-27V65, the control buttons are located
on the top of the TV.
1
Press POWER to turn on the TV.
The Easy Setup Guide screen appears.
2
(except Canadian models)
Press CH + to select English screens or
CH – to select Spanish screens.
3
Press VOL + to continue or VOL – for a
DEMO of functions and menus.
POWER
ENGLISH: [CH+]
ESPANOL: [CH-]
AUTO SET UP: [VOL+]
DEMO: [VOL-]
First please connect
cable/antenna.
Press [SETUP]to exit
VOLUME
AUTO PROGRAM
– CHANNEL +
SET UP TV/VIDEO
POWER
– CHANNEL +– VOLUME +
Using your New TV

— 13 —
KV-27S40 / 27S45 / 27S65 / 29SL40 / 29SL40A / 29SL40C/
29SL45 / 29SL65 / 29SL65C/ 29XL40M / 29XL40P / 29XT11A
14
REFER TO THE
ILLUSTRATION OF THE
REMOTE CONTROL ON THE
INSIDE FRONT COVER OF
THIS MANUAL AS YOU
REVIEW THIS CHART
Watching the TV
All of the TV features can be accessed via the
remote control. The following chart will
explain the function of the buttons found on
your remote control.
Using your New TV (continued)
Activate the remote control for use with the following components: TV, DBS/CABLE,
VTR/DVD. Press when you want to control connected components with your remote
control. (see pages 26-28 for instructions on programming your remote control)
Turns the TV on and off. If VIDEO appears on the screen, press TV/VIDEO or
ANT until a channel number appears.
Use for direct channel selection. Press 0-9 to select a channel, the channel will
change after 2 seconds, or you can press ENTER for immediate selection.
Press to scan through the channels.
Keeping the CH + or – pressed allows you to rapidly scan to the desired channel.
Press to alternate or
jump
back and forth between two channels. You can jump
between the last two channels selected with the 0-9 keys.
Press to mute the sound (MUTING will appear on the screen). Press again or
press VOL + to restore sound.
0 9
-
Using the White Labeled Buttons for TV Operations.
VTR/DVD TVDBS/CABLE
FUNCTION
POWER
TV
CH
JUMP
MUTING
15
Some programs are broadcast with CAPTION
VISION.
CC1, 2, 3 or 4
Shows you a printed version of the dialog or
sound effects of a program. (The mode should
be set to CC1 for most programs)
TEXT1, 2, 3 or 4
Shows you network/station information
presented using either half or the whole screen.
It is not usually related to the program.
XDS (Extended Data Service)
Shows a network name, program name,
program length, and time of the show if the
broadcaster offers this service.
Note
• Poor reception of TV programs can cause
errors in CAPTION VISION and XDS.
Captions may appear with a white box or
other errors instead of intended text.
CAPTION VISION
SET UP
CHANNEL SET UPŁ
FAVORITE CHANNELŁ
CHANNEL BLOCKŁ
VIDEO LABELŁ
CAPTION VISION:CC1
MENU
Move Select Exit
MENU
Press to freeze the window picture while in PIP mode. If you are not in PIP mode,
pressing FREEZE will cause the main picture to freeze into a window picture.
Great for copying down phone numbers, addresses, recipes, etc.
Press repeatedly until the TV displays the approximate time in minutes (30, 60, or
90) that you want the TV to remain on before shutting off automatically.
Cancel by pressing until SLEEP OFF appears.
Press repeatedly to step through available displays:
Status
Channel number, current time, channel caption (if set) and Multi-Channel TV
Sound (MTS) are displayed.
The MTS mode indication disappears after three seconds.
CAPTION VISION
CAPTION VISION will be displayed on the screen if the broadcaster offers this
service. (see right)
To cancel the display, press DISPLAY repeatedly until DISPLAY OFF appears.
DISPLAY OFF disappears after three seconds.
Press repeatedly to step through available video inputs:
TV and VIDEO 1 (KV-27S40 only)
TV, VIDEO 1 and VIDEO 2 (KV-20V80, 27S45, 27S65, 27V40 only)
TV, VIDEO 1, VIDEO 2 and VIDEO 3 (KV-27V45, 27V65 only)
Press to change the VHF/UHF input to the AUX input (KV-27S65, 27V65 only).
For detailed connection information, see “Cable and antenna” or "Cable box and
cable” on pages 5-6.
Press when you are finished using a VCR and you want to switch to the TV input.
Your VCR power will remain on.
Press this button to cycle through the Multi-channel TV Sound (MTS) options.
(see page 21).
GUIDE is a feature of DBS, refer to your DBS operation instructions.
(AUX input)
Using the White Labeled Buttons for TV Operations.
SLEEP
DISPLAY
TV/VIDEO
ANT
+
TV/VTR
MTS
GUIDE
FREEZE
(Closed Caption)

— 14 —
KV-27S40 / 27S45 / 27S65 / 29SL40 / 29SL40A / 29SL40C/
29SL45 / 29SL65 / 29SL65C/ 29XL40M / 29XL40P / 29XT11A
16
Watching two programs at
one time - PIP
Use the Yellow Labeled Buttons for PIP Operations.
PIP
TV/VIDEO
AUDIO
REFER TO THE ILLUSTRATION OF
THE REMOTE CONTROL ON THE
INSIDE FRONT COVER OF THIS
MANUAL AS YOU REVIEW THIS
CHART
Main
picture
The sound of the main
picture is received. Input-source mode
or TV channel for
the main picture
Input-source mode
or TV channel for
the window picture
Window
picture
The Picture-in-Picture (PIP) feature allows you
to view two channels simultaneously, one in
the full size “main” picture and one in a smaller
“window” picture. This means that two
separate tuners must be available to provide
the two signals.
Certain models (KV-27S45, 27V45 only) are
equipped with a single tuner. This simply means
that a VCR must be connected and turned on for
PIP to operate.
Tip
z
To ensure a correct single tuner PIP connection
(KV-27S45, 27V45 only), make sure the following list
is complete before using PIP:
• A cable or antenna is connected to the VCR
• The VCR is connected to your TV
• The VCR is turned on
(for detailed connection information, see pages 5-7)
Note
• You must press TV (FUNCTION) before you
can control PIP with the yellow labeled buttons.
Press once to display the window picture (1/9 size).
Press again to reduce the size of the window picture (1/16 size).
Press a third time to remove the window picture.
Press repeatedly to step through available video inputs:
TV, VIDEO 1, VIDEO 2, and VIDEO 3 (KV-27S45, 27S65, 27V45,
27V65 only)
If you have a single tuner, your PIP input source is the VCR.
Press to alternate sound between the main picture and the window
picture. A will appear for a few seconds to indicate which picture is
receiving sound.
Using your New TV (continued)
17
Press to change the TV channel in the window picture. (KV-27S65, 27V65 only)
For models KV-27S45, 27V45, you must press VTR/DVD (FUNCTION), then use
the main CH +/- buttons to change channels. (see right)
Press to move the location of the window picture (counterclockwise) around the
main picture.
Press to freeze the window picture. Great for copying down phone numbers,
addresses, recipes, etc.
Press FREEZE again to restore the previous screen(s).
Press to switch the audio and video of the main picture and the window picture.
Each time you press SWAP, the picture and sound of the two will be
swapped
.
Any channels being received through the AUX jack cannot be displayed as a
window picture. (KV-27S65, 27V65 only)
Use the Yellow Labeled Buttons for PIP Operations.
CH
–
+
TV/VTR
POSITION
FREEZE
SWAP
Changing channels with a single
tuner PIP
• KV-27S45, 27V45 only
1
Press TV/VIDEO until you reach the TV
input.
2
Press PIP (the window picture appears).
To change the window picture:
1
Press VTR/DVD (FUNCTION).
2
Press the main CH +/– buttons to change
channels.
To change the main picture:
1
Press TV (FUNCTION).
2
Press the main CH +/– buttons to change
channels.
Note
• If you have the same program in both the
window and the main picture and cannot
change the channel in the window; press
TV/VIDEO until you reach the TV input in the
main picture.

— 15 —
KV-27S40 / 27S45 / 27S65 / 29SL40 / 29SL40A / 29SL40C/
29SL45 / 29SL65 / 29SL65C/ 29XL40M / 29XL40P / 29XT11A
18
Learning menu selection
Use the MENU button to access a menu and
use the select buttons (V or v) to alter settings.
Use the following example, in which we
activate the CABLE, to learn how to modify
settings.
1
Press the MENU button.
The main menu appears.
2
Press V or v to highlight the desired menu
(in this case SET UP ) and press to
select it.
MENU
3
Press V or v to move to the desired option.
4
Press .
Options for your selection will be
displayed.
5
Press V or v to make your selection and
press .
When you are finished making changes to the
selected menu, choose MENU to return to
the main menu.
Notes
• Pressing MENU on the remote control will
allow you to exit from the menus at any
time.
• If any menu items are "blacked out", press
the ANT button on your remote control
until a channel number appears.
VIDEOŁ
MODE: VIVID
PICTURE Ł
BRIGHTNESS
COLOR Ł
HUE
SHARPNESSŁ
MENU
MENU
Move Select Exit
SET UP
CHANNEL SET UPŁ
FAVORITE CHANNELŁ
CHANNEL BLOCKŁ
VIDEO LABELŁ
CAPTION VISION:CC1
LANGUAGE: ENGLISH
MENU
Move Select Exit
MENU
SET UP
CHANNEL SET UPŁ
FAVORITE CHANNELŁ
CHANNEL BLOCKŁ
VIDEO LABELŁ
CAPTION VISION:CC1
LANGUAGE: ENGLISH
MENU
Move Select Exit
MENU
CHANNEL SET UPŁ
Ł
CABLE: OFFŁ
CHANNEL FIX: OFFŁ
AUTO PROGRAM
CHANNEL SKIP/ADDŁ
CHANNEL CAPTIONŁ
MENU
Move Select Exit
MENU
SET UP
CHANNEL SET UPŁ
FAVORITE CHANNELŁ
CHANNEL BLOCKŁ
VIDEO LABELŁ
CAPTION VISION:CC1Ł
LANGUAGE: ENGLISH
MENU
Move Select Exit
MENU
CHANNEL SET UPŁ
Ł
CABLE: ONŁ
CHANNEL FIX: OFFŁ
AUTO PROGRAM
CHANNEL SKIP/ADDŁ
CHANNEL CAPTIONŁ
MENU
Move Select Exit
MENU
Using your Menus
19
MODE
Customized picture
viewing
PICTURE
Picture Adjustment
BRIGHTNESS
Picture Adjustment
COLOR
Picture Adjustment
HUE
Picture Adjustment
SHARPNESS
Picture Adjustment
(except KV-20V80)
VIVID: Select to receive a vivid, bright picture.
STANDARD: Select to receive a standard picture.
MOVIE: Select to receive a softened picture.
Adjust left to decrease picture contrast and soften the color.
Adjust right to increase picture contrast and create more vivid color.
Adjust left to darken the picture.
Adjust right to brighten the picture.
Adjust left to decrease color intensity.
Adjust right to increase color intensity.
Adjust left to decrease the green tones.
Adjust right to increase the green tones.
Adjust left to soften the picture.
Adjust right to sharpen the picture.
MENU
Display Highlight Select
To restore the factory VIDEO
settings
Press RESET while the VIDEO menu is
displayed.
Using the VIDEO menu
For detailed information on using the remote
to modify menu settings, refer to “Learning
menu selection” on page 18.
To select the VIDEO menu:
VIDEOŁ
MODE: VIVID
PICTURE Ł
BRIGHTNESS
COLOR Ł
HUE
SHARPNESSŁ
MENU
MENU
Move Select Exit
Adjustment
bars
}

— 16 —
KV-27S40 / 27S45 / 27S65 / 29SL40 / 29SL40A / 29SL40C/
29SL45 / 29SL65 / 29SL65C/ 29XL40M / 29XL40P / 29XT11A
20
TREBLE
BASS
BALANCE
AUTO VOLUME
Stabilizes volume
SPEAKER
Custom selection of
audio output source
AUDIO OUT
Use to control the
TV's volume through
a stereo
Using the AUDIO menu
For detailed information on using the remote
to modify menu settings, refer to “Learning
menu selection” on page 18.
To select the AUDIO menu:
AUDIO
TREBLE Ł
BASS
BALANCE Ł
AUTO VOLUME: ON
SPEAKER: OFFŁ
AUDIO OUT: VARIABLE
OPTIONS
MENU
MENU
Move Select Exit
MENU
Display Highlight Select
To restore the factory AUDIO
settings
Press RESET while the AUDIO menu is
displayed.
Tip
z
Press for direct selection of an AUDIO setting.
Adjustment
bars
}
Adjust left or right to decrease or increase higher pitched sound
Adjust left or right to decrease or increase low pitched sounds.
Adjust left or right to emphasize speaker volume.
(KV-27V40, 27V45, 27V65 only).
ON: Select to stabilize the volume when changing channels.
OFF: Select to turn AUTO VOLUME off.
ON: Select to listen to the sound from the TV speakers and a separate stereo
system.
OFF: Select to turn off the TV speakers and listen to the TV's sound only through
external audio system speakers.
AUDIO OUT can only be set when speakers are set to OFF.
VARIABLE: Sound output varies according to the TV settings.
Useful when you want to use your remote control to control the output of a
separate audio system.
FIXED: Sound output is held at a fixed level through your stereo.
Using your Menus (continued)
21
OPTIONS
Enhanced audio
options
With the OPTIONS menu open:
1Press to access the feature you want to change.
2Press V or v to cycle through the options.
MTS: Press V or v to select one of the following options:
STEREO: Select for stereo reception when viewing a broadcast in stereo.
SAP: Select to listen to bilingual broadcast. (Non-SAP programs will be muted when this feature is selected.)
MONO: Select for mono reception (use to reduce noise during stereo broadcasts.)
Quick MTS access: Press MTS on your remote control to cycle through the MTS options.
EFFECT: Press V or v to select one of these customized effects based on the program you are viewing:
SRS: Produces a dynamic three dimensional sound for stereo audio signals.
(KV-27V40, 27V45, 27V65 only)
SURROUND: Simulates theater quality sound (only for stereo programs).
(KV-20V80, 27S40, 27S45, 27S65 only)
SIMULATED: Adds a surround-like effect to mono programs.
(KV-27V40, 27V45, 27V65 only)
OPTIONSŁ
Ł
MTS: STEREOŁ
EFFECT: SRSŁ
MENU
Move Select Exit
MENU

— 17 —
KV-27S40 / 27S45 / 27S65 / 29SL40 / 29SL40A / 29SL40C/
29SL45 / 29SL65 / 29SL65C/ 29XL40M / 29XL40P / 29XT11A
22
DAYLIGHT
SAVING
Automatically adjusts
the time.
CURRENT
TIME SET
Necessary for the
TIMER.
ON/OFF TIMER
Wake up or
scheduled viewing.
Using the TIMER menu
For detailed information on using the remote
to modify menu settings, refer to “Learning
menu selection” on page 18.
To select the TIMER menu:
MENU
Display Highlight Select
Tip
z
Set daylight saving time before setting the clock. Any
loss of power will cause these settings to be erased.
TIMERŁ
DAYLIGHT
SAVING:
YES
CURRENT TIME SET Ł
ON/OFF TIMER
MENU
MENU
Move Select Exit
Spring: Select YES to compensate for Daylight Saving Time.
The current time automatically moves one hour ahead.
Fall: Select NO at the end of Daylight Saving Time.
The current time moves back one hour.
CURRENT TIME SET menu will appear.
1Press .
2Press V or v until the current day is displayed. Press
to select.
3Press V or v until the current hour and AM/PM is
displayed. Press to select.
4Press V or v until the current minute is displayed,
press .
The clock is set. Press MENU to exit.
ON/OFF TIMER menu will appear.
1Press .
2Press V or v until the desired day or range of days
is displayed. Press to select.
3Indicate the time that you want the TV to turn on by
pressing V or v and then .
4Set the time duration (maximum of 6 hours) by
pressing V or v and then .
5Press V or v until you reach the desired channel.
Press to select.
The ON/OFF TIMER is now set. Press MENU to exit.
When you perform AUTO PROGRAM, all ON/OFF TIMER settings will be erased.
CURRENT TIME SETŁ
Ł
___--:-- AMŁ
MENU
Move Select Exit
MENU
ON/OFF TIMERŁ
Ł
___Ł
--:-- AM_h CH____Ł
MENUŁ
SUN 12:00 AM
Move Select Exit
MENU
Using your Menus (continued)
To cancel the ON/OFF TIMER
function
Press RESET while the TIMER menu is
displayed.
23
CHANNEL
SET UP
Basic set up
options for
viewing
With the CHANNEL SET UP menu open:
1Use V or v to access the feature you want to change.
2Press to select the feature.
CABLE: Select ON if your TV is connected to a cable
system. (After setting CABLE, you will need to run
AUTO PROGRAM.)
CHANNEL FIX: Press and then use the V or v buttons to set the TV's input
to one of the following options:
2-6: When a cable box is connected to the VHF/UHF input. Press DBS/CABLE
(FUNCTION) and then CH +/– to change channels.
AUX 2-6: When a cable box is connected to AUX and a cable or antenna is
connected to VHF/UHF. You can alternate between the two inputs by pressing
ANT on the remote control. (KV-27S65, 27V65 only)
VIDEO 1: When you have connected video equipment (e.g. A/V receiver) and
you want the TV input fixed to it. You will be able to alternate between video
sources using the A/V receiver.
OFF: When you want to switch CHANNEL FIX off.
Press ANT on the remote control until you reach a picture.
ON/OFF TIMER and CHANNEL BLOCK settings will be erased when
CHANNEL FIX is set.
AUTO PROGRAM: Instructs the TV to automatically program all receivable
channels.
CHANNEL SKIP/ADD:
With the CHANNEL SKIP/ADD window open:
1Place the cursor next to SKIP or ADD. (only
one option will be displayed)
2Choose the desired channel using CH +/–, or
by selecting with the 0-9 buttons and pressing
ENTER.
3Press to activate.
Using the SET UP menu
For detailed information on using the remote
to modify menu settings, refer to “Learning
menu selection” on page 18.
To select the SET UP menu:
MENU
Display Highlight Select
Notes
• The FAVORITE CHANNEL feature is not
available for the AUX input.
• Your remote control can be programmed to
operate your cable box. (see page 28)
CHANNEL SET UPŁ
Ł
CABLE: ONŁ
CHANNEL FIX: OFFŁ
AUTO PROGRAM
CHANNEL SKIP/ADDŁ
CHANNEL CAPTIONŁ
MENU
Move Select Exit
MENU
SET UP
CHANNEL SET UPŁ
FAVORITE CHANNELŁ
CHANNEL BLOCKŁ
VIDEO LABELŁ
CAPTION VISION:CC1
LANGUAGE: ENGLISH
MENU
Move Select Exit
MENU
CHANNEL SKIP/ADDŁ
33Ł
SKIPŁ
MENUŁ
use (0-9) or (CH+/-)
to select the channel
Move Select Exit
MENU

— 18 —
KV-27S40 / 27S45 / 27S65 / 29SL40 / 29SL40A / 29SL40C/
29SL45 / 29SL65 / 29SL65C/ 29XL40M / 29XL40P / 29XT11A
24
CHANNEL
SET UP
(continued)
Basic set up
options for
viewing
CHANNEL
BLOCK
Prevent child access
to certain channels.
.
CHANNEL CAPTION: You will be able to label up to 12
channels with their call letters.(except KV-20V80)
With the CHANNEL CAPTION menu open:
1Press and then V or v to access the desired
channel, and press again.
2Press V or v to display the first letter or number
of the caption and press to select it.
3Press to activate. To erase a caption, press RESET.
You will be able to block two channels
.
With the CHANNEL BLOCK window open:
1Choose 1 or 2 and press .
2Press V or v to display the channel you want to
block.
3Press to activate.
When you select the blocked channel, BLOCKED
will appear on the screen. CAPTION VISION will also be blocked.
When you perform AUTO PROGRAM, your CHANNEL BLOCK settings will be erased.
CHANNEL CAPTIONŁ
- ___Ł
____
MENUŁ
Move Select Exit
MENU
Using your Menus (continued)
Using the SET UP menu
(continued)
For detailed information on using the remote
to modify menu settings, refer to “Learning
menu selection” on page 18.
To select the SET UP menu:
MENU
Display Highlight Select
SET UP
CHANNEL SET UPŁ
FAVORITE CHANNELŁ
CHANNEL BLOCKŁ
VIDEO LABELŁ
CAPTION VISION:CC1
LANGUAGE: ENGLISH
MENU
Move Select Exit
MENU
To erase the CHANNEL BLOCK
settings
Press RESET while the SET UP menu is
displayed.
CHANNEL BLOCKŁ
Ł
1.CH___Ł
2.CH___Ł
MENU
Select a program
Move Select Exit
MENU
25
FAVORITE
CHANNEL
Quick access to
favorite channels
VIDEO LABEL
Easy recognition of
connected equipment
(e.g. DBS, VHS, etc.)
LANGUAGE
Setting FAVORITE CHANNEL:
1Press and then V or v to select AUTO or MANUAL. (Selecting AUTO will display the last five channels
chosen with the remote control.)
2Press V or v to move the cursor to 1, 2, 3, 4 or 5 and press .
3Press V or v to access the desired channel and press .
4For KV-27S65, 27V65 only, you can preview your favorite channels in the window picture, to do so, set
PREVIEW to ON.
Using FAVORITE CHANNEL:
1Press when in normal viewing mode. Your FAVORITE CHANNEL options will appear.
2Press V or v to access the channel you want to watch, and press .
3For models KV-27S65, 27V65 only, if PREVIEW is ON, a window picture displays your favorite channels as you cycle
through the options.
This feature allows you to label each input mode so that you can easily identify connected equipment (e.g. you
can label VIDEO 1 as VHS). (except KV-20V80)
With the VIDEO LABEL window open:
1Press V or v to move to the input mode you want to label and press .
2Press V or v to choose the label and press .
VIDEO LABEL Options:
Video 1: VHS, 8mm, BETA, LD, GAME, DBS, DVD, WEB, RECEIVER, DTV.
Video 2/3: VHS, 8mm, BETA, LD, GAME, DBS, DVD, WEB, RECEIVER, DTV.
When VIDEO LABEL is set to WEB, the picture will darken, creating an ideal picture for WebTV viewing.
(except Canadian models)
You can change the language of your menus to either ENGLISH or ESPAÑOL.
FAVORITE CHANNELŁ
MODE: AUTO
PREVIEW: ONŁ
1.___Ł
2.___Ł
3.___Ł
4.___Ł
5.___
MENUŁ
Move Select Exit
MENU
125 ESPN
Exit
14 ABC
5 CBC
16 HBO
48 CBS
VIDEO LABELŁ
Ł
VIDEO 1: VIDEO 1Ł
VIDEO 2: VIDEO 2Ł
VIDEO 3: VIDEO 3Ł
MENUŁ
Ł
Ł
Ł
Move Select Exit
MENU

— 19 —
KV-27S40 / 27S45 / 27S65 / 29SL40 / 29SL40A / 29SL40C/
29SL45 / 29SL65 / 29SL65C/ 29XL40M / 29XL40P / 29XT11A
26
Magnavox 308, 309, 310
Mitsubishi/MGA 323, 324, 325, 326
NEC 314, 336, 337
Panasonic 308, 309, 306, 307
Philips 308, 309, 310
Pioneer 308
Quasar 308, 309, 306
RCA/PROSCAN 304, 305, 308, 309, 311,
312, 313, 310, 329
Realistic 309, 330, 328, 335, 324, 338
Sansui 314
Samsung 322, 313, 321
Sanyo 330, 335
Sharp 327, 328
Sylvania 308, 309, 338, 310
Symphonic 338
Technics 309, 308
Toshiba 312, 311
Wards 327, 328, 335, 331, 332
Zenith 331
Programming the remote
You can use the supplied remote control to
operate Sony or non-Sony video equipment.
Operating video equipment
Tips z
• In some rare cases, you may not be able to operate
your non-Sony video equipment with the supplied
remote control. In this case, please use the
equipment’s own remote control.
• The code numbers for Sony VCR's are assigned at the
factory as follows:
VHS VCR 301 (preset code
for the supplied
remote control)
8 mm VCR 302
Beta, ED Beta VCRs 303
• When you remove the batteries, the code number may
revert to the factory setting.
Operating a VCR
To turn on or off
To select a channel
directly
To change
channels
To record
To play
Buttons on the
remote control
Press VTR (POWER).
Press the 0 – 9 buttons.
Press CH +/–.
Press ( and r
simultaneously.
Press (.
To stop
To fast forward
To rewind the tape
To pause
To search the
picture forward or
backward
To change input
mode
Press p.
Press ).
Press 0.
Press P.
To resume normal playback,
press again or press (.
Press ) or 0 during
playback.
To resume normal playback,
release the button.
Press TV/VTR.
1
Press CODE SET.
2
Press VTR/DVD (FUNCTION).
3
Use the 0-9 buttons to key in the
manufacturer's code number from the
following chart.
4
Press ENTER.
VCR manufacturer code numbers
Manufacturer Code
Sony 301, 302, 303
Aiwa 338, 344
Broksonic 319, 317
Canon 309, 308
Daewoo 341, 312, 309
Emerson 319, 320, 316, 317, 318,341
Fisher 330, 335
Funai 338
General Electric 329, 304, 309
Go Video 322
Goldstar 332
Hitachi 306, 304, 305,338
JVC 314, 336, 337, 345, 346, 347
Kenwood 314, 336, 332, 337
LXI (Sears) 332, 305, 330, 335, 338
27
Operating an MDP
To turn on or off
To play
To stop
To pause
To search the picture
forward or backward
To search the
chapter forward or
backward
Buttons on the remote
control
Press VTR/DVD (POWER).
Press (.
Press p.
Press P.
To resume normal playback,
press again or press (.
Press ) or 0 during
playback.
To resume normal playback,
press (.
Press CH +/–.
MDP (Multi Disc Player)
manufacturer code numbers
Manufacturer Code
Sony 701
Panasonic 704, 710
Pioneer 702
DVD (Digital Versatile Disc)
manufacturer code numbers
Manufacturer Code
Sony 751
Panasonic 753
Pioneer 752
RCA 755
Toshiba 754
Operating a DVD
player
To turn on or off
To play
To stop
To pause
To search the picture
forward or backward
To search the
chapter forward or
backward
To select chapters
directly
MENU
To move cursor in
menu
Buttons on the remote
control
Press VTR/DVD (POWER).
Press (.
Press p.
Press P.
To resume normal playback,
press again or press (.
Press ) or 0 during
playback.
To resume normal playback,
press (.
Press CH +/–.
0–9 + ENTER.
Press to display DVD menu.
Use your arrow buttons
V v, B b.

— 20 —
KV-27S40 / 27S45 / 27S65 / 29SL40 / 29SL40A / 29SL40C/
29SL45 / 29SL65 / 29SL65C/ 29XL40M / 29XL40P / 29XT11A
28
Manufacturer
Hamlin/Regal
Jerrold/G. I.
Oak
Panasonic
Pioneer
Scientific Atlanta
Tocom
Zenith
Programming the remote
You can program the supplied remote control
to operate a cable box or DBS receiver.
1
Press CODE SET.
2
Press DBS/CABLE (FUNCTION).
3
Use the 0-9 buttons to key in the
manufacturer's code number from the
following chart.
4
Press ENTER.
For more details on operating the
cable box or DBS receiver
Refer to the operating instructions that were
supplied with the equipment.
If the remote control doesn’t work
• First, try repeating the setup procedures
using the other codes listed for your
equipment.
Tips z
• If more than one code number is listed, try entering
them one by one until you come to the correct code for
your equipment.
• If you enter a new code number, the code number you
previously entered at that setting is erased.
• In some rare cases, you may not be able to operate
your equipment with the supplied remote control. In
this case, use the equipment’s own remote control
unit.
• Whenever you remove the batteries the code numbers
may revert to the factory setting and must be reset.
Manufacturer code numbers
(cable box)
Code
222, 223, 224, 225, 226
201, 202, 203, 204, 205, 206,
207, 208, 218
227, 228, 229
219, 220, 221
214, 215
209, 210, 211
216, 217
212, 213
Manufacturer code numbers
(DBS receiver)
Manufacturer
Sony
General Electric
Hitachi
Hughes
Panasonic
RCA/PROSCAN
Toshiba
Code
801 (preset code for
remote control)
802
805
804
803
802, 808
806, 807
Operating a cable box or DBS receiver
29
Problem What it could be What you can do
Troubleshooting
Consult the table below; it suggests solutions to specific problems. If you need more information, consult the operating instructions guide.
Cannot Operate Single Tuner PIP
(KV-27S45, 27V45)
A red light keeps flashing on the
TV for more than a few seconds
TV makes a noise when turned
on
Screen is not lit and there is no
sound
Poor or no picture (screen lit),
good sound
Good picture, no sound
No color
• VCR may not be connected to your TV properly.
• VCR may not be turned on.
• Your TV may need service.
• This is a normal function of your TV.
• Power cord may not be plugged in.
• Batteries may not have been placed with the correct
polarity.
• TV/VIDEO setting may be incorrect.
• VIDEO menu settings may not be adjusted correctly.
• Antenna/cable connections may be faulty.
• VIDEO LABEL inputs may be set to WEB. (This label
darkens the screen for ideal WebTV viewing.)
• Sound may be set to MUTE.
• Your TV may be set to SAP.
• Speaker may not be set correctly.
• Color settings may not be adjusted correctly.
•
Ensure that you have set your VCR correctly. (see page 7)
• Call your local Sony service center.
• Press TV/VIDEO until you receive a channel.
• Perform AUTO SET UP again by pressing the SET UP
button on your TV. (see page 13)
• Readjust your VIDEO menu settings.(see page 19)
• Check your VIDEO LABEL settings. (see page 25)
• Check the MTS setting in the AUDIO menu. (see page 21)
• Check your SPEAKER settings. (see page 20)
• Adjust the COLOR settings in the VIDEO menu.
(see page 19)

— 21 —
KV-27S40 / 27S45 / 27S65 / 29SL40 / 29SL40A / 29SL40C/
29SL45 / 29SL65 / 29SL65C/ 29XL40M / 29XL40P / 29XT11A
30
Problem What it could be What you can do
If, after reading these operating instructions, you have additional questions related to the use of your Sony
television, please call our Direct Response Center at 1-800-222-SONY (7669).
• Ensure that you have selected the
correct CABLE mode in the
SET UP menu. (see page 23)
• Press ANT on your remote
control to change the input mode.
(see page 15)
•
Ensure that CABLE is set to OFF
in the SET UP menu. (see page 23)
• Use AUTO PROGRAM to add
receivable channels that are not
presently in TV memory. (see
page 24)
• Ensure that CABLE is set to ON
in the SET UP menu. (see page 23)
• Use AUTO PROGRAM to add
receivable channels that are not
presently in TV memory. (see
page 24)
• Press TV (FUNCTION) and
adjust the TV's volume.
• Check your CHANNEL FIX
settings. (see page 23)
• CABLE setting may not be set
correctly in the SET UP menu.
• Antenna/cable connections may
not be correct.
• TV may be set to AUX mode.
• CABLE setting may not be correct
in the SET UP menu.
• CABLE setting may not be set
correctly in the SET UP menu.
• Volume may not be adjusted on
your cable box.
• CHANNEL FIX settings may not
be correct.
Only snow and noise
appear on the screen
Cannot receive upper
channels (UHF) when
using an antenna
Cannot receive any
channels when using
cable
Cannot gain enough
volume when using a
cable box
TV is fixed to one
channel
Troubleshooting (continued)

— 22 —
KV-27V40 / 27V45 / 27V65 / 29VL40 / 29VL65A / 29VL65C / 29VL85 / 29VL95
2-3. CHASSIS ASSEMBLY REMOVAL
SECTION 2
DISASSEMBLY
2-1. REAR COVER REMOVAL
K Board (KV-27V65/29V65A/29Vl65C/29VL95)
A Board
E Board
Power cord
HV Board
2-2. CONTROL SWITCH REMOVAL
(KV-27V65/29VL65A/29VL65C/29VL95 ONLY)
Speaker box assy
Nine screws
(+BVTP 4X16)
Rear cover
Speaker box assy
Two screws
(+BVTP 3X12)
Control switch
Four claws
2-4. SERVICE POSITION
A Board
E Board

— 23 —
KV-27V40 / 27V45 / 27V65 / 29VL40 / 29VL65A / 29VL65C / 29VL85 / 29VL95
2-5. PICTURE TUBE REMOVAL
Do not use sharp objects which may cause damage to the sur-
face of the anode-cap.
Do not squeeze the rubber covering too hard to avoid damag-
ing the anode-cap. A material fitting called a shatter-hook ter-
minal is built into the rubber.
Do not force turn the foot of the rubber cover. This may cause
the shatter-hook terminal to protrude and damage the rubber.
HOW TO HANDLE AN ANODE-CAP
Turn up one side of the rubber cap in
the direction indicated by arrow .
When one side of the rubber cap sepa-
rates from the anode button, the anode-
cap can be removed by turning the rub-
ber cap and pulling it in the direction of
arrow .
Use your thumb to pull the rubber cap
firmly in the direction indicated by
arrow .
ANODE-CAP REMOVAL
NOTE: Short circuit the anode of the picture tube and the anode cap to the metal chassis, CRT shield or carbon painted on the CRT, after
removing the anode.
REMOVAL PROCEDURES
WARNING: BEFORE REMOVING ANODE CAP
H.V. remains in the CRT even after the power is disconnected. Discharge CRT
before attempting to remove the anode cap to avoid electrical shock. Short
between anode and CRT coating earth ground strap.
Coating earth
ground strap
(KV-27V65/29VL95/29VL65A/29VL65C ONLY)
(KV-27V45/29VL85/27V65/29VL95/
29VL65A/29VL65C ONLY)
E board
Cushion
Degaussing coil
Deflection yoke
Four screws
(Tapping screw 7)
Anode cap
CV board
Picture tube
P board
Tension spring (B)
K board
A board
HV board
Two DGC holders (M)

— 24 —
KV-27V40 / 27V45 / 27V65 / 29VL40 / 29VL65A / 29VL65C / 29VL85 / 29VL95
Fig. 2
Fig. 3
Fig. 1 Fig. 4
SECTION 3
SET-UP ADJUSTMENTS
The following adjustments should be made when a
complete realignment is required or a new picture
tube is installed. These adjustments should be performed
with rated power supply voltage unless otherwise noted.
The controls and switch should be set as follows
unless otherwise noted:
PICTURE control ................. normal
BRIGHTNESS control ......... normal
3-1. BEAM LANDING
Preparation:
•Feed in the white pattern signal.
•Before starting, degauss the entire screen.
1. Input a raster signal with the pattern generator.
2. Loosen the deflection yoke mounting screw, and set the
purity control to the center as shown in Fig.2.
3. Turn the raster signal of the pattern generator to
green.
4. Move the deflection yoke backward, and adjust with the
purity control so that green is in the center and red and
blue are at the sides evenly. (Fig.3)
5. Move the deflection yoke forward, and adjust so that the
entire screen becomes green. (Fig.1)
6. Switch over the raster signal to red and blue and confirm
the condition.
7. When the position of the deflection yoke is determined,
tighten it with the deflection yoke mounting screw.
8. When landing at the corner is not right, adjust by using
the disk magnets. (Fig.4)
Perform the adjustments in order as follows:
1. Beam Landing
2. Convergence
3. Focus
4. Screen (G2) and White Balance
Note: Test Equipment Required
1. Color Bar Pattern Generator
2. Degausser
3. DC Power Supply
4. Digital Multimeter
Disk magnets or
rotatable disk
magnets correct
these areas (a-d).

— 25 —
KV-27V40 / 27V45 / 27V65 / 29VL40 / 29VL65A / 29VL65C / 29VL85 / 29VL95
3-2. CONVERGENCE
Preparation:
• Before starting, perform FOCUS, V. LIN and V. SIZE
adjustments.
• Set BRIGHTNESS control to minimum.
• Feed in dot pattern.
(1) Vertical Static Convergence
V. STAT magnet
Fig. 5
1. Adjust V. STAT magnet to converge red, green and blue
dots in the center of the screen. (Vertical movement)
Tilt the V. STAT magnet and adjust static convergence
to open or close the V. STAT magnet.
BMC magnet
( 2 ) Dynamic Convergence Adjustment
Preparation:
• Before starting, perform Horizontal and Vertical
Static Convergence Adjustment.
1. Slightly loosen deflection yoke screw.
2. Remove deflection yoke spacers.
3. Move the deflection yoke for best convergence as shown
below. ( Fig. 8)
4. Tighten the deflection yoke screw.
5. Install the deflection yoke spacers.
Fig. 7
Fig. 8
If the blue dot does not converge with red and green dots,
perform the following steps:
• Move BMC magnet (a) to correct insufficient H. Static
convergence.
• Rotate BMC magnet (b) to correct insufficient V. Static
convergence.
In either case, repeat Beam Landing Adjustment.
2. When the V. STAT magnet is moved in the direction of
arrow a and b, red, green, and blue dots move as
shown below:
Fig. 6

— 26 —
KV-27V40 / 27V45 / 27V65 / 29VL40 / 29VL65A / 29VL65C / 29VL85 / 29VL95
(3) Screen-corner Convergence
Fig. 9
3-5. METHOD OF SETTING THE SERVICE
ADJUSTMENT MODE
(1) SERVICE MODE PROCEDURE
1. Standby mode. (Power off)
2. on the
Remote Commander. (Press each button within a second.)
(2) SERVICE ADJUSTMENT MODE IN
3. The CRT displays the item being adjusted.
4. Press 1 or 4 on the Remote Commander to
select the item.
5. Press 3 or 6 on the Remote Commander to
change the data.
6. Press then to write into memory.
(3) SERVICE ADJUSTMENT MODE MEMORY
3-4. SCREEN (G2)
1. Input a dots pattern.
2. Set the PICTURE and BRIGHT controls at minimum
and COLOR control at normal.
3. Adjust SBRT, GCUT, BCUT in service mode with an
oscilloscope as shown in Fig. 11 so that voltages on the red,
green, and blue cathodes are 170Vdc.
4. Observe the screen and adjust SCREEN (G2) VR
to obtain the faintly visible background of dot signal.
Affix a permalloy assembly corresponding to the misconverged
areas:
Fig. 10
7. Turn set off and on to exit.
3-6. WHITE BALANCE ADJUSTMENTS
1. Input an entire white signal.
2. Set to Service adjustment Mode.
3. Set DCOL to "0"
4. Set the PICTURE and BRIGHT to minimum.
5. Adjust with SBRT if necessary.
6. Select GCUT and BCUT with 1 and 4 .
7. Adjust with 3 and 6 for the best white balance.
8. Set the PICTURE and BRIGHT to maximum.
9. Select GDRV and BDRV with 1 and 4 .
10. Adjust with 3 and 6 for the best white balance.
11. Reset DCOL to "1".
12. Write into the memory by pressing then .
1. Adjust FOCUS control for best picture.
3-3. FOCUS
Fig. 11
Green
Red
NN
NN
N
NN
NN
N
pedestal
NN
NN
N
GND
170Vdc
170 V dc
Disp.
(Item) Item
data
SERVICE AFC 0

— 27 —
KV-27V40 / 27V45 / 27V65 / 29VL40 / 29VL65A / 29VL65C / 29VL85 / 29VL95
A BOARD
The following adjustments should always be performed when
replacing the following components which are marked with ] on
the schematic diagram:
IC301,IC521,IC603, DY, D573, D574 C505, C507, C508, C509,
C511, C515, C520, C572, C573, C574, C575, L591, L501,
R582, R583, R585, R586, R578, R579, T504 (FBT)
1. Preparation before Confirmation
Using Variac, apply AC input voltage: 120+2VAC
(or 220 + 2 VAC for KV-29VL65A/29VL65C ONLY)
1) Turn the POWER switch ON.
2) Input a white signal and set the PICTURE and BRIGHT
controls to maximum.
3) Confirm that the voltage between C574 (+) or TP503 and
ground is more than: 105VDC.
2. Hold-down Operation Confirmation
1) Connect the current meter between Pin 11 of the FBT
(T504) and the PCB land where Pin 11 would normally
attach. (see figure 1.0 on next page)
2) Input a dot signal and set PICTURE and BRIGHTNESS to
minimum: IABL = 100+100µA
3) Confirm the voltage of A board TP-600 is 135 ± 3VDC
4) Connect the Digital Voltmeter and the DC power supply
via diode 1SS119 to C574 (+). (See figure 1.0 on next
page.)
5) Increase the DC power voltage gradually until the picture
blanks out.
6) Turn DC power source off immediately.
7) Read the digital voltmeter indication.
STANDARD
Less than or equal to: 141.3 VDC
8) Input a white signal and set PICTURE and BRIGHTNESS
to maximum: IABL = 1750+100µA
9) Repeat steps from (4) to (7).
STANDARD
Less than or equal to: 141.3 VDC
SECTION 4
SAFETY RELATED ADJUSTMENTS
The following adjustments should always be performed
when replacing the following components which are marked
with ] on the schematic diagram:
IC603, IC601, R699
1) Using Variac, apply AC input voltage: 130 + 2.0 VAC
(or 220.0 ± 2.0 VAC for KV-29VL65A/29VL65C only).
2) Input a dot signal.
3) Set the PICTURE control and the BRIGHT control to
minimum.
4) Set to service adjustment mode.
5) Select PADJ with and .
6) Adjust with to the 0 level.
7) Confirm the voltage of A BOARD TP-600 is less than
138 VDC.
8) If step 7 is not satisfied, replace the components, repeat the
above steps.
9) Adjust with and for: 135 ± 3 VDC
10) Write into the memory by pressing then
.
B+ VOLTAGE CONFIRMATION AND ADJUSTMENT
3. Hold-down Readjustment
If the current setting indicated in step 2-2 cannot be met,
readjustment should be performed by altering the
resistance value of R584, a component marked with .
+
I ABL
ABL
T504
FBT
range
-
ammeter
3.0 mA DC
A
R584 CONFIRMATION METHOD (HV HOLD-DOWN CONFIRMATION) AND READJUSTMENTS

— 28 —
KV-27V40 / 27V45 / 27V65 / 29VL40 / 29VL65A / 29VL65C / 29VL85 / 29VL95
DIGITAL
MULTIMETER
TP600
POWER
SUPPLY
C574
DIGITAL
MULTIMETER
1SS119
R582
[
ABL 11
AMMETER
3mA dc range
T504
FBT
[A BOARD]
Figure 1.0
—
24 —

— 29 —
KV-27V40 / 27V45 / 27V65 / 29VL40 / 29VL65A / 29VL65C / 29VL85 / 29VL95
5-1. ELECTRICAL ADJUSTMENT BY REMOTE COMMANDER
7. Press then on the Remote Commander to
initialize.
Carry out step 7 when adjusting
IDs 0 to 4 and when replacing
and adjusting IC003.
SERVICE RESET
8. Turn set off and on to exit.
(3) Adjust Buttons and Indicator
Use Remote Commander (RM-Y167) to perform circuit
adjustments on this model.
NOTE : Test Equipment Required:
1. Pattern Generator
2. Frequency Counter
3. Digital Multimeter
4. Audio OSC
(1) Method of Setting the Service
Adjustment Mode
SERVICE MODE PROCEDURE
1. Standby mode. (Power off)
2. on the
Remote Commander. (Press each button within a
second.)
SERVICE ADJUSTMENT MODE IN
3. The CRT displays the item being adjusted.
4. Press or on the Remote Commander to select the
item.
5. Press or on the Remote Commander to change the
data.
6. Press then to write into memory.
SERVICE ADJUSTMENT MODE MEMORY
Green
SERVICE WRITE
Red
(2) Memory Write Confirmation Method
1. After adjustment, pull out the plug from the AC outlet,
then replace the plug in the AC outlet again.
2. Turn the power switch ON and set to service mode.
3. Call the adjusted items again to confirm they were adjusted.
SECTION 5
CIRCUIT ADJUSTMENTS
Disp.
(Item) Item
data
SERVICE SYS 0
RM-Y167

— 30 —
KV-27V40 / 27V45 / 27V65 / 29VL40 / 29VL65A / 29VL65C / 29VL85 / 29VL95
(4) Item of Adjustments
INITIAL DATA
NO. ITEM FUNCTION DATA
RANGE NTSC PAL-M PAL-N VIDEO AVERAGE
DATA
1 HSIZ HORIZONTAL AMP. ADJ. 0-63 45 45 45 48
2 HPOS HORIZONTAL POS. ADJ. 0-63 10 10 10 10
3 VBOW VRT LINE BOWING ADJ. 0-15 6 6
4 VANG VRT LINE BOW SLANT ADJ. 0-15 5 5
5 TRAP HORIZ. TRAPEZOID ADJ. 0-15 7 5
6 PAMP HORIZ. PIN DISTORTION ADJ. 0-63 20 20 20 30
7 CPIN SAME AS PAMP-SCRN TP/BTM 0-63 40 40 40 30
8 VSIZ VERTICAL AMP. ADJUST 0-63 31 31 38 35
9 VPOS VERTICAL POSITION ADJ. 0-63 35 35 35 35
10 VLIN VERTICAL LINEARITYADJ. 0-15 6 6 6 6
11 SCOR VERTICAL AMOUNT ADJ. 0-15 8 8 8 8
12 VZOM 16:9 CRT Z MODE ON/OFF 0,1 0 0
13 EHT VRT Hl-VOLT. CORRECTION 0-15 4 4
14 ASP ASPECT RATIO CONTROL 0-63 47 47
15 SCRL 16:9 CRT Z MODE TRAN SCRL 0-63 31 31
16 HBLK RGB OUT WIDTH CONTROL 0,1 1 1
17 LBLK LEFT SCREEN HBLK CONTRO
L
0-15 15 15
18 RBLK RGT SCREEN HBLK CONTROL 0-15 3 3
19 VUSN V SAW WAVEFORM COMPRES 0,1 0 0
20 HDW H. DRIVE PULSE WIDTH 0,1 0 0
21 EWDC EW/DC ADJUST 0,1 0 0
22 LVLN SCREEN BTM VRT LIN ADJUST 0-15 0 0
23 UVLN SCREEN TOP VRT LIN ADJUST 0-15 0 0
24 RDRV R OUTPUT DRIVE CONTROL 0-63 35 40
25 GDRV G OUTPUT DRIVE CONTROL 0-63 30 35
26 BDRV B OUTPUT DRIVE CONTROL 0-63 30 35
27 RCUT R OUTPUT CUTOFF CONTROL 0-15 10 7
28 GCUT G OUTPUT CUTOFF CONTROL 0-15 7 5
29 BCUT B OUTPUT CUTOFF CONTROL 0-15 7 5
30 DCOL DYNAMIC COLOR ON/OFF 0,1 0 1
31 SHUE SUB HUE 0-31 14 8
32 SCOL SUB COLOR 0-31 14 14 14 14
33 SBRT SUB BRIGHTNESS 0-31 11 12
34 RON R OUTPUT ON/OFF 0,1 1 1
35 GON G OUTPUT ON/OFF 0,1 1 1
36 BON B OUTPUT ON/OFF 0,1 1 1
37 AXPL AXIS PAL 0,1 0 0
38 AXNT AXIS NTSC 0,1 0 0
39 CBPF CHROMA BPF ON/OFF 0,1 0* , 1**
40 CTRP Y TRAP FILTER ON/OFF 0,1 1* , 0**
41 COFF COLOR ON/OFF 0,1 0 0
42 KOFF SET COLOR KILLER 0,1 0 0
43 SSHP SUB SHARPNESS 0-15 6 6
44 SHPF SHARPNESS CIRCUIT F0 0,1 1 1 1
45 PREL PRE/OVR SHOOT SWITCHING 0,1 1 1
46 Y-DC DC TRANS RATIO SWITCHING 0,1 1 1
47 GAMM GAMMA CORRECTION AMNT 0-3 0 0
48 ABLM ABL MODE SWITCHING 0,1 1 1
49 VTH ABL C D VTH SWITCHING 0,1 1 1
50 YDEL Y DELAY TIME CONTROL 0-15 7 7
51 NCOL NO COLOR ID 0,1 1 1
52 FSC FSC OUT ON/OFF 0,1 1*, 0**
53 K-ID KILLER ID CONTROL SW 0,1 0 0
54 HOSC H VCO OSCILLATION FREQ 0-15 7 7
55 VSS V SYNC SLICE LEVEL 0,1 0 0
56 HSS H SYNC SLICE LEVEL 0,1 0 0
57 HMSK 0,1 1 1
58 VTMS SELECT SIGNAL VTIM PIN 0-3 0 0
59 CDMD V CNT DWN MODE SWITCHING 0-3 0 1
60 AFC AFC LOOP GAIN SWITCHING 0-3 0 0

— 31 —
KV-27V40 / 27V45 / 27V65 / 29VL40 / 29VL65A / 29VL65C / 29VL85 / 29VL95
Note: No. 1 through 106 show adjustment order.
SERVICE ID0 25
* NTSC MODELS
** TRINORMA MODELS
INITIAL DATA
NO. ITEM FUNCTION DATA
RANGE NTSC PAL-M PAL-N VIDEO AVERAGE
DATA
61 FIFR FIELD FREQUENCY 0-3 3*, 1**
62 SBAL SUB BALANCE 0-31 14 14
63 DISP OSD POSITION 0-127 15 15
64 PADJ POWER ADJUSTMENT 0-63 3 3
65 PSHP PIP SUB SHARPNESS 0-15 7 7
66 PPIX PIP SUB CONTRAST 0-15 7 7
67 PHUE PIP SUB HUE 0-15 3 3
68 PCOL PIP SUB COLOR 0-15 5 5 5 5
69 PTRP PIP C TRAP F0 0-15 7 7
70 PAFC PiP AFC 0-3 1 1 1
71 PYDR PIP Y DRIVE 0-31 14 14
72 UPED U PED 0-15 8 8
73 VPED V PED 0-15 8 8
74 U2PE U2 PED 0-15 5 5
75 V2PE V2 PED 0-15 5 5
76 Y2DR Y2 DRIVE 0-31 20 20
77 U2DR U2 DRIVE 0-31 18 18
78 V2DR V2 DRIVE 0-31 9 9
79 PSFO PIP SHP F0 0,1 1 1
80 PCD2 PIP CD MODE 2 0,1 1 1 1
81 PDCT PIP DC TRAN 0-7 4 4
82 PP/O PIP PRE/OVER 0-3 1 1
83 PDLY PIP Y DELAY 0-3 0 0
84 PBG PIP BG 0-15 5 5
85 PEXT PIP EXT COLOR 0,1 1*, 0** 1** 0*
86 PHMK 0,1 0 0
87 ABL0 0,1 0 0
88 ABL1 0-7 1 1
89 PHPO PIP HORIZONTAL POSITION 0-63 58 58
90 PVPO PiP VERTICAL POSiTiON 0-31 18 18
91 PYSD PIP YS DELAY 0-15 1 1
92 PYDL PIP Y INPUT DELAY 0-7 0 0
93 PHVI PIP HV SYNC 0,1 0 0
94 PCLP PIP CLAMP 0-3 0 0
95 PCLK PIP CLOCK 0,1 1 1
96 PIHS INSET HORIZONTAL SYNC 0-15 2 2
97 PIVS INSET VERTICAL SYNC 0-63 22 22
98 PMVS MAIN VERTICAL SYNV 0-63 17 17
99 PCON PIP CONTRAST 0-15 10 10
100 PFRY PIP FRAME Y 0-15 5 5
101 PFRC PIP FRAME CHROMA 0-255 0 0
102 PFRW PIP FRAME WIDTH 0-31 20 20
103 PSEL PIP SEL 0,1 1 1
104 PPLL PIP PLL 0-3 0 0
105 PVPE PIP V PED 0-15 0 0
106 PUPE PIP U PED 0-15 0 0

— 32 —
KV-27V40 / 27V45 / 27V65 / 29VL40 / 29VL65A / 29VL65C / 29VL85 / 29VL95
6. Connect an oscilloscope probe to C Board, CN1702 Pin 5
(R OUT).
7. Select RDRV with and .
8. Adjust with and for: 1.90 ± 0.05 Vp-p.
9. Reset the item DCOL to "1" level.
10. Write the memory by pressing then .
11. Return the following back to normal after adjustment.
PICTURE . . . . . . . . . . . MAX
COLOR . . . . . . . . . . . CENTER
BRIGHT . . . . . . . . . . . CENTER
R ON . . . . . . . . . . . ON (1)
G ON . . . . . . . . . . . ON (1)
B ON . . . . . . . . . . . ON (1)
(5) Feature ID Map
5-2. A BOARD ADJUSTMENTS
H. FREQUENCY ADJUSTMENT
1. Input a monoscope signal.
2. Set to Service adjustment Mode.
3. Connect a frequency counter to base of Q501
(TP-500 H. DRIVE).
4. Select the item of AFC, set to 3 level (free run).
5. Check H. Frequency for the 15735 ± 200 Hz. (NTSC) or
check H. Frequency for the 15650 ± 200 Hz. (Trinorma)
6. Select the item of AFC again, adjust the level "0".
7. Write into the memory by pressing
then .
V. FREQUENCY ADJUSTMENT
1. Select video 1 with no signal input.
2. Set the conditions with standard setting.
3. Connect the frequency counter across TP-508 or CN501
VDY (+) pin 6 connector and ground.
4. Check V. Frequency for the 60 ± 2 Hz (NTSC)
5. Check V. Frequency for the 50 ± 2 Hz (Trinorma).
SUB CONTRACT ADJUSTMENT (SCON)
1. Input a color-bar signal.
2. Select the red color.
3. Set to Service adjustment Mode.
4. Select the item DCOL to "0" level.
5. Set the conditions as follows.
PICTURE . . . . . . . . . . . MAX
COLOR . . . . . . . . . . . MIN
BRIGHT . . . . . . . . . . . CENTER
R ON . . . . . . . . . . . ON (1)
G ON . . . . . . . . . . . OFF (0)
B ON . . . . . . . . . . . OFF (0)
White
n
n
Black
1.8 ± 0.05 Vp-p
1.90 ± 0.05 Vp-p
1: ON
0: OFF
SERVICE RON 1
KV-
DESTINATION
ID-0
ID-1
ID-2
ID-3
ID-4
ID-5
ID-6
ID-7
127V40 (US) 153 19 173 194 31 1 0 64
227V40 (CND) 129 19 173 194 31 1 0 64
327V45 (US) 153 23 173 194 31 1 1 64
427V45 (CND) 129 23 173 194 31 1 1 64
527V65 (US) 153 23 175 194 31 1 7 64
627V65 (CND) 129 23 175 194 31 1 7 64
729VL40 (E) 145 19 173 194 63 1 0 64
829VL65A (E) 151 23 175 195 55 1 7 64
929VL65C (E) 145 23 175 194 63 1 7 64
10 29VL85 (E) 145 23 173 194 63 1 1 64
11 29VL95 (E) 145 23 175 194 63 1 7 64

— 33 —
KV-27V40 / 27V45 / 27V65 / 29VL40 / 29VL65A / 29VL65C / 29VL85 / 29VL95
H. CENTER ADJUSTMENT (HPOS)
Note : Perform this adjustment after checking H. FREQUENCY.
1. Input a cross-hatch signal.
2. Set the Service adjustment Mode.
3. Select HPOS with and .
4. Adjust with and for the best horizontal center.
5. Write into the memory by pressing then
V. LINEARITY (VLIN) AND V CORRECTION
1. Input a cross-hatch signal.
2. V. Correction is automatically adjusted from the circuit and
should satisfy the conditions below:
…
SERVICE ADJUSTMENT MODE MEMORY
1. Change DCOL to "1".
2. After completing all adjustments, press "0" then .
/
/
V. SIZE (VSIZ)
DISPLAY POSITION ADJUSTMENT (DISP)
1. Input a color-bar signal.
2. Set to Service adjustment Mode.
3. Select DISP with and .
4. Adjust with and for adjustment of characters to center .
5. Write the memory by pressing then .
6. Check if the text is displayed on the screen.
SUB BRIGHT ADJUSTMENT (SBRT)
1. Input a cross-hatch signal.
2. Set to Service adjustment Mode.
3. Set the PICTURE and BRIGHT to minimum.
4. Select SBRT with and .
5. Adjust with and to obtain a faintly visible cross-hatch.
6. Write into the memory by pressing then .
SUB HUE, SUB COLOR ADJUSTMENT (SHUE, SCOL)
1. Input a color-bar signal.
2. Set to Service adjustment Mode.
3. Select the item DCOL and set to "0" level.
4. Connect oscilloscope probe to C Board, CN1702 Pin 7
(B OUT).
5. Select SHUE and SCOL with and .
6. Adjust with and for the V1 = V4 ± 0.1Vp-p (SCOL)
and V2 = V3 ± 0.1Vp-p (SHUE).
V1 V2 V3 V4
7. Reset the item DCOL to "1" level.
8. Write into the memory by pressing then .
V. SIZE ADJUSTMENT ( VSIZ)
1. Input a cross-hatch signal.
2. Set to Service adjustment mode.
3. Select VSIZ with and .
4. Adjust with and for the best vertical size.
/?
H. CENTER (VPOS)
/?
V. CENTER (VPOS)
READ FROM MEMORY
Green
0
SERVICE READ
Red
SERVICE DISP 15
V. CENTER ADJUSTMENT (VPOS)
1.Input a cross-hatch signal.
2.Set to Service adjustment Mode.
3.Select VPOS with and .
4.Adjust with and for the best vertical center.
5.Write into the memory by pressing then

Printed by CAMCAD :(Ba43blk)

Printed by CAMCAD :(BA4Asch)






6-2. Circuit Boards Location
IC301,IC521,IC603, DY, D573, D574
C505, C507, C508, C509, C511,
C515, C520, C572, C573, C574,
C575, L591, L501, R582, R583,
R585, R586, R578, R579, T504 (FBT)
IC603, IC601, R699
Part replaced (])
• All voltages are in V.
• Voltage is DC with respect to ground unless otherwise
noted.
• Readings are taken with a 10MΩ digital multimeter.
• Readings are taken with a color-bar signal input.
• Voltage variations may be noted due to normal produc-
tion tolerance.
• Circled numbers are waveform references.
• : B + Line
• : B - Line
• m : signal path
Reference Information
RESISTOR : RN METAL FILM
: RC SOLID
: FPRD NON FLAMMABLE CARBON
: FUSE NON FLAMMABLE FUSIBLE
: RW NON FLAMMABLE WIREWOUND
: RS NON FLAMMABLE METAL OXIDE
: RB NON FLAMMABLE CEMENT
: ADJUSTMENT RESISTOR
COIL : LF-8L MICRO INDUCTOR
CAPACITOR : TA TANTALUM
: PS STYROL
: PP POLYPROPYLENE
: PT MYLAR
: MPS METALIZED POLYESTER
: MPP METALIZED POLYPROPYLENE
: ALB BIPOLAR
: ALT HIGH TEMPERATURE
: ALR HIGH RIPPLE
- - - - -
Pitch: 5mm
Rating electrical power 1/4W
• All resistors are in ohms.
KΩ=1000Ω, MΩ=1000KΩ
• f nonflammable resistor.
• ∆: internal component.
• p: panel designation and adjustment for repair.
• All variable and adjustable resistors have charac-
teristic curve B, unless otherwise noted.
• The components identified by ] in this manual have
been carefully factory-selected for each set in order to
satisfy regulations regarding X-ray radiation. Should
replacement be required, replace only with the value
originally used.
• When replacing components identified by ] make the
necessary adjustments indicated. If results do not
meet the specified value, change the component
identified by [ and repeat the adjustment until the
specified value is achieved.
(Refer to R584 on page 27 and 28).
• When replacing parts in the table below be sure to
perform the related adjustment.
6-3. Printed Wiring Boards and Schematic
Diagrams
Note:
• All capacitors are in µF unless otherwise noted.
pF: µµF 50V or less are not indicated except
for electrolytic and tantalums.
• All electrolytics are 50V unless otherwise specified
• Indication of resistance, which does not have one for
rating electrical power, is as follows:
Adjustment ([)
HV HOLD-DOWN
(R584)
B+ VOLTAGE
CONFIRMATION
— 38 —
Note: The symbol G display is on the component side.
The components identified by shading and mark ¡¡
¡¡
¡ are
critical for safety. Replace only with part number
specified.
The symbol G indicates fast operating fuse.
Replace only with fuse of same rating as marked.
HZ
(KV-29VL65A)
P
K
E
(27V65/29VL65A/29VL65C/
29VL95/27V45/29VL85)
CV
HV
(27V65/29VL65A/
29VL65C/29VL95)

REF.NO. PART NO. DESCRIPTION REMARK REF.NO. PART NO. DESCRIPTION REMARK
— 56 —
KV-27V40 / 27V45 / 27V65 / 29VL40 / 29VL65A / 29VL65C / 29VL85 / 29VL95
REF.NO. PART NO. DESCRIPTION REMARK REF.NO. PART NO. DESCRIPTION REMARK
SECTION 7
EXPLODED VIEWS
7-1. ONE TUNER CHASSIS (KV-27V40/27V45/29VL40/29VL85)
• Items marked " * " are not stocked
since they are seldom required for routine
service. Some delay should be
anticipated when ordering these items.
• Items with no part number and no
description are not stocked because
they are seldom required for routine service
The components identified with gray shading and a critical
symbol ( ¡¡
¡¡
¡
) are critical for safety. Replace only with part
number specified.
Note:
Les composants identifies per un trame et une marque
¡¡
¡¡
¡ sont critiques pout la securite. Ne les remplacer que
par une piece portant le numero specifie.
Note:
• The component parts of an assembly
are indicated by the reference numbers in
the remarks column.
1 4-046-160-01 EMBLEM (NO.9)
2 X-4035-476-1 BEZNET ASSY (KV-27V40/29VL40) 3
2 X-4035-477-1 BEZNET ASSY (KV-27V45/29VL85) 3
3 4-052-906-01 DOOR CONTROL
4 4-052-907-11 BUTTON MULTI
5 * 4-052-897-01 GUIDE LED
6 X-4035-400-1 BAFFLE ASSY, SPEAKER
7 1-505-404-11 SPEAKER (8CM)
8 X-4035-401-1 COVER ASSY, SPEAKER
9¡8-733-873-05 CRT29NX
10 4-041-268-01 SCREW (7), TAPPING
11 ¡8-451-486-11 DY Y29NXA-V
12 * A-1331-838-A CV BOARD, COMPLETE
13 4-053-005-01 SPACER DY
14 4-374-745-31 CUSHION (A)
15 4-036-329-01 SPRING (B), TENSION
16 4-040-388-01 HOLDER (S), DGC
17 ¡1-416-588-21 COIL, DEMAGNETIC
18 4-040-387-01 HOLDER (M), DGC
19 4-063-018-11 COVER, REAR (KV-27V45/29VL85)
19 4-063-018-21 COVER, REAR (KV-27V40/29VL40)
20 * A-1343-525-A E BOARD, COMPLETE
21 ¡1-751-057-21 CORD, POWER (WITH CONNECTOR)
22 ¡1-453-268-11 TRANSFORMER ASSY (NX-4005/X4J4)
23 1-766-374-11 PLUG, F-PIN
24 ¡ 8-598-341-00 TUNER, FSS BTF-WA411
25 * A-1298-482-A A BOARD, COMPLETE (KV-29VL40/27V40)
25 * A-1298-565-A A BOARD, COMPLETE (KV-27V45/29VL85)
26 * A-1190-306-A P BOARD, COMPLETE (KV-27V45/29VL85)
27 * A-1372-479-A HV BOARD, COMPLETE
28 3-704-372-31 HOLDER, HV
29 1-452-032-00 MAGNET, DISC
30 4-062-047-01 PIECE A (110)
31 4-065-807-01 LATIN LABEL (KV-29VL40)
31 4-065-808-01 LATIN LABEL (KV-29VL85)
32 * 3-703-353-02 SUPPORT, PC
28
3
4
9
10
11
12
13
15
14
10
20
30
29
5
1
24
27
7
6
8
2
18
22
16
17
21
23
25
16
19
7-685-663-79 SCREW +BVTP 4X16

REF.NO. PART NO. DESCRIPTION REMARK REF.NO. PART NO. DESCRIPTION REMARK
— 57 —
KV-27V40 / 27V45 / 27V65 / 29VL40 / 29VL65A / 29VL65C / 29VL85 / 29VL95
REF.NO. PART NO. DESCRIPTION REMARK REF.NO. PART NO. DESCRIPTION REMARK
1 4-046-160-01 EMBLEM (NO.9)
2 X-4035-478-1 BEZNET ASSY (KV-27V65/29VL65C/29VL95) 3-4
2 X-4035-479-1 BEZNET ASSY (KV-29VL65A) 3-4
3 4-052-906-01 DOOR, CONTROL
4 1-473-549-21 SWITCH BLOCK CONTROL
5 * 4-052-897-01 GUIDE,LED
6 X-4035-400-1 BAFFLE ASSY, SPEAKER
7 1-505-893-11 SPEAKER (8CM)
8 X-4035-401-1 COVER ASSY, SPEAKER
9 ¡8-733-873-05 CRT29NX (KV-27V65/29VL95)
9 ¡8-733-874-05 CRT29NX (KV-29VL65A/29VL65C)
10 4-041-268-01 SCREW (7) TAPPING
11 ¡8-451-486-11 DY Y29NXA-V
12 * A-1331-838-A CV BOARD, COMPLETE
13 4-053-005-01 SPACER,DY
14 4-374-745-31 CUSHION (A)
15 4-036-329-01 SPRING (B), TENSION
16 4-040-388-01 HOLDER (S), DGC
17 ¡1-416-588-21 COIL, DEMAGNETIC (KV-27V65/29VL95)
17 ¡1-416-589-21 COIL, DEMAGNETIC (KV-29VL65A/29VL65C)
18 4-040-387-01 HOLDER (M), DGC
19 4-063-018-01 COVER, REAR
20 * A-1343-525-A E BOARD, COMPLETE (KV-27V65/29VL95)
20 * A-1343-526-A E BOARD, COMPLETE (KV-29VL65A/29VL65C)
21 ¡1-751-057-11 CORD, POWER W/CONNECTOR (KV-27V65/29VL95)
21 ¡1-783-838-31 CORD, POWER W/CONNECTOR (KV-29VL65A)
21 ¡1-769-796-71 CORD, POWER W/CONNECTOR (KV-29VL65C)
22 ¡1-453-268-11 TRANSFORMER ASSY (NX-4005/X4J4)
23 1-783-800-11 CABLE, PIN
24 8-598-414-00 ANTENNA SWITCH AS-2F
25 4-064-176-11 BRACKET, ANTENNA
26 * 1-557-056-31 CABLE, P-P
27 ¡8-598-431-00 TUNER, FSS BTF-WA411
28 ¡8-598-430-00 TUNER, FSS BTF-FA401
29 * A-1380-571-A K BOARD, COMPLETE
30 * A-1190-306-A P BOARD, COMPLETE (KV-27V65/29VL65C/29VL95)
30 * A-1195-129-A P BOARD, COMPLETE (KV-29VL65A)
31 * A-1372-479-A HV BOARD, COMPLETE
32 * A-1298-486-A A BOARD, COMPLETE (KV-27V65)
32 * A-1298-486-A A BOARD, COMPLETE (KV-29VL95)
32 * A-1298-487-A A BOARD, COMPLETE (KV-29VL65A)
32 * A-1298-583-A A BOARD, COMPLETE (KV-29VL65C)
33 4-065-809-01 LABEL, LATIN (KV-29VL65C/29VL95)
34 1-452-032-00 MAGNET, DISC
35 4-062-047-01 PIECE A (110)
36 3-704-372-31 HOLDER, HV
37 * 3-703-353-02 SUPPORT, PC
7-1. ONE TUNER CHASSIS (KV-27V40/27V45/29VL40/29VL85)
The components identified with gray shading and a critical
symbol ( ¡¡
¡¡
¡
) are critical for safety. Replace only with part
number specified.
Note:
Les composants identifies per un trame et une marque
¡¡
¡¡
¡ sont critiques pout la securite. Ne les remplacer que
par une piece portant le numero specifie.
Note:
7-2. TWO TUNER CHASSIS (KV-27V65/29VL65A/29VL65C/29VL95)
36
3
4
9
10
11
12
13
15
14
10
5
1
7
6
8
2
18
20
25
26
32
28
27
29
35
19
37
30
16
17
31
16
34
21
22
23 24
33
7-685-663-79 SCREW +BVTP 4X16

REF.NO. PART NO. DESCRIPTION REMARK REF.NO. PART NO. DESCRIPTION REMARK
— 58 —
KV-27V40 / 27V45 / 27V65 / 29VL40 / 29VL65A / 29VL65C / 29VL85 / 29VL95
7-3. MAIN POWER SWITCH (KV-29VL65A ONLY)
100 * A-148-056-A BLOCK ASSY, HZ 101-103
101 * 4-048-201-21 BRACKET, PC BOARD HZ
102 * 4-048-200-21 BUTTON, MAIN POWER
103 * A-1372-117-A MOUNTED PCB, HZ
• Items marked " * " are not stocked
since they are seldom required for routine
service. Some delay should be
anticipated when ordering these items.
• Items with no part number and no
description are not stocked because
they are seldom required for routine service
The components identified with gray shading and a critical
symbol ( ¡¡
¡¡
¡
) are critical for safety. Replace only with part
number specified.
Note:
Les composants identifies per un trame et une marque
¡¡
¡¡
¡ sont critiques pout la securite. Ne les remplacer que
par une piece portant le numero specifie.
Note:
• The component parts of an assembly
are indicated by the reference numbers in
the remarks column.
REF.NO. PART NO. DESCRIPTION REMARK
101 102
100
103

— 59 —
REF.NO. PART NO. DESCRIPTION REMARK
REF.NO. PART NO. DESCRIPTION REMARK
A
COMMON PARTS LISTING
PARTS LISTING TABLE OF CONTENTS
Page
A BOARD COMMON PARTS LIST: Parts common to all models listed in this manual...................................................... 61
A BOARD VARIANT PARTS LIST: Parts that belong only to the model specified............................................................ 70
Refer to the designated variant parts list when seeking a part indicated by an asterisk (*) on the A board schematic
or by the word "variant" on the common parts list.
Model Page
KV-27V40/29VL40 ................................... 70
KV-27V65/29VL95.................................... 72
KV-29VL65A......... ................................... 74
KV-27V45/29VL85 ................................... 75
KV-29VL65C ............................................ 77
CV BOARD COMPLETE PARTS LIST (All Models) .............................................................................................................. 79
E BOARD COMPLETE PARTS LIST (All Models)................................................................................................................. 80
HV BOARD COMPLETE PARTS LIST ................................................................................................................................. 81
HZ BOARD COMPLETE PARTS LIST .................................................................................................................................. 82
K BOARD COMPLETE PARTS LIST ................................................................................................................................... 83
P BOARD COMPLETE PARTS LIST .................................................................................................................................... 84
ACCESSORIES AND PACKAGING ...................................................................................................................................... 86
SECTION 8
ELECTRICAL PARTS LIST
2.1 BA4#3 (COM) (BASE) w/var 6/8/98, 4:19 PM59

— 61 —
REF.NO. PART NO. DESCRIPTION REMARK
REF.NO. PART NO. DESCRIPTION REMARK
A
COMMON PARTS LISTING
SECTION 7
ELECTRICAL PARTS LIST
RESISTORS
• All resistors are in ohms
• F : nonflammable
CAPACITORS
•
MF = µF
INDUCTORS
•
UH = µH, MMH = mH
The components identified by shading
and mark ¡¡
¡¡
¡
are critical for safety.
Replace only with part number specified.
Note:
Note:
Les composants identifies per un trame
et une marque ¡¡
¡¡
¡ sont critiques pour la
securite. Ne les remplacer que par une
piece portant le numero specifie.
The components identified by [ in this manual
have been carefully factory-selected for each
set in order to satisfy regulations regarding X-
ray radiation. Should replacement be required,
replace only with the value originally used.
• Items marked " * " are not stocked since they
are seldom required for routine service. Some
delay should be anticipated when ordering
these items.
REF.NO. PART NO. DESCRIPTION REMARK
• All variable and adjustable resistors have
characteristic curve B, unless otherwise
noted.
When indicating parts by reference
number, please include the board name.
REF.NO. PART NO. DESCRIPTION REMARK
A
A
* A BOARD, COMPLETE
* A-1298-482-A (KV-27V40/29VL40)
* A-1298-486-A (KV-27V65/29VL95)
* A-1298-487-A (KV-29VL65A)
* A-1298-565-A (KV-27V45/29VL85)
* A-1298-583-A (KV-29VL65C)
4-382-854-01 SCREW (M3X8), P, SW (+)
4-382-854-11 SCREW (M3X10), P, SW (+)
CAPACITOR
C001 1-163-259-91 CERAMIC CHIP 220PF 5% 50V
C004 1-107-701-11 ELECT 47MF 20% 25V
C005 1-126-960-11 ELECT 1MF 20% 50V
C006 1-163-035-00 CERAMIC CHIP 0.047MF 50V
C007 1-163-259-91 CERAMIC CHIP 220PF 5% 50V
C008 1-163-009-11 CERAMIC CHIP 0.001MF 10% 50V
C010 1-163-009-11 CERAMIC CHIP 0.001MF 10% 50V
C011 1-163-009-11 CERAMIC CHIP 0.001MF 10% 50V
C012 1-163-009-11 CERAMIC CHIP 0.001MF 10% 50V
C014 1-164-004-11 CERAMIC CHIP 0.1MF 10% 25V
C017 1-126-960-11 ELECT 1MF 20% 50V
C019 1-163-135-00 CERAMIC CHIP 560PF 5% 50V
C020 1-130-495-00 FILM 0.1MF 5% 50V
C021 1-163-259-91 CERAMIC CHIP 220PF 5% 50V
C028 1-163-005-11 CERAMIC CHIP 470PF 10% 50V
C030 1-163-259-91 CERAMIC CHIP 220PF 5% 50V
C034 1-163-037-11 CERAMIC CHIP 0.022MF 10% 50V
C037 1-164-161-11 CERAMIC CHIP 0.0022MF 10% 50V
C038 1-126-941-11 ELECT 470MF 20% 25V
C039 1-126-964-11 ELECT 10MF 20% 50V
C046 1-104-664-11 ELECT 47MF 20% 25V
C047 1-163-259-91 CERAMIC CHIP 220PF 5% 50V
C048 1-163-009-11 CERAMIC CHIP 0.001MF 10% 50V
C060 1-163-005-11 CERAMIC CHIP 470PF 10% 50V
C062 1-164-161-11 CERAMIC CHIP 0.0022MF 10% 50V
C065 1-163-009-11 CERAMIC CHIP 0.001MF 10% 50V
C070 1-163-259-91 CERAMIC CHIP 220PF 5% 50V
C080 1-126-964-11 ELECT 10MF 20% 50V
C081 1-126-964-11 ELECT 10MF 20% 50V
C091 1-163-231-11 CERAMIC CHIP 15PF 5% 50V
C092 1-163-231-11 CERAMIC CHIP 15PF 5% 50V
C101 1-126-963-11 ELECT 4.7MF 20% 50V
C102 1-126-382-11 ELECT 100MF 20% 16V
C150 1-126-941-11 ELECT 470MF 20% 25V
C151 1-104-664-11 ELECT 47MF 20% 25V
C200 VARIANT (SEE VARIANT PARTS LIST)
C201 1-126-960-11 ELECT 1MF 20% 50V
C202 1-126-960-11 ELECT 1MF 20% 50V
C207 1-126-959-11 ELECT 0.47MF 20% 50V
C208 1-126-959-11 ELECT 0.47MF 20% 50V
C209 1-126-963-11 ELECT 4.7MF 20% 50V
C211 1-126-964-11 ELECT 10MF 20% 50V
C212 1-126-963-11 ELECT 4.7MF 20% 50V
C213 1-126-964-11 ELECT 10MF 20% 50V
C216 1-126-959-11 ELECT 0.47MF 20% 50V
C217 1-126-959-11 ELECT 0.47MF 20% 50V
C218 1-126-941-11 ELECT 470MF 20% 25V
C219 1-130-495-00 FILM 0.1MF 5% 50V
C222 1-126-964-11 ELECT 10MF 20% 50V
C223 1-104-664-11 ELECT 47MF 20% 25V
C225 1-163-017-00 CERAMIC CHIP 0.0047MF 10% 50V
C230 1-126-957-11 ELECT 0.22MF 20% 50V
C237 1-126-957-11 ELECT 0.22MF 20% 50V
C250 1-126-960-11 ELECT 1MF 20% 50V
C251 1-126-960-11 ELECT 1MF 20% 50V
C252 VARIANT (SEE VARIANT PARTS LIST)
C255 1-104-760-11 CERAMIC CHIP 0.047MF 10% 50V
C256 1-126-960-11 ELECT 1MF 20% 50V
C257 1-126-960-11 ELECT 1MF 20% 50V
C258 1-126-959-11 ELECT 0.47MF 20% 50V
C259 1-163-021-91 CERAMIC CHIP 0.01MF 10% 50V
C280 1-126-935-11 ELECT 470MF 20% 16V
2.1 BA4#3 (COM) (BASE) w/var 6/8/98, 4:20 PM61

— 62 —
REF.NO. PART NO. DESCRIPTION REMARK REF.NO. PART NO. DESCRIPTION REMARK
A
COMMON PARTS LISTING
C281 1-126-959-11 ELECT 0.47MF 20% 50V
C282 1-126-959-11 ELECT 0.47MF 20% 50V
C284 1-104-664-11 ELECT 47MF 20% 25V
C285 1-126-235-11 ELECT 100MF 20% 16V
C286 1-163-251-11 CERAMIC CHIP 100PF 5% 50V
C287 1-126-959-11 ELECT 0.47MF 20% 50V
C288 1-126-960-11 ELECT 1MF 20% 50V
C289 1-126-960-11 ELECT 1MF 20% 50V
C290 1-164-005-11 CERAMIC CHIP 0.47MF 25V
C300 VARIANT (SEE VARIANT PARTS LIST)
C301 1-163-099-00 CERAMIC CHIP 18PF 5% 50V
C302 VARIANT (SEE VARIANT PARTS LIST)
C303 1-126-963-11 ELECT 4.7MF 20% 50V
C304 1-163-038-91 CERAMIC CHIP 0.1MF 25V
C305 1-164-004-11 CERAMIC CHIP 0.1MF 10% 25V
C306 1-164-004-11 CERAMIC CHIP 0.1MF 10% 25V
C307 VARIANT (SEE VARIANT PARTS LIST)
C308 1-126-964-11 ELECT 10MF 20% 50V
C309 VARIANT (SEE VARIANT PARTS LIST)
C310 1-126-960-11 ELECT 1MF 20% 50V
C311 1-163-021-91 CERAMIC CHIP 0.01MF 10% 50V
C312 1-126-942-61 ELECT 1000MF 20% 25V
C313 1-163-021-91 CERAMIC CHIP 0.01MF 10% 50V
C314 VARIANT (SEE VARIANT PARTS LIST)
C316 1-163-021-91 CERAMIC CHIP 0.01MF 10% 50V
C317 1-163-021-91 CERAMIC CHIP 0.01MF 10% 50V
C318 1-163-021-91 CERAMIC CHIP 0.01MF 10% 50V
C319 1-126-963-11 ELECT 4.7MF 20% 50V
C320 VARIANT (SEE VARIANT PARTS LIST)
C321 VARIANT (SEE VARIANT PARTS LIST)
C323 VARIANT (SEE VARIANT PARTS LIST)
C324 VARIANT (SEE VARIANT PARTS LIST)
C330 1-163-003-11 CERAMIC CHIP 330PF 10% 50V
C331 VARIANT (SEE VARIANT PARTS LIST)
C332 VARIANT (SEE VARIANT PARTS LIST)
C350 VARIANT (SEE VARIANT PARTS LIST)
C351 VARIANT (SEE VARIANT PARTS LIST)
C352 VARIANT (SEE VARIANT PARTS LIST)
C353 VARIANT (SEE VARIANT PARTS LIST)
C354 VARIANT (SEE VARIANT PARTS LIST)
C355 VARIANT (SEE VARIANT PARTS LIST)
C356 VARIANT (SEE VARIANT PARTS LIST)
C357 VARIANT (SEE VARIANT PARTS LIST)
C358 VARIANT (SEE VARIANT PARTS LIST)
C359 VARIANT (SEE VARIANT PARTS LIST)
C360 VARIANT (SEE VARIANT PARTS LIST)
C361 VARIANT (SEE VARIANT PARTS LIST)
C362 VARIANT (SEE VARIANT PARTS LIST)
C370 1-163-021-91 CERAMIC CHIP 0.01MF 10% 50V
C371 1-163-021-91 CERAMIC CHIP 0.01MF 10% 50V
C372 1-163-021-91 CERAMIC CHIP 0.01MF 10% 50V
C373 1-163-038-91 CERAMIC CHIP 0.1MF 25V
C374 1-126-935-11 ELECT 470MF 20% 16V
C375 1-163-038-91 CERAMIC CHIP 0.1MF 25V
C376 1-104-664-11 ELECT 47MF 20% 25V
C377 1-126-964-11 ELECT 10MF 20% 50V
C380 VARIANT (SEE VARIANT PARTS LIST)
C381 VARIANT (SEE VARIANT PARTS LIST)
C382 VARIANT (SEE VARIANT PARTS LIST)
C390 1-126-959-11 ELECT 0.47MF 20% 50V
C399 1-126-964-11 ELECT 10MF 20% 50V
C400 1-126-963-11 ELECT 4.7MF 20% 50V
C401 1-126-956-91 ELECT 0.1MF 20% 50V
C402 1-163-017-00 CERAMIC CHIP 0.0047MF 10% 50V
C403 1-126-963-11 ELECT 4.7MF 20% 50V
C404 1-126-963-11 ELECT 4.7MF 20% 50V
C405 1-126-963-11 ELECT 4.7MF 20% 50V
C406 1-126-963-11 ELECT 4.7MF 20% 50V
C407 1-126-964-11 ELECT 10MF 20% 50V
C410 1-126-963-11 ELECT 4.7MF 20% 50V
C411 1-126-956-91 ELECT 0.1MF 20% 50V
C412 1-130-495-00 FILM 0.1MF 5% 50V
C413 1-126-967-11 ELECT 47MF 20% 50V
C414 1-163-017-00 CERAMIC CHIP 0.0047MF 10% 50V
C415 1-126-956-91 ELECT 0.1MF 20% 50V
C416 1-126-963-11 ELECT 4.7MF 20% 50V
C418 1-126-964-11 ELECT 10MF 20% 50V
C420 VARIANT (SEE VARIANT PARTS LIST)
C501 1-102-112-00 CERAMIC 330PF 10% 50V
C502 1-106-383-00 MYLAR 0.047MF 10% 200V
C503 1-102-212-00 CERAMIC 820PF 10% 500V
C504 1-102-002-00 CERAMIC 680PF 10% 500V
C505 ¡ 1-162-134-11 CERAMIC 470PF 10% 2KV
C507 ¡1-119-969-11 MYLAR 14000PF 3% 2KV
C508 ¡1-107-364-11 MYLAR 0.01MF 10% 200V
C509 ¡1-162-116-00 CERAMIC 680PF 10% 2KV
C510 1-107-649-11 ELECT 2.2MF 20% 250V
C511 ¡1-117-673-11 FILM 1.5MF 5% 200V
C512 1-106-395-00 MYLAR 0.15MF 10% 200V
C513 1-106-343-00 MYLAR 0.001MF 10% 100V
C514 1-117-891-11 FILM 0.62MF 5% 200V
C515 ¡1-162-116-00 CERAMIC 680PF 10% 2KV
C520 ¡1-129-722-00 FILM 0.047MF 5% 630V
C521 1-164-646-11 CERAMIC 2200PF 10% 500V
C524 1-102-244-00 CERAMIC 220PF 10% 500V
C525 1-162-815-11 CERAMIC 47PF 5% 500V
C526 1-126-960-11 ELECT 1MF 20% 50V
C527 1-126-965-11 ELECT 22MF 20% 50V
C528 1-164-695-11 CERAMIC CHIP 0.0022MF 5% 50V
C529 1-164-161-11 CERAMIC CHIP 0.0022MF 10% 50V
Note:
The components identified
with shading and a critical
symbol ( ¡¡
¡¡
¡
) are critical for
safety. Replace only with
part number specified.
Note:
Les composants identifies per
un trame et une marque ¡¡
¡¡
¡ sont
critiques pout la securite. Ne les
remplacer que par une piece
portant le numero specifie.
2.1 BA4#3 (COM) (BASE) w/var 6/8/98, 4:20 PM62

— 63 —
REF.NO. PART NO. DESCRIPTION REMARK
REF.NO. PART NO. DESCRIPTION REMARK
A
COMMON PARTS LISTING
C530 1-163-009-11 CERAMIC CHIP 0.001MF 10% 50V
C531 1-106-387-00 MYLAR 0.068MF 10% 200V
C541 1-126-969-11 ELECT 220MF 20% 50V
C542 1-126-967-11 ELECT 47MF 20% 50V
C543 1-136-173-00 FILM 0.47MF 5% 50V
C553 1-107-662-11 ELECT 22MF 20% 250V
C555 1-164-161-11 CERAMIC CHIP 0.0022MF 10% 50V
C562 1-126-941-11 ELECT 470MF 20% 25V
C564 1-126-941-11 ELECT 470MF 20% 25V
C571 1-126-964-11 ELECT 10MF 20% 50V
C573 1-126-963-11 ELECT 4.7MF 20% 50V
C574 1-107-635-11 ELECT 4.7MF 20% 160V
C575 1-163-021-91 CERAMIC CHIP 0.01MF 10% 50V
C576 1-123-024-21 ELECT 33MF 160V
C591 1-137-417-11 MYLAR 0.0047MF 10% 200V
C606 ¡1-117-942-11 ELECT(BLOCK) 560MF 20% 250V
C607 ¡1-117-942-11 ELECT(BLOCK) 560MF 20% 250V
C610 1-136-173-00 FILM 0.47MF 5% 50V
C611 1-136-173-00 FILM 0.47MF 5% 50V
C612 1-164-735-11 CERAMIC 0.0015MF 10% 500V
C613 1-164-625-11 CERAMIC 680PF 10% 500V
C614 ¡1-129-718-00 FILM 0.022MF 5% 630V
C615 1-136-169-00 FILM 0.22MF 5% 50V
C616 1-136-169-00 FILM 0.22MF 5% 50V
C617 1-165-127-11 CERAMIC 470PF 10% 500V
C618 1-165-127-11 CERAMIC 470PF 10% 500V
C619 1-123-024-21 ELECT 33MF 160V
C620 1-126-942-61 ELECT 1000MF 20% 25V
C621 VARIANT (SEE VARIANT PARTS LIST)
C623 1-137-368-11 FILM 0.0047MF 5% 50V
C624 1-137-417-11 MYLAR 0.0047MF 10% 200V
C626 1-104-665-11 ELECT 100MF 20% 25V
C629 1-104-665-11 ELECT 100MF 20% 25V
C632 1-126-964-11 ELECT 10MF 20% 50V
C650 1-164-645-11 CERAMIC 1000PF 10% 500V
C651 1-164-645-11 CERAMIC 1000PF 10% 500V
C653 1-104-664-11 ELECT 47MF 20% 25V
C654 1-126-382-11 ELECT 100MF 20% 16V
C690 1-126-959-11 ELECT 0.47MF 20% 50V
C691 1-126-941-11 ELECT 470MF 20% 25V
C692 1-104-664-11 ELECT 47MF 20% 25V
C693 1-136-173-00 FILM 0.47MF 5% 50V
FILTER
CF001 1-767-487-11 VIBRATOR, CRYSTAL
CONNECTOR
CN101 1-508-786-00 PIN, CONNECTOR (5MM PITCH) 2P
CN150 * VARIANT (SEE VARIANT PARTS LIST)
CN203 * 1-560-124-00 PLUG, CONNECTOR (2.5MM) 4P
CN250 * 1-564-514-11 PLUG, CONNECTOR 11P
CN251 VARIANT (SEE VARIANT PARTS LIST)
CN252 VARIANT (SEE VARIANT PARTS LIST)
CN253 1-564-510-11 PLUG, CONNECTOR 7P
CN301 1-564-511-11 PLUG, CONNECTOR 8P
CN302 * VARIANT (SEE VARIANT PARTS LIST)
CN401 1-564-505-11 PLUG, CONNECTOR 2P
CN402 1-564-505-11 PLUG, CONNECTOR 2P
CN501 * 1-580-798-11 CONNECTOR PIN (DY) 6P
CN502 * 1-564-509-11 PLUG, CONNECTOR 6P
CN601 * 1-580-843-11 PIN, CONNECTOR (POWER) 2P
CN602 1-508-786-00 PIN, CONNECTOR (5MM PITCH) 2P
CN604 * 1-564-506-11 PLUG, CONNECTOR 3P
DIODE
D001 8-719-921-44 DIODE MTZJ-5.1C
D002 VARIANT (SEE VARIANT PARTS LIST)
D003 8-719-991-33 DIODE 1SS133T-77
D004 8-719-991-33 DIODE 1SS133T-77
D005 8-719-109-89 DIODE RD5.6ESB2
D080 8-719-991-33 DIODE 1SS133T-77
D201 8-719-110-17 DIODE RD10ESB2
D202 8-719-110-17 DIODE RD10ESB2
D204 8-719-110-17 DIODE RD10ESB2
D205 8-719-982-22 DIODE MTZJ-30D
D207 8-719-109-66 DIODE RD3.3ESB2
D208 VARIANT (SEE VARIANT PARTS LIST)
D250 8-719-108-12 DIODE RD9.1EW
D251 8-719-108-12 DIODE RD9.1EW
D252 8-719-110-17 DIODE RD10ESB2
D253 8-719-110-17 DIODE RD10ESB2
D254 8-719-110-17 DIODE RD10ESB2
D255 8-719-110-17 DIODE RD10ESB2
D280 8-719-981-99 DIODE MTZJ-3.3
D281 8-719-981-99 DIODE MTZJ-3.3
D302 8-719-921-44 DIODE MTZJ-5.1C
D303 8-719-991-33 DIODE 1SS133T-77
D304 8-719-991-33 DIODE 1SS133T-77
D305 8-719-404-49 DIODE MA111
D306 8-719-404-49 DIODE MA111
D403 8-719-991-33 DIODE 1SS133T-77
Note:
The components identified
with shading and a critical
symbol ( ¡¡
¡¡
¡
) are critical for
safety. Replace only with
part number specified.
Note:
Les composants identifies per
un trame et une marque ¡¡
¡¡
¡ sont
critiques pout la securite. Ne les
remplacer que par une piece
portant le numero specifie.
2.1 BA4#3 (COM) (BASE) w/var 6/8/98, 4:20 PM63

— 64 —
REF.NO. PART NO. DESCRIPTION REMARK REF.NO. PART NO. DESCRIPTION REMARK
A
COMMON PARTS LISTING
D501 8-719-945-80 DIODE ERC06-15S
D502 8-719-908-03 DIODE GP08D
D503 8-719-908-03 DIODE GP08D
D520 8-719-067-63 DIODE MDV04-600
D521 8-719-302-43 DIODE EL1Z
D522 8-719-991-33 DIODE 1SS133T-77
D523 8-719-991-33 DIODE 1SS133T-77
D541 8-719-908-03 DIODE GP08D
D550 8-719-110-08 DIODE RD8.2ESB2
D552 8-719-302-43 DIODE EL1Z
D561 8-719-979-85 DIODE EGP20G
D562 8-719-979-85 DIODE EGP20G
D571 8-719-991-33 DIODE 1SS133T-77
D572 8-719-991-33 DIODE 1SS133T-77
D573 8-719-110-08 DIODE RD8.2ESB2
D574 ¡8-719-302-43 DIODE EL1Z
D581 8-719-991-33 DIODE 1SS133T-77
D601 8-719-510-51 DIODE D3SB60F
D602 8-719-991-33 DIODE 1SS133T-77
D604 8-719-060-90 DIODE S2L60F
D605 8-719-060-90 DIODE S2L60F
D610 ¡8-719-057-52 DIODE EZ0150AV1
D615 8-719-510-12 DIODE D10SC4M
D618 8-719-022-97 DIODE D2S4MF
D620 8-719-022-97 DIODE D2S4MF
D621 8-719-052-90 DIODE D1NL40-TA2
D622 8-719-052-90 DIODE D1NL40-TA2
D650 8-719-109-89 DIODE RD5.6ESB2
D670 8-719-991-33 DIODE 1SS133T-77
D690 8-719-991-33 DIODE 1SS133T-77
D691 8-719-991-33 DIODE 1SS133T-77
FERRITE BEAD
FB350 VARIANT (SEE VARIANT PARTS LIST)
FB501 1-410-396-41 FERRITE
FB521 1-410-397-21 FERRITE 1.1UH
FB522 1-410-397-21 FERRITE 1.1UH
FB601 1-410-396-41 FERRITE
FB602 1-410-396-41 FERRITE
FB603 1-412-911-11 FERRITE
FB605 1-412-911-11 FERRITE
IC
IC001 8-759-496-18 IC M37273MF-XXXSP
IC002 8-759-371-21 IC MM1319AFBE
IC003 8-759-353-44 IC ST24C08FM6TR
IC010 VARIANT (SEE VARIANT PARTS LIST)
IC202 8-759-100-96 IC UPC4558G2
IC203 8-759-534-81 IC MM1313AD/
IC301 VARIANT (SEE VARIANT PARTS LIST)
IC302 VARIANT (SEE VARIANT PARTS LIST)
IC401 VARIANT (SEE VARIANT PARTS LIST)
IC402 8-752-072-39 IC CXA2021S
IC521 ¡8-759-700-07 IC NJM2903M
IC541 8-759-980-58 IC TDA8172
IC601 ¡8-729-039-65 TRANSISTOR MX0541B-F
IC603 ¡8-749-012-13 IC DM-58
IC604 8-759-198-03 IC PQ09RF21
JACK
J200 1-774-750-21 JACK BLOCK, PIN 2P
J201 1-774-751-11 TERMINAL BLOCK, S
J202 VARIANT (SEE VARIANT PARTS LIST)
J204 1-774-749-11 JACK BLOCK, PIN
CHIP CONDUCTOR
JR001 1-216-295-91 SHORT
JR003 1-216-295-91 SHORT
COIL
L001 1-410-470-11 INDUCTOR 10UH
L002 1-412-032-11 INDUCTOR CHIP 100UH
L003 1-412-032-11 INDUCTOR CHIP 100UH
L101 1-412-029-11 INDUCTOR CHIP 10UH
L150 1-412-032-11 INDUCTOR CHIP 100UH
L151 1-412-029-11 INDUCTOR CHIP 10UH
L301 1-412-031-11 INDUCTOR CHIP 47UH
L302 1-412-029-11 INDUCTOR CHIP 10UH
L350 VARIANT (SEE VARIANT PARTS LIST)
L351 VARIANT (SEE VARIANT PARTS LIST)
L501 ¡1-411-976-11 COIL, HORIZONTAL LINEARITY
L502 1-412-552-11 INDUCTOR 2.2MMH
L503 1-406-677-11 INDUCTOR
L504 1-412-533-21 INDUCTOR 47UH
L520 1-409-955-11 INDUCTOR
L591 ¡1-412-528-61 INDUCTOR 18UH
L601 1-216-389-11 METAL OXIDE 1 5% 3W F
IC LINK
PS201 1-532-984-11 LINK, IC 2A/90V
Note:
The components identified
with shading and a critical
symbol ( ¡¡
¡¡
¡
) are critical for
safety. Replace only with
part number specified.
Note:
Les composants identifies per
un trame et une marque ¡¡
¡¡
¡ sont
critiques pout la securite. Ne les
remplacer que par une piece
portant le numero specifie.
2.1 BA4#3 (COM) (BASE) w/var 6/8/98, 4:20 PM64

— 65 —
REF.NO. PART NO. DESCRIPTION REMARK
REF.NO. PART NO. DESCRIPTION REMARK
A
COMMON PARTS LISTING
TRANSISTOR
Q001 8-729-216-22 TRANSISTOR 2SA1162-G
Q002 8-729-422-27 TRANSISTOR 2SD601A-Q
Q080 8-729-422-27 TRANSISTOR 2SD601A-Q
Q081 8-729-216-22 TRANSISTOR 2SA1162-G
Q200 8-729-422-27 TRANSISTOR 2SD601A-Q
Q201 8-729-422-27 TRANSISTOR 2SD601A-Q
Q203 8-729-119-76 TRANSISTOR 2SA1175-HFE
Q204 8-729-422-27 TRANSISTOR 2SD601A-Q
Q280 8-729-216-22 TRANSISTOR 2SA1162-G
Q281 8-729-216-22 TRANSISTOR 2SA1162-G
Q282 8-729-216-22 TRANSISTOR 2SA1162-G
Q283 8-729-422-27 TRANSISTOR 2SD601A-Q
Q284 8-729-422-27 TRANSISTOR 2SD601A-Q
Q285 8-729-422-27 TRANSISTOR 2SD601A-Q
Q286 8-729-216-22 TRANSISTOR 2SA1162-G
Q287 8-729-216-22 TRANSISTOR 2SA1162-G
Q288 8-729-422-27 TRANSISTOR 2SD601A-Q
Q300 8-729-422-27 TRANSISTOR 2SD601A-Q
Q302 8-729-422-27 TRANSISTOR 2SD601A-Q
Q305 8-729-216-22 TRANSISTOR 2SA1162-G
Q306 8-729-216-22 TRANSISTOR 2SA1162-G
Q307 8-729-216-22 TRANSISTOR 2SA1162-G
Q308 8-729-216-22 TRANSISTOR 2SA1162-G
Q309 8-729-216-22 TRANSISTOR 2SA1162-G
Q310 8-729-216-22 TRANSISTOR 2SA1162-G
Q350 VARIANT (SEE VARIANT PARTS LIST)
Q351 VARIANT (SEE VARIANT PARTS LIST)
Q352 VARIANT (SEE VARIANT PARTS LIST)
Q353 VARIANT (SEE VARIANT PARTS LIST)
Q354 VARIANT (SEE VARIANT PARTS LIST)
Q355 VARIANT (SEE VARIANT PARTS LIST)
Q356 VARIANT (SEE VARIANT PARTS LIST)
Q357 VARIANT (SEE VARIANT PARTS LIST)
Q358 VARIANT (SEE VARIANT PARTS LIST)
Q359 VARIANT (SEE VARIANT PARTS LIST)
Q360 VARIANT (SEE VARIANT PARTS LIST)
Q390 8-729-422-27 TRANSISTOR 2SD601A-Q
Q400 8-729-422-27 TRANSISTOR 2SD601A-Q
Q501 8-729-140-50 TRANSISTOR 2SC3209LK
Q502 8-729-043-43 TRANSISTOR 2SC5426-01
Q521 8-729-422-27 TRANSISTOR 2SD601A-Q
Q522 8-729-809-29 TRANSISTOR 2SC4159-E
Q550 8-729-119-78 TRANSISTOR 2SC2785-HFE
Q555 8-729-422-27 TRANSISTOR 2SD601A-Q
Q571 8-729-200-17 TRANSISTOR 2SA1091-O
Q601 8-729-119-78 TRANSISTOR 2SC2785-HFE
Q604 8-729-119-78 TRANSISTOR 2SC2785-HFE
Q608 VARIANT (SEE VARIANT PARTS LIST)
Q650 8-729-111-55 TRANSISTOR 2SD1312-K
Q670 8-729-140-96 TRANSISTOR 2SD774-34
RESISTOR
R001 1-216-033-00 RES, CHIP 220 5% 1/10W
R002 1-216-073-00 RES, CHIP 10K 5% 1/10W
R003 1-216-033-00 RES, CHIP 220 5% 1/10W
R004 1-216-073-00 RES, CHIP 10K 5% 1/10W
R005 1-216-025-91 RES, CHIP 100 5% 1/10W
R006 1-216-049-91 RES, CHIP 1K 5% 1/10W
R007 1-216-025-91 RES, CHIP 100 5% 1/10W
R008 1-216-033-00 RES, CHIP 220 5% 1/10W
R010 1-216-033-00 RES, CHIP 220 5% 1/10W
R011 1-216-033-00 RES, CHIP 220 5% 1/10W
R013 1-216-081-00 RES, CHIP 22K 5% 1/10W
R016 1-216-041-00 RES, CHIP 470 5% 1/10W
R017 1-216-113-00 RES, CHIP 470K 5% 1/10W
R018 1-216-049-91 RES, CHIP 1K 5% 1/10W
R019 1-249-425-11 CARBON 4.7K 5% 1/4W
R025 1-249-426-11 CARBON 5.6K 5% 1/4W
R026 1-249-426-11 CARBON 5.6K 5% 1/4W
R027 1-249-426-11 CARBON 5.6K 5% 1/4W
R028 1-216-049-91 RES, CHIP 1K 5% 1/10W
R031 1-216-045-00 RES, CHIP 680 5% 1/10W
R032 1-247-815-91 CARBON 220 5% 1/4W
R033 1-247-815-91 CARBON 220 5% 1/4W
R034 1-216-033-00 RES, CHIP 220 5% 1/10W
R035 1-216-033-00 RES, CHIP 220 5% 1/10W
R038 1-216-049-91 RES, CHIP 1K 5% 1/10W
R040 1-249-413-11 CARBON 470 5% 1/4W
R043 1-249-417-11 CARBON 1K 5% 1/4W
R044 1-247-815-91 CARBON 220 5% 1/4W
R045 1-216-065-91 RES, CHIP 4.7K 5% 1/10W
R046 1-247-815-91 CARBON 220 5% 1/4W
R047 1-216-065-91 RES, CHIP 4.7K 5% 1/10W
R048 1-216-025-91 RES, CHIP 100 5% 1/10W
R049 1-216-089-91 RES, CHIP 47K 5% 1/10W
R050 1-216-073-00 RES, CHIP 10K 5% 1/10W
R051 1-216-033-00 RES, CHIP 220 5% 1/10W
R054 1-216-073-00 RES, CHIP 10K 5% 1/10W
R056 1-249-425-11 CARBON 4.7K 5% 1/4W
R057 1-216-065-91 RES, CHIP 4.7K 5% 1/10W
R058 1-216-065-91 RES, CHIP 4.7K 5% 1/10W
R066 1-216-033-00 RES, CHIP 220 5% 1/10W
2.1 BA4#3 (COM) (BASE) w/var 6/8/98, 4:20 PM65

— 66 —
REF.NO. PART NO. DESCRIPTION REMARK REF.NO. PART NO. DESCRIPTION REMARK
A
COMMON PARTS LISTING
R067 1-216-033-00 RES, CHIP 220 5% 1/10W
R068 1-247-815-91 CARBON 220 5% 1/4W
R069 1-247-815-91 CARBON 220 5% 1/4W
R070 1-249-425-11 CARBON 4.7K 5% 1/4W
R071 1-216-065-91 RES, CHIP 4.7K 5% 1/10W
R073 1-249-425-11 CARBON 4.7K 5% 1/4W
R074 1-216-073-00 RES, CHIP 10K 5% 1/10W
R075 1-216-073-00 RES, CHIP 10K 5% 1/10W
R076 1-216-121-91 RES, CHIP 1M 5% 1/10W
R077 1-216-097-91 RES, CHIP 100K 5% 1/10W
R078 1-247-815-91 CARBON 220 5% 1/4W
R080 1-247-863-91 CARBON 22K 5% 1/4W
R081 VARIANT (SEE VARIANT PARTS LIST)
R082 1-216-073-00 RES, CHIP 10K 5% 1/10W
R083 1-216-041-00 RES, CHIP 470 5% 1/10W
R084 1-249-429-11 CARBON 10K 5% 1/4W
R085 1-216-049-91 RES, CHIP 1K 5% 1/10W
R086 1-216-045-00 RES, CHIP 680 5% 1/10W
R087 1-216-045-00 RES, CHIP 680 5% 1/10W
R088 1-216-045-00 RES, CHIP 680 5% 1/10W
R091 1-216-073-00 RES, CHIP 10K 5% 1/10W
R092 1-216-073-00 RES, CHIP 10K 5% 1/10W
R096 1-216-045-00 RES, CHIP 680 5% 1/10W
R101 1-216-073-00 RES, CHIP 10K 5% 1/10W
R150 1-216-025-91 RES, CHIP 100 5% 1/10W
R151 1-216-025-91 RES, CHIP 100 5% 1/10W
R200 1-216-022-00 RES, CHIP 75 5% 1/10W
R201 1-216-113-00 RES, CHIP 470K 5% 1/10W
R202 1-216-113-00 RES, CHIP 470K 5% 1/10W
R203 1-216-025-91 RES, CHIP 100 5% 1/10W
R204 1-216-043-91 RES, CHIP 560 5% 1/10W
R205 1-216-043-91 RES, CHIP 560 5% 1/10W
R207 1-216-025-91 RES, CHIP 100 5% 1/10W
R209 1-216-025-91 RES, CHIP 100 5% 1/10W
R210 1-216-073-00 RES, CHIP 10K 5% 1/10W
R211 VARIANT (SEE VARIANT PARTS LIST)
R212 VARIANT (SEE VARIANT PARTS LIST)
R213 1-216-057-00 RES, CHIP 2.2K 5% 1/10W
R214 1-216-113-00 RES, CHIP 470K 5% 1/10W
R215 1-216-033-00 RES, CHIP 220 5% 1/10W
R216 1-216-113-00 RES, CHIP 470K 5% 1/10W
R217 1-216-033-00 RES, CHIP 220 5% 1/10W
R218 1-216-067-00 RES, CHIP 5.6K 5% 1/10W
R219 1-216-073-00 RES, CHIP 10K 5% 1/10W
R220 1-216-073-00 RES, CHIP 10K 5% 1/10W
R221 1-216-073-00 RES, CHIP 10K 5% 1/10W
R222 1-216-067-00 RES, CHIP 5.6K 5% 1/10W
R223 1-216-073-00 RES, CHIP 10K 5% 1/10W
R224 1-216-073-00 RES, CHIP 10K 5% 1/10W
R225 1-216-073-00 RES, CHIP 10K 5% 1/10W
R226 1-249-425-11 CARBON 4.7K 5% 1/4W
R227 1-216-097-91 RES, CHIP 100K 5% 1/10W
R228 1-216-065-91 RES, CHIP 4.7K 5% 1/10W
R229 1-216-097-91 RES, CHIP 100K 5% 1/10W
R230 1-216-073-00 RES, CHIP 10K 5% 1/10W
R231 VARIANT (SEE VARIANT PARTS LIST)
R232 VARIANT (SEE VARIANT PARTS LIST)
R233 VARIANT (SEE VARIANT PARTS LIST)
R234 VARIANT (SEE VARIANT PARTS LIST)
R235 VARIANT (SEE VARIANT PARTS LIST)
R236 VARIANT (SEE VARIANT PARTS LIST)
R237 VARIANT (SEE VARIANT PARTS LIST)
R238 VARIANT (SEE VARIANT PARTS LIST)
R241 1-216-065-91 RES, CHIP 4.7K 5% 1/10W
R242 1-216-083-00 RES, CHIP 27K 5% 1/10W
R243 1-216-689-11 RES, CHIP 39K 5% 1/10W
R244 1-216-049-91 RES, CHIP 1K 5% 1/10W
R245 1-216-049-91 RES, CHIP 1K 5% 1/10W
R246 1-249-425-11 CARBON 4.7K 5% 1/4W
R247 1-249-425-11 CARBON 4.7K 5% 1/4W
R248 1-216-049-91 RES, CHIP 1K 5% 1/10W
R249 1-216-025-91 RES, CHIP 100 5% 1/10W
R250 1-216-033-00 RES, CHIP 220 5% 1/10W
R251 1-216-025-91 RES, CHIP 100 5% 1/10W
R252 1-216-033-00 RES, CHIP 220 5% 1/10W
R253 1-215-899-11 METAL OXIDE 15K 5% 2W F
R254 1-216-033-00 RES, CHIP 220 5% 1/10W
R256 1-216-033-00 RES, CHIP 220 5% 1/10W
R257 1-249-429-11 CARBON 10K 5% 1/4W
R258 1-216-033-00 RES, CHIP 220 5% 1/10W
R259 1-216-033-00 RES, CHIP 220 5% 1/10W
R260 1-216-025-91 RES, CHIP 100 5% 1/10W
R261 1-216-025-91 RES, CHIP 100 5% 1/10W
R262 1-216-025-91 RES, CHIP 100 5% 1/10W
R263 1-247-815-91 CARBON 220 5% 1/4W
R264 1-247-815-91 CARBON 220 5% 1/4W
R265 1-249-425-11 CARBON 4.7K 5% 1/4W
R266 1-249-425-11 CARBON 4.7K 5% 1/4W
R267 1-216-022-00 RES, CHIP 75 5% 1/10W
R268 1-216-022-00 RES, CHIP 75 5% 1/10W
R269 1-216-049-91 RES, CHIP 1K 5% 1/10W
R270 1-216-022-00 RES, CHIP 75 5% 1/10W
R271 1-216-113-00 RES, CHIP 470K 5% 1/10W
R272 1-216-113-00 RES, CHIP 470K 5% 1/10W
R273 1-216-065-91 RES, CHIP 4.7K 5% 1/10W
R274 1-216-065-91 RES, CHIP 4.7K 5% 1/10W
R276 1-216-295-91 SHORT
2.1 BA4#3 (COM) (BASE) w/var 6/8/98, 4:20 PM66

— 67 —
REF.NO. PART NO. DESCRIPTION REMARK
REF.NO. PART NO. DESCRIPTION REMARK
A
COMMON PARTS LISTING
R277 1-216-295-91 SHORT
R278 VARIANT (SEE VARIANT PARTS LIST)
R279 1-249-425-11 CARBON 4.7K 5% 1/4W
R280 1-247-807-31 CARBON 100 5% 1/4W
R281 1-216-025-91 RES, CHIP 100 5% 1/10W
R282 1-216-025-91 RES, CHIP 100 5% 1/10W
R284 1-260-091-11 CARBON 220 5% 1/2W
R285 1-216-065-91 RES, CHIP 4.7K 5% 1/10W
R286 1-216-065-91 RES, CHIP 4.7K 5% 1/10W
R287 1-216-065-91 RES, CHIP 4.7K 5% 1/10W
R288 1-249-425-11 CARBON 4.7K 5% 1/4W
R289 1-216-021-00 RES, CHIP 68 5% 1/10W
R290 1-216-113-00 RES, CHIP 470K 5% 1/10W
R291 1-216-113-00 RES, CHIP 470K 5% 1/10W
R292 1-216-113-00 RES, CHIP 470K 5% 1/10W
R293 1-216-069-00 RES, CHIP 6.8K 5% 1/10W
R294 1-249-427-11 CARBON 6.8K 5% 1/4W
R295 1-249-427-11 CARBON 6.8K 5% 1/4W
R296 1-249-437-11 CARBON 47K 5% 1/4W
R297 1-216-043-91 RES, CHIP 560 5% 1/10W
R298 1-216-041-00 RES, CHIP 470 5% 1/10W
R299 1-249-425-11 CARBON 4.7K 5% 1/4W
R300 VARIANT (SEE VARIANT PARTS LIST)
R301 1-216-295-91 SHORT
R302 VARIANT (SEE VARIANT PARTS LIST)
R304 1-216-073-00 RES, CHIP 10K 5% 1/10W
R305 1-216-033-00 RES, CHIP 220 5% 1/10W
R306 1-208-806-11 RES, CHIP 10K 0.50% 1/10W
R307 VARIANT (SEE VARIANT PARTS LIST)
R308 VARIANT (SEE VARIANT PARTS LIST)
R310 1-216-049-91 RES, CHIP 1K 5% 1/10W
R312 1-216-033-00 RES, CHIP 220 5% 1/10W
R313 1-216-033-00 RES, CHIP 220 5% 1/10W
R314 1-216-033-00 RES, CHIP 220 5% 1/10W
R315 1-216-033-00 RES, CHIP 220 5% 1/10W
R316 1-247-807-31 CARBON 100 5% 1/4W
R317 VARIANT (SEE VARIANT PARTS LIST)
R318 1-216-025-91 RES, CHIP 100 5% 1/10W
R319 1-216-073-00 RES, CHIP 10K 5% 1/10W
R320 VARIANT (SEE VARIANT PARTS LIST)
R321 VARIANT (SEE VARIANT PARTS LIST)
R322 VARIANT (SEE VARIANT PARTS LIST)
R323 1-216-037-00 RES, CHIP 330 5% 1/10W
R324 1-216-065-91 RES, CHIP 4.7K 5% 1/10W
R328 1-247-807-31 CARBON 100 5% 1/4W
R329 1-216-025-91 RES, CHIP 100 5% 1/10W
R330 1-216-025-91 RES, CHIP 100 5% 1/10W
R331 1-216-025-91 RES, CHIP 100 5% 1/10W
R333 1-216-049-91 RES, CHIP 1K 5% 1/10W
R334 VARIANT (SEE VARIANT PARTS LIST)
R335 1-216-057-00 RES, CHIP 2.2K 5% 1/10W
R336 1-216-057-00 RES, CHIP 2.2K 5% 1/10W
R337 1-216-057-00 RES, CHIP 2.2K 5% 1/10W
R340 1-249-417-11 CARBON 1K 5% 1/4W
R341 1-216-073-00 RES, CHIP 10K 5% 1/10W
R342 1-216-069-00 RES, CHIP 6.8K 5% 1/10W
R343 VARIANT (SEE VARIANT PARTS LIST)
R344 1-216-295-91 SHORT
R345 VARIANT (SEE VARIANT PARTS LIST)
R346 VARIANT (SEE VARIANT PARTS LIST)
R347 1-216-049-91 RES, CHIP 1K 5% 1/10W
R350 VARIANT (SEE VARIANT PARTS LIST)
R351 VARIANT (SEE VARIANT PARTS LIST)
R352 VARIANT (SEE VARIANT PARTS LIST)
R353 VARIANT (SEE VARIANT PARTS LIST)
R354 VARIANT (SEE VARIANT PARTS LIST)
R355 VARIANT (SEE VARIANT PARTS LIST)
R356 1-216-059-00 RES, CHIP 2.7K 5% 1/10W
R357 VARIANT (SEE VARIANT PARTS LIST)
R358 VARIANT (SEE VARIANT PARTS LIST)
R359 VARIANT (SEE VARIANT PARTS LIST)
R361 VARIANT (SEE VARIANT PARTS LIST)
R362 VARIANT (SEE VARIANT PARTS LIST)
R363 VARIANT (SEE VARIANT PARTS LIST)
R364 VARIANT (SEE VARIANT PARTS LIST)
R365 VARIANT (SEE VARIANT PARTS LIST)
R366 VARIANT (SEE VARIANT PARTS LIST)
R367 VARIANT (SEE VARIANT PARTS LIST)
R368 VARIANT (SEE VARIANT PARTS LIST)
R369 VARIANT (SEE VARIANT PARTS LIST)
R370 1-216-033-00 RES, CHIP 220 5% 1/10W
R372 VARIANT (SEE VARIANT PARTS LIST)
R373 VARIANT (SEE VARIANT PARTS LIST)
R374 VARIANT (SEE VARIANT PARTS LIST)
R375 VARIANT (SEE VARIANT PARTS LIST)
R376 VARIANT (SEE VARIANT PARTS LIST)
R377 VARIANT (SEE VARIANT PARTS LIST)
R378 VARIANT (SEE VARIANT PARTS LIST)
R379 VARIANT (SEE VARIANT PARTS LIST)
R380 VARIANT (SEE VARIANT PARTS LIST)
R381 VARIANT (SEE VARIANT PARTS LIST)
R387 1-216-067-00 RES, CHIP 5.6K 5% 1/10W
R388 8-719-976-99 DIODE DTZ5.1B
R390 1-247-807-31 CARBON 100 5% 1/4W
R391 VARIANT (SEE VARIANT PARTS LIST)
2.1 BA4#3 (COM) (BASE) w/var 6/8/98, 4:20 PM67

— 68 —
REF.NO. PART NO. DESCRIPTION REMARK REF.NO. PART NO. DESCRIPTION REMARK
A
COMMON PARTS LISTING
R392 1-216-049-91 RES, CHIP 1K 5% 1/10W
R399 1-216-295-91 SHORT
R400 1-247-863-91 CARBON 22K 5% 1/4W
R401 1-216-097-91 RES, CHIP 100K 5% 1/10W
R402 1-216-121-91 RES, CHIP 1M 5% 1/10W
R403 1-247-815-91 CARBON 220 5% 1/4W
R404 1-247-815-91 CARBON 220 5% 1/4W
R405 1-216-097-91 RES, CHIP 100 5% 1/10W
R406 1-216-025-91 RES, CHIP 100 5% 1/10W
R432 1-249-429-11 CARBON 10K 5% 1/4W
R501 1-247-843-11 CARBON 3.3K 5% 1/4W
R502 1-215-892-11 METAL OXIDE 1K 5% 2W F
R503 1-249-426-11 CARBON 5.6K 5% 1/4W F
R504 1-216-349-00 METAL OXIDE 1 5% 1W F
R505 1-249-401-11 CARBON 47 5% 1/4W
R506 1-215-860-11 METAL OXIDE 33 5% 1W F
R507 1-260-097-11 CARBON 680 5% 1/2W
R508 1-216-449-11 METAL OXIDE 56 5% 2W F
R509 1-216-481-11 METAL OXIDE 1.2K 5% 3W F
R510 1-216-449-11 METAL OXIDE 56 5% 2W F
R520 1-215-861-00 METAL OXIDE 47 5% 1W F
R521 1-249-411-11 CARBON 330 5% 1/4W
R522 1-249-415-11 CARBON 680 5% 1/4W
R523 1-216-073-00 RES, CHIP 10K 5% 1/10W
R524 1-249-429-11 CARBON 10K 5% 1/4W
R525 1-249-427-11 CARBON 6.8K 5% 1/4W
R526 1-216-081-00 RES, CHIP 22K 5% 1/10W
R527 1-216-079-00 RES, CHIP 18K 5% 1/10W
R528 1-249-421-11 CARBON 2.2K 5% 1/4W
R529 1-216-101-00 RES, CHIP 150K 5% 1/10W
R530 1-216-089-91 RES, CHIP 47K 5% 1/10W
R532 1-215-437-00 METAL 4.7K 1% 1/4W
R533 ¡1-215-461-00 METAL 47K 1% 1/4W
R534 1-215-451-00 METAL 18K 1% 1/4W
R535 1-249-441-11 CARBON 100K 5% 1/4W
R541 1-249-430-11 CARBON 12K 5% 1/4W
R542 1-249-429-11 CARBON 10K 5% 1/4W
R543 1-249-429-11 CARBON 10K 5% 1/4W
R544 1-216-351-00 METAL OXIDE 1.5 5% 1W F
R546 1-215-890-11 METAL OXIDE 470 5% 2W F
R547 1-249-385-11 CARBON 2.2 5% 1/4W F
R548 1-249-430-11 CARBON 12K 5% 1/4W
R549 1-249-429-11 CARBON 10K 5% 1/4W
R550 1-249-421-11 CARBON 2.2K 5% 1/4W
R551 1-249-413-11 CARBON 470 5% 1/4W
R552 1-247-887-00 CARBON 220K 5% 1/4W
R553 1-260-312-11 CARBON 47 5% 1/2W
R554 VARIANT (SEE VARIANT PARTS LIST)
R555 VARIANT (SEE VARIANT PARTS LIST)
R556 VARIANT (SEE VARIANT PARTS LIST)
R557 VARIANT (SEE VARIANT PARTS LIST)
R558 VARIANT (SEE VARIANT PARTS LIST)
R559 VARIANT (SEE VARIANT PARTS LIST)
R561 ¡1-249-377-11 CARBON 0.47 5% 1/4W F
R562 ¡1-260-288-11 CARBON 0.47 5% 1/2W
R571 1-216-365-00 METAL OXIDE 0.47 5% 2W F
R572 1-249-429-11 CARBON 10K 5% 1/4W
R573 1-247-895-91 CARBON 470K 5% 1/4W
R574 1-249-416-11 CARBON 820 5% 1/4W F
R575 1-247-895-91 CARBON 470K 5% 1/4W
R576 1-249-441-11 CARBON 100K 5% 1/4W
R578 1-215-902-11 METAL OXIDE 47K 5% 1W F
R579 1-208-777-11 RES, CHIP 620 0.50% 1/10W
R580 1-249-440-11 CARBON 82K 5% 1/4W
R581 1-249-427-11 CARBON 6.8K 5% 1/4W
R582 1-208-806-11 RES, CHIP 10K 0.50% 1/10W
R583 1-208-830-11 RES, CHIP 100K 0.50% 1/10W
R584 1-208-822-11 RES, CHIP 47K 0.50% 1/10W
R585 1-216-073-00 RES, CHIP 10K 5% 1/10W
R586 1-216-073-00 RES, CHIP 10K 5% 1/10W
R587 1-216-073-00 RES, CHIP 10K 5% 1/10W
R591 1-215-882-00 METAL OXIDE 22 5% 2W F
R600 VARIANT (SEE VARIANT PARTS LIST)
R601 VARIANT (SEE VARIANT PARTS LIST)
R602 VARIANT (SEE VARIANT PARTS LIST)
R603 VARIANT (SEE VARIANT PARTS LIST)
R604 1-260-131-11 CARBON 470K 5% 1/2W
R605 1-260-131-11 CARBON 470K 5% 1/2W
R606 1-220-926-11 FUSIBLE 0.47 10% 1/2W F
R608 1-220-388-21 METAL OXIDE 68K 5% 1W F
R609 1-220-388-21 METAL OXIDE 68K 5% 1W F
R610 1-220-388-21 METAL OXIDE 68K 5% 1W F
R611 1-220-388-21 METAL OXIDE 68K 5% 1W F
R612 1-216-349-00 METAL OXIDE 1 5% 1W F
R613 1-216-349-00 METAL OXIDE 1 5% 1W F
R618 1-212-857-00 FUSIBLE 10 5% 1/4W F
R622 1-249-393-11 CARBON 10 5% 1/4W
R623 1-249-441-11 CARBON 100K 5% 1/4W
R624 1-249-421-11 CARBON 2.2K 5% 1/4W
R630 1-249-421-11 CARBON 2.2K 5% 1/4W
R631 1-249-429-11 CARBON 10K 5% 1/4W
R641 1-216-389-11 METAL OXIDE 1 5% 3W F
R642 1-249-437-11 CARBON 47K 5% 1/4W
R647 1-249-429-11 CARBON 10K 5% 1/4W
R650 1-249-415-11 CARBON 680 5% 1/4W
R670 1-249-421-11 CARBON 2.2K 5% 1/4W
[
Note:
The components identified by
[
in this
manual have been carefully factory-selected
for each set in order to satisfy regulations re-
garding X-ray radiation. Should replacement
be required, replace only with the value origi-
nally used.
Note:
The components identified
with shading and a critical
symbol ( ¡¡
¡¡
¡
) are critical for
safety. Replace only with
part number specified.
2.1 BA4#3 (COM) (BASE) w/var 6/8/98, 4:20 PM68

— 69 —
REF.NO. PART NO. DESCRIPTION REMARK
REF.NO. PART NO. DESCRIPTION REMARK
A
COMMON PARTS LISTING
R671 1-249-417-11 CARBON 1K 5% 1/4W
R673 1-249-421-11 CARBON 2.2K 5% 1/4W
R674 1-247-863-91 CARBON 22K 5% 1/4W
R675 1-215-859-00 METAL OXIDE 22 5% 1W F
R690 1-216-355-11 METAL OXIDE 3.3 5% 1W F
R691 1-249-395-11 CARBON 15 5% 1/4W
R692 1-249-395-11 CARBON 15 5% 1/4W
R699 1-249-413-11 CARBON 470 5% 1/4W F
RELAY
RY601 ¡1-755-018-11 RELAY
RY602 ¡1-755-266-11 RELAY, AC POWER
SWITCH
SW501 1-572-707-11 SWITCH, LEVER
TRANSFORMER
T501 1-437-210-11 TRANSFORMER, HORIZONTAL DRIVE
T502 1-431-731-11 TRANSFORMER, MODULATION
T504 ¡1-453-268-11 FLYBACK TRANSFORMER ASSY, NX-4005//X4J4
T602 ¡1-429-992-11 TRANSFORMER, CONVERTER (PRT)
T603 ¡1-431-837-11 TRANSFORMER, CONVERTER (PIT)
THERMISTOR
THP601 VARIANT (SEE VARIANT PARTS LIST)
TUNER
TU101¡8-598-431-00 TUNER, FSS BTF-WA411
VARISTOR
VDR602 1-809-267-41 VARISTOR ERZV10D471
CRYSTAL
X300 VARIANT (SEE VARIANT PARTS LIST)
X301 1-567-505-11 OSCILLATOR, CRYSTAL
X302 VARIANT (SEE VARIANT PARTS LIST)
Note:
The components identified
with shading and a critical
symbol ( ¡¡
¡¡
¡
) are critical for
safety. Replace only with
part number specified.
Note:
Les composants identifies per
un trame et une marque ¡¡
¡¡
¡ sont
critiques pout la securite. Ne les
remplacer que par une piece
portant le numero specifie.
2.1 BA4#3 (COM) (BASE) w/var 6/8/98, 4:20 PM69

The parts on this page belong to the following model(s) only:
REF.NO. PART NO. DESCRIPTION REMARK REF.NO. PART NO. DESCRIPTION REMARK
BOARD VARIANT PARTS LIST
A
— 70 —
KV-27V40/29VL40
A BOARD VARIANT LIST: 27V40/29VL40
CAPACITOR
C307 1-126-964-11 ELECT 10MF 20% 50V
C309 1-163-021-91 CERAMIC 0.01MF 10% 50V
C314 1-163-003-11 CERAMIC 330PF 10% 50V
C323 1-163-243-11 CERAMIC 47PF 5% 50V
C324 1-163-251-11 CERAMIC 100PF 5% 50V
C331 1-163-005-11 CERAMIC 470PF 10% 50V
C332 1-163-009-11 CERAMIC 0.001MF 10% 50V
C350 1-163-021-91 CERAMIC 0.01MF 10% 50V
C351 1-126-964-11 ELECT 10MF 20% 50V
C352 1-163-021-91 CERAMIC 0.01MF 10% 50V
C353 1-163-038-91 CERAMIC 0.1MF 25V
C354 1-163-038-91 CERAMIC 0.1MF 25V
C355 1-164-222-11 CERAMIC 0.22MF 25V
C356 1-163-038-91 CERAMIC 0.1MF 25V
C357 1-163-021-91 CERAMIC 0.01MF 10% 50V
C358 1-104-664-11 ELECT 47MF 20% 25V
C359 1-163-021-91 CERAMIC 0.01MF 10% 50V
C360 1-163-021-91 CERAMIC 0.01MF 10% 50V
C361 1-163-037-11 CERAMIC 0.022MF 10% 50V
C362 1-126-964-11 ELECT 10MF 20% 50V
C380 1-163-021-91 CERAMIC 0.01MF 10% 50V
C381 1-163-021-91 CERAMIC 0.01MF 10% 50V
C382 1-163-021-91 CERAMIC 0.01MF 10% 50V
C420 1-126-964-11 ELECT 10MF 20% 50V
C621 1-126-941-11 ELECT 470MF 20% 25V
CONNECTOR
CN252 1-564-506-11 PLUG, CONNECTOR 3P
DIODE
D002 1-810-039-31 LED UNIT
IC
IC010 8-759-710-86 IC NJM2233BM
IC301 8-752-083-09 IC CXA2061S
IC302 8-752-385-80 iIC CXD2073S
IC401 8-759-490-17 IC TDA7057AQ/N2
COIL
L350 1-412-029-11 INDUCTOR 10UH
L351 1-412-029-11 INDUCTOR 10UH
TRANSISTOR
Q350 8-729-216-22 TRANSISTOR 2SA1162-G
Q351 8-729-422-27 TRANSISTOR 2SD601A-Q
Q352 8-729-216-22 TRANSISTOR 2SA1162-G
Q353 8-729-216-22 TRANSISTOR 2SA1162-G
Q354 8-729-216-22 TRANSISTOR 2SA1162-G
Q355 8-729-422-27 TRANSISTOR 2SD601A-Q
Q356 8-729-216-22 TRANSISTOR 2SA1162-G
Q357 8-729-216-22 TRANSISTOR 2SA1162-G
Q358 8-729-422-27 TRANSISTOR 2SD601A-Q
Q359 8-729-216-22 TRANSISTOR 2SA1162-G
Q360 8-729-216-22 TRANSISTOR 2SA1162-G
Q608 8-729-119-76 TRANSISTOR 2SA1175-HFE
RESISTOR
R231 1-216-065-91 RES, CHIP 4.7K 5% 1/10W
R232 1-249-427-11 CARBON 6.8K 5% 1/4W
R233 1-249-427-11 CARBON 6.8K 5% 1/4W
R234 1-247-843-11 CARBON 3.3K 5% 1/4W
R235 1-247-843-11 CARBON 3.3K 5% 1/4W
R236 1-249-425-11 CARBON 4.7K 5% 1/4W
R237 1-249-427-11 CARBON 6.8K 5% 1/4W
R238 1-249-427-11 CARBON 6.8K 5% 1/4W
R307 1-216-065-91 RES, CHIP 4.7K 5% 1/10W
R308 1-216-025-91 RES, CHIP 100 5% 1/10W
R317 1-216-025-91 RES, CHIP 100 5% 1/10W
R318 1-216-025-91 RES, CHIP 100 5% 1/10W
R320 1-216-025-91 RES, CHIP 100 5% 1/10W
R321 1-216-025-91 RES, CHIP 100 5% 1/10W
R322 1-216-025-91 RES, CHIP 100 5% 1/10W
R334 1-216-025-91 RES, CHIP 100 5% 1/10W
R343 1-216-129-00 RES, CHIP 2.2M 5% 1/10W
R345 1-216-129-00 RES, CHIP 2.2M 5% 1/10W
R346 1-216-129-00 RES, CHIP 2.2M 5% 1/10W
R350 1-208-766-11 RES, CHIP 220 0.50% 1/10W
R351 1-208-766-11 RES, CHIP 220 0.50% 1/10W
R352 1-208-794-11 RES, CHIP 3.3K 0.50% 1/10W
R353 1-216-295-91 SHORT

The parts on this page belong to the following model(s) only:
BOARD VARIANT PARTS LIST
A
REF.NO. PART NO. DESCRIPTION REMARK REF.NO. PART NO. DESCRIPTION REMARK
— 71 —
R354 1-208-794-11 RES, CHIP 3.3K 0.50% 1/10W
R355 1-216-295-91 SHORT
R357 1-216-091-00 RES, CHIP 56K 5% 1/10W
R358 1-216-043-91 RES, CHIP 560 5% 1/10W
R359 1-216-057-00 RES, CHIP 2.2K 5% 1/10W
R361 1-216-049-91 RES, CHIP 1K 5% 1/10W
R362 1-216-043-91 RES, CHIP 560 5% 1/10W
R363 1-216-037-00 RES, CHIP 330 5% 1/10W
R364 1-216-025-91 RES, CHIP 100 5% 1/10W
R365 1-216-025-91 RES, CHIP 100 5% 1/10W
R366 1-216-053-00 RES, CHIP 1.5K 5% 1/10W
R367 1-216-057-00 RES, CHIP 2.2K 5% 1/10W
R368 1-216-033-00 RES, CHIP 220 5% 1/10W
R369 1-216-041-00 RES, CHIP 470 5% 1/10W
R372 1-216-035-00 RES, CHIP 270 5% 1/10W
R373 1-216-025-91 RES, CHIP 100 5% 1/10W
R374 1-216-025-91 RES, CHIP 100 5% 1/10W
R375 1-216-053-00 RES, CHIP 1.5K 5% 1/10W
R376 1-216-049-91 RES, CHIP 1K 5% 1/10W
R377 1-216-049-91 RES, CHIP 1K 5% 1/10W
R378 1-216-041-00 RES, CHIP 470 5% 1/10W
R379 1-216-049-91 RES, CHIP 1K 5% 1/10W
R380 1-208-790-11 RES, CHIP 2.2K 0.50% 1/10W
R381 1-216-053-00 RES, CHIP 1.5K 5% 1/10W
R391 1-216-053-00 RES, CHIP 1.5K 5% 1/10W
R554 1-216-101-00 RES, CHIP 150K 5% 1/10W
R555 1-216-093-00 RES, CHIP 68K 5% 1/10W
R556 1-216-081-00 RES, CHIP 22K 5% 1/10W
R557 1-249-431-11 CARBON 15K 5% 1/4W
R558 1-216-065-91 RES, CHIP 4.7K 5% 1/10W
R559 1-216-121-91 RES, CHIP 1M 5% 1/10W
R601 ¡1-219-513-11 CARBON 4.7M 5% 1/2W
R602 ¡1-205-998-11 CEMENTED 1 5% 10W
R603 ¡1-205-998-11 CEMENTED 1 5% 10W
THERMISTOR
THP601 1-809-539-11 THERMISTOR POSITIVE
KV-27V40/29VL40
Note:
The components identified
with shading and a critical
symbol ( ¡¡
¡¡
¡
) are critical for
safety. Replace only with
part number specified.
Note:
Les composants identifies per
un trame et une marque ¡¡
¡¡
¡ sont
critiques pout la securite. Ne les
remplacer que par une piece
portant le numero specifie.

The parts on this page belong to the following model(s) only:
REF.NO. PART NO. DESCRIPTION REMARK REF.NO. PART NO. DESCRIPTION REMARK
BOARD VARIANT PARTS LIST
A
— 72 —
KV-27V65/29VL95
A BOARD VARIANT LIST: KV-27V65/29VL95
CAPACITOR
C200 1-126-959-11 ELECT 0.47MF 20% 50V
C252 1-126-959-11 ELECT 0.47MF 20% 50V
C307 1-126-964-11 ELECT 10MF 20% 50V
C309 1-163-021-91 CERAMIC 0.01MF 10% 50V
C314 1-163-003-11 CERAMIC 330PF 10% 50V
C320 1-126-959-11 ELECT 0.47MF 20% 50V
C321 1-163-133-00 CERAMIC 470PF 5% 50V
C323 1-163-243-11 CERAMIC 47PF 5% 50V
C324 1-163-251-11 CERAMIC 100PF 5% 50V
C331 1-163-005-11 CERAMIC 470PF 10% 50V
C332 1-163-009-11 CERAMIC 0.001MF 10% 50V
C350 1-163-021-91 CERAMIC 0.01MF 10% 50V
C351 1-126-964-11 ELECT 10MF 20% 50V
C352 1-163-021-91 CERAMIC 0.01MF 10% 50V
C353 1-163-038-91 CERAMIC 0.1MF 25V
C354 1-163-038-91 CERAMIC 0.1MF 25V
C355 1-164-222-11 CERAMIC 0.22MF 25V
C356 1-163-038-91 CERAMIC 0.1MF 25V
C357 1-163-021-91 CERAMIC 0.01MF 10% 50V
C358 1-104-664-11 ELECT 47MF 20% 25V
C359 1-163-021-91 CERAMIC 0.01MF 10% 50V
C360 1-163-021-91 CERAMIC 0.01MF 10% 50V
C361 1-163-037-11 CERAMIC 0.022MF 10% 50V
C362 1-126-964-11 ELECT 10MF 20% 50V
C420 1-126-960-11 ELECT 1MF 20% 50V
C621 1-126-943-11 ELECT 2200MF 20% 25V
CONNECTOR
CN150 1-564-596-11 PLUG, CONNECTOR 15P
CN251 1-564-510-11 PLUG, CONNECTOR 7P
CN302 1-691-616-11 CONNECTOR, BOARD TO BOARD
DIODE
D208 8-719-982-96 DIODE MTZJ-T-77-2.2A
FERRITE BEAD
FB350 1-216-295-91 SHORT
IC
IC010 8-759-710-85 IC NJM2233BD
IC301 8-752-083-09 IC CXA2061S
IC302 8-752-385-80 IC CXD2073S
JACK
J202 1-774-749-11 JACK BLOCK, PIN
COIL
L350 1-412-029-11 INDUCTOR 10UH
L351 1-412-031-11 INDUCTOR 47UH
TRANSISTOR
Q350 8-729-216-22 TRANSISTOR 2SA1162-G
Q351 8-729-422-27 TRANSISTOR 2SD601A-Q
Q352 8-729-216-22 TRANSISTOR 2SA1162-G
Q353 8-729-216-22 TRANSISTOR 2SA1162-G
Q354 8-729-216-22 TRANSISTOR 2SA1162-G
Q355 8-729-422-27 TRANSISTOR 2SD601A-Q
Q356 8-729-216-22 TRANSISTOR 2SA1162-G
Q357 8-729-216-22 TRANSISTOR 2SA1162-G
Q358 8-729-422-27 TRANSISTOR 2SD601A-Q
Q359 8-729-216-22 TRANSISTOR 2SA1162-G
Q360 8-729-216-22 TRANSISTOR 2SA1162-G
Q608 8-729-026-41 TRANSISTOR 2SA933AS-QRT
RESISTOR
R231 1-216-057-00 RES, CHIP 2.2K 5% 1/10W
R234 1-249-421-11 CARBON 2.2K 5% 1/4W
R235 1-249-421-11 CARBON 2.2K 5% 1/4W
R236 1-249-421-11 CARBON 2.2K 5% 1/4W
R237 1-249-425-11 CARBON 4.7K 5% 1/4W
R238 1-249-425-11 CARBON 4.7K 5% 1/4W
R278 1-216-295-91 SHORT
R307 1-216-065-91 RES, CHIP 4.7K 5% 1/10W
R308 1-216-025-91 RES, CHIP 100 5% 1/10W
R317 1-216-025-91 RES, CHIP 100 5% 1/10W
R318 1-216-025-91 RES, CHIP 100 5% 1/10W
R320 1-247-807-31 CARBON 100 5% 1/4W
R321 1-216-025-91 RES, CHIP 100 5% 1/10W
R322 1-216-025-91 RES, CHIP 100 5% 1/10W

The parts on this page belong to the following model(s) only:
BOARD VARIANT PARTS LIST
A
REF.NO. PART NO. DESCRIPTION REMARK REF.NO. PART NO. DESCRIPTION REMARK
— 73 —
R334 1-216-025-91 RES, CHIP 100 5% 1/10W
R343 1-216-129-00 RES, CHIP 2.2M 5% 1/10W
R345 1-216-129-00 RES, CHIP 2.2M 5% 1/10W
R346 1-216-129-00 RES, CHIP 2.2M 5% 1/10W
R350 1-208-766-11 RES, CHIP 220 0.50% 1/10W
R351 1-208-766-11 RES, CHIP 220 0.50% 1/10W
R352 1-208-794-11 RES, CHIP 3.3K 0.50% 1/10W
R353 1-216-295-91 SHORT
R354 1-208-794-11 RES, CHIP 3.3K 0.50% 1/10W
R355 1-216-295-91 SHORT
R357 1-216-091-00 RES, CHIP 56K 5% 1/10W
R358 1-216-043-91 RES, CHIP 560 5% 1/10W
R359 1-216-057-00 RES, CHIP 2.2K 5% 1/10W
R361 1-216-049-91 RES, CHIP 1K 5% 1/10W
R362 1-216-043-91 RES, CHIP 560 5% 1/10W
R363 1-216-037-00 RES, CHIP 330 5% 1/10W
R364 1-216-025-91 RES, CHIP 100 5% 1/10W
R365 1-216-025-91 RES, CHIP 100 5% 1/10W
R366 1-216-053-00 RES, CHIP 1.5K 5% 1/10W
R367 1-216-057-00 RES, CHIP 2.2K 5% 1/10W
R368 1-216-033-00 RES, CHIP 220 5% 1/10W
R369 1-216-041-00 RES, CHIP 470 5% 1/10W
R372 1-216-035-00 RES, CHIP 270 5% 1/10W
R373 1-216-025-91 RES, CHIP 100 5% 1/10W
R374 1-216-025-91 RES, CHIP 100 5% 1/10W
R375 1-216-053-00 RES, CHIP 1.5K 5% 1/10W
R376 1-216-049-91 RES, CHIP 1K 5% 1/10W
R377 1-216-049-91 RES, CHIP 1K 5% 1/10W
R378 1-216-041-00 RES, CHIP 470 5% 1/10W
R379 1-216-049-91 RES, CHIP 1K 5% 1/10W
R380 1-208-790-11 RES, CHIP 2.2K 0.50% 1/10W
R381 1-216-053-00 RES, CHIP 1.5K 5% 1/10W
R391 1-216-073-00 RES, CHIP 10K 5% 1/10W
R554 1-216-101-00 RES, CHIP 150K 5% 1/10W
R555 1-216-093-00 RES, CHIP 68K 5% 1/10W
R556 1-216-081-00 RES, CHIP 22K 5% 1/10W
R557 1-249-431-11 CARBON 15K 5% 1/4W
R558 1-216-065-91 RES, CHIP 4.7K 5% 1/10W
R559 1-216-121-91 RES, CHIP 1M 5% 1/10W
R601 ¡1-219-513-11 CARBON 4.7M 5% 1/2W
R602 ¡1-205-998-11 CEMENTED 1 5% 10W
R603 ¡1-205-998-11 CEMENTED 1 5% 10W
KV-27V65/29VL95
Note:
The components identified
with shading and a critical
symbol ( ¡¡
¡¡
¡
) are critical for
safety. Replace only with
part number specified.
Note:
Les composants identifies per
un trame et une marque ¡¡
¡¡
¡ sont
critiques pout la securite. Ne les
remplacer que par une piece
portant le numero specifie.
THERMISTOR
THP601 1-809-539-11 THERMISTOR POSITIVE

The parts on this page belong to the following model(s) only:
REF.NO. PART NO. DESCRIPTION REMARK REF.NO. PART NO. DESCRIPTION REMARK
BOARD VARIANT PARTS LIST
A
— 74 —
KV-29VL65A
A BOARD VARIANT LIST: KV-29VL65A
CAPACITOR
C200 1-126-959-11 ELECT 0.47MF 20% 50V
C252 1-126-959-11 ELECT 0.47MF 20% 50V
C300 1-163-099-00 CERAMIC 18PF 5% 50V
C302 1-163-099-00 CERAMIC 18PF 5% 50V
C309 1-163-017-00 CERAMIC 0.0047MF 10% 50V
C320 1-126-957-11 ELECT 0.22MF 20% 50V
C321 1-163-259-91 CERAMIC 220PF 5% 50V
C420 1-126-960-11 ELECT 1MF 20% 50V
C621 1-126-943-11 ELECT 2200MF 20% 25V
CONNECTOR
CN150 1-564-596-11 PLUG, CONNECTOR 15P
CN251 1-564-510-11 PLUG, CONNECTOR 7P
CN302 1-691-616-11 CONNECTOR, BOARD TO BOARD
DIODE
D208 8-719-982-96 DIODE MTZJ-T-77-2.2A
IC
IC010 8-759-710-85 IC NJM2233BD
IC301 8-752-082-35 IC CXA2060AS
JACK
J202 1-774-749-11 JACK BLOCK, PIN
TRANSISTOR
Q288 8-729-422-27 TRANSISTOR 2SD601A-QRS-TX
Q608 8-729-119-76 TRANSISTOR 2SA1175-HFE
RESISTOR
R081 1-249-413-11 CARBON 470 5% 1/4W
R231 1-216-057-00 RES, CHIP 2.2K 5% 1/10W
R234 1-249-421-11 CARBON 2.2K 5% 1/4W
R235 1-249-421-11 CARBON 2.2K 5% 1/4W
R236 1-249-421-11 CARBON 2.2K 5% 1/4W
R237 1-249-425-11 CARBON 4.7K 5% 1/4W
R238 1-249-425-11 CARBON 4.7K 5% 1/4W
R278 1-216-295-91 SHORT 0
R300 1-216-295-91 SHORT 0
R302 1-216-295-91 SHORT 0
R307 1-216-075-00 RES, CHIP 12K 5% 1/10W
R391 1-216-073-00 RES, CHIP 10K 5% 1/10W
R600 ¡1-247-289-00 CARBON 8.2M 5% 1W
R602 ¡1-205-997-11 CEMENTED 2.2 5% 10W
R603 ¡1-205-997-11 CEMENTED 2.2 5% 10W
THERMISTOR
THP601 1-809-827-11 THERMISTOR POSITIVE
CRYSTAL
X300 1-579-972-11 VIBRATOR, CRYSTAL
X302 1-579-973-11 VIBRATOR, CRYSTAL
Note:
The components identified
with shading and a critical
symbol ( ¡¡
¡¡
¡
) are critical for
safety. Replace only with
part number specified.
Note:
Les composants identifies per
un trame et une marque ¡¡
¡¡
¡ sont
critiques pout la securite. Ne les
remplacer que par une piece
portant le numero specifie.

The parts on this page belong to the following model(s) only:
BOARD VARIANT PARTS LIST
A
REF.NO. PART NO. DESCRIPTION REMARK REF.NO. PART NO. DESCRIPTION REMARK
— 75 —
CAPACITOR
C200 1-126-959-11 ELECT 0.47MF 20% 50V
C307 1-126-964-11 ELECT 10MF 20% 50V
C309 1-163-021-91 CERAMIC 0.01MF 10% 50V
C314 1-163-003-11 CERAMIC 330PF 10% 50V
C320 1-126-959-11 ELECT 0.47MF 20% 50V
C321 1-163-133-00 CERAMIC 470PF 5% 50V
C323 1-163-243-11 CERAMIC 47PF 5% 50V
C324 1-163-251-11 CERAMIC 100PF 5% 50V
C331 1-163-005-11 CERAMIC 470PF 10% 50V
C332 1-163-009-11 CERAMIC 0.001MF 10% 50V
C350 1-163-021-91 CERAMIC 0.01MF 10% 50V
C351 1-126-964-11 ELECT 10MF 20% 50V
C352 1-163-021-91 CERAMIC 0.01MF 10% 50V
C353 1-163-038-91 CERAMIC 0.1MF 25V
C354 1-163-038-91 CERAMIC 0.1MF 25V
C355 1-164-222-11 CERAMIC 0.22MF 25V
C356 1-163-038-91 CERAMIC 0.1MF 25V
C357 1-163-021-91 CERAMIC 0.01MF 10% 50V
C358 1-104-664-11 ELECT 47MF 20% 25V
C359 1-163-021-91 CERAMIC 0.01MF 10% 50V
C360 1-163-021-91 CERAMIC 0.01MF 10% 50V
C361 1-163-037-11 CERAMIC 0.022MF 10% 50V
C362 1-126-964-11 ELECT 10MF 20% 50V
C420 1-126-960-11 ELECT 1MF 20% 50V
C621 1-126-941-11 ELECT 470MF 20% 25V
CONNECTOR
CN302 1-691-616-11 CONNECTOR, BOARD TO BOARD
DIODE
D208 8-719-110-17 DIODE RD10ESB2
FERRITE BEAD
FB350 1-216-295-91 SHORT
IC
IC301 8-752-083-09 IC CXA2061S
IC302 8-752-385-80 IC CXD2073S
IC401 8-759-490-17 IC TDA7057AQ/N2
JACK
J202 1-774-749-11 JACK BLOCK, PIN
COIL
L350 1-412-029-11 INDUCTOR 10UH
L351 1-412-031-11 INDUCTOR 47UH
TRANSISTOR
Q350 8-729-216-22 TRANSISTOR 2SA1162-G
Q351 8-729-422-27 TRANSISTOR 2SD601A-Q
Q352 8-729-216-22 TRANSISTOR 2SA1162-G
Q353 8-729-216-22 TRANSISTOR 2SA1162-G
Q354 8-729-216-22 TRANSISTOR 2SA1162-G
Q355 8-729-422-27 TRANSISTOR 2SD601A-Q
Q356 8-729-216-22 TRANSISTOR 2SA1162-G
Q357 8-729-216-22 TRANSISTOR 2SA1162-G
Q358 8-729-422-27 TRANSISTOR 2SD601A-Q
Q359 8-729-216-22 TRANSISTOR 2SA1162-G
Q360 8-729-216-22 TRANSISTOR 2SA1162-G
Q608 8-729-026-41 TRANSISTOR 2SA933AS-QRT
RESISTOR
R211 1-247-807-31 CARBON 100 5% 1/4W
R212 1-249-425-11 CARBON 4.7K 5% 1/4W
R231 1-216-065-91 RES, CHIP 4.7K 5% 1/10W
R234 1-247-843-11 CARBON 3.3K 5% 1/4W
R235 1-247-843-11 CARBON 3.3K 5% 1/4W
R236 1-249-425-11 CARBON 4.7K 5% 1/4W
R237 1-249-427-11 CARBON 6.8K 5% 1/4W
R238 1-249-427-11 CARBON 6.8K 5% 1/4W
R307 1-216-065-91 RES, CHIP 4.7K 5% 1/10W
R308 1-216-025-91 RES, CHIP 100 5% 1/10W
R317 1-216-025-91 RES, CHIP 100 5% 1/10W
R318 1-216-025-91 RES, CHIP 100 5% 1/10W
R320 1-247-807-31 CARBON 100 5% 1/4W
R321 1-216-025-91 RES, CHIP 100 5% 1/10W
R322 1-216-025-91 RES, CHIP 100 5% 1/10W
R334 1-216-025-91 RES, CHIP 100 5% 1/10W
R343 1-216-129-00 RES, CHIP 2.2M 5% 1/10W
R345 1-216-129-00 RES, CHIP 2.2M 5% 1/10W
R346 1-216-129-00 RES, CHIP 2.2M 5% 1/10W
R350 1-208-766-11 RES, CHIP 220 0.50% 1/10W
KV-27V45/29VL85
A BOARD VARIANT LIST: KV-27V45/29VL85

The parts on this page belong to the following model(s) only:
REF.NO. PART NO. DESCRIPTION REMARK REF.NO. PART NO. DESCRIPTION REMARK
BOARD VARIANT PARTS LIST
A
— 76 —
KV-27V45/29VL85
R351 1-208-766-11 RES, CHIP 220 0.50% 1/10W
R352 1-208-794-11 RES, CHIP 3.3K 0.50% 1/10W
R353 1-216-295-91 SHORT
R354 1-208-794-11 RES, CHIP 3.3K 0.50% 1/10W
R355 1-216-295-91 SHORT
R357 1-216-091-00 RES, CHIP 56K 5% 1/10W
R358 1-216-043-91 RES, CHIP 560 5% 1/10W
R359 1-216-057-00 RES, CHIP 2.2K 5% 1/10W
R361 1-216-049-91 RES, CHIP 1K 5% 1/10W
R362 1-216-043-91 RES, CHIP 560 5% 1/10W
R363 1-216-037-00 RES, CHIP 330 5% 1/10W
R364 1-216-025-91 RES, CHIP 100 5% 1/10W
R365 1-216-025-91 RES, CHIP 100 5% 1/10W
R366 1-216-053-00 RES, CHIP 1.5K 5% 1/10W
R367 1-216-057-00 RES, CHIP 2.2K 5% 1/10W
R368 1-216-033-00 RES, CHIP 220 5% 1/10W
R369 1-216-041-00 RES, CHIP 470 5% 1/10W
R372 1-216-035-00 RES, CHIP 270 5% 1/10W
R373 1-216-025-91 RES, CHIP 100 5% 1/10W
R374 1-216-025-91 RES, CHIP 100 5% 1/10W
R375 1-216-053-00 RES, CHIP 1.5K 5% 1/10W
R376 1-216-049-91 RES, CHIP 1K 5% 1/10W
R377 1-216-049-91 RES, CHIP 1K 5% 1/10W
R378 1-216-041-00 RES, CHIP 470 5% 1/10W
R379 1-216-049-91 RES, CHIP 1K 5% 1/10W
R380 1-208-790-11 RES, CHIP 2.2K 0.50% 1/10W
R381 1-216-053-00 RES, CHIP 1.5K 5% 1/10W
R391 1-216-073-00 RES, CHIP 10K 5% 1/10W
R554 1-216-101-00 RES, CHIP 150K 5% 1/10W
R555 1-216-093-00 RES, CHIP 68K 5% 1/10W
R556 1-216-081-00 RES, CHIP 22K 5% 1/10W
R557 1-249-431-11 CARBON 15K 5% 1/4W
R558 1-216-065-91 RES, CHIP 4.7K 5% 1/10W
R559 1-216-121-91 RES, CHIP 1M 5% 1/10W
R601 ¡1-219-513-11 CARBON 4.7M 5% 1/2W
R602 ¡1-205-998-11 CEMENTED 1 5% 10W
R603 ¡1-205-998-11 CEMENTED 1 5% 10W
THERMISTOR
THP601 1-809-539-11 THERMISTOR POSITIVE
Note:
The components identified
with shading and a critical
symbol ( ¡¡
¡¡
¡
) are critical for
safety. Replace only with
part number specified.
Note:
Les composants identifies per
un trame et une marque ¡¡
¡¡
¡ sont
critiques pout la securite. Ne les
remplacer que par une piece
portant le numero specifie.

The parts on this page belong to the following model(s) only:
BOARD VARIANT PARTS LIST
A
REF.NO. PART NO. DESCRIPTION REMARK REF.NO. PART NO. DESCRIPTION REMARK
— 77 —
KV-29VL65C
A BOARD VARIANT LIST: KV-29VL65C
CAPACITOR
C200 1-126-959-11 ELECT 0.47MF 20% 50V
C252 1-126-959-11 ELECT 0.47MF 20% 50V
C307 1-126-964-11 ELECT 10MF 20% 50V
C309 1-163-021-91 CERAMIC 0.01MF 10% 50V
C314 1-163-003-11 CERAMIC 330PF 10% 50V
C320 1-126-959-11 ELECT 0.47MF 20% 50V
C321 1-163-133-00 CERAMIC 470PF 5% 50V
C323 1-163-243-11 CERAMIC 47PF 5% 50V
C324 1-163-251-11 CERAMIC 100PF 5% 50V
C331 1-163-005-11 CERAMIC 470PF 10% 50V
C332 1-163-009-11 CERAMIC 0.001MF 10% 50V
C350 1-163-021-91 CERAMIC 0.01MF 10% 50V
C351 1-126-964-11 ELECT 10MF 20% 50V
C352 1-163-021-91 CERAMIC 0.01MF 10% 50V
C353 1-163-038-91 CERAMIC 0.1MF 25V
C354 1-163-038-91 CERAMIC 0.1MF 25V
C355 1-164-222-11 CERAMIC 0.22MF 25V
C356 1-163-038-91 CERAMIC 0.1MF 25V
C357 1-163-021-91 CERAMIC 0.01MF 10% 50V
C358 1-104-664-11 ELECT 47MF 20% 25V
C359 1-163-021-91 CERAMIC 0.01MF 10% 50V
C360 1-163-021-91 CERAMIC 0.01MF 10% 50V
C361 1-163-037-11 CERAMIC 0.022MF 10% 50V
C362 1-126-964-11 ELECT 10MF 20% 50V
C420 1-126-960-11 ELECT 1MF 20% 50V
C621 1-126-943-11 ELECT 2200MF 20% 25V
CONNECTOR
CN150 1-564-596-11 PLUG, CONNECTOR 15P
CN251 1-564-510-11 PLUG, CONNECTOR 7P
CN302 1-691-616-11 CONNECTOR, BOARD TO BOARD
DIODE
D002 1-810-039-11 LED UNIT
D208 8-719-982-96 DIODE MTZJ-T-77-2.2A
FERRITE BEAD
FB350 1-216-295-91 SHORT
IC
IC010 8-759-710-85 IC NJM2233BD
IC301 8-752-083-09 IC CXA2061S
IC302 8-752-385-80 IC CXD2073S
JACK
J202 1-774-749-11 JACK BLOCK, PIN
COIL
L350 1-412-029-11 INDUCTOR 10UH
L351 1-412-031-11 INDUCTOR 47UH
TRANSISTOR
Q350 8-729-216-22 TRANSISTOR 2SA1162-G
Q351 8-729-422-27 TRANSISTOR 2SD601A-Q
Q352 8-729-216-22 TRANSISTOR 2SA1162-G
Q353 8-729-216-22 TRANSISTOR 2SA1162-G
Q354 8-729-216-22 TRANSISTOR 2SA1162-G
Q355 8-729-422-27 TRANSISTOR 2SD601A-Q
Q356 8-729-216-22 TRANSISTOR 2SA1162-G
Q357 8-729-216-22 TRANSISTOR 2SA1162-G
Q358 8-729-422-27 TRANSISTOR 2SD601A-Q
Q359 8-729-216-22 TRANSISTOR 2SA1162-G
Q360 8-729-216-22 TRANSISTOR 2SA1162-G
Q608 8-729-119-76 TRANSISTOR 2SA1175-HFE
RESISTOR
R231 1-216-057-00 RES, CHIP 2.2K 5% 1/10W
R234 1-249-421-11 CARBON 2.2K 5% 1/4W
R235 1-249-421-11 CARBON 2.2K 5% 1/4W
R236 1-249-421-11 CARBON 2.2K 5% 1/4W
R237 1-249-425-11 CARBON 4.7K 5% 1/4W
R238 1-249-425-11 CARBON 4.7K 5% 1/4W
R307 1-216-065-91 RES, CHIP 4.7K 5% 1/10W
R308 1-216-025-91 RES, CHIP 100 5% 1/10W
R317 1-216-025-91 RES, CHIP 100 5% 1/10W
R318 1-216-025-91 RES, CHIP 100 5% 1/10W

The parts on this page belong to the following model(s) only:
REF.NO. PART NO. DESCRIPTION REMARK REF.NO. PART NO. DESCRIPTION REMARK
BOARD VARIANT PARTS LIST
A
— 78 —
KV-29VL65C
R320 1-247-807-31 CARBON 100 5% 1/4W
R321 1-216-025-91 RES, CHIP 100 5% 1/10W
R322 1-216-025-91 RES, CHIP 100 5% 1/10W
R334 1-216-025-91 RES, CHIP 100 5% 1/10W
R343 1-216-129-00 RES, CHIP 2.2M 5% 1/10W
R345 1-216-129-00 RES, CHIP 2.2M 5% 1/10W
R346 1-216-129-00 RES, CHIP 2.2M 5% 1/10W
R350 1-208-766-11 RES, CHIP 220 0.50% 1/10W
R351 1-208-766-11 RES, CHIP 220 0.50% 1/10W
R352 1-208-794-11 RES, CHIP 3.3K 0.50% 1/10W
R353 1-216-295-91 SHORT 0
R354 1-208-794-11 RES, CHIP 3.3K 0.50% 1/10W
R355 1-216-295-91 SHORT 0
R357 1-216-091-00 RES, CHIP 56K 5% 1/10W
R358 1-216-043-91 RES, CHIP 560 5% 1/10W
R359 1-216-057-00 RES, CHIP 2.2K 5% 1/10W
R361 1-216-049-91 RES, CHIP 1K 5% 1/10W
R362 1-216-043-91 RES, CHIP 560 5% 1/10W
R363 1-216-037-00 RES, CHIP 330 5% 1/10W
R364 1-216-025-91 RES, CHIP 100 5% 1/10W
R365 1-216-025-91 RES, CHIP 100 5% 1/10W
R366 1-216-053-00 RES, CHIP 1.5K 5% 1/10W
R367 1-216-057-00 RES, CHIP 2.2K 5% 1/10W
R368 1-216-033-00 RES, CHIP 220 5% 1/10W
R369 1-216-041-00 RES, CHIP 470 5% 1/10W
R372 1-216-035-00 RES, CHIP 270 5% 1/10W
R373 1-216-025-91 RES, CHIP 100 5% 1/10W
R374 1-216-025-91 RES, CHIP 100 5% 1/10W
R375 1-216-053-00 RES, CHIP 1.5K 5% 1/10W
R376 1-216-049-91 RES, CHIP 1K 5% 1/10W
R377 1-216-049-91 RES, CHIP 1K 5% 1/10W
R378 1-216-041-00 RES, CHIP 470 5% 1/10W
R379 1-216-049-91 RES, CHIP 1K 5% 1/10W
R380 1-208-790-11 RES, CHIP 2.2K 0.50% 1/10W
R381 1-216-053-00 RES, CHIP 1.5K 5% 1/10W
R391 1-216-053-00 RES, CHIP 1.5K 5% 1/10W
R554 1-216-101-00 RES, CHIP 150K 5% 1/10W
R555 1-216-093-00 RES, CHIP 68K 5% 1/10W
R556 1-216-081-00 RES, CHIP 22K 5% 1/10W
R557 1-249-431-11 CARBON 15K 5% 1/4W
R558 1-216-065-91 RES, CHIP 4.7K 5% 1/10W
R559 1-216-121-91 RES, CHIP 1M 5% 1/10W
R600 ¡1-247-289-00 CARBON 8.2M 5% 1W
R602 ¡1-205-997-11 CEMENTED 2.2 5% 10W
R603 ¡1-205-997-11 CEMENTED 2.2 5% 10W
THERMISTOR
THP601 1-809-827-11 THERMISTOR POSITIVE

The parts on this page belong to the following model(s) only:
BOARD VARIANT PARTS LIST
A
REF.NO. PART NO. DESCRIPTION REMARK REF.NO. PART NO. DESCRIPTION REMARK
— 79 —
* A-1331-838-A CV BOARD, COMPLETE
(All Models)
4-382-854-11 SCREW (M3X10), P, SW (+)
CAPACITOR
C944 1-102-129-00 CERAMIC 0.01MF 10% 50V
C945 1-102-110-00 CERAMIC 220PF 10% 50V
C946 1-104-665-11 ELECT 100MF 20% 25V
C949 1-161-830-00 CERAMIC 0.0047MF 500V
C950 1-126-941-11 ELECT 470MF 20% 25V
C951 1-107-637-11 ELECT 22MF 20% 160V
C952 1-104-999-11 MYLAR 0.1MF 10% 200V
C953 1-106-383-00 MYLAR 0.047MF 10% 200V
C954 1-137-364-11 FILM 0.001MF 5% 50V
C955 1-107-667-11 ELECT 2.2MF 20% 160V
C956 1-137-364-11 FILM 0.001MF 5% 50V
C957 1-106-383-00 MYLAR 0.047MF 10% 200V
C958 1-126-941-11 ELECT 470MF 20% 25V
C1701 1-107-652-11 ELECT 10MF 20% 250V
C1702 1-162-114-00 CERAMIC 0.0047MF 2KV
C1705 1-107-667-11 ELECT 2.2MF 20% 160V
C1941 1-126-941-11 ELECT 470MF 20% 25V
C1948 1-102-121-00 CERAMIC 0.0022MF 10% 50V
CONNECTOR
CN942 * 1-564-507-11 PLUG, CONNECTOR 4P
CN1701* 1-564-509-11 PLUG, CONNECTOR 6P
CN1702 1-564-511-11 PLUG, CONNECTOR 8P
CN1703 1-695-915-11 TAB (CONTACT)
CN1704 1-695-915-11 TAB (CONTACT)
DIODE
D941 8-719-991-33 DIODE 1SS133T-77
D946 8-719-110-88 DIODE RD39ESB2
D947 8-719-110-88 DIODE RD39ESB2
D1704 8-719-901-83 DIODE 1SS83
D1705 8-719-901-83 DIODE 1SS83
D1706 8-719-901-83 DIODE 1SS83
D1708 8-719-302-43 DIODE EL1Z
IC
IC1701 8-759-535-08 IC TDA6108Q
JACK
J1701 ¡1-251-688-11 SOCKET, CRT
COIL
L1701 1-408-613-31 INDUCTOR 68UH
TRANSISTOR
Q943 8-729-119-78 TRANSISTOR 2SC2785-HFE
Q944 8-729-119-78 TRANSISTOR 2SC2785-HFE
Q945 8-729-119-78 TRANSISTOR 2SC2785-HFE
Q946 8-729-017-05 TRANSISTOR 2SA1837
Q947 8-729-017-06 TRANSISTOR 2SC4793
Q965 8-729-119-78 TRANSISTOR 2SC2785-HFE
Q966 8-729-119-76 TRANSISTOR 2SA1175-HFE
RESISTOR
R943 1-247-807-31 CARBON 100 5% 1/4W
R948 1-249-417-11 CARBON 1K 5% 1/4W
R949 1-249-421-11 CARBON 2.2K 5% 1/4W
R950 1-249-417-11 CARBON 1K 5% 1/4W
R951 1-249-417-11 CARBON 1K 5% 1/4W
R952 1-249-413-11 CARBON 470 5% 1/4W
R953 1-249-403-11 CARBON 68 5% 1/4W
R954 1-247-815-91 CARBON 220 5% 1/4W
R955 1-249-416-11 CARBON 820 5% 1/4W
R956 1-247-807-31 CARBON 100 5% 1/4W
R957 1-249-429-11 CARBON 10K 5% 1/4W
R958 1-247-807-31 CARBON 100 5% 1/4W
R959 1-249-403-11 CARBON 68 5% 1/4W
R977 1-249-397-11 CARBON 22 5% 1/4W F
R979 1-249-401-11 CARBON 47 5% 1/4W
R1706 1-260-099-11 CARBON 1K 5% 1/2W
R1707 1-260-099-11 CARBON 1K 5% 1/2W
R1708 1-260-099-11 CARBON 1K 5% 1/2W
R1709 1-260-087-11 CARBON 100 5% 1/2W
R1710 1-260-123-11 CARBON 100K 5% 1/2W
R1711 1-216-373-11 METAL OXIDE 2.2 5% 2W F
R1712 1-216-375-00 METAL OXIDE 3.3 5% 2W F
R1713 1-247-807-31 CARBON 100 5% 1/4W
R1714 1-247-807-31 CARBON 100 5% 1/4W
R1715 1-247-807-31 CARBON 100 5% 1/4W
R1720 1-260-132-11 CARBON 560K 5% 1/2W
R1941 1-260-312-11 CARBON 47 5% 1/2W
CV
COMPLETE PARTS LISTING
CV
Note:
The components identified
with shading and a critical
symbol ( ¡¡
¡¡
¡
) are critical for
safety. Replace only with
part number specified.
Note:
Les composants identifies per
un trame et une marque ¡¡
¡¡
¡ sont
critiques pout la securite. Ne les
remplacer que par une piece
portant le numero specifie.

The parts on this page belong to the following model(s) only:
REF.NO. PART NO. DESCRIPTION REMARK REF.NO. PART NO. DESCRIPTION REMARK
BOARD VARIANT PARTS LIST
A
— 80 —
Note:
The components identified
with shading and a critical
symbol ( ¡¡
¡¡
¡
) are critical for
safety. Replace only with
part number specified.
Note:
Les composants identifies per
un trame et une marque ¡¡
¡¡
¡ sont
critiques pout la securite. Ne les
remplacer que par une piece
portant le numero specifie.
* A-1343-525-A E BOARD, COMPLETE
(KV-27V40/29VL40/27V65/29VL95/27V45/29VL85 only)
* A-1343-526-A E BOARD, COMPLETE
(KV-29VL65A/29VL65C only)
1-533-223-11 HOLDER, FUSE
CAPACITOR
C5000 1-107-662-11 ELECT 22MF 20% 250V
C5002 1-107-662-11 ELECT 22MF 20% 250V
C5003 1-136-601-11 FILM 0.01MF 10% 630V
C5004 1-130-471-00 MYLAR 0.001MF 5% 50V
C5006 1-130-471-00 MYLAR 0.001MF 5% 50V
C5007 1-130-467-00 MYLAR 470PF 5% 50V
C5008 1-130-471-00 MYLAR 0.001MF 5% 50V
C5009 1-126-965-11 ELECT 22MF 20% 50V
C5010 1-115-804-91 ELECT 120MF 20% 35V
C5020 ¡1-113-941-11 CERAMIC 0.0047MF 20% 125V
C5050 ¡1-136-311-51 FILM 0.47MF 20% 125V
(KV-27V40/29VL40/27V65/29VL95/27V45/29VL85 only)
C5050 ¡1-136-311-61 FILM 0.47MF 20% 300V
(KV-29VL65A/29VL65C only)
CONNECTOR
CN5000 * 1-580-843-11 PIN, CONNECTOR (POWER) 2P
CN5001 * 1-564-506-11 PLUG, CONNECTOR 3P
CN5002 * 1-580-843-11 PIN, CONNECTOR (POWER) 2P
CN5003 1-508-786-00 PIN, CONNECTOR (5MM PITCH) 2P
DIODE
D5001 8-719-911-55 DIODE U05G
D5002 8-719-911-55 DIODE U05G
D5003 8-719-055-18 DIODE ERA22-08TP3
E
COMPLETE PARTS LISTING
CV E
D5004 8-719-991-33 DIODE 1SS133T-77
D5005 8-719-991-33 DIODE 1SS133T-77
D5006 8-719-109-93 DIODE RD6.2ESB2
D5007 8-719-510-48 DIODE D1N20R
D5008 8-719-510-26 DIODE D1NL20-TA
FUSE
F5050 ¡1-532-506-51 FUSE 6.3A/250V
(KV-29VL65A/29VL65C only)
F5050 ¡1-576-193-11 FUSE 6.3A/125V
(KV-27V40/29VL40/27V65/29VL95/27V45/29VL85 only)
TRANSISTOR
Q5001 8-729-044-30 TRANSISTOR 2SK2845-LB102
Q5002 8-729-119-78 TRANSISTOR 2SC2785-HFE
RESISTOR
R5001 1-249-389-11 CARBON 4.7 5% 1/4W F
R5002 1-215-485-00 METAL 470K 1% 1/4W
R5003 1-240-205-91 CARBON 22M 5% 1/2W
R5007 1-249-421-11 CARBON 2.2K 5% 1/4W
R5008 1-249-429-11 CARBON 10K 5% 1/4W
R5009 1-249-437-11 CARBON 47K 5% 1/4W
R5010 1-249-415-11 CARBON 680 5% 1/4W
R5011 1-260-302-51 CARBON 6.8 5% 1/2W
R5012 1-249-417-11 CARBON 1K 5% 1/4W
R5013 1-249-415-11 CARBON 680 5% 1/4W
R5050 1-219-512-11 CARBON 2.2M 5% 1/2W
TRANSFORMER
T5001 ¡1-431-852-11 TRANSFORMER, CONVERTER (SRT)
T5050 ¡1-426-717-11 TRANSFORMER, LINE FILTER (LFT)
VARISTOR
VDR5050 1-801-074-41 VARISTOR ERZV10D271
(KV-27V40/29VL40/27V65/29VL95/27V45/29VL85 only)
VDR5050 1-809-267-41 VARISTOR ERZV10D471
(KV-29VL65A/29VL65C only)
R1942 1-249-385-11 CARBON 2.2 5% 1/4W F
R1943 1-249-414-11 CARBON 560 5% 1/4W F
R1944 1-249-432-11 CARBON 18K 5% 1/4W
R1945 1-215-914-11 METAL OXIDE 330 5% 3W F
R1946 1-249-417-11 CARBON 1K 5% 1/4W F
R1947 1-249-432-11 CARBON 18K 5% 1/4W
R1948 1-249-414-11 CARBON 560 5% 1/4W
R1949 1-249-385-11 CARBON 2.2 5% 1/4W F
R1950 1-249-401-11 CARBON 47 5% 1/4W F

The parts on this page belong to the following model(s) only:
BOARD VARIANT PARTS LIST
A
REF.NO. PART NO. DESCRIPTION REMARK REF.NO. PART NO. DESCRIPTION REMARK
— 81 —
* A-1372-479-A HV BOARD, COMPLETE
(All Models)
CAPACITOR
C1407 1-136-173-00 FILM 0.47MF 5% 50V
C1408 1-136-287-11 FILM 0.0047MF 5% 50V
C1409 1-136-173-00 FILM 0.47MF 5% 50V
C1410 1-126-964-11 ELECT 10MF 20% 50V
C1411 1-126-964-11 ELECT 10MF 20% 50V
C1412 1-126-964-11 ELECT 10MF 20% 50V
C1413 1-126-964-11 ELECT 10MF 20% 50V
C1415 1-126-968-11 ELECT 100MF 20% 50V
C1416 1-106-375-12 MYLAR 0.022MF 20% 200V
C1417 1-137-414-11 FILM 0.0047MF 10% 100V
C1418 1-102-114-00 CERAMIC 470PF 10% 50V
C1419 1-130-495-00 FILM 0.1MF 5% 50V
C1420 1-137-371-11 FILM 0.015MF 5% 50V
C1421 1-102-121-00 CERAMIC 0.0022MF 10% 50V
C1422 1-137-414-11 FILM 0.0047MF 10% 100V
C1423 1-136-173-00 FILM 0.47MF 5% 50V
C1424 1-130-495-00 FILM 0.1MF 5% 50V
C1425 1-137-370-11 FILM 0.01MF 5% 50V
C1426 1-130-495-00 FILM 0.1MF 5% 50V
C1427 1-137-370-11 FILM 0.01MF 5% 50V
C1428 1-130-495-00 FILM 0.1MF 5% 50V
C1429 1-137-370-11 FILM 0.01MF 5% 50V
C1430 1-126-964-11 ELECT 10MF 20% 50V
C1431 1-136-287-11 FILM 0.0047MF 5% 50V
C1432 1-126-964-11 ELECT 10MF 20% 50V
C1433 1-106-355-12 MYLAR 0.0033MF 10% 100V
C1434 1-106-379-12 MYLAR 0.033MF 10% 100V
C1435 1-126-964-11 ELECT 10MF 20% 50V
C1436 1-126-964-11 ELECT 10MF 20% 50V
C1437 1-126-964-11 ELECT 10MF 20% 50V
C1438 1-106-355-12 MYLAR 0.0033MF 10% 100V
C1439 1-106-379-12 MYLAR 0.033MF 10% 100V
C1440 1-126-964-11 ELECT 10MF 20% 50V
C1443 1-126-964-11 ELECT 10MF 20% 50V
C2068 1-104-665-11 ELECT 100MF 20% 25V
C2234 1-126-960-11 ELECT 1MF 20% 50V
C2235 1-126-960-11 ELECT 1MF 20% 50V
C2236 1-106-343-00 MYLAR 0.001MF 10% 200V
HV CONNECTOR
CN1405 1-564-510-11 PLUG, CONNECTOR 7P
CN1406* 1-564-506-11 PLUG, CONNECTOR 3P
CN2001* 1-564-506-11 PLUG, CONNECTOR 3P
CN2200* 1-564-514-11 PLUG, CONNECTOR 11P
DIODE
D2001 8-719-110-17 DIODE RD10ESB2
D2006 1-810-039-11 LED UNIT
D2235 8-719-110-17 DIODE RD10ESB2
D2236 8-719-110-17 DIODE RD10ESB2
IC
IC1403 8-759-496-03 IC NJM2178L
IC1404 8-759-496-02 IC NJM2150D
IC2003 8-742-014-11 HYB IC SBX1981-51
JACK
J2231 1-691-110-11 JACK, PIN 3P
RESISTOR
R1403 1-215-437-00 METAL 4.7K 1% 1/4W
R1404 1-249-419-11 CARBON 1.5K 5% 1/4W
R1405 1-249-424-11 CARBON 3.9K 5% 1/4W
R1406 1-249-437-11 CARBON 47K 5% 1/4W
R1407 1-249-435-11 CARBON 33K 5% 1/4W
R1408 1-215-469-00 METAL 100K 1% 1/4W
R1409 1-249-417-11 CARBON 1K 5% 1/4W
R1410 1-215-461-00 METAL 47K 1% 1/4W
R1411 1-249-429-11 CARBON 10K 5% 1/4W
R1412 1-249-429-11 CARBON 10K 5% 1/4W
R1413 1-249-429-11 CARBON 10K 5% 1/4W
R1414 1-249-429-11 CARBON 10K 5% 1/4W
R1415 1-249-429-11 CARBON 10K 5% 1/4W
R1416 1-249-429-11 CARBON 10K 5% 1/4W
R1417 1-249-429-11 CARBON 10K 5% 1/4W
R1419 1-249-441-11 CARBON 100K 5% 1/4W
R1420 1-249-429-11 CARBON 10K 5% 1/4W
HV
COMPLETE PARTS LISTING

The parts on this page belong to the following model(s) only:
REF.NO. PART NO. DESCRIPTION REMARK REF.NO. PART NO. DESCRIPTION REMARK
BOARD VARIANT PARTS LIST
A
— 82 —
R1421 1-249-441-11 CARBON 100K 5% 1/4W
R1422 1-249-429-11 CARBON 10K 5% 1/4W
R1423 1-249-441-11 CARBON 100K 5% 1/4W
R1424 1-249-429-11 CARBON 10K 5% 1/4W
R1425 1-249-429-11 CARBON 10K 5% 1/4W
R1426 1-249-429-11 CARBON 10K 5% 1/4W
R1427 1-249-429-11 CARBON 10K 5% 1/4W
R1428 1-249-429-11 CARBON 10K 5% 1/4W
R1429 1-249-429-11 CARBON 10K 5% 1/4W
R1430 1-215-461-00 METAL 47K 1% 1/4W
R1431 1-249-429-11 CARBON 10K 5% 1/4W
R1432 1-249-429-11 CARBON 10K 5% 1/4W
R1433 1-249-429-11 CARBON 10K 5% 1/4W
R1434 1-215-445-00 METAL 10K 1% 1/4W
R1435 1-249-431-11 CARBON 15K 5% 1/4W
R1440 1-249-429-11 CARBON 10K 5% 1/4W
R1441 1-249-429-11 CARBON 10K 5% 1/4W
R1442 1-249-429-11 CARBON 10K 5% 1/4W
R1443 1-249-429-11 CARBON 10K 5% 1/4W
R2059 1-249-415-11 CARBON 680 5% 1/4W
R2060 1-249-416-11 CARBON 820 5% 1/4W
R2061 1-249-421-11 CARBON 2.2K 5% 1/4W
R2062 1-249-427-11 CARBON 6.8K 5% 1/4W
R2063 1-249-429-11 CARBON 10K 5% 1/4W
R2235 1-247-804-11 CARBON 75 5% 1/4W
R2236 1-247-895-91 CARBON 470K 5% 1/4W
R2237 1-249-425-11 CARBON 4.7K 5% 1/4W
R2238 1-247-895-91 CARBON 470K 5% 1/4W
R2239 1-249-425-11 CARBON 4.7K 5% 1/4W
SWITCH
S2001 1-692-431-21 SWITCH, TACTILE
S2002 1-692-431-21 SWITCH, TACTILE
S2003 1-692-431-21 SWITCH, TACTILE
S2004 1-692-431-21 SWITCH, TACTILE
S2005 1-692-431-21 SWITCH, TACTILE
S2006 1-692-431-21 SWITCH, TACTILE
S2007 1-692-431-21 SWITCH, TACTILE
Note:
The components identified
with shading and a critical
symbol ( ¡¡
¡¡
¡
) are critical for
safety. Replace only with
part number specified.
Note:
Les composants identifies per
un trame et une marque ¡¡
¡¡
¡ sont
critiques pout la securite. Ne les
remplacer que par une piece
portant le numero specifie.
COMPLETE PARTS LISTING
HV HZ
HZ
* A-1372-117-A HZ BOARD, COMPLETE
(KV-29VL65A only)
CONNECTOR
CN901 * 1-580-843-11 PIN, CONNECTOR (POWER)
CN902 * 1-580-843-11 PIN, CONNECTOR (POWER)
SWITCH
S901 ¡1-571-433-21 SWITCH, PUSH (AC POWER)

The parts on this page belong to the following model(s) only:
BOARD VARIANT PARTS LIST
A
REF.NO. PART NO. DESCRIPTION REMARK REF.NO. PART NO. DESCRIPTION REMARK
— 83 —
IC LINK
PS1400 1-532-984-11 LINK, IC 2A/90V
PS1401 1-532-984-11 LINK, IC 2A/90V
TRANSISTOR
Q1001 8-729-119-78 TRANSISTOR 2SC2785-HFE
Q1002 8-729-119-76 TRANSISTOR 2SA1175-HFE
Q1003 8-729-119-76 TRANSISTOR 2SA1175-HFE
Q1004 8-729-119-76 TRANSISTOR 2SA1175-HFE
Q1005 8-729-119-76 TRANSISTOR 2SA1175-HFE
Q1400 8-729-119-78 TRANSISTOR 2SC2785-HFE
RESISTOR
R1001 1-247-807-31 CARBON 100 5% 1/4W
R1002 1-247-807-31 CARBON 100 5% 1/4W
R1003 1-249-434-11 CARBON 27K 5% 1/4W
R1004 1-249-436-11 CARBON 39K 5% 1/4W
R1006 1-249-419-11 CARBON 1.5K 5% 1/4W
R1007 1-247-863-91 CARBON 22K 5% 1/4W
R1008 1-247-863-91 CARBON 22K 5% 1/4W
R1009 1-247-863-91 CARBON 22K 5% 1/4W
R1010 1-247-863-91 CARBON 22K 5% 1/4W
R1011 1-249-414-11 CARBON 560 5% 1/4W
R1012 1-249-414-11 CARBON 560 5% 1/4W
R1013 1-247-807-31 CARBON 100 5% 1/4W
R1014 1-247-807-31 CARBON 100 5% 1/4W
R1015 1-249-419-11 CARBON 1.5K 5% 1/4W
R1401 1-249-429-11 CARBON 10K 5% 1/4W
R1402 1-249-437-11 CARBON 47K 5% 1/4W
R1433 1-249-420-11 CARBON 1.8K 5% 1/4W
R1434 1-247-863-91 CARBON 22K 5% 1/4W
R1435 1-247-863-91 CARBON 22K 5% 1/4W
R1436 1-249-420-11 CARBON 1.8K 5% 1/4W
R1437 1-247-863-91 CARBON 22K 5% 1/4W
R1450 1-249-426-11 CARBON 5.6K 5% 1/4W
R1451 1-249-426-11 CARBON 5.6K 5% 1/4W
R1452 1-249-425-11 CARBON 4.7K 5% 1/4W
R1453 1-249-425-11 CARBON 4.7K 5% 1/4W
TUNER
TU1002 ¡8-598-430-00 TUNER, FSS BTF-FA401
Note:
The components identified
with shading and a critical
symbol ( ¡¡
¡¡
¡
) are critical for
safety. Replace only with
part number specified.
Note:
Les composants identifies per
un trame et une marque ¡¡
¡¡
¡ sont
critiques pout la securite. Ne les
remplacer que par une piece
portant le numero specifie.
* A-1380-571-A K BOARD, COMPLETE
(KV-27V65/29VL95/29VL65A/29VL65C only)
4-382-854-11 SCREW (M3X10), P, SW (+)
CAPACITOR
C1001 1-126-968-11 ELECT 100MF 20% 50V
C1002 1-104-664-11 ELECT 47MF 20% 25V
C1003 1-126-964-11 ELECT 10MF 20% 50V
C1004 1-126-969-11 ELECT 220MF 20% 50V
C1005 1-126-960-11 ELECT 1MF 20% 50V
C1006 1-137-368-11 FILM 0.0047MF 5% 50V
C1007 1-126-960-11 ELECT 1MF 20% 50V
C1401 1-126-957-11 ELECT 0.22MF 20% 50V
C1402 1-126-957-11 ELECT 0.22MF 20% 50V
C1403 1-126-943-11 ELECT 2200MF 20% 25V
C1404 1-126-943-11 ELECT 2200MF 20% 25V
C1405 1-126-382-11 ELECT 100MF 20% 16V
C1406 1-126-382-11 ELECT 100MF 20% 16V
C1450 1-106-387-00 MYLAR 0.068MF 10% 200V
C1451 1-106-387-00 MYLAR 0.068MF 10% 200V
C1452 1-137-368-11 FILM 0.0047MF 5% 50V
C1453 1-137-368-11 FILM 0.0047MF 5% 50V
CONNECTOR
CN1001* 1-564-596-11 PLUG, CONNECTOR 15P
CN1002* 1-564-507-11 PLUG, CONNECTOR 4P
CN1400* 1-564-507-11 PLUG, CONNECTOR 4P
CN1401* 1-564-506-11 PLUG, CONNECTOR 3P
CN1402* 1-564-522-11 PLUG, CONNECTOR 7P
IC
IC1400 8-759-498-09 IC TDA1519AQU
IC1401 8-759-498-09 IC TDA1519AQU
COIL
L1001 1-408-421-00 INDUCTOR 100UH
L1002 1-410-470-11 INDUCTOR 10UH
K
K
COMPLETE PARTS LISTING

The parts on this page belong to the following model(s) only:
REF.NO. PART NO. DESCRIPTION REMARK REF.NO. PART NO. DESCRIPTION REMARK
BOARD VARIANT PARTS LIST
A
— 84 —
C3368 1-164-005-11 CERAMIC CHIP 0.47MF 25V
C3369 1-163-251-11 CERAMIC CHIP 100PF 5% 50V
C3370 1-164-346-11 CERAMIC CHIP 1MF 16V
C3371 1-163-017-00 CERAMIC CHIP 0.0047MF 10% 50V
C3372 1-164-005-11 CERAMIC CHIP 0.47MF 25V
C3393 1-164-005-11 CERAMIC CHIP 0.47MF 25V
(KV-29VL65A only)
C3394 1-164-005-11 CERAMIC CHIP 0.47MF 25V
(KV-29VL65A only)
C3395 1-163-038-91 CERAMIC CHIP 0.1MF 25V
(KV-29VL65A only)
C3396 1-163-038-91 CERAMIC CHIP 0.1MF 25V
(KV-29VL65A only)
CONNECTOR
CN3301* 1-691-632-21 CONNECTOR, BOARD TO BOARD 15P
IC
IC3000 8-759-378-17 IC TDA4662T-V2 (KV-29VL65A only)
IC3302 8-759-231-53 IC TA7805S
IC3303 8-759-438-61 IC SDA9288X-A141
IC3304 8-752-086-80 IC CXA2019AQ-T4
COIL
L3302 1-410-473-11 INDUCTOR 18UH
TRANSISTOR
Q3301 8-729-422-27 TRANSISTOR 2SD601A-Q
Q3307 8-729-422-27 TRANSISTOR 2SD601A-Q
Q3309 8-729-422-27 TRANSISTOR 2SD601A-Q
Q3310 8-729-422-27 TRANSISTOR 2SD601A-Q
Q3312 8-729-216-22 TRANSISTOR 2SA1162-G
Q3314 8-729-216-22 TRANSISTOR 2SA1162-G
RESISTOR
R3301 1-216-295-91 SHORT
R3302 1-216-295-91 SHORT
R3312 1-216-037-00 RES, CHIP 330 5% 1/10W
R3313 1-216-295-91 SHORT
R3314 1-216-049-91 RES, CHIP 1K 5% 1/10W
R3322 1-216-295-91 SHORT
R3324 1-216-295-91 SHORT
R3329 1-216-069-00 RES, CHIP 6.8K 5% 1/10W
R3330 1-216-035-00 RES, CHIP 270 5% 1/10W
R3331 1-216-295-91 SHORT
COMPLETE PARTS LISTING
* A-1190-306-A P BOARD, COMPLETE
(KV-27V45/27V65/29VL65C/29VL85/29VL95 only)
* A-1195-129-A P BOARD, COMPLETE
(KV-29VL65A only)
CAPACITOR
C3319 1-163-031-11 CERAMIC CHIP 0.01MF 50V
C3320 1-126-960-11 ELECT 1MF 20% 50V
C3321 1-163-239-11 CERAMIC CHIP 33PF 5% 50V
C3322 1-163-239-11 CERAMIC CHIP 33PF 5% 50V
C3323 1-163-031-11 CERAMIC CHIP 0.01MF 50V
C3324 1-126-967-11 ELECT 47MF 20% 16V
C3326 1-163-229-11 CERAMIC CHIP 12PF 5% 50V
(KV-29VL65A only)
C3327 1-163-229-11 CERAMIC CHIP 12PF 5% 50V
(KV-29VL65A only)
C3328 1-126-967-11 ELECT 47MF 20% 16V
C3329 1-126-967-11 ELECT 47MF 20% 16V
C3330 1-163-031-11 CERAMIC CHIP 0.01MF 50V
C3331 1-126-967-11 ELECT 47MF 20% 16V
C3332 1-104-664-11 ELECT 47MF 20% 25V
C3334 1-163-031-11 CERAMIC CHIP 0.01MF 50V
C3335 1-163-038-91 CERAMIC CHIP 0.1MF 25V
C3336 1-163-038-91 CERAMIC CHIP 0.1MF 25V
C3337 1-164-005-11 CERAMIC CHIP 0.47MF 25V
C3340 1-163-031-11 CERAMIC CHIP 0.01MF 50V
C3346 1-163-251-11 CERAMIC CHIP 100PF 5% 50V
C3347 1-126-960-11 ELECT 1MF 20% 50V
C3348 1-126-967-11 ELECT 47MF 20% 16V
C3350 1-163-259-91 CERAMIC CHIP 220PF 5% 50V
C3352 1-163-031-11 CERAMIC CHIP 0.01MF 50V
C3353 1-164-346-11 CERAMIC CHIP 1MF 16V
C3354 1-163-031-11 CERAMIC CHIP 0.01MF 50V
C3355 1-126-967-11 ELECT 47MF 20% 16V
C3359 1-163-038-91 CERAMIC CHIP 0.1MF 25V
C3360 1-163-038-91 CERAMIC CHIP 0.1MF 25V
C3361 1-163-038-91 CERAMIC CHIP 0.1MF 25V
C3362 1-126-967-11 ELECT 47MF 20% 16V
C3363 1-163-031-11 CERAMIC CHIP 0.01MF 50V
C3364 1-163-231-11 CERAMIC CHIP 15PF 5% 50V
C3365 1-163-133-00 CERAMIC CHIP 470PF 5% 50V
C3366 1-164-005-11 CERAMIC CHIP 0.47MF 25V
C3367 1-126-963-11 ELECT 4.7MF 20% 50V
P
P

The parts on this page belong to the following model(s) only:
BOARD VARIANT PARTS LIST
A
REF.NO. PART NO. DESCRIPTION REMARK REF.NO. PART NO. DESCRIPTION REMARK
— 85 —
R3335 1-216-295-91 SHORT
R3337 1-216-033-00 RES, CHIP 220 5% 1/10W
R3338 1-216-033-00 RES, CHIP 220 5% 1/10W
R3339 1-216-057-00 RES, CHIP 2.2K 5% 1/10W
R3340 1-216-041-00 RES, CHIP 470 5% 1/10W
R3341 1-216-057-00 RES, CHIP 2.2K 5% 1/10W
R3342 1-216-057-00 RES, CHIP 2.2K 5% 1/10W
R3343 1-216-073-00 RES, CHIP 10K 5% 1/10W
R3344 1-216-065-91 RES, CHIP 4.7K 5% 1/10W
R3346 1-216-049-91 RES, CHIP 1K 5% 1/10W
R3347 1-216-073-00 RES, CHIP 10K 5% 1/10W
R3352 1-216-049-91 RES, CHIP 1K 5% 1/10W
R3355 1-216-051-00 RES, CHIP 1.2K 5% 1/10W
(KV-29VL65A only)
R3356 1-216-051-00 RES, CHIP 1.2K 5% 1/10W
(KV-29VL65A only)
R3358 1-216-295-91 SHORT
R3360 1-216-295-91 SHORT
R3362 1-216-043-91 RES, CHIP 560 5% 1/10W
R3363 1-216-043-91 RES, CHIP 560 5% 1/10W
R3364 1-216-043-91 RES, CHIP 560 5% 1/10W
R3369 1-216-053-00 RES, CHIP 1.5K 5% 1/10W
R3370 1-216-053-00 RES, CHIP 1.5K 5% 1/10W
R3371 1-216-033-00 RES, CHIP 220 5% 1/10W
R3375 1-216-037-00 RES, CHIP 330 5% 1/10W
R3376 1-216-071-00 RES, CHIP 8.2K 5% 1/10W
R3377 1-216-073-00 RES, CHIP 10K 5% 1/10W
R3378 1-216-053-00 RES, CHIP 1.5K 5% 1/10W
R3379 1-216-077-00 RES, CHIP 15K 5% 1/10W
R3380 1-216-025-91 RES, CHIP 100 5% 1/10W
R3381 1-216-025-91 RES, CHIP 100 5% 1/10W
R3382 1-216-057-00 RES, CHIP 2.2K 5% 1/10W
R3383 1-216-025-91 RES, CHIP 100 5% 1/10W
R3384 1-216-033-00 RES, CHIP 220 5% 1/10W
R3385 1-216-109-00 RES, CHIP 330K 5% 1/10W
R3387 1-216-295-91 SHORT
R3388 1-216-295-91 SHORT
R3392 1-216-295-91 SHORT
R3393 1-216-025-91 RES, CHIP 100 5% 1/10W
R3394 1-216-025-91 RES, CHIP 100 5% 1/10W
R3395 1-216-061-00 RES, CHIP 3.3K 5% 1/10W
R3401 1-216-295-91 SHORT
P
CRYSTAL
X3302 1-760-095-21 VIBRATOR, CRYSTAL
X3303 1-577-611-11 OSCILLATOR, CERAMIC
X3304 1-567-505-11 OSCILLATOR, CRYSTAL
X3350 1-579-973-11 VIBRATOR, CRYSTAL (KV-29VL65A only)
X3351 1-579-973-11 VIBRATOR, CRYSTAL (KV-29VL65A only)
COMPLETE PARTS LISTING

The parts on this page belong to the following model(s) only:
REF.NO. PART NO. DESCRIPTION REMARK REF.NO. PART NO. DESCRIPTION REMARK
BOARD VARIANT PARTS LIST
A
— 86 —
KV-27V40/29VL40
ACCESSORIES AND PACKING MATERIALS
3-861-907-21 MANUAL INSTRUCTION (KV-27V40)
3-861-918-41 MANUAL INSTRUCTION (KV-29VL40)
4-041-255-01 BAG PROTECTION
4-054-059-01 CUSHION (UPPER)
4-054-062-01 CUSHION (LOWER)
4-065-733-01 CARTON INDIVIDUAL (KV-27V40)
4-065-734-01 CARTON INDIVIDUAL (KV-29VL40)
REMOTE COMMANDER
1-475-801-11 REMOTE COMMANDER (RM-Y165)
4-978-977-01 BATTERY COVER (FOR REMOTE)
KV-27V65/29VL95
ACCESSORIES AND PACKING MATERIALS
3-861-907-21 MANUAL INSTRUCTION (KV-27V65)
3-861-918-41 MANUAL INSTRUCTION (KV-29VL95)
4-041-255-01 BAG PROTECTION
4-054-059-01 CUSHION (UPPER)
4-054-062-01 CUSHION (LOWER)
4-065-733-01 CARTON INDIVIDUAL (KV-27V65)
4-065-734-01 CARTON INDIVIDUAL (KV-29VL95)
REMOTE COMMANDER
1-475-802-11 REMOTE COMMANDER (RM-Y167)
4-978-977-01 BATTERY COVER (FOR REMOTE)
KV-29VL65A
ACCESSORIES AND PACKING MATERIALS
3-861-824-41 MANUAL INSTRUCTION
4-041-255-01 BAG PROTECTION
4-054-059-01 CUSHION (UPPER)
4-054-062-01 CUSHION (LOWER)
4-065-734-01 CARTON INDIVIDUAL
REMOTE COMMANDER
1-475-802-11 REMOTE COMMANDER (RM-Y167)
4-978-977-01 BATTERY COVER (FOR REMOTE)
KV-27V45/29VL85
ACCESSORIES AND PACKING MATERIALS
3-861-907-21 MANUAL INSTRUCTION (KV-27V45)
3-861-918-41 MANUAL INSTRUCTION (KV-29VL85)
4-041-255-01 BAG PROTECTION
4-054-059-01 CUSHION (UPPER)
4-054-062-01 CUSHION (LOWER)
4-065-733-01 CARTON INDIVIDUAL (KV-27V45)
4-065-734-01 CARTON INDIVIDUAL (KV-29VL85)
REMOTE COMMANDER
1-475-802-11 REMOTE COMMANDER (RM-Y167)
4-978-977-01 BATTERY COVER (FOR REMOTE)
KV-29VL65C
ACCESSORIES AND PACKING MATERIALS
3-861-918-41 MANUAL INSTRUCTION
4-041-255-01 BAG PROTECTION
4-054-059-01 CUSHION (UPPER)
4-054-062-01 CUSHION (LOWER)
4-065-734-01 CARTON INDIVIDUAL
REMOTE COMMANDER
1-475-802-11 REMOTE COMMANDER (RM-Y167)
4-978-977-01 BATTERY COVER (FOR REMOTE)
ACCESSORIES AND PACKING MATERIALS

The parts on this page belong to the following model(s) only:
BOARD VARIANT PARTS LIST
A
REF.NO. PART NO. DESCRIPTION REMARK REF.NO. PART NO. DESCRIPTION REMARK
— 87 —
Sony Corporation
Sony Technology Center
Product Quality Division
Service Promotion Department
9-965-842-01
English
98DJ74425-1
Printed in U.S.A.
© 1998.4