Sony Trinitron Kv 27Fs320 Users Manual Assist
KV-27FS320 to the manual 9eb6f848-aa77-4415-83f7-37ae612ac05f
2015-01-23
: Sony Sony-Trinitron-Kv-27Fs320-Users-Manual-290375 sony-trinitron-kv-27fs320-users-manual-290375 sony pdf
Open the PDF directly: View PDF
.
Page Count: 93

TRINITRON® COLOR TELEVISION
SERVICE MANUAL
BA-6
CHASSIS
MODEL NAME REMOTE COMMANDER DESTINATION CHASSIS NO.
9-965-964-01
KV-27FS320
RM-Y196 US SCC-S61S-A
KV-27FS320
RM-Y196 CANADA SCC-S59N-A
KV-32FS120
RM-Y195 US SCC-S61P-A
KV-32FS120
RM-Y195 CANADA SCC-S59K-A
KV-32FS320
RM-Y196 US SCC-S61T-A
KV-32FS320
RM-Y196 CANADA SCC-S59P-A
KV-34FS120
RM-Y195 LATIN NORTH SCC-S73F-A
KV-34FS120
RM-Y195 LATIN SOUTH SCC-S73G-A
KV-36FS120
RM-Y195 US SCC-S61Q-A
KV-36FS120
RM-Y195 CANADA SCC-S59L-A
KV-36FS120
RM-Y195 HAWAII SCC-S74A-A
KV-36FS320
RM-Y196 US SCC-S61R-A
KV-36FS320
RM-Y196 CANADA SCC-S59M-A
KV-36FS320
RM-Y196 HAWAII SCC-S74B-A
KV-38FS120
RM-Y195 LATIN NORTH SCC-S73G-A
Self Diagnosis
Supported model
KV-27FS320 KV-32FS120

3
KV-27FS320/32FS120/32FS320/34FS120/36FS120/36FS320/38FS120
KV-27FS320/32FS120/32FS320/34FS120/36FS120/36FS320/38FS120
TABLE OF CONTENTS
Specifi cations ................................................................................. 4
Warnings and Cautions .................................................................. 6
Safety Check-Out ........................................................................... 7
Self-Diagnostic Function................................................................. 8
SECTION 1: DISASSEMBLY............................................................... 10
1-1. Rear Cover Removal............................................................ 10
1-2. Chassis Assembly Removal................................................. 10
1-3. Service Position ...................................................................11
1-4. Picture Tube Removal.......................................................... 12
Anode Cap Removal Procedure........................................... 12
Cable Wire Dressing ............................................................ 13
KV-27FS320/32FS320/36FS320 Models........................ 13
KV-32FS120/34FS120 Models ....................................... 13
KV-36FS120/38FS120 Models ....................................... 18
SECTION 2: SET-UP ADJUSTMENTS................................................ 23
2-1. Beam Landing ...................................................................... 23
2-2. Convergence........................................................................ 24
2-3. Focus ................................................................................... 25
2-4. Screen (G2).......................................................................... 26
2-5. Method of Setting the Service Adjustment Mode ................. 26
2-6. White Balance Adjustments ................................................. 26
SECTION 3: SAFETY RELATED ADJUSTMENTS............................. 27
3-1.
X
R530, R531 Confi rmation Method (HV Hold-Down
Confi rmation) and Readjustments........................................ 27
3-2. B+ Voltage Confi rmation and Adjustment ............................ 27
SECTION 4: CIRCUIT ADJUSTMENTS.............................................. 28
4-1. Setting the Service Adjustment Mode .................................. 28
4-2. Memory Write Confi rmation Method .................................... 28
4-3. Remote Adjustment Buttons and Indicators ......................... 28
4-4. Service Data Lists ................................................................ 29
KV-27FS320 Service Data ................................................... 29
KV-32FS320 Service Data ................................................... 30
KV-36FS320 Service Data ................................................... 39
KV-32FS120/34FS120 Service Data.................................... 48
KV-36FS120/38FS120 Service Data.................................... 57
4-5. ID Map Table ........................................................................ 57
4-6. A Board Adjustments............................................................ 58
SECTION 5: DIAGRAMS..................................................................... 61
5-1. Circuit Boards Location ........................................................ 61
5-2. Printed Wiring Board and Schematic Diagram Information.. 61
5.3. Block Diagram and Schematics ........................................... 62
A Board Schematic Diagram (1 of 2).................................... 63
A Board Schematic Diagram (2 of 2).................................... 64
HM Board Schematic Diagram (1 of 4)
(KV-27FS320/32FS320/36FS320 Only) .................. 66
HM Board Schematic Diagram (2 of 4)
(KV-27FS320/32FS320/36FS320 Only) .................. 67
HM Board Schematic Diagram (3 of 4)
(KV-27FS320/32FS320/36FS320 Only) .................. 68
HM Board Schematic Diagram (4 of 4)
(KV-27FS320/32FS320/36FS320 Only) .................. 68
V Board Schematic Diagram ............................................... 69
M Board Schematic Diagram ............................................... 70
C Board Schematic Diagram ............................................... 72
HN Board Schematic Diagram
(KV-27FS320/32FS320/36FS320 Only) .................. 73
HR Board Schematic Diagram
(KV-27FS320/32FS320/36FS320 Only) .................. 73
HS Board Schematic Diagram
(KV-32FS120/34FS120/36FS120/38FS120 Only)... 73
HU/HD Board Schematic Diagram
(KV-27FS320/32FS320/36FS320 Only) .................. 76
5-4. Semiconductors ................................................................... 79
SECTION 6: EXPLODED VIEWS........................................................ 80
6-1. Chassis
(KV-27FS320/32FS320/36FS320 Only)............................... 80
6-2. Picture Tube
(KV-27FS320/32FS320/36FS320 Only)............................... 81
6-3. Chassis
(KV-32FS120/34FS120/36FS120/38FS120 Only) ............... 82
6-4. Picture Tube
(KV-32FS120/34FS120/36FS120/38FS120 Only) ............... 83
SECTION 7: ELECTRICAL PARTS LIST........................................... 84
SECTION TITLE PAGE SECTION TITLE PAGE

4
KV-27FS320/32FS120/32FS320/34FS120/36FS120/36FS320/38FS120
KV-27FS320/32FS120/32FS320/34FS120/36FS120/36FS320/38FS120
KV-27FS320 KV-32FS120 KV-32FS320 KV-34FS120
Power Requirements 120V, 60Hz 120V, 60Hz 120V, 60Hz 120V-220V, 50/60Hz
Number of Inputs/Outputs
Video 1) 333 3
S Video 2) 111 1
Y,PB, PR
3) 212 1
Audio 4) 232 3
RF 111 1
Speaker Output (W) 10W x 2 10W x 2 10W x 2 10W x 2
Power Consumption (W)
In Use (Max) 180W 175W 190W 175W (170W Chile, Peru, Bolivia)
In Standby (Max) 5) 1W 1W 1W 1W
Dimensions (W x H x D)
mm 784 x 601.5 x 520 mm 898 x 696 x 576 mm 898 x 682 x 584 mm 898 x 696 x 576 mm
in 30 7/8 x 23 5/8 x 20 1/2 in 35 3/8 x 27 3/8 x 22 5/8 in 35 3/8 x 26 7/8 x 23 in 35 3/8 x 27 3/8 x 22 5/8 in
Mass
kg 47.4 kg 75 kg 75.80 kg 75 kg
lbs 104 lbs 8 oz 165 lbs 6 oz 167 lbs 2 oz 165 lbs 6 oz
KV-36FS120 KV-36FS320 KV-38FS120
Power Requirements 120V, 60Hz 120V, 60Hz 120V-220V, 50/60Hz
Number of Inputs/Outputs
Video 1) 333
S Video 2) 111
Y,PB, PR
3) 121
Audio 4) 323
RF 111
Speaker Output (W) 10W x 2 10W x 2 10W x 2
Power Consumption (W)
In Use (Max) 180W 190W 180W
In Standby (Max) 5) 1W 1W 1W
Dimensions (W x H x D)
mm 985 x 774 x 633 mm 1020 x 760 x 640 mm 985 x 774 x 633 mm
in 38 3/4 x 30 1/2 x 24 7/8 in 40 1/8 x 29 7/8 x 25 1/4 in 38 3/4 x 30 1/2 x 24 7/8 in
Mass
kg 98.4 kg 101.2 kg 98.4 kg
lbs 216 lbs 15 oz 223 lbs 2 oz 216 lbs 15 oz
SPECIFICATIONS
1)
1 Vp-p 75 ohms unbalanced, sync negative
2)
Y: 1 Vp-p 75 ohms unbalanced, sync negative
C: 0.286 Vp-p (Burst signal), 75 ohms
3) Y: 1.0 Vp-p, 75 ohms, sync negative; PB: 0.7 Vp-p, 75 ohms;
PR Vp-p, 75 ohms.
4)
500
m
Vrms (100% modulation), Impedance: 47 kilohms
5)
This specifi cation is the maximum wattage.
SRS (SOUND RETRIEVAL SYSTEM)
The SRS (SOUND RETRIEVAL SYSTEM) is manufactured
by Sony Corporation under license from SRS Labs, Inc. It is
covered by U.S. Patent No. 4,748,669. Other U.S. and foreign
patents pending.
The word ‘SRS’ and the SRS symbol are registered trade-
marks of SRS Labs, Inc. BBE and BBE symbol are trademarks of
BBE Sound, Inc. and are licensed by BBE Sound, Inc. under U.S.
Patent No. 4,638,258 and 4,482,866.
Design and specifi cations are subject to change without notice.
TruSurround™
by SRS ®
TruSurround is a trademark of SRS Labs, Inc. SRS and the SRS
symbol are registered trademarks of SRS Labs, Inc. in the United
States and in select foreign countries. SRS and TruSurround are
incorporated under license from SRS Labs, Inc. and are protected
under United States Patent Nos. 4,748,669 and 4,841,572 with
numerous additional issued and pending foreign patents. Pur-
chase of this product does not convey the right to sell recordings
made with the TruSurround technology.
5
KV-27FS320/32FS120/32FS320/34FS120/36FS120/36FS320/38FS120
KV-27FS320/32FS120/32FS320/34FS120/36FS120/36FS320/38FS120
Television system
American TV standard, NTSC
Channel coverage
VHF: 2-13/ UHF: 14-69/ CATV: 1-125
Antenna
75-ohm external antenna terminal for VHF/UHF
Picture tube
FD Trinitron
®
tube
Visible screen size
27-inch picture measured diagonally (KV-27FS320 Only)
32-inch picture measured diagonally (KV-32FS120/32FS320/34FS120 Only)
36-inch picture measured diagonally (KV-36FS120/36FS320/38FS120 Only)
Actual screen size
29-inch measured diagonally (KV-27FS320 Only)
34-inch measured diagonally (KV-32FS120/32FS320/34FS120 Only)
38-inch measured diagonally (KV-36FS120/36FS320/38FS120 Only)
Supplied Accessories
Remote Commander RM-Y195 (All Except KV-27FS320/32FS320/36FS320)
Remote Commander RM-Y196(KV-27FS320/32FS320/36FS320 Only)
Two Size AA (R6) Batteries
Optional Accessories
TV Stand
SU-27F2 (KV-27FS320 Only)
SU-32F2 (KV-32FS120/32FS320/34FS120 Only)
SU-36F2 (KV-36FS120/36FS320/38FS120 Only)

6
KV-27FS320/32FS120/32FS320/34FS120/36FS120/36FS320/38FS120
KV-27FS320/32FS120/32FS320/34FS120/36FS120/36FS320/38FS120
WARNINGS AND CAUTIONS
CAUTION
Short circuit the anode of the picture tube and the anode cap to the metal chassis, CRT shield, or carbon painted on the CRT, after
removing the anode.
WARNING!!
An isolation transformer should be used during any service to avoid possible shock hazard, because of live chassis. The chassis of
this receiver is directly connected to the AC power line.
! SAFETY-RELATED COMPONENT WARNING!!
Components identifi ed by shading and
!
mark on the schematic diagrams, exploded views, and in the parts list are critical for safe
operation. Replace these components with Sony parts whose part numbers appear as shown in this manual or in supplements
published by Sony. Circuit adjustments that are critical for safe operation are identifi ed in this manual. Follow these procedures
whenever critical components are replaced or improper operation is suspected.
ATTENTION!!
Apres avoir deconnecte le cap de l’anode, court-circuiter l’anode du tube cathodique et celui de l’anode du cap au chassis metallique
de l’appareil, ou la couche de carbone peinte sur le tube cathodique ou au blindage du tube cathodique.
Afi n d’eviter tout risque d’electrocution provenant d’un chássis sous tension, un transformateur d’isolement doit etre utilisé lors de tout
dépannage. Le chássis de ce récepteur est directement raccordé à l’alimentation du secteur.
! ATTENTION AUX COMPOSANTS RELATIFS A LA SECURITE!!
Les composants identifi es par une trame et par une marque
!
sur les schemas de principe, les vues explosees et les listes de pieces
sont d’une importance critique pour la securite du fonctionnement. Ne les remplacer que par des composants Sony dont le numero
de piece est indique dans le present manuel ou dans des supplements publies par Sony. Les reglages de circuit dont l’importance
est critique pour la securite du fonctionnement sont identifi es dans le present manuel. Suivre ces procedures lors de chaque
remplacement de composants critiques, ou lorsqu’un mauvais fonctionnement suspecte.

7
KV-27FS320/32FS120/32FS320/34FS120/36FS120/36FS320/38FS120
KV-27FS320/32FS120/32FS320/34FS120/36FS120/36FS320/38FS120
SAFETY CHECK-OUT
After correcting the original service problem, perform the following
safety checks before releasing the set to the customer:
1. Check the area of your repair for unsoldered or poorly soldered
connections. Check the entire board surface for solder splashes and
bridges.
2. Check the interboard wiring to ensure that no wires are “pinched” or
touching high-wattage resistors.
3. Check that all control knobs, shields, covers, ground straps, and
mounting hardware have been replaced. Be absolutely certain that
you have replaced all the insulators.
4. Look for unauthorized replacement parts, particularly transistors,
that were installed during a previous repair. Point them out to the
customer and recommend their replacement.
5. Look for parts which, though functioning, show obvious signs of
deterioration. Point them out to the customer and recommend their
replacement.
6. Check the line cords for cracks and abrasion. Recommend the
replacement of any such line cord to the customer.
7. Check the B+ and HV to see if they are specifi ed values. Make sure
your instruments are accurate; be suspicious of your HV meter if sets
always have low HV.
8. Check the antenna terminals, metal trim, “metallized” knobs, screws,
and all other exposed metal parts for AC leakage. Check leakage as
described below.
Leakage Test
The AC leakage from any exposed metal part to earth ground and
from all exposed metal parts to any exposed metal part having a
return to chassis, must not exceed 0.5 mA (500 microamperes).
Leakage current can be measured by any one of three methods.
1. A commercial leakage tester, such as the Simpson 229 or RCA
WT-540A. Follow the manufacturers’ instructions to use these
instructions.
2. A battery-operated AC milliampmeter. The Data Precision 245
digital multimeter is suitable for this job.
3. Measuring the voltage drop across a resistor by means of a VOM
or battery-operated AC voltmeter. The “limit” indication is 0.75
V, so analog meters must have an accurate low voltage scale.
The Simpson’s 250 and Sanwa SH-63TRD are examples of
passive VOMs that are suitable. Nearly all battery-operated digital
multimeters that have a 2 VAC range are suitable (see Figure A).
How to Find a Good Earth Ground
A cold-water pipe is a guaranteed earth ground; the cover-plate
retaining screw on most AC outlet boxes is also at earth ground. If the
retaining screw is to be used as your earth ground, verify that it is at
ground by measuring the resistance between it and a cold-water pipe
with an ohmmeter. The reading should be zero ohms.
If a cold-water pipe is not accessible, connect a 60- to 100-watt
trouble- light (not a neon lamp) between the hot side of the receptacle
and the retaining screw. Try both slots, if necessary, to locate the hot
side on the line; the lamp should light at normal brilliance if the screw
is at ground potential (see Figure B).
To Exposed Metal
Parts on Set
0.15 F 1.5 K ΩAC
Voltmeter
(0.75 V)
Earth Ground
Trouble Light
AC Outlet Box Ohmmeter
Cold-water Pipe
Figure A. Using an AC voltmeter to check AC leakage. Figure B. Checking for earth ground.

8
KV-27FS320/32FS120/32FS320/34FS120/36FS120/36FS320/38FS120
KV-27FS320/32FS120/32FS320/34FS120/36FS120/36FS320/38FS120
Detected Symptoms
SELF-DIAGNOSTIC FUNCTION
*If a +B overcurrent is detected, stoppage of the vertical defl ection is detected simultaneously. The symptom that is diagnosed fi rst by the
mircrocontroller is displayed on the screen.
**Refer to Screen (G2) Adjustments in Section 2-4. of this manual.
Display of Standby/Timer LED Flash Count
2 times
4 times
5 times
LED ON 0.3 sec.
LED OFF 0.3 sec. LED OFF
3 sec.
Diagnostic Item Flash Count*
+B Overcurrent 2 times
I-Prot 4 times
IK (AKB) 5 times
*One fl ash count is not used for self-diagnostic.
Stopping the Standby/Timer LED Flash
Turn off the power switch on the TV main unit or unplug the power cord from the outlet to stop the STANDBY/TIMER LAMP from fl ashing.
Self Diagnosis
Supported model
The units in this manual contain a self-diagnostic function. If an error occurs, the STANDBY/TIMER LED will automatically begin to fl ash. The number
of times the LED fl ashes translates to a probable source of the problem. A defi nition of the STANDBY/TIMER LED fl ash indicators is listed in the
instruction manual for the user’s knowledge and reference. If an error symptom cannot be reproduced, the Remote Commander can be used to review
the failure occurrence data stored in memory to reveal past problems and how often these problems occur.
Diagnostic Test Indicators
When an error occurs, the STANDBY/TIMER LED will fl ash a set number of times to indicate the possible cause of the problem. If there is more than
one error, the LED will identify the fi rst of the problem areas.
Results for all of the following diagnostic items are displayed on screen. No error has occurred if the screen displays a “0”.
Power does not turn on
+B overcurrent (OCP)*
I-Prot
IK (AKB)
Does not light
2 times
4 times
5 times
2:0 or 2:1
4:0 or 4:1
5:0 or 5:1
• Power cord is not plugged in.
• Fuse is burned out (F601). (A Board)
• H.OUT (Q502) is shorted. (A Board)
• IC702 is shorted. (C Board)
• +13V is not supplied. (A Board)
• IC561 is faulty. (A Board)
• IC001 is faulty. (M Board)
• Screen (G2) is improperly adjusted.**
No. of times
STANDBY/ TIMER
lamp fl ashes
Diagnostic Item
Description
Self-Diagnositc
Display/
Diagnostic Result
Probable Cause Location
• Power does not come on.
• No power is supplied to the TV.
• AC Power supply is faulty.
• Power does not come on.
• Load on power line is shorted.
• Has entered standby state after horizontal raster.
• Vertical defl ection pulse is stopped.
• Power line is shorted or power supply is stopped.
• No raster is generated.
• CRT Cathode current detection reference pulse
output is small.
Standby/Timer LED

9
KV-27FS320/32FS120/32FS320/34FS120/36FS120/36FS320/38FS120
KV-27FS320/32FS120/32FS320/34FS120/36FS120/36FS320/38FS120
Self-Diagnostic Screen Display
For errors with symptoms such as “power sometimes shuts off” or “screen sometimes goes out” that cannot be confi rmed, it is possible to bring up past
occurrences of failure on the screen for confi rmation.
To Bring Up Screen Test
In standby mode, press buttons on the Remote Commander sequentially, in rapid succession, as shown below:
Display Channel 5 Sound Volume - Power ON
Self-Diagnostic Screen Display
SELF DIAGNOSTIC
2: +B OCP 0
3: +B OVP N/A
4: VSTOP 0
Numeral “0” means that no fault was detected.
5: AKB 1
Numeral “1” means a fault was detected one time only.
101: WDT N/A
Handling of Self-Diagnostic Screen Display
Since the diagnostic results displayed on the screen are not automatically cleared, always check the self-diagnostic screen during repairs. When you
have completed the repairs, clear the result display to “0”.
Unless the result display is cleared to “0”, the self-diagnostic function will not be able to detect subsequent faults after completion of the repairs.
Clearing the Result Display
To clear the result display to “0”, press buttons on the Remote Commander sequentially when the diagnostic screen is displayed, as shown below:
Channel 8 ENTER
Quitting the Self-Diagnostic Screen
To quit the entire self-diagnostic screen, turn off the power switch on the Remote Commander or the main unit.
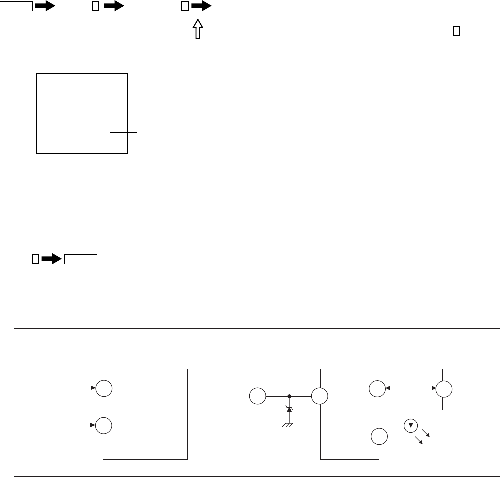
Self-Diagnostic Circuit
M BOARD
IC001
Y/CHROMA JUNGLE
A BOARD
IC561
V. OUT
M BOARD
IC001
SYSTEM
M BOARD
IC002
MEMORY
IK-AKBIN
FROM
C BOARD
IC702 PIN 5
I-HLDWN
FROM
A BOARD
IC501
PIN 1
72 O-LED
REF I-Prot
IO-BDAT
BDA
DISPLAY
51 378
79
53 5
+B overcurrent (OCP)
Occurs when an overcurrent on the +B (135V) line is detected by pin 72 of IC001 (M Board). If the voltage of pin 72 of IC001 (M Board) is less than 1V
when V.SYNC is more than seven verticals in a period, the unit will automatically turn off.
I-Prot
Occurs when an absence of the vertical defl ection pulse is detected by pin 78 of IC001 (M Board). Power supply will shut down when waveform
interval exceeds 2 seconds.
IK (AKB)
If the RGB levels* do not balance within 2 seconds after the power is turned on, this error will be detected by IC001 (M Board). TV will stay on, but
there will be no picture.
*(Refers to the RGB levels of the AKB detection Ref pulse that detects 1K).
Note that this differs from entering the Service Mode (Sound Volume + ).

10
KV-27FS320/32FS120/32FS320/34FS120/36FS120/36FS320/38FS120
KV-27FS320/32FS120/32FS320/34FS120/36FS120/36FS320/38FS120
1-1. REAR COVER REMOVAL
(KV-27FS320 PICTURED)
SECTION 1: DISASSEMBLY
Rear Cover
12
Screws +BVTP 4X16 TYPE2 TT(B)
(KV-27FS320/32FS320/36FS320 Only)
16
Screws +BVTP 4X16 TYPE2 TT(B)
(KV-32FS120/34FS120/
36FS120/38FS120 Only)
7
Screws +BVTP 3X12 TYPE2 TT(B)
(KV-27FS320/32FS320/36FS320 Only)
5
Screws +BVTP 3X12 TYPE2 TT(B)
(KV-32FS120/34FS120/
36FS120/38FS120 Only)
1-2. CHASSIS ASSEMBLY REMOVAL
Chassis Assembly
Claw

11
KV-27FS320/32FS120/32FS320/34FS120/36FS120/36FS320/38FS120
KV-27FS320/32FS120/32FS320/34FS120/36FS120/36FS320/38FS120
1-3. SERVICE POSITION
(KV-27FS320 PICTURED)
A Board
C Board
1
Press on catch tab to release A Board.
2
Disconnect cables as needed to allow A Board to be removed.
HN Board
HU Board
V Board HM Board
M Board

12
KV-27FS320/32FS120/32FS320/34FS120/36FS120/36FS320/38FS120
KV-27FS320/32FS120/32FS320/34FS120/36FS120/36FS320/38FS120
1. Discharge the anode of the CRT and remove the
anode cap.
2. Unplug all interconnecting leads from the
defl ection yoke, neck assembly, degaussing coils
and CRT grounding strap.
3. Remove the C Board from the CRT.
4. Remove the chassis assembly.
5. Loosen the neck assembly fi xing screw and
remove.
6. Loosen the defl ection yoke fi xing screw and
remove.
7. Place the set with the CRT face down on a
cushion and remove the degaussing coil holders.
8. Remove the degaussing coils.
9. Remove the CRT grounding strap and spring
tension devices.
10. Unscrew the four CRT fi xing screws [located on
each CRT corner] and remove the CRT [Take
care not to handle the CRT by the neck].
1-4. PICTURE TUBE REMOVAL
WARNING: BEFORE REMOVING THE ANODE CAP
High voltage remains in the CRT even after the power is disconnected. To avoid electric shock,
discharge CRT before attempting to remove the anode cap. Short between anode and CRT
coated earth ground strap.
ANODE CAP REMOVAL PROCEDURE
WARNING: High voltage remains in the CRT even after the power is disconnected. To avoid electric shock, discharge CRT before attempting to
remove the anode cap. Short between anode and coated earth ground strap of CRT.
NOTE: After removing the anode cap, short circuit the anode of the picture tube and the anode cap to either the metal chassis, CRT shield, or carbon
painted on the CRT.
REMOVAL PROCEDURES
HOW TO HANDLE AN ANODE CAP
1. Do not use sharp objects which may cause damage to the surface of the anode
cap.
2. To avoid damaging the anode cap, do not squeeze the rubber covering too
hard. A material fi tting called a shatter-hook terminal is built into the rubber.
3. Do not force turn the foot of the rubber cover. This may cause the shatter-hook
terminal to protrude and damage the rubber.
Turn up one side of the rubber cap in
the direction indicated by arrow a .
Use your thumb to pull the rubber
cap fi rmly in the direction indicated
by arrow b .
When one side of the rubber cap separates from
the anode button, the anode cap can be removed
by turning the rubber cap and pulling it in the
direction of arrow c .
a
b
Anode Button
c
10
4
1
98
7
6
5
2
3

13
KV-27FS320/32FS120/32FS320/34FS120/36FS120/36FS320/38FS120
KV-27FS320/32FS120/32FS320/34FS120/36FS120/36FS320/38FS120
CABLE WIRE DRESSING
KV-27FS320/32FS320/36FS320 MODELS
Dress right speaker wire through DGC’s tie
wrap.
Dress DGC lead wire with a 9mm purse lock
1
Dress left speaker wire through DGC’s tie
wrap.
2
(DATA NOT AVAILABLE)
KV-32FS120/34FS120 MODELS

14
KV-27FS320/32FS120/32FS320/34FS120/36FS120/36FS320/38FS120
KV-27FS320/32FS120/32FS320/34FS120/36FS120/36FS320/38FS120
Dress RGB harness over Rotation coil lead
wire.
Dress Rotation coil lead wire over DY clip and
through rotation coil as shown in picture.
3
Dress VM and heaters harnesses over RGB
to avoid interference with back cover
installation.
4

15
KV-27FS320/32FS120/32FS320/34FS120/36FS120/36FS320/38FS120
KV-27FS320/32FS120/32FS320/34FS120/36FS120/36FS320/38FS120
Dress CRT ground wires under DGC and
beside VD board at the middle as picture
shows, keep away from focus and HV lead
wires.
5
Dress G2 wire and DF wire as shown in
picture.
6

16
KV-27FS320/32FS120/32FS320/34FS120/36FS120/36FS320/38FS120
KV-27FS320/32FS120/32FS320/34FS120/36FS120/36FS320/38FS120
Dress HV cable and focus wire together using
a 5mm purse lock
(3-703-981-02).
Install purse lock over carbon paint edge.
7
Dress DY lead wire with a 9mm purse
lock (3-703-982-02)
8

17
KV-27FS320/32FS120/32FS320/34FS120/36FS120/36FS320/38FS120
KV-27FS320/32FS120/32FS320/34FS120/36FS120/36FS320/38FS120
Dress AC-Cord into CRT support hook as
shown in picture.
Dress 12P video harness through bottom
board’s purse locks and under AC-Cord.
Unstall purse locks as shown in picture.
Dress lightning wire under 12P harness.
9

18
KV-27FS320/32FS120/32FS320/34FS120/36FS120/36FS320/38FS120
KV-27FS320/32FS120/32FS320/34FS120/36FS120/36FS320/38FS120
KV-36FS120/38FS120 MODELS
Dress right speaker wire through DGC band.
Dress DGC lead wire with a 9mm purse lock
1
Dress left speaker wire through DGC band
2

19
KV-27FS320/32FS120/32FS320/34FS120/36FS120/36FS320/38FS120
KV-27FS320/32FS120/32FS320/34FS120/36FS120/36FS320/38FS120
Dress RGB harness over Rotation coil lead
wire.
Dress Rotation coil lead wire over DY clip and
through rotation coil as shown in picture.
3
Dress earth groun wires under DGC and over
VD board.
4

20
KV-27FS320/32FS120/32FS320/34FS120/36FS120/36FS320/38FS120
KV-27FS320/32FS120/32FS320/34FS120/36FS120/36FS320/38FS120
Bend H-Stat wire towards C board.
5
Dress G2 wire and DF wire as shown in
picture.
Dress heaters and VM harnesses on the left
side of DY lead wire
6

21
KV-27FS320/32FS120/32FS320/34FS120/36FS120/36FS320/38FS120
KV-27FS320/32FS120/32FS320/34FS120/36FS120/36FS320/38FS120
Dress HV cable and focus wire together using
a 5mm purse lock,
install purse lock 150mm±10 from rubber cap .
Dress HV through standing holder, install
holder on CRT’s carbon paint edge
7
Dress DY lead wire with a 9mm purse
lock (3-703-982-02)
8

22
KV-27FS320/32FS120/32FS320/34FS120/36FS120/36FS320/38FS120
KV-27FS320/32FS120/32FS320/34FS120/36FS120/36FS320/38FS120
Dress AC-Cord into CRT support hook using a
9mm purse lock as shown in picture.
Dress 12P video harness through bottom
board’s purse locks and under AC-Cord. Install
purse locks as shown in picture.
Dress lightning wire under 12P harness.
9

23
KV-27FS320/32FS120/32FS320/34FS120/36FS120/36FS320/38FS120
KV-27FS320/32FS120/32FS320/34FS120/36FS120/36FS320/38FS120
The following adjustments should be made when a complete
realignment is required or a new picture tube is installed.
These adjustments should be performed with rated power supply
voltage unless otherwise noted.
Set the controls as follows unless otherwise noted:
VIDEO MODE: Pro
PICTURE CONTROL: Normal
BRIGHTNESS CONTROL: Normal
SECTION 2: SET-UP ADJUSTMENTS
Perform the adjustments in order as follows:
1. Beam Landing
2. Convergence
3. Focus
4. Screen (G2)
5. White Balance
Note Test Equipment Required:
1. Color Bar Pattern Generator
2. Degausser
3. DC Power Supply
4. Digital Multimeter
2-1. BEAM LANDING
Before beginning adjustment procedure:
1. Degauss the entire screen.
2. Feed in the white pattern signal.
ADJUSTMENT PROCEDURE
1. Input a raster signal with the pattern generator.
2. Loosen the defl ection yoke mounting screw, and set the purity
control to the center as shown below:
Purity Control
3. Turn the raster signal of the pattern generator to green.
4. Move the defl ection yoke backward, and adjust with the purity control
so that green is in the center and red and blue are even on both
sides.
Blue Red
Green
5. Move the defl ection yoke forward, and adjust so that the entire
screen becomes green.
6. Switch over the raster signal to red and blue and confi rm the
condition.
7. When the position of the defl ection yoke is determined, tighten it with
the defl ection yoke mounting screw.
8. If landing at the corner is not right, adjust by using the disk magnets.
a
c
b
d
b
a
cd
Purity control
corrects this area.
Disk magnets
or rotatable disk
magnets correct
these areas (a-d).
Deflection yoke positioning
corrects these areas.

24
KV-27FS320/32FS120/32FS320/34FS120/36FS120/36FS320/38FS120
KV-27FS320/32FS120/32FS320/34FS120/36FS120/36FS320/38FS120
2-2. CONVERGENCE
Before starting convergence adjustments:
1 Perform FOCUS, VLIN and VSIZE adjustments.
2. Set BRIGHTNESS control to minimum.
3. Feed in dot pattern.
VERTICAL STATIC CONVERGENCE
1. Adjust V. STAT magnet to converge red, green and blue dots in the
center of the screen.
2. Tilt the V. STAT magnet and adjust static convergence to open or
close the V. STAT magnet.
When the V. STAT magnet is moved in the direction of arrow a and b,
red, green, and blue dots move as shown below:
B
R
G
B
R
G
RGB
BGR
1
2
b
bb
b
b
b
b
aab
a
a
aa
3
R
G
B
B
G
R
HORIZONTAL STATIC CONVERGENCE
If the blue dot does not converge with the red and green dots, perform
the following:
1. Move H STAT VR magnet (a) to correct insuffi cient H.Static
convergence.
BMC MAGNET
PURITY
V. S TAT
H STAT VR
B
G
R
Center dot
V.STAT magnet
RV701
H.STAT
B
G
R

25
KV-27FS320/32FS120/32FS320/34FS120/36FS120/36FS320/38FS120
KV-27FS320/32FS120/32FS320/34FS120/36FS120/36FS320/38FS120
DYNAMIC CONVERGENCE ADJUSTMENT
Before performing this adjustment, perform Horizontal and Vertical Static
Convergence Adjustment.
1. Slightly loosen defl ection yoke screw.
2. Remove defl ection yoke spacers.
3. Move the defl ection yoke for best convergence as
shown below:
BGR GB
R
GB
R
R
R
G
B
GB
G
B
R
BGR G
B
G
B
R
R
G
BG
G
B
RB
R
R
4. Tighten the defl ection yoke screw.
5. Install the defl ection yoke spacers.
TLH PLATE ADJUSTMENT
1. Input crosshatch pattern.
2. Adjust PICTURE QUALITY to standard, PICTURE and BRIGHTNESS
to 50%, and OTHER to standard.
3 Adjust the Horizontal Convergence of red and blue dots by tilting the
TLH plate on the defl ection yoke.
(TLV)
YCH
XCV TLV
C
Board
RV701
V.STAT
TLH Plate
B R R B
(R)(B) (B)(R)
TLH+
TLH-
4. Adjust XCV core to balance X axis.
5. Adjust YCH VR to balance Y axis.
6. Adjust vertical red and blue convergence with V.TILT (TLV VR.)
Note: Perform adjustment 3-6 while tracking items 1 and 2.
SCREEN-CORNER CONVERGENCE
1. Affi x a permalloy assembly corresponding to the misconverged areas:
ba
cd
a
b
d
a-d: screen-corner
misconvergence
c
2-3. FOCUS
1. Adjust FOCUS control for best pictures.
Focus (FV)
Screen (G2)

26
KV-27FS320/32FS120/32FS320/34FS120/36FS120/36FS320/38FS120
KV-27FS320/32FS120/32FS320/34FS120/36FS120/36FS320/38FS120
2-4. SCREEN (G2)
1. Input a dot pattern.
2. Set the PICTURE and BRIGHTNESS controls at minimum and
COLOR control at normal.
3. Adjust SBRT, GCUT, BCUT in service mode with an oscilloscope as
shown below so that voltages on the red, green, and blue cathodes
are 172 ± 2VDC.
Pedestal
172 – 2VDC
Ground
±
4. Observe the screen and adjust SCREEN (G2) VR in FBT to obtain
the faintly visible background of dot signal.
2-5. METHOD OF SETTING THE SERVICE
ADJUSTMENT MODE
SERVICE MODE PROCEDURE
1. Standby mode (power off).
2. Press Display Channel 5 Sound Volume + Power
on the Remote Commander (press each button within a second).
SERVICE ADJUSTMENT MODE ON
1. The CRT displays the time being adjusted.
Mode Category
Display
Item
Display
Item
Signal
Type ntsc
service defl
vchp 00000000 00000000
hsiz 16
2. Press 1 or 4 on the Remote Commander to select the time.
3. Press 3 or 6 on the Remote Commander to change the data.
4. Press MUTING then ENTER to save into the memory.
SERVICE ADJUSTMENT MODE MEMORY
Turn the set off then on to exit Service Adjustment Mode.
service defl hsiz 16
ntsc
vchp 00000000 00000000
Category
Display
Item
Mode
Item
Data
Signal
Type
write
ENTER
Green
Red
MUTING
2-6. WHITE BALANCE ADJUSTMENTS
1. Input an entire white signal with burst.
2. Set to Service Adjustment Mode.
3. Set the PICTURE and BRIGHTNESS to minimum.
4. Adjust with SBRT if necessary.
5. Select GCUT and BCUT with 1 and 4 .
6. Adjust with 3 and 6 for the best white balance.
7. Set the PICTURE and BRIGHTNESS to maximum.
8. Select GDRV and BDRV with 1 and 4.
9. Adjust with 3 and 6 for the best white balance.
10. Press MUTING then ENTER to save into the memory.

27
KV-27FS320/32FS120/32FS320/34FS120/36FS120/36FS320/38FS120
KV-27FS320/32FS120/32FS320/34FS120/36FS120/36FS320/38FS120
HOLD-DOWN READJUSTMENT
If the setting indicated in Step 2 of Hold-Down Operation Confi rmation
cannot be met, readjustment should be performed by altering the
resistance value of R530, R531 component marked with
X
.
3mA DC range
+
-
+
-
A
+
-
FBT
TP85
T503
FBT
TP85
R531 R530
DC Power Supply
digital multimeter
ammeter
Figure 1
3-2. B+ VOLTAGE CONFIRMATION AND
ADJUSTMENT
Always perform the following adjustments when replacing the following
components, which are marked with
Y
on the schematic diagram on the
A Board:
A BOARD
IC600, PH602
Adjustment (Y)
1. Using a Variac, apply AC input voltage: 130 + 2.0/-0.0 VAC
2. Input a monoscope signal.
3. Set the PICTURE control and the BRIGHT control to
minimum.
4. Confi rm the voltage on A Board between TP23 and ground is less
than 136.5 VDC.
5. If step 4 is not satisfi ed, replace R530 and R531 on A Board and
repeat the above steps.
SECTION 3: SAFETY RELATED ADJUSTMENTS
3-1. X R530, R531 CONFIRMATION METHOD
(HV HOLD-DOWN CONFIRMATION) AND
READJUSTMENTS
The following adjustments should always be performed when replacing
the following components which are marked with
Y
on the schematic
diagram:
C531, C532, D519, D520,
D521, IC501, IC600, PH602,
R529, R530, R531, R532,
R533, R550, T503 (FBT),
T504 (DFT)
HV HOLD-DOWN
R530, R531
Part Replaced (Y) Adjustment (X)
PREPARATION BEFORE CONFIRMATION
1. Using a Variac, apply AC input voltage: 120 +/- 2.0 VAC.
2. Turn the POWER switch ON.
3. Input a white signal and set the PICTURE and BRIGHT controls to
maximum.
4. Confi rm that the voltage of more than 23.0 VDC appears between
TP85 and ground on the A Board.
HOLD-DOWN OPERATION CONFIRMATION
1. Connect the current meter between Pin 11 of the FBT (T503) and the
PWB land where Pin 11 would normally attach. (See Figure 1).
2. Input a dot signal and set PICTURE and BRIGHTNESS to minimum:
IABL = 2175 + 100/ -325 µA.
3. Confi rm the voltage of A Board TP91 is 134.6 ± 1.0 VDC.
4. Connect the digital voltmeter and the DC power supply to TP85 and
ground. (See Figure 1).
5. Increase the DC power voltage gradually until the picture blanks out.
6. Turn DC power source off immediately.
7. Read the digital voltmeter indication:
KV-27FS320 Only (standard = 24.78 + 0.0/ - 0.1 VDC).
All except KV-27FS320 (standard = 27.24 + 0.0/ - 0.1 VDC).
8. Input a white signal and set PICTURE and BRIGHTNESS to
maximum: IABL = 2175 + 100/ -325 µA.
9. Repeat steps 4 to 7.

28
KV-27FS320/32FS120/32FS320/34FS120/36FS120/36FS320/38FS120
KV-27FS320/32FS120/32FS320/34FS120/36FS120/36FS320/38FS120
4-1. SETTING THE SERVICE ADJUSTMENT
MODE
1. Standby mode (Power off).
2. Press the following buttons on the remote commander within a
second of each other:
Display Channel 5 Sound Volumne + Power
SERVICE ADJUSTMENT MODE ON
1. The CRT displays the item being adjusted.
DEF NTSC 1 NVM OK
M65582AMF-101FPZ0
Signal
Type
Display
Item #
Category
Item
Data
41
Display
Item H SIZE
2. Press 1 or 4 on the Remote Commander to select the item.
3. Press 3 or 6 on the Remote Commander to change the data.
4. Press MUTING then ENTER to write into memory.
SERVICE ADJUSTMENT MODE MEMORY
service defl hsiz 16
ntsc
vchp 00000000 00000000
Category
Display
Item
Mode
Item
Data
Signal
Type
write
1. Press 8 then ENTER on the Remote Commander to initialize.
service defl hsiz 16
ntsc
vchp 00000000 00000000
Category
Display
Item
Mode
Item
Data
Signal
Type
write
Carry out Step 1 when adjusting
IDs 0-7 and when replacing and
adjusting IC002
2. Press MUTING then ENTER to write into memory.
3. Turn set off then on to exit Service Adjustment Mode.
SECTION 4: CIRCUIT ADJUSTMENTS
ELECTRICAL ADJUSTMENTS BY REMOTE COMMANDER
Use the Remote Commander
(RM-Y195, RM-Y196) to perform the circuit adjustments in this section.
Test Equipment Required: 1. Pattern generator 2. Frequency counter 3. Digital multimeter 4. Audio oscillator
4-2. MEMORY WRITE CONFIRMATION
METHOD
1. After adjustment, pull out the plug from the AC outlet, then replace
the plug in the AC outlet again.
2. Turn the power switch ON and set to Service Mode.
3. Call the adjusted items again to confi rm they were adjusted.
4-3. REMOTE ADJUSTMENT BUTTONS AND
INDICATORS
VOLUME (+)
(Service Mode)
6
Item
(Data down)
ENTER
(Enter into
memory)
0
(Remove from
memory)
3
Item
(Data up)
RM-Y195
5
(Device item
down)
MUTING
(Enter into
memory)
1
Disp. (Item up)
2
(Device Item Up)
4
Disp. (Item down)
8
(Initialize)
DISPLAY
(Service Mode)
POWER
(Service Mode)
29
KV-27FS320/32FS120/32FS320/34FS120/36FS120/36FS320/38FS120
KV-27FS320/32FS120/32FS320/34FS120/36FS120/36FS320/38FS120
4-4. SERVICE DATA LISTS
KV-27FS320 SERVICE DATA
(DATA NOT AVAILABLE)

30
KV-27FS320/32FS120/32FS320/34FS120/36FS120/36FS320/38FS120
KV-27FS320/32FS120/32FS320/34FS120/36FS120/36FS320/38FS120
KV-32FS320 SERVICE DATA
Common
Init = Means same as other register
Data * Means change when tv turn on
VERSION Fix 0 VER Microprocessor version information =
Common RF Composite V
Init Init Init
Data Data Data
Var 1 HSIZ H SIZE(EW DC) 41 35 35
Var 2 HPOS H POSITION 15 13 13
Var 3 VSIZ V RAMP SIZE 25 22 23
Var 4 VPOS V POSITION(RAMP DC) 30 31 31
Var 5 VLIN V LINEARITY 37
Var 6 SCOR S CORRECTION 39
Var 7 VBOW BOW 37
Var 8 VANG ANGLE 40
Var 9 TRAP EW TRAPESIUM 29
Var 10 PAMP EW PIN 31
Var 11 UPIN UPPER PIN 30
Var 12 LPIN LOWER PIN 31
Var 13 TROT TROT 128
Var 14 HBLK H BLK mode select 0
Fix 15 RBLK HBLK rear timing 33 30 25
Var 16 LBLK HBLK front timing 58 55 55
Fix 17 VBLK V BLK width 3
Fix 18 HMSK TOP VEND(when
MACROVISION)prevent OFF 0
Fix 19 HDW H PULSE WIDTH(25u/19u) 1
Fix 20 AFC AFC GAIN 0
Fix 21 AFC1 AFC1 TIME CONSTANT 0 7 0
Fix 22 AFCW AFC1 PULL IN WIDE 1
Fix 23 CDMD V DET WINDOW SW TIMING 1
Fix 24 HSS SYNC SLICE LEVEL(H sepa) 0
Fix 25 VSS SYNC SLICE LEVEL(V sepa) 3
Fix 26 SLUD Auto Slice level UP/DOWN 0
Fix 27 JPSW Jump SW 0
Fix 28 HOSC H VCO fo offset ADJUST OFFSET 3
Fix 29 EHT EHT 4
Fix 30 EHTG EHT MODE 1
Name Description
Name DescriptionNo.
Service
Group
DEF
Fix/ Var
Fix/ Var
Service
Group No.

31
KV-27FS320/32FS120/32FS320/34FS120/36FS120/36FS320/38FS120
KV-27FS320/32FS120/32FS320/34FS120/36FS120/36FS320/38FS120
KV-32FS320 SERVICE DATA
Common
Init
Data
Fix 1 VSIZ V RAMP SIZE 36
Fix 2 VPOS V POSITION(RAMP DC) 33
Fix 3 VLIN V LINEARITY 26
Fix 4 SCOR S CORRECTION 28
Fix 5 TRAP EW TRAPESIUM 26
Fix 6 PAMP EW PIN 16
Fix 7 UPIN UPPER PIN 31
Fix 8 LPIN LOWER PIN 32
Fix 9 ABLG ABL GAIN 1
Fix 10 SCON SUB CONTRAST LEVEL 13
Fix 11 VPW Jump Pulse Width 1
Common RF Composite V YUV Memor
y
Stick
Init Init Init Init Init
Data Data Data Data Data
Fix 1 RDRV R DRIVE 84
Var 2 GDRV G DRIVE when Color Temp. is "Cool"
and "Neutral" 70 70 68
Var 3 BDRV B DRIVE when Color Temp. is "Cool"
and "Neutral" 68 67 66
Var 4 RCUT Hardware AKB(R) CMP DATA 100
Var 5 GCUT Hardware AKB(G) CMP DATA when
Color Temp. is "Cool" and "Neutral" 71 71 70
Var 6 BCUT Hardware AKB(B) CMP DATA when
Color Temp. is "Cool" and "Neutral" 62 61 60
Var 7 SCON SUB CONTRAST LEVEL 12 1
Var 8 SHUE SUB TINT(HUE) 10 9 8 8
Var 9 SCOL SUB COLOR LEVEL 6 7 26 26
Var 10 SBRT SUB BRIGHTNESS 15 20 20
Fix 11 RON R OUTPUT ON ( 0:R Output OFF 1:R
Output ON ) 1
Fix 12 GON G OUTPUT ON ( 0:G Output OFF 1:G
Output ON ) 1
Fix 13 BON B OUTPUT ON ( 0:B Output OFF 1:B
Output ON ) 1
Fix 14 BLLV BLUE STRETCH(00:no <-> 11:deep)
only Color Temp "Cool" 1
Fix 15 MTRX MATRIX RATIO SELECT 1
Fix/ Var No. Description
16 : 9
Service
Group
Service
Group
Fix/ Var No. Name
Name
Description
VP1

32
KV-27FS320/32FS120/32FS320/34FS120/36FS120/36FS320/38FS120
KV-27FS320/32FS120/32FS320/34FS120/36FS120/36FS320/38FS120
KV-32FS320 SERVICE DATA
Common RF Composite V YUV Memor
y
Stick
Init Init Init Init Init
Data Data Data Data Data
Fix 16 AXIS R-Y PHASE OFFSET 52
Fix 17 SSHO SUB SHARPNESS GAIN(OVER)
RF/VIDEO 3223
Fix 18 SSHP SUB SHARPNESS GAIN(PRE)
RF/VIDEO 11 11 13 13
Fix 19 SHPF SHRPNESS fo(00:2 CLK <-> 11:5
CLK) 0100
Fix 20 SHCL SHARPNESS CORING LEVEL 1
Fix 21 SHMX SHARPNESS LIMITTER LEVEL 15
Fix 22 AKBD AKB Self Diagnostic Counter(@1sec) 5
Fix 23 AKBS AKB Switch ( 0 : AKB OFF 1 : H/W
AKB ON ) 1
Fix 24 REFP AKB REFPLS timing ( "0"Fix when
16:9On ) 0
Fix 25 YNRC YNR LIMITER LEVEL 15
Fix 26 BKON BLACK STRETCH ON 1
Fix 27 BKRC BLACK STRETCH DETECTOR TIME
CONSTANT1 =
Fix 28 BKDP BLACK STRETCH START POINT =
Fix 29 BKSP BLACK STRETCH POINT =
Name DescriptionFix/ Var No.
VP1
Service
Group

33
KV-27FS320/32FS120/32FS320/34FS120/36FS120/36FS320/38FS120
KV-27FS320/32FS120/32FS320/34FS120/36FS120/36FS320/38FS120
KV-32FS320 SERVICE DATA
Common RF Composite V YUV Memor
y
Stick
Init Init Init Init Init
Data Data Data Data Data
Fix 1 VMOF VM LEVEL at "Off" Setting 2
Fix 2 VMLO VM LEVEL at "Low" Setting 5
Fix 3 VMHI VM LEVEL at "High" Setting 11
Fix 4 VMDL VM DELAY 10 10 6 6
Fix 5 VMPL VM PORALITY 1
Fix 6 VMWD VM WIDTH 0
Fix 7 VMCL VM CORING LEVEL 0
Fix 8 VMMX VM LIMITER LEVEL 15
Fix 9 CKLV COLOR KILLER VTH 1
Fix 10 CKON FORCE KILLER 0
Fix 11 ALFA ADAPTIVE DET SENSITIVITY 2
Fix 12 YCMD
YC SEPA FORCE
SELECT(00:ADAPTIVE 01:H 10:V
11:HV)
0
Fix 13 VACL V APERTURE CORING LEVEL 0
Fix 14 VAGA V APERTURE GAIN LEVEL =
Fix 15 VAMX V APERTURE LIMITER LEVEL 15
Fix 16 GAMM GAMMA(00:no <-->11:deep) =
Fix 17 YDLY Y DELAY TIME 3
Fix 18 CDLY C DELAY 2
Fix 19 YOFF Y OUTPUT MUTE 0
Fix 20 BGPP BGP(for C DECODER)TIMING 11
Fix 21 NRCH NOISE DET VTH1 3
Fix 22 NRCL NOISE DET VTH1 255
Fix 23 NRVL NOISE DET VTH1 255
Fix 24 NRVH NOISE DET VTH1 255
Fix 25 GDOF G DRIVE OFFSET only Color Temp.
"Warm" 18
Fix 26 BDOF B DRIVE OFFSET only Color Temp.
"Warm" 31
Fix 27 GCOF GCUT CMP DATA OFFSET only
Color Temp. "Warm" 2
Fix 28 BCOF BCUT CMP DATA OFFSET only
Color Temp. "Warm" 4
Fix 29 DCTV DCTRANSFER VTH 3
Fix 30 DCTG DCTRANSFER GAIN =
VP2
Service
Group Fix/ Var No. Name Description

34
KV-27FS320/32FS120/32FS320/34FS120/36FS120/36FS320/38FS120
KV-27FS320/32FS120/32FS320/34FS120/36FS120/36FS320/38FS120
KV-32FS320 SERVICE DATA
Common
Init
Data
Var 1 SCOL SUB COLOR LEVEL for NR 4
Fix 2 SHCL
SHARPNESS NOISE CORING
LEVEL for NR 15
Fix 3 SHMX
SHARPNESS LIMITTER LEVEL for
NR 7
Fix 4 YNRC YNR LIMITER LEVEL for NR 7
Fix 5 VMHI VM LEVEL at "High" Setting for NR 7
Fix 6 VMCL VM CORING LEVEL for NR 0
Fix 7 VMMX VM LIMITER LEVEL for NR 7
Fix 8 VAGA V APERTURE GAIN LEVEL for NR 0
Fix 9 GAMM GAMMA(00:no <-->11:deep) for NR 0
Fix 10 YNRS YNR ON for NR 1
Fix 11 WSTH WEAK_SIGNAL VTH for NR 7
Fix 12 WSVA WEAK SIGNAL VIDEO ATT for NR 0
Fix 13 WSCA
WEAK SIGNAL CHROMA ATT for
NR 5
Common STANDARD MOVIE PRO
Init Init Init Init
Data Data Data Data
Fix 1 VPIC Picture 63 50 37 31
Fix 2 VBRI Brightness 31 31 28 31
Fix 3 VCOL Color 32 31 31 31
Fix 4 VHUE Hue 31 31 31 31
Fix 5 VSHA Sharpness 35 37 34 31
Fix 6 VVM VM 2 1 1 0
Fix 7 VTRI Color Temp 0 1 2 1
Fix 8 VAPA Aperture G 7 4 3 0
Fix 9 VGMA Gamma 3 2 2 0
Fix 10 VDCT DCT LV 12 9 9 2
Fix 11 BKDP BLACK STRETCH DEPTH 2 2 1 1
Fix 12 BKRC BLACK ST TIME 1 & TIME 2 243 243 244 244
Fix 13 BKSP BLACK STRETCH POINT 3 1 1 1
Fix 14 CONO CONTRAST OFFSET for RF 1 0 0 0
Name
NR
Service
Group Fix/ Var
PALETTE
Description
DescriptionNo.
Service
Group Fix/ Var No. Name

35
KV-27FS320/32FS120/32FS320/34FS120/36FS120/36FS320/38FS120
KV-27FS320/32FS120/32FS320/34FS120/36FS120/36FS320/38FS120
KV-32FS320 SERVICE DATA
Common 16:9 YUV Memor
y
Stick
Init Init Init Init
Data Data Data Data
Fix 1 YNRS YNR ON 0
Fix 2 CLPS CLAMP CONTROL SW ( 0:CLAMP
OFF 1:CLAMP AUTO 2:CLAMP ON ) 1
Fix 3 VMG2 MODULATOR FEEDBACK GAIN
CONTROL 1
Fix 4 CLPT CLAMP AUTO ON KEEP TIMER
COUNT (@100ms) 15
Fix 5 AASL C DECODER TIME
CONSTANT(32,16,8,1H) 2
Fix 6 BASL ACC TIME CONSTANT 0
Fix 7 ACTH ROM HYS 95
Fix 8 AVAV AVE SEL AV 3
Fix 9 B2TH B2COMP 0
Fix 10 AMUT RGB POWER ON MUTE 0
Fix 11 PMUT RGB MUTE(EXCEPT OSD) 1
Fix 12 CORL R CUTOFF lower 0
Fix 13 CORH R CUTOFF upper 1
Fix 14 COGL G CUTOFF lower when Color Temp.
is "Cool" and "Neutral" 0
Fix 15 COGH G CUTOFF upper when Color Temp.
is "Cool" and "Neutral" 1
Fix 16 COBL B CUTOFF lower when Color Temp.
is "Cool" and "Neutral" 0
Fix 17 COBH B CUTOFF upper when Color Temp.
is "Cool" and "Neutral" 1
Fix 18 ALSP ACL SPEED 0
Fix 19 ALAS ACL ATACK SPEED 146
Fix 20 ABLG ABL GAIN 4
Fix 21 AKBM AKB MODE 0
Fix 22 AKBP AKB PULSE HEIGHT 10
Fix 23 OSDL OSD LIMMIT SELECT 0
Fix 24 UVG UV OFFSET CANCELER ON 0
Var 25 UOFS U IN OFFSET 32 31 31
Var 26 VOFS V IN OFFSET 32 29 29
Fix 27 AALG ANALOG ACL GAIN CONTROL 0
Fix 28 AALS ANALOG ACL ON/OFF CONTROL 1
Fix 29 UVDT UVIN DITHER TEST 14
Service
Group
ASIC
Fix/ Var No. Name Description

36
KV-27FS320/32FS120/32FS320/34FS120/36FS120/36FS320/38FS120
KV-27FS320/32FS120/32FS320/34FS120/36FS120/36FS320/38FS120
KV-32FS320 SERVICE DATA
Common 16:9 YUV Memor
y
Stick
Init Init Init Init
Data Data Data Data
Fix 30 HFFR AFC1 FORCE FREERUN 0
Fix 31 HFUP H FREERUN FREQUENCY
UP(700Hz) 0
Fix 32 JSWW Jump Pulse Width 0
Fix 33 XF0A VCXO FREERUN ADJUST 0
Fix 34 BGST BGP(for PLL) TIMING 16 6 6
Fix 35 XPHA VCXO PHASE ADJUST 10
Fix 36 HRMP AFC2 TIME CONSTANT 3
Fix 37 RPLU REF PLL TIME CONSTANT 3
Fix 38 RPLB REF PLL TIME CONSTANT 1
Fix 39 XF0B VCXO Fo ADJUST 0
Fix 40 RPLS REF VCO FB LOOP SELECT 0
Fix 41 SSM SyncSepaMasking CONTROL 0
Fix 42 VSAG V-SAG prevent ON 0
Fix 43 AFC2 AFC2 GAIN CONTROL 0
Fix 44 VRFL V RAMP FILTER SWITCHING OFF 0
Fix 45 XPLU ACP TIME CONSTANT 1
Fix 46 CDM2 V_LOGIC SW 1
Fix 47 BGPC BGP C 0
Fix 48 MHDL BGP SEL 1
Fix 49 BFRE force V FREERUN 0
Fix 50 HRPP FRAMP RRAMP H OUT CONTROL
RANGE 2
Fix 51 DSCK DS DAC CLK SW for only Not YUV 0 0
Fix 52 VBHK V BLK HALF KILL only 16:9Off 0
Fix 53 VPW V Pulse Wide 1
Fix 54 DTH DITHER THRESHOLD LEVEL
CONTROL at IIC AUTOD=ON 1
Fix 55 SLON LPF SYNC ON 5 5 5
Fix 56 VSSW SYNC SLICE LEVEL(V) Wide
Window 0
Fix 57 AF2S AFC2 timing SW 0
Fix 58 VSL2 Digital V_SYNC_LPF(fall) 1
Fix 59 VSL1 Digital V_SYNC_LPF(rise) 0
Fix 60 VSHE V-SHRINK MODE for AV-NoSync 0
Fix 61 DSCS CLOCK DIV SEL 1 0 0
Fix 62 14HI 4fsc(Skew)CLK POLARITY 0
Fix 63 14HD 4fscCLK(Skew)CLK DELAY ADJUST 0
ASIC
Service
Group Fix/ Var No. Name Description

37
KV-27FS320/32FS120/32FS320/34FS120/36FS120/36FS320/38FS120
KV-27FS320/32FS120/32FS320/34FS120/36FS120/36FS320/38FS120
KV-32FS320 SERVICE DATA
Common 16:9 YUV Memor
y
Stick
Init Init Init Init
Data Data Data Data
Fix 63 14HD 4fscCLK(Skew)CLK DELAY ADJUST 1
Fix 64 DSI 8fscCLK POLARITY 1
Fix 65 DSD 8fscCLK DELAY ADJUST 0
Fix 66 ADCD ADC CLK DELAY ADJUST 0
Fix 67 WSTH WEAK_SIGNAL VTH 0
Fix 68 WSVA WEAK SIGNAL VIDEO ATT 0
Fix 69 WSCA WEAK SIGNAL CHROMA ATT 0
Fix 70 VREF AD REFERNCE SELECT(VZ) 0
Fix 71 DCCK AD REFERNCE SELECT(VZ) 0 12 12
Fix 72 HT HALF TONE LEVEL 0
Fix 73 OSLR R OSD LEVEL 27
Fix 74 OSLG G OSD LEVEL 27
Fix 75 OSDC OSD COMP 0
Fix 76 OSLB B OSD LEVEL 27
Var 77 HRIL H/W AKB RED OUTPUT Lower *
Var 78 HRIH H/W AKB RED OUTPUT Upper *
Var 79 HGIL H/W AKB GREEN OUTPUT Lower *
Var 80 HGIH H/W AKB GREEN OUTPUT Upper *
Var 81 HBIL H/W AKB BLUE OUTPUT Lower *
Var 82 HBIH H/W AKB BLUE OUTPUT Upper *
Fix 83 HLM1 H/W AKB LIM1 4
Fix 84 HLM2 H/W AKB LIM2 12
Fix 85 HLM3 H/W AKB LIM3 21
Fix 86 HAD1 H/W AKB SPEED1 2
Fix 87 HAD2 H/W AKB SPEED2 6
Fix 88 HAKE H/W AKB MANUAL (MCU)/HARD 1
Fix 89 HASP H/W AKB SPEED 3
Fix 90 HERL H/W AKB ERROR DET THRESH 10
Fix 91 HLMC H/W AKB ERROR DET TIME 15
Fix 92 HPWL H/W AKB POWER ON TRESH 4
Fix 93 HPWC H/W AKB POWER ON TIME 2
Fix 94 HFMT POWER ON H/W AKB2 HOLD
TIMER(@100msec) [ 0 : No Hold ] 20
Fix 95 SPMT AKB POWER ON MUTE EXIT
TIMER(@100msec) 120
Fix 96 GYG G-Y Gain 0
Fix 97 Y16M YUV 16 M 1
Fix 98 PCLP Pedestal Clamp 0
ASIC
Service
Group Fix/ Var No. Name Description

38
KV-27FS320/32FS120/32FS320/34FS120/36FS120/36FS320/38FS120
KV-27FS320/32FS120/32FS320/34FS120/36FS120/36FS320/38FS120
KV-32FS320 SERVICE DATA
Common
Init
Data
Fix 1 SBAL Sub Balance 4
Fix 2 SBAS Sub Bass 0
Fix 3 STRE Sub Treble 0
Fix 4 SRL Surround Level 0
Fix 5 BBOL Surround Off-BBE Low 3
Fix 6 BBOH Surround Off-BBE High 3
Fix 7 BBSL Simulate BBE Low 3
Fix 8 BBSH Simulate BBE High 3
Fix 9 BBGL WOW Game BBE Low 5
Fix 10 BBGH WOW Game BBE High 5
Fix 11 BBTL SRS BBE Low 0
Fix 12 BBTH SRS BBE High 0
Fix 13 VFIX Audio output fix data 240
Fix 14 AGCL AGC level 2
Fix 15 VCOF VCOF 9
Common
Init
Data
Var 1 DISP OSD horizontal offset 93
Fix 2 CCHP for TILT data calculation 110
Fix 3 HRLW Low limit of H-pulse counting window
(RF) 16
Fix 4 HRHG High limit of H-pulse counting
wondow (RF) 64
Fix 5 HSDT H-pulse Detection(S-Video) 8
Fix 6 STPI Gradual CONTRAST Increase
Starting level 40
Fix 7 RAPI Gradual CONTRAST Increase Vsync
counter 10
Fix 8 ZCRD Zero Cross Relay Delay 20
9ABLT ABL protection counter 3
Common
Init
Data
MS FIX 1 VERS M.S. Software Version =
No.
Name
Name
Service
Group Fix/ Var No.
Fix/ Var
Service
Group Fix/ Var No.
Description
Name Description
Description
MICRO
Service
Group
AUDIO

39
KV-27FS320/32FS120/32FS320/34FS120/36FS120/36FS320/38FS120
KV-27FS320/32FS120/32FS320/34FS120/36FS120/36FS320/38FS120
KV-36FS320 SERVICE DATA
Common
Init = Means same as other register
Data * Means change when tv turn on
VERSION Fix 0 VER Microprocessor version information =
Common RF Composite V
Init Init Init
Data Data Data
Var 1 HSIZ H SIZE(EW DC) 41 36 36
Var 2 HPOS H POSITION 15 14 14
Var 3 VSIZ V RAMP SIZE 28 26 26
Var 4 VPOS V POSITION(RAMP DC) 31 32 32
Var 5 VLIN V LINEARITY 37
Var 6 SCOR S CORRECTION 39
Var 7 VBOW BOW 26
Var 8 VANG ANGLE 43
Var 9 TRAP EW TRAPESIUM 28
Var 10 PAMP EW PIN 36
Var 11 UPIN UPPER PIN 29
Var 12 LPIN LOWER PIN 30
Var 13 TROT TROT 128
Var 14 HBLK H BLK mode select 0
Fix 15 RBLK HBLK rear timing 21 25 25
Var 16 LBLK HBLK front timing 56 51 55
Fix 17 VBLK V BLK width 3
Fix 18 HMSK TOP VEND(when
MACROVISION)prevent OFF 0
Fix 19 HDW H PULSE WIDTH(25u/19u) 1
Fix 20 AFC AFC GAIN 0
Fix 21 AFC1 AFC1 TIME CONSTANT 0 7 0
Fix 22 AFCW AFC1 PULL IN WIDE 1
Fix 23 CDMD V DET WINDOW SW TIMING 1
Fix 24 HSS SYNC SLICE LEVEL(H sepa) 0
Fix 25 VSS SYNC SLICE LEVEL(V sepa) 3
Fix 26 SLUD Auto Slice level UP/DOWN 0
Fix 27 JPSW Jump SW 0
Fix 28 HOSC H VCO fo offset ADJUST OFFSET 3
Fix 29 EHT EHT 4
Fix 30 EHTG EHT MODE 1
Name Description
Service
Group No.
Name Description
Fix/ Var
Fix/ Var
Service
Group
DEF
No.

40
KV-27FS320/32FS120/32FS320/34FS120/36FS120/36FS320/38FS120
KV-27FS320/32FS120/32FS320/34FS120/36FS120/36FS320/38FS120
KV-36FS320 SERVICE DATA
Common
Init
Data
Fix 1 VSIZ V RAMP SIZE 36
Fix 2 VPOS V POSITION(RAMP DC) 34
Fix 3 VLIN V LINEARITY 26
Fix 4 SCOR S CORRECTION 28
Fix 5 TRAP EW TRAPESIUM 23
Fix 6 PAMP EW PIN 18
Fix 7 UPIN UPPER PIN 31
Fix 8 LPIN LOWER PIN 32
Fix 9 ABLG ABL GAIN 1
Fix 10 SCON SUB CONTRAST LEVEL 10
Fix 11 VPW Jump Pulse Width 1
Common RF Composite V YUV Memor
y
Stick
Init Init Init Init Init
Data Data Data Data Data
Fix 1 RDRV R DRIVE 84
Var 2 GDRV G DRIVE when Color Temp. is "Cool"
and "Neutral" 74 77 77
Var 3 BDRV B DRIVE when Color Temp. is "Cool"
and "Neutral" 73 74 74
Var 4 RCUT Hardware AKB(R) CMP DATA 100
Var 5 GCUT Hardware AKB(G) CMP DATA when
Color Temp. is "Cool" and "Neutral" 70 73 73
Var 6 BCUT Hardware AKB(B) CMP DATA when
Color Temp. is "Cool" and "Neutral" 56 54 54
Var 7 SCON SUB CONTRAST LEVEL 10 1
Var 8 SHUE SUB TINT(HUE) 10 7 7 7
Var 9 SCOL SUB COLOR LEVEL 9 10 26 26
Var 10 SBRT SUB BRIGHTNESS 17 23 23
Fix 11 RON R OUTPUT ON ( 0:R Output OFF 1:R
Output ON ) 1
Fix 12 GON G OUTPUT ON ( 0:G Output OFF 1:G
Output ON ) 1
Fix 13 BON B OUTPUT ON ( 0:B Output OFF 1:B
Output ON ) 1
Fix 14 BLLV BLUE STRETCH(00:no <-> 11:deep)
only Color Temp "Cool" 1
Fix 15 MTRX MATRIX RATIO SELECT 1
Name
Name Description
Description
VP1
Fix/ Var
16 : 9
Service
Group
Service
Group
No.
Fix/ Var No.

41
KV-27FS320/32FS120/32FS320/34FS120/36FS120/36FS320/38FS120
KV-27FS320/32FS120/32FS320/34FS120/36FS120/36FS320/38FS120
KV-36FS320 SERVICE DATA
Common RF Composite V YUV Memor
y
Stick
Init Init Init Init Init
Data Data Data Data Data
Fix 16 AXIS R-Y PHASE OFFSET 52
Fix 17 SSHO SUB SHARPNESS GAIN(OVER)
RF/VIDEO 3223
Fix 18 SSHP SUB SHARPNESS GAIN(PRE)
RF/VIDEO 11 11 13 13
Fix 19 SHPF SHRPNESS fo(00:2 CLK <-> 11:5
CLK) 0100
Fix 20 SHCL SHARPNESS CORING LEVEL 1
Fix 21 SHMX SHARPNESS LIMITTER LEVEL 15
Fix 22 AKBD AKB Self Diagnostic Counter(@1sec) 5
Fix 23 AKBS AKB Switch ( 0 : AKB OFF 1 : H/W
AKB ON ) 1
Fix 24 REFP AKB REFPLS timing ( "0"Fix when
16:9On ) 0
Fix 25 YNRC YNR LIMITER LEVEL 15
Fix 26 BKON BLACK STRETCH ON 1
Fix 27 BKRC BLACK STRETCH DETECTOR TIME
CONSTANT1 =
Fix 28 BKDP BLACK STRETCH START POINT =
Fix 29 BKSP BLACK STRETCH POINT =
Name
VP1
Service
Group Fix/ Var No. Description

42
KV-27FS320/32FS120/32FS320/34FS120/36FS120/36FS320/38FS120
KV-27FS320/32FS120/32FS320/34FS120/36FS120/36FS320/38FS120
KV-36FS320 SERVICE DATA
Common RF Composite V YUV Memor
y
Stick
Init Init Init Init Init
Data Data Data Data Data
Fix 1 VMOF VM LEVEL at "Off" Setting 2
Fix 2 VMLO VM LEVEL at "Low" Setting 5
Fix 3 VMHI VM LEVEL at "High" Setting 11
Fix 4 VMDL VM DELAY 10 10 6 6
Fix 5 VMPL VM PORALITY 1
Fix 6 VMWD VM WIDTH 0
Fix 7 VMCL VM CORING LEVEL 0
Fix 8 VMMX VM LIMITER LEVEL 15
Fix 9 CKLV COLOR KILLER VTH 1
Fix 10 CKON FORCE KILLER 0
Fix 11 ALFA ADAPTIVE DET SENSITIVITY 2
Fix 12 YCMD
YC SEPA FORCE
SELECT(00:ADAPTIVE 01:H 10:V
11:HV)
0
Fix 13 VACL V APERTURE CORING LEVEL 0
Fix 14 VAGA V APERTURE GAIN LEVEL =
Fix 15 VAMX V APERTURE LIMITER LEVEL 15
Fix 16 GAMM GAMMA(00:no <-->11:deep) =
Fix 17 YDLY Y DELAY TIME 3
Fix 18 CDLY C DELAY 2
Fix 19 YOFF Y OUTPUT MUTE 0
Fix 20 BGPP BGP(for C DECODER)TIMING 11
Fix 21 NRCH NOISE DET VTH1 3
Fix 22 NRCL NOISE DET VTH1 255
Fix 23 NRVL NOISE DET VTH1 255
Fix 24 NRVH NOISE DET VTH1 255
Fix 25 GDOF G DRIVE OFFSET only Color Temp.
"Warm" 18
Fix 26 BDOF B DRIVE OFFSET only Color Temp.
"Warm" 31
Fix 27 GCOF GCUT CMP DATA OFFSET only
Color Temp. "Warm" 2
Fix 28 BCOF BCUT CMP DATA OFFSET only
Color Temp. "Warm" 4
Fix 29 DCTV DCTRANSFER VTH 3
Fix 30 DCTG DCTRANSFER GAIN =
VP2
Fix/ Var No. Name Description
Service
Group

43
KV-27FS320/32FS120/32FS320/34FS120/36FS120/36FS320/38FS120
KV-27FS320/32FS120/32FS320/34FS120/36FS120/36FS320/38FS120
KV-36FS320 SERVICE DATA
Common
Init
Data
Var 1 SCOL SUB COLOR LEVEL for NR 8
Fix 2 SHCL
SHARPNESS NOISE CORING
LEVEL for NR 15
Fix 3 SHMX
SHARPNESS LIMITTER LEVEL for
NR 7
Fix 4 YNRC YNR LIMITER LEVEL for NR 7
Fix 5 VMHI VM LEVEL at "High" Setting for NR 7
Fix 6 VMCL VM CORING LEVEL for NR 0
Fix 7 VMMX VM LIMITER LEVEL for NR 7
Fix 8 VAGA V APERTURE GAIN LEVEL for NR 0
Fix 9 GAMM GAMMA(00:no <-->11:deep) for NR 0
Fix 10 YNRS YNR ON for NR 1
Fix 11 WSTH WEAK_SIGNAL VTH for NR 7
Fix 12 WSVA WEAK SIGNAL VIDEO ATT for NR 0
Fix 13 WSCA
WEAK SIGNAL CHROMA ATT for
NR 5
VIVID STANDARD MOVIE PRO
Init Init Init Init
Data Data Data Data
Fix 1 VPIC Picture 63 50 37 31
Fix 2 VBRI Brightness 31 31 28 31
Fix 3 VCOL Color 32 31 31 31
Fix 4 VHUE Hue 31 31 31 31
Fix 5 VSHA Sharpness 35 37 34 31
Fix 6 VVM VM 2 1 1 0
Fix 7 VTRI Color Temp 0 1 2 1
Fix 8 VAPA Aperture G 7 4 3 0
Fix 9 VGMA Gamma 3 2 2 0
Fix 10 VDCT DCT LV 12 9 9 2
Fix 11 BKDP BLACK STRETCH DEPTH 2 2 1 1
Fix 12 BKRC BLACK ST TIME 1 & TIME 2 243 243 244 244
Fix 13 BKSP BLACK STRETCH POINT 3 1 1 1
Fix 14 CONO CONTRAST OFFSET for RF 1 0 0 0
Description
Service
Group Fix/ Var No. Name
PALETTE NR
Description
Service
Group Fix/ Var No. Name

44
KV-27FS320/32FS120/32FS320/34FS120/36FS120/36FS320/38FS120
KV-27FS320/32FS120/32FS320/34FS120/36FS120/36FS320/38FS120
KV-36FS320 SERVICE DATA
Common 16:9 YUV Memor
y
Stick
Init Init Init Init
Data Data Data Data
Fix 1 YNRS YNR ON 0
Fix 2 CLPS CLAMP CONTROL SW ( 0:CLAMP
OFF 1:CLAMP AUTO 2:CLAMP ON ) 1
Fix 3 VMG2 MODULATOR FEEDBACK GAIN
CONTROL 1
Fix 4 CLPT CLAMP AUTO ON KEEP TIMER
COUNT (@100ms) 15
Fix 5 AASL C DECODER TIME
CONSTANT(32,16,8,1H) 2
Fix 6 BASL ACC TIME CONSTANT 0
Fix 7 ACTH ROM HYS 95
Fix 8 AVAV AVE SEL AV 3
Fix 9 B2TH B2COMP 0
Fix 10 AMUT RGB POWER ON MUTE 0
Fix 11 PMUT RGB MUTE(EXCEPT OSD) 1
Fix 12 CORL R CUTOFF lower 0
Fix 13 CORH R CUTOFF upper 1
Fix 14 COGL G CUTOFF lower when Color Temp.
is "Cool" and "Neutral" 0
Fix 15 COGH G CUTOFF upper when Color Temp.
is "Cool" and "Neutral" 1
Fix 16 COBL B CUTOFF lower when Color Temp.
is "Cool" and "Neutral" 0
Fix 17 COBH B CUTOFF upper when Color Temp.
is "Cool" and "Neutral" 1
Fix 18 ALSP ACL SPEED 0
Fix 19 ALAS ACL ATACK SPEED 146
Fix 20 ABLG ABL GAIN 4
Fix 21 AKBM AKB MODE 0
Fix 22 AKBP AKB PULSE HEIGHT 10
Fix 23 OSDL OSD LIMMIT SELECT 0
Fix 24 UVG UV OFFSET CANCELER ON 0
Var 25 UOFS U IN OFFSET 32 27 28
Var 26 VOFS V IN OFFSET 32 31 33
Fix 27 AALG ANALOG ACL GAIN CONTROL 0
Fix 28 AALS ANALOG ACL ON/OFF CONTROL 1
Fix 29 UVDT UVIN DITHER TEST 14
Fix/ Var No. Name Description
Service
Group
ASIC

45
KV-27FS320/32FS120/32FS320/34FS120/36FS120/36FS320/38FS120
KV-27FS320/32FS120/32FS320/34FS120/36FS120/36FS320/38FS120
KV-36FS320 SERVICE DATA
Common 16:9 YUV Memor
y
Stick
Init Init Init Init
Data Data Data Data
Fix 30 HFFR AFC1 FORCE FREERUN 0
Fix 31 HFUP H FREERUN FREQUENCY
UP(700Hz) 0
Fix 32 JSWW Jump Pulse Width 0
Fix 33 XF0A VCXO FREERUN ADJUST 0
Fix 34 BGST BGP(for PLL) TIMING 16 6 6
Fix 35 XPHA VCXO PHASE ADJUST 10
Fix 36 HRMP AFC2 TIME CONSTANT 3
Fix 37 RPLU REF PLL TIME CONSTANT 3
Fix 38 RPLB REF PLL TIME CONSTANT 1
Fix 39 XF0B VCXO Fo ADJUST 0
Fix 40 RPLS REF VCO FB LOOP SELECT 0
Fix 41 SSM SyncSepaMasking CONTROL 0
Fix 42 VSAG V-SAG prevent ON 0
Fix 43 AFC2 AFC2 GAIN CONTROL 0
Fix 44 VRFL V RAMP FILTER SWITCHING OFF 0
Fix 45 XPLU ACP TIME CONSTANT 1
Fix 46 CDM2 V_LOGIC SW 1
Fix 47 BGPC BGP C 0
Fix 48 MHDL BGP SEL 1
Fix 49 BFRE force V FREERUN 0
Fix 50 HRPP FRAMP RRAMP H OUT CONTROL
RANGE 2
Fix 51 DSCK DS DAC CLK SW for only Not YUV 0 0
Fix 52 VBHK V BLK HALF KILL only 16:9Off 0
Fix 53 VPW V Pulse Wide 1
Fix 54 DTH DITHER THRESHOLD LEVEL
CONTROL at IIC AUTOD=ON 1
Fix 55 SLON LPF SYNC ON 5 5 5
Fix 56 VSSW SYNC SLICE LEVEL(V) Wide
Window 0
Fix 57 AF2S AFC2 timing SW 0
Fix 58 VSL2 Digital V_SYNC_LPF(fall) 1
Fix 59 VSL1 Digital V_SYNC_LPF(rise) 0
Fix 60 VSHE V-SHRINK MODE for AV-NoSync 0
Fix 61 DSCS CLOCK DIV SEL 1 0 0
Fix 62 14HI 4fsc(Skew)CLK POLARITY 0
Fix 63 14HD 4fscCLK(Skew)CLK DELAY ADJUST 0
ASIC
Service
Group Fix/ Var No. Name Description

46
KV-27FS320/32FS120/32FS320/34FS120/36FS120/36FS320/38FS120
KV-27FS320/32FS120/32FS320/34FS120/36FS120/36FS320/38FS120
KV-36FS320 SERVICE DATA
Common 16:9 YUV Memor
y
Stick
Init Init Init Init
Data Data Data Data
Fix 63 14HD 4fscCLK(Skew)CLK DELAY ADJUST 1
Fix 64 DSI 8fscCLK POLARITY 1
Fix 65 DSD 8fscCLK DELAY ADJUST 0
Fix 66 ADCD ADC CLK DELAY ADJUST 0
Fix 67 WSTH WEAK_SIGNAL VTH 0
Fix 68 WSVA WEAK SIGNAL VIDEO ATT 0
Fix 69 WSCA WEAK SIGNAL CHROMA ATT 0
Fix 70 VREF AD REFERNCE SELECT(VZ) 0
Fix 71 DCCK AD REFERNCE SELECT(VZ) 0 12 12
Fix 72 HT HALF TONE LEVEL 0
Fix 73 OSLR R OSD LEVEL 27
Fix 74 OSLG G OSD LEVEL 27
Fix 75 OSDC OSD COMP 0
Fix 76 OSLB B OSD LEVEL 27
Var 77 HRIL H/W AKB RED OUTPUT Lower *
Var 78 HRIH H/W AKB RED OUTPUT Upper *
Var 79 HGIL H/W AKB GREEN OUTPUT Lower *
Var 80 HGIH H/W AKB GREEN OUTPUT Upper *
Var 81 HBIL H/W AKB BLUE OUTPUT Lower *
Var 82 HBIH H/W AKB BLUE OUTPUT Upper *
Fix 83 HLM1 H/W AKB LIM1 4
Fix 84 HLM2 H/W AKB LIM2 12
Fix 85 HLM3 H/W AKB LIM3 21
Fix 86 HAD1 H/W AKB SPEED1 2
Fix 87 HAD2 H/W AKB SPEED2 6
Fix 88 HAKE H/W AKB MANUAL (MCU)/HARD 1
Fix 89 HASP H/W AKB SPEED 3
Fix 90 HERL H/W AKB ERROR DET THRESH 10
Fix 91 HLMC H/W AKB ERROR DET TIME 15
Fix 92 HPWL H/W AKB POWER ON TRESH 4
Fix 93 HPWC H/W AKB POWER ON TIME 2
Fix 94 HFMT POWER ON H/W AKB2 HOLD
TIMER(@100msec) [ 0 : No Hold ] 20
Fix 95 SPMT AKB POWER ON MUTE EXIT
TIMER(@100msec) 120
Fix 96 GYG G-Y Gain 0
Fix 97 Y16M YUV 16 M 1
Fix 98 PCLP Pedestal Clamp 0
No. Name
ASIC
Service
Group Fix/ Var Description

47
KV-27FS320/32FS120/32FS320/34FS120/36FS120/36FS320/38FS120
KV-27FS320/32FS120/32FS320/34FS120/36FS120/36FS320/38FS120
KV-36FS320 SERVICE DATA
Common
Init
Data
Fix 1 SBAL Sub Balance 4
Fix 2 SBAS Sub Bass 0
Fix 3 STRE Sub Treble 0
Fix 4 SRL Surround Level 0
Fix 5 BBOL Surround Off-BBE Low 3
Fix 6 BBOH Surround Off-BBE High 3
Fix 7 BBSL Simulate BBE Low 3
Fix 8 BBSH Simulate BBE High 3
Fix 9 BBGL WOW Game BBE Low 5
Fix 10 BBGH WOW Game BBE High 5
Fix 11 BBTL SRS BBE Low 0
Fix 12 BBTH SRS BBE High 0
Fix 13 VFIX Audio output fix data 240
Fix 14 AGCL AGC level 2
Fix 15 VCOF VCOF 9
Common
Init
Data
Var 1 DISP OSD horizontal offset 93
Fix 2 CCHP for TILT data calculation 110
Fix 3 HRLW Low limit of H-pulse counting window
(RF) 16
Fix 4 HRHG High limit of H-pulse counting
wondow (RF) 64
Fix 5 HSDT H-pulse Detection(S-Video) 8
Fix 6 STPI Gradual CONTRAST Increase
Starting level 40
Fix 7 RAPI Gradual CONTRAST Increase Vsync
counter 10
Fix 8 ZCRD Zero Cross Relay Delay 20
9ABLT ABL protection counter 3
Common
Init
Data
MS FIX 1 VERS M.S. Software Version =
Description
Description
Description
Name
MICRO
Service
Group Fix/ Var No.
Name
Name
Service
Group Fix/ Var No.
AUDIO
Service
Group Fix/ Var No.

48
KV-27FS320/32FS120/32FS320/34FS120/36FS120/36FS320/38FS120
KV-27FS320/32FS120/32FS320/34FS120/36FS120/36FS320/38FS120
KV-32FS120/34FS120 SERVICE DATA
Common
Init = Means same as other register
Data * Means change when tv turn on
VERSION Fix 0 VER Microprocessor version information =
Common RF Composite V
Init Init Init
Data Data Data
Var 1 HSIZ H SIZE(EW DC) 44 43 43
Var 2 HPOS H POSITION 24 27 28
Var 3 VSIZ V RAMP SIZE 29 27 27
Var 4 VPOS V POSITION(RAMP DC) 33 35 34
Var 5 VLIN V LINEARITY 37
Var 6 SCOR S CORRECTION 45
Var 7 VBOW BOW 36
Var 8 VANG ANGLE 52
Var 9 TRAP EW TRAPESIUM 22
Var 10 PAMP EW PIN 31
Var 11 UPIN UPPER PIN 30
Var 12 LPIN LOWER PIN 31
Var 13 TROT TROT 128
Var 14 HBLK H BLK mode select 0
Fix 15 RBLK HBLK rear timing 23 25 25
Var 16 LBLK HBLK front timing 56 53 53
Fix 17 VBLK V BLK width 3
Fix 18 HMSK TOP VEND(when
MACROVISION)prevent OFF 0
Fix 19 HDW H PULSE WIDTH(25u/19u) 1
Fix 20 AFC AFC GAIN 0
Fix 21 AFC1 AFC1 TIME CONSTANT 0 7 0
Fix 22 AFCW AFC1 PULL IN WIDE 1
Fix 23 CDMD V DET WINDOW SW TIMING 1
Fix 24 HSS SYNC SLICE LEVEL(H sepa) 0
Fix 25 VSS SYNC SLICE LEVEL(V sepa) 3
Fix 26 SLUD Auto Slice level UP/DOWN 0
Fix 27 JPSW Jump SW 0
Fix 28 HOSC H VCO fo offset ADJUST OFFSET 3
Fix 29 EHT EHT 4
Fix 30 EHTG EHT MODE 1
Fix/
Var
Fix/
Var
No.
No.
Service
Group
DEF
Name Description
Service
Group
Name Description

49
KV-27FS320/32FS120/32FS320/34FS120/36FS120/36FS320/38FS120
KV-27FS320/32FS120/32FS320/34FS120/36FS120/36FS320/38FS120
KV-32FS120/34FS120 SERVICE DATA
Common
Init
Data
1 VSIZ V RAMP SIZE 35
2 VPOS V POSITION(RAMP DC) 39
3 VLIN V LINEARITY 30
4 SCOR S CORRECTION 14
5 TRAP EW TRAPESIUM 19
6 PAMP EW PIN 14
7 UPIN UPPER PIN 31
8 LPIN LOWER PIN 32
9 ABLG ABL GAIN 1
10 SCON SUB CONTRAST LEVEL 11
11 VPW Jump Pulse Width 1
Common RF Composite V YUV Memor
y
Stick
Init Init Init Init Init
Data Data Data Data Data
1 RDRV R DRIVE 84
2 GDRV G DRIVE when Color Temp. is "Cool"
and "Neutral" 69 68 47
3 BDRV B DRIVE when Color Temp. is "Cool"
and "Neutral" 69 67 62
4 RCUT Hardware AKB(R) CMP DATA 100
5 GCUT Hardware AKB(G) CMP DATA when
Color Temp. is "Cool" and "Neutral" 73 72 67
6 BCUT Hardware AKB(B) CMP DATA when
Color Temp. is "Cool" and "Neutral" 64 58 49
7 SCON SUB CONTRAST LEVEL 11 23
8 SHUE SUB TINT(HUE) 9 7 8 10
9 SCOL SUB COLOR LEVEL 7 9 26 16
10 SBRT SUB BRIGHTNESS 15 22 16
Fix/
Var No.
16 : 9
Service
Group
Service
Group
Name
Name Description
Description
Fix/
Var No.
VP1

50
KV-27FS320/32FS120/32FS320/34FS120/36FS120/36FS320/38FS120
KV-27FS320/32FS120/32FS320/34FS120/36FS120/36FS320/38FS120
KV-32FS120/34FS120 SERVICE DATA
Common RF Composite V YUV Memor
y
Stick
Init Init Init Init Init
Data Data Data Data Data
11 RON R OUTPUT ON ( 0:R Output OFF 1:R
Output ON ) 1
12 GON G OUTPUT ON ( 0:G Output OFF 1:G
Output ON ) 1
13 BON B OUTPUT ON ( 0:B Output OFF 1:B
Output ON ) 1
14 BLLV BLUE STRETCH(00:no <-> 11:deep)
only Color Temp "Cool" 1
15 MTRX MATRIX RATIO SELECT 1
16 AXIS R-Y PHASE OFFSET 52
17 SSHO SUB SHARPNESS GAIN(OVER)
RF/VIDEO 32212
18 SSHP SUB SHARPNESS GAIN(PRE)
RF/VIDEO 11 11 13 18
19 SHPF SHRPNESS fo(00:2 CLK <-> 11:5
CLK) 0101
20 SHCL SHARPNESS CORING LEVEL 1
21 SHMX SHARPNESS LIMITTER LEVEL 15
22 AKBD AKB Self Diagnostic Counter(@1sec) 5
23 AKBS AKB Switch ( 0 : AKB OFF 1 : H/W
AKB ON ) 1
24 REFP AKB REFPLS timing ( "0"Fix when
16:9On ) 0
25 YNRC YNR LIMITER LEVEL 15
26 BKON BLACK STRETCH ON 1
27 BKRC BLACK STRETCH DETECTOR TIME
CONSTANT1 =
28 BKDP BLACK STRETCH START POINT =
29 BKSP BLACK STRETCH POINT =
No. Name Description
Fix/
Var
VP1
Service
Group

51
KV-27FS320/32FS120/32FS320/34FS120/36FS120/36FS320/38FS120
KV-27FS320/32FS120/32FS320/34FS120/36FS120/36FS320/38FS120
KV-32FS120/34FS120 SERVICE DATA
Common RF Composite V YUV Memory
Stick
Init Init Init Init Init
Data Data Data Data Data
1 VMOF VM LEVEL at "Off" Setting 2
2 VMLO VM LEVEL at "Low" Setting 5
3 VMHI VM LEVEL at "High" Setting 11
4 VMDL VM DELAY 10 10 6 6
5 VMPL VM PORALITY 1
6 VMWD VM WIDTH 0
7 VMCL VM CORING LEVEL 0
8 VMMX VM LIMITER LEVEL 15
9 CKLV COLOR KILLER VTH 1
10 CKON FORCE KILLER 0
11 ALFA ADAPTIVE DET SENSITIVITY 2
12 YCMD
YC SEPA FORCE
SELECT(00:ADAPTIVE 01:H 10:V
11:HV)
0
13 VACL V APERTURE CORING LEVEL 0
14 VAGA V APERTURE GAIN LEVEL =
15 VAMX V APERTURE LIMITER LEVEL 15
16 GAMM GAMMA(00:no <-->11:deep) =
17 YDLY Y DELAY TIME 3
18 CDLY C DELAY 2
19 YOFF Y OUTPUT MUTE 0
20 BGPP BGP(for C DECODER)TIMING 11
21 NRCH NOISE DET VTH1 3
22 NRCL NOISE DET VTH1 255
23 NRVL NOISE DET VTH1 255
24 NRVH NOISE DET VTH1 255
25 GDOF G DRIVE OFFSET only Color Temp.
"Warm" 18
26 BDOF B DRIVE OFFSET only Color Temp.
"Warm" 31
27 GCOF GCUT CMP DATA OFFSET only
Color Temp. "Warm" 2
28 BCOF BCUT CMP DATA OFFSET only
Color Temp. "Warm" 4
29 DCTV DCTRANSFER VTH 3
30 DCTG DCTRANSFER GAIN =
Service
Group
Fix/
Var No. Name Description
VP2

52
KV-27FS320/32FS120/32FS320/34FS120/36FS120/36FS320/38FS120
KV-27FS320/32FS120/32FS320/34FS120/36FS120/36FS320/38FS120
KV-32FS120/34FS120 SERVICE DATA
Common
Init
Data
1SCOL SUB COLOR LEVEL for NR 7
2SHCL
SHARPNESS NOISE CORING
LEVEL for NR 15
3SHMX
SHARPNESS LIMITTER LEVEL for
NR 7
4YNRC YNR LIMITER LEVEL for NR 7
5VMHI VM LEVEL at "High" Setting for NR 7
6VMCL VM CORING LEVEL for NR 0
7VMMX VM LIMITER LEVEL for NR 7
8VAGA V APERTURE GAIN LEVEL for NR 0
9GAMM GAMMA(00:no <-->11:deep) for NR 0
10 YNRS YNR ON for NR 1
11 WSTH WEAK_SIGNAL VTH for NR 7
12 WSVA WEAK SIGNAL VIDEO ATT for NR 0
13 WSCA WEAK SIGNAL CHROMA ATT for NR 5
VIVID STANDARD MOVIE PRO
Init Init Init Init
Data Data Data Data
Fix 1 VPIC Picture 63 50 37 31
Fix 2 VBRI Brightness 31 31 28 31
Fix 3 VCOL Color 32 31 31 31
Fix 4 VHUE Hue 31 31 31 31
Fix 5 VSHA Sharpness 35 37 34 31
Fix 6 VVM VM 2 1 1 0
Fix 7 VTRI Color Temp 0 1 2 1
Fix 8 VAPA Aperture G 7 4 3 0
Fix 9 VGMA Gamma 3 2 2 0
Fix 10 VDCT DCT LV 12 9 9 2
Fix 11 BKDP BLACK STRETCH DEPTH 2 2 1 1
Fix 12 BKRC BLACK ST TIME 1 & TIME 2 243 243 244 244
Fix 13 BKSP BLACK STRETCH POINT 3 1 1 1
Fix 14 CONO CONTRAST OFFSET for RF 1 0 0 0
NR
Description
Service
Group
Fix/
Var No. Name
PALETTE
No. Name Description
Service
Group
Fix/
Var

53
KV-27FS320/32FS120/32FS320/34FS120/36FS120/36FS320/38FS120
KV-27FS320/32FS120/32FS320/34FS120/36FS120/36FS320/38FS120
KV-32FS120/34FS120 SERVICE DATA
Common 16:9 YUV Memor
y
Stick
Init Init Init Init
Data Data Data Data
Fix 1 YNRS YNR ON 0
Fix 2 CLPS CLAMP CONTROL SW ( 0:CLAMP
OFF 1:CLAMP AUTO 2:CLAMP ON ) 1
3VMG2
MODULATOR FEEDBACK GAIN
CONTROL 1
4CLPT
CLAMP AUTO ON KEEP TIMER
COUNT (@100ms) 15
5 AASL C DECODER TIME
CONSTANT(32,16,8,1H) 2
6 BASL ACC TIME CONSTANT 0
7 ACTH ROM HYS 95
8 AVAV AVE SEL AV 3
9 B2TH B2COMP 0
10 AMUT RGB POWER ON MUTE 0
11 PMUT RGB MUTE(EXCEPT OSD) 1
12 CORL R CUTOFF lower 0
13 CORH R CUTOFF upper 1
14 COGL G CUTOFF lower when Color Temp.
is "Cool" and "Neutral" 0
15 COGH G CUTOFF upper when Color Temp.
is "Cool" and "Neutral" 1
16 COBL B CUTOFF lower when Color Temp. is
"Cool" and "Neutral" 0
17 COBH B CUTOFF upper when Color Temp.
is "Cool" and "Neutral" 1
18 ALSP ACL SPEED 0
19 ALAS ACL ATACK SPEED 146
20 ABLG ABL GAIN 4
21 AKBM AKB MODE 0
22 AKBP AKB PULSE HEIGHT 10
23 OSDL OSD LIMMIT SELECT 0
24 UVG UV OFFSET CANCELER ON 0
25 UOFS U IN OFFSET 32 39 32
26 VOFS V IN OFFSET 32 35 32
27 AALG ANALOG ACL GAIN CONTROL 0
28 AALS ANALOG ACL ON/OFF CONTROL 1
29 UVDT UVIN DITHER TEST 14
Service
Group
ASIC
No. Name Description
Fix/
Var

54
KV-27FS320/32FS120/32FS320/34FS120/36FS120/36FS320/38FS120
KV-27FS320/32FS120/32FS320/34FS120/36FS120/36FS320/38FS120
KV-32FS120/34FS120 SERVICE DATA
Common 16:9 YUV Memor
y
Stick
Init Init Init Init
Data Data Data Data
30 HFFR AFC1 FORCE FREERUN 0
31 HFUP H FREERUN FREQUENCY
UP(700Hz) 0
32 JSWW Jump Pulse Width 0
33 XF0A VCXO FREERUN ADJUST 0
34 BGST BGP(for PLL) TIMING 16 6 16
35 XPHA VCXO PHASE ADJUST 10
36 HRMP AFC2 TIME CONSTANT 3
37 RPLU REF PLL TIME CONSTANT 3
38 RPLB REF PLL TIME CONSTANT 1
39 XF0B VCXO Fo ADJUST 0
40 RPLS REF VCO FB LOOP SELECT 0
41 SSM SyncSepaMasking CONTROL 0
42 VSAG V-SAG prevent ON 0
43 AFC2 AFC2 GAIN CONTROL 0
44 VRFL V RAMP FILTER SWITCHING OFF 0
45 XPLU ACP TIME CONSTANT 1
46 CDM2 V_LOGIC SW 1
47 BGPC BGP C 0
48 MHDL BGP SEL 1
49 BFRE force V FREERUN 0
50 HRPP FRAMP RRAMP H OUT CONTROL
RANGE 2
51 DSCK DS DAC CLK SW for only Not YUV 0 0
52 VBHK V BLK HALF KILL only 16:9Off 0
53 VPW V Pulse Wide 1
54 DTH DITHER THRESHOLD LEVEL
CONTROL at IIC AUTOD=ON 1
55 SLON LPF SYNC ON 5 5 5
56 VSSW SYNC SLICE LEVEL(V) Wide
Window 0
57 AF2S AFC2 timing SW 0
58 VSL2 Digital V_SYNC_LPF(fall) 1
59 VSL1 Digital V_SYNC_LPF(rise) 0
60 VSHE V-SHRINK MODE for AV-NoSync 0
61 DSCS CLOCK DIV SEL 1 0 0
62 14HI 4fsc(Skew)CLK POLARITY 1
63 14HD 4fscCLK(Skew)CLK DELAY ADJUST 0
Fix/
Var DescriptionNo. Name
Service
Group
ASIC

55
KV-27FS320/32FS120/32FS320/34FS120/36FS120/36FS320/38FS120
KV-27FS320/32FS120/32FS320/34FS120/36FS120/36FS320/38FS120
KV-32FS120/34FS120 SERVICE DATA
Common 16:9 RF Composite V
Init Init Init Init
Data Data Data Data
64 DSI 8fscCLK POLARITY 1
65 DSD 8fscCLK DELAY ADJUST 0
66 ADCD ADC CLK DELAY ADJUST 0
67 WSTH WEAK_SIGNAL VTH 0
68 WSVA WEAK SIGNAL VIDEO ATT 0
69 WSCA WEAK SIGNAL CHROMA ATT 0
70 VREF AD REFERNCE SELECT(VZ) 0
71 DCCK AD REFERNCE SELECT(VZ) 0 12 12
72 HT HALF TONE LEVEL 0
73 OSLR R OSD LEVEL 27
74 OSLG G OSD LEVEL 27
75 OSDC OSD COMP 0
76 OSLB B OSD LEVEL 27
77 HRIL H/W AKB RED OUTPUT Lower 4
78 HRIH H/W AKB RED OUTPUT Upper 1
79 HGIL H/W AKB GREEN OUTPUT Lower 15
80 HGIH H/W AKB GREEN OUTPUT Upper 1
81 HBIL H/W AKB BLUE OUTPUT Lower 231
82 HBIH H/W AKB BLUE OUTPUT Upper 0
83 HLM1 H/W AKB LIM1 4
84 HLM2 H/W AKB LIM2 12
85 HLM3 H/W AKB LIM3 21
86 HAD1 H/W AKB SPEED1 2
87 HAD2 H/W AKB SPEED2 6
88 HAKE H/W AKB MANUAL (MCU)/HARD 1
89 HASP H/W AKB SPEED 3
90 HERL H/W AKB ERROR DET THRESH 10
91 HLMC H/W AKB ERROR DET TIME 15
92 HPWL H/W AKB POWER ON TRESH 4
93 HPWC H/W AKB POWER ON TIME 2
94 HFMT POWER ON H/W AKB2 HOLD
TIMER(@100msec) [ 0 : No Hold ] 20
95 SPMT AKB POWER ON MUTE EXIT
TIMER(@100msec) 120
96 GYG G-Y Gain 0
97 Y16M YUV 16 M 1
98 PCLP Pedestal Clamp 0
Fix/
Var No. Name Description
Service
Group
ASIC

56
KV-27FS320/32FS120/32FS320/34FS120/36FS120/36FS320/38FS120
KV-27FS320/32FS120/32FS320/34FS120/36FS120/36FS320/38FS120
KV-32FS120/34FS120 SERVICE DATA
Common
Init
Data
Fix 1 SBAL Sub Balance 4
Fix 2 SBAS Sub Bass 0
Fix 3 STRE Sub Treble 0
Fix 4 SRL Surround Level 0
Fix 5 BBOL Surround Off-BBE Low 3
Fix 6 BBOH Surround Off-BBE High 3
Fix 7 BBSL Simulate BBE Low 3
Fix 8 BBSH Simulate BBE High 3
Fix 9 BBGL WOW Game BBE Low 0
Fix 10 BBGH WOW Game BBE High 0
Fix 11 BBTL SRS BBE Low 3
Fix 12 BBTH SRS BBE High 3
Fix 13 VFIX Audio output fix data 240
Fix 14 AGCL AGC level 2
Fix 15 VCOF VCOF 9
Common
Init
Data
Var 1 DISP OSD horizontal offset 101
Fix 2 CCHP for TILT data calculation 110
Fix 3 HRLW Low limit of H-pulse counting window
(RF) 16
Fix 4 HRHG High limit of H-pulse counting wondow
(RF) 64
Fix 5 HSDT H-pulse Detection(S-Video) 8
Fix 6 STPI Gradual CONTRAST Increase
Starting level 40
Fix 7 RAPI Gradual CONTRAST Increase Vsync
counter 10
Fix 8 ZCRD Zero Cross Relay Delay 20
9ABLT ABL protection counte
r
3
Common
Init
Data
MS FIX 1 VERS M.S. Software Version =
Service
Group
Fix/
Var No.
Name
Name
Service
Group
Fix/
Var No.
MICRO
Service
Group
Fix/
Var No.
Description
Name Description
Description
AUDIO

57
KV-27FS320/32FS120/32FS320/34FS120/36FS120/36FS320/38FS120
KV-27FS320/32FS120/32FS320/34FS120/36FS120/36FS320/38FS120
4-5. ID MAP TABLE
Model Destination ID-O ID-1 ID-2 ID-3 ID-4 ID-5 ID-6 ID-7
KV-27FS320 US 8963231320004
KV-27FS320 CND 8963231480004
KV-32FS120 US 8915199328004
KV-32FS120 CND 8915199488004
KV-32FS320 US 8963231320004
KV-32FS320 CND 8963231480004
KV-34FS120 L NORTH 81 15 199 128 16 0 32 68
KV-34FS120 L SOUTH 81 15 199 128 16 0 32 68
KV-36FS120 US 8915199328004
KV-36FS120 CND 8915199488004
KV-36FS120HAWAII 8915199328004
KV-36FS320 US 8963231320004
KV-36FS320 CND 8963231480004
KV-36FS320HAWAII 8963231320004
KV-38FS120 L NORTH 81 15 199 128 16 0 32 68
KV-36FS120/38FS120 SERVICE DATA
(DATA NOT AVAILABLE)

58
KV-27FS320/32FS120/32FS320/34FS120/36FS120/36FS320/38FS120
KV-27FS320/32FS120/32FS320/34FS120/36FS120/36FS320/38FS120
Display Position Adjustment (DISP)
1. Input a color-bar signal.
2. Set to Service Adjustment Mode.
3. Select DISP with 1 and 4 .
4. Adjust values of DISP with 3 and 6 to adjust characters to the
center.
5. Press MUTING then ENTER to save into the memory.
6. Check to see if the text is displayed on the screen.
service micro disp 48
ntsc
vchp
Category
Display
Item
Mode
Item
Data
Signal
Type
00000000 00000000
Sub Bright Adjustment (SBRT)
1. Input a monoscope signal.
2. Activate the Service Adjustment Mode.
3. Set the PICTURE and BRIGHTNESS to minimum.
4. Select the SBRT item with 1 and 4 .
5. Adjust the values of SBRT with 3 and 6 to obtain a faintly visible 20
IRE mark, after that increase +3 steps.
6. Press MUTING then ENTER to save into the memory.
Sub Hue, Sub Color Adjustment
(SHUE, SCOL)
1. Input color-bar signal at 75%.
2. Activate the Service Adjustment Mode.
3. Set (PIC) to Max and (COL) to 50%.
4. Connect an oscilloscope probe to C Board, CN705 pin 4 (Blue Out).
5. Select the SHUE and SCOL item with 1 and 4 .
6. While showing the SHUE item, adjust the waveform with 3 and 6
until the second and third bars show the same level
(V2 = V3 < 0.15Vp-p). Set Sub Hue -2 Step.
7. While showing the SCOL item, adjust the waveform with 3 and 6
until the fi rst and fourth bars show the same level
(V1 = V4 < 0.15Vp-p). Set Sub Col + 2 Step.
V1 V2 V3 V4
8. Press MUTING then ENTER to save into the memory.
4-6. A BOARD ADJUSTMENTS
H. Frequency (Free Run) Check
1. Input a TV mode (RF) with no signal.
2. Connect a frequency counter to base of Q501
(TP-25 H. DRIVE) on the A Board.
3. Check H. Frequency for 15735 ± 200 Hz.
V. Frequency (Free Run) Check
1. Select video 1 with no signal input.
2. Set the conditions for a standard setting.
3. Connect the frequency counter to TP-27 (V OUT) or CN501 pin 6
(V DY+) and ground on the A Board .
4. Check that V. Frequency shows 60 ± 4 Hz.
Drive (SCON)
1. Input a color-bar signal and set the level to 75%.
2. Set in Pro mode + PICTURE MAX.
3. Activate the Service Adjustment Mode.
4. Set GON and BON items. Using 3 and 6 set each to the following
values. Leave RON set to “1”.
service video rdrv
ntsc
vchp
Category
Display
Item
Mode
Item
Data
Signal
Type
00000000 00000000
26
R ON: ON (1)
G ON: OFF (0)
B ON: OFF (0)
5. Connect an oscilloscope probe to C Board, CN705 pin3 (KR).
6. Select SCON with 1 and 4 .
7. Adjust the value of SCON with 3 and 6 for 92 ± 2Vpp.
92 + 2Vpp
8. Reset GON and BON values to “1”.
R ON: ON (1)
G ON: ON (1)
B ON: ON (1)
9. Press MUTING then ENTER to save into the memory.

59
KV-27FS320/32FS120/32FS320/34FS120/36FS120/36FS320/38FS120
KV-27FS320/32FS120/32FS320/34FS120/36FS120/36FS320/38FS120
V. Size Adjustment (VSIZ)
1. Input a crosshatch signal.
2. Activate the Service Adjustment Mode.
3. Select the VSIZ item with 1 and 4.
4. Adjust value of VSIZ with 3 and 6 for the best vertical size.
5. Press MUTING then ENTER to save into the memory.
V. Center Adjustment (VPOS)
Perform this adjustment after performing H. Frequency
(Free Run) Check.
1. Input a crosshatch signal.
2. Activate the Service Adjustment Mode.
3. Select the VPOS item with 1 and 4 .
4. Adjust value of VPOS with 3 and 6 for the best vertical center.
5. Press MUTING then ENTER to save into the memory.
H. Center Adjustment (HPOS)
Perform this adjustment after performing H. Frequency
(Free Run) Check.
1. Input a crosshatch signal.
2. Activate the Service Adjustment Mode.
3. Select the HPOS item with 1 and 4 .
4. Adjust the value of HPOS with 3 and 6 for the best horizontal center.
5. Press MUTING then ENTER to save into the memory.
H. Size Adjustment (HSIZ)
1. Input a monoscope signal.
2. Activate the Service Adjustment Mode.
3. Select HSIZ with 1 and 4 .
4. Adjust with 3 and 6 for the best horizontal size.
5. Press MUTING then ENTER to save into the memory.
V. Linearity (VLIN), V. Correction (SCOR), PIN
Amp (PAMP), and Horizontal Trapezoid
(HTRP) Adjustments
1. Input a crosshatch signal.
2. Activate the Service Adjustment Mode.
3. Select VLIN, SCOR, PAMP, and HTRP with with 1 and 4.
4. Adjust with 3 and 6 for the best horizontal size.
5. Press MUTING then ENTER to save into the memory.
V LINEARITY (VLIN)
V CORRECTION (SCOR)
PIN AMP (PAMP)
HORIZONTAL TRAPEZOID (HTRP)

60
KV-27FS320/32FS120/32FS320/34FS120/36FS120/36FS320/38FS120
KV-27FS320/32FS120/32FS320/34FS120/36FS120/36FS320/38FS120
V. Angle (VANG), V. Bow (VBOW), Upper PIN
(UPIN) and Low PIN (LPIN) Adjustments
1. Input a crosshatch signal.
2. Activate the Service Adjustment Mode.
3. Select VANG, VBOW, UPIN, and LPIN with 1 and 4.
4. Adjust with 3 and 6 for the best picture.
5. Press MUTING then ENTER to save into the memory.
V ANGLE (VANG)
V BOW (VBOW)
UPPER PIN (UPIN)
LOW PIN (LPIN)
Service Adjustment Mode Memory
1. After completing all adjustments, press 0 then ENTER .
Read From Memory
Green
Red
ENTER
0
service defl vbow
ntsc
vchp
Category
Display
Item
Mode
Item
Data
Signal
Type
00000000 00000000
7

79
KV-27FS320/32FS120/32FS320/34FS120/36FS120/36FS320/38FS120
KV-27FS320/32FS120/32FS320/34FS120/36FS120/36FS320/38FS120
2SB709A-QRS-TX
2SD601A-QRS-TX
2SB734-T-34
2SC3209LK-TP
2SA1837
2SA1091O-TPE2
2SA1309A-QRSTA
2SC3311A-QRSTA
2SD2144S-TP-UVW
2SC3840K
IRF614 2SK2663 2SD2578-YB2SC4793
ERB44-06TP1
1SS83TD
GP08DPKG23
RGP10GPKG23
RU4AM-T3
RD9.1EW-T1 MA111-TX
UDZ-TE-17.5.1B
UDZ-TE-17.91B
D2SB60A-F04 DAP202K-T-146 D4SB60L-F
D5LC20U
E
B
C
B
C
E
LETTER SIDE
ECB
LETTER SIDE
ECBBCE
ECB
GDS
D
G
S
123
CATHODE
ANODE
ERA38-06TP1
ERA82-004TP5
1SS133T-77
D1NS0R-TA
MTZJ-T-77-12C
MTZJ-T-77-15B
MTZJ-T-77-33B
MTZJ-T-77-39
CATHODE
ANODE
CATHODE
ANODE
A
NODE
CATHODE
+
~
-
~
1
2
3
1
2
3{
’’
{
’’
MARKING SIDE VIEW
CATHODE
ANODE
CATHODE
CATHODE
ANODE GATE
TF541M
RU-1P
ERC06-15S
EGP20DPKG23
MTZJ-T-77-5.1C
MTZJ-T-77-5.6C
MTZJ-T-77-7.5A
MTZJ-T-77-10B
MTZJ-T-77-30D
RGP10-GPKG3
RGP02-17PKG23
RGP15GPKG23
5-4. SEMICONDUCTORS

KV-27FS320/32FS120/32FS320/34FS120/36FS120/36FS320/38FS120
Components not identifi ed by a part number or
description are not stocked because they are seldom
required for routine service.
NOTE: The components identifi ed by shading and
!
mark are critical for safety.
Replace only with part number specifi ed.
NOTE: Les composants identifi es per un trame et une marque
!
sont critiques pour
la securite. Ne les remplacer que par une piece portant le numero specifi e.
The component parts of an assembly are indicated by the
reference numbers in the far right column of the parts list
and within the dotted lines of the diagram.
*
Items marked with an asterisk are not stocked since
they are seldom required for routine service. Expect
some delay when ordering these components.
6-1. CHASSIS (KV-27FS320/32FS320/36FS320 ONLY)
SECTION 6: EXPLODED VIEWS
4-046-765-12 SCREW, TAPPING 7+CROWN WASHER
4-388-477-01 SCREW(3X16),TAPPING,+BV WASHER
7-685-648-79 SCREW +BVTP 3X12 TYPE2 TT(B)
11
1
2
7
6
8
9
10
14
15
16
17
18
19
13
12
11
5
3
4

80
KV-27FS320/32FS120/32FS320/34FS120/36FS120/36FS320/38FS120
REF. NO. PART NO. DESCRIPTION REF. NO. PART NO. DESCRIPTION [ASSEMBLY INCLUDES]
* 1 A-1415-870-A HR BOARD, MOUNTED
* 2 A-1415-872-A HU BOARD, MOUNTED
* 3 A-1415-873-A HD BOARD, MOUNTED
* 4 4-076-951-01 HINGE, PWB
!
5 1-824-069-11 CORD, AC POWER (WITH CONNECTOR)
* 6 A-1057-457-A A BOARD, COMPLETE
(KV-27FS320 ONLY)
The high-voltage leads associated with the FBT on the A board
are not included and must be ordered separately. (See 11-13)
* 6 A-1058-449-A A BOARD, COMPLETE
(KV-32FS320/36FS320 ONLY)
The high-voltage leads associated with the FBT on the A board
are not included and must be ordered separately. (See 11-13)
!
7 8-598-593-50 TUNER, FSS BTF-WA421
!
8 1-766-374-11 PLUG, F-PIN
* 9 A-1057-456-A M (VAR) BOARD, MOUNTED
(KV-27FS320 ONLY)
* 9 A-1056-113-A M (VAR) BOARD, MOUNTED
(KV-32FS320 ONLY)
* 9 A-1061-529-A M (VAR) BOARD, MOUNTED
(KV-36FS320 ONLY)
!
10 1-453-310-11 FBT ASSY NX-4521//X4J4 [11-13]
(KV-27FS320 ONLY)
!
10 1-453-338-44 FBT ASSY NX-4600//X4C [11-13]
(KV-32FS320/36FS320 ONLY)
!
11 1-251-715-22 CAP ASSY, HIGH-VOLTAGE
!
12 1-900-800-82 WIRE ASSY, FOCUS
!
13 1-900-803-22 WIRE ASSY, G2 LEAD
14 4-089-469-11 STANDOFF, HV
(KV-36FS320 ONLY)
* 15 A-1056-114-A HM BOARD, MOUNTED
* 16 4-102-416-01 BRACKET, HM
* 17 A-1054-787-A HN BOARD, MOUNTED
* 18 A-1057-459-A C (VAR) BOARD, MOUNTED
(KV-27FS320 ONLY)
* 18 A-1415-717-A C (VAR) BOARD, MOUNTED
(KV-32FS320/36FS320 ONLY)
* 19 A-1057-460-A V (VAR) BOARD, MOUNTED
(KV-27FS320 ONLY)
* 19 A-1415-719-A V (VAR) BOARD, MOUNTED
(KV-32FS320/36FS320 ONLY)

KV-27FS320/32FS120/32FS320/34FS120/36FS120/36FS320/38FS120
6-2. PICTURE TUBE (KV-27FS320/32FS320/36FS320 ONLY)
4-046-765-12 SCREW, TAPPING 7+CROWN WASHER
4-388-477-01 SCREW(3X16),TAPPING,+BV WASHER
7-685-663-79 SCREW +BVTP 4X16 TYPE2 TT(B)
50
31
54 53 52
48
49
38
39
40
41
42
43 45
46
51
44
47 55
38
30
33
32
34 35 36 37
NOTE: The components identifi ed by shading and
!
mark are critical for safety.
Replace only with part number specifi ed.
NOTE: Les composants identifi es per un trame et une marque
!
sont critiques pour
la securite. Ne les remplacer que par une piece portant le numero specifi e.

81
KV-27FS320/32FS120/32FS320/34FS120/36FS120/36FS320/38FS120
[ASSEMBLY INCLUDES]
30 4-102-420-01 GUIDE, LIGHT (MS)
31 X-2021-481-1 BEZNET ASSY [32-37]
(KV-27FS320 ONLY)
31 X-2021-599-1 BEZNET ASSY [32-37]
(KV-32FS320 ONLY)
31 X-2021-359-1 BEZNET ASSY [32-37]
(KV-36FS320 ONLY)
32 4-087-374-01 SPRING, DOOR
33 4-046-160-41 EMBLEM, SONY NO.9
34 4-087-375-61 DOOR, CONTROL
35 4-087-376-21 LABEL, FRONT TERMINAL
36 4-087-156-01 GUIDE, LIGHT
37 4-087-150-41 BUTTON, POWER
38 1-825-513-11 LOUDSPEAKER (6X12CM)
!
39 1-452-896-11 COIL, NA ROTATION (RT-200)
(KV-27FS320/32FS320 ONLY)
!
39 1-452-896-61 COIL, NA ROTATION (RT-200)
(KV-36FS320 ONLY)
40 4-086-875-02 SUPPORTER, CRT
(KV-36FS320 ONLY)
!
41 8-735-082-05 CRT 29RSN(SDP) M68LNH050X
(KV-27FS320 ONLY)
!
41 8-735-066-05 CRT 34RSN(SDP) A80LPD50X
(KV-32FS320 ONLY)
!
41 8-735-090-05 CRT 38RSN(FOR SOUTH CHINA) A90LPW80X
(KV-36FS320 HAWAII ONLY)
!
41 8-735-048-05 CRT 38RSN A90LPW80X
(KV-36FS320 US & CND ONLY)
42 4-088-879-01 CUSHION, 36 CRT SUPPORTER
(KV-36FS320 ONLY)
!
43 8-451-494-41 DY Y29RSA-V
(KV-27FS320 ONLY)
!
43 8-451-499-41 DY Y34RSA-V
(KV-32FS320 ONLY)
!
43 8-451-506-22 DY Y38RSA-V
(KV-36FS320 ONLY)
!
44 8-453-011-11 NECK ASSEMBLY NA299-M
(KV-27FS320 ONLY)
!
44 8-453-007-41 NECK ASSEMBLY NA324-M4
(KV-32FS320/36FS320 ONLY)
45 4-036-329-01 SPRING (B), TENSION
(KV-27FS320 ONLY)
45 4-082-641-01 SPRING, 45MM
(KV-32FS320/36FS320 ONLY)
!
46 1-419-156-21 COIL, DEGAUSSING
(KV-27FS320 ONLY)
!
46 1-428-988-31 DEGAUSSING COIL (31 INCH 120V)
(KV-32FS320 ONLY)
!
46 1-456-011-21 COIL, DEGAUSSING
(KV-36FS320 ONLY)
* 47 4-087-877-51 TERMINAL, BRACKET
48 4-100-433-01 TUBE, DGC (A)
(KV-32FS320 ONLY)
48 4-098-344-01 TUBE, DGC (B)
(KV-36FS320 ONLY)
49 4-083-414-01 PIECE A(110), CONV CORRECT
(KV-27FS320/32FS320 ONLY)
49 4-085-128-01 PIECE A (100), CONV. CORRECT
(KV-36FS320 ONLY)
50 4-082-640-01 HOOK, GROUND WIRE
(KV-32FS320/36FS320 ONLY)
51 1-452-885-11 MAGNET, LANDING
* 52 4-062-970-12 CLIP (29RSN), DGC
(KV-27FS320 ONLY)
52 4-065-895-12 HOLDER, DGC
(KV-32FS320 ONLY)
52 4-065-895-05 HOLDER, DGC
(KV-36FS320 ONLY)
53 4-053-005-01 SPACER, DY
(KV-27FS320/32FS320 ONLY)
53 2-164-116-01 SPACER, DY
(KV-36FS320 ONLY)
54 4-081-170-01 PLATE, TLH CORRECTION
(KV-27FS320/32FS320 ONLY)
54 2-163-920-01 PLATE, TLH CORRECTION
(KV-36FS320 ONLY)
55 4-087-777-05 COVER, REAR
(KV-27FS320 ONLY)
55 4-087-878-04 COVER, REAR
(KV-32FS320 ONLY)
55 4-086-697-04 COVER, REAR
(KV-36FS320 ONLY)
REF. NO. PART NO. DESCRIPTION REF. NO. PART NO. DESCRIPTION

KV-27FS320/32FS120/32FS320/34FS120/36FS120/36FS320/38FS120
NOTE: The components identifi ed by shading and
!
mark are critical for safety.
Replace only with part number specifi ed.
NOTE: Les composants identifi es per un trame et une marque
!
sont critiques pour
la securite. Ne les remplacer que par une piece portant le numero specifi e.
6-3. CHASSIS (KV-32FS120/34FS120/36FS120/38FS120 ONLY)
4-046-765-12 SCREW, TAPPING 7+CROWN WASHER
4-388-477-01 SCREW(3X16),TAPPING,+BV WASHER
14
7
6
8
9
10
15
16
13
12
11
11
4
5
123

82
KV-27FS320/32FS120/32FS320/34FS120/36FS120/36FS320/38FS120
REF. NO. PART NO. DESCRIPTION REF. NO. PART NO. DESCRIPTION [ASSEMBLY INCLUDES]
* 1 A-1415-723-A HS BOARD, MOUNTED
* 2 4-089-054-41 BOARD, BOTTOM
* 3 4-076-951-01 HINGE, PWB
4 1-500-586-11 FILTER, CLAMP (FERRITE CORE)
(KV-34FS120 LATIN SOUTH ONLY)
!
5 1-824-069-11 CORD, AC POWER(WITH CONNECTOR)
(ALL EXCEPT KV-34FS120 LATIN SOUTH)
!
5 1-757-840-13 CORD, POWER (WITH CONNECTOR)
(KV-34FS120 LATIN SOUTH ONLY)
* 6 A-1302-981-A A BOARD, COMPLETE
(ALL EXCEPT KV-34FS120 LATIN SOUTH)
The high-voltage leads associated with the FBT on the A board
are not included and must be ordered separately. (See 11-13)
* 6 A-1056-321-A A BOARD, COMPLETE
(KV-34FS120 LATIN SOUTH ONLY)
The high-voltage leads associated with the FBT on the A board
are not included and must be ordered separately. (See 11-13)
!
7 8-598-593-50 TUNER, FSS BTF-WA421
!
8 1-766-374-11 PLUG, F-PIN
* 9 A-1415-721-A M (VAR) BOARD, MOUNTED
(KV-32FS120/34FS120 ONLY)
* 9 A-1060-077-A M (VAR) BOARD, MOUNTED
(KV-36FS120/38FS120 ONLY)
!
10 1-453-338-41 FBT ASSY NX-4600//X4J4 [11-13]
!
11 1-251-715-22 CAP ASSY, HIGH-VOLTAGE
!
12 1-900-800-82 WIRE ASSY, FOCUS
!
13 1-900-803-22 WIRE ASSY, G2 LEAD
14 4-089-469-11 STANDOFF, HV
(KV-36FS120/38FS120 ONLY)
* 15 A-1415-717-A C (VAR) BOARD, MOUNTED
* 16 A-1415-719-A V (VAR) BOARD, MOUNTED

KV-27FS320/32FS120/32FS320/34FS120/36FS120/36FS320/38FS120
6-4. PICTURE TUBE (KV-32FS120/34FS120/36FS120/38FS120 ONLY)
4-046-765-12 SCREW, TAPPING 7+CROWN WASHER
4-388-477-01 SCREW(3X16),TAPPING,+BV WASHER
7-685-663-79 SCREW +BVTP 4X16 TYPE2 TT(B)
7-685-648-79 SCREW +BVTP 3X12 TYPE2 TT(B)
51
46
50
30
48
44
45
36
38
42
43
47
36 41
37
39
40
49
32 33
31
34 35
NOTE: The components identifi ed by shading and
!
mark are critical for safety.
Replace only with part number specifi ed.
NOTE: Les composants identifi es per un trame et une marque
!
sont critiques pour
la securite. Ne les remplacer que par une piece portant le numero specifi e.

83
KV-27FS320/32FS120/32FS320/34FS120/36FS120/36FS320/38FS120
[ASSEMBLY INCLUDES]
REF. NO. PART NO. DESCRIPTION REF. NO. PART NO. DESCRIPTION
30 X-2021-381-1 BEZNET ASSY [31-35]
(KV-32FS120/34FS120 ONLY)
30 X-2021-304-1 BEZNET ASSY [31-35]
(KV-36FS120/38FS120 ONLY)
31 4-046-160-31 EMBLEM, SONY NO.9
32 4-089-056-11 DOOR
(KV-32FS120/34FS120 ONLY)
32 4-089-056-21 DOOR
(KV-36FS120/38FS120 ONLY)
33 4-089-016-01 LABEL, DOOR
34 4-089-058-01 GUIDE, LED
35 4-089-057-11 BUTTON, POWER
(KV-32FS120/34FS120 ONLY)
35 4-089-057-21 BUTTON, POWER
(KV-36FS120/38FS120 ONLY)
36 1-825-206-11 LOUDSPEAKER (6X12CM)
!
37 1-452-896-11 COIL, NA ROTATION (RT-200)
(KV-32FS120/34FS120 ONLY)
!
37 1-452-896-61 COIL, NA ROTATION (RT-200)
(KV-36FS120/38FS120 ONLY)
38 4-089-063-03 SUPPORTER, CRT
(KV-32FS120/34FS120 ONLY)
38 4-089-064-03 SUPPORTER, CRT
(KV-36FS120/38FS120 ONLY)
!
39 8-735-066-05 CRT 34RSN(SDP) (A80LPD50X)
(KV-32FS120 & KV-34FS120 LATIN NORTH ONLY)
!
39 8-735-050-05 CRT 34RSN(FOR EQUATORIAL AREA) (A80LPD80X)
(KV-34FS120 LATIN SOUTH ONLY)
!
39 8-735-090-05 CRT 38RSN(FOR SOUTH CHINA) (A90LPW80X)
(KV-36FS120 HAWAII & KV-38FS120 LATIN NORTH ONLY)
!
39 8-735-048-05 CRT 38RSN (A90LPW80X)
(KV-36FS120 US & CND ONLY)
!
40 8-451-499-41 DY Y34RSA-V
(KV-32FS120/34FS120 ONLY)
!
40 8-451-506-22 DY Y38RSA-V
(KV-36FS120/38FS120 ONLY)
!
41 8-453-007-41 NECK ASSEMBLY NA324-M4
42 4-082-641-01 SPRING, 45MM
* 42 4-083-303-01 SPRING, METAL
!
43 1-428-988-31 DEGAUSSING COIL (31 INCH 120V)
(KV-32FS120 & KV-34FS120 LATIN NORTH ONLY)
!
43 1-428-990-11 DEGAUSSING COIL (34 220V)
(KV-34FS120 LATIN SOUTH ONLY)
!
43 1-456-011-21 COIL, DEGAUSSING
(KV-36FS120/38FS120 ONLY)
44 4-100-433-01 TUBE, DGC (A)
(KV-32FS120/34FS120 ONLY)
44 4-098-344-01 TUBE, DGC (B)
(KV-36FS120/38FS120 ONLY)
45 4-083-414-01 PIECE A(110), CONV CORRECT
(KV-32FS120/34FS120 ONLY)
45 4-085-128-01 PIECE A (100), CONV. CORRECT
(KV-36FS120/38FS120 ONLY)
46 4-082-640-01 HOOK, GROUND WIRE
47 1-452-885-11 MAGNET, LANDING
48 4-065-895-12 HOLDER, DGC
(KV-32FS120/34FS120 ONLY)
48 4-065-895-05 HOLDER, DGC
(KV-36FS120/38FS120 ONLY)
49 4-053-005-01 SPACER, DY
(KV-32FS120/34FS120 ONLY)
49 2-164-116-01 SPACER, DY
(KV-36FS120/38FS120 ONLY)
50 4-081-170-01 PLATE, TLH CORRECTION
(KV-32FS120/34FS120 ONLY)
50 2-163-920-01 PLATE, TLH CORRECTION
(KV-36FS120/38FS120 ONLY)
51 4-089-051-41 COVER, REAR
(KV-32FS120/34FS120 ONLY)
51 4-089-052-41 COVER, REAR
(KV-36FS120/38FS120 ONLY)

84
KV-27FS320/32FS120/32FS320/34FS120/36FS120/36FS320/38FS120
KV-27FS320/32FS120/32FS320/34FS120/36FS120/36FS320/38FS120
* Items marked with an asterisk are not stocked since they
are seldom required for routine service. Expect some delay
when ordering these components.
RESISTORS
• All resistors are in ohms
• F : nonfl ammable
• All variable and adjustable resistors
have characteristic curve B, unless
otherwise noted.
REF. NO. PART NO. DESCRIPTION VALUES
The components in this manual identifi ed by the following
symbol: indicate parts that have been carefully factory-
selected to satisfy regulations regarding X-ray radiation
for each set.
Should replacement be required for one of these
components, replace only with the value originally used.
NOTE: The components identifi ed by shading
and
!
mark are critical for safety. Replace only
with part number specifi ed.
NOTE: Les composants identifi es per un trame et
une marque
!
sont critiques pour la securite.
Ne les remplacer que par une piece portant le
numero specifi e. When ordering parts by reference
number, please include the board name.
A
REF. NO. PART NO. DESCRIPTION VALUES
SECTION 7: ELECTRICAL PARTS LIST
A
* A-1057-457-A A BOARD, COMPLETE
(KV-27FS320 ONLY)
* A-1302-981-A A BOARD, COMPLETE
(KV-32FS120/36FS120/38FS120 ONLY)
(KV-34FS120 L. NORTH ONLY)
* A-1056-321-A A BOARD, COMPLETE
(KV-34FS120 L. SOUTH ONLY)
* A-1058-449-A A BOARD, COMPLETE
(KV-32FS320/36FS320 ONLY)
The high-voltage leads associated with the FBT on the A board are not included and
must be ordered separately. Order the following leads when requesting this A Board:
!
1-251-715-22 CAP ASSY, HIGH-VOLTAGE
!
1-900-800-82 WIRE ASSY, FOCUS
!
1-900-803-22 WIRE ASSY, G2 LEAD
* 4-374-846-11 COVER, CAPACITOR, CAP TYPE
4-382-854-11 SCREW (M3X10), P, SW (+)
CAPACITOR
C049 1-126-964-11 ELECT 10µF 20% 50V
C050 1-126-935-11 ELECT 470µF 20% 16V
C051 1-126-933-11 ELECT 100µF 20% 16V
C052 1-162-968-11 CERAMIC CHIP 0.0047µF 10% 50V
C053 1-107-826-11 CERAMIC CHIP 0.1µF 10% 16V
C054 1-126-967-11 ELECT 47µF 20% 50V
C055 1-126-933-11 ELECT 100µF 20% 16V
C056 1-135-834-91 CERAMIC CHIP 2.2µF 6.3V
C057 1-135-834-91 CERAMIC CHIP 2.2µF 6.3V
C059 1-107-826-11 CERAMIC CHIP 0.1µF 10% 16V
C080 1-128-934-91 CERAMIC CHIP 0.33µF 20% 10V
C081 1-128-934-91 CERAMIC CHIP 0.33µF 20% 10V
C200 1-107-826-11 CERAMIC CHIP 0.1µF 10% 16V
C201 1-107-826-11 CERAMIC CHIP 0.1µF 10% 16V
C202 1-107-826-11 CERAMIC CHIP 0.1µF 10% 16V
C203 1-107-826-11 CERAMIC CHIP 0.1µF 10% 16V
C206 1-107-826-11 CERAMIC CHIP 0.1µF 10% 16V
C207 1-107-826-11 CERAMIC CHIP 0.1µF 10% 16V
C208 1-107-826-11 CERAMIC CHIP 0.1µF 10% 16V
C209 1-107-826-11 CERAMIC CHIP 0.1µF 10% 16V
C212 1-126-963-11 ELECT 4.7µF 20% 50V
C213 1-126-963-11 ELECT 4.7µF 20% 50V
C307 1-126-964-11 ELECT 10µF 20% 50V
(KV-27FS320/32FS320/36FS320 ONLY)
C308 1-126-964-11 ELECT 10µF 20% 50V
(KV-27FS320/32FS320/36FS320 ONLY)
C309 1-107-826-11 CERAMIC CHIP 0.1µF 10% 16V
C310 1-126-964-11 ELECT 10µF 20% 50V
(KV-27FS320/32FS320/36FS320 ONLY)
C312 1-126-964-11 ELECT 10µF 20% 50V
(KV-27FS320/32FS320/36FS320 ONLY)
C314 1-126-964-11 ELECT 10µF 20% 50V
(KV-27FS320/32FS320/36FS320 ONLY)
C315 1-126-964-11 ELECT 10µF 20% 50V
(KV-27FS320/32FS320/36FS320 ONLY)
C362 1-126-964-11 ELECT 10µF 20% 50V
C365 1-162-117-00 CERAMIC 100pF 10% 500V
C366 1-126-964-11 ELECT 10µF 20% 50V
C367 1-107-826-11 CERAMIC CHIP 0.1µF 10% 16V
C368 1-126-964-11 ELECT 10µF 20% 50V
C373 1-126-947-11 ELECT 47µF 20% 35V
(KV-27FS320 ONLY)
C373 1-104-665-11 ELECT 100µF 20% 25V
(KV-32FS320/36FS320 ONLY)
C374 1-107-826-11 CERAMIC CHIP 0.1µF 10% 16V
(KV-27FS320/32FS320/36FS320 ONLY)
C400 1-128-934-91 CERAMIC CHIP 0.33µF 20% 10V
C401 1-164-227-11 CERAMIC CHIP 0.022µF 10% 25V
C402 1-164-174-11 CERAMIC CHIP 0.0082µF 10% 25V
C403 1-162-967-11 CERAMIC CHIP 0.0033µF 10% 50V

85
KV-27FS320/32FS120/32FS320/34FS120/36FS120/36FS320/38FS120
KV-27FS320/32FS120/32FS320/34FS120/36FS120/36FS320/38FS120
REF. NO. PART NO. DESCRIPTION VALUES REF. NO. PART NO. DESCRIPTION VALUES
NOTE: The components identifi ed by shading
and
!
mark are critical for safety. Replace only
with part number specifi ed.
NOTE: Les composants identifi es per un trame et une
marque
!
sont critiques pour la securite. Ne les
remplacer que par une piece portant le numero specifi e.
A
C404 1-162-967-11 CERAMIC CHIP 0.0033µF 10% 50V
C405 1-164-677-11 CERAMIC CHIP 0.033µF 10% 16V
C406 1-164-677-11 CERAMIC CHIP 0.033µF 10% 16V
C407 1-115-412-11 CERAMIC CHIP 680pF 5% 25V
C408 1-115-412-11 CERAMIC CHIP 680pF 5% 25V
C409 1-125-891-11 CERAMIC CHIP 0.47µF 10% 10V
C410 1-125-891-11 CERAMIC CHIP 0.47µF 10% 10V
C411 1-128-934-91 CERAMIC CHIP 0.33µF 20% 10V
C412 1-126-961-11 ELECT 2.2µF 20% 50V
C413 1-126-960-11 ELECT 1µF 20% 50V
C414 1-126-960-11 ELECT 1µF 20% 50V
C415 1-126-960-11 ELECT 1µF 20% 50V
C416 1-126-960-11 ELECT 1µF 20% 50V
C417 1-115-416-11 CERAMIC CHIP 0.001µF 5% 25V
C418 1-126-963-11 ELECT 4.7µF 20% 50V
C420 1-126-960-11 ELECT 1µF 20% 50V
C421 1-107-826-11 CERAMIC CHIP 0.1µF 10% 16V
(KV-27FS320/32FS320/36FS320 ONLY)
C422 1-126-947-11 ELECT 47µF 20% 35V
C423 1-107-826-11 CERAMIC CHIP 0.1µF 10% 16V
(KV-27FS320/32FS320/36FS320 ONLY)
C450 1-100-120-51 ELECT 1000µF 20% 35V
C451 1-137-194-81 FILM 0.47µF 5% 50V
C456 1-107-826-11 CERAMIC CHIP 0.1µF 10% 16V
C458 1-107-826-11 CERAMIC CHIP 0.1µF 10% 16V
C461 1-126-965-91 ELECT 22µF 20% 50V
C463 1-126-963-11 ELECT 4.7µF 20% 50V
C466 1-126-935-11 ELECT 470µF 20% 16V
C467 1-126-935-11 ELECT 470µF 20% 16V
C468 1-126-935-11 ELECT 470µF 20% 16V
C470 1-126-935-11 ELECT 470µF 20% 16V
C472 1-126-935-11 ELECT 470µF 20% 16V
C473 1-125-891-11 CERAMIC CHIP 0.47µF 10% 10V
C476 1-126-964-11 ELECT 10µF 20% 50V
C480 1-126-960-11 ELECT 1µF 20% 50V
C502 1-126-959-11 ELECT 0.47µF 20% 50V
C503 1-164-315-11 CERAMIC CHIP 470pF 5% 50V
C504 1-102-228-00 CERAMIC 470pF 10% 500V
C505 1-102-228-00 CERAMIC 470pF 10% 500V
C506 1-106-383-00 MYLAR 0.047µF 10% 200V
!
C507 1-162-116-00 CERAMIC 680pF 10% 2KV
!
C509 1-162-116-00 CERAMIC 680pF 10% 2KV
C510 1-137-150-11 FILM 0.01µF 5% 100V
!
C511 1-136-086-00 FILM 17000pF 3% 1.2KV
(KV-27FS320 ONLY)
!
C511 1-117-652-00 FILM 22000pF 3% 1.2KV
(ALL EXCEPT KV-27FS320)
C512 1-164-315-11 CERAMIC CHIP 470pF 5% 50V
!
C513 1-129-722-00 FILM 0.047µF 5% 630V
(KV-27FS320 ONLY)
!
C513 1-130-118-91 FILM 0.051µF 5% 400V
(ALL EXCEPT KV-27FS320)
!
C514 1-109-844-11 FILM 0.68µF 5% 400V
(KV-27FS320 ONLY)
!
C514 1-115-521-11 FILM 0.82µF 5% 250V
(ALL EXCEPT KV-27FS320)
C515 1-104-987-11 MYLAR 0.001µF 5% 200V
!
C516 1-115-521-11 FILM 0.82µF 5% 250V
(KV-27FS320 ONLY)
!
C516 1-115-356-11 FILM 1.2µF 5% 250V
(ALL EXCEPT KV-27FS320)
C517 1-107-649-11 ELECT 2.2µF 20% 250V
C518 1-106-387-00 MYLAR 0.068µF 10% 200V
C519 1-102-244-00 CERAMIC 220pF 10% 500V
C520 1-165-136-11 CERAMIC 3300pF 10% 500V
C522 1-126-960-11 ELECT 1µF 20% 50V
C523 1-126-934-11 ELECT 220µF 20% 16V
C525 1-102-244-00 CERAMIC 220pF 10% 500V
C526 1-107-662-11 ELECT 22µF 20% 350V
!
C527 1-162-116-00 CERAMIC 680pF 10% 2KV
C528 1-162-966-11 CERAMIC CHIP 0.0022µF 10% 50V
C529 1-104-662-91 ELECT 22µF 20% 25V
C530 1-164-690-91 CERAMIC CHIP 0.0022µF 5% 50V
C531 1-126-965-91 ELECT 22µF 20% 50V
C532 1-126-965-91 ELECT 22µF 20% 50V
C534 1-126-967-11 ELECT 47µF 20% 50V
C535 1-107-826-11 CERAMIC CHIP 0.1µF 10% 16V
C537 1-126-941-11 ELECT 470µF 20% 25V
C539 1-126-941-11 ELECT 470µF 20% 25V
C540 1-131-867-51 ELECT 100µF 160V
C541 1-128-560-11 ELECT 22µF 20% 100V
C545 1-106-387-00 MYLAR 0.068µF 10% 200V
C546 1-104-987-11 MYLAR 0.001µF 5% 200V
(ALL EXCEPT KV-27FS320)
C547 1-104-987-11 MYLAR 0.001µF 5% 200V
(ALL EXCEPT KV-27FS320)

86
KV-27FS320/32FS120/32FS320/34FS120/36FS120/36FS320/38FS120
KV-27FS320/32FS120/32FS320/34FS120/36FS120/36FS320/38FS120
REF. NO. PART NO. DESCRIPTION VALUES REF. NO. PART NO. DESCRIPTION VALUES
NOTE: The components identifi ed by shading
and
!
mark are critical for safety. Replace only
with part number specifi ed.
NOTE: Les composants identifi es per un trame et une
marque
!
sont critiques pour la securite. Ne les
remplacer que par une piece portant le numero specifi e.
!
C553 1-117-412-11 FILM 0.24µF 5% 250V
(KV-27FS320 ONLY)
!
C553 1-117-661-11 FILM 0.15µF 5% 250V
(ALL EXCEPT KV-27FS320)
!
C554 1-117-629-11 FILM 2700pF 3% 1.2KV
(KV-27FS320 ONLY)
!
C554 1-117-635-11 FILM 4700pF 3% 1.2KV
(ALL EXCEPT KV-27FS320)
C561 1-126-967-11 ELECT 47µF 20% 50V
C563 1-104-666-11 ELECT 220µF 20% 25V
C565 1-126-969-11 ELECT 220µF 20% 50V
C568 1-137-190-91 FILM 0.22µF 5% 50V
!
C581 1-165-529-11 MYLAR 0.22µF 10 275V
C588 1-130-491-00 MYLAR 0.047µF 5% 50V
C590 1-126-964-11 ELECT 10µF 20% 50V
C600 1-117-703-11 MYLAR 0.47µF 10 250V
(KV-34FS120 L. SOUTH ONLY)
!
C601 1-165-529-11 MYLAR 0.22µF 10 275V
C602 1-162-970-11 CERAMIC CHIP 0.01µF 10% 25V
!
C603 1-165-529-11 MYLAR 0.22µF 10 275V
C604 1-164-625-11 CERAMIC 680pF 10% 500V
!
C608 1-119-912-51 CERAMIC 0.001µF 20% 125V
C609 1-164-625-11 CERAMIC 680pF 10% 500V
C612 1-104-665-11 ELECT 100µF 20% 25V
C613 1-117-214-11 CERAMIC 0.001µF 10% 2KV
(KV-34FS120 L. SOUTH ONLY)
C614 1-117-214-11 CERAMIC 0.001µF 10% 2KV
(KV-34FS120 L. SOUTH ONLY)
C615 1-117-214-11 CERAMIC 0.001µF 10% 2KV
(KV-34FS120 L. SOUTH ONLY)
C616 1-126-943-11 ELECT 2200µF 20% 25V
C617 1-123-024-21 ELECT 33µF 160V
C619 1-117-214-11 CERAMIC 0.001µF 10% 2KV
(KV-34FS120 L. SOUTH ONLY)
C620 1-162-970-11 CERAMIC CHIP 0.01µF 10% 25V
C621 1-100-961-11 ELECT 680µF 20% 250V
(KV-27FS320/32FS320/36FS320 ONLY)
C621 1-117-894-11 ELECT 560µF 20% 250V
(KV-32FS120/34FS120/36FS120/38FS120 ONLY)
!
C622 1-119-912-51 CERAMIC 0.001µF 20% 125V
C629 1-100-961-11 ELECT 680µF 20% 250V
(KV-27FS320/32FS320/36FS320 ONLY)
C629 1-117-894-11 ELECT 560µF 20% 250V
(KV-32FS120/34FS120/36FS120/38FS120 ONLY)
C632 1-126-943-11 ELECT 2200µF 20% 25V
C633 1-136-479-11 FILM 0.001µF 5% 100V
C634 1-126-964-11 ELECT 10µF 20% 50V
C635 1-126-963-11 ELECT 4.7µF 20% 50V
C637 1-136-165-00 FILM 0.1µF 5% 50V
C638 1-126-943-11 ELECT 2200µF 20% 25V
C642 1-126-969-11 ELECT 220µF 20% 50V
C643 1-136-165-00 FILM 0.1µF 5% 50V
C645 1-162-964-11 CERAMIC CHIP 0.001µF 10% 50V
C647 1-126-947-11 ELECT 47µF 20% 35V
C648 1-164-143-11 CERAMIC 0.001µF 10% 1KV
C649 1-164-143-11 CERAMIC 0.001µF 10% 1KV
C650 1-100-120-51 ELECT 1000µF 20% 35V
C651 1-126-942-61 ELECT 1000µF 20% 25V
(ALL EXCEPT KV-34FS120 L. SOUTH)
C651 1-126-943-61 ELECT 2200µF 20% 25V
(KV-34FS120 L. SOUTH ONLY)
C652 1-162-970-11 CERAMIC CHIP 0.01µF 10% 25V
C653 1-126-964-11 ELECT 10µF 20% 50V
C656 1-161-964-91 CERAMIC 0.0047µF 250V
C658 1-161-964-91 CERAMIC 0.0047µF 250V
C661 1-126-947-11 ELECT 47µF 20% 35V
C669 1-164-625-11 CERAMIC 680pF 10% 500V
C670 1-164-625-11 CERAMIC 680pF 10% 500V
C672 1-165-953-11 FILM 47000pF 3% 800V
C690 1-126-971-11 ELECT 470µF 20% 50V
C1501 1-107-846-11 FILM 0.1µF 5% 400V
(ALL EXCEPT KV-27FS320)
CONNECTOR
CN202 1-695-915-11 TAB (CONTACT)
(KV-27FS320/32FS320/36FS320 ONLY)
* CN401 1-564-507-11 PLUG, CONNECTOR 4P
* CN501 1-580-798-11 CONNECTOR PIN (DY) 6P
* CN503 1-564-510-11 PLUG, CONNECTOR 7P
CN505 1-785-879-11 CONNECTOR, ONE TOUCH
* CN508 1-573-963-11 PIN, CONNECTOR (PC BOARD)
*
!
CN600 1-580-843-11 PIN, CONNECTOR (POWER)
CN601 1-695-915-11 TAB (CONTACT)
DIODE
D009 8-719-982-22 DIODE MTZJ-30D
D200 8-719-069-60 DIODE UDZSTE-179.1B
D201 8-719-069-60 DIODE UDZSTE-179.1B
D209 8-719-069-60 DIODE UDZSTE-179.1B
A

87
KV-27FS320/32FS120/32FS320/34FS120/36FS120/36FS320/38FS120
KV-27FS320/32FS120/32FS320/34FS120/36FS120/36FS320/38FS120
REF. NO. PART NO. DESCRIPTION VALUES REF. NO. PART NO. DESCRIPTION VALUES
NOTE: The components identifi ed by shading
and
!
mark are critical for safety. Replace only
with part number specifi ed.
NOTE: Les composants identifi es per un trame et une
marque
!
sont critiques pour la securite. Ne les
remplacer que par une piece portant le numero specifi e.
D210 8-719-069-60 DIODE UDZSTE-179.1B
D211 8-719-069-60 DIODE UDZSTE-179.1B
D212 8-719-069-60 DIODE UDZSTE-179.1B
D213 8-719-510-02 DIODE D1NS4
D218 8-719-929-15 DIODE HZS9.1NB2
D219 8-719-929-15 DIODE HZS9.1NB2
D305 8-719-070-62 DIODE PDZ9.1B-115
D306 8-719-070-62 DIODE PDZ9.1B-115
D307 8-719-070-62 DIODE PDZ9.1B-115
D308 8-719-977-28 DIODE DTZ10B
D309 8-719-069-60 DIODE UDZSTE-179.1B
(ALL EXCEPT 27FS320/34FS120 L. SOUTH)
D310 8-719-108-12 DIODE RD9.1EW
(KV-32FS120/34FS120/36FS120/38FS120 ONLY)
D311 8-719-069-60 DIODE UDZSTE-179.1B
(ALL EXCEPT 27FS320/34FS120 L. SOUTH)
D318 8-719-069-60 DIODE UDZSTE-179.1B
(KV-27FS320/32FS320/36FS320 ONLY)
D319 8-719-069-60 DIODE UDZSTE-179.1B
(KV-27FS320/32FS320/36FS320 ONLY)
D320 8-719-069-60 DIODE UDZSTE-179.1B
(KV-27FS320/32FS320/36FS320 ONLY)
D321 8-719-069-60 DIODE UDZSTE-179.1B
(KV-27FS320/32FS320/36FS320 ONLY)
D322 8-719-069-60 DIODE UDZSTE-179.1B
(KV-27FS320/32FS320/36FS320 ONLY)
D323 8-719-069-60 DIODE UDZSTE-179.1B
(KV-27FS320/32FS320/36FS320 ONLY)
D324 8-719-069-60 DIODE UDZSTE-179.1B
(KV-32FS120/34FS120/36FS120/38FS120 ONLY)
D325 8-719-069-60 DIODE UDZSTE-179.1B
(KV-32FS120/34FS120/36FS120/38FS120 ONLY)
D400 8-719-404-50 DIODE MA111-TX
D401 8-719-069-60 DIODE UDZSTE-179.1B
D402 8-719-069-60 DIODE UDZSTE-179.1B
D405 8-719-404-50 DIODE MA111-TX
D414 8-719-921-63 DIODE MTZJ-7.5B
D418 1-216-864-11 SHORT CHIP
D422 1-216-809-11 METAL CHIP 100 5% 1/10W
D423 8-719-404-50 DIODE MA111-TX
D424 8-719-404-50 DIODE MA111-TX
D425 8-719-056-84 DIODE UDZ-TE-17-7.5B
D500 8-719-081-00 DIODE BY228/A52A/
D501 8-719-404-50 DIODE MA111-TX
!
D503 8-719-081-00 DIODE BY228/A52A/
D504 6-500-485-01 DIODE FR305G-EB
D505 8-719-908-03 DIODE GP08D
D506 8-719-908-03 DIODE GP08D
D508 8-719-404-50 DIODE MA111-TX
D509 8-719-404-50 DIODE MA111-TX
!
D515 8-719-075-41 DIODE PR1004GT
D516 8-719-404-50 DIODE MA111-TX
D518 8-719-404-50 DIODE MA111-TX
!
D519 8-719-302-43 DIODE EL1Z
D520 8-719-404-50 DIODE MA111-TX
D521 8-719-921-63 DIODE MTZJ-7.5B
D522 8-719-404-50 DIODE MA111-TX
D525 8-719-404-50 DIODE MA111-TX
D526 8-719-404-50 DIODE MA111-TX
!
D530 6-500-531-01 DIODE PG154R
D531 6-500-531-01 DIODE PG154R
D534 8-719-074-25 DIODE PG104R
D535 8-719-404-50 DIODE MA111-TX
D551 8-719-069-55 DIODE UDZSTE-175.6B
D561 8-719-075-33 DIODE 1N4003GA
D580 8-719-991-33 DIODE 1SS133T-77
D588 8-719-404-50 DIODE MA111-TX
D589 8-719-404-50 DIODE MA111-TX
D590 8-719-404-50 DIODE MA111-TX
D600 8-719-510-53 DIODE D4SB60L
D602 8-719-064-12 DIODE S1NB60-4062
D611 8-719-062-40 DIODE D4SBL20UF3
D612 8-719-068-00 DIODE ERC04-06SE
(ALL EXCEPT KV-34FS120 L. SOUTH)
D613 8-719-068-00 DIODE ERC04-06SE
(ALL EXCEPT KV-34FS120 L. SOUTH)
D614 8-719-057-52 DIODE EZ0150AV1
D615 8-719-062-40 DIODE D4SBL20UF3
D618 8-719-979-64 DIODE UF4005PKG23
D620 8-719-404-50 DIODE MA111-TX
D621 6-500-181-01 DIODE MA6D50
D628 8-719-404-50 DIODE MA111-TX
D629 8-719-083-82 DIODE UDZS-TE17-12B
D631 6-500-567-01 DIODE 10ERB20-TA1B2
D640 8-719-404-50 DIODE MA111-TX
D641 8-719-404-50 DIODE MA111-TX
D645 6-500-567-01 DIODE 10ERB20-TA1B2
A

88
KV-27FS320/32FS120/32FS320/34FS120/36FS120/36FS320/38FS120
KV-27FS320/32FS120/32FS320/34FS120/36FS120/36FS320/38FS120
REF. NO. PART NO. DESCRIPTION VALUES REF. NO. PART NO. DESCRIPTION VALUES
NOTE: The components identifi ed by shading
and
!
mark are critical for safety. Replace only
with part number specifi ed.
NOTE: Les composants identifi es per un trame et une
marque
!
sont critiques pour la securite. Ne les
remplacer que par une piece portant le numero specifi e.
D646 8-719-404-50 DIODE MA111-TX
D647 6-500-567-01 DIODE 10ERB20-TA1B2
D651 8-719-109-93 DIODE RD6.2ESB2
D690 8-719-982-13 DIODE MTZJ-27
FUSE
!
F601 1-576-193-11 FUSE 6.3A 125V
(ALL EXCEPT KV-34FS120 L. SOUTH)
!
F601 1-532-506-51 FUSE 6.3A 250V
(KV-34FS120 L. SOUTH ONLY)
FERRITE BEAD
FB501 1-412-911-11 FERRITE 0µH
FB502 1-412-911-11 FERRITE 0µH
FB503 1-412-911-11 FERRITE 0µH
FB505 1-412-911-11 FERRITE 0µH
FB602 1-412-911-11 FERRITE 0µH
FB604 1-412-911-11 FERRITE 0µH
FB613 1-410-397-21 FERRITE 1.1µH
FB614 1-412-911-11 FERRITE 0µH
FB616 1-412-911-11 FERRITE 0µH
FB617 1-412-911-11 FERRITE 0µH
FB650 1-412-911-11 FERRITE 0µH
FB651 1-412-911-11 FERRITE 0µH
FB652 1-412-911-11 FERRITE 0µH
FB653 1-412-911-11 FERRITE 0µH
FUSE HOLDER
!
FH1 1-533-223-11 FUSE HOLDER 0A 0V
!
FH2 1-533-223-11 FUSE HOLDER 0A 0V
IC
IC302 8-759-353-00 IC NJM2534M(TE2)
IC303 8-759-443-11 IC NJM2283M-TE1
(KV-27FS320/32FS320/36FS320 ONLY)
IC400 6-703-190-01 IC NJW1134AGK1-TE2
IC401 6-705-054-01 IC TDA8947J
IC501 8-759-700-07 IC NJM2903M
!
IC561 8-759-980-58 IC TDA8172
(KV-27FS320 ONLY)
!
IC561 8-759-696-71 IC STV9379A
(ALL EXCEPT KV-27FS320)
IC600 6-705-810-01 IC MCZ3001DB
IC601 8-749-012-13 IC DM-58
IC609 8-759-653-07 IC PQ09RD21
JACK
* J201 1-818-351-11 S TERMINAL-PIN JACK BLOCK
* J205 1-818-012-11 PIN JACK BLOCK 10P
(KV-27FS320/32FS320/36FS320 ONLY)
J206 1-817-461-11 JACK BLOCK, PIN 5P
(KV-32FS120/34FS120/36FS120/38FS120 ONLY)
J207 1-794-116-11 JACK BLOCK, PIN 2P
CHIP CONDUCTOR
JR1 1-216-864-11 SHORT CHIP
JR3 1-216-864-11 SHORT CHIP
JR4 1-216-864-11 SHORT CHIP
JR9 1-216-864-11 SHORT CHIP
JR10 1-216-864-11 SHORT CHIP
JR16 1-216-864-11 SHORT CHIP
JR332 1-216-864-11 SHORT CHIP
(KV-32FS120/34FS120/36FS120/38FS120 ONLY)
JR334 1-216-864-11 SHORT CHIP
(KV-32FS120/34FS120/36FS120/38FS120 ONLY)
JR335 1-216-864-11 SHORT CHIP
(KV-32FS120/34FS120/36FS120/38FS120 ONLY)
JR444 1-216-864-11 SHORT CHIP
JR445 1-216-864-11 SHORT CHIP
COIL
L003 1-414-856-11 INDUCTOR 10µH
L004 1-414-857-11 INDUCTOR 100µH
L009 1-414-857-11 INDUCTOR 100µH
L501 1-406-677-11 INDUCTOR 10MH
L502 1-412-552-11 INDUCTOR 2.2MH
L503 1-406-677-11 INDUCTOR 10MH
!
L505 1-406-978-11 INDUCTOR 150µH
(ALL EXCEPT KV-27FS320)
!
L505 1-419-714-11 INDUCTOR 100µH
(KV-27FS320 ONLY)
L511 1-409-955-31 INDUCTOR 8MH
L515 1-412-529-11 INDUCTOR 22µH
L517 1-412-552-11 INDUCTOR 2.2MH
L604 1-412-525-31 INDUCTOR 10µH
L605 1-412-911-11 FERRITE 0µH
L606 1-412-911-11 FERRITE 0µH
L608 1-412-529-11 INDUCTOR 22µH
L609 1-412-529-11 INDUCTOR 22µH
A

89
KV-27FS320/32FS120/32FS320/34FS120/36FS120/36FS320/38FS120
KV-27FS320/32FS120/32FS320/34FS120/36FS120/36FS320/38FS120
REF. NO. PART NO. DESCRIPTION VALUES REF. NO. PART NO. DESCRIPTION VALUES
NOTE: The components identifi ed by shading
and
!
mark are critical for safety. Replace only
with part number specifi ed.
NOTE: Les composants identifi es per un trame et une
marque
!
sont critiques pour la securite. Ne les
remplacer que par une piece portant le numero specifi e.
PHOTO COUPLER
!
PH602 8-749-924-35 PHOTO COUPLER ON3171-R
IC LINK
PS401 1-576-337-21 IC LINK 2.7A 50V
TRANSISTOR
Q005 8-729-422-27 TRANSISTOR 2SD601A-Q
Q300 8-729-424-02 TRANSISTOR 2SB709A-QRS-TX
Q304 8-729-422-27 TRANSISTOR 2SD601A-Q
Q401 8-729-422-27 TRANSISTOR 2SD601A-Q
Q402 8-729-422-27 TRANSISTOR 2SD601A-Q
Q403 8-729-422-27 TRANSISTOR 2SD601A-Q
Q405 8-729-120-28 TRANSISTOR 2SC1623-L5L6
Q412 8-729-422-27 TRANSISTOR 2SD601A-Q
Q466 8-729-424-02 TRANSISTOR 2SB709A-QRS-TX
Q467 8-729-424-02 TRANSISTOR 2SB709A-QRS-TX
Q468 8-729-424-02 TRANSISTOR 2SB709A-QRS-TX
Q469 8-729-424-02 TRANSISTOR 2SB709A-QRS-TX
Q470 8-729-424-02 TRANSISTOR 2SB709A-QRS-TX
Q471 8-729-422-27 TRANSISTOR 2SD601A-Q
Q472 8-729-422-27 TRANSISTOR 2SD601A-Q
Q501 8-729-140-50 TRANSISTOR 2SC3209LK
!
Q502 6-550-107-01 TRANSISTOR 2SD2645-YB
Q509 8-729-422-27 TRANSISTOR 2SD601A-Q
!
Q511 8-729-422-27 TRANSISTOR 2SD601A-Q
!
Q512 8-729-809-29 TRANSISTOR 2SC4159-E
Q530 8-729-422-27 TRANSISTOR 2SD601A-Q
Q531 8-729-424-02 TRANSISTOR 2SB709A-QRS-TX
Q532 6-550-362-01 TRANSISTOR KTA1279
Q561 8-729-422-27 TRANSISTOR 2SD601A-Q
Q562 8-729-424-02 TRANSISTOR 2SB709A-QRS-TX
Q564 8-729-422-27 TRANSISTOR 2SD601A-Q
Q582 8-729-422-27 TRANSISTOR 2SD601A-Q
Q583 8-729-424-02 TRANSISTOR 2SB709A-QRS-TX
Q600 8-729-052-32 TRANSISTOR IRFIB7N50A-LF31
Q601 8-729-052-32 TRANSISTOR IRFIB7N50A-LF31
Q605 8-729-140-96 TRANSISTOR 2SD774-34
Q606 8-729-422-27 TRANSISTOR 2SD601A-Q
Q608 8-729-922-37 TRANSISTOR 2SD2144S-UVW
Q611 6-550-409-01 TRANSISTOR KSC2383-O
Q690 8-729-424-02 TRANSISTOR 2SB709A-QRS-TX
Q691 8-729-026-39 TRANSISTOR 2SA933AS-QT
RESISTOR
R84 1-249-377-11 CARBON 0.47 5% 1/4W
R085 1-215-924-00 METAL OXIDE 15K 5% 3W
R086 1-216-839-11 METAL CHIP 33K 5% 1/10W
R087 1-216-837-11 METAL CHIP 22K 5% 1/10W
R089 1-216-829-11 METAL CHIP 4.7K 5% 1/10W
R099 1-216-809-11 METAL CHIP 100 5% 1/10W
R107 1-216-809-11 METAL CHIP 100 5% 1/10W
R108 1-216-809-11 METAL CHIP 100 5% 1/10W
R202 1-216-813-11 METAL CHIP 220 5% 1/10W
R206 1-216-813-11 METAL CHIP 220 5% 1/10W
R207 1-216-845-11 METAL CHIP 100K 5% 1/10W
R208 1-216-813-11 METAL CHIP 220 5% 1/10W
R209 1-216-845-11 METAL CHIP 100K 5% 1/10W
R210 1-216-813-11 METAL CHIP 220 5% 1/10W
R217 1-216-845-11 METAL CHIP 100K 5% 1/10W
R218 1-216-845-11 METAL CHIP 100K 5% 1/10W
R219 1-216-813-11 METAL CHIP 220 5% 1/10W
R220 1-216-813-11 METAL CHIP 220 5% 1/10W
R222 1-216-845-11 METAL CHIP 100K 5% 1/10W
R223 1-216-813-11 METAL CHIP 220 5% 1/10W
R224 1-216-813-11 METAL CHIP 220 5% 1/10W
R225 1-216-845-11 METAL CHIP 100K 5% 1/10W
R232 1-216-853-11 METAL CHIP 470K 5% 1/10W
R233 1-216-853-11 METAL CHIP 470K 5% 1/10W
R234 1-216-813-11 METAL CHIP 220 5% 1/10W
R235 1-216-813-11 METAL CHIP 220 5% 1/10W
R301 1-216-809-11 METAL CHIP 100 5% 1/10W
R302 1-218-839-11 METAL CHIP 470 0.50% 1/10W
R303 1-218-841-11 METAL CHIP 560 0.50% 1/10W
R315 1-218-285-11 METAL CHIP 75 5% 1/10W
(KV-27FS320/32FS320/36FS320 ONLY)
R316 1-218-285-11 METAL CHIP 75 5% 1/10W
(KV-27FS320/32FS320/36FS320 ONLY)
R317 1-218-285-11 METAL CHIP 75 5% 1/10W
(KV-27FS320/32FS320/36FS320 ONLY)
R328 1-216-833-11 METAL CHIP 10K 5% 1/10W
R334 1-216-809-11 METAL CHIP 100 5% 1/10W
R335 1-216-821-11 METAL CHIP 1K 5% 1/10W
R359 1-216-833-11 METAL CHIP 10K 5% 1/10W
R367 1-216-864-11 SHORT CHIP
R369 1-216-864-11 SHORT CHIP
A

90
KV-27FS320/32FS120/32FS320/34FS120/36FS120/36FS320/38FS120
KV-27FS320/32FS120/32FS320/34FS120/36FS120/36FS320/38FS120
REF. NO. PART NO. DESCRIPTION VALUES REF. NO. PART NO. DESCRIPTION VALUES
NOTE: The components identifi ed by shading
and
!
mark are critical for safety. Replace only
with part number specifi ed.
A component identifi ed by this symbol indicates that it
has been carefully factory-selected to satisfy regulations
regarding X-ray radiation. Should replacement be required,
replace only with the value originally used.
R390 1-218-285-11 METAL CHIP 75 5% 1/10W
R391 1-218-285-11 METAL CHIP 75 5% 1/10W
R393 1-218-285-11 METAL CHIP 75 5% 1/10W
R394 1-218-285-11 METAL CHIP 75 5% 1/10W
R400 1-216-829-11 METAL CHIP 4.7K 5% 1/10W
R401 1-216-809-11 METAL CHIP 100 5% 1/10W
R402 1-216-845-11 METAL CHIP 100K 5% 1/10W
(KV-27FS320/32FS320/36FS320 ONLY)
R403 1-247-807-31 CARBON 100 5% 1/4W
R404 1-216-845-11 METAL CHIP 100K 5% 1/10W
(KV-27FS320/32FS320/36FS320 ONLY)
R405 1-216-825-11 METAL CHIP 2.2K 5% 1/10W
R406 1-249-393-11 CARBON 10 5% 1/4W
R408 1-216-825-11 METAL CHIP 2.2K 5% 1/10W
R410 1-216-813-11 METAL CHIP 220 5% 1/10W
(KV-27FS320/32FS320/36FS320 ONLY)
R411 1-249-393-11 CARBON 10 5% 1/4W
R414 1-216-813-11 METAL CHIP 220 5% 1/10W
(KV-27FS320/32FS320/36FS320 ONLY)
R416 1-216-829-11 METAL CHIP 4.7K 5% 1/10W
R422 1-218-867-11 METAL CHIP 6.8K 0.50% 1/10W
R424 1-216-821-11 METAL CHIP 1K 5% 1/10W
R425 1-216-823-11 METAL CHIP 1.5K 5% 1/10W
R429 1-216-841-11 METAL CHIP 47K 5% 1/10W
R450 1-216-833-11 METAL CHIP 10K 5% 1/10W
R457 1-216-809-11 METAL CHIP 100 5% 1/10W
R458 1-216-809-11 METAL CHIP 100 5% 1/10W
R463 1-216-864-11 SHORT CHIP
R464 1-216-837-11 METAL CHIP 22K 5% 1/10W
R466 1-216-837-11 METAL CHIP 22K 5% 1/10W
R467 1-216-837-11 METAL CHIP 22K 5% 1/10W
R468 1-216-837-11 METAL CHIP 22K 5% 1/10W
R469 1-216-837-11 METAL CHIP 22K 5% 1/10W
R470 1-216-837-11 METAL CHIP 22K 5% 1/10W
R471 1-216-837-11 METAL CHIP 22K 5% 1/10W
R472 1-249-441-11 CARBON 100K 5% 1/4W
R473 1-216-837-11 METAL CHIP 22K 5% 1/10W
R474 1-216-837-11 METAL CHIP 22K 5% 1/10W
R475 1-216-841-11 METAL CHIP 47K 5% 1/10W
R477 1-216-819-11 METAL CHIP 680 5% 1/10W
R478 1-216-833-11 METAL CHIP 10K 5% 1/10W
R479 1-216-821-11 METAL CHIP 1K 5% 1/10W
R480 1-216-809-11 METAL CHIP 100 5% 1/10W
R481 1-216-864-11 SHORT CHIP
R482 1-216-833-11 METAL CHIP 10K 5% 1/10W
R483 1-216-825-11 METAL CHIP 2.2K 5% 1/10W
R484 1-249-429-11 CARBON 10K 5% 1/4W
R485 1-216-809-11 METAL CHIP 100 5% 1/10W
R488 1-216-825-11 METAL CHIP 2.2K 5% 1/10W
R500 1-216-813-11 METAL CHIP 220 5% 1/10W
R502 1-216-829-11 METAL CHIP 4.7K 5% 1/10W
R503 1-249-425-11 CARBON 4.7K 5% 1/4W
R504 1-243-608-71 METAL OXIDE 1.5K 5% 3W
(KV-27FS320 ONLY)
R504 1-215-915-21 METAL OXIDE 470 5% 3W
(ALL EXCEPT KV-27FS320)
R506 1-243-683-71 METAL OXIDE 47 5% 1W
R507 1-249-401-11 CARBON 47 5% 1/4W
R508 1-216-833-11 METAL CHIP 10K 5% 1/10W
R509 1-260-328-11 CARBON 1K 5% 1/2W
!
R510 1-215-908-00 METAL OXIDE 33 5% 3W
R512 1-243-535-71 METAL OXIDE 220 5% 3W
R513 1-216-841-11 METAL CHIP 47K 5% 1/10W
R514 1-216-833-11 METAL CHIP 10K 5% 1/10W
R517 1-249-415-11 CARBON 680 5% 1/4W
R518 1-216-833-11 METAL CHIP 10K 5% 1/10W
R519 1-249-411-11 CARBON 330 5% 1/4W
R520 1-243-531-71 METAL OXIDE 100 5% 3W
R521 1-216-815-11 METAL CHIP 330 5% 1/10W
(KV-27FS320 ONLY)
R521 1-216-817-11 METAL CHIP 470 5% 1/10W
(ALL EXCEPT KV-27FS320)
!
R523 1-216-837-11 METAL CHIP 22K 5% 1/10W
(KV-27FS320 ONLY)
!
R523 1-216-834-11 METAL CHIP 12K 5% 1/10W
(ALL EXCEPT KV-27FS320)
!
R524 1-216-833-11 METAL CHIP 10K 5% 1/10W
!
R525 1-218-869-11 METAL CHIP 8.2K 0.50% 1/10W
!
R528 1-218-879-11 METAL CHIP 22K 0.50% 1/10W
R529 1-218-879-11 METAL CHIP 22K 0.50% 1/10W
X
R530 1-218-873-11 METAL CHIP 12K 0.50% 1/10W
X
R531 1-218-901-11 METAL CHIP 180K 0.50% 1/10W
(KV-27FS320 ONLY)
X
R531 1-218-889-11 METAL CHIP 56K 0.50% 1/10W
(ALL EXCEPT KV-27FS320)
R532 1-216-810-11 METAL CHIP 120 5% 1/10W
R533 1-215-879-11 METAL OXIDE 47K 5% 1W
R534 1-216-833-11 METAL CHIP 10K 5% 1/10W
A

91
KV-27FS320/32FS120/32FS320/34FS120/36FS120/36FS320/38FS120
KV-27FS320/32FS120/32FS320/34FS120/36FS120/36FS320/38FS120
REF. NO. PART NO. DESCRIPTION VALUES REF. NO. PART NO. DESCRIPTION VALUES
NOTE: The components identifi ed by shading
and
!
mark are critical for safety. Replace only
with part number specifi ed.
NOTE: Les composants identifi es per un trame et une
marque
!
sont critiques pour la securite. Ne les
remplacer que par une piece portant le numero specifi e.
R535 1-216-825-11 METAL CHIP 2.2K 5% 1/10W
!
R536 1-260-288-11 CARBON 0.47 5% 1/2W
!
R537 1-260-288-11 CARBON 0.47 5% 1/2W
R538 1-247-887-00 CARBON 220K 5% 1/4W
R541 1-216-841-11 METAL CHIP 47K 5% 1/10W
R542 1-216-833-11 METAL CHIP 10K 5% 1/10W
!
R543 1-249-377-11 CARBON 0.47 5% 1/4W
R544 1-216-821-11 METAL CHIP 1K 5% 1/10W
!
R545 1-249-387-11 CARBON 3.3 5% 1/4W
R546 1-215-453-00 METAL 22K 1% 1/4W
(KV-27FS320 ONLY)
R546 1-215-447-00 METAL 12K 1% 1/4W
(ALL EXCEPT KV-27FS320)
R547 1-215-445-00 METAL 10K 1% 1/4W
R548 1-215-453-00 METAL 22K 1% 1/4W
R549 1-215-429-00 METAL 2.2K 1% 1/4W
!
R550 1-249-377-11 CARBON 0.47 5% 1/4W
R551 1-215-873-00 METAL OXIDE 4.7K 5% 1W
R552 1-243-608-71 METAL OXIDE 1.5K 5% 3W
(KV-27FS320 ONLY)
R552 1-215-915-21 METAL OXIDE 470 5% 3W
(ALL EXCEPT KV-27FS320)
!
R553 1-249-377-11 CARBON 0.47 5% 1/4W
R559 1-216-805-11 METAL CHIP 47 5% 1/10W
R561 1-215-445-00 METAL 10K 1% 1/4W
!
R563 1-214-798-21 METAL 1.8 1% 1/2W
R564 1-247-895-91 CARBON 470K 5% 1/4W
R565 1-215-889-00 METAL OXIDE 330 5% 2W
R566 1-218-867-11 METAL CHIP 6.8K 0.50% 1/10W
!
R567 1-249-385-11 CARBON 2.2 5% 1/4W
R568 1-218-867-11 METAL CHIP 6.8K 0.50% 1/10W
R569 1-218-871-11 METAL CHIP 10K 0.50% 1/10W
R570 1-216-833-11 METAL CHIP 10K 5% 1/10W
R571 1-216-833-11 METAL CHIP 10K 5% 1/10W
R572 1-216-833-11 METAL CHIP 10K 5% 1/10W
R573 1-216-837-11 METAL CHIP 22K 5% 1/10W
!
R574 1-214-798-21 METAL 1.8 1% 1/2W
R576 1-243-523-71 METAL OXIDE 22 5% 3W
R580 1-216-845-11 METAL CHIP 100K 5% 1/10W
R583 1-216-829-11 METAL CHIP 4.7K 5% 1/10W
R584 1-249-429-11 CARBON 10K 5% 1/4W
R586 1-216-845-11 METAL CHIP 100K 5% 1/10W
R589 1-216-829-11 METAL CHIP 4.7K 5% 1/10W
R590 1-216-833-11 METAL CHIP 10K 5% 1/10W
R592 1-243-803-71 METAL OXIDE 0.33 5% 1W
R593 1-249-417-11 CARBON 1K 5% 1/4W
(KV-27FS320 ONLY)
R593 1-249-420-11 CARBON 1.8K 5% 1/4W
(ALL EXCEPT KV-27FS320)
R594 1-249-429-11 CARBON 10K 5% 1/4W
R595 1-247-891-00 CARBON 330K 5% 1/4W
R596 1-249-441-11 CARBON 100K 5% 1/4W
R597 1-216-864-11 SHORT CHIP
R598 1-218-867-11 METAL CHIP 6.8K 0.50% 1/10W
R599 1-216-825-11 METAL CHIP 2.2K 5% 1/10W
R603 1-219-513-11 METAL 4.7M 5% 1/2W
(ALL EXCEPT KV-34FS120 L. SOUTH)
R604 1-216-821-11 METAL CHIP 1K 5% 1/10W
R606 1-216-833-11 METAL CHIP 10K 5% 1/10W
R607 1-216-833-11 METAL CHIP 10K 5% 1/10W
R608 1-216-833-11 METAL CHIP 10K 5% 1/10W
R609 1-216-389-11 METAL OXIDE 1 5% 3W
R610 1-216-833-11 METAL CHIP 10K 5% 1/10W
R611 1-216-833-11 METAL CHIP 10K 5% 1/10W
R612 1-260-131-11 CARBON 470K 5% 1/2W
R613 1-216-833-11 METAL CHIP 10K 5% 1/10W
!
R615 1-202-933-61 FUSIBLE 0.1 10% 1/2W
R616 1-216-822-11 METAL CHIP 1.2K 5% 1/10W
R617 1-216-821-11 METAL CHIP 1K 5% 1/10W
R618 1-216-864-11 SHORT CHIP
R619 1-249-377-11 CARBON 0.47 5% 1/4W
R620 1-215-857-11 METAL OXIDE 10 5% 1W
R625 1-216-817-11 METAL CHIP 470 5% 1/10W
R626 1-218-869-11 METAL CHIP 8.2K 0.50% 1/10W
R628 1-260-131-11 CARBON 470K 5% 1/2W
R629 1-245-478-21 METAL 470K 1% 1/4W
R630 1-245-478-21 METAL 470K 1% 1/4W
R631 1-218-875-11 METAL CHIP 15K 0.50% 1/10W
R632 1-218-823-11 METAL CHIP 100 0.50% 1/10W
R640 1-249-417-11 CARBON 1K 5% 1/4W
R641 1-216-389-11 METAL OXIDE 1 5% 3W
R647 1-211-992-11 METAL CHIP 91 0.50% 1/10W
R648 1-216-864-11 SHORT CHIP
R650 1-216-845-11 METAL CHIP 100K 5% 1/10W
R651 1-216-845-11 METAL CHIP 100K 5% 1/10W
R658 1-249-393-11 CARBON 10 5% 1/4W
R659 1-249-393-11 CARBON 10 5% 1/4W
R660 1-216-833-11 METAL CHIP 10K 5% 1/10W
A

92
KV-27FS320/32FS120/32FS320/34FS120/36FS120/36FS320/38FS120
KV-27FS320/32FS120/32FS320/34FS120/36FS120/36FS320/38FS120
REF. NO. PART NO. DESCRIPTION VALUES REF. NO. PART NO. DESCRIPTION VALUES
NOTE: The components identifi ed by shading
and
!
mark are critical for safety. Replace only
with part number specifi ed.
NOTE: Les composants identifi es per un trame et une
marque
!
sont critiques pour la securite. Ne les
remplacer que par une piece portant le numero specifi e.
R661 1-249-415-11 CARBON 680 5% 1/4W
R667 1-216-833-11 METAL CHIP 10K 5% 1/10W
R668 1-249-413-11 CARBON 470 5% 1/4W
R670 1-216-833-11 METAL CHIP 10K 5% 1/10W
R671 1-243-979-71 METAL OXIDE 0.1 5% 2W
R672 1-243-979-71 METAL OXIDE 0.1 5% 2W
!
R674 1-220-926-11 FUSIBLE 0.47 10% 1/2W
R681 1-216-825-11 METAL CHIP 2.2K 5% 1/10W
R686 1-240-303-31 CEMENTED 0.22 5% 10W
R687 1-220-797-11 CEMENTED 0.47 5% 10W
R688 1-240-303-31 CEMENTED 0.22 5% 10W
R691 1-216-837-11 METAL CHIP 22K 5% 1/10W
R692 1-216-837-11 METAL CHIP 22K 5% 1/10W
R694 1-216-837-11 METAL CHIP 22K 5% 1/10W
R699 1-247-289-00 METAL OXIDE 8.2M 5% 1W
(KV-34FS120 L. SOUTH ONLY)
R932 1-218-285-11 METAL CHIP 75 5% 1/10W
R934 1-218-285-11 METAL CHIP 75 5% 1/10W
R953 1-218-285-11 METAL CHIP 75 5% 1/10W
R1510 1-216-833-11 METAL CHIP 10K 5% 1/10W
R1511 1-216-833-11 METAL CHIP 10K 5% 1/10W
RELAY
RY501 1-755-198-11 RELAY, AC POWER
!
RY600 1-755-395-11 RELAY (AC POWER)
SWITCH
S501 1-572-707-11 SWITCH, LEVER
S502 1-572-707-11 SWITCH, LEVER
TRANSFORMER
T501 1-433-836-11 TRANSFORMER, HORIZONTAL DRIVE
!
T502 1-435-869-11 TRANFORMER, FERRITE (PMT)
!
T503 1-453-310-11 FBT ASSY NX-4521//X4J4
(KV-27FS320 ONLY)
!
T503 1-453-338-41 FBT ASSY NX-4600/X4J4
(ALL EXCEPT KV-27FS320)
!
T505 1-433-850-11 TRANSFORMER, HORIZONTAL LINEAR
(KV-27FS320 ONLY)
!
T505 1-435-098-21 TRANSFORMER, HORIZONTAL LINEAR
(ALL EXCEPT KV-27FS320)
!
T603 1-437-783-11 TRANSFORMER, STANDBY
(ALL EXCEPT KV-34FS120 L. SOUTH)
!
T603 1-439-854-11 TRANSFORMER, STANDBY
(KV-34FS120 L. SOUTH ONLY)
!
T604 1-437-606-12 COVERTER TRANSFORMER
!
T605 1-443-402-11 TRANSFORMER, LINE FILTER
THERMISTOR
TH501 1-800-193-00 THERMISTOR
THP501 1-803-970-11 THERMISTOR, POSITIVE
(ALL EXCEPT KV-34FS120 L. SOUTH)
THP501 1-803-540-11 THERMISTOR, POSITIVE
(KV-34FS120 L. SOUTH ONLY)
TUNER
!
TU001 8-598-593-50 TUNER, FSS BTF-WA421
VARISTOR
!
VDR600 1-810-974-21 VARISTOR
(ALL EXCEPT KV-34FS120 L. SOUTH)
!
VDR600 1-804-995-11 VARISTOR
(KV-34FS120 L. SOUTH ONLY)
C
* A-1057-459-A C (VAR) BOARD, MOUNTED
(KV-27FS320 ONLY)
* A-1415-717-A C (VAR) BOARD, MOUNTED
(ALL EXCEPT KV-27FS320)
!
1-900-803-22 WIRE ASSY, G2 LEAD
4-382-854-11 SCREW (M3X10), P, SW (+)
CAPACITOR
C701 1-126-947-11 ELECT 47µF 20% 35V
C702 1-136-497-81 FILM 0.1µF 5% 50V
C703 1-126-947-11 ELECT 47µF 20% 35V
C704 1-107-652-11 ELECT 10µF 20% 250V
C705 1-107-652-11 ELECT 10µF 20% 250V
C706 1-137-528-11 MYLAR 0.1µF 10% 250V
C708 1-126-235-11 ELECT 100µF 20% 16V
C709 1-126-964-11 ELECT 10µF 20% 50V
C710 1-126-964-11 ELECT 10µF 20% 50V
C711 1-102-074-00 CERAMIC 0.001µF 10% 50V
C713 1-126-964-11 ELECT 10µF 20% 50V
C714 1-126-947-11 ELECT 47µF 20% 35V
C715 1-162-114-00 CERAMIC 0.0047µF 2KV
C716 1-162-114-00 CERAMIC 0.0047µF 2KV
C719 1-126-947-11 ELECT 47µF 20% 35V
AC

93
KV-27FS320/32FS120/32FS320/34FS120/36FS120/36FS320/38FS120
KV-27FS320/32FS120/32FS320/34FS120/36FS120/36FS320/38FS120
REF. NO. PART NO. DESCRIPTION VALUES REF. NO. PART NO. DESCRIPTION VALUES
NOTE: The components identifi ed by shading
and
!
mark are critical for safety. Replace only
with part number specifi ed.
NOTE: Les composants identifi es per un trame et une
marque
!
sont critiques pour la securite. Ne les
remplacer que par une piece portant le numero specifi e.
CONNECTOR
* CN701 1-564-506-11 PLUG, CONNECTOR 3P
CN702 1-695-915-11 TAB (CONTACT)
CN703 1-695-915-11 TAB (CONTACT)
CN704 1-785-879-11 CONNECTOR, ONE TOUCH
* CN705 1-564-511-11 PLUG, CONNECTOR 8P
(KV-27FS320 ONLY)
* CN705 1-564-512-11 PLUG, CONNECTOR 8P
(ALL EXCEPT KV-27FS320)
* CN706 1-564-510-11 PLUG, CONNECTOR 7P
DIODE
D701 8-719-901-83 DIODE 1SS83
D702 8-719-901-83 DIODE 1SS83
D703 8-719-901-83 DIODE 1SS83
D704 8-719-074-25 DIODE PG104R
D705 8-719-108-12 DIODE RD9.1EW
IC
IC701 6-705-638-01 IC BD7941AT-V5
IC702 8-759-562-43 IC TDA6108JF/N1B
IC703 8-759-701-59 IC NJM78M09FA
JACK
!
J701 1-451-470-21 SOCKET, CRT
COIL
L701 1-410-482-31 INDUCTOR 100µH
TRANSISTOR
Q700 8-729-422-27 TRANSISTOR 2SD601A-Q
Q701 8-729-422-27 TRANSISTOR 2SD601A-Q
Q703 8-729-422-27 TRANSISTOR 2SD601A-Q
RESISTOR
R700 1-249-433-11 CARBON 22K 5% 1/4W
R701 1-216-833-11 METAL CHIP 10K 5% 1/10W
R702 1-216-811-11 METAL CHIP 150 5% 1/10W
R703 1-216-809-11 METAL CHIP 100 5% 1/10W
R704 1-249-419-11 CARBON 1.5K 5% 1/4W
R705 1-249-429-11 CARBON 10K 5% 1/4W
R706 1-249-381-11 CARBON 1 5% 1/4W
R707 1-249-383-11 CARBON 1.5 5% 1/4W
R708 1-247-807-31 CARBON 100 5% 1/4W
R709 1-247-807-31 CARBON 100 5% 1/4W
R710 1-247-807-31 CARBON 100 5% 1/4W
R711 1-260-328-11 CARBON 1K 5% 1/2W
R712 1-260-328-11 CARBON 1K 5% 1/2W
R713 1-260-328-11 CARBON 1K 5% 1/2W
R714 1-260-087-11 CARBON 100 5% 1/2W
R715 1-260-132-11 CARBON 560K 5% 1/2W
R716 1-260-087-11 CARBON 100 5% 1/2W
R717 1-216-375-00 METAL OXIDE 3.3 5% 2W
(KV-27FS320 ONLY)
R718 1-216-373-11 METAL OXIDE 2.2 5% 2W
R719 1-215-888-00 METAL OXIDE 220 5% 2W
R720 1-216-825-11 METAL CHIP 2.2K 5% 1/10W
R721 1-216-825-11 METAL CHIP 2.2K 5% 1/10W
R722 1-247-807-31 CARBON 100 5% 1/4W
R723 1-247-807-31 CARBON 100 5% 1/4W
R724 1-247-807-31 CARBON 100 5% 1/4W
R725 1-216-825-11 METAL CHIP 2.2K 5% 1/10W
R726 1-216-829-11 METAL CHIP 4.7K 5% 1/10W
R727 1-216-825-11 METAL CHIP 2.2K 5% 1/10W
R731 1-216-864-11 SHORT CHIP
R732 1-216-833-11 METAL CHIP 10K 5% 1/10W
R733 1-216-833-11 METAL CHIP 10K 5% 1/10W
R734 1-216-809-11 METAL CHIP 100 5% 1/10W
VARIABLE RESISTOR
!
RV701 1-241-656-11 RES, ADJ, METAL FILM 110M
RV702 1-238-019-11 RES, ADJ, METAL FILM 47K
M
* A-1056-113-A M (VAR) BOARD, MOUNTED
(KV-32FS320 ONLY)
* A-1057-456-A M (VAR) BOARD, MOUNTED
(KV-27FS320 ONLY)
* A-1060-077-A M (VAR) BOARD, MOUNTED
(KV-36FS120, 38FS120 L. NORTH ONLY)
* A-1061-529-A M (VAR) BOARD, MOUNTED
(KV-36FS320 ONLY)
* A-1415-721-A M (VAR) BOARD, MOUNTED
(KV-32FS120, 34FS120 ONLY)
CAPACITOR
C003 1-162-919-11 CERAMIC CHIP 22pF 5% 50V
C004 1-162-923-11 CERAMIC CHIP 47pF 5% 50V
C005 1-162-966-11 CERAMIC CHIP 0.0022µF 10% 50V
C006 1-126-767-11 ELECT 1000µF 20% 16V
C007 1-164-315-11 CERAMIC CHIP 470pF 5% 50V
C M

94
KV-27FS320/32FS120/32FS320/34FS120/36FS120/36FS320/38FS120
KV-27FS320/32FS120/32FS320/34FS120/36FS120/36FS320/38FS120
REF. NO. PART NO. DESCRIPTION VALUES REF. NO. PART NO. DESCRIPTION VALUES
NOTE: The components identifi ed by shading
and
!
mark are critical for safety. Replace only
with part number specifi ed.
NOTE: Les composants identifi es per un trame et une
marque
!
sont critiques pour la securite. Ne les
remplacer que par une piece portant le numero specifi e.
C008 1-107-826-11 CERAMIC CHIP 0.1µF 10% 16V
C009 1-164-230-11 CERAMIC CHIP 220pF 5% 50V
C010 1-127-573-11 CERAMIC CHIP 1µF 10% 16V
C011 1-162-964-11 CERAMIC CHIP 0.001µF 10% 50V
C012 1-162-968-11 CERAMIC CHIP 0.0047µF 10% 50V
C014 1-127-573-11 CERAMIC CHIP 1µF 10% 16V
C015 1-107-826-11 CERAMIC CHIP 0.1µF 10% 16V
C019 1-107-826-11 CERAMIC CHIP 0.1µF 10% 16V
C021 1-107-826-11 CERAMIC CHIP 0.1µF 10% 16V
C022 1-126-964-11 ELECT 10µF 20% 50V
C023 1-126-935-11 ELECT 470µF 20% 16V
C033 1-162-970-11 CERAMIC CHIP 0.01µF 10% 25V
C041 1-126-964-11 ELECT 10µF 20% 50V
C047 1-164-315-11 CERAMIC CHIP 470pF 5% 50V
C048 1-104-665-11 ELECT 100µF 20% 25V
C064 1-165-176-11 CERAMIC CHIP 0.047µF 10% 16V
C090 1-162-970-11 CERAMIC CHIP 0.01µF 10% 25V
C091 1-126-947-11 ELECT 47µF 20% 35V
C092 1-126-947-11 ELECT 47µF 20% 35V
C094 1-162-970-11 CERAMIC CHIP 0.01µF 10% 25V
C095 1-126-947-11 ELECT 47µF 20% 35V
C096 1-162-970-11 CERAMIC CHIP 0.01µF 10% 25V
C097 1-126-947-11 ELECT 47µF 20% 35V
C098 1-162-970-11 CERAMIC CHIP 0.01µF 10% 25V
C099 1-126-947-11 ELECT 47µF 20% 35V
C100 1-107-826-11 CERAMIC CHIP 0.1µF 10% 16V
C101 1-126-940-11 ELECT 330µF 20% 25V
C102 1-115-416-11 CERAMIC CHIP 0.001µF 5% 25V
C103 1-126-947-11 ELECT 47µF 20% 35V
C115 1-164-739-11 CERAMIC CHIP 560pF 5% 50V
C116 1-107-826-11 CERAMIC CHIP 0.1µF 10% 16V
C304 1-107-826-11 CERAMIC CHIP 0.1µF 10% 16V
C305 1-107-826-11 CERAMIC CHIP 0.1µF 10% 16V
C306 1-107-826-11 CERAMIC CHIP 0.1µF 10% 16V
C313 1-107-826-11 CERAMIC CHIP 0.1µF 10% 16V
C316 1-107-826-11 CERAMIC CHIP 0.1µF 10% 16V
(KV-27FS320, 32FS320, 36FS320 ONLY)
C317 1-107-826-11 CERAMIC CHIP 0.1µF 10% 16V
(KV-27FS320, 32FS320, 36FS320 ONLY)
C318 1-107-826-11 CERAMIC CHIP 0.1µF 10% 16V
(KV-27FS320, 32FS320, 36FS320 ONLY)
C319 1-107-826-11 CERAMIC CHIP 0.1µF 10% 16V
(KV-27FS320, 32FS320, 36FS320 ONLY)
C319 1-216-864-11 SHORT CHIP
(KV-32FS120, 34FS120, 36FS120, 38FS120 L. NORTH ONLY)
C320 1-107-826-11 CERAMIC CHIP 0.1µF 10% 16V
(KV-27FS320, 32FS320, 36FS320 ONLY)
C320 1-216-864-11 SHORT CHIP
(KV-32FS120, 34FS120, 36FS120, 38FS120 L. NORTH ONLY)
C321 1-126-947-11 ELECT 47µF 20% 35V
(KV-27FS320, 32FS320, 36FS320 ONLY)
C322 1-107-826-11 CERAMIC CHIP 0.1µF 10% 16V
C325 1-162-967-11 CERAMIC CHIP 0.0033µF 10% 50V
C326 1-164-505-11 CERAMIC CHIP 2.2µF 16V
C330 1-107-826-11 CERAMIC CHIP 0.1µF 10% 16V
C337 1-162-919-11 CERAMIC CHIP 22pF 5% 50V
C351 1-164-315-11 CERAMIC CHIP 470pF 5% 50V
C370 1-162-970-11 CERAMIC CHIP 0.01µF 10% 25V
C390 1-162-970-11 CERAMIC CHIP 0.01µF 10% 25V
C511 1-126-964-11 ELECT 10µF 20% 50V
C542 1-162-966-11 CERAMIC CHIP 0.0022µF 10% 50V
C551 1-127-573-11 CERAMIC CHIP 1µF 10% 16V
C552 1-124-779-00 ELECT CHIP 10µF 20% 16V
C559 1-216-864-11 SHORT CHIP
C665 1-104-665-11 ELECT 100µF 20% 25V
C666 1-104-665-11 ELECT 100µF 20% 25V
C780 1-162-926-11 CERAMIC CHIP 82pF 5% 50V
C781 1-162-926-11 CERAMIC CHIP 82pF 5% 50V
C782 1-162-926-11 CERAMIC CHIP 82pF 5% 50V
C3049 1-127-573-11 CERAMIC CHIP 1µF 10% 16V
C3051 1-126-964-11 ELECT 10µF 20% 50V
C3052 1-164-230-11 CERAMIC CHIP 220pF 5% 50V
C3053 1-165-176-11 CERAMIC CHIP 0.047µF 10% 16V
C3054 1-127-573-11 CERAMIC CHIP 1µF 10% 16V
C3057 1-107-826-11 CERAMIC CHIP 0.1µF 10% 16V
C3307 1-107-826-11 CERAMIC CHIP 0.1µF 10% 16V
C3314 1-107-826-11 CERAMIC CHIP 0.1µF 10% 16V
(KV-27FS320, 32FS320, 36FS320 ONLY)
C3315 1-126-947-11 ELECT 47µF 20% 35V
(KV-27FS320, 32FS320, 36FS320 ONLY)
C3509 1-124-779-00 ELECT CHIP 10µF 20% 16V
C3519 1-165-176-11 CERAMIC CHIP 0.047µF 10% 16V
(ALL EXCEPT KV-27FS320)
C3519 1-216-864-11 SHORT CHIP
(KV-27FS320 ONLY)
C3520 1-126-933-11 ELECT 100µF 20% 16V
C3534 1-162-966-11 CERAMIC CHIP 0.0022µF 10% 50V
M

95
KV-27FS320/32FS120/32FS320/34FS120/36FS120/36FS320/38FS120
KV-27FS320/32FS120/32FS320/34FS120/36FS120/36FS320/38FS120
REF. NO. PART NO. DESCRIPTION VALUES REF. NO. PART NO. DESCRIPTION VALUES
C3536 1-115-416-11 CERAMIC CHIP 0.001µF 5% 25V
(ALL EXCEPT KV-27FS320)
C3536 1-162-968-11 CERAMIC CHIP 0.0047µF 10% 50V
(KV-27FS320 ONLY)
C3539 1-162-970-11 CERAMIC CHIP 0.01µF 10% 25V
C3542 1-115-414-11 CERAMIC CHIP 820pF 25V
(ALL EXCEPT KV-27FS320)
C3553 1-107-826-11 CERAMIC CHIP 0.1µF 10% 16V
C3554 1-162-970-11 CERAMIC CHIP 0.01µF 10% 25V
C3560 1-216-833-11 METAL CHIP 10K 5% 1/10W
C3611 1-126-933-11 ELECT 100µF 20% 16V
C3612 1-126-933-11 ELECT 100µF 20% 16V
C3613 1-126-933-11 ELECT 100µF 20% 16V
C3638 1-104-665-11 ELECT 100µF 20% 25V
C3901 1-126-933-11 ELECT 100µF 20% 16V
C3902 1-107-826-11 CERAMIC CHIP 0.1µF 10% 16V
C3984 1-126-964-11 ELECT 10µF 20% 50V
(KV-27FS320, 32FS320, 36FS320 ONLY)
C3988 1-126-964-11 ELECT 10µF 20% 50V
(KV-27FS320, 32FS320, 36FS320 ONLY)
C3989 1-126-964-11 ELECT 10µF 20% 50V
(KV-27FS320, 32FS320, 36FS320 ONLY)
C3990 1-126-964-11 ELECT 10µF 20% 50V
(KV-27FS320, 32FS320, 36FS320 ONLY)
C3991 1-126-964-11 ELECT 10µF 20% 50V
(KV-27FS320, 32FS320, 36FS320 ONLY)
C3994 1-126-964-11 ELECT 10µF 20% 50V
(KV-27FS320, 32FS320, 36FS320 ONLY)
C3995 1-124-778-00 ELECT CHIP 22µF 20% 6.3V
C6003 1-127-573-11 CERAMIC CHIP 1µF 10% 16V
CONNECTOR
* CN001 1-560-124-00 PLUG, CONNECTOR (2.5MM) 4P
(KV-27FS320, 32FS320, 32FS120, 34FS120 ONLY)
* CN002 1-764-812-12 PLUG, CONNECTOR 11P
(KV-36FS120, 38FS120 L. NORTH, 36FS320 ONLY)
* CN302 1-564-515-11 PLUG, CONNECTOR 12P
(KV-27FS320, 32FS320, 36FS320 ONLY)
DIODE
D002 8-719-069-55 DIODE UDZSTE-175.6B
D004 8-719-977-28 DIODE DTZ10B
D005 8-719-977-28 DIODE DTZ10B
D006 8-719-069-55 DIODE UDZSTE-175.6B
D044 8-719-977-28 DIODE DTZ10B
D045 8-719-977-28 DIODE DTZ10B
D050 8-719-510-02 DIODE D1NS4
D051 6-500-567-21 DIODE 10ERB20-TB5
D052 8-719-069-55 DIODE UDZSTE-175.6B
D110 8-719-404-50 DIODE MA111-TX
D250 1-803-974-21 VARISTOR, CHIP (1608)
D304 1-803-974-21 VARISTOR, CHIP (1608)
D351 6-500-697-01 DIODE UDZSTE-173.3B
D390 8-719-404-50 DIODE MA111-TX
D512 8-719-404-50 DIODE MA111-TX
D513 8-719-404-50 DIODE MA111-TX
D558 8-719-404-50 DIODE MA111-TX
D559 8-719-404-50 DIODE MA111-TX
D762 8-719-404-50 DIODE MA111-TX
D763 8-719-404-50 DIODE MA111-TX
D772 8-719-404-50 DIODE MA111-TX
D773 8-719-404-50 DIODE MA111-TX
D782 8-719-404-50 DIODE MA111-TX
D783 8-719-404-50 DIODE MA111-TX
D3305 1-803-974-21 VARISTOR, CHIP (1608)
(KV-27FS320, 32FS320, 36FS320 ONLY)
D3306 1-803-974-21 VARISTOR, CHIP (1608)
(KV-27FS320, 32FS320, 36FS320 ONLY)
D3307 1-803-974-21 VARISTOR, CHIP (1608)
(KV-27FS320, 32FS320, 36FS320 ONLY)
D3308 1-803-974-21 VARISTOR, CHIP (1608)
(KV-27FS320, 32FS320, 36FS320 ONLY)
D3509 1-803-974-21 VARISTOR, CHIP (1608)
FERRITE BEAD
FB302 1-469-549-21 INDUCTOR 1µH
FILTER
FL001 1-234-126-21 FERRITE 0µH
IC
IC001 6-804-652-01 IC M65585µF-104FP
IC002 6-704-607-01 IC M24C16-WMN6T(B)
IC003 8-759-352-91 IC PST9143NL
IC004 8-759-533-85 IC L88M05T-FA-TL
IC301 6-701-105-01 IC NJM2750M-TE2
(KV-27FS320, 32FS320, 36FS320 ONLY)
M

96
KV-27FS320/32FS120/32FS320/34FS120/36FS120/36FS320/38FS120
KV-27FS320/32FS120/32FS320/34FS120/36FS120/36FS320/38FS120
REF. NO. PART NO. DESCRIPTION VALUES REF. NO. PART NO. DESCRIPTION VALUES
IC565 8-759-700-44 IC NJM2902M
IC633 8-759-641-26 IC NJM2391DL1-33(TE1)
IC3001 8-759-443-11 IC NJM2283M-TE1
(KV-27FS320, 32FS320, 36FS320 ONLY)
CHIP CONDUCTOR
JR44 1-216-864-11 SHORT CHIP
JR317 1-216-809-11 METAL CHIP 100 5% 1/10W
JR318 1-216-864-11 SHORT CHIP
JR546 1-216-864-11 SHORT CHIP
JR3503 1-216-864-11 SHORT CHIP
COIL
L002 1-234-126-21 FERRITE 0µH
L005 1-234-126-21 FERRITE 0µH
L006 1-414-273-11 INDUCTOR 100µH
L007 1-414-267-21 INDUCTOR 10µH
L011 1-234-126-21 FERRITE 0µH
L301 1-469-555-21 INDUCTOR 10µH
(KV-27FS320, 32FS320, 36FS320 ONLY)
L611 1-469-561-21 INDUCTOR 100µH
L612 1-469-561-21 INDUCTOR 100µH
L613 1-469-561-21 INDUCTOR 100µH
L710 1-410-387-11 INDUCTOR 33µH
L711 1-410-387-11 INDUCTOR 33µH
L712 1-410-387-11 INDUCTOR 33µH
L3003 1-234-126-21 FERRITE 0µH
L3004 1-234-126-21 FERRITE 0µH
L3609 1-414-267-21 INDUCTOR 10µH
TRANSISTOR
Q002 8-729-422-27 TRANSISTOR 2SD601A-Q
Q004 8-729-422-27 TRANSISTOR 2SD601A-Q
Q008 8-729-422-27 TRANSISTOR 2SD601A-Q
Q301 8-729-424-02 TRANSISTOR 2SB709A-QRS-TX
Q303 8-729-424-02 TRANSISTOR 2SB709A-QRS-TX
Q305 8-729-424-02 TRANSISTOR 2SB709A-QRS-TX
Q306 8-729-422-27 TRANSISTOR 2SD601A-Q
Q307 8-729-424-02 TRANSISTOR 2SB709A-QRS-TX
Q316 8-729-422-27 TRANSISTOR 2SD601A-Q
Q390 8-729-422-27 TRANSISTOR 2SD601A-Q
Q391 8-729-422-27 TRANSISTOR 2SD601A-Q
Q503 8-729-422-27 TRANSISTOR 2SD601A-Q
Q504 8-729-422-27 TRANSISTOR 2SD601A-Q
Q505 8-729-422-27 TRANSISTOR 2SD601A-Q
Q515 8-729-422-27 TRANSISTOR 2SD601A-Q
Q519 8-729-422-27 TRANSISTOR 2SD601A-Q
Q533 8-729-424-02 TRANSISTOR 2SB709A-QRS-TX
Q761 8-729-422-27 TRANSISTOR 2SD601A-Q
Q762 8-729-422-27 TRANSISTOR 2SD601A-Q
Q763 8-729-422-27 TRANSISTOR 2SD601A-Q
Q771 8-729-422-27 TRANSISTOR 2SD601A-Q
Q772 8-729-422-27 TRANSISTOR 2SD601A-Q
Q773 8-729-422-27 TRANSISTOR 2SD601A-Q
Q781 8-729-422-27 TRANSISTOR 2SD601A-Q
Q782 8-729-422-27 TRANSISTOR 2SD601A-Q
Q783 8-729-422-27 TRANSISTOR 2SD601A-Q
Q860 8-729-422-27 TRANSISTOR 2SD601A-Q
Q3005 8-729-424-02 TRANSISTOR 2SB709A-QRS-TX
Q3300 8-729-422-27 TRANSISTOR 2SD601A-Q
Q3304 8-729-424-02 TRANSISTOR 2SB709A-QRS-TX
Q3502 8-729-422-27 TRANSISTOR 2SD601A-Q
Q6000 8-729-422-27 TRANSISTOR 2SD601A-Q
RESISTOR
R002 1-216-864-11 SHORT CHIP
R003 1-216-821-11 METAL CHIP 1K 5% 1/10W
R004 1-216-817-11 METAL CHIP 470 5% 1/10W
R005 1-400-427-21 FERRITE 0µH
R006 1-216-829-11 METAL CHIP 4.7K 5% 1/10W
R007 1-400-427-21 FERRITE 0µH
R008 1-216-864-11 SHORT CHIP
R009 1-216-864-11 SHORT CHIP
R010 1-216-813-11 METAL CHIP 220 5% 1/10W
(KV-27FS320, 32FS320, 36FS320 ONLY)
R015 1-216-833-11 METAL CHIP 10K 5% 1/10W
R027 1-218-887-11 METAL CHIP 47K 0.50% 1/10W
R028 1-216-813-11 METAL CHIP 220 5% 1/10W
R030 1-216-813-11 METAL CHIP 220 5% 1/10W
R031 1-216-813-11 METAL CHIP 220 5% 1/10W
R032 1-216-813-11 METAL CHIP 220 5% 1/10W
R034 1-216-864-11 SHORT CHIP
R035 1-216-809-11 METAL CHIP 100 5% 1/10W
R037 1-216-833-11 METAL CHIP 10K 5% 1/10W
R038 1-216-813-11 METAL CHIP 220 5% 1/10W
R039 1-216-813-11 METAL CHIP 220 5% 1/10W
R040 1-216-829-11 METAL CHIP 4.7K 5% 1/10W
R041 1-216-829-11 METAL CHIP 4.7K 5% 1/10W
R042 1-216-813-11 METAL CHIP 220 5% 1/10W
R043 1-216-813-11 METAL CHIP 220 5% 1/10W
M

97
KV-27FS320/32FS120/32FS320/34FS120/36FS120/36FS320/38FS120
KV-27FS320/32FS120/32FS320/34FS120/36FS120/36FS320/38FS120
REF. NO. PART NO. DESCRIPTION VALUES REF. NO. PART NO. DESCRIPTION VALUES
R044 1-216-829-11 METAL CHIP 4.7K 5% 1/10W
R045 1-216-829-11 METAL CHIP 4.7K 5% 1/10W
R047 1-216-813-11 METAL CHIP 220 5% 1/10W
R048 1-216-829-11 METAL CHIP 4.7K 5% 1/10W
R049 1-216-829-11 METAL CHIP 4.7K 5% 1/10W
R050 1-216-829-11 METAL CHIP 4.7K 5% 1/10W
R053 1-216-837-11 METAL CHIP 22K 5% 1/10W
R054 1-216-837-11 METAL CHIP 22K 5% 1/10W
R059 1-216-821-11 METAL CHIP 1K 5% 1/10W
R060 1-216-813-11 METAL CHIP 220 5% 1/10W
R061 1-216-833-11 METAL CHIP 10K 5% 1/10W
R062 1-216-817-11 METAL CHIP 470 5% 1/10W
R063 1-216-829-11 METAL CHIP 4.7K 5% 1/10W
R070 1-216-813-11 METAL CHIP 220 5% 1/10W
R071 1-216-809-11 METAL CHIP 100 5% 1/10W
(KV-27FS320, 32FS320, 36FS320 ONLY)
R076 1-216-809-11 METAL CHIP 100 5% 1/10W
R080 1-216-833-11 METAL CHIP 10K 5% 1/10W
R081 1-216-841-11 METAL CHIP 47K 5% 1/10W
R082 1-216-857-11 METAL CHIP 1M 5% 1/10W
R083 1-216-847-11 METAL CHIP 150K 5% 1/10W
R084 1-216-819-11 METAL CHIP 680 5% 1/10W
R090 1-216-837-11 METAL CHIP 22K 5% 1/10W
R091 1-216-841-11 METAL CHIP 47K 5% 1/10W
R092 1-216-825-11 METAL CHIP 2.2K 5% 1/10W
R093 1-216-841-11 METAL CHIP 47K 5% 1/10W
R094 1-216-864-11 SHORT CHIP
R095 1-216-864-11 SHORT CHIP
R096 1-216-813-11 METAL CHIP 220 5% 1/10W
R097 1-216-813-11 METAL CHIP 220 5% 1/10W
R100 1-216-849-11 METAL CHIP 220K 5% 1/10W
R101 1-216-829-11 METAL CHIP 4.7K 5% 1/10W
R110 1-216-813-11 METAL CHIP 220 5% 1/10W
R112 1-216-829-11 METAL CHIP 4.7K 5% 1/10W
R115 1-216-817-11 METAL CHIP 470 5% 1/10W
R116 1-216-853-11 METAL CHIP 470K 5% 1/10W
R131 1-216-813-11 METAL CHIP 220 5% 1/10W
R201 1-216-813-11 METAL CHIP 220 5% 1/10W
R203 1-216-813-11 METAL CHIP 220 5% 1/10W
R211 1-216-864-11 SHORT CHIP
(KV-27FS320, 32FS320, 36FS320 ONLY)
R212 1-216-864-11 SHORT CHIP
R213 1-216-829-11 METAL CHIP 4.7K 5% 1/10W
R309 1-216-833-11 METAL CHIP 10K 5% 1/10W
R310 1-216-821-11 METAL CHIP 1K 5% 1/10W
R311 1-216-813-11 METAL CHIP 220 5% 1/10W
R312 1-218-867-11 METAL CHIP 6.8K 0.50% 1/10W
R313 1-216-864-11 SHORT CHIP
R314 1-216-833-11 METAL CHIP 10K 5% 1/10W
R318 1-216-825-11 METAL CHIP 2.2K 5% 1/10W
R319 1-216-813-11 METAL CHIP 220 5% 1/10W
R320 1-216-825-11 METAL CHIP 2.2K 5% 1/10W
R321 1-216-864-11 SHORT CHIP
R322 1-216-864-11 SHORT CHIP
R324 1-216-821-11 METAL CHIP 1K 5% 1/10W
R325 1-216-864-11 SHORT CHIP
R326 1-400-427-21 FERRITE 0µH
R329 1-216-813-11 METAL CHIP 220 5% 1/10W
(KV-27FS320, 32FS320, 36FS320 ONLY)
R331 1-216-864-11 SHORT CHIP
R332 1-216-864-11 SHORT CHIP
R333 1-216-813-11 METAL CHIP 220 5% 1/10W
(KV-27FS320, 32FS320, 36FS320 ONLY)
R336 1-216-864-11 SHORT CHIP
(KV-32FS120, 34FS120, 36FS120, 38FS120 L. NORTH ONLY)
R337 1-216-801-11 METAL CHIP 22 5% 1/10W
R338 1-216-845-11 METAL CHIP 100K 5% 1/10W
(KV-27FS320, 32FS320, 36FS320 ONLY)
R339 1-216-845-11 METAL CHIP 100K 5% 1/10W
(KV-27FS320, 32FS320, 36FS320 ONLY)
R341 1-218-845-11 METAL CHIP 820 0.50% 1/10W
R342 1-218-847-11 METAL CHIP 1K 0.50% 1/10W
R343 1-216-827-11 METAL CHIP 3.3K 5% 1/10W
R344 1-216-821-11 METAL CHIP 1K 5% 1/10W
R345 1-216-864-11 SHORT CHIP
R346 1-216-864-11 SHORT CHIP
(KV-32FS120, 34FS120, 36FS120, 38FS120 L. NORTH ONLY)
R347 1-216-813-11 METAL CHIP 220 5% 1/10W
(KV-27FS320, 32FS320, 36FS320 ONLY)
R347 1-216-864-11 SHORT CHIP
(KV-32FS120, 34FS120, 36FS120, 38FS120 L. NORTH ONLY)
R351 1-216-829-11 METAL CHIP 4.7K 5% 1/10W
R352 1-216-853-11 METAL CHIP 470K 5% 1/10W
R353 1-216-864-11 SHORT CHIP
R354 1-216-864-11 SHORT CHIP
R355 1-216-864-11 SHORT CHIP
R370 1-216-825-11 METAL CHIP 2.2K 5% 1/10W
R371 1-216-849-11 METAL CHIP 220K 5% 1/10W
M

98
KV-27FS320/32FS120/32FS320/34FS120/36FS120/36FS320/38FS120
KV-27FS320/32FS120/32FS320/34FS120/36FS120/36FS320/38FS120
REF. NO. PART NO. DESCRIPTION VALUES REF. NO. PART NO. DESCRIPTION VALUES
R372 1-216-827-11 METAL CHIP 3.3K 5% 1/10W
R382 1-216-863-11 METAL CHIP 3.3M 5% 1/10W
R511 1-216-864-11 SHORT CHIP
R513 1-216-845-11 METAL CHIP 100K 5% 1/10W
R515 1-216-845-11 METAL CHIP 100K 5% 1/10W
R526 1-216-837-11 METAL CHIP 22K 5% 1/10W
R540 1-216-833-11 METAL CHIP 10K 5% 1/10W
R547 1-218-891-11 METAL CHIP 68K 0.50% 1/10W
R556 1-216-825-11 METAL CHIP 2.2K 5% 1/10W
R557 1-216-825-11 METAL CHIP 2.2K 5% 1/10W
R634 1-215-905-11 METAL OXIDE 10 5% 3W
R759 1-216-864-11 SHORT CHIP
R760 1-216-829-11 METAL CHIP 4.7K 5% 1/10W
R762 1-218-847-11 METAL CHIP 1K 0.50% 1/10W
R763 1-216-835-11 METAL CHIP 15K 5% 1/10W
R764 1-218-833-11 METAL CHIP 270 0.50% 1/10W
R765 1-218-855-11 METAL CHIP 2.2K 0.50% 1/10W
R766 1-216-827-11 METAL CHIP 3.3K 5% 1/10W
R767 1-216-830-11 METAL CHIP 5.6K 5% 1/10W
R768 1-216-821-11 METAL CHIP 1K 5% 1/10W
R769 1-216-821-11 METAL CHIP 1K 5% 1/10W
R770 1-216-829-11 METAL CHIP 4.7K 5% 1/10W
R771 1-216-821-11 METAL CHIP 1K 5% 1/10W
R772 1-218-847-11 METAL CHIP 1K 0.50% 1/10W
R773 1-216-835-11 METAL CHIP 15K 5% 1/10W
R774 1-218-833-11 METAL CHIP 270 0.50% 1/10W
R775 1-218-855-11 METAL CHIP 2.2K 0.50% 1/10W
R776 1-216-827-11 METAL CHIP 3.3K 5% 1/10W
R777 1-216-830-11 METAL CHIP 5.6K 5% 1/10W
R778 1-216-821-11 METAL CHIP 1K 5% 1/10W
R779 1-216-821-11 METAL CHIP 1K 5% 1/10W
R780 1-216-829-11 METAL CHIP 4.7K 5% 1/10W
R782 1-218-847-11 METAL CHIP 1K 0.50% 1/10W
R783 1-216-835-11 METAL CHIP 15K 5% 1/10W
R784 1-218-833-11 METAL CHIP 270 0.50% 1/10W
R785 1-218-855-11 METAL CHIP 2.2K 0.50% 1/10W
R786 1-216-827-11 METAL CHIP 3.3K 5% 1/10W
R787 1-216-830-11 METAL CHIP 5.6K 5% 1/10W
R788 1-216-821-11 METAL CHIP 1K 5% 1/10W
R789 1-216-864-11 SHORT CHIP
R794 1-216-864-11 SHORT CHIP
R851 1-216-821-11 METAL CHIP 1K 5% 1/10W
R852 1-218-887-11 METAL CHIP 47K 0.50% 1/10W
R860 1-216-833-11 METAL CHIP 10K 5% 1/10W
R861 1-216-833-11 METAL CHIP 10K 5% 1/10W
R862 1-216-813-11 METAL CHIP 220 5% 1/10W
R900 1-216-851-11 METAL CHIP 330K 5% 1/10W
R3057 1-216-821-11 METAL CHIP 1K 5% 1/10W
R3058 1-216-833-11 METAL CHIP 10K 5% 1/10W
R3085 1-216-864-11 SHORT CHIP
R3086 1-216-821-11 METAL CHIP 1K 5% 1/10W
R3087 1-216-809-11 METAL CHIP 100 5% 1/10W
R3115 1-216-864-11 SHORT CHIP
R3303 1-216-863-11 METAL CHIP 3.3M 5% 1/10W
R3305 1-216-809-11 METAL CHIP 100 5% 1/10W
R3308 1-216-809-11 METAL CHIP 100 5% 1/10W
R3315 1-216-813-11 METAL CHIP 220 5% 1/10W
R3316 1-216-825-11 METAL CHIP 2.2K 5% 1/10W
R3317 1-216-813-11 METAL CHIP 220 5% 1/10W
R3328 1-216-864-11 SHORT CHIP
R3334 1-216-813-11 METAL CHIP 220 5% 1/10W
(KV-27FS320, 32FS320, 36FS320 ONLY)
R3334 1-216-864-11 SHORT CHIP
(KV-32FS120, 34FS120, 36FS120, 38FS120 L. NORTH ONLY)
R3335 1-216-813-11 METAL CHIP 220 5% 1/10W
(KV-27FS320, 32FS320, 36FS320 ONLY)
R3390 1-216-864-11 SHORT CHIP
R3391 1-216-829-11 METAL CHIP 4.7K 5% 1/10W
R3392 1-216-818-11 METAL CHIP 560 5% 1/10W
R3393 1-216-825-11 METAL CHIP 2.2K 5% 1/10W
R3394 1-216-833-11 METAL CHIP 10K 5% 1/10W
R3395 1-216-864-11 SHORT CHIP
R3396 1-216-864-11 SHORT CHIP
R3517 1-218-881-11 METAL CHIP 27K 0.50% 1/10W
R3518 1-216-833-11 METAL CHIP 10K 5% 1/10W
R3519 1-216-833-11 METAL CHIP 10K 5% 1/10W
R3524 1-218-867-11 METAL CHIP 6.8K 0.50% 1/10W
R3525 1-216-821-11 METAL CHIP 1K 5% 1/10W
R3527 1-216-825-11 METAL CHIP 2.2K 5% 1/10W
R3528 1-216-833-11 METAL CHIP 10K 5% 1/10W
R3529 1-216-833-11 METAL CHIP 10K 5% 1/10W
R3530 1-218-865-11 METAL CHIP 5.6K 0.50% 1/10W
R3532 1-216-864-11 SHORT CHIP
R3533 1-218-869-11 METAL CHIP 8.2K 0.50% 1/10W
R3534 1-218-720-11 METAL CHIP 15K 0.50% 1/10W
R3535 1-218-865-11 METAL CHIP 5.6K 0.50% 1/10W
R3536 1-218-869-11 METAL CHIP 8.2K 0.50% 1/10W
R3537 1-216-855-11 METAL CHIP 680K 5% 1/10W
M

99
KV-27FS320/32FS120/32FS320/34FS120/36FS120/36FS320/38FS120
KV-27FS320/32FS120/32FS320/34FS120/36FS120/36FS320/38FS120
REF. NO. PART NO. DESCRIPTION VALUES REF. NO. PART NO. DESCRIPTION VALUES
R3539 1-216-864-11 SHORT CHIP
R3541 1-216-830-11 METAL CHIP 5.6K 5% 1/10W
R3542 1-216-833-11 METAL CHIP 10K 5% 1/10W
R3543 1-216-815-11 METAL CHIP 330 5% 1/10W
R3550 1-216-817-11 METAL CHIP 470 5% 1/10W
R3551 1-216-829-11 METAL CHIP 4.7K 5% 1/10W
R3553 1-216-813-11 METAL CHIP 220 5% 1/10W
R3554 1-216-827-11 METAL CHIP 3.3K 5% 1/10W
R3555 1-216-833-11 METAL CHIP 10K 5% 1/10W
R3559 1-216-837-11 METAL CHIP 22K 5% 1/10W
R3580 1-216-837-11 METAL CHIP 22K 5% 1/10W
R3599 1-216-837-11 METAL CHIP 22K 5% 1/10W
R3900 1-216-809-11 METAL CHIP 100 5% 1/10W
(KV-32FS120, 34FS120, 36FS120, 38FS120 L. NORTH ONLY)
R3901 1-216-809-11 METAL CHIP 100 5% 1/10W
(KV-32FS120, 34FS120, 36FS120, 38FS120 L. NORTH ONLY)
R3902 1-216-809-11 METAL CHIP 100 5% 1/10W
(KV-32FS120, 34FS120, 36FS120, 38FS120 L. NORTH ONLY)
R3903 1-218-285-11 METAL CHIP 75 5% 1/10W
(KV-27FS320, 32FS320, 36FS320 ONLY)
R3904 1-216-813-11 METAL CHIP 220 5% 1/10W
(KV-27FS320, 32FS320, 36FS320 ONLY)
R3905 1-216-813-11 METAL CHIP 220 5% 1/10W
(KV-27FS320, 32FS320, 36FS320 ONLY)
R3906 1-218-285-11 METAL CHIP 75 5% 1/10W
(KV-27FS320, 32FS320, 36FS320 ONLY)
R3907 1-216-813-11 METAL CHIP 220 5% 1/10W
(KV-27FS320, 32FS320, 36FS320 ONLY)
R3908 1-218-285-11 METAL CHIP 75 5% 1/10W
(KV-27FS320, 32FS320, 36FS320 ONLY)
R3910 1-216-822-11 METAL CHIP 1.2K 5% 1/10W
R3990 1-216-809-11 METAL CHIP 100 5% 1/10W
R3997 1-216-809-11 METAL CHIP 100 5% 1/10W
(KV-27FS320, 32FS320, 36FS320 ONLY)
R3998 1-216-809-11 METAL CHIP 100 5% 1/10W
(KV-27FS320, 32FS320, 36FS320 ONLY)
R3999 1-216-809-11 METAL CHIP 100 5% 1/10W
(KV-27FS320, 32FS320, 36FS320 ONLY)
R6001 1-216-833-11 METAL CHIP 10K 5% 1/10W
R6002 1-216-833-11 METAL CHIP 10K 5% 1/10W
R6003 1-216-833-11 METAL CHIP 10K 5% 1/10W
R6004 1-216-821-11 METAL CHIP 1K 5% 1/10W
CRYSTAL
X001 1-795-006-21 VIBRATOR, CRYSTAL
X301 1-781-377-21 VIBRATOR, CRYSTAL
V
* A-1057-460-A V (VAR) BOARD, MOUNTED
(KV-27FS320 ONLY)
* A-1415-719-A V (VAR) BOARD, MOUNTED
(ALL EXCEPT KV-27FS320)
4-382-854-11 SCREW (M3X10), P, SW (+)
CAPACITOR
C802 1-126-964-11 ELECT 10µF 20% 50V
C803 1-137-378-11 MYLAR 0.22µF 5% 50V
C804 1-137-378-11 MYLAR 0.22µF 5% 50V
C805 1-131-985-21 FILM 0.033µF 5% 250V
C808 1-162-970-11 CERAMIC CHIP 0.01µF 10% 25V
C809 1-128-934-91 CERAMIC CHIP 0.33µF 20% 10V
C810 1-130-495-00 MYLAR 0.1µF 5% 50V
C811 1-129-725-00 FILM 0.082µF 5% 400V
C812 1-162-970-11 CERAMIC CHIP 0.01µF 10% 25V
C813 1-126-933-11 ELECT 100µF 20% 16V
C821 1-162-970-11 CERAMIC CHIP 0.01µF 10% 25V
C823 1-130-967-00 FILM 0.0027µF 5% 50V
C824 1-165-176-11 CERAMIC CHIP 0.047µF 10% 16V
C826 1-162-927-11 CERAMIC CHIP 100pF 5% 50V
C862 1-126-964-11 ELECT 10µF 20% 50V
C901 1-107-667-11 ELECT 2.2µF 20% 400V
C902 1-107-364-11 MYLAR 0.01µF 10% 200V
C903 1-126-935-11 ELECT 470µF 20% 16V
C904 1-130-471-00 MYLAR 0.001µF 5% 50V
C905 1-107-364-11 MYLAR 0.01µF 10% 200V
C906 1-130-471-00 MYLAR 0.001µF 5% 50V
C907 1-107-963-11 ELECT 33µF 20% 250V
C908 1-126-935-11 ELECT 470µF 20% 16V
C909 1-104-999-11 MYLAR 0.1µF 5% 200V
C910 1-104-999-11 MYLAR 0.1µF 5% 200V
C911 1-126-933-11 ELECT 100µF 20% 16V
C912 1-126-933-11 ELECT 100µF 20% 16V
C913 1-102-074-00 CERAMIC 0.001µF 10% 50V
C914 1-130-491-00 MYLAR 0.047µF 5% 50V
C930 1-104-655-91 ELECT 470µF 20% 6.3V
MV

100
KV-27FS320/32FS120/32FS320/34FS120/36FS120/36FS320/38FS120
KV-27FS320/32FS120/32FS320/34FS120/36FS120/36FS320/38FS120
REF. NO. PART NO. DESCRIPTION VALUES REF. NO. PART NO. DESCRIPTION VALUES
C931 1-104-655-91 ELECT 470µF 20% 6.3V
C1815 1-129-718-00 FILM 0.022µF 5% 630V
C1816 1-102-244-00 CERAMIC 220pF 10% 500V
C1817 1-129-709-91 FILM 0.0039µF 5% 630V
(KV-27FS320 ONLY)
C1817 1-129-928-00 FILM 0.0027µF 5% 630V
(ALL EXCEPT KV-27FS320)
C1818 1-102-002-00 CERAMIC 680pF 10% 500V
(KV-27FS320 ONLY)
C1818 1-164-645-11 CERAMIC 1000pF 10% 500V
(ALL EXCEPT KV-27FS320)
C1819 1-102-244-00 CERAMIC 220pF 10% 500V
(ALL EXCEPT KV-27FS320)
C1820 1-109-954-11 ELECT 0.47µF 20% 160V
C2801 1-128-578-11 ELECT 1µF 20% 100V
CONNECTOR
* CN901 1-564-512-11 PLUG, CONNECTOR 9P
* CN902 1-770-723-11 CONNECTOR, BOARD TO BOARD 8P
CN1802 1-785-879-11 CONNECTOR, ONE TOUCH
DIODE
D804 8-719-074-25 DIODE PG104R
D805 8-719-991-33 DIODE 1SS133T-77
D806 8-719-991-33 DIODE 1SS133T-77
D807 8-719-210-21 DIODE 11EQS04
D808 8-719-991-33 DIODE 1SS133T-77
D813 8-719-991-33 DIODE 1SS133T-77
D901 8-719-924-11 DIODE MTZJ-T-77-22
D902 8-719-924-11 DIODE MTZJ-T-77-22
D903 8-719-991-33 DIODE 1SS133T-77
D905 8-719-404-50 DIODE MA111-TX
D906 8-719-404-50 DIODE MA111-TX
D907 8-719-404-50 DIODE MA111-TX
D908 8-719-404-50 DIODE MA111-TX
D1809 8-719-110-41 DIODE RD15ESB2
D1810 8-719-970-87 DIODE ERA38-06
D1811 8-719-970-87 DIODE ERA38-06
D1812 8-719-081-93 DIODE 1N4937/23
D2801 8-719-109-89 DIODE RD5.6ESB2
D2802 8-719-991-33 DIODE 1SS133T-77
IC
IC801 6-701-598-01 IC UPC5023CS-184
CHIP CONDUCTOR
JR802 1-216-864-11 SHORT CHIP
JR803 1-216-864-11 SHORT CHIP
COIL
L801 1-406-989-21 INDUCTOR 10MH
L802 1-419-633-11 INDUCTOR 10MH
L803 1-412-529-81 INDUCTOR 22µH
L901 1-410-473-11 INDUCTOR 18µH
L1805 1-406-677-11 INDUCTOR 10MH
TRANSISTOR
Q805 6-550-106-01 TRANSISTOR KTB764
Q807 8-729-931-45 TRANSISTOR IRF614
Q808 6-550-106-01 TRANSISTOR KTB764
Q812 8-729-026-39 TRANSISTOR 2SA933AS-QT
Q901 8-729-053-87 TRANSISTOR KTC4370A
Q902 6-550-247-01 TRANSISTOR KTA1659A
Q903 8-729-422-27 TRANSISTOR 2SD601A-Q
Q904 8-729-422-27 TRANSISTOR 2SD601A-Q
Q905 8-729-424-02 TRANSISTOR 2SB709A-QRS-TX
Q906 8-729-120-28 TRANSISTOR 2SC1623-L5L6
Q907 8-729-120-28 TRANSISTOR 2SC1623-L5L6
Q908 8-729-424-02 TRANSISTOR 2SB709A-QRS-TX
Q1810 8-729-043-95 TRANSISTOR 2SC3840(3)
Q2801 8-729-422-27 TRANSISTOR 2SD601A-Q
Q2802 8-729-424-02 TRANSISTOR 2SB709A-QRS-TX
Q2803 8-729-424-02 TRANSISTOR 2SB709A-QRS-TX
Q2804 8-729-424-02 TRANSISTOR 2SB709A-QRS-TX
RESISTOR
R809 1-216-829-11 METAL CHIP 4.7K 5% 1/10W
(KV-27FS320 ONLY)
R809 1-216-832-11 METAL CHIP 8.2K 5% 1/10W
(ALL EXCEPT KV-27FS320)
R811 1-249-393-11 CARBON 10 5% 1/4W
R814 1-215-862-11 METAL OXIDE 68 5% 1W
(ALL EXCEPT KV-27FS320)
R815 1-215-862-11 METAL OXIDE 68 5% 1W
R817 1-218-879-11 METAL CHIP 22K 0.50% 1/10W
(KV-27FS320 ONLY)
R817 1-218-877-11 METAL CHIP 18K 0.50% 1/10W
(ALL EXCEPT KV-27FS320)
V

101
KV-27FS320/32FS120/32FS320/34FS120/36FS120/36FS320/38FS120
KV-27FS320/32FS120/32FS320/34FS120/36FS120/36FS320/38FS120
REF. NO. PART NO. DESCRIPTION VALUES REF. NO. PART NO. DESCRIPTION VALUES
R818 1-216-809-11 METAL CHIP 100 5% 1/10W
R819 1-216-841-11 METAL CHIP 47K 5% 1/10W
R820 1-216-839-11 METAL CHIP 33K 5% 1/10W
(KV-27FS320 ONLY)
R820 1-216-837-11 METAL CHIP 22K 5% 1/10W
(ALL EXCEPT KV-27FS320)
R821 1-216-830-11 METAL CHIP 5.6K 5% 1/10W
(KV-27FS320 ONLY)
R821 1-216-832-11 METAL CHIP 8.2K 5% 1/10W
(ALL EXCEPT KV-27FS320)
R822 1-216-841-11 METAL CHIP 47K 5% 1/10W
R824 1-218-895-11 METAL CHIP 100K 0.50% 1/10W
R825 1-216-845-11 METAL CHIP 100K 5% 1/10W
R826 1-249-421-11 CARBON 2.2K 5% 1/4W
R827 1-218-863-11 METAL CHIP 4.7K 0.50% 1/10W
R828 1-218-883-11 METAL CHIP 33K 0.50% 1/10W
R829 1-216-853-11 METAL CHIP 470K 5% 1/10W
R833 1-218-865-11 METAL CHIP 5.6K 0.50% 1/10W
(KV-27FS320 ONLY)
R833 1-218-867-11 METAL CHIP 6.8K 0.50% 1/10W
(ALL EXCEPT KV-27FS320)
R834 1-218-859-11 METAL CHIP 3.3K 0.50% 1/10W
(KV-27FS320 ONLY)
R834 1-218-855-11 METAL CHIP 2.2K 0.50% 1/10W
(ALL EXCEPT KV-27FS320)
R837 1-218-869-11 METAL CHIP 8.2K 0.50% 1/10W
(KV-27FS320 ONLY)
R840 1-218-855-11 METAL CHIP 2.2K 0.50% 1/10W
R841 1-218-863-11 METAL CHIP 4.7K 0.50% 1/10W
(KV-27FS320 ONLY)
R841 1-218-867-11 METAL CHIP 6.8K 0.50% 1/10W
(ALL EXCEPT KV-27FS320)
R842 1-218-855-11 METAL CHIP 2.2K 0.50% 1/10W
R855 1-218-871-11 METAL CHIP 10K 0.50% 1/10W
R856 1-218-861-11 METAL CHIP 3.9K 0.50% 1/10W
R857 1-218-877-11 METAL CHIP 18K 0.50% 1/10W
(KV-27FS320 ONLY)
R857 1-218-869-11 METAL CHIP 8.2K 0.50% 1/10W
(ALL EXCEPT KV-27FS320)
R860 1-218-871-11 METAL CHIP 10K 0.50% 1/10W
R864 1-218-823-11 METAL CHIP 100 0.50% 1/10W
R866 1-249-438-11 CARBON 56K 5% 1/4W
R870 1-216-825-11 METAL CHIP 2.2K 5% 1/10W
R876 1-216-821-11 METAL CHIP 1K 5% 1/10W
R890 1-218-891-11 METAL CHIP 68K 0.50% 1/10W
(KV-27FS320 ONLY)
R890 1-218-867-11 METAL CHIP 6.8K 0.50% 1/10W
(ALL EXCEPT KV-27FS320)
R893 1-216-839-11 METAL CHIP 33K 5% 1/10W
R901 1-249-405-11 CARBON 100 5% 1/4W
R902 1-249-385-11 CARBON 2.2 5% 1/4W
R903 1-249-414-11 CARBON 560 5% 1/4W
R904 1-249-432-11 CARBON 18K 5% 1/4W
R905 1-249-421-11 CARBON 2.2K 5% 1/4W
R906 1-249-432-11 CARBON 18K 5% 1/4W
R907 1-249-385-11 CARBON 2.2 5% 1/4W
R908 1-249-414-11 CARBON 560 5% 1/4W
R909 1-260-316-51 CARBON 100 5% 1/2W
R910 1-215-915-11 METAL OXIDE 470 5% 3W
R911 1-215-405-00 METAL 220 1% 1/4W
R912 1-249-407-11 CARBON 150 5% 1/4W
R913 1-215-391-00 METAL 56 1% 1/4W
R914 1-249-416-11 CARBON 820 5% 1/4W
R915 1-249-425-11 CARBON 4.7K 5% 1/4W
R917 1-249-425-11 CARBON 4.7K 5% 1/4W
R918 1-249-401-11 CARBON 47 5% 1/4W
R919 1-249-401-11 CARBON 47 5% 1/4W
R921 1-249-429-11 CARBON 10K 5% 1/4W
R922 1-249-397-11 CARBON 22 5% 1/4W
R923 1-249-401-11 CARBON 47 5% 1/4W
R930 1-216-864-11 SHORT CHIP
R931 1-249-421-11 CARBON 2.2K 5% 1/4W
R932 1-218-851-11 METAL CHIP 1.5K 0.50% 1/10W
R933 1-216-864-11 SHORT CHIP
R935 1-249-405-11 CARBON 100 5% 1/4W
R938 1-216-864-11 SHORT CHIP
R1845 1-249-441-11 CARBON 100K 5% 1/4W
R1846 1-249-441-11 CARBON 100K 5% 1/4W
R1847 1-249-441-11 CARBON 100K 5% 1/4W
R1848 1-215-894-11 METAL OXIDE 2.2K 5% 2W
R1849 1-243-617-71 METAL OXIDE 8.2K 5% 3W
(KV-27FS320 ONLY)
R1849 1-243-610-71 METAL OXIDE 2.2K 5% 3W
(ALL EXCEPT KV-27FS320)
R1850 1-243-617-71 METAL OXIDE 8.2K 5% 3W
(KV-27FS320 ONLY)
R1850 1-243-610-71 METAL OXIDE 2.2K 5% 3W
(ALL EXCEPT KV-27FS320)
V

102
KV-27FS320/32FS120/32FS320/34FS120/36FS120/36FS320/38FS120
KV-27FS320/32FS120/32FS320/34FS120/36FS120/36FS320/38FS120
REF. NO. PART NO. DESCRIPTION VALUES REF. NO. PART NO. DESCRIPTION VALUES
NOTE: The components identifi ed by shading
and
!
mark are critical for safety. Replace only
with part number specifi ed.
NOTE: Les composants identifi es per un trame et une
marque
!
sont critiques pour la securite. Ne les
remplacer que par une piece portant le numero specifi e.
R1851 1-215-922-11 METAL OXIDE 6.8K 5% 3W
R1852 1-215-922-11 METAL OXIDE 6.8K 5% 3W
R2800 1-216-837-11 METAL CHIP 22K 5% 1/10W
R2801 1-216-841-11 METAL CHIP 47K 5% 1/10W
R2802 1-216-833-11 METAL CHIP 10K 5% 1/10W
R2803 1-216-837-11 METAL CHIP 22K 5% 1/10W
R2804 1-216-833-11 METAL CHIP 10K 5% 1/10W
R2805 1-216-829-11 METAL CHIP 4.7K 5% 1/10W
R2807 1-216-827-11 METAL CHIP 3.3K 5% 1/10W
R2808 1-216-833-11 METAL CHIP 10K 5% 1/10W
TRANSFORMER
!
T504 1-424-584-31 TRANSFORMER, FERRITE (DFT)
HN
* A-1054-787-A HN BOARD, MOUNTED
(KV-27FS320, 32FS320, 36FS320 ONLY)
4-382-854-11 SCREW (M3X10), P, SW (+)
CAPACITOR
C1601 1-126-939-11 ELECT 10000µF 20% 16V
C1602 1-126-964-11 ELECT 10µF 20% 50V
C1603 1-126-964-11 ELECT 10µF 20% 50V
CONNECTOR
* CN1601 1-564-506-11 PLUG, CONNECTOR 3P
* CN1602 1-564-506-11 PLUG, CONNECTOR 3P
IC
IC1600 8-759-450-47 IC BA05T
IC LINK
PS1600 1-576-337-21 IC LINK 2.7A 50V
RESISTOR
R1600 1-205-997-31 CEMENTED 2.2 5% 10W
HM
* A-1056-114-A HM BOARD, MOUNTED
(KV-27FS320, 32FS320, 36FS320 ONLY)
Due to the complexity of this board, performing component level fi eld repairs
is not recommended. If service is required, complete board replacement is
the preferred repair method. Data is provided for reference only.
CAPACITOR
C1301 1-162-927-11 CERAMIC CHIP 100pF 5% 50V
C1302 1-162-927-11 CERAMIC CHIP 100pF 5% 50V
C1303 1-162-927-11 CERAMIC CHIP 100pF 5% 50V
C1307 1-162-927-11 CERAMIC CHIP 100pF 5% 50V
C1308 1-162-927-11 CERAMIC CHIP 100pF 5% 50V
C1309 1-162-927-11 CERAMIC CHIP 100pF 5% 50V
C1311 1-124-779-00 ELECT CHIP 10µF 20% 16V
C1315 1-107-826-11 CERAMIC CHIP 0.1µF 10% 16V
C1325 1-107-826-11 CERAMIC CHIP 0.1µF 10% 16V
C1327 1-124-779-00 ELECT CHIP 10µF 20% 16V
C1328 1-107-826-11 CERAMIC CHIP 0.1µF 10% 16V
C1329 1-124-779-00 ELECT CHIP 10µF 20% 16V
C1330 1-107-826-11 CERAMIC CHIP 0.1µF 10% 16V
C1331 1-124-779-00 ELECT CHIP 10µF 20% 16V
C1333 1-107-826-11 CERAMIC CHIP 0.1µF 10% 16V
C1334 1-107-826-11 CERAMIC CHIP 0.1µF 10% 16V
C1335 1-107-826-11 CERAMIC CHIP 0.1µF 10% 16V
C1336 1-107-826-11 CERAMIC CHIP 0.1µF 10% 16V
C1337 1-127-692-11 CERAMIC CHIP 10µF 10% 16V
C1339 1-107-826-11 CERAMIC CHIP 0.1µF 10% 16V
C1341 1-107-826-11 CERAMIC CHIP 0.1µF 10% 16V
C1342 1-107-826-11 CERAMIC CHIP 0.1µF 10% 16V
C1343 1-107-826-11 CERAMIC CHIP 0.1µF 10% 16V
C1344 1-107-826-11 CERAMIC CHIP 0.1µF 10% 16V
C1346 1-107-826-11 CERAMIC CHIP 0.1µF 10% 16V
C1347 1-127-692-11 CERAMIC CHIP 10µF 10% 16V
C1348 1-107-826-11 CERAMIC CHIP 0.1µF 10% 16V
C1349 1-107-826-11 CERAMIC CHIP 0.1µF 10% 16V
C1350 1-107-826-11 CERAMIC CHIP 0.1µF 10% 16V
C1351 1-107-826-11 CERAMIC CHIP 0.1µF 10% 16V
C1352 1-107-826-11 CERAMIC CHIP 0.1µF 10% 16V
C1353 1-124-779-00 ELECT CHIP 10µF 20% 16V
C1354 1-124-779-00 ELECT CHIP 10µF 20% 16V
C1355 1-107-826-11 CERAMIC CHIP 0.1µF 10% 16V
HN HM
V

103
KV-27FS320/32FS120/32FS320/34FS120/36FS120/36FS320/38FS120
KV-27FS320/32FS120/32FS320/34FS120/36FS120/36FS320/38FS120
REF. NO. PART NO. DESCRIPTION VALUES REF. NO. PART NO. DESCRIPTION VALUES
C1356 1-107-826-11 CERAMIC CHIP 0.1µF 10% 16V
C1357 1-107-826-11 CERAMIC CHIP 0.1µF 10% 16V
C1358 1-107-826-11 CERAMIC CHIP 0.1µF 10% 16V
C1359 1-124-779-00 ELECT CHIP 10µF 20% 16V
C1360 1-124-779-00 ELECT CHIP 10µF 20% 16V
C1361 1-107-826-11 CERAMIC CHIP 0.1µF 10% 16V
C1362 1-107-826-11 CERAMIC CHIP 0.1µF 10% 16V
C1363 1-107-826-11 CERAMIC CHIP 0.1µF 10% 16V
C1364 1-107-826-11 CERAMIC CHIP 0.1µF 10% 16V
C1365 1-124-779-00 ELECT CHIP 10µF 20% 16V
C1366 1-107-826-11 CERAMIC CHIP 0.1µF 10% 16V
C1367 1-127-692-11 CERAMIC CHIP 10µF 10% 16V
C1368 1-124-779-00 ELECT CHIP 10µF 20% 16V
C1369 1-107-826-11 CERAMIC CHIP 0.1µF 10% 16V
C1370 1-124-779-00 ELECT CHIP 10µF 20% 16V
C1371 1-107-826-11 CERAMIC CHIP 0.1µF 10% 16V
C1373 1-162-920-11 CERAMIC CHIP 27pF 5% 50V
C1374 1-107-826-11 CERAMIC CHIP 0.1µF 10% 16V
C1375 1-124-779-00 ELECT CHIP 10µF 20% 16V
C1376 1-107-826-11 CERAMIC CHIP 0.1µF 10% 16V
C1377 1-107-826-11 CERAMIC CHIP 0.1µF 10% 16V
C1378 1-162-920-11 CERAMIC CHIP 27pF 5% 50V
C1385 1-107-826-11 CERAMIC CHIP 0.1µF 10% 16V
C1386 1-107-826-11 CERAMIC CHIP 0.1µF 10% 16V
C1387 1-107-826-11 CERAMIC CHIP 0.1µF 10% 16V
C1392 1-162-974-11 CERAMIC CHIP 0.01µF 50V
C1393 1-164-346-11 CERAMIC CHIP 1µF 16V
C1394 1-162-965-11 CERAMIC CHIP 0.0015µF 10% 50V
C1395 1-162-965-11 CERAMIC CHIP 0.0015µF 10% 50V
C1396 1-124-779-00 ELECT CHIP 10µF 20% 16V
C1397 1-162-965-11 CERAMIC CHIP 0.0015µF 10% 50V
C1398 1-124-779-00 ELECT CHIP 10µF 20% 16V
C1399 1-162-965-11 CERAMIC CHIP 0.0015µF 10% 50V
C1400 1-107-826-11 CERAMIC CHIP 0.1µF 10% 16V
C1401 1-107-826-11 CERAMIC CHIP 0.1µF 10% 16V
C1402 1-124-778-00 ELECT CHIP 22µF 20% 6.3V
C1404 1-162-970-11 CERAMIC CHIP 0.01µF 10% 25V
C1480 1-107-826-11 CERAMIC CHIP 0.1µF 10% 16V
C1481 1-107-826-11 CERAMIC CHIP 0.1µF 10% 16V
C1482 1-107-826-11 CERAMIC CHIP 0.1µF 10% 16V
C1483 1-107-826-11 CERAMIC CHIP 0.1µF 10% 16V
C1484 1-107-826-11 CERAMIC CHIP 0.1µF 10% 16V
C1485 1-107-826-11 CERAMIC CHIP 0.1µF 10% 16V
CONNECTOR
* CN1302 1-564-515-11 PLUG, CONNECTOR 12P
CN1303 1-564-506-11 PLUG, CONNECTOR 3P
CN1304 1-817-653-11 MEMORY STICK CONNECTOR
DIODE
D1306 8-719-800-76 DIODE 1SS226
D1307 8-719-800-76 DIODE 1SS226
D1308 8-719-800-76 DIODE 1SS226
D1309 6-500-182-01 DIODE L1503CB/ID
D1310 8-719-083-58 DIODE UDZSTE-173.9B
D1311 8-719-800-76 DIODE 1SS226
D1312 8-719-914-43 DIODE DAN202K
D1313 8-719-914-44 DIODE DAP202K
D1314 8-719-977-28 DIODE DTZ10B
FERRITE BEAD
FB1302 1-414-229-11 FERRITE 0µH
FB1303 1-414-229-11 FERRITE 0µH
FB1304 1-414-229-11 FERRITE 0µH
FB1305 1-414-229-11 FERRITE 0µH
FB1306 1-400-089-21 FERRITE 0µH
FB1307 1-414-229-11 FERRITE 0µH
FB1308 1-414-229-11 FERRITE 0µH
FB1309 1-414-229-11 FERRITE 0µH
FB1310 1-414-229-11 FERRITE 0µH
FB1311 1-414-229-11 FERRITE 0µH
FB1312 1-414-921-11 FERRITE 0µH
FB1313 1-414-229-11 FERRITE 0µH
FB1315 1-400-089-21 FERRITE 0µH
FILTER
FL1306 1-234-126-21 FERRITE 0µH
FL1307 1-234-126-21 FERRITE 0µH
FL1309 1-234-126-21 FERRITE 0µH
IC
IC1302 6-704-819-01 IC CS4335-KSZR
IC1303 8-749-015-18 IC PQ07VZ012ZP
IC1304 8-749-015-18 IC PQ07VZ012ZP
IC1308 6-804-442-01 IC MBM29LV160BE90TN-E1-BA6L-ER
IC1310 6-706-283-01 IC ES6425FF
IC1311 6-706-452-01 IC IS42S16400B-7TL-TR
HM

104
KV-27FS320/32FS120/32FS320/34FS120/36FS120/36FS320/38FS120
KV-27FS320/32FS120/32FS320/34FS120/36FS120/36FS320/38FS120
REF. NO. PART NO. DESCRIPTION VALUES REF. NO. PART NO. DESCRIPTION VALUES
COIL
L1301 1-469-549-21 INDUCTOR 1µH
L1302 1-469-549-21 INDUCTOR 1µH
L1303 1-469-549-21 INDUCTOR 1µH
L1304 1-469-549-21 INDUCTOR 1µH
TRANSISTOR
Q1301 8-729-424-02 TRANSISTOR 2SB709A-QRS-TX
Q1302 8-729-422-27 TRANSISTOR 2SD601A-Q
Q1303 8-729-424-02 TRANSISTOR 2SB709A-QRS-TX
Q1304 8-729-028-28 TRANSISTOR 2SK2036(TE85L)
Q1305 8-729-028-28 TRANSISTOR 2SK2036(TE85L)
RESISTOR
R1307 1-218-285-11 METAL CHIP 75 5% 1/10W
R1308 1-218-285-11 METAL CHIP 75 5% 1/10W
R1309 1-218-285-11 METAL CHIP 75 5% 1/10W
R1310 1-218-659-11 METAL CHIP 43 0.50% 1/10W
R1314 1-216-829-11 METAL CHIP 4.7K 5% 1/10W
R1345 1-216-864-11 SHORT CHIP
R1348 1-216-864-11 SHORT CHIP
R1351 1-216-864-11 SHORT CHIP
R1352 1-218-682-11 METAL CHIP 390 0.50% 1/10W
R1355 1-216-803-11 METAL CHIP 33 5% 1/10W
R1356 1-218-692-11 METAL CHIP 1K 0.50% 1/10W
R1357 1-216-803-11 METAL CHIP 33 5% 1/10W
R1358 1-216-864-11 SHORT CHIP
R1359 1-218-672-11 METAL CHIP 150 0.50% 1/10W
R1360 1-218-692-11 METAL CHIP 1K 0.50% 1/10W
R1363 1-216-803-11 METAL CHIP 33 5% 1/10W
R1366 1-216-864-11 SHORT CHIP
R1367 1-218-686-11 METAL CHIP 560 0.50% 1/10W
R1369 1-216-803-11 METAL CHIP 33 5% 1/10W
R1371 1-216-803-11 METAL CHIP 33 5% 1/10W
R1372 1-218-696-11 METAL CHIP 1.5K 0.50% 1/10W
R1374 1-216-803-11 METAL CHIP 33 5% 1/10W
R1375 1-216-829-11 METAL CHIP 4.7K 5% 1/10W
R1376 1-216-829-11 METAL CHIP 4.7K 5% 1/10W
R1379 1-216-829-11 METAL CHIP 4.7K 5% 1/10W
R1382 1-216-829-11 METAL CHIP 4.7K 5% 1/10W
R1383 1-216-829-11 METAL CHIP 4.7K 5% 1/10W
R1385 1-216-845-11 METAL CHIP 100K 5% 1/10W
R1386 1-216-813-11 METAL CHIP 220 5% 1/10W
R1387 1-216-803-11 METAL CHIP 33 5% 1/10W
R1389 1-216-803-11 METAL CHIP 33 5% 1/10W
R1391 1-216-797-11 METAL CHIP 10 5% 1/10W
R1397 1-216-813-11 METAL CHIP 220 5% 1/10W
R1398 1-216-864-11 SHORT CHIP
R1399 1-216-864-11 SHORT CHIP
R1400 1-216-864-11 SHORT CHIP
R1401 1-216-864-11 SHORT CHIP
R1403 1-216-803-11 METAL CHIP 33 5% 1/10W
R1404 1-216-803-11 METAL CHIP 33 5% 1/10W
R1408 1-216-803-11 METAL CHIP 33 5% 1/10W
R1409 1-216-803-11 METAL CHIP 33 5% 1/10W
R1410 1-216-803-11 METAL CHIP 33 5% 1/10W
R1411 1-216-803-11 METAL CHIP 33 5% 1/10W
R1415 1-216-813-11 METAL CHIP 220 5% 1/10W
R1420 1-216-803-11 METAL CHIP 33 5% 1/10W
R1421 1-216-803-11 METAL CHIP 33 5% 1/10W
R1422 1-216-803-11 METAL CHIP 33 5% 1/10W
R1423 1-216-803-11 METAL CHIP 33 5% 1/10W
R1424 1-216-803-11 METAL CHIP 33 5% 1/10W
R1426 1-216-829-11 METAL CHIP 4.7K 5% 1/10W
R1433 1-216-803-11 METAL CHIP 33 5% 1/10W
R1434 1-216-803-11 METAL CHIP 33 5% 1/10W
R1435 1-216-818-11 METAL CHIP 560 5% 1/10W
R1436 1-216-818-11 METAL CHIP 560 5% 1/10W
R1437 1-216-833-11 METAL CHIP 10K 5% 1/10W
R1438 1-216-833-11 METAL CHIP 10K 5% 1/10W
R1439 1-216-850-11 METAL CHIP 270K 5% 1/10W
R1440 1-216-850-11 METAL CHIP 270K 5% 1/10W
R1441 1-216-801-11 METAL CHIP 22 5% 1/10W
R1442 1-216-801-11 METAL CHIP 22 5% 1/10W
R1443 1-216-801-11 METAL CHIP 22 5% 1/10W
R1444 1-218-692-11 METAL CHIP 1K 0.50% 1/10W
R1445 1-216-821-11 METAL CHIP 1K 5% 1/10W
R1446 1-216-809-11 METAL CHIP 100 5% 1/10W
R1447 1-216-833-11 METAL CHIP 10K 5% 1/10W
R1448 1-216-845-11 METAL CHIP 100K 5% 1/10W
R1449 1-216-817-11 METAL CHIP 470 5% 1/10W
R1450 1-216-841-11 METAL CHIP 47K 5% 1/10W
R1451 1-216-841-11 METAL CHIP 47K 5% 1/10W
R1453 1-216-833-11 METAL CHIP 10K 5% 1/10W
R1454 1-216-833-11 METAL CHIP 10K 5% 1/10W
R1455 1-216-809-11 METAL CHIP 100 5% 1/10W
R1456 1-216-809-11 METAL CHIP 100 5% 1/10W
R1457 1-216-864-11 SHORT CHIP
HM

105
KV-27FS320/32FS120/32FS320/34FS120/36FS120/36FS320/38FS120
KV-27FS320/32FS120/32FS320/34FS120/36FS120/36FS320/38FS120
REF. NO. PART NO. DESCRIPTION VALUES REF. NO. PART NO. DESCRIPTION VALUES
R1458 1-216-864-11 SHORT CHIP
R1459 1-216-864-11 SHORT CHIP
R1460 1-216-864-11 SHORT CHIP
R1461 1-216-803-11 METAL CHIP 33 5% 1/10W
RESISTOR BRIDGE
RB1404 1-233-574-11 RES, CHIP NETWORK 10 (3216)
RB1405 1-233-574-11 RES, CHIP NETWORK 10 (3216)
RB1406 1-233-574-11 RES, CHIP NETWORK 10 (3216)
RB1407 1-233-574-11 RES, CHIP NETWORK 10 (3216)
RB1408 1-233-574-11 RES, CHIP NETWORK 10 (3216)
RB1409 1-233-574-11 RES, CHIP NETWORK 10 (3216)
RB1410 1-233-574-11 RES, CHIP NETWORK 10 (3216)
RB1411 1-234-524-21 RES, CHIP NETWORK 33 (3216)
RB1412 1-234-524-21 RES, CHIP NETWORK 33 (3216)
RB1413 1-234-524-21 RES, CHIP NETWORK 33 (3216)
RB1414 1-234-524-21 RES, CHIP NETWORK 33 (3216)
RB1415 1-234-524-21 RES, CHIP NETWORK 33 (3216)
RB1416 1-234-524-21 RES, CHIP NETWORK 33 (3216)
RB1417 1-234-524-21 RES, CHIP NETWORK 33 (3216)
RB1418 1-234-524-21 RES, CHIP NETWORK 33 (3216)
RB1419 1-234-524-21 RES, CHIP NETWORK 33 (3216)
RB1420 1-234-524-21 RES, CHIP NETWORK 33 (3216)
RB1421 1-234-524-21 RES, CHIP NETWORK 33 (3216)
CRYSTAL
X1301 1-795-502-21 VIBRATOR, CRYSTAL
HR
* A-1415-870-A HR BOARD, MOUNTED
(KV-27FS320/32FS320/36FS320 ONLY)
CAPACITOR
C3001 1-104-665-11 ELECT 100µF 20% 25V
CONNECTOR
* CN3001 1-564-521-11 PLUG, CONNECTOR 6P
DIODE
D3002 8-719-057-09 DIODE LNJ801LPDJA
D3004 8-719-070-57 DIODE PDZ5.6B-115
IC
IC3001 8-742-211-20 HYB IC SBX3071-71
RESISTOR
R3001 1-249-417-11 CARBON 1K 5% 1/4W
R3014 1-247-807-31 CARBON 100 5% 1/4W
SWITCH
S3006 1-786-338-12 SWITCH, TACTILE
HU
* A-1415-872-A HU BOARD, MOUNTED
(KV-27FS320/32FS320/36FS320 ONLY)
CAPACITOR
C2234 1-137-194-81 FILM 0.47µF 5% 50V
C2235 1-137-194-81 FILM 0.47µF 5% 50V
CONNECTOR
* CN1001 1-564-509-11 PLUG, CONNECTOR 6P
DIODE
D301 8-719-108-12 DIODE RD9.1EW
D2235 8-719-108-12 DIODE RD9.1EW
D2236 8-719-108-12 DIODE RD9.1EW
D2238 8-719-109-93 DIODE RD6.2ESB2
D2239 8-719-109-93 DIODE RD6.2ESB2
D2240 8-719-929-15 DIODE HZS9.1NB2
D2241 8-719-929-15 DIODE HZS9.1NB2
JACK
J2231 1-794-048-11 JACK, PIN 3P
RESISTOR
R1001 1-249-427-11 CARBON 6.8K 5% 1/4W
R1002 1-249-421-11 CARBON 2.2K 5% 1/4W
R1003 1-249-419-11 CARBON 1.5K 5% 1/4W
R2008 1-249-427-11 CARBON 6.8K 5% 1/4W
R2009 1-249-421-11 CARBON 2.2K 5% 1/4W
R2010 1-249-416-11 CARBON 820 5% 1/4W
R2011 1-249-415-11 CARBON 680 5% 1/4W
R2235 1-249-409-11 CARBON 220 5% 1/4W
R2236 1-249-441-11 CARBON 100K 5% 1/4W
HR HUHM

106
KV-27FS320/32FS120/32FS320/34FS120/36FS120/36FS320/38FS120
KV-27FS320/32FS120/32FS320/34FS120/36FS120/36FS320/38FS120
REF. NO. PART NO. DESCRIPTION VALUES REF. NO. PART NO. DESCRIPTION VALUES
R2237 1-249-409-11 CARBON 220 5% 1/4W
R2238 1-249-441-11 CARBON 100K 5% 1/4W
R2240 1-247-804-11 CARBON 75 5% 1/4W
SWITCH
S1007 1-762-816-11 SWITCH, TACTILE
S1008 1-762-816-11 SWITCH, TACTILE
S2001 1-692-431-21 SWITCH, TACTILE
S2002 1-692-431-21 SWITCH, TACTILE
S2003 1-692-431-21 SWITCH, TACTILE
S2004 1-692-431-21 SWITCH, TACTILE
S2005 1-692-431-21 SWITCH, TACTILE
HD
* A-1415-873-A HD BOARD, MOUNTED (SPACER BOARD)
(KV-27FS320/32FS320/36FS320 ONLY)
HS
* A-1415-723-A HS BOARD, MOUNTED
(KV-32FS120/34FS120/36FS120/38FS120 ONLY)
CAPACITOR
C1001 1-104-665-11 ELECT 100µF 20% 25V
C1234 1-126-960-11 ELECT 1µF 20% 50V
C1235 1-126-960-11 ELECT 1µF 20% 50V
DIODE
D1001 8-719-929-15 DIODE HZS9.1NB2
D1002 8-719-070-80 DIODE LNK0120022G
D1003 8-719-929-15 DIODE HZS9.1NB2
D1004 8-719-929-15 DIODE HZS9.1NB2
D1005 8-719-929-15 DIODE HZS9.1NB2
D1233 8-719-108-12 DIODE RD9.1EW
D1235 8-719-108-12 DIODE RD9.1EW
D1236 8-719-108-12 DIODE RD9.1EW
IC
IC1001 8-742-212-20 HYB IC SBX3081-71
JACK
J1231 1-794-048-11 JACK, PIN 3P
RESISTOR
R1004 1-249-417-11 CARBON 1K 5% 1/4W
R1007 1-247-807-31 CARBON 100 5% 1/4W
R1008 1-249-427-11 CARBON 6.8K 5% 1/4W
R1009 1-249-421-11 CARBON 2.2K 5% 1/4W
R1010 1-249-416-11 CARBON 820 5% 1/4W
R1011 1-249-415-11 CARBON 680 5% 1/4W
R1201 1-249-419-11 CARBON 1.5K 5% 1/4W
R1202 1-249-421-11 CARBON 2.2K 5% 1/4W
R1203 1-249-427-11 CARBON 6.8K 5% 1/4W
R1234 1-247-804-11 CARBON 75 5% 1/4W
R1235 1-249-409-11 CARBON 220 5% 1/4W
R1236 1-249-441-11 CARBON 100K 5% 1/4W
R1237 1-249-409-11 CARBON 220 5% 1/4W
R1238 1-249-441-11 CARBON 100K 5% 1/4W
SWITCH
S1001 1-692-431-21 SWITCH, TACTILE
S1002 1-692-431-21 SWITCH, TACTILE
S1003 1-692-431-21 SWITCH, TACTILE
S1004 1-692-431-21 SWITCH, TACTILE
S1005 1-692-431-21 SWITCH, TACTILE
S1006 1-692-431-21 SWITCH, TACTILE
S1007 1-762-816-11 SWITCH, TACTILE
S1008 1-762-816-11 SWITCH, TACTILE
ACCESSORIES AND PACKING
* 4-041-259-05 BAG, PROTECTION
(KV-27FS320 ONLY)
* 4-066-845-02 BAG, PROTECTION
(KV-32FS120/34FS120 ONLY)
* 4-066-646-02 BAG, PROTECTION
(KV-36FS120/38FS120 ONLY)
* 4-103-197-01 CARTON INDIVIDUAL
(KV-32FS120 ONLY)
* 4-103-489-01 CARTON, HSC
(KV-36FS320 ONLY)
* 4-103-473-01 CARTON, INDIVIDUAL
(KV-27FS320 ONLY)
* 4-103-481-01 CARTON, INDIVIDUAL
(KV-32FS320 ONLY)
* 4-103-477-01 CARTON, INDIVIDUAL
(KV-34FS120 ONLY)
* 4-103-483-01 CARTON, INDIVIDUAL
(KV-36FS120 ONLY)
HSHU HD

107
KV-27FS320/32FS120/32FS320/34FS120/36FS120/36FS320/38FS120
KV-27FS320/32FS120/32FS320/34FS120/36FS120/36FS320/38FS120
Sony Corporation
Sony Technology Center
Technical Services
Service Promotion Department
9-965-964-01
English
2004EJ74WEB-1
Printed in USA
© 2004.5
REF. NO. PART NO. DESCRIPTION VALUES REF. NO. PART NO. DESCRIPTION VALUES
* 4-103-485-01 CARTON, INDIVIDUAL
(KV-38FS120 ONLY)
* 4-085-911-03 CUSHION, FRONT (UPPER)
(KV-32FS320 ONLY)
* 4-087-953-01 CUSHION, FRONT (UPPER)
(KV-36FS120/38FS120 ONLY)
* 4-086-352-02 CUSHION, FRONT (UPPER)
(KV-36FS320 ONLY)
* 4-088-742-01 CUSHION, LOWER
(KV-32FS120/34FS120 ONLY)
* 4-085-913-02 CUSHION, LOWER
(KV-32FS320 ONLY)
* 4-087-955-01 CUSHION, LOWER
(KV-36FS120/38FS120 ONLY)
* 4-086-354-03 CUSHION, LOWER
(KV-36FS320 ONLY)
* 4-088-741-01 CUSHION, REAR (UPPER)
(KV-32FS120/34FS120 ONLY)
* 4-085-912-02 CUSHION, REAR (UPPER)
(KV-32FS320 ONLY)
* 4-087-954-02 CUSHION, REAR (UPPER)
(KV-36FS120/38FS120 ONLY)
* 4-086-353-03 CUSHION, REAR (UPPER)
(KV-36FS320 ONLY)
* 4-096-449-01 CUSHION, UPPER
(KV-27FS320 ONLY)
* 4-088-740-01 CUSHION, UPPER
(KV-32FS120/34FS120 ONLY)
4-093-139-11 INSERT, DOOR BREAKAGE (L)
(KV-27FS320/32FS320/36FS320 ONLY)
4-101-939-31 MANUAL, INSTRUCTION
(KV-27FS32/32FS320/36FS320 CND ONLY)
4-101-939-21 MANUAL, INSTRUCTION
(KV-27FS320/32FS320/36FS320 US & HAWAII ONLY)
4-101-940-31 MANUAL, INSTRUCTION
(KV-32FS120/36FS120 CND ONLY)
4-101-940-21 MANUAL, INSTRUCTION
(KV-32FS120/36FS120 US ONLY)
4-101-940-41 MANUAL, INSTRUCTION
(KV-34FS120/38FS120 ONLY)
REMOTE COMMANDER
1-478-707-11 REMOTE COMMANDER RM-Y195
4-978-977-11 BATTERY COVER (for RM-Y195)
(KV-32FS120/34FS120/36FS120/38FS120 ONLY)
1-478-708-11 REMOTE COMMANDER RM-Y196
4-978-977-11 BATTERY COVER (for RM-Y196)
(KV-27FS320/32FS320/36FS320 ONLY)

SERVICE MANUAL
BA-6
CHASSIS
In an effort to reduce the size of this pdf le the tiled
schematics are not attached to this Service Manual.
To receive a complete set of the tiled schematics for
this manual please submit a request to Nita Wardlaw at
nita.wardlaw@am.sony.com.