Sony VPL VW665 User Manual Operating Instructions 4580170011
Manual Manual_4580170011 Sony VPL-VW665ES User Manual | Manual Device
here Manual_4580170011 Sony- 4 of 215 - Deai Manual Database
VPL-VW665ES Operating Instructions docget
User Manual: Sony VPL-VW665 Operating Instructions
Open the PDF directly: View PDF
.
Page Count: 90
- Table of Contents
- Location of Controls
- Connections and Preparations
- Projecting
- Using the Menus
- Using Network Features
- Error Handling
- Others

Operating Instructions
Before operating the unit, please read this manual and supplied Quick
Reference Manual thoroughly and retain them for future reference.
VPL-VW665
4-580-170-01 (1)
Video Projector

2
Table of Contents
Location of Controls
Front/Right Side ................................ 4
Rear/Left Side/Bottom ...................... 5
Remote Control ................................. 6
Connections and
Preparations
Installing the Unit .............................. 7
Adjusting the Picture Position ........... 8
Connecting to Video Equipment or a
Computer ...................................... 13
Projecting
Projecting the Picture ...................... 15
Turning Off the Power ............... 15
Watching 3D Video Images ............. 16
Using the 3D Glasses ................. 16
Using the Picture Position ............... 17
Selecting the Aspect Ratio According to
the Video Signal ........................... 19
Selecting the Picture Viewing
Mode ............................................ 22
Using the Menus
Operation through the Menus .......... 23
Picture Menu ................................... 25
Advanced Picture Menu .................. 31
Screen Menu .................................... 32
Setup Menu ...................................... 34
Function Menu ................................ 36
Items Locked by Settings
Lock ........................................ 38
Installation Menu ............................. 39
Information Menu ............................ 42
About the Preset Memory .......... 42
Using Network Features
Displaying the Control Window of the
Unit with a Web Browser ............. 43
Operating the Control Window ........ 44
Switching the Page .....................44
Setting the Access Limitation ....44
Confirming the Information
Regarding the Unit ..................45
Error Handling
Troubleshooting ...............................46
Warning Indicators ........................... 49
Message Lists ...................................50
Others
Updating the Software .....................51
About HDR (high dynamic range) ... 51
About the x.v.Color ..........................51
About the simulated 3D feature .......51
Replacing the Lamp .........................52
Cleaning ...........................................55
Specifications ...................................56
Preset Signals ............................. 57
Input Signals and Adjustable/
Setting Items ........................... 59
Compatible 3D Signals ............... 60
3D Signals and Adjustable/Setting
Items ........................................ 60
Aspect Mode ..............................62
Motionflow ................................. 63
Storage Conditions of Adjustable/
Setting Items ........................... 63
Projection Distance and Lens Shift
Range ............................................65
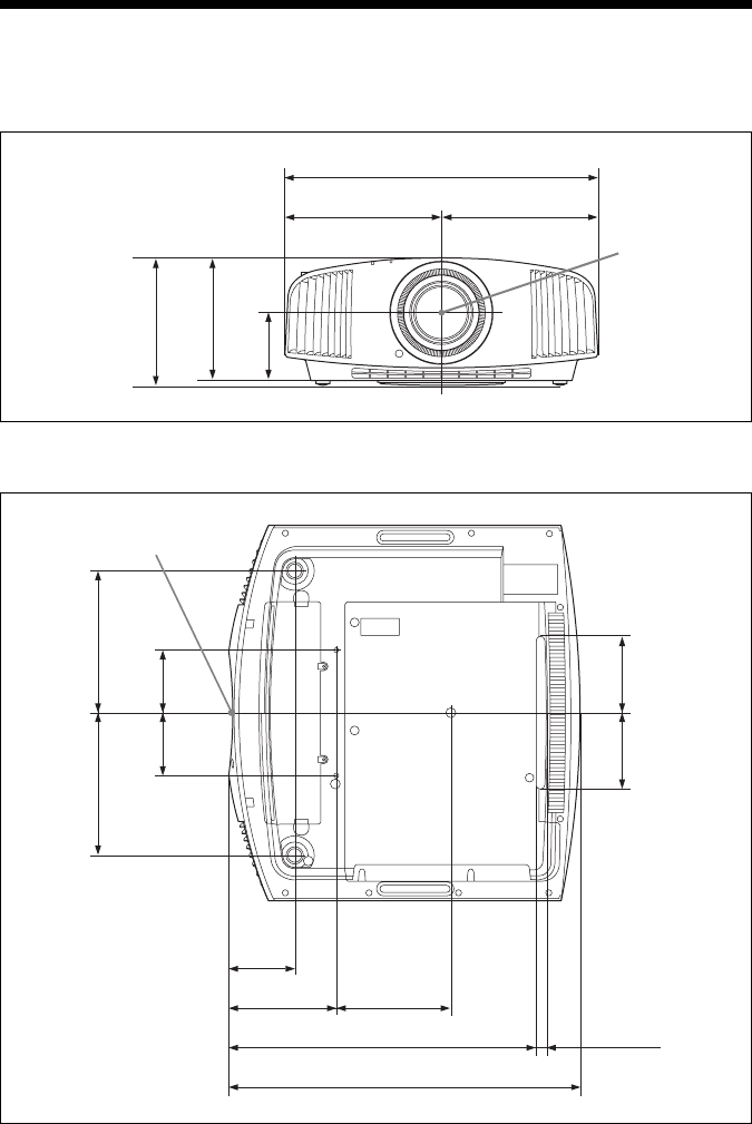
Dimensions ......................................69
NOTICES AND LICENSES
FOR SOFTWARE USED IN THIS
PRODUCT ....................................72

4
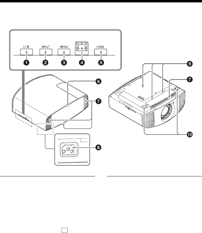
Front/Right Side
Warning indicators
aON/STANDBY indicator
(page 49)
bWARNING indicator (page 49)
Connectors
cLAN connector (page 43)
dUSB connector (page 51)
eHDMI 1/HDMI 2 connector
(page 13)
fREMOTE connector
Connects to a computer, etc. for remote
control.
gIR IN connector
Inputs signals to control the unit.
hTRIGGER 1/TRIGGER 2
connector (page 39)
Others
iLamp cover (page 52)
j3D Sync Transmitter
Located on the inside of the lamp cover.
kVentilation holes (exhaust)
lVentilation holes (intake)
(page 54)
mRemote control detector
(page 8)
Location of Controls
Warning indicators

5
Rear/Left Side/Bottom
The buttons on the control panel have the same names as those on the remote control.
Control panel
a?/1 (ON/STANDBY) button
(page 8)
bINPUT button (page 15)
cMENU button (page 23)
dM/m/</, (arrow)/ (enter)
button (page 23)
eLENS button (page 8)
Others
fRemote control detector
(page 8)
gVentilation holes (intake)
(page 54)
hAC IN socket (page 8)
iProjector suspension support
attaching hole (page 70)
j Front feet (adjustable) (page 11)
Control panel

6
Remote Control aLIGHT button
Illuminates the buttons on the remote
control.
bInfrared transmitter
c?/1 (ON/STANDBY) button
(page 8)
dINPUT button (page 15)
eCALIBRATED PRESET buttons
(page 22)
fLENS ADJUSTMENT buttons
(page 9)
gPOSITION button (page 17)
hRESET button (page 24)
iM/m/</, (arrow)/ (enter)
buttons (page 23)
jMENU button (page 23)
kMOTIONFLOW button (page 27)
lASPECT button (page 19)
mCOLOR SPACE button (page 30)
nCOLOR TEMP button (page 27)
oGAMMA CORRECTION button
(page 28)
p3D button (page 16)
qREALITY CREATION button
(page 26)
rADVANCED IRIS button
(page 26)
sCONTRAST ENHANCER button
(page 26)
tSHARPNESS +/– button
(page 28)
uCONTRAST +/– button (page 27)
vBRIGHTNESS +/– button
(page 27)

7
This section describes how to install the unit and screen, how to connect the equipment from
which you want to project the picture, etc.
Installing the Unit
The installation distance between the unit
and a screen varies depending on the size of
the screen or whether or not you use the lens
shift features. Install this unit so that it fits
the size of your screen. For details on the
distance between the unit and the screen (the
projection distance) and the size of projected
video, see “Projection Distance and Lens
Shift Range” (page 65).
1Position the unit so that the lens is
parallel to the screen.
Top view
2Project an image on the screen and
adjust the picture so that it fits the
screen (page 8).
When using a screen with an uneven surface,
stripes pattern may rarely appear on the screen
depending on the distance between the screen
and the unit or the zooming magnifications.
This is not a malfunction of the unit.
Connections and Preparations
Screen
Note

8
Adjusting the Picture
Position
Project an image on the screen and then
adjust the picture position.
Tips
• The ?/1 (ON/STANDBY), INPUT, MENU,
and M/m/</,/ (joystick) buttons on
the side panel of the unit function the same as
those on the remote control. The LENS
button functions in the same way as the
LENS ADJUSTMENT (FOCUS, ZOOM,
SHIFT) buttons of the remote control.
• When adjusting the lens, each time you press
the LENS button on the unit, the lens
adjustment function switches between “Lens
Focus,” “Lens Zoom” and “Lens Shift.”
Depending on the installation location of the
unit, you may not be able to control it with the
remote control. In this case, point the remote
control at the remote control detector of the
unit or the screen.
1After connecting the AC power cord to
the unit, plug the AC power cord into
a wall outlet.
The ON/STANDBY indicator lights in
red and the unit goes into standby mode.
2Press the ?/1 (ON/STANDBY) button
to turn on the unit.
The ON/STANDBY indicator flashes in
green, and then lights in green.
Remote control
detector
Note
Lights in red.
Flashes in green for
tens of seconds and
then lights in green.

9
3Adjust the focus.
Press the LENS ADJUSTMENT
(FOCUS) button to display the Lens
Focus adjustment window (test pattern).
Then adjust the focus of the picture by
pressing the M/m/</, buttons.
Tips
• When “Lens Control” is set to “Off” on the
Installation menu, you cannot adjust the
focus, the picture size or the proper position
by pressing the FOCUS, ZOOM or SHIFT
buttons (page 39).
• When “Test Pattern” is set to “Off” on the
Function menu, the test pattern is not
displayed (page 37).
Adjust the lens by using buttons on the remote
control or the control panel of the unit. Never
make adjustments by directly turning the lens
with your hands, which may cause damage or
malfunction to the unit.
4Adjust the picture size.
Press the LENS ADJUSTMENT
(ZOOM) button to display the Lens
Zoom adjustment window (test pattern).
Then adjust the size of the picture by
pressing the M/m/</, buttons.
To make the picture larger, press M/,.
To make the picture smaller, press m/
<.
Note

10
5Adjust the picture position.
Press the LENS ADJUSTMENT
(SHIFT) button to display the Lens Shift
adjustment window (test pattern). Then
adjust to the proper position of the
picture by pressing the M/m/</,
buttons.
Tip
Whenever you press the button, the test
pattern disappears.
When adjusting the window position, do not
touch the lens unit, otherwise your fingers may
be pinched by the moving parts.
To adjust the horizontal position
Press </,.
The picture projected on the screen moves
right or left by a maximum of 31% of the
screen width from the center of the lens.
Top view
Note
31% 31%1 screen width
: Picture position when moving the
picture to the left at maximum
: Picture position when moving the
picture to the right at maximum

11
To adjust the vertical position
Press M/m.
The picture projected on the screen moves
up by a maximum of 85% or moves down by
a maximum of 80% of the screen height
from the center of the lens.
Side view
The range to move the picture projected on the
screen can be adjusted only within the octagon
area illustrated below. For details, see
“Projection Distance and Lens Shift Range”
(page 65).
Range of movement of the projected
picture
To adjust the tilt of the installation
surface
If the unit is installed on an uneven surface,
use the front feet (adjustable) to keep the unit
level.
• If the unit is tilted up or down, the projected
image may be trapezoidal.
• Be careful not to catch your finger when
turning the front feet (adjustable).
Note
85%
80%
1 screen
height
: Picture position when moving the
picture upward at maximum
: Picture position when moving the
picture downward at maximum
Notes
0.85V
0.31H
H: Width of the projected picture
V: Height of the projected picture
0.31H
0.8V
Projected Picture
Front feet (adjustable)
Tur n to
adjust.

12
Lens adjustment window (test
pattern)
1.78:1 (16:9)
2.35:1
1.85:1
1.33:1 (4:3)
The dashed lines show the screen sizes of each
aspect ratio.

13
Connecting to Video Equipment or a
Computer
You can enjoy high picture quality by connecting a DVD player/recorder, Blu-ray Disc player/
recorder, or PlayStation® equipped with HDMI output to the HDMI input of the unit.
When making connections, be sure to do the following:
• Turn off all equipment before making any connections.
• Use the proper cables for each connection.
• Insert the cable plugs properly; poor connection at the plugs may cause a malfunction or poor
picture quality. When pulling out a cable, be sure to pull it out from the plug, not the cable
itself.
• Refer to the operating instructions of the connected equipment.
Right side of the unit
AV amplifier Speakers
Equipment with HDMI
output connectors
Computer
to HDMI output
HDMI cable (not supplied)
: Video signal flow Use a high speed HDMI cable on which the cable type logo
is specified. (Sony products are recommended.)

14
• Use a high-speed HDMI cable. With a standard HDMI cable, images of 1080p, DeepColor, 3D
video and 4K video may not be displayed properly.
• When connecting an HDMI cable to the unit, make sure the V mark on the upper part of the HDMI
input of the unit and the v mark on the connector of the cable is set at the same position.
• If the picture from equipment connected to the unit with an HDMI cable is not correct, check the
settings of the connected equipment.
• If you set your computer, such as a notebook type, to output the signal to both computer’s display
and this equipment, the picture of the equipment may not appear properly. Set your computer to
output the signal to only the external monitor. For details, refer to the computer’s operating
instructions supplied with your computer. For settings of the computer, consult with the
manufacturer of the computer.
• Even if the cable is connected to the HDMI INPUT 1 connector, the signal compatible with HDCP
2.2 cannot be displayed correctly. Be sure to connect the cable to the HDMI INPUT 2 connector.
Notes

15
This section describes how to operate the unit to view the picture from the equipment connected
to the unit. It also describes how to adjust the quality of the picture to suit your taste.
Projecting the
Picture
1Turn on both the unit and the
equipment connected to the unit.
2Press INPUT to display the input
palette on the screen.
3Select the equipment from which you
want to display images.
Press INPUT repeatedly or press M/m/
(enter) to select the equipment from
which to project.
Tip
When “Status” is set to “Off” on the Setup
menu, the input palette does not appear. Press
the INPUT button to switch between input
terminals in sequence.
1Press the ?/1 (ON/STANDBY)
button.
A message “POWER OFF?” appears on
the screen.
2Press the ?/1 (ON/STANDBY) button
again before the message disappears.
The ON/STANDBY indicator flashes in
green and the fan continues to run to
reduce the internal heat.
The fan stops and the ON/STANDBY
indicator changes from flashing green to
remaining red.
The power is turned off completely, and you
can disconnect the AC power cord.
Never disconnect the AC power cord while the
indicator is flashing.
You can turn off the unit by holding the ?/1
(ON/STANDBY) button for about 1 second,
instead of performing the above steps.
Projecting
To view the picture from Press INPUT
to display
Equipment connected to the
HDMI 1 connector
HDMI 1
Equipment connected to the
HDMI 2 connector
HDMI 2
Example: To view the picture from the
video equipment connected to the HDMI
1 connector of this unit.
Turning Off the Power
Note

16
Watching 3D Video
Images
You can enjoy powerful 3D video images,
such as from 3D games and 3D Blu-ray
Discs, using the optional Active 3D Glasses
(TDG-BT500A).
1Turn on the HDMI equipment for 3D
compatibility connected to the unit,
then play the 3D content.
For details on how to play 3D content,
refer to the operating instructions for the
connected equipment.
2Turn on the unit and project the 3D
video image onto the screen.
For details on how to project the image,
see “Projecting the Picture” (page 15).
3Turn on the 3D glasses, and then put
them on so that they fit comfortably.
For details on how to use the 3D glasses,
see “Using the 3D Glasses” (page 16).
Tips
• The factory default setting for ”2D-3D
Display Sel.” is “Auto” to allow projecting
3D video images automatically when the unit
detects 3D signals.
• To convert 3D video images to 2D video
images, set “2D-3D Display Sel.” to “2D”
(page 36).
• It may not be possible to display 3D video
image, depending on the type of signal. Set
the “2D-3D Display Sel.” to “3D,” and “3D
Format” to “Side-by-Side” or “Over-Under”
to suit the format of the 3D content you want
to watch (page 36).
• Use the 3D glasses within the
communication range (page 16).
• There are differences in perception of 3D
video images among individuals.
• When the temperature of the usage
environment is low, the 3D effect may be
diminished.
Adjusting/Setting the 3D functions
You can adjust/set the 3D functions by
pressing the 3D button on the remote control
or with the “3D Settings” of the Function
menu. For details, see “3D Settings”
(page 36).
1Turn on the 3D glasses, and register
them on the unit.
For details on how to register the 3D
glasses, refer to the operating
instructions supplied with the 3D
glasses.
2Put on the 3D glasses.
3Turn toward the screen.
Precautions for use
Misoperation may occur if:
• The viewing position is too far from the
projector
• There are other communication devices,
such as a wireless LAN (IEEE802.11 b/g/
n) or a microwave with a bandwidth of 2.4
GHz, near the unit
3D glasses communication range
Figure below indicate the communication
range of the 3D glasses. If you try to watch
3D video images from a distance greater
than the communication range or install the
unit outside the communication range, the
3D glasses may not be able to display the
images properly. Also, the distance varies
depending on the environment of the room
and installation environment of the unit.
Notes
Using the 3D Glasses

17
Top or side view Using the Picture
Position
You can store up to five combinations of lens
settings (focus, picture size, picture
position), aspect ratio, and blanking. These
settings can be recalled.
1Press POSITION.
The Picture Position selecting palette is
displayed.
2Press POSITION repeatedly, or press
M/m/ to select the position.
The settings of the position selected is
recalled.
Store or delete lens settings, aspect ratio,
and blanking in the “Picture Position” of
the Screen menu (page 32).
The position where the lens settings,
aspect ratio, and blanking are not stored
is displayed as “---.”
Projector
10 m 10 m
10 m
10 m

18
Image of the lens moving
In the example below, the images with
aspect ratio of 1.78:1 (16:9) and 2.35:1 are
projected on a 2.35:1 screen.
• After you have selected and confirmed the
lens position, the lens starts to move. Do not
touch, or place anything near, the lens,
otherwise it may cause injury or a
malfunction.
• If you press any button on the remote control
or the unit while the lens is moving, the lens
stops. In this case, select the lens position
again or adjust the lens manually.
• The Picture Position function is not
guaranteed to reproduce the lens settings
precisely.
• When you use the subtended screen angle of
two or more aspects using lens zoom, install
the unit within the specified parameters
referring to “Projection distance” (page 66).
With some setting positions, the range of lens
shift may be restricted, even though the unit
is installed within the specified parameters.
Notes
When a 1.78:1 (16:9) image is input
When a 2.35:1 image is input
Press the POSITION
button.
The 2.35:1 image expands to fill the screen.

19
Selecting the Aspect Ratio According to the
Video Signal
You can select an aspect ratio best suited for
the video signal received.
Press ASPECT.
Each time you press the button, you can
select the “Aspect” setting.You can also
select it using the menu (page 33).
ASPECT
button
Original image Recommended setting and resultant images
1.85:1
Squeezed 1.85:1
1.85:1 Zoom
2.35:1
Squeezed 2.35:1
2.35:1 Zoom

20
Original image Recommended setting and resultant images
1.78:1 (16:9)
1.33:1 (4:3)
1.33:1 (4:3) with side panels
Normal
2.35:1
V Stretch
When using an anamorphic lens
16:9
Squeeze
When using an anamorphic lens

21
• Selectable aspect modes vary depending on
the input signal (page 62).
• The aspect cannot be selected for an input
signal from a computer, or an input signal
with a resolution of 4096 × 2160 (page 57).
Notes on switching the “Aspect”
setting
• Select the aspect mode taking into account
that changing the aspect ratio of the
original picture will provide a different
look from that of the original image.
• Note that if the unit is used for profit or for
public viewing, modifying the original
picture by switching the aspect may
constitute an infringement of the rights of
authors or producers, which are legally
protected.
Original image Recommended setting and resultant images
Squeezed
Stretch
Notes

22
Selecting the Picture Viewing Mode
You can select the picture viewing mode that
best suits the type of video source or room
conditions.
You can save and use different preset modes
for 2D/3D respectively.
Press one of the CALIBRATED PRESET
buttons.
CALIBRATED
PRESET buttons
Setting items Description
CINEMA FILM 1 Picture quality suited to reproducing the highly dynamic and
clear images typical of master positive film.
CINEMA FILM 2 Picture quality suited for HDR content, with the highest
dynamic range and many colors.
REF A picture quality setup suitable for when you want to reproduce
faithfully the original image quality, or for enjoying image
quality, without any adjustment.
TV Picture quality suited for watching TV programs, sports,
concerts, and other video images.
PHOTO Ideal for projecting still images taken with a digital camera.
GAME Picture quality suited to gaming, with well-modulated colors
and fast response.
BRT CINE Picture quality suited for watching movies in a bright
environment, such as a living room.
BRT TV Picture quality suited for watching TV programs, sports,
concerts, and other video images in a bright environment, such
as a living room.
USER Adjusts the picture quality to suit your taste then saves the
setting. The factory default setting is the same as “REF.”

23
This section describes how to make various adjustments and settings using the menus.
The menu displays used for the explanation may be different from the actual menu display.
Operation through
the Menus
The unit is equipped with an on-screen menu
for making various adjustments and settings.
If you select an item name followed by an
arrow (B), the next menu window with
setting items appears.
1Press MENU.
The menu window appears.
2Press M/m to select a menu item, and
press , or .
The items that can be set or adjusted
with the selected menu appear. The item
presently selected is shown in white.
3Press M/m to select an item you want
to set or adjust and press , or .
The setting items are displayed in a pop-
up menu, in a setting menu, in an
adjustment menu or in the next menu
window.
Pop-up menu
Using the Menus
Note
Setting items

24
Setting menu
Adjustment menu
Next menu window
4Make the setting or adjustment of an
item.
When changing the adjustment
level
To increase the value, press M/,.
To decrease the value, press m/<.
Press to store the setting and restore
the original menu screen.
When changing the setting
Press M/m to change the setting.
Press to restore the original screen.
You can restore the original screen using
< depending on the selected item.
To clear the menu
Press MENU.
To reset the picture that has been
adjusted
Select “Reset” from the Picture menu.
When the screen display appears, select
“Yes” using < and press .
All of the following settings are reset to its
factory preset value:
“Reality Creation,” “Cinema Black Pro,”
“Motionflow,” “Contrast,” “Brightness,”
“Color,” “Hue,” “Color Temp.,”
“Sharpness,” and “Expert Setting” on the
Picture menu
To reset the items that have been
adjusted
Select an item in the menu screen, and
display the pop-up menu, the setting menu,
or the adjustment menu.
Press RESET on the remote control to reset
only the selected settings to its factory preset
value.
The RESET button on the remote control is
available only when the adjustment menu or
the setting menu is selected.
Setting items
Note

25
Picture Menu
The Picture menu is used for adjusting the picture.
These items may not be available, depending on the type of input signal. For details, see “Input
Signals and Adjustable/Setting Items” (page 59).
Item names in brackets represent those printed on the remote control.
Note
Setting items Description
Calib. Preset
[CALIBRATED
PRESET]
You can select the picture viewing mode that best suits the type of video
source or the environment.
You can save and use different preset modes for 2D/3D respectively.
Cinema Film 1: Picture quality suited to reproducing the highly
dynamic and clear images typical of master positive film.
Cinema Film 2: Picture quality suited for HDR content, with the
highest dynamic range and many colors.
Reference: A picture quality setup suitable for when you want to
reproduce faithfully the original image quality, or for enjoying image
quality, without any adjustment.
TV: Picture quality suited for watching TV programs, sports, concerts,
and other video images.
Photo: Ideal for projecting still images taken with a digital camera.
Game: Picture quality suited to gaming, with well-modulated colors and
fast response.
Bright Cinema: Picture quality suited for watching movies in a bright
environment, such as a living room.
Bright TV: Picture quality suited for watching TV programs, sports,
concerts, and other video images in a bright environment, such as a
living room.
User: You can adjust the picture quality to suit your taste, and save the
setting. The factory default setting is the same as “Reference.”
Tip
Any adjustments to picture quality settings are saved for each input.
Reset Resets all currently selected Calib. Preset mode settings to their default
values (page 24).
Tip
Reset does not affect settings saved for items of “Color Temp.”

26
Reality Creation
[REALITY
CREATION]
Adjusts the detail and noise processing of images. (Super-resolution
function)
On: Adjusts the settings of “Reality Creation.”
Database: Select “Normal” or “Mastered in 4K.”
“Mastered in 4K” provides image quality suitable for Blu-ray Disc™
“Mastered in 4K” releasing from Sony Pictures Home Entertainment.
Resolution: When you increase the setting value, the texture and detail
of the picture become sharper.
Noise Filtering: When you increase the setting value, the noise
(picture roughness) becomes less prominent.
Test: On/Off: Changes “On” and “Off” at a certain frequency to check
the effect of “Reality Creation.”
Tip
The display position of status during the test works together with the
“Menu Position” setting (page 34).
Off: The “Reality Creation” function is not applied.
Cinema Black Pro
Advanced Iris
[ADVANCED
IRIS]
Dynamic Control: Adjusts the range of movement of the iris (aperture).
Full: Automatically optimizes the iris (aperture) and signal processing
according to the brightness level of the input source. This results in a
bright and high contrast image.
Limited: Provides a slower movement of the iris (aperture) and lower
brightness than “Full,” making the picture quality suitable for viewing
in a dark room.
Off: The “Dynamic Control” function is not applied.
Brightness: The higher the setting, the brighter the picture. The lower
the setting, the darker the picture.
Tip
After adjusting “Brightness,” set “Dynamic Control” according to the
brightness of the room and the picture itself.
Contrast Enhancer
[CONTRAST
ENHANCER]
Corrects the level of bright and dark parts automatically to optimize
contrast according to a scene.
Increases image sharpness and makes image dynamic.
High/Middle/Low: You can adjust the contrast enhancer.
Off: The contrast enhancer function is not applied.
Lamp Control Switches the lamp output.
High: Increases the brightness, and projects brighter images.
Low: Decreases the brightness, and enhances blacks by minimizing
brightness.
Tip
Setting “Low” reduces fan noise, while also reducing energy
consumption for longer lamp life.
Setting items Description

27
Motionflow
[MOTIONFLOW]
Impulse: Reproduces original picture quality. Provides cinema-like
picture, which may flicker.
Combination: Reduces motion blur while maintaining brightness for
high-speed picture content.
Smooth High: Provides smoother picture movement; especially
effective for film-based content.
Smooth Low: Provides smoother picture movement for standard use.
True Cinema: Images, such as a movie created in 24 frames per second,
are reproduced at the original framerate.
Off: The “Motionflow” function is not applied.
Tips
• Select “Off” if the selected “Smooth High,” “Smooth Low,” “Impulse,”
“Combination,” or “True Cinema” results in a distorted picture.
• Depending on the picture content, you may not see the effect visually
even if you have changed the settings.
Contrast
[CONTRAST]
Adjusts the contrast.
Higher values increase the sharpness in images, while lower values
decrease the sharpness.
You can make adjustments by pressing the CONTRAST +/- on the
remote control.
Brightness
[BRIGHTNESS]
Adjusts the brightness of the picture.
The higher the setting, the brighter the picture. The lower the setting, the
darker the picture.
You can make adjustments by pressing the BRIGHTNESS +/- on the
remote control.
Color Adjusts the color density.
The higher the setting, the greater the intensity. The lower the setting, the
lower the intensity.
Hue Adjusts the color tone.
The higher the setting, the more greenish the picture becomes. The lower
the setting, the more reddish the picture becomes.
Color Temp.
[COLOR TEMP]
Adjusts the color temperature.
D93: Equivalent to 9,300 K color temperature normally used in TVs.
Gives white colors a blue tint.
D75: Equivalent to 7,500 K color temperature used as an ancillary
standard illuminant. Gives a neutral tint between “D93” and “D65.”
D65: Equivalent to 6,500 K color temperature used as a standard
illuminant. Gives white colors a red tint.
D55: Equivalent to 5,500 K color temperature used as an ancillary
standard illuminant. Gives white colors an even redder tint.
Custom 1 to 5: Enables you to adjust, set, and store your favorite color
temperature.
The factory default settings are as follows.
Custom 1: Same as “D93” color temperature setting.
Custom 2: Same as “D75” color temperature setting.
Custom 3: Same as “D65” color temperature setting.
Custom 4: Same as “D55” color temperature setting.
Custom 5: Setting that prioritizes brightness.
Tip
You can adjust each item to a color temperature according to your
preference.
Setting items Description

28
Sharpness
[SHARPNESS]
Sharpens the outline of the picture, or reduces the noise.
The higher the setting, the sharper the picture. The lower the setting, the
softer the picture, thus reducing the noise.
You can make adjustments by pressing the SHARPNESS +/- on the
remote control.
Expert Setting
NR (Noise
Reduction)
Reduces the roughness or noise of the picture.
Auto: Detects the noise level to reduce the roughness or noise of the
picture automatically.
High/Middle/Low: Select a setting according to the roughness or noise
of the input signal source.
Off: The NR (noise reduction) function is not applied.
Tip
The noise level may not be detected accurately with “Auto” depending
on the input signal source. If the picture is unacceptable with “Auto,”
select a setting from among “High,” “Middle,” “Low” or “Off.”
MPEG NR
(MPEG Noise
Reduction)
Reduces block noise and mosquito noise, in particular in digital signals.
Auto: Detects the noise level to reduce the block noise and mosquito
noise of the picture automatically.
High/Middle/Low: Select a setting according to the block noise and
mosquito noise of the input signal source.
Off: The MPEG NR (MPEG noise reduction) function is not applied.
Tip
The noise level may not be detected accurately with “Auto” depending
on the input signal source. If the picture is unacceptable with “Auto,”
select a setting from among “High,” “Middle,” “Low” or “Off.”
Smooth Gradation Smooths the gradation of the flat parts of images.
High/Middle/Low: You can adjust the smooth gradation effect.
Off: The smooth gradation function is not applied.
Film Mode According to the film source you have selected, make a setting for
playback.
Auto: Suitable for reproducing the original picture movement.
Normally, set this to “Auto.”
Off: Plays back the picture in progressive format without detecting
video signals automatically.
Gamma
Correction
[GAMMA
CORRECTION]
Adjusts the response characteristics of the tone of the picture.
Select a favorite tone from 10 options.
1.8: Bright Produces a brighter picture overall.
2.0
2.1
2.2
2.4
2.6: Dark Produces a darker picture overall.
Gamma 7: Simulates the gamma curve of film.
Gamma 8: Increases the sharpness in images. Select this when you
watch in a bright environment, such as a living room.
Gamma 9: Produces a brighter picture than Gamma 8.
Gamma 10: Increases the sharpness in images. Select this when you
watch TV programs, etc., in a bright environment, such as a living room.
Off: The “Gamma Correction” function is not applied.
Setting items Description

29
Color Correction On: Adjusts Hue, Saturation or Brightness of the selected colors.
Repeat steps 1 and 2 described below to specify the target color.
1Press M/m to select “Color Select,” then press </, to select the
color you want to adjust among “Red,” “Yellow,” “Green,” “Cyan,”
“Blue” and “Magenta.”
2Press M/m to select “Hue,” “Saturation” or “Brightness,” then adjust
them to suit your taste using </, while watching the projected
picture.
Off: The “Color Correction” effect is not applied.
Clear White Emphasizes vivid whites.
High/Low: You can adjust the “Clear White” effect.
Off: The “Clear White” effect is not applied.
x.v.Color Set this item when connecting the unit with equipment that supports
x.v.Color and playing back an x.v.Color video signal.
On: You can play back an x.v.Color video signal.
Off: The “x.v.Color” function is not applied.
For details on x.v.Color, see “About the x.v.Color” (page 51).
Tip
Setting x.v.Color to “On” disables gamma adjustment.
HDR Sets how to play back HDR content.
Auto: Distinguishes HDR content automatically.
On: Set when playing back HDR content.
Off: Set when playing back content other than HDR content.
If the setting is not correct for the input content, the bright and dark areas
of the video may appear too bright or too dark.
Setting items Description
Note

30
Color Space
[COLOR SPACE]
Converts the color space.
BT.709: An ITU-R BT.709 color space, which is used for high-
definition television broadcast or Blu-ray Disc. The color space is
equivalent to sRGB.
BT.2020: The color space is wider than BT.709. Use this setting when
playing back HDR content.
Color Space 1: The color space suited for watching TV programs and
video images, such as sport, concerts, etc.
Color Space 2: The color space suited for watching TV programs, sport,
concerts, and other video images in a bright environment, such as a
living room.
Color Space 3: The color space suited for watching movies in a bright
environment, such as a living room.
Custom: You can adjust the color space setting.
Tip
You can adjust each item to a color space according to your preference.
Input Lag
Reduction
Reduces the delay of the display for a video.
On: Reproduces a smooth fast-moving video image with a reduced
sense of afterimage.
Off: Turns the Input Lag Reduction function off.
Tip
When “Input Lag Reduction” is set to “On,” Motionflow, NR, and MPEG
NR cannot be set.
Setting items Description

31
Advanced Picture Menu
You can adjust the gaps in color that have occurred after a long period of use.
• Auto Calibration results in relatively coarse calibration. No warranty is given for the color settings
to be the same as the factory default values.
• While performing “Pre Check” or “Adjust,” the colors are projected automatically. This is not a
malfunction.
• Do not turn off the power or operate the remote control or control panel during “Pre Check” or
“Adjust”, as the process may be canceled.
Tips
• dE is an indicator of changing color. The smaller the value of dE, the fewer the changes caused by
the color.
• Perform the calibration after the power has been on for more than 30 minutes.
• It takes a few minutes for “Pre Check” or “Adjust” to complete.
• When “Pre Check” or “Adjust” starts, the screen position may shift, as the lens returns to its factory
default position. After completion, the screen returns to its previous position automatically.
• If the environment changes, such as the brightness of the room, while performing “Pre Check” or
“Adjust”, measurement may be affected.
• If the “Pre Check” or “Adjust” function fails, try it once again.
Notes
Setting items Description
Auto Calibration Pre Check: Checks the color difference against the factory default
settings, before calibration starts.
Adjust: Performs Auto Calibration.
Before/After: Toggles the factory default setting and the setting after the
calibration at a certain frequency. You can check the effect of the
calibration by monitoring the actual image.
Reset: Resets the calibration results, and returns to the factory default
settings.

32
Screen Menu
You can set the picture size, aspect mode, etc.
These items may not be available, depending on the type of input signal. For details, see “Input
Signals and Adjustable/Setting Items” (page 59).
Item names in brackets represent those printed on the remote control.
Note
Setting items Description
Picture Position
[POSITION]
You can store up to five combinations of lens settings, aspect ratio, and
blanking.
After setting the lens, aspect, and blanking, select from “1.85:1,”
“2.35:1,” “Custom 1,” “Custom 2,” or “Custom 3” depending on the
subtended screen angle, and after confirming, continue by selecting
“Save,” “Delete,” or “Select.”
Save: Stores the current lens settings (focus, window size, window
position) in the selected position. If a setting is already stored in that
position, it is overwritten.
Delete: Deletes the stored setting. After the setting is deleted, “1.85:1,”
“2.35:1,” “Custom 1,” “Custom 2,” or “Custom 3” in the display change
to “---.”
Select: Recalls the settings of the selected position.
Tip
The optimal aspect ratio is preset for each picture position. The aspect
ratio can be changed and saved for each picture position.
• After you have selected and confirmed the lens position, the lens starts
to move. Do not touch the lens and the area around the lens, otherwise
it may cause injury or a malfunction.
• If you press any button on the unit while the lens is moving, the lens
stops. In this case, select the lens position again or adjust the lens
manually.
• When you use a 2.35:1 or a 16:9 subtended screen angle with the
Picture Position function, make sure that the installation position is
suitable (page 17).
• The Picture Position function is not guaranteed to reproduce the lens
settings precisely.
Notes

33
Aspect
[ASPECT]
You can set the aspect ratio of the picture to be displayed for the current
input signal (page 19).
You can set the function only when a video signal other than a resolution
of 4096 × 2160 pixels is input.
1.85:1 Zoom: A 1.85:1 aspect ratio picture is displayed in its original
aspect ratio, enlarged so that black bands do not appear at the top and
bottom of the screen.
2.35:1 Zoom: A 2.35:1 aspect ratio picture is displayed in its original
aspect ratio, enlarged so that black bands at the top and bottom of the
screen are as small as possible.
When you select “2.35:1 Zoom” from “Trigger Select 1/2” on the
Installation menu, a 12 V signal is output from the TRIGGER 1 or
TRIGGER 2 connector (page 39).
Normal: Input video is displayed in its original aspect ratio, enlarged to
fill the screen. This mode is suitable for viewing 1.78:1 (16:9) and 1.33:1
(4:3) video.
V Stretch: This is the most suitable mode for using a 2.35:1 screen to
view 2.35:1 video with a commercially available anamorphic lens.
When you select “V Stretch” from “Trigger Select 1/2” on the
Installation menu, a 12 V signal is output from the TRIGGER 1 or
TRIGGER 2 connector (page 39).
Squeeze: With this setting, 1.78:1 (16:9) and 1.33:1 (4:3) video will be
displayed in their correct aspect ratios when you use a commercially
available anamorphic lens.
Stretch: Displays video that has been squeezed to 1.33:1 (4:3) as 1.78:1
(16:9) aspect ratio.
Tips
• When you select “V Stretch” or “Squeeze,” select the anamorphic lens
type from “Anamorphic Lens” in the Installation menu.
• Selectable aspect modes vary depending on the input signal (page 62).
• The aspect cannot be selected for an input signal from a computer, or
an input signal with a resolution of 4096 × 2160 (pages 57, 58, 62).
Blanking This feature allows you to adjust the displayable region within the four
directions of the screen.
On: Select the edge to adjust by highlighting Left, Right, Top, or Bottom
using the M/m buttons.
Adjust the amount of blanking using the </, buttons.
Off: Turns off the Blanking function.
Tip
Depending on the aspect ratio setting, right/left blanking may not be
available.
Setting items Description

34
Setup Menu
The Setup menu is used to change the factory preset settings, etc.
Setting items Description
Status Sets whether or not the on-screen display is displayed.
Set to “Off” to turn off the on-screen displays except for certain menus,
message when turning off the power, and warning messages.
Language Selects the language used in the menu and on-screen displays.
Menu Position You can change the position to display the menu on the screen.
Bottom Left: Displays the menu on the bottom left area of the screen.
Center: Displays the menu on the center of the screen.
High Altitude Mode Sets the unit to operate at the prevailing atmospheric pressure.
On: Use this setting when using the unit at an altitude of 1,500 m
(approx. 4,900 ft) or higher.
Off: Use this setting when using the unit at normal altitudes.
Tip
When this item is set to “On,” the fan noise becomes slightly louder
since the fan speed increases.
Remote Start Sets the Remote Start settings.
On: You can turn on the power from a PC or a terminal which is
connected to a network.
Off: Turns off the Remote Start function.
Tips
• To use the function, the unit should be connected to the network in
advance (page 41).
• To turn on the power with the Remote Start function, a special
command should be sent from a PC or a terminal. For details, consult
with qualified Sony personnel.
When Remote Start is set to “On,” the standby power requirement will
increase. When Network Management is set to “On,” the Remote Start
setting is set to “Off” automatically, and you cannot change the setting.
Note

35
Network Management On: Set when connected to the network and continuously
communicating with the projector control equipment.
When Network Management is set to “On,” the network function is
continuously enabled. Set Network Management to “Off” for normal
use. If you set to “On,” the power consumption increases.
Power Saving Sets the power saving mode.
Standby: If no signal is input for 10 minutes, power is turned off
automatically and the projector goes into standby mode.
Off: Disables the power saving function.
Lamp Setting When replacing the lamps, set the desired lamp setting
(page 52).
Setting items Description
Note

36
Function Menu
The Function menu is used for changing the settings of the various functions of the unit.
Setting items Description
3D Settings You can change the settings of the 3D function.
2D-3D Display
Sel.
For Switching the video images to “2D” or “3D.”
Auto: Displays 3D video images when HDMI signals with 3D
information* are input. Displays 2D video images when other signals
are input.
3D: Displays 3D video images according to the 3D system selected in
“3D Format.” However, when HDMI signals with 3D information are
input to the unit, displays 3D video images according to the 3D system
of those HDMI signals.
2D: Displays 2D video images.
* The 3D information is additional information to discriminate 3D.
Some HDMI signals have additional information to discriminate 3D
and some HDMI signals have none.
3D Format: Set the 3D system when the input HDMI signals do not
include 3D information.
Simulated 3D: Converts 2D video images to 3D video images. The
setting can be made only for input the HD signals.
The simulated 3D feature may have limited effect, depending on the
video source.
There are differences in perception of 3D video images among
individuals.
Side-by-Side: Select this to display 3D images as two similar images,
side-by-side.
Over-Under: Select this to display 3D images as two similar images,
one above the other.
Tips
• “2D-3D Display Sel.” cannot be set to “3D” for some video sources.
For available 3D signals, see “Compatible 3D Signals” (page 60).
• The simulated 3D feature may have limited effect, depending on the
screen size (100 to 120 inches recommended) and the video source.
• The menu display has a ghost while a 3D video image is displayed and
is best viewed with the 3D glasses.
3D Brightness For adjusting the brightness of the picture when watching 3D video
images.
You can select the brightness “High” or “Standard.”

37
3D Depth Adjust For adjusting the depth of the 3D video images on the screen. The
setting can be made only when a 3D Format other than “Simulated 3D”
is selected.
We recommend that “3D Depth Adjust” be set to “0.” The 3D video
images may be difficult to perceive, depending on the setting of “3D
Depth Adjust.”
Simulated 3D
Effect
For adjusting the 3D effect when 2D content is converted to 3D video
images. You can select the effect from among “High,” “Middle,” and
“Low.”
Tip
There are differences in perception of 3D video images converted by the
simulated 3D function among individuals.
Dynamic Range Sets the video input level for HDMI 1 and HDMI 2 connectors.
Auto: Sets the video input level automatically.
Limited: The video input level is set for signals of 16-235.
Full: The video input level is set for signals of 0-255.
If the video output setting of the connected HDMI device is not set
correctly, light and dark parts of the video may appear too light or too
dark.
Test Pattern Displays a test pattern according to the setting.
On: A test pattern appears on the screen to be used when adjusting the
lens with “Lens Focus,” “Lens Zoom,” and “Lens Shift.”
Off: A test pattern does not appear.
Tip
While the test pattern is displayed, it is only displayed in green to allow
you to adjust the focus easily.
Settings Lock Locks menu item settings to prevent operational error (page 38).
Off: Cancels the Settings Lock.
Level A: Group 1 items (below) are not displayed on the menu, and are
not available.
Level B: Group 1 and Group 2 items (below) are not displayed on the
menus, and are not available.
Setting items Description
Depth
NormalFront Depth
Note

38
Group 1 Group 2
Items Locked by Settings Lock
Picture menu
Reset
Reality Creation
Advanced Iris
Contrast Enhancer
Lamp Control
Motionflow
Contrast
Brightness
Color
Hue
Color Temp.
Sharpness
NR
MPEG NR
Smooth Gradation
Film Mode
Gamma Correction
Color Correction
Clear White
x.v.Color
HDR
Color Space
Advanced Picture menu
Auto Calibration
Setup menu
Status
Language
Menu Position
High Altitude Mode
Remote Start
Network Management
Lamp Setting
Function menu
Dynamic Range
Test Pattern
Installation menu
Image Flip
Lens Control
Anamorphic Lens
Trigger Select
IR Receiver
Panel Alignment
Network Setting

39
Installation Menu
The Installation menu is used for changing the installation settings.
Setting items Description
Image Flip Flips the picture on the screen horizontally and/or vertically.
HV: Flips the picture horizontally and vertically.
H: Flips the picture horizontally.
V: Flips the picture vertically.
Off: The picture does not flip.
Use this item for installation for the backside projection or ceiling
installation.
Lens Control Avoids any operation of the lens such as “Lens Focus,” “Lens Zoom,”
and “Lens Shift,” by mistake.
On: Enables adjustment of the lens.
Off: Prevents any adjustment of the lens.
Anamorphic Lens Select a setting to match the anamorphic lens conversion ratio.
1.24x: Select this when you use an anamorphic lens with a horizontal
rate of 1.24×.
1.32x: Select this when you use an anamorphic lens with a horizontal
rate of 1.32×.
Trigger Select Switches the output function of the TRIGGER 1/TRIGGER 2 connector.
Off: Turns off the TRIGGER connector function.
Power: Outputs 12 V signals from the TRIGGER 1/TRIGGER 2
connectors when the unit is on. The TRIGGER 1/TRIGGER 2
connectors do not output any signals when the unit is in standby.
V Stretch: Works with the “Aspect” setting’s “V Stretch”
(page 33) and outputs a 12 V signal from the TRIGGER 1 or TRIGGER
2 connector.
2.35:1 Zoom: Works with the “Aspect” setting’s “2.35:1 Zoom”
(page 33) and outputs a 12 V signal from the TRIGGER 1 or TRIGGER
2 connector.
IR Receiver Selects the remote control detectors (IR Receiver) on the front and rear
of the unit.
Front & Rear: Activates both the front and rear detectors.
Front: Activates the front detector only.
Rear: Activates the rear detector only.

40
Panel Alignment This feature allows you to adjust the gaps in the color of characters or
the picture on the screen.
Adjust: Adjusts the gaps in the colors selecting “Adjust Color” or
“Adjust Item.”
Adjust Item: Selects how to make adjustments from below.
Shift: Shifts the whole picture and makes adjustments.
Zone: Selects the desired range and makes adjustments.
Adjust Color: Assigns the desired color to adjust the gaps in color.
Select “R” (Red) or “B” (Blue) to make adjustments based on “G”
(Green).
Pattern Color: Select “R/G” (Red and Green) or “R/G/B” (White, all
colors) when “Adjust Color” is “R” (Red). Select “B/G” (Blue and
Green) or “R/G/B” (White, all colors) when the “Adjust Color” is “B”
(Blue).
Adjust: The shift adjustment and zone adjustment of the color selected
in “Adjust Color” can be made with </,, M/m buttons.
When “Shift” is selected: Assign the settings of the horizontal
direction (H) with </, buttons and the vertical direction (V) with
M/m buttons on the shift adjustment screen.
When “Zone” is selected: Select the position to adjust with </,
buttons for the horizontal position (H position) and M/m buttons for
the vertical position (V position), then press .
Set the amount to adjust with </, buttons for the horizontal
direction (H direction) and with M/m buttons for the vertical
direction (V direction). You can select the position to adjust again by
pressing .
Reset: Returns to the factory settings.
Preset: The optimized data has been preset.
Depending on the adjustments made above, colors may become uneven
or the resolution may change.
Setting items Description
Note

41
Network Setting Perform internet protocol settings.
IPv4 Setting IP Address Setup: Selects the IP address setting method.
Auto (DHCP): The IP address is assigned automatically from the
DHCP server such as a router.
Manual: Specifies the IP address manually.
When “Manual” is selected for “IP Address Setup,” select the item
with the </, buttons and input the value with the M/m buttons.
When all items are entered, select “Apply,” and then press the
button. The entered settings will be registered.
IP Address: Sets the unit’s IP address.
Subnet Mask: Sets the unit’s subnet mask.
Default Gateway: Sets the unit’s default gateway.
MAC Address: Displays the unit’s MAC address. This cannot be
changed.
Apply: Enables the IP address that is set manually.
IPv6 Information Displays the IPv6 information.
When you set the IPv6 IP address, set it on a Web browser (page 43).
Setting items Description

42
Information Menu
The Information menu displays the model name, serial number, input signal type, software
version and the cumulated hours of usage of the lamp.
You cannot adjust or change the displays listed above.
This unit has default image data to adjust preset data for input signals appropriately according
to the signals shown in “Preset Signals” (page 57) (the preset memory). When the preset signal
is input, the unit automatically detects the signal type and recalls the data for the signal from
the preset memory to adjust it to an optimum picture. The signal type is displayed in the
Information menu.
Depending on the computer input signal, parts of screen may be hidden or displayed incorrectly.
Items Description
Model Name Displays the model name
Serial No. Displays the serial number.
Signal type Displays the type of the input signal. When input signals with 3D
information are input, the type of input signals and the 3D format are
displayed.
Software Version Displays the software version.
Lamp Timer Indicates how long the lamp has been turned on (total usage).
Note
About the Preset Memory
Note
Model name
Serial No.
Software version
Signal type

43
Connection to the network allows you to
operate the following features:
• Checking the current status of the unit
via a Web browser.
• Making the network settings for the
unit.
• Network monitoring and controlling
with control protocol (SDAP
[Advertisement], SDCP [PJ Talk],
DDDP [AMX], Crestron RoomView,
Control4).
• When connecting this projector with the
network, consult with the person who sets up
the network. The network must be secured.
• When using this projector connected with the
network, access the Control window via a
Web browser and change the access
limitation of the factory preset values
(page 45). It is recommended to change the
password regularly.
• When the setting on the Web browser is
completed, close the Web browser to log out.
• The menu displays used for the explanation
below may be different depending on the
model you are using.
• Supported Web browsers are Internet
Explorer 8/9/10/11.
• The menu displays only English.
• If the browser of your computer is set to [Use
a proxy server] when you have access to the
unit from your computer, click the check
mark to set accessing without using a proxy
server.
• AMX DDDP is not compatible with IPv6.
• These network functions are available when
the unit is turned on.
Displaying the
Control Window of
the Unit with a Web
Browser
1Connect the LAN cable.
2Set the network settings for the unit
using “Network Setting” on the
Installation menu
(page 41).
3Start a Web browser on the computer,
enter the following in the address field,
then press the Enter key on your
computer.
http://xxx.xxx.xxx.xxx
(xxx.xxx.xxx.xxx: IP address for the
unit)
When connecting by the IPv6
address
http://[xxxx:xxxx:- xxxx]
You can confirm the IP address of the
unit under “Network Setting” on the
Installation menu.
The following window appears in the
Web browser:
Using Network Features
Notes LAN
Connector
LAN cable
(straight type)
(not supplied)
Hub, router, etc.

44
Once you make the network settings,
you can open the Control window only
by performing step 3 of this procedure.
Operating the
Control Window
Click one of the Page Switching buttons to
display the desired setting page.
You can limit a user for accessing any
particular page.
Administrator: Allowed access to all
pages
User: Allowed access to all pages
except the Setup page
When you access the Setup page for the first
time, input “root” as the user name and
“Projector” as the password in the
authentication dialog.
When you log in for the first time, the
window that prompts you to change the
password is displayed. Follow the
instructions on the screen to change the
password.
The name of the administrator is preset to
“root.”
Switching the Page
Setting the Access Limitation
Page Switching buttons

45
The password can be changed in the
Password page in the Setup page.
When you change the password, input a new
password after deleting the password
(*****) that was set.
The password of the administrator and user
should be 8 to 16 characters that includes
both alphabet and numeric characters.
Alphabet is case-sensitive.
The default password “Projector” cannot be
set as a new password.
If you forget your password, consult with
qualified Sony personnel.
You can confirm the current settings for the
unit on the Information page.
Note
Confirming the Information
Regarding the Unit
Entry area for [Administrator]
Entry area for [User]
Information area

46
Troubleshooting
If the unit appears to be operating erratically, try to diagnose and correct the problem using the
following instructions. If the problem persists, consult with qualified Sony personnel.
Power
Picture
Error Handling
Symptom Cause and Remedy Page
The power is not turned
on.
The power may not turn on if you turn the power off with ?/
1 (ON/STANDBY) button and turn it on again in a short
time. After about 1 minute, turn the power on.
–
Close the lamp cover securely, then tighten the screws
securely.
53
Check warning indicators. 49
The power is suddenly
turned off.
Check that “Power Saving” in the Setup menu is set to
“Standby.”
35
Set “Power Saving” to “Off.” 35
Symptom Cause and Remedy Page
No picture. Check that the connecting cable is connected to the external
equipment properly.
Depending on the external equipment, the unit may not
function correctly via the HDMI 1 connector. In this case,
use the HDMI 2 connector, then select the input.
13
Select the input source correctly using the INPUT button. 15
Check that the computer signal is set for output to an
external monitor.
If the notebook computer, etc., signal is output to its display
and an external monitor, the external monitor’s image may
not be displayed correctly. Set your computer to output the
signal to only an external monitor.
–
The picture has ghosts. Video images are displayed in 3D. Watch the 3D video
images using the 3D glasses, and set “2D-3D Display Sel.”
to “3D.”
To convert 3D video images to 2D video images, set “2D-
3D Display Sel.” to “2D.”
16, 36
Bright or dark area of the
video appears too bright
or too dark.
This symptom may occur when signal level other than those
of HDMI standard is input. Switch the output level of the
connected equipment, or switch the Dynamic Range on the
Function menu of the unit.
37
The picture is too dark. Adjust “Contrast” or “Brightness” on the Picture menu
properly.
27
The picture is not clear. Adjust the focus. 9
Condensation has accumulated on the lens. Leave the unit
for about 2 hours with the power on.
–

47
On-screen display
Remote control
The color of characters or
the picture is not
appropriate.
Select the desired color registration in “Panel Alignment” of
the Installation menu.
40
Image is left on the
screen. (image retention)
When high contrast non-moving images are displayed for a
long period of time, there may be some image retention on
the screen. This is only a temporary condition. Turning off
the power for a while will eliminate the retained image.
–
Symptom Cause and Remedy Page
On-screen display does
not appear.
Set “Status” on the Setup menu to “On.” 34
Check if the ON/STANDBY indicator should light in green.
When the ON/STANDBY indicator blinks in green, the unit
is starting up. Wait until it stops blinking and remains lit in
green.
8
The model name does not
disappear from the
screen.
The display mode of the unit may be set at the time of
purchase. Consult with your local dealer or qualified Sony
personnel.
–
Symptom Cause and Remedy Page
The remote control does
not work.
Batteries could be weak. Replace them with new batteries. –
Insert the batteries with the correct polarities. –
If there is a fluorescent lamp near the remote control
detector, the unit may work improperly or inadvertently.
–
Confirm the position of the remote control detector on the
unit.
4, 5
Set “IR Receiver” to “Front & Rear” on the Installation
menu.
39
Symptom Cause and Remedy Page

48
3D video images
Others
Symptom Cause and Remedy Page
The video image does not
seem like 3D video
images.
Check if the 3D glasses are turned on. 16
Make sure that the battery in the 3D glasses could be weak
or is sufficiently charged.
–
Set “2D-3D Display Sel.” to “Auto” or “3D.” 36
Check if the input signals are compatible 3D signals. 60
The 3D signals may not be input depending on the
specifications of the connected AV selector/AV amplifier/
external equipment. If the 3D signal is not input, confirm
the specifications and/or settings of the AV selector/AV
amplifier/external equipment.
–
When the viewing position is too far from the unit, the 3D
glasses may not be able to display the images properly.
16
The screen size is not appropriate. Set the zooming
magnification to low or watch the image from farther away
from the screen.
65
For details, see “Precautions for use” of “Using the 3D
Glasses.”
16
Symptom Cause and Remedy Page
The fan is noisy. Check the setting of “High Altitude Mode” on the Setup
menu.
34
Make sure that the room temperature is not too high. –
Check the installation requirements of the unit.
Fan speed increases to maintain the product reliability of the
projector’s components in a room, where the temperature is
higher than normal. The fan noise becomes slightly louder.
The approximate normal temperature is 25°C (77°F).
–
The lens shift cannot be
adjusted.
The lens shift cannot be adjusted over the range of
movement. Adjust the lens shift within the range of
movement.
11, 65

49
Warning Indicators
The ON/STANDBY or WARNING indicator lights up or flashes if there is any trouble with
your projector.
When a warning indicator other than the above starts flashing, and the symptom persists even after
carrying out the above methods, consult with qualified Sony personnel.
Flashing/Lighting indicators The number of
flashes
Cause and Remedy
Twice Close the lamp cover securely, then tighten
the screws securely (page 53).
Three times The temperature of lamp is unusually high.
Turn off the power and wait for the lamp to
cool, then turn on the power again.
If the symptom persists, the lamp may be at
the end of its service life. In this case,
replace the lamp with a new one (page 52).
Twice The internal temperature is unusually high.
Check to ensure that if nothing is blocking
the ventilation holes or whether or not the
unit is being used at high altitudes.
Three times The fan is broken. Consult with qualified
Sony personnel.
Note
ON/STANDBY
indicator WARNING
indicator
(Flashes in red)
(Flashes in red) (Flashes in red)
Both indicators flash

50
Message Lists
Warning messages
Caution messages
Symptom Cause and Remedy Page
High temp.! Lamp off in
1 min.
Turn off the power. –
Check to ensure that nothing is blocking the ventilation
holes.
4, 5
Frequency is out of
range!
Frequency is out of range. Input a signal that is within the
acceptable frequency range of the unit.
57
Please replace the Lamp. It is time to replace the lamp. Replace the lamp.
If this message appears again after you replace the lamp, the
lamp replacement process is not complete. Check the lamp
replacement process.
To clear this message, press any button either on the remote
control or the control panel of the unit once.
52
Projector temperature is
high. High Altitude
Mode should be “On” if
projector is being used at
high altitude.
Check to ensure that nothing is blocking the ventilation
holes.
4, 5
When using the unit at high altitude, set “High Altitude
Mode” to “On.”
When temperature inside the unit remains high, “High
Altitude Mode” is switched to “On” in 1 minute, then the
fan speed increases.
34
Power Saving Mode is
set. Projector will
automatically enter
Standby Mode in 1
minute.
“Power Saving” is set to “Standby.”
If no signal is input, the power turns off after 1 minute, and
the projector goes into standby mode.
35
Symptom Cause and Remedy Page
No signal is input in the selected input. Check connections. 13
Not applicable! Press the appropriate button.
The operation to be activated by the button is currently
prohibited.
–
Settings Lock enabled. “Settings Lock” is set to “Level A” or “Level B.” 37
Note
Note
Note
x

51
Updating the
Software
You can download files to update the
software of the unit. Copy the downloaded
files to your USB memory, insert the USB
memory to the USB terminal of the unit,
then perform the update.
To use the features updated, insert a USB
memory device into a PC connected to the
internet.
Download the update files from the
following Sony website:
https://esupport.sony.com/
The website also explains how to install the
update.
Some USB memories may not be supported
for use. For details, refer to the website
above.
About HDR (high
dynamic range)
HDR is a video expression which improves
the ability to express dark places and bright
places compared to previous video
expressions.
About the x.v.Color
• “x.v.Color” is a promotion name given to
the products that have the capability to
realize a wide color space based on the
xvYCC specifications and is a trademark
of Sony Corporation.
• xvYCC is an international standard of the
technical specifications of the extended-
gamut color space for video signals. The
color gamut of xvYCC is wider than the
one of sRGB that is used with the current
television system.
About the simulated
3D feature
• Use the simulated 3D function taking into
account that the picture will provide a
different look from the original images,
because this function converts the video
images.
• Note that if the unit is used for profit or for
public viewing, displaying 2D video
images as 3D video images by converting
to the simulated 3D may constitute an
infringement of the rights of authors or
producers, which are legally protected.
Others
Note

52
Replacing the Lamp
The lamp used for the light source has a
certain lifespan. When the lamp dims, the
color balance of the picture becomes
strange, or “Please replace the Lamp.”
appears on the screen, the lamp may be
exhausted. Replace the lamp with a new one
(not supplied) without delay.
Tip
The lifespan of the lamp used for the light
source changes depending on the installation
environment or use conditions. You can use the
lamp longer by avoiding turning the lamp off
until several minutes pass after turning the
lamp on.
Tools you need to get started:
• Projector Lamp LMP-H280 (Optional)
• Standard Phillips screwdriver
• Cloth (for scratch protection)
Caution
• The lamp remains hot after the unit is
turned off with the ?/1 (ON/STANDBY)
button. If you touch the lamp, you may
burn your fingers. When you replace the
lamp, wait for at least 1 hour for the lamp
to cool.
• Do not touch the surface of the lamp. If
you touch it, wipe off the fingerprints with
a soft cloth.
• Pay special attention to replacing the lamp
when the unit is installed on the ceiling.
• When replacing the lamp of a unit which is
on the ceiling, do not stand directly under
the lamp cover. When removing the lamp
door (inner cover), avoid twisting it. If the
lamp explodes, fragments may cause
injury.
• When removing the lamp unit, make sure
it remains horizontal, then pull straight up.
Do not tilt the lamp unit. If you pull out the
lamp unit while tilted and if the lamp
breaks, the pieces may scatter, causing
injury.
• Be sure to use an LMP-H280 Projector Lamp
for replacement. If you use lamps other than
the LMP-H280, the unit may malfunction.
• Be sure to turn off the unit and unplug the
power cord before replacing the lamp, then
check the ON/STANDBY indicator has
already been turned off.
1Turn off the unit and unplug the AC
power cord.
2When setting the unit on a flat surface
such as a desk etc., put a cloth to
prevent the surface from being
scratched. Place the unit on the cloth.
Be sure that the unit is placed on a stable
surface.
3While pressing the part indicated
in the lamp cover illustration, slide 1
and then open 2 the lamp cover.
4Loosen the lamp door (inner cover)
screw with a Phillips screwdriver, and
then open the lamp door.
Notes
Note

53
5Loosen the 3 screws on the lamp with
the Phillips screwdriver. Hold up the
handle, then pull the lamp straight out.
• Do not loosen other screws except the 3
specified screws.
• Hold the lamp by the handle to remove
and attach it.
6Push in the new lamp by the handle
securely until it reaches the end, and
then tighten the 3 screws.
Be careful not to touch the optical block
inside the unit.
7Close the lamp door (inner cover), and
then tighten the screw.
8Close the lamp cover.
Notes
Handle
Note

54
9Wipe dust off the ventilation holes
(intake) with a soft cloth.
10Turn on the unit, then select the lamp
setting item on the Setup menu.
The menu screen below will be
appeared.
Tip
If “Settings Lock” is set to “Level B,” set to
“Off” once.
11Select “Yes.”
Caution
Do not put your hands into the lamp
replacement slot, and do not allow any liquid
or other objects into the slot to avoid
electrical shock or fire.
• The unit will not turn on unless the lamp is
securely installed in place.
• The unit will not turn on unless the lamp
cover are securely closed.
• To clear a message displayed on the screen,
press any button either on the remote control
or the control panel of the unit once.
Note on replacing the lamp when
broken, in the case of a ceiling
installation
If the lamp breaks, broken lamp pieces may
scatter and cause injury.
When the unit is on the ceiling, remove the
lamp door (inner cover) by sliding it
horizontally slowly after raising it with 30
degree opened. Avoid twisting the lamp door
(inner cover).
Disposal of the used lamp
Notes
Ventilation holes
(intake)
Note
The lamp contains mercury. The disposal
rules for used fluorescent tubes depend on
where you live. Follow the waste disposal
policy in your area.
For the customers in
the U.S.A. and Canada
Lamp contains
mercury. Dispose
according to applicable
local, state/province and
federal laws.
For additional information,
see www.sony.com/
mercury

55
Cleaning
Cleaning the cabinet
• To remove dust from the cabinet, wipe
gently with a soft cloth. If dust is
persistent, wipe with a soft cloth slightly
moistened with a diluted mild detergent
solution.
• Never use any type of abrasive pad,
alkaline/acid cleaner, scouring powder, or
volatile solvent, such as alcohol, benzene,
thinner or insecticide.
• Clean the unit with a cleaning cloth.
Wiping with a dirty cloth may scratch the
unit.
• Using such materials or maintaining
prolonged contact with rubber or vinyl
materials may result in damage to the
screen surface and cabinet material.

56
Specifications
Item Description
Display system SXRD panel, projection system
Display device Size of effective
display area
0.74-inch (18.8 mm) SXRD
Number of pixels 26,542,080 pixels (8,847,360 pixels × 3)
Projection lens 2.06 times zoom lens (motorized)
f = 21.7 mm to 44.7 mm
F3.0 to F4.0
Light source Ultra High Pressure Lamp 280 W type
Screen size 60 inches to 300 inches (1,524 mm to 7,620 mm)
(measured diagonally)
Accepted digital signals 480/60p, 576/50p, 720/60p, 720/50p, 1080/60i, 1080/
50i, 1080/60p, 1080/50p, 1080/24p, 3840 × 2160/24p,
3840 × 2160/25p, 3840 × 2160/30p, 3840 × 2160/50p,
3840 × 2160/60p, 4096 × 2160/24p, 4096 × 2160/25p,
4096 × 2160/30p, 4096 × 2160/50p, 4096 × 2160/60p
HDMI (2 inputs), HDCP compliant* RGB
Y PB/CB PR/CR
Other inputs/
outputs
TRIGGER
(2 connectors)
Minijack, DC 12 V Max. 100 mA
REMOTE RS-232C: D-sub 9-pin (female)
LAN RJ45, 10BASE-T/100BASE-TX
IR IN Minijack
USB DC 5 V, Max. 500 mA
Outside dimensions (w/h/d) 495.6 mm × 195.3 mm × 463.6 mm (19 1/2 × 7 11/16 ×
18 1/4 inches) (without protrusions)
Mass Approx. 14 kg (31 lb)
Power requirements AC 100 V to 240 V, 4.1 A to 1.7 A, 50/60 Hz
Power consumption 410 W
Power consumption Standby 0.3 W (when “Remote Start” is set to “Off”)
Networked
Standby
1.0 W (LAN) (when “Remote Start” is set to “On”)
Operating temperature 5°C to 35°C (41°F to 95°F)
Operating humidity 35% to 85% (no condensation)
Storage temperature –20°C to +60°C (–4°F to +140°F)
Storage humidity 10% to 90%
Supplied accessories See “Checking the Supplied Accessories” in the
supplied Quick Reference Manual.
Optional accessories Projector Lamp: LMP-H280 (for replacement)
Projector Suspension Support: PSS-H10
Active 3D Glasses: TDG-BT500A

57
* Only the HDMI 2 input is compatible with HDCP 2.2.
• The values for mass and dimensions are approximate.
• Not all optional accessories are available in all countries and area. Please check with your local
Sony Authorized Dealer.
• Information on accessories in this manual is current as of September 2015.
Design and specifications of this unit and its optional accessories are subject to change without
notice.
The following table shows the signals and video formats which you can project using this unit.
When a signal other than the preset signal shown below is input, the picture may not be
displayed properly.
Notes
Preset Signals
Preset
memory no. Preset signal (resolution) fH (kHz) fV (Hz) Sync
5 480/60p 480/60p
(Progressive NTSC)
(720 × 480p)
31.470 60.000 –
6 576/50p 576/50p
(Progressive PAL)
(720 × 576p)
31.250 50.000 –
7 1080/60i 1080/60i
(1920 × 1080i)
33.750 60.000 –
8 1080/50i 1080/50i
(1920 × 1080i)
28.130 50.000 –
10 720/60p 720/60p
(1280 × 720p)
45.000 60.000 –
11 720/50p 720/50p
(1280 × 720p)
37.500 50.000 –
12 1080/60p 1080/60p
(1920 × 1080p)
67.500 60.000 –
13 1080/50p 1080/50p
(1920 × 1080p)
56.260 50.000 –
14 1080/24p 1080/24p
(1920 × 1080p)
26.973 23.976 –
18 720/60p
(Frame packing)
720/60p
(1280 × 720p)
90.000 60.000 –
19 720/50p
(Frame packing)
720/50p
(1280 × 720p)
75.000 50.000 –
20 1080/24p
(Frame packing)
1080/24p
(1920 × 1080p)
53.946 23.976 –
26 640 × 480 VESA 60 31.469 59.940 H-NEG, V-NEG
32 800 × 600 VESA 60 37.879 60.317 H-POS, V-POS
37 1024 × 768 VESA 60 48.363 60.004 H-NEG, V-NEG
45 1280 × 960 VESA 60 60.000 60.000 H-POS, V-POS
47 1280 × 1024 VESA 60 63.974 60.013 H-POS, V-POS
50 1400 × 1050 SXGA+ 65.317 59.978 H-NEG, V-POS
55 1280 × 768 1280 × 768/60 47.776 59.87 H-NEG, V-POS

58
* Available only for YCbCr 4:2:0 / 8 bit signal.
Preset memory numbers for each input signal
Digital signal
* Some digital signals input from computers may be displayed as preset memory number of
Component or Video GBR signal.
71 1920 × 1080/60i
(Frame packing)
1080/60i
(1920 × 1080i)
67.500 60.000 –
72 1920 × 1080/50i
(Frame packing)
1080/50i
(1920 × 1080i)
56.250 50.000 –
74 3840 × 2160/60p* 3840×2160/60p
(3840 × 2160)
135.000 60.000 –
75 3840 × 2160/50p* 3840 × 2160/50p
(3840 × 2160)
112.500 50.000 –
76 4096 × 2160/60p* 4096 × 2160/60p
(4096 × 2160)
135.000 60.000 –
77 4096 × 2160/50p* 4096 × 2160/50p
(4096 × 2160)
112.500 50.000 –
78 4096 × 2160/30p 4096 × 2160/30p
(4096 × 2160)
67.500 30.000 –
79 4096 × 2160/25p 4096 × 2160/25p
(4096 × 2160)
56.250 25.000 –
93 3840 × 2160/24p 3840 × 2160/24p
(3840 × 2160)
53.946 23.976 –
94 3840 × 2160/25p 3840 × 2160/25p
(3840 × 2160)
56.25 25 –
95 3840 × 2160/30p 3840 × 2160/30p
(3840 × 2160)
67.4325 29.97 –
96 4096 × 2160/24p 4096×2160/24p
(4096 × 2160)
54 24 –
Signal Preset memory number
Component signal (HDMI 1, 2 connectors) 5 to 8, 10 to 14, 18 to 20, 71, 72, 74 to 79, 93 to
96
Video GBR signal (HDMI 1, 2 connectors) 5 to 8, 10 to 14, 18 to 20, 71, 72, 78, 79, 93 to
96
Computer signal (HDMI 1, 2 connectors) 10 to 13*, 26, 32, 37, 45, 47, 50, 55
Preset
memory no. Preset signal (resolution) fH (kHz) fV (Hz) Sync

59
The items in the menus available to adjust differ depending on the input signal. The following
tables indicate them. The items that cannot be adjusted/set are not displayed in the menu.
Picture menu
Input Signals and Adjustable/Setting Items
Item Input signal
Component signal Video GBR signal Computer signal
Reality Creation zz–
Advanced Iris zzz
Contrast Enhancer z (excluding preset
memory numbers 74
to 79 and 93 to 96)
z (excluding preset
memory numbers 78,
79 and 93 to 96)
–
Lamp Control zzz
Motionflow*1z (excluding preset
memory number 19)
z (excluding preset
memory number 19)
–
Contrast zzz
Brightness zzz
Color zz–
Hue zz–
Color Temp. zzz
Sharpness zz–
NR z (excluding preset
memory numbers 18
to 20, 71, 72, 74 to
79, and 93 to 96)
z (excluding preset
memory numbers 18
to 20, 71, 72, 78, 79,
and 93 to 96)
–
MPEG NR z (excluding preset
memory numbers 18
to 20, 71, 72, 74 to
79, and 93 to 96)
z (excluding preset
memory numbers 18
to 20, 71, 72, 78, 79,
and 93 to 96)
–
Smooth Gradation z (excluding preset
memory numbers 18
to 20, 71, 72, 74 to
79, and 93 to 96)
z (excluding preset
memory numbers 18
to 20, 71, 72, 78, 79,
and 93 to 96)
–
Film Mode z (excluding preset
memory numbers 5,
6, 10 to 14, 18 to 20,
74 to 79, and 93 to
96)
z (excluding preset
memory numbers 5,
6, 10 to 14, 18 to 20,
78, 79, and 93 to 96)
–
Gamma Correction zzz
Color Correction zzz
Clear White zzz
x.v.Color z––
HDR z (preset memory
numbers 74, 75, 93,
94, and 95 only)
z (preset memory
numbers 74, 75, 93,
94, and 95 only)
–
Color Space zzz

60
z: Adjustable/can be set
–: Not adjustable/cannot be set
*1: For further details, refer to the tables in “Motionflow” (page 63).
Screen menu
z: Adjustable/can be set
–: Not adjustable/cannot be set
*1: For further details, refer to the tables in “Aspect Mode” (page 62).
When connecting a cable such as an HDMI cable, etc., check the type of the signal in the Information
menu (page 42) and “Digital signal” (page 58), and check items that are adjustable/can be set.
This unit accepts the following types of 3D signals.
*: Mandatory 3D format of the HDMI standards.
Some items on the menus may not be available to adjust/set, depending on the 3D signals.
The items that cannot be adjusted are not displayed on the menu. The following tables indicate
those items.
Item Input signal
Component signal Video GBR signal Computer signal
Aspect*1z (excluding preset
memory numbers 76
to 79 and 96)
z (excluding preset
memory numbers 78,
79 and 96)
–
Note
Compatible 3D Signals
Resolution 3D signal format
720/60p, 720/50p Side-by-Side format
Over-Under format*
Frame packing*
1080/60i, 1080/50i Side-by-Side format
Frame packing
1080/24p Side-by-Side format
Over-Under format*
Frame packing*
1080/60p, 1080/50p Side-by-Side format
Over-Under format
3D Signals and Adjustable/Setting Items
Item
3D signals
720/60p,
720/50p
1080/60i,
1080/50i
1080/24p 1080/60p,
1080/50p
Reality Creation zzzz
Advanced Iris – – – –
Lamp Control zzzz

61
z: Adjustable/can be set
–: Not adjustable/cannot be set
*1: The item is not available for Frame Packing/Over-Under on 720/60p, or Over-Under on 1080/
60p.
*2: For further details, refer to the tables in “Aspect Mode” (page 62).
When the unit is set to convert 2D video images to 3D video images, some items on the menus
may be not available to adjust/set, depending on the “3D Format” settings on the Function
menu. The items that cannot be adjusted are not displayed on the menu. The following tables
indicate these items.
z: Adjustable/can be set
–: Not adjustable/cannot be set
*1: The item is not available for Over-Under on 720/60p, or Over-Under on 1080/60p.
*2: The item is not available for 720/60p, or Over-Under on 1080/60p.
*3: For further details, refer to the tables in “Aspect Mode” (page 62).
Motionflow*1zzzz
NR ––––
MPEG NR ––––
Smooth Gradation – – – –
Film Mode – z––
x.v.Color zzzz
HDR – – – –
Aspect*2zzzz
Item 3D signals
Over-Under Side-by-Side Simulated 3D
Reality Creation zzz
Advanced Iris – – –
Lamp Control zzz
Motionflow*1zzz
NR – – z
MPEG NR – – z
Smooth Gradation – – z
Film Mode*2–zz
x.v.Color zzz
HDR – – –
Aspect*3zzz
Item
3D signals
720/60p,
720/50p
1080/60i,
1080/50i
1080/24p 1080/60p,
1080/50p

62
Selectable items vary depending on the type of input signal or 3D format.
For details, see the tables below. Items that cannot be selected are not displayed in the menu.
2D
*1: Not displayed in the menu as fixed at Normal.
3D
Aspect Mode
Acceptable signals 4096 × 2160 3840 × 2160 1920 × 1080
1280 × 720
720 × 480
720 × 576 Others
Preset memory
number (page 57) 76 to 79, 96 74, 75, 93 to
95 7, 8, 10 to 14 5, 6 26, 32, 37, 45,
47, 50, 55
1.85:1 Zoom – – zz –
2.35:1 Zoom – zzz –
Normal z*1zzzz*1
V Stretch – – zz –
Squeeze – – zz –
Stretch – – – z–
Acceptable signals 1920 × 1080, 1280 × 720
3D format Side-by-Side Over-Under Frame packing Simulated 3D
Preset memory number
(page 57) 7, 8, 10 to 14 10 to 14 18 to 20, 71, 72 7, 8, 10 to 14
1.85:1 Zoom zzzz
2.35:1 Zoom zzzz
Normal zzzz
V Stretch zzzz
Squeeze zzzz
Stretch – – – –

63
Selectable items vary depending on the type of input signal or 3D format.
For details, see the tables below. Items that cannot be selected are not displayed in the menu.
2D
3D
Each adjustable/setting item is individually stored for each input connector. For further details,
see the tables below.
Preset memory numbers for each input signal
Motionflow
Acceptable signals
1920 × 1080
1280 × 720
720 × 480
720 × 576
3840 × 2160
4096 × 2160 Others
Preset memory number (page 57) 5 to 8, 10 to 14 74 to 79, 93 to 96 26, 32, 37, 45, 47,
50, 55
Impulse zz –
Combination z––
Smooth High z––
Smooth Low z––
True Cinema z––
Acceptable
signals 1920 × 1080, 1280 × 720
3D format Frame packing Over-Under Side-by-Side Simulated 3D
Preset memory
number (page 57) 18 19 20, 71,
72 10,12 11,13 14 7, 8, 10 to 14 7, 8, 10 to 14
Impulse –––––– – –
Combination–––––– – –
Smooth High – – z––zz z
Smooth Low – zz–zz z z
True Cinema –––––– – –
Storage Conditions of Adjustable/Setting Items
Input Preset memory numbers
HDMI 1 (2D) 5 to 8, 10 to 14, 26, 32, 37, 45, 47, 50, 55, 74 to 79, 93 to 96
HDMI 2 (2D)
HDMI 1 (3D) 7, 8, 10 to 14, 18 to 20, 71, 72
HDMI 2 (3D)

64
Picture menu
Screen menu
Item Storage conditions
Calib. Preset For each input connector
Reset For each input connector and Calib. Preset
Reality Creation
Advanced Iris
Contrast Enhancer
Lamp Control
Motionflow
Contrast
Brightness
Color
Hue
Color Temp.
D93-D55
Custom 1-5
Gain R For each Color Temp., D93-D55 and Custom 1-5
Gain G
Gain B
Bias R
Bias G
Bias B
Sharpness For each input connector and Calib. Preset
NR
MPEG NR
Smooth Gradation
Film Mode
Gamma Correction
Color Correction
Clear White
x.v.Color
HDR
Color Space
Item Storage conditions
Aspect For Picture Position 1.85:1, 2.35:1, or Custom 1-3
Blanking

65
Projection Distance and Lens Shift Range
The projection distance refers to the distance between the front of the lens and the projected
surface.
The lens shift range represents the distance in percent (%) by which the lens can be shifted from
the center of the projected image. The lens shift range is regarded as 0% when the point A in
the illustration (point where a line drawn from the center of the lens and the projected image
cross at right angles) is aligned with the center of the projected image and full width or full
height of the projected image is regarded as 100%.
VS +: Vertical lens shift range (up) [%]
VS –: Vertical lens shift range (down) [%]
HS +: Horizontal lens shift range (right) [%]
HS –: Horizontal lens shift range (left) [%]
Projection distance L
Projected image Front of the lens
Lens shift range
Projected image
Center of the lens
50%
50%
Center of the
projected image
Side of the unit
A
Center of the lens
Projected image
VS +
VS –
HS – HS +
Shaded region: Lens shift range
Lens shift range
Projected image
Center of the lens
50%
50%
Center of the
projected image
Top of the unit
A

66
When projecting in 1.90:1 (Native Full Display 17:9) format
Projection distance
Unit: m (inches)
Projection distance formula
D: Projected image size (Diagonal) Unit: m (inches)
Lens shift range
Projection image size Projection distance L
Diagonal Width × Height
80" (2.03 m) 1.80 × 0.95 (71 × 37) 2.32 – 4.77 (91 – 187)
100" (2.54 m) 2.25 × 1.18 (88 × 47) 2.90 – 5.97 (115 – 235)
120" (3.05 m) 2.70 × 1.42 (106 × 56) 3.49 – 7.18 (138 – 282)
150" (3.81 m) 3.37 × 1.78 (133 × 70) 4.38 – 8.98 (173 – 353)
200" (5.08 m) 4.49 × 2.37 (177 × 93) 5.85 – 11.99 (231 – 472)
Projection distance L (minimal length) Projection distance L (maximal length)
L = 0.029432 × D – 0.0434
(L = 1.158727 × D – 1.7084)
L = 0.060197 × D – 0.0420
(L = 2.369978 × D – 1.6545)
1.90
1
85%
80%
31% 31%
VS + = 85 – 2.742 × (HS + or HS –) [%]
VS – = 80 – 2.742 × (HS + or HS –) [%]
HS + = HS – = 31 – 0.365 × (VS + or VS –) [%]

67
When projecting in 1.78:1 (16:9) format
Projection distance
Unit: m (inches)
Projection distance formula
D: Projected image size (Diagonal) Unit: m (inches)
Lens shift range
Projection image size Projection distance L
Diagonal Width × Height
80" (2.03 m) 1.77 × 1.00 (70 × 39) 2.44 – 5.01 (96 – 197)
100" (2.54 m) 2.21 × 1.25 (87 × 49) 3.05 – 6.28 (121 – 247)
120" (3.05 m) 2.66 × 1.49 (105 × 59) 3.67 – 7.55 (145 – 297)
150" (3.81 m) 3.32 × 1.87 (131 × 74) 4.60 – 9.44 (181 – 371)
200" (5.08 m) 4.43 × 2.49 (174 × 98) 6.15 – 12.61 (242 – 496)
Projection distance L (minimal length) Projection distance L (maximal length)
L = 0.030934 × D – 0.0434
(L = 1.217856 × D – 1.7084)
L = 0.063269 × D – 0.0420
(L = 2.490916 × D – 1.6545)
1.78
1Video display area
Projection area
85%
80%
33% 33% VS + = 85 – 2.576 × (HS + or HS –) [%]
VS – = 80 – 2.576 × (HS + or HS –) [%]
HS + = HS – = 33 – 0.388 × (VS + or VS –) [%]

68
When projecting in 2.35:1 format
Projection distance
Unit: m (inches)
Projection distance formula
D: Projected image size (Diagonal) Unit: m (inches)
Lens shift range
Projection image size Projection distance L
Diagonal Width × Height
80" (2.03 m) 1.87 × 0.80 (74 × 31) 2.41 – 4.96 (95 – 195)
100" (2.54 m) 2.34 × 0.99 (92 × 39) 3.02 – 6.22 (119 – 244)
120" (3.05 m) 2.80 × 1.19 (110 × 47) 3.64 – 7.47 (143 – 294)
150" (3.81 m) 3.51 × 1.49 (138 × 59) 4.55 – 9.35 (180 – 368)
200" (5.08 m) 4.67 × 1.99 (184 × 78) 6.08 – 12.48 (240 – 491)
Projection distance L (minimal length) Projection distance L (maximal length)
L = 0.030617 × D – 0.0434
(L = 1.205377 × D – 1.7084)
L = 0.062621 × D – 0.0420
(L = 2.465393 × D – 1.6545)
2.35
1
Video display area
Projection area
105%
99%
31% 31% VS + = 105 – 3.387× (HS + or HS –) [%]
VS – = 99 – 3.387 × (HS + or HS –) [%]
HS + = HS – = 31 – 0.295 × (VS + or VS –) [%]

69
Dimensions
Front
Unit: mm (inches)
Bottom
Unit: mm (inches)
495.6 (19
1
/
2
)
Center of the
lens
247.8 (9
3
/
4
) 247.8 (9
3
/
4
)
202.3 (7
31
/
32
)
195.3 (7
11
/
16
)
108
(4
1
/
4
)
463.6 (18
1
/
4
)
Front of the cabinet
142.8 (5
5
/
8
) 150.6 (5
15
/
16
)
187.9 (7
13
/
32
)
81.5
(3
7
/
32
)
187.9 (7
13
/
32
)
7.5 (
9
/
32
)
98 (3
27
/
32
)
87.3 (3
7
/
16
)
81.5
(3
7
/
32
)
98 (3
27
/
32
)
408.9 (16
3
/
32
)

70
The distance between the front of the lens and the front of the cabinet
Unit: mm (inches)
Attaching the PSS-H10 projector suspension support
Front view
Unit: mm (inches)
36.8 (1
7
/
16
)
Front of the lens
Front of the cabinet
150 (5
29
/
32
)
75
(2
15
/
16
)
8
(
5
/
16
)
Ceiling
Center of the
supporting pole
The bottom
surface of the
mount bracket
Center of the lens
175 (6
7
/
8
)108 (4
1
/
4
)

71
Side view
Unit: mm (inches)
Top view
Unit: mm (inches)
Front of the cabinet
463.6 (18
1
/
4
)
258.5 (10
3
/
16
)
213.5 (8
13
/
32
) 130 (5
1
/
8
)
Front of the cabinet
258.5 (10
3
/
16
)
213.4 (8
13
/
32
) 130 (5
1
/
8
)
Upper ceiling mount bracket
Center of the supporting pole (The center of the
supporting pole is different from that of the unit.)

72
NOTICES AND
LICENSES
FOR SOFTWARE
USED IN THIS
PRODUCT
GPL/LGPL LICENSED SOFTWARE
The following GPL executables and LGPL libraries
are used in this product and are subject to the GPL/
LGPL License Agreements included as part of this
documentation:
Package list:
linux-kernel
alsa-lib
busybox
crypto
directfb
dosfstools
e2fsprogs
exceptionmonitor
fuse
gdisk
glib
glibc
iptables
libmicrohttpd
libnuma (in numactl)
procps
pump-autoip
XZ utils
Source code for these executables and libraries, as
well as other executables and libraries, can be
obtained using the following link:
http://oss.sony.net/Products/Linux/
===============================
GNU GENERAL PUBLIC LICENSE
Version 2, June 1991
Copyright (C) 1989, 1991 Free Software Foundation,
Inc., 51 Franklin Street, Fifth Floor, Boston, MA
02110-1301, USA. Everyone is permitted to copy and
distribute verbatim copies of this license document,
but changing it is not allowed.
Preamble
The licenses for most software are designed to take
away your freedom to share and change it. By
contrast, the GNU General Public License is intended
to guarantee your freedom to share and change free
software--to make sure the software is free for all its
users. This General Public License applies to most of
the Free Software Foundation’s software and to any
other program whose authors commit to using it.
(Some other Free Software Foundation software is
covered by the GNU Library General Public License
instead.) You can apply it to your programs, too.
When we speak of free software, we are referring to
freedom, not price. Our General Public Licenses are
designed to make sure that you have the freedom to
distribute copies of free software (and charge for this
service if you wish), that you receive source code or
can get it if you want it, that you can change the
software or use pieces of it in new free programs; and
that you know you can do these things.
To protect your rights, we need to make restrictions
that forbid anyone to deny you these rights or to ask
you to surrender the rights. These restrictions
translate to certain responsibilities for you if you
distribute copies of the software, or if you modify it.
For example, if you distribute copies of such a
program, whether gratis or for a fee, you must give
the recipients all the rights that you have. You must
make sure that they, too, receive or can get the source
code. And you must show them these terms so they
know their rights.
We protect your rights with two steps: (1) copyright
the software, and (2) offer you this license which
gives you legal permission to copy, distribute and/or
modify the software.
Also, for each author’s protection and ours, we want
to make certain that everyone understands that there
is no warranty for this free software. If the software is
modified by someone else and passed on, we want its
recipients to know that what they have is not the
original, so that any problems introduced by others
will not reflect on the original authors’ reputations.
Finally, any free program is threatened constantly by
software patents. We wish to avoid the danger that
redistributors of a free program will individually
obtain patent licenses, in effect making the program
proprietary. To prevent this, we have made it clear that
any patent must be licensed for everyone’s free use or
not licensed at all.
The precise terms and conditions for copying,
distribution and modification follow.
GNU GENERAL PUBLIC LICENSE TERMS
AND CONDITIONS FOR COPYING,
DISTRIBUTION AND MODIFICATION
0. This License applies to any program or other work
which contains a notice placed by the copyright
holder saying it may be distributed under the terms of
this General Public License. The “Program”, below,
refers to any such program or work, and a “work
based on the Program” means either the Program or
any derivative work under copyright law: that is to
say, a work containing the Program or a portion of it,
either verbatim or with modifications and/or
translated into another language. (Hereinafter,
73
translation is included without limitation in the term
“modification”.) Each licensee is addressed as “you”.
Activities other than copying, distribution and
modification are not covered by this License; they are
outside its scope. The act of running the Program is
not restricted, and the output from the Program is
covered only if its contents constitute a work based on
the Program (independent of having been made by
running the Program). Whether that is true depends
on what the Program does.
1. You may copy and distribute verbatim copies of the
Program’s source code as you receive it, in any
medium, provided that you conspicuously and
appropriately publish on each copy an appropriate
copyright notice and disclaimer of warranty; keep
intact all the notices that refer to this License and to
the absence of any warranty; and give any other
recipients of the Program a copy of this License along
with the Program.
You may charge a fee for the physical act of
transferring a copy, and you may at your option offer
warranty protection in exchange for a fee.
2. You may modify your copy or copies of the
Program or any portion of it, thus forming a work
based on the Program, and copy and distribute such
modifications or work under the terms of Section 1
above, provided that you also meet all of these
conditions:
a) You must cause the modified files to carry
prominent notices stating that you changed the files
and the date of any change.
b) You must cause any work that you distribute or
publish, that in whole or in part contains or is derived
from the Program or any part thereof, to be licensed
as a whole at no charge to all third parties under the
terms of this License.
c) If the modified program normally reads commands
interactively when run, you must cause it, when
started running for such interactive use in the most
ordinary way, to print or display an announcement
including an appropriate copyright notice and a notice
that there is no warranty (or else, saying that you
provide a warranty) and that users may redistribute
the program under these conditions, and telling the
user how to view a copy of this License. (Exception:
if the Program itself is interactive but does not
normally print such an announcement, your work
based on the Program is not required to print an
announcement.)
These requirements apply to the modified work as a
whole. If identifiable sections of that work are not
derived from the Program, and can be reasonably
considered independent and separate works in
themselves, then this License, and its terms, do not
apply to those sections when you distribute them as
separate works. But when you distribute the same
sections as part of a whole which is a work based on
the Program, the distribution of the whole must be on
the terms of this License, whose permissions for other
licensees extend to the entire whole, and thus to each
and every part regardless of who wrote it.
Thus, it is not the intent of this section to claim rights
or contest your rights to work written entirely by you;
rather, the intent is to exercise the right to control the
distribution of derivative or collective works based on
the Program.
In addition, mere aggregation of another work not
based on the Program with the Program (or with a
work based on the Program) on a volume of a storage
or distribution medium does not bring the other work
under the scope of this License.
3. You may copy and distribute the Program (or a
work based on it, under Section 2) in object code or
executable form under the terms of Sections 1 and 2
above provided that you also do one of the following:
a) Accompany it with the complete corresponding
machine-readable source code, which must be
distributed under the terms of Sections 1 and 2 above
on a medium customarily used for software
interchange; or,
b) Accompany it with a written offer, valid for at least
three years, to give any third party, for a charge no
more than your cost of physically performing source
distribution, a complete machine-readable copy of the
corresponding source code, to be distributed under
the terms of Sections 1 and 2 above on a medium
customarily used for software interchange; or,
c) Accompany it with the information you received as
to the offer to distribute corresponding source code.
(This alternative is allowed only for noncommercial
distribution and only if you received the program in
object code or executable form with such an offer, in
accord with Subsection b above.)
The source code for a work means the preferred form
of the work for making modifications to it. For an
executable work, complete source code means all the
source code for all modules it contains, plus any
associated interface definition files, plus the scripts
used to control compilation and installation of the
executable. However, as a special exception, the
source code distributed need not include anything that
is normally distributed (in either source or binary
form) with the major components (compiler, kernel,
and so on) of the operating system on which the
executable
runs, unless that component itself accompanies the
executable.
If distribution of executable or object code is made by
offering access to copy from a designated place, then
offering equivalent access to copy the source code
from the same place counts as distribution of the
source code, even though third parties are not
compelled to copy the source along with the object
code.
4. You may not copy, modify, sublicense, or distribute
the Program except as expressly provided under this
License. Any attempt otherwise to copy, modify,
sublicense or distribute the Program is void, and will
74
automatically terminate your rights under this
License.
However, parties who have received copies, or rights,
from you under this License will not have their
licenses terminated so long as such parties remain in
full compliance.
5. You are not required to accept this License, since
you have not signed it. However, nothing else grants
you permission to modify or distribute the Program or
its derivative works. These actions are prohibited by
law if you do not accept this License. Therefore, by
modifying or distributing the Program (or any work
based on the Program), you indicate your acceptance
of this License to do so, and all its terms and
conditions for copying, distributing or modifying the
Program or works based on it.
6. Each time you redistribute the Program (or any
work based on the Program), the recipient
automatically receives a license from the original
licensor to copy, distribute or modify the Program
subject to these terms and conditions. You may not
impose any further restrictions on the recipients’
exercise of the rights granted herein. You are not
responsible for enforcing compliance by third parties
to this License.
7. If, as a consequence of a court judgment or
allegation of patent infringement or for any other
reason (not limited to patent issues), conditions are
imposed on you (whether by court order, agreement
or otherwise) that contradict the conditions of this
License, they do not excuse you from the conditions
of this License. If you cannot distribute so as to
satisfy simultaneously your obligations under this
License and any other pertinent obligations, then as a
consequence you may not distribute the Program at
all. For example, if a patent license would not permit
royalty-free redistribution of the Program by all those
who receive copies directly or indirectly through you,
then the only way you could satisfy both it and this
License would be to refrain entirely from distribution
of the Program.
If any portion of this section is held invalid or
unenforceable under any particular circumstance, the
balance of the section is intended to apply and the
section as a whole is intended to apply in other
circumstances. It is not the purpose of this section to
induce you to infringe any patents or other property
right claims or to contest validity of any such claims;
this section has the sole purpose of protecting the
integrity of the free software distribution system,
which is implemented by public license practices.
Many people have made generous contributions to the
wide range of software distributed through that
system in reliance on consistent application of that
system; it is up to the author/donor to decide if he or
she is willing to distribute software through any other
system and a licensee cannot impose that choice.
This section is intended to make thoroughly clear
what is believed to be a consequence of the rest of this
License.
8. If the distribution and/or use of the Program is
restricted in certain countries either by patents or by
copyrighted interfaces, the original copyright holder
who places the Program under this License may add
an explicit geographical distribution limitation
excluding those countries, so that distribution is
permitted only in or among countries not thus
excluded. In such case, this License incorporates the
limitation as if written in the body of this License.
9. The Free Software Foundation may publish revised
and/or new versions of the General Public License
from time to time. Such new versions will be similar
in spirit to the present version, but may differ in detail
to address new problems or concerns.
Each version is given a distinguishing version
number.
If the Program specifies a version number of this
License which applies to it and “any later version”,
you have the option of following the terms and
conditions either of that version or of any later
version published by the Free Software Foundation. If
the Program does not specify a version number of this
License, you may choose any version ever published
by the Free Software Foundation.
10. If you wish to incorporate parts of the Program
into other free programs whose distribution
conditions are different, write to the author to ask for
permission. For software which is copyrighted by the
Free Software Foundation, write to the Free Software
Foundation; we sometimes make exceptions for this.
Our decision will be guided by the two goals of
preserving the free status of all derivatives of our free
software and of promoting the sharing and reuse of
software generally.
NO WARRANTY
BECAUSE THE PROGRAM IS LICENSED FREE
OF CHARGE, THERE IS NO WARRANTY FOR
THE PROGRAM, TO THE EXTENT PERMITTED
BY APPLICABLE LAW. EXCEPT WHEN
OTHERWISE STATED IN WRITING THE
COPYRIGHT HOLDERS AND/OR OTHER
PARTIES PROVIDE THE PROGRAM “AS IS”
WITHOUT WARRANTY OF ANY KIND, EITHER
EXPRESSED OR IMPLIED, INCLUDING, BUT
NOT LIMITED TO, THE IMPLIED WARRANTIES
OF MERCHANTABILITY AND FITNESS FOR A
PARTICULAR PURPOSE. THE ENTIRE RISK AS
TO THE QUALITY AND PERFORMANCE OF
THE PROGRAM IS WITH YOU.
SHOULD THE PROGRAM PROVE DEFECTIVE,
YOU ASSUME THE COST OF ALL NECESSARY
SERVICING, REPAIR OR CORRECTION.
IN NO EVENT UNLESS REQUIRED BY
APPLICABLE LAW OR AGREED TO IN
WRITING WILL ANY COPYRIGHT HOLDER,
75
OR ANY OTHER PARTY WHO MAY MODIFY
AND/OR REDISTRIBUTE THE PROGRAM AS
PERMITTED ABOVE, BE LIABLE TO YOU FOR
DAMAGES, INCLUDING ANY GENERAL,
SPECIAL, INCIDENTAL OR CONSEQUENTIAL
DAMAGES ARISING OUT OF THE USE OR
INABILITY TO USE THE PROGRAM
(INCLUDING BUT NOT LIMITED TO LOSS OF
DATA OR DATA BEING RENDERED
INACCURATE OR LOSSES SUSTAINED BY YOU
OR THIRD PARTIES OR A FAILURE OF THE
PROGRAM TO OPERATE WITH ANY OTHER
PROGRAMS), EVEN IF SUCH HOLDER OR
OTHER PARTY HAS BEEN ADVISED OF THE
POSSIBILITY OF SUCH DAMAGES.
END OF TERMS AND CONDITIONS
How to Apply These Terms to Your New
Programs
If you develop a new program, and you want it to be
of the greatest possible use to the public, the best way
to achieve this is to make it free software which
everyone can redistribute and change under these
terms.
To do so, attach the following notices to the program.
It is safest to attach them to the start of each source
file to most effectively convey the exclusion of
warranty; and each file should have at least the
“copyright” line and a pointer to where the full notice
is found.
<one line to give the program’s name and a brief idea
of what it does.> Copyright (C) <year> <name of
author>
This program is free software; you can redistribute it
and/or modify it under the terms of the GNU General
Public License as published by the Free Software
Foundation; either version 2 of the License, or (at
your option) any later version.
This program is distributed in the hope that it will be
useful, but WITHOUT ANY WARRANTY; without
even the implied warranty of MERCHANTABILITY
or FITNESS FOR A PARTICULAR PURPOSE. See
the GNU General Public License for more details.
You should have received a copy of the GNU General
Public License along with this program; if not, write
to the Free Software Foundation, Inc., 51 Franklin
Street, Fifth Floor, Boston, MA 02110-1301, USA.
Also add information on how to contact you by
electronic and paper mail.
If the program is interactive, make it output a short
notice like this when it starts in an interactive mode:
Gnomovision version 69, Copyright (C) year name of
author Gnomovision comes with ABSOLUTELY NO
WARRANTY; for details type ‘show w’.
This is free software, and you are welcome to
redistribute it under certain conditions; type ‘show c’
for details.
The hypothetical commands ‘show w’ and ‘show c’
should show the appropriate parts of the General
Public License. Of course, the commands you use
may be called something other than ‘show w’ and
‘show c’; they could even be mouse-clicks or menu
items--whatever suits your program.
You should also get your employer (if you work as a
programmer) or your school, if any, to sign a
“copyright disclaimer” for the program, if necessary.
Here is a sample; alter the names:
Yoyodyne, Inc., hereby disclaims all copyright
interest in the program ‘Gnomovision’ (which makes
passes at compilers) written by James Hacker.
<signature of Ty Coon>, 1 April 1989
Ty Coon, President of Vice
This General Public License does not permit
incorporating your program into proprietary
programs.
If your program is a subroutine library, you may
consider it more useful to permit linking proprietary
applications with the library. If this is what you want
to do, use the GNU Library General Public License
instead of this License.
===============================
GNU LESSER GENERAL PUBLIC
LICENSE
Version 2.1, February 1999
Copyright (C) 1991, 1999 Free Software Foundation,
Inc. 51 Franklin Street, Fifth Floor, Boston, MA
02110-1301, USA. Everyone is permitted to copy and
distribute verbatim copies of this license document,
but changing it is not allowed.
[This is the first released version of the Lesser GPL.
It also counts as the successor of the GNU Library
Public License, version 2, hence the version number
2.1.]
Preamble
The licenses for most software are designed to take
away your freedom to share and change it. By
contrast, the GNU General Public Licenses are
intended to guarantee your freedom to share and
change free software-to make sure the software is free
for all its users.
This license, the Lesser General Public License,
applies to some specially designated software
packagestypically libraries--of the Free Software
Foundation and other authors who decide to use it.
You can use it too, but we suggest you first think
carefully about whether this license or the ordinary
General Public License is the better strategy to use in
any particular case, based on the explanations below.
When we speak of free software, we are referring to
freedom of use, not price. Our General Public
Licenses are designed to make sure that you have the
freedom to distribute copies of free software (and
charge for this service if you wish); that you receive
source code or can get it if you want it; that you can
change the software and use pieces of it in new free
76
programs; and that you are informed that you can do
these things.
To protect your rights, we need to make restrictions
that forbid distributors to deny you these rights or to
ask you to surrender these rights. These restrictions
translate to certain responsibilities for you if you
distribute copies of the library or if you modify it.
For example, if you distribute copies of the library,
whether gratis or for a fee, you must give the
recipients all the rights that we gave you. You must
make sure that they, too, receive or can get the source
code. If you link other code with the library, you must
provide complete object files to the recipients, so that
they can relink them with the library after making
changes to the library and recompiling it. And you
must show them these terms so they know their rights.
We protect your rights with a two-step method: (1) we
copyright the library, and (2) we offer you this
license, which gives you legal permission to copy,
distribute and/or modify the library.
To protect each distributor, we want to make it very
clear that there is no warranty for the free library.
Also, if the library is modified by someone else and
passed on, the recipients should know that what they
have is not the original version, so that the original
author’s reputation will not be affected by problems
that might be introduced by others.
Finally, software patents pose a constant threat to the
existence of any free program. We wish to make sure
that a company cannot effectively restrict the users of
a free program by obtaining a restrictive license from
a patent holder. Therefore, we insist that any patent
license obtained for a version of the library must be
consistent with the full freedom of use specified in
this license.
Most GNU software, including some libraries, is
covered by the ordinary GNU General Public
License. This license, the GNU Lesser General
Public License, applies to certain designated libraries,
and is quite different from the ordinary General
Public License. We use this license for certain
libraries in order to permit linking those libraries into
non-free programs.
When a program is linked with a library, whether
statically or using a shared library, the combination of
the two is legally speaking a combined work, a
derivative of the original library. The ordinary
General Public License therefore permits such
linking only if the entire combination fits its criteria
of freedom. The Lesser General Public License
permits more lax criteria for linking other code with
the library.
We call this license the “Lesser” General Public
License because it does Less to protect the user’s
freedom than the ordinary General Public License. It
also provides other free software developers Less of
an advantage over competing non-free programs.
These disadvantages are the reason we use the
ordinary General Public License for many libraries.
However, the Lesser license provides advantages in
certain special circumstances.
For example, on rare occasions, there may be a
special need to encourage the widest possible use of a
certain library, so that it becomes a de-facto standard.
To achieve this, non-free programs must be allowed
to use the library. A more frequent case is that a free
library does the same job as widely used non-free
libraries. In this case, there is little to gain by limiting
the free library to free software only, so we use the
Lesser General Public License.
In other cases, permission to use a particular library
in non-free programs enables a greater number of
people to use a large body of free software. For
example, permission to use the GNU C Library in
non-free programs enables many more people to use
the whole GNU operating system, as well as its
variant, the GNU/Linux operating system.
Although the Lesser General Public License is Less
protective of the users’ freedom, it does ensure that
the user of a program that is linked with the Library
has the freedom and the wherewithal to run that
program using a modified version of the Library.
The precise terms and conditions for copying,
distribution and modification follow. Pay close
attention to the difference between a “work based on
the library” and a “work that uses the library”. The
former contains code derived from the library,
whereas the latter must be combined with the library
in order to run.
GNU LESSER GENERAL PUBLIC
LICENSE TERMS AND CONDITIONS FOR
COPYING, DISTRIBUTION AND
MODIFICATION
0. This License Agreement applies to any software
library or other program which contains a notice
placed by the copyright holder or other authorized
party saying it may be distributed under the terms of
this Lesser General Public License (also called “this
License”). Each licensee is addressed as “you”.
A “library” means a collection of software functions
and/or data prepared so as to be conveniently linked
with application programs (which use some of those
functions and data) to form executables.
The “Library”, below, refers to any such software
library or work which has been distributed under
these terms.
A “work based on the Library” means either the
Library or any derivative work under copyright law:
that is to say, a work containing the Library or a
portion of it, either verbatim or with modifications
and/or translated straightforwardly into another
language. (Hereinafter, translation is included
without limitation in the term “modification”.)
“Source code” for a work means the preferred form of
the work for making modifications to it. For a library,
complete source code means all the source code for
all modules it contains, plus any associated interface
77
definition files, plus the scripts used to control
compilation and installation of the library.
Activities other than copying, distribution and
modification are not covered by this License; they are
outside its scope. The act of running a program using
the Library is not restricted, and output from such a
program is covered only if its contents constitute a
work based on the Library (independent of the use of
the Library in a tool for writing it). Whether that is
true depends on what the Library does and what the
program that uses the Library does.
1. You may copy and distribute verbatim copies of the
Library’s complete source code as you receive it, in
any medium, provided that you conspicuously and
appropriately publish on each copy an appropriate
copyright notice and disclaimer of warranty; keep
intact all the notices that refer to this License and to
the absence of any warranty; and distribute a copy of
this License along with the Library.
You may charge a fee for the physical act of
transferring a copy, and you may at your option offer
warranty protection in exchange for a fee.
2. You may modify your copy or copies of the Library
or any portion of it, thus forming a work based on the
Library, and copy and distribute such modifications
or work under the terms of Section 1 above, provided
that you also meet all of these conditions:
a) The modified work must itself be a software
library.
b) You must cause the files modified to carry
prominent notices stating that you changed the files
and the date of any change.
c) You must cause the whole of the work to be
licensed at no charge to all third parties under the
terms of this License.
d) If a facility in the modified Library refers to a
function or a table of data to be supplied by an
application program that uses the facility, other than
as an argument passed when the facility is invoked,
then you must make a good faith effort to ensure that,
in the event an application does not supply such
function or table, the facility still operates, and
performs whatever part of its purpose remains
meaningful.
(For example, a function in a library to compute
square roots has a purpose that is entirely well-
defined independent of the application. Therefore,
Subsection 2d requires that any application-supplied
function or table used by this function must be
optional: if the application does not supply it, the
square root function must still compute square roots.)
These requirements apply to the modified work as a
whole. If identifiable sections of that work are not
derived from the Library, and can be reasonably
considered independent and separate works in
themselves, then this License, and its terms, do not
apply to those sections when you distribute them as
separate works. But when you distribute the same
sections as part of a whole which is a work based on
the Library, the distribution of the whole must be on
the terms of this License, whose permissions for other
licensees extend to the entire whole, and thus to each
and every part regardless of who wrote it.
Thus, it is not the intent of this section to claim rights
or contest your rights to work written entirely by you;
rather, the intent is to exercise the right to control the
distribution of derivative or collective works based on
the Library.
In addition, mere aggregation of another work not
based on the Library with the Library (or with a work
based on the Library) on a volume of a storage or
distribution medium does not bring the other work
under the scope of this License.
3. You may opt to apply the terms of the ordinary
GNU General Public License instead of this License
to a given copy of the Library. To do this, you must
alter all the notices that refer to this License, so that
they refer to the ordinary GNU General Public
License, version 2, instead of to this License. (If a
newer version than version 2 of the ordinary GNU
General Public License has appeared, then you can
specify that version instead if you wish.) Do not make
any other change in these notices.
Once this change is made in a given copy, it is
irreversible for that copy, so the ordinary GNU
General Public License applies to all subsequent
copies and derivative works made from that copy.
This option is useful when you wish to copy part of
the code of the Library into a program that is not a
library.
4. You may copy and distribute the Library (or a
portion or derivative of it, under Section 2) in object
code or executable form under the terms of Sections
1 and 2 above provided that you accompany it with
the complete corresponding machine-readable source
code, which must be distributed under the terms of
Sections 1 and 2 above on a medium customarily used
for software interchange.
If distribution of object code is made by offering
access to copy from a designated place, then offering
equivalent access to copy the source code from the
same place satisfies the requirement to distribute the
source code, even though third parties are not
compelled to copy the source along with the object
code.
5. A program that contains no derivative of any
portion of the Library, but is designed to work with
the Library by being compiled or linked with it, is
called a “work that uses the Library”. Such a work, in
isolation, is not a derivative work of the Library, and
therefore falls outside the scope of this License.
However, linking a “work that uses the Library” with
the Library creates an executable that is a derivative
of the Library (because it contains portions of the
Library), rather than a “work that uses the library”.
The executable is therefore covered by this License.
Section 6 states terms for distribution of such
executables.
78
When a “work that uses the Library” uses material
from a header file that is part of the Library, the object
code for the work may be a derivative work of the
Library even though the source code is not. Whether
this is true is especially significant if the work can be
linked without the Library, or if the work is itself a
library. The threshold for this to be true is not
precisely defined by law.
If such an object file uses only numerical parameters,
data structure layouts and accessors, and small
macros and small inline functions (ten lines or less in
length), then the use of the object file is unrestricted,
regardless of whether it is legally a derivative work.
(Executables containing this object code plus
portions of the Library will still fall under Section 6.)
Otherwise, if the work is a derivative of the Library,
you may distribute the object code for the work under
the terms of Section 6. Any executables containing
that work also fall under Section 6, whether or not
they are linked directly with the Library itself.
6. As an exception to the Sections above, you may
also combine or link a “work that uses the Library”
with the Library to produce a work containing
portions of the Library, and distribute that work under
terms of your choice, provided that the terms permit
modification of the work for the customer’s own use
and reverse engineering for debugging such
modifications.
You must give prominent notice with each copy of the
work that the Library is used in it and that the Library
and its use are covered by this License. You must
supply a copy of this License. If the work during
execution displays copyright notices, you must
include the copyright notice for the Library among
them, as well as a reference directing the user to the
copy of this License. Also, you must do one of these
things:
a) Accompany the work with the complete
corresponding machine-readable source code for the
Library including whatever changes were used in the
work (which must be distributed under Sections 1 and
2 above); and, if the work is an executable linked with
the Library, with the complete machine-readable
“work that uses the Library”, as object code and/or
source code, so that the user can modify the Library
and then relink to produce a modified executable
containing the modified Library. (It is understood that
the user who changes the contents of definitions files
in the Library will not necessarily be able to
recompile the application to use the modified
definitions.)
b) Use a suitable shared library mechanism for
linking with the Library. A suitable mechanism is one
that (1) uses at run time a copy of the library already
present on the user’s computer system, rather than
copying library functions into the executable, and (2)
will operate properly with a modified version of the
library, if the user installs one, as long as the modified
version is interface-compatible with the version that
the work was made with.
c) Accompany the work with a written offer, valid for
at least three years, to give the same user the materials
specified in Subsection 6a, above, for a charge no
more than the cost of performing this distribution.
d) If distribution of the work is made by offering
access to copy from a designated place, offer
equivalent access to copy the above specified
materials from the same place.
e) Verify that the user has already received a copy of
these materials or that you have already sent this user
a copy.
For an executable, the required form of the “work that
uses the Library” must include any data and utility
programs needed for reproducing the executable from
it. However, as a special exception, the materials to be
distributed need not include anything that is normally
distributed (in either source or binary form) with the
major components (compiler, kernel, and so on) of
the operating system on which the executable runs,
unless that component itself accompanies the
executable.
It may happen that this requirement contradicts the
license restrictions of other proprietary libraries that
do not normally accompany the operating system.
Such a contradiction means you cannot use both them
and the Library together in an executable that you
distribute.
7. You may place library facilities that are a work
based on the Library side-by-side in a single library
together with other library facilities not covered by
this License, and distribute such a combined library,
provided that the separate distribution of the work
based on the Library and of the other library facilities
is otherwise permitted, and provided that you do these
two things:
a) Accompany the combined library with a copy of
the same work based on the Library, uncombined
with any other library facilities. This must be
distributed under the terms of the Sections above.
b) Give prominent notice with the combined library
of the fact that part of it is a work based on the
Library, and explaining where to find the
accompanying uncombined form of the same work.
8. You may not copy, modify, sublicense, link with, or
distribute the Library except as expressly provided
under this License. Any attempt otherwise to copy,
modify, sublicense, link with, or distribute the
Library is void, and will automatically terminate your
rights under this License. However, parties who have
received copies, or rights, from you under this
License will not have their licenses terminated so
long as such parties remain in full compliance.
9. You are not required to accept this License, since
you have not signed it. However, nothing else grants
you permission to modify or distribute the Library or
its derivative works. These actions are prohibited by
law if you do not accept this License. Therefore, by
79
modifying or distributing the Library (or any work
based on the Library), you indicate your acceptance
of this License to do so, and all its terms and
conditions for copying, distributing or modifying the
Library or works based on it.
10. Each time you redistribute the Library (or any
work based on the Library), the recipient
automatically receives a license from the original
licensor to copy, distribute, link with or modify the
Library subject to these terms and conditions. You
may not impose any further restrictions on the
recipients’ exercise of the rights granted herein. You
are not responsible for enforcing compliance by third
parties with this License.
11. If, as a consequence of a court judgment or
allegation of patent infringement or for any other
reason (not limited to patent issues), conditions are
imposed on you (whether by court order, agreement
or otherwise) that contradict the conditions of this
License, they do not excuse you from the conditions
of this License. If you cannot distribute so as to
satisfy simultaneously your obligations under this
License and any other pertinent obligations, then as a
consequence you may not distribute the Library at all.
For example, if a patent license would not permit
royalty-free redistribution of the Library by all those
who receive copies directly or indirectly through you,
then the only way you could satisfy both it and this
License would be to refrain entirely from distribution
of the Library.
If any portion of this section is held invalid or
unenforceable under any particular circumstance, the
balance of the section is intended to apply, and the
section as a whole is intended to apply in other
circumstances.
It is not the purpose of this section to induce you to
infringe any patents or other property right claims or
to contest validity of any such claims; this section has
the sole purpose of protecting the integrity of the free
software distribution system which is implemented
by public license practices. Many people have made
generous contributions to the wide range of software
distributed through that system in reliance on
consistent application of that system; it is up to the
author/donor to decide if he or she is willing to
distribute software through any other system and a
licensee cannot impose that choice.
This section is intended to make thoroughly clear
what is believed to be a consequence of the rest of this
License.
12. If the distribution and/or use of the Library is
restricted in certain countries either by patents or by
copyrighted interfaces, the original copyright holder
who places the Library under this License may add an
explicit geographical distribution limitation
excluding those countries, so that distribution is
permitted only in or among countries not thus
excluded. In such case, this License incorporates the
limitation as if written in the body of this License.
13. The Free Software Foundation may publish
revised and/or new versions of the Lesser General
Public License from time to time. Such new versions
will be similar in spirit to the present version, but may
differ in detail to address new problems or concerns.
Each version is given a distinguishing version
number.
If the Library specifies a version number of this
License which applies to it and “any later version”,
you have the option of following the terms and
conditions either of that version or of any later
version published by the Free Software Foundation. If
the Library does not specify a license version number,
you may choose any version ever published by the
Free Software Foundation.
14. If you wish to incorporate parts of the Library
into other free programs whose distribution
conditions are incompatible with these, write to the
author to ask for permission. For software which is
copyrighted by the Free Software Foundation, write
to the Free Software Foundation; we sometimes make
exceptions for this. Our decision will be guided by the
two goals of preserving the free status of all
derivatives of our free software and of promoting the
sharing and reuse of software generally.
NO WARRANTY
15. BECAUSE THE LIBRARY IS LICENSED
FREE OF CHARGE, THERE IS NO WARRANTY
FOR THE LIBRARY, TO THE EXTENT
PERMITTED BY APPLICABLE LAW.
EXCEPT WHEN OTHERWISE STATED IN
WRITING THE COPYRIGHT HOLDERS AND/
OR OTHER PARTIES PROVIDE THE LIBRARY
“AS IS” WITHOUT WARRANTY OF ANY KIND,
EITHER EXPRESSED OR IMPLIED,
INCLUDING, BUT NOT LIMITED TO, THE
IMPLIED WARRANTIES OF
MERCHANTABILITY AND FITNESS FOR A
PARTICULAR PURPOSE. THE ENTIRE RISK AS
TO THE QUALITY AND PERFORMANCE OF
THE LIBRARY IS WITH YOU. SHOULD THE
LIBRARY PROVE DEFECTIVE, YOU ASSUME
THE COST OF ALL NECESSARY SERVICING,
REPAIR OR CORRECTION.
16. IN NO EVENT UNLESS REQUIRED BY
APPLICABLE LAW OR AGREED TO IN
WRITING WILL ANY COPYRIGHT HOLDER,
OR ANY OTHER PARTY WHO MAY MODIFY
AND/OR REDISTRIBUTE THE LIBRARY AS
PERMITTED ABOVE, BE LIABLE TO YOU FOR
DAMAGES, INCLUDING ANY GENERAL,
SPECIAL, INCIDENTAL OR CONSEQUENTIAL
DAMAGES ARISING OUT OF THE USE OR
INABILITY TO USE THE LIBRARY
(INCLUDING BUT NOT LIMITED TO LOSS OF
DATA OR DATA BEING RENDERED
INACCURATE OR LOSSES SUSTAINED BY YOU
OR THIRD PARTIES OR A FAILURE OF THE
80
LIBRARY TO OPERATE WITH ANY OTHER
SOFTWARE), EVEN IF SUCH HOLDER OR
OTHER PARTY HAS BEEN ADVISED OF THE
POSSIBILITY OF SUCH DAMAGES.
END OF TERMS AND CONDITIONS
How to Apply These Terms to Your New
Libraries
If you develop a new library, and you want it to be of
the greatest possible use to the public, we recommend
making it free software that everyone can redistribute
and change. You can do so by permitting
redistribution under these terms (or, alternatively,
under the terms of the ordinary General Public
License).
To apply these terms, attach the following notices to
the library. It is safest to attach them to the start of
each source file to most effectively convey the
exclusion of warranty; and each file should have at
least the “copyright” line and a pointer to where the
full notice is found.
<one line to give the library’s name and a brief idea of
what it does.>
Copyright (C) <year> <name of author>
This library is free software; you can redistribute it
and/or modify it under the terms of the GNU Lesser
General Public license as published by the Free
Software Foundation; either version 2.1 of the
License, or (at your option) any later version.
This library is distributed in the hope that it will be
useful, but WITHOUT ANY WARRANTY; without
even the implied warranty of MERCHANTABILITY
or FITNESS FOR A PARTICULAR PURPOSE. See
the GNU Lesser General Public License for more
details.
You should have received a copy of the GNU Lesser
General Public License along with this library; if not,
write to the Free Software Foundation, Inc., 51
Franklin Street, Fifth Floor, Boston, MA 02110-
1301, USA.
Also add information on how to contact you by
electronic and paper mail.
You should also get your employer (if you work as a
programmer) or your school, if any, to sign a
“copyright disclaimer” for the library, if necessary.
Here is a sample; alter the names:
Yoyodyne, Inc., hereby disclaims all copyright
interest in the library ‘Frob’ (a library for tweaking
knobs) written by James Random Hacker.
<signature of Ty Coon>, 1 April 1990
Ty Coon, President of Vice
===============================
Notification of BSD
Redistribution and use in source and binary forms,
with or without modification, are permitted provided
that the following conditions are met:
1. Redistributions of source code must retain the
above copyright notice, this list of conditions and the
following disclaimer.
2. Redistributions in binary form must reproduce the
above copyright notice, this list of conditions and the
following disclaimer in the documentation and/or
other materials provided with the distribution.
3. All advertising materials mentioning features or
use of this software must display the following
acknowledgement:
4. Neither the name of the following developers nor
the names of its contributors may be used to endorse
or promote products derived from this software
without specific prior written permission.
THIS SOFTWARE IS PROVIDED BY THE
REGENTS AND CONTRIBUTORS “AS IS” AND
ANY EXPRESS OR IMPLIED WARRANTIES,
INCLUDING, BUT NOT LIMITED TO, THE
IMPLIED WARRANTIES OF
MERCHANTABILITY AND FITNESS FOR A
PARTICULAR PURPOSE ARE DISCLAIMED. IN
NO EVENT SHALL THE REGENTS OR
CONTRIBUTORS BE LIABLE FOR ANY
DIRECT, INDIRECT, INCIDENTAL, SPECIAL,
EXEMPLARY, OR CONSEQUENTIAL
DAMAGES (INCLUDING, BUT NOT LIMITED
TO, PROCUREMENT OF SUBSTITUTE GOODS
OR SERVICES; LOSS OF USE, DATA, OR
PROFITS; OR BUSINESS INTERRUPTION)
HOWEVER CAUSED AND ON ANY THEORY OF
LIABILITY, WHETHER IN CONTRACT, STRICT
LIABILITY, OR TORT (INCLUDING
NEGLIGENCE OR OTHERWISE) ARISING IN
ANY WAY OUT OF THE USE OF THIS
SOFTWARE, EVEN IF ADVISED OF THE
POSSIBILITY OF SUCH DAMAGE.
The following notices are required to satisfy the
license terms of the software that we have mentioned
in this document:
This product includes software developed by the
NetBSD Foundation, Inc. and its contributors.
This product includes software developed by the
University of California, Berkeley and its
contributors.
This product includes software developed for the
NetBSD Project. See http://www.NetBSD.org/ for
information about NetBSD.
This product includes software developed by Christos
Zoulas.
This product includes software developed by Niels
Provos.
This product includes software developed by the
University of California, Lawrence Berkeley
Laboratory.
This product includes software developed by WIDE
Project and its contributors.
This product includes software developed by Brian
Aker.
81
This product includes software developed by Danga
Interactive, Inc.
===============================
INDEPENDENT JPEG GROUP
SOFTWARE
This software is based in part on the work of the
Independent JPEG Group.
===============================
SOFTWARE DEVELOPED BY THE
OPENSSL PROJECT FOR USE IN THE
SSL TOOLKIT
Copyright (c) 1998-2008 The OpenSSL Project.
All rights reserved.
Redistribution and use in source and binary forms,
with or without modification, are permitted provided
that the following conditions are met:
1. Redistributions of source code must retain the
above copyright notice, this list of conditions and the
following disclaimer.
2. Redistributions in binary form must reproduce the
above copyright notice, this list of conditions and the
following disclaimer in the documentation and/or
other materials provided with the distribution.
3. All advertising materials mentioning features or
use of this software must display the following
acknowledgment: “This product includes software
developed by the OpenSSL Project for use in the
OpenSSL Toolkit. (<http://www.openssl.org/>)”
4. The names “OpenSSL Toolkit” and “OpenSSL
Project” must not be used to endorse or promote
products derived from this software without prior
written permission. For written permission, please
contact openssl-core@openssl.org.
5. Products derived from this software may not be
called “OpenSSL” nor may “OpenSSL” appear in
their names without prior written permission of the
OpenSSL Project.
6. Redistributions of any form whatsoever must retain
the following acknowledgment: “This product
includes software developed by the OpenSSL Project
for use in the OpenSSL Toolkit (<http://
www.openssl.org/>)”
THIS SOFTWARE IS PROVIDED BY THE
OpenSSL PROJECT “AS IS’’ AND ANY
EXPRESSED OR IMPLIED WARRANTIES,
INCLUDING, BUT NOT LIMITED TO, THE
IMPLIED WARRANTIES OF
MERCHANTABILITY AND FITNESS FOR A
PARTICULAR PURPOSE ARE DISCLAIMED. IN
NO EVENT SHALL THE OpenSSL PROJECT OR
ITS CONTRIBUTORS BE LIABLE FOR ANY
DIRECT, INDIRECT, INCIDENTAL, SPECIAL,
EXEMPLARY, OR CONSEQUENTIAL
DAMAGES (INCLUDING, BUT NOT LIMITED
TO, PROCUREMENT OF SUBSTITUTE GOODS
OR SERVICES; LOSS OF USE, DATA, OR
PROFITS; OR BUSINESS INTERRUPTION)
HOWEVER CAUSED AND ON ANY THEORY OF
LIABILITY, WHETHER IN CONTRACT, STRICT
LIABILITY, OR TORT (INCLUDING
NEGLIGENCE OR OTHERWISE) ARISING IN
ANY WAY OUT OF THE USE OF THIS
SOFTWARE, EVEN IF ADVISED OF THE
POSSIBILITY OF SUCH DAMAGE.
This product includes cryptographic software written
by Eric Young (eay@cryptsoft.com). This product
includes software written by Tim Hudson
(tjh@cryptsoft.com). Original SSLeay License
----------------------
Copyright (C) 1995-1998 Eric Young
(eay@cryptsoft.com)
All rights reserved.
This package is an SSL implementation written by
Eric Young (eay@cryptsoft.com).
The implementation was written so as to conform
with Netscapes SSL.
This library is free for commercial and non-
commercial use as long as the following conditions
are adhered to.
The following conditions apply to all code found in
this distribution, be it the RC4, RSA, lhash, DES, etc.,
code; not just the SSL code. The SSL documentation
included with this distribution is covered by the same
copyright terms except that the holder is Tim Hudson
(tjh@cryptsoft.com).
Copyright remains Eric Young’s, and as such any
Copyright notices in the code are not to be removed.
If this package is used in a product, Eric Young
should be given attribution as the author of the parts
of the library used. This can be in the form of a textual
message at program startup or in documentation
(online or textual) provided with the package.
Redistribution and use in source and binary forms,
with or without modification, are permitted provided
that the following conditions are met:
1. Redistributions of source code must retain the
copyright notice, this list of conditions and the
following disclaimer.
2. Redistributions in binary form must reproduce the
above copyright notice, this list of conditions and the
following disclaimer in the documentation and/or
other materials provided with the distribution.
3. All advertising materials mentioning features or
use of this software must display the following
acknowledgement: “This product includes
cryptographic software written by Eric Young
(eay@cryptsoft.com)”.
The word ‘cryptographic’ can be left out if the
routines from the library being used are not
cryptographic related:-).
4. If you include any Windows specific code (or a
derivative thereof) from the apps directory
(application code) you must include an
acknowledgement: “This product includes software
written by Tim Hudson (tjh@cryptsoft.com)”.
82
THIS SOFTWARE IS PROVIDED BY ERIC
YOUNG “AS IS’’ AND ANY EXPRESS OR
IMPLIED WARRANTIES, INCLUDING, BUT
NOT LIMITED TO, THE IMPLIED WARRANTIES
OF MERCHANTABILITY AND FITNESS FOR A
PARTICULAR PURPOSE ARE DISCLAIMED. IN
NO EVENT SHALL THE AUTHOR OR
CONTRIBUTORS BE LIABLE FOR ANY
DIRECT, INDIRECT, INCIDENTAL, SPECIAL,
EXEMPLARY, OR CONSEQUENTIAL
DAMAGES (INCLUDING, BUT NOT LIMITED
TO, PROCUREMENT OF SUBSTITUTE GOODS
OR SERVICES; LOSS OF USE, DATA, OR
PROFITS; OR BUSINESS INTERRUPTION)
HOWEVER CAUSED AND ON ANY THEORY OF
LIABILITY, WHETHER IN CONTRACT, STRICT
LIABILITY, OR TORT (INCLUDING
NEGLIGENCE OR OTHERWISE) ARISING IN
ANY WAY OUT OF THE USE OF THIS
SOFTWARE, EVEN IF ADVISED OF THE
POSSIBILITY OF SUCH DAMAGE.
The license and distribution terms for any publically
available version or derivative of this code cannot be
changed. i.e. this code cannot simply be copied and
put under another distribution license [including the
GNU Public License.]
===============================
FREETYPE/FREETYPE2 SOFTWARE
The software is based in part of the work of the
FreeType Team.
===============================
Notification of MIT
EXPAT
Copyright (c) 1998, 1999, 2000 Thai Open Source
Software Center Ltd and Clark Cooper
Copyright (c) 2001, 2002, 2003, 2004, 2005, 2006
Expat maintainers.
JSONcpp Copyright (c) 2007-2010 Baptiste
Lepilleur
yaml-cpp Copyright (c) 2008 Jesse Beder.
cJSON Copyright (c) 2009 Dave Gamble
GIFLIB Copyright (c) 1997 Eric S. Raymond
PyYAML Copyright (c) 2006 Kirill Simonov
Parson Copyright (c) 2012 - 2014 Krzysztof Gabis
Permission is hereby granted, free of charge, to any
person obtaining a copy of this software and
associated documentation files (the “Software”), to
deal in the Software without restriction, including
without limitation the rights to use, copy, modify,
merge, publish, distribute, sublicense, and/or sell
copies of the Software, and to permit persons to
whom the Software is furnished to do so, subject to
the following conditions:
The above copyright notice and this permission
notice shall be included in all copies or substantial
portions of the Software.
THE SOFTWARE IS PROVIDED “AS IS”,
WITHOUT WARRANTY OF ANY KIND,
EXPRESS OR IMPLIED, INCLUDING BUT NOT
LIMITED TO THE WARRANTIES OF
MERCHANTABILITY, FITNESS FOR A
PARTICULAR PURPOSE AND
NONINFRINGEMENT. IN NO EVENT SHALL
THE AUTHORS OR COPYRIGHT HOLDERS BE
LIABLE FOR ANY CLAIM, DAMAGES OR
OTHER LIABILITY, WHETHER IN AN ACTION
OF CONTRACT, TORT OR OTHERWISE,
ARISING FROM, OUT OF OR IN CONNECTION
WITH THE SOFTWARE OR THE USE OR OTHER
DEALINGS IN THE SOFTWARE.
===============================
CURL SOFTWARE
COPYRIGHT AND PERMISSION NOTICE.
Copyright (c)
1996 - 2012, Daniel Stenberg, <daniel@haxx.se>.
All rights reserved.
Permission to use, copy, modify, and distribute this
software for any purpose with or without fee is hereby
granted, provided that the above copyright notice and
this permission notice appear in all copies.
THE SOFTWARE IS PROVIDED “AS IS”,
WITHOUT WARRANTY OF ANY KIND,
EXPRESS OR IMPLIED, INCLUDING BUT NOT
LIMITED TO THE WARRANTIES OF
MERCHANTABILITY, FITNESS FOR A
PARTICULAR PURPOSE AND
NONINFRINGEMENT OF THIRD PARTY
RIGHTS. IN NO EVENT SHALL THE AUTHORS
OR COPYRIGHT HOLDERS BE LIABLE FOR
ANY CLAIM, DAMAGES OR OTHER LIABILITY,
WHETHER IN AN ACTION OF CONTRACT,
TORT OR OTHERWISE, ARISING FROM, OUT
OF OR IN CONNECTION WITH THE SOFTWARE
OR THE USE OR OTHER DEALINGS IN THE
SOFTWARE. Except as contained in this notice, the
name of a copyright holder shall not be used in
advertising or otherwise to promote the sale, use or
other dealings in this Software without prior written
authorization of the copyright holder.
===============================
klibc and jemalloc
All of the documentation and software included in the
4.4BSD and 4.4BSD-Lite Releases is copyrighted by
The Regents of the University of California.
Copyright 1979, 1980, 1983, 1986, 1988, 1989, 1991,
1992, 1993, 1994 The Regents of the University of
California.
All rights reserved.
Redistribution and use in source and binary forms,
with or without modification, are permitted provided
that the following conditions are met:
83
Redistributions of source code must retain the above
copyright notice, this list of conditions and the
following disclaimer.
Redistributions in binary form must reproduce the
above copyright notice, this list of conditions and the
following disclaimer in the documentation and/or
other materials provided with the distribution.
All advertising materials mentioning
features or use of this software must display
the following acknowledgement:
This product includes software developed by the
University of California, Berkeley and its
contributors.
Neither the name of the University nor the names of
its contributors may be used to endorse or promote
products derived from this software without specific
prior written permission.
THIS SOFTWARE IS PROVIDED BY THE
REGENTS AND CONTRIBUTORS “AS IS’’ AND
ANY EXPRESS OR IMPLIED WARRANTIES,
INCLUDING, BUT NOT LIMITED TO, THE
IMPLIED WARRANTIES OF
MERCHANTABILITY AND FITNESS FOR A
PARTICULAR PURPOSE ARE DISCLAIMED. IN
NO EVENT SHALL THE REGENTS OR
CONTRIBUTORS BE LIABLE FOR ANY
DIRECT, INDIRECT, INCIDENTAL, SPECIAL,
EXEMPLARY, OR CONSEQUENTIAL
DAMAGES (INCLUDING, BUT NOT LIMITED
TO, PROCUREMENT OF SUBSTITUTE GOODS
OR SERVICES; LOSS OF USE, DATA, OR
PROFITS; OR BUSINESS INTERRUPTION)
HOWEVER CAUSED AND ON ANY THEORY OF
LIABILITY, WHETHER IN CONTRACT, STRICT
LIABILITY, OR TORT (INCLUDING
NEGLIGENCE OR OTHERWISE) ARISING IN
ANY WAY OUT OF THE USE OF THIS
SOFTWARE, EVEN IF ADVISED OF THE
POSSIBILITY OF SUCH DAMAGE.
The Institute of Electrical and Electronics Engineers
and the American National Standards Committee X3,
on Information Processing Systems have given us
permission to reprint portions of their documentation.
In the following statement, the phrase “this text’’
refers
to portions of the system documentation.
Portions of this text are reprinted and reproduced in
electronic form in the second BSD Networking
Software Release, from IEEE Std 1003.1-1988, IEEE
Standard Portable Operating System Interface for
Computer Environments (POSIX), copyright C 1988
by the Institute of Electrical and Electronics
Engineers, Inc. In the event of any discrepancy
between these versions and the original IEEE
Standard, the original IEEE Standard is the referee
document.
In the following statement, the phrase “This
material’’ refers to portions of the system
documentation.
This material is reproduced with permission from
American National Standards Committee X3, on
Information Processing Systems. Computer and
Business Equipment Manufacturers Association
(CBEMA), 311 First St., NW, Suite 500, Washington,
DC
20001-2178. The developmental work of
Programming Language C was completed by the
X3J11 Technical Committee.
The views and conclusions contained in the software
and documentation are those of the authors and
should not be interpreted as representing official
policies, either expressed or implied, of the Regents
of the University of California.
===============================
Big5 Font(DynaComware)
The DynaFont used on the screen display are solely
develop by DynaComware.
===============================
icu(libic)
ICU License - ICU 1.8.1 and later
COPYRIGHT AND PERMISSION NOTICE
Copyright (c) 1995-2012 International Business
Machines Corporation and others
All rights reserved.
Permission is hereby granted, free of charge, to any
person obtaining a copy of this software and
associated documentation files (the “Software”), to
deal in the Software without restriction, including
without limitation the rights to use, copy, modify,
merge, publish, distribute, and/or sell copies of the
Software, and to permit persons to whom the
Software is furnished to do so, provided that the
above copyright notice(s) and this permission notice
appear in all copies of the Software and that both the
above copyright notice(s) and this permission notice
appear in supporting documentation.
THE SOFTWARE IS PROVIDED “AS IS”,
WITHOUT WARRANTY OF ANY KIND,
EXPRESS OR IMPLIED, INCLUDING BUT NOT
LIMITED TO THE WARRANTIES OF
MERCHANTABILITY, FITNESS FOR A
PARTICULAR PURPOSE AND
NONINFRINGEMENT OF THIRD PARTY
RIGHTS. IN NO EVENT SHALL THE
COPYRIGHT HOLDER OR HOLDERS
INCLUDED IN THIS NOTICE BE LIABLE FOR
ANY CLAIM, OR ANY SPECIAL INDIRECT OR
CONSEQUENTIAL DAMAGES, OR ANY
DAMAGES WHATSOEVER RESULTING FROM
LOSS OF USE, DATA OR PROFITS, WHETHER
IN AN ACTION OF CONTRACT, NEGLIGENCE
OR OTHER TORTIOUS ACTION, ARISING OUT
OF OR IN CONNECTION WITH THE USE OR
PERFORMANCE OF THIS SOFTWARE.
84
Except as contained in this notice, the name of a
copyright holder shall not be used in advertising or
otherwise to promote the sale, use or other dealings in
this Software without prior written authorization of
the copyright holder.
--------------------------------------------
All trademarks and registered trademarks mentioned
herein are the property of their respective owners.
===============================
dhcpd
Copyright (c) 2004-2011 by Internet Systems
Consortium, Inc. (“ISC”)
Copyright (c) 1995-2003 by Internet Software
Consortium
Permission to use, copy, modify, and distribute this
software for any purpose with or without fee is hereby
granted, provided that the above copyright notice and
this permission notice appear in all copies.
THE SOFTWARE IS PROVIDED “AS IS” AND ISC
DISCLAIMS ALL WARRANTIES WITH
REGARD TO THIS SOFTWARE INCLUDING
ALL IMPLIED WARRANTIES OF
MERCHANTABILITY AND FITNESS. IN NO
EVENT SHALL ISC BE LIABLE FOR ANY
SPECIAL, DIRECT, INDIRECT, OR
CONSEQUENTIAL DAMAGES OR ANY
DAMAGES WHATSOEVER RESULTING FROM
LOSS OF USE, DATA OR PROFITS, WHETHER
IN AN ACTION OF CONTRACT, NEGLIGENCE
OR OTHER TORTIOUS ACTION, ARISING OUT
OF OR IN CONNECTION WITH THE USE OR
PERFORMANCE OF THIS SOFTWARE.
Internet Systems Consortium, Inc.
950 Charter Street
Redwood City, CA 94063
info@isc.org
https://www.isc.org/
===============================
libevent
Libevent is available for use under the following
license, commonly known as the 3-clause (or
“modified”) BSD license:
==============
Copyright (c) 2000-2007 Niels Provos
<provos@citi.umich.edu>
Copyright (c) 2007-2010 Niels Provos and Nick
Mathewson
Redistribution and use in source and binary forms,
with or without modification, are permitted provided
that the following conditions are met:
1. Redistributions of source code must retain the
above copyright notice, this list of conditions and the
following disclaimer.
2. Redistributions in binary form must reproduce the
above copyright notice, this list of conditions and the
following disclaimer in the documentation and/or
other materials provided with the distribution.
3. The name of the author may not be used to endorse
or promote products derived from this software
without specific prior written permission.
THIS SOFTWARE IS PROVIDED BY THE
AUTHOR “AS IS” AND ANY EXPRESS OR
IMPLIED WARRANTIES, INCLUDING, BUT
NOT LIMITED TO, THE IMPLIED WARRANTIES
OF MERCHANTABILITY AND FITNESS FOR A
PARTICULAR PURPOSE ARE DISCLAIMED.
IN NO EVENT SHALL THE AUTHOR BE
LIABLE FOR ANY DIRECT, INDIRECT,
INCIDENTAL, SPECIAL, EXEMPLARY, OR
CONSEQUENTIAL DAMAGES (INCLUDING,
BUT NOT LIMITED TO, PROCUREMENT OF
SUBSTITUTE GOODS OR SERVICES; LOSS OF
USE, DATA, OR PROFITS; OR BUSINESS
INTERRUPTION) HOWEVER CAUSED AND ON
ANY THEORY OF LIABILITY, WHETHER IN
CONTRACT, STRICT LIABILITY, OR TORT
(INCLUDING NEGLIGENCE OR OTHERWISE)
ARISING IN ANY WAY OUT OF THE USE OF
THIS SOFTWARE, EVEN IF ADVISED OF THE
POSSIBILITY OF SUCH DAMAGE.
==============
Portions of Libevent are based on works by others,
also made available by them under the three-clause
BSD license above. The copyright notices are
available in the corresponding source files; the license
is as above.
Here’s a list:
log.c:
Copyright (c) 2000 Dug Song
<dugsong@monkey.org>
Copyright (c) 1993 The Regents of the University of
California.
strlcpy.c:
Copyright (c) 1998 Todd C. Miller
<Todd.Miller@courtesan.com>
win32select.c:
Copyright (c) 2003 Michael A. Davis
<mike@datanerds.net>
evport.c:
Copyright (c) 2007 Sun Microsystems
ht-internal.h:
Copyright (c) 2002 Christopher Clark
minheap-internal.h:
Copyright (c) 2006 Maxim Yegorushkin
<maxim.yegorushkin@gmail.com>
==============
The arc4module is available under the following,
sometimes called the “OpenBSD” license:
Copyright (c) 1996, David Mazieres <dm@uun.org>
Copyright (c) 2008, Damien Miller
<djm@openbsd.org>
Permission to use, copy, modify, and distribute this
software for any purpose with or without fee is hereby
85
granted, provided that the above copyright notice and
this permission notice appear in all copies.
THE SOFTWARE IS PROVIDED “AS IS” AND
THE AUTHOR DISCLAIMS ALL WARRANTIES
WITH REGARD TO THIS SOFTWARE
INCLUDING ALL IMPLIED WARRANTIES OF
MERCHANTABILITY AND FITNESS. IN NO
EVENT SHALL THE AUTHOR BE LIABLE FOR
ANY SPECIAL, DIRECT, INDIRECT, OR
CONSEQUENTIAL DAMAGES OR ANY
DAMAGES WHATSOEVER RESULTING FROM
LOSS OF USE, DATA OR PROFITS, WHETHER
IN AN ACTION OF CONTRACT, NEGLIGENCE
OR OTHER TORTIOUS ACTION, ARISING OUT
OF OR IN CONNECTION WITH THE USE OR
PERFORMANCE OF THIS SOFTWARE.
===============================
boost
Boost Software License - Version 1.0 - August 17th,
2003
Permission is hereby granted, free of charge, to any
person or organization obtaining a copy of the
software and accompanying documentation covered
by this license (the “Software”) to use, reproduce,
display, distribute, execute, and transmit the
Software, and to prepare derivative works of the
Software, and to permit third-parties to whom the
Software is furnished to do so, all subject to the
following:
The copyright notices in the Software and this entire
statement, including the above license grant, this
restriction and the following disclaimer, must be
included in all copies of the Software, in whole or in
part, and all derivative works of the Software, unless
such copies or derivative works are solely in the form
of machine-executable object code generated by a
source language processor.
THE SOFTWARE IS PROVIDED “AS IS”,
WITHOUT WARRANTY OF ANY KIND,
EXPRESS OR IMPLIED, INCLUDING BUT NOT
LIMITED TO THE WARRANTIES OF
MERCHANTABILITY, FITNESS FOR A
PARTICULAR PURPOSE, TITLE AND NON-
INFRINGEMENT. IN NO EVENT SHALL THE
COPYRIGHT HOLDERS OR ANYONE
DISTRIBUTING THE SOFTWARE BE LIABLE
FOR ANY DAMAGES OR OTHER LIABILITY,
WHETHER IN CONTRACT, TORT OR
OTHERWISE, ARISING FROM, OUT OF OR IN
CONNECTION WITH THE SOFTWARE OR THE
USE OR OTHER DEALINGS IN THE
SOFTWARE.
===============================
ppp
Copyrights:
***********
All of the code can be freely used and redistributed.
The individual source files each have their own
copyright and permission notice.
Pppd, pppstats and pppdump are under BSD-style
notices. Some of the pppd plugins are GPL’d. Chat is
public domain.
===============================
ntp
Copyright (c) University of Delaware 1992-2012.
Permission to use, copy, modify, and distribute this
software and its documentation for any purpose with
or without fee is hereby granted, provided that the
above copyright notice appears in all copies and that
both the copyright notice and this permission notice
appear in supporting documentation, and that the
name University of Delaware not be used in
advertising or publicity pertaining to distribution of
the software without specific, written prior
permission. The University of Delaware makes no
representations about the suitability this software for
any purpose. It is provided “as is” without express or
implied warranty.
===============================
libcap
Unless otherwise *explicitly* stated, the following
text describes the licensed conditions under which the
contents of this libcap release may be used and
distributed:
Redistribution and use in source and binary forms of
libcap, with or without modification, are permitted
provided that the following conditions are met:
1. Redistributions of source code must retain any
existing copyright notice, and this entire permission
notice in its entirety, including the disclaimer of
warranties.
2. Redistributions in binary form must reproduce all
prior and current copyright notices, this list of
conditions, and the following disclaimer in the
documentation and/or other materials provided with
the distribution.
3. The name of any author may not be used to endorse
or promote products derived from this software
without their specific prior written permission.
ALTERNATIVELY, this product may be distributed
under the terms of the GNU General Public License,
in which case the provisions of the GNU GPL are
required INSTEAD OF the above restrictions. (This
clause is necessary due to a potential conflict between
the GNU GPL and the restrictions contained in a
BSD-style copyright.)
THIS SOFTWARE IS PROVIDED “AS IS’’ AND
ANY EXPRESS OR IMPLIED WARRANTIES,
INCLUDING, BUT NOT LIMITED TO, THE
IMPLIED WARRANTIES OF
MERCHANTABILITY AND FITNESS FOR A
PARTICULAR PURPOSE ARE DISCLAIMED. IN
86
NO EVENT SHALL THE AUTHOR(S) BE LIABLE
FOR ANY DIRECT, INDIRECT, INCIDENTAL,
SPECIAL, EXEMPLARY, OR CONSEQUENTIAL
DAMAGES (INCLUDING, BUT NOT LIMITED
TO, PROCUREMENT OF SUBSTITUTE GOODS
OR SERVICES; LOSS OF USE, DATA, OR
PROFITS; OR BUSINESS INTERRUPTION)
HOWEVER CAUSED AND ON ANY THEORY OF
LIABILITY, WHETHER IN CONTRACT, STRICT
LIABILITY, OR TORT (INCLUDING
NEGLIGENCE OR OTHERWISE) ARISING IN
ANY WAY OUT OF THE USE OF THIS
SOFTWARE, EVEN IF ADVISED OF THE
POSSIBILITY OF SUCH DAMAGE.
===============================
Python®
Python® is a registered trademark of the Python
Software Foundation.
===============================
lighttpd
Copyright (c) 2004, Jan Kneschke, incremental All
rights reserved.
Redistribution and use in source and binary forms,
with or without modification, are permitted provided
that the following conditions are met:
– Redistributions of source code must retain the
above copyright notice, this list of conditions and
the following disclaimer.
– Redistributions in binary form must reproduce the
above copyright notice, this list of conditions and
the following disclaimer in the documentation and/
or other materials provided with the distribution.
– Neither the name of the ‘incremental’ nor the
names of its contributors may be used to endorse
or promote products derived from this software
without specific prior written permission.
THIS SOFTWARE IS PROVIDED BY THE
COPYRIGHT HOLDERS AND CONTRIBUTORS
“AS IS” AND ANY EXPRESS OR IMPLIED
WARRANTIES, INCLUDING, BUT NOT
LIMITED TO, THE IMPLIED WARRANTIES OF
MERCHANTABILITY AND FITNESS FOR A
PARTICULAR PURPOSE ARE DISCLAIMED. IN
NO EVENT SHALL THE COPYRIGHT OWNER
OR CONTRIBUTORS BE LIABLE FOR ANY
DIRECT, INDIRECT, INCIDENTAL, SPECIAL,
EXEMPLARY, OR CONSEQUENTIAL
DAMAGES (INCLUDING, BUT NOT LIMITED
TO, PROCUREMENT OF SUBSTITUTE GOODS
OR SERVICES; LOSS OF USE, DATA, OR
PROFITS; OR BUSINESS INTERRUPTION)
HOWEVER CAUSED AND ON ANY THEORY OF
LIABILITY, WHETHER IN CONTRACT, STRICT
LIABILITY, OR TORT (INCLUDING
NEGLIGENCE OR OTHERWISE) ARISING IN
ANY WAY OUT OF THE USE OF THIS
SOFTWARE, EVEN IF ADVISED OF THE
POSSIBILITY OF SUCH DAMAGE.
===============================
pcre
PCRE LICENCE
------------
PCRE is a library of functions to support regular
expressions whose syntax and semantics are as close
as possible to those of the Perl 5 language.
Release 8 of PCRE is distributed under the terms of
the “BSD” licence, as specified below. The
documentation for PCRE, supplied in the “doc”
directory, is distributed under the same terms as the
software itself.
The basic library functions are written in C and are
freestanding. Also included in the distribution is a set
of C++ wrapper functions.
THE BASIC LIBRARY FUNCTIONS
---------------------------
Written by: Philip Hazel
Email local part: ph10
Email domain: cam.ac.uk
University of Cambridge Computing Service,
Cambridge, England.
Copyright (c) 1997-2010 University of Cambridge
All rights reserved.
THE C++ WRAPPER FUNCTIONS
-------------------------
Contributed by: Google Inc.
Copyright (c) 2007-2010, Google Inc. All rights
reserved.
THE “BSD” LICENCE
-----------------
Redistribution and use in source and binary forms,
with or without modification, are permitted provided
that the following conditions are met:
* Redistributions of source code must retain the
above copyright notice, this list of conditions and
the following disclaimer.
* Redistributions in binary form must reproduce the
above copyright notice, this list of conditions and
the following disclaimer in the documentation and/
or other materials provided with the distribution.
* Neither the name of the University of Cambridge
nor the name of Google Inc. nor the names of their
contributors may be used to endorse or promote
products derived from this software without
specific prior written permission.
THIS SOFTWARE IS PROVIDED BY THE
COPYRIGHT HOLDERS AND CONTRIBUTORS
“AS IS” AND ANY EXPRESS OR IMPLIED
WARRANTIES, INCLUDING, BUT NOT
LIMITED TO, THE IMPLIED WARRANTIES OF
MERCHANTABILITY AND FITNESS FOR A
87
PARTICULAR PURPOSE ARE DISCLAIMED. IN
NO EVENT SHALL THE COPYRIGHT OWNER
OR CONTRIBUTORS BE LIABLE FOR ANY
DIRECT, INDIRECT, INCIDENTAL, SPECIAL,
EXEMPLARY, OR CONSEQUENTIAL
DAMAGES (INCLUDING, BUT NOT LIMITED
TO, PROCUREMENT OF SUBSTITUTE GOODS
OR SERVICES; LOSS OF USE, DATA, OR
PROFITS; OR BUSINESS INTERRUPTION)
HOWEVER CAUSED AND ON ANY THEORY OF
LIABILITY, WHETHER IN CONTRACT, STRICT
LIABILITY, OR TORT (INCLUDING
NEGLIGENCE OR OTHERWISE) ARISING IN
ANY WAY OUT OF THE USE OF THIS
SOFTWARE, EVEN IF ADVISED OF THE
POSSIBILITY OF SUCH DAMAGE.
End

88
Index
Numerics
3D glasses
3D glasses communication range ....... 16
Using the 3D glasses ........................... 16
3D Settings
2D-3D Display Sel. (Select) ............... 36
3D Brightness ..................................... 36
3D Depth Adjust ................................. 37
3D Format ........................................... 36
Simulated 3D Effect ............................ 37
3D video ................................................. 16
A
Advanced Iris .......................................... 26
Anamorphic Lens ................................... 39
Aspect
1.85:1 Zoom .................................. 19, 33
2.35:1 Zoom .................................. 19, 33
Normal .......................................... 20, 33
Squeeze ......................................... 20, 33
Stretch ........................................... 21, 33
V Stretch ....................................... 20, 33
Auto Calibration ..................................... 31
B
Blanking .................................................. 33
Brightness ............................................... 27
C
Calib. Preset
Bright Cinema ..................................... 25
Bright TV ............................................ 25
Cinema Film 1 .................................... 25
Cinema Film 2 .................................... 25
Game ................................................... 25
Photo ................................................... 25
Reference ............................................ 25
TV ....................................................... 25
User ..................................................... 25
Cinema Black Pro ................................... 26
Cleaning .................................................. 55
Clear White ............................................. 29
Color ....................................................... 27
Color Correction ..................................... 29
Color Space ............................................. 30
Color Temp. (Temperature) .................... 27
Compatible 3D signals ............................ 60
Connecting to Video equipment or a
computer ..........................................13
Connectors .................................................4
Contrast ...................................................27
Contrast Enhancer ................................... 26
Control panel .............................................5
D
Dimensions .............................................. 69
Dynamic Range ....................................... 37
E
Expert Setting ..........................................28
F
Film Mode ...............................................28
G
Gamma Correction ..................................28
H
HDR ........................................................29
High Altitude Mode ................................ 34
Hue ..........................................................27
I
Image Flip ...............................................39
Input Lag Reduction ................................30
Input signals and adjustable/setting
items ...............................................59
IR Receiver ..............................................39
L
Lamp Control .......................................... 26
Lamp Setting ...........................................35
Lamp Timer .............................................42
LAN connector .................................... 4, 43
Language .................................................34
Lens adjustment window .........................12
Lens Control ............................................ 39
Location of controls
Front/Right side .....................................4
Rear/Left side/Bottom ...........................5
M
Menu
Advanced Picture ................................31
Function ............................................... 36
Information ..........................................42

89
Installation .......................................... 39
Operation ............................................ 23
Picture ................................................. 25
Screen .................................................. 32
Setup ................................................... 34
Menu Position ......................................... 34
Messages
Caution ................................................ 50
Warning ............................................... 50
Motionflow ............................................. 27
MPEG NR (MPEG Noise Reduction) .... 28
N
Network Management ............................ 35
Network Setting ...................................... 41
NR (Noise Reduction) ............................ 28
P
Panel Alignment ..................................... 40
Picture Position
Picture Position ................................... 32
Using the Picture Position ................... 17
Picture position adjustment ...................... 8
Power Saving .......................................... 35
Preset memory number ........................... 42
Preset mode
BRT CINE ........................................... 22
BRT TV ............................................... 22
CINEMA FILM 1 ............................... 22
CINEMA FILM 2 ............................... 22
GAME ................................................. 22
PHOTO ............................................... 22
REF ..................................................... 22
TV ....................................................... 22
USER .................................................. 22
Preset signals .......................................... 57
Projecting the Picture .............................. 15
Projection distance ...................... 66, 67, 68
Projection distance and lens shift
range ............................................... 65
R
Reality Creation ...................................... 26
Remote control ......................................... 6
Remote control detector ........................ 4, 5
Remote Start ........................................... 34
Replacing the lamp ................................. 52
Reset ....................................................... 25
Resetting the items .................................. 24
S
Settings Lock ...........................................37
Sharpness ................................................. 28
Signal type ............................................... 42
Smooth Gradation ...................................28
Software Version .....................................42
Specifications ..........................................56
Status .......................................................34
T
Test Pattern ..............................................37
Trigger Select ..........................................39
Troubleshooting ......................................46
Turning off .............................................. 15
Turning on .................................................8
U
Updating the software .............................51
W
Warning indicators .............................. 4, 49
X
x.v.Color ............................................29, 51
Trademark Information
• “PlayStation” is a registered trademark
of Sony Computer Entertainment Inc.
• The terms HDMI and HDMI High-
Definition Multimedia Interface, and the
HDMI Logo are trademarks or registered
trademarks of HDMI Licensing LLC in
the United States and other countries.
• “Blu-ray” and “Blu-ray Disc” are
trademarks of Blu-ray Disc Association.
........................................................................
This projector supports DeepColor,
x.v.Color, LipSync, computer input signal,
3D signal and 4K signal of HDMI standards.
It also supports HDCP.
© 2015 Sony Corporation