Soundcast SCG2ER Wireless Audio Transmitter User Manual UserManual

KSC Industries, Inc. Wireless Audio Transmitter UserManual

User Manual

                                                       USER MANUAL  SOUNDCAST WIRELESS AUDIO SYSTEMS  KSC INDUSTRIES, INC. 881 KUHN DRIVE, BUILDING 200 CHULA VISTA, CA 91914
                                                       1 TABLE OF CONTENT  1. GENERAL DESCRIPTION........................................................................................... 2 2. FEATURES .................................................................................................................... 4 3. ELECTRICAL SPECIFICATIONS ............................................................................... 5 3.1 OPERATING CONDITIONS – SOUNDCAST G2 TRANSMITTER.................................. 5 3.2 ABSOLUTE MAXIMUM RATINGS – SOUNDCAST G2 TRANSMITTER ........................ 5 3.3 OPERATING CONDITIONS – SOUNDCAST G2 RECEIVER........................................ 6 3.4 ABSOLUTE MAXIMUM RATINGS – SOUNDCAST G2 RECEIVER............................... 6 3.5 OPERATING CONDITIONS – SOUNDCAST G2-ER TRANSMITTER........................... 7 3.6 ABSOLUTE MAXIMUM RATINGS – SOUNDCAST G2-ER TRANSMITTER ................. 7 3.7 OPERATING CONDITIONS – SOUNDCAST G2-ER RECEIVER................................. 8 3.8 ABSOLUTE MAXIMUM RATINGS – SOUNDCAST G2-ER RECEIVER........................ 9 4. AUDIO CHARACTERISTICS.................................................................................... 10 5.  RF CHARACTERISTICS........................................................................................... 11 5.1 RF CHARACTERISTICS - SOUNDCAST G2 TRANSMITTER AND RECEIVER........... 13 5.2 RF CHARACTERISTICS - SOUNDCAST G2-ER TRANSMITTER AND RECEIVER .... 13 6.  PIN DESCRIPTION.................................................................................................... 14 6.1 PIN DESCRIPTION - SOUNDCAST G2 AND G2-ER TRANSMITTER ....................... 14 6.2 PIN DESCRIPTION - SOUNDCAST G2 AND G2-ER RECEIVER.............................. 15 7. INFORMATION TO USER......................................................................................... 16 8. HUMAN EXPOSURE COMPLIANCE STATEMENT.............................................. 16
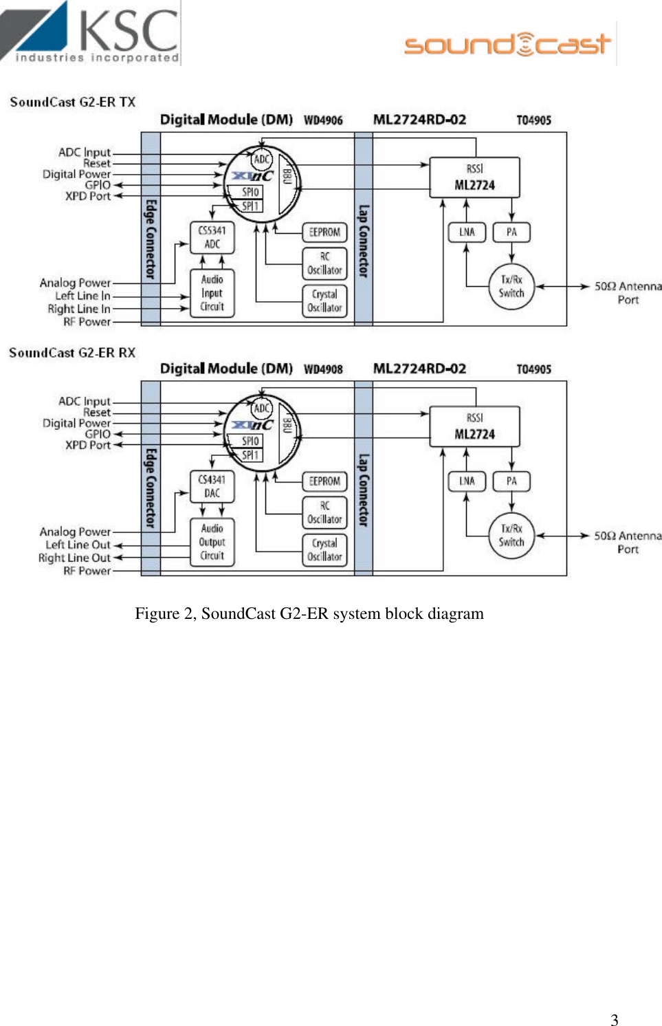
                                                       2 1. General Description SoundCast is a complete point-to-point and point-to-multipoint wireless audio solution.  SoundCast digitizes a 2-channel stereo input signal, sends it across a robust radio frequency link, and then converts it back to a stereo analog signal for use at a remote location.  SoundCast is ideal for home theater rear speakers, headphones, public address systems, and outdoor speakers.    SoundCast wireless audio product family has two members.  SoundCast G2 has 25 meter indoor range while SoundCast G2-ER has 50 meter indoor range.  Figure 1 and 2 are the system block diagrams for SoundCast G2 and SoundCast G2-ER modules.     Figure 1, SoundCast G2 system block diagram
                                                       3   Figure 2, SoundCast G2-ER system block diagram
                                                       4 2. Features v Stereo Analog In/Analog Out, Digital In/Digital Out;    v 92.4 dB SNR, 0.065% THD+N;  v Digital volume control;  v Auto Mute;  v Digital Noise Gate;  v 2.4 GHz wireless link, 1.536 Mbps data rate; v 25 m indoor range for the SoundCast G2 module and 45 m indoor range for the SoundCast G2-ER module; v Each transmitter supports two receivers with stereo output from both receivers; v Up to 6 transmitters in one area; v Low latency (15 ms – 64 ms selectable); v Low power consumption; v Best in Class quality of service (QoS); v Duplex utility control channel; v Modules come with antenna soldered on for easy integration
                                                       5 3. Electrical Specifications  3.1 Operating Conditions – SoundCast G2 Transmitter   Note: All Min/Max characteristics and specifications are guaranteed over the Specified operating conditions. Typical performance characteristics and specifications are derived from measurements taken at typical supply voltages and TA=25oC.  3.2 Absolute Maximum Ratings – SoundCast G2 Transmitter
                                                       6 3.3 Operating Conditions – SoundCast G2 Receiver    3.4 Absolute Maximum Ratings – SoundCast G2 Receiver
                                                       7 3.5 Operating Conditions – SoundCast G2-ER Transmitter   3.6 Absolute Maximum Ratings – SoundCast G2-ER Transmitter
                                                       8 3.7 Operating Conditions – SoundCast G2-ER Receiver
                                                       9 3.8 Absolute Maximum Ratings – SoundCast G2-ER Receiver
                                                       10 4. Audio Characteristics   This table describes the audio characteristics of SoundCast (5.0V supply applied to the DAC on the SoundCast G2 Receiver). Note: 1. All measurements are for 5 bit HFADPCM encoding. 2. Relative to Full Scale Output at RX Line Out, Left Channel. 3. RX Line Out into a 10 k? load.
                                                       11 5.  RF Characteristics  The SoundCast RF algorithm is described below paying special attention to include information pertinent to FCC and ETSI regulations.  The SoundCast software operates by selecting a palette (or group) of 15 random channels out of the total 38 to hop on. For the 15-channel palette, any channels with poor transmission rates are replaced with better channels from the remaining 23 unused channels. The hopping pattern from channel to channel is a random pattern. The following table describes some important aspects of the channel-hopping algorithm:
                                                       12
                                                       13 5.1 RF Characteristics - SoundCast G2 Transmitter and Receiver    5.2 RF Characteristics - SoundCast G2-ER Transmitter and Receiver
                                                       14 6.  Pin Description   6.1 Pin Description - SoundCast G2 and G2-ER Transmitter
                                                       15 6.2 Pin Description - SoundCast G2 and G2-ER Receiver
                                                       16 7. Information to User  This device complies with Part 15 of the FCC Rules.  Operation is subject to the following two conditions:  (1) This device may not cause harmful interference, and (2) This device must accept any interference received, including interference that may cause undesired operation.  This equipment has been tested and found to comply with the limits for Class B Digital Device, pursuant to Part 15 of the FCC Rules.  These limits are designed to provide reasonable protection against harmful interference in a residential installation.  This equipment generates and can radiate radio frequency energy and, if not installed and used in accordance with the instructions, may cause harmful interference to radio communications.  However, there is no guarantee that interference will not occur in a particular installation.  If this equipment does cause harmful interference to radio or television reception, which can be determined by turning the equipment off and on, the user is encouraged to try to correct the interference by one or more of the following measures.  • Reorient or relocate the receiving antenna • Increase the separation between the equipment and receiver • Connect the equipment into an outlet on a circuit different from that to which the receiver is connected • Consult the dealer or an experienced radio/TV technician for help  Any changes or modifications not expressly approved by the party responsible for compliance could void the user’s authority to operate the equipment.  All products in which this device will be installed shall be labeled with “This device complies with Part 15 of the FCC Rules.  Operation is subject to the following two conditions: (1) This device may not cause harmful interference, and (2) This device must accept any interference received, including interference that may cause undesired operation” and “This device contains FCC ID: SUD-SCG2 / IC: 5613A-SCG2” or  “This device contains FCC ID: SUD-SCG2ER / IC: 5613A-SCG2ER” as appropriate for model. 8. Human Exposure Compliance Statement The following statement addressing human exposure to the RF energy emitted by SCG2 and SCG2ER wireless audio systems is included in the “User's Manual."  Pursuant to 47 CFR § 15C of the FCC Rules and Regulations.  KSC Industries, Inc. certifies that it has determined that the SCG2 and SCG2ER comply with the RF hazard requirements applicable to unlicensed transmitters under the authority of 47 CFR Part 15 of the FCC Rules and Regulations. This determination is dependent upon installation, operation and use of the equipment in accordance with all instructions provided.  The SCG2 and SCG2ER are designed for and intended to be used in fixed and mobile applications. "Fixed" means that the device is physically secured at one location and is not able to be easily moved to another location. "Mobile" means that the device is designed to be used in other than fixed locations and generally in such a way that a separation distance of at least 20 cm is normally maintained between the transmitter's antenna and the body of the user or nearby persons. The EUT is not designed for or intended to be used in portable applications (within 20 cm of the body of the user) and such uses are strictly prohibited. To ensure that the SCG2 and SCG2ER comply with current FCC regulations limiting both maximum RF output power and human exposure to radio frequency radiation, a separation distance of at
                                                       17 least 20 cm must be maintained between the unit's antenna and the body of the user and any nearby persons at all times and in all applications and uses.

Navigation menu