Southbend Turn Nado Evs W Dro Sb1042Pf Users Manual 61PF 10.16.11
SB1042PF to the manual 72a3ab9a-9a79-4db7-8a6f-9f91bc6fbaa0
2015-02-02
: Southbend Southbend-Turn-Nado-Evs-W-Dro-Sb1042Pf-Users-Manual-447660 southbend-turn-nado-evs-w-dro-sb1042pf-users-manual-447660 southbend pdf
Open the PDF directly: View PDF .
Page Count: 140 [warning: Documents this large are best viewed by clicking the View PDF Link!]

© August, 2011 by South Bend Lathe Co. For Machines Mfg. Since 3/11
TURN-NADO® EVS LATHE w/DRO
MODEL SB1042PF 21" X 60" MODEL SB1059F 18" X 40"
MODEL SB1043PF 21" X 80" MODEL SB1060PF 18" X 60"
MODEL SB1045PF 21" X 120" MODEL SB1061PF 18" X 80"
OWNER'S MANUAL

C
u
s
t
o
m
e
r
Se
rvi
ce
W
e stand behind our machines. If you have any service questions, parts requests or general questions
ab
out
y
our
p
urc
h
ase,
f
ee
l
f
ree to contact us.
Sout
h B
e
n
d
L
at
h
e
Co.
P
.O.
B
o
x 2
0
2
7
Bellingham, WA 9822
7
Phone:
(
360
)
734-154
0
Fax:
(
360
)
676-1075
(
International
)
Fax:
(
360
)
734-1639
(
USA Onl
y)
Email:
sales@southbendlathe.com
Email: sales@southbendlathe.com
Upd
ates
For your convenience, any updates to this manual will be available to download free of charge
t
hrou
g
h our website at
:
www
.sout
h
be
n
d
l
at
h
e.co
m
S
co
p
e o
f
Manua
l
This manual helps the reader understand the machine, how to prepare it for operation, how to control
it durin
g
o
p
eration, and how to kee
p
it in
g
ood workin
g
condition. We assume the reader has a basic
u
n
d
erstan
d
in
g
o
f
h
ow to o
p
erate t
h
is t
yp
e o
f
mac
h
ine,
b
ut t
h
at t
h
e rea
d
er is not
f
ami
l
iar wit
h
t
h
e
c
ontrols and adjustments of this specific model. As with all machinery of this nature, learning the
n
uances of o
p
eration is a
p
rocess that ha
pp
ens throu
g
h trainin
g
and ex
p
erience. If
y
ou are not an
e
x
p
erience
d
o
p
erator o
f
t
h
is t
yp
e o
f
mac
h
iner
y
, rea
d
t
h
rou
gh
t
h
is entire manua
l
, t
h
en
l
earn more
from an experienced operator, schooling, or research before attempting operations. Following this
a
dvice will hel
p
y
ou avoid serious
p
ersonal in
j
ur
y
and
g
et the best results from
y
our work.
Manual
F
eedback
We've made ever
y
effort to be accurate when documentin
g
this machine. However, errors sometimes
h
a
pp
en or t
h
e mac
h
ine
d
esi
g
n c
h
an
g
es a
f
ter t
h
e
d
ocumentation
p
rocess—so
th
e manua
l
ma
y
not
e
xactly match your machine. If a difference between the manual and machine leaves you in doubt,
co
n
tact
ou
r
custo
m
e
r
se
rvi
ce
f
o
r
c
l
a
rifi
cat
i
on
.
We highly value customer feedback on our manuals. If you have a moment, please share your
e
x
p
erience usin
g
this manual. What did
y
ou like about it? Is there an
y
thin
g
y
ou would chan
g
e to
m
a
k
e it
b
etter
?
Di
d
it meet
y
our ex
p
ectations
f
or c
l
arit
y
,
p
ro
f
essiona
l
ism, an
d
ease-o
f
-use
?
South Bend Lathe, Inc
.
C
/
C
O
/
/
T
ec
h
n
i
ca
l
Documentat
i
on Manager
P.O.
B
o
x 2
0
2
7
B
e
lli
n
gh
am, W
A
9822
7
E
ma
il
: manua
l
s
@
sout
hb
en
dl
at
h
e.com
Table of Contents
INTRODUCTION ....................................................3
About This Machine .............................................3
Foreword ............................................................. 3
Capabilities .........................................................3
Features ..............................................................3
General Identification ..........................................4
Controls & Components.......................................5
Master Power Switch ........................................... 5
Headstock ...........................................................5
Control Panel ......................................................6
Carriage .............................................................. 6
Tailstock .............................................................7
Safety Foot Brake ................................................ 8
Product Specifications
SB1059F, SB1060PF, SB1061PF ..........................9
SB1042PF, SB1043PF, SB1045PF .....................13
SAFETY ................................................................17
Understanding Risks of Machinery ..................17
Additional Metal Lathe Safety ..........................19
Chuck Safety ......................................................20
PREPARATION ....................................................21
Preparation Overview ........................................21
Things You'll Need .............................................21
Power Supply Requirements ............................. 22
Full-Load Current Rating ..................................22
Circuit Requirements .........................................22
Grounding Requirements ...................................23
Unpacking ..........................................................24
Inventory ............................................................24
Cleaning & Protecting ....................................... 25
Lifting & Moving ................................................ 27
Leveling & Mounting .........................................28
Leveling ............................................................28
Bolting to Concrete Floors ..................................29
Assembly ............................................................29
Lubricating Lathe ..............................................29
Adding Coolant .................................................. 30
Power Connection ..............................................30
Test Run ............................................................. 32
Spindle Break-In ................................................35
Recommended Adjustments ..............................35
OPERATION ........................................................36
Operation Overview ........................................... 36
Chuck & Faceplate Mounting ........................... 37
Installation & Removal Devices ........................37
Chuck Installation ............................................. 38
Registration Marks ............................................39
Chuck Removal .................................................. 39
Scroll Chuck Clamping ......................................40
4-Jaw Chuck ....................................................... 40
Mounting Workpiece ..........................................40
Faceplate ............................................................41
Tailstock .............................................................42
Positioning Tailstock .........................................42
Using Quill ........................................................42
Installing Tooling ..............................................43
Removing Tooling ..............................................44
Offsetting Tailstock ...........................................44
Aligning Tailstock to Spindle Centerline ............45
Centers ...............................................................46
Dead Centers .....................................................46
Live Centers ...................................................... 47
Mounting Dead Center in Spindle ......................47
Removing Center from Spindle ...........................47
Mounting Center in Tailstock .............................47
Removing Center from Tailstock ........................48
Mounting Workpiece Between Centers ............... 48
Steady Rest ........................................................ 49
Follow Rest .........................................................50
Carriage & Compound Rest Locks .................... 50
Compound Rest ..................................................50
Four-Way Tool Post ........................................... 51
Installing Tool ...................................................51
Aligning Cutting Tool with Spindle Centerline ...51
Micrometer Stop.................................................52
Manual Feed ......................................................53
Carriage Handwheel ..........................................53
Cross Slide Handwheel ......................................53
Compound Rest Handwheel ...............................53
Spindle Speed .....................................................53
Determining Spindle Speed ................................ 53
Setting Spindle Speed ........................................ 54
Power Feed .........................................................54
Power Feed Controls ..........................................55
Setting Power Feed Rate ....................................57
End Gears ........................................................... 58
Standard End Gear Configuration ......................58
Alternate End Gear Configuration .....................58
Threading Controls ............................................59

16" South Bend Precision Toolroom Lathe
(Circa 1958)
Headstock & Gearbox Threading Controls ..........59
Apron Controls ..................................................60
Thread Dial ....................................................... 61
Thread Dial Chart .............................................61
Chip Drawer ....................................................... 63
Coolant System .................................................. 63
Rod Support........................................................64
ACCESSORIES ...................................................65
MAINTENANCE ...................................................66
Maintenance Schedule .......................................66
Cleaning & Protecting ....................................... 66
Maintenance Chart ............................................67
Lubrication ......................................................... 68
Headstock .........................................................68
Quick-Change Gearbox ......................................71
Apron ................................................................ 71
One-Shot Oiler ..................................................72
Longitudinal Leadscrew .....................................73
Ball Oilers ......................................................... 73
End Gears .........................................................74
Coolant System Service .....................................75
Hazards.............................................................75
Adding Fluid .....................................................76
Changing Coolant .............................................. 76
Machine Storage ................................................77
SERVICE .............................................................. 78
Backlash Adjustment ........................................ 78
Compound Rest .................................................78
Cross Slide ........................................................78
Leadscrew End Play Adjustment ......................79
Gib Adjustment ..................................................79
Half Nut Adjustment ......................................... 81
V-Belts ................................................................ 81
Brake Service ..................................................... 82
Leadscrew Shear Pin Replacement ..................84
Gap Insert Removal & Installation ..................86
Gap Removal ..................................................... 86
Gap Installation ................................................87
TROUBLESHOOTING ......................................... 88
ELECTRICAL ........................................................91
Electrical Safety Instructions ...........................91
Correcting Phase Polarity ................................. 92
Wiring Overview ................................................93
Component Location Index................................94
Electrical Box Wiring.........................................95
Electrical Box Wiring.........................................96
Electrical Box .....................................................97
Spindle Motor .....................................................98
Oil Pump Motor & Pressure Sensor .................98
Coolant Pump .....................................................99
Spindle Switch ................................................... 99
Control Panel ................................................... 100
Power Connection ............................................100
Additional Components ................................... 101
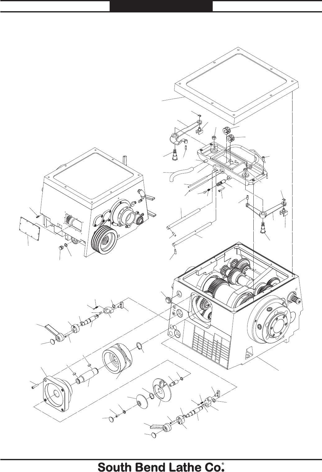
PARTS ................................................................102
Headstock Housing ..........................................102
Headstock Gears ..............................................104
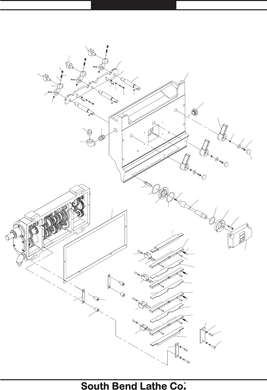
Gearbox ............................................................107
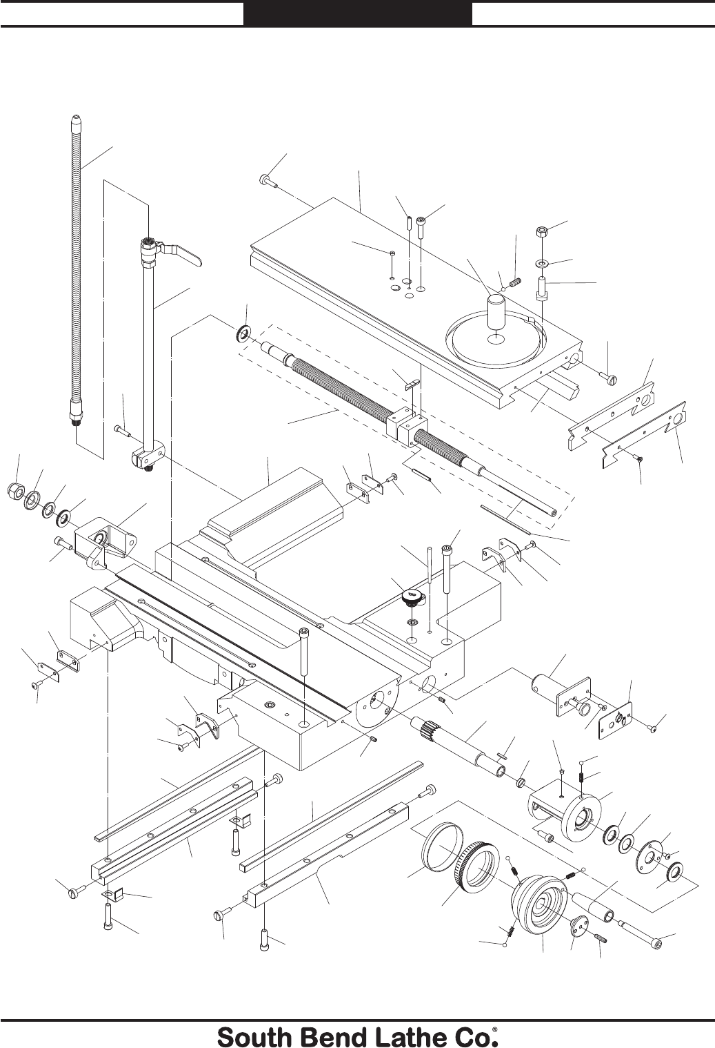
Tool Post & Compound Rest ............................ 115
Saddle & Cross Slide .......................................116
Bed & Shafts ....................................................119
End Gears (SB1042PF, -43PF, -45PF) ............121
End Gears (SB1059F, -60PF, -61PF) ..............122
Motor & Headstock Oil System ....................... 123
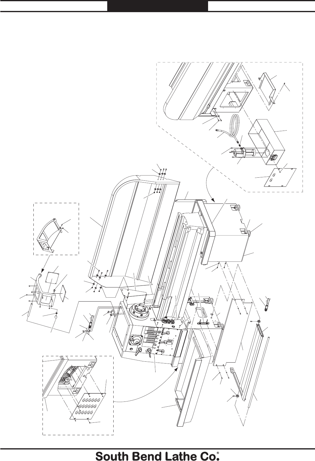
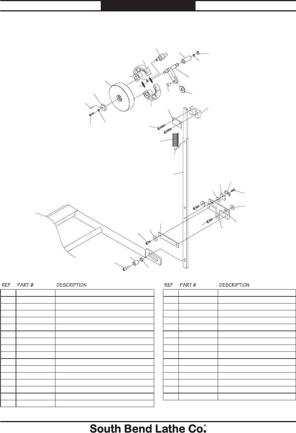
Stand & Panels
(SB1042PF-43PF, SB1059F-61PF) .................125
Stand & Panels (SB1045PF) ...........................127
Tailstock ...........................................................129
Steady Rest ...................................................... 130
Follow Rest .......................................................130
Micrometer Stop...............................................131
Thread Dial ......................................................131
Brake ................................................................132
Electrical Cabinet & Control Panel ................ 133
Accessories .......................................................134
Front Machine Labels ...................................... 135
Rear Machine Labels .......................................136
WARRANTY .......................................................137

For Machines Mfg. Since 3/11 Turn-Nado® EVS Lathes
-3-
INTRODUCTION
About This Machine
Foreword
"The screw cutting engine lathe is the oldest and
most important of machine tools and from it all
other machine tools have been developed. It was
the lathe that made possible the building of the
steamboat, the locomotive, the electric motor, the
automobile and all kinds of machinery used in
industry. Without the lathe our great industrial
progress of the last century would have been
impossible." —How To Run a Lathe, 15th
Edition, South Bend Lathe.
The lathe represented in this manual is a
modern day version of the screw cutting lathes
that trace their roots back to the 1700's, which
were themselves technological improvements of
the bow lathe that can be traced back thousands
of years to the ancient Egyptians.
Now, almost 300 years later, these modern
"screw cutting" lathes are not just a piece of
refined machinery, but a culmination of human
ingenuity and knowledge embodied into the
design and synergy of thousands of interworking
parts—some of which represent the life's work
and dreams of many inventors, mechanical
engineers, and world-class machinists—including
the likes of Leonardo da Vinci, Henry Maudsley,
and the founders of South Bend Lathe, John and
Miles O'Brien.
And now the torch is passed to you—to take
the oldest and most important type of machine
tool—and carry on the tradition. As the operator
of a South Bend Lathe, you now join the ranks
of some very famous and important customers,
such as Henry Ford, who used the machines he
purchased to help him change the world.
Features
As the name implies, these lathes feature EVS
(Electronic Variable Speed) spindle control
to "dial in" the perfect cutting speed for the
operation. One of four spindle speed ranges is
selected with the speed range lever, then the
exact speed within that range is chosen with the
spindle speed dial. The current spindle speed
is displayed with the digital tachometer on the
control panel.
The beds of these lathes are constructed with
Meehanite castings that are hardened and
precision-ground in the traditional three V-way
prismatic design—long used on South Bend
Lathes for its accuracy, durability, and rigidity.
The headstocks feature quick-change gear levers
and the carriages include an adjustable clutch
that disables automatic carriage feed when it
contacts the included feed stop or in the event of
a crash.
To further ensure a high degree of accuracy,
these lathes are equipped with high-quality
spindle bearings and a Fagor 2-Axis DRO. The
spindles are D1-8 camlock with an MT#7 taper
and 3.15" bore. The tailstocks have an MT#5
taper and 6.5" of quill travel.
The headstocks are equipped with a pressurized
oiling system that pre-lubricates the bearings
and gears before the spindle starts. This
guarantees that the headstocks are properly
lubricated in all start-up conditions, including
high-load/low-speed operations.
Finally, these EVS toolroom lathes are packed
with a premium Yaskawa Inverter, Allen-
Bradley contactors, thermal relays, and fuse
system. Also included are a complete coolant
system, an easy-to-clean chip drawer, one-shot
way lubrication system, ball bearing steady
rest and brass-tipped follow rest, adjustable
work lamp, foot brake, and automatic feeding
capabilities for both the X- and Y-axis.
Capabilities
These EVS Toolroom Lathes are built for daily
use in a busy industrial setting. Loaded with
many nice features and high-precision parts,
these lathes excel at making fine tools, dies,
thread gauges, jigs, and precision test gauges—
however, they are by no means delicate. Thick
castings, heavy weight, and quality construction
throughout provide the necessary brawn for
demanding production and manufacturing tasks.

-4-
For Machines Mfg. Since 3/11
Turn-Nado® EVS Lathes INTRODUCTION
General Identification
L. Tailstock w/MT#5 Quill
M. Leadscrew
N. Feed Rod
O. Spindle Rod
P. Rod Support (SB1043PF/-45PF/-61PF only)
Q. Chip Drawer
R. Safety Foot Brake
S. Carriage
T. Micrometer Stop
U. Headstock Spindle Lever
A. Quick-Change Gearbox Controls
B. Headstock Controls
C. D1-8 Camlock MT#7 Spindle
D. EVS Control Panel
E. Chuck Guard w/Safety Switch
F. 4-Way Tool Post
G. Halogen Work Lamp
H. Follow Rest
I. Fagor DRO Control Panel
J. Coolant Nozzle & Valve
K. Steady Rest
Serious personal injury could occur if
you connect the machine to power before
completing the setup process. DO NOT
connect power until instructed to do so later
in this manual.
Untrained users have an increased risk
of seriously injuring themselves with this
machine. Do not operate this machine until
you have understood this entire manual and
received proper training.
Figure 1. General identification (Model SB1043PF shown).
B
D
E
K
J
L
M
N
O
P
Q
R
S
T
U
A
I
H
G
F
C

For Machines Mfg. Since 3/11 Turn-Nado® EVS Lathes
-5-
INTRODUCTION
Refer to Figures 2–9 and the following
descriptions to become familiar with the features
and basic controls of this lathe. This knowledge
will be necessary to properly set up the lathe for
the test run and spindle break-in.
Controls &
Components
Master Power Switch
The rotary switch shown in Figure 2 toggles
incoming power ON and OFF to the lathe
controls. It also prevents the electrical cabinet
door from being opened when the switch is ON.
To reduce the risk of
serious injury when using
this machine, read and
understand this entire
manual before beginning any
lathe operations.
Figure 2. Location of the master power switch.
Master Power
Switch
Turning the master power switch to OFF is not
a safe alternative to completely disconnecting
the machine from power when wiring,
servicing, or making repairs.
Headstock Controls
A. Quick Change Gearbox Levers: Controls the
leadscrew and feed rod speed for threading
and feed operations.
B. Headstock Feed Direction Lever: Controls
the direction that the leadscrew and feed rod
rotate.
C. Gearbox Range Lever: Shifts the quick-
change gearbox into low range, neutral, or
high range.
D. Threading and Feed Charts: Displays the
necessary configurations of the gearbox
levers and end gears for different threading
or feeding options.
E. Spindle Speed Range Lever: Selects one of
four spindle speed ranges.
F. Micrometer Stop: Limits carriage travel for
production runs or to make final adjustments
to the carriage position.
Figure 3. Headstock controls.
A
C
F
B
D
E

-6-
For Machines Mfg. Since 3/11
Turn-Nado® EVS Lathes INTRODUCTION
Control Panel
G. Tachometer Display: Displays the current
spindle speed in RPM's.
H. Spindle Speed Dial: Electronically varies
the spindle speed within the selected spindle
speed range.
I. Power Light: Illuminates when lathe controls
are receiving power.
J. Coolant Pump Switch: Controls the coolant
pump motor.
K. Jog Button: Turns the spindle motor ON
while being pressed and held.
L. STOP Button: Stops all machine functions.
Twist clockwise to reset.
Figure 4. Control panel.
L
K
J
I
H
G
M. Carriage Handwheel: Moves the carriage
along the bed. Can be disengaged during
power feed operations to prevent an
entanglement hazard.
N. Cross Slide Handwheel: Moves the cross
slide toward and away from the workpiece.
O. Compound Rest Handwheel: Moves the tool
toward and away from the workpiece at the
preset angle of the compound rest.
P. 4-Way Tool Post: Mounts up to four cutting
tools at once that can be individually indexed
to the workpiece.
Q. Coolant Flow Control Lever: Controls the
flow of coolant from the nozzle.
R. One-Shot Oiler: Draws oil from the apron
reservoir to lubricate the carriage ways
through various oil ports.
S. Half Nut Lever: Engages/disengages the half
nut for threading operations.
T. Carriage Lock: Secures the carriage in place
when the carriage should not move.
Carriage
M
O
Figure 5. Carriage controls.
N
P
T
U
Q
R
S
W
X
Y
V

For Machines Mfg. Since 3/11 Turn-Nado® EVS Lathes
-7-
INTRODUCTION
U. Thread Dial and Chart: Dial indicates when
to engage the half nut during threading
operations. Chart indicates on which thread
dial reading to engage the half nut for
specific inch thread pitches.
V. Spindle Lever: Starts, stops and reverses
direction of spindle rotation.
W. Feed ON/OFF Lever: Engages/disengages
power feed.
X. Apron Feed Direction Knob: Changes
direction of carriage or the cross slide feed
without having to stop the lathe and move
the headstock feed direction lever.
Y. Feed Selection Knob: Selects the carriage or
cross slide for power feed.
Carriage Feed Clutch Knob
Z. Carriage Feed Clutch Knob: Adjusts how
easily the carriage clutch will disengage
automatic feeding when the carriage
contacts a feed stop or in the event of a
crash. Tightening this knob all the way
disables the carriage clutch completely.
Figure 6. Adjustable carriage feed clutch knob.
Z
Tailstock
AA. Quill: The quill has an MT#5 taper, metric
and inch scale, and a drift slot to remove
tight-fitting tooling.
AB. Quill Lock Lever: Secures the quill in
position.
AC. Tailstock Lock Lever: Secures the tailstock in
position along the bedway.
AD. Tailstock Handwheel: Moves the quill toward
or away from the spindle. The graduated
dial has 0.001" increments with one full
revolution equaling 0.200" of quill travel.
AE. Tailstock Gib Screws: Adjust the tapered gib
to control tailstock offset accuracy.
AF. Tailstock Offset Screws: Adjust the
tailstock offset left or right from the spindle
centerline.
Figure 7. Tailstock controls.
AA
AB AC AD
AE
AF

-8-
For Machines Mfg. Since 3/11
Turn-Nado® EVS Lathes INTRODUCTION
Safety Foot Brake
This lathe is equipped with a foot brake (see
Figure 9) to quickly stop the spindle instead of
allowing it to coast to a stop on its own. Pressing
the foot brake while the spindle is ON also cuts
power to the motor.
After the foot brake is used, the spindle lever
must be returned to the OFF (middle) position to
reset the spindle switches before spindle rotation
can be re-started.
Figure 8. Tailstock controls.
AG
AH
AI
AG. Tailstock Clamp Bolt: Adjusts the clamping
pressure applied by the tailstock lock lever.
AH. Offset Scale: Indicates the relative distance
of tailstock offset from the spindle centerline.
AI. Offset Lock Bolt: Clamps together the upper
and lower halves of the tailstock after the
offset is adjusted.
AJ. Tailstock Stop Pin: Prevents the tailstock
from sliding off of the ways.
AJ
Figure 9. Foot brake and spindle lever.
Foot Brake
Spindle Lever

For Machines Mfg. Since 3/11 Turn-Nado® EVS Lathes
-9-
INTRODUCTION
Model Number SB1042PF SB1043PF SB1045PF
Product Dimensions
Weight 5830 lbs. 6600 lbs. 8140 lbs.
Width (side-to-side)/Depth
(front-to-back)/Height 110
1⁄2" x 27" x 62
1⁄4" 130
1⁄4" x 27" x 62
1⁄4" 169
3⁄4" x 27" x 62
1⁄4"
Foot Print (Width/Depth) 122" x 71
3⁄4" 141
3⁄4" x 71
3⁄4" 182" x 71
3⁄4"
Shipping Dimensions
Type Wood Slat Crate
Weight 6182 lbs. 7040 lbs. 8712 lbs.
Width (side-to-side)/Depth
(front-to-back)/Height 121" x 45" x 73" 141" x 45" x 73" 183" x 45" x 73"
Electrical
Power Requirement 440V, 3-Phase, 60Hz
Full-Load Current Rating 18.83A
Minimum Circuit Size 30A
Inverter Type Yaskawa G7A4011
Switch Magnetic with Thermal Protection
Switch Voltage 440V
Plug Included No
Recommended Plug/Outlet Type Hardwire to Locking Disconnect Switch
MODEL SB1042PF, SB1043PF, SB1045PF
21" EVS TOOLROOM LATHE w/DRO
P.O. Box 2027, Bellingham, WA 98227 U.S.A.
0(/.%s© South Bend Lathe Co.
www.southbendlathe.com
Product Specifications

-10-
For Machines Mfg. Since 3/11
Turn-Nado® EVS Lathes INTRODUCTION
Model Number SB1042PF SB1043PF SB1045PF
Main Motor
Type TEFC Induction
Horsepower 12.5 HP
Voltage 440V
Phase 3-Phase
Amps 18A
Speed 0–3000 RPM
Cycle 60 Hz
Power Transfer V-Belt & Gear
Bearings Shielded & Permanently Sealed
Coolant Motor
Type TEFC Induction
Horsepower 1⁄8 HP
Voltage 440V
Phase 3-Phase
Amps 0.23A
Speed 3450 RPM
Cycle 60 Hz
Power Transfer Direct Drive
Bearings Shielded & Permanently Sealed
Lubrication Motor
Type TEFC Induction
Horsepower 1⁄4 HP
Voltage 440V
Phase 3-Phase
Amps 0.6A
Speed 1720 RPM
Cycle 60 Hz
Power Transfer Direct Drive
Bearings Shielded & Permanently Sealed
Operation Information
Swing Over Bed 21 in.
Distance Between Centers 60 in. 80 in. 120 in.
Swing Over Cross Slide 14.01 in.
Swing Over Saddle 21 in.
Swing Over Gap 31.10 in.
Maximum Tool Bit Size 1 in.
Compound Travel 5.39 in.
Carriage Travel 59 in. 79 in. 119 in.
Cross Slide Travel 11 in.

For Machines Mfg. Since 3/11 Turn-Nado® EVS Lathes
-11-
INTRODUCTION
Model Number SB1042PF SB1043PF SB1045PF
Headstock Information
Spindle Bore 3.15 in.
Spindle Taper MT#7
Number of Spindle Speeds Variable
Range of Spindle Speeds 18–1800 RPM
Spindle Type D1-8 Camlock
Spindle Bearings Tapered Roller
Tailstock Information
Tailstock Quill Travel 6.5 in.
Tailstock Taper MT#5
Tailstock Barrel Diameter 3 in.
Threading Information
Number of Longitudinal Feeds 15
Range of Longitudinal Feeds 0.0015–0.0400 in./rev.
Number of Cross Feeds 15
Range of Cross Feeds 0.00075–0.0200 in./rev
Number of Inch Threads 38
Range of Inch Threads 2–72 TPI
Number of Metric Threads 40
Range of Metric Threads 0.4–14 mm
Number of Modular Pitches 18
Range of Modular Pitches 0.3–3.5 MP
Number of Diametral Pitches 21
Range of Diametral Pitches 8–44 DP
Dimensions
Bed Width 13.58 in.
Leadscrew Diameter 1
3⁄8 in.
Leadscrew TPI 4 TPI
Leadscrew Length 85.39 in. 105.08 in. 145.43 in.
Steady Rest Capacity 5⁄8–7
1⁄16 in.
Follow Rest Capacity 5⁄8–5
1⁄8 in.
Faceplate Size 14 in.
Feed Rod Diameter 0.93 in
Floor to Center Height 46.65 in.
Height With Leveling Jacks 47.9 in.

-12-
For Machines Mfg. Since 3/11
Turn-Nado® EVS Lathes INTRODUCTION
Model Number SB1042PF SB1043PF SB1045PF
Construction
Headstock Cast Iron
Headstock Gears Flame-Hardened Steel
Bed Meehanite Castings with Induction-Hardened Ways
Stand Cast Iron
Paint Urethane
Other
Country of Origin Taiwan (Some Components Made in USA & Germany)
Warranty 1 Year
Serial Number Location ID Label on Front of Headstock
Assembly Time Approximately 1 Hour
Sound Rating at Idle 69 dB

For Machines Mfg. Since 3/11 Turn-Nado® EVS Lathes
-13-
INTRODUCTION
Model Number SB1059F SB1060PF SB1061PF
Product Dimensions
Weight 4400 lbs. 5170 lbs. 5940 lbs.
Width (side-to-side)/Depth
(front-to-back)/Height 90
3⁄4" x 27" x 62
1⁄4" 110
1⁄2" x 27" x 62
1⁄4" 130
1⁄4" x 27" x 62
1⁄4"
Foot Print (Width/Depth) 102
1⁄2" x 71
3⁄4" 122
1⁄4" x 71
3⁄4" 142" x 71
3⁄4"
Shipping Dimensions
Type Wood Slat Crate
Weight 4708 lbs. 5522 lbs. 6380 lbs.
Width (side-to-side)/Depth
(front-to-back)/Height 100" x 45" x 73" 121" x 45" x 73" 141" x 45" x 73"
Electrical
Power Requirement 440V, 3-Phase, 60Hz
Full-Load Current Rating 16.83A
Minimum Circuit Size 30A
Inverter Type Yaskawa G7A4011
Switch Magnetic with Thermal Protection
Switch Voltage 440V
Plug Included No
Recommended Plug/Outlet Type Hardwire to Locking Disconnect Switch
MODEL SB1059F, SB1060PF, SB1061PF
18" EVS TOOLROOM LATHE w/DRO
P.O. Box 2027, Bellingham, WA 98227 U.S.A.
0(/.%s© South Bend Lathe Co.
www.southbendlathe.com
Product Specifications

-14-
For Machines Mfg. Since 3/11
Turn-Nado® EVS Lathes INTRODUCTION
Model Number SB1059F SB1060PF SB1061PF
Main Motor
Type TEFC Induction
Horsepower 10 HP 12.5 HP
Voltage 440V
Phase 3-Phase
Amps 16A 18A
Speed 0–3000 RPM
Cycle 60 Hz
Power Transfer V-Belt & Gear
Bearings Shielded & Permanently Sealed
Coolant Motor
Type TEFC Induction
Horsepower 1⁄8 HP
Voltage 440V
Phase 3-Phase
Amps 0.23A
Speed 3450 RPM
Cycle 60 Hz
Power Transfer Direct Drive
Bearings Shielded & Permanently Sealed
Lubrication Motor
Type TEFC Induction
Horsepower 1⁄4 HP
Voltage 440V
Phase 3-Phase
Amps 0.6A
Speed 1720 RPM
Cycle 60 Hz
Power Transfer Direct Drive
Bearings Shielded & Permanently Sealed
Operation Information
Swing Over Bed 18.11 in.
Distance Between Centers 40 in. 60 in. 80 in.
Swing Over Cross Slide 11.02 in
Swing Over Saddle 18 in.
Swing Over Gap 27.95 in.
Maximum Tool Bit Size 1 in.
Compound Travel 5.39 in.
Carriage Travel 39 in. 59 in. 79 in.
Cross Slide Travel 11 in.

For Machines Mfg. Since 3/11 Turn-Nado® EVS Lathes
-15-
INTRODUCTION
Model Number SB1059F SB1060PF SB1061PF
Headstock Information
Spindle Bore 3.15 in.
Spindle Taper MT#7
Number of Spindle Speeds Variable
Range of Spindle Speeds 18–1800 RPM
Spindle Type D1-8 Camlock
Spindle Bearings Tapered Roller
Tailstock Information
Tailstock Quill Travel 6.5 in.
Tailstock Taper MT#5
Tailstock Barrel Diameter 3 in.
Threading Information
Number of Longitudinal Feeds 15
Range of Longitudinal Feeds 0.0015–0.0400 in./rev.
Number of Cross Feeds 15
Range of Cross Feeds 0.00075–0.0200 in./rev
Number of Inch Threads 38
Range of Inch Threads 2–72 TPI
Number of Metric Threads 40
Range of Metric Threads 0.4–14 mm
Number of Modular Pitches 18
Range of Modular Pitches 0.3–3.5 MP
Number of Diametral Pitches 21
Range of Diametral Pitches 8–44 DP
Dimensions
Bed Width 13.58 in.
Leadscrew Diameter 1
3⁄8 in.
Leadscrew TPI 4 TPI
Leadscrew Length 65.71 in. 85.39 in. 105.08 in.
Steady Rest Capacity 5⁄8–7
1⁄16 in.
Follow Rest Capacity 5⁄8–5
1⁄8 in.
Faceplate Size 14 in.
Feed Rod Diameter 0.93 in
Floor to Center Height 45.08 in.
Height With Leveling Jacks 46.25 in

-16 -
For Machines Mfg. Since 3/11
Turn-Nado® EVS Lathes INTRODUCTION
Model Number SB1059F SB1060PF SB1061PF
Construction
Headstock Cast Iron
Headstock Gears Flame-Hardened Steel
Bed Meehanite Castings with Induction-Hardened Ways
Stand Cast Iron
Paint Urethane
Other
Country of Origin Taiwan (Some Components Made in USA & Germany)
Warranty 1 Year
Serial Number Location ID Label on Front of Headstock
Assembly Time Approximately 1 Hour
Sound Rating at Idle 69 dB

For Machines Mfg. Since 3/11 Turn-Nado® EVS Lathes
-17-
SAFETY
Understanding Risks of Machinery
Operating all machinery and machining equipment can be dangerous or relatively safe depending
on how it is installed and maintained, and the operator's experience, common sense, risk awareness,
working conditions, and use of personal protective equipment (safety glasses, respirators, etc.).
The owner of this machinery or equipment is ultimately responsible for its safe use. This
responsibility includes proper installation in a safe environment, personnel training and usage
authorization, regular inspection and maintenance, manual availability and comprehension,
application of safety devices, integrity of cutting tools or accessories, and the usage of approved
personal protective equipment by all operators and bystanders.
The manufacturer of this machinery or equipment will not be held liable for injury or property
damage from negligence, improper training, machine modifications, or misuse. Failure to read,
understand, and follow the manual and safety labels may result in serious personal injury, including
amputation, broken bones, electrocution, or death.
The signals used in this manual to identify hazard levels are defined as follows:
Death or catastrophic
harm WILL occur.
Moderate injury or fire
MAY occur.
Death or catastrophic
harm COULD occur.
Machine or property
damage may occur.
Basic Machine Safety
Owner’s Manual: All machinery and machining
equipment presents serious injury hazards
to untrained users. To reduce the risk of
injury, anyone who uses THIS item MUST
read and understand this entire manual
before starting.
Personal Protective Equipment: Operating or
servicing this item may expose the user
to flying debris, dust, smoke, dangerous
chemicals, or loud noises. These hazards
can result in eye injury, blindness, long-
term respiratory damage, poisoning,
cancer, reproductive harm or hearing loss.
Reduce your risks from these hazards
by wearing approved eye protection,
respirator, gloves, or hearing protection.
Trained/Supervised Operators Only: Untrained
users can seriously injure themselves
or bystanders. Only allow trained and
properly supervised personnel to operate
this item. Make sure safe operation
instructions are clearly understood. If
electrically powered, use padlocks and
master switches, and remove start switch
keys to prevent unauthorized use or
accidental starting.
Guards/Covers: Accidental contact with
moving parts during operation may cause
severe entanglement, impact, cutting,
or crushing injuries. Reduce this risk by
keeping any included guards/covers/doors
installed, fully functional, and positioned
for maximum protection.

-18-
For Machines Mfg. Since 3/11
Turn-Nado® EVS Lathes SAFETY
Entanglement: Loose clothing, gloves, neckties,
jewelry or long hair may get caught in
moving parts, causing entanglement,
amputation, crushing, or strangulation.
Reduce this risk by removing/securing
these items so they cannot contact moving
parts.
Mental Alertness: Operating this item with
reduced mental alertness increases the
risk of accidental injury. Do not let a
temporary influence or distraction lead to a
permanent disability! Never operate when
under the influence of drugs/alcohol, when
tired, or otherwise distracted.
Safe Environment: Operating electrically
powered equipment in a wet environment
may result in electrocution; operating near
highly flammable materials may result in a
fire or explosion. Only operate this item in
a dry location that is free from flammable
materials.
Electrical Connection: With electically powered
equipment, improper connections to the
power source may result in electrocution
or fire. Always adhere to all electrical
requirements and applicable codes when
connecting to the power source. Have all
work inspected by a qualified electrician to
minimize risk.
Disconnect Power: Adjusting or servicing
electrically powered equipment while it
is connected to the power source greatly
increases the risk of injury from accidental
startup. Always disconnect power
BEFORE any service or adjustments,
including changing blades or other tooling.
Secure Workpiece/Tooling: Loose workpieces,
cutting tools, or rotating spindles can
become dangerous projectiles if not
secured or if they hit another object during
operation. Reduce the risk of this hazard
by verifying that all fastening devices are
properly secured and items attached to
spindles have enough clearance to safely
rotate.
Chuck Keys or Adjusting Tools: Tools used to
adjust spindles, chucks, or any moving/
rotating parts will become dangerous
projectiles if left in place when the machine
is started. Reduce this risk by developing
the habit of always removing these tools
immediately after using them.
Work Area: Clutter and dark shadows increase
the risks of accidental injury. Only operate
this item in a clean, non-glaring, and well-
lighted work area.
Properly Functioning Equipment: Poorly
maintained, damaged, or malfunctioning
equipment has higher risks of causing
serious personal injury compared to
those that are properly maintained.
To reduce this risk, always maintain
this item to the highest standards and
promptly repair/service a damaged or
malfunctioning component. Always follow
the maintenance instructions included in
this documentation.
Unattended Operation: Electrically powered
equipment that is left unattended while
running cannot be controlled and is
dangerous to bystanders. Always turn the
power OFF before walking away.
Health Hazards: Certain cutting fluids and
lubricants, or dust/smoke created when
cutting, may contain chemicals known to
the State of California to cause cancer,
respiratory problems, birth defects,
or other reproductive harm. Minimize
exposure to these chemicals by wearing
approved personal protective equipment
and operating in a well ventilated area.
Difficult Operations: Attempting difficult
operations with which you are unfamiliar
increases the risk of injury. If you
experience difficulties performing the
intended operation, STOP! Seek an
alternative method to accomplish the
same task, ask a qualified expert how the
operation should be performed, or contact
our Technical Support for assistance.

For Machines Mfg. Since 3/11 Turn-Nado® EVS Lathes
-19-
SAFETY
Additional Metal Lathe Safety
Clearing Chips. Metal chips can easily cut bare
skin—even through a piece of cloth. Avoid
clearing chips by hand or with a rag.Use a
brush or vacuum to clear metal chips.
Stopping Spindle by Hand. Stopping the spindle
by putting your hand on the workpiece
or chuck creates an extreme risk of
entanglement, impact, crushing, friction, or
cutting hazards. Never attempt to slow or
stop the lathe spindle with your hand. Allow
the spindle to come to a stop on its own or
use the brake.
Crashes. Aggressively driving the cutting tool
or other lathe components into the chuck
may cause an explosion of metal fragments,
which can result in severe impact injuries
and major damage to the lathe. Reduce this
risk by releasing automatic feeds after use,
not leaving lathe unattended, and checking
clearances before starting the lathe.
Make sure no part of the tool, tool holder,
compound rest, cross slide, or carriage will
contact the chuck during operation.
Coolant Safety. Coolant is a very poisonous
biohazard that can cause personal injury
from skin contact alone. Incorrectly
positioned coolant nozzles can splash on
the operator or the floor, resulting in an
exposure or slipping hazard. To decrease
your risk, change coolant regularly and
position the nozzle where it will not splash
or end up on the floor.
Tool Selection. Cutting with an incorrect or
dull tool increases the risk of accidental
injury due to the extra force required for
the operation, which increases the risk of
breaking or dislodging components that
can cause small shards of metal to become
dangerous projectiles. Always select the
right cutter for the job and make sure it is
sharp. A correct, sharp tool decreases strain
and provides a better finish.
Speed Rates. Operating the lathe at the wrong
speed can cause nearby parts to break or the
workpiece to come loose, which will result in
dangerous projectiles that could cause severe
impact injuries. Large or non-concentric
workpieces must be turned at slow speeds.
Always use the appropriate feed and speed
rates.
Chuck Key Safety. A chuck key left in the chuck
can become a deadly projectile when the
spindle is started. Always remove the chuck
key after using it. Develop a habit of not
taking your hand off of a chuck key unless it
is away from the machine.
Safe Clearances. Workpieces that crash into
other components on the lathe may throw
dangerous projectiles in all directions,
leading to impact injury and damaged
equipment. Before starting the spindle,
make sure the workpiece has adequate
clearance by hand-rotating it through its
entire range of motion. Also, check the tool
and tool post clearance, chuck clearance, and
saddle clearance.
Long Stock Safety. Long stock can whip violently
if not properly supported, causing serious
impact injury and damage to the lathe.
Reduce this risk by supporting any stock
that extends from the chuck/headstock more
than three times its own diameter. Always
turn long stock at slow speeds.
Securing Workpiece. An improperly secured
workpiece can fly off the lathe spindle with
deadly force, which can result in a severe
impact injury. Make sure the workpiece is
properly secured in the chuck or faceplate
before starting the lathe.
Chucks. Chucks are very heavy and difficult to
grasp, which can lead to crushed fingers or
hands if mishandled. Get assistance when
handling chucks to reduce this risk. Protect
your hands and the precision-ground ways
by using a chuck cradle or piece of plywood
over the ways of the lathe when servicing
chucks. Use lifting devices when necessary.

-20-
For Machines Mfg. Since 3/11
Turn-Nado® EVS Lathes SAFETY
Additional Chuck Safety
Entanglement. Entanglement with a rotating
chuck can lead to death, amputation, broken
bones, or other serious injury. Never attempt
to slow or stop the lathe chuck by hand,
and always roll up long sleeves, tie back
long hair, and remove any jewelry or loose
apparel BEFORE operating.
Chuck Speed Rating. Excessive spindle speeds
greatly increase the risk of the workpiece or
chuck being thrown from the machine with
deadly force. Never use spindle speeds faster
than the chuck RPM rating or the safe limits
of your workpiece.
Using Correct Equipment. Many workpieces can
only be safely turned in a lathe if additional
support equipment, such as a tailstock or
steady rest, is used. If the operation is too
hazardous to be completed with the lathe or
existing equipment, the operator must have
enough experience to know when to use a
different machine or find a safer way.
Trained Operators Only. Using a chuck
incorrectly can result in workpieces coming
loose at high speeds and striking the
operator or bystanders with deadly force.
To reduce the risk of this hazard, read
and understand this document and seek
additional training from an experienced
chuck user before using a chuck.
Chuck Capacity. Avoid exceeding the capacity
of the chuck by clamping an oversized
workpiece. If the workpiece is too large to
safely clamp with the chuck, use a faceplate
or a larger chuck if possible. Otherwise, the
workpiece could be thrown from the lathe
during operation, resulting in serious impact
injury or death.
Clamping Force. Inadequate clamping force
can lead to the workpiece being thrown
from the chuck and striking the operator
or bystanders. Maximum clamping force
is achieved when the chuck is properly
maintained and lubricated, all jaws are
fully engaged with the workpiece, and the
maximum chuck clamping diameter is not
exceeded.
Proper Maintenance. All chucks must be properly
maintained and lubricated to achieve
maximum clamping force and withstand
the rigors of centrifugal force. To reduce
the risk of a thrown workpiece, follow all
maintenance intervals and instructions in
this document.
Disconnect Power. Serious entanglement or
impact injuries could occur if the lathe is
started while you are adjusting, servicing, or
installing the chuck. Always disconnect the
lathe from power before performing these
procedures.

PREPARATION
For Machines Mfg. Since 3/11 Turn-Nado® EVS Lathes
-21-
PREPARATION
Preparation Overview Things You'll Need
To complete the preparation process, you will
need the following items:
For Lifting and Moving
s !FORKLIFTOROTHERPOWERLIFTINGDEVICE
rated for at least 25% more than the
shipping weight of the lathe (see Product
Specifications beginning on Page 9)
s ,IFTINGstraps, each rated for at least 25%
more than the shipping weight of the lathe
s 'UIDERODSFORSTEADINGTHELOADWHENLIFTING
s Two other people for assistance when moving
machine
s Hardwood blocking (see Page 27)
For Power Connection
s A power source that meets the minimum
circuit requirements for this machine (review
the Power Supply Requirements section
on the next page for details)
s An electrician or qualified service personnel
to ensure a safe and code-compliant
connection to the power source
For Cleaning & Assembly
s Cotton rags
s Mineral spirits
s Quality metal protectant oil
s 3AFETYglasses
s Wrench or socket 21mm
s Wrench or socket 19mm
s &LOORmounting hardware as needed
s 0RECISIONLEVEL
s Standard screwdriver #2
The purpose of the preparation section is to help
you prepare your machine for operation. The list
below outlines this basic process. Specific steps
for each of these points will be covered in detail
later in this section.
The typical preparation process is as follows:
1. Unpack the lathe and inventory the contents
of the box/crate.
2. Clean the lathe and its components.
3. Identify an acceptable location for the lathe
and move it to that location.
4. Level the lathe and either bolt it to the floor
or place it on mounts.
5. Assemble the loose components and make
any necessary adjustments or inspections to
ensure the lathe is ready for operation.
6. Check/lubricate the lathe.
7. Connect the lathe to the power source.
8. Test run the lathe to make sure it functions
properly.
9. Perform the spindle break-in procedure to
prepare the lathe for operation.

-22-
For Machines Mfg. Since 3/11
Turn-Nado® EVS Lathes PREPARATION
Power Supply
Requirements
Availability
The full-load current rating is the amperage
a machine draws at 100% of the rated output
power. On machines with multiple motors, this is
the amperage drawn by the largest motor or sum
of all motors and electrical devices that might
operate at one time during normal operations.
The full-load current is not the maximum
amount of amps that the machine will draw. If
the machine is overloaded, it will draw additional
amps beyond the full-load rating.
If the machine is overloaded for a sufficient
length of time, damage, overheating, or fire may
result—especially if connected to an undersized
circuit. To reduce the risk of these hazards,
avoid overloading the machine during operation
and make sure it is connected to a power supply
circuit that meets the requirements in the
following section.
Full-Load Current Rating
SB1042PF Full-Load Rating ......... 18.83 Amps
SB1043PF Full-Load Rating ......... 18.83 Amps
SB1045PF Full-Load Rating ......... 18.83 Amps
SB1059F Full-Load Rating ............ 16.83 Amps
SB1060PF Full-Load Rating ......... 18.83 Amps
SB1061PF Full-Load Rating ......... 18.83 Amps
Circuit Requirements
For your own safety and protection of property,
consult an electrician if you are unsure about
wiring practices or applicable electrical codes.
Note: The circuit requirements in this manual
are for a dedicated circuit—where only one
machine will be running at a time. If this
machine will be connected to a shared circuit
where multiple machines will be running at
the same time, consult a qualified electrician to
ensure the circuit is properly sized.
A
power supply circuit includes all electrical
equipment between the main breaker box or fuse
panel in your building and the incoming power
connections inside the machine. This circuit
must be safely sized to handle the full-load
current that may be drawn from the machine for
an extended period of time. (If this machine is
This machine is prewired to operate on a 440V
power supply circuit that has a verified ground
and meets the following requirements:
Serious injury could occur if you connect
the machine to power before completing the
setup process. DO NOT connect to power until
instructed later in this manual.
Nominal Voltage ............................... 440V/480V
Cycle .............................................................60 Hz
Phase ....................................................... 3-Phase
Circuit Rating....................................... 30 Amps
Connection .. Hardwire with Locking Switch
Before installing the machine, consider the
availability and proximity of the required power
supply circuit. If an existing circuit does not meet
the requirements for this machine, a new circuit
must be installed.
To minimize the risk of electrocution, fire,
or equipment damage, installation work and
electrical wiring must be done by an electrician
or qualified service personnel in accordance with
all applicable codes.

For Machines Mfg. Since 3/11 Turn-Nado® EVS Lathes
-23-
PREPARATION
Grounding Requirements
This machine must be grounded! In the event
of certain types of malfunctions or breakdowns,
grounding provides a path of least resistance
for electric current in order to reduce the risk of
electric shock.
Improper connection of the equipment-grounding
wire can result in a risk of electric shock. The
wire with green insulation (with or without
yellow stripes) is the equipment-grounding
wire. If repair or replacement of the power cord
is necessary, do not connect the equipment-
grounding wire to a live (current carrying)
terminal.
Check with a qualified electrician or service
personnel if you do not understand these
grounding requirements, or if you are in doubt
about whether the machine is properly grounded.
If you ever notice that a cord is damaged or
worn, disconnect it from power, and immediately
replace it with a new one.
440V Operation
As specified in the Circuit Requirements
section on the previous page, these machines
must be hardwired to the power source, using a
locking switch (see Figure 10).
These machines must also be connected to a
grounded metal permanent wiring system; or to a
system with an equipment-grounding conductor.
Due to the complexity and high voltage involved,
this type of installation MUST be done by an
electrician or qualified service personnel.
Figure 10. Typical hardwire setup with a locking
disconnect switch.
Power Source
LOCKING
DISCONNECT SWITCH
Machine
Conduit
Ground Ground
Conduit
Electrocution or fire may
occur if machine is not
correctly grounded and
attached to the power
supply. Use an electrician or
qualified service personnel
to ensure a safe power
connection.

-24-
For Machines Mfg. Since 3/11
Turn-Nado® EVS Lathes PREPARATION
Unpacking
This item was carefully packaged to prevent
damage during transport. If you discover any
damage, please immediately call Customer
Service at (360) 734-1540 for advice. You may
need to file a freight claim, so save the containers
and all packing materials for possible inspection
by the carrier or its agent.
Inventory
Main Inventory 1 (Figure 11) Qty
A. Steady Rest Assembly (Installed) ................. 1
B. 14" Faceplate w/D1-8 Camlock Stud Set ...... 1
C. 3-Jaw Chuck Key (Clamped on Lathe) ......... 1
D. Model SB1232 14" 4-Jaw Chuck
w/Combo Jaws ...............................................1
E. 4-Jaw Chuck Key ...........................................1
F. Tool Post T-Wrench (Clamped on Lathe)......1
G. Follow Rest Assembly (Installed) .................. 1
Tool Box Inventory (Figure 12) Qty
H. Tool Box ..........................................................1
I. Open End Wrench 22/24mm ......................... 1
J. Open End Wrench 14/17mm ......................... 1
K. Open End Wrench 10/12mm .........................1
L. Combination Wrench 27mm ..........................1
M. Phillips Screwdriver #2 .................................1
N. Standard Screwdriver #2 ...............................1
O. Carbide-Tipped Dead Center MT#5 .............. 1
P. Dead Center MT#5 ......................................... 1
Q . Tapered Spindle Sleeve MT#7-#5 .................1
R. Carriage Handwheel Handle .........................1
S. Cross Slide Handwheel Handle ..................... 1
T. Hex Wrench Set 1.5-10mm ............................ 1
U. Hex Wrench 10mm ........................................1
V. Cast Iron Feet ................................................8
Installed & Not Shown Qty
s 3"*AW#HUCK ..............................1
s 3"
1⁄2" Back Plate for SB1312 ............1
Note: Some inventory components or additional
documentation may be shipped inside of the
lathe electrical cabinet. These items MUST be
removed before connecting the lathe to the power
source.
Figure 11. Main inventory.
AB
C
D
E
F
G
Figure 12. Toolbox inventory.
R
M
N
HJ
L
TS
UV
I
K
Q
PO

For Machines Mfg. Since 3/11 Turn-Nado® EVS Lathes
-25-
PREPARATION
The unpainted surfaces are coated at the factory
with a heavy-duty rust preventative that
prevents corrosion during shipment and storage.
The benefit of this rust preventative is that it
works very well. The downside is that it can be
time-consuming to thoroughly remove.
Be patient and do a careful job when cleaning
and removing the rust preventative. The time
you spend doing this will reward you with
smooth-sliding parts and a better appreciation
for the proper care of the unpainted surfaces.
A
lthough there are many ways to successfully
remove the rust preventative, the following
process works well in most situations.
Before cleaning, gather the following:
s $ISPOSABLErags
s #LEANERDEGREASER (certain citrus-based
degreasers work extremely well and they
have non-toxic fumes)
s 3AFETYGLASSESDISPOSABLEGLOVES
Note: Automotive degreasers, mineral spirits, or
7$sCANBEUSEDTOREMOVERUSTPREVENTATIVE
Before using these products, though, test them
on an inconspicuous area of a painted surface to
make sure they will not damage it.
Basic steps for removing rust preventative:
1. Put on safety glasses and disposable gloves.
2. #OATALLSURFACESTHATHAVERUSTPREVENTATIVE
with a liberal amount of your cleaner or
degreaser and let them soak for a few
minutes.
3. Wipe off the surfaces. If your cleaner or
degreaser is effective, the rust preventative
will wipe off easily.
Note: To clean off thick coats of rust preventative
on flat surfaces, such as beds or tables, use
A0,!34)#PAINTSCRAPERTOSCRAPEOFFTHE
majority of the coating before wiping it off
WITHYOURRAG$ONOTUSEAMETALSCRAPEROR
it may scratch the surface.)
4. Repeat Steps 2–3 as necessary until clean,
then coat all unpainted surfaces with a
quality metal protectant or light oil to
prevent rust.
GAS
Gasoline and petroleum
products have low flash
points and can explode
or cause fire if used for
cleaning. Avoid using these
products to remove rust
preventative.
Many cleaning solvents are
toxic if inhaled. Minimize
your risk by only using
these products in a well
ventilated area.
Avoid chlorine-based solvents, such as
acetone or brake parts cleaner that may
damage painted surfaces. Always follow the
manufacturer’s instructions when using any
type of cleaning product.
Cleaning & Protecting
Remove the end gear cover and end gears,
and use a stiff brush with mineral spirits
to clean the rust preventative from the
gears and shafts. DO NOT get any cleaner
or rust preventative on the V-belts, as it
could damage them or make them slip
during operations. If the belts do become
contaminated, replace them.

-26-
For Machines Mfg. Since 3/11
Turn-Nado® EVS Lathes PREPARATION
Physical Environment
Electrical Installation
Lighting
Weight Load
Space Allocation
Children or untrained
people may be seriously
injured by this machine.
Install machine in an
access restricted location.
Space Allocation
Consider the largest size of workpiece that will
be processed through this machine and provide
enough space around the machine for adequate
operator material handling or the installation
of auxiliary equipment. With permanent
installations, leave enough space around
the machine to open or remove doors/covers
as required by the maintenance and service
described in this manual.
Weight Load
Refer to the Machine Specifications for the
weight of your machine. Make sure that the
surface upon which the machine is placed will
bear the weight of the machine, additional
equipment that may be installed on the machine,
and the heaviest workpiece that will be used.
Additionally, consider the weight of the operator
and any dynamic loading that may occur when
operating the machine.
Physical Environment
The physical environment where your machine
is operated is important for safe operation and
longevity of parts. For best results, operate this
machine in a dry environment that is free from
excessive moisture, hazardous or flammable
chemicals, airborne abrasives, or extreme
conditions. Extreme conditions for this type
of machinery are generally those where the
ambient temperature is outside the range of 41°–
104°F; the relative humidity is outside the range
of 20–95% (non-condensing); or the environment
is subject to vibration, shocks, or bumps.
Electrical Installation
Place this machine near an existing power source
that meets the minimum circuit requirements.
Make sure all power cords are protected from
traffic, material handling, moisture, chemicals,
or other hazards. Leave access to disconnect the
power source or engage a lockout/tagout device.
Lighting
Lighting around the machine must be adequate
enough that operations can be performed
safely. Shadows, glare, or strobe effects that
ma
y
distract or im
p
ede the o
p
erator must be
LocationLocation
Lathe
Electrical
Access Door = Power Connection Location
C
Min. 30"
Wall
Keep
Workpiece
Loading Area
Unobstructed
A
21"
48"
Figure 13. Space required for full range of movement.
AB
SB1042PF 132" 111"
SB1043PF 152" 131"
SB1045PF 191" 170"
SB1059F 112" 91"
SB1060PF 132" 111"
SB1061PF 152" 131"

For Machines Mfg. Since 3/11 Turn-Nado® EVS Lathes
-27-
PREPARATION
Lifting & Moving
This machine and its parts are heavy! Serious
personal injury may occur if safe moving
methods are not used. To reduce the risk of a
lifting or dropping injury, ask others for help,
and use power equipment and guide rods.
Do not attempt to lift or move this lathe without
using the proper lifting equipment (such as
forklift or crane) or the necessary assistance from
other people. Each piece of lifting equipment
must be rated for at least 25% more than the
shipping weight of your lathe to support dynamic
loads that may be applied while lifting. Refer to
Things You'll Need on Page 21 for details.
To lift and move the lathe:
1. Remove the shipping crate top and sides,
then remove the small components from the
shipping pallet.
2. Move the lathe to its prepared location while
it is still attached to the shipping pallet.
3. Unbolt the lathe from the shipping pallet
4. To balance the load for lifting, move the
tailstock and carriage to the extreme right
end of the bedway, then lock them in place.
Note: Before attempting to move the carriage,
make sure the carriage lock is loose, the half
nut is disengaged, and the power feed is
disengaged (feed ON/OFF lever).
5. Position hardwood blocking under each
end of the bed as shown in Figure 14.
This will keep the lifting straps away from
the leadscrew, feed rod, and spindle rod to
prevent bending them during lifting.
Note: Fasten a center support between the
hardwood blocking to that they will stay
spread apart and in place when lifting (see
the example in Figure 15).
Lifting
Strap
Lathe
Bed
Leadscrew
Feed Rod
Control
Rod
To Power Lifting Equipment
(Loooking at Lifting Setup from Tailstock End)
Hardwood Blocks
and Planks
Positioned as
Required to
Prevent Lifting
Straps from
Bending
Leadscrew
Figure 14. Lifting setup to keep straps from bending
leadscrew or rods.
Figure 15. Example of blocking center support.
Hardwood
Blocking
Center
Support

-28-
For Machines Mfg. Since 3/11
Turn-Nado® EVS Lathes PREPARATION
7. At each end of the lathe, have assistants
connect guide rods to safely keep the lathe
from swaying or tipping during lifting.
Leveling machinery helps precision components,
such as bedways, remain straight and flat during
the lifespan of the machine. Components on a
machine that is not level may slowly twist due to
the dynamic loads placed on the machine during
operation.
For best results, use a precision level that
is at least 12" long and sensitive enough to
show a distinct movement when a 0.003" shim
(approximately the thickness of one sheet of
standard newspaper) is placed under one end of
the level.
See the figure below for an example of a high
precision level.
Figure 17. Example of a precision level.
Leveling & Mounting
You must level your machine and either use
the included foot pads and leveling hardware or
bolt and shim your lathe to the floor. Because
mounting your lathe to the floor with permanent
hardware is an optional step and floor materials
may vary, floor mounting hardware is not
included.
Leveling
For accurate turning results and to prevent
warping the cast iron bed and ways, the lathe
bedways MUST be leveled from side-to-side
and from front-to-back on both ends.
Re-check the bedways 24 hours after
installation, two weeks after that, and then
annually to make sure they remain level.
8. Raise the lathe a couple of inches and check
the balance of the load.
— If the load is not safely balanced,
immediately lower the lathe and resolve
the issue before attempting to lift it
again.
9. Raise the lathe enough to clear the shipping
pallet, carefully remove the pallet, then
lower the lathe into position.
When lifting the lathe with straps, the load will
be top heavy. Take extra care to keep the load
balanced vertically and only lift it far enough
to remove the shipping pallet.
6. Attach the lifting straps to the power lifting
equipment (see Figure 16 for an example).
Power Lifting
Equipment
Lifting
Straps
Use Blocks as Necessary
to Space Straps Away
from Control Rod,
Feed Rod, and Leadscrew
to Prevent Bending when
the Lathe is Lifted
Hardwood
Blocking Hardwood
Blocking
Figure 16. Example of lathe setup for lifting.

For Machines Mfg. Since 3/11 Turn-Nado® EVS Lathes
-29-
PREPARATION
Assembly
With the exception of the handwheel handles, the
lathe is shipped fully assembled.
To install the handwheel handles, thread the
large handle into the carriage handwheel and the
small handle into the cross slide handwheel, as
shown in Figure 20.
To level the machine, use a precision level to
make sure the bedways are level from side-to-
side and from front-to-back.
— If using the included leveling pads (see
Figure 18), place them under the six
leveling jack bolt locations, then adjust
the bolts to level the lathe.
— If using mounting hardware that does not
allow for adjustment, level the lathe by
placing metal shims between the lathe
base and the floor before bolting it down.
Bolting to Concrete Floors
Figure 19. Common types of fasteners for bolting
machinery to concrete floors.
Anchor
Stud
Lag Screw
and Anchor
Lag screws and anchors, or anchor studs
(below), are two popular methods for bolting
machinery to a concrete floor. We suggest you
research the many options and methods for
mounting your machine and choose the best one
for your specific application.
Figure 18. Leveling pads and screws.
Pads
Jack Bolts
Most electrical codes require that machines
connected to the power source by fixed
conduit MUST be secured to the floor.
Figure 20. Handwheel handles installed.
Handwheel Handles

-30-
For Machines Mfg. Since 3/11
Turn-Nado® EVS Lathes PREPARATION
Power Connection
After you have completed all previous setup
instructions and circuit requirements, the
machine is ready to be connected to the power
supply.
Due to the complexity required for planning,
bending, and installing the conduit necessary for
a code-compliant hardwire setup, an electrician
or qualified service personnel MUST perform this
type of installation.
Hardwire setups typically require power supply
wires to be enclosed inside of a solid or flexible
conduit, which is securely mounted at both ends
with the appropriate conduit fittings. All work
must adhere to the required electrical codes.
The hardwire setup must include a locking
disconnect switch (see Figure 21) between the
power source and the machine. This switch
serves as the means to completely disconnect
the machine from power to prevent electrocution
from accidental startup during adjustments,
maintenance, or service to the machine.
Power Source
Locking
Disconnect Switch Machine
Conduit Conduit
Figure 21. Typical hardwire setup with a locking
disconnect switch.
Adding Coolant
Add the coolant of your choice now. For detailed
instructions on where the coolant tank is located
and how to add fluid, refer to Coolant System
Service on Page 75.
Lubricating Lathe
GEARBOXES MUST
BE FILLED WITH OIL!
LATHE MAY NOT
HAVE OIL INCLUDED!
Refer to the Lubrication
Section in this Manual
for Recommended
Oil Type.
The headstock, quick-change gearbox, and apron
oil reservoirs must have the proper amount of oil
in them before the lathe can be operated for the
first time.
Damage caused to the bearings and gears from
running the lathe without oil in the reservoirs
will not be covered under warranty. Refer to the
Lubrication section, beginning on Page 68, for
details on how to check, add oil, and prime the
headstock oil pump.
In addition to the reservoirs, we also recommend
that you lubricate all other points on the
machine at this time. This can be accomplished
by following the maintenance schedule on
Page 66.
Note: If this lathe was shipped with oil in the
reservoirs, do not change that oil until after the
test run and spindle break-in procedures.

For Machines Mfg. Since 3/11 Turn-Nado® EVS Lathes
-31-
PREPARATION
Electrocution could occur if you attempt this
procedure with the power wires connected to
the power source. The incoming power wires
must be disconnected from power before
performing this procedure.
L3
L2
L1
To Power
Supply
H
ot
MASTER
POWER SWITCH
Ho
t
Hot
Ground
Figure 23. Power connection at master power switch.
4. Make sure the wires have enough slack so
that they do not bind at the terminals.
5. Close and lock the main electrical box door.
3. Connect the incoming hot wires to the
upper master power switch terminals and
the ground wire to the ground terminal, as
illustrated in Figure 23.
Connecting Power
1. Make sure the master power switch is
turned to the OFF position, then open the
electrical cabinet door.
2. Refer to Figure 22 to identify the master
power switch and the hole at the bottom left
of the electrical cabinet for the incoming
power.
To avoid unexpected start-up of lathe
components, keep the master power switch
turned OFF until instructed otherwise in the
following test run.
Figure 22. Electrical cabinet.
Master
Power
Switch
Incoming Power Strain Relief

-32-
For Machines Mfg. Since 3/11
Turn-Nado® EVS Lathes PREPARATION
Test Run
After all preparation steps have been completed,
the machine and its safety features must be
tested to ensure correct operation. If you discover
a problem with the operation of the machine or
its safety components, shut the machine down,
disconnect it from power, and do not operate it
further until you have resolved the problem.
A Troubleshooting section is provided, starting
on Page 88, to assist you with solutions if a
problem occurs or if the lathe does not function
as described in this section.
If you need additional help after reviewing the
troubleshooting section, or you are not confident
troubleshooting the machine on your own,
contact our Tech Support at (360) 734-1540.
To test run your machine:
1. Make sure the master power switch on the
rear of the machine is turned OFF (see
Figure 24).
3. Clear away all tools and objects used during
assembly, lubrication, and preparation.
4. Make sure that the chuck and jaws, if
installed, are secure (refer to Chuck and
Faceplate Mounting on Page 37).
Note: If a chuck is not installed on the lathe, you
do not need to install one for this test.
5. Push the STOP button on the control panel
(see Figure 25), then rotate the spindle
speed dial all the way to the left to set the
spindle speed at the lowest setting.
Figure 24. Location of the master power switch.
Master Power
Switch
2. Read and follow the safety instructions
at the beginning of the manual, take all
required safety precautions, and make sure
all previous preparation steps discussed
in this manual have been followed and
completed.
Figure 25. Control panel.
Spindle
Speed
Dial
Power
Lamp
Coolant
Switch
STOP
Button
6. Turn the coolant pump switch to the OFF
position, and point the coolant nozzle into
the chip pan.

For Machines Mfg. Since 3/11 Turn-Nado® EVS Lathes
-33-
PREPARATION
7. Move the spindle speed range lever to the
low speed range 1 (18-55 RPM), as shown in
Figure 26.
Note: You may need to rock the spindle back-
and-forth by hand to mesh the gears.
Figure 26. Spindle speed range lever.
8. Move the gearbox range lever on the
headstock to the neutral (middle) position to
disable power feed, as shown in Figure 27.
Figure 27. Gearbox range lever in neutral.
LOW
HIGH
Neutral
9. Pull up on the half nut and the feed ON/OFF
levers (see Figure 28), then use the carriage
handwheel to move the carriage back and
forth to ensure that it is not engaged with
the leadscrew or feed rod.
Note: Steps 8–9 will ensure that the carriage
and cross slide do not unexpectedly move
during the following steps.
10. To prevent the spindle from rotating when
power is applied to the motor, move the
spindle lever to the OFF (middle) position
(see Figure 28).
11. Turn the master power switch ON, then
reset the STOP button by twisting it
clockwise until it pops out. The headstock oil
pump will turn ON.
12. Observe the oil pump tube through the sight
glass on the headstock (see Figure 29).
Verify that you see oil flowing.
Important: The headstock has a pressurized oil
system that is equipped with a pressure
safety switch. If the oil is not properly
flowing, the lathe will not start.
Figure 28. Apron controls for test run.
Half Nut Lever
Spindle
Lever
Feed ON/OFF
Lever
Engaged
Disengaged
Engaged
Disengaged
Half Nut Lever
and Half Nut
Feed ON/OFF
Lever
Figure 29. Headstock oil sight glass.
Verify oil is
flowing here

-34-
For Machines Mfg. Since 3/11
Turn-Nado® EVS Lathes PREPARATION
13. Move the spindle lever down to start the
spindle rotating counterclockwise (down
toward the front of the lathe).
— If the spindle rotates in the opposite
direction (clockwise), the power supply
phase polarity may be incorrect. Refer to
Correcting Phase Polarity on Page 92
to resolve this.
14. Observe the lathe and listen for any
abnormal noises or vibration. The lathe
should run smoothly.
15. Move the spindle lever to the OFF (middle)
position, let the spindle come to a complete
stop, then move the lever up to reverse
spindle rotation.
16. Push the STOP button. The spindle should
come to a slow stop.
17. With the STOP button pushed in, attempt
to start spindle rotation—the spindle should
not start.
— If the spindle does start, the STOP button
is not working properly. This safety
feature must operate properly before
continuing. Turn the master power switch
OFF, disconnect the lathe from power,
then call Tech Support for help.
18. Move the spindle lever up to the OFF
(middle) position, reset the STOP button by
twisting it clockwise until it pops out, then
restart spindle rotation by moving it down
again.
19. Press the foot brake. The spindle should
come to a quick stop.
— If the foot brake has no effect on the
stopping speed of the spindle, push the
STOP button and refer to Brake Service
on Page 82 to adjust the brake.
20. Push the STOP button in and move the
spindle lever up to the OFF (middle) position
to prevent accidental start-up.
21. Remove the end gear cover from the left side
of the headstock. There is a safety switch
that prevents the spindle from starting while
this cover is removed.
22. Reset the STOP button, stand away from
all the exposed gears on the side of the
headstock, then attempt to start spindle
rotation—the spindle should not start.
— If the spindle does start with the end gear
cover removed, the safety limit switch is
not adjusted or operating correctly. This
safety feature must operate properly
before continuing. Press the STOP button
to turn the lathe OFF, disconnect it from
power, and call Tech Support for help.
23. Push the STOP button in, move the spindle
lever to the OFF (midddle) position, then
replace the end gear cover.
24. Reset the STOP button, then lift the chuck
guard up—this will activate the chuck guard
safety switch to prevent spindle rotation.
Attempt to start spindle rotation—the
spindle should not start.
— If the spindle starts with the chuck guard
in the up position, the safety switch is
not adjusted or operating correctly. This
safety feature must operate properly
before continuing. Press the STOP button
to turn the lathe OFF, disconnect it from
power, and call Tech Support for help.
25. Move the chuck guard back down into
operating position.
26. Point the coolant nozzle down into the chip
drawer and verify that there is coolant in the
reservoir (refer to Coolant System Service
on Page 75 for detailed instructions).
27. Use the coolant pump switch on the control
panel to start the pump, then open the valve
at the base of the nozzle. Verify that the
coolant flows from the nozzle, then close the
valve and turn the pump OFF.
Congratulations! The test run is complete.
Perform the following Spindle Break-In
procedure.

For Machines Mfg. Since 3/11 Turn-Nado® EVS Lathes
-35-
PREPARATION
Spindle Break-In
Before subjecting the lathe to full loads, it
is essential to complete the spindle break-in
process as described below. This will ensure the
best results and maximum life of the precision
components inside the lathe.
The break-in procedure must be performed
in succession with the Test Run procedure
described in this manual, because many of the
test run steps prepare the lathe controls for the
break-in process.
Important: Do not perform the break-in
procedure independently from the Test Run
section—serious damage could occur to the lathe
if the controls are set differently than instructed
in that section.
Do not leave the lathe unattended during the
Spindle Break-In procedure. If your attention
is needed elsewhere during this procedure,
stop the lathe and restart the procedure later
from the beginning.
5. While the oil is still warm and any metal
particles may still be suspended in the oil,
change the headstock and gearbox oil (refer
to Lubrication beginning on Page 68 for
detailed instructions).
6. Check, and if necessary, re-tension the
V-belts (refer to V-Belts on Page 81 for
detailed instructions).
Congratulations! The spindle break-in is
complete.
To perform the spindle break-in:
1. Successfully complete the Test Run
procedure beginning on Page 32.
2. Using the speed dial on the control panel
and the spindle speed range lever to set the
spindle speed, run the lathe for ten minutes
at each of the following speeds: 55, 180, 600,
and 1800 RPM.
3. Use the foot brake to stop spindle rotation,
then reverse spindle rotation and run the
lathe at 1800 RPM for 10 minutes.
4. Use the foot brake to stop spindle rotation,
then run the lathe at 180 RPM for ten
minutes with the gearbox range lever on the
headstock in the L (low) position, and then
run the lathe for another ten minutes with
the lever in the H (high) position.
For your convenience, the adjustments listed
below have been performed at the factory.
However, because of the many variables involved
with transporting the machine during shipping,
we recommend that you at least verify the
following adjustments to ensure the best possible
operational results from your new machine.
Step-by-step instructions for these adjustments
can be found on the pages referenced below.
Factory adjustments that should be verified:
s 4AILSTOCKALIGNMENTPage 45).
s #OMPOUNDANDCROSSSLIDEBACKLASH
adjustment (Page 78).
s 'IBADJUSTMENTSPage 79).
Recommended
Adjustments

OPERATION
-36-
For Machines Mfg. Since 3/11
Turn-Nado® EVS Lathes OPERATION
Operation Overview To complete a typical operation, the operator
does the following:
1. Puts on safety glasses, rolls up sleeves,
removes jewelry, and secures any clothing,
jewelry, or hair that could get entangled in
moving parts.
2. Examines the workpiece to make sure it is
suitable for turning, then securely mounts
the workpiece in one of the chucks or on the
faceplate, and removes the chuck key from
the chuck.
3. Mounts the tooling, aligns it with the
workpiece, then backs it away to establish a
safe startup clearance.
4. Clears all setup tools from the lathe.
5. Checks for safe clearances by rotating
the workpiece by hand at least one full
revolution.
6. Moves slides to where they will be used
during operation.
7. Sets the correct spindle speed for the
operation.
8. If using power feed, selects the proper feed
rate for the operation.
9. Turns the master power switch ON, resets
the STOP button, then uses the spindle lever
to start spindle rotation.
10. Uses the carriage handwheels or power
feed options to move the tooling into the
workpiece for operations.
11. When finished cutting, moves the spindle
lever to the OFF position, presses the foot
brake to completely stop the spindle, then
removes the workpiece.
To reduce the risk of
serious injury when using
this machine, read and
understand this entire
manual before beginning
any operations.
The purpose of this overview is to provide
the novice machine operator with a basic
understanding of how the machine is used durin
g
operation, so they can more easily understand
the controls discussed later in this manual.
Note: Due to the generic nature of this overview,
it is not intended to be an instructional guide
for performing actual machine operations.
To learn more about specific operations and
machining techniques, seek training from people
experienced with this type of machine, and do
additional research outside of this manual by
reading "how-to" books, trade magazines, or
websites.
Loose hair, clothing, or
jewelry could get caught
in machinery and cause
serious injury or death.
Keep these items away from
moving parts at all times to
reduce this risk.
During operation, small
metal chips may become
airborne, leading to serious
eye injury. Wear safety
glasses to reduce this risk.

For Machines Mfg. Since 3/11 Turn-Nado® EVS Lathes
-37-
OPERATION
Chuck & Faceplate
Mounting
This lathe ships with the 3-jaw chuck installed.
This is a scroll-type chuck where all three jaws
move in unison when the chuck key is used.
The included 4-jaw chuck features independent
jaws, which are used for square or unevenly-
shaped stock, and to mount work that needs to
be adjusted to near zero total indicated runout.
If neither chuck can hold your workpiece, the
cast iron faceplate has slots for T-bolts that hold
standard or custom clamping hardware. With the
correct clamping hardware, this faceplate will
hold non-cylindrical parts.
Installation & Removal
Devices
Because chucks are heavy and often awkward to
hold, some kind of lifting, support, or protective
device should be used during installation or
removal. The weight and size of the chuck will
determine the appropriate device to use (refer to
the following figure for examples).
Pre-Threaded Hole
for Lifting Eye
Way Slot
Jaw Slot
Plywood & 2x4
Chuck Cradle
Plywood Chuck Cradle
(Straight Cuts)
Plywood Chuck Cradle
(Curved Cuts)
Fabricated Steel
Lifting Hook
Solid Block
Chuck Cradle
Plywood Protection
Plate for Chucks
Installed by Hand
SMALL, LIGHTWEIGHT CHUCKS
MEDIUM-SIZE, HEAVY CHUCKS
LARGE, VERY HEAVY CHUCKS
Figure 30. Examples of common devices used during
chuck installation and removal.
A dropped chuck can cause amputation,
serious crushing injuries, or property damage.
Always use a lifting, support, or protective
device to reduce this risk when installing or
removing a chuck.
This lathe is equipped with a D1-type spindle
nose. This type of spindle uses camlocks that are
adjusted with a chuck key to securely mount a
chuck or faceplate with repeatable precision and
ease.
Never use spindle speeds faster than the
chuck RPM rating or the safe limits of your
workpiece. Excessive spindle speeds greatly
increase the risk of the workpiece or chuck
being thrown from the machine with deadly
force!

-38-
For Machines Mfg. Since 3/11
Turn-Nado® EVS Lathes OPERATION
Chuck Installation
To ensure accurate work, it is extremely
important to make sure the spindle nose and
chuck mating surfaces/tapers are clean. Even
a small amount of lint or debris can affect
accuracy.
The chuck is properly installed when all
camlocks are tight, the spindle and chuck tapers
firmly lock together, and the back of chuck is
firmly seated against the face of the spindle all
the way around—without any gaps.
Figure 31. Inserting camlock studs into spindle cam
holes.
INCORRECTCORRECT
5. Incrementally tighten the camlocks in a
criss-cross or star pattern to ensure that the
chuck seats evenly against the spindle.
6. When the chuck is fully seated and all the
camlocks are tight, verify that the cam line
is between the two "V" marks on the spindle
nose, as shown in the following figure.
— If the cam line is NOT between the "V"
marks when the camlock is tight, the stud
may be installed at the incorrect height.
To fix this, adjust the stud height as
shown in the following figure. Make sure
to re-install the stud cap screw afterward.
— If adjusting the stud height does not
correct the problem, try swapping stud
positions on the chuck.
Figure 32. Cam line positioned between the "V" marks
after the camlocks are fully tightened.
Cam line between “V”s
Figure 33. Correcting an improperly installed stud.
Stud Too High:
Turn In
One-Turn
Stud Too Low:
Turn Out
One-Turn
INCORRECT INCORRECT
To install the chuck:
1. DISCONNECT LATHE FROM POWER!
2. Use an appropriate lifting, support, or
protective device to protect the ways and
support the chuck during the installation
process.
3. Clean and lightly oil the camlock studs, then
thoroughly clean the mating surfaces of the
spindle and chuck.
4. Install the chuck by inserting the camlock
studs straight into the spindle cam holes.
Important: Avoid inserting the studs by
pivoting them in from an angle or rotating
the spindle. This can damage studs or
spindle cam holes.

For Machines Mfg. Since 3/11 Turn-Nado® EVS Lathes
-39-
OPERATION
Figure 34. Registration mark locations.
Camlock
Spindle
2-Piece
Direct Mount
Camlock Chuck
Marks
for Chuck
Reassembly
Chuck
Halves
Spindle & Chuck
Registration Marks
Registration Marks
Lightly stamp registration marks across the
mating seams of chuck components. These marks
will help you re-install the chuck in the same
position after removal, which ensures consistent
chuck balance and turning results, and allows
the same camlocks and studs to operate together
for consistent locking and unlocking.
Figure 35. Camlock is fully loosened when the cam
line is aligned with the spindle mark.
Cam line aligned with spindle mark
Chuck Removal
7. Verify that the chuck fits the spindle
properly by checking for any gaps between
the mating surfaces.
— If there are no gaps, proceed to Step 8.
— If there is a gap, remove the chuck, re-
clean the mating surfaces carefully, and
re-install. If the problem persists, contact
our Tech Support.
8. Verify that the chuck/spindle tapers
are seated firmly together by removing
the chuck, per the Chuck Removal
instructions, and pay close attention to how
easily the tapers release.
— If it was necessary to bump the chuck or
use a mallet to release the tapers, then
they are seating together properly.
— If the tapers released easily with little
intervention, they are not seated together
firmly as required. Remove the chuck, re-
clean the mating surfaces carefully, and
re-install. If the problem persists, contact
our Tech Support.
To remove the chuck:
1. DISCONNECT LATHE FROM POWER!
2. Use an appropriate lifting, support, or
protective device to protect the ways and
support the chuck (refer to Installation &
Removal Devices on Page 37).
3. Loosen the camlocks by turning the key
counterclockwise until each of the cam lines
are aligned with its corresponding spindle
mark (see Figure 35).
Tip: Camlocks can become very tight. A cheater
pipe may be used as a last resort to add
leverage when loosening. After loosening,
you may need to wiggle the chuck key in the
camlock to fully disengage the stud.
4. Using a dead blow hammer or other
soft mallet, lightly tap around the outer
circumference of the chuck body to loosen it
from the spindle.
5. Remove the chuck from the spindle, using
a light rocking motion to carefully slide the
studs out of the cam holes.
— If the chuck does not immediately come
off, rotate it approximately 60° and tap
it again. Make sure all the marks on the
cams and spindle are in proper alignment
for removal.

-40-
For Machines Mfg. Since 3/11
Turn-Nado® EVS Lathes OPERATION
Scroll Chuck Clamping
This scroll-type chuck has an internal scroll-gear
that moves all jaws in unison when adjusted with
the chuck key. This chuck will hold cylindrical
parts on-center with the axis of spindle rotation
and can be rotated at high speeds if the
workpiece is properly clamped and balanced.
Never mix jaw types or positions to
accommodate an odd-shaped workpiece.
The chuck will spin out of balance and
may throw the workpiece! Instead, use an
independent jaw chuck or a faceplate.
Figure 36. Jaw selection and workpiece holding.
Insufficient
Jaw Clamping
Unstable
Workpiece
Bar Stock
Inside
Safer
UseJaw
Cylinder
Unsafe Jaw Position
Poor Scroll
Gear Engagement
Inside
Safer
UseJaw
Shallow
Bar Stock
InsideUnsafe UseJaw
Poor Scroll Gear Engagement
Unsafe Jaw Position and
Outside
Safer
UseJaw
Poor Scroll Gear Engagement
Unsafe Jaw Position and
Poor
Unstable
Workpiece
Shallow
Bar Stock
Outside
Safer
UseJaw
Grip
Because of the dynamic forces involved in
machining a non-concentric or off-center
workpiece, always use a low spindle speed
to reduce risk of the workpiece coming loose
and being thrown from the lathe, which could
cause death or serious personal injury.
4-Jaw Chuck
Refer to the Chuck Installation (see Page 38)
and Chuck Removal (see Page 39) instructions
to install or remove the 4-jaw chuck.
The 4-jaw chuck features independently
adjustable hardened steel jaws for holding non-
concentric or off-center workpieces. Each jaw can
be independently removed from the chuck body
and reversed for a wide range of work holding
versatility.
Mounting Workpiece
1. DISCONNECT LATHE FROM POWER!
2. Place a chuck cradle or plywood on the
bedway below the chuck to protect the
bedway surfaces.
3. Use the chuck key to open each jaw so the
workpiece will lay flat against the chuck
face, jaw steps, or into the spindle opening.
4. With help from another person or a holding
device, position the workpiece so it is
centered in the chuck.

For Machines Mfg. Since 3/11 Turn-Nado® EVS Lathes
-41-
OPERATION
Figure 37. 4-jaw tightening sequence.
1
2
3
4
Workpiece
Centerpoint
5. Tighten each jaw in small increments.
After you have adjusted the first jaw,
continue tightening the remaining jaws
in an opposing sequence, as shown by the
sequential order in Figure 37.
6. After the workpiece is held in place by the
jaws, use a dial indicator to make sure the
workpiece is centered in the chuck.
— If the workpiece is not correctly centered,
make fine adjustments by slightly
loosening one jaw and tightening the
opposing jaw until the workpiece is
correctly positioned (see Figure 38 for an
example).
Figure 38. Example photo of non-cylindrical workpiece
correctly mounted on the 4-jaw chuck.
Faceplate
Refer to the Chuck Installation (Page 38)
and Chuck Removal (Page 39) instructions to
install or remove the faceplate.
The faceplate included with your lathe can be
used for a wide range of operations, including
machining non-concentric workpieces, straight
turning between centers, off-center turning, and
boring.
The tools needed for mounting a workpiece will
vary depending on the type of setup you have.
Machining non-concentric workpieces at a
high speed could cause the workpiece to be
thrown from the spindle with deadly force at
the operator or bystanders. To reduce this
risk, only machine non-concentric workpieces
at low speeds and clamp counter-weights to
the faceplate to balance it.
Failure to properly secure a workpiece to the
faceplate could cause the workpiece to be
thrown from the lathe with deadly force at the
operator or bystanders. Use a minimum of
THREE independent clamping devices to hold
the workpiece onto the faceplate.

-42-
For Machines Mfg. Since 3/11
Turn-Nado® EVS Lathes OPERATION
To mount a non-concentric workpiece to the
faceplate:
1. DISCONNECT LATHE FROM POWER!
2. Protect the bedway with a piece of plywood.
3. With help from another person or a holding
device to support the workpiece, position it
onto the faceplate and clamp it in place with
a minimum of three independent clamping
devices (see Figure 39 for an example).
Be sure to take into account the rotational
and cutting forces that will be applied to the
workpiece when clamping it to the faceplate.
If necessary, use counter-weights to balance
the assembly and use a dial indicator to
make sure that the workpiece is properly
positioned for your operation.
Graduated Dial
Increments .....................................................0.001"
One Full Revolution ......................................0.100"
Increments on Quill
Inch .................................... 0"-6" in 1⁄8" Increments
Metric .....................0–160mm in 1mm Increments
Positioning Tailstock
1. Pull the tailstock lock lever backward (away
from the spindle) to unlock the tailstock from
the bedway.
2. Slide the tailstock to the desired position.
3. Push the tailstock lock lever forward (toward
the spindle) to lock the tailstock against the
bedway.
Using Quill
1. Move the quill lock lever toward the spindle
to unlock the quill.
2. Turn the tailstock handwheel clockwise
to move the quill toward the spindle or
counterclockwise to move it away from it.
3. Move the lock lever away from the spindle to
secure the quill in place.
Tailstock
The tailstock (see Figure 40) is typically used
to support long workpieces by means of a live or
dead center (refer to Centers on Page 46). It
can also be used to hold a drill or chuck to bore
holes in the center of a part. Custom arbors and
tapers can also be cut on your lathe by using the
offset tailstock adjustment.
Figure 39. Example photo of workpiece clamped in a
faceplate.
Clamp
Faceplate
Non-Cylindrical
Workpiece
Figure 40. Tailstock and quill lock levers in locked
position.
Quill Lock
Lever
Tailstock
Handwheel
Tailstock Lock Lever

For Machines Mfg. Since 3/11 Turn-Nado® EVS Lathes
-43-
OPERATION
Installing Tooling
This tailstock uses a quill with an MT#5 taper
that has a lock slot in the back of the bore that
accepts tang arbors and drill bits (see Figures
41–42 for examples).
Figure 41. Types of tapered arbors and tooling.
Tang
Screw
End
Solid
End
Open
End
Solid
End
However, other tooling without tangs, such as
the four remaining tools shown in Figure 41,
can still be used if the potential load will not
exceed the strength of the tapered fit. For
example, this includes smaller drill chucks, drill
bits, and centers.
Note: If the tooling has an open hole in the end
but is too short to be exposed in the drift slot
for removal, then a screw can be threaded into
the end of the tool to provide a solid surface for
the quill pin to push against when the quill is
retracted for tool removal. Otherwise, removal of
such tooling may be difficult.
To install tooling in the tailstock:
1. With the tailstock locked in place, unlock the
quill, then use the handwheel to extend it
approximately 1".
2. Thoroughly clean and dry the tapered
mating surfaces of the quill and the center,
making sure that no lint or oil remains on
the tapers.
Note: If the tapered tool shaft has a tang, align
it with the slot in the back of the quill before
seating it.
3. With a firm and quick motion, insert the
tool into the quill. Check to see if it is firmly
seated by attempting to twist it—a firmly
seated tool will not twist.
4. Unlock the tailstock and move it until the tip
of the tool is close to, but not touching, the
workpiece, then re-lock the tailstock.
5. Start spindle rotation, unlock the quill, then
turn the tailstock handwheel clockwise to
feed the tool into the workpiece.
Figure 42. Example photos of inserting MT#5 tools
with tangs into the tailstock.
Tang

-44-
For Machines Mfg. Since 3/11
Turn-Nado® EVS Lathes OPERATION
Removing Tooling
1. Use a shop rag to hold the tool.
2. Rotate the tailstock handwheel
counterclockwise until the tool is forced out
of the quill.
— If the tool does not come loose by
retracting the quill, extend the quill
and use a drift key in the slot shown in
Figure 43 to remove the tool.
Figure 43. Drift key slot in the side of the quill.
Drift Key Slot
Offsetting Tailstock
The tailstock can be offset from the spindle
centerline for turning tapers. Move the tailstock
top casting toward the front of the lathe to
machine a taper at the tailstock end. Conversely,
position the tailstock top casting toward the back
of the lathe to machine a taper at the spindle
end.
Note: The marks on the offset indicator are
arbitrary. For a precise offset, use a dial
indicator to check quill movement while
adjusting the screws.
Tools Needed Qty
Hex Wrench 6mm .................................................1
Wrench 17mm .......................................................1
Turn
CCW
Turn
CCW
Turn
CW
Turn
CW
Figure 45. Set screw adjustment in relation to
tailstock movement.
To offset the tailstock:
1. Loosen the hex bolts underneath both ends
of the tailstock to release the clamping
pressure between the top and bottom
castings (see Figure 44).
Figure 44. Tailstock offset controls.
Hex Bolt
(1 of 2)
Offset
Indicator
Adjustment
Set Screw
(1 of 2)
2. Rotate the adjustment set screws in opposite
directions for the desired offset (see the
illustration in Figure 45).
3. Retighten the clamping hex bolts underneath
the tailstock to secure the offset.

For Machines Mfg. Since 3/11 Turn-Nado® EVS Lathes
-45-
OPERATION
Aligning Tailstock to Spindle
Centerline
This is an essential adjustment that should be
verified or performed each time the tailstock
is used to turn concentric workpieces between
centers or immediately after offsetting the
tailstock when turning a taper. If the tailstock is
not aligned with the spindle centerline when it is
supposed to be, turning results will be inaccurate
along the length of the workpiece.
Items Needed Qty
Hex Wrench 6mm .................................................1
Wrench 17mm .......................................................1
Round Stock 2" x 6" ...............................................2
Precision Level ......................................................1
To align the tailstock to the spindle centerline:
1. Use the precision level to make sure the
bedway is level from side-to-side and from
front-to-back.
— If the bedway is not level, correct
this condition before continuing with
this procedure (refer to Leveling &
Mounting on Page 28).
2. Center drill both ends of one piece of round
stock, then set it aside for use in Step 5.
3. Use the other piece of round stock to make
a dead center, and turn it to a 60° point, as
illustrated in Figure 46.
Note: As long as this dead center remains in the
chuck, the point of the center will remain
true to the spindle centerline. The point will
have to be refinished whenever the center is
removed and then returned to the chuck.
4. Install a center in the tailstock.
5. Attach a lathe dog to the test stock from
Step 2, then mount it between the centers
(see Figure 47 for an example).
Figure 47. Example photo of stock mounted between
the centers.
6. Turn 0.010" off the stock diameter.
7. Mount a test or dial indicator so that the
plunger is on the tailstock quill.
Figure 46. Turning a dead center.

-46-
For Machines Mfg. Since 3/11
Turn-Nado® EVS Lathes OPERATION
Note: If necessary in the following step, refer
to Offsetting Tailstock on Page 44 for
detailed instructions.
8. Use calipers to measure both ends of the
workpiece.
— If the test stock is thicker at the tailstock
end, move the tailstock toward the front of
the lathe 1⁄2 the distance of the amount of
taper (see Figure 48).
9. Repeat Steps 6–8 until the desired accuracy
is achieved.
Move the tailstock toward
the front of the lathe ½ the
distance of the taper.
Looking down from above.
Figure 48. Adjust tailstock toward the operator.
— If the test stock is thinner at the tailstock
end, move the tailstock toward the back of
the lathe 1⁄2 the distance of the amount of
taper (see Figure 49).
Move tailstock toward the
back of the lathe ½ the
distance of the taper.
Looking down from above.
Figure 49. Adjust tailstock away from the operator.
Centers
Figure 50 shows the MT#5 dead centers
included with the lathe. In addition, an MT#7–
MT#5 tapered spindle sleeve is included for
mounting centers in the spindle.
Dead Centers
A dead center is a one-piece center that does not
rotate with the workpiece and is used to support
long, slender workpieces
Use the dead center in the spindle for operations
where the workpiece rotates with the center and
does not generate friction.
The carbide-tipped dead center can better
withstand the effects of friction and is best
used in the tailstock where the workpiece will
rotate against it. The tip of the center must be
generously lubricated during the operation to
avoid premature wear and maximize smooth
operation. Using low spindle speeds will also
reduce the heat and wear from friction.
Figure 50. Adapter sleeve and dead centers.
Adapter
Sleeve
Carbide Tipped
Dead Center
Dead
Center

For Machines Mfg. Since 3/11 Turn-Nado® EVS Lathes
-47-
OPERATION
Live Centers
A live center has bearings that allow the center
tip and the workpiece to rotate together; it can be
installed in the spindle and the tailstock quill for
higher speeds. However, a live center typically
does not provide the same level of rigidity as a
dead center, and final workpiece accuracy can
suffer as a result.
Mounting Dead Center in Spindle
1. DISCONNECT LATHE FROM POWER!
2. Thoroughly clean and dry the tapered
mating surfaces of the spindle bore, adapter
sleeve, and the center, making sure that no
lint or oil remains on the tapers.
Note: This will prevent the tapered surfaces from
seizing due to operational pressures, which
could make it very difficult to remove the
center.
3. Mount a chuck or faceplate onto the spindle,
whichever is correct for your operation.
4. Insert the center into the sleeve, then insert
the sleeve into the spindle bore through the
chuck or faceplate.
Figure 51 shows an example photo of a
dead center installed in the spindle, using a
lathe dog and faceplate for turning between
centers.
Figure 51. Example photo of using a dead center with
a faceplate and lathe dog.
Dead Center
Lathe
Dog
Mounting Center in Tailstock
Either a carbide-tipped dead center or live
center can be used in the tailstock. Mounting
instructions are the same for both. Figure
52 shows an example photo of a dead center
mounted in a tailstock.
Removing Center from Spindle
To remove the sleeve and center from the
spindle, insert a piece of round bar stock or
similar tool through the outboard end (on the left
side of the headstock). Have another person hold
onto the sleeve and center with a gloved hand or
shop rag, then tap the sleeve loose.
Figure 52. Example photo of using a carbide-tipped
dead center installed in the tailstock.
Carbide-Tipped
Dead Center
To avoid premature wear of the dead center
or damage to the workpiece, use low spindle
speeds and keep the tip of the dead center
mounted in the tailstock well lubricated.
To mount a center in the tailstock:
1. DISCONNECT LATHE FROM POWER!
2. Thoroughly clean and dry the tapered
mating surfaces of the tailstock quill bore
and the center, making sure that no lint or
oil remains on the tapers.

-48-
For Machines Mfg. Since 3/11
Turn-Nado® EVS Lathes OPERATION
3. Use the tailstock handwheel to feed the quill
out from the casting approximately 1".
Note: Do not extend the quill more than 2" or
stability and accuracy will be reduced.
4. Insert the center into the tailstock quill.
5. Seat the center firmly into the quill during
workpiece installation by rotating the quill
handwheel clockwise to apply pressure, with
the center engaged in the center hole in the
workpiece.
Note: Only apply enough pressure with
the tailstock quill to securely mount
the workpiece between centers. Avoid
overtightening the center against the
workpiece, or it may become difficult to
remove later, and it will result in excessive
friction and heat, which may damage the
workpiece and center.
Removing Center from Tailstock
To remove the center from the quill, hold onto it
with a gloved hand or shop rag, then rotate the
tailstock handwheel counterclockwise to draw
the quill back into the casting until the center
releases.
If the center does not come loose by retracting
the quill, extend the quill to expose the slot
shown in Figure 53, then use a drift key to
remove the center.
Figure 53. Drift key slot in the side of the quill.
Drift Key Slot
Mounting Workpiece Between
Centers
1. DISCONNECT LATHE FROM POWER!
2. Drill center holes in both ends of the
workpiece.
3. Install a dead center in the spindle with
a lathe dog and a chuck or faceplate, then
install a live center or carbide-tipped dead
center in the tailstock.
4. Lubricate the workpiece center holes, then
mount the workpiece between the centers
and hold it in place with light pressure from
the tailstock center.
5. Seat the center firmly into the quill by
rotating the tailstock handwheel clockwise
to apply pressure against the workpiece (see
the example in Figure 54).
Only apply enough pressure to securely
mount the workpiece between centers.
Avoid over-tightening the center against
the workpiece, or it may become difficult
to remove later. Also, over-tightening will
result in excessive friction and heat, which
may damage the workpiece or center.
Figure 54. Example photo of a workpiece mounted
between the centers.

For Machines Mfg. Since 3/11 Turn-Nado® EVS Lathes
-49-
OPERATION
The steady rest supports long shafts and can
be mounted anywhere along the length of the
bedway.
Familiarize yourself with the steady rest
components shown in Figure 55 to better
understand its operation.
Steady Rest
Figure 55. Steady rest components.
Finger
Adjustment
Knob
Hex Nut
Clamp
Knob
Leaf
Screw
Finger
Roller
To install and use the steady rest:
1. DISCONNECT LATHE FROM POWER!
2. Thoroughly clean all mating surfaces, then
place the steady rest base on the bedways
so the triangular notch fits over the bedway
prism.
3. Position the steady rest where required to
properly support the workpiece, then tighten
the hex nut shown in Figure 55 to secure it
in place.
5. Loosen the three leaf screws so the finger
roller positions can be adjusted.
6. Use the finger adjustment knobs to position
the bottom two finger rollers against the
workpiece, as shown in the example of
Figure 56.
7. Close the steady rest, then use the finger
adjustment knobs to adjust all three finger
rollers so that they just touch the workpiece
without causing deflection.
Note: The finger rollers should properly support
the workpiece along the spindle centerline
while still allowing it to freely rotate.
8. Tighten the three leaf screws to secure the
settings.
4. Loosen the clamp knob that secures the two
halves of the steady rest and open the top
portion, as shown in Figure 56.
Figure 56. Workpiece mounted in the steady rest.
!

-50-
For Machines Mfg. Since 3/11
Turn-Nado® EVS Lathes OPERATION
Follow Rest
The follow rest mounts to the saddle with two
cap screws (see Figure 57). It is used on long,
slender parts to prevent workpiece deflection
from the pressure of the cutting tool during
operation. Adjust the follow rest fingers in the
same manner as the those on the steady rest.
Note: To reduce the effects of friction, lubricate
the brass finger tips with generous lubricant
during operation.
Figure 57% Follow rest attachment.
Cap
Screws
Carriage & Compound
Rest Locks
The carriage and compound rest have locks that
can be tightened to provide additional rigidity
during operation, especially during heavy cuts.
See Figure 58 to identify the locations of the
locks for each device.
Carriage
Lock
Compound Rest
Lock
Figure 58. Compound rest and carriage locks.
2. Rotate the rest to the desired angle, as
indicated by the scale at the base, then
retighten the two acorn nuts.
Tip: The first time you set the angle of the
compound rest for cutting threads, mark
the location on the cross slide as a quick
reference point. This will allow you to
quickly return the compound rest to that
exact angle the next time you need to cut
threads.
The compound rest handwheel has an indirect-
read graduated scale. This means that the
distance shown on the scale represents the actual
distance the cutting tool moves. The base of the
compound rest has another graduated scale used
for setting the cutting tool to a specific angle.
Graduated Dial
Increments ....................................0.001" (0.02mm)
One Full Revolution .....................0.100" (2.54mm)
Tool Needed Qty
Wrench 14mm .......................................................1
To set the compound rest at a certain angle:
1. Loosen the two acorn nuts at the base of the
compound rest (1 of 2 shown in Figure 59).
Compound Rest
Figure 59. Compound rest.
Compound
Rest
Angle Scale
Acorn Nut
(1 of 2)

For Machines Mfg. Since 3/11 Turn-Nado® EVS Lathes
-51-
OPERATION
The four-way tool post is mounted on top of the
compound rest and allows a maximum of four
tools to be loaded simultaneously.
Each tool can be quickly indexed to the workpiece
by loosening the top handle, rotating the tool
post to the desired position, then re-tightening
the handle to lock the tool into position.
Installing Tool
Tool Needed Qty
Tool Post T-Wrench ............................................... 1
To install a tool in the tool post:
1. Adjust the tool post bolts so that the
cutting tool can fit underneath them (see
Figure 60).
Four-Way Tool Post
2. Firmly secure the cutting tool with at least
two tool post bolts.
3. Check and adjust the cutting tool to the
spindle centerline, as instructed in the next
subsection.
Over-extending a cutting tool from the post
will increase the risk of tool chatter, breakage,
or tool loosening during operation, which
could cause metal pieces to be thrown at the
operator or bystanders with great force. DO
NOT extend a cutting tool more than 2.5 times
the width of its cross-section or less (e.g, 2.5
x 0.5" = 1.25").
Figure 60. Example of tool mounted in tool post.
Cutting
Tool
Tool Post
Bolt
Aligning Cutting Tool with Spindle
Centerline
For most operations, the cutting tool tip should
be aligned with the spindle centerline, as
illustrated in Figure 61.
Figure 61. Cutting tool aligned with spindle centerline
(viewed from tailstock).
Cutting
Tool
Spindle
Center
Line
There are a number of ways to check and align
the cutting tool to the spindle centerline. If
necessary, you can raise the cutting tool by
placing steel shims underneath it. The shims
should be as long and as wide as the cutting tool
to properly support it.
Below are two common methods:
s Align the tip of the cutting tool with a center
installed in the tailstock, as instructed on
the next page. For this to work, the tailstock
must be aligned to the spindle centerline
(refer to Aligning Tailstock To Spindle
Centerline on Page 45 for detailed
instructions).
s -AKEAFACINGCUTONAPIECEOFROUNDBAR
stock. If the tool is above or below the
spindle centerline, a nub will be left in the
center of the workpiece. Adjust the height of
the tool, then repeat the facing cut to check
the adjustment. Repeat as necessary until
the center of the workpiece face is smooth.

-52-
For Machines Mfg. Since 3/11
Turn-Nado® EVS Lathes OPERATION
Tools Needed Qty
Tool Post T-Wrench ............................................... 1
Steel Shims ............................................ As Needed
Cutting Tool ...........................................................1
Fine Ruler ..............................................................1
Tailstock Center ....................................................1
To align the cutting tool with the tailstock
center:
1. Mount the cutting tool in the tool post, then
secure the post so the tool faces the tailstock.
2. Install a center in the tailstock, and position
the center tip near the cutting tool tip.
3. Lock the tailstock and quill in place.
4. Adjust the height of the cutting tool so
that the tool tip is aligned vertically and
horizontally with the center tip, as shown in
Figure 62.
Cutting
Tool
Tailstock
Center
(Top View)
Cutting
Tool Tailstock
Center
(Side View)
Figure 62. Cutting tool tip aligned with tailstock
center.
Micrometer Stop
3. Move the micrometer stop up to the carriage,
use the graduated dial to fine tune the
position, then retighten the cap screws
loosened in Step 2.
4. Verify that tooling will not make contact
with the chuck, jaws, or other components.
The micrometer stop is used to limit carriage
travel for production runs or make final
adjustments to the carriage position.
If power feed is being used and the carriage
clutch is correctly adjusted, the carriage will
disengage from the feed rod when it contacts the
micrometer stop and movement will stop. Refer
to Carriage Feed Clutch Knob on Page 56 for
detailed instructions on adjusting the carriage
clutch.
The micrometer stop is not designed to stop
carriage movement when the leadscrew is
engaged for threading operations—doing so
may damage the micrometer stop or lathe
components.
Tools Needed Qty
Hex Wrench 8mm .................................................1
To set the micrometer stop:
1. DISCONNECT LATHE FROM POWER!
2. Loosen the cap screws shown in Figure 63,
then use the carriage handwheel to position
the carriage and cutting tool at the desired
stopping point.
Figure 63. Micrometer stop.
Cap Screws
Stop Rod
Graduated
Dial

For Machines Mfg. Since 3/11 Turn-Nado® EVS Lathes
-53-
OPERATION
Manual Feed
The handwheels shown in Figure 64 allow the
operator to manually move the cutting tool.
Carriage Handwheel
The carriage handwheel moves the carriage left
or right along the bed. It has a graduated dial
with 0.01" increments, and one full revolution
moves the carriage 0.80". Pull the handwheel out
to disengage it during power feed operations—
this will prevent entanglement hazards.
Cross Slide Handwheel
The cross slide handwheel moves the tool
toward and away from the work. Adjust the
position of the graduated scale by holding the
handwheel with one hand and turning the dial
with the other. The cross slide handwheel has
a direct-read graduated dial, which shows the
total amount of material removed from the
diameter of the workpiece (i.e., half the amount
of tool movement). The dial has 0.001" (0.02mm)
increments, and one full revolution moves the
slide 0.100" (5.08mm). Rotate the dial collar 180°
to read in metric units.
Compound Rest Handwheel
The compound rest handwheel moves the cutting
tool linearly along the set angle of the compound
rest. The compound rest angle is set by hand-
rotating it and securing in place with two hex
nuts. The compound rest has an indirect-read
graduated dial with 0.001" (0.02mm) increments.
One full revolution of the handwheel moves the
slide 0.100" (2.54mm). Rotate the dial collar 180°
to read in metric units.
Spindle Speed
Using the correct spindle speed is important
for safe and satisfactory results, as well as
maximizing tool life.
To set the spindle speed for your operation, you
will need to: 1) Determine the best spindle speed
for the cutting task, and 2) configure the lathe
controls to produce the required spindle speed.
Determining Spindle Speed
Many variables affect the optimum spindle speed
to use for any given operation, but the two most
important are the recommended cutting speed
for the workpiece material and the diameter of
the workpiece, as noted in the formula shown in
Figure 65.
Cutting speed, typically defined in feet per
minute (FPM), is the speed at which the edge of a
tool moves across the material surface.
A recommended cutting speed is an ideal speed
for cutting a type of material in order to produce
the desired finish and optimize tool life.
The books Machinery’s Handbook or Machine
Shop Practice, and some internet sites, provide
excellent recommendations for which cutting
speeds to use when calculating the spindle speed.
These sources also provide a wealth of additional
information about the variables that affect
cutting speed and they are a good educational
resource.
Also, there are a large number of easy-to-use
spindle speed calculators that can be found on
the internet. These sources will help you take
into account the applicable variables in order
to determine the best spindle speed for the
operation.
Cutting Speed (FPM) x 12
*Recommended
Dia. of Cut (in inches) x 3.14
= SpindleSpeed (RPM)
*Double if using carbide cutting tool
Figure 65. Spindle speed formula for lathes.
Figure 64. Carriage controls for manual feed.
Carriage
Handwheel
Cross Slide
Handwheel
Compound Rest
Handwheel

-54-
For Machines Mfg. Since 3/11
Turn-Nado® EVS Lathes OPERATION
Setting Spindle Speed
5. Turn the spindle ON, and slowly turn the
spindle speed dial to your calculated spindle
speed.
3. Move the spindle speed range lever to the
range that covers your calculated spindle
speed.
Note: To shift the spindle speed range lever, you
may need to rock the chuck by hand to get
the gears to mesh.
4. Turn the spindle speed dial shown in Figure
67 all the way counterclockwise to set it to
the minimum speed.
1. Make sure the spindle is turned OFF and it
has come to a complete stop.
2. Use the chart in Figure 66 to determine the
available spindle speed range that includes
your calculated spindle speed.
SPINDLE SPEED RANGES RPM
Low Speed Range 1 18–55
Medium Speed Range 2 55–180
Medium-High Speed Range 3 180–600
High Speed Range 4 600–1800
Figure 66. Spindle speed ranges.
Figure 67. EVS spindle speed controls.
Spindle Speed Dial
Spindle Speed
RPM Display
Both the carriage and cross slide have power feed
capability when the carriage is engaged with the
feed rod. The rate that these components move
(feed rate) is controlled by the headstock and
quick-change gearbox lever positions, and the
end gear configuration.
Feed rate and spindle speed must be considered
together. Keep in mind that the feed rate is
expressed in the amount of travel per revolution
of the spindle. The sources you use to determine
the optimum spindle speed for an operation will
also provide the optimal feed rate to use with
that spindle speed.
Often, the experienced machinist will use the
feeds and speeds given in their reference charts
or web calculators as a starting point, then
make minor adjustments to the feed rate (and
sometimes spindle speed) to achieve the best
results.
The carriage can alternatively be driven by the
leadscrew for threading operations. However,
this section only covers the use of the power
feed option for the carriage and cross slide
components for non-threading operations. To
learn how to power the carriage for threading
operations, refer to Threading on Page 59.
Power Feed
Operating the lathe at spindle speeds higher
than 350 RPM could result in gearbox damage
when the high (H) gearbox range is selected.
Always use spindle speeds of 350 RPM or
lower when using a high gearbox range.
Always make sure the variable speed dial is
turned all the way down (counterclockwise)
before starting spindle rotation. This will help
the operator remain in better control if spindle
rotation must be stopped immediately after
start-up for emergency reasons.

For Machines Mfg. Since 3/11 Turn-Nado® EVS Lathes
-55-
OPERATION
Power Feed Controls
Use Figures 68–72 and the following
descriptions to become familiar with the locations
and functions of the controls that you will use to
set up the correct power feed for your operation.
Note: Before using power feed, you may have to
re-configure the end gears, depending on how
they are set up. Refer to End Gears on Page 58
for detailed instructions.
Gearbox Range Lever: Selects the low or high
feed rate range by re-aligning the headstock
transfer gear. In the middle position, disables
power feed (see Figure 68).
Figure 68. Gearbox range lever.
LOW
HIGH
Neutral
Headstock Feed Direction Lever: Selects the
direction of power feed (see Figure 69).
Note: The spindle must be stopped to use this
lever. When the lathe is running, use the apron
feed direction knob.
Figure 69. Headstock feed direction lever.
FORWARD
REVERSE
Quick-Change Gearbox Feed Levers: Configure
the quick-change gearbox gears for the feed rate
selected per the feed chart (see Figure 70).
Operating the lathe at spindle speeds higher
than 350 RPM could result in gearbox damage
when the high (H) gearbox range is selected.
Always use spindle speeds of 350 RPM or
lower when using a high gearbox range.
Figure 70. Quick-change gearbox controls.
Left
Middle
Right
Bottom
Feed
Chart

-56-
For Machines Mfg. Since 3/11
Turn-Nado® EVS Lathes OPERATION
Feed Selection Knob: Selects the carriage or
cross slide for power feed (see Figure 71).
When the knob is pulled out, the cross slide is
selected. Conversely, when the knob is pushed in,
the carriage is selected.
Figure 71. Apron feed selection and direction knobs.
Feed Selection
Knob
Apron Feed
Direction Knob
In the middle position, the apron gears are
disengaged from the feed rod and neither
component will move.
Note: When using this control, you may need
to rock the handwheel of the component being
engaged so that the apron gears will mesh.
Apron Feed Direction Knob: Changes power feed
direction (see Figure 71).
When pushed in or pulled out, this knob quickly
reverses the power feed direction while the
spindle is rotating—without having to turn the
lathe off and use the feed direction lever on the
headstock.
Depending on the combined configuration
of the feed direction lever on the headstock
and the feed direction knob on the apron,
the actual direction of power feed may be
different from the printed indicators on the
machine!
Carriage Feed Clutch Knob: Adjusts how easily
the carriage clutch will disengage automatic
feeding when the carriage contacts a feed stop or
in the event of a crash. Tightening this knob all
the way disables the carriage clutch completely
(see Figure 72).
The carriage clutch serves two purposes: 1) It
disengages the carriage feed when the carriage
contacts a feed stop, providing a precise
repeatable stopping point; and 2) it provides
a safety factor in the event of an accidental
overload or crash.
The correct carriage clutch setting will depend
on variables of the operation, such as workpiece
material, depth of cut, power feed rate, and
others. Finding this clutch setting is a matter of
trial-and-error and experience.
For a starting point of clutch adjustment, rotate
the carriage feed clutch knob clockwise until it is
tight, then back it off counterclockwise three full
revolutions. This is a reasonably conservative
setting to start with. If necessary, further adjust
the knob for the setting that is right for your
operation.
The carriage clutch will not stop carriage
movement when it is engaged with the
leadscrew for threading.
If the carriage feed clutch knob is completely
tight (all the way clockwise), it will be
disabled, which will not allow it to help
prevent damage in event of a crash.
Figure 72. Adjustable carriage feed clutch knob.
Carriage Clutch
Knob

For Machines Mfg. Since 3/11 Turn-Nado® EVS Lathes
-57-
OPERATION
Setting Power Feed Rate
The power feed rate chart displays the settings
for the headstock feed controls for metric and
inch feed rates (see Figure 73).
Using the controls on the lathe, follow along with
the example below to better understand how to
set the lathe for the desired power feed rate.
Example: Power Feed Rate of 0.0025"/rev
1. Make sure the end gears are in the standard
configuration, which is applicable for general
feeding operations (refer to End Gears on
the Page 58 for detailed instructions).
2. Locate the line in the feed rate chart that
lists the setting for 0.0025" of feed per
revolution of the spindle, as illustrated in
Figure 74.
Figure 73. Power feed rate chart.
Feed Rate
Chart
Note: In the next step, use the chuck key to rock
the spindle back and forth to help mesh the
gears as you make adjustments.
3. For a power feed rate of 0.0025"/rev., use the
configuration string of characters to the left
of the selected feed rate (LCT7Y) to configure
the controls as follows:
L Move the gearbox range lever on the
headstock up to the low position.
C Point the left gearbox lever to “C”.
T Point the middle gearbox lever to “T”.
7 Position the bottom gearbox lever in slot
“7”.
Y Point the right gearbox lever to “Y”.
The lathe is now set up for a power feed rate of
0.0025" per spindle revolution.
When using power feed to move the cross
slide, the feed rate is 1⁄2 the value stated in
the feed rate chart.
Figure 74. Feed rate chart.
Feed Rate of
0.0025"/rev.
Requires a
Configuration of
LCT7Y

-58-
For Machines Mfg. Since 3/11
Turn-Nado® EVS Lathes OPERATION
The end gears on the side of the headstock can be
setup for the standard or alternate configuration,
depending upon the type of operation to be
performed. The lathe is shipped with the end
gears in the standard configuration.
To access the end gears, remove the end gear
cover from the left side of the headstock
Standard End Gear Configuration
Use the standard end gear configuration (see
Figure 75) for inch threading, metric threading,
and all general feed operations.
End Gears
57T
56T
24T
Inch and Metric
Threading
Inch and Metric Feeding
44T
Spacer
24T
44T
56T
57T
Figure 75. End gears in the standard configuration.
Alternate End Gear Configuration
Use the alternate end gear configuration
when cutting modular or diametral pitches, as
illustrated in Figure 76.
Figure 76. Alternate end gear configuration.
57T
44T
24T
Modular and Diametral
Pitches
56T
Spacer
Configuring End Gears
Tools Needed Qty
Hex Wrench 6mm .................................................1
Wrench 22mm .......................................................1
To configure the end gears:
1. DISCONNECT LATHE FROM POWER!
2. Remove the end gear cover from the left side
of the headstock.
3. Remove the cap screw, lock washer, and
flat washer from the 57 tooth end gear (see
Figure 77).
Figure 77. End gear components.
Cap Screw,
Washers & Spacer
Pivot Arm
Hex Nut
57 Tooth
Gear

For Machines Mfg. Since 3/11 Turn-Nado® EVS Lathes
-59-
OPERATION
4. Loosen the pivot arm hex nut shown in
Figure 77, then swing the pivot arm to the
left so that the 44T/56T gears are away from
the 57T gear. Hand tighten the hex nut to
keep the arm in place.
As you remove and replace end gears, use
a stiff brush and mineral spirits to clean
away the debris and grime from them, then
re-lubricate them as instructed in End Gears
on Page 74.
5. Making sure to keep the shaft key firmly
seated, remove the spacer and the 57T gear,
then re-install them as follows:
— For the standard end gear configuration,
slide the 57T gear on first, then the spacer
on the outside.
— For the alternate end gear configuration,
slide the spacer on first, then the gear.
6. Re-install the cap screw, lock washer, and
flat washer you removed in Step 3 to secure
the spacer and 57T gear. Do not overtighten.
7. Slide the pivot arm back so that either the
44T or the 56T meshes with the 57T gear,
then retighten the pivot arm hex nut.
Note: Make sure to keep approximately 0.002"
play between the gears.
8. Replace and secure the end gear cover before
re-connecting the lathe to power.
The following subsections describe how to use
the threading controls and charts on this lathe.
If you are unfamiliar with the process of cutting
threads on a lathe, we strongly recommend that
you read books, review industry trade magazines,
or get formal training before doing any threading
projects.
Headstock & Gearbox Threading
Controls
The threading charts on the headstock face
display the settings for metric and inch
threading, and modular and diametral pitches.
For inch or metric threads, use the standard end
gear configuration. For modular or diametral
pitches, use the alternate configuration
Use the controls on the lathe and follow along
with the example below to better understand
how to set up the lathe for the desired threading
operation.
Example: Metric Thread Pitch of 2.5mm
1. Make sure the end gears are in the standard
configuration, which is used for all metric
threading (refer to End Gears on Page 58
for detailed instructions).
2. Locate the line in the metric thread chart
that lists the setting for 2.5mm threads, as
illustrated in Figure 78.
Threading Controls
Figure 78. Metric thread chart.
Metric Thread
Width of 2.5mm

-60-
For Machines Mfg. Since 3/11
Turn-Nado® EVS Lathes OPERATION
Note: In the next step, use the chuck key to rock
the spindle back and forth to help mesh the
gears as you make adjustments.
3. For a metric thread pitch of 2.5mm, use the
configuration string of characters to the
right of the selected thread pitch (LCR3Z) to
position the threading controls as follows:
L Move the gearbox range lever to the low
position.
C Point the left gearbox lever to the C.
R Point the middle gearbox lever to the R.
3 Position the bottom gearbox lever in the
3 slot.
Z Point the right gearbox lever to Z.
The lathe is now setup to cut a 2.5mm thread
pitch.
Apron Controls
The half nut lever engages the apron with
the leadscrew which moves the carriage and
cutting tool along the length of the workpiece for
threading operations (see Figures 79–80).
Important: Make sure the feed control lever
is in the disengaged (middle) position before
attempting to engage the half nut.
Engaged
Disengaged
Engaged
Disengaged
Half Nut Lever
and Half Nut
Feed ON/OFF
Lever
Figure 80. Feed ON/OFF lever and half nut positions
for threading.
Attempting to engage the half nut while the
cross slide or carriage is engaged with the
feed rod could cause severe damage to the
lathe. Never attempt to engage the half nut
while the feed control lever is engaged.
Figure 79. Carriage controls.
Feed ON/OFF
Lever
Half Nut
Lever

For Machines Mfg. Since 3/11 Turn-Nado® EVS Lathes
-61-
OPERATION
Thread Dial
The numbers on the thread dial are used with
the thread dial chart to show when to engage the
half nut during inch threading. The thread dial
gear must be engaged with the leadscrew for this
to work. Loosen the knurled knob on the thread
dial, pivot the dial gear toward the leadscrew
so that it properly meshes with the leadscrew
threads, then re-tighten the knob, as shown
Figure 81.
Thread Dial Chart
Find the TPI (threads per inch) that you want
to cut in the left column of the thread dial chart
(see Figure 82), then reference the dial number
to the right of it. The dial numbers indicate when
to engage the half nut for a specific thread pitch.
The thread dial chart can also be found on the
front of the thread dial housing.
4,8,12,16,20,24,
28,32,36,40,44,
48,56,60,72
Any Position
In.
Non-
Numbered
Position
Numbered
Position
1,2,3,4
Position
1,3 or 2,4
Position
1 Only
2,6,10,14,
18,22,26,
30,54
3,5,7,9,
11,13,15,
19,23,27
2½,3½,4½,
7½,11½,13½
2¼,2¾,
3¼,3¾
27⁄8
1
2
3
4
Same as
Metric
Threads
Figure 82. Thread dial chart.
Note: The thread dial is not used for metric
threading, or diametral and modular pitches.
With these, you must leave the half nut engaged
until the turning is complete.
The following examples explain how to use the
thread dial chart for inch threads.
TPI Divisible By 4
For threading a TPI that is divisible by four, use
any line on the thread dial (see Figure 83).
Figure 83. Any position on the dial for threading TPI
divisible by 4.
4,8,12,16,20,24,
28,32,36,40,44,
48,56,60,72
Any Position
TPI
Figure 81. Thread dial engaged with the leadscrew.
Dial Gear
Leadscrew
Knurled
Knob
When threading, we recommend using the
slowest speed possible and avoiding deep
cuts, so you can more easily disengage the
half nut to prevent an apron crash!

-62-
For Machines Mfg. Since 3/11
Turn-Nado® EVS Lathes OPERATION
Even TPI Not Divisible By 4
For threading a TPI that is even but not divisible
by 4, use any of the non-numbered lines on the
thread dial (see Figure 84).
Figure 84. Marks are selected on the dial for threading
even TPI not divisible by 4.
Non-
Numbered
Position
2,6,10,14,
18,22,26,
30,54
TPI
Odd Numbered TPI
For odd numbered TPI, use any of the numbered
lines on the thread dial (see Figure 85).
Figure 85. Numbers are selected on the dial for
threading odd numbered TPI.
Numbered
Position
1,2,3,4
3,5,7,9,
11,13,15,
19,23,27
TPI
1⁄2 Fractional TPI
Use any opposing number pairs—2/4 or 1/3 on
the thread dial for 1⁄2 fractional TPI (see Figure
86). For example, to cut a 31⁄2 thread, select 1 or 3
on the dial.
Figure 86. Opposing number group are selected on
dial for cutting 1⁄2 thread TPI.
Position
1,3 or 2,4
2½,3½,4½,
7½,11½,13½
TPI
1⁄4 or 3⁄4 Fractional TPI
For TPI that have a 1⁄4 or 3⁄4 fraction, use position
1 on the thread dial (see Figure 87).
27⁄8 TPI
The thread dial is not used for 2
7⁄8 or metric
threading, or diametral and modular pitches (see
Figure 88). The half nut must stay engaged with
the leadscrew throughout the entire threading
operation.
Figure 87. Position for 1⁄4 or 3⁄4 fractional TPI.
Position
1 Only
2¼,2¾,
3¼,3¾
TPI
Figure 88. Half nut stays engaged for 27⁄8 TPI.
27⁄8Same as
Metric
Threads
Thread Dial
Not Used

For Machines Mfg. Since 3/11 Turn-Nado® EVS Lathes
-63-
OPERATION
The chip drawer catches swarf and metal chips
during the machining process. It contains a
screen that keeps the large chips from returning
to the reservoir with the run-off coolant—this
prevents the chips causing pump damage.
Also, it slides open and is removable for cleaning
(see Figure 89).
Chip Drawer
Always use high quality coolant and follow the
manufacturer's instructions for diluting and
maintenance. The quick reference table shown
in Figure 91 can help you select the appropriate
fluid.
Refer to Coolant System Service on Page 75
for detailed instructions on how to add or change
fluid. Check the coolant regularly and promptly
change it when it becomes overly dirty or rancid,
or as recommended by the fluid manufacturer.
XX
XXX
XXX X
X
XX
XXXX
XXXX
Aluminum
Brass
Bronze
Cast iron
Low Carbon Steel
Alloy Metals
Stainless Steel
General Note: Coolants are used for heavy-duty lathe operations and production turning. Oil-water
emulsions and synthetic cutting fluids are the most common for typical lathe operations. Sulferized oils
often are used for threading. For small projects, spot lubrications can be done with an oil can or brush, or
omitted completely.
Workpiece Dry Water
Soluble Oil
Synthetic
Coolants
Sulferized
Oil
Mineral
OIl
Figure 91. Coolant selection table.
Coolant System
When the coolant pump switch is turned ON, the
fluid is delivered through the nozzle attached to
the carriage. The flow is controlled by the valve
lever at the base of the nozzle (see Figure 90).
Figure 90. Coolant system controls.
Coolant
Pump Switch
Nozzle
& Valve
Lever
The chip drawer is very heavy. Unless
removing the chip drawer for cleaning, do
not pull it out more than halfway to prevent it
falling and causing impact injuries. If removing
the drawer for cleaning, get assistance!
Figure 89. Chip drawer.
Chip
Drawer

-64-
For Machines Mfg. Since 3/11
Turn-Nado® EVS Lathes OPERATION
To use the coolant system on your lathe:
1. Make sure the coolant tank is properly
serviced and filled with the appropriate
fluid, and that you are wearing the necessary
personal protection equipment.
2. Position the coolant nozzle for your
operation.
3. Use the coolant pump switch on the control
panel to turn the pump ON.
4. Adjust the flow of coolant by using the valve
lever near the base of the nozzle hose.
Important: Promptly clean any splashed fluid
from the floor to avoid a slipping hazard.
Running the pump without adequate fluid in
the coolant tank may permanently damage it,
which will not be covered under warranty.
Rod Support
Models SB1043PF, SB1045PF, and SB1061PF
include a rod support that gives additional
reinforcement to the leadscrew and feed rod (see
Figure 92).
Figure 92. Rod support.
Rod
Support
Ideally, the best position along the bed for the
rod support is mid-way between the right end of
the leadscrew and the farthest place toward the
tailstock that the carriage will travel during the
operation.
Use a 6mm hex wrench to loosen the cap screws
that secure the clamp plate, position the rod
support where desired, then re-tighten the cap
screws.
To avoid lathe damage, make sure the carriage
will not crash into the rod support when using
longitudinal power feed.
BIOLOGICAL & POISON
HAZARD!
Use the correct personal
protection equipment when
handling coolant. Follow
federal, state, and fluid
manufacturer requirements
for proper disposal.

ACCESSORIES
For Machines Mfg. Since 3/11 Turn-Nado® EVS Lathes
-65-
ACCESSORIES
Accessories
This section includes the most common
accessories available for your lathe, which may
be available through your local South Bend
Lathe Co. dealer. If you do not have a dealer in
your area, please call us at (360) 734-1540 or
email us at cs@southbendlathe.com.
SB1279—10 Pc. Precision 5–C Collet Set
Set of 10 collets sized from 1⁄8" - 3⁄4". Same quality
as the individual collets, only packaged in one
convenient set.
Figure 93. Model SB1279 10 Pc. 5-C Collet Set.
SB1272—Collect Attachment
This collet attachment takes advantage of the
South Bend factory-made collet port in the lathe
gear cover. This accessory installs easily on
these South Bend Lathes without having
to modify the gear cover. The Model SB1272 is
capable of delivering years of trouble-free service.
It is manufactured with the same high-quality
workmanship, materials, and tolerances South
Bend machinery is known for.
Figure 94. Model SB1272 Collect Attachment
SB1298—SBL Bench Lathe Shop Clock
SB1299—SBL Toolroom Lathe Shop Clock
SB1300—SBL Lathe with Man
These fine traditional shop clocks are constructed
with a metal antique-finished frame. They are
easy to read from a distance and measure 14"
in diameter. Pictures just don't do them justice.
They are very nice quality clocks and perfect for
the South Bend Lathe aficionado.
Figure 95. Antique-finished South Bend shop clocks.
SB1298 SB1299
SB1300
SB1271—Taper Attachment
This taper attachment mounts quickly to the
back bedway of your lathe. Accurate tapers of
up to 12" can be produced without repositioning
the attachment, having to offset the tailstock,
or disengaging the cross slide nut. The Model
SB1271 features scales at both ends, reading
inches-per-foot and degrees. An angle adjusting
knob with fine threads achieves exacting control
when setting tapers.
Figure 96. Model SB1271 Taper Attachment.

MAINTENANCE
-66-
For Machines Mfg. Since 3/11
Turn-Nado® EVS Lathes MAINTENANCE
Always disconnect power
to the machine before
performing maintenance.
Failure to do this may
result in electrocution or
accidental startup injury.
/&&
Maintenance Schedule
Cleaning & Protecting
Regular cleaning is one of the most important
steps in taking care of this lathe. We recommend
that the cleaning routine be planned into the
workflow schedule, so that adequate time is set
aside to do the job right.
Typically, the easiest way to clean swarf from
the bed ways and chip drawer is to use a wet/dry
shop vacuum that is dedicated for this purpose.
The small chips left over after vacuuming can be
wiped up with a slightly oiled rag. Avoid using
compressed air to blow off chips, as it may drive
them deeper into moving surfaces and could
cause sharp chips to fly into your face or hands.
Besides the ways, all other unpainted and
machined surfaces should be wiped down daily
to keep them rust-free and in top condition. This
includes any surface that is vulnerable to rust
if left unprotected (especially any parts that are
exposed to water-soluble coolant). Typically,
a thin film of oil is all that is necessary for
protection.
For optimum performance from this machine,
this maintenance schedule must be strictly
followed. We strongly recommend all operators
make a habit of following the daily maintenance
procedures. Use the chart provided on Page 67
to ensure this is done.
Ongoing
The condition of machine components should be
carefully observed at all times to minimize the
risk of injury or machine damage. If any of the
conditions below are observed, stop the lathe
immediately, disconnect power, and correct the
condition before resuming operations:
s ,OOSEMOUNTINGBOLTSORFASTENERS
s 7ORNFRAYEDCRACKEDORDAMAGEDWIRES
s 'UARDSREMOVED
s 34/0BUTTONNOTWORKINGCORRECTLYORNOT
requiring you to reset it before starting the
machine again.
s !REDUCTIONINBRAKINGSPEEDOREFFICIENCY
s /ILLEVELNOTVISIBLEINTHESIGHTGLASSES
s #OOLANTNOTFLOWINGOUT
s Damaged or malfunctioning components.
Daily, Before Operations
s #HECKADDHEADSTOCKOILPage 68).
s #HECKADDGEARBOXOILPage 71).
s #HECKADDAPRONOILPage 71).
s #HECKADDCOOLANTPage 75).
s ,UBRICATETHEWAYSPage 72).
s !DDOILTOTHEBALLOILERSPage 73).
s #LEANLUBRICATETHELEADSCREWPage 73).
s $ISENGAGETHEFEEDCONTROLLEVERONTHEAPRON
(to prevent crashes upon startup).
s %NSURECARRIAGELOCKBOLTISLOOSE
Daily, After Operations
s $EPRESS34/0BUTTONANDSHUTOFF the
master power switch (to prevent accidental
startup).
s 6ACUUMCLEANALLCHIPSANDSWARFFROMBED
slides, and chip drawer.
s 7IPEDOWNALLUNPAINTEDORMACHINED
surfaces with an oiled rag.
Monthly
s $RAINANDCLEANTHECOOLANTTANKTHENADD
new fluid (Page 75).
Annually
s #HANGETHEHEADSTOCKOILPage 68).
s #HANGETHEAPRONOILPage 71).
s #HANGETHEGEARBOXOILPage 71).
s ,UBRICATEENDGEARSPage 74).
s #HECKLEVELBEDWAYPage 28).

For Machines Mfg. Since 3/11 Turn-Nado® EVS Lathes
-67-
MAINTENANCE
Once every year, or more often with heavy use,
perform these service items. Keep track of when you
last performed your annual service and when you’ll
need to perform it again.
Use this chart to keep track of the maintenance performed on your South Bend Lathe. Cross out or initial the “Day” box for each item on the list.
If the box is blacked out, maintenance is not required for that item on that day. Use the maintenance poster included with your South Bend Lathe
as a quick reference guide when performing the maintenance items.
Service Item
Change Gearbox Oil
Change Headstock Oil
Change Apron Oil
Change Coolant
Annual Service
Make copies of this page to use each month. Keep each chart as a maintenance record for your South Bend Lathe.
Date of last annual service:
Date of next annual service:
s&!8
www.southbendlathe.com
South Bend Lathe Co.® Lathe Monthly Maintenance Chart
12345678910111213141516171819202122232425262728293031
Lubrication
Ways
Ball Oilers
Leadscrew
Unpainted
Surfaces
Inspection
Headstock
Oil Level
Gearbox
Oil Level
Apron Oil
Level
Coolant
Level
Coolant
Condition
Refer to the coolant manufacture's instructions for more information regarding coolant condition, replacement, dis-
posal, and safety.
Day
Item
Maintenance Chart

-68-
For Machines Mfg. Since 3/11
Turn-Nado® EVS Lathes MAINTENANCE
Lubrication
Headstock
The headstock has a pressurized lubrication
system that consists of an oil pump, an oil
pressure safety switch, a supply tank, oil hoses,
and a manifold with oil distribution lines. The oil
distribution lines direct oil to key locations, such
as the spindle bearings and upper headstock
gearing, to ensure that they always remain well
lubricated.
The oil pump automatically starts and begins
lubricating the headstock components when
the master power switch is turned ON and the
STOP button is reset. This ensures the headstock
bearings and gears are properly lubricated
before the spindle is started to protect these
components against damage from a dry start-up.
Review the lubrication system diagram
illustrated in Figure 97 to familiarize yourself
with the function and relationship of the
headstock oil system components.
Suction
Supply
Return
One Way
Check Valve
Pump
and
Motor
Tank
Oil Pressure
Safety Switch
Headstock
Oil Distribution
Manifold and Lines
Fill Spout
with
Dipstick
Figure 97. Lubrication system overview.
Oil Pressure Safety Switch
To prevent costly damage to the headstock gears
and bearings from lack of adequate lubrication,
an oil pressure safety switch (see Figure 98) is
installed on the output side of the pump and will
shut the lathe down if oil pressure is lost for any
reason.
If the headstock components are not
adequately lubricated before and during
operation, lathe damage could occur. Never
bypass the oil pressure safety switch for any
reason.
Figure 98. Oil pump and oil pressure safety switch.
Oil Suction
Line from
Tank
Pump
Headstock Oil
Supply Line
to
Check Valve
Oil Pressure
Safety Switch

For Machines Mfg. Since 3/11 Turn-Nado® EVS Lathes
-69-
MAINTENANCE
Checking & Adding Oil
Oil Type...Mobil DTE Light or ISO 32 Equivalent
Oil Amount .......................................... 15.9 Quarts
Check/Add Frequency .................................... Daily
Change Frequency ...................................Annually
Use the oil sight glass shown in Figure 99 to
verify that oil is being pumped into the headstock
during operation. When the lathe is disconnected
from power, no oil will be seen in the sight glass.
The oil tank filler cap (see Figure 99) is fitted
with a dip stick for checking the headstock oil
level (see Figure 100). If the oil level is below
the full zone on the dip stick, add oil to the tank
to bring the level back into the full zone.
Figure 100. Headstock oil level dip stick.
Full Zone
Add Zone
Changing Headstock Oil
The headstock oil pump system must be cleaned
and the oil changed after the break-in period and
then annually (or every six months with heavy
service or extreme working conditions).
Since this lathe uses a base-mounted oil tank,
removing the drain plug and using a drain pan
is not a convenient option when changing the oil.
We recommend using a remote oil pump with a
suction hose that can be inserted through the
filler spout to the bottom of the oil tank instead.
If a remote oil pump system is not available,
use the headstock oil pump for this purpose, as
instructed below.
Items Needed: Qty
5-Gallon Waste Oil Bucket with Lid .................... 1
Phillips Screwdriver #2 ........................................1
Standard Screwdriver #2 ...................................... 1
Funnel 8" ............................................................... 1
Hex Wrench 4mm .................................................1
Wrench 17mm .......................................................1
Wrench 25mm .......................................................1
Wrench 1
1⁄2" ...........................................................1
Mineral Spirits ................................... As Required
Rags .................................................... As Required
Gasket or Automotive Silicone Sealant ...............1
Hose Clamp ........................................1⁄2" Diameter
Drain Hose ..................................... 3⁄8" ID x 4' Long
Magnets .................................................... Optional
Figure 99. Headstock oil flow sight glass location.
Headstock Oil
Flow Sight Glass.
Tank Filler
Cap

-70-
For Machines Mfg. Since 3/11
Turn-Nado® EVS Lathes MAINTENANCE
To to change the headstock oil:
1. DISCONNECT LATHE FROM POWER!
2. Remove the end gear cover, the tank access
cover, and the oil tank fill cap.
3. Remove the headstock oil supply line from
the check valve (see Figure 101).
4. Push the drain hose onto the headstock oil
supply line. If necessary, use a hose clamp to
ensure a tight connection.
5. Hold the other end of the drain tube in the
bucket, then turn the master power switch
ON and reset the STOP button. The oil
pump will start pumping oil from the tank
and into the bucket.
6. As soon as you hear a sucking sound from
the tank or when the oil slows or stops
flowing out, turn the master power switch
OFF to stop the pump.
7. Remove the drain hose and re-connect the
headstock oil supply line to the check valve.
8. Place rags under the tank outlet cover to
catch the residual oil in the tank when
the cover is removed in the next step (see
Figure 102).
9. Remove the pump suction line from the tank
outlet cover, remove the three cap screws
that secure the cover, then carefully remove
the cover.
10. Use mineral spirits and rags to clean the
inside of the tank. Make sure to soak up any
excess mineral spirits with dry rags so that
it does not stay in the tank and contaminate
the oil.
Tip: Consider placing one or two magnets at the
bottom of the tank to collect any fine metal
particles. This will make cleaning easier the
next time around and reduce the amount of
metal particles that may end up in the oil.
11. Re-install the tank outlet cover with a new
gasket or silicone sealant.
12. Place the funnel in the fill spout and add the
new oil.
13. Re-install the tank fill cap and end gear and
tank access covers, then test the oil pump
operation.
Figure 102. Location of tank outlet cover.
Tank
Outlet Cover
Pump Suction
Line
Figure 101. Draining headstock oil.
Headstock Oil
Supply Line
Check Valve
Rubber
Drain
Hose
Oil Tank Fill Cap
& Spout

For Machines Mfg. Since 3/11 Turn-Nado® EVS Lathes
-71-
MAINTENANCE
Quick-Change Gearbox
Oil Type ...... Mobil Vactra 2 or ISO 68 Equivalent
Oil Amount ............................................ 3.2 Quarts
Check/Add Frequency .................................... Daily
Change Frequency ...................................Annually
Checking Oil Level
The quick-change gearbox has the proper amount
of oil when the sight glass shown in Figure 103
is halfway full.
Adding Oil
Remove the quick-change gearbox fill plug (see
Figure 104), then add oil until the level is
approximately halfway in the gearbox oil sight
glass.
Figure 104. Locations of the quick-change gearbox fill
and drain plugs.
Fill
Plug
Drain
Plug
Draining Oil
Place a catch pan under the quick-change
gearbox drain plug (see Figure 104), loosen the
fill plug and remove the drain plug, then allow
the gearbox reservoir to empty.
Apron
Oil Type ...... Mobil Vactra 2 or ISO 68 Equivalent
Oil Amount ............................................ 2.1 Quarts
Check/Add Frequency .................................... Daily
Change Frequency ...................................Annually
Checking Oil Level
The apron has the proper amount of oil when the
sight glass shown in Figure 105 is halfway full.
Important: Keep in mind that the apron one-
shot oiler draws the oil from the apron reservoir.
Check this oil level often when using the one-
shot oiler.
Figure 103. Location of quick-change gearbox oil sight
glass.
Gearbox Oil
Sight Glass
Adding Oil
Remove the twist-off fill plug shown in Figure
105, and add oil until the sight glass is halfway
full.
Figure 105. Location of apron oil sight glass.
Sight
Glass
One-Shot
Oiler
Fill Plug

-72-
For Machines Mfg. Since 3/11
Turn-Nado® EVS Lathes MAINTENANCE
One-Shot Oiler
The one-shot oiler shown in Figure 107
lubricates the saddle ways with oil from the
apron reservoir.
To use the one-shot oiler, pull the pump knob out
for two or three seconds and then push it in. The
pump draws oil from the apron reservoir and
then forces it through drilled passages to the way
guides.
Repeat this process while moving the carriage
and cross slide through their full range of
movement to distribute oil along the ways.
Lubricate the guides before and after operating
the lathe. If the lathe is in a moist or dirty
environment, increase the lubrication interval.
Check the apron oil level through the sight glass
before using the one-shot oiler to ensure the
proper oil level.
Draining Oil & Flushing Reservoir
Since the apron oil reservoir supplies the one-
shot oiler, the oil is constantly being refreshed
when the reservoir is filled. However, small
metal particles may accumulate at the bottom of
the reservoir with normal use. Therefore, to keep
the reservoir clean, drain and flush it at least
once a year.
Place a catch pan under the apron drain plug
shown in Figure 106, loosen the fill plug, then
use a 6mm hex wrench to remove the drain plug
and empty the reservoir.
Figure 106. Location of apron drain plug.
Drain Plug
Figure 107. Location of one-shot oiler on the apron.
One-Shot
Oiler
Flush the reservoir by pouring a small amount of
clean oil into the fill hole and allowing it to drain
out the bottom.
Replace the drain plug and add oil as previously
described.

For Machines Mfg. Since 3/11 Turn-Nado® EVS Lathes
-73-
MAINTENANCE
Longitudinal Leadscrew
Oil Type ...... Mobil Vactra 2 or ISO 68 Equivalent
Oil Amount ............................................ As Needed
Lubrication Frequency ...................................Daily
Before lubricating the leadscrew, clean it first
with mineral spirits. A stiff brush works well to
help clean out the threads. Make sure to move
the carriage out of the way, so you can clean the
entire length of the leadscrew.
Apply a thin coat of oil along the length of the
leadscrew. Use a stiff brush to make sure the oil
is applied evenly and down into the threads.
Note: In some environments, abrasive material
can become caught in the leadscrew lubricant
and drawn into the half nut. In this case,
lubricate the leadscrew with a quality dry
lubricant.
Ball Oilers
Oil Type ...... Mobil Vactra 2 or ISO 68 Equivalent
Oil Amount .......................................... As required
Pump Oil Can w/Plastic or Rubber Cone Tip ...... 1
Lubrication Frequency .........Before and After Use
Proper lubrication of ball oilers is done with
a pump-type oil can that has a plastic or
rubberized cone tip. We do not recommend using
metal needle or lance tips, as they can push the
ball too far into the oiler, break the spring seat,
and lodge the ball in the oil galley.
Lubricate the ball oilers before and after machine
use, and more frequently under heavy use. When
lubricating ball oilers, first clean the outside
surface to remove any dust or grime. Push the
rubber or plastic tip of the oil can nozzle against
the ball oiler to create a hydraulic seal, then
pump the oil can once or twice. If you see sludge
and contaminants coming out of the lubrication
area, keep pumping the oil can until the oil runs
clear. When finished, wipe away any excess oil.
Refer to Figures 108–110 to identify the
locations of each oil device.
Figure 109. Tailstock ball oilers.
Quill Barrel Quill Leadscrew
& Nut
Figure 110. Leadscrew end bearing.
Leadscrew &
Feed Rod
End Bearings
Figure 108. Carriage ball oilers.
Cross Slide
Leadscrew
& Nut
Compound Rest
Leadscrew & Nut

-74-
For Machines Mfg. Since 3/11
Turn-Nado® EVS Lathes MAINTENANCE
End Gears
Grease Type ............................................... NLGI#2
Frequency ................ Annually or When Changing
The end gears, shown in Figure 111, should
always have a thin coat of heavy grease to
minimize corrosion, noise, and wear. Wipe away
excess grease that could be thrown onto the
V-belts and reduce optimal power transmission
from the motor.
Figure 111. End gears.
Handling & Care
Make sure to clean and lubricate any gears
you install or change. Be very careful during
handling and storage—the grease coating on the
gears will easily pickup dirt or debris, which can
then spread to the other gears and increase the
rate of wear.
Make sure the end gear cover remains installed
whenever possible to keep the gears free of dust
or debris from the outside environment.
Lubricating
1. DISCONNECT LATHE FROM POWER!
2. Remove the end gear cover and all the end
gears shown in Figure 111.
3. Clean the end gears thoroughly with mineral
spirits to remove the old grease. Use a small
brush if necessary to clean between the
teeth.
4. Clean the shafts, and wipe away any grease
splatters in the vicinity and on the inside of
the end gear cover.
5. Using a clean brush, apply a thin layer of
grease on the gears. Make sure to get grease
between the gear teeth, but do not fill the
teeth valleys.
6. Install the end gears and mesh them
together with an approximate 0.002"
backlash. Once the gears are meshed
together, apply a small dab of grease
between them where they mesh together—
this grease will be distributed when the
gears rotate and re-coat any areas scraped
off during installation.
7. Re-install the end gear cover before re-
connecting the lathe to power.

For Machines Mfg. Since 3/11 Turn-Nado® EVS Lathes
-75-
MAINTENANCE
Coolant System
Service
The coolant system consists of a fluid tank,
pump, and flexible nozzle. The pump pulls fluid
from the tank and sends it to the valve, which
controls the flow of coolant to the nozzle. As the
fluid leaves the work area, it drains back into
the tank through the chip drawer and catch tray
where the swarf is screened out.
Use Figures 112–113 to identify the locations of
the coolant system controls and components.
Although most swarf from machining operations
is screened out of the coolant before it returns
to the tank, small particles will accumulate in
the bottom of the tank in the form of sludge. To
prevent this sludge from being pulled into the
pump and damaging it, the pump’s suction tube
is positioned a couple inches from the bottom
of the tank and fitted with a fine screen. This
works well when the tank is regularly cleaned;
however, if too much sludge is allowed to
accumulate before the tank is cleaned, the pump
will inevitably begin sucking it up.
Hazards
As coolants ages and gets used, dangerous
microbes can proliferate and create a biological
hazard. The risk of exposure to this hazard can
be greatly reduced by replacing the old fluid
on a monthly basis, or as indicated by the fluid
manufacturer.
The important thing to keep in mind when
working with the coolant is to minimize exposure
to your skin, eyes, and lungs by wearing the
proper PPE (Personal Protective Equipment),
such as splash-resistant safety goggles, long-
sleeve waterproof gloves, protective clothing, and
a NIOSH approved respirator.
BIOLOGICAL & POISON
HAZARD!
Use the correct personal
protection equipment when
handling coolant. Follow
federal, state, and fluid
manufacturer requirements
for proper disposal.
Coolant
Pump Switch
Nozzle
& Valve
Lever
Figure 112. Coolant controls.
Chip Drawer
Catch
Tray
Figure 113. Additional coolant components.
Coolant Pump
& Tank

-76-
For Machines Mfg. Since 3/11
Turn-Nado® EVS Lathes MAINTENANCE
To change the coolant:
1. Position the coolant nozzle over the back of
the backsplash so that it is pointing behind
the lathe.
2. Place the 5-gallon bucket behind the lathe
and under the coolant nozzle. If you are
using the optional hose, connect it to the
nozzle and place it in the bucket. Otherwise,
you may need to have another person hold
the bucket up to the nozzle to prevent
coolant from splashing out.
3. Turn the coolant pump ON and pump the
old fluid out of the reservoir. Turn the pump
OFF immediately after the fluid stops
flowing.
Adding Fluid
1. DISCONNECT LATHE FROM POWER!
2. Remove the vented access cover from the
rear of the right stand, then slide the tank
out, as shown in Figure 114.
Running the coolant pump without adequate
fluid in the tank may permanently damage it,
which will not be covered under warranty.
3. Pour coolant into the tank until it is nearly
full.
4. Slide the tank back into the cabinet and
replace the access cover.
Changing Coolant
When you replace the old coolant, take the time
to thoroughly clean out the chip drawer, catch
tray, and fluid tank. The entire job only takes
about a 1⁄2 hour when you are prepared with the
proper materials and tools. Make sure to dispose
of old fluid according to federal, state, and fluid
manufacturer's requirements.
Items Needed: Qty
Safety Wear .................. See Hazards on Page 75
New Coolant ........................................ 25.4 Quarts
Empty 5-Gallon Bucket w/Lid .............................. 2
Phillips Screwdriver #2 ........................................1
Wrench 3⁄4" .............................................................1
Disposable Shop Rags ........................... As Needed
Hose or Tubing 5⁄8" x 60" (Optional) ........... 1 Piece
Magnets (Optional) ............... As Many As Desired
4. DISCONNECT LATHE FROM POWER!
5. Remove the vented access cover from the
rear of the right stand, then slide the tank
out.
6. To enable the remaining fluid to be poured
out in the next step, disconnect the fluid hose
from the pump (see Figure 114).
Note: The electrical conduit was purposely
left long, so the tank can be removed and
dumped out without disconnecting the wires
from the pump.
7. Pour the remaining coolant into the 5-gallon
bucket and close the lid.
8. Clean all the sludge out of the bottom of the
tank and then flush it clean. Use the second
bucket to hold the waste and make sure to
seal the lid closed when done.
Dispose of the old coolant and swarf
according to federal, state, and fluid
manufacturer's requirements.
Figure 114. Coolant tank and pump.
Pump
Tank
Electrical
Conduit
Fluid
Hose

For Machines Mfg. Since 3/11 Turn-Nado® EVS Lathes
-77-
MAINTENANCE
9. Slide the tank partially into the base and re-
connect the fluid hose.
Tip: Leave one or more magnets at the bottom
of the tank to collect metal chips and make
cleanup easier next time. This will also help
keep small metal chips out of the pump.
10. Refill the tank with new coolant, then slide it
completely into the base.
11. Replace the access cover panel.
12. Re-connect the lathe to power and point the
nozzle into the chip drawer.
13. Turn the master power switch ON, then
reset the STOP button.
14. Turn the coolant pump ON to verify that
fluid cycles properly, then turn it OFF.
Machine Storage
To prevent the development of rust and
corrosion, the lathe must be properly prepared
if it will be stored for a long period of time.
Doing this will ensure the lathe remains in good
condition for later use.
To prepare the lathe for storage:
1. Run the lathe and bring all gearboxes to
operating temperature, then drain and refill
them with clean oil.
2. Pump out the old coolant, then add a few
drops of way oil and blow out the lines with
compressed air.
3. DISCONNECT LATHE FROM POWER!
4. Thoroughly clean all unpainted, bare metal
surfaces, then apply a liberal coat of way
oil, heavy grease, or rust preventative. Take
care to ensure these surfaces are completely
covered but that the rust preventative or
grease is kept off of painted surfaces.
5. Lubricate the machine as outlined in the
lubrication section. Be sure to use an oil can
to purge all ball oilers and oil passages with
fresh oil.
6. Loosen or remove the V-belts so they do not
become stretched during the storage period.
(Be sure to place a maintenance note near
the power button as a reminder that the
belts have been loosened or removed.)
7. Place a few moisture absorbing desiccant
packs inside of the electrical box.
8. Cover the lathe and place it in a dry area
that is out of direct sunlight and away from
hazardous fumes, paint, solvents, or gas.
Fumes and sunlight can bleach or discolor
paint and make the chuck guard cloudy.
9. Every few months, rotate by hand all gear-
driven components a few times in several
gear selections. This will keep the bearings,
bushings, gears, and shafts well lubricated
and protected from corrosion—especially
during the winter months.
Slide the carriage, micrometer stop,
tailstock, and steady rest down the lathe
bed to make sure that way spotting is not
beginning to occur.

SERVICE
-78-
For Machines Mfg. Since 3/11
Turn-Nado® EVS Lathes SERVICE
Cross Slide
Tools Needed: Qty
Hex Wrench 3mm .................................................1
Hex Wrench 5mm ................................................1
The cross slide backlash is adjusted by loosening
all four cap screws shown in Figure 116, then
tightening the center set screw. This will push
down on a wedge and force the leadscrew nut
apart, taking up lash between the nut and
leadscrew.
Backlash Adjustment
Backlash is the amount of free play felt while
changing rotation directions with the handwheel.
This can be adjusted on the compound rest
and cross slide leadscrews. Before beginning
any adjustment, make sure that all associated
components have been cleaned and lubricated.
Compound Rest
Tools Needed: Qty
Hex Wrench 3mm .................................................1
The compound rest backlash is adjusted by
tightening the set screws shown in Figure
115. When these screws are adjusted against
the leadscrew nut, they offset part of the nut to
remove play between the nut and leadscrew.
Figure 115. Compound rest backlash adjustment set
screws.
Set Screws
Reducing backlash to less than 0.002" is
impractical and can lead to accelerated wear
of the wedge, nut, and leadscrew. Avoid the
temptation to overtighten the backlash set
screw while adjusting.
To adjust the backlash, rock the handwheel back
and forth, and tighten the screws slowly until
the backlash is approximately 0.002"–0.003", as
indicated on the graduated dial.
If you end up adjusting the nut too tight, loosen
the set screws, tap the compound rest a few
times with a rubber or wooden mallet, and turn
the handwheel slowly back and forth until it
moves freely—then try again.
To adjust the backlash, remove the compound
rest and loosen the four cap screws. Then, rock
the cross slide handwheel back and forth, and
tighten the set screw slowly until the backlash is
at approximately 0.002"–0.003" as indicated on
the graduated dial.
If you end up adjusting the nut too tight, loosen
the set screw, tap the cross slide a few times
with a rubber or wooden mallet, and turn the
handwheel slowly back and forth, until the
handle turns freely—then try again.
Remember to re-tighten the four cap screws
when you are finished.
Figure 116. Cross slide backlash adjustment screws.
Set
Screw
Cap Screws

For Machines Mfg. Since 3/11 Turn-Nado® EVS Lathes
-79-
SERVICE
After a long period of time, you may find that
the leadscrew develops a small amount of end
play. This end play can be removed with an easy
adjustment.
Tools Needed: Qty
Open End Wrench 36mm or 1
7⁄16" ........................1
Hex Wrench 3mm .................................................1
To remove leadscrew end play:
1. DISCONNECT LATHE FROM POWER!
2. Loosen both retaining nut set screws (see
Figure 117).
Leadscrew End Play
Adjustment
3. Engage the half nut lever.
4. Rotate the carriage handwheel to move
the carriage back slightly, then tighten the
retaining nut at the same time until the end
play is removed.
5. Tighten both set screws to secure the setting.
Gib Adjustment
The goal of adjusting the gib screws is to remove
sloppiness or "play" from the ways without over-
adjusting them to the point where they become
stiff and difficult to move.
In general, loose gibs cause poor finishes and
tool chatter; however, over-tightened gibs cause
premature wear and make it difficult to turn the
handwheels.
Important: Before adjusting the gibs, loosen the
locks for the device so that the gibs can freely
slide during adjustment, then lubricate the ways.
The gibs are tapered and held in position by a
screw at each end. To adjust the gib, turn one
screw 1⁄4 turn clockwise and the other screw 1⁄4
turn counterclockwise, so both screws move in
the same direction and the same amount. Test
the feel of the sliding component by turning
the handwheel, and adjust the gib screws as
necessary to make it tighter or looser.
The gib adjustment process usually requires
some trial-and-error. Repeat the adjustment
process as necessary until you find the best
balance between loose and stiff movement. Most
machinists find that the ideal gib adjustment is
one where a small amount of drag or resistance
is present, yet the handwheels are still easy to
move.
Figure 117. Leadscrew end play adjustment.
Leadscrew
Set Screw
(1 of 2)
Retaining
Nut

-80-
For Machines Mfg. Since 3/11
Turn-Nado® EVS Lathes SERVICE
Figure 118. Compound and cross slide gib adjustment
screws.
Compound Rest
Gib Adjustment Screw
(1 of 2)
Cross Slide
Gib Adjustment Screw
(1 of 2)
Note: Remove the thread dial body and the
carriage lock clamp to access the saddle gib
adjustment screw on the tailstock side (see
Figure 121).
Note: Before adjusting the tailstock gib, loosen
the clamping hex bolts underneath both ends
of the tailstock (see Figure 122) to release the
clamping pressure between the upper and lower
castings. Test the gib adjustment by using the
offset adjustment screws. When you are satisfied
with the setting, retighten the clamping hex
bolts.
Figure 121. Carriage lock clamp.
Carriage
Lock
Clamp
Figures 118–122 show the location of the
adjustment screws for each gib on this machine.
Figure 120. Front saddle gib adjustment screw.
Gib Adjustment
Screw (1 of 2)
Figure 119. One of two rear saddle gib adjustment
screws.
Saddle Rear
Gib Adjustment
Screw (1 of 2)
Figure 122. Tailstock gib adjustment controls.
Gib Adjustment
Screw (1 of 2)
Clamping Hex
Bolt (1 of 2)
Offset Adjustment
Screw (1 of 2)

For Machines Mfg. Since 3/11 Turn-Nado® EVS Lathes
-81-
SERVICE
Half Nut Adjustment
The clamping pressure of the half nut is fully
adjustable with a gib that can be loosened or
tightened by two set screws. Use this procedure
to adjust the half nut if it becomes loose from
wear, or it is too tight for your preferences. A
half nut that is too loose will make it difficult
to produce accurate work. A half nut that is too
tight will increase the rate of wear on itself and
the leadscrew.
Tool Needed: Qty
Hex Wrench 3mm .................................................1
To adjust the half nut:
1. Disengage the half nut, then remove the
thread dial.
2. Turn the two set screws (see Figure 123)
clockwise to tighten the half nut and
counterclockwise to loosen it.
Make sure to turn the set screws in even
amounts so that one end of the gib does not
become tighter than the other.
3. Engage/disengage the half nut several times
and notice how it feels. The half nut is
correctly adjusted when it has a slight drag
while opening and closing. The movement
should not be too stiff or too sloppy.
4. Repeat Steps 2–3, if necessary, until you are
satisfied with the half nut pressure.
5. Re-install the thread dial.
Figure 123. Half nut gib adjustment.
Set
Screws
V-Belts
V-belts stretch and wear with use, so check the
tension on a monthly basis to ensure optimal
power transmission. Replace all of the V-belts
as a matched set if any of them show signs of
glazing, fraying, or cracking.
Tools Needed: Qty
Phillips Screwdriver #2 ........................................1
Open End Wrench 24mm......................................1
To adjust the V-belts:
1. DISCONNECT LATHE FROM POWER!
2. Remove the motor access covers shown in
Figure 124.
4. Tighten the hex nuts against both sides of
the motor mount plate to prevent it from
moving out of adjustment during operation,
then re-install the access covers.
Figure 125. V-belt adjustment.
Pulley
Deflection
Pulley
Motor Mount Bolts
3. Adjust the hex nuts on the motor mount
bolts shown in Figure 125 to move the
motor mount plate up or down and adjust
the V-belt tension. When correctly tensioned,
each belt should have about 3⁄4" deflection
when pressed firmly (see Figure 125).
Figure 124. Locations of motor access covers.
Access
Covers
Headstock
End

-82-
For Machines Mfg. Since 3/11
Turn-Nado® EVS Lathes SERVICE
Brake Service
The brake linkage on this lathe is not adjustable.
As pivot points wear, the increased play in
the linkage absorbs the usable stroke that is
required for full brake application.
If the brake does not stop the lathe quickly,
verify that the linkage is not excessively worn or
damaged and that all fasteners are tight before
replacing the brake shoes.
Needed: Qty
Another Person .....................................................1
Hex Wrench 6mm .................................................1
Hex Wrench 8mm .................................................1
Needle-Nose Pliers ................................................1
Basic Calipers .......................................................1
Safety Goggles .......................... 1 for Each Person
Approved Respirator ................. 1 for Each Person
To replace the brake shoes:
1. DISCONNECT LATHE FROM POWER!
2. Put on a respirator and eye protection to
protect yourself from hazardous brake dust.
3. With the help of another person, remove
the splash guard. See Figure 126 for the
locations of the cap screws that secure the
backsplash.
Figure 126. Locations of the backsplash cap screws.
Cap
Screws
4. Remove the two cap screws that secure the
chuck guard to the top of the headstock (see
Figure 127), then remove the guard.
Figure 127. Location of cap screws securing the chuck
guard.
Chuck
Guard
Cap
Screws
5. If installed, remove the chuck from the
spindle, then remove the brake drum cover
(see Figure 128).
Figure 128. Brake drum cover.
Brake Drum
Cover

For Machines Mfg. Since 3/11 Turn-Nado® EVS Lathes
-83-
SERVICE
6. Have another person step on the brake pedal
while you verify that the cam lobe shown in
Figure 129 makes the brake switch plunger
click in.
— If the switch does not click, loosen the two
switch mounting screws, push the pedal
all the way down, and move the switch
closer to the lobe until it clicks. Secure the
switch in place at this location.
With the foot pedal released, the switch
plunger should be approximately 3mm
from the lobe.
Figure 129. Brake switch.
Cam Lobe
Switch
Plunger
7. Have another person press and release the
brake pedal a few times while you watch for
loose linkage fasteners or worn pivot points.
Tighten or replace parts as necessary.
8. While the brake pedal is being held down
to lock the brake drum in place, remove the
drum retaining cap screw and flat washer
shown in Figure 130.
9. Use mineral spirits and a rag to clean the
drum, then inspect it.
— If the drum is bell-mouthed, cracked, or
shows deep grooves, replace it. For minor
scoring, the drum can be dressed with
sandpaper or turned on a lathe.
Figure 130. Brake drum.
Brake
Drum
Cap Screw
& Flat Washer
E-Clip
Springs
10. Remove the E-clip and springs shown in the
inset of Figure 130, then remove the brake
shoes.
11. Clean the brake shoes with hot soapy water,
then inspect them and measure the brake
lining thickness.
— If the lining is 3⁄16" or less or if the lining is
damaged, replace the brake shoes as a set.
12. Replace the brake drum cover, backsplash,
and chuck guard before re-connecting the
lathe to power.
!

-84-
For Machines Mfg. Since 3/11
Turn-Nado® EVS Lathes SERVICE
Leadscrew Shear Pin
Replacement
10.54mm
8.75mm
5.8mm
0.5mm
0.2mm0.2mm
3.74mm
NOTE: Shear Pin Material = S45C (SAE 1045)
Figure 131. Shear pin specifications.
Tools Needed: Qty
External Retaining Ring Pliers #1 .......................1
Magnet ...................................................................1
Safety Goggles .......................................................1
Blow Gun w/Compressed Air ................................ 1
Light Machine Oil .................................. As needed
The leadscrew is secured to a connecting collar
that is part of the headstock drivetrain with
the use of a soft-metal shear pin. The shear pin
is designed to break and disengage the power
transfer to the leadscrew to help protect more
expensive lathe components in the case of a
carriage crash or the lathe is overloaded.
Contact South Bend to order a replacement shear
pin (Part Number PSB10160927) or use the
specifications in Figure 131 to fabricate your
own.
4. Put on safety glasses.
Figure 133. Shroud washer and shear pin alignment.
Cutout
Shear Pin
Head Shroud
Washer
3. Rotate the shroud washer on the leadscrew
(see Figure 133) so that the cutout lines up
with the shear pin head.
If you fabricate your own shear pin, make sure
to use the material and dimensions specified
in Figure 131. Otherwise, the shear pin may
not provide the intended protection and lathe
damage could result.
To replace the shear pin:
1. DISCONNECT LATHE FROM POWER!
2. Clean debris and grime from the shear pin
area (see Figure 132).
Figure 132. Location of shear pin.
Location of
Shear Pin

For Machines Mfg. Since 3/11 Turn-Nado® EVS Lathes
-85-
SERVICE
5. Move the retaining ring shown in Figure
134 away from the shroud washer, then
move the shroud washer away from the
shear pin and against the retaining ring.
This will create room for you to remove the
shear pin.
Figure 134. Shear pin access.
Retaining Ring
6. Use the magnet to remove the shear pin
head.
7. Rotate the lathe spindle to line up the inner
and outer bores, as shown in Figure 135,
and use the magnet to remove the other half
of the broken shear pin.
Figure 135. Shear pin bores aligned.
Outer Bore
Inner Bore Figure 136. New shear pin installed in bore.
Shear Pin
8. Put on safety goggles, insert the blow gun tip
into the shear pin hole and blow out the hole
with compressed air.
9. Put a drop of oil in the hole, then insert the
new shear pin into the bore, as shown in
Figure 136.
Note: If the pin does not freely slide into the
bore, DO NOT use a hammer on the pin or
you may permanently damage the shear
mechanism and bore, which would make
it nearly impossible to remove if it breaks
again. Instead, take the time to carefully
line up the two bores so it slides in easily.
Chamfer the end of the pin if necessary to
make it easier to insert.
10. With the pin completely seated in the bore
and the head flush with the leadscrew
shoulder, slide the shroud washer against
the shoulder, then rotate the washer 180° to
completely cover the head of the shear pin,
as shown in Figure 137.
Figure 137. Shroud washer positioning.
Rotate
Washer
Slot 180°

-86-
For Machines Mfg. Since 3/11
Turn-Nado® EVS Lathes SERVICE
11. Return the retaining ring against the shroud
washer and position the retaining ring
ears over the shear pin head, as shown in
Figure 138. This will prevent the shear pin
from falling out if the shroud washer should
rotate during operation.
Figure 138. Retaining ring positioned with ears in
front of pin access groove.
Tools Needed: Qty
Hex Wrenches 6mm ..............................................1
Hex Wrench 8mm .................................................1
Wrench 17mm .......................................................1
Dead Blow Hammer .............................................. 1
Gap Removal
1. Remove the four gap-bed cap screws, shown
in Figure 140.
Figure 140. Fasteners holding gap in place.
Gap-Bed
Cap Screw
Way End
Cap Screw
Dowel Pin
Jack Nut
The gap insert directly under the spindle (see
Figure 139) can be removed to create additional
space for turning large diameter parts.
The gap insert was installed, then ground flush
with the bed at the factory to ensure a precision
fit and alignment. Therefore, if the gap insert is
removed, it may be difficult to re-install with the
same degree of accuracy.
Gap Insert Removal &
Installation
Figure 139. Gap insert.
Gap Insert
2. Remove the two way-end cap screws.
3. Tighten the two dowel-pin jack nuts until the
pins are pulled free from the gap insert.
4. Tap the outside of the gap insert with a dead
blow hammer to loosen it, then remove it.

For Machines Mfg. Since 3/11 Turn-Nado® EVS Lathes
-87-
SERVICE
5. Install all fasteners and lightly snug them in
place.
6. Mount a dial indicator with a magnetic base
to the top of the saddle to indicate alignment.
7. First test the peak of the two prisms of the
gap insert that the saddle rides on, then test
the flanks of the prisms.
8. Tighten the gap bed cap screws in an
alternating manner and tap the side of the
gap insert into alignment.
9. Inspect the gap alignment 24 hours later
to make sure the gap is still aligned. If
necessary, loosen the gap bed cap screws and
repeat Steps 7–8 until the insert is properly
aligned.
Gap Installation
1. Use mineral spirits and a clean lint-free rag
to clean the mating surfaces of the gap, bed,
and ways. If necessary, stone the mating
surfaces to remove scratches, dings, or burrs.
2. Wipe a thin layer of light machine oil on the
mating surfaces.
3. Place the gap insert into the gap and use a
dead-blow hammer to align the insert with
the lathe bed.
4. Back off the dowel pin jack nuts, and lightly
tap the dowel pins back into their respective
holes until they are seated. This process will
further help align the gap insert and bed
mating surfaces.

TROUBLESHOOTING
-88-
For Machines Mfg. Since 3/11
Turn-Nado® EVS Lathes TROUBLESHOOTING
If you need replacement parts, or if you are unsure how to do any of the solutions given here, feel free
to call us at (360) 734-1540.
Symptom Possible Cause Possible Solution
Machine does not
start or a circuit
breaker trips.
1. (First time operation only) Lathe is
wired out of phase.
1. Correct out-of-phase wiring (refer to Page 92 for
details).
2. STOP button is engaged or at fault. 2. Rotate button clockwise until it pops out to reset it
for operation; replace if not working properly.
3. Power supply is switched OFF at
master power switch or breaker.
4. Make sure master power switch and circuit breaker
are turned ON.
4. Wall fuse/circuit breaker is blown/
tripped; short in electrical system;
start-up load too high for circuit.
5. Verify circuit is rated for machine amp load;
troubleshoot and repair cause of overload; replace
weak breaker; find/repair electrical short.
5. Fuse has blown in machine
electrical box.
6. Replace fuse; determine if overload is due to heavy
operation; ensure power source has high enough
voltage and power cord is correctly sized.
6. One or more safety switches or
brake switch are engaged.
7. Verify electrical box door, chuck guard, spindle, and
brake switches are not engaged.
7. Thermal overload relay has tripped. 8. Turn the thermal relay cut-out dial to increase
working amps and push the reset pin. Replace if
tripped multiple times (weak relay).
8. Safety/brake switch(es) at fault. 10. Test all switches and replace as necessary.
9. Contactor not getting energized/has
burned contacts.
11. Test for power on all legs and contactor operation.
Replace unit if faulty.
10. Wiring is open/has high resistance. 12. Check for broken wires or disconnected/corroded
connections, and repair/replace as necessary.
11. Motor is at fault. 13. Test/repair/replace.
Loud, repetitious
noise coming from
lathe at or near the
motor.
1. Pulley set screws or keys are
missing or loose.
1. Inspect keys and set screws. Replace or tighten if
necessary.
2. Motor fan is hitting the cover. 2. Tighten fan, shim cover, or replace items.
Motor overheats. 1. Motor overloaded. 1. Reduce load on motor.
Motor is loud when
cutting, or bogs
down under load.
1. Excessive depth of cut or feed rate. 1. Decrease depth of cut or feed rate.
2. Spindle speed or feed rate wrong for
cutting operation.
2. Refer to the feeds and speeds charts in
Machinery's Handbook or a speeds and feeds
calculator on the internet.
3. Cutting tool is dull. 3. Sharpen or replace the cutting tool.

For Machines Mfg. Since 3/11 Turn-Nado® EVS Lathes
-89-
TROUBLESHOOTING
Symptom Possible Cause Possible Solution
Entire machine
vibrates upon
startup and while
running.
1. Workpiece is unbalanced. 1. Re-install workpiece as centered with the spindle
bore as possible.
2. Workpiece is hitting stationary
object.
2. Stop lathe immediately and correct interference
problem.
3. Loose or damaged V-belt(s). 3. Re-tension/replace the V-belt(s) as necessary (see
Page 81).
4. V-belt pulleys are not properly
aligned.
4. Align the V-belt pulleys.
5. Chuck or faceplate is unbalanced. 5. Re-balance chuck or faceplate; contact a local
machine shop for help.
6. Gears not aligned in headstock or
no backlash.
6. Adjust gears and establish backlash.
7. Broken gear or bad bearing. 7. Replace broken gear or bearing.
8. Spindle bearings at fault. 8. Reset spindle bearing preload or replace worn
spindle bearings.
Bad surface finish. 1. Wrong spindle speed or feed rate. 1. Adjust for appropriate spindle speed and feed rate.
2. Dull tooling or poor tool selection. 2. Sharpen tooling or select a better tool for the
intended operation.
3. Tool height not at spindle
centerline.
3. Adjust tool height to spindle centerline (see Page
51).
4. Too much play in gibs. 4. Tighten gibs (see Page 79).
Tapered tool
difficult to remove
from tailstock quill.
1. Quill is not retracted all the way
back into the tailstock.
1. Turn the tailstock handwheel until it forces the
tapered tool out of quill.
2. Contaminants not removed from
taper before inserting into quill.
2. Clean the taper and bore and re-install tapered tool.
Cross slide,
compound, or
carriage feed has
sloppy operation.
1. Gibs are out of adjustment. 1. Adjust gib screw(s) (see Page 79).
2. Handwheel is loose or backlash is
high.
2. Tighten handwheel fasteners, adjust handwheel
backlash to a minimum (see Page 78).
3. Leadscrew mechanism worn or out
of adjustment.
3. Adjust leadscrew to remove end play (see Page 79).
4. Ways are loaded with grime or
chips.
4. Clean the ways and re-lubricate.
Cross slide,
compound, or
carriage feed
handwheel is hard
to move.
1. Dovetail slides loaded with
shavings, dust, or grime.
1. Remove gibs, clean ways/dovetails, lubricate, and
re-adjust gibs.
2. Gib screws are too tight. 2. Loosen gib screw(s) slightly (see Page 79).
3. Backlash setting too tight (cross
slide only).
3. Slightly loosen backlash setting (see Page 79).
4. Bedways are dry. 4. Lubricate bedways and handles.
Cutting tool
or machine
components vibrate
excessively during
cutting.
1. Tool holder not tight enough. 1. Check for debris, clean, and retighten.
2. Cutting tool sticks too far out of tool
holder; lack of support.
2. Re-install cutting tool so no more than 1⁄3 of the total
length is sticking out of tool holder.
3. Gibs are out of adjustment. 3. Adjust gib screws at affected component (see Page
79)
4. Dull cutting tool. 4. Replace or resharpen cutting tool.
5. Incorrect spindle speed or feed rate. 5. Use the recommended spindle speed.

-90-
For Machines Mfg. Since 3/11
Turn-Nado® EVS Lathes TROUBLESHOOTING
Gear change levers
will not shift into
position.
1. Gears not aligned inside headstock. 1. Rotate spindle by hand with light pressure on the
lever until gear falls into place.
Symptom Possible Cause Possible Solution
Workpiece is
tapered.
1. Spindle and tailstock centerlines
are not properly aligned with each
other.
1. Realign the tailstock to the headstock spindle bore
centerline (see Page 45).
Chuck jaws will
not move or do not
move easily.
1. Chips lodged in the jaws or scroll
plate.
1. Remove jaws, clean and lubricate scroll plate, then
replace jaws.
Carriage will not
feed or is hard to
move.
1. Gears are not all engaged. 1. Adjust gear levers.
2. Carriage lock is tightened down. 2. Check to make sure the carriage lock bolt is fully
released.
3. Loose screw on the feed handle. 3. Tighten.
4. Chips have loaded up on bedways. 4. Frequently clean away chips that load up during
turning operations.
5. Bedways are dry and in need of
lubrication.
5. Lubricate bedways and handles.
6. Micrometer stop is interfering. 6. Check micrometer stop position and adjust it as
necessary (see Page 52).
7. Gibs are too tight. 7. Loosen gib screw(s) slightly (see Page 79).
8. Gears or shear pin broken. 8. Replace gears or shear pin (see Page 84).

ELECTRICAL
For Machines Mfg. Since 3/11 Turn-Nado® EVS Lathes
-91-
ELECTRICAL
Electrical Safety Instructions
These pages are accurate at the time of printing. In the constant effort to improve, however, we may
make changes to the electrical systems of future machines. Study this section carefully. If you see
differences between your machine and what is shown in this section, call Technical Support at (360)
734-1540 for assistance BEFORE making any changes to the wiring on your machine.
Shock Hazard: It is extremely dangerous to
perform electrical or wiring tasks while the
machine is connected to the power source.
Touching electrified parts will result in
personal injury including but not limited to
severe burns, electrocution, or death. For
your own safety, disconnect machine from
the power source before servicing electrical
components or performing any wiring tasks!
Wire Connections: All connections must be
tight to prevent wires from loosening during
machine operation. Double-check all wires
disconnected or connected during any wiring
task to ensure tight connections.
Modifications: Using aftermarket parts or
modifying the wiring beyond what is shown
in the diagram may lead to unpredictable
results, including serious injury or fire.
Motor Wiring: The motor wiring shown in these
diagrams is current at the time of printing,
but it may not match your machine. Always
use the wiring diagram inside the motor
junction box.
Circuit Requirements: Connecting the machine
to an improperly sized circuit will greatly
increase the risk of fire. To minimize
this risk, only connect the machine to a
power circuit that meets the minimum
requirements given in this manual.
Capacitors/Inverters: Some capacitors and
power inverters store an electrical charge for
up to 10 minutes after being disconnected
from the power source. To reduce the risk of
being shocked, wait at least this long before
working on capacitors.
Wire/Component Damage: Damaged wires
or components increase the risk of serious
personal injury, fire, or machine damage. If
you notice that any wires or components are
damaged while performing a wiring task,
replace those wires or components before
completing the task.
Experiencing Difficulties: If you are
experiencing difficulties understanding the
information included in this section, contact
our Technical Support at (360) 734-1540.
The photos and diagrams included in this section are best viewed in color. You can
see them in color at www.southbendlathe.com.
BLACK WHITE
GREEN
RED
BLUE
BROWN GRAY ORANGE YELLOW
YELLOW
GREEN
PURPLE
PINK
LIGHT
BLUE
BLUE
WHITE
TUR-
QUIOSE
NOTICE:
WIRING DIAGRAM COLOR KEY

-92-
For Machines Mfg. Since 3/11
Turn-Nado® EVS Lathes ELECTRICAL
Correcting Phase
Polarity
This sub-section is only provided for
troubleshooting. If you discover during the test
run that the lathe will not operate, or that the
spindle runs backwards, the lathe may be wired
out of phase.
Without the proper test equipment to determine
the phase of power source legs, wiring machinery
to 3-phase power may require trial-and-error.
Correcting this is simply a matter of reversing
the positions where two of the incoming power
source wires are connected.
To correct wiring that is out of phase:
1. Push the STOP button, turn the master
power switch to OFF, and disconnect the
machine from power.
2. Open the electrical box and swap any two
hot wires coming from the power supply, as
illustrated in Figure 141.
3. Close and latch the electrical box, and
reconnect the machine to the power source.
Swap any two
of these wires
L3
L2
L1
To Power
Supply
Ho
t
MASTER
POWER SWITCH
Ho
t
Ho
t
Ground
Figure 141. Swapping L1 and L2 power connections
to correct out-of-phase wiring.

For Machines Mfg. Since 3/11 Turn-Nado® EVS Lathes
-93-
ELECTRICAL
Wiring Overview
Spindle Motor,
Page 98.
Coolant
Pump Motor,
Page 99.
Oil Pump
Motor,
Page 98.
Oil Pressure
Switch,
Page 98.
End Gear Cover
Safety Switch,
Page 101.
Brake Switch,
Page 101. Spindle
ON/OFF
Switches,
Page 99.
Spindle RPM
Sensor, Page 101.
Chuck Guard Safety
Switch, Page 101.
Electrical
Box, Pages 95–96.
Control Panel,
Page 100.
Work Lamp,
Page 101.
Power Supply
Connection
Page 99.
wiring overview

-94-
For Machines Mfg. Since 3/11
Turn-Nado® EVS Lathes ELECTRICAL
Component Location Index visual index
Figure 142. Component location index.
Coolant
Pump Motor,
Page 99.
Oil Pump
Motor,
Page 98.
Oil Pressure
Sensor,
Page 98.
Brake Switch,
Page 101.
Chuck Guard Safety
Switch, Page 101.
Electrical
Box, Pages
95–96.
Cooling Fan,
Page 95.
Master Power
Switch, Page 95.
Control Panel,
Page 100.
Work Lamp,
Page 101.
Work Lamp,
Page 101.
End Gear Cover
Safety Switch,
Page 101.
Spindle RPM
Sensor, Page
101.
Spindle
Switches (Behind
Splash Guard),
Page 99. Spindle Motor,
Page 98.

For Machines Mfg. Since 3/11 Turn-Nado® EVS Lathes
-95-
ELECTRICAL
X
X
X
X
X
0 24 0 220
0 220 380 400 415 440
TRANSFORMER
X
X
X
X
X
X
X
X
X
X
X
X
X
X
X
X
X
X
X
X
X
X
X
X
X
X
X
X
X
X
X
KR1 KR4KR3KR2
X
X
X
CIRCUIT BOARD SC-001-1
KR1
24V
0V
KR4 COM
KR4 NO
KR4 NC
0V
KR4
KR3
KR2
NO
24V COM
S. ROTATIONBRAKE
NC
NO
NO
COM
CHUCK
CHUCK
NC
COM
JOG
CSS
3
2
1S2
COM
S1
S5
S4
S3
COOLING
FAN
L13
L13 L11
L1
L1
L3
L3
L3
L2
L2
L2
L1
L1
L1
L3
L2L1
2
2
A1
11
11
9 6 7 85
A1 9
6
7
8
5
0
0
64631413122019
1
2
3
4
5
6
1
2
L3 L3
L2L1
3
3L11
L3 L3
L2
L1 L1
L1
MASTER POWER
SWITCH
Ground
BRAKE
D
EC
B
A
box1
Electrical Box Wiring
To Varispeed Unit, Page 96.
To Page 96. To Page 96. To Page 96.
To Control Panel, Page 100.

-96-
For Machines Mfg. Since 3/11
Turn-Nado® EVS Lathes ELECTRICAL
box2
AMP
CONTACTOR
Allen Bradley
C09 400
THERMAL
RELAY
THERMAL
RELAY
L11
L11
L3
L3
L3
L3
L2L2
L2
L1L1
L1
L1
L1
2
2
2
2
CONTACTOR
Allen Bradley
C09 400
1357L1
A1 A2 A1 A2
L2 L3 L4 1 3 5 7L1 L2 L3 L4
2468T1
2T1
T2
4T2
T3
6 T3 2 T1 4 T2 6 T3
T4 2 4 6 8T1 T2 T3 T4
95 96 NONC 97 98 95 96 NONC 97 98
L13
L11
L
K
COM
11
9
8
7
6
A1
5
4
3
2
2
1
0
W2
V2
U2
W1
V1
U1
L13
L11
W
V
U
L11 L13 U1 V1 W1 U2 V2 W2
A1 9
6
7
8
5
3 3
0 3 5 6 7 8 9 11A1
L13 2 11
0
E(G) FM AC AM P1 P2 PC SC
SC A1 A2 A3 +V AC -V
S1 S2 S3 S4 S5 S6 S7 S8
MP P3 C3 P4 C4
RP R+ R- S+ S-
S9 S10 S11 S12 1G
MA MB MC
M1 M2 E(G)
G7
Varispeed
YASKAWA
VARIABLE SPEED UNIT
(REFER TO YASKAWA OWNERS MANUAL)
Ground
11
10
U1 V1 W1 U2 V2 W2 0 1 23456789K LCOM L11 L13
A1
17
15
16
13 12 14
23
18
K LCOM
U1 V1 W1 U2 V2 W2
2
B1
B2
U V W
THERMAL RESISTOR
1600W/35
COOLING
FAN
2
2
2
B1 B2
B1 B2
R/L1 S/L2 T/L3 +1 +2 B1 B2 U/T1 V/T2 W/T3
L11 L13
2 2
L3
L2
L1
L1 L2 L3
U V W
U V W
B1 B2
B1 B2 4
4
11
0.25
0.4
AMP
0.6
1.0
2
L11
L11
Electrical Box Wiring
To Coolant
Pump Motor,
Page 99.
To Oil Pump
Motor,
Page 98.
To Oil
Pressure
Sensor,
Page 98.
To Brake
Switch,
Page 101.
To End Gear
Cover Safety
Switch,
Page 101.
To Spindle
RPM Sensor,
Page 101.
To Work Lamp,
Page 101.
To Chuck
Guard Safety
Switch, Page
101.
To Spindle
ON/OFF
Switches,
Page 99.
To Spindle
Motor,
Page 98.
To Incoming
Power,
Page 99.
To Circuit Board, Page 95. To Page 95. To Page 95.To Page 95.

For Machines Mfg. Since 3/11 Turn-Nado® EVS Lathes
-97-
ELECTRICAL
Figure 143. Electrical box.
Electrical Box box photo

-98-
For Machines Mfg. Since 3/11
Turn-Nado® EVS Lathes ELECTRICAL
Spindle Motor
spindle and pump
motor
SPINDLE
MOTOR (440V)
Ground
W
U1
V1
W1
V6
V2
U2
W6
U6
W2
V
U
Yl
U5
V5
W5
L13 L11
Figure 144. Spindle motor location.
Junction Box
To Electrical Box,
Page 96.
Oil Pump Motor & Pressure Sensor
Ground
OIL PUMP
MOTOR (440V)
V2
W2
U2
U1
V1
V5
W1
U2
U2 V2
W2
U5
W5
2OIL
PRESSURE
SENSOR
X11
To Electrical
Box, Page
96.
To Electrical
Box, Page 96.
Figure 145. Oil pump motor & pressure sensor
location.
Oil Pump
Motor
Oil Pressure
Sensor

For Machines Mfg. Since 3/11 Turn-Nado® EVS Lathes
-99-
ELECTRICAL
Coolant Pump
Figure 147. Coolant pump location.
Coolant Pump
COOLANT
PUMP MOTOR
(440V)
Ground
3
2
1
4
65W1
W1
V1
V1
U1
To Electrical
Box, Page 96.
Spindle Switch
spindle rotation
and power conn-
tection
Figure 146. Spindle rotation switch location.
Spindle Rotation
Switches
COMMON
NC
COMMON
NC
NO
NO
7
8
6
9
Spindle Switch, Figure
146.
To Main Junction
Block, Page 96.

-100-
For Machines Mfg. Since 3/11
Turn-Nado® EVS Lathes ELECTRICAL
Control Panel control panel
and
Figure 148. Control panel wiring.
220V
GND
IN
+12
110V
0V
Bk
X
X
X14
COM
COM L
L
L11
1
33
TACHOMETER DISPLAY
COOLANT
PUMP
SWITCH
JOG
BUTTON
POWER
LAMP
EMERGENCY
STOP
BUTTON
X1
X2
4
4
3
3
21
20
19
L13
2
3
12
4
19
K
K
SPINDLE
SPEED
DIAL 1
2
3
13
To Main Junction
Block, Page 95.
To Main Junction
Block, Page 95.
To Circuit Board,
Page 95.
To Circuit Board,
Page 95.
To Electrical Box, Page 95.
D EC B
A
Power Connection
Ground
Hot
Hot
Hot DISCONNECT
SWITCH
(as recommended)
L3
L3
L2
L2
L1
L1
MASTER POWER
SWITCH
Ground
L3
L2L1
Inside Electrical Box,
Page 96.

For Machines Mfg. Since 3/11 Turn-Nado® EVS Lathes
-101-
ELECTRICAL
COMMON
NC
NO
A1
3
0
Bk
Wt
0
2
1314
2122
NC
NC
NO
NO
3
4
X5
A1
X9
1
End Gear Cover Safety
Switch, Figure 149.
Work Light
Brake Switch, Figure 150.
Spindle RPM Sensor, Figure 149.
Chuck Guard Safety Switch, Figure 151.
additional com-
pontnet
Additional Components
Figure 151. Chuck guard limit switch.
Chuck Guard
Safety
Switch
To Electrical
Box, Page 96.
Figure 150. Brake switch location.
Brake Switch
Figure 149. RPM sensor and end gear cover safety
switch location.
Spindle
RPM Sensor
End Gear
Cover Safety
Switch

PARTS
-102-
For Machines Mfg. Since 3/11
Turn-Nado® EVS Lathes PARTS
Headstock Housing
1
2
3
45
6
7
8
9
10
11
12
13 14 15
16
17
18 19
21
22 23
24
25
26
28
29
30
32
34
35
36
38 39
40
41
42 43
44
45
46
47
48
49
50
51
52
53
54
55
56
23
1
1
2
4
5
3
6
7
89
10
11
12
29
29
8
41
34
32
45
46
29

For Machines Mfg. Since 3/11 Turn-Nado® EVS Lathes
-103-
PARTS
Headstock Housing Parts List
REF PART # DESCRIPTION REF PART # DESCRIPTION
1 PSB1042PF0001 LEVER END PLUG 29 PSB1042PF0029 PIVOT STOP PIN
2 PSB1042PF0002 LEVER 30 PSB1042PF0030 LONG ROD
3PCAP38M CAP SCREW M5-.8 X 2532 PEC03M E-CLIP 10MM
4 PSB1042PF0004 CONNECTING COLLAR 34 PSB1042PF0034 STEPPED PIVOT BOLT
5PK47M KEY 4 X 4 X 1535PSB1042PF0035SHIFT PIVOT ARM
6 PSB1042PF0006 SHAFT 36 PSB1042PF0036 SHIFT FORK
7PK48M KEY 4 X 4 X 20 38 PSB1042PF0038 SHORT ROD
8 PSB1042PF0008 PLUNGER 39 PCAP07MCAP SCREW M6-1 X 30
9 PSB1042PF0009 COMPRESSION SPRING 40 PSB1042PF0040 BRACKET
10 PSB1042PF0010 ROCKER ARM 41 PSB1042PF0041 SHAFT
11 PR07M EXT RETAINING RING 18MM 42 PSB1042PF0042 NYLON TUBE
12 PSB1042PF0012 SHIFT CLAW 43 PSB1042PF0043 LEVER SUPPORT FRAME ASSEMBLY
13 PFH06M FLAT HD SCR M6-1 X 20 44 PSB1042PF0044 OIL PIPE
14 PSB1042PF0014 SELECTOR FLAT WASHER 45PN09M HEX NUT M12-1.75
15PSB1042PF0015SPEED SELECTOR HUB 46 PSB1042PF0046 SHIFT COLLAR
16 PR15M EXT RETAINING RING 30MM 47PCAP14M CAP SCREW M8-1.25 X 20
17PSB1042PF0017RANGE SELECTOR HUB 48 PSB1042PF0048 SHIFT FORK
18 PSB1042PF0018 CAM SHAFT 49 PSB1042PF0049 SHIFT PIVOT ARM
19 PSB1042PF0019 O-RING G14 50 PSB1042PF0050HEADSTOCK TOP COVER
21 PCAP40M CAP SCREW M8-1.25 X 3551 PSB1042PF0051HEADSTOCK HOUSING (SB1042PF-45PF)
22 PSB1042PF0022 CAM COVER 51 PSB1059F0051HEADSTOCK HOUSING (SB1059F-61PF)
23 PK82M KEY 7 X 7 X 18 52 PSB1042PF0052 COMPRESSION SPRING
24 PSB1042PF0024 CAM SHAFT 53 PORG035O-RING 3.1 X 34.4 G35
25PSB1042PF0025CAM54 PSB1042PF0054 HOUSING PLUG
26 PR12M EXT RETAINING RING 35MM 55 PSB1042PF0055 HEADSTOCK BACK COVER
28 PSB1042PF0028 OIL SIGHT GLASS 56 PSS21M SET SCREW M8-1.25 X 25

-104-
For Machines Mfg. Since 3/11
Turn-Nado® EVS Lathes PARTS
Headstock Gears 1
101
102
103
104
105
106
107
108
109
110
111
112
113
114
115
116
117
118
119
120
121
122
123
124
125
126
127
128
129
130
131
132
133
134
135
136
138
139
140
141
142
143
144
145
146
147
148
149
150
151
152
153
154
155
156
157
158
159
160
161
162
163
164
165
166
115 115
122
116
116
132
122 138
132
140
122
132
128 116
151
124
149
140
128
127
124
124

For Machines Mfg. Since 3/11 Turn-Nado® EVS Lathes
-105-
PARTS
Headstock Gears 2
116
122
128
132
139
140
141
143
154
159
186
187
187
187
187
188
188
188
188
188
189
190
191
192
193
194
194
194
194
194
194
195
195
196
197
198199
200
201
202
203
203
203
204
205
206
207
208
209
210
211
214
215
216
217
218
140
186
187
122
143
143

-106-
For Machines Mfg. Since 3/11
Turn-Nado® EVS Lathes PARTS
Headstock Gears Parts List
REF PART # DESCRIPTION REF PART # DESCRIPTION
101 PSB1042PF0101 CAMLOCK STUD 150 PSB1042PF0150GEAR 35T
102 PSB1042PF0102 STEPPED CAP SCREW 151 P6008-OPEN BALL BEARING 6008 OPEN
103 PSB1042PF0103 SPINDLE 152 PSB1042PF0152 COMBO GEAR 25T/40T
104 PSB1042PF0104 COMPRESSION SPRING 153 PSB1042PF0153 HOUSING PLUG
105PSB1042PF0105CAMLOCK 154 PSB1042PF0154GEAR 31T
106 PSB10160106 KEY 15 X 10 X 78155 PSB1042PF0155 SHAFT
107PCAP29M CAP SCREW M6-1 X 40 156 PK62M KEY 7 X 7 X 45
108 PSB1042PF0108 FRONT BEARING COVER 157 P6908-OPEN BALL BEARING 6908 OPEN
109 PSB1042PF0109 BEARING COVER GASKET 158 PSB1042PF0158SPACER
110 P32026 TAPERED BEARING 32026 159 PORG075 O-RING 74.4 X 3.1 G75
111 PSB1042PF0111 GEAR 75T 160 PSB1042PF0160 BEARING SEAT
112 PSB1042PF0112 GEAR 56T 161 PSB1042PF0161 OIL SEAL 406212
113 PSB1042PF0113 SPACER 162 PSB1042PF0162 SPINDLE PULLEY
114 P6022-OPEN BALL BEARING 6022 OPEN 163 PSB1042PF0163 PINNED FLAT WASHER 8MM
115PR90M EXT RETAINING RING 110MM 164 PCAP13M CAP SCREW M8-1.25 X 30
116 PSB10160116 KEY 10 X 8 X 36 165PSB1042PF0165SPINDLE SPEED SENSOR RING
117PSB1042PF0117GEAR 48T 166 PSB1042PF0166 SENSOR BUD
118 P32021 TAPERED BEARING 32021 186 PSB1042PF0186 O-RING G16
119 PSB1042PF0119 SPANNER NUT 187PCAP26M CAP SCREW M6-1 X 12
120 PSB1042PF0120 END COVER GASKET 188 PSB1042PF0188 SHAFT FLAT WASHER 6MM
121 PSB1042PF0121 OUTBOARD SPINDLE END COVER 189 PSB1042PF0189 SHAFT
122 PCAP14M CAP SCREW M8-1.25 X 20 190 PSB1042PF0190 SHAFT
123 PSB1042PF0123 HOUSING PLUG 191 PSB1042PF0191 OIL SEAL 385508
124 PORG065O-RING 64.4 X 3.1 G65192 PSB1042PF0192 SPLINE SHAFT
125PSB1042PF0125HOUSING PLUG 193 PSB1042PF0193 BEARING SEAT
126 PORG055 O-RING 54.4 X 3.1 G55 194 PSB1042PF0194 SPACER
127P6305-OPEN BALL BEARING 6305 OPEN 195PSB1042PF0195NEEDLE BEARING 32 X 30
128 PR38M INT RETAINING RING 62MM 196 PR43M EXT RETAINING RING 50MM
129 PSB1042PF0129 COMBO GEAR 21T/40T 197PSB1042PF0197GEAR 24T
130 PSB1042PF0130 SPLINE SHAFT 198 PSB1042PF0198 PIPE PLUG 1/2" NPT
131 PSB1042PF0131 SPACER 199 PSB1042PF0199 PIPE ELBOW 3/4" X 1/2" NPT
132 P6007-OPEN BALL BEARING 6007 OPEN 200 PSB1042PF0200 PIPE NIPPLE 3/4" X 1-1/4" NPT
133 PSB1042PF0133 GEAR 26T 201 PSB1042PF0201 SHAFT
134 PR32M EXT RETAINING RING 48MM 202 PSB1042PF0202 DOUBLE GEAR 24T/24T
135PSB1042PF0135GEAR 32T 203 PR37M EXT RETAINING RING 32MM
136 PSB1042PF0136 GEAR SHAFT 16T 204 PSB1042PF0204 SHAFT
138 PSB1042PF0138 BEARING COVER 205PSB1042PF0205COMBO GEAR 24T/48T
139 PCAP02M CAP SCREW M6-1 X 20 206 PSB1042PF0206 SHAFT
140 PRP02M ROLL PIN 3 X 16 207PSB1042PF0207COMBO GEAR 48T/24T
141 PSB1042PF0141 GEAR SHAFT FLAT WASHER 208 PCAP01M CAP SCREW M6-1 X 16
142 PSB1042PF0142 SPACER 209 PSB1042PF0209 HOUSING PLUG
143 PORP030 O-RING 29.7 X 3.5 P30 210 PORG035O-RING 3.1 X 34.4 G35
144 PSB1042PF0144 OIL SEAL 507212 211 PR12M EXT RETAINING RING 35MM
145PR64M INT RETAINING RING 72MM 214 PSB1042PF0214 END CAP
146 P6207-2RS BALL BEARING 6207-2RS 215PSB1042PF0215BEARING SEAT
147PSB1042PF0147GEAR SHAFT 16T 216 PSB1042PF0216 SHAFT
148 PK136M KEY 8 X 8 X 30 217P6207-OPEN BALL BEARING 6207 OPEN
149 PR68M EXT RETAINING RING 40MM 218 PSB1042PF0218 PINNED FLAT WASHER 6MM

For Machines Mfg. Since 3/11 Turn-Nado® EVS Lathes
-107-
PARTS
Gearbox 1
301
302
302
303
304
305
305
306
306
306
306
306
307 308
308
309
309
309
309
310
311
312 313 314
314
314
314
315
314
315
316 317
318
318
318
319
320
321
322
323
324
324
324
324
325
326
327
328 329
329
329
329
329
329
330
330
330
331
332
333
333
334
335 336337
338
339340341
342343
344 345
346
347
348
349
350 351
352
353
354 355
356357 358
359
360
361
362
363
364
365
366 367 368
369
370 371
372
426
427 428

-108-
For Machines Mfg. Since 3/11
Turn-Nado® EVS Lathes PARTS
Gearbox 2
373
373
373
374
375
376
376
377
377
378
380
381
382
383
384
385
385
385
386
387
388
389
390
391
392
393
394
395
396
397
398
399
400
401
401
402
403
404
405
406
407
408
409
410
411
412
413
414
415
416
417
418
419
420 421
422
423
424
425
429
430
431
432

For Machines Mfg. Since 3/11 Turn-Nado® EVS Lathes
-109-
PARTS
Gearbox Parts List
REF PART # DESCRIPTION REF PART # DESCRIPTION
301 PSB1042PF0301 SHAFT 354 PR10M EXT RETAINING RING 22MM
302 PK109M KEY 7 X 7 X 35355 PSB1042PF0355 DOUBLE GEAR 45T/18T
303 PSB1042PF0303 SPACER 356 PSB1042PF0356GEAR 22T
304 PSB1042PF0304 OIL SEAL 253708 357 PSB1042PF0357 GEAR 22T
305PSB1042PF0305NEEDLE BEARING 358 PSB1042PF0358GEAR 33T
306 PCAP01M CAP SCREW M6-1 X 16 359 PSB1042PF0359GEAR 22T
307PSB1042PF0307BEARING SEAT 360 PSB1042PF0360 SPACER
308 PSB1042PF0308 SPACER 361 PSB1042PF0361 GEAR 36T
309 PR11M EXT RETAINING RING 25MM 362 PSB1042PF0362 SHAFT BRACKET
310 PSB1042PF0310 DOUBLE GEAR 19T/19T 363 PSB1042PF0363 OIL SEAL 304005
311 PSB1042PF0311 SHAFT 364 PSB1042PF0364 SHEAR PIN COVER
312 PSB1042PF0312 END COVER 365PSB1042PF0365SHAFT
313 PSB1042PF0313 GASKET 366 PSB1042PF0366 SHAFT BRACKET
314 P6005-OPEN BALL BEARING 6005 OPEN 367PSB1042PF0367SPACER
315PSB1042PF0315SPACER 368 PSB1042PF0368 SHAFT
316 PSB1042PF0316 DOUBLE GEAR 20T/30T 369 PRP31M ROLL PIN 6 X 36
317PSB1042PF0317SPACER 370 P6003-OPEN BALL BEARING 6003 OPEN
318 PR15M EXT RETAINING RING 30MM 371 PR18M EXT RETAINING RING 17MM
319 PSB1042PF0319 SHAFT 372 PSB1042PF0372BEARING SEAT
320 PSB1042PF0320 GEAR 22T 373 PLW03M LOCK WASHER 6MM
321 PSB1042PF0321 SPACER 374 PSB1042PF0374 SHOULDER PLATE
322 PSB1042PF0322 SHAFT 375 PSB1042PF0375 REVERSE-STOP
323 PSB1042PF0323 GEARBOX HOUSING 376 PSB1042PF0376 OUTER PLATE
324 PSB1042PF0324 SPACER 377 PSTB001 STEEL BALL 1/4"
325PSB1042PF0325GEAR 32T 378 PSB1042PF0378 COMPRESSION SPRING
326 PSB1042PF0326 GEAR 23T 380 PRP24M ROLL PIN 5 X 16
327PSB1042PF0327GEAR 16T 381 PSB1042PF0381 FORK SUPPORT
328 PSB1042PF0328 SPACER 382 PRP24M ROLL PIN 5 X 16
329 PR25M INT RETAINING RING 47MM 383 PSB1042PF0383 SHIFT FORK
330 P6204-OPEN BALL BEARING 6204 OPEN 384 PCAP15MCAP SCREW M5-.8 X 20
331 PSB1042PF0331 SPACER 385PSB1042PF0385PARTITION
332 PSB1042PF0332 CLUTCH 386 PSB1042PF0386 FORK SUPPORT
333 PR09M EXT RETAINING RING 20MM 387PSB1042PF0387SHIFT FORK
334 PSB1042PF0334 DOUBLE GEAR 35T/35T 388 PSB1042PF0388 FORK SUPPORT
335PSB1042PF0335SPACER 389 PSB1042PF0389 SHIFT FORK
336 PSB1042PF0336 GEAR 22T 390 PSB1042PF0390 FORK SUPPORT
337PSB1042PF0337GEAR 16T 391 PSB1042PF0391 SHIFT FORK
338 PSB1042PF0338 GEAR 20T 392 PSB1042PF0392 SPACER
339 PSB1042PF0339 SPACER 393 PSB1042PF0393 PARTITION SCREW
340 PSB1042PF0340 GEAR 24T 394 PSB1042PF0394 FIXED PLATE
341 PSB1042PF0341 SPACER 395PSB1042PF0395GEARBOX HOUSING GASKET
342 PSB1042PF0342 GEAR 23T 396 PSB1042PF0396 SHIFT GATE
343 PSB1042PF0343 SPACER 397PSB1042PF0397SELECTOR LEVER COVER
344 PSB1042PF0344 GEAR 27T 398 PORG035O-RING 3.1 X 34.4 G35
345PSB1042PF0345SPACER 399 PSB1042PF0399 SELECTOR LEVER
346 PSB1042PF0346 GEAR 24T 400 PSB1042PF0400 COMPRESSION SPRING
347PSB1042PF0347SPACER 401 PORG040 O-RING 39.4 X 3.1 G40
348 PSB1042PF0348 GEAR 28T 402 PSB1042PF0402 SELECTOR LEVER SUPPORT
349 PSB1042PF0349 SPACER 403 PSB1042PF0403 SELECTOR SHAFT
350 PSB1042PF0350GEAR 26T 404 PSB1042PF0404 HANDLE PLUG
351 PSB1042PF0351GEAR 32T 405PSB1042PF0405HANDLE FLAT WASHER 6MM
352PSB1042PF0352 LOCK COLLAR 406 PSB1042PF0406 HANDLE
353 PSS02M SET SCREW M6-1 X 6 407PSB1042PF0028 OIL SIGHT GLASS

-110-
For Machines Mfg. Since 3/11
Turn-Nado® EVS Lathes PARTS
Gearbox Parts List
REF PART # DESCRIPTION REF PART # DESCRIPTION
408 PSB1042PF0408 GEARBOX FRONT COVER (SB1042PF-45PF) 421 PW03M FLAT WASHER 6MM
408 PSB1059F0408 GEARBOX FRONT COVER (SB1059F-61PF) 422 PSS02M SET SCREW M6-1 X 6
409 PSB1042PF0409 PIPE NIPPLE 3/4" NPT 423 PRP04M ROLL PIN 4 X 24
410 PSB1042PF0410 PIPE ELBOW 3/4" NPT 424 PSB1042PF0424 SHIFT TAB
411 PSB1042PF0411 PIPE PLUG 3/4" NPT 425PSB1042PF0425SHIFT FORK
412 PK05M KEY 4 X 4 X 10 426 PSB1042PF0426 PIPE PLUG 1/2" NPT
413 PSB1042PF0413 SHAFT 427PSB1042PF0427PIPE ELBOW 1/2" NPT
414 PSB1042PF0414 SELECTOR BAR 428 PSB1042PF0428 PIPE NIPPLE 1/2" NPT
415PSB1042PF0415PIVOT ARM 429 PCAP26M CAP SCREW M6-1 X 12
416 PSB1042PF0416 COMPRESSION SPRING 430 PCAP29M CAP SCREW M6-1 X 40
417PSS20M SET SCREW M8-1.25 X 8 431 PCAP38M CAP SCREW M5-.8 X 25
418 PSB1042PF0418 SHIFT FORK 432 PCAP01M CAP SCREW M6-1 X 16
419 PCAP02M CAP SCREW M6-1 X 20
420 PRP24M ROLL PIN 5 X 16

For Machines Mfg. Since 3/11 Turn-Nado® EVS Lathes
-111-
PARTS
Apron 1
501
502
503
504
505
506
506
506
506
507
507
508
509
510
511
512
513
514
514
514 514
514
514
515
516
517
518
519
520
521
522
523
523
524
525
526
526
527
528
528
528
529 530 531
532
532
533
534
534
535
536
537
538
539
540 541
542
543
545
546
547
548
548
549
550
551
552
553
553
554
555
557
558
559
560
561
562
563
564
564
565
566
567

-112-
For Machines Mfg. Since 3/11
Turn-Nado® EVS Lathes PARTS
Apron 2
568
564
569
570
570
570
570
561
558 558
571
572
573
574
575
576
577
578
579
579
580
580
581
581
582
582
582
583
584
548
585
586
587
588
589
590
591
592
593
594
564
564
595
596
597
598
599 600
601
602
603
604
605
606
607
608
609
610
611
611
612
612
613
613
614
615
616
617
618 619
620
621
622
623
624 625
626
627
628
629
630
631
632
633
634

For Machines Mfg. Since 3/11 Turn-Nado® EVS Lathes
-113-
PARTS
Apron Parts List
REF PART # DESCRIPTION REF PART # DESCRIPTION
501 PSB1042PF0501 HANDLE CAP SCREW 555 PSB1042PF0555 HALF NUT LEVER ASSEMBLY
502 PSB1042PF0502 HANDWHEEL HANDLE 557 PSB1042PF0557 O-RING G25
503 PSS12M SET SCREW M6-1 X 25558 PSS03M SET SCREW M6-1 X 8
504 PSB1042PF0504 HANDWHEEL RETAINER 559 PSB1042PF0559 COMPRESSION SPRING
505PSB1042PF0505CARRIAGE HANDWHEEL 560 PSB1042PF0560 WOODRUFF KEY 5 X 16
506 PSTB001 STEEL BALL 1/4 561 PSB1042PF0561 CAM SHAFT
507PSB1042PF0507COMPRESSION SPRING 562 PSS84M SET SCREW M10-1.5 X 35
508 PSB1042PF0508 CARRIAGE GRADUATED DIAL563 PSS30M SET SCREW M10-1.5 X 10
509 PFH72M FLAT HD CAP SCR M5-.8 X 12 564 PSB1042PF0564 APRON HOUSING 2PC
510 PSB1042PF0510 SHAFT BRACKET 565PSS113M SET SCREW M10-1.5 X 6
511 PSB10120218 WOODRUFF KEY 5 X 19 566 PSB1042PF0566 COMPRESSION SPRING
512 PSB1042PF0512 GEAR SHAFT 567PSTB003 STEEL BALL 3/8
513 PSB1042PF0513 HOUSING PLUG 568 PCAP26M CAP SCREW M6-1 X 12
514 PR07M EXT RETAINING RING 18MM 569 PSB1042PF0569 HALF NUT GIB
515PSB1042PF0515THRUST WASHER 570PCAP01M CAP SCREW M6-1 X 16
516 PSB1042PF0516 NEEDLE BEARING 18/20 571P
CAP07MCAP SCREW M6-1 X 30
517PSB1042PF0517SPACER 572 PSB1042PF0572 DOWEL PIN
518 PR11M EXT RETAINING RING 25MM 573 PSB1042PF0573 SIDE PLATE
519 PSB1042PF0519 GEAR 56T 574 PSB1042PF0574HALF NUT
520 PSB1042PF0520 NEEDLE BEARING 28/20 575 PCAP07MCAP SCREW M6-1 X 30
521 PSB1042PF0521 SPACER 576 PSS28M SET SCREW M6-1 X 30
522 PSB1042PF0522 GEAR SHAFT 577 PSB1042PF0577 PLUG 1/4" NPT
523 PRIV006M STEEL BLIND RIVET 3 X 10MM 578 PSB1042PF0578 TOP PLATE
524 PSB1042PF0524 FEED SELECTION ID PLATE 579 PSB1042PF0579 OIL SEAL 30 X 40 X 5
525PSB1042PF0525FEED SELECTION SHAFT 580 PSB1042PF0580 SHAFT BRACKET
526 PSB1042PF0526 COLLAR581 PORG045O-RING 44.4 X 3.1 G45
527PSB1042PF0527DOUBLE GEAR 15T/33T 582 PSB1042PF0582 THRUST BEARING NTB3047/AS2
528 PSB1042PF0528 COLLAR583 PSB1042PF0583 PINION
529 PSB1042PF0529 STEPPED DOWEL PIN 584 PSB1042PF0584 HOUSING PLUG
530 PSB1042PF0028 SIGHT GLASS 585PSB1042PF0585LOCK COLLAR
531 PSB1042PF0531 SHAFT 586 PCAP26M CAP SCREW M6-1 X 12
532 PSB1042PF0532 NEEDLE BEARING TLA1616 587PRP76M ROLL PIN 4 X 16
533 PSB1042PF0533 GEAR SHAFT 26T 588 PSB1042PF0588 RETAINING PIN
534 PSB1042PF0534 NEEDLE BEARING TLA3016 589 PCAP38M CAP SCREW M5-.8 X 25
535PSB1042PF0535GEAR 24T 590 PSB1042PF0590 SLOTTED DOWEL PIN
536 PSB1042PF0536 GEAR 24T 591 PSB1042PF0591 CAPTIVE PIN
537PSB1042PF0537BEVEL GEAR592 PSB1042PF0592 EXTENSION SPRING
538 PR15M EXT RETAINING RING 30MM 593 PSS91M SET SCREW M6-1 X 14
539 PSB1042PF0539 BUSHING 594 PLN03M LOCK NUT M6-1
540 PSB1042PF0540 ALIGNMENT PIN 595PSB1042PF0595PIVOT BRACKET
541 PSB1042PF0541 FEED DIRECTION ID PLATE 596 PK33M KEY 5 X 5 X 45
542 PSB1042PF0542 FEED DIRECTION SHAFT 597PSB1042PF0597SHAFT
543 PSB1042PF0543 GEAR 24T 598 PSB1042PF0598 WORM
545PSB1042PF0545SHAFT 599 PSB1042PF0599 CLUTCH
546 PSB1042PF0546 DOUBLE GEAR 24T/26T 600 PSB1042PF0600 CLUTCH GEAR
547PSB1042PF0547FEED ON/OFF LEVER ASSEMBLY 601 PSB1042PF0601 PIVOT ARM
548 PORP021 O-RING 20.8 X 2.4 P21 602 PSB1042PF0602 SPRING RETAINER
549 PSB1042PF0549 PIVOT FORK 603 PSB1042PF0603 COMPRESSION SPRING
550 PR81M EXT RETAINING RING 21MM 604 PSB1042PF0604 SPRING RETAINER
551 PFH73M FLAT HD CAP SCR M6-1 X 16 605PRP04M ROLL PIN 4 X 24
552 PSB1042PF0552 LEVER RETAINER 606 PSB1042PF0606 TRIP ROD
553 PSS20M SET SCREW M8-1.25 X 8 607PSB1042PF0607SPRING RETAINER
554 PSB1042PF0554 COMPRESSION SPRING 608 PSB1042PF0608 COMPRESSION SPRING

-114-
For Machines Mfg. Since 3/11
Turn-Nado® EVS Lathes PARTS
Apron Parts List
REF PART # DESCRIPTION REF PART # DESCRIPTION
609 PSB1042PF0609 SPACER 622 PSB1042PF0622 DOMED BEARING
610 PLN09M LOCK NUT M12-1.75 623 PRP105M ROLL PIN 3 X 24
611 PSB1042PF0611 THRUST BEARING NTB1528/AS2 624 PSB1042PF0624 COUPLING
612 PSB1042PF0612 DOMED BEARING 625PSB1042PF0625SHAFT
613 PSB1042PF0613 CLAMP PLATE 2PC 626 PORP018 O-RING 17.8 X 2.4 P18
614 PSB1042PF0614 DOWEL PIN 627PSB1042PF0627END PLATE
615PRP05M ROLL PIN 5 X 30 628 PFH74M FLAT HD CAP SCR M5-.8 X 16
616 PSB1042PF0616 SPACER 629 PRP10M ROLL PIN 5 X 36
617PLN05M LOCK NUT M10-1.5630 PSB1042PF0630 KNURLED KNOB
618 PSB1042PF0618 DOMED BEARING 631 PSB1042PF0631 STEPPED DOWEL PIN
619 PRP04M ROLL PIN 4 X 24 632 PSB1042PF0632 COMPRESSION SPRING
620 PRP02M ROLL PIN 3 X 16 633 PSS15M SET SCREW M12-1.75 X 12
621 PSB1042PF0621 THREADED SHAFT 634 PSB1042PF0634 BUSHING

For Machines Mfg. Since 3/11 Turn-Nado® EVS Lathes
-115-
PARTS
Tool Post & Compound Rest
REF PART # DESCRIPTION REF PART # DESCRIPTION
701 PSB1042PF0701 HANDLE 717PSB1042PF0717COMPOUND REST GIB
702 PSB1042PF0702 4-WAY TOOL POST NUT 718 PSB1042PF0718 SWIVEL BASE (SB1042PF-45PF)
703 PSB1042PF0703 COLLAR718 PSB1059F0718 SWIVEL BASE (SB1059F-61PF)
704 PSB1042PF0704 4-WAY TOOL POST BOLT 719 PSS19M SET SCREW M8-1.25 X 30
705PSB1042PF07054-WAY TOOL POST BODY 720 PSB1042PF0720 LEADSCREW W/NUT
705A PSB1042PF0705A 4-WAY TOOL POST ASSEMBLY 722 PK47M KEY 4 X 4 X 15
706 PSB1042PF0706 4-WAY TOOL POST SHAFT 723 PSB1042PF0723 THRUST BEARING NTB/AS2 2035
707PSB1042PF0707PLUNGER 724 PSB1042PF0724 LEADSCREW BRACKET
708 PSB1042PF0708 COMPRESSION SPRING 725PSB1042PF0725COMPRESSION SPRING
712APSB1042PF0712ACOMPOUND REST ASSEMBLY (SB1042PF-45PF) 726 PCAP02M CAP SCREW M6-1 X 20
712APSB1059F0712ACOMPOUND REST ASSEMBLY (SB1059F-61PF) 727PSB1042PF0727DIAL COLLAR
712 PSB1042PF0712 COMPOUND REST BODY (SB1042PF-45PF) 728 PSB1042PF0728 GRADUATED DIAL
712 PSB1059F0712 COMPOUND REST BODY (SB1059F-61PF) 729 PSB1042PF0729 COMPOUND REST HANDWHEEL
713 PSS06M SET SCREW M8-1.25 X 16 730 PSB1042PF0730 LONG HANDWHEEL HANDLE
714 PSTB001 STEEL BALL 1/4 732 PSB1042PF0732 HANDWHEEL RETAINER
715PLUBE001 TAP-IN BALL OILER 1/4 733 PSS25M SET SCREW M6-1 X 20
716 PSB1042PF0716 GIB SCREW 734 PSB1042PF0734 SHORT HANDWHEEL HANDLE
701
702
703
704
705
705A
706
707
708
712
712A
713
714
714
714
715
716
716
717
718
719
720
722
723
723
724
725
725
726
727
728
729
730
732
733
734

-116-
For Machines Mfg. Since 3/11
Turn-Nado® EVS Lathes PARTS
Saddle & Cross Slide 1
801
801
801
801
802
803
804
805
806
807
808
808
809
810
811
813
814
815
816
817
818
819 820
820
821
821
822
823
824
824
825
825 826
827
828
829
830
830
831
831
831
832
832
833
834
835
836
837 838
839
840
841
842
842
843
844
845
858
858
859
859
860
860
861
862
863
863
863
863
863 863
864
865
866
867
868
868
869 870
871
872
873
874

For Machines Mfg. Since 3/11 Turn-Nado® EVS Lathes
-117-
PARTS
Saddle & Cross Slide 2
846
847
847
868
848
849
849
850
851
852
853
854
855
856
857
Viewed from Beneath
Headstock

-118-
For Machines Mfg. Since 3/11
Turn-Nado® EVS Lathes PARTS
Saddle & Cross Slide Parts List
REF PART # DESCRIPTION REF PART # DESCRIPTION
801 PSB1042PF0801 GIB SCREW 839 PSB1042PF0839 HANDWHEEL HANDLE
802 PSB1042PF0802 CROSS SLIDE 840 PSB1042PF0840 HANDLE CAP SCREW
803 PSB1042PF0803 PIVOT PIN 841 PSB1042PF0841 FRONT GIB SUPPORT
804 PSB1042PF0804 T-BOLT 842 PSB1042PF0842 SADDLE GIB
805PSB1042PF0805CROSS SLIDE GIB 843 PSB1042PF0843 REAR GIB SUPPORT
806 PSB1042PF0806 CROSS SLIDE WIPER 844 PSB1042PF0844 ONE-SHOT OILER ASSEMBLY
807PSB1042PF0807WIPER PLATE 845PSB1042PF0845ONE-SHOT OILER PLATE
808 PSB1042PF0808 THRUST BEARING NTB/AS2 1730 846 PSB1042PF0846 DOUBLE GEAR 16T/36T
809 PSB1042PF0809 WEDGE KEY 7 X 7 X 30 847PSB1042PF0847PIPE STRAIGHT ADAPTER 1/8" NPT X 4MM
810 PSB1042PF0810 LEADSCREW W/NUT 848 PSB1042PF0848 OIL TUBE ALUMINUM 4 X 258MM
811 PRP28M ROLL PIN 5 X 40 849 PSB1042PF0849 PIPE ELBOW ADAPTER 1/8" NPT X 4MM
813 PK178M KEY 3 X 3 X 115850 PSB1042PF0850 OIL TUBE ALUMINUM 4 X 121MM
814 PSB1042PF0814 COOLANT STAND PIPE 3/8" NPT X 24" 851 PSB1042PF0851SHAFT
815PSB1042PF0815COOLANT VALVE 3/8" NPT 852 PSB1042PF0852 PIPE STRAIGHT ADAPTER 1/8" NPT X 6MM
816 PSB1042PF0816 LEADSCREW REAR COVER 853 PSB1042PF0853 OIL TUBE ALUMINUM 6 X 175MM
817PSB1042PF0817THRUST WASHER 854 PSB1042PF0854 OIL FILTER 6MM
818 PSB1042PF0818 LEADSCREW REAR BRACKET 855 PSB1042PF0855 CLAMP PLATE
819 PSB1042PF0819 SADDLE 856 PSS44M SET SCREW M8-1.25 X 40
820 PSB1042PF0820 SADDLE FLAT WIPER 857 PCAP187MCAP SCREW M12-1.75 X 85
821 PSB1042PF0821 FLAT WIPER PLATE 858 PLUBE001 TAP-IN BALL OILER 1/4
822 PSB1042PF0822 OIL CAP859 PSS12M SET SCREW M6-1 X 25
823 PSB10160823 TAPER PIN #6 X 90 860 PCAP13M CAP SCREW M8-1.25 X 30
824 PSB1042PF0824 SADDLE V-WIPER 861 PW04M FLAT WASHER 10MM
825PSB1042PF0825V-WIPER PLATE 862 PN02M HEX NUT M10-1.5
826 PSB1042PF0826 PINION 863 PS08M PHLP HD SCR M5-.8 X 12
827PK96M KEY 3 X 3 X 20 864 PCAP06M CAP SCREW M6-1 X 25
828 PSB1042PF0828 PINION END CAP M16-2 X 5865PN13M HEX NUT M16-2
829 PSB1042PF0829 LEADSCREW FRONT BRACKET 866 PCAP38M CAP SCREW M5-.8 X 25
830 PSB1042PF0830 COMPRESSION SPRING 867PCAP188M CAP SCREW M10-1.5 X 80
831 PSTB001 STEEL BALL 1/4 868 PSS03M SET SCREW M6-1 X 8
832 PSB1042PF0723 THRUST BEARING NTB/AS2 2035869 PCAP14M CAP SCREW M8-1.25 X 20
833 PSB1042PF0833 THRUST WASHER 870 PS09M PHLP HD SCR M5-.8 X 10
834 PSB1042PF0834 RETAINING PLATE 871PCAP12M CAP SCREW M8-1.25 X 40
835PSB1042PF0835DIAL COLLAR872PFH72M FLAT HD CAP SCR M5-.8 X 12
836 PSB1042PF0836 GRADUATED DIAL873 PSB1042PF0873 GIB HOLDER
837PSB1042PF0837CROSS SLIDE HANDWHEEL 874 PSS09M SET SCREW M8-1.25 X 20
838 PSB1042PF0838 HANDWHEEL RETAINER

For Machines Mfg. Since 3/11 Turn-Nado® EVS Lathes
-119-
PARTS
Bed & Shafts
901
902
903
903
977
978
980
982
983
984
987
987
984
983
982
981
981
986
985 985
986
981
981 980
979 979
978
977
904
905
906
907
908
909
910
911
915
916
916
917
918
919
920
924
925
926
927
928
929
930
934
935
936
937
938
939
940
945
946
947
948
949
950
955
956
957
958
959
960
961
966
967
969
968
970
971
972
973
974
975
976
Rod Support
For Models SB1043PF & SB1061PF
Rod Support
For Model SB1045PF

-120-
For Machines Mfg. Since 3/11
Turn-Nado® EVS Lathes PARTS
Bed & Shafts Parts List
REF PART # DESCRIPTION REF PART # DESCRIPTION
901 PSB1042PF0901 BED GAP PIECE (SB1042PF, -60PF) 937PSS15M SET SCREW M12-1.75 X 12
901 PSB1043PF0901 BED GAP PIECE (SB1043PF, -61PF) 938 PSB1042PF0938 SPRING
901 PSB1045PF0901 BED GAP PIECE (SB1045PF) 939 PSTB003 STEEL BALL 3/8
901 PSB1059F0901 BED GAP PIECE (SB1059F) 940 PCAP84M CAP SCREW M10-1.5 X 35
902 PSB1042PF0902 BED (SB1042PF, -60PF) 945PRP33M ROLL PIN 7 X 50
902 PSB1043PF0902 BED (SB1043PF, -61PF) 946 PSB1042PF0946 SPINDLE LEVER BRACKET
902 PSB1045PF0902 BED (SB1045PF) 947PSB1042PF0947STEPPED DOWEL PIN
902 PSB1059F0902 BED (SB1059F) 948 PSB1042PF0948 RIGHT SPINDLE LEVER
903 PN09M HEX NUT M12-1.75 949 PCAP01M CAP SCREW M6-1 X 16
904 PSB1042PF0904 CARRIAGE STOP POST 950 PSB1042PF0950 SPINDLE ROD BRACKET
905PW08M FLAT WASHER 16MM 955 PSB1042PF0955 SPRING HOUSING
906 PB189M HEX BOLT M16-2 X 55 BLK C12.9 956 PSB1042PF0956 COMPRESSION SPRING
907PCAP06M CAP SCREW M6-1 X 25957 PSB1042PF0957 SPRING CAP
908 PRP90M ROLL PIN 8 X 30 958 PR37M EXT RETAINING RING 32MM
909 PSB1042PF0909 RACK (SB1042PF, -60PF) 959 PSB1042PF0959 SPINDLE ROD (SB1042PF, -60PF)
909 PSB1043PF0909 RACK (SB1043PF, -61PF) 959 PSB1043PF0959 SPINDLE ROD (SB1043PF, -61PF)
909 PSB1045PF0909 RACK (SB1045PF) 959 PSB1045PF0959 SPINDLE ROD (SB1045PF)
909 PSB1059F0909 RACK (SB1059F) 959 PSB1059F0959 SPINDLE ROD (SB1059F)
910 PSB1042PF0910 GAP RACK (SB1042PF, -60PF) 960 PSS20M SET SCREW M8-1.25 X 8
910 PSB1043PF0910 GAP RACK (SB1043PF, -61PF) 961 PSB1042PF0961 SPINDLE BRACKET
910 PSB1045PF0910 GAP RACK (SB1045PF) 966 PSB1042PF0966 LEFT SPINDLE LEVER
910 PSB1059F0910 GAP RACK (SB1059F) 967PEC015M E-CLIP 8MM
911 PSB1042PF0911 LEADSCREW END LOCK NUT 968 PSB1042PF0968 PIVOT ARM
915PSS03M SET SCREW M6-1 X 8 969 PSB1042PF0969 CAPTIVE PIN
916 P51105THRUST BEARING 51105970 PSS14M SET SCREW M8-1.25 X 12
917PSB1042PF0917SHAFT END BRACKET 971 PSB1042PF0971 LINK ROD
918 PSB1042PF0918 LEADSCREW (SB1042PF, -60PF) 972 PSB1042PF0972 LOCK COLLAR
918 PSB1043PF0918 LEADSCREW (SB1043PF, -61PF) 973PCAP04M CAP SCREW M6-1 X 10
918 PSB1045PF0918 LEADSCREW (SB1045PF) 974PCAP01M CAP SCREW M6-1 X 16
918 PSB1059F0918 LEADSCREW (SB1059F) 975 PSB1042PF0975 SPINDLE SWITCH BRACKET
919 PK99M KEY 6 X 6 X 15976 PSB1042PF0976 SPINDLE SWITCH TM1308
920 PSB1042PF0920 SPRING HOUSING 977 PSB1043PF0977 STEPPED SHAFT (SB1043PF, -61PF)
924 PSB1042PF0924 COMPRESSION SPRING 977 PSB1045PF0977 STEPPED SHAFT (SB1045PF)
925PR37MEXT RETAINING RING 32MM 978PCAP128M CAP SCREW M8-1.25X 70
926 PSB1042PF0926 SHEAR PIN SHROUD 979 PSB1043PF0979WAY CLAMP (SB1043PF, -61PF)
927PSB101609327SHEAR PIN 979 PSB1045PF0979WAY CLAMP (SB1045PF)
928 PSB1042PF0928 LEADSCREW COLLAR 980 PSS09M SET SCREW M8-1.25 X 20
929 PSB1042PF0929 BRACKET PLUG 981 PSB1043PF0981 PLUNGER
930 PLUBE001 TAP-IN BALL OILER 1/4 982 PSB1043PF0982 CLAMP BLOCK
934 PSB1042PF0934 LOCK COLLAR 983 PSS06M SET SCREW M8-1.25 X 16
935PSS01M SET SCREW M6-1 X 10 984 PSB1043PF0984 ROD SUPPORT (SB1043PF, -61PF)
936 PSB1042PF0936 FEED ROD (SB1042PF, -60PF) 984 PSB1045PF0984 ROD SUPPORT (SB1045PF)
936 PSB1043PF0936 FEED ROD (SB1043PF, -61PF) 985PR12M EXT RETAINING RING 35MM
936 PSB1045PF0936 FEED ROD (SB1045PF) 986 PSS20M SET SCREW M8-1.25 X 8
936 PSB1059F0936 FEED ROD (SB1059F) 987PSB1043PF0987BUSHING

For Machines Mfg. Since 3/11 Turn-Nado® EVS Lathes
-121-
PARTS
REF PART # DESCRIPTION REF PART # DESCRIPTION
1001 PB25M HEX BOLT M12-1.75 X 251010 PSB1042PF1010 SPACER
1002 PSB1042PF1002 GEAR FLAT WASHER 12MM 1011 PSB1042PF1011 DOUBLE GEAR 44T/56T
1003 PSB1042PF1003 GEAR 24T 1012 PSB1042PF1012 SHAFT
1004 PSB1042PF1004 PIVOT BRACKET 1013 PSB1042PF1013 SHAFT
1005PK166M KEY 7 X 7 X 151014 PK109M KEY 7 X 7 X 35
1006 PN32M HEX NUT M14-2 1015PSB1042PF1015STUD-FT M14-2 X 110
1007PSB1042PF1007BEARING FLAT WASHER 14MM 1016 PSB1042PF1016 GEAR 57T
1008 PR25M INT RETAINING RING 47MM 1017PSB1042PF1017SPACER
1009 P6005ZZ BALL BEARING 6005ZZ
1001
1001
1002
1002
1003
1004
1005
1006
1006
1006
1006
1007
1007
1007
1008
1008
1009
1009
1010
1011
1012
1013
1014
1015
1016
1017
End Gears
(SB1042PF, SB1043PF, SB1045PF)

-122-
For Machines Mfg. Since 3/11
Turn-Nado® EVS Lathes PARTS
REF PART # DESCRIPTION REF PART # DESCRIPTION
1001 PB25M HEX BOLT M12-1.75 X 251010 PSB1042PF1010 SPACER
1002 PSB1042PF1002 GEAR FLAT WASHER 12MM 1011 PSB1059F1011 DOUBLE GEAR 44T/56T
1003 PSB1059F1003 GEAR 24T 1012 PSB1042PF1012 SHAFT
1004 PSB1059F1004 PIVOT BRACKET 1013 PSB1042PF1013 SHAFT
1005PK166M KEY 7 X 7 X 151014 PK109M KEY 7 X 7 X 35
1006 PN32M HEX NUT M14-2 1015PSB1042PF1015STUD-FT M14-2 X 110
1007PSB1042PF1007BEARING FLAT WASHER 14MM 1016 PSB1059F1016 GEAR 57T
1008 PR25M INT RETAINING RING 47MM 1017PSB1042PF1017SPACER
1009 P6005ZZ BALL BEARING 6005ZZ
1001
1001
1002
1002
1003
1004
1005
1006
1006
1006
1006
1007
1007
1007
1008
1008
1009
1009
1010
1011
1012
1013
1014
1015
1016
1017
End Gears
(SB1059F, SB1060PF, SB1061PF)

For Machines Mfg. Since 3/11 Turn-Nado® EVS Lathes
-123-
PARTS
Motor & Headstock Oil System
1101
1101
1102
1102
1103
1104
1105
1106
1107 1108
1109
1110
1111
1114
1115
1116
1117
1118
1119
1120
1121
1121
1154
1155
1156
1158
1157
1122
1123
1124
1125
1126
1127
1128
1129
1130
1131
1131-1
1131-2
1131-3
1131-4
1131-5 1132
1133
1134
1135
1136
1137
1138
1139
1140
1141
1142
1159
1160
1161
1143
1144
1145
1146
1147
1148
1149
1150A
1150 1151
1152
1153
B
B
C
D
A
A
D
C
E
E

-124-
For Machines Mfg. Since 3/11
Turn-Nado® EVS Lathes PARTS
Motor & Headstock Oil System Parts List
REF PART # DESCRIPTION REF PART # DESCRIPTION
1101 PSB1042PF1101 PIPE ADAPTER 1" NPT X 75MM 1131-3 PSB1059F1131-3 MOTOR JUNCTION BOX (SB1059F)
1102 PSB1042PF1102 HOSE CLAMP 1" 1131-4 PSB1042PF1131-4 FRONT MOTOR BEARING (SB1042PF-61PF)
1103 PSB1042PF1103 OIL HOSE 1131-4 PSB1059F1131-4 FRONT MOTOR BEARING (SB1059F)
1104 PSB1042PF1104 PIPE ELBOW 1" NPT 1131-5PSB1042PF1131-5REAR MOTOR BEARING (SB1042PF-61PF)
1105PSB1042PF1105PIPE ADAPTER 1" NPT X 60MM 1131-5PSB1059F1131-5REAR MOTOR BEARING (SB1059F)
1106 PSB1042PF1106 OIL TANK 1132 PN13M HEX NUT M16-2
1107PCAP11M CAP SCREW M8-1.25 X 16 1133 PSB1042PF1133 STUD-FT M16-2 X 170
1108 PSB1042PF1108 TANK PLATE 1134 PW08M FLAT WASHER 16MM
1109 PSB1042PF1109 PIPE ELBOW 5/8" NPT X 1/2" NPT 1135PSB1042PF1135MOTOR MOUNT CUSHION RUBBER
1110 PB151M HEX BOLT M5-.8 X 351136 PB180M HEX BOLT M10-1.5 X 40 BLK
1111 PSB1042PF1111 PIPE ADAPTER 1/4" NPT 1137PW04M FLAT WASHER 10MM
1114 PSB1042PF1114 CHECK VALVE 1138 PSB1042PF1138 MOTOR MOUNT PLATE
1115PSB1042PF1115PIPE ELBOW 1/4" NPT x 1/4" NPT 1139 PCAP64M CAP SCREW M10-1.5 X 25
1116 PSB1042PF1116 PIPE ADAPTER 3/4" NPT X 1/2" NPT 1140 PLW06M LOCK WASHER 10MM
1117PSB1042PF1117DRAIN PIPE 1/4" NPT 1141 PN02M HEX NUT M10-1.5
1118 PSB1042PF1118 PIPE PLUG 1/4" NPT 1142 PSB1042PF1142 REAR MOTOR ACCESS COVER
1119 PS68M PHLP HD SCR M6-1 X 10 1143 PS14M PHLP HD SCR M6-1 X 12
1120 PW03M FLAT WASHER 6MM 1144 PSB1042PF1144 PIPE ADAPTER 3/8 NPT X M16-2
1121 PSB1042PF1121 CORD CLIP 10MM 1145PSB1042PF1145PIPE T-JOINT 1/4" NPT
1122 PS98M PHLP HD SCR M3-.5 X 16 1146 PSB1042PF1146 OIL PRESSURE SAFETY SWITCH
1123 PSB1042PF1123 SPINDLE SPEED SENSOR 1147PSB1042PF1147PIPE ADAPTER 3/8" NPT X 1/4" NPT
1124 PN07M HEX NUT M3-.51148 PSB1042PF1148 OIL PUMP MOTOR 1/4HP 440V 3PH 60HZ
1125PSB1042PF1125SENSOR BRACKET 1149 PSB1042PF1149 PIPE ADAPTER 3/8" NPT X 1/2" NPT
1126 PSB1042PF1126 MOTOR MOUNT SHAFT 1150APSB1042PF1150AELECTRICAL CABINET ASSEMBLY
1127PCAP64M CAP SCREW M10-1.5 X 251150 PSB1042PF1150 ELECTRICAL CABINET EMPTY
1128 PSB1042PF1128 MOTOR PULLEY FLAT WASHER 10MM 1151 PSB1042PF1151 OIL TUBE 1/2"
1129 PSB1042PF1129 MOTOR PULLEY 1152 PSB1042PF1152 OIL TUBE 10MM
1130 PVA83 V-BELT A83 (SB1042PF, -43PF, -45PF) 1153 PS05M PHLP HD SCR M5-.8 X 8
1130 PVA79 V-BELT A79 (SB1059F, -60PF, -61PF) 1154 PSB1042PF1154 END GEAR COVER ALIGNMENT PIN
1131 PSB1042PF1131 MOTOR 12.5HP 440V 3PH (SB1042PF-61PF) 1155 PN02M HEX NUT M10-1.5
1131 PSB1059F1131 MOTOR 10HP 440V 3PH (SB1059F) 1156 PW04M FLAT WASHER 10MM
1131-1 PSB1042PF1131-1 MOTOR FAN COVER (SB1042PF-61PF) 1157 PSB1042PF1157 END GEAR COVER
1131-1 PSB1059F1131-1 MOTOR FAN COVER ((SB1059F) 1158 PSB1042PF1158 KNURLED NUT
1131-2 PSB1042PF1131-2 MOTOR FAN (SB1042PF-61PF) 1159 PN04M HEX NUT M4-.7
1131-2 PSB1059F1131-2 MOTOR FAN (SB1059F) 1160 PSB1042PF1160 END COVER SAFETY SWITCH TM1307
1131-3 PSB1042PF1131-3 MOTOR JUNCTION BOX (SB1042PF-61PF) 1161 PS65M PHLP HD SCR M4-.7 X 40

For Machines Mfg. Since 3/11 Turn-Nado® EVS Lathes
-125-
PARTS
Stand & Panels
(SB1042PF-43PF, SB1059F-61PF)
1201
1202
1203
1204 1204
1205
1205
1205
1206
1206
1207
1208
1209
1210
1211
1212
1213
121412151216
1217
1218
1219 1220 1221
1222 1223
1223
1224
1224
1224
1225
1225
1225
1226
1227
1228
1229
1230
1231
1232 1233
1234
1235
1236
1237
1238
1239
1240
1240
1241
1242
1243
1244
1245
1246
1247
1248
1249
1250
1250
1251
1252
1222

-126-
For Machines Mfg. Since 3/11
Turn-Nado® EVS Lathes PARTS
Stand & Panels Parts List
(SB1042PF-43PF, SB1059F-61PF)
REF PART # DESCRIPTION REF PART # DESCRIPTION
1201 PSB1042PF1201 BRAKE PEDAL ROD (SB1042PF, -60PF) 1225PCAP14M CAP SCREW M8-1.25 X 20
1201 PSB1043PF1201 BRAKE PEDAL ROD (SB1043PF, -61PF) 1226 PSB1042PF1226 BACKSPLASH PANEL (SB1042PF, -60PF)
1201 PSB1059F1201 BRAKE PEDAL ROD (SB1059F) 1226 PSB1043PF1226 BACKSPLASH PANEL (SB1043PF, -61PF)
1202 PSB1042PF1202 BRAKE PEDAL (SB1042PF, -60PF) 1226 PSB1059F1226 BACKSPLASH PANEL (SB1059F)
1202 PSB1043PF1202 BRAKE PEDAL (SB1043PF, -61PF) 1227PSB1042PF1227KNOB 1/2-13
1202 PSB1059F1202 BRAKE PEDAL (SB1059F) 1228 PN06 HEX NUT 1/2-13
1203 PSB1042PF1203 LOCK COLLAR 1229 PB107HEX BOLT 1/2-20 X 1 BLK
1204 PCAP01M CAP SCREW M6-1 X 16 1230 PSB1042PF1230 PIVOT ROD
1205PCAP04M CAP SCREW M6-1 X 10 1231 PSB1042PF1231 CHUCK GUARD FRAME
1206 PW03M FLAT WASHER 6MM 1232 PCAP26M CAP SCREW M6-1 X 12
1207PSB1042PF1207FRONT CABINET PANEL (SB1042PF, -60PF) 1233 PSS34M SET SCREW M5-.8 X 16
1207PSB1043PF1207FRONT CABINET PANEL (SB1043PF, -61PF) 1234 PSB1042PF1234 CATCH TRAY
1207PSB1059F1207FRONT CABINET PANEL (SB1059F) 1235PSB1042PF1235COOLANT HOSE 3/8" X 78" (SB1042PF, -60PF)
1208 PSB1042PF1208 CHIP TRAY (SB1042PF, -60PF) 1235PSB1043PF1235COOLANT HOSE 3/8" X 96" (SB1043PF, -61PF)
1208 PSB1043PF1208 CHIP TRAY (SB1043PF, -61PF) 1235PSB1059F1235COOLANT HOSE 3/8" X 72" (SB1059F)
1208 PSB1059F1208 CHIP TRAY (SB1056F) 1236 PSB1042PF1236 PIPE ADAPTER 3/8" NPT X 3/8" PH
1209 PSB1042PF1209 PANEL BRACKET 1237PSB1042PF1237COOLANT PUMP ASSEMBLY
1210 PS05M PHLP HD SCR M5-.8 X 8 1238 PSB1042PF1238 COOLANT TANK
1211 PSB1042PF1211 CLUTCH SIDE COVER (SB1042PF, -43PF) 1239 PSB1042PF1239 COOLANT TANK ACCESS COVER
1211 PSB1059F1211 CLUTCH SIDE COVER (SB1059F, -60PF, -61PF) 1240 PS68M PHLP HD SCR M6-1 X 10
1212 PSB1042PF1212 BRAKE COVER 1241 PSB1042PF1241 RIGHT CABINET TOP COVER (SB1042PF, -60PF)
1213 PSB1042PF1213 CONNECTING PANEL (SB1042PF, -43PF) 1241 PSB1043PF1241 RIGHT CABINET TOP COVER (SB1043PF, -61PF)
1213 PSB1059F1213 CONNECTING PANEL (SB1059F, -60PF, -61PF) 1241 PSB1059F1241 RIGHT CABINET TOP COVER (SB1059F)
1214 PSB1042PF1214 CHUCK GUARD PIVOT ROD BRACKET 1242 PSB1042PF1242 LEFT CABINET TOP COVER
1215PB56M CAP SCREW M10-1.5 X 20 1243 PSB1042PF1243 MOTOR SIDE ACCESS COVER
1216 PSS14M SET SCREW M8-1.25 X 12 1244 PSB1042PF1244 BACKSPLASH PANEL BRACKET
1217PN04M HEX NUT M4-.71245PSB1042PF1245CONTROL PANEL PLATE
1218 PLW03M LOCK WASHER 6MM 1246 PSB1042PF1246 LEFT CABINET
1219 PCAP26M CAP SCREW M6-1 X 12 1247PSB1042PF1247RIGHT CABINET
1220 PSB1042PF1220 SAFETY SWITCH BRACKET 1248 PSB1042PF1248 FOOT PAD CAST-IRON
1221 PSB1042PF1221 CHUCK GUARD SAFETY SWITCH TZ9212 1249 PB188M HEX BOLT M16-2 X 60 BLK C12.9
1222 PS65M PHLP HD SCR M4-.7 X 40 1250 PSB1042PF1250 CHUCK GUARD WINDOW PLASTIC
1223 PN03M HEX NUT M8-1.251251 PS14M PHLP HD SCR M6-1 X 12
1224 PW01M FLAT WASHER 8MM 1252 PSB1042PF1252BRAKE SWITCH

For Machines Mfg. Since 3/11 Turn-Nado® EVS Lathes
-127-
PARTS
Stand & Panels (SB1045PF)
1201
1202
1203
1204
1205
1206 1206
1207 1207
1208
1208
1209
1209
1210
1211
1212
1213
1214
1215
12161217
1218
1219
1220 1221
1222 1223
1224
1224
1225
1225
1225
1226
1226
1226
1227
1228
1229
1230
1231 1232
1233 1234
1242
1243
1244
1245
1246
1247
1248 1249
1250
1251
1252
1253
1253
1254
1241
1240
1206 1235
1239
1205 1237
1238
1242
1255 1256
1206
1207 1236
1257
1222

-128-
For Machines Mfg. Since 3/11
Turn-Nado® EVS Lathes PARTS
Stand & Panels Parts List (SB1045PF)
REF PART # DESCRIPTION REF PART # DESCRIPTION
1201 PSB1045PF1201 BRAKE PEDAL ROD 1230 PB107HEX BOLT 1/2-20 X 1 BLK
1202 PSB1045PF1202 LEFT BRAKE PEDAL 1231 PSB1042PF1230 PIVOT ROD
1203 PSB1045PF1203 RIGHT BRAKE PEDAL 1232 PSB1042PF1231 CHUCK GUARD FRAME
1204 PSB1045PF1204 LOCK COLLAR 1233 PCAP26M CAP SCREW M6-1 X 12
1205PCAP01M CAP SCREW M6-1 X 16 1234 PSS34M SET SCREW M5-.8 X 16
1206 PCAP04M CAP SCREW M6-1 X 10 1235PSB1045PF1235LOWER CATCH TRAY
1207PW03M FLAT WASHER 6MM 1236 PSB1045PF1236 UPPER CATCH TRAY
1208 PSB1045PF1208 FRONT CABINET PANEL 1237PSB1045PF1237COOLANT HOSE 3/8" X 185"
1209 PSB1045PF1209 CHIP TRAY 1238 PSB1042PF1236 PIPE ADAPTER 3/8" NPT X 3/8" PH
1210 PSB1045PF1210 PANEL BRACKET 1239 PSB1042PF1237COOLANT PUMP ASSEMBLY
1211 PS05M PHLP HD SCR M5-.8 X 8 1240 PSB1045PF1240 COOLANT TANK
1212 PSB1045PF1212 CLUTCH COVER 1241 PSB1045PF1241 COOLANT TANK ACCESS COVER
1213 PSB1045PF1213 BRAKE COVER 1242 PS68M PHLP HD SCR M6-1 X 10
1214 PSB1045PF1214 CONNECTING PLATE 1243 PSB1045PF1243 RIGHT CABINET TOP COVER
1215PSB1042PF1214 CHUCK GUARD PIVOT ROD BRACKET 1244 PSB1045PF1244 LEFT CABINET TOP COVER
1216 PCAP61M CAP SCREW M10-1.5 X 20 1245PSB1045PF1245MOTOR SIDE COVER
1217PSS14M SET SCREW M8-1.25 X 12 1246 PSB1045PF1246 BACKSPLASH PANEL BRACKET
1218 PN04M HEX NUT M4-.71247PSB1045PF1247CONTROL PANEL PLATE
1219 PLW03M LOCK WASHER 6MM 1248 PSB1045PF1248 LEFT CABINET
1220 PCAP26M CAP SCREW M6-1 X 12 1249 PSB1045PF1249 CENTER CABINET
1221 PSB1042PF1220 LIMIT SWITCH BRACKET 1250 PSB1045PF1250 RIGHT CABINET
1222 PSB1042PF1221 CHUCK GUARD LIMIT SWITCH 1251 PSB1042PF1248 FOOT PAD CAST-IRON
1223 PS65M PHLP HD SCR M4-.7 X 40 1252 PB80M HEX BOLT M16-2 X 55
1224 PN03M HEX NUT M8-1.251253 PSB1042PF1250 CHUCK GUARD WINDOW PLASTIC
1225PW01M FLAT WASHER 8MM 1254 PS14M PHLP HD SCR M6-1 X 12
1226 PCAP14M CAP SCREW M8-1.25 X 20 1255 PCAP01M CAP SCREW M6-1 X 16
1227PSB1045PF1227BACKSPLASH PANEL 1256 PN01M HEX NUT M6-1
1228 PSB1042PF1227KNOB 1/2-13 1257 PSB1042PF1252BRAKE SWITCH
1229 PN06 HEX NUT 1/2-13

For Machines Mfg. Since 3/11 Turn-Nado® EVS Lathes
-129-
PARTS
Tailstock
REF PART # DESCRIPTION REF PART # DESCRIPTION
1300 PSB1042PF1300 TAILSTOCK ASSEMBLY 1324 PN29M HEX NUT M18-2.5
1301 PSB1042PF1301 HANDLE CAP SCREW 1325PW18M FLAT WASHER 18MM
1302 PSB1042PF1302 HANDWHEEL HANDLE 1326 PSB1042PF1326 OFFSET INDICATOR
1303 PSS19M SET SCREW M8-1.25 X 30 1327PSB10161327DOG POINT SET SCREW M10-1.5 X 30
1304 PSB1042PF1304 HANDWHEEL RETAINER 1328 PSB1042PF1328 ALIGNMENT SHAFT
1305PSB1042PF1305HANDWHEEL 1329 PSB1042PF1329 PIVOT BLOCK
1306 PSB1042PF1306 COMPRESSION SPRING 1330 PS40M PHLP HD SCR M5-.8 X 16
1307PSTB001 STEEL BALL 1/4 1331 PSB1042PF1331 V-WIPER PLATE
1308 PSB1042PF1308 GRADUATED DIAL 1332 PSB1042PF1332 V-WIPER
1309 PSB1042PF1309 THRUST BEARING 3542AS2 1333 PSB1042PF1333 STRAIGHT WIPER PLATE
1310 PSB1042PF1310 LEADSCREW FLANGE 1334 PSB1042PF1334 STRAIGHT WIPER
1311 PCAP02M CAP SCREW M6-1 X 20 1335PSB1042PF1335TAILSTOCK BASE (SB1042PF-45PF)
1312 PSB1042PF1312 LEADSCREW W/NUT 1335PSB1059F1335TAILSTOCK BASE (SB1059F-61PF)
1313 PK10M KEY 5 X 5 X 12 1336 PW18M FLAT WASHER 18MM
1314 PCAP13M CAP SCREW M8-1.25 X 30 1337PLW12M LOCK WASHER 18MM
1315PSB1042PF1315QUILL ALIGNMENT KEY 1338 PB181M HEX BOLT M18-2.5 X 50
1316 PLUBE001 TAP-IN BALL OILER 1/4 1339 PSB1042PF1339 GIB
1317PSB1042PF1317TAILSTOCK CASTING 1340 PSB1042PF1340 GIB SCREW
1318 PSB1042PF1318 QUILL LOCK LEVER ASSEMBLY 1341 PSB1042PF1341 LEFT CLAMP BLOCK
1319 PCAP04M CAP SCREW M6-1 X 10 1342 PB178M HEX BOLT M18-2.5 X 110
1320 PCAP128M CAP SCREW M8-1.25 X 70 1343 PSB1042PF1343 RIGHT CLAMP BLOCK
1321 PSB1042PF1321 TAILSTOCK LOCK LEVER ASSEMBLY 1344 PSB1042PF1344 STUD-DE M18-2.5 X 150 20/30
1322 PSB1042PF1322 DOWEL PIN 1345PRP31M ROLL PIN 6 X 36
1323 PSB1042PF1323 QUILL 1346 PSB1042PF1346 SQUARE LOCK NUT M18-2.5
1301
1302
1303
1300
1304
1305
1306
1307
1308
1309 1309
1310
1311
1312
1313
1314
1315
1316
1317
1318
1319
1320
1320
1321
1322
1323
1324
1325
1325
1326
1327
1328
1329
1330
1330
1331
1332
1333
1334
1335
1336
1337
1338
1339
1340
1341
1342 1343
1344 1345
1346

-130-
For Machines Mfg. Since 3/11
Turn-Nado® EVS Lathes PARTS
Steady Rest Follow Rest
1400
1401
1402
1403
1404
1405
1406
1407
1408
1409
1410
1411
1412
1413
1450
1451
1452
1453
1454
1455
REF PART # DESCRIPTION
1400 PSB1042PF1400 STEADY REST ASSEMBLY (SB1042PF-45PF)
1400 PSB1059F1400 STEADY REST ASSEMBLY (SB1059F-61PF)
1401 PSB1042PF1401 ADJUSTMENT KNOB BOLT ASSEMBLY
1402 PSB1042PF1402 FINGER ASSEMBLY W/627 BEARING
1403 PSS20M SET SCREW M8-1.25 X 8
1404 PSB1042PF1404 KNURLED KNOB
1405PSB1042PF1405CLAMP BOLT
1406 PSB1042PF1406 STEADY REST CASTING 2PC (SB1042PF-45PF)
1406 PSB1059F1406 STEADY REST CASTING 2PC (SB1059F-61PF)
1407PSB1042PF1407DOWEL PIN
1408 PSB1042PF1408 DOG POINT LEAF SCREW
1409 PSB1042PF1409 HINGE PIN
1410 PN29M HEX NUT M18-2.5
1411 PLW12M LOCK WASHER 18MM
1412 PSB1042PF1412 STUD-FT M18-2.5 X 110
1413 PSB1042PF1413 CLAMP PLATE
REF PART # DESCRIPTION
1450 PSB1042PF1450 FOLLOW REST ASSEMBLY (SB1042PF-45PF)
1450 PSB1059F1450 FOLLOW REST ASSEMBLY (SB1059F-61PF)
1451 PSB1042PF1451ADJUSTMENT KNOB BOLT ASSEMBLY
1452 PSB1042PF1452 FINGER ASSEMBLY
1453 PSS06M SET SCREW M8-1.25 X 16
1454 PSB1042PF1454 FOLLOW REST CASTING (SB1042PF-45PF)
1454 PSB1059F1454 FOLLOW REST CASTING (SB1059F-61PF)
1455 PSB1042PF1408 DOG POINT LEAF SCREW

For Machines Mfg. Since 3/11 Turn-Nado® EVS Lathes
-131-
PARTS
Micrometer Stop Thread Dial
1500
1501
1502
1503
1504
1505
1506
1507
1508
1509
1510
1511
1512
1550
1551
1552
1553
1554
1555
1556
1557
1558
1559
1560
1561
REF PART # DESCRIPTION
1500 PSB1042PF1500 MICROMETER STOP ASSEMBLY
1501 PCAP71M CAP SCREW M10-1.5 X 60
1502 PRIV002M COPPER FLUTED RIVET 2 X 5MM
1503 PSB1042PF1503 INDICATOR PLATE
1504 PSB1042PF1504 ADJUSTMENT KNOB
1505PSB1042PF1505MICROMETER BODY
1506 PSB1042PF1506 STOP ROD
1507PSB1042PF1507CLAMP PLATE
1508 PSS10M SET SCREW M10-1.5 X 20
1509 PSB1042PF1509 PLUNGER COPPER
1510 PSS06M SET SCREW M8-1.25 X 16
1511 PSB10161461 DOG POINT SET SCREW M8-1.25 X 12
1512 PSS14M SET SCREW M8-1.25 X 12
REF PART # DESCRIPTION
1550 PSB1042PF1550 THREAD DIAL ASSEMBLY
1551 PSB1042PF1551 THREAD DIAL
1552 PSB1042PF1552DIAL SHAFT
1553 PSB1042PF1553 THREAD DIAL BODY
1554 PSB1042PF1554ADJUSTMENT KNOB
1555 PSB1042PF1555 STUD-DE M10-1.5 X 120 20/40
1556 PSB1042PF1556SPACER
1557 PSB1042PF1557 THREAD DIAL GEAR 16T
1558 PSB1042PF1558 THREAD DIAL CAP SCREW
1559 PRIV002M COPPER FLUTED RIVET 2 X 5MM
1560 PSS02M SET SCREW M6-1 X 6
1561 PSB1042PF1561 DIAL SHAFT HEX NUT

-132-
For Machines Mfg. Since 3/11
Turn-Nado® EVS Lathes PARTS
Brake
REF PART # DESCRIPTION REF PART # DESCRIPTION
1601 PSB1042PF1601 BRAKE DRUM 1617PSB10161617DOWEL PIN 5 X 30
1602 PEC015M E-CLIP 8MM 1620 PSB1042PF1620 LOWER BRACKET MOUNT
1603 PSB1042PF1603 EXTENSION SPRING 1621 PCAP11M CAP SCREW M8-1.25 X 16
1604 PSB1042PF1604 BRAKE SHOE 2PC 1623 PSB1042PF1623 STEPPED BOLT THIN NUT
1605PSB1042PF1605ECCENTRIC SHAFT 1624 PSB1042PF1624 BUSHING
1606 PSB1042PF1606 ROCKER ARM 1625PSB1042PF1625STEPPED BOLT
1607PSB1042PF1607BUSHING 1628 PCAP31M CAP SCREW M8-1.25 X 25
1608 PORP010 O-RING 9.8 X 1.9 P10 1629 PW01M FLAT WASHER 8MM
1609 PR02M EXT RETAINING RING 14MM 1630 PSB1042PF1630 LOWER ROD BRACKET
1610 PSB1042PF1610 SHAFT 1631 PSB1042PF1631 STOP BLOCK
1611 PSB1042PF1611 SPACER 1632 PSB1042PF1632 STOP BLOCK COVER
1612 PCAP40M CAP SCREW M8-1.25 X 351633 PCAP04M CAP SCREW M6-1 X 10
1613 PSB1042PF1613 UPPER BRACKET MOUNT 1634 PSB1042PF1634 BRAKE DRUM RETAINER
1614 PSB1042PF1614 VERTICAL CONNECTING ROD (SB1042PF-45PF) 1635PRP02M ROLL PIN 3 X 16
1614 PSB1059F1614 VERTICAL CONNECTING ROD (SB1059F-61PF) 1636 PLW03M LOCK WASHER 6MM
1615PSB1042PF1615UPPER ROD BRACKET 1637PCAP02M CAP SCREW M6-1 X 20
1616 PSB1042PF1616 COMPRESSION SPRING
1601 1602
1603
1604
1605
1606
1607
1608
1609
1610 1611
1612
1613
1614
1615
1616
1617
1620
1621
1623
1624
1625
1628
1629 1629
1629
1629
1630
1631 1632
1633
1634
1635
1636
1637

For Machines Mfg. Since 3/11 Turn-Nado® EVS Lathes
-133-
PARTS
Electrical Cabinet & Control Panel
REF PART # DESCRIPTION REF PART # DESCRIPTION
1701 PSB1042PF1701 CIRCUIT BREAKER 1492 SP D20-20A1712 PSB1042PF1712 THERMAL RESISTOR 1600W/35OHM
1702 PSB1042PF1702 CIRCUIT BREAKER 1492 SP D6-6A1713 PSB1042PF1713 ELECTRICAL MOUNTING PLATE
1703 PSB1042PF1703 MASTER POWER SWITCH 1714 PSB1042PF1714 TACHOMETER DISPLAY
1704 PSB1042PF1704 TRANSFORMER LIANG SP-TBSW 1715PSB1042PF1715SPINDLE SPEED DIAL
1705PSB1042PF1705COOLING FAN1716 PSB1042PF1716 POWER LAMP
1706 PSB1042PF1706 CIRCUIT BOARD 1717PSB1042PF1717COOLANT PUMP SWITCH
1707PSB1042PF1707INVERTER YASKAWA VARISPEED G71718 PSB1042PF1718 JOG BUTTON
1708 PSB1042PF1708 CONTACTOR AB C09400 400V 1719 PSB1042PF1719 EMERGENCY STOP BUTTON
1709 PSB1042PF1709 OL RELAY AB 193T 0.25-0.4A1720 PSB1042PF1720 FUSE 4A 250V TIME-DELAY 5 X 20MM
1710 PSB1042PF1710 OL RELAY AB 193T 1.8-2.5A 1721 PSB1042PF1721 FUSE 0.5A 250V FAST-ACTING 5 X 20MM
1711 PSB1042PF1711 TERMINAL BOARD 35 POST
1701
Electrical Cabinet
1702 1703 1720 1721
1704
1705
1705
1706
1707
1708 1708
1709
1710
1711
1712
1713
1714
1715
1716
1717
1718
1719
Control Panel (Viewed from Behind)

-134-
For Machines Mfg. Since 3/11
Turn-Nado® EVS Lathes PARTS
Accessories
1802
1803
1804
1805
1806
1807
1819
1818
1808
1809
1810
1811
1812
1813
1814
1815
1816
1817
1801
REF PART # DESCRIPTION REF PART # DESCRIPTION
1801 SB1312 3-JAW CHUCK ASSEMBLY 12" 1811 PSDF2 STANDARD SCREWDRIVER #2
1802 PSB1042PF1802 FACEPLATE ASSEMBLY 14" 1812 PSDP2 PHILLIPS SCREWDRIVER #2
1803 SB1232 4-JAW CHUCK ASSEMBLY 14" 1813 PWR1012 WRENCH 10/12MM
1804 PSB1042PF1804 DEAD CENTER MT#51814 PWR1417WRENCH 14/17MM
1805PSB1042PF1805DEAD CENTER CARBIDE-TIPPED MT#51815PWR2224 WRENCH 22/24MM
1806 PSB1042PF1806 SPINDLE SLEEVE MT#7-MT#51816 PWR27COMBO WRENCH 27MM
1807PSB1042PF1807TOOL BOX 1817PSB10531717DRO ASSEMBLY FAGOR 20I-T 2-AXIS
1808 PAW10M HEX WRENCH 10MM 1818 PSB1042PF1818 4-WAY TOOL POST WRENCH
1809 PAW1510M HEX WRENCH SET 1.5-10MM 1819 SB1404 3-JAW CHUCK D1-8 BACK PLATE 12-1/2"
1810 PSB10531710 FOOT CAST-IRON

For Machines Mfg. Since 3/11 Turn-Nado® EVS Lathes
-135-
PARTS
Front Machine Labels
REF PART # DESCRIPTION REF PART # DESCRIPTION
1901 PSB1042PF1901 MACHINE ID LABEL (SB1042PF) 1906 PSB1061PF1906 TOOLROOM SERIES LABEL (SB1061PF)
1901 PSB1043PF1901 MACHINE ID LABEL (SB1043PF) 1907PSBPAINT03 SB DARK BLUE TOUCH-UP PAINT
1901 PSB1045PF1901 MACHINE ID LABEL (SB1045PF) 1908 PSB1042PF1908 CARRIAGE LOCK NOTICE LABEL
1901 PSB1059F1901 MACHINE ID LABEL (SB1059F) 1909 PSB1042PF1909 THREAD DIAL CHART LABEL
1901 PSB1060PF1901 MACHINE ID LABEL (SB1060PF) 1910 PSB1042PF1910 ONE-SHOT OILER LABEL
1901 PSB1061PF1901 MACHINE ID LABEL (SB1061PF) 1911 PSB1042PF1911 LOGO MODEL NUMBER LABEL (SB1042PF)
1902 PSB1042PF1902 PROPER PERSONNEL NOTICE LABEL 1911 PSB1043PF1911 LOGO MODEL NUMBER LABEL (SB1043PF)
1903 PSB1042PF1903 CHANGING SPEEDS LABEL 1911 PSB1045PF1911 LOGO MODEL NUMBER LABEL (SB1045PF)
1904 PSBPAINT01 SB GRAY TOUCH-UP PAINT 1911 PSB1059F1911 LOGO MODEL NUMBER LABEL (SB1059F)
1905PSB1042PF1905BEDWAY DESCRIPTION LABEL 1911 PSB1060PF1911 LOGO MODEL NUMBER LABEL (SB1060PF)
1906 PSB1042PF1906 TOOLROOM SERIES LABEL (SB1042PF) 1911 PSB1061PF1911 LOGO MODEL NUMBER LABEL (SB1061PF)
1906 PSB1043PF1906 TOOLROOM SERIES LABEL (SB1043PF) 1912 PSBPAINT02 SB LIGHT BLUE TOUCH-UP PAINT
1906 PSB1045PF1906 TOOLROOM SERIES LABEL (SB1045PF) 1913 PSBLABEL04HL SAFETY GLASSES LABEL
1906 PSB1059F1906 TOOLROOM SERIES LABEL (SB1059F) 1914 PSBLABEL08HL ENTANGLEMENT HAZARD LABEL
1906 PSB1060PF1906 TOOLROOM SERIES LABEL (SB1060PF) 1915PSB1042PF1915CHUCK KEY HAZARD LABEL
1901
1902
1903
1904
1905
1906
1907
1908
1909
1910
1911
1912
1913
1914
1915

-136-
For Machines Mfg. Since 3/11
Turn-Nado® EVS Lathes PARTS
Rear Machine Labels
The safety labels provided with your machine are used to make the operator aware of the
machine hazards and ways to prevent injury. The owner of this machine MUST maintain the
original location and readability of these safety labels. If any label is removed or becomes
unreadable, REPLACE that label before using the machine again. Contact South Bend Lathe Co. at
(360) 734-1540 or www.southbendlathe.com to order new labels.
REF PART # DESCRIPTION REF PART # DESCRIPTION
1916 PSBLABEL15M ELECTRICITY LABEL 1918 PSBLABEL06HL POISON/BIOHAZARD LABEL
1917PSBLABEL02HL DISCONNECT POWER WARNING LABEL 1919 PSB1042PF1919 440V 3PH LABEL
1916
1917
1917
1917
1917
1917
1918
1918
1919

WARRANTY
This quality product is warranted by South Bend Lathe Company to the original buyer for one year
from the date of purchase. This warranty does not apply to consumable parts, or defects due to any
kind of misuse, abuse, negligence, accidents, repairs, alterations or lack of maintenance. We do not
reimburse for third party repairs. In no event shall we be liable for death, injuries to persons or
property, or for incidental, contingent, special or consequential damages arising from the use of our
products.
We do not warrant or represent that this machine complies with the provisions of any law, act, code,
regulation, or standard of any domestic or foreign government, industry, or authority. In no event
shall South Bend’s liability under this warranty exceed the original purchase price paid for this
machine. Any legal actions brought against South Bend Lathe Company shall be tried in the State of
Washington, County of Whatcom.
This is the sole written warranty for this machine. Any and all warranties that may be implied by
law, including any merchantability or fitness, for any purpose, are hereby limited to the duration of
this warranty. To take advantage of this warranty, contact us by mail or phone to give us the details
of the problem you are having.
Thank you for your business and continued support.
Warranty

Printed In U.S.A. #BLJBTS14125