Spectra Watermakers Ventura 150 Mpc 5000 Users Manual
MPC-5000 to the manual 481bf3ea-6033-0694-51dd-791d71363a8c
2015-02-06
: Spectra-Watermakers Spectra-Watermakers-Ventura-150-Mpc-5000-Users-Manual-528233 spectra-watermakers-ventura-150-mpc-5000-users-manual-528233 spectra-watermakers pdf
Open the PDF directly: View PDF .
Page Count: 54

VENTURA 150 MPC-5000
OWNER’S MANUAL
Section 1…………..Installation, Operation, Maintenance
Section 2………………….……...Controls & Programming
Spectra Watermakers, Inc.
20 Mariposa Road, San Rafael, CA 94901
Phone 415-526-2780 Fax 415-526-2787
E-mail: spectra@spectrawatermakers.com
www.spectrawatermakers.com
Rev. Feb-08-06
2

3
Table of Contents
Section 1
Installation
Operation
Introduction ......................................................................................................................... 5
Getting Started..................................................................................................................... 6
Installation Basics ............................................................................................................... 7
Ventura Plumbing Schematic.............................................................................................. 8
Feed Pump Relocation ........................................................................................................ 9
Product Water plumbing ................................................................................................... 10
Tube Fitting Assembly Procedures ................................................................................... 11
Wiring................................................................................................................................ 14
MPC Tank Switch Wiring and operation……………………………………………….. 16
Z Brane Installation........................................................................................................... 43
Page Number
New Systems Start Up and Testing................................................................................... 17
Dry Testing........................................................................................................................ 21
Normal Start Up Using the Auto Run ............................................................................... 22
Flushing............................................................................................................................. 23
Manual Operation.............................................................................................................. 24
Maintenance ...................................................................................................................... 28
Service & Maintenance
Long Term Storage Procedures......................................................................................... 25
Winterizing........................................................................................................................ 27
Maintenance ...................................................................................................................... 28
Membrane Cleaning .......................................................................................................... 29
Suggested Spares............................................................................................................... 31
Troubleshooting Procedures, Service Bulletins ................................................................ 33
Part Numbers .................................................................................................................... 46
Section 2: Programming & Controls
A-31 MK1 CONTROLS Operation Guide (Single Run Speed mode) ……... …………...5
Programming from the display…………………………………………….……………..13
Tank Switch Operation and Installation …………………………………………………16
Programming from a Computer…………………………………………………………..16
Software Installation……………………………………………………………………...17
Software Port Settings …………………………………………………………………...18
Software Features ………………………………………………………………………..22
Computer Settings ………………………………………………………………….……25
Salinity Probe Calibration ……………………………………………………….………26
Detailed Controls Data……………………………………………….……….…...……..28
4

5
Introduction to the Ventura 150 MPC
The Ventura represents the finest watermaker for small and midsized yachts available today. The Spectra
Clark Pump is matched to a 21” high rejection membrane. Properly installed and maintained it will supply
years of reliable service. The MPC-5000 control provides the ultimate in operational convenience and reli-
ability. Note that prudent operation is required with any marine equipment. Always maintain enough reserve
water to get safely into your next port.
The Spectra High Pressure Intensifier, known as the Clark
Pump, was introduced in 1997 and has continually im-
proved since. It holds a lifetime warranty for the original
purchaser! It is built of modern non-corroding composites. Front View
Rear view
Pressure relief valve
Quick disconnect fitting to
facilitate maintenance.
Double rubber mounts to
absorb vibration
The Clark Pump membrane module.
Pre-mounted and plumbed together as a single unit.
Saves time and adds reliability.
Ventura feed pump inlet module.
Includes the feed pump, cooling fan, charcoal filter for the flushing
system, manual flush valve, service valve and service port . Compact
and streamlined plumbing. Feed pump may be removed and relocated
if necessary. Cooling fan is included for long life.
6
Unpack the system and inspect it to make sure that it has not been damaged in shipment.
Refer to the shipping list for your system to make sure you have received all of the compo-
nents listed. Do not discard any packaging until you have found and identified all of the
parts. The small installation parts are listed on the kit list.
Warning! We will not be held responsible for shortages and/or freight damage that are
not reported within thirty days of the ship date.
Study the system plumbing and wiring diagrams before beginning your installation. This
will assist you in understanding the function of each component.
Layout the system. Before starting the installation, identify the location where each module
and component will be placed. Insure that there is proper clearance around the components
for removal of filters and system service. Also check to make sure you have adequate tub-
ing and hose before starting so additional parts may be ordered.
Getting Started
Ventura MPC Shipping List
• High Pressure Clark Pump and reverse osmosis membrane module.
• Feed pump inlet module with automatic fresh water flush system.
• Accumulator tank
• Seawater strainer
• MPC 3000 control with harnesses
• MPC 3000 display panel.
• Dual filter assembly with pressure sensors
• Installation Fittings Kit
• Service Hose kit
• 5/8” Hose (25’) 2 ea
• 1/4 product tubing (25’)
• Filter wrench
• Teflon pipe tape

7
Installation Basics
• Read the directions!
• Avoid tight hose bends and excessive runs
• Use heavy gauge wire
• Install feed pump as low as possible
• Use a dedicated thruhull with scoop type strainer
Thru-hulls
It is mandatory that a dedicated 1/2” to 3/4” forward facing scoop type intake thru-hull and
seacock be installed. Install the intake for the system close to the middle and as far below the
water line as possible. Thru-hulls in the bow area are susceptible to air intake in rough condi-
tions. Sharing a thru-hull with another system is not acceptable and will void the warranty.
Sharing a thru-hull can introduce unforeseen problems such as intermittent flow restriction,
air bubbles, and contaminates. For racing boats and high speed power boats above 15 knots a
retractable snorkel-type thru-hull fitting is preferred to be able to pick up water away from
the hull.
Do not install the intake close to or downstream of a head discharge. Install as far below the
waterline and as close to center line as possible to avoid contamination and air induction.
The brine discharge thru-hull should be mounted above the waterline, in or just above the
boot stripe to minimize water lift.
Double clamp all hose connections below the waterline.
Pipe Fitting Instruction
Plastic to plastic fittings should have 3 to 4 wraps of Teflon tape and will thread almost all
the way in.
Avoid getting dirt or debris into the piping or hoses during assembly. A small bit of de-
bris can stop the system! Avoid getting tape over the end of fittings that might get into the
system. To insure this does not happen, leave the very first thread uncoated.
Avoid restrictions or long runs on the entire inlet side of the plumbing from the thru hull to
the main feed pump module.
Prevent tight bends and excessive elbows. Any restrictions will hamper system performance.
Secure the piping away from moving objects such as engine belts and hatches. Prevent chafe
on the tubing as required. Test and inspect all piping and hose clamps after several hours of
operation.
Flow
Wiring
• Pay attention to wire size or system performance will be impaired
• Perform wiring to UL, ABYC, CE or applicable standards
Thruhull
Not Supplied.

8
Water Flow
Sea Strainer, Mount with
Quick Block
Ventura 150 MPC Plumbing
Inlet pump module. Mount vertically as low as prac-
tical, no more than 4’ (1.1 M) above waterline and do
not mount over electrical equipment.
Leave clearance below for filter change.
20 and 5 micron filters. Do not mount
over electrical equipment. Leave clear-
ance underneath for filter change
Accumulator, Factory
pre-charged. Install so
that gauge is visible.
Plastic fittings should have 3-4 wraps of Teflon
tape and will thread almost all the way in. Leave
the first pipe thread uncoated. Avoid getting dirt
or debris in the system during assembly. Avoid
tight bends and elbows. Secure piping away from
moving objects and protect from chafe.
Fresh water flush inlet to charcoal
filter. Plumb to pressure side of
fresh water system.
Spectra Clark Pump. Mount in a cool location. May
be oriented in any position and can be well above
waterline. Leave access to the pressure relief valve.
Do not mount over electrical equipment. Use supplied
spacers and washers for the vibration mounts.
Brine Discharge thru hull place
above waterline or tee brine into
another visible drain.
1/2” or 3/4” scoop strainer thru-hull and seacock for
watermaker only. Mount low, in a clear flow and away
from head discharge. Thru-hull is owner supplied.
Red In Green Out

9
If you do not have adequate space to install the feed pump inlet module it is possible to re-
move and relocate the feed pump. Before you install the module, disconnect the hose that
connects the feed pump to the module plumbing. Remove the cooling fan and the heat sink
from the pump. Both are friction fits with no fasteners. Remove the 4 machine screws hold-
ing the pump to the module.
Feed Pump Relocation
Cooling fan
Heat sink
With the pump on a flat surface. Remove the three
screws that hold the pump head on. See Fig1
Re-orient the pump head 120 degrees. See Fig2
Reinstall the screws and tighten firmly. See Fig3
Now the feed pump may be installed where you wish.
Do not install with the pump head over the motor in-
case of leaks. Wire size may have to be increased if
wire runs are longer.
Fig 1
Fig 2 Fig 3
Machine Screws

10
Product to tank.
Route the product water into the top of the tank, or a tee in the
water tank fill hose.
DO NOT! feed into a vent line, a manifold or the bottom of the
tank. Make sure that there is no restriction in this piping.
Product Water Plumbing
Salinity Probe
Automatic Valve
Product water tubing is 1/4”(6mm) on the Ventura 150 models. See the Parker tube fitting as-
sembly diagram next page. Product water is pre-plumbed from the membrane into the electric
diversion valve. The diversion valve will reject product water into the overboard brine stream
until good quality is measured by the MPC-5000 control. Product water is then diverted into the
fresh water tank.
Product Diversion Valve Manifold
RotoFlow Meter
Accepted Product
Water Outlet
Check Valve
Rejected product outlet
Product from membrane

11
Gently fit the tube into the body and loosely thread on the nut.
Push the tube into the body until it bottoms out then hand tighten the nut.
DO NOT OVER TIGHTEN!
1/4" Tube Fittin
g
Assembl
y
Install the Nut first then use the bevelled side of the Spacer to push the
Grab Ring onto the tube no more than 1/2". Slip the O-ring over the tube
to hold the Spacer in place. If the Grab Ring is pushed too far, trim back
the tube so about 1/4" of tube extends past the O-ring.
Step 4:
Step 3:
Step 2:
Step 1: Dissemble fitting components
Body O-ring Spacer
1/2" max
Grab Ring
Nut Tubing
Product Tube Fitting Assembly

12
Membrane Pressure Vessel Relocation
Use ONLY Dayco Imperial Nylo-Seal 88-NSR-1/2 tubing for high pressure connections.
Pay attention to the direction and flow path of the tubing before disassembly. Make sure
that you reinstall the tubing in the same manner. Rotate the 90 degree high pressure tube
fittings on the Clark Pump for ideal tube runs. The high pressure fittings are typically pre-
installed at the factory. These fittings seal with an O-ring and require no Teflon tape or pipe
dope. Loosen the backing nut, rotate the fitting, and reseat the backing nut.
Follow the high pressure tube connection instructions on the next page. Connect the
tubes to one of the components, secure the tube runs, and then trim and connect to the other
component. A 90 degree bend in a tube is better than a 90 degree fitting. A tube, when
mounted, should have at least one gentle bend to allow for expansion. Do not connect a
tube straight between hard mounted fittings.
When connecting the tubes to their components, be sure to hold the fitting body with a
wrench during the final tightening. Of special note are the stainless steel tube fittings on the
membrane housing which seal with an O-ring and should be seated all the way in, but need
only to be snug, not tight as with tapered threads. Hold the fitting with a wrench while in-
stalling the tube.
The fittings on the Clark pump have an O-ring seal and can be re-oriented by backing out
the O-ring stop nut. Rotate the fitting to align with the tube and tighten the nut just past
hand tight. Do not over tighten!

13
Spectra High Pressure Tube Fitting Assembly
Use ONLY Dayco Imperial Nylo-Seal 88-NSR-1/2 tubing for high pressure connections.
Carefully fit and measure the tubing before cutting with a sharp razor knife or hose cutter and remove
any burrs. Minimum tubing bend radius is 6”. Route tubing away from excessive heat sources and
secure from vibration and chafe. Have at least one shallow bend in the tube assembly after it is installed.
Refer to figure 1. If a fitting has been dissembled, reassemble as illustrated. The notch on the ferrule
must engage the inside of the nut properly for the nut to seat down fully. Once the tube is inserted the
ferrule and nut will naturally align.
Refer to figure 2. Insert tube fully into the fitting, it should go in 0.9”. Tighten the nut finger tight while
moving the tube around to prevent binding. One thread should be showing under the nut. Secure the tube
so it won’t back out when tightening.
Refer to figure 3. Use 13/16” wrench to hold a straight body fitting or a 3/4” wrench for a 90º body, and
a 7/8” wrench for the nut. Hold the body, recheck the tube insertion, then tighten the nut 1-1/4 turns. Use
the index mark on the nut as a guide. The threads should be completely covered by the nut.
Make sure these fittings are tight on initial assembly or they will fail!
The correct torque is specification is 85 foot pounds
Tighten 1-2/3 turns (10 flats of the
nut) with a7/8" wrench after finger tight.
Use index mark as guide
Ferrule
Figure 2.
Insert tube 0.9" until it stops
Figure 3.
Figure 1.
Black high pressure tubing
Cut tube square
Nut
Index mark
IMPORTANT!
Hold fitting body with 13/16"
wrench when tightening
No threads showing
Nut finger tight with
1 thread showing
Body
Straight or 90 deg.
3/8" pipe thread
Straight thread
a

14
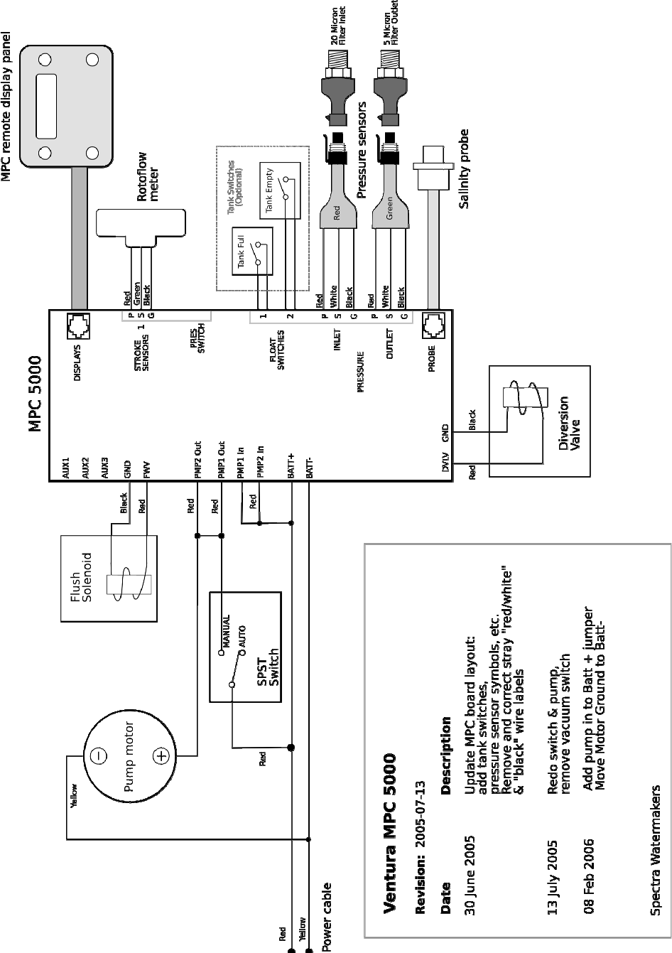
MPC-5000 Wiring
Mount the control box on a vertical surface with the wire grommets down, central to the
other system components. Make sure the cables will reach all of the modules to avoid
splices.
Filter Sensor harness
6’ (2M)
Control cable 50’ (15.2M)
Protect connector while routing through
the vessel. Control Box
Clark Pump harness, RotoFlow meter,
salinity probe, and diversion valve feed
15’ (4.5M). See next page.
MPC-5000 display. Mount in
dry central location. Only con-
nect the MPC “plug in” cable.
Main power feed. Install cover
after terminating wires.
Use a 15 amp breaker or fuse
Pump feed 4’(1.2M) may be
extended as required. Count
additional length in wire siz-
ing. Wire fan in parallel.
Fresh water flush
feed 15’ (4.5M)
Splice to flush valve.
Heat connectors to
shrink.
Wire Size Guide for Ventura 150 12V
Protect with 15 Amp Fuse or Circuit Breaker
# 10 Gauge (6mm) to 15 feet (4.5M)
# 8 Gauge (10 mm) to 25 feet (7.5M)
#6 Gauge (16mm) to 35 feet (10.6M)
Wire Size Guide for the Ventura 150 24V
Protect with 7 Amp Fuse or Circuit Breaker
#12 Gauge(4mm) to 10 feet (3M)
#10 Gauge (6mm) to 25 feet (7.6M)
#8 Gauge (10mm) to 35 feet (10.6M)
Total length for a pair of wires!

15
Clark Pump Harness
Diversion
Valve.
Salinity Probe
Roto Flow meter.
The RotoFlow meter measures product flow. It is supplied with a three pin plug-in connector.
Plug it in to the RotoFlow cable and seal the connection with the supplied heat shrink tubing.
The salinity probe uses a telephone style jack and plug. Plug it in and slide the black plastic
boot over the sensor to waterproof the connection.
The diversion valve cable has two conductors. There is no polarity. Crimp the supplied heat
shrink butt connectors to the diversion valve leads and heat them to seal.
To Roto Flow Meter
To Diversion Valve
To Salinity Probe
16
Tank Switch Installation and Operation:
There are two sets of terminals on the MPC-5000 PCB that can be used in four different con-
figurations to automatically start and stop the watermaker, or to automatically stop the water-
maker when the tank(s) are full without the auto start feature. These terminals are on the
green ten pin connector and are labeled “Float Switch 1” and “Float Switch 2.” Float Switch
1 is the tank full switch and Float Switch 2 is the tank empty switch.
If the unit is wired for both Autostart and Autostop, it can be put into AutoFill Mode by push-
ing and holding the Auto Run switch on the MPC-5000 display. In this mode the watermaker
will start whenever the water level drops below the tank empty switch, so that it is open (not
conducting electricity). When the tank fills up and both the tank full switch and the tank
empty switch have remained closed for two minutes, the watermaker will shut down and flush
itself. The watermaker will start back up when the water level drops below the tank empty
switch and it remains open for 2 minutes. This configuration allows for completely automatic
operation. If the watermaker does not need to start up within five days it will automatically do
a fresh water flush. AutoFill mode can be ended by pushing the stop button or the Autoflush
button. If the watermaker is in Autorun mode it can be put into Autofill mode without stop-
ping it by holding down the Autorun button.
If the owner prefers to install the automatic shutoff feature without the automatic start up op-
tion, only the tank full switch is used. A jumper must be placed between the tank empty ter-
minals (Float Switch 2) in place of the tank empty switch, because the watermaker will only
shut down if both sets of terminals are closed. To use this mode the watermaker must be
started up with the Stop/Start button or the Autorun button. After the unit starts up, then press
and hold the Autorun button until the display reads “Auto Fill Mode”. The watermaker will
fill the tank and automatically enter Autoflush mode.
It is possible to use the autofill feature with 2 tanks. A double throw electrical switch must be
installed in a convenient location. If only the single tank full switch is installed in each tank,
connect the wire from Float Switch 1 terminal “1” to the common on the switch and run sepa-
rate wires from the switch to each tank switch. The second wires can both be run to the Float
Switch 1 terminal 2. If you are using two switches in each tank, you will need a double pole
double throw switch.
Note: If the Automatic startup is enabled the watermaker may start at any time. Because no
one may be available to check for oil in the water around the boat, it is recommended that an
oil-water separator, part number FT-FTC-OW be installed in place of the 20 micron filter.

17

18
Avoid running the Ventura system if the vessel is in contaminated water, such as in a harbor
or canal. The system should be fully tested before leaving port. If the location or weather
prevents proper testing refer to the section “Dry Testing.”
Warning! Damage may occur if the purge sequence is bypassed and the membrane is
pressurized with storage chemical in it.
• Thru-hull inlet valve is open and the brine discharge valve is open.
• All of your hose connections are tight.
• The green tag with the spacer under the pressre relief valve has been removed.
• The pressure relief valve is open 1/2 turn.
• The switch on the MPC control box is set to the“Auto” position.
First check that:
Ventura MPC New System Start-Up and Testing
Open 1/2 Turn when Purging Chemicals! Remove Tag and Washer!
Power up the system by turning on the cir-
cuit breaker. A message on the display will
read Open Pressure Relief Valve Now
Push the “Auto Run” Button. The feed
pump will start and the message
“Purging Storage Solution” will appear.
Note: See Part 2 for instructions on dimming the display and programming from the display

19
3. The system is now in the operational mode. You may start and run your system as you
desire. You will not have to go through the purging mode unless you “de-power” the sys-
tem. If you do, you can bypass the purging mode by pushing “Stop” and “Auto Run”
buttons at the same time. It is best to use the “Auto Run” button which defaults to the
automatic fresh water rinse. If you shut down the system from the “Stop” button then use
the “Auto Store” button to effect a fresh water flush cycle.
Note: You can bypass the purge sequence and initiate a normal start at any time by
Pressing both “Auto Run” and “Stop” simultaneously. This will bypass the
purge sequence and enable a normal start.
If you must stop the purge sequence for any reason, the control will default
back to the beginning of the purging mode to protect your system.
Do not bypass the purge mode unless you are sure that the chemicals are
purged from the system or you will permanently damage the membrane.
1. After the purge sequence, the control will alarm with the message “Close pressure relief
valve”. Close the valve and proceed by pressing “Auto Run.”
2. The system is now running under pressure and making water. The display will read
“purging product water.” This mode dumps the product water overboard for ten min-
utes in case there is any residual chemicals in the membrane. Carefully inspect for leaks
over the entire system! Shut down the system and repair any leaks you find.
4. Check that the system is operating within its normal parameters. Compare with the chart
on the next page.
The system will go into a start mode and the feed pump will start shortly after. The system
should prime within 60-90 seconds. Check the strainer and the brine discharge for water
flow. There should be few bubbles anywhere in the intake hoses and the feed pump should
sound smooth after priming. After confirming that the system is primed, inspect for leaks.
Note: The reject light will be on whenever the
product water is being rejected or not being made.
When the product water is below 750 PPM the
green (Good) light will show that water is going
to the tank.

20
Product
The Ventura will produce 6- 6.5 GPH (26-27 LPH)
MPC Display Modes
Scroll through the modes with the alarm display key.
Salinity
This may not show any lit bars on a new system. Each square represents 100 ppm. System re-
jects water higher than 750 PPM. LED lights (Reject, Good) indicate product mode.
Feed
Water Pressure range 60-70 PSI (4.2-5 BAR)
Filter Condition
When filters become partially clogged the MPC-5000 will alarm “Service Prefilters”. If
the filters become fully clogged (all squares highlighted) the unit will shut off automati-
cally.

21
Ventura MPC Dry Testing With Artificial Ocean
If it is not possible to test run the system with the boat in the water, testing may be accom-
plished with an artificial ocean. Purchase enough aquarium salt to make 5 gallons (20 liters)
of salt water.
Make sure that the domestic water system is powered up and that there is water in the tank.
Confirm that the charcoal filter is installed in the fresh water flush module and that the domestic
water line had been installed and all valves are open.
1. Open Pressure Relief Valve on the Clark Pump. Remove the green tag and spacer!
2. Close the yellow service valve on the inlet module. This will be the center location.
3. Power up the control. Bypass the purge mode by pushing “Auto Run” and “Stop” simulta-
neously.
4. Push the “Auto Store” button and allow it to run a flush cycle. Do this five times to purge
the storage chemicals.
5. Hook up your inlet and brine discharge service hoses per the photo and route them into the 5
gallon (20 liter) container. Turn your product sample valve, if installed, to the sample posi-
tion. If no sampling valve is installed, temporarily route the product to tank tube into the
bucket.
6. Push the “Auto Store” button and fill the bucket with fresh water from the brine discharge.
Stop the system when it is full.
7. Rotate the yellow service valve to the service position.
8. Mix the salt to the proper proportion or use an aquarium hydrometer to adjust the salinity
level.
9. Push the “Auto Run” button, allow the system to prime and then close the pressure relief
valve. The system should build pressure and after several minutes start making water.
10. Run the system under pressure and check for proper operation and leaks.
After testing the system, stop and replace the brine discharge hose. Restart and drain the bucket.
You can now store the system by using the above procedure for adding fresh water to the
bucket and pickling the system, or using the “Auto Store” system.
Valve in closed position
Valve in service position
Inlet service hose connected
Connecting the brine
discharge service hose

22
Ventura MPC Operation
Normal operation
If the system has been pickled or stored, use the “New System Startup” procedure.
1. Check to see that the inlet seacock is open.
2. Push the “Auto Run” one or more times. The machine will run for one hour for each
time the button is pushed, then shut off and automatically do a fresh water flush. If you
receive a “System Stalled” error code, there is no flow in the system. Open the pressure
relief valve on the Clark Pump and bleed the air out of the feed pump.
3. Run the system until you have filled your tank or have made enough to meet your re-
quirements for several days.
4. When the unit shuts down it will enter the “Auto Store” mode, which will flush the unit
every five days unless you run it to make water, the unit is de-powered, or the “Stop”
button is pressed.
5. You may stop the system at any time with the “Stop” button, but if you do it will not
flush itself or go into “Auto Flush” mode.
You may now leave the system unattended for up to five days without further attention
We recommend operating the system for longer periods and effecting a fresh water flush
rather than running the machine every day and not flushing the system. Remember that you
need to run the system almost a half hour to make the flushing water. You may notice that
the system output is higher while charging your batteries as the machine is voltage sensitive.
Storage mode. The timer counts down in hours until the next flush cycle.
Warning! Understanding automatic fresh water flush system is essential for it to be effec-
tive.
1. Make sure that the system has continuous power. Shutting down power will reset control.
2. Make sure that the potable water system is “on” and that there is adequate water in the
tank for the extended period.
23
Automatic Store Cycle
Warning! Proper understanding of the Spectra flush system and the vessel’s fresh water sys-
tem configuration is mandatory for extended Auto Store cycles. The flush cycles must not be
allowed to drain all the fresh water from the vessel or damage to the vessel’s systems may oc-
cur.
• Make sure there is enough water in the fresh water supply system to supply the water-
maker for more than the expected time of operation in the “re-flush every 5 days” mode.
The Ventura 150 requires about 2.5 gallons (10 liters) every 5 days.
• Make sure that the pressure water supply is on and will stay on during the flush mode (If
this is not possible contact your certified dealer.).
• Make sure that the pressure relief valve is closed. It should be closed if the system was
just used to make water. The auto flush may not operate if the valve is open.
• The power for the system must remain on during the auto flush mode. Turning off the
power will disable the auto store function and damage may occur.
• Pressing the Auto Store button momentarily will start a flush and then activate
the 5 day flush cycle. The feed pump will start, the flush water solenoid will open and
the display will read “FRESH WATER FLUSH” with a countdown timer. After 5-7 min-
utes the pump will stop, the display will read “FLUSH TIMER INTERVAL,” and the
countdown timer will reflect the number of hours until the next flush.
• Pressing and holding the Auto Store button for 3 seconds will engage a 1
time flush. The system flushes as described above but will not re-flush every 5 days. Dis-
play will read “FRESH WATER FLUSH” with a countdown timer, then the default dis-
play when finished.
• Pressing the Stop button will cancel the auto store mode.
Flush Cycle Adjustment
Before shipping from the factory the Ventura watermaker flush cycle is set to factory default
settings. After initial start up, and annually thereafter, the flush cycle parameters must be ad-
justed to ensure that the salt water is thoroughly flushed out of the machine while at the same
time using the least amount of fresh water possible. Check the flush by closing the sea cock.
If the system alarms “Check sea strainer” insufficient water is being supplied from the vessels
fresh water system. If the fresh water supply is insufficient sea water will be drawn in to make
up the difference and the system will not be properly flushed. After checking the flush water
flow adjust the “Flush Duration” from the Programming Function on the display. Set the Flush
duration so that the Flush comes to an end just as the salinity of the water going overboard
drops below 1000 ppm or no longer tastes brackish.

24
In the event of complete MPC control failure, the system may be operated manually using
the switch on the feed pump module.
• For manual start up, set the switch to “Manual”. Shut the unit down if the Clark Pump does
not cycle. In manual operation, the salinity control is inoperative and the diversion valve
will not operate. Instead, product water must be taken directly from the membrane product
water outlet. The automatic safety controls are disabled in manual mode.
• Bypass the diversion valve as follows:
• Disconnect the 1/4 inch tube “A” that runs between the membrane product outlet and
the RotoFlow meter at the membrane outlet fitting. Product water will run out of the
fitting.
• Taste the product water before sending it to a tank. Always discard the product water
for the first few minutes of operation. The initial product water from the system may not
be potable.
• Disconnect the product-to-tank tube from the diversion valve manifold outlet and con-
nect it to the membrane product outlet fitting.
• To shut down manually, set the switch “Auto” .
• If the system is to be left idle for more than a day it should be given a fresh water flush. To
manually flush, collect 3 gallons of product water in a bucket. Connect the service hose to
the service connection on the pump module. Place the service valve in “SERVICE” posi-
tion and start the feed pump with the manual switch. Run the feed pump until the bucket is
empty and turn the service valve back to “RUN”.
Manual Operation
Tube “A”
Tube to tank
Membrane
product outlet
Automatic
Operation
Manual
Operation
Tube “A”
Tube to tank
Diversion valve
manifold outlet
In the event of a component failure resulting in a shut down due to a false alarm, the failed
component can be overridden using the Programming Function on the display. High Pressure,
Service Prefilter, System Stalled (airlock), and Salinity Probe Failed can be defeated. The other
safety shutdown will still be activated. The pressure sensors and salinity probe can also be cali-
brated from the display. Complete instructions are found in Part 2 of this manual under
“Programming from the Display”. Be absolutely certain that the alarm is in error before defeat-
ing the automatic controls.

25
Long Term Storage Procedures
Watermakers are best run continuously. When not in use, biological growth in the mem-
brane is the leading cause of membrane fouling. A warm environment will cause more
growth than a cold environment. The fresh water flush system will greatly reduce biologi-
cal growth but may not stop it completely in certain conditions. If an optional “Zeta Guard”
or Z-Brane water treatment system is installed in the system, then three to five day flushing
intervals will maintain the system as long as fresh water is provided and the charcoal filter
maintained.
System Storage or “Pickling”
If the system is to be left unused for more than five days, perform the following storage pro-
cedure. The procedure introduces a chemical compound into the system that prevents bio-
logical growth. This procedure requires de-chlorinated water which can be made with the
charcoal filter. Charcoal filters last a maximum of 6 months once wetted.
Spectra SC-1 a special storage compound used by the US Navy. It is formulated to be
compatible with the modern engineering plastics and composites in the Spectra pumps.
Do not use any substitute except propylene Glycol, If you chose to use glycol follow the
winterizing instructions. SC-1 Storage Compound has to be mixed at a ratio of 1 Spectra
container to 3 gallons (12L) of fresh water to have the proper solution for short term stor-
age (under two months use 1/2 of a container)
Caution! Avoid contact with skin, eyes, or lungs with the storage chemical.

26
Ventura MPC Storage Procedure
1. Shut the service valve by moving it to the middle position.
2. Perform two fresh water flushes by pushing the “Auto Store” button .
3. Remove the cap on the service port on the feed pump module and install the service hose
from your kit. Remove the quick disconnect fitting from the brine discharge outlet of the
Clark Pump, and replace with a quick disconnect service hose from your service kit.
Lead the hoses to a 5 gallon bucket or container.
4. Push the “Auto Store” button and run the feed pump until you have one gallon of fresh
water in the bucket. Stop the system.
5. Mix 1 container of SC-1 storage compound with the water in the bucket.
6. Make sure the pressure relief valve on the Clark pump is OPEN (un-pressurized)
by turning 1/2 turn counterclockwise
7. Place the service valve in “Service” position
8. Turn on the feed pump. You can use the man-
ual switch on the MPC-5000 control box. Circu-
late the storage chemical in the system for ap-
proximately 10 minutes. Turn off the feed pump
when finished.
Clean Up
Remove the quick disconnect from the Clark Pump brine discharge, and replace the original
hose that leads to the thru-hull. You may at this point, if you choose, pump the bucket dry by
using the feed pump switch. Stop when the bucket is empty.
Turn the service valve 180° back to its original position, and remove the service hose.
Close the seacock and drain and clean the strainer and any filters in the system. Reassemble
dry.
Service valve Off Service hose connected
Service valve in service position
Brine disconnect fitting

27
Winterizing
1. Close yellow service valve, push “Auto Store” to flush the system.
2. Connect the inlet service hose and the brine discharge service hose. Place them in the
service container or bucket.
3. Push “Auto Store” and run until there is 1 gallon (4L) of fresh water in the bucket, then
stop the system.
4. Reconnect the brine overboard hose to the Clark Pump
5. Turn the service valve to the “Service” position.
6. Pour 2 gallons (8L) of Propylene Glycol in the bucket.
7. Make sure that the pressure relief valve is OPEN (un-pressurized).
8. Turn on the feed pump with the manual switch on the MPC control box until antifreeze
appears in the brine overboard hose.
9. Stop the pump. Reconnect the brine service hose. Start the pump and re-circulate the re-
maining antifreeze for a few minutes.
10. Close the seawater intake and the service valve. Drain the strainer and the hose leading to
the inlet module.
11. Disconnect the product to tank tube and blow the water out of it with compressed air.
Valve in off position Open the pressure relief valve
Valve in service position Connecting brine discharge hose
28
Maintenance
The Seawater Strainer
The sea water strainer’s stainless steel element should be inspected, removed, and cleaned as
needed. Be careful to ensure that the thru-hull is closed before disassembly and the gasket is
in place before reassembly. When the system is put into storage, remove, rinse, and reassem-
ble dry to impede corrosion. Check frequently during operation.
The Prefilters
• Service the pre-filters on a regular basis. The MPC will alarm when the filters reach a 5
PSI (.35 BAR) pressure drop. You may clean and reuse the filters at this level. If you con-
tinue to use the system until it stops at 10 PSI (.75 BAR) then the filters will have to be
discarded.
• To service the filters, shut off the service valve, open the housing, and discard the old fil-
ters. Clean out the housing bowl and reassemble the housings with new 5 and 20 micron
filter elements. Leave dry until next startup.
• Use only Spectra approved filters or you may void your warranty. The filters may be
cleaned several times with a soft brush and water in a bucket. Occasionally, lightly lube
the filter housing O-ring with silicone grease.
• Replace the charcoal filter element at least every 6 months! This filter protects the
membrane by removing chlorine from the fresh flush water. Use only a Spectra replace-
ment!
Oil Water Separator (Optional)
To install oil water separator capability remove the 20 micron filter from the dual filter hous-
ing and replace with the oil water separator element.
General
Periodically inspect the entire system for leakage and chafe on the tubing and hoses. Repair
any leaks you find as soon as practical. Some crystal formation around the Clark Pump
blocks is normal. Wipe down any salt encrusted areas with a damp cloth.
The Charcoal Fresh Water Flush Filter
The Feed Pump and Clark Pump
The feed pump and the Clark Pump require no routine maintenance except inspection for
leaks. Tighten any hose clamps or fittings the show signs of leakage. The high pressure
stainless steel fittings threaded into the Clark Pump have o-ring seals with a straight thread.
These should never leak and should never be over tightened. If one of the tube nuts starts to
leak it can be un-threaded, sealed with a bit of silicone grease or silicone seal, and, using two
wrenches, tightened very tight.
29
Membrane Cleaning
For normal cleaning, the SC-3 Acid Cleaning Compound is used first, then the SC-2 Alkaline Cleaning
Compound. If known bio-fouling is present, the SC-2 may be used first. Using hot water if possible, up
to 120° (45C) is recommended as it greatly enhances the ability of the cleaners to do their jobs.
If the history of the system is unknown or it has been left “unpickled” for an extended length of time
and biological growth is present, it is recommended that the system be cleaned with SC-2, using an
alternate source of unchlorinated fresh water before the system is run under pressure. A simple test can
be performed to see if biological growth has occurred. Before running the system, remove the prefil-
ters and examine their condition. If the housings are full of smelly discolored water, the system was
not properly stored. Install clean prefilters if they were bad. Next, check the membrane. Detach the
brine discharge hose and lead to a bucket. Open the pressure relief valve one turn, and manually run
the system for 30 seconds. Examine the brine water. If it is discolored and smells bad, perform an SC-2
cleaning with an alternate source of unchlorinated water before running the system pressurized. If the
brine is fairly clean, the system can be purged, run normally, and checked for performance. Clean the
membranes only if performance is reduced.
Heating the water is preferable. The cleaning solution throughout the system will heat as it circulates in
and out of the pot. An alternative is to heat the one or two gallons of initial water to 120° on the main
stove before mixing in the cleaner and circulating it into the system. Periodically stop and reheat the
solution.
Perform the cleaning procedures while the ship is in acceptable sea water for purging and test-
ing, or follow the flushing, purging, and testing procedure given in the “Dry Testing with Artificial
Ocean” instructions.
There are two types of cleaners: acid and alkaline. The acid cleaner (SC-3) will remove mineral scal-
ing. The alkaline cleaner (SC-2) is used to remove biological by-products, oil, and dirt particles that
get past the prefilters. If membrane performance is reduced and they have not been “pickled” recently,
cleaning is recommended. The acid cleaner should be used first. If the problem persists after the acid
cleaning, do the alkaline cleaning. If the membrane fails to respond to both cleanings, this is an indica-
tion of another problem with the system, or that it is time to replace the membrane. Contact Spectra
Watermakers before removing a membrane.
The membranes need to be cleaned only when operating pressures have risen 10% due to fouling, or
when the product quality degrades. The leading cause of fouling is from biological growth that occurs
when the system is left unused without flushing or pickling. Fouling from mineral scaling can happen
during operation under certain sea water conditions, and from rust. Monitor the product salinity and
feed pressure for higher than normal readings for the existing conditions. Other conditions can cause
high pressure such as cold feed water or clogged filters. Low product flow is usually due to low volt-
age, damaged feed pump or Clark Pump. Look for all other causes before cleaning the membrane.
Membrane life can be shortened by excessive cleaning.
The Membranes

30
Cleaning Procedure:
1. Close the service valve and push “Auto Store” to effect a fresh water flush.
2. Connect your inlet service hose and the brine discharge service hose. Push “Auto Store”
again and allow to run until there is 1 gallon (4L) of water in the bucket. Stop the system.
3. Turn the service valve to the service position.
4. Make sure that the pressure relief valve is open (un-pressurized).
5. Mix the cleaning chemical in the bucket.
6. Start the system with the manual switch on the MPC control box and circulate the chemi-
cal through the system for the required time.
7. Stop the pump, replace the brine discharge hose and start the pump until the bucket is
empty. Stop the pump and rotate the service valve back to the run position. Restart the
p
ump and run for 20 minutes to flush the chemicals out of the system.
(DO NOT CLOSE the pressure relief valve!)
8. The system may now be restarted to make water, flushed or stored.
.
Service valve in off position Open the pressure relief valve!
Service hose connected Connecting brine discharge hose
Spectra cleaning compound (SC-2 or SC-3) must be mixed with fresh water at a ratio of 1 con-
tainer of compound to 3 gallons (12L) of unchlorinated water to have the proper solution. An av-
erage of two gallons (8L) of water is already present inside a Ventura 150 system . This water has
to be figured into the mixture. A Ventura 150 system will use one container of compound.

31
Suggested Spares Ventura MPC
Short term cruising, weekends etc.
A basic cruise kit B. This kit consists of three 5 micron filters, three 20 micron filters, and
SC-1 storage chemicals.
Cruising 2 to 6 months at a time.
Two basic cruise kits, one replacement charcoal filter, and one replacement feed pump head.
Longer than 6 months
Additional filters, offshore cruising kit consisting of Clark Pump seals, O-rings, tools and
membrane cleaning chemicals. One replacement strainer screen, O-ring for strainer screen,
O-rings for filter housing,
Spectra Watermakers recommended spare parts
SC-1 STORAGE CHEMICAL KIT-CHEM-SC1
SC-2 CLEANER KIT-CHEM-SC2
SC-3 CLEANER KIT-CHEM-SC3
BASIC CRUISE B KIT-BCK-B
OFFSHORE REBUILD KIT KIT-OFFSH
5 MICRON FILTER FT-FTC-5
20 MICRON FILTER FT-FTC-20
CHARCOAL FILTER FT-FTC-CC
5” STRAINER SCREEN FT-STN-5S
OIL/WATER FILTER FT-FTC-OW
FEED PUMP HEAD PL-PMP-SFPH
5” STRAINER O-RING SO-STN-5SS
FILTER HOUSING O-RING SO-FHS-10H
20” MEMBRANE FT-MB-20
SALINITY PROBE EL-MPC-SP
SALINITY PROBE CABLE EL-MPC-SC15
Part Number

32
Feed pump runs constantly,
will not turn off
Manual override switch in
“on” position
Turn off manual switch on
control box
SYMPTOMS PROBABLE CAUSE REMEDY
Ventura MPC Troubleshooting Procedures
No lights or display, system
does not operate
- Remote display not connected
- No power to control box
- Check display cable connec-
tions at back of display and at
control box
- Check and reset main DC
supply breaker
- Check for voltage (12 or
24vDC) at control box power
input studs
- Try manual bypass switches;
if pumps run, then control or
display is defective
Feed pump runs with loud
noise
- Intake blocked
- Air in system
- Check thru-hull valve
- Check sea strainer for leaks
- Check FWF module for leaks
- Re-prime system (restart)
Pumps run intermittently,
cycling on/off
Overpressure switch opening - Adjust or replace switch
Display activates, but pump
will not run
- loose or broken pump wire
connection
- bad pump relay
- tanks are full
- Check wiring at terminal
block inside MPC
- Test power relay, replace
- Check tanks– system cannot
be started if tanks are full.
System runs, no product
water delivered to water
tanks, GPH bar graph
shows OK, “Good” LED
activated
- diversion valve inoperative
wiring fault.
- disconnected or broken
product tubing
- valve plunger stuck
- Check wiring at diversion
valve and inside control box
- Check product tubing
- Disassemble and clean diver-
sion valve plunger or replace
valve (contact factory)
System runs, no product
water delivered to water
tanks, GPH bar graph
shows OK, “reject” LED
activated
- high salinity of product
water, causing system to
reject water
- salinity probe out of cali-
bration or defective, bad
cable
- chlorine damage to mem-
branes
- pressure relief valve open
- Check for low feed pressure,
close pressure relief valve
- Check for leaks at high pres-
sure hoses
- Test product water with hand-
held tester– if over 500ppm
for 1 hour, contact factory
Close Valve

33
SYMPTOMS PROBABLE CAUSE REMEDY
Ventura MPC Troubleshooting Procedures
Error Messages
“System stalled”
(“system stalled” may alarm
when using the control panel
to run system for servicing
with the pressure relief valve
open– use manual override
switch instead)
- pressure relief valve open
- intake thru-hull closed
- airlocked system
- no signal from RotoFlow
meter
- Close pressure relief valve
- Check thru-hull
- Verify stroke sensor fully in-
serted in pump
- Check stroke sensor wiring at
control box
- Replace flow meter
“High Pressure” - blocked brine discharge
- fouled membrane
- Check brine discharge
- Clean membrane
“Voltage Too High”
“Voltage Too Low”
- battery voltage too high or
low
- loose wires or poor connec-
tions
- Charge batteries
- Check charging voltage
- Check power connections
“Re-starting” - no signal from flow meter at
startup. System stalled
- See remedy above for “system
stalled”
“Check Fuse” (followed by
fuse number)
- blown fuse at circuit board - Replace fuse (mini automotive
type ATM)
- Look for cause
“Service Prefilter” - clogged filters
- loose or defective pressure
sensor wires
- Install new filters
- Check sensor wiring
“Ck Sea Strainer” - clogged strainer
- dirty 50 Micron prefilter
- Seacock closed
- Clean strainer screen; change 50
micron filter; check through-hull
and intake hoses
“Salinity High” - high product water salinity
- chlorine damage to mem-
branes
- defective salinity probe or
cable, cable disconnected
- Check for low feed pressure
- Check for leaks at high pressure
hoses
- Remove and clean probe con-
tacts check calibration.
- Check cable connections
- Clean membrane
34
ACCUMULATOR PRESSURE
All Spectra Watermakers, except the Newport 700 and 1000 series, are supplied with a pres-
sure accumulator tank (part no. PL-ACC-TK) to be installed in the feed water line between the
prefilters and the Clark Pump. In addition, the Catalina 300 and Newport 400 series also have
an accumulator mounted inside the fresh water flush module.
The purpose of the feed line accumulator is to reduce the spikes in the feed pressure caused by
the cycling of the Clark pump. If the accumulator is not properly charged it can lead to prob-
lems with the ShurFlo pump pressure cutout switches. The accumulators have an air valve on
top similar to those found on car tires. This allows the internal air bladder of the accumulator
to be precharged. The accumulator should be pumped up to about 65psi (4.5bar) for best re-
sults. Add air using a tire pump or air compressor. You can experiment with the exact pres-
sure that will give the best pulsation dampening on your installation.
The purpose of the fresh water flush accumulator is to allow a steady flow of 1.5 gallons per
minute of flush water through the charcoal filter. Because the feed pump on the 300 and 400
hundred series exceeds this maximum allowed flow rate, the controller turns it on and off, to
reduce the overall flow rate. The accumulator gives the water flowing through the charcoal
filter somewhere to go while the feed pump is cycled off. The flush water accumulator should
be preloaded to 5 psi (.35bar).
9/27/04
35
OP-2 BAD SMELLING PRODUCT WATER
The reverse osmosis membrane is permeable by many gases including hydrogen sulfide, the gas
that causes rotten eggs to smell the way they do. If there are bad odors in the feed water they
will go through the membrane and the product water will be affected. Usually the source of the
odor is from the decay of planktonic creatures trapped in the sea strainer and prefilters. These
tiny oxygen loving creatures soon suffocate and die inside the prefilter housings when the unit
is shut down. Once all the available oxygen is consumed, anaerobic bacteria begin to grow,
causing the odor. If a unit being used frequently begins to make smelly water, it will be the pre-
filters that are the source of the problem. This occurs in a week or two in cold climates, but in
less than one night in very warm waters like the Sea of Cortes or the Red Sea. These bacteria
can spread throughout the watermaker, and begin to grow on the membrane, causing poor water
quality and high feed pressures.
Filling the system with fresh water after every use greatly slows this process, allowing the auto-
mated Spectra units to operate with less frequent prefilter changes. Units operated for only an
hour or so a day will probably need to have the filters changed due to odor before they are dirty
enough to restrict water flow. Prefilters can be cleaned. We recommend that you have three
sets in service, one in the unit, one set soaking overnight in a bucket of clean fresh or salt water
and one set drying for the next use. After shutting down the unit, remove the used prefilters and
install the dry set. Leave the housings full of air until the next use. On non-automated sys-
tems, open the pressure relief when starting if there is a lot of air in the system until the air is
cleared out through the brine overboard. The filters will get just as clean when soaked in sea
water, but dry much faster if soaked in fresh. Given gentle handling, prefilters can be reused
many times.
Bad smelling product water is usually caused by bad smelling feed water, but can also be
caused by a fouled membrane if the membrane has been left unpickled. If the unit makes
smelly but not salty water after a long idle period and the prefilters are new, the smell can be
eliminated by running the unit unpressurized for an hour or so to flush the membrane.
Odors in the product water can also be eliminated by adding a charcoal filter in the product wa-
ter line. Spectra offers a product water filter kit (part no. KIT-FLT-CC).
More on this subject is available on our website at www.spectrawatermakers.com.
8/17/04

36
OP-3 CHEMICALS 101
Spectra systems use four types of chemicals: SC-1, SC-2, SC-3, and propylene glycol anti-
freeze.
NOTE: Never use any chemicals with the system pressurized! Always open the pressure relief
valve 1/2 turn. Always purge a system containing chemicals for at least 20 minutes unpressur-
ized before pressurizing and making water.
The SC-1 is for storage only. It is no longer used as a cleaning chemical. To prepare the sys-
tem for storage, first do a fresh water flush until the brine discharge is below 1000 ppm or does
not taste salty. Mix one jar of SC-1 with 1 to 2 gallons of product or de-chlorinated fresh water
in a bucket and circulate UNPRESSURIZED with the fresh water in the system for 10 minutes,
then discard. The system should be re-pickled every six months in warm conditions, and every
eight months in cooler conditions.
The Spectra systems should be stored with propylene glycol if freezing could occur. This is the
food grade antifreeze used to winterize RVs, boats and cabins. This works very well for storing
in warm climates and is good for one year. See “Wintering or Pickling With Antifreeze” for
instructions on this procedure.
NOTE: Do not use metasodium bisulfate, the standard chemical used to store most watermak-
ers. This chemical will damage the Clark pump and void the warranty.
CLEANERS: Cleaning can be detrimental to the membrane and shorten its life. Avoid unnec-
essary cleaning. Avoid cleaning as a diagnostic tool.
SC-2 is an alkaline cleaner used to remove light oil, grime and biological growth. It is most
effective if heated to 120 oF On a boat this is not easy to do. If not heated, circulate for 2 hours
and let set for several hours and re-circulate for one hour and discard. In most cases the water
quality will increase in PPM after an SC-2 cleaning. After a few hours it should recover to near
the PPM it produced before the cleaning.
SC-3 is an acid cleaner used to remove mineral and scale deposits. This is used in the same way
as the SC-2. In most cases this is used first, and if no results are achieved, proceed with the SC-
2. SC-3 will in most cases lower the product PPM and over all pressures. Scaling is a slow
process that may take several months or years. SC-3 is less harmful to the membrane and will
almost always improve the performance of an older membrane.
7/19/04
37
OP-4 FRESH WATER FLUSH
The purpose of the fresh water flush is to replace the sea water in the watermaker with fresh
water whenever the system is not operating. The “Auto Flush Mode” on the MPC 3000
changes the fresh water every five days if the system has been idle that long. The watermaker
will last longer and operate better if it is always kept filled with fresh water between uses.
Most spectra watermakers are equipped with a fresh water flush module. This module in-
cludes a 50 micron filter to filter out abrasive particles in the feed water that might damage the
feed pump, a charcoal filter to remove any chlorine in the fresh water that might damage the
membrane, an electrically operated valve and a check, or “one way”, valve. The electrically
operated solenoid valve opens during the fresh water flush allowing the boats pressurized wa-
ter system to supply water to the system. The check valve prevents the fresh water from going
out backwards through the sea strainer and sea cock. The charcoal filter has a maximum flow
rate of 1.5 gallons per minute (6lpm) so the feed pump is operated at a reduced speed on some
models, or is cycled on and off on other models, to avoid exceeding this flow rate.
If the ship’s water system is unable to provide flush water at the required flow rate, sea water
will be drawn in to make up the difference. This will cause the flush water to be brackish, and
ineffective in preserving the watermaker. At initial startup the fresh water flush system should
be tested by taking a sample of the brine discharge water just as the flush cycle is ending.
This water should not taste salty, and should read less than 1000 ppm on a digital tds meter.
The flush cycle can also be tested by closing the sea cock during the flush cycle. If the MPC-
5000 display gives a CK SEA STRAINER alarm this means that the fresh water supply is in-
sufficient.
Because the pre-filters trap the plankton in the feed water they can be subject to “going an-
aerobic” or starting to smell like rotten eggs, as the trapped plankton decay. For this reason it
is advisable to always put in clean elements if the unit is going to be left on Auto Flush Mode.
In daily or regular use the fresh water flush after each shutdown will help prevent this prob-
lem, but in excessively warm or fertile waters the pre-filters will need regular attention.
7/26/04
38
PF-3 PREFILTERS– ShurFlo
Up to four different filters are used on all Spectra Systems using ShurFlo feed pumps to en-
sure that no damaging foreign materials enter the system. There are 2 or 3 filters in the system
to clean the feed water of abrasive materials while the system is in operation, and an addi-
tional filter to prevent the entrance of chlorine during fresh water flushing.
During normal operation, the feed water is filtered in two stages. First it enters a fine mesh
metal sea strainer. This protects the feed pump from damage due to foreign materials and lar-
ger sea creatures. After passing through the pump the feed water enters the filter housings
containing 20 and 5 micron elements. These filters remove very fine particles which could
damage the Clark Pump and shorten membrane life. Some units have only the 5 micron filter.
Cleaning schedules will vary widely depending on how and where the system is used. If large
amounts of feed water are run through the system in a relatively short period in biologically
fertile near shore waters, the prefilters will plug up, the pressure drop across the filters will
rise, production and quality will drop, and the system will sense plugged filters and give a
“Service Prefilters” or “Check Strainer” alarm if so equipped. Plugged filters can be
cleaned several times by soaking in a bucket, towing behind the boat at moderate speeds, or
cleaning with a hose.
When operated only an hour or two a day in inland or near shore waters, the trapped plankton
will begin to decay in the filters long before the elements plug up, and the bacteria involved in
the decay will cause a “rotten egg” smell in the product water. This decay will set in overnight
in tropical waters, or after a week or two in high latitudes. If handled gently and changed regu-
larly before they get too smelly, filters in this service can last through dozens of cleanings.
In crystal clear blue water conditions the filters may need to be cleaned much less frequently.
The charcoal filter used in the fresh water flush system will not plug up unless you have some
incredibly dirty domestic water in your boat. About six months after installation the charcoal
filter element will lose its effectiveness at removing any membrane-damaging chlorine which
may be present in domestic water. Charcoal filter elements must be replaced every six months
if there is ANY chance that chorine could be introduced into the flush water.
To ensure that filter elements fit properly and remove chlorine effectively, they should be pur-
chased at factory authorized dealers. Our element part number is FT-FTC-XX. The last two
digits indicate the micron rating, e.g. FT-FTC-05 is for a 5 micron element. Charcoal ele-
ments are FT-FTC-CC.
06/03/04
39
SF-1 SHURFLO PUMP WON’T RUN
If the pump has power to it (the fan runs), but the pump won’t run, the first thing to check is
the pressure switch. The pressure switch, p/n EL-FP-PS, is located on the wet end of the
pump and has two red wires plugged into it. Jump the two red wires together and see if the
pump runs. You can safely run the system with the pressure switch jumped, just keep an eye
on the pressure gauge and don’t let system pressure exceed 110 psi. Replace the switch when
a spare is available.
If the pump will not run with the pressure switch jumped then it is most likely a problem with
the brushes or overheat protection switch inside the motor. The motor will come completely
apart by removing the two screws on the end of the motor. Remove the rear cover and paper
insulator. Pull out the plastic brush holder. The thermal switch is located on one of the brush
leads. With an ohmmeter, check for continuity through the switch. If it is open, you can
make temporary repairs by wiring around it, being careful that your new wiring doesn’t chafe
on the moving parts, nor resist the springs that push the brushes on to the commutator.
If any corrosion is apparent the brushes may be sticking. Once apart clean all the carbon dust
from all the parts. Clean the commutator with light sand paper. Make sure to clean the small
grooves on the commutator with a small sharp tool to remove the carbon in between the seg-
ments. Adjust the springs on the brush holders so the brushes slide smoothly in and out. If
the bearings are rough and binding, remove the rubber dust cover and clean the best you
can, grease them, and work it free by hand. Don't service the bearing unless absolutely neces-
sary. Reassemble in reverse order. You can hold the carbon brushes back with papers clips
inserted through the slots in the brush holder so they don't hang up on the bearing during as-
sembly. Make sure the corrugated bearing shim doesn't push out, if it does, push it back into
place.
This will at least keep you going until the motor can be replaced if necessary.
6/03/04
40
SF-2 ADJUST SHURFLO PRESSURE SWITCH
The ShurFlo feed pumps are equipped with a high pressure cut out switch (part no. EL-FP-
PS). This is the small black unit on the end of the wetted end of the pump head (part no. PL-
PMP-SFPH) where the two red wires connect. If the pressure switch is not properly adjusted
the pump may cut out each time the Clark Pump cycles and the feed pressure spikes. When
this happens, the production will drop and an unusual noise will be heard when operating with
two pumps, but the system will function normally during one pump operation on either pump.
The points in the switch will fail fairly quickly if set too low because of the constant arcing
from cutting out each time the Clark pump shifts.
For all systems except the Gulfstream, the feed pump pressure switches should be set to shut
off at 125 psi (8.5 bar) as follows. On the very center of the switch is a small 5/64” allen
screw. Run the system on pump one and close the brine discharge valve (1/2 way 90 deg) to
block the flow. Watch the pressure gauge and adjust the pressure switch to shut off at 125
psi. Repeat for pump two. Turn the allen screw clockwise to increase the cut off set point.
Gulfstream models could experience seal failures in the manifold if pressurized too high. For
this reason, the pump should be removed from the system and the switch adjusted using a
separate pressure gauge. If replacing a feed pump or pump head for a Gulfstream model ar-
range to preset the switch before installation.
8/05/04
41
HS LF-1 POOR PRODUCT QUALITY
With any product water quality issue, you need to check the calibration of the salinity tester
that you are using before proceeding.
Membranes are not an exact science and two identical systems can have a different product
quality result. World health standards deem water of up to 1000 PPM of total dissolved solids
acceptable for drinking consumption. We consider any thing below 700 PPM acceptable but
not ideal, and anything below 500 PPM excellent. Factors that could affect water quality are
addressed below.
LOW SYSTEM FLOW OR PRESSURE will equate to lower product quality (higher
PPM). A 200-C system running at 70 psi will deliver product water in the 400- 500
PPM range, while the 380-C systems with twice the flow and operating at 100 psi into
the same size membrane, will produce 200-300 PPM water. Ventura 150 systems,
which have a higher feed to output pressure ratio (See MISC-4 nominal pressures), as
well as a higher feed flow/membrane area ratio, will produce water in the 150-200
PPM range. These improvements in product quality come at the expense of energy
efficiency.
DAMAGE TO THE MEMBRANE by chlorine contamination. Flushing the system with
chlorinated water will irreparably damage the membrane. Charcoal filters are used to
absorb any chlorine which might be present in flush water. They must be of proper
specification to be suitable. There is no test for chlorine damage except the process of
elimination of other causes.
DIRTY OR SCALED membranes. A dirty (foreign material), scaled (mineral deposits), or
contaminated (bacterial growth) membrane can result in poor water quality and abnor-
mal operating pressures. If operating pressures are above normal, then cleaning is indi-
cated. If the system pressures are within operating normal range, cleaning may have
little result. Cleaning is no better for a membrane than it is for your clothes. Avoid
cleaning as a diagnostic tool.
MECHANICAL LEAKAGE within the membrane pressure vessel. This is an unlikely but
possible cause of poor water quality with old style Codeline pressure vessels (white)
that we have used in the past. The Spectra pressure vessel has a double O-ring arrange-
ment that includes a telltale hole between them so that any salt water leaking past an
O-ring will drip into the boat and not go into the product water.
If system flow (product plus brine) is 1.5 GPM or above on one pump, the membrane is clean,
the product flows are consistent with the system flow and the water quality is still not accept-
able, then replacement of the membrane is indicated. See “HS-LF2 Flow Check” for instruc-
tions on checking flow rates
7/6/14
42
HS LF-2 FLOW TEST/ SHURFLO
Before the test, change all filters and clean the strainer. Make sure that there are no leaks.
Check for air leaks, as air in the system will cause low production and erratic salinity. Look
for air bubbles in the product flow meter, feed pump discharge hose, and brine overboard
hose.
Run the system and watch the pressures very closely. Make sure that on each shift everything
is even from side to side. If the feed pressure to the Clark pump is different (asymmetrical) on
one stroke than on the other this could be part of the problem. A difference of a few PSI is ac-
ceptable, but anything over that is an issue. If the pump is asymmetrical Clark pump repairs
should be done before continuing with these tests. Ask for CP-5 Clark Pump Checkout in-
structions. If no asymmetry is noted, please do this test.
NOTE: On Ventura 150 and 200 models with only one feed pump, disregard the instructions
concerning “pump two” and “both”
Make sure the ShurFlo overpressure cutout switches (part no. PL-PMP-SFPH) are set to 125
psi. With pump 1 running, close the brine service valve. The feed pressure should rise to 125
psi and the pump should shut off. Repeat with pump 2. If the pumps shut off at a lower pres-
sure see “SF-2 Adjust ShurFlo Pressure Switch” bulletin.
1. Log the pressure on pump 1, pump 2, and both. Log the product GPH (LPH) at the same
time.
2. Log the voltage at the feed pumps at the same time. Confirm at least 12.5 volts at the
pumps. You may have to run the engine or battery charger.
3. Measure the total flow rate of the system. Run the system making water and divert BOTH
the brine discharge AND product water into a bucket. Time how long it takes to make a
given amount of water. Repeat with pump 2 and both pumps.
In order to make good water, you need the proper amount of feed water flow. Each pump
alone should produce 1.5 gallons per minute (5.7 lpm). Running on both pumps the flow
should be 2.7 gpm (10 lpm).
Compare the product flow to the total feed flow. Product flow should be 7% of total flow for
a 150, and 9.5% of total flow for a 200 or 380 model. If product percentage is low, you may
have an internal leak in the Clark pump.
For every 1/10th of a gallon per minute of feed water flow loss, we will lose about 1/2 gallon
per hour of product flow and the salinity will go up 100ppm. Low feed flow combined with
low system pressures, (see “Misc-4: Nominal Pressures”), is most frequently due to worn
ShurFlo pump heads (part no. PL-PMP-SFPH).
9/24/04

43
Z-BRANE
OPERATION
MANUAL
Spectra Watermakers Inc.
20 Mariposa Rd., San Rafael, CA 94901
Phone 415-526-2780 Fax 415-526-2787
Email: spectra@spectrawatermakers.com
Http://www.spectrawatermakers.com
Current manuals/Z-Brane 12/10/04

44
The Z-brane is a revolutionary product which incorporates the Z-Guard High Voltage
Capacitive technology into the membrane pressure vessel. Always active, the Z-Brane
creates an environment that is unfriendly to bio-film and bacteria. The Z technoalgy also
assits in the prevention of scale formation on the membrane surfaces. The Z-Brane allows
the system to be shut down or decommissioned for extended periods of time without
chemicals or preservatives. The Z-Brane will not prevent freezing so that in cold climates
Propylene Glycol is still required.
The Z-Brane system is integral with the watermaker unit and only requires continuous
12Vor 24V DC power to be operative. The installation of the Z-Brane only consists of
wiring the power supply to a continuous source The Z-brane power supply can tolerate
voltages between 10V and 28V DC.
Note: There is no reason to open the transformer enclosure. Do not ser-
vice this unit without disconnecting the power source! There may be
high voltage present.
It is recommended that the Z-Brane be connected to a discreet continuous power source.
The power must be on during the time that the system is operation and during the time the
Z-Brane is used for membrane storage. If the power is obtained from the MPC then the
MPC must be powered up at all times during storage. This may not be desirable.
Fuse the power at the source with a 5 amp fuse or circuit breaker.
Red is Positive (+) , Black is Ground (-)
Z-Brane Power Harness

45
Operation
During normal operation the Red LED should be on . Power needs to be supplied to the Z-
Brane unit at all times that you wish to have the biofouling and scale protection. We recom-
mend that your watermaker be flushed after each use not only to protect the membrane but to
prevent corrosion in the feed water system. To achieve full effectiveness thoroughly fresh
water flush the watermaker several times before leaving the vessel.
The Z-Brane may be de-powered if the system is stored with chemicals or winterized with
Glycol.
DO NOT DISCONNECT
OR SPLICE ANY OF THE
HIGH VOLTAGE WIRING!
Contact the factory if
modifications are required.
Power on LED
High Voltage
connector

46
Front View
Rear View
3/8 NPT Quick Disc. Body
PL-QDC-BD3/8
5/8 Quick Disc. Hose Barb
PL-QDC-HB5/8
Plate Bracket
FM-PVB-PB
Rubber Mount
HD-RBP-RM
Plastic Spacer
HD-SPN-MKINS
Plate Bracket End Cap
FM-PVB-PBE
Clear Filter Housing (Bowl & Cap)
FT-FTH-10L
Clear Filter Housing O-ring
SO-FHS-10H
3/4”NPT X 1/2” Hose Barb Elbow
PL-HBE-3/4X1/2 1-Way Solenoid Valve
12V,
PL-SLN-1/4O12,
3/4”NPTX5/8” Hose Barb
PL-HBS-3/4X5/8
Pressure Vessel End
Cap
FT-PV-EP
Pressure Vessel End Ring
FT-PV-ER
1/2” High Pressure Tube
PL-NLT-1/2HP
Part Numbers

47
Sea Strainer (Lid & Bowl& Screen)
FT-STN-5
Sea Strainer Screen
FT-STN-5S
Sea Strainer O-ring
SO-STN-5SS
1-Way Solenoid Valve 12V,
PL-SLN-1/4O12,
1/4”NPT X 5/8” Hose Barb El.
PL-HBE-1/4X5/8
3/4”NPT X 5/8 Hose Barb El.
PL-HBE-3/4X5/8
1/4” Street El.
PL-MFF-1/4X1/4
Pressure Sensor
EL-SSR-150
Filter Housing
Bracket Duplex
FT-FHB-10HD
3/4” Nipple
PL-NP-3/4N
High Pressure Filter Housing (Lid & Bowl)
FT-FTH-10H
Filter Housing O-ring
SO-FHS-10
Accumulator Tank
PL-ACC-TK
Pressure Guage
PL-PSG-LP1.5
1/2” X 1/8” Bushing Reducer
PL-BSH-1/2X1/8N
1/2” Nipple
PL-NP-1/2N
1/2” Female Tee
PL-TEE-1/2FN
1/2”NPT X 5/8
Hose Barb
PL-HBS-1/2X5/8
3/8”NPT X 5/8” Hose Barb El.
PL-HBE-3/8X5/8
Charcoal Filter Cartridge
FT-FTC-CC
Part Numbers

48
3/4”-16 ST X 1/2”
Tube Fitting El.
PL-MTE-3/4SX1/2
3/8”NPTX3/8”Tube Fitting
PL-MTS-3/8X3/8P
3/8”NPT X 1/2” Tube Fitting SS.
PL-MTS-3/8X1/2S
1/8”FPT X 1/2”
Tube Fitting El.
PL-FTE-1/8X1/4P
1/8” Hex Plug
PL-HP-1/8
Part Numbers
EL-MPC-SP
SALINITY PROBE
SUB-NP-DVM
DIVERSION VALVE
MANIFOLD
PL-MTS-1/4X3/8P
1/4"MPT X 3/8" TUBE
FITT. ST.
EL-SSR-IFM
INLINE FLOW METER
SENSOR
PL-CKV-1/4M-F
1/4" PLASTIC CK VALVE (M-F)
PL-SLN-1/4D12VB 1/4" DIVERSION VALVE 12V W/O VB
PL-FTS-3/8X1/4P
3/8"FPT X 1/4"TUBE FITT ST.
REDUCING COUPLING
PL-UNN-3/8X1/4N
MPC CONTROL PANEL (VFD)
EL-MPC-RMCDFD

49
Valve End Block B
HP-TB-VEB-B
3/8”NPT Quick Disc. Coupling Body
PL-QDC-BD3/8
5/8” Quick Disc. Fitting Hose Barb
PL-QDC-HB5/8
1/2” High Pressure Tube
PL-NLT-1/2HP
1/4” Product Tube
PL-NLT-1/4LP
3/8” Low Pressure Tube
PL-NLT-3/8LP
Stainless Fitting Hex Nut
PL-HWR-1/2HN
1/2” Stainless Ferrule
PL-HWR-1/2FR
Connector O-ring
SO-HPP-CT
3/4”-16 Straight Thread O-ring
SO-FT-STF
Part Numbers

50
Fig 1
Fig 2 Fig 3
3/4” 3-Way Valve
PL-VLV-3W3/4
Cooling Fan 12V, 24V
KIT-FK-12,24
Feed Pump Heat Sink
EL-FP-FPHS
Ventura Feed Pump Bracket
FM-VT-ITM
Feed Pump 12V, 24V
EL-FP-12V, 24V
3/8”NPT X 5/8” Hose Barb El.
PL-HBE-3/8X5/8
Pump Head Assembly W/Press. Switch
PL-PMP-SFPH
Feed Pump Pressure Switch
EL-FP-PS
Part Numbers

51
End block B
End Cap
Cylinder ring
Stainless steel tube
End block A
Brine out
Valve block
Pressure relief valve
Center block
Front View
Feed in
Clark Pump
Composite cylinder
and base
End block A
End cap
Cylinder ring
Stainless steel tube
End block B
Valve block
Alternate brine out
Reset button
Not on all units
Test port
Center block
Back View
High pressure out
Clark Pump
High pressure in
Composite cylinder
and base
HP-TB-VEB-B
HP-TB-VB
HP-TB-VEB-A
HP-TB-BV
HP-CB-CB7,
HP-CYL-SST
HP-CYL-R
HP-CYL-EC
HP-CYL-CCA
Parts
Not used

52
5/16"-3 1/4" SS AH Bolts
Spool Seal
Spool End
Spool Assembly
Annular Rings
Spool Center
Quad Ring Seal
Exploded View
Spool Assembly
Spool Seal
Quad Ring Seal
Spool End
Valve Block
Relief Valve
Mount inside Valve Block
Annular Ring O-Rings
Relief Valve
O-Ring
Reset button and O-ring
Spacer ring
Valve spool
Spool piston
End block A
Piston O-ring
Valve bore O-ring
Spacer ring
Valve block
Brine port
O-ring
Pilot port O-rings
Reversing Valve
End Blocks
5/16"- 2 3/4" SS A.H. bolts
Spool piston
Valve bore
O-ring
End block B
Piston O-ring
HD-CPS-5/16X3
KIT-HP-10VSA
HP-TB-AR
SO-HPP-AR
SO-HPP-RV
HP-TB-BV
HD-CPS-5/162.75
SO-HPP-SP, PS20
HP-TB-VSP,VSP20
HP-TB-SR
SO-HPP-VB
SO-HPP-PLP
SO-HPP-VP

53
Pilot valve port seals
Valve port seals
Pin seals
Center Block
Check valve port O-rings
Piston to rod O-rings (2)
Inside pistons Glass rod models only
Rod lip seals
Mount inside block
Clip rings
Check valve assembly
Center block cylinder O-rings
Pilot spool O-rings (4)
Mount inside block
Pilot valve pin
Pin seal O-rings
Pilot spool
Center block
Check valve poppet
Feed in
Check valve spring
Check valve seat
Check valve
O-ring
Check valve retainer
Check valve washer
Pilot orifice
Piston rod
HP-CYL-3/4R,
SO-HPP-VP
SO-HPP-PLP
SO-HPP-ECCB
SO-HPP-PV
HP-CB-PVS
HP-CB-PPS
SO-HPP-PS
HP-CB-PVPS
HP-CB-PVCR
SO-HPP-PR7,
PR10,PR15
SO-HPP-CVP
HP-CB-PO
SO-HPP-CVS
HP-CB-CVS
HP-CB-CV
HP-CB-CVR
Parts

54
Cylinder Assembly
End cap O-ring
Cylinder end cap
Cylinder Ring
S.S compression
fittings
1/2" SS tube Piston with seal
Composite cylinder
and base
PL-MTS-3/8X1/2S
HP-CYL-SST
HP-CYL-CCA
SO-HPP-ECCB
HP-CYL-EC
HP-CYL-R
HP-CYL-PT
Parts