Star Micronics Printer Tup500 Users Manual THERMAL SERIES
Star Micronics Printer TUP500 star-micronics-thermal
TUP500 to the manual ecff1c4c-252c-47aa-a64c-7d7dd45ccaf3
2015-02-02
: Star-Micronics Star-Micronics-Printer-Tup500-Users-Manual-487901 star-micronics-printer-tup500-users-manual-487901 star-micronics pdf
Open the PDF directly: View PDF
.
Page Count: 70
- TUP500 SERIESTECHNICAL MANUAL
- NOTICE
- INTRODUCTION
- CHAPTER 1ADJUSTMENTS
- CHAPTER 2MAINTENANCE AND LUBRICATION
- CHAPTER 3PARTS LIST
- 1. Printer Assembly
- 2. Mechanism Base Unit
- 3. Printer Mechanism Unit
- 4. Sub-Assembly
- 5. Block Diagram
- 6. Main Logic Board
- 7. Sub Board
- 8. Control Panel Board
- 9. Snout Board
- 10. Serial Interface Board (25pin)
- 11. Serial Interface Board (9pin)
- 12. Parallel Interface Board
- 13. USB Interface Board
- 14. Ethernet Interface Board
THERMAL PRINTER
TUP500 SERIES
TECHNICAL MANUAL
[ FIRST EDITION ]
NOTICE
• All rights reserved. Reproduction of any part of this manual in any form whatsoever, without STAR’s express
permission is forbidden.
• e contents of this manual are subject to change without notice.
• All eorts have been made to ensure the accuracy of the contents of this manual at the time of going to press.
However, should any errors be detected, STAR would greatly appreciate being informed of them.
• e above notwithstanding, STAR can assume no responsibility for any errors in this manual.
© Copyright 2009 Star Micronics Co.,Ltd.
INTRODUCTION
is manual describes the thermal printer TUP500 series.
It is designed for use as a reference for periodic inspections and maintenance procedures to be executed by
service personnel. It is not intended for the general user. Users of this manual should have a basic knowledge
and understanding of the English language.
● is manual is divided into the following sections:
Chapter 1 Adjustments
Chapter 2 Maintenance and Lubrication
Chapter 3 Parts List
● First edition : Feb. 2009
CHAPTER 1
ADJUSTMENTS
is printer has undergone various adjustments so that it will attain a given standard of performance.
In this chapter, a brief explanation is given of the methods for making adjustments.
Follow the instructions when performing maintenance inspections or when replacing parts to correct malfunctions.
1. Sensor Adjustment ........................................................................2
1.1 Adjustment of the PE/BM Sensor .......................................................................2
1.2 Adjustment of the NE Sensor ..............................................................................4
1.3 Adjustment of the Presenter Sensor ..................................................................5

1. Sensor Adjustment
Presenter Sensor
is printer is equipped with the following three paper sensors: PE/BM Sensor
• PE(Paper End)/BM(Black Mark) Sensor
Detects presence of roll paper and black marks.
• NE(Near End) Sensor
Detects whether the roll paper is nearing its end.
• Presenter Sensor (TUP592 Only)
Detects paper in presenter.
e aforementioned sensors can be adjusted as follows.
NE Sensor
1.1 Adjustment of the PE/BM Sensor
1. Turn the printer o and unplug the power cord.
2. Remove the screws. en, remove the board chassis.
3. Using the tip of a ballpoint pen or a similar object, set the DIP switches as follows: DSW1-4 OFF, DSW1-5 ON.
Screw DIP Switch DSW1
Board chassis
- 2 -

- 3 -
4. Set ordinary paper that is not used for black marks, in the PE/BM sensor unit shown below.
Use the release lever to open the platen unit (the TUP592 includes presenter unit), insert the paper from the paper
insertion inlet and then close the platen unit to set the paper.
5. Turn the power on. e LED on the control panel will ash two times, then the printer will enter the PE/BM sen-
sor adjustment mode.
6. Use a small regular screwdriver to slowly turn the VR1 clockwise, as shown in the drawing below. Adjust this to a
position where both LED1 (green) and LED2 (red) light.
7. Turn the power OFF.
8. Turn the DIP switch DSW 1-4 and DSW 1-5 to its original setting.
is completes the PE/BM sensor adjustment.
VR1
VR2
VR3
VR4
VR5
VR6
LED1
LED2
SW2 SW1
Control Panel

- 4 -
1.2 Adjustment of the NE Sensor (TUP592 Only)
1. Turn the printer o and unplug the power cord.
2. Remove the screws. en, remove the board chassis.
3. Using the tip of a ballpoint pen or a similar object, set the DIP switches as follows: DSW1-4 OFF, DSW1-5 ON.
Screw
Board chassis
DIP Switch DSW1
4. Set unused roll paper that will actually be use.
5. Connect the AC adapter and turn the power switch on while pressing switch SW2 on the control panel. e LED
on the control panel will ash two times, then the printer will enter the NE sensor adjustment mode.
6. Use a small regular screwdriver to slowly turn the VR6 clockwise, as shown in the drawing below. Adjust this to
a position where both LED1 (green) and LED2 (red) light. If it is not possible to adjust to a position where both
LED1 (green) and LED2 (red) light, adjust to a position where LED1 (green) is extinguished and LED2 (red) is lit.
Note: When tilting the unit, be careful that the paper does not fall out.
7. Turn the power OFF. Turn the DIP switch DSW 1-4 and DSW 1-5 to its original setting.
is completes the NE sensor adjustment.
VR1
VR2
VR3
VR4
VR5
VR6
LED1
LED2
SW2 SW1
Control Panel

1.3 Adjustment of the Presenter Sensor
1. Turn the printer o and unplug the power cord.
2. Remove the screws. en, remove the board chassis.
3. Using the tip of a ballpoint pen or a similar object, set the DIP switches as follows: DSW1-4 OFF, DSW1-5 ON.
Screw DIP Switch DSW1
Board chassis
4. Set paper into the presenter portion as shown below.
Li the paper holder and insert the paper. Rotate the knob toward yourself to set the paper perfectly straight.
Paper Holder
Knob
- 5 -

- 6 -
5. Connect the AC adapter and turn the power switch on while pressing switch SW1 on the control panel. e LED
on the control panel will ash two times, then the printer will enter the presenter sensor adjustment mode.
6. Use a small regular screwdriver to slowly turn the VR3 clockwise, as shown in the drawing below. Adjust this to a
position where both LED1 (green) and LED2 (red) light.
If the position where both LED1 (green) and LED2 (red) light, turn VR3 clockwise slowly to adjust to a position
where both LED1 (green) and LED2 (red) light.
Note: 1) When adjusting, always rotate clockwise.
If rotated in the other direction, accurate adjustment is not possible.
2) Each time the printer enters the presenter paper detection sensor adjustment mode, this
adjustment is necessary.
3) There is a point where the LED ashes instantly. That is not an adjustment position.
There is a point where the LED lights completely. That is the adjustment position.
7. Turn the power OFF. Turn the DIP switch DSW 1-4 and DSW 1-5 to its original setting.
is completes the Presenter sensor adjustment.
VR1
VR2
VR3
VR4
VR5
VR6
LED1
LED2
SW2 SW1
Control Panel
CHAPTER 2
MAINTENANCE AND LUBRICATION
1. Maintenance ............................................................................................ 8
1-1. Cleaning the Thermal Head and Platen .................................................................8
1-2. Handling Paper Jams .............................................................................................9
1-3. How to Release the Cutter Lock .............................................................................9
2. Lubrication ............................................................................................. 10
2-1. Lubricant .............................................................................................................10
2-2. Lubricating Method ............................................................................................10
2-3. Lubricated Areas ..................................................................................................10

1. Maintenance
In order to maintain the optimum performance of this printer and to prevent trouble, maintenance must be carried out
according to the following items.
When performing maintenance, always turn o the power, and take the appropriate measures to orevent static electricity.
1-1. Periodic Maintenance
To ensure long-term and stable printing, periodically clean the modules. It is recommended that you clean every
3 months or every 500,000 lines.
e thermal head and platen can be cleaned by opening the platen unit (including the presenter unit of TUP592) with
the release lever.
•ermal Head Cleaning Method
To clean the thermal head heating elements, wipe with a cotton swab dampened with an alcohol based cleaner (such
as ethanol or methanol). Also, do not apply excessive force when doing so. Wipe the heating elements gently.
Aer cleaning, check that the alcohol has completely evaporated before closing the platen unit.
•Platen Cleaning Method
Dampen a so cloth with an alcohol-based solvent(such as ethanol or methanol) and wipe the platen while
slowly turning it. Also, complete wipe away all of the paper dust on the rubber platen. If the cleaning is incom-
plete, there may be problems in paper feeds.
• Presenter Sensor and Peripheral Maintenance Method (only TUP592)
Remove any dirt, dust, or paper cuttings that may be adhering to the presenter sensor or the vicinity. Use a so,
dry cotton cloth, swab or brush to clean. Also, do not apply excessive force when doing so.
• PF Roller Cleaning Method (only TUP592)
To clean the PF roller, dampen a so cloth with an alcohol-based solvent (such as ethanol or methanol) and
clean the PF roller while slowly turning it using the knob. Also, do not apply excessive force when doing so.
Wipe the heating elements gently.
Thermal Head
Platen
Presenter Sensor
PF Roller Knob Release Lever
Fig. 2-1 Locations to Perform Periodic Maintenance (TUP592 External View)
- 8 -

1-2. Handling Paper Jams
If recording paper should become jammed, open the platen unit (including the presenter unit of TUP592) and remove
the jammed paper. Never pull on the jammed paper unnecessary while the printer unit is closed because this can damage
the drive system parts.
Remove jammed paper according to the following procedures.
1. Open the platen unit using the release lever.
2. Rotate the knob to remove the jammed paper.
3. Close the platen unit. Check that it has been completely closed at this time.
Notes: 1) When removing the jammed paper, never move you hands near the tear bar or the auto-
cutter because it is very dangerous. Also, when opening or closing the rotating portions, be
careful not to get your hands or ngers caught.
2) When locking the cutter blades, do not forcefully rotate the platen unit (including the
presenter unit of TUP592) because this can be the cause of machine failure. See the following
item 1-3 for releasing the cutter lock and opening the platen unit.
Knob Release Lever
Fig. 2-2 Handling Paper Jams (TUP592 External View)
1-3. How to Release the Cutter Lock
Use the following procedures to release the auto-cutter lock if trouble occurs, such as when paper becomes chewed.
1. Turn the apparatus power o.
2. Rotate the emergency knobs in the direction of the arrows on the top of the auto-cutter unit case to return the
cutter blades to their home position.e emergency knob should be rotated using a tweezers, screwdriver or
ball-point pen to prevent accidents.
Emergency Knob
Auto-cutter
Fig. 2-3 Handling The Cutter Lock (TUP592 External View)
- 9 -

2. Lubrication
Lubrication is very important to maintain optimum performance and to prevent trouble.
2-1. Lubricant
e type of lubricant greatly aects the performance and durability of the printer, especially in a low temperature envi-
ronment. We recommend use of the grease listed below for this printer.
Type of oil Product name Maker
Grease Molykote EM-30L Dow Corning Corporation
Oil Mobil 1 Mobil Oil Co., Ltd.
2-2. Lubricating Method
When lubrication is carried out in assembly and disassembly, wash parts well to remove dust and dirt before lubrication.
If lubrication is removed when cleaning, or if parts have been disassembled or replaced, always re-lubricate them.
Run the sliding parts aer lubricating to allow the lubrication to be evenly distributed.
2-3. Lubricated Areas
Refer to Fig. 2-4.
No. Lubricating Point Grease/Oil
1 Rubbing surfaces of Lock sha and Platen holder EM-30L
2 Rubbing surfaces of Lock sha and Base Frame Unit EM-30L
3 Rubbing surfaces of Gear sha and Gear 36 x 56 x 0.5 EM-30L
4 Rubbing surfaces of Gear sha and Gear 18 x 0.7 - 58 x0.5 EM-30L
5 Cut surfaces of Paper guide Mobil 1
Notes : Use a brush or cotton swab to lubricate the cut surface (5) of the paper guide.
Make sure it does not soil paper that passes through.
- 10 -

5
c
3
4
2 e
e
cd
1
d
1
Fig. 2-4 Lubricated Areas (TMP542)
- 11 -
CHAPTER 3
PARTS LIST
HOW TO USE PARTS LIST
(1) DRWG. NO.
is column shows the drawing number of the illustration.
(2) REVISED EDITION MARK
is column shows a revision number.
Part that have been added in the revised edition are indicated with “#”.
Part that have been abolished in the revised edition are indicated with “*”.
#1 : First edition Second edition *1 : First edition Second editon
(3) PART NO.
Parts numbers must be notied when ordering replacement parts. Parts described as “NPN” have no parts
number and are not in stock, i.e., unavailable.
(4) PARTS NAME
Parts names must be notied when ordering replacement parts.
(5) Q’TY
is column shows the number of the part used as indicated in the gure.
(6) REMARKS
When dierences in specications exist depending on location/destination.
(7) RANK
Parts marked “S” in the rank column can be ordered. Other parts, as a rule, cannot be supplied even if ordered.
Parts marked “O” are optional parts.
1. Printer Assembly ..........................13 8. Operation Panel Board .................47
1-1. Disassembly Drawing ..............13 8-1. Circuit Diagram ........................47
1-2. Parts List ...................................15 8-2. Component Layout ..................47
2. Mechanism Base Unit ..................16 8-3. Parts List ...................................47
2-1. Disassembly Drawing ..............16 9. Snout Board ..................................48
2-2. Parts List ...................................18 9-1. Circuit Diagram ........................48
3. Printer Mechanism Unit ...............19 9-2. Component Layout ..................48
9-3. Parts List ...................................48
3-1. Disassembly Drawing ..............19
3-2. Parts List ...................................21 10. Serial Interface Board(25pin) .......49
4. Sub-Assembly ...............................23 10-1. Circuit Diagram ........................49
10-2. Parts List ...................................50
4-1. Frame R Unit .............................23
4-2. Frame L Unit .............................24 11. Serial Interface Board(9pin) .........51
4-3. Board chassis L Unit ...............25 11-1. Circuit Diagram ........................51
4-4. Presenter Unit PR521 ...............26 11-2. Parts List ...................................52
4-5. Paper Guide Unit (PR521) ........28 12. Parallel Interface Board ...............53
4-6. Guide Frame Unit .....................29 12-1. Circuit Diagram ........................53
4-7. Head Unit ..................................30 12-2. Parts List ...................................54
4-8. Platen Holder Unit ....................31
4-9. Paper Guide Unit ......................32 13. USB Interface Board .....................55
5. Block Diagram ..............................33 13-1. Circuit Diagram ........................55
13-2. Component Layout ..................56
6. Main Logic Board .........................34 13-3. Parts List ...................................57
6-1. Circuit Diagram ........................34 14. Ethernet Interface Board ..............58
6-2. Component Layout
6-3. Circuit Number Dia
..................
gram ..........
39
40 14-1. Circuit Diagram ........................58
14-2. Component Layout ..................63
6-4. Parts List ...................................41 14-3. Parts List ...................................64
7. Sub Board .....................................46
7-1. Circuit Diagram ........................46
7-2. Component Layout ..................46
7-3. Parts List ...................................46

D C 2 4 V
9 9
5
9
9 9
5
5
5
58
80
1. Printer Assembly
1-1.Disassembly Drawing
A. TUP592
19
10
3
4 19
7 12
18 2
18
17
18
16 9 14
17
1
5 18 13 14
11 a
b 8
16
18
15 16
b 18
a 18
18
6
20
21
- 13 -
18

D C 2 4 V
9 9
5
9
9 9
5
5
5
58
80
B. TUP542
19
10
3
4 19
7
18 2
18
17
18
16 9 14
17
1
5 18 13 14
11 a
b 8
16
18
15 16
b 18
a 18
18
6
20
21
- 14 -
18

1-2. Parts List
Printer Assembly
DRWG.NO. REV. PARTS NO. PARTS NAME Q' TY REMARKS RANK
1 39590310 NEU-T500 1 O
2 37421600 ROLL PAPER HOLDER S ASSY TUP5 1 S
3 33914240 ROLL PAPER HOLDER S TUP5 1 S
4 NPN ROLL PAPER SHAFT TUP5 1
5 NPN BOARD CHASSIS U UNIT TUP5 1
6 NPN BOARD CHASSIS L UNIT TUP5 1
7 37420420 MECHANISM BASE UNIT TUP5 1 TUP592 S
37420430 MECHANISM BASE A UNIT TUP5 1 TUP542 S
8 NPN FRAME L UNIT TUP5 1
9 NPN FRAME R UNIT TUP5 1
10 33914250 ROLL PAPER HOLDER M TUP5 2 S
11 NPN BOTTOM FRAME TUP5 1
12 NPN WEIGHT BAR PR5 1 TUP592
13 NPN FRAME STAY TUP5 1
14 30510900 SPRING E093-090-0284 2 S
15 NPN FERRITE CORE SFC-3 1
16 04991204 FASTENER T18S 4 S
17 01923004 DESIGNED SCREW 3-4 3 S
18 01903030 SCREW TR 3-4 FL 1 S
19 00930603 SCREW TAT 3-6 PT 4 S
20 39607510 INTERFACE BOARD IFBD-HU05 1 OPTION:USB O
39607502 INTERFACE BOARD IFBD-HE05 1 OPTION:ETHERNET O
39607300 INTERFACE BOARD IFBD-HN03 1 OPTION:SERIAL 9 PIN O
39607211 INTERFACE BOARD IFBD-HC03 1 OPTION:PARALLEL IF O
39607200 INTERFACE BOARD IFBD-HD03 1 OPTION:SERIAL 25 PIN O
21 30781790 ADAPTER SET PS60A-24B CH 1 OPTION O
30781780 ADAPTER SET PS60A-24B AS 1 OPTION O
30781770 ADAPTER SET PS60A-24B UK 1 OPTION O
30781760 ADAPTER SET PS60A-24B EU 1 OPTION O
30781750 ADAPTER SET PS60A-24B US 1 OPTION O
- 39590300 RHU-T500 1 OPTION O
39591010 DRU-T500B 1 OPTION O
- 15 -

6
2. Mechanism Base Unit
2-1. Disassembly Drawing
A. TUP592
27
8
4
73
1
7
- 16 -
7

B. TUP542
5
6
27
8
5
3
1
- 17 -
7

2-2. Parts List
Mechanism Base Unit
DRWG.NO. REV. PARTS NO. PARTS NAME Q' TY REMARKS RANK
1 38400000 TMP592-24 1 TUP592 S
39454000 TMP542-24-A 1 TUP542 O
2 33913000 HANDLE TUP9 1 S
3 NPN MECHANISM BASE TUP5 1
4 NPN WIRE 18UL1007BRN060TT 1 TUP592
5 04991204 FASTENER T18S 3 TUP542 S
6 01903090 SCREW TAT 3-8 CT-FL 2 S
7 01903077 SCREW TAT 3-5 CT-FL 6 TUP592 S
01903077 SCREW TAT 3-5 CT-FL 4 TUP542 S
8 09992102 SPIRAL TUBE 6.0 1 S
- 18 -

3. Printer Mechanism Unit
3-1. Disassembly Drawing
A. TUP592
5
7
5
2
4
6
3
6
1
- 19 -

B. TUP542
9
28
28
28 2
28 c
27 28
15 8
17 7
16
29
28
10
1 23
29
19 13
24
3 e
5 4 30
20
24
e 21
18 14
cd 26
23 22
12 6
24
25
11
d
- 20 -

1
2
3
4
5
6
7
3-2. Parts List
Printer Mechanism Unit (TUP592)
DRWG.NO. REV. PARTS NO. PARTS NAME Q' TY REMARKS RANK
39515200 PR521-24-A 1 O
39454000 TMP542-24-A 1 O
37413800 STOPPER UNIT TMP5 1 S
33914310 LOOP GUIDE PR5 1 S
04991204 FASTENER T18S 3 S
01903077 SCREW TAT 3-5 CT-FL 3 S
01903030 SCREW TR 3-4 FL 2 S
- 21 -

Printer Mechanism Unit (TUP542)
DRWG.NO. REV. PARTS NO. PARTS NAME Q' TY REMARKS RANK
1 37483030 SPRING HOLDER UNIT TMP9 1 S
2 37425500 DAMPER ROLLER A ASSY TUP5 1 S
3 37419020 HEAD UNIT TMP5 1 S
4 37417200 PLATEN SWITCH UNIT TMP5 1 S
5 37417100 TERMINAL BOARD UNIT TMP5 1 S
6 37413200 PLATEN HOLDER UNIT TMP5 1 S
7 37413010 PAPER GUIDE UNIT TMP5 1 S
8 37412100 PF MOTOR UNIT TMP5 1 S
9 37412010 CUTTER UNIT TMP5 1 S
10 NPN BASE FRAME UNIT TMP5 1
11 33914230 PAPER FEEDER TMP5 1 S
12 33914200 BLADE COVER TMP5 1 S
13 33490060 HEAD ADJUSTER TMP9 1 S
14 33400121 RELEASE LEVER TMP9 1 S
15 33102300 GEAR 36X56X0.5 TMP9 1 S
16 33102290 GEAR 18X0.7-58X0.5 TMP9 1 S
17 NPN GEAR COVER TMP5 1
18 NPN PLATEN PIVOT TMP5 1
19 NPN PRESS SHAFT TMP5 1
20 30721701 CABLE UNIT 14X380CC TMP9 1 S
21 30531160 RELEASE SPRING TMP9 1 S
22 30510350 SPRING E038-040-0118 1 S
23 04991204 FASTENER T18S 2 S
24 04020010 STOP RING SE2.0 3 S
25 01902123 SCREW TAT 3-6 CT-FL-ZN 2 S
26 01903077 SCREW TAT 3-5 CT-FL 1 S
27 01903064 SCREW TAT 3-5 CT 2 S
28 01903030 SCREW TR 3-4 FL 7 S
29 00930603 SCREW TAT 3-6 PT 2 S
30 00816604 SCREW TR 1.6-6 1 S
- 22 -

4. Sub-Assembly
4-1. Frame R Unit
9
-
1
3
4
2
5
6
DRWG.NO. REV. PARTS NO. PARTS NAME Q' TY REMARKS RANK
9-1 NPN FRAME R ASSY TUP9 1
9-2 33210520 BUSHING TUP9 1 S
9-3 30211050 PF ROLLER BEARING TMP6 1 S
9-4 04020016 STOP RING SE4.0 1 S
9-5 02010401 HEXAGON NUT NH4-1 2 S
9-6 01914003 SCREW TR 4-10 WS/WF 2 S
- 23 -

4-2. Frame L Unit
8
-
9
1
3
5
7
10
2
8
4
6
DRWG.NO. REV. PARTS NO. PARTS NAME Q' TY REMARKS RANK
8-1 NPN FRAME L ASSY TUP9 1
8-2 33912000 CLAMP TUP9 1 S
8-3 33210520 BUSHING TUP9 1 S
8-4 30531180 CLAMP SPRING TUP9 1 S
8-5 30211050 PF ROLLER BEARING TMP6 1 S
8-6 NPN PAPER SET SEAL TUP9 1
8-7 04020016 STOP RING SE4.0 1 S
8-8 02010401 HEXAGON NUT NH4-1 2 S
8-9 01914003 SCREW TR 4-10 WS/WF 2 S
8-10 01903060 SCREW TAT 3-8 PT-FL 1 S
- 24 -

DRWG.NO. REV. PARTS NO. PARTS NAME Q' TY REMARKS RANK
6-1 39591500 OPA-T900 1 O
6-2 37427910 CABLE UNIT 6X220CC ASSY TUP5 1 S
6-3 NPN BOARD CHASSIS L ASSY TUP5 1
6-4 39206600 POWER SUB BOARD PBD-5 1 O
6-5 39206100 CONTROL BOARD TBD500-24-A 1 O
6-6 04991902 MINI CORD CLAMP ES-6U 1 S
6-7 04991258 CORD CLAMP ES-0510 1 S
6-8 04991254 CORD CLAMP EDS-1208U 1 S
6-9 01903030 SCREW TR 3-4 FL 6 S
6-10 00930609 SCREW TAT 3-6 CT 2 S
6-11 00630504 SCREW TR 3-5 2 S
4-3. Board chassis L Unit
9
6
-
52
9
A
9 1
A
11
11
9
6
7
8
10
9
3
4
- 25 -

4-4. Presenter Unit PR521
1
-
B
24
13 5
23 12 11
25
23 3
14
26 17 27 6
1 22
17 21
17 6
20 21 10
15
2 4
18 27
19 22
B 25
22
25
8 15
22 20 9
25 19
18
7
16
- 26 -

Presenter Unit PR521
DRWG.NO. REV. PARTS NO. PARTS NAME Q' TY REMARKS RANK
1-1 37517060 TERMINAL BOARD UNIT PR5 1 S
1-2 37514030 SLIP WHEEL UNIT PR5 1 S
1-3 37513100 ROLLER HOLDER UNIT PR5 1 S
1-4 37513080 PAPER GUIDE UNIT PR5 1 S
1-5 37512030 PAPER FEED MOTOR UNIT PR9 1 S
1-6 37511100 MAGNET COVER UNIT PR5 2 S
1-7 NPN GUIDE FRAME UNIT PR5 1
1-8 NPN PRESENTER FRAME UNIT PR5 1
1-9 33990010 KNOB PR9 1 S
1-10 33914290 REAR GUIDE PR5 1 S
1-11 33914280 PAPER HOLDER PR5 1 S
1-12 33911160 DETECTOR HOLDER PR5 1 S
1-13 NPN GEAR COVER PR5 1
1-14 30721740 CABLE UNIT 8X350CC PR9 1 S
1-15 30211080 PF ROLLER BEARING MP5III 2 S
1-16 30201210 PAPER FEED ROLLER PR5 1 S
1-17 04991204 FASTENER T18S 3 S
1-18 04020015 STOP RING SE3.0 2 S
1-19 04020010 STOP RING SE2.0 2 S
1-20 02304050 POLY-SLIDER WP4X0.5 2 S
1-21 02030261 HEXAGON NUT NH2.6-3 2 S
1-22 01902615 SCREW TAT 2.6-6 PT 4 S
1-23 00926403 SCREW TAT 2.6-4 CT 3 S
1-24 00820804 SCREW TR 2-8 1 S
1-25 00820304 SCREW TR 2-3 5 S
1-26 00630404 SCREW TR 3-4 2 S
1-27 00626604 SCREW TR 2.6-6 2 S
- 27 -

4-5. Paper Guide Unit (PR521)
1
-
4
-
1
3
2
DRWG.NO. REV. PARTS NO. PARTS NAME Q' TY REMARKS RANK
1-4-1 37517210 PE DETECTOR ASSY A PR5 1 S
1-4-2 NPN PAPER GUIDE PR5 1
1-4-3 30045110 GUIDE PR5 2 S
- 28 -

4-6. Guide Frame Unit
1
-
7
-
1
4
2
3
3
DRWG.NO. REV. PARTS NO. PARTS NAME Q' TY REMARKS RANK
1-7-1 37511500 DETECTOR COVER ASSY PR5 1 S
1-7-2 NPN GUIDE FRAME PR5 1
1-7-3 30992050 DISCHARGE BRUSH PR5 2 S
1-7-4 01902028 SCREW TAT 2-4 1 S
- 29 -

4-7. Head Unit
2
-
3
-
7
1
2
3
4
6
5
DRWG.NO. REV. PARTS NO. PARTS NAME Q' TY REMARKS RANK
2-3-1 NPN HEAD HOLDER TMP5 1
2-3-2 31210001 COLLAR TMP8 1 S
2-3-3 30905090 THERMAL HEAD TAE080-H8E621 1 S
2-3-4 30723190 CABLE UNIT B TMP5 1 S
2-3-5 30723180 CABLE UNIT A TMP5 1 S
2-3-6 04991204 FASTENER T18S 1 S
2-3-7 01903030 SCREW TR 3-4 FL 2 S
- 30 -

DRWG.NO. REV. PARTS NO. PARTS NAME Q' TY REMARKS RANK
2-6-1 37413700 PLATEN ASSY TMP5 1 S
2-6-2 NPN BLADE GUIDE TMP10 1
2-6-3 NPN PLATEN HOLDER TMP5 1
2-6-4 NPN LOCK SHAFT TMP5 1
2-6-5 30903100 STATIONARY KNIFE KC-GS90 1 S
2-6-6 30211090 PF ROLLER BEARING TMP5 2 S
2-6-7 04020016 STOP RING SE4.0 1 S
2-6-8 04020010 STOP RING SE2.0 2 S
2-6-9 00926403 SCREW TAT 2.6-4 CT 2 S
4-8. Platen Holder Unit
2
-
6
-
1
4
7
8 6
5
8
3
2
9
- 31 -

2
11
DRWG.NO. REV. PARTS NO. PARTS NAME Q' TY REMARKS RANK
2-7-1 37417500 PE DETECTOR ASSY TMP5 1 S
2-7-2 33914220 SIDE GUIDE R TMP5 1 S
2-7-3 33914210 SIDE GUIDE L TMP5 1 S
2-7-4 33100240 GUIDE PINION 18X0.5 TMP9 1 S
2-7-5 33090040 RACK TMP5 2 S
2-7-6 32592140 GROUND SPRING TMP5 1 S
2-7-7 NPN PAPER GUIDE ASSY TMP5 1
2-7-8 04020010 STOP RING SE2.0 1 S
2-7-9 02303025 POLY-SLIDER WP3X0.25 1 S
2-7-10 01902028 SCREW TAT 2-4 1 S
2-7-11 00920603 SCREW TAT 2-6 PT 4 S
4-9. Paper Guide Unit
2
-
7
-
6
1
3
10
7
4
5 9
8
5
11
- 32 -

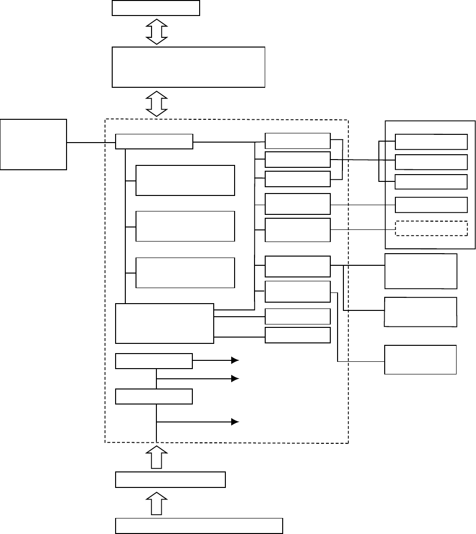
5. Block Diagram
Host Computer
Interface Board
(Parallel, RS-232C, USB, Ethernet)
CN41
Control Panel
Board
(OPA-T900)
EEPROM
Flash ROM
16M bit
Head Driver Thermal Head
Feed Motor
SRAM
2M bit
Cutter
SRAM
2M bit
Presenter
Driver Presenter
(TUP592 only)
Sensor Circuit
Sensor
CPU
Gate Array
Regulator
Peripheral Driver
CN42
DIP Switch
CN31
CN22
CN23
CN21
DC-DC Converter
Main Logic Board
Motor Driver
Cutter Driver
Sensor Circuit
CN33
CN32
Printer Mechanism
Paper Near End
Sensor
(NEU-T500)
Mechanical
Sensor
( Prepared by User)
LED Circuit
(SNOUT-T500)
( Option)
+3.3 V CN34
+5 V
+24 V
CN11
Sub-board (PBD-5)
Power Unit (Adapter Unit PS60A-24B)
- 33 -

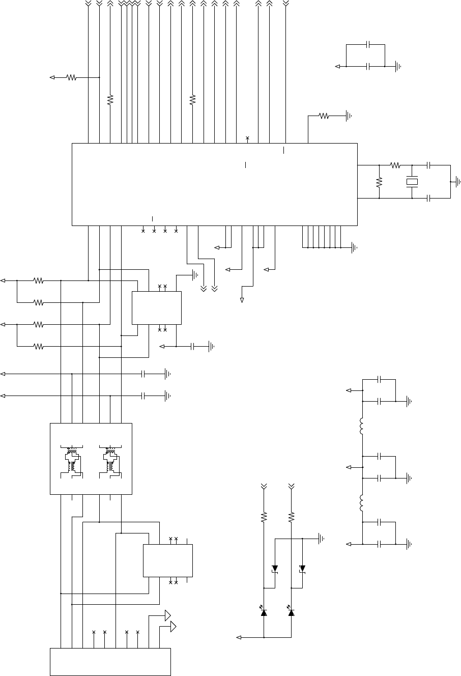
6. Main Logic Board
6-1. Circuit Diagram
GALFCK
GAHDON
GAINTHDSD
GAINTIFDI0
GAINTIFDI1
GAINT
GAIO3V1
GAIO3V2
GAIO3V0
GAINTIFIO10
GACLKIN
AS
RD
HWR
LWR
GAWAIT
RDWR
CS3
[GA]
CS2
[FROM]
CS1
[SRAM]
FPVPP
EXP0
EXP1
AB[21..0]
DB[15..0]
PD0/A0
PD1/A1
PD2/A2
PD3/A3
PD4/A4
PD5/A5
PD6/A6
PD7/A7
PE0/A8
PE1/A9
PE2/A10
PE3/A11
PE4/A12
PE5/A13
PE6/A14
PE7/A15
PF0/A16
PF1/A17
PF2/A18
PF3/A19
PF4/A20
P37/PO15/TIOCA2/TIOCB2/TCLKD-A
P36/PO14/TIOCA2
P30/PO8/TIOCA0/DREQ0-B
P31/PO9/TIOCA0/TIOCB0/TEND0-B
P32/PO10/TIOCC0/TCLKA-A/DACK0-B
P33/PO11/TIOCC0/TIOCD0/TCLKB-A/DREQ1-B
P20/PO0/TIOCA3/TIOCB3/TMRI0/SCK0/IRQ8-A
P21/PO1/TIOCA3/TMCI0/RXD0/IRQ9-A
P22/PO2/TIOCC3/TMO0/TXD0/IRQ10-A
P23/PO3/TIOCC3/TIOCD3/IRQ11-A
P24/PO4/TIOCA4/TIOCB4/TMRI1/SCK1
P25/PO5/TIOCA4/TMCI1/RXD1
P26/PO6/TIOCA5/TMO1/TXD1
P27/PO7/TIOCA5/TIOCB5
P63/TMRI3/DREQ3/IRQ11-B
PH0/D0
PH1/D1
PH2/D2
PH3/D3
PH4/D4
PH5/D5
PH6/D6
PH7/D7
PI0/D8
PI1/D9
PI2/D10
PI3/D11
PI4/D12
PI5/D13
PI6/D14
PI7/D15
P14/DREQ1-A/IRQ4-A/TCLKA-B
P15/TEND1-A/IRQ5-A/TCLKB-B
P16/DACK1-A/IRQ6-A/TCLKC-B
P17/IRQ7-A/TCLKD-B
P11/RXD2/TEND0-A/IRQ1-A
P10/TXD2/DREQ0-A/IRQ0-A
P13/ADTRGO/IRQ3-A
P12/SCK2/DACK0-A/IRQ2-A
PA7/CLKOUT
PA6/AS/AH/BS-B
PA5/RD
PA3/LLWR/LLB
PA4/LHWR/LUB
PA2/BREQ/WAIT
WDTOVF
P60/TMRI2/TXD4/DREQ2/IRQ8-B
P64/TMCI3/TEND3
P61/TMCI2/RXD4/TEND2/IRQ9-B
P65/TMO3/DACK3
PB0/CS0/CS4/CS5-B
P50/AN0/IRQ0-B
P52/AN2/IRQ2-B
P53/AN3/IRQ3-B
P51/AN1/IRQ1-B
P54/AN4/IRQ4-B
MD0
MD1
MD2
PB3/CS3/CS7-A
PB2/CS2-A/CS6-A
PB1/CS1/CS2-B/CS5-A/CS6-B/CS7-B
NMI
STBY
VCC
VCC
VCC
VCC
VCC
AVCC
Vref
VSS
VSS
VSS
VSS
VSS
VSS
VSS
AVSS
VSS
RES
EXTAL
XTAL
VSS
PF5/A21
P62/TMO2/SCK4/DACK2/IRQ10-B
PF6/A22
PF7/A23
P34/PO12/TIOCA1/TEND1-B
P35/PO13/TIOCA1/TIOCB1/TCLKC-A/DACK1-B
P56/AN6/DA0/IRQ6-B
P57/AN7/DA1/IRQ7-B
P55/AN5/IRQ5-B
PA1/BACK/RDWR
PA0/BREQ0/BS-A
PLLVCC
PLLVSS
VCL
EMLE
51
50
93
53
54
55
56
58
59
60
61
63
64
65
66
68
69
70
71
79
80
86
87
73
72
75
74
89
90
91
CS
SDO
SDI
GND
SK
VCC
ORG
DB0
DB1
DB2
DB3
DB4
DB5
DB6
DB7
DB8
DB9
DB10
DB11
DB12
DB13
DB14
DB15
RA09 330 X 4
RA11
330 X 4
RA08 330 X 4
RA06 330 X 4
RA07 330 X 4
IC02
AT93C46-10SU-1.8
EEPSK
EEPSDI
EEPSDO
EEPCS
R101 10K
R103 10K
R102 10K
1
2
3
4
8
7
6
5
1
2
3
4
8
7
6
5
1
2
3
4
8
7
6
5
1
2
3
4
8
7
6
5
1
2
3
4
8
7
6
5
VDD:3.3V
R107 10K
1
4
3
5
2
8
6 R114 0R
VDD:3.3V
BC02
0.022U
R110 330
R111 330
R105 330
R106 330
R108 330
R109 330
R139 330
R127 330
R128 330
R126 330 R551 10K VDD:3.3V
R115 10K
R112 **R VDD:3.3V
R116 100
R118 100
R117 330
R122 220
R119 100
R120 100
R121 100
R125 10K
R123 10K
R124 10K VDD:3.3V
118
116
115
113
114
112
111
C115
27P
C103
**C
C102
**C
C104
**C
C101
**C
C105
**C
R130 220
R132 220
R131 100
R135 10K
R133 10K
R136 10K C106
**C
R168 100
R167 330
330
R166
VDD:3.3V
R165 10K
VDD:3.3V
VDD:3.3V
VDD:3.3V
VDD:3.3V
VDD:3.3V
VDD:3.3V
BC01B
0.1U
BC01C
0.1U
BC01F
0.1U
C111
0.1U
BC01D
0.1U
BC01E
0.1U
BC01A
0.1U
17
26
42
57
67
76
82
103
117
10
39
40
120
3
2
1
19
44
62
85
119
101
105
78
92
94
R146 100 VDD:3.3V
C112
0.1U
84
83
16MHz
XTAL1
CSTCE16M0V
R145 0R
R142 1.5K
VDD:3.3V
R129 **R
C113
0.022U
R143 1.5K
VDD:3.3V
81
52
88
77
6
5
110
33
C109
1000P
IC03
S-80130BNMC
1
2
3
45
DSVSS
NC
OUTVDD
BC03
0.022U
R164 4.7K
SW2
SKHHAL
R162 4.7K
R163 10K
R161 10K
SW1
SKHHAL
C114
0.022U
R138 1K
R137 4.7K_F
ZD01
HZU20B2 ZD02
C3V9S
R134 20K_F
C107
0.1U
VDD:3.3V
R150 1K
R152 1K
R151 1K
98
100
102
99
104
97
109
4
107
108
106
43
45
46
47
34
35
36
37
38
41
95
96
48
49
R149
10K
R148
10K
RA13
10K X 4
DSW1
219-10LPSTRF
DSW1
219-10LPSTRF
RA12
10K X 4
VDD:3.3V
1
2
3
4
8
7
6
5
1
2
3
4
8
7
6
5
VDD:3.3V
DSW2
219-04LPSTRF
VDD:3.3V
RA10
10K X 4
1
2
3
4
8
7
6
5
AB0
AB1
AB2
AB3
AB4
AB5
AB6
AB7
AB8
AB9
AB10
AB11
AB12
AB13
AB14
AB15
AB16
AB17
AB18
AB19
AB20
AB21
R113 330
R104 330
RA02 330 X 4
RA05 330 X 4
RA01 330 X 4
RA04 330 X 4
RA03 330 X 4
32
31
30
29
28
27
25
24
23
22
21
20
18
16
15
14
13
12
11
9
8
7
1
2
3
4
8
7
6
5
1
2
3
4
8
7
6
5
1
2
3
4
8
7
6
5
1
2
3
4
8
7
6
5
1
2
3
4
8
7
6
5
IC01
H8SX1656F
(mode= 6 or 2)
MHDTH
MPE
VM
MNE
MBM
PRS3
PRS2
PRS1
PRS0
VDD:3.3V
VDD:3.3V
RES
VDD:3.3V
Main Logic Board 1/5
- 34 -

Main Logic Board 2/5
- 35 -
VCC
VCC
5VDRV
IFIO0
IFIO1
IFIO2
IFIO3
IFIO4
IFIO5
IFIO7
IFIO9
IFID0
IFID1
IFID2
IFIO6
IFIO8
IFIO10
R205 10K
R202 10K
R201 10K
R204 10K
R203 10K
R206 10K
RA15
10K X 4
1
2
3
4
8
7
6
5
1
2
3
4
8
7
6
5
RA14
10K X 4
IFDI0
IFDI1
IFDI2
IFDI3
IFDI4
IFDI5
IFDI6
IFDI7
R21 8 10K
R22 6 10K
R20 8 10K
R21 7 10K
R21 1 3.3K
R21 9 1.8K
R22 3 10K
R22 0 1.8K
R21 3 10K
R22 1 3.3K
R22 2 10K
R22 5 10K
R21 0 10K
R20 9 10K
R21 4 3.3K
R21 2 10K
R22 4 10K
R21 6 100K
R22 7 10K
R22 8 10K
R21 5 10K
VCC
5VDRV
VCC
BC05
0.022U
C201
18P
IC05B
74AHCT08PWR
IC05D
74AHCT08PWR
IC05A
74AHCT08PWR
IC05C
74AHCT08PWR
4
5
6
12
13
11
1
2
3
9
10
8
VDD:3.3V
VDD:3.3V
VDD:3.3V
VDD:3.3V
VDD:3.3V
VDD:3.3V
VCC
VDD:3.3V
VDD:3.3V
GAIO3V1
PNLLED1
PNLLED2
BC04C
0.1U
BC04B
0.1U
BC04A
0.1U
BC04D
0.1U
BC04E
0.1U
BC04F
0.1U
R242 220_2125
LED1 LT1E40AR241 220_2125
LED2 LT1D40A
15
21
31
34
41
49
60
66
75
91
106
120
62
63
1
30
61
77
90
111
64
65
23
17
19
22
20
24
18
5
50
51
52
53
54
55
59
56
57
58
14
16
25
2
3
4
6
7
8
9
10
11
12
13
26
27
28
29
32
33
35
36
IC04
UPD65943GC-TSPD
A0
A1
A2
A3
A4
A17
A18
A19
D0
D1
D2
D3
D4
D5
D6
D7
WAIT
CS3B
ASB
RDB
HWRB
RAMCSB
INTIFDI0
INTIFDI1
CLKIN
HDON(CPU)
LFCK(CPU)
INTHDSD
IO3V0
INTIFIO10
IO3V2
PFMI0(OD)
PFMI1(OD)
PFMVR(OD)
PFMPH1(OD)
PFMPH2(OD)
PFMPH3(OD)
PFMPH4(OD)
ACSW1
ACSW2
ACDS1(OD)
ACDS2(OD)
INA0
INA1
INA2
INA3
OUTB0(OD)
OUTB1(OD)
PIO0(OD)
PIO1(OD)
PIO2(OD)
PIO3(OD)
PIO4(OD)
PIO5(OD)
PIO6(OD)
PIO7(OD)
PIO8(OD)
PIO9(OD)
PIO10(OD)
PIO11(OD)
PIO12(OD)
PIO13(OD)
DIN0
DIN1
DIN2
DIN3
DIN4
DIN5
DIN6
DIN7
IFACK(OD)
IFERR(OD)
IFSLCT(OD)
IFBUSY(OD)
IFPEND(OD)
IFSTB
IO5V0(OD)
FIFOINT
IO5V2(OD)
HDSCLK
HDSDT
HDLATB
HDSTB1(OD)
HDSTB2(OD)
HDSTB3(OD)
HDPWR(OD)
PNLLED1(OD)
PNLLED2(OD)
VDD
VDD
VDD
VDD
VDD
VDD
PNLSW1
PNLSW2
TST
RES
VSS
VSS
VSS
VSS
VSS
VSS
VSS
VSS
VSS
VSS
VSS
VSS
TEB
HDSTB4(OD)
HDSTB5(OD)
HDSTB6(OD)
OUTB2(OD)
OUTB3(OD)
PNLLED3(OD)
PNLLED4(OD)
GAINT
RDWR
RES
PNLSW1
PNLSW2
R249 1.5K
42
43
44
45
46
47
48
37
38
39
40
79
80
81
82
69
70
67
68
78
74
73
71
72
ACSW1
ACSW2
OPTSNS
MHDUP
DKSIG1
DKSIG2
R240 10K
95
96
97
98
99
101
92
93
76
83
84
87
85
88
86
89
94
100
R207 0R
VDD:3.3V
GAINTIFDI0
GAINTHDSD
GAINTIFDI1
GAWAIT
GAIO3V0
GACLKIN
GAHDON
GALFCK
GAIO3V2
CS3
CS1
LWR
GAINT
RDWR
GAINTIFIO10
PFMI0
PFMI1
PFMPH1
PFMPH2
PFMPH3
PFMPH4
ACDS1
ACDS2
DKEXT1
DKEXT2
PRM1
PRM2
5VDRV
R23 7 1 0K
R23 1 1 0K
R25 1 1 0K
R236 10K
R22 9 1 0K
R23 5 1 0K
R23 8 1 0K
R23 0 1 0K
R25 2 1 0K
R23 3 1 0K
R232 10K
R23 4 1 0K
RD
AS
AB0
AB1
AB2
AB3
AB4
AB17
AB18
AB19
DB0
DB1
DB2
DB3
DB4
DB5
DB6
DB7
112
113
114
115
116
117
118
119
102
103
104
105
107
108
109
110
AB[21..0]
DB[15..0]
LED1
LED
LED SPECIFICATION
Power
Error
LED2
LED3
LED4
Power
Error
Green
Red
Yellowish green
Operation Panel
Main Logic Board
Red
USAGE COLOR
IFACK
IFERR
IFSLCT
IFBUSY
IFPEND
IFSTB
IFINIT
IFTXD
IFRXD
HDSCLK
HDSDT
HDLATB
HDSTB1
HDSTB2
HDSTB3
HDSTB4
HDSTB5
HDSTB6
HDPWR

Main Logic Board 3/5
- 36 -
AB[21..0]
DB[15..0]
FPVPP
RES
HWR
RD
CS2
LWR
CS1
IC06
JS28F160C3BD70
29
31
33
35
38
40
42
44
30
32
34
36
39
41
43
45
DB0
DB1
DB2
DB3
DB4
DB5
DB6
DB7
DB8
DB9
DB10
DB11
DB12
DB13
DB14
DB15
A0
A1
A2
A3
A4
A5
A6
A7
A8
A9
A10
A11
A12
A13
A14
A15
A16
A17
A18
(A20-32M)
WE#
OE#
CE#
Vpp
WP#
RP#
DQ0
DQ1
DQ2
DQ3
DQ4
DQ5
DQ6
DQ7
DQ8
DQ9
DQ10
DQ11
DQ12
DQ13
DQ14
DQ15
VCC
GND
GND
(A21-64M)
(A19-16M)
VCCQ
AB1
AB2
AB3
AB4
AB5
AB6
AB7
AB8
AB9
AB10
AB11
AB12
AB13
AB14
AB15
AB16
AB17
AB19
AB18
AB21
AB20
R310 **0R
R311 0R
25
24
23
22
21
20
19
18
8
7
6
5
4
3
2
1
48
17
16
10
11
28
26
13
14
12
9
15
R304 1.5K
BC06B
**0.1U
VDD:3.3V
BC06A
0.1U
37
27
46
47
IC08
LP62S2048AX-55LLI
DB8
DB9
DB10
DB11
DB12
DB13
DB14
DB15
20
19
18
17
16
15
14
13
3
2
31
1
12
4
11
7
10
9
21
22
23
25
26
27
28
29
AB1
AB2
AB3
AB4
AB5
AB6
AB7
AB8
AB9
AB10
AB11
AB12
AB13
AB14
AB15
AB16
AB17
AB18
AB19
A0
A1
A2
A3
A4
A5
A6
A7
A8
A9
A10
A11
A12
A13
A14
A15
A16
A17
IO1
IO2
IO3
IO4
IO5
IO6
IO7
IO8
WE
CE2
VCC
GNDCE1
OE
VDD:3.3V
BC08
0.1U
5
6
8
2430
32
VDD:3.3V
R309 0R
R307 **R
IC07
LP62S2048AX-55LLI
21
22
23
25
26
27
28
29
DB0
DB1
DB2
DB3
DB4
DB5
DB6
DB7
20
19
18
17
16
15
14
13
3
2
31
1
12
4
11
7
10
9
A0
A1
A2
A3
A4
A5
A6
A7
A8
A9
A10
A11
A12
A13
A14
A15
A16
A17
IO1
IO2
IO3
IO4
IO5
IO6
IO7
IO8
WE
CE2
VCC
GND
CE1
OE
VDD:3.3V
BC07
0.1U
5
6
30
32
8
24
R308 0R
R306 **R
VDD:3.3V
AB1
AB2
AB3
AB4
AB5
AB6
AB7
AB8
AB9
AB10
AB11
AB12
AB13
AB14
AB15
AB16
AB17
AB18
AB19
< Support of SRAM Memory UP:
IC07+IC08 2Mbit+2Mbit/4Mbit+4Mbit(width of bus x 16bit) > < Support of manufactured by SHARP FROM (Usually:Intel) >
Parts No. Memory R306 R307 R308 R309
IC07+IC08 2M+2M ** ** 0R 0R
4M+4M 0R 0R ** **
Parts No. Manufacturer/Model No. R310 R311
IC06 Intel/JS28F160C3BD70 ** 0R
SHARP/LH28F160BJHE-PBTL70 0R **

RA16 IC09 CN23
[L:0.6V,H:2.3V]
330 X 4 MTD2003G B14B-PH-K-S VM
PFMPH1
PFMPH2
PFMPH3
PFMPH4
PFMI0
PFMI1
MHDUP
MPE
MBM
[L:0.8V,H:2.0V]
ACDS1
ACDS2
ACSW1
ACSW2
PNLLED1
PNLLED2
PNLSW1
PNLSW2
M-GND
R401
(Drain)
10K_2125
Q1
TPC8107
C401
1000U_35V
+
(Source)
(Gate)
C
R402
4.7K_2125
3
2
6
5
1
7
8
4
C403
**C_2125
R407
10K_2125
M-GND
M-GND
E
TR06
KRC107S
R405 330 B
HDPWR
HDSCLK
HDLATB
HDSTB1
HDSTB3
HDSTB2 R417 1K
R415 1K
R412 24
FB401 HM601 R414 100
R416 1K
C405
100P
C406
100P
C407
*Company B:FB401/0R
11 GND
*Company A:FB401/HM601
VDD:3.3V
MHDTH
HDSDT
HDSTB5
HDSTB4
R440 220_2125 HDSTB6 R426 1K
R421 1K
R422 1K
R427 24
R423 1K
R420 15K
C410
100P
C409
1U_10V_2125
R424 1K
R419 10K
R435 22K
TR07
2SA1362
C408
1U_10V_2125
TR08
KTC3875
R425 33K
VCC
VH
VH
VH
VH
DO
LAT
CLK
VCC
STB1
STB2
STB3
P-GND
P-GND
P-GND
P-GND
N.C.
CN22
B16B-PH-K-S
1
2
3
4
5
6
7
8
9
10
11
12
13
14
15
16
CN21
B15B-PH-K-S
1
2
3
4
5
6
7
8
9
10
11
12
STB4
CUTM+
13
14
15
VH
VH
VH
VH
DI
STB6
STB5
TM
TM
P-GND
P-GND
P-GND
L-GND
P-GND
M-GND
R418
0R_2125
R413
10K
1U_10V_2125
5VDRV
RES 5VDRV
D3
SS14
D2
SS14
D4
SS14
D1
SS14
M-GND M-GND M-GNDM-GND
PFMPHA
PFMPHAB
PFMPHB
87
OUT3IN3
PFMPHBB
6
7
9
2
6
11
20
17
R406 330
5R404 0.51_F_6331
8R409 0.51_F_6331
Vr 4F3 TF16SN3.15TTD
9
25 C33S
VCC
26
R411 **0R_2125
M-GND
M-GND
M-GND
VM
(0.2W)
ZD03
VCC
24 BC09A
47U_35V
BC09C
0.022U
+
VDD:3.3V R436 10K
NC
NC
NC
OUT4
IN4
LG(HS)
3
OUT1
OUT2
IN1
IN2
I0
I1 VsA
VsB
RsA
RsB
R410 **10K VmmA
VmmBNC
CR
PG(HS)
1
10
231
22
143
13
R403 330 21
15
12
16
18
19
5VDRV
5VDRV
2
4
8
7
6
5
M-GND
C404
3900P
R408 15K
1
2
3
4
R443 220_2125 5
10
3.3V
PE
PELED
BM
BMLED
MHDUP
VDD:3.3V
VDD:3.3V
VDD:3.3V
R438 **R
C422
**C
C421
**C
R441 **R
C420
**C
C419
**C
F2 **TF16SN2.00TTD
IN1
IN2
OUTA
OUTAB
GND NC
VCC
IC10
TA8428K
R432
0R_2125
BC10B
0.022U
BC10A
47U_35V
+
R453 **R
R452 100
R439 4.7K
VR1 VR_68K
C414
0.022U
R442 4.7K
R454 100
R455 **R
VR2 VR_68K
VM
7
1
2
3
5
4
6
M-GND
C413
0.022U
R433 330
R434 330
VCC
VDD:3.3V
R445 100
R429 10K
C415
0.022U
C411
0.022U
C417
0.022U
R449 4.7K
R448 10K
R446 10K
R430 330
R444 100 LED1
5
R447 4.7K
C418
0.022U
R431 330
C416
0.022U
R428 10K
M-GND
C412
0.1U
R437 4.7K
BC09B
0.022U
VDD:3.3V
CN42
B6B-PH-K-S
CUTSW1
CUTM-
3.3V
GND
SW1
LED2
SW2
12
13
14
1
2
3
4
6
Main Logic Board 4/5
- 37 -

F5
**TF16SN2.00TTD CN41
PHEC40R-R111
[L:0.8V,H:2.0V]
PRM1
PRM2
PRS0
PRS1
PRS2
PRS3
DKEXT1
DKEXT2
DKSIG1
DKSIG2
EXP0
EXP1
ID0
B1 ID1
R504 330 ID2
TXD1
A3 S-GND
RXD1
A4 CD0
CD1
A5 CD2
CD3
A6 CD4
CD5
A7 CD6
CD7
A8 I/O8
I/O9
A9 5V
5V
A10 ERR
INIT
A11 SEL
POUT
A12 BUSY
ACK
A13 STB
RD
A14 I/O10
CS
A15 WR
S-GND
A16 I/O0
I/O1
A17 I/O2
I/O3
A18 I/O4
I/O5
A19 I/O6
I/O7
A20 S-GND
S-GND
A1
A2
B2
B3
B4
B5
B6
B7
B8
B9
B10
B11
B12
B13
B14
B15
B16
B17
B18
B19
B20
VCC
R520 100
RA19 330 X 4
R505 330
RA18
330 X 4
7
R513 330
R521 100K
RA20 330 X 4
RA17
330 X 4
7
R523 100K
R519 100K
1
2
3
4
8
7
6
5
1
2
3
4
8
6
5
1
2
3
4
8
7
6
5
1
2
3
4
8
6
5
C517
1U_10V_2125
C512
**C
C514
**C
C515
**C
C516
**C
C513
**C
C508
100P_2125
C510
**C
C509
**C
C511
**C
C506
**C
C507
**C
VCC R512 100K
IC13 CN31 IFID2
IFTXD
IFRXD
IN1 OUTA 3
B8B-PH-K-S
IFDI0
IN2 OUTAB 5 M+
6IFDI1
IFDI2
IFDI3
IFDI4
IFDI5
GND
8
IFDI6
IFDI7
SIG2
4
IFIO8
IFIO9
IFIO10
IFERR
IFINIT
IFSLCT
IFPEND
IFBUSY
M-GND
IFSTB
IFIO0
IFIO1
IFIO2
IFIO3
IFIO5
B4B-PH-K-S
IFIO6
IFIO7
VCC
2
IFIO4
R575 10K CN32 IFACK
IFID0
IFID1
VCC IC11 VDD:3.3V
(200mW)
3
L88M33T
C522
220U_10V_ZL
ZD07
C3V9S
C521
1U_10V_2125
IN
G ND
OUT
+
L1
1
2
(200mW) (200mW)
ZD06
**C6V2S
ZD05
C6V2S
+
R531 **100_2125
C518
220U_10V_ZL
D5
SX34
SIQ127A-470
C527
6800P
R548
20K_F
R529 7.5K_F
C530 **1000P
R530 30K_F
C529 **4700P
VIN SW
GND
INV
EN
RT
FB
IC12
BD9778HFP
D8 SX34
1 2
5
7
6
3
F4
VM **TF16SN2.00TTD
R527 0R_2125
C528
0.1U
R549
100K
C538
1U_50V_2125
(Source)
(Drain)
(Gate)
Q2
**RTR040N03
1 2
J3 JUMPER1_0
+
C520
100U_50V_ZL
R528
10K_2125
+
(Gate)
C519
1000U_35V
C525
10U_50V
+
R542
2
(Source)
Q3
TPC8107
(Drain)
3
2
6
5
1
2
7
8
(200mW)
C524
0.022U
R541
10K
ZD08
C33S
20K
1
3
4
M-GND
GND
+24V
+24V
GND
CN11
53520-0220
CN11 Pin No.
1
4
2 3
2 3
1-
4
-
< Support of CN11 >
TUP500/53520-0220
TUP900/5273-04A
1
VDD:3.3V
VDD:3.3V
VDD:3.3V
R560 100
C544
**C
R561 **R
C541
**C
R559 4.7K
R566 **R
C542
**C
VR4 **VR_47K
VR5 **VR_47K
VR3 VR_47K
R583 **R
C532
0.022U
R562 4.7K
R564 12K_F
C546
**C
C533
0.022U
R567 12K_F
R565 4.7K
C543
**C
C545
**C
C534
0.022U
R584 **R
C535
0.1U
R585 **R
R563 **R
R572 330
R571 330
VDD:3.3V
VDD:3.3V
M-GND
VM
VCC
TA8428K
+
BC13A
47U_35V
R569 10K
R570
0R_2125
R568 100K
BC13B
0.022U
GND NC
4
6
1
2
VCC
SIG1
GND
M-
SIG3
1
2
3
5
7
R574 0R_2125
VDD:3.3V
OPTSNS
C536
0.022U
B2B-PH-K-S
R576 4.7K OPT
GND
1
2
VCC
NE
GND
CN33
1
3
4
VDD:3.3V
VDD:3.3V
MNE
VR6 VR_47K
C540
**C
C539
**C
C537
0.022U
R578 **R
R581 **R
R579 4.7K
R580 1K
M-GND M-GND
hole_1
hole_4 hole_3
hole_2
CN04
PCB TopSide
TP2
hole_2
TP4
hole_4
R539
0R_2125
TP1
hole_1
R537
0R_2125
R536
0R_2125
R538
0R_2125
TP3
hole_3
VM
VDD:3.3V
VDD:3.3V
VDD:3.3V
R555 330
F7
TF16SN2.00TTD
R556 10K
R552 330
R554 330
F6
TF16SN0.50TTD
R553 330
R558
0R_2125
R557 10K
1
2
3
4
5
6
7
8
9
10
CN34
B10B-PH-K-S
24V
M-GND
OUT1
OUT2
IN1
IN2
I/O1
I/O2
3.3V
S-GND
4
4
*J3 means one point connection of M-GND and S-GND, and it’s not mounted parts.
Main Logic Board 5/5
- 38 -
M-GND
7

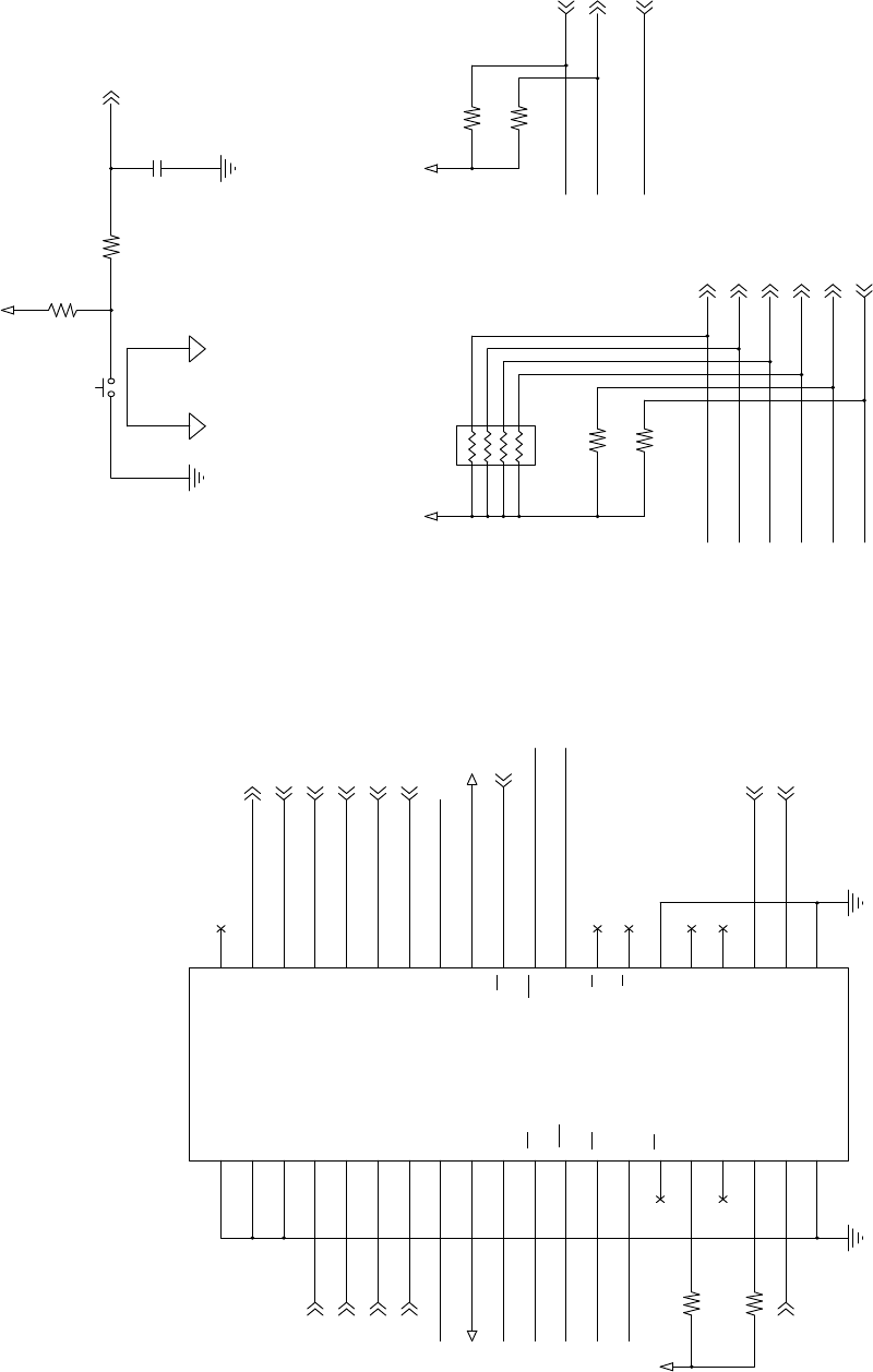
6-2. Component Layout
- 39 -

6-3. Circuit Number Diagram
- 40 -

6-4. Parts List
Main Logic Board
DRWG.NO. REV. PARTS NO. PARTS NAME Q' TY REMARKS RANK
BC01A-01F NPN CERA.CAPA.CHIP1608 0.1UF 25V 6
BC02-03 NPN CERA.CAPA.CHIP1608 0.022UF 50V 2
BC04A-04F NPN CERA.CAPA.CHIP1608 0.1UF 25V 6
BC05 NPN CERA.CAPA.CHIP1608 0.022UF 50V 1
BC06A-08 NPN CERA.CAPA.CHIP1608 0.1UF 25V 3
BC09A NPN CHEM. CAPA. 47UF 35V 1
BC09B-10A NPN CERA.CAPA.CHIP1608 0.022UF 50V 2
BC10A NPN CHEM. CAPA. 47UF 35V 1
BC10B NPN CERA.CAPA.CHIP1608 0.022UF 50V 1
BC13A NPN CHEM. CAPA. 47UF 35V 1
BC13B NPN CERA.CAPA.CHIP1608 0.022UF 50V 1
C107 NPN CERA.CAPA.CHIP1608 0.1UF 25V 1
C109 NPN CERA.CAPA.CHIP1608 1000PF 50V 1
C111-112 NPN CERA.CAPA.CHIP1608 0.1UF 25V 2
C113-114 NPN CERA.CAPA.CHIP1608 0.022UF 50V 2
C115 NPN CERA.CAPA.CHIP1608 27PF 50V 1
C201 NPN CERA. CAPA. CHIP 18PF 50V 1
C401 NPN CHEM. CAPA. 1000UF 35V 1
C404 NPN CERA.CAPA.CHIP1608 3900PF 50V 1
C405-406 NPN CERA. CAPA. CHIP 100PF 50V 2
C406 NPN CERA. CAPA. CHIP 100PF 50V 1
C407-409 NPN CERA. CAPA. CHIP 1UF 10V 3
C410 NPN CERA. CAPA. CHIP 100PF 50V 1
C411 NPN CERA.CAPA.CHIP1608 0.022UF 50V 1
C412 NPN CERA.CAPA.CHIP1608 0.1UF 25V 1
C413-418 NPN CERA.CAPA.CHIP1608 0.022UF 50V 6
C508 NPN CERA. CAPA. CHIP 100PF 50V 1
C517 NPN CERA. CAPA. CHIP 1UF 10V 1
C518 NPN CHEM. CAPA. 220UF 10V 1
C519 NPN CHEM. CAPA. 1000UF 35V 1
C520 NPN CHEM. CAPA. 100UF 50V 1
C521 NPN CERA. CAPA. CHIP 1UF 10V 1
C522 NPN CHEM. CAPA. 220UF 10V 1
C524 NPN CERA.CAPA.CHIP1608 0.022UF 50V 1
C525 NPN CHEM. CAPA. 10UF 50V 1
C527 NPN CERA.CAPA.CHIP1608 6800PF 50V 1
C528 NPN CERA.CAPA.CHIP1608 0.1UF 25V 1
C532-534 NPN CERA.CAPA.CHIP1608 0.022UF 50V 3
C535 NPN CERA.CAPA.CHIP1608 0.1UF 25V 1
C536-537 NPN CERA.CAPA.CHIP1608 0.022UF 50V 2
C538 NPN CERA. CAPA. CHIP 1UF 50V 1
CN11 NPN CONNECTOR 53520-0220 1
CN21 NPN CONNECTOR B15B-PH-K-S 1
CN22 NPN CONNECTOR B16B-PH-K-S 1
CN23 NPN CONNECTOR B14B-PH-K-S 1
CN31 NPN CONNECTOR B8B-PH-K 1
CN32 NPN CONNECTOR B2B-PH-K-S 1
CN33 NPN CONNECTOR B4B-PH-K-S 1
CN34 NPN CONNECTOR B10B-PH-K-S 1
CN41 NPN CONNECTOR PHEC40R-R111LF 1
CN42 NPN CONNECTOR B6B-PH-K-S(LF)(SN) 1
D1-4 NPN SCHOTTKY DIODE CHIP SS14* 4
D5 NPN SCHOTTKY DIODE CHIP SX34* 1
- 41 -

Main Logic Board
DRWG.NO. REV. PARTS NO. PARTS NAME Q' TY REMARKS RANK
D8 NPN SCHOTTKY DIODE CHIP SX34* 1
DSW1 NPN DIP SWITCH 219-10LPSTRF* 1
DSW2 NPN DIP SWITCH 219-04LPSTRF* 1
F3 NPN CHIP FUSE TF16SN315TTD* 1
F6 NPN CHIP FUSE TF16SN0.50TTD* 1
F7 NPN CHIP FUSE TF16SN200TTD* 1
FB401 NPN CHIP BEADS IND. BK1608HM601* 1
IC01 NPN CPU R5F61656CN35FTV 1 TB5 *.*
IC02 NPN EEPROM AT93C46DN-SH-T 1
IC03 NPN IC-RESET S-80130BN* 1
IC04 NPN GATE ARRAY UPD65943GC-TSPD 1
IC05 NPN CMOS SN74AHCT08PWR*EL 1
IC06 NPN FLASH MEMORY JS28F160C3BD70* 1 TB5#CH *.*
IC07-08 NPN SRAM LP62S2048AX55LLI* 2
IC09 NPN IC-MOTOR MTD2003G-3072* 1
IC10 NPN IC-MOTOR TA8428K 1
IC11 NPN IC-REG L88M33T*TL 1
IC12 NPN IC-REG BD9778HFP-E2* 1
IC13 NPN IC-MOTOR TA8428K 1
L1 NPN INDUCTOR SIQ127A-470* 1
LED1 NPN LED CHIP LT1E40A* 1
LED2 NPN LED CHIP LT1D40A* 1
Q1 NPN FET CHIP TPC8107* 1
Q3 NPN FET CHIP TPC8107* 1
R101-103 NPN CHIP RESISTOR 10 K-OHM 1/16W 3
R104-106 NPN CHIP RESISTOR 330 OHM 1/16W 3
R107 NPN CHIP RESISTOR 10 K-OHM 1/16W 1
R108-111 NPN CHIP RESISTOR 330 OHM 1/16W 4
R113 NPN CHIP RESISTOR 330 OHM 1/16W 1
R114 NPN CHIP RESISTOR 0 OHM 1/16W 1
R115 NPN CHIP RESISTOR 10 K-OHM 1/16W 1
R116 NPN CHIP RESISTOR 100 OHM 1/16W 1
R117 NPN CHIP RESISTOR 330 OHM 1/16W 1
R118-121 NPN CHIP RESISTOR 100 OHM 1/16W 4
R122 NPN CHIP RES1608 220 OHM 1/16W 5% 1
R123-125 NPN CHIP RESISTOR 10 K-OHM 1/16W 3
R126-128 NPN CHIP RESISTOR 330 OHM 1/16W 3
R130 NPN CHIP RES1608 220 OHM 1/16W 5% 1
R131 NPN CHIP RESISTOR 100 OHM 1/16W 1
R132 NPN CHIP RES1608 220 OHM 1/16W 5% 1
R133 NPN CHIP RESISTOR 10 K-OHM 1/16W 1
R134 NPN CHIP RESISTOR 20 K-OHM 1/16W 1
R135-136 NPN CHIP RESISTOR 10 K-OHM 1/16W 2
R137 NPN CHIP RESISTOR 4.7 K-OHM 1/16W 1
R138 NPN CHIP RESISTOR 1 K-OHM 1/16W 1
R139 NPN CHIP RESISTOR 330 OHM 1/16W 1
R142-143 NPN CHIP RES1608 1.5 KOHM 1/16W 5% 2
R145 NPN CHIP RESISTOR 0 OHM 1/16W 1
R146 NPN CHIP RESISTOR 100 OHM 1/16W 1
R148-149 NPN CHIP RESISTOR 10 K-OHM 1/16W 2
R150-152 NPN CHIP RESISTOR 1 K-OHM 1/16W 3
R161 NPN CHIP RESISTOR 10 K-OHM 1/16W 1
- 42 -

Main Logic Board
DRWG.NO. REV. PARTS NO. PARTS NAME Q' TY REMARKS RANK
R162 NPN CHIP RESISTOR 4.7 K-OHM 1/16W 1
R163 NPN CHIP RESISTOR 10 K-OHM 1/16W 1
R164 NPN CHIP RESISTOR 4.7 K-OHM 1/16W 1
R165 NPN CHIP RESISTOR 10 K-OHM 1/16W 1
R166-167 NPN CHIP RESISTOR 330 OHM 1/16W 2
R168 NPN CHIP RESISTOR 100 OHM 1/16W 1
R201-207 NPN CHIP RESISTOR 10 K-OHM 1/16W 7
R207 NPN CHIP RESISTOR 0 OHM 1/16W 1
R208-210 NPN CHIP RESISTOR 10 K-OHM 1/16W 3
R211 NPN CHIP RESISTOR 3.3 K-OHM 1/16W 1
R212-213 NPN CHIP RESISTOR 10 K-OHM 1/16W 2
R214 NPN CHIP RESISTOR 3.3 K-OHM 1/16W 1
R215 NPN CHIP RESISTOR 10 K-OHM 1/16W 1
R216 NPN CHIP RESISTOR 100 K-OHM 1/16W 1
R217-218 NPN CHIP RESISTOR 10 K-OHM 1/16W 2
R219-220 NPN CHIP RES1608 1.8 KOHM 1/16W 5% 2
R221 NPN CHIP RESISTOR 3.3 K-OHM 1/16W 1
R222-238 NPN CHIP RESISTOR 10 K-OHM 1/16W 17
R241-242 NPN CHIP RESISTOR 220 OHM 1/10W 2
R249 NPN CHIP RES1608 1.5 KOHM 1/16W 5% 1
R251-252 NPN CHIP RESISTOR 10 K-OHM 1/16W 2
R304 NPN CHIP RES1608 1.5 KOHM 1/16W 5% 1
R308-309 NPN CHIP RESISTOR 0 OHM 1/16W 2
R311 NPN CHIP RESISTOR 0 OHM 1/16W 1
R401 NPN CHIP RESISTOR 10 K-OHM 1/10W 1
R402 NPN CHIP RESISTOR 4.7 K-OHM 1/10W 1
R403 NPN CHIP RESISTOR 330 OHM 1/16W 1
R404 NPN CHIP RES6331 0.51 OHM 1W 1% 1
R405-406 NPN CHIP RESISTOR 330 OHM 1/16W 2
R407 NPN CHIP RESISTOR 10 K-OHM 1/10W 1
R408 NPN CHIP RESISTOR 15 K-OHM 1/16W 1
R409 NPN CHIP RES6331 0.51 OHM 1W 1% 1
R412 NPN CHIP RES1608 24 OHM 1/16W 5% 1
R413 NPN CHIP RESISTOR 10 K-OHM 1/16W 1
R414 NPN CHIP RESISTOR 100 OHM 1/16W 1
R415-417 NPN CHIP RESISTOR 1 K-OHM 1/16W 3
R418 NPN CHIP RESISTOR 0 OHM 1/10W 1
R419 NPN CHIP RESISTOR 10 K-OHM 1/16W 1
R420 NPN CHIP RESISTOR 15 K-OHM 1/16W 1
R421-424 NPN CHIP RESISTOR 1 K-OHM 1/16W 4
R425 NPN CHIP RESISTOR 33 K-OHM 1/16W 1
R426 NPN CHIP RESISTOR 1 K-OHM 1/16W 1
R427 NPN CHIP RES1608 24 OHM 1/16W 5% 1
R428-429 NPN CHIP RESISTOR 10 K-OHM 1/16W 2
R430-431 NPN CHIP RESISTOR 330 OHM 1/16W 2
R432 NPN CHIP RESISTOR 0 OHM 1/10W 1
R433-434 NPN CHIP RESISTOR 330 OHM 1/16W 2
R435 NPN CHIP RESISTOR 22 K-OHM 1/16W 1
R436 NPN CHIP RESISTOR 10 K-OHM 1/16W 1
R437 NPN CHIP RESISTOR 4.7 K-OHM 1/16W 1
R439 NPN CHIP RESISTOR 4.7 K-OHM 1/16W 1
R440 NPN CHIP RESISTOR 220 OHM 1/10W 1
- 43 -

Main Logic Board
DRWG.NO. REV. PARTS NO. PARTS NAME Q' TY REMARKS RANK
R442 NPN CHIP RESISTOR 4.7 K-OHM 1/16W 1
R443 NPN CHIP RESISTOR 220 OHM 1/10W 1
R444-445 NPN CHIP RESISTOR 100 OHM 1/16W 2
R446 NPN CHIP RESISTOR 10 K-OHM 1/16W 1
R447 NPN CHIP RESISTOR 4.7 K-OHM 1/16W 1
R448 NPN CHIP RESISTOR 10 K-OHM 1/16W 1
R449 NPN CHIP RESISTOR 4.7 K-OHM 1/16W 1
R452 NPN CHIP RESISTOR 100 OHM 1/16W 1
R454 NPN CHIP RESISTOR 100 OHM 1/16W 1
R504-505 NPN CHIP RESISTOR 330 OHM 1/16W 2
R512 NPN CHIP RESISTOR 100 K-OHM 1/16W 1
R513 NPN CHIP RESISTOR 330 OHM 1/16W 1
R519 NPN CHIP RESISTOR 100 K-OHM 1/16W 1
R520 NPN CHIP RESISTOR 100 OHM 1/16W 1
R521 NPN CHIP RESISTOR 100 K-OHM 1/16W 1
R523 NPN CHIP RESISTOR 100 K-OHM 1/16W 1
R527 NPN CHIP RESISTOR 0 OHM 1/10W 1
R528 NPN CHIP RESISTOR 10 K-OHM 1/10W 1
R529 NPN CHIP RES1608 7.5 KOHM 1/16W 1% 1
R530 NPN CHIP RES1608 30 KOHM 1/16W 1% 1
R536-539 NPN CHIP RESISTOR 0 OHM 1/10W 4
R541 NPN CHIP RESISTOR 10 K-OHM 1/16W 1
R542 NPN CHIP RES1608 20 KOHM 1/16W 5% 1
R548 NPN CHIP RESISTOR 20 K-OHM 1/16W 1
R549 NPN CHIP RESISTOR 100 K-OHM 1/16W 1
R551 NPN CHIP RESISTOR 10 K-OHM 1/16W 1
R552-555 NPN CHIP RESISTOR 330 OHM 1/16W 4
R556-557 NPN CHIP RESISTOR 10 K-OHM 1/16W 2
R558 NPN CHIP RESISTOR 0 OHM 1/10W 1
R559 NPN CHIP RESISTOR 4.7 K-OHM 1/16W 1
R560 NPN CHIP RESISTOR 100 OHM 1/16W 1
R562 NPN CHIP RESISTOR 4.7 K-OHM 1/16W 1
R564 NPN CHIP RES1608 12 KOHM 1/16W 1% 1
R565 NPN CHIP RESISTOR 4.7 K-OHM 1/16W 1
R567 NPN CHIP RES1608 12 KOHM 1/16W 1% 1
R568 NPN CHIP RESISTOR 100 K-OHM 1/16W 1
R569 NPN CHIP RESISTOR 10 K-OHM 1/16W 1
R570 NPN CHIP RESISTOR 0 OHM 1/10W 1
R571-572 NPN CHIP RESISTOR 330 OHM 1/16W 2
R574 NPN CHIP RESISTOR 0 OHM 1/10W 1
R575 NPN CHIP RESISTOR 10 K-OHM 1/16W 1
R576 NPN CHIP RESISTOR 4.7 K-OHM 1/16W 1
R579 NPN CHIP RESISTOR 4.7 K-OHM 1/16W 1
R580 NPN CHIP RESISTOR 1 K-OHM 1/16W 1
RA01-09 NPN RESIS. ARRAY CHIP MNR14J331* 9
RA10 NPN RESIS. ARRAY CHIP MNR14J103* 1
RA11 NPN RESIS. ARRAY CHIP MNR14J331* 1
RA12-15 NPN RESIS. ARRAY CHIP MNR14J103* 4
RA16 NPN RESIS. ARRAY CHIP MNR14J331* 5
SW1-2 NPN PUSH SWITCH SKHHAL 2
TR06 NPN DIGITAL TRANSISTOR KRC107S 1
TR07 NPN CHIP TRANSISTOR 2SA1362GR*85L 1
- 44 -

Main Logic Board
DRWG.NO. REV. PARTS NO. PARTS NAME Q' TY REMARKS RANK
TR08 NPN CHIP TRANSISTOR KTC3875S-G*AL 1
VR1-2 NPN RP CHIP RESISTOR EVM3S-68K 2
VR3 NPN RP CHIP RESISTOR EVM3S-47K 1
VR6 NPN RP CHIP RESISTOR EVM3S-47K 1
XTAL1 NPN CERA. OSC CHIP CSTCE16M0V53* 1
ZD01 NPN ZENER DIODE CHIP HZU20B2TRF 1
ZD02 NPN ZENER DIODE CHIP BZT52-C3V9S* 1
ZD03 NPN ZENER DIODE CHIP BZT52-C33S* 1
ZD05 NPN ZENER DIODE CHIP BZT52-C6V2S* 1
ZD07 NPN ZENER DIODE CHIP BZT52-C3V9S* 1
ZD08 NPN ZENER DIODE CHIP BZT52-C33S* 1
- NPN FLASH MEMORY SEAL KEI-801 2
- 45 -

7. Sub Board
7-1. Circuit Diagram
CN1
TCS7960-53-2010
SW1
SF-W1P1A-03BB F1
MRT_3.15A_250V CN2
51036-0200
N.C.
+24V
GND
F-GND
F-GND
1 2
J1
STP122
3
1
2
4
+24V
1
GND
2
SWA
1
SWB
2
CN3
**51036-0200
e part marked with two asterisks (**) is not mounted.
部品名が{**..}のパ-ツは未実装
7-2. Component Layou
7-3. Parts List Sub Board
DRWG.NO. REV. PARTS NO. PARTS NAME Q' TY REMARKS RANK
CN1 NPN CONNECTOR TCS7960-53-2010 1
CN2 NPN CABLE UNIT 2X60CC TSP8 1
F1 NPN FUSE MRT3.15A-250V* 1
J1 NPN JUMPER WIRE STP122 1
SW1 NPN SEESAW SWITCH SF-W1P1A03BB 1
- 46 -

8. Control Panel Board
8-1. Circuit Diagram
8-2. Component Layout
8-3. Parts List Control Panel Board
DRWG.NO. REV. PARTS NO. PARTS NAME Q' TY REMARKS RANK
CN1 NPN CONNECTOR S6B-PH-K-R 1
LED1 NPN LED GL3KG8 1
LED2 NPN LED GL3PR8 1
R1-2 NPN CHIP RESISTOR 330 OHM 1/10W 2
SW1-2 NPN PUSH SWITCH SKHHBV 2
- NPN CABLE UNIT 6X220CC TUP9 1
- 47 -

OUT2(Red) : LED1-4,9-10 Control
OUT1(Green) : LED5-8,13-16 Control
PAD1
24V
LED14
SML312ECT
LED7
**LED
LED15
SML312ECT
R1
1K_6331
PAD4
OUT2
LED5
**LED
TR1
KTC3875
LED8
**LED
PAD2
M-GND
LED6
**LED
LED11
SML-E12UW
TR2
KTC3875
LED13
SML312ECT
LED4
**LED
LED3
**LED
LED9
SML-E12UW
LED16
SML312ECT
LED10
SML-E12UW
PAD3
OUT1
LED1
**LED
LED2
**LED
LED12
SML-E12UW
R2
1K_6331
9. Snout Board
9-1. Circuit Diagram
部品名が{**..}のパ-ツは未実装
e part marked with two asterisks (**) is not mounted.
9-2. Component Layout
9-3. Parts List Snout Board
DRWG.NO. REV. PARTS NO. PARTS NAME Q' TY REMARKS RANK
LED9-12 08300220 LED CHIP SML-E12UW* 4
LED13-16 08300221 LED CHIP SML312ECT* 4
R1-2 06711022 CHIP RES6331 1 KOHM 1W 5% 2
TR1-2 07238755 CHIP TRANSISTOR KTC3875S-G*AL 2
- 30723230 CABLE UNIT 4X300C TUP5 1
- 48 -

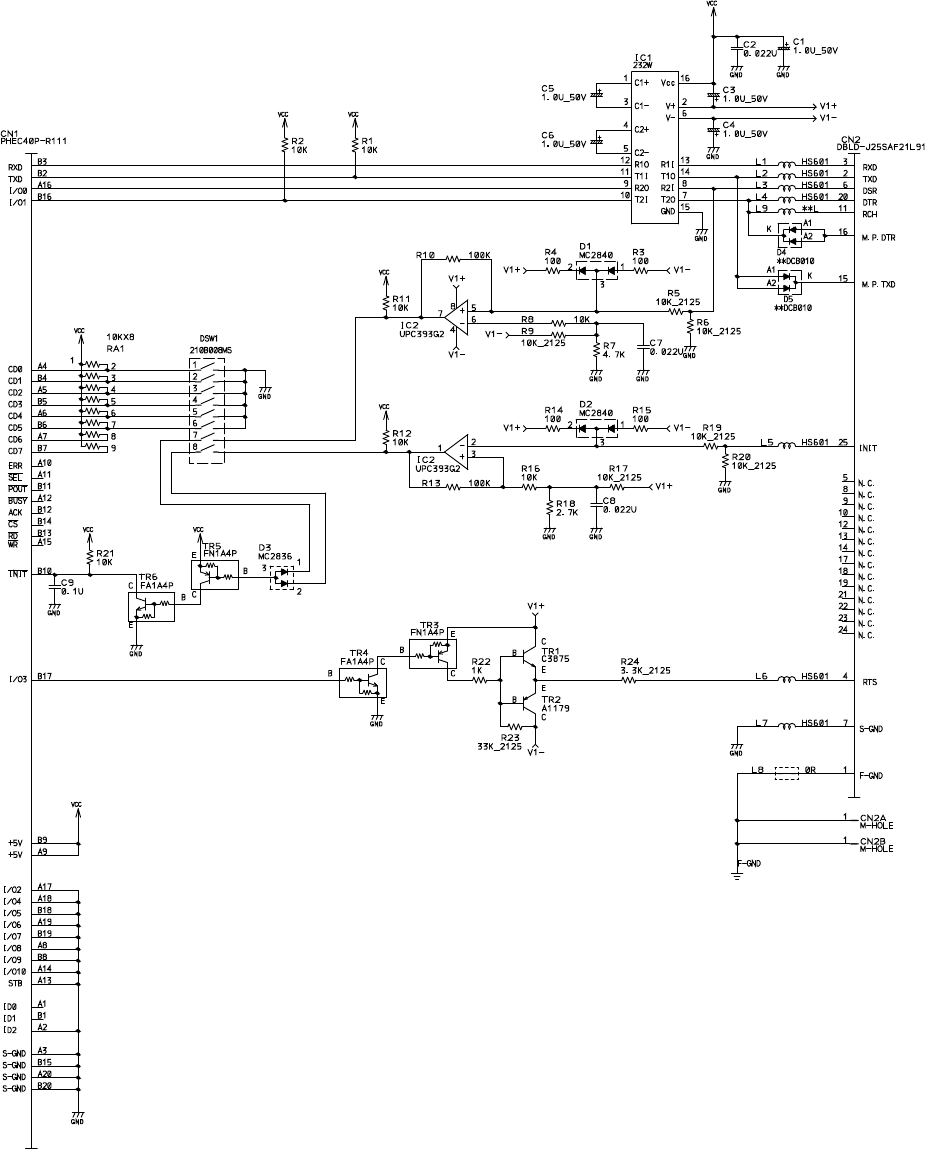
10. Serial Interface Board (25pin)
10-1. Circuit Diagram
- 49 -

10-2. Parts List Serial Interface Board (25pin)
DRWG.NO. REV. PARTS NO. PARTS NAME Q' TY REMARKS RANK
C1 NPN CHEM. CAPA. 1UF 50V 1
C2 NPN CERA.CAPA.CHIP1608 0.022UF 50V 1
C3-6 NPN CHEM. CAPA. 1UF 50V 4
C7-8 NPN CERA.CAPA.CHIP1608 0.022UF 50V 2
C9 NPN CERA.CAPA.CHIP1608 0.1UF 25V 1
CN1 NPN CONNECTOR PHEC40P-R111LF 1
CN2 NPN CONNECTOR DBLD-J25SAF-21L9-1 1
D1-2 NPN DIODE CHIP BAT54S* 2
D3 NPN DIODE CHIP MC2836 1
D4-5 NOT MOUNTED
DSW1 NPN DIP SWITCH 210B008MS 1
IC1 08200208 IC-I/F ST232ECWR* 1 S
IC2 NPN IC-LIN UPC393G2*T1 1
L1-7 NPN CHIP BEADS IND. BK1608HS601* 7
L8 NPN CHIP RESISTOR 0 OHM 1/16W 1
L9 NOT MOUNTED
R1-2 NPN CHIP RESISTOR 10 K-OHM 1/16W 2
R3-4 NPN CHIP RESISTOR 100 OHM 1/16W 2
R5-6 NPN CHIP RESISTOR 10 K-OHM 1/10W 2
R7 NPN CHIP RESISTOR 4.7 K-OHM 1/16W 1
R8 NPN CHIP RESISTOR 10 K-OHM 1/16W 1
R9 NPN CHIP RESISTOR 10 K-OHM 1/10W 1
R10 NPN CHIP RESISTOR 100 K-OHM 1/16W 1
R11-12 NPN CHIP RESISTOR 10 K-OHM 1/16W 2
R13 NPN CHIP RESISTOR 100 K-OHM 1/16W 1
R14-15 NPN CHIP RESISTOR 100 OHM 1/16W 2
R16 NPN CHIP RESISTOR 10 K-OHM 1/16W 1
R17 NPN CHIP RESISTOR 10 K-OHM 1/10W 1
R18 NPN CHIP RES1608 2.7 KOHM 1/16W 5% 1
R19-20 NPN CHIP RESISTOR 10 K-OHM 1/10W 2
R21 NPN CHIP RESISTOR 10 K-OHM 1/16W 1
R22 NPN CHIP RESISTOR 1 K-OHM 1/16W 1
R23 NPN CHIP RESISTOR 33 K-OHM 1/10W 1
R24 NPN CHIP RESISTOR 3.3 K-OHM 1/10W 1
RA1 NPN RESIS. ARRAY 10 K-OHM 1/8W 8EL 1
TR1 NPN CHIP TRANSISTOR KTC3875S-G*AL 1
TR2 NPN CHIP TRANSISTOR 2SA1179M6-STR 1
TR3 NPN DIGITAL TRANSISTOR FN1A4P 1
TR4 NPN DIGITAL TRANSISTOR FA1A4P 1
TR5 NPN DIGITAL TRANSISTOR FN1A4P 1
TR6 NPN DIGITAL TRANSISTOR FA1A4P 1
- 50 -

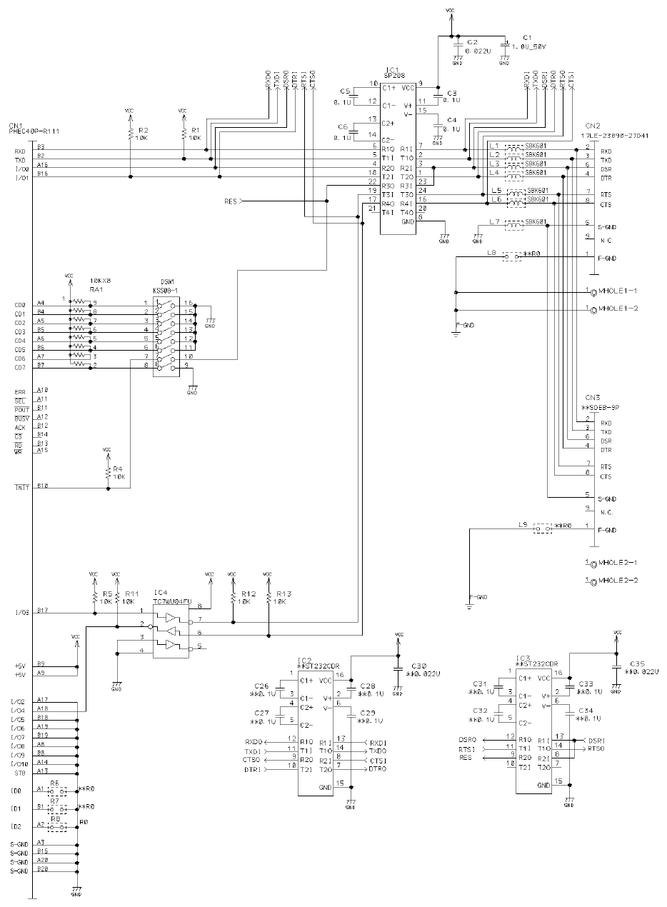
11. Serial Interface Board (9pin)
11-1. Circuit Diagram
- 51 -

11-2. Parts List Serial Interface Board (9pin)
DRWG.NO. REV. PARTS NO. PARTS NAME Q' TY REMARKS RANK
C1 NPN CHEM. CAPA. 1UF 50V 1
C2 NPN CERA.CAPA.CHIP1608 0.022UF 50V 1
C3-6 NPN CERA.CAPA.CHIP1608 0.1UF 25V 4
C26-35 NOT MOUNTED
R1-2 NPN CHIP RESISTOR 10 K-OHM 1/16W 2
R4-5 NPN CHIP RESISTOR 10 K-OHM 1/16W 2
R6-7 NOT MOUNTED
R8 NPN CHIP RESISTOR 0 OHM 1/16W 1
R11-13 NPN CHIP RESISTOR 10 K-OHM 1/16W 3
RA1 NPN RESIS. ARRAY 10 K-OHM 1/8W 8EL 1
IC1 08200213 IC-I/F HIN208EIAZ-T* 1 S
IC2-3 NOT MOUNTED
IC4 NPN CMOS TC7WU04FU*12L 1
L1-7 NPN CHIP BEADS IND. BK1608HS601* 7
L8-9 NOT MOUNTED
DSW1 NPN DIP SWITCH 210B008MS 1
CN1 NPN CONNECTOR PHEC40P-R111LF 1
CN2 NPN CONNECTOR 17LE-23090-27D41 1
CN3 NOT MOUNTED
- 52 -

12. Parallel Interface Board
12-1. Circuit Diagram
- 53 -

12-2. Parts List Parallel Interface Board
DRWG.NO. REV. PARTS NO. PARTS NAME Q' TY REMARKS RANK
BC1-3 NPN CERA.CAPA.CHIP1608 0.022UF 50V 3
C1 NOT MOUNTED
C2 NPN CERA.CAPA.CHIP1608 1000PF 50V 1
C3-4 NOT MOUNTED
C5 NPN CHEM. CAPA. 1UF 50V 1
CN1 NPN CONNECTOR PHEC40P-R111LF 1
CN2 NPN CONNECTOR 57RE-40360-830BD29A 1
IC1 08211042 TTL IC 74LS374NSR*EL 1 S
IC2 NPN TTL IC 74ALS32FP*EL 1
IC3 08210126 TTL IC 74LS05FP*EL 1 S
L1-2 NPN CHIP RESISTOR 0 OHM 1/16W 2
L3-6 09990754 CHIP BEADS IND. BK1608HS601* 4 S
L7 NPN CHIP RESISTOR 0 OHM 1/16W 1
L8-10 NPN CHIP BEADS IND. BK2125HS470* 3
R1 NPN CHIP RESISTOR 10 K-OHM 1/16W 1
R2-9 NPN CHIP RESISTOR 4.7 K-OHM 1/16W 8
R10 NPN CHIP RESISTOR 1 K-OHM 1/16W 1
R11 NPN CHIP RESISTOR 4.7 K-OHM 1/16W 1
R12 NPN CHIP RESISTOR 1 K-OHM 1/16W 1
R13 NPN CHIP RESISTOR 100 OHM 1/16W 1
R14 NPN CHIP RESISTOR 4.7 K-OHM 1/16W 1
R15 NPN CHIP RESISTOR 1 K-OHM 1/16W 1
R16 NPN CHIP RESISTOR 4.7 K-OHM 1/16W 1
R17 NOT MOUNTED
R18 NPN CHIP RESISTOR 1 K-OHM 1/16W 1
R19-20 NPN CHIP RESISTOR 4.7 K-OHM 1/16W 2
R21 NPN CHIP RESISTOR 1 K-OHM 1/16W 1
R22 NPN CHIP RESISTOR 4.7 K-OHM 1/16W 1
R23 NPN CHIP RES1608 3.9 KOHM 1/16W 5% 1
R24 NPN CHIP RESISTOR 2.2 K-OHM 1/16W 1
R25 NPN CHIP RESISTOR 330 OHM 1/16W 1
RA1 NPN RESIS. ARRAY 4.7K-OHM 1/8W 8EL 1
RA2 NPN RESIS. ARRAY 1.8K-OHM 1/8W 5EL 1
TR1 NPN CHIP TRANSISTOR KTC3875S-G*AL 1
- 54 -

13. USB Interface Board
13-1. Circuit Diagram
部品名が{**..}のパ-ツは未実装
1
1
1
DQ0
DQ1
DQ2
DQ3
DQ4
DQ5
DQ6
DQ7
DQ[0..7]
AVCC
AGND
DQ0
DQ1
DQ2
DQ3
DQ4
DQ5
DQ6
DQ7
DQ[0..7]
F-GND
GND
GND
GND
GND
GND GND
GND
GND
GND
GND
GND
GND
GND
GND
PCB1BPCB1A
GND GND
GND
GND
GND
GND
GND
GND
GND
GND
R27
1.5k
JP7 **0R_2125
R28
**R
C08 0.1u_K
R02 100
IC4D
LV02
BC2C
0.022u
R25 10k
L3 0R_2125
R13 10k
C14
0.22u_K
R18 10k
R26 10k
C12
**220p
C01
0.22u_K
R01
1.5k
IC4A
LV02
ZD3
**BZT52-C6V2S
R21 100
C07
680p
ZD2
**BZT52-C6V2S
R03 100
RA01
100X4
IC1A
M51953BFP
R23 10k
BC4
0.022u
R19 22k
ZD1
NNCD5.6LG
L6 0R_2125
JP5 0R_2125
BC2A
0.022u
R15 24
CN1
PHEC40P-R111
PCB1A
M-HOLE
R22 10k
TR1
KRC107S
R05 100
IC4C
LV02
BC1
0.022u
DSW1A
**210B002MS
R31
10k
L1 0R_2125
BC5
0.022u
R29 10k
R09 100
C13
1u_2125
RA02
100X4
C04
2.2u_TANTALUM
+
IC2
M37641F8FP
R16 24
BC2B
0.022u
C05
0.1u
R04 100
ZD4
BZT52-C6V2S
L2 0R_2125
C10
8p
R30 10k
C11
**220p
R06 100
XTAL
DSX321G_24MHz
DSW1B
**210B002MS
R12 **R
C02
0.022u
JP1 **0R_2125
JP2 0R_2125
TR2
KRA107S
R14
1.5k
IC4B
LV02
IC5
VHC573A
JP10 **0R_2125
R17 1k
C06
27p
R24 10k
L7 0R_2125
RA05
100X4
C09
8p
R08 100
CN2
DUSB-BRA42-T11
C03
4.7u_35V
+
PCB1B
M-HOLE
R07 100
JP4 **0R_2125
VCC
VCC
VCC
VCC
VCC
VCC
VCC
VCC
VCC
VCC
VCC
VCC
VCC
VCC
VCC
PIFACK
DREQ/BSY
USBCNT
USBVBUS
PIFACK
DREQ/BSY
USBCNT
USBVBUS
STBB
STBB
11
12
13
2
3
1
14
7
4
3
1
2
5
CD0 A4
CD1 B4
CD2 A5
CD3 B5
CD4 A6
CD5 B6
CD6 A7
CD7 B7
INIT B10
I/O10 A14
STB A13
I/O8 A8
ERR A10
SEL A11
POUT B11
ACK B12
RXD B3
TXD B2
I/O9 B8
BUSY A12
I/O0 A16
I/O1 B16
I/O2 A17
I/O3 B17
I/O4 A18
I/O5 B18
I/O6 A19
I/O7 B19
B14
B13
A15
+5V A9
+5V B9
ID0 A1
ID1 B1
ID2 A2
S-GND A3
S-GND B15
S-GND A20
S-GND B20
E
B
C
8
9
10
RESET
10
P6Q/DQ0
2
P61/DQ1
1
P62/DQ2
80
P63/DQ3
79
P64/DQ4
78
P65/DQ5
77
P66/DQ6
76
P67/DQ7
75
P50
12
P51
11
P52/OBF0
8
P53/IBF0
7
P54/S0
6
P55/A0
5
P56/R
4
EXTCAP 72
USBD+ 70
USBD- 71
P40/EDMA 24
P41/INT0 23
P42/INT1 22
P43 21
P44 20
P20/DB0 64
P21/DB1 63
P22/DB2 62
P23/DB3 61
P24/DB4 60
P25/DB5 59
P26/DB6 58
P27/DB7 57
P00/AB0 56
P01/AB1 55
P02/AB2 54
P03/AB3 53
P04/AB4 52
P05/AB5 51
P06/AB6 50
P07/AB7 49
P10/AB8 48
P57/W
3
P70/SOF
69
XOUT
15
P11/AB9 47
P12/AB10 46
P13/AB11 45
P14/AB12 44
P15/AB13 43
P16/AB14 42
P17/AB15 41
P37/RD 33
P36/WR 34
P35/SYNC 35
P34/CLKO 36
P33/DMAO 37
P32 38
P31 39
P30/RDY 40
P80/TXD2
32
XIN
14
VCC
16
VSS
13
VCC
74
VSS
73
AVCC
17
AVSS
19
LPF
18
P87/RTS1
25
CNVSS/VP
9
P81/RXD2
31
P82/CTS2
30
P83/RTS2
29
P84/TXD1
28
P85/RXD1
27
P86/CTS1
26
P71/HLD
68
P72/S1
67
P73/IBF1
66
P74/OBF1
65
2 3
E
B
C
5
6
4
OC
1
G
11
8Q 12
VCC 20
1D
2
2D
3
3D
4
4D
5
1Q 19
2Q 18
3Q 17
4Q 16
5Q 15
6Q 14
7Q 13
5D
6
6D
7
7D
8
8D
9
GND 10
VBUS
1
D-
2
D+
3
GND
4
SHELL
5
SHELL
6
SHELL
7
SHELL
8
1
2
3
45
6
7
8 O 6
CD 5
VCC
7
GND
4
1
2
3
45
6
7
8
1
2
3
45
6
7
8
1 4
CS
RD
WR
e part marked with two asterisks (**) is not mounted.
- 55 -

13-2. Component Layout
- 56 -

13-3. Parts List USB Interface Board
DRWG.NO. REV. PARTS NO. PARTS NAME Q' TY REMARKS RANK
BC1 NPN CERA.CAPA.CHIP1608 0.022UF 50V 1
BC2A NPN CERA.CAPA.CHIP1608 0.022UF 50V 1
BC2B NPN CERA.CAPA.CHIP1608 0.022UF 50V 1
BC2C NPN CERA.CAPA.CHIP1608 0.022UF 50V 1
BC4-5 NPN CERA.CAPA.CHIP1608 0.022UF 50V 2
C01 NPN CERA.CAPA.CHIP1608 0.22UF 10V 1
C02 NPN CERA.CAPA.CHIP1608 0.022UF 50V 1
C03 NPN CHEM. CAPA. CHIP 4.7UF 35V 1
C04 NPN TANTALUM CAPA. CHIP 2.2UF 16V 1
C05 NPN CERA.CAPA.CHIP1608 0.1UF 25V 1
C06 NPN CERA.CAPA.CHIP1608 27PF 50V 1
C07 NPN CERA.CAPA.CHIP1608 680PF 50V 1
C08 NPN CERA.CAPA.CHIP1608 0.1UF 16V 1
C09-10 NPN CERA.CAPA.CHIP1608 8PF 50V 2
C13 NPN CERA. CAPA. CHIP 1UF 10V 1
C14 NPN CERA.CAPA.CHIP1608 0.22UF 10V 1
CN1 NPN CONNECTOR PHEC40P-R111LF 1
CN2 NPN CONNECTOR DUSB-BRA42-T11 1
IC1 NPN IC-RESET M51953BFP*E2 1
IC2 NPN CPU M37641F8FP 1
IC4 NPN CMOS 74LV02AFP*EL 1
IC5 NPN CMOS 74VHC573F*EL 1
NPN FLASH MEMORY SEAL KEI-801 1
JP2 NPN CHIP RESISTOR 0 OHM 1/10W 1
JP5 NPN CHIP RESISTOR 0 OHM 1/10W 1
L1-3 NPN CHIP RESISTOR 0 OHM 1/10W 3
L6-7 NPN CHIP RESISTOR 0 OHM 1/10W 2
R01 NPN CHIP RES1608 1.5 KOHM 1/16W 5% 1
R02-09 NPN CHIP RESISTOR 100 OHM 1/16W 8
R13 NPN CHIP RESISTOR 10 K-OHM 1/16W 1
R14 NPN CHIP RES1608 1.5 KOHM 1/16W 5% 1
R15-16 NPN CHIP RES1608 24 OHM 1/16W 5% 2
R17 NPN CHIP RESISTOR 1 K-OHM 1/16W 1
R18 NPN CHIP RESISTOR 10 K-OHM 1/16W 1
R19 NPN CHIP RESISTOR 22 K-OHM 1/16W 1
R21 NPN CHIP RESISTOR 100 OHM 1/16W 1
R22-26 NPN CHIP RESISTOR 10 K-OHM 1/16W 5
R27 NPN CHIP RES1608 1.5 KOHM 1/16W 5% 1
R29-31 NPN CHIP RESISTOR 10 K-OHM 1/16W 3
RA01 NPN RESIS. ARRAY CHIP MNR14J101* 1
RA02 NPN RESIS. ARRAY CHIP MNR14J101* 1
RA05 NPN RESIS. ARRAY CHIP MNR14J101* 1
TR1 NPN DIGITAL TRANSISTOR KRA107S 1
TR2 NPN DIGITAL TRANSISTOR KRC107S 1
XTAL NPN CRYSTAL CHIP DSX321G 24MHZ 1
ZD1 NPN ZENER DIODE CHIP NNCD5.6LG*T1 1
ZD4 NPN ZENER DIODE CHIP BZT52-C6V2S* 1
- NPN BAR CODE LABEL LBP-80141 1
- 57 -

14. Ethernet Interface Board
14-1. Circuit Diagram
- 58 -
Ethernet Interface Board 1/5
Change below
if use the ICE
TL:Locate solder side
TL:Locate solder side
D15
D14
D13
D12
D11
D10
D9
D8
D7
D6
D5
D4
D3
D2
D1
D0
A22
A21
A20
A19
A18
A17
A16
A15
A14
A13
A12
A11
A10
A9
A8
A7
A6
A5
A4
A3
A2
A1
A0
A22
A21
A19
A18
A17
A16
A15
A14
A13
A12
A11
A10
A11
A10
A9
A7
A3
A2
BE3
BE2
CAS3
CAS2
CAS1
CAS0
EX_RESET
JTAG_RESET
TMS
TDI
TDO
TRST
A20
A9
A8
A7
A6
A5
A4
A3
A2
A1
A0
D15
D14
D13
D12
D11
D10
D9
D8
D7
D6
D5
D4
D3
D2
D1
D0
TCK
1 2
12
1 2
3 4
5 6
12
1
2
4
5
3
1 1
2 2
3 3
4 4
5 5
6 6
7 7
8 8
9 9
10 10
11 11
12 12
13 13
14 14
15 15
16 16
17 17
18 18
12
3 5
8
4
1 2
1 2
1 7
8
4
1 2
1 2
1 2
1 2
1 2
12
1 2
1 2
1 2
1 2
1 2
6 2
8
4
12
1 2
A27/CS0OE
N10
A26/CS0WE
P10
A25
M10
A24
R10
A23
N9
A22
R9
A21
M9
A20
N8
A19
P8
A18
M7
A17
R7
A16
N7
A15
R6
A14
M6
A13
P6
A12
N6
A11
M5
A10
P5
A9
N5
A8
R4
A7
R3
A6
R2
A5
M4
A4
N4
A3
R1
A2
M3
A1
N2
A0
P1
BCLK A6
D31 N1
D30 M1
D29 L3
D28 L2
D27 L4
D26 L1
D25 K3
D24 K2
D23 K1
D22 J2
D21 J3
D20 J1
D19 H3
D18 H4
D17 H1
D16 H2
D15 G4
D14 G1
D13 G3
D12 G2
D11 F4
D10 F2
D9 F3
D8 E1
D3 B1
D2 D4
D1 D3
D0 C2
D7 E2
D6 E3
D5 D1
D4 C1
BE3 D9
BE2 A9
BE1 C9
BE0 B9
CS4 B4
CS3 A4
CS2 C5
CS1 B5
CS0 D5
CAS3 A1
CAS2 C4
CAS1 B3
CAS0 A2
WE C6
OE B6
PLLTST
N15
BISTEN
M15
SCANEN
L13
TS
A8
TA
D8
TEA
C8
RW
D6
TDI
N14
TDO
M13
TMS
M12
TRST
M14
TCK
P15
RESET
A10
1 2
1 2
1 2
NC
3
VSS
2
DS
1
OUT 4
VDD 5
1 2
12
12
1 8
2 7
3 6
4 5
1 2
1 2
12
12
1 8
2 7
3 6
4 5
1 2
1 2
1 8
2 7
3 6
4 5
1 2
1 2
1 2
1 8
2 7
3 6
4 5
1 2
1 2
12
1 2
1 2
TL18
R8
(2.7k)
TL47
R123
(0)
TL14
JP1
IMSA-9261B-2-6A
R121
4.7k
U11
74ALVC1G08
TP6
LC-4
TL25
CN2
52975-1883
TL30
C7
0.022u
TP5
LC-4
TL35
TL40
TL43
U10C
74ALVC2G04
R51
33
R126
0
U10A
74ALVC2G04
TP2
LC-4
R49
33
R57
820
R119
10k
TL48
TL11
TL19
TL49
R118
10k
R6
(2.7k)
TL15
R43
4.7k
TL27
R52 10k
TL34
TL42
TL39
R47
33
R9
(2.7k)
R56
820
R48
10k
U10B
74ALVC2G04
R29
1.5k
TL10
R15
33
TL20
TL24
U1A
NS7520_BGA
TL29
TL16
TL33
R50
10k
TL41
TL38
R122
0
R39
33
TL46
TL12U4
S-80130CNMC
R55
820
R120
100
R36
1k
RA22
CN1J4K103J
R12
2.7k
C5
0.1u
R44
2.4k
R42
4.7k
RA21
CN1J4K103J
TL26
R46
10k
TL32
R13
2.7k
TL37
TL45TL17
RA20
CN1J4K103J
R125
10k
R117
10k
R37
470
TL13
TL21
TL22
RA19
CN1J4K103J
TL23
R5
(2.7k)
TL28
R124
0
C6
1000p
TL31
R38
10k
TL9 TL36
TL44
R53
33
VCC
VCC
VCC
VCC
VCC
VCC
VCC
VCC
VCC
VCC
VCC
D[15..0] sh4
BCLK sh4
A[22..0] sh4
CS4
CS1
BE[3..2] sh4
CAS[3..0] sh4
WE
OE
PLD_TMS sh4
PLD_TDI sh4
RESET sh4,5
PLD_TDO sh4
PLD_TCK sh4
DEBUG_TXD sh2
DEBUG_P3 sh2
DEBUG_P2 sh2
DEBUG_RXD sh2
DETECT_SUB sh2
DEBUG_P1 sh2
DEBUG_P0 sh2
CS0
CS0OE
CS0WE
sh4
sh4
sh4
sh4
sh4

VCC
Ethernet Interface Board 2/5
- 59 -
On the chassis fixing area
12
1 2
12
12
12
1 2
VIN
1
GND
2
VOUT 3
1 2
12
1 2
12
12
12
1 2
12
12
XTALA1 K14
XTALA2 K12
MDC/GP_OUT
D10
MDIO/GP_OUT
B10
TXCLK
C10
TXD3/GP_OUT
A12
TXD2/GP_OUT
B11
TXD1/GP_OUT
D11
TXD0/TXD
A11
TXER/GP_OUT
A13
TXEN
B12
TXCOL
A14
RXCRS
D12
RXCLK
C12
RXD3/GP_IN
D14
RXD2/GP_IN
B15
RXD1/GP_IN
A15
RXD0/RXD
B13
RXER/GP_IN
C15
RXDV/GP_IN
D15
PA7/TXDA J14
PA6/DTRA/DREQ1 J13
PA5/RTSA J15
PA4/RXCA J12
PA3/RXDA/DACK1 H15
PA2/DSRA/AMUX H12
PA1/CTSA/DONE1_O H13
PA0/TXCA/DONE1_I G12
PC7/TXDB G13
PC6/DTRB/DREQ2 G14
PC5/RTSB/RJECT F15
PC4/RXCB/RESET F12
PC3/RXDB/DACK2 F13
PC2/DSRB/RSPF E15
PC1/CTSB/LIRQ1 E12
PC0/TXCB/LIRQ0 E14
GND D2
GND F1
GND J4
GND P4
GND P7
GND M8
GND P9
GND R11
GND K15
GND G15
GND E13
GND D13
GND B14
GND C11
GND A7
GND A5
GND B2
GND P2
GND P14
GND K13
(Vcc1)
R13
(Vcc2)
P12
XTALB1(Vcc)
N12
XTALB2(NC)
R15
(NC1)
M11
(NC2)
P11
(NC3)
N11
(NC4)
R12
(NC5)
R14
(NC6)
P13
BR
D7
BG
C7
BUSY
B7
CoreVcc(1.5)
R8
CoreVcc(1.5)
L14
CoreVcc(1.5)
C14
CoreVcc(1.5)
C13
PLLVDD(1.5)
L15
PLLVSS
L12
OscVcc(3.3) N13
OscVcc(3.3) C3
I/O_Vcc(3.3)
E4
I/O_Vcc(3.3)
K4
I/O_Vcc(3.3)
M2
I/O_Vcc(3.3)
N3
I/O_Vcc(3.3)
P3
I/O_Vcc(3.3)
R5
I/O_Vcc(3.3)
H14
I/O_Vcc(3.3)
A3
I/O_Vcc(3.3)
B8
I/O_Vcc(3.3)
F14
1 8
2 7
3 6
4 5
12
1 2
12
1 2
1 2
VIN
1
GND
2
ON/OFF
3 NC 4
VOUT 5
12
1 2
1 2
1 2
1 8
2 7
3 6
4 5
12
12
1 2
12
12
12
R127
10k
R3
33
R54
1M
TP9
LC-4
C4
470p
C2
100u
+
TP8
LC-4
PC2
MOUNT_PAD
TP12
LC-4
R128
(0/2125)
U2
L88M33T
R58
3.3k
TP7
LC-4
TP3
LC-4
C16
0.1u
R116
(0/2125)
C17
0.1u
C3
22u
+
C12
0.1u
R2
33
C13
0.1u
C14
0.1u
U1B
NS7520_BGA
RA23
CN1J4K103J
C11
0.1u
R11
(0/2125)
C15
0.1u
FB1
BK1608
C19
10p
R10
33
PC1
MOUNT_PAD
U3
S-1165B15
C10
0.1u
R108
15k
R1
33
C20
10p
RA24
CN1J4K103J
C1
2.2u
C9
0.1u
TP11
LC-4
R107
15k
TP10
LC-4
C21
470p
C22
470p
C23
470p
X1
NX5032 18.432MHz 50ppm
+5V
VCC
1.5V
1.5V
VCC
VCC
VCC
DEBUG_P3
DEBUG_P2
DEBUG_P1
DEBUG_P0
MII_MDCsh5
MII_MDIOsh5
MII_TXD3sh5
MII_TXD2sh5
MII_TXD1sh5
MII_TXD0sh5
MII_TXERsh5
MII_TXENsh5
MII_TXCLKsh5
MII_COLsh5
MII_CRSsh5
MII_RXCLKsh5
MII_RXD3sh5
MII_RXD2sh5
MII_RXD1sh5
MII_RXERsh5
MII_RXDVsh5
MII_RXD0sh5
DEBUG_TXD
DEBUG_RXD
DETECT_SUB
PLD_TXD
PLD_INIT
PLD_RXD
PLD_IO9
sh1
sh1
sh1
sh1
sh1
sh1
sh1
sh4
sh4
sh4
sh4

VCC
C34
0.1u
Ethernet Interface Board 3/5
- 60 -
Upper:Standard ROM
Lower:Intel ROM
Pin Assign
BJE 29A L C3
A19 9 9 15
A20 10 10 10
A21 (Not Used)
RYBY 15 15 -
BYTE 47 47 -
VccQ - - 47
Vpp 13 - 13
WP 12 - 12
*A20 is for 32M.
A1
A2
A3
A4
A5
A6
A7
A8
A9
A10
A11
A12
A13
A14
A15
A16
A17
A18
A19
A21
D0
D1
D2
D3
D4
D5
D6
D7
D8
D9
D10
D11
D12
D13
D14
D15
A1
A2
A3
A4
A5
A6
A7
A8
A9
A10
CAS0
A22
A21
A12
CAS2
CAS3
CAS1
BE2
BE3
WP
D0
D1
D2
D3
D4
D7
D5
D8
D9
D10
D11
D12
D13
D14
D15
BE3
BE2
D15
D14
D13
D12
D11
D10
D9
D8
D7
D6
D5
D4
D3
D2
D1
D0
WE
OE
A3
A2
A1
A0
A20
A19I
A19S
WP
D6
1 2
12
12
12
1 2
GCLK1 87
GCLR 89
OE1 88
OE2/GCLK2 90
TDI
4
TMS
15
TCK 62
TDO 73
GNDINT
38
GNDINT 86
GNDIO
11
GNDIO
26
GNDIO
33
GNDIO
43
GNDIO 53
GNDIO 59
GNDIO 65
GNDIO 74
GNDIO 78
GNDIO 95
VCCINT
39
VCCINT 91
VCCIO
3
VCCIO
18
VCCIO
34
VCCIO 51
VCCIO 66
VCCIO 82
(I/O58)
1
(I/O59)
2
(I/O60)
5
(I/O61)
7
(I/O62)
22
(I/O63)
24
(I/O64)
27
(I/O65)
28
(I/O66)
49
(I/O67)
50
(I/O68) 55
(I/O69) 70
(I/O70) 72
(I/O71) 77
I/O0
6
I/O1
8
I/O2
9
I/O3
10
I/O4
12
I/O5
13
I/O6
14
I/O7
16
I/O8
17
I/O9
19
I/O10
20
I/O11
21
I/O12
23
I/O13
25
I/O14
29
I/O15
30
I/O16
31
I/O17
32
I/O18
35
I/O19
36
I/O20
37
I/O21
40
I/O22
41
I/O23
42
I/O24
44
I/O25
45
I/O26
46
I/O27
47
I/O28
48
I/O29 52
I/O30 54
I/O31 56
I/O32 57
I/O33 58
I/O34 60
I/O35 61
I/O36 63
I/O37 64
I/O38 67
I/O39 68
I/O40 69
I/O41 71
I/O42 75
I/O43 76
I/O44 79
I/O45 80
I/O46 81
I/O47 83
I/O48 84
I/O49 85
I/O50 92
I/O51 93
I/O52 94
I/O53 96
I/O54 97
I/O55 98
I/O56 99
I/O57 100
12
1 2
1 2
12
12
1 3
2
A15
1 A14
2 A13
3 A12
4 A11
5 A10
6
A19
9
NC(A20)
10
WE#
11
RP# 12
Vccw 13
WP#
14
RY/BY# 15
A18
16 A17
17
A0
25
CE#
26
GND 27
OE#
28
DQ0 29
DQ8 30
DQ1 31
DQ9 32
DQ2 33
DQ10 34
DQ3 35
DQ11 36
VCC 37
DQ4 38
DQ12 39
DQ5 40
DQ13 41
DQ6 42
DQ14 43
DQ7 44
DQ15/A-1 45
GND 46
BYTE# 47
A16
48
A1
24
A2
23
A3
22
A4
21
A5
20
A6
19
A7
18
A8
8
A9
7
12
12
12
12
12
1 2
1 2
12
3
2
1
1 2
WE
16
RAS
18
CS
19
DQMH
39
DQML
15
A0
23
A1
24
A2
25
A3
26
A4
29
A5
30
A6
31
A7
32
A8
33
A9
34
A10
22
A11
35
VDD 1
VDD 3
VDD 9
VDD 14
VSS
41
VSS
46
VSS
52
VSS
54
DQ1 4
DQ2 5
DQ3 7
DQ4 8
DQ5 10
DQ6 11
DQ7 13
DQ8 42
DQ9 44
DQ10 45
DQ11 47
DQ12 48
DQ13 50
DQ14 51
DQ15 53
DQ0 2
VSS
28 VSS
12 VSS
6
VDD 27
VDD 43
VDD 49
CLK 38
CKE 37
NC1 36
BA0
20
BA1
21
CAS
17
NC2 40
R129
0
C26
0.1u
C18
470p
R66
15k
R132
33
U7
EPM3128ATC100
C32
0.1u
R133
(0)
R130
(0)
R69
15k
C33
0.1u
TR2
C3875
U5 28F160BJE/28F160C3/29AL016D
C30
0.1u
C29
0.1u
C28
0.1u
R65
15k
R131
33
R134
(0)
C35
0.1u
TR1
FN1A4P
R70
22k
U6
MT48LC4M16
VCC
VCC
VCC
VCC
VCC
VCC
VCC
BE[3..2]sh1
CAS[3..0]sh1
A[22..0]sh1
D[15..0]sh1
RESETsh1,5
PLD_TDIsh1
PLD_TCK sh1
IF_CD0 sh3
IF_CD1 sh3
IF_CD2 sh3
IF_CD3 sh3
IF_CD4 sh3
IF_CD5 sh3
IF_CD6 sh3
IF_CD7 sh3
PLD_OUT2 sh5
P_LED2sh5
P_LED1sh5
PLD_OUT1sh5
IF_SEL sh3
IF_POUT sh3
IF_BUSY sh3
IF_ACK sh3
IF_TXD sh3
IF_RXD sh3
BCLKsh1
CS0sh1
OEsh1
WEsh1
PLD_TMSsh1
PLD_TXD sh2
PLD_INIT sh2
PLD_RXD sh2
PLD_IO9 sh2
CS4sh1
CS1sh1
SW_INsh3
IF_STB sh3
SUB_ID2 sh3
SUB_ID1 sh3
SUB_ID0 sh3
IF_1284 sh3
PLD_TDO sh1
IF_INIT sh3
IF_HOST_BUSY sh3
IF_ERR sh3
IF_IO9 sh3
CS0OE
CS0WE

2.5V_A 2.5V_A 2.5V_A 2.5V_A
- 61 -
Ethernet Interface Board 4/5
Locate these devices near
KSZ8721 power pins.
These Resistors are
1% / 2125.
VDDRCV is output of regurated 2.5V.
2.5V and 2.5V_P are distributed from 2.5V_A via FBs.
Left (view from outside)
Right (view from outside)
12
1 2
1 2
12
1 1
2 2
3 3
4 4
5 5
6 6
7 7
8 8
SHIELD 9
SHIELD 10
12
12
TX+
16
TX-
14
TD+ 1
TDCT 2
CT1
15
TD- 3
RD+ 6
RD- 8
RDCT 7
RX+
11
RX-
9
CT2
10
21
IO1
1
NC1
2
GND
3
IO2
4
NC2
5
IO3 6
NC3 7
VCC 8
IO4 9
NC4 10
12
21
12
12
12
12
12
1212
12
1 2
MDC 2
MDIO 1
CRS/RMII_BTB 22
COL/RMII 21
TXC/REFCLK 15
TXD0 17
TXD1 18
TXD2 19
TXD3 20
TXEN 16
TXER 14
RXC 10
RXD0/PHYAD4 6
RXD1/PHYAD3 5
RXD2/PHYAD2 4
RXD3/PHYAD1 3
RXER/ISO 11
RXDV/CRSDV/PCS_LPBK 9
TX+
41
TX-
40
RX+
33
RX-
32
LED0/TEST
26
FXSD/FXEN
34
PD
30
LED3/NWAYEN
29
LED2/DUPLEX
28
LED1/SPD100/nFEF
27
XI
46
XO
45
GND
39
VDDTX
42
GND
43
GND
44
VDDPLL
47
INT/PHYAD0 25
RST 48
VDDIO
7
VDDIO
24
GND
8
GND
12
GND
23
GND
35
VDDC
13
VDDRX
31
VDDRCV
38
GND
36
REXT 37
IO1 1
NC1 2
GND 3
IO2 4
NC2 5
IO3
6
NC3
7
VCC
8
IO4
9
NC4
10
12
12
12
12
12
12
12
1 2
1 2
12
12
R86
49.9
R7
470
R4
470
C46
0.1u
CN1
TM11R-5M2-88-LP
C39
0.1u
R88
49.9
L2
H1260
D3
(Green)
D4
MAX3208
C41
0.1u
D2
(Orange)
R89
49.9
D6
(DF2S5.6S)
C38
0.1u
C37
0.1u
C42
0.1u
R102
2.2k
C44
10p
FB3
BK1608
C45
0.1u
R87
33
U9
KSZ8721BL
D5
MAX3208
C53
10u/2125
R100
6.49k 1%
C40
10u/2125
C8
0.1u
R103
10k
X2
NX5032 25MHz 50ppm
R85
49.9
C52
10u/2125
R101
(1M)
FB2
BK1608
R93
33
C43
10p
D7
(DF2S5.6S)
VCC
2.5V_P
2.5V
2.5V_A
VCC
2.5V 2.5V_A 2.5V_P
VCC
VCC
VCC
P_LED1sh4
P_LED2sh4
PLD_OUT1 sh4
PLD_OUT2 sh4
MII_MDC sh2
MII_MDIO sh2
MII_TXCLK sh2
MII_TXD3 sh2
MII_TXD2 sh2
MII_TXD1 sh2
MII_TXD0 sh2
MII_TXER sh2
MII_TXEN sh2
MII_COL sh2
MII_CRS sh2
MII_RXCLK sh2
MII_RXD3 sh2
MII_RXD2 sh2
MII_RXD1 sh2
MII_RXD0 sh2
MII_RXER sh2
MII_RXDV sh2
RESET sh1,4

VCC
R59
10k
SW1 R60
1 2 1 2
3 4
470
12
12
SW_IN sh4
SKHHLP C51
0.1u
CN4
sh4
sh4
IF_ERR
IF_BUSY
IF_STB
IF_POUT
IF_ACK
IF_IO9IF_HOST_BUSY
IF_SEL
IF_1284
1 2
1 2
ID0
A1
ID2
A2
GND
A3
CD0
A4
CD2
A5
CD4
A6
CD6
A7
I/O8(HOST_BUSY)
A8
+5V
A9
ERR
A10
ID1 B1
TXD B2
RXD B3
CD1 B4
CD3 B5
CD5 B6
CD7 B7
I/O9 B8
+5V B9
INIT B10
SEL
A11
BUSY
A12
I/O4
A18
I/O10(SIN/1284ACTIVE)
A14
WE
A15
I/O2
A17
I/O6(SUB_ID1)
A19
STB
A13
GND
A20
I/O0
A16
POUT B11
ACK B12
RD B13
CS B14
GND B15
I/O1 B16
I/O3 B17
I/O5(SUB_ID0) B18
I/O7(SUB_ID2) B19
GND B20
R77
10k
R78
10k
+5V
IF_TXD
IF_RXD
IF_CD1
IF_CD3
IF_CD5
IF_CD7
IF_CD0
IF_CD2
IF_CD4
IF_CD6
SUB_ID0 sh4
SUB_ID2SUB_ID1
IF_INIT sh4
sh4
sh4
sh4
sh4
sh4
sh4
sh4
sh4 +5V +5V
IF_1284
IF_ACK
IF_ERR
IF_SEL
IF_POUT
IF_BUSY
1 2
1 8
2 7
3 6
4 5
1 2
R83
100k
RA18
CN1J4K104J
R84
100k
IF_ERR sh4
IF_SEL sh4
IF_POUT sh4
IF_BUSY sh4
IF_ACK sh4
IF_1284 sh4
IF_HOST_BUSY
IF_IO9
1 2
1 2
R80
10k
R79
10k
IF_HOST_BUSY sh4
IF_IO9 sh4
IF_STB IF_STB sh4
+5V
+5V
sh4 sh4
Ethernet Interface Board 5/5
- 62 -
PHEC40P-R111/ R211

14-2. Component Layout
- 63 -

14-3. Parts List Ethernet Interface Board
DRWG.NO. REV. PARTS NO. PARTS NAME Q' TY REMARKS RANK
C1 NPN CERA.CAPA.CHIP1608 2.2UF 6.3V 1
C2 NPN CHEM.CAPA.CHIP 100UF 6.3V 1
C3 NPN CHEM.CAPA.CHIP 22UF 6.3V 1
C4 NPN CERA.CAPA.CHIP1608 470PF 50V 1
C5 NPN CERA.CAPA.CHIP1608 0.1UF 25V 1
C6 NPN CERA.CAPA.CHIP1608 1000PF 50V 1
C7 NPN CERA.CAPA.CHIP1608 0.022UF 50V 1
C8-17 NPN CERA.CAPA.CHIP1608 0.1UF 25V 10
C18 NPN CERA.CAPA.CHIP1608 470PF 50V 1
C19-20 NPN CERA.CAPA.CHIP 10PF 25V 2
C21-23 NPN CERA.CAPA.CHIP1608 470PF 50V 3
C24-C25 NOT USED
C26 NPN CERA.CAPA.CHIP1608 0.1UF 25V 1
C27 NOT USED
C28-30 NPN CERA.CAPA.CHIP1608 0.1UF 25V 3
C31 NOT USED
C32-35 NPN CERA.CAPA.CHIP1608 0.1UF 25V 4
C36 NOT USED
C37-39 NPN CERA.CAPA.CHIP1608 0.1UF 25V 3
C40 NPN CERA.CAPA.CHIP 10UF 6.3V 1
C41-42 NPN CERA.CAPA.CHIP1608 0.1UF 25V 2
C43-44 NPN CERA.CAPA.CHIP 10PF 25V 2
C45-46 NPN CERA.CAPA.CHIP1608 0.1UF 25V 2
C47-C50 NOT USED
C51 NPN CERA.CAPA.CHIP1608 0.1UF 25V 1
C52-53 NPN CERA.CAPA.CHIP 10UF 25V 2
C54 NOT USED
RA1-RA17 NOT USED
RA18 NPN RESIS. ARRAY CHIP CN1JK104J 1
RA19-24 NPN RESIS. ARRAY CHIP MNR14J103* 6
R1-3 NPN CHIP RES1608 33 OHM 1/16W 5% 3
R4 NPN CHIP RESISTOR 470 OHM 1/16W 1
R5-6 NOT MOUNTED
R7 NPN CHIP RESISTOR 470 OHM 1/16W 1
R8-9 NOT MOUNTED
R10 NPN CHIP RES1608 33 OHM 1/16W 5% 1
R11 NOT MOUNTED
R12-13 NPN CHIP RES1608 2.7 KOHM 1/16W 5% 2
R14 NOT USED
R15 NPN CHIP RES1608 33 OHM 1/16W 5% 1
R16-R28 NOT USED
R29 NPN CHIP RES1608 1.5 KOHM 1/16W 5% 1
R30-R35 NOT USED
R36 NPN CHIP RESISTOR 1 K-OHM 1/16W 1
R37 NPN CHIP RESISTOR 470 OHM 1/16W 1
R38 NPN CHIP RESISTOR 10 K-OHM 1/16W 1
R39 NPN CHIP RES1608 33 OHM 1/16W 5% 1
R40-41 NOT USED
R42-43 NPN CHIP RESISTOR 4.7 K-OHM 1/16W 2
R44 NPN CHIP RESISTOR 2.4 K-OHM 1/16W 1
R45 NOT USED
R46 NPN CHIP RESISTOR 10 K-OHM 1/16W 1
- 64 -

Ethernet Interface Board
DRWG.NO. REV. PARTS NO. PARTS NAME Q' TY REMARKS RANK
R47 NPN CHIP RES1608 33 OHM 1/16W 5% 1
R48 NPN CHIP RESISTOR 10 K-OHM 1/16W 1
R49 NPN CHIP RES1608 33 OHM 1/16W 5% 1
R50 NPN CHIP RESISTOR 10 K-OHM 1/16W 1
R51 NPN CHIP RES1608 33 OHM 1/16W 5% 1
R52 NPN CHIP RESISTOR 10 K-OHM 1/16W 1
R53 NPN CHIP RES1608 33 OHM 1/16W 5% 1
R54 NPN CHIP RESISTORE 100 K-OHM 1/16W 1
R55-57 NPN CHIP RESISTORE 820 OHM 1/16W 3
R58 NPN CHIP RESISTOR 3.3 K-OHM 1/16W 1
R59 NPN CHIP RESISTOR 10 K-OHM 1/16W 1
R60 NPN CHIP RESISTOR 470 OHM 1/16W 1
R61-R64 NOT USED
R65-66 NPN CHIP RESISTOR 15 K-OHM 1/16W 2
R67-68 NOT USED
R69 NPN CHIP RESISTOR 15 K-OHM 1/16W 1
R70 NPN CHIP RESISTOR 22 K-OHM 1/16W 1
R71-R76 NOT USED
R77 NPN CHIP RESISTOR 10 K-OHM 1/16W 1
R78 NPN CHIP RESISTOR 10 K-OHM 1/16W 1
R79 NPN CHIP RESISTOR 10 K-OHM 1/16W 1
R80 NPN CHIP RESISTOR 10 K-OHM 1/16W 1
R81-R82 NOT USED
R83-84 NPN CHIP RESISTOR 100 K-OHM 1/16W 2
R85-86 NPN CHIP RESISTOR 49.9 OHM 1/10W 2
R87 NPN CHIP RES1608 33 OHM 1/16W 5% 1
R88-89 NPN CHIP RESISTOR 49.9 OHM 1/10W 2
R90-R92 NOT USED
R93 NPN CHIP RES1608 33 OHM 1/16W 5% 1
R94-R99 NOT USED
R100 NPN CHIP RESIS 6.49 K-OHM 1/16W 1% 1
R101 NOT MOUNTED
R102 NPN CHIP RESISTOR 2.2 K-OHM 1/16W 1
R103 NPN CHIP RESISTOR 10 K-OHM 1/16W 1
R104-R106 NOT USED
R107-108 NPN CHIP RESISTOR 15 K-OHM 1/16W 2
R109-115 NOT USED
R116 NOT MOUNTED
R117-119 NPN CHIP RESISTOR 10 K-OHM 1/16W 3
R120 NPN CHIP RESISTOR 100 OHM 1/16W 1
R121 NPN CHIP RESISTOR 4.7 K-OHM 1/16W 1
R122 NPN CHIP RESISTOR 0 OHM 1/16W 1
R123 NOT MOUNTED
R124 NPN CHIP RESISTOR 0 OHM 1/16W 1
R125 NPN CHIP RESISTOR 10 K-OHM 1/16W 1
R126 NPN CHIP RESISTOR 0 OHM 1/16W 1
R127 NPN CHIP RESISTOR 10 K-OHM 1/16W 1
R128 NOT MOUNTED
R129 NPN CHIP RESISTOR 0 OHM 1/16W 1
R130 NOT MOUNTED
R131 NPN CHIP RES1608 33 OHM 1/16W 5% 1
R132 NPN CHIP RES1608 33 OHM 1/16W 5% 1
- 65 -

Ethernet Interface Board
DRWG.NO. REV. PARTS NO. PARTS NAME Q' TY REMARKS RANK
R133-134 NOT MOUNTED
D1 NOT USED
D2 NPN LED CHIP LT1D40A* 1
D3 NPN LED CHIP LT1E40A* 1
D4-5 NPN DIODE ARRAY MAX3208EAUB 2
D6-7 NOT MOUNTED
TR1 NPN DIGITAL TRANSISTOR FN1A4P 1
TR2 NPN CHIP TRANSISTOR KTC3875S-G*AL 1
U1 NPN CPU NS7520B-1-C36 1
U2 NPN IC-REG L88M33T*TL 1
U3 NPN IC-REG S-1165B15* 1
U4 NPN IC-RESET S-80130CN* 1
U5 NPN FLASH MEMORY 29AL016D90TFI010 1
U6 NPN SDRAM MT48LC4M16A2P 1
U7 NPN CPLD EPM3128ATC100 1
U8 NOT USED
U9 NPN PHY KSZ8721BL 1
U10 NPN CMOS 74ALVC2G04USE* 1
U11 NPN CMOS 74ALVC1G08* 1
SW1 NPN PUSH SWITCH SKHHLP 1
CN1 NPN CONNECTOR TM11R-5M2-88-LP 1
CN2 NPN CONNECTOR 52975-1883 1
CN3 NOT USED
CN4 NPN CONNECTOR PHEC40P-R111LF 1
X1 NPN CRYSTAL NX5032 18.432MHZ 1
X2 NPN CRYSTAL NX5032 25.000MHZ 1
JP1 NPN CONNECTOR IMSA-9261B-2-06Y912 1
NPN CONNECTOR IMSA9215H-GF 1
FB1-3 NPN CHIP BEADS IND. BK1608HS601* 3
L1 NOT USED
L2 NPN PULSE FORMER H1260NLT 1
L3-L5 NOT USED
TP1-12 NOT USED
- 66 -

ELECTRONIC PRODUCTS DIVISION
STAR MICRONICS CO., LTD.
536 Nanatsushinya, Shimizu-ku, Shizuoka,
424-0066 Japan
Tel: (int+81)-54-347-0112, Fax: (int+81)-54-347-0409
Please access the following URL
http://www.star-m.jp/eng/dl/dl02.htm
for the latest revision of the manual.
OVERSEAS SUBSIDIARY COMPANIES
STAR MICRONICS AMERICA, INC.
1150 King Georges Post Road, Edison, NJ 08837-3729 U.S.A.
Tel: (int+1)-732-623-5555, Fax: (int+1)-732-623-5590
STAR MICRONICS EUROPE LTD.
Star House, Peregrine Business Park, Gomm Road,
High Wycombe, Bucks, HP13 7DL, U.K.
Tel: (int+44)-1494-471111, Fax: (int+44)-1494-473333
STAR MICRONICS ASIA LTD.
Rm. 1901-5, 19/F., Enterprise Square Two,
3 Sheung Yuet Road, Kowloon Bay, Hong Kong
Tel: (int+852)-2796-2727, Fax: (int+852)-2799-9344
Distributed by
2009.02.13
Printed in Japan, 80873705