Sterling Tubular Gas Fired Direct Spark Propeller Unit Heaters Gg 105 Users Manual S
TUBULAR GAS FIRED DIRECT SPARK PROPELLER UNIT HEATERS GG-75 Sterling-GG-Manual
GG-30 to the manual 13780daf-313c-4c81-a8c1-34a75f6ab23e
2015-02-04
: Sterling Sterling-Tubular-Gas-Fired-Direct-Spark-Propeller-Unit-Heaters-Gg-105-Users-Manual-388807 sterling-tubular-gas-fired-direct-spark-propeller-unit-heaters-gg-105-users-manual-388807 sterling pdf
Open the PDF directly: View PDF
.
Page Count: 44

(S) DSGG-IOM-1
J30-08511
INSTALLER'S RESPONSIBILITY
Installer Please Note: This equipment has been test fired and inspected. It has been
shipped free from defects from our factory. However, shipment and installation
problems such as loose wires, leaks, or loose fasteners may occur. It is the installer's
responsibility to inspect and correct any problem that may be found.
RECEIVING INSTRUCTIONS
Inspect shipment immediately when
received to determine if any damage has
occurred to the unit during shipment. After
the unit has been uncrated, check for any
visible damage to the unit. If any damage
is found, the consignee should sign the
bill of lading indicating such damage and
immediately fi le claim for damage with the
transportation company.
www.sterlinghvac.com
HVAC PRODUCTS
260 NORTH ELM ST., WESTFIELD, MA 01085
TEL: (413) 564-5540 FAX: (413) 562-5311
MODELS: GG-30, 45, 60, 75, 90, 105, 120
Model No. Serial No.
ATTENTION:
READ THIS MANUAL AND ALL LABELS ATTACHED TO THE UNIT CAREFULLY BEFORE ATTEMPTING
TO INSTALL, OPERATE OR SERVICE THESE UNITS! CHECK UNIT DATA PLATE FOR TYPE OF GAS AND ELECTRICAL
SPECIFICATIONS AND MAKE CERTAIN THAT THESEAGREE WITH THOSE AT THE POINT OF INSTALLATION. RECORD THE
UNIT MODEL AND SERIAL No.(s) IN THE SPACE PROVIDED. RETAIN FOR FUTURE REFERENCE.
INSTALLATION INSTRUCTIONS AND PARTS LIST
TUBULAR GAS FIRED DIRECT SPARK PROPELLER UNIT HEATERS
– FOR RESIDENTIAL INSTALLATIONS –
04/08
Please utilize this toll free number to contact your local
representative 800-490-2290.
FOR YOUR SAFETY
WHAT TO DO IF YOU SMELL GAS
Do not try to light any appliance.
Do not touch any electrical switch; do
not use any phone in your building.
Immediately call your gas supplier
from a neighbor’s phone. Follow the
gas supplier’s instructions.
If you cannot reach your gas supplier,
call your fi re department.
APPROVED FOR USE IN CALIFORNIA
Install, operate, and maintain unit in accordance with the manufacturer's
instructions to avoid exposure to fuel substances, or substances from incomplete combustion,
which can cause death or serious illness. The state of California has determined that these
substances may cause cancer, birth defects, or other reproductive harm.
Improper installation, adjustment, alteration, service, or maintenance
can cause property damage, injury, or death. Read the installation, operating, and
maintenance instruction thoroughly before installing or servicing this equipment.
FOR YOUR SAFETY
Do not store or use gasoline or other fl ammable vapors and liquids in the vicinity of this or
any other appliance.

2
TABLE OF CONTENTS
The following terms are used throughout this manual, in addition to the ETL requirements to bring attention to the
presence of potential hazards, or to important information concerning the product:
Indicates an imminently hazardous
situation which, if not avoided, will result in
death, serious injury, or substantial property
damage.
Indicates an imminently hazardous
situation which, if not avoided, could result in
death, serious injury, or substantial property
damage.
Indicates an imminently hazardous
situation which, if not avoided, may result in minor
injury or property damage.
NOTICE: Used to notify of special instructions on
installation, operation, or maintenance which are
important to equipment but not related to personal
injury.
SPECIFICATIONS
Basic Description .................................................... 2
Performance & Specifi cation Data ......................4, 5
GENERAL SAFETY INFORMATION
Installation Codes ............................................... 2, 3
Special Precautions ............................................ 2, 3
INSTALLATION
Locating Units ..................................................... 6, 7
Combustion Air ................................................... 6, 7
Proper Clearances .............................................. 6, 7
Suspension of Units ............................................ 6, 7
Gas Supply Piping .............................................. 8, 9
ELECTRICAL CONNECTIONS ............................10-15
VENTING
General .............................................................16-17
Standard Combustion ......................................18-25
Separated Combustion ....................................26-30
OPERATION
Explanation of Controls and Operation .................. 31
Main Burner Orifi ce Schedule ...............................32
Adjustments ..........................................................32
High Altitude Operation ..................................32, 33
MAINTENANCE
Servicing & Cleaning ............................................ 33
TROUBLESHOOTING GUIDE .............................34-38
IDENTIFICATION OF PARTS .............................. 39, 40
WARRANTY ............................................................... 41
MODEL NUMBER .....................................................42
INSPECTION SHEET ................................................. 43
See Identifi cation of Parts throughout this manual.
DESCRIPTION
The Residential Tubular Gas Fired Unit Heater is a
factory assembled, power vented, low static pressure
type propeller fan unit heater designed to be suspended
within the space to be heated. THESE HEATERS ARE
NOT TO BE CONNECTED TO DUCTWORK. These
Tubular Unit Heaters are design certified under ANSI
Z83.8 for Industrial/Commercial use and IAS .10.96 U.S.
NOTICE: It is the equipment owners responsibility to provide any scaffolding or other apparatus required to
perform emergency service or annual/periodic maintenance to this equipment.
(2nd ed.) “Unit Heaters for Residential Installation”. The
designs are certified by ETL as providing a minimum
of 80% thermal efficiency, and approved for use in
California. Do not alter these units in any way. If you
have any questions after reading this manual, contact
the manufacturer.
Figure 1 - Tubular 30 thru 120 Propeller Unit Heaters
GG120 GG030

3
GENERAL SAFETY INFORMATION
Failure to comply with the general
safety information may result in extensive
property damage, severe personal injury, or
death.
This product must be installed by
a licensed plumber or gas fi tter when installed
within the Commonwealth of Massachusetts.
Installation must be made in accordance with
local codes, or in absence of local codes, with
the latest edition of ANSI Standard Z223.1 (N.F.P.A.
No. 54) National Fuel Gas Code. All of the ANSI
and NFPA Standards referred to in these installation
instructions are those that were applicable at the
time the design of this appliance was certified.The
ANSI Standards are available from CSA Information
Services 1-800-463-6727. The NFPA Standards are
available from the National Fire Protection Association,
Batterymarch Park, Quincy, MA 02269.
If installed in Canada, the installation must conform with
local building codes, or in the absence of local building
codes, with CGA-B149.1 "Installation Codes for Natural
Gas Burning Appliances and Equipment" or CGA-B149.2
"Installation Codes for Propane Gas Burning Appliances
and Equipment." These unit heaters have been designed
and certifi ed to comply with CGA 2.6.
Do not alter the unit heater in any
way or damage to the unit and/or severe personal
injury or death may occur!
Disconnect all power and gas
supplies before installing or servicing the heater.
If the power disconnect is out of sight, lock it in
the open position and tag it to prevent unexpected
application of power. Failure to do so could result
in fatal electric shock, or severe personal injury.
Ensure that all power sources conform
to the requirements of the unit heater, or damage to
the unit will result!
Follow installation instructions CAREFULLY to avoid
creating unsafe conditions. All wiring should be done
and checked by a qualified electrician, using copper
wire only. All gas connections should be made and leak-
tested by a suitably qualifi ed individual, per instructions
in this manual. Also follow procedures listed on "Gas
Equipment Start-Up Sheet" located in this manual.
Use only the fuel for which the heater is designed (see
rating plate). Using LP gas in a heater that requires
natural gas, or vice versa, will create risk of gas leaks,
carbon monoxide poisoning, and explosion.
Conversion to a fuel other than
that listed on the rating plate is permitted only
with a factory supplied, ETL approved conversion
kit.
Make certain that the power source conforms to the
electrical requirements of the heater.
Do not depend upon a thermostat
or other switch as sole means of disconnecting
power when installing or servicing heater. Always
disconnect power at main circuit breaker as
described above. Failure to do so could result in
fatal electric shock.
Special attention must be given to any grounding
information pertaining to this heater. To prevent the risk
of electrocution, the heater must be securely and
adequately grounded. This should be accomplished by
connecting a ground conductor between the service panel
and the heater. To ensure a proper ground, the grounding
means must be tested by a qualifi ed electrician.
Do not insert fingers or foreign objects into heater or
its air moving device. Do not block or tamper with the
heater in any manner while in operation, or just after it
has been turned off, as some parts maybe hot enough
to cause injury.
This heater is intended for general heating applications
ONLY. It must NOT be used in potentially dangerous
locations such as fl ammable, explosive, chemical-laden,
or wet atmospheres.
Do not attach ductwork to this product or use it as a
makeup air heater. Such usage voids the warranty and
will create unsafe operation.
In cases in which property damage may result from
malfunction of the heater, a back-up system or
temperature sensitive alarm should be used.
Should overheating occur, or the gas supply fail to shut
off, shut off the manual gas valve to the appliance before
shutting off the electrical supply.
The open end of piping systems
being purged shall not discharge into areas where
there are sources of ignition or into confi ned spaces
UNLESS precautions are taken as follows: (1) by
ventilation of the space, (2) control of the purging
rate, (3) elimination of all hazardous conditions. All
precautions must be taken to perform this operation
in a safe manner!
Unless otherwise specifi ed, the following conversions
may be used for calculating SI unit measurements:
1 foot = 0.305 m
1 inch = 25.4 mm
1 gallon = 3.785 L
1 pound = 0.453 kg
1 psig = 6.894 kPa
1 cubic foot = 0.028m3
1000 BTU/cu. ft. = 37.5 MJ/m3
1000 BTU per hour = 0.293 kW
1 inch water column = 0.249 kPa
liter/second = CFM x 0.472
meters/second = FPM ÷ 196.8

4
Table 1 - Performance and Dimensional Data - Tubular 30 thru 120 Propeller Unit Heater
Unit Size 30 45 60 75 90 105 120
PERFORMANCE DATA†
Input - BTU/Hr. 30,000 45,000 60,000 75,000 90,000 105,000 120,000
(kW) (8.8) (13.2) (17.6) (22.0) (26.4) (30.8) (34.2)
Output - BTU/Hr. 24,300 36,450 48,600 60,750 72,900 85,050 97,200
(kW) (7.1) (10.7) (14.2) (17.8) (21.4) (24.9) (28.5)
Thermal Effi ciency (%) 81 81 81 81 81 81 81
Free Air Delivery - CFM 370 550 740 920 1,100 1,300 1,475
(cu. m/s) (.175) (.260) (.349) (.434) (.519) (.614) (.696)
Air Temperature Rise - Deg. F 60 60 60 60 60 60 60
(Deg. C) (15) (15) (15) (15) (15) (15) (15)
Full Load Amps at 120V 3.0 3.0 3.7 4.1 6.4 6.4 6.4
Maximum Circuit Ampacity 3.5 3.5 4.4 4.8 7.5 7.5 7.5
MOTOR DATA: Motor HP 1/20 1/20 1/12 1/12 1/10 1/10 1/10
Motor (kW) (0.04) (0.04) (0.06) (0.06) (0.075) (0.075) (0.075)
Motor Type SP SP SP SP SP SP SP
R.P.M. 1650 1650 1050 1050 1050 1050 1050
Motor Amps @ 115V 1.9 1.9 2.6 2.6 4.2 4.2 4.2
DIMENSIONAL DATA - inches (mm)
“A” Jacket Height 12-3/8 12-3/8 15-7/8 15-7/8 22-5/8 22-5/8 22-5/8
(314) (314) (403) (403) (574) (574) (574)
“B” Overall Height 13-1/4 13-1/4 16-13/16 16-13/16 23-9/16 23-9/16 23-9/16
(337) (337) (427) (427) (598) (598) (598)
“C” Overall Depth 25-7/8 25-7/8 26-3/16 26-3/16 26-3/8 26-3/8 26-3/8
(632) (632) (665) (665) (670) (670) (670)
“D1” Center Line Height of Flue* 8-1/2 8-1/2 10-3/8 10-3/8 13-5/8 13-5/8 13-5/8
(216) (216) (263) (263) (346) (346) (346)
“D2” Center Line Height of Air Intake 8-1/2 8-1/2 8 8 8-5/8 8-5/8 8-5/8
(216) (216) (203) (203) (219) (219) (219)
“E” Fan Diameter 10 10 14 14 16 16 16
(254) (254) (356) (356) (406) (406) (406)
“F” Discharge Opening Height 10-13/16 10-13/16 14-7/16 14-7/16 21-3/16 21-3/16 21-3/16
(275) (275) (367) (367) (538) (538) (538)
“G” Vent Connection Diameter 4 4 4 4 4 4 4
(102) (102) (102) (102) (102) (102) (102)
“H1” Center Line of Flue Connection From Side 7-1/4 7-1/4 7-1/4 7-1/4 7-3/4 7-3/4 7-3/4
(184) (184) (184) (184) (197) (197) (197)
“H2” Center Line of Air Intake From Side 2-3/4 2-3/4 2-3/4 2-3/4 3-1/2 3-1/2 3-1/2
(70) (70) (70) (70) (89) (89) (89)
Vent Size Requirements - Standard Combustion
Category I Horizontal** 4 4 4 5 5 5 5
(102) (102) (102) (127) (127) (127) (127)
Category III Horizontal 4 4 4 4 4 4 4
(102) (102) (102) (102) (102) (102) (102)
Category I & III Vertical 4 4 4 4 4 4 4
(102) (102) (102) (102) (102) (102) (102)
Vent Size Requirements - Separated Combustion
Exhaust Diameter** 4 4 4 4 5 5 5
(102) (102) (102) (102) (127) (127) (127)
Intake Air Diameter 4 4 4 4 5 5 5
(102) (102) (102) (102) (127) (127) (127)
Unit Weight - lbs. 57 60 75 87 96 103 112
(kgs) (27) (29) (34) (37) (45) (48) (49)
Shipping Weight - lbs. 67 70 90 96 109 143 152
(kgs) (32) (33) (41) (44) (51) (66) (67)
* For all installations, the fl ue collar is included with the unit and should be fi eld installed per the instructions included with the unit.
** 4-5" reducer supplied where required.
† Ratings shown are for unit installations at elevations between 0 and 2,000 ft (0 to 610m). For unit installations in U.S.A. above 2,000 ft. (610m), the unit input must be derated 4% for each 1,000 ft. (305m) above sea
level; refer to local codes, or in absence of local codes, refer to the latest edition of the National Fuel Gas Code, ANSI Standard Z223.1 (N.F.P.A. No. 54), (also refer to Table 6).

5
Figure 2 - Dimensional Drawing – Tubular 30 thru 120 Propeller Unit Heater
DIMENSIONS .XXX STANDARD UNITS
DIMENSIONS IN PARENTHESIS (XXX) MILLIMETERS

6
INSTALLATION
Do not install unit heaters in
corrosive or fl ammable atmospheres! Premature
failure of, or severe damage to the unit will
result!
Avoid locations where extreme
drafts can affect burner operation. Unit heaters
must not be installed in locations where air
for combustion would contain chlorinated,
halogenated or acidic vapors. If located in such
an environment, premature failure of the unit will
occur!
Since the unit is equipped with an automatic gas ignition
system, the unit heater must be installed such that the
gas ignition control system is not directly exposed to
water spray, rain or dripping water.
NOTICE: Location of unit heaters is related directly
to the selection of sizes. Basic rules are as follows:
MOUNTING HEIGHT: If the unit heater is installed in a
garage, it must be installed with a minimum clearance
above the fl oor of 18 inches (457mm).
AIR DISTRIBUTION: Direct air towards areas of
maximum heat loss. When multiple heaters are involved,
circulation of air around the perimeter is recommended
where heated air fl ows along exposed walls. Satisfactory
results can also be obtained where multiple heaters are
located toward the center of the area with heated air
directed toward the outside walls. Be careful to avoid all
obstacles and obstructions which could impede the warm
air distribution patterns.
Unit heaters should not be installed to maintain low
temperatures and/or freeze protection of buildings. A
minimum of 50°F (10°C) thermostat setting must be
maintained. If unit heaters are operated to maintain lower
than 50°F (10°C), hot fl ue gases are cooled inside the
heat exchanger to a point where water vapor (a fl ue gas
by-product) condenses onto the heat exchanger walls. The
result is a mildly corrosive acid that prematurely corrodes
the aluminized heat exchanger and can actually drip water
down from the unit heater onto fl oor surface. Additional
unit heaters should be installed if a minimum 50°F (10°C)
thermostat setting cannot be maintained.
Should overheating occur, or the gas
supply fail to shut off, shut off the manual gas valve
to the appliance before shutting off the electrical
supply.
Do not use this appliance if any
part has been under water. Immediately call a
qualifi ed service technician to inspect the appliance
and replace any gas control which has been
underwater.
AIR FOR COMBUSTION: The unit heater shall be
installed in a location in which the facilities for ventilation
permit satisfactory combustion of gas, proper venting,
and the maintenance of ambient air at safe limits
under normal conditions of use. The unit heater shall
be located in such a manner as not to interfere with
proper circulation of air within the confi ned space. When
buildings are so tight that normal infiltration does not
meet air requirements, outside air shall be introduced
per Sections 1.3.4.2 and 1.3.4.3 of ANSI Z223.1 for
combustion requirements. A permanent opening or
openings having a total free area of not less than
one square inch per 5,000 BTU/Hr (1.5 kW) of total
input rating of all appliances within the space shall be
provided.
NOTICE: Unit Heater sizing should be based on heat
loss calculations where the unit heater output equals
or exceeds heat loss.
CLEARANCES: Each Gas Unit Heater shall be located
with respect to building construction and other equipment
so as to permit access to the Unit Heater. Clearance
between vertical walls and the vertical sides of the Unit
Heater shall be no less than 1 inch (25.4mm). However,
to ensure access to the control box and fan, a minimum
of 18" (457mm) is required for the fan, and control box
side. A minimum clearance of 1 inch (25.4mm) must be
maintained between the top of the Unit Heater and the
ceiling. The bottom of the Unit Heater must be no less
than 1 inch (25.4mm) from any combustible. The distance
between the flue collector and any combustible must
be no less than 1 inch (25.4mm). Also see AIR FOR
COMBUSTION and VENTING sections.
NOTICE: Increasing the clearance distances may
be necessary if there is a possibility of distortion or
discoloration of adjacent materials.
MOUNTING: The Unit Heater may be mounted with the
vent outlet, gas and electrical connections to the right or
left of the air moving fan. The Unit Heater is shipped with
the connections to the right of the fan when looking in
the direction of the air fl ow. If connections to the right are
required, remove hanger brackets from face of unit and
attach as pictured in Figure 3. If connections to the left
are required, invert the heater (180°), mount the hanging
brackets as above, and remove, invert, and replace the
control access panel and the air discharge louvers.

7
INSTALLATION (continued)
The Unit Heater may be mounted by
fastening the hanging brackets directly to
ceiling joists or by suspending from four
rods. See Figures 3, 4 and 5.
Make certain that
the lifting methods used to lift the
heater and the method of suspen-
sion used in the fi eld installation of
the heater are capable of uniformly
supporting the weight of the heater
at all times. Failure to heed this
warning may result in property
damage or personal injury!
Make sure that the
structure to which the unit heater
is to be mounted is capable of
safely supporting its weight.
Under no circumstances must the
gas lines, the venting system or
the electrical conduit be used to
support the heater; or should any
other objects (i.e. ladder, person)
lean against the heater gas lines,
venting system or the electrical
conduit for support. Failure to
heed these warnings may result
in property damage, personal
injury, or death.
Unit Heaters must be
hung level from side to side and from
front to back, see Figures 3, 4 and 5.
Failure to do so will result in poor
performance and/or premature failure
of the unit.
Ensure that all
hardware used in the suspension
of each unit heater is more than
adequate for the job. Failure to
do so may result in extensive
property damage, severe personal
injury, or death!
Refer to Figures 3, 4 and 5 for
suspension of units.
Figure 5 - Heater Mounting (Wood Construction)
Figure 3 - Hanger Bracket Installation Instructions
Figure 4 - Heater Mounting (Steel Construction)

8
GAS PIPING
To avoid damage or possible personal injury, do not connect gas piping to this unit
until a supply line pressure/leak test has been completed. Connecting the unit before completing the
pressure/leak test may damage the unit gas valve and result in a fi re hazard.
Do not rely on a shut-off valve to isolate the unit while conducting gas pressure/leak
tests. These valves may not be completely shut off, exposing the gas valve to excessive pressure and
damage.
NOTICE: If more than one unit heater is to be served
by the same piping arrangement, the total cu. ft./hr.
input and length of pipe must be considered.
NOTICE: If the gas unit heater is to be fi red with LP
gas, consult your local LP gas dealer for pipe size
information.
NOTICE: HEATER INSTALLATION FOR USE WITH
PROPANE (BOTTLED) GAS MUST BE MADE BY A
QUALIFIED L.P. GAS DEALER OR INSTALLER. HE
WILL ENSURE THAT PROPER JOINT COMPOUNDS
ARE USED FOR MAKING PIPE CONNECTIONS;
THAT AIR IS PURGED FROM LINES; THAT A
THOROUGH TEST IS MADE FOR LEAKS BEFORE
OPERATING THE HEATER; AND THAT IT IS
PROPERLY CONNECTED TO THE PROPANE GAS
SUPPLY SYSTEM.
Before any connection is made to the existing line
supplying other gas appliances, contact the local
gas company to make sure that the existing line is of
adequate size to handle the combined load.
1. Determine the required Cu. Ft./Hr. by dividing the input by 1000. For SI/Metric measurements: Convert BTU/Hr. to kilowatts. Multiply the
units inputs (kW) by 0.0965 to determine Cu. Meters./Hr. 2. FOR NATURAL GAS: Select pipe size directly from the table. 3. FOR PROPANE
GAS: Multiply the Cu. Ft./Hr. value by 0.633; then, use the table. 4. Refer to the metric conversion factors listed in the General Safety section for
SI Unit measurement conversions.
Table 2 - Gas Pipe Size
PIPE SIZING
To provide adequate gas pressure to the gas unit heater,
size the gas piping as follows:
1. Find the cu. ft./hr. by using the following formula:
Input
Cu. ft./hr. = BTU
2. Refer to Table 2. Match “Length of Pipe in Feet” with
appropriate “Gas Input - Cu. Ft./Hr.” fi gure. This fi gure
can then be matched to the pipe size at the top of
the column.
Example:
It is determined that a 67 foot (20.4m) run of gas pipe
is required to connect a 75 MBTU gas unit heater to
a 1,000 BTU/cu ft. (0.29kW) natural gas supply.
75,000 BTU/Hr
1,000 BTU/cu. ft. = 75 Cu. ft./hr.
Using Table 2, a 3/4 inch pipe is needed.
NOTE: See General Safety Information section for
English/Metric unit conversion factors.
Maximum Capacity of Pipe in Cubic Feet of Gas per Hour (Cubic Meters per Hour) for Gas Pressures of 0.5 psig (3.5 kPa) or Less,
and a Pressure Drop of 0.5 Inch Water Column (124.4 Pa)
(Based on a 0.60 Specifi c Gravity Gas)
Nominal
Iron Internal Length of Pipe, Feet (meters)
Pipe Size Dia. 10 20 30 40 50 60 70 80 90 100 125 150 175 200
in. in. (3.0) (6.1) (9.1) (12.2) (15.2) (18.3) (21.3) (24.4) (27.4) (30.5) (38.1) (45.7) (53.3) (61.0)
1/2 0.622 175 120 97 82 73 66 61 57 53 50 44 40 37 35
(4.96) (3.40) (2.75) (2.32) (2.07) (1.87) (1.73) (1.61) (1.50) (1.42) (1.25) (1.13) (1.05) (0.99)
3/4 0.824 360 250 200 170 151 138 125 118 110 103 93 84 77 72
(10.2) (7.08) (5.66) (4.81) (4.28) (3.91) (3.54) (3.34) (3.11) (2.92) (2.63) (2.38) (2.18) (2.04)
1 1.049 680 465 375 320 285 260 240 220 205 195 175 160 145 135
(19.3) (13.2) (10.6) (9.06) (8.07) (7.36) (6.80) (6.23) (5.80) (5.52) (4.96) (4.53) (4.11) (3.82)
1 1/4 1.380 1400 950 770 660 580 530 490 460 430 400 360 325 300 280
(39.6) (26.9) (21.8) (18.7) (16.4) (15.0) (13.9) (13.0) (12.2) (11.3) (10.2) (9.20) (8.50) (7.93)
1 1/2 1.610 2100 1460 1180 990 900 810 750 690 650 620 550 500 460 430
(59.5) (41.3) (33.4) (28.0) (25.5) (22.9) (21.2) (19.5) (18.4) (17.6) (15.6) (14.2) (13.0) (12.2)
2 2.067 3950 2750 2200 1900 1680 1520 1400 1300 1220 1150 1020 950 850 800
(112) (77.9) (62.3) (53.8) (47.6) (43.0) (39.6) (36.8) (34.5) (32.6) (28.9) (26.9) (24.1) (22.7)
2 1/2 2.469 6300 4350 3520 3000 2650 2400 2250 2050 1950 1850 1650 1500 1370 1280
(178) (123) (99.7) (85.0) (75.0) (68.0) (63.7) (58.0) (55.2) (52.4) (46.7) (42.5) (38.8) (36.2)
3 3.068 11000 7700 6250 5300 4750 4300 3900 3700 3450 3250 2950 2650 2450 2280
(311) (218) (177) (150) (135) (122) (110) (105) (97.7) (92.0) (83.5) (75.0) (69.4) (64.6)
4 4.026 23000 15800 12800 10900 9700 8800 8100 7500 7200 6700 6000 5500 5000 4600
(651) (447) (362) (309) (275) (249) (229) (212) (204) (190) (170) (156) (142) (130)

9
Do not over tighten the inlet gas
piping into the valve. This may cause stresses that
will crack the valve!
NOTICE: Use pipe joint sealant resistant to the
action of liquefied petroleum gases regardless of
gas conducted.
Check all pipe joints for leakage
using a soap solution or other approved method.
Never use an open flame or severe personal
injury or death may occur!
Figure 6 - Pipe Installation, Standard Controls
Never use an open fl ame to detect
gas leaks. Explosive conditions may exist which
may result in personal injury or death!
The appliance and its individual shutoff valve must be
disconnected from the gas supply piping system during
any pressure testing of that system in excess of 1/2 psig
(3.5 kPa).
The appliance must be isolated from the gas supply
piping system by closing its individual manual shutoff
valve during any pressure testing of the gas supply
piping system at test pressures equal to or less than
1/2 psig (3.5 kPa).
PIPE INSTALLATION
1. Install the gas piping in accordance with applicable
local codes.
2. Check gas supply pressure. Each unit heater must
be connected to a gas supply capable of supplying
its full rated capacity as specifi ed in Table 3. A fi eld
LP tank regulator must be used to limit the supply
pressure to a maximum of 14 in. W.C. (3.5 kPa).
All piping should be sized in accordance with the
latest edition of ANSI Standard Z223.1 National
Fuel Gas Code; in Canada, according to CGA-B149.
See Tables 1 & 2 for correct gas piping size, and
also refer to Tables 3, 7 and 8. If gas pressure is
excessive on natural gas applications, install a
pressure regulating valve in the line upstream from
the main shutoff valve.
3. Adequately support the piping to prevent strain on
the gas manifold and controls.
4. To prevent the mixing of moisture with gas, run the
take-off piping from the top, or side, of the main.
5. Standard Unit Heaters are supplied with a
combination valve which includes:
a. Manual "A" valve
b. Manual "B" valve
c. Solenoid valve
d. Pressure regulator
Pipe directly into the combination valve (see Figure
6).
6. Gas valve has a pressure test post requiring a
3/32" hex head wrench to read gas supply and
manifold pressures. Open 1/4 turn counterclockwise
to read, turn clockwise to close and reseat. A 5/16"
ID hose fi ts the pressure post.
7. Provide a drip leg in the gas piping near the gas
unit heater. A ground joint union and a manual gas
shutoff valve should be installed ahead of the unit
heater controls to permit servicing. The manual
shutoff valve must be located external to the jacket.
(See Figure 6)
8. Make certain that all connections have been
adequately doped and tightened.
Table 3 - Gas Piping Requirements
GAS PIPING REQUIREMENTS*
GasType Natural Gas Propane (LP) Gas
Manifold 3.5 in. W.C. 10.0 in. W.C.
Pressure (0.9 kPa) (2.5 kPa)
14.0 in. W.C. Max. 14.0 in. W.C. Max.
Supply Inlet (3.5 kPa) (3.5 kPa)
Pressure 5.0 in. W.C. Min. 11.0 in W.C. Min.
(1.2 kPa) (2.7 kPa)
*For single stage application only at altitudes below 2,001 feet.
D3631C

10
HAZARDOUS VOLTAGE!
DISCONNECT ALL ELECTRIC
POWER INCLUDING REMOTE
DISCONNECTS BEFORE
SERVICING. Failure to
disconnect power before
servicing can cause severe
personal injury or death.
Standard units are shipped for use on 115 volt, 60 hertz,
single phase electric power. The motor name-plate and
electrical rating of the transformer should be checked
before energizing the unit heater electrical system. All
external wiring must conform to the latest edition of
ANSI/NFPA No. 70, National Electrical Code, and
applicable local codes; in Canada, to the Canadian
Electrical Code, Part 1, CSA Standard C22.1.
Do not use any tools (i.e. screwdriver,
pliers, etc.) across terminals to check for power. Use
a voltmeter.
It is recommended that the electrical power supply to
each unit heater be provided by a separate, fused, and
permanently live electrical circuit. A disconnect switch of
suitable electrical rating should be located as close to
the gas valve and controls as possible. Each unit heater
must be electrically grounded in accordance with the
latest edition of the National Electrical Code, ANSI/NFPA
No. 70, or CSA Standard C22.1. Refer to Figures 7, 8,
9, 10A, 10B, 10C, 11A, 11B and 11C.
ELECTRICAL CONNECTIONS
THERMOSTAT WIRING AND LOCATION:
NOTICE: The thermostat must be mounted on a
vertical, vibration-free surface, free from air currents,
and in accordance with the furnished instructions.
Mount the thermostat approximately 5 feet (1.5m) above
the floor, in an area where it will be exposed to a free
circulation of average temperature air. Always refer to
the thermostat instructions, as well as our unit wiring
diagram, and wire accordingly. Avoid mounting the
thermostat in the following locations:
1. Cold Areas- Outside walls or areas where drafts may
affect the operation of the control.
2. Hot Areas- Areas where the sun's rays, radiation,
or warm air currents may affect the operation of the
control.
3. Dead Areas- Areas where the air cannot circulate
freely, such as behind doors or in corners.
THERMOSTAT HEAT ANTICIPATOR ADJUSTMENTS:
The initial heat anticipator setpoint should equal the
thermostat's current amperage draw when the unit is
firing. This setpoint should be measured for the best
results. Use the recommended ranges for a guide. If
further information is needed, consult your thermostat
manufacturer's instructions.
Recommended heat anticipator setting .35 Amps
NOTICE: The start-up fan delay should not exceed
30 seconds from a cold start.
IMPORTANT: For all wiring connections, refer to the
wiring diagram shipped with your unit (either affi xed
to the side jacket or enclosed in the installation
instructions envelope). Should any original wire
supplied with the heater have to be replaced, it
must be replaced with wiring material having a
temperature rating of at least 105° C.
Figure 9 - T834H or T834N
Thermostat Wiring
Figure 7 - Low-voltage Thermostat Wiring
Single Stage
R G W1 W2
WR
G
D6922C
Figure 8 - Low Voltage Thermostat Wiring
Two Stage

11
ELECTRICAL CONNECTIONS (continued)
Figure 11A - Honeywell Control Board
Figure 10A - UT Control Board

12
ELECTRICAL CONNECTIONS (continued)
Figure 10B - Tubular Propeller Units 30-120 with Natural and Propane (LP) Gas
with Single Stage Gas Control and UT Control Board
NOTICE: See Figures 7, 8, 9, 10B, 10C, 11B
and 11C for connecting the thermostat to the
unit heater. If using a standard low voltage
thermostat with a sub-base switch for fan
control, connect the G terminal of the thermostat
to the G terminal of the unit heater.

13
Figure 10C - Tubular Propeller Units 60-120 with Natural and Propane (LP) Gas
with Optional Two Stage Gas Control and UT Control Board
ELECTRICAL CONNECTIONS (continued)
NOTICE: See Figures 7, 8, 9, 10B, 10C, 11B
and 11C for connecting the thermostat to the
unit heater. If using a standard low voltage
thermostat with a sub-base switch for fan
control, connect the G terminal of the thermostat
to the G terminal of the unit heater.

14
ELECTRICAL CONNECTIONS (continued)
Figure 11B - Tubular Propeller Units 30-120 with Natural and Propane (LP) Gas
with Single Stage Gas Control and Honeywell Control Board
NOTICE: See Figures 7, 8, 9, 10B, 10C, 11B
and 11C for connecting the thermostat to the
unit heater. If using a standard low voltage
thermostat with a sub-base switch for fan
control, connect the G terminal of the thermostat
to the G terminal of the unit heater.

15
Figure 11C - Tubular Propeller Units 30-120 with Natural and Propane (LP) Gas
with Optional Two Stage Gas Control and Honeywell Control Board
ELECTRICAL CONNECTIONS (continued)
NOTICE: See Figures 7, 8, 9, 10B, 10C, 11B
and 11C for connecting the thermostat to the
unit heater. If using a standard low voltage
thermostat with a sub-base switch for fan
control, connect the G terminal of the thermostat
to the G terminal of the unit heater.

16
VENTING*
All unit heaters must be vented! All Venting installations shall be in accordance with the latest edition of Part 7,
Venting of Equipment of the National Fuel Gas Code, ANSI Z223.1, or applicable provisions of local building codes.
Refer to notes* below for Canadian installations. Refer to Figures 12-19.
CARBON MONOXIDE! Your venting system must not be blocked by any snow, snow
drifts, or any foreign matter. Inspect your venting system to ensure adequate ventilation exists at all
times! Failure to heed these warnings could result in Carbon Monoxide Poisoning (symptoms include
grogginess, lethargy, inappropriate tiredness, or fl ue-like symptoms).
When an existing heater is removed or replaced in
venting system, the venting system may not be properly
sized to vent the attached appliances. An improperly
sized vent system can cause formulation of condensate
or leakage or spillage of fl ue gases.
The following steps shall be followed with each appliance
connected to the venting system placed in operation,
while any other appliances connected to the venting
system are not in operation:
1. Seal any unused openings in the venting system;
2. Inspect the venting system for proper size and
horizontal pitch, as required in the National Fuel
Gas Code, ANSI Z223.1 and these instructions.
Determine that there is no blockage or restriction,
leakage, corrosion and other deficiencies, which
could cause an unsafe condition.
3. In so far as practical, close all building doors and
windows and all doors between the space in which
the appliance(s) connected to the venting system
are located and other spaces of the building. Turn on
clothes dryers and any exhaust fans, such as range
hoods and bathroom exhausts, so they shall operate
at maximum speed. Do not operate a summer
exhaust fan. Close fi replace damper.
4. Follow the lighting instructions. Place the appliance
being inspected in operation. Adjust thermostat so
that the appliance will operate continuously.
5. After it has been determined that each appliance
connected to the venting system properly vents
when tested as outline above, return doors, windows,
exhaust fans, fi replace dampers, and any other gas-
burning appliance to their previous condition of use.
6. If improper venting is observed during any of the
above tests, the venting system must be corrected
immediately so that the system conforms with
the National Fuel Gas Code, ANSI Z223.1. When
resizing any portion of the venting system, the
venting system should be resized to approach the
minimum size as determined using the appropriate
tables in Appendix G of the National Fuel Gas Code,
ANSI Z223.1.
The unit heater shall be connected to a factory built
chimney or vent complying with a recognized standard,
or a masonry or concrete chimney lined with a lining
material acceptable to the authority having jurisdiction.
Venting into an unlined masonry chimney is
prohibited.
ADDITIONAL REQUIREMENTS FOR CANADIAN INSTALLATIONS
*The following instructions apply to Canadian installations in addition to installation and operating instructions.
1. Installation must conform with local building codes, or in the absence of local codes, with current
CGA-B149.1, Installation Codes for Natural Gas Burning Appliances and Equipment, or CGA-B149.2, Installation
Codes for Propane Gas Burning Appliances and Equipment.
2. Any reference to U.S. standards or codes in these instructions are to be ignored and the applicable Canadian
standards or codes applied.

17
VENTING - GENERAL GUIDELINES
Venting Categories
Non
Condensing Condensing
Negative
Vent I II
Pressure
Positive
Vent III IV
Pressure
The following guidelines apply to all categories to
follow.
Table 4
Do not damper or add heat recovery devices to the fl ue
piping. Failure to open such a damper prior to operating
the gas unit heater will result in the spillage of fl ue gas
into the occupied space.
Avoid installing units in areas under negative pressure.
When required, a flue vent fan should be installed in
accordance with the instructions included with the fan.
Vent connectors serving Category I and Category
II heaters shall not be connected into any portion of
mechanical draft systems operating under positive vent
pressure.
Maintain 1-inch (25.4mm) clearance between the vent
pipe and combustible materials.
ADDITIONAL REQUIREMENT
FOR CANADIAN INSTALLATIONS
REFER TO SPECIFICATION TABLE AND INSTALLA-
TION MANUAL FOR PROPER USAGE.
*The following instructions apply to Canadian
installations in addition to installation and operating
instructions.
1. Installation must conform with local building codes, or in
the absence of local codes, with current CGA B149.1,
Installation Codes for Natural Gas Burning Appliances
and Equipment, or CGA B149.2, Installation Codes for
Propane Gas Burning Appliances and Equipment.
2. Any reference to U. S. standards or codes in these
instructions are to be ignored, and the applicable
Canadian standards or codes applied
Minimum Clearances for
Termination Locations
Structure
Vent Systems
Termination Clearance Requirements
Door, window or any gravity vent inlet
Forced air inlet within 10 ft.
Adjoining building or parapet
Adjacent public walkways
Electric, gas meters & regulators
4 feet below
4 feet horizontally
1 foot above
3 feet above
6 feet
7 feet above grade
4 feet horizontal
ANSI now organizes vented appliances into four
categories.
Category I
Includes non-condensing appliances with negative vent
pressure, like the traditional atmospheric unit heater.
Category II
Groups condensing appliances with negative vent
pressure.
Category III
Appliances are non-condensing and operate with a
positive vent pressure.
Category IV
Covers condensing appliances with positive vent
pressure.
NOTICE: Category II and IV do not apply to equip-
ment specifi ed within this manual.

18
4. Slope horizontal runs upward
from the gas unit heater at least
1/4-inch per foot (21mm/m)
minimum. Horizontal Vent
Connector length should not
exceed 75% of the vertical
height of the vent pipe for single
wall, or 100% of the vertical
height for B-Vent connectors.
Maximum vent connector length
is 10 feet (3m). For exceptions
see Ch. 10 of the National Fuel
Gas Code, ANSI Z223.1.
Horizontal portions of the venting
system shall be supported
at minimum intervals
of
4 feet (1.2m) (in
Canada,
support at
3 foot intervals
(1m)
minimum intervals.
5. Use as few elbows as
possible.
6. Seal all vent pipe joints
and seams to prevent
leakage. Use General
Electric RTV-108, Dow-
Corning RTV-732, or
equivalent silicone
sealant with a temper-
ature rating of 500 deg. F,
HORIZONTALLY VENTED, CATEGORY I - Figure 13
Observe the following precautions
when venting the unit:
1. Use fl ue pipe of the size shown
on Table 5. All heaters must be
vented with a UL Listed, Type B
or single wall vent. Refer to Table
5 for dimensional restrictions.
2. Each unit must have an
individual vent pipe and vent
terminal. Unit must not be
connected to other vent systems
or to a chimney.
3. A minimum vertical rise is
required for Category I venting.
See Table 5 for specifications.
The vent terminal must be at
least 3 feet (1m) above grade,
or in snow areas, at least 3
feet (1m) above the snow line
to prevent blockage by snow.
Install a weather cap over the
vent opening. An Amerivent
Americap or Metalbestos
vent cap must be supplied by
the customer for each power
vented unit.
4. Through the wall venting for these
appliances shall not terminate
over public walkways, or over an
area where the condensate or
vapor could create a nuisance,
hazard, or could be detrimental to
the operation of regulators, relief
valves, or other equipment.
5. Seal all vent pipe joints and
seams to prevent leakage. Use
General Electric RTV-108, Dow-
Corning RTV-732, or equivalent
silicone sealant with a tempera-
ture rating of 500 deg. F, or 3M
# 425 aluminum foil tape (or
equivalent). The vent system
must be installed to prevent
collection of condensate. Pitch
horizontal pipes downward 1/4
inch per foot (21mm per meter)
toward the outlet for condensate
drainage. Install a tee with a
condensate drain at the low point
of the pipe (see Figure 13). As
an alternate, a 3/8 inch diameter
hole may be drilled at the low
point of the pipe for condensate
drainage.
6. Horizontal portions of the venting
system shall be supported at
minimum intervals of 4 feet (1.2m)
to prevent sagging (in Canada,
support at 3 foot (1m) minimum
intervals).
8. Avoid running vent pipe through
unheated spaces. When this
cannot be avoided, insulate the
pipe to prevent condensation of
moisture on the walls of the pipe.
VERTICALLY VENTED, CATEGORY I - Figure 12
Observe the following precautions
when venting the unit:
1. Use flue pipe of the same size
as the fl ue connection(s) on the
gas unit heater 4" (102mm). All
heaters must be vented with a
UL Listed, Type B or single wall
vent, a factory built chimney, or
a lined brick and mortar chimney
that has been constructed in
accordance with the National
Building Code. All tables and
dimensions assume B vent for
the fl ue and single wall pipe or B
vent for the connector.
2. Each unit must have an
individual vent pipe and vent
terminal. Unit must not be
connected to other vent systems
or to a chimney.
3. A minimum vertical rise of 5 feet
(1.5m) is required for Category
I venting. The top of the vent
pipe should extend at least 2
feet (0.61m) above the highest
point on the roof. Consideration
should be made for anticipated
snow depth. Install an Amerivent
Americap or Metalbestos vent
cap over the vent opening.
or 3M #425 aluminum foil tape (or
equivalent).
7. Avoid running vent pipe through
unheated spaces. When this
cannot be avoided, insulate the
pipe to prevent condensation of
moisture on the walls of the pipe.
Insulate vent pipe runs longer
than 10 ft (3m). Insulation should
be a minimum of 1/2" (12.7 mm)
thick foil faced.
Figure 12
STANDARD COMBUSTION

19
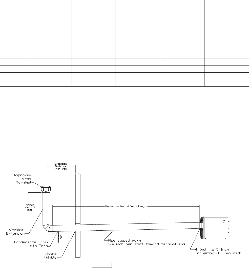
Table 5 - Category I Horizontal Venting Requirements - Standard Combustion
Vent Maximum Number Maximum Horizontal Minimum Extension
Unit Diameter Elbows Vent Length Vertical Rise Distance
Size (in) * (Ft.) (In.) from Wall (In.)
30 4 1 5 8 36
4 2 10 18 36
45 4 1 10 24 36
4 1 15 24 36
4 2 5 24 36
60 4 2 10 18 36
75 5 2 7 24 36
90 5 2 7 24 24
105 5 2 7 24 24
120 5 1 5 24 24
5 2 7 24 24
*One elbow is required to make the vertical extension, See Figure 13.
Figure 13 - Category I Horizontal Venting Requirements
D6838C

20
Figure 14 - Vent Support
D- 06839A

21
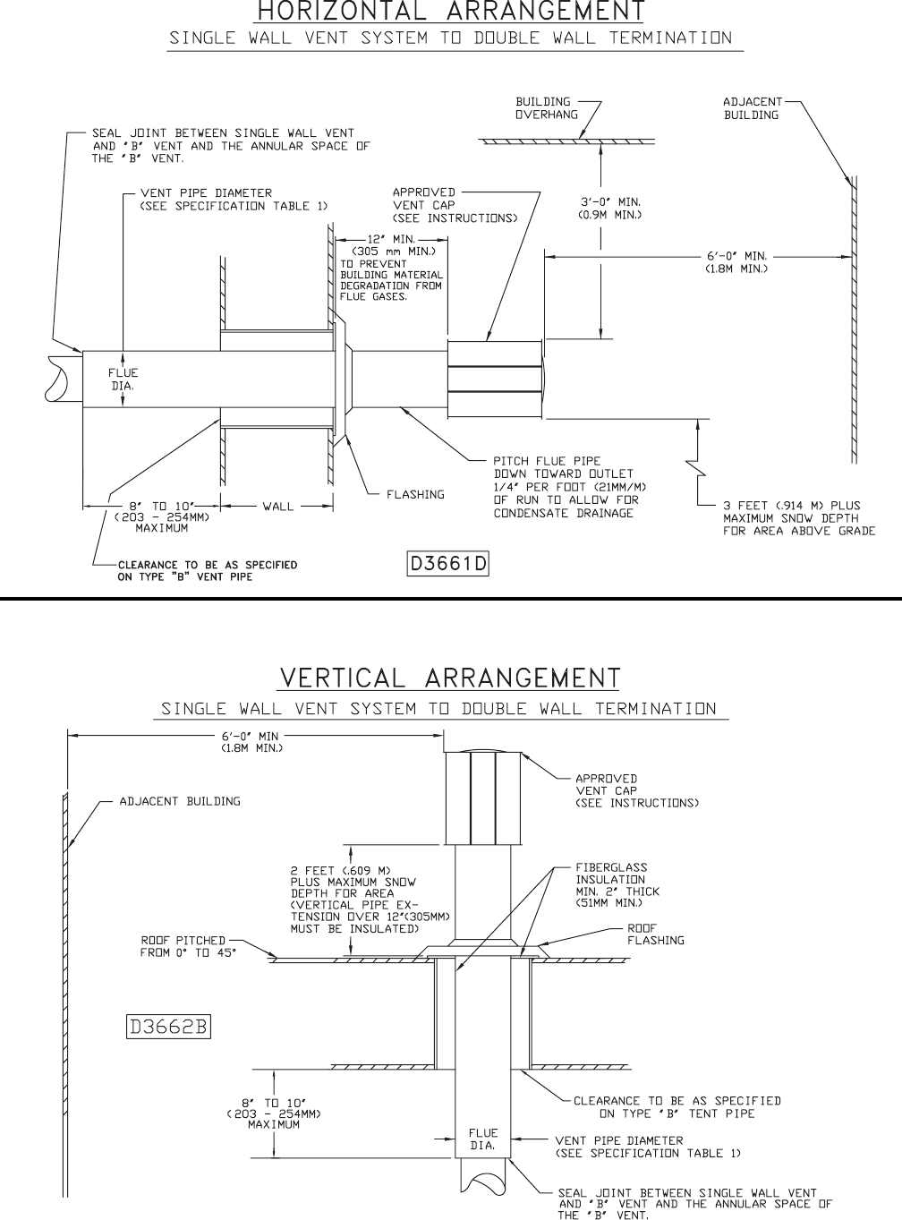
HORIZONTALLY VENTED, CATEGORY III - Figure 15
Observe the following precautions
when venting the unit:
1. Use fl ue pipe of the same size
as the fl ue connection(s) on the
gas unit heater, 4" (102mm). All
heaters must be vented with a
single or double wall pipe listed
for category III positive pressure
vent systems.
Type B double wall pipe can be
used with limitations as shown in
Figure 15B. As illustrated, a
single 5 foot (1.52m) section of
Type B vent pipe with a draft
hood connector may be used
between the appliance vent
connection and the vent terminal.
Use Metalbestos Type B gas
vent with a Metalbestos 4RV-DH
draft hood connector, or, an
Amerivent Type B gas vent with
an Amerivent 4EDC draft hood
connector.
2. Each unit must have an
individual vent pipe and vent
terminal. Unit MUST NOT be
connected to other vent systems
or to a chimney.
3. Category III units are limited to
a maximum of 40 feet (12.19m)
equivalent length of vent pipe.
Equivalent length is the total
length of straight sections PLUS
5 feet (1.5m) for each 90 degree
elbow and 2.5 feet (.75m) for
each 45 degree elbow.
4. If using a single section of Type
B vent pipe, seal the annular
space between the inner and
outer sections of the draft hood
connector with a high temper-
ature silicone sealant. Use
General Electric RTV-108, Dow-
Corning RTV-732, or equivalent
silicone sealant with a temper-
ature rating of 500 deg. F. See
Figure 15C. Attach the draft
hood connector to the appliance
vent connection with screws
(3 minimum) and seal the joint
with silicone sealant. Install a
Type B vent thimble in the wall.
Insert the vent pipe through
the thimble and attach it to the
adapter on the appliance. Seal
the joint with silicone sealant or
two wraps of aluminum foil tape.
Install a vent cap on the outlet
pipe and secure with screws (3
minimum).
5. An Amerivent Americap or
Metalbestos vent cap must be
supplied by the customer for
each power vented unit. The vent
pipe diameter must be 4 inches
(102mm).
6. Through the wall venting for
these appliances shall not
terminate over public walkways,
or over an area where the
condensate or vapor could
create a nuisance, hazard, or
could be detrimental to the
operation of regulators, relief
valves, or other equipment, see
Figures 15A, 16 and 18.
7. The vent terminal must be at
least 3 feet (1m) above grade,
or in snow areas, at least 3 feet
above the snow line to prevent
blockage by snow.
8. The vent terminal must be at
least 12 inches (305mm) from
the exterior of the wall that
it passes through to prevent
degradation of the building
materials by fl ue gasses.
9. Maintain 1-inch (25.4mm)
clearance between the vent
pipe and combustible materials.
10. Seal all vent pipe joints and
seams to prevent leakage. Use
General Electric RTV-108, Dow-
Corning RTV-732, or equivalent
silicone sealant with a temper-
ature rating of 500 deg.F, or 3M
#425 aluminum foil tape (or
equivalent). The vent system
must be installed to prevent
collection of condensate. Pitch
horizontal pipes downward 1/4
inch per foot (21mm per meter)
toward the outlet for condensate
drainage. Install a tee with a
condensate drain at the low point
of the pipe (see Figure 15A). As
an alternate, a 3/8 inch diameter
hole may be drilled at the low
point of the pipe for condensate
drainage.
11. Horizontal portions of the venting
system shall be supported at
minimum intervals of 4 feet
(1.2m) to prevent sagging (in
Canada, support at 3 foot (1m)
minimum intervals).
12. Avoid running vent pipe through
unheated spaces. When this
cannot be avoided, insulate the
pipe to prevent condensation
of moisture on the walls of the
pipe.
Door, window or
any gravity air inlet
Forced air inlet within 10 ft.
Adjoining building or parapet
Adjacent public walkways
Minimum
Clearances for
Termination
Locations
Structure
4 feet
below
4 feet
horizontally
1 foot
above
3 feet
above
6 feet
7 feet
above grade
Vent Systems
Termination Clearance Requirements
STANDARD COMBUSTION

22
VERTICALLY VENTED, CATEGORY III – Figure 17 & 19
Observe the following precautions
when venting the unit:
1. Use fl ue pipe of the same size
as the fl ue connection(s) on the
gas unit heater, 4" (102mm). All
heaters must be vented with
a single or double wall pipe
listed for positive pressure vent
systems.
2. Each unit must have an
individual vent pipe and vent
terminal. Unit MUST NOT be
connected to other vent systems
or to a chimney.
3. Category III units are limited to
a maximum of 40 feet (12.19m)
equivalent length of vent pipe.
Equivalent length is the total
length of straight sections PLUS
5 feet (1.5m) for each 90 degree
elbow and 2.5 feet (.75m) for
each 45 degree elbow.
4. The top of the vent pipe should
extend at least 2 feet (0.61m)
above the highest point on the
roof. Consideration should be
made for anticipated snow depth.
Install an Amerivent Americap or
Metalbestos vent cap over the
vent opening. Slope horizontal
runs upward from the gas unit
heater at least 1/4-inch per foot
(21mm/m) minimum. Horizontal
portions of the venting system
shall be supported at minimum
intervals of 4 feet (1.2m) (in
Canada, support at 3 feet (1m)
minimum intervals). (See Figures
15, 17 and 19)
5. Seal all vent pipe joints and
seams to prevent leakage. Use
General Electric RTV-108, Dow-
Corning RTV-732, or equivalent
silicone sealant with a tempera-
ture rating of 500 deg. F, or 3M
#425 aluminum foil tape (or
equivalent).
6. Avoid running vent pipe through
unheated spaces. When this
cannot be avoided, insulate the
pipe to prevent condensation
of moisture on the walls of the
pipe.
Figure 15
STANDARD COMBUSTION

23
Figure 15A - Category III Horizontal Venting Requirements Using Single Wall Vent Pipe
Figure 15B - Category III Horizontal Venting Requirements Using Type B Double Wall Vent Pipe
Figure 15C - Type B Draft Hood Connector

24
Figure 16
Figure 17
VENTING (continued)

25
VENTING (continued)
Figure 18
Figure 19

26
INSTALLATION - VENTING – CATEGORY III
COMBUSTION AIR VENTING AND PIPING
Never operate unit heaters without
combustion air and flue gas piping in place or
severe personal injury or death may occur!
CARBON MONOXIDE!
Your venting system must not be blocked by
any snow, snow drifts, or any foreign matter.
Inspect your venting system to ensure adequate
ventilation exists at all times! Failure to heed
these warnings could result in Carbon Monoxide
Poisoning (symptoms include grogginess, lethargy,
inappropriate tiredness, or fl u-like symptoms).
1. The combustion air system installation must be in
accordance with the current edition of the National
Fuel Gas Code-NFPA 54 or ANSI Z223.1 National
Fuel Gas Code. In Canada, installation must be
in accordance with CAN/CGA-B149.1 “Installation
Code for Natural Gas Burning Appliances and
Equipment” and CAN/CGA-B149.2 “Installation Code
for Propane Burning Appliances and Equipment”.
2. The concentric vent box, inlet air screen, defl ector
disk, and vent terminal provided with the unit heater
must be installed at the termination point of the
combustion air/vent system. See Figures 20, 21, 22,
23 and 24 and Table 6.
3. Each unit heater MUST have its own combustion
air system. It MUST NOT be connected to other air
intake systems.
4. Use single wall pipe constructed of 26 GA galvanized
steel or a material of equivalent durability and
corrosion resistance for the vent system. For
installations in Canada, use corrosion resistant
and gas-tight, listed vent pipe conforming with local
building codes, or in the absence of local building
codes, with current CAN/CGA-B149.1, Installation
Codes for Natural Gas Burning Appliances and
Equipment or CAN/CGA-B149.2, Installation Codes
for Propane Gas Burning Appliances and Equipment.
For residential installations in the United States, vent
pipe approved for Category III appliances must be
used between the appliance and the concentric
vent box unless 33% of the vent run is vertical, then
single wall galvanized vent pipe or double wall Type
B vent pipe may be used between the appliance and
the concentric vent box. A single length of double
wall Type B vent pipe must be used to go through
the concentric vent box and outside wall to the vent
terminal.
Never use pipe other than diameter
stated in Table 1. Never use PVC, ABS or any other
non-metallic pipe for venting! To do so may result
in serious damage to the unit and or severe
personal injury or death!
5. Long runs of single wall combustion air piping
passing through an unheated space may require
insulating if condensation becomes noticeable.
6. The combustion air system must be installed to
prevent collection of condensate. Pitch horizontal
pipes downward 1/4 inch per foot toward the inlet
cap to facilitate drainage. Vertical combustion air
pipes should be piped as depicted in Figure 22.
7. The equivalent length of the combustion air system
must not be less than 5 feet (1.5m) and must not
exceed 30 feet (9m). Equivalent length equals the
total length of straight pipe plus 5 feet (1.5m) for each
90° elbow and 2.5 feet (0.76m) for each 45° elbow.
NOTICE: For optimum performance keep the
combustion air system as straight as possible.
8. Each slip joint must be secured with at least three
corrosion resistant screws. Two full turns of 3M #425
Aluminum Foil Tape or its equivalent must then be
used to seal each joint. General Electric RTV-108,
Dow-Corning RTV-732 or an equivalent silicone
sealant with a temperature rating of 500°F may be
used instead of the tape.
9. For horizontal combustion air systems longer than
5 feet (1.5m), the system must be supported from
overhead building structures at 4 foot (1.2m) intervals
in the U.S. and at 3 foot (0.91m) intervals in Canada.
EXHAUST VENTING
NOTICE: Every Separated Combustion unit to
be installed MUST use the Factory supplied
Concentric Vent Kit. If you do not have this kit,
contact the manufacturer ASAP to obtain one prior
to installation.
Never operate unit heaters without
combustion air and fl ue gas piping in place or
severe personal injury or death may occur!
1.
Vent system installation must be in accordance with the
current National Fuel Gas Code-NFPA 54 or ANSI Z223.1
National Fuel Gas Code. In Canada installation must be
in accordance with CAN/CGA-B149.1 “Installation Code
for Natural Gas Burning Appliances and Equipment”
and CAN/CGA-B149.2. “Installation Code for Propane
Burning Appliances and Equipment”.
2. The Concentric Vent Kit (which includes a
concentric vent box, air inlet screen, deflector
collar, vent terminal and inlet air collar) provided
with the heater by the manufacturer MUST
be installed at the termination point of the
combustion air/
vent system. See Figures 20, 21,
22, 23 and 24 and Table 6.
3. Each unit heater MUST have it’s own vent system. It
MUST NOT be connected to other vent systems or
to a chimney.
SEPARARTED COMBUSTION

27
VENTING (continued)
4.
Use single wall pipe constructed of 26 GA galvanized
steel or a material of equivalent durability and corrosion
resistance for the vent system. For installations in
Canada, use
corrosion resistant and gas-tight, listed
vent pipe conforming with local building codes, or
in the absence of local building codes, with current
CAN/CGA-B149.1, Installation Codes for Natural
Gas Burning Appliances and Equipment or CAN/
CGA-B149.2, Installation Codes for Propane Gas
Burning Appliances and Equipment.
For residential
installations in the United States, vent pipe approved
for Category III appliances must be used between the
appliance and the concentric vent box unless 33% of
the vent run is vertical, then single wall galvanized
vent pipe or double wall Type B vent pipe may be used
between the appliance and the concentric vent box. A
single length of double wall Type B vent pipe must be
used to go through the concentric vent box and outside
wall to the vent terminal.
5. Any run of single wall vent pipe passing through an
unheated space must be insulated with an insulation
suitable to 550° F.
6. The vent system must be installed to prevent
collection of condensate. Pitch horizontal pipes
downward 1/4 inch per foot (21mm per meter) toward
the vent cap to facilitate drainage. Vertical vent pipes
should be piped as depicted in Figure 22.
7. The equivalent length of the vent system must not be
less than 5 feet (1.5m) and must not exceed 30 feet
(9m). The equivalent length equals the total length
of straight pipe plus 5 feet (1.5m) for each 90° elbow
and 2.5 feet (0.76m) for each 45° elbow.
8. Each slip joint must be secured with at
least three corrosion resistant screws.
Two full turns of 3M #425 Aluminum Foil
tape or its equivalent must then be used
to seal each joint. High temperature
silicone sealant may be used instead of
the tape. Silicone sealant must be used
to seal the joint between the Type B vent
pipe and the single wall pipe.
9. For horizontal vent systems longer
than 5 feet (1.5m), the system must
be supported from overhead building
structures at 4 foot (1.2m) intervals in
the U.S. and at 3 foot (0.91m) intervals in
Canada.
10. The exhaust vent system must remain
at a minimum distance of 1 inch (25mm)
from all combustible materials. Any part
of the vent system that passes through
a combustible material must be properly
insulated.
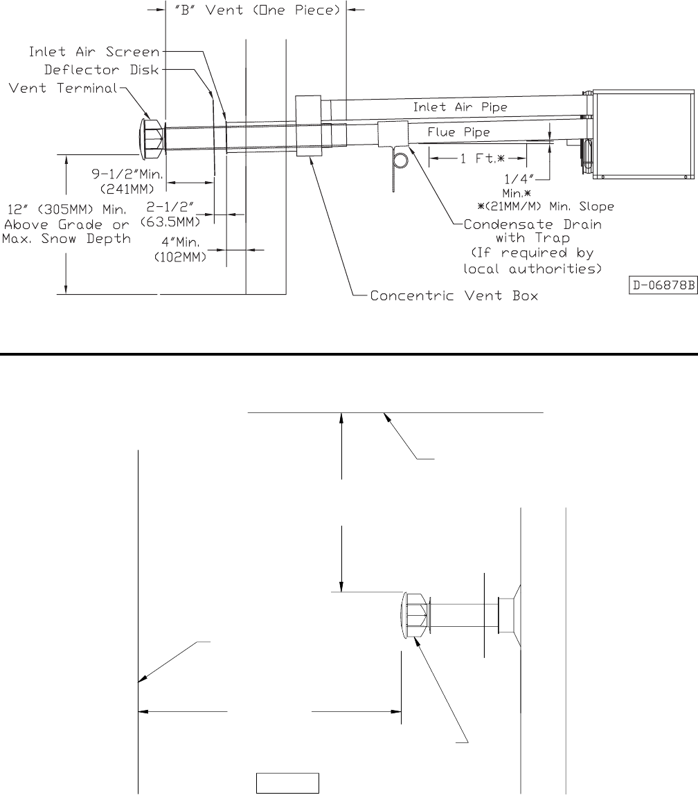
Figure 20 - Concentric Vent Box
NOTICE: Increasing the clearance distances may
be necessary if there is a possibility of distortion or
discoloration of adjacent materials.
11. The top of a VERTICALLY VENTED exhaust system
must extend at least 3 feet (0.91m) above the roof
surface that it passes through. See Figure 22.
12. The point of termination for a HORIZONTALLY
VENTED exhaust system must be at least 12 inches
(0.3m) from the exterior of the wall that it passes
through. In addition, the termination point must be at
least 1 foot (0.3m) above grade or above the snow
line, more than 6 feet (1.8m) from the combustion
air inlet of another appliance, at least 4 feet (1.2m)
below, 4 feet (1.2m) horizontally from, or 1 foot
(0.3m) above any door, window or gravity air inlet
into any building, and more than 3 feet (0.91m) from
and not directly above, any gas meter or service
regulator. See Figures 23 and 24 and Table 4.
Table 6 - Concentric Vent Box Dimensions
Unit Dimensions - Inches (Nominal)
Size A B C D E G
30
45 41/2 4 6 8 5 12
60
75
90
105 51/2 5 8 12 5 15
120
SEPARATED COMBUSTION

28
Figure 22 - Vertical Intake/Vent Installation
Figure 21 - Concentric Vent Installation

29
Figure 23 - Horizontal Intake/Vent Installation
Figure 24 - Horizontal Intake/Vent Installation
VENTING (continued)
Vent Terminal
(1.8M Min.)
Adjacent Building
D 3330
6'-0" Min.
(0.9M Min.)
3'-0" Min.
Building Overhang
30
VENTING (continued)
AIR INLET COLLAR
Remove screen and mounting plate from air inlet on
rear panel of unit by removing 4 screws. Secure inlet
collar and gasket to inlet opening re-using the 4 screws
removed in step one.
EXHAUST AIR COLLAR
Secure 5-4” reducer to flue collar on rear panel of
unit sizes 090, 105 and 120. Seal per exhaust venting
instructions.
VERTICAL TERMINATION
Select location on roof for vent terminal, ensuring
adequate space inside the building/structure for
concentric vent box. Terminal must be at least 6 feet
(1.8m) from any wall or adjoining building. See Figure
22.
Cut a hole through the roof for combustion air pipe.
Concentric vent box is to be suspended from the
underside of the roof using suitable brackets (field
supplied). Before mounting box, cut a length of 6 inch
(152mm) (sizes 030-075) or 8 inch (203mm) (sizes
090-120) pipe so that dimension A, Figure 22, is equal
to the dimension from the top of the box to the roof
surface plus 20 inches or plus maximum expected
snow depth, whichever is greater. Fasten pipe to
combustion air inlet connection of concentric vent box
and seal joint. Insert pipe through roof and fasten vent
box in place. Flash and/or caulk pipe to roof. Install inlet
air screen assembly and fasten to pipe with screws.
Insert a 5 foot length of Type B vent pipe through the
concentric vent box opening (detail A, Figure 20) with
the "UP" arrow pointing up. Position the pipe to extend
12 inches beyond the inlet air screen. Secure the Type
B vent pipe in position by drilling three small equally
spaced holes through the collar of the concentric vent
box and inserting sheet metal screws. Install defl ector
disk on Type B vent pipe 2-1/2 inches above inlet air
screen and fasten with screws. Seal joint between
defl ector disk and pipe with silicone sealant. Install vent
terminal on top of Type B vent pipe, fasten with screws
and seal joint.
Connect flue pipe and combustion air pipe from
concentric vent box to unit, following instructions on
pages 26 and 27. Joint between Type B vent pipe
and single wall vent pipe must be sealed with high
temperature silicone sealant. (See Figure 21) Collars
on unit and on concentric vent box are sized so that
crimped ends of combustion air pipes go toward the
unit and crimped ends of flue pipes go away from the
unit.
HORIZONTAL TERMINATION
Select a location on outside wall for vent terminal. In
most applications, the terminal should be on level with
the fl ue outlet of the unit less a 1/4 inch per foot pitch
for condensate drainage toward the outside of the
building. See Figure 23.
The location of the vent terminal must be in accordance
with the National Fuel Gas Code ANSI Z223.1 in the U.S.
or the Natural Gas Installation Code CAN/CGA-B149.1
or the Propane Gas Installation Code CAN/CGA-149.2
in Canada. See Table 4 for minimum clearances. In
Canada, a vent shall not terminate above a meter/
regulator assembly within 3 feet (.9m) horizontally of
the vertical centerline of the regulator nor within 6 feet
(1.8m) of any gas service regulator vent outlet.
Cut a hole through the wall for a 6 inch (152mm) sizes
(030-075) or 8 inch (203mm) sizes (090-120) combustion
air pipe. Install thimble if required by local codes or
type of wall construction. Concentric vent box may be
fastened directly to wall or spaced away from wall using
suitable brackets (fi eld supplied). Cut a length of pipe so
that it will protrude 4 inches (102mm) through the wall
when the box is mounted in position. Fasten pipe to box
with sheet metal screws, using at least three screws per
joint. Seal joint with silicone sealant. Insert pipe through
wall and fasten adapter box in place so that the pipe
pitches downward 1/4 inch per foot (21mm/m) toward
the outside. Flash and/or caulk pipe on outside wall.
Install inlet air screen assembly and fasten to pipe with
screws. Insert a 3 foot length of 4 inch (sizes 030-075)
or 5 inch (sizes 090-120) Type B vent pipe through the
concentric vent box opening (detail A, Figure 20) with
the "UP" arrow pointing toward the outside. Position the
pipe to extend 12 inches beyond the inlet air screen.
Secure the Type B vent pipe in position by drilling three
small equally spaced holes through the collar of the
concentric vent box and inserting sheet metal screws.
Install defl ector disk on Type B vent pipe 2-1/2 inches
(63.5mm) from inlet air screen and fasten with screws.
Install vent terminal on end of Type B vent pipe, fasten
with screws and seal joint.
Connect fl ue pipe and combustion air pipe from concentric
vent box to unit, following instructions on pages 26
and 27. Joint between Type B vent pipe and single
wall vent pipe must be sealed with high temperature
silicone sealant. (See Figure 21) Collars on unit and on
concentric vent box are sized so that crimped ends of
combustion air pipes go toward the unit and crimped
ends of fl ue pipes go away from the unit.
SEPARATED COMBUSTION

31
OPERATION
POWER VENTED PROPELLER UNITS
DIRECT SPARK IGNITION
EXPLANATION OF CONTROLS (See Figure 25):
1. Each Unit Heater comes equipped with a power
vent system that consists of a power venter motor
and blower, pressure switch, and sealed flue
collector in place of the conventional draft diverter.
2. The power venter motor is energized by the room
thermostat through the integrated control board
when a demand for heat is sensed. The pressure
switch measures the flow through the vent system
and energizes the direct spark ignition system
beginning the pre-purge timing when the flow
is correct.
The pressure switch MUST
NOT be bypassed. The unit MUST NOT be fi red
unless the power venter is operating. An unsafe
condition could result.
3. The direct ignition system consists of an ignition
control module and a gas valve. When the pre-purge
period ends, the spark ignition system is energized,
and the gas valve opens to supply gas to the burner.
When the thermostat is satisfi ed, the vent system is
de-energized and the valve closes to stop the fl ow of
gas to the unit.
4. The limit switch interrupts the fl ow of electric current
to the control board, interrupting the fl ow of gas to the
gas valve if the unit heater becomes overheated.
5. The flame roll-out switch interrupts the flow of
electric current to the control board, interrupting
the flow of gas to the unit heater in the event of
sustained flame roll-out from the burner area. If
this switch trips, DETERMINE AND CORRECT
THE CAUSE of the fl ame roll-out.
6. Once the thermostat is satisfi ed, or the limit switch
interrupts the fl ow of electric current to the control
board, the unit will begin a post-purge period. When
the post-purge period ends, the power venter motor
is de-energized.
7. The fan operation is delayed 30
seconds once the thermostat is
closed, and continues operation
for 30 seconds after the thermostat
opens. The start-up fan delay
must not exceed 30 seconds
from a cold start.
8. The wall thermostat, supplied optionally, is a
temperature sensitive switch that operates the
vent system and ignition system to control the
temperature of the space being heated. The
thermostat must be mounted on a vertical,
vibration-free surface free from air currents and in
accordance with the furnished instructions (also
refer to Electrical Section).
START-UP (Also refer to lighting instruction plate
equipped on the unit)
1. Open the manual gas valve in the gas supply line to
the unit heater with union connection loose, purge
air from the gas line. Tighten the union and check
for leaks.
Never use an open fl ame to detect
gas leaks. Explosive conditions may exist which
could result in personal injury or death.
2. Open the manual valve on the unit heater.
3. Turn ON the electrical power.
4. The unit should be under the control of the
thermostat. Turn the thermostat to the highest point
and determine that the power venter motor starts
and the burner ignite. Turn the thermostat to the
lowest point and determine that the power venter
motor shuts off and the burner is extinguished.
5. Turn the thermostat to the desired position.
6. See Gas Input Rate and Adjustments sections.
SHUT DOWN
1. Turn the valve selector lever to the “OFF” position.
2. Turn off the electricity.
3. To relight, follow “start-up” instructions.
See Figure 25 for parts/identifi cation.
Figure 25

32
PRIMARY AIR SHUTTER ADJUSTMENT
Primary air adjustment is made at the factory. No fi eld adjustments are necessary.
GAS INPUT RATE
Check the gas input rate as follows (Refer to General
Safety Information section for metric conversions).
Never overfi re the unit heater, as this
may cause unsatisfactory operation, or shorten the
life of the heater.
1. Turn off all gas appliances that use gas through the
same meter as the unit heater.
2. Turn the gas on to the unit heater.
3. Clock the time in seconds required to burn 1 cubic
foot of gas by checking the gas meter.
4. Insert the time required to burn one cubic foot of
gas into the following formula and compute the input
rate.
3600 (Sec. per Hr.) X BTU/Cu. Ft.
= Input Rate
Time (Sec.)
For example:
Assume the BTU content of one cubic foot of gas is
1000, and that it takes 48 seconds to burn one cubic
foot of gas.
3600 x 1000
= 75,000
48
NOTICE: If the computation exceeds, or is less than
95% of the gas BTU/hr. input rating (see Table 1),
adjust the gas pressure.
Adjust the gas pressure as follows:
1. NATURAL GAS: Best results are obtained when
the unit heater is operating at its full rated input with
the manifold pressure of 3.5 inches W.C. (0.9 kPa).
Adjustment of the pressure regulator is not normally
necessary since it is preset at the factory.
However, fi eld adjustment may be made as follows:
a. Attach manometer at the pressure tap plug below
the control outlet.
b. Remove the regulator adjustment screw cap,
located on the combination gas valve.
c. With a small screwdriver, rotate the adjustment
screw counterclockwise to decrease pressure, or
clockwise to increase pressure.
d. Replace regulator adjustment screw cap.
2. PROPANE GAS: An exact manifold pressure of 10.0
inches W.C. (2.5 kPa) must be maintained for proper
operation of the unit heater. If the unit is equipped
with a pressure regulator on the combination gas
valve, follow steps "a" through "d" above. If the unit
is not so equipped, the propane gas supply system
pressure must be regulated to attain this manifold
operating pressure.
3. The adjusted manifold pressure should not vary more
than 10% from pressure specifi ed in Tables 7 & 8.
Table 7 - Main Burner Orifi ce Schedule*
TUBULAR UNIT HEATER
HIGH ALTITUDE DERATION
This Tubular Unit Heater has been manufactured utilizing
standard burner orifi ces and a normal manifold pressure
setting as per the specifi cations shown on your unit rating
plate (refer to Tables 3, 7 and 8).
All unit deration must be done through fi eld adjustments
by a qualified technician (refer to Table 8). Once the
proper adjustments are made in the field, attach
label #J17-06459 to the unit, and record adjusted
manifold pressure, altitude of the unit installation and
the technician’s name and date on the label using a
permanent marker.
*
INPUT
IN
1000
BTU
2500 BTU/Ft3
(93.1 MJ/m3)
PROPANETYPE OF GAS NATURAL
1075 BTU/Ft3
(40.1 MJ/m3)
3.5" W.C.
(0.87kPA)
10" W.C.
(2.49 kPA)
NO. OF
BURNER
ORIFICES
MANIFOLD
PRESSURE
1
1
1
1
1
1
1
30
45
60
75
90
105
120
FT 3/HR
ORIFICE DRILL
FT 3/HR
ORIFICE DRILL
FT 3/HR
ORIFICE DRILL
FT 3/HR
ORIFICE DRILL
FT 3/HR
ORIFICE DRILL
FT 3/HR
ORIFICE DRILL
FT 3/HR
ORIFICE DRILL
28
38
42
1/8
56
27
70
20
84
16
98
11
112
5
12
52
18
48
24
42
30
37
36
35
42
31
48
1/8
HEATING VALUE
*This schedule is for units operating at normal altitudes of 2000 ft. (610m)
or less.
When installed in Canada, any references to deration at altitudes in excess
of 2000 ft. (610m) are to be ignored. At altitudes of 2000 to 4500 ft. (610 to
1372m), the unit heaters must be orifi ced to 90% of the normal altitude rating,
and be so marked in accordance with ETL certifi cation.

33
9.3
9.2
9.0
8.9
8.7
8.5
8.3
8.1
NATURAL GAS
MAINTENANCE
PERIODIC SERVICE 3. Remove service access panel.
4. To clean or replace the burner, remove retainer from
around manifold orifi ce, disconnect fl ame sensor and
igniter from control board, remove burner assembly
mounting screws. See Figure 25.
5. With the burner removed, wire brush the inside
surfaces of the heat exchanger.
6. Remove any dirt, dust, or other foreign matter from
the burners using a wire brush and/or compressed
air. Ensure that all parts are unobstructed.
7. Reassemble the unit heater by replacing all parts in
reverse order.
8. Complete the appropriate unit startup procedure as
given in the “Operation” section of this manual. (See
lighting instruction on the unit nameplate).
9. Check the burner adjustment.
10. Check all gas control valves and pipe connections
for leaks.
11 Check the operation of the automatic gas valve
by lowering the setting of the thermostat, stopping
the operation of the gas unit heater. The gas valve
should close tightly, completely extinguishing the
fl ame on the burner.
12. Inspect and service motor/fan assembly. To maintain
efficient air flow, inspect and clean the fan blades
and guard to prevent buildup of foreign matter.
13. Check lubrication instructions on motor. If oiling is
required, add 3 or 4 drops of electric motor oil as
follows:
a. Light Duty - After 3 years or 25,000 hours of
operation.
b. Average Duty - Annually after 3 years or 8,000
hours of operation.
c. Heavy Duty - Annually after 1 year or at least
1500 hours of operation.
Never over oil the motor or premature
failure may occur!
14. Check and test the operational functions of all safety
devices supplied with your unit.
Manifold
Pressure
(In. W.C.)
*Heating
Value
BTU/Cu. ft.
1,927
1,891
1,853
1,817
1,781
1,745
1,709
1,673
3.2
3.1
3.1
3.1
3.0
2.9
2.9
2.8
6,500
7,000
7,500
8,000
8,500
9,000
9,500
10,000
802
787
771
756
741
726
711
696
Manifold
Pressure
(In. W.C.)
PROPANE (LP) GAS
*Heating
Value
BTU/Cu. ft.
Altitude
(Feet)
Table 8
Manifold
Pressure
(In. W.C.)
*Heating
Value
BTU/Cu. ft.
10.0
10.0
10.0
10.0
10.0
9.9
9.7
9.6
9.5
2,278
2,237
2,196
2,156
2,116
2,077
2,039
2,000
1,964
3.5
3.5
3.5
3.4
3.4
3.4
3.3
3.3
3.2
2,000
2,500
3,000
3,500
4,000
4,500
5,000
5,500
6,000
948
931
914
897
881
865
849
833
818
Manifold
Pressure
(In. W.C.)
PROPANE (LP) GASNATURAL GAS
*Heating
Value
BTU/Cu. ft.
Altitude
(Feet)
*Notes:
1. Consult local utility for actual heating value.
2. Tables based on heating value of 1,050 BTU/Cu. ft. at sea level.
NOTICE: The heater and vent system should be
checked once a year by a qualifi ed technician.
All Maintenance/Service information should be recorded
accordingly on the Inspection Sheet provided in this
manual.
Open all disconnect switches
and disconnect all electrical and gas supplies
and secure in that position before servicing unit.
Failure to do so may result in personal injury or
death from electrical shock.
Gas tightness of the safety shut-
off valves must be checked on at least an annual
basis.
To check gas tightness of the safety shut-off valves, turn
off the manual valve upstream of the appliance combination
control. Remove the 3/32 hex head plug on the inlet side
of the combination control and connect a manometer to
that tapping. Turn the manual valve on to apply pressure
to the combination control. Note the pressure reading on
the manometer, then turn the valve off. A loss of pressure
indicates a leak. If a leak is detected, use a soap solution
to check all threaded connections. If no leak is found,
combination control is faulty and must be replaced before
putting appliance back in service.
Should maintenance be required, perform the following
inspection and service routine:
1. Inspect the area near the unit to be sure that there is
no combustible material located within the minimum
clearance requirements listed in this manual.
Under no circumstances should
combustible material be located within the
clearances specified in this manual. Failure to
provide proper clearance could result in personal
injury or equipment damage from fi re.
2. Turn off the manual gas valve and electrical power
to the unit heater.

34
1.
Check for proper orifi ce size. Refer to “Operation”.
2. Test and reset manifold pressure.
1. Replace orifi ce.
2. Test and reset manifold pressure.
1. Clean main burner ports.
2. Align manifold assembly.
3. Clean combustion air inlet openings.
4. Check gas input and manifold pressures.
1. Clean Flue. Refer to “Installation”.
2. Clean combustion air inlet openings.
3. Clean heat exchanger. Refer to “Installation”.
4. Determine cause and repair accordingly.
1. Inspect all gas piping and repair.
2. Check to ensure gas test ports are seated.
3. Clean heat exchanger/fl ue.
4. Clean fl ue collector.
5. See “Installation”.
1. Check grounding wires and spark bracket
connections.
2. Inspect spark cable connections and cuts.
3. Check to ensure spark is energized after
pre purge period.
4. Test and reset manifold pressure refer to
“Operations”.
5. Clean or replace orifi ce.
6. Refer to “Installation”.
1. Open all manual valves “check for leaks”.
2. Turn on power supply, check fuses and
replace if bad.
3. Turn up thermostat, Check for 24v on
terminals R and W1 on terminal strip.
4. Check switch for continuity if open with no
heat present, replace.
5. Check switch operation to ensure
switch closes after draftor purge period.
If it does not make/check tubing
connections/blockage.
6. Check all wiring per diagram.
7. Check all ground wires and connections.
8. Check both, for wiring according to diagram.
9. Replace ignitor.
10. Resecure ignitor bracket.
11. Check for 24V at gas valve terminals during
trial for ignition period. If present with no
manifold pressure. Replace valve.
12. Refer to symptom “Q”.
1. Refer to “Installation, Venting”.
2. Check gas supply pressures to unit. Refer
to “Installation”.
3. Refer to “Installation”.
1. Burner orifi ce incorrect.
2. Low manifold Pressure.
1.
Irregular orifi ce causing whistle or resonance.
2. Excessive gas input.
1. Clogged burner.
2. Misaligned orifi ce.
3. Insuffi cient combustion air.
4. Possibly over fi red.
1. Blocked venting.
2. Insuffi cient combustion air.
3. Blocked heat exchanger.
4. Air leak into combustion chamber, fl ue
collector or draft hood.
1. Gas pipe leak.
2. Leaking gas test port on valve.
3. Blocked heat exchanger.
4. Blocked draft hood.
5. Negative pressure in the building.
1. Improper ground.
2. Bad or broken spark cable.
3. Faulty control.
4. Manifold pressure set too low.
5. Main burner orifi ce dirty.
6. Improper venting.
1. Gas supply is off.
2. No power supply to unit.
3. Thermostat not calling.
4. Defective high limit.
5. Defective drafter prove switch.
6. Loose wiring.
7. Improper ground.
8. Improper thermostat or transformer wiring.
9. Ignitor defective/damaged.
10. Misaligned ignitor.
11. Defective gas valve.
12. Blown fuse.
1. Improper venting.
2. Unit under fi red.
3. Building too cold.
Table 9 - Tubular Propeller Troubleshooting Guide
A. Flame pops back.
B. Noisy Flame.
C. Yellow tip fl ame (some yellow
tipping on LP gas is permissible).
D. Floating fl ame.
E. Gas odor.
Shut off gas supply immediately!
F. Delayed ignition.
G. Failure to ignite.
H. Condensation.
SYMPTOMS POSSIBLE CAUSE(S) CORRECTIVE ACTION

35
1. Relocate thermostat away from outside
wall or drafts.
2. Check thermostat circuit for open and close
on terminal strip on heater “R” and “W”.
3. Check thermostat circuit for shorts “staples
piercing wires”.
4. Check for 24v on gas valve terminals when
thermostat is not calling.
5. Refer to “Installation”.
1. Tighten all electrical connections.
2. Adjust heat anticipator setting for longer
cycles. Refer to “Electrical Connections”.
3. Check for proper air supply across heat
exchanger and proper gas supply.
4. Relocate thermostat.
1. Replace or tighten.
2. Clean power venter wheel.
3. Realign power venter wheel.
1. Check and tighten wires on fan circuit.
2. Test for 115v on terminal ACB Heat and
“L2” if voltage is present replace motor.
3. Test for 115v on terminal ACB Heat and
“L2” on the control board, if voltage is not
present 45 seconds after trial for ignition
replace board.
4. Replace fuse.
1.
Check motor amps against motor name
plate, check voltage, replace if found defective.
2. Check for 115v between motor leads.
3. Check terminal ACB Heat for voltage if
voltage not constant, replace board.
1. Turn 115v power off to the unit, wait 10
seconds and reapply voltage to the unit.
2. Check wiring of fan circuit to wiring diagram.
3. If unit is not calling for heat and board is not
in a fl ash code mode, replace board.
1. Refer to “Operation”.
2. Is the heater output sized correctly for
heat loss of the space. Has the space
been enlarged?
3. Check thermostat circuit, 24v on terminals
“R” and “W” on terminal strip.
4. Check air movement across heat exchanger.
Check voltage and amps at the fan motor.
Check gas input to ensure unit is not over
fi red. Check heat exchanger to ensure unit
is not dirty.
5. Check orifi ce size, replace if undersized.
1. Refer to “Operation”. Check orifi ce size.
If too big replace.
2. Check thermostat for operation, to ensure
circuit open and closes.
3. Check wiring per diagram; check
operation at the gas valve, look for
a short in thermostat circuit.
1. Refer to wiring diagram.
2. Check grounding wires.
3. Replace.
1. Thermostat located incorrectly.
2. Improper thermostat wiring.
3. Shorted circuit.
4. Defective sticking gas valve.
5. Excessive gas supply pressure.
1. Loose electrical connections at thermostat
or gas valve.
2. Excessive thermostat heat
anticipator setting.
3. Unit cycling on high limit.
4. Poor thermostat location.
1. Power venter wheel loose.
2. Power venter wheel is dirty.
3.
Power venter wheel is rubbing on the housing.
1. Loose electrical connections.
2. Defective motor or overload.
3. Defective control board.
4. Blown fuse.
1. Motor overload protection is tripping.
2. Loose wiring or connection.
3. Control board is defective.
1. Control Board is in fl ame failure mode.
2. Fan improperly wired.
3. Defective board.
1. Incorrect gas input.
2. Heater undersized.
3. Thermostat malfunction.
4. Heater cycling on limit.
5. Incorrect orifi ce size.
1. Unit is over fi red.
2. Thermostat malfunction.
3. Heater runs continuously.
1. Electrical short.
2. Improper ground.
3. Defective gas valve.
Table 9 - Tubular Propeller Troubleshooting Guide (continued)
SYMPTOMS POSSIBLE CAUSE(S) CORRECTIVE ACTION
I. Burner will not shut off.
J. Rapid burner cycling.
K. Noisy power venter.
L. Fan will not run.
M. Fan motor turns on and off
while burner is operating.
N. Fan will not stop.
O. Not enough heat.
P. Too much heat.
Q. Blown fuse.

36
1. Incorrect manifold pressure or input.
1. Unit is over fi red.
2. Air fl ow is low.
3. Defective switch.
4. Defective control board.
1. Loose wiring or connections.
2. Motor overload is tripped or bad motor.
3. Bad control board.
1. Power venter improperly wired.
2. Motor overload cycling or defective motor.
3. Defective control board.
1. Power venter improperly wired.
2. Main burner did not light on call for heat.
3. Defective control board.
4. Loss of pressure. Pressure switch not
made.
R. Cold air is delivered during
heater operation.
S. High limit tripping.
T. Power venter will not run.
U. Power venter turns on and off
during operation.
V. Power venter will not stop.
1. Refer to “Operation”.
1. Burner orifi ce may be too large, verify
and replace.
2.
Check for proper voltage, ensure fan
blade is correctly positioned 1/3 inside venturi.
3. Check operation of switch, did the switch
open when unit is running or is the switch
open during start-up.
4. Check for 24v on line side of the high limit.
Constant voltage should be recorded if not
control board is suspect. Check fl ash code.
1.
Check all wring in the power vent circuit to
ensure good connection, including “Neutral”.
2.
Check for 115v between motor leads and
check amp draw of motor. Replace if needed.
3. Check for continuous 115v on terminal
“CBM Blower” and neutral during call for
heat. If not present and all checks are
normal, replace.
1. Check power venter circuit per wiring
diagram.
2.
Check motor voltage and amp draw to motor
name plate, replace if motor found defective.
3. Check for continuous 115v on terminal
“CMB Blower” during call for heat, replace
board if found defective.
1. Check power venter circuit per wiring
diagram.
2. Heater is in lockout mode check fl ash code
table for problem.
3. No fl ash codes present along with no call
for heat, replace control board.
4. Check venting for blockage. Check tubing for
blockage or hole. Check spud for blockage.
SYMPTOMS POSSIBLE CAUSE(S) CORRECTIVE ACTION
Table 9 - Tubular Propeller Troubleshooting Guide

37
Line voltage power can
cause product damage,
severe injury or death.
Only a trained experienced
service technician should
perform this trouble-
shooting.
1. Check the system thermo-
stat to make sure it is call-
ing for heat. (Do not cycle
the thermostat on and off at
this time.)
2. Remove the access panel.
Do not interrupt power to
the control board by opening
any electrically interlocked
panels.
3. Observe the LED indicator
on the control board (a
green LED labeled “OK”
indicates system faults);
check and repair system
as noted in the chart to the
right.
*NOTICE: Air flow proving
switch and power venter
hose barbs must be free
of any dust or debris at all
times. Periodically check
these openings and/or if any
problems occur.
Table 10A - Troubleshooting with LED Indicator Assistance for UT Control Board
Not Applicable
Not Applicable
1. Line voltage on terminals 120
and C on transformer.
2. Low voltage (24V) on terminals
24 and C on transformer.
3. 5 Amp fuse on circuit board.
1. Common side of transformer
grounded to chassis.
2. Loose spark ignitor.
1. Gas supply off or gas supply
pressure too low.
2. Flame sense rod contaminated
or loose wire.
3. Gas valve switch is off or wires
are not connected.
4. Broken or cracked porcelain on
fl ame probe or spark ignitor.
1. Obstructions or restrictions
in appliance air intake or fl ue
outlet are preventing proper
combustion airfl ow.
2. Moisture or debris in tubing that
connects pressure switch and
draft inducer.
3. Airfl ow switch jumpered or
miswired.
1. Open manual reset rollout switch.
2. Gas pressure too high, over fi re
condition.
3. Incorrect airfl ow due to blockage
or motor not operating.
1. Flame probe miswired or
shortened.
1. Thermostat is interfering with
control board.
Control OK, no call for heat.
Control OK, call for heat present.
Internal control fault, or no power.
Control internal failure or bad ground.
In lockout from failed ignitions
or fl ame losses.
Pressure Switch open with inducer on
or closed with inducer off.
Limit or rollout switch is open.
Flame sensed while gas valve is off.
On-board microprocessors disagree.
LED STATUS INDICATES CHECK/REPAIR
Slow Flash
Fast Flash
Steady Off
Steady On
2 Flashes
3 Flashes
4 Flashes
5 Flashes
6 Flashes

38
Table 10B - Troubleshooting with LED Indicator Assistance for Honeywell Control Board
Not Applicable
Not Applicable
1. Check pressure switch to see if open to start, if not
replace switch.
2. Air fl ow switch jumpered. Remove jumper and check
operation.
1. Look for obstruction or restrictions in appliance air
intake or fl ue outlet that are preventing proper
combustion airfl ow.
2. Moisture or debris in tube that connects pressure
switch and draft inducer.
3. Check spud on power venter housing. Make sure it is
clear.
1. Open manual reset rollout switch.
2. Gas pressure is too high, over fi red condition.
3. Incorrect airfl ow due to blockage or fan motor not
operating.
1. Flame probe miswired or shorted.
1. Gas supply off or gas pressure too low.
2. Flame sense rod contaminated or loose wire.
3. Gas valve switch is off or wires are not connected.
4. Broken or cracked porcelain on spark ignitor
allowing spark to jump to ground and not between
end of probes.
1. Open manual reset rollout switch.
2. Gas pressure too high, over fi red condition causing
high limit to open.
3. Incorrect airfl ow due to blockage or fan motor not
operating.
1. Check pressure from drafter and see if it reads above
set point on pressure switch. Replace bad pressure
switch.
1. Check sensor wire and make sure it is connected
properly.
1. Check for short. If no short replace fuse and start unit.
2. If no short is found, check gas valve for possible over
amp. condition. Replace gas valve.
1. Check transformer for proper voltage. Replace
transformer if not correct.
1. Switch off power and check fl ame rod wiring.
1. Turn unit off and back on. If fault code fl ashes again
check gas valve for problem. If problem found replace
gas valve.
1. Reset board. If code fl ashes again replace board.
Control powered (without call for Heat)
Call for Heat: normal operations
Pressure Switch failed closed
Pressure Switch failed open
Limit circuit open
Flame sensed out of sequence - fl ame still present
Softlockout: Failed to light in four ignition trials
Softlockout: Limit circuit opened during run
(recycle counter at its maximum)
Softlockout: Pressure Switch opened during run; did not
reclose within 2 seconds (fl ame lost and recycle at its
maximum)
Softlockout: Flame failed during run
(recycle at its maximum)
Flame sensed while out of sequence and is now gone
Lockout: Bad fuse detected.
Lockout: Low voltage on 24VAC input
Lockout: Flame Rod shorted to ground or there is a big
leakage from fl ame rod to ground
Lockout: Gas Valve fault
Lockout: Internal Hardware error detected
PATTERN STATUS CHECK/REPAIR
Short Flash
Heartbeat
2
3
4
5
6+1
6+2
6+3
6+4
6+5
7+1
7+2
7+4
7+5
7+6

39
IDENTIFICATION OF PARTS
RESIDENTIAL TUBULAR 30-120 MBH UNIT SIZES
1 Vestible Panel/Tube Assembly
(Heat Exchanger)
2 Bracket/Gas Train
3 Manifold
4 Burner Assembly
5 *Standard Orifi ce
Natural Gas or Propane (LP) Gas
6 Spark Ignitor
7 Flame Sensor
8 Gas Valve
Natural or Propane (LP) Gas
9 Manual Rollout Safety Switch
10 Transformer, 50 VA, 115/24
11 Air Pressure Switch
12 Terminal Block Plate
13 High Limit Switch
14 Fan Motor
15 OSHA Fan Guard
16 Standard Fan
17 Fan/Guard/Motor Mount
Hardware Kit
18 **Flue Collector
19 Power Venter (Drafter) Assembly
20 Flue Collar Assembly
21 Vinyl Tubing (Pressure Switch)
22 Power Venter Mounting Plate
23 Louver
24 Louver Spring
25 Control Board
26 Access Panel
27 Top Jacket Panel w/Insulation
28 Bottom Jacket Panel w/Insulation
29 Front Jacket Panel
30 Rear Jacket Panel
31 Bracket, Manifold
32 Tube Support Bracket
33 Green Ground Screw
34 Hanger Bracket
35 Manifold Clamp
36 Pipe Nipple
37 Left Side Panel
38 Manifold Support Bracket Kit
39 Spring
40 Grommet
41 Inlet Screen Assembly
42 Burner Box View Port
Item
No. ItemDescription
*** The orifi ce shown are for units operating
at normal altitudes of 0 to 2000 ft.
(610m).
*** When replacing a fl ue collector, make
sure that the fl ue collector box is sealed
completely with factory supplied gasket.

40
IDENTIFICATION OF PARTS
RESIDENTIAL TUBULAR 30-120 MBH UNIT SIZES
Figure 28 - Internal Furnace Components
Figure 26 - Propeller Parts Figure 27 - Component Parts
Figure 29 - Power Ventor Assembly
D4810
NOTE: No rubber grommets are supplied with the 30 and 45 unit
sizes.
Gas Valve
D4430
Fan Guard
Fan Blade
Hardware
Hardware
Motor
D6963
D03339
Pressure Switch
D03339
41
HOW TO ORDER REPLACEMENT PARTS
Please send the following information to your local representative: if further assistance is needed, contact the
manufacturer's customer service department.
•Model Number
•Serial Number
•Part Description and Number as shown in Replacement parts Catalog
LIMITED WARRANTY
Residential Power Vented Tubular Propeller Unit Heaters
1. The "Manufacturer" warrants to the original owner at original installation site that the above model Gas-Fired
Heater ("the Product") will be free from defects in material or workmanship for (1) year from the date of shipment
from the factory, or one and one-half (1-1/2) years from the date of manufacture, whichever occurs fi rst. The
Manufacturer further warrants that the complete heat exchanger, fl ue collector and burners be free from defects
in material or workmanship for a period of ten (10) years from the date of manufacture. If upon examination by
the Manufacturer the Product is shown to have a defect in material or workmanship during the warranty period,
the manufacturer will repair or replace, at its option, that part of the Product which is shown to be defective.
2. This limited warranty does not apply:
a. if the product has been subjected to misuse or neglect, has been accidentally or intentionally damaged, has
not been installed, maintained, or operated in accordance with furnished written instructions, or has been
altered or modifi ed in any way by any unauthorized person.
b. to any expenses, including labor or material, incurred during removal or reinstallation of the Product
c. to any damage due to corrosion by chemicals, including halogenated hydrocarbons, precipitated in the air
d. to any workmanship of the installer of the Product
3. This limited warranty is conditional upon:
a. advising the installing contractor, who in turn notify the distributor or manufacturer
b. shipment to the Manufacturer of that part of the Product thought to be defective. Goods can only be returned
with prior written approval of the Manufacturer. All returns must be freight prepaid.
c. determination in the reasonable opinion of the Manufacturer that there exists a defect in material or
workmanship
4. Repair or replacement of any part under this Limited Warranty shall not extend the duration of the warranty with
respect to such repaired or replaced part beyond the stated warranty period.
5. THIS LIMITED WARRANTY IS IN LIEU OF ALL WARRANTIES, EITHER EXPRESS OR IMPLIED, AND
ALL SUCH OTHER WARRANTIES, INCLUDING WITHOUT LIMITATION IMPLIED WARRANTIES OF
MERCHANTABILITY OR FITNESS FOR A PARTICULAR PURPOSE, ARE HEREBY DISCLAIMED AND
EXCLUDED FROM THIS LIMITED WARRANTY. IN NO EVENT SHALL THE MANUFACTURER BE LIABLE
IN ANY WAY FOR ANY CONSEQUENTIAL, SPECIAL, OR INCIDENTAL DAMAGES OF ANY NATURE
WHATSOEVER, OR FOR ANY AMOUNTS IN EXCESS OF THE SELLING PRICE OF THE PRODUCT OR ANY
PARTS THEREOF FOUND TO BE DEFECTIVE. THIS LIMITED WARRANTY GIVES THE ORIGINAL OWNER
OF THE PRODUCT SPECIFIC LEGAL RIGHTS. YOU MAY ALSO HAVE OTHER RIGHTS WHICH MAY VARY
BY JURISDICTION.
In the interest of product improvement, we reserve the right to make changes without notice.

42
11 - Supply Voltage [SV]
1 - 115/1/60 4 - 208/3/60 7 - 575/3/60
2 - 208/1/60 5 - 230/3/60 Z - Other
3 - 230/1/60 6 - 460/3/60
Note: Supply Voltage [SV] 2 thru 7 includes a fi eld mounted step down
transformer.
12 - Motor Type [MT]
1 - Open Drip Proof (Standard)
2 - Totally Enclosed [Capacities 060 through 120 Only]
13 - Development Level [DL]
A - Revision Level - Production Onset
14, 15 + - Accessories [AS]
FACTORY INSTALLED
S3 - Stainless Steel Flue Collector
Z1 - Special
FIELD INSTALLED (AS-____)
A7 - Pressure Regulator (1/2 - 2 psi)
G1 - 1 Stage 87K Mercury Free Thermostat
G2 - 1 Stage 87K Mercury Free Thermostat w/TG511A Guard Kit
G3 - 1 Stage T834N Mercury Free Thermostat/Fan Switch
G5 - 2 Stage TH5220D Mercury Free Thermostat w/Subbase
G6 - Locking Thermostat Cover
G8 - 1 Stage T6169C Line Voltage Thermostat w/Subbase
G9 - 1 Stage T822K Mercury Free Thermostat
P5 - 24V SPST Relay - Specify Purpose
VC-4 - 4" Vent Cap
VC-5 - 5" Vent Cap [Capacity 075-120 Category I Horizontal Vent Only]
X7-4 - Concentric Vent Kit [Capacities 030-075)
X7-5 - Concentric Vent Kit [Capacities 090-120]
Low Profi le Tubular Gas-Fired Unit Heater Model Number Description
Digit G X X X — 1 2 3 4 5 6 7 8 9 10 11 12 13 14 15 +
Item Prefi x UT CA FT FM GT AL GC SV MT DL AS
(Internal use Only)
1, 2 - Unit Type [UT]
GG - Residential Tubular Propeller UH
3, 4, 5 - Capacity [CA]
030 - 30,000 BTU/HR
045 - 45,000 BTU/HR
060 - 60,000 BTU/HR
075 - 75,000 BTU/HR
090 - 90,000 BTU/HR
105 - 105,000 BTU/HR
120 - 120,000 BTU/HR
6 - Furnace Type [FT]
A - Right Hand Access
7 - Furnace Material [FM]
1 - Aluminized Steel (Standard)
2 - 409 Stainless Steel
8 - Gas Type [GT]
N - Natural Gas
P - Propane (LP) Gas
9 - Altitude [AL]
P - Canadian Hi-Alt. 2000-4500 Ft.
S - 0-4999 Ft.
T - 5000-11,999 Ft.
Note: Unit installations over 2000 ft. require gas input deration
in the fi eld. Refer to unit installation instructions.
10 - Gas Control [GC]
A - Single Stage (Standard)
B - Two Stage (CA = 060 through 120 Only)
43
Customer ____________________________________ Job Name & Number _________________________
PRE-INSPECTION INFORMATION
With power and gas off.
Type of Equip: Unit Heater
Serial Number _________________________ Model Number __________________________
Name Plate Voltage: _____________ Name Plate Amperage: _____________
Type of Gas: Natural LP Tank Capacity _______ lbs. Rating: _ _____ BTU @ ____ °F
_______ kg _ _____ kw @ ____ °C
❐ Are all panels, doors, vent caps in place?
❐ Has the unit suffered any external damage? Damage ______________________________
❐ Does the gas piping and electric wiring appear to be installed in a professional manner?
❐ Has the gas and electric been inspected by the local authority having jurisdiction?
❐ Is the gas supply properly sized for the equipment?
❐ Were the installation instructions followed when the equipment was installed?
❐ Have all fi eld installed controls been installed?
❐ Do you understand all the controls on this equipment? If not, contact your wholesaler or rep.
(DO NOT START this equipment unless you fully understand the controls.)
GAS EQUIPMENT
START-UP
GENERAL
With power and gas off.
❐ Make certain all packing has been removed.
❐ Tighten all electrical terminals and connections.
❐ Check all fans & blowers for free movement.
❐ Check all controls for proper settings.
BLOWER
With power on and gas off.
❐ Check voltage L1 _____ L2 _____ L3 _____
❐ Check rotation of main blower.
❐ Check motor amps L1 _____ L2 _____ L3 _____
❐ Blower RPM _____________
❐ Check air fi lters. (Record quantity & size.)
Remarks: _____________________________________________
__________________________________________________
__________________________________________________
GAS HEATING
With power and gas on.
❐ Inlet gas pressure. ____ in. W.C. or ____ kPa
❐ Burner ignition.
❐ Manifold gas pressure. ____ in. W.C. or ____ kPa
❐ Cycle on HIGH LIMIT.
❐ Cycle and check all other controls not listed.
❐ Cycle by thermostat or operating control.

www.sterlinghvac.com
HVAC PRODUCTS
260 NORTH ELM ST., WESTFIELD, MA 01085
TEL: (413) 564-5540 FAX: (413) 562-5311