Stihl Ht73 Manual HT 73
2014-07-06
: Stihl Ht73-Manual ht73-manual stihl pdf
Open the PDF directly: View PDF
.
Page Count: 86
- Contents
- Guide to Using this Manual
- Safety Precautions
- Using the Machine
- Mounting the Bar and Chain
- Tensioning the Saw Chain
- Checking Chain Tension
- Fuel
- Fueling
- Chain Oil
- Filling Chain Oil Tank
- Checking Chain Lubrication
- Adjusting Telescopic Shaft
- Fitting the Harness
- Starting / Stopping the Engine
- Operating Instructions
- Cleaning the Air Filter
- Motor Management
- Adjusting the Carburetor
- Spark Arresting Screen in Muffler
- Checking the Spark Plug
- Rewind Starter
- Storing the Machine
- Checking Chain Sprocket
- Taking Care of Guide Bar
- Maintaining and Sharpening Saw Chain
- Maintenance Chart
- Parts and Controls
- Specifications
- Special Accessories
- Maintenance and Repairs
- STIHL Incorporated Federal and California Emission Control Warranty Statement

en
m
It
I:!
0
::c
I-..
:t
en
Q)
c:
0
.-
CO
(,) 0
~(.).-
::J- ::J '-
c: CO '-
CO
co ::J .... ::J
en en
:2: c: C:::J
c: CO .-
i:::
0:2: Q)Q)
;; en -c-c
- -
(,)1...CO CO
::J Q) ::J::J
111
'- c: c: c:
1;) ~CO CO
c:o :2::2:
I
'!2
;? --
-
--
<t -
--
---
-
-.- --
1HT 73
english / USA
Printing inks contain vegetable oils;
paper can be recycled.
Printed on chlorine-free paper.© 2002 Andreas Stihl AG & Co., Waiblingen
0458 243 3021. M0,1. B2. PM. Printed in USA
STIHl
Contents
Guide to Using this Manual .............. 2
Safety Precautions ........................... 3
Using the Machine .......................... 13
Mounting the Bar and Chain ........... 15
Tensioning the Saw Chain .............. 16
Checking Chain Tension ................. 16
Fuel ................................................ 17
Fueling ............................................ 18
Chain Oil ......................................... 19
Filling Chain Oil Tank ...................... 19
Checking Chain Lubrication ........... 20
Adjusting Telescopic Shaft .............. 20
Fitting the Harness ......................... 20
Starting / Stopping the Engine ........ 21
Operating Instructions .................... 25
Cleaning the Air Filter ..................... 26
Motor Management ........................ 27
Adjusting the Carburetor ................ 27
Spark Arresting Screen in Muffler ... 28
Checking the Spark Plug ................ 28
Rewind Starter ................................ 29
Storing the Machine ........................ 30
Checking Chain Sprocket ............... 30
Taking Care of Guide Bar ............... 31
Maintaining and
Sharpening Saw Chain ................... 31
Maintenance Chart ......................... 35
Parts and Controls .......................... 36
Specifications ................................. 38
Special Accessories ....................... 39
Maintenance and Repairs ............... 39
STIHL Incorporated Federal and
California Emission Control
Warranty Statement ........................ 40
Allow only persons who understand this
manual to operate your pole pruner.
To receive maximum performance and
satisfaction from your STIHL pole
pruner, it is important that you read and
understand the maintenance and safety
precautions, starting on page 3, before
using your pole pruner.
Contact your STIHL dealer or the STIHL
distributor for your area if you do not
understand any of the instructions in this
manual.
!Warning!
Because a pole pruner is a high-speed
cutting tool with a very long reach some
special safety precautions must be
observed to reduce the risk of personal
injury.
Careless or improper use may cause
serious or even fatal injury.
STIHL's philosophy is to continually
improve all of its products. As a result,
engineering changes and improve-
ments are made from time to time. If the
operating characteristics or the
appearance of your pole pruner differ
from those described in this manual,
please contact your STIHL dealer for
information and assistance.

2
english / USA
HT 73
Pictograms
All the pictograms attached to the
machine are shown and explained in the
this manual.
The operating and handling instructions
are supported by illustrations.
Symbols in text
The individual steps or procedures
described in the manual may be marked
in different ways:
:Step or procedure without direct
reference to an illustration.
Description of step or procedure that
refers directly to the illustration and
contains item numbers that appear in
the illustration.
Example:
Loosen the screw (1)
Lever (2) ...
In addition to the operating instructions,
this manual may contain paragraphs
that require your special attention. Such
paragraphs are marked with the
symbols described below:
Warning where there is a risk of an
accident or personal injury or
serious damage to property.
Warning where there is a risk of
damaging the power tool or
individual components.
Note or hint which is not essential
for using the power tool, but may
improve the operator’s under-
standing of the situation and result
in better use of the power tool.
Note or hint on correct procedure in
order to avoid damage to the
environment.
Equipment and features
This instruction manual refers to
several models with different
features. Components that are not
installed in all models and related
applications are marked thus *.
Such components are available as
special accessories from your
STIHL dealer.
Engineering improvements
STIHL’s philosophy is to continually
improve all of its products. As a result,
engineering changes and improvements
are made from time to time. If the
operating characteristics or the
appearance of your machine differ from
those described in this manual, please
contact your STIHL dealer for
assistance.
Therefore, we cannot be responsible for
changes, modifications or
improvements not covered in this
manual.
Guide to Using this Manual

3HT 73
english / USA
The use of any pole
pruner may be
hazardous. The pole
pruner chain has many
sharp cutters. If the
cutters contact your flesh,
they will cut you, even if the chain is not
moving. At full throttle, the chain speed
can reach 68 mph (30 m/s). It is
important that you read, fully understand
and observe the following safety
precautions and warnings. Read the
owner's manual and the safety
instructions periodically.
All safety precautions that are generally
observed when working with an axe or a
hand saw also apply to the operation of
pole pruners. However, because a pole
pruner is a high-speed, fast-cutting
power tool with a very long reach,
special safety precautions must be
observed to reduce the risk of personal
injury.
Have your STlHL dealer show you how
to operate your pole pruner. Observe all
applicable local safety regulations,
standards and ordinances.
!Warning!
Minors should never be allowed to use a
pole pruner. Bystanders, especially
children, and animals should not be
allowed in the area where a pole pruner
is in use. Never let the pole pruner run
unattended.
The pole pruner user is responsible for
accidents or risks involving third parties
or their property.
Do not lend or rent your
pole pruner without the
owner's manual. Be sure
that anyone using your
pole pruner reads and
understands the
information contained in
this manual.
These safety precautions and warnings
apply to the use of all STIHL pole
pruners. Different models may have
different parts and controls. See the
appropriate section of your owner's
manual for a description of the controls
and function of the parts of your model
pole pruner.
Safe use of a pole pruner involves:
1. the operator
2. the pole pruner
3. the use of the pole pruner.
THE OPERATOR
Physical Condition
You must be in good physical condition
and mental health and not under the
influence of any substance (drugs,
alcohol etc.) which might impair vision,
dexterity or judgment.
Do not operate a pole pruner when you
are fatigued. Be alert – if you get tired
while operating your pole pruner, take a
break. Tiredness may result in loss of
control. Working with any pole pruner
can be strenuous. If you lack sufficient
strength to maintain control of the
pruner, do not use it. If you have any
condition that might be aggravated by
strenuous work, check with your doctor
before operating a pole pruner.
Safety Precautions

4
english / USA
HT 73
!Warning!
Prolonged use of pole pruners (or other
machines) exposing the operator to
vibrations may produce whitefinger
disease (Raynaud's phenomenon) or
carpal tunnel syndrome. These
conditions reduce the hand's ability to
feel and regulate temperature, produce
numbness and burning sensations and
may cause nerve and circulation
damage and tissue necrosis.
All factors which contribute to
whitefinger disease are not known, but
cold weather, smoking and diseases or
physical conditions that affect blood
vessels and blood transport, as well as
high vibration levels and long periods of
exposure to vibration are mentioned as
factors in the development of whitefinger
disease. In order to reduce the risk of
whitefinger disease and carpal tunnel
syndrome, please note the following:
:Most STIHL power tools are
available with an anti-vibration
("AV") system designed to reduce
the transmission of vibrations
created by the engine to the
operator's hands. An AV system is
recommended for those persons
using power tools on a regular or
sustained basis.
:Wear gloves and keep your hands
warm.
:Keep the AV system well
maintained. A pole pruner with
loose components or with damaged
or worn AV buffers will tend to have
higher vibration levels.
:Maintain a firm grip at all times, but
do not squeeze the handles with
constant, excessive pressures, take
frequent breaks.
All the above mentioned precautions do
not guarantee that you will not sustain
whitefinger disease or carpal tunnel
syndrome. Therefore continual and
regular users should monitor closely the
condition of their hands and fingers. If
any of the above symptoms appear,
seek medical advice immediately.
!Warning!
The ignition system of your unit
produces an electromagnetic field of a
very low intensity. This field may
interfere with some pacemakers.
To reduce the risk of serious or fatal
injury, persons with pacemaker should
consult their physician and the
pacemaker manufacturer before
operating this tool.
Proper Clothing
Clothing must be sturdy
and snug-fitting, but allow
complete freedom of
movement. Avoid loose-
fitting jackets, scarves,
neckties, jewelry, flared or
cuffed pants, or anything that could
become entangled with the pruner or
brush. Wear overalls or jeans with
reinforced cut retardant inserts.
Wear gloves to improve
your grip and help protect
your hands when
handling the pole pruner
and saw chain. Heavy-
duty, nonslip gloves are
recommended.
Good footing is most
important in pole pruner
work. Wear sturdy boots
with nonslip soles. Steel-
toed safety boots are
recommended.

5HT 73
english / USA
To reduce the risk of injury
to your eyes never
operate a pole pruner
unless wearing goggles or
properly fitted safety
glasses with adequate top
and side protection complying with
ANSI Z 87.1.
To reduce the risk of injury to your face,
STIHL recommends that you also wear
a face shield or face screen over your
goggles or safety glasses.
Wear an approved safety hard hat to
reduce the risk of head injury. Pole
pruner noise may damage your hearing.
Always wear sound barriers (ear plugs
or ear mufflers) to reduce the risk of
hearing loss. Continual and regular
users should have their hearing checked
regularly.
THE POLE PRUNER
For illustrations and definitions of the
parts of the pole pruner see the chapter
on "Parts and Controls" and
"Definitions".
!Warning!
Never modify a pole pruner in any way.
Only attachments and parts supplied by
STIHL or expressly approved by STIHL
for use with the specific STIHL pole
pruner models are authorized. Although
certain unauthorized attachments are
useable with the STIHL powerhead,
their use may, in fact, be extremely
dangerous.
Use the unit only with the recommended
saw chain and guide bar – a longer bar
makes the unit difficult to control.
THE USE OF THE UNIT
Transporting the pole pruner
!Warning!
Always stop the engine before putting a
pole pruner down or carrying it. Carrying
a pole pruner with the engine running is
extremely dangerous. Accidental
acceleration of the engine can cause the
chain to rotate.
!Warning!
During operation, the powerhead muffler
and the material around it reach
extremely high temperatures. Avoid
touching the hot muffler – you could
receive serious burns!
By hand: When carrying your pole
pruner by hand, the engine must be
stopped and the pole pruner must be in
the proper position. The chain guard
(scabbard) should be over the chain and
the guide bar, which should point
backwards. When carrying your pole
pruner, the bar should be behind you.
By vehicle: When transporting in a
vehicle, keep chain and bar covered with
the chain guard. Properly secure your
pole pruner to prevent turnover, fuel
spillage and damage to the pole pruner.
390BA000 KN

6
english / USA
HT 73
Preparation for the use of the pole
pruner
Take off the chain guard and inspect for
safety in operation. For assembly, follow
the procedure described in the chapter
"Mounting the Bar and Chain" of your
owner's manual.
STIHL Oilomatic chain, guide bar and
sprocket must match each other in
gauge and pitch.
!Warning!
Proper chain tension is extremely
important. In order to avoid improper
setting, the tensioning procedure must
be followed as described in your
manual. Always make sure the hex
nut(s) for the sprocket cover is (are)
tightened securely after tensioning the
chain.
Never start the pole pruner with the
sprocket cover loose. Check chain
tension once more after having
tightened the nut(s) and thereafter at
regular intervals (whenever the pole
pruner is shut off). If the chain becomes
loose while cutting, shut off the engine
and then tighten. Never try to tighten the
chain while the engine is running!
Fueling
Your STIHL pole pruner uses an oil-
gasoline mixture for fuel (see chapter
"Fuel" of your owner's manual).
!Warning!
Gasoline is an extremely flammable fuel.
If spilled or ignited by a spark or other
ignition source, it can cause fire and
serious burn injury or property damage.
Use extreme caution when handling
gasoline or fuel mix.
To reduce the risk of fire or
burn injury, do not smoke
while using or standing
near the machine.
Combustible fuel vapor
may escape from the fuel
system.
Dust (e.g. wood dust), vapor (e.g. oil
mist from the chain lubricating system)
and smoke containing chemical
substances may be produced when
using this machine. These substances
may cause serious injuries and health
risks such as respiratory illnesses,
cancer, genetic defects or hereditary
damage.
If the risks associated with the possible
dust, vapor and smoke emissions are
not known, you should obtain the
relevant information from the contractor
or the responsible control body.
If it is not possible to avoid considerable
amounts of dust, vapor or smoke being
generated in spite of using the proper
working techniques, it is recommended
that the operator and bystanders wear
respirators approved for the substances
concerned.
Fueling Instructions
Fuel your pole pruner in well-ventilated
areas, outdoors only.
Always shut off the engine and allow it to
cool before refueling. Gasoline vapor
pressure may build up inside the gas-
tank of a two cycle engine depending on
the fuel used, the weather conditions,
and the venting system of the tank.

7HT 73
english / USA
In order to reduce the risk of burns or
other personal injury from escaping gas
vapor and fumes, remove the fuel cap
on the STIHL product carefully so as to
allow any pressure build-up in the tank
to release slowly. Never remove fuel
filler cap while engine is running.
Select bare ground for fueling and move
at least 10 feet (3 m) from fueling spot
before starting the engine. Wipe off any
spilled fuel before starting your pole
pruner, and check for leakage.
Check for fuel leakage while refueling
and during operation. If fuel or oil
leakage is found, do not start or run the
engine until leak is fixed and spilled fuel
has been wiped away. Take care not to
get fuel on your clothing. If this happens,
change your clothing immediately.
!Warning!
Unit vibrations can cause
an improperly tightened
fuel cap to loosen or come
off and spill quantities of
fuel.
In order to reduce risk of fuel spillage
and fire, tighten fuel cap by hand with as
much force as possible. Check fuel cap
periodically for tightness.
Starting
!Warning!
Your pole pruner is a one-person unit.
Do not allow other persons to be near
the running pole pruner. Keep
bystanders at least 15 m (50 ft) away.
Start and operate your pole pruner
without assistance.
For specific starting instructions, see the
appropriate section of the Owner's
Manual. Proper starting methods reduce
the risk of injury.
Place the pole pruner on firm ground or
other solid surface in an open area or in
the alternate as shown in the above
picture. Maintain a good balance and
secure footing.
!Warning!
To reduce the risk of injury from loss of
control, be sure that the guide bar and
chain are clear of you and all other
obstructions and objects, including the
ground. When the engine is started, the
engine speed with the starting throttle
lock engaged will be fast enough for the
clutch to engage the sprocket and turn
the chain. Never attempt to start the pole
pruner when the guide bar is in a cut or
kerf.
390BA022 KN

8
english / USA
HT 73
When you pull the starter grip, do not
wrap the starting rope around your
hands. Do not allow the grip to snap
back, but guide the starter rope slowly
back to permit the rope to rewind
properly. Failure to follow this procedure
may result in injury to hand or fingers
and may damage the starter
mechanism.
Important adjustments
!Warning !
To reduce the risk of personal injury from
loss of control or contact with the
running chain, do not use a pole pruner
with incorrect idle adjustment. At correct
idle speed, the chain should not rotate.
For directions to adjust idle speed, see
the appropriate section of your owner's
manual. If you cannot set the correct idle
speed, have your STIHL dealer check
your pole pruner and make proper
adjustments or repairs.
After adjusting chain tension, start the
pole pruner, let the engine run for a
while, then switch engine off and
recheck chain tension. Proper chain
tension is very important at all times.
Working Conditions
Danger! Risk of Electrocution!
This pruner is not
insulated against electric
shock. Approaching or
contacting electric power
lines with a pruner may
cause death by
electrocution or serious bodily injury.
Electricity can jump from one point to
another by means of arcing. Higher
voltage increases the distance electricity
can arc. Electricity can also move
through branches, especially if they are
wet. Maintain a clearance of at least
15 m (50 ft) between the pruner
(including any branches it is contacting)
and any electrical line carrying live
current. Before working with less
clearance, contact your electric utility
and make sure current is turned off.
!Warning!
The pole pruner has a large range. In
order to reduce the risk of personal or
even fatal injury to bystanders from
falling objects and thrown pieces of
wood or in advertent contact with the
rotating chain of the pruner always keep
bystanders at least 15 m (50 ft) away
when the pole pruner is running.
Operate your pole pruner only outdoors
in a ventilated area.
!Warning!
Your pole pruner
produces toxic exhaust
fumes as soon as the
combustible engine is
running. These gases
(e.g. carbon monoxide)
may be colorless and
odorless.
To reduce the risk of serious or fatal
injury from breathing toxic fumes, never
run the pole pruner indoors or in poorly
ventilated locations.
15m (50ft)
15m (50ft)
9HT 73
english / USA
!Warning!
Use of this product (including sharpen-
ing the saw chain) can generate dust,
mists and fumes containing chemicals
known to cause respiratory disease,
cancer, birth defects, or other
reproductive harm. If you are unfamiliar
with the risks associated with the
particular dust, mist or fume at issue,
consult your employer, governmental
agencies such as OSHA and NIOSH
and other sources on hazardous
materials. California and some other
authorities, for instance, have published
lists of substances known to cause
cancer, reproductive toxicity, etc. Control
dust (such as sawdust), mists (such as
oil mist from chain lubrication) and
fumes at the source where possible.
In this regard use good work practices
and follow the recommendations of
OSHA / NIOSH and occupational and
trade associations. When the inhalation
of toxic dust, mists and fumes cannot be
eliminated, the operator and any
bystanders should always wear a
respirator approved by NIOSH / MSHA
for the type substance at issue.
!Warning!
Breathing asbestos dust is dangerous
and can cause severe or fatal injury,
respiratory illness or cancer. The use
and disposal of asbestos containing
products have been strictly regulated by
OSHA and the Environmental Protection
Agency. Do not cut or disturb asbestos,
asbestos containing products (e.g.
asbestos containing drywall or other
construction products), or products such
as pipes which are wrapped or covered
with asbestos insulation. If you have any
reason to believe that you might be
cutting asbestos, immediately contact
your employer or a local OSHA
representative.
!Warning!
The muffler and other parts of the engine
(e.g. fins of the cylinder, spark plug)
become hot during operation and remain
hot for a while after stopping the engine.
To reduce risk of burns do not touch the
muffler and other parts while they are
hot. Operate the pole pruner under good
visibility and daylight conditions only.
Don't work alone. Keep within calling
distance of others in case help is
needed.
!Warning!
Take extreme care in wet and freezing
weather and in slippery conditions (rain,
snow, ice). Put off the work when the
weather is windy, stormy or rainfall is
heavy.
!Warning!
Avoid stumbling on obstacles such as
stumps, roots or rocks and watch out for
holes or ditches. Be extremely cautious
when working on slopes or uneven
ground.

10
english / USA
HT 73
!Warning!
To reduce risk of serious or fatal injury
from loss of control of the pole pruner
never attempt to operate any pole
pruner with one hand. Always hold the
pole pruner firmly with both hands.
Wrap your fingers tightly around the
control handle and shaft, keeping the
handle and shaft between your thumb
and forefinger.
Keep your hands in this position to have
your pole pruner under control at all
times. Make sure the handle and shaft
are in good condition and free of
moisture, pitch, oil or grease. Place your
left hand on front handle and your right
hand on rear handle and throttle trigger.
Left handers should follow these
instructions too.
!Warning!
Do not operate your pole pruner with the
starting throttle lock engaged. Cutting
with the starting throttle lock engaged
does not permit the operator proper
control of the pole pruner or chain
speed. Always cut at full throttle.
!Warning!
Never touch a chain with your hand or
any part of your body when the engine is
running, even when the chain is not
rotating. The chain continues to rotate
for a short period after the throttle trigger
is released.
Do not cut any material other than wood
or wooden objects. Use your pole pruner
for limbing only. It is not designed for
felling. It is not designed for prying or
shoveling away limbs, roots or other
objects.
When limbing, make sure that the saw
chain does not touch any foreign
materials such as rocks, fences, nails
and the like. Such objects may be flung
off and injure the operator or bystanders,
or damage the saw chain.
!Warning!
In order to keep control of your pole
pruner, always maintain a firm foothold.
Never work on a ladder, in a tree or on
any other insecure support. When
working at a height above 4.5 m (15 ft)
use a lift bucket.
For pole pruner with adjustable shaft:
Expand the shaft only as far as
necessary for the intended application.
!Warning!
Don't put pressure on the pole pruner
when reaching the end of a cut. The
pressure may cause the bar and rotating
chain to pop out of the cut or kerf, go out
of control and strike the operator or
some other object.
!Warning!
Prior to limbing, clear the working area
from interfering limbs and brush. Then,
establish a path of escape and remove
all obstacles.
390BA026 KN

11HT 73
english / USA
Keep work area clear – move away
fallen limbs. Place all tools and
equipment at a safe distance from the
branches being limbed, but not on the
escape path.
!Warning!
To reduce the risk of personal or even
fatal injury from falling objects do not cut
vertically above your body. Hold the pole
pruner at an angle of not more than 60°
from the horizontal level (see picture).
Objects may fall in unexpected
directions. Do not stand directly
underneath the limb being cut.
Watch for falling wood! As soon as the
limbed branch starts to fall, step aside
and keep distance away from the falling
wood.
!Warning!
Always observe the general condition of
the tree. Look for decay and rot in the
trunk and branches. If it is rotted inside,
it could snap and fall toward the operator
while being cut. Also look for broken or
dead branches which could vibrate
loose and fall on the operator.
If branch is thick or heavy, make a
shallow relief cut on the bottom of the
branch before cutting down from the top
to help prevent splitting of the branch.
Always pull the unit out of the cut with
the chain running to reduce the
possibility of pinching the cutting
attachment.
If the bar becomes pinched and caught
in the branch so that the chain can no
longer move, shut off the pruner and
carefully move the branch to open the
pinch and release the bar.
MAINTENANCE, REPAIR AND
STORING
!Warning!
Maintenance, replacement, or repair
of the emission control devices and
systems may be performed by any
nonroad engine repair establishment
or individual. However if you claim
warranty for a component which has
not been serviced or maintained
properly or if nonapproved
replacement parts were used, STIHL
may deny warranty.
Never operate a pole pruner that is
damaged, improperly adjusted or not
completely or securely assembled.
Follow the maintenance and repair
instructions in the appropriate section of
your Owner's Manual, especially those
in the chapters " Mounting the Bar and
Chain" and "Maintaining and
Sharpening Saw Chain".
!Warning!
Use only STIHL replacement parts for
maintenance and repair. Use of parts
manufactured by others may cause
serious or fatal injury.
max 60°
390BA025 KN
12
english / USA
HT 73
!Warning!
Always shut off the engine and ensure
that the chain is stopped before
undertaking any adjustments,
maintenance or repair work, changing
the saw chain or cleaning the pole
pruner. Do not attempt any maintenance
or repair work not described in your
Owner's Manual. Have such work
performed at your STIHL service shop
only.
!Warning!
Never test the ignition system with
ignition wire terminal removed from
spark plug or with unseated spark plug,
since uncontained sparking may cause
a fire.
!Warning!
To reduce the risk of fire and burn injury,
use only spark plugs authorized by
STIHL. Always press spark plug boot
snugly onto spark plug boot of the
proper size. (Note: If terminal has
detachable SAE adapter nut, it must be
attached.)
A loose connection between spark plug
boot and ignition wire connector in the
boot may create arcing that could ignite
combustible fumes and cause a fire.
Keep spark plug clean, and make sure
ignition lead is in good condition.
!Warning!
Do not operate your pole pruner if the
muffler is damaged, missing or modified.
An improperly maintained muffler will
increase the risk of fire and hearing loss.
Never touch a hot muffler or burn will
result. If your muffler was equipped with
a spark-arresting screen to reduce the
risk of fire (e. g. in the USA, Canada and
Australia), never operate your pole
pruner if the screen is missing or
damaged. Remember that the risk of
forest fires is greater in hot or dry
weather.
Keep the chain, bar and sprocket clean;
replace worn sprockets or chains. Keep
the chain sharp. You can spot a dull
chain when easy-to-cut wood becomes
hard to cut or burn marks appear on the
wood.
Keep the chain at proper tension.
Tighten all nuts, bolts and screws except
the carburetor adjustment screws before
each use.
Additionally, the daily maintenance
schedule for your pole pruner set forth in
your STIHL Owner's Manual should be
strictly followed.
Store pole pruner in a dry place and
away from children. Before storing for
longer than a few days, always empty
the fuel tank.
For any maintenance please refer to the
maintenance chart and to the warranty
statement near the end of this manual.
Store fuel and chain oil in approved and
properly labeled safety-type canisters
only. Take care when handling gasoline!
Avoid direct contact with the skin and
avoid inhaling fuel vapor!

13HT 73
english / USA
Preparations
:Wear suitable protective clothing
and equipment - see chapter
"Safety Precautions".
:Adjust telescopic shaft to required
length.
:Start the engine.
:Put on the shoulder strap.
Never throw cuttings into the
household garbage can - cuttings
can be composted.
.
To help avoid the risk of injury, never
stand directly underneath the
branch you are cutting – be wary of
falling branches. Note that a branch
may spring back at you after it hits
the ground.
Cutting sequence
To allow branches a free fall, always cut
the lower branches first. Prune heavy
branches (large diameter) in several
controllable pieces.
Working position
Hold the control handle with your right
hand, and the shaft with your left hand.
Your left arm should be extended to the
most comfortable position.
The shaft should always be held at an
angle of 60° or less!
Typical applications
Standard cut
The most convenient working position is
a tool angle of 60°, but any lesser angle
may be used to suit the situation
concerned.
Cutting above obstacles
The unit's long reach makes it possible
to prune branches that are overhanging
obstacles, such as rivers or lakes.The
tool angle in this case depends on the
position of the branch.
Using the Machine
390BA018 KN
390BA020 KN

14
english / USA
HT 73
Cutting from a lift bucket
The unit's long reach enables cutting to
be performed next to the trunk without
the risk of the lift bucket damaging other
branches. The tool angle in this case
depends on the position of the branch.
Working technique
Relieving cut
To avoid kickback, pinching the bar or
tearing the bark when pruning thick
branches, always start by performing a
relieving cut (1) on the underside of the
branch. To do this, apply the cutting
attachment and pull it across the bottom
of the branch as far as the bar nose.
Perform the cross-cut (2).
390BA017 KN
2
1
390BA023 KN

15HT 73
english / USA
Flush-cutting thick branches
If branch diameter is more than
4" (10 cm), first perform undercut (3)
and cross-cut at a distance (A) of about
8" (20 cm) from the final cut. Then carry
out the flush-cut (4), starting with a
relieving cut and finishing with a cross-
cut.
:Unscrew nut and take off cover.
:Turn tensioning screw (1)
counterclockwise until the
:tensioning nut (2) butts against the
left end of the housing slot.
The chain is very sharp – wear work
gloves to protect hands from cuts.
:Fit the chain –
start at the bar nose.
3
4
A
390BA024 KN
Mounting the Bar and Chain
243BA002 KN
1
2
243BA003 KN
390BA003 KN

16
english / USA
HT 73
:Fit guide bar over the stud (3).
:Engage peg of tensioner slide in
locating hole (4) – place the chain
over sprocket (5) at the same time.
:Now turn tensioning screw (1)
clockwise until there is very little
chain sag on the underside of the
bar – and the drive link tangs are
located in the bar groove.
:Refit the sprocket cover and screw
on the nut only fingertight.
Now refer to chapter
"Tensioning the Saw Chain".
Retensioning during cutting work:
:Shut off the engine and then
slacken the nut.
:Hold the bar nose up.
:Use screwdriver to turn the
tensioning screw (1) clockwise until
chain fits snugly against the
underside of the bar.
Tighten down the nut firmly.
A new chain has to be retensioned more
often than one that has been in use for
some time – check chain tension
frequently – see chapter "Operating
Instructions / During Operation“.
:Check chain tension.
:Shut down the engine.
:Wear work gloves to protect hands.
:Chain must fit snugly against the
underside of the bar and it must still
be possible to pull the chain along
the bar by hand.
:If necessary, retension the chain.
A new chain has to be retensioned more
often than one that has been in use for
some time.
Check chain tension frequently – see
chapter "Operating Instructions“.
1
5
243BA004 KN
43
Tensioning the Saw Chain
1
243BA006 KN
Checking Chain Tension
243BA005 KN

17HT 73
english / USA
This engine is certified to operate on
unleaded gasoline and with the mix ratio
50:1.
Your two-stroke engine requires a
mixture of brand-name gasoline and
quality two-stroke engine oil with the
classification TC.
Use regular branded unleaded gasoline
with a minimum octane rating of 89
RON. If the octane rating of the regular
grade gasoline in your area is lower use
premium unleaded fuel.
Note: Units with a catalytic converter
require unleaded gasoline. The
efficiency of the catalytic converter can
drop more than 50 % if several tankfuls
of leaded gasoline are used.
Fuel with a lower octane rating may
result in preignition (causing "pinging")
which is accompanied by an increase in
engine temperature. This, in turn,
increases the risk of the piston seizure
and damage to the engine.
The chemical composition of the fuel is
also important. Some fuel additives not
only detrimentally affect elastomers
(carburetor diaphragms, oil seals, fuel
lines etc.), but magnesium castings as
well. This could cause running problems
or even damage the engine. For this
reason it is essential that you use only
name branded fuels!
Use only STIHL two-stroke engine oil or
equivalent branded two-stroke air-
cooled engine oils with the classification
TC for mixing.
We recommend STIHL 50:1 two-stroke
engine oil since it is specially formulated
for use in STlHL engines.
Do not use BIA or TCW (two-stoke water
cooled) mix oils.
Use only STIHL 50:1 heavy-duty
engine oil or equivalent quality two
stroke engine oils for the fuel mix in
models with a catalytic converter.
Take care when handling gasoline.
Avoid direct contact with the skin and
avoid inhaling fuel vapour.
The canister should be kept tightly
closed in order to avoid any moisture
getting into the mixture.
The fuel tank and the canister in which
fuel mix is stored should be cleaned
from time to time.
Fuel mix ages
Only mix sufficient fuel for a few days
work, not to exceed 3 months of storage.
Store in approved safety fuel-canisters
only. When mixing, pour oil into the
canister first, and then add gasoline.
Dispose empty mixing-oil canisters only
at authorized disposal locations.
Fuel
Gaso-
line
Oil (STIHL 50:1 or
equivalent branded TC oils)
US gal. US fl.oz
12.6
2 1/2 6.4
512.8

18
english / USA
HT 73
Before fueling, clean the filler cap and
the area around it to ensure that no dirt
falls into the tank.
Always thoroughly shake the mixture in
the canister before fueling your
machine.
In order to reduce the risk of burns
or other personal injury from
escaping gas vapor and fumes,
remove the fuel filler cap carefully
so as to allow any pressure build-up
in the tank to release slowly.
After fueling, tighten fuel cap
as securely as possible by hand.
Change the fuel pick up body every year.
Before storing your machine for a long
period, drain and clean the fuel tank and
run engine until carburetor is dry.
Check chain oil level in tank at regular
short intervals and fill up as necessary.
Fueling
243BA008 KN
243BA009 KN

19HT 73
english / USA
For automatic and reliable
lubrication of the chain and guide
bar:
Use only a quality,
environmentally compatible
chain and bar lubricant. STIHL
chain lubricant with non-fling
additive or the rapidly
biodegradable STIHL BioPlus is
recommended
.
Biological chain oil must be resistant
to aging (e.g. STIHL BioPlus) since
it will otherwise quickly turn to resin.
This results in hard deposits that are
difficult to remove, especially in the
area of the chain drive and chain. It
may even cause the oil pump to
seize.
The service life of the chain and guide
bar depends on the quality of the
lubricant. It is therefore essential to use
only a specially formulated chain
lubricant!
If special chain lubricant is not available,
you may - in an emergency - use an HD
single grade or multigrade engine oil
with a viscosity that suits the prevailing
outside temperature.
Do not use waste oil! Medical
studies have shown that renewed
contact with waste oil can cause
skin cancer. It also harms the
environment.
.
Waste oil does not have the
required lubricating properties and
is unsuitable for chain lubrication.
A full chain oil tank is only sufficient
for half the unit's running time with a
full fuel tank. You should therefore
check the oil level regularly during
cutting work. Never allow the oil tank
to run dry!
:Thoroughly clean the filler cap and
area around it so that no dirt can fall
into the tank.
:Take off cap and fill up with chain oil.
:Refit the filler cap.
If the oil level in the tank does not
change, this may be due to a problem in
the oil supply:
Check chain lubrication, clean oilways,
contact your STlHL dealer if necessary.
Chain Oil Filling Chain Oil
Tank
243BA007 KN

20
english / USA
HT 73
The saw chain must always throw off a
small amount of oil.
:Always check chain lubrication and
the oil level in the tank before
starting work.
Never operate your pruner without
chain lubrication. If the chain is run
dry, the whole cutting attachment
will be irretrievably damaged within
a very short time.
Inadequate lubrication can be caused by
a dirty oil strainer: Have the oil strainer
between the tank and pump cleaned or
replaced by your STIHL dealer.
Every new chain has to be broken in
for about 2 to 3 minutes.
After breaking in the chain, check
chain tension and adjust if
necessary – see chapter "Checking
Chain Tension".
Always shut down the engine and put
on the chain guard.
:Slacken off the screw.
:Adjust shaft to required length.
:Tighten the screw firmly.
Shoulder strap*
:Put on the shoulder strap (1).
:Adjust length of strap so that the
spring hook (2), with the unit
attached, is at about the same
height as your right hip.
* see “Guide to Using this Manual“
Checking Chain Lubrication
390BA030 KN
Adjusting Telescopic Shaft
390BA015 KN
Fitting the Harness
2
1
390BA016 KN

21HT 73
english / USA
Controls
Throttle trigger interlock (1), throttle
trigger (2) and slide control (3) with the
positions:
START (4)
The normal run position # (5),
idle and $ – Stop (6) – to stop engine,
move slide control in direction of c (7).
Starting
:Hold down the trigger interlock and
squeeze the throttle trigger.
:Move the slide control to START
position and hold it there.
:Now release the throttle trigger,
slide control and trigger interlock in
that order. This is the
starting-throttle position.
If engine is cold:
Set the choke lever (8) to g
If engine is warm:
Set the choke lever (8) to e
(Also use this setting if engine has been
running but is still cold.)
:Reach behind the filter cover to
press the fuel pump bulb (9) at least
five times, even if the bulb is still
filled with fuel.
Starting / Stopping
the Engine
3
2
3
1
START
STOP
4
5
6
7
002BA037 KN
380BA003 KN
8
8
380BA004 KN
9

22
english / USA
HT 73
:Place the unit on the ground:
It must rest securely on the engine
support and the hook.
:Remove the chain guard.
Check that chain is not touching any
object or the ground.
If necessary, rest the hook on a
raised support (e.g. a branch,
mound or something similar).
Check that nobody is standing
within the working range of the
pruner.
:Make sure you have a firm footing:
Press the unit firmly against the
ground with your left hand on the fan
housing. Your thumb should be
under the fan housing.
Do not stand or kneel on the
drive tube. – This will bend the tube
and result in permanent damage to
the telescopic shaft.
390BA022 KN

23HT 73
english / USA
Alternative method:
:Remove the chain guard.
Position the shaft on a branch so
that it is held by the hook.
:Hold the unit firmly with your left
hand around the fan housing – your
thumb under the fan housing.
:Pull the starter grip slowly with your
right hand until you feel it engage –
and then give it a brisk strong pull.
Do not pull out starter rope to full
length – it might break.
:Do not let the starter grip snap back
– guide it slowly into the housing so
that the starter rope can rewind
properly.
When engine begins to fire:
:Move choke lever to e
and continue cranking
As soon as engine runs:
:Blip the throttle trigger – the slide
control moves to the run position #,
and the engine returns to idling
speed.
Make sure carburetor is correctly
adjusted – chain must not run when
engine is idling.
Your power pruner is ready for
operation.
To shut down engine
:Move the slide control in direction
of c to $.
390BA009 KN

24
english / USA
HT 73
At very low outside temperatures
As soon as engine runs:
:Blip the throttle trigger – the slide
control moves to the run position # ,
and the engine returns to idling
speed.
:Open throttle slightly – warm up
engine for short period.
If the engine does not start
If you did not move the choke lever
to e quickly enough after the engine
began to fire, the combustion chamber is
flooded.
:Set choke lever to e.
:Set slide control, interlock lever and
throttle trigger to starting throttle
position.
:Start the engine – pull the starter
rope briskly – 10 to 20 pulls may be
necessary.
If the engine still does not start
:Move the slid control in direction of
c to $.
:Pull off the spark plug boot (10).
:Unscrew and dry off the spark plug.
:Open the throttle fully.
:Pull the starter rope several times
to clear the combustion chamber.
:Refit the spark plug and tighten it
down to max. torque of 15 Nm
(11lbf.ft) with combination wrench.
:Fit the spark plug and reconnect the
spark plug boot.
:Move the slide control to START.
:Set choke lever to e
even if engine is cold.
:Now start the engine.
Fuel tank run until dry
:After refueling, press the fuel pump
bulb at least fives times – even if the
bulb is filled with fuel.
:Set choke lever to suit engine
temperatire.
:Now start the engine!
380BA005 KN
10

25HT 73
english / USA
During break-in period
A factory new machine should not be run
at high revs (full throttle off load) for the
first three tank fillings. This avoids
unnecessary high loads during the
break-in period. As all moving parts
have to bed in during the break-in
period, the frictional resistances in the
engine are greater during this period.
The engine develops its maximum
power after about 5 to 15 tank fillings.
Do not make the mixture leaner to
achieve an apparent increase in
power – this could damage the
engine – see chapter “Adjusting the
Carburetor”.
During operation
Check chain tension frequently!
A new chain has to be tensioned more
often than one that has been in use for
some time.
Cold chain
Tension is correct when the chain fits
snugly against the underside of the bar
and can still be pulled along the bar by
hand.
Retension if necessary –
see chapter “Tensioning the Saw Chain”.
Chain at operating temperature
The chain stretches and begins to sag.
The drive links on the underside of the
bar must not come out of the bar groove
– the chain may otherwise jump off the
bar.
Retension the chain –
see chapter “Tensioning the Saw Chain”.
Always slacken off the chain again
after finishing work. The chain
contracts as it cools down. If it is not
slackened off, it may damage the
crankshaft and bearings.
After a long period of full-throttle
operation
Allow engine to run for a while at idle
speed so that the heat in the engine can
be dissipated by flow of cooling air. This
protects engine-mounted components
(ignition, carburetor) from thermal
overload.
After finishing work
:Slacken off the chain if you have
retensioned it at operating
temperature during cutting work.
The chain contracts as it cools down. If it
is not slackened off, it may damage the
crankshaft and bearings.
Wait for engine to cool down. Drain the
fuel tank. Store the machine in a dry
place. Check tightness of nuts and
screws (not adjusting screws) at regular
intervals and retighten as necessary.
Operating Instructions

26
english / USA
HT 73
Dirty air filters reduce engine power
increase fuel consumption and make
starting more difficult.
If there is a noticeable loss of engine
power
:Move the choke lever to g.
:Release screw (1) and remove the
filter cover (2).
:Clean away loose dirt from around
the filter.
:Remove the foam element (3).
:Remove the metal screen (4) from
the filter housing (5) only if it is dirty.
:Knock out the filter element and
metal screen on the palm of your
hand, blow out with compressed air
or, if necessary, wash in a clean,
non-flammable solution (e.g. warm
soapy water) and then dry.
Always replace damaged parts!
:Install the metal screen in the filter
housing first and then the foam
element.
:Close the filter cover and tighten
down the screw.
Cleaning the Air Filter
1
380BA006 KN
2
5
380BA007 KN
34

27HT 73
english / USA
Exhaust emissions are controlled by the
design of the fundamental engine
parameters and components (e.g.
carburation, ignition, timing and valve or
port timing) without the addition of any
major hardware.
The carburetor is set at the factory to
provide an optimum fuel-air mixture
under all operating conditions.
Standard setting
:Check chain tension.
:Check air filter and install a new one
if necessary.
:Check spark arresting screen and
clean or replace as necessary.
:Back off the idle speed screw (LA)
counterclockwise until the end of
the screw (see arrow) just
disappears. Then turn the screw
6 full turns clockwise.
Adjusting idle speed
:Carry out stardard setting.
:Start and warm up the engine.
Motor Management Adjusting the Carburetor
LA
380BA008 KN
380BA013 KN

28
english / USA
HT 73
Engine stops while idling
:Turn the idle speed screw (LA)
slowly clockwise until the engine
runs smoothly – the chain must not
rotate.
Chain runs when engine is idling
:Turn the idle speed screw (LA)
counterclockwise until chain stops
running and then turn the screw
about another two full turns in the
same direction from that position.
If the engine is low on power, check the
spark arresting screen in the muffler.
:Pull the spark arresting screen off
the stub.
:Clean spark arresting screen if
necessary. If screen is damaged or
coked up, fit a new one.
:Push the spark arresting screen on
to the stub.
Wrong fuel mix (too much engine oil in
the gasoline), a dirty air filter and
unfavorable running conditions (mostly
at part throttle etc.) affect the condition of
the spark plug. These factors cause
deposits to form on the insulator nose
which may result in trouble in operation.
Spark Arresting Screen in
Muffler
380BA014 KN
Checking the Spark Plug
000BA002 KN

29HT 73
english / USA
If engine is down on power, difficult to
start or runs poorly at idling speed, first
check the spark plug.
:Remove spark plug as described
in chapter “Starting / Stopping the
Engine“.
:Clean dirty spark plug.
:Check electrode gap (A) and
readjust if necessary – see
"Specifications".
:Use only resistor type spark plugs
of the approved range.
Rectify problems which have caused
fouling of spark plug:
:Too much oil in fuel mix.
:Dirty air filter.
:Unfavorable running conditions,
e.g. operating at part load.
Fit a new spark plug after approx. 100
operating hours
or earlier if the electrodes are badly
eroded.
To reduce the risk of fire and burn
injury, use only spark plugs
authorized by STIHL. Always press
spark plug boot (2) snugly onto
terminal (1) of the proper size.
(Note: If terminal has detachable
SAE adapter nut, it must be
attached.) A loose connection
between spark plug boot and
ignition wire connector in the boot
may create arcing that could ignite
combustible fumes and cause a fire.
To help prolong the wear life of the
starter rope, observe the following
points:
:Pull the starter rope only in the
direction specified.
:Do not pull the rope over the edge of
the guide bush.
:Do not pull out the rope more than
specified since it might break.
:Do not let the starter grip snap back,
guide it slowly into the housing.
See also chapter “Starting /
Stopping the Engine”!
Replace a damaged starter rope in
good time or have it replaced by your
STIHL dealer!
1
2
380BA009 KN
Rewind Starter

30
english / USA
HT 73
For periods of about 3 months or longer:
:Drain and clean the fuel tank in a
well ventilated area.
:Run engine until carburetor is dry,
this helps prevent the carburetor
diaphragms sticking together.
:Remove the saw chain and guide
bar, clean them and spray with
corrosion inhibiting oil.
:Thoroughly clean the machine,
pay special attention to the cylinder
fins and air filter.
:If you use a biological chain and bar
lubricant, e.g. STIHL BioPlus,
completely fill the chain oil tank.
:Store the machine in a dry and high
or locked location, out of the reach
of children and other unauthorized
persons. Replace the chain sprocket after
using two Oilomatic chains!
Replace the chain sprocket sooner
if the wear marks(dimension a) on
the sprocket are deeper than
approx. 0.5 mm (1/64") since this
would reduce the life of the chain.
Use gauge* 0000 893 4101 to check the
depth of the wear marks.
* see „Guide to Using this Manual“
It is best to use two chains in rotation
with one sprocket.
Use only original STIHL chain sprockets.
Replacing the chain soprocket
The chain sprocket is driven via a friction
clutch. Therefore, have the chain
sprocket replaced by an authorized
STIHL servicing dealer.
Storing the Machine Checking Chain Sprocket
a
390BA012 KN

31HT 73
english / USA
:Turn the bar over – every time you
sharpen the chain – and every time
you replace the chain – this avoids
one-sided wear, especiallly at nose
and underside of the bar.
Regularly clean
1 = oil inlet hole
2 = oil passage
3 = bar groove
:Measure groove depth –
with scale on filing gauge** in area
used most for cutting on Rollomatic
bars.
If groove depth is less than specified:
:Replace the guide bar.
The drive link tangs will otherwise
scrape along the bottom of the groove –
the cutters and tie straps will not ride on
the rails.
** see “Special Accessories“
Correctly sharpened chain
A properly sharpened chain slices
through wood effortlessly and requires
very little feed pressure.
Do not work with a dull or damaged
chain as it will increase the physical
effort required, produce unsatisfactory
results and a higher rate of wear.
Clean and check your chain
for cracks in the links and damaged
rivets – replace any damaged or worn
parts of the chain and match the new
parts to the shape and size of the
original parts.
It is necessary to comply with the
angles and dimensions specified
below. If the saw chain is
incorrectly sharpened – especially
if the depth gauges are too low –
there is an increased risk of
kickback and resulting injury!
.
Taking Care of Guide Bar
2
3
1
143BA026 KN
Chain type Chain pitch Minimum
groove depth
Picco-Mini 3/8" P 5.0 mm
(0.20")
Maintaining and Sharpening
Saw Chain

32
english / USA
HT 73
The pruner’s saw chain cannot be
locked in place on the guide bar as
on a chainsaw. Therefore, it is best
the remove the chain from the bar
and resharpen it on a workshop
sharpening tool (FG 2, HOS, USG).
:Select the appropriate sharpening
tools for the chain pitch.
See "Specifications" for the permitted
chain pitches.
The chain pitch (e.g. 3/8) is marked on
the depth gauge side of each cutter.
Use only special saw chain files!
Other files have the wrong shape and
cut.
Select file diameter according to chain
pitch
You must also observe the following
angles when resharpening the chain
cutters.
A = Filing angle
B = Side plate angle
Cutter shapes:
Micro = Semi-chisel
Specified angles A and B are more
readily obtained if recommended files or
sharpening tools and correct settings
are used.
Furthermore, the angles must be the
same on all cutters. If angles are uneven
the chain will run roughly, not in a
straight line, wear quickly and break
prematurely.
As these requirements can be met only
after sufficient and constant practice:
Use a file holder**!
** see "Special Accessories"
3/8
689BA020 KN
Chain pitch: 3/8" P (9.32 mm)
Round file
- Diameter: 5/32" (4.0 mm)
- Part No.: 5605 772 4006
A
B
689BA021 KN
Chain type Angle (°)
AB
Picco Micro Mini (PMN) 30 85
689BA025 KN

33HT 73
english / USA
For checking angles
STIHL filing gauge – Part No.
0000 893 4000 – A universal tool for
checking the filing and side plate angles,
depth gauge setting and cutter length.
Also cleans the guide bar groove and oil
inlet hole.
File correctly
:If you use the FG 2 or USG:
Remove the chain from the bar and
sharpen according to instructions
supplied with the tool.
:Sharpen chain frequently; take
away as little metal as possible –
two or three strokes of the file are
usually enough.
:Always file from the inside to the
outside of the cutter.
:The file only sharpens on the
forward stroke – lift the file off the
cutter on the backstroke.
:Hold the file horizontally for all
chain types (at right angle to side of
guide bar) and file according to the
angles marked on the filling tool.
:Avoid touching the tie straps and
drive links with the file.
:Rotate the file at regular intervals
while filing – this avoids one-sided
wear.
:Use a piece of hardwood to remove
burrs from cutting edge.
:Check angle with the filing gauge.
All cutters must be the same
length
If the cutters are not the same length,
they will have different heights. This
makes the chain run roughly and
increases the risk of breakage of the
chain.
Find the shortest cutter and then file all
other cutters back to the same length.
This can be very time consuming – it is
best to have this work done in a
workshop on an electric grinder.
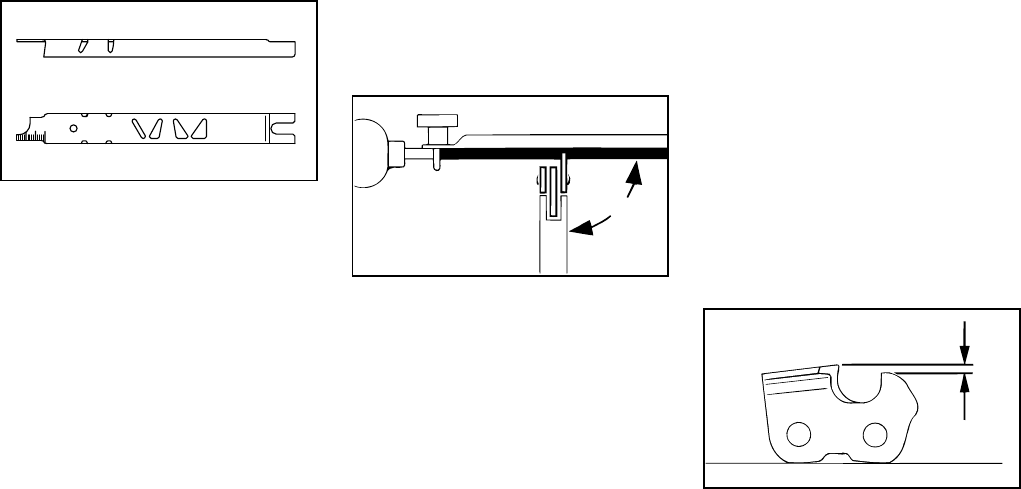
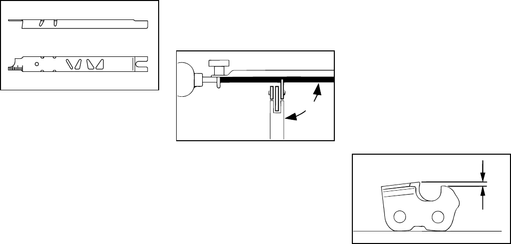
Depth gauge setting
The depth gauge determines the height
at which the cutter enters the wood and
thus the thickness of the chip removed.
Distance between depth gauge and
cutting edge:
a = 0.45 mm (0.018").
90°
60°
85° 70° 80°
0°
35°
10°
30°
689BA022 KN
689BA018 KN
90°
689BA023 KN
a

34
english / USA
HT 73
This setting may be increased by 0.2mm
(0.008") for cutting softwood in mild
weather season – no frost.
Lowering depth gauges
The depth gauge setting is reduced
when the chain is sharpened because
the top plate of the cutter slopes
downward towards the back. Use filing
gauge to check the setting every time
you sharpen the chain (see illustration)
and, if necessary, lower the depth gauge
with a flat or triangular file so that it is
level with the filing gauge.
Filing gauge for depth gauge setting of
0.45 mm (0.018"):
Part No. 0000 893 4000
Round off depth gauges parallel to the
stamped marking.
:Use flat file –
Part No. 0814 252 3356
for lowering the depth gauges.
After sharpening
Clean the chain thoroughly, remove
filings or grinding dust – lubricate the
chain by immersing it in an oil bath.
Before long out-of-service period
Clean the chain with a brush and
immerse it in an oil bath.
Please quote the following when
ordering a new chain:
689BA024 KN
Chain type: Picco Micro Mini
Chain pitch: 3/8" P
Number of
drive links: 44
Bar length: 30 cm / 12 in

35HT 73
english / USA
1) STIHL dealer * see “Guide to Using this Manual“
Maintenance Chart
Please note that the following maintenance intervals apply for normal operating
conditions. If your daily working time is longer than normal or cutting conditions
are difficult, shorten the specified intervals accordingly..
before
starting work
after finishing
work or daily
after each
refueling stop
weekly
monthly
every 12 months
if problem
if damaged
as required
Complete machine
Visual inspection (condition,
leaks) XX
Clean X
Throttle trigger, slide control Check operation XX
Air filter Clean XX
Replace X
Filter in fuel tank Check X
Replace XXX
Fuel tank Clean XX
Carburetor
Check idle adjustment –
chain must not rotate XX
Readjust idle X
Spark plug Readjust electrode gap X
Cooling inlets Clean X
Spark arresting screen in muffler* Inspect XX
Clean or replace XX
All accessible screws and nuts (not adjusting
screws) Retighten X
Anti-vibration element Replace 1) X
Chain lubrication Check X
Saw chain
Inspect, also check sharpness XX
Check chain tension XX
Sharpen X
Guide bar
Check (wear, damage) X
Clean and turn over XX
Deburr X
Replace XX
Chain sprocket Check X
Replace 1) X

36
english / USA
HT 73
1Telescopic shaft
2Carrying ring
3Slide control
4Throttle trigger interlock
5Throttle trigger
6Spark plug boot
7Air filter cover
8Fuel pump
9Machine support
#Serial No.
10 Oilomatic saw chain
11 Guide bar
12 Oil tank
13 Oil filler cap
14 Clamp screw
15 Chain sprocket cover
16 Hook
17 Chain guard (scabbard)
18 Chain sprocket
19 Chain tensioner
20 Muffler
(with spark arresting screen)
21 Fuel tank
22 Fuel filler cap
23 Starter grip
24 Choke lever
25 Carburetor adjusting screws
Parts and Controls
#
3
15
12
1
24
5
13
16
18
11
10
14
19
17
243BA000 KN
6
8
9
7
25
24
21
23
22
20
37HT 73
english / USA
Definitions
1. Telescopic Shaft
Adjustable shaft enables machine's
reach to be optimized.
2. Carrying Ring
The device to connect the pruner to
the harness.
3. Slide Control
Starting throttle lock and stop
switch. Keeps the throttle partially
open during starting and switches
the engine's ignition off and stops
the engine.
4. Throttle Trigger Interlock
Must be depressed before the
throttle trigger can be activated.
5. Throttle Trigger
Controls the speed of the engine.
6. Spark Plug Boot
Connects the spark plug to the
ignition wire.
7. Air Filter Cover
Covers the air filter element.
8. Fuel Pump
Provides additional fuel feed for a
cold start.
9. Machine Support
For resting machine on the ground.
10. Oilomatic Saw Chain
A loop consisting of cutters,
tie straps and drive links.
11. Guide Bar
Supports and guides the saw chain.
12. Oil Tank
Tank for chain lubricating oil.
13. Oil Filler Cap
For closing the oil tank.
14. Clamp Screw
Has to be released to adjust length
of telescopic shaft.
15. Chain Sprocket Cover
Covers the clutch and the sprocket.
16. Hook
For hooking machine to branch and
pulling branches away.
17. Chain Guard (Scabbard)
Covers chain for transportation and
during out-of-service periods.
18. Chain Sprocket
The toothed wheel that drives the
saw chain.
19. Chain Tensioner
Permits precise adjustment of chain
tension.
20. Muffler
(with spark arresting screen)
Reduces engine exhaust noise and
directs the exhaust gases. The
spark arresting screen is designed
to reduce the risk of fire.
21. Fuel Tank
For fuel and oil mixture.
22. Fuel Filler Cap
For closing the fuel tank.
23. Starter Grip
The grip of the pull starter, which is
the device to start the engine.
24. Choke Lever
Eases engine starting by enriching
mixture.
25. Carburetor Adjusting Screws
For tuning carburetor
Guide Bar Nose
The exposed end of the guide bar.
(not illustrated, see chapter “Tensioning
the Saw Chain”).
Clutch
Couples engine to chain sprocket when
engine is accelerated beyond idle speed
(not illustrated).
38
english / USA
HT 73
Engine
EPA:
The Emission Compliance Period
referred to on the Emissions
Compliance Label indicates the number
of operating hours for which the engine
has been shown to meet Federal
emission requirements.
Category A = 300 hours, B = 125 hours,
C = 50 hours
CARB:
The Emission Compliance Period used
on the CARB Air Index Label indicates
the terms:
Extended = 300 hours,
Intermediate = 125 hours,
Moderate = 50 hours
Engine
Ignition System
Fuel System
Carburetor: All position diaphragm
carburetor with integral fuel pump
Cutting Attachment
Weight
Single cylinder two-stroke engine
Displacement: 1.55 cu.in
(25.4 cm3)
Bore: 1.34 in (34 mm)
Stroke: 1.10 in (28 mm)
Engine power to
ISO 8893: 1.2 bhp (0.9 kW)
Idle speed: 3.000 rpm
Specifications
Type: Electronic
magneto ignition
Spark plug
(suppressed): NGK CMR 7 A
Electrode gap: 0.02 in (0.5 mm)
Spark plug thread: M 10 x 1.0;
0.37 in long
(9.5 mm)
Air filter: Foam element
and metal screen
Fuel tank capacity: 24 fl.oz (0.7 l)
Fuel mix: See “Fuel”
Guide bar
- Type: Rollomatic with
sprocket nose
- Part No. 3005 000 3905
- Bar length: 30 cm (12“)
Oilomatic chain
- Type: Picco Micro Mini
- Chain pitch: 9.32 mm (3/8"P)
- Drive link gauge: 1.1 mm
- Part No. 3987 000 0044
Chain sprocket
- Type: Spur sprocket
- Chain pitch: 3/8"P (9.32 mm)
- No. of teeth: 7
- Part No. 1206 642 1301
Chain lubrication
Fully automatic speed-controlled rotary
piston oil pump.
Oil tank capacity: 0.17 l
(0.36 US pt)
without bar and
chain, empty tanks: 15.4 lbs (7.0 kg)
39HT 73
english / USA
The user of this unit should carry out
only the maintenance operations
described in this manual. Other repair
work may be performed only by an
authorized STIHL dealer.
Warranty claims following repairs can be
accepted only if the repair has been
performed by an authorized STIHL
dealer using original STIHL replacement
parts.
Original STlHL parts can be identified by
the STIHL part number, the
STIHl
STIHlSTIHl
STIHl
logo and the STlHL parts symbol (
((
(.
The symbol may appear alone on small
parts.
Safety glasses
Shoulder strap
Filing gauge 0000 893 4000
Flat file 0814 252 3356
File holder 5605 750 4327
Round file
- Diameter
- Part number
5/32" (4 mm)
5605 772 4006
Gauge for checking
chain sprocket 0000 893 4101
STIHL lubricating
grease
8oz/225g tube 0781 120 1111
Special Accessories Maintenance and Repairs
40
english / USA
HT 73
Your Warranty Rights
and Obligations
The U.S. Environmental Protection
Agency (EPA), the California Air
Resources Board (CARB) and STIHL
Incorporated are pleased to explain the
Emission Control System Warranty on
your model year 2000 and later
equipment type engine. In California,
new small off-road engines must be
designed, built and equipped to meet the
State's stringent anti-smog standards. In
other states, new 1997 and later model
year small off-road equipment engines
must be designed, built and equipped, at
the time of sale, to meet the U.S. EPA
regulations for small non road engines.
The equipment engine must be free from
defects in materials and workmanship
which cause it to fail to conform with
U.S. EPA standards for the first two
years of engine use from the date of sale
to the ultimate purchaser.
STIHL Incorporated must warrant the
emission control system on your small
off-road engine for the period of time
listed below provided there has been no
abuse, neglect or improper maintenance
of your small off-road equipment engine.
Your emission control system includes
parts such as the carburetor and the
ignition system. Also included may be
hoses, and connectors and other
emission related assemblies.
Where a warrantable condition exists,
STIHL Incorporated will repair your
small off-road equipment engine at no
cost to you, including diagnosis (if the
diagnostic work is performed at an
authorized dealer), parts, and labor.
Manufacturer's Warranty
Coverage:
The small off-road equipment engines
are warranted for two years in California.
In other states, 1997 and later model
year small off-road equipment engines
are also warranted for two years. If any
emission-related part on your engine is
defective, the part will be repaired or
replaced by STIHL Incorporated free of
charge.
Owner's Warranty
Responsibilities:
As the small off-road equipment engine
owner, you are responsible for the per-
formance of the required maintenance
listed in your owner's manual. STIHL
Incorporated recommends that you
retain all receipts covering maintenance
on your small off-road equipment
engine, but STIHL Incorporated cannot
deny warranty solely for the lack of
receipts or for your failure to ensure the
performance of all scheduled
maintenance.
Any replacement part or service that is
equivalent in performance and durability
may be used in non-warranty mainten-
ance or repairs, and shall not reduce the
warranty obligations of the engine
manufacturer.
As the small off-road equipment engine
owner, you should be aware, however,
that STIHL Incorporated may deny you
warranty coverage if your small off-road
equipment engine or a part has failed
due to abuse, neglect, improper
maintenance or unapproved
modifications.
You are responsible for presenting your
small off-road equipment engine to a
STIHL service center as soon as a
problem exists. The warranty repairs will
be completed in a reasonable amount of
time, not to exceed 30 days.
If you have any questions regarding your
warranty rights and responsibilities,
please contact a STIHL customer
service representative at
1-800-467-8445 or you can write to
STIHL Inc., 536 Viking Drive,
P.O. Box 2015,
Virginia Beach, VA 23450-2015.
Coverage by STIHL Incorporated
STIHL Incorporated warrants to the
ultimate purchaser and each
subsequent purchaser that your small
off-road equipment engine will be
designed, built and equipped, at the time
of sale, to meet all applicable
regulations. STIHL Incorporated also
warrants to the initial purchaser and
each subsequent purchaser that your
engine is free from defects in materials
and workmanship which cause the
engine to fail to conform with applicable
regulations for a period of two years.
STIHL Incorporated Federal and California
Emission Control Warranty Statement
41HT 73
english / USA
Warranty Period
The warranty periods will begin on the
date the utility equipment engine is
purchased by the initial purchaser and
you have signed and sent back the
warranty card to STIHL. If any emission
related part on your engine is defective,
the part will be replaced by STIHL
Incorporated at no cost to the owner.
Any warranted part which is not
scheduled for replacement as required
maintenance, or which is scheduled only
for regular inspection to the effect of
"repair or replace as necessary" will be
warranted for the warranty period.
Any warranted part which is scheduled
for replacement as required mainten-
ance will be warranted for the period of
time up to the first scheduled replace-
ment point for that part.
Diagnosis
You, as the owner, shall not be charged
for diagnostic labor which leads to the
determination that a warranted part is
defective. However, if you claim
warranty for a component and the
machine is tested as non-defective,
STIHL Incorporated will charge you for
the cost of the emission test.
Mechanical diagnostic work will be
performed at an authorized STIHL
servicing dealer. Emission test may be
performed either at STIHL Incorporated
or at any independent test laboratory.
Warranty Work
STIHL Incorporated shall remedy war-
ranty defects at any authorized STIHL
servicing dealer or warranty station. Any
such work shall be free of charge to the
owner if it is determined that a warranted
part is defective. Any manufacturer-
approved or equivalent replacement part
may be used for any warranty
maintenance or repairs on emission-
related parts and must be provided
without charge to the owner. STIHL
Incorporated is liable for damages to
other engine components caused by the
failure of a warranted part still under
warranty.
The California Air Resources Board's
Emission Warranty Parts List specifically
defines the emission-related warranted
parts. These warranted parts are:
Carburetor
Choke (Cold start enrichment system)
Intake manifold
Air filter
Spark plug
Magneto or electronic ignition system
(ignition module)
Catalytic converter (if applicable)
Fasteners
Where to make a claim for
Warranty Service
Bring the product to any authorized
STIHL servicing dealer and present the
signed warranty card.
Maintenance Requirements
The maintenance instructions in this
manual are based on the application of
the recommended 2-stroke fuel-oil
mixture (see also instruction "Fuel").
Deviations from this recommendation
regarding quality and mixing ratio of fuel
and oil may require shorter maintenance
intervals.
Limitations
This Emission Control Systems War-
ranty shall not cover any of the following:
:repair or replacement required
because of misuse, neglect or lack
of required maintenance,
:repairs improperly performed or
replacements not conforming to
STIHL Incorporated specifications
that adversely affect performance
and/or durability, and alterations or
modifications not recommended or
approved in writing by STIHL
Incorporated,
and
:replacement of parts and other
services and adjustments
necessary for required maintenance
at and after the first scheduled
replacement point.
42
english / USA
HT 73
43HT 73
español / EE.UU
Las tintas contienen aceites vegetales,
el papel es reciclable
Impreso en papel sin cloro© 2002 Andreas Stihl AG & Co., Waiblingen
0458 243 3021. M0,1. B2. PM. Printed in USA
STIHl
Contenido
Guía para el uso de este manual ... 44
Medidas de seguridad .................... 45
Uso de la máquina ......................... 55
Montaje de la barra y la cadena ..... 57
Tensado de la cadena de sierra ..... 58
Revisión de tensión de la cadena .. 58
Combustible ................................... 59
Llenado de combustible ................. 60
Aceite de la cadena ........................ 61
Llenado del tanque de aceite
de la cadena ................................... 61
Revisión de la lubricación
de la cadena ................................... 62
Ajuste del eje telescópico ............... 62
Colocación del arnés ...................... 62
Arranque / parada del motor ........... 63
Instrucciones de manejo ................ 67
Limpieza del filtro de aire ............... 68
Manejo del motor ............................ 69
Ajuste del carburador ..................... 69
Chispero en silenciador .................. 70
Revisión de la bujía ........................ 70
Cuerda de arranque ....................... 71
Almacenamiento de la máquina ..... 72
Revisión de rueda dentada
de cadena ....................................... 72
Cuidado de la barra guía ................ 73
Mantenimiento y afilado
de la cadena de sierra .................... 73
Tabla de mantenimiento ................. 77
Piezas y controles .......................... 78
Especificaciones ............................. 80
Accesorios especiales .................... 81
Mantenimiento y reparación ........... 81
Declaración de garantía de
STIHL Incorporated sobre
sistemas de control de emisiones
según normas Federales y del
Estado de California ....................... 82
El manejo de este podador de varilla
sólo debe permitirse a personas que
comprendan el contenido de este
manual.
Para obtener el rendimiento y satisfac-
ción máximos del podador de varilla
STIHL, es importante leer y comprender
las instrucciones de mantenimiento y las
precauciones de seguridad, a partir de
la página 45, antes de usarlo.
Comuníquese con el concesionario o
distribuidor de STIHL si no se entiende
alguna de las instrucciones dadas en el
presente manual.
!Advertencia
Dado que el podador de varilla es una
herramienta de corte motorizada de
gran velocidad y de largo alcance, es
necesario tomar medidas especiales de
seguridad para reducir el riesgo de
lesiones.
El uso descuidado o inadecuado puede
causar lesiones graves e incluso morta-
les.
La filosofía de STIHL es mejorar conti-
nuamente todos su productos. Como
resultado, de vez en cuando se llevan a
cabo modificaciones y mejoramientos
técnicos. Si las características de fun-
cionamiento o la apariencia de su poda-
dor de varilla difieren de las descritas
en este manual, comuníquese con el
concesionario STIHL para obtener la
información y ayuda que requiera.

44
español / EE.UU
HT 73
Pictogramas
Todos los pictogramas que se encuen-
tran en la máquina se muestran y expli-
can en este manual.
Las instrucciones de uso y manipulación
vienen acompañadas de ilustraciones.
Símbolos en el texto
Los pasos individuales o procedimientos
descritos en el manual pueden haberse
marcado en diferentes maneras:
:Paso o procedimiento sin referirse
directamente a una ilustración.
Descripción del paso o procedimiento
que se refiere directamente a la ilustra-
ción y contiene los números de referen-
cia que aparecen en la ilustración.
Ejemplo:
Suelte el tornillo (1)
Palanca (2) ...
Además de las instrucciones de manejo,
en este manual pueden encontrarse
párrafos a los que usted debe prestar
atención especial. Tales párrafos están
marcados con los símbolos que se des-
criben a continuación.
Advertencia donde existe el riesgo
de un accidente o lesiones persona-
les o daños graves al equipo.
Advertencia donde existe el riesgo
de dañar la herramienta motorizada
o los componentes individuales.
Nota o sugerencia que no es esen-
cial para el uso de la herramienta
motorizada, pero puede ayudar al
operador a comprender mejor la
situación y mejorar su manera de
manejar la herramienta.
Nota o sugerencia sobre el procedi-
miento correcto con el fin de evitar
dañar el medio ambiente.
Equipo y características
Este manual de instrucciones
abarca varios modelos con diferen-
tes características. Los componen-
tes que no se encuentran instalados
en todos los modelos y aplicaciones
correspondientes, están marcados
con un * . Esos componentes son
ofrecidos como accesorios especia-
les por el concesionario STIHL.
Mejoramientos técnicos
La filosofía de STIHL es mejorar conti-
nuamente todos su productos. Como
resultado de ello, periódicamente se
introducen cambios de diseño y mejo-
ras. Si las características de funciona-
miento o la apariencia de su máquina
difieren de las descritas en este manual,
comuníquese con el concesionario
STIHL para obtener la ayuda que
requiera.
Por lo tanto, no podemos hacernos res-
ponsables por cambios, modificaciones
o mejoras que no se incluyan en este
manual.
Guía para el uso de este
manual

45HT 73
español / EE.UU
El uso de cualquier poda-
dor de varilla puede ser
peligroso. La cadena del
podador tiene muchos
cortadores afilados. Si los
cortadores entran en con-
tacto con alguna parte del cuerpo del
operador, le causarán una herida, aun-
que la cadena esté detenida. A acelera-
ción máxima, la cadena puede alcanzar
una velocidad de 30 m/s (68 millas/h).
Es importante que usted lea, comprenda
bien y respete las siguientes adverten-
cias y medidas de seguridad. Lea el
manual del usuario y las instrucciones
de seguridad periódicamente.
Todas las medidas de seguridad que por
lo general se toman cuando se trabaja
con un hacha o sierra manual también
son aplicables al manejo de los podado-
res. Dado que el podador de varilla es
una herramienta de corte motorizada de
gran velocidad y de alcance largo, es
necesario tomar medidas especiales de
seguridad para reducir el riesgo de
lesiones.
Pida a su concesionario STIHL que le
enseñe el manejo del podador de varilla.
Respete todas las disposiciones, regla-
mentos y normas de seguridad locales
del caso.
!Advertencia
Nunca permita a los niños que usen un
podador. No se debe permitir la proximi-
dad de otros, especialmente niños y ani-
males, donde se esté utilizando el poda-
dor de varilla. Nunca deje el podador de
varilla funcionando sin vigilancia.
El usuario del podador de varilla es res-
ponsable por los accidentes o riesgos a
terceros y a la propiedad.
No preste ni alquile nunca
el podador de varilla sin
entregar el manual del
usuario. Asegúrese que
todas las personas que
utilicen el podador de
varilla lean y comprendan
la información contenida
en este manual.
Las medidas de seguridad y avisos con-
tenidos en este manual se refieren al
uso de todos los podadores de varilla de
STIHL. Los distintos modelos pueden
contar con piezas y controles diferentes.
Vea la sección correspondiente de su
manual del usuario para tener una des-
cripción de los controles y la función de
cada componente de su modelo de
podador.
El uso seguro de un podador de varilla
atañe a
1. el operador
2. el podador de varilla
3. el uso del podador de varilla.
EL OPERADOR
Condición física
Usted debe estar en buenas condicio-
nes físicas y psíquicas y no encontrarse
bajo la influencia de ninguna sustancia
(drogas, alcohol) que le pueda perjudi-
car la vista, destreza o juicio.
No maneje el podador de varilla cuando
está fatigado. Esté alerta. Si se cansa
durante el manejo del podador de vari-
lla, tómese un descanso. El cansancio
puede provocar una pérdida del control.
El uso de cualquier podador de varilla es
fatigoso. Si no se cuenta con la fuerza
física suficiente para mantener el poda-
dor bajo control, no lo use. Si usted
padece de alguna dolencia que pueda
ser agravada por la fatiga, consulte a su
médico antes de utilizar el podador de
varilla.
Medidas de seguridad

46
español / EE.UU
HT 73
!Advertencia
El uso prolongado de un podador de
varilla (u otras máquinas) expone al
operador a vibraciones que pueden
provocar el fenómeno de Raynaud
(dedos blancos) o el síndrome del túnel
del carpio. Estas condiciones reducen la
capacidad manual de sentir y regular la
temperatura, producen entumecimiento
y ardor y pueden provocar trastornos
nerviosos y circulatorios, así como
necrosis de los tejidos.
No se conocen todos los factores que
contribuyen a la enfermedad de
Raynaud, pero el clima frío, el fumar y
las enfermedades o condiciones físicas
que afectan los vasos sanguíneos y la
circulación de la sangre, como asimismo
los niveles altos de vibración y períodos
prolongados de exposición a la vibra-
ción son mencionados como factores en
el desarrollo de la enfermedad de
Raynaud. Por lo tanto, para reducir el
riesgo de la enfermedad de dedos
blancos y del síndrome del túnel del
carpio, sírvase notar lo siguiente:
:La mayor parte de las herramientas
motorizadas de STIHL se ofrecen
con un sistema antivibración ("AV")
cuyo propósito es reducir la transmi-
sión de las vibraciones creadas por
el motor a las manos del operador.
Se recomienda el uso del sistema
AV a aquellas personas que utilizan
herramientas motorizadas en forma
constante y regular.
:Use guantes y mantenga las manos
abrigadas.
:Mantenga el sistema AV en buen
estado. Un podador de varilla con
los componentes flojos o con amor-
tiguadores AV dañados o desgasta-
dos también tendrá tendencia a
tener niveles más altos de vibra-
ción.
:Agarre firmemente los mangos en
todo momento, pero no los apriete
con fuerza constante y excesiva;
tómese descansos frecuentes.
Todas las precauciones antes mencio-
nadas no le garantizan que va a estar
totalmente protegido contra la enferme-
dad de Raynaud o el síndrome del túnel
del carpio. Por lo tanto, los operadores
constantes y regulares deben revisar
con frecuencia el estado de sus manos
y dedos. Si aparece alguno de los sínto-
mas arriba mencionados, consulte
inmediatamente al médico.
!Advertencia
El sistema de encendido de la máquina
produce un campo electromagnético de
intensidad muy baja.
El mismo puede interferir con algunos
tipos de marcapasos. Para reducir el
riesgo de lesiones graves o mortales,
las personas portadoras de marcapasos
deben consultar a sus médicos y al
fabricante del marcapasos antes de
usar esta máquina.
Vestimenta adecuada
La ropa debe ser de con-
fección fuerte y ajustada,
pero no tanto que impida
la completa libertad de
movimiento. Evite el uso
de chaquetas sueltas,
bufandas, corbatas, joyas, pantalones
acampanados o con vueltas, pelo largo
suelto o cualquier cosa que pueda
engancharse en el podador o matorra-
les. Vístase con un mono o con pantalo-
nes de mezclilla con refuerzos resisten-
tes a cortaduras.
Use guantes para mejorar
la empuñadura y prote-
gerse las manos al mani-
pular el podador de varilla
y la cadena de sierra. Se
recomienda usar guantes
gruesos y antideslizantes.
Una buena base de
apoyo es indispensable
cuando se maneja el
podador de varilla. Pón-
gase botas gruesas con
suela antideslizante.
Recomendamos las botas de seguridad
con puntera de acero.

47HT 73
español / EE.UU
Para reducir el riesgo de
lesionarse los ojos, nunca
maneje el podador de
varilla si no tiene puestas
gafas o anteojos de segu-
ridad bien ajustados con
una protección adecuada en las partes
superior y laterales que satisfagan la
norma ANSI Z 87.1.
Para evitar lesionarse el rostro, STIHL
recomienda también usar un protector
de rostro o rejilla sobre las gafas o ante-
ojos de seguridad.
Usar un casco aprobado para reducir el
riesgo de lesionarse la cabeza. El ruido
del podador puede dañar sus oídos.
Siempre use amortiguadores del ruido
(tapones u orejeras) para reducir el
riesgo de pérdida del oído. Los usuarios
constantes y regulares deben some-
terse con frecuencia a un examen o con-
trol auditivo.
EL PODADOR DE VARILLA
Para las ilustraciones y definiciones de
los componentes del podador de varilla,
vea "Piezas y controles" y "Definicio-
nes".
!Advertencia
Nunca modifique, de ninguna manera,
un podador de varilla. Utilice única-
mente los accesorios y repuestos sumi-
nistrados por STIHL o expresamente
autorizados por STIHL para usarse con
los modelos específicos de podadores
de varilla de STIHL. Si bien es posible
conectar al motor de STIHL ciertos
accesorios no autorizados, su uso
puede ser, en la práctica, extremada-
mente peligroso.
Utilice la máquina únicamente con la
cadena y la barra guía recomendadas –
una barra más larga dificulta el control
de la máquina.
USO DE LA MAQUINA
Transporte del podador de varilla
!Advertencia
Antes de apoyar el podador de varilla en
el suelo o de acarrearlo, apague el
motor. El acarrear el podador de varilla
con el motor funcionando es extremada-
mente peligroso. La aceleración acci-
dental del motor puede causar la rota-
ción de la cadena.
!Advertencia
Durante el funcionamiento, el silencia-
dor del motor y el material que lo rodea
se calientan a temperaturas sumamente
altas. Evite tocar el silenciador caliente –
¡puede sufrir quemaduras graves!
Por mano: Cuando acarree el podador
a mano, apague el motor y colóquelo en
la posición correcta. El protector de la
cadena (funda) debe estar cubriendo la
cadena y la barra guía, la cual debe
estar apuntando hacia atrás. Cuando
acarree el podador de varilla, la barra
debe quedar detrás de usted.
Por vehículo: Cuando transporte la
máquina en un vehículo, mantenga la
cadena y la barra cubiertas con la funda
de la cadena. Sujete el podador debida-
mente para impedir que se vuelque,
derrame combustible y dañe el podador.
390BA000 KN

48
español / EE.UU
HT 73
Preparación para el uso del podador
de varilla
Quite el protector de la cadena e inspec-
cione para verificar que está en buenas
condiciones de funcionamiento. Para el
armado, siga el procedimiento descrito
en el capítulo "Montaje de la barra y la
cadena" en su manual del usuario.
La cadena Oilomatic, la barra guía y la
rueda dentada STIHL deben coincidir
entre sí en cuanto a calibre y paso.
!Advertencia
La tensión adecuada de la cadena es
extremadamente importante. Para evitar
el ajuste inadecuado, ejecute los proce-
dimientos de tensado tal como se des-
criben en su manual. Siempre asegú-
rese que la tuerca o tuercas
hexagonales para la cubierta de la
rueda dentada quedan firmemente apre-
tadas después de tensar la cadena.
Nunca arranque el podador de varilla
mientras la cubierta de la rueda dentada
está suelta. Compruebe la tensión de la
cadena una vez más después de apre-
tar la tuerca o tuercas y de allí en ade-
lante en intervalos regulares (cada vez
que se apague el podador de varilla). Si
durante el corte la cadena llega a aflo-
jarse, apague el motor y ajuste la ten-
sión. ¡Nunca trate de tensar la cadena
mientras el motor está funcionando!
Llenado de combustible
El podador de varilla de STIHL utiliza
una mezcla de aceite-gasolina como
combustible (vea el capítulo "Combusti-
ble" en el manual del usuario).
!Advertencia
La gasolina es un combustible muy infla-
mable. Si se derrama y arde a causa de
una chispa u otra fuente de ignición,
puede provocar un incendio y quemadu-
ras graves o daños a la propiedad.
Tenga sumo cuidado cuando manipule
gasolina o la mezcla de combustible.
Para reducir el riesgo de
incendio o de quemadu-
ras, no fume mientras
está utilizando la máquina
o se encuentre situado
cerca de ella. Puede
escapar vapor inflamable
del sistema de combusti-
ble.
Es posible que se produzca polvo (por
ejemplo, serrín), vapor (por ejemplo,
niebla de aceite del sistema de lubrica-
ción de la cadena) y humo conteniendo
sustancias químicas cuando se utiliza
esta máquina. Estas sustancias pueden
causar lesiones graves y riesgos para la
salud, tales como enfermedades respi-
ratorias, cáncer, defectos de nacimiento
o daño hereditario.
Si se desconoce los riesgos asociados
con las posibles emisiones de polvo,
vapor y humo, obtenga la información
pertinente del contratista o de un orga-
nismo de control responsable.
Si es imposible evitar la generación de
cantidades considerables de polvo,
vapor o humo a pesar de emplear técni-
cas de trabajo apropiadas, se reco-
mienda que el operador y las personas
en la cercanía usen respiradores apro-
bados para las sustancias en cuestión.
Instrucciones para el llenado de
combustible
Llene el podador de varilla con combus-
tible en lugares al aire libre bien ventila-
dos.
Siempre apague el motor y deje que se
enfríe antes de llenar de combustible.
Dependiendo del combustible utilizado,
de las condiciones climáticas y del sis-
tema de ventilación del tanque, es posi-
ble que se forme vapor de gasolina a
presión dentro del tanque de gasolina
de los motores de dos tiempos.

49HT 73
español / EE.UU
Para reducir el riesgo de quemaduras,
así como otras lesiones corporales oca-
sionadas por los escapes de vapor de
gasolina y otras emanaciones, quite la
tapa de llenado de combustible de la
máquina STIHL cuidadosamente de
modo que la presión que se pueda
haber acumulado en el tanque se disipe
lentamente. Nunca quite la tapa de lle-
nado de combustible mientras el motor
está funcionando.
Elija una superficie despejada para lle-
nar el tanque y aléjese 3 m (10 pies) por
lo menos del lugar en que lo haya lle-
nado antes de arrancar el motor. Limpie
los derrames de combustible antes de
arrancar el podador y compruebe que
no existen fugas.
Compruebe que no existen fugas de
combustible mientras llena el tanque y
durante el funcionamiento de la
máquina. Si detecta alguna fuga de
combustible o aceite, no arranque el
motor ni lo haga funcionar sin antes
reparar la fuga y limpiar el combustible
derramado. Tenga cuidado de no man-
charse la ropa con combustible. Si la
mancha, cámbiesela inmediatamente.
!Advertencia
Las vibraciones de la
máquina pueden aflojar
una tapa de combustible
que ha quedado mal
apretada, o simplemente
soltarla y derramar com-
bustible.
Para reducir el riesgo de derrames e
incendio, apriete la tapa de combustible
a mano con la mayor fuerza posible.
Revise periódicamente que la tapa de
combustible esté apretada.
Arranque
!Advertencia
El podador de varilla es una máquina
que debe ser manejada por solamente
una persona. No deje que otras perso-
nas se acerquen mientras el podador de
varilla está funcionando. Mantener a las
demás personas a no menos de 15 m
(50 pies) de distancia. Ponga en marcha
y maneje el podador de varilla sin ayuda
de nadie.
Para las instrucciones específicas de
arranque, vea la sección correspon-
diente en el manual del usuario. Los
métodos correctos de arranque reducen
el riesgo de sufrir lesiones.
Coloque el podador de varilla sobre
suelo firme u otra superficie dura en una
zona despejada, o en la posición alter-
nativa mostrada en la ilustración ante-
rior. Mantenga buen equilibrio con los
pies bien apoyados.
!Advertencia
Para reducir el riesgo de lesiones cau-
sadas por la pérdida de control, asegú-
rese que la barra guía y la cadena estén
alejadas del cuerpo y de todos los
demás obstáculos y objetos, incluido el
suelo. Después de arrancar, la veloci-
dad del motor con el bloqueo de acele-
ración de arranque activado será lo sufi-
cientemente rápida para que el
embrague engrane la rueda dentada y
haga girar la cadena. Nunca intente
arrancar el podador de varilla mientras
la barra guía está dentro de una ranura
de corte o entalla.
390BA022 KN

50
español / EE.UU
HT 73
Cuando tire del mango de arranque, no
enrolle la cuerda de arranque alrededor
de la mano. No deje que el mango
vuelva por sí solo a su posición original,
sino guíe lentamente la cuerda con la
mano para que se enrolle correcta-
mente. Si no ejecuta este procedimiento
puede lastimarse la mano o los dedos y
también dañar el mecanismo de arran-
que.
Ajustes importantes
!Advertencia
Para reducir el riesgo de lesiones perso-
nales debido a la pérdida de control o al
contacto con la cadena en movimiento,
no use un podador cuya velocidad de
ralentí está mal regulada. Cuando el
ralentí está correctamente regulado, la
cadena no debe girar.
Para instrucciones cómo ajustar el
ralentí, vea la sección correspondiente
en el manual del usuario. Si no puede
regular correctamente el ralentí, pida a
su concesionario STIHL que revise el
podador y haga los ajustes o reparacio-
nes correspondientes.
Después de ajustar la cadena, arranque
el podador de varilla, deje que el motor
funcione por un rato y después apá-
guelo y vuelva a comprobar la tensión
de la cadena. Es importante mantener la
cadena correctamente tensada.
Condiciones de trabajo
¡Peligro! ¡Riesgo de electrocución!
Este podador de varilla no
está aislado contra las
sacudidas eléctricas. El
acercarse o tocar líneas
de energía eléctrica con
el podador puede causar
la muerte o lesiones corporales graves
como consecuencia de una sacudida
eléctrica.
La electricidad puede saltar de un punto
a otro al formar arcos en el aire. Los
niveles altos de voltaje aumentan la dis-
tancia sobre la cual la electricidad puede
formar arcos. La electricidad también
puede conducirse por las ramas de un
árbol, especialmente si éstas están
húmedas. Guarde una distancia no
menor de 15 m (50 pies) entre el poda-
dor (incluyendo las ramas con las cuales
tenga contacto) y todas las líneas que
conduzcan corriente eléctrica.
Antes de trabajar a una distancia menor,
comuníquese con la empresa de servi-
cio eléctrico y comprobar que se haya
interrumpido el suministro eléctrico.
!Advertencia
El podador de varilla tiene alcance largo.
Para reducir el riesgo de que otras per-
sonas sufran lesiones graves o mortales
causadas por la caída o lanzamiento de
objetos, o el contacto inesperado con la
cadena móvil del podador, siempre
mantenga a las demás personas a una
distancia no menor de 15 m (50 pies)
del podador cuando se encuentre en
marcha. Utilice el podador de varilla
solamente en lugares al aire libre bien
ventilados.
!Advertencia
El podador de varilla
emite gases de escape
tóxicos apenas el motor
de combustión empieza a
funcionar. Estos gases
(por ej., monóxido de car-
bono) pueden ser incolo-
ros e inodoros.
¡Para reducir el riesgo de sufrir lesiones
graves o mortales por respirar gases
tóxicos, nunca haga funcionar el poda-
dor de varilla puertas adentro o en luga-
res mal ventilados!
15m (50ft)
15m (50ft)
51HT 73
español / EE.UU
!Advertencia
El uso de este producto (incluido el afi-
lado de la cadena de sierra) puede
generar polvo y vapores que contienen
productos químicos considerados como
causantes de enfermedades respirato-
rias, cáncer, defectos de nacimiento u
otra toxicidad reproductora. Si usted
desconoce los riesgos asociados con el
polvo o vapor en cuestión, consulte con
su empleador, autoridades guberna-
mentales tales como OSHA y NIOSH y
otras fuentes de información sobre
materiales peligrosos. Por ejemplo, el
Estado de California y algunas otras
autoridades han publicado varias listas
de sustancias carcinógenas, de toxici-
dad reproductora, etc. Siempre que sea
posible, trate de controlar el polvo (tal
como el aserrín), la neblina (tal como la
neblina de aceite producida por la lubri-
cación de la cadena) y los vapores en su
punto de origen.
Al respecto, emplee buenas prácticas
de trabajo y siga las recomendaciones
de OSHA/NIOSH y asociaciones labora-
les y comerciales. En los casos en que
no se puede evitar la inhalación del
polvo, la niebla y los vapores, el opera-
dor y cualquier persona que se encuen-
tre cerca siempre deben usar un respira-
dor aprobado por NIOSH/MSHA para el
material en uso.
!Advertencia
La aspiración de polvo de asbesto es
peligrosa y puede causar lesiones gra-
ves o mortales, enfermedades de las
vías respiratorias o cáncer. El uso y la
eliminación de los productos que contie-
nen asbesto están estrictamente regla-
mentados por OSHA y el Organismo
para la Protección del Medio Ambiente
(EPA) de los EE.UU. No corte ni mueva
el asbesto, los productos que contengan
asbesto (por ej., tabiques de cartón-
yeso u otros productos de construcción),
o productos tales como tubería envuelta
o cubierta con aislante de asbesto. Si
por cualquier motivo cree que está cor-
tando asbesto, póngase en contacto
inmediatamente con su empleador o un
representante de OSHA local.
!Advertencia
El silenciador y otros componentes del
motor (por ej., aletas del cilindro, bujía)
se calientan durante el funcionamiento y
permanecen calientes por un buen rato
después de apagar el motor. Para redu-
cir el riesgo de quemaduras, no toque el
silenciador y otros componentes mien-
tras están calientes.
Maneje el podador solamente en condi-
ciones de buena visibilidad y a la luz del
día. No trabaje solo. Manténgase a una
distancia que le permita comunicarse
con otras personas en caso de necesitar
ayuda.
!Advertencia
Proceda con sumo cuidado cuando tra-
baje en condiciones climáticas húmedas
o frías o en superficies resbalosas (llu-
via, nieve, hielo). Interrumpa el trabajo
cuando hay condiciones de mucho
viento, tormenta o lluvia intensa.
!Advertencia
Para evitar tropezarse, esté atento a los
obstáculos tales como tocones, raíces o
rocas, y a los agujeros o zanjas. Sea
precavido cuando trabaje en declives o
terreno irregular.

52
español / EE.UU
HT 73
!Advertencia
Para reducir el riesgo de sufrir lesiones
graves o mortales causadas por la pér-
dida del control, nunca intente manejar
el podador de varilla con una sola mano.
Siempre sujete el podador de varilla fir-
memente con las dos manos.
Cierre firmemente los dedos alrededor
del mango y del eje, manteniéndolos
bien apoyados entre el pulgar y dedo
índice.
Mantenga las manos en esta posición
para guardar el control del podador de
varilla en todo momento. Asegúrese que
el mango y el eje estén en buenas con-
diciones y sin humedad, resina, aceite o
grasa. Coloque la mano izquierda sobre
el mango delantero y la derecha sobre el
mango trasero y el gatillo de acelera-
ción. Las personas que trabajan con la
mano izquierda (zurdos) también deben
seguir estas instrucciones.
!Advertencia
No maneje el podador de varilla con el
bloqueo del gatillo de aceleración acti-
vado. La operación de corte con el blo-
queo del gatillo de aceleración activado
no permite al operador tener control
adecuado de la velocidad del podador
de varilla o la cadena. Siempre corte con
el motor a aceleración máxima.
!Advertencia
No toque la cadena con la mano u otra
parte del cuerpo cuando el motor está
funcionando, aunque la cadena no esté
girando. La cadena sigue girando por un
rato después que se suelta el gatillo de
aceleración.
No corte ningún material que no sea
madera u objetos de madera. Utilice el
podador solamente para recortar ramas.
Esta máquina no está diseñada para
talar troncos. No está diseñada para ser
utilizada como palanca o pala en las
ramas, raíces u otros objetos.
Cuando se recortan ramas, asegúrese
que la cadena no toque ninguna materia
extraña como por ejemplo rocas, cer-
cas, clavos y cosas por el estilo. Tales
objetos pueden ser lanzados y lesionar
al operador o a terceros y dañar la
cadena de sierra.
!Advertencia
Para mantener el control del podador de
varilla, siempre tenga bien apoyados los
pies. No trabaje sobre una escalera, en
un árbol o cualquier otro punto de apoyo
que no sea seguro. Si se va a trabajar a
una altura de más de 4,5 m (15 pies),
utilice un canasto elevador.
Podador de varilla con eje ajustable:
Alargar el eje sólo lo necesario para el
trabajo deseado.
!Advertencia
No ejerza presión sobre el podador de
varilla cuando llegue al final del corte. La
presión puede hacer que la barra y la
cadena en movimiento salten fuera de la
ranura de corte o entalla, perdiéndose el
control y golpeando al operador o algún
otro objeto.
!Advertencia
Antes de recortar las ramas, despeje de
zona de trabajo las ramas y matorrales
que puedan causar interferencia. Des-
pués, establezca una ruta de escape y
retire todos los obstáculos.
390BA026 KN

53HT 73
español / EE.UU
Mantenga despejada la zona de trabajo
– quite las ramas caídas. Coloque todas
las herramientas y equipo a una distan-
cia prudente de las ramas recortadas,
pero no en la ruta de escape.
!Advertencia
Para reducir el riesgo de lesiones perso-
nales o mortales causadas por la caída
de objetos, no haga cortes directamente
sobre su cuerpo. Sostenga el podador
de varilla a un ángulo no mayor que 60°
respecto a la horizontal (vea la ilustra-
ción). Los objetos pueden caer en direc-
ciones no anticipadas. ¡No se pare
directamente debajo de la rama que es
está recortando!
Esté atento a la caída de las ramas. Tan
pronto la rama recortada empieza a
caer, apártese y guarde una distancia
prudente de la rama caída.
!Advertencia
Siempre observe la condición general
del árbol. Busque evidencia de deterioro
y pudrición en el tronco y en las ramas.
Si está podrido en su interior, podría
romperse repentinamente y caer hacia
el operador cuando está siendo recor-
tado. Siempre busque las ramas que-
bradas o muertas que puedan soltarse
con la vibración y caerle encima.
Si la rama es gruesa o pesada, haga un
corte de distensión no muy profundo en
la parte inferior de la rama antes de cor-
tarla por su parte superior para evitar
que la rama se parta. Siempre saque la
máquina del corte con la cadena todavía
en marcha para reducir la posibilidad de
atrapar el accesorio de corte.
Si la barra queda aprisionada en la rama
de modo que la cadena ya no pueda
moverse, apague el podador y mueva la
rama con cuidado para aflojar la estric-
ción y liberar la barra.
MANTENIMIENTO, REPARACION
Y ALMACENAMIENTO
!Advertencia
Los trabajos de mantenimiento,
reemplazo o reparación de los dispo-
sitivos y sistemas de control de emi-
siones de escape pueden ser realiza-
dos por cualquier taller o técnico de
motores no diseñados para vehícu-
los. Sin embargo, si usted está recla-
mando servicio de garantía para
algún componente que no ha sido
reparado o mantenido debidamente,
o cuando se utilizan repuestos no
autorizados, STIHL puede denegar la
garantía.
No maneje nunca un podador de varilla
que está dañado, mal ajustado o que no
fue armado debidamente. Siga las ins-
trucciones para el mantenimiento y
reparación indicadas en la sección
correspondiente en su manual del usua-
rio, especialmente aquéllas en los capí-
tulos de "Montaje de la barra y la
cadena", "Mantenimiento y afilado de la
cadena".
!Advertencia
Utilice solamente piezas de repuesto de
STIHL para el mantenimiento y repara-
ción. La utilización de piezas fabricadas
por otras empresas puede causar lesio-
nes graves o mortales.
max 60°
390BA025 KN
54
español / EE.UU
HT 73
!Advertencia
Siempre apague el motor y asegúrese
de que la cadena está detenida antes de
hacer trabajos de ajuste, mantenimiento
o reparación, así como cambiar la
cadena de la sierra o limpiar el podador.
No intente hacer ningún trabajo de man-
tenimiento o reparación que no esté
descrito en su manual del usuario. Este
tipo de trabajo debe realizarse única-
mente en el taller de servicio de STIHL.
!Advertencia
No pruebe nunca el sistema de encen-
dido con el cable de encendido desco-
nectado de la bujía, o sin tener bien ins-
talada la bujía, ya que las chispas al
descubierto pueden causar un incendio.
!Advertencia
Para reducir el riesgo de incendio y de
quemaduras, utilice solamente las
bujías autorizadas por STIHL. Siempre
inserte el casquillo de la bujía bien apre-
tado en el borne de la bujía del tamaño
adecuado. (Nota: Si el borne tiene una
tuerca adaptadora SAE desmontable,
tiene que ser instalada.)
Una conexión suelta entre el casquillo
de la bujía y el conector del cable de
encendido en el casquillo puede crear
un arco voltaico y encender los vapores
del combustible, provocando un incen-
dio. Mantenga la bujía limpia, y asegú-
rese que el conductor de encendido esté
en buen estado.
!Advertencia
No maneje nunca el podador de varilla si
el silenciador está dañado, se ha per-
dido o si fue modificado. Un silenciador
mal cuidado aumenta el riesgo de incen-
dio y puede causar pérdida del oído. No
toque nunca un silenciador caliente,
puede quemarse. Si el silenciador está
equipado con un chispero para reducir
el riesgo de incendio (por ejemplo, en
EE.UU., Canadá y Australia), no maneje
nunca el podador de varilla si le falta el
chispero o si el mismo está dañado.
Recuerde que el riesgo de incendios
forestales es mayor durante las estacio-
nes calurosas y secas.
Mantenga limpias la cadena, la barra y
la rueda dentada; sustituya las ruedas o
cadenas desgastadas. Mantenga afi-
lada la cadena. Podrá notar que la
cadena está desafilada cuando la
madera fácil de cortar exige gran
esfuerzo y cuando aparecen marcas de
quemaduras en la madera.
Mantenga la cadena correctamente ten-
sada. Apriete todas las tuercas, pernos
y tornillos, excepto los tornillos de ajuste
del carburador, antes de cada uso.
Además, es imprescindible seguir el
programa de mantenimiento diario indi-
cado en el manual del usuario del poda-
dor de varilla STIHL.
Guarde el podador de varilla en un lugar
seco y lejos del alcance de los niños.
Antes de guardar la máquina durante un
período de más de algunos días, siem-
pre vacíe el tanque de combustible.
Para todo trabajo de mantenimiento, sír-
vase consultar la tabla de manteni-
miento y la declaración de garantía
que se encuentra al final de este
manual.
Guarde el combustible y el aceite de la
cadena solamente en envases de segu-
ridad debidamente aprobados para tal
uso. Manipule la gasolina con sumo cui-
dado. ¡Evite el contacto directo con la
piel y evite inhalar los vapores de com-
bustible!

55HT 73
español / EE.UU
Preparaciones
:Use ropa y equipos protectores
adecuados - vea el capítulo
"Precauciones de seguridad".
:Ajuste el eje telescópico al largo
requerido.
:Arranque el motor.
:Colóquese la correa sobre el
hombro.
Nunca tire las piezas recortadas en
el basurero doméstico - éstas pue-
den convertirse en abono.
.
Para evitar el riesgo de lesionarse,
no se sitúe nunca directamente
debajo de la rama que va a cortar –
esté alerta a las ramas que caen.
Obsérvese que una rama puede
rebotar hacia usted después de
haber caído al suelo.
Secuencia de corte
Para permitir que las ramas caigan libre-
mente, siempre corte las ramas más
bajas primero. Recorte las ramas pesa-
das (de diámetro grande) en varios tro-
zos fáciles de manejar.
Posición de trabajo
Sujete el mango de control con la mano
derecha y el eje con la izquierda.
Extienda el brazo izquierdo a la posición
que le resulte más cómoda.
¡El eje siempre deberá mantenerse a
un ángulo de 60° ó menos!
Usos típicos
Corte estándar
La posición de trabajo más cómoda es
mantener la herramienta a un ángulo de
60°, pero cualquier ángulo más
pequeño puede usarse según el caso.
Corte sobre obstáculos
El largo alcance de la máquina posibilita
el recorte de ramas que se proyectan
sobre obstáculos, tales como los ríos y
lagos. El ángulo de la herramienta en
este caso depende de la posición de la
rama.
Uso de la máquina
390BA018 KN
390BA020 KN

56
español / EE.UU
HT 73
Corte desde un canasto elevado
El largo alcance de la máquina permite
cortar junto al tronco sin el riesgo de que
el canasto dañe otras ramas. El ángulo
de la herramienta en este caso depende
de la posición de la rama.
Técnicas de trabajo
Corte de distensión
Para evitar los contragolpes, el aprisio-
nar la barra o el arrancar la corteza al
recortar ramas gruesas, siempre haga
primero un corte de distensión (1) en el
lado inferior de la rama.
Para hacer esto, coloque el accesorio
de corte y tire del mismo a lo ancho de
la parte inferior de la rama, hasta llegar
a la punta de la barra guía.
Haga el corte transversal (2).
390BA017 KN
2
1
390BA023 KN

57HT 73
español / EE.UU
Corte a ras de ramas gruesas
Si el diámetro de la rama es mayor que
10 cm (4 pulg), primero haga un corte en
el lado inferior (3) y haga un corte trans-
versal a una distancia (A) de aproxima-
damente 20 cm (8 pulg) del corte final.
Después haga el corte a ras (4), empe-
zando con un corte de distensión y ter-
minando con el corte transversal.
:Desenrosque la tuerca y quite la
tapa.
:Gire el tornillo tensor (1) en sentido
contrahorario hasta que
:la tuerca tensora (2) tope contra el
extremo izquierdo de la ranura de la
caja.
La cadena es muy afilada –
póngase guantes para protegerse
las manos de las cortaduras.
:Coloque la cadena – empiece por la
punta de la barra.
3
4
A
390BA024 KN
Montaje de la barra y la
cadena
243BA002 KN
1
2
243BA003 KN
390BA003 KN

58
español / EE.UU
HT 73
:Coloque la barra guía sobre el
espárrago (3).
:Enganche la espiga del tensor des-
lizante en el agujero localizador (4)
– coloque la cadena sobre la rueda
dentada (5) al mismo tiempo.
:Gire el tornillo tensor (1) en sentido
horario hasta que la cadena tenga
muy poco huelgo por el lado inferior
de la barra y las pestañas de los
eslabones impulsores se encuen-
tren en la ranura de la barra.
:Vuelva a colocar la tapa de la rueda
dentada y apriete su tuerca con los
dedos.
Ahora vea "Tensado de la cadena de
sierra".
:Tensado durante el trabajo de corte:
:Apague el motor y después afloje la
tuerca.
:Sostenga la punta de la barra hacia
arriba.
:Utilice un destornillador para girar el
tornillo tensor (1) en sentido horario
hasta que la cadena quede ajustada
contra el lado inferior de la barra.
Apriete la tuerca bien firme.
Es necesario tensar una cadena nueva
con mayor frecuencia que una que ha
estado en uso por cierto tiempo – revise
la tensión de la cadena con frecuencia –
vea el capítulo "Instrucciones de
manejo/Durante el funcionamiento".
:Revise la tensión de la cadena.
:Apague el motor.
:¡Use guantes de trabajo para prote-
gerse las manos!
:La cadena debe quedar ajustada
contra el lado inferior de la barra,
pero debe ser posible tirar de la
cadena a lo largo de la barra con la
mano.
:De ser necesario, vuelva a tensar la
cadena.
Es necesario volver a tensar las cade-
nas nuevas con mayor frecuencia que
las que han estado en uso por algún
tiempo. Revise la tensión de la cadena
frecuentemente – vea el capítulo "Ins-
trucciones de manejo".
1
5
243BA004 KN
43
Tensado de la cadena de
sierra
1
243BA006 KN
Revisión de tensión de la
cadena
243BA005 KN

59HT 73
español / EE.UU
Este motor está homologado para fun-
cionar con gasolina sin plomo y una pro-
porción de mezcla de 50:1.
El motor de dos tiempos necesita una
mezcla de gasolina de buena marca y
aceite para motor de dos tiempos de
buena calidad clasificado TC.
Use gasolina regular sin plomo con un
octanaje mínimo de 89 RON. Si el octa-
naje de la gasolina regular en su zona
es más bajo, use gasolina superior sin
plomo ("premium").
Nota: Las máquinas con convertidor
catalítico requieren gasolina sin
plomo. La eficiencia del convertidor
catalítico puede reducirse por más del
50% si se llena el tanque de combustible
varias veces con gasolina con plomo.
El combustible de octanaje menor
puede producir preencendido (cau-
sando detonación) acompañado de un
aumento de la temperatura del motor.
Esto, a su vez, aumenta el riesgo de
agarrotamiento del pistón y daño al
motor.
La composición química del combusti-
ble también es importante. Algunos adi-
tivos de combustible no solamente son
perjudiciales para los elastómeros (dia-
fragmas del carburador, sellos de aceite,
mangueras de combustible, etc.), sino
también para las piezas fundidas de
magnesio. Esto podría causar proble-
mas de funcionamiento o incluso dañar
el motor. Por este motivo es esencial
usar únicamente combustibles de
buena marca comercial.
En la mezcla, use únicamente aceite de
STIHL para motor de dos tiempos o
aceites para motor de dos tiempos
enfriado por aire con la clasificación TC.
Nosotros recomendamos el aceite 50:1
de STIHL para motor de dos tiempos
porque está especialmente formulado
para usarse en motores de STIHL.
No use aceites para mezcla BIA o TCW
(dos tiempos enfriado por agua).
En los modelos con convertidor
catalítico mezcle exclusivamente con la
gasolina el aceite de motor STIHL 50:1
para servicio severo o un aceite de
calidad equivalente para motores de dos
tiempos.
Sea precavido cuando trabaje con gaso-
lina. Evite el contacto directo con la piel
y evite inhalar el vapor de combustible.
Mantenga el recipiente herméticamente
cerrado para evitar la entrada de hume-
dad a la mezcla.
Limpie periódicamente el tanque de
combustible y el recipiente en que
guarda la mezcla de combustible.
Envejecimiento de la mezcla
de combustible
Mezcle únicamente el combustible
suficiente para unos pocos días de
trabajo, no lo guarde por más de 3
meses. Guárdelo solamente en reci-
pientes especialmente aprobados para
combustible. Cuando prepare la mezcla,
primero vierta el aceite en el recipiente y
después incorpore la gasolina.
Deseche los recipientes vacíos de
aceite únicamente en vertederos
autorizados.
Combustible
Gasolina Aceite (STIHL 50:1 ó
aceites TC de marca
comercial equivalentes)
litros
(gal. EE.UU.)
ml
(oz. fl. EE.UU.)
3,8 (1) 6,9 (2,6)
9,5 (2,5) 189,3 (6,4)
18,9 (5) 378,5 (12,8)

60
español / EE.UU
HT 73
Antes de llenar la máquina con combus-
tible, limpie a fondo la tapa de llenado y
la zona alrededor del mismo para evitar
la entrada de tierra al tanque.
Siempre agite la mezcla vigorosamente
en el recipiente antes de llenar la
máquina con combustible.
Para reducir el riesgo de quemadu-
ras, así como otras lesiones corpo-
rales ocasionadas por los escapes
de vapor de gasolina y otras ema-
naciones, quite la tapa de llenado
de combustible cuidadosamente de
modo que la presión que se pueda
haber acumulado en el tanque se
disipe lentamente.
Después de haber cargado la
máquina con combustible, apriete la
tapa del tanque tan firmemente
como sea posible con la mano.
Cambie el recogedor de combustible
una vez al año.
Antes de almacenar la máquina por un
período prolongado, vacíe y limpie el
tanque de combustible y ponga el motor
en marcha hasta que se seque el com-
bustible del carburador.
Revise el nivel de aceite en el tanque en
intervalos regulares y breves y llénelo
según sea necesario.
Llenado de com-
bustible
243BA008 KN
243BA009 KN

61HT 73
español / EE.UU
Para una lubricación automática y
confiable de la cadena y de la barra
guía:
Utilice un lubricante de cadena y
de barra de buena calidad y poco
dañino al medio ambiente. Se
recomienda el uso de lubricante
para cadena STIHL con aditivo
antisalpicaduras o el STIHL Bio-
Plus de biodegradación rápida
.
El aceite de cadena biodegradable
debe ser resistente al envejeci-
miento (por ejemplo, STIHL Bio-
Plus), pues de lo contrario se con-
vertiría rápidamente en resina. Esto
produce como resultado depósitos
sólidos difíciles de quitar, especial-
mente en las zonas del mando de la
cadena y la cadena misma. Incluso
puede causar el agarrotamiento de
la bomba de aceite
.
La vida útil de la cadena y de la barra
guía depende de la calidad del lubri-
cante. Por lo tanto, es esencial usar un
lubricante de cadena de formulación
especial.
Si no se cuenta con un lubricante espe-
cial para cadena, en caso de emergen-
cia se puede usar un aceite de motor de
grado sencillo o múltiple para servicio
severo cuyo grado de viscosidad corres-
ponda con la temperatura ambiente.
No use aceite de desecho.
El aceite de desecho no tiene las
propiedades lubricantes necesarias
y no es adecuado para la lubrica-
ción de cadenas.
Los estudios médicos han determi-
nado que el contacto prolongado
con el aceite de desecho puede
causar cáncer en la piel. También
es dañino para el medio ambiente.
El tanque de aceite de cadena lleno
sólo tiene suficiente aceite para la
mitad del tiempo de funcionamiento
de la máquina con el tanque de
combustible lleno. Por lo tanto,
revise el nivel de aceite periódica-
mente durante los trabajos de corte.
Nunca permita que se agote el aceite
del tanque.
:Limpie a fondo la tapa de llenado y
la zona alrededor del mismo para
evitar la entrada de tierra al tanque.
:Quite la tapa y llene con aceite de
cadena.
:Vuelva a colocar la tapa de llenado.
Si el nivel de aceite en el tanque no
cambia, esto puede deberse a un
problema en el suministro de aceite.
Revise la lubricación de la cadena,
limpie los conductos de aceite; comuní-
quese con el concesionario STIHL, de
ser necesario.
Aceite de la cadena Llenado del tanque
de aceite de la
cadena
243BA007 KN

62
español / EE.UU
HT 73
La cadena de sierra siempre debe lan-
zar una pequeña cantidad de aceite.
:Siempre revise la lubricación de la
cadena y el nivel de aceite en el tan-
que antes de empezar a trabajar.
Nunca haga funcionar el podador si
la cadena no está lubricada. Si la
cadena funciona sin lubricación,
todo el accesorio de corte sufrirá
daños permanentes en un lapso
muy breve.
La lubricación inadecuada puede
deberse a suciedad en el filtro de aceite:
Solicite al concesionario STIHL que lim-
pie o sustituya el filtro de aceite insta-
lado entre el tanque y la bomba.
Es necesario someter las cadenas
nuevas a un período de rodaje por 2
a 3 minutos. Después del rodaje ini-
cial de la cadena, revise su tensión
y ajústela de ser necesario – vea el
capítulo “Revisión de la tensión de
la cadena”.
¡Siempre apague el motor y coloque
el protector de la cadena!
:Afloje el tornillo.
:Ajuste el eje al largo requerido.
:Apriete el tornillo bien firme.
Correa para el hombro*
:Colóquese la correa (1) sobre el
hombro.
:Ajuste el largo de la correa de modo
que el gancho con resorte (2), con
la máquina conectada, se encuen-
tre aproximadamente a la altura de
su cadera derecha.
* vea “Guía para el uso de este
manual”
Revisión de la lubricación
de la cadena
390BA030 KN
Ajuste del eje telescópico
390BA015 KN
Colocación del arnés
2
1
390BA016 KN

63HT 73
español / EE.UU
Controles
Bloqueo del gatillo de aceleración (1),
gatillo de aceleración (2) y control desli-
zante (3) con las posiciones:
ARRANQUE (4)
La posición normal de marcha # (5),
ralentí y $ – Parada (6) – para apagar el
motor, mueva el control deslizante hacia
c (7).
Arranque
:Mantenga oprimido el bloqueo del
gatillo y oprima el gatillo de acelera-
ción.
:Mueva el control deslizante hacia la
posición de ARRANQUE (START)
y manténgalo en esa posición.
:Ahora suelte el gatillo de acelera-
ción, el control deslizante y el blo-
queo del gatillo, en el orden indi-
cado. Esta es la posición de
arranque del acelerador.
Si el motor está frío:
Ponga la palanca del estrangulador (8)
en g.
Si el motor está caliente:
Ponga la palanca del estrangulador (8)
en e.
(También utilice esta posición si el motor
ha estado en marcha, pero todavía se
encuentra frío.)
:Meta la mano detrás de la cubierta
del filtro para oprimir el bulbo de la
bomba de combustible (9) al menos
cinco veces, aunque el bulbo toda-
vía esté lleno de combustible.
Arranque / parada del moto
r
3
2
3
1
START
STOP
4
5
6
7
002BA037 KN
380BA003 KN
8
8
380BA004 KN
9

64
español / EE.UU
HT 73
:Coloque la máquina sobre el suelo.
Apóyela de modo firme sobre el
soporte del motor y el gancho.
:Quite el protector de la cadena.
Verifique que la cadena no esté en
contacto con ningún objeto ni con el
suelo.
De ser necesario, apoye el gancho
sobre un soporte elevado (por
ejemplo, una rama, montículo u
objeto similar).
Compruebe que no haya nadie den-
tro del alcance del podador mien-
tras está funcionando.
:Asegúrese de tener los pies bien
apoyados: Empuje la máquina fir-
memente contra el suelo colocando
la mano izquierda sobre la caja del
ventilador. Coloque el dedo pulgar
debajo de la caja del ventilador.
No se pare ni se arrodille sobre el
tubo de mando. – Esto doblará el
tubo y causará daño permanente al
eje telescópico.
390BA022 KN

65HT 73
español / EE.UU
Método alternativo:
:Quite el protector de la cadena.
Coloque el eje sobre una rama, de
modo que quede sujeto por el gan-
cho.
:Sostenga la máquina firmemente
colocando la mano izquierda alre-
dedor de la caja del ventilador – el
dedo pulgar debe quedar debajo de
la caja del ventilador.
:Con la mano derecha tire lenta-
mente del mango de arranque hasta
que sienta una resistencia definitiva
y en seguida dele un tirón fuerte y
rápido. No tire de la cuerda de
arranque totalmente hasta afuera,
se podría cortar.
:No deje que el mango de arranque
retroceda bruscamente; guíelo len-
tamente hacia el interior de la caja
de modo que la cuerda se enrolle
debidamente.
Cuando el motor empieza a
encenderse:
:Mueva la palanca del estrangulador
a e y continúe intentando el arran-
que del motor.
Tan pronto arranque:
:Oprima el gatillo de aceleración
momentáneamente – el control des-
lizante se desplaza a la posición de
marcha #, y el motor retorna a ace-
leración de ralentí.
¡Compruebe que el carburador se
encuentre debidamente ajustado –
la cadena no debe moverse cuando
el motor está a ralentí!
El podador de varilla está listo para
usarse.
Para apagar el motor
:Mueva el control deslizante en el
sentido indicado por c a $.
390BA009 KN

66
español / EE.UU
HT 73
A temperaturas ambiente muy
bajas:
permita que el motor se caliente
Tan pronto arranque:
:Oprima el gatillo de aceleración
momentáneamente – el control des-
lizante se desplaza a la posición de
marcha #, y el motor retorna a ace-
leración de ralentí.
:Abra el acelerador levemente.
:Caliente el motor por un período
breve.
Si el motor no arranca
Si no se mueve la palanca del estrangu-
lador a e en un tiempo suficientemente
corto después que el motor ha empe-
zado a encenderse, la cámara de com-
bustión se encuentra "ahogada".
:Ponga la palanca del estrangulador
en e.
:Ponga el control deslizante, la
palanca de bloqueo y el gatillo de
aceleración en la posición de arran-
que.
:Arranque el motor – tire de la
cuerda de arranque rápidamente –
puede ser necesario tirar de ella de
10 a 20 veces.
Si el motor todavía no arranca
:Mueva el control deslizante en el
sentido indicado por c a $.
:Quite el casquillo de la bujía (10).
:Destornille y seque la bujía.
:Abra el acelerador completamente.
:Tire de la cuerda de arranque varias
veces para despejar la cámara de
combustión.
:Vuelva a colocar la bujía y apriétela
a un máximo de 15 Nm (11 lb-pie)
con la llave combinada.
:Instale la bujía y vuélvale a conectar
su casquillo.
:Mueva el control deslizante a la
posición de ARRANQUE (START).
:Ponga la palanca del estrangulador
en e
aunque el motor esté frío.
:Ahora arranque el motor.
Se agotó el combustible en el
tanque
:Después de llenar el tanque, oprima
el bulbo de la bomba de combusti-
ble por lo menos cinco veces, aun-
que el bulbo esté lleno de combusti-
ble.
:Ajuste la palanca del estrangulador
según la temperatura del motor.
:Ahora arranque el motor.
380BA005 KN
10

67HT 73
español / EE.UU
Durante el período de rodaje
Una máquina nueva no debe hacerse
funcionar a velocidad alta (aceleración
máxima sin carga) por el lapso que tome
llenar el tanque tres veces. Esto evita la
imposición de cargas innecesariamente
altas durante el período de rodaje. Ya
que todas las piezas móviles deben
asentarse durante el período de rodaje
inicial, durante este tiempo la resistencia
causada por fricción en el motor es más
elevada. El motor desarrolla su potencia
máxima después de haber llenado el
tanque de 5 a 15 veces.
No empobrezca la mezcla para
obtener un aumento aparente de
potencia – esto puede dañar el
motor – vea el capítulo "Ajuste del
carburador".
Durante el funcionamiento
¡Revise frecuentemente la tensión de
la cadena!
Es necesario volver a tensar las cade-
nas nuevas con mayor frecuencia que
las que han estado en uso por algún
tiempo.
Cadena fría
La tensión es correcta cuando la cadena
encaja ajustadamente contra la parte
inferior de la barra y todavía puede ser
tirada a lo largo de la barra con la mano.
Vuélvala a tensar de ser necesario –
Vea el capítulo "Tensado de la cadena
de sierra".
Cadena a temperatura de
funcionamiento
La cadena se estira y empieza a colgar
con soltura. Los eslabones impulsores
en la parte inferior de la barra no deben
salirse de la ranura de la barra – de lo
contrario la cadena puede salirse de la
barra.
Para volver a tensar la cadena –
vea el capítulo “Tensado de la cadena
de sierra”.
Suelte siempre la tensión de la
cadena después de terminar los tra-
bajos. La cadena se contrae al
enfriarse. Si no se suelta la tensión,
se podría dañar el cigüeñal y los
cojinetes.
Después de un período prolongado a
aceleración máxima
Permita que el motor funcione por un
lapso breve a velocidad de ralentí para
que disipe el calor por la acción del aire
de enfriamiento. Esto ayuda a evitar que
los componentes montados en el motor
(encendido, carburador) sufran sobre-
cargas térmicas.
Después de terminar el trabajo
:Afloje la cadena si se ha vuelto a
tensar la cadena cuando está a
temperatura de funcionamiento
durante los trabajos de corte.
La cadena se contrae al enfriarse. Si no
se suelta la tensión, se podría dañar el
cigüeñal y los cojinetes.
Espere que el motor se enfríe. Vacíe el
tanque de combustible. Guarde la
máquina en un lugar seco. Revise el
apriete de las tuercas y los tornillos (no
los tornillos de ajuste) en intervalos
regulares y vuelva a apretarlos en caso
de ser necesario.
Instrucciones de manejo

68
español / EE.UU
HT 73
Los filtros de aire sucios reducen la
potencia del motor, aumentan el con-
sumo de combustible y dificultan el
arranque del motor.
Si se produce una pérdida notable de
potencia del motor
:Ponga la palanca del estrangulador
en g.
:Suelte el tornillo (1) y saque la
cubierta del filtro (2).
:Limpie toda la suciedad de alrede-
dor del filtro.
:Quite el elemento de espuma (3).
:Quite la rejilla metálica (4) de la caja
del filtro (5) solamente si está
sucia.
:Golpee el elemento del filtro y la reji-
lla metálica contra la palma de la
mano, límpielos con aire compri-
mido o, de ser necesario, lávelos en
una solución no inflamable y limpia
(agua tibia con jabón, por ejemplo) y
séquelos.
¡Siempre sustituya las piezas
dañadas!
:Instale la rejilla metálica en la caja
del filtro primero y después el ele-
mento de espuma.
:Cierre la cubierta del filtro y apriete
el tornillo.
Limpieza del filtro de aire
1
380BA006 KN
2
5
380BA007 KN
34

69HT 73
español / EE.UU
Las emisiones de gases de escape son
controladas por el diseño de parámetros
y componentes fundamentales del
motor (por ej. carburación, encendido,
regulación y regulación de la válvula o
lumbrera) sin la adición de ningún
equipo importante.
El carburador se ajusta en la fábrica
para garantizar que la mezcla de com-
bustible/aire sea óptima bajo todas las
condiciones de trabajo.
Ajuste normal
:Revise la tensión de la cadena.
:Revise el filtro de aire e instale uno
nuevo de ser necesario.
:Revise el chispero y límpielo o ins-
tale uno nuevo de ser necesario.
:Gire el tornillo de ralentí (LA) en
sentido contrahorario hasta que su
punta (vea la flecha) apenas des-
aparezca. Después gire el tornillo 6
vueltas completas en sentido hora-
rio.
Ajuste de ralentí
:Lleve a cabo el ajuste normal.
:Arranque el motor y caliéntelo.
Manejo del motor Ajuste del carburador
LA
380BA008 KN
380BA013 KN

70
español / EE.UU
HT 73
El motor se para durante el
funcionamiento a ralentí
:Gire el tornillo de ajuste de ralentí
(LA) lentamente en sentido horario
hasta que el motor funcione de
modo suave – la cadena no debe
girar.
La cadena funciona cuando el motor
está a ralentí
:Gire el tornillo de ralentí (LA) en
sentido contrahorario hasta que la
cadena se detenga y luego gírelo
otras dos vueltas completas en el
mismo sentido a partir de esa posi-
ción.
Si el motor pierde potencia, revise el
chispero del silenciador.
:Quite el chispero del extremo corto.
:Limpie el chispero, de ser necesa-
rio. Si el chispero está dañado u
obstruido, instale uno nuevo.
:Empuje el chispero sobre el
extremo corto para instalarlo.
La mezcla de combustible incorrecta
(demasiado aceite de motor en la gaso-
lina), el filtro de aire sucio y condiciones
de funcionamiento desfavorables (gene-
ralmente a media aceleración, etc.)
afectan la condición de la bujía. Estos
factores causan la formación de depósi-
tos en la punta del aislador lo que puede
dificultar el funcionamiento.
Chispero en silenciador
380BA014 KN
Revisión de la bujía
000BA002 KN

71HT 73
español / EE.UU
Si el motor tiene poca potencia, le
cuesta arrancar o funciona deficiente-
mente a velocidad de ralentí, primero
revise la bujía.
:Saque la bujía (vea el capítulo
"Arranque / parada del motor").
:Limpie la bujía sucia.
:Mida la separación entre electrodos
de la bujía (A). Vuelva a ajustar si es
necesario. Vea “Especificaciones”.
:Use únicamente bujías de tipo
resistencia de capacidad aprobada.
Corrija la causa de la suciedad de la
bujía:
:demasiado aceite en la mezcla de
combustible.
:filtro de aire sucio.
:condiciones de funcionamiento des-
favorables, por ej., funcionamiento
a media aceleración.
Coloque una bujía nueva después de
100 horas de funcionamiento,
aproximadamente, o más temprano si
nota que los electrodos están muy des-
gastados.
Para reducir el riesgo de incendios y
lesiones por quemadura, use sola-
mente bujías autorizadas por
STIHL.
Siempre encaje un casquillo (2) del
tamaño correcto bien ajustado en el
borne (1) de la bujía. (Nota: Si el
casquillo tiene una tuerca adapta-
dora SAE desprendible, colóquela.)
Una conexión suelta entre el cas-
quillo de la bujía y el conector del
alambre de encendido puede for-
mar un arco eléctrico, inflamar los
vapores combustibles y finalmente
causar un incendio.
Para prolongar la vida útil de la
cuerda de arranque, siempre observe
los puntos siguientes:
:Tire de la cuerda de arranque sola-
mente en el sentido especificado.
:No tire de la cuerda sobre el borde
del buje guía.
:No tire de la cuerda más de lo espe-
cificado pues se podría cortar.
:No deje que el mango de arranque
retroceda bruscamente, guíelo len-
tamente al interior de la caja.
Consulte también el capítulo "Arran-
que / parada del motor".
¡Sustituya la cuerda de arranque
dañada oportunamente o pida al con-
cesionario STIHL que se lo haga!
1
2
380BA009 KN
Cuerda de arranque

72
español / EE.UU
HT 73
Para intervalos de 3 meses o más:
:Vacíe y limpie el tanque de combus-
tible en una zona bien ventilada.
:Haga funcionar el motor hasta que
el carburador se seque; esto ayuda
a evitar que los diafragmas del car-
burador se peguen.
:Quite la cadena y la garra guía, lím-
pielas y rocíelas con aceite inhibidor
de corrosión.
:Limpie la máquina a fondo, preste
atención especial a las aletas del
cilindro y al filtro de aire.
:Si se usa lubricante biodegradable
para cadenas y barras, tal como
STIHL BioPlus, llene completa-
mente el tanque de aceite de la
cadena.
:Guarde la máquina en un lugar seco
y elevado, o bajo llave, fuera del
alcance de los niños y de otras per-
sonas no autorizadas.
¡Sustituya la rueda dentada después
de usar dos cadenas Oilomatic!
Sustituya la rueda dentada antes si
las marcas de desgaste (dimensión
"a") en la rueda dentada tienen una
profundidad mayor que aproxima-
damente 0,5 mm (1/64 pulg), ya que
esta condición acorta la vida útil de
la cadena.
Utilice el calibrador* 0000 893 4101 para
comprobar la profundidad de las marcas
de desgaste.
* vea “Guía para el uso de este
manual”
Es mejor usar dos cadenas en rotación
con una rueda dentada.
Utilice exclusivamente ruedas dentadas
STIHL originales.
Sustitución de la rueda dentada
de la cadena
La rueda dentada de la cadena es
impulsada por medio de un embrague
de fricción. Por lo tanto, acuda a un con-
cesionario de servicio autorizado STIHL
para que sustituya la rueda dentada.
Almacenamiento de la
máquina
Revisión de rueda dentada
de cadena
a
390BA012 KN

73HT 73
español / EE.UU
:Dé vuelta a la barra –
cada vez que afile la cadena y cada
vez que sustituya la cadena – con
ello evitará que se produzca des-
gaste por un solo lado, especial-
mente en la punta y la cara inferior
de la barra.
Limpie periódicamente
1 = el agujero de entrada de aceite
2 = el conducto de aceite
3 = la ranura de la barra guía.
:Mida la profundidad de la ranura
con el calibrador de rectificación**
en la zona utilizada para la mayoría
de los cortes en las barras Rolloma-
tic.
Si la profundidad de la ranura es menor
que la especificada:
:Sustituya la barra guía.
De lo contrario las pestañas de los
eslabones impulsores rasparán la parte
inferior de la ranura – los cortadores y
amarras no viajarán sobre los rieles.
** consulte "Accesorios especiales"
Cadena debidamente afilada
Una cadena debidamente afilada corta
la madera con poco esfuerzo y requiere
aplicar muy poca presión.
No trabaje con una cadena desafilada o
dañada, ya que esto aumenta el
esfuerzo físico requerido, produce resul-
tados no satisfactorios y acelera el des-
gaste.
Limpie y revise la cadena
en busca de roturas en sus eslabones y
daños en sus remaches – sustituya
todas las piezas dañadas o desgasta-
das de la cadena e instale piezas nue-
vas que tengan la misma forma y
tamaño que las originales.
Es necesario cumplir con los ángu-
los y dimensiones abajo especifica-
dos. Si la cadena se afila de modo
incorrecto – y en particular si los
calibradores de profundidad se fijan
demasiado bajos – se aumenta el
riesgo de contragolpes y de las
lesiones resultantes de los mis-
mos.
Cuidado de la barra guía
2
3
1
143BA026 KN
Tipo de
cadena
Paso de
cadena
Profundidad
mínima de
ranura
Picco-Mini 3/8pulg P 5,0 mm
(0,20 pulg)
Mantenimiento y afilado de
la cadena de sierra

74
español / EE.UU
HT 73
La cadena de sierra del podador no
puede trabarse en su lugar en la
barra guía, como puede hacerse
con una motosierra. Por lo tanto, es
mejor quitar la cadena de la barra y
afilarla colocándola en una herra-
mienta de afilado de taller (FG 2,
HOS, USG).
:Elija las herramientas de afilado
correspondientes al paso de la
cadena.
Vea “Especificaciones” para los pasos
de cadena admisibles.
El paso de la cadena (por ejemplo: 3/8)
se encuentra marcado en el lado del
calibrador de profundidad de cada corta-
dor.
¡Utilice únicamente limas especiales
para cadenas de sierra! Las limas de
otros tipos tienen forma y patrón de
corte incorrectos
Elija el diámetro de la lima según el paso
de la cadena
También es necesario observar los
ángulos siguientes al afilar los cortado-
res de las cadenas.
A = Angulo de rectificación
B = Angulo de placa lateral
Formas de cortadores:
Micro = Semicincelado
Los ángulos A y B que se especifican se
obtienen con más facilidad si se usan
las limas o herramientas afiladoras que
se recomiendan y si se usan los ajustes
correctos.
Además, los ángulos deben ser iguales
en todos los cortadores. Si los ángulos
son desiguales, la cadena viajará áspe-
ramente, no en línea recta, se desgas-
tará rápidamente y se romperá prematu-
ramente.
Como estos requisitos pueden cum-
plirse solamente después de una prác-
tica constante y suficiente:
Use un portalima**
** vea "Accesorios especiales"
3/8
689BA020 KN
Paso de cadena: 9,32 mm P
(3/8 pulg)
Lima redonda
- Diámetro: 4,0 mm (5/32 pulg)
- N° de pieza: 5605 772 4006
A
B
689BA021 KN
Tipo de cadena Angulo (°)
AB
Picco Micro Mini (PMN) 30 85
689BA025 KN

75HT 73
español / EE.UU
Para comprobar los ángulos
Calibrador de rectificación STIHL –
N° de pieza 0000 893 4000 – Una
herramienta universal para revisar los
ángulos de rectificación y de la placa
lateral, el ajuste de los calibradores de
profundidad y el largo de los cortadores.
Además, limpia la ranura de la barra
guía y el agujero de entrada de aceite.
Rectificación correcta
:Si se usa la herramienta FG 2 ó
USG: Quite la cadena de la barra y
afílela según las instrucciones
incluidas con la herramienta.
:Afile la cadena con frecuencia;
rebaje tan poco metal como sea
posible – dos o tres pasadas de la
lima generalmente son suficientes.
:Siempre pase la lima desde el inte-
rior hacia el exterior del cortador.
:La lima afila únicamente en la
pasada de ida – quite la lima del
cortador para la pasada de retorno.
:Sostenga la lima en posición hori-
zontal para todos los tipos de
cadena (perpendicular al lado de la
barra guía) y pásela a los ángulos
indicados en la lima.
:Evite tocar las amarras y eslabones
impulsores con la lima.
:Gire la lima a intervalos regulares al
limar – así se evita desgastar uno
de sus lados solamente.
:Utilice un trozo de madera dura
para quitar las rebabas del borde
cortante.
:Compruebe el ángulo con el calibra-
dor de rectificación.
Todos los cortadores deben tener
el mismo largo
Si los cortadores no tienen el mismo
largo, sus alturas serán diferentes. Esto
hace que la cadena viaje de modo
áspero y aumenta el riesgo de que se
rompa.
Identifique el cortador más corto y recti-
fique los demás cortadores para que
tengan el mismo largo. Esto puede ser
muy demoroso – es mejor hacerlo en un
taller con una rectificadora eléctrica.
Ajuste de calibrador de
profundidad
El calibrador de profundidad determina
la altura a la cual el cortador penetra en
la madera y por lo tanto determina el
espesor de la viruta que se quita.
Distancia entre el calibrador de profundi-
dad y el borde cortante:
a = 0,45 mm (0.018 pulg).
90°
60°
85° 70° 80°
0°
35°
10°
30°
689BA022 KN
689BA018 KN
90°
689BA023 KN
a

76
español / EE.UU
HT 73
Este ajuste puede aumentarse en
0,2 mm (0.008 pulg) para cortar made-
ras blandas cuando el tiempo está tem-
plado – sin escarcha.
Reducción de calibradores de
profundidad
El ajuste del calibrador de profundidad
se reduce cuando se afila la cadena
debido a que la placa superior del corta-
dor se inclina hacia abajo, hacia la parte
trasera. Utilice un calibrador de rectifica-
ción para comprobar el ajuste cada vez
que se afile la cadena (vea la ilustración)
y, de ser necesario, reduzca el ajuste del
calibrador de profundidad usando una
lima plana o triangular, de modo que
quede nivelado con el calibrador de rec-
tificación.
Calibrador de rectificación para ajustar
los calibradores de profundidad a
0,45 mm (0.018 pulg):
N° de pieza 0000 893 4000
Redondee los calibradores de profundi-
dad hasta dejarlos paralelos con la
marca grabada.
:Utilice una lima plana –
N° de pieza 0814 252 3356 para
bajar los calibradores de profundi-
dad.
Después del afilado
Limpie la cadena a fondo, quite las par-
tículas metálicas o el polvo de esmeri-
lado – lubrique la cadena sumergiéndola
en un baño de aceite.
Antes de poner la máquina fuera de
servicio por un tiempo prolongado
Limpie la cadena con un cepillo y sumér-
jala en un baño de aceite.
Por favor indique la información
siguiente al pedir una cadena nueva:
689BA024 KN
Tipo de cadena: Picco Micro Mini
Paso de cadena: 3/8 pulg P
Número de esla-
bones impulsores: 44
Largo de barra: 30 cm / 12 pulg

77HT 73
español / EE.UU
1) Concesionario STIHL * vea “Guía para el uso de este manual”
Tabla de mantenimiento
Sírvase notar que los intervalos de mantenimiento siguientes son aplicables en
condiciones normales de funcionamiento. Si su jornada diaria es más larga que lo
normal o las condiciones de corte son difíciles, acorte los intervalos especificados
de acuerdo a ello.
antes de
comenzar
el trabajo
después de
terminar el trabajo
o diariamente
después de cada
parada para cargar
combustible
semanalmente
mensualmente
cada 12 meses
si hay problema
si tiene daños
según se requiera
Máquina completa Inspección visual (condición general, fugas) XX
Limpiar X
Gatillo de aceleración, control desli-
zante Comprobar funcionamiento XX
Filtro de aire Limpiar XX
Reemplazar X
Filtro en tanque de combustible Revisar X
Reemplazar XXX
Tanque de combustible Limpiar XX
Carburador
Comprobar ajuste de ralentí – la cadena no
debe girar XX
Ajustar el ralentí X
Bujía Ajustar la distancia entre electrodos X
Entradas de enfriamiento Limpiar X
Chispero en silenciador* Inspeccionar XX
Limpiar o reemplazar XX
Todos los tornillos y tuercas accesi-
bles (salvo los tornillos de ajuste) Volver a apretar X
Elemento antivibración Reemplazar 1) X
Lubricación de la cadena Revisar X
Cadena de sierra
Inspeccionar, revisar afilado XX
Revisar la tensión de la cadena XX
Afilar X
Barra guía
Revisar (desgaste, daño) X
Limpiar e invertir XX
Quitar las rebabas X
Reemplazar XX
Rueda dentada de la cadena Revisar X
Reemplazar 1) X

78
español / EE.UU
HT 73
1Eje telescópico
2Argolla de transporte
3Control deslizante
4Bloqueo del gatillo de aceleración
5Gatillo de aceleración
6Casquillo de bujía
7Cubierta del filtro de aire
8Bomba de combustible
9Apoyo de la máquina
#N° de serie
10 Cadena de sierra Oilomatic
11 Barra guía
12 Tanque de aceite
13 Tapa de llenado de aceite
14 Tornillo de fijación
15 Cubierta de la rueda dentada de la
cadena
16 Gancho
17 Protector de cadena (funda)
18 Rueda dentada de la cadena
19 Tensor de cadena
20 Silenciador
(con chispero)
21 Tanque de combustible
22 Tapa de llenado de combustible
23 Mango de arranque
24 Palanca del estrangulador
25 Tornillos de ajuste del carburador
Piezas y controles
#
3
15
12
1
24
5
13
16
18
11
10
14
19
17
243BA000 KN
6
8
9
7
25
24
21
23
22
20
79HT 73
español / EE.UU
Definiciones
1. Eje telescópico
Este eje ajustable permite ajustar el
alcance de la máquina.
2. Argolla de transporte
Un dispositivo para conectar el
podador al arnés.
3. Control deslizante
Interruptor de bloqueo de acelera-
ción de arranque y de parada. Man-
tiene el acelerador parcialmente
abierto durante el arranque y apaga
el encendido del motor y detiene su
marcha.
4. Bloqueo del gatillo de
aceleración
Debe ser oprimido antes de poder
activar el gatillo de aceleración.
5. Gatillo de aceleración
Regula la velocidad del motor.
6. Casquillo de la bujía
Conecta la bujía al alambre de
encendido.
7. Cubierta del filtro de aire
Cubre el elemento del filtro de aire.
8. Bomba de combustible
Suministra alimentación adicional
de combustible para el arranque en
frío.
9. Apoyo de la máquina
Para apoyar la máquina en el suelo.
10. Cadena de sierra Oilomatic
Cadena cerrada formada por corta-
dores, amarras y eslabones impul-
sores.
11. Barra guía
Sirve de soporte y de guía de la
cadena de sierra.
12. Tanque de aceite
Tanque que contiene el aceite lubri-
cante de la cadena.
13. Tapa de llenado de aceite
Para tapar el tanque de aceite.
14. Tornillo de fijación
Se suelta para poder ajustar el largo
del eje telescópico.
15. Cubierta de la rueda dentada de
la cadena
Cubre el embrague y la rueda den-
tada.
16. Gancho
Para enganchar ramas con la
máquina con el fin de apartarlas del
camino.
17. Protector de cadena (funda)
Cubre la cadena para transportarla
y durante los períodos de inactivi-
dad.
18. Rueda dentada de la cadena
Una rueda con dientes que impulsa
la cadena de sierra.
19. Tensor de la cadena
Permite el ajuste preciso de la ten-
sión de la cadena.
20. Silenciador
(con chispero)
Atenúa los ruidos del escape y con-
duce lejos del operador los gases
expulsados por el tubo de escape.
El chispero reduce el riesgo de
incendios.
21. Tanque de combustible
Contiene la mezcla de combustible
y aceite.
22. Tapa de llenado de combustible
Para tapar el tanque de combusti-
ble.
23. Mango de arranque
El mango de la cuerda de arranque,
el cual es el dispositivo usado para
arrancar el motor.
24. Palanca del estrangulador
Facilita el arranque del motor al
enriquecer la mezcla.
25. Tornillos de ajuste del
carburador
Para afinar el carburador
Punta de la barra guía
El extremo expuesto de la barra guía.
(No se muestra; vea el capítulo “Ten-
sado de la cadena de sierra”).
Embrague
Acopla el motor a la rueda dentada de la
cadena cuando se acelera el motor
sobre la velocidad de ralentí (no se ilus-
tra).
80
español / EE.UU
HT 73
Motor
EPA:
El período de cumplimiento de emisio-
nes indicado en la etiqueta de cumpli-
miento de emisiones es la cantidad de
horas de funcionamiento para la cual la
máquina ha demostrado la conformidad
con los requerimientos de emisiones del
Gobierno federal de los EE.UU.
Categoría A = 300 horas, B = 125 horas,
C = 50 horas
CARB:
El período de cumplimiento de emisio-
nes empleado en la etiqueta del índice
de aire CARB tiene las siguientes defini-
ciones:
Extended (extendido) = 300 horas,
Intermediate (intermedio) = 125 horas,
Moderate (moderado) = 50 horas
Motor
Sistema de encendido
Sistema de combustible
Carburador: Carburador de diafragma
de todas posiciones con bomba de com-
bustible integral
Accesorio de corte Peso
Motor de un cilindro, dos tiempos
Cilindrada: (1,55 pulg3)
(25,4 cm3)
Diámetro: 34 mm
(1,34 pulg)
Carrera: 28 mm
(1,10 pulg)
Potencia del motor
según ISO 8893: 0,9 kW (1,2 bhp)
Ralentí: 3000 rpm
Especificaciones
Tipo: Encendido por
magneto electró-
nico
Bujía (extinguida): NGK CMR 7 A
Distancia entre
electrodos: 0,5 mm
(0,02 pulg)
Roscas de la bujía: M 10 x 1,0;
0,37 pulg de
largo
(9,5 mm)
Filtro de aire: Elemento de
espuma y rejilla
metálica
Capacidad del tan-
que de combustible: 0,7 l (24 oz. fl.)
Mezcla de combus-
tible: Vea “Combusti-
ble”
Barra guía
- Tipo: Rollomatic con
punta de rueda
dentada
- N° de pieza: 3005 000 3905
- Largo de barra: 30 cm (12 pulg)
Cadena Oilomatic
- Tipo: Picco Micro Mini
- Paso de cadena: 9,32 mm P
(3/8 pulg)
- Grueso de eslabón
impulsor:
1,1 mm
- N° de pieza: 3987 000 0044
Rueda dentada de
la cadena
- Tipo: Rueda dentada
de dientes rectos
- Paso de cadena: 9,32 mm P
(3/8 pulg)
- N° de dientes: 7
- N° de pieza: 1206 642 1301
Lubricación de la
cadena
Bomba de aceite de émbolo giratorio
controlada por velocidad y plenamente
automática:
Capacidad del tan-
que de aceite:
0,17 l
(0,36 pt EE.UU.)
sin barra y cadena,
con tanques vacíos: 7,0 kg (15,4 lb)
81HT 73
español / EE.UU
El usuario de esta máquina deberá rea-
lizar solamente los trabajos de manteni-
miento descritos en este manual. Otros
trabajos de reparación debe hacerlos
solamente un técnico de servicio autori-
zado por STIHL.
Los reclamos de garantía serán acepta-
dos únicamente si la reparación fue
hecha por un concesionario de servicio
autorizado por STIHL usando repuestos
originales de STIHL.
Los repuestos originales de STIHL se
pueden identificar por el número de
pieza de STIHL, el logotipo
STIHl
STIHlSTIHl
STIHl
y el símbolo de piezas de STIHL(
((
(
En las piezas pequeñas, el símbolo
puede aparecer solo.
Anteojos de seguri-
dad
Correa para hombro
Calibrador de rectifi-
cación 0000 893 4000
Lima plana 0814 252 3356
Portalima 5605 750 4327
Lima redonda
- Diámetro
- Número de pieza
4 mm (5/32 pulg)
5605 772 4006
Calibrador para
revisar la rueda
dentada de la
cadena 0000 893 4101
Grasa lubricante
STIHL
Tubo de 225 g/8 oz 0781 120 1111
Accesorios especiales Mantenimiento y reparación
82
español / EE.UU
HT 73
Sus derechos y obligaciones de
garantía
La Agencia de Protección del Medio
Ambiente (EPA) de los EE.UU., el Con-
sejo de Recursos del Aire del Estado de
California (CARB) y STIHL Incorporated
se complacen en explicarle la garantía
del sistema de control de emisiones ins-
talado en el motor de su equipo de
modelos año 2000 y siguientes. En Cali-
fornia, los nuevos motores pequeños
para uso fuera de carretera deben estar
diseñados, construidos y equipados de
conformidad con las rigurosas normas
de contaminación del aire del estado. En
otros estados, los modelos 1997 y pos-
teriores de tales motores deben estar
diseñados, construidos y equipados, al
tiempo de la venta, de conformidad con
los reglamentos correspondientes de la
EPA. El motor debe carecer de defectos
en el material y la fabricación que pue-
dan causar el incumplimiento de las nor-
mas de la EPA durante los primeros dos
años de uso del motor a partir de la
fecha de compra por el último compra-
dor. STIHL Incorporated debe garantizar
el sistema de control de emisiones en el
motor pequeño para uso fuera de carre-
tera por el intervalo mencionado más
arriba, siempre que dicho motor no haya
estado sujeto a maltrato, negligencia o
cuidado inapropiado.
El sistema de control de emisiones de
su máquina incluye piezas tales como el
carburador y el sistema de encendido.
Además puede incluir mangueras,
conectores y otros conjuntos relativos a
emisiones.
Si existe una condición amparada bajo
garantía, STIHL Incorporated reparará
el motor sin costo alguno, incluido el
diagnóstico (si el trabajo de diagnóstico
fue realizado por un concesionario auto-
rizado), las piezas y la mano de obra.
Cobertura de garantía del fabri-
cante:
Los motores pequeños para equipos de
uso fuera de carretera están garantiza-
dos por dos años en el Estado de Cali-
fornia. En otros estados, los modeles de
1997 y posteriores de tales motores
también están garantizados por dos
años. En el caso de encontrarse defec-
tos en cualquiera de las piezas del
motor relacionadas con el sistema de
control de emisiones, la pieza será repa-
rada o sustituida por STIHL Incorpora-
ted sin costo alguno.
Responsabilidades del usuario
relativas a la garantía:
Como propietario de tal motor, usted
tiene la responsabilidad de realizar el
mantenimiento requerido descrito en su
manual del usuario. STIHL Incorporated
le recomienda guardar todos los recibos
comprobantes de los trabajos de mante-
nimiento hechos a su motor, pero STIHL
Incorporated no puede negar garantía
basado en el solo hecho de faltar los
recibos o del incumplimiento del propie-
tario de realizar todos los trabajos de
mantenimiento programados.
El uso de cualquier pieza de repuesto o
servicio cuyo comportamiento y durabili-
dad sean equivalentes está permitido en
trabajos de mantenimiento o reparación
no contemplados en la garantía, y no
reducirá las obligaciones de la garantía
del fabricante del motor.
Sin embargo, como propietario del
motor pequeño para equipo de uso
fuera de carretera usted debe ser cons-
ciente de que STIHL Incorporated
puede negarle cobertura de garantía si
dicho motor o una pieza del mismo ha
fallado debido a maltrato, descuido,
mantenimiento inadecuado o modifica-
ciones no autorizadas.
Usted es responsable de llevar el motor
a un centro de servicio STIHL tan pronto
surja el problema. Las reparaciones
bajo garantía serán realizadas en un
tiempo razonable, sin exceder de 30
días. Ante cualquier duda respecto a
sus derechos y responsabilidades
según lo estipulado en esta garantía,
comuníquese con el representante de
STIHL al 1-800-467-8445 ó escriba a
STIHL Inc., 536 Viking Drive, P.O. Box
2015, Virginia Beach, VA 23450-2015.
Cobertura por STIHL Incorporated
STIHL Incorporated garantiza al último
comprador y a cada comprador subsi-
guiente que el motor pequeño para
equipo de uso fuera de carretera está
diseñado, construido y equipado, al
tiempo de la venta, de conformidad con
todos los reglamentos aplicables. Ade-
más, STIHL Incorporated garantiza al
comprador inicial y a cada comprador
subsiguiente que el motor está libre de
defectos en el material y fabricación que
puedan causar el incumplimiento de los
reglamentos aplicables durante un
período de dos años.
Declaración de garantía de STIHL Incorporated sobre siste-
mas de control de emisiones según normas Federales y del
Estado de California
83HT 73
español / EE.UU
Período de garantía
El período de garantía comienza en la
fecha en que el motor del equipo utilita-
rio es entregado a usted y usted firma y
remite la tarjeta de garantía a STIHL.
Si cualquier pieza relacionada con el
sistema de control de emisiones está
defectuosa, la pieza será sustituida por
STIHL Incorporated sin costo alguno
para el propietario. Cualquier pieza
garantizada cuyo reemplazo no está
programado como mantenimiento
requerido, o que debe recibir única-
mente inspección regular en el sentido
de "reparar o sustituir según sea nece-
sario", estará garantizada por el período
de garantía. Cualquier pieza cuyo reem-
plazo está programado como manteni-
miento requerido estará garantizada por
el intervalo hasta el primer punto de
reemplazo programado para esa pieza.
Diagnóstico
Como propietario, a usted no se le debe
cobrar la mano de obra por los diagnós-
ticos que determinen que una pieza
garantizada está defectuosa. No obs-
tante, si usted reclama garantía para un
componente y se comprueba que la
máquina no está defectuosa, STIHL
Incorporated le cobrará el costo de la
prueba del sistema de control de emisio-
nes.
El trabajo de diagnóstico mecánico se
realiza en un centro de servicio autori-
zado por STIHL. La prueba del sistema
de control de emisiones se realiza ya
sea en la fábrica de STIHL Incorporated
o en un laboratorio de ensayos indepen-
diente.
Trabajo bajo garantía
STIHL Incorporated reparará los defec-
tos amparados por la garantía en cual-
quier estación de garantía o centro de
servicio autorizado por STIHL. Todo tra-
bajo de este tipo se hará gratis para el
propietario siempre que se determine
que la pieza cubierta por la garantía está
defectuosa. Se puede usar cualquier
pieza de repuesto aprobada por el fabri-
cante o equivalente en las piezas rela-
cionadas con el sistema de control de
emisiones, y debe ser suministrada gra-
tis al propietario. STIHL Incorporated es
responsable por daños a otros compo-
nentes del motor causados por la falla
de una pieza garantizada que todavía
está bajo garantía.
La lista de piezas del sistema de control
de emisiones garantizadas del Consejo
de Recursos del Aire del Estado de Cali-
fornia define específicamente las piezas
garantizadas que están relacionadas
con las emisiones. Estas piezas garanti-
zadas son:
Carburador
Estrangulador (sistema de refuerzo para
arranque en frío)
Múltiple de admisión
Filtro de aire
Bujía
Magneto o sistema de encendido elec-
trónico (módulo de encendido)
Convertidor catalítico (si lo tiene)
Sujetadores/pernos
Dónde presentar el reclamo para
servicio bajo garantía
Lleve el producto a cualquier centro de
servicio autorizado por STIHL y pre-
sente la tarjeta de garantía firmada.
Requerimientos de mantenimiento
Las instrucciones presentadas en este
manual se basan en la aplicación de la
mezcla recomendada para motores de
2 tiempos (vea también la instrucción
"Combustible"). Las discrepancias de
estas recomendaciones con respecto a
la calidad y la proporción de la mezcla
de combustible y aceite pueden exigir
intervalos de mantenimiento más cor-
tos.
Limitaciones
Esta garantía de los sistemas de control
de emisiones no cubrirá ninguno de los
puntos siguientes:
:reparación o sustitución requerida
debido a maltrato, negligencia o
falta del mantenimiento requerido,
:reparaciones mal hechas o sustitu-
ciones contrarias a las especifica-
ciones de STIHL Incorporated que
afecten desfavorablemente el fun-
cionamiento y/o la durabilidad, y las
alteraciones o modificaciones no
recomendadas o aprobadas por
escrito por STIHL Incorporated,
y
:la sustitución de piezas y otros ser-
vicios y ajustes necesarios para el
mantenimiento requerido en y des-
pués del primer punto de reemplazo
programado.
84
español / EE.UU
HT 73

WARNING! ADVERTENCIA
The engine exhaust from this product
contains chemicals known to the State
of California to cause cancer, birth
defects or other reproductive harm.
EI gas de 8SC2;:;€::B -a0-:e == a:.i.iG contiene produdos
quimioos que sr '" ss;a:o-
::E
:::..:o.-.r=cric;so. considerados oomo
causantes ce c:E.,-':::2!"~'e::cs J: -8dniento u otros efectos
04582433021
english/espanol USA ICARB IEPA