Sunbeam 1632 M 0460219 Sander Rev H1 User Manual To The 24486fa3 665c 4d42 8d07 F43a16e9fd9c
User Manual: Sunbeam 1632 to the manual
Open the PDF directly: View PDF
.
Page Count: 28
- 1632 Open-End Belt Sander
- 1.0 Warranty and Service
- 2.0 Table of contents
- 3.0 Safety warnings
- 4.0 About this manual
- 5.0 Specifications
- 6.0 Setup and assembly
- 7.0 Electrical connections
- 8.0 Adjustments
- 9.0 Operation
- 10.0 Maintenance
- 11.0 Troubleshooting the 1632 Sander
- 12.0 Replacement Parts
- 12.1.1 Air Control Assembly – Exploded View
- 12.1.2 Air Control Assembly – Parts List
- 12.2.1 Electrical Control and Upper Adjustment Roller – Exploded View
- 12.2.2 Electrical Control and Upper Adjustment Roller – Parts List
- 12.3.1 Sanding Drum Assembly – Exploded View
- 12.3.2 Sanding Drum Assembly – Parts List
- 12.4.1 Base and Table Adjustment Assembly – Parts List
- 12.4.2 Base and Table Adjustment Assembly – Parts List
- 12.5.1 Conveyor Belt and Table – Exploded View
- 12.5.2 Reduction Motor – Exploded View
- 12.5.3 Conveyor Belt and Table; Reduction Motor – Parts List
- 13.0 Electrical Connections

Operating Instructions and Parts Manual
16-inch Open-End Belt Sander
Model 1632
Powermatic
427 New Sanford Road
LaVergne, Tennessee 37086 Part No. M-0460219
Ph.: 800-274-6848 Revision H1 06/2014
www.powermatic.com Copyright © 2014 Powermatic
This .pdf document is bookmarked

2
1.0 Warranty and Service
Powermatic warrants every product it sells against manufacturers’ defects. If one of our tools needs service or repair,
please contact Technical Service by calling 1-800-274-6846, 8AM to 5PM CST, Monday through Friday.
Warranty Period
The general warranty lasts for the time period specified in the literature included with your product or on the official
Powermatic branded website.
• Powermatic products carry a limited warranty which varies in duration based upon the product. (See chart
below)
• Accessories carry a limited warranty of one year from the date of receipt.
• Consumable items are defined as expendable parts or accessories expected to become inoperable within a
reasonable amount of use and are covered by a 90 day limited warranty against manufacturer’s defects.
Who is Covered
This warranty covers only the initial purchaser of the product from the date of delivery.
What is Covered
This warranty covers any defects in workmanship or materials subject to the limitations stated below. This warranty
does not cover failures due directly or indirectly to misuse, abuse, negligence or accidents, normal wear-and-tear,
improper repair, alterations or lack of maintenance. Powermatic woodworking machinery is designed to be used with
Wood. Use of these machines in the processing of metal, plastics, or other materials may void the warranty. The
exceptions are acrylics and other natural items that are made specifically for wood turning.
Warranty Limitations
Woodworking products with a Five Year Warranty that are used for commercial or industrial purposes default to a
Two Year Warranty. Please contact Technical Service at 1-800-274-6846 for further clarification.
How to Get Technical Support
Please contact Technical Service by calling 1-800-274-6846. Please note that you will be asked to provide proof
of initial purchase when calling. If a product requires further inspection, the Technical Service representative will
explain and assist with any additional action needed. Powermatic has Authorized Service Centers located throughout
the United States. For the name of an Authorized Service Center in your area call 1-800-274-6846 or use the Service
Center Locator on the Powermatic website.
More Information
Powermatic is constantly adding new products. For complete, up-to-date product information, check with your local
distributor or visit the Powermatic website.
How State Law Applies
This warranty gives you specific legal rights, subject to applicable state law.
Limitations on This Warranty
POWERMATIC LIMITS ALL IMPLIED WARRANTIES TO THE PERIOD OF THE LIMITED WARRANTY FOR EACH
PRODUCT. EXCEPT AS STATED HEREIN, ANY IMPLIED WARRANTIES OF MERCHANTABILITY AND FITNESS
FOR A PARTICULAR PURPOSE ARE EXCLUDED. SOME STATES DO NOT ALLOW LIMITATIONS ON HOW
LONG AN IMPLIED WARRANTY LASTS, SO THE ABOVE LIMITATION MAY NOT APPLY TO YOU.
POWERMATIC SHALL IN NO EVENT BE LIABLE FOR DEATH, INJURIES TO PERSONS OR PROPERTY, OR
FOR INCIDENTAL, CONTINGENT, SPECIAL, OR CONSEQUENTIAL DAMAGES ARISING FROM THE USE OF
OUR PRODUCTS. SOME STATES DO NOT ALLOW THE EXCLUSION OR LIMITATION OF INCIDENTAL OR
CONSEQUENTIAL DAMAGES, SO THE ABOVE LIMITATION OR EXCLUSION MAY NOT APPLY TO YOU.
Powermatic sells through distributors only. The specifications listed in Powermatic printed materials and on the official
Powermatic website are given as general information and are not binding. Powermatic reserves the right to effect at
any time, without prior notice, those alterations to parts, fittings, and accessory equipment which they may deem
necessary for any reason whatsoever.
Product Listing with Warranty Period
90 Days – Parts; Consumable items
1 Year – Motors, Machine Accessories
2 Year – Woodworking Machinery used for industrial or commercial purposes
5 Year – Woodworking Machinery
NOTE: Powermatic is a division of JPW Industries, Inc. References in this document to Powermatic also apply
to JPW Industries, Inc., or any of its successors in interest to the Powermatic brand.
3
2.0 Table of contents
SectionPage
1.0 Warranty and Service ..................................................................................................................................... 2
2.0 Table of contents ............................................................................................................................................ 3
3.0 Safety warnings .............................................................................................................................................. 4
4.0 About this manual .......................................................................................................................................... 5
5.0 Specifications ................................................................................................................................................. 6
6.0 Setup and assembly ....................................................................................................................................... 7
6.1 Shipping contents ....................................................................................................................................... 7
6.2 Installation .................................................................................................................................................. 7
6.3 Assembly .................................................................................................................................................... 7
7.0 Electrical connections .................................................................................................................................... 7
7.1 Voltage conversion ..................................................................................................................................... 7
7.2 Extension cords .......................................................................................................................................... 7
8.0 Adjustments ................................................................................................................................................... 8
8.1 Air control ................................................................................................................................................... 8
8.2 Sanding belt tracking and oscillation .......................................................................................................... 8
8.3 Feed belt tracking and tension ................................................................................................................... 8
8.4 Adjusting table parallel to sanding surface ................................................................................................. 8
8.5 Feed speed adjustment .............................................................................................................................. 9
9.0 Operation ....................................................................................................................................................... 9
9.1 Controls ...................................................................................................................................................... 9
10.0 Maintenance ................................................................................................................................................. 9
11.0 Troubleshooting the 1632 Sander .............................................................................................................. 10
12.0 Replacement Parts ..................................................................................................................................... 10
12.1.1 Air Control Assembly – Exploded View ............................................................................................... 11
12.1.2 Air Control Assembly – Parts List ........................................................................................................ 11
12.2.1 Electrical Control and Upper Adjustment Roller – Exploded View ...................................................... 12
12.2.2 Electrical Control and Upper Adjustment Roller – Parts List ............................................................... 13
12.3.1 Sanding Drum Assembly – Exploded View ......................................................................................... 14
12.3.2 Sanding Drum Assembly – Parts List .................................................................................................. 15
12.4.1 Base and Table Adjustment Assembly – Parts List ............................................................................. 17
12.4.2 Base and Table Adjustment Assembly – Parts List ............................................................................. 18
12.5.1 Conveyor Belt and Table – Exploded View ......................................................................................... 20
12.5.2 Reduction Motor – Exploded View ...................................................................................................... 21
12.5.3 Conveyor Belt and Table; Reduction Motor – Parts List ..................................................................... 22
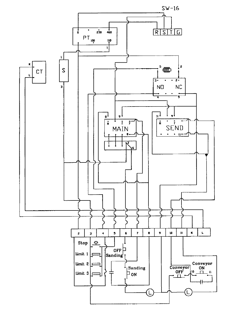
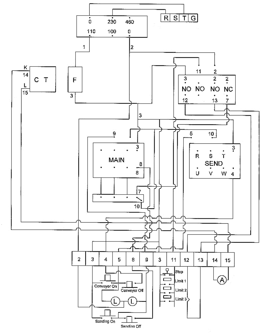
13.0 Electrical Connections – 1632 Sander ....................................................................................................... 24
13.1 460V – 3 Phase ...................................................................................................................................... 24
13.2 230V – 1 Phase / 3 Phase ...................................................................................................................... 25

4
3.0 Safety warnings
As with all machines, there is a certain amount of
hazard involved with the use of this sander. Use
the machine with the respect and caution
demanded where safety precautions are
concerned. When normal safety precautions are
overlooked or ignored, personal injury to the
operator can result.
1. Read, understand and follow the safety and
operating instructions found in this manual.
Know the limitations and hazards associated
with this machine.
2. Electrical grounding. Make certain that the
machine frame is electrically grounded and
that a ground lead is included in the incoming
electrical service. In cases where a cord and
plug are used, make certain that the grounding
plug connects to a suitable ground. Follow the
grounding procedure indicated in the National
Electrical Code.
3. Power on. Before connecting power to the
sander, make sure the start switch is in the
"OFF" position.
4. Protect yourself. Protect yourself at all times
when operating the wide belt sander. Avoid
eye injury by wearing approved safety shields,
goggles or glasses at all times (NOTE:
Common eye glasses are only impact-
resistant, they are not safety glasses). Wear
protective footwear. Steel toed shoes are
recommended because heavy parts can fall off
the conveyor table onto feet.
5. Personal protection. Before operating the
machine, remove tie, rings, watch and other
jewelry and roll up sleeves above the elbows.
Remove all loose outer clothing and confine
long hair. Protective type footwear should be
used. Where the noise exceeds the level of
exposure allowed in Section 1910.95 of the
OSHA Regulations, use hearing protective
devices. Do not wear gloves.
6. Guards. Do not operate the sander with
guards off. Keep the guards in place at all
times when the machine is running. If removed
for maintenance purposes or any other reason,
use extreme caution and replace the guards
upon completion of the task and before using
the machine again. Injury can result from
exposure to the machine's internal moving
parts.
7. Check damaged parts. Before continuing use
of the machine, a guard or other part that is
damaged should be carefully checked to
ensure that it will operate properly and safely
and perform its intended function. Check for
alignment of moving parts, binding of moving
parts, breakage of parts, mounting and any
other conditions that could affect its operation.
A guard or other part that is damaged should
be properly repaired or replaced before
machine operation continues.
8. Work area. Keep the floor around the
machine clean and free of scrap material, saw
dust, oil and other liquids to minimize the
danger of tripping or slipping. Be sure the
table is free of all scrap, foreign material and
tools before starting to cut. Make certain the
work area is well lighted and that a proper
exhaust system is used to minimize dust.
Powermatic recommends the use of anti-skid
floor strips on the floor area where the
operator normally stands and that each
machine’s work area be marked off. Provide
adequate work space around the machine.
9. Operator position. Stand to one side of the
conveyor table and make sure no one else is
standing in line with the table while feeding
into the machine. The wide belt sander
operates at high speed and should a part slip,
it will exit the machine at a high rate of speed
and may result in injuries to anyone standing
directly in front of the infeed. (Keep conveyor
belt clean and check pin-roll adjustments.)
Maintain a balanced stance and keep your
body under control at all times. Do not
overreach or use excessive force to perform
any machine operation.
10. Hand safety. Keep hands clear while feeding
parts onto the conveyor table. The part will be
forced down as it begins to feed into the
machine, causing a pinching action between
the part and the table. Use caution! Hands
should be clear of the stock and the table to
avoid pinching. Never reach into a running
machine. Turn off electrical power and stop
machine before attempting to retrieve parts
from within the machine. Contact with internal
moving parts can result in loss or injury to
fingers, hands and arms.
11. Housekeeping. Before turning on machine,
remove all extra equipment such as keys,
wrenches, scrap, and cleaning rags away from
the machine
12. Careless acts. Give the work you are doing
your undivided attention. Looking around,
carrying on a conversation, and “horseplay”
are careless acts that can result in serious
injury.
13. Disconnect machine before performing any
service or maintenance or when changing

5
blades. A machine under repair should be
RED TAGGED to show it should not be used
until the maintenance is complete.
14. Maintain tools in top condition. Keep all
tools sharp and clean for the best and safest
performance, and follow instructions for
lubricating and changing accessories. Never
stand on the machine. Serious injury could
occur if the sander is tipped or if the sanding
belt is accidentally contacted.
15. Job completion. The operator of the sander
is responsible for shutting the machine down
when it is not in use. CAUTION: The abrasive
belt will coast to a stop in normal conditions,
and will only break to a stop when the
emergency devices are pressed! IT IS
DANGEROUS TO LEAVE A MACHINE
UNATTENDED. Persons not familiar with the
sander's operation could injure themselves or
others. NEVER clean the sander with power
"ON" and never use the hands to clear
sawdust and debris; use a brush or
compressed air.
16. Replacement parts. Use only Powermatic or
factory authorized replacement parts and
accessories; otherwise the warranty and
guarantee is null and void.
17. Misuse. Do not use this Powermatic open-
end sander for other than its intended use. If
used for other purposes, Powermatic disclaims
any real or implied warranty and holds itself
harmless for any injury or damage which may
result from that use.
18. If you are not thoroughly familiar with the
operation of wide belt sanders, obtain advice
from your supervisor, instructor or other
qualified person.
19. Drugs, alcohol, medication. Do not operate
this machine while under the influence of
drugs, alcohol, or any medication.
20. Health hazards. Some dust created by
power sanding, sawing, grinding, drilling and
other construction activities contains chemicals
known to cause cancer, birth defects or other
reproductive harm. Some examples of these
chemicals are:
• Lead from lead-based paint.
• Crystalline silica from bricks and cement
and other masonry products.
• Arsenic and chromium from chemically-
treated lumber.
Your risk from these exposures varies,
depending on how often you do this type of
work. To reduce your exposure to these
chemicals, work in a well-ventilated area, and
work with approved safety equipment, such as
those dust masks that are specifically
designed to filter out microscopic particles.
Familiarize yourself with the following safety notices used in this manual:
This means that if precautions are not heeded, it may result in minor injury and/or possible
machine damage.
This means that if precautions are not heeded, it may result in serious injury or possibly even
death.
4.0 About this manual
This manual is provided by Powermatic, covering the safe operation and maintenance procedures for a
Powermatic Model 1632 Open-End Sander. This manual contains instructions on installation, safety
precautions, general operating procedures, maintenance instructions and parts breakdown. Your machine has
been designed and constructed to provide years of trouble-free operation if used in accordance with the
instructions as set forth in this document.
If there are questions or comments, please contact your local supplier or Powermatic. Powermatic can also be
reached at our web site: www.powermatic.com.
Retain this manual for future reference. If the machine transfers ownership, the manual should accompany it.
Read and understand the entire contents of this manual before attempting assembly or
operation! Failure to comply may cause serious injury!
6
5.0 Specifications
Stock number ...................................................... 1791250 ..........................................................1791251
Model number ..................................................... 1632-1 ............................................................... 1632-3
Working width (reversing stock) ........................... 16" (32") ..........................................................16" (32")
Working thickness ............................................... 5" ............................................................................... 5"
Minimum board length ......................................... 13-3/4" ............................................................... 13-3/4"
Head configuration .............................................. combination ............................................... combination
Feed motor ......................................................... 1/4 HP, 1 PH ............................................. 1/4 HP, 3 Ph
Feed speeds (variable FPM) ................................ 15/32.5 ............................................................. 15/32.5
Sanding belt dimensions ...................................... 17" W x 54" L ........................................... 17" W x 54" L
Sanding belt speed (SFPM) ................................. 2,200 ................................................................... 2,200
Compressed air requirements at 5 atm (PSI) ....... 4 ................................................................................. 4
Dust collection minimum CFM required ................ 800 ......................................................................... 800
Dust port diameter ............................................... 4" ............................................................................... 4"
Overall dimensions .............................................. 40" L x 29" W x 66" H ................... 40" L x 29" W x 66" H
Main motor (1632-3) ............................................ 5HP, 1PH, 230V only .............. 7-1/2HP, 3PH, 230/460V
(prewired 230V)
Net weight ........................................................... 996 lbs. ............................................................. 996 lbs.
Shipping weight ................................................... 1,106 lbs. ....................................................... 1,106 lbs.
The specifications in this manual were current at time of publication, but because of our policy of continuous
improvement, Powermatic reserves the right to change specifications at any time and without prior notice,
without incurring obligations.

7
6.0 Setup and assembly
Remove the sander from its crate and inspect for
damage to ensure all parts are intact. Any damage
should be reported to your distributor and shipping
agent immediately upon discovery.
Before proceeding with installation, read your
instruction manual thoroughly. Familiarize yourself
with correct set-up, maintenance and safety
procedures.
6.1 Shipping contents
1 WideBeltSander
1 InfeedRollerAssembly
1 OutfeedRollerAssembly
1SideSupport
1SandingBelt
1Toolbox,containingoilgun,doorlatches,and
drawbar(forthegraphitepad)
6.2 Installation
If using a forklift, run the forks between the upper
cabinet and the conveyor belt. Level the machine
and bolt it to the floor with high quality anchor bolts
through the mounting holes located on the four
corners of the base.
Remove the protective coating from the rollers with
a soft cloth moistened with a good commercial
solvent. DO NOT USE acetone, gasoline, lacquer
thinner or any type of flammable solvent. Do not
use an abrasive pad.
6.3 Assembly
1. Attach the infeed and outfeed roller
assemblies with sixteen 5/16" x 2" hex head
screws and spring washers.
2. Mount the side support with two hex cap
screws and flat washers.
3. Insert the door latches into the slots on the
cabinet doors.
4. Assemble the sanding belt to the rollers. Make
sure the arrow on the belt matches the rotation
of the rollers.
7.0 Electrical connections
All electrical connections should
be made by a qualified electrician in compliance
with all relevant codes. Failure to comply may
result in serious injury and/or damage to the
machine and property. The machine must be
properly grounded.
1. A cable of the proper gauge should be used to
connect the sander to the power supply.
2. Remove the wiring cover and attach the
ground wire (A), Figure 1.
3. For 3 Phase: Connect the three power leads
(B) to the wiring board.
For 1 Phase: Connect the two power leads to
the wiring board.
4. This machine should be hard wired into a
dedicated circuit with a properly rated breaker
according to your local code.
5. Replace wiring cover.
6. Turn on the feed belt and verify that the belt
feeds into the machine. It if turns toward the
user, disconnect the machine from the power
source and switch only two of the power leads
(on 3 Phase machine).
Figure 1
7.1 Voltage conversion
The 3 Phase machine is pre-wired for 230V
operation. If 460V is needed, see the wiring box
cover on the reduction motor and the main motor.
BOTH motors must be switched if changing from
230V to 460V. The transformer, behind the control
panel, must also be switched from 230V to 460V.
7.2 Extension cords
Amp Rating Volts Total length of cord in feet
More
Than
Not
More
Than
120
240 25
50 50
100 100
200 150
300
AWG
00 06 18 16 16 14
06 10 18 16 14 12
10 12 16 16 14 12
12 16 14 12
Not
Recommended
Extension Cord Recommendations
Table 1
USE PROPER EXTENSION CORD. Make sure
your extension cord is in good condition. When
using an extension cord, be sure to use one heavy
enough to carry the current your product will draw.

8
An undersized cord will cause a drop in line voltage
resulting in loss of power and overheating. Table 1
shows correct size to use depending on cord
length and nameplate ampere rating. If in doubt,
use the next heavier gauge. The smaller the gauge
number, the heavier the cord.
8.0 Adjustments
Disconnect sander from power
source before making adjustments.
8.1 Air control
Connect the machine to an air hose. The air
pressure that flows into the filter can be adjusted
with the knob (A), Figure 2. Normal working air
pressure should be set at 75 psi, which can be
read on the pressure gauge.
Figure 2
8.2 Sanding belt tracking and
oscillation
The tracking and oscillation of your sander are pre-
adjusted at the factory. However, should
adjustment be required, do the following:
1. Adjust the air valve (A), Figure 3, to control the
tracking sensitivity.
2. The oscillation speed can be controlled by
adjusting the top air valve (B).
3. Empty the glass container (C) as needed.
NOTE: There is a limit switch at both ends of the
upper roller. If the sanding belt comes in contact
with these limit switches, the brakes will be
activated.
Figure 3
8.3 Feed belt tracking and tension
Tracking and tension for the feed belt is controlled
by two socket set screws on each side of the belt
(A) as shown in Figure 4.
Figure 4
8.4 Adjusting table parallel to
sanding surface
The table comes pre-adjusted from the factory.
Check its parallelism by running a 16" wide piece
of plywood through the sander. Use a pair of
calipers to measure the thickness remaining on
both sides.
Adjust the parallelism using the four hex. screws
(A), under the table base. See Figure 5.

9
Figure 5
8.5 Feed speed adjustment
The Model 1632 has two speeds that feed the
workpiece at 15 feet per minute (FPM) finished
surface sanding, and 32.5 FPM for faster, lighter
sanding.
To change the feed rate:
1. Disconnect machine from power source.
2. Remove cap screw that holds the sprocket
cover at the right rear of the working table.
3. Loosen the four set screws holding the
sprockets in place.
4. Remove the sprockets and chain together and
position according to the required operation.
See Figure 6.
5. Retighten the four set screws, then replace
cover and cap screw.
9.0 Operation
9.1 Controls
(see Figure 7):
Emergency stop (A) will stop the feeding belt and
sanding belt. The button must be turned clockwise
to reset sanding functions.
Amp Meter (B) displays the amperage.
Feeding Start (C) will start the feeding belt only.
Feeding Stop (D) will stop the feeding belt only.
Sanding Belt Start (E) will start the sanding belt
only.
Sanding Belt Stop (F) will stop the sanding belt
only.
NOTE: The orange bar on the front of the infeed
roller acts as a safety stop. When the bar is
pressed, the brakes are applied.
1. Connect the air line to the sander.
2. Adjust the pressure gauge to 75 psi.
3. Engage the upper roller by turning the knob
(A), Figure 8, to the upper position.
4. Adjust the platen with the lever (B) and lock it
(C) in the desired position. The platen or main
rubber roller can act as the sanding contact, as
well as a combination of both.
5. Rotate the main handwheel (A), on the lower
cabinet, to raise or lower the table. See Figure
9. Refer to the scale for the desired setting.
The recommended depth of sanding is .0164"
or two revolutions of the handwheel. The table
can be locked in place by the lever at the base
of the column.
6. Turn on the power to the machine.
7. Start the sanding belt.
8. Start the feeding conveyor.
NOTE: If you are sanding a workpiece greater
than 16 inches, pull out the support extension, and
tighten the wing nuts. After the first pass, the
workpiece can be spun around and fed back
through the machine, for a maximum sanding width
of 32 inches.
10.0 Maintenance
Before performing any
maintenance on the sander, disconnect it from the
electrical supply by pulling out the plug or switching
off the main switch. Failure to comply may cause
serious injury.
The interior of the machine should be thoroughly
cleaned each day after using the sander.
Remove the sanding belt before cleaning and re-
install it when finished.
Keep the sanding belt clean using cleaning sticks
or pads (not provided).
Blow dust off the conveyor belt with compressed
air or use a dust collector vacuum attachment.
The drum bearings should be greased (via grease
fittings on each side) after every 150 work hours.

10
11.0 Troubleshooting the 1632 Sander
Symptom Possible Cause Correction
Motor will not start Low voltage. Check power line for proper voltage.
Open circuit in motor or loose
connection. Inspect all lead connections on motor for
loose or open connections.
Motor will not start: fuses
or circuit breakers blow. Short circuit in line cord or plug. Inspect cord or plug for damaged insulation
and shorted wires.
Short circuit in motor or loose
connections. Inspect all connections on motor for loose or
shorted terminals or worn insulation.
Incorrect fuses or circuit breakers in
power line. Install correct fuses or circuit breakers.
The sanding belt clogs
quickly. Sandpaper grit too small. Use larger grit.
Too much material is being sanded off. Reduce sanding depth.
The wood is too dirty or oily. Use dry stock.
Suction is insufficient. Increase suction.
Edges round when
sanding. Too much material being removed. Reduce sanding depth.
The thickness differs on
left and right sides of
workpiece.
Conveyor table not parallel to contact
roller or platen. Adjust table to parallel.
Worn out felt and graphite on platen
head Replace felt/graphite.
The thickness differs on
front and back sides of
workpiece.
Feed speed too fast. Reduce speed.
Too much material is being removed. Reduce sanding depth.
Sandpaper grit too fine. Use coarser grit
Pressure plate not level Adjust plate to level.
Workpiece slips on
conveyor belt. Too much or too little pressure from
pressure plate. Adjust to proper pressure.
Sanding belt clogged with dust. Blowoutdustwithhigh‐pressureair.
Belt worn out. Replace belt.
Straight notch grooves
on workpiece. Dirty pressure roller. Clean pressure roller.
Rubber roller scratched. Replace rubber roller.
Worn out lining and graphite on platen
head. Replace lining/graphite.
Snake marks on
workpiece. Sanding belt partially damaged. Repair or replace sanding belt.
Sanding grit loose. Replace sanding belt.
Belt slips out of track. Tracking air valve is clogged or not
open enough. Clean/enlarge valve opening.
Straight parallel stripes
across the workpiece. Sanding belt joint is too thick. Replace sanding belt
Sanding belt is worn. Replace sanding belt.
12.0 Replacement Parts
Replacement parts are listed on the following pages. To order parts or reach our service department, call 1-
800-274-6848 Monday through Friday (see our website for business hours, www.powermatic.com). Having the
Model Number and Serial Number of your machine available when you call will allow us to serve you quickly
and accurately.

11
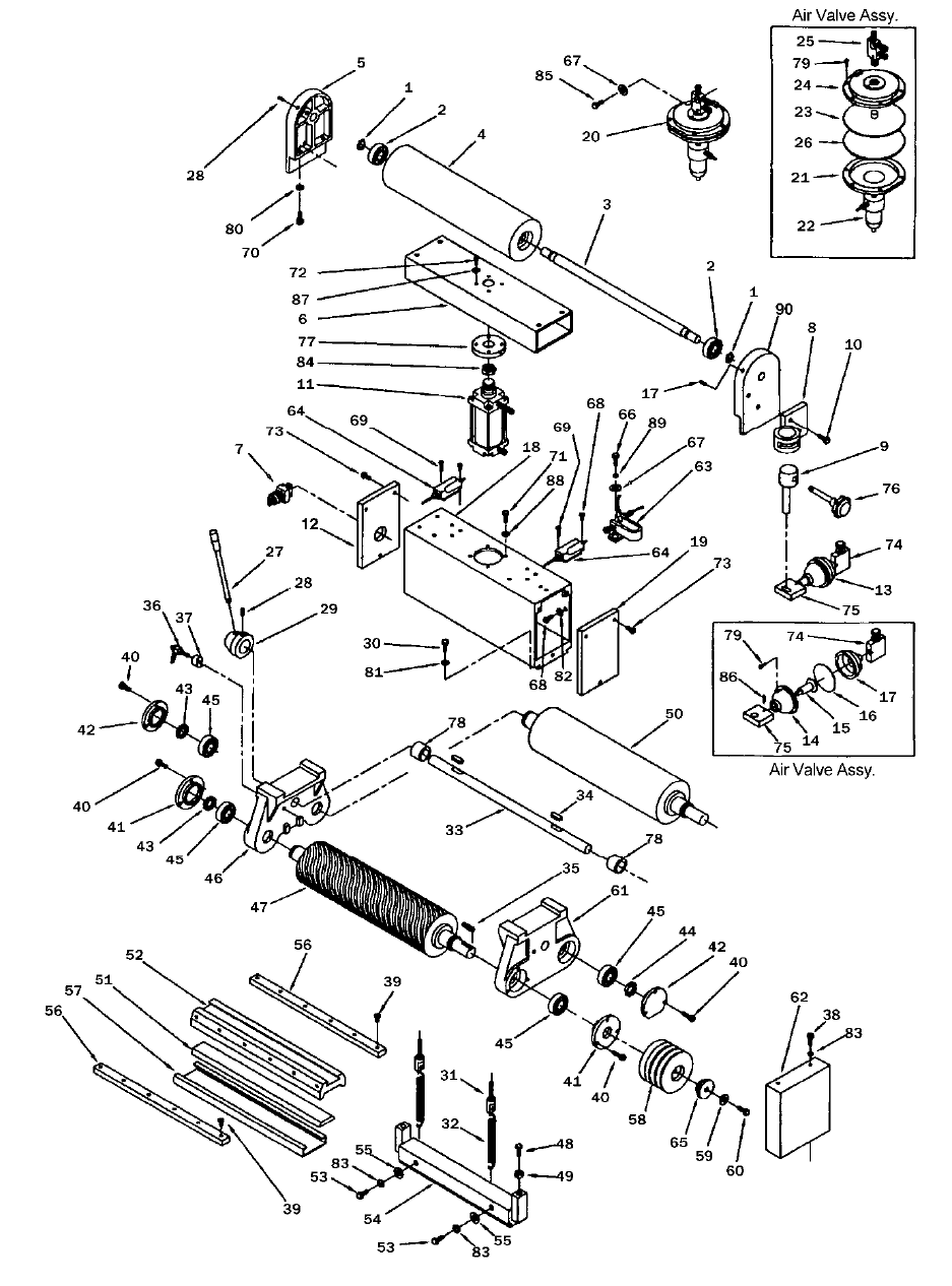
12.1.1 Air Control Assembly – Exploded View
12.1.2 Air Control Assembly – Parts List
Index No Part No Description Size Qty
1 ................ 6293482 .................... Filter ......................................................................... ...................................... 1
2 ................ 6293483 .................... Solenoid V alve ......................................................... ...................................... 1
3 ................ 6293484 .................... Brake Cylinder ......................................................... ...................................... 1
4 ................ 6293485 .................... Multi-Hole Connector ............................................... ...................................... 1
5 ................ 6293486 .................... Air Valve .................................................................. ...................................... 1
6 ................ 6293487 .................... Air Sensor Assembly ............................................... ...................................... 1
7 ................ 6293488 .................... Air Sensor ................................................................ ...................................... 1
8 ................ 6293489 .................... Switching Valve ....................................................... ...................................... 1
9 ................ 6293250 .................... Cylinder.................................................................... ...................................... 1
10 .............. 6293252 .................... Oscillator Cylinder.................................................... ...................................... 1
11 .............. 6293490 .................... Plastic Pipe .............................................................. ...................................... 1
12 .............. 6293491 .................... Plastic Joint.............................................................. PT-1/8" .......................... 1
13 .............. 6293492 .................... Copper Joint ............................................................ ...................................... 1
14 .............. 6293493 .................... T-Joint ...................................................................... ...................................... 1
15 .............. 6293494 .................... Silencer .................................................................... ...................................... 1

12
12.2.1 Electrical Control and Upper Adjustment Roller – Exploded View
13
12.2.2 Electrical Control and Upper Adjustment Roller – Parts List
Index No Part No Description Size Qty
1 ................ 6293203 .................... Upper Door (L) ......................................................... ...................................... 1
2 ................ 6293204 .................... Pin for Upper Door ................................................... ...................................... 2
3 ................ 6293205 .................... Upper Cabinet.......................................................... ...................................... 1
4 ................ 6293206 .................... Door Knob................................................................ ...................................... 2
5 ................ 6293207 .................... Door Latch (L) .......................................................... ...................................... 1
6 ................ 6293208 .................... Upper Door (R) ........................................................ ...................................... 1
7 ................ 6293209 .................... Pan Head Screw ...................................................... 1/4" x 1/2"...................... 2
8 ................ 6293210 .................... Flat Washer ............................................................. 1/4" ................................ 2
9 ................ 6293211 .................... Plate......................................................................... ...................................... 1
10 .............. 6293212 .................... Hex Nut .................................................................... 1/2" ................................ 8
11 .............. 6293213 .................... Hex Head Screw ...................................................... 3/8” x 3/4" ...................... 8
12 .............. 6293214 .................... Adjust Stand (L) ....................................................... ...................................... 2
13 .............. 6293215 .................... Adjust Stand (R) ...................................................... ...................................... 2
14 .............. 6293216 .................... Spring ...................................................................... ...................................... 4
15 .............. 6293217 .................... Fixed Roller Stand w/ Adjust Bolt ............................ ...................................... 4
16 .............. 6293218 .................... Flat Washer ............................................................. 3/8” ................................ 8
17 .............. 6293219 .................... Shaft & Rubber Roller .............................................. ...................................... 2
18 .............. 6293311 .................... Door Latch (R) ......................................................... ...................................... 1
19 .............. 6293221 .................... Ball Bearing ............................................................. ...................................... 4
20 .............. 6293222 .................... Set Screw ................................................................ 1/4 "x 3/4"...................... 4
21 .............. 6293223 .................... Ring ......................................................................... ...................................... 4
22 .............. 6293224 .................... Control Plate ............................................................ ...................................... 1
23 .............. 6293225 .................... Gear Washer ........................................................... 3/16” .............................. 6
24 .............. 6293226 .................... Pan Head Screw ...................................................... 3/16” X 3/8” ................... 6
25 .............. 6293227 .................... Amp Meter ............................................................... ...................................... 1
26 .............. 6293228 .................... Feed Start Switch .................................................... ...................................... 1
.................. 6293228 .................... Sanding Belt Start Switch ........................................ ...................................... 1
27 .............. 6293229 .................... Feed Stop Switch..................................................... ...................................... 1
.................. 6293229 .................... Sanding Belt Stop Switch ........................................ ...................................... 1
28 .............. 6293230 .................... Stop Switch .............................................................. ...................................... 1
29 .............. 6293231 .................... Power Indicator Light ............................................... ...................................... 1
30 .............. 6293232 .................... Current Coil.............................................................. ...................................... 1
31 .............. 6293233 .................... Fuse Stand (5 HP) ................................................... ...................................... 1
.................. 6293312 .................... Fuse Stand (7-1/2 HP) ............................................. ...................................... 1
32 .............. 6293234 .................... Terminal Strip (5 HP) ............................................... ...................................... 1
.................. 6293313 .................... Terminal Strip (7-1/2 HP ) ......................................... ...................................... 1
33 .............. 1632-233 ................... Relay (5 HP) ............................................................ ...................................... 1
.................. 6293314 .................... Relay (7-1/2 HP) ...................................................... ...................................... 1
34 .............. 6293236 .................... Terminal Strip (5 HP) ............................................... ...................................... 1
.................. 6293315 .................... Terminal Strip (7-1/2 HP ) ......................................... ...................................... 1
35 .............. 1632-235 ................... Overload Relay (5 HP)............................................. ...................................... 1
.................. 6293316 .................... Overload Relay (7-1/2 HP) ...................................... ...................................... 1
36 .............. 1632-236 ................... Relay (5 HP) ............................................................ ...................................... 1
.................. 6293317 .................... Relay (7-1/2 HP) ...................................................... ...................................... 1
37 .............. 6293239 .................... Transformer (5 HP) .................................................. ...................................... 1
.................. 6293318 .................... Transformer (7-1/2 HP)............................................ ...................................... 1

14
12.3.1 Sanding Drum Assembly – Exploded View
15
12.3.2 Sanding Drum Assembly – Parts List
Index No Part No Description Size Qty
1 ................ 6293240 .................... Ring ......................................................................... ...................................... 2
2 ................ 6293241 .................... Ball Bearing ............................................................. ...................................... 2
3 ................ 6293242 .................... Shaft ........................................................................ ...................................... 1
4 ................ 6293243 .................... Upper Roller............................................................. ...................................... 1
5 ................ 6293244 .................... Upper Roller Base (L) .............................................. ...................................... 1
6 ................ 6293245 .................... Column .................................................................... ...................................... 1
7 ................ 6293246 .................... Switch Valve ............................................................ ...................................... 1
8 ................ 6293247 .................... Eccentric Shaft Base ............................................... ...................................... 1
9 ................ 6293248 .................... Eccentric Shaft......................................................... ...................................... 1
10 .............. 6293249 .................... Hex Head Screw ...................................................... 5/16” x 1/2" .................... 2
11 .............. 6293250 .................... Air Cylinder Assembly.............................................. ...................................... 1
12 .............. 6293251 .................... Cover (L) .................................................................. ...................................... 1
13 .............. 6293252 .................... Air Oscillator Cylinder .............................................. ...................................... 1
.................. 6293496 .................... Air Valve Assembly (Items 14 thru 17, 74, 75, 79 & 86) ................................. 1
14 .............. 6293253 .................... Front Co ver .............................................................. ...................................... 1
15 .............. 6293254 .................... Oscillator Shaft ........................................................ ...................................... 1
16 .............. 6293255 .................... Membrane................................................................ ...................................... 1
17 .............. 6293256 .................... Rear Cover .............................................................. ...................................... 1
18 .............. 6293257 .................... Column .................................................................... ...................................... 1
19 .............. 6293258 .................... Cover (R) ................................................................. ...................................... 1
20 .............. 6293259 .................... Air Sensor ................................................................ ...................................... 1
.................. 6293497 .................... Air Valve Assembly (Items 21 thru 26 & 79) ............ ...................................... 1
21 .............. 6293260 .................... Lower Cover ............................................................ ...................................... 1
22 .............. 6293261 .................... Air Sensor Substance .............................................. ...................................... 1
23 .............. 6293262 .................... Piston ....................................................................... ...................................... 1
24 .............. 6293263 .................... Upper Cover ............................................................ ...................................... 1
25 .............. 6293264 .................... Plastic Joint Assembly ............................................. ...................................... 1
26 .............. 6293265 .................... Membrane................................................................ ...................................... 1
27 .............. 6293266 .................... Handle Assem bly ..................................................... ...................................... 1
28 .............. 6293267 .................... Set Screw ................................................................ 1/4" x 1/4"...................... 1
29 .............. 6293268 .................... Handle H ub .............................................................. ...................................... 1
30 .............. 6293269 .................... Hex Head Screw ...................................................... 3/8” x 1-1/4”................... 4
31 .............. 6293270 .................... Adjust Bolt................................................................ 3/8” x 1-1/4”................... 2
32 .............. 6293271 .................... Spring ...................................................................... ...................................... 2
33 .............. 6293272 .................... Shaft ........................................................................ ...................................... 1
34 .............. 6293273 .................... Key........................................................................... 5 x 5 x 30mm ................ 2
35 .............. 6293274 .................... Key........................................................................... 8 x 8 x 4 mm ................. 1
36 .............. 6293275 .................... Lock Handle ............................................................. ...................................... 1
37 .............. 6293276 .................... Knob ........................................................................ ...................................... 1
38 .............. 6293277 .................... Hex Head Screw ...................................................... 3/8” x 1-1/2”................... 2
39 .............. 6293278 .................... Pan Head Screw ...................................................... 5/32” x 3/8” .................... 6
40 .............. 6293279 .................... Hex Socket Cap Screw ............................................ 1/4" x 1/2".................... 12
41 .............. 6293280 .................... Bearing Cover .......................................................... ...................................... 2
42 .............. 6293281 .................... Bearing Cover (L) .................................................... ...................................... 1
.................. 6293282 .................... Bearing Cover (R) .................................................... ...................................... 1
43 .............. 6293283 .................... Lock Nut (counter-clockwise)................................... ...................................... 2
44 .............. 6293284 .................... Lock Nut (clockwise) ................................................ ...................................... 1
45 .............. 6293285 .................... Ball Bearing ............................................................. ...................................... 4
46 .............. 6293286 .................... Round Bearing Frame ............................................. ...................................... 1
47 .............. 6293287 .................... Main Rubber Roller .................................................. ...................................... 1
48 .............. 6293288 .................... Hex Head Screw ...................................................... 5/16” x 1-3/4”................. 2
49 .............. 6293289 .................... Hex Nut .................................................................... 5/16” .............................. 2
50 .............. 6293290 .................... Back Steel Roller ..................................................... ...................................... 1
51 .............. 6293291 .................... Blanket ..................................................................... ...................................... 1
52 .............. 6293292 .................... Pad Slider ................................................................ ...................................... 1
53 .............. 6293293 .................... Hex Head Screw ...................................................... 3/8” x 1” ......................... 2
54 .............. 6293294 .................... Pad .......................................................................... ...................................... 1
55 .............. 6293218 .................... Flat Washer ............................................................. 3/8” ................................ 2
56 .............. 6293295 .................... Pressing Bar ............................................................ ...................................... 2
16
Index No Part No Description Size Qty
57 .............. 6293296 .................... Graphite Canvas ...................................................... ...................................... 1
58 .............. 6293297 .................... Pulley (5 HP)............................................................ ...................................... 1
.................. 6293298 .................... Pulley (7-1/2 HP) ..................................................... ...................................... 1
59 .............. 6293299 .................... Flat Washer ............................................................. 5/16” .............................. 1
60 .............. 6293300 .................... Hex Head Screw ...................................................... 5/16” x 1” ....................... 1
61 .............. 6293301 .................... Rectangular Bearing Base ....................................... ...................................... 1
62 .............. 6293302 .................... Cover ....................................................................... ...................................... 1
63 .............. 6293303 .................... Air Sensor Assembly ............................................... ...................................... 1
64 .............. 6293304 .................... Limit Switch.............................................................. ...................................... 2
65 .............. 6293305 .................... Disk .......................................................................... ...................................... 1
66 .............. 6293306 .................... Hex Head Screw ...................................................... 1/4" x 3/8” ...................... 1
67 .............. 6293210 .................... Flat Washer ............................................................. 1/4" ................................ 1
68 .............. 6293330 .................... Pan Head Screw ...................................................... 5/32” x 1/2" .................... 2
69 .............. 6293331 .................... Pan Head Screw ...................................................... 5/32” x 1” ....................... 2
70 .............. 6293332 .................... Hex Head Screw ...................................................... 5/16” x 2” ....................... 4
71 .............. 6293333 .................... Cap Screw ............................................................... M8 x 20 ......................... 4
72 .............. 6293334 .................... Hex Head Screw ...................................................... 1/4" x 2 .......................... 4
73 .............. 6293209 .................... Pan Head Screw ...................................................... 1/4" x 1/2"...................... 6
74 .............. 6293335 .................... Air Valve .................................................................. ...................................... 1
75 .............. 6293336 .................... Block Connector ...................................................... ...................................... 1
76 .............. 6293337 .................... Knob ........................................................................ ...................................... 1
77 .............. 6293338 .................... Cylinder Disk............................................................ ...................................... 1
78 .............. 6293339 .................... Eccentric Roller........................................................ ...................................... 2
79 .............. 6293340 .................... Pan Head Screw ...................................................... 3/16” x 5/8” .................... 8
80 .............. 6293341 .................... Gear Washer ........................................................... 5/16” .............................. 4
81 .............. 6293342 .................... Gear Washer ........................................................... 3/8” ................................ 4
82 .............. 6293343 .................... Flat Washer ............................................................. 5/32” .............................. 1
83 .............. 6293344 .................... Spring Washer ......................................................... 3/8” ................................ 2
84 .............. 6293345 .................... Hex Nut .................................................................... ...................................... 1
85 .............. 6293346 .................... Hex Head Screw ...................................................... 1/4" x 1/2"...................... 1
86 .............. 6293347 .................... Spring Pin ................................................................ 3” x 16” .......................... 1
87 .............. 6293348 .................... Gear Washer ........................................................... 1/4" ................................ 4
88 .............. 6293349 .................... Gear Washer ........................................................... M8 ................................. 4
89 .............. 6293350 .................... Spring Washer ......................................................... 1/4" ................................ 1
90 .............. 6293501 .................... Upper Roller Base (R) ............................................. ...................................... 1

17
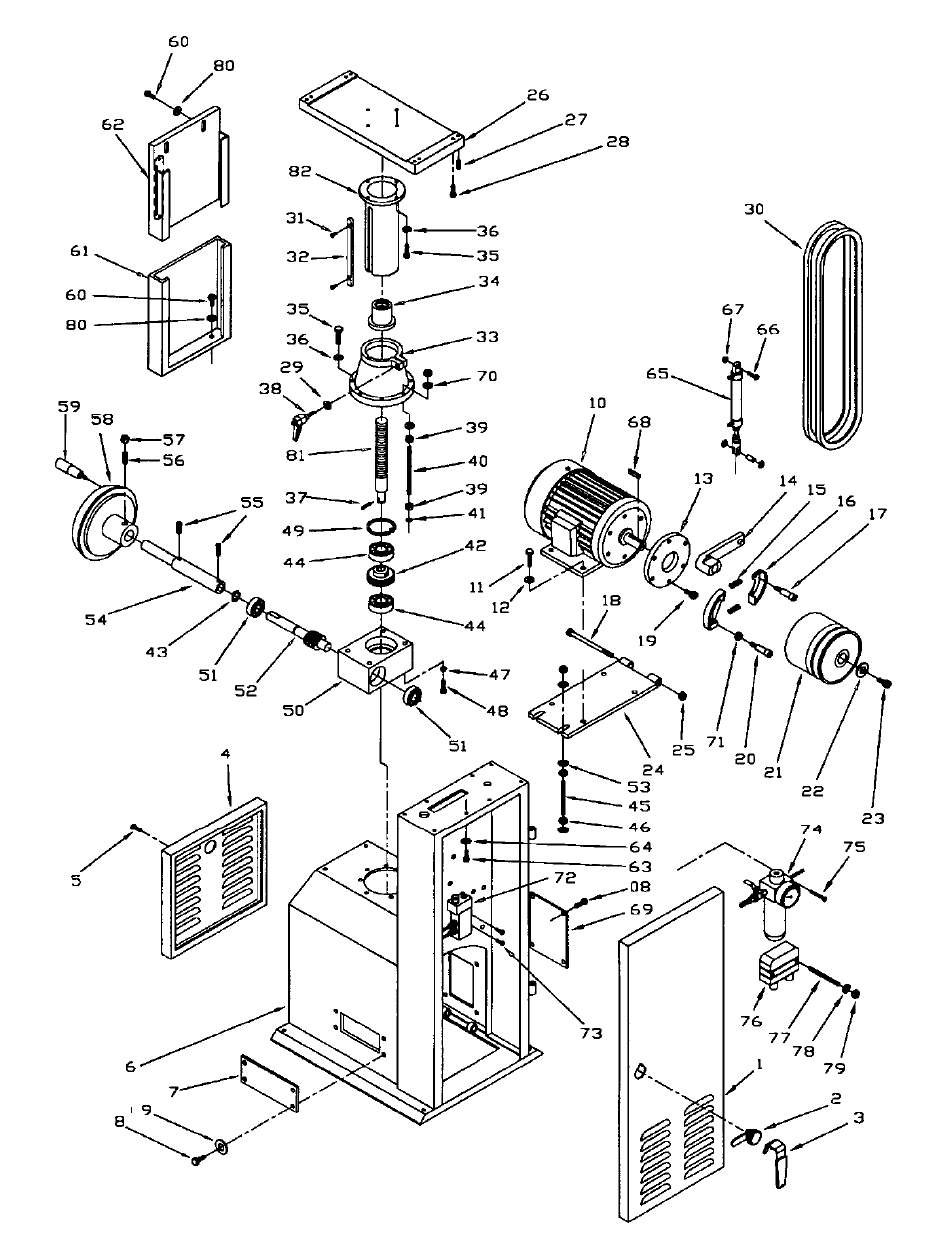
12.4.1 Base and Table Adjustment Assembly – Parts List
18
12.4.2 Base and Table Adjustment Assembly – Parts List
Index No Part No Description Size Qty
1 ................ 6293415 .................... Door ......................................................................... ...................................... 1
2 ................ 6293416 .................... Crosspiece ............................................................... ...................................... 1
3 ................ 6293417 .................... Door Knob................................................................ ...................................... 1
4 ................ 6293418 .................... Cover ....................................................................... ...................................... 1
5 ................ 6293419 .................... Hex Head Screw ...................................................... 1/4" x 1” ......................... 4
6 ................ 6293420 .................... Base......................................................................... ...................................... 1
7 ................ 6293421 .................... Cover ....................................................................... ...................................... 1
8 ................ 6293422 .................... Hex Head Screw ...................................................... 3/16” x 3/8” .................... 4
9 ................ 6293423 .................... Flat Washer ............................................................. 3/16” .............................. 4
10 .............. 1632-410 ................... Motor (s/n 05061632360 and higher) ......................... 5 HP, 1 PH .................... 1
.................. 6293425 .................... Motor........................................................................ 7-1/2 HP, 3 PH .............. 1
11 .............. 6293293 .................... Hex Head Screw ...................................................... 3/8” x 1” ......................... 4
12 .............. 6293426 .................... Lock Washer ............................................................ 3/8” ................................ 4
13 .............. 6293427 .................... Brake Base .............................................................. ...................................... 1
14 .............. 6293428 .................... Brake Pole ............................................................... ...................................... 1
15 .............. 6293429 .................... Brake Spring ............................................................ ...................................... 2
16 .............. 6293430 .................... Brake ....................................................................... ...................................... 2
17 .............. 6293431 .................... Bolt........................................................................... 5/1”6 x 1-1/2”................. 1
18 .............. 6293432 .................... Bolt........................................................................... 1/2" ................................ 1
19 .............. 6293433 .................... Socket Head Screw ................................................. 5/16” x 1/2" .................... 6
20 .............. 6293434 .................... Bolt........................................................................... 3/8” x 1-1/2”................... 1
21 .............. 1632-421 ................... Pulley (5 HP)............................................................ ...................................... 1
.................. 6293436 .................... Pulley (7-1/2 HP) ..................................................... ...................................... 1
22 .............. 6293210 .................... Flat Washer ............................................................. 1/4" ................................ 1
23 .............. 6293437 .................... Hex Head Screw ...................................................... 1/4" x 1” ......................... 1
24 .............. 1632-424 ................... Motor Plate (5 HP) (s/n 05061632360 and higher) .... ...................................... 1
.................. 6293439 .................... Motor Plate (7-1/2 HP) ............................................. ...................................... 1
25 .............. 6293212 .................... Hex Nut .................................................................... 1/2" ................................ 1
26 .............. 6293440 .................... Base......................................................................... ...................................... 1
27 .............. 6293441 .................... Set Screw ................................................................ 5/16” x 1” ....................... 4
28 .............. 6293442 .................... Hex Socket Cap Screw ............................................ 5/16” x 1-1/2”................. 4
29 .............. 6293299 .................... Flat Washer ............................................................. 5/16” .............................. 1
30 .............. 1632-430 ................... Belt (s/n 05061632360 and higher) ............................ A-84 .............................. 2
31 .............. 6293444 .................... Flat Head Screw ...................................................... 1/4" x 1/2"...................... 2
32 .............. 6293445 .................... Key........................................................................... 19 x 3/8 x 270 ............... 1
33 .............. 6293446 .................... Base Lifting Pipe ...................................................... ...................................... 1
34 .............. 6293447 .................... Cap Screw ............................................................... 3/4" ................................ 1
35 .............. 6293249 .................... Hex Head Screw ...................................................... 5/16” X 1/2" ................... 4
36 .............. 6293341 .................... Gear Washer ........................................................... 5/16” .............................. 4
37 .............. 6293448 .................... Spring Pin ................................................................ 5 x 25mm ...................... 1
38 .............. 6293449 .................... Lock Handle ............................................................. ...................................... 1
39 .............. 6293450 .................... Hex Nut .................................................................... 1/4" ................................ 2
40 .............. 6293451 .................... Bolt........................................................................... 1/4" x 290mm ................ 1
41 .............. 6293452 .................... Lock Washer ............................................................ 1/4" ................................ 1
42 .............. 6293453 .................... Gear ......................................................................... ...................................... 1
43 .............. 6293454 .................... Ring ......................................................................... ...................................... 1
44 .............. 6293455 .................... Ball Bearing ............................................................. ...................................... 2
45 .............. 6293456 .................... Bolt........................................................................... 3/8” X 4” ........................ 2
46 .............. 6293457 .................... Hex Nut .................................................................... 3/8” ................................ 6
47 .............. 6293218 .................... Flat Washer ............................................................. 3/8” ................................ 4
48 .............. 6293458 .................... Hex Head Screw ...................................................... 3/8” X 1-3/4” .................. 4
49 .............. 6293459 .................... Ring ......................................................................... ...................................... 1
50 .............. 6293460 .................... Gear Box.................................................................. ...................................... 1
51 .............. 6293461 .................... Ball Bearing ............................................................. ...................................... 2
52 .............. 6293462 .................... Worm Gear .............................................................. ...................................... 1
53 .............. 6293218 .................... Flat Washer ............................................................. 3/8” ................................ 4
54 .............. 6293463 .................... Shaft ........................................................................ ...................................... 1
55 .............. 6293267 .................... Set Screw ................................................................ 1/4" x 1/4"...................... 2
56 .............. 6293464 .................... Set Screw ................................................................ 1/4" x 1” ......................... 1
19
Index No Part No Description Size Qty
57 .............. 6293450 .................... Hex Nut .................................................................... 1/4" ................................ 1
58 .............. 6293465 .................... Wheel....................................................................... 8" ................................... 1
59 .............. 6293466 .................... Handle ..................................................................... ...................................... 1
60 .............. 6293209 .................... Pan Head Screw ...................................................... 1/4" x 1/2"...................... 2
61 .............. 6293467 .................... Lower Guard ............................................................ ...................................... 1
62 .............. 6293468 .................... Upper Guard ............................................................ ...................................... 1
63 .............. 6293277 .................... Hex Head Screw ...................................................... 3/8” x 1-1/2”................... 8
64 .............. 6293342 .................... Gear Washer ........................................................... 3/8” ................................ 8
65 .............. 6293469 .................... Air Cylinder Assembly.............................................. ...................................... 1
66 .............. 6293300 .................... Hex Head Screw ...................................................... 5/16” x 1” ....................... 2
67 .............. 6293289 .................... Hex Nut, 5/16" ......................................................... ...................................... 2
68 .............. 6293470 .................... Key (7-1/2 HP) ......................................................... 10 x 8 x 60mm .............. 1
.................. 6293471 .................... Key (5 HP) ............................................................... ...................................... 1
69 .............. 6293472 .................... Cover ....................................................................... ...................................... 1
70 .............. 6293210 .................... Flat Washer ............................................................. 1/4" ................................ 2
71 .............. 6293457 .................... Hex Nut .................................................................... 3/8” ................................ 1
72 .............. 6293473 .................... Solenoid V alve ......................................................... ...................................... 1
73 .............. 6293331 .................... Pan Head Screw ...................................................... 5/32” x 1” ....................... 2
74 .............. 6293474 .................... Filter ......................................................................... ...................................... 1
75 .............. 6293475 .................... Pan Head Screw ...................................................... 5/32” x 1-3/8”................. 1
76 .............. 6293476 .................... Hookup Box ............................................................. ...................................... 1
77 .............. 6293477 .................... Screw ....................................................................... 3/16” X 1-3/8” ................ 2
78 .............. 6293478 .................... Flat Washer ............................................................. 3/16” .............................. 2
79 .............. 6293479 .................... Hex Nut .................................................................... 3/16” .............................. 2
80 .............. 6293210 .................... Flat Washer ............................................................. 1/4" ................................ 4
81 .............. 6293480 .................... Screw Lead .............................................................. 3/4" ................................ 1
82 .............. 6293481 .................... Lifting Pipe ............................................................... ...................................... 1

20
12.5.1 Conveyor Belt and Table – Exploded View

21
12.5.2 Reduction Motor – Exploded View
22
12.5.3 Conveyor Belt and Table; Reduction Motor – Parts List
Index No Part No Description Size Qty
1 ................ 6293351 .................... Hex Socket Cap Screw ............................................ 1/4" x 1/4"...................... 6
2 ................ 6293352 .................... Bearing Cover .......................................................... ...................................... 2
3 ................ 6293353 .................... Ball Bearing ............................................................. ...................................... 2
4 ................ 6293354 .................... Back Conveyor Roller Base (L) ............................... ...................................... 1
5 ................ 6293355 .................... Roller ....................................................................... ...................................... 1
6 ................ 6293356 .................... Key........................................................................... 6 x 6 x 20mm ............... 1
7 ................ 6293357 .................... Back Conveyor Roller & Motor Base ....................... ...................................... 1
8 ................ 6293358 .................... Key........................................................................... 5 x 5 x 25mm ................ 1
9 ................ 6293267 .................... Set Screw ................................................................ 1/4" x 1/4"...................... 4
10 .............. 6293359 .................... Chain ....................................................................... ...................................... 1
11 .............. 6293360 .................... Sprocket................................................................... ...................................... 1
12 .............. 6293332 .................... Hex Head Screw ...................................................... 5/16” x 2” ....................... 5
13 .............. 6293361 .................... Cover ....................................................................... ...................................... 1
14 .............. 6293362 .................... Hex Socket Cap Screw ............................................ 1/4" X 2” ........................ 1
15 .............. 6293495 .................... Reduction Motor Assembly, 1 PH (Items 16 thru 38) ..................................... 1
.................. 6293498 .................... Reduction Motor Assembly, 3 PH (Items 16 thru 38) ..................................... 1
16 .............. 6293363 .................... Body......................................................................... ...................................... 1
17 .............. 6293364 .................... Gear B ..................................................................... 40T ................................ 1
18 .............. 6293365 .................... Gear A ..................................................................... 19T ................................ 1
19 .............. 6293366 .................... Ball Bearing ............................................................. ...................................... 4
20 .............. 6293367 .................... Gear B ..................................................................... 47T ................................ 1
21 .............. 6293368 .................... Gear C ..................................................................... 14T ................................ 1
22 .............. 6293369 .................... Output Shaft............................................................. ...................................... 1
23 .............. 6293370 .................... Key........................................................................... 5 x 5 x 10mm ................ 1
24 .............. 6293371 .................... Gear D ..................................................................... 46T ................................ 1
25 .............. 6293372 .................... Washer .................................................................... ...................................... 1
26 .............. 6293373 .................... Ball Bearing ............................................................. ...................................... 1
27 .............. 6293374 .................... Oil Seal .................................................................... 20, 35, 7 ........................ 1
28 .............. 6293375 .................... Rear Cover .............................................................. ...................................... 1
29 .............. 6293376 .................... Oil Seal .................................................................... 12, 22, 5 ........................ 1
30 .............. 6293377 .................... Needle Bearing ........................................................ 1012 .............................. 1
31 .............. 6293378 .................... Washer .................................................................... ...................................... 1
32 .............. 6293379 .................... O-Ring ..................................................................... ...................................... 1
33 .............. 6293380 .................... Fixing Screw ............................................................ ...................................... 3
34 .............. 6293381 .................... Gear A ..................................................................... 8T .................................. 1
35 .............. 6293382 .................... Motor........................................................................ 1/4 HP, 1 PH ................. 1
.................. 6293220 .................... Motor........................................................................ 1/4 HP, 3 PH ................. 1
36 .............. 6293358 .................... Key........................................................................... 5 x 5 x 25mm ................ 1
37 .............. 6293383 .................... Motor Label .............................................................. ...................................... 1
38 .............. 6293384 .................... Key........................................................................... 4 x 4 x 10mm ................ 2
39 .............. 6293385 .................... Hex Head Screw ...................................................... 5/16” x 3/8” .................... 6
40 .............. 6293386 .................... Sprocket................................................................... ...................................... 1
41 .............. 6293289 .................... Hex Nut .................................................................... 5/16” .............................. 4
42 .............. 6293341 .................... Gear Washer ........................................................... 5/16” .............................. 8
43 .............. 6293299 .................... Flat Washer ............................................................. 5/16” .............................. 8
44 .............. 6293249 .................... Hex Head Screw ...................................................... 5/16” x 1/2" .................... 4
45 .............. 6293387 .................... Flat Head Screw ...................................................... 5/32” x 1” ....................... 4
46 .............. 6293388 .................... Stop Plate ................................................................ ...................................... 1
47 .............. 6293277 .................... Hex Head Screw ...................................................... 3/8” x 1-1/2”................... 2
48 .............. 6293218 .................... Flat Washer ............................................................. 3/8” ................................ 4
49 .............. 6293389 .................... Shaft ........................................................................ ...................................... 2
50 .............. 6293331 .................... Pan Head Screw ...................................................... 5/32” x 1” ....................... 8
51 .............. 6293390 .................... Shaft Base ............................................................... ...................................... 2
52 .............. 6293391 .................... Wing Screw.............................................................. 1/4” x 1/2" ...................... 2
53 .............. 6293392 .................... Conveyor Belt .......................................................... ...................................... 1
54 .............. 6293393 .................... Working Table.......................................................... ...................................... 1
55 .............. 6293289 .................... Hex Nut .................................................................... 5/16” .............................. 2
56 .............. 6293394 .................... Spring Washer ......................................................... 5/16” .............................. 8
57 .............. 6293300 .................... Hex Head Screw ..................................................... 5/16” X 1” ...................... 8
23
Index No Part No Description Size Qty
58 .............. 6293395 .................... Stop Plate Annex ..................................................... ...................................... 2
59 .............. 6293396 .................... PVC Roller ............................................................... ...................................... 2
60 .............. 6293397 .................... Hex Head Screw ...................................................... 5/16” X 1-1/2” ................ 2
61 .............. 6293398 .................... Ring ......................................................................... ...................................... 2
62 .............. 6293241 .................... Ball Bearing ............................................................. ...................................... 2
63 .............. 6293399 .................... Adjust Bolt................................................................ 3/8” X 1-1/2” .................. 2
64 .............. 6293400 .................... Roller ....................................................................... ...................................... 1
65 .............. 6293401 .................... Shaft ........................................................................ ...................................... 1
66 .............. 6293402 .................... Roller Base (L) ......................................................... ...................................... 1
67 .............. 6293403 .................... Roller Base (R) ........................................................ ...................................... 1
68 .............. 6293404 .................... Roller Frame (L)....................................................... ...................................... 2
69 .............. 6293405 .................... Roller Frame (R) ...................................................... ...................................... 2
70 .............. 6293406 .................... Roller ....................................................................... ...................................... 2
71 .............. 6293407 .................... Pan Head Screw ...................................................... 5/32” X 1-3/4” ................ 2
72 .............. 6293408 .................... Front Plate ............................................................... ...................................... 1
73 .............. 6293409 .................... Limit Switch.............................................................. ...................................... 1
74 .............. 6293330 .................... Pan Head Screw ...................................................... 5/32” X 1/2" ................... 1
75 .............. 6293410 .................... Bakelite .................................................................... ...................................... 1
76 .............. 6293411 .................... Hex Head Screw ...................................................... 3/8” X 1/2" ..................... 2
77 .............. 6293212 .................... Hex Nut .................................................................... 1/2" ................................ 8
78 .............. 6293412 .................... Bolt........................................................................... 1/2" X 1-3/8” .................. 8
79 .............. 6293331 .................... Pan Head Screw ...................................................... 5/32” X 1” ...................... 1
80 .............. 6293413 .................... Spring Washer ......................................................... 1/2" ................................ 8
81 .............. TS-1550021 .............. Flat Washer ............................................................. ...................................... 5
82 .............. 6293500 .................... Roller ....................................................................... ...................................... 2

24
13.0 Electrical Connections – 1632 Sander
13.1 460V – 3 Phase

25
13.2 230V – 1 Phase / 3 Phase
26
This page intentionally left blank.
27
This page intentionally left blank.

28
427 New Sanford Road
LaVergne, Tennessee 37086
Phone: 800-274-6848
www.powermatic.com