Sundance Spas 850 Users Manual Export Owner's 50Hz English
880, 850 to the manual d6e9f82e-a20f-412f-8594-fa5b678e52f7
2015-02-02
: Sundance-Spas Sundance-Spas-850-Users-Manual-489977 sundance-spas-850-users-manual-489977 sundance-spas pdf
Open the PDF directly: View PDF
.
Page Count: 50
- 2005+ 880/850 ADDENDUM
- Fluidix Intelli-Jet Operation Details
- Fluidix Intelli-Jet Adjustment
- Programming The Change Filter Reminder Display
- Hot Tub Gravity Drain Draining Procedure
- Figure-F, Hot Tub Top View
- 850 Light Operation (2005+ Marin, Altamar, Capri)
- 880 Light Operation (2005+ Optima & Cameo)
- 880 AquaTerrace Light Controller (2005+ Optima & Cameo)
- 880 Waterfall Control Valve (2005+ Optima & Cameo)
- 880 Filter Cartridge Replacement (2005+ Optima & Cameo)
- Front Cover
- Table of Contents (1)
- Table of Contents (2)
- 1.0 Important Hot Tub Owner Information
- 2.0 Important Safety Instructions
- 3.0 Locating Your Sundance Hot Tub
- 4.0 General Electrical Safety Instructions
- 5.0 Electrical Installation Instructions (240V Service)
- 6.0 Power Requirements
- 7.0 Start-Up Instructions
- 8.0 Operating Instructions
- 9.0 Automatic Filtration
- 10.0 Programming Instructions
- 11.0 Hot Tub Maintenance
- 12.0 Water Quality Maintenance
- 13.0 Troubleshooting - Display Messages
- 14.0 Troubleshooting - Procedures
- 15.0 Jumper Configurations / Max Current Chart
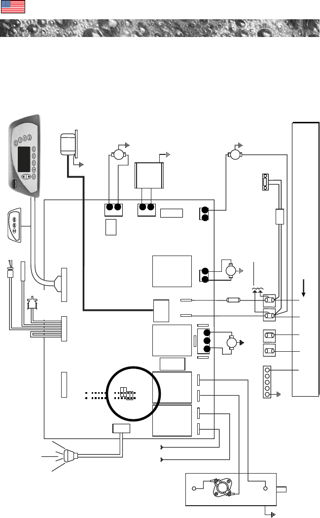
- 16.0 Electrical Wiring Diagram Export 50Hz
- Rear Cover/Company Address

ADDENDUM - All Export 880/850 Hot Tub Models
880/850 Export 50Hz Owner’s Manual Update, #6530-317 Rev-A
The following changes apply to the owners manual identified above:
• Fluidix Intelli-Jet Operation Details (page 1)
• New Change Filter Reminder Feature (page 2)
• Revised Hot Tub Gravity Drain Operation Procedure (page 2)
• Revised 2005+ Cameo Hot Tub “Top View” Figure-F (page 3)
• Revised Light Button Operation Instructions (page 4)
• New AquaTerrace Light Controller Operation for 2005 Cameo &
Optima (page 4)
• New AquaTerrace Waterfall Control Valve Operation for 2005+
Cameo & Optima (page 5)
• Revised Filter Cartridge Replacement Instructions for 2005+
Cameo & Optima (page 6)
Fluidix Intelli-Jet Operation Details
The Fluidix Intelli-Jets in your new spa offer the advantage of no
moving parts and zero maintenance. They can also be adjusted for
a high and low impact massage, providing the ultimate massage!
Each jet has it’s own water volume and directional or oscillating flow
adjustment. The jet’s outer dial controls water volume (flow rate)
and it’s center “mode disk” selects either an oscillating or directional
flow massage.
Fluidix Intelli-Jet Adjustment
1. Turn outer dial (A) clockwise to increase water
volume. Turn outer dial counterclockwise to
decrease water volume or to shut jet off.
2. Rotate center “mode disk” (B) clockwise to
select a non-oscillating water stream or turn
counterclockwise to select an oscillating stream
at any angle.
3. For a high impact massage, turn corresponding
air control knob clockwise. For low impact
massage, turn corresponding air control knob
counterclockwise.
Note: Always keep at least 6 adjustable jets open at
all times on each jet system.
AB
Air
Control Knob
New Fluidix
Intelli-Jet
Page 1

Programming The Change Filter Reminder Display
Your new spa may be equipped with a programmable
“Change Filter” reminder that appears on the control
panel display after a specified number of days. It is
designed to remind you to clean and/or replace your filter
cartridge(s) on a regular basis but does not affect spa operation in
any way. This reminder must be reset at each filter cleaning inter-
val. It offers a selectable range from 10-120 days or can be dis-
abled. We recommend an initial setting of 30 days, after which you
can easily determine whether you need to shorten or lengthen its
interval by visually inspecting your filter cartridge. Refer to section
11.1 in the supplied owner’s manual for filter cleaning
recommendations.
Programming Instructions
(1) Press the CYCLE sensor three times. The main display reads
“FIL” indicating the “Change Filter” display program has been
accessed.
(2) Press SELECT sensor once to display currently programmed
duration or days elapsed since last filter cleaning interval.
(3) Press UP or DOWN sensor to change duration as follows:
0 - 10 - 20 - 30 - 40 - 50 - 60 - 70 - 80 - 90 - 100 - 110 - 120 -
OFF
(4) Press DISPLAY sensor once to save changes and return to the
standard water temperature display. Note: If no sensor is
pressed within 30 seconds, the screen will automatically return
to the standard water temperature display.
Hot Tub Gravity Drain Draining Procedure
1. Turn off power to hot tub at breaker.
2. Locate the 3” gray drain valve cap on the left or right side of the
hot tub. Unscrew drain valve cap to expose the underlying male
garden hose fitting. Attach hose to fitting and route opposite end
away from hot tub.
3. Pull outward on garden hose at drain connection (approx. 3/8”)
to open valve and release water. Water drains at approximately
3 gallons per minute.
4. Close drain valve by pushing inward on garden hose at drain
connection until you feel it bottom out, then remove garden hose,
install gray drain cap, and refill spa. Refer to “Start-Up
Instructions” (page 9).
CHANGE
FILTER
Page 2

1. Control Panel
2. Handrails (2 ea.)
3. Light
4. Pillows (3 ea.)
5. Euro Jets (6 ea.)
6. Fluidix Intelli-Jets (8 ea.)
7. Air Controls (5 ea.)
8. Whirlpool Jets (5 ea.)
9. Gravity Drain
10. Massage Selectors (2 ea.)
11. Air Injectors (14 ea.)
12. Footwell Suction Covers (3) And Filters
(Filters “Socks” on Each Suction Cover
Protect Both Diverter Valves From
Debris Entrapment/Damage. Filters
Figure-F, Hot Tub Top View
Require Periodic Cleaning).
13.Accu-Pressure Jets (2 ea.)
14.Weir Gate/Skimmer
15. Filter Lid
16.AquaTerrace Waterfall Control Valve
17.AquaTerrace Waterfall Filtration Return
18. Fluidix ST Jets (12 ea.)
19.AquaTerrace Waterfall
20.AquaTerrace Waterfall Light Control
21. Optional Audio System Speakers (2 ea.)
22. Optional Audio System Receiver
23. Sunscents Dispenser
24. Vortex Jets (2 ea.)
25. Pulsator Jets (2 ea.)
716
19
10 7
44
4
7
10
21
7
14 15
7
122
23
6
8
11
5
5
18
11
11
12
12 17
12
11
5
5
24
6
11
11
20
2
2
88
11
11
13
9
13
3
11
11
11
11
25
25
6
6
5
6
6
11
18 8
1818
18
1818
11
e
e
Select
Cycle
Mode
Display
21
(Location of features varies by model)
Note: 2005+ Cameo Model with Optional Audio System Illustrated. 2005+ Cameo/
Optima models include the new AquaTerrace waterfall control valve #16, waterfall #19,
and light controller #20 as shown. These items are excluded from all other models listed
in this manual. These models utilize item #20 as a remote jets controller.
Page 3

850 Light Operation (2005+ Marin, Altamar, Capri)
The spa light offers 6 constant color variations and a unique random
mode for enhanced spa enjoyment. Press the LIGHT sensor pad once
to turn the spa light on in “Random” mode, then repeatedly press the
sensor pad to turn the light off or to select one of 6 constant colors
illustrated below.
880 Light Operation (2005+ Optima & Cameo)
The LIGHT button activates the footwell lights when pressed.
Note: footwell light color or random mode is selected on the
AquaTerrace control panel. See section 9.3 below for details.
880 AquaTerrace Light Controller (2005+ Optima &
Cameo)
The AquaTerrace light control panel offers a variety of
light settings described below. Note: lights automatically
turn off after 1 hour use.
The left button
activates, dims,
and turns off the
waterfall light(s)
as shown below.
The right button
activates, dims,
and turns off the
footwell light as
shown right.
The center
button selects
random mode,
freeze mode, or
one of 7 constant
colors on the
footwell and
waterfall lights. In random mode, press a second time to freeze random
color or continue pressing for one of 7 constant colors. If you go past your
favorite color, simply continue pressing to restart the color selection
sequence. Note: your color selection is stored in memory and will automat-
ically recall when is the light is cycled on and off.
Right Button Controls The Footwell Light
MED LOW OFFHigh
x1 x2 x3 x4
Footwell
Left Button Controls The Waterfall Light(s)
MED LOW OFFHigh
x1 x2 x3 x4
Waterfall(s)
Center Button Selects Waterfall And Footwell Light Color Mode
Freeze
Color Red Purple Blue Teal Amber
Random
Color
x1 x2 x3 x4 x5 x6 x8
White
x9
Green
x7
Spa Light Sequence
OFF RED OFF
OFF
GREEN
TEAL
OFF BLUE
OFF VIOLET
OFF ORANGE
OFF
RANDOM
Page 4

880 Waterfall Control Valve (2005+ Optima & Cameo)
Turn valve counterclockwise to increase waterfall output.
Turn clockwise to decrease or turn off waterfall output.
Note: it takes 4 full revolutions to change the waterfall
from a full off to a full on flow rate.
880 Filter Cartridge Replacement (2005+ Optima &
Cameo)
Aprogrammable “Change Filter” reminder flashes on the
control panel display after a specified number days to remind
you to inspect and/or replace the MicroClean II filter cartridge.
This reminder must be reset at each filter inspection/replace-
ment interval. Refer to page 2 of this addendum sheet for
additional information and programming details.
Your Sundance hot tub is equipped a high-efficiency MicroClean II filter car-
tridge under the filter lid. Debris is filtered by the circulation pump drawing
water through this cartridge 24-hours a day, 7 days a week (unless pro-
grammed otherwise.) To ensure optimum performance, replace this car-
tridge every 6 months or as needed. This filter cannot be cleaned and
reused and MUST be thrown out after use.
All spas also include filters on their footwell suction covers that
prevent debris from entering either jets pump system and related
massage selector valve when running. The suction filters must
remain in place to protect these components from debris entrap-
ment/damage and should be cleaned every 2 months, or when weak jets
pump performance is observed.
ALWAYS TURN POWER TO THE HOT TUB OFF BEFORE REPLACING
THE MICROCLEAN II FILTER CARTRIDGE! To accomplish this, refer to
the following filter replacement procedure:
B
A
C
Replace (throw-away) the MicroClean filter cartridge
every 6 months, or as needed! DO NOT reuse this
cartridge for any reason!
Loosen filter nut (A) to provide clearance,
then remove used MicroClean II filter
cartridge (steps B-C).
TURN POWER TO HOT TUB OFF!
Filter
Nut
Replace MicroClean II
cartridge every 6
months, DO NOT
Reuse for any reason!
B
C
A
CHANGE
FILTER
Full
On
Full
OFF
4
x
4x
Page 5

Replacement MicroClean II filter cartridges may be purchased from your
Sundance dealer. An optional pleated filter cartridge is also available from
your Sundance dealer. This filter can be cleaned and reused for up to two
years but does not maintain the same water quality and clarity as the stan-
dard MicroClean II cartridge.
NOTE: nylon suction filters are installed on all footwell pump
intakes. These filters must be cleaned periodically to ensure
optimum jet performance. They are important since they protect
your new spa’s massage selectors and equipment from debris
entrapment damage while either jets pump is running.
D
Submerge new filter cartridge in spa and tilt
each end upward to remove most of the
air bubbles trapped inside the filter.
E
1. Install new filter cartridge, then tighten filter nut until
it just touches filter face. DO NOT OVERTIGHTEN!
2. Turn power to hot tub back on.
Filter
Nut
Trapped
Air
Bubbles A
B
A
C

850 Export Series
Séries Exportation 850
850er Serie Export
Installation & Owner’s Manual
Instructions en Français
Installations- und Bedienungsanleitung

Table of Contents
1.0 Important Hot Tub Owner Information ..................................1
2.0 Important Safety Instructions...................................................2
3.0 Locating Your Sundance Hot Tub.............................................5
3.1 Outdoor Locations..........................................................................................5
3.2 Indoor Locations..............................................................................................5
4.0 General Electrical Safety Instructions.....................................6
5.0 Electrical Installation Instructions (240V Service) ..............7
6.0 Power Requirements....................................................................8
7.0Start-Up Instructions ...................................................................9
8.0 Operating Instructions...............................................................12
8.1 View....................................................................................................................12
8.2 Light....................................................................................................................12
8.3 Air Injection.....................................................................................................12
8.4 Jets 1.................................................................................................................12
8.5 Jets 2.................................................................................................................13
8.6 Selecting The Desired Massage Action..............................................15
8.7 Adjusting Fluidix Intelli-Jets ......................................................................15
8.8 Air Controls .....................................................................................................16
8.9 Fragrance Dispenser....................................................................................16
8.10 Optional SunSoundTM Audio System ...................................................16
9.0 Automatic Filtration...................................................................23
9.1 Preset Skimming/Heating Cycle............................................................23
9.2 Standard Skimming/Heating Mode .....................................................24
9.3 Economy Skimming/Heating Mode.....................................................24
9.4 Selecting Standard or Economy Skimming/Heating Mode.......24
9.5 Cleanup Cycle ................................................................................................24
10.0 Programming Instructions........................................................25
10.1 Adjusting Time of Day................................................................................25
10.2 Changing The Skimming/Heating Cycle............................................25
10.3 Programming The Change Filter Reminder ......................................26
10.4 Programming The Optional Ozonator Cycle.....................................26
10.5 Locking The Skimming/Heating Cycle ...............................................27
10.6 Panel Lock .......................................................................................................27
10.7 Temperature Setting Lock .........................................................................27
ENGLISH

11.0 Hot Tub Maintenance................................................................28
11.1 Cleaning The Filter.......................................................................................28
11.2 Draining and Refilling .................................................................................29
11.3 Cleaning The Hot Tub Interior.................................................................30
11.4 Pillow Care .......................................................................................................31
11.5 Maintaining The Wood Cabinet..............................................................31
11.6 Maintaining The Optional Synthetic Cabinet ....................................31
11.7 Maintaining The Cover...............................................................................32
11.8 Winterizing.......................................................................................................32
11.9 Restarting your Hot Tub in Cold Weather ........................................33
11.10 Handrail Maintenance...............................................................................33
12.0 Water Quality Maintenance ....................................................34
12.1 pH Control .......................................................................................................34
12.2 Sanitizing..........................................................................................................34
12.3 Other Additives..............................................................................................35
12.4 Optional SunZone™ Water Maintenance System..........................35
13.0 Troubleshooting - Display Messages.....................................35
14.0 Troubleshooting - Procedures..................................................37
15.0 Jumper Configurations/Max Current Chart........................39
16.0 Electrical Wiring Diagram, Export 50Hz ..............................40
Procédure de dépannage standard (Français)..............................41
Deutscher Abschnitt (Deutsch)........................................................87
ENGLISH

1.0 Important Hot Tub Owner Information
Your Sundance hot tub is constructed to the highest standards and is capa-
ble of providing many years of trouble-free use. However, because heat
retentive materials are utilized to insulate the hot tub for efficient operation,
an uncovered hot tub surface directly exposed to sunlight and high tempera-
tures for an extended period is subject to permanent damage. Damage
caused by exposing the hot tub to this abuse is not covered by warranty.
We recommend that you always keep the hot tub full of water when it is
exposed to direct sunlight and that you keep the Sundance insulating cover
in place at all times when the hot tub is not in use. Read and carefully fol-
low the requirements for your hot tub’s support base found in section 3.0
titled, “Locating Your Sundance Hot Tub” (page 5.)
Sundance Spas constantly strives to offer the finest hot tubs available, there-
fore modifications and enhancements may be made which affect the speci-
fications, illustrations and/or instructions contained herein.
FCC Notice
This equipment has been tested and found to comply with the limits for a
Class B Digital Device, pursuant to Part 15 of the FCC Rules. These limits
are designed to provide reasonable protection against harmful interference
in a residential installation. This equipment generates, uses and can radiate
radio frequency energy and, if not installed and used in accordance with the
instructions, may cause harmful interference to radio communications.
However, there is no guarantee that interference will not occur in a particu-
lar installation. If this equipment does cause harmful interference to radio or
television reception, which can be determined by turning the equipment off
and on, the user is encouraged to try to correct the interference by one or
more of the following measures: l) Rearrange or relocate the receiving
antenna; 2) Increase the separation between the equipment and receiver; 3)
Connect the equipment into an outlet on a circuit different from the circuit
connected; 4) Consult the dealer or an experienced radio/TV technician for
help. (Changes or modifications not expressly approved by the party
responsible for FCC compliance could void the user’s authority to operate
this equipment.)
Page 1
ENGLISH

2.0 Important Safety Instructions
When using this electrical equipment, basic safety precautions should
always be followed, including the following:
1. READ AND FOLLOW ALL INSTRUCTIONS BEFORE OPERATING THE
HOT TUB!
2. DANGER - RISK OF ELECTRICAL SHOCK: Install at least 1.5m, from
all metal surfaces. A hot tub may be installed within 1.5m of metal sur-
faces, if in accordance with the country electrical code.
3. DANGER - RISK OF ELECTRICAL SHOCK: Do not permit any electri-
cal appliance, such as a light, telephone, radio, television, etc. within
1.5m of a hot tub unless such appliances are built-in by the manufac-
turer.
4. CAUTION - The hot tub must be installed in such a manner as to pro-
vide drainage of the electrical equipment compartment.
5. CAUTION - This hot tub must be hard-wired to your household electri-
cal service box only. Do not use an extension cord or any other discon-
nectable power cord. The use of an extension cord or a disconnectable
power cord is highly dangerous and will void all manufacturer war-
ranties!
6. A terminal marked G, Gr, Ground, Grounding or with the
symbol is located inside the supply terminal box or compartment
(Figure-B, Page 7). To reduce the risk of electric shock, connect this ter-
minal or connector to the grounding terminal of your electrical service
or supply panel with a continuous green insulated copper wire equiva-
lent in size to the circuit conductors supplying this equipment, but no
smaller than 10mm2. In addition, a second wire connector is provided
for bonding to local ground points. To reduce the risk of electrical
shock, this connector should be bonded with a 10mm2copper wire to
any metal ladders, water pipes, or other metal objects within 1.5m of
the hot tub.
7. The electrical supply for this product must include a suitably rated
switch or circuit breaker to open all ungrounded supply conductors to
comply with country electrical code.
Page 2
ENGLISH

8. Overflowing or Overfilling: Overfilling can cause the hot tub to siphon
out water through the air venturis. Overfilling problems are not covered
by the warranty.
9. Before entering a hot tub, the user should measure the water tempera-
ture with an accurate thermometer since the tolerance of the water
temperature-regulating device may vary as much as ±3°C.
10.Always enter and exit the hot tub slowly and cautiously. Wet surfaces
will be slippery.
11. Do not use the hot tub while alone.
12 . WARNING - RISK OF CHILD DROWNING: Extreme caution must be
exercised to prevent unauthorized access by children. To avoid acci-
dents, ensure that children cannot use the hot tub unless they are
supervised by an adult at all times.
13. DANGER - To reduce the risk of injury, do not remove any drain suction
gate or cover.
14 .Never use the weir gate for sitting or for resting your feet. It is
designed to float freely.
15 . The water in the hot tub should never exceed 40°C. Water tempera-
tures between 38°C and 40°C are considered safe for a healthy adult.
Lower water temperatures are recommended for extended use (exceed-
ing 10 - 15 minutes) and for young children.
16. Since excessive water temperatures have potential for causing fetal
damage during the early months of pregnancy, pregnant or possibly
pregnant women should limit hot tub or spa water temperatures to a
maximum of 38°C.
17. The use of alcohol, drugs, or medication before or during hot tub use
may lead to unconsciousness with the possibility of drowning.
18.Persons suffering from obesity or with with a medical history of heart
disease, low or high blood pressure, circulatory system problems, or dia-
betes should consult a physician before using a hot tub.
Page 3
ENGLISH

19 .Persons using medication should consult a physician before using a hot
tub since some medications may induce drowsiness while other med-
ications may affect heart rate, blood pressure, and circulation.
20. Long exposures in the hot tub may result in nausea, dizziness or faint-
ing. Observe a reasonable time limit, leave the hot tub, then shower,
cool down, and if you wish, return for another brief stay.
21. Excessive temperatures may cause hyperthermia. The symptoms and
first aid information are as follows:
A. Heat Stroke: The most susceptible people are the very young and
elderly, alcoholics and most people under the
influence of drugs, medication and alcohol.
B. Symptoms: Hyperthermia causes loss of salt, sweating, dizziness,
headache, dryness of mouth and nausea, faintness
and/or unconsciousness, convulsions, flushed
appearance of skin, and rapid pulse and/or weak,
shallow breathing.
C. Treatment: Place the victim on his back, head slightly elevated.
Apply wet cloths or ice packs to the head, wrap the
body in a sheet, pouring on a small amount of water.
Follow with a cool shower or bath. Get medical
attention as soon as possible.
22. It is recommended that the following emergency telephone numbers be
listed at the nearest telephone: physician, hospital, ambulance, and
police.
23. SAVE THESE INSTRUCTIONS!
Page 4
ENGLISH

3.0 Locating Your Sundance Hot Tub
IMPORTANT: Because of the combined weight of the hot tub, water and
users, it is extremely important that the base upon which the hot tub rests be
smooth, flat, level and capable of uniformly supporting this weight, without
shifting or settling, for the entire time the hot tub is in place. If the hot tub is
placed on a surface which does not meet these requirements, damage to the
skirt and/or the hot tub shell may result. Damage caused by improper sup-
port is not covered under the factory warranty. It is the responsibility of the
hot tub owner to assure the integrity of the support at all times.
We recommend a poured, reinforced concrete slab with a minimum thickness
of 10cm. Wood decking is also acceptable provided it is constructed so that
it meets the requirements outlined above.
The hot tub must be installed in such a manner as to provide drainage away
from it. Placing the hot tub in a depression without provisions for proper
drainage could allow rain, overflow and other casual water to flood the equip-
ment and create a wet condition in which it would sit. For hot tubs which will
be recessed into a floor or deck, install so as to permit access to the equip-
ment, either from above or below, for servicing. Make certain that there are
no obstructions which would prevent removal of the cabinet side panels, espe-
cially on the side with the equipment bay doors.
3.1 Outdoor Locations
In selecting the ideal outdoor location for your hot tub, we suggest that you
take into consideration 1) the proximity to changing area and shelter (espe-
cially in colder weather); 2) the pathway to and from your hot tub (this should
be free of debris so that dirt and leaves are not easily tracked into the hot tub);
3) the closeness to trees and shrubbery (remember that leaves and birds
could create extra work in keeping the hot tub clean); 4) a sheltered environ-
ment (less wind and weather exposure can result in lowered operation and
maintenance costs); and 5) the overall enhancement of your environment. It
is preferable not to place the hot tub under an unguttered roof overhang since
run-off water will shorten the life expectancy of the hot tub cover.
3.2 Indoor Locations
For indoor installations, be certain to make provisions for proper ventilation.
When the hot tub is in use, considerable amounts of moisture will escape.
This can damage certain surfaces over time.
Page 5
ENGLISH

If you have any questions regarding the placement or installation of your hot
tub, consult your authorized Sundance Dealer.
4.0 General Electrical Safety Instructions
Your new Sundance hot tub is equipped with the "state-of-the-art" SentryTM
equipment system. It contains the most advanced safety and self-protective
equipment in the industry. Nonetheless, this hot tub must be installed prop-
erly to insure dependable usage. Please contact your local government
authority should you have any questions regarding your installation. In the
event they are unable to answer your questions, direct your inquiries to
Sundance Spas. Please refer to the rear cover of this manual for our
address and telephone number.
Proper grounding is extremely important. Sundance hot tubs are equipped
with a current collector system. A pressure wire connector located on the sur-
face of the control box, located inside the equipment door (Figure B, page 7)
to permit connection of a bonding wire between this point and any ground
metal equipment, metal water pipe or conduit within 1.5m of the hot tub, or
copper clad grounding rod buried within 1.5m of the hot tub. Bonding wire
must be at least 10mm2solid copper wire. This is a most important safety
assurance feature.
Page 6
Figure-A, Equipment Area
Note: Pump Locations Vary by Model
SPA CONROLLER
2
59
3
8
2
1
7
7
10
4
6
1. Sentry Control Box
2. Power Supply Cabinet Inlet(s)
3. Pump #1
4. Heater
5. Hot Tub Drain
6. Air Blower
7. Pump Drain Plug(s)
8. Pump #2 (N/A Capri)
9. Circulation Pump
10. Optional Audio System Subwoofer -
Behind Bulkhead (Models with
Audio Option Only)
ENGLISH

Before installing this hot tub, check with the local government/electrical
authority to insure installation conforms to local country/area states codes.
5.0 Electrical Installation Instructions (240V Service)
IMPORTANT
NOTICE: The electrical wiring of this hot tub must be installed
by a qualified electrician to comply with all regulations and standards spec-
ified by the electrical authority in your state or country.
1. This hot tub must be permanently connected (hard-wired) to the power
supply. No plug-in connections or extension cords are to be used in
conjunction with the operation of this hot tub. Supplying power to
the hot tub which is not in accordance with these instructions will void
both the independent testing agency listing and the manufacturer’s
warranty.
2. The power supplied to this hot tub must be a dedicated circuit with no
other appliances or lights sharing the power provided by the circuit.
3. To gain access to the hot tub’s power terminal block, remove the screws
securing the center wood cabinet panel on the side of the hot tub
under the controls. Then remove the four metal control box door screws
and door (Figure B).
TB1
Neutral (N)
Ground
Line (L)
TB1
TB3
1. Terminal Block
2. Bonding Lug
3. Grounding Terminal
SENTRY
SPA CONROLLER
1
3 2
Figure-B, Sentry Control Box Figure-C,
Terminal Block TB1
230V Wire Connection
Page 7
ENGLISH

4. Select the power supply cabinet inlet you want to use (Figure-A, Page 6),
Install the power cable through the large opening provided in the bottom
of the metal control box.
5. Hot tubs with one main terminal block (Figure-B, Page 7) must be
supplied with 20 Amps. Note: the 850 series hot tub can be adapted to
use higher amperage circuits when available. Contact your Sundance
dealer for details.
6. The electrical supply for this product must include a suitably rated
isolating switch and circuit breaker to comply with local electrical
regulations. This RCD/GFCI circuit breaker must be installed at the power
supply in the house electrical box.
7. Connect wires to power terminal blocks TB1 and TB3 as illustrated
(Figure C, Page 7). TIGHTEN SECURELY! All wires must be hooked up
securely or damage could result.
8. Install metal control box door and screws. Then reinstall the center wood
cabinet panel and screws.
6.0 Power Requirements
Sundance hot tubs are designed to provide optimum performance and
flexibility of use when connected to the maximum electrical service as listed
below. If you prefer, your Sundance dealer can perform a minor circuit board
modification to allow an alternate electrical service. The operational consider-
ations of these modifications are listed in the footnotes.
CAMEO, OPTIMA, MARIN and ALTAMAR Models
Voltage 230 VAC 230 VAC
Frequency 50Hz 50Hz
M
ax. Current Draw 16.6 Amps*31.6 Amps**
Wattage: 3.8kW 7.3kW
Number of Wires Three Three
*Standard 16.6 Amp (3.8kW) configuration: the heater will not operate
while both jets pumps are running.
** Alternate 31.6 Amp (7.3kW) configuration: the heater will operate
while both jet pumps are running.
Page 8
ENGLISH

CAPRI Models
Voltage 230 VAC 230 VAC
Frequency 50Hz 50Hz
Max. Current Draw 12.1 Amps*23.6 Amps**
Wattage: 2.8kW 5.4kW
Number of Wires Three Three
*Standard 12.1 Amp (2.8kW) configuration: the heater will not operate
while the jets pumps is running.
** Alternate 23.6 Amp (5.4kW) configuration: the heater will operate
while the jets pumps is running.
Listed above are the most common power configurations by model.
Current/wattage requirements for each model change depending on
device* availability. Basically, the more functions (electrical devices) in a
spa, the greater its current/wattage demand. Refer to the jumper
configuration/max current chart (page 39) for a complete listing of power
requirements for each device within your spa.
*Device = Heater, Pump(s), Blower
7.0 Start-Up Instructions
FOR BEST RESULTS, READ EACH STEP IN ITS ENTIRETY BEFORE
PROCEEDING WITH THAT STEP.
A. Prepare Hot Tub for Filling
• Clear all debris from the hot tub. (Although the hot tub shell has been
polished at the factory, you may want to treat it with a specially
formulated hot tub cleaner and wax available from your dealer prior to
filling the first time.)
• Remove the filter lid (Figure-F, Page 14), then remove filter cartridge as
illustrated in section 11.1, page 28-29.
B. Fill Hot Tub
• Place the end of your garden hose into the empty filter bucket.
NOTE: Never fill with water from a water softener. If your water is extreme-
ly “hard”, it is preferable to fill half-way with hard water and the rest of the
way with softened water. Or, you may fill entirely with hard water if you use
a special water additive available from your Sundance dealer.
Page 9
ENGLISH

• Fill the hot tub until the water level is midway in the filter bucket skim-
mer opening and above all jets. Do not overfill.
Important: Always fill your hot tub through the filter bucket after draining.
Failure to do so may cause air to be trapped in either pump, preventing
the pump from circulating water.
• Remove hose and replace filter cartridge as illustrated in section 11.1,
page 28-29 (Figure-G).
C. Turn On Power
Turn on power to hot tub at the home’s circuit breaker. The heater and
circulation pump will automatically activate. If the control panel LCD
flashes water temperature and “COOL” or “ICE”, pump 1 will also activate.
If this occurs, refer to page 35-36 for additional information.
D. Activate Jets and Blower
Depress the JETS 1 and BLOWER sensor pads on the
control panel once to activate pump #1 and blower,
initiating water flow.
E. Add Start-Up Chemicals
Add the hot tub water chemicals as recommended by your Sundance
Dealer. (See section titled WATER QUALITY MAINTENANCE (page 34) for
general guidance.) Note: make sure equipment is running before adding
chemicals of any type (see step D).
F. Set Hot Tub to Heat
The hot tub can heat in either STANDARD or ECONOMY mode. The
tub’s built-in temperature sensor will activate the heater automatically when
necessary to maintain the water temperature within a range of ±1°C of the
set temperature. The time required for initial heat-up will vary depending
on the temperature of the water used to fill the hot tub, the size of your
hot tub, and the ambient temperature. The water temperature will rise
approximately 2 to 3 °C per hour in larger tubs, and approximately 4 to 5
°C per hour in smaller tubs.
G. Choosing “Standard” or “Economy” Mode
Press the MODE button to select either “Standard” or “Economy”
operating modes. The control panel’s right-side LCD display indicator
changes to indicate which mode is selected. By selecting the
appropriate operating mode, you can ensure that the spa will be ready
to use when you want it with the lowest possible energy consumption.
Page 10
ENGLISH

When power is turned on, the spa defaults to STANDARD mode. In
STANDARD mode, the skimming/heating cycle will activate pump
1 as programmed to provide skimming action and additional filtration.
In ECONOMY mode, the skimming/heating cycle will not come on.
This is the main difference between the two operating modes.
WARNING - RISK OR INJURY
Always check the water temperature carefully before entering the
hot tub.
H. Setting Desired Temperature
To warm hot tub water to a comfortable temperature, follow these steps:
•The LCD display on the control panel displays the actual temperature of
the hot tub water. Press either the COOLER (Down) or
WARMER (Up) sensor pad once to display the “set tempera-
ture” for 5 seconds. If you want the water to heat to a different
temperature, simply press COOLER (Down) or WARMER (Up)
within 5 seconds. The set temperature advances or decreases
by one degree each time one of these sensor pads is pressed.
• The heater will turn off when the temperature corresponding to the
thermostat setting is achieved.
Important Heater Details:
•The maximum temperature for which the hot tub can be set is 40 °C and the
minimum is 26 °C.
•Setting the thermostat at maximum will not accelerate the heating process.
This will only result in a higher ultimate temperature.
•The heater operates until the water reaches the programmed “set
temperature” , then turns off. The heater will reactivate after the water cools
to approximately 1 °C below the “set temperature.”
I. Place Cover On Hot Tub
• Keeping the insulating cover in place anytime the hot tub is not in use will
reduce the time required for heating, thereby minimizing operating costs.
• The time required for initial heat-up will vary depending on the starting
water temperature and the capacity of your hot tub. Larger hot tubs heat
at about 2 to 3 °C per hour; smaller hot tubs heat at a rate of approxi-
mately 4 to 5 °C per hour.
Page 11
ENGLISH

8.0 Operating Instructions
Your Sundance hot tub has a touch-sensitive control panel, massage selector
valves and air control knobs located on the top rim of the hot tub (Figure-F,
page 14). These controls let you operate many of the special functions of your
Sundance hot tub. By familiarizing yourself with the following information, you
will be able to gain the full benefit afforded by the various functions of your
hot tub.
8.1 View
Pressing this sensor pad inverts the main four-digit display on the
Command Center’s LCD screen to allow easy reading from either
inside or outside the hot tub.
8.2 Light
The LIGHT sensor pad activates both the underwater light and the
light symbol on the LCD screen when pressed To reduce the
brightness of the light, press the sensor pad again. A third press
will result in an even lower level of illumination. A fourth press turns the light
off. If left on, the light will automatically turn off after one hour.
There are two colored lenses included with your hot tub which may be placed
over the light lens inside the hot tub. To remove a lens, pull straight out. To
install a lens, align tabs and push straight in. Your hot tub comes with a clear
lens installed.
The optional SunGlowTM Multi-Colored LED Light Kit (#6560-240) can
retrofit the factory installed spa light. This option offers 7 light colors and a
unique random mode for enhanced spa enjoyment. Consult your Sundance
Dealer for additional information.
8.3 Air Injection
When the AIR sensor pad is pressed, the air blower forces air
through the injectors located in the seats and footwell. The bub-
bles symbol above the sensor pad appears on the LCD display
whenever the air blower is on. An electronic timer automatically turns the air
blower off 20 minutes after it was turned on. Note: The air blower automat-
ically activates for 1 minute at the start of the clean-up cycle at 12:00 (Noon).
This clears the lines of the air injector system to help ensure that all water is
exposed to sanitizer. This cycle is non-programmable.
8.4 Jets 1 - The sensor pad labeled JETS 1 controls the main
jets pump #1. Pressing this sensor turns pump #1 on and off.
Page 12
ENGLISH

8.5 Jets 2 - On models with two jet pumps, JETS 2 controls the
high-speed pump #2.
Auto Turn Off — Anytime a pump has been manually turned on, it will
automatically turn off after approximately 20 minutes. If at this time you
desire more jet operation you may simply turn the pump(s) back on.
Page 13
Select
Cycle
Mode
Display
Figure-D, Command Center
These display temperature
setting and increase or decrease
temperature setting and other
programmable features.
Inverts the
main 4-digit
display.
Controls the hot tub
light (bright, dim,
dimmer, off).
Controls the air
blower (On,
Off).
Controls pump #1
(On, Off).
Controls pump #2
(N/A Capri).
Switches between
standard and economy
skimming/heating modes.
(page 24).
Accesses skim-
ming/heating cycle
program mode.
Scrolls menu through
skimming/heating cycle
programming features.
Displays time of day and
initiates time setting and
locking functions.
Indicates panel, set
temperature or
skimming/heating cycle
programming is locked.
Indicates heater is on.
(page 11).
Indicates optional ozone
generator is on (page 35).
Indicates pump #2
is on (N/A Capri).
Indicates pump #1 is
on (flashes during
auto operation).
Indicates air injec-
tor system is on.
Indicates hot tub light
is on (changes accord-
ing to brightness
selected).
These characters identify
what is being shown on the
main 4-digit display
Figure-E, LCD Display
Indicates operating
mode selected (page
24).
ENGLISH
Indicates skimming/heating
cycle in progress or displays
cycle programming features
(page 25).

Page 14
1. Control Panel
2. Air Controls
3. Filter Lid
4. Massage Selector Valve #1
5. Whirlpool Jets (N/A Capri)
6. Therapy Jets (Fluidix Intelli-Jets)
7. Massage Selector Valve #2 (N/A
Capri)
8. Auxiliary Control Panel (N/A Capri)
9. Therapy Seat
10. Air Injectors
11. Hot Tub Light
Figure-F, Hot Tub Top View
12. Fragrance Dispenser
13 .Vertical Jets
14 . Footwell Suction Fittings and Filters
(Filters protect diverter valve from
debris entrapment/damage. Filters
require periodic cleaning).
15. Optional Audio System Speakers
(2 places)
16. Optional Audio System Receiver
17. Cool Down Seat.
S
n
S
u
t
s
T
M
c
e
n
Select
Cycle
Mode
Display
Cameo Model with Optional
Audio System Illustrated
2
16
15
12
15
1
3
11
13
5
17
7
6
4
9
28
6
56
14
10
(Location of features varies by model)
ENGLISH

8.6 Selecting The Desired Massage Action
Your Sundance spa is equipped to allow you to customize
the massage action you desire. Each model incorporates
a diverter valve(s) that allow you to customize the mas-
sage and performance by diverting water between various
jet systems. Simply turn diverter to position A (Combo), B, or C to divert
water pressure to various jet groups. Note: The diverter valve is designed to
operate in positions A (Combo), B, and C for optimum performance. It is con-
sidered normal for sound levels within the valve to vary between positions
due to the large amounts of water flowing through it! For optimum filtration
benefits, leave the valve in position A when spa is covered. Select position
B or C for maximum jet performance during spa use.
In the Optima, Cameo and Marin, one massage
selector controls the therapy jets and whirlpool jets.
The other massage selector controls the therapy
seat jets and vertical jets (foot jets).
In the Altamar, the massage selector on the pump #2
system diverts between the therapy seat and the whirlpool
jets (in the footwell and on the side wall). The pump #1
system powers the therapy jets in the lounge and seats of
the hot tub.
8.7 Adjusting Fluidix Intelli-Jets
The Fluidix Intelli-Jets in your new spa offer the
advantage of no moving parts and zero maintenance. They can also be
adjusted for a high and low impact massage, providing the ultimate mas-
sage! Each jet has it’s own water volume and directional or oscillating flow
adjustment. The jet’s outer dial controls water volume (flow rate) and it’s
center “mode disk” selects either an oscillating or directional flow massage.
To Adjust Jets
1. Turn outer dial (A) clockwise to increase water
volume. Turn outer dial counterclockwise to decrease
water volume or to shut jet off.
2. Rotate center “mode disk” (B) clockwise to select a
non-oscillating water stream or turn counterclockwise
to select an oscillating stream at any angle.
3. For a high impact massage, turn corresponding air
control knob clockwise. For low impact massage, turn corresponding air
control knob counterclockwise.
Note: Always keep at least 6 adjustable jets open at all times on each jet
system.
Page 15
BC
A
ENGLISH
AB

8.8 Air Controls
Each jet system has its own air control. These controls allow you to
regulate the amount of air which is mixed with the water entering
through the jets. Clockwise rotation adds more air and counterclockwise rota-
tion reduces air flow. T
o minimize heat loss, these controls should be closed
when the hot tub is not in use.
8.9 Fragrance Dispenser
On the rim of your hot tub is a screw-off cap labeled “SunScents Fragrance
Dispenser” (Figure-F, Page 14). It is designed to contain packages of a specially
made fragrance available from your Sundance dealer. The fragrance is carried
into the hot tub water by the air coming through the injector system when the
air blower is on.
WARNING To prevent personal injury, always turn off air
blower before removing or installing SunScents dispenser cap.
CAUTION: Use Only Sundance SunScentsTM Fragrances in your
new hot tub. Never remove the SunScentsTM beads from their
plastic cage for any reason. Install bead cage directly into
SunScentsTM dispenser. Never use this dispenser for any other
type of fragrance. Always make certain that the dispenser cap is
securely in place before operating the hot tub’s air blower.
8.10 Optional SunSoundTM Audio System
Sundance models with the optional audio system offer
enhanced spa enjoyment by offering an integrated state-of-the-
art audio system. These models include a high-quality
AM/FM/CD splash-resistant marine stereo receiver, two high-
quality marine speakers, and an integrated subwoofer for long-life and an
excellent sound quality. Two speakers located on spa corners (Figure-F,
page 14) are designed for manual exposure and retraction. To expose each
speaker for audio playback, simply press download on each enclosure to
unlatch it’s “pop-up” mechanism, then release. To retract each speaker
before covering spa, gently press downward on each enclosure until you feel
a slight “click”, then release.
CAUTION: Never step or sit on a speaker enclosure! This type
of misuse will damage the speaker enclosure latching and
track mechanism. Always retract speakers prior to covering spa.
Page 16
ENGLISH

Optional SunSoundTM Stereo Receiver Features
Optional SunSoundTM Stereo Receiver General Controls
A. Power On and Off
Make spa power is turned on, then press power button (3) once to turn
on. Press a second time to turn off.
B. Adjusting Volume
Rotate volume knob (1) to increase or decrease volume. Current volume
setting is briefly indicated on the display (0 to 31).
C. Mute
Press mute button (2) once to mute audio output (“Mute” flashes on
display). To restore audio output, press mute button a second time, or
rotate volume knob.
D. Program Selection
Press source button (4) to cycle through available program sources as fol-
lows: Tuner - CD - Tuner. If a source is unavailable (e.g. no CD inserted),
that source will not appear on the display.
Page 17
MUTE
POWER
SOURCE
MRD 60 MARINE
INTRO RANDOM REPEAT DISK
LOCAL
SCAN
BAND
SET
TUNE
123456
AUDIO AUTO
TRACK
DISC IN
4
21 1920 18 17 16 15 14 13
1
12
11
2
3
5 6 7 8 9 10
1. Volume Up/Down (VOL)
2. Mute
3. Power On/Off
4. Source
5. Infrared Receiver for Wireless
Remote Control
6. Preset Buttons 1 to 6
7. Front Panel Release Button
8. Display
9. Clock Set
10. Local
11. Scan
12 . Band
13 .Tune/Seek Up
14 .Tune/Seek Down
15 . Disc +
16. Auto
17. D i sc -
18. CD Repeat
19 .CD Random
20.Audio
21. CD Intro.
ENGLISH

Page 18
E. Adjusting Bass Level
Press audio button (20) until display reads “BAS.” Rotate volume knob to
desired setting. A display of “C 0” indicates center, -2 to -12 indicates
bass cut, and +2 to +12 indicates bass boost. Note: unit returns to vol-
ume mode if volume control is not rotated for 3 seconds.
F. Adjusting Treble Level
Press audio button (20) until display reads “TRE.” Rotate volume knob to
desired setting. A display of “C O” indicates center, -2 to -12 indicates tre-
ble cut, +2 to +12 indicates treble boost. Note: unit returns to volume
mode if volume control is not rotated for 3 seconds.
G. Adjusting Balance
Press the audio button (20) until display indicates “BAL.” Rotate volume
knob to desired setting. A display of “C O” indicates center, L1 to 15 indi-
cates left balance, R1 to 15 indicates right balance. Note: unit returns to
volume mode if volume control is not rotated for 3 seconds.
Optional SunSoundTM Stereo Receiver Radio Operation
A. Adjust Fader
Press audio button (20) until display reads “FAD.” Rotate volume knob to
desired setting. A display of “C O” indicates center, “R” 1 to 15 indicates
rear fade, “F” 1 to 15 indicates front fade. Note: unit returns to volume mode
if volume control is not rotated for 3 seconds.
B. Display Clock
Press set button (9) to toggle display between clock and radio modes.
When clock mode is selected, the current time displays whenever the unit
is left undisturbed.
C. Set Clock
Press and hold set button (9) for 2 seconds until first time digit flashes on
display. Use tune/seek-up button (13) or tune/seen-down button (14) to set
hour, noting AM/PM indicator at left. Briefly press set button a second time
to select minutes display. Press set button a third time to complete proce-
dure. Unit remains in clock mode and displays time after 3 seconds. Note:
When power to spa is shut off for any reason, the clock will be reset to
12:00 AM.
ENGLISH

Page 19
D. Open/Close Front Panel
Place thumb on front panel release button (7) with forefinger below front
overhang. Press firmly on release button, then flip panel open by pulling out-
ward at top edge. To close panel, flip panel up and press firmly until you
hear an audible click. Keep the front panel closed at all times to prevent
water intrusion, except when changing discs. CAUTION: never insert wet
discs into unit or CD player will be damaged!
E. Radio Operation
Press source button (4) to select radio mode. Station frequency is
indicated on display.
•To Select Band: press band button (12) to toggle through radio modes
as follows: FM1 - FM2 - FM3 - AM1 - AM2 - FM1. Each radio band
stores up to 6 independent presets, for a total of 18 FM and 12 AM
presets.
•To Program Presets: tune in desired radio station, then press and hold
desired preset button for at least 2 seconds. PX”, where X=preset num-
ber, appears at bottom right of the display. Note: When power to spa
is shut off for any reason, all station presets are reset.
F. Automatically Setting Station Presets
To automatically set station presets to their next higher stations, press the
preset button (1 to 6) from which to start programming, then press and
hold the auto button (16) for at least 2 seconds. The current station
preset and additional preset memories up to P6 will be reprogrammed
with their next higher tunable stations. When the auto preset cycle is
complete, the unit will remain in preset scan mode and continue scanning
for presets until the auto button (16) is pressed. To select only the
strongest stations, press the local button (10). All 18 FM and 12 AM
presets can be set sequentially by selecting the next band and continuing
the operation during auto programming.
G. Seek / Manual Tune
Press tune/seek-up button (13) once to automatically tune the next higher
station. Press tune/seek-down button (14) once to automatically tune the
next lower station. To manually tune to a specific station frequency, press
and hold either tune/seek button for at least 2 seconds. Holding either
button down will increase or decrease the displayed frequency manually.
When the desired frequency is reached, release the button. The unit
remains in manual tune mode for 3 seconds after either button is released
so you can fine tune the station frequency with additional button presses.
Note: After 3 seconds, seek mode is re-enabled.
ENGLISH

Page 20
H. Scan Functions
Select any AM or FM band and press scan button (11) to listen to a few
seconds of each radio station. The display will flash and the radio will
automatically scan to the next higher station, play that station for a few
seconds, then scan to the next higher station. To stop scanning and con-
tinue listening to the current station, press scan button a second time.
Note: the radio remains in scan mode until the scan button is pressed a
second time or one of the tune buttons is pressed.
I. Preset Scan Function
Press the auto button (16) once to enter scan mode. The next higher pre-
set station will be selected and be played for 3 seconds while the preset
number on the display flashes. If you wish to remain on this station, press
the auto button (16) a second time. Note: preset scanning continues
unless you press the auto button (16) or either preset button (P1-P6) to
cancel.
J. Local/Distance Function
Press the local button (10) to toggle between local and distant station
mode. When “LOCAL” is displayed, only the strongest stations will be
selected during seek or scan. Note: in the default mode (no LOCAL dis-
play), all usable stations will be selected during seek or scan.
K. Changing Tuner Frequency from Europe to US
Your unit is factory set to Europe tuning frequency steps. To switch to US
tuning steps, use the switch on the bottom of the unit. With the unit dis-
connected from the power source, use a screwdriver to slide the switch to
the desired position. Note: power must be removed from the radio, or
the reset switch must be pressed before the new frequency mode is
activated.
Optional SunSoundTM Stereo Receiver CD Player Operation
A. Insert, Play, and Eject a CD
Open the front panel and insert a CD into the slot with the CD label facing
up. The CD will be drawn inside by the motorized mechanism. Close the
front panel. The “DISC IN” symbol on the display indicates that a CD is in
the drive.
•To play CD: press the source button (4) to change to CD mode. The
CD will play. The display shows the current track and play time, and
will animate a 3-D rotating disc while the CD is playing. Note: if CD
ENGLISH

play time is not shown, press clock set button (9) once.
•To remove CD: open the front panel and press the CD eject button
located under the front panel. Remove CD from drive and close front
panel. CAUTION: listen for an audible click to ensure the front
panel is closed to prevent water intrusion that could damage
your unit.
B. Changing CD Tracks and Music Seek
To advance to the next track, press the tune/seek-up button (13) once and
the track counter will increase one track. When the final track is reached
on the CD, play will resume on track #1.
•To fast forward through tracks: press and hold the tune/seek-up
button (13) until the track counter displays the desired track, then
release the button.
•To return to the beginning of the current track: press the tune/
seek-down button (14). Pressing it a second time within 1 second will
skip back to the previous track.
•To rewind the current track: press and hold the tune/seek-down button
(14). The track will quickly rewind until you release the button.
C. Intro Scan, Random, Repeat
•Intro Scan Mode: press intro button (21) to enter intro scan mode.
The left side of the display reads “SCN” and the first 10 seconds of
each CD track will play continuously until you press the intro button a
second time, or press either tune/seek-up button (13) or tune/seek-
down button (14).
•Random Mode: press the random button (19) to play the CD tracks in
random order. The left side of the display reads “RDM” when random
mode is enabled.
•Repeat Mode: press the repeat button (18) to repeat the current CD
track continuously. The left side of the display reads “RPT” when
repeat mode is enabled.
Optional SunSoundTM Stereo Receiver Troubleshooting
A. Unit will not turn-on
Make sure spa power is turned on, then check both harness fuses on back
of unit making sure they are the proper ratings:
•Yellow memory B+ line (1A fuse); Red ACC line (10A fuse).
•With spa power off, use a thin rod to press the reset button located
under the front panel.
Page 21
ENGLISH

B. Fogged CDs and Lens
This condition may occur when it’s cold. Wipe fogged CDs with a soft
cloth. Fogged optical components inside the unit will return to normal
operation after an hour in a heated environment.
Optional Wireless Remote Control (Purchased Separately)
To ensure maximum life of the optional wireless stereo remote,
we recommend never submerging it in water or leaving it
under the spa cover! Prolonged exposure to moisture will
damage the remote!
Optional Wireless Remote Battery Replacement Procedure
Remove remote from rubber housing, then remove protective adhesive seal
from battery door. Depress hook with thumbnail and pull outward on battery
door. Replace depleted battery with fresh battery, be sure to note polarity.
Install battery door. Replace adhesive seal material, making sure to cover the
entire cover gap (additional seal material included, if required). Replace
remote firmly into rubber housing.
Wireless Remote Control Specifications
Usable range . . . . . . . . . . . . . . . . . . . . . . . . . . . . . . . . . . . . . . . . . . . . . . . .5m
Battery . . . . . . . . . . . . . . . . . . . . . . . . . . . . .Coin Type, CR2025 or equivalent
Optional Stereo Receiver Specifications
Tuner
FM usable sensitivity . . . . . . . . . . . . . . . . . . . . . . . . . . . . . . . . . . . . . .10 dBf
FM 50 dB quieting sensitivity . . . . . . . . . . . . . . . . . . . . . . . . . . . . . . .15 dBF
FM alternate channel selectivity . . . . . . . . . . . . . . . . . . . . . . . . . . . . . .90 dB
FM stereo separation @ 1kHz . . . . . . . . . . . . . . . . . . . . . . . . . . . . . . .60 dBf
AM usable sensitivity . . . . . . . . . . . . . . . . . . . . . . . . . . . . . . . . . . . . . .30 uV
CD Player
Sampling frequency (8X oversampling) . . . . . . . . . . . . . . . . . . . . . .44.1 kHz
Channel separation @ 1 kHz . . . . . . . . . . . . . . . . . . . . . . . . . . . . . . . . .80 db
Signal-to-noise ratio . . . . . . . . . . . . . . . . . . . . . . . . . . . . . . . . . . . . . . .90 dBA
Frequency-to-noise response @ ±1 dB . . . . . . . . . . . . . . . . . . . . . .20-20 kHz
Audio
Maximum power output (45 watts x 4 channel) . . . . . . . . . . . . . . . . .180 W
Continuous power, 20-20 kHz, 4 ohms, 1% THD . . . . . . . . . . . . . . . .18 x 4
Bass boost/cut . . . . . . . . . . . . . . . . . . . . . . . . . . . . . . . . . . . .10/100±dB/Hz
Treble boost/cut . . . . . . . . . . . . . . . . . . . . . . . . . . . . . . . . .10/10+/-dB/kHz
Page 22
ENGLISH

Page 23
ENGLISH
General
Nominal power supply . . . . . . . . . . . . . . . . . . . . . . . . . . . . . . . . . . .14.4 VDC
Allowable power supply . . . . . . . . . . . . . . . . . . . . . . . . . . . . .10.8-15.6 VDC
Current consumption . . . . . . . . . . . . . . . . . . . . . . . . . . . . . . . . . . . .<10 Amp
Speaker impedance . . . . . . . . . . . . . . . . . . . . . . . . . . . . . . . . . . . .4-8 Ohms
9.0 Automatic Filtration
Your spa is equipped with a small circulation pump which provides 24-hour
water filtration and maintains the water temperature efficiently and econom-
ically. The circulation pump draws water through the stage 2 MicroCleanTM
filter cartridge (Section 11.1, Page 28), The only time the circulation pump
will stop is if the actual water temperature exceeds the programmed set
temperature by 1°C, a condition known as “summer logic.” When this
occurs, the circulation pump remains off until the actual water temperature
cools to the set temperature. Refer to the summer logic definition below
for a thorough explanation of this feature.
Summer Logic: In warm weather, the water temperature in the hot tub
may exceed the set temperature. This condition may occur due to heat
transference from jets pump #1 and 24-hour circulation pump. If the water
temperature is higher than 35°C and rises 1°C above the set temperature,
a “Summer Logic” condition occurs that deactivates the circulation pump
and ozonator (if equipped). This safety feature cannot be altered! The
circulation pump and ozonator will remain off until the water temperature
cools to the set temperature (except between12AM-2AM when the circu-
lation pumps runs for it’s mandatory 2-hour “clean-up” cycle when in sum-
mer logic). To help prevent a “Summer Logic” condition, it may be neces-
sary to reduce the skimming/heating cycle run time in warm weather.
9.1 Preset Skimming/Heating Cycle
Your hot tub comes with one one-hour skimming/heating cycle already
programmed with a start time at 12:00 PM (noon). When the pro-
grammed start time is reached, jets pump 1 turns on to provide high-
volume water filtration. You can easily change the start time, or the cycle
length to suit your needs by following the steps outline in section 10.2
(Page 25).

9.2 Standard Skimming/Heating Mode
In this mode, 2-stage water filtration is achieved by activating pump 1 for
the programmed skimming/heating cycle. Water temperature is regulated
by the set temperature, 24-hour circulation pump, and heater which turns
on as needed. After the programmed set temperature is reached, the
heater turns off and the circulation pump continues to operate 24-hours to
filter and clean your spa through the MicroClean filter cartridge (unless pro-
grammed otherwise).
9.3 Economy Skimming/Heating Mode
In this mode, the programmed skimming/heating cycle is disabled.Water
temperature is regulated by the set temperature and 24-hour circulation
pump. The circulation pump also filters and cleans the water by drawing it
through the MicroClean filter cartridge.
9.4 Selecting Standard or Economy Skimming/Heating Mode
Press the MODE button to select either “Standard” or “Economy”
skimming/heating mode (Figure-E, Page 13). The control panel’s indicator
on the right side of the LCD changes to indicate which mode is selected.
When an automatic skimming/heating cycle activates, the LCD screen
displays the following message:
FILTER
CYCLE ON
9.5 Clean-Up Cycle
The clean-up cycle is once per day in both Standard and Economy mode
at 12:00 PM (noon) for two minutes. This is not user programmable. Pump
#2 and blower activate for one minute to circulate any water in the plumb-
ing. After 1 minute they both go off and Pump #1 runs for 1 minute. If
the skimming/heating cycle is also set at 12:00 PM (noon), pump #1 will
continue to run for the duration of the cycle.
Page 24
ENGLISH

10.0 Programming Instructions
10.1 Adjusting Time of Day
The Sentry control system remembers the time of day even in the event of a
prolonged power outage. However, it may occasionally be necessary to reset
the time of day. For example: if you are not in the Pacific Time Zone you
will want to reset the time for your own time zone. (The system will auto-
matically adjust to and from daylight savings time.) To accomplish this,
press DISPLAY, MODE and DISPLAY within five seconds each. A number
representing the hour will be displayed, followed by AM or PM. The hour
will advance or decrease each time UP or DOWN is pressed within five
seconds. Then, press DISPLAY again to display the minutes. Adjust the
minutes as necessary by pressing UP or DOWN. After 5 seconds, the dis-
play will return to normal.
10.2 Changing The Skimming/Heating Cycle
The Sentry Control System allows you to easily adjust two separate aspects
of the skimming/heating cycle (1) the time of day at which the cycle
begins, (2) the duration of the cycle. To make adjustments, first press
CYCLE to enter the skimming/heating cycle programming mode. The LCD
screen will display the following in the upper right corner:
ADJUST START TIME
FILTER
CYCLE
This means the system is ready to accept your changes to the start time for
the skimming/heating cycle. Simultaneously, the large four-digit display in
the center of the screen displays the currently programmed start time for
the cycle. At this point, you have four options. You may:
(1) Press UP or DOWN to adjust the start time in increments of 30 minutes.
(2) Press SELECT to move down the menu from Start Time to Duration.
Press UP or DOWN to adjust the duration in increments of 15 minutes.
(3) Press DISPLAY to make the skimming/heating cycle programming
characters disappear from the screen and the main display return to
showing water temperature. If no sensor is pressed within 30 seconds,
the screen automatically returns to the standard water temperature
display.
Page 25
START TIME
ENGLISH

At any time, you may check the programming of any aspect of the
skimming/heating cycle by first pressing CYCLE then moving through the
menu by pressing either CYCLE or SELECT. The programming is changed
only by pressing UP or DOWN during this process.
10.3 Programming The Change Filter Reminder
Your new spa is equipped with a programmable “Change
Filter” reminder that appears on the control panel display
after a specified number of days. It is designed to remind
you to clean and/or replace your filter cartridge(s) on a regular basis but
does not affect spa operation in any way. This reminder must be reset at
each filter cleaning interval. It offers a selectable range from 10-120 days
or can be disabled. We recommend an initial setting of 30 days, after
which you can easily determine whether you need to shorten or lengthen
its interval by visually inspecting your filter cartridge. Refer to section 11.1
(page 28) for filter cleaning recommendations.
Programming Instructions
(1) Press the CYCLE sensor three times. The main display reads “FIL”
indicating the “Change Filter” display program has been accessed.
(2) Press SELECT sensor once to display currently programmed duration or
days elapsed since last filter cleaning interval.
(3) Press UP or DOWN sensor to change duration as follows:
0 - 10 - 20 - 30 - 40 - 50 - 60 - 70 - 80 - 90 - 100 - 110 - 120 - OFF
(4) Press DISPLAY sensor once to save changes and return to the
standard water temperature display. Note: If no sensor is pressed
within 30 seconds, the screen will automatically return to the standard
water temperature display.
10.4 Programming The Optional Ozonator Cycle
The Sentry control system allows you to easily adjust two separate aspects
of the ozone cycle:
•The time of day (start time) the ozonator begins operating.
•The length of time (duration) the ozonator operates.
Programming Procedure:
(1) Press the CYCLE sensor once. “Adjust 1” indicator displays.
(2) Press CYCLE sensor a second time, “Adjust O3” indicator displays.
Page 26
ENGLISH
CHANGE
FILTER

(3) Press SELECT sensor, “Start time” indicator displays. Press UP or
DOWN sensor to set ozone start time in 30 minute increments.
(4) Press SELECT sensor, “Duration” indicator displays. Press UP or DOWN
sensor to set ozone duration in 2 hour increments.
(5) Press DISPLAY sensor to exit setup and return to normal water
temperature display.
10.5 Locking The Skimming/Heating Cycle
You may keep the skimming/heating cycle program from being inadvertently
altered by electronically “locking” it. To accomplish this, simply press CYCLE
then, within 30 seconds, press DISPLAY, MODE and UP, within five seconds
each. A padlock symbol will appear on the screen. In this state, the status of
the cycle programming may be checked, but may not be altered. To unlock
the cycle programming to make changes, simply press DISPLAY, MODE and
DOWN within five seconds each.
10.6 Panel Lock
To help prevent unauthorized use of your hot tub, the Sentry controls incorpo-
rate a unique panel locking system which disables the controls on the panel.
To Lock The Panel: Press the DISPLAY, MODE,and UP sensor pads,
in order, within five seconds. A padlock symbol will appear on the LCD
screen. With the panel locked, none of the components can be turned on and
the only settings that can be adjusted are the standard/economy operating
mode and changing the time of day. All automatic hot tub functions will oper-
ate normally.
To Unlock The Panel: Press DISPLAY, MODE, and DOWN, in order,
within five seconds. The “lock” symbol will disappear. All sensor pads
are now active.
10.7 Temperature Setting Lock
To electronically lock the temperature setting, first enter the “temperature set-
ting” mode by pressing UP or DOWN. Then, within five seconds, press the
three sensors described under “To Lock The Panel” above. This will prevent
the temperature setting from being changed by unauthorized persons but all
other sensors will remain active. To unlock the temperature setting so that it
can be adjusted, simply follow the instructions above under “To Unlock The
Panel” above.
Page 27
LOCKED
LOCKED
ENGLISH

11.0 Hot Tub Maintenance
Proper and regular maintenance of your hot tub will help it retain its beauty
and performance. Your authorized Sundance Dealer can supply you with all
the information, supplies, and accessory products you will need to accom-
plish this.
11.1 Cleaning The Filter
A programmable “Change Filter” reminder flashes on the
control panel display after a specified number days to remind
you to clean (or replace) your filter cartridge(s). This
reminder must be reset at each cleaning interval. Refer to
section 10.3 (page 26) for additional information and programming details.
Your Sundance hot tub is equipped with an exclusive MicroCleanTM 2-stage
filter located under the filter lid (Figure-F, Page 14). Larger debris is filtered by
pump #1 drawing water through the larger (stage 1) cartridge during normal
operation and at each skimming/heating cycle. Fine debris is filtered by the
circulation pump drawing water through the smaller (stage 2) cartridge. Both
halves work together to give you unsurpassed water quality! To ensure opti-
mum performance, clean and reuse the stage 1 cartridge once a month and
replace the stage 2 cartridge every 3 months.
All models include filters on their footwell suction covers (Page 14)
that prevent debris from entering pump 2 and the diverter valve(s),
when operating. These filters must remain in place to protect these
components from debris entrapment/damage. They should be
cleaned every 2 months, or when weak pump 2 performance is observed.
ALWAYS TURN POWER TO THE HOT TUB OFF BEFORE CLEANING THE
FILTER CARTRIDGE! To accomplish this, refer to the filter cleaning/replace-
ment procedure below:
Page 28
ENGLISH
B
A
C
1. Rotate stage 2 retainer counterclockwise
to release, then separate filter assembly.
2. Replace (throw-out) the stage 2 filter after 3
months use or as needed. DO NOT REUSE!
Stage 1
filter
Stage 2
filter
Loosen filter nut to provide clearance, then
remove filter assembly.
TURN POWER TO HOT TUB OFF!
Filter
Nut
1. 2.
Replace!
DO NOT
Reuse!
CHANGE
FILTER

Periodically, the stage 1 filter will need a more thorough cleaning to remove
imbedded oils and minerals. For this, we suggest cleaning as illustrated
above (step D), followed by soaking the filter overnight in a plastic container
filled with a solution of water and a specially formulated filter cleanser
available from your Sundance dealer.
The average life expectancy of the stage 1 filter is approximately two years
with proper care and water quality maintenance. The smaller stage 2 fil-
ter cannot be cleaned and must be replaced (thrown-out) every
3-months, or as needed. Attempts to reuse this cartridge will reintroduce
debris into your hot tub! Replacement cartridges may be purchased from
your Sundance dealer.
Note: Nylon suction filters need to be cleaned periodically for optimum
performance of all jets (See Figure-F, Page 14).
11.2 Draining and Refilling
About every 3 to 6 months, you will want to replace the hot tub’s water.
The frequency depends on a number of variables including the amount of
Page 29
ENGLISH
F
D
Rinse debris from the stage 1 filter pleats
using a garden hose and high-pressure nozzle.
Start at the top and work downward to the face.
Repeat process until all filter pleats are clean.
Submerge assembled filter in spa and tilt each
end upward to remove trapped air bubbles
from inside each filter cavity.
Stage 1
filter
(Reuseable)
Stage 1
filter
New
Stage 2
filter
E
1. Install new stage 2 filter onto clean stage 1 filter.
2. Insert retainer into stage 2 filter and rotate
clockwise to assembly. DO NOT overtighten
retainer (finger tight only).
Top Filter
Face
G
1. Install filter assembly, then tighten filter nut so it
just touches filter face. DO NOT OVERTIGHTEN!
2. Turn power to hot tub back on.
Filter
Nut
1.2.
Trapped
Air
Bubbles

use, attention paid to water quality maintenance, etc. You will know it is
time for a change when you cannot control sudsing and/or you can no
longer get the normal feel or sparkle to the water even though the key
water balance measurements are all within the proper parameters.
CAUTION! READ THIS BEFORE DRAINING: To prevent damage to the
hot tub’s components, turn off power to the hot tub at the circuit
breaker before draining it. Do not turn the power back on until your hot
tub has been refilled. There are certain precautions to keep in mind when
draining your hot tub. If it is extremely cold, and the hot tub is outdoors,
freezing could occur in the lines or the equipment (see “WINTERIZING”,
Page 32). On the other hand, if it is hot outdoors, do not leave the hot tub’s
surface exposed to direct sunlight for long periods.
Draining Procedures:
For Hot Tubs with An External Drain Valve
1. Turn off power to hot tub at breaker.
2. Locate the 3” gray drain valve cap on the left or right side of the hot tub.
Unscrew drain valve cap to expose the underlying male garden hose fit-
ting. Attach hose to fitting and route opposite end away from hot tub.
3. Pull outward on garden hose at drain connection (approx. 3/8”) to open
valve and release water. Water drains at approximately 3 gallons per
minute.
4. Close drain valve by pushing inward on garden hose at drain connection
until you feel it bottom out, then remove garden hose, install gray drain
cap, and refill spa. Refer to “Start-Up Instructions” (page 9).
11.3 Cleaning The Hot Tub Interior
To preserve the sheen of your hot tub's surface, it is crucial that you avoid
using abrasive cleaners or cleaners which have adverse chemical effect on
the surface. If you are not certain as to the suitability of a particular
cleanser, consult your authorized Sundance Dealer.
Regardless of the cleanser used, use extreme care to assure that no soap residue
is left on the surface. This could cause severe sudsing when the hot tub is
refilled. Your Sundance Dealer offers a specially formulated surface sealant
which aids in cleaning the hot tub surface and adds a protective coating to
enhance the luster of the surface. This product should also be occasionally
applied to the stainless steel grab rails and accents in the hot tub to help pre-
serve their appearance.
Page 30
ENGLISH

11.4 Pillow Care
Remove and clean the headrest pillows as needed with soapy water using a
cloth or soft-bristle brush. To maintain water resistance and luster, apply a
quality vinyl conditioner once a month. Always remove the pillows when
adding chemical shock treatment to the hot tub water. The pillows can be
returned to the hot tub when the sanitizer reading drops below 5 ppm.
IMPORTANT: Never attempt to remove the pillows by pulling on them!
The pillows utilize a bolt-on design that prohibits removal without tools.
To remove pillows:
1. Grasp center pillow insert (A) with finger
tips and gently pry outward from pillow
base (C).
2. Use a standard screwdriver to loosen
and remove mounting bolts (B) from
pillow base.
3. Assemble in reverse order after cleaning.
DO NOT overtighten pillow mounting
bolts!
11.5 Maintaining The Wood Cabinet
With time and exposure to the elements, the wood on your hot tub will
tend to lose its new appearance. Protecting or reviving the wood surfaces is
a fairly simple process. Light sanding with fine-grit sandpaper will help
smooth any roughness and regular applications of a penetrating wood
preservative will enhance and protect the richness of the wood. A specially
formulated wood stain available from your Sundance dealer is ideal for this.
NOTE: Do not apply varnish, shellac or other surface sealants to the
wood. These tend to react with the chemicals in the wood and the UV
rays of the sun, causing yellowing, flaking and peeling.
11.6 Maintaining The Optional Synthetic Cabinet
The optional synthetic cabinet requires little or no maintenance of any kind.
To clean, simply wipe cabinet with a clean towel and mild detergent soap
solution.
CAUTION: Never spray cabinet with a garden hose for any reason since
this action may induce an electrical short in the spa’s electrical equipment.
Page 31
ENGLISH

11.7 Maintaining The Cover
Using the Sundance insulating hot tub cover anytime the hot tub is not in use
will significantly reduce your operating costs, heat-up time and maintenance
requirements. To prolong the life of the cover, handle it with care and clean it
regularly using mild soap and water. Periodic treatments with a special con-
ditioner developed for Sundance hot tub covers will help protect against dete-
rioration caused by U.V. rays from the sun. Never allow anyone to stand or sit
on the cover, and avoid dragging it across rough surfaces.
11.8 Winterizing
Your Sundance hot tub is designed to automatically protect itself against freez-
ing when operating properly. During periods of severe freezing temperatures,
you should check periodically to be certain that the electrical supply to the
hot tub has not been interrupted. In extreme, bitter cold weather (less than
-29°C) reset the skimming/heating cycle for 24-hour operation to protect the
hot tub. If you do not intend to use your hot tub, or if there is a prolonged
power outage during periods of severe freezing temperatures, it is important
that all water be removed from the hot tub and equipment to protect against
damage from freezing.
For expert winterization of your hot tub, contact your authorized
Sundance Dealer. In emergency situations, damage can be minimized by
taking the following steps:
CAUTION: Turn off power to hot tub.
1. Follow the directions on page 30 for draining the hot tub.
2. As the water level drops below the seats, use whatever means
necessary to get the water out of the recessed seating areas and into
the footwell.
3. When the water level ceases to drop, use whatever means available to
remove any remaining water from the footwell.
4. Turn the power to the hot tub back on briefly and press the AIR
button to activate the air blower. This will evacuate the water from the
air injector lines. (Note: Stand back to avoid the misty spray.)
5. Turn off power to the hot tub.
6. Remove the equipment-side cabinet panels and locate the drain plugs
in the front of the pump(s) (Figure-A, Page 6). Remove these plugs to
allow the water to drain out of the pumps and heater. (Note:
Approximately one to two gallons will be released during this proce-
dure. Use a wet/dry vacuum or other means to keep this from flooding
Page 32
ENGLISH

Page 33
the equipment compartment. Replace the drain plugs.
7. Loosen hose clamp at bottom of heater (Figure-A, Page 6) and pull
hose off of heater fitting (twist the hose back and forth while pulling
downward). Tip hose down and allow to drain.
8. Re-install cabinet side panels and cover hot tub so that no casual
moisture can enter into it. Consult your Authorized Sundance Dealer if
you have any questions regarding winter use or winterizing.
11.9 Restarting Your Hot Tub in Cold Weather
If you want to start up your hot tub after it has sat empty for a time in
freezing temperatures, be aware that the water remaining in certain sections
of the piping may still be frozen. This situation will block water flow prevent-
ing the hot tub from operating properly and possibly damaging the equip-
ment. We recommend you consult your dealer for guidance before attempt-
ing to re-start your hot tub under these conditions.
11.10 Handrail Maintenance
The handrails in your Sundance spa are manufactured from a high quality
316 stainless steel alloy. Many people are familiar with the term “stainless
steel” and are surprised to learn that it does indeed rust and corrode in the
presence of chloride salts, free chlorine, or sulfide gasses. The bad news is
the environments that produce these elements are ocean spray, salted high-
ways, chemical treatments added to swimming pools and spas, and ground
water in numerous coastal areas. The good news is with proper care, your
spa’s handrails can maintain their original finish.
If your stainless handrails shows signs of rusting you should:
•Wash with fresh water (a good detergent won’t hurt).
•Clean with a good car chrome polish.
•Wax with an automotive or fiberglass wax.
You should never:
•Clean with chlorinated cleaners or scouring powders.
•Use sand paper, “Scotch Brite”, Brillo pads, or similar abrasive products.
•Clean with muratic or hydrochloric acids. Vinegar is ok, but it won’t do
much to remove rust.
ENGLISH

12.0 Water Quality Maintenance
Maintaining the quality of the water within specified limits will serve to
enhance your enjoyment and prolong the life of the hot tub's equipment. It
is a fairly simple task, but it requires regular attention because the water
chemistry involved is a balance of several factors. There is no simple formu-
la, and there is no avoiding it. A careless attitude in regard to water mainte-
nance will result in poor and potentially unhealthful conditions for soaking
and even damage to your hot tub investment. For specific guidance on
maintaining water quality, consult your Authorized Sundance Dealer who
can recommend appropriate chemical products for sanitizing and maintain-
ing your hot tub.
CAUTION: Never store hot tub chemicals inside the hot tub's equipment bay.
12 . 1 pH Control
pH is a measure of relative acidity or alkalinity of water and is measured on
a scale of 0 to 14. The midpoint of 7 is said to be neutral, above which is
alkaline and below which is acidic. In hot tub water, IT IS VERY IMPORTANT
TO MAINTAIN A SLIGHTLY ALKALINE CONDITION OF 7.2 to 7.8. Problems
become proportionately severe the further outside of this range the water
gets. A low pH will be corrosive to metals in the hot tub equipment. A high
pH will cause minerals to deposit on the interior surface (scaling). In
addition, the ability of the sanitation agents to keep the hot tub clean is
severely affected as the pH moves beyond the ideal range. That is why
almost all hot tub water test kits contain a measure for pH as well as
sanitizer.
12 .2 Sanitizing
To destroy bacteria and organic compounds in the hot tub water, a sanitizer
must be used regularly. Your Sundance hot tub is equipped with the
Brominator™, a special compartment built into the floating skimmer gate to
hold bromine tablets. By regulating the number of bromine tablets in the
Brominator™ and the length of the filtration cycles, you can control the
amount of bromine which is actively working in your hot tub water. A
bromine residual of 2 to 3 ppm is generally considered desirable. A two-
part bromine system or granular chlorine (Dichlor) are also acceptable sani-
tizers.
IMPORTANT: Do not use chlorine tablets (Trichlor) in your hot tub. This
chemical can have an extremely corrosive effect on certain materials in
the hot tub. Damage caused by use of this chemical, or improper use of
any chemicals, is not covered under the hot tub's warranty.
Page 34
ENGLISH

12 .3 Other Additives
Many other additives are available for your hot tub. Some are necessary to
compensate for out-of-balance water, some aid in cosmetic water treatment
and others simply alter the feel or smell of the water. Your Authorized
Sundance Dealer can advise you on the use of these additives.
12.4 Optional SunZoneTM Water Maintenance System
If you have elected to have your hot tub equipped with the optional
Sundance SunZoneTM UV or SunZoneTM CD water purification system you
will find that your water stays fresh and clear with significantly less chemical
sanitizer usage. You will also probably be able to go longer between com-
plete hot tub drainings.
13.0 Troubleshooting - Display Messages
There are a number of unique functions designed into your Sundance hot tub
to protect it from damage and/or to aid in troubleshooting. Following is a list-
ing of all the possible messages along with their meanings:
MESSAGE MEANING
Overheat Protection (Heater is deactivated, pump’s low
speed is activated). Water temperature is above acceptable
limits. Do not enter the water! Remove hot tub cover to
speed cooling. See “WATER IS TOO HOT” on page 38. If
condition persists, contact your dealer or authorized service
center.
If the hot tub water is more than 8°C cooler than the
temperature setpoint, pump #1 and heater will automatically
activate to provide freeze protection. The hot tub will stay in
this mode until the water temperature reaches 8°C below
the set temperature. No corrective action is necessary.
FLOW SWITCH (Heater is deactivated. Pump may also be
deactivated). Proper flow of water is inhibited or a flow switch
has malfunctioned. Check for proper water level and check for
clogged stage 2 filter (Page 28-29). Contact your dealer or
service organization.
*NOTE: THIS MESSAGE CAN ALSO APPEAR IF THE PUMP HAS NOT
REGAINED PRIME AFTER THE HOT TUB HAS BEEN DRAINED AND
Page 35
ENGLISH
*

REFILLED. IF YOU SUSPECT THAT THIS IS THE CASE, SEE THE
INSTRUCTIONS ON PAGE 37 UNDER “PUMP DOES NOT OPERATE...”
Panel sensors have been pressed too many times in a short
period of time. Because this could cause excessive wear on
equipment components, panel sensors are temporarily
deactivated. Panel sensors will automatically re-activate if no
sensor is pressed for 30 seconds.
Circuit board temperature has exceeded acceptable limit. This
message will disappear when the circuit board temperature
drops below acceptable limit. If condition persists, provide
shade for the equipment side of the hot tub.
FREEZE PROTECTION
A potential freeze condition has been detected. No action is
required. Pump(s) operate until the hot tub is out of danger.
Note: This error commonly occurs when the hot tub is first filled
because tap water is often very cold.
Communication between the control panel and/or remote con-
trol panel and circuit board is faulty. Contact your dealer or ser-
vice organization.
"WATCHDOG" (Hot tub is deactivated). A problem has been
detected which could cause damage to the hot tub or its com-
ponents. Contact your dealer or service organization.
OPEN SENSOR (heater disabled) OR SHORTED SENSOR (hot
tub is deactivated). The high-limit temperature sensor is non-
functional. This must be repaired only by a dealer or qualified ser-
vice organization.
OPEN OR SHORTED SENSOR (heater disabled). The main
sensor is non-functional. This must be repaired only by a
dealer or qualified service organization.
CLOSED OR SHORTED FLOW SWITCH ON SYSTEM
STARTUP (system disabled). Flow switch is non-functional.
This must be repaired only by a dealer or qualified service
organization.
Page 36
ENGLISH

Page 37
ENGLISH
14.0 Troubleshooting - Procedures
In the unlikely event your hot tub is not working the way you believe it should,
please first review all installation and operating instructions in this manual and
check the message on the panel display; second, if you are still not satisfied
it is working properly, please follow the appropriate troubleshooting instruc-
tions.
PROBLEM PROCEDURE
NONE OF THE Check the control panel lights.
COMPONENTS 1. If there are letters or symbols displayed on the
OPERATE (i.e. screen, refer to the previous section to
pump, blower, light) determine meaning and action required.
2. If nothing appears on the screen:
a. Check the household circuit breaker.
b. Contact you dealer or authorized service center.
PUMP DOES Depress "JETS" sensor.
NOT OPERATE 1. If no sound is detected or if a "buzzing" sound is
BUT BLOWER detected, turn off power to the hot tub and
AND LIGHT DO contact your dealer or service center.
OPERATE 2. If motor operates but no water flows to jets:
a. Pump may not be properly primed. See
instructions below.
b. Contact dealer or authorized service center.
Pump Priming Instructions: Turn Hot Tub Off!
Remove filter and insert end of garden hose into left-side filter fitting.
Seal-off fitting opening around hose using a large, clean rag and hold in
place. Ask a helper to turn on maximum water flow through the garden
hose. After about 30 seconds, turn off water. Repeat process for right-side
filter fitting, then remove hose and rag. Reinstall filter as illustrated in
section 11.1 (page 28-29) and activate pump 1. Another method of
priming the hot tub’s pump(s) is as follows:
1. Turn off the power to the hot tub.
2. Remove the handle from the massage selector supplied by the pump
you are priming.
3. Loosen the massage selector’s cap slightly (counterclockwise),
listening for the air to seep out.
4. Tighten the cap finger-tight, replace the handle and turn the hot tub’s
power back on.

Page 38
(Note: This method must be used for pump #2 of all Altamar, Cameo, Marin,
and Optima models because pump #2 is not connected to the filter.)
IMPORTANT: If freezing conditions exist and pump is not operational,
take measures to protect the system from freeze damage. See
“Winterizing” (page 32).
POOR JET ACTION 1. Make certain the pump is on.
(Figure-F, Page 14) 2. Check position of massage selectors
3. Open air control for selected jet system.
4. Check for adequate water level.
5. Check for dirty filter (Page 28-29).
6. Check for dirty filters on all three pump 2
footwell suction covers (Page 14).
WATER IS TOO HOT. 1. Reduce thermostat setting (Page 11).
2. Reduce filtration cycle length. Even with heater
off, water temperature can increase from
prolonged pump operation (Page 25).
NO HEAT 1. Check thermostat setting.
2. Keep the cover in place while heating.
3. If “heater on” indicator is lit (Figure-E, Page 13),
but no temperature rise is experienced after a
reasonable period of time, contact your dealer
or authorized service center.
Should checking the above steps fail to correct the problem, please call your
dealer so that he may arrange service.
Sundance builds the best hot tubs in the industry. Nonetheless, we are always
striving to improve the quality and features of our products. Your input as a
Sundance hot tub owner is a cherished part of this process. If you have any
comments or suggestions, or if you wish to be informed on any new prod-
ucts for your hot tub, please write to us.
CONGRATULATIONS on your good taste and welcome to the happiest and
most relaxed family in the world!
ENGLISH

Page 39
JP9-5 JP9-7 JP9-9 JP9-11 Circ. Pump Pump Blower Light With Factory
Pump 1 2 Power Supply 1 Heater Power Supply 1+2 Setting
00 00ON ON ON ON 12.1 Amp (2.9kW) X 23.6 Amp (5.6kW)
00 01ON ON ON ON 12.1 Amp (2.9kW) 12.1 Amp (2.9kW)
00 10ON ON ON ON 12.1 Amp (2.9kW) X 23.6 Amp (5.6kW)
00 11ON ON ON ON 16.6 Amp (3.9kW) 16.6 Amp (3.9kW) A
01 00ON ON ON ON 12.1 Amp (2.9kW) X 23.6 Amp (5.6kW) B
01 01ON ON ON ON 12.1 Amp (2.9kW) 12.1 Amp (2.9kW)
01 10ON ON ON ON 12.1 Amp (2.9kW) X 23.6 Amp (5.6kW)
01 11ON ON ON ON ON 20.1 Amp* (4.8kW) 20.1 Amp (4.8kW) *
10 00ON ON ON ON 12.1 Amp (2.9kW) X 23.6 Amp (5.6kW)
10 01ON ON ON ON 12.1 Amp (2.9kW) 12.1 Amp (2.9kW)
10 10ON ON ON ON 16.6 Amp (3.9kW) X 28.1 Amp (6.7kW)
10 11ON ON ON ON 16.6 Amp (3.9kW) 16.6 Amp (3.9kW)
11 00ON ON ON ON 12.1 Amp (2.9kW) X 23.6 Amp (5.6kW)
11 01ON ON ON ON 12.1 Amp (2.9kW) 12.1 Amp (2.9kW)
11 10ON ON ON ON ON 20.1 Amp* (4.8kW) X 31.6 Amp (7.6kW) *
11 11ON ON ON ON ON 20.1 Amp* (4.8kW) 20.1 Amp (4.8kW) *
Chart Symbol Legend
0 = Jumper Off Pump 1 = 8 Amp, * The system fuse and fuse holder (F1) on these models must be changed to
1 = Jumper On Pump 2 = 8 Amps 25 Amps to accommodate the higher current draw from these models.
ON = Device On Circulation Pump = 0.5 Amps,
Blower = 3.5 Amps
A = Factory Setting for Cameo, Optima, Marin and Altamar
Light = 0.1 Amps
B = Factory Setting for Capri
Circuit Board Jumpers (See Diagram, Page 40) Total Current Draw
15 .0 Jumper Configurations / Max Current
Chart
ENGLISH

Page 40
ENGLISH
16.0 Electrical Wiring Diagram
Export 50Hz
230 VAC, 1-Phase, 50 Hz;
1 Pump = 12A/24A; 2 Pump = 18A/30A
USE MIN. 6 AWG (10 mm2) COPPER CONDUCTORS ONLY
SENSORS 800 LCD PANEL
J8 J6 J7
J3
OPTIONS
FLOW SWITCH
HI - LIMIT / FREEZE SENSOR
TB4
TB3
G
1
TB2
2 1
1
2
PUMP 1 PUMP 2
HI HI
TEMPERATURE
SENSOR
SPA
LIGHT
TB7
From TB1
TB1TB2
UV or CD
Ozonator
(Optional)
Circulation
Pump
TB5
2
1
1
TB6
2
1
1 2 3
20A,
250V
SC-20
F1
N
N
N
N
N
LN
NN
L
LLLL
L
L
N
L
N
Red
Black
STEREO
(Optional)
Power Supply
HEATER
2.7kW, 230 VAC
System Control Panel
BLOWER
L
N
To Heater: For 2 Breaker
System, Remove These Wires
And Connect to Top of TB2
TB1
JP20
JP19
JP9
1
1
3
5
7
9
1
3
5
7
9
11
13
See Chart
(Page 39)

Sundance Spas, Inc.
14525 Monte Vista Ave, Chino, CA 91710/U.S.A.,
Phone: (909) 606-7733, Fax: (909) 606-0195
Website: http://www.sundancespas.com
6530-327, Rev. A © 2004 Sundance Spas, Inc. Printed in U.S.A.