1120 Rev 01 (01 00) Parts Only_Tennant Manual 1 2000 To 2 2004
2012-02-28
: Sweepscrub 1120 Parts Manual 1-2000 To 2-2004 1120_parts_manual_1-2000_to_2-2004 194 file product_file
Open the PDF directly: View PDF
.
Page Count: 8

1120
Model No.:
607679 – 120V
609565 – 230V
607702
Rev. 01 (01-00)
Portable Carpet Extractor
Extractor Portátil Para Alfombras
Operator and Parts Manual
Manual de Operación y de Piezas
FAX: 1–800–678–4240
CUSTOMER SERVICE: 1–800-982-7658
TENNANT COMPANY
Commercial Products
12875 RANSOM STREET
HOLLAND MI 49424 U.S.A.
Home
Find...
Go To..

WIRING DIAGRAMS
DIAGRAMA DE CABLEADO
Tennant 1120 (09–97) 15
120V Wiring
ON
OFF
VACUUM PUMP
VACUUM
MOTOR
SOLUTION
PUMP
HANDLE CORD 14–4
TWIST LOCK
RECEPTACLE
GRN
BLK
WHT
BLK
RED
WHT
BLK
WHT
GRN
WHT BLK
GRN
BLK
BLK
RED
BLK
GRN
GRN
GRN
WHT
230V Wiring
BLK.
GRN.
TWIST LOCK
RECEPTACLE
WHT.
Home
Find...
Go To..

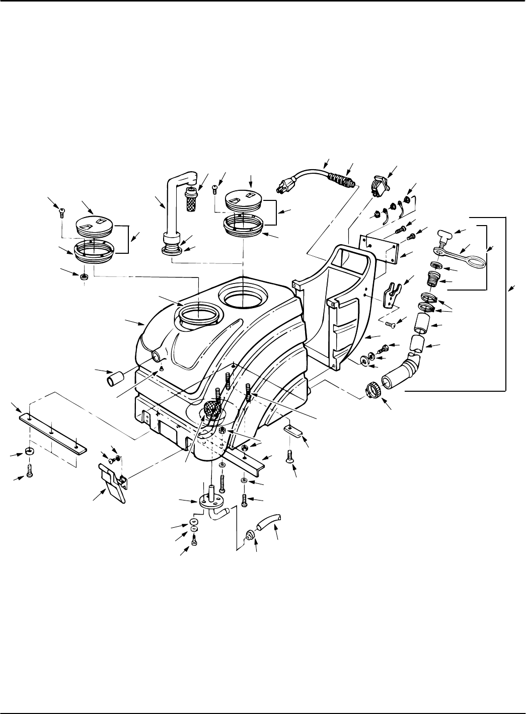
PARTS LIST
LISTA DE PIEZAS
Tennant 1120 (10–97)
16
UPPER HOUSING PARTS
PIEZAS DE LA CAJA SUPERIOR
14
3
5
2
8
7
6
910 4
55
54
11 12 13
14
115
16
30
10
31 27
28
29
18
19
20
26
25
24
22
23 21
17
53
52
51
50
33
34
35
36
40
41
32
56
39
37
38
44
43
42
47
49
48
44
45
46
Home
Find...
Go To..

PARTS LIST
LISTA DE PIEZAS
Tennant 1120 (07–99) 17
UPPER HOUSING PARTS LIST
LISTA DE PIEZAS DE LA CAJA SUPERIOR
REF PART # DESCRIPTION QTY.
1. 140900 SCREW,10-24X3/4 7
2. 100103 ASM., LID 2
∇3. 100109 LID, OUTER RING 2
4. 100105 LID, CENTER CLEAR 2
5. 140000 WASHER, FLAT 6
6. 101714 GASKET 1
7. 230187 NIPPLE 1
8. 602448 STANDPIPE 1
9. 180613 FLOAT, SHUTOFF 1
10. 140837 SCREW, #6-1/2 6
11. 130227 CORD, 14/4 X 20" (120V) 1
600324 CORD, POWER 2 X 15M (230V) 1
12. 130166 CORD GRIP (120V) 1
130167 CORD GRIP (230V) 1
13. 19417 SWITCH 2
14. 140519 NUT, KEP 3
15. 140837 SCREW, 10-24X3/8 4
16. 230908.BK PLATE, REAR COVER 1
∇17. 190965 ASM., DRAIN HOSE 1
18. 140072 CLAMP 2
19. 140921 SLEEVE 1
20. 160627 HOSE, DRAIN 1
∇21. 701061 DRAIN HOSE STOPPER 1
22. 230831 KNOB 1
23. 230882 STRAP 1
24. 140056 WASHER, FENDER 1
25. 140955 PLUG 1
26. 140307 CLAMP 1
27. 140231 SCREW, 3/8X1 1/2 4
28. 140017 WASHER, LOCK 4
29. 140028 WASHER, FLAT 4
30. 230696.BK BRACKET, DRAIN HOSE 1
31. 607689 HANDLE, TEAL 1
32. 140258 SCREW, STUD 3
33. 230845 PLATE, CORD CLAMP 1
34. 140834 SCREW, 1/4-20X5/8 1
REF PART # DESCRIPTION QTY.
35. 140524 NUT, KEP 2
36. 230846 BRACKET, TANK SUPPORT 1
37. 140016 WASHER, LOCK 3
38. 140208 SCREW, 1/4-20X1 4
39. 600451 ASM., BLADDER PLATE 1
40. 606245 HOSE, 3/8 LP GRAY, 2.6' 1
41. 140310 CLAMP 2
42. 140000 WASHER, FLAT 4
43. 140016 WASHER, LOCK 7
44. 140259 SCREW, 1/4-20X5/8 7
45. 140016 WASHER, LOCK 3
46. 230946 BRACKET, TANK 1
47. 140932 LATCH, HOOD 2
48. 140801 SCREW, 8-32X3/8 8
49. 140023 WASHER, LOCK 8
50. 140713 RIVET, POP 1
51. 230905 TUBE, INLET 1
52. 607686 TANK, RECOVERY, TEAL 1
53. 602783 BLADDER 1
∇54. 100102 LID, CLEAR W/STD HOLE 1
55. 600812 LID, OUTER RING 1
56. 180628 SCREEN, CLEAN WATER TANK 1
DECALS (NOT SHOWN)
LISTA DE CALCOMANÍAS (NO SE MUESTRAN)
N/S 120188 DECAL, DASH 1
N/S 120649 DECAL, WARNING EXTRACTOR..." 1
N/S 120906 DECAL, IMPORTANT DRAIN..." 1
N/S 120907 DECAL, IMPORTANT ALWAYS CLOSE..." 2
N/S 120190 DECAL, USE BLEEDER HOSE..." 1
N/S 120210 DECAL, TENNANT" 1
N/S 608129 DECAL, 1120" 2
∇Assembly
Included in Assembly
Home
Find...
Go To..

PARTS LIST
LISTA DE PIEZAS
Tennant 1120 (10–97)
18
LOWER HOUSING PARTS
PIEZAS DE LA CAJA INFERIOR
5
4
3
2
1
6
7
8
910 11
12 13
7
14
13
15
40
18
13
15
17
16
23
22
21
20
20
24 25
26 19
29
30
31
32
28
31
32
32
37
39 38
36
17
35
34
33
27
34
36
37
Home
Find...
Go To..

PARTS LIST
LISTA DE PIEZAS
Tennant 1120 (07–99) 19
LOWER HOUSING PARTS LIST
LISTA DE PIEZAS DE LA CAJA INFERIOR
REF PART # DESCRIPTION QTY.
1. 210240 NUT, FLANGED 1
2. 100038 GASKET 1
3. 130996 MOTOR, VAC 5.7/3 STG (120V) 1
602741 -CARBON BRUSH (2/Pk) 2
130998 MOTOR, VAC 5.7/3 STG (230V) 1
190164 -CARBON BRUSH (2/Pk) 2
4. 140501 NUT, LOCK 3
5. 100118 GASKET 1
6. 230390 HINGE 1
7. 140885 SCREW, 1/4-20X1/2 9
8. 140804 SCREW, 10-24X1 1
9. 230907 AXLE 1
10. 140008 WASHER, FLAT 4
11. 103009 WHEEL 2
12. 140008 WASHER, FLAT 2
13. 140016 WASHER, LOCK 14
14. 230746 BRACKET, AXLE OFFSET 2
15. 140259 SCREW, 1/4-20X5/8 12
16. 140899 SCREW, 10-24X1 1/4 4
17. 140011 WASHER, FLAT 8
18. 103065 CASTER, SWIVEL 4" 2
19. 607684 CHASSIS, TEAL 1
REF PART # DESCRIPTION QTY.
20. 140831 SCREW, 6-32X5/8 4
21. 130608 RECEPTACLE, TWIST LOCK (120V) 1
130609 RECEPTACLE, TWIST LOCK (230V) 1
22. 150933 PLUG, QUICK COUPLER 1
23. 150615 NIPPLE 1
24. 140801 SCREW, 8-32X3/8 8
25. 140023 WASHER, LOCK 8
26. 140932 LATCH, HOOD 2
27. 28675 NUT, NYLOCK 2
28. 150511 HOSE BARB 1
29. 150406 ELBOW 1
30. 140058 WASHER, WAND 1
31. 160207 HOSE, 3/8" LP GRAY 1.5 ft
32. 140310 CLAMP 4
33. 130696 COVER, TWIST LOCK 1
34. 140308 CLAMP 2
35. 160629 HOSE, 2"X24" 1
36. 140519 NUT, KEP 3
37. 150412 ELBOW 2
38. 180108 PUMP, 100 PSI (120V) 1
180109 PUMP, 100 PSI (230V) 1
39. 160207 HOSE, 3/8" LP GRAY 1.8 ft
40. 130694 CORD, EXT 14/3X25' (120V) 1
PUMP PARTS LIST
LISTA DE PIEZAS DE LA BOMBA
2
3
4
6
1
5
REF PART # DESCRIPTION QTY.
∇1. 180103 PUMP, 100 PSI (COMPLETE) 1
2. 190129 KIT, PRESSURE SWITCH 1
190172 KIT, PRESSURE SWITCH (VITON) 1
190134 KIT, DIAPHRAGM ONLY 1
3. 190128 KIT, UPPER HOUSING 1
190124 KIT, CHECK VALVE ONLY 1
4. 190171 KIT, VALVE (VITON) 1
5. 190131 KIT, SERVICE 1
6. 190130 KIT, LOWER PUMP HOUSING 1
∇Assembly
Included in Assembly
Home
Find...
Go To..

OPTIONAL ACCESSORIES
ACCESORIOS OPCIONALES
Tennant 1120 (03–99)
20
HOSES
MANGUERAS
1
2
4
4
3
5
6
7
REF PART # DESCRIPTION QTY.
∇1. 160185 HOSE, SOLUTION 15' 1
160186 HOSE, SOLUTION 25' 1
2. 150913 COUPLER, QUICK SER. 60 1
3. 150933 PLUG, QUICK COUPLER 1
4. 150615 NIPPLE 2
∇5. 160400 HOSE, VACUUM 15' 1
160401 HOSE, VACUUM 25' 1
6. 160430 CUFF, HOSE 1-1/2" 2
7. 160451 CONNECTOR, VAC HOSE 1 1/2" 1
N/S 700141 BLEEDER HOSE 1
∇Assembly
Included in Assembly
5” HAND TOOL
ACCESORIO DE MANO DE 12.7 CM
10
211 12 13
9
8
5
4
3
6
1
7
REF PART # DESCRIPTION QTY.
200505 TOOL, HAND 5" (COMPLETE) 1
1. 200431.BK TOOL, HAND 1
2. 150913 COUPLER, QUICK, SER. 60 1
3. 150615 NIPPLE, CLOSE 1
4. 200905 LEVER, K-VALVE W/PIN 1
5. 210210 VALVE, FLOW CONTROL 1
6. 190600 VALVE PIN & SPRING (NOT SHOWN) 1
7. 210148 CAP, HEX, VALVE 1
8. 150606 NIPPLE, HEX 1/4" 1
9. 150403 ELBOW, ST 1/4" 45°1
10. 200992 BODY, SPRAY 1/4"F 1
11. 200996 SCREEN, SPRAY BODY 1
12. 200965 TIP, BRASS #8002 1
13. 200994 CAP, SPRAY BODY 1
Home
Find...
Go To..

OPTIONAL ACCESSORIES
ACCESORIOS OPCIONALES
Tennant 1120 (09–97) 21
FLOOR TOOL
ACCESORIO PARA PISOS
3
1
2
5
467
8
11
12
10
1314
15
16
17
18
21 20
23
22
24
25
26
19
9
9
27
REF PART # DESCRIPTION QTY.
600048 TOOL, FLOOR 13" (COMPLETE) 1
1. 200403.BK TOOL, FLOOR 1
2. 200939 SHOES, FLOOR TOOL 2
∇3. 200927 GRIP, ADJUSTABLE COMPLETE 1
4. 200910 FOAM, GRIP 1
5. 140210 SCREW, 1/4X3/4 2
6. 200902 HANDLE 1
7. 200809 SLEEVE, HANDLE 1
8. 140605 PIN, HANDLE 1
9. 140520 NUT, PUSH 2
∇10. 210150 VALVE, FLOW CONTROL 1
11. 190603 KIT, VALVE PIN & SPRING 1
12. 210148 CAP, HEX, VALVE 1
13. 150403 ELBOW, 1/4-45°1
14. 150615 NIPPLE, CLOSE 1/4 1
15. 150913 COUPLER, QUICK SER. 60 1
16. 160170 WAND, HOSE ASSEMBLY 1
17. 160606 NIPPLE 1
18. 140058 WASHER 1
∇19. 700062 ASM., SPRAY BAR 1
20. 150401 ELBOW, 90° 1/4FX1/4F 2
21. 150600 NIPPLE 2
22. 150700 CROSS 1
23. 200993 SPRAY BODY 3
24. 200996 SCREEN, SPRAY BODY 3
25. 200964 TIP, SPRAY 3
26. 200994 CAP, SPRAY BODY 3
27. 140834 SCREW, 1/4-20 X 5/8 2
∇Assembly
Included in Assembly
Home
Find...
Go To..