TENNANT 2510 2550 PARTS MANUAL Rev 00
2510-2550 Parts Manual 2510-2550_parts_manual 2510-2550_parts_manual 34 file product_file sweepscrub
2011-08-15
: Sweepscrub 2510-2550 Parts Manual 2510-2550_parts_manual 31 file product_file
Open the PDF directly: View PDF
.
Page Count: 33
- STANDARD PARTS
- WIRE DIAGRAMS
- WIRING DIAGRAM 2550 MODEL WITH ON--BOARD CHARGER
- LADDER DIAGRAM2550 MODELWITH ON--BOARD CHARGER
- WIRING DIAGRAM2550 MODELWITHOUT ON--BOARD CHARGER
- LADDER DIAGRAM2550 MODELWITHOUT ON--BOARD CHARGER
- WIRING DIAGRAM2510 MODELWITH ON--BOARD CHARGER
- LADDER DIAGRAM2510 MODELWITH ON--BOARD CHARGER
- WIRING DIAGRAM2510 MODELWITHOUT ON--BOARD CHARGER
- LADDER DIAGRAM2510 MODELWITHOUT ON--BOARD CHARGER
- OPTIONS

2510/2550
*9005432*
www.tennantco.com
Parts Manual
9005432
Rev. 00 (08-2008)
North America / International
36 Volt Dust Control Burnisher
Model Part No.:
9003531 - 2510
9003532 - 2510 Complete
9003535 - 2550
9003536 - 2550 Complete
609180 - 2550 Japan Model
Home
Find...
Go To..

STANDARD PARTS
2Tennant 2510/2550 (08--08)
When ordering replacement parts, use the illustrated
parts lists section in this manual. Before ordering parts
or supplies, be sure to have your machine model
number and serial number available. Parts and
supplies may be ordered by phone or mail from any
authorized parts and service center, distributor or from
any of the manufacturer’s subsidiaries.
This machine will provide excellent service. However,
the best results will be obtained at minimum costs if:
SThe machine is operated with reasonable care.
SThe machine is maintained regularly - per the
machine maintenance instructions provided.
SThe machine is maintained with manufacturer
supplied or equivalent parts.
PROTECT THE ENVIRONMENT
Please dispose of packaging materials,
old machine components such as
batteries, hazardous fluids, including
antifreeze and oil, in an
environmentally safe way according to
local waste disposal regulations.
Always remember to recycle.
TENNANT Company
PO Box 1452
Minneapolis, MN 55440
Phone: (800) 553--8033 or (763) 513--2850
www.tennantco.com
Specifications and parts are subject to change without notice.
Copyright E2008 TENNANT COMPANY, Printed in U.S.A.
All rights reserved.
MACHINE DATA
Please fill out at time of installation
for future reference.
Model No. --
Serial No. --
Machine Options --
Sales Rep. --
Sales Rep. phone no. --
Customer Number --
Installation Date --
Home
Find...
Go To..

STANDARD PARTS
Tennant 2510/2550 (08--08) 3
TABLE OF CONTENTS
STANDARD PARTS 4.........................
MAIN HOUSING GROUP 4.................
PAD DRIVER GROUP 6...................
DRIVE GROUP (2550 MODEL) 8...........
WHEEL GROUP (2510 MODEL) 10..........
CONTROL CONSOLE GROUP
(2550 MODEL) 12..........................
CONTROL CONSOLE GROUP
(2510 MODEL) 14..........................
ELECTRICAL GROUP 16...................
BATTERY GROUP 18......................
OFF--BOARD BATTERY CHARGER GROUP 19
ON--BOARD BATTERY CHARGER GROUP 20
WIRING DIAGRAMS 22.....................
OPTIONS 30..................................
HOUR METER, EMERGENCY STOP AND
KEYSWITCH KITS 30......................
LOW VOLT INTERRUPT KIT 31.............
PARKING BRAKE KIT 32....................
FLASHING LIGHT KIT 32...................
AIR INLET GROUP 33......................
Home
Find...
Go To..

STANDARD PARTS
Tennant 2510/2550 (08--08)
4
MAIN HOUSING GROUP
1
2
3
48
5
6
7
48
5
6
9
10
11
12
14 15
16
17
18
19 20
23
22
24
12
34
49
37
38
39
37
45
44
43 42
40
41
46
41
42
47
35
36
5
25
8
21
13
23
13
23
26
30
29
28
27
31
33
30
32
31
13
23
12
4
53
54
52
51
50
Home
Find...
Go To..

STANDARD PARTS
Tennant 2510/2550 (08--08) 5
MAIN HOUSING GROUP
REF PART # DESCRIPTION QTY.
∇1614230 ASM, COVER, BATT W/LABEL, TEAL 1
1603965 COVER, BATTERY COMPARTMENT,
GRAY
1
Y2120192 DECAL, TENNANT LOGO 1
Y3604297 DECAL, RECESS BLACK 1
Y41026386 LABEL, WARNING [EXPL,FIRE,SHK
EN/FR/ES]
1
4613862 LABEL, WARNING (JAPAN MODEL) 1
5140016 WASHER, 1/4” LOCK 10
6140000 WASHER, 1/4” FLAT 8
7603268 HINGE, HOOD 1
8140524 NUT, 1/4--20 KEP 1
9363503 SCREW, PAN, M6X1.0X12, SS 2
10 606684 STOP, MOTOR 1
11 604276 BRACKET, MOTOR STOP 1
12 1014918 DWHEEL, 3.0D 0.88W 0.31B
W/BUSHING
4
13 603154 SCREW, M8X1.25X40 PANPHL 4
14 613136 ELBOW, DEFLECTOR RM--NAT 1
15 100121 GASKET, ELBOW 1/4” 1
16 140011 WASHER, 3/16” FLAT 4
17 069760103 SCREW, #10X1 RNDPHL 4
18 604295 PLATE, LATCH 1
19 363503 SCREW, PAN, M6X1.0X12, SS 2
20 140016 WASHER, 1/4” LOCK 2
21 578769 DECAL, MOVING PARTS 2
22 140015 WASHER, 5/16” LOCK 4
23 140027 WASHER, 5/16” FLAT 8
24 15675 SCREW, HEX, M8X1.25X16, SS 4
25 103001 CASTER, SWIVEL 3” 1
26 608575 COVER, DUST BAG, TEAL 1
608512 COVER, DUST BAG, BLACK 1
27 140706 RIVET, POP 1/8 2
∇ASSEMBLY
YINCLUDED IN ASSEMBLY
DRECOMMENDED STOCK ITEMS
REF PART # DESCRIPTION QTY.
28 140962 LATCH, SPRING KNURLED 1
29 603269 HINGE, DUST COVER 1
30 363503 SCREW, PAN, M6X1.0X12, SS 7
31 140000 WASHER, 1/4” FLAT 7
32 08712 NUT, HEX, LOCK, M6X1.0, SS, NL 3
33 140016 WASHER, 1/4” LOCK 4
34 900210 DBAG, CLOTH FILTER 1
611781 DBAG, PAPER FILTER PK=10 1
35 608149 DECAL, 2550 2
608150 DECAL, 2510 2
36 607600 CHASSIS, TEAL 1
603964 CHASSIS, GRAY 1
37 49800 DLATCH, HOOD RBR W/KEEPER 2
38 200070340 SCREW, M4X.7X8 PANPHL 4
39 02938 WASHER, LOCK, INT, 08, SS 4
40 15675 SCREW, HEX, M8X1.25X16, SS 1
41 140015 WASHER, 5/16” LOCK 5
42 140027 WASHER, 5/16” FLAT 5
43 611418 BUSHING, 5/16ID X 7/16OD X .14 1
44 604637 SUPPORT 1
45 230661 PLATE, LOCK CONTROL HOUSING 2
46 15675 SCREW, HEX, M8X1.25X16, SS 4
47 604304 DECAL, BATT HOOK--UP &
CAUTIONS
1
48 363503 SCREW, PAN, M6X1.0X12, SS 8
49 607006 SCREW, TRS, M4X.7X12 4
50 1001518 CABLE, GLV, .13D, 20.5L,
.38 EYE / .38 EYE
1
51 1001553 BUSHING, SLEEVE, 0.25B, 0.36D,
0.16L, STL
2
52 140000 WASHER, FLAT, 0.28B, 0.62D, .04, SS 2
53 140016 WASHER, LOCK, SPLIT, 0.25, SS 2
54 600385 SCREW, PAN, M6X1.0X20, PHL, SS 2
Home
Find...
Go To..

STANDARD PARTS
Tennant 2510/2550 (08--08)
6
PAD DRIVER GROUP
12
4
3
5
6
8
37
7
10
11 12 13
14
12
15
16
17
18
17
22
9
15
12
14 13
11
12
16
17
17
18
19
20
21
32
34
33
36
35
39
38
25
42
29
28
SN 10219585--10358739
26
40
30
31
27
23
24
41
SN 00000000--10219584
42
Home
Find...
Go To..

STANDARD PARTS
Tennant 2510/2550 (08--08) 7
PAD DRIVER GROUP
REF PART # DESCRIPTION QTY.
1604278 BRACKET, MOTOR SPRING 1
2604333 SPRING, EXT .50X4X.063 1
308712 NUT, HEX, LOCK, M6X1.0, SS, NL 1
4630431 SCREW, M6X1.0X40 HXHDCP 1
5140890 SCREW, #10--24X1/2” TRSPHL 1
6140323 CLAMP, NYLON 1/2” ID 1
∇7603398 DMOTOR, 36VDC 2000 RPM 3HP 1
621478 DBRUSH, CARBON 4
Y8140628 KEY, MOTOR 3/16X1 1
91021186 BRACKET, MOUNT, MOTOR 1
10 09745 SCREW, HEX, M12X1.75X25, SS 2
11 140024 WASHER, 1/2” LOCK 2
12 140045 WASHER, 1/2” FLAT 4
13 603273 LIFT ARM MOTOR 2
14 140139 SLEEVE, P/M, 0.625D 0.500B 0.25L 2
15 36643 NUT, HEX, LOCK, .38--16, NL, THIN 4
16 140028 WASHER, 3/8” FLAT 4
17 20536--2 WASHER, FLAT, 0.47B 1.19D .03, NYL 8
18 600191 SLEEVE, P/M, 0.500D0.375B0.23L 4
19 140028 WASHER, 3/8” FLAT 4
20 140017 WASHER, 3/8” LOCK 4
21 02994 SCREW, HEX, .38--16X0.75, SS 4
∇ASSEMBLY
YINCLUDED IN ASSEMBLY
DRECOMMENDED STOCK ITEMS
REF PART # DESCRIPTION QTY.
22 069760023 WASHER, FLAT .77X1.26X.03 1
∇23 1019931 DPAD DRIVER 20” ASSY W/HUB
(SN 10219585--10358739)
1
Y24 370095 DDEVICE, CENTERING 1
25 611788 DPAD, BRH 20” HB,
CARTON = 5 PADS
1
∇26 605348 DPAD DRIVER 20” ASSY W/HUB
(SN 00000000--10219584)
1
Y∇27 32506 DASM., CENTERLOCK 1
Y28 100101 RING, PAD RETAINER 1
29 32505 DWASHER, PAD DRIVER LOCK 1
30 41186 WASHER, .31 BELLEVILLE 1
31 140203 SCREW, .31--24X1.25 HXHDCP 1
32 605103 DSTRAP, 3/8X74 IN 1
33 603744 DSKIRT, DUST CONTROL 1
34 230913 SCREW CLAMP, SKIRT BANDING 1
35 140340 SCREW, #10--24X5/8 PANPHL 6
36 230888 RING, DUST SHIELD 1
37 600195 SEAL, MOTOR BASE 1
38 600385 SCREW, M6X1.0X20 PANPHL 1
39 130162 TERMINAL, RING 1/4 8GA RED 2
40 25732 WASHER, FLAT 1.25X.359X.093 1
∇41 1041196 DDRIVER ASSY, PAD, 20.0D, W/HUB
(SN 10358740-- )
1
Y42 630473 DDEVICE, CENTERING 1
Home
Find...
Go To..

STANDARD PARTS
Tennant 2510/2550 (08--08)
8
DRIVE GROUP (2550 MODEL)
1
6
8
5
42
23
25
24
26
28
27
32
33
34
35
36
37
38
31
30 29
33
2
2
3
7
6
8
5
7
4
4
40
12
39
18
17
13
11
16
15
14
9
7
41
20
19
22
21
10
Home
Find...
Go To..

STANDARD PARTS
Tennant 2510/2550 (08--08) 9
DRIVE GROUP (2550 MODEL)
REF PART # DESCRIPTION QTY.
1603277 FRAME WELDMENT 1
2140431 SPRING, EXT 1X.095X5 4
3611023 SLEEVE, SPRING 2
4613026 DWHEEL, 8.0D 2.00W 2
5602881 BRACKET, TRANSAXLE MTG 2
6140028 WASHER, 3/8” FLAT 4
7140333 WASHER, M10 LOCK 6
806963 SCREW, M10X1.5X60 HEXHD 4
9604293 SPACER, 3/4X4X1/16 1
∇10 1007083 TRANSAXLE, MOTOR, 36V
(SN 10206962-- )
1
612845 TRANSAXLE, MOTOR, 36V
(SN 00000000--10206962)
1
Y11 612873 BODY, TRANSAXLE ONLY 1
Y12 612878 MOTOR, TRANSAXLE 1
Y13 614166 DKIT, BRUSH, CARBON QTY (4)
(SN 10206962-- )
1
612883 DKIT, BRUSH, CARBON QTY (2)
(SN 00000000--10206962)
1
Y14 612880 SLEEVE, TRANSAXLE 2
Y15 612879 HUB, WHEEL TRANSAXLE 2
Y16 1043275 BOLT, NUT, TRANSAXLE 2
Y17 32982 WASHER, 1/4” LOCK 2
Y18 33951 SCREW, SOC, M6X1.0X20, 12.9
(SN 10206962-- )
2
01681 SCREW, SOC, 1/4--20X3/4
(SN 00000000--10206962)
2
∇ASSEMBLY
YINCLUDED IN ASSEMBLY
DRECOMMENDED STOCK ITEMS
REF PART # DESCRIPTION QTY.
Y19 577031000 SCREW, 8X1/2 PANPHL 2
Y20 N/A COVER, TRANSAXLE 2
Y21 612874 COUPLING, TRANSAXLE REPLMT 1
Y22 612875 KEY, SPECIAL, TRANSAXLE REPLMT 1
23 600952 DACTUATOR 1
24 604076 PIN, CLEVIS 10X28MM 2
25 578421 PIN, COTTER 2
26 130133 TERMINAL, MALE RED 2
27 603267 PLATE, PIVOT ARM 2
28 069762098 SCREW, M6X1.0X16 FLTPHL 2
29 103066 DWHEEL, 4”DIAX1.5X.50 GRAY 2
30 140045 WASHER, 1/2” FLAT 2
31 603274 AXLE, REAR WHEELS 1
32 140144 SLEEVE, P/M, 0.496D 0.318B 0.33L 2
33 140028 WASHER, 3/8” FLAT 4
34 140017 WASHER, 3/8” LOCK 2
35 69225 SCREW, 3/8--16X1 HXHDCP 2
36 140829 SCREW, #6--32X1 PANPHL 2
37 1013132 DSWITCH, LEVER, SNAP ACTION 1
38 140539 NUT, #6--32 KEP 2
39 140000 WASHER, 1/4” FLAT 8
40 41169 NUT, 1/4--20 NYLOCK 8
41 09291 SCREW, HEX, M10X1.5X20, SS 2
42 609450 BRACKET, SPRING 1
Home
Find...
Go To..

STANDARD PARTS
Tennant 2510/2550 (08--08)
10
WHEEL GROUP (2510 MODEL)
1
2
3
6
6
4
5
5
2
11
10
98
7
12
13
14
16
15
17
19
18
23
24
25
26
27
28
29
22
21 20
24
30
24
24
12
32
5
31
Home
Find...
Go To..

STANDARD PARTS
Tennant 2510/2550 (08--08) 11
WHEEL GROUP (2510 MODEL)
REF PART # DESCRIPTION QTY.
1603277 FRAME WELDMENT 1
21012021 DWHEEL, 8.0D 1.50W POLY 2
3604293 SPACER, 3/4X4X1/16 1
4603275 AXLE WELDMENT 1
5140333 WASHER, M10 LOCK 6
606963 SCREW, HEX, M10X1.5X60, 8.8 4
7150210 PLUG, CAP BLACK 2
815675 SCREW, HEX, M8X1.25X16, SS 2
9140015 WASHER, 5/16” LOCK 2
10 140048 WASHER, 5/16 (FOR #150210) 2
11 140047 WASHER, 1.24X.754X.062 2
12 140431 SPRING, EXT 1.0X5 4
13 609450 BRACKET, SPRING 1
14 600952 DACTUATOR 1
15 604076 PIN, CLEVIS 10X28MM 2
16 578421 PIN, COTTER 2
DRECOMMENDED STOCK ITEMS
REF PART # DESCRIPTION QTY.
17 130133 TERMINAL, MALE .25 2
18 603267 PLATE, PIVOT ARM 2
19 069762098 SCREW, M6X1.0X16 FLTPHL 2
20 103066 WHEEL,4”DIAX1.5HUBX.50GRAY 2
21 140045 WASHER, 1/2” FLAT 2
22 603274 AXLE, REAR WHEELS 1
23 140144 BUSHING, .375X.500 2
24 140028 WASHER, 3/8” FLAT 8
25 140017 WASHER, 3/8” LOCK 2
26 69225 SCREW, 3/8--16X1 HXHDCP 2
27 140829 SCREW, #6--32X1 PANPHL 2
28 1013132 DSWITCH, LEVER, SNAP ACTION 1
29 140539 NUT, #6--32 KEP 2
30 140055 WASHER, FLAT .343X1.25X.057 2
31 09291 SCREW, HEX, M10X1.5X20, SS 2
32 611023 SLEEVE, SPRING 2
Home
Find...
Go To..

STANDARD PARTS
Tennant 2510/2550 (08--08)
12
CONTROL CONSOLE GROUP (2550 MODEL)
27
1
2
3
4
5
7
89
12
13
11
12
14
1
15
38
36
20
42
43
21
17
26
23
24
30
35
31
32
33
34
29
37
36
40
18
28
19
6
39
36
10
44
47 45
46
16
24
25
22
41
41
Home
Find...
Go To..

STANDARD PARTS
Tennant 2510/2550 (08--08) 13
CONTROL CONSOLE GROUP (2550 MODEL)
REF PART # DESCRIPTION QTY.
1200823 GRIP, HANDLE TUBE 2
2605351 BUSHING 1
3604402 HANDLE, TUBE 1
4603848 DGAUGE, PAD PRESSURE 1
5604930 SCREW, TRS, M5X0.80X10, PHL, PL 4
6613086 HARNESS, WIRE MAIN 1
605840 WRAP,LOOM.75DIA,1FT 1
7603757 PANEL, SWITCH 1
8603399 DSWITCH, DPDT MOM ON/OFF 1
9601107 DSWITCH, LIGHTED ROCKER 2
10 603847 DMETER, BATTERY VOLTAGE 36V 1
11 1000821 DCONTROLLER, PROPEL, 36VDC 1
12 02850 NUT, HEX, LOCK, M4X0.7, NL 4
13 630261 SPACER 2
14 630128 HEAT SINK 1
15 607556 HOUSING, CONTROL, TEAL 1
604299 HOUSING, CONTROL, GRAY 1
16 601108 DSWITCH, TOGGLE 1
17 130753 BOOT, SWITCH 1
18 08712 NUT, HEX, LOCK, M6X1.0, SS, NL 2
19 140045 WASHER, 1/2” FLAT 2
20 140351 SCREW, M12X1.75X70 HXHD 2
21 630304 SCREW, M4X0.7X35, FLTPHL 2
22 230715 TUBE, HANDLE ADJUSTMENT 1
23 230649 PIN, HANDLE ADJUSTMENT 2
∇ASSEMBLY
YINCLUDED IN ASSEMBLY
DRECOMMENDED STOCK ITEMS
REF PART # DESCRIPTION QTY.
24 230710 PIN, HANDLE LOCK 2
25 140415 SPRING, LOCK PIN 1
26 140155 BUSHING 2
27 606550 KNOB, SPEED CONTROL 1
28 140024 WASHER, 1/2” LOCK 2
29 602886 PIN, SPRING RETURN 1
30 605812 SPRING, EXTENSION 1
31 1048847 SCREW, HEX, #6--32X1.75 FL, SS 2
32 140019 WASHER, #6 LOCK 2
33 27098 BRACKET, SWITCH 1
34 614003 DSWITCH, ROLL 2
35 140552 NUT, #10--24 NYLOCK 1
36 140000 WASHER, 1/4” FLAT 5
37 25671 MOUNT, SWITCH 1
38 140890 SCREW, #10--24X1/2” TRSPHL 1
39 603830 PLATE, GUARD SWITCH 1
40 608322 SCREW, M6X1.0X16 TRSPHL 2
∇41 602873 DHARNESS CONSOLE W/POT. 1
Y42 130776 DPOTIENTIOMETER, 50K 1
Y43 130775 DPOTIENTIOMETER, 50K
LOCKABLE
1
44 140540 NUT, #6--32 HEX 2
45 605094 COLLAR, HANDLE 2
46 140859 SET SCREW 2
47 606549 LABEL, SPEED CONTROL 1
Home
Find...
Go To..

STANDARD PARTS
Tennant 2510/2550 (08--08)
14
CONTROL CONSOLE GROUP (2510 MODEL)
16
17
17
18
15
1
2
3
4
5
7
89
1
11
30
28
14
19
22
27
23
24
25
26
21
29
28
32
12 31
28
10
34
35
6
33
20
13
Home
Find...
Go To..

STANDARD PARTS
Tennant 2510/2550 (08--08) 15
CONTROL CONSOLE GROUP (2510 MODEL)
REF PART # DESCRIPTION QTY.
1200823 GRIP, HANDLE TUBE 2
2605351 BUSHING 1
3604402 HANDLE, TUBE 1
4603848 DGAUGE, PAD PRESSURE 1
5604930 SCREW, TRS, M5X0.80X10, PHL, PL 4
6140859 SET SCREW 2
7604269 PANEL, SWITCH 1
8603399 DSWITCH, DPDT MOM ON/OFF 1
9601107 DSWITCH, LIGHTED ROCKER 1
10 603847 DMETER, BATTERY VOLTAGE 36V 1
11 607604 HOUSING, CONTROL, TEAL 1
12 08712 NUT, HEX, LOCK, M6X1.0, SS, NL 2
13 140045 WASHER, 1/2” FLAT 2
14 140351 SCREW, M12X1.75X70 HXHD 2
15 230715 TUBE, HANDLE ADJUSTMENT 1
16 230649 PIN, HANDLE ADJUSTMENT 2
17 230710 PIN, HANDLE LOCK 2
18 140415 SPRING, LOCK PIN 1
DRECOMMENDED STOCK ITEMS
REF PART # DESCRIPTION QTY.
19 140155 BUSHING 2
20 140024 WASHER, 1/2” LOCK 2
21 602886 PIN, SPRING RETURN 1
22 605812 SPRING, EXTENSION 1
23 1048848 SCREW, HEX, #6--32X1 FL, SS 2
24 140019 WASHER, #6 LOCK 2
25 27098 BRACKET, SWITCH 1
26 614003 DSWITCH, ROLL 1
27 140552 NUT, #10--24 NYLOCK 1
28 140000 WASHER, 1/4” FLAT 5
29 25671 MOUNT, SWITCH 1
30 140890 SCREW, #10--24X1/2” TRSPHL 1
31 603830 PLATE, GUARD SWITCH 1
32 608322 SCREW, M6X1.0X16 TRSPHL 2
33 606539 HARNESS, WIRE MAIN 1
605840 WRAP,LOOM.75DIA,1FT 1
34 140540 NUT, #6--32 HEX 2
35 605094 COLLAR, HANDLE 2
Home
Find...
Go To..

STANDARD PARTS
Tennant 2510/2550 (08--08)
16
ELECTRICAL GROUP
27
6
29
22
10
25
9
3
7
14
20
28
23
8
22
26
15
16
18
19 24
7
10
26
31
33
32
3
1
5
4
8
11 10
34
17
9
30
12
2
21
31
10
13
26
JAPAN MODEL
TO
BATTERY
(+)
TO
BATTERY
(--)
36
37
35
Home
Find...
Go To..

STANDARD PARTS
Tennant 2510/2550 (08--08) 17
ELECTRICAL GROUP
REF PART # DESCRIPTION QTY.
1604939 PANEL, CONTROL HOUSING 1
2609969 PLUG, HOUR METER 2
3069762009 GROMMET, DIA 25.4X03 2
4130175 PLUG, DOME .750 DIA 1
5605823 O--RING 2
6612766 DCONTACTOR, 36VDC 1
7578302000 SCREW, M5X0.8X20 PANPHL 4
8608322 SCREW, M6X1.0X16 TRSPHL 4
908712 NUT, HEX, LOCK, M6X1.0, SS, NL 4
10 140000 WASHER, 1/4” FLAT 6
11 606404 DASM., DIODE 400V (2550 MODEL) 1
12 604486 DDIODE, 400V (2550 MODEL) 1
13 130733 DSOLENOID, 36V (2550 MODEL) 1
14 363503 SCREW, PAN, M6X1.0X12, SS 3
15 604271 BRACKET, ELECTRICAL CHASSIS 1
16 130781 DBREAKER, CIRCUIT 80 AMP 1
17 603487 DBREAKER, CIRCUIT BRUSH 15A 1
18 09739 NUT, M5X0.8 NYLOCK 2
19 140524 NUT, 1/4--20 KEP 2
20 604292 ASM,WIRE#4BLKX6” 1
21 604940 PLUG, DOME .312 DIA 1
DRECOMMENDED STOCK ITEMS
REF PART # DESCRIPTION QTY.
22 01696 SCREW, 1/4--20X1/2 HXHDCP 2
23 09739 NUT, M5X0.8 NYLOCK 2
24 605292 SHUNT 1
25 604290 ASM,WIRE#4BLKX27” 1
26 140016 WASHER, 1/4” LOCK 5
27 604289 ASM, WIRE #4 RED X 46” 1
28 76062 INSULATOR, PANEL & SWITCH-
BOARD
1
29 604291 ASM,WIRE#4BLKX6” 1
30 130161 PLUG, DOME .875 DIA 1
31 140011 WASHER, 3/16” FLAT 4
32 140026 WASHER, #6 FLAT 1
33 140340 SCREW, #10--24X5/8 PANPHL 1
34 604930 SCREW, TRS, M5X0.80X10, PHL, PL 4
35 1010555 DHOUR METER (JAPAN MODEL) 1
36 607475 DKEYSWITCH (JAPAN MODEL) 1
607821 DKEY, REPLACEMENT
(JAPAN MODEL)
1
37 604793 DECAL, KEYSWITCH
(JAPAN MODEL)
1
Home
Find...
Go To..

STANDARD PARTS
Tennant 2510/2550 (08--08)
18
BATTERY GROUP
3
3
2
2
1
45
REF PART # DESCRIPTION QTY.
1600394 DBATTERY, 12V 215A (OPTIONAL) 3
2611116000 DCABLE, BATTERY #6 BLACKX15” 2
3611221 DBOOT,BATTERY,BLACK 6
DRECOMMENDED STOCK ITEMS
REF PART # DESCRIPTION QTY.
4611022 GASKET, BATTERY TRAY 2
5604298 TRAY, BATTERY 1
Home
Find...
Go To..

STANDARD PARTS
Tennant 2510/2550 (08--08) 19
OFF--BOARD BATTERY CHARGER GROUP
14
8
7
13
2
12
1
3
4
5
6
9
10
11
REF PART # DESCRIPTION QTY.
1604270 BRACKET, CHARGER PLUG 1
2140539 NUT, #6--32 KEP 2
3603331 SPACER, CHARGER PLUG 1
4604288 ASM., CABLE CHARGE PLUG 1
5140019 WASHER, #6 LOCK 2
6140829 SCREW, #6--32X1 PANPHL 2
7363503 SCREW, PAN, M6X1.0X12, SS 2
8140016 WASHER, 1/4” LOCK 2
DRECOMMENDED STOCK ITEMS
REF PART # DESCRIPTION QTY.
9600437 DSWITCH, ROLLER 15A
(2550 MODEL)
1
10 601359 PLATE, SWITCH BACKING
(2550 MODEL)
1
11 578403000 SCREW, M3X20 PANPHL
(2550 MODEL)
2
12 601127000 WASHER, M3.7 FLAT (2550 MODEL) 1
13 579211 NUT, M3X.5 HXLCK (2550 MODEL) 2
14 469760868 DCHARGER, 36DC 25 AMP
(OPTIONAL)
1
Home
Find...
Go To..

STANDARD PARTS
Tennant 2510/2550 (08--08)
20
ON--BOARD BATTERY CHARGER GROUP
1
23
32
2
12
5
4
97
6
7
8
10
11
REF PART # DESCRIPTION QTY.
11037826 CHARGER, 36VDC, 21A, VAR, VAC 1
2140000 WASHER, FLAT, 0.28B, 0.62D, .04, SS 12
31007108 NUT, HEX, LOCK, M6X1.00, KEP, EXT 8
441178 WASHER, FLAT, 0.25, FENDER 4
506948 SCREW, HEX, M6X1.0X45, 8.8 4
686366 RELAY, 36VDC, 030A, SPDT 1
DRECOMMENDED STOCK ITEM
REF PART # DESCRIPTION QTY.
7140026 WASHER, FLAT, 06, SAE, PL 4
8579211 NUT, HEX, LOCK, M3X0.50, SS 2
9200070266 SCREW, PAN, M3X0.50X16, 4.8 2
10 230920.BK HOOK, CORD, BLK 2
11 1009324 SCREW, PAN, #10--16X0.50, PHL, BLK 4
12 1017079 DCORD, EXTN, 16GA/3, 10FT 1
Home
Find...
Go To..

STANDARD PARTS
Tennant 2510/2550 (08--08) 21
Home
Find...
Go To..

STANDARD PARTS
Tennant 2510/2550 (08--08)
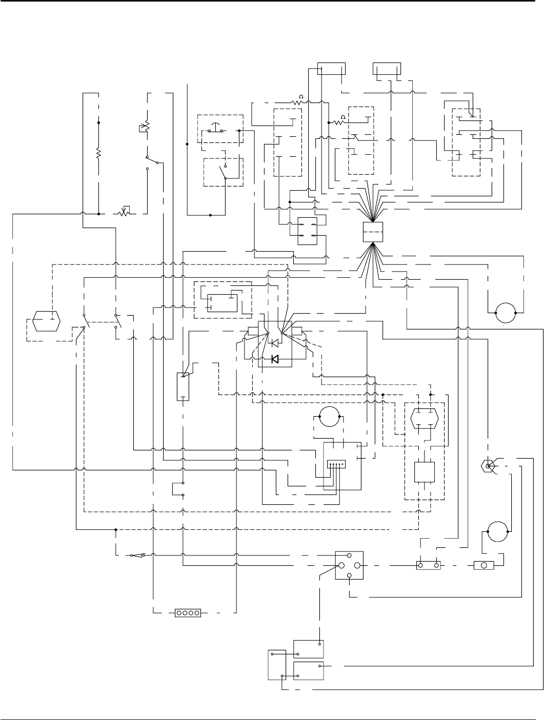
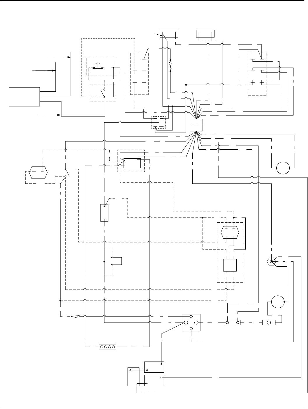
22
WIRING DIAGRAM
2550 MODEL
WITH ON--BOARD CHARGER
33 58
33 58
33
58
33
58
31
31
31
80
80
80
78
78
78
17
26
76
26
17
26
24
24
50
50
50
50
32
RED
RED
44
52
56
54
64
7472
62
70
32
5
12
12
20
21
9
9
23
22
6
17
24
BLK
40
66
66
14 5
GRN
RED
10
40
23
BLK
RED BLK
BLK
WHT
RED
GRN
ORG
GRN
YEL
60
64
62
BLK
RED
BLK
GRN
BLK
YEL
ORG
BLU BRN
ORG
WHT
BLU
BRN
BLK
ORG
BLK
GRN
GRN
GRN
BLU
RED
GRN
RED
RED
14--RED
BLK
BLK
BLU
BLK
GRN
RED
RED
RED
BLU
GRN GRN
GRN
BLU BRN
BLU
BRN
BLK
BLK
ORG WHT BLK
ORG
ORG
RED
GRN
ORG
WHT
BLU
ORG
ORG
23
BLK
GRN
BLK RED
BLK BLK
31 BLK
34
RED
46
BLU
36
BLU
ORG
80
78
WHT
52
WHT
36
WHT
56 WHT
60
WHT
26
BLU
28
GRN
76
GRN
82
35
41
52
41
3
BLK
RED
54
BLK
BLK
BLK
62
34
RED
BLU
BLK
3
BLK
WHT
RED
BLK
BLK
BLK
BLK
BLK
BLK
MAIN
ACTUATOR
MOTOR
DRIVE
MOTOR 12
3
4
T2
T1
M1
M2
FLASHER
15
AMP
+
+--
--
UP
ACTUATOR
DOWN
METER METER
OPTIONAL
EMERGENCY STOP
OPTIONAL
KEY SWITCH
4.7K
50K
ADJUSTABLE
FORWARD
DIRECTION
SWITCH
F
R
50K
LOCKABLE
REVERSE
OPTIONAL
LOW VOLTAGE
CUT--OFF
(3) 12 VOLT
BATTERIES
36 VDC
PAD
MOTOR
SPEED
CONTROL
BOARD
RELAY
WARNING
LIGHTS
(OPTIONAL)
HARNESS
CONNECTOR
MAIN
CIRCUIT
BREAKER
+
--
PAD
MOTOR
AMMETER
SHUNT
80 AMP
PAD MOTOR
CIRCUIT BREAKER
CHARGER
CUTOFF
SWITCH
PAD MOTOR
SAFETY SWITCH
12
NEGATIVE
STANDOFF
HOUR METER
(OPTIONAL)
ROLL
SWITCHES
PAD MOTOR
CONTACTOR
MAIN
SWITCH
SWITCH
BATTERY AMP.
SWITCH
SWITCH
BLK 13
CHARGER
J1 RED J2 BLK
J3 RED
J4 RED
J5 RED
RELAY
320
320
BA
34
15
DWG #1042608
TO ON--BOARD
Home
Find...
Go To..

STANDARD PARTS
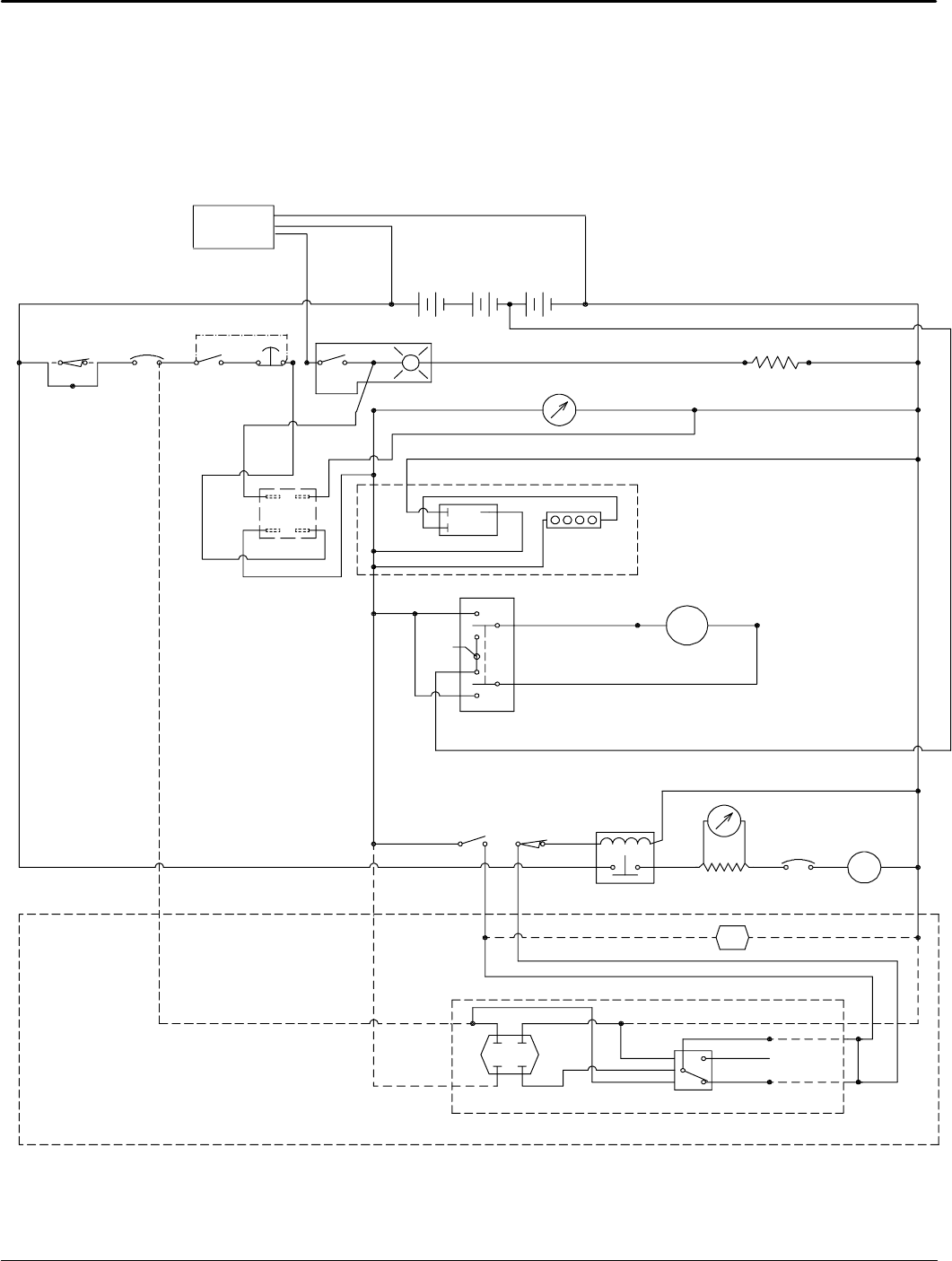
Tennant 2510/2550 (08--08) 23
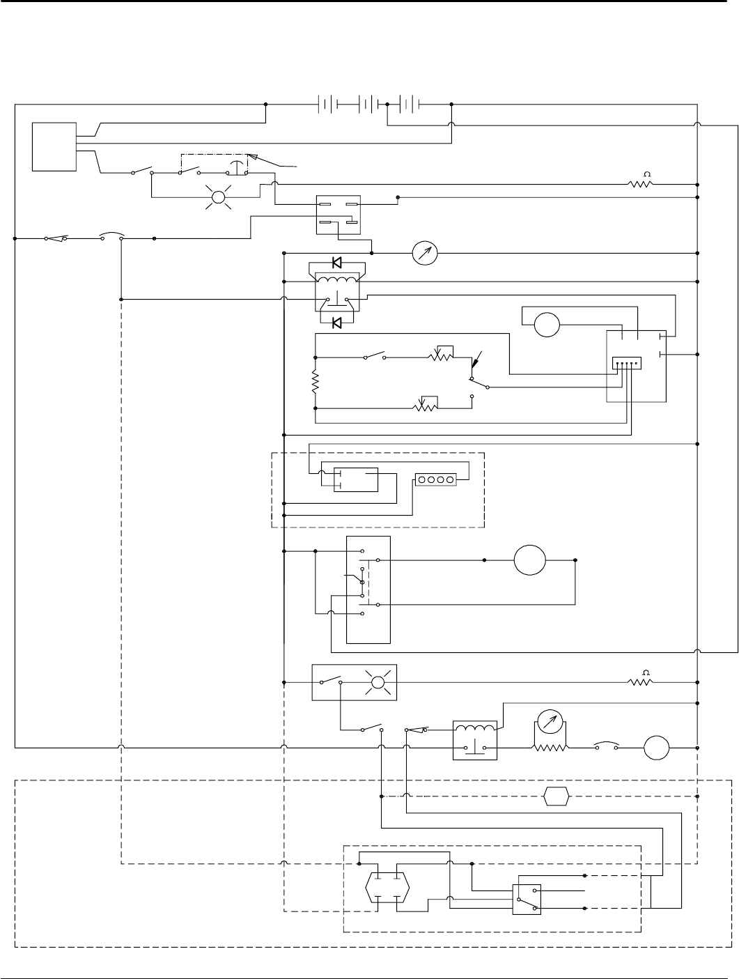
LADDER DIAGRAM
2550 MODEL
WITH ON--BOARD CHARGER
-- G R N --
UP
DOWN
ACTUATOR
SWITCH
G
21
43
PAD MOTOR
CONTACTOR
PAD MOTOR
ROLL SWITCH
G
-- 1 0 --
RED
-- 1 4 --
RED
-- 4 4 -- -- R E D --
-- 5 0 --
RED
RED BLK
-- 1 5 -- -- B LK --
-- 1 3 -- -- B L K --
-- 6 -- R E D
-- 3 2 -- -- G R N --
-- 6 6 -- -- G R N --
-- 2 4 --
-- G R N -- -- O R G -- -- 1 2 --
-- 2 1 -- -- B L K --
-- 2 0 -- -- R E D --
-- 5 6 --
-- W H T --
-- 6 2 -- -- O R G --
-- 5 4 --
-- W H T --
-- 7 4 --
-- O R G --
-- 7 2 --
-- O R G --
-- 5 2 --
-- W H T --
-- 6 0 -- -- W H T --
-- 6 4 -- -- B L U --
-- 5 --
-- B L K --
-- 2 2 -- -- G R N --
-- 4 0 -- -- G R N --
-- 2 3 -- -- B L K --
-- 9 -- -- B LK --
-- 3 0 --
-- B L K --
-- R E D --
-- G R N -- -- R E D --
-- W H T --
-- B L K --
-- B L K --
-- G R N --
-- O R G --
-- Y E L --
M2 M1
T1
T2
-- 3 -- -- B LK --
-- 2 8 --
-- G R N --
-- 3 5 --
-- B L U --
-- 5 8 -- -- B R N --
-- 3 3 -- -- B L U --
-- 3 1 -- -- B L K --
-- 1 7 -- -- B L K --
-- 4 1 -- -- B L K --
-- 3 4 --
-- R E D --
-- 3 1 -- -- B L K --
-- 7 6 --
-- G R N --
-- 2 6 --
-- B L U --
-- 8 0 --
-- W H T --
-- 7 8 --
-- O R G --
-- R E D -- -- B L K --
-- 3 6 -- -- B L U --
-- 3 6 -- -- B L U --
-- 4 6 --
-- B L U --
-- R E D -- -- B L K --
-- B L K ---- B L K --
DRIVE
MOTOR
BATTERY
METER
15A
MAIN
--
+
F
R
50K
50K
FOWARD
POT
REVERSE
POT
ROLL
SWITCH
4.7K
FLASHER
BRUSH
80A
CIRCUIT
BREAKER
PAD
MOTOR
NOT
USED
LOW VOLTAGE PAD INTERRUPT
N.C.
ACTUATOR
MOTOR
MASTER
CIRCUIT
BREAKER
+
(3) 12 VOLT BATTERIES
36 VDC
--
OPTIONAL
WARNING
LIGHTS
AMMETER
SHUNT
HOUR METER
OPTIONAL
FUNCTIONS
AMP METER
PAD MOTOR
SWITCH 320
320
BLK / WHT
BLK (J2)
RED (J5)
RELAY
A
3
B
4
RED
ON--BOARD
CHARGER
GRN
MAIN
SWITCH
SAFETY
SWITCH
DWG # 1042588
Home
Find...
Go To..

STANDARD PARTS
Tennant 2510/2550 (08--08)
24
WIRING DIAGRAM
2550 MODEL
WITHOUT ON--BOARD CHARGER
33 58
33 58
33
58
33
58
31
31
31
80
80
80
78
78
78
17
26
76
26
17
26
24
24
50
50
50
50
13
32
15
17
RED
RED
44
14
52
56
54
64
7472
62
70
32
5
12
12
20
21
9
9
23
22
6
17
24
BLK
40
66
66
14 5
GRN
RED
10
4023
BLK
RED BLK
BLK
WHT
RED
GRN
ORG
GRN
YEL
60
64
62
24
BLK
RED
BLK GRN
RED BLK
BLK
YEL
ORG
BLU BRN
ORG
WHT
BLU
BRN
BLK
ORG
BLK
GRN
GRN
GRN
BLU
RED
GRN
RED
RED
RED
BLK
BLK
BLU
BLK
GRN
GRN
RED
RED
RED
BLU
GRN GRN
GRN
BLU BRN
BLU
BRN
BLK
BLK
BLK
ORG
WHT BLK
ORG
BLK
ORG
RED
GRN
ORG
WHT
BLU
ORG
ORG
23
BLK
GRN
BLK RED
BLK
RED
BLK BLK
31 BLK
34
RED
46
BLU
36
BLU
ORG
80
78
WHT
52
WHT
36
WHT
56 WHT
60
WHT
26
BLU
28
GRN
28 76
GRN
82
35
41
52
41
3
BLK
RED
54
BLK
BLK
BLK
62
34
RED
BLU
BLK3
BLK
WHT
RED
BLK
BLK
BLK
BLK
BLK
BLK
MAIN
ACTUATOR
MOTOR
DRIVE
MOTOR
12
3
4
T2
T1
M1M2
FLASHER
15
AMP
+
+
--
--
+--
UP
ACTUATOR
DOWN
BATTERY METER PAD PRESSURE METER
OPTIONAL
EMERGENCY STOP
OPTIONAL
KEY SWITCH
4.7K
50K
ADJUSTABLE
FORWARD
DIRECTION
SWITCH
F
R
50K
LOCKABLE
REVERSE
OPTIONAL
LOW VOLTAGE
CUT--OFF
(3) 12 VOLT
BATTERIES
36 VDC
PAD
SPEED
CONTROL
BOARD
RELAY
WARNING
LIGHTS
(OPTIONAL)
HARNESS
CONNECTOR
MAIN
CIRCUIT
BREAKER
CHARGER
PLUG
+
PAD
MOTOR
AMMETER
SHUNT 80 AMP
PAD MOTOR
CIRCUIT BREAKER
CHARGER
CUTOFF
SWITCH
PAD MOTOR
SAFETY SWITCH
12
NEGATIVE
STANDOFF
HOURMETER
(OPTIONAL)
ROLL
SWITCHES
PAD MOTOR
CONTACTOR
MAIN
--
Home
Find...
Go To..

STANDARD PARTS
Tennant 2510/2550 (08--08) 25
LADDER DIAGRAM
2550 MODEL
WITHOUT ON--BOARD CHARGER
PAD MOTOR
CONTACTOR
SAFETY
SWITCH
PAD MOTOR
ROLL SWITCH
G
G
2
1
43
ACTUATOR
DOWN
UP
-- 1 0 --
RED
-- 1 4 --
RED
-- 4 4 -- -- R E D --
-- 5 0 --
RED
RED BLK
-- 1 5 -- -- B L K --
-- 1 3 -- -- B L K --
-- 6 -- R E D
-- 3 2 -- -- G R N --
-- 6 6 -- -- G R N --
-- 2 4 --
-- G R N --
-- O R G -- -- 1 2 --
-- 2 1 -- -- B L K --
-- 2 0 -- -- R E D --
-- 5 6 --
-- W H T --
-- 6 2 -- -- O R G --
-- 5 4 W H T --
-- 7 4 --
-- O R G --
-- 7 2 --
-- O R G --
-- 5 2 --
-- W H T --
-- 6 0 -- -- W H T --
-- 6 4 -- -- B L U --
-- 5 --
-- B L K --
-- 2 2 -- -- G R N --
-- 4 0 -- -- G R N --
-- 2 3 -- -- B L K --
-- 9 -- -- B L K --
-- 2 8 --
-- G R N --
-- B L K --
-- R E D --
-- G R N -- -- R E D --
-- W H T --
-- B L K --
-- B L K --
-- G R N --
-- O R G --
-- Y E L --
M2 M1
T1
T2
-- 3 -- -- B L K --
-- 2 8 --
-- G R N --
-- 3 5 --
-- B L U --
-- 5 8 -- -- B R N --
-- 3 3 -- -- B L U --
-- 3 1 -- -- B L K --
-- 1 7 -- -- B L K --
-- 4 1 -- -- B L K --
-- 3 4 --
-- R E D --
-- 3 1 -- -- B L K --
-- 7 6 --
-- G R N --
-- 2 6 --
-- B L U --
-- 8 0 --
-- W H T --
-- 7 8 --
-- O R G --
-- R E D -- -- B L K --
-- 3 6 -- -- B L U --
-- 3 6 -- -- B L U --
-- 4 6 --
-- B L U --
-- R E D -- -- B L K ---- B L K ---- B L K --
DRIVE
MOTOR
BATTERY
METER
15A
MAIN
--
+
F
R
50K
50K
FOWARD
POT
REVERSE
POT
ROLL
SWITCH
4.7K
FLASHER
BRUSH
80A
CIRCUIT
BREAKER PAD
MOTOR
NOT
USED
LOW VOLTAGE PAD INTERRUPT
N.C.
ACTUATOR
MOTOR
MAIN
SWITCH
MASTER
CIRCUIT BREAKER
+
(3) 12 VOLT BATTERIES
36 VDC
--
OPTIONAL
WARNING
LIGHTS
AMMETER
SHUNT
HOUR
METER
OPTIONAL
FUNCTIONS
AMMETER
PAD MOTOR
SWITCH
EMERG.
STOP
OPTIONAL
KEY
SWITCH
OPTIONAL
Home
Find...
Go To..

STANDARD PARTS
Tennant 2510/2550 (08--08)
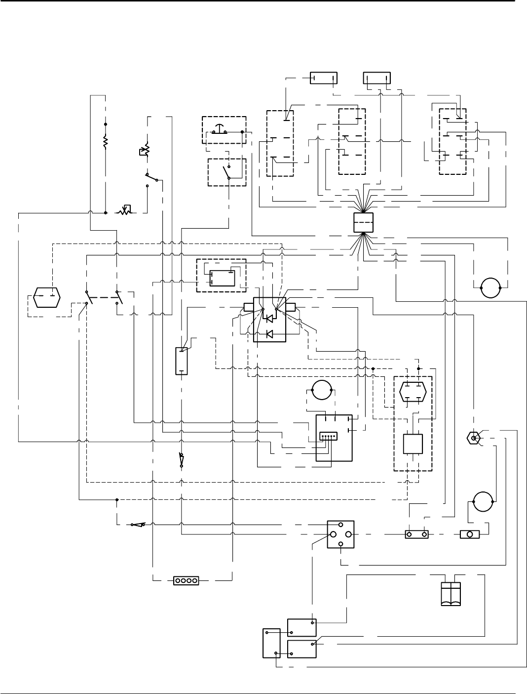
26
WIRING DIAGRAM
2510 MODEL
WITH ON--BOARD CHARGER
FLASHER
AMP
15
+
--
--
+
+
--
2
1
CONNECTOR
HARNESS
33 58
33
58
33
58
33
58
31
31
80
80
80
78
78
78
17
17
26
9
50
50
50
50
32
RED
RED
44
32
23
14
RED
10
4023
BLK
RED BLK
BLK
WHT
RED
GRN
ORG
GRN
YEL
J
BLK
BLK
GRN
YEL
ORG
BLU BRN
ORG
WHT
BLU
BRN
BLK
GRN
RED
RED
BLK
RED
RED
RED
RED
BLK
GRN GRN
GRN
BLU
BRN
BLU
BRN
BLK 17
BLK
ORG
WHT
BLK
ORG
RED
23
BLK
GRN
BLK
BLK
31 BLK
34
RED
46BLU36
BLU
ORG WHT
80
78
36
26
GRN
76
GRN
82
35
35
41
52
41
17
BLK
RED
54
BLK
BLK
BLK
34
RED
BLU
GRN 22
40
BLK BLK
GRN
BLK
RED
BLK BLK
BLK
BLK
MAIN
ACTUATOR
MOTOR
12
34
UP
ACTUATOR
DOWN
BATTERY
METER
OPTIONAL
EMERGENCY STOP
OPTIONAL
KEY SWITCH
OPTIONAL
LOW VOLTAGE
CUT--OFF
(3) 12 VOLT
BATTERIES
36 VDC
RELAY
WARNING
LIGHTS
(OPTIONAL)
MAIN
CIRCUIT
BREAKER
PAD
MOTOR
AMP METER
SHUNT
80 AMP
PAD MOTOR
CIRCUIT BREAKER
PAD MOTOR
SAFETY SWITCH
NEGATIVE
STANDOFF
HOUR METER
(OPTIONAL)
OPTIONAL
PAD MOTOR
CONTACTOR
METER
AMP
SWITCH
31
SWITCH
BLK 13
BA
43
GRN
26
RELAY
320 OhmS
ON--BOARD
CHARGER
RED WIRE
TO (+) BATTERY
TERMINAL
BLACK & WHITE WIRE
TO (--) BATTERY
TERMINAL
GREEN WIRE
BLK WIRE
W/PIGGY BACK
TERMINAL
DWG #1042613
Home
Find...
Go To..

STANDARD PARTS
Tennant 2510/2550 (08--08) 27
LADDER DIAGRAM
2510 MODEL
WITH ON--BOARD CHARGER
PAD MOTOR
CONTACTOR
PAD MOTOR
ROLL SWITCH
AMMETER
G
21
43
ACTUATOR
DOWN
UP
-- 1 0 --
RED
-- 1 4 --
RED
-- 4 4 -- -- R E D --
RED BLK
-- 1 7 -- -- B L K --
-- 1 3 -- -- B L K --
-- 3 2 -- -- G R N --
-- 2 2 -- -- G R N --
-- 4 0 -- -- G R N --
-- 2 3 -- -- B L K --
-- 9 -- -- B LK --
-- B L K --
-- R E D --
-- G R N -- -- R E D --
-- W H T --
-- B L K --
-- B L K --
-- G R N --
-- O R G --
-- Y E L --
-- 8 2 --
-- G R N --
-- 3 5 --
-- B L U --
-- 5 8 -- -- B R N --
-- 3 3 -- -- B L U --
-- 3 1 -- -- B L K --
-- 4 1 -- -- B L K --
-- 3 4 --
-- R E D --
-- 3 1 -- -- B L K --
-- 7 6 --
-- G R N --
-- 2 6 --
-- G R N --
-- 8 0 --
-- W H T --
-- 7 8 --
-- O R G --
-- R E D -- -- B L K --
-- 3 6 -- -- B L U --
-- 3 6 -- -- B L U --
-- 4 6 --
-- B L U --
-- R E D -- -- B L K -- -- B L K -- -- B L K --
BATTERY
METER
15A
FLASHER
BRUSH
80A
CIRCUIT
BREAKER
PAD
MOTOR
NOT
USED
LOW VOLTAGE PAD INTERRUPT
ACTUATOR
MOTOR
MAIN
SWITCH
MASTER
CIRCUIT
BREAKER
+
(3) 12 VOLT BATTERIES
36 VDC --
OPTIONAL
WARNING
LIGHTS
AMMETER
SHUNT
HOUR METER
OPTIONAL
FUNCTIONS
CHARGER
CUT--OFF
SWITCH
OPTIONAL
EMERG.
STOP
KEY
SWITCH
OPTIONAL
(OPTIONAL)
GRN RED
BLK/WHT
ON--BOARD
CHARGER
RELAY
BA
43
14
RED
320 Ohms
SAFETY
SWITCH
SWITCH
DWG #1042617
Home
Find...
Go To..

STANDARD PARTS
Tennant 2510/2550 (08--08)
28
WIRING DIAGRAM
2510 MODEL
WITHOUT ON--BOARD CHARGER
RED
33 58
33 58
33
58
33
58
31
31
31
80
80
80
78
78
78
17
17
26
26
9
50
50
50
50
13
32
RED
44
14
32
23
14
RED
10
4023
BLK
RED BLK
BLK
WHT
RED
GRN
ORG
GRN
YEL
26
BLK
RED
BLK
GRN
RED BLK
YEL
ORG
BLU BRN
ORG
WHT
BLU
BRN
BLK
GRN
RED
RED
RED
BLK
GRN
GRN
RED
RED
RED
BLK
GRN GRN
GRN BLU BRN
BLU
BRN
BLK
BLK
ORG
WHT
BLK
ORG
BLK
RED
23
BLK
GRN
BLK
RED
BLK BLK
31 BLK
34
RED
46
BLU
36
BLU
ORG WHT
80
78
36
26
GRN
GRN
30 30
GRN
82
35
35
41
52
41
17
BLK
RED
54
BLK
BLK
BLK
34
RED
BLU
17
GRN 22
40
BLK
BLK
GRN
BLK
RED
BLK BLK
BLK
BLK
MAIN
ACTUATOR
MOTOR
12
3
4
FLASHER
15
AMP
+
+
--
--
+--
UP
ACTUATOR
DOWN
BATTERY METER PAD PRESSURE METER
OPTIONAL
EMERGENCY STOP
OPTIONAL
KEY SWITCH
OPTIONAL
LOW VOLTAGE
CUT--OFF
(3) 12 VOLT
BATTERIES
36 VDC
RELAY
WARNING
LIGHTS
(OPTIONAL)
HARNESS
CONNECTOR
MAIN
CIRCUIT
BREAKER
CHARGER
PLUG
+
PAD
MOTOR
AMMETER
SHUNT
80 AMP
PAD MOTOR
CIRCUIT BREAKER
OPTIONAL
CHARGER
CUTOFF
SWITCH
PAD MOTOR
SAFETY SWITCH
12
NEGATIVE
STANDOFF
HOUR METER
(OPTIONAL)
OPTIONAL
PAD MOTOR
CONTACTOR
--
Home
Find...
Go To..

STANDARD PARTS
Tennant 2510/2550 (08--08) 29
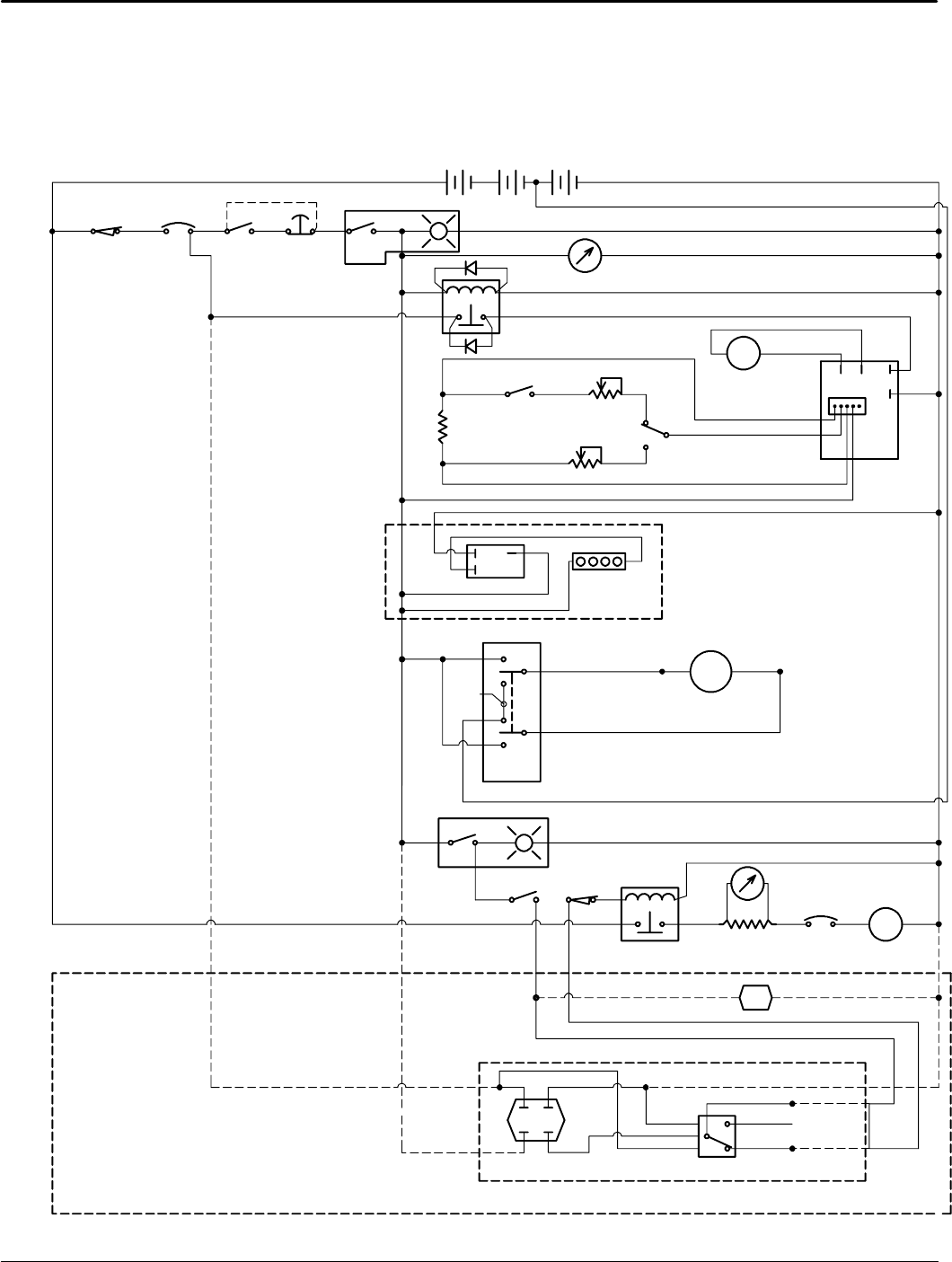
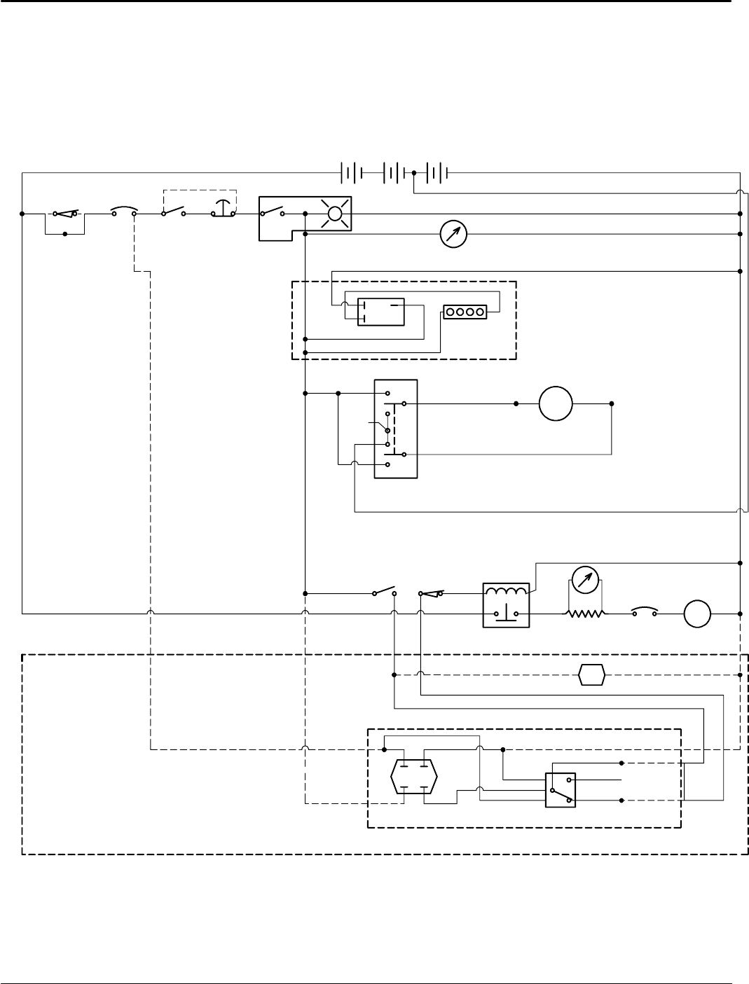
LADDER DIAGRAM
2510 MODEL
WITHOUT ON--BOARD CHARGER
-- 3 4 --
-- R E D --
PAD MOTOR
CONTACTOR
SAFETY
SWITCH
PAD MOTOR
ROLL SWITCH
AMMETER
G
2
1
43
ACTUATOR
DOWN
UP
-- 1 0 --
RED
-- 1 4 --
RED
-- 4 4 -- -- R E D --
-- 5 0 --
RED
RED BLK
-- 1 5 -- -- B L K --
-- 1 3 -- -- B L K --
-- 3 2 -- -- G R N --
-- 2 2 -- -- G R N --
-- 4 0 -- -- G R N --
-- 2 3 -- -- B L K --
-- 9 -- -- B L K --
-- B L K --
-- R E D --
-- G R N -- -- R E D --
-- W H T --
-- B L K --
-- B L K --
-- G R N --
-- O R G --
-- Y E L --
-- 8 2 --
-- G R N --
-- 3 5 --
-- B L U --
-- 5 8 -- -- B R N --
-- 3 3 -- -- B L U --
-- 3 1 -- -- B L K --
-- 4 1 -- -- B L K --
-- 3 1 -- -- B L K --
-- 3 0 --
-- G R N --
-- 2 6 --
-- G R N --
-- 8 0 --
-- W H T --
-- 7 8 --
-- O R G --
-- R E D -- -- B L K --
-- 3 6 -- -- B L U --
-- 3 6 -- -- B L U --
-- 4 6 --
-- B L U --
-- R E D -- -- B L K -- -- B L K -- -- B L K --
BATTERY
METER
15A
FLASHER
BRUSH
80A
CIRCUIT
BREAKER PAD
MOTOR
NOT
USED
LOW VOLTAGE PAD INTERRUPT
ACTUATOR
MOTOR
MAIN
SWITCH
MASTER
CIRCUIT BREAKER
+
(3) 12 VOLT BATTERIES
36 VDC --
OPTIONAL
WARNING
LIGHTS
AMMETER
SHUNT
HOUR
METER
OPTIONAL
FUNCTIONS
CHARGER
CUT--OFF
SWITCH
OPTIONAL
EMERG.
STOP
OPTIONAL
KEY
SWITCH
OPTIONAL
Home
Find...
Go To..

OPTIONS
Tennant 2510/2550 (08--08)
30
HOUR METER, EMERGENCY STOP AND KEYSWITCH KITS
1
2
3
2
4
REF PART # DESCRIPTION QTY.
∇1604501 DKIT, HOUR METER 1
Y1010555 DHOUR METER 1
Y603081 ASM., WIRE #18X12” RED 1
Y604960 ASM., WIRE #18X9” BLACK
W/ P--BACK. TER.
1
Y603080 ASM., WIRE #18X8” BLACK
W/ TERM. RING
1
Y604643 ASM., WIRE #18X9” BLACK 1
∇ASSEMBLY
YINCLUDED IN ASSEMBLY
DRECOMMENDED STOCK ITEMS
REF PART # DESCRIPTION QTY.
∇2602995 DKIT, EMERGENCY STOP 1
Y1011735 DSWITCH, SAFETY, SHUTOFF 1
Y602996 ASM, WIRE #16X5” RED 1/4FX1/4F 1
Y602997 ASM, WIRE #16X5” RED 1/4MX1/4F 1
∇3602993 DKIT, KEYSWITCH 1
Y607475 DKEYSWITCH 1
Y607821 DKEY, REPLACEMENT 1
4N/A REPLACED BY 602995 --
Home
Find...
Go To..

OPTIONS
Tennant 2510/2550 (08--08) 31
LOW VOLT INTERRUPT KIT
1
REF PART # DESCRIPTION QTY.
∇1604642 KIT, LOW VOLT INTERRUPT 1
Y600832 GAUGE, BATTERY 36V 1
Y604641 ASM, RELAY 1
Y604643 ASM, WIRE #18X9 BLK 187F--1/4M 1
Y604645 ASM, WIRE #18X11 GRN 187F--1/4M 1
Y603078 ASM, WIRE #18X9”GRN .187FX#10R 1
Y603080 ASM, WIRE #18X8” BK .187FX#10R 1
Y603081 ASM, WIRE #18X12”RED .187FX#10R 1
Y604960 ASM, WIRE #18X9”BLK .187F--1/4PB 1
∇ASSEMBLY
YINCLUDED IN ASSEMBLY
REF PART # DESCRIPTION QTY.
Y600831 LAMP, RED, BK BODY 36V
W/PUSHNUT
1
Y130193 TERMINAL, RING #10 22--18 1
Y281004001 TERMINAL, FM .25 1
Y130040 WIRE TIE, NYLON 6 X .115 1
Y610713 DECAL, LOW VOLTAGE 1
Y130183 CONNECTOR, T--TAP FEMALE 1
Y130133 TERMINAL, ML .25 1
Home
Find...
Go To..

OPTIONS
Tennant 2510/2550 (08--08)
32
PARKING BRAKE KIT
1
2
3
4
5
REF PART # DESCRIPTION QTY.
∇604502 DKIT, PARKING BRAKE 1
Y1600634 CLAMP, PARKING BRAKE 1
Y2603122 BRACKET, PARKING BRAKE 1
∇ASSEMBLY
YINCLUDED IN ASSEMBLY
DRECOMMENDED STOCK ITEMS
REF PART # DESCRIPTION QTY.
Y3140887 SCREW, #10--24X3/8 PANPHL 4
Y407514 WASHER, LOCK, INT, #10, SS 4
Y5600624 DECAL, PARKING BRAKE 1
FLASHING LIGHT KIT
23
1
5
6
4
7
REF PART # DESCRIPTION QTY.
∇604500 DKIT, FLASHING LIGHTS 1
Y1603839 DFLASHER, 36VDC 1
Y2606243 TAPE, ACRYLIC FOAM 1
Y3606242 GASKET 1
∇ASSEMBLY
YINCLUDED IN ASSEMBLY
DRECOMMENDED STOCK ITEMS
REF PART # DESCRIPTION QTY.
Y4603440 DLIGHT, SAFETY 36VDC 1
Y5612765 SHIELD, LIGHT 1
Y6578186000 WASHER, M4 FLAT 2
Y7200070340 SCREW, M4X.7X8 PANPHL 2
Home
Find...
Go To..

OPTIONS
Tennant 2510/2550 (08--08) 33
AIR INLET GROUP
4
2
7
3
1
12
11
13
9
10
15
8
6
5
14
REF PART # DESCRIPTION QTY.
1140524 NUT, 1/4 X 20 KEP 1
2606684 STOP, MOTOR 1
3140016 WASHER, 1/4 LOCK 2
4578187000 SCREW, M6X1.0X12 2
5611472 PLATE, SEAL 1
6611492 GASKET, STRIP, 1/2X1/2X12 1
7611486 DGASKET, RING, SEAL PLATE 1
8611361 GASKET, STRIP, 1/2X1/2X7 1
DRECOMMENDED STOCK ITEMS
REF PART # DESCRIPTION QTY.
9611355 PLATE, AIR SEPARATOR 1
10 611357 GASKET, AIR SEPARATOR PLATE 1
11 611358 GASKET, SHORT SEPARATOR 1
12 611359 GASKET, LONG SEPARATOR 1
13 611360 GASKET, ACTUATOR 1
14 140825 SCREW, #6X1/2 PANPHL BZ 3
15 611473 DLOUVER, 3” DIA. 1
Home
Find...
Go To..