385D NA Parts Manual 385 Diesel
2012-06-28
: Sweepscrub 385 Diesel Parts Manual 385_diesel_parts_manual 593 file product_file
Open the PDF directly: View PDF
.
Page Count: 265 [warning: Documents this large are best viewed by clicking the View PDF Link!]
- 385D NA Parts Manual
- How To Use This Manual
- Standard Parts
- Fig. 1 -- General Recommended Maintenance Items
- Fig. 2 -- Replacement Brushes
- Fig. 3 -- Main Frame Group
- Fig. 4 -- Right Brush Door Group
- Fig. 5 -- Left Brush Door Group
- Fig. 6 -- Seat and Shroud Group
- Fig. 7 -- Right Grille Group
- Fig. 8 -- Left Grille and Hydraulic Cooler Group
- Fig. 9 -- Engine Cover Group
- Fig. 10 -- Engine Side Door Group
- Fig. 11 -- Overhead Guard Group
- Fig. 12 -- Steering and Firewall Group
- Fig. 13 -- Instrument Panel Assembly
- Fig. 14 -- Side Instrument Panel Group
- Fig. 15 -- Circuit Breaker and Relay Group
- Fig. 16 -- Engine and Governor Group
- Fig. 17 -- Engine Mount Group
- Fig. 18 -- Air Cleaner Group
- Fig. 19 -- Alternator and Engine Fan Group
- Fig. 20 -- Muffler Group
- Fig. 21 -- Fuel Tank Group
- Fig. 22 -- Fuel Tank Group
- Fig. 23 -- Radiator Group
- Fig. 24 -- Battery Group
- Fig. 25 -- Rear Drive Wheel Group
- Fig. 26 -- Rear Wheel Assembly
- Fig. 27 -- Front Wheel and Brakes Group
- Fig. 28 -- Brake Lever and Pedal Group
- Fig. 29 -- Directional Pedal Group
- Fig. 30 -- Hydraulic Pump Linkage Group
- Fig. 31 -- Hopper and Dump Door Group
- Fig. 32 -- Hopper Cylinder and Dust Door Group
- Fig. 33 -- Hopper Hood and Bumper Group
- Fig. 34 -- Hopper Hood and Bumper Group
- Fig. 35 -- Filter Box Group
- Fig. 36 -- Hopper Lift Arms Group
- Fig. 37 -- Side Brush Motor and Pivot Group
- Fig. 38 -- Side Brush Lift Group
- Fig. 39 -- Main Brush Lift Group
- Fig. 40 -- Main Brush Drive Group
- Fig. 41 -- Vacuum Fan Group
- Fig. 42 -- Vacuum Fan Motor and Fittings Group
- Fig. 43 -- Hydraulic Schematic
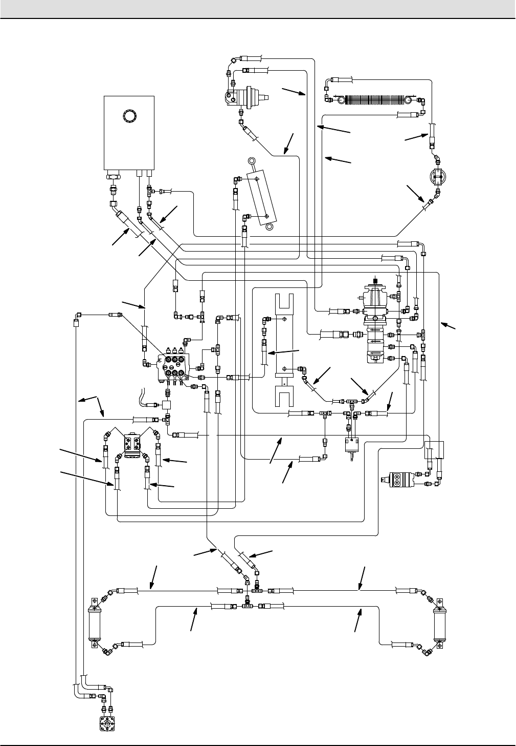
- Fig. 44 -- Hydraulic Hose Group
- Fig. 45 -- Hydraulic Hose Group
- Fig. 46 -- Hydraulic Reservoir Group
- Fig. 47 -- Hydraulic Valve Group
- Fig. 48 -- Hydraulic Valve Group
- Fig. 49 -- Hydraulic Pumps Group
- Fig. 50 -- Pressure Switch Group
- Fig. 51 -- Back-- Up Alarm Group, LRC
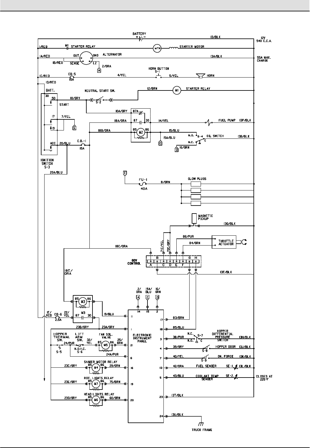
- Fig. 52 -- Electrical Schematic
- Fig. 53 -- Wire Harnesses Group
- Fig. 54 -- Label Group
- Options
- Fig. 1 -- Signal Light Kit
- Fig. 2 -- Flashing Light Kit, Overhead Guard
- Fig. 3 -- Revolving Light Kit, Overhead Guard
- Fig. 4 -- Flashing Light Kit, LRC
- Fig. 5 -- Revolving Light Kit, LRC
- Fig. 6 -- Flashing Light Kit, Cab
- Fig. 7 -- Revolving Light Kit, Cab
- Fig. 8 -- Back-- Up Alarm Kit, Cab
- Fig. 9 -- Back-- Up Alarm Kit, Cab with Pressurizer
- Fig. 10 -- Side Brush Light Kit
- Fig. 11 -- Cab Insulation Group
- Fig. 12 -- Cab Frame and Windows Group
- Fig. 13 -- Cab Door Group
- Fig. 14 -- Cab Electrical and Wiper Group
- Fig. 15 -- Cab Pressurizer Kit
- Fig 15a - Cab Dust Kit
- Fig. 16 -- Cab Heater Kit
- Fig. 17 -- Blower Kit, Overhead Guard
- Fig. 18 -- Vacuum Wand Kit
- Fig. 19 -- Side Brush Dust Control Kit
- Fig. 20 -- Side Brush Dust Control Kit
- Fig. 21 -- Seat Belt Kit
- Fig. 22 -- Protectoseal Fuel Tank Cap Group
- Fig. 23 -- Spark Arrest Muffler Group
- Fig. 24 -- Air Filter Safety Element Kit
- Fig. 25 -- Fire Extinguisher Kit
- Fig. 26 -- Battery Group, Dry (International Only)
- Fig. 27 -- Soft Ride Non-- Marking Tire and Wheel Assembly
- Fig. 28 -- Soft Ride Tire and Wheel Assembly
- Fig. 29 -- Hi-- Wear Tire And Wheel Assembly
- Fig. 30 -- Stainless Steel Hopper Group
- Fig. 31 -- Demo Group
- Fig. 32 -- Auxiliary Side Brush Hopper Deflector Group
- Fig. 33 -- Auxiliary Side Brush Motor Group
- Fig. 34 -- Auxiliary Side Brush Pivot Group
- Fig. 35 -- Auxiliary Side Brush Wire Harness Group
- Fig. 36 -- Auxiliary Side Brush Electrical Group
- Fig. 37 -- Vacuumized Skirt Kit, Main Brush
- Fig. 38 -- Documentation Group
- Breakdowns
- Fig. 1 -- Hydraulic Piston Pump Breakdown, 53604
- Fig. 2 -- Hydraulic Piston Pump Breakdown, 74466
- Fig. 3 -- Hydraulic Piston Pump Breakdown, 79769
- Fig. 4 -- Hydraulic Gear Pump Breakdown, 53622
- Fig. 5 -- Hydraulic Motor Breakdown, 59804
- Fig. 6 -- Hydraulic Motor Breakdown, 48663
- Fig. 7 -- Hydraulic Motor Breakdown, 74162
- Fig. 8 -- Hydraulic Motor Breakdown, 22604
- Fig. 9 -- Hydraulic Motor Breakdown, 53434
- Fig. 10 -- Hydraulic Motor Breakdown, 74468
- Fig. 11 -- Hydraulic Motor Breakdown, 53435
- Fig. 12 -- Hydraulic Motor Breakdown, 53485
- Fig. 13 -- Hydraulic Steering Valve Breakdown, 54022
- Fig. 14 -- Hydraulic Steering Valve Breakdown, 74172
- Fig. 15 -- Hydraulic Valve Breakdown, 48751
- Fig. 16 -- Hydraulic Valve Breakdown, 53830
- Fig. 17 -- Hydraulic Cylinder Breakdown, 74419
- Fig. 18 -- Hydraulic Cylinder Breakdown, 53601
- Engine Breakdown
- Fig. 1 -- Crankcase Group
- Fig. 2 -- Oil Pan Group
- Fig. 3 -- Cylinder Head Group
- Fig. 4 -- Gear Case Group
- Fig. 5 -- Water Pump Group
- Fig. 6 -- Main Bearing Case Group
- Fig. 7 -- Head Cover Group
- Fig. 8 -- Manifold Group
- Fig. 9 -- Valve, Rocker Arm Group
- Fig. 10 -- Camshaft Group
- Fig. 11 -- Piston and Crankshaft Group
- Fig. 12 -- Flywheel Group
- Fig. 13 -- Starter Breakdown, 55860 (000000-- xxxxxx)
- Fig. 14 -- Starter Breakdown, 74405 (xxxxxx-- )
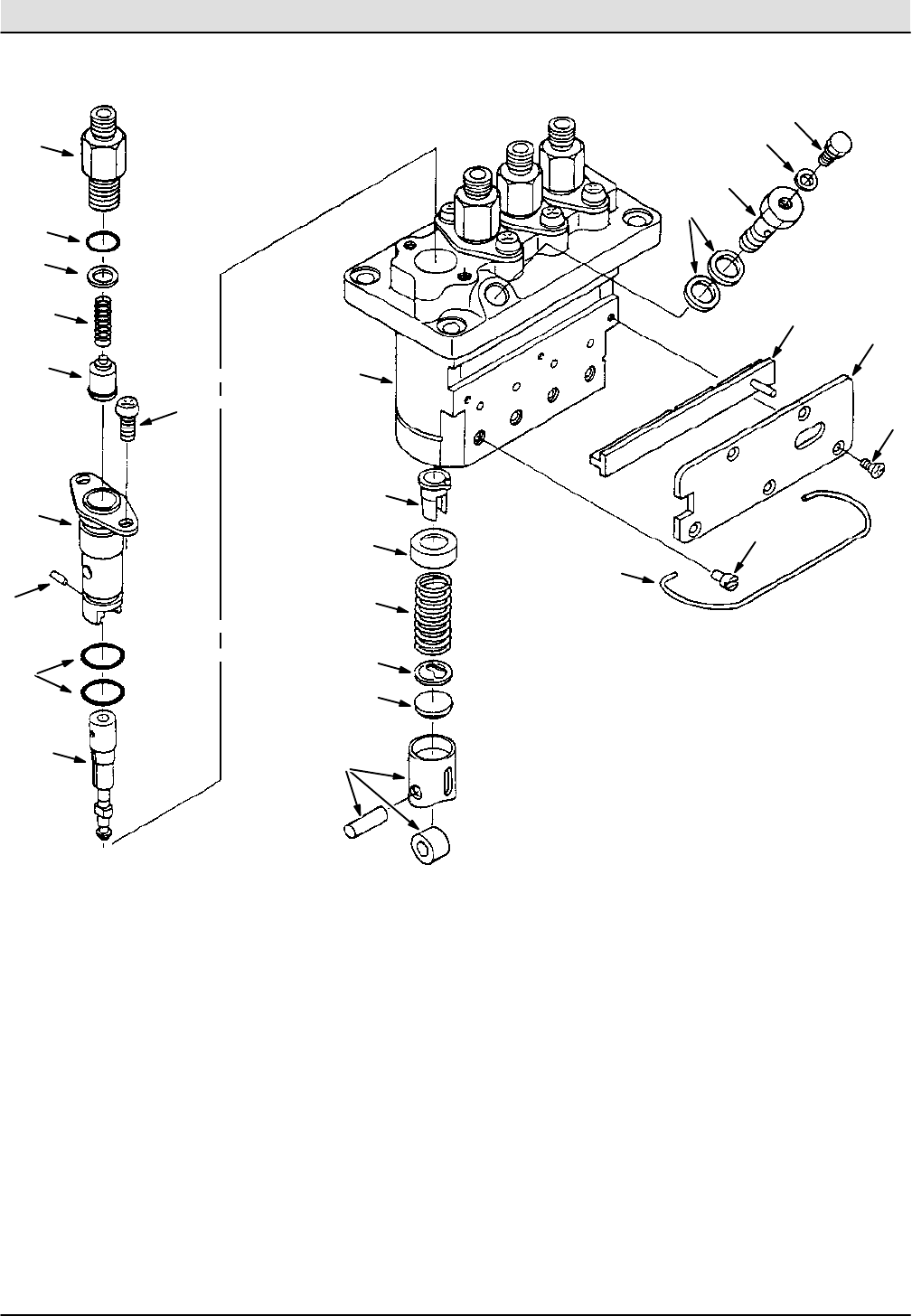
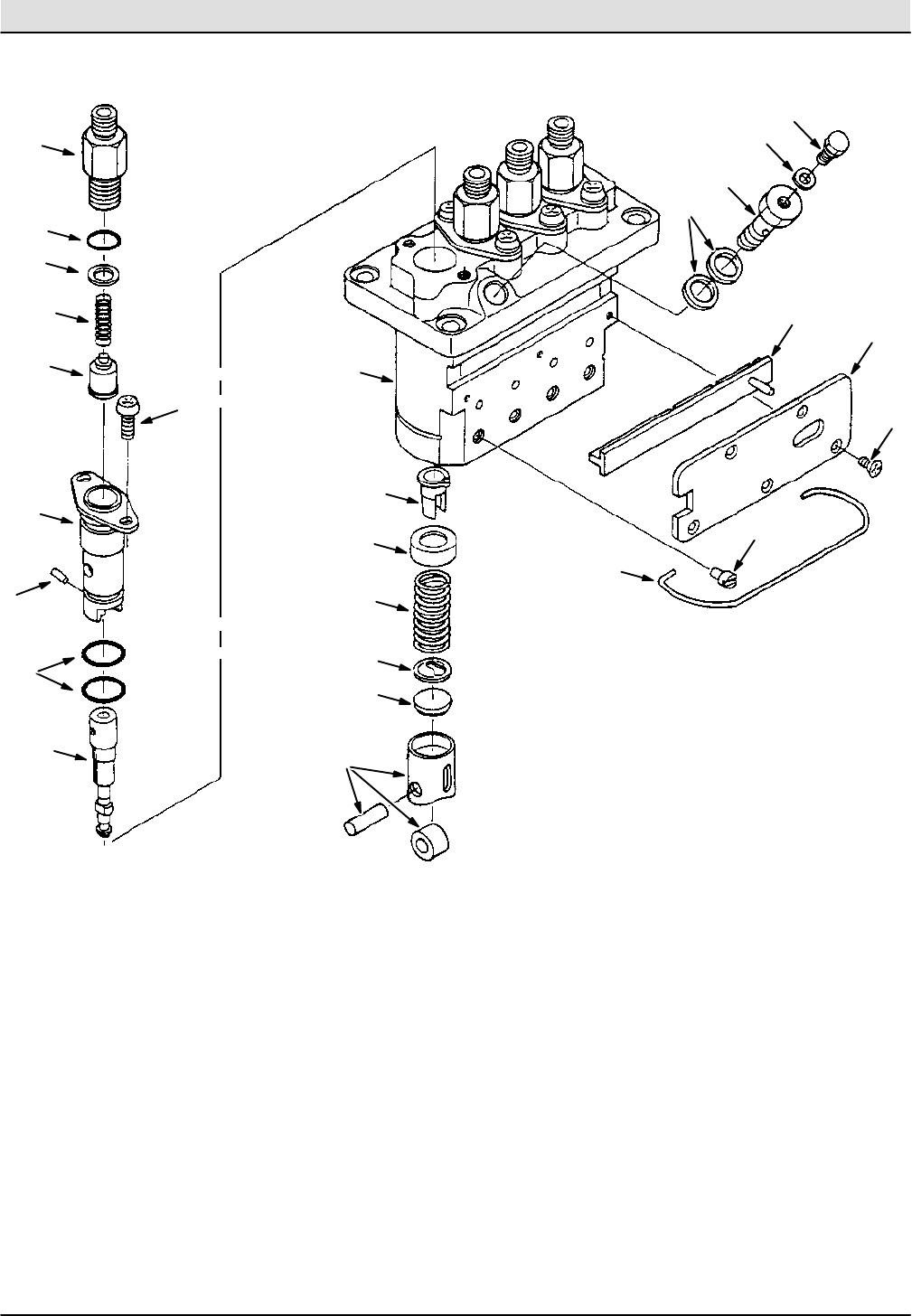
- Fig. 15 -- Nozzle Holder Group
- Fig. 16 -- Nozzle Holder Breakdown
- Fig. 17 -- Injection Pump Group
- Fig. 18 -- Injection Pump Breakdown (000000-- 489290)
- Fig. 19 -- Injection Pump Breakdown (489291-- )
- Fig. 20 -- Fuel Camshaft Group
- Fig. 21 -- Idling Group
- Fig. 22 -- Speed Control Plate Group
- Fig. 23 -- Governor Group
- Fig. 24 -- Water Flange Group
- Cross Reference
- Business Reply

385D
MM305
PartsManual
Home
Find...
Go To..

Thismanual isfurnished with each newTENNANTModel385.
Thismanualconsistsof the HowToUseThisManual;StandardParts; Options;Breakdowns;Engine
Breakdown;and Cross Referencesections.
MACHINEDATA
Pleasefill outat time ofinstallation forfuturereference.
Machine Model Number -- 385
Machine Serial Number --
Machine Options--
TENNANTRepresentative/phone no.--
CustomerID Number --
Date of Installation --
Manual Number -- MM305
Revision:08
Published:3--97
CopyrightE1992,1993,1994,1995,1996,1997 TENNANT,Printed inU.S.A.
Home
Find...
Go To..

HOWTOUSE THISMANUAL
1-1
385DMM305 (2--93)
HOWTOUSE THISMANUAL
This section on HOWTOUSE THISMANUALwill
tell you howto:
-- Find importantmachine information for
ordering correctrepairparts.
-- Find TENNANTpartnumbers.
-- OrderTENNANTpartsand supplies.
IMPORTANTINFORMATION
When placing an orderforparts, the machine
modeland machine serialnumberareimportant.
Refertothe MACHINEDATAboxwhichisfilled
outduring the installation ofyour machine.The
MACHINEDATAboxislocated on the inside of
the frontcoverof thismanual.
The modelnumberofyour machine ison the side
of the machine.
The serialnumberofyour machine isprinted on
the machine data platelocated as shown.
Home
Find...
Go To..

HOWTOUSE THISMANUAL
385DMM305 (2--93)
1-2
FINDINGATENNANTPARTNUMBER
Thismanualcontainsthe following sections:
-- HOWTOUSE THISMANUAL
-- STANDARD PARTS
-- OPTIONS
-- BREAKDOWNS
-- CROSS REFERENCE
The STANDARD PARTSsection listsrepairparts
forstandardmachines.Theyare grouped inthis
generalorder:
-- General wearparts.
-- Machine frame and related parts.
-- Machine propelling system.
-- Scrubbing components.
-- Electricalparts.
The OPTIONsection listsrepairpartsofoptions.
The BREAKDOWNsection listsavailablerepair
partsofmajorcomponents.
All sectionsinthismanualconsistofparts
illustrationsand corresponding partslists.
The partsillustrationsare numbered withRef
numberswhichrefertocorresponding partslists.
The partslistsinclude a numberofcolumnsof
information:
-- Ref-- columnreferstothe reference number
on the partsillustration.
Ñ-- indicatesthe partisan assembly.
Y-- indicatesthe partisincluded inthe
assemblylisted justbeforeit.
-- TENNANTPartNo.-- columnliststhe
TENNANTpartnumberforthe part.
-- SerialNumber-- columnindicatesthe setof
machinesthe partnumberisapplicableto.
Serialnumbers change when the machine
design hasbeen modified.The mostcurrent
design of the machine is showninthe main
illustration,olderdesignsare boxed in a
cornerof the illustration.
-- Description -- columnisa briefdescription
of the part.
-- Qty.-- columnliststhe quantityof thatpart
used inthatarea of the machine.
Home
Find...
Go To..

HOWTOUSE THISMANUAL
1-3
385DMM305 (2--93)
NOTE:Ifaservicekitisinstalled on your
machine,be suretokeep the INSTRUCTION
BULLETIN whichcamewiththe kit. It contains
repairpartsnumbersneeded forordering future
parts.
NOTE:Fastenersused inthismachine maybe
metricornon-metric.Takecarewhen replacing
hardwaretoreplacewithsamethread size.
PLACINGAN ORDER
Ordersmaybe placed byphone, fax,orbymail.
Phone ordersmayneed written confirmation.
Followthe stepsbelowtoinsure promptdelivery:
1. Identifythe modelnumberofyour machine.
2. Identifythe serialnumberofyour machine.
3.Find the partnumberof the partyou need.
Do notorderbypage numberor reference
number.Ifyou are notabletofind the part
number,call yourTENNANTrepresentative
forhelp orsend the old partasasample.
4.Determine the quantityof the partyou need.
5.Provide the following companyinformation:
-- Companyname
-- CustomerID Number
-- Shipping address
-- Billing address
-- Firstand lastname ofperson ordering
parts
-- Telephone number
-- Purchase ordernumber
6.Provide definitiveshipping instructions.
Home
Find...
Go To..

HOWTOUSE THISMANUAL
385DMM305 (2--93)
1-4
Any claimforloss ordamage toashipmentin
transitshouldbefiled promptlywiththe
transportation companymaking the delivery.
Shipmentswill be complete unless the packing list
ororderacknowledgementindicatesitemsback
ordered.
If partsreceived aresuspected tobeincorrector
defective,pleasecontact the TENNANT
representativefromwhomyou ordered the part.
Theywill give authorization for return and/or
handlereplacementshipmentswhen required.
Home
Find...
Go To..

STANDARD PARTS
2-1
385DMM305 (3--95)
SECTION2
CONTENTS PAGE
Fig.1-- General Recommended MaintenanceItems2-2..................................................
Fig.2-- ReplacementBrushes2-3.....................................................................
Fig.3-- MainFrameGroup 2-4.......................................................................
Fig.4-- RightBrushDoorGroup 2-6...................................................................
Fig.5-- Left BrushDoorGroup 2-7....................................................................
Fig.6-- Seatand Shroud Group 2-8...................................................................
Fig.7-- Right GrilleGroup 2-10......................................................................
Fig.8-- Left Grille and HydraulicCoolerGroup 2-12.....................................................
Fig.9-- Engine CoverGroup 2-14....................................................................
Fig.10 -- Engine Side DoorGroup 2-16................................................................
Fig.11 -- Overhead GuardGroup 2-17.................................................................
Fig.12 -- Steering and Firewall Group 2-18.............................................................
Fig.13 -- InstrumentPanelAssembly2-20.............................................................
Fig.14 -- Side InstrumentPanelGroup 2-22............................................................
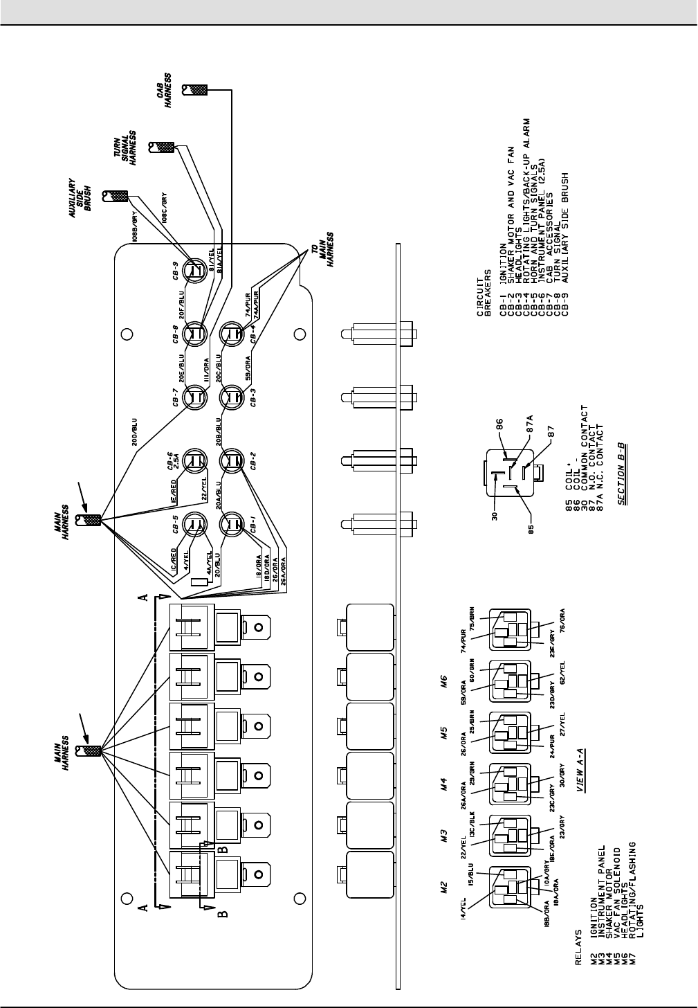
Fig.15 -- CircuitBreakerand RelayGroup 2-23.........................................................
Fig.16 -- Engine and GovernorGroup 2-24.............................................................
Fig.17 -- Engine Mount Group 2-26...................................................................
Fig.18 -- AirCleanerGroup 2-28......................................................................
Fig.19 -- Alternatorand Engine Fan Group 2-30........................................................
Fig.20 -- MufflerGroup 2-31..........................................................................
Fig.21 -- FuelTankGroup 2-32.......................................................................
Fig.22 -- FuelTankGroup 2-34.......................................................................
Fig.23 -- RadiatorGroup 2-36........................................................................
Fig.24 -- BatteryGroup 2-38.........................................................................
Fig.25 -- RearDriveWheelGroup 2-40................................................................
Fig.26 -- RearWheelAssembly2-42..................................................................
Fig.27 -- FrontWheeland BrakesGroup 2-44..........................................................
Fig.28 -- Brake Leverand PedalGroup 2-46...........................................................
Fig.29 -- DirectionalPedalGroup 2-48.................................................................
Fig.30 -- HydraulicPump Linkage Group 2-50..........................................................
Fig.31 -- Hopperand DumpDoorGroup 2-52...........................................................
Fig.32 -- HopperCylinderand DustDoorGroup 2-54....................................................
Fig.33 -- HopperHood and BumperGroup 2-56........................................................
Fig.34 -- HopperHood and BumperGroup 2-58........................................................
Fig.35 -- FilterBoxGroup 2-60.......................................................................
Fig.36 -- HopperLift ArmsGroup 2-62.................................................................
Fig.37 -- Side BrushMotorand Pivot Group 2-64.......................................................
Fig.38 -- Side Brush Lift Group 2-66...................................................................
Fig.39 -- MainBrush Lift Group 2-68..................................................................
Fig.40 -- MainBrushDriveGroup 2-70................................................................
Fig.41 -- VacuumFan Group 2-72....................................................................
Fig.42 -- VacuumFan Motorand FittingsGroup 2-74....................................................
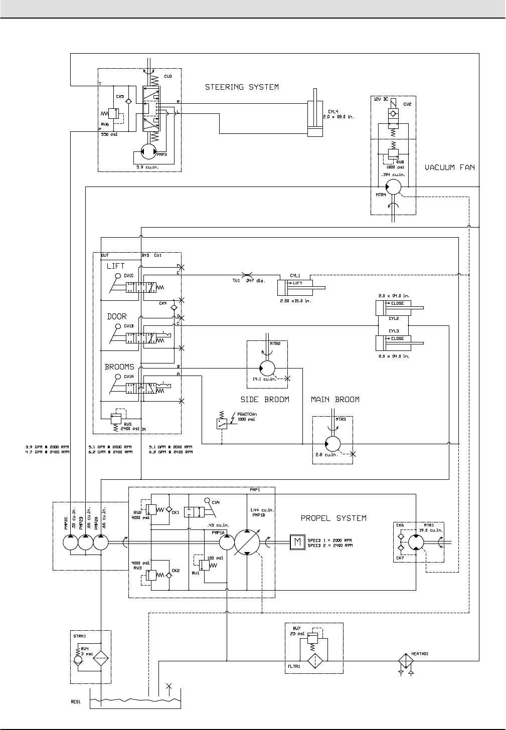
Fig.43 -- HydraulicSchematic2-75....................................................................
Fig.44 -- HydraulicHoseGroup 2-76..................................................................
Fig.45 -- HydraulicHoseGroup 2-78..................................................................
Fig.46 -- HydraulicReservoirGroup 2-80..............................................................
Fig.47 -- HydraulicValveGroup 2-82..................................................................
Fig.48 -- HydraulicValveGroup 2-84..................................................................
Fig.49 -- HydraulicPumpsGroup 2-86.................................................................
Fig.50 -- PressureSwitchGroup 2-87.................................................................
Fig.51 -- Back--UpAlarm Group,LRC 2-88.............................................................
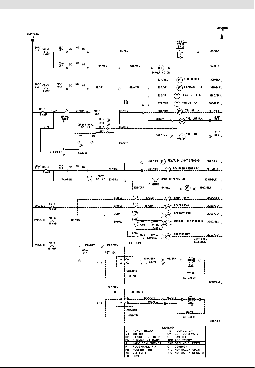
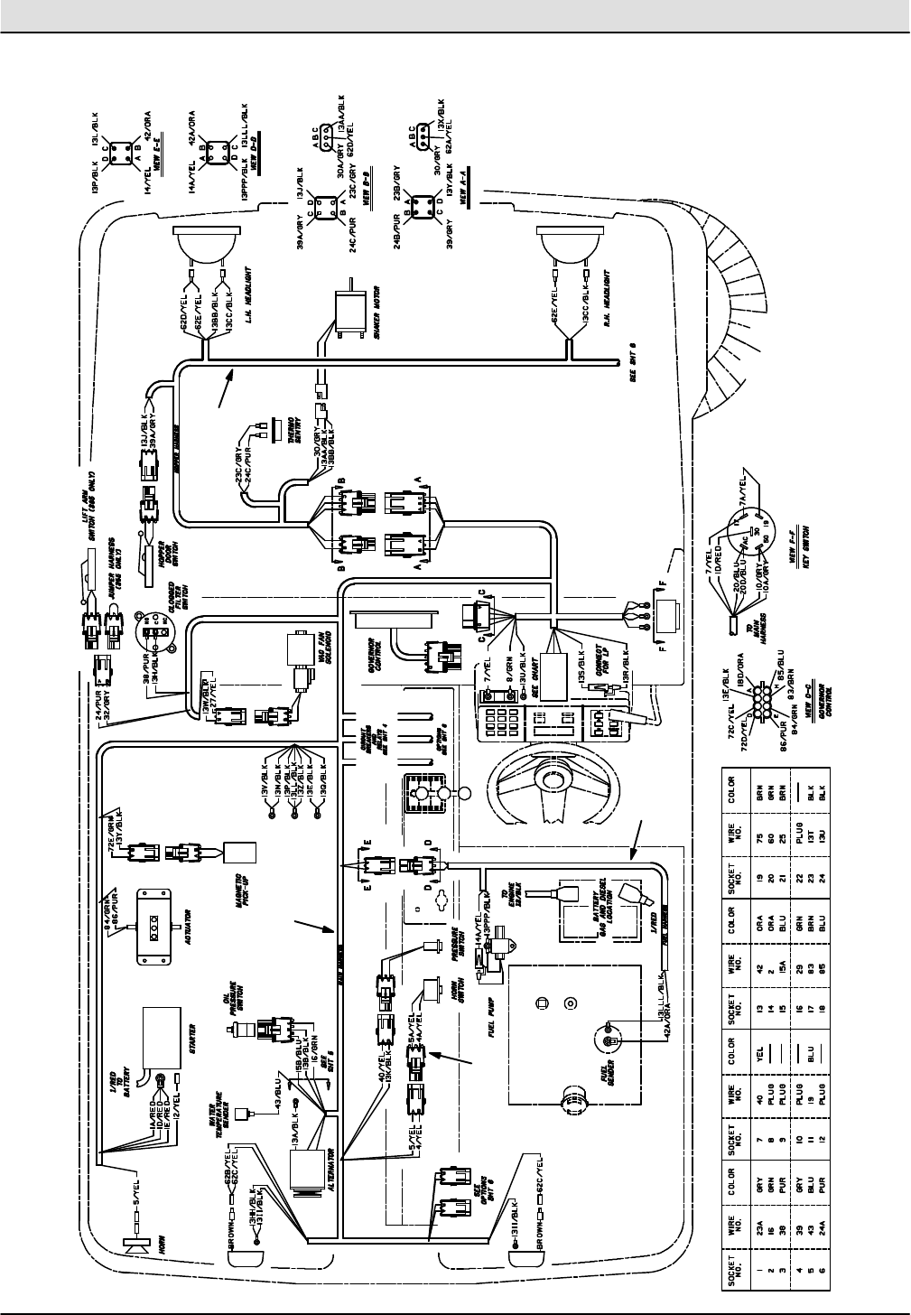
Fig.52 -- ElectricalSchematic2-90....................................................................
Fig.53 -- WireHarnessesGroup 2-92.................................................................
Fig.54 -- LabelGroup 2-96...........................................................................
Home
Find...
Go To..

STANDARD PARTS
385DMM305 (10--94)
2-2
07928
Fig.1-- GeneralRecommendedMaintenance Items
Ref.
Tennant
PartNo.
MachineSerial
NumberDescription Qty.
Ñ69943 (000000-- ) PerformancePkg 400HrDie 355L 1
Y58120 (000000-- ) Element, AirFilter1
Y55849 (000000-- ) Filter, Oil 1
Y36050 (000000-- ) Filter,Fuel1
Y55844 (000000-- ) Filter,Fuel,Element1
Y65869--1(000000-- ) Fluid,HydOil,Shp 15/40 1Gal6
Y55740 (000000-- ) FilterElementPh 1
Ñ72066 (000000-- ) Maint,Kit, ShakerFilter,355L 1
Y79425 (000000-- ) Seal,Bulb 140.0 Lg 1
Y36663 (000000-- ) Sleeve,1.12B1.38D1.00 Rubber2
Y36665 (000000-- ) Sleeve,1.12B1.62D1.50 Rubber2
Y36661 (000000-- ) Bar--Flt .06T1.00W4.00L,Rbr2
Y36658 (000000-- ) Bar--Flt .06T4.00W5.00L,Rbr1
Ñ72067 (000000-- ) MaintKit, Skirts355L 1
Y59687 (000000-- ) Seal,Door,Dump,Side 2
Y59688 (000000-- ) Strap,Door,Dump,Side 2
Y09007 (000000-- ) ScrHexssm6X1.0 25 8
Y01684 (000000-- ) WasherFlt .25 Ss16
Y08712 (000000-- ) Nut--HxlocnylnM6X1.0Reg Ss8
Y55864 (000000-- ) Cord,Sponge 1
Y59685 (000000-- ) Seal,Door,Dump 1
Y59686 (000000-- ) Strap,Door,Dump 1
Y09007 (000000-- ) ScrHexssm6X1.0 25 6
Y01684 (000000-- ) WasherFlt .25 Ss12
Y08712 (000000-- ) Nut--HxlocnylnM6X1.0Reg Ss6
Ñ72068 (000000-- ) MaintKit, Seals355L 1
Y59680 (000000-- ) Skirt, Lip 1
Y59681 (000000-- ) Skirt, Lip 1
Y55890 (000000-- ) Strap,Main Lip 1
Y09010 (000000-- ) ScrHexssm8X1.25 25 5
Y01685 (000000-- ) WasherFlt .31 Ss5
Y08713 (000000-- ) Nut--HxlocnylnM8X1.25 Reg Ss5
Y54089 (000000-- ) Skirt, Side,Sbdc,Lh 1
Y54013 (000000-- ) Plate,Retainer,Lh 1
Y54014 (000000-- ) Plate,Retainer,Front, Lh 1
Y12459 (000000-- ) Scr--Hxfmgm6X1.0 20 Pltd 6
Y01684 (000000-- ) WasherFlt .25 Ss6
Home
Find...
Go To..

STANDARD PARTS
2-3
385DMM305 (3--97)
Fig.2-- ReplacementBrushes
2
3
1
07929/07513
Ref.
Tennant
PartNo.
MachineSerial
NumberDescription Qty.
1 54927 (000000-- ) Brush--Sweep Spl--45Lg--24 SingleRow--Fiberand Wire 1
1 54922 (000000-- ) Brush--Sweep Spl--45Lg--24 SingleRow--Nylon 1
2 54923 (000000-- ) Brush--Sweep Spl--45Lg--8DoubleRow--Nylon 1
2 54925 (000000-- ) Brush--Sweep Spl--45Lg--8DoubleRow--Polyand Wire 1
2 59440 (000000-- ) Brush--Sweep Spl--45Lg--8DoubleRow--Wire 1
2 66019 (000000-- ) Brush--Sweep Spl--45Lg--8DoubleRow--Poly1
2 66018 (000000-- ) Brush--Sweep Spl--45Lg--5DoubleRow--Nylon 1
2 370008 (000000-- ) Brush--Sweep Spl--45Lg--Wedg Poly1
3 59431 (000000-- ) Brush--Side Swp--23 Dia--Poly1
3 59432 (000000-- ) Brush--Side Swp--23 Dia--Flatwire 1
3 08013N(000000-- ) Brush--Side Swp--23 Dia--Nylon 1
Home
Find...
Go To..

STANDARD PARTS
385DMM305 (3--97)
2-4
Fig.3-- Main FrameGroup
1
2
34
5
6
7
8
9
10
11
12
13
14
15
16
2
17
18
19
20
19 21
22
23
24
24
23
Home
Find...
Go To..

STANDARD PARTS
2-5
385DMM305 (3--97)
08913/07057
Fig.3-- Main FrameGroup
Ref.
Tennant
PartNo.
MachineSerial
NumberDescription Qty.
1 59152 (000000--005440 )FrameWldt, Main 1
1 74304 (005441-- ) FrameWldt, Main 1
2 69904 (000000-- ) Spring Assy,Recirculation 1
3 56872 (000000-- ) Skirt, Hopper,Top 1
4 56890 (000000-- ) Strap,Backing,Hopper1
5 09342 (000000-- ) Chain,Link#2/0,5Links Plain 1
6 54190 (000000-- ) Blade,Deflector1
6 374517 (000000-- ) Skirt, Recirculation,Turf(Option)1
7 54184 (000000-- ) Strip,Retainer,Seal1
8 54182 (000000-- ) Bracket, Flap,Recirculation 1
9 54192 (000000-- ) Channel,Retainer,Seal,Rear1
10 54197 (000000-- ) Skirt, Seal,MBr1
11 53491 (000000-- ) Insulation,Acoustic,Firewall 1
12 62595--21 (000000-- ) Molding,Trim11--14Ga 25.62 1
13 69915 (000000-- ) Bolt--Carrm 8X1.25 40 4.6Pltd 4
14 72156 (000000-- xxxxxx )BracketReplacementKit, Taillight1
14 71024 (xxxxxx--005440 )BracketWldt, Taillight1
Ñ15 59949 (000000-- ) TaillightAssy 2
Y45780 (000000-- ) Bulb,12V.5A4CP#1157 1
16 59662 (000000--005313 )Panel,Engine (Repl.By72152)1
16 72152 (005314-- ) Panel,Engine 1
17 21642 (000000-- ) Horn,12V1
18 67767 (000000-- ) Clamp-- Cable, .69 Dia.62 Wth 3
19 53468 (000000-- ) Clamp,Hose 3
20 72968 (000000-- ) Rivet, Plastic.250x.898 5
21 70284 (000000-- ) WireAssy,HornGround,16 Gax6 1
22 222809 (000000-- ) Cable,9”BundleDia 3
23 57167 (000000-- ) Plugbtn.62H.03--.12 Blacknyl2
24 01314 (000000-- ) Plugbtn.38H.03--.12 Blacknyl3
Home
Find...
Go To..

STANDARD PARTS
385DMM305 (3--97)
2-6
Fig.4-- RightBrushDoorGroup
1
2
3
4
5
6
7
8
9
10
11
12
13
14
15
07850/07095
Ref.
Tennant
PartNo.
MachineSerial
NumberDescription Qty.
1 59761 (000000-- ) DoorWldt, Brush,Rh 1
2 72120 (000000-- ) Hinge,Door,Brush 1
3 59195 (000000-- ) Latch,Hook,Rh 1
4 59192 (000000-- ) Latch,Bolt1
5 70276 (000000-- ) SkirtAssy,BrushDoor,Rh 1
6 55433 (000000-- ) Strip,Retainer,Skirt1
7 59537 (000000-- ) Seal,Door,Brush,Rh 1
8 72118 (000000-- ) Bracket, Mtg,Hinge,Rh 1
9 72069 (000000-- ) Skirt, Deflector1
10 59692 (000000-- ) Strap,Deflector1
11 69931 (000000-- ) Seal,FoamRbr1
12 58770 (000000-- ) Strip,Retainer1
13 56914 (000000-- ) Strap 1
14 72968 (000000-- ) Rivet, Plastic.250x.898 5
15 13301 (000000-- ) Seal,Rbr, .31 x.75 x7.0 1
Home
Find...
Go To..
(005246-
2 72125 (000000-005245) Hinge Repl. Kit ..........................................................................1

STANDARD PARTS
2-7
385DMM305 (3--97)
Fig.5-- Left BrushDoorGroup
1
2
3
4
5
6
7
8
910
12
11
14
13
15
07851/07094
Ref.
Tennant
PartNo.
MachineSerial
NumberDescription Qty.
1 59760 (000000-- ) DoorWldt, Brush,Lh 1
2 72120 (000000-- ) Hinge,Door,Brush 1
3 59194 (000000-- ) Latch,Hook,Lh 1
4 59192 (000000-- ) Latch,Bolt1
5 70275 (000000-- ) SkirtAssy,BrushDoor,Lh 1
6 55433 (000000-- ) Strip,Retainer,Skirt1
7 72069 (000000-- ) Skirt, Deflector1
8 59692 (000000-- ) Strap,Deflector1
9 72119 (000000-- ) Bracket, Mtg,Hinge,Lh 1
10 69931 (000000-- ) Seal,FoamRbr1
11 58770 (000000-- ) Strip,Retainer1
12 56914 (000000-- ) Strap 1
13 72968 (000000-- ) Rivet, Plastic.250x.898 5
14 59538 (000000-- ) Seal,Door,Brush,Lh 1
15 13301 (000000-- ) Seal,Rbr, .31 x.75 x7.0 1
Home
Find...
Go To..
2 72125 (000000-005245) Hinge Repl. Kit ..........................................................................1
(005246-

STANDARD PARTS
385DMM305 (4--94)
2-8
Fig.6-- Seatand Shroud Group
3
2
7
8
9
18
15
10
4
5
6
17
13
12
16
19
19
11
14
1
Home
Find...
Go To..

STANDARD PARTS
2-9
385DMM305 (4--94)
07864/07468
Fig.6-- Seatand Shroud Group
Ref.
Tennant
PartNo.
MachineSerial
NumberDescription Qty.
1 58297 (000000-- ) PanelWldt, Sppt, Seat1
2 54030 (000000-- ) Panel, Inside 1
3 59771 (000000-- ) Bracket1
4 53494 (000000-- ) Insulation,Acoustic,Panel1
5 59035 (000000-- ) Panel,Filler,Upper1
6 59766 (000000-- ) Bracket, Inside 1
Ñ7 72138 (000000-- ) Plate,Floorw/tread 1
Y8 16369 (000000-- ) Pad,Tread 1
9 62595--22 (000000-- ) Molding,Trim11--14Ga 14.20 1
10 62595--23 (000000-- ) Molding,Trim11--14Ga 22.80 1
11 53839 (000000-- ) CoverWldt, Sppt, Seat1
12 59822 (000000-- ) Insulation,Acoustic,Seat1
13 44906 (000000-- ) Pin,HairCotter#Lhcot--2,Leitk1
14 54615 (000000-- ) Rod Wldt, Seat1
15 53492 (000000-- ) Insulation,Acoustic,Plate 1
16 57702 (000000-- ) Cable 1
17 53845 (000000-- ) Seat, GrammerGs--12 1
18 58595 (000000-- ) Nut, UM8X1.25 Pltd 1
19 34252 (000000-- ) ArmrestAssy,Lh&Rh 1
Home
Find...
Go To..

STANDARD PARTS
385DMM305 (3--97)
2-10
Fig.7-- RightGrilleGroup
20
1
2
3
4
56
7
8
911
10
12
13
16
17
14
15
18
19 16
16
20
21
22
23
24
Home
Find...
Go To..

STANDARD PARTS
2-11
385DMM305 (3--97)
08920/07486
Fig.7-- RightGrilleGroup
Ref.
Tennant
PartNo.
MachineSerial
NumberDescription Qty.
1 74493 (000000--005440 )Latch/Channel Repl.Kit1
2 58564 (000000--005369 )Block,Pivot(Replaced By72179)1
3 58571 (000000--005369 )Spacer,PivotBlock (Replaced By72179)1
4 58585 (000000--005369 )Bearing,Flange 2
5 58576 (000000--005369 )Pin,Pivot, Upper1
6 58811 (000000--005369 )Pin,Pivot, Lower1
7 59549 (000000--005717 )Bracket, Mtg,Latch(Replaced By74456)1
8 74491 (005441--005717 )Latch/Channel Repl.Kit1
9 59703 (000000--005717 )Bolt, Hook,Rh 1
10 54552 (000000-- ) Grille,RightStd 1
11 69973 (000000--005717 )Clip(Replaced ByNone)1
12 70256 (005718-- ) ChannelWldt, CornerPost1
13 72179 (005370-- ) Bracket, Grille 1
14 15648 (005370-- ) Bearing,Flange 2
15 72176 (005370-- ) Pin,Pivot, Upper2
16 69972 (000000-- ) Src--HexM12x1.75 40 10.9Pltd 6
17 74456 (005718-- ) Bracket, Mtg.Latch 1
18 72473 (005718-- ) Latch,Hook,RH 1
19 59192 (005718-- ) Latch,Bolt1
20 36328 (000000-- ) Washer--Belleville.50 Pltd 4
21 70249 (006562-- ) Bracket, Stop Bolt, RearGrill 1
22 45214 (006562-- ) Scr--Hex.38--16x2.50 Full Thd 1
23 01318 (006562-- ) Tip,Rubber1
24 59870 (000000-- ) Sprng,Tens,0.50 Odx.05 Wire 2.5L 1
Home
Find...
Go To..

STANDARD PARTS
385DMM305 (3--97)
2-12
Fig.8-- Left Grille and HydraulicCoolerGroup
11
10
12
15
16
17
1
2
3
17
12
13 9
14
4
5
78
6
18
19
20
22
23 21
25
25
25
24
24
26
Home
Find...
Go To..

STANDARD PARTS
2-13
385DMM305 (3--97)
07862/07466
Fig.8-- Left Grille and HydraulicCoolerGroup
Ref.
Tennant
PartNo.
MachineSerial
NumberDescription Qty.
Ñ1 55619 (000000-- ) FilterAssy,Spin--On 10Micron 1
Y2 55740 (000000-- ) FilterElementPh 1
3 54553 (000000-- ) Grille,Left 1
4 58564 (000000--005369 )Block,Pivot(Repl.By72179)1
5 58571 (000000--005369 )Spacer,PivotBlock (Repl.By72179)1
6 58585 (000000--005369 )Bearing,Flange 2
7 58576 (000000--005369 )Pin,Pivot, Upper1
8 58811 (000000--005369 )Pin,Pivot, Lower1
9 70252 (000000-- ) Bracket, Mtg,Latch 1
10 59695 (000000-- ) Latch,Hook,Lh 1
11 59192 (000000-- ) Latch,Bolt1
12 53466 (000000-- ) Clamp,Hose 2
13 13698 (000000-- ) Cooler,Hyd 365 1
14 46481 (000000-- ) Ftg--HydE90 Jm12/Om12 2
15 16081 (000000-- ) Ftg--HydE45 Jm12/Om12 2
16 41016 (000000-- ) Clamp--Cable,2.25Dia 1.00Wth 1
17 87676 (000000-- ) Sleeve--Nyln #24 30.0L 2
18 72179 (005370-- ) Bracket, Grille 1
19 15648 (005370-- ) Bearing,Flange,0.50 Bore 2
20 72176 (005370-- ) Pin,Pivot, Upper2
21 01318 (006562-- ) Tip,Rubber1
22 70248 (006562-- ) Bracket, RearGrill Stop Bolt1
23 55347 (006562-- ) Scr--Hex.38--16x2.00 Full Thd 1
24 36328 (000000-- ) Washer--Belleville.50 Pltd 4
25 69972 (000000-- ) Scr--HexM12x1.75 40 10.9Pltd 6
26 59870 (000000-- ) Sprng,Tens,0.50 Odx.05 Wire 2.5L 1
Home
Find...
Go To..

STANDARD PARTS
385DMM305 (3--96)
2-14
Fig.9-- EngineCoverGroup
1
2
3
4
5
6
7
8
9
10
11
12
13
14
15 16
13
14
17 18
19
15 16
1516
15
16
20
21
22
Home
Find...
Go To..

STANDARD PARTS
2-15
385DMM305 (3--96)
08915/07075
Fig.9-- EngineCoverGroup
Ref.
Tennant
PartNo.
MachineSerial
NumberDescription Qty.
1 58977 (000000-- ) CoverWldt, Engine 1
2 59019 (000000-- ) Foam,Engine Cover1
3 58999 (000000-- ) Foam,Engine Cover,Bottom1
4 12271 (000000-- ) Nut, UM6X1.0Pltd 20
5 70143 (000000--006405 )ReplKit, Plate,BottomF/59843 1
5 70145 (006406-- ) PlateWldt, Cover,Bottom1
6 69952 (000000-- ) Plate,Deflector,Engine Cover1
7 58849 (000000-- ) Bracket, Deflector,Eng Cover1
8 69951 (000000-- ) Plate,Deflector,Eng Cover1
9 59514 (000000-- ) Latch 1
10 59192 (000000-- ) Latch,Bolt1
11 72091 (000000--005227 )Bracket, ReplKit, Latch 1
12 69907 (000000-- ) HandleAssy,Latch,Eng Cover1
13 55048 (000000-- ) Rod,Latch,Engine Cover1
Ñ14 69906 (000000-- ) Spring--GasAssy,Eng Cover2
Y15 64595 (000000-- ) Clip,Spring 2
Y16 58494 (000000-- ) Stud,Ball 2
17 69986 (000000-- ) Insulation,Acoustic,Engine Cover1
18 69987 (000000-- ) Insulation,Acoustic,Engine Cover1
19 70136 (005228-- ) Bracket, Latch 1
20 53091 (000000-- ) Sprng,Tens,0.50Odx.05Wire 1.0L 1
21 14601 (000000-- ) Balljoint .250--28 1
22 70142 (006406-- ) Bracket, Latch,Bolt, Eng Cover1
Home
Find...
Go To..

STANDARD PARTS
385DMM305 (6--93)
2-16
Fig.10 -- EngineSideDoorGroup
1
2
3
4
5
6
7
89
07847/07091
Ref.
Tennant
PartNo.
MachineSerial
NumberDescription Qty.
1 59377 (000000-- ) Hinge Wldt, Door,Engine 2
2 59830 (000000-- ) DoorWldt1
3 59018 (000000-- ) Foam,Door,Engine,Side 1
4 59829 (000000-- ) Bracket, Door1
5 59661 (000000-- ) Latch 1
6 75128 (000000-- ) Spindle,Adjustment2
7 72154 (000000-- ) Bolt, Latch 1
8 59828 (000000-- ) Bracket, Latch,Door1
9 59647 (000000-- ) Seal,Rubber1
Home
Find...
Go To..

STANDARD PARTS
2-17
385DMM305 (10--92)
Fig.11 -- OverheadGuardGroup
3
2
1
07865/07469
Ref.
Tennant
PartNo.
MachineSerial
NumberDescription Qty.
Ñ56595 (000000-- ) GuardKit, 355L 1
Y1 59665 (000000-- ) Tube Wldt, Leg, Ohg,Rh,Painted 1
Y2 59666 (000000-- ) Tube Wldt, Leg,Ohg,Lh,Painted 1
Y3 56456 (000000-- ) GuardWldt, Ohg,Top 1
Home
Find...
Go To..

STANDARD PARTS
385DMM305 (3--96)
2-18
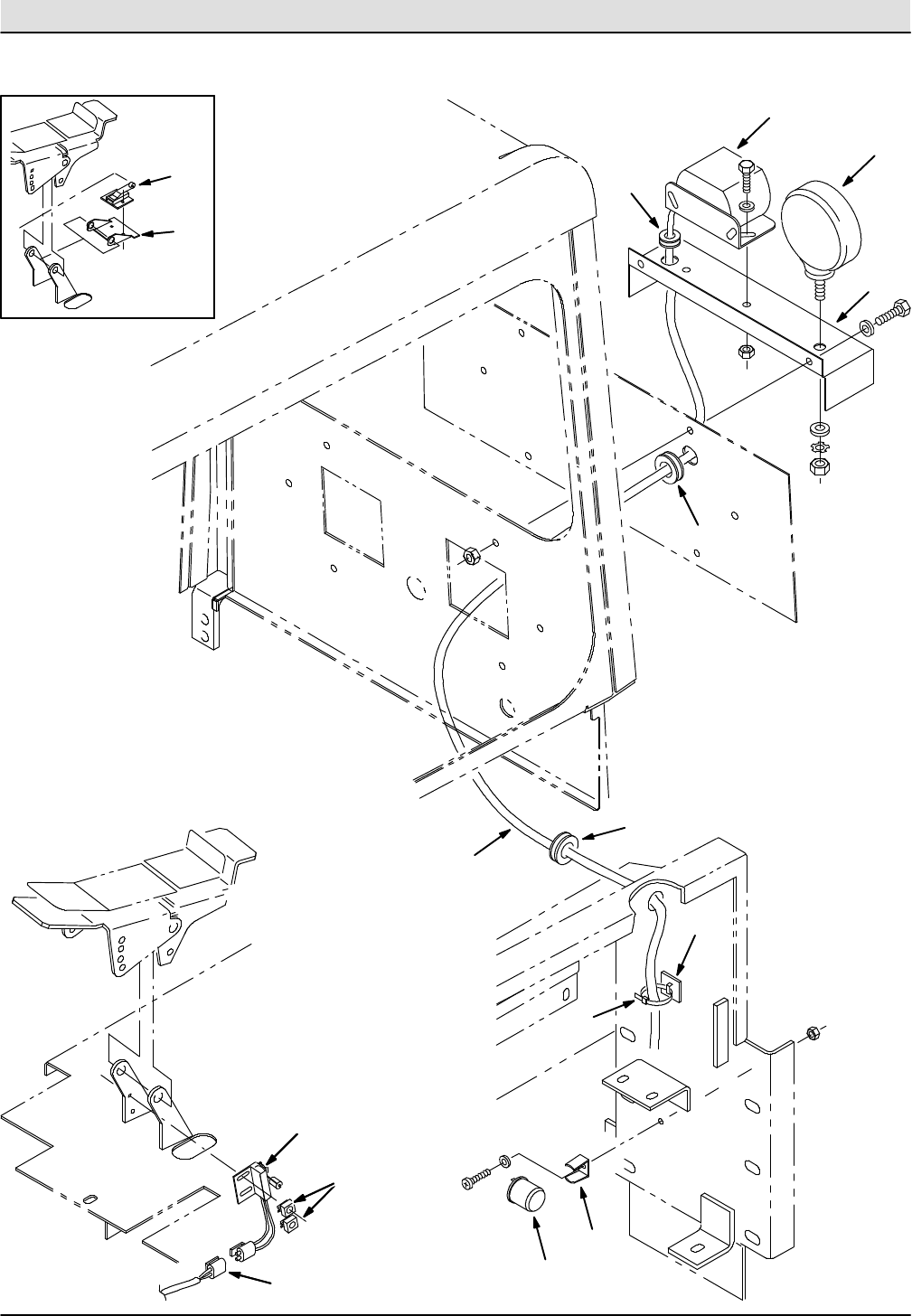
Fig.12 -- Steering and Firewall Group
12
17
13
20
14
15
16
24
22
21
1
6
11
4
8
75
3
2
9
10
29
29
25
22
28
27
23
26
19
18
30
Home
Find...
Go To..

STANDARD PARTS
2-19
385DMM305 (3--96)
07848/07092
Fig.12 -- Steering and Firewall Group
Ref.
Tennant
PartNo.
MachineSerial
NumberDescription Qty.
1 56373 (000000-- ) BracketWldt, Valve 1
2 56379 (000000-- ) LeverWldt, Tilt1
3 56198 (000000-- ) Spring,Torsion 1
4 23191 (000000-- ) Pin,Clevis,0.37 Dia.X3.00 Lg 1
5 04733--10 (000000-- ) Pin,Clevis,0.25 Dia.X2.44 Lg 1
6 59940 (000000-- ) Knob,Tapered M8 1
7 58665 (000000-- ) BracketWldt, Mtg,Steering,Lh 1
8 58667 (000000-- ) BracketWldt, Mtg,Steering,Rh 1
9 56392 (000000-- ) Rod,Spring 1
10 63852 (000000-- ) Sprng,Comp,0.74Idx.11Wire 5.5L 1
11 56385 (000000-- ) BracketWldt, Notched 1
12 57935 (000000-- ) Column,Steering 1
13 54022 (000000--005898 )SteerControl,Hyd(See Breakdowns) (Repl.by74172)1
13 74172 (005899-- ) SteerControl,Hyd(See Breakdowns)1
14 47522 (000000-- ) Ftg--HydE45 Jm06/Om06 4
15 34330 (000000-- ) Sleeve--Nyln #38 30.0L 1
16 49263 (000000-- ) Tie,Cable 3.00DMax11.41Lg 3
17 58748 (000000-- ) U-- Bolt1
18 56362 (000000-- ) Cover,Steering 1
19 54345 (000000-- ) Grommet,Rbr,1.62Id,For.13Matl1
20 56398 (000000-- ) Wheel,Steering,14 DiaX36T1
21 41016 (000000-- ) Clamp--Cable,2.25Dia 1.00Wth 1
22 53466 (000000-- ) Clamp,Hose 3
23 62595--3(000000-- ) Molding,Trim11--14Ga 5.75 1
24 62595--4(000000-- ) Molding,Trim11--14Ga 10.00 1
25 56237 (000000-- ) ControlBox, Governor,Die 1
26 86381 (000000-- ) Block,Fuse 1
27 87319 (000000-- ) Fuse,40 Amp 1
28 55035 (000000-- ) Plug,Plastic1.00 D1
29 59935 (000000-- ) PlateWldt, Governor2
30 56185 (000000-- ) Nut--Hx Jam M20x1.54Pltd 1
Home
Find...
Go To..

STANDARD PARTS
385DMM305 (2--93)
2-20
Fig.13 -- InstrumentPanelAssembly
1
2
3
4
5
6
8
9
10
11
1
7
12
13
14
Home
Find...
Go To..

STANDARD PARTS
2-21
385DMM305 (6--93)
07890/07050
Fig.13 -- InstrumentPanelAssembly
Ref.
Tennant
PartNo.
MachineSerial
NumberDescription Qty.
Ñ59970 (000000-- ) ReplmKit, InstrPanel1
Y1 59976 (000000-- ) ReplmKit, Case 1
Y2 59977 (000000-- ) ReplmKit, Seal1
YÑ3 59974 (000000-- ) ReplmKit, CirBoard 1
YY 4 59978 (000000-- ) ReplmKit, Hourmeter1
Y5 59979 (000000-- ) ReplmKit, TouchPanel1
Y6 59971 (000000-- ) ReplmKit, Lamp,Backlighting (8)2
Y7 56346 (000000-- ( ReplmKit, Lamp,Fault(8)1
8 10632--5(000000-- ) Grommet,Rbr,0.25Id,For.09Matl4
9 54342 (000000-- ) PanelAssy, Instr1
10 12271 (000000-- ) Nut, UM6X1.0Pltd 2
Ñ11 87536 (000000-- ) SwitchIgnition 1
Y12 87866 (000000-- ) KeySet,SwitchKu 1
13 72109 (000000--xxxxxx )ReplKit, Sun Shield 1
14 19768 (000000-- ) Plate,Reinforcement--Ignition 1
Home
Find...
Go To..

STANDARD PARTS
385DMM305 (3--97)
2-22
Fig.14 -- SideInstrumentPanel Group
1
2
3
4
5
6
7
8
9
10
11
12
13 14
1
5
15
07918/07510
Ref.
Tennant
PartNo.
MachineSerial
NumberDescription Qty.
1 59824 (000000-- ) PanelAssy, Instrumentw/label1
2 59647 (000000-- ) Seal,Rubber1
3 59623 (000000-- ) Insulation,Acoustic1
4 59622 (000000-- ) Insulation,Acoustic1
5 59621 (000000-- ) Insulation,Acoustic1
6 59628 (000000-- ) Insulation,Acoustic1
7 59636 (000000-- ) Insulation,Acoustic1
8 59629 (000000-- ) Insulation,Acoustic1
9 44078 (000000-- ) Switch,Pushmom,Spst100A12V1
10 69234 (000000-- ) Clamp--Cable,1.00Dia. .62Wth 2
11 69909 (000000-- ) BellowsAssy,Valve 1
12 01314 (000000-- ) Plugbtn.38H.03--.12 Blacknyl(LPGonly)1
13 55035 (000000-- ) Plug,Plastic,1.00 D1
14 01314 (000000-- ) Plugbtn.38h .03--.12 Blacknyl1
15 77399 (000000-- ) Clip,Pine--tree .236h Plastic2
Home
Find...
Go To..

STANDARD PARTS
2-23
385DMM305 (2--93)
Fig.15 -- CircuitBreakerand Relay Group
1
2
3
4
5
6
7
3
5
07852/07096
Ref.
Tennant
PartNo.
MachineSerial
NumberDescription Qty.
1 56186 (000000-- ) Relay,Shrouded,12 Vdc6
2 87583 (000000-- ) Breaker--Circuit, 2.5Resetbl1
3 57803 (000000-- ) Breaker--Circuit, 15 Resetbl5
4 57167 (000000-- ) Plugbtn.62H.03--.12 Blacknyl3
5 57751 (000000-- ) Boot--CircuitBreaker6
6 56188 (000000-- ) Plate,CircuitBreaker1
7 57772 (000000-- ) Plate--Cover2
Home
Find...
Go To..

STANDARD PARTS
385DMM305 (3--97)
2-24
Fig.16 -- Engine and GovernorGroup
1
6
57
11
12
16
15
16
13
14 2
4
3
8
9
10
10
17
18
Home
Find...
Go To..

STANDARD PARTS
2-25
385DMM305 (3--97)
07844/07088
Fig.16 -- Engine and GovernorGroup
Ref.
Tennant
PartNo.
MachineSerial
NumberDescription Qty.
1 53836 (000000--006025 )Engine Assy (See Engine Breakdown) (Repl.by74435)1
1 74435 (006026--006055 )Engine Assy (See Engine Breakdown) (Repl.by84625)1
1 84625 (006056-- ) Engine,DieselKubotaE Series(See Engine Breakdown)1
2 59884 (000000-- ) Ftg--MetricE90 Omm22/Jm12 1
3 59891 (000000-- ) Hose--Hyd Low12 Jf/Jf1
4 59885 (000000-- ) Ftg--HydPlgJm12 1
5 24976 (000000-- ) Ftg--BrsE45 Pm02/Pf02 1
6 79399 (000000-- ) Switch,Pressure, Oil 1
7 36165 (000000-- ) Send Unit, Temperature 1
8 59640 (000000-- ) BracketWldt, Mtg,Actuator1
Ñ9 58391 (000000-- ) ThrottleAssy,Block,Die 1
Y10 64939 (000000-- ) Bearing,Bronze 2
11 59002 (000000-- ) Boot, Rubber1
12 58362 (000000-- ) Rod,ThrottleControl,Diesel1
13 07539 (000000-- ) Actuator, Governor1
14 30481 (000000-- ) Lever, GovernorActuator1
15 53424 (000000-- ) Stud, .25--28 4.6L .25--28 1
16 14601 (000000-- ) Balljoint .250--28 2
17 374511 (000000-- ) Bracket, DrainHoseClamp 1
18 30407 (000000-- ) Clip,Keeper, Open 1
Home
Find...
Go To..

STANDARD PARTS
385DMM305 (2--93)
2-26
Fig.17 -- EngineMountGroup
7
6
3
12
9
10
11
5
11
10
11
8
4
12
11
11
10
13
Home
Find...
Go To..

STANDARD PARTS
2-27
385DMM305 (3--95)
07887/07082
Fig.17 -- EngineMountGroup
Ref.
Tennant
PartNo.
MachineSerial
NumberDescription Qty.
1 55837 (000000-- ) Adaptor,Flywheel Hsg,Kubota 1
2 19252 (000000-- ) Coupling Assy,Flywheel1
3 54911--16 (000000-- ) Dowel,Cyl.Block ToFlywhl.Hsg.2
4 58566 (000000-- ) Housing,Flywheel,Rework1
5 57773 (000000-- ) WireAssy--Elect.,Ground 1
6 55860 (000000--006025 )Starter,Rework(See Engine Breakdown)1
6 74405 (006026-- ) Starter,Die(See Engine Breakdown)1
7 55831 (000000-- ) BracketWldt, Mtg,Engine 1
8 57755 (000000-- ) BracketWldt,Mtg,Eng,Rear,Rh 1
9 57754 (000000-- ) BracketWldt,Mtg,Eng,Rear,Lh 1
10 51176 (000000-- ) Dampner,Engine 3
11 04414 (000000-- ) Washer,Flat6
12 59946 (000000-- ) MagnetAssy,Pick--Up 1
13 30407 (000000-- ) Clip,Keeper, Open 1
Home
Find...
Go To..

STANDARD PARTS
385DMM305 (8--92)
2-28
Fig.18 -- AirCleanerGroup
9
7
8
8
8
12
3
13
8
11
10
2
5
4
6
1
Home
Find...
Go To..

STANDARD PARTS
2-29
385DMM305 (2--93)
07840/07084
Fig.18 -- AirCleanerGroup
Ref.
Tennant
PartNo.
MachineSerial
NumberDescription Qty.
Ñ1 58538 (000000-- ) AirCleaner1
Y2 58120 (000000-- ) Element, AirFilter1
Y3 02740 (000000-- ) ClampAssemblyDn 1
Y4 02741 (000000-- ) Cup AssemblyDn 1
Y5 07562 (000000-- ) Nut, Wing .44--20 Special1
6 51560--3(000000-- ) Clamp,Mounting,CyclopacAircl.2
7 58090 (000000-- ) Hose,Molded,AirIntake 1
8 14432 (000000-- ) Clamp--Wormdrive,1.81-- 2.75D4
9 03026 (000000-- ) Indicator,Service,AirFilter1
10 53783 (000000-- ) Bracket, Mtg,AirCleaner1
11 58346 (000000-- ) Tube -- Carb.AirIntake 1
12 59811 (000000-- ) Tube, Inlet, AClnr1
13 30407 (000000-- ) Clip,Keeper, Open 1
Home
Find...
Go To..

STANDARD PARTS
385DMM305 (3--95)
2-30
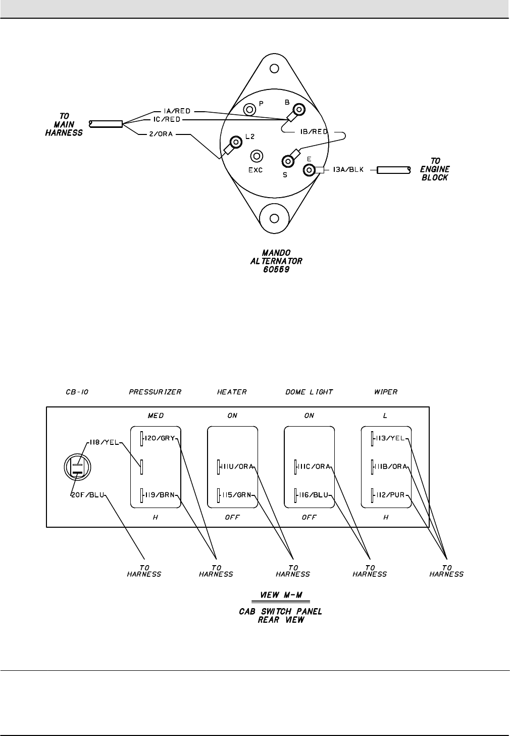
Fig.19 -- Alternatorand EngineFanGroup
7
10
1
6
5
8
9
23
4
07839/07083
Ref.
Tennant
PartNo.
MachineSerial
NumberDescription Qty.
1 82731 (000000-- ) Wire--Ground,Alternator1
2 30569 (000000-- ) Spacer,Fan 1
3 30559 (000000-- ) Fan,Pusher1
4 57824 (000000-- ) Scr--SocM6X1.0 20 Nylonloc4
5 55855 (000000-- ) Bracket, Alternator1
6 55863 (000000-- ) Sleeve, .438B1.00D.49 Sml1
Ñ7 60559 (000000-- ) Alternator,50A/12VMando 1
Y61931 (000000-- ) RegulatorAssy Md 1
Y86041 (000000-- ) Bearing--Ball, .669B1.575D0.472W1
Y61529 (000000-- ) CpltBrushKitMd 1
Y61531 (000000-- ) RectifierAssy Md 1
Y70160 (000000-- ) AltrntrPulleyMd 1
8 07274 (000000-- ) Spacer,Idler Mount1
9 55856 (000000-- ) Arm,Alternator1
10 58327 (000000-- ) Belt, VHc41 X41 1
Home
Find...
Go To..

STANDARD PARTS
2-31
385DMM305 (3--96)
Fig.20 -- MufflerGroup
3
1
2
2
2
6
7
4
5
89
10
07842/07086
Ref.
Tennant
PartNo.
MachineSerial
NumberDescription Qty.
1 55851 (000000-- ) Muffler,Exhaust1
2 24012 (000000-- ) Clamp--Muffler,For1.62 OdTube 3
3 58397 (000000--005691 )Pipe,Exhaust, Die 1
4 82661 (000000--006610 )Isolator--Vibration .25--20 1
5 84578 (000000--006610 )ReplmKit, Muff HangerF/82545 1
6 74451 (005692-- ) Pipe,Exhaust, Die 1
7 74452 (005692-- ) Pipe,Exhaust, Die 1
8 70214 (006611-- ) Bracket, Hanger,Muffler1
9 54274 (006611-- ) Isolator--Vibration,125lb.Rating 1
10 30013 (006611-- ) Washer--Flt .31 FenderPltd 1
Home
Find...
Go To..

STANDARD PARTS
385DMM305 (4--94)
2-32
Fig.21 -- FuelTankGroup
2
3
4
5
6
7
89
10
1
11
12
13
14
15
16
17
18
19
20
21
22
24
25
623
20
12
26
27
Home
Find...
Go To..

STANDARD PARTS
2-33
385DMM305 (4--94)
09839/07087
Fig.21 -- FuelTankGroup
Ref.
Tennant
PartNo.
MachineSerial
NumberDescription Qty.
1 55222 (000000--005541 )Tray, Gas1
Ñ2 74453 (000000--005541 )TankRepl.Kit, Fuel,9.4Gal1
Y3 48267 (000000--005541 )Cap, Gas1
YÑ4 07873 (000000--005541 )Send Unit1
YY 5 14131 (000000--005541 )Gasket, 2.7D1.5B.12T5/2.1Bc1
6 56457 (000000--005541 )Ftg--HydStrPm02/Jm04 2
7 59945 (000000--005541 )Pump,Fuel,Ele 1
8 72072 (000000--005541 )Hose--Hyd 1
9 36050 (000000--005541 )Filter,Fuel1
10 57574 (000000--005541 )Hose--Hyd,4,58,400Wp,7E7E1
11 72073 (000000--005541 )Hose,Rbr1
12 43844 (000000--005541 )Clamp--Wormdrive,0.25-- 0.62D2
13 87396 (000000--005541 )Strap,Tank, Gas2
14 17414 (000000--005541 )Ftg--HydStrPm04/Pf02 1
15 49266 (000000--005541 )Tie,Cable 1.75DMax7.50Lg 5
16 32183 (000000--005541 )Ftg--BrsE90 Pm02/Bm03 1
Ñ17 66212 (000000--005541 )Fitting Assy,Fuel1
Y18 77002 (000000--005541 )Seal-- Oring .064X.30 1
19 58091 (000000--005541 )Hose--Hyd Low04 Jf/J9 1
20 06764 (000000--005541 )Ftg--HydE90 Pm04/Jm04 2
Ñ21 55850 (000000--005541 )Filter,Fuel,Die 1
Y55844 (000000--005541 )Filter,Fuel,Element1
22 72491 (000000--005541 )Bracket, Mtg,Filter1
23 46236 (000000--005541 )Clamp--Cable,0.25 Dia 0.56 Wth 1
24 65526 (000000--005541 )Duct, Vinyl1
25 67767 (000000--005541 )Clamp--Cable,0.69 Dia 0.62 Wth 1
26 86330 (000000--005541 )Duct, Vinyl.40X.75X10.0.25D1
27 86331 (000000--005541 )Duct, Vinyl.40X.75X16.0.25D1
Home
Find...
Go To..
58301

STANDARD PARTS
385DMM305 (3--97)
2-34
Fig.22 -- FuelTankGroup
1
2
3
4
5
626
8
9
10
11
12
14
15
16
17
18
19
20
21
22
23
24
2512
13
13
12
12
7
Home
Find...
Go To..

STANDARD PARTS
2-35
385DMM305 (3--97)
09840/07087
Fig.22 -- FuelTankGroup
Ref.
Tennant
PartNo.
MachineSerial
NumberDescription Qty.
1 55222 (005542-- ) Tray, Gas1
Ñ2 72191 (005542-- ) Tank,Fuel,9.4Gal1
Y3 48267 (005542-- ) Cap,Fuel1
Y4 74406 (005542-- ) Sending Unit1
Y5 48126 (005542-- ) Ftg--Plug Npt02PmSqHd 1
6 53029 (005542-- ) Ftg--BrsE90 Bm05/Pm02 1
7 21720 (005542--007013 )ReplmKit, FuelPumpF/59945 1
8 82509 (005542-- ) Hose,FuelLine .31 Idx11.0 1
9 70173 (005542-- ) Hose,Fuelline,10.0L 1
10 72192 (005542-- ) Fuelline 1
11 87738 (005542-- ) Hose,Rbr.188 I.D.X29.0 Lg 1
12 43844 (005542-- ) Clamp--Wormdrive,0.25-- 0.62D4
13 87396 (005542-- ) Strap Weldmt, GasTank2
14 15555--1(005542-- ) Ftg--BrsE90 If05/Pm02 1
15 72193 (005542-- ) Fuelline 1
16 53078 (005542-- ) Ftg--BrsE90 If03/Pm02 1
Ñ17 66212 (005542-- ) Fitting Assy,Fuel1
Y18 77002 (005542-- ) Seal, O--Ring .064X.30 1
19 58091 (005542-- ) Tube Assy, .250 D04JF/04JF1
20 06764 (005542-- ) Ftg--HydE90 Pm04/Jm04 1
Ñ21 55850 (005542-- ) Filter,Fueldiesel1
Y55844 (005542-- ) Filter,Fuel,Element1
22 72491 (005542-- ) Bracket, Mounting,Filter1
23 46236 (005542-- ) Clamp--Cable,0.25Dia 0.56Wth 1
24 15555--2(005542-- ) Fitting,Brass E90 1
25 67767 (005542-- ) Clamp--Cable,.69Dia.62Wth 1
26 59015 (007014-- ) Pump,Fuel1
Home
Find...
Go To..
58301

STANDARD PARTS
385DMM305 (4--94)
2-36
Fig.23 -- RadiatorGroup
2
3
4
5
6
7
8
9
10
1
11
12
13
14
15
16 17
7
Home
Find...
Go To..

STANDARD PARTS
2-37
385DMM305 (4--94)
07841/07085
Fig.23 -- RadiatorGroup
Ref.
Tennant
PartNo.
MachineSerial
NumberDescription Qty.
1 55225 (000000-- ) Radiator1
2 54911--32 (000000-- ) Draincock,End.Block 1
3 31755 (000000-- ) Cap,Radiator1
4 55857 (000000-- ) Hose,Radiator,Upper,Die 1
5 55858 (000000-- ) Hose,Radiator,Lower,Die 1
6 11399 (000000-- ) Clamp--Wormdrive,0.81-- 1.50D2
7 11531 (000000-- ) Clamp--Wormdrive,1.06-- 2.00D2
8 54274 (000000-- ) Isolator--Vibration,60 Lb.Ratng 2
9 59551 (000000-- ) Plate,Filler1
10 59878 (000000--xxxxxx )Plate,Filler1
11 59555 (000000--xxxxxx )Plate,Sppt, Shroud 1
12 74395 (000000-- ) Guard,Fan,W/Label,Die 1
13 72147 (000000-- ) Bracket, Radiator Mount1
14 59550 (000000-- ) Channel,Mtg,Radiator1
15 74401 (000000-- ) Plate,Filler,Diesel1
16 59881 (000000-- ) Spacer1
17 10632--13 (000000-- ) Grommet,Rbr,1.50Id,For.19Matl1
Home
Find...
Go To..

STANDARD PARTS
385DMM305 (4--94)
2-38
Fig.24 -- BatteryGroup
1
2
4
5
6
3
ToBell HousingToStarter
4
7
8
Home
Find...
Go To..

STANDARD PARTS
2-39
385DMM305 (4--94)
07837/07080
Fig.24 -- BatteryGroup
Ref.
Tennant
PartNo.
MachineSerial
NumberDescription Qty.
1 10143 (000000-- ) Battery,12V,CcAmps:600 Wet1
Ñ2 60292 (000000-- ) WireAssy,66.0 Lg,2Ga,Pos1
Y3 68873 (000000-- ) Boot, Batt. Term.1--2GaRed 1
4 67767 (000000-- ) Clamp--Cable, .69Dia. .62Wth 2
5 49266 (000000-- ) Tie,Cable 1.75DMax7.50Lg 2
6 33671 (000000-- ) Strap,RubberTie--Down 1
Ñ7 60293 (000000-- ) WireAssy,42.0 Lg,2Ga,Neg 1
Y8 68872 (000000-- ) Boot, Batt. Term.1--2GaBlack 1
Home
Find...
Go To..

STANDARD PARTS
385DMM305 (3--96)
2-40
Fig.25 -- RearDrive Wheel Group
2
5
16
9
4
6
10
19
2
4
3
1
7
11
21
17
18
14
13
12
15
8
20
Home
Find...
Go To..

STANDARD PARTS
2-41
385DMM305 (3--97)
07858/07462
Fig.25 -- RearDrive Wheel Group
Ref.
Tennant
PartNo.
MachineSerial
NumberDescription Qty.
1 53612 (000000-- ) Housing,Sppt, Wheel1
2 51339 (000000-- ) Bearing--Cone,1.38Bore 0.71Wth 2
3 47801 (000000-- ) Ftg, Grease.25--28ThStrt .63L 1
4 51338 (000000-- ) Bearing--Cup ,2.56Dia 0.55Wth 2
5 54051 (000000-- ) Washer,Thrust1
6 54053 (000000-- ) Pin,WheelSupport, Rear1
7 54052 (000000-- ) Nut--Hxslot1.12--18 Pltd 1
8 39310 (000000-- ) ScrSocM10X1.5 40 2
9 70157 (000000-- ) Clamp--Cable,2.50Dia 1.0WthSs1
10 24339 (000000-- ) Nut--Wheel.50--20 60 Angle 5
11 58842 (000000-- ) Plate-- HoseSupport1
12 53601 (000000-- ) Cylinder--Hyd(See Breakdowns)1
13 56820 (000000-- ) Ftg--HydE90 Jm06/Om06 2
14 63688 (000000-- ) Balljoint, Rod End 1
15 63689 (000000-- ) Balljoint, Rod End 1
16 59804 (000000--005697 ) Motor--HydGear (See Breakdowns) (Repl.by378710)1
16 48663 (005698--005830 ) Motor--HydGear (See Breakdowns) (Repl.by378710)1
16 74162 (005831--007305 ) Motor--HydGear (See Breakdowns) (Repl.by378710)1
16 22604 (007306-- ) Motor--HydGear (See Breakdowns)1
17 42223 (000000-- ) Ftg--HydStrJm10/Om12 2
18 55586 (000000-- ) Ftg--HydSteJm04/Om04 1
Ñ19 54087 (000000-- ) Hub & Stud Assy 1
Y20 32126 (000000-- ) Stud,Wheel.50--20 x1.50 5
21 19583 (000000-- ) ScrSoc.50--13X1.50 4
Home
Find...
Go To..

STANDARD PARTS
385DMM305 (3--96)
2-42
Fig.26 -- RearWheelAssembly
1
4
2
3
1
56
7
8
9
10
6
Home
Find...
Go To..

STANDARD PARTS
2-43
385DMM305 (3--96)
10931/10932,02588
Fig.26 -- RearWheelAssembly
Ref.
Tennant
PartNo.
MachineSerial
NumberDescription Qty.
Ñ53640 (000000--006534 )Tire and WheelAssembly(Repl.By70287)1
Y1 53818 (000000--006534 )RimAssembly1
YÑ2 53819 (000000--006534 )Tire,Tube and Flap Assembly1
YY 3 53819--1(000000--006534 )Tube,Tire(Repl.By70280)1
YY 4 53819--2(000000--006534 )Flap,Tube 1
Y5 45786 (000000--006534 )Cap,ValveStem1
Ñ70287 (006535-- ) Tire&RimAssy,5.70/5.00R--8 1
Y6 53818 (006535-- ) RimAssembly1
YÑ7 53819 (006535-- ) Tire,Tube and Flap Assembly1
YY 8 70280 (006535-- ) Tube, Inner --5.00R--8,Js2Valve 1
YY 9 53819--2(006535-- ) Flap,Tube 1
Y10 45786 (006535-- ) Cap,ValveStem1
Home
Find...
Go To..

STANDARD PARTS
385DMM305 (4--94)
2-44
Fig.27 -- FrontWheeland Brakes Group
1
2
3
4
5
67
8
9
10
11
12
13
14
15
16
16
15
12
16
12
16
12
16
15
15
12
16
15
12
14
5
12
Home
Find...
Go To..
32969 Washer

STANDARD PARTS
2-45
385DMM305 (10--94)
07888/07048
Fig.27 -- FrontWheeland Brakes Group
Ref.
Tennant
PartNo.
MachineSerial
NumberDescription Qty.
Ñ1 54577 (000000-- ) BrakeAssy 2
Y66211 (000000-- ) BrakeShoes2
YÑ66213 (000000-- ) BrakeRepairKit1
YY 70161 (000000-- ) ChromePltdCamShft 1
Y70158 (000000-- ) ReturnSpring--Brakes2
Ñ2 54437 (000000-- ) WheelAssy 2
Y3 54567 (000000-- ) Tire,18X5X12.12 Solid 1
Y4 51338 (000000-- ) Bearing--Cup ,2.56Dia 0.55Wth 2
5 51339 (000000-- ) Bearing--Cone,1.38Bore 0.71Wth 4
6 14242 (000000-- ) Nut--Hxslot1.00--20 Pltd 2
7 54390 (000000-- ) Cap,Hub 2
8 54467 (000000-- ) Clevis,Adjustable 1
9 58288 (000000-- ) Clip,Cable 1
10 86240 (000000-- ) PinClevis.375 DiaX1.13 Lg 1
11 54619 (000000-- ) Rod,Brake 1
12 74391 (000000-- ) PulleyAssy -- Cable,1.5Dia 7
13 54617 (000000-- ) Cable,Brake,Service 1
14 09088 (000000-- ) Pin,Clevis,0.37 Dia.X1.00 Lg 2
15 54400 (000000-- ) Angle,CableKeeper6
16 56624 (000000-- ) Spacer,Pulley6
Home
Find...
Go To..

STANDARD PARTS
385DMM305 (10--94)
2-46
Fig.28 -- Brake Leverand Pedal Group
2
3
6
7
8
9
10
1
11
12 13
10
5
4
3
Home
Find...
Go To..

STANDARD PARTS
2-47
385DMM305 (10--94)
07849/07093
Fig.28 -- Brake Leverand Pedal Group
Ref.
Tennant
PartNo.
MachineSerial
NumberDescription Qty.
Ñ1 72132 (000000-- ) Shaft Wldt, Brakew/pad 1
Y2 51109 (000000-- ) Pad 1
3 86751 (000000-- ) Brg,Brake 2
4 23788 (000000-- ) Ring--Retain,Ex,0.98OD,E--Ring 2
5 54607 (000000-- ) Spring,Torsion 1
6 69933 (000000-- ) Pad,Rubber1
7 51545 (000000-- ) Lever,Brake 1
8 51562 (000000-- ) Sleeve, .344B.50D.81 Cr.Anc2
9 54616 (000000-- ) Cable,Parking Brake 1
10 86240 (000000-- ) PinClevis.375 DiaX1.13 Lg 2
11 74391 (000000-- ) PulleyAssy -- Cable,1.5Dia 1
12 54400 (000000-- ) Angle,CableKeeper1
13 56624 (000000-- ) Spacer,Pulley1
Home
Find...
Go To..

STANDARD PARTS
385DMM305 (4--94)
2-48
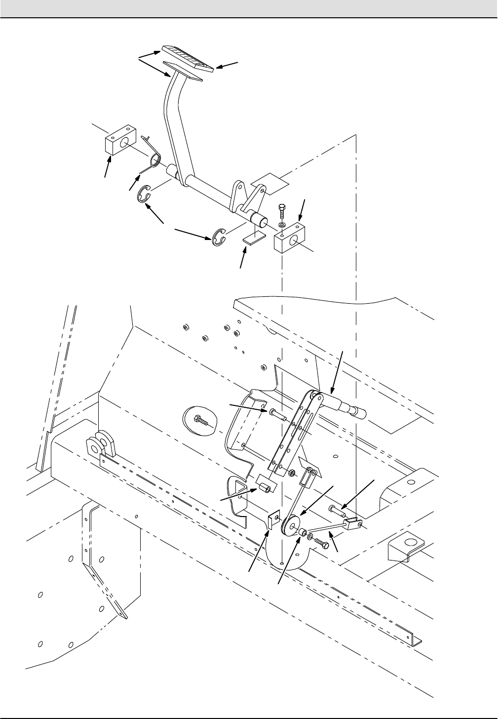
Fig.29 -- DirectionalPedal Group
1
4
9
11
12
13
14
15
16
2
17
4
11
5
10
20
21
22
6
7
8
18
19
19
3
23
5
24
25
Home
Find...
Go To..

STANDARD PARTS
2-49
385DMM305 (3--97)
07863/07467
Fig.29 -- DirectionalPedal Group
Ref.
Tennant
PartNo.
MachineSerial
NumberDescription Qty.
1 05686 (000000-- ) Rod--End M10X1.5W/Stud 2
2 54996 (000000-- ) Rod,Adjusting 1
3 54800 (000000--005758 )Rod Wldt, Drive Linkage 1
4 53927 (000000-- ) BracketSppt, Control Rod 2
5 04843 (000000-- ) Bearing,Flange .625 Bore 2
6 53782 (000000--005758 )Bearing,Thrust .62X1.25X.06 1
7 39577 (000000--005758 )Sprng,Comp,0.62Idxfl.Wire 3.0L 1
8 46983 (000000--005758 )Sleeve, .391B1.38D.19 Hr.Znc1
9 53954 (000000-- ) Bracket, Speed Limiter1
10 51813 (000000-- ) Pin,Clevis,0.37 Dia.X2.12 Lg 1
11 05686 (000000-- ) Rod--End M10X1.5W/Stud 2
12 374520 (000000-- ) Rod,Speed Limiter,Adjusting,Rh 1
Ñ13 72130 (000000-- ) Pedal,Propel,Adjustable,Lowerw/tread 1
Y14 75430 (000000-- ) Pad,Tread 1
Ñ15 72131 (000000-- ) Pedal,Propel,Adjustable,Upperw/tread 1
Y16 75430 (000000-- ) Pad,Tread 1
17 44906 (000000-- ) Pin,HairCotter1
18 69962 (000000--005758 )Bearing,Journal1
19 69954 (000000--005758 )Bearing,Thrust2
20 75430 (000000-- ) Pad,Tread 1
21 59668 (000000-- ) Pin,Clevis.50 DiaX4.50 Lg 1
22 59672 (000000-- ) Pin,Clevis.31 DiaX4.50 Lg 1
23 74475 (005759-- ) Rod Weldt, Drive Linkage 1
24 73411 (005759-- ) Shock Absorber1
25 16213 (005759-- ) Scr--Shld.312Dx1.00L .25--20 1
Home
Find...
Go To..

STANDARD PARTS
385DMM305 (4--94)
2-50
Fig.30 -- HydraulicPump LinkageGroup
2
3
4
5
6
7
8
9
10
1
11
12
13
14
4
10
11
9
7
8
Home
Find...
Go To..

STANDARD PARTS
2-51
385DMM305 (4--94)
07846/07090
Fig.30 -- HydraulicPump LinkageGroup
Ref.
Tennant
PartNo.
MachineSerial
NumberDescription Qty.
1 05686 (000000-- ) Rod--End M10X1.5W/Stud 1
2 54015 (000000-- ) Rod,Adjusting 1
3 86791 (000000-- ) Scr--Shld.500Dx1.25L .38--16 1
4 52508 (000000-- ) Washer--Wavy Spring,#Ww--381--&--8 2
5 54997 (000000-- ) BracketAssy, Isolator1
6 54999 (000000-- ) Arm,Control,Pintle 1
7 53953 (000000-- ) Arm 2
8 54205 (000000-- ) Bumper,Threaded 2
9 63234 (000000-- ) Sleeve,Bearing 2
10 11842 (000000-- ) Sprng,Tens,0.75Odx.12Wire 3.4L 2
11 48079 (000000-- ) Bolt--Eye, .25--20Th.25B1.4L 2
12 53947 (000000-- ) Cam1
13 54655 (000000-- ) Cam1
14 53950 (000000-- ) Bracket, Propel1
Home
Find...
Go To..

STANDARD PARTS
385DMM305 (4--94)
2-52
Fig.31 -- Hopperand DumpDoorGroup
2
3
4
5
6
7
8
9
10
1
11
12
13
14
15
16
17
18 19
20
21
22 23
24
25
26
27
28
16
21
21
12
11
29
Home
Find...
Go To..

STANDARD PARTS
2-53
385DMM305 (3--97)
08916/07062
Fig.31 -- Hopperand DumpDoorGroup
Ref.
Tennant
PartNo.
MachineSerial
NumberDescription Qty.
1 55870 (000000--005440 )HopperWldt1
1 74314 (005441-- ) HopperWldt1
2 59680 (000000-- ) Skirt, Lip 1
3 59681 (000000-- ) Skirt, Lip 1
4 55890 (000000-- ) Strap,Main Lip 1
5 55021 (000000-- ) Panel,Perma--Filter1
6 374507 (000000-- ) DoorWldt, Dump 1
7 55864 (000000-- ) Cord,Sponge 1
8 59685 (000000-- ) Seal,Door,Dump 1
9 59686 (000000-- ) Strap,Door,Dump 1
10 55879 (000000-- ) Angle,Hopper1
11 59687 (000000-- ) Seal,Door,Dump,Side 2
12 59688 (000000-- ) Strap,Door,Dump,Side 2
13 58103 (000000-- ) Seal,Door,Hopper1
14 55884 (000000-- ) Strap 1
15 55889 (000000-- ) Rod Wldt, Pivot1
16 55892 (000000-- ) Spring,Tension 3
17 11893 (000000-- ) Bolt--Eye, .25--20Zinc.56D2.00L 3
18 55965 (000000-- ) Seal,VacWand 1
19 59189 (000000-- ) Plate 1
20 72159 (000000-- ) Plate,Lift Arm 6
21 40678 (000000-- ) Clamp,Cable.44D.62Wide 3
22 82483 (000000-- ) Tube,Spacer,.41Dx.32Bx1.Ol2
23 59105 (000000-- ) Seal,Door,Hopper1
24 54089 (000000-- ) Skirt, Side,Sbdc,Lh 1
25 54013 (000000-- ) Plate,Retainer,Lh 1
26 54014 (000000-- ) Plate,Retainer,Front, Lh 1
27 59814 (000000-- ) Insulation,Acoustic,Hopper1
28 59821 (000000-- ) Insulation,Acoustic,Hopper1
29 72071 (000000-- ) Seal,FoamRubber1
Home
Find...
Go To..

STANDARD PARTS
385DMM305 (3--97)
2-54
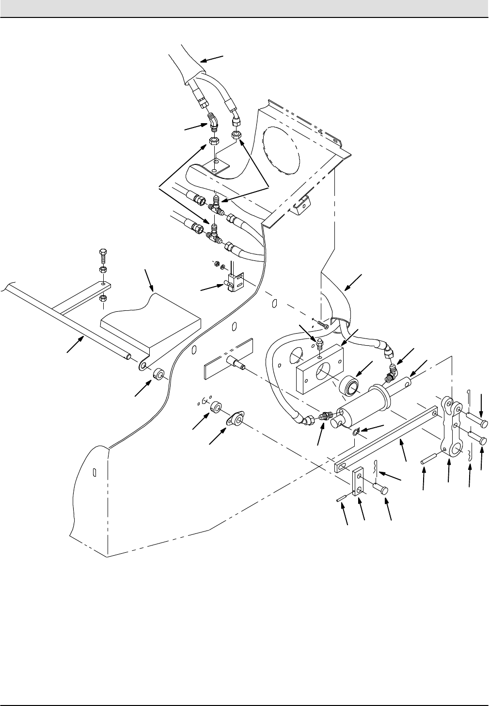
Fig.32 -- HopperCylinderand DustDoorGroup
2
3
4
5
67
8
9
10
1
11
12
13
14
15
17
18
19
20
21
22
16
15
23
23
16
24
4
Home
Find...
Go To..

STANDARD PARTS
2-55
385DMM305 (3--97)
07820/07064
Fig.32 -- HopperCylinderand DustDoorGroup
Ref.
Tennant
PartNo.
MachineSerial
NumberDescription Qty.
1 51317 (000000-- ) Pin,Roll,.38Odx2.00L,.375/.382 2
2 53910 (000000-- ) Door,Dust1
3 53915 (000000-- ) Rod Wldt1
4 34725 (000000-- ) Collar,Locking 4
5 34096 (000000-- ) Bearing--Flange,2Hole.625Bore 2
6 26103 (000000-- ) Pin,Roll,.18Odx1.25L,.187/.192 2
7 59966 (000000-- ) Bar,Link2
8 59965 (000000-- ) SwitchAssy,Roller1
9 42120--1(000000-- ) Bearing--SelfAlign 1.250 Bore 2
10 78787 (000000-- ) Yoke,Pivot, Machining 2
11 55893 (000000-- ) Bar,Link2
12 54096 (000000-- ) Cylinder--Hyd,2.0X4.0Da2500Psi2
13 55586 (000000-- ) Ftg--HydStrJm04/Om04 2
14 77097 (000000-- ) Ftg--HydE90 Jm04/Om04 2
15 87677 (000000-- ) Sleeve--Nyln #20 20.0L 3
16 34392 (000000-- ) Ftg--HydTee Jm04Jmbjm2
17 68441 (000000-- ) Ftg--HydE45 Jm04/Jf04 1
18 23524 (000000-- ) Ring,Retain,Ex,0.50Od,Selflock 2
19 11211 (000000-- ) Pin,Clevis,0.50 Dia.X2.25 Lg 2
20 58078 (000000-- ) Pin,Clevis,0.50 Dia.X1.25 Lg 2
21 51534 (000000-- ) Pin,Clevis,0.50 Dia.X2.00 Lg 2
22 55914 (000000-- ) Hub,Pivot2
23 44906 (000000-- ) Pin,HairCotter#Lhcot--2,Leitk4
24 47801 (000000-- ) Ftg, Grease.25--28ThStrt .63L 2
Home
Find...
Go To..

STANDARD PARTS
385DMM305 (4--94)
2-56
Fig.33 -- HopperHood and BumperGroup
12
3
4
5
6
7
8
9
10
11
12
13
14
15
16
1718
19
20
21
22
23
24
26
27
28
29
30
1
3
8
11
20
19
22
22
22
21
23
24
25
29
30
30
26
Home
Find...
Go To..
72969 rivot
72969 rivot
72971 rivot

STANDARD PARTS
2-57
385DMM305 (3--96)
08917/07067
Fig.33 -- HopperHood and BumperGroup
Ref.
Tennant
PartNo.
MachineSerial
NumberDescription Qty.
Ñ1 55805 (000000--005440 )CoverAssy,Hopper (Repl.By84570)1
Y2 59442 (000000--005440 )Strip,Mtg,Hinge 1
Y3 59738 (000000--005440 )Strip,Mtg, Gusset2
Y4 59737 (000000--005440 )Bracket, Gusset, Corner,Lh 1
Y5 59739 (000000--005440 )Bracket, Gusset, Corner,Rh 1
6 58771 (000000--005440 )Handle,Latch 1
7 55806 (000000--005440 )Bracket, Mtg,Spring 2
8 55797 (000000--005440 )Plate,Backing 4
9 69902 (000000--005440 )Spring Kit, HopperCover2
10 10632--1(000000--005440 )Grommet, Rbr,For.19Matl1.06 ID1
11 40678 (000000--005440 )Clamp,Cable.44D.62Wide 4
12 55800 (000000--005440 )PlateWldt, Strike 1
13 58500 (000000--005440 )Hinge,Cover,Hopper3
14 59016 (000000--005440 )Plate,Latch 1
15 55809 (000000--005440 )Latch,Cover1
16 55797 (000000--005440 )Plate,Backing 1
Ñ17 69901 (000000--005440 )Door,Access w/label1
Y18 17200 (000000--005440 )Label,TennantLogo--10.0Blue 1
19 59682 (000000--005440 )Seal,Rbr, .25 X1.50 X17.5 2
20 59683 (000000--005440 )Seal,Rbr, .25 X1.50 X9.0 2
21 57702 (000000--005440 )Cable,Door,Access 2
22 87337 (000000--005440 )Latch,Door2
23 59004 (000000--005440 )Housing,Headlight2
24 58524 (000000--005440 )Headlight, 12V.Rect. 2
25 59723 (000000--005440 )BumperWldt, Front1
26 59674 (000000--005440 )Bracket, Door2
27 55958 (000000--005440 )ChannelWldt, Rh 1
28 55956 (000000--005440 )ChannelWldt, Lh 1
29 59448 (000000--005440 )Skirt, BumperStop 2
30 59845 (000000--005440 )Bracket, Bumper4
Home
Find...
Go To..

STANDARD PARTS
385DMM305 (3--95)
2-58
Fig.34 -- HopperHood and BumperGroup
12
3
4
5
6
7
8
9
10
11
12
13
14
15
16
17
18
19
20
21
22
1
3
81011
14
15
23
24
23
24
25
26
Home
Find...
Go To..

STANDARD PARTS
2-59
385DMM305 (3--95)
08918/08212
Fig.34 -- HopperHood and BumperGroup
Ref.
Tennant
PartNo.
MachineSerial
NumberDescription Qty.
Ñ1 74310 (005441-- ) Cover,Hopper1
Y2 59442 (005441-- ) Strip,Mtg,Hinge 1
Y3 59738 (005441-- ) Strip,Mtg, Gusset2
Y4 59737 (005441-- ) Bracket, Gusset, Corner,Lh 1
Y5 59739 (005441-- ) Bracket, Gusset, Corner,Rh 1
6 17200 (005441-- ) Label,TennantLogo-- 10.0Blue 1
7 70185 (006045-- ) BracketWldt, HprCvrSprng 2
8 70178 (006045-- ) PlateWldt, SprngbrktBacking 4
9 64535 (005441-- ) Spring--Gas120Lb 7.1Stroke 2
10 64595 (005441-- ) ClipSafety4
11 58494 (005441-- ) Stud,Ball, GasSpring 4
12 10632--1(005441-- ) Grommet,Rbr,1.06Id,For.19Matl1
13 58500 (005441-- ) Hinge,Coverhopper3
14 59004 (005441-- ) Housing,Headlight2
15 58524 (005441-- ) Headlight, 12V.Rect. 2
16 72065 (005441-- ) BumperWldt, Front1
17 59448 (005441-- ) Skirt,Bumperstop 2
18 74409 (005441-- ) Seal,Bulb 50.0Lg 1
19 62595--6(005441-- ) Molding,Trim11--14Ga 7.50 1
20 86331 (005441-- ) Duct, Vinyl.40X.75X16.0.25D2
21 74352 (005441-- ) Cable,Cover,Safety1
22 74353 (005441-- ) Spring,Tension 1
23 72971 (005441-- ) Rivet, Plastic.325Dx.787 8
24 72969 (005441-- ) Rivet, Plastic.181Dx.720 8
25 70182 (005441--006044 )ReplmKit, HprCvrSprng Brkt1
26 70193 (005441-- ) Bracket, CableSpring 1
Home
Find...
Go To..

STANDARD PARTS
385DMM305 (4--94)
2-60
Fig.35 -- FilterBoxGroup
2
3
4
5
7
8
9
10
1
11
12
13
14
15
16
17
19
21
22
23
24
25
8
15
18
13
22
23
12
11
76
21
20
Home
Find...
Go To..
08713
Nut, M8

STANDARD PARTS
2-61
385DMM305 (10--94)
07826/07043
Fig.35 -- FilterBoxGroup
Ref.
Tennant
PartNo.
MachineSerial
NumberDescription Qty.
1 74434 (000000-- ) Tray,FilterCarrier1
2 59399 (000000-- ) BracketWldt1
3 59693 (000000-- ) Plate,Tray,Filter1
4 02712 (000000-- ) ThermostatAssembly,140 Deg 1
5 59844 (000000-- ) Seal,Tube,Dust1
6 79425 (000000-- ) Seal,Bulb 140.0 Lg 1
7 55916 (000000-- ) Plate 4
8 56610 (000000-- ) Plate 4
9 55902 (000000-- ) Foam,Acoustic,Hopper1
10 12962 (000000-- ) FilterPkg,Panel,94 Pleats1
11 59545 (000000-- ) BracketWldt, Filter2
12 53786 (000000-- ) Bracket, Filter2
13 58482 (000000-- ) Spring,Shaker2
14 58483 (000000-- ) Bar,Shaker1
15 82475 (000000-- ) Bar,Spring,Shaker2
16 36666 (000000-- ) Strap,Motor,Shaker1
17 36658 (000000-- ) Bar--Flt .06T4.00W5.00L,Rbr1
18 54121 (000000-- ) Motor,EleShaker12V1
19 55130 (000000-- ) Weight, Eccentric1
20 46236 (000000-- ) Clamp--Cable,0.25Dia 0.56Wth 1
21 36661 (000000-- ) Bar--Flt .06T1.00W4.00L,Rbr2
22 36663 (000000-- ) Sleeve,1.12B1.38D1.00 Rubber2
23 36665 (000000-- ) Sleeve,1.12B1.62D1.50 Rubber2
24 44255 (000000-- ) HoseFlex,4.0IdX21.5Lg 1
25 23498 (000000-- ) Clamp--Wormdrive,3.56-- 4.50D2
Home
Find...
Go To..

STANDARD PARTS
385DMM305 (3--96)
2-62
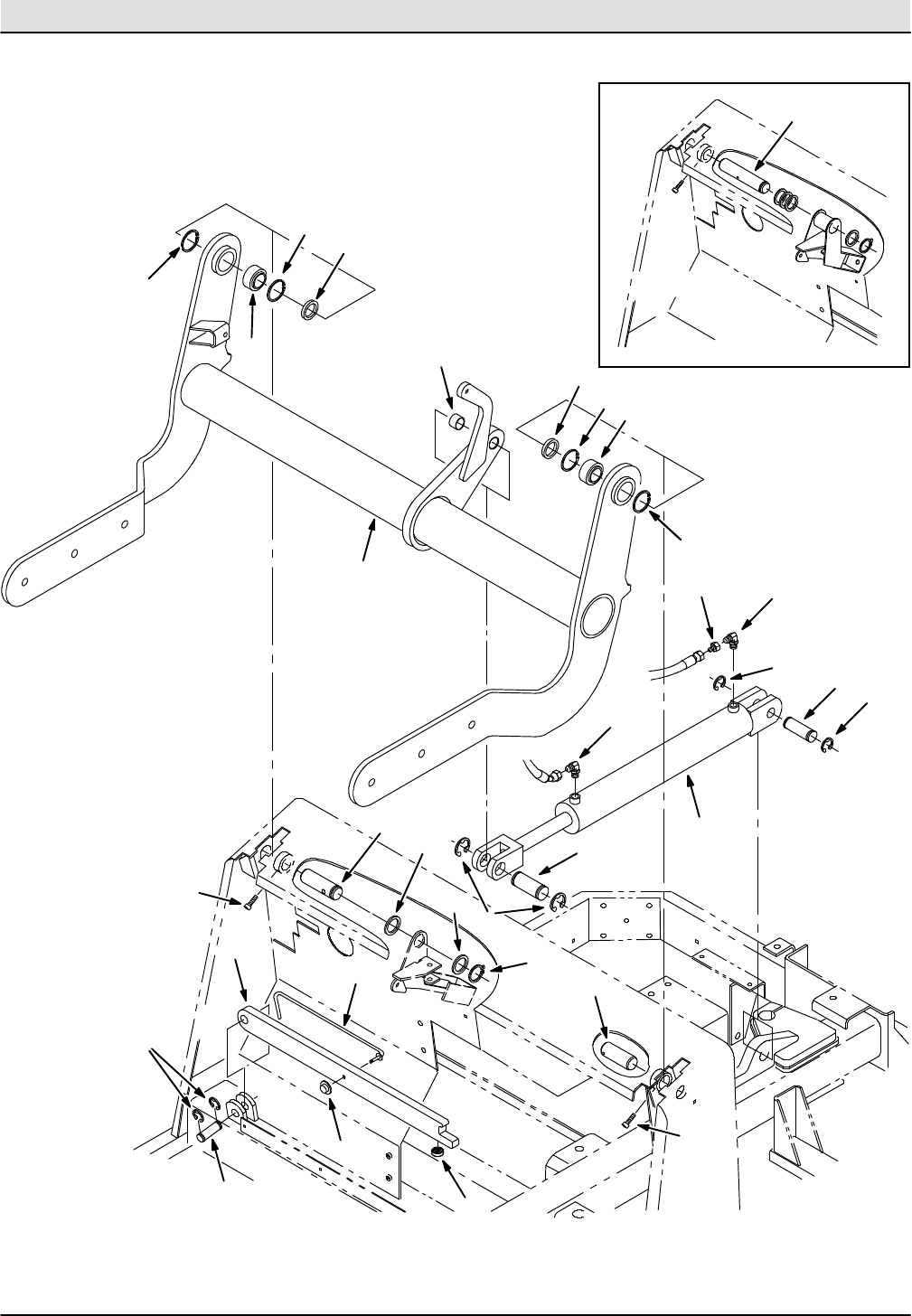
Fig.36 -- HopperLift ArmsGroup
2
3
5
23
7
8
9
10
1
11
12
13
14
15
16
17
18
19
20
21
25
25
10
13
14
12
8
4
2
2
10
10
6
24
Home
Find...
Go To..

STANDARD PARTS
2-63
385DMM305 (3--96)
07819/07063
Fig.36 -- HopperLift ArmsGroup
Ref.
Tennant
PartNo.
MachineSerial
NumberDescription Qty.
1 59825 (000000-- ) Arm Assy,Hopperw/label1
Ñ69908 (000000-- ) PinAssy,Clevis,HopperLift 1
Y2 59866 (000000-- ) Bearing,Journal1.25 Idx1.0Lg 1
Y3 59867 (000000-- ) Pin, Grooved 1
Y4 59861 (000000-- ) Ring,Retaining,Ext, 1.25 Dia 2
5 54079 (000000-- ) Washer,1.281B1.75D.O8CrZnc1
6 55462 (000000--006114 )Pin,Rh 1
7 55463 (000000-- ) Pin,Lh 1
8 39308 (000000-- ) ScrSocM8X1.25 25 2
9 74419 (000000-- ) Cylinder--Hyd(See Breakdowns)1
10 59542 (000000-- ) Ring,Retaining, Intl,2.00Dia 4
11 59380 (000000-- ) Pin--Grvd,1.00D3.0L2/2.71Btwn 1
12 23788 (000000-- ) Ring,Retain,Ex,0.98Od,E--Ring 2
13 42120--1(000000-- ) Bearing--SelfAlign 1.250 Bore 2
14 77097 (000000-- ) Ftg--HydE90 Jm04/Om04 2
15 16455 (000000-- ) Ftg--HydRstJm04/.047 1
16 59827 (000000-- ) Arm Assy,Safetyw/label1
17 58645 (000000-- ) Handle,SafetyArm 1
18 59842 (000000-- ) Pin,Arm,Safety1
19 59840 (000000-- ) Ring,Retaining,Ext, .75 Dia 2
20 59849 (000000-- ) Nut, RetainerR/.312 Dia 1
21 58359 (000000-- ) Retaining Ring--External,1.25D1
22 16786 (000000-- ) Bumper,SafetyArm 1
23 74358 (006115-- ) Pin,Rh 1
24 47719 (000000-- ) Washer,1.255B1.75Od.12Hrs1
25 70272 (000000-- ) Washer,1.281B1.75Od.31Hrznc2
25 70271 (000000-- ) Washer,1.281B1.75Od.25Hrznc2
Home
Find...
Go To..

STANDARD PARTS
385DMM305 (3--97)
2-64
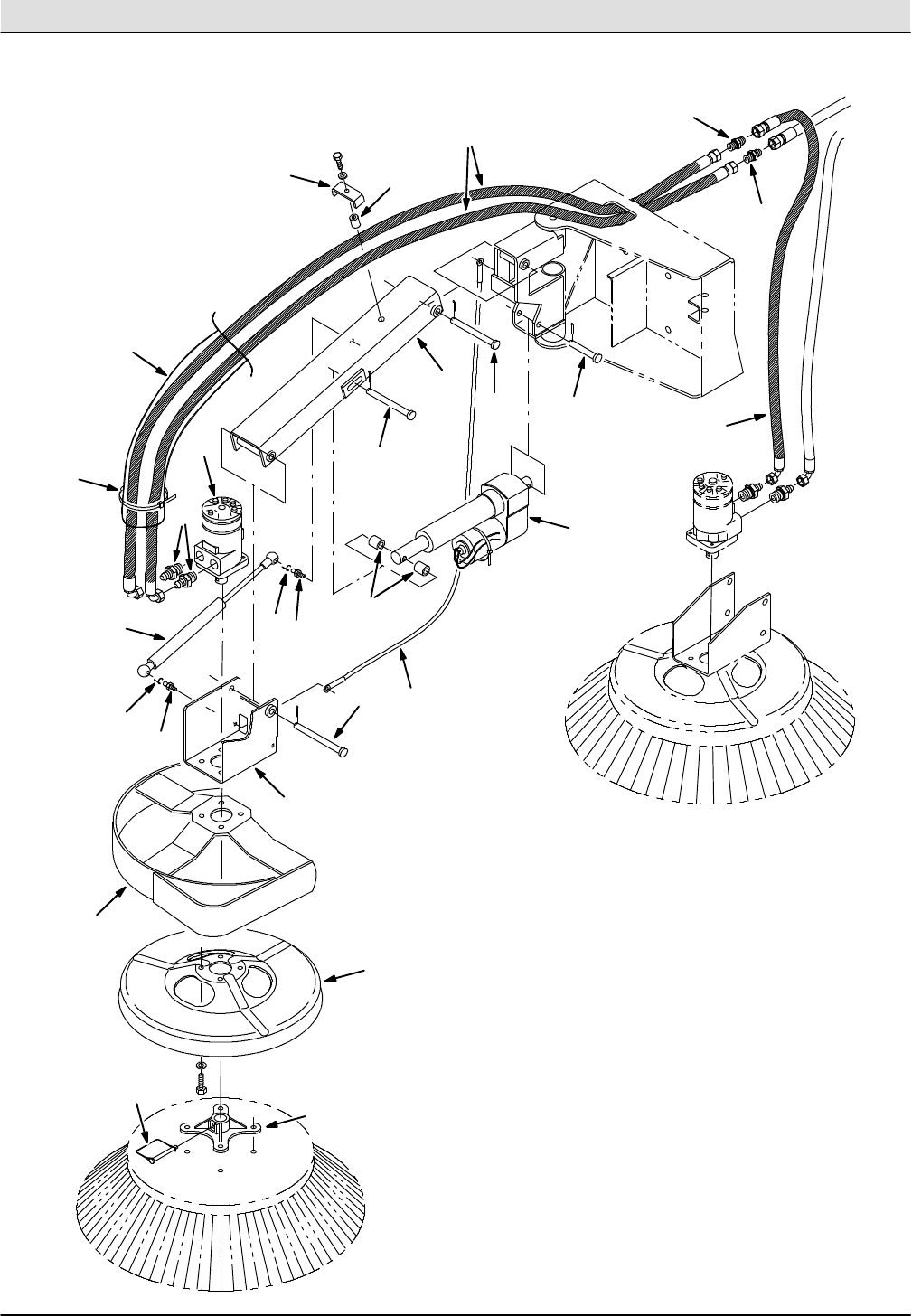
Fig.37 -- SideBrushMotorand PivotGroup
2
3
4
5
6
7
8
9
10
11
12
13
14
15
16
31
Home
Find...
Go To..

STANDARD PARTS
2-65
385DMM305 (3--97)
07853/07097
Fig.37 -- SideBrushMotorand PivotGroup
Ref.
Tennant
PartNo.
MachineSerial
NumberDescription Qty.
1 54050 (000000-- ) PivotAssy,S Br1
2 54660 (000000-- ) Pin,Clevis.75 DiaX5.5 Lg 1
3 53965 (000000-- ) Arm Assy,Lift 2
4 51225 (000000-- ) Pin,Clevis,0.50 Dia.X5.50 Lg 2
5 71540 (000000-- ) Bracket, Motor1
6 53435 (000000-- ) Motor--HydGear (See Breakdowns)1
7 47508 (000000-- ) Ftg--HydStrJm06/Om10 2
8 47504 (000000-- ) Ftg--HydE90 Jm06/Jf06 1
9 16082 (000000-- ) Guard,String,BrushMotor1
10 53984 (000000-- ) Guard,Brush 1
11 47501 (000000-- ) Hub,BrushAdaptor,1.00B1
12 84581 (000000-- ) PinAssy,Side BrushW/Clip 1
13 47745 (000000-- ) Sprng,Tens,1.12Odx.14Wire 6.3L 1
14 53466 (000000-- ) Clamp,Hose 2
15 51538 (000000-- ) Pin,Clevis,0.50 Dia.X5.00 Lg 2
16 75028 (000000-- ) Sleeve--Nyln #20 65.0L 1
Home
Find...
Go To..

STANDARD PARTS
385DMM305 (10--94)
2-66
Fig.38 -- SideBrush Lift Group
2
3
4
5
6
16
8
9
10
1
12 13
14
11
5
4
56
15
7
Home
Find...
Go To..
32716 - NUT, HEX, JAM, M10 X 1.5, SS

STANDARD PARTS
2-67
385DMM305 (10--94)
07901/07061
Fig.38 -- SideBrush Lift Group
Ref.
Tennant
PartNo.
MachineSerial
NumberDescription Qty.
1 54934 (000000-- ) Cable,Lift, S Br1
2 12267 (000000-- ) Yoke,End--Adjustable 1
3 59899 (000000-- ) Bracket, Side Brush 1
4 74391 (000000-- ) PulleyAssy -- Cable,1.5Dia 3
5 56624 (000000-- ) Spacer,Pulley3
6 54400 (000000-- ) Angle,CableKeeper2
7 22169 (000000--006114 )ReplmKit, S BrPivot1
8 54848 (000000-- ) Knob,Adjusting 1
9 52296 (000000-- ) Washer, .405B.81D.06Nylon 1
10 56662 (000000-- ) Bracket1
11 58872 (000000-- ) Panel,Support1
12 56641 (000000-- ) LeverWldt, S Br1
13 54995 (000000-- ) Knob,Tapered 1
14 29584 (000000-- ) Pin,Clevis,0.37 Dia.X2.00 Lg 1
15 29558 (000000-- ) Pin,Clevis,0.37 Dia.X1.50 Lg 1
16 74355 (006115-- ) BracketWldt, S Br1
Home
Find...
Go To..

STANDARD PARTS
385DMM305 (4--94)
2-68
Fig.39 -- MainBrush Lift Group
2
3
4
5
6
7
8
9
10
1
11
12
13
4
4
5
99
Home
Find...
Go To..

STANDARD PARTS
2-69
385DMM305 (4--94)
07895/07055
Fig.39 -- MainBrush Lift Group
Ref.
Tennant
PartNo.
MachineSerial
NumberDescription Qty.
1 12267 (000000-- ) Yoke,End--Adjustable 1
2 86240 (000000-- ) PinClevis.375 DiaX1.13 Lg 1
3 54840 (000000-- ) Cable,Lift, MBr1
4 74391 (000000-- ) PulleyAssy -- Cable,1.5Dia 3
5 54400 (000000-- ) Angle,CableKeeper3
6 54663 (000000-- ) Bearing,SelfAligning 1
7 54118 (000000-- ) LeverWldt, MBr1
8 69903 (000000-- ) BellowsAssy,Brush Lift 1
9 56624 (000000-- ) Spacer,Pulley3
10 56662 (000000-- ) Bracket1
11 54995 (000000-- ) Knob,Tapered 1
12 54848 (000000-- ) Knob,Adjusting 1
13 52296 (000000-- ) Washer, .405B.81D.06Nylon 1
Home
Find...
Go To..

STANDARD PARTS
385DMM305 (4--94)
2-70
Fig.40 -- MainBrushDrive Group
2
3
4
5
6
7
8
9
10
1
11
12
13
14
15
16
17
18
19
20
21
22
23
24
6
5
4
4
4
3
Home
Find...
Go To..
06975
36328
08711

STANDARD PARTS
2-71
385DMM305 (4--94)
07857/07461
Fig.40 -- MainBrushDrive Group
Ref.
Tennant
PartNo.
MachineSerial
NumberDescription Qty.
1 54693 (000000-- ) Shaft Wldt, Brush 1
2 54199 (000000-- ) Plate,Mtg,MainBrushShaft 1
3 51448 (000000-- ) Bearing&Clr,1.25B2.44D1.41W2
4 51449 (000000-- ) Flange,Brg,3Hole 4
5 51317 (000000-- ) Pin,Roll,.38Odx2.00L,.375/.382 2
6 54680 (000000-- ) Hub Assy,BrushArm 2
7 13156 (000000-- ) Arm Wldt, Brush,Lh 1
8 53434 (000000--005839 ) Motor--HydGear (See Breakdowns)1
8 74468 (005840-- ) Motor--HydGear (See Breakdowns)1
9 44869 (000000-- ) Ftg--HydStrJm08/Om08 1
10 52402 (000000-- ) Ftg--HydStrJm06/Om08 1
11 87631 (000000-- ) Plug Weld,BrushDrive,Sweep 1
12 51715 (000000-- ) Clamp,Hose 1
13 82831 (000000-- ) Sleeve--Nyln #24 35.0L 1
14 53985 (000000-- ) Plug,Thread 1/2--13 1
15 54659 (000000-- ) Arm Wldt, Idler,W/Brush 1
16 55779 (000000-- ) Plug Wldt, Idler1
17 24899 (000000-- ) Bearing--Ball,1.38B2.83D0.67W1
18 30252 (000000-- ) Strip,Retainer,Bearing 1
19 30253 (000000-- ) Plate,Seal1
20 30251 (000000-- ) Shaft, Idler1
21 30255 (000000-- ) Plug,Tube 1
22 51564 (000000-- ) Washer, .531B1.75D.12Cr.Znc1
23 54204 (000000-- ) Plate,Mtg,Latch 1
24 54878 (000000-- ) Latch 1
Home
Find...
Go To..

STANDARD PARTS
385DMM305 (3--95)
2-72
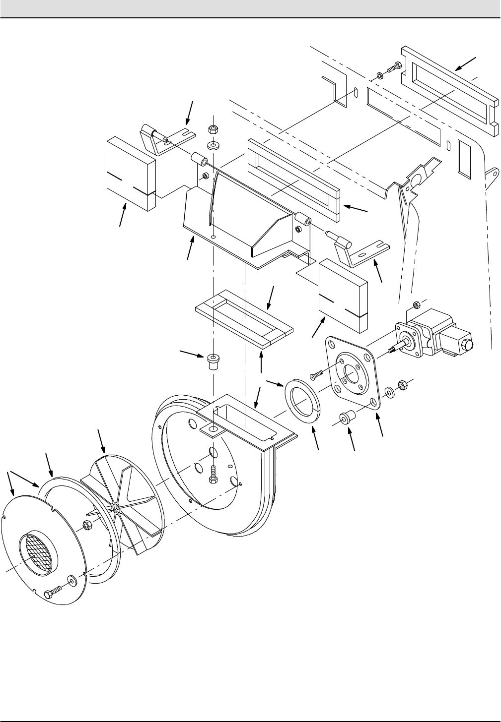
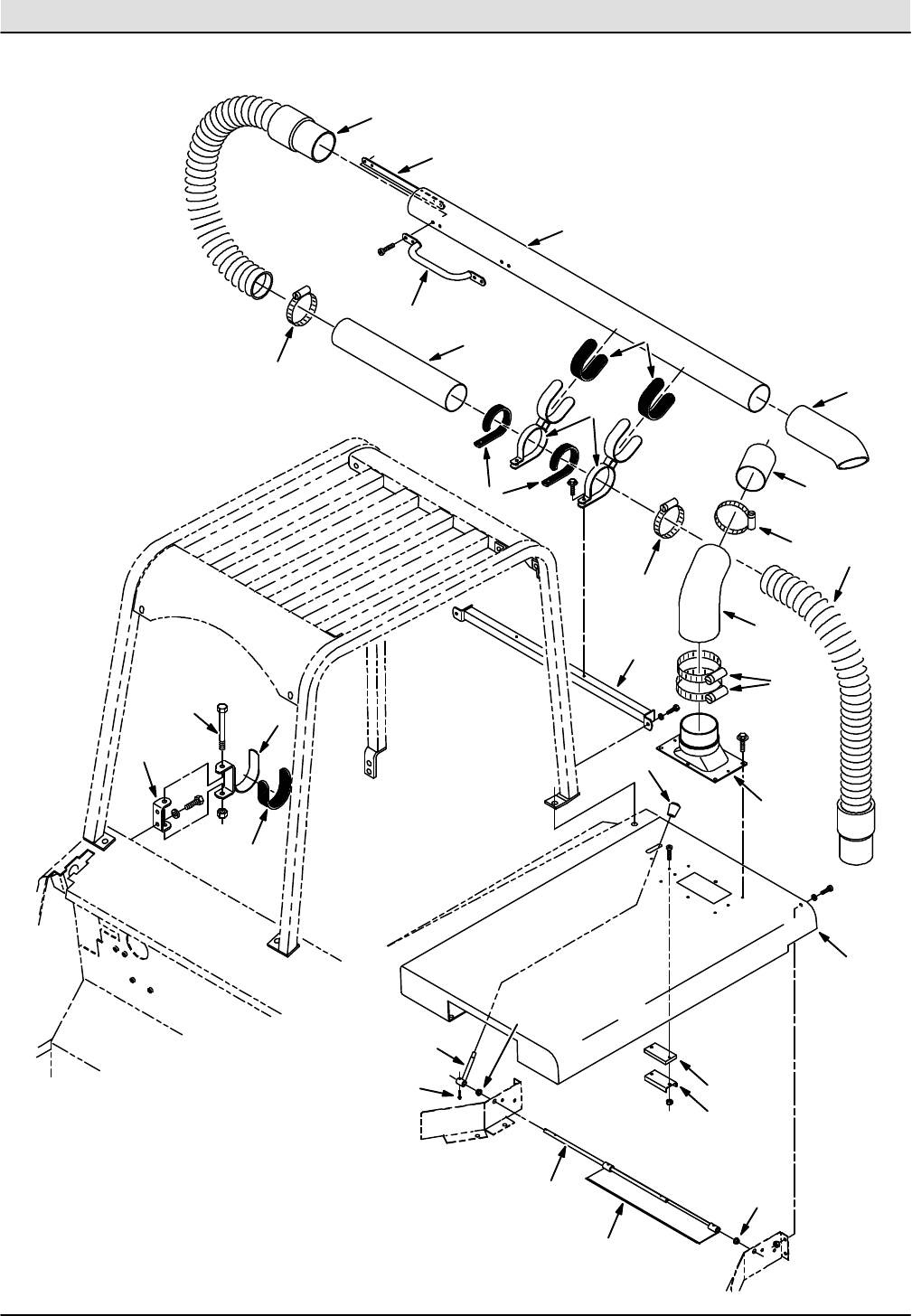
Fig.41 -- VacuumFanGroup
2
3
4
5
6
78
9
10
1
11
12
13
14
15
15
Home
Find...
Go To..

STANDARD PARTS
2-73
385DMM305 (3--97)
07893/07053
Fig.41 -- VacuumFanGroup
Ref.
Tennant
PartNo.
MachineSerial
NumberDescription Qty.
Ñ1 72133 (000000-- ) Fan Wldt, Vacw/gaskets1
Y2 59734 (000000-- ) Seal,Fan,Vac, Outlet1
Y3 59967 (000000-- ) Seal,Fan,Vac,Motor1
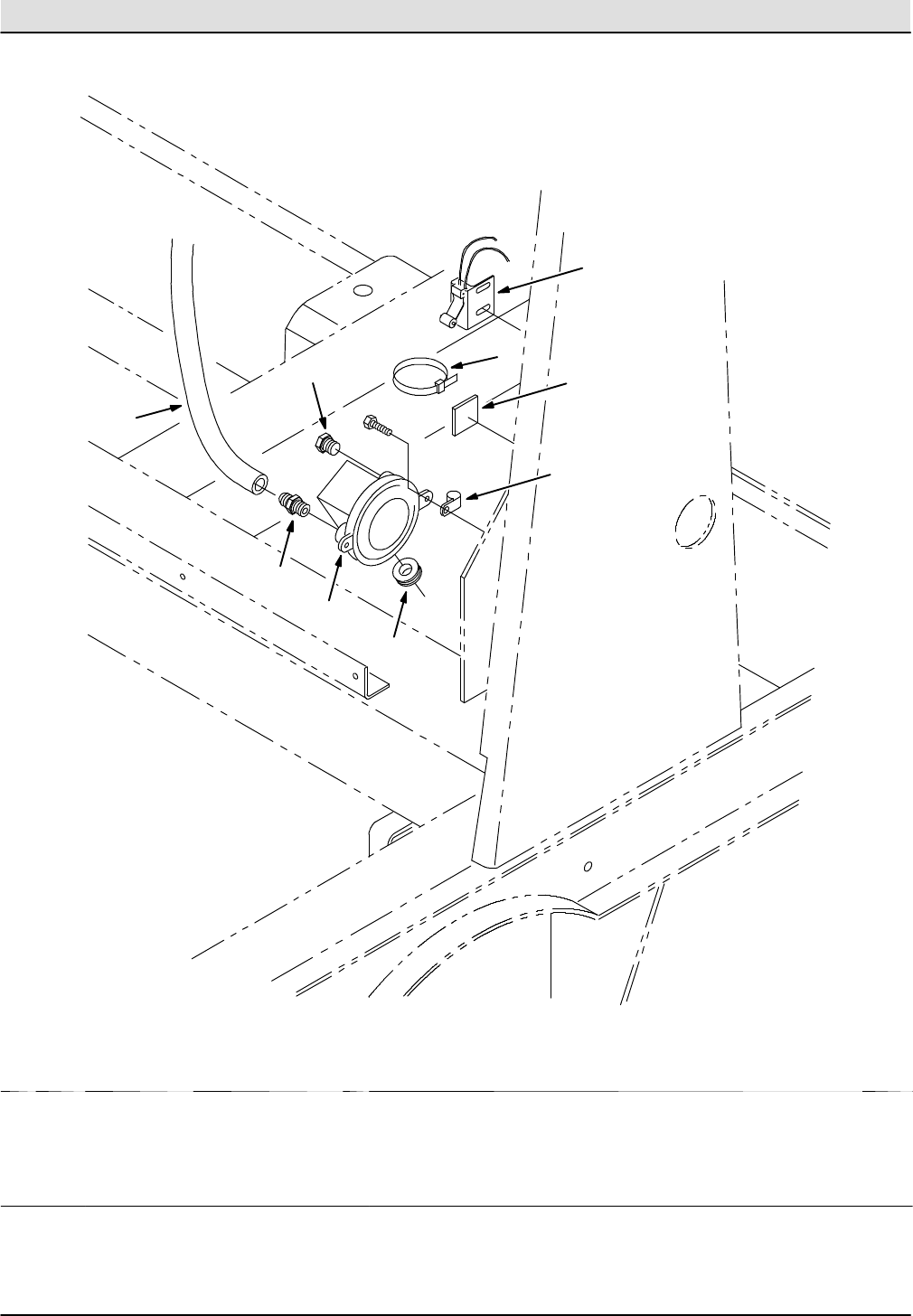
4 54275A(000000-- ) Bracket, Mounting Motor1
5 74454 (000000-- ) Impeller9.00 Dia.1
Ñ6 59656 (000000-- ) Fan Wldt, Vac, Inletw/gasket1
Y7 59735 (000000-- ) Seal,Fan,Vac, Inlet1
8 54274 (000000-- ) Isolator--Vibration,60 Lb.Ratng 4
9 58540 (000000-- ) Fan Wldt, Vac,Transition 1
10 59014 (000000-- ) Seal,Fan,Vac,Transition 1
11 59649 (000000-- ) Isolator,Vibration .37 Dia 1
12 374504 (000000-- ) Hinge Wldt, Engine Cover,Rh 1
13 374505 (000000-- ) Hinge Wldt, Engine Cover,Lh 1
14 69990 (000000-- ) Insulation,Acoustic,Engine Cover1
15 66184 (000000-- ) Seal,Acoustic,Engine Cover2
Home
Find...
Go To..

STANDARD PARTS
385DMM305 (4--94)
2-74
Fig.42 -- VacuumFanMotorand FittingsGroup
1
2
3
4
5
6
7
8
9
10
11
12
13
07914/07506
Ref.
Tennant
PartNo.
MachineSerial
NumberDescription Qty.
1 45482 (000000--005345 )Ftg--HydTee Jm08Jmjf1
2 44868 (000000-- ) Ftg--HydE90 Jm08/Om08 1
3 47753 (000000--005345 )Ftg--HydStrJm06/Jf08 1
4 78143 (000000--005345 )Ftg--HydStrJm08/Jf12 1
5 31599 (000000-- ) Ftg--HydTee Jm04Omjm1
6 13114 (000000--005345 )Ftg--HydTee Jm12Jmjmb 1
7 69173 (000000--005345 )Ftg--HydE90 Jm08Om08L 1
8 78143 (000000--005345 )Ftg--HydStrJm08/Jf12 1
9 53485 (000000-- ) Motor--HydGear (See Breakdowns)1
10 40514 (005346-- ) Ftg--HydTee Jm12JmJf1
11 59975 (005346-- ) Ftg--HydStrJm10/Jf12 1
12 35033 (005346-- ) Ftg--HydE90 Jm12/Jf12 1
13 62390 (005346-- ) Ftg--HydStrJm12/Om08 1
Home
Find...
Go To..

STANDARD PARTS
2-75
385DMM305 (3--95)
Fig.43 -- HydraulicSchematic
07505
Home
Find...
Go To..

STANDARD PARTS
385DMM305 (4--94)
2-76
Fig.44 -- HydraulicHose Group
2
34
56
7
8
9
10
1
11
12
13
14
15
16
17
18
19
20
21
22
23
24
25
26
27
14
15
Home
Find...
Go To..

STANDARD PARTS
2-77
385DMM305 (4--94)
07822/07066
Fig.44 -- HydraulicHose Group
Ref.
Tennant
PartNo.
MachineSerial
NumberDescription Qty.
1 59568 (000000--005345 )Hose--Hyd Low08 Jf/J4 1
2 59560 (000000--005345 )Hose--HydMed06 Jf/J9 1
3 02469 (000000--005345 )Hose--HydMed06 Jf/J9 2
4 55691 (000000--005345 )Hose--HydMed04 Jf/Jf1
5 59565 (000000--005345 )Hose--Hyd Low04 Jf/J4 1
6 59564 (000000--005345 )Hose--Hyd Low04 Jf/J4 1
7 34421 (000000--005345 )Hose--HydMed08 Jf/J4 1
8 34394 (000000--005345 )Hose--HydMed08 Jf/J9 1
9 59571 (000000--005345 )Hose--Hyd Low12 Jf/Jf1
10 62100 (000000--005345 )Hose--HydMed06 Jf/Jf1
11 59561 (000000--005345 )Hose--HydMed06 Jf/J9 1
12 62337 (000000--005345 )Hose--HydMed06 Jf/Jf1
13 59567 (000000--005345 )Hose--HydMed06 Jf/J4 1
14 57173 (000000--005345 )Hose--HydMed04 Jf/J4 2
15 19644 (000000--005345 )Hose--HydMed04 Jf/J4 2
16 59581 (000000--005345 )Hose--HydMed04 Jf/J4 1
17 59582 (000000--005345 )Hose--HydMed04 Jf/J9 1
18 59574 (000000--005345 )Hose--HydMed10 Jf/J4 1
19 59575 (000000--005345 )Hose--HydMed10 Jf/Jl9 1
20 59573 (000000--005345 )Hose--Hyd Low06 Jf/J4 1
21 59572 (000000--005345 )Hose--HydSuc20 Jf/J4 1
22 59576 (000000--005345 )Hose--HydMed08 Jf/Jl9 1
23 59584 (000000--005345 )Hose--HydMed04 Jf/J4 1
24 59578 (000000--005345 )Hose--HydMed08 Jf/J9 1
25 59303 (000000--005345 )Hose--HydMed12 Jf/Jl9 1
26 13110 (000000--005345 )Hose--HydMed12 Jf/J9 1
27 57487 (000000--005345 )Hose--HydMed08 Jf/J9 1
Home
Find...
Go To..

STANDARD PARTS
385DMM305 (3--95)
2-78
Fig.45 -- HydraulicHose Group
OUT
IN
AB
D
F
C
E
BYD
RP
LT
IN
OUT
2
3
4
56
7
8
9
10
1
11
12
13
14
15
16
17
18
19
20
21
22
23
24
25
26
14
15
Home
Find...
Go To..

STANDARD PARTS
2-79
385DMM305 (3--97)
08908/07066
Fig.45 -- HydraulicHose Group
Ref.
Tennant
PartNo.
MachineSerial
NumberDescription Qty.
1 59568 (005346-- ) Hose--Hyd Low08 Jf/J4 1
2 59560 (005346-- ) Hose--HydMed06 Jf/J9 1
3 02469 (005346-- ) Hose--HydMed06 Jf/J9 2
4 55691 (005346-- ) Hose--HydMed04 Jf/Jf1
5 59565 (005346-- ) Hose--Hyd Low04 Jf/J4 1
6 59564 (005346-- ) Hose--Hyd Low04 Jf/J4 1
7 31719 (005346-- ) Hose--HydMed12 Jf/J9 1
8 59563 (005346-- ) Hose--HydMed10 Jf/J9 1
9 35488 (005346-- ) Hose--Hyd Low12 Jf/Jf1
10 62100 (005346-- ) Hose--HydMed06 Jf/Jf1
11 59561 (005346-- ) Hose--HydMed06 Jf/J9 1
12 62337 (005346-- ) Hose--HydMed06 Jf/Jf1
13 62100 (005346-- ) Hose--HydMed06 Jf/J4 1
14 57173 (005346-- ) Hose--HydMed04 Jf/J4 2
15 19644 (005346-- ) Hose--HydMed04 Jf/J4 2
16 59581 (005346-- ) Hose--HydMed04 Jf/J4 1
17 59582 (005346-- ) Hose--HydMed04 Jf/J9 1
18 59574 (005346-- ) Hose--HydMed10 Jf/J4 1
19 59575 (005346-- ) Hose--HydMed10 Jf/Jl9 1
20 59573 (005346-- ) Hose--Hyd Low06 Jf/J4 1
21 59572 (005346-- ) Hose--HydSuc20 Jf/J4 1
22 59576 (005346-- ) Hose--HydMed08 Jf/Jl9 1
23 59584 (005346-- ) Hose--HydMed04 Jf/J4 1
24 59578 (005346-- ) Hose--HydMed08 Jf/J9 1
25 59303 (005346-- ) Hose--HydMed12 Jf/Jl9 1
26 57487 (005346-- ) Hose--HydMed08 Jf/J9 1
Home
Find...
Go To..

STANDARD PARTS
385DMM305 (3--96)
2-80
Fig.46 -- HydraulicReservoirGroup
17
18
19
15
16
22
20
21
1
2
3
4
5
6
7
8
910
11
12
13
14
10
Home
Find...
Go To..

STANDARD PARTS
2-81
385DMM305 (3--96)
07845/07089
Fig.46 -- HydraulicReservoirGroup
Ref.
Tennant
PartNo.
MachineSerial
NumberDescription Qty.
Ñ1 72136 (006677-- ) Reservoir,07.0GalW/label1
Y2 23163 (006677-- ) Cap,HydReservoirW/dipstick 1
Y3 23182 (006677-- ) Breather,Hyd,20 Micron 1
4 56821 (xxxxxx-- ) Ftg--HydE90 Jm08/Om10 1
5 13115 (xxxxxx-- ) Hose--Hyd Low08 Jf/Jf1
6 16376 (xxxxxx-- ) Ftg--HydPlgJm08 1
7 53466 (xxxxxx-- ) Clamp--Cable,1.50d 1.00wStl1
8 58858 (000000-- ) Ftg--HydStrJm20/Om20 1
9 56690 (000000-- ) Ftg--HydStrJm06/Om06 1
10 59789 (000000-- ) Pad,Tank,Hyd 4
11 59790 (000000-- ) Pad,Tank,Hyd 1
12 31613 (000000-- ) Strainer--HydSuction 25--100--03 1
13 42216 (000000-- ) Ftg--HydTee Jm12Jmom1
14 78143 (000000-- ) Ftg--HydStrJm08/Jf12 1
15 46482 (000000--xxxxxx )Ftg--HydPlgOm06 1
Ñ16 74398 (000000--006676 )TankWldtRepl.By72136 1
YÑ17 61408 (000000--006676 )Breather,Hyd 1
YY 18 61288 (000000--006676 )Gasket, HydTankBreather2
YY 19 79040 (000000--006676 )Breather,HydCap (IncludesGasket)1
YY 20 70006 (000000--006676 )Gasket, Cap 1
Y21 40362 (000000--006676 )Ftg--HydPlgOm10 1
Y22 70246 (000000--006676 )Washer, .188B.375D.030Nylon 6
Home
Find...
Go To..

STANDARD PARTS
385DMM305 (3--95)
2-82
Fig.47 -- HydraulicValve Group
2
3
4
5
6
7
89
10
1
11
12
14
15
16
22
18
19
20
21
9
9
13
7
17
23
24
25
Home
Find...
Go To..

STANDARD PARTS
2-83
385DMM305 (3--95)
07868/07472
Fig.47 -- HydraulicValve Group
Ref.
Tennant
PartNo.
MachineSerial
NumberDescription Qty.
Ñ69910 (000000--006328 )IsolatorAssy,Valve 1
Y1 62172 (000000--006328 )Ring 3
Y2 64905 (000000--006328 )Sleeve, .259B.38D.62 Dom3
Y3 62173 (000000--006328 )Bushing, Isolator--Inner,Rbr.3
Y4 30013 (000000--006328 )Washer--Flt .31 FenderPltd 3
5 55446 (000000--006328 )Bracket, Mtg,Valve 1
6 53830 (000000--006328 )Valve--Hyd,Manual(Repl.By48761) (See Breakdowns)1
7 54115 (000000--006328 )Handle,ControlValve 2
8 54102 (000000--006328 )Handle,ControlValve 1
9 69911 (000000--006328 )LinkAssy,ValveHandle 3
10 59021 (000000--006328 )Ftg--HydTee SpecialOf06Ofof1
11 56277 (000000--006328 )SwitchAssy,Pressure,Hyd 1
12 59530 (000000--006328 )Knob,1.375 Dia,Black 3
13 59870 (000000--006328 )Spring,Tens, .50Dx.05Wire 2.5L 1
14 44869 (000000--006328 )Ftg--HydStrJm08/Om08 1
15 55685 (000000--006328 )Ftg--HydStrJm04/Om06 2
16 59577 (000000--006328 )Ftg--HydStrJm06Om06L 1
17 42226 (000000--005345 )Ftg--HydE45 Jm08/Om08 1
18 76316 (000000--006328 )Ftg--HydTee Jm06Jmom1
19 47638 (000000--006328 )Ftg--HydE90 Jm04/Om06 1
20 42213 (000000--006328 )Ftg--HydE90 Jm08/Om06 1
21 59022 (000000--006328 )Ftg--HydStrSpecialOm06/Om06 1
22 47518 (005346--006328 )Ftg--HydStrJm10/Om08 1
23 50421 (005346--006328 )Ftg--HydTee Jm10JfJm1
24 47754 (005346--006328 )Ftg--HydStrJm06/Jf10 1
25 54194 (005346--006328 )Ftg--HydE90 Jm10/Jf10 1
Home
Find...
Go To..

STANDARD PARTS
385DMM305 (3--96)
2-84
Fig.48 -- HydraulicValve Group
E
OUT
BYD
IN
A
B
C
2
3
4
5
6
7
1
11
12
15
9
13
7
8
14
16
17
18
19
20
22
23
24
25
26
26
20
21
10
9
99
27
Home
Find...
Go To..

STANDARD PARTS
2-85
385DMM305 (3--96)
10195/07472
Fig.48 -- HydraulicValve Group
Ref.
Tennant
PartNo.
MachineSerial
NumberDescription Qty.
Ñ69910 (006329-- ) IsolatorAssy,Valve 1
Y1 62172 (006329-- ) Ring 3
Y2 64905 (006329-- ) Sleeve, .259B.38D.62 Dom3
Y3 62173 (006329-- ) Bushing, Isolator--Inner,Rbr.3
Y4 30013 (006329-- ) Washer--Flt .31 FenderPltd 3
5 55446 (006329-- ) Bracket, Mtg,Valve 1
6 48751 (006329-- ) Valve--Hyd,Manual(See Breakdowns)1
7 54115 (006329-- ) Handle,ControlValve 2
8 54102 (006329-- ) Handle,ControlValve 1
9 48760 (006329-- ) LinkAssy,ValveHandle 3
10 59021 (006329-- ) Ftg--HydTee SpecialOf06Ofof1
11 56277 (006329-- ) SwitchAssy,Pressure,Hyd 1
12 59530 (006329-- ) Knob,1.375 Dia,Black 3
13 59870 (006329-- ) Spring,Tens, .50Dx.05Wire 2.5L 1
14 45482 (006329-- ) Ftg--HydTee Jm08jmjf1
15 55685 (006329-- ) Ftg--HydStrJm04/Om06 2
16 59577 (006329-- ) Ftg--HydStrJm06Om06L 1
17 39210 (006329-- ) Ftg--HydE90 Jm04/Jf04 1
18 76316 (006329-- ) Ftg--HydTee Jm06Jmom1
19 56827 (006329-- ) Ftg--HydE90 Jm10/Om08 1
20 44868 (006329-- ) Ftg--HydE90 Jm08/Om08 2
21 59022 (006329-- ) Ftg--HydStrSpecialOm06/Om06 1
22 57979 (006329-- ) Ftg--HydStrJm04/Jf08 1
23 50421 (006329-- ) Ftg--HydTee Jm10JfJm1
24 47754 (006329-- ) Ftg--HydStrJm06/Jf10 1
25 54194 (006329-- ) Ftg--HydE90 Jm10/Jf10 1
26 09900--1(006329-- ) Sleeve, .260B.50D.75 2
27 84624 (006329-- ) Seal, Oring .103 x.612Id 1
Home
Find...
Go To..

STANDARD PARTS
385DMM305 (10--94)
2-86
Fig.49 -- HydraulicPumpsGroup
2
3
4
5
6
7
8
9
10
1
11
12
13
07860/07464
Ref.
Tennant
PartNo.
MachineSerial
NumberDescription Qty.
1 53604 (000000--005770 )Pump--HydPiston (See Breakdowns) (Repl.by70134)1
1 74466 (005771--006071 )Pump--HydPiston (See Breakdowns) (Repl.by70180)1
1 79769 (006072-- ) Pump--HydPiston (See Breakdowns)1
2 42223 (000000-- ) Ftg--HydStrJm10/Om12 1
3 44868 (000000-- ) Ftg--HydE90 Jm08/Om08 1
4 53076 (000000-- ) Ftg--HydE90 Jm10/Om12 1
5 67683 (000000-- ) Ftg--HydTee Jm06Omjm1
6 47752 (000000-- ) Ftg--HydStrJm04/Jf06 1
7 53622 (000000-- ) Pump--HydGear (See Breakdowns)1
8 65145--1(000000-- ) O--Ring Gland 1
9 58858 (000000-- ) Ftg--HydStrJm20/Om20 1
10 47508 (000000-- ) Ftg--HydStrJm06/Om10 1
11 56692 (000000-- ) Ftg--HydStrJm08/Om10 2
12 76315 (000000-- ) Ftg--HydTee Jm08Jfjm1
13 57979 (000000-- ) Ftg--HydStrJm04/Jf08 1
Home
Find...
Go To..

STANDARD PARTS
2-87
385DMM305 (3--97)
Fig.50 -- PressureSwitchGroup
2
3
4
5
6
7
8
9
1
07917/07509
Ref.
Tennant
PartNo.
MachineSerial
NumberDescription Qty.
1 34868 (000000-- ) Switch,Pressure 1
2 40607 (000000-- ) Ftg--BrsStrBm03/Pm02 1
3 82739 (000000-- ) Ftg,Breather1
4 10632--4(000000-- ) Grommet,Rbr,0.62Id,For.06Matl1
5 39780 (000000-- ) HoseVac.,Rubber, .16Id,40.0L 1
6 46236 (000000-- ) Clamp--Cable,0.25Dia 0.56Wth 1
7 55248 (000000-- ) CabletieMount, Adhesive 4
8 49266 (000000-- ) Tie,Cable 1.75DMax7.50Lg 4
9 23211 (000000-- ) SwitchAssy,Roller1
Home
Find...
Go To..

STANDARD PARTS
385DMM305 (3--96)
2-88
Fig.51 -- Back--UpAlarm Group,LRC
2
3
4
5
6
16
17
9
10
1
11
12
14
15
7
8
13
Home
Find...
Go To..

STANDARD PARTS
2-89
385DMM305 (3--96)
08919/07478
Fig.51 -- Back--UpAlarm Group,LRC
Ref.
Tennant
PartNo.
MachineSerial
NumberDescription Qty.
Ñ59395 (000000-- ) Alarm Kit, BuA/v355L 1
Y1 71056 (005140-- ) Bracket, Mtg,Back--UpAlarm 1
Y2 10632--9(000000-- ) Grommet,Rbr,0.56Id,For.13Matl1
Y3 61920 (000000-- ) HornAssy,Back--UpAlarm 1
YÑ4 36438 (000000-- ) HeadlightAssy,210G1
YY 36439 (000000-- ) Bulb,12V.9A15Cp#1004 1
Y5 24576--1(000000-- ) Bracket, Flasher1
Y6 24576 (000000-- ) Flasher,12V1
Y7 23211 (006666-- ) SwitchAssy,Roller1
Y8 23210 (006666-- ) NutSpeed,Retainer,8--32 Thd 2
Y9 10632--18 (005140-- ) Grommet, Rbr,0.69 ID1
Y10 71544 (000000-- ) Harness,Alarm,Backup 1
Y11 55248 (000000-- ) CabletieMount, Adhesive 2
Y12 49266 (000000-- ) Tie,Cable 1.75DMax7.50Lg 5
Y13 70159 (006666-- ) Harness,Adapter,B/uAlarm 1
14 72106 (000000--005108 )BracketReplKit, Switch 1
15 59944 (000000--005139 )BracketWldt, Light, Rotating 1
16 35905 (000000--006665 )Switch,Waterproof, 10A1
17 23231 (005109--006665 )Repl.Kit, Backup Switch 1
Home
Find...
Go To..

STANDARD PARTS
385DMM305 (4--94)
2-90
Fig.52 -- ElectricalSchematic
07503
Home
Find...
Go To..

STANDARD PARTS
2-91
385DMM305 (4--94)
Fig.52 -- ElectricalSchematic
07503
Home
Find...
Go To..

STANDARD PARTS
385DMM305 (4--94)
2-92
Fig.53 -- WireHarnesses Group
3
1
2
4
Home
Find...
Go To..

STANDARD PARTS
2-93
385DMM305 (4--94)
Fig.53 -- WireHarnesses Group
3
3
Home
Find...
Go To..

STANDARD PARTS
385DMM305 (4--94)
2-94
Fig.53 -- WireHarnesses Group
Home
Find...
Go To..

STANDARD PARTS
2-95
385DMM305 (4--94)
Fig.53 -- WireHarnesses Group
07926/07512
Ref.
Tennant
PartNo.
MachineSerial
NumberDescription Qty.
1 60290 (000000-- ) Harness,Horn 1
2 60282 (000000-- ) Harness,Hopper1
3 60279 (000000-- ) Harness,Main,Die 355L 1
4 60296 (000000-- ) Harness,Fuel, Gas/Die 355L 1
Home
Find...
Go To..

STANDARD PARTS
385DMM305 (4--94)
2-96
Fig.54 -- Label Group
2
3
1
2
1
07915/07507
Ref.
Tennant
PartNo.
MachineSerial
NumberDescription Qty.
Ñ59786 (000000-- ) LabelKit, Complete,355L 1
Y1 59767 (000000-- ) LabelSet, Info&Hazard 355L 1
Y2 59768 (000000-- ) LabelSet, Operational355L 1
Y3 59820 (000000-- ) Label,Numerals385 2
Home
Find...
Go To..

OPTIONS
3-1
385DMM305 (3--96)
SECTION3
CONTENTS PAGE
Fig.1-- SignalLightKit3-2...........................................................................
Fig.2-- Flashing LightKit, Overhead Guard 3-4.........................................................
Fig.3-- Revolving LightKit, Overhead Guard 3-5........................................................
Fig.4-- Flashing LightKit, LRC 3-6....................................................................
Fig.5-- Revolving LightKit, LRC 3-7...................................................................
Fig.6-- Flashing LightKit, Cab 3-8....................................................................
Fig.7-- Revolving LightKit, Cab 3-9...................................................................
Fig.8-- Back--UpAlarm Kit, Cab 3-10.................................................................
Fig.9-- Back--UpAlarm Kit, Cab withPressurizer3-12..................................................
Fig.10 -- Side Brush LightKit3-14....................................................................
Fig.11 -- Cab Insulation Group 3-16...................................................................
Fig.12 -- Cab Frame and WindowsGroup 3-18.........................................................
Fig.13 -- Cab DoorGroup 3-20.......................................................................
Fig.14 -- Cab Electricaland WiperGroup 3-22..........................................................
Fig.15 -- Cab PressurizerKit3-24.....................................................................
Fig.16 -- Cab HeaterKit3-26.........................................................................
Fig.17 -- BlowerKit, Overhead Guard 3-28.............................................................
Fig.18 -- VacuumWand Kit3-30......................................................................
Fig.19 -- Side BrushDustControlKit3-32.............................................................
Fig.20 -- Side BrushDustControlKit3-34.............................................................
Fig.21 -- SeatBeltKit3-36...........................................................................
Fig.22 -- ProtectosealFuelTankCap Group 3-37.......................................................
Fig.23 -- SparkArrestMufflerGroup 3-38..............................................................
Fig.24 -- AirFilterSafetyElementKit3-39.............................................................
Fig.25 -- FireExtinguisherKit3-40....................................................................
Fig.26 -- BatteryGroup,Dry(InternationalOnly)3-41....................................................
Fig.27 -- Soft Ride Non--Marking Tire and WheelAssembly3-42..........................................
Fig.28 -- Soft Ride Tire and WheelAssembly3-43......................................................
Fig.29 -- Hi--WearTireAnd WheelAssembly3-44.......................................................
Fig.30 -- Stainless Steel HopperGroup 3-45...........................................................
Fig.31 -- DemoGroup 3-46..........................................................................
Fig.32 -- AuxiliarySide BrushHopperDeflectorGroup 3-47..............................................
Fig.33 -- AuxiliarySide BrushMotorGroup 3-48........................................................
Fig.34 -- AuxiliarySide BrushPivot Group 3-50.........................................................
Fig.35 -- AuxiliarySide BrushWireHarness Group 3-52.................................................
Fig.36 -- AuxiliarySide BrushElectricalGroup 3-54.....................................................
Fig.37 -- Vacuumized SkirtKit, MainBrush 3-55........................................................
Fig.38 -- Documentation Group 3-56..................................................................
Home
Find...
Go To..

OPTIONS
385DMM305 (6--93)
3-2
Fig.1-- SignalLightKit
1
4
3
2
10
9
5
6
7
8
12
13
15
11
14
Home
Find...
Go To..

OPTIONS
3-3
385DMM305 (6--93)
07875/07479
Fig.1-- SignalLightKit
Ref.
Tennant
PartNo.
MachineSerial
NumberDescription Qty.
Ñ60305 (000000-- ) LightKitSgnl355L 1
YÑ1 60751 (000000-- ) SignalAssy Rework,E1740 Turn 1
YY 48570 (000000-- ) Bulb #53 12V1
Y2 24576--1(000000-- ) Bracket, Flasher1
Y3 31922 (000000-- ) Flasher,Heavy Duty1
Y4 60283 (000000-- ) Harness,TurnSignal1
Y5 49266 (000000-- ) Tie,Cable 1.75DMax7.50Lg 12
Y6 60284 (000000-- ) Harness,TurnSignal1
Y7 72178 (000000-- ) Bracket, Light, SBDC 2
YÑ8 34848 (000000-- ) LightAssy Mark/Yel12V-- .A2
YY 87948 (000000-- ) Bulb,#194 1
Y9 59962 (000000-- ) SwitchAssy,Roller1
Y10 59920 (000000-- ) Bracket, Switch 1
Y11 86332 (000000-- ) Duct, Vinyl.40x.75x26.0Lg.25D2
Y12 57803 (000000-- ) CircuitBreaker,15 Resetbl1
Y13 57751 (000000-- ) Boot-- CircuitBreaker1
Y14 40678 (000000-- ) Clamp,Cable.44D.62 Wide 1
15 58308 (000000--xxxxxx )Bracket, BumperStop 2
Home
Find...
Go To..

OPTIONS
385DMM305 (10--94)
3-4
Fig.2-- Flashing LightKit, OverheadGuard
1
2
4
6
9
5
8
7
3
10
7
07870/07474
Ref.
Tennant
PartNo.
MachineSerial
NumberDescription Qty.
Ñ60307 (000000-- ) LightKitFlsh 355L Ohg 1
YÑ1 82063 (000000-- ) Light, Flashing,Amber,12V--Re 1
YY 58520 (000000-- ) Lens,Flashing LiteFr207 Amber1
YY 45779 (000000-- ) Bulb, GeneralElectric1
Y2 57220 (000000-- ) Plate,LightMtg.1
Y3 59447 (000000-- ) Bracket, Mtg,Light, Ohg 1
Y4 10632--2(000000-- ) Grommet,Rbr,0.63Id,For.13Matl1
Y5 60288 (000000-- ) Harness,RevolvLight, Cab,Ohg 1
Y6 55248 (000000-- ) CabletieMount, Adhesive 5
Y7 49266 (000000-- ) Tie,Cable 1.75DMax7.50Lg 8
Y8 86330 (000000-- ) Duct, Vinyl10.0In 2
Y9 86332 (000000-- ) Duct, Vinyl26.0In.1
Y72114 (000000-- ) Duct, Vinyl6.0In.1
Y10 10632--18 (000000-- ) Grommet, Rbr,0.69 ID1
58518 (000000-- ) Lens,Flashing LiteFr207 Red 1
58519 (000000-- ) Lens,Flashing LiteFr207 Blue 1
Home
Find...
Go To..

OPTIONS
3-5
385DMM305 (10--94)
Fig.3-- Revolving LightKit, OverheadGuard
1
2
4
6
9
5
8
7
3
10 7
07866/07470
Ref.
Tennant
PartNo.
MachineSerial
NumberDescription Qty.
Ñ60309 (000000-- ) LightKitRevl355L Ohg 1
YÑ1 82200 (000000-- ) Light,Rev.Amber12V--Reworked 1
YY 44681--1(000000-- ) Lens,Rev.Light,Amber1
YY 45779 (000000-- ) Bulb, GeneralElectric1
Y2 57220 (000000-- ) Plate,LightMtg.1
Y3 59447 (000000-- ) Bracket, Mtg,Light, Ohg 1
Y4 10632--2(000000-- ) Grommet,Rbr,0.63Id,For.13Matl1
Y5 60288 (000000-- ) Harness,RevolvLight, Cab,Ohg 1
Y6 55248 (000000-- ) CabletieMount, Adhesive 5
Y7 49266 (000000-- ) Tie,Cable 1.75DMax7.50Lg 8
Y8 86330 (000000-- ) Duct, Vinyl10.0In.2
Y9 86332 (000000-- ) Duct, Vinyl26.0In.1
Y72114 (000000-- ) Duct, Vinyl6.0In.1
Y10 10632--18 (000000-- ) Grommet, Rbr,0.69 ID1
44681 (000000-- ) Lens,Rev.Light,Red 1
44681--2(000000-- ) Lens,Rev.Light,Blue 1
Home
Find...
Go To..

OPTIONS
385DMM305 (10--94)
3-6
Fig.4-- Flashing LightKit,LRC
3
1
6
7
2
5
4
8
8
07873/07477
Ref.
Tennant
PartNo.
MachineSerial
NumberDescription Qty.
Ñ60312 (000000-- ) LightKitFlsh 355L Lrc1
Y1 72100 (000000-- ) BracketWldt, Light, Rotating 1
Y2 10632--9(000000-- ) Grommet,Rbr,0.56Id,For.13Matl1
YÑ3 82063 (000000-- ) Light, Flashing,Amber,12V--Re 1
YY 58520 (000000-- ) Lens,Flashing LiteFr207 Amber1
YY 45779 (000000-- ) Bulb, GeneralElectric1
Y4 71543 (000000-- ) Harness,Wire,Hazard 1
Y5 86333 (000000-- ) Duct, Vinyl3.5In.1
Y6 49266 (000000-- ) Tie,Cable 1.75DMax7.50Lg 6
Y7 45272 (000000-- ) GuardWldt, Lights,Revl&Flsh 1
Y8 10632--18 (000000-- ) Grommet, Rbr,0.69 ID2
58518 (000000-- ) Lens,Flashing LiteFr207 Red 1
58519 (000000-- ) Lens,Flashing LiteFr207 Blue 1
Home
Find...
Go To..

OPTIONS
3-7
385DMM305 (2--93)
Fig.5-- Revolving LightKit,LRC
3
1
6
4
7
2
5
8
8
07869/07473
Ref.
Tennant
PartNo.
MachineSerial
NumberDescription Qty.
Ñ60314 (000000-- ) LightKitRevl355L Lrc1
Y1 72100 (000000-- ) BracketWldt, Light, Rotating 1
Y2 10632--9(000000-- ) Grommet,Rbr,0.56Id,For.13Matl1
YÑ3 82200 (000000-- ) Light,Rev.Amber12V--Reworked 1
YY 44681--1(000000-- ) Lens,Rev.Light,Amber1
YY 45779 (000000-- ) Bulb, GeneralElectric1
Y4 71543 (000000-- ) Harness,Wire,Hazard 1
Y5 86333 (000000-- ) Duct, Vinyl3.5In.1
Y6 49266 (000000-- ) Tie,Cable 1.75DMax7.50Lg 6
Y7 45272 (000000-- ) GuardWldt, Lights,Revl&Flsh 1
Y8 10632--18 (000000-- ) Grommet, Rbr,0.69 ID2
44681 (000000-- ) Lens,Rev.Light,Red 1
44681--2(000000-- ) Lens,Rev.Light,Blue 1
Home
Find...
Go To..

OPTIONS
385DMM305 (2--93)
3-8
Fig.6-- Flashing LightKit,Cab
1
2
3
47
6
5
8
4
07871/07475
Ref.
Tennant
PartNo.
MachineSerial
NumberDescription Qty.
Ñ60316 (000000-- ) LightKitFlsh 355L Cab 1
YÑ1 82063 (000000-- ) Light, Flashing,Amber,12V--Re 1
YY 58520 (000000-- ) Lens,Flashing LiteFr207 Amber1
YY 45779 (000000-- ) Bulb, GeneralElectric1
Y2 10632--9(000000-- ) Grommet,Rbr,0.56 In 1
Y3 55248 (000000-- ) CabletieMount, Adhesive 4
Y4 49266 (000000-- ) Tie,Cable 1.75DMax7.50Lg 4
Y5 86331 (000000-- ) Duct, Vinyl16.0In.1
Y6 86332 (000000-- ) Duct, Vinyl26.0In.1
Y7 60288 (000000-- ) Harness,RevolvLight, Cab,Ohg 1
Y8 10632--18 (000000-- ) Grommet, Rbr,0.69 ID1
58518 (000000-- ) Lens,Flashing LiteFr207 Red 1
58519 (000000-- ) Lens,Flashing LiteFr207 Blue 1
Home
Find...
Go To..

OPTIONS
3-9
385DMM305 (2--93)
Fig.7-- Revolving LightKit,Cab
1
2
3
4 7
6
5
8
4
07872/07476
Ref.
Tennant
PartNo.
MachineSerial
NumberDescription Qty.
Ñ60318 (000000-- ) LightKitRevl355L Cab 1
YÑ1 82200 (000000-- ) Light,Rev.Amber12V--Reworked 1
YY 44681--1(000000-- ) Lens,Rev.Light,Amber1
YY 45779 (000000-- ) Bulb, GeneralElectric1
Y2 10632--9(000000-- ) Grommet,Rbr,0.56 In 1
Y3 55248 (000000-- ) CabletieMount, Adhesive 4
Y4 49266 (000000-- ) Tie,Cable 1.75DMax7.50Lg 4
Y5 86331 (000000-- ) Duct, Vinyl16.0In.1
Y6 86332 (000000-- ) Duct, Vinyl26.0In.1
Y7 60288 (000000-- ) Harness,RevolvLight, Cab,Ohg 1
Y8 10632--18 (000000-- ) Grommet, Rbr,0.69 ID1
44681 (000000-- ) Lens,Rev.Light,Red 1
44681--2(000000-- ) Lens,Rev.Light,Blue 1
Home
Find...
Go To..

OPTIONS
385DMM305 (6--93)
3-10
Fig.8-- Back--UpAlarm Kit,Cab
2
3
4
5
6
9
10
1
11
12
9
14
15
7
8
13
Home
Find...
Go To..

OPTIONS
3-11
385DMM305 (3--96)
07958/07957
Fig.8-- Back--UpAlarm Kit,Cab
Ref.
Tennant
PartNo.
MachineSerial
NumberDescription Qty.
Ñ72096 (000000-- ) Alarm Kit, BuA/v355L,Cab 1
Y1 71058 (000000-- ) Bracket, Alarm,Back--Up 1
Y2 10632--9(000000-- ) Grommet,Rbr,0.56 In 1
Y3 61920 (000000-- ) HornAssy,Back--UpAlarm 1
YÑ4 36438 (000000-- ) HeadlightAssy,210G1
YY 36439 (000000-- ) Bulb,12V.9A15Cp#1004 1
Y5 24576--1(000000-- ) Bracket, Flasher1
Y6 24576 (000000-- ) Flasher,12V1
Y7 23211 (006666-- ) SwitchAssy,Roller1
Y8 23210 (006666-- ) NutSpeed,Retainer,8--32 Thd 2
Y9 10632--18 (000000-- ) Grommet, Rbr,0.69 ID2
Y10 71544 (000000-- ) Harness,Alarm,Backup 1
Y11 55248 (000000-- ) CabletieMount, Adhesive 2
Y12 49266 (000000-- ) Tie,Cable 1.75DMax7.50Lg 5
Y13 70159 (006666-- ) Harness,Adapter,B/uAlarm 1
14 35905 (000000--006665 )Switch,Waterproof, 10A1
15 23231 (000000--006665 )Repl.Kit, Backup Switch 1
Home
Find...
Go To..

OPTIONS
385DMM305 (3--96)
3-12
Fig.9-- Back--UpAlarm Kit,CabwithPressurizer
2
3
4
5
6
9
10
1
11
9
9
13
14
15
7
8
12
Home
Find...
Go To..

OPTIONS
3-13
385DMM305 (3--96)
07956/07955
Fig.9-- Back--UpAlarm Kit,CabwithPressurizer
Ref.
Tennant
PartNo.
MachineSerial
NumberDescription Qty.
Ñ72094 (000000-- ) Alarm Kit, BuA/v355L,Cab withPressurizer1
Y1 49266 (000000-- ) Tie,Cable 1.75DMax7.50Lg 5
Y2 10632--9(000000-- ) Grommet,Rbr,0.56 In 1
Y3 61920 (000000-- ) HornAssy,Back--UpAlarm 1
YÑ4 36438 (000000-- ) HeadlightAssy,210G1
YY 36439 (000000-- ) Bulb,12V.9A15Cp#1004 1
Y5 24576--1(000000-- ) Bracket, Flasher1
Y6 24576 (000000-- ) Flasher,12V1
Y7 23211 (006666-- ) SwitchAssy,Roller1
Y8 23210 (006666-- ) NutSpeed,Retainer,8--32 Thd 2
Y9 10632--18 (000000-- ) Grommet, Rbr,0.69 ID3
Y10 71544 (000000-- ) Harness,Alarm,Backup 1
Y11 55248 (000000-- ) CabletieMount, Adhesive 2
Y12 70159 (006666-- ) Harness,Adapter,B/uAlarm 1
13 72080 (000000-- ) CoverWldt, Press & Alarm 1
14 35905 (000000--006665 )Switch,Waterproof, 10A1
15 23231 (000000--006665 )Repl.Kit, Backup Switch 1
Home
Find...
Go To..

OPTIONS
385DMM305 (4--94)
3-14
Fig.10 -- SideBrush LightKit
1
2
Home
Find...
Go To..

OPTIONS
3-15
385DMM305 (4--94)
07930/07514
Fig.10 -- SideBrush LightKit
Ref.
Tennant
PartNo.
MachineSerial
NumberDescription Qty.
Ñ60372 (000000-- ) LightKit, Side Brush 355L 1
YÑ1 19827 (000000-- ) LightAssy Work/Clr12V-- .A1
YY 51570 (000000-- ) BulbGE1
Y2 40678 (000000-- ) Clamp,Cable.44D.62Wide 1
Home
Find...
Go To..

OPTIONS
385DMM305 (10--92)
3-16
Fig.11 -- CabInsulation Group
1
3
2
5
6
4
Home
Find...
Go To..

OPTIONS
3-17
385DMM305 (10--92)
07880/07484
Fig.11 -- CabInsulation Group
NOTE:Cab Kit, TENNANTPartNumber59511,includesFig.11,Fig.12,Fig.13,and Fig.14.
Ref.
Tennant
PartNo.
MachineSerial
NumberDescription Qty.
1 55073 (000000-- ) Insulation,S/Foam,Roof1
2 55074 (000000-- ) Insulation,S/Foam,Side Rh 1
3 55161 (000000-- ) Insulation,S/Foam,Side Lh 1
4 55162 (000000-- ) Insulation,S/Foam,Panel1
5 55163 (000000-- ) Insulation,S/FoamRear1
6 55164 (000000-- ) Insulation,S/FoamDoor1
Home
Find...
Go To..

OPTIONS
385DMM305 (4--94)
3-18
Fig.12 -- Cab Frame and WindowsGroup
5
25
7
16
26
2
22
4
6
1
20
17
18
3
23
21
19
24
22
27
28
28
6
6
9
10
13
11
8
14
12
15
Home
Find...
Go To..

OPTIONS
3-19
385DMM305 (4--94)
07878/07482
Fig.12 -- Cab Frame and WindowsGroup
NOTE:Cab Kit, TENNANTPartNumber59511,includesFig.11,Fig.12,Fig.13,and Fig.14.
Ref.
Tennant
PartNo.
MachineSerial
NumberDescription Qty.
1 55180 (000000-- ) Cab Wldt1
2 56546 (000000-- ) Angle,DoorJamb 1
3 56560 (000000-- ) Angle,DoorJamb,Lower,Rear1
4 74430 (000000-- ) Window,Cab,Front1
5 74431 (000000-- ) Window,Cab,Rear1
6 56799 (xxxxxx-- ) Rivet, Pop-- .125Dx.38x.25Dhd Al12
7 74429 (xxxxxx-- ) Window,Cab,Side 1
8 55393 (000000--xxxxxx )WeatherStrip,L.H.1
9 55395 (000000--xxxxxx )Channel,Flexible,L.H1
10 58831 (000000--xxxxxx )Pane, Glass,Left ,Stationry(Repl.By74429)1
11 51608 (000000--xxxxxx )Strip,Rbr.25X.50S&M1
12 51677 (000000--xxxxxx )Channel,Rigid 1
13 58832 (000000--xxxxxx )Pane, Glass,Left, Sliding (Repl.By74429)1
14 58974 (000000--xxxxxx )Pad,Neoprene .06 X.7X2.7 1
15 15066 (000000--xxxxxx )FingerPull 1
16 55270 (000000-- ) Plate,Cover1
17 55227 (000000-- ) Plate,Seal,Sppt, Seat1
18 55228 (000000-- ) Seal,19.75 Lg 1
19 56187 (000000-- ) Grommet, Rubber1
20 55963 (000000-- ) Seal,Cab,Side 1
21 55959 (000000-- ) Seal,Cab,Front1
22 55968 (000000-- ) Seal,Cab,Side 2
23 55973 (000000-- ) Duct, Vinyl24.0 1
24 60287 (000000-- ) Harness,Cab 1
25 66221 (000000-- ) Seal,142.0LgDoor1
26 66197 (000000-- ) Insulation,Acoustic1
27 71058 (000000-- ) Bracket, Back--UpAlarm 1
28 55035 (000000-- ) Plug,Plastic,1.00 D2
Home
Find...
Go To..

OPTIONS
385DMM305 (4--94)
3-20
Fig.13 -- CabDoorGroup
18
15
2017 19 16
12
10
6
7
14
5
4
3
24
11 12 8
9
25
13
21
22
5
23
26
27
28
Home
Find...
Go To..

OPTIONS
3-21
385DMM305 (4--94)
07879/07483
Fig.13 -- CabDoorGroup
NOTE:Cab Kit, TENNANTPartNumber59511,includesFig.11,Fig.12,Fig.13,and Fig.14.
Ref.
Tennant
PartNo.
MachineSerial
NumberDescription Qty.
1 58898 (000000-- ) Bolt, Latch 1
2 59032 (000000-- ) Bracket, Latch,Bolt1
3 59297 (000000-- ) Hinge Wldt, Long Pin 1
4 59211 (000000-- ) Hinge Wldt, ShortPin 1
5 59250 (000000-- ) Hinge Wldt, Cab Door2
6 59033 (000000-- ) DoorWldt, Cab 1
7 59514 (000000-- ) Latch 1
8 57702 (000000-- ) Cable,Door,Access 1
9 55038 (000000-- ) Cable, .06DX5.75 1
10 59515 (000000-- ) Handle,Paddle 1
11 59028 (000000-- ) Lever,DoorRelease 1
12 02129 (000000-- ) Scr--Shld.375Dx0.38L .31--18 1
13 34280 (000000-- ) ArmrestCab 1
14 59031 (000000-- ) Cover,Bracket, Armrest1
15 23866 (000000--xxxxxx )Weatherstrip,Rubber1
16 23865 (000000--xxxxxx )Channel,Glassrun,Flx#B127,110 1
17 58830 (000000--xxxxxx )Pane,Acrylc,Door,Sliding (Repl.By74428)1
18 58823 (000000--xxxxxx )Pane,Acrylc,Door,Stationry(Repl.By74428)1
19 23863 (000000--xxxxxx )Strip,Rbr.25X.50S&M#6422,55.0 1
20 51677 (000000--xxxxxx )Channel,Rigid 1
21 58974 (000000--xxxxxx )Pad,Neoprene .06 X.7X2.7 1
22 15066 (000000--xxxxxx )FingerPull 1
23 60862 (000000-- ) Sleeve,DoorStop 1
24 02662 (000000-- ) PinAssy,Keeper1
25 31249 (000000-- ) Scr--Shld.250Dx1.25L 10--24 1
26 72024 (000000-- ) Seal,Cab Door1
27 56799 (xxxxxx-- ) Rivet, Pop-- .125Dx.38x.25Dhd Al4
28 74428 (xxxxxx-- ) Window,Cab,Door1
Home
Find...
Go To..

OPTIONS
385DMM305 (6--93)
3-22
Fig.14 -- CabElectricaland WiperGroup
12
13
5
14
3
1
7
1
4
1
7
2
6
9
8
15
11 10
16
7
17
18
19
20
Home
Find...
Go To..

OPTIONS
3-23
385DMM305 (10--94)
08921/07485
Fig.14 -- CabElectricaland WiperGroup
NOTE:Cab Kit, TENNANTPartNumber59511,includesFig.11,Fig.12,Fig.13,and Fig.14.
Ref.
Tennant
PartNo.
MachineSerial
NumberDescription Qty.
1 59803 (000000-- ) Motor--Ele 12V,Wiper,Windshld 1
2 55181 (000000-- ) Label, Operational,Cab 1
3 59797 (000000-- ) Plate,Mtg,WiperKit1
4 59799 (000000-- ) Arm,WindshieldWiper,Panto 1
5 74433 (000000-- ) Blade,WindshieldWiper,18”1
6 72099 (000000--005184 )CoverWldtReplacementKit1
7 41845 (000000-- ) Well--Nut .25--20 #1/4--5 6
8 65553 (000000-- ) Switch,RockerDpdt1
9 57807 (000000-- ) Cover,RockerSwitchSeal2
10 57772 (000000-- ) Plate--Cover2
11 57167 (000000-- ) Plugbtn.62H.03--.12 Blacknyl1
12 57803 (000000-- ) Breaker--Circuit, 15 Resetbl1
13 57751 (000000-- ) Boot--CircuitBreaker1
Ñ14 55461 (000000-- ) LightAssy,Dome 1
Y72142 (000000-- ) Bulb 1
15 65561 (000000-- ) Switch,RockerSpst1
16 10632--12 (000000-- ) Grommet,Rbr,0.38 In 1
17 71057 (005185-- ) Panel,Switch,Cab 1
18 72049 (005185-- ) CoverWldt1
19 01047 (005185-- ) Retainer2
20 12271 (005185-- ) Nut, UM6X1.0 2
Home
Find...
Go To..

OPTIONS
385DMM305 (2--93)
3-24
Fig.15 -- CabPressurizerKit
1
3
4
11 12
8919
5
16
14
7
13
6
15
2
10
18
17 18
Home
Find...
Go To..

OPTIONS
3-25
385DMM305 (2--93)
08613/08612
Fig.15 -- CabPressurizerKit
Ref.
Tennant
PartNo.
MachineSerial
NumberDescription Qty.
Ñ72098 (000000-- ) PressurizerKitCab 385L 1
Y1 55213 (000000-- ) Housing Wldt, Filter1
Y2 59437 (000000-- ) Panel,Mtg,Pressurizer1
Y3 72080 (000000-- ) CoverWldt, Pressurizer,w/Back--UpAlarm 1
Y4 59657 (000000-- ) Filter,Panel5.25 X18.5X2 1
Y5 55042 (000000-- ) Blower,Assy 1
Y6 57536 (000000-- ) LouverAssy 2
Y7 57537 (000000-- ) Fastener,Clip--Louver8
Y8 55182 (000000-- ) Seal,Pressurizer1
Y9 55037 (000000-- ) Well--Nut .31--18 6
Y10 37083--1(000000-- ) Catch--No--Strike 2
Y11 65553 (000000-- ) Switch,RockerDpdt1
Y12 57807 (000000-- ) Cover,RockerSwitchSeal1
Y13 57803 (000000-- ) Breaker--Circuit, 15 Resetbl1
Y14 57751 (000000-- ) Boot--CircuitBreaker1
Y15 10632--18 (000000-- ) Grommet,Rbr,0.69Id,For.25Matl1
Y16 66220 (000000-- ) Seal,Side Brush Lift 1
Y17 55404 (000000-- ) SealFoamRbr.38 .62W4.4L 2
Y18 55302 (000000-- ) SealFoamRbr.38 .62W18.6L 2
Y19 55453 (000000-- ) Bumper,Pressurizer1
Y46236 (000000-- ) Clamp,Cable,0.25 Dia 0.56 wth 1
Home
Find...
Go To..

OPTIONS
3-25a
Fig. 15a -- Cab Dust Kit
1
2
3
4
5
6
7
8
9
10
11
12
1314
Home
Find...
Go To..

OPTIONS
3-25b
353548 -- IC, NA, JP
Fig. 15a -- Cab Dust Kit
Ref.
Tennant
Part No.
Machine Serial
Number Description Qty.
o
370115 (000000-- )Cab Dust Kit 1
Y
1 370116 (000000-- ) Skirt, Firewall, Rh 1
Y
2 370117 (000000-- ) Strip, Velcro 45 Inches Long 1
Y
3 370118 (000000-- ) Strip, Velcro 9.75 Inches Long 1
Y
4 370119 (000000-- ) Strip, Velcro 11 Inches Long 1
Y
5370120 (000000-- )Strip, Velcro 15 Inches Long 1
Y
6 370121 (000000-- ) Strip, Velcro 12 Inches Long 1
Y
7 370122 (000000-- ) Strip, Velcro16.5 Inches Long 1
Y
8 370129 (000000-- ) Strip, Velcro 3.25 Inches Long 1
Y
9 370124 (000000-- ) Seal, Seat Side 1x1.5x6.75 1
Y
10 370130 (000000-- )Strip, Velcro 1
Y
11 370125 (000000-- ) Seal, Round 1.5Dx2.0L 2
Y
12 370159 (000000-- ) Strip, Steel 1
Y
13 12459 (000000-- ) Scr--Hxfmgm 6x1.0 11
Y
14 01684 (000000-- )Washer Flt .25 Ss 11
Home
Find...
Go To..

OPTIONS
385DMM305 (2--93)
3-26
Fig.16 -- CabHeaterKit
23
4
5
6
7
89
10
1
11
12
13
14
16
17
18
19
20
21
10
3
3
3
3
13
11
319
15
15
Home
Find...
Go To..

OPTIONS
3-27
385DMM305 (3--97)
07941/07497
Fig.16 -- CabHeaterKit
Ref.
Tennant
PartNo.
MachineSerial
NumberDescription Qty.
Ñ59512 (000000-- ) HeaterKit355L 1
Y1 55220 (000000-- ) ChannelWldt, Heater1
Y2 57912 (000000-- ) Hose,.62 Idx60.00 Lng,Heater2
Y3 63810 (000000-- ) Clamp--Wormdrive,0.56-- 1.06D6
Y4 55459 (000000-- ) Fan Assy,Defroster1
Y5 55215 (000000-- ) Core,Heater1
Y6 374515 (000000--007148 )ReplmKit, Fan MotorF/55216 1
Y6 374514 (007149-- ) MotorAssy,HeaterW/Fan 1
Y7 55221 (000000-- ) Cover,Heater1
Y8 65561 (000000-- ) Switch,RockerSpst1
Y9 57807 (000000-- ) Cover,RockerSwitchSeal1
Y10 10632--12 (000000-- ) Grommet,Rbr,0.38Id,For.12Matl2
Y11 55226 (000000-- ) Seal,HeaterAir2
Y12 12083 (000000-- ) Valve,Water1/2NPTF 1
Y13 55976 (000000-- ) Seal,FoamRbr.31X.38X2
Y14 66195 (000000-- ) Fitting,Tee 1
Y15 11399 (000000-- ) Clamp--Wormdrive,0.81-- 1.50D2
Y16 12072 (000000-- ) Arm,WaterControl1
Y17 61869 (000000-- ) Hose, .62 IDx24.0 Lng heater1
Y18 27767 (000000-- ) Ftg--BrsStrEm10/Pm06 1
Y19 30268 (000000-- ) Ftg--BrsE90 Em10/Pm08 2
Y20 45142 (000000-- ) Bolt--U,1.13 ID1
Y21 35296 (000000-- ) Bracket, Valve 1
Home
Find...
Go To..

OPTIONS
385DMM305 (10--92)
3-28
Fig.17 -- BlowerKit, OverheadGuard
5
8
8
11
12
7
14
13
5
9
2
3
4
17
23
21
1
25
26
16
18
15
15
10
5
6
24
22
19
22
20
27
Home
Find...
Go To..

OPTIONS
3-29
385DMM305 (4--94)
07938/07521
Fig.17 -- BlowerKit, OverheadGuard
Ref.
Tennant
PartNo.
MachineSerial
NumberDescription Qty.
Ñ69984 (000000-- ) BlowerKit, W/Ohg 1
Y1 71025 (000000-- ) Pad,Rubber2
Y2 72143 (000000-- ) Duct, Outlet, BlowerWand 1
Y3 23498 (000000-- ) Clamp--Wormdrive,3.56-- 4.50D2
Y4 59919 (000000-- ) Hose,Reducer1
Y5 43555 (000000-- ) Clamp--Wormdrive,1.62-- 3.50D3
Y6 53894 (000000-- ) Tube,Plastic,3.0OdX4.0Lg 1
Y7 53883 (000000-- ) Tube,Plastic,3.0OdX16.0Lg 1
Y8 64320 (000000-- ) Hose&Cuff Assy,Vinyl3.0Idx24 2
Y9 69937 (000000-- ) Plate,Backing,Handle 1
Y10 32822 (000000-- ) Handle, Grab 1
Y11 53895 (000000-- ) Tube,Plastic,3.0OdX48.0Lg 1
Y12 59104 (000000-- ) Hose,Rbr1
Y13 59012 (000000-- ) PlateWldt, BlowerWand 1
Y14 59013 (000000-- ) Shaft, Baffle 1
Y15 63469--3(000000-- ) Brg,Snap In-- Nyliner.38 Id 2
Y16 58881 (000000-- ) LeverWldt, Baffle,BlowrWand 1
Y17 69955 (000000-- ) Knob,Black,M8 1
Y18 23999--6(000000-- ) Pin,Roll,.09Odx0.75L,.094/.097 1
Y19 69958 (000000-- ) Tube Wldt, Sppt, BlowerWand 1
Y20 55489 (000000-- ) ClampWldt, Tube,BlowerWand 2
Y21 63378 (000000-- ) Magnet, DriveBrush 1
Y22 69981 (000000-- ) Pad,Rubber3
Y23 69953 (000000-- ) Plate,Spacer,Magnet1
Y24 74438 (000000-- ) BracketWldt, Support, Blower1
Y25 74439 (000000-- ) Bracket, Mtg,Tube 1
Y26 34877 (000000-- ) ScrHexM10X1.5 100 1
Y59768 (000000-- ) LabelSet, Operational355L 1
27 69935 (000000-- ) CoverWeldt, Engine,BlowerWand 1
Home
Find...
Go To..

OPTIONS
385DMM305 (6--93)
3-30
Fig.18 -- VacuumWand Kit
5
6
1
3
4
2
7
7
7
Home
Find...
Go To..

OPTIONS
3-31
385DMM305 (10--92)
07876/07480
Fig.18 -- VacuumWand Kit
Ref.
Tennant
PartNo.
MachineSerial
NumberDescription Qty.
Ñ59540 (000000-- ) Wand Kit, Vac1
Y1 55964 (000000-- ) AdaptorWldt, VacWand 1
Y2 44166 (000000-- ) Chain,Jack#12,6Links,Znc1
Y3 26395--2(000000-- ) Clamp--Cable,0.38Dia 0.38Wth 1
Y4 42124 (000000-- ) Plug,Drain 1
Y5 54012 (000000-- ) Wand Weldment1
Y6 54009 (000000-- ) Hose&2Cuff Assy,Vinyl2.0Id10Ft1
Y7 67004 (000000-- ) Clip--FingerGrip 7
Home
Find...
Go To..

OPTIONS
385DMM305 (2--93)
3-32
Fig.19 -- SideBrushDustControlKit
2
3
4
5
6
7
8
9
10
1
11
12
13
14
15
16
17
18 19
18
4
14
20
20
Home
Find...
Go To..

OPTIONS
3-33
385DMM305 (6--93)
08922/07519
Fig.19 -- SideBrushDustControlKit
Ref.
Tennant
PartNo.
MachineSerial
NumberDescription Qty.
Ñ59508 (000000--005440 )DustControlKitSide Brsh 355 1
Y1 66168 (000000--005440 )Bracket, Sbdc1
Y2 66175 (000000--005440 )CoverWldt, Sbdc1
Y3 51538 (000000--005440 )Pin,Clevis,0.50 Dia.X5.00 Lg 1
Y4 23274 (000000--005440 )Bshg,Flange 2
Y5 44906 (000000--005440 )Pin,HairCotter1
Y6 66176 (000000--005440 )Skirt, WheelPocket, Sbdc2
Y7 66177 (000000--005440 )Plate,Retainer,WheelPocket2
Y8 53576 (000000--005440 )Skirt, Sbdc,Rh 1
Y9 53610 (000000--005440 )Plate,Retainer,Sbdc,Rh 1
Y10 66178 (000000--005440 )Skirt, Cover,Sbdc1
Y11 66179 (000000--005440 )Plate,Retainer,Cover,Sbdc1
Y12 66180 (000000--005440 )Skirt, Front, Sbdc1
Y13 66181 (000000--005440 )Plate,Retainer,Front, Sbdc2
Y14 66182 (000000--005440 )Plate,Retainer,Front,Lh,Sbdc2
Y15 66183 (000000--005440 )Angle,Stop 1
Y16 72086 (000000--005440 )Foam,SBDC,R.H.1
Y17 72087 (000000--005440 )Foam,SBDC,L.H.1
Y18 72178 (000000--005440 )Guard,Light2
Y19 72181 (000000--005440 )Harness,Jumper1
Y20 10632--11 (000000--005440 )Grommet, Rbr,0.38Id,For.19Matl2
Home
Find...
Go To..

OPTIONS
385DMM305 (6--93)
3-34
Fig.20 -- SideBrushDustControlKit
6
7
8
9
10
11
12
14
16
17
13
18
1
15
4
2
3
5
Home
Find...
Go To..

OPTIONS
3-35
385DMM305 (6--93)
08923/08904
Fig.20 -- SideBrushDustControlKit
Ref.
Tennant
PartNo.
MachineSerial
NumberDescription Qty.
Ñ74374 (005441-- ) DustControlKitSide Brsh 355L 1
Y1 74383 (005441-- ) Bracket, Sbdc1
Y2 74375 (005441-- ) CoverWldt, Sbdc1
Y3 51538 (005441-- ) Pin,Clevis,0.50 Dia.X5.00 Lg 1
Y4 23274 (005441-- ) Bshg,Flange 2
Y5 44906 (005441-- ) Pin,HairCotter1
Y6 66176 (005441-- ) Skirt, WheelPocket, Sbdc2
Y7 66177 (005441-- ) Plate,Retainer,WheelPocket2
Y8 53576 (005441-- ) Skirt, Sbdc,Rh 1
Y9 53610 (005441-- ) Plate,Retainer,Sbdc,Rh 1
Y10 66178 (005441-- ) Skirt, Cover,Sbdc1
Y11 66179 (005441-- ) Plate,Retainer,Cover,Sbdc1
Y12 74379 (005441-- ) Skirt, Front, Sbdc1
Y13 74380 (005441-- ) Plate,Retainer,Front, Sbdc1
Y14 74381 (005441-- ) Plate,Retainer,Front,Lh,Sbdc1
Y15 74382 (005441-- ) Angle,Stop 1
Y16 72086 (005441-- ) Foam,SBDC,R.H.1
Y17 72087 (005441-- ) Foam,SBDC,L.H.1
Y18 35843 (005441-- ) Washer, .530B1.50D.19HR 2
Home
Find...
Go To..

OPTIONS
385DMM305 (6--93)
3-36
Fig.21 -- SeatBeltKit
1
07877/07481
Ref.
Tennant
PartNo.
MachineSerial
NumberDescription Qty.
Ñ59384 (000000-- ) SeatBeltKit355L 1
Y1 30533 (000000-- ) Belt, Seat1
Home
Find...
Go To..

OPTIONS
3-37
385DMM305 (6--93)
Fig.22 -- ProtectosealFuelTankCapGroup
1
07867/07471
Ref.
Tennant
PartNo.
MachineSerial
NumberDescription Qty.
1 02506--6(000000-- ) GasCap,Protectoseal1
Home
Find...
Go To..

OPTIONS
385DMM305 (6--93)
3-38
Fig.23 -- SparkArrest MufflerGroup
1
07934/07518
Ref.
Tennant
PartNo.
MachineSerial
NumberDescription Qty.
1 53417 (000000-- ) Muffler,SparkArresting 1
Home
Find...
Go To..

OPTIONS
3-39
385DMM305 (6--93)
Fig.24 -- AirFilterSafetyElementKit
1
2
04712
Ref.
Tennant
PartNo.
MachineSerial
NumberDescription Qty.
Ñ07565 (000000-- ) ElementKit, Air,Safety1
Y1 58121 (000000-- ) Element, Safety1
Y2 07562 (000000-- ) Wingnut1
Home
Find...
Go To..

OPTIONS
385DMM305 (6--93)
3-40
Fig.25 -- FireExtinguisherKit
1
07932/07516
Ref.
Tennant
PartNo.
MachineSerial
NumberDescription Qty.
Ñ59388 (000000-- ) ExtinguisherKitFire 355L 1
Y1 25312 (000000-- ) Extinguisher,Fire 1
Home
Find...
Go To..

OPTIONS
3-41
385DMM305 (3--95)
Fig.26 -- BatteryGroup,Dry(International Only)
1
08611/08610
Ref.
Tennant
PartNo.
MachineSerial
NumberDescription Qty.
1 10144 (000000-- ) Battery,12V,Ccamps:600 Dry1
Home
Find...
Go To..

OPTIONS
385DMM305 (6--93)
3-42
Fig.27 -- Soft RideNon--Marking Tire and WheelAssembly
1
2
07529/07515
Ref.
Tennant
PartNo.
MachineSerial
NumberDescription Qty.
Ñ1 71022 (000000-- ) Tire and Whl.Assy,Soft Ride Solid 1
Y2 61488 (000000-- ) Tire,Solid,Tan,Non--Marking 1
Home
Find...
Go To..

OPTIONS
3-43
385DMM305 (6--93)
Fig.28 -- Soft RideTire and WheelAssembly
1
2
07936/07515
Ref.
Tennant
PartNo.
MachineSerial
NumberDescription Qty.
Ñ1 53817 (000000-- ) Tire and Whl.Assy,Soft Ride Solid 1
Y2 53816 (000000-- ) Tire,Solid,Black 1
Home
Find...
Go To..

OPTIONS
385DMM305 (3--96)
3-44
Fig.29 -- Hi--WearTireAnd WheelAssembly
3
2
4
5
3
1
10933/10932
Ref.
Tennant
PartNo.
MachineSerial
NumberDescription Qty.
Ñ70278 (000000-- ) Tire&RimAssy,Hi--Wear5.00R--8 1
Y1 70279 (000000-- ) Tire,Hi--Wear5.70/5.00R--8 1
Y2 70280 (000000-- ) Tube, Inner5.00R--8,Js2Valve 1
Y3 70281 (000000-- ) RimAssy,4.25”Bead x.188 Stl1
Y4 53819--2(000000-- ) Flap,Tire--Tube ,570/500--8 1
Y5 45786 (000000-- ) Cap,ValveStem1
Home
Find...
Go To..

OPTIONS
3-45
385DMM305 (3--97)
Fig.30 -- Stainless SteelHopperGroup
1
10929/10930
Ref.
Tennant
PartNo.
MachineSerial
NumberDescription Qty.
1 70297 (000000-- ) HopperWldt, 355/385 Ss1
Home
Find...
Go To..

OPTIONS
385DMM305 (3--97)
3-46
Fig.31 -- DemoGroup
1
2
3
07937/07520
Ref.
Tennant
PartNo.
MachineSerial
NumberDescription Qty.
1 82196 (000000-- ) Bracket, Tiedown 2
2 14983 (000000-- ) Bracket, Tiedown 2
3 11636 (000000-- ) Latch,Draw,Flexible 1
Home
Find...
Go To..

OPTIONS
3-47
385DMM305 (3--97)
Fig.32 -- AuxiliarySideBrushHopperDeflectorGroup
2
2
1
08619/08615
Ref.
Tennant
PartNo.
MachineSerial
NumberDescription Qty.
1 72088 (000000-- ) Plate,Deflector1
2 32791 (000000-- ) Bracket, Deflector2
Home
Find...
Go To..

OPTIONS
385DMM305 (3--96)
3-48
Fig.33 -- AuxiliarySideBrushMotorGroup
2
3
4
5
6
7
1
11
12
13
14
15
16
17
18
19
20
21
22
23
24
24
6
10
10
9
9
8
Home
Find...
Go To..
32492
82842
39396 Screw (4)

OPTIONS
3-49
385DMM305 (3--96)
08618/07499
Fig.33 -- AuxiliarySideBrushMotorGroup
Ref.
Tennant
PartNo.
MachineSerial
NumberDescription Qty.
1 55778 (000000-- ) Arm Wldt1
2 55776 (000000-- ) Actuator,12V4.0Strk250Lb 1
3 55834 (000000-- ) Sleeve, .562B.88D.97 Stl2
4 23683 (000000-- ) Pin,Clevis,0.50 Dia.X3.00 Lg 1
5 51225 (000000-- ) Pin,Clevis,0.50 Dia.X5.50 Lg 1
6 51538 (000000-- ) Pin,Clevis,0.50 Dia.X5.00 Lg 2
7 55793 (000000-- ) BracketWldt, Mtg,Motor1
8 82334 (000000-- ) Spring--Gas120Lb 6.3Stroke 1
9 64595 (000000-- ) Clip,Safety2
10 58494 (000000-- ) Stud,Ball, GasSpring 2
11 35298 (000000-- ) Cable,MotorBracket1
12 53435 (000000-- ) Motor,HydGearIn(See Breakdowns)1
13 47508 (000000-- ) Ftg--HydStrJm06/Om10 2
14 35484 (000000-- ) Sleeve--Nyln #24 45.0L 1
15 09900--1(000000-- ) Sleeve, .260B.50D.75 Pnt.Gr1
16 51715 (000000-- ) Clamp,Hose 1
17 55823 (000000-- ) GuardWldt, Brush 1
18 53984 (000000-- ) Guard,Brush 1
19 47501 (000000-- ) Hub,BrushAdaptor,1.00B1
20 02662 (000000-- ) PinAssy,Keeper.31D2.50L 1
21 49266 (000000-- ) Tie,Cable 1.75DMax7.50Lg 13
22 31566 (000000-- ) Hose--HydMed06 Jf/J9 2
23 01999 (000000-- ) Hose--HydMed06 Jf/J9 1
24 15803 (000000-- ) Ftg--HydStrJm06/Jm06 2
Home
Find...
Go To..

OPTIONS
385DMM305 (3--96)
3-50
Fig.34 -- AuxiliarySideBrushPivotGroup
2
3
4
5
6
7
8
9
10
1
11
12
13
14
15
16
17
18
19
20 21
22
23
10
20
21
11
13
14
12
18
18
17
18
19
7
7
7
4
16
24
25
26
27
28
29
Home
Find...
Go To..

OPTIONS
3-51
385DMM305 (3--96)
08617/07500
Fig.34 -- AuxiliarySideBrushPivotGroup
Ref.
Tennant
PartNo.
MachineSerial
NumberDescription Qty.
1 55833 (000000--005440 )BumperWldt, AuxS Br,Front1
2 54656 (000000--005440 )ChannelWldt, Support1
3 35426 (000000-- ) ActuatorAssy,12V1
4 06279 (000000-- ) Pin,Clevis,0.50 Dia.X2.50 Lg 2
5 54427 (000000-- ) Shaft, Pivot1
6 54428 (000000-- ) PivotWldt, Actuator1
7 54620 (000000-- ) Bearing,Flange,1.50 Bore 4
8 54404 (000000-- ) PivotWldt1
9 54465 (000000-- ) Bearing,Journal1.50 Dia 1
10 54621 (000000-- ) Spring Wldt, Support2
11 54618 (000000-- ) Bearing,Flange,1.00 Bore 4
12 55767 (000000-- ) Tube,Spacer2
13 69994 (000000-- ) Bumper2
14 69995 (000000-- ) Bracket, Cable 2
15 69991 (000000-- ) Cable 1
16 36376 (000000-- ) Pin,Clevis, .19 Dia.X.50 Lg 2
17 55617 (000000-- ) Spring,Tension 4
18 69998 (000000-- ) Hook,Spring 8
19 69997 (000000-- ) Bar,Hex4
20 69993 (000000-- ) Bumper2
21 59387 (000000-- ) Plate 2
22 71060 (000000--005440 )Bracket, Bumper,AuxS B 4
23 10632--1(000000-- ) Grom.,Rbr,1.06Id,For.19MatlL 1
24 74320 (005441-- ) ChannelWldt, Support1
25 74327 (005441-- ) BumperWldt, AuxS Br,Front1
26 74421 (000000-- ) BumperWldt, AuxS Br,Rear1
27 70267 (000000-- ) Pad,Rubber,HoseClamp 1
28 70268 (000000-- ) Clamp,Hose,Double, .437 Hole 1
29 13173 (000000-- ) Molding,Trim3/16--5/16 5.0 2
Home
Find...
Go To..

OPTIONS
385DMM305 (3--96)
3-52
Fig.35 -- AuxiliarySideBrushWireHarness Group
2
1
Home
Find...
Go To..

OPTIONS
3-53
385DMM305 (3--96)
08616/07511
Fig.35 -- AuxiliarySideBrushWireHarness Group
Ref.
Tennant
PartNo.
MachineSerial
NumberDescription Qty.
1 60285 (000000-- ) Harness,AuxSide Brush 1
2 60286 (000000-- ) Harness,AuxSide Brush 1
Home
Find...
Go To..

OPTIONS
385DMM305 (3--96)
3-54
Fig.36 -- AuxiliarySideBrushElectrical Group
2
3
4
5
1
3
4
08620/08614
Ref.
Tennant
PartNo.
MachineSerial
NumberDescription Qty.
1 57803 (000000-- ) Breaker -- Circuit, 15 Resetbl1
2 57751 (000000-- ) Boot, CircuitBreaker1
3 65560 (000000-- ) Switch,RockerDPDT(mom) 2
4 57807 (000000-- ) Cover,RockerSwitchSeal2
5 69999 (000000-- ) Label,AuxSide Brush 1
Home
Find...
Go To..

OPTIONS
3-55
385DMM305 (3--97)
Fig.37 -- VacuumizedSkirtKit,MainBrush
1
2
3
4
5
6
7
8
9
10
2
10192/10193
Ref.
Tennant
PartNo.
MachineSerial
NumberDescription Qty.
Ñ70229 (000000-- ) Vacuumized SkirtKit, MainBru 1
Y1 56872 (000000-- ) Skirt, Hopper,Top 1
Y2 72968 (000000-- ) Rivet, Plastic.250x.898 15
Y3 70230 (000000-- ) Skirt, Deflection,VacKit2
Y4 70227 (000000-- ) Strap,Deflector,Rh 1
Y70228 (000000-- ) Strap,Deflector,Lh (NotShown)1
Y5 56914 (000000-- ) Strap 2
Y6 70222 (000000-- ) Skirt, BrushDoor, Outer2
Y7 70223 (000000-- ) Skirt, BrushDoor, Inner2
Y8 70224 (000000-- ) Strip,Retainer2
Y9 70225 (000000-- ) Angle,Filler2
Y10 70226 (000000-- ) Seal,Foam,Door2
Home
Find...
Go To..

OPTIONS
385DMM305 (3--97)
3-56
Fig.38 -- Documentation Group
000 MM000
000 MM000
1
2
3
4
6
5
07922/07501
Ref.
Tennant
PartNo.
MachineSerial
NumberDescription Qty.
1MM305 (000000-- ) ManualPkg 385D1
2 85305 (000000-- ) Manual--Fiche Pkg 385D1
3 61796 (000000--006055 )ServiceManualV1505 Ku 1
3 84660 (006056-- ) ServiceManualV1505E Ku 1
4MM302 (000000-- ) ManualService 355/385 1
5MM305ES (000000-- ) ManualOp/Mt385DSpanish 1
5MM305FR(000000-- ) ManualOp/Mt385DFrench 1
5MM305PT(000000-- ) ManualOp/Mt385DPortuguese 1
6 48841 (000000-- ) 355L Oper/Video VHS1
Home
Find...
Go To..

BREAKDOWNS
4-1
385DMM305 (3--97)
SECTION4
CONTENTS PAGE
Fig.1-- HydraulicPiston PumpBreakdown,53604 4-2...................................................
Fig.2-- HydraulicPiston PumpBreakdown,74466 4-4...................................................
Fig.3-- HydraulicPiston PumpBreakdown,79769 4-6...................................................
Fig.4-- HydraulicGearPumpBreakdown,53622 4-8....................................................
Fig.5-- HydraulicMotorBreakdown,59804 4-9.........................................................
Fig.6-- HydraulicMotorBreakdown,48663 4-10.......................................................
Fig.7-- HydraulicMotorBreakdown,74162 4-12.......................................................
Fig.8-- HydraulicMotorBreakdown,22604 4-14.......................................................
Fig.9-- HydraulicMotorBreakdown,53434 4-16.......................................................
Fig.10 -- HydraulicMotorBreakdown,74468 4-17.......................................................
Fig.11 -- HydraulicMotorBreakdown,53435 4-18.......................................................
Fig.12 -- HydraulicMotorBreakdown,53485 4-19.......................................................
Fig.13 -- HydraulicSteering ValveBreakdown,54022 4-20...............................................
Fig.14 -- HydraulicSteering ValveBreakdown,74172 4-21...............................................
Fig.15 -- HydraulicValveBreakdown,48751 4-22.......................................................
Fig.16 -- HydraulicValveBreakdown,53830 4-24.......................................................
Fig.17 -- HydraulicCylinderBreakdown,74419 4-25.....................................................
Fig.18 -- HydraulicCylinderBreakdown,53601 4-26.....................................................
Home
Find...
Go To..

BREAKDOWNS
385DMM305 (3--95)
4-2
Fig.1-- HydraulicPiston PumpBreakdown,53604
1
2
3
4
5
6
78
9
10
11
12
13
15
16
17
14
11
12
1
1
8
1
6
1
NotSold
Separately
Home
Find...
Go To..

BREAKDOWNS
4-3
385DMM305 (10--94)
07904--07047
Fig.1-- HydraulicPiston PumpBreakdown,53604
Ref.
Tennant
PartNo.
Manufacturer
SerialNumberDescription Qty.
Ñ53604 (000000-- ) Pump,Hydraulic(Repl.by70134)1
Y1 02711 (000000-- ) SealKit1
Y2 55922 (000000-- ) Bearing Kit, Thrust1
Y3 55931 (000000-- ) Shaft, Pump 1
Y4 02710 (000000-- ) Key1
Y5 55939 (000000-- ) Bearing,Roller1
Y6 02709 (000000-- ) Bearing,Trunnion 2
Y7 58009 (000000-- ) Plate,Cam1
Y8 02706 (000000-- ) Rotating Kit1
YÑ9 74216 (000000-- ) BackplateAssy 1
YY 10 55937 (000000-- ) Bearing,Roller1
Y11 55941 (000000-- ) Valve,Relief2
Y12 57210 (000000-- ) Plug Assembly2
Y13 55932 (000000-- ) Gerotorand CouplerAssembly1
Y14 02705 (000000-- ) Bearing, InnerRace 1
YÑ15 55930 (000000-- ) PumpAdaptorAssembly1
YY 16 55906 (000000-- ) Valve,Charge Relief1
YY 17 55929 (000000-- ) Bearing,Roller1
Home
Find...
Go To..

BREAKDOWNS
385DMM305 (10--94)
4-4
Fig.2-- HydraulicPiston PumpBreakdown,74466
1
2
3
4
5
6
7
8
9
10
11
12
14
15
16
17
18
19
20
21
22
23
24
25
26
27
NotSold
Separately
12
11
10
13
13
14
15
15
15
15
15
28
NotSold
Separately
NotSold
Separately
Home
Find...
Go To..

BREAKDOWNS
4-5
385DMM305 (10--94)
09793--09790--09670
Fig.2-- HydraulicPiston PumpBreakdown,74466
Ref.
Tennant
PartNo.
Manufacturer
SerialNumberDescription Qty.
Ñ74466 (000000-- ) Pump,HydPiston V1.44 R4000 (Repl.by70180)1
Y1 55931 (000000-- ) PumpDriveshaft 1
YÑ2 70094 (000000-- ) BackplateAssy Ce 1
YY 3 55937 (000000-- ) RollerBearing 1
YÑ4 70095 (000000-- ) PumpHousing Asy Ce 1
YY 5 55939 (000000-- ) RollerBearing 1
Y6 02706 (000000-- ) Rotating Kit1
Y7 58009 (000000-- ) CamplateCe 1
Y8 70096 (000000-- ) WasherCe 1
Y9 55922 (000000-- ) Thrustbearing Kit1
Y10 02709 (000000-- ) Bearing Cam2
Y11 70097 (000000-- ) WasherCe 2
Y12 19320 (000000-- ) ScrPan 06--32X0.38 4
Y13 57210 (000000-- ) Plug Assembly2
Y14 55941 (000000-- ) ReliefValve 2
Y15 70103 (000000-- ) SealKit, PumpCe 1
Y16 02705 (000000-- ) Race, InnerBearing 1
Y17 52386 (000000-- ) Cover1
Y18 70098 (000000-- ) Cover,Trunion Ce 1
Y19 70099 (000000-- ) Cover, O--Ring Ce 1
Y20 70100 (000000-- ) Pin,Dowel Ce 2
Y21 19574 (000000-- ) ScrHex.31--18X3.25 2
Y22 70101 (000000-- ) Scr,.31--18X3.75G5Ce 2
Y23 02710 (000000-- ) Key1
Y24 55930 (000000-- ) PumpAdaptorAssy 1
Y25 55932 (000000-- ) Geroter&Coupler1
Y26 70102 (000000-- ) Plate,ValveCe 1
Y27 74143 (000000-- ) ValveKit, Tow1
28 74248 (000000-- ) RepairInfo 1
Home
Find...
Go To..

BREAKDOWNS
385DMM305 (10--94)
4-6
Fig.3-- HydraulicPiston PumpBreakdown,79769
1
2
3
4
5
6
7
8
9
10
11
12
14
30
16
17
18
19
20
21
22
23
24
25
26
27
12
11
10
13
13
14
15
15
15
15
15
28
28
31
32
30
29
Home
Find...
Go To..

BREAKDOWNS
4-7
385DMM305 (10--94)
10181--09790--09670
Fig.3-- HydraulicPiston PumpBreakdown,79769
Ref.
Tennant
PartNo.
Manufacturer
SerialNumberDescription Qty.
Ñ79769 (000000-- ) Pump,HydPiston V1.44 R4000 1
Y1 55931 (000000-- ) PumpDriveshaft 1
YÑ2 70094 (000000-- ) BackplateAssy Ce 1
YY 3 55937 (000000-- ) RollerBearing 1
YÑ4 70095 (000000-- ) PumpHousing Asy Ce 1
YY 5 55939 (000000-- ) RollerBearing 1
Y6 02706 (000000-- ) Rotating Kit1
Y7 58009 (000000-- ) CamplateCe 1
Y8 70096 (000000-- ) WasherCe 1
Y9 74225 (000000-- ) Bearing,Thrust1
Y10 02709 (000000-- ) Bearing Cam2
Y11 70097 (000000-- ) WasherCe 2
Y12 61891 (000000-- ) Screws4
Y13 74230 (000000-- ) Plug Assembly2
Y14 55941 (000000-- ) Valve--Relief4000 PSI2
Y15 70103 (000000-- ) SealKit, PumpCe 1
Y16 02705 (000000-- ) Race, InnerBearing 1
Y17 52386 (000000-- ) Cover1
Y18 70098 (000000-- ) Cover,Trunion Ce 1
Y19 70099 (000000-- ) Cover, O--Ring Ce 1
Y20 70100 (000000-- ) Pin,Dowel Ce 2
Y21 74235 (000000-- ) ScrHex.31--18X3.25 2
Y22 70101 (000000-- ) Screw,Cap 2
Y23 74237 (000000-- ) Key1
Y24 55930 (000000-- ) PumpAdaptorAssy 1
Y25 55932 (000000-- ) Geroter&Coupler1
Y26 74180 (000000-- ) Plate,ValveCe 1
Y27 74469 (000000-- ) Valve,Dump 1
Y28 74229 (000000-- ) Spring 2
Y29 55926 (000000-- ) Retaining Ring 1
Y30 55925 (000000-- ) Retaining Ring 2
Y31 74226 (000000-- ) Race,Bearing 2
32 74248 (000000-- ) RepairInfo 1
Home
Find...
Go To..

BREAKDOWNS
385DMM305 (3--95)
4-8
Fig.4-- HydraulicGearPumpBreakdown,53622
121
1
1
1
2
2
4
5
31
07903--07488
Ref.
Tennant
PartNo.
Manufacturer
SerialNumberDescription Qty.
Ñ53622 (000000-- ) Pump, Gear1
Y1 59305 (000000-- ) SealKit1
Y2 58012 (000000-- ) Bodyand GearKit, .66 CIR2
Y3 58013 (000000-- ) Bodyand GearKit, .50 CIR1
Y4 58242 (000000-- ) Back PlateAssembly1
Y5 59382 (000000-- ) DriveShaft 1
Home
Find...
Go To..

BREAKDOWNS
4-9
385DMM305 (10--94)
Fig.5-- HydraulicMotorBreakdown,59804
1
2
3
4
5
6
7
1
1
2
8
9
10
11
12
13
19 18
21
21 20
19 20
17
16
14 15
07906--07489
Ref.
Tennant
PartNo.
Manufacturer
SerialNumberDescription Qty.
Ñ59804 (000000-- ) Motor,Hydraulic1
Y1 58269 (000000-- ) SealKit, Shaft 1
Y2 33580 (000000-- ) SealKit, Rear1
Y3 33694 (000000-- ) Shaft And Bearing Assembly1
Y4 45622 (000000-- ) Nut1
Y5 45623 (000000-- ) Key1
Y6 37616 (000000-- ) Drive 1
Y7 37756 (000000-- ) Gerotor1
Y8 74121 (000000-- ) Housing 1
Y9 37955 (000000-- ) RetainerFront1
Y10 38776 (000000-- ) Screw8
Y11 74122 (000000-- ) Plate,Valve 1
Y12 52405 (000000-- ) Drive 1
Y13 74123 (000000-- ) Valve 1
Y14 34178 (000000-- ) Spring 2
Y15 38965 (000000-- ) Ring,Assembly1
Y16 38255 (000000-- ) Bolt1
Y17 74125 (000000-- ) Bolt3
YÑ18 74124 (000000-- ) Valve,Housing 1
YY 19 34179 (000000-- ) Spring 2
YY 20 37766 (000000-- ) Ball 2
YY 21 74137 (000000-- ) Bolt2
Home
Find...
Go To..

BREAKDOWNS
385DMM305 (10--94)
4-10
Fig.6-- HydraulicMotorBreakdown,48663
1
2
34
5
6
7
8
9
10
11
12
13
14
15
16
17
18
19
20
21
22
21
21
21
22
22
22
22
22
23
Home
Find...
Go To..

BREAKDOWNS
4-11
385DMM305 (10--94)
01737--09612--09670
Fig.6-- HydraulicMotorBreakdown,48663
Ref.
Tennant
PartNo.
Manufacturer
SerialNumberDescription Qty.
Ñ48663 (000000-- ) Motor,Hydraulic(Repl.by74162)1
Y1 33694 (000000-- ) Shaft, Assy 1
Y2 74121 (000000-- ) Housing,Brg 1
Y3 37955 (000000-- ) Retainer,Frt1
Y4 74168 (000000-- ) Screw,Cap 8
Y5 37616 (000000-- ) Drive 1
Y6 37756 (000000-- ) Geroler1
Y7 74122 (000000-- ) Plate,Valve 1
Y8 52405 (000000-- ) Valve 1
Y9 74123 (000000-- ) Valve 1
Y10 34178 (000000-- ) Spring 2
Y11 38968 (000000-- ) Ring 1
Y12 74125 (000000-- ) Bolt3
Y13 38255 (000000-- ) Bolt1
Y14 74124 (000000-- ) Housing,Assy 1
Y15 37766 (000000-- ) Ball 2
Y16 34179 (000000-- ) Spring 2
Y17 74137 (000000-- ) Plug Assembly2
Y18 74098 (000000-- ) Plug Assembly1
Y19 45622 (000000-- ) Nut1
Y20 45623 (000000-- ) Key1
Y21 33580 (000000-- ) SealKit, Rear1
Y22 33579 (000000-- ) SealKit, Shaft 1
23 74249 (000000-- ) RepairInfo.1
Home
Find...
Go To..

BREAKDOWNS
385DMM305 (10--94)
4-12
Fig.7-- HydraulicMotorBreakdown,74162
1
2
34
5
6
7
8
9
10
11
12
13
14
15
16
17
18
19
20
21
22
21
21
21
22
22
22
22
22
23
Home
Find...
Go To..

BREAKDOWNS
4-13
385DMM305 (10--94)
09611--09612--09670
Fig.7-- HydraulicMotorBreakdown,74162
Ref.
Tennant
PartNo.
Manufacturer
SerialNumberDescription Qty.
Ñ74162 (000000-- ) Motor,HydGearIn 19.0 1
Y1 74165 (000000-- ) Shaft, Assy 1
Y2 74166 (000000-- ) Housing,Brg 1
Y3 74167 (000000-- ) Retainer,Frt1
Y4 74168 (000000-- ) Screw,Cap 8
Y5 37616 (000000-- ) Drive 1
Y6 37756 (000000-- ) Geroler1
Y7 74122 (000000-- ) Plate,Valve 1
Y8 52405 (000000-- ) Valve 1
Y9 74123 (000000-- ) Valve 1
Y10 34178 (000000-- ) Spring 2
Y11 38968 (000000-- ) Ring 1
Y12 74125 (000000-- ) Bolt3
Y13 38255 (000000-- ) Bolt1
Y14 74171 (000000-- ) Housing,Assy 1
Y15 37766 (000000-- ) Ball 2
Y16 34179 (000000-- ) Spring 2
Y17 74137 (000000-- ) Plug Assembly2
Y18 74098 (000000-- ) Plug Assembly1
Y19 45622 (000000-- ) Nut1
Y20 45623 (000000-- ) Key1
Y21 33580 (000000-- ) SealKit, Rear1
Y22 74170 (000000-- ) SealKit, Shaft 1
23 74249 (000000-- ) RepairInfo.1
Home
Find...
Go To..

BREAKDOWNS
385DMM305 (3--97)
4-14
Fig.8-- HydraulicMotorBreakdown,22604
1
2
34
5
6
7
8
9
10
11
12
13
14
15
16
17
18
19
20
21
22
21
21
21
22
22
22
22
22
23
Home
Find...
Go To..

BREAKDOWNS
4-15
385DMM305 (3--97)
350629--350628--09670
Fig.8-- HydraulicMotorBreakdown,22604
Ref.
Tennant
PartNo.
Manufacturer
SerialNumberDescription Qty.
Ñ22604 (000000-- ) Motor,HydGearIn 19.0B3000 1
Y1 74165 (000000-- ) Shaft, Assy 1
Y2 74166 (000000-- ) Housing,Brg 1
Y3 74167 (000000-- ) Retainer,Frt1
Y4 74168 (000000-- ) Screw,Cap 8
Y5 37616 (000000-- ) Drive 1
Y6 37756 (000000-- ) Geroler1
Y7 74122 (000000-- ) Plate,Valve 1
Y8 52405 (000000-- ) Valve 1
Y9 74123 (000000-- ) Valve 1
Y10 34178 (000000-- ) Spring 2
Y11 38968 (000000-- ) Ring 1
Y12 74125 (000000-- ) Bolt3
Y13 38255 (000000-- ) Bolt1
Y14 74171 (000000-- ) Housing,Assy 1
Y15 37766 (000000-- ) Ball 2
Y16 34179 (000000-- ) Spring 2
Y17 74137 (000000-- ) Plug Assembly2
Y18 74098 (000000-- ) Plug Assembly1
Y19 45622 (000000-- ) Nut1
Y20 45623 (000000-- ) Key1
Y21 33580 (000000-- ) SealKit, Rear1
Y22 79828 (000000-- ) SealKit, Shaft 1
23 74249 (000000-- ) RepairInfo.1
Home
Find...
Go To..

BREAKDOWNS
385DMM305 (3--95)
4-16
Fig.9-- HydraulicMotorBreakdown,53434
1
2
3
4
56
7
8
9
11
1
10
11
12 13 14
15
07907--08925
Ref.
Tennant
PartNo.
Manufacturer
SerialNumberDescription Qty.
Ñ53434 (000000-- ) Motor,Hydraulic1
Y1 61490 (000000-- ) SealKit1
Y2 31354 (000000-- ) Flange,Mounting 1
Y3 31375 (000000-- ) OutputShaft 1
Y4 45628 (000000-- ) Bearing 1
Y5 16695 (000000-- ) Race,Thrust1
Y6 34176 (000000-- ) Drive 1
Y7 31381 (000000-- ) GerotorSet1
Y8 00500--15 (000000-- ) Key,Woodruff 1
Y9 39527 (000000-- ) Nut, slotted Hex1
Y10 74092 (000000-- ) Housing 1
Y11 74094 (000000-- ) SpacerPlate 1
Y12 74095 (000000-- ) End Cap 1
Y13 74096 (000000-- ) Washer5
Y14 74097 (000000-- ) Screw,Cap 5
Y15 37555 (000000-- ) Screw4
Home
Find...
Go To..

BREAKDOWNS
4-17
385D MM305 (3--95)
Fig. 10 -- Hydraulic Motor Breakdown, 74468
1
2
3
4
5
6
7
8
9
10
11
12
13
14
15
16
16
16
17
09669--09606--09670
Ref. Tennant
Part No. Manufacturer
Serial Number Description Qty.
74468 (000000-- )Motor, Hyd Gear In 02.8 B 1500 1
Y1 37555 (000000-- ) Cap, Screw 4
Y2 31354 (000000-- ) Flange Mounting 1
Y3 16695 (000000-- ) Race Thrust 1
Y4 45628 (000000-- ) Thrust Bearing 1
Y531375 (000000-- )Shaft, Output 1
Y6 74100 (000000-- ) Housing Cl 1
Y7 34176 (000000-- ) Drive 1
Y8 74094 (000000-- ) Spacer Plate Cl 1
Y9 31381 (000000-- ) Gerotor Set 1
Y10 74095 (000000-- )Spacer Plate Cl 1
Y11 74174 (000000-- ) Cap, Screw Cl 5
Y12 74098 (000000-- ) Plug Assembly Ph 1
Y13 74099 (000000-- ) Plug Assembly Ph 2
Y14 00500--15 (000000-- ) Key--Wdruff 0.25 1.00 Asa#0808 1
Y15 39527 (000000-- )Nut--Hxslot .75--16 Pltd 1
Y16 61490 (000000-- ) Seal Replmt Kit 1
17 74250 (000000-- ) Repair Info. Cl 1
Home
Find...
Go To..

BREAKDOWNS
385D MM305 (3--95)
4-18
Fig. 11 -- Hydraulic Motor Breakdown, 53435
1
2
4
56
7
1
1
3
9
10
11
12
8
13
07908--08926--09670
Ref. Tennant
Part No. Manufacturer
Serial Number Description Qty.
53435 (000000-- )Motor, Hydraulic 1
Y1 61490 (000000-- ) Seal Kit 1
Y2 31354 (000000-- ) Flange, Mounting 1
Y3 31373 (000000-- ) Output Shaft 1
Y4 45628 (000000-- ) Bearing Thrust 1
Y516695 (000000-- )Race, Thrust 1
Y6 31377 (000000-- ) Drive 1
Y7 31384 (000000-- ) Gerotor Set 1
Y8 37555 (000000-- ) Screw 4
Y9 74100 (000000-- ) Housing 1
Y10 74094 (000000-- )Spacer Plate 1
Y11 74101 (000000-- ) End Cap 1
Y12 74102 (000000-- ) Screw, Cap 5
13 74250 (000000-- ) Repair Info. 1
Home
Find...
Go To..

BREAKDOWNS
4-19
385DMM305 (3--95)
Fig.12 -- HydraulicMotorBreakdown,53485
1
3
2
4
4
4
5
6
07909--07490--09670
Ref.
Tennant
PartNo.
Manufacturer
SerialNumberDescription Qty.
Ñ53485 (000000-- ) Motor,Hydraulic1
Y74233 (000000-- ) SealKit, Motor1
Y1 00966 (000000-- ) Key1
YÑ2 54095 (000000-- ) ValveAssembly,Solenoid 1
YY 3 59378 (000000-- ) Cartridge,SolenoidValve 1
YY 4 48813 (000000-- ) SealKit, One Cartridge 1
YY 5 35493 (000000-- ) Coil 1
6IB3614 (000000-- ) RepairInfo.1
Home
Find...
Go To..

BREAKDOWNS
385DMM305 (3--95)
4-20
Fig.13 -- HydraulicSteering Valve Breakdown,54022
2
1
34
5
6
7
8
9
10
11
12 13 14
15
16
17
18
1
19
9
9
07910--07491
Ref.
Tennant
PartNo.
Manufacturer
SerialNumberDescription Qty.
Ñ54022 (000000-- ) Valve,HydraulicSteering (Replby74172)1
Y1 57152 (000000-- ) SealKit1
Y2 74118 (000000-- ) Plug 1
Y3 58596 (000000-- ) Drive 1
Y4 57156 (000000-- ) Gerotor1
Y5 74097 (000000-- ) Cap,Screw7
Y6 74103 (000000-- ) Cap,End 1
Y7 74105 (000000-- ) Spacer1
Y8 74106 (000000-- ) SpacerPlate 1
Y9 74108 (000000-- ) ControlAssembly1
Y10 74109 (000000-- ) Race,Bearing 2
Y11 74110 (000000-- ) Bearing,Needle 1
Y12 74111 (000000-- ) Ring,Retaining 1
Y13 74112 (000000-- ) Retainer,Front1
Y14 74113 (000000-- ) Pin,Spring 1
Y15 74114 (000000-- ) Ball,Check 1
Y16 74115 (000000-- ) Seat, Ball 1
Y17 74116 (000000-- ) Poppet1
Y18 74117 (000000-- ) Spring 1
Home
Find...
Go To..

BREAKDOWNS
4-21
385DMM305 (3--95)
Fig.14 -- HydraulicSteering Valve Breakdown,74172
1
2
3
4
5
6
7
8
13
13
13
13
O--ringGroove
BackSide
10 9
13
NotSold
Separately
14
O--ringGroove
BackSide
O--ringGroove
BackSide
12
11
NotSold
Separately
NotSold
Separately
10174--09936--09670
Ref.
Tennant
PartNo.
Manufacturer
SerialNumberDescription Qty.
Ñ74172 (000000-- ) Valve,HydraulicSteering 1
Y1 65241 (000000-- ) Cap,Screw7
Y2 74181 (000000-- ) Cap,End 1
Y3 57156 (000000-- ) GerotorSet1
Y4 74182 (000000-- ) Plate,Wear1
Y5 58596 (000000-- ) Drive 1
Y6 74218 (000000-- ) Pin 1
Y7 74109 (000000-- ) Race,Bearing 2
Y8 74110 (000000-- ) Bearing,Needle 1
Y9 74112 (000000-- ) Retainer,Front1
Y10 74111 (000000-- ) Ring,Retaining 1
Y11 74105 (000000-- ) Spacer1
Y12 74195 (000000-- ) Spring Kit1
Y13 74190 (000000-- ) SealKit1
14 74251 (000000-- ) RepairInfo 1
Home
Find...
Go To..

BREAKDOWNS
385D MM305 (3--95)
4-22
Fig. 15 -- Hydraulic Valve Breakdown, 48751
CONTROL VALVE
Spool #1 Brushes
Spool #2 Hopper Door
Spool #3 Hopper Lift
Spool #3
Spool #2
Spool #1
1
2
3
4
5
6
7
8
9
10
11
12
14
17
18
19
20
21
22
23, 24, 25
26
27
28
29
4
9
11
12
13
14
15
15
15
16
17
18
28
28
A
B
C
D
E
F
OUT
IN
6
6
Not Sold
Separately
Not Sold
Separately
28
28
19 16
30 31
BYD
IN
Home
Find...
Go To..

BREAKDOWNS
4-23
385DMM305 (3--95)
10411--10412
Fig.15 -- HydraulicValve Breakdown,48751
Ref.
Tennant
PartNo.
Manufacturer
SerialNumberDescription Qty.
Ñ48751 (000000-- ) Valve,HydCntrlMan 1
Y1 79785 (000000-- ) Spacer1
Y2 79786 (000000-- ) Plunger1
Y3 79787 (000000-- ) Spring 1
Y4 79788 (000000-- ) Bushing 3
Y5 79789 (000000-- ) Cap Assembly1
Y6 79792 (000000-- ) Retaining Rng 3
Y7 79794 (000000-- ) Washer1
Y8 13907 (000000-- ) Plug,#8 O--Ring 1
Y9 79795 (000000-- ) Plug &O--Ring 3
Y10 79796 (000000-- ) Spring 1
Y11 79801 (000000-- ) Spacer2
Y12 79802 (000000-- ) DetentAdaptr2
Y13 79803 (000000-- ) Cap Assembly1
Y14 79800 (000000-- ) Cone 2
Y15 79804 (000000-- ) Ball 6
Y16 79806 (000000-- ) Washer2
Y17 79805 (000000-- ) Washer2
Y18 79807 (000000-- ) Spring 2
Y19 79808 (000000-- ) Spring 2
Y20 13904 (000000-- ) Plug,#6 O--Ring 2
Y21 79790 (000000-- ) Plug Assembly1
Y22 79791 (000000-- ) Poppet1
Y23 79793 (000000-- ) Shim.035 Thk--
Y24 79798 (000000-- ) Shim.015 Thk--
Y25 79799 (000000-- ) Shim.010 Thk--
Y26 21915 (000000-- ) Spring 1
Y27 79821 (000000-- ) Cap Assembly1
Y28 79812 (000000-- ) SealKit, Vlv1
Y29 79813 (000000-- ) Kit, Detent Out1
Y30 79815 (000000-- ) Kit, Detent I&O1
31 79820 (000000-- ) RepairInfo,Valve 1
Home
Find...
Go To..

BREAKDOWNS
385DMM305 (3--95)
4-24
Fig.16 -- HydraulicValve Breakdown,53830
CONTROLVALVE
Spool#1Brushes
Spool#2HopperDoor
Spool#3HopperLift
Spool#3
Spool#2
Spool#1
1
2
3
4
5
1
1
1
1
6
NotSold
Separately
NotSold
Separately
NotSold
Separately
07911--07492
Ref.
Tennant
PartNo.
Manufacturer
SerialNumberDescription Qty.
Ñ53830 (000000-- ) Valve,Hydraulic(Replby48761)1
Y1 58845 (000000-- ) SealKit1
Y2 58689 (000000-- ) DetentKit, Spool#1 1
Y3 74126 (000000-- ) Spring Kit, Spool#3 1
Y4 58847 (000000-- ) ReliefAssembly1
Y5 58843 (000000-- ) DetentKit, Spool#2 1
Y6 74127 (000000-- ) Check Kit, LD DK2
Home
Find...
Go To..

BREAKDOWNS
4-25
385DMM305 (3--95)
Fig.17 -- HydraulicCylinderBreakdown,74419
1
1
1
07912--07493
Ref.
Tennant
PartNo.
Manufacturer
SerialNumberDescription Qty.
Ñ74419 (000000-- ) Cylinder,Hydraulic1
Y1 59335 (000000-- ) SealKit1
Home
Find...
Go To..

BREAKDOWNS
385D MM305 (3--95)
4-26
Fig. 18 -- Hydraulic Cylinder Breakdown, 53601
1
1
1
07913--07494
Ref. Tennant
Part No. Manufacturer
Serial Number Description Qty.
53601 (000000-- )Cylinder, Hydraulic 1
Y1 04483 (000000-- ) Seal Kit 1
Home
Find...
Go To..

ENGINEBREAKDOWN
5-1
385DMM305 (3--97)
SECTION5
CONTENTS PAGE
Fig.1-- CrankcaseGroup 5-2.........................................................................
Fig.2-- Oil Pan Group 5-4............................................................................
Fig.3-- CylinderHead Group 5-5......................................................................
Fig.4-- GearCaseGroup 5-6........................................................................
Fig.5-- WaterPumpGroup 5-8.......................................................................
Fig.6-- MainBearing CaseGroup 5-9.................................................................
Fig.7-- Head CoverGroup 5-10......................................................................
Fig.8-- ManifoldGroup 5-11..........................................................................
Fig.9-- Valve,RockerArm Group 5-12................................................................
Fig.10 -- Camshaft Group 5-13.......................................................................
Fig.11 -- Piston and Crankshaft Group 5-14............................................................
Fig.12 -- FlywheelGroup 5-16........................................................................
Fig.13 -- StarterBreakdown,55860 (000000--xxxxxx)5-18...............................................
Fig.14 -- StarterBreakdown,74405 (xxxxxx-- ) 5-20...............................................
Fig.15 -- NozzleHolderGroup 5-22...................................................................
Fig.16 -- NozzleHolderBreakdown 5-24...............................................................
Fig.17 -- Injection PumpGroup 5-26..................................................................
Fig.18 -- Injection PumpBreakdown(000000--489290)5-28..............................................
Fig.19 -- Injection PumpBreakdown(489291-- ) 5-30................................................
Fig.20 -- Fuel Camshaft Group 5-32...................................................................
Fig.21 -- Idling Group 5-33...........................................................................
Fig.22 -- Speed ControlPlateGroup 5-34..............................................................
Fig.23 -- GovernorGroup 5-35.......................................................................
Fig.24 -- WaterFlange Group 5-36....................................................................
Home
Find...
Go To..

ENGINEBREAKDOWN
385DMM305 (10--92)
5-2
Fig.1-- Crankcase Group
1
2
3
4
5
6
7
8
9
10
11
12
13
14
15
16
17
18 19
20
21
22
6
2
12
11
6
Home
Find...
Go To..

ENGINEBREAKDOWN
5-3
385DMM305 (3--97)
07406/07407
Fig.1-- Crankcase Group
Ref.
Tennant
PartNo.
Kubota
PartNumberDescription Qty.
Ñ1 70997 16282--0101--5¡Comp.Crankcase 1
Ñ1 84646 16626--0101--0©Comp.Crankcase 1
Y2 70998 15451--9627--0Cap,Sealing 6
Y3 39087 15221--0349--0Cap,Sealing 1
Y4 39088 15261--9601--0Plug 4
Y5 70999 16271--9602--0¡Plug 1
Y5 84647 16683--9602--0©Plug 1
Y6 71985 16241--9601--0Plug 3
Y7 39051 15521--9602--0Plug 2
Y8 30071 06311--75018 Plug,Expansion 3
Y9 71986 16271--9616--0Plug,Expansion 1
Y10 71987 05012--00508 Pin,Straight2
Y11 71988 05012--00814 Pin,Straight2
Y12 71989 05012--00610 Pin,Straight2
Y13 71990 15231--3396--0Pin,Pipe 2
Y14 71991 16241--3365--0Pin,Pipe 1
Y15 71992 16241--9626--0Plug 1
Y16 39105 15221--5628--0Pin,StartSpring 1
Y17 71993 16282--9601--0Plug 1
Y18 39062 15221--3361--0Plug 1
Y19 10895 15021--3366--0Gasket1
Y20 70887 16271--5535--0Bush, GovernorGear1
21 39063 15221--3370--0O--Ring 1
22 70888 15841--7302--0AssemblyCock,Drain 1
¡KubotaEngine Serial Number (000000--527074)
©KubotaEngine Serial Number (527075-- )
Home
Find...
Go To..

ENGINEBREAKDOWN
385DMM305 (3--96)
5-4
Fig.2-- Oil PanGroup
1
2
3
4
5
6
7
8
9
10
11
07408/07409
Ref.
Tennant
PartNo.
Kubota
PartNumberDescription Qty.
1 71994 16285--01501 Comp. Oil Pan (RearSump)1
2 70889 16241--0162--0Gasket, Oil Pan 1
3 71995 01023--50612 Bolt26
4 70890 15451--3375--0Plug,Drain 1
5 70891 15451--9667--0Gasket1
6 70892 16282--32110 Filter, Oil--oil Pick UpTube 1
7 39094 01123--50816 Bolt1
8 41792 04811--00160 O--Ring 1
9 79893 16611--3641--0Gauge, Oil 1
10 70894 16282--3642--2Guide, Oil Gauge 1
11 39073 01123--50814 Bolt1
66187 16246--99360 GasketSet, Lower1
Home
Find...
Go To..
9006001

ENGINEBREAKDOWN
5-5
385DMM305 (3--97)
Fig.3-- CylinderHeadGroup
1
2
3
4
5
6
78
9
10
11
12
13
6
3
07410/07411
Ref.
Tennant
PartNo.
Kubota
PartNumberDescription Qty.
1 71996 16241--0175--0Hook,Engine 1 1
2 71997 16241--0177--0Hook,Engine 2 1
3 39073 01123--50814 Bolt2
Ñ4 66202 16285--0304--2¡Comp.CylinderHead 1
Ñ4 84631 16060--0304--0©CylinderHead Assy 1
Y5 51331 15321--9626--0Cap,Sealing 1
Y6 39088 15261--9601--0Plug 2
Y7 70895 16241--1354--0Guide, InletValve 4
Y8 70896 16241--1356--0Guide,ExhaustValve 4
Y9 71999 15261--0337--0Cap,Sealing 3
10 70897 16241--0345--0Bolt, CylinderHead 18
11 70898 16271--0345--0¢Bolt, CylinderHead 2
12 72010 15841--9602--0Plug 1
13 70899 16282--0331--0Gasket, CyclinderHead 1
66194 16286--99350 GasketSet, Upper1
¡KubotaEngine Serial Number (000000--489290)
©KubotaEngine Serial Number (489291-- )
¢KubotaEngine Serial Number (000000--325640)
Home
Find...
Go To..

ENGINEBREAKDOWN
385DMM305 (3--96)
5-6
Fig.4-- GearCase Group
1
2
3
45
6
78
9
28
29
30 31
14
15
16
17
18
19
21
22
23
25 26
27
11
12 13
32
33
10
2
34
20
24
Home
Find...
Go To..

ENGINEBREAKDOWN
5-7
385DMM305 (3--97)
07412/07413
Fig.4-- GearCase Group
Ref.
Tennant
PartNo.
Kubota
PartNumberDescription Qty.
Ñ1 72011 06259--0402--0Comp.Case, Gear1
Y2 72012 17331--9604--0Plug 4
Y3 12916 15241--3229--0Joint, Pipe 1
Y4 70900 16241--3695--0Spring 1
Y5 70901 16241--3693--0Seat, Valve 1
Y6 70902 07715--00201 Ball 1
Y7 70903 16241--3507--0AssemblyRotor, Oil Pump 1
Y8 70904 16259--3513--0Cover, Oil Pump 1
Y9 72013 16241--9312--0Screw5
Y10 70905 16259--3288--2Cover1
Y11 70906 16259--3290--0Bolt1
Y12 70907 01814--50600 O--Ring 1
Y13 39103 04811--00150 O--Ring 1
14 72014 15841--9104--0Bolt1
15 72015 16241--9104--0Bolt2
16 72016 16259--9104--0Bolt1
17 72017 01513--50645 Stud 1
18 39121 02056--50060 Nut1
19 39065 04512--50060 Washer,Spring 1
20 70909 16259--0421--2Seal, Oil 1
21 70910 14814--06100 O--Ring 2
22 70911 04814--00150 O--Ring 2
23 72018 01513--50616 Stud 2
24 55849 16271--3209--0AssemblyCartridge, Oil 1
25 72019 16285--8334--0¡Cover1
26 72020 16241--8813--0¡Gasket, H/MeterUnit1
27 41973 01023--50616 ¡Bolt2
28 70912 16264--0413--0Gasket, GearCase 1
29 72993 01023--50645 Bolt3
30 72994 01023--50650 Bolt4
31 72995 01023--50655 Bolt2
32 39161 15221--3314--0Oil Filter,Plug 1
33 70913 04814--50300 O--Ring 1
34 70189 16264--83341 ©Cover1
¡KubotaEngine Serial Number (000000--475253)
©KubotaEngine Serial Number (475254-- )
Home
Find...
Go To..

ENGINEBREAKDOWN
385DMM305 (3--96)
5-8
Fig.5-- WaterPumpGroup
1
2
3
4
5
6
7
8
9
10
07414/07415
Ref.
Tennant
PartNo.
Kubota
PartNumberDescription Qty.
Ñ1 66205 AssemblyPump,Water1
Y2 70915 16241--7355--0Bearing,Ball 1
Y3 70916 16241--7305--0AssemblySeal,Mechanical1
Y4 70917 16241--7351--0Impeller,WaterPump 1
Y5 70918 16241--7334--0Pipe,WaterReturn 1 1
Y6 70919 16241--7352--0Flange,WaterPump 1
Y7 70920 16259--73430 Gasket, WaterPump 1
8 72997 01023--50680 Bolt2
9 72996 01023--50630 Bolt4
10 55847 16241--7425--0Pully,Fan 1
Home
Find...
Go To..

ENGINEBREAKDOWN
5-9
385DMM305 (3--96)
Fig.6-- MainBearing Case Group
1
2
3
4
5
6
7
8
10
11
12
10
10
9
2
2
2
07416/07417
Ref.
Tennant
PartNo.
Kubota
PartNumberDescription Qty.
1 70921 16241--0409--0AssemblyCase,MainBearing 1
2 72998 16241--0454--0Bolt, Bearing Case 1 8
3 70922 16264--0436--0Gasket, Bearing Case 1
4 70923 16241--0481--3Cover,Bearing Case 1
5 70924 16241--0446--0Seal, Oil 1
6 70925 16264--0482--0Gasket, Bearing CaseCover1
7 72999 01023--50625 Bolt8
8 39119 01023--50620 Bolt9
9 70926 16261--0404--0AssemblyCase,MainBearing 1 1
10 73479 16241--0456--0Bolt. Bearing Case 2 3
11 70927 16261--0405--0AssemblyCase,MainBearing 2 1
12 70928 16282--0406--0AssemblyCase,MainBearing 3 1
Home
Find...
Go To..

ENGINEBREAKDOWN
385DMM305 (3--96)
5-10
Fig.7-- HeadCoverGroup
1
2
3
4
5
6
7
8
9
10
11
12
13
07418/07419
Ref.
Tennant
PartNo.
Kubota
PartNumberDescription Qty.
Ñ1 73480 16241--1450--0Cover,CylinderHead 1
Y2 70929 16241--1452--0Gasket, Head Cover1
Y3 73481 16241--0555--0Joint, BreatherPipe 1
Y4 70930 16241--0514--0Plate,Element1 1
Y5 70931 16241--0515--0Plate,Element2 1
Y6 70932 16241--0567--0Element, Breather1
Y7 70933 16241--0537--0Oil Shield,Breather1
Y8 73482 03024--50510 Screw,WithWasher2
9 73483 15952--9233--0Nut, Cap 4
10 73484 15951--9666--0Gasket4
11 39161 15221--3314--0Plug, Oil Filler1
12 39162 04811--50300 O--Ring 1
13 73485 16241--0551--0Pipe,Breather1
Home
Find...
Go To..

ENGINEBREAKDOWN
5-11
385DMM305 (3--96)
Fig.8-- ManifoldGroup
1
2
3
4
5
6
7
8
9
10
07420/07421
Ref.
Tennant
PartNo.
Kubota
PartNumberDescription Qty.
1 73486 16271--1176--3Manifold, Inlet1
2 70934 16241--1182--0Gasket, In--manifold 1
3 40409 01023--50618 Bolt3
4 72996 01023--50630 Bolt2
5 72994 01023--50650 Bolt3
6 73487 16283--12310 Manifold,Exhaust, Front, Down 1
7 70935 16241--1236--0Gasket, Ex--manifold 1
8 73488 16241--9149--0Stud 8
9 73489 16241--9201--0Nut8
10 51332 15371--1237--0GasketKu 1
Home
Find...
Go To..

ENGINEBREAKDOWN
385DMM305 (3--96)
5-12
Fig.9-- Valve,RockerArm Group
1
2
3
4
5
6
7
9
10
11
12
13
14
15
16
17 18
19
20
21
19
19
19
19
17
17
16
18
15
13
13
13
12
12
19
9
8
2
2
21
1
1
10
10
19
12
10
07422/07423
Ref.
Tennant
PartNo.
Kubota
PartNumberDescription Qty.
1 70936 16241--1311--0Valve, Inlet4
2 70937 16241--1312--0Valve,Exhaust4
3 73491 16271--1324--0Spring,Valve 8
4 73492 16241--1333--0Retainer,ValveSpring 8
5 73493 15261--1336--0Collet, ValveSpring 8
6 73494 16241--1315--0Seal,ValveStem8
7 66201 15261--1328--0Cap,Valve 8
Ñ8 73495 16241--1405--0AssemblyShaft, R--arm 1
Y9 73496 03410--50606 Screw,Set2
10 73497 16241--1435--0Bracket, RockerArm 4
11 73498 16241--1441--0Stud 4
12 73499 15261--9201--0Nut4
13 73500 15261--9401--0Washer,Plain 4
14 73501 15261--1442--0Screw,Set1
15 73502 16241--1443--0Washer1 2
16 73503 16241--1444--0Washer2 2
17 73504 16241--1431--0Spring,RockerArm 3
18 73505 04612--00120 Cir--clip,External2
Ñ19 73506 16241--1403--0AssemblyRockerArm 8
Y20 73507 16241--1423--0Screw,Adjusting 8
Y21 73508 16241--1424--0Nut8
Home
Find...
Go To..

ENGINEBREAKDOWN
5-13
385DMM305 (3--97)
Fig.10 -- Camshaft Group
1
23
4
5
6
7
89
10
11
12
13
14
15
07424/07425
Ref.
Tennant
PartNo.
Kubota
PartNumberDescription Qty.
1 12895 15261--1555--0Tappet8
2 73509 16241--1511--0PushRod 8
Ñ3 73510 16271--1601--0AssemblyCamshaft 1
Y4 39197 15521--9361--0Screw,Set1
Y5 73511 16241--1651--0Gear,Camshaft 1
Y6 73512 05712--00518 Key,Feather1
Y7 73513 16241--1627--0Stopper,Camshaft 1
Y8 39160 01053--50614 Bolt2
Ñ9 73514 16271--2401--0CompIdleGear1 1
Y10 73515 16271--2498--0Bush, IdleGear1
11 73516 16241--2436--0Collar, IdleGear1 1
12 73517 16241--2437--0Collar, IdleGear2 1
13 73518 16241--2432--0Cir--clip, IdleGear1
14 73519 16241--2425--0Shaft, IdleGear1 1
15 41973 01023--50616 Bolt3
Home
Find...
Go To..

ENGINEBREAKDOWN
385DMM305 (3--96)
5-14
Fig.11 -- Piston and Crankshaft Group
1
2
34
5
6
7
8
9
10
11
12
13
14
15
17
16
18
19
20
21
22
23
24
22
4
Home
Find...
Go To..

ENGINEBREAKDOWN
5-15
385DMM305 (3--97)
07426/07427
Fig.11 -- Piston and Crankshaft Group
Ref.
Tennant
PartNo.
Kubota
PartNumberDescription Qty.
1 73520 16060--2111--0Piston 4
1 73521 16060--2191--0Piston 05 4
2 70938 16261--2105--0AssemblyPiston Ring 4
2 70939 16261--2109--0AssemblyPiston Ring 05 4
3 73522 16241--2131--0Pin,Piston 4
4 73523 16241--2133--0Cir--clip,Piston Pin 8
Ñ5 73524 16241--2201--2AssemblyConnecting Rod 4
Y6 70940 16241--2198--0Bush,Piston Pin 4
Y7 73525 16241--2214--0Bolt, Connecting Rod 8
Y8 70941 16241--2231--0Metal,Crankpin 4
Y8 66204 16241--2297--0Metal,Crankpin 02 4
Y8 66207 16241--2298--0Metal,Crankpin 04 4
Ñ9 73526 16282--2301--3Comp.Crankshaft 1
Y10 71987 05012--00508 ¡Pin,Straight1
Y11 73527 07715--00401 Ball 4
Y12 73528 16241--2411--0Gear,Crankshaft 1
Y13 73529 16271--9523--0Key1
Y14 73530 16241--3563--0Gear, Oil PumpDrive 1
Y15 70942 16241--2328--0Sleeve,Crankshaft 1
16 70943 16241--2325--0Collar,Crankshaft 1
17 70944 04811--10280 O--Ring 1
18 70945 16241--2347--0Metal,Crankshaft 1 1
18 70946 16241--2391--0Metal,Crankshaft1 02 1
18 70947 16241--2392--0Metal,Crankshaft1 04 1
19 70948 16241--2348--0Metal,Crankshaft 2 3
19 70949 16241--2393--0Metal,Crankshaft2 02 3
19 70950 16241--2394--0Metal,Crankshaft2 04 3
20 70951 16241--2349--0Metal,Crankshaft 3 1
20 70952 16241--2386--0Metal,Crankshaft3 02 1
20 70953 16241--2387--0Metal,Crankshaft3 04 1
21 10844 15521--2353--0Metal,Side 1 2
21 70954 15521--2395--0Metal,Side 1 02 2
21 70955 15521--2396--0Metal,Side 1 04 2
22 10845 19202--2354--0Metal,Side 2 2
22 30121 19202--2397--0Metal,Side 2 02 2
22 30122 19202--2398--0Metal,Side 2 04 2
23 73531 16271--74281 Pulley,Fan Drive,112mm 1
24 73532 16241--9102--0Bolt1
¡KubotaEngine Serial Number (000000--459953)
Home
Find...
Go To..

ENGINEBREAKDOWN
385DMM305 (2--93)
5-16
Fig.12 -- Flywheel Group
1
2
3
4
5
RearEndPlate
Home
Find...
Go To..

ENGINEBREAKDOWN
5-17
385DMM305 (3--96)
07428/07429
Fig.12 -- Flywheel Group
Ref.
Tennant
PartNo.
Kubota
PartNumberDescription Qty.
Ñ1 70956 16614--2501--2Comp.Flywheel1
Y2 70957 15262--6382--0Gear,Ring 1
3 73533 16241--2516--0Bolt, Flywheel6
4 73534 15261--9119--0Bolt8
5 73535 01123--50830 Bolt2
Home
Find...
Go To..

ENGINEBREAKDOWN
385DMM305 (2--93)
5-18
Fig.13 -- StarterBreakdown,55860 (000000--xxxxxx)
1
2
3
4
5
6
7
8
9
10
11
12
13
14
15 16
17
18
19
20
21
22
Home
Find...
Go To..

ENGINEBREAKDOWN
5-19
385DMM305 (3--96)
07430/07431
Fig.13 -- StarterBreakdown,55860 (000000--xxxxxx)
Ref.
Tennant
PartNo.
Kubota
PartNumberDescription Qty.
Ñ55860 AssemblyStarter1
Y1 73536 16271--6308--0Yoke 1
Y2 70959 15501--6337--0Brush 2
Y3 73537 16271--6307--0Armature 1
Y4 73538 15504--6353--0Bearing,Ball 1
Y5 70960 16271--6353--0Bearing,Ball 1
Y6 70961 15504--6304--0Clutch 1
Y7 70962 16271--6314--0Pinion,Bevel1
Y8 73539 15504--6303--0Housing 1
Y9 73553 19616--9201--0Nut, Hexagon 1
Y10 73541 16271--6338--0Holder,Brush 1
Y40442 15401--6339--0Spring,Brush 4
Y11 73543 15501--6320--0Frame,End 1
Y12 40457 15401--6327--0Gear1
Y13 73544 19212--6310--0Roller5
Y14 73545 19212--6311--0Retainer1
Y15 73546 19212--9713--0Ball 1
Y16 73547 19212--6312--0Spring 1
Y17 73548 15501--9331--0Screw,Pan Head 2
Y18 73549 15501--6332--0Bolt, Through 2
Y19 73550 15501--9102--0Bolt2
Y20 73551 13963--9201--0Nut, Hexagon 1
Y21 73552 15504--6312--0Cover,Cord 1
Y22 39097 04512--50080 Washer,Spring 1
Home
Find...
Go To..

ENGINEBREAKDOWN
385DMM305 (10--94)
5-20
Fig.14 -- StarterBreakdown,74405 (xxxxxx-- )
1
2
3
4
5
6
7
8
9
10
11
12
13
14
15
16
17
18
19
20
21
22
23
24
18
Home
Find...
Go To..

ENGINEBREAKDOWN
5-21
385DMM305 (10--94)
10183/10182
Fig.14 -- StarterBreakdown,74405 (xxxxxx-- )
Ref.
Tennant
PartNo.
Kubota
PartNumberDescription Qty.
Ñ1 74405 16695--63012 Assy Starter1
Y2 70196 11460--63080 Assy Yoke 1
YÑ3 70197 11460--63070 Assy Armature 1
YY 4 70198 11460--6350--0Bearing 1
YY 5 70199 11460--6353--0Bearing 1
Y6 70200 34070--16810 Clutch, OverRunning 1
Y7 70201 16285--63030 Frame,DriveEnd 1
Y8 70202 16695--63022 Assy Switch,Magneto 1
Y9 70203 16695--63202 Frame,End 1
YÑ10 70204 16695--63380 Assy Holder,Brush 1
YY 11 70205 11460--63390 Spring,Brush 4
Y12 70206 34070--16820 Gear1
Y13 70207 11460--6311--0Retainer1
Y14 73545 19212--6310--0Roller5
Y15 70208 11460--6312--0Spring 1
Y16 73547 19212--9713--0Ball 1
Y17 70209 11460--9331--0Bolt2
Y18 20433 15511--9666--0O--Ring 2
Y19 70210 11460--63320 Bolt2
Y20 20432 15511--6376--0Assy Bolt2
Y21 70211 16695--63870 Cover1
Y22 73551 13963--92010 Nut, Hexagon 1
Y23 70212 16285--9201--0Nut, Hexagon 1
Y24 70213 16285--6357--0Pipe,Drain 1
Home
Find...
Go To..

ENGINEBREAKDOWN
385DMM305 (3--96)
5-22
Fig.15 -- NozzleHolderGroup
1
3
52
6
7
8910 11
12
1314
15
16
15
6
5
17
17
17
17
4
Home
Find...
Go To..

ENGINEBREAKDOWN
5-23
385DMM305 (3--97)
07432/07433
Fig.15 -- NozzleHolderGroup
Ref.
Tennant
PartNo.
Kubota
PartNumberDescription Qty.
1 73554 16271--4250--2Pipe, OverFlow1
2 73555 15841--5136--0Screw1
3 40166 15601--9665--0Gasket1
Ñ4 73557 16271--4202--0AssemblyPipe, OverFlow1
Y5 73558 16241--4232--0Band,Pipe 2
6 73559 16032--5300--0HolderAssembly,Nozzle(See Bkdn)4
7 70964 15841--5362--0Gasket4
8 70965 16271--5371--2Pipe, Injection 1 1
9 70966 16271--5372--2Pipe, Injection 2 1
10 70967 16271--5373--2Pipe, Injection 3 1
11 70968 16271--5374--2Pipe, Injection 4 1
12 30131 15841--5385--0Clamp,Pipe 1 3
13 30132 15841--5386--0Clamp,Pipe 2 3
14 39508 03024--50520 Screw,WithWasher3
15 70969 16241--6551--0Plug, Glow4
15 84638 16851--6551--0©Plug, Glow4
16 73560 16271--6556--0¡Cord, GlowPlug 1
17 20719 19077--5365--0©Seal,Heat4
¡KubotaEngine Serial Number (000000--489290)
©KubotaEngine Serial Number (489291-- )
Home
Find...
Go To..

ENGINEBREAKDOWN
385DMM305 (10--94)
5-24
Fig.16 -- NozzleHolderBreakdown
1
2
4
5
6
7
8
3
9 10
Home
Find...
Go To..

ENGINEBREAKDOWN
5-25
385DMM305 (3--96)
07434/07435
Fig.16 -- NozzleHolderBreakdown
Ref.
Tennant
PartNo.
Kubota
PartNumberDescription Qty.
Ñ1 73559 16032--5300--0HolderAssembly,Nozzle 4
Y2 16032--9203--0Nut4
Y3 16032--5361--0Piece,Nozzle 4
Y4 16032--5317--0Spring,Nozzle 4
Y5 16032--5335--0Piece,Distance 4
Y6 16032--5316--0PushRod 4
Y7 16032--5328--0Nut, Nozzle 4
Y8 16032--9404--0Washer4
YÑ9 16032--9810--0AssemblyWasher,Adjust1
YY 10 16032--5323--0Washer,Adjusting 1
YY 10 16032--9850--0Washer,Adjusting 0.10 mm 1
YY 10 16032--9851--0Washer,Adjusting 0.20 mm 1
YY 10 16032--9852--0Washer,Adjusting 0.30 mm 1
YY 10 16032--9853--0Washer,Adjusting 0.40 mm 1
YY 10 16032--9854--0Washer,Adjusting 0.50 mm 1
YY 10 16032--9855--0Washer,Adjusting 0.52 mm 1
YY 10 16032--9856--0Washer,Adjusting 0.54 mm 1
YY 10 16032--9857--0Washer,Adjusting 0.56 mm 1
YY 10 16032--9858--0Washer,Adjusting 0.58 mm 1
YY 10 16032--9859--0Washer,Adjusting 0.80 mm 1
Home
Find...
Go To..

ENGINEBREAKDOWN
385DMM305 (10--94)
5-26
Fig.17 -- Injection PumpGroup
1
2
3
4
5
6
7
8
9
10 11
8
Home
Find...
Go To..

ENGINEBREAKDOWN
5-27
385DMM305 (3--97)
07436/07437
Fig.17 -- Injection PumpGroup
Ref.
Tennant
PartNo.
Kubota
PartNumberDescription Qty.
1 73565 15852--52140 FuelPumpCoverPlate 1
2 70971 16285--5101--0¡PumpAssembly, Injection (See Bkdn)1
2 84635 16060--5101--0©PumpAssembly, Injection (See Bkdn)1
3 70972 16040--5209--2Shim, Injection Pump,0.20 mm 1
4 70973 16040--5211--2Shim, Injection Pump,0.25 mm 2
4 84644 16040--5212--2Shim, Injection Pump,0.30 mm 1
5 73561 01311--10620 Bolt3
6 73562 15841--9150--0Stud 3
7 73563 15841--9232--0Nut, Cap 3
8 39065 04512--50060 Washer,Spring 6
9 70974 15841--5214--0Gasket, FuelPump 1
10 39121 02056--50060 Nut2
11 39065 04512--50060 Washer,Spring 2
¡KubotaEngine Serial Number (000000--489290)
©KubotaEngine Serial Number (489291-- )
Home
Find...
Go To..

ENGINEBREAKDOWN
385DMM305 (3--97)
5-28
Fig.18 -- Injection PumpBreakdown(000000--489290)
1
2
3
4
5
6
7
8
9
10
11
12
13
14
15
16
17
18
19 20
21
22
23
24
25
26
Home
Find...
Go To..

ENGINEBREAKDOWN
5-29
385DMM305 (3--97)
07438/07439
Fig.18 -- Injection PumpBreakdown(000000--489290)
Ref.
Tennant
PartNo.
Kubota
PartNumberDescription Qty.
Ñ1 70971 16285--5101--0PumpAssembly, Injection 1
Y2 73566 16282--5105--0Plunger,Pump 4
Y3 73567 15841--5103--0Valve,Delivery4
Y4 73568 15841--5123--0Spring,DeliveryValve 4
Y5 73569 15841--5124--0Gasket, DeliveryValve 4
Y6 73570 16271--5122--0Holder,DeliveryValve 4
Y7 73571 15841--9676--0O--Ring 4
Y8 73572 15841--5156--0Flange,Sleeve 4
Y9 73573 15841--9457--0Pin,Joint4
Y10 73574 15841--5120--0O--Ring 8
Y11 73575 15862--9143--0Screw8
Y12 73576 15841--5107--0AssemblyTappet4
Y13 73577 15841--5125--0Pin,Tappet Guide 4
Y14 73578 16271--5143--0Pin,Clamp 1
Y15 73579 15841--5128--0Spring,Plunger4
Y16 73580 15841--5127--0Seat, Spring Upper4
Y17 73581 15841--5129--0Seat, Spring Lower4
Y18 73582 15841--5149--0Shim1
Y19 73583 16271--5106--0Rack,Control1
Y20 73584 16271--5154--0Plate 1
Y21 73585 15841--9311--0Screw5
Y22 73586 15841--5138--0Sleeve,Control4
Y23 73587 16285--5132--0Screw,Follow1
Y24 73588 15841--9665--0Gasket2
Y25 73589 15841--5135--0Screw1
Y26 73590 15841--9666--0Gasket1
Home
Find...
Go To..

ENGINEBREAKDOWN
385DMM305 (3--97)
5-30
Fig.19 -- Injection PumpBreakdown(489291-- )
1
2
3
4
5
6
7
8
9
10
11
12
13
14
15
16
17
18
19 20
21
22
23
24
25
26
Home
Find...
Go To..

ENGINEBREAKDOWN
5-31
385DMM305 (3--97)
10926/07439
Fig.19 -- Injection PumpBreakdown(489291-- )
Ref.
Tennant
PartNo.
Kubota
PartNumberDescription Qty.
Ñ1 84635 16060--5101--0PumpAssembly, Injection 1
Y2 84648 16030--5105--0Plunger,Pump 4
Y3 73567 15841--5103--0Valve,Delivery4
Y4 73568 15841--5123--0Spring,DeliveryValve 4
Y5 73569 15841--5124--0Gasket, DeliveryValve 4
Y6 73570 16271--5122--0Holder,DeliveryValve 4
Y7 73571 15841--9676--0O--Ring 4
Y8 73572 15841--5156--0Flange,Sleeve 4
Y9 73573 15841--9457--0Pin,Joint4
Y10 73574 15841--5120--0O--Ring 8
Y11 73575 15862--9143--0Screw8
Y12 73576 15841--5107--0AssemblyTappet4
Y13 73577 15841--5125--0Pin,Tappet Guide 4
Y14 73578 16271--5143--0Pin,Clamp 1
Y15 73579 15841--5128--0Spring,Plunger4
Y16 73580 15841--5127--0Seat, Spring Upper4
Y17 73581 15841--5129--0Seat, Spring Lower4
Y18 73582 15841--5149--0Shim1
Y19 84649 16060--5106--0Rack,Control1
Y20 84650 16060--5154--0Plate 1
Y21 73585 15841--9311--0Screw5
Y22 73586 15841--5138--0Sleeve,Control4
Y23 84651 16030--5132--0Screw,Follow1
Y24 73588 15841--9665--0Gasket2
Y25 73589 15841--5135--0Screw1
Y26 73590 15841--9666--0Gasket1
Home
Find...
Go To..

ENGINEBREAKDOWN
385DMM305 (3--97)
5-32
Fig.20 -- FuelCamshaft Group
1
2
3
4
5
6
7
8
9
10
11
12
13
14
15
16
17 18
19 20
21
15
15
15
07440/07441
Ref.
Tennant
PartNo.
Kubota
PartNumberDescription Qty.
1 73591 16241--1617--0¡Camshaft, Fuel1
1 84636 16040--1617--0©Camshaft, Fuel1
2 70975 08103--06202 Bearing,Ball 1
3 70976 08103--06204 Bearing,Ball 1
4 73592 16241--5111--3Cam,Fuel1
5 73593 16241--9233--0Nut, Cap 1
6 73594 16241--9523--0Key,Woodruff 1
7 73595 16272--5115--0Gear, Injection Pump 1
8 40409 01023--50618 Bolt3
9 73596 16241--1632--0Stopper1
10 71995 01023--50612 Bolt2
Ñ11 73597 16282--5501--2AssemblyShaft, Governor1
Y12 73598 16241--5539--2Holder, GovernorGear1
Y13 73599 16282--5532--0Gear, Governor1
Y14 73600 16241--5527--0Holder,1
Y15 73601 16241--5506--2Comp.Weight, Governor2
Y16 73602 16241--5526--0Shaft, GovernorWeight2
Y17 70977 16241--5545--0Sleeve, Governor1
Y18 70978 16241--5546--3Washer,Thrust1
19 70979 08101--06304 Bearing,Ball 1
20 73603 16271--5541--0Cir--clip, GovernorShaft 1
21 73604 16241--5555--4Screw,Set1
¡KubotaEngine Serial Number (000000--489290)
©KubotaEngine Serial Number (489291-- )
Home
Find...
Go To..

ENGINEBREAKDOWN
5-33
385DMM305 (3--97)
Fig.21 -- Idling Group
1
2
3
4
5
6
7
8
9
10
11
13 14
15
16
17
18
5
12
19
07442/07443
Ref.
Tennant
PartNo.
Kubota
PartNumberDescription Qty.
Ñ1 70980 16285--5409--0AssemblyApparatus, Idle 1
Y2 73605 16285--5410--0AssemblyBolt, Adjusting 1
Y3 73606 15841--9202--0Nut1
Y4 73607 15841--9233--0Nut, Cap 1
Y5 40166 15601--9665--0Gasket2
Y6 30136 16241--5442--0Cap 1
7 73610 16241--5412--0Bolt, Adjusting 1
8 73606 15841--9202--0Nut1
9 73607 15841--9233--0Nut, Cap 1
10 40166 15601--9665--0Gasket2
11 30136 16241--5442--0Cap 1
12 39096 02156--50080 ¡Nut1
13 70165 16299--60150 Gasket, ThrtlBlk1
14 39160 01053--50614 Bolt2
15 73614 16282--8315--0¡Cover,HydraulicPump 1
16 73615 16282--8311--0¡Gasket1
17 73616 01123--50820 ¡Bolt1
18 40079 01123--50832 ¡Bolt1
19 70188 16264--83151 ©Cover1
¡KubotaEngine Serial Number (000000--534271)
©KubotaEngine Serial Number (534272-- )
Home
Find...
Go To..

ENGINEBREAKDOWN
385DMM305 (3--96)
5-34
Fig.22 -- SpeedControlPlateGroup
1
2
3
4
5
6
7
8
910
11
12
13
14
15
16 17
5
3
07444/07445
Ref.
Tennant
PartNo.
Kubota
PartNumberDescription Qty.
Ñ1 70982 16271--5701--5AssemblyPlate,Control1
Y2 73618 16271--5715--0 Lever,Speed Control1
Y3 73619 16241--5716--0 Lever,Speed Control2
Y4 73620 04811--00100 O--Ring 1
Y5 40407 05411--00420 Pin,Spring 2
Y6 73621 16241--9402--0Washer,Plain 2
Y7 73622 16241--9202--0Nut2
Y8 73623 16271--5602--3Comp.Lever, Governor1
Y9 73624 16271--5772--0 Lever,Engine Stop 1
Y10 70983 15471--5798--0Seal, Oil 1
Y11 73625 16222--5751--0Spring,Return 1
Y12 73626 16271--5774--0Shaft, Stop Lever1
13 70984 16264--5721--0Gasket1
14 41973 01023--50616 Bolt2
15 72018 01513--50616 Stud 2
16 39121 02056--50060 Nut2
17 39065 04512--50060 Washer,Spring 2
Home
Find...
Go To..

ENGINEBREAKDOWN
5-35
385DMM305 (3--96)
Fig.23 -- GovernorGroup
1
2
4
5
6
7
8
9
10 11
12
13
14
4
4
3
3
3
07446/07447
Ref.
Tennant
PartNo.
Kubota
PartNumberDescription Qty.
1 70985 16285--5648--0Spring,Start1
2 70986 16285--5641--0Spring, Governor1
Ñ3 73627 16060--5605--0AssemblyLever,Fork1
Y4 70987 16285--5604--2Comp.Lever,Fork1 1
Y5 73628 16271--5613--2 Lever,Fork2 1
Y6 73629 16241--5615--3Shaft, ForkLever1
Y7 70988 16241--9401--0Washer,Plain 1
Y8 70989 16241--5633--0Bearing,Ball 1
Y9 73630 04612--00090 Cir--clip,External1
10 73631 16241--5625--0Cover,ForkLeverShaft 1
11 70990 16241--5626--0Gasket1
12 39160 01053--50614 Bolt2
13 70991 16241--5621--0Collar1 1
14 70992 16241--5634--0Bearing,Ball 1
Home
Find...
Go To..

ENGINEBREAKDOWN
385DMM305 (3--97)
5-36
Fig.24 -- WaterFlangeGroup
1
2
3
4
5
6
7
8
9
10
11
12
13
14
15
83
07450/07451
Ref.
Tennant
PartNo.
Kubota
PartNumberDescription Qty.
Ñ1 70993 16616--7270--0Comp.Flange,Water1
Y2 70918 16241--7334--0Pipe,WaterReturn 1 1
3 73632 19298--9602--0Plug 2
4 70994 16264--7292--0Gasket, WaterFlange 1
5 41973 01023--50616 Bolt3
6 72995 01023--50655 Bolt1
7 73633 16241--7335--0Pipe,WaterReturn 2 1
8 73634 16241--7336--0Band,Pipe 2
Ñ9 71455 AssemblyThermostat1
Y10 70996 16264--7327--0Gasket1
11 73635 16271--7326--0Cover,Thermostat1
12 72996 01023--50630 Bolt1
13 73636 01513--50630 Stud 1
14 39121 02056--50060 Nut1
15 39065 04512--50060 Washer,Spring 2
Home
Find...
Go To..
see page insert

ENGINE BREAKDOWN
5--36 insert 385D MM305(11--07)
Fig. 24 -- Water Flange Group
1
2
3
4
5
6
7
8
9
10
11
12
13
14
15
83
07451 D
Ref. Part No. Description Qty.
o170993 ¡)Comp. Flange, Water (1.5 Dia.) 1
Y2 361440 ¡Pipe, Water Return 1
o1 368090 ©Flange, Water (1.7 Dia) 1
Y2 361440 ©Pipe, Water Return (1.7 Dia) 1
3 73632 Plug 2
470994 Gasket, Water Flange 1
5 41973 Bolt 3
6 72995 Bolt 1
7 73633 Pipe, Water Return 2 1
8 73634 Band, Pipe 2
971456 ¡Thermostat (1.5 Dia.) 1
9 10852 ©Thermostat (1.7 Dia) 1
10 368092 ¡Gasket (1.5 Dia.) 1
10 10851 ©Gasket (1.7 Dia) 1
11 73635 ¡Cover, Thermostat (1.5 Dia.) 1
11 368091 ©Housing, Thermostat (1.7 Dia) 1
12 72996 Bolt 1
13 73636 Stud 1
14 39121 Nut 1
15 39065 Washer, Spring 2
¡Kubota engines built before June 1997
©Kubota engines built June 1997 and later
This page is not
in printed manuals

CROSS REFERENCE
6-1
385D MM305 (3--97)
SECTION 6
CONTENTS PAGE
PART NUMBER TO PAGE NUMBER CROSS REFERENCE LIST 6-2......................................
PART DESCRIPTION TO PAGE NUMBER CROSS REFERENCE LIST 6-19...............................
Home
Find...
Go To..

CROSS REFERENCE
385D MM305 (3--97)
6-2
PART NUMBER TO PAGE NUMBER CROSS REFERENCE LIST
Part Page
Number Number
IB3614 4-19............
MM302 3-56...........
MM305 3-56...........
MM305ES 3-56.........
MM305FR 3-56.........
MM305PT 3-56.........
00500--15 4-16, 4-17.........
00966 4-19.............
01023--50612 5-4, 5-32......
01023--50616 5-7.....
01023--50616 5-13, 5-34, 5-36......
01023--50618 5-11, 5-32......
01023--50620 5-9......
01023--50625 5-9......
01023--50630 5-8, 5-11, 5-36......
01023--50645 5-7......
01023--50650 5-7, 5-11......
01023--50655 5-7, 5-36......
01023--50680 5-8......
01047 3-23.............
01053--50614 5-13, 5-33, 5-35......
01123--50814 5-4, 5-5......
01123--50816 5-4......
01123--50820 5-33......
01123--50830 5-17......
01123--50832 5-33......
01311--10620 5-27......
01314 2-5, 2-22.............
01318 2-11, 2-13.............
01513--50616 5-7, 5-34......
01513--50630 5-36......
01513--50645 5-7......
01684 2-2.............
01685 2-2.............
01814--50600 5-7......
01999 3-49.............
02056--50060 5-7, 5-27, 5-34, 5-36......
02129 3-21.............
02156--50080 5-33.....
02469 2-77, 2-79.............
02506--6 3-37..........
02662 3-21, 3-49.............
02705 4-3, 4-5, 4-7.............
02706 4-3, 4-5, 4-7.............
02709 4-3, 4-5, 4-7.............
02710 4-3, 4-5.............
02711 4-3.............
02712 2-61.............
02740 2-29.............
02741 2-29.............
03024--50510 5-10......
03024--50520 5-23......
03026 2-29.............
03410--50606 5-12......
04414 2-27.............
04483 4-26.............
04512--50060 5-7, 5-27, 5-34, 5-36......
04512--50080 5-19......
04612--00090 5-35......
Part Page
Number Number
04612--00120 5-12......
04733--10 2-19.........
04811--00100 5-34......
04811--00150 5-7......
04811--00160 5-4......
04811--10280 5-15......
04811--50300 5-10......
04814--00150 5-7......
04814--50300 5-7......
04843 2-49.............
05012--00508 5-15.....
05012--00508 5-3......
05012--00610 5-3......
05012--00814 5-3......
05411--00420 5-34......
05686 2-49, 2-51.............
05712--00518 5-13......
06259--0402--0 5-7.....
06279 3-51.............
06311--75018 5-3......
06764 2-33, 2-35.............
07274 2-30.............
07539 2-25.............
07562 2-29, 3-39.............
07565 3-39.............
07715--00201 5-7......
07715--00401 5-15......
07873 2-33.............
08013N 2-3...........
08101--06304 5-32......
08103--06202 5-32......
08103--06204 5-32......
08712 2-2.............
08713 2-2.............
09007 2-2.............
09010 2-2.............
09088 2-45.............
09342 2-5.............
09900--1 2-85, 3-49..........
10143 2-39.............
10144 3-41.............
10632--1 2-57, 2-59, 3-51..........
10632--11 3-33.........
10632--12 3-23, 3-27.........
10632--13 2-37.........
10632--18 2-89, 3-4, 3-5, 3-6, 3-7, 3-8,......... 3-9, 3-11, 3-13, 3-25
10632--2 3-4, 3-5..........
10632--4 2-87..........
10632--5 2-21..........
10632--9 2-89, 3-6, 3-7, 3-8, 3-9,.......... 3-11, 3-13
10844 5-15.............
10845 5-15.............
10895 5-3.............
11211 2-55.............
11399 2-37, 3-27.............
11460--63070 5-21......
11460--63080 5-21......
Home
Find...
Go To..

CROSS REFERENCE
6-3
385D MM305 (3--97)
Part Page
Number Number
11460--6311--0 5-21.....
11460--6312--0 5-21.....
11460--63320 5-21......
11460--63390 5-21......
11460--6350--0 5-21.....
11460--6353--0 5-21.....
11460--9331--0 5-21.....
11531 2-37.............
11636 3-46.............
11842 2-51.............
11893 2-53.............
12072 3-27.............
12083 3-27.............
12267 2-67, 2-69.............
12271 2-15, 2-21, 3-23.............
12459 2-2.............
12895 5-13.............
12916 5-7.............
12962 2-61.............
13110 2-77.............
13114 2-74.............
13115 2-81.............
13156 2-71.............
13173 3-51.............
13301 2-6, 2-7.............
13698 2-13.............
13904 4-23.............
13907 4-23.............
13963--9201--0 5-19.....
13963--92010 5-21......
14131 2-33.............
14242 2-45.............
14432 2-29.............
14601 2-15, 2-25.............
14814--06100 5-7......
14983 3-46.............
15021--3366--0 5-3.....
15066 3-19, 3-21.............
15221--0349--0 5-3.....
15221--3314--0 5-7, 5-10.....
15221--3361--0 5-3.....
15221--3370--0 5-3.....
15221--5628--0 5-3.....
15231--3396--0 5-3.....
15241--3229--0 5-7.....
15261--0337--0 5-5.....
15261--1328--0 5-12.....
15261--1336--0 5-12.....
15261--1442--0 5-12.....
15261--1555--0 5-13.....
15261--9119--0 5-17.....
15261--9201--0 5-12.....
15261--9401--0 5-12.....
15261--9601--0 5-3, 5-5.....
15262--6382--0 5-17.....
15321--9626--0 5-5.....
15371--1237--0 5-11.....
15401--6327--0 5-19.....
15401--6339--0 5-19.....
15451--3375--0 5-4.....
15451--9627--0 5-3.....
Part Page
Number Number
15451--9667--0 5-4.....
15471--5798--0 5-34.....
15501--6320--0 5-19.....
15501--6332--0 5-19.....
15501--6337--0 5-19.....
15501--9102--0 5-19.....
15501--9331--0 5-19.....
15504--6303--0 5-19.....
15504--6304--0 5-19.....
15504--6312--0 5-19.....
15504--6353--0 5-19.....
15511--6376--0 5-21.....
15511--9666--0 5-21.....
15521--2353--0 5-15.....
15521--2395--0 5-15.....
15521--2396--0 5-15.....
15521--9361--0 5-13.....
15521--9602--0 5-3.....
15555--1 2-35..........
15555--2 2-35..........
15601--9665--0 5-23, 5-33.....
15648 2-11, 2-13.............
15803 3-49.............
15841--5103--0 5-29, 5-31.....
15841--5107--0 5-29, 5-31.....
15841--5120--0 5-29, 5-31.....
15841--5123--0 5-29, 5-31.....
15841--5124--0 5-29, 5-31.....
15841--5125--0 5-29, 5-31.....
15841--5127--0 5-29, 5-31.....
15841--5128--0 5-29, 5-31.....
15841--5129--0 5-29, 5-31.....
15841--5135--0 5-29, 5-31.....
15841--5136--0 5-23.....
15841--5138--0 5-29, 5-31.....
15841--5149--0 5-29, 5-31.....
15841--5156--0 5-29, 5-31.....
15841--5214--0 5-27.....
15841--5362--0 5-23.....
15841--5385--0 5-23.....
15841--5386--0 5-23.....
15841--7302--0 5-3.....
15841--9104--0 5-7.....
15841--9150--0 5-27.....
15841--9202--0 5-33.....
15841--9232--0 5-27.....
15841--9233--0 5-33.....
15841--9311--0 5-29, 5-31.....
15841--9457--0 5-29, 5-31.....
15841--9602--0 5-5.....
15841--9665--0 5-29, 5-31.....
15841--9666--0 5-29, 5-31.....
15841--9676--0 5-29, 5-31.....
15852--52140 5-27......
15862--9143--0 5-29, 5-31.....
15951--9666--0 5-10.....
15952--9233--0 5-10.....
16030--5105--0 5-31.....
16030--5132--0 5-31.....
16032--5300--0 5-23, 5-25.....
16032--5316--0 5-25.....
Home
Find...
Go To..

CROSS REFERENCE
385D MM305 (3--97)
6-4
Part Page
Number Number
16032--5317--0 5-25.....
16032--5323--0 5-25.....
16032--5328--0 5-25.....
16032--5335--0 5-25.....
16032--5361--0 5-25.....
16032--9203--0 5-25.....
16032--9404--0 5-25.....
16032--9810--0 5-25.....
16032--9850--0 5-25.....
16032--9851--0 5-25.....
16032--9852--0 5-25.....
16032--9853--0 5-25.....
16032--9854--0 5-25.....
16032--9855--0 5-25.....
16032--9856--0 5-25.....
16032--9857--0 5-25.....
16032--9858--0 5-25.....
16032--9859--0 5-25.....
16040--1617--0 5-32....
16040--5209--2 5-27.....
16040--5211--2 5-27.....
16040--5212--2 5-27.....
16060--0304--0 5-5....
16060--2111--0 5-15.....
16060--2191--0 5-15.....
16060--5101--0 5-27....
16060--5101--0 5-31.....
16060--5106--0 5-31.....
16060--5154--0 5-31.....
16060--5605--0 5-35.....
16081 2-13.............
16082 2-65.............
16213 2-49.............
16222--5751--0 5-34.....
16241--0162--0 5-4.....
16241--0175--0 5-5.....
16241--0177--0 5-5.....
16241--0345--0 5-5.....
16241--0409--0 5-9.....
16241--0446--0 5-9.....
16241--0454--0 5-9.....
16241--0456--0 5-9.....
16241--0481--3 5-9.....
16241--0514--0 5-10.....
16241--0515--0 5-10.....
16241--0537--0 5-10.....
16241--0551--0 5-10.....
16241--0555--0 5-10.....
16241--0567--0 5-10.....
16241--1182--0 5-11.....
16241--1236--0 5-11.....
16241--1311--0 5-12.....
16241--1312--0 5-12.....
16241--1315--0 5-12.....
16241--1333--0 5-12.....
16241--1354--0 5-5.....
16241--1356--0 5-5.....
16241--1403--0 5-12.....
16241--1405--0 5-12.....
16241--1423--0 5-12.....
16241--1424--0 5-12.....
Part Page
Number Number
16241--1431--0 5-12.....
16241--1435--0 5-12.....
16241--1441--0 5-12.....
16241--1443--0 5-12.....
16241--1444--0 5-12.....
16241--1450--0 5-10.....
16241--1452--0 5-10.....
16241--1511--0 5-13.....
16241--1617--0 5-32....
16241--1627--0 5-13.....
16241--1632--0 5-32.....
16241--1651--0 5-13.....
16241--2131--0 5-15.....
16241--2133--0 5-15.....
16241--2198--0 5-15.....
16241--2201--2 5-15.....
16241--2214--0 5-15.....
16241--2231--0 5-15.....
16241--2297--0 5-15.....
16241--2298--0 5-15.....
16241--2325--0 5-15.....
16241--2328--0 5-15.....
16241--2347--0 5-15.....
16241--2348--0 5-15.....
16241--2349--0 5-15.....
16241--2386--0 5-15.....
16241--2387--0 5-15.....
16241--2391--0 5-15.....
16241--2392--0 5-15.....
16241--2393--0 5-15.....
16241--2394--0 5-15.....
16241--2411--0 5-15.....
16241--2425--0 5-13.....
16241--2432--0 5-13.....
16241--2436--0 5-13.....
16241--2437--0 5-13.....
16241--2516--0 5-17.....
16241--3365--0 5-3.....
16241--3507--0 5-7.....
16241--3563--0 5-15.....
16241--3693--0 5-7.....
16241--3695--0 5-7.....
16241--4232--0 5-23.....
16241--5111--3 5-32.....
16241--5412--0 5-33.....
16241--5442--0 5-33.....
16241--5506--2 5-32.....
16241--5526--0 5-32.....
16241--5527--0 5-32.....
16241--5539--2 5-32.....
16241--5545--0 5-32.....
16241--5546--3 5-32.....
16241--5555--4 5-32.....
16241--5615--3 5-35.....
16241--5621--0 5-35.....
16241--5625--0 5-35.....
16241--5626--0 5-35.....
16241--5633--0 5-35.....
16241--5634--0 5-35.....
16241--5716--0 5-34.....
16241--6551--0 5-23.....
Home
Find...
Go To..

CROSS REFERENCE
6-5
385D MM305 (3--97)
Part Page
Number Number
16241--7305--0 5-8.....
16241--7334--0 5-8, 5-36.....
16241--7335--0 5-36.....
16241--7336--0 5-36.....
16241--7351--0 5-8.....
16241--7352--0 5-8.....
16241--7355--0 5-8.....
16241--7425--0 5-8.....
16241--8813--0 5-7....
16241--9102--0 5-15.....
16241--9104--0 5-7.....
16241--9149--0 5-11.....
16241--9201--0 5-11.....
16241--9202--0 5-34.....
16241--9233--0 5-32.....
16241--9312--0 5-7.....
16241--9401--0 5-35.....
16241--9402--0 5-34.....
16241--9523--0 5-32.....
16241--9601--0 5-3.....
16241--9626--0 5-3.....
16246--99360 5-4......
16259--0421--2 5-7.....
16259--3288--2 5-7.....
16259--3290--0 5-7.....
16259--3513--0 5-7.....
16259--73430 5-8......
16259--9104--0 5-7.....
16261--0404--0 5-9.....
16261--0405--0 5-9.....
16261--2105--0 5-15.....
16261--2109--0 5-15.....
16264--0413--0 5-7.....
16264--0436--0 5-9.....
16264--0482--0 5-9.....
16264--5721--0 5-34.....
16264--7292--0 5-36.....
16264--7327--0 5-36.....
16264--83151 5-33.....
16264--83341 5-7.....
16271--0345--0 5-5...
16271--1176--3 5-11.....
16271--1324--0 5-12.....
16271--1601--0 5-13.....
16271--2401--0 5-13.....
16271--2498--0 5-13.....
16271--3209--0 5-7.....
16271--4202--0 5-23.....
16271--4250--2 5-23.....
16271--5106--0 5-29.....
16271--5122--0 5-29, 5-31.....
16271--5143--0 5-29, 5-31.....
16271--5154--0 5-29.....
16271--5371--2 5-23.....
16271--5372--2 5-23.....
16271--5373--2 5-23.....
16271--5374--2 5-23.....
16271--5535--0 5-3.....
16271--5541--0 5-32.....
16271--5602--3 5-34.....
16271--5613--2 5-35.....
Part Page
Number Number
16271--5701--5 5-34.....
16271--5715--0 5-34.....
16271--5772--0 5-34.....
16271--5774--0 5-34.....
16271--6307--0 5-19.....
16271--6308--0 5-19.....
16271--6314--0 5-19.....
16271--6338--0 5-19.....
16271--6353--0 5-19.....
16271--6556--0 5-23....
16271--7326--0 5-36.....
16271--74281 5-15......
16271--9523--0 5-15.....
16271--9602--0 5-3....
16271--9616--0 5-3.....
16272--5115--0 5-32.....
16282--0101--5 5-3....
16282--0331--0 5-5.....
16282--0406--0 5-9.....
16282--2301--3 5-15.....
16282--32110 5-4......
16282--3642--2 5-4.....
16282--5105--0 5-29.....
16282--5501--2 5-32.....
16282--5532--0 5-32.....
16282--8311--0 5-33....
16282--8315--0 5-33....
16282--9601--0 5-3.....
16283--12310 5-11......
16285--01501 5-4......
16285--0304--2 5-5....
16285--5101--0 5-27....
16285--5101--0 5-29.....
16285--5132--0 5-29.....
16285--5409--0 5-33.....
16285--5410--0 5-33.....
16285--5604--2 5-35.....
16285--5641--0 5-35.....
16285--5648--0 5-35.....
16285--63030 5-21......
16285--6357--0 5-21.....
16285--8334--0 5-7....
16285--9201--0 5-21.....
16286--99350 5-5......
16299--60150 5-33......
16369 2-9.............
16376 2-81.............
16455 2-63.............
16611--3641--0 5-4.....
16614--2501--2 5-17.....
16616--7270--0 5-36.....
16626--0101--0 5-3....
16683--9602--0 5-3....
16695--63012 5-21......
16695--63022 5-21......
16695--63202 5-21......
16695--63380 5-21......
16695--63870 5-21......
16695 4-16, 4-17, 4-18.............
16786 2-63.............
16851--6551--0 5-23....
Home
Find...
Go To..

CROSS REFERENCE
385D MM305 (3--97)
6-6
Part Page
Number Number
17200 2-57, 2-59.............
17331--9604--0 5-7.....
17414 2-33.............
19077--5365--0 5-23....
19202--2354--0 5-15.....
19202--2397--0 5-15.....
19202--2398--0 5-15.....
19212--6310--0 5-19, 5-21.....
19212--6311--0 5-19.....
19212--6312--0 5-19.....
19212--9713--0 5-19, 5-21.....
19252 2-27.............
19298--9602--0 5-36.....
19320 4-5.............
19574 4-5.............
19583 2-41.............
19616--9201--0 5-19.....
19644 2-77, 2-79.............
19768 2-21.............
19827 3-15.............
20432 5-21.............
20433 5-21.............
20719 5-23.............
21642 2-5.............
21720 2-35.............
21915 4-23.............
22169 2-67.............
222809 2-5...........
22604 2-41, 4-15.............
23163 2-81.............
23182 2-81.............
23191 2-19.............
23210 2-89, 3-11, 3-13.............
23211 2-87, 2-89, 3-11, 3-13.............
23231 2-89, 3-11, 3-13.............
23274 3-33, 3-35.............
23498 2-61, 3-29.............
23524 2-55.............
23683 3-49.............
23788 2-47, 2-63.............
23863 3-21.............
23865 3-21.............
23866 3-21.............
23999--6 3-29..........
24012 2-31.............
24339 2-41.............
24576--1 2-89, 3-3, 3-11, 3-13..........
24576 2-89, 3-11, 3-13.............
24899 2-71.............
24976 2-25.............
25312 3-40.............
26103 2-55.............
26395--2 3-31..........
27767 3-27.............
29558 2-67.............
29584 2-67.............
30013 2-31, 2-83, 2-85.............
30071 5-3.............
30121 5-15.............
30122 5-15.............
30131 5-23.............
Part Page
Number Number
30132 5-23.............
30136 5-33.............
30251 2-71.............
30252 2-71.............
30253 2-71.............
30255 2-71.............
30268 3-27.............
30407 2-25, 2-27, 2-29.............
30481 2-25.............
30533 3-36.............
30559 2-30.............
30569 2-30.............
31249 3-21.............
31354 4-16, 4-17, 4-18.............
31373 4-18.............
31375 4-16, 4-17.............
31377 4-18.............
31381 4-16, 4-17.............
31384 4-18.............
31566 3-49.............
31599 2-74.............
31613 2-81.............
31719 2-79.............
31755 2-37.............
31922 3-3.............
32126 2-41.............
32183 2-33.............
32791 3-47.............
32822 3-29.............
33579 4-11.............
33580 4-9, 4-11, 4-13, 4-15.............
33671 2-39.............
33694 4-9, 4-11.............
34070--16810 5-21......
34070--16820 5-21......
34096 2-55.............
34176 4-16, 4-17.............
34178 4-9, 4-11, 4-13, 4-15.............
34179 4-9, 4-11, 4-13, 4-15.............
34252 2-9.............
34280 3-21.............
34330 2-19.............
34392 2-55.............
34394 2-77.............
34421 2-77.............
34725 2-55.............
34848 3-3.............
34868 2-87.............
34877 3-29.............
35033 2-74.............
35296 3-27.............
35298 3-49.............
35426 3-51.............
35484 3-49.............
35488 2-79.............
35493 4-19.............
35843 3-35.............
35905 2-89, 3-11, 3-13.............
36050 2-2, 2-33.............
36165 2-25.............
36328 2-11, 2-13.............
Home
Find...
Go To..

CROSS REFERENCE
6-7
385D MM305 (3--97)
Part Page
Number Number
36376 3-51.............
36438 2-89, 3-11, 3-13.............
36439 2-89, 3-11, 3-13.............
36658 2-2, 2-61.............
36661 2-2, 2-61.............
36663 2-2, 2-61.............
36665 2-2, 2-61.............
36666 2-61.............
370008 2-3...........
37083--1 3-25..........
374504 2-73...........
374505 2-73...........
374507 2-53...........
374511 2-25............
374514 3-27...........
374515 3-27...........
374517 2-5...........
374520 2-49...........
37555 4-16, 4-17, 4-18.............
37616 4-9, 4-11, 4-13, 4-15.............
37756 4-9, 4-11, 4-13, 4-15.............
37766 4-9, 4-11, 4-13, 4-15.............
37955 4-9, 4-11.............
38255 4-9, 4-11, 4-13, 4-15.............
38776 4-9.............
38965 4-9.............
38968 4-11, 4-13, 4-15.............
39051 5-3.............
39062 5-3.............
39063 5-3.............
39065 5-7, 5-27, 5-34, 5-36.............
39073 5-4, 5-5.............
39087 5-3.............
39088 5-3, 5-5.............
39094 5-4.............
39096 5-33.............
39097 5-19.............
39103 5-7.............
39105 5-3.............
39119 5-9.............
39121 5-7, 5-27, 5-34, 5-36.............
39160 5-13, 5-33, 5-35.............
39161 5-7, 5-10.............
39162 5-10.............
39197 5-13.............
39210 2-85.............
39308 2-63.............
39310 2-41.............
39508 5-23.............
39527 4-16, 4-17.............
39577 2-49.............
39780 2-87.............
40079 5-33.............
40166 5-23, 5-33.............
40362 2-81.............
40407 5-34.............
40409 5-11, 5-32.............
40442 5-19.............
40457 5-19.............
40514 2-74.............
40607 2-87.............
Part Page
Number Number
40678 2-53, 2-57, 3-3, 3-15.............
41016 2-13, 2-19.............
41792 5-4.............
41845 3-23.............
41973 5-7, 5-13, 5-34, 5-36.............
42120--1 2-55, 2-63..........
42124 3-31.............
42213 2-83.............
42216 2-81.............
42223 2-41, 2-86.............
42226 2-83.............
43555 3-29.............
43844 2-33, 2-35.............
44078 2-22.............
44166 3-31.............
44255 2-61.............
44681--1 3-5, 3-7, 3-9..........
44681--2 3-5, 3-7, 3-9..........
44681 3-5, 3-7, 3-9.............
44868 2-74, 2-85, 2-86.............
44869 2-71, 2-83.............
44906 2-9, 2-49, 2-55, 3-33, 3-35.............
45142 3-27.............
45214 2-11.............
45272 3-6, 3-7.............
45482 2-74, 2-85.............
45622 4-9, 4-11, 4-13, 4-15.............
45623 4-9, 4-11, 4-13, 4-15.............
45628 4-16, 4-17, 4-18.............
45779 3-4, 3-5, 3-6, 3-7, 3-8, 3-9.............
45780 2-5.............
45786 2-43, 3-44.............
46236 2-33, 2-35, 2-61, 2-87, 3-25.............
46481 2-13.............
46482 2-81.............
46983 2-49.............
47501 2-65, 3-49.............
47504 2-65.............
47508 2-65, 2-86, 3-49.............
47518 2-83.............
47522 2-19.............
47638 2-83.............
47719 2-63.............
47745 2-65.............
47752 2-86.............
47753 2-74.............
47754 2-83, 2-85.............
47801 2-41, 2-55.............
48079 2-51.............
48126 2-35.............
48267 2-33, 2-35.............
48570 3-3.............
48663 2-41, 4-11.............
48751 2-85, 4-23.............
48760 2-85.............
48813 4-19.............
48841 3-56.............
49263 2-19.............
49266 2-33, 2-39, 2-87, 2-89, 3-3,............. 3-4, 3-5, 3-6, 3-7, 3-8, 3-9,
3-11, 3-13, 3-49
Home
Find...
Go To..

CROSS REFERENCE
385D MM305 (3--97)
6-8
Part Page
Number Number
50421 2-83, 2-85.............
51109 2-47.............
51176 2-27.............
51225 2-65, 3-49.............
51317 2-55, 2-71.............
51331 5-5.............
51332 5-11.............
51338 2-41, 2-45.............
51339 2-41, 2-45.............
51448 2-71.............
51449 2-71.............
51534 2-55.............
51538 2-65, 3-33, 3-35, 3-49.............
51545 2-47.............
51560--3 2-29..........
51562 2-47.............
51564 2-71.............
51570 3-15.............
51608 3-19.............
51677 3-19, 3-21.............
51715 2-71, 3-49.............
51813 2-49.............
52296 2-67, 2-69.............
52386 4-5, 4-7.............
52402 2-71.............
52405 4-9, 4-11, 4-13, 4-15.............
52508 2-51.............
53029 2-35.............
53076 2-86.............
53078 2-35.............
53091 2-15.............
53417 3-38.............
53424 2-25.............
53434 2-71, 4-16.............
53435 2-65, 3-49, 4-18.............
53466 2-13, 2-19, 2-65, 2-81.............
53468 2-5.............
53485 2-74, 4-19.............
53491 2-5.............
53492 2-9.............
53494 2-9.............
53576 3-33, 3-35.............
53601 2-41, 4-26.............
53604 2-86, 4-3.............
53610 3-33, 3-35.............
53612 2-41.............
53622 2-86, 4-8.............
53640 2-43.............
53782 2-49.............
53783 2-29.............
53786 2-61.............
53816 3-43.............
53817 3-43.............
53818 2-43.............
53819--1 2-43..........
53819--2 2-43, 3-44..........
53819 2-43.............
53830 2-83, 4-24.............
53836 2-25.............
53839 2-9.............
53845 2-9.............
Part Page
Number Number
53883 3-29.............
53894 3-29.............
53895 3-29.............
53910 2-55.............
53915 2-55.............
53927 2-49.............
53947 2-51.............
53950 2-51.............
53953 2-51.............
53954 2-49.............
53965 2-65.............
53984 2-65, 3-49.............
53985 2-71.............
54009 3-31.............
54012 3-31.............
54013 2-2, 2-53.............
54014 2-2, 2-53.............
54015 2-51.............
54022 2-19, 4-20.............
54030 2-9.............
54050 2-65.............
54051 2-41.............
54052 2-41.............
54053 2-41.............
54079 2-63.............
54087 2-41.............
54089 2-2, 2-53.............
54095 4-19.............
54096 2-55.............
54102 2-83, 2-85.............
54115 2-83, 2-85.............
54118 2-69.............
54121 2-61.............
54182 2-5.............
54184 2-5.............
54190 2-5.............
54192 2-5.............
54194 2-83, 2-85.............
54197 2-5.............
54199 2-71.............
54204 2-71.............
54205 2-51.............
54274 2-31, 2-37, 2-73.............
54275A 2-73...........
54342 2-21.............
54345 2-19.............
54390 2-45.............
54400 2-45, 2-47, 2-67, 2-69.............
54404 3-51.............
54427 3-51.............
54428 3-51.............
54437 2-45.............
54465 3-51.............
54467 2-45.............
54552 2-11.............
54553 2-13.............
54567 2-45.............
54577 2-45.............
54607 2-47.............
54615 2-9.............
54616 2-47.............
Home
Find...
Go To..

CROSS REFERENCE
6-9
385D MM305 (3--97)
Part Page
Number Number
54617 2-45.............
54618 3-51.............
54619 2-45.............
54620 3-51.............
54621 3-51.............
54655 2-51.............
54656 3-51.............
54659 2-71.............
54660 2-65.............
54663 2-69.............
54680 2-71.............
54693 2-71.............
54800 2-49.............
54840 2-69.............
54848 2-67, 2-69.............
54878 2-71.............
54911--16 2-27.........
54911--32 2-37.........
54922 2-3.............
54923 2-3.............
54925 2-3.............
54927 2-3.............
54934 2-67.............
54995 2-67, 2-69.............
54996 2-49.............
54997 2-51.............
54999 2-51.............
55021 2-53.............
55035 2-19, 2-22, 3-19.............
55037 3-25.............
55038 3-21.............
55042 3-25.............
55048 2-15.............
55073 3-17.............
55074 3-17.............
55130 2-61.............
55161 3-17.............
55162 3-17.............
55163 3-17.............
55164 3-17.............
55180 3-19.............
55181 3-23.............
55182 3-25.............
55213 3-25.............
55215 3-27.............
55220 3-27.............
55221 3-27.............
55222 2-33, 2-35.............
55225 2-37.............
55226 3-27.............
55227 3-19.............
55228 3-19.............
55248 2-87, 2-89, 3-4, 3-5,............. 3-8, 3-9, 3-11, 3-13
55270 3-19.............
55302 3-25.............
55347 2-13.............
55393 3-19.............
55395 3-19.............
55404 3-25.............
55433 2-6, 2-7.............
Part Page
Number Number
55446 2-83, 2-85.............
55453 3-25.............
55459 3-27.............
55461 3-23.............
55462 2-63.............
55463 2-63.............
55489 3-29.............
55586 2-41, 2-55.............
55617 3-51.............
55619 2-13.............
55685 2-83, 2-85.............
55691 2-77, 2-79.............
55740 2-2, 2-13.............
55767 3-51.............
55776 3-49.............
55778 3-49.............
55779 2-71.............
55793 3-49.............
55797 2-57.............
55800 2-57.............
55805 2-57.............
55806 2-57.............
55809 2-57.............
55823 3-49.............
55831 2-27.............
55833 3-51.............
55834 3-49.............
55837 2-27.............
55844 2-2, 2-33, 2-35.............
55847 5-8.............
55849 2-2, 5-7.............
55850 2-33, 2-35.............
55851 2-31.............
55855 2-30.............
55856 2-30.............
55857 2-37.............
55858 2-37.............
55860 2-27, 5-19.............
55863 2-30.............
55864 2-2, 2-53.............
55870 2-53.............
55879 2-53.............
55884 2-53.............
55889 2-53.............
55890 2-2, 2-53.............
55892 2-53.............
55893 2-55.............
55902 2-61.............
55906 4-3.............
55914 2-55.............
55916 2-61.............
55922 4-3, 4-5.............
55925 4-7.............
55926 4-7.............
55929 4-3.............
55930 4-3, 4-5, 4-7.............
55931 4-3, 4-5, 4-7.............
55932 4-3, 4-5, 4-7.............
55937 4-3, 4-5, 4-7.............
55939 4-3, 4-5, 4-7.............
55941 4-3, 4-5, 4-7.............
Home
Find...
Go To..

CROSS REFERENCE
385D MM305 (3--97)
6-10
Part Page
Number Number
55956 2-57.............
55958 2-57.............
55959 3-19.............
55963 3-19.............
55964 3-31.............
55965 2-53.............
55968 3-19.............
55973 3-19.............
55976 3-27.............
56185 2-19.............
56186 2-23.............
56187 3-19.............
56188 2-23.............
56198 2-19.............
56237 2-19.............
56277 2-83, 2-85.............
56346 2-21.............
56362 2-19.............
56373 2-19.............
56379 2-19.............
56385 2-19.............
56392 2-19.............
56398 2-19.............
56456 2-17.............
56457 2-33.............
56546 3-19.............
56560 3-19.............
56595 2-17.............
56610 2-61.............
56624 2-45, 2-47, 2-67, 2-69.............
56641 2-67.............
56662 2-67, 2-69.............
56690 2-81.............
56692 2-86.............
56799 3-19, 3-21.............
56820 2-41.............
56821 2-81.............
56827 2-85.............
56872 2-5, 3-55.............
56890 2-5.............
56914 2-6, 2-7, 3-55.............
57152 4-20.............
57156 4-20, 4-21.............
57167 2-5, 2-23, 3-23.............
57173 2-77, 2-79.............
57210 4-3, 4-5.............
57220 3-4, 3-5.............
57487 2-77, 2-79.............
57536 3-25.............
57537 3-25.............
57574 2-33.............
57702 2-9, 2-57, 3-21.............
57751 2-23, 3-3, 3-23, 3-25, 3-54.............
57754 2-27.............
57755 2-27.............
57772 2-23, 3-23.............
57773 2-27.............
57803 2-23, 3-3, 3-23, 3-25, 3-54.............
57807 3-23, 3-25, 3-27, 3-54.............
57824 2-30.............
57912 3-27.............
Part Page
Number Number
57935 2-19.............
57979 2-85, 2-86.............
58009 4-3, 4-5, 4-7.............
58012 4-8.............
58013 4-8.............
58078 2-55.............
58090 2-29.............
58091 2-33, 2-35.............
58103 2-53.............
58120 2-2, 2-29.............
58121 3-39.............
58242 4-8.............
58269 4-9.............
58288 2-45.............
58297 2-9.............
58308 3-3.............
58327 2-30.............
58346 2-29.............
58359 2-63.............
58362 2-25.............
58391 2-25.............
58397 2-31.............
58482 2-61.............
58483 2-61.............
58494 2-15, 2-59, 3-49.............
58500 2-57, 2-59.............
58518 3-4, 3-6, 3-8.............
58519 3-4, 3-6, 3-8.............
58520 3-4, 3-6, 3-8.............
58524 2-57, 2-59.............
58538 2-29.............
58540 2-73.............
58564 2-11, 2-13.............
58566 2-27.............
58571 2-11, 2-13.............
58576 2-11, 2-13.............
58585 2-11, 2-13.............
58595 2-9.............
58596 4-20, 4-21.............
58645 2-63.............
58665 2-19.............
58667 2-19.............
58689 4-24.............
58748 2-19.............
58770 2-6, 2-7.............
58771 2-57.............
58811 2-11, 2-13.............
58823 3-21.............
58830 3-21.............
58831 3-19.............
58832 3-19.............
58842 2-41.............
58843 4-24.............
58845 4-24.............
58847 4-24.............
58849 2-15.............
58858 2-81, 2-86.............
58872 2-67.............
58881 3-29.............
58898 3-21.............
58974 3-19, 3-21.............
Home
Find...
Go To..

CROSS REFERENCE
6-11
385D MM305 (3--97)
Part Page
Number Number
58977 2-15.............
58999 2-15.............
59002 2-25.............
59004 2-57, 2-59.............
59012 3-29.............
59013 3-29.............
59014 2-73.............
59015 2-35.............
59016 2-57.............
59018 2-16.............
59019 2-15.............
59021 2-83, 2-85.............
59022 2-83, 2-85.............
59028 3-21.............
59031 3-21.............
59032 3-21.............
59033 3-21.............
59035 2-9.............
59104 3-29.............
59105 2-53.............
59152 2-5.............
59189 2-53.............
59192 2-6, 2-7, 2-11, 2-13, 2-15.............
59194 2-7.............
59195 2-6.............
59211 3-21.............
59250 3-21.............
59297 3-21.............
59303 2-77, 2-79.............
59305 4-8.............
59335 4-25.............
59377 2-16.............
59378 4-19.............
59380 2-63.............
59382 4-8.............
59384 3-36.............
59387 3-51.............
59388 3-40.............
59395 2-89.............
59399 2-61.............
59431 2-3.............
59432 2-3.............
59437 3-25.............
59440 2-3.............
59442 2-57, 2-59.............
59447 3-4, 3-5.............
59448 2-57, 2-59.............
59508 3-33.............
59512 3-27.............
59514 2-15, 3-21.............
59515 3-21.............
59530 2-83, 2-85.............
59537 2-6.............
59538 2-7.............
59540 3-31.............
59542 2-63.............
59545 2-61.............
59549 2-11.............
59550 2-37.............
59551 2-37.............
59555 2-37.............
Part Page
Number Number
59560 2-77, 2-79.............
59561 2-77, 2-79.............
59563 2-79.............
59564 2-77, 2-79.............
59565 2-77, 2-79.............
59567 2-77.............
59568 2-77, 2-79.............
59571 2-77.............
59572 2-77, 2-79.............
59573 2-77, 2-79.............
59574 2-77, 2-79.............
59575 2-77, 2-79.............
59576 2-77, 2-79.............
59577 2-83, 2-85.............
59578 2-77, 2-79.............
59581 2-77, 2-79.............
59582 2-77, 2-79.............
59584 2-77, 2-79.............
59621 2-22.............
59622 2-22.............
59623 2-22.............
59628 2-22.............
59629 2-22.............
59636 2-22.............
59640 2-25.............
59647 2-16, 2-22.............
59649 2-73.............
59656 2-73.............
59657 3-25.............
59661 2-16.............
59662 2-5.............
59665 2-17.............
59666 2-17.............
59668 2-49.............
59672 2-49.............
59674 2-57.............
59680 2-2, 2-53.............
59681 2-2, 2-53.............
59682 2-57.............
59683 2-57.............
59685 2-2, 2-53.............
59686 2-2, 2-53.............
59687 2-2, 2-53.............
59688 2-2, 2-53.............
59692 2-6, 2-7.............
59693 2-61.............
59695 2-13.............
59703 2-11.............
59723 2-57.............
59734 2-73.............
59735 2-73.............
59737 2-57, 2-59.............
59738 2-57, 2-59.............
59739 2-57, 2-59.............
59760 2-7.............
59761 2-6.............
59766 2-9.............
59767 2-96.............
59768 2-96, 3-29.............
59771 2-9.............
59786 2-96.............
Home
Find...
Go To..

CROSS REFERENCE
385D MM305 (3--97)
6-12
Part Page
Number Number
59789 2-81.............
59790 2-81.............
59797 3-23.............
59799 3-23.............
59803 3-23.............
59804 2-41, 4-9.............
59811 2-29.............
59814 2-53.............
59820 2-96.............
59821 2-53.............
59822 2-9.............
59824 2-22.............
59825 2-63.............
59827 2-63.............
59828 2-16.............
59829 2-16.............
59830 2-16.............
59840 2-63.............
59842 2-63.............
59844 2-61.............
59845 2-57.............
59849 2-63.............
59861 2-63.............
59866 2-63.............
59867 2-63.............
59870 2-11, 2-13, 2-83, 2-85.............
59878 2-37.............
59881 2-37.............
59884 2-25.............
59885 2-25.............
59891 2-25.............
59899 2-67.............
59919 3-29.............
59920 3-3.............
59935 2-19.............
59940 2-19.............
59944 2-89.............
59945 2-33.............
59946 2-27.............
59949 2-5.............
59962 3-3.............
59965 2-55.............
59966 2-55.............
59967 2-73.............
59970 2-21.............
59971 2-21.............
59974 2-21.............
59975 2-74.............
59976 2-21.............
59977 2-21.............
59978 2-21.............
59979 2-21.............
60279 2-95.............
60282 2-95.............
60283 3-3.............
60284 3-3.............
60285 3-53.............
60286 3-53.............
60287 3-19.............
60288 3-4, 3-5, 3-8, 3-9.............
60290 2-95.............
Part Page
Number Number
60292 2-39.............
60293 2-39.............
60296 2-95.............
60305 3-3.............
60307 3-4.............
60309 3-5.............
60312 3-6.............
60314 3-7.............
60316 3-8.............
60318 3-9.............
60372 3-15.............
60559 2-30.............
60751 3-3.............
60862 3-21.............
61288 2-81.............
61408 2-81.............
61488 3-42.............
61490 4-16, 4-17, 4-18.............
61529 2-30.............
61531 2-30.............
61796 3-56.............
61869 3-27.............
61891 4-7.............
61920 2-89, 3-11, 3-13.............
61931 2-30.............
62100 2-77, 2-79.............
62172 2-83, 2-85.............
62173 2-83, 2-85.............
62337 2-77, 2-79.............
62390 2-74.............
62595--21 2-5.........
62595--22 2-9.........
62595--23 2-9.........
62595--3 2-19..........
62595--4 2-19..........
62595--6 2-59..........
63234 2-51.............
63378 3-29.............
63469--3 3-29..........
63688 2-41.............
63689 2-41.............
63810 3-27.............
63852 2-19.............
64320 3-29.............
64535 2-59.............
64595 2-15, 2-59, 3-49.............
64905 2-83, 2-85.............
64939 2-25.............
65145--1 2-86..........
65241 4-21.............
65526 2-33.............
65553 3-23, 3-25.............
65560 3-54.............
65561 3-23, 3-27.............
65869--1 2-2..........
66018 2-3.............
66019 2-3.............
66168 3-33.............
66175 3-33.............
66176 3-33, 3-35.............
66177 3-33, 3-35.............
Home
Find...
Go To..

CROSS REFERENCE
6-13
385D MM305 (3--97)
Part Page
Number Number
66178 3-33, 3-35.............
66179 3-33, 3-35.............
66180 3-33.............
66181 3-33.............
66182 3-33.............
66183 3-33.............
66184 2-73.............
66187 5-4.............
66194 5-5.............
66195 3-27.............
66197 3-19.............
66201 5-12.............
66202 5-5.............
66204 5-15.............
66205 5-8.............
66207 5-15.............
66211 2-45.............
66212 2-33, 2-35.............
66213 2-45.............
66220 3-25.............
66221 3-19.............
67004 3-31.............
67683 2-86.............
67767 2-5, 2-33, 2-35, 2-39.............
68441 2-55.............
68872 2-39.............
68873 2-39.............
69173 2-74.............
69234 2-22.............
69901 2-57.............
69902 2-57.............
69903 2-69.............
69904 2-5.............
69906 2-15.............
69907 2-15.............
69908 2-63.............
69909 2-22.............
69910 2-83, 2-85.............
69911 2-83.............
69915 2-5.............
69931 2-6, 2-7.............
69933 2-47.............
69935 3-29.............
69937 3-29.............
69943 2-2.............
69951 2-15.............
69952 2-15.............
69953 3-29.............
69954 2-49.............
69955 3-29.............
69958 3-29.............
69962 2-49.............
69972 2-11, 2-13.............
69973 2-11.............
69981 3-29.............
69984 3-29.............
69986 2-15.............
69987 2-15.............
69990 2-73.............
69991 3-51.............
69993 3-51.............
Part Page
Number Number
69994 3-51.............
69995 3-51.............
69997 3-51.............
69998 3-51.............
69999 3-54.............
70006 2-81.............
70094 4-5, 4-7.............
70095 4-5, 4-7.............
70096 4-5, 4-7.............
70097 4-5, 4-7.............
70098 4-5, 4-7.............
70099 4-5, 4-7.............
70100 4-5, 4-7.............
70101 4-5, 4-7.............
70102 4-5.............
70103 4-5, 4-7.............
70136 2-15.............
70142 2-15.............
70143 2-15.............
70145 2-15.............
70157 2-41.............
70158 2-45.............
70159 2-89, 3-11, 3-13.............
70160 2-30.............
70161 2-45.............
70165 5-33.............
70173 2-35.............
70178 2-59.............
70182 2-59.............
70185 2-59.............
70188 5-33.............
70189 5-7.............
70193 2-59.............
70196 5-21.............
70197 5-21.............
70198 5-21.............
70199 5-21.............
70200 5-21.............
70201 5-21.............
70202 5-21.............
70203 5-21.............
70204 5-21.............
70205 5-21.............
70206 5-21.............
70207 5-21.............
70208 5-21.............
70209 5-21.............
70210 5-21.............
70211 5-21.............
70212 5-21.............
70213 5-21.............
70214 2-31.............
70222 3-55.............
70223 3-55.............
70224 3-55.............
70225 3-55.............
70226 3-55.............
70227 3-55.............
70228 3-55.............
70229 3-55.............
70230 3-55.............
Home
Find...
Go To..

CROSS REFERENCE
385D MM305 (3--97)
6-14
Part Page
Number Number
70246 2-81.............
70248 2-13.............
70249 2-11.............
70252 2-13.............
70256 2-11.............
70267 3-51.............
70268 3-51.............
70271 2-63.............
70272 2-63.............
70275 2-7.............
70276 2-6.............
70278 3-44.............
70279 3-44.............
70280 2-43, 3-44.............
70281 3-44.............
70284 2-5.............
70287 2-43.............
70297 3-45.............
70887 5-3.............
70888 5-3.............
70889 5-4.............
70890 5-4.............
70891 5-4.............
70892 5-4.............
70894 5-4.............
70895 5-5.............
70896 5-5.............
70897 5-5.............
70898 5-5.............
70899 5-5.............
70900 5-7.............
70901 5-7.............
70902 5-7.............
70903 5-7.............
70904 5-7.............
70905 5-7.............
70906 5-7.............
70907 5-7.............
70909 5-7.............
70910 5-7.............
70911 5-7.............
70912 5-7.............
70913 5-7.............
70915 5-8.............
70916 5-8.............
70917 5-8.............
70918 5-8, 5-36.............
70919 5-8.............
70920 5-8.............
70921 5-9.............
70922 5-9.............
70923 5-9.............
70924 5-9.............
70925 5-9.............
70926 5-9.............
70927 5-9.............
70928 5-9.............
70929 5-10.............
70930 5-10.............
70931 5-10.............
70932 5-10.............
Part Page
Number Number
70933 5-10.............
70934 5-11.............
70935 5-11.............
70936 5-12.............
70937 5-12.............
70938 5-15.............
70939 5-15.............
70940 5-15.............
70941 5-15.............
70942 5-15.............
70943 5-15.............
70944 5-15.............
70945 5-15.............
70946 5-15.............
70947 5-15.............
70948 5-15.............
70949 5-15.............
70950 5-15.............
70951 5-15.............
70952 5-15.............
70953 5-15.............
70954 5-15.............
70955 5-15.............
70956 5-17.............
70957 5-17.............
70959 5-19.............
70960 5-19.............
70961 5-19.............
70962 5-19.............
70964 5-23.............
70965 5-23.............
70966 5-23.............
70967 5-23.............
70968 5-23.............
70969 5-23.............
70971 5-27, 5-29.............
70972 5-27.............
70973 5-27.............
70974 5-27.............
70975 5-32.............
70976 5-32.............
70977 5-32.............
70978 5-32.............
70979 5-32.............
70980 5-33.............
70982 5-34.............
70983 5-34.............
70984 5-34.............
70985 5-35.............
70986 5-35.............
70987 5-35.............
70988 5-35.............
70989 5-35.............
70990 5-35.............
70991 5-35.............
70992 5-35.............
70993 5-36.............
70994 5-36.............
70996 5-36.............
70997 5-3.............
70998 5-3.............
Home
Find...
Go To..

CROSS REFERENCE
6-15
385D MM305 (3--97)
Part Page
Number Number
70999 5-3.............
71022 3-42.............
71024 2-5.............
71025 3-29.............
71056 2-89.............
71057 3-23.............
71058 3-11, 3-19.............
71060 3-51.............
71455 5-36.............
71540 2-65.............
71543 3-6, 3-7.............
71544 2-89, 3-11, 3-13.............
71985 5-3.............
71986 5-3.............
71987 5-3, 5-15.............
71988 5-3.............
71989 5-3.............
71990 5-3.............
71991 5-3.............
71992 5-3.............
71993 5-3.............
71994 5-4.............
71995 5-4, 5-32.............
71996 5-5.............
71997 5-5.............
71999 5-5.............
72010 5-5.............
72011 5-7.............
72012 5-7.............
72013 5-7.............
72014 5-7.............
72015 5-7.............
72016 5-7.............
72017 5-7.............
72018 5-7, 5-34.............
72019 5-7.............
72020 5-7.............
72024 3-21.............
72049 3-23.............
72065 2-59.............
72066 2-2.............
72067 2-2.............
72068 2-2.............
72069 2-6, 2-7.............
72071 2-53.............
72072 2-33.............
72073 2-33.............
72080 3-13, 3-25.............
72086 3-33, 3-35.............
72087 3-33, 3-35.............
72088 3-47.............
72091 2-15.............
72094 3-13.............
72096 3-11.............
72098 3-25.............
72099 3-23.............
72100 3-6, 3-7.............
72106 2-89.............
72109 2-21.............
72114 3-4, 3-5.............
72118 2-6.............
Part Page
Number Number
72119 2-7.............
72120 2-6, 2-7.............
72130 2-49.............
72131 2-49.............
72132 2-47.............
72133 2-73.............
72136 2-81.............
72138 2-9.............
72142 3-23.............
72143 3-29.............
72147 2-37.............
72152 2-5.............
72154 2-16.............
72156 2-5.............
72159 2-53.............
72176 2-11, 2-13.............
72178 3-3, 3-33.............
72179 2-11, 2-13.............
72181 3-33.............
72191 2-35.............
72192 2-35.............
72193 2-35.............
72473 2-11.............
72491 2-33, 2-35.............
72968 2-5, 2-6, 2-7, 3-55.............
72969 2-59.............
72971 2-59.............
72993 5-7.............
72994 5-7, 5-11.............
72995 5-7, 5-36.............
72996 5-8, 5-11, 5-36.............
72997 5-8.............
72998 5-9.............
72999 5-9.............
73411 2-49.............
73479 5-9.............
73480 5-10.............
73481 5-10.............
73482 5-10.............
73483 5-10.............
73484 5-10.............
73485 5-10.............
73486 5-11.............
73487 5-11.............
73488 5-11.............
73489 5-11.............
73491 5-12.............
73492 5-12.............
73493 5-12.............
73494 5-12.............
73495 5-12.............
73496 5-12.............
73497 5-12.............
73498 5-12.............
73499 5-12.............
73500 5-12.............
73501 5-12.............
73502 5-12.............
73503 5-12.............
73504 5-12.............
73505 5-12.............
Home
Find...
Go To..

CROSS REFERENCE
385D MM305 (3--97)
6-16
Part Page
Number Number
73506 5-12.............
73507 5-12.............
73508 5-12.............
73509 5-13.............
73510 5-13.............
73511 5-13.............
73512 5-13.............
73513 5-13.............
73514 5-13.............
73515 5-13.............
73516 5-13.............
73517 5-13.............
73518 5-13.............
73519 5-13.............
73520 5-15.............
73521 5-15.............
73522 5-15.............
73523 5-15.............
73524 5-15.............
73525 5-15.............
73526 5-15.............
73527 5-15.............
73528 5-15.............
73529 5-15.............
73530 5-15.............
73531 5-15.............
73532 5-15.............
73533 5-17.............
73534 5-17.............
73535 5-17.............
73536 5-19.............
73537 5-19.............
73538 5-19.............
73539 5-19.............
73541 5-19.............
73543 5-19.............
73544 5-19.............
73545 5-19, 5-21.............
73546 5-19.............
73547 5-19, 5-21.............
73548 5-19.............
73549 5-19.............
73550 5-19.............
73551 5-19, 5-21.............
73552 5-19.............
73553 5-19.............
73554 5-23.............
73555 5-23.............
73557 5-23.............
73558 5-23.............
73559 5-23, 5-25.............
73560 5-23.............
73561 5-27.............
73562 5-27.............
73563 5-27.............
73565 5-27.............
73566 5-29.............
73567 5-29, 5-31.............
73568 5-29, 5-31.............
73569 5-29, 5-31.............
73570 5-29, 5-31.............
Part Page
Number Number
73571 5-29, 5-31.............
73572 5-29, 5-31.............
73573 5-29, 5-31.............
73574 5-29, 5-31.............
73575 5-29, 5-31.............
73576 5-29, 5-31.............
73577 5-29, 5-31.............
73578 5-29, 5-31.............
73579 5-29, 5-31.............
73580 5-29, 5-31.............
73581 5-29, 5-31.............
73582 5-29, 5-31.............
73583 5-29.............
73584 5-29.............
73585 5-29, 5-31.............
73586 5-29, 5-31.............
73587 5-29.............
73588 5-29, 5-31.............
73589 5-29, 5-31.............
73590 5-29, 5-31.............
73591 5-32.............
73592 5-32.............
73593 5-32.............
73594 5-32.............
73595 5-32.............
73596 5-32.............
73597 5-32.............
73598 5-32.............
73599 5-32.............
73600 5-32.............
73601 5-32.............
73602 5-32.............
73603 5-32.............
73604 5-32.............
73605 5-33.............
73606 5-33.............
73607 5-33.............
73610 5-33.............
73614 5-33.............
73615 5-33.............
73616 5-33.............
73618 5-34.............
73619 5-34.............
73620 5-34.............
73621 5-34.............
73622 5-34.............
73623 5-34.............
73624 5-34.............
73625 5-34.............
73626 5-34.............
73627 5-35.............
73628 5-35.............
73629 5-35.............
73630 5-35.............
73631 5-35.............
73632 5-36.............
73633 5-36.............
73634 5-36.............
73635 5-36.............
73636 5-36.............
74092 4-16.............
Home
Find...
Go To..

CROSS REFERENCE
6-17
385D MM305 (3--97)
Part Page
Number Number
74094 4-16, 4-17, 4-18.............
74095 4-16, 4-17.............
74096 4-16.............
74097 4-16, 4-20.............
74098 4-11, 4-13, 4-15, 4-17.............
74099 4-17.............
74100 4-17, 4-18.............
74101 4-18.............
74102 4-18.............
74103 4-20.............
74105 4-20, 4-21.............
74106 4-20.............
74108 4-20.............
74109 4-20, 4-21.............
74110 4-20, 4-21.............
74111 4-20, 4-21.............
74112 4-20, 4-21.............
74113 4-20.............
74114 4-20.............
74115 4-20.............
74116 4-20.............
74117 4-20.............
74118 4-20.............
74121 4-9, 4-11.............
74122 4-9, 4-11, 4-13, 4-15.............
74123 4-9, 4-11, 4-13, 4-15.............
74124 4-9, 4-11.............
74125 4-9, 4-11, 4-13, 4-15.............
74126 4-24.............
74127 4-24.............
74137 4-9, 4-11, 4-13, 4-15.............
74143 4-5.............
74162 2-41, 4-13.............
74165 4-13, 4-15.............
74166 4-13, 4-15.............
74167 4-13, 4-15.............
74168 4-11, 4-13, 4-15.............
74170 4-13.............
74171 4-13, 4-15.............
74172 2-19, 4-21.............
74174 4-17.............
74180 4-7.............
74181 4-21.............
74182 4-21.............
74190 4-21.............
74195 4-21.............
74216 4-3.............
74218 4-21.............
74225 4-7.............
74226 4-7.............
74229 4-7.............
74230 4-7.............
74233 4-19.............
74235 4-7.............
74237 4-7.............
74248 4-5, 4-7.............
74249 4-11, 4-13, 4-15.............
74250 4-17, 4-18.............
74251 4-21.............
74304 2-5.............
74310 2-59.............
Part Page
Number Number
74314 2-53.............
74320 3-51.............
74327 3-51.............
74352 2-59.............
74353 2-59.............
74355 2-67.............
74358 2-63.............
74374 3-35.............
74375 3-35.............
74379 3-35.............
74380 3-35.............
74381 3-35.............
74382 3-35.............
74383 3-35.............
74391 2-45, 2-47, 2-67, 2-69.............
74395 2-37.............
74398 2-81.............
74401 2-37.............
74405 2-27, 5-21.............
74406 2-35.............
74409 2-59.............
74419 2-63, 4-25.............
74421 3-51.............
74428 3-21.............
74429 3-19.............
74430 3-19.............
74431 3-19.............
74433 3-23.............
74434 2-61.............
74435 2-25.............
74438 3-29.............
74439 3-29.............
74451 2-31.............
74452 2-31.............
74453 2-33.............
74454 2-73.............
74456 2-11.............
74466 2-86, 4-5.............
74468 2-71, 4-17.............
74469 4-7.............
74475 2-49.............
74491 2-11.............
74493 2-11.............
75028 2-65.............
75128 2-16.............
75430 2-49.............
76315 2-86.............
76316 2-83, 2-85.............
77002 2-33, 2-35.............
77097 2-55, 2-63.............
77399 2-22.............
78143 2-74, 2-81.............
78787 2-55.............
79040 2-81.............
79399 2-25.............
79425 2-2, 2-61.............
79769 2-86, 4-7.............
79785 4-23.............
79786 4-23.............
79787 4-23.............
79788 4-23.............
Home
Find...
Go To..

CROSS REFERENCE
385D MM305 (3--97)
6-18
Part Page
Number Number
79789 4-23.............
79790 4-23.............
79791 4-23.............
79792 4-23.............
79793 4-23.............
79794 4-23.............
79795 4-23.............
79796 4-23.............
79798 4-23.............
79799 4-23.............
79800 4-23.............
79801 4-23.............
79802 4-23.............
79803 4-23.............
79804 4-23.............
79805 4-23.............
79806 4-23.............
79807 4-23.............
79808 4-23.............
79812 4-23.............
79813 4-23.............
79815 4-23.............
79820 4-23.............
79821 4-23.............
79828 4-15.............
79893 5-4.............
82063 3-4, 3-6, 3-8.............
82196 3-46.............
82200 3-5, 3-7, 3-9.............
82334 3-49.............
82475 2-61.............
82483 2-53.............
82509 2-35.............
82661 2-31.............
82731 2-30.............
82739 2-87.............
82831 2-71.............
84578 2-31.............
84581 2-65.............
84624 2-85.............
84625 2-25.............
84631 5-5.............
84635 5-27, 5-31.............
84636 5-32.............
84638 5-23.............
84644 5-27.............
84646 5-3.............
84647 5-3.............
84648 5-31.............
84649 5-31.............
84650 5-31.............
84651 5-31.............
84660 3-56.............
85305 3-56.............
86041 2-30.............
86240 2-45, 2-47, 2-69.............
86330 2-33, 3-4, 3-5.............
86331 2-33, 2-59, 3-8, 3-9.............
86332 3-3, 3-4, 3-5, 3-8, 3-9.............
86333 3-6, 3-7.............
86381 2-19.............
Part Page
Number Number
86751 2-47.............
86791 2-51.............
87319 2-19.............
87337 2-57.............
87396 2-33, 2-35.............
87536 2-21.............
87583 2-23.............
87631 2-71.............
87676 2-13.............
87677 2-55.............
87738 2-35.............
87866 2-21.............
87948 3-3.............
Home
Find...
Go To..

CROSS REFERENCE
6-19
385D MM305 (3--97)
PART DESCRIPTION TO PAGE NUMBER CROSS REFERENCE LIST
Numbers
355L Oper/ Video VHS, 3-56
A
Actuator Assy, 12V, 3-51
Actuator, 12V 4.0Strk 250Lb, 3-49
Actuator, Governor, 2-25
Adaptor Wldt, Vac Wand, 3-31
Adaptor, Flywheel Hsg, Kubota, 2-27
Air Cleaner, 2-29
Alarm Kit, Bu A/v 355L, Cab with Pressurizer, 3-13
Alarm Kit, Bu A/v 355L, Cab, 3-11
Alarm Kit, Bu A/v 355L, 2-89
Alternator, 50A/12V Mando, 2-30
Altrntr Pulley Md, 2-30
Angle, Cable Keeper, 2-45, 2-47, 2-67, 2-69
Angle, Door Jamb, Lower, Rear, 3-19
Angle, Door Jamb, 3-19
Angle, Filler, 3-55
Angle, Hopper, 2-53
Angle, Stop, 3-33, 3-35
Arm Assy, Hopper w/label, 2-63
Arm Assy, Lift, 2-65
Arm Assy, Safety w/label, 2-63
Arm Wldt, Brush, Lh, 2-71
Arm Wldt, Idler, W/Brush, 2-71
Arm Wldt, 3-49
Arm, Alternator, 2-30
Arm, Control, Pintle, 2-51
Arm, Water Control, 3-27
Arm, Windshield Wiper, Panto, 3-23
Arm, 2-51
Armature, 5-19
Armrest Assy,Lh& Rh, 2-9
Armrest Cab, 3-21
Assembly Apparatus, Idle, 5-33
Assembly Bolt, Adjusting, 5-33
Assembly Camshaft, 5-13
Assembly Cartridge, Oil, 5-7
Assembly Case, Main Bearing 1, 5-9
Assembly Case, Main Bearing 2, 5-9
Assembly Case, Main Bearing 3, 5-9
Assembly Case, Main Bearing, 5-9
Assembly Cock, Drain, 5-3
Assembly Connecting Rod, 5-15
Assembly Lever, Fork, 5-35
Assembly Pipe, Over Flow, 5-23
Assembly Piston Ring 05, 5-15
Assembly Piston Ring, 5-15
Assembly Plate, Control, 5-34
Assembly Pump, Water, 5-8
Assembly Rocker Arm, 5-12
Assembly Rotor, Oil Pump, 5-7
Assembly Seal, Mechanical, 5-8
Assembly Shaft, Governor, 5-32
Assembly Shaft, R--arm, 5-12
Assembly Starter, 5-19
Assembly Tappet, 5-29, 5-31
Assembly Thermostat, 5-36
Assembly Washer, Adjust, 5-25
Assy Armature, 5-21
Assy Bolt, 5-21
Assy Holder, Brush, 5-21
Assy Starter, 5-21
Assy Switch, Magneto, 5-21
Assy Yoke, 5-21
B
Back Plate Assembly, 4-8
Backplate Assy Ce, 4-5, 4-7
Backplate Assy, 4-3
Ball, Check, 4-20
Ball, 4-9, 4-11, 4-13, 4-15, 4-23, 5-7, 5-15, 5-19, 5-21
Balljoint .250--28, 2-15, 2-25
Balljoint, Rod End, 2-41
Band, Pipe, 5-23, 5-36
Bar, Hex, 3-51
Bar, Link, 2-55
Bar, Shaker, 2-61
Bar, Spring, Shaker, 2-61
Bar--Flt .06T 1.00W 4.00L,Rbr, 2-2, 2-61
Home
Find...
Go To..

CROSS REFERENCE
385D MM305 (3--97)
6-20
Bar--Flt .06T 4.00W 5.00L,Rbr, 2-2, 2-61
Battery, 12V, Cc Amps:600 Wet, 2-39
Battery, 12V, Ccamps: 600 Dry, 3-41
Bearing Cam, 4-5, 4-7
Bearing Kit, Thrust, 4-3
Bearing Thrust, 4-18
Bearing, Ball, 5-8, 5-19, 5-32, 5-35
Bearing, Bronze, 2-25
Bearing, Flange .625 Bore, 2-49
Bearing, Flange, 0.50 Bore, 2-13
Bearing, Flange, 1.00 Bore, 3-51
Bearing, Flange, 1.50 Bore, 3-51
Bearing, Flange, 2-11, 2-13
Bearing, Inner Race, 4-3
Bearing, Journal 1.25 Idx1.0Lg, 2-63
Bearing, Journal 1.50 Dia, 3-51
Bearing, Journal, 2-49
Bearing, Needle, 4-20, 4-21
Bearing, Roller, 4-3
Bearing, Self Aligning, 2-69
Bearing, Thrust .62X1.25X.06, 2-49
Bearing, Thrust, 2-49, 4-7
Bearing, Trunnion, 4-3
Bearing&Clr ,1.25B 2.44D 1.41W, 2-71
Bearing--Ball, .669B 1.575D 0.472W, 2-30
Bearing--Ball,1.38B 2.83D 0.67W, 2-71
Bearing--Cone, 1.38Bore 0.71Wth, 2-41, 2-45
Bearing--Cup , 2.56Dia 0.55Wth, 2-41, 2-45
Bearing--Flange,2 Hole .625Bore, 2-55
Bearing--Self Align 1.250 Bore, 2-55, 2-63
Bearing, 4-16, 5-21
Bellows Assy, Brush Lift, 2-69
Bellows Assy, Valve, 2-22
Belt,Seat,3-36
Belt, V Hc41 X 41, 2-30
Blade, Deflector, 2-5
Blade, Windshield Wiper, 18”, 3-23
Block, Fuse, 2-19
Block, Pivot (Repl. By 72179), 2-13
Block, Pivot (Replaced By 72179), 2-11
Blower Kit, W/Ohg, 3-29
Blower, Assy, 3-25
Body and Gear Kit, .50 CIR, 4-8
Body and Gear Kit, .66 CIR, 4-8
Bolt. Bearing Case 2, 5-9
Bolt, Adjusting, 5-33
Bolt, Bearing Case 1, 5-9
Bolt, Connecting Rod, 5-15
Bolt, Cylinder Head, 5-5
Bolt, Flywheel, 5-17
Bolt, Hook, Rh, 2-11
Bolt, Latch, 2-16, 3-21
Bolt, Through, 5-19
Bolt--Carrm 8X1.25 40 4.6 Pltd, 2-5
Bolt--Eye, .25--20Th .25B 1.4L, 2-51
Bolt--Eye, .25--20Zinc.56D 2.00L, 2-53
Bolt--U, 1.13 ID, 3-27
Bolt, 4-9, 4-11, 4-13, 4-15, 5-4, 5-5, 5-7, 5-8, 5-9,
5-11, 5-13, 5-15, 5-17, 5-19, 5-21, 5-27, 5-32,
5-33, 5-34, 5-35, 5-36
Boot -- Circuit Breaker, 3-3
Boot, Batt. Term. 1--2 Ga Black, 2-39
Boot, Batt. Term. 1--2 Ga Red, 2-39
Boot, Circuit Breaker, 3-54
Boot, Rubber, 2-25
Boot--Circuit Breaker, 2-23, 3-23, 3-25
Bracket Assy, Isolator, 2-51
Bracket Repl Kit, Switch, 2-89
Bracket Replacement Kit, Taillight, 2-5
Bracket Sppt, Control Rod, 2-49
Bracket Wldt, Filter, 2-61
Bracket Wldt, Hpr Cvr Sprng, 2-59
Bracket Wldt, Light, Rotating, 2-89, 3-6, 3-7
Bracket Wldt, Mtg, Actuator, 2-25
Bracket Wldt, Mtg, Engine, 2-27
Bracket Wldt, Mtg, Motor, 3-49
Bracket Wldt, Mtg, Steering,Lh, 2-19
Bracket Wldt, Mtg, Steering,Rh, 2-19
Bracket Wldt, Notched, 2-19
Bracket Wldt, S Br, 2-67
Bracket Wldt, Support, Blower, 3-29
Bracket Wldt, Taillight, 2-5
Bracket Wldt, Valve, 2-19
Bracket Wldt,Mtg,Eng, Rear, Rh, 2-27
Bracket Wldt,Mtg,Eng,Rear, Lh, 2-27
Home
Find...
Go To..

CROSS REFERENCE
6-21
385D MM305 (3--97)
Bracket Wldt, 2-61
Bracket, Alarm, Back--Up, 3-11
Bracket, Alternator, 2-30
Bracket, Back--Up Alarm, 3-19
Bracket, Bumper Stop, 3-3
Bracket, Bumper, Aux S B, 3-51
Bracket, Bumper, 2-57
Bracket, Cable Spring, 2-59
Bracket, Cable, 3-51
Bracket, Deflector, Eng Cover, 2-15
Bracket, Deflector, 3-47
Bracket, Door, 2-16, 2-57
Bracket, Drain Hose Clamp, 2-25
Bracket, Filter, 2-61
Bracket, Flap, Recirculation, 2-5
Bracket, Flasher, 2-89, 3-3, 3-11, 3-13
Bracket, Grille, 2-11, 2-13
Bracket, Gusset, Corner, Lh, 2-57, 2-59
Bracket, Gusset, Corner, Rh, 2-57, 2-59
Bracket, Hanger, Muffler, 2-31
Bracket, Inside, 2-9
Bracket, Latch, Bolt, Eng Cover, 2-15
Bracket, Latch, Bolt, 3-21
Bracket, Latch, Door, 2-16
Bracket, Latch, 2-15
Bracket, Light, SBDC, 3-3
Bracket, Motor, 2-65
Bracket, Mounting Motor, 2-73
Bracket, Mounting, Filter, 2-35
Bracket, Mtg. Latch, 2-11
Bracket, Mtg, Air Cleaner, 2-29
Bracket, Mtg, Back--Up Alarm, 2-89
Bracket, Mtg, Filter, 2-33
Bracket, Mtg, Hinge, Lh, 2-7
Bracket, Mtg, Hinge, Rh, 2-6
Bracket, Mtg, Latch (Replaced By 74456), 2-11
Bracket, Mtg, Latch, 2-13
Bracket, Mtg, Light, Ohg, 3-4, 3-5
Bracket, Mtg, Spring, 2-57
Bracket, Mtg, Tube, 3-29
Bracket, Mtg, Valve, 2-83, 2-85
Bracket, Propel, 2-51
Bracket, Radiator Mount, 2-37
Bracket, Rear Grill Stop Bolt, 2-13
Bracket, Repl Kit, Latch, 2-15
Bracket, Rocker Arm, 5-12
Bracket, Sbdc, 3-33, 3-35
Bracket, Side Brush, 2-67
Bracket, Speed Limiter, 2-49
Bracket, Stop Bolt, Rear Grill, 2-11
Bracket, Switch, 3-3
Bracket, Tiedown, 3-46
Bracket, Valve, 3-27
Bracket, 2-9, 2-67, 2-69
Brake Assy, 2-45
Brake Repair Kit, 2-45
Brake Shoes, 2-45
Breaker -- Circuit, 15 Resetbl, 3-54
Breaker--Circuit, 2.5 Resetbl, 2-23
Breaker--Circuit, 15 Resetbl, 2-23, 3-23, 3-25
Breather, Hyd Cap (Includes Gasket), 2-81
Breather, Hyd, 20 Micron, 2-81
Breather, Hyd, 2-81
Brg, Brake, 2-47
Brg, Snap In -- Nyliner .38 Id, 3-29
Brush--Side Swp --23 Dia--Flatwire, 2-3
Brush--Side Swp --23 Dia--Nylon, 2-3
Brush--Side Swp --23 Dia--Poly, 2-3
Brush--Sweep Spl--45Lg--24 Single Row--Fiber and
Wire, 2-3
Brush--Sweep Spl--45Lg--24 Single Row--Nylon, 2-3
Brush--Sweep Spl--45Lg--5 Double Row--Nylon, 2-3
Brush--Sweep Spl--45Lg--8 Double Row--Nylon, 2-3
Brush--Sweep Spl--45Lg--8 Double Row--Poly and
Wire, 2-3
Brush--Sweep Spl--45Lg--8 Double Row--Poly, 2-3
Brush--Sweep Spl--45Lg--8 Double Row--Wire, 2-3
Brush--Sweep Spl--45Lg--Wedg Poly, 2-3
Brush, 5-19
Bshg,Flange, 3-33, 3-35
Bulb #53 12V, 3-3
Bulb GE, 3-15
Bulb, 12V .9A 15Cp#1004, 2-89, 3-11, 3-13
Bulb, #194, 3-3
Bulb, 12V .5A 4CP#1157, 2-5
Home
Find...
Go To..

CROSS REFERENCE
385D MM305 (3--97)
6-22
Bulb, General Electric, 3-4, 3-5, 3-6, 3-7, 3-8, 3-9
Bulb, 3-23
Bumper Wldt, Aux S Br, Front, 3-51
Bumper Wldt, Aux S Br, Rear, 3-51
Bumper Wldt, Front, 2-57, 2-59
Bumper, Pressurizer, 3-25
Bumper, Safety Arm, 2-63
Bumper, Threaded, 2-51
Bumper, 3-51
Bush, Governor Gear, 5-3
Bush, Idle Gear, 5-13
Bush, Piston Pin, 5-15
Bushing, Isolator--Inner,Rbr., 2-83, 2-85
Bushing, 4-23
C
Cab Wldt, 3-19
Cable, .06D X 5.75, 3-21
Cable, 9” Bundle Dia, 2-5
Cable, Brake, Service, 2-45
Cable, Cover, Safety, 2-59
Cable, Door, Access, 2-57, 3-21
Cable, Lift, M Br, 2-69
Cable, Lift, S Br, 2-67
Cable, Motor Bracket, 3-49
Cable, Parking Brake, 2-47
Cable, 2-9, 3-51
Cabletie Mount, Adhesive, 2-87, 2-89, 3-4, 3-5, 3-8,
3-9, 3-11, 3-13
Cam, Fuel, 5-32
Cam, 2-51
Camplate Ce, 4-5, 4-7
Camshaft, Fuel, 5-32
Cap Assembly, 4-23
Cap, End, 4-20, 4-21
Cap, Fuel, 2-35
Cap, Gas, 2-33
Cap, Hub, 2-45
Cap, Hyd Reservoir W/dipstick, 2-81
Cap, Radiator, 2-37
Cap, Screw Cl, 4-17
Cap, Screw, 4-17, 4-20, 4-21
Cap, Sealing, 5-3, 5-5
Cap, Valve Stem, 2-43, 3-44
Cap, Valve, 5-12
Cap, 5-33
Cartridge, Solenoid Valve, 4-19
Catch--No--Strike, 3-25
Chain, Link#2/0, 5Links Plain, 2-5
Chain,Jack#12, 6Links,Znc, 3-31
Channel Wldt, Corner Post, 2-11
Channel Wldt, Heater, 3-27
Channel Wldt, Lh, 2-57
Channel Wldt, Rh, 2-57
Channel Wldt, Support, 3-51
Channel, Mtg, Radiator, 2-37
Channel, Retainer, Seal, Rear, 2-5
Channel, Rigid, 3-19, 3-21
Channel,Flexible,L.H, 3-19
Channel,Glassrun,Flx#B127, 110, 3-21
Check Kit, LD DK, 4-24
Chrome Pltd Cam Shft, 2-45
Cir--clip, External, 5-12, 5-35
Cir--clip, Governor Shaft, 5-32
Cir--clip, Idle Gear, 5-13
Cir--clip, Piston Pin, 5-15
Circuit Breaker, 15 Resetbl, 3-3
Clamp -- Cable, .69 Dia .62 Wth, 2-5
Clamp Assembly Dn, 2-29
Clamp Wldt, Tube, Blower Wand, 3-29
Clamp, Cable .44D .62 Wide, 3-3
Clamp, Cable .44D .62Wide, 2-53, 2-57, 3-15
Clamp, Cable, 0.25 Dia 0.56 wth, 3-25
Clamp, Hose, Double, .437 Hole, 3-51
Clamp, Hose, 2-5, 2-13, 2-19, 2-65, 2-71, 3-49
Clamp, Pipe 1, 5-23
Clamp, Pipe 2, 5-23
Clamp,Mounting,Cyclopac Aircl., 2-29
Clamp--Cable, .69Dia. .62Wth, 2-39
Clamp--Cable, 0.25 Dia 0.56 Wth, 2-33
Clamp--Cable, 0.25Dia 0.56Wth, 2-35, 2-61, 2-87
Clamp--Cable, 0.38Dia 0.38Wth, 3-31
Clamp--Cable, 0.69 Dia 0.62 Wth, 2-33
Clamp--Cable, 1.00Dia. .62Wth, 2-22
Home
Find...
Go To..

CROSS REFERENCE
6-23
385D MM305 (3--97)
Clamp--Cable, 1.50d 1.00w Stl, 2-81
Clamp--Cable, 2.25Dia 1.00Wth, 2-13, 2-19
Clamp--Cable, 2.50Dia 1.0Wth Ss, 2-41
Clamp--Cable,.69Dia. 62Wth, 2-35
Clamp--Muffler,For 1.62 Od Tube, 2-31
Clamp--Wormdrive, 0.25-- 0.62D, 2-33, 2-35
Clamp--Wormdrive, 0.56-- 1.06D, 3-27
Clamp--Wormdrive, 0.81-- 1.50D, 2-37, 3-27
Clamp--Wormdrive, 1.06-- 2.00D, 2-37
Clamp--Wormdrive, 1.62-- 3.50D, 3-29
Clamp--Wormdrive, 1.81-- 2.75D, 2-29
Clamp--Wormdrive, 3.56-- 4.50D, 2-61, 3-29
Clevis, Adjustable, 2-45
Clip (Replaced By None), 2-11
Clip Safety, 2-59
Clip, Cable, 2-45
Clip, Keeper, Open, 2-25, 2-27, 2-29
Clip, Pine--tree .236h Plastic, 2-22
Clip, Safety, 3-49
Clip, Spring, 2-15
Clip--Finger Grip, 3-31
Clutch, Over Running, 5-21
Clutch, 5-19
Coil, 4-19
Collar 1, 5-35
Collar, Crankshaft, 5-15
Collar, Idle Gear 1, 5-13
Collar, Idle Gear 2, 5-13
Collar, Locking, 2-55
Collet, Valve Spring, 5-12
Column, Steering, 2-19
Comp Idle Gear 1, 5-13
Comp. Case, Gear, 5-7
Comp. Crankcase, 5-3
Comp. Crankshaft, 5-15
Comp. Cylinder Head, 5-5
Comp. Flange, Water, 5-36
Comp. Flywheel, 5-17
Comp. Lever, Fork 1, 5-35
Comp. Lever, Governor, 5-34
Comp. Oil Pan (Rear Sump), 5-4
Comp. Weight, Governor, 5-32
Cone, 4-23
Control Assembly, 4-20
Control Box, Governor, Die, 2-19
Cooler, Hyd 365, 2-13
Cord, Glow Plug, 5-23
Cord, Sponge, 2-2, 2-53
Core, Heater, 3-27
Coupling Assy, Flywheel, 2-27
Cover Assy, Hopper (Repl. By 84570), 2-57
Cover Weldt, Engine, Blower Wand, 3-29
Cover Wldt Replacement Kit, 3-23
Cover Wldt, Engine, 2-15
Cover Wldt, Press & Alarm, 3-13
Cover Wldt, Pressurizer, w/Back--Up Alarm, 3-25
Cover Wldt, Sbdc, 3-33, 3-35
Cover Wldt, Sppt, Seat, 2-9
Cover Wldt, 3-23
Cover, Bearing Case, 5-9
Cover, Bracket, Armrest, 3-21
Cover, Cord, 5-19
Cover, Cylinder Head, 5-10
Cover, Fork Lever Shaft, 5-35
Cover, Heater, 3-27
Cover, Hopper, 2-59
Cover, Hydraulic Pump, 5-33
Cover, O--Ring Ce, 4-7
Cover, O--Ring Ce, 4-5
Cover, Oil Pump, 5-7
Cover, Rocker Switch Seal, 3-23, 3-25, 3-27, 3-54
Cover, Steering, 2-19
Cover, Thermostat, 5-36
Cover, Trunion Ce, 4-5, 4-7
Cover, 4-5, 4-7, 5-7, 5-21, 5-33
Cplt Brush Kit Md, 2-30
Cup Assembly Dn, 2-29
Cylinder Head Assy, 5-5
Cylinder, Hydraulic, 4-25, 4-26
Cylinder--Hyd (See Breakdowns), 2-41, 2-63
Cylinder--Hyd,2.0X 4.0Da2500Psi, 2-55
Home
Find...
Go To..

CROSS REFERENCE
385D MM305 (3--97)
6-24
D
Dampner, Engine, 2-27
Detent Adaptr, 4-23
Detent Kit, Spool #1, 4-24
Detent Kit, Spool #2, 4-24
Door Wldt, Brush, Lh, 2-7
Door Wldt, Brush, Rh, 2-6
Door Wldt, Cab, 3-21
Door Wldt, Dump, 2-53
Door Wldt, 2-16
Door, Access w/label, 2-57
Door, Dust, 2-55
Dowel,Cyl.Block To Flywhl.Hsg., 2-27
Draincock,End.Block, 2-37
Drive Shaft, 4-8
Drive, 4-9, 4-11, 4-13, 4-15, 4-16, 4-17, 4-18, 4-20,
4-21
Duct, Outlet, Blower Wand, 3-29
Duct, Vinyl .40X.75X10.0 .25D, 2-33
Duct, Vinyl .40X.75X16.0 .25D, 2-33, 2-59
Duct, Vinyl .40x.75x26.0 Lg .25D, 3-3
Duct, Vinyl 10.0 In., 3-5
Duct, Vinyl 10.0 In, 3-4
Duct,Vinyl16.0In.,3-8,3-9
Duct, Vinyl 24.0, 3-19
Duct,Vinyl26.0In.,3-4,3-5,3-8,3-9
Duct,Vinyl3.5In.,3-6,3-7
Duct,Vinyl6.0In.,3-4,3-5
Duct, Vinyl, 2-33
Dust Control Kit Side Brsh 355L, 3-35
Dust Control Kit Side Brsh 355, 3-33
E
Element Kit, Air, Safety, 3-39
Element, Air Filter, 2-2, 2-29
Element, Breather, 5-10
Element, Safety, 3-39
End Cap, 4-16, 4-18
Engine Assy (See Engine Breakdown) (Repl. by
74435), 2-25
Engine Assy (See Engine Breakdown) (Repl. by
84625), 2-25
Engine, Diesel Kubota E Series (See Engine
Breakdown), 2-25
Extinguisher Kit Fire 355L, 3-40
Extinguisher, Fire, 3-40
F
Fan Assy, Defroster, 3-27
Fan Wldt, Vac w/gaskets, 2-73
Fan Wldt, Vac, Inlet w/gasket, 2-73
Fan Wldt, Vac, Transition, 2-73
Fan, Pusher, 2-30
Fastener, Clip--Louver, 3-25
Filter Assy, Spin--On 10Micron, 2-13
Filter Element Ph, 2-2, 2-13
Filter Pkg, Panel, 94 Pleats, 2-61
Filter, Fuel, Die, 2-33
Filter, Fuel, Element, 2-2, 2-33, 2-35
Filter,Fuel,2-2,2-33
Filter, Fueldiesel, 2-35
Filter, Oil--oil Pick Up Tube, 5-4
Filter, Oil, 2-2
Filter, Panel 5.25 X 18.5 X 2, 3-25
Finger Pull, 3-19, 3-21
Fitting Assy, Fuel, 2-33, 2-35
Fitting, Brass E90, 2-35
Fitting, Tee, 3-27
Flange Mounting, 4-17
Flange, Mounting, 4-16, 4-18
Flange, Sleeve, 5-29, 5-31
Flange, Water Pump, 5-8
Flange,Brg,3 Hole, 2-71
Flap, Tire--Tube ,570/500--8, 3-44
Flap, Tube, 2-43
Flasher, 12V, 2-89, 3-11, 3-13
Flasher, Heavy Duty, 3-3
Fluid, Hyd Oil, Shp 15/40 1Gal, 2-2
Foam, Acoustic, Hopper, 2-61
Foam, Door, Engine, Side, 2-16
Foam, Engine Cover, Bottom, 2-15
Foam, Engine Cover, 2-15
Foam, SBDC, L.H., 3-33, 3-35
Foam, SBDC, R.H., 3-33, 3-35
Frame Wldt, Main, 2-5
Home
Find...
Go To..

CROSS REFERENCE
6-25
385D MM305 (3--97)
Frame, Drive End, 5-21
Frame, End, 5-19, 5-21
Ftg, Breather, 2-87
Ftg, Grease .25--28Th Strt .63L, 2-55
Ftg, Grease.25--28Th Strt .63L, 2-41
Ftg--Brs E45 Pm02/Pf02, 2-25
Ftg--Brs E90 Bm05/Pm02, 2-35
Ftg--Brs E90 Em10/Pm08, 3-27
Ftg--Brs E90 If03/Pm02, 2-35
Ftg--Brs E90 If05/Pm02, 2-35
Ftg--Brs E90 Pm02/Bm03, 2-33
Ftg--Brs Str Bm03/Pm02, 2-87
Ftg--Brs Str Em10/Pm06, 3-27
Ftg--Hyd E45 Jm04/Jf04, 2-55
Ftg--Hyd E45 Jm06/Om06, 2-19
Ftg--Hyd E45 Jm08/Om08, 2-83
Ftg--Hyd E45 Jm12/Om12, 2-13
Ftg--Hyd E90 Jm08/Om08, 2-74
Ftg--Hyd E90 Jm08Om08L, 2-74
Ftg--Hyd E90 Jm12/Jf12, 2-74
Ftg--Hyd E90 Jm04/Jf04, 2-85
Ftg--Hyd E90 Jm04/Om04, 2-55, 2-63
Ftg--Hyd E90 Jm04/Om06, 2-83
Ftg--Hyd E90 Jm06/Jf06, 2-65
Ftg--Hyd E90 Jm06/Om06, 2-41
Ftg--Hyd E90 Jm08/Om06, 2-83
Ftg--Hyd E90 Jm08/Om08, 2-85, 2-86
Ftg--Hyd E90 Jm08/Om10, 2-81
Ftg--Hyd E90 Jm10/Jf10, 2-83, 2-85
Ftg--Hyd E90 Jm10/Om08, 2-85
Ftg--Hyd E90 Jm10/Om12, 2-86
Ftg--Hyd E90 Jm12/Om12, 2-13
Ftg--Hyd E90 Pm04/Jm04, 2-33, 2-35
Ftg--Hyd Plg Jm08, 2-81
Ftg--Hyd Plg Jm12, 2-25
Ftg--Hyd Plg Om06, 2-81
Ftg--Hyd Plg Om10, 2-81
Ftg--Hyd Rst Jm04/.047, 2-63
Ftg--Hyd Ste Jm04/Om04, 2-41
Ftg--Hyd Str Jm06/Jf08, 2-74
Ftg--Hyd Str Jm08/Jf12, 2-74
Ftg--Hyd Str Jm10/Jf12, 2-74
Ftg--Hyd Str Jm12/Om08, 2-74
Ftg--Hyd Str Jm04/Jf06, 2-86
Ftg--Hyd Str Jm04/Jf08, 2-85, 2-86
Ftg--Hyd Str Jm04/Om04, 2-55
Ftg--Hyd Str Jm04/Om06, 2-83, 2-85
Ftg--Hyd Str Jm06/Jf10, 2-83, 2-85
Ftg--Hyd Str Jm06/Jm06, 3-49
Ftg--Hyd Str Jm06/Om06, 2-81
Ftg--Hyd Str Jm06/Om08, 2-71
Ftg--Hyd Str Jm06/Om10, 2-65, 2-86, 3-49
Ftg--Hyd Str Jm06Om06L, 2-83, 2-85
Ftg--Hyd Str Jm08/Jf12, 2-81
Ftg--Hyd Str Jm08/Om08, 2-71, 2-83
Ftg--Hyd Str Jm08/Om10, 2-86
Ftg--Hyd Str Jm10/Om08, 2-83
Ftg--Hyd Str Jm10/Om12, 2-41, 2-86
Ftg--Hyd Str Jm20/Om20, 2-81, 2-86
Ftg--Hyd Str Pm02/Jm04, 2-33
Ftg--Hyd Str Pm04/Pf02, 2-33
Ftg--Hyd Str Special Om06/Om06, 2-83, 2-85
Ftg--Hyd Tee Jm04Omjm, 2-74
Ftg--Hyd Tee Jm08Jmjf, 2-74
Ftg--Hyd Tee Jm12JmJf, 2-74
Ftg--Hyd Tee Jm12Jmjmb, 2-74
Ftg--Hyd Tee Jm04Jmbjm, 2-55
Ftg--Hyd Tee Jm06Jmom, 2-83, 2-85
Ftg--Hyd Tee Jm06Omjm, 2-86
Ftg--Hyd Tee Jm08Jfjm, 2-86
Ftg--Hyd Tee Jm08jmjf, 2-85
Ftg--Hyd Tee Jm10JfJm, 2-83, 2-85
Ftg--Hyd Tee Jm12Jmom, 2-81
Ftg--Hyd Tee Special Of06Ofof, 2-83, 2-85
Ftg--Metric E90 Omm22/Jm12, 2-25
Ftg--Plug Npt 02Pm Sq Hd, 2-35
Fuel Pump Cover Plate, 5-27
Fuelline, 2-35
Fuse,40Amp,2-19
Home
Find...
Go To..

CROSS REFERENCE
385D MM305 (3--97)
6-26
G
Gas Cap, Protectoseal, 3-37
Gasket Ku, 5-11
Gasket Set, Lower, 5-4
Gasket Set, Upper, 5-5
Gasket, 2.7D 1.5B.12T 5/ 2.1Bc, 2-33
Gasket, Bearing Case Cover, 5-9
Gasket, Bearing Case, 5-9
Gasket, Cap, 2-81
Gasket, Cyclinder Head, 5-5
Gasket, Delivery Valve, 5-29, 5-31
Gasket, Ex--manifold, 5-11
Gasket, Fuel Pump, 5-27
Gasket, Gear Case, 5-7
Gasket, H/Meter Unit, 5-7
Gasket, Head Cover, 5-10
Gasket, Hyd Tank Breather, 2-81
Gasket, In--manifold, 5-11
Gasket, Oil Pan, 5-4
Gasket, Thrtl Blk, 5-33
Gasket, Water Flange, 5-36
Gasket, Water Pump, 5-8
Gasket, 5-3, 5-4, 5-10, 5-23, 5-29, 5-31, 5-33, 5-34,
5-35, 5-36
Gauge, Oil, 5-4
Gear, Camshaft, 5-13
Gear, Crankshaft, 5-15
Gear, Governor, 5-32
Gear, Injection Pump, 5-32
Gear, Oil Pump Drive, 5-15
Gear, Ring, 5-17
Gear, 5-19, 5-21
Geroler, 4-11, 4-13, 4-15
Geroter & Coupler, 4-5, 4-7
Gerotor and Coupler Assembly, 4-3
Gerotor Set, 4-16, 4-17, 4-18, 4-21
Gerotor, 4-9, 4-20
Grille, Left, 2-13
Grille, Right Std, 2-11
Grom.,Rbr,1.06Id,For.19Matl L, 3-51
Grommet, Rbr, 0.38Id, For .19Matl, 3-33
Grommet, Rbr, 0.69 ID, 2-89, 3-4, 3-5, 3-6, 3-7, 3-8,
3-9, 3-11, 3-13
Grommet, Rbr, For .19Matl 1.06 ID, 2-57
Grommet, Rubber, 3-19
Grommet,Rbr, 0.38 In, 3-23
Grommet,Rbr, 0.56 In, 3-8, 3-9, 3-11, 3-13
Grommet,Rbr,0.25Id,For .09Matl, 2-21
Grommet,Rbr,0.38Id,For .12Matl, 3-27
Grommet,Rbr,0.56Id,For .13Matl, 2-89, 3-6, 3-7
Grommet,Rbr,0.62Id,For .06Matl, 2-87
Grommet,Rbr,0.63Id,For .13Matl, 3-4, 3-5
Grommet,Rbr,0.69Id,For .25Matl, 3-25
Grommet,Rbr,1.06Id,For .19Matl, 2-59
Grommet,Rbr,1.50Id,For .19Matl, 2-37
Grommet,Rbr,1.62Id,For .13Matl, 2-19
Guard Kit, 355L, 2-17
Guard Wldt, Brush, 3-49
Guard Wldt, Lights, Revl&Flsh, 3-6, 3-7
Guard Wldt, Ohg, Top, 2-17
Guard, Brush, 2-65, 3-49
Guard, Fan, W/Label, Die, 2-37
Guard, Light, 3-33
Guard, String, Brush Motor, 2-65
Guide, Exhaust Valve, 5-5
Guide, Inlet Valve, 5-5
Guide, Oil Gauge, 5-4
H
Handle Assy, Latch, Eng Cover, 2-15
Handle, Control Valve, 2-83, 2-85
Handle, Grab, 3-29
Handle, Latch, 2-57
Handle, Paddle, 3-21
Handle, Safety Arm, 2-63
Harness, Adapter, B/u Alarm, 2-89, 3-11, 3-13
Harness, Alarm, Backup, 2-89, 3-11, 3-13
Harness, Aux Side Brush, 3-53
Harness, Cab, 3-19
Harness, Fuel, Gas/Die 355L, 2-95
Harness, Hopper, 2-95
Harness, Horn, 2-95
Harness, Jumper, 3-33
Harness, Main, Die 355L, 2-95
Harness, Revolv Light, Cab,Ohg, 3-4, 3-5, 3-8, 3-9
Home
Find...
Go To..

CROSS REFERENCE
6-27
385D MM305 (3--97)
Harness, Turn Signal, 3-3
Harness, Wire, Hazard, 3-6, 3-7
Headlight Assy,210G, 2-89, 3-11, 3-13
Headlight, 12V.Rect., 2-57, 2-59
Heater Kit 355L, 3-27
Hinge Wldt, Cab Door, 3-21
Hinge Wldt, Door, Engine, 2-16
Hinge Wldt, Engine Cover, Lh, 2-73
Hinge Wldt, Engine Cover, Rh, 2-73
Hinge Wldt, Long Pin, 3-21
Hinge Wldt, Short Pin, 3-21
Hinge, Cover, Hopper, 2-57
Hinge, Coverhopper, 2-59
Hinge, Door, Brush, 2-6, 2-7
Holder Assembly, Nozzle (See Bkdn), 5-23
Holder Assembly, Nozzle, 5-25
Holder,Brush,5-19
Holder, Delivery Valve, 5-29, 5-31
Holder, Governor Gear, 5-32
Holder,, 5-32
Hook, Engine 1, 5-5
Hook, Engine 2, 5-5
Hook, Spring, 3-51
Hopper Wldt, 355/385 Ss, 3-45
Hopper Wldt, 2-53
Horn Assy, Back--Up Alarm, 2-89, 3-11, 3-13
Horn, 12V, 2-5
Hose Flex, 4.0Id X 21.5Lg, 2-61
Hose Vac.,Rubber, .16Id,40.0L, 2-87
Hose, .62 ID x 24.0 Lng heater, 3-27
Hose, Fuel Line .31 Idx11.0, 2-35
Hose, Fuelline, 10.0L, 2-35
Hose, Molded, Air Intake, 2-29
Hose, Radiator, Lower, Die, 2-37
Hose, Radiator, Upper, Die, 2-37
Hose, Rbr .188 I.D. X 29.0 Lg, 2-35
Hose, Rbr, 2-33, 3-29
Hose, Reducer, 3-29
Hose,.62 Idx60.00 Lng, Heater, 3-27
Hose& Cuff Assy,Vinyl3.0Idx 24, 3-29
Hose&2Cuff Assy,Vinyl2.0Id10Ft, 3-31
Hose--Hyd Low04 Jf/J4, 2-77, 2-79
Hose--Hyd Low04 Jf/J9, 2-33
Hose--Hyd Low06 Jf/J4, 2-79
Hose--Hyd Low06 Jf/J4, 2-77
Hose--Hyd Low08 Jf/J4, 2-77, 2-79
Hose--Hyd Low08 Jf/Jf, 2-81
Hose--Hyd Low12 Jf/Jf, 2-25, 2-77, 2-79
Hose--Hyd Med04 Jf/J4, 2-77, 2-79
Hose--Hyd Med04 Jf/J9, 2-79
Hose--Hyd Med04 Jf/Jf, 2-77, 2-79
Hose--Hyd Med04 Jf/J4, 2-77
Hose--Hyd Med04 Jf/J9, 2-77
Hose--Hyd Med06 Jf/J4, 2-77, 2-79
Hose--Hyd Med06 Jf/J9, 2-77, 2-79
Hose--Hyd Med06 Jf/Jf, 2-77, 2-79
Hose--Hyd Med06 Jf/J9, 3-49
Hose--Hyd Med08 Jf/J4, 2-77
Hose--Hyd Med08 Jf/J9, 2-77, 2-79
Hose--Hyd Med08 Jf/Jl9, 2-79
Hose--Hyd Med08 Jf/Jl9, 2-77
Hose--Hyd Med10 Jf/J4, 2-79
Hose--Hyd Med10 Jf/J9, 2-79
Hose--Hyd Med10 Jf/Jl9, 2-79
Hose--Hyd Med10 Jf/J4, 2-77
Hose--Hyd Med10 Jf/Jl9, 2-77
Hose--Hyd Med12 Jf/J9, 2-77, 2-79
Hose--Hyd Med12 Jf/Jl9, 2-79
Hose--Hyd Med12 Jf/Jl9, 2-77
Hose--Hyd Suc20 Jf/J4, 2-79
Hose--Hyd Suc20 Jf/J4, 2-77
Hose--Hyd, 4, 58, 400Wp, 7E7E, 2-33
Hose--Hyd, 2-33
Housing Cl, 4-17
Housing Wldt, Filter, 3-25
Housing, Assy, 4-11, 4-13, 4-15
Housing, Brg, 4-11, 4-13, 4-15
Housing, Flywheel, Rework, 2-27
Housing, Headlight, 2-57, 2-59
Housing, Sppt, Wheel, 2-41
Housing, 4-9, 4-16, 4-18, 5-19
Hub & Stud Assy, 2-41
Hub Assy, Brush Arm, 2-71
Hub, Brush Adaptor, 1.00B, 2-65, 3-49
Home
Find...
Go To..

CROSS REFERENCE
385D MM305 (3--97)
6-28
Hub, Pivot, 2-55
I
Impeller 9.00 Dia., 2-73
Impeller, Water Pump, 5-8
Indicator,Service,Air Filter, 2-29
Insulation, Acoustic, Engine Cover, 2-15, 2-73
Insulation, Acoustic, Firewall, 2-5
Insulation, Acoustic, Hopper, 2-53
Insulation, Acoustic, Panel, 2-9
Insulation, Acoustic, Plate, 2-9
Insulation, Acoustic, Seat, 2-9
Insulation, Acoustic, 2-22, 3-19
Insulation,S/Foam Door, 3-17
Insulation,S/Foam Rear, 3-17
Insulation,S/Foam,Panel, 3-17
Insulation,S/Foam,Roof, 3-17
Insulation,S/Foam,Side Lh, 3-17
Insulation,S/Foam,Side Rh, 3-17
Isolator Assy, Valve, 2-83, 2-85
Isolator, Vibration .37 Dia, 2-73
Isolator--Vibration .25--20, 2-31
Isolator--Vibration, 125lb. Rating, 2-31
Isolator--Vibration,60 Lb.Ratng, 2-37, 2-73
J
Joint, Breather Pipe, 5-10
Joint, Pipe, 5-7
K
Key Set,Switch Ku, 2-21
Key, Feather, 5-13
Key, Woodruff, 4-16, 5-32
Key--Wdruff 0.25 1.00 Asa#0808, 4-17
Key, 4-3, 4-5, 4-7, 4-9, 4-11, 4-13, 4-15, 4-19, 5-15
Kit, Detent I&O, 4-23
Kit, Detent Out, 4-23
Knob, 1.375 Dia, Black, 2-83, 2-85
Knob, Adjusting, 2-67, 2-69
Knob, Black, M8, 3-29
Knob, Tapered M8, 2-19
Knob, Tapered, 2-67, 2-69
L
Label Kit, Complete, 355L, 2-96
Label Set, Info & Hazard 355L, 2-96
Label Set, Operational 355L, 2-96, 3-29
Label, Aux Side Brush, 3-54
Label, Numerals 385, 2-96
Label, Operational, Cab, 3-23
Label, Tennant Logo-- 10.0 Blue, 2-59
Label, Tennant Logo--10.0 Blue, 2-57
Latch, Bolt, 2-6, 2-7, 2-11, 2-13, 2-15
Latch, Cover, 2-57
Latch, Door, 2-57
Latch, Draw, Flexible, 3-46
Latch, Hook, Lh, 2-7, 2-13
Latch, Hook, RH, 2-11
Latch, Hook, Rh, 2-6
Latch/Channel Repl. Kit, 2-11
Latch, 2-15, 2-16, 2-71, 3-21
Lens,Flashing Lite Fr207 Amber, 3-4, 3-6, 3-8
Lens,Flashing Lite Fr207 Blue, 3-4, 3-6, 3-8
Lens,Flashing Lite Fr207 Red, 3-4, 3-6, 3-8
Lens,Rev.Light,Amber, 3-5, 3-7, 3-9
Lens,Rev.Light,Blue, 3-5, 3-7, 3-9
Lens,Rev.Light,Red, 3-5, 3-7, 3-9
Lever Wldt, Baffle, Blowr Wand, 3-29
Lever Wldt, M Br, 2-69
Lever Wldt, S Br, 2-67
Lever Wldt, Tilt, 2-19
Lever, Brake, 2-47
Lever, Door Release, 3-21
Lever, Engine Stop, 5-34
Lever, Fork 2, 5-35
Lever, Governor Actuator, 2-25
Lever, Speed Control, 5-34
Light Assy Mark/Yel 12V-- . A, 3-3
Light Assy Work/Clr 12V-- . A, 3-15
Light Assy, Dome, 3-23
Light Kit Flsh 355L Cab, 3-8
Light Kit Flsh 355L Lrc, 3-6
Light Kit Flsh 355L Ohg, 3-4
Light Kit Revl 355L Cab, 3-9
Light Kit Revl 355L Lrc, 3-7
Home
Find...
Go To..

CROSS REFERENCE
6-29
385D MM305 (3--97)
Light Kit Revl 355L Ohg, 3-5
Light Kit Sgnl 355L, 3-3
Light Kit, Side Brush 355L, 3-15
Light, Flashing, Amber, 12V--Re, 3-4, 3-6, 3-8
Light,Rev.Amber 12V--Reworked, 3-5, 3-7, 3-9
Link Assy, Valve Handle, 2-83, 2-85
Louver Assy, 3-25
M
Magnet Assy, Pick--Up, 2-27
Magnet, Drive Brush, 3-29
Maint Kit, Seals 355L, 2-2
Maint Kit, Skirts 355L, 2-2
Maint,Kit, Shaker Filter, 355L, 2-2
Manifold, Exhaust, Front, Down, 5-11
Manifold, Inlet, 5-11
Manual Op/Mt 385D French, 3-56
Manual Op/Mt 385D Portuguese, 3-56
Manual Op/Mt 385D Spanish, 3-56
Manual Pkg 385D, 3-56
Manual Service 355/385, 3-56
Manual--Fiche Pkg 385D, 3-56
Metal, Crankpin 02, 5-15
Metal, Crankpin 04, 5-15
Metal, Crankpin, 5-15
Metal, Crankshaft 1, 5-15
Metal, Crankshaft 2, 5-15
Metal, Crankshaft 3, 5-15
Metal, Crankshaft1 02, 5-15
Metal, Crankshaft1 04, 5-15
Metal, Crankshaft2 02, 5-15
Metal, Crankshaft2 04, 5-15
Metal, Crankshaft3 02, 5-15
Metal, Crankshaft3 04, 5-15
Metal, Side 1 02, 5-15
Metal, Side 1 04, 5-15
Metal, Side 1, 5-15
Metal, Side 2 02, 5-15
Metal, Side 2 04, 5-15
Metal, Side 2, 5-15
Molding, Trim 11--14Ga 7.50, 2-59
Molding, Trim 11--14Ga 14.20, 2-9
Molding, Trim 11--14Ga 22.80, 2-9
Molding, Trim 11--14Ga 25.62, 2-5
Molding, Trim 11--14Ga 10.00, 2-19
Molding, Trim 11--14Ga 5.75, 2-19
Molding, Trim 3/16--5/16 5.0, 3-51
Motor Assy, Heater W/Fan, 3-27
Motor, Ele Shaker 12V, 2-61
Motor, Hyd Gear In (See Breakdowns), 3-49
Motor, Hyd Gear In 02.8 B 1500, 4-17
Motor, Hyd Gear In 19.0 B 3000, 4-15
Motor, Hyd Gear In 19.0, 4-13
Motor, Hydraulic (Repl. by 74162), 4-11
Motor, Hydraulic, 4-9, 4-16, 4-18, 4-19
Motor--Ele 12V, Wiper, Windshld, 3-23
Motor--Hyd Gear (See Breakdowns) (Repl. by
378710), 2-41
Motor--Hyd Gear (See Breakdowns), 2-41, 2-65, 2-71,
2-74
Muffler, Exhaust, 2-31
Muffler, Spark Arresting, 3-38
N
Nut Speed, Retainer, 8--32 Thd, 2-89, 3-11, 3-13
Nut, Cap, 5-10, 5-27, 5-32, 5-33
Nut, Hexagon, 5-19, 5-21
Nut, Nozzle, 5-25
Nut, Retainer R/.312 Dia, 2-63
Nut, slotted Hex, 4-16
Nut, U M 6X1.0 Pltd, 2-15
Nut, U M 6X1.0 Pltd, 2-21
Nut, U M 8X1.25 Pltd, 2-9
Nut, U M6 X 1.0, 3-23
Nut, Wing .44--20 Special, 2-29
Nut--Hx Jam M20x1.5 4 Pltd, 2-19
Nut--Hxlocnyln M 6X1.0 Reg Ss, 2-2
Nut--Hxlocnyln M 8X1.25 Reg Ss, 2-2
Nut--Hxslot 1.00--20 Pltd, 2-45
Nut--Hxslot 1.12--18 Pltd, 2-41
Nut--Hxslot .75--16 Pltd, 4-17
Nut--Wheel .50--20 60 Angle, 2-41
Nut, 4-9, 4-11, 4-13, 4-15, 5-7, 5-11, 5-12, 5-25, 5-27,
5-33, 5-34, 5-36
Home
Find...
Go To..

CROSS REFERENCE
385D MM305 (3--97)
6-30
O
O--Ring Gland, 2-86
O--Ring, 5-3, 5-4, 5-7, 5-10, 5-15, 5-21, 5-29, 5-31,
5-34
Oil Filter, Plug, 5-7
Oil Shield, Breather, 5-10
Output Shaft, 4-16, 4-18
P
Pad, Neoprene .06 X .7 X 2.7, 3-19, 3-21
Pad, Rubber, Hose Clamp, 3-51
Pad, Rubber, 2-47, 3-29
Pad, Tank, Hyd, 2-81
Pad, Tread, 2-9, 2-49
Pad, 2-47
Pane, Acrylc, Door,Sliding (Repl. By 74428), 3-21
Pane, Acrylc, Door,Stationry (Repl. By 74428), 3-21
Pane, Glass, Left ,Stationry (Repl. By 74429), 3-19
Pane, Glass, Left, Sliding (Repl. By 74429), 3-19
Panel Assy, Instr, 2-21
Panel Assy, Instrument w/label, 2-22
Panel Wldt, Sppt, Seat, 2-9
Panel, Engine (Repl. By 72152), 2-5
Panel, Engine, 2-5
Panel, Filler, Upper, 2-9
Panel, Inside, 2-9
Panel, Mtg, Pressurizer, 3-25
Panel, Perma--Filter, 2-53
Panel, Support, 2-67
Panel, Switch, Cab, 3-23
Pedal, Propel,Adjustable,Lower w/tread, 2-49
Pedal, Propel,Adjustable,Upper w/tread, 2-49
Performance Pkg 400Hr Die 355L, 2-2
Piece, Distance, 5-25
Piece, Nozzle, 5-25
Pin Assy, Clevis, Hopper Lift, 2-63
Pin Assy, Keeper .31D 2.50L, 3-49
Pin Assy, Keeper, 3-21
Pin Assy, Side Brush W/Clip, 2-65
Pin Clevis .375 Dia X 1.13 Lg, 2-45, 2-47, 2-69
Pin, Arm, Safety, 2-63
Pin, Clamp, 5-29, 5-31
Pin, Clevis .31 Dia X 4.50 Lg, 2-49
Pin, Clevis .50 Dia X 4.50 Lg, 2-49
Pin, Clevis .75 Dia X 5.5 Lg, 2-65
Pin, Dowel Ce, 4-7
Pin, Dowel Ce, 4-5
Pin, Grooved, 2-63
Pin, Hair Cotter, 2-49, 3-33, 3-35
Pin, Joint, 5-29, 5-31
Pin, Lh, 2-63
Pin, Pipe, 5-3
Pin, Piston, 5-15
Pin, Pivot, Lower, 2-11, 2-13
Pin, Pivot, Upper, 2-11, 2-13
Pin, Rh, 2-63
Pin, Spring, 4-20, 5-34
Pin, Start Spring, 5-3
Pin, Straight, 5-3, 5-15
Pin, Tappet Guide, 5-29, 5-31
Pin, Wheel Support, Rear, 2-41
Pin,Clevis, .19 Dia.X .50 Lg, 3-51
Pin,Clevis,0.25 Dia.X 2.44 Lg, 2-19
Pin,Clevis,0.37 Dia.X 1.00 Lg, 2-45
Pin,Clevis,0.37 Dia.X 1.50 Lg, 2-67
Pin,Clevis,0.37 Dia.X 2.00 Lg, 2-67
Pin,Clevis,0.37 Dia.X 2.12 Lg, 2-49
Pin,Clevis,0.37 Dia.X 3.00 Lg, 2-19
Pin,Clevis,0.50 Dia.X 1.25 Lg, 2-55
Pin,Clevis,0.50 Dia.X 2.00 Lg, 2-55
Pin,Clevis,0.50 Dia.X 2.25 Lg, 2-55
Pin,Clevis,0.50 Dia.X 2.50 Lg, 3-51
Pin,Clevis,0.50 Dia.X 3.00 Lg, 3-49
Pin,Clevis,0.50 Dia.X 5.00 Lg, 2-65, 3-33, 3-35, 3-49
Pin,Clevis,0.50 Dia.X 5.50 Lg, 2-65, 3-49
Pin,Hair Cotter #Lhcot--2,Leitk, 2-9, 2-55
Pin,Roll,.09Odx0.75L,.094/.097, 3-29
Pin,Roll,.18Odx1.25L,.187/.192, 2-55
Pin,Roll,.38Odx2.00L,.375/.382, 2-55, 2-71
Pin--Grvd,1.00D 3.0L2/ 2.71Btwn, 2-63
Pin, 4-21
Pinion, Bevel, 5-19
Pipe, Breather, 5-10
Pipe, Drain, 5-21
Home
Find...
Go To..

CROSS REFERENCE
6-31
385D MM305 (3--97)
Pipe, Exhaust, Die, 2-31
Pipe, Injection 1, 5-23
Pipe, Injection 2, 5-23
Pipe, Injection 3, 5-23
Pipe, Injection 4, 5-23
Pipe, Over Flow, 5-23
Pipe, Water Return 1, 5-8, 5-36
Pipe, Water Return 2, 5-36
Piston 05, 5-15
Piston, 5-15
PivotAssy,SBr,2-65
Pivot Wldt, Actuator, 3-51
Pivot Wldt, 3-51
Plate -- Hose Support, 2-41
Plate Wldt, Blower Wand, 3-29
Plate Wldt, Cover, Bottom, 2-15
Plate Wldt, Governor, 2-19
Plate Wldt, Sprngbrkt Backing, 2-59
Plate Wldt, Strike, 2-57
Plate, Backing, Handle, 3-29
Plate, Backing, 2-57
Plate, Cam, 4-3
Plate, Circuit Breaker, 2-23
Plate, Cover, 3-19
Plate, Deflector, Eng Cover, 2-15
Plate, Deflector, Engine Cover, 2-15
Plate, Deflector, 3-47
Plate, Element 1, 5-10
Plate, Element 2, 5-10
Plate, Filler, Diesel, 2-37
Plate, Filler, 2-37
Plate, Floor w/tread, 2-9
Plate, Latch, 2-57
Plate, Lift Arm, 2-53
Plate, Light Mtg., 3-4, 3-5
Plate, Mtg, Latch, 2-71
Plate, Mtg, Main Brush Shaft, 2-71
Plate, Mtg, Wiper Kit, 3-23
Plate, Reinforcement--Ignition, 2-21
Plate, Retainer, Cover, Sbdc, 3-33, 3-35
Plate, Retainer, Front, Lh, 2-2, 2-53
Plate, Retainer, Front, Sbdc, 3-33, 3-35
Plate, Retainer, Front,Lh,Sbdc, 3-33, 3-35
Plate, Retainer, Lh, 2-2, 2-53
Plate, Retainer, Sbdc, Rh, 3-33, 3-35
Plate, Retainer, Wheel Pocket, 3-33, 3-35
Plate, Seal, Sppt, Seat, 3-19
Plate, Seal, 2-71
Plate, Spacer, Magnet, 3-29
Plate, Sppt, Shroud, 2-37
Plate, Tray, Filter, 2-61
Plate, Valve Ce, 4-5, 4-7
Plate, Valve, 4-9, 4-11, 4-13, 4-15
Plate, Wear, 4-21
Plate--Cover, 2-23, 3-23
Plate, 2-53, 2-61, 3-51, 5-29, 5-31
Plug & O--Ring, 4-23
Plug Assembly Ph, 4-17
Plug Assembly, 4-3, 4-5, 4-7, 4-11, 4-13, 4-15, 4-23
Plug Weld, Brush Drive, Sweep, 2-71
Plug Wldt, Idler, 2-71
Plug, #6 O--Ring, 4-23
Plug, #8 O--Ring, 4-23
Plug, Drain, 3-31, 5-4
Plug, Expansion, 5-3
Plug, Glow, 5-23
Plug, Oil Filler, 5-10
Plug, Plastic 1.00 D, 2-19
Plug, Plastic, 1.00 D, 2-22, 3-19
Plug, Thread 1/2--13, 2-71
Plug, Tube, 2-71
Plug, 4-20, 5-3, 5-5, 5-7, 5-36
Plugbtn .38H .03--.12 Blacknyl (LPG only), 2-22
Plugbtn .62H .03--.12 Blacknyl, 2-23, 3-23
Plugbtn .38H .03--.12 Blacknyl, 2-5
Plugbtn .38h .03--.12 Blacknyl, 2-22
Plugbtn .62H .03--.12 Blacknyl, 2-5
Plunger, Pump, 5-29, 5-31
Plunger, 4-23
Poppet, 4-20, 4-23
Pressurizer Kit Cab 385L, 3-25
Pulley Assy -- Cable, 1.5 Dia, 2-45, 2-47, 2-67, 2-69
Pulley, Fan Drive, 112mm, 5-15
Pully, Fan, 5-8
Home
Find...
Go To..

CROSS REFERENCE
385D MM305 (3--97)
6-32
Pump Adaptor Assembly, 4-3
Pump Adaptor Assy, 4-5, 4-7
Pump Assembly, Injection (See Bkdn), 5-27
Pump Assembly, Injection, 5-29, 5-31
Pump Driveshaft, 4-5, 4-7
Pump Housing Asy Ce, 4-5, 4-7
Pump,Fuel,Ele,2-33
Pump,Fuel,2-35
Pump,Gear,4-8
Pump, Hyd Piston V 1.44 R 4000 (Repl. by 70180),
4-5
Pump, Hyd Piston V 1.44 R 4000, 4-7
Pump, Hydraulic (Repl. by 70134), 4-3
Pump--Hyd Gear (See Breakdowns), 2-86
Pump--Hyd Piston (See Breakdowns) (Repl. by
70134), 2-86
Pump--Hyd Piston (See Breakdowns) (Repl. by
70180), 2-86
Pump--Hyd Piston (See Breakdowns), 2-86
Push Rod, 5-13, 5-25
R
Race Thrust, 4-17
Race, Bearing, 4-7, 4-20, 4-21
Race, Inner Bearing, 4-5, 4-7
Race, Thrust, 4-16, 4-18
Rack, Control, 5-29, 5-31
Radiator, 2-37
Rectifier Assy Md, 2-30
Regulator Assy Md, 2-30
Relay, Shrouded, 12 Vdc, 2-23
Relief Assembly, 4-24
Relief Valve, 4-5
Repair Info. Cl, 4-17
Repair Info., 4-11, 4-13, 4-15, 4-18, 4-19
Repair Info, Valve, 4-23
Repair Info, 4-5, 4-7, 4-21
Repl Kit, Plate, Bottom F/59843, 2-15
Repl Kit, Sun Shield, 2-21
Repl. Kit, Backup Switch, 2-89, 3-11, 3-13
Replm Kit, Case, 2-21
Replm Kit, Cir Board, 2-21
Replm Kit, Fan Motor F/55216, 3-27
Replm Kit, Fuel Pump F/59945, 2-35
Replm Kit, Hourmeter, 2-21
Replm Kit, Hpr Cvr Sprng Brkt, 2-59
Replm Kit, Instr Panel, 2-21
Replm Kit, Lamp, Backlighting (8), 2-21
Replm Kit, Lamp, Fault (8), 2-21
Replm Kit, Muff Hanger F/82545, 2-31
Replm Kit, S Br Pivot, 2-67
Replm Kit, Seal, 2-21
Replm Kit, Touch Panel, 2-21
Reservoir, 07.0 Gal W/label, 2-81
Retainer Front, 4-9
Retainer, Front, 4-20, 4-21
Retainer, Frt, 4-11, 4-13, 4-15
Retainer, Valve Spring, 5-12
Retainer, 3-23, 5-19, 5-21
Retaining Ring--External, 1.25D, 2-63
Retaining Ring, 4-7
Retaining Rng, 4-23
Return Spring--Brakes, 2-45
Rim Assembly, 2-43
Rim Assy, 4.25” Bead x .188 Stl, 3-44
Ring, Assembly, 4-9
Ring, Retaining, Ext, .75 Dia, 2-63
Ring, Retaining, Ext, 1.25 Dia, 2-63
Ring, Retaining, Intl, 2.00Dia, 2-63
Ring, Retaining, 4-20, 4-21
Ring,Retain,Ex,0.50Od,Selflock, 2-55
Ring,Retain,Ex,0.98Od,E--Ring, 2-63
Ring--Retain, Ex, 0.98OD, E--Ring, 2-47
Ring, 2-83, 2-85, 4-11, 4-13, 4-15
Rivet, Plastic .181D x .720, 2-59
Rivet, Plastic .250x.898, 2-5, 2-6, 2-7, 3-55
Rivet, Plastic .325D x .787, 2-59
Rivet, Pop-- .125Dx.38x.25Dhd Al, 3-19, 3-21
Rod Weldt, Drive Linkage, 2-49
Rod Wldt, Drive Linkage, 2-49
Rod Wldt, Pivot, 2-53
Rod Wldt, Seat, 2-9
Rod Wldt, 2-55
Rod, Adjusting, 2-49, 2-51
Rod, Brake, 2-45
Home
Find...
Go To..

CROSS REFERENCE
6-33
385D MM305 (3--97)
Rod, Latch, Engine Cover, 2-15
Rod, Speed Limiter, Adjusting, Rh, 2-49
Rod, Spring, 2-19
Rod, Throttle Control, Diesel, 2-25
Rod--End M10X1.5 W/Stud, 2-51
Rod--End M10X1.5 W/Stud, 2-49
Roller Bearing, 4-5, 4-7
Roller, 5-19, 5-21
Rotating Kit, 4-3, 4-5, 4-7
S
Scr Hex .31--18X3.25, 4-5, 4-7
Scr Hex M10X1.5 100, 3-29
Scr Hexssm 6X1.0 25, 2-2
Scr Hexssm 8X1.25 25, 2-2
Scr Pan 06--32X0.38, 4-5
Scr Soc .50--13X1.50, 2-41
Scr Soc M 8X1.25 25, 2-63
Scr Soc M10X1.5 40, 2-41
Scr,.31--18X3.75G5Ce, 4-5
Scr--Hex .38--16x2.00 Full Thd, 2-13
Scr--Hex .38--16x2.50 Full Thd, 2-11
Scr--Hex M12x1.75 40 10.9Pltd, 2-13
Scr--Hxfmgm 6X1.0 20 Pltd, 2-2
Scr--Shld .250Dx1.25L 10--24, 3-21
Scr--Shld .312Dx1.00L .25--20, 2-49
Scr--Shld .375Dx0.38L .31--18, 3-21
Scr--Shld .500Dx1.25L .38--16, 2-51
Scr--Soc M 6X1.0 20 Nylonloc, 2-30
Screw, Adjusting, 5-12
Screw, Cap, 4-7, 4-11, 4-13, 4-15, 4-18
Screw, Follow, 5-29, 5-31
Screw, Pan Head, 5-19
Screw, Set, 5-12, 5-13, 5-32
Screw, With Washer, 5-10, 5-23
Screw,Cap, 4-16
Screw, 4-9, 4-16, 4-18, 5-7, 5-23, 5-29, 5-31
Screws, 4-7
Seal Kit, 4-16, 4-18
Seal Foam Rbr .38 .62W 4.4L, 3-25
Seal Foam Rbr .38 .62W 18.6L, 3-25
Seal Kit, Motor, 4-19
Seal Kit, One Cartridge, 4-19
Seal Kit, Pump Ce, 4-5, 4-7
Seal Kit, Rear, 4-9, 4-11, 4-13, 4-15
Seal Kit, Shaft, 4-9, 4-11, 4-13, 4-15
Seal Kit, Vlv, 4-23
Seal Kit, 4-3, 4-8, 4-20, 4-21, 4-24, 4-25, 4-26
Seal Replmt Kit, 4-17
Seal, 142.0 Lg Door, 3-19
Seal, 19.75 Lg, 3-19
Seal, Acoustic, Engine Cover, 2-73
Seal, Bulb 140.0 Lg, 2-2, 2-61
Seal, Bulb 50.0Lg, 2-59
Seal, Cab Door, 3-21
Seal, Cab, Front, 3-19
Seal, Cab, Side, 3-19
Seal, Door, Brush, Lh, 2-7
Seal, Door, Brush, Rh, 2-6
Seal, Door, Dump, Side, 2-2, 2-53
Seal, Door, Dump, 2-2, 2-53
Seal, Door, Hopper, 2-53
Seal, Fan, Vac, Inlet, 2-73
Seal, Fan, Vac, Motor, 2-73
Seal, Fan, Vac, Outlet, 2-73
Seal, Fan, Vac, Transition, 2-73
Seal, Foam Rbr .31X.38X, 3-27
Seal, Foam Rbr, 2-6, 2-7
Seal, Foam Rubber, 2-53
Seal, Foam, Door, 3-55
Seal, Heat, 5-23
Seal, Heater Air, 3-27
Seal, O--Ring .064X.30, 2-35
Seal, Oil, 5-7, 5-9, 5-34
Seal, Oring .103 x .612Id, 2-85
Seal, Pressurizer, 3-25
Seal, Rbr, .25 X 1.50 X 9.0, 2-57
Seal, Rbr, .25 X 1.50 X 17.5, 2-57
Seal, Rbr, .31 x .75 x 7.0, 2-6, 2-7
Seal, Rubber, 2-16, 2-22
Seal, Side Brush Lift, 3-25
Seal, Tube, Dust, 2-61
Seal, Vac Wand, 2-53
Seal, Valve Stem, 5-12
Home
Find...
Go To..

CROSS REFERENCE
385D MM305 (3--97)
6-34
Seal-- Oring .064X .30, 2-33
Seat Belt Kit 355L, 3-36
Seat, Ball, 4-20
Seat, Grammer Gs--12, 2-9
Seat, Spring Lower, 5-29, 5-31
Seat, Spring Upper, 5-29, 5-31
Seat, Valve, 5-7
Send Unit, Temperature, 2-25
Send Unit, 2-33
Sending Unit, 2-35
Service Manual V1505 Ku, 3-56
Service Manual V1505E Ku, 3-56
Shaft And Bearing Assembly, 4-9
Shaft Wldt, Brake w/pad, 2-47
Shaft Wldt, Brush, 2-71
Shaft, Assy, 4-11, 4-13, 4-15
Shaft, Baffle, 3-29
Shaft, Fork Lever, 5-35
Shaft, Governor Weight, 5-32
Shaft, Idle Gear 1, 5-13
Shaft, Idler, 2-71
Shaft, Output, 4-17
Shaft, Pivot, 3-51
Shaft, Pump, 4-3
Shaft, Stop Lever, 5-34
Shim .010 Thk, 4-23
Shim .015 Thk, 4-23
Shim .035 Thk, 4-23
Shim, Injection Pump, 0.20 mm, 5-27
Shim, Injection Pump, 0.25 mm, 5-27
Shim, Injection Pump, 0.30 mm, 5-27
Shim, 5-29, 5-31
Shock Absorber, 2-49
Signal Assy Rework, E1740 Turn, 3-3
Skirt Assy, Brush Door, Lh, 2-7
Skirt Assy, Brush Door, Rh, 2-6
Skirt, Brush Door, Inner, 3-55
Skirt, Brush Door, Outer, 3-55
Skirt, Bumper Stop, 2-57
Skirt, Cover, Sbdc, 3-33, 3-35
Skirt, Deflection, Vac Kit, 3-55
Skirt, Deflector, 2-6, 2-7
Skirt, Front, Sbdc, 3-33, 3-35
Skirt, Hopper, Top, 2-5, 3-55
Skirt, Lip, 2-2, 2-53
Skirt, Recirculation, Turf (Option), 2-5
Skirt, Sbdc, Rh, 3-33, 3-35
Skirt, Seal, M Br, 2-5
Skirt, Side, Sbdc, Lh, 2-2, 2-53
Skirt, Wheel Pocket, Sbdc, 3-33, 3-35
Skirt,Bumperstop, 2-59
Sleeve, .259B .38D .62 Dom, 2-83, 2-85
Sleeve, .260B .50D .75 Pnt.Gr, 3-49
Sleeve, .260B .50D .75, 2-85
Sleeve, .344B .50D .81 Cr.Anc, 2-47
Sleeve, .391B 1.38D .19 Hr.Znc, 2-49
Sleeve, .438B 1.00D .49 Sml, 2-30
Sleeve, .562B .88D .97 Stl, 3-49
Sleeve, Bearing, 2-51
Sleeve, Control, 5-29, 5-31
Sleeve, Crankshaft, 5-15
Sleeve, Door Stop, 3-21
Sleeve, Governor, 5-32
Sleeve,1.12B 1.38D1.00 Rubber, 2-2, 2-61
Sleeve,1.12B 1.62D1.50 Rubber, 2-2, 2-61
Sleeve--Nyln #24 35.0L, 2-71
Sleeve--Nyln #20 20.0L, 2-55
Sleeve--Nyln #20 65.0L, 2-65
Sleeve--Nyln #24 30.0L, 2-13
Sleeve--Nyln #24 45.0L, 3-49
Sleeve--Nyln #38 30.0L, 2-19
Spacer Plate Cl, 4-17
Spacer Plate, 4-16, 4-18, 4-20
Spacer, Fan, 2-30
Spacer, Pivot Block (Repl. By 72179), 2-13
Spacer, Pivot Block (Replaced By 72179), 2-11
Spacer, Pulley, 2-45, 2-47, 2-67, 2-69
Spacer,Idler Mount, 2-30
Spacer, 2-37, 4-20, 4-21, 4-23
Spindle, Adjustment, 2-16
Spring Assy, Recirculation, 2-5
Spring Kit, Hopper Cover, 2-57
Spring Kit, Spool #3, 4-24
Spring Kit, 4-21
Home
Find...
Go To..

CROSS REFERENCE
6-35
385D MM305 (3--97)
Spring Wldt, Support, 3-51
Spring, Brush, 5-19, 5-21
Spring, Delivery Valve, 5-29, 5-31
Spring, Governor, 5-35
Spring, Nozzle, 5-25
Spring, Plunger, 5-29, 5-31
Spring, Return, 5-34
Spring, Rocker Arm, 5-12
Spring, Start, 5-35
Spring, Tension, 2-53, 2-59, 3-51
Spring, Torsion, 2-19, 2-47
Spring, Valve, 5-12
Spring,Shaker, 2-61
Spring,Tens, .50Dx.05Wire 2.5L, 2-83, 2-85
Spring--Gas 120Lb 6.3 Stroke, 3-49
Spring--Gas 120Lb 7.1 Stroke, 2-59
Spring--Gas Assy, Eng Cover, 2-15
Spring, 4-7, 4-9, 4-11, 4-13, 4-15, 4-20, 4-23, 5-7,
5-19, 5-21
Sprng, Tens, 0.50 Odx.05 Wire 2.5L, 2-11, 2-13
Sprng,Comp,0.62Idxfl.Wire 3.0L, 2-49
Sprng,Comp,0.74Idx.11Wire 5.5L, 2-19
Sprng,Tens,0.50Odx.05Wire 1.0L, 2-15
Sprng,Tens,0.75Odx.12Wire 3.4L, 2-51
Sprng,Tens,1.12Odx.14Wire 6.3L, 2-65
Src--Hex M12x1.75 40 10.9Pltd, 2-11
Starter, Die (See Engine Breakdown), 2-27
Starter, Rework (See Engine Breakdown), 2-27
Steer Control, Hyd (See Breakdowns) (Repl. by
74172), 2-19
Steer Control, Hyd (See Breakdowns), 2-19
Stopper, Camshaft, 5-13
Stopper, 5-32
Strainer--Hyd Suction 25--100--03, 2-81
Strap Weldmt, Gas Tank, 2-35
Strap, Backing, Hopper, 2-5
Strap, Deflector, Lh (Not Shown), 3-55
Strap, Deflector, Rh, 3-55
Strap, Deflector, 2-6, 2-7
Strap, Door, Dump, Side, 2-2, 2-53
Strap, Door, Dump, 2-2, 2-53
Strap, Main Lip, 2-2, 2-53
Strap, Motor, Shaker, 2-61
Strap, Tank, Gas, 2-33
Strap,Rubber Tie--Down, 2-39
Strap, 2-6, 2-7, 2-53, 3-55
Strip, Mtg, Gusset, 2-57, 2-59
Strip, Mtg, Hinge, 2-57, 2-59
Strip, Retainer, Bearing, 2-71
Strip, Retainer, Seal, 2-5
Strip, Retainer, Skirt, 2-6, 2-7
Strip, Retainer, 2-6, 2-7, 3-55
Strip,Rbr.25X.50S&M #6422,55.0, 3-21
Strip,Rbr.25X.50S&M, 3-19
Stud, .25--28 4.6L .25--28, 2-25
Stud, Ball, Gas Spring, 2-59, 3-49
Stud, Ball, 2-15
Stud, Wheel .50--20 x 1.50, 2-41
Stud, 5-7, 5-11, 5-12, 5-27, 5-34, 5-36
Switch Assy, Pressure, Hyd, 2-83, 2-85
Switch Assy, Roller, 2-55, 2-87, 2-89, 3-3, 3-11, 3-13
Switch Ignition, 2-21
Switch, Pressure, Oil, 2-25
Switch, Pressure, 2-87
Switch, Pushmom, Spst100A 12V, 2-22
Switch, Rocker DPDT (mom), 3-54
Switch, Rocker Dpdt, 3-23, 3-25
Switch, Rocker Spst, 3-23, 3-27
Switch, Waterproof, 10A, 2-89, 3-11, 3-13
T
Taillight Assy, 2-5
Tank Repl. Kit, Fuel, 9.4 Gal, 2-33
Tank Wldt Repl. By 72136, 2-81
Tank, Fuel, 9.4 Gal, 2-35
Tappet, 5-13
Thermostat Assembly, 140 Deg, 2-61
Throttle Assy, Block, Die, 2-25
Thrust Bearing, 4-17
Thrustbearing Kit, 4-5
Tie, Cable 1.75D Max 7.50Lg, 2-33, 2-39, 2-87,
2-89, 3-3, 3-4, 3-5, 3-6, 3-7, 3-8, 3-9, 3-11, 3-13,
3-49
Tie, Cable 3.00D Max 11.41Lg, 2-19
Tip, Rubber, 2-11, 2-13
Tire & Rim Assy, 5.70/5.00R--8, 2-43
Home
Find...
Go To..

CROSS REFERENCE
385D MM305 (3--97)
6-36
Tire and Wheel Assembly (Repl. By 70287), 2-43
Tire and Whl. Assy, Soft Ride Solid, 3-42, 3-43
Tire, Hi--Wear 5.70/5.00R--8, 3-44
Tire, Solid, Black, 3-43
Tire, Solid, Tan, Non--Marking, 3-42
Tire, Tube and Flap Assembly, 2-43
Tire,18X5X12.12 Solid, 2-45
Tire&Rim Assy, Hi--Wear 5.00R--8, 3-44
Tray, Filter Carrier, 2-61
Tray, Gas, 2-33, 2-35
Tube -- Carb. Air Intake, 2-29
Tube Assy, .250 D 04JF/04JF, 2-35
Tube Wldt, Leg, Ohg,Rh,Painted, 2-17
Tube Wldt, Leg,Ohg,Lh,Painted, 2-17
Tube Wldt, Sppt, Blower Wand, 3-29
Tube, Inlet, A Clnr, 2-29
Tube, Inner --5.00R--8, Js2 Valve, 2-43
Tube, Inner 5.00R--8, Js2 Valve, 3-44
Tube, Plastic, 3.0 Od X 4.0Lg, 3-29
Tube, Plastic, 3.0 Od X 16.0Lg, 3-29
Tube, Plastic, 3.0 Od X 48.0Lg, 3-29
Tube, Spacer, 3-51
Tube, Tire (Repl. By 70280), 2-43
Tube,Spacer,.41Dx.32Bx1.Ol, 2-53
U
U -- Bolt, 2-19
V
Vacuumized Skirt Kit, Main Bru, 3-55
Valve Assembly, Solenoid, 4-19
Valve Kit, Tow, 4-5
Valve, Charge Relief, 4-3
Valve, Delivery, 5-29, 5-31
Valve, Dump, 4-7
Valve, Exhaust, 5-12
Valve, Housing, 4-9
Valve, Hyd Cntrl Man, 4-23
Valve, Hydraulic (Repl by 48761), 4-24
Valve, Hydraulic Steering (Repl by 74172), 4-20
Valve, Hydraulic Steering, 4-21
Valve, Inlet, 5-12
Valve, Relief, 4-3
Valve, Water 1/2 NPTF, 3-27
Valve--Hyd,Manual (Repl. By 48761) (See
Breakdowns), 2-83
Valve--Hyd,Manual (See Breakdowns), 2-85
Valve--Relief 4000 PSI, 4-7
Valve, 4-9, 4-11, 4-13, 4-15
Home
Find...
Go To..

CROSS REFERENCE
6-37
385D MM305 (3--97)
W
Wand Kit, Vac, 3-31
Wand Weldment, 3-31
Washer Ce,4-5,4-7
Washer 1, 5-12
Washer 2, 5-12
Washer Flt .25 Ss, 2-2
Washer Flt .31 Ss, 2-2
Washer, .188B .375D .030Nylon, 2-81
Washer, .405B .81D .06Nylon, 2-67, 2-69
Washer, .530B 1.50D .19HR, 3-35
Washer, .531B 1.75D .12Cr.Znc, 2-71
Washer, 1.255B 1.75Od .12Hrs, 2-63
Washer, 1.281B 1.75Od .25Hrznc, 2-63
Washer, 1.281B 1.75Od .31Hrznc, 2-63
Washer, Adjusting 0.10 mm, 5-25
Washer, Adjusting 0.20 mm, 5-25
Washer, Adjusting 0.30 mm, 5-25
Washer, Adjusting 0.40 mm, 5-25
Washer, Adjusting 0.50 mm, 5-25
Washer, Adjusting 0.52 mm, 5-25
Washer, Adjusting 0.54 mm, 5-25
Washer, Adjusting 0.56 mm, 5-25
Washer, Adjusting 0.58 mm, 5-25
Washer, Adjusting 0.80 mm, 5-25
Washer, Adjusting, 5-25
Washer, Flat, 2-27
Washer, Plain, 5-12, 5-34, 5-35
Washer, Spring, 5-7, 5-19, 5-27, 5-34, 5-36
Washer, Thrust, 2-41, 5-32
Washer,1.281B 1.75D .O8Cr Znc, 2-63
Washer--Belleville .50 Pltd, 2-11, 2-13
Washer--Flt .31 Fender Pltd, 2-83, 2-85
Washer--Flt .31 Fender Pltd, 2-31
Washer--Wavy Spring,#Ww--381--&--8, 2-51
Washer, 4-16, 4-23, 5-25
Weather Strip, L.H., 3-19
Weatherstrip,Rubber, 3-21
Weight, Eccentric, 2-61
Well--Nut .25--20 #1/4--5, 3-23
Well--Nut .31--18, 3-25
Wheel Assy, 2-45
Wheel, Steering, 14 Dia X 36T, 2-19
Window, Cab, Door, 3-21
Window, Cab, Front, 3-19
Window, Cab, Rear, 3-19
Window, Cab, Side, 3-19
Wingnut, 3-39
Wire Assy, 42.0 Lg, 2 Ga, Neg, 2-39
Wire Assy, 66.0 Lg, 2 Ga, Pos, 2-39
Wire Assy, Horn Ground, 16 Ga x 6, 2-5
Wire Assy--Elect.,Ground, 2-27
Wire--Ground, Alternator, 2-30
Y
Yoke, Pivot, Machining, 2-55
Yoke,End--Adjustable, 2-67, 2-69
Yoke, 5-19
Home
Find...
Go To..

CROSS REFERENCE
385D MM305 (3--97)
6-38
Home
Find...
Go To..

WeNeed YourHelp...
AspartofTennant’sZeroDefectsProgram,wewant toknowabouterrors you have
found orsuggestions you mayhaveregarding our machine manuals.Ifyou find an
errororhaveasuggestion,pleasecompletethispostage-paidform and mail it to us.
Thank you forhelping usmakezero defectsawayoflife atTennant.
Manual No.Rev.No.PublishDatePage
Machine -ReportError-Suggestion
NameDate
CustomerNumber
Company
Address
City/State/ZipCode
Home
Find...
Go To..

Tape hereFold along dotted lines
NOPOSTAGE
NECESSARY
IFMAILED
INTHE
UNITEDSATES
BUSINESS REPLYMAIL
FIRSTCLASS MAILPERMITNO. 94 MINNEAPOLIS,MN
POSTAGEWILL BE PAIDBY ADDRESSEE
TechnicalPublications#15
701 North LilacDrive
P.O. Box1452
Minneapolis,MN55440--9947
TENNANTCOMPANY
Home
Find...
Go To..

WeNeed YourHelp...
AspartofTennant’sZeroDefectsProgram,wewant toknowabouterrors you have
found orsuggestions you mayhaveregarding our machine manuals.Ifyou find an
errororhaveasuggestion,pleasecompletethispostage-paidform and mail it to us.
Thank you forhelping usmakezero defectsawayoflife atTennant.
Manual No.Rev.No.PublishDatePage
Machine -ReportError-Suggestion
NameDate
CustomerNumber
Company
Address
City/State/ZipCode
Home
Find...
Go To..

Tape hereFold along dotted lines
NOPOSTAGE
NECESSARY
IFMAILED
INTHE
UNITEDSATES
BUSINESS REPLYMAIL
FIRSTCLASS MAILPERMITNO. 94 MINNEAPOLIS,MN
POSTAGEWILL BE PAIDBY ADDRESSEE
TechnicalPublications#15
701 North LilacDrive
P.O. Box1452
Minneapolis,MN55440--9947
TENNANTCOMPANY
Home
Find...
Go To..