612814_5500 5520 Operator & Parts Manual 5500 And 12 2006 Up
2012-03-16
: Sweepscrub 5500-5520 Parts And Operator Manual 12-2006 And Up 5500-5520_parts_and_operator_manual_12-2006_and_up 418 file product_file
Open the PDF directly: View PDF
.
Page Count: 71
- ENGLISH
- ESPAÑOL
- OPERACIÓN
- ÍNDICE
- MEDIDAS DE SEGURIDAD
- ADHESIVOS DE SEGURIDAD
- COMPONENTES DE LA MÁQUINA
- SÍMBOLOS DEL PANEL DE CONTROL
- INSTALACIÓN DE LA MÁQUINA
- PREPARACIÓN DE LA MÁQUINA
- OPERACIÓN DE LA MÁQUINA
- VACIADO DE LOS TANQUES
- CARGA DE LAS BATERÍAS
- MANTENIMIENTO DE MÁQUINA
- TRANSPORTE DE LA MÁQUINA
- ALMACENAMIENTO DE LA MÁQUINA
- RECOMENDACIONES PARA ELALMACENAMIENTO
- LOCALIZACIÓN DE AVERÍAS
- ESPECIFICACIONES
- DIAGRAMAS ELECTRICAS
- LISTA DE PIEZAS
- CEPILLO DEL REEMPLAZO Y GRUPO DEL MANDO DE LA ALMOHADILLA
- GRUPE DEL DEPÓSITO DE DISOLUCIÓN
- GRUPE DEL DEPÓSITO DE DISOLUCIÓN
- CONJUNTO DEPOSITO RECUPERAR
- CONJUNTO CONSOLA DE CONTROLES
- GRUPO DEL ELÉCTRICO
- GRUPO DE TRANMISIÓN
- CONJUNTO IMPULSO DE CEPILLO
- CONJUNTO JUEGO DE CEPILLO
- GRUPO DE SOLUCIÓN
- CONJUNTO DE PALETA PLANCAS
- CONJUNTO PALETA
- GRUPO DEL BATERÍA
- OPCIONES
- OPERACIÓN

ENGLISH - ESPAÑOL
Automatic Scrubber
Fregadora Automática
5500/5520
Operator and Parts Manual
Manual del Operador y Piezas
612814
Rev. 03 (12-06)
Model No.:
613041 -- 5500
612758 -- 5500 Complete
613042 -- 5520
612760 -- 5520 Complete
Home
Find...
Go To..

OPERATION
2Tennant 5500/5520 (12--06)
This manual is furnished with each new model.
It provides necessary operation and maintenance
instructions and an illustrated parts list.
Read this manual completely and understand the
machine before operating or servicing it.
When ordering replacement parts, use the illustrated
parts lists section in this manual. Before ordering parts
or supplies, be sure to have your machine model
number and serial number available. Parts and
supplies may be ordered by phone or mail from any
authorized parts and service center, distributor or from
any of the manufacturer’s subsidiaries.
This machine will provide excellent service. However,
the best results will be obtained at minimum costs if:
SThe machine is operated with reasonable care.
SThe machine is maintained regularly - per the
machine maintenance instructions provided.
SThe machine is maintained with manufacturer
supplied or equivalent parts.
Tennant Company
PO Box 1452
Minneapolis, MN 55440
Phone: (800) 553--8033 or (763) 513--2850
www.tennantco.com
Specifications and parts are subject to change without notice.
Copyright E2001, 2002, 2005, 2006 Tennant Company. All rights reserved.
Printed in U.S.A.
MACHINE DATA
Please fill out at time of installation for future reference.
Model No.-
Install. Date -
Serial No.-
Home
Find...
Go To..

OPERATION
Tennant 5500/5520 (04--05) 3
TABLE OF CONTENTS (ESPAÑOL ÍNDICE....22)
SAFETY PRECAUTIONS 4....................
SAFETY LABELS 5...........................
MACHINE COMPONENTS 6...................
CONTROL PANEL SYMBOLS 7...............
MACHINE INSTALLATION 8...................
UNCRATING MACHINE 8..................
INSTALLING BATTERIES 8................
MACHINE SETUP 8..........................
ATTACHING SQUEEGEE ASSEMBLY 8.....
INSTALLING BRUSH OR PAD DRIVERS 9...
FILLING SOLUTION TANK 10...............
MACHINE OPERATION 10.....................
PRE--OPERATION CHECKS 10..............
OPERATING MACHINE 10..................
WHILE OPERATING MACHINE 12...........
STOPPING MACHINE 12...................
EMERGENCY STOPPING (OPTION) 12......
CIRCUIT BREAKERS 13....................
DRAINING TANKS 13..........................
DRAINING RECOVERY TANK 13............
DRAINING SOLUTION TANK 13.............
CHARGING BATTERIES 14....................
MACHINE MAINTENANCE 15..................
DAILY MAINTENANCE 15...................
MONTHLY MAINTENANCE 16...............
QUARTERLY MAINTENANCE 16............
SQUEEGEE BLADE REPLACEMENT 16......
SQUEEGEE BLADE ADJUSTMENT 17.......
BATTERY MAINTENANCE 17...............
TRANSPORTING MACHINE 18.................
STORING MACHINE 18........................
RECOMMENDED STOCK ITEMS 18.............
TROUBLE SHOOTING 19......................
SPECIFICATIONS 20..........................
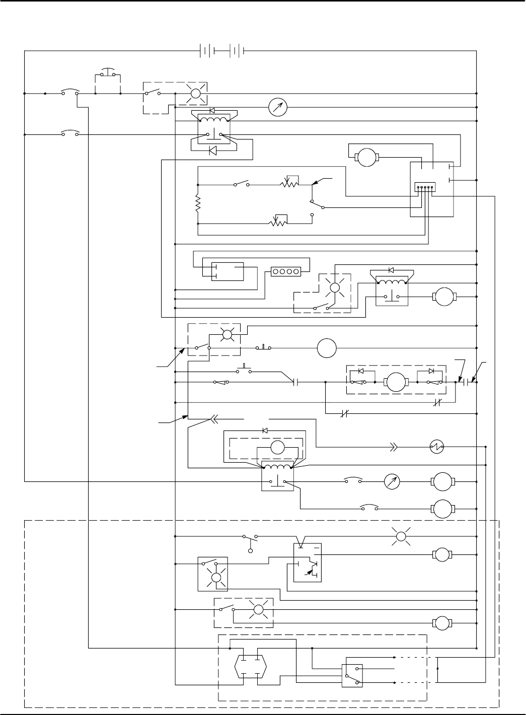
ELECTRICAL DIAGRAMS 42...................
PARTS LIST 44...............................
REPLACEMENT BRUSHES AND PAD
DRIVER GROUP 44........................
SOLUTION TANK GROUP 46................
RECOVERY TANK GROUP 48...............
CONSOLE GROUP 50......................
ELECTRICAL GROUP 52...................
DRIVE GROUP 54.........................
BRUSH DRIVE GROUP 56..................
BRUSH SKIRT GROUP 58..................
SOLUTION GROUP 60.....................
SQUEEGEE CONTROL GROUP 62..........
SQUEEGEE ASSEMBLY GROUP --
33 in / 838 mm 64..........................
BATTERY GROUP 66......................
OPTIONS 67..................................
SQUEEGEE WAND ASSEMBLY 67
..........
ES (EXTENDED SCRUB) KIT 68.............
HOUR METER, EMERGENCY STOP,
KEYSWITCH AND LOW VOLTAGE KITS 70...
CONVERSION KIT 71......................
Home
Find...
Go To..

OPERATION
4Tennant 5500/5520 (04--05)
SAFETY PRECAUTIONS
This machine is intended for commercial use. It is
designed exclusively to scrub hard floors in an
indoor environment and is not constructed for any
other use. Use only recommended pads, brushes
and commercially approved floor cleaners
intended for machine application.
All operators must read, understand and practice
the following safety precautions.
The following warning alert symbol and the “FOR
SAFETY” heading are used throughout this manual as
indicated in their description:
WARNING: To warn of hazards or unsafe
practices which could result in severe personal
injury or death.
FOR SAFETY: To identify actions which must be
followed for safe operation of equipment.
Failure to follow these warnings may result in
personal injury, electrical shock, fire or explosion.
WARNING: Fire Or Explosion Hazard:
-- Never Use Flammable Liquids Or Operate
Machine in Or Near Flammable Liquids,
Vapors Or Combustible Dusts.
This machine is not equipped with explosion proof
motors. The electric motors will spark upon start
up and during operation which could cause a flash
fire or explosion if machine is used in an area
where flammable vapors/liquids or combustible
dusts are present.
-- Do Not Pick Up Flammable Materials Or
Reactive Metals.
-- Batteries Emit Hydrogen Gas. Keep Sparks
And Open Flame Away. Keep Battery
Compartment Open When Charging.
WARNING: Electrical Shock Hazard.
Disconnect Battery Cables Before Servicing
Machine.
The following information signals potentially
dangerous conditions to the operator or
equipment:
FOR SAFETY:
1. Do not operate machine:
-- With flammable liquids or near flammable
vapors as an explosion or flash fire may
occur.
-- Unless trained and authorized.
-- Unless operator manual is read and
understood.
-- If not in proper operating condition.
2. Before operating machine:
-- Make sure all safety devices are in place
and operate properly.
3. When using machine:
-- Go slow on inclines and slippery surfaces.
-- Wear non--slip shoes.
-- Use care when reversing machine.
-- Reduce speed when turning.
-- Report machine damage or faulty
operation immediately.
-- Never allow children to play on or around.
-- Follow mixing and handling instructions
on chemical containers.
4. Before leaving or servicing machine:
-- Stop on level surface.
-- Turn machine off.
5. When servicing machine:
-- Avoid moving parts. Do not wear loose
jackets, shirts, or sleeves.
-- Disconnect battery connections before
working on machine.
-- Wear protective gloves and eye protection
when handling batteries or battery cables.
-- Avoid contact with battery acid.
-- Use hoist or jack that will support the
weight of the machine.
-- Do not power spray or hose off machine.
Electrical malfunction may occur.
-- Use manufacturer supplied or approved
replacement parts.
-- All repairs must be performed by a
qualified service person.
-- Do not modify the machine from its
original design.
Home
Find...
Go To..

OPERATION
Tennant 5500/5520 (04--05) 5
6. When transporting machine:
-- Turn machine off.
-- Use a recommended ramp when
loading/unloading on/off truck or trailer.
-- Use tie--down straps to secure machine to
truck or trailer.
-- Put scrub head in the lowered position.
SAFETY LABELS
The safety labels appear on the machine in the locations indicated. Replace labels if they are missing or become
damaged or illegible.
WARNING LABEL -- LOCATED ON THE RECOVERY TANK.
BATTERY CHARGE LABEL --
LOCATED IN BATTERY COMPARTMENT.
WARNING: Fire Or Explosion
Hazard. Batteries Emit Hydrogen
Gas. Keep Sparks And Open Flame
Away. Keep Battery Compartment
Open When Charging.
Home
Find...
Go To..

OPERATION
6Tennant 5500/5520 (04--05)
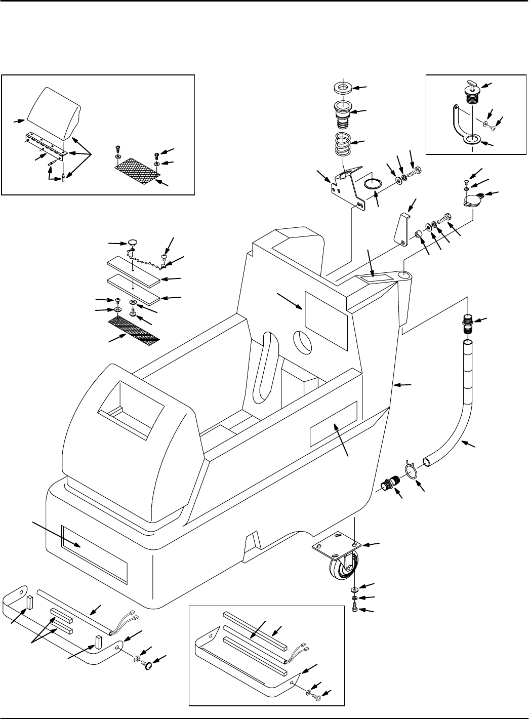
MACHINE COMPONENTS
11
10
9
47
6
5
22
13
21
18
23
25
19
15
2
16
8
20
3
1
12
14
17
2
25
27
26
1
29 28
35
33
36
34
31
32
36
30
24
1. Control Console
2. Control Twist Grips
3. Key Switch (Optional)
4. Main ON/OFF Switch
5. Vacuum ON/OFF Switch
6. Brush/Solution ON/OFF Switch
7. Brush Pressure Switches
8. Brush Pressure Meter
9. Battery Meter
10. Reverse Switch
11. Speed Control Knob
12. Power Kill Button (Optional)
13. Main, Vac/Drive Circuit Breakers
14. Squeegee Lift Lever
15. Hour Meter (Optional)
16. Solution Flow Adjustment Knob
17. ES (Extended Scrub) Switch
(Optional)
18. Scrub Head Actuator
19. Adjustable Control Console
Levers
20. Recovery Tank Drain Hose
21. Solution Tank Drain Hose
22. Rear Fill Port
23. Squeegee Assembly
24. Recovery Tank
25. Recovery Tank Lid
26. Solution Tank
27. Solution Fill Port
28. Safety Lights
29. Battery Compartment
30. Charger Plug
31. Drive Wheels
32. Rear Casters
33. Brush Skirt
34. Skirt Housing
35. Skirt Housing Latch
36. Wall Rollers
Home
Find...
Go To..

OPERATION
Tennant 5500/5520 (07--02) 7
CONTROL PANEL SYMBOLS
Main Power
Vacuum
Less Brush
Pressure
More Brush
Pressure
Fast Speed
Slow Speed
Reverse
Squeegee Up
Squeegee Down
Right Hand
Brush Motor
Circuit Breaker
Left Hand
Brush Motor
Circuit Breaker
Vacuum
Motor Circuit
Breaker
Main Power
Circuit Breaker
Read Manual
Before Operating
Battery Charge
Meter
Brush Pressure
Meter
Brush
Solution Flow
Home
Find...
Go To..

OPERATION
8Tennant 5500/5520 (12--06)
MACHINE INSTALLATION
UNCRATING MACHINE
Carefully check carton for signs of damage. Report
any damage at once to carrier. Check carton contents
to ensure all accessories are included. Squeegee is
packaged with machine. Batteries, battery charger and
pad driver(s) are packaged separately.
ATTENTION: Battery installation must be
accomplished after removing machine from
shipping crate.
To uncrate your machine, remove shipping straps and
carefully lift or make a ramp using crate boards to
remove machine from pallet.
ATTENTION: Do not roll machine off pallet,
damage may occur.
INSTALLING BATTERIES
WARNING: Fire Or Explosion Hazard.
Batteries Emit Hydrogen Gas. Keep Sparks And
Open Flame Away. Keep Battery Hood Open When
Charging.
FOR SAFETY: When servicing machine, wear
protective gloves and eye protection when
handling batteries and battery cables. Avoid
contact with battery acid.
Battery Specifications:
Two 12 volt, deep cycle, 215 A hour batteries. Consult
with an Authorized Distributor for specific batteries.
Maximum battery dimensions are 7 in / 178 mm W x
15 in / 381 mm L x 14 in / 356 mm H.
1. Turn all switches to the OFF position.
2. Carefully hinge open recovery tank to access
battery compartment. Remove loose battery
cables from compartment (Figure 1).
FIG. 1
3. Carefully install batteries into battery tray at
bottom of compartment and arrange battery posts
as shown (Figure 2).
(+) (--)
(+)(--)
FIG. 2
ATTENTION: Do not drop batteries into
compartment, battery and machine housing
damage may result. This damage is not covered
by warranty.
4. Connect battery cables to battery posts as shown
(RED TO POSITIVE & BLACK TO NEGATIVE)
(Figure 2).
5. Turn on the main switch and check battery meter
charge level to ensure batteries are fully charged.
Charge if necessary (See CHARGING
BATTERIES).
MACHINE SETUP
ATTACHING SQUEEGEE ASSEMBLY
1. Turn main switch to the off position.
FOR SAFETY: Before leaving or servicing
machine, stop on level surface and turn off
machine.
2. Raise squeegee mount bracket. Pull back on
squeegee lift lever to raise squeegee mount
bracket (Figure 3).
FIG. 3
Home
Find...
Go To..

OPERATION
Tennant 5500/5520 (04--05) 9
3. Loosen two thumb knobs on squeegee assembly
and slide squeegee into slots on squeegee mount
bracket (Figure 4).
FIG. 4
4. Tighten thumb knobs securely.
5. Connect vacuum hose from machine to squeegee
assembly (Figure 5).
FIG. 5
INSTALLING BRUSH OR PAD DRIVERS
1. Turn main switch to the on position.
2. Make sure the scrub head is raised by turning off
the brush switch (Figure 6).
FIG. 6
3. Turn main switch to the off position.
FOR SAFETY: Before leaving or servicing
machine, stop on level surface and turn off
machine.
4. Unfasten black latch at front of machine and hinge
open skirt housing to access motor hub (Figure 7).
FIG. 7
5. Select recommended pads or brushes that best
meets your cleaning needs.
NOTE: Consult an authorized distributor for pad/brush
recommendations.
6. (For Pad Installation) Attach pads to pad drivers
before connecting drivers to motor hub. Secure
pads with plastic centerlock ring (Figure 8).
FIG. 8
Home
Find...
Go To..

OPERATION
10 Tennant 5500/5520 (12--06)
7. Align pad driver mounting studs with slots in motor
hub. Give the driver a quick turn toward the motor
hub spring clip. Be certain that spring clip locks
into one of the studs before operating machine
(Figure 9).
FIG. 9
NOTE: Always make sure pad drivers and motor hub
surfaces are always clean before installing drivers.
Clean surfaces will ease pad driver removal later.
8. Close skirt housing and refasten latch.
FILLING SOLUTION TANK
1. Transport machine to filling station. Raise
squeegee and brush when transporting.
2. Turn main switch to the off position.
3. Remove fill-port cover at front of machine and fill
solution tank with 17 gal / 64 L of clean water,
140°F/60°C maximum temperature. Or use the
rear fill port to fill solution tank. Pull off plug and
insert hose to fill. The clear tube below the fill port
has 5 gal / 19 L increment markers to indicate
amount of water in tank (Figure 10).
FIG. 10
NOTE: If filling with a bucket be certain that bucket is
clean. This will prevent possible solution line clogs.
4. Add cleaning chemical. See proper dilution ratio
instructions on bottle.
FOR SAFETY: When using machine, follow mixing
and handling instructions on chemical containers.
ATTENTION: Use only recommended cleaning
chemicals, DO NOT use substitutes. Consult an
authorized distributor for recommendations.
WARNING: Fire or Exposion Hazard.
Never Use Flammable Liquids.
MACHINE OPERATION
FOR SAFETY: Do not operate machine unless
operator manual is read and understood.
PRE--OPERATION CHECKS
SSweep and dust mop floor to remove particles and
other debris.
SCheck battery meter charge level to ensure
batteries are fully charged (See CHARGING
BATTERIES).
SCheck condition of pads or brushes.
SCheck condition of squeegee blades.
OPERATING MACHINE
1. Adjust control grips to a comfortable operating
height, squeeze together the two levers below the
console (Figure 11).
FIG. 11
2. Disengage squeegee lift lever from the up position
and lower squeegee (Figure 12).
Home
Find...
Go To..

OPERATION
Tennant 5500/5520 (12--06) 11
FIG. 12
3. Turn main switch to the on position.
4. Turn brush switch to the on position to lower scrub
head to the floor (Figure 13).
FIG. 13
5. Turn vacuum switch to the on position.
NOTE: The brushes and solution flow will not start
until control grips are rotated.
6. Before starting, turn speed control knob to slowest
setting (Figure 14).
7. Begin scrubbing by rotating control grips forward.
Gradually increase your speed by turning speed
control knob forward (Figure 14).
FIG. 14
8. Once machine begins to move, check the needle
position of the brush pressure meter. Use the (2)
pressure adjustment switches to adjust brush
pressure. Never operate machine in the red zone
(Figure 15).
FIG. 15
ATTENTION: To prevent floor damage and brush
motor overload, do not operate brush pressure
meter in red zone.
9. To operate machine in reverse, simply pull reverse
switch backwards (one speed)
(Figure 16).
FIG. 16
10. To stop machine, release control grips.
Home
Find...
Go To..

OPERATION
12 Tennant 5500/5520 (12--06)
WHILE OPERATING MACHINE
FOR SAFETY: When using machine, go slow on
inclines and slippery surfaces.
WARNING: Fire Or Explosion Hazard. Do Not
Pick Up Flammable Materials Or Reactive Metals.
1. Observe amount of solution flow on floor. To
increase or decrease water flow, adjust solution
control knob (Figure 17).
FIG. 17
2. Periodically observe recovery tank for excessive
foam. If excessive foam appears, pour a
recommended foam control solution into recovery
tank.
ATTENTION: Do not allow foam or water to enter
float shut--off screen, vacuum motor damage will
result. Foam will not activate float shut--off
screen.
3. Always operate at a slower speed when scrubbing
around walls or obstacles.
4. Always reduce speed to maintain control when
turning machine.
5. If squeegee leaves streaks, raise and wipe blades
with a cloth. Pre-sweep area to prevent streaking.
6. Overlap each pass by 2 in / 51 mm.
7. Change or turn over pads when worn.
8. Stay clear of floor obstructions, such as electrical
plates or grates, they will destroy pads.
9. During brief stops, you do not have to turn off any
switches, the brushes and solution flow will
automatically stop when control grips are
released.
10. Periodically check battery meter discharge level.
When needle drops to the red zone, recharge
batteries.
ATTENTION: Do not continue to run machine
when battery meter needle is in the red zone,
battery damage will result.
11. While cleaning, view clear tube at rear of machine
for remaining cleaning solution. Each mark on
hose indicates 5 gal / 19 L.
12. When solution tank runs dry, turn off brush switch,
and continue to vacuum until all dirty water is
consumed. Then drain recovery tank
(See DRAINING TANKS).
STOPPING MACHINE
1. Turn off brush switch, and continue to vacuum
until all dirty water is consumed.
2. Release control grips.
3. Raise squeegee.
4. Turn off switches and remove key if equipped.
FOR SAFETY: Before leaving or servicing
machine, stop on level surface and turn off
machine.
EMERGENCY STOPPING (OPTION)
To stop machine in case of an emergency, hit the red
power kill button located at rear of control console.
The power kill button immediately stops all power to
machine (Figure 18).
To reset power kill button, shut off all switches and
turn kill button to the right. Resume to normal
operation.
FIG. 18
Home
Find...
Go To..

OPERATION
Tennant 5500/5520 (04--05) 13
CIRCUIT BREAKERS
The machine is equipped with (4) circuit breakers to
protect machine from damage.
If circuit breakers should trip, the breakers will not
reset immediately upon tripping. Determine reason
why breaker tripped, allow motor to cool and reset.
Brush motor circuit breakers will trip due to excessive
overload on pad. Reduce pad pressure or replace pad
if breaker should trip.
The main and drive/vacuum circuit breakers are
located at the rear of machine. The brush motor circuit
breakers are located near the charging plug
(Figure 19).
-- 10A Main Circuit Breaker
-- 35A Drive Motor/Vacuum Circuit Breaker
-- 30A Brush Motor Circuit Breaker (2)
Brush Motor
Circuit Breakers
FIG. 19
DRAINING TANKS
FOR SAFETY: Before leaving or servicing
machine, stop on level surface and turn off
machine.
DRAINING RECOVERY TANK
When finished scrubbing or when refilling solution
tank, recovery tank should be drained and cleaned.
ATTENTION: If recovery tank is not drained
before refilling, foam or water will enter float
shut-off screen and vacuum motor damage will
result.
1. Remove drain hose from holder, position hose
over floor drain and twist off drain hose cap. To
completely drain recovery tank, hinge open tank
and flip up tank support stand to rest tank on
(Figure 20).
NOTE: If using a bucket to drain machine, do not use
same bucket for filling solution tank. This will prevent
possible solution line clogs.
FIG. 20
2. Clean recovery tank after each use. Use a hose to
rinse out tank. Be careful not to spray water into
float shut--off screen.
3. Replace drain hose cap tightly after draining.
DRAINING SOLUTION TANK
To drain leftover cleaning solution from solution tank,
perform the following steps:
1. Pull clear hose off hose barb at rear of machine
and drain solution into floor drain or bucket
(Figure 21).
FIG. 21
2. Rinse out solution tank and solution flow system
with clean water after each use. This will prevent
clogging due to chemical buildup.
3. Reconnect solution tank drain hose securely after
draining.
Home
Find...
Go To..

OPERATION
14 Tennant 5500/5520 (04--05)
CHARGING BATTERIES
ATTENTION: To prolong the life of the batteries
and to provide optimum machine performance,
ONLY recharge the batteries after a total of 30
minutes of use or more. Do not leave batteries
discharged for lengthy periods.
The following charging instructions are intended for
battery chargers supplied with the machine. Only use
a battery charger with the following specifications to
prevent battery damage.
BATTERY CHARGER SPECIFICATIONS:
SCHARGER TYPE: FOR LEAD ACID BATTERIES
SOUTPUT VOLTAGE - 24 VOLTS
SOUTPUT CURRENT - 25 AMPS MAXIMUM
SAUTOMATIC SHUT--OFF CIRCUIT
SFOR DEEP CYCLE BATTERY CHARGING
1. Transport machine to a well ventilated area for
charging.
WARNING: Fire Or Explosion Hazard.
Batteries Emit Hydrogen Gas. Keep Sparks And
Open Flame Away. Keep Battery Compartment
Open When Charging.
2. Before charging the batteries, check the
electrolyte level in each battery cell (Figure 22).
FIG. 22
FOR SAFETY: When servicing machine, wear
protective gloves and eye protection when
handling batteries or battery cables. Avoid contact
with battery acid.
The electrolyte level (A) should slightly cover the
battery plates (B). Add distilled water as needed.
DO NOT OVERFILL, the fluid may expand and
overflow while charging. Replace cell caps before
charging (Figure 23).
A
B
FIG. 23
3. Connect the charger’s AC power supply cord to a
properly grounded receptacle (Figure 24).
Grounded
3HoleOutlet
Ground Pin
FIG. 24
4. Plug charger’s DC output connector to battery
connector located near battery compartment
(Figure 25).
FIG. 25
5. The charger will automatically begin charging and
shut off when fully charged.
6. Rest the recovery tank on the support stand to
promote ventilation during charging (Figure 26).
Home
Find...
Go To..

OPERATION
Tennant 5500/5520 (04--05) 15
FIG. 26
ATTENTION: Do not disconnect the charger’s DC
cord from the machine’s receptacle when the
charger is operating. Arcing may result. If the
charger must be interrupted during charging,
disconnect the AC power supply cord first.
WARNING: Fire Or Explosion Hazard.
Batteries Emit Hydrogen Gas. Keep Sparks And
Open Flame Away. Keep Battery Compartment
Open When Charging.
7. After charging, check the electrolyte level (A)
again. The level should be approximately 1 cm
(0.38 in) from the bottom of the fill--port (B)
(Figure 27). Add distilled water if needed.
DO NOT OVERFILL.
A
B
FIG. 27
MACHINE MAINTENANCE
To keep the machine in good working condition, simply
follow the daily, monthly and quarterly maintenance
procedures.
WARNING: Electrical Hazard. Disconnect
Battery Cables Before Servicing Machine.
DAILY MAINTENANCE
(After Every Use)
1. Remove and clean pads/brushes. Never use
soiled pads when cleaning. Replace pads when
they become loaded with residue.
2. Remove and clean lint from float shut--off screen
located in recovery tank (Figure 28).
FIG. 28
3. Drain and rinse tanks thoroughly. After draining
tanks, hinge recovery tank until you can see
vacuum intake hole at rear of tank. Remove any
debris in hole if necessary.
4. Raise squeegee and wipe it off with a dry cloth.
Store squeegee in the up position to prevent
squeegee damage.
5. Clean the machine with an all purpose cleaner and
damp cloth (Figure 29).
FOR SAFETY: When cleaning machine, do not
power spray or hose off machine. Electrical
malfunction may occur.
FIG. 29
6. Recharge the batteries after a total of 30 minutes
of use or more (See CHARGING BATTERIES).
Home
Find...
Go To..

OPERATION
16 Tennant 5500/5520 (12--06)
MONTHLY MAINTENANCE
(Every80HoursofUse)
1. Check fluid level in battery cells (See BATTERY
MAINTENANCE).
2. Clean battery tops to prevent corrosion (See
BATTERY MAINTENANCE).
3. Check for loose or corroded battery cables.
4. Remove inline strainer filter and rinse out. Before
removing filter, be certain solution tank is empty.
Filter is located under machine at rear (Figure 30).
FIG. 30
5. Lubricate caster grease fittings with a water
resistant grease.
6. Lubricate all linkage pivot points with silicone
spray then coat with a water resistant grease to
maintain a smooth operation.
7. Check machine for water leaks and loose nuts and
bolts.
QUARTERLY MAINTENANCE
(Every 250 Hours of Use)
Check the drive transaxle motor, the vacuum motor
and the brush motor for carbon brush wear. Replace
carbon brushes when worn to a length of
0.38 in / 10 mm or less.
Contact an Authorized Service Center for machine
repairs.
FOR SAFETY: When servicing machine, all repairs
must be performed by a qualified service person.
WARNING: Electrical Hazard. Disconnect
Battery Cables Before Servicing Machine.
SQUEEGEE BLADE REPLACEMENT
The squeegee has two squeegee blades. The rear
squeegee blade has four wiping edges, the front blade
has two wiping edges. When the blades become worn,
simply rotate the blades to a new wiping edge.
Replace blade if all wiping edges are worn.
Rotating or replacing the rear blade:
1. Remove the squeegee assembly from the machine.
2. Loosen the band clamp and remove the band from
the squeegee assembly (Figure 31).
FIG. 31
3. Rotate the rear blade to a new wiping edge and
reinstall the band (Figure 32).
FIG. 32
Rotating or replacing the front blade:
1. Remove the squeegee assembly from the machine.
2. Remove the six thumbscrews holding the retainer
and squeegee blade to the squeegee frame.
Rotate the squeegee blade end for end to allow a
new edge to face the front of the machine. Make
sure the notched edge of the blade is facing
downward (Figure 33).
FIG. 33
Home
Find...
Go To..

OPERATION
Tennant 5500/5520 (12--06) 17
SQUEEGEE BLADE ADJUSTMENT
For optimum squeegee blade performance, the
squeegee assembly casters must be adjusted to a
specified height as described below.
1. To check the squeegee assembly for proper
adjustment, remove the squeegee assembly from
the machine and place it on a level surface.
Measure the distance between the caster and the
surface. It should measure approximately
1/16 in / 2 mm (Figure 34).
2. To adjust the caster height, loosen the top nut and
remove the plastic bearing cover to access the
adjustment nut. Turn the adjustment nut until
properly adjusted (Figure 34). After adjusting,
tighten the top nut and replace the plastic bearing
cover. Repeat step for the other caster.
1/16 in
2mm
FIG. 34
3. During machine operation, with the casters
properly adjusted, the squeegee blades should
deflect as shown (Figure 35).
FIG. 35
BATTERY MAINTENANCE
WARNING: Fire Or Explosion Hazard.
Batteries Emit Hydrogen Gas. Keep Sparks And
Open Flame Away. Keep Battery Compartment
Open When Charging.
FOR SAFETY: When servicing machine, wear
protective gloves and eye protection when
handling batteries and battery cables. Avoid
contact with battery acid.
1. Check the specific gravity using a hydrometer to
determine the charge level and the condition of the
batteries (Figure 36). If one or more of the battery
cells read lower than the other battery cells (0.050
or more), the cell is damaged, shorted, or is about
to fail. Check the hydrometer readings against the
following chart to determine the remaining battery
charge level.
NOTE: Do not take readings immediately after adding
distilled water. If the water and acid are not thoroughly
mixed, the readings may not be accurate.
FIG. 36
SPECIFIC GRAVITY
at 27_C(80_F) BATTERY
CHARGE
1.265 100% CHARGED
1.223 75% CHARGED
1.185 50% CHARGED
1.148 25% CHARGED
1.110 DISCHARGED
NOTE: If the readings are taken when the battery
electrolyte is any temperature other than 80_F/27_C,
the reading must be temperature corrected. Add or
subtract to the specific gravity reading 0.004, 4 points,
for each 43_F/6_C above or below 80_F/27_C.
2. Always follow proper charging instructions
(See CHARGING BATTERIES).
Home
Find...
Go To..

OPERATION
18 Tennant 5500/5520 (07--02)
3. Check the electrolyte level (A) in each battery cell
after charging batteries. The level should be
approximately 1 cm from the bottom of the fill--port
(B). Add distilled water if needed (Figure 37).
DO NOT OVERFILL.
A
B
FIG. 37
4. Keep the battery tops clean to prevent battery
corrosion.
To clean batteries:
FOR SAFETY: When servicing machine, wear
protective gloves and eye protection when
handling batteries and battery cables. Avoid
contact with battery acid.
a. Mix a strong solution of baking soda and water
(Figure 38).
FIG. 38
b. Brush the solution sparingly over the battery
tops and cable connectors.
NOTE: Do not allow baking soda solution to enter
battery cells.
c. Use a wire brush to clean the battery terminals
and cable connectors.
d. After cleaning, apply a coating of clear battery
post protectant to the terminals and cable
connectors.
5. Check for loose or worn cables. Replace if worn.
TRANSPORTING MACHINE
When transporting machine by use of trailer or truck,
be certain to follow tie--down procedures below:
FOR SAFETY: When using machine, go slow on
inclines and slippery surfaces.
1. Remove squeegee from machine and raise scrub
head. Leave pad or brush installed.
2. Load machine using a recommended loading
ramp.
3. Position front of machine up against front of trailer
or truck. Once machine is positioned, lower brush
head.
4. Place a block behind the drive wheel and the rear
casters.
5. Place tie--down straps over top of machine and
secure straps to floor. It may be necessary to
install tie--down brackets to the floor of your trailer
or truck.
STORING MACHINE
1. Before storing machine, be certain to flush tanks
and drain machine of all water.
2. Store machine in a dry area with squeegee
removed and pad driver in the raised position.
3. Remove recovery lid to promote air circulation.
4. When storing machine, raise pad scrub head and
squeegee off floor to prevent damage.
ATTENTION: If storing machine if freezing
temperatures, be certain to drain machine of all
water. Damage due to freezing temperatures is not
covered by warranty.
ATTENTION: Do not expose machine to rain; store
indoors.
RECOMMENDED STOCK ITEMS
Refer to Parts List section for recommended stock
items. Stock Items are clearly identified with a bullet
preceding the parts description. See example below:
Home
Find...
Go To..

OPERATION
Tennant 5500/5520 (07--02) 19
TROUBLE SHOOTING
PROBLEM CAUSE SOLUTION
No power. Faulty main switch. Contact Service Center.
Batteries need charging. See CHARGING BATTERIES.
Faulty battery(s). Replace battery(s).
Loose battery cable. Tighten loose cable.
MAIN circuit breaker has tripped. Determine cause and reset circuit
breaker button.
Brush motors do not operate. Brush switch is not on. Turn on brush switch.
Control grips are not rotated. Rotate control grips.
Brush circuit breaker(s) has tripped. Clean or replace pad or brush and
reset brush circuit breaker button.
Faulty brush motor or wiring. Contact Service Center.
Carbon brushes worn. Contact Service Center.
Faulty brush switch or solenoid. Contact Service Center.
Vacuum motor does not operate. Faulty vacuum switch. Contact Service Center.
Vacuum circuit breaker has tripped. Remove obstruction and reset
breaker.
Faulty vacuum motor or wiring. Contact Service Center.
Carbon brushes worn. Contact Service Center.
Drive motor does not operate. Drive motor circuit breaker has
tripped. Determine cause and reset breaker.
Faulty speed control circuit board or
connection. Contact Service Center.
Faulty solenoid. Contact Service Center.
Faulty drive motor. Contact Service Center.
Faulty wiring. Contact Service Center.
Worn carbon brushes. Contact Service Center.
Drive motor operates improperly. Faulty potentiometer or speed control
board. Contact Service Center.
Loose wire connection Contact Service Center.
Little or no solution flow. Solution flow adjustment knob needs
adjusting. Turn solution flow knob clockwise to
increase flow.
Solution line or solution tank filter is
clogged. Remove hose and blow compressed
air through it. Flush solution tank after
each use.
Solution valve or solenoid is clogged. Remove valve or solenoid and clean.
Do not scratch inside of valve.
Faulty solution switch or solenoid. Contact Service Center.
Loose set screw on solution knob. Calibrate knob and retighten screw.
Short run time. Batteries not fully charged. Charge batteries.
Bad cell in one or more batteries. Replace battery.
Batteries need maintenance. See BATTERY MAINTENANCE.
Faulty charger. Replace battery charger.
Home
Find...
Go To..

OPERATION
20 Tennant 5500/5520 (12--06)
TROUBLE SHOOTING --continued
PROBLEM CAUSE SOLUTION
Poor water pick up. Recovery tank is full. Empty recovery tank.
Ball float shut--off screen inside
recovery tank is clogged. Remove screen and clean.
Squeegee is clogged with debris. Clean squeegee.
Squeegee blades are worn. Replace squeegee blades.
Squeegee thumbscrews are loose. Tighten thumbscrews.
Vacuum hose connections are loose
or hose has a hole. Push hose cuffs firmly on connections.
Replace hose if damaged.
Vacuum hose is clogged with debris. Remove clogged debris.
Recovery tank inlet hole is obstructed. Empty recovery tank and tilt tank
sideways to access inlet hole, remove
obstruction.
Tank gasket is defective. Replace gasket.
Drain hose plug is loose. Tighten drain plug.
Recovery tank lid is loose. Tighten lid.
Vacuum motor is loose. Contact Service Center.
Battery charge level is low. Charge batteries. Do not run machine
when battery meter is in the red zone.
Safety lights do not work. Flasher is burned out. Contact Service Center.
SPECIFICATIONS
MODEL 5500 5520
LENGTH 50 in / 1270 mm 50 in / 1270 mm
WIDTH 26 in / 660 mm 28 in / 711 mm
HEIGHT 39 in / 990 mm 39 in / 990 mm
WEIGHT 375 lb / 170 kg
600 lb / 272 kg with batteries 375 lb / 170 kg
600 lb / 272 kg with batteries
SOL./REC TANK CAPACITY 17 gal / 64 L 17 gal / 64 L
SPEED CONTROL Variable Fwd. / Fixed Rev. Variable Fwd. / Fixed Rev.
CLEANING SPEED (MAX) 24,000 sq ft / 2229.6 m2per hour 26,000 sq ft / 2415.4 m2per hour
CLEANING PATH WIDTH 23.123 in / 587 mm 25.13 in / 638 mm
PAD DIAMETER 2--12in/305mm 2--13in/330mm
PAD PRESSURE Variable 80--150 lb / 36--68 kg Variable 80--150 lb / 36--68 kg
SQUEEGEE WIDTH 33 in / 839 mm 33 in / 839 mm
DRIVE SYSTEM Transaxle, .2 h.p., 24V Transaxle, .2 h.p., 24V
BRUSH MOTOR 2 -- .75 h.p., 220 rpm, 24V, 20A, 550W 2 -- .75 h.p., 220 rpm, 24V, 20A, 550W
VACUUM MOTOR .75 h.p., 3--stage 5.7, 24V, 21A, 550W .75 h.p., 3--stage 5.7, 24V, 21A, 550W
WATER LIFT 68 in / 1727 mm 68 in / 1727 mm
BATTERIES 2--12V, 215AH 2--12V, 215AH
RUN TIME PER CHARGE Up to 4 3/4 hours Up to 4 3/4 hours
DECIBEL RATING AT OPERATOR’S
EAR, INDOORS ON TILE. 75 dBA 75 dBA
Home
Find...
Go To..

OPERACIÓN
21
Tennant 5500/5520 (04--05)
Este manual se incluye en todos los modelos nuevos.
Proporciona la información necesaria para su
utilización y mantenimiento.
Lea todo el manual detenidamente para
comprender la máquina antes de utilizarla o
revisarla.
Use la Lista de Piezas incluida en este manual al
ordenar piezas de repuesto. Antes de ordenar piezas
o suministros, asegúrese de tener el número de
modelo y el número de serie de su máquina. Las
piezas y los suministros pueden ordenarse por
teléfono o por correo de cualquier centro autorizado
de piezas y servicios, distribuidor de piezas o de
cualquier subsidiaria del fabricante.
Esta máquina le proporcionará excelentes resultados.
Sin embargo, los resultados serán óptimos a un coste
mínimo si:
SUtiliza la máquina con un cuidado razonable.
SRealiza las operaciones de mantenimiento de
acuerdo con las instrucciones adjuntas.
SLas operaciones de mantenimiento de la máquina
se realizan con piezas suministradas por el
fabricante o equivalentes.
Tennant Company
PO Box 1452
Minneapolis, MN 55440
Phone: (800) 553--8033 or (763) 513--2850
www.tennantco.com
DATOS DE LA MÁQUINA
Por favor complete en el momento de la instalación,
para referencia futura.
No. de modelo --
Fechadeinstalación--
Nº de Serie--
Home
Find...
Go To..

OPERACIÓN
22 Tennant 5500/5520 (04--05)
ÍNDICE
MEDIDAS DE SEGURIDAD 23..................
ADHESIVOS DE SEGURIDAD 24...............
COMPONENTES DE LA MÁQUINA 25............
SÍMBOLOS DEL PANEL DE CONTROL 26......
INSTALACIÓN DE LA MÁQUINA 27.............
DESEMBALADO DE LA MÁQUINA 27........
INSTALACIÓN DE LAS BATERÍAS 27........
PREPARACIÓN DE LA MÁQUINA 28............
FIJACIÓN DEL CONJUNTO DE LA
ESCOBILLA DE GOMA 28..................
INSTALACIÓN DE LOS IMPULSORES DEL
CEPILLO O LA ALMOHADILLA 28...........
LLENADO DEL DEPÓSITO DE
LA DISOLUCIÓN 29........................
OPERACIÓN DE LA MÁQUINA 30..............
INSPECCIONES DE PREOPERACIÓN 30....
UTILIZACIÓN DE LA MÁQUINA 30...........
AL UTILIZAR LA MÁQUINA 31...............
PARADA DE LA MÁQUINA 32...............
PARADA DE EMERGENCIA (OPCIÓN) 32....
CORTACIRCUITOS 32......................
VACIADO DE LOS TANQUES 32................
VACIADO DEL DEPÓSITO DE
RECUPERACIÓN 32.......................
VACIADO DEL DEPÓSITO DE LA
DISOLUCIÓN 33...........................
CARGA DE LAS BATERÍAS 33.................
MANTENIMIENTO DE MÁQUINA 35.............
MANTENIMIENTO DIARIO 35...............
MANTENIMIENTO MENSUAL 35............
MANTENIMIENTO TRIMESTRAL 36.........
SUSTITUCIÓN DE LA LÁMINA DE LA
ESCOBILLA DE GOMA 36..................
AJUSTE DE LAS LÁMINAS DE
LA ESCOBILLA 36.........................
MANTENIMIENTO DE LAS BATERÍAS 37.....
TRANSPORTE DE LA MÁQUINA 38.............
ALMACENAMIENTO DE LA MÁQUINA 38.......
RECOMENDACIONES PARA EL
ALMACENAMIENTO 39........................
LOCALIZACIÓN DE AVERÍAS 39...............
ESPECIFICACIONES 41.......................
DIAGRAMAS ELECTRICAS 42.................
LISTA DE PIEZAS 44..........................
CEPILLO DEL REEMPLAZO Y GRUPO
DEL MANDO DE LA ALMOHADILLA 44.......
GRUPE DEL DEPÓSITO DE DISOLUCIÓN 46.
CONJUNTO DEPOSITO RECUPERAR 48....
CONJUNTO CONSOLA DE CONTROLES 50..
GRUPO DEL ELÉCTRICO 52................
GRUPO DE TRANMISIÓN 54................
CONJUNTO IMPULSO DE CEPILLO 56......
CONJUNTO JUEGO DE CEPILLO 58.........
GRUPO DE SOLUCIÓN 60..................
CONJUNTO DE PALETA PLANCAS 62.......
CONJUNTO PALETA 64....................
GRUPO DEL BATERÍA 66...................
OPCIONES 67
................................
GROUPE D’ASPIRATION ET
RACLETTE À MAIN 67......................
ES (FREGADO PROLONGADO) JUEGO 68...
MEDIDOR DE HORA, BOTÓN DE
EMERGENCIA, INTERRUPTOR DE LLAVE,
HERRAMIENTAS DE BAJO VOLTAGE 70.....
JUEGO DE CONVERSIÓN 71...............
Home
Find...
Go To..

OPERACIÓN
23
Tennant 5500/5520 (04--05)
MEDIDAS DE SEGURIDAD
Esta máquina está destinada al uso comercial.
Está diseñada exclusivamente para fregar suelos
en recintos cerrados y no debe utilizarse para
ningún otro uso. Utilice únicamente los cepillos,
almohadillas y limpiadores de suelos específicos
recomendados para máquinas disponibles en el
mercado.
Todos los operarios deben leer, comprender y
cumplir las siguientes medidas de seguridad.
A lo largo de todo el manual se utilizan los siguientes
símbolos de advertencia y encabezados “PARA SU
SEGURIDAD” descritos a continuación:
ADVERTENCIA: Advierte sobre riesgos o
prácticas inseguras que podrían provocar
lesiones personales graves o fatales.
PARA SU SEGURIDAD: Identifica las operaciones
que debe realizar para una utilización segura del
equipo.
El no cumplimiento de estas advertencias puede
causar lesiones personales, descargas eléctricas,
incendios y explosiones.
ADVERTENCIA: Peligro de incendio o
explosión:
-- Nunca utilice líquidos inflamables ni haga
funcionar la máquina en las proximidades de
líquidos, vapores o polvos inflamables.
Esta máquina no está equipada con motores a
prueba de explosión. Los motores eléctricos
emiten chispas al arrancar y durante el
funcionamiento lo que podría causar un fuego
explosivo o explosión si la máquina se usa en una
área donde están presentes vapores/líquidos
inflamables o polvos combustibles.
-- No recoja materiales inflamables ni metales
reactivos.
-- Las baterías emiten hidrógeno. Mantenga
chispasyllamasalejadasdelamáquina.
Mantenga el compartimento de la batería
abierto mientras realiza la operación de carga.
ADVERTENCIA: Peligro choque eléctrico.
Desconecte los cables de la batería antes de
realizar reparaciones en la máquina.
La siguiente información indica las condiciones
potencialmente peligrosas para el operario o
equipo:
PARA SU SEGURIDAD:
1. No utilice la máquina:
-- Con líquidos inflamables o cerca de gases
inflamables, ya que podría provocar
explosiones o llamaradas.
-- Salvo que esté debidamente formado y
autorizado.
-- Salvo haber leído y comprendido el
manual del operario.
-- Si la máquina no funciona correctamente.
2. Antes de operar máquina:
-- Asegúrese de que todos los dispositivos
de seguridad se encuentren en su lugar y
funcionen correctamente.
3. Al utilizar la máquina:
-- Conduzca despacio en pendientes y
superficies resbaladizas.
-- Utilice calzado antideslizante.
-- Sea precavido al retroceder la máquina.
-- Reduzca la velocidad al realizar giros.
-- Informe inmediatamente de las averías de
la máquina o si el funcionamiento no es
correcto.
-- No permita nunca que los niños jueguen
encima o alrededor de la máquina.
-- Siga las instrucciones de mezcla y
manipulación indicadas en los depósitos
para los productos químicos.
4. Antes de abandonar o revisar la máquina:
-- Deténgase en una superficie horizontal.
-- Apague la máquina.
5. Al revisar la máquina:
-- Evite las partes en movimiento. No utilice
chaquetas, camisas o mangas sueltas.
-- Desconecte las conexiones de la batería
antesdeempezaratrabajarenlamáquina.
-- Utilice guantes y gafas de protección al
trabajar con las baterías o sus cables.
-- Evite el contacto con el ácido de la batería.
-- Use güinches o gatos para soportar el
peso de la máquina.
-- No moje la máquina rociándola o
utilizando una manguera. Pueden
producirse fallos eléctricos.
-- Utilice repuestos suministrados o
aprobados por el fabricante.
-- Todas las reparaciones deben ser
realizadas por personal técnico
cualificado.
-- No modifique el diseño original de la
máquina.
Home
Find...
Go To..

OPERACIÓN
24 Tennant 5500/5520 (04--05)
6. Al transportar la máquina:
-- Apague la máquina.
-- Utilice una rampa al cargar/descargar la
máquina en/de un camión o remolque.
-- Utilice las cintas para fijar la máquina al
camión o remolque.
-- Coloque el cabezal de fregado en la
posición bajada.
ADHESIVOS DE SEGURIDAD
Los adhesivos de seguridad se encuentran en las posiciones indicadas a continuación. Sustituya los adhesivos si se
han desprendido, están deteriorados o son ilegibles.
ETIQUETA DE ADVERTENCIA -- ESTÁ SITUADA EN LA CUBIERTA DEL TANQUE DE RECUPERACIÓN.
ETIQUETA DE CAMBIO DE BATERIA --
ESTÁ SITUADA EN EL COMPARTIMIENTO
DE BATERIÁ.
ADVERTENCIA: Mantenga alejadas
las chispas y las llamas expuestas. Al
cargar mantenga abierta la cubierta de
la batería.
Home
Find...
Go To..

OPERACIÓN
25
Tennant 5500/5520 (04--05)
COMPONENTES DE LA MÁQUINA
11
10
9
47
6
5
22
13
21
18
23
25
19
15
2
16
8
20
3
1
12
14
17
2
25
27
26
1
29 28
35
33
36
34
31
32
36
30
24
1. Consola de control
2. Mandos giratorios de control
3. Contacto para la llave (Opción)
4. Interruptor principal de
encendido/apagado
5. Interruptor de encendido/apagadode
la aspiración
6. Interruptor de ncendido/apagado
del cepillo/de la disolución
7. Conmutadores de presión del cepillo
8. Indicador de la presión del cepillo
9. Indicador del nivel de carga de la
baterías
10. Interruptor de marcha atrás
11. Mando de control de la velocidad
12. Botón de parada (Opción)
13. Cortacircuitos principal, de
impulsión/de aspiración
14. Palanca de elevación de la
escobilla de goma
15. Contador de horas (Opción)
16. Mando de ajuste del flujo de la
disolución
17. Interruptor de ES (Opción)
18. Actuador del cabezal de fregado
19. Palancas de la consola de control
ajustable
20. Manguera de vaciado del depósito
de recuperación
21. Manguera de vaciado del depósito
de la disolución
22. Orificio trasero de llenado
23. Conjunto de la escobilla de goma
24. Depósito de recuperación
25. Tapa del depósito de recuperación
26. Depósito de la disolución
27. Abertura de llenado de la disolución
28. Luces de seguridad
29. Compartimento de la batería
30. Enchufe del cargador
31. Ruedas impulsoras
32. Ruedecillas traseras
33. Aleta del cepillo
34. Bastidor de la aleta
35. Pestillo del bastidor de la aleta
36. Rodillos de pared
Home
Find...
Go To..

OPERACIÓN
26 Tennant 5500/5520 (07--02)
SÍMBOLOS DEL PANEL DE CONTROL
Circuito
principal Velocidad rápida Cortacircitos del Lea el Manual
Velocidad lenta
Aspiración
Marcha atrás Cortacircuitos del
Cepillo Indicador del
Escobilla de
Menos presión
Cortacircuitos del
Más presión Escobilla de
Indicador de la
del cepillo
del cepillo
goma elevada
goma bajada
motor del cepillo
lateral derecho
Cortacircitos del
motor del cepillo
lateral izquierdo
motor de aspiración
circuito principal
antes de utilizar
la máquina
nivel de carga
de la batería
presión del cepillo
Control de la
disoluciónl
Home
Find...
Go To..

OPERACIÓN
27
Tennant 5500/5520 (12--06)
INSTALACIÓN DE LA MÁQUINA
DESEMBALADO DE LA MÁQUINA
Compruebe cuidadosamente si la caja de cartón
muestra daños. En caso de que así sea informe
inmediatamente al transportista. Controle el contenido
de la caja para asegurarse de que incluye todos los
accesorios. La escobilla de goma está embalada con
la máquina. Las baterías y su cargador y el(los)
impulsor(es) de la almohadilla están embalados
aparte.
ATENCIÓN: La instalación de la batería debe
realizarse después de desembalar totalmente la
máquina.
Para desembalar la máquina, retire las cintas de
sujeción y levántela cuidadosamente o utilice una
rampa formada con las planchas de embalaje para
retirar la máquina del pallet.
ATENCIÓN: No retire la máquina del pallet
haciéndola rodar porque podría averiarla.
INSTALACIÓN DE LAS BATERÍAS
ADVERTENCIA: Peligro de incendio o
explosión. Las baterías emiten hidrógeno.
Mantenga chispas y llamas alejadas de la
máquina. Mantenga la tapa del compartimento de
la batería abierto mientras realiza la operación de
carga.
PARA SU SEGURIDAD: Al revisar la máquina,
utilice guantes y gafas de protección cuando
manipule las baterías y sus cables. Evite el
contacto con el ácido de la batería.
Especificaciones de la Batería:
Dos baterías de 12 voltios de ciclo profundo. Consulte
a un distribuidor autorizado sobre baterías
específicas. Las dimensiones máximas de la batería
son 7 pulg / 178 mm ancho x 15 pulg / 381 mm largo x
14 pulg / 356 mm alto.
1. Sitúe todos los interruptores en la posición de
APAGADO.
2. Abra cuidadosamente el depósito de recuperación
para acceder al compartimento de la batería.
Extraiga del compartimento los cables sueltos de
la batería (Figura 1).
FIG. 1
3. Instale con cuidado las baterías en la bandeja de
la batería que se encuentra en el fondo del
compartimento e instale los bornes de la batería
como se muestra (Figura 2).
(+) (--)
(+)(--)
FIG. 2
ATENCIÓN: Deposite las baterías en el
compartimento, no las deje caer, tanto la batería
como su soporte podrían averiarse. La garantía no
cubre este tipo de desperfectos.
4. Conecte los cables de la batería a los bornes de la
batería como se muestra (ROJO EN EL
POSITIVO Y NEGRO EN EL NEGATIVO)
(Figura 2).
5. Gire la llave y encienda el interruptor principal y
controle el nivel de carga de la batería. Cargue la
batería en caso necesario (Consulte el apartado
de CARGA DE LAS BATERÍAS).
Home
Find...
Go To..

OPERACIÓN
28 Tennant 5500/5520 (04--05)
PREPARACIÓN DE LA MÁQUINA
FIJACIÓN DEL CONJUNTO DE LA ESCOBILLA DE
GOMA
1. Apague el poder de máquina.
PARA SU SEGURIDAD: Antes de abandonar o
revisar la máquina, deténgala en una superficie
horizontal y apague la máquina.
2. Eleve el soporte de montaje de la escobilla de
goma tirando hacia atrás de la palanca de
elevación de la escobilla de goma (Figura 3).
FIG. 3
3. Afloje los dos tornillos de orejas del conjunto de la
escobilla de goma e introduzca dicha escobilla
deslizándola en las ranuras del soporte de
montaje de la escobilla de goma (Figura 4).
FIG. 4
4. Fije bien los tornillos de orejas.
5. Conecte la manguera de aspiración de la máquina
al conjunto de la escobilla de goma (Figura 5).
FIG. 5
INSTALACIÓN DE LOS IMPULSORES DEL
CEPILLO O LA ALMOHADILLA
1. Gire la llave y encienda el interruptor principal.
2. Asegurarse que el cabezal del cepillo esté elevado
apagando el conmutador del cepillo (Figura 6).
FIG. 6
3. Sitúe el interruptor principal y la llave de contacto
en la posición de apagado.
PARA SU SEGURIDAD: Antes de abandonar o
revisar la máquina, deténgala en una superficie
horizontal y apague la máquina.
Home
Find...
Go To..

OPERACIÓN
29
Tennant 5500/5520 (12--06)
4. Suelte el pestillo negro de la parte delantera de la
máquina y abra el soporte de la aleta para poder
acceder al cubo del motor (Figura 7).
FIG. 7
5. Seleccione los cepillos o almohadillas
recomendados que mejor se ajusten a sus
necesidades de limpieza.
NOTA: Consulte a un distribuidor autorizado el tipo de
cepillo/almohadilla recomendado para sus
necesidades.
6. (Instalación de la almohadilla) Fije las
almohadillas a los impulsores antes de conectar
dichos impulsores a los cubos del motor.Fije las
almohadillas con el cierre central de plástico en
forma de anillo (Figura 8).
FIG. 8
7. Alinee los pernos de montaje del impulsor de la
almohadilla y las ranuras el cubo del motor.Gire
rápidamente el impulsor hacia el sujetador de
resorte del cubo del motor. Asegúrese antes de
poner la máquina en funcionamiento de que el
sujetador de resorte se introduce e imnoviliza en
uno de los pernos del impulsor (Figura 9).
FIG. 9
NOTA: Asegúrese siempre de que las superficies de
los impulsores de la almohadilla y del cubo del motor
estén siempre limpias antes de instalar los impulsores.
Las superficies limpias facilitarán la posterior
extracción del impulsor de la almohadilla.
8. Cierre el soporte de la aleta y vuelva a cerrar el
pestillo.
LLENADO DEL DEPÓSITO DE LA DISOLUCIÓN
1. Dirija la máquina a la zona de llenado. Levante la
escobilla de goma y el cepillo durante el
transporte.
2. Apague el poder de máquina.
3. Retire la tapa del orificio de llenado de la máquina
y llene el depósito de la disolución con 17 galones
/ 64 litros de agua limpia (temperatura máxima
de140_F/60_C). O utilice el orificio de llenado
trasero para llenar el depósito de la disolución.
Quite el tapón e introduzca una manguera para
llenarlo. El tubo transparente que se encuentra
debajo del orificio de llenado tiene unas marcas
cada 5 galones / 19 litros que indican el volumen
de agua del depósito (Figura 10).
FIG. 10
NOTA: Si utiliza un cubo para llenar el depósito,
asegúrese de que dicho cubo esté limpio. Esto evitará
posibles obstrucciones de las tuberías de la
disolución.
Home
Find...
Go To..

OPERACIÓN
30 Tennant 5500/5520 (04--05)
4. Añada el producto de limpieza. Consulte en las
instrucciones del envase la proporción correcta de
la disolución.
PARA SU SEGURIDAD: Siga las instrucciones de
mezcla y manipulación indicadas en los envases
de los productos químicos cuando utilice la
máquina.
ATENCIÓN: Utilice únicamente productos de
limpieza recomendados, NO utilice sustitutos.
Consulte a un distribuidor autorizado acerca de
los productos de limpieza recomendados.
ADVERTENCIA: Peligro de incendio o
explosión. No utilizar NUNCA líquidos
inflamables.
OPERACIÓN DE LA MÁQUINA
PARA SU SEGURIDAD: No utilice la máquina
salvo que el operario haya leído y comprendido el
manual de instrucciones.
INSPECCIONES DE PREOPERACIÓN
SBarra el suelo para eliminar partículas y otros
restos.
SControle el nivel de carga de la batería para
asegurarse que de las baterías están
completamente cargadas (Consulte el apartado
CARGA DE LAS BATERÍAS).
SControle el estado de los cepillos o almohadillas.
SControle el estado de las láminas de la escobilla de
goma.
UTILIZACIÓN DE LA MÁQUINA
1. Ajuste los mandos de control a una altura de
funcionamiento cómoda, junte las dos palancas
que se encuentran bajo la consola (Figura 11).
FIG. 11
2. Suelte la palanca de elevación de la escobilla de
goma de la posición superior y baje la escobilla de
goma (Figura 12).
FIG. 12
3. Encienda el conmutador principal.
4. Girar el conmutador del cepillo a la posición de
encendido para descender el cabezal del cepillo al
piso (Figura 13).
FIG. 13
5. Girar el conmutador de aspiración a la posición de
encendido.
NOTA: Los cepillos y el flujo de disolución no
empezarán a funcionar hasta girar los mandos de
control.
6. Antes de arrancar, gire el mando de control de la
velocidad a la velocidad más lenta (Figura 14).
7. Comience la operación de fregado girando hacia
delante los mandos de control. Aumente
gradualmente la velocidad girando hacia delante
los mandos de control de la velocidad (Figura 14).
Home
Find...
Go To..

OPERACIÓN
31
Tennant 5500/5520 (12--06)
FIG. 14
8. Una vez que la máquina comienza a moverse,
inspeccionar la posición de la aguja en el medidor
de presión del cepillo. Usar los dos (2)
conmutadores de ajuste de presión para ajustar la
presión del cepillo. No operar nunca la máquina
en la zona roja (Figura 15).
FIG. 15
ATENCIÓN: Para evitar el posible deterioro del
acabado del suelo y la activación del cortacircuitos
del cepillo NO utilice la máquina cuando la aguja de
la presión del cepillo se encuentra en la zona roja.
9. Para utilizar la máquina marcha atrás,
simplemente tire hacia atrás del interruptor de
marcha atrás (una velocidad)
(Figura 16).
FIG. 16
10. Para detener la máquina suelte los mandos de
control.
AL UTILIZAR LA MÁQUINA
PARA SU SEGURIDAD: Conduzca despacio
cuando utilice la máquina en pendientes o
superficies resbaladizas.
ADVERTENCIA: Peligro de incendio o
explosión. NO recoja materiales inflamables ni
metales reactivos.
1. Ajuste el botón para controlar la cantidad de flujo
de disolución al suelo (Figura 17).
FIG. 17
2. Controle periódicamente que no exista
acumulación de espuma en el depósito de
recuperación (mire a través de la tapa
transparente). Si la acumulación de espuma
empieza a ser excesiva, añada un producto de
control de la formación de espuma al depósito de
recuperación.
ATENCIÓN: No permita que el agua o la espuma
se introduzcan en el filtro del flotador de cierre, el
motor de aspiración resultaría dañado. La espuma
no activará el filtro del flotador de cierre.
3. Reduzca la velocidad siempre que friegue cerca
de paredes u obstáculos.
4. Para mantener el control sobre la máquina,
reduzca la velocidad siempre que tome curvas.
5. Si la escobilla de goma deja marcas, eleve la
escobilla de goma y limpie las láminas con un
paño. Realice un barrido previo de la zona para
evitar la formación de marcas.
6. Haga que los diferentes pases se superpongan
2pulg / 5cm.
7. Cambie o gire las almohadillas cuando estén
sucias.
8. Manténgase alejado de obstáculos del suelo como
placas eléctricas o rejillas, romperían las
almohadillas.
9. No es necesario apagar ningún interruptor durante
las paradas cortas, los cepillos y el flujo de la
disolución se detendrán automáticamente al soltar
los mandos de control.
Home
Find...
Go To..

OPERACIÓN
32 Tennant 5500/5520 (04--05)
10. Controle periódicamente el nivel de carga de la
batería. Recargue las baterías cuando la aguja del
indicador se encuentre en la zona roja.
ATENCIÓN: No utilice la máquina cuando la aguja
del indicador del nivel de carga de la batería se
encuentre en la zona roja o podría dañar la
batería.
11. Controle la cantidad de disolución que queda
durante la operación de limpieza a través del tubo
indicador transparente. Cada marca de la
manguera indica cinco galones / 19 litros.
12. Cuando el tanque de solución no contiene más
líquido, girar el conmutador del cepillo a apagado,
y continuar aspirando hasta que se haya
consumido todo el agua sucia. A continuación
drenar el tanque de recuperación (Consulte el
apartado de VACIADO DE LOS TANQUES).
PARADA DE LA MÁQUINA
1. Girar el conmutador del cepillo a apagado, y
continuar aspirando hasta que se haya consumido
todo el agua sucia.
2. Suelte los mandos de control.
3. Elevar el escurridor.
4. Apague los interruptores.
PARA SU SEGURIDAD: Antes de abandonar o
revisar la máquina, deténgala en una superficie
horizontal y apague la máquina.
PARADA DE EMERGENCIA (OPCIÓN)
Para detener la máquina en caso de emergencia,
pulse el botón rojo de parada situado en la parte
trasera de la consola de control. El botón de parada
interrumpe inmediatamente la alimentación eléctrica a
la máquina (Figura 18).
Para reajustar el botón de parada, apague todos los
interruptores y gire el botón de parada hacia la
derecha. Reanude el funcionamiento normal.
FIG. 18
CORTACIRCUITOS
La máquina está equipada con (4) cortacircuitos de
protección.
Si se activan los cortacircuitos, no los reajuste
inmediatamente. Determine la causa de la activación
del cortacircuitos, deje que el motor se enfríe y
reajuste dicho cortacircuitos.
Los cortacircuitos del motor del cepillo se activarán
debido a una carga excesiva de la almohadilla.
Reduzca la presión de la almohadilla o sustitúyala si
se activa el cortacircuitos. Los cortacircuitos del motor
del cepillo se encuentran cerca del enchufe del
cargador.
Los cortacircuitos principal y de impulsión/aspiración
se encuentran en la parte trasera de la máquina
(Figura 19).
-- Interruptor de circuito principal 10A
-- Interruptor de circuito aspiración/impulsoras 35A
-- Interruptor de circuito cepillo 30A (2)
Los cortacircuitos
del motor del cepillo
FIG. 19
VACIADO DE LOS TANQUES
PARA SU SEGURIDAD: Antes de abandonar o
revisar la máquina, deténgase en una superficie
plana, apague la máquina.
VACIADO DEL DEPÓSITO DE RECUPERACIÓN
Vacíe y limpie del depósito de recuperación al terminar
la operación de fregado o rellenar el depósito de
disolución.
ATENCIÓN: Si no vacía el depósito de
recuperación antes de rellenarlo, podría
introducirse agua o espuma en el filtro del
flotador de cierre y dañar el motor de aspiración.
Home
Find...
Go To..

OPERACIÓN
33
Tennant 5500/5520 (04--05)
1. Extraiga la manguera de vaciado de su soporte,
coloque la manguera en el desagüe y abra el
tapa de la manguera de vaciado. Para vaciar
completamente el depósito de recuperación abra
la tapa del depósito lateralmente y coloque la
barra de apoyo para colocar el depósito sobre ella
(Figura 20).
NOTA: Si utiliza un cubo para vaciar la máquina, no
utilice el mismo cubo para llenar el depósito de la
disolución. Esto evitará que las tuberías de la
disolución se bloqueen.
FIG. 20
2. Aclare el depósito de recuperación después de
cada uso. Utilice una manguera para aclarar el
depósito. Tenga cuidado de no introducir agua en
el filtro del flotador.
3. Vuelva a colocar bien el tapa de la manguera de
vaciado después de la operación de vaciado.
VACIADO DEL DEPÓSITO DE LA DISOLUCIÓN
Para vaciar la disolución que no se ha utilizado del
depósito de la disolución siga los siguientes pasos:
1. Saque la manguera transparente que se
encuentra en la parte trasera de la máquina de su
soporte y vacíe la disolución en un desagüe o
cubo (Figura 21).
FIG. 21
2. Aclare el depósito de la disolución y el sistema de
flujo de la disolución con agua limpia después de
cada uso. Esto evitará el bloqueo debido a la
acumulación de productos químicos.
3. Vuelva a colocar la manguera transparente en su
soporte. Asegúrese de introducirla bien.
CARGA DE LAS BATERÍAS
ATENCIÓN: Para prolongar la vida útil de las
baterías y obtener un rendimiento óptimo de la
máquina, recargue ÚNICAMENTE las baterías si se
ha utilizado la máquina más de 30 minutos. No
deje nunca las baterías descargadas durante
periodos largos.
Las siguientes instrucciones de carga se refieren sólo
a los cargadores suministrados con la máquina. Utilice
únicamente cargadores de baterías de las siguientes
características para evitar el deterioro de las baterías.
CARACTERÍSTICAS DEL CARGADOR DE
BATERÍAS:
STIPO DE CARGADOR: PARA BATERÍAS DE PLOMO
CON ÁCIDO
SVOLTAJE DE SALIDA 24 VOLTIOS
SCORRIENTE DE SALIDA 25 AMP
SCIRCUITO DE CIERRE AUTOMÁTICO
SPARA CARGAR BATERÍAS DE CICLO PROFUNDO
1. Dirija la máquina a una zona bien ventilada para
cargar las baterías.
ADVERTENCIA: Peligro de incendio o
explosión. Las baterías emiten hidrógeno.
Mantenga chispas y llamas alejadas de la
máquina. Mantenga el compartimento de la batería
abierto mientras realiza la operación de carga.
2. Antes de cargar las baterías, compruebe el nivel
de electrólito en cada elemento de la batería
(Figura 22).
FIG. 22
Home
Find...
Go To..

OPERACIÓN
34 Tennant 5500/5520 (04--05)
PARA SU SEGURIDAD: Al revisar la máquina,
utilice guantes y gafas de protección cuando
manipule las baterías y sus cables. Evite el
contacto con el ácido de la batería.
El nivel del electrólito (A) debe cubrir ligeramente
los electrodos de la batería (B). Añada agua
destilada si es necesario. NO LLENE EN
EXCESO, el nivel del líquido puede expandirse y
desbordarse al cargar. Coloque de nuevo las
tapas de los elementos antes de la operación de
carga (Figura 23).
A
B
FIG. 23
3. Conecte el cable de alimentación eléctrica de CA
del cargador a un enchufe con toma de tierra
adecuada (Figura 24).
ENCHUFE CONEC-
TADO A TIERRA (3
ORIFICIOS)
CLAVIJA DE
CONEXION
A TIERRA
FIG. 24
4. Enchufe el conector de salida CC del cargador al
conector de la batería situado cerca del
compartimento de la batería (Figura 25).
FIG. 25
5. El cargador comenzará la carga automáticamente
y se apagará cuando la carga sea completa.
6. Coloque el depósito de recuperación sobre su
soporte para facilitar la ventilación durante la
carga (Figura 26).
FIG. 26
ATENCIÓN: No desenchufe del receptáculo de la
máquina el cable de CC del cargador cuando esté
en funcionamiento. Pueden producirse arcos
voltaicos. Si es necesario interrumpir la carga,
desenchufe el cable de alimentación de CA
primero.
ADVERTENCIA: Peligro de incendio o
explosión. Las baterías emiten hidrógeno.
Mantenga chispas y llamas alejadas de la
máquina. Mantenga el compartimento de la batería
abierto mientras realiza la operación de carga.
7. Después de realizar la carga, compruebe el nivel
del electrólito (A) de nuevo. El nivel debe estar a
aproximadamente 1 cm de la parte inferior del
orificio de llenado (B) (Figura 27). Añada agua
destilada en caso necesario. NO LLENE EN
EXCESO.
A
B
FIG. 27
Home
Find...
Go To..

OPERACIÓN
35
Tennant 5500/5520 (04--05)
MANTENIMIENTO DE MÁQUINA
Para mantener la máquina en buenas condiciones de
funcionamiento bastará realizar las siguientes
operaciones de mantenimiento diaria, mensual o
trimestralmente.
ADVERTENCIA: Peligro eléctrico. Desconecte
los cables de la batería antes de realizar
reparaciones en la máquina.
MANTENIMIENTO DIARIO
(Después de cada uso)
1. Extraiga y limpie los cepillos o almohadillas. No
utilice nunca almohadilla sucias durante las
operaciones de limpieza. Sustituya las almohadilla
cuando estén gastadas o sucias.
2. Extraiga y limpie la pelusa del filtro del flotador de
cierre del depósito de recuperación (Figura 28).
FIG. 28
3. Vacíe y limpie a fondo los depósitos. Después de
vaciar los depósitos, abra el depósito de
recuperación hasta que pueda ver el orificio de
entrada de la aspiración en la parte trasera del
depósito. En caso necesario retire los residuos
bloqueados en dicho orificio.
4. Eleve la escobilla de goma y límpiela con un paño
seco. Guarde la escobilla de goma en la posición
elevada para evitar que se deteriore.
5. Limpie la máquina con un limpiador general y con
un paño húmedo (Figura 29).
PARA SU SEGURIDAD: Cuando limpie la máquina,
no moje la máquina rociándola o utilizando una
manguera. Pueden producirse fallos eléctricos.
FIG. 29
6. Recargue las baterías después de haberlas
utilizado durante un tiempo mínimo de 30 minutos
(Consulte CARGA DE LAS BATERÍAS.)
MANTENIMIENTO MENSUAL
(Cada 80 horas de uso)
1. Controle el nivel del agua de los elementos de la
batería (Consulte el apartado de
MANTENIMIENTO DE LAS BATERÍAS).
2. Limpie la parte superior de la batería para evitar la
formación de corrosión (Consulte el apartado de
MANTENIMIENTO DE LAS BATERÍAS).
3. Compruebe si hay conexiones de cables de las
baterías sueltos.
4. Extraiga el filtro en línea. Antes de extraer el filtro,
asegúrese de que el depósito de la disolución está
vacío. El filtro se encuentra debajo de la máquina
en la parte trasera (Figura 30).
FIG. 30
5. Lubrique los puntos de lubricación de la ruedecilla
con grasa impermeable.
6. Lubrique todos los puntos pivotantes de conexión
con un spray de silicona y luego con una capa de
grasa impermeable para permitir un
funcionamiento suave.
7. Controle que la máquina no presenta escapes de
agua ni tornillos ni tuercas flojos.
Home
Find...
Go To..

OPERACIÓN
36 Tennant 5500/5520 (12--06)
MANTENIMIENTO TRIMESTRAL
(Cada 250 horas de uso)
Inspeccione el motor propulsor del eje transversal, los
motores de aspiración y los motores de los cepillos,
por desgaste de las escobillas de carbón. Reemplace
las escobillas cuando estén desgastadas a un largo de
0.38 pulg / 10 mm o menos.
Póngase en contacto con un Centro de Servicio
autorizado para reparar las reparaciones
necesarias.
PARA SU SEGURIDAD: Todas las reparaciones
deben ser realizadas por una persona de servicio
calificada.
ADVERTENCIA: Peligro eléctrico. Desconecte
los cables de la batería antes de realizar
reparaciones en la máquina.
SUSTITUCIÓN DE LA LÁMINA DE LA ESCOBILLA
DE GOMA
La rasqueta lleva dos hojas. La hoja trasera tiene
cuatro bordes limpiadores. La hoja delantera tiene dos
bordes limpiadores. Cuando las láminas se gasten,
simplemente gírelas obtener un nuevo borde de
secado. Sustituya la lámina si los bordes están
gastados.
Como recambiar o hacer rotar la hoja de rasqueta
trasera:
1. Extraiga el conjunto de la escobilla de goma de la
máquina.
2. Afloje la banda de fijación y retírela del conjunto
de la escobilla (Figura 31).
FIG. 31
3. Gire la lámina posterior para obtener un nuevo
borde de secado y vuelva a montar la banda
(Figura 32).
FIG. 32
Como recambiar o hacer rotar la hoja de rasqueta
delantera:
1. Extraiga el conjunto de la escobilla de goma de la
máquina.
2. Quitar los seis tornillos de orejas que fijan el
sujetador y la hoja en el bastidor de la rasqueta.
Hacer rotar la hoja en sentido horizontal para que
un borde limpiador nuevo quede en la parte
delantera. Asegúrese de que el borde ranurado
está boca abajo (Figura 33).
FIG. 33
AJUSTE DE LAS LÁMINAS DE LA ESCOBILLA
Para obtener un rendimiento óptimo de la lámina de la
escobilla, las ruedecillas del conjunto de la escobilla
deben ajustarse a una altura especificada como se
describe a continuación.
1. Para comprobar el correcto ajuste del conjunto de
la escobilla, retire el conjunto de la escobilla de la
máquina y colóquelo sobre una superficie
horizontal. Mida la distancia entre la ruedecilla y la
superficie. Debe medir aproximadamente 2 mm
(1/16 pulg.) (Figura 34).
Home
Find...
Go To..

OPERACIÓN
37
Tennant 5500/5520 (12--06)
2. Para ajustar la altura de la ruedecilla, afloje la
tuerca superior y retire la cubierta de plástico del
cojinete para acceder a la tuerca de ajuste. Gire la
tuerca de ajuste hasta que el ajuste sea el
correcto (Figura 34). Después de realizar el
ajuste, apriete la tuerca superior y vuelva a
colocar la cubierta de plástico del cojinete. Repita
la misma operación con la otra ruedecilla.
1/16
pulg
2mm
FIG. 34
3. Durante el funcionamiento de la máquina, con las
ruedecillas adecuadamente ajustadas, las láminas
de la escobilla deben curvarse como se muestra
(Figura 35).
FIG. 35
MANTENIMIENTO DE LAS BATERÍAS
ADVERTENCIA: Peligro de incendio o
explosión. Las baterías emiten hidrógeno.
Mantenga chispas y llamas alejadas de la
máquina. Mantenga el compartimento de la batería
abierto mientras realiza la operación de carga.
PARA SU SEGURIDAD: Al revisar la máquina,
utilice guantes y gafas de protección cuando
manipule las baterías y sus cables. Evite el
contacto con el ácido de la batería.
1. Compruebe la densidad específica utilizando un
densímetro para determinar el nivel de carga y el
estado de las baterías (Figura 36). Si el valor de
uno o más elementos de la batería es inferior al
de los otros elementos de la batería (0,050 ó
más), este elemento está deteriorado, en
cortocircuito o a punto de fallar. Compare los
valores obtenidos con el densímetro con los del
siguiente esquema para determinar el nivel de
carga que queda en la batería.
NOTA: No tome medidas inmediatamente después de
añadir agua destilada. Si el agua y el ácido no están
bien mezclados, es posible que el valor medido puede
no sea correcto.
FIG. 36
DENSIDAD ESPECÍFICA a
27_C(80_F) CARGA DE LA BATERÍA
1,265 100% DE CARGA
1,223 75% DE CARGA
1,185 50% DE CARGA
1,148 25% DE CARGA
1,110 DESCARGADA
NOTA: Si la temperatura del electrólito de la batería a
la que se miden los valores no es de 80_F/27_C,
deberá corregir el valor dependiendo de la
temperatura. Sume o reste 0,004, 4 puntos, al valor
de la densidad específica por cada 43_F/6_Cde
diferencia por encima o debajo de 80_F/27_C.
2. Siga siempre las instrucciones de la operación de
carga (consulte CARGA DE LAS BATERÍAS).
3. Controle el nivel de electrólito (A) en todos los
elementos de las baterías después de realizar la
operación de carga. El nivel debe estar a
aproximadamente 1 cm de la parte inferior del
orificio de llenado (B). Añada agua destilada en
caso necesario (Figura 37). NO LLENE EN
EXCESO.
Home
Find...
Go To..

OPERACIÓN
38 Tennant 5500/5520 (04--05)
A
B
FIG. 37
4. Mantenga limpias las partes superiores de las
baterías para evitar la corrosión.
Limpieza de las baterías:
PARA SU SEGURIDAD: Al revisar la máquina,
utilice guantes y gafas de protección cuando
manipule las baterías y sus cables. Evite el
contacto con el ácido de la batería.
a. Haga una solución concentrada de
bicarbonato y agua (Figura 38).
FIG. 38
b. Rocíe ligeramente las partes superiores de las
baterías y conectores de cables con la
disolución.
NOTA: No permita que la solución de bicarbonato se
introduzca en los elementos de las baterías.
c. Utilice un cepillo de cerdas metálicas para
limpiar los bornes y conectores de cables.
d. Después de la limpieza, aplique una capa de
protector transparente de bornes de baterías
a los bornes y conectores de cables.
5. Controle si existen cables gastados o sueltos.
Sustitúyalos si están gastados.
TRANSPORTE DE LA MÁQUINA
Cuando transporte la máquina en un camión o
remolque, asegúrese de seguir los pasos siguientes
para sujetar la máquina:
PARA SU SEGURIDAD: Conduzca despacio
cuando utilice la máquina en pendientes o
superficies resbaladizas.
1. Retire la escobilla de goma de la máquina y
levante el cabezal de fregado. Deje instalado el
cepillo o la almohadilla.
2. Cargue la máquina utilizando la rampa de carga
recomendada.
3. Colocar el frente de la máquina contra la parte
delantera del remolque o camión. Una vez que la
máquina esté en posición, bajar el cabezal del
cepillo.
4. Coloque un calzo detrás de la rueda tractora y de
las ruedecillas traseras.
5. Pase las cintas de sujeción por la parte superior
de la máquina y sujételas al suelo. Puede ser
necesario instalar varios soportes de sujeción en
el suelo de su camión o remolque.
ALMACENAMIENTO DE LA MÁQUINA
1. Cargue las baterías antes de guardar la máquina.
No guarde nunca máquina con las baterías
descargadas.
2. Antes de guardar la máquina, asegúrese de
aclarar y vaciar todo el agua de los depósitos de
la máquina.
3. Guarde la máquina en un sitio seco desmontando
la escobilla de goma y con el cabezal de fregado
en la posición elevada.
4. Quite la tapa de recuperación para facilitar la
circulación de aire.
ATENCIÓN: Si guarda la máquina a temperaturas
inferioresa0°C, asegúrese de vaciar todo el agua
de la máquina. La garantía no cubre averías
causadas por heladas.
ATENCIÓN: No permita que la lluvia moje la
máquina, guárdela en lugares cerrados.
Home
Find...
Go To..

OPERACIÓN
39
Tennant 5500/5520 (07--02)
RECOMENDACIONES PARA EL
ALMACENAMIENTO
Consulte la sección de Lista de Repuestos para ver
que productos son los recomendados. Los elementos
de almacén están claramente identificados con una
marca colocada delante de la descripción de la pieza.
Consulte el siguiente ejemplo:
LOCALIZACIÓN DE AVERÍAS
PROBLEMA CAUSA SOLUCIÓN
No hay alimentación, no funciona
nada. Interruptor principal defectuosos. Contactar con el Servicio Técnico.
Las baterías necesitan ser cargadas. Consultar el apartado de CARGA DE
LAS BATERÍAS.
Batería(s) defectuosa(s). Sustituir la(s) batería(s).
Cable de la batería suelto. Fijar el cable suelto.
Cortacircuitos principal activado. Determinar la causa y reajustar el
botón del cortacircuitos.
Los motores del cepillo no
funcionan. El interruptor del cepillo no está
encendido. Encender el interruptor del cepillo.
Los mandos de control no están
girados. Girar los mandos de control.
Cortacircuitos del cepillo activado(s). Limpiar o sustituir la almohadilla y
reajustar el botón del cortacircuitos.
Cableado o motor del cepillo
defectuosos. Contactar con el Servicio Técnico.
Cepillos de carbón gastados. Contactar con el Servicio Técnico.
El motor de impulsión no funciona. Contactar con el Servicio Técnico.
Motor de aspiración no funciona. Interruptor de aspiración defectuoso. Contactar con el Servicio Técnico.
Corta circoito de aspiración ha
saltado. Retirar obstrución y pouga
cortacircuito de nuevo.
Cableado o motor del aspiración
defectuosos. Contactar con el Servicio Técnico.
Carboucillos degastados. Contactar con el Servicio Técnico.
Home
Find...
Go To..

OPERACIÓN
40 Tennant 5500/5520 (07--02)
LOCALIZACIÓN DE AVERÍAS -- continuación
Motor de avance no funciona. Cortacircuitos del motor de impulsión
activado. Determinar la causa y reajustar el
cortacircuitos.
Circuito de control de la velocidad o
conexión defectuoso. Contactar con el Servicio Técnico.
Solenoide defectuoso. Contactar con el Servicio Técnico.
Motor de impulsión defectuoso. Contactar con el Servicio Técnico.
Cableado defectuoso. Contactar con el Servicio Técnico.
Cepillos de carbón gastados. Contactar con el Servicio Técnico.
Los motor de impulsión funcionan
pero no correctamente. Potenciómetroocircuitodecontrolde
la velocidad defectuoso. Contactar con el Servicio Técnico.
Conexión del cable suelta Contactar con el Servicio Técnico.
Flujodeladisoluciónescasoo
nulo. Es necesario ajustar el botón de
ajuste del flujo de la disolución. Gire el botón de ajuste del flujo de
disolución en el sentido de las agujas
del reloj para aumentar el flujo.
Tubería de la disolución o filtro del
depósito de la disolución bloqueados. Retirar la manguera e introducir aire
comprimido a través de su orificio.
Aclarar el depósito de la disolución
después de cada uso.
Válvula o solenoide de la disolución
bloqueados. Retirar la válvula o el solenoide y
limpiar. No raye el interior de la válvula.
Interruptor o solenoide de la disolución
defectuoso. Contactar con el Servicio Técnico.
Afloje el tornillo de fijación del mando
de la disolución Calibre el mando y vuelva a apretar
tornillos.
Tiempo de funcionamiento
demasiado corto. Las baterías no están totalmente
cargadas. Cargar las baterías.
Elemento defectuoso en una o más
baterías. Sustituir la batería.
Las baterías necesitan una revisión. Consultar el apartado de
MANTENIMIENTO DE LA BATERÍA.
Cargador defectuoso. Sustituir el cargador de la batería.
Recogida de agua insuficiente. Depósito de recuperación lleno. Vaciar el depósito de recuperación.
Filtro del flotador de cierre del interior
del depósito de recuperación
bloqueado.
Extraer el filtro y limpiar.
Escobilla de goma bloqueada. Limpiar la escobilla de goma.
Láminas de la escobilla de goma
gastadas. Sustituir las láminas de la escobilla de
goma.
Tornillos de orejas de la escobilla de
goma sueltos. Apretar los tornillos de orejas.
Conexiones de la manguera de
aspiración sueltas o la manguera está
perforada.
Introducir bien la manguera de
aspiración en sus conexiones.
Sustituir la manguera si está dañada.
Manguera de aspiración bloqueada. Retirar los residuos bloqueados.
Home
Find...
Go To..

OPERACIÓN
41
Tennant 5500/5520 (12--06)
LOCALIZACIÓN DE AVERÍAS -- continuación
Recogida de agua insuficiente--
continuación. Orificio de entrada del depósito de
recuperación bloqueado. Vaciar el depósito de recuperación y
levantarlo lateralmente para poder
acceder al orificio de entrada, retirar la
obstrucción.
Junta del depósito defectuosa. Sustituir la junta.
Tapón de la manguera de vaciado mal
cerrado. Cerrar bien el tapón de vaciado.
Tapa del depósito de recuperación mal
cerrada. Cerrar la tapa.
Motor de aspiración flojo. Contactar con el Servicio Técnico.
Nivel de carga de la batería bajo. Cargar las baterías. No utilizar la
máquina cuando la aguja indicadora
del nivel de carga de la batería se
encuentra en la zona roja.
Las luces de seguridad no
funcionan. Bombilla fundida. Contactar con el Servicio Técnico.
ESPECIFICACIONES
MODELO 5500 5520
LONGITUD 50 pulg / 1270 mm 50 pulg / 1270 mm
ANCHURA 26 pulg / 660 mm 28 pulg / 711 mm
ALTURA 39 pulg / 990 mm 39 pulg / 990 mm
PESO 375 lb / 170 kg
600 lb / 272 kg -- c/ baterías 375 lb / 170 kg
600 lb / 272 kg -- c/ baterías
CAPACIDAD DEL DEPÓSITO DE
DIS./REC.17 gal / 64 L 17 gal / 64 L
CONTROL DE LA VELOCIDAD Hacia delante variable. / Fixed Rev./ Mar-
cha atrás fija. Hacia delante variable. / Fixed Rev./ Mar-
cha atrás fija.
VELOCIDAD DE LIMPIEZA (MAX) 24,000 sq ft / 2229.6 m2por hora 26,000 sq ft / 2415.4 m2por hora
ANCHURA DEL CARRIL DE
LIMPIEZA 23.123 pulg / 587 mm 25.13 pulg / 638 mm
DIÁMETRO DE LA ALMOHADILLA 2 -- 12 pulg / 305 mm 2 -- 13 pulg / 330 mm
PRESIÓN DE LA ALMOHADILLA Variable 80--150 lb / 36--68 kg Variable 80--150 lb / 36--68 kg
ANCHURA DE LA ESCOBILLA DE
GOMA 33 pulg / 839 mm 33 pulg / 839 mm
SISTEMA DE IMPULSIÓN Eje de transmisión, .2 c.v., 24V Eje de transmisión, .2 c.v., 24V
MOTOR DEL CEPILLO 2 -- .75 h.p., 220 rpm, 24V, 20A, 550W 2 -- .75 h.p., 220 rpm, 24V, 20A, 550W
MOTOR DE ASPIRACIÓN .75 c.v., 3--tiempos 5.7, 24V, 21A, 550W .75 c.v., 3--tiempos 5.7, 24V, 21A, 550W
ELEVACIÓN DE AGUA 68 pulg / 1727 mm 68 pulg / 1727 mm
BATERÍAS 2--12V, 215AH 2--12V, 215AH
AUTONOMÍA POR CARGA Hasta 4 3/4 horas Hasta 4 3/4 horas
NIVEL DE RUIDO EN DECIBELIOS
A LA ALTURA DEL OPERARIO EN
RECINTO CERRADO CON SUELO
DE BALDOSAS.
75 dBA 75 dBA
Home
Find...
Go To..

ELECTRICAL DIAGRAMS
DIAGRAMAS ELECTRICAS
Tennant 5500/5520 (12--06)
42
B
+
--
G
3
2
1
G
3
1
2
M2 M1
T2
T1
3 4
2 5
1
BLK
43 BLK
34
25
1
3
2
--
+
12
1
4
2
3
+--
4
5
1
5
2
8
7
4
1
9
6
3
COM.
COM.
N.O.
N.C.
N.O. N.C.
COM.
ACTUATOR
BLK
YEL
BRUSH
WARNING LIGHTS
23
BLK
RED
GRN
40
10 34
BATTERIES
24 VDC
(2) 12 VOLT
RED
BLK
RED
FLOAT
SWITCH
PUMP
43
BLK
45
RELAY
BLK
BLK 45
TIMER
BLK
86
84
ES
90
RED
47
”FULL”
WHT
RED
PNK
PNK
RECYCLE
OPTIONAL
BLK
23
RED
RED
10
4
GRN
40
ORG
RED
4
RED
90 84
GRN
GRN
RED
10
WHT
88
68
SOLUTION
SOLENOID
RED
GRN
25
OPTIONAL
WAND PUMP
BLK
PUMP
WAND
BLK
88 RED
41 GRY
ORG
RED
BLU
RED
48
4
RED
BLU
46
RED
34
GRY 41
DRIVE
MOTOR
64
ORG
RED
GRN
GRN
62
66
BLU
WHT
60
21
BLK
RELAY
CONTROL
OPTIONAL
LOW VOLTAGE
PAD MOTOR
INTERRUPT
YEL
29
25 ORG
BOARD
YEL
ORG
BLU 48
68
GRN
ORG
12
20
SPEED
5
BLK
RED ORG
GRN
RED
WHT
CHARGER
PLUG
LEFT
HOUR METER
OPTIONAL
BLK
RED 46 19
BRUSH
CIRCUIT
BREAKER
BLK
AMP
35
84
36
38
RED
RED
CIRCUIT
AMP
BREAKER
ORG
78
RIGHT
BRUSH
35
BLK
BLK
27
BLK
37
BLK
GRN
84
LEFT
BRUSH
MOTOR
18
80
WHT
TAN
RIGHT
BRUSH
MOTOR
MOTOR
VACUUM
MOTOR
3
BLK
39
19
GRN
68
BLK
BLK
3
BLK
GRN
116
PUR
18
11
GRN
24
SWITCH
GRN
REVERSE
VACUUM/
DRIVE
CIRCUIT
BREAKER
AMP
35
6
RED
ORG
62
BLU
AMP
10
14
MAIN
CIRCUIT
BREAKER
RED
RED 6
BLK
RED
BLK9
23 FLASHER
66
GRN
GRN
40
WHT
ADJUSTABLE
FORWARD
DIRECTION
SWITCH
50K
LOCKABLE
72
70
R
74 64
54
F
52
SWITCH
4.7K
56
50K
ROLL
60
44
RED
OPTIONAL
KEY SWITCH
RED
14
RED
50
RED
EMERGENCY STOP
OPTIONAL
RED
50
ORG
MAIN
GRN
GRN
12
GRN
22
9
24
GRN
BLK
GRN
116
BLK
104
7
GRN
GRN
RED 50
ORG
8
VACUUM
RED
BLK
BLK
5
3
16
BLK 7
YEL
24
17
BLK
110
80
114
WHT
RED
26
28
MAIN VACUUM
GRN
YEL
GRN
SWITCH
16
13
BLK
BLK
30
GRN
32
BLK
106
78
16YEL
50
24
BLU 26
SCRUB
SWITCH
80
HARNESS
CONNECTOR
17
110
BLK
ORG
WHT
76
GRN
15 17
ORG
BLU
GRN
80
BLK
78
BATTERY AMMETER
ACTUATOR
RELAY
BRN
BLK
BLK
TAN
104
33 58
BLU
BLK31
GRN
ORG
ORG
78
26 BLU
31
PUR
110 103
GRN
105
PRESSURE
SWITCH
MINIMUM
ORG
BLU
BLK
114
BLK 26
ORG
102
110
DECREASE
BRUSH
PRESSURE
PUR
114 ORG
PUR
ORG
PRESSURE
BRUSH
INCREASE
32
106
76
114
BLU
26
89 YEL
NOT USED
WIRE DIAGRAM
DIAGRAMA DE CABLEADO
YEL
ORG
ORG
GRY
GRY
Home
Find...
Go To..

ELECTRICAL DIAGRAMS
DIAGRAMAS ELECTRICAS
43
Tennant 5500/5520 (12--06)
4
1
G
2
3
G
B
G
G
-- 76-- GRN
-- 103-- BLK
MOTOR
ACTUATOR
-- 105-- BLK
USED
NOT
--BLK--
MINIMUM
PRESSURE
SWITCH
-- 106--
WAND
LOW VOLTAGE PAD MOTOR INTERRUPT
OPTIONAL
FUNCTIONS
-- 30-- GRN
-- 2 -- -- R E D --
-- 26-- BLU
--GRN--
--GRN--
--RED--
--GRN--
RECYCLE
--GRN--
SCRUB
SWITCH
-- B L U --
-- 48--
GRN
-- 76--
-- 104--
GRN
BLU
RELAY
--RED--
-- 8 4 -- -- P N K --
FLOAT
SWITCH
RELAY
TIMER
-- 86--
-- 116-- GRN
-- 114--
ORG
HOUR
BRUSH
OPTIONAL
-- 89-- YEL
HOUR
METER
-- B L U --
PRESSURE
-- 102-- ORG
INCREASE BRUSH
PRESSURE
REDUCE BRUSH
--BLK--
MTR
-- 36--
--RED--
CR4a
-- 110-- PUR
-- 38--
--BLK--
--BLK--
--RED--
-- W H T --
-- W H T --
-- 45-- -- BLK--
-- 9 0 -- -- R E D --
-- W H T --
--RED--
--GRN--
--ORG--
-- Y E L --
35A
RIGHT BRUSH
CIRCUIT BREAKER
35A
LEFT BRUSH
CIRCUIT BREAKER
CR4a
-- 33--
BLU
COIL
CR4
RELAY
ACTUATOR
--ORG--
-- 78--
JUMPER
-- 89-- YEL
-- 116-- GRN
-- B L K --
LEFT
BRUSH
PUMP
ES
MOTOR
PUMP
WAND
-- 43-- -- BLK--
-- 41-- -- BLK--
-- 29--
-- 25--
”FULL”
-- 25--
-- 29--
--BLK--
--BLK--
-- 47-- -- BLK--
CR4b
RIGHT
BRUSH
MOTOR
-- 8 0 -- -- W H T --
-- 4 1 -- -- G R Y --
AMMETER
-- 68-- GRN
--BLK--
SOLENOID
SOLUTION
-- 25-- ORG
-- 58--
BRN
CR4b
BLK
-- 31--
-- 7-- -- BLK--
-- 21-- -- BLK--
VACUUM
-- 66-- -- GRN--
VACUUM/DRIVE
CIRCUIT
CIRCUIT BREAKER
RED
--RED--
-- 34-- -- 10--
RED
-- 4 --
24 VDC
-- 32-- -- GRN--
ROLL
SWITCH
FLASHER
-- 23-- -- BLK--
(2) 12 VOLT BATTERIES
SWITCH
35A
-- 44--
STOP
-- 6 -- R E D
RED
OPTIONAL EMERGENCY
RED
BREAKER
-- 14--
RED
10A
MAIN
-- 50--
RED
4.7K
-- 22-- -- GRN--
-- 40-- -- GRN--
-- 28-- -- GRN--
-- 52--
-- 72--
--ORG--
-- W H T --
-- 24--
--GRN--
MAIN
+
MAIN
G-- 13-- -- BLK--
VACUUM
SWITCH
-- W H T --
-- 9-- -- BLK--
-- 6 0 -- -- W H T --
-- 8 -- -- O R G --
LOCKABLE
REVERSE
-- 56--
WARNING
LIGHTS
--ORG--
ADJUSTABLE
FORWARD
50K
50K
-- 74--
R
F
--
-- 1 2 -- -- O R G --
BLK
BATTERY
METER
-- 2 0 -- -- R E D --
-- 64-- -- BLU--
-- 6 2 -- -- O R G --
DIRECTIONAL
SWITCH
-- W H T --
N.C.
-- 54--
+
-- 16--
YEL
DRIVE
MOTOR
--
-- 1 1 -- -- B L K --
VACUUM
MOTOR
-- 3-- -- BLK--
-- 18--
-- T A N --
M2 M1
--BLK--
-- 15-- -- BLK--
-- 27--
-- 29--
--BLK--
-- Y E L --
T1
T2 -- 5 --
LADDER DIAGRAM
DIAGRAMA ESCALONADO
-YEL-
Home
Find...
Go To..

PARTS LIST
LISTA DE PIEZAS
Tennant 5500/5520 (09--01)
44
REPLACEMENT BRUSHES AND PAD DRIVER GROUP
CEPILLO DEL REEMPLAZO Y GRUPO DEL MANDO DE LA ALMOHADILLA
1
2
7
6
3
4
5
Home
Find...
Go To..

PARTS LIST
LISTA DE PIEZAS
Tennant 5500/5520 (12--06) 45
REPLACEMENT BRUSHES AND PAD DRIVER GROUP
CEPILLO DEL REEMPLAZO Y GRUPO DEL MANDO DE LA ALMOHADILLA
REF PART # DESCRIPTION QTY.
∇1240260 DBRUSH, POLY--SCRUB
2/PK 12 IN / 305 MM 2
603159 DBRUSH, POLY--SCRUB
2/PK 13 IN / 330 MM 2
240261 DBRUSH, DYNA--SCRUB
2/PK 12 IN / 305 MM 2
603160 DBRUSH, DYNA--SCRUB
2/PK 13 IN / 330 MM 2
240259 DBRUSH, STRATA SCRUB/STRIP
2/PK 12 IN / 305 MM 2
603161 DBRUSH, STRATA SCRUB/STRIP
2/PK 13 IN / 330 MM 2
Y2240238 DLUGS,W/SCREWS(SETOF3) 6
Y3100106 DPLATE, PAD DRIVER BASE 2
∇ASSEMBLY / CONJUNTO
YINCLUDED IN ASSEMBLY / INCLUIDO EN EL CONJUNTO
DRECOMMENDED STOCK ITEMS / ARTICULOS RECOMENDADOS PARA
MANTENER EN EXISTENCIA
REF PART # DESCRIPTION QTY.
∇4240262 DASM., PAD DRIVER
2/PK 12 IN / 305 MM 2
602928 DASM., PAD DRIVER
2/PK 13 IN / 330 MM 2
Y5240238 DLUGS, W/SCREWS (SET OF 3) 6
Y6100106 DPLATE, PAD DRIVER BASE 2
Y7100107 DRING, PAD RETAINER SNAP--IN 2
Home
Find...
Go To..

PARTS LIST
LISTA DE PIEZAS
Tennant 5500/5520 (12--06)
46
SOLUTION TANK GROUP
GRUPE DEL DEPÓSITO DE DISOLUCIÓN
27
5
6
7
8
11
10
12 13
55
57
56
18
19 11 1217
21
22
9
23
25
9
31
30
29
28
52
51
50
36
37
39
47
48
49
40
45
46
41
43
42
44
2
3
1
4
32
33
34
36 35
24
20
38
Before SN 10227906
Before SN 10227906
53
14
15 16
26
Before SN 10183516
54
53
Home
Find...
Go To..

PARTS LIST
LISTA DE PIEZAS
Tennant 5500/5520 (12--06) 47
SOLUTION TANK GROUP
GRUPE DEL DEPÓSITO DE DISOLUCIÓN
REF PART # DESCRIPTION QTY.
∇1607982 ASM., SOL. TANK COVER, TEAL 1
∇1701196 ASM., SOL. TANK COVER, GRAY 1
Y2612519 COVER, TANK, TEAL 1
Y2602712 COVER, TANK, GRAY 1
YY 3140706 RIVET, BLIND, .125D, PL 7
YY 4611068 HINGE, .09 PIN .04 1.06W 6.5L 1
5603233 DECAL, BATTERY RECHARGE 1
6630010 DGASKET, 70 OD, 43 ID, 12.7 THK 1
7630011 TUBE, VAC TRANS, FLANGE AND
BARB 1
8630267 SPRING, CMPR, 59.9D 3.0W 50.8L 1
9150529 FITTING, 3/4M X 3/4H BARB BRS 2
10 608706 BRACKET, VAC TUBE 1
11 140027 WASHER, FLAT, 0.35B 0.75D .04 SS 3
12 140015 WASHER, LOCK, SPLT, 0.31 SS 3
13 16931 SCREW, HEX, M8X1.25X20, 8.8 2
14 600476 DSTRAP, PLUG, REAR FILL 1
15 140011 WASHER, 3/16 FLAT 1
16 140350 SCREW, #10X1/2 PANPHL 1
17 16931 SCREW, HEX, M8X1.25X20, 8.8 1
18 230925 SUPPORT, RECOVERY TANK 1
19 611418 SLEEVE, P/M 0.437D, 0.315B, 0.14L 1
20 140032 WASHER, #6 FLAT SS 2
21 600650 LABEL, CE, SQUEEGEE LEVER 1
22 1023714 KIT, TANK, SOLUTION, TEAL
(Before SN 10227906) 1
9001542 KIT, TANK, SOLUTION, GRAY
(Before SN 10227906) 1
1023350 TANK, SOLUTION, TEAL 1
1025009 TANK, SOLUTION, GRAY 1
23 607983 HOSE, DRAIN W/LEVEL IND. 1
24 602529 DFILTER, SCREEN, SOLUTION FILL 1
25 608915 CLAMP, HOSE, WIRE 1.03--1.09 1
26 621324 DPLUG, EXPANSION 1
27 608118 LABEL, ”5500” 2
608119 LABEL, ”5520” 2
∇ASSEMBLY / CONJUNTO
YINCLUDED IN ASSEMBLY / INCLUIDO EN EL CONJUNTO
DRECOMMENDED STOCK ITEMS / ARTICULOS RECOMENDADOS PARA
MANTENER EN EXISTENCIA
REF PART # DESCRIPTION QTY.
28 1029695 DCASTER, 4.0D X 1.38W, 400LB
CAP 2
29 140027 WASHER, FLAT, 0.35B 0.75D .04 SS 8
30 140015 WASHER, LOCK, SPLT, 0.31 SS 8
31 578237000 SCREW, HEX, M8X1.25X18 SS, 933 8
32 1026454 SCREW, PAN, M5X0.8X10 PHL, SS 2
33 07514 WASHER, LOCK, INT #10 SS 2
34 612765 SHIELD, LIGHT 1
35 605324 GASKET, 1/2”X1.34’ 2
36 1024583 LIGHT, SAFETY, 24VDC, 12.0L 1
37 120192 DECAL, TENNANT LOGO 1
38 3701.6 SCREW, PAN, #6--32X0.38, PHL SS 2
39 630016 RING, RETAINING, EXT, 1.82D 1
40 578301 DKNOB, RND 1
41 140826 SCREW, PAN, #6--32X0.75, PHL SS 1
42 621443 DCHAIN, BALL, #10X157L, SS 1
43 605061 DCOVER, SOLUTON FILL 1
44 605062 DGASKET, COVER, SOLUTION FILL 1
45 07514 WASHER, LOCK, INT, #10 SS 1
46 578201000 SCREW, PAN, #10--32X0.50, PHL 1
47 606146 DFILTER, SCREEN, SOL--FILL 1
48 140032 WASHER, #6 FLAT SS 2
49 140826 SCREW, PAN, #6--32X0.75, PHL SS 2
50 1020193 SHIELD, LIGHT 1
51 19324 WASHER, FLAT, #10 SAE 2
52 604930 SCREW, TRS, M5X0.8X10, PHL, ZN 2
53 605324 GASKET, CLSD CELL, .5 .125
FT.
54 605324 GASKET, CLSD CELL, .5 .250
FT.
55 1012965 DCAP, PORT, SOLUTION FILL 1
56 01683 WASHER, FLAT, #10 SS 1
57 1018155 SCREW, PAN, M4.8X16 SS TCUT 1
630002
Home
Find...
Go To..

PARTS LIST
LISTA DE PIEZAS
Tennant 5500/5520 (04--05)
48
RECOVERY TANK GROUP
CONJUNTO DEPOSITO RECUPERAR
1
5
30
12
2
3
4
6
11
9
10
35
15 14
16
20
21
25
24
29
28
27
26
2829
27
8
7
23
17
18
19
22
31
13
32
33
34
36
Before SN 10132446
17
Home
Find...
Go To..

PARTS LIST
LISTA DE PIEZAS
Tennant 5500/5520 (12--06) 49
RECOVERY TANK GROUP
CONJUNTO DEPOSITO RECUPERAR
REF PART # DESCRIPTION QTY.
∇1701103 ASM., STANDPIPE 1
Y2606088 FITTING, CPVC, STR,
1--1/2” NIPPLE 1
3101714 DGASKET, WASTE AIR CHAMBER 1
4210240 NUT, HEX, FLNG, 1--1/2 FPT METAL 1
5180613 DFLOAT, SHUT--OFF (1) BALL 2DIA 1
∇6100102 DCOVER ASSY CLEAR LID
W/STANDARD HOLE 1
Y7100105 DLID, CENTER ONLY CLEAR 1
Y8100109 DLID, OUTER RING 1
9140826 SCREW, PAN, #6--32X0.75, PHL SS 6
10 3701.6 SCREW, PAN, #6--32X0.38, PHL SS 2
11 230513 CHAIN ASSY, STOPPER, DRAIN 1
∇12 613723 ASM., REC TANK W/LABEL, TEAL 1
9001597 ASM., REC TANK W/LABEL, GRAY 1
Y13 1026386 LABEL, WARNING,
(EXPL,FIRE,SHK EN/FR/ES) 1
14 140052 WASHER, LOCK, EXT, 0.25 SS 1
15 140000 WASHER, FLAT, 0.28B .062D .04 SS 1
16 140960 DCABLE, .13D 14.5L
.343EYE/.343EYE 1
17 140308 CLAMP, HOSE, WORMDRIVE,
1.31--2.25D, SS 1
18 140015 WASHER, LOCK, SPLT, 0.31 SS 1
∇ASSEMBLY / CONJUNTO
YINCLUDED IN ASSEMBLY / INCLUIDO EN EL CONJUNTO
DRECOMMENDED STOCK ITEMS / ARTICULOS RECOMENDADOS PARA
MANTENER EN EXISTENCIA
REF PART # DESCRIPTION QTY.
19 16931 SCREW, HEX, M8X1.25X20, 8.8 1
20 626092 DGASKET, VAC FAN 1
∇21 130477 DFAN, VACUUM, 5.7D, 3S, 24V BPT 1
Y22 190163 DBRUSH CRBN, MOTOR, ELE,
(1PC=1PACK=2BRSH) 2
23 130096 CONNECTOR ASSY, BLADE, MALE
.25 1TRMNL 2
24 08712 NUT, HEX LOCK, M6X1.0 SS NL 3
25 140000 WASHER, FLAT, 0.28B .062D .04 SS 3
26 140353 SCREW, STUD, M6X1.0X108 ZN 3
27 363503 SCREW, PAN, M6X1.0X12 SS 11
28 140052 WASHER, LOCK, EXT, 0.25 SS 11
29 140000 WASHER, FLAT, 0.28B .062D .04 SS 11
30 600311 DHINGE, .25PIN .07 2.0W 26.0L 1
∇31 1010143 DHOSE, DRAIN ASSEMBLY, 31.2” 1
Y∇32 1008639 DCAP, DRAIN ASSEMBLY 1
Y33 1008637 DO RING, 1.48”ID, 1.76”OD 1
Y34 1019563 DSTRAP, DRAIN CAP 1
35 363503 SCREW, PAN, M6X1.0X12 SS 1
36 N/A DRAIN HOSE / PLUG ASSEMBLY --
REPLACED BY ASSEM. ITEM #31 1
Home
Find...
Go To..

PARTS LIST
LISTA DE PIEZAS
Tennant 5500/5520 (04--05)
50
CONSOLE GROUP
CONJUNTO CONSOLA DE CONTROLES
27
1
2
3
7
4
5
6
8
9
10
54
12
13
51
12
14
1
15
38
36
20
19
21
16
52
26
23
22
24
25
30
35
31
32
3334
29
37
36
40
41
43
42
28
47
46
44
48
50
49
45
24
36
36
53
18
17
11
39
17
Home
Find...
Go To..

PARTS LIST
LISTA DE PIEZAS
Tennant 5500/5520 (12--06) 51
CONSOLE GROUP
CONJUNTO CONSOLA DE CONTROLES
REF PART # DESCRIPTION QTY.
1200823 DGRIP, HANDLE TUBE 2
2605351 BUSHING, 7/8 10--BLACK 1
3604402 TUBE, HANDLE 1
41026454 SCREW, PAN, M5X0.8X10 PHL, SS 8
507514 WASHER, LOCK, INT #10 SS 8
∇613027 ASSY, PANEL, SWITCH 1
Y6613028 SWITCH PANEL 1
Y7606857 DGAUGE, AMMETER, RT, 5--36A
(PRESSURE) 1
Y81014919 DSWITCH, PUSH BUTTON 2
Y9601107 DSWITCH, ROCKER, 24VDC 15A
LIGHTED 3
Y10 606020AM DGAUGE, DISCHARGE, BATTERY,
24VDC 1
Y11 613387 HARNESS, WIRE MAIN/SWITCH/
CONSOLE 1
12 02850 NUT, HEX LOCK, M4X0.7 NL 4
13 630261 TUBE, 0.31D 0.19B 0.5L ALUM 2
14 630128 HEATSINK, 11GA. ALUM. 104X120 1
15 607556 HOUSING, CONTROL, TEAL 1
602892 HOUSING, CONTROL, GRAY 1
16 601108AM DSWITCH, TOGGLE 1
∇17 602873 HARNESS CONSOLE W/POT. 1
Y18 130776 DPOTIENTIOMETER, 50K 1
Y19 130775 DPOTIENTIOMETER, 50K
LOCKABLE 1
20 140351 SCREW, HEX, M12X1.75X70 ZN 2
21 630304 SCREW, FLT, M4X0.7X35 PHL, ZN 2
22 230715 TUBE, HANDLE ADJUSTMENT 1
23 230649 PIN, HANDLE ADJUSTMENT 2
24 230710 PIN, HANDLE LOCK 2
25 140415 SPRING, LOCK PIN 1
∇ASSEMBLY / CONJUNTO
YINCLUDED IN ASSEMBLY / INCLUIDO EN EL CONJUNTO
DRECOMMENDED STOCK ITEMS / ARTICULOS RECOMENDADOS PARA
MANTENER EN EXISTENCIA
REF PART # DESCRIPTION QTY.
26 140155 BUSHING, .48X.62X2.00 2
27 606550 DKNOB, RND, 0.92D 0.76L 0.25B 1
28 603007 BUSHING, SNAP .25ID BLACK 1
29 602886 PIN, SPRING, HANGER,
.31--18X.94 THD, ZN 1
30 605812 SPRING, EXT. 1
31 140829 SCREW, PAN, #06--32X1.00 PHL SS 2
32 140019 WASHER, LOCK, EXT, #06 ZN 2
33 27098 BRACKET, SWITCH 1
34 614003 DSWITCH, SNAP ACTION W/ BUMP 1
35 140552 NUT, HEX L0CK, #10--24 NL SS 1
36 140000 WASHER, FLAT, 0.28B .062D .04 SS 6
37 25671 MOUNT, SWITCH 1
38 140890 SCREW, TRS, #10--24X0.50 PHL SS 1
39 140900 SCREW, TRS, #10--24X0.75 PHL SS 1
40 608322 SCREW, TRS, M6X1.0X16 PHL SS 2
41 08712 NUT, HEX LOCK, M6X1.0 SS NL 2
42 140045 WASHER, FLAT, 0.51B 1.25D .06 SS 2
43 140024 WASHER, LOCK 0.50 SS 2
44 603830 PLATE, SWITCH GUARD 1
45 140540 NUT, #6--32 HEX SS 2
46 630343 CLAMP, CABLE, STL,
0.88D X 0.50W 1H VYL 1
47 140552 NUT, HEX L0CK, #10--24 NL SS 1
48 605094 COLLAR, HANDLE 2
49 140859 SCREW, SET, .25--20X0.25 CUP PT 2
50 606549 LABEL, SPEED CONTROL 1
51 630104 DSPEED CONTROL, PMB 55 AMP 1
52 130753 DBOOT, SWITCH 1.00 LONG BLK 1
53 611226000 SCREW, TRS, #06--32X0.25 4
Home
Find...
Go To..

PARTS LIST
LISTA DE PIEZAS
Tennant 5500/5520 (04--05)
52
ELECTRICAL GROUP
GRUPO DEL ELÉCTRICO
12
5
4
8
9
10
8
13
16
17
3
7
13
12 11
910
14 15
31
34
35
6
33
36
18
19
20
24
17
8
21
23
2
25
26 10
28
26
10 9
13
11
12
30 29
32
22
27
25
Home
Find...
Go To..

PARTS LIST
LISTA DE PIEZAS
Tennant 5500/5520 (12--06) 53
ELECTRICAL GROUP
GRUPO DEL ELÉCTRICO
REF PART # DESCRIPTION QTY.
1613030 PANEL, HSNG, CNTRL 1
2609969 DPLUG, HOURMETER 2
3069764626 DPLUG, HOLE 012.7 1
4130161 DPLUG, DOME, .875D, BLACK 1
5130175 DPLUG, DOME, .750D, BLACK 1
6140519 NUT, #10--24 KEP 2
7582150 DBUTTON, PLUG, ACCESSORY
SWITCH 2
8608322 SCREW, TRS, M6X1.0X16 PHL SS 6
908712 NUT, HEX LOCK, M6X1.0 SS NL 6
10 140000 WASHER, FLAT, 0.28B .062D .04 SS 7
11 606404 DDIODE ASSY W/RING
TERMINALS 3
12 281001009 TERMINAL, RING, #10 14--16 6
13 605905AM DSOLENOID, 24VDC 125A
050 OHM 3
14 130021 DFLASHER, 24VDC 1
15 606243 TAPE, DOUBLE STICK 1” ACRYLIC 1
16 130737AM DCIRCUITBREAKER, 10.0A 1
17 602951AM DCIRCUITBREAKER, 35.0A 3
18 140829 SCREW, PAN, #06--32X1.00 PHL SS 2
DRECOMMENDED STOCK ITEMS / ARTICULOS RECOMENDADOS PARA
MANTENER EN EXISTENCIA
REF PART # DESCRIPTION QTY.
19 140019 WASHER, LOCK, EXT, #06 ZN 2
20 605387 DCONNECTOR, 50A RED
W/O CONT 1
21 1026454 SCREW, PAN, M5X0.8X10 PHL, SS 2
22 07514 WASHER, LOCK, INT #10 SS 2
23 130698 BUSHING, SNAP .50ID BLACK 1
24 602887 BRACKET, CHRG PLUG/CB/SOL 1
25 01696 SCREW, HEX, .25--20X0.50 SS 2
26 140016 WASHER, LOCK, 0.25 SS 2
27 602871 CABLE, BATTERY 6BLKX24”
1/4X5/16 1
28 76062 DINSULATOR, PANEL &
SWITCHBOARD 1
29 602872 CABLE, BATT #6REDX28” 5/16X3/8 1
30 140539 NUT, HEX LOCK #06--32 KEP SS 2
31 605823 DSEAL, ORG .926 ID X .996 OD 1
32 603331 SPACER, CHARGER PLUG 1
33 140890 SCREW, #10--24X1/2 TRSPHL 2
34 604486 DIODE ASSY, SPLICED 1
35 1001219 DRELAY, 24VDC, DPDT 1
36 606105 LABEL, HZRD, DO NOT SPRAY 1
Home
Find...
Go To..

PARTS LIST
LISTA DE PIEZAS
Tennant 5500/5520 (04--05)
54
DRIVE GROUP
GRUPO DE TRANMISIÓN
40
31
32
33 34 35
36
37 38
42
41
39
1
2
3
4
678
9
10
12
13
16
19
20
14
22 23
21
24
15
28
18
17
19
20
5
22
25
30
27
28
15
29
11
26
44
11
43
27
28
15
29
Home
Find...
Go To..

PARTS LIST
LISTA DE PIEZAS
Tennant 5500/5520 (12--06) 55
DRIVE GROUP
GRUPO DE TRANMISIÓN
REF PART # DESCRIPTION QTY.
1600288 PLATE, BASE TRANSAXLE 1
236758 BOLT, SHLD, .50DX0.50, .38--16 2
31002936 BRACKET, ACTUATOR 1
4140314 CLAMP, CABLE, STL,
0.75D X 0.75W 1H VYL 1
5140027 WASHER, FLAT, 0.35B 0.75D .04 SS 4
6140015 WASHER, LOCK, SPLT, 0.31 SS 4
716931 SCREW, HEX, M8X1.25X20, 8.8 4
81009363 BUSHING, CABLE 1
9630157 BRACKET, CABLE GUIDE, 11GA ZP 1
10 200031432 SCREW, HEX, M6X1.0X10 2
11 612783 SPACER, AXLE 4
12 140000 WASHER, FLAT, 0.28B .062D .04 SS 2
13 621236 RING, RETAINING, .810 DIA 1
14 600290 BRACKET, LIFT DUAL MOTOR 1
15 140028 WASHER, FLAT, 0.42B 1.00D .05 SS 6
16 600952 DACTUATOR 24VDC 1
17 281004001 TERMINAL, FEM .25 22--18GA FI
RED 2
18 09291 SCREW, HEX, M10X1.5X20 SS 2
19 604076 PIN, M10DIAX28 CLEVIS ZN 2
20 578421 PIN, COTTER, .125D X 1.00L 2
21 140046 WASHER, .392 I.D. 2
22 140045 WASHER, FLAT, 0.51B 1.25D .06 SS 4
23 602882 SLEEVE, P/M, 0.625D 0.502B 0.31L
STL PLT 2
24 59156 NUT, HEX LOCK .38--16 NL SS 2
∇ASSEMBLY / CONJUNTO
YINCLUDED IN ASSEMBLY / INCLUIDO EN EL CONJUNTO
DRECOMMENDED STOCK ITEMS / ARTICULOS RECOMENDADOS PARA
MANTENER EN EXISTENCIA
REF PART # DESCRIPTION QTY.
25 613026 DWHEEL, NEOPRENE, SOLID 2
630215 DWHEEL, PNEUMATIC, AIR 2
600352 DWHEEL, FOAM FILLED 2
604357 DKIT, PNEUMATIC WHEEL, AIR 1
604259 DKIT, WHEEL FOAM FILLED 1
26 41169 NUT, HEX LOCK, .25--20 NL SS 8
27 612255000 SCREW, HEX, M10X1.5X35 ZN 4
28 140333 WASHER, M10 SPLTLCK SS 6
29 612784 BRACKET, TRANSAXLE MTG 2
∇1013312 TRANSAXLE, 24V MOTOR 116 RPM 1
Y30 612873 TRANSAXLE, REPLMT,
BODY ONLY 1
Y31 614165 MOTOR, ELE, 24VDC TRANSAXLE
REPLMT 1
Y32 614166 DKIT, BRUSH, CARBON QTY(4)
(After SN 10169615--
For Motor #614165)
1
612883 DKIT, BRUSH, CARBON QTY(2)
(Before SN 10169615 --
For Motor #612877)
1
Y33 612874 COUPLING, TRANSAXLE REPLMT 1
Y34 612875 KEY, SPECIAL, TRANSAXLE
REPLMT 1
Y35 577031000 SCREW, #8X1/2 PAN PHL ZN 2
Y36 N/A COVER, SHAFT 2
Y37 32982 WASHER, LOCK, INT, 0.25 2
Y38 33951 SCREW, SOC, M6 X 1.0 X 20, 12.9 2
Y39 31249 BOLT, SHLD, .25DX1.25, #10--24 2
Y40 140552 NUT, HEX L0CK, #10--24 NL SS 2
Y41 612880 SLEEVE, TRANSAXLE REPLMT 2
Y42 612879 HUB, WHEEL TRANSAXLE
REPLMT 2
43 140052 WASHER, LOCK, EXT, 0.25 SS 2
44 140000 WASHER, FLAT, 0.28B .062D .04 SS 8
Home
Find...
Go To..

PARTS LIST
LISTA DE PIEZAS
Tennant 5500/5520 (04--05)
56
BRUSH DRIVE GROUP
CONJUNTO IMPULSO DE CEPILLO
33
3
2
25
26
21
1
5
8
29
12
13
14
15
16
17
18
35
34
35
32 31
30
8
7
5
28
24
23
22
19
20
11
6
6
4
7
11
27
10
9
10
9
23
39 38
37
36
41
42
40
Home
Find...
Go To..

PARTS LIST
LISTA DE PIEZAS
Tennant 5500/5520 (12--06) 57
BRUSH DRIVE GROUP
CONJUNTO IMPULSO DE CEPILLO
REF PART # DESCRIPTION QTY.
∇1130491 DMOTOR, ELE, 24VDC 0.75HP
W/GEARBOX IMP 2
Y2630609 DGEARBOX ASSY 1
Y2190741 DASM., BRUSH CARD 1
Y2190970 DBRUSH, CARBON, MOTOR, ELE 4
Y2140632 DKEY, .25X.25X1.00L (+.000/--.002) 1
2130192 TERMINAL MAL .25 12--10 FI YW 1
3130192 TERMINAL MAL .25 12--10 FI YW 1
4100764 COVER, BRUSH MOTOR 2
5600300 PLATE, GUIDE 2
6140003 WASHER, 1/4X1 FNDR SS 8
7140016 WASHER, LOCK, 0.25 SS 8
815678 SCREW, HEX, M6X1.0X16 SS 8
9609470 HOSE, 0.38ID 0.62OD 9.0L 1
10 607775 CLAMP, HOSE, WIRE .63--.66 BLK 2
11 140618 PIN, ROLL .258D X 1.50L ZN 4
12 140028 WASHER, FLAT, 0.42B 1.00D .05 SS 8
13 140017 WASHER, LOCK, SPLT, 0.38 SS 8
14 69225 SCREW, HEX, .38--16X1.00 SS 8
15 606335 PLATE, DRIVE, MOLDED, NYLON 2
16 25732 WASHER, FLAT, 0.36B 1.25D .09 ZN 4
17 140015 WASHER, LOCK, SPLT, 0.31 SS 2
18 140219 SCREW, HEX, .31--18X1.00 SS 2
19 140417 DCLIP, SPRING 2
∇ASSEMBLY / CONJUNTO
YINCLUDED IN ASSEMBLY / INCLUIDO EN EL CONJUNTO
DRECOMMENDED STOCK ITEMS / ARTICULOS RECOMENDADOS PARA
MANTENER EN EXISTENCIA
REF PART # DESCRIPTION QTY.
20 230651 DCLAMP, BRUSH PLATE 2
21 1001148 BRACKET, SPRING 1
22 230697 DSTOP, DRIVER RELEASE 2
23 606915 SCREW, HILO #10--16X0.38 SS 8
24 16931 SCREW, HEX, M8X1.25X20, 8.8 4
25 140015 WASHER, LOCK, SPLT, 0.31 SS 4
26 140225 SCREW, HEX .38--16X2.00 SS W/HL 1
27 606243 TAPE, ACRYLIC 1”X.25’ 2
28 600299 LIP, FRONT SKIRT 1
29 600289 BRACKET, MOTOR MOUNT 1
30 613029 BRACKET, SPRING MOUNT 1
31 602930 SLEEVE, P/M, 0.622D 0.383B 1.50L 1
32 578298000 WASHER, .64X.87X.031 FLAT SS 8
33 602555 SPRING, BRUSH PRESSURE 1
34 36643 NUT, HEX, LOCK, .38--16, NL, THIN 1
35 140028 WASHER, FLAT, 0.42B 1.00D .05 SS 2
36 1000975 BRACKET, SWITCH, BRUSH 1
37 1020061 SWITCH, SNAP, 25A 125/250VAC 1
38 140829 SCREW, PAN, #06--32X1.00 PHL SS 2
39 140032 WASHER, #6 FLAT, SS 2
40 140539 NUT, HEX, LOCK, #06--32 KEP SS 2
41 1026454 SCREW, PAN, M5X0.8X10, PHL SS 2
42 07514 WASHER, LOCK, INT #10 SS 2
222615
X
X
Home
Find...
Go To..

PARTS LIST
LISTA DE PIEZAS
Tennant 5500/5520 (04--05)
58
BRUSH SKIRT GROUP
CONJUNTO JUEGO DE CEPILLO
20
10
9
1
14
4
22
3
16
15
15
13 15
19
18
8
5
6
12
11
14
13
1
21
22
8
9
16
17
6
7
7
19
18
2
7
Home
Find...
Go To..

PARTS LIST
LISTA DE PIEZAS
Tennant 5500/5520 (04--05) 59
BRUSH SKIRT GROUP
CONJUNTO JUEGO DE CEPILLO
REF PART # DESCRIPTION QTY.
∇609798 ASM., SKIRT OPERATOR LH
TEAL (5500) 1
609796 ASM., SKIRT OPERATOR LH
TEAL (5520) 1
602807 ASM., SKIRT OPERATOR LH
GRAY (5500) 1
602809 ASM., SKIRT OPERATOR LH
GRAY (5520) 1
609797 ASM., SKIRT OPERATOR RH
TEAL (5500) 1
609795 ASM., SKIRT OPERATOR RH
TEAL (5520) 1
602808 ASM., SKIRT OPERATOR RH
GRAY (5500) 1
602810 ASM., SKIRT OPERATOR RH
GRAY (5520) 1
Y1607558 SKIRT, OPERATOR LH
TEAL (5500) 1
607564 SKIRT, OPERATOR LH
TEAL (5520) 1
602893 SKIRT, OPERATOR LH
GRAY (5500) 1
602895 SKIRT, OPERATOR LH
GRAY (5520) 1
607560 SKIRT, OPERATOR RH
TEAL (5500) 1
607566 SKIRT, OPERATOR RH
TEAL (5520) 1
602894 SKIRT, OPERATOR RH
GRAY (5500) 1
602896 SKIRT, OPERATOR RH
GRAY (5520) 1
∇ASSEMBLY / CONJUNTO
YINCLUDED IN ASSEMBLY / INCLUIDO EN EL CONJUNTO
DRECOMMENDED STOCK ITEMS / ARTICULOS RECOMENDADOS PARA
MANTENER EN EXISTENCIA
REF PART # DESCRIPTION QTY.
Y2603154 DSCREW, PAN, M8X1.25X40 PHL
SS 2
Y3578144000 SCREW, PAN, M5X0.8X16 PHL SS 10
Y41014918 DWHEEL, RBR, 3”X1” W/BUSHING 2
Y509739 NUT, HEX, LOCK, M5X0.8, NL, SS 6
Y6600301 MOUNT, BRACKET, SKIRT 2
Y7140027 WASHER, FLAT, 0.35B 0.75D .04 SS 6
Y8140015 WASHER, LOCK, SPLT, 0.31 SS 4
Y9578237000 SCREW, HEX, M8X1.25X18 SS, 933 4
Y10 49800 DLATCH, DRAW, SOFT RBR
W/ KEEPER 1
Y11 200070340 SCREW, PAN, M4X0.7X8 PHL ZN 4
Y12 02938 WASHER, LOCK, INT. 08 SS 4
Y13 600295 DGUARD, SPLASH (5500) 2
600294 DGUARD, SPLASH (5520) 2
Y14 600297 STRAP, SPLASH GUARD (5500) 2
600296 STRAP, SPLASH GUARD (5520) 2
Y15 140011 WASHER, FLAT, 0.21B 0.45D .03 SS 22
Y16 07514 WASHER, LOCK, INT #10 SS 16
Y17 140293 SCREW, PAN, M5X0.8X30, PHL, SS 6
18 575029000 SCREW, PAN, M8X1.25X20 PHL, SS 4
19 140015 WASHER, LOCK, SPLT, 0.31 SS 4
20 607951 BRACKET, LH SKIRT 1
21 607952 BRACKET, RH SKIRT 1
22 230943 DPIN, SKIRT 2
Home
Find...
Go To..

PARTS LIST
LISTA DE PIEZAS
Tennant 5500/5520 (12--06)
60
SOLUTION GROUP
GRUPO DE SOLUCIÓN
1
9
33
2
3
45678
4
10
11
12
13
10
11
14
18
16
15
33
17
19
18
20
21
19
20
35
36
37
36
36
28
36 27
27
32
31
30
29
33
31
32
22
23
24
25
26
34
Home
Find...
Go To..

PARTS LIST
LISTA DE PIEZAS
Tennant 5500/5520 (12--06) 61
SOLUTION GROUP
GRUPO DE SOLUCIÓN
REF PART # DESCRIPTION QTY.
1626121 KNOB, RND 0.72D 0.78L 0.25B,
PLSTC 1
2612039 DECAL, SOLUTION CONTROL 1
31002538 BRACKET, SOLUTION CONTROL 1
4612497 CABLE, WATER FLOW CONTROL 1
5230661 PLATE, LOCK CONTROL HOUSING 1
6140027 WASHER, FLAT, 0.35B 0.75D .04 SS 2
7140015 WASHER, LOCK, SPLT, 0.31 SS 2
816931 SCREW, HEX, M8X1.25X20, 8.8 2
9611822 BRACKET, SOLENOID MOUNT 1
10 140000 WASHER, FLAT, 0.28B .062D .04 SS 4
11 140016 WASHER, LOCK, 0.25 SS 4
12 15678 SCREW, HEX, M6X1.0X16 SS 2
13 612498 DVALVE, LIQUID DISPENSING 1
614265 DKIT, VALVE, WATER, REBUILD 1
14 200031432 SCREW, M6X1.0X10 HXHDCP 2
15 069760725 HOSE, 0.50ID, 0.75OD 3.0L 1
16 1017532 FITTING, PLSTC, E90, PM06/BM08 1
DRECOMMENDED STOCK ITEMS / ARTICULOS RECOMENDADOS PARA
MANTENER EN EXISTENCIA
REF PART # DESCRIPTION QTY.
17 611820 BRACKET, FILTER MOUNT 1
18 575541000 WASHER, M5.3X10X1 FLT, SS
D125A 4
19 1026457 WASHER, M5 LOCK 4
20 609062 SCREW, M5X.8X12 TRSPHL 4
21 605056 BRACKET, FILTER MOUNT 1
∇22 1005302 DASM., FILTER BOWL & SCREEN 1
Y23 613993 DHOUSING, TOP 1
Y24 1005304 DSCREEN, FLTR, 80 MESH 1
Y25 613992 DGASKET 1
Y26 613991 DBOWL,CLR,SHORT 1
27 1017532 FITTING, PLSTC, E90, PM06/BM08 2
28 578822000 HOSE, 0.50ID, 0.75OD 16.8L 1
29 578822000 HOSE, 0.50ID, 0.75OD 16.8L 1
30 1022556 FITTING, PLSTC, TEE,
BM06/BM06/BM08 1
31 609470 HOSE, 0.38ID 0.62OD 9.0L 1
32 607775 CLAMP, HOSE, WIRE .63--.66 BLK 2
33 54333 CLAMP, HOSE, WORMDRIVE,
0.31--0.88D, .31W 3
34 01997 FITTING, BRS, E45, PM06/PF06 1
35 605046 FITTING, PLSTC, TEE,
PM06/BM08/BM08 1
36 607776 CLAMP, HOSE, .73--.77, 2--WIRE 4
37 606241 HOSE, 0.50ID, 0.75OD 6.0L 1
Home
Find...
Go To..

PARTS LIST
LISTA DE PIEZAS
Tennant 5500/5520 (04--05)
62
SQUEEGEE CONTROL GROUP
CONJUNTO DE PALETA PLANCAS
20
1
2
3
2
16
8
6
12
11
3
6
19
18
24
23
22
17 18
19
14
15
25 26 27
21
6
9
10
4
6
7
5
6
7
13
13
28
Before SN 10173088
Home
Find...
Go To..

PARTS LIST
LISTA DE PIEZAS
Tennant 5500/5520 (04--05) 63
SQUEEGEE CONTROL GROUP
CONJUNTO DE PALETA PLANCAS
REF PART # DESCRIPTION QTY.
1160613 DHOSE, VACUUM, 1.5DX30L,
2--CUFFS 1
21015636 DCABLE, SQUEEGEE LIFT 1
341169 NUT, HEX LOCK, .25--20 NL SS 2
4140236 SCREW, HEX, .50--13X1.25 ZN 1
5611480 SCREW, TRS, .50--13X1.25 PHL SS 1
6140045 WASHER, FLAT, 0.51B 1.25D .06 SS 6
7140139 SLEEVE, P/M, 0.625D 0.500B 0.25L
STL PLT 2
802931 NUT, HEX LOCK .50--13 NL SS 1
91021179 PIVOT MOUNT, SQUEEGEE 1
10 1011342 BRACKET, SQUEEGEE MOUNT 1
11 140509 NUT, 1/2--13 HXJM SS 2
12 602981 SCREW, HEX, .50--13X5.50 ZN 1
13 140024 WASHER, LOCK 0.50 SS 2
14 08712 NUT, HEX LOCK, M6X1.0 SS NL 1
DRECOMMENDED STOCK ITEMS / ARTICULOS RECOMENDADOS PARA
MANTENER EN EXISTENCIA
REF PART # DESCRIPTION QTY.
15 15678 SCREW, HEX, M6X1.0X16 SS 1
16 611477 SPRING, SQUEEGEE 1
17 200031496 SCREW, M08X1.25X35 1
18 140015 WASHER, LOCK, SPLT, 0.31 SS 2
19 140027 WASHER, FLAT, 0.35B 0.75D .04 SS 2
20 602885 HANDLE, SQUEEGEE LIFT 1
21 200816 DGRIP,HANDLE.25X1X2.25 1
22 604358 SPACER BUSHING 1
23 230661 PLATE, LOCK CONTROL HOUSING 1
24 16931 SCREW, HEX, M8X1.25X20, 8.8 1
25 140268 SCREW, HEX, M5X0.8X12 SS 2
26 140031 WASHER, #10 EXT ZN 2
27 230712 PLATE, SQUEEGEE LOCK 1
28 N/A BRACKET, SQUEEGEE MOUNT --
REPLACED BY KIT NO. 614116 1
Home
Find...
Go To..

PARTS LIST
LISTA DE PIEZAS
Tennant 5500/5520 (04--05)
64
SQUEEGEE ASSEMBLY GROUP -- 33 in / 838 mm
CONJUNTO PALETA
17 16 15 10
14
13
12
11
2
4
6
3
1
7
5
8
9
20
6
8
9
19
18
21
21
22
18
20
23
21
21
22
Home
Find...
Go To..

PARTS LIST
LISTA DE PIEZAS
Tennant 5500/5520 (12--06) 65
SQUEEGEE ASSEMBLY GROUP -- 33 in / 838 mm
CONJUNTO PALETA
REF PART # DESCRIPTION QTY.
∇612025*ASSEMBLY, SQUEEGEE, LINATEX 1
Y∇606758 DKIT, SQUEEGEE BLADES,
LINATEX 1
Y1605030 DBLADE, FRONT SQUEEGEE,
LINATEX (RED) 1
Y2605029 DBLADE, REAR SQUEEGEE,
LINATEX (RED) 1
∇613036*ASSEMBLY, SQUEEGEE, GUM
RUBBER 1
Y∇606757 DKIT, SQUEEGEE BLADES,
GUM RUBBER 1
Y1605028 DBLADE, FRONT SQUEEGEE,
GUM RUBBER (TAN) 1
Y2605027 DBLADE, REAR SQUEEGEE,
GUM RUBBER (TAN) 1
∇613043*ASSEMBLY, SQUEEGEE,
URETHANE 1
Y∇606759 DKIT, SQUEEGEE BLADES,
URETHANE 1
Y1605032 DBLADE, FRONT SQUEEGEE,
URETHANE (WHITE) 1
Y2605031 DBLADE, REAR SQUEEGEE,
URETHANE (WHITE) 1
Y3611462 CASTING, SQUEEGEE 1
Y4140799 SCREW, TRS, .31--18 X 1.50, PHL 2
Y5605034 RETAINER, FRONT STRIP 1
Y6370100 DKNOB, STAR, 2.80D 4EAR 1.1L
.31--18 PLSTC 2
Y7603012 DKNOB, RND, 19D, PLSTIC, M6X12
STUD 6
∇ASSEMBLY / CONJUNTO
YINCLUDED IN ASSEMBLY / INCLUIDO EN EL CONJUNTO
DRECOMMENDED STOCK ITEMS / ARTICULOS RECOMENDADOS PARA
MANTENER EN EXISTENCIA
*NOTE: KIT # 614116 IS REQUIRED FOR MODEL BEFORE SN. 10173088.
REF PART # DESCRIPTION QTY.
Y81010560 DWHEEL, BMPR, 80D X 25W,
NON--MARKING 2
Y9611489 SCREW, TRS, .31--18 X 1.88, PHL 2
Y10 605033 SQUEEGEE, BAND ASM REAR 1
Y11 601108000 NUT, 5/16--18 HXLCK THIN NY 1
Y12 630477 DWHEEL, 2.0D 0.38W POLY GRAY 1
Y13 140028 WASHER, 3/8 FLAT 2
Y14 600187 SCREW, SHOULDER, 3/8 X 1 1/4 1
Y15 09739 NUT, M5X.8 NYLOCK 1
Y16 605069 CLIP, SQUEEGEE BAND 1
Y17 630389 SCREW, M5 7/8X45 PANPHL 1
Y18 222460 SLEEVE, P/M 0.496D 0.318B 0.50L
430SS 2
Y19 1010488 BRACKET, CASTER MTG,
SWIVEL, RH
(After SN 10173088)
1
Y20 140506 NUT, HEX, STD, .31--18, SS 2
Y21 39312 NUT, HEX, STD, M10 X 1.5
(After SN 10173088)4
Y22 1006343 DCASTER, SWIVEL, 2.0 D 0.8W,
M10 STEM
(After SN 10173088)
2
Y23 1006347 BRACKET, CASTER MTG,
SWIVEL, LH
(After SN 10173088)
1
Home
Find...
Go To..

PARTS LIST
LISTA DE PIEZAS
Tennant 5500/5520 (12--06)
66
BATTERY GROUP
GRUPO DEL BATERÍA
2
1
5
4
3
6
6
7
8
9
REF PART # DESCRIPTION QTY.
1601991 TRAY, BATTERY 1
2600394 BATTERY, 12VDC CCA 215AH
DUAL POST 2
3602871 CABLE, BATTERY 6BLKX24”
1/4X5/16 1
4602872 CABLE, BATT #6REDX28” 5/16X3/8 1
∇ASSEMBLY / CONJUNTO
YINCLUDED IN ASSEMBLY / INCLUIDO EN EL CONJUNTO
DRECOMMENDED STOCK ITEMS / ARTICULOS RECOMENDADOS PARA
MANTENER EN EXISTENCIA
REF PART # DESCRIPTION QTY.
5130364 DCABLE, BATTERY 6X15 BLK
5/16X3/8 1
6611221 BOOT, BATTERY CABLE, BLACK 4
∇71029256 CHARGER, 24VDC, 19A VAR VAC
1PH 50/60HZ 1
Y8605387 CONNECTOR, 50A, RED 1
91017079 CORD, EXTN, 16GA/3, 10FT. 1
Home
Find...
Go To..

OPTIONS
OPCIONES
67
Tennant 5500/5520 (09--01)
SQUEEGEE WAND ASSEMBLY
GROUPE D’ASPIRATION ET RACLETTE À MAIN
1
2
3
4
REF PART # DESCRIPTION QTY.
∇190928 DASM, WAND DOUBLE BEND 1
Y16108.1 WAND, DOUBLE BEND 1
Y213840 SQUEEGEE ASM PUSH/PULL 1
∇ASSEMBLY / CONJUNTO
YINCLUDED IN ASSEMBLY / INCLUIDO EN EL CONJUNTO
DRECOMMENDED STOCK ITEMS / ARTICULOS RECOMENDADOS
REF PART # DESCRIPTION QTY.
Y3160481 DHOSE, VAC 1--1/2X10’ 1
Y4160451 CONNECTOR, VAC HOSE 1
Home
Find...
Go To..

OPTIONS
OPCIONES
68 Tennant 5500/5520 (12--06)
ES (EXTENDED SCRUB) KIT
ES (FREGADO PROLONGADO) JUEGO
1
3
1
4
5
6
7
8
9
10
11
12
13
14
13
15
13
2
Home
Find...
Go To..

OPTIONS
OPCIONES
69
Tennant 5500/5520 (12--06)
ES (EXTENDED SCRUB) KIT
ES (FREGADO PROLONGADO) JUEGO
REF PART # DESCRIPTION QTY.
∇604780 KIT, RECYCLE 1
Y1630419 DSWITCH, ROCKER, 28VDC
A SPST 1
Y2150415 FITTING, PLSTC, E90, PM04/BM06 1
Y3130738 DLIGHT, INDICATOR, VDC, GREEN 1
Y409739 NUT, HEX LOCK, M5X0.8, NL, SS 1
Y5630145 DTIMER 1
Y6578008000 SCREW, PAN, M5X0.8X30, PHL, ZN 1
Y7603166 DSENSOR, LEVEL, LIQUID, 28VDC
.28A 1
Y8630138 DFILTER, SCREEN, 100 MESH 1
Y9630385 FITTING, PLSTC, STR, PM12/PM12
01.5L 1
∇ASSEMBLY / CONJUNTO
YINCLUDED IN ASSEMBLY / INCLUIDO EN EL CONJUNTO
DRECOMMENDED STOCK ITEMS / ARTICULOS RECOMENDADOS
N/S = NOT SHOWN
REF PART # DESCRIPTION QTY.
Y10 601490 FITTING, PLSTC, STR, PM12, BH 1
Y11 630136 DPUMP, SOL 24VDC
3116”TERM 3/4” 1
Y12 607308 HOSE, 0.38ID 0.60OD 7.9L 1
Y13 54333 CLAMP, HOSE, WORMDRIVE,
0.31--0.88D, .31W 4
Y14 210044 DVALVE, CHECK, GPM 1PSI
BM06/BM06 1
Y15 607103 HOSE, 0.38ID 0.60OD 15.0L 1
YN/S 604787 HARNESS, WIRE ES KIT 1
YN/S 630440 DECAL, “FILTER REMOVE” 1
Home
Find...
Go To..

OPTIONS
OPCIONES
70 Tennant 5500/5520 (04--05)
HOUR METER, EMERGENCY STOP, KEYSWITCH AND LOW VOLTAGE KITS
MEDIDOR DE HORA, BOTÓN DE EMERGENCIA, INTERRUPTOR DE LLAVE,
HERRAMIENTAS DE BAJO VOLTAGE
1
2
3
5
6
4
7
REF PART # DESCRIPTION QTY.
∇602999 DKIT, HOUR METER 1
Y11010555 DMETER, HOUR 1
YN/S 603000 ASM., WIRE #18X5” BLU 1
YN/S 603004 ASM WIRE #18X5” BLK 1
∇602995 DKIT, EMERGENCY STOP 1
Y2630100 DSWITCH, EMERGENCY STOP
BUTTON 1
Y3630097 DSWITCH, CONTACT BLOCK 1
YN/S 602996 ASM, WIRE #16X5” RED 1/4FX1/4F 1
YN/S 602997 ASM, WIRE #16X5” RED 1/4MX1/4F 1
∇ASSEMBLY / CONJUNTO
YINCLUDED IN ASSEMBLY / INCLUIDO EN EL CONJUNTO
DRECOMMENDED STOCK ITEMS / ARTICULOS RECOMENDADOS PARA
MANTENER EN EXISTENCIA
REF PART # DESCRIPTION QTY.
∇602993 DKIT, KEYSWITCH 1
Y∇4612462 DSWITCH, KEY 1
Y5607821 DKEY, REPLACEMENT 1
∇603074 DKIT, LOW VOLTAGE CUTOFF 1
Y6603076 DGAUGE, BATTERY 24V 1
Y7603314 ASM., RELAY LOW VLTGE CUTOFF 1
YN/S 603078 ASM., WIRE #18X9” GRN 1
YN/S 603080 ASM., WIRE #18X8” BLK 1
YN/S 603081 ASM., WIRE #18X12” RED 1
YN/S 130040 WIRE TIE 1
Home
Find...
Go To..

OPTIONS
OPCIONES
71
Tennant 5500/5520 (04--05)
CONVERSION KIT
JUEGO DE CONVERSIÓN
1
3
2
3
REF PART # DESCRIPTION QTY.
∇609794 DKIT, CONVERSION TO 24 IN.
MODEL, TEAL 1
609793 DKIT, CONVERSION TO 26 IN.
MODEL, TEAL 1
Y1609797 ASM., SKIRT OPERATOR RH
TEAL (24 IN. MODEL) 1
609795 ASM., SKIRT OPERATOR RH
TEAL (26 IN. MODEL) 1
Y2609798 ASM., SKIRT OPERATOR LH
TEAL (24 IN. MODEL) 1
609796 ASM., SKIRT OPERATOR LH
TEAL (26 IN. MODEL) 1
∇ASSEMBLY / CONJUNTO
YINCLUDED IN ASSEMBLY / INCLUIDO EN EL CONJUNTO
DRECOMMENDED STOCK ITEMS / ARTICULOS RECOMENDADOS PARA
MANTENER EN EXISTENCIA
REF PART # DESCRIPTION QTY.
Y3240262 DASM., PAD DRIVER 2/PK
305MM / 12” (24 IN. MODEL) 2
602928 DASM., PAD DRIVER 2/PK
330MM / 13” (26 IN. MODEL) 2
YN/S 603262 ASM., SQUEEGEE CURVED
(24 IN. MODEL) 1
603263 ASM, SQUEEGEE CURVED
(26 IN. MODEL) 1
YN/S 608118 DECAL, “5500” 2
608119 DECAL, “5520” 2
Home
Find...
Go To..