636HS Parts Manual 636 Green Machine USA Built Sn 2101 2280
2015-05-27
: Sweepscrub 636 Green Machine Usa Built Sn 2101-2280 Parts Manual 636_green_machine_USA_built_sn_2101-2280_parts_manual 523 file product_file
Open the PDF directly: View PDF
.
Page Count: 216 [warning: Documents this large are best viewed by clicking the View PDF Link!]
- 636HS Parts Manual
- GENERAL RECOMMENDED MAINTENANCE
- STANDARD PARTS
- Fig. 1 -- Brushes, Replacement
- Fig. 2 -- Main Frame Group
- Fig. 3 -- Front Axle Group
- Fig. 4 -- Front Drive Wheel Motor Mount Group, Right Hand
- Fig. 5 -- Front Drive Wheel Motor Mount Group, Left Hand
- Fig. 6 -- Wheel and Brake Group, Front
- Fig. 7 -- Steering Linkage Group
- Fig. 8 -- Rear Trailing Arm Group, Right Hand
- Fig. 9 -- Rear Trailing Arm Group, Left Hand
- Fig. 10 -- Wheel and Brake Group, Rear
- Fig. 11 -- Side Panels Group, Right Hand
- Fig. 12 -- Side Panels Group, Left Hand
- Fig. 13 -- Cab Windshield and Lights Group
- Fig. 14 -- Cab Door Group, Right Hand
- Fig. 15 -- Cab Door Group, Left Hand
- Fig. 16 -- Cab Carpet and Windows Group
- Fig. 17 -- Cab Roof Group
- Fig. 18 -- Cab Tilt Group
- Fig. 19 -- Cab Steering Wheel Group
- Fig. 20 -- Cab Seat Group
- Fig. 21 -- Cab Instrument Panel Group
- Fig. 22 -- Cab Instrument Panel Group, Upper
- Fig. 23 -- Cab Foot Pedals Group
- Fig. 24 -- Brake Lines Group
- Fig. 25 -- Cab Parking Brake Group
- Fig. 26 -- Cab Heater Group
- Fig. 27 -- Engine Mount Group
- Fig. 28 -- Engine Battery and Alternator Group
- Fig. 29 -- Engine Air Filter Group
- Fig. 30 -- Engine Muffler Group
- Fig. 31 -- Engine Fuel Supply Group
- Fig. 32 -- Engine Radiator Mount Group
- Fig. 33 -- Engine Radiator Hoses Group
- Fig. 34 -- Brush Arm Lift Group, Right Hand
- Fig. 35 -- Brush Arm Lift Group, Left Hand
- Fig. 36 -- Brush Arm Motor Group, Right Hand
- Fig. 37 -- Brush Arm Motor Group, Left Hand
- Fig. 38 -- Hopper and Dump Door Group
- Fig. 39 -- Hopper Lift Group
- Fig. 40 -- Hopper Vacuum Fan Group
- Fig. 41 -- Hopper Vacuum Nozzle Group
- Fig. 42 -- Hopper Inlet and Drain Group
- Fig. 43 -- Wander Hose Group
- Fig. 44 -- Hopper Vacuum Fan Access Door Group
- Fig. 45 -- Water Tank Rear Door and Bumper Group
- Fig. 46 -- Water Pump Group
- Fig. 47 -- Water Supply Group
- Fig. 48 -- Hydraulic Reservoir and Control Valves Group
- Fig. 49 -- Hydraulic Pumps Group
- Fig. 50 -- Hydraulic Hose Pumps Group
- Fig. 51 -- Hydraulic Hose Steering Group
- Fig. 52 -- Hydraulic Hose Brush Motors Group
- Fig. 53 -- Hydraulic Hose Drive Motor Group
- Fig. 54 -- Hydraulic Hose Vacuum Fan Group
- Fig. 55 -- Hydraulic Hose Hopper Lift and Dump Door Group
- Fig. 56 -- Labels Group
- Fig. 57 -- Wire Harnesses Group
- OPTIONS
- Fig. 1 -- Camera and Monitor Group
- Fig. 2 -- Air Conditioning Alternator and Compressor Group
- Fig. 3 -- Air Conditioning Rear Cab Group
- Fig. 4 -- Air Conditioning Hoses Group
- Fig. 5 -- Air Conditioning Cab Top Group
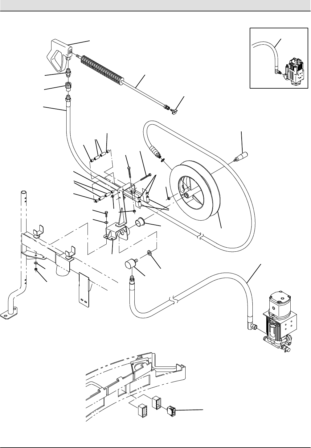
- Fig. 6 -- Pressure Washer Water Pump Group (002101-- 002218)
- Fig. 7 -- Pressure Washer Water Pump Group (002219-- )
- Fig. 8 -- Pressure Washer Hydraulic Valve Group
- Fig. 9 -- Pressure Washer Reel and Hose Group
- Fig. 10 -- Autolube Group
- Fig. 11 -- Fire Extinguisher Group
- Fig. 12 -- Documentation Group
- BREAKDOWNS
- ENGINE BREAKDOWN
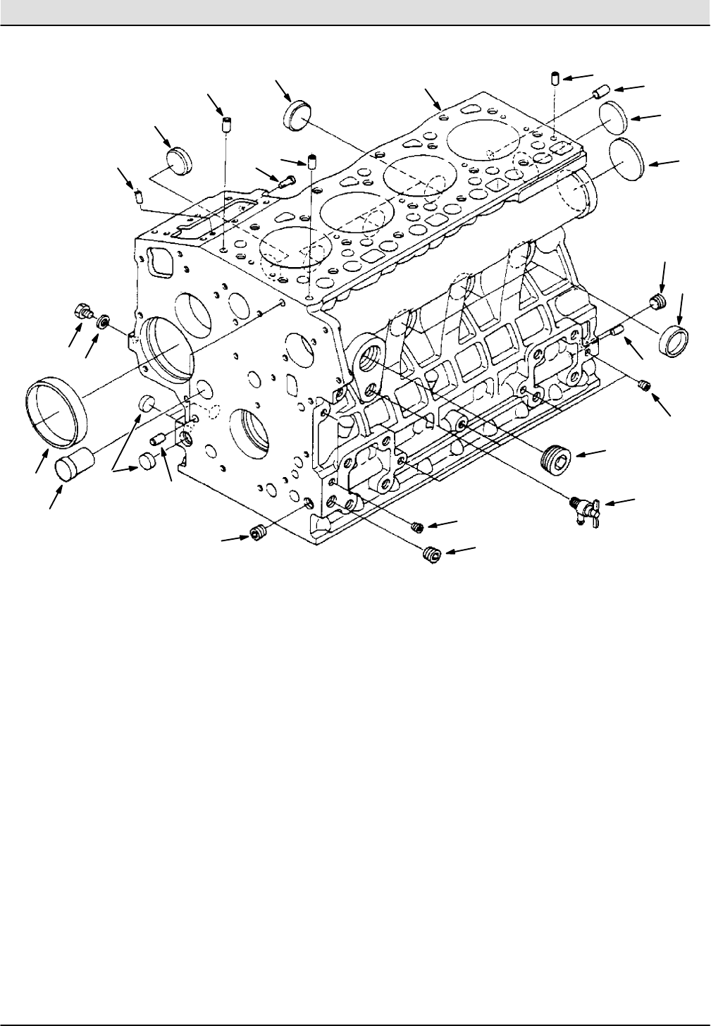
- Fig. 1 -- Crankcase Group
- Fig. 2 -- Oil Pan Group
- Fig. 3 -- Cylinder Head Group
- Fig. 4 -- Gear Case Group
- Fig. 5 -- Water Pump Group
- Fig. 6 -- Main Bearing Case Group
- Fig. 7 -- Head Cover Group
- Fig. 8 -- Exhaust Manifold Group
- Fig. 9 -- Inlet Manifold Group
- Fig. 10 -- Valve, Rocker Arm Group
- Fig. 11 -- Camshaft Group
- Fig. 12 -- Piston and Crankshaft Group
- Fig. 13 -- Flywheel Group
- Fig. 14 -- Nozzle Holder and Glow Plug Group
- Fig. 15 -- Injection Pump Group
- Fig. 16 -- Injection Pump Breakdown
- Fig. 17 -- Fuel Camshaft Group
- Fig. 18 -- Idling Group
- Fig. 19 -- Speed Control Plate Group
- Fig. 20 -- Governor Group
- Fig. 21 -- Water Flange Group
- Fig. 22 -- Turbo Charger Group
- Fig. 23 -- Oil Cooler Group
- CROSS REFERENCE

636HS
*9006292*
www.tennantco.com
www.greenmachines.com
9006292
Rev. 03 (07-2010)
North America / International
CloudMaket®Technology
Vari- track
t
Technology
Serial Number
(002101 -- )
Air Sweeper
Parts Manual
Home
Find...
Go To..

Ref Part No. Serial Number Description Qty.
1 82681 (000000--- ) Bracket Wldt, Lpg Mount 1
o2 63810 (000000--- ) Latch Assy, Lpg Tank Mtg, W/Nut 4
Y3 51839 (000000--- ) Nut Adjustable, Lpg Tank Mtg 2
4 49263 (000000--- ) Tie, Cable 3
5 82556 (000000---001039 ) Bracket, Vaporizer 1
6 54930 (000000--- ) Vaporizer, LPG 1
B
C
D
A
HOW TO ORDER PARTS -- See diagram above
Only use TENNANT Company supplied or equivalent parts. Parts and supplies may be ordered online,
by phone, by fax or by mail.
Follow the steps below to ensure prompt delivery.
1. (A) Identify the machine model.
2. (B) Identify the machine serial number from the data plate.
3. (C) Ensure the proper serial number is used from
the parts list.
4. Identify the part number and quantity.
Do not order by page or reference numbers.
5. Provide your name, company name, customer ID number,
billing and shipping address, phone number and
purchase order number.
6. Provide detail shipping instructions.
(D) o-- Identifies an assembly
Y-- Identifies parts included in assembly
EN
Please fill out at time of installation for
future reference.
Model No. --
Serial No. --
Machine Options --
Sales Rep. --
Sales Rep. phone no. --
Customer ID Number --
Installation Date --
Tennant Company
PO Box 1452
Minneapolis, MN 55440
Phone: (800) 553--8033 or
(763) 513--2850
www.tennantco.com
Green machines
Bankside, Falkirk FK2 7XE
Scotland, United Kingdom
Phone: (+44) 1324--611666
www.greenmachines.com
Vari----track Technology is a US registered and unregistered trademark of Green Machines Company.
Specifications and parts are subject to change without notice.
Copyright E2009 -- 2010 TENNANT Company, Printed in U.S.A.
Home
Find...
Go To..

КАК ДА ПОРЪЧВАМЕ ЧАСТИ -Вижте схемата по-горе
Използвайте само части,доставени от TENNANT или техни еквиваленти.Частите и доставките могат да се поръчат онлайн,
по телефон,факс или по пощата.
Следвайте долупосочените стъпки,за да си осигурите бърза и точна доставка.
1. (A) Посочете модела на машината.
2. (B) Посочете серийния номер на машината от табелката с техническите данни.
3. (C) Уверете се,че сте използвали точния сериен номер от списъка с части.
4. Посочва номера на частта и количеството.Не поръчвайте части
според страницата или референтните номера.
5. Посочете своето име,наименованието на фирмата,клиентския
номер,адреса за получаване на сметката и доставката,тел.номер и номера на поръчката.
6. Посочете подробни инструкции за доставката.
(D) o-- посочва начин на монтаж
Y-- посочва частите,включени в монтажа
BG
Моля,попълнете по време на монтажа за бъдеща справка.
Модел Э --
Сериен Э --
Опции на машината --
Търговски представител --
Тел.Энатърг.представител --
Клиентски Э --
Дата на монтаж --
CN
o
Y
OBJEDNÁVÁNÍ DÍLŮ- Viz schéma výše.
Používejte pouze díly dodané společností TENNANT Company nebo jim odpovídající. Díly a materiál lze objednat online,
telefonem, faxem nebo poštou.
Aby bylo zajištěno rychlé dodání, postupujte podle krokůuvedených níže.
1. (A) Zjistěte model stroje.
2. (B) Zjistěte sériové číslo stroje z výrobního štítku.
3. (C) Použijte správné sériové číslo ze seznamu dílů.
4. Určete číslo a množství dílů.
Neobjednávejte podle stran nebo referenčních čísel.
5. Uveďte jméno, název společnosti, číslo ID zákazníka, fakturační a
dodací adresu, telefonní číslo a číslo objednávky.
6. Uveďte podrobné pokyny pro dodání.
(D) o-- označuje sestavu
Y-- označujedílyvsestavě
CZ
Vyplňte během sestavování pro budoucí potřebu.
Číslo modelu --
Sériové číslo --
Doplňky zařízení --
Obchodní zástupce --
Tel. č. obchodního zástupce --
Číslo ID zákazníka --
Datum instalace --
BESTELLEN VON ERSATZTEILEN -- Siehe oben stehendes Diagramm.
Verwenden Sie nur von TENNANT gelieferte oder gleichwertige Ersatzteile. Ersatz-- und Verschleißteile können online, telefonisch, per Fax oder per E--Mail bestellt werden.
Befolgen Sie für eine umgehende Lieferung die folgenden Schritte.
1. (A) Geben Sie das Modell der Maschine an.
2. (B) Geben Sie die Seriennummer der Maschine an (auf dem Datenaufkleber).
3. (C) Achten Sie darauf, dass die richtigen Seriennummer aus der Ersatzteilliste verwendet wird.
4. Geben Sie die Ersatzteilnummer und die Menge an.
Bestellen Sie nicht nach Seitenzahl oder Referenznummern.
5. Geben Sie Ihren Namen, den Firmennamen, die Kundennummer,
die Rechnungs-- und Lieferadresse, die Telefonnummer und die Einkaufsauftragsnummer an.
6. Erteilen Sie genaue Versandanweisungen.
(D) o-- steht für eine Einheit
Y-- steht für Einzelteile einer Einheit
DE
Bitte bei der Inbetriebnahme als Referenzangabe ausfüllen.
Modellnr. --
Seriennr. --
Maschinenoptionen --
Verkäufer --
Telefonnummer des Verkäufers --
Kundennummer --
Installationsdatum --
Home
Find...
Go To..

BESTILLING AF RESERVEDELE -- Se ovenstående tabel.
Brug kun reservedele, der er fremstillet af TENNANT, eller dele af tilsvarende kvalitet. Reservedele og tilbehør kan bestilles online, pr. telefon, pr. fax eller pr. brev.
Følg nedenstående trin for at sikre hurtig levering.
1. (A) Identificér maskinmodellen.
2. (B) Identificér maskinens serienummer på datamærkaten.
3. (C) Kontrollér, at det rigtige serienummer bruges i reservedelslisten.
4. Identificér reservedelsnummeret og antallet. Bestil ikke efter side-- eller referencenumre.
5. Angiv dit navn, firmanavn, kunde--id--nummer, faktureringsadresse
og leveringsadresse, telefonnummer og indkøbsordrenummer.
6. Angiv detaljerede instruktioner til forsendelse.
(D) o-- identificerer en enhed
Y-- identificerer reservedele i en enhed
DK
Udfyld venligst på installationstidspunktet til fremtidig brug.
Modelnr. --
Serienr. --
Maskinekstraudstyr --
Salgskonsulent. --
Salgskonsulentens tlf. --
Kunde--id--nr. --
Installationsdato --
KUIDAS VARUOSI TELLIDA - Vaadale alltoodud joonist.
Kasutage ainult TENNANT Company poolt tarnitud või samaväärseid varuosi. Varuosi ja tarvikuid võib tellida Internetist,
telefoni, faksi või posti teel.
Kiire kohaletoimetamise tagamiseks järgige järgmisi juhiseid.
1. (A) Märkige masina mudel.
2. (B) Märkige andmesildil olev masina seerianumber.
3. (C) Veenduge, et olete valinud varuosade loendist õige seerianumbri.
4. Märkige varuosa number ja kogus. Ärge tellige lehekülje- või viitenumbri alusel.
5. Märkige oma nimi, ettevõtte nimi, kliendinumber, arve- ja saatmisaadress,
telefoninumber ja ostutellimuse number.
6. Lisage täpsed saatmisjuhised.
(D) o-- tähistab komplekti
Y-- tähistab komplektis olevaid osi
EE
Palun täitke paigaldamise ajal edaspidiseks viitamiseks.
Mudeli nr --
Seerianr --
Masina valikulised detailid --
Müügiesindus --
Müügiesinduse telefoninumber --
Kliendi number --
Paigaldamise kuupäev --
CÓMO SOLICITAR PIEZAS -- Consulte el diagrama anterior.
Utilice sólo las piezas suministradas por TENNANT Company o piezas equivalentes. Puede solicitar las piezas a través de internet,
por teléfono, por fax o por correo.
Siga los siguientes pasos para que la entrega sea rápida.
1. (A) Indique el modelo de máquina.
2. (B) Indique el número de serie de la etiqueta de datos.
3. (C) Asegúrese de que indica el número de serie correcto de la lista de piezas.
4. Indique la cantidad y el número de la pieza.
No realice el pedidoindicando el número de página o el de referencia.
5. Incluya su nombre, el nombre de la empresa, el ID de cliente,
las direcciones de envío y facturación, el número de teléfono y el número del pedido de compra.
6. Facilite instrucciones de envío.
(D) o-- identifica un conjunto
Y-- identifica piezas de un conjunto
ES
Rellene estos datos cuando realice la instalación para utilizarlos
como referencia en el futuro.
Nº modelo --
Nº serie --
Opciones de la máquina --
Vendedor --
Nº teléfono vendedor --
Nº cliente --
Fecha de instalación --
KUINKA VARAOSIA TILATAAN -- katso kuvaa yllä.
Käytä ainoastaan TENNANTIN toimittamia tai niitä vastaavia varaosia. Voit tilata varaosia ja tarvikkeita internetistä,
puhelimitse, faksilla tai sähköpostilla.
Noudata seuraavia ohjeita täsmällisen toimituksen varmistamiseksi.
1. (A) Katso koneen malli.
2. (B) IKatso koneen sarjanumero sen tunnustarrasta.
3. (C) Varmista, että osaluettelosta, että käytät oikeaa sarjanumeroa.
4. Katso osanumero ja kappalemäärä. Älä tilaa ilmoittamalla sivu-- tai viitenumeroita.
5. Ilmoita nimesi, yrityksesi nimi, asiakasnumero, laskutus-- ja
toimitusosoite, puhelinnumero ja ostotilauksen numero.
6. Ilmoita yksityiskohtaiset toimitusosoitteet.
(D) o-- tarkoittaa kokoonpanoa
Y-- tarkoittaa kokoonpanoon sisältyviä osia
FI
Ole hyvä ja täytä ottaessasi koneen käyttöön
myöhempiä tarpeita varten.
Mallinumero --
Sarjanumero --
Koneen lisävarusteet --
Myyntiedustaja --
Myyntiedustajan puhelinnumero --
Asiakasnumero --
Asennuspäivä --
Home
Find...
Go To..

COMMENT COMMANDER DES PIÈCES DÉTACHÉES --Voirleschémaci--dessus.
Utilisez uniquement des pièces fournies par la société TENNANT ou équivalentes. Les pièces et fournitures peuvent être commandées en ligne, par téléphone, fax, ou par
courrier.
Suivez les étapes ci--dessous pour assurer une livraison rapide.
1. (A) Identifiez le modèle de la machine.
2. (B) Identifiez le numéro de série de la machine, à partir de l’étiquette signalétique.
3. (C) Assurez--vous que le numéro de série correct est utilisé à partir de la liste de pièces détachées.
4. Identifiez le numéro de pièce et la quantité. Ne commandez pas par page ou numéros de référence.
5. Fournissez votre nom, le nom de votre société, votre numéro d’identification de client, l’adresse
de facturation et d’expédition, le numéro de téléphone et le numéro du bon de commande.
6. Fournissez des instructions d’expédition détaillées.
(D) o-- identifie un assemblage
Y-- identifie les pièces composant l’assemblage
FR
A remplir au moment de l’installation à titre de référence.
Nº du modèle --
Nº de série --
Optionsdelamachine--
Agent commercial --
Nº tél. de l’agent commercial --
Numéro d’identification client --
Date d’installation --
ÚÔÌÓÌÒ ÓflÔfl··„ÈÁflÒflÎÚflÈÈflËÚÁ˘ΠJ ‡ÝK ס¹ˇ×˙ÞğŠÐ˙ł¹ˇýýˇ.
ı¹ž³Ðý−×−и³½š ýşÞ−ˇÞ½ˇÝݡð½Ðð˙ס¹š₣şýšÞˇˇ×ş½žÞ qbkk^kq `çãé~åó ¸ Ð³−ŠĆÞˇýˇKÚˇˇÞ½ˇÝݡð½Ðð˙ðˇÐˇÞˇÝć³Ðýˇý×−¹−ĆÞÞˇ×ˇ¹ˇłłšÝ¦−ĆÞ çåäáåÉI
½žÝš¾ğÞÐð˙Iýš¾ˇþ¸½ˇ₣¼Š¹−ýÐð˙K
flð−Ý−¼¦¸³½š ½ˇ×ˇ¹ˇð˙½ğُýˇ½ˇłÐˇÞˇšþˇ³¾ˇÝ˝³š½š ½žÞ ˚łðˇÐ¹ž ˇ×−³½−ݸ ½−¼²K
1. (A) ‡¹š˝½š ½−ý−Þ½˚Ý−ýž₣ˇÞ¸ýˇ½−²K
2. (B) ‡¹š˝½š ½−Þˇ¹Ð¦ýş³šÐ¹˙²½−¼ýž₣ˇÞ¸ýˇ½−²ˇ×ş½žÞ š½Ðð˚½ˇ³½−Ð₣š˝ğÞK
3. (C) ‡šŁˇÐğ¦š˝½š ş½Ð ₣¹ž³Ðý−×−К˝½ˇÐ−³ğ³½ş²ˇ¹Ð¦ýş²³šÐ¹˙²ˇ×ş
½−Þðˇ½˙Ý−ł− ˇÞ½ˇÝݡð½ÐðćÞK
4. ‡¹š˝½š ðğŠÐðşˇÞ½ˇÝݡð½Ðð−Ć ðˇÐ×−³ş½ž½ˇK
ÍžÞ ×ˇ¹ˇłł˚ÝÞš½š Ł˙³šÐ ³šÝ˝Šˇ²¸ˇ¹Ð¦ýćÞˇÞˇ¾−¹˙²K
5. ‚ć³½š ½−şÞ−ýˇ³ˇ²I şÞ−ýˇš½ˇÐ¹š˝ˇ²I fa EðğŠÐðşFךÝ˙½žI ŠÐšĆ¦¼Þ³ž ½Ðý−Ýşłž³ž²
ðˇÐˇ×−³½−ݸ²I ˇ¹Ð¦ýş½žÝš¾ćÞ−¼ðˇÐˇ¹Ð¦ýşšÞ½−ݸ² ×¹−ý¸¦šÐˇ²K
6. ‚ć³½š Ýš×½−ýš¹š˝²×Ýž¹−¾−¹˝š² ˇ×−³½−ݸ²K
(D) o-- ¼×−ŠžÝćޚР¼×−³Ć³½žýˇ
Y-- ¼×−ŠžÝćޚР½ˇý˚¹ž ×−¼×š¹ÐݡýŁ˙Þ−Þ½ˇÐ³½−
¼×−³Ć³½žýˇ
GR
Óˇ¹ˇðˇÝ−Ćýš ³¼ý×Ýž¹ć³½š ðˇ½˙½žÞ 㹎½ž² šłðˇ½˙³½ˇ³ž² łÐˇ
ýšÝÝ−Þ½Ðð¸ ˇÞˇ¾−¹˙K
fl¹K Í−Þ½˚Ý−¼--
fl¹K ³šÐ¹˙²--
„×ÐÝ−ł˚²Íž₣ˇÞ¸ýˇ½−²--
„ð×K ×ğݸ³šğÞ--
ÚžÝK šð×¹−³ć×−¼×ğݸ³šğÞ--
fl¹Ð¦ýş²×šÝ˙½ž --
Âýš¹−ýžÞ˝ˇ šłðˇ½˙³½ˇ³ž² --
HOGYAN RENDELJÜNK ALKATRÉSZEKET - Lásd: fenti diagramm.
Kizárólag TENNANT vagy azzal egyenértékűcserealkatrészeket használjon. Az alkatrészeket és anyagokat meg lehet rendelni az Interneten keresztül, vagy telefonon, faxon és
e-mailben.
A pontos szállítás érdekében kövesse az alábbi lépéseket.
1. (A) Adja meg a gép típusát.
2. (B) Az adatcímke alapján adja meg a gép gyártási számát.
3. (C) Ügyeljen arra, hogy a megfelelőgyártási számot válassza ki az alkatrészlistáról.
4. Adja meg a rendelési számot és a mennyiséget. A rendeléshez ne az oldalszámot vagy a
hivatkozási számot használja.
5. Adja meg a nevét, a cége nevét, az ügyfélazonosító számát,
a számlázási és szállítási címét, a telefonszámát és a rendelési számot.
6. Adjon részletes szállítási utasításokat.
(D) o-- a jel csomagra utal
Y-- a jel a csomagban található alkatrészekre utal
HU
A későbbi visszakeresések érdekében kérjük,
hogy a rovatokat az elsőüzembehelyezéskor töltse ki.
Típusszám --
Gyártási szám. --
A gép felszereltsége --
Kereskedelmi képviselő--
Kereskedelmi képviselőtelefonszáma --
Ügyfél azonosító száma --
Üzembehelyezés dátuma --
COME ORDINARE LE PARTI -- Vedere schema precedente.
Utilizzare solo ricambi forniti da TENNANT o equivalenti. Ricambi e forniture possono essere ordinati online, per telefono, via fax o per posta elettronica.
Per ottenere una consegna rapida, seguire i passaggi indicati di seguito.
1. (A) Identificare il modello della macchina.
2. (B) Identificare il numero di serie della macchina dall’etichetta dei dati.
3. (C) Utilizzare il numero di serie corretto presente nell’elenco delle parti di ricambio.
4. Identificare numero di parte e quantità. Non ordinare per numero di pagina o di riferimento.
5. Fornire nome del contatto, nome della società, numero di ID cliente, indirizzo di fatturazione e
di spedizione, numero di telefono e numero di ordine di acquisto.
6. Fornire istruzioni dettagliate per la spedizione.
(D) o-- identifica un gruppo
Y-- identifica parti comprese in un gruppo
IT
Compilare il modulo al momento dell’installazione
per poterlo consultare in futuro in caso di necessità.
N. Modello --
N. Serie --
Opzioni della macchina --
Venditore --
Tel. venditore --
Numero ID cliente --
Data di installazione --
Home
Find...
Go To..

JP
o
Y
KAIP UÞSISAKYTI DALIS - þr. diagramà virðuje.
Naudokite tik "Tennant" kompanijos tiekiamas arba lygiavertes joms dalis. Dalis galite uþsisakyti internetu, telefonu, faksu bei elektroniniu paðtu.
Kad uþsakymas bûtø greitai ávykdytas, laikykitës iðvardytø taisykliø.
1. (A) Nurodykite maðinos modelá.
2. (B) Norodykite maðinos serijos numerá, kurárasite ant duomenø þymës.
3. (C) Ásitikinkite, kad nurodomas tikslus serijos numeris ið daliø sàraðo.
4. Nurodykite dalies numeráir reikiamà kieká.
Neuþsakinëkite pagal puslapius ar nuorodos numerius.
5. Nurodykite savo vardà, kompanijos pavadinimà, kliento ID numerá,
sàskaitos iðraðymo ir veþimo adresà, telefono numeráir pirkimo
uþsakymo numerá.
6. Nurodykite iðsamias gabenimo instrukcijas.
(D) o-- þymi sistemà
Y-- nurodo sistemos dalis
LT
Praðome uþpildyti montavimo metu,siekiant gauti informacijà
ateityje.
Modelio Nr. --
Serijos Nr. --
Maðinos versija --
Komivojaþierius --
Komivojaþieriaus tel. nr. --
Pirkëjo ID numeris --
Sumontavimo data --
KÂ PASÛTÎT REZERVES DETAÏ AS - Skat. diagrammu iepriekð.
izmantojiet tikai TENNANT Company piegâdâtâs vai tâm lîdzvçrtîgas rezerves detaïas. Daïas un piegâdi var pasûtît internetâ, pa tâlruni, pa faksu vaipastu.
Lai nodroðinâtu savlaicîgu piegâdi, sekojiet zemâk aprakstîtajiem soïiem.
1. (A) Nosakiet maðînas modeli.
2. (B) Nosakiet maðînas sçrijas numuru uz tehnisko datu uzlîmes.
3. (C) Pârliecinieties, ka tiek uzrakstîts attiecîgais sçrijas numurs no detaïu saraksta.
4. Nosakiet detaïas numuru un skaitu.
Veicot pasûtîjumus neatsaucieties uz lappuðu vai norâdes numuriem.
5. Uzrakstiet savu vârdu, uzòçmuma nosaukumi, klienta identitâtes numuru,
adresi rçí ina piesûtîðanai un piegâdei un pirkuma pasûtîjuma numuru.
6. Sniedziet detalizçtu informâciju par piegâdi.
(D) o-- nosaka ierîci
Y-- nosaka detaïas, kas ir komplektâ ar ierîci
LV
Veicot uzstâdîðanu, lûdzam pierakstîst attiecîgo informâciju
izmantoðanai turpmâk.
Modeïa Nr. --
Sçrijas Nr. --
Maðînas opcijas --
Pârdoðanas pârst. --
Pârdoðanas pârst. tâlr. Nr. --
Klienta numurs --
Uzstâdîðanas datums --
HOE ONDERDELEN TE BESTELLEN -- Zie schema hierboven.
Gebruik alleen onderdelen die door TENNANT Company zijn geleverd of soortgelijke onderdelen. Onderdelen en voorraden kunnen online, per telefoon, fax of schriftelijk besteld
worden.
Volg de stappen hieronder om een juiste levering te garanderen.
1. (A) Bepaal het machinemodel.
2. (B) Lees het serienummer van de machine af van het gegevenslabel.
3. (C) Zorg dat het juiste serienummer wordt gebruikt uit de onderdelenlijst.
4. Bepaal het artikelnummer en het aantal. Bestel niet aan de hand van pagina’s of referentienummers.
5. Geef uw naam, bedrijfsnaam, klantnummer, factuur-- en leveringsadres,
telefoonnummer en bestelnummer op.
6. Geef gedetailleerde leveringsinstructies op.
(D) o-- geeft een eenheid aan
Y-- geeft de onderdelen van de eenheid aan
NL
Vul tijdens installatie de onderstaande gegevens in voor eventueel
toekomstig gebruik.
Modelnr. --
Serienr. --
Machine--opties --
Verkoopvert. --
Telnr. verkoopvert. --
Klantnummer --
Installatiedatum --
Home
Find...
Go To..

HVORDAN BESTILLE DELER -- Se diagram over.
Bruk kun deler levert av TENNANT Company eller ekvivalente deler. Deler og forsyninger kan bestilles online, per telefon, per faks
eller per post.
Følg trinnene under for å sikre rask levering.
1. (A) Angi maskinmodellen.
2. (B) Angi maskinens serienummer fra typeskiltet.
3. (C) Forsikre deg om at korrekt serienummer brukes fra delelisten.
4. Angi delenummer og antall. Bestill ikke ut fra side-- eller referansenumre.
5. Angi ditt navn, firmanavn, kunde--ID--nummer, fakturerings-- og
forsendelsesadresse, telefonnummer og innkjøpsordrenummer.
6. Angi detaljerte forsendelsesinstruksjoner.
(D) o-- angir en delegruppe
Y-- angir deler inkludert i en delegruppe
NO
Fyll ut ved installasjonstidspunkt for fremtidig bruk.
Modellnr. --
Serienr.. --
Maskinens tillegg --
Salgsrep. --
Salgsrep. telefonnr. --
Kunde--ID--nummer --
Installasjonsdato --
JAK ZAMAWIAĆCZĘŒCI - patrz schemat powyżej.
Należyużywaćwyłącznie części dostarczanych przez firmęTENNANT Company lub równoważnych. Częściidostawymogąbyćzamawiane online, przez telefon, faksem lub
pocztą.
Aby zapewnićszybkądostawę,należyprzestrzegaćnastępujących wskazówek.
1. (A) Określićmodel maszyny.
2. (B) Określićnumer seryjny maszyny znajdujący sięna tabliczce znamionowej.
3. (C) Odszukaćten numer seryjny w wykazie części.
4. Określićnumer części i ilość. Nie zamawiaćna podstawie numeru strony lub liczby porządkowej
wykazu.
5. Podaćswoje nazwisko, nazwęfirmy, numer identyfikacyjny klienta, adres dostawy i
dostarczenia rachunku, numer telefonu i numer zamówienia zakupu.
6. Podaćdokładne instrukcje dotyczące dostawy.
(D) o-- oznacza zespół
Y-- oznacza część wzespole
PL
Prosimy wpisaćdatęinstalacji do póŸniejszego wykorzystania.
Nr modelu--
Nr seryjny --
Opcje maszyny --
Przedst. sprzedaży--
Nr tel. przedst. sprzed. --
Nr ident. klienta --
Data instalacji --
COMO ENCOMENDAR PEÇAS -- Consulte o diagrama acima.
Utilize apenas peças fornecidas pela TENNANT Company ou equivalentes. As peças e consumíveis podem ser encomendados online,
por telefone, fax ou correio.
Siga os passos abaixo para garantir uma entrega rápida.
1. (A) Identifique o modelo da máquina.
2. (B) Identifique o número de série da máquina que se encontra na etiqueta de dados.
3. (C) Certifique--se de que usa o número de série correcto da lista de peças.
4. Identifique o número de produto e a quantidade. Não encomende através de números de
página ou de referência.
5. Forneça o seu nome, o nome da empresa, o número de ID do cliente,
os endereços de facturação e entrega, o número de telefone e
o número da nota de encomenda.
6. Forneça instruções de entrega detalhadas.
(D) o-- identifica uma unidade
Y-- identifica peças incluídas numa unidade
PT
G
Preencha na altura da instalação para futura referência.
Modelo nº --
Nº de série --
Opções da máquina --
Vendedor --
Telefone do vendedor --
Número de ID do cliente --
Data de instalação --
КАК ЗАКАЗАТЬ ЗАПЧАСТИ -См.схему ниже.
Используйте только запчасти,поставляемые компанией TENNANT или их аналоги.Запасные части и расходные материалы можно заказать в режиме онлайн,
телефоном,факсом или электронной почтой.
Для своевременной доставки следуйте описанным ниже инструкциям.
1. (A) Укажите модель машины.
2. (B) Укажите серийный номер машины,обозначенный на табличке технических данных.
3. (C) Удостоверьтесь,что надлежащий серийный номер перечислен в списке запчастей.
4. Укажите номер детали и нужное количество.Не используйте номера страниц или ссылок.
5. Укажите свое имя,название компании,идентификационный номер
покупателя,расчетный адрес и адрес доставки,телефонный номер
и номер заказа на покупку.
6. Укажите подробные сведения о доставке.
(D) o-- означает узел
Y-- обозначает деталь узла
RU
Во время установки заполните,пожалуйста,эти сведения для
того,чтобы ссылаться в дальнейшем.
Модель Э --
Серийный Э --
Опции машины --
Торговый представитель --
Телефон торгового представителя --
Идент.номер покупателя --
Дата установки --
Home
Find...
Go To..

BESTÄLLNING AV RESERVDELAR -- Se ovanstående schema.
Använd endast delar från Tennant Company eller likvärdiga. Delar och material kan beställas online, telefoniskt, per fax eller post.
Följ nedanstående steg för en snabb leverans.
1. (A) Identifiera maskinens modell.
2. (B) Identifiera maskinens serienummer på typskylten.
3. (C) Kontrollera att rätt serienummer används från dellistan.
4. Identifiera artikelnumret och mängden. Beställ inte med hjälp av sido-- eller referensnummer.
5. Uppge ditt namn, företagets namn, kundens ID--nummer, faktura-- och leveransadress,
telefonnummer och ordernumret vid inköp.
6. Ge detaljerade transportanvisningar.
(D) o-- identifierar en modul
Y-- identifierar delar som ingår i en modul
SE
Fyll i vid installation och spar för framtida bruk.
Modellnr. --
Serienr. --
Tilvalsutrustning --
Försäljare --
Försäljarens tel.nr. --
Kundnummer --
Installationsdatum --
POSTUP PRI OBJEDNÁVANÍ ČASTÍ - Pozri vyššie uvedený diagram.
Využívajte výhradne dielce dodané spoločnosťou TENNANT, alebo ich ekvivalenty. Dielce a položky je možné objednaťonline,
telefonicky, faxom, alebo poštou.
Na zabezpečenie promptného doručenia sa riaďte nasledovnými krokmi.
1. (A) Identifikujte model stroja.
2. (B) Z etikety s údajmi identifikujte sériové číslo stroja.
3. (C) Ubezpečte sa, že ste zadali správne sériové číslo zo zoznamu dielcov.
4. Identifikujte číslo dielu a množstvo. Neobjednávajte pomocou čísel strán, alebo referenčných čísel.
5. ZadajteVašemeno,menospoločnosti, ID číslo zákazníka, fakturačnú a
prepravnú adresu, telefónne číslo a objednávacie číslo dielu.
6. Uveďte podrobné prepravné pokyny.
(D) o-- identifikuje sadu
Y-- identifikuje časti sady
SK
Vyplňte prosím pri inštalácii pre prípad potreby v budúcnosti.
č.modelu--
Sériové č.--
Zvláštne príslušenstvo stroja --
Obchodné zastúpenie --
Obch. zastúpenie tel. č.--
ID č. zákazníka --
Dátum inštalácie --
NAROČANJE NADOMESTNIH DELOV - glejte zgornjo sliko.
Uporabljajte samo originalne nadomestne dele Tennant ali enakovredne dele. Dele in potrošni material lahko naročite prek spleta,
po telefonu, faksu ali pošti.
Za zagotovitev čimbolj hitre dostave sledite spodnjim navodilom.
1. (A) Ugotovite model stroja.
2. (B) Na ploščici s podatki poiščite serijsko številko stroja.
3. (C) Poskrbite, da na seznamu nadomestnih delov poiščete pravilno serijsko številko.
4. Poiščite številko dela in potrebno količino. Pri naročilih ne navajajte strani ali referenčne številke.
5. Navedite svoje ime, ime podjetja, ID številko stranke, naslova za dostavo
in izdajo računa, telefonsko številkoin številko naročila.
6. Navedite podrobna navodila za dostavo.
(D) o-- označuje sklop
Y-- označujedelesklopa
SL
Prosimo, da ob vgradnji izpolnite te podatke, da vam bodo v
prihodnje na voljo.
Št. modela --
Serijska številka --
Dodatna oprema stroja --
Prodajni predstavnik --
Telefonska št. prodajnega predstavnika --
Številka stranke --
Datum vgradnje --
PARÇALARIN SÝPARÝÞ EDÝLMESÝ - Yukarýdaki þemaya bakýn.
Yalnýzca TENNANT Company’den saðlanan veya eþdeðerde parçalar kullanýn. Parça veya sarf malzemeleri çevrimiçi olarak,
telefonla, faksla veya postayla sipariþ edilebilir.
Zamanýnda teslimatý saðlamak için aþaðýdaki adýmlarý izleyin.
1. (A) Makine modelini belirtin.
2. (B) Veri etiketinden makine seri numarasýný belirtin.
3. (C) Parça listesinden uygun seri numarasýnýn kullanýldýðýndan emin olun.
4. Parça numarasýný ve miktarýný belirtin. Sayfa veya referans numaralarýný kullanarak sipariþ vermeyin.
5. Adýnýzý, þirketinizin adýný, müþteri kimlik numaranýzý, faturalama ve sevkýyat adreslerini,
telefon numarasýný ve satýn alma sipariþi numarasýný belirtin.
6. Ayrýntýlý sevkýyat talimatlarýný belirtin.
(D) o-- bir tertibatý belirtir
Y-- tertibattaki parçalarý belirtir
TR
Ýleri tarihlerde baþvurmak için lütfen kurulum sýrasýnda doldurun.
Model No. --
Seri No. --
Makine Seçenekleri --
Satýþ Temsilcisi --
Satýþ Temsilcisi telefon no. --
Müþteri Kimlik Numarasý --
Kurulum Tarihi --
Home
Find...
Go To..

GENERAL RECOMMENDED MAINTENANCE
1-1
636 9006292 (7--10)
General Recommended Maintenance Items
Ref. Part No. Serial Number Description Qty.
GG287 (002101-- )Fan Inspection Door Key 1
ES276 (002101-- ) Bulb--12v 21/5w Tail/ 1
CD154 (002101-- ) Seal Flap -- Drain 1
NA138 (002101-- ) Horseshoe 1
NN112 (002101-- ) Nozzle --Side Skid Shoe 1
PP082 (002101-- )Fuel Filter Element-- 1
PP083 (002101-- ) Oil Filter Element--1105t 1
PP084 (002101-- ) Air Cleaner Element 1
VH373 (002101-- ) Bearing Kit --Spinner --525 Cyclone 1
WA206 (002101-- ) Spray Head, Atomiser -- Bobbin 1
WP020 (002101-- )Filter -- Water System [Ball Check] 1
WP060 (002101-- ) Spray Jet -- Brush --Green 1
WP165 (002101-- ) Brush Spray Nozzle A 1
WP221 (002101-- ) Spray Nozzle [Red] 1
WA367 (002101-- ) Quick Couple Nozzle Tip 15 Degree 1
HC227 (002101-- )Strainer, 1--1/2”--11NPT, 100Mesh, NoBy--Pass 1
HC228 (002101-- ) Strainer, Suction 1
HC058 (002101-- ) Filter Element -- High D.P.--10Qho G04666Q 1
Home
Find...
Go To..
Kit
2

GENERAL RECOMMENDED MAINTENANCE
636 9006292 (3--09)
1-2
Home
Find...
Go To..

STANDARD PARTS
2-1
636 9006292 (4--09)
SECTION 2
Contents Page
Fig. 1 -- Brushes, Replacement 2-3...........
Fig. 2 -- Main Frame Group 2-4..............
Fig. 3 -- Front Axle Group 2-6...............
Fig. 4 -- Front Drive Wheel Motor Mount
Group, Right Hand 2-8.............
Fig. 5 -- Front Drive Wheel Motor Mount
Group, Left Hand 2-10..............
Fig. 6 -- Wheel and Brake Group, Front 2-12..
Fig. 7 -- Steering Linkage Group 2-14.........
Fig. 8 -- Rear Trailing Arm Group,
Right Hand 2-16...................
Fig. 9 -- Rear Trailing Arm Group,
Left Hand 2-18....................
Fig. 10 -- Wheel and Brake Group, Rear 2-20...
Fig. 11 -- Side Panels Group, Right Hand 2-22..
Fig. 12 -- Side Panels Group, Left Hand 2-24...
Fig. 13 -- Cab Windshield and Lights Group 2-26
Fig. 14 -- Cab Door Group, Right Hand 2-28....
Fig. 15 -- Cab Door Group, Left Hand 2-30.....
Fig. 16 -- Cab Carpet and Windows Group 2-32.
Fig. 17 -- Cab Roof Group 2-34...............
Fig. 18 -- Cab Tilt Group 2-36.................
Fig. 19 -- Cab Steering Wheel Group 2-38......
Fig. 20 -- Cab Seat Group 2-40...............
Fig. 21 -- Cab Instrument Panel Group 2-42....
Fig. 22 -- Cab Instrument Panel Group,
Upper 2-44........................
Fig. 23 -- Cab Foot Pedals Group 2-46.........
Fig. 24 -- Brake Lines Group 2-48.............
Fig. 25 -- Cab Parking Brake Group 2-50.......
Fig. 26 -- Cab Heater Group 2-52.............
Fig. 27 -- Engine Mount Group 2-54...........
Fig. 28 -- Engine Battery and Alternator
Group 2-56........................
Fig. 29 -- Engine Air Filter Group 2-58.........
Fig. 30 -- Engine Muffler Group 2-60...........
Fig. 31 -- Engine Fuel Supply Group 2-62......
Fig. 32 -- Engine Radiator Mount Group 2-64...
Fig. 33 -- Engine Radiator Hoses Group 2-66...
Fig. 34 -- Brush Arm Lift Group, Right Hand 2-68
Fig. 35 -- Brush Arm Lift Group, Left Hand 2-70.
Fig. 36 -- Brush Arm Motor Group,
Right Hand 2-72...................
Fig. 37 -- Brush Arm Motor Group,
Left Hand 2-74....................
Contents Page
Fig. 38 -- Hopper and Dump Door Group 2-76...
Fig. 39 -- Hopper Lift Group 2-78..............
Fig. 40 -- Hopper Vacuum Fan Group 2-80.....
Fig. 41 -- Hopper Vacuum Nozzle Group 2-82...
Fig. 42 -- Hopper Inlet and Drain Group 2-84....
Fig. 43 -- Wander Hose Group 2-86............
Fig. 44 -- Hopper Vacuum Fan
Access Door Group 2-88............
Fig. 45 -- Water Tank Rear Door and
Bumper Group 2-90................
Fig. 46 -- Water Pump Group 2-92.............
Fig. 47 -- Water Supply Group 2-94............
Fig. 48 -- Hydraulic Reservoir and
Control Valves Group 2-96..........
Fig. 49 -- Hydraulic Pumps Group 2-98.........
Fig. 50 -- Hydraulic Hose Pumps Group 2-100..
Fig. 51 -- Hydraulic Hose Steering Group 2-102.
Fig. 52 -- Hydraulic Hose Brush
Motors Group 2-104................
Fig. 53 -- Hydraulic Hose Drive
Motor Group 2-106.................
Fig. 54 -- Hydraulic Hose Vacuum
Fan Group 2-108...................
Fig. 55 -- Hydraulic Hose Hopper Lift and
Dump Door Group 2-110............
Fig. 56 -- Labels Group 2-112.................
Fig. 57 -- Wire Harnesses Group 2-114........
Home
Find...
Go To..

STANDARD PARTS
636 9006292 (4--09)
2-2
Home
Find...
Go To..

STANDARD PARTS
2-3
636 9006292 (4--09)
Fig. 1 -- Brushes, Replacement
1
2
3
354855
Ref. Part No. Serial Number Description Qty.
1NB064 (002101-- )Brush, 750mm, 2row, Polypropylene 1
1 NB065 (002101-- ) Brush, 750mm, 3row, Polypropylene 1
1 NB068 (002101-- ) Brush, 750mm, 3row [Pye Terephthalate] 1
1 NB069 (002101-- ) Brush, 750mm, 3row, Polyprop / Wire Mix 1
2 KM274 (002101-- ) Tee Allen Key With S 1
3GT347 (002101-- )St St Button Hd Screw, M8 X 45 Long 6
Home
Find...
Go To..

STANDARD PARTS
636 9006292 (9--09)
2-4
Fig. 2 -- Main Frame Group
1
2
3
4
5
7
67
8
9
10
11
12
13
14
4
15
16
17
17
18
19
20
21
22
23 24 25
26
26
28
29
31
21
22
32
33 33
27
27
30
30
34
35
36
36
13
13
37
37
41
41
39
39
40 39
41
38 41
38
4
13
Home
Find...
Go To..

STANDARD PARTS
2-5
636 9006292 (7--10)
354867
Fig. 2 -- Main Frame Group
Ref. Part No. Serial Number Description Qty.
1CA364 (002101-- )Chassis Wldt [636] 1
2 CD290 (002101-- ) Louvre Wldt 2
3 17284 (002101-- ) Screw, Btn, M8 X 1.25 X 16, Ss 6
4 08713 (002101-- ) Nut, Hex, Lock, M8 X 1.25, Nl, Ss 21
5 GM294 (002101-- ) L/H Rubber Bumper 1
6GM463 (002101-- )Bumper,Rear R.H. -- Vertical 1
7 CD055 (002101-- ) Fixing Bracket Assy,Rubber Bumper 2
8 CD170 (002101-- ) Support Frame Inlet Tube --636 1
9 PP403 (002101--002151 ) Air Intake Goalpost Weldment -- 636 1
9 PP469 (002152-- ) Air Intake Goalpost Weldment -- 636 1
10 CD090 (002101-- )Tray,Battery,Weldment,636 1
11 CD083 (002101-- ) Bracket Wldt, Rh Side Panel [636] 1
12 49883 (002101-- ) Screw, Hex, M8 X 1.25 X 120, 8.8, Fl 5
13 32490 (002101-- ) Washer, Flat, 0.25, Std 9
14 763041 (002101-- ) Washer, Flat, Belleville, M8 5
15 GT396 (002101-- )Bolt,Hex Head M10 x 120 Mm Zinc Plated 2
16 GT325 (002101-- ) M10 X 70 St/St Bolt A4--70 2
17 32492 (002101-- ) Washer, Flat, 0.38, Std 4
18 ES038 (002101-- ) Beeper--Audible 1
19 ES243 (002101-- ) Iqan Xt2 Interface 1
20 GT111 (002101-- ) M6 X 20 Button Head Socket Scr 2
21 01684 (002101-- ) Washer, Flat, 0.27b 0.69d .05, Ss 10
22 08708 (002101-- ) Nut, Hex, Lock, M6 X 1.00, Nl 9
23 CP223 (002101-- ) Cover -- Chassis Xt2 Unit -- 636 1
24 AW009 (002101-- ) Fastener -- Rubber Wo 1
25 GM154 (002101-- )Snap Clip -- 46 Mm (S/Plow) 1
26 ES254 (002101-- ) Rear Lights / Stop (Bulb Not Included) 2
27 ES276 (002101-- ) Bulb--12v 21/5w Tail 2
28 ES256 (002101-- ) Direction Indicators (Bulb Not Included) 1
29 ES255 (002101-- ) Direction Indicator (Bulb Not Included) 1
30 ES032 (002101-- )Bulb -- 12v, 21w 4
31 41141 (002101-- ) Washer, Lock, Int--Ext, 0.31 4
32 26395--1 (002101-- ) Clamp, Cable, Stl, 0.56d X 0.38w, 1hole 4
33 80288 (002101-- ) Plug, Hole, Rnd, 0.81h, Blk 2
34 CB855 (002101-- ) Bracket, Guide, Hose, Transmission, Rh 1
35 CB850 (002101-- )Bracket, Guide, Hose, Transmission, Lh 1
36 GT377 (002101-- ) M8 X 75 St/St Bolt A4--70 2
37 GT312 (002101-- ) Bolt, Hex Hd -- M6 x 70 4
38 GB095 (002101-- ) Boss, 16 O/D X 8.5 I/D X 28 Long 6
39 GN046 (002101-- ) M6 Nut Nylon/Ins T G.8 Zc 8
40 GT313 (002101-- )M6 X 100 St/St Bolt A4--70 4
41 GB090 (002101-- ) Boss, 12od X 6id X 28l 14
Home
Find...
Go To..

STANDARD PARTS
636 9006292 (7--10)
2-6
Fig. 3 -- Front Axle Group
1
2
3
5
6
6
2
5
3
10
28
7
7
11
29
12
9
27
16 13
5
3
653
6
14
14
15
53
6
13
3
5
6
15
53
6
8
26
18
19
22
23
5
24
4
17
25
20
21
30
31
32
32
33
33
34
Home
Find...
Go To..

STANDARD PARTS
2-7
636 9006292 (7--10)
354825
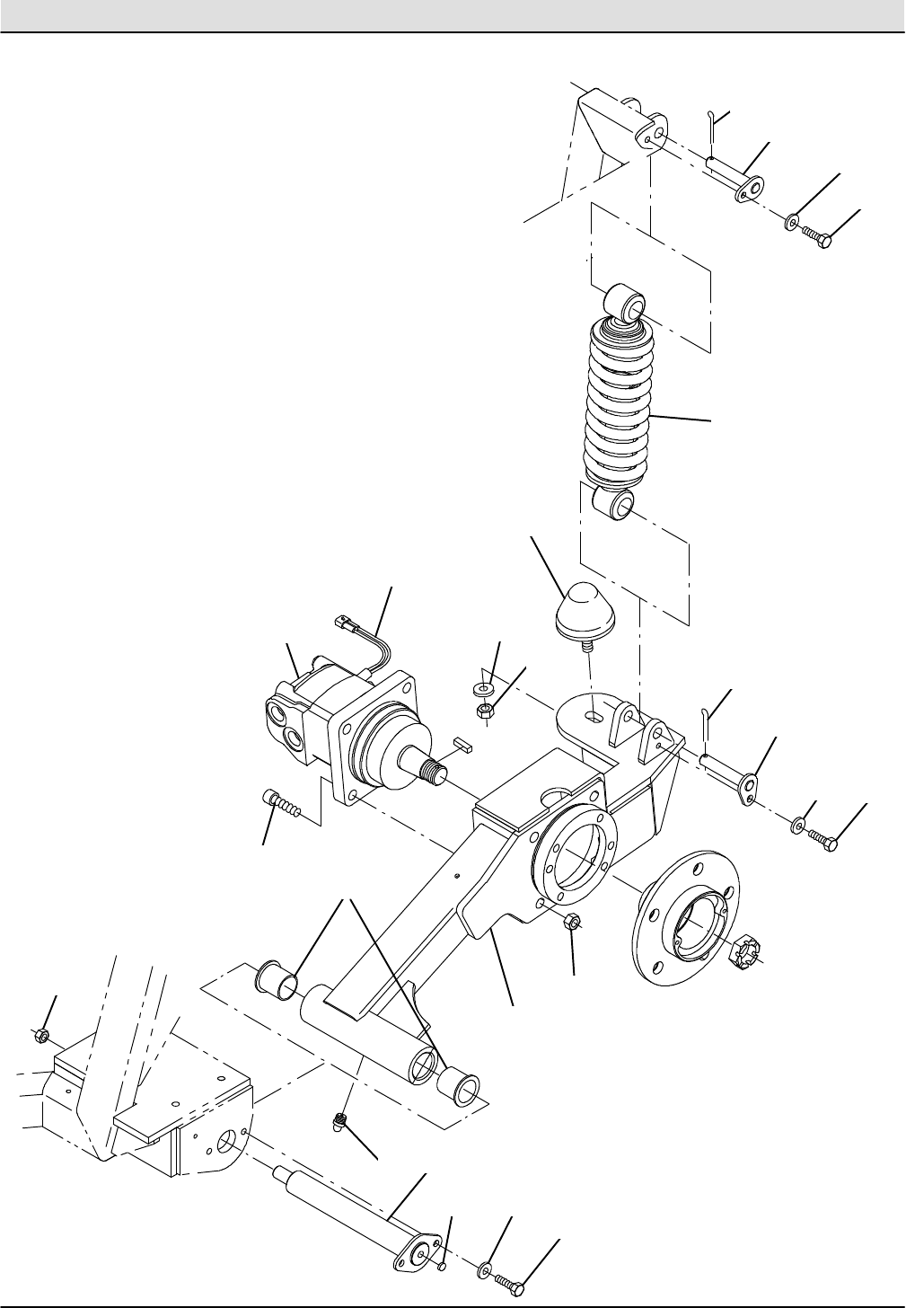
Fig. 3 -- Front Axle Group
Ref. Part No. Serial Number Description Qty.
1HC218 (002101-- )Hydraulic Cylinder -- Tracking Upper 1
2 FA127 (002101-- ) Pin Wldt, Pivot, Tracking Cyl Anchor 2
3 15675 (002101-- ) Screw, Hex, M8 X 1.25 X 16, Ss 8
4 GN064 (002101-- ) M16 X 1.5 Locknut G.8 Zy 1
5 763041 (002101-- ) Washer, Flat, Belleville, M8 9
6GG265 (002101-- )M4 X 25 St/St Split/Pin A2 8
7 FA085 (002101-- ) Pin Wldt, Pivot, Trailing Arm 2
oFA072 (002101-- ) Trailing Arm Rh--Assembly 1
Y8 FA073 (002101-- ) Trailing Arm, Rh, Wldt 1
Y9 GB073 (002101-- ) Bushing, Du Flanged -- 2 2
Y10 GG023 (002101-- )45 Degree Grease Nipple (M6) 1
Y11 GG227 (002101-- ) Ball Joint -- Carryin 1
Y12 360680 (002101-- ) Nut, Hex, Lock, M14 X 1.50, Nl 1
13 FA130 (002101-- ) Pin Wldt, Shock Absorber, Lower 2
14 CT053 (002101-- ) Shock Absorber Assem 2
15 CT025 (002101-- )Pin Wldt, Shock Absorber 2
16 FA123 (002101-- ) Pin Wldt, Pivot, Tracking Cyl Rod 2
17 GN091 (002101-- ) Nut--Philidus Mk V --M16 X 1.5(Fine) 1
18 HC211 (002101-- ) Hydraulic Cylinder -- 1
19 FA069 (002101-- ) Pin Wldt, Pivot, Steering Cyl 1
20 ES280 (002101-- )Switch--Proximity--Ind (With Connector) 1
21 ES281 (002101-- ) Switch--Proximity--Ind (With Connector) 1
22 15675 (002101-- ) Screw, Hex, M8 X 1.25 X 16, Ss 1
23 BB028 (002101-- ) Pin, R 1
24 GG229 (002101-- ) Ball Joint, Track Ro 1
oFA082 (002101-- )Track Arm Lh Assembly 1
Y25 360680 (002101-- ) Nut, Hex, Lock, M14 X 1.50, Nl 1
Y26 FA083 (002101-- ) Trailing Arm, Wldt 1
Y27 GB073 (002101-- ) Bushing, Du Flanged -- 2 2
Y28 GG023 (002101-- ) 45 Degree Grease Nipple (M6) 1
Y29 GG227 (002101-- )Ball Joint -- Carryin 1
o30 FA151 (002101-- ) Axle Assy. Cpt With Ball Joints 1
Y31 GG039 (002101-- ) Grease Nipple Straight -- M6 2
Y32 360680 (002101-- ) Nut, Hex, Lock, M14 X 1.50, Nl 2
Y33 GG227 (002101-- ) Ball Joint -- Carryin 2
34 HC219 (002101-- )Cylinder, Hyd [Tracking Lower] 1
Home
Find...
Go To..

STANDARD PARTS
636 9006292 (4--09)
2-8
Fig. 4 -- Front Drive Wheel Motor Mount Group, Right Hand
8
4
5
6
7
1
9
10
11
12
13
14
15
16
17
18
20
21
20
16
3
19
22
23
2
23
Home
Find...
Go To..

STANDARD PARTS
2-9
636 9006292 (7--10)
354822
Fig. 4 -- Front Drive Wheel Motor Mount Group, Right Hand
Ref. Part No. Serial Number Description Qty.
1GN091 (002101-- )Nut--Philidus Mk V --M16 X 1.5(Fine) 1
2 08709 (002101-- ) Nut, Hex, Lock, M8 X 1.25, Nl 4
3 HM032 (002101-- ) Nut 1
oFA176 (002101-- ) Bearing Housing Assy, Top King Pin 1
Y4 GG244 (002101-- ) Bearing, Spherical, 1
Y5FA064 (002101-- )Bearing Housing, Top King Pin -- Weldment 1
Y6 HC163 (002101-- ) Scraper -- 50 I/D X 5 1
Y7 GM260 (002101-- ) Snap Ring, Internal 1
Y8 GG023 (002101-- ) 45 Degree Grease Nipple (M6) 1
9 FA093 (002101-- ) Pivot Pin -- King Pin Top -- Machined 1
10 FA134 (002101-- )Washer, Top King Pin -- Machining 1
11 FA156 (002101-- ) Hub Carrier Rh, 2nd W,Ment Front Brakes 1
12 FA116 (002101-- ) Plate, Support -- Case Drain Hose -- Devel 2
o13 HM060 (002101-- ) Motor, Wheel, 100cc / Rev Displ 1
Y02643 (002101-- ) Seal Kit, Motor, Hyd 1
14 32493 (002101-- )Washer, Flat, 0.50, Std 2
15 08711 (002101-- ) Nut, Hex, Lock, M12 X 1.75, Nl 4
16 GT293 (002101-- ) M12 X 50 Skt Cap 12.9 Zc 4
17 FA204 (002101-- ) Plate Wldt, Bh, Hyd Hose, Rh 1
18 16931 (002101-- ) Screw, Hex, M8 X 1.25 X 20, 8.8 2
19 CB890 (002101-- )Mudguard Wldt -- Rh 1
20 763041 (002101-- ) Washer, Flat, Belleville, M8 6
21 39277 (002101-- ) Screw, Hex, M8 X 1.25 X 25, 8.8 4
22 16931 (002101-- ) Screw, Hex, M8 X 1.25 X 20, 8.8 4
23 32490 (002101-- )Washer, Flat, 0.25, Std 8
Home
Find...
Go To..

STANDARD PARTS
636 9006292 (4--09)
2-10
Fig. 5 -- Front Drive Wheel Motor Mount Group, Left Hand
10
4
5
6
7
8
9
1
11
12
13
14
15
16
17
18
18
19
20
22
23
22
27
2
3
21
24
25
25
26
Home
Find...
Go To..

STANDARD PARTS
2-11
636 9006292 (7--10)
354821
Fig. 5 -- Front Drive Wheel Motor Mount Group, Left Hand
Ref. Part No. Serial Number Description Qty.
1GN091 (002101-- )Nut--Philidus Mk V --M16 X 1.5(Fine) 1
2 CB878 (002101-- ) Mudguard Wldt -- Lh 1
3 CD007 (002101-- ) Plate, Fixing, L/H Mudguard --Formed 1
4 FA171 (002101-- ) End Cover,Rh Axle Beam 1
5 GG134 (002101-- ) Pop Rivet, Large Flange 2
oFA176 (002101-- )Bearing Housing Assy, Top King Pin 1
Y6 GG244 (002101-- ) Bearing, Spherical, 1
Y7 FA064 (002101-- ) Bearing Housing, Top King Pin -- Weldment 1
Y8 HC163 (002101-- ) Scraper -- 50 I/D X 5 1
Y9 GM260 (002101-- ) Snap Ring, Internal 1
Y10 GG023 (002101-- )45 Degree Grease Nipple (M6) 1
11 FA093 (002101-- ) Pivot Pin -- King Pin Top -- Machined 1
12 FA134 (002101-- ) Washer, Top King Pin -- Machining 1
13 FA155 (002101-- ) Hub Carrier Lh W,Ment Front Brakes 1
14 FA116 (002101-- ) Plate, Support -- Case Drain Hose -- Devel 2
o15 HM060 (002101-- )Motor, Wheel, 100cc / Rev Displ 1
Y02643 (002101-- ) Seal Kit, Motor, Hyd 1
16 32493 (002101-- ) Washer, Flat, 0.50, Std 2
17 08711 (002101-- ) Nut, Hex, Lock, M12 X 1.75, Nl 4
18 GT293 (002101-- ) M12 X 50 Skt Cap 12.9 Zc 4
19 FA205 (002101-- )Plate Wldt, Bh, Hyd Hose, Lh 1
20 16931 (002101-- ) Screw, Hex, M8 X 1.25 X 20, 8.8 2
21 16735 (002101-- ) Screw, Hex, M8 X 1.25 X 16, 8.8 2
22 763041 (002101-- ) Washer, Flat, Belleville, M8 6
23 39277 (002101-- ) Screw, Hex, M8 X 1.25 X 25, 8.8 4
24 16931 (002101-- )Screw, Hex, M8 X 1.25 X 20, 8.8 4
25 32490 (002101-- ) Washer, Flat, 0.25, Std 10
26 08709 (002101-- ) Nut, Hex, Lock, M8 X 1.25, Nl 4
27 HM032 (002101-- ) Nut 1
Home
Find...
Go To..

STANDARD PARTS
636 9006292 (4--09)
2-12
Fig. 6 -- Wheel and Brake Group, Front
1
2
3
4
56
7
7
8
9
10
11
12
13
14
15
16
17
18
19
20
21
22
Home
Find...
Go To..
10
11

STANDARD PARTS
2-13
636 9006292 (9--09)
354820
Fig. 6 -- Wheel and Brake Group, Front
Ref. Part No. Serial Number Description Qty.
1FA174 (002101-- )Drum, Front Brake, Machined 2
o2 FA175 (002101-- ) Wheel Hub Assy 5 Stud 2
Y3 GT414 (002101-- ) Wheel Stud -- M16 X 1.5 X 47 Lg 10
4 BB177 (002101-- ) Brake Shoe Replacement Kit.Front Brake 1
5 BB171 (002101-- ) Wheel Cylinder,Front Brake 1
6BB179 (002101-- )Tension Spring,Upper,Front Brake 1
7 BB173 (002101-- ) Shoe Steady Spring ,Front Brake 2
8 BB176 (002101-- ) Spring Buckle,Front Brake 2
9 BB178 (002101-- ) Tension Spring,Lower ,Front Brake 1
10 BB174 (002101-- ) Adjuster Bolt,Front Brake 1
11 BB175 (002101-- )Adjuster Wedge,Front Brake 1
12 GN090 (002101-- ) Nut,Wheel --M16 X 1.5 10
13 TW055 (002101-- ) Wheel Assembly,155/7 2
14 CB946 (002101-- ) Bracket, Hub Cap --Formed 2
15 GG249 (002101-- ) Pin, Split 11/2 X 1/8 Stst A2 2
16 GG074 (002101-- )’U’ Type Receptacle 2
17 GT234 (002101-- ) M6 X 10 Low Hd. Socket Cap Ptd 4
18 49609 (002101-- ) Screw, Soc, M8 X 1.25 X 16, 12.9 20
19 GT302 (002101-- ) Screw, Csk Hd Slotted -- M8 X 12 2
20 TW056 (002101-- ) Wheel Trim, 636/525 2
21 GG256 (002101-- )Slotted Fastener--525 2
22 GG073 (002101-- ) Retainer 2
Home
Find...
Go To..
Wedge, Front Brake
Front Brake

STANDARD PARTS
636 9006292 (7--10)
2-14
Fig. 7 -- Steering Linkage Group
1
2
2
3
3
4
4
5
6
67
7
8
8
9
10
11
10
11
12
12
13
14
14
15
16
17
17
18
19
20
21
22
19
20
21
22
Home
Find...
Go To..

STANDARD PARTS
2-15
636 9006292 (7--10)
354824
Fig. 7 -- Steering Linkage Group
Ref. Part No. Serial Number Description Qty.
oFS007 (002101-- )Drag Link--Lh Assembly 1
Y1 FS008 (002101-- ) Drag Link, Formed -- Lh 1
Y2 GN064 (002101-- ) M16 X 1.5 Locknut G.8 Zy 2
Y3 GG229 (002101-- ) Ball Joint, Track Ro 2
Y4 GN091 (002101-- ) Nut, Mk V --M16 X 1.5 [Fine] 2
oFS016 (002101-- )Drag Link, Assembly -- Rh 1
Y5 FS017 (002101-- ) Drag Link -- Formed -- Rh 1
Y6 GN064 (002101-- ) M16 X 1.5 Locknut G.8 Zy 2
Y7 GG229 (002101-- ) Ball Joint, Track Ro 2
Y8 GN091 (002101-- ) Nut, Mk V --M16 X 1.5 [Fine] 2
oFS020 (002101-- )Track Rod Assy, Close Bends 1
Y9 FS021 (002101-- ) Track Rod, Formed, Close Bends 1
Y10 GN064 (002101-- ) M16 X 1.5 Locknut G.8 Zy 2
Y11 GG229 (002101-- ) Ball Joint, Track Ro 2
Y12 GN091 (002101-- ) Nut--Philidus Mk V --M16 X 1.5(Fine) 2
oFS001 (002101-- )Bell Crank Steering Lever, Rh -- Assembly 1
Y13 FS002 (002101-- ) Bell Crank Steering Lever, Rh -- Weldment 1
Y14 GB073 (002101-- ) Bushing, Du Flanged -- 2 2
Y15 GG023 (002101-- ) 45 Degree Grease Nipple (M6) 1
oFS005 (002101-- ) Bell Crank Steering Lever, Lh -- Assembly 1
Y16 FS006 (002101-- )Bell Crank Steering Lever, Lh -- Weldment 1
Y17 GB073 (002101-- ) Bushing, Du Flanged -- 2 2
Y18 GG023 (002101-- ) 45 Degree Grease Nipple (M6) 1
19 FA089 (002101-- ) Pin Wldt, Pivot, Bell Crank Steer Lever 2
20 15675 (002101-- ) Screw, Hex, M8 X 1.25 X 16, Ss 2
21 763041 (002101-- )Washer, Flat, Belleville, M8 2
22 GG265 (002101-- ) M4 X 25 St/St Split/Pin A2 2
Home
Find...
Go To..

STANDARD PARTS
636 9006292 (9--09)
2-16
Fig. 8 -- Rear Trailing Arm Group, Right Hand
10
11
12
13
14
15
12 13
14
16
17
18
12
13
1
2
34
5
6
7
8
9
Home
Find...
Go To..

STANDARD PARTS
2-17
636 9006292 (7--10)
354818
Fig. 8 -- Rear Trailing Arm Group, Right Hand
Ref. Part No. Serial Number Description Qty.
1GB089 (002101-- )Bush, Igus -- 30 I/D 2
2 GG039 (002101-- ) Grease Nipple Straight -- M6 2
3 CT002 (002101-- ) Rear Axle, Rh Wldt 1
o4 HM060 (002101-- ) Motor, Wheel, 100cc / Rev Displ (High Speed) 1
Y02643 (002101-- ) Seal Kit, Motor, Hyd 1
o4HM064 (002101-- )Motor, Hydraulic, Wheel 130cc USA SAE (Hill Climb) 1
Y02643 (002101-- ) Seal Kit, Motor, Hyd 1
5 GT376 (002101-- ) M12 X 45 Skt Cap 12.9 Zc 4
6 08711 (002101-- ) Nut, Hex, Lock, M12 X 1.75, Nl 4
7 GG234 (002101-- ) Stop,Conical Progres 1
832493 (002101-- )Washer, Flat, 0.50, Std 1
9 08711 (002101-- ) Nut, Hex, Lock, M12 X 1.75, Nl 1
10 CT025 (002101-- ) Pin Wldt, Shock Absorber 1
11 CT053 (002101-- ) Shock Absorber Assem 1
12 15675 (002101-- ) Screw, Hex, M8 X 1.25 X 16, Ss 3
13 32491 (002101-- )Washer, Flat, 0.31, Std 3
14 GG265 (002101-- ) M4 X 25 St/St Split/Pin A2 1
15 FA130 (002101-- ) Pin Wldt, Shock Absorber, Lower 1
16 CT021 (002101-- ) Pin Wldt, Pivot, Rear Axle 1
17 GN068 (002101-- ) Nut, Nyloc -- M16 St/St A2 1
18 GG260 (002101-- )Cover Plug,Plastic -- M10 Hole 1
Home
Find...
Go To..

STANDARD PARTS
636 9006292 (7--10)
2-18
Fig. 9 -- Rear Trailing Arm Group, Left Hand
1
2
3
4
19
6
7
8
9
10
11
12
13
14
15
14
12
13
16
17
12
1318
5
Home
Find...
Go To..

STANDARD PARTS
2-19
636 9006292 (7--10)
354817
Fig. 9 -- Rear Trailing Arm Group, Left Hand
Ref. Part No. Serial Number Description Qty.
1GB089 (002101-- )Bush, Igus -- 30 I/D 2
2 GG039 (002101-- ) Grease Nipple Straight -- M6 1
3 CT019 (002101-- ) Rear Axle -- Lh --Weldment 1
o4 HM061 (002101-- ) Motor, Wheel, 100cc, Cw Speed Sensor (High Speed) 1
Y5 ES285 (002101-- ) Sensor, Speed -- Wheel Motor, Modified 1
Y02643 (002101-- )Seal Kit, Motor, Hyd 1
o4 HM063 (002101-- ) Motor, Wheel, 130cc, Cw Speed (Hill Climb) 1
Y5 ES285 (002101-- ) Sensor, Speed -- Wheel Motor, Modified 1
Y02643 (002101-- ) Seal Kit, Motor, Hyd 1
6 08711 (002101-- ) Nut, Hex, Lock, M12 X 1.75, Nl 4
7GG234 (002101-- )Stop,Conical Progres 1
8 32493 (002101-- ) Washer, Flat, 0.50, Std 1
9 08711 (002101-- ) Nut, Hex, Lock, M12 X 1.75, Nl 1
10 CT025 (002101-- ) Pin Wldt, Shock Absorber 1
11 CT053 (002101-- ) Shock Absorber Assem 1
12 15675 (002101-- ) Screw, Hex, M8 X 1.25 X 16, Ss 3
13 763041 (002101-- ) Washer, Flat, Belleville, M8 3
14 GG265 (002101-- ) M4 X 25 St/St Split/Pin A2 2
15 FA130 (002101-- ) Pin Wldt, Shock Absorber, Lower 1
16 CT021 (002101-- ) Pin Wldt, Pivot, Rear Axle 1
17 GN068 (002101-- )Nut, Nyloc -- M16 St/St A2 1
18 GG260 (002101-- ) Cover Plug,Plastic -- M10 Hole 1
19 GT376 (002101-- ) M12 X 45 Skt Cap 12.9 Zc 4
Home
Find...
Go To..

STANDARD PARTS
636 9006292 (9--09)
2-20
Fig. 10 -- Wheel and Brake Group, Rear
23 24
25
17
1
2
3
4
5
6
7
8
9
9
10
10
11
12
26
14
15
16
18
19
20
21
22
13
Home
Find...
Go To..

STANDARD PARTS
2-21
636 9006292 (9--09)
354819
Fig. 10 -- Wheel and Brake Group, Rear
Ref. Part No. Serial Number Description Qty.
1GN090 (002101-- )Nut,Wheel --M16 X 1.5 10
2 TW055 (002101-- ) Wheel Assembly,155/7 2
3 CB946 (002101-- ) Bracket, Hub Cap --Formed 2
4 GG249 (002101-- ) Pin, Split 11/2 X 1/8 Stst A2 2
5 GG074 (002101-- ) ’U’ Type Receptacle 2
6GT234 (002101-- )M6 X 10 Low Hd. Socket Cap Ptd 4
oBB123 (002101-- ) Brake Assembly Complete--Left Hand 1
Y7 BB126 (002101-- ) Brake Shoes--Replacement Kit 1
Y8 BB133 (002101-- ) Wheel Cylinder 1
Y9 BB135 (002101-- ) Upper Tension Spring 2
Y10 BB134 (002101-- )Shoe Steady Spring 2
Y11 BB136 (002101-- ) Lower Tension Spring 1
Y12 BB127 (002101-- ) Manual Adjuster 1
Y13 BB125 (002101-- ) Brake Cable Adaptor 2
oBB124 (002101-- ) Brake Assembly Complete--Right Hand 1
Y7BB126 (002101-- )Brake Shoes--Replacement Kit 1
Y8 BB133 (002101-- ) Wheel Cylinder 1
Y9 BB135 (002101-- ) Upper Tension Spring 2
Y10 BB134 (002101-- ) Shoe Steady Spring 2
Y11 BB136 (002101-- ) Lower Tension Spring 1
Y12 BB127 (002101-- )Manual Adjuster 1
Y13 BB125 (002101-- ) Brake Cable Adaptor 2
14 GN073 (002101-- ) Nut,Hex Lock (Thin) M10 X 1.0p 2
15 CT039 (002101-- ) Flexible Hose 2
16 BB079 (002101-- ) 13mm P_Clip (From Assy. M/L) 2
o17 CT057 (002101-- )Wheel Hub Assy --Rear --5 Stud 2
Y18 GT414 (002101-- ) Wheel Stud -- M16 X 1.5 X 47 Lg 10
19 GT302 (002101-- ) Screw, Csk Hd Slotted -- M8 X 12 2
20 74455 (002101-- ) Screw, Hex, M6 X 1.00 X 12, Fmg 2
21 GT291 (002101-- ) M12 X 20 Skt Cap 12.9 Zc 12
22 TW056 (002101-- )Wheel Trim, 636/525 2
23 CT056 (002101-- ) Drum,Rear Brake,Mach 2
24 GG256 (002101-- ) Slotted Fastener--525 2
25 GG073 (002101-- ) Retainer 2
26 CT039 (002101-- )Flexible Hose 2
Home
Find...
Go To..
26395-1

STANDARD PARTS
636 9006292 (4--09)
2-22
Fig. 11 -- Side Panels Group, Right Hand
1
2
3
4
4
5
6
5
6
7
8
7
8
8
9
9
9
10
10
11
11
11
11
12
12
13
13
13 14
15
14
13
16
16
17
18
19
19
9
13
13
9
20
20
13
13
13
9
13
9
21
8
22
13 9
Home
Find...
Go To..

STANDARD PARTS
2-23
636 9006292 (4--09)
354870
Fig. 11 -- Side Panels Group, Right Hand
Ref. Part No. Serial Number Description Qty.
o1CP233 (002101-- )Side Panel --Rh Assembly --636 1
Y2 GM505 (002101-- ) Decal, Side Panel -- 636 -- Green/White 1
Y3 GM517 (002101-- ) Decal, 636 Hs -- Green/White 1
4 GM451 (002101-- ) Label, Tire Press 2
5 GG146 (002101-- ) Knurled Fastener 2
6GG148 (002101-- )Retainer -- Knurled Fasterner 2
7 GT338 (002101-- ) M6 X 30 St/St Skt Btn A4 3
8 GG033 (002101-- ) Door Stop Male 4
9 08712 (002101-- ) Nut, Hex, Lock, M6 X 1.00, Nl, Ss 12
10 GG147 (002101-- ) U--Type Recepticle -- Knurled Fastener 2
11 GG044 (002101-- )Door Stop Female 4
12 08716 (002101-- ) Screw, Hex, M6 X 1.00 X 20, Ss 2
13 19066 (002101-- ) Washer, Flat, 10 17
14 15678 (002101-- ) Screw, Hex, M6 X 1.00 X 16, Ss 2
15 CD529 (002101-- ) Side Access Door, Rh, 636 W/Label 1
16 CD100 (002101-- )Top/Bottom, R/H Frame Hinge ,636 2
17 CD103 (002101-- ) Top R/H Door Hindge --636 1
18 CD106 (002101-- ) Bottom R/H Door Hinge --636 1
19 GT320 (002101-- ) St St Button Hd Screw, M6 X 12 Long 4
20 GT338 (002101-- ) M6 X 30 St/St Skt Btn A4 4
21 CD099 (002101-- ) Bracket,Access Door --636 1
22 06945 (002101-- ) Screw, Hex, M6 X 1.00 X 30, 8.8 1
Home
Find...
Go To..

STANDARD PARTS
636 9006292 (4--09)
2-24
Fig. 12 -- Side Panels Group, Left Hand
1
2
3
4
4
5
6
5
6
7
8
9
8
9
7
8
9
10
10
11
11
11
12
13
12 13
13
14
15
14
13
11
11
916 17
14
13
9
16
17
18
12
13
13
9
19
19
20
21
21
9
13
13
22
23
12
9
13
13
12
9
Home
Find...
Go To..

STANDARD PARTS
2-25
636 9006292 (7--10)
354869
Fig. 12 -- Side Panels Group, Left Hand
Ref. Part No. Serial Number Description Qty.
o1CP232 (002101-- )Side Panel --Lh Assembly --636 1
Y2 GM505 (002101-- ) Decal, Side Panel -- 636 -- Green/White 1
Y3 GM517 (002101-- ) Decal, 636 Hs -- Green/White 1
4 GM451 (002101-- ) Label, Tire Press 2
5 GG146 (002101-- ) Knurled Fastener 2
6GG148 (002101-- )Retainer -- Knurled Fasterner 2
7 GT338 (002101-- ) M6 X 30 St/St Skt Btn A4 3
8 GG033 (002101-- ) Door Stop Male 3
9 08712 (002101-- ) Nut, Hex, Lock, M6 X 1.00, Nl, Ss 15
10 GG147 (002101-- ) U--Type Recepticle -- Knurled Fastener 2
11 GG044 (002101-- )Door Stop Female 5
12 08716 (002101-- ) Screw, Hex, M6 X 1.00 X 20, Ss 8
13 19066 (002101-- ) Washer, Flat, 10 17
14 15678 (002101-- ) Screw, Hex, M6 X 1.00 X 16, Ss 3
15 CD305 (002101-- ) Fixed Panel, Lh Weldment 1
16 GG033 (002101-- )Door Stop Male 2
17 06945 (002101-- ) Screw, Hex, M6 X 1.00 X 30, 8.8 2
18 CD121 (002101-- ) Doorstop Mtg Bracket --636 1
19 GT320 (002101-- ) St St Button Hd Screw, M6 X 12 Long 4
20 CD517 (002101-- ) Door, Access, Side, Lh 1
21 CD458 (002101-- )Lh Side Door Hinge Wldt 2
22 CD511 (002101--002152 ) Upper Hinge Wldt, Side Panel 1
22 CD463 (002153-- ) Upper Hinge Weld Assy 1
23 CD508 (002101--002152 ) Lower Hinge Wldt, Side Panel 1
23 CD465 (002153-- )Lower Hinge Wldt, Weld Assy 1
Home
Find...
Go To..

STANDARD PARTS
636 9006292 (9--09)
2-26
Fig. 13 -- Cab Windshield and Lights Group
7
33
34
1
3
4
5
6
8
8
9
9
10
7
12
13
7
15
32
32
21
22 23
25
26
27
28
29
30
31
24
14
2
16 17
18
20
35
36
11
19
Home
Find...
Go To..

STANDARD PARTS
2-27
636 9006292 (9--09)
354862
Fig. 13 -- Cab Windshield and Lights Group
Ref. Part No. Serial Number Description Qty.
1MC582 (002101-- )Windscreen Assy _C/W Pack & Carr 1
2 WA142 (002101-- ) Connector Plastic --Screen Wash Hose 1
3 EC025 (002101-- ) Wiper Motor Assy,5/6 Series 1
4 GW049 (002101-- ) Washer, Schnorr Locking M12 1
5 MC226 (002101-- ) Wiper Arm -- 450mm (1 1
6MC227 (002101-- )Wiper Blade, Curved 1
7 10632--12 (002101-- ) Grommet, Rbr, 0.62id, F/0.9h, .06 Matl 6
o8 ES347 (002101-- ) Work Lamp -- 525 2
YES217 (002101-- ) Bulb --Halogen H3 1
9 ET101 (002101-- ) Cable Gland --16 Mm X 1.5 2
10 GM387 (002101-- )Blind Grommet --16.5 Mm Hole Dia 1
11 GM522 (002101-- ) Dommed Round Insert --Brush Mirror Arm 2
12 1005150 (002101-- ) Hose, Pvc, Clr, 0.19Id 0.38Od, Bulk 1
13 GM024 (002101-- ) Clip--Pvc Adhesive 4
14 GN011 (002101-- ) Nut, Nyloc -- M6 2
15 WA139 (002101-- )In--Line Valve--Windscreen Washers 1
16 WA332 (002101-- ) Water Bottle -- Windscreen Wash 1
17 GT112 (002101-- ) M5 X 15 Dome Head Plated 2
18 01683 (002101-- ) Washer, Flat, 10, Ss 2
19 ES329 (002101-- ) Iqan -- Xs -- 5010003 2
20 06549 (002101-- )Nut, Hex, Lock, M5 X 0.80, Nl 2
21 MC238 (002101-- ) Heater Intake Spiggot Assembly 1
22 ES206 (002101-- ) Beacon Pivot Weld 525 1
23 GM406 (002101-- ) Beacon Velcro Lock Down 1
24 GW031 (002101-- ) M6 Washer Form C Zc Bs 4320 2
25 ES186 (002101-- )Rotating Beacon 1
26 GT151 (002101-- ) M6 X 35 Brass Set Din 933 3
27 GN049 (002101-- ) Nut, Stainless Steel A4 -- M6 3
28 MC932 (002101-- ) Cab Wldt, Low Level Air Cond. 636 W/Label 1
29 (002101-- ) 1
30 ES243 (002101-- )Iqan Xt2 Interface 1
31 GT111 (002101-- ) M6 X 20 Button Head Socket Scr 2
o32 ES245 (002101-- ) Headlamp/Indicator/S 2
YES217 (002101-- ) Bulb --Halogen H3 1
YES032 (002101-- ) Bulb -- 12v, 21w 1
33 MC274 (002101-- )Front Number Plate 1
34 GT320 (002101-- ) Screw, Button Hd Hex Skt -- M6 x 12 2
35 MC792 (002101-- ) Mirror, Wide Anagle, Rh 1
36 MC677 (002101-- ) Mirror Arm -- Brush-- Rh 1
Home
Find...
Go To..
(002101-
(002101-
(002101-
(002101-
(002101-
(002101-
(002101-
(002101-
(002101-

STANDARD PARTS
636 9006292 (9--09)
2-28
Fig. 14 -- Cab Door Group, Right Hand
1
2
3
4
5
17
18
19
19
20
21 22
23
17
24
25
26
27
28
6
7
7
8
9
10
11
12
13
14
29
39
38
30
31
33
34 35
36 37
37
32
15
21
21
30
32
20
19
18
16
Home
Find...
Go To..

STANDARD PARTS
2-29
636 9006292 (7--10)
354853
Fig. 14 -- Cab Door Group, Right Hand
Ref. Part No. Serial Number Description Qty.
oMC933 (002101-- )Door Assy, Cab, Rh 1
Y1 MC931 (002101-- ) Door Wldt, Cab, Rh W/Label 1
Y2 MC118 (002101-- ) Fixed Glass Lower Do 1
Y3 MC842 (002101-- ) Seal, Window, Lower Door 1
Y4 MC843 (002101-- ) Molding, Door 1
Y5MC122_B (002101-- )Window Cassette -- Rh 1
Y6 MC405 (002101-- ) Fixing Plate Top, Window Pivot 1
Y7 GG280 (002101-- ) Gasket, Neoprene Win 2
Y8 MC790 (002101-- ) Pivot Wldt, Window, Rh 1
Y9 GT382 (002101-- ) Screw,Button Hd Hx Skt --M10 x 16 1
Y10 GW079 (002101-- )Washer 2
Y11 GT328 (002101-- ) M6 X 20 St/St Skt Btn A4 2
Y12 GB109 (002101-- ) Bushing, Isolator 2
Y13 GB110 (002101-- ) Bush,Sleeve,Window Pivot Fixing 2
Y14 GN011 (002101-- ) Nut, Nyloc -- M6 2
Y15 MC384 (002101-- )Door Seal Rear 1
Y16 GM510_C (002101-- ) Decal, Door Bottom, Off Side 1
17 GN011 (002101-- ) Nut, Nyloc -- M6 20
18 MC271 (002101-- ) Door Stay--Gas Strut 2
19 GW060 (002101-- ) Washer -- Forma -- M8 --St St 5
20 08709 (002101-- )Nut, Hex, Lock, M8 X 1.25, Nl 2
21 GB060 (002101-- ) Bushing, Hinge 4
22 MC166 (002101-- ) Hinge, Bottom Weldment -- Rh, Door, Cab 1
23 08716 (002101-- ) Screw, Hex, M6 X 1.00 X 20, Ss 4
24 MC155 (002101-- ) Hinge, Top Weldment -- Rh, Door, Cab 1
25 MC663 (002101-- )Door Lock Kit Comple 1
26 GT305 (002101-- ) M5 X 35 Skt Btn 10.9 Zc 2
27 GT112 (002101-- ) M5 X 16 Button Head Socket Scr 1
28 GW031 (002101-- ) M6 Washer Form C Zc Bs 4320 2
29 MC270 (002101-- ) Door Stay--Gas Strut 1
30 32490 (002101-- )Washer, Flat, 0.25, Std 1
31 08713 (002101-- ) Nut, Hex, Lock, M8 X 1.25, Nl, Ss 1
32 08712 (002101-- ) Nut, Hex, Lock, M6 X 1.00, Nl, Ss 2
33 15678 (002101-- ) Screw, Hex, M6 X 1.00 X 16, Ss 5
34 08712 (002101-- ) Nut, Hex, Lock, M6 X 1.00, Nl, Ss 5
35 MC145 (002101-- )Striker Pin Weldment --Rh Door, Cab 1
36 15678 (002101-- ) Screw, Hex, M6 X 1.00 X 16, Ss 2
37 19066 (002101-- ) Washer, Flat, 10 4
38 MC364 (002101-- ) Wing Mirror (Unbreak 1
39 MC258 (002101-- )Wing Mirror Arm 1
Home
Find...
Go To..

STANDARD PARTS
636 9006292 (9--09)
2-30
Fig. 15 -- Cab Door Group, Left Hand
1
23
4
5
17
18
19
20
21
22
23
17
24
25
26
27
28
6
7
7
8
9
10
11
12
13 14
29
30
31
39
38
33
34
35
36
37
37
32
15
18
19
20
16
21
Home
Find...
Go To..

STANDARD PARTS
2-31
636 9006292 (7--10)
354854
Fig. 15 -- Cab Door Group, Left Hand
Ref. Part No. Serial Number Description Qty.
oMC934 (002101-- )Door Assy, Cab, Lh 1
Y1 MC930 (002101-- ) Door Wldt, Cab, Lh W/Label 1
Y2 MC118 (002101-- ) Fixed Glass Lower Do 1
Y3 MC842 (002101-- ) Seal, Window, Lower Door 1
Y4 MC843 (002101-- ) Molding, Door 1
Y5MC121_B (002101-- )Window Cassette, Lh 1
Y6 MC405 (002101-- ) Fixing Plate Top, Window Pivot 1
Y7 GG280 (002101-- ) Gasket, Neoprene Win 2
Y8 MC791 (002101-- ) D Window Pivot Weldment -- Lh 1
Y9 GT382 (002101-- ) Screw,Button Hd Hx Skt --M10 x 16 1
Y10 GW079 (002101-- )Washer 2
Y11 GT328 (002101-- ) M6 X 20 St/St Skt Btn A4 2
Y12 GB109 (002101-- ) Bushing, Isolator 2
Y13 GB110 (002101-- ) Bush,Sleeve,Window Pivot Fixing 2
Y14 GN011 (002101-- ) Nut, Nyloc -- M6 2
Y15 MC384 (002101-- )Door Seal Rear 1
Y16 GM509_C (002101-- ) Decal, Door Bottom, Near Side 1
17 GN011 (002101-- ) Nut, Nyloc -- M6 20
18 GW060 (002101-- ) Washer -- Forma -- M8 --St St 2
19 32493 (002101-- ) Washer, Flat, 0.50, Std 3
20 08709 (002101-- )Nut, Hex, Lock, M8 X 1.25, Nl 1
21 GB060 (002101-- ) Bushing, Hinge 4
22 MC163 (002101-- ) Hinge, Bottom Weldment -- Lh, Door, Cab 1
23 08716 (002101-- ) Screw, Hex, M6 X 1.00 X 20, Ss 4
24 MC150 (002101-- ) Hinge, Top Weldment -- Lh, Door, Cab 1
25 MC663 (002101-- )Door Lock Kit Comple 1
26 GT305 (002101-- ) M5 X 35 Skt Btn 10.9 Zc 2
27 GT112 (002101-- ) M5 X 16 Button Head Socket Scr 1
28 GW031 (002101-- ) M6 Washer Form C Zc Bs 4320 2
29 MC270 (002101-- ) Door Stay--Gas Strut 1
30 32490 (002101-- )Washer, Flat, 0.25, Std 1
31 08713 (002101-- ) Nut, Hex, Lock, M8 X 1.25, Nl, Ss 1
32 08712 (002101-- ) Nut, Hex, Lock, M6 X 1.00, Nl, Ss 2
33 08716 (002101-- ) Screw, Hex, M6 X 1.00 X 20, Ss 5
34 08712 (002101-- ) Nut, Hex, Lock, M6 X 1.00, Nl, Ss 5
35 MC145 (002101-- )Striker Pin Weldment --Rh Door, Cab 1
36 15678 (002101-- ) Screw, Hex, M6 X 1.00 X 16, Ss 2
37 19066 (002101-- ) Washer, Flat, 10 4
38 MC364 (002101-- ) Wing Mirror (Unbreak 1
39 MC258 (002101-- )Wing Mirror Arm 1
Home
Find...
Go To..

STANDARD PARTS
636 9006292 (7--10)
2-32
Fig. 16 -- Cab Carpet and Windows Group
1
1
6
9
10 11
12
13
14
16
16
8
2
7
7
3
4
15
5
Home
Find...
Go To..

STANDARD PARTS
2-33
636 9006292 (7--10)
354861
Fig. 16 -- Cab Carpet and Windows Group
Ref. Part No. Serial Number Description Qty.
1MC425 (002101-- )Carpet Profile,Rh Top Cab 1
2 MC680 (002101-- ) Cover Plate -- Cab Back 1
3 GG295 (002101-- ) Coat Hook,For T--Bar 1
4 GG296 (002101-- ) Double Coat Hook 1
5 GT267 (002101-- ) M4 X 12 St/St Skt Btn A2 2
6GM389 (002101-- )Blind Grommet --25 Mm Hole Dia 1
7 GT378 (002101-- ) Screw,Button Hd Skt --M5 x 10 St.St 10
8 MC434 (002101-- ) Plate, Cover -- Cab Rear 1
9 GM361 (002101-- ) Grommet--Sleeved[ One Bag Of 50 ] 1
10 MC929 (002101-- ) Rear Window -- Cab W/Label 1
11 KM332 (002101-- )Cab Rear Window Sponge Seal 1
12 MC120 (002101-- ) Floor Window 1
13 GM311 (002101-- ) Rubber Mat -- Cab Flo 1
14 GM389 (002101-- ) Blind Grommet --25 Mm Hole Dia 4
15 GT112 (002101-- ) M5 X 16 Button Head Socket Scr 2
16 GM385 (002101-- )Blind Grommet --6.4mm Hole Dia 4
Home
Find...
Go To..

STANDARD PARTS
636 9006292 (7--10)
2-34
Fig. 17 -- Cab Roof Group
1
2
3
5
5
6
7
4
Home
Find...
Go To..

STANDARD PARTS
2-35
636 9006292 (7--10)
354864
Fig. 17 -- Cab Roof Group
Ref. Part No. Serial Number Description Qty.
1CP250 (002101-- )Cab Roof Liner 600 Standard 1
2 GM530 (002101-- ) Sealing Strip -- Roof Hatch 525 -- 636 -- 1
oMC550 (002101-- ) Extended Hatch (Incl Carpet Profile) Cab 1
Y3 MC272 (002101-- ) Hatch Stay --Double H 1
Y4 MC507 (002101-- ) Roof Hatch 1
Y5GT384 (002101-- )Screw,Hex Skt Knurled Set (Grub) 4
6 GT235 (002101-- ) M6 X 12 Low Head Cap Screw 2
7 GW031 (002101-- ) M6 Washer Form C Zc Bs 4320 4
Home
Find...
Go To..

STANDARD PARTS
636 9006292 (7--10)
2-36
Fig. 18 -- Cab Tilt Group
1
2
3
45
26
5
6
79
10
5
12
13
14
16
17
18
519
20
21
22 23
24
20
21
22
23
24
15
11
8
12
13
14
25
27
27
27
27
Home
Find...
Go To..

STANDARD PARTS
2-37
636 9006292 (7--10)
354858
Fig. 18 -- Cab Tilt Group
Ref. Part No. Serial Number Description Qty.
1MC724 (002101-- )Cab Lock Down Latch Lh 1
2 MC732 (002101-- ) Spring Torsion Cab Lockdown 1
3 MC730 (002101-- ) Collar Latch Spring 1
4 06962 (002101-- ) Screw, Hex, M10 X 1.50 X 45, 8.8 1
5 32492 (002101-- ) Washer, Flat, 0.38, Std 9
641430 (002101-- )Nut, Hex, Lock, M10 X 1.5, Nl 1
7 MC740 (002101-- ) Arm Assy, Latch 1
8 GT386 (002101-- ) M5 X 16 Cap Screw 5
9 MC727 (002101-- ) Cab Lockdown Bracket Rh 1
10 06961 (002101-- ) Screw, Hex, M10 X 1.50 X 20, 8.8 2
11 MC603 (002101-- )Plate,Infill Lower Tunnel 1
12 GG233 (002101-- ) Stop,Conical Progres 1
13 GW021 (002101-- ) Washer -- M8 X 25 Od -- St St 3
14 GN004 (002101-- ) Nut, Nyloc -- M8 1
15 GM387 (002101-- ) Blind Grommet --16.5 Mm Hole Dia 2
16 MC729 (002101-- )Collar, Lockdown, Cab 1
17 GT325 (002101-- ) M10 X 70 St/St Bolt A4--70 1
18 GN071 (002101-- ) Nut,Nyloc --M10 --St.St.A4 1
19 GG282 (002101-- ) Gas Strut,Air Con_Ca 2
20 MC350 (002101-- ) Pivot Pin, Cab Tilt --Weldment 2
21 GG039 (002101-- )Grease Nipple Straight -- M6 2
22 16735 (002101-- ) Screw, Hex, M8 X 1.25 X 16, 8.8 2
23 41141 (002101-- ) Washer, Lock, Int--Ext, 0.31 2
24 GG249 (002101-- ) ”Pin,Split 1 1/2 x 1/8”” St.St ” 2
25 32490 (002101-- ) Washer, Flat, 0.25, Std 1
26 GW051 (002101-- )Washer, Form ’A’ -- M12 -- Zn Ptd Whee 1
27 GG242 (002101-- ) Gas Strut -- Cab Tilt elbow/elbow rod end 4
Home
Find...
Go To..

STANDARD PARTS
636 9006292 (9--09)
2-38
Fig. 19 -- Cab Steering Wheel Group
20
1
2
3
4
5
7
8
9
10
11
12
11
12 14
15
15
16 17
18
19
T
L
P
R
21
6
13
22
23
24
Home
Find...
Go To..

STANDARD PARTS
2-39
636 9006292 (9--09)
354857
Fig. 19 -- Cab Steering Wheel Group
Ref. Part No. Serial Number Description Qty.
1FS014 (002101-- )Steering Column Asse 1
2 HV215 (002101-- ) Steering Control Unit 1
3 MC763 (002101-- ) Plate, Spacer, Cab Steering 1
4 GT317 (002101-- ) Bolt, Hex Hd -- M10 x 35 4
5 41187 (002101-- ) Washer, Flat, Belleville, .38 4
6ES012 (002101-- )Screw Caps--Plastic 4
7 FS015 (002101-- ) Steering Wheel 1
8 GN061 (002101-- ) Nut, Nyloc M16 X 1.5 1
9 GM460 (002101-- ) Label,Steering Wheel 1
10 ES215 (002101-- ) Column Switch 1
11 HF253 (002101-- )Connector, Str, Orfs/ Sae--Orb 1/2--3/4--16 2
12 HF251 (002101-- ) Connector, Str, Orfs/ Sae--Orb 3/8--3/4--16 2
13 GT112 (002101-- ) M5 X 16 Button Head Socket Scr 4
14 HF244 (002101-- ) Fitting, Bh, Orfs / Orfs W/ Nut 3/8--3/8 2
15 HF255 (002101-- ) Fitting, Bh, Orfs / Orfs W/ Nut 1/2--1/2 2
16 HJ472 (002101-- )Pipe, Hyd, Steering Press 1
17 HJ469 (002101-- ) Pipe, Hyd, Steering 1
18 HJ471 (002101-- ) Pipe, Hyd, Steering 1
19 HJ470 (002101-- ) Pipe, Hyd, Steering 1
20 CP194 (002101-- ) Panel -- Cab Cross--Br 1
o21 ES277 (002101-- )Switch--Ignition 525 1
Y22 ES296 (002101-- ) Key, Ignition Switch 1
23 768482 (002101-- ) Cover, Steering Wheel 1
24 MC874 (002101-- ) Rubber Cover For Cab Steering Pipes 1
Home
Find...
Go To..

STANDARD PARTS
636 9006292 (7--10)
2-40
Fig. 20 -- Cab Seat Group
1
2
3
4
5
6
7
8
9
10 11
12
12
12
14 14
15
16
17
18
20
21
22
23
24
25
26
24
25
26
26
28
29
30
31 32
4
6
7
27
6
13
33
19
Home
Find...
Go To..

STANDARD PARTS
2-41
636 9006292 (7--10)
354866
Fig. 20 -- Cab Seat Group
Ref. Part No. Serial Number Description Qty.
1MC519 (002101-- )Cab Seat 1
2 MC490 (002101-- ) Bracket -- Armrest Support, Fabrication 1
3 MC383 (002101-- ) Spacer, Armrest 1
4 GT152 (002101-- ) M8 X 35 Skt Btn 10.9 Zc 4
5 GT331 (002101-- ) Screw, Button Head Hex Skt -- M8 X 20 -- S 3
601685 (002101-- )Washer, Flat, 0.38B 0.88D .08, Ss 14
7 08709 (002101-- ) Nut, Hex, Lock, M8 X 1.25, Nl 6
8 CP205 (002101-- ) Armrest Moulding 1
9 MC672 (002101-- ) Bracket, Adjustable -- Armrest 1
10 GT262 (002101-- ) M8 X 55 Skt Btn 10.9 Zc 1
11 GG021 (002101-- )Knob Panel Black 1
12 GG297 (002101-- ) Grip Knob--Male Black Nylon 2
13 CP235 (002101-- ) Driver Storage Bin Petg In 4Mm Thick 1
14 GW086 (002101-- ) Washer, Nylon Load Bearing 2
15 08709 (002101-- ) Nut, Hex, Lock, M8 X 1.25, Nl 2
16 MC378 (002101-- )Plate, Facia -- Formed Armrest 1
17 ES355 (002101-- ) Switch,Forward/Neutr 1
18 ES405 (002101-- ) Joystick -- Brush Con 1
19 MC251 (002101-- ) Spacer, Seat, Front, Lh 1
20 GT119 (002101-- ) Screw -- 8 X 3/4 S Tap (Philip) 3
21 MC488 (002101-- )Plate -- Seat Adaptor 1
22 GT050 (002101-- ) M8 X 16 Button Head Socket Scr 6
o23 MC700 (002101-- ) Seat Belt Kit -- 3 Point 1
Y24 GT310 (002101-- ) M16 X 80 St/St Set A4--70 2
Y25 GN019 (002101-- ) Nut, Nyloc -- M10 -- Zn Ptd 2
Y26 GW013 (002101-- )Washer, Form A -- M10 4
27 GT050 (002101-- ) M8 X 16 Button Head Socket Scr 4
28 MC502 (002101-- ) Asymmetric Head Rest 1
29 GT112 (002101-- ) M5 X 16 Hex Cap Screw 7
30 GW031 (002101-- ) M6 Washer Form C Zc Bs 4320 7
31 CP201 (002101-- )Panel -- Air Con / He 1
32 AC017 (002101-- ) Bracket-- Evaporator Weldment 1
Home
Find...
Go To..

STANDARD PARTS
636 9006292 (9--09)
2-42
Fig. 21 -- Cab Instrument Panel Group
1
4
4
4
4
4
5
5
6
7
8
9
10
11 12
9
23
24
25
28
27
29
29 29
30
31
32
33
34
2
3
26
13 14
15
16
14
17
18
19
20
21
29
29
35
22
Home
Find...
Go To..

STANDARD PARTS
2-43
636 9006292 (4--09)
354859
Fig. 21 -- Cab Instrument Panel Group
Ref. Part No. Serial Number Description Qty.
1MC629 (002101-- )Panel, Switch, Cab 1
2 MC359 (002101-- ) Relay Holder Weldment 1
3 GT222 (002101-- ) M5 X 8 Skt Btn 10.9 Zc 5
4 ES252 (002101-- ) Surround,Switch 12
o5 ES526 (002101-- ) Switch Assembly, On/Off (Single Pole) 3
YES266 (002101-- )Bulb/Bulb Holders --5 1
o6 ES527 (002101-- ) Switch Assembly, On/Off (Momentary) 1
YES266 (002101-- ) Bulb/Bulb Holders --5 1
o7 ES528 (002101-- ) Switch Assembly, On/On/Off (Double Pole) 1
YES266 (002101-- ) Bulb/Bulb Holders --5 1
o8ES529 (002101-- )Switch Assembly, On/On/Off (Double Pole) 2
YES266 (002101-- ) Bulb/Bulb Holders --5 1
9 ES271 (002101-- ) Switch.Blanking Plat 2
10 ES530 (002101-- ) Switch Assembly, Hazard Flasher 1
11 ES531 (002101-- ) Switch Assembly, Off/On, (Double Pole Double Throw) 1
12 ES532 (002101-- )Switch Assembly, On/Off/On (Momentary Double Pole)n 1
13 GT222 (002101-- ) M5 X 8 Skt Btn 10.9 Zc 2
14 34820 (002101-- ) Light, Panl, 14vdc, Red, 0.6d 2
15 ES017 (002101-- ) Light -- Warning (Amb 1
16 ES192 (002101-- ) Light, Warning -- Gre 1
o17 ES130 (002101-- )Warning Lamp--Indicat 1
YES134 (002101-- ) Bulb -- Indicator War 1
18 EH018 (002101-- ) Fuel Gauge 1
19 EH015 (002101-- ) Temperature Gauge -- 1
20 ES440 (002101-- ) Tachometer -- Us Spec 1
21 ES209 (002101-- )Warning Light --Blue 1
22 PP429 (002101-- ) Timer -- Glow Lamp -- 636 1
23 EW221 (002101-- ) Potentiometer Assy,Brush & Fan Control 1
24 ES352 (002101-- ) Knob, Solid,22 Mm Br 2
25 ES426 (002101-- ) Switch,Rotary Vam Assembly-- 1
26 GT194 (002101-- )M5X12ButtonHeadScrew 6
27 GT194 (002101-- ) M5 X 12 Button Head Screw 2
28 GT222 (002101-- ) M5 X 8 Skt Btn 10.9 Zc 3
29 ES180 (002101-- ) Relay, Automotive -- 8
30 ES151 (002101-- ) Flasher Unit -- Indic 1
31 ES224 (002101-- )Relay/Timer -- Heated 1
32 CP196 (002101-- ) Cover--Relays Box 1
33 CP242 (002101-- ) Cover 1
34 GM461 (002101-- ) Label Set, Fuse Box--636 1
35 ES370 (002101-- )Relay Automotive High Current 70 Amp--G8J 1
Home
Find...
Go To..
17

STANDARD PARTS
636 9006292 (4--09)
2-44
Fig. 22 -- Cab Instrument Panel Group, Upper
1
2
3
4
5
4
5
12
9
10
11
8
6
6
7
13
14
Home
Find...
Go To..

STANDARD PARTS
2-45
636 9006292 (9--09)
354865
Fig. 22 -- Cab Instrument Panel Group, Upper
Ref. Part No. Serial Number Description Qty.
1CP214 (002101-- )Cab Roof Console --Fr 1
2 ES252 (002101-- ) Surround,Switch 2
3 ES271 (002101-- ) Switch.Blanking Plat 1
4 GM310 (002101-- ) Mesh, Speaker _Cab 2
5 GT106 (002101-- ) Screw, 8 X 1/2 Phillips Sheet Metal 8
6ES250 (002101-- )Speakers (80) 2
7 EC014 (002101-- ) Aerial -- Flexible Ru 1
8 ES497 (002101-- ) Radio [Am/Fm/Wb/Cd, Din Mount] 1
9 ES247 (002101-- ) Light, Interior 1
10 MC479 (002101-- ) Sun -- Visor Assembly 1
11 GW021 (002101-- )Washer -- M8 X 25 Od -- St St 3
12 ES272 (002101-- ) Socket,Power Socket 1
13 ES526 (002101-- ) Switch Assembly, On/Off (Single Pole) 1
14 ES411 (002101-- ) IQAN -- Master display Mini MDM -- EN/ES Km/P 1
14 ES420 (002101-- ) IQAN -- Master display Mini MDM -- EN/ES MPH 1
14 ES448 (002101-- )IQAN -- Master display Mini MDM -- EN/FR Km/P 1
Home
Find...
Go To..

STANDARD PARTS
636 9006292 (4--09)
2-46
Fig. 23 -- Cab Foot Pedals Group
1
2
3
4
4
4
4
5
6
7
8
9
10
11
12
13
14
15
17
18 4
19
20 21
22
22
23
24
16
25 26
27
Home
Find...
Go To..

STANDARD PARTS
2-47
636 9006292 (9--09)
354856
Fig. 23 -- Cab Foot Pedals Group
Ref. Part No. Serial Number Description Qty.
1MC050 (002101-- )Brake Pedal Wldt 1
2 GB031 (002101-- ) Bushing, Flanged Du 12id 17l 2
3 06976 (002101-- ) Screw, Hex, M12 X 1.75 X 100, 8.8 1
4 32493 (002101-- ) Washer, Flat, 0.50, Std 7
5 08711 (002101-- ) Nut, Hex, Lock, M12 X 1.75, Nl 1
6BB121 (002101-- )Pedal Rubber 1
7 ES230 (002101-- ) Brake Light Switch 1
8 MC373 (002101-- ) Mounting Plate, Brake Light Switch 1
9 GT073 (002101-- ) M4 X 16 Hex Cap Screw 2
10 02850 (002101-- ) Nut, Hex, Lock, M4 X 0.70, Nl 2
11 GT194 (002101-- )M5X12ButtonHeadScrew 2
12 BB192 (002101-- ) Master Cylinder, Front Brakes 1
13 16931 (002101-- ) Screw, Hex, M8 X 1.25 X 20, 8.8 2
14 08709 (002101-- ) Nut, Hex, Lock, M8 X 1.25, Nl 2
15 MC062 (002101-- ) Clevis -- Master Cylinder 1
16 32716 (002101-- )Nut, Hex, Jam, M10 X 1.5, Ss 1
17 MA200 (002101-- ) Clevis Pin 1
18 GG249 (002101-- ) Pin, Split 11/2 X 1/8 Stst A2 1
19 BB120 (002101-- ) Reservoir, Footbrake 1
20 GT159 (002101-- ) M6 X 16 Buttonhead 2
21 GN011 (002101-- )Nut, Nyloc -- M6 2
22 43844 (002101-- ) Clamp, Hose, Wormdrive, 0.25--0.62d, .31w 2
23 BB154 (002101-- ) Hose Assy 1
24 BB196 (002101-- ) Brake Pipe, Cab Master Cylinder To Under Cab 1
o25 ES423 (002101-- ) Pedal, Electronic -- Dual Track 1
YES424 (002101-- )Potentiometer / Loom Dual Tr 1
26 GT054 (002101-- ) M8 X 20 Button Head Socket Scr 3
27 GN004 (002101-- ) Nut, Nyloc -- M8 3
Home
Find...
Go To..

STANDARD PARTS
636 9006292 (4--09)
2-48
Fig. 24 -- Brake Lines Group
1
1
1
2
3
4
5
6
7
7
8
8
9
10
11
12
13
12
13 14
11
11
14
15
16
17
18
19
20
21
22
22
Home
Find...
Go To..
23
24
9

STANDARD PARTS
2-49
636 9006292 (9--09)
354868
Fig. 24 -- Brake Lines Group
Ref. Part No. Serial Number Description Qty.
1CT039 (002101-- )Flexible Hose 3
2 BB149 (002101-- ) Pressure Limiter --Front Brakes 1
3 GT318 (002101-- ) M8 X 55 Bolt 8.8 Zc Din 931 1
4 GW015 (002101-- ) Washer--Spring--8mm Rect. 1
5 GW041 (002101-- ) M8 Washer 3
6GN073 (002101-- )Nut,Hex Lock (Thin) M10 X 1.0p 1
7 222268 (002101-- ) Washer, Flat, 0.38b 1.25d .12, Neo 4
8 BB140 (002101-- ) Brake Pipe 10mm T--Pi 2
9 BB146 (002101-- ) Brake Pipe Connector 1
10 378969 (002101-- ) Clamp, Cable, Stl, 0.56D X 0,38W, 1 Hole 1
11 GT203 (002101-- )M6 X 12 Screw, Self Tapping, F 3
12 GT151 (002101-- ) M6 X 35 Brass Set Din 933 2
13 GW029 (002101-- ) M6 Brass Washer Form A Bs 4320 2
14 BB045 (002101-- ) 5mm P--Clip (From Assy. M/L) 2
15 BB190 (002101-- ) Brake Pipe, Lh T--Piece To Cab Flexi 1
16 BB189 (002101-- )Brake Pipe, Lh T--Piece To Front Lh Flexi 1
17 BB188 (002101-- ) Brake Pipe, Center T--Piece To Lh T--Piece 1
18 BB197 (002101-- ) Brake Pipe, Center T--Piece To Rh Flexi 1
19 BB186 (002101-- ) Brake Pipe, Limiter To Center T--Piece 1
20 BB185 (002101-- ) Brake Pipe, Limiter To Rear Lh 1
21 BB184 (002101-- )Brake Pipe, Limiter To Rear Rh 1
22 BB187 (002101-- ) Brake Pipe, Brake Assy/Flexi Frnt Lh&Rh 2
Home
Find...
Go To..
BB211
BB210
BB209
BB212
BB205
BB204
BB203
BB207
BB208 23 ...........................................Brake, Pipe, Front RH ................................................1
BB206 24 Brake, Pipe, Limiter to Center T-Piece Front .............1
Rear
2

STANDARD PARTS
636 9006292 (4--09)
2-50
Fig. 25 -- Cab Parking Brake Group
1
2
345
4
5
6
7
8
7
8
9
10
11
12
13
14
15
16
17
18
19 8
7
20
21
22
23 24
25
26 11
27
Home
Find...
Go To..

STANDARD PARTS
2-51
636 9006292 (4--09)
354860
Fig. 25 -- Cab Parking Brake Group
Ref. Part No. Serial Number Description Qty.
1BB182 (002101-- )Brake Cable,Rear --63 2
2 BB129 (002101-- ) Brake Cable, Front 1
3 BB132 (002101-- ) Balance Bar 1
4 GW081 (002101-- ) Cup Washer 3
5 08709 (002101-- ) Nut, Hex, Lock, M8 X 1.25, Nl 3
644961 (002101-- )Tie, Cable, Nyl, 14.5l .30w 4.0 Max D 3
7 GG301 (002101-- ) Cotter Pin, 5/16 x 3/42 Zinc Plated 3
8 GG132 (002101-- ) Pin, Split 3
9 MC298 (002101-- ) Pivot Bracket Weldment, H/Brake 1
10 GT028 (002101-- ) M8 X 20 H.T. Hex Set Plated 2
11 GN004 (002101-- )Nut, Nyloc -- M8 4
12 86240 (002101-- ) Pin, Clevis, 0.38d X 1.13l 1
13 GW013 (002101-- ) Washer, Form A -- M10 1
14 GG249 (002101-- ) Pin, Split 11/2 X 1/8 Stst A2 1
15 MC309 (002101-- ) Bellcrank Weldment,Hand Brake 1
16 GB034 (002101-- )Bush -- Oilite -- 8 I/D, 11 O/D X 8 Lg 2
17 MC312 (002101-- ) Tie Rod, Machined, H/Brake Bellcrank 1
18 BB118 (002101-- ) Hand Brake Lever 1
19 MC251 (002101-- ) Spacer, Seat Front Left 2
20 GT042 (002101-- ) M8 X 30 Hex Cap Screw 2
21 ES275 (002101-- )Micro--Switch--Long Le 1
22 MC223 (002101-- ) Bracket, Handbrake Warning Switch, 1
23 GT279 (002101-- ) Screw, Hex Head -- M3 x 15 2
24 GN058 (002101-- ) M3 Nut Nylon/Ins P G.8 Zy 2
25 GT196 (002101-- ) M5 X 10 Set 8.8 Zc Din 933 2
26 GN006 (002101-- )Nut, Nyloc -- M5 2
27 378969 (002101-- ) Clamp, Cable, Stl, 0.56D X 0,38W, 1 Hole 1
Home
Find...
Go To..

STANDARD PARTS
636 9006292 (7--10)
2-52
Fig. 26 -- Cab Heater Group
1
2
36
5
4
4
5
4
7
8
9
8
10
8
9
8
11
12
13
14
15
16
17
17
18
19
20
21
22 22
22
22
23
24
25
17
26
27 28
29
30
31
29
31
30
32
33
32
32 32
17
34
Home
Find...
Go To..

STANDARD PARTS
2-53
636 9006292 (7--10)
354863
Fig. 26 -- Cab Heater Group
Ref. Part No. Serial Number Description Qty.
1MC093 (002101-- )Heater Box Wldt 1
2 MC397 (002101-- ) Heater Unit (With Connector) 1
3 MC501 (002101-- ) Wedge,Seat--Weldment Cab 1
4 GW055 (002101-- ) Washer -- M8 Form C St/St 314 7
5 MC735 (002101-- ) Spacer, Seat 3
6GT152 (002101-- )M8X35SktBtn10.9Zc 2
7 GT042 (002101-- ) M8 X 30 Hex Cap Screw 1
8 63810 (002101-- ) Clamp, Hose, Wormdrive, 0.56--1.06d, .56w 6
9 PC114 (002101-- ) Hose -- Heater To Bul 2
10 PC115 (002101-- ) Hose -- Heater Return 1
11 MC221 (002101-- )Flow Control Valve 1
12 BB116 (002101-- ) Cable, Heater Temper 1
13 MC277 (002101-- ) Bracket, Bulkhead, Weldment, Heater Hose 1
14 MC280 (002101-- ) Gasket, Bulkhead Bracket, Heater Hoses 1
15 GT135 (002101-- ) M6 X 16 Hex Cap Screw 4
16 GT027 (002101-- )M6 X 20 Hex Screw 7
17 GW031 (002101-- ) M6 Washer Form C Zc Bs 4320 22
18 GN011 (002101-- ) Nut, Nyloc -- M6 7
19 MC342 (002101-- ) Heater Vent Hose--Right Hand 2
20 MC344 (002101-- ) Heater Air Hose --Lef 1
21 MC343 (002101-- )Heater Air Hose--Left 1
22 83584 (002101-- ) Clamp, Hose, Wormdrive, 2.25--3.25d, .50w 6
23 GG259 (002101-- ) Knob -- Heater Contro 1
24 GM356 (002101-- ) Label Sheet -- 525 Bl 1
25 GM356 (002101-- ) Label Sheet -- 525 Bl 1
26 CP197 (002101-- )Seat Box Moulding _C 1
27 CD001 (002101-- ) Glovenet--525 Document Rack/Net 1
28 GT119 (002101-- ) Screw -- 8 X 3/4 S Tap (Philip) 4
29 MC334 (002101-- ) Spigot Weld -- Heater Vent 2
30 MC222 (002101-- ) Outlet Vent--Heater T 2
31 GT410 (002101-- )Screw,Self Tapper 8
32 72970 (002101-- ) Rivet, Plstc, .250D X 0.90 4
33 ES012 (002101-- ) Screw Caps--Plastic 1
34 MC251 (002101-- ) Spacer, Seat, Front, Lh 2
Home
Find...
Go To..

STANDARD PARTS
636 9006292 (4--09)
2-54
Fig. 27 -- Engine Mount Group
1
2
2
3
10
13 14
4
17
20
21
22
23 25
26
27
4
4
11
12
13
14
14
16
18
19
3
5
6
6
7
8
8
98
7
89
28
23
30
31
7
23
23
832
33
34
35
8
32
36
37
29
15
24
Home
Find...
Go To..

STANDARD PARTS
2-55
636 9006292 (7--10)
354828
Fig. 27 -- Engine Mount Group
Ref. Part No. Serial Number Description Qty.
1PP438 (002101-- )Engine,V1505--T --4 Cy (See Engine Breakdown) 1
2 GG231 (002101-- ) Mount, Eng [2 Piece] 2
3 GW027 (002101-- ) Collar Dish Washer 4
4 GT298 (002101-- ) M10 X 55 Bolt 8.8 Zy Din 931 4
5 41430 (002101-- ) Nut, Hex, Lock, M10 X 1.5, Nl 4
6GG230 (002101-- )Anti--Vibration Mount 2
7 09011 (002101-- ) Screw, Hex, M8 X 1.25 X 30, Ss 7
8 32490 (002101-- ) Washer, Flat, 0.25, Std 8
9 08713 (002101-- ) Nut, Hex, Lock, M8 X 1.25, Nl, Ss 4
10 PP034 (002101-- ) Bracket, Rh Mounting, Engine -- Weldment 1
11 PP035 (002101-- )Bracket, Lh Mounting, Engine -- Weldment 1
12 58286 (002101-- ) Screw, Hex, M10 X 1.25 X 20, 8.8 6
13 07299 (002101-- ) Screw, Hex, M10 X 1.25 X 25, 8.8 8
14 763042 (002101-- ) Washer, Flat, Belleville, M10 14
15 PP083 (002101-- ) Oil Filter Element--1105t 1
16 PP367 (002101-- )Bracket,Rear Twin Mounting Engine 1
17 EH016 (002101-- ) Temperature Sender 1
18 ES257 (002101-- ) Transducer,Mmu Water 1
19 PP111 (002101-- ) Reducer 1/8 Bsptm X 1/4 Bspp Female 1
20 WP288 (002101-- ) Fitting, Brs, Str, Bm10/.375Bspt 1
21 CB799 (002101-- )Bracket,Support --Weldment Fuel Filter 1
22 16735 (002101-- ) Screw, Hex, M8 X 1.25 X 16, 8.8 2
23 763041 (002101-- ) Washer, Flat, Belleville, M8 11
24 HP021 (002101-- ) Hydro Pump Kit Part Of Engine Kit Pp002 1
25 PD039 (002101-- ) Cap--Oil Filler 1
26 PP091 (002101-- )Oil Filler Flange--Extended 1
27 PP112 (002101-- ) Dipstick/Oil Gauge --D1105t 1
28 PP274 (002101-- ) Drive Coupling -- Bob 1
29 41359 (002101-- ) Nut, Hex, Std, M6 X 1.00, 8 1
30 CB793 (002101-- ) Bracket, Support -- Weldment 1
31 PP276 (002101-- )Engine/Pump Housing, 1
32 08713 (002101-- ) Nut, Hex, Lock, M8 X 1.25, Nl, Ss 2
33 ES279 (002101-- ) Speed Sensor (From Assy. M/L) 1
34 CB810 (002101-- ) Bracket, Support -- Weldment 1
35 16931 (002101-- ) Screw, Hex, M8 X 1.25 X 20, 8.8 1
36 08708 (002101-- )Nut, Hex, Lock, M6 X 1.00, Nl 1
37 46236 (002101-- ) Clamp, Cable, Stl, 0.25d X 0.56w, 1hole 1
Home
Find...
Go To..
PP436

STANDARD PARTS
636 9006292 (9--09)
2-56
Fig. 28 -- Engine Battery and Alternator Group
11
30
1
2
3
4
5
6
7
8
9
10
26
12
13
14
15
16
17
18
19
20
21
22
23
24
25
Starter (Part of Engine)
27
28
29
Home
Find...
Go To..

STANDARD PARTS
2-57
636 9006292 (9--09)
354871
Fig. 28 -- Engine Battery and Alternator Group
Ref. Part No. Serial Number Description Qty.
1PP347 (002101-- )Fan--Pusher 380 Mm, 3 1
2 PP277 (002101-- ) Spacer Cooling Fan,Kubota 1
3 GT071 (002101-- ) M6 X 50 H.T. Hex Bolt Plated 4
4 GW003 (002101-- ) Washer--Spring--1/4’ 4
5 PP133 (002101-- ) Alternator Assembly --60 Amp D1105t 1
6CD386 (002101-- )P Clip Bracket _Coolant Heater Hose 1
7 GT089 (002101-- ) Screw, Hex Hd Set -- M8 X 35 -- Zn Ptd. 1
8 GW041 (002101-- ) M8 Washer 1
9 GN043 (002101-- ) Nut, Nyloc Shallow -- M8 -- St. St. A2--314 1
10 PP096 (002101-- ) Fan Belt 1
11 PJ002 (002101--002129 )Kit For New Alternator/Air Intake Brkt N 1
12 ET063 (002101-- ) Cable --Earthing Brai 1
13 ET139 (002101-- ) Cable,Negative Battery --636 1
14 ET138 (002101-- ) Cable,Positive Battery --636 1
15 GT287 (002101-- ) M8 X 20 Hex Hd Set Screw 1
16 GN043 (002101-- )Nut, Nyloc Shallow -- M8 -- St. St. A2--314 1
17 77602 (002101-- ) Battery, Wet, 12vdc 0700cca 1
18 PP073 (002101-- ) Plate, Clamp, Battery -- Formed 1
19 GT303 (002101-- ) Screw, Hex Hd Set -- M8 X 25 1
20 GW015 (002101-- ) Washer--Spring--8mm Rect. 1
21 GW060 (002101-- )M8 St St Washer 1
o22 EW218 (002101-- ) Fusebox Assembly,4 X 40 A 1
Y1035889 (002101-- ) Fuse, Blade, 040A [Maxi] 3
Y394922 (002101-- ) Fuse, Blade, 060A [Maxi] 1
23 GM455 (002101-- ) Label,Primary Fuse Box --60 Amp 1
24 GT278 (002101-- )M4X20SktBtn10.9Zc 4
25 GN024 (002101-- ) Nut, Nyloc -- M4 4
26 PP464 (002130-- ) Plate, Adjusting Bracket -- Non Air Con 1
27 PP467 (002130-- ) Spacer, Alternator Bracket 1
28 GT339 (002130-- ) Screw,Button Hd Hex Skt --M6 x 35 A4 St.S 1
29 GW087 (002130-- )Washer -- M6 Form C --St.St,A2 2
30 GN046 (002130-- ) Nut, Nyloc Thin -- M6 Zinc Plated Zinc Pl 1
Home
Find...
Go To..

STANDARD PARTS
636 9006292 (7--10)
2-58
Fig. 29 -- Engine Air Filter Group
31
1
2
4
21
6
7
8
9
10
10
11
12
13
14
14
36
28
16
16
18
20
3
22
24
25
27
23
26
5
19
29
30
32 33
34 35
15
Home
Find...
Go To..

STANDARD PARTS
2-59
636 9006292 (7--10)
354842
Fig. 29 -- Engine Air Filter Group
Ref. Part No. Serial Number Description Qty.
o1PP101 (002101-- )Air Cleaner 1
Y2 PP084 (002101-- ) Air Cleaner Element 1
Y3 PP284 (002101-- ) Precleaner,Spinner Small 1
o4 PP102 (002101-- ) Band Air Cleaner C/W Fasterns 1
Y5 GM013 (002101-- ) Rubber Band -- 8” X 2 1
6ES451 (002101-- )Horn -- 636/525 1
7 GT327 (002101-- ) Screw,Button Hd Hex Skt--M6 X 16 1
8 08708 (002101-- ) Nut, Hex, Lock, M6 X 1.00, Nl 1
9 GT395 (002101-- ) Bolt,Hex Hd Set M8 x 110 Mm 2
10 32491 (002101-- ) Washer, Flat, 0.31, Std 4
11 08709 (002101-- )Nut, Hex, Lock, M8 X 1.25, Nl 2
12 GW032 (002101-- ) M8 Flat Washer 1
13 PC113 (002101-- ) Hose,Engine Air Inta 1
14 83584 (002101-- ) Clamp, Hose, Wormdrive, 2.25--3.25d, .50w 2
15 PC299 (002101-- ) Air Intake Pipe -- Turbo 1
16 22297 (002101-- )Clamp, Hose, Wormdrive, 1.56--2.50d, .50w 4
17 11531 (002101-- ) Clamp, Hose, Wormdrive, 1.06--2.00D, .56W 1
18 ES295 (002101-- ) Filter Minder,Electr 1
19 PP440 (002101-- ) Tube Weldment 1
20 ES099 (002101-- ) Nipple -- Filter Mind 1
21 ES162 (002101-- )Voice Box -- English 1
22 GT378 (002101-- ) Screw,Button Hd Skt --M5 X 10 St.St 3
23 CD065 (002101-- ) Bracket,Weldment,Air Filter-- 636 1
24 GN042 (002101-- ) Nut -- Nyloc Thin M5 3
25 GT331 (002101-- ) Screw,Button Hd Hex Skt--M8 x 20 2
26 GT333 (002101-- )Screw,Button Hd Hex Skt--M8 x 30 1
27 01685 (002101-- ) Washer, Flat, 0.38B 0.88D .08, Ss 2
28 PP103 (002101--002129 ) Hose, Air Cleaner to Pipe 1
29 22297 (002101--002129 ) Clamp, Hose, Wormdrive, 1.56--2.50D, .50W 1
30 PP436 (002101--002129 ) Connector -- 1/8Bspm x 2/8Bspf 90 Deg 1
31 PP440 (002101--002129 )Tube Weldment Turbo -- Air Cleaner E3B E 1
32 GT327 (002130-- ) Screw,Button Hd Hex Skt--M6 x 16 1
33 76736 (002130-- ) Clamp, Cable, Stl, 0.38D X 0.62W, 1Hole 1
34 GW087 (002130-- ) Washer -- M6 Form C --St.St,A2 1
35 GN046 (002130-- ) Nut, Nyloc Thim -- M6 Zinc Plated Zinc Pl 1
36 PC300 (002130-- )Pipe Engine 1
Home
Find...
Go To..

STANDARD PARTS
636 9006292 (4--09)
2-60
Fig. 30 -- Engine Muffler Group
1
2
35
4
5
2
2
6
7
8
9
10
10 11
11 5
5
5
5
4
4
13
12
14
15
15
5
4
16
17 18 19
Home
Find...
Go To..

STANDARD PARTS
2-61
636 9006292 (4--09)
354829
Fig. 30 -- Engine Muffler Group
Ref. Part No. Serial Number Description Qty.
1PP326 (002101-- )Exhaust Manifold -- 636 1
2 PP089 (002101-- ) Gasket--Muffler 3
3 06955 (002101-- ) Screw, Hex, M8 X 1.25 X 35, 8.8 4
4 08165 (002101-- ) Nut, Hex, Stover, M8 X 1.25 14
5 32490 (002101-- ) Washer, Flat, 0.25, Std 26
6PP217 (002101-- )Flange Wlt, Exhaust, Eng End 1
7 PP218 (002101-- ) Flange Wldt, Exhaust, Muffler End 1
8 PP353 (002101-- ) Flexi--Pipe, Exhaust -- 636 1
9 PP095 (002101-- ) Muffler, Exhaust 1
10 24012--1 (002101-- ) Clamp, Muffler, 1.75d 2
11 GT042 (002101-- )M8X30HexCapScrew 8
12 PP208 (002101-- ) Clamp, Fixed,Mounting Exhaust 1
13 PP206 (002101-- ) Plate Weldment,Mounting Exhaust 1
14 PP207 (002101-- ) Clamp, Loose, Mounting Exhaust 1
15 GG231 (002101-- ) Mount, Eng [2 Piece] 3
16 GT377 (002101-- )M8X75St/StBoltA4--70 2
17 PC208 (002101-- ) Shield -- Engine To Radiator 1
18 (002101-- ) 1
19 GW021 (002101-- ) Washer -- M8 X 25 Od -- St St 2
Home
Find...
Go To..

STANDARD PARTS
636 9006292 (7--10)
2-62
Fig. 31 -- Engine Fuel Supply Group
1
2
32
5
6
78
9
9
10
11
12
13
12
13
13
11
7
7
6
8
14
28
28
28
28
28
15
16
17
18
20
21
22
23
24
25
26
27
27
29
29
29
29
64
11
30
31
3
28
19
28
Home
Find...
Go To..
PP115 Solenoid - Fuelstop

STANDARD PARTS
2-63
636 9006292 (7--10)
354830
Fig. 31 -- Engine Fuel Supply Group
Ref. Part No. Serial Number Description Qty.
1ES282 (002101-- )Actuator E--Gas (With Connector) 1
o2 PP085 (002101-- ) Filter--Fuel Kit 1
Y3 PP082 (002101-- ) Fuel Filter Element-- 1
4 01684 (002101-- ) Washer, Flat, 0.27b 0.69d .05, Ss 2
5 763041 (002101-- ) Washer, Flat, Belleville, M8 2
606942 (002101-- )Screw, Hex, M6 X 1.00 X 16, 8.8 5
7 41359 (002101-- ) Nut, Hex, Std, M6 X 1.00, 8 2
8 763040 (002101-- ) Washer, Flat, Belleville, M6 7
9 BB007 (002101-- ) Bearing--Rose 2
10 CD070 (002101-- ) Control Rod.Ecs,Engine,636 2
11 08708 (002101-- )Nut, Hex, Lock, M6 X 1.00, Nl 6
12 GT329 (002101-- ) Screw,Button Hd Hex Skt--M6 X 25 2
13 01684 (002101-- ) Washer, Flat, 0.27b 0.69d .05, Ss 4
14 54333 (002101-- ) Clamp, Hose, Wormdrive, 0.31--0.88d, .31w 3
15 PG099 (002101-- ) Diesel Tank --Rotomold --636 1
16 PG102 (002101-- )Fuel Sender,Off--Take 1
17 PG092 (002101-- ) Remote Filler Weldment--636 1
18 PP298 (002101-- ) Fuel Pump,Electric -- (With Connector) 1
19 PP313 (002101--002135 ) Fuel Filter,In Line 1
20 PG100 (002101-- ) Hose,Diesel Tank Locking Tank To Neck 1
21 GM534 (002101-- )Label,Low Sulphur Fuel 1
22 PG116 (002101-- ) Locking Diesel Tank 1
23 GT108 (002101-- ) M8 X 30 Skt Btn 10.9 Zc 2
24 30013 (002101-- ) Washer, Flat, 0.31, Fendr 2
25 32490 (002101-- ) Washer, Flat, 0.25, Std 5
26 08713 (002101-- )Nut, Hex, Lock, M8 X 1.25, Nl, Ss 2
27 22297 (002101-- ) Clamp, Hose, Wormdrive, 1.56--2.50d, .50w 2
28 43844 (002101-- ) Clamp, Hose, Wormdrive, 0.25--0.62D, .31W 10
29 87738 (002101-- ) Hose, Fuel, 0.18id, 29.0l 2
30 CD076 (002101-- ) Bracket,Fuel Tank --Top 1
31 CD078 (002101-- )Bracket,Fuel Tank --Bottom 1
32 39277 (002101-- ) Screw, Hex, M8 X 1.25 X 25, 8.8 2
Home
Find...
Go To..

STANDARD PARTS
636 9006292 (9--09)
2-64
Fig. 32 -- Engine Radiator Mount Group
25
26
27
28
1
2
3
4
5
4
5
6
7
8
67
6
7
8
9
10
10
11
12
13
14
15
16
14
17
17
18
19
19
20
21
22
23
6
7
7
8
24
Home
Find...
Go To..

STANDARD PARTS
2-65
636 9006292 (4--09)
354835
Fig. 32 -- Engine Radiator Mount Group
Ref. Part No. Serial Number Description Qty.
1PC243 (002101-- )Stay, Radiator 1
2 PC245 (002101-- ) Bracket Wldt, Mtg, Radiator 1
3 PC173 (002101-- ) Radiator,Combined Oi 1
4 GG054 (002101-- ) Rubber Stopper 2
5 GW027 (002101-- ) Collar Dish Washer 2
609740 (002101-- ) Screw, Hex, M8 X 1.25 X 20, Ss 10
7 32490 (002101-- ) Washer, Flat, 0.25, Std 20
8 08713 (002101-- ) Nut, Hex, Lock, M8 X 1.25, Nl, Ss 10
9 PC296 (002101-- ) Filter, Screen, Radiator 1
10 PC176 (002101-- ) Bracket Lower Mounting,Radiator 636 2
11 PC219 (002101-- )Shield, Top, Radiator 1
12 PC222 (002101-- ) Shield Chassis,Hopper 1
13 PC216 (002101-- ) Shield,Bottom Rad 1
14 15678 (002101-- ) Screw, Hex, M6 X 1.00 X 16, Ss 2
15 32483 (002101-- ) Washer, Flat, 0.25, Sae 1
16 41178 (002101-- )Washer, Flat, 0.25, Fendr 1
17 33922 (002101-- ) Washer, Flat, M6, Ss Rep.Bynone 2
18 08712 (002101-- ) Nut, Hex, Lock, M6 X 1.00, Nl, Ss 1
19 (002101-- ) 1
20 PC279 (002101-- ) Cowl Body, Vacform -- 636 1
21 PC282 (002101-- )Guard Wldt, Fan 1
22 PC214 (002101-- ) Shield -- Top Radiator To Engine 1
23 PC228 (002101-- ) Shield, Radiator -- Engine 1
24 PC295 (002101-- ) Access Cover Weldment, Cowl W/Label 1
25 GG048 (002101-- ) Ring Head Stud -- Black 14Mm 2
26 GG055 (002101-- )Retainer Plastic 2
27 GG041 (002101-- ) Steel Retainer 2
28 GG042 (002101-- ) Slip--On Recerptacle 2
Home
Find...
Go To..

STANDARD PARTS
636 9006292 (9--09)
2-66
Fig. 33 -- Engine Radiator Hoses Group
1
2
3
3
3
45 6
79
8
8
10
11
12
13
14
14
12
15
16
14
Home
Find...
Go To..

STANDARD PARTS
2-67
636 9006292 (9--09)
354836
Fig. 33 -- Engine Radiator Hoses Group
Ref. Part No. Serial Number Description Qty.
1PP092 (002101-- )Radiator Hose--Bottom (Emegi & Acr) 1
2 PC178 (002101-- ) Hose,Radiator Top,63 1
3 11531 (002101-- ) Clamp, Hose, Wormdrive, 1.06--2.00d, .56w 4
4 PC086 (002101-- ) Expansion Tank 1
5 PC087 (002101-- ) Expansion Tank Cap 1
6ES362 (002101-- )Sensor,Coolant Expan 1
7 1016562 (002101-- ) Hose, Afmkt, Rbr, Heater, 0.62Id, 12Ft 1
8 1016563 (002101-- ) Hose, Afmkt, Rbr, Heater, 0.62Id, 20Ft 2
9 1056561 (002101-- ) Hose, Afmkt, Rbr, Heater, 0.62Id, 08Ft 1
10 (002101-- ) 1
11 69234 (002101-- )Clamp, Cable, Stl, 1.00d X 0.75w, 1hole 2
12 86824 (002101-- ) Clamp, Hose, Wormdrive, 0.50--1.06D, .50W 1
13 GG077 (002101-- ) Clip, Jubilee, 14mm To 22mm 2
14 43844 (002101-- ) Clamp, Hose, Wormdrive, 0.25--0.62D, .31W 3
15 GT327 (002101-- ) Screw,Button Hd Hex Skt--M6 X 16 2
16 PC024 (002101-- )Elbow -- Copper 1
Home
Find...
Go To..

STANDARD PARTS
636 9006292 (9--09)
2-68
Fig. 34 -- Brush Arm Lift Group, Right Hand
19
20
18
12
12
1
16
16
16
16
17
17
28
12
12
5
5
6
6
7
3
9
10
28
10
11 11
4
4
19
19
13
14
15
13
14
23
8
9
31
21
25
22
26
29
27
28 28
30
30
24
Home
Find...
Go To..

STANDARD PARTS
2-69
636 9006292 (9--09)
354833
Fig. 34 -- Brush Arm Lift Group, Right Hand
Ref. Part No. Serial Number Description Qty.
oNF191 (002101-- )Arm, Upper Cylinder Pivot -- Rh 1
Y1 GB073 (002101-- ) Bushing, Du Flanged -- 2 4
Y2 GG039 (002101-- ) Grease Nipple Straight -- M6 2
Y3 NF151 (002101-- ) Arm, Upper, Cylinder Pivot Rh -- Weldment 1
Y4 NF209 (002101-- ) Tube, Pivot, Inner 4
5GG248 (002101-- )Retaining Clip, 26mm O/D 4
6 74455 (002101-- ) Screw, Hex, M6 X 1.00 X 12, Fmg 2
7 HC217 (002101-- ) Cylinder, Hyd [Brush Lift W/Sae Ports] 1
8 41430 (002101-- ) Nut, Hex, Lock, M10 X 1.5, Nl 1
9 32493 (002101-- ) Washer, Flat, 0.50, Std 1
10 NF164 (002101-- )Pin, Cylinder Pivot -- Weldment 2
11 NF198 (002101-- ) Spacer, Cylinder Pivot Pin -- Machining 2
12 GG247 (002101-- ) Spherical Ball Joint 2
13 33342 (002101-- ) Nut, Hex, Lock, M16 X 2.00, Nl 4
14 GT285 (002101-- ) Bolt, --M16 X 120 Long 4
15 NF168 (002101-- )Bracket, Front Pivot Mounting -- Weldment 1
oNF193 (002101-- ) Arm, Lower Cylinder Pivot -- Rh 1
Y16 GB073 (002101-- ) Bushing, Du Flanged -- 2 4
Y17 GG039 (002101-- ) Grease Nipple Straight -- M6 2
Y18 NF158 (002101-- ) Arm, Lower, Cylinder Pivot Rh -- Weldment 1
Y19 NF209 (002101-- )Tube, Pivot, Inner 4
oNF128 (002101-- ) Brush Arm Outer Tube Assembly -- Rh 1
Y20 GB073 (002101-- ) Bushing, Du Flanged -- 2 2
Y21 NF129 (002101-- ) Brush Arm Outer Tube Weldment -- Rh 1
Y22 NF199 (002101-- ) Strip, Wear -- Formed 1
Y23 GG023 (002101-- )45 Degree Grease Nipple (M6) 1
Y24 06961 (002101-- ) Screw, Hex, M10 X 1.50 X 20, 8.8 1
25 NF147 (002101-- ) Spring --35 Od X 300 2
26 NF282 (002101-- ) Brush Arm Extended Weldment 2
27 NF148 (002101-- ) Pin, Pivot, Brush Arm -- Weldment 1
28 76099 (002101-- )Screw, Hex, M8 X 1.25 X 25, Fmg 2
29 NF205 (002101-- ) Pin, Anchor, Brush In/Out -- Weldment 1
30 08182 (002101-- ) Pin, Cotter, .125 X 1.00 4
31 HC213 (002101-- ) Hydraulic Cylinder -- B Rt Brush In/Out 1
Home
Find...
Go To..

STANDARD PARTS
636 9006292 (9--09)
2-70
Fig. 35 -- Brush Arm Lift Group, Left Hand
20
20
10
16
16
17
17
28
12
5
12
5
6
7
3
18
10
11
19
19
6
28
4
1
12
2
1
13
13
14
14
15
23 8
9
31
21
25
22 26
29
27
28
28
30
30
24
Home
Find...
Go To..

STANDARD PARTS
2-71
636 9006292 (9--09)
354834
Fig. 35 -- Brush Arm Lift Group, Left Hand
Ref. Part No. Serial Number Description Qty.
oNF192 (002101-- )Arm, Upper Cylinder Pivot -- Lh 4
Y1 GB073 (002101-- ) Bush, Du Flanged -- 2 4
Y2 GG039 (002101-- ) Grease Nipple Straight -- M6 2
Y3 NF156 (002101-- ) Arm, Upper, Cylinder Pivot Lh -- Weldment 1
Y4 NF209 (002101-- ) Tube, Pivot, Inner 2
5GG248 (002101-- )Retaining Clip, 26mm O/D 3
6 74455 (002101-- ) Screw, Hex, M6 X 1.00 X 12, Fmg 2
7 HC217 (002101-- ) Cylinder, Hyd [Brush Lift W/Sae Ports] 1
8 41430 (002101-- ) Nut, Hex, Lock, M10 X 1.5, Nl 1
9 32493 (002101-- ) Washer, Flat, 0.50, Std 1
10 NF164 (002101-- )Pin, Cylinder Pivot -- Weldment 2
11 NF198 (002101-- ) Spacer, Cylinder Pivot Pin -- Machining 2
12 GG247 (002101-- ) Spherical Ball Joint 2
13 33342 (002101-- ) Nut, Hex, Lock, M16 X 2.00, Nl 4
14 GT285 (002101-- ) Bolt, --M16 X 120 Long 4
15 NF168 (002101-- )Bracket, Front Pivot Mounting -- Weldment 1
oNF194 (002101-- ) Arm, Lower Cylinder Pivot -- Lh 1
Y16 GB073 (002101-- ) Bushing, Du Flanged -- 2 4
Y17 GG039 (002101-- ) Grease Nipple Straight -- M6 2
Y18 NF163 (002101-- ) Arm, Lower, Cylinder Pivot Lh -- Weldment 1
Y19 NF209 (002101-- )Tube, Pivot, Inner 2
oNF137 (002101-- ) Brush Arm Outer Tube Assembly -- Lh 1
Y20 GB073 (002101-- ) Bushing, Du Flanged -- 2 2
Y21 NF138 (002101-- ) Brush Arm Outer Tube Weldment -- Lh 1
Y22 NF199 (002101-- ) Strip, Wear -- Formed 1
Y23 GG023 (002101-- )45 Degree Grease Nipple (M6) 1
Y24 06961 (002101-- ) Screw, Hex, M10 X 1.50 X 20, 8.8 1
25 NF147 (002101-- ) Spring --35 Od X 300 1
26 NF282 (002101-- ) Brush Arm Extended Weldment 1
27 NF148 (002101-- ) Pin, Pivot, Brush Arm -- Weldment 1
28 76099 (002101-- )Screw, Hex, M8 X 1.25 X 25, Fmg 2
29 NF205 (002101-- ) Pin, Anchor, Brush In/Out -- Weldment 1
30 08182 (002101-- ) Pin, Cotter, .125 X 1.00 4
31 HC214 (002101-- ) Hydraulic Cylinder -- B Lt Brush In--Out 1
Home
Find...
Go To..

STANDARD PARTS
636 9006292 (4--09)
2-72
Fig. 36 -- Brush Arm Motor Group, Right Hand
22
26
27
1
2
3
4
5
4
6
78
9
10
11
12
13
14
15
16
17
18
19
20
21
4
23
24
25
Home
Find...
Go To..
This brush drive plate is
illustrated upside down.
Assemble opposite than shown.

STANDARD PARTS
2-73
636 9006292 (7--10)
354831
Fig. 36 -- Brush Arm Motor Group, Right Hand
Ref. Part No. Serial Number Description Qty.
1NF171 (002101-- )Plate, Motor Swivel Rh -- Formed 1
2 GB036 (002101-- ) Spacer -- Black Nylon 1
3 03192 (002101-- ) Screw, Hex, M10 X 1.50 X 30, 8.8 1
4 32492 (002101-- ) Washer, Flat, 0.38, Std 3
5 41430 (002101-- ) Nut, Hex, Lock, M10 X 1.5, Nl 2
6NF173 (002101-- )Plate Mounting,Brush Cover Rh 1
7 16931 (002101-- ) Screw, Hex, M8 X 1.25 X 20, 8.8 2
8 32490 (002101-- ) Washer, Flat, 0.25, Std 2
9 08709 (002101-- ) Nut, Hex, Lock, M8 X 1.25, Nl 2
10 NF178 (002101-- ) Plate Motor Mounting 1
11 39283 (002101-- )Screw, Hex, M10 X 1.50 X 25, 8.8 4
12 763042 (002101-- ) Washer, Flat, Belleville, M10 4
o13 HM059 (002101-- ) Motor, Drive 1
Y14 HM037 (002101-- ) Key--For Shaft 1
Y22662 (002101-- ) Seal Kit, Motor [Cl] 1
15 06968 (002101-- )Screw, Hex, M12 X 1.75 X 35, 8.8 2
16 08711 (002101-- ) Nut, Hex, Lock, M12 X 1.75, Nl 2
17 NF210 (002101-- ) Plate, Mounting, Water Hose -- Formed 1
18 16931 (002101-- ) Screw, Hex, M8 X 1.25 X 20, 8.8 2
19 01685 (002101-- ) Washer, Flat, 0.38b 0.88d .08, Ss 2
20 08709 (002101-- )Nut, Hex, Lock, M8 X 1.25, Nl 2
21 WP165 (002101-- ) Brush Spray Nozzle A 1
22 222268 (002101-- ) Washer, Flat, 0.38b 1.25d .12, Neo 1
23 NF184 (002101-- ) Plate, Brush Drive -- Weldment 1
24 39277 (002101-- ) Screw, Hex, M8 X 1.25 X 25, 8.8 1
25 32491 (002101-- )Washer, Flat, 0.31, Std 1
26 CP193_C (002101-- ) Cover, Brush [Cat Grey] 1
27 GG146 (002101-- ) Knurled Fastener 2
Home
Find...
Go To..

STANDARD PARTS
636 9006292 (4--09)
2-74
Fig. 37 -- Brush Arm Motor Group, Left Hand
1
2
3
4
4
5
67
8
9
10
11
12
13
14
15
16
17
18
19
20
21 4
23
24
25
22
26
27
Home
Find...
Go To..
This brush drive plate is
illustrated upside down.
Assemble opposite than shown.

STANDARD PARTS
2-75
636 9006292 (7--10)
354832
Fig. 37 -- Brush Arm Motor Group, Left Hand
Ref. Part No. Serial Number Description Qty.
1NF175 (002101-- )Plate Motor, Swivel--Lh 1
2 GB036 (002101-- ) Spacer -- Black Nylon 1
3 03192 (002101-- ) Screw, Hex, M10 X 1.50 X 30, 8.8 1
4 32492 (002101-- ) Washer, Flat, 0.38, Std 3
5 41430 (002101-- ) Nut, Hex, Lock, M10 X 1.5, Nl 2
6NF177 (002101-- )Plate Mounting, Brush Cover, Lh 1
7 16931 (002101-- ) Screw, Hex, M8 X 1.25 X 20, 8.8 2
8 32490 (002101-- ) Washer, Flat, 0.25, Std 2
9 08709 (002101-- ) Nut, Hex, Lock, M8 X 1.25, Nl 2
10 NF178 (002101-- ) Plate Motor Mounting 1
11 39283 (002101-- )Screw, Hex, M10 X 1.50 X 25, 8.8 4
12 763042 (002101-- ) Washer, Flat, Belleville, M10 4
o13 HM059 (002101-- ) Motor, Drive 1
Y14 HM037 (002101-- ) Key--For Shaft 1
Y22662 (002101-- ) Seal Kit, Motor [Cl] 1
15 06968 (002101-- )Screw, Hex, M12 X 1.75 X 35, 8.8 2
16 08711 (002101-- ) Nut, Hex, Lock, M12 X 1.75, Nl 2
17 NF210 (002101-- ) Plate, Mounting, Water Hose -- Formed 1
18 16931 (002101-- ) Screw, Hex, M8 X 1.25 X 20, 8.8 2
19 01685 (002101-- ) Washer, Flat, 0.38b 0.88d .08, Ss 2
20 08709 (002101-- )Nut, Hex, Lock, M8 X 1.25, Nl 2
21 WP165 (002101-- ) Brush Spray Nozzle A 1
22 222268 (002101-- ) Washer, Flat, 0.38b 1.25d .12, Neo 1
23 NF184 (002101-- ) Plate, Brush Drive -- Weldment 1
24 39277 (002101-- ) Screw, Hex, M8 X 1.25 X 25, 8.8 1
25 32491 (002101-- )Washer, Flat, 0.31, Std 1
26 CP193_C (002101-- ) Cover, Brush [Cat Grey] 1
27 GG146 (002101-- ) Knurled Fastener 2
Home
Find...
Go To..

STANDARD PARTS
636 9006292 (4--09)
2-76
Fig. 38 -- Hopper and Dump Door Group
1
2
3
4
5
13
14
15
16 17
17
18
18
19
17
20
21
22
23
24
25
26
27
28
29
29 30
31
33
32
34
35
36
34
37
38
39
40
7
7
98
10
11
12
6
41
42
43
44
46
47
48
29
29
29
29
49
50
51
45
Home
Find...
Go To..

STANDARD PARTS
2-77
636 9006292 (9--09)
354837
Fig. 38 -- Hopper and Dump Door Group
Ref. Part No. Serial Number Description Qty.
1VK108 (002101-- )Hopper Body, Weldment, 636 Machine W/Label 1
2 VH122 (002101-- ) Hinge Plate Rh Wldt-- Door Rpcr 1
3 VH125 (002101-- ) Hinge Plate Lh Wldt -- Door Rpcr 1
4 VH409 (002101-- ) Hopper Door Wldt 1
o5 VH540 (002101-- ) Mesh Door,Rear, Wldt 1
Y6VH181 (002101-- )Lynch Pin Assembly 2
7 GG156 (002101-- ) Latch -- Adjustable 2
8 GT386 (002101-- ) M5 X 16 Cap Screw 6
9 01683 (002101-- ) Washer, Flat, 10, Ss 6
10 06549 (002101-- ) Nut, Hex, Lock, M5 X 0.80, Nl 6
11 VH216 (002101-- )Plate, Mounting -- Wldt Hopper 2
12 GM391 (002101-- ) Seal,Hopper Door 1
13 VH536 (002101-- ) Sleeve, Cyclone To Hopper Body -- Wldt 2
14 GG277 (002101-- ) Clamp, Heavy Duty 2
15 VH610 (002101-- ) Clevis Weldment, Hyd Cylinder 1
16 VH142 (002101-- )Pin -- Hyd Cyl -- Machined 1
17 GW077 (002101-- ) Washer, Form A -- M20 --St/St A2 3
18 08185 (002101-- ) Pin, Cotter, .125 X 1.50 3
19 VH253 (002101-- ) Pin Weldment-- Hyd Cyl Hopper 1
20 HC216 (002101-- ) Hydraulic Cylinder -- H 1
21 VH516 (002101-- )Pivot Arm Weldment --636 Hopper 1
22 GB031 (002101-- ) Bushing, Flanged Du 12id 17l 2
23 GB099 (002101-- ) Bushing, Flanged, Du --20 Id X 23 Od X 1 2
24 VH410 (002101-- ) Mesh, Door, Internal Wldt 1
25 VH259 (002101-- ) Clean Cyclone Body --Weldment 2
26 VH639 (002101-- )Closing Plate, Cyclones 1
27 VH296 (002101-- ) Hinge Bracket -- Weldment 1
28 VH453 (002101-- ) Mounting Bracket Hinge Weldment 1
29 GB093 (002101-- ) Bushing, Igus, Flanged, J Type 12
30 VH251 (002101-- ) Pin Weldment -- Hyd Cyl Hopper 1
31 GG177 (002101-- )Pin, 1/8 X 1.1/4 St/St Split A2 1
oVH274 (002101-- ) Clean Cyclone Assy 2
YoVH373 (002101-- ) Bearing Kit --Spinner --525 Cyclone 1
YY 32 GW079 (002101-- ) Washer 1
YY 33 GN069 (002101-- ) Nut,Nyloc --M8 St.St A2 1
YY 34 VH272 (002101-- )Spacer, Spinner Clean Cyclone 2
YY 35 GM401 (002101-- ) Felt Washer, 22mm O/D X 10.5mm I/D 1
YY 36 GG276 (002101-- ) Circlip 2
YY 37 GB100 (002101-- ) Deep Grv Ball Brg, 10 I/D X 22 O/D X 6 T 2
YY 38 VH271 (002101-- ) Shaft, Spinner Clean Cyclone 1
YY 39 GM399 (002101-- )Plug, Blanking 1
Y40 VH273 (002101-- ) Spinner Weldment 1
41 17284 (002101-- ) Screw, Btn, M8 X 1.25 X 16, Ss 2
42 01685 (002101-- ) Washer, Flat, 0.38b 0.88d .08, Ss 2
43 VH163 (002101-- ) Sandwich Plate 2
44 VH164 (002101-- )Rubber Skirting ,3mm 1
45 32492 (002101-- ) Washer, Flat, 0.38, Std 4
46 08716 (002101-- ) Screw, Hex, M6 X 1.00 X 20, Ss 7
47 01684 (002101-- ) Washer, Flat, 0.27B 0.69D .05, Ss 9
48 08712 (002101-- ) Nut, Hex, Lock, M6 X 1.00, Nl, Ss 2
49 VH204 (002101-- )Pin, Hopper Door 1
50 09028 (002101-- ) Screw, Hex, M10 X 1.50 X 25, Ss 4
51 41430 (002101-- ) Nut, Hex, Lock, M10 X 1.5, Nl 4
Home
Find...
Go To..

STANDARD PARTS
636 9006292 (7--10)
2-78
Fig. 39 -- Hopper Lift Group
12
3
4
1
2
3
4
5
5
6
10
9
6
9
69
7
11
11
12
13
14
15
16
17
15
16
16
17
16
18
18
18
19
20
21
22
8
23
24
26
25
27
28
29
29
29
Home
Find...
Go To..

STANDARD PARTS
2-79
636 9006292 (7--10)
354838
Fig. 39 -- Hopper Lift Group
Ref. Part No. Serial Number Description Qty.
1VH145 (002101-- )Pin Weldment -- Hopper/Chassis 2
2 GT404 (002101-- ) Screw--Csk Hd Sckt M8 X 16 Zinc Ptd. 4
3 GW078 (002101-- ) M30 St/St Washer Form A A2 2
4 GG266 (002101-- ) M4 X 32 St/St Split/Pin A2 2
5 HC212 (002101-- ) Hydraulic Cylinder Assembly -- H 2
6VH143 (002101-- )Pin Weldment -- Hyd Cyl, External 4
7 16735 (002101-- ) Screw, Hex, M8 X 1.25 X 16, 8.8 2
8 GT347 (002101-- ) St St Button Hd Screw, M8 X 45 Long 1
9 32490 (002101-- ) Washer, Flat, 0.25, Std 4
10 15675 (002101-- ) Screw, Hex, M8 X 1.25 X 16, Ss 2
11 GB092 (002101-- )Bushing, Igus, Flanged, G Type 4
12 CB902 (002101-- ) Clamp, Hopper Stay Parking 2
13 CB898 (002101-- ) Mounting Brkt Wldt, Hopper Stay 1
14 CB964 (002101-- ) Bracket, Mtg, Short, Hopper Stay 1
15 GT327 (002101-- ) Screw,Button Hd Hex Skt--M6 X 16 4
16 01684 (002101-- )Washer, Flat, 0.27b 0.69d .05, Ss 8
17 08712 (002101-- ) Nut, Hex, Lock, M6 X 1.00, Nl, Ss 4
18 (002101-- ) 4
19 CB894 (002101-- ) Hopper Stay Wldt 1
20 GM561 (002101-- ) Grip, Foam 1
21 32490 (002101-- )Washer, Flat, 0.25, Std 2
22 08713 (002101-- ) Nut, Hex, Lock, M8 X 1.25, Nl, Ss 1
23 ES258 (002101-- ) Switch --Safety Limit 1
24 GT305 (002101-- ) Screw,Button Head Skt--M5 X 35 ZC Plated 3
25 GN006 (002101-- ) Nut, Nyloc -- M5 Zinc Plated Zinc Plated 2
26 GW008 (002101-- )Wacher, Form A -- M5 -- Zn Ptd Per 100 Per 4
27 76736 (002101-- ) Clamp, Cable, Stl, 0.38D X 0.62W, 1Hole 1
28 26395--1 (002101-- ) Clamp, Cable, Stl, 0.56D X 0.38W, 1Hole 2
29 GT203 (002101-- ) Screw, Self Tap, Flg Hex Hd -- M6 x 12 3
Home
Find...
Go To..

STANDARD PARTS
636 9006292 (9--09)
2-80
Fig. 40 -- Hopper Vacuum Fan Group
1
2
3
4
4
5
6
7
8
9
10
11
12
12
13
14
13
15
16
14
15
16
17
20
21
22
23
24
25
26
26 27
28
29
30
31
32
33
34
35
36
37
38
39
40
41
42
43
19
43
19
18
44
Home
Find...
Go To..

STANDARD PARTS
2-81
636 9006292 (7--10)
354839
Fig. 40 -- Hopper Vacuum Fan Group
Ref. Part No. Serial Number Description Qty.
1CC362 (002101-- )Fan Casing Back Mtg Plate --636 1
o2 HM062 (002101-- ) Motor, Hyd, 12cc 1
Y9008344 (002101-- ) Seal Kit, Motor, Hyd 1
3 76570 (002101-- ) Screw, Hex, M8 X 1.25 X 30, 8.8 4
4 32490 (002101-- ) Washer, Flat, 0.25, Std 8
508709 (002101-- )Nut, Hex, Lock, M8 X 1.25, Nl 4
6 CC356 (002101-- ) Scroll Assembly -- Fan Casing 1
7 CC370 (002101-- ) Fan Casing Front Mounting Plate --636 1
8 CC381 (002101-- ) Inlet Cone Fan Casing --636 1
9 39283 (002101-- ) Screw, Hex, M10 X 1.50 X 25, 8.8 4
10 32492 (002101-- )Washer, Flat, 0.38, Std 4
11 41430 (002101-- ) Nut, Hex, Lock, M10 X 1.5, Nl 4
12 GG231 (002101-- ) Mount, Eng [2 Piece] 3
13 GW027 (002101-- ) Collar Dish Washer 3
14 GT298 (002101-- ) M10 X 55 Bolt 8.8 Zy Din 931 3
15 GW079 (002101-- )Washer 3
16 41430 (002101-- ) Nut, Hex, Lock, M10 X 1.5, Nl 3
17 VF103 (002101-- ) Fan Impeller Assembly 1
18 GW087 (002101-- ) M6 St St Washer 7
19 01685 (002101-- ) Washer, Flat, 0.38b 0.88d .08, Ss 4
20 09740 (002101-- ) Screw, Hex, M8 X 1.25 X 20, Ss 8
21 GW055 (002101-- ) Washer -- M8 Form C St/St 314 Stainless 3 8
22 08713 (002101-- ) Nut, Hex, Lock, M8 X 1.25, Nl, Ss 8
23 GB110 (002101-- ) Bush,Sleeve,Window Pivot Fixing (As Required) 1
23 GW087 (002101-- ) M6 St St Washer 1
24 ES279 (002101-- )Speed Sensor (From Assy. M/L) 1
25 08712 (002101-- ) Nut, Hex, Lock, M6 X 1.00, Nl, Ss 1
26 KM206 (002101-- ) Foam Seal, 10mm X 5mm (From Assy. M/L) 1
27 VH505 (002101-- ) Access Plate,Fan Motor Hop Assy 1
28 15675 (002101-- ) Screw, Hex, M8 X 1.25 X 16, Ss 6
29 GW060 (002101-- ) Washer -- Forma -- M8 --St St 6
30 VH752 (002101-- ) Front Cover -- Rotomould 1
31 KM329 (002101-- ) Trim, Edge, 8mm 1
32 VH778 (002101-- ) Bracket Lh -- Front Cover Hopper 1
33 VH786 (002101-- ) Bracket Rh -- Front Cover Hopper 1
34 09740 (002101-- ) Screw, Hex, M8 X 1.25 X 20, Ss 4
35 01685 (002101-- ) Washer, Flat, 0.38b 0.88d .08, Ss 4
36 08713 (002101-- ) Nut, Hex, Lock, M8 X 1.25, Nl, Ss 4
37 VH774 (002101-- ) Lh Seal Plate -- Formed 1
38 VH776 (002101-- ) Rh Seal Plate -- Formed 1
39 GT328 (002101-- )M6X20St/StSktBtnA4 4
40 GW087 (002101-- ) Washer -- M6 Form C --St.St,A2 4
41 08712 (002101-- ) Nut, Hex, Lock, M6 X 1.00, Nl, Ss 4
42 15678 (002101-- ) Screw, Hex, M6 X 1.00 X 16, Ss 7
43 76570 (002101-- ) Screw, Hex, M8 X 1.25 X 30, 8.8 2
44 46236 (002101-- )Clamp, Cable, Stl, 0.25D X 0.56W, 1Hole 1
Home
Find...
Go To..

STANDARD PARTS
636 9006292 (9--09)
2-82
Fig. 41 -- Hopper Vacuum Nozzle Group
1
23
4
56
7
89
10
10
11
11
12
12
12
12
13
13
14
15
16
17 18
18
19
20
20
25
25
21
22
23
24
23
30
27
28
29
31
32
33
34
32
33
52 32
52 32
35
36
37
38
39
39
40
41
42
42
42
42
42
42
42
43
43
43 43
44
44
45
46
47
48
49
9
26
50
51
53
Home
Find...
Go To..

STANDARD PARTS
2-83
636 9006292 (9--09)
354845
Fig. 41 -- Hopper Vacuum Nozzle Group
Ref. Part No. Serial Number Description Qty.
o1NA118 (002101-- )Nozzle Assembly,Adjustable 1
Y2 NF045 (002101-- ) Adjuster Assy -- Side Brush 1
Y3 GN025 (002101-- ) Nut 3/4” Unc Unplated 1
Y4 NA134 (002101-- ) Bar,Hinge --Adjustable Nozzle 1
Y5 NA120 (002101-- ) Flap Weldment,Adjustable Nozzle 1
632490 (002101-- )Washer, Flat, 0.25, Std 8
7 08709 (002101-- ) Nut, Hex, Lock, M8 X 1.25, Nl 8
8 NA138 (002101-- ) Horseshoe 1
oNN113 (002101-- ) Nozzle -- Side Skid Shoe Sg Ci, Bsen1563 2
Y9 NN112 (002101-- ) Nozzle -- Side Skid Shoe 1
Y10 GW084 (002101-- )Washer--Schnorr Serra 2
Y11 GT390 (002101-- ) Screw, Hex Id Set, M16 X 80 2
Y12 33342 (002101-- ) Nut, Hex, Lock, M16 X 2.00, Nl 4
Y13 GN075 (002101-- ) Nut, Hex Locking (Thin) -- M16 X 2.0p 2
14 NA087 (002101-- ) Backing Strip,Rubber 1
15 NA135 (002101-- )Plate,Brush Guard/Clamp --Formed 1
16 NA117 (002101-- ) Rubber Flap-- 8mm --63 1
17 GT240 (002101-- ) Bolt--Aneorobic M6x35 Ptd. 5
18 32483 (002101-- ) Washer, Flat, 0.25, Sae 10
oNA147 (002101-- ) Nozzle -- A--Frame Assembly 1
Y19 08711 (002101-- )Nut, Hex, Lock, M12 X 1.75, Nl 5
Y20 GG263 (002101-- ) Ball Joint,Track Rod 2
Y21 NA146 (002101-- ) Nozzle -- A--Frame Weldment 1
Y22 GG229 (002101-- ) Ball Joint, Track Ro 1
Y23 GN061 (002101-- ) Nut, Nyloc M16 X 1.5 3
Y24 GT314 (002101-- )M16 X 1.5 X 70 Bolt 8.8 Zc 1
Y25 GW084 (002101-- ) Washer--Schnorr Serra 2
Y26 GN061 (002101-- ) Nut, Nyloc M16 X 1.5 2
27 379870 (002101-- ) Screw, Hex, M12 X 1.75 X 55, Ss 1
28 09741 (002101-- ) Nut, Hex, Lock, M12 X 1.75, Nl, Ss 1
29 NA082 (002101-- )Chain, Nozzle Restraining 2
30 HC215 (002101-- ) Hydraulic Cylinder -- 1
31 VT188 (002101-- ) Hose--Front Nozzle 52 1
32 GM013 (002101-- ) Rubber Band -- 8” X 2 4
33 367713 (002101-- ) Clamp, Bridge, 8.0 4
34 VH767 (002101-- )Inlet Tube Lower -- Rotomould 1
35 VT202 (002101-- ) Cuff, 8” Id X 120 Mm 1
36 VH766 (002101-- ) Inlet Tube Upper -- Rotomould 1
37 CD183 (002101-- ) Plate Mtg Support Frame 1
38 CD294 (002101-- ) Bracket,Steady,Air Intake 1
39 09010 (002101-- ) Screw, Hex, M8 X 1.25 X 25, Ss 6
40 GT262 (002101-- ) M8 X 55 Skt Btn 10.9 Zc 2
41 GT411 (002101-- ) Countersunk Skt Head -- M8 X 50Mm 2
42 GW021 (002101-- ) Washer -- M8 X 25 Od -- St St 15
43 08709 (002101-- ) Nut, Hex, Lock, M8 X 1.25, Nl 8
44 08713 (002101-- )Nut, Hex, Lock, M8 X 1.25, Nl, Ss 10
45 CD418 (002101-- ) Tube, Spacer, Cloudmaker, 40mm 1
46 CD419 (002101-- ) Spacer Tube Cloudmaker 5mm L 1
47 NA068 (002101-- ) Tube, Cylinder Spacer, Short -- Machining 1
48 GT315 (002101-- ) M12 X 110 St/St Bolt A4--70 1
49 GN047 (002101-- )Nut, Philidas Mk V -- M12 1
50 NA197 (002101-- ) Plate, Protection --Rh -- Formed 1
51 NA196 (002101-- ) Plate, Protection --Lh -- Formed 1
52 02363 (002101-- ) Clamp, Hose, Wormdrive, 7.56--8.50D, .56W 1
53 VK107 (002101-- )Plate -- Air Intake 636 Hopper 1
Home
Find...
Go To..
Sg Ci, Bsen1563
Nozzle Kit, Side Skid Shoe
NN112
NN113

STANDARD PARTS
636 9006292 (9--09)
2-84
Fig. 42 -- Hopper Inlet and Drain Group
44
55
38
55
1
2
3
4
5
6
7
8
9
5
10 11
12
13
14
15
16
17
18
19
20
21
22
23 24
25
26
27
28
29
30
31
30
31
32
31
33
34
35
36
37
15
39
40
41
42
43
45
46
47
48
49
50
51
51
52
53
54
51
17 51
Home
Find...
Go To..

STANDARD PARTS
2-85
636 9006292 (9--09)
354841
Fig. 42 -- Hopper Inlet and Drain Group
Ref. Part No. Serial Number Description Qty.
1CD405 (002101-- )Bracket -- Door Stop 1
2 VH753 (002101-- ) Inlet Duct 1
3 VH738 (002101-- ) Seal,Ring Weldment For Inlet Duct 1
4 GT327 (002101-- ) Screw,Button Hd Hex Skt--M6 X 16 3
5 GN046 (002101-- ) M6 Nut Nylon/Ins T G.8 Zc 4
616931 (002101-- )Screw, Hex, M8 X 1.25 X 20, 8.8 2
7 GT327 (002101-- ) Screw,Button Hd Hex Skt--M6 X 16 1
8 08709 (002101-- ) Nut, Hex, Lock, M8 X 1.25, Nl 2
9 VH541 (002101-- ) Gasket 1
10 08713 (002101-- ) Nut, Hex, Lock, M8 X 1.25, Nl, Ss 7
11 CD165 (002101-- )Door Weldment, Drain Access 1
12 GG300 (002101-- ) M8 X 20, 40mm Hand Wheel (From Assy. M/L 1
13 CD168 (002101-- ) Seal -- Drain Access Door 1
14 GG148 (002101-- ) Retainer -- Knurled Fasterner 1
15 VH567 (002101-- ) Woosh Inlet Pin Weldment --636 2
16 24199 (002101-- ) Screw, Hex, M5 X 0.80 X 16, Ss 1
17 01683 (002101-- ) Washer, Flat, 10, Ss 2
18 06549 (002101-- ) Nut, Hex, Lock, M5 X 0.80, Nl 1
19 CD146 (002101-- ) Drain Flap --636 1
20 GG285 (002101-- ) Extension Spring 1
21 HC220 (002101-- )Hydraulic Cylinder Assembly -- Front 1
22 CD156 (002101-- ) Clevis Pin Drain Flap -- 636 1
23 08175 (002101-- ) Pin, Cotter, .125 X 1.25 1
24 11635 (002101-- ) Screw, Hex, M6 X 1.00 X 12, Nl, Ss 1
25 08713 (002101-- ) Nut, Hex, Lock, M8 X 1.25, Nl, Ss 1
26 GT325 (002101-- )M10 X 70 St/St Bolt A4--70 1
27 PP154 (002101-- ) Boss, Alternator Mounting 2
28 08714 (002101-- ) Nut, Hex, Lock, M10 X 1.5, Nl, Ss 1
29 GT351 (002101-- ) M8 X 65 St/St Skt Btn A4 1
30 01685 (002101-- ) Washer, Flat, 0.38b 0.88d .08, Ss 5
31 08713 (002101-- )Nut, Hex, Lock, M8 X 1.25, Nl, Ss 7
32 CD155 (002101-- ) Plate,Sandwich Drain Flap 1
33 CD154 (002101-- ) Seal Flap -- Drain 1
34 GT303 (002101-- ) Screw, Hex Hd Set -- M8 X 25 2
35 VH520 (002101-- ) Mesh Filter Drain Assy -- 636 1
36 VH563 (002101-- )Woosh Inlet Blanking Plate Wldt 1
37 VH570 (002101-- ) Foam Seal -- Woosh Inlet 1
38 32490 (002101-- ) Washer, Flat, 0.25, Std 2
39 VH551 (002101-- ) Woosh Inlet Outer, Weldment --636 1
40 24199 (002101-- ) Screw, Hex, M5 X 0.80 X 16, Ss 1
41 06549 (002101-- )Nut, Hex, Lock, M5 X 0.80, Nl 1
42 16735 (002101-- ) Screw, Hex, M8 X 1.25 X 16, 8.8 4
43 PC229 (002101-- ) Flap,Engine Shield ,Neoprene--As Dwg. 1
44 VH765 (002101-- ) Inlet Tube Inner -- Rotomould 1
45 AE074 (002101-- ) Hose Suction-- 51mm X 300mm Long 1
46 CD424 (002101-- )Sump,Hopper Drain --636 1
47 GG076 (002101-- ) Jubilee Clip 40 To 55 1
48 GT331 (002101-- ) Screw, Button Head Hex Skt -- M8 X 20 -- S 1
49 GT332 (002101-- ) Screw, Btn Head Hex Skt -- M8 X 25 -- St/S 1
50 GW021 (002101-- ) Washer -- M8 X 25 Od -- St St 1
51 01685 (002101-- )Washer, Flat, 0.38b 0.88d .08, Ss 12
52 GN043 (002101-- ) Nut, Nyloc Shallow -- M8 -- St. St. A2--314 2
53 VH789 (002101-- ) Backing Plate Top Weldment 1
54 VH790 (002101-- ) Backing Plate Bottom Weldment 1
55 GW087 (002101-- )Washer -- M6 Form C --St.St,A2 4
Home
Find...
Go To..

STANDARD PARTS
636 9006292 (7--10)
2-86
Fig. 43 -- Wander Hose Group
1
2
3
4
4
3
6
5
7
8
9
10
11
12
13
9
14
15
16
17
18
19
20
21
22
Home
Find...
Go To..

STANDARD PARTS
2-87
636 9006292 (7--10)
354872
Fig. 43 -- Wander Hose Group
Ref. Part No. Serial Number Description Qty.
1VH572 (002101-- )Tube Wldt, Spigot, Woosh Inlet 1
2 AW006 (002101-- ) Cuff -- Tapered 1
3 367718 (002101-- ) Clamp, Bridge, 5.0 2
4 AW040 (002101-- ) Rubber Band 4’ Wide[ 2
5 AW053 (002101-- ) Hose -- Whoosh 1
oAW136 (002101-- )Whoosh Handle Assembly 1
Y6 AW048 (002101-- ) Whoosh Nozzle -- Plstc 1
Y7 AW125 (002101-- ) Whoosh Handle 1
Y8 AW046 (002101-- ) Bracket, Whoosh Handle -- Painted 1
Y9 GT327 (002101-- ) Screw,Button Hd Hex Skt--M6 x 16 12
Y10 AW130 (002101-- )Tube, Handle, Whoosh 1
Y11 AW124 (002101-- ) Swivel, Top End 1
Y12 CD419 (002101-- ) Spacer Tube Cloudmaker 5mm L 1
13 AW175 (002101-- ) Whoosh Hose Bracket 5
14 GW087 (002101-- ) Washer -- M6 Form C --St.St,A2 10
15 GN078 (002101-- )Washer, Mudguard -- 6.35 I/D X 25.4 O/D 10
16 AW140 (002101-- ) Fastener--Rubber (Short) 5
17 GM154 (002101-- ) Snap Clip -- 46 Mm (S/Plow) 5
oVK127 (002101-- ) Blanking Plate , Hopper Inlet [636] 1
Y18 GG329 (002101-- ) Handle, Hopper, Blanking Plate 1
Y19 GT327 (002101-- )Screw, Button Hd Hex Skt--M6x16 2
Y20 08708 (002101-- ) Nut, Hex, Lock, M6 X 1.00, Nl 2
Y21 32483 (002101-- ) Washer, Flat, 0.25, Sae 2
Y22 VK105 (002101-- ) Blanking Plate 1
Home
Find...
Go To..

STANDARD PARTS
636 9006292 (9--09)
2-88
Fig. 44 -- Hopper Vacuum Fan Access Door Group
20
21
22
17
914
1
1
2
3
4
5
5
6
7
8
9
10
11
12
13
14
15
16
914
14
18
19
Home
Find...
Go To..

STANDARD PARTS
2-89
636 9006292 (9--09)
354840
Fig. 44 -- Hopper Vacuum Fan Access Door Group
Ref. Part No. Serial Number Description Qty.
1GG286 (002101-- )Door Lock Assy (From Assy. M/L) 2
2 VH742 (002101-- ) Hinge Weldment -- Inspection Door 1
3 VH606 (002101-- ) Inner Plate Fan Access Door Wldt 1
4 VH741 (002101-- ) Outer Plate Vacform 1
5 VH650 (002101-- ) Spacer,Door Lock Inspection Panel 2
6GG213 (002101-- )Spring -- Compression 2
7 GT194 (002101-- ) M5 X 12 Button Head Screw 3
8 GT333 (002101-- ) Screw,Button Hd Hex Skt--M8 X 30 2
9 06549 (002101-- ) Nut, Hex, Lock, M5 X 0.80, Nl 6
10 VH609 (002101-- ) Hinge Pin -- Access Door 1
11 ES404 (002101-- )Safety Switch Assembly 1
12 GT188 (002101-- ) M5 X 25 Button Head Socket Scr 1
13 GG078 (002101-- ) Washer -- Top Hat 1
14 01683 (002101-- ) Washer, Flat, 10, Ss 8
15 VH658 (002101-- ) Wire, Retaining --Fan Access Door 1
16 GT305 (002101-- )M5X35SktBtn10.9Zc 2
17 GG287 (002101-- ) Fan Inspection Door Key 1
18 VH756 (002101-- ) Hinge Wldt, Door 1
19 15675 (002101-- ) Screw, Hex, M8 X 1.25 X 16, Ss 2
20 01685 (002101-- ) Washer, Flat, 0.38b 0.88d .08, Ss 2
21 08713 (002101-- )Nut, Hex, Lock, M8 X 1.25, Nl, Ss 2
22 CD296 (002101-- ) Hopper Scraper Assembly --636 1
Home
Find...
Go To..

STANDARD PARTS
636 9006292 (7--10)
2-90
Fig. 45 -- Water Tank Rear Door and Bumper Group
38
38
1
2
3
4
5
6
9
8
10
11 28
29
30
31
32
33
34
37
32
35
36
36
39
40
41
40
39
40
42
43
44
40
41
12
13
13
14
22
23
24
45
46
8
48
740
47
19
16
17
18
20
20
20
21
19
19
15
26
25
27
49
50
Home
Find...
Go To..

STANDARD PARTS
2-91
636 9006292 (7--10)
354849
Fig. 45 -- Water Tank Rear Door and Bumper Group
Ref. Part No. Serial Number Description Qty.
1WA325 (002101-- )Heat Shield With Lug --Formed 1
2 (002101-- ) 1
3 WA330 (002101-- ) Plate Connector, Formed,Water Tank 1
4 WA317 (002101-- ) Support Frame Weldment--W/Tank 1
5 WA370 (002101-- ) Tank, Water, Rear W/Label 1
609740 (002101-- ) Screw, Hex, M8 X 1.25 X 20, Ss 4
7 CA276 (002101-- ) Lock Plate Wldt 1
8 763041 (002101-- ) Washer, Flat, Belleville, M8 15
9 06961 (002101-- ) Screw, Hex, M10 X 1.50 X 20, 8.8 10
10 41187 (002101-- ) Washer, Flat, Belleville, .38 10
11 763072 (002101-- )Washer, Flat, M10, Fendr 10
12 PC004 (002101-- ) Pipe, Radiator Overflow 1
13 CP090 (002101-- ) Elbow, 90deg. -- 1/ 2
14 (002101-- ) 1
15 GN004 (002101-- ) Nut, Nyloc -- M8 5
16 CA032 (002101-- )Restraining Cable 1
17 GT042 (002101-- ) M8 X 30 Hex Cap Screw 1
18 GT144 (002101-- ) M8 X 90 Bolt 1
19 08713 (002101-- ) Nut, Hex, Lock, M8 X 1.25, Nl, Ss 2
20 GW041 (002101-- ) M8 Washer 4
21 GN021 (002101-- )Nut -- Plain -- M8 -- Zinc Plated 1
22 GM436 (002101-- ) Flap,Water Tank 1
23 WA228 (002101-- ) Plate, Fixing -- Flap Water Tank 1
24 GT378 (002101-- ) Screw,Button Hd Skt --M5 X 10 St.St 2
25 ES062 (002101-- ) Light -- Number Plate (Bulb not included) 2
ES053 (002101-- )Bulb -- Rear Light R. 2
26 WA136 (002101-- ) Plate, Mounting, Number Plate Lights 1
27 GT305 (002101-- ) Screw,Button Head Skt--M5 X 35 Zc Plated 4
oCB822 (002101-- ) Bumper Assembly 1
Y28 CB937 (002101-- ) Handle, Locking--Wldt Main Water Tank 1
Y29 CB823 (002101-- )Bumper Wldt, Water Tank 1
Y30 CB904 (002101-- ) Pin -- Locking Handle Weldment 525 1
Y31 GT203 (002101-- ) M6 X 12 Screw, Self Tapping, F 1
Y32 08175 (002101-- ) Pin, Cotter, .125 X 1.25 2
Y33 CB939 (002101-- ) Pin, Handle Retaining 1
Y34 GG240 (002101-- )Knob,Black Lever --M 1
Y35 GG039 (002101-- ) Grease Nipple Straight -- M6 1
Y36 GB073 (002101-- ) Bush, Du Flanged -- 2 2
Y37 GG155 (002101-- ) Spring -- Hinged Back Trunking 1
Y38 GB031 (002101-- ) Bushing, Flanged Du 12id 17l 2
39 GT331 (002101-- ) Screw, Button Head Hex Skt -- M8 X 20 -- S 6
40 01685 (002101-- ) Washer, Flat, 0.38b 0.88d .08, Ss 13
41 08713 (002101-- ) Nut, Hex, Lock, M8 X 1.25, Nl, Ss 5
42 (002101-- ) 1
43 GG190 (002101-- ) Carbine Hook Stainless 1
44 GT333 (002101-- )Screw,Button Hd Hex Skt--M8 X 30 1
45 CB836 (002101-- ) Pin -- Hinge Weldment 525 1
46 16735 (002101-- ) Screw, Hex, M8 X 1.25 X 16, 8.8 1
47 GT351 (002101-- ) M8 X 65 St/St Skt Btn A4 3
48 08175 (002101-- ) Pin, Cotter, .125 X 1.25 1
49 CB978 (002101-- )Support Bracket, Safety Chain, Rear Door 1
50 76099 (002101-- ) Screw, Hex, M8 X 1.25 X 25, Fmg 2
Home
Find...
Go To..

STANDARD PARTS
636 9006292 (9--09)
2-92
Fig. 46 -- Water Pump Group
1
2
3
4
5
6
6
4
5
7
8
9
10
11
12
13
14
15
16
15
15
18
19
20
21
20 22
23
24
25
26
27
28
29
24
25
30
15
31
32
17
17
33
Home
Find...
Go To..

STANDARD PARTS
2-93
636 9006292 (9--09)
354851
Fig. 46 -- Water Pump Group
Ref. Part No. Serial Number Description Qty.
1WA305 (002101-- )Side Water Tank(Rotomould) 1
2 WA306 (002101-- ) Bracket(Top) -- Tank To Chassis 1
3 WA308 (002101-- ) Bracket(Bottom) -- Tank To Chassis 1
4 364441 (002101-- ) Screw, Hex, M8 X 1.25 X 110, Ss 3
5 17284 (002101-- ) Screw, Btn, M8 X 1.25 X 16, Ss 6
632490 (002101-- )Washer, Flat, 0.25, Std 6
7 WP182 (002101-- ) Hose Barb, 3/4 M X 3/4 1
8 WP166 (002101-- ) Hosetail --3/8” Bspt 1
9 GG302 (002101-- ) Rubber Mounting Pad -- 100 X 40 X 12 1
10 WA369 (002101-- ) Hose, Water, Side Water Tank 1
11 43844 (002101-- )Clamp, Hose, Wormdrive, 0.25--0.62d, .31w 3
12 378969 (002101-- ) Clamp, Cable, Stl, 0.56d X 0.38w, 1hole 1
13 WA127 (002101-- ) Water Hose, Large Wa 1
14 WA128 (002101-- ) Water Hose, Small Wa 1
15 11399 (002101-- ) Clamp, Hose, Wormdrive, 0.81--1.50D, .50W 4
16 WA202 (002101-- )90 Deg. Swivel Connector 1
o17 WA130 (002101-- ) Strainer/Cap Assembly 1
Y18 WA041 (002101-- ) Strainer -- Drain Cap 1
Y19 WA120 (002101-- ) Hose Assembly--Water 1
20 WP112 (002101-- ) Elbow -- 3/8 Bsp Male -- 3/8 Bsp Female 2
21 WP164 (002101-- )Hosetail -- Nylon --3/ 1
22 WP163 (002101-- ) Hosetail -- Nylon 3/8 1
23 WP169 (002101-- ) Water Pump C/W Connector 1
24 58979 (002101-- ) Screw, Hex, M6 X 1.00 X 55, Fl, Ss 6
25 01684 (002101-- ) Washer, Flat, 0.27b 0.69d .05, Ss 10
26 08708 (002101-- )Nut, Hex, Lock, M6 X 1.00, Nl 5
27 WA107 (002101-- ) Tank,Water Filter--Assembly 1
28 GM400 (002101-- ) End Cap --Water Manif 1
29 63810 (002101-- ) Clamp, Hose, Wormdrive, 0.56--1.06d, .56w 1
30 ES289 (002101-- ) Sensor Solid State L 1
31 54333 (002101-- )Clamp, Hose, Wormdrive, 0.31--0.88d, .31w 1
32 CD506 (002101-- ) Tube, Stiffener, Hose, Rear Water Tank 1
33 WA312 (002101-- ) Orifice,Small Water Tank 1
Home
Find...
Go To..

STANDARD PARTS
636 9006292 (7--10)
2-94
Fig. 47 -- Water Supply Group
1
2
3
4
6
7
7
8
9
10
11
12
13
14
14
15
16
17
18
18
14
19
14
20 14
20
14
14
14
21
22
23
24
25
26
14
20
14
14
14
5
27 28
29
30
31
31
32
33
5
33
5
5
33
5
34
Home
Find...
Go To..

STANDARD PARTS
2-95
636 9006292 (7--10)
354852
Fig. 47 -- Water Supply Group
Ref. Part No. Serial Number Description Qty.
1CD408 (002101-- )Bracket, Cloudmaker -- Fabrication 1
2 CD413 (002101-- ) Arm, Cloudmaker -- Fabrication 1
3 CA032 (002101-- ) Restraining Cable 1
4 09010 (002101-- ) Screw, Hex, M8 X 1.25 X 25, Ss 2
5 WA354 (002101-- ) Hose, Water, Black, 6mm ID, 3.4 meter length 1
632490 (002101-- )Washer, Flat, 0.25, Std 2
7 39005 (002101-- ) Pin, Cotter, .094 X 0.75 2
o8 WA269 (002101-- ) Atomiser, C/W Plug 1
YWA274 (002101-- ) Spray Head Nut, Atomiser 1
YWA206 (002101-- ) Spray Head, Atomiser -- Bobbin 1
9WA254 (002101-- )Rubber Isolator,Modified 1
10 WA250 (002101-- ) Mount Wldt, Isolator 2
11 GT224 (002101-- ) M8x12 Hex Hd.Set Screw St/St 2
12 08709 (002101-- ) Nut, Hex, Lock, M8 X 1.25, Nl 2
13 WA268 (002101-- ) Cloud Maker Ofifice Holder 1
14 43844 (002101-- )Clamp, Hose, Wormdrive, 0.25--0.62d, .31w 20
15 WP214 (002101-- ) Valve Body,2/2 Way D 1
16 WP215 (002101-- ) Coil,Solenoid--2/2 Wa 1
17 WP216 (002101-- ) Plug,Solenoid--2/2 Wa 1
18 WP217 (002101-- ) Hose Tail,1/8” Bsp M 2
19 WA121 (002101-- ) Water Valve Assembly 1
20 150713 (002101-- ) Fitting, Plstc, Tee, Bm04/Bm04/Bm04 3
21 VF075 (002101-- ) Bracket,Water Nozzle--Formed 1
22 GG021 (002101-- ) Knob Panel Black 1
23 WP020 (002101-- ) Filter -- Water System [Ball Check] 1
24 WP060 (002101-- )Spray Jet -- Brush --Green 1
24 WP221 (002101-- ) Spray Nozzle [Red] 1
25 WA103 (002101-- ) Nozzle Holder/ Hosetail 1
26 WP016 (002101-- ) Cap Nut 1
27 CP237_C (002101-- ) Cover [Cloudmaker, Cat Grey] 1
28 GG146 (002101-- )Knurled Fastener 2
29 CD227 (002101-- ) Bracket Wldt, Cloud Maker Guard [636] 1
30 16391 (002101-- ) Channel, .18, 2.5w 1.3 01.0l, 1/0.5h 2
31 32490 (002101-- ) Washer, Flat, 0.25, Std 4
32 08709 (002101-- ) Nut, Hex, Lock, M8 X 1.25, Nl 2
33 WA355 (002101-- )Hose, Water, Black, 6mm ID, 800mm length 1
34 1040049 (002101-- ) Inductor, 32.0Mml [Ferrite 0--300Mhz] 3
Home
Find...
Go To..

STANDARD PARTS
636 9006292 (7--10)
2-96
Fig. 48 -- Hydraulic Reservoir and Control Valves Group
1
24
5
2
3
6
7
8
9
10
3
11
12
13
14
15
16
17
18
19
20
21
20
21
21
21
22
23
24
25
3
26
27 28
29
Home
Find...
Go To..

STANDARD PARTS
2-97
636 9006292 (7--10)
354890
Fig. 48 -- Hydraulic Reservoir and Control Valves Group
Ref. Part No. Serial Number Description Qty.
1HC208 (002101-- )Manifold Assy (See Breakdown) 1
2 54396 (002101-- ) Screw, Hex, .31--18 X 0.75, G5 4
3 41186 (002101-- ) Washer, Flat, Belleville, .31 8
4 19572 (002101-- ) Screw, Hex, .31--18 X 2.50, G5 2
5 HC207 (002101-- ) Manifold Assy (See Breakdown) 1
6HV211 (002101-- )Manifold Assy 1
7 GT318 (002101-- ) M8 X 55 Bolt 8.8 Zc Din 931 2
8 763041 (002101-- ) Washer, Flat, Belleville, M8 2
o9 HC004 (002101-- ) Filter--Pressure--Park 1
YHC058 (002101-- ) Filter Element -- High D.P.--10Qho G04666Q 1
10 16931 (002101-- )Screw, Hex, M8 X 1.25 X 20, 8.8 2
11 HV212 (002101-- ) Pump, Hyd, Piston, Hand, 0.65 1
12 CD527 (002101-- ) Plate, Pump, Hand 1
13 06949 (002101-- ) Screw, Hex, M6 X 1.00 X 50, 8.8 2
14 GW087 (002101-- ) M6 St St Washer 2
15 08708 (002101-- )Nut, Hex, Lock, M6 X 1.00, Nl 2
16 HV090 (002101-- ) Accumulator--Impeller 1
17 GM261 (002101-- ) Pad, Rbr, 3mm Th 1
18 CB840 (002101-- ) Clamp Wldt, Accumulator 1
19 06957 (002101-- ) Screw, Hex, M8 X 1.25 X 60, 8.8 1
20 08709 (002101-- )Nut, Hex, Lock, M8 X 1.25, Nl 3
21 32490 (002101-- ) Washer, Flat, 0.25, Std 6
22 GT395 (002101-- ) Bolt,Hex Hd Set M8 x 110 Mm 1
23 76570 (002101-- ) Screw, Hex, M8 X 1.25 X 30, 8.8 1
24 GN043 (002101-- ) Nut, Nyloc Shallow -- M8 -- St. St. A2--314 2
25 BB137 (002101-- )Lever -- Hand Pump 525 1
26 04765 (002101-- ) Grip, Handle 1
27 HT119 (002101-- ) Tank Assy, Hyd Oil [W/ Usa/Sae Adaptors]
(See Breakdowns)
1
o28 HC199 (002101-- ) Filter,Suction & Return Line 10 Micron F 1
Y29 HC200 (002101-- )Element,Suction & Retrun 10 Micron 1
Home
Find...
Go To..

STANDARD PARTS
636 9006292 (9--09)
2-98
Fig. 49 -- Hydraulic Pumps Group
1
2
3
4
5
5
4
6
78
9
10
11
12
13
14
15
Home
Find...
Go To..
Solenoid Assembly
Part no. ES294

STANDARD PARTS
2-99
636 9006292 (7--10)
354891
Fig. 49 -- Hydraulic Pumps Group
Ref. Part No. Serial Number Description Qty.
o1HC206 (002101-- )Manifold Assy (See Breakdown) 1
Y2 CD135 (002101-- ) Back Plate,Hyd Trans Block 1
Y3 CD136 (002101-- ) Locking Plate,Pump Adaptor 2
4 16931 (002101-- ) Screw, Hex, M8 X 1.25 X 20, 8.8 4
5 32490 (002101-- ) Washer, Flat, 0.25, Std 6
608709 (002101-- )Nut, Hex, Lock, M8 X 1.25, Nl 1
o7 HP031 (002101-- ) Pump,Swashplate-- 636 1
Y373720 (002101-- ) Seal Kit, Pump 1
8 GT393 (002101-- ) Screw,Hex Hd Set --M14 x 40 2
9 GW100 (002101-- ) Washer--36mmOdx14.5mmId 2
10 GM408 (002101-- )Cover, Solenoid, Pyp 1
11 39234 (002101-- ) Screw, Pan, 10--24 X 0.50, Ss 2
12 GW007 (002101-- ) Washer -- Plain -- 1/4” 2
13 HP039 (002101-- ) Pump, Gear, Aux, 20Cc 1
9008345 (002101-- ) Seal Kit, Pump, Hyd 1
14 HP042 (002101-- )Seal Kit 1
15 21198 (002101-- ) Screw, Hex, .38--16 X 1.25, G5 2
Home
Find...
Go To..
HP032

STANDARD PARTS
636 9006292 (9--09)
2-100
Fig. 50 -- Hydraulic Hose Pumps Group
T
P
TNSP
HP
OC
AP
A
NSP
FR
OC1
25
1
2
3
4
5
678
9
10 11
12
13
14
15
16
17
18 19
20
21
22
23 24
41
26
27
29
28
29
22
30
31
14
32
33
30
21
30
34
35 36
37
38
39
40
23
Main Control
Valve
Control
Valve
Reservoir
Cooler
Hand Pump
Filter
Wheel Motors
Control Valve
Propel
Pump
Aux
Pump
Home
Find...
Go To..

STANDARD PARTS
2-101
636 9006292 (9--09)
354886
Fig. 50 -- Hydraulic Hose Pumps Group
Ref. Part No. Serial Number Description Qty.
1HJ410 (002101-- )Hose Assy [422Etjc44439]] 1
2 HJ397 (002101-- ) Hose Assy [302j9jc88844] 1
3 HJ396 (002101-- ) Hose Assy (302Jcjc88824) 1
4 HJ411 (002101-- ) Hose Assy [422jcj744415.5] 1
5 HJ413 (002101-- ) Hose Assy [422jcjc66627] 1
6HJ412 (002101-- )Hose Assy [422jcj944428] 1
7 HJ393 (002101-- ) Hose Assy [42j9jc12121236] 1
8 HJ448 (002101-- ) Hose Assy [422jcjc12121220.5] 1
9 HJ447 (002101-- ) Hose Assy [422j9jc12121286] 1
10 HJ395 (002101-- ) Hose Assy [881jcj720161617.5] 1
11 HJ394 (002101-- )Hose Assy [811jcj912121224] 1
12 HF225 (002101-- ) Straight Thread Elbow Orfs / Sae--Orb 1 1 1
13 HF259 (002101-- ) Straight Thread Elbow Orfs / Sae--Orb 1/2 1
14 HF218 (002101-- ) Straight Thread Connector Orfs/ Sae--Orb 2
15 HF221 (002101-- ) Elbow, Str, Orfs/Sae--Orb 3/4--1 5/16--12 1
16 HF257 (002101-- )Elbow, Str, Orfs/Sae--Orb 1/2--7/8--14 1
17 HF248 (002101-- ) Utpc Straight Thread Connector 3/8--7/16 1
18 HF263 (002101-- ) Male Connector --Bspp Orfc / Bspp--Ed 1/2-- 1
19 HF262 (002101-- ) Male Elbow--Bspp Orfs / Bspp--Orr 1/2--1/2-- 1
20 HF233 (002101-- ) Swivel Nut Branch Tee Orfs / Orfs / Orfs 1
21 HF237 (002101-- )Straight Thread Connector Orfs/ Sae--Orb 2
22 HF239 (002101-- ) Straight Thread Elbow Orfs / Sae--Orb 3/8 2
23 HF229 (002101-- ) Straight Thread Connector Orfs/ Sae--Orb 2
24 HV216 (002101-- ) Needle Valve (Parker #N420s) 1/4 1
25 HF232 (002101-- ) Swivel Nut Run Tee Orfs / Orfs Swivel / 1
26 HF236 (002101-- )Straight Thread Elbow Orfs / Sae--Orb 1/4 1
27 HF222 (002101-- ) Male Connector --Bspp Orfc / Bspp--Ed 3/4-- 1
28 HF216 (002101-- ) Male Elbow--Bspp Orfs / Bspp--Orr 3/4--3/4 1
29 HF217 (002101-- ) Male Connector --Bspp Orfc / Bspp--Ed 3/4 2
30 HF253 (002101-- ) Straight Thread Connector Orfs/ Sae--Orb 4
31 HF224 (002101-- )Straight Thread Connector Orfs/ Sae--Orb 1
32 HF219 (002101-- ) Swvel Nut Run T,Orfs/Orfs Swvl /Orfs 3/4 1
33 762163 (002101-- ) Fitting, Hyd, Cap, Ff12 1
34 HJ392 (002101-- ) Hose Assy [422j9jc88834] 1
35 HJ391 (002101-- ) Hose Assy (422J9EN44438) 1
36 HJ390 (002101-- )Hose Assy [422j9jc88817] 1
37 HJ388 (002101-- ) Hose Assy [302jcj988832] 1
38 HF252 (002101-- ) Straight Thread Elbow Orfs / Sae--Orb 1/2 1
39 HF254 (002101-- ) 45 Straight Thread Elbow Orfs / Sae--Orb 2
40 HF238 (002101-- ) Utpc Straight Thread Elbow 1/4--9/16--18 1
41 HF275 (002101-- )Connector, Str Thread,Swivel,1/4--7/16--20 1
Home
Find...
Go To..
HJ481
HJ482

STANDARD PARTS
636 9006292 (4--09)
2-102
Fig. 51 -- Hydraulic Hose Steering Group
TB
TA
RBRTLT LB
TB
TA
123
4
5
6
7
8
9
10
11
12
14
10
10
15
16
17
13
18
19
Main Control Valve
Steering Valve
Steer Cylinder
Left Hand
Front Axle
Extension Cylinder
Right Hand
Front Axle
Extension Cylinder
Axle
Extension
Valve
Reservoir
Steering
Pump
Home
Find...
Go To..

STANDARD PARTS
2-103
636 9006292 (9--09)
354887
Fig. 51 -- Hydraulic Hose Steering Group
Ref. Part No. Serial Number Description Qty.
1HJ443 (002101-- )Hose Assy [4511tcjcj768692] 1
2 HJ446 (002101-- ) Hose Assy [451tcjcj746483] 1
3 HJ445 (002101-- ) Hose Assy [451tcjcjc46483] 1
4 HJ444 (002101-- ) Hose Assy [451tcjcj986687] 1
5 HJ418 (002101-- ) Hose Assy [451tcj7jc44417] 2
6HJ419 (002101-- )Hose Assy [451tcj7jc44421] 2
7 HJ417 (002101-- ) Hose Assy [451Tcenet44420] 1
8 HJ416 (002101-- ) Hose Assy [451Tcj9Et44416.5] 1
9 HF238 (002101-- ) Utpc Straight Thread Elbow 1/4--9/16--18 1
10 HF237 (002101-- ) Straight Thread Connector Orfs/ Sae--Orb 5
11 HF249 (002101-- )Male Elbow--Bspp Orfs / Bspp--Orr 3/8--3/8-- 1
12 HF240 (002101-- ) Straight Thread Connector Orfs/ Sae--Orb 1
13 HJ442 (002101-- ) Hose Assy [422jcj988830] 1
14 HF248 (002101-- ) Utpc Straight Thread Connector 3/8--7/16 2
15 HF237 (002101-- ) Straight Thread Connector Orfs/ Sae--Orb 2
16 HF236 (002101-- )Straight Thread Elbow Orfs / Sae--Orb 1/4 2
17 HF267 (002101-- ) 45 Straight Thread Elbow Orfs / Sae--Or 2
18 HF263 (002101-- ) Cnctr, Ma, Bspp, Orfc/Bspp--Ed 1/2--1/2--14 1
19 HF259 (002101-- ) Straight Thread Elbow Orfs / Sae--Orb 1/2 1
Home
Find...
Go To..
HJ484
HJ485

STANDARD PARTS
636 9006292 (7--10)
2-104
Fig. 52 -- Hydraulic Hose Brush Motors Group
1
23
4
5
6
7
8
910
11
12
13
14
15
16
17
18
19
20
19
21
22 23
24
24
15
18
19
17
25
14
14
26
27 28
18
29
31
30
33
RHBA
RHBB
LHBA
LHBB
N
B
BR
BP
PW
Main Control Valve
Reservoir
Control Valve
Left Hand Brush
Extension Cylinder
Righ Hand
Brush
Lift
Cylinder
Left Hand
Brush Motor
Left Hand
Brush
Lift Cylinder
Right Hand
Brush Motor
Right Hand Brush
Extension Cylinder
Vacuum Nozzle
Lift Cylinder
32
Home
Find...
Go To..

STANDARD PARTS
2-105
636 9006292 (7--10)
354885
Fig. 52 -- Hydraulic Hose Brush Motors Group
Ref. Part No. Serial Number Description Qty.
1HJ424 (002101-- )Hose Assy [471stjcj94443] 1
2 HJ420 (002101-- ) Hose Assy [471stj9j9664102] 1
3 HJ421 (002101-- ) Hose Assy [471stj9jc64465] 1
4 HJ422 (002101-- ) Hose Assy [471Stj9En64471] 1
5 HJ427 (002101-- ) Hose Assy [471stj9jc44464] 1
6HJ425 (002101-- )Hose Assy [471tcj9jc64432] 1
7 HJ429 (002101-- ) Hose Assy [471Stjcen44489] 2
8 HJ423 (002101-- ) Hose Assy [422Jcet44460] 1
9 HJ430 (002101-- ) Hose Assy [471Stjcet444112] 2
10 HJ426 (002101-- ) Hose Assy [471Tcenjc44434] 1
11 HJ414 (002101-- )Hose Assy [451Steujc44457] 1
12 HJ428 (002101-- ) Hose Assy [471stj9jc44438] 1
13 HJ415 (002101-- ) Hose Assy [451stjcj944434] 1
14 HF236 (002101-- ) Straight Thread Elbow Orfs / Sae--Orb 1/4 4
15 HF245 (002101-- ) Straight Thread Connector Orfs/ Sae--Orb 4
16 HF227 (002101-- )Straight Thread Elbow Orfs / Sae--Orb 1/4 1
17 HF267 (002101-- ) 45 Straight Thread Elbow Orfs / Sae--Or 4
18 HF237 (002101-- ) Straight Thread Connector Orfs/ Sae--Orb 3
19 HF231 (002101-- ) Union Tee Orfs / Orfs / Orfs 1/4 3
20 HF232 (002101-- ) Swivel Nut Run Tee Orfs / Orfs Swivel / 1
21 HF240 (002101-- )Straight Thread Connector Orfs/ Sae--Orb 1
22 HF238 (002101-- ) Utpc Straight Thread Elbow 1/4--9/16--18 1
23 HF234 (002101-- ) Utpc Straight Thread Connector 1/4--7/16-- 1
24 HF248 (002101-- ) Utpc Straight Thread Connector 3/8--7/16 6
25 HF228 (002101-- ) Swivel Nut Elbow Orfs / Orfs Swivel 1/4-- 1
26 HV213 (002101-- )Valve, Hyd [100--600 Psi Cracking Press] 1
27 GT249 (002101-- ) M6 X 40 Skt Cap 12.9 Zc 2
28 08712 (002101-- ) Nut, Hex, Lock, M6 X 1.00, Nl, Ss 2
29 HJ439 (002101-- ) Hose Assy [451Tcjcj966666] 1
30 HJ432 (002101-- ) Hose Assy [451tcjcj944470] 1
31 HJ433 (002101-- )Hose Assy [451tcjcjc44475] 1
32 HF250 (002101-- ) Elbow, Str, Orfs/Sae--Orb 3/8--3/4--16 1
33 HF295 (002101-- ) Fitting, Hyd, Str, Of06/Om06 1
Home
Find...
Go To..
HJ483
HJ486
HJ487
HJ488
HJ489
HJ490

STANDARD PARTS
636 9006292 (9--09)
2-106
Fig. 53 -- Hydraulic Hose Drive Motor Group
M4--2
M2--2
M3--2
M2--1
M1--1
M1--2
M4--1
M3--1
1
2
3
4
5
61
12 8
9
10
11
7
14
14
15
16 16
15
17
18
19
20
21
22
21
20
23
24
25
26
22
27
14
13
27
28
14
Right Hand
Front Wheel
Motor
Left Hand
Front Wheel
Motor
Right Hand
Rear Wheel
Motor
Left Hand
Rear Wheel
Motor
Reservoir
Wheel Motor
Control Valve
Home
Find...
Go To..

STANDARD PARTS
2-107
636 9006292 (9--09)
354888
Fig. 53 -- Hydraulic Hose Drive Motor Group
Ref. Part No. Serial Number Description Qty.
1HJ409 (002101-- )Hose Assy [451tcjcj944443] 2
2 HJ406 (002101-- ) Hose Assy [302jcj9108838] 1
3 HJ405 (002101-- ) Hose Assy [302jcj9108835] 1
4 HJ404 (002101-- ) Hose Assy [451tcjcj944414] 2
5 HJ407 (002101-- ) Hose Assy [302jcj9108854] 1
6HJ408 (002101-- )Hose Assy [302jcj9108851] 1
7 HJ401 (002101-- ) Hose Assy [302j9jc88848] 1
8 HJ398 (002101-- ) Hose Assy [302jcj788828] 1
9 HJ403 (002101-- ) Hose Assy [422jcj944466] 1
10 HJ402 (002101-- ) Hose Assy [422j9jc44410] 2
11 HJ400 (002101-- )Hose Assy [302jcj788844.5] 1
12 HJ399 (002101-- ) Hose Assy [302jcj988835] 1
13 HF227 (002101-- ) Elbow, Str, Orfs/Sae--Orb 1/4--7/16--20 1
14 HF253 (002101-- ) Straight Thread Connector Orfs/ Sae--Orb 7
15 HF256 (002101-- ) Straight Thread Connector Orfs/ Sae--Orb 3
16 HF227 (002101-- )Elbow, Str, Orfs / Sae--Orb 1/4--7/16--20 2
17 HF257 (002101-- ) Straight Thread Elbow Orfs / Sae--Orb 1/2 1
18 HF231 (002101-- ) Union Tee Orfs / Orfs / Orfs 1/4 1
19 HF229 (002101-- ) Straight Thread Connector Orfs/ Sae--Orb 2
20 HF227 (002101-- ) Straight Thread Elbow Orfs / Sae--Orb 1/4 2
21 HF214 (002101-- )Straight Thread Connector Orfs/ Sae--Orb 4
22 HF215 (002101-- ) Bulkhead Union Orfs / Orfs With Nut 5/8 4
23 HJ467 (002101-- ) Pipe, Hyd, Lh Front Wheel Motor, Reverse 1
24 HJ468 (002101-- ) Pipe, Hyd, Lh Front 1
25 HJ465 (002101-- ) Pipe, Hyd, Rh Front 1
26 HJ466 (002101-- )Pipe, Hyd, Rh Front 1
27 HF235 (002101-- ) Bulkhead Union Orfs / Orfs With Nut 1/4-- 2
28 HF252 (002101-- ) Elbow, Str, Orfs / Sae--orb 1/2--3/4--16 1
Home
Find...
Go To..
26
25
24
23

STANDARD PARTS
636 9006292 (9--09)
2-108
Fig. 54 -- Hydraulic Hose Vacuum Fan Group
HD
DR
DR
FP FR
T
P
OC2
FP
1
2
34
5
6
7
8
9
10
11
12
13
14
15
16
16
17
18
18
18
16
17
17
17
19
20
21
22
23
24
24
25
26
27
28
29
30
29
31
32
33
34
36
37
38
39
40
23
29
42
41
35
17
18
43
23
44
Vac F an
Motor
Hopper Control
Valve
Accumulator
Reservoir
Control Valve
Hopper Drain
Flap Door
Home
Find...
Go To..

STANDARD PARTS
2-109
636 9006292 (7--10)
354882
Fig. 54 -- Hydraulic Hose Vacuum Fan Group
Ref. Part No. Serial Number Description Qty.
1HJ449 (002101-- )Hose Assy [451tcj9jc86681] 1
2 HJ450 (002101-- ) Hose Assy [422jsj768877] 1
3 HJ464 (002101-- ) Hose Assy [422jcj766650] 1
4 HJ451 (002101-- ) Hose Assy [451tcjcet44459] 1
5 HJ452 (002101-- ) Hose Assy [451tcj9jc68614.5] 1
6HJ453 (002101-- )Hose Assy [451tcjcj966641] 1
7 HJ454 (002101-- ) Hose Assy [451tcjcj966639.5] 1
8 HJ455 (002101-- ) Hose Assy [451tcjcj946440] 1
9 HJ458 (002101-- ) Hose Assy [451enj988818] 1
10 HJ459 (002101-- ) Hose Assy [451enj988817] 1
11 HJ456 (002101-- )Hose Assy [451tcjcj964416] 1
12 HJ476 (002101-- ) Hose Assy [471stj9jc64465] 1
13 HJ474 (002101-- ) Pipe, Hyd, 12mm, Fan Return 1
14 HJ473 (002101-- ) Pipe, Hyd, 12mm, Fan 1
15 HJ475 (002101-- ) Pipe, 6mm, Fan Drain 1
16 HF165 (002101-- )Clamp Body ,For 6 Mm Pipe 6
17 HF166 (002101-- ) Clamp Body, For 12mm Pipe 12
18 CD245 (002101-- ) Plate,Pipe Clamp,Fan Hopper 9
19 HF268 (002101-- ) Connector, Str Thread, Utpc, 1/2--7/8--1 2
20 HF248 (002101-- ) Utpc Straight Thread Connector 3/8--7/16 1
21 HC210 (002101-- )Manifold Assy (See Breakdown) 1
22 17284 (002101-- ) Screw, Btn, M8 X 1.25 X 16, Ss 2
23 08713 (002101-- ) Nut, Hex, Lock, M8 X 1.25, Nl, Ss 6
24 HF229 (002101-- ) Straight Thread Connector Orfs/ Sae--Orb 2
25 GT351 (002101-- ) M8 X 65 St/St Skt Btn A4 2
26 HF276 (002101-- )Connector, Str, Orfs/Sae--Orb 1/2--9/16--18 1
27 HF227 (002101-- ) Straight Thread Elbow Orfs / Sae--Orb 1/4 1
28 HF237 (002101-- ) Connector, Str, Orfs/Sae--Orb 1/4--9/16--18 1
29 HF253 (002101-- ) Straight Thread Connector Orfs/ Sae--Orb 4
30 HF253 (002101-- ) Connector, Str, Orfs/ Sae--Orb 1/2--3/4--16 1
31 HF235 (002101-- )Bulkhead Union Orfs / Orfs With Nut 1/4-- 1
32 HF244 (002101-- ) Bulkhead Union Orfs / Orfs With Nut 3/8-- 1
33 HF243 (002101-- ) Bulkhead Run Tee Orfs 3/8 1
34 HF262 (002101-- ) Male Elbow--Bspp Orfs / Bspp--Orr 1/2--1/2-- 1
35 CD519 (002101-- ) Bracket, Mtg, Breather 1
36 GT330 (002101-- )Screw,Button Hd Hex Skt--M8 X 16 2
37 HF239 (002101-- ) Straight Thread Elbow Orfs / Sae--Orb 3/8 1
38 HF234 (002101-- ) Utpc Straight Thread Connector 1/4--7/16-- 1
39 HT159 (002101-- ) Breather, Hyd, 0.38npt 1
40 HF287 (002101-- ) Adapter, Bh, Hyd, 0.38npt 1
41 GT338 (002101-- )M6X30St/StSktBtnA4 18
42 CD383 (002101-- ) Brake Valve Bracket Welment 1
43 32490 (002101-- ) Washer, Flat, 0.25, Std 2
44 HJ457 (002101-- ) Hose Assy [451enj944417.5] 1
Home
Find...
Go To..
HJ493
HJ494
HJ495
HJ496

STANDARD PARTS
636 9006292 (9--09)
2-110
Fig. 55 -- Hydraulic Hose Hopper Lift and Dump Door Group
HB
HA
1
2
3
4
5
6
7
8
9
10
11
12
13
14 15
11
15
22
16
14
17
18
14
22
19 20
20
21
Main Control Valve
Hopper Dump
Door Cylinder
Right Hand
Hopper
Lift Cylinder
Left Hand
Hopper
Lift Cylinder
Reservoir
Home
Find...
Go To..

STANDARD PARTS
2-111
636 9006292 (9--09)
354883
Fig. 55 -- Hydraulic Hose Hopper Lift and Dump Door Group
Ref. Part No. Serial Number Description Qty.
1HJ463 (002101-- )Hose Assy [451stj7jc44487] 1
2 HJ462 (002101-- ) Hose Assy [451stj7jc44483] 1
3 HJ434 (002101-- ) Hose Assy [451tcjcj944457] 2
4 HJ461 (002101-- ) Hose Assy [451tcj9j744454] 1
5 HJ460 (002101-- ) Hose Assy [451tcj9j744445] 1
6HJ435 (002101-- )Hose Assy [451tcjcj9444112] 1
7 HJ436 (002101-- ) Hose Assy [451tcj9jc44411] 1
8 HJ437 (002101-- ) Hose Assy [451tcenj944494] 1
9 HJ438 (002101-- ) Hose Assy [422jcj944437] 1
10 HF238 (002101-- ) Utpc Straight Thread Elbow 1/4--9/16--18 1
11 HF237 (002101-- )Straight Thread Connector Orfs/ Sae--Orb 2
12 HF229 (002101-- ) Straight Thread Connector Orfs/ Sae--Orb 1
13 HF227 (002101-- ) Straight Thread Elbow Orfs / Sae--Orb 1/4 1
14 HF236 (002101-- ) Straight Thread Elbow Orfs / Sae--Orb 1/4 5
15 HF233 (002101-- ) Swivel Nut Branch Tee Orfs / Orfs / Orfs 2
16 HF232 (002101-- )Swivel Nut Run Tee Orfs / Orfs Swivel / 2
17 HF235 (002101-- ) Bulkhead Union Orfs / Orfs With Nut 1/4-- 2
18 HV210 (002101-- ) Valve, Sequence 1
19 06957 (002101-- ) Screw, Hex, M8 X 1.25 X 60, 8.8 2
20 32490 (002101-- ) Washer, Flat, 0.25, Std 4
21 08709 (002101-- )Nut, Hex, Lock, M8 X 1.25, Nl 2
22 HF270 (002101-- ) Fuse, Velocity, 90deg Elb In--Line Swivel 2
Home
Find...
Go To..
HJ492

STANDARD PARTS
636 9006292 (4--09)
2-112
Fig. 56 -- Labels Group
1
3
2
Home
Find...
Go To..

STANDARD PARTS
2-113
636 9006292 (9--09)
9006292
Fig. 56 -- Labels Group
4
5
6
7
8
Ref. Part No. Serial Number Description Qty.
1GM354 (002101-- )Label Sheet --525 Matt Resistant Pvc 1
2 GM461 (002101-- ) Label Set, Fuse Box--636 1
3 GM482 (002101-- ) Label Sheet,Clear Vinyl --636 1
4 GM394 (002101-- ) Label, Green/Yellow Chevron 1
5 GM395 (002101-- ) Decal--Chevron--Green/Yellow Rear Hopper 1
6GM565 (002101-- )Decal--Usa Slow Moving Vehicle [14.0”] 1
7 GM506 (002101-- ) Decal, Rear Water Tank -- Green/Green 1
8 GM568 (002101-- ) Label Set, Opertnl, Cab [636] 1
Home
Find...
Go To..

STANDARD PARTS
636 9006292 (7--10)
2-114
Fig. 57 -- Wire Harnesses Group
Ref. Part No. Serial Number Description Qty.
1EW212 (002101-- )Wiring Loom,Chassis 1
2 EW213 (002101-- ) Wiring Loom,Cab Iqan 1
3 EW214 (002101-- ) Safety Switch Assembly (From Assy. M/L) 1
4 EW224 (002101-- ) Wiring Loom, Cab, instrument/ A--Post Auto 1
Home
Find...
Go To..
5 EW241 (910364- ) Wiring Loom,Chassis-Automotive 636 .......................1

OPTIONS
3-1
636 9006292 (7--10)
SECTION 3
Contents Page
Fig. 1 -- Camera and Monitor Group 3-2............
Fig. 2 -- Air Conditioning Alternator and
Compressor Group 3-4.................
Fig. 3 -- Air Conditioning Rear Cab Group 3-6.......
Fig. 4 -- Air Conditioning Hoses Group 3-8..........
Fig. 5 -- Air Conditioning Cab Top Group 3-10.......
Fig. 6 -- Pressure Washer Water Pump Group
(002101-- 002218) 3-12.................
Fig. 7 -- Pressure Washer Water Pump Group
(002219-- ) 3-14..................
Fig. 8 -- Pressure Washer Hydraulic
Valve Group 3-16......................
Fig. 9 -- Pressure Washer Reel and
Hose Group 3-18......................
Fig. 10 -- Autolube Group 3-20....................
Fig. 11 -- Fire Extinguisher Group 3-22.............
Fig. 12 -- Documentation Group 3-23..............
Home
Find...
Go To..

OPTIONS
3-2 636 9006292 (4--09)
Fig. 1 -- Camera and Monitor Group
1
2
3
4
5
6
7
8
9
10
11
12
13
14
15
16 15
Home
Find...
Go To..

OPTIONS
3-3
636 9006292 (4--09)
354874
Fig. 1 -- Camera and Monitor Group
Ref. Part No. Serial Number Description Qty.
1EC020 (002101-- )Monitor.5” Lcd Colou 1
2 MC624 (002101-- ) Bracket,Weldment,5” Monitor 1
3 GT413 (002101-- ) Button Head Skt--M6x8mm--St/St A2 1
4 GW031 (002101-- ) M6 Washer Form C Zc Bs 4320 1
5 GN011 (002101-- ) Nut, Nyloc -- M6 1
6MC626 (002101-- )Bracket,Mounting,5monitor--Formed 1
7 GT111 (002101-- ) M6 X 20 Button Head Socket Scr 2
8 GW031 (002101-- ) M6 Washer Form C Zc Bs 4320 2
9 GN046 (002101-- ) M6 Nut Nylon/Ins T G.8 Zc 2
10 EC022 (002101-- ) Power Cable,3 Meter-- 1
11 EC023 (002101-- )Cable,Camera 5 Meter 1
12 EC021 (002101-- ) Camera Assembly (From Assy. M/L) 1
13 GM346 (002101-- ) Grommet,Open--4.8 I/D,1.6 Thk & 15.9 Hole 1
14 GT386 (002101-- ) M5 X 16 Cap Screw 2
15 GW087 (002101-- ) M6 St St Washer 4
16 06549 (002101-- )Nut, Hex, Lock, M5 X 0.80, Nl 2
Home
Find...
Go To..

OPTIONS
3-4 636 9006292 (7--10)
Fig. 2 -- Air Conditioning Alternator and Compressor Group
32
1
2
3
4
45
6
7
7
8
9
910
11
36
13
14
15
16
17
18 199
9
10
20
21
4
5
7
22
23 24
25
26
27
28
29
30
31
33
34
35
35
36
12
Home
Find...
Go To..
37

OPTIONS
3-5
636 9006292 (7--10)
354875
Fig. 2 -- Air Conditioning Alternator and Compressor Group
Ref. Part No. Serial Number Description Qty.
1AC072 (002101-- )Bracket Wldt, Compressor 1
2 AC058 (002101-- ) Compressor -- Air Con. 1
3 06956 (002101-- ) Screw, Hex, M8 X 1.25 X 45, 8.8 2
4 32490 (002101-- ) Washer, Flat, 0.25, Std 5
5 08709 (002101-- ) Nut, Hex, Lock, M8 X 1.25, Nl 5
639277 (002101-- )Screw, Hex, M8 X 1.25 X 25, 8.8 2
7 763041 (002101-- ) Washer, Flat, Belleville, M8 5
8 03192 (002101-- ) Screw, Hex, M10 X 1.50 X 30, 8.8 2
9 32492 (002101-- ) Washer, Flat, 0.38, Std 8
10 41430 (002101-- ) Nut, Hex, Lock, M10 X 1.5, Nl 4
11 AC117 (002101-- )Adaptor,High Pressure On Compressor 1
12 AC118 (002101-- ) Adaptor, Low Press, Compressor 1
13 TC021 (002101-- ) Drive Pulley --Air Con Compressor 1
14 06949 (002101-- ) Screw, Hex, M6 X 1.00 X 50, 8.8 3
15 763040 (002101-- ) Washer, Flat, Belleville, M6 3
16 AC086 (002101-- )Belt,Compressor --Mic 1
17 9008205 (002101--002168 ) alternator Kit, Replmnt [90 Amp] 1
18 PP156 (002101--002168 ) Alternator Mounting Brkt. 1
19 GT209 (002101--002168 ) Bolt, Hex Hd -- M10 x 100 -- Zp Zinc Plate 2
20 PP154 (002101--002168 ) Boss, Alternator Mounting 2
21 CD386 (002101-- )P Clip Bracket --Coolant Heater Hose 1
22 04375 (002101-- ) Screw, Hex, M8 X 1.25 X 40, 8.8, Fl 1
23 PP147 (002101-- ) Plate,Alternator Bracket Adjust 1
24 PP277 (002101-- ) Spacer Cooling Fan,Kubota 1
25 PP347 (002101-- ) Fan--Pusher 380 Mm, 3 1
26 PP196 (002101--002168 )Belt, Fan Avx10 X 1 1
26 PP484 (002169-- ) Belt, Fan Avx10.5/11 x 0975La 1
27 GT071 (002101-- ) Bolt, Hex Hd -- M6 x 50 (Plated) 4
28 GW003 (002101-- ) Washer--Spring--1/4’ 4
29 GT339 (002130-- ) Screw,Button Hd Hex Skt --M6 x 35 A4 St.S 1
30 GW087 (002130-- )Washer -- M6 Form C --St.St,A2 2
31 GN046 (002130-- ) Nut, Nyloc Thin -- M6 Zinc Plated Zinc Pl 1
32 PJ001 (002101--002129 ) Kit For New Alternator/Air Intake Brkt A 1
33 ES617 (002169-- ) Alternator, 90 Amp 1
34 03193 (002169-- ) Screw, Hex, M10 X 1.50 X 90, 8.8 1
35 32492 (002169-- )Washer, Flat, 0.38, Std 4
36 41430 (002169-- ) Nut, Hex, Lock, M10 X 1.5, Nl 1
36 AC059 (002101-- ) Lower Water Pipe Weldment 1
Home
Find...
Go To..
37
EK011

OPTIONS
3-6 636 9006292 (4--09)
Fig. 3 -- Air Conditioning Rear Cab Group
15
16
17
18 19
19
20
21
22
20
23
24
25
26
27
28
19
19
29
30
31
32
33 34
34
35 28
19
19
30
36 37
38
1
2
3
4
3
4
5
67
8
9
10 11
7
12
13
14
13
Home
Find...
Go To..

OPTIONS
3-7
636 9006292 (4--09)
354877
Fig. 3 -- Air Conditioning Rear Cab Group
Ref. Part No. Serial Number Description Qty.
1AC129 (002101-- )Mounting, Condensor -- Formed 1
2 AC019 (002101-- ) Condenser Coil 1
3 GT111 (002101-- ) M6 X 20 Button Head Socket Scr 4
4 GN046 (002101-- ) M6 Nut Nylon/Ins T G.8 Zc 4
5 MC707 (002101-- ) Lock Pin -- Low Level A/C 1
608712 (002101-- )Nut, Hex, Lock, M6 X 1.00, Nl, Ss 1
7 GT050 (002101-- ) M8 X 16 Button Head Socket Scr 8
8 AC021 (002101-- ) Condenser Fan 2
9 GN043 (002101-- ) Nut -- Shallow Nyloc -- M8 -- Stainless Steel (A2--70 8
10 GB097 (002101-- ) Boss, 16mm Dia X M6 2
11 GT413 (002101-- )Button Head Skt--M6x8mm--St/St A2 2
12 MC680 (002101-- ) Cover Plate -- Cab Back 1
13 GT378 (002101-- ) Screw,Button Hd Skt --M5 X 10 St.St 10
14 MC434 (002101-- ) Plate, Cover -- Cab Rear 1
15 AC032 (002101-- ) Receiver -- Drier 2.5 -- Air Con 1
16 AC033 (002101-- )Bracket, Receiver -- Drier -- Air Con 1
17 AC087 (002101-- ) Plate, Reciever/Dryer Support Bracket 1
18 09744 (002101-- ) Screw, Hex, M6 X 1.00 X 12, Ss 2
19 19066 (002101-- ) Washer, Flat, 10 10
20 07785 (002101-- ) Nut, Hex, Std, M6 X 1.00, Ss 4
21 GT329 (002101-- )Screw,Button Hd Hex Skt--M6 X 25 1
22 GT320 (002101-- ) St St Button Hd Screw, M6 X 12 Long 2
23 AC076 (002101-- ) Drip Tray Weldment 1
24 GT194 (002101-- ) M5 X 12 Button Head Screw 2
25 (002101-- ) 2
26 MC425 (002101-- )Carpet Profile,Rh Top Cab 1
27 30389 (002101-- ) Hose, Heater, 0.62id, 053.0l 1
28 06942 (002101-- ) Screw, Hex, M6 X 1.00 X 16, 8.8 3
29 16085 (002101-- ) Vr, Seal Kit, Relief, Hyd Valve [Gresen] 1
30 08708 (002101-- ) Nut, Hex, Lock, M6 X 1.00, Nl 3
31 58366 (002101-- )Clamp, Cable, Stl, 1.25D X 1.00W, 1Hole 1
32 AC054 (002101-- ) Evaporator Mounting 1
33 GT112 (002101-- ) M5 X 16 Button Head Socket Scr 2
34 C410114 (002101-- ) Seal, Rbr, Open, 0.19, 0.75w, Adh, Bulk 2
35 AC052 (002101-- ) Plate,Evaporator Mounting Angle Brk 1
36 AC020 (002101-- )Evaporator Coil 1
37 AC021 (002101-- ) Condenser Fan 4
38 AC017 (002101-- ) Bracket-- Evaporator Weldment 2
Home
Find...
Go To..

OPTIONS
3-8 636 9006292 (9--09)
Fig. 4 -- Air Conditioning Hoses Group
1
2
3
4
15
5
6
7
8
9
10
10
11
11
12
13
13
14
Home
Find...
Go To..

OPTIONS
3-9
636 9006292 (9--09)
354881
Fig. 4 -- Air Conditioning Hoses Group
Ref. Part No. Serial Number Description Qty.
1AC126 (002101-- )Pipe--Condensor To Drier 1
2 AC127 (002101-- ) Trinary Switch Assembly 1
3 AC044 (002101-- ) Pipe, Assy #6 -- Reveiver/Dryer to Evaporator 1
4 AC136 (002101-- ) Hose--Low Pressure Condenser To Drier 1
5 AC137 (002101-- ) Hose--Low Press.From Evap To Compressor 1
6AC134 (002101-- )Hose--High Press--Compressor To Cab 1
7 MC681 (002101-- ) Cover Plate Top -- Cab Floor Aircon 1
8 MC682 (002101-- ) Cover Plate Bottom -- Cab Floor Aircon 1
9 GT378 (002101-- ) Screw,Button Hd Skt --M5 X 10 St.St 4
10 GM390 (002101-- ) Open Grommet --Pvc 4
11 HF192 (002101-- )Clamp Body M20 Pipe -- Air Con 4
12 CD437 (002101-- ) Plate -- Pipe Clamp 2
13 GT305 (002101-- ) M5 X 35 Skt Btn 10.9 Zc 4
14 GN009 (002101-- ) Nut -- M5 4
15 AC135 (002101-- )Hose--High Press--Cab To Condensor 1.3M 1
Home
Find...
Go To..

OPTIONS
3-10 636 9006292 (7--10)
Fig. 5 -- Air Conditioning Cab Top Group
1
2
3
4
4
5
6
7
8
Home
Find...
Go To..

OPTIONS
3-11
636 9006292 (7--10)
354876
Fig. 5 -- Air Conditioning Cab Top Group
Ref. Part No. Serial Number Description Qty.
1CP225 (002101-- )Moulding,A/C Duct --Cab Rear Headliner 6 1
2 GT228 (002101-- ) M6 X 45 Skt Btn 10.9 Zc 1
3 GT027 (002101-- ) M6 X 20 Hex Screw 1
4 GW031 (002101-- ) M6 Washer Form C Zc Bs 4320 2
5 CP251 (002101-- ) Cab Roof Liner 600 Air Con 1
6MC341 (002101-- )Vent--Rectangular 525 2
7 ES531 (002101-- ) Switch Assembly, Off/On, (Double Pole Double Throw) 1
8 ES180 (002101-- ) Relay, Automotive -- 12V, 35/40A, Spco 6
Home
Find...
Go To..

OPTIONS
3-12 636 9006292 (7--10)
Fig. 6 -- Pressure Washer Water Pump Group (002101-- 002218)
1
23
3
3
4
5
6
7
8
9
10
11
12
17
17
17
18
19
20 13
14
15
16
17
17
Home
Find...
Go To..

OPTIONS
3-13
636 9006292 (7--10)
354878
Fig. 6 -- Pressure Washer Water Pump Group (002101-- 002218)
Ref. Part No. Serial Number Description Qty.
1WP268 (002101--002208 )Pump, Hydraulic Drive, Pressure Washer 1
1 WP212 (002209--002218 ) Pump--Axial Piston C/W Integral Motor Wit 1
2 WP240 (002101--002218 ) Elbow,Nylon 90 Deg 1
3 73468 (002101--002208 ) Fitting, Plstc, E90, Bm10/Pm12 3
4 PP171 (002101--002218 ) Exhaust Clamp -- 60mm 1
5WP180 (002101--002218 )Filter, Medium Profile -- 3/4f -- 80 Mesh 1
6 CD457 (002101--002218 ) Spacer -- Filter Assy 1
7 CD300 (002101--002218 ) Bracket, Mounting, Pressure Washer 1
8 76099 (002101--002218 ) SCREW, HEX, M8 X 1.25 X 25, FMG 2
9 GT301 (002101--002218 ) Screw, Hex Hd Set -- M8 x 16 -- St.St. A4 2
10 763041 (002101--002218 )Washer, Flat, Belleville, M8 2
11 GT377 (002101--002218 ) M8 X 75 St/St Bolt A4--70 2
12 01685 (002101--002218 ) Washer, Flat, 0.38b 0.88d .08, Ss 2
13 08713 (002101--002218 ) Nut, Hex, Lock, M8 X 1.25, Nl, Ss 2
14 CD298 (002101--002218 ) Plate, Deflector, Pressure Washer 1
15 GT327 (002101--002218 )Screw,Button Hd Hex Skt--M6 X 16 2
16 08708 (002101--002218 ) Nut, Hex, Lock, M6 X 1.00, Nl 2
17 86824 (002101--002218 ) Clamp, Hose, Wormdrive, 0.50--1.06d, .50w 8
18 WP259 (002101--002218 ) Y--Piece Equal Hose Barb 16mm Plastic 1
19 1016561 (002101--002218 ) Hose, Afmkt, Rbr, Heater, 0.62id, 08ft 1
20 WP244 (002209--002218 )Tail Assy, 90 Degree Plastic 1
Home
Find...
Go To..

OPTIONS
3-14 636 9006292 (7--10)
Fig. 7 -- Pressure Washer Water Pump Group (002219-- )
1
2
3
3
3
45
6
6
7
8
9
10
11
12
13
14
15
16
17
18
19
Home
Find...
Go To..

OPTIONS
3-15
636 9006292 (7--10)
354878
Fig. 6 -- Pressure Washer Water Pump Group (002219-- )
Ref. Part No. Serial Number Description Qty.
1WP287 (002219-- ) 636 -- Pressure Wash Pump 1
2 HF301 (002219-- ) Fitting, Elbow, Bm08/Pf08 1
3 86824 (002219-- ) Clamp, Hose, Wormdrive, 0.50--1.06d, .50w 4
4 57912 (002219-- ) Hose, Heater, E90, 0.62id, 60.0 4.0 1
5 HJ568 (002219-- ) Hose, Heater, .50ID 1
673468 (002219-- )Fitting, Plstc, E90, Bm10/Pm12 2
7 WP180 (002219-- ) Filter, Medium Profile -- 3/4f -- 80 Mesh 1
8 PP171 (002219-- ) Exhaust Clamp -- 60mm 1
9 CD457 (002219-- ) Spacer -- Filter Assy 1
10 CD300 (002219-- ) Bracket, Mounting, Pressure Washer 1
11 76099 (002219-- )Screw, Hex, M8 X 1.25 X 25, Fmg 2
12 GT301 (002219-- ) Screw, Hex Hd Set -- M8 X 16 --A4 Gd70 St. 2
13 763041 (002219-- ) Washer, Flat, Belleville, M8 2
14 CD298 (002219-- ) Plate, Deflector, Pressure Washer 1
15 GT327 (002219-- ) Screw,Button Hd Hex Skt--M6 X 16 2
16 08708 (002219-- )Nut, Hex, Lock, M6 X 1.00, Nl 2
17 GT377 (002219-- ) Bolt, Hex Hd --M8 X 75 St.St A4 2
18 01685 (002219-- ) Washer, Flat, 0.38b 0.88d .08, Ss 2
19 08713 (002219-- ) Nut, Hex, Lock, M8 X 1.25, Nl, Ss 2
Home
Find...
Go To..

OPTIONS
3-16 636 9006292 (7--10)
Fig. 8 -- Pressure Washer Hydraulic Valve Group
PW
MP
P
T
MP
T
1
23
3
4
5
8
11
12
13
14
15
6
7
9
10
16
17 18
19
20
20
21
Home
Find...
Go To..

OPTIONS
3-17
636 9006292 (7--10)
354879
Fig. 8 -- Pressure Washer Hydraulic Valve Group
Ref. Part No. Serial Number Description Qty.
1HC209 (002101-- )Manifold Assy (See Breakdown) 1
2 09771 (002101-- ) Screw, Hex, M6 X 1.00 X 70, Ss 2
3 GW031 (002101-- ) M6 Washer Form C Zc Bs 4320 4
4 GN011 (002101-- ) Nut, Nyloc -- M6 2
5 HF253 (002101-- ) Straight Thread Connector Orfs/ Sae--Orb 1
6HJ441 (002101--002218 )Hose Assy [451tcj9jc88816.5] 1
7 HF262 (002101--002218 ) Male Elbow--Bspp Orfs / Bspp--Orr 1/2--1/2-- 1
8 HF239 (002101-- ) Straight Thread Elbow Orfs / Sae--Orb 3/8 1
9 HJ440 (002101--002218 ) Hose Assy [451tcjcj96869.5] 1
10 HF263 (002101--002218 ) Male Connector --Bspp Orfc / Bspp--Ed 1/2-- 1
11 HF240 (002101-- )Straight Thread Connector Orfs/ Sae--Orb 1
12 HJ439 (002101-- ) Hose Assy [451tcjcj966666] 1
13 HF250 (002101-- ) Straight Thread Elbow Orfs / Sae--Orb 3/8 1
14 HF252 (002101-- ) Elbow,Str,OrfS/Sae--Orb 1/2--3/4--16 1
15 HJ479 (002101-- ) Hose, 19.0L 1
16 HJ565 (002219-- )Hose Assy [451Tcjcjc88816.0] 1
17 HJ564 (002219-- ) Hose Assy [451Tcjcjc86619.5] 1
18 HJ567 (002219-- ) Hose Assy [451Tcj9Jc44410.5] 1
19 HF300 (002219-- ) Fitting, Hyd, E45 [4--4Volmo] 1
20 HF262 (002219-- ) Elbow, Mal,Bspp Prfs/Bspp--Orr 1/2--1/2--14 2
21 HF243 (002219-- )Fitting, Bh, Run Tee, Orfs 3/8 1
Home
Find...
Go To..

OPTIONS
3-18 636 9006292 (7--10)
Fig. 9 -- Pressure Washer Reel and Hose Group
13
1
2
3
4
5
6
7
8
9
10
11
12
24
15
16
17
17
18
19
20
20
20 19 20
21 22
23
20
19
14
Home
Find...
Go To..

OPTIONS
3-19
636 9006292 (7--10)
354880
Fig. 9 -- Pressure Washer Reel and Hose Group
Ref. Part No. Serial Number Description Qty.
oWA364 (002101-- )Spray Gun Assy, 3000 Psi 1
Y1 WA365 (002101-- ) Spray Gun 3000Psi 1
Y2 WA366 (002101-- ) Insulated Lance 24” With Q. Coupler 1
Y3 WA417 (002101-- ) Nozzle, Press, Var, 3000Psi, 5.5Gpm 1
Y4 WA368 (002101-- ) M22 Adapter 3/8” Male 1
Y5HF273 (002101-- )Hose Swivel Fitting 1
6 HJ478 (002101-- ) Hose, Hyd 25 Ft, Hose Reel To Spray Gun 1
7 WA184 (002101-- ) Hose Reel Wldt 1
8 GG281 (002101-- ) Handle,Revolving -- 5 1
9 08713 (002101-- ) Nut, Hex, Lock, M8 X 1.25, Nl, Ss 1
10 GB092 (002101-- )Bush,Igus Flanged Bush--G Type 1
11 763085 (002101-- ) Washer, Flat, 0.56b 2
12 HF272 (002101-- ) Swivel Fitting, 3000 Psi, Hose Reel 1
13 HJ477 (002101--002218 ) Hose, Hyd Press Washer Pump To Hose Reel 1
14 ES526 (002101-- ) Switch Assembly, On/Off (Single Pole) 1
15 CD036 (002101-- )Mounting Bracket, Wldt 1
16 09740 (002101-- ) Screw, Hex, M8 X 1.25 X 20, Ss 2
17 01685 (002101-- ) Washer, Flat, 0.38b 0.88d .08, Ss 4
18 08713 (002101-- ) Nut, Hex, Lock, M8 X 1.25, Nl, Ss 2
19 GB090 (002101-- ) Boss, 12od X 6id X 28l 6
20 GB113 (002101-- )Boss, 12 O/D X 6.5 I/D X 10 Long 6
21 58979 (002101-- ) Screw, Hex, M6 X 1.00 X 55, Fl, Ss 1
22 GT313 (002101-- ) M6 X 100 St/St Bolt A4--70 1
23 08712 (002101-- ) Nut, Hex, Lock, M6 X 1.00, Nl, Ss 2
24 HJ566 (002219-- )Hose Assy [451Tc1B11666103] 1
Home
Find...
Go To..

OPTIONS
3-20 636 9006292 (4--09)
Fig. 10 -- Autolube Group
2
67
8
9
1011
1
3
4
5
Home
Find...
Go To..

OPTIONS
3-21
636 9006292 (9--09)
9006292
Fig. 10 -- Autolube Group
Ref. Part No. Serial Number Description Qty.
1AL003 (002101-- )Connector, Straight -- 4mm Push In -- M6 X 8
2 AL004 (002101-- ) Connector, 90 Deg Elbow -- 4mm Push In -- M6 20
3 AL005 (002101-- ) Connector,90 Deg Elbow -- 4mm Push In x 4
4 AL014 (002101-- ) Blanking Plug 8
5 AL015 (002101-- ) Straight Connector M6 X 5/6 Unf 4
6AL016 (002101-- )Injector, 0.015cc stroke output 30
7 AL019 (002101-- ) Tube Connector, 4mm to 4mm 1
8 AL020 (002101-- ) Spiral Binding (8mm ID, 3--4 lines) (approx. 5 meters) 1
9 AL013 (002101-- ) Auto Lub Pump 1
10 ES180 (002101-- ) Relay, Automotive -- 1
11 ES339 (002101-- )Base, Relay 1
AL006 (002101-- ) Tube, 4mm OD (50 meter coil), Grease Filled 2
AL017 (002101-- ) Central Grease -- 5kg Container 2
AL021 (002101-- ) Cable Tie 50
GM550 (002101-- ) AutoLube Identity Number Sleeve “0” 2
GM551 (002101-- )AutoLube Identity Number Sleeve “1” 12
GM552 (002101-- ) AutoLube Identity Number Sleeve “2” 11
GM553 (002101-- ) AutoLube Identity Number Sleeve “3” 3
GM554 (002101-- ) AutoLube Identity Number Sleeve “4” 3
GM555 (002101-- ) AutoLube Identity Number Sleeve “5” 3
GM556 (002101-- )AutoLube Identity Number Sleeve “6” 3
GM557 (002101-- ) AutoLube Identity Number Sleeve “7” 3
GM558 (002101-- ) AutoLube Identity Number Sleeve “8” 3
GM559 (002101-- ) AutoLube Identity Number Sleeve “9” 2
Home
Find...
Go To..

OPTIONS
3-22 636 9006292 (4--09)
Fig. 11 -- Fire Extinguisher Group
1
354889
Ref. Part No. Serial Number Description Qty.
125312 (002101-- )Extinguisher, Fire, 2.5 Lb Dry 1
Home
Find...
Go To..

OPTIONS
3-23
636 9006292 (4--09)
Fig. 12 -- Documentation Group
Ref. Part No. Serial Number Description Qty.
9006292 (002101-- )Manual, Parts [636, Na/Intl, Green Mach] 1
9006280 (002101-- ) Manual, Oprtr [636, En, Na, Green Mach] 1
9006281 (002101-- ) Manual, Oprtr [636, Es, Na, Green Mach] 1
9006291 (002101-- ) Manual, Oprtr [636, Fr, Na, Green Mach] 1
YM057 (002101-- ) Workshop Manual -- 636 1
9006569 (002101-- )Video, Oprtr, Dvd [636] 1
Home
Find...
Go To..

OPTIONS
3-24 636 9006292 (NIL)
Home
Find...
Go To..

BREAKDOWNS
4-1
636 9006292 (7--10)
SECTION 4
Contents Page
Fig. 1 -- Hydraulic Reservoir Breakdown, HT119 4-2.
Fig. 2 -- Hydraulic Valve Breakdown, HC206 4-4....
Fig. 3 -- Hydraulic Valve Breakdown, HC207 4-6....
Fig. 4 -- Hydraulic Valve Breakdown, HC208 4-8....
Fig. 5 -- Hydraulic Valve Breakdown, HC209 4-10...
Fig. 6 -- Hydraulic Valve Breakdown, HC210 4-12...
Home
Find...
Go To..

BREAKDOWNS
4-2 636 9006292 (4--09)
Fig. 1 -- Hydraulic Reservoir Breakdown, HT119
1
2
3
4
5
6
7
8
9
10
11
12
13
14
Home
Find...
Go To..

BREAKDOWNS
4-3
636 9006292 (4--09)
354892
Fig. 1 -- Hydraulic Reservoir, HT119
Ref. Part No. Serial Number Description Qty.
oHT119 (002101-- )Tank Assy, Hyd Oil [W/ USA/Sae Adaptors] 1
Y1 HT118 (002101-- ) Hydraulic Reservoir Weldment 1
Y2 HC156 (002101-- ) Sight Gauge, 5” w/Thermometer, 1/2” 1
Y3 HC227 (002101-- ) Strainer, 1--1/2”--11NPT, 100Mesh, NoBy--Pass 1
Y4 HT105 (002101-- ) Cover 1
Y5HT121 (002101-- )Cap, Fill, G 1--1/4 1
Y6 HT088 (002101-- ) Basket, Strainer 1
Y7 HT050 (002101-- ) Gasket 1
Y8 HF279 (002101-- ) Plug, Ext Hex, SAE --08 1
Y9 GW115 (002101-- ) Washer, 3/8” SAE 2
Y10 GN108 (002101-- )Nut, 3/8--16UNC--2B, ZP 2
Y11 GT418 (002101-- ) Bolt, 1/4--20 x 3/4 LG, ZP 8
Y12 GN109 (002101-- ) Washer, Nylon, 1/4” 8
Y13 HC228 (002101-- ) Strainer, Suction 1
Y14 HF280 (002101-- )Elbow, 3/4 NPT x --12 JIC 1
Home
Find...
Go To..

BREAKDOWNS
4-4 636 9006292 (4--09)
Fig. 2 -- Hydraulic Valve Breakdown, HC206
1
2
3
4
5
6
6
6
9
10
9
11
12
11
12
11
12
11
12
10
Home
Find...
Go To..

BREAKDOWNS
4-5
636 9006292 (4--09)
356058
Fig. 2 -- Hydraulic Valve Breakdown, HC206
Ref. Part No. Serial Number Description Qty.
oHC206 (002101-- )Manifold Assy 1
Yo1 HV182 (002101-- ) Valve, Spool 3 Way High Pressure 1
YY 2 HV198 (002101-- ) Seal Kit Sk8--3p--Mm 1
Y3 HV123 (002101-- ) Coil--Ey-- Type For Solenoid--Sv10 4300212 1
Yo4 HF172 (002101-- ) Nut -- Retaining -- Manifold 636 1
YY 5HF171 (002101-- )Mounting Stud -- Manifold 636 1
Y6 HF174 (002101-- ) O Ring Kit--6 Rings--Mounting Studs Manif 1
Yo7 HV181 (002101-- ) 4
YY 8 HV199 (002101-- ) Seal Kit Sk10--3p--Mm For Valve Hv181 1
Yo9 HV184 (002101-- ) Flow Divider/Combiner Fd12 Sk12--40mmt 2
YY 10 HV118 (002101-- )Seal Kit --Flow Divider / Combiner Sk12--4 1
Home
Find...
Go To..

BREAKDOWNS
4-6 636 9006292 (4--09)
Fig. 3 -- Hydraulic Valve Breakdown, HC207
1
2
3
4
5
6
7
8
9
10
11
12
13
14
15
16
17
18
Home
Find...
Go To..
18
17
16
15

BREAKDOWNS
4-7
636 9006292 (4--09)
356059
Fig. 3 -- Hydraulic Valve Breakdown, HC207
Ref. Part No. Serial Number Description Qty.
oHC207 (002101-- ) Hyd Valve Block Assembly 1
Yo1 HV095 (002101-- ) Solenoid Valve Sv10--21--0--V--00 1
YY 2 HV140 (002101-- ) Seal Kit,Valve Size 10,2 Way Type--Viton 1
Y3 HV175 (002101-- ) Coil,Eyz Type --For Series 10 Sol Valves 1
Y4 HV142 (002101-- ) Nut, Solenoid Coil,Series E For Sv10--21 1
Yo5HV170 (002101-- )Valve,D/A High Pressure Relief Valve Rv5 1
YY 6 HV171 (002101-- ) Seal Kit,Series 10, 2 Way Polyurethane T 1
Yo7 HV173 (002101-- ) Valve,Proportional Solenoid --Sp10 Opreat 1
YY 8 HV140 (002101-- ) Seal Kit,Valve Size 10,2 Way Type--Viton 1
YY 9 HV175 (002101-- ) Coil,Eyz Type --For Series 10 Sol Valves 1
YY 10 HV122 (002101-- )E Coil Nut 4502960 1
Yo11 HV172 (002101-- ) Valve,Proportional Solenoid--Sp08 Operat 1
YY 12 HV045 (002101-- ) Seal Kit-- Reverse Solenoid & Check Valve 1
YY 13 HV174 (002101-- ) Coil,Eyz Type --For Series 8 Sol Valve 4 1
YY 14 HV122 (002101-- ) E Coil Nut 4502960 1
Yo15 HV167 (002101-- )Valve,Pressure Compensator,High Pressure 1
YY 16 HV169 (002101-- ) Seal Kit,Series 10, 4 Way Polyurethane T 1
Yo17 HV168 (002101-- ) Valve,Pressure Compensator,220 Spg Ec50-- 1
YY 18 HV169 (002101-- ) Seal Kit,Series 10, 4 Way Polyurethane T 1
Home
Find...
Go To..

BREAKDOWNS
4-8 636 9006292 (4--09)
Fig. 4 -- Hydraulic Valve Breakdown, HC208
1
2
3
4
5
1
2
3
4
5
6
7
7
8
9
6
7
8
9
6
7
10
11
12
13
14
15
16
17
18
19
20 21
22
18
19
20 21
22
23 24
25 26
27
28
29 30
31 32
33
34
33
34
35 36 37
Home
Find...
Go To..

BREAKDOWNS
4-9
636 9006292 (4--09)
356060
Fig. 4 -- Hydraulic Valve Breakdown, HC208
Ref. Part No. Serial Number Description Qty.
oHC208 (002101-- )Manifold Assy 1
Yo1 HV111 (002101-- ) Solenoid Valve Sv08--47d--0--N--00 2
YY 2 HV104 (002101-- ) Seal Kit,Valve Size 8,4way,Mmm 1
YY 3 HV174 (002101-- ) Coil,Eyz Type --For Series 8 Sol Valve 4 2
YY 4 HV125 (002101-- ) Coil Spacer ( To Fit Twin Coil Valves ) 2
YY 5HV122 (002101-- )E Coil Nut 4502960 2
Yo6 HV108 (002101-- ) Solenoid Valve,Blocking/Low Flow,2way,Nc 4
YY 7 HV051 (002101-- ) Seal Kit Free Wheel Valve Sko8--2v--M 1
YY 8 HV174 (002101-- ) Coil,Eyz Type --For Series 8 Sol Valve 4 4
YY 9 HV122 (002101-- ) E Coil Nut 4502960 4
Yo10 HV039 (002101-- )Valve, Pressure Compensator Ec10--40--0--V-- 1
YY 11 HV139 (002101-- ) Seal Kit,Valve Size 10, 4 Way Type--Viton 1
Yo12 HV102 (002101-- ) Solenoid Valve Sv08--21--0--V--00 1
YY 13 HV045 (002101-- ) Seal Kit-- Reverse Solenoid & Check Valve 1
Y14 HV174 (002101-- ) Coil,Eyz Type --For Series 8 Sol Valve 4 1
Y15 HV124 (002101-- )E Coil Nut To Fit Valve Sv08--21--0--N--00 1
Yo16 HV101 (002101-- ) Relief Valve Rv08--20a--0--V--33/ M2110(210 1
YY 17 HV045 (002101-- ) Seal Kit-- Reverse Solenoid & Check Valve 1
Yo18 HV103 (002101-- ) Solenoid Valve Sv08--47c--0--N--00 1
YY 19 HV104 (002101-- ) Seal Kit,Valve Size 8,4way,Mmm 2
Y20 HV174 (002101-- )Coil,Eyz Type --For Series 8 Sol Valve 4 1
Y21 HV125 (002101-- ) Coil Spacer ( To Fit Twin Coil Valves ) 2
Y22 HV122 (002101-- ) E Coil Nut 4502960 2
Yo23 HV115 (002101-- ) Relief Valve Rv08--20a--0--N--18/M50 Spring 2
YY 24 HV045 (002101-- ) Seal Kit-- Reverse Solenoid & Check Valve 1
Yo25 HV106 (002101-- )Shuttle Valve Ls08--30--0--N 1
YY 26 HV107 (002101-- ) Seal Kit,Valve Size 8 -- 3 Way,Mm Sk08--3-- 1
Yo27 HV137 (002101-- ) Pressure Reducing Valve Pr08--32a--0--N--03 11
YY 28 HV110 (002101-- ) Seal Kit Pressure Reducing Valve Sk08--3-- 1
Yo29 HV112 (002101-- ) P.O.Check Valve Pc08--30--0--N--25 Bias Spri 1
YY 30 HV113 (002101-- )Seal Kit P.O. Check Valve Sk08--3--V--Tm 1
Yo31 HV116 (002101-- ) Check Valve Cv10--20--0--N--70 Bias Spring=4 1
YY 32 HV096 (002101-- ) Seal Kit Check Valve 1
Yo33 HV208 (002101-- ) Valve,Relief,Direct Acting Poppet Rv08--2 2
YY 34 HV045 (002101-- ) Seal Kit-- Reverse Solenoid & Check Valve 2
Yo35 HV062 (002101-- )Valve Check Reverse Speed Cv08--20--O--V--04 1
YY 36 HV045 (002101-- ) Seal Kit-- Reverse Solenoid & Check Valve 1
Y37 HV120 (002101-- ) Double Pilot Piston 7013387 1
Home
Find...
Go To..

BREAKDOWNS
4-10 636 9006292 (4--09)
Fig. 5 -- Hydraulic Valve Breakdown, HC209
1
2
3
4
5
6
7
Home
Find...
Go To..

BREAKDOWNS
4-11
636 9006292 (4--09)
356061
Fig. 5 -- Hydraulic Valve Breakdown, HC209
Ref. Part No. Serial Number Description Qty.
oHC209 (002101-- )Manifold Assy 1
Yo1 HV167 (002101-- ) Valve,Pressure Compensator,High Pressure 1
YY 2 HV169 (002101-- ) Seal Kit,Series 10, 4 Way Polyurethane T 1
Yo3 HV095 (002101-- ) Solenoid Valve Sv10--21--0--V--00 1
YY 4 HV140 (002101-- ) Seal Kit,Valve Size 10,2 Way Type--Viton 1
Y5HV123 (002101-- )Coil--Ey-- Type For Solenoid--Sv10 4300212 1
Yo6 HV204 (002101-- ) Relief Valve Rv08--20a--0--V--33/M140 1
YY 7 HV045 (002101-- ) Seal Kit-- Reverse Solenoid & Check Valve 1
Home
Find...
Go To..

BREAKDOWNS
4-12 636 9006292 (4--09)
Fig. 6 -- Hydraulic Valve Breakdown, HC210
1
2
3
4
5
6
7
8
9
10
11
12
Home
Find...
Go To..

BREAKDOWNS
4-13
636 9006292 (4--09)
356062
Fig. 6 -- Hydraulic Valve Breakdown, HC210
Ref. Part No. Serial Number Description Qty.
oHC210 (002101-- )Manifold Assy 1
Yo1 HV193 (002101-- ) Checkvalve -- Int.3ca80 1
YY 2 HV194 (002101-- ) 1
Yo3 HV190 (002101-- ) Valve --Solenoid -- Int. S229n 1
YY 4 HV192 (002101-- ) 1
Y5HV191 (002101-- )Coil -- For Int.S229 Valve 1
Y6 HV196 (002101-- ) 1
Yo7 HV187 (002101-- ) Valve -- Solenoid -- 2 Way Int. 1
YY 8 HV189 (002101-- ) Seal Kit -- For Int. S502 1
Y9 HV188 (002101-- ) Coil -- Int. -- For S502 Valves 1
Y10 HV195 (002101-- )Coil Nut -- S502 Intergrated Valve 1
Yo11 HV185 (002101-- ) Valve-- Relief -- Int. 210 Bar 1
YY 12 HV186 (002101-- ) 1
Home
Find...
Go To..

BREAKDOWNS
4-14 636 9006292 (4--09)
Home
Find...
Go To..

ENGINE BREAKDOWN
5-1
636 9006292 (4--09)
SECTION 5
Contents Page
Fig. 1 -- Crankcase Group 5-2...............
Fig. 2 -- Oil Pan Group 5-4..................
Fig. 3 -- Cylinder Head Group 5-5............
Fig. 4 -- Gear Case Group 5-6...............
Fig. 5 -- Water Pump Group 5-8..............
Fig. 6 -- Main Bearing Case Group 5-9........
Fig. 7 -- Head Cover Group 5-10.............
Fig. 8 -- Exhaust Manifold Group 5-11........
Fig. 9 -- Inlet Manifold Group 5-12............
Fig. 10 -- Valve, Rocker Arm Group 5-13.......
Fig. 11 -- Camshaft Group 5-14...............
Fig. 12 -- Piston and Crankshaft Group 5-16....
Fig. 13 -- Flywheel Group 5-18................
Fig. 14 -- Nozzle Holder and
Glow Plug Group 5-19..............
Fig. 15 -- Injection Pump Group 5-20..........
Fig. 16 -- Injection Pump Breakdown 5-22......
Fig. 17 -- Fuel Camshaft Group 5-24...........
Fig. 18 -- Idling Group 5-25...................
Fig. 19 -- Speed Control Plate Group 5-26......
Fig. 20 -- Governor Group 5-27...............
Fig. 21 -- Water Flange Group 5-28............
Fig. 22 -- Turbo Charger Group 5-29...........
Fig. 23 -- Oil Cooler Group 5-30...............
Home
Find...
Go To..

ENGINE BREAKDOWN
636 9006292 (4--09)
5-2
Fig. 1 -- Crankcase Group
1
2
3
4
5
6
7
8
9
10
11
12
13
14
15
16
17
19 20
18
21
6
2
12
11
6
Home
Find...
Go To..

ENGINE BREAKDOWN
5-3
636 9006292 (4--09)
Fig. 1 -- Crankcase Group
Ref. Part No. Description Qty.
o1)Crankcase, Complt [Ku] 1
Y2 70998 Plug, Cup, Sealing [Ku] 6
Y3 39087 Plug, Cup, Sealing [Ku] 1
Y4 39088 Fitting, Pipe, Plug [Ku] 4
Y5Bolt[Ku] 1
Y671985 Fitting, Pipe, Plug [Ku] 3
Y7 39051 Fitting, Pipe, Plug [Ku] 2
Y8 361436 Plug, Cup, Sealing [Ku] 3
Y9 71986 Plug, Cup, Sealing [Ku] 1
Y10 71987 Pin, Dowel [Ku] 2
Y11 71988 Pin, Dowel [Ku] 2
Y12 71989 Pin, Dowel [Ku] 2
Y13 71990 Pin, Eng [Ku] 2
Y14 71991 Tube, Pin [Ku] 1
Y15 71992 Plug, Cup, Sealing [Ku] 1
Y16 9004337 Pin, Start, Spring 1
Y17 Plug, Eng [Ku] 1
Y18 70887 Bushing, Gear, Gov [Ku] 1
Y19 39062 Fitting, Plug [Ku] 1
Y20 393570 Gasket 1
21 70888 Fitting, Draincock [Ku] 1
Home
Find...
Go To..

ENGINE BREAKDOWN
636 9006292 (4--09)
5-4
Fig. 2 -- Oil Pan Group
1
2
3
4
5
6
7
8
9
7
Ref. Part No. Description Qty.
1)Pan, Oil, Dsl 1
2 9004338 Bolt [Ku] 26
3 Filter, Oil [Ku] 1
4 39094 Screw, Hex [Ku] 1
5 9004339 O--Ring [Ku] 1
6Dipstick, Oil [Ku] 1
7 Gauge Assy, Oil [Ku] 1
8 361366 Seal, Org [Ku] 1
9 39073 Screw, Hex [Ku] 1
Home
Find...
Go To..

ENGINE BREAKDOWN
5-5
636 9006292 (4--09)
Fig. 3 -- Cylinder Head Group
1
2
3
4
5
6
7
8
9
11
12
6
3
10
Ref. Part No. Description Qty.
171996 )Ear, Lifting, Eng [Ku] 1
2 71997 Ear, Lifting, Eng [Ku] 1
3 39073 Screw, Hex [Ku] 2
o4 Head, Cylinder [Ku] 1
Y5 393504 Cap, Sealing 1
Y639088 Fitting, Pipe, Plug [Ku] 2
Y7 372906 Guide, Valve, Inlet 4
Y8 372907 Guide, Valve, Exhaust 4
Y9 361372 Plug, Cup, Sealing [Ku] 3
10 70897 Screw, Hex, Head, Cyl [Ku] 18
11 70898 Bolt 1
12 9004341 Gasket, Head, Cyl [Ku] 1
Home
Find...
Go To..

ENGINE BREAKDOWN
636 9006292 (4--09)
5-6
Fig. 4 -- Gear Case Group
1
3
4
5
67
8
19
16
13
15
21
22
2
20
9
17
14
12
10
18
11 2
Home
Find...
Go To..

ENGINE BREAKDOWN
5-7
636 9006292 (4--09)
Fig. 4 -- Gear Case Group
Ref. Part No. Description Qty.
o19004342 )Gear, Case [Ku] 1
Y2 361401 Fitting, Pipe, Plug [Ku] 4
Y3 70900 Spring, Cmpr, Relief [Ku] 1
Y4 70901 Tube, Seat, Valve, Oil [Ku] 1
Y5 70902 Ball, Relief, Oil [Ku] 1
Y670903 Pump, Oil, Eng [Ku] 1
Y7 9004343 Pump, Oil, Cover [Ku] 1
Y8 9004345 Screw [Ku] 5
Y9 9004344 Pin, Straight [Ku] 1
10 72014 Screw, Hex [Ku] 1
11 72015 Screw, Hex [Ku] 2
12 72016 Bolt 1
13 9004346 Stud [Ku] 1
14 39121 Nut, Hex [Ku] 1
15 39065 Washer, Lock, Split [Ku] 1
16 368055 Seal, Oil, Eng [Ku] 1
17 9004347 Stud [Ku] 1
18 72019 Cover 1
19 70912 Gasket, Case, Gear [Ku] 1
20 72993 Screw, Hex [Ku] 3
21 384872 Bolt 4
22 39051 Fitting, Pipe, Plug [Ku] 1
Home
Find...
Go To..

ENGINE BREAKDOWN
636 9006292 (4--09)
5-8
Fig. 5 -- Water Pump Group
1
2
3
4
5
6
7
8
9
12
11
12
10
Ref. Part No. Description Qty.
o19004402 )Pump, Water Assy [Ku] 1
Y2 9004403 Bearing [Ku] 1
Y3 9004404 Seal, Mechanical Assy [Ku] 1
Y4 9004405 Impeller, Pump, Water [Ku] 1
Y5 70918 Pipe, Return, Pump, Water [Ku] 1
Y670919 Flange, Pump, Water [Ku] 1
Y7 70920 Gasket, Pump, Water [Ku] 1
8 9004407 Bolt [Ku] 2
9 9004406 Bolt [Ku] 4
10 368317 Hose, Water 1
11 9003869 Pipe, Water [Kubota] 1
12 9003870 Clamp [Kubota] 2
Home
Find...
Go To..

ENGINE BREAKDOWN
5-9
636 9006292 (4--09)
Fig. 6 -- Main Bearing Case Group
1
2
3
4
5
6
7
10
11
12
10
10
9
2
2
2
8
13
14
14
14
Ref. Part No. Description Qty.
19004349 )Bearing, Case [Ku] 1
2 72998 Screw, Hex, Case, Brg, Main [Ku] 8
3 9004350 Gasket, Bearing, Case [Ku] 1
4 70923 Cover, Brg Case, Eng [Ku] 1
5 9004351 Seal, Oil [Ku] 1
670925 Gasket, Case, Gear [Ku] 1
7 72999 Screw, Hex [Ku] 8
8 371017 Bolt 9
9 9004352 Bearing, Case, Main Assy [Ku] 1
10 73479 Screw, Hex, Case, Brg, Main [Ku] 3
11 9004354 Bearing, Case, Main Assy [Ku] 1
12 9004356 Bearing, Case, Main Assy [Ku] 1
13 70951 Bearing, Cshft, Std [Ku] 1
14 9004353 Crankshaft, Metal [Ku] 3
Home
Find...
Go To..

ENGINE BREAKDOWN
636 9006292 (4--09)
5-10
Fig. 7 -- Head Cover Group
1
2
3
4
5
6
7
8
9
10
11
12
13
Ref. Part No. Description Qty.
o173480 )Cover, Cylinder Head 1
Y2 70929 Gasket, Head Cover 1
Y3 73481 Joint, Breather Pipe 1
Y4 70930 Plate, Element 1 1
Y5 70931 Plate, Element 2 1
Y670932 Element, Breather 1
Y7 70933 Oil Shield, Breather 1
Y8 73482 Screw, With Washer 2
9 73483 Nut, Cap 4
10 73484 Gasket 4
11 361374 Plug, Oil Filler 1
12 70913 O--Ring 1
13 73485 Pipe, Breather 1
Home
Find...
Go To..

ENGINE BREAKDOWN
5-11
636 9006292 (4--09)
Fig. 8 -- Exhaust Manifold Group
1
2
3
4
5
Ref. Part No. Description Qty.
19004415 )Manifold, Exhaust [Ku] 1
2 70935 Gasket, Manifold, Exhaust 1
3 73488 Stud [Ku] 6
4 73489 Nut 6
5368291 Stud 3
Home
Find...
Go To..

ENGINE BREAKDOWN
636 9006292 (4--09)
5-12
Fig. 9 -- Inlet Manifold Group
1
2
6
4
5
3
7
8
9
9
10
10
Ref. Part No. Description Qty.
o1)Manifold, Inlet Assy [Ku] 1
Y2 70934 Gasket, Manifold, Intake [Ku] 1
3 40409 Screw, Hex [Ku] 3
4 72996 Screw, Hex [Ku] 1
5 72994 Screw, Hex 2
69004412 Pipe, Inlet [Ku] 1
7 9004413 Pipe, Inlet [Ku] 1
8 9004414 Pipe, Inlet [Ku] 1
9 368287 Clamp, Hose 2
10 368286 Clamp, Hose 2
Home
Find...
Go To..

ENGINE BREAKDOWN
5-13
636 9006292 (4--09)
Fig. 10 -- Valve, Rocker Arm Group
1
2
3
4
5
6
7
9
10
11
12
13
14
15
16
17 18
19
20
21
19
19
19
19
17
17
16
18
15
13
13
13
12
12
19
9
8
2
2
21
1
1
10
10
19
12
10
Ref. Part No. Description Qty.
170936 )Valve, Intake [Ku] 4
2 Valve, Exhaust [Ku] 4
3 9004408 Spring, Valve [Ku] 8
4 73492 Retainer, Spring, Valve [Ku] 8
5 73493 Retainer, Spring [Ku] 8
673494 Seal, Stem, Valve [Ku] 8
7 361392 Cap, Valve [Ku] 8
o8 9004409 Shaft, Rocker, Arm [Ku] 1
Y9 73496 Screw [Ku] 2
10 73497 Bracket, Mtg, Rocker Arm [Ku] 4
11 73498 Stud [Ku] 4
12 73499 Nut, Hex [Ku] 4
13 73500 Washer, Flat [Ku] 4
14 9004410 Pin, Spring [Ku] 1
15 73502 Washer, Shaft, Rocker [Ku] 2
16 361589 Washer,Flat[Ku] 2
17 73504 Spring, Cmpr, Rocker [Ku] 3
18 393598 Bolt 2
o19 73506 Arm, Rocker [Ku] 8
Y20 73507 Screw, Adj, Rocker Arm [Ku] 8
Y21 73508 Nut, Hex [Ku] 8
Home
Find...
Go To..

ENGINE BREAKDOWN
636 9006292 (4--09)
5-14
Fig. 11 -- Camshaft Group
1
23
4
5
6
7
89
10
11
12
13
14
15
Home
Find...
Go To..

ENGINE BREAKDOWN
5-15
636 9006292 (4--09)
Fig. 11 -- Camshaft Group
Ref. Part No. Description Qty.
19004358 )Tappet [Ku] 8
2 73509 Rod, Push, Valve [Ku] 8
o3 9004359 Camshaft Assy [Ku] 1
Y4 39197 Screw, Set [Ku] 1
Y5 73511 Gear, Camshaft [Ku] 1
Y673512 Key [Ku] 1
Y7 73513 Stopper, Cam [Ku] 1
Y8 41973 Bolt, Hex [Ku] 2
o9 73514 Gear, Idler, Cam [Ku] 1
Y10 73515 Bushing, Gear, Idler [Ku] 1
11 73516 Collar, Gear [Ku] 1
12 73517 Washer, Collar, Gear [Ku] 1
13 73518 Ring, Snap [Ku] 1
14 73519 Shaft, Idler, Gear [Ku] 1
15 41973 Bolt, Hex [Ku] 3
Home
Find...
Go To..

ENGINE BREAKDOWN
636 9006292 (4--09)
5-16
Fig. 12 -- Piston and Crankshaft Group
1
2
34
5
6
7
8
9
11
12
13
14
10
17
16
18
19
20
21
15
20
4
Home
Find...
Go To..

ENGINE BREAKDOWN
5-17
636 9006292 (4--09)
Fig. 12 -- Piston and Crankshaft Group
Ref. Part No. Description Qty.
19004360 )Piston [Ku] 4
2 9004361 Ring, Piston Assy [Ku] 4
3 73522 Pin, Piston [Ku] 4
4 73523 Ring, Snap, Piston [Ku] 8
o5 73524 Rod Assy, Connecting [Ku] 4
Y670940 Bushing, Pin, Piston [Ku] 4
Y7 73525 Screw, Rod, Connecting [Ku] 8
Y8 9004362 Crankpin, Metal [Ku] 4
o9 73526 Crankshaft 1
Y10 70942 Bearing, Cshft [Ku] 1
Y11 73527 Ball, Cshft [Ku] 4
Y12 73528 Gear, Cshft [Ku] 1
Y13 73529 Key [Ku] 1
Y14 73530 Gear, Pump, Oil [Ku] 1
15 Screw, Hex, Cshft [Ku] 1
16 70943 Collar, Crank, Front [Ku] 1
17 9004363 Ring [Ku] 1
18 9004364 Crankshaft, Metal [Ku] 1
19 10844 Bearing, Thrust, Std [Ku] 2
20 10845 Bearing, Thrust, Std [Ku] 2
21 Pully, Fan [Ku] 1
Home
Find...
Go To..

ENGINE BREAKDOWN
636 9006292 (4--09)
5-18
Fig. 13 -- Flywheel Group
1
2
3
4
Rear End Plate
Ref. Part No. Description Qty.
o170956 )Comp. Flywheel 1
Y2 9004442 Gear, Ring 1
3 73533 Bolt, Flywheel 6
4 73534 Bolt 8
Home
Find...
Go To..

ENGINE BREAKDOWN
5-19
636 9006292 (4--09)
Fig. 14 -- Nozzle Holder and Glow Plug Group
1
3
52
6
7
8
10 11 12
13
14
17
15
16
15
6
5
4
8
8
8
9
18
Ref. Part No. Description Qty.
173554 )Pipe, Overflow 1
2 73555 Fitting, Fuel [Ku] 1
3 40166 Gasket, F/ Bolt [Ku] 1
o4 361373 Hose, Fuel [Ku] 1
Y5 9004390 Pipe, Clip [Ku] 2
o6372917 Housing Assy, Nozzle 4
Y7 70964 Gasket, Nozzle, Injector [Ku] 1
Y8 20719 Seal, Heat, Nozzle [Ku] 1
9 9004391 Pipe, Injection [Ku] 1
10 70966 Tube, Injector, Pipe #2 [Ku] 1
11 70967 Tube, Injector, Pipe #32 [Ku] 1
12 70968 Pipe, Injector, # 4 1
13 30131 Clamp, Tube, Inj, Pipe #1 [Ku] 3
14 30132 Clamp, Tube, Inj, Pipe #21 [Ku] 3
15 9004392 Plug, Glow [Ku] 4
16 73560 Cord, Ele, Glowplug 1
17 393566 Screw, W / Washer 3
18 9004393 Nut, Flange [Ku] 3
Home
Find...
Go To..

ENGINE BREAKDOWN
636 9006292 (4--09)
5-20
Fig. 15 -- Injection Pump Group
1
2
3
4
5
6
7
8
9
10 11
8
Home
Find...
Go To..

ENGINE BREAKDOWN
5-21
636 9006292 (4--09)
Fig. 15 -- Injection Pump Group
Ref. Part No. Description Qty.
173565 )Fuel Pump Cover Plate 1
2 84635 Assembly Pump, Injection (See Injection Pump Breakdown) 1
3 70972 Shim, Injection Pump 0.20 mm 1
4 70973 Shim, Injection Pump 0.25 mm 2
4 84644 Shim, Injection Pump 0.30 mm 1
573561 Bolt 3
6 73562 Stud 3
7 73563 Nut, Cap 3
8 39065 Washer, Spring 6
9 70974 Gasket, Fuel Pump 1
10 39121 Nut 2
11 39065 Washer, Spring 2
Home
Find...
Go To..

ENGINE BREAKDOWN
636 9006292 (4--09)
5-22
Fig. 16 -- Injection Pump Breakdown
1
2
3
4
5
6
7
8
9
10
11
12
13
14
15
16
17
18
19 20
21
22
23
24
25
26
Home
Find...
Go To..

ENGINE BREAKDOWN
5-23
636 9006292 (4--09)
Fig. 16 -- Injection Pump Breakdown
Ref. Part No. Description Qty.
o184635 )Assembly Pump, Injection 1
Y2 84648 Plunger, Pump 4
Y3 73567 Valve, Delivery 4
Y4 73568 Spring, Delivery Valve 4
Y5 73569 Gasket, Delivery Valve 4
Y673570 Holder, Delivery Valve 4
Y7 73571 O--Ring 4
Y8 73572 Flange, Sleeve 4
Y9 73573 Pin, Joint 4
Y10 73574 O--Ring 8
Y11 73575 Screw 8
Y12 73576 Assembly Tappet 4
Y13 73577 Pin, Tappet Guide 4
Y14 73578 Pin, Clamp 1
Y15 73579 Spring, Plunger 4
Y16 73580 Seat, Spring Upper 4
Y17 73581 Seat, Spring Lower 4
Y18 73582 Shim 1
Y19 84649 Rack, Control 1
Y20 84650 Plate 1
Y21 73585 Screw 5
Y22 73586 Sleeve, Control 4
Y23 84651 Screw, Follow 1
Y24 73588 Gasket 2
Y25 73589 Screw 1
Y26 73590 Gasket 1
Home
Find...
Go To..

ENGINE BREAKDOWN
636 9006292 (4--09)
5-24
Fig. 17 -- Fuel Camshaft Group
1
2
3
4
5
6
7
8
9
10
11
12
13
14
15
16
17
18
19 20
21
15
15
15
422
Ref. Part No. Description Qty.
184636 )Camshaft 1
2 9004368 Bearing, Ball [Ku] 1
3 9004369 Bearing, Ball [Ku] 1
4 Cam, Fuel [Ku] 1
5 73593 Nut, Cap, Cam [Ku] 1
673594 Key, Woodruff [Ku] 1
7 73595 Gear, Pump, Fuel [Ku] 1
8 Screw, Hex [Ku] 3
9 73596 Stopper, Fuel [Ku] 1
10 41973 Bolt, Hex [Ku] 2
o11 73597 Shaft, Govnr 1
Y12 73598 Holder, Gear [Ku] 1
Y13 73599 Gear, Govnr [Ku] 1
Y14 73600 Holder, Govnr [Ku] 1
Y15 73601 Weight, Comp, Govnr [Ku] 2
Y16 73602 Shaft, Govnr [Ku] 2
Y17 70977 Sleeve, Govnr [Ku] 1
Y18 70978 Washer, Thrust [Ku] 1
19 9004373 Bearing, Ball [Ku] 1
20 73603 Ring, Snap [Ku] 1
21 73604 Screw, Set [Ku] 1
22 Washer [Ku] 1
Home
Find...
Go To..

ENGINE BREAKDOWN
5-25
636 9006292 (4--09)
Fig. 18 -- Idling Group
1
2
3
4
5
6
7
8
9
10
11
5
12
13
Ref. Part No. Description Qty.
o170980 )Assembly Apparatus, Idle 1
Y2 73605 Assembly Bolt, Adjusting 1
Y3 73606 Nut 1
Y4 361375 Nut, Cap 1
Y5 40166 Gasket 2
Y630136 Cap 1
7 73610 Bolt, Adjusting 1
8 9004374 Nut 1
9 361375 Nut, Cap 1
10 40166 Gasket 2
11 30136 Cap 1
12 70188 Cover 1
13 9004375 Gasket [Ku] 1
Home
Find...
Go To..

ENGINE BREAKDOWN
636 9006292 (4--09)
5-26
Fig. 19 -- Speed Control Plate Group
1
2
3
4
5
6
7
8
910
11
12
13
14
15
16 17
5
3
Ref. Part No. Description Qty.
o170982 )Plate, Cntrl, Spd [Ku] 1
Y2 73618 Lever, Cntrl, Spd [Ku] 1
Y3 73619 Lever, Cntrl, Spd [Ku] 2
Y4 9004385 O--Ring [Ku] 1
Y5 40407 Pin, Spring [Ku] 2
Y673621 Washer,Flat[Ku] 2
Y7 73622 Nut, Hex [Ku] 2
Y8 73623 Lever, Plate, Cntrl [Ku] 1
Y9 73624 Lever, Stop [Ku] 1
Y10 70983 Seal, Oil [Ku] 1
Y11 73625 Spring, Tors [Ku] 1
Y12 73626 Shaft, Lever, Spd [Ku] 1
13 70984 Gasket, Cover, Spd [Ku] 1
14 41973 Bolt, Hex [Ku] 2
15 9004386 Stud [Ku] 2
16 39121 Nut, Hex [Ku] 2
17 39065 Washer, Lock, Split [Ku] 2
Home
Find...
Go To..

ENGINE BREAKDOWN
5-27
636 9006292 (4--09)
Fig. 20 -- Governor Group
1
3
4
7
8
9
11
5
3
2
6
10
12
3
3
Ref. Part No. Description Qty.
19004379 )Spring, Start [Ku] 1
2 70986 Spring, Ext, Govnr [Ku] 1
o3 9004380 Lever, Fork Assy [Ku] 1
Y4 9004381 Lever, Fork [Ku] 1
Y5 9004382 Lever, Fork, Shaft [Ku] 1
Y69004383 Lever, Fork, Shaft [Ku] 1
Y7 70989 Bearing, Ball [Ku] 1
Y8 73631 Cover, Lever, Gov [Ku] 1
Y9 361430 Gasket, Cover, Gov [Ku] 1
10 39160 Bolt, Hex [Ku] 2
11 70991 Collar, Govnr [Ku] 1
12 70992 Bearing, Ball [Ku] 1
Home
Find...
Go To..

ENGINE BREAKDOWN
636 9006292 (4--09)
5-28
Fig. 21 -- Water Flange Group
1
2
3
4
5
6
7
8
9
10
11
12
83
Ref. Part No. Description Qty.
o1)Comp. Flange, Water 1
Y2 384859 Pipe, Water Return 1 1
3Plug 2
4 70994 Gasket, Water Flange 1
5 41973 Bolt 3
672995 Bolt 1
7 73633 Pipe, Water Return 2 1
8 73634 Band, Pipe 2
9 361654 Thermostat, 160deg, 1.7d 1
10 10851 Gasket, Thermostat 1
11 368091 Cover, Thermostat 1
12 40418 Bolt 2
Home
Find...
Go To..

ENGINE BREAKDOWN
5-29
636 9006292 (4--09)
Fig. 22 -- Turbo Charger Group
1
9
7
5
7
8
10
11
6
4
2
3
Ref. Part No. Description Qty.
o19004508 )Turbo Assy, Charger [Ku] 1
Yo2 9004509 Hose, Turbo, Charger [Ku] 1
YY 3 9004510 Hose, Clamp [Ku] 2
4 9004511 Gasket, Turbo [Ku] 1
5 39096 Nut 3
639097 Washer, Lock, Split 3
7 368296 Flange, Muffler 1
8 9004512 Gasket, Turbo [Ku] 1
9 73535 Screw, Hex [Ku] 3
10 368293 Bolt 1
11 39138 Bolt 2
Home
Find...
Go To..

ENGINE BREAKDOWN
636 9006292 (4--09)
5-30
Fig. 23 -- Oil Cooler Group
1
14
2
3
8
7
15
13
10
1
2
3
3
3
4
5
6
9
10
11
16
17
17
17
18
Home
Find...
Go To..

ENGINE BREAKDOWN
5-31
636 9006292 (4--09)
Fig. 23 -- Oil Cooler Group
Ref. Part No. Description Qty.
19004416 )Pipe, Oil [Ku] 1
2 368305 Bolt, Eye 1
3 368300 Gasket 2
4 368302 Bolt, Eye 1
5 9004417 Pipe, Oil [Ku] 1
6368306 Gasket 1
7 40409 Screw, Hex [Ku] 2
o8 9004418 Pipe, Oil [Ku] 1
Y9 368301 Tube, Oil 1
10 368298 Clamp, Hose 2
11 368299 Clamp, Pipe 1
12 368311 Pin, Clamp 1
13 9004419 Connector [Ku] 1
14 9004420 O--Ring [Ku] 1
15 9004421 Pipe, Oil, Cooler [Ku] 1
16 73633 Hose, Water [Ku] 1
17 73634 Clamp, Hose, Heater [Ku] 4
18 368304 Collar 1
Home
Find...
Go To..

ENGINE BREAKDOWN
636 9006292 (4--09)
5-32
Home
Find...
Go To..

CROSS REFERENCE
6-1
636 9006292 (7--10)
SECTION 6
CONTENTS PAGE
PART NUMBER TO PAGE NUMBER CROSS REFERENCE LIST 6-2......................................
PART DESCRIPTION TO PAGE NUMBER CROSS REFERENCE LIST 6-12...............................
Home
Find...
Go To..

CROSS REFERENCE
636 9006292 (7--10)
6-2
PART NUMBER TO PAGE NUMBER CROSS REFERENCE LIST
Part Page
Number Number
AC017 2-41, 3-7........
AC019 3-7........
AC020 3-7........
AC021 3-7........
AC032 3-7........
AC033 3-7........
AC044 3-9........
AC052 3-7........
AC054 3-7........
AC058 3-5........
AC059 3-5........
AC072 3-5........
AC076 3-7........
AC086 3-5........
AC087 3-7........
AC117 3-5........
AC118 3-5........
AC126 3-9........
AC127 3-9........
AC129 3-7........
AC134 3-9........
AC135 3-9........
AC136 3-9........
AC137 3-9........
AE074 2-85........
AL003 3-21........
AL004 3-21........
AL005 3-21........
AL006 3-21........
AL013 3-21........
AL014 3-21........
AL015 3-21........
AL016 3-21........
AL017 3-21........
AL019 3-21........
AL020 3-21........
AL021 3-21........
AW006 2-87........
AW009 2-5........
AW040 2-87........
AW046 2-87........
AW048 2-87........
AW053 2-87........
AW124 2-87........
AW125 2-87........
AW130 2-87........
AW136 2-87........
AW140 2-87........
AW175 2-87........
BB007 2-63........
BB028 2-7
........
BB045 2-49........
BB079 2-21........
BB116 2-53........
BB118 2-51........
BB120 2-47........
BB121 2-47........
BB123 2-21........
Part Page
Number Number
BB124 2-21........
BB125 2-21........
BB126 2-21........
BB127 2-21........
BB129 2-51........
BB132 2-51........
BB133 2-21........
BB134 2-21........
BB135 2-21........
BB136 2-21........
BB137 2-97........
BB140 2-49........
BB146 2-49........
BB149 2-49........
BB154 2-47........
BB171 2-13........
BB173 2-13........
BB174 2-13........
BB175 2-13........
BB176 2-13........
BB177 2-13........
BB178 2-13........
BB179 2-13........
BB182 2-51........
BB184 2-49........
BB185 2-49........
BB186 2-49........
BB187 2-49........
BB188 2-49........
BB189 2-49........
BB190 2-49........
BB192 2-47........
BB196 2-47........
BB197 2-49........
C410114 3-7.......
CA032 2-91, 2-95........
CA276 2-91........
CA364 2-5........
CB793 2-55........
CB799 2-55........
CB810 2-55........
CB822 2-91........
CB823 2-91........
CB836 2-91........
CB840 2-97........
CB850 2-5........
CB855 2-5........
CB878 2-11........
CB890 2-9........
CB894 2-79........
CB898 2-79
........
CB902 2-79........
CB904 2-91........
CB937 2-91........
CB939 2-91........
CB946 2-13, 2-21........
CB964 2-79........
CB978 2-91........
Part Page
Number Number
CC356 2-81........
CC362 2-81........
CC370 2-81........
CC381 2-81........
CD001 2-53........
CD007 2-11........
CD036 3-19........
CD055 2-5........
CD065 2-59........
CD070 2-63........
CD076 2-63........
CD078 2-63........
CD083 2-5........
CD090 2-5........
CD099 2-23........
CD100 2-23........
CD103 2-23........
CD106 2-23........
CD121 2-25........
CD135 2-99........
CD136 2-99........
CD146 2-85........
CD154 1-1, 2-85........
CD155 2-85........
CD156 2-85........
CD165 2-85........
CD168 2-85........
CD170 2-5........
CD183 2-83........
CD227 2-95........
CD245 2-109........
CD290 2-5........
CD294 2-83........
CD296 2-89........
CD298 3-13, 3-15........
CD300 3-13, 3-15........
CD305 2-25........
CD383 2-109........
CD386 2-57, 3-5........
CD405 2-85........
CD408 2-95........
CD413 2-95........
CD418 2-83........
CD419 2-83, 2-87........
CD424 2-85........
CD437 3-9........
CD457 3-13, 3-15........
CD458 2-25........
CD463 2-25........
CD465 2-25........
CD506 2-93
........
CD508 2-25........
CD511 2-25........
CD517 2-25........
CD519 2-109........
CD527 2-97........
CD529 2-23........
CP090 2-91........
Home
Find...
Go To..

CROSS REFERENCE
6-3
636 9006292 (7--10)
Part Page
Number Number
CP193_C 2-73, 2-75......
CP194 2-39........
CP196 2-43........
CP197 2-53........
CP201 2-41........
CP205 2-41........
CP214 2-45........
CP223 2-5........
CP225 3-11........
CP232 2-25........
CP233 2-23........
CP235 2-41........
CP237_C 2-95......
CP242 2-43........
CP250 2-35........
CP251 3-11........
CT002 2-17........
CT019 2-19........
CT021 2-17, 2-19........
CT025 2-7, 2-17, 2-19........
CT039 2-21, 2-49........
CT053 2-7, 2-17, 2-19........
CT056 2-21........
CT057 2-21........
EC014 2-45........
EC020 3-3........
EC021 3-3........
EC022 3-3........
EC023 3-3........
EC025 2-27........
EH015 2-43........
EH016 2-55........
EH018 2-43........
ES012 2-39, 2-53........
ES017 2-43........
ES032 2-5, 2-27........
ES038 2-5........
ES053 2-91........
ES062 2-91........
ES099 2-59........
ES130 2-43........
ES134 2-43........
ES151 2-43........
ES162 2-59........
ES180 2-43, 3-11, 3-21........
ES186 2-27........
ES192 2-43........
ES206 2-27........
ES209 2-43........
ES215 2-39........
ES217 2-27
........
ES224 2-43........
ES230 2-47........
ES243 2-5, 2-27........
ES245 2-27........
ES247 2-45........
ES250 2-45........
ES252 2-43, 2-45........
ES254 2-5........
ES255 2-5........
Part Page
Number Number
ES256 2-5........
ES257 2-55........
ES258 2-79........
ES266 2-43........
ES271 2-43, 2-45........
ES272 2-45........
ES275 2-51........
ES276 1-1, 2-5........
ES277 2-39........
ES279 2-55, 2-81........
ES280 2-7........
ES281 2-7........
ES282 2-63........
ES285 2-19........
ES289 2-93........
ES295 2-59........
ES296 2-39........
ES329 2-27........
ES339 3-21........
ES347 2-27........
ES352 2-43........
ES355 2-41........
ES362 2-67........
ES370 2-43........
ES404 2-89........
ES405 2-41........
ES411 2-45........
ES420 2-45........
ES423 2-47........
ES424 2-47........
ES426 2-43........
ES440 2-43........
ES448 2-45........
ES451 2-59........
ES497 2-45........
ES526 2-43, 2-45, 3-19........
ES527 2-43........
ES528 2-43........
ES529 2-43........
ES530 2-43........
ES531 2-43, 3-11........
ES532 2-43........
ES617 3-5........
ET063 2-57........
ET101 2-27........
ET138 2-57........
ET139 2-57........
EW212 2-114........
EW213 2-114........
EW214 2-114........
EW218 2-57
........
EW221 2-43........
EW224 2-114........
FA064 2-9, 2-11........
FA069 2-7........
FA072 2-7........
FA073 2-7........
FA082 2-7........
FA083 2-7........
FA085 2-7........
Part Page
Number Number
FA089 2-15........
FA093 2-9, 2-11........
FA116 2-9, 2-11........
FA123 2-7........
FA127 2-7........
FA130 2-7, 2-17, 2-19........
FA134 2-9, 2-11........
FA151 2-7........
FA155 2-11........
FA156 2-9........
FA171 2-11........
FA174 2-13........
FA175 2-13........
FA176 2-9, 2-11........
FA204 2-9........
FA205 2-11........
FS001 2-15........
FS002 2-15........
FS005 2-15........
FS006 2-15........
FS007 2-15........
FS008 2-15........
FS014 2-39........
FS015 2-39........
FS016 2-15........
FS017 2-15........
FS020 2-15........
FS021 2-15........
GB031 2-47, 2-77, 2-91........
GB034 2-51........
GB036 2-73, 2-75........
GB060 2-29, 2-31........
GB073 2-7, 2-15, 2-69, 2-71,........
2-91
GB089 2-17, 2-19........
GB090 2-5, 3-19........
GB092 2-79, 3-19........
GB093 2-77........
GB095 2-5........
GB097 3-7........
GB099 2-77........
GB100 2-77........
GB109 2-29, 2-31........
GB110 2-29, 2-31, 2-81........
GB113 3-19........
GG021 2-41, 2-95........
GG023 2-7, 2-9, 2-11, 2-15,........
2-69, 2-71
GG033 2-23, 2-25........
GG039 2-7, 2-17, 2-19, 2-37,........
2-69, 2-71, 2-91
GG041 2-65........
GG042 2-65........
GG044 2-23, 2-25........
GG048 2-65........
GG054 2-65........
GG055 2-65........
GG073 2-13, 2-21........
GG074 2-13, 2-21........
GG076 2-85........
Home
Find...
Go To..

CROSS REFERENCE
636 9006292 (7--10)
6-4
Part Page
Number Number
GG077 2-67........
GG078 2-89........
GG132 2-51........
GG134 2-11........
GG146 2-23, 2-25, 2-73, 2-75,........
2-95
GG147 2-23, 2-25........
GG148 2-23, 2-25, 2-85........
GG155 2-91........
GG156 2-77........
GG177 2-77........
GG190 2-91........
GG213 2-89........
GG227 2-7........
GG229 2-7, 2-15, 2-83........
GG230 2-55........
GG231 2-55, 2-61, 2-81........
GG233 2-37........
GG234 2-17, 2-19........
GG240 2-91........
GG242 2-37........
GG244 2-9, 2-11........
GG247 2-69, 2-71........
GG248 2-69, 2-71........
GG249 2-13, 2-21, 2-37, 2-47,........
2-51
GG256 2-13, 2-21........
GG259 2-53........
GG260 2-17, 2-19........
GG263 2-83........
GG265 2-7, 2-15, 2-17, 2-19........
GG266 2-79........
GG276 2-77........
GG277 2-77........
GG280 2-29, 2-31........
GG281 3-19........
GG282 2-37........
GG285 2-85........
GG286 2-89........
GG287 1-1, 2-89........
GG295 2-33........
GG296 2-33........
GG297 2-41........
GG300 2-85........
GG301 2-51........
GG302 2-93........
GG329 2-87........
GM013 2-59, 2-83........
GM024 2-27........
GM154 2-5, 2-87........
GM260 2-9, 2-11........
GM261 2-97
........
GM294 2-5........
GM310 2-45........
GM311 2-33........
GM346 3-3........
GM354 2-113........
GM356 2-53........
GM361 2-33........
GM385 2-33........
Part Page
Number Number
GM387 2-27, 2-37........
GM389 2-33........
GM390 3-9........
GM391 2-77........
GM394 2-113........
GM395 2-113........
GM399 2-77........
GM400 2-93........
GM401 2-77........
GM406 2-27........
GM408 2-99........
GM436 2-91........
GM451 2-23, 2-25........
GM455 2-57........
GM460 2-39........
GM461 2-43, 2-113........
GM463 2-5........
GM482 2-113........
GM505 2-23, 2-25........
GM506 2-113........
GM509_C 2-31......
GM510_C 2-29......
GM517 2-23, 2-25........
GM522 2-27........
GM530 2-35........
GM534 2-63........
GM550 3-21........
GM551 3-21........
GM552 3-21........
GM553 3-21........
GM554 3-21........
GM555 3-21........
GM556 3-21........
GM557 3-21........
GM558 3-21........
GM559 3-21........
GM561 2-79........
GM565 2-113........
GM568 2-113........
GN004 2-37, 2-47, 2-51, 2-91........
GN006 2-51, 2-79........
GN009 3-9........
GN011 2-27, 2-29, 2-31, 2-47,........
2-53, 3-3, 3-17
GN019 2-41........
GN021 2-91........
GN024 2-57........
GN025 2-83........
GN042 2-59........
GN043 2-57, 2-85, 2-97, 3-7........
GN046 2-5, 2-57, 2-59, 2-85,........
3-3, 3-5, 3-7
GN047 2-83........
GN049 2-27........
GN058 2-51........
GN061 2-39, 2-83........
GN064 2-7, 2-15........
GN068 2-17, 2-19........
GN069 2-77........
GN071 2-37........
Part Page
Number Number
GN073 2-21, 2-49........
GN075 2-83........
GN078 2-87........
GN090 2-13, 2-21........
GN091 2-7, 2-9, 2-11, 2-15........
GN108 4-3........
GN109 4-3........
GT027 2-53, 3-11........
GT028 2-51........
GT042 2-51, 2-53, 2-61, 2-91........
GT050 2-41, 3-7........
GT054 2-47........
GT071 2-57, 3-5........
GT073 2-47........
GT089 2-57........
GT106 2-45........
GT108 2-63........
GT111 2-5, 2-27, 3-3, 3-7........
GT112 2-27, 2-29, 2-31, 2-33,........
2-39, 2-41, 3-7
GT119 2-41, 2-53........
GT135 2-53........
GT144 2-91........
GT151 2-27, 2-49........
GT152 2-41, 2-53........
GT159 2-47........
GT188 2-89........
GT194 2-43, 2-47, 2-89, 3-7........
GT196 2-51........
GT203 2-49, 2-79, 2-91........
GT209 3-5........
GT222 2-43........
GT224 2-95........
GT228 3-11........
GT234 2-13, 2-21........
GT235 2-35........
GT240 2-83........
GT249 2-105........
GT262 2-41, 2-83........
GT267 2-33........
GT278 2-57........
GT279 2-51........
GT285 2-69, 2-71........
GT287 2-57........
GT291 2-21........
GT293 2-9, 2-11........
GT298 2-55, 2-81........
GT301 3-13, 3-15........
GT302 2-13, 2-21........
GT303 2-57, 2-85........
GT305 2-29, 2-31, 2-79, 2-89,........
2-91, 3-9
GT310 2-41........
GT312 2-5........
GT313 2-5, 3-19........
GT314 2-83........
GT315 2-83........
GT317 2-39........
GT318 2-49, 2-97........
GT320 2-23, 2-25, 2-27, 3-7........
Home
Find...
Go To..

CROSS REFERENCE
6-5
636 9006292 (7--10)
Part Page
Number Number
GT325 2-5, 2-37, 2-85........
GT327 2-59, 2-67, 2-79, 2-85,........
2-87, 3-13, 3-15
GT328 2-29, 2-31, 2-81........
GT329 2-63, 3-7........
GT330 2-109........
GT331 2-41, 2-59, 2-85, 2-91........
GT332 2-85........
GT333 2-59, 2-89, 2-91........
GT338 2-23, 2-25, 2-109........
GT339 2-57, 3-5........
GT347 2-3, 2-79........
GT351 2-85, 2-91, 2-109........
GT376 2-17, 2-19........
GT377 2-5, 2-61, 3-13, 3-15........
GT378 2-33, 2-59, 2-91, 3-7,........
3-9
GT382 2-29, 2-31........
GT384 2-35........
GT386 2-37, 2-77, 3-3........
GT390 2-83........
GT393 2-99........
GT395 2-59, 2-97........
GT396 2-5........
GT404 2-79........
GT410 2-53........
GT411 2-83........
GT413 3-3, 3-7........
GT414 2-13, 2-21........
GT418 4-3........
GW003 2-57, 3-5.......
GW007 2-99.......
GW008 2-79.......
GW013 2-41, 2-51.......
GW015 2-49, 2-57.......
GW021 2-37, 2-45, 2-61, 2-83,.......
2-85
GW027 2-55, 2-65, 2-81.......
GW029 2-49.......
GW031 2-27, 2-29, 2-31, 2-35,.......
2-41, 2-53, 3-3, 3-11,
3-17
GW032 2-59.......
GW041 2-49, 2-57, 2-91.......
GW049 2-27.......
GW051 2-37.......
GW055 2-53, 2-81.......
GW060 2-29, 2-31, 2-57, 2-81.......
GW077 2-77.......
GW078 2-79.......
GW079 2-29, 2-31, 2-77, 2-81.......
GW081 2-51.......
GW084 2-83.......
GW086 2-41
.......
GW087 2-57, 2-59, 2-81, 2-85,.......
2-87, 2-97, 3-3, 3-5
GW100 2-99.......
GW115 4-3........
HC004 2-97........
HC058 1-1, 2-97........
Part Page
Number Number
HC156 4-3........
HC163 2-9, 2-11........
HC199 2-97........
HC200 2-97........
HC206 2-99, 4-5........
HC207 2-97, 4-7........
HC208 2-97, 4-9........
HC209 3-17, 4-11........
HC210 2-109, 4-13........
HC211 2-7........
HC212 2-79........
HC213 2-69........
HC214 2-71........
HC215 2-83........
HC216 2-77........
HC217 2-69, 2-71........
HC218 2-7........
HC219 2-7........
HC220 2-85........
HC227 1-1, 4-3........
HC228 1-1, 4-3........
HF165 2-109........
HF166 2-109........
HF171 4-5........
HF172 4-5........
HF174 4-5........
HF192 3-9........
HF214 2-107........
HF215 2-107........
HF216 2-101........
HF217 2-101........
HF218 2-101........
HF219 2-101........
HF221 2-101........
HF222 2-101........
HF224 2-101........
HF225 2-101........
HF227 2-105, 2-107, 2-109,........
2-111
HF228 2-105........
HF229 2-101, 2-107, 2-109,........
2-111
HF231 2-105, 2-107........
HF232 2-101, 2-105, 2-111........
HF233 2-101, 2-111........
HF234 2-105, 2-109........
HF235 2-107, 2-109, 2-111........
HF236 2-101, 2-103, 2-105,........
2-111
HF237 2-101, 2-103, 2-105,........
2-109, 2-111
HF238 2-101, 2-103, 2-105,........
2-111
HF239 2-101, 2-109, 3-17........
HF240 2-103, 2-105, 3-17........
HF243 2-109, 3-17........
HF244 2-39, 2-109........
HF245 2-105........
HF248 2-101, 2-103, 2-105,........
2-109
Part Page
Number Number
HF249 2-103........
HF250 2-105, 3-17........
HF251 2-39........
HF252 2-101, 2-107, 3-17........
HF253 2-39, 2-101, 2-107,........
2-109, 3-17
HF254 2-101........
HF255 2-39........
HF256 2-107........
HF257 2-101, 2-107........
HF259 2-101, 2-103........
HF262 2-101, 2-109, 3-17........
HF263 2-101, 2-103, 3-17........
HF267 2-103, 2-105........
HF268 2-109........
HF270 2-111........
HF272 3-19........
HF273 3-19........
HF275 2-101........
HF276 2-109........
HF279 4-3........
HF280 4-3........
HF287 2-109........
HF295 2-105........
HF300 3-17........
HF301 3-15........
HJ388 2-101........
HJ390 2-101........
HJ391 2-101........
HJ392 2-101........
HJ393 2-101........
HJ394 2-101........
HJ395 2-101........
HJ396 2-101........
HJ397 2-101........
HJ398 2-107........
HJ399 2-107........
HJ400 2-107........
HJ401 2-107........
HJ402 2-107........
HJ403 2-107........
HJ404 2-107........
HJ405 2-107........
HJ406 2-107........
HJ407 2-107........
HJ408 2-107........
HJ409 2-107........
HJ410 2-101........
HJ411 2-101........
HJ412 2-101........
HJ413 2-101........
HJ414 2-105........
HJ415 2-105........
HJ416 2-103........
HJ417 2-103........
HJ418 2-103........
HJ419 2-103........
HJ420 2-105........
HJ421 2-105........
HJ422 2-105........
Home
Find...
Go To..

CROSS REFERENCE
636 9006292 (7--10)
6-6
Part Page
Number Number
HJ423 2-105........
HJ424 2-105........
HJ425 2-105........
HJ426 2-105........
HJ427 2-105........
HJ428 2-105........
HJ429 2-105........
HJ430 2-105........
HJ432 2-105........
HJ433 2-105........
HJ434 2-111........
HJ435 2-111........
HJ436 2-111........
HJ437 2-111........
HJ438 2-111........
HJ439 2-105, 3-17........
HJ440 3-17........
HJ441 3-17........
HJ442 2-103........
HJ443 2-103........
HJ444 2-103........
HJ445 2-103........
HJ446 2-103........
HJ447 2-101........
HJ448 2-101........
HJ449 2-109........
HJ450 2-109........
HJ451 2-109........
HJ452 2-109........
HJ453 2-109........
HJ454 2-109........
HJ455 2-109........
HJ456 2-109........
HJ457 2-109........
HJ458 2-109........
HJ459 2-109........
HJ460 2-111........
HJ461 2-111........
HJ462 2-111........
HJ463 2-111........
HJ464 2-109........
HJ465 2-107........
HJ466 2-107........
HJ467 2-107........
HJ468 2-107........
HJ469 2-39........
HJ470 2-39........
HJ471 2-39........
HJ472 2-39........
HJ473 2-109........
HJ474 2-109
........
HJ475 2-109........
HJ476 2-109........
HJ477 3-19........
HJ478 3-19........
HJ479 3-17........
HJ564 3-17........
HJ565 3-17........
HJ566 3-19........
HJ567 3-17........
Part Page
Number Number
HJ568 3-15........
HM032 2-9, 2-11........
HM037 2-73, 2-75........
HM059 2-73, 2-75........
HM060 2-9, 2-11, 2-17........
HM061 2-19........
HM062 2-81........
HM063 2-19........
HM064 2-17........
HP021 2-55........
HP031 2-99........
HP039 2-99........
HP042 2-99........
HT050 4-3........
HT088 4-3........
HT105 4-3........
HT118 4-3........
HT119 2-97, 4-3........
HT121 4-3........
HT159 2-109........
HV039 4-9........
HV045 4-7, 4-9, 4-11........
HV051 4-9........
HV062 4-9........
HV090 2-97........
HV095 4-7, 4-11........
HV096 4-9........
HV101 4-9........
HV102 4-9........
HV103 4-9........
HV104 4-9........
HV106 4-9........
HV107 4-9........
HV108 4-9........
HV110 4-9........
HV111 4-9........
HV112 4-9........
HV113 4-9........
HV115 4-9........
HV116 4-9........
HV118 4-5........
HV120 4-9........
HV122 4-7, 4-9........
HV123 4-5, 4-11........
HV124 4-9........
HV125 4-9........
HV137 4-9........
HV139 4-9........
HV140 4-7, 4-11........
HV142 4-7........
HV167 4-7, 4-11
........
HV168 4-7........
HV169 4-7, 4-11........
HV170 4-7........
HV171 4-7........
HV172 4-7........
HV173 4-7........
HV174 4-7, 4-9........
HV175 4-7........
HV181 4-5........
Part Page
Number Number
HV182 4-5........
HV184 4-5........
HV185 4-13........
HV186 4-13........
HV187 4-13........
HV188 4-13........
HV189 4-13........
HV190 4-13........
HV191 4-13........
HV192 4-13........
HV193 4-13........
HV194 4-13........
HV195 4-13........
HV196 4-13........
HV198 4-5........
HV199 4-5........
HV204 4-11........
HV208 4-9........
HV210 2-111........
HV211 2-97........
HV212 2-97........
HV213 2-105........
HV215 2-39........
HV216 2-101........
KM206 2-81........
KM274 2-3........
KM329 2-81........
KM332 2-33........
MA200 2-47........
MC050 2-47........
MC062 2-47........
MC093 2-53........
MC118 2-29, 2-31........
MC120 2-33........
MC121_B 2-31......
MC122_B 2-29......
MC145 2-29, 2-31........
MC150 2-31........
MC155 2-29........
MC163 2-31........
MC166 2-29........
MC221 2-53........
MC222 2-53........
MC223 2-51........
MC226 2-27........
MC227 2-27........
MC238 2-27........
MC251 2-41, 2-51, 2-53........
MC258 2-29, 2-31........
MC270 2-29, 2-31........
MC271 2-29
........
MC272 2-35........
MC274 2-27........
MC277 2-53........
MC280 2-53........
MC298 2-51........
MC309 2-51........
MC312 2-51........
MC334 2-53........
MC341 3-11........
Home
Find...
Go To..

CROSS REFERENCE
6-7
636 9006292 (7--10)
Part Page
Number Number
MC342 2-53........
MC343 2-53........
MC344 2-53........
MC350 2-37........
MC359 2-43........
MC364 2-29, 2-31........
MC373 2-47........
MC378 2-41........
MC383 2-41........
MC384 2-29, 2-31........
MC397 2-53........
MC405 2-29, 2-31........
MC425 2-33, 3-7........
MC434 2-33, 3-7........
MC479 2-45........
MC488 2-41........
MC490 2-41........
MC501 2-53........
MC502 2-41........
MC507 2-35........
MC519 2-41........
MC550 2-35........
MC582 2-27........
MC603 2-37........
MC624 3-3........
MC626 3-3........
MC629 2-43........
MC663 2-29, 2-31........
MC672 2-41........
MC677 2-27........
MC680 2-33, 3-7........
MC681 3-9........
MC682 3-9........
MC700 2-41........
MC707 3-7........
MC724 2-37........
MC727 2-37........
MC729 2-37........
MC730 2-37........
MC732 2-37........
MC735 2-53........
MC740 2-37........
MC763 2-39........
MC790 2-29........
MC791 2-31........
MC792 2-27........
MC842 2-29, 2-31........
MC843 2-29, 2-31........
MC874 2-39........
MC929 2-33........
MC930 2-31
........
MC931 2-29........
MC932 2-27........
MC933 2-29........
MC934 2-31........
NA068 2-83........
NA082 2-83........
NA087 2-83........
NA117 2-83........
NA118 2-83........
Part Page
Number Number
NA120 2-83........
NA134 2-83........
NA135 2-83........
NA138 1-1, 2-83........
NA146 2-83........
NA147 2-83........
NA196 2-83........
NA197 2-83........
NB064 2-3........
NB065 2-3........
NB068 2-3........
NB069 2-3........
NF045 2-83........
NF128 2-69........
NF129 2-69........
NF137 2-71........
NF138 2-71........
NF147 2-69, 2-71........
NF148 2-69, 2-71........
NF151 2-69........
NF156 2-71........
NF158 2-69........
NF163 2-71........
NF164 2-69, 2-71........
NF168 2-69, 2-71........
NF171 2-73........
NF173 2-73........
NF175 2-75........
NF177 2-75........
NF178 2-73, 2-75........
NF184 2-73, 2-75........
NF191 2-69........
NF192 2-71........
NF193 2-69........
NF194 2-71........
NF198 2-69, 2-71........
NF199 2-69, 2-71........
NF205 2-69, 2-71........
NF209 2-69, 2-71........
NF210 2-73, 2-75........
NF282 2-69, 2-71........
NN112 1-1, 2-83........
NN113 2-83........
PC004 2-91........
PC024 2-67........
PC086 2-67........
PC087 2-67........
PC113 2-59........
PC114 2-53........
PC115 2-53........
PC173 2-65
........
PC176 2-65........
PC178 2-67........
PC208 2-61........
PC214 2-65........
PC216 2-65........
PC219 2-65........
PC222 2-65........
PC228 2-65........
PC229 2-85........
Part Page
Number Number
PC243 2-65........
PC245 2-65........
PC279 2-65........
PC282 2-65........
PC295 2-65........
PC296 2-65........
PC299 2-59........
PC300 2-59........
PD039 2-55........
PG092 2-63........
PG099 2-63........
PG100 2-63........
PG102 2-63........
PG116 2-63........
PJ001 3-5........
PJ002 2-57........
PP034 2-55........
PP035 2-55........
PP073 2-57........
PP082 1-1, 2-63........
PP083 1-1, 2-55........
PP084 1-1, 2-59........
PP085 2-63........
PP089 2-61........
PP091 2-55........
PP092 2-67........
PP095 2-61........
PP096 2-57........
PP101 2-59........
PP102 2-59........
PP103 2-59........
PP111 2-55........
PP112 2-55........
PP133 2-57........
PP147 3-5........
PP154 2-85, 3-5........
PP156 3-5........
PP171 3-13, 3-15........
PP196 3-5........
PP206 2-61........
PP207 2-61........
PP208 2-61........
PP217 2-61........
PP218 2-61........
PP274 2-55........
PP276 2-55........
PP277 2-57, 3-5........
PP284 2-59........
PP298 2-63........
PP313 2-63........
PP326 2-61
........
PP347 2-57, 3-5........
PP353 2-61........
PP367 2-55........
PP403 2-5........
PP429 2-43........
PP436 2-59........
PP438 2-55........
PP440 2-59........
PP464 2-57........
Home
Find...
Go To..

CROSS REFERENCE
636 9006292 (7--10)
6-8
Part Page
Number Number
PP467 2-57........
PP469 2-5........
PP484 3-5........
TC021 3-5........
TW055 2-13, 2-21........
TW056 2-13, 2-21........
VF075 2-95........
VF103 2-81........
VH122 2-77........
VH125 2-77........
VH142 2-77........
VH143 2-79........
VH145 2-79........
VH163 2-77........
VH164 2-77........
VH181 2-77........
VH204 2-77........
VH216 2-77........
VH251 2-77........
VH253 2-77........
VH259 2-77........
VH271 2-77........
VH272 2-77........
VH273 2-77........
VH274 2-77........
VH296 2-77........
VH373 1-1, 2-77........
VH409 2-77........
VH410 2-77........
VH453 2-77........
VH505 2-81........
VH516 2-77........
VH520 2-85........
VH536 2-77........
VH540 2-77........
VH541 2-85........
VH551 2-85........
VH563 2-85........
VH567 2-85........
VH570 2-85........
VH572 2-87........
VH606 2-89........
VH609 2-89........
VH610 2-77........
VH639 2-77........
VH650 2-89........
VH658 2-89........
VH738 2-85........
VH741 2-89........
VH742 2-89........
VH752 2-81
........
VH753 2-85........
VH756 2-89........
VH765 2-85........
VH766 2-83........
VH767 2-83........
VH774 2-81........
VH776 2-81........
VH778 2-81........
VH786 2-81........
Part Page
Number Number
VH789 2-85........
VH790 2-85........
VK105 2-87........
VK107 2-83........
VK108 2-77........
VK127 2-87........
VT188 2-83........
VT202 2-83........
WA041 2-93........
WA103 2-95........
WA107 2-93........
WA120 2-93........
WA121 2-95........
WA127 2-93........
WA128 2-93........
WA130 2-93........
WA136 2-91........
WA139 2-27........
WA142 2-27........
WA184 3-19........
WA202 2-93........
WA206 1-1, 2-95........
WA228 2-91........
WA250 2-95........
WA254 2-95........
WA268 2-95........
WA269 2-95........
WA274 2-95........
WA305 2-93........
WA306 2-93........
WA308 2-93........
WA312 2-93........
WA317 2-91........
WA325 2-91........
WA330 2-91........
WA332 2-27........
WA354 2-95........
WA355 2-95........
WA364 3-19........
WA365 3-19........
WA366 3-19........
WA367 1-1........
WA368 3-19........
WA369 2-93........
WA370 2-91........
WA417 3-19........
WP016 2-95........
WP020 1-1, 2-95........
WP060 1-1, 2-95........
WP112 2-93........
WP163 2-93
........
WP164 2-93........
WP165 1-1, 2-73, 2-75........
WP166 2-93........
WP169 2-93........
WP180 3-13, 3-15........
WP182 2-93........
WP212 3-13........
WP214 2-95........
WP215 2-95........
Part Page
Number Number
WP216 2-95........
WP217 2-95........
WP221 1-1, 2-95........
WP240 3-13........
WP244 3-13........
WP259 3-13........
WP268 3-13........
WP287 3-15........
WP288 2-55........
YM057 3-23........
01683 2-27, 2-77, 2-85, 2-89........
01684 2-5, 2-63, 2-77, 2-79,........
2-93
01685 2-41, 2-59, 2-73, 2-75,........
2-77, 2-81, 2-85, 2-89,
2-91, 3-13, 3-15, 3-19
02363 2-83........
02643 2-9, 2-11, 2-17, 2-19........
02850 2-47........
03192 2-73, 2-75, 3-5........
03193 3-5........
04375 3-5........
04765 2-97........
06549 2-27, 2-77, 2-85, 2-89,........
3-3
06942 2-63, 3-7........
06945 2-23, 2-25........
06949 2-97, 3-5........
06955 2-61........
06956 3-5........
06957 2-97, 2-111........
06961 2-37, 2-69, 2-71, 2-91........
06962 2-37........
06968 2-73, 2-75........
06976 2-47........
07299 2-55........
07785 3-7........
08165 2-61........
08175 2-85, 2-91........
08182 2-69, 2-71........
08185 2-77........
08708 2-5, 2-55, 2-59, 2-63,........
2-87, 2-93, 2-97, 3-7,
3-13, 3-15
08709 2-9, 2-11, 2-29, 2-31,........
2-41, 2-47, 2-51, 2-59,
2-73, 2-75, 2-81, 2-83,
2-85, 2-95, 2-97, 2-99,
2-111, 3-5
08711 2-9, 2-11, 2-17, 2-19,.........
2-47, 2-73, 2-75, 2-83
08712 2-23, 2-25, 2-29, 2-31,........
2-65, 2-77, 2-79, 2-81,
2-105, 3-7, 3-19
08713 2-5, 2-29, 2-31, 2-55,........
2-63, 2-65, 2-79, 2-81,
2-83, 2-85, 2-89, 2-91,
2-109, 3-13, 3-15, 3-19
08714 2-85........
Home
Find...
Go To..

CROSS REFERENCE
6-9
636 9006292 (7--10)
Part Page
Number Number
08716 2-23, 2-25, 2-29, 2-31,........
2-77
09010 2-83, 2-95........
09011 2-55.........
09028 2-77........
09740 2-65, 2-81, 2-91, 3-19........
09741 2-83........
09744 3-7........
09771 3-17........
1005150 2-27.......
1016561 3-13.......
1016562 2-67.......
1016563 2-67.......
1035889 2-57.......
1040049 2-95.......
1056561 2-67.......
10632--12 2-27......
10844 5-17........
10845 5-17........
10851 5-28........
11399 2-93.........
11531 2-59, 2-67.........
11635 2-85.........
150713 2-95........
15675 2-7, 2-15, 2-17, 2-19,........
2-79, 2-81, 2-89
15678 2-23, 2-25, 2-29, 2-31,........
2-65, 2-81
16085 3-7........
16391 2-95........
16735 2-11, 2-37, 2-55, 2-79,........
2-85, 2-91
16931 2-9, 2-11, 2-47, 2-55,........
2-73, 2-75, 2-85, 2-97,
2-99
17284 2-5, 2-77, 2-93, 2-109........
19066 2-23, 2-25, 2-29, 2-31,........
3-7
19572 2-97........
20719 5-19........
21198 2-99.........
222268 2-49, 2-73, 2-75........
22297 2-59, 2-63........
22662 2-73, 2-75........
24012--1 2-61.......
24199 2-85........
25312 3-22........
26395--1 2-5, 2-79.......
30013 2-63........
30131 5-19........
30132 5-19........
30136 5-25........
30389 3-7........
32483 2-65, 2-83, 2-87........
32490 2-5, 2-9, 2-11, 2-29,
........
2-31, 2-37, 2-55, 2-61,
2-63, 2-65, 2-73, 2-75,
2-79, 2-81, 2-83, 2-85,
2-93, 2-95, 2-97, 2-99,
2-109, 2-111, 3-5
Part Page
Number Number
32491 2-17, 2-59, 2-73, 2-75........
32492 2-5, 2-37, 2-73, 2-75,........
2-77, 2-81, 3-5
32493 2-9, 2-11, 2-17, 2-19,........
2-31, 2-47, 2-69, 2-71
32716 2-47........
33342 2-69, 2-71, 2-83........
33922 2-65........
34820 2-43........
360680 2-7........
361366 5-4........
361372 5-5........
361373 5-19........
361374 5-10........
361375 5-25........
361392 5-13........
361401 5-7........
361430 5-27........
361436 5-3........
361589 5-13........
361654 5-28........
364441 2-93........
367713 2-83........
367718 2-87........
368055 5-7........
368091 5-28........
368286 5-12........
368287 5-12........
368291 5-11........
368293 5-29........
368296 5-29........
368298 5-31........
368299 5-31........
368300 5-31........
368301 5-31........
368302 5-31........
368304 5-31........
368305 5-31........
368306 5-31........
368311 5-31........
368317 5-8........
371017 5-9........
372906 5-5........
372907 5-5........
372917 5-19........
373720 2-99........
378969 2-49, 2-51, 2-93........
379870 2-83........
384859 5-28........
384872 5-7........
39005 2-95........
39051 5-3, 5-7
........
39062 5-3........
39065 5-7, 5-21, 5-26........
39073 5-4, 5-5........
39087 5-3........
39088 5-3, 5-5........
39094 5-4........
39096 5-29........
39097 5-29........
Part Page
Number Number
39121 5-7, 5-21, 5-26........
39138 5-29........
39160 5-27........
39197 5-15........
39234 2-99........
39277 2-9, 2-11, 2-63, 2-73,........
2-75, 3-5
39283 2-73, 2-75, 2-81........
393504 5-5........
393566 5-19........
393570 5-3........
393598 5-13........
394922 2-57........
40166 5-19, 5-25........
40407 5-26........
40409 5-12, 5-31........
40418 5-28........
41141 2-5, 2-37.........
41178 2-65.........
41186 2-97.........
41187 2-39, 2-91.........
41359 2-55, 2-63........
41430 2-37, 2-55, 2-69, 2-71,........
2-73, 2-75, 2-77, 2-81,
3-5
41973 5-15, 5-24, 5-26, 5-28........
43844 2-47, 2-63, 2-67, 2-93,........
2-95
44961 2-51........
46236 2-55, 2-81........
49609 2-13........
49883 2-5........
54333 2-63, 2-93........
54396 2-97........
57912 3-15........
58286 2-55........
58366 3-7........
58979 2-93, 3-19........
63810 2-53, 2-93........
69234 2-67........
70188 5-25........
70887 5-3........
70888 5-3........
70897 5-5........
70898 5-5........
70900 5-7........
70901 5-7........
70902 5-7........
70903 5-7........
70912 5-7........
70913 5-10........
70918 5-8........
70919 5-8
........
70920 5-8........
70923 5-9........
70925 5-9........
70929 5-10........
70930 5-10........
70931 5-10........
70932 5-10........
Home
Find...
Go To..

CROSS REFERENCE
636 9006292 (7--10)
6-10
Part Page
Number Number
70933 5-10........
70934 5-12........
70935 5-11........
70936 5-13........
70940 5-17........
70942 5-17........
70943 5-17........
70951 5-9........
70956 5-18........
70964 5-19........
70966 5-19........
70967 5-19........
70968 5-19........
70972 5-21........
70973 5-21........
70974 5-21........
70977 5-24........
70978 5-24........
70980 5-25........
70982 5-26........
70983 5-26........
70984 5-26........
70986 5-27........
70989 5-27........
70991 5-27........
70992 5-27........
70994 5-28........
70998 5-3........
71985 5-3........
71986 5-3........
71987 5-3........
71988 5-3........
71989 5-3........
71990 5-3........
71991 5-3........
71992 5-3........
71996 5-5........
71997 5-5........
72014 5-7........
72015 5-7........
72016 5-7........
72019 5-7........
72970 2-53........
72993 5-7........
72994 5-12........
72995 5-28........
72996 5-12........
72998 5-9........
72999 5-9........
73468 3-13, 3-15........
73479 5-9
........
73480 5-10........
73481 5-10........
73482 5-10........
73483 5-10........
73484 5-10........
73485 5-10........
73488 5-11........
73489 5-11........
73492 5-13........
Part Page
Number Number
73493 5-13........
73494 5-13........
73496 5-13........
73497 5-13........
73498 5-13........
73499 5-13........
73500 5-13........
73502 5-13........
73504 5-13........
73506 5-13........
73507 5-13........
73508 5-13........
73509 5-15........
73511 5-15.........
73512 5-15........
73513 5-15........
73514 5-15........
73515 5-15........
73516 5-15........
73517 5-15........
73518 5-15........
73519 5-15........
73522 5-17........
73523 5-17........
73524 5-17........
73525 5-17........
73526 5-17........
73527 5-17........
73528 5-17........
73529 5-17........
73530 5-17........
73533 5-18........
73534 5-18........
73535 5-29........
73554 5-19........
73555 5-19........
73560 5-19........
73561 5-21........
73562 5-21........
73563 5-21........
73565 5-21........
73567 5-23........
73568 5-23........
73569 5-23........
73570 5-23........
73571 5-23........
73572 5-23........
73573 5-23........
73574 5-23........
73575 5-23........
73576 5-23
........
73577 5-23........
73578 5-23........
73579 5-23........
73580 5-23........
73581 5-23........
73582 5-23........
73585 5-23........
73586 5-23........
73588 5-23........
Part Page
Number Number
73589 5-23........
73590 5-23........
73593 5-24........
73594 5-24........
73595 5-24........
73596 5-24........
73597 5-24........
73598 5-24........
73599 5-24........
73600 5-24........
73601 5-24........
73602 5-24........
73603 5-24........
73604 5-24........
73605 5-25........
73606 5-25........
73610 5-25........
73618 5-26........
73619 5-26........
73621 5-26........
73622 5-26........
73623 5-26........
73624 5-26........
73625 5-26........
73626 5-26........
73631 5-27........
73633 5-28, 5-31........
73634 5-28, 5-31........
74455 2-21, 2-69, 2-71........
76099 2-69, 2-71, 2-91, 3-13,........
3-15
762163 2-101........
763040 2-63, 3-5........
763041 2-5, 2-7, 2-9, 2-11,........
2-15, 2-19, 2-55, 2-63,
2-91, 2-97, 3-5, 3-13,
3-15
763042 2-55, 2-73, 2-75........
763072 2-91........
763085 3-19........
76570 2-81, 2-97........
76736 2-59, 2-79........
768482 2-39........
77602 2-57........
80288 2-5........
83584 2-53, 2-59........
84635 5-21, 5-23........
84636 5-24........
84644 5-21........
84648 5-23........
84649 5-23........
84650 5-23........
84651 5-23........
86240 2-51
........
86824 2-67, 3-13, 3-15........
87738 2-63........
9003869 5-8.......
9003870 5-8.......
9004337 5-3.......
9004338 5-4.......
Home
Find...
Go To..

CROSS REFERENCE
6-11
636 9006292 (7--10)
Part Page
Number Number
9004339 5-4.......
9004341 5-5.......
9004342 5-7.......
9004343 5-7.......
9004344 5-7.......
9004345 5-7.......
9004346 5-7.......
9004347 5-7.......
9004349 5-9.......
9004350 5-9.......
9004351 5-9.......
9004352 5-9.......
9004353 5-9.......
9004354 5-9.......
9004356 5-9.......
9004358 5-15.......
9004359 5-15.......
9004360 5-17.......
9004361 5-17.......
9004362 5-17.......
9004363 5-17.......
9004364 5-17.......
9004368 5-24.......
9004369 5-24.......
9004373 5-24.......
9004374 5-25.......
9004375 5-25.......
9004379 5-27.......
9004380 5-27.......
9004381 5-27.......
9004382 5-27.......
9004383 5-27.......
9004385 5-26.......
9004386 5-26.......
9004390 5-19.......
9004391 5-19.......
9004392 5-19.......
9004393 5-19.......
9004402 5-8.......
9004403 5-8.......
9004404 5-8.......
9004405 5-8.......
9004406 5-8.......
9004407 5-8.......
9004408 5-13.......
9004409 5-13.......
9004410 5-13.......
9004412 5-12.......
9004413 5-12.......
9004414 5-12.......
9004415 5-11
.......
9004416 5-31.......
9004417 5-31.......
9004418 5-31.......
9004419 5-31.......
9004420 5-31.......
9004421 5-31.......
9004442 5-18.......
9004508 5-29.......
9004509 5-29.......
Part Page
Number Number
9004510 5-29.......
9004511 5-29.......
9004512 5-29.......
9006280 3-23.......
9006281 3-23.......
9006291 3-23.......
9006292 3-23.......
9006569 3-23.......
9008205 3-5.......
9008344 2-81.......
9008345 2-99.......
Home
Find...
Go To..

CROSS REFERENCE
636 9006292 (7--10)
6-12
PART DESCRIPTION TO PAGE NUMBER CROSS REFERENCE LIST
Numbers
13mm P_Clip (From Assy. M/L), 2-21
45 Degree Grease Nipple (M6), 2-7, 2-9,
2-11, 2-15, 2-69, 2-71
45 Straight Thread Elbow Orfs / Sae--Or,
2-103, 2-105
45 Straight Thread Elbow Orfs / Sae--Orb,
2-101
5mm P--Clip (From Assy. M/L), 2-49
636 -- Pressure Wash Pump, 3-15
90 Deg. Swivel Connector, 2-93
A
Access Cover Weldment, Cowl W/Label,
2-65
Access Plate,Fan Motor Hop Assy, 2-81
Accumulator--Impeller, 2-97
Actuator E--Gas (With Connector), 2-63
Adapter, Bh, Hyd, 0.38npt, 2-109
Adaptor, Low Press, Compressor, 3-5
Adaptor,High Pressure On Compressor,
3-5
Adjuster Assy -- Side Brush, 2-83
Adjuster Bolt,Front Brake, 2-13
Adjuster Wedge,Front Brake, 2-13
Aerial -- Flexible Ru, 2-45
Air Cleaner Element, 1-1, 2-59
Air Cleaner, 2-59
Air Intake Goalpost Weldment -- 636, 2-5
Air Intake Pipe -- Turbo, 2-59
Alternator Assembly --60 Amp D1105t,
2-57
alternator Kit, Replmnt [90 Amp], 3-5
Alternator Mounting Brkt., 3-5
Alternator, 90 Amp, 3-5
Anti--Vibration Mount, 2-55
Arm Assy, Latch, 2-37
Arm, Cloudmaker -- Fabrication, 2-95
Arm, Lower Cylinder Pivot -- Lh, 2-71
Arm, Lower Cylinder Pivot -- Rh, 2-69
Arm, Lower, Cylinder Pivot Lh -- Weldment,
2-71
Arm, Lower, Cylinder Pivot Rh --
Weldment, 2-69
Arm, Rocker [Ku], 5-13
Arm, Upper Cylinder Pivot -- Lh, 2-71
Arm, Upper Cylinder Pivot -- Rh, 2-69
Arm, Upper, Cylinder Pivot Lh -- Weldment,
2-71
Arm, Upper, Cylinder Pivot Rh --
Weldment, 2-69
Armrest Moulding, 2-41
Assembly Apparatus, Idle, 5-25
Assembly Bolt, Adjusting, 5-25
Assembly Pump, Injection (See Injection
Pump Breakdown), 5-21
Assembly Pump, Injection, 5-23
Assembly Tappet, 5-23
Asymmetric Head Rest, 2-41
Atomiser, C/W Plug, 2-95
Auto Lub Pump, 3-21
AutoLube Identity Number Sleeve “0”, 3-21
AutoLube Identity Number Sleeve “1”, 3-21
AutoLube Identity Number Sleeve “2”, 3-21
AutoLube Identity Number Sleeve “3”, 3-21
AutoLube Identity Number Sleeve “4”, 3-21
AutoLube Identity Number Sleeve “5”, 3-21
AutoLube Identity Number Sleeve “6”, 3-21
AutoLube Identity Number Sleeve “7”, 3-21
AutoLube Identity Number Sleeve “8”, 3-21
AutoLube Identity Number Sleeve “9”, 3-21
Axle Assy. Cpt With Ball Joints, 2-7
B
Back Plate,Hyd Trans Block, 2-99
Backing Plate Bottom Weldment, 2-85
Backing Plate Top Weldment, 2-85
Backing Strip,Rubber, 2-83
Balance Bar, 2-51
Ball Joint -- Carryin, 2-7
Ball Joint, Track Ro, 2-7, 2-15, 2-83
Ball Joint,Track Rod, 2-83
Ball, Cshft [Ku], 5-17
Ball, Relief, Oil [Ku], 5-7
Band Air Cleaner C/W Fasterns, 2-59
Band, Pipe, 5-28
Bar,Hinge --Adjustable Nozzle, 2-83
Base, Relay, 3-21
Basket, Strainer, 4-3
Battery, Wet, 12vdc 0700cca, 2-57
Beacon Pivot Weld 525, 2-27
Beacon Velcro Lock Down, 2-27
Bearing [Ku], 5-8
Bearing Housing Assy, Top King Pin, 2-9,
2-11
Bearing Housing, Top King Pin --
Weldment,2-9,2-11
Bearing Kit --Spinner --525 Cyclone, 1-1,
2-77
Bearing, Ball [Ku], 5-24, 5-27
Bearing, Case [Ku], 5-9
Bearing, Case, Main Assy [Ku], 5-9
Bearing, Cshft [Ku], 5-17
Bearing, Cshft, Std [Ku], 5-9
Bearing, Spherical,, 2-9, 2-11
Bearing, Thrust, Std [Ku], 5-17
Bearing--Rose, 2-63
Beeper--Audible, 2-5
Bell Crank Steering Lever, Lh -- Assembly,
2-15
Bell Crank Steering Lever, Lh -- Weldment,
2-15
Bell Crank Steering Lever, Rh -- Assembly,
2-15
Bell Crank Steering Lever, Rh -- Weldment,
2-15
Bellcrank Weldment,Hand Brake, 2-51
Belt, Fan Avx10 X 1, 3-5
Belt, Fan Avx10.5/11 x 0975La, 3-5
Belt,Compressor --Mic, 3-5
Blanking Plate , Hopper Inlet [636], 2-87
Blanking Plate, 2-87
Blanking Plug, 3-21
Blind Grommet --16.5 Mm Hole Dia, 2-27,
2-37
Blind Grommet --25 Mm Hole Dia, 2-33
Blind Grommet --6.4mm Hole Dia, 2-33
Bolt[Ku],5-4,5-8
Bolt, --M16 X 120 Long, 2-69, 2-71
Bolt, 1/4--20 x 3/4 LG, ZP, 4-3
Bolt, Adjusting, 5-25
Bolt,Eye,5-31
Bolt, Flywheel, 5-18
Bolt, Hex [Ku], 5-15, 5-24, 5-26, 5-27
Bolt, Hex Hd -- M10 x 100 -- Zp Zinc Plate,
3-5
Bolt, Hex Hd -- M10 x 35, 2-39
Bolt, Hex Hd -- M6 x 50 (Plated), 3-5
Bolt, Hex Hd -- M6 x 70, 2-5
Bolt, Hex Hd --M8 X 75 St.St A4, 3-15
Bolt,Hex Hd Set M8 x 110 Mm, 2-59, 2-97
Bolt,Hex Head M10 x 120 Mm Zinc Plated,
2-5
Bolt--Aneorobic M6x35 Ptd., 2-83
Bolt, 5-5, 5-7, 5-9, 5-13, 5-18, 5-21, 5-28,
5-29
Boss, 12 O/D X 6.5 I/D X 10 Long, 3-19
Boss, 12od X 6id X 28l, 2-5, 3-19
Boss, 16 O/D X 8.5 I/D X 28 Long, 2-5
Boss, 16mm Dia X M6, 3-7
Boss, Alternator Mounting, 2-85, 3-5
Bottom R/H Door Hinge --636, 2-23
Bracket -- Armrest Support, Fabrication,
2-41
Bracket -- Door Stop, 2-85
Bracket Lh -- Front Cover Hopper, 2-81
Bracket Lower Mounting,Radiator 636,
2-65
Bracket Rh -- Front Cover Hopper, 2-81
Bracket Wldt, Cloud Maker Guard [636],
2-95
Bracket Wldt, Compressor, 3-5
Bracket Wldt, Mtg, Radiator, 2-65
Bracket Wldt, Rh Side Panel [636], 2-5
Bracket, Adjustable -- Armrest, 2-41
Bracket, Bulkhead, Weldment, Heater
Hose, 2-53
Bracket, Cloudmaker -- Fabrication, 2-95
Bracket, Front Pivot Mounting -- Weldment,
2-69, 2-71
Bracket, Guide, Hose, Transmission, Lh,
2-5
Bracket, Guide, Hose, Transmission, Rh,
2-5
Bracket, Handbrake Warning Switch,, 2-51
Bracket, Hub Cap --Formed, 2-13, 2-21
Home
Find...
Go To..

CROSS REFERENCE
6-13
636 9006292 (7--10)
Bracket, Lh Mounting, Engine -- Weldment,
2-55
Bracket, Mounting, Pressure Washer, 3-13,
3-15
Bracket, Mtg, Breather, 2-109
Bracket, Mtg, Rocker Arm [Ku], 5-13
Bracket, Mtg, Short, Hopper Stay, 2-79
Bracket, Receiver -- Drier -- Air Con, 3-7
Bracket, Rh Mounting, Engine --
Weldment, 2-55
Bracket, Support -- Weldment, 2-55
Bracket, Whoosh Handle -- Painted, 2-87
Bracket,Access Door --636, 2-23
Bracket,Fuel Tank --Bottom, 2-63
Bracket,Fuel Tank --Top, 2-63
Bracket,Mounting,5monitor--Formed, 3-3
Bracket,Rear Twin Mounting Engine, 2-55
Bracket,Steady,Air Intake, 2-83
Bracket,Support --Weldment Fuel Filter,
2-55
Bracket,Water Nozzle--Formed, 2-95
Bracket,Weldment,5” Monitor, 3-3
Bracket,Weldment,Air Filter-- 636, 2-59
Bracket(Bottom) -- Tank To Chassis, 2-93
Bracket(Top) -- Tank To Chassis, 2-93
Bracket-- Evaporator Weldment, 2-41, 3-7
Brake Assembly Complete--Left Hand,
2-21
Brake Assembly Complete--Right Hand,
2-21
Brake Cable Adaptor, 2-21
Brake Cable, Front, 2-51
Brake Cable,Rear --63, 2-51
Brake Light Switch, 2-47
Brake Pedal Wldt, 2-47
Brake Pipe 10mm T--Pi, 2-49
Brake Pipe Connector, 2-49
Brake Pipe, Brake Assy/Flexi Frnt Lh&Rh,
2-49
Brake Pipe, Cab Master Cylinder To Under
Cab, 2-47
Brake Pipe, Center T--Piece To Lh
T--Piece, 2-49
Brake Pipe, Center T--Piece To Rh Flexi,
2-49
Brake Pipe, Lh T--Piece To Cab Flexi, 2-49
Brake Pipe, Lh T--Piece To Front Lh Flexi,
2-49
Brake Pipe, Limiter To Center T--Piece,
2-49
Brake Pipe, Limiter To Rear Lh, 2-49
Brake Pipe, Limiter To Rear Rh, 2-49
Brake Shoe Replacement Kit.Front Brake,
2-13
Brake Shoes--Replacement Kit, 2-21
Brake Valve Bracket Welment, 2-109
Breather, Hyd, 0.38npt, 2-109
Brush Arm Extended Weldment, 2-69, 2-71
Brush Arm Outer Tube Assembly -- Lh,
2-71
Brush Arm Outer Tube Assembly -- Rh,
2-69
Brush Arm Outer Tube Weldment -- Lh,
2-71
Brush Arm Outer Tube Weldment -- Rh,
2-69
Brush Spray Nozzle A, 1-1, 2-73, 2-75
Brush, 750mm, 2row, Polypropylene, 2-3
Brush, 750mm, 3row [Pye Terephthalate],
2-3
Brush, 750mm, 3row, Polyprop / Wire Mix,
2-3
Brush, 750mm, 3row, Polypropylene, 2-3
Bulb -- 12v, 21w, 2-5, 2-27
Bulb -- Indicator War, 2-43
Bulb -- Rear Light R., 2-91
Bulb --Halogen H3, 2-27
Bulb--12v 21/5w Tail/, 1-1
Bulb--12v 21/5w Tail, 2-5
Bulb/Bulb Holders --5, 2-43
Bulkhead Run Tee Orfs 3/8, 2-109
Bulkhead Union Orfs / Orfs With Nut 1/4--,
2-107, 2-109, 2-111
Bulkhead Union Orfs / Orfs With Nut 3/8--,
2-109
Bulkhead Union Orfs / Orfs With Nut 5/8,
2-107
Bumper Assembly, 2-91
Bumper Wldt, Water Tank, 2-91
Bumper,Rear R.H. -- Vertical, 2-5
Bush -- Oilite -- 8 I/D, 11 O/D X 8 Lg, 2-51
Bush, Du Flanged -- 2, 2-71, 2-91
Bush, Igus -- 30 I/D, 2-17, 2-19
Bush,Igus Flanged Bush--G Type, 3-19
Bush,Sleeve,Window Pivot Fixing (As
Required), 2-81
Bush,Sleeve,Window Pivot Fixing, 2-29,
2-31
Bushing, Du Flanged -- 2, 2-7, 2-15, 2-69,
2-71
Bushing, Flanged Du 12id 17l, 2-47, 2-77,
2-91
Bushing, Flanged, Du --20 Id X 23 Od X 1,
2-77
Bushing, Gear, Gov [Ku], 5-3
Bushing, Gear, Idler [Ku], 5-15
Bushing, Hinge, 2-29, 2-31
Bushing, Igus, Flanged, G Type, 2-79
Bushing, Igus, Flanged, J Type, 2-77
Bushing, Isolator, 2-29, 2-31
Bushing, Pin, Piston [Ku], 5-17
Button Head Skt--M6x8mm--St/St A2, 3-3,
3-7
C
Cab Lock Down Latch Lh, 2-37
Cab Lockdown Bracket Rh, 2-37
Cab Rear Window Sponge Seal, 2-33
Cab Roof Console --Fr, 2-45
Cab Roof Liner 600 Air Con, 3-11
Cab Roof Liner 600 Standard, 2-35
Cab Seat, 2-41
Cab Wldt, Low Level Air Cond. 636
W/Label, 2-27
Cable --Earthing Brai, 2-57
Cable Gland --16 Mm X 1.5, 2-27
Cable Tie, 3-21
Cable, Heater Temper, 2-53
Cable,Camera 5 Meter, 3-3
Cable,Negative Battery --636, 2-57
Cable,Positive Battery --636, 2-57
Cam, Fuel [Ku], 5-24
Camera Assembly (From Assy. M/L), 3-3
Camshaft Assy [Ku], 5-15
Camshaft, 5-24
Cap Nut, 2-95
Cap, Fill, G 1--1/4, 4-3
Cap, Sealing, 5-5
Cap, Valve [Ku], 5-13
Cap--Oil Filler, 2-55
Cap, 5-25
Carbine Hook Stainless, 2-91
Carpet Profile,Rh Top Cab, 2-33, 3-7
Central Grease -- 5kg Container, 3-21
Chain, Nozzle Restraining, 2-83
Channel, .18, 2.5w 1.3 01.0l, 1/0.5h, 2-95
Chassis Wldt [636], 2-5
Check Valve Cv10--20--0--N--70 Bias
Spring=4, 4-9
Checkvalve -- Int.3ca80, 4-13
Circlip, 2-77
Clamp [Kubota], 5-8
Clamp Body ,For 6 Mm Pipe, 2-109
Clamp Body M20 Pipe -- Air Con, 3-9
Clamp Body, For 12mm Pipe, 2-109
Clamp Wldt, Accumulator, 2-97
Clamp, Bridge, 5.0, 2-87
Clamp, Bridge, 8.0, 2-83
Clamp, Cable, Stl, 0.25D X 0.56W, 1Hole,
2-81
Clamp, Cable, Stl, 0.25d X 0.56w, 1hole,
2-55
Clamp, Cable, Stl, 0.38D X 0.62W, 1Hole,
2-59, 2-79
Clamp, Cable, Stl, 0.56D X 0.38W, 1Hole,
2-79
Clamp, Cable, Stl, 0.56d X 0.38w, 1hole,
2-5, 2-93
Clamp, Cable, Stl, 0.56D X 0,38W, 1 Hole,
2-49, 2-51
Clamp, Cable, Stl, 1.00d X 0.75w, 1hole,
2-67
Clamp, Cable, Stl, 1.25D X 1.00W, 1Hole,
3-7
Clamp, Fixed,Mounting Exhaust, 2-61
Clamp, Heavy Duty, 2-77
Clamp, Hopper Stay Parking, 2-79
Clamp, Hose, Heater [Ku], 5-31
Clamp, Hose, Wormdrive, 0.25--0.62D,
.31W, 2-63, 2-67
Clamp, Hose, Wormdrive, 0.25--0.62d,
.31w, 2-47, 2-93, 2-95
Clamp, Hose, Wormdrive, 0.31--0.88d,
.31w, 2-63, 2-93
Clamp, Hose, Wormdrive, 0.50--1.06D,
.50W, 2-67
Home
Find...
Go To..

CROSS REFERENCE
636 9006292 (7--10)
6-14
Clamp, Hose, Wormdrive, 0.50--1.06d,
.50w, 3-13, 3-15
Clamp, Hose, Wormdrive, 0.56--1.06d,
.56w, 2-53, 2-93
Clamp, Hose, Wormdrive, 0.81--1.50D,
.50W, 2-93
Clamp, Hose, Wormdrive, 1.06--2.00D,
.56W, 2-59
Clamp, Hose, Wormdrive, 1.06--2.00d,
.56w, 2-67
Clamp, Hose, Wormdrive, 1.56--2.50D,
.50W, 2-59
Clamp, Hose, Wormdrive, 1.56--2.50d,
.50w, 2-59, 2-63
Clamp, Hose, Wormdrive, 2.25--3.25d,
.50w, 2-53, 2-59
Clamp, Hose, Wormdrive, 7.56--8.50D,
.56W, 2-83
Clamp, Hose, 5-12, 5-31
Clamp, Loose, Mounting Exhaust, 2-61
Clamp, Muffler, 1.75d, 2-61
Clamp, Pipe, 5-31
Clamp, Tube, Inj, Pipe #1 [Ku], 5-19
Clamp, Tube, Inj, Pipe #21 [Ku], 5-19
Clean Cyclone Assy, 2-77
Clean Cyclone Body --Weldment, 2-77
Clevis -- Master Cylinder, 2-47
Clevis Pin Drain Flap -- 636, 2-85
Clevis Pin, 2-47
Clevis Weldment, Hyd Cylinder, 2-77
Clip, Jubilee, 14mm To 22mm, 2-67
Clip--Pvc Adhesive, 2-27
Closing Plate, Cyclones, 2-77
Cloud Maker Ofifice Holder, 2-95
Cnctr, Ma, Bspp, Orfc/Bspp--Ed
1/2--1/2--14, 2-103
Coat Hook,For T--Bar, 2-33
Coil -- For Int.S229 Valve, 4-13
Coil -- Int. -- For S502 Valves, 4-13
Coil Nut -- S502 Intergrated Valve, 4-13
Coil Spacer ( To Fit Twin Coil Valves ), 4-9
Coil,Eyz Type --For Series 10 Sol Valves,
4-7
Coil,Eyz Type --For Series 8 Sol Valve 4,
4-7, 4-9
Coil,Solenoid--2/2 Wa, 2-95
Coil--Ey-- Type For Solenoid--Sv10
4300212, 4-5, 4-11
Collar Dish Washer, 2-55, 2-65, 2-81
Collar Latch Spring, 2-37
Collar, Crank, Front [Ku], 5-17
Collar, Gear [Ku], 5-15
Collar, Govnr [Ku], 5-27
Collar, Lockdown, Cab, 2-37
Collar, 5-31
Column Switch, 2-39
Comp. Flange, Water, 5-28
Comp. Flywheel, 5-18
Compressor--AirCon.,3-5
Condenser Coil, 3-7
Condenser Fan, 3-7
Connector [Ku], 5-31
Connector -- 1/8Bspm x 2/8Bspf 90 Deg,
2-59
Connector Plastic --Screen Wash Hose,
2-27
Connector, 90 Deg Elbow -- 4mm Push In
-- M 6 , 3 - 2 1
Connector, Str Thread, Utpc, 1/2--7/8--1,
2-109
Connector, Str Thread,Swivel,1/4--7/16--20,
2-101
Connector, Str, Orfs/ Sae--Orb 1/2--3/4--16,
2-39, 2-109
Connector, Str, Orfs/ Sae--Orb 3/8--3/4--16,
2-39
Connector, Str, Orfs/Sae--Orb
1/2--9/16--18, 2-109
Connector, Str, Orfs/Sae--Orb
1/4--9/16--18, 2-109
Connector, Straight -- 4mm Push In -- M6
X, 3-21
Connector,90 Deg Elbow -- 4mm Push In
x, 3-21
Control Rod.Ecs,Engine,636, 2-63
Cord, Ele, Glowplug, 5-19
Cotter Pin, 5/16 x 3/42 Zinc Plated, 2-51
Countersunk Skt Head -- M8 X 50Mm, 2-83
Cover [Cloudmaker, Cat Grey], 2-95
Cover -- Chassis Xt2 Unit -- 636, 2-5
Cover Plate -- Cab Back, 2-33, 3-7
Cover Plate Bottom -- Cab Floor Aircon,
3-9
Cover Plate Top -- Cab Floor Aircon, 3-9
Cover Plug,Plastic -- M10 Hole, 2-17, 2-19
Cover, Brg Case, Eng [Ku], 5-9
Cover, Brush [Cat Grey], 2-73, 2-75
Cover, Cylinder Head, 5-10
Cover, Lever, Gov [Ku], 5-27
Cover, Solenoid, Pyp, 2-99
Cover, Steering Wheel, 2-39
Cover, Thermostat, 5-28
Cover--Relays Box, 2-43
Cover, 2-43, 4-3, 5-7, 5-25
Cowl Body, Vacform -- 636, 2-65
Crankpin, Metal [Ku], 5-17
Crankshaft, Metal [Ku], 5-9, 5-17
Crankshaft, 5-17
Cuff -- Tapered, 2-87
Cuff, 8” Id X 120 Mm, 2-83
Cup Washer, 2-51
Cylinder, Hyd [Brush Lift W/Sae Ports],
2-69, 2-71
Cylinder, Hyd [Tracking Lower], 2-7
D
D Window Pivot Weldment -- Lh, 2-31
Decal, 636 Hs -- Green/White, 2-23, 2-25
Decal, Door Bottom, Near Side, 2-31
Decal, Door Bottom, Off Side, 2-29
Decal, Rear Water Tank -- Green/Green,
2-113
Decal, Side Panel -- 636 -- Green/White,
2-23, 2-25
Decal--Chevron--Green/Yellow Rear
Hopper, 2-113
Decal--Usa Slow Moving Vehicle [14.0”],
2-113
Deep Grv Ball Brg, 10 I/D X 22 O/D X 6 T,
2-77
Diesel Tank --Rotomold --636, 2-63
Dipstick, Oil [Ku], 5-4
Dipstick/Oil Gauge --D1105t, 2-55
Direction Indicator (Bulb Not Included), 2-5
Direction Indicators (Bulb Not Included),
2-5
Dommed Round Insert --Brush Mirror Arm,
2-27
Door Assy, Cab, Lh, 2-31
Door Assy, Cab, Rh, 2-29
Door Lock Assy (From Assy. M/L), 2-89
Door Lock Kit Comple, 2-29, 2-31
Door Seal Rear, 2-29, 2-31
Door Stay--Gas Strut, 2-29, 2-31
Door Stop Female, 2-23, 2-25
Door Stop Male, 2-23, 2-25
Door Weldment, Drain Access, 2-85
Door Wldt, Cab, Lh W/Label, 2-31
Door Wldt, Cab, Rh W/Label, 2-29
Door, Access, Side, Lh, 2-25
Doorstop Mtg Bracket --636, 2-25
Double Coat Hook, 2-33
Double Pilot Piston 7013387, 4-9
Drag Link -- Formed -- Rh, 2-15
Drag Link, Assembly -- Rh, 2-15
Drag Link, Formed -- Lh, 2-15
Drag Link--Lh Assembly, 2-15
Drain Flap --636, 2-85
Drip Tray Weldment, 3-7
Drive Coupling -- Bob, 2-55
Drive Pulley --Air Con Compressor, 3-5
Driver Storage Bin Petg In 4Mm Thick,
2-41
Drum, Front Brake, Machined, 2-13
Drum,Rear Brake,Mach, 2-21
E
E Coil Nut 4502960, 4-7, 4-9
E Coil Nut To Fit Valve Sv08--21--0--N--00,
4-9
Ear, Lifting, Eng [Ku], 5-5
Elbow -- 3/8 Bsp Male -- 3/8 Bsp Female,
2-93
Elbow -- Copper, 2-67
Elbow, 3/4 NPT x --12 JIC, 4-3
Elbow, 90deg. -- 1/, 2-91
Elbow, Mal,Bspp Prfs/Bspp--Orr
1/2--1/2--14, 3-17
Elbow, Str, Orfs / Sae--orb 1/2--3/4--16,
2-107
Elbow, Str, Orfs / Sae--Orb 1/4--7/16--20,
2-107
Elbow, Str, Orfs/Sae--Orb 1/2--7/8--14,
2-101
Elbow, Str, Orfs/Sae--Orb 1/4--7/16--20,
2-107
Home
Find...
Go To..

CROSS REFERENCE
6-15
636 9006292 (7--10)
Elbow, Str, Orfs/Sae--Orb 3/4--1 5/16--12,
2-101
Elbow, Str, Orfs/Sae--Orb 3/8--3/4--16,
2-105
Elbow,Nylon 90 Deg, 3-13
Elbow,Str,OrfS/Sae--Orb 1/2--3/4--16, 3-17
Element, Breather, 5-10
Element,Suction & Retrun 10 Micron, 2-97
End Cap --Water Manif, 2-93
End Cover,Rh Axle Beam, 2-11
Engine,V1505--T --4 Cy (See Engine
Breakdown), 2-55
Engine/Pump Housing,, 2-55
Evaporator Coil, 3-7
Evaporator Mounting, 3-7
Exhaust Clamp -- 60mm, 3-13, 3-15
Exhaust Manifold -- 636, 2-61
Expansion Tank Cap, 2-67
Expansion Tank, 2-67
Extended Hatch (Incl Carpet Profile) Cab,
2-35
Extension Spring, 2-85
Extinguisher, Fire, 2.5 Lb Dry, 3-22
F
Fan Belt, 2-57
Fan Casing Back Mtg Plate --636, 2-81
Fan Casing Front Mounting Plate --636,
2-81
Fan Impeller Assembly, 2-81
Fan Inspection Door Key, 1-1, 2-89
Fan--Pusher 380 Mm, 3, 2-57, 3-5
Fastener -- Rubber Wo, 2-5
Fastener--Rubber (Short), 2-87
Felt Washer, 22mm O/D X 10.5mm I/D,
2-77
Filter -- Water System [Ball Check], 1-1,
2-95
Filter Element -- High D.P.--10Qho
G04666Q, 1-1, 2-97
Filter Minder,Electr, 2-59
Filter, Medium Profile -- 3/4f -- 80 Mesh,
3-13, 3-15
Filter, Oil [Ku], 5-4
Filter, Screen, Radiator, 2-65
Filter,Suction & Return Line 10 Micron F,
2-97
Filter--Fuel Kit, 2-63
Filter--Pressure--Park, 2-97
Fitting, Hyd, E45 [4--4Volmo], 3-17
Fitting, Bh, Orfs / Orfs W/ Nut 1/2--1/2,
2-39
Fitting, Bh, Orfs / Orfs W/ Nut 3/8--3/8,
2-39
Fitting, Bh, Run Tee, Orfs 3/8, 3-17
Fitting, Brs, Str, Bm10/.375Bspt, 2-55
Fitting, Draincock [Ku], 5-3
Fitting, Elbow, Bm08/Pf08, 3-15
Fitting, Fuel [Ku], 5-19
Fitting, Hyd, Cap, Ff12, 2-101
Fitting, Hyd, Str, Of06/Om06, 2-105
Fitting, Pipe, Plug [Ku], 5-3, 5-5, 5-7
Fitting, Plstc, E90, Bm10/Pm12, 3-13, 3-15
Fitting, Plstc, Tee, Bm04/Bm04/Bm04,
2-95
Fitting, Plug [Ku], 5-3
Fixed Glass Lower Do, 2-29, 2-31
Fixed Panel, Lh Weldment, 2-25
Fixing Bracket Assy,Rubber Bumper, 2-5
Fixing Plate Top, Window Pivot, 2-29, 2-31
Flange Wldt, Exhaust, Muffler End, 2-61
Flange Wlt, Exhaust, Eng End, 2-61
Flange, Muffler, 5-29
Flange, Pump, Water [Ku], 5-8
Flange, Sleeve, 5-23
Flap Weldment,Adjustable Nozzle, 2-83
Flap,Engine Shield ,Neoprene--As Dwg.,
2-85
Flap,Water Tank, 2-91
Flasher Unit -- Indic, 2-43
Flexi--Pipe, Exhaust -- 636, 2-61
Flexible Hose, 2-21, 2-49
Floor Window, 2-33
Flow Control Valve, 2-53
Flow Divider/Combiner Fd12 Sk12--40mmt,
4-5
Foam Seal -- Woosh Inlet, 2-85
Foam Seal, 10mm X 5mm (From Assy.
M/L), 2-81
Front Cover -- Rotomould, 2-81
Front Number Plate, 2-27
Fuel Filter Element--, 1-1, 2-63
Fuel Filter,In Line, 2-63
Fuel Gauge, 2-43
Fuel Pump Cover Plate, 5-21
Fuel Pump,Electric -- (With Connector),
2-63
Fuel Sender,Off--Take, 2-63
Fuse, Blade, 040A [Maxi], 2-57
Fuse, Blade, 060A [Maxi], 2-57
Fuse, Velocity, 90deg Elb In--Line Swivel,
2-111
Fusebox Assembly,4 X 40 A, 2-57
G
Gas Strut -- Cab Tilt elbow/elbow rod end,
2-37
Gas Strut,Air Con_Ca, 2-37
Gasket [Ku], 5-25
Gasket, Bearing, Case [Ku], 5-9
Gasket, Bulkhead Bracket, Heater Hoses,
2-53
Gasket,Case,Gear[Ku],5-7,5-9
Gasket, Cover, Gov [Ku], 5-27
Gasket, Cover, Spd [Ku], 5-26
Gasket, Delivery Valve, 5-23
Gasket, F/ Bolt [Ku], 5-19
Gasket, Fuel Pump, 5-21
Gasket, Head Cover, 5-10
Gasket, Manifold, Exhaust, 5-11
Gasket, Manifold, Intake [Ku], 5-12
Gasket, Neoprene Win, 2-29, 2-31
Gasket, Nozzle, Injector [Ku], 5-19
Gasket, Pump, Water [Ku], 5-8
Gasket, Thermostat, 5-28
Gasket, Turbo [Ku], 5-29
Gasket, Water Flange, 5-28
Gasket--Muffler, 2-61
Gasket, 2-85, 4-3, 5-3, 5-10, 5-23, 5-25,
5-31
Gauge Assy, Oil [Ku], 5-4
Gear, Camshaft [Ku], 5-15
Gear, Case [Ku], 5-7
Gear, Cshft [Ku], 5-17
Gear, Govnr [Ku], 5-24
Gear, Idler, Cam [Ku], 5-15
Gear, Pump, Fuel [Ku], 5-24
Gear, Pump, Oil [Ku], 5-17
Gear, Ring, 5-18
Glovenet--525 Document Rack/Net, 2-53
Grease Nipple Straight -- M6, 2-7, 2-17,
2-19, 2-37, 2-69, 2-71, 2-91
Grip Knob--Male Black Nylon, 2-41
Grip,Foam,2-79
Grip, Handle, 2-97
Grommet, Rbr, 0.62id, F/0.9h, .06 Matl,
2-27
Grommet,Open--4.8 I/D,1.6 Thk & 15.9
Hole, 3-3
Grommet--Sleeved[ One Bag Of 50 ], 2-33
Guard Wldt, Fan, 2-65
Guide, Valve, Exhaust, 5-5
Guide, Valve, Inlet, 5-5
H
Hand Brake Lever, 2-51
Handle, Hopper, Blanking Plate, 2-87
Handle, Locking--Wldt Main Water Tank,
2-91
Handle,Revolving -- 5, 3-19
Hatch Stay --Double H, 2-35
Head, Cylinder [Ku], 5-5
Headlamp/Indicator/S, 2-27
Heat Shield With Lug --Formed, 2-91
Heater Air Hose --Lef, 2-53
Heater Air Hose--Left, 2-53
Heater Box Wldt, 2-53
Heater Intake Spiggot Assembly, 2-27
Heater Unit (With Connector), 2-53
Heater Vent Hose--Right Hand, 2-53
Hinge Bracket -- Weldment, 2-77
Hinge Pin -- Access Door, 2-89
Hinge Plate Lh Wldt -- Door Rpcr, 2-77
Hinge Plate Rh Wldt-- Door Rpcr, 2-77
Hinge Weldment -- Inspection Door, 2-89
Hinge Wldt, Door, 2-89
Hinge, Bottom Weldment -- Lh, Door, Cab,
2-31
Hinge, Bottom Weldment -- Rh, Door, Cab,
2-29
Hinge, Top Weldment -- Lh, Door, Cab,
2-31
Hinge, Top Weldment -- Rh, Door, Cab,
2-29
Holder, Delivery Valve, 5-23
Holder, Gear [Ku], 5-24
Home
Find...
Go To..

CROSS REFERENCE
636 9006292 (7--10)
6-16
Holder, Govnr [Ku], 5-24
Hopper Body, Weldment, 636 Machine
W/Label, 2-77
Hopper Door Wldt, 2-77
Hopper Scraper Assembly --636, 2-89
Hopper Stay Wldt, 2-79
Horn -- 636/525, 2-59
Horseshoe, 1-1, 2-83
Hose -- Heater Return, 2-53
Hose -- Heater To Bul, 2-53
Hose -- Whoosh, 2-87
Hose Assembly--Water, 2-93
Hose Assy (302Jcjc88824), 2-101
Hose Assy (422J9EN44438), 2-101
Hose Assy [302j9jc88844], 2-101
Hose Assy [302j9jc88848], 2-107
Hose Assy [302jcj788828], 2-107
Hose Assy [302jcj788844.5], 2-107
Hose Assy [302jcj9108835], 2-107
Hose Assy [302jcj9108838], 2-107
Hose Assy [302jcj9108851], 2-107
Hose Assy [302jcj9108854], 2-107
Hose Assy [302jcj988832], 2-101
Hose Assy [302jcj988835], 2-107
Hose Assy [422Etjc44439]], 2-101
Hose Assy [422j9jc12121286], 2-101
Hose Assy [422j9jc44410], 2-107
Hose Assy [422j9jc88817], 2-101
Hose Assy [422j9jc88834], 2-101
Hose Assy [422Jcet44460], 2-105
Hose Assy [422jcj744415.5], 2-101
Hose Assy [422jcj766650], 2-109
Hose Assy [422jcj944428], 2-101
Hose Assy [422jcj944437], 2-111
Hose Assy [422jcj944466], 2-107
Hose Assy [422jcj988830], 2-103
Hose Assy [422jcjc12121220.5], 2-101
Hose Assy [422jcjc66627], 2-101
Hose Assy [422jsj768877], 2-109
Hose Assy [42j9jc12121236], 2-101
Hose Assy [4511tcjcj768692], 2-103
Hose Assy [451enj944417.5], 2-109
Hose Assy [451enj988817], 2-109
Hose Assy [451enj988818], 2-109
Hose Assy [451Steujc44457], 2-105
Hose Assy [451stj7jc44483], 2-111
Hose Assy [451stj7jc44487], 2-111
Hose Assy [451stjcj944434], 2-105
Hose Assy [451Tc1B11666103], 3-19
Hose Assy [451Tcenet44420], 2-103
Hose Assy [451tcenj944494], 2-111
Hose Assy [451tcj7jc44417], 2-103
Hose Assy [451tcj7jc44421], 2-103
Hose Assy [451Tcj9Et44416.5], 2-103
Hose Assy [451tcj9j744445], 2-111
Hose Assy [451tcj9j744454], 2-111
Hose Assy [451Tcj9Jc44410.5], 3-17
Hose Assy [451tcj9jc44411], 2-111
Hose Assy [451tcj9jc68614.5], 2-109
Hose Assy [451tcj9jc86681], 2-109
Hose Assy [451tcj9jc88816.5], 3-17
Hose Assy [451tcjcet44459], 2-109
Hose Assy [451tcjcj746483], 2-103
Hose Assy [451tcjcj9444112], 2-111
Hose Assy [451tcjcj944414], 2-107
Hose Assy [451tcjcj944443], 2-107
Hose Assy [451tcjcj944457], 2-111
Hose Assy [451tcjcj944470], 2-105
Hose Assy [451tcjcj946440], 2-109
Hose Assy [451tcjcj964416], 2-109
Hose Assy [451tcjcj966639.5], 2-109
Hose Assy [451tcjcj966641], 2-109
Hose Assy [451Tcjcj966666], 2-105
Hose Assy [451tcjcj966666], 3-17
Hose Assy [451tcjcj96869.5], 3-17
Hose Assy [451tcjcj986687], 2-103
Hose Assy [451tcjcjc44475], 2-105
Hose Assy [451tcjcjc46483], 2-103
Hose Assy [451Tcjcjc86619.5], 3-17
Hose Assy [451Tcjcjc88816.0], 3-17
Hose Assy [471Stj9En64471], 2-105
Hose Assy [471stj9j9664102], 2-105
Hose Assy [471stj9jc44438], 2-105
Hose Assy [471stj9jc44464], 2-105
Hose Assy [471stj9jc64465], 2-105, 2-109
Hose Assy [471Stjcen44489], 2-105
Hose Assy [471Stjcet444112], 2-105
Hose Assy [471stjcj94443], 2-105
Hose Assy [471Tcenjc44434], 2-105
Hose Assy [471tcj9jc64432], 2-105
Hose Assy [811jcj912121224], 2-101
Hose Assy [881jcj720161617.5], 2-101
Hose Assy, 2-47
Hose Barb, 3/4 M X 3/4, 2-93
Hose Reel Wldt, 3-19
Hose Suction-- 51mm X 300mm Long,
2-85
Hose Swivel Fitting, 3-19
Hose Tail,1/8” Bsp M, 2-95
Hose, 19.0L, 3-17
Hose, Afmkt, Rbr, Heater, 0.62Id, 08Ft,
2-67
Hose, Afmkt, Rbr, Heater, 0.62id, 08ft,
3-13
Hose, Afmkt, Rbr, Heater, 0.62Id, 12Ft,
2-67
Hose, Afmkt, Rbr, Heater, 0.62Id, 20Ft,
2-67
Hose, Air Cleaner to Pipe, 2-59
Hose, Clamp [Ku], 5-29
Hose, Fuel [Ku], 5-19
Hose, Fuel, 0.18id, 29.0l, 2-63
Hose, Heater, .50ID, 3-15
Hose, Heater, 0.62id, 053.0l, 3-7
Hose, Heater, E90, 0.62id, 60.0 4.0, 3-15
Hose, Hyd 25 Ft, Hose Reel To Spray
Gun, 3-19
Hose, Hyd Press Washer Pump To Hose
Reel, 3-19
Hose, Pvc, Clr, 0.19Id 0.38Od, Bulk, 2-27
Hose, Turbo, Charger [Ku], 5-29
Hose, Water [Ku], 5-31
Hose, Water, Black, 6mm ID, 3.4 meter
length, 2-95
Hose, Water, Black, 6mm ID, 800mm
length, 2-95
Hose, Water, Side Water Tank, 2-93
Hose, Water, 5-8
Hose,Diesel Tank Locking Tank To Neck,
2-63
Hose,Engine Air Inta, 2-59
Hose,Radiator Top,63, 2-67
Hose--Front Nozzle 52, 2-83
Hose--High Press--Cab To Condensor
1.3M, 3-9
Hose--High Press--Compressor To Cab, 3-9
Hose--Low Press.From Evap To
Compressor, 3-9
Hose--Low Pressure Condenser To Drier,
3-9
Hosetail -- Nylon --3/, 2-93
Hosetail -- Nylon 3/8, 2-93
Hosetail --3/8” Bspt, 2-93
Housing Assy, Nozzle, 5-19
Hub Carrier Lh W,Ment Front Brakes, 2-11
Hub Carrier Rh, 2nd W,Ment Front
Brakes, 2-9
Hyd Valve Block Assembly, 4-7
Hydraulic Cylinder -- B Lt Brush In--Out,
2-71
Hydraulic Cylinder -- B Rt Brush In/Out,
2-69
Hydraulic Cylinder -- H, 2-77
Hydraulic Cylinder -- Tracking Upper, 2-7
Hydraulic Cylinder --, 2-7, 2-83
Hydraulic Cylinder Assembly -- Front, 2-85
Hydraulic Cylinder Assembly -- H, 2-79
Hydraulic Reservoir Weldment, 4-3
Hydro Pump Kit Part Of Engine Kit Pp002,
2-55
I
Impeller, Pump, Water [Ku], 5-8
In--Line Valve--Windscreen Washers, 2-27
Inductor, 32.0Mml [Ferrite 0--300Mhz],
2-95
Injector, 0.015cc stroke output, 3-21
Inlet Cone Fan Casing --636, 2-81
Inlet Duct, 2-85
Inlet Tube Inner -- Rotomould, 2-85
Inlet Tube Lower -- Rotomould, 2-83
Inlet Tube Upper -- Rotomould, 2-83
Inner Plate Fan Access Door Wldt, 2-89
Insulated Lance 24” With Q. Coupler, 3-19
IQAN -- Master display Mini MDM -- EN/ES
Km/P, 2-45
IQAN -- Master display Mini MDM -- EN/ES
MPH, 2-45
IQAN -- Master display Mini MDM -- EN/FR
Km/P, 2-45
Iqan -- Xs -- 5010003, 2-27
Iqan Xt2 Interface, 2-5, 2-27
Home
Find...
Go To..

CROSS REFERENCE
6-17
636 9006292 (7--10)
J
Joint, Breather Pipe, 5-10
Joystick -- Brush Con, 2-41
Jubilee Clip 40 To 55, 2-85
K
Key [Ku], 5-15, 5-17
Key, Ignition Switch, 2-39
Key, Woodruff [Ku], 5-24
Key--For Shaft, 2-73, 2-75
Kit For New Alternator/Air Intake Brkt A,
3-5
Kit For New Alternator/Air Intake Brkt N,
2-57
Knob -- Heater Contro, 2-53
Knob Panel Black, 2-41, 2-95
Knob, Solid,22 Mm Br, 2-43
Knob,Black Lever --M, 2-91
Knurled Fastener, 2-23, 2-25, 2-73, 2-75,
2-95
L
L/H Rubber Bumper, 2-5
Label Set, Fuse Box--636, 2-43, 2-113
Label Set, Opertnl, Cab [636], 2-113
Label Sheet -- 525 Bl, 2-53
Label Sheet --525 Matt Resistant Pvc,
2-113
Label Sheet,Clear Vinyl --636, 2-113
Label, Green/Yellow Chevron, 2-113
Label, Tire Press, 2-23, 2-25
Label,Low Sulphur Fuel, 2-63
Label,Primary Fuse Box --60 Amp, 2-57
Label,Steering Wheel, 2-39
Latch -- Adjustable, 2-77
Lever -- Hand Pump 525, 2-97
Lever, Cntrl, Spd [Ku], 5-26
Lever, Fork [Ku], 5-27
Lever, Fork Assy [Ku], 5-27
Lever, Fork, Shaft [Ku], 5-27
Lever, Plate, Cntrl [Ku], 5-26
Lever, Stop [Ku], 5-26
Lh Seal Plate -- Formed, 2-81
Lh Side Door Hinge Wldt, 2-25
Light -- Number Plate (Bulb not included),
2-91
Light -- Warning (Amb, 2-43
Light, Interior, 2-45
Light, Panl, 14vdc, Red, 0.6d, 2-43
Light, Warning -- Gre, 2-43
Lock Pin -- Low Level A/C, 3-7
Lock Plate Wldt, 2-91
Locking Diesel Tank, 2-63
Locking Plate,Pump Adaptor, 2-99
Louvre Wldt, 2-5
Lower Hinge Wldt, Side Panel, 2-25
Lower Hinge Wldt, Weld Assy, 2-25
Lower Tension Spring, 2-21
Lower Water Pipe Weldment, 3-5
Lynch Pin Assembly, 2-77
M
M10 X 55 Bolt 8.8 Zy Din 931, 2-55, 2-81
M10 X 70 St/St Bolt A4--70, 2-5, 2-37, 2-85
M12 X 110 St/St Bolt A4--70, 2-83
M12 X 20 Skt Cap 12.9 Zc, 2-21
M12 X 45 Skt Cap 12.9 Zc, 2-17, 2-19
M12 X 50 Skt Cap 12.9 Zc, 2-9, 2-11
M16 X 1.5 Locknut G.8 Zy, 2-7, 2-15
M16 X 1.5 X 70 Bolt 8.8 Zc, 2-83
M16 X 80 St/St Set A4--70, 2-41
M22 Adapter 3/8” Male, 3-19
M3 Nut Nylon/Ins P G.8 Zy, 2-51
M30 St/St Washer Form A A2, 2-79
M4 X 12 St/St Skt Btn A2, 2-33
M4X16HexCapScrew,2-47
M4 X 20 Skt Btn 10.9 Zc, 2-57
M4 X 25 St/St Split/Pin A2, 2-7, 2-15, 2-17,
2-19
M4 X 32 St/St Split/Pin A2, 2-79
M5 X 10 Set 8.8 Zc Din 933, 2-51
M5 X 12 Button Head Screw, 2-43, 2-47,
2-89, 3-7
M5 X 15 Dome Head Plated, 2-27
M5 X 16 Button Head Socket Scr, 2-29,
2-31, 2-33, 2-39, 3-7
M5 X 16 Cap Screw, 2-37, 2-77, 3-3
M5X16HexCapScrew,2-41
M5 X 25 Button Head Socket Scr, 2-89
M5 X 35 Skt Btn 10.9 Zc, 2-29, 2-31, 2-89,
3-9
M5 X 8 Skt Btn 10.9 Zc, 2-43
M6 Brass Washer Form A Bs 4320, 2-49
M6 Nut Nylon/Ins T G.8 Zc, 2-5, 2-85, 3-3,
3-7
M6 St St Washer, 2-81, 2-97, 3-3
M6 Washer Form C Zc Bs 4320, 2-27,
2-29, 2-31, 2-35, 2-41, 2-53, 3-3, 3-11,
3-17
M6 X 10 Low Hd. Socket Cap Ptd, 2-13,
2-21
M6 X 100 St/St Bolt A4--70, 2-5, 3-19
M6 X 12 Low Head Cap Screw, 2-35
M6 X 12 Screw, Self Tapping, F, 2-49, 2-91
M6 X 16 Buttonhead, 2-47
M6X16HexCapScrew,2-53
M6 X 20 Button Head Socket Scr, 2-5,
2-27, 3-3, 3-7
M6 X 20 Hex Screw, 2-53, 3-11
M6 X 20 St/St Skt Btn A4, 2-29, 2-31, 2-81
M6 X 30 St/St Skt Btn A4, 2-23, 2-25,
2-109
M6 X 35 Brass Set Din 933, 2-27, 2-49
M6 X 40 Skt Cap 12.9 Zc, 2-105
M6X45SktBtn10.9Zc,3-11
M6 X 50 H.T. Hex Bolt Plated, 2-57
M8 Flat Washer, 2-59
M8 St St Washer, 2-57
M8 Washer, 2-49, 2-57, 2-91
M8 X 16 Button Head Socket Scr, 2-41,
3-7
M8 X 20 Button Head Socket Scr, 2-47
M8 X 20 H.T. Hex Set Plated, 2-51
M8 X 20 Hex Hd Set Screw, 2-57
M8 X 20, 40mm Hand Wheel (From Assy.
M/L, 2-85
M8 X 30 Hex Cap Screw, 2-51, 2-53, 2-61,
2-91
M8 X 30 Skt Btn 10.9 Zc, 2-63
M8 X 35 Skt Btn 10.9 Zc, 2-41, 2-53
M8 X 55 Bolt 8.8 Zc Din 931, 2-49, 2-97
M8 X 55 Skt Btn 10.9 Zc, 2-41, 2-83
M8 X 65 St/St Skt Btn A4, 2-85, 2-91,
2-109
M8 X 75 St/St Bolt A4--70, 2-5, 2-61, 3-13
M8 X 90 Bolt, 2-91
M8x12 Hex Hd.Set Screw St/St, 2-95
Male Connector --Bspp Orfc / Bspp--Ed
1/2--, 2-101, 3-17
Male Connector --Bspp Orfc / Bspp--Ed
3/4--, 2-101
Male Connector --Bspp Orfc / Bspp--Ed
3/4, 2-101
Male Elbow--Bspp Orfs / Bspp--Orr
1/2--1/2--, 2-101, 2-109, 3-17
Male Elbow--Bspp Orfs / Bspp--Orr
3/4--3/4, 2-101
Male Elbow--Bspp Orfs / Bspp--Orr
3/8--3/8--, 2-103
Manifold Assy (See Breakdown), 2-97,
2-99, 2-109, 3-17
Manifold Assy, 2-97, 4-5, 4-9, 4-11, 4-13
Manifold, Exhaust [Ku], 5-11
Manifold, Inlet Assy [Ku], 5-12
Manual Adjuster, 2-21
Manual, Oprtr [636, En, Na, Green Mach],
3-23
Manual, Oprtr [636, Es, Na, Green Mach],
3-23
Manual, Oprtr [636, Fr, Na, Green Mach],
3-23
Manual, Parts [636, Na/Intl, Green Mach],
3-23
Master Cylinder, Front Brakes, 2-47
Mesh Door,Rear, Wldt, 2-77
Mesh Filter Drain Assy -- 636, 2-85
Mesh, Door, Internal Wldt, 2-77
Mesh, Speaker _Cab, 2-45
Micro--Switch--Long Le, 2-51
Mirror Arm -- Brush-- Rh, 2-27
Mirror, Wide Anagle, Rh, 2-27
Molding, Door, 2-29, 2-31
Monitor.5” Lcd Colou, 3-3
Motor, Drive, 2-73, 2-75
Motor, Hyd, 12cc, 2-81
Motor, Hydraulic, Wheel 130cc USA SAE
(Hill Climb), 2-17
Motor, Wheel, 100cc / Rev Displ (High
Speed), 2-17
Motor, Wheel, 100cc / Rev Displ, 2-9, 2-11
Motor, Wheel, 100cc, Cw Speed Sensor
(High Speed), 2-19
Motor, Wheel, 130cc, Cw Speed (Hill
Climb), 2-19
Moulding,A/C Duct --Cab Rear Headliner
6, 3-11
Mount Wldt, Isolator, 2-95
Home
Find...
Go To..

CROSS REFERENCE
636 9006292 (7--10)
6-18
Mount, Eng [2 Piece], 2-55, 2-61, 2-81
Mounting Bracket Hinge Weldment, 2-77
Mounting Bracket, Wldt, 3-19
Mounting Brkt Wldt, Hopper Stay, 2-79
Mounting Plate, Brake Light Switch, 2-47
Mounting Stud -- Manifold 636, 4-5
Mounting, Condensor -- Formed, 3-7
Mudguard Wldt -- Lh, 2-11
Mudguard Wldt -- Rh, 2-9
Muffler, Exhaust, 2-61
N
Needle Valve (Parker #N420s) 1/4, 2-101
Nipple -- Filter Mind, 2-59
Nozzle -- A--Frame Assembly, 2-83
Nozzle -- A--Frame Weldment, 2-83
Nozzle -- Side Skid Shoe Sg Ci,
Bsen1563, 2-83
Nozzle -- Side Skid Shoe, 2-83
Nozzle --Side Skid Shoe, 1-1
Nozzle Assembly,Adjustable, 2-83
Nozzle Holder/ Hosetail, 2-95
Nozzle, Press, Var, 3000Psi, 5.5Gpm, 3-19
Nut -- M5, 3-9
Nut -- Nyloc Thin M5, 2-59
Nut -- Plain -- M8 -- Zinc Plated, 2-91
Nut -- Retaining -- Manifold 636, 4-5
Nut -- Shallow Nyloc -- M8 -- Stainless
Steel (A2--70, 3-7
Nut 3/4” Unc Unplated, 2-83
Nut, Nyloc M16 X 1.5, 2-39, 2-83
Nut, 3/8--16UNC--2B, ZP, 4-3
Nut, Cap, Cam [Ku], 5-24
Nut, Cap, 5-10, 5-21, 5-25
Nut, Flange [Ku], 5-19
Nut, Hex [Ku], 5-7, 5-13, 5-26
Nut, Hex Locking (Thin) -- M16 X 2.0p,
2-83
Nut, Hex, Jam, M10 X 1.5, Ss, 2-47
Nut, Hex, Lock, M10 X 1.5, Nl, Ss, 2-85
Nut, Hex, Lock, M10 X 1.5, Nl, 2-37, 2-55,
2-69, 2-71, 2-73, 2-75, 2-77, 2-81, 3-5
Nut, Hex, Lock, M12 X 1.75, Nl, Ss, 2-83
Nut, Hex, Lock, M12 X 1.75, Nl, 2-9, 2-11,
2-17, 2-19, 2-47, 2-73, 2-75, 2-83
Nut, Hex, Lock, M14 X 1.50, Nl, 2-7
Nut, Hex, Lock, M16 X 2.00, Nl, 2-69,
2-71, 2-83
Nut, Hex, Lock, M4 X 0.70, Nl, 2-47
Nut, Hex, Lock, M5 X 0.80, Nl, 2-27, 2-77,
2-85, 2-89, 3-3
Nut, Hex, Lock, M6 X 1.00, Nl, Ss, 2-23,
2-25, 2-29, 2-31, 2-65, 2-77, 2-79,
2-81, 2-105, 3-7, 3-19
Nut, Hex, Lock, M6 X 1.00, Nl, 2-5, 2-55,
2-59, 2-63, 2-87, 2-93, 2-97, 3-7,
3-13, 3-15
Nut, Hex, Lock, M8 X 1.25, Nl, Ss, 2-5,
2-29, 2-31, 2-55, 2-63, 2-65, 2-79,
2-81, 2-83, 2-85, 2-89, 2-91, 2-109,
3-13, 3-15, 3-19
Nut, Hex, Lock, M8 X 1.25, Nl, 2-9, 2-11,
2-29, 2-31, 2-41, 2-47, 2-51, 2-59,
2-73, 2-75, 2-81, 2-83, 2-85, 2-95,
2-97, 2-99, 2-111, 3-5
Nut, Hex, Std, M6 X 1.00, 8, 2-55, 2-63
Nut, Hex, Std, M6 X 1.00, Ss, 3-7
Nut, Hex, Stover, M8 X 1.25, 2-61
Nut, Mk V --M16 X 1.5 [Fine], 2-15
Nut, Nyloc -- M10 -- Zn Ptd, 2-41
Nut, Nyloc -- M16 St/St A2, 2-17, 2-19
Nut, Nyloc -- M4, 2-57
Nut, Nyloc -- M5 Zinc Plated Zinc Plated,
2-79
Nut, Nyloc -- M5, 2-51
Nut, Nyloc -- M6, 2-27, 2-29, 2-31, 2-47,
2-53, 3-3, 3-17
Nut, Nyloc -- M8, 2-37, 2-47, 2-51, 2-91
Nut, Nyloc Shallow -- M8 -- St. St. A2--314,
2-57, 2-85, 2-97
Nut, Nyloc Thim -- M6 Zinc Plated Zinc Pl,
2-59
Nut, Nyloc Thin -- M6 Zinc Plated Zinc Pl,
2-57, 3-5
Nut, Philidas Mk V -- M12, 2-83
Nut, Solenoid Coil,Series E For Sv10--21,
4-7
Nut, Stainless Steel A4 -- M6, 2-27
Nut,Hex Lock (Thin) M10 X 1.0p, 2-21,
2-49
Nut,Nyloc --M10 --St.St.A4, 2-37
Nut,Nyloc --M8 St.St A2, 2-77
Nut,Wheel --M16 X 1.5, 2-13, 2-21
Nut--Philidus Mk V --M16 X 1.5(Fine), 2-7,
2-9, 2-11, 2-15
Nut, 2-9, 2-11, 5-11, 5-21, 5-25, 5-29
O
O Ring Kit--6 Rings--Mounting Studs
Manif, 4-5
O--Ring [Ku], 5-4, 5-26, 5-31
O--Ring, 5-10, 5-23
Oil Filler Flange--Extended, 2-55
Oil Filter Element--1105t, 1-1, 2-55
Oil Shield, Breather, 5-10
Open Grommet --Pvc, 3-9
Orifice,Small Water Tank, 2-93
Outer Plate Vacform, 2-89
Outlet Vent--Heater T, 2-53
P
P Clip Bracket --Coolant Heater Hose, 3-5
P Clip Bracket _Coolant Heater Hose, 2-57
P.O.Check Valve Pc08--30--0--N--25 Bias
Spri, 4-9
Pad, Rbr, 3mm Th, 2-97
Pan, Oil, Dsl, 5-4
Panel -- Air Con / He, 2-41
Panel -- Cab Cross--Br, 2-39
Panel, Switch, Cab, 2-43
Pedal Rubber, 2-47
Pedal, Electronic -- Dual Track, 2-47
Pin -- Hinge Weldment 525, 2-91
Pin -- Hyd Cyl -- Machined, 2-77
Pin -- Locking Handle Weldment 525,
2-91
Pin Weldment -- Hopper/Chassis, 2-79
Pin Weldment -- Hyd Cyl Hopper, 2-77
Pin Weldment -- Hyd Cyl, External, 2-79
Pin Weldment-- Hyd Cyl Hopper, 2-77
Pin Wldt, Pivot, Bell Crank Steer Lever,
2-15
Pin Wldt, Pivot, Rear Axle, 2-17, 2-19
Pin Wldt, Pivot, Steering Cyl, 2-7
Pin Wldt, Pivot, Tracking Cyl Anchor, 2-7
Pin Wldt, Pivot, Tracking Cyl Rod, 2-7
Pin Wldt, Pivot, Trailing Arm, 2-7
Pin Wldt, Shock Absorber, Lower, 2-7,
2-17, 2-19
Pin Wldt, Shock Absorber, 2-7, 2-17, 2-19
Pin, 1/8 X 1.1/4 St/St Split A2, 2-77
Pin, Anchor, Brush In/Out -- Weldment,
2-69, 2-71
Pin, Clamp, 5-23, 5-31
Pin, Clevis, 0.38d X 1.13l, 2-51
Pin, Cotter, .094 X 0.75, 2-95
Pin, Cotter, .125 X 1.00, 2-69, 2-71
Pin, Cotter, .125 X 1.25, 2-85, 2-91
Pin, Cotter, .125 X 1.50, 2-77
Pin, Cylinder Pivot -- Weldment, 2-69, 2-71
Pin, Dowel [Ku], 5-3
Pin, Eng [Ku], 5-3
Pin, Handle Retaining, 2-91
Pin, Hopper Door, 2-77
Pin, Joint, 5-23
Pin, Piston [Ku], 5-17
Pin, Pivot, Brush Arm -- Weldment, 2-69,
2-71
Pin, R, 2-7
Pin, Split 11/2 X 1/8 Stst A2, 2-13, 2-21,
2-47, 2-51
Pin, Split, 2-51
Pin, Spring [Ku], 5-13, 5-26
Pin, Straight [Ku], 5-7
Pin, Tappet Guide, 5-23
Pipe Engine, 2-59
Pipe, 6mm, Fan Drain, 2-109
Pipe, Assy #6 -- Reveiver/Dryer to
Evaporator, 3-9
Pipe, Breather, 5-10
Pipe, Clip [Ku], 5-19
Pipe, Hyd, 12mm, Fan Return, 2-109
Pipe, Hyd, 12mm, Fan, 2-109
Pipe, Hyd, Lh Front Wheel Motor, Reverse,
2-107
Pipe, Hyd, Lh Front, 2-107
Pipe, Hyd, Rh Front, 2-107
Pipe, Hyd, Steering Press, 2-39
Pipe, Hyd, Steering, 2-39
Pipe, Injection [Ku], 5-19
Home
Find...
Go To..

CROSS REFERENCE
6-19
636 9006292 (7--10)
Pipe, Injector, # 4, 5-19
Pipe, Inlet [Ku], 5-12
Pipe, Oil [Ku], 5-31
Pipe, Oil, Cooler [Ku], 5-31
Pipe, Overflow, 5-19
Pipe, Radiator Overflow, 2-91
Pipe, Return, Pump, Water [Ku], 5-8
Pipe, Water [Kubota], 5-8
Pipe, Water Return 1, 5-28
Pipe, Water Return 2, 5-28
Pipe--Condensor To Drier, 3-9
Piston [Ku], 5-17
Pivot Arm Weldment --636 Hopper, 2-77
PivotBracketWeldment,H/Brake,2-51
Pivot Pin -- King Pin Top -- Machined, 2-9,
2-11
Pivot Pin, Cab Tilt --Weldment, 2-37
Pivot Wldt, Window, Rh, 2-29
Plate -- Air Intake 636 Hopper, 2-83
Plate -- Pipe Clamp, 3-9
Plate -- Seat Adaptor, 2-41
Plate Connector, Formed,Water Tank, 2-91
Plate Motor Mounting, 2-73, 2-75
Plate Motor, Swivel--Lh, 2-75
Plate Mounting, Brush Cover, Lh, 2-75
Plate Mounting,Brush Cover Rh, 2-73
Plate Mtg Support Frame, 2-83
Plate Weldment,Mounting Exhaust, 2-61
Plate Wldt, Bh, Hyd Hose, Lh, 2-11
Plate Wldt, Bh, Hyd Hose, Rh, 2-9
Plate, Adjusting Bracket -- Non Air Con,
2-57
Plate, Brush Drive -- Weldment, 2-73, 2-75
Plate, Clamp, Battery -- Formed, 2-57
Plate, Cntrl, Spd [Ku], 5-26
Plate, Cover -- Cab Rear, 2-33, 3-7
Plate, Deflector, Pressure Washer, 3-13,
3-15
Plate, Element 1, 5-10
Plate, Element 2, 5-10
Plate, Facia -- Formed Armrest, 2-41
Plate, Fixing -- Flap Water Tank, 2-91
Plate, Fixing, L/H Mudguard --Formed,
2-11
Plate, Motor Swivel Rh -- Formed, 2-73
Plate, Mounting -- Wldt Hopper, 2-77
Plate, Mounting, Number Plate Lights,
2-91
Plate, Mounting, Water Hose -- Formed,
2-73, 2-75
Plate, Protection --Lh -- Formed, 2-83
Plate, Protection --Rh -- Formed, 2-83
Plate, Pump, Hand, 2-97
Plate, Reciever/Dryer Support Bracket, 3-7
Plate, Spacer, Cab Steering, 2-39
Plate, Support -- Case Drain Hose -- Devel,
2-9, 2-11
Plate,Alternator Bracket Adjust, 3-5
Plate,Brush Guard/Clamp --Formed, 2-83
Plate,Evaporator Mounting Angle Brk, 3-7
Plate,Infill Lower Tunnel, 2-37
Plate,Pipe Clamp,Fan Hopper, 2-109
Plate,Sandwich Drain Flap, 2-85
Plate, 5-23
Plug, Blanking, 2-77
Plug, Cup, Sealing [Ku], 5-3, 5-5
Plug, Eng [Ku], 5-3
Plug, Ext Hex, SAE --08, 4-3
Plug, Glow [Ku], 5-19
Plug, Hole, Rnd, 0.81h, Blk, 2-5
Plug, Oil Filler, 5-10
Plug,Solenoid--2/2 Wa, 2-95
Plug, 5-28
Plunger, Pump, 5-23
Pop Rivet, Large Flange, 2-11
Potentiometer / Loom Dual Tr, 2-47
Potentiometer Assy,Brush & Fan Control,
2-43
Power Cable,3 Meter--, 3-3
Precleaner,Spinner Small, 2-59
Pressure Limiter --Front Brakes, 2-49
Pressure Reducing Valve
Pr08--32a--0--N--03, 4-9
Pully, Fan [Ku], 5-17
Pump, Gear, Aux, 20Cc, 2-99
Pump, Hyd, Piston, Hand, 0.65, 2-97
Pump, Hydraulic Drive, Pressure Washer,
3-13
Pump, Oil, Cover [Ku], 5-7
Pump, Oil, Eng [Ku], 5-7
Pump, Water Assy [Ku], 5-8
Pump,Swashplate-- 636, 2-99
Pump--Axial Piston C/W Integral Motor
Wit, 3-13
Q
Quick Couple Nozzle Tip 15 Degree, 1-1
R
Rack, Control, 5-23
Radiator Hose--Bottom (Emegi & Acr),
2-67
Radiator,Combined Oi, 2-65
Radio [Am/Fm/Wb/Cd, Din Mount], 2-45
Rear Axle -- Lh --Weldment, 2-19
Rear Axle, Rh Wldt, 2-17
Rear Lights / Stop (Bulb Not Included), 2-5
Rear Window -- Cab W/Label, 2-33
Receiver -- Drier 2.5 -- Air Con, 3-7
Reducer 1/8 Bsptm X 1/4 Bspp Female,
2-55
Relay Automotive High Current 70
Amp--G8J, 2-43
Relay Holder Weldment, 2-43
Relay, Automotive -- 12V, 35/40A, Spco,
3-11
Relay, Automotive --, 2-43, 3-21
Relay/Timer -- Heated, 2-43
Relief Valve Rv08--20a--0--N--18/M50
Spring, 4-9
Relief Valve Rv08--20a--0--V--33/
M2110(210, 4-9
Relief Valve Rv08--20a--0--V--33/M140,
4-11
Remote Filler Weldment--636, 2-63
Reservoir, Footbrake, 2-47
Restraining Cable, 2-91, 2-95
Retainer -- Knurled Fasterner, 2-23, 2-25,
2-85
Retainer Plastic, 2-65
Retainer, Spring [Ku], 5-13
Retainer, Spring, Valve [Ku], 5-13
Retainer, 2-13, 2-21
Retaining Clip, 26mm O/D, 2-69, 2-71
Rh Seal Plate -- Formed, 2-81
Ring [Ku], 5-17
Ring Head Stud -- Black 14Mm, 2-65
Ring, Piston Assy [Ku], 5-17
Ring, Snap [Ku], 5-15, 5-24
Ring, Snap, Piston [Ku], 5-17
Rivet, Plstc, .250D X 0.90, 2-53
Rod Assy, Connecting [Ku], 5-17
Rod, Push, Valve [Ku], 5-15
Roof Hatch, 2-35
Rotating Beacon, 2-27
Rubber Band -- 8” X 2, 2-59, 2-83
Rubber Band 4’ Wide[, 2-87
Rubber Cover For Cab Steering Pipes,
2-39
Rubber Flap-- 8mm --63, 2-83
Rubber Isolator,Modified, 2-95
Rubber Mat -- Cab Flo, 2-33
Rubber Mounting Pad -- 100 X 40 X 12,
2-93
Rubber Skirting ,3mm, 2-77
Rubber Stopper, 2-65
S
Safety Switch Assembly (From Assy. M/L),
2-114
Safety Switch Assembly, 2-89
Sandwich Plate, 2-77
Scraper -- 50 I/D X 5, 2-9, 2-11
Screw [Ku], 5-7, 5-13
Screw -- 8 X 3/4 S Tap (Philip), 2-41, 2-53
Screw Caps--Plastic, 2-39, 2-53
Screw, 8 X 1/2 Phillips Sheet Metal, 2-45
Screw, Adj, Rocker Arm [Ku], 5-13
Screw, Btn Head Hex Skt -- M8 X 25 --
St/S, 2-85
Screw, Btn, M8 X 1.25 X 16, Ss, 2-5, 2-77,
2-93, 2-109
Screw, Button Hd Hex Skt -- M6 x 12, 2-27
Screw, Button Hd Hex Skt--M6x16, 2-87
Screw, Button Head Hex Skt -- M8 X 20 --
S, 2-41, 2-85, 2-91
Screw, Csk Hd Slotted -- M8 X 12, 2-13,
2-21
Screw, Follow, 5-23
Screw, Hex [Ku], 5-4, 5-5, 5-7, 5-9, 5-12,
5-24, 5-29, 5-31
Screw, Hex Hd Set -- M8 x 16 -- St.St. A4,
3-13
Home
Find...
Go To..

CROSS REFERENCE
636 9006292 (7--10)
6-20
Screw, Hex Hd Set -- M8 X 16 --A4 Gd70
St., 3-15
Screw, Hex Hd Set -- M8 X 25, 2-57, 2-85
Screw,HexHdSet--M8X35--ZnPtd.,
2-57
Screw, Hex Head -- M3 x 15, 2-51
Screw, Hex Id Set, M16 X 80, 2-83
Screw, Hex, .31--18 X 0.75, G5, 2-97
Screw, Hex, .31--18 X 2.50, G5, 2-97
Screw, Hex, .38--16 X 1.25, G5, 2-99
Screw, Hex, Case, Brg, Main [Ku], 5-9
Screw, Hex, Cshft [Ku], 5-17
Screw, Hex, Head, Cyl [Ku], 5-5
Screw, Hex, M10 X 1.25 X 20, 8.8, 2-55
Screw, Hex, M10 X 1.25 X 25, 8.8, 2-55
Screw, Hex, M10 X 1.50 X 20, 8.8, 2-37,
2-69, 2-71, 2-91
Screw, Hex, M10 X 1.50 X 25, 8.8, 2-73,
2-75, 2-81
Screw, Hex, M10 X 1.50 X 25, Ss, 2-77
Screw, Hex, M10 X 1.50 X 30, 8.8, 2-73,
2-75, 3-5
Screw, Hex, M10 X 1.50 X 45, 8.8, 2-37
Screw, Hex, M10 X 1.50 X 90, 8.8, 3-5
Screw, Hex, M12 X 1.75 X 100, 8.8, 2-47
Screw, Hex, M12 X 1.75 X 35, 8.8, 2-73,
2-75
Screw, Hex, M12 X 1.75 X 55, Ss, 2-83
Screw, Hex, M5 X 0.80 X 16, Ss, 2-85
Screw, Hex, M6 X 1.00 X 12, Fmg, 2-21,
2-69, 2-71
Screw, Hex, M6 X 1.00 X 12, Nl, Ss, 2-85
Screw, Hex, M6 X 1.00 X 12, Ss, 3-7
Screw, Hex, M6 X 1.00 X 16, 8.8, 2-63, 3-7
Screw, Hex, M6 X 1.00 X 16, Ss, 2-23,
2-25, 2-29, 2-31, 2-65, 2-81
Screw, Hex, M6 X 1.00 X 20, Ss, 2-23,
2-25, 2-29, 2-31, 2-77
Screw, Hex, M6 X 1.00 X 30, 8.8, 2-23,
2-25
Screw, Hex, M6 X 1.00 X 50, 8.8, 2-97, 3-5
Screw, Hex, M6 X 1.00 X 55, Fl, Ss, 2-93,
3-19
Screw, Hex, M6 X 1.00 X 70, Ss, 3-17
Screw, Hex, M8 X 1.25 X 110, Ss, 2-93
Screw, Hex, M8 X 1.25 X 120, 8.8, Fl, 2-5
Screw, Hex, M8 X 1.25 X 16, 8.8, 2-11,
2-37, 2-55, 2-79, 2-85, 2-91
Screw, Hex, M8 X 1.25 X 16, Ss, 2-7, 2-15,
2-17, 2-19, 2-79, 2-81, 2-89
Screw, Hex, M8 X 1.25 X 20, 8.8, 2-9,
2-11, 2-47, 2-55, 2-73, 2-75, 2-85,
2-97, 2-99
Screw, Hex, M8 X 1.25 X 20, Ss, 2-65,
2-81, 2-91, 3-19
Screw, Hex, M8 X 1.25 X 25, 8.8, 2-9,
2-11, 2-63, 2-73, 2-75, 3-5
SCREW, HEX, M8 X 1.25 X 25, FMG,
3-13
Screw, Hex, M8 X 1.25 X 25, Fmg, 2-69,
2-71, 2-91, 3-15
Screw, Hex, M8 X 1.25 X 25, Ss, 2-83,
2-95
Screw, Hex, M8 X 1.25 X 30, 8.8, 2-81,
2-97
Screw, Hex, M8 X 1.25 X 30, Ss, 2-55
Screw, Hex, M8 X 1.25 X 35, 8.8, 2-61
Screw, Hex, M8 X 1.25 X 40, 8.8, Fl, 3-5
Screw, Hex, M8 X 1.25 X 45, 8.8, 3-5
Screw, Hex, M8 X 1.25 X 60, 8.8, 2-97,
2-111
Screw, Hex, 5-12
Screw, Pan, 10--24 X 0.50, Ss, 2-99
Screw, Rod, Connecting [Ku], 5-17
Screw, Self Tap, Flg Hex Hd -- M6 x 12,
2-79
Screw, Set [Ku], 5-15, 5-24
Screw, Soc, M8 X 1.25 X 16, 12.9, 2-13
Screw, W / Washer, 5-19
Screw, With Washer, 5-10
Screw,Button Hd Hex Skt --M6 x 35 A4
St.S, 2-57, 3-5
Screw,Button Hd Hex Skt--M6 X 16, 2-59,
2-67, 2-79, 2-85, 3-13, 3-15
Screw,Button Hd Hex Skt--M6 x 16, 2-59,
2-87
Screw,Button Hd Hex Skt--M6 X 25, 2-63,
3-7
Screw,Button Hd Hex Skt--M8 X 16, 2-109
Screw,Button Hd Hex Skt--M8 x 20, 2-59
Screw,Button Hd Hex Skt--M8 X 30, 2-89,
2-91
Screw,Button Hd Hex Skt--M8 x 30, 2-59
Screw,Button Hd Hx Skt --M10 x 16, 2-29,
2-31
Screw,Button Hd Skt --M5 X 10 St.St,
2-59, 2-91, 3-7, 3-9
Screw,Button Hd Skt --M5 x 10 St.St, 2-33
Screw,Button Head Skt--M5 X 35 ZC
Plated, 2-79
Screw,Button Head Skt--M5 X 35 Zc
Plated, 2-91
Screw,Hex Hd Set --M14 x 40, 2-99
Screw,Hex Skt Knurled Set (Grub), 2-35
Screw,Self Tapper, 2-53
Screw--Csk Hd Sckt M8 X 16 Zinc Ptd.,
2-79
Screw, 5-23
Scroll Assembly -- Fan Casing, 2-81
Seal -- Drain Access Door, 2-85
Seal Flap -- Drain, 1-1, 2-85
Seal Kit -- For Int. S502, 4-13
Seal Kit --Flow Divider / Combiner Sk12--4,
4-5
Seal Kit Check Valve, 4-9
Seal Kit Free Wheel Valve Sko8--2v--M,
4-9
Seal Kit P.O. Check Valve Sk08--3--V--Tm,
4-9
Seal Kit Pressure Reducing Valve
Sk08--3--, 4-9
Seal Kit Sk10--3p--Mm For Valve Hv181,
4-5
Seal Kit Sk8--3p--Mm, 4-5
Seal Kit, Motor [Cl], 2-73, 2-75
Seal Kit, Motor, Hyd, 2-9, 2-11, 2-17, 2-19,
2-81
Seal Kit, Pump, Hyd, 2-99
Seal Kit, Pump, 2-99
Seal Kit,Series 10, 2 Way Polyurethane T,
4-7
Seal Kit,Series 10, 4 Way Polyurethane T,
4-7, 4-11
Seal Kit,Valve Size 10, 4 Way Type--Viton,
4-9
Seal Kit,Valve Size 10,2 Way Type--Viton,
4-7, 4-11
Seal Kit,Valve Size 8 -- 3 Way,Mm
Sk08--3--, 4-9
Seal Kit,Valve Size 8,4way,Mmm, 4-9
Seal Kit-- Reverse Solenoid & Check
Valve, 4-7, 4-9, 4-11
Seal Kit, 2-99
Seal, Heat, Nozzle [Ku], 5-19
Seal, Mechanical Assy [Ku], 5-8
Seal,Oil[Ku],5-9,5-26
Seal, Oil, Eng [Ku], 5-7
Seal, Org [Ku], 5-4
Seal, Rbr, Open, 0.19, 0.75w, Adh, Bulk,
3-7
Seal, Stem, Valve [Ku], 5-13
Seal, Window, Lower Door, 2-29, 2-31
Seal,Hopper Door, 2-77
Seal,Ring Weldment For Inlet Duct, 2-85
Sealing Strip -- Roof Hatch 525 -- 636 --,
2-35
Seat Belt Kit -- 3 Point, 2-41
Seat Box Moulding _C, 2-53
Seat, Spring Lower, 5-23
Seat, Spring Upper, 5-23
Sensor Solid State L, 2-93
Sensor, Speed -- Wheel Motor, Modified,
2-19
Sensor,Coolant Expan, 2-67
Shaft, Govnr [Ku], 5-24
Shaft, Govnr, 5-24
Shaft, Idler, Gear [Ku], 5-15
Shaft, Lever, Spd [Ku], 5-26
Shaft, Rocker, Arm [Ku], 5-13
Shaft, Spinner Clean Cyclone, 2-77
Shield -- Engine To Radiator, 2-61
Shield -- Top Radiator To Engine, 2-65
Shield Chassis,Hopper, 2-65
Shield, Radiator -- Engine, 2-65
Shield, Top, Radiator, 2-65
Shield,Bottom Rad, 2-65
Shim, Injection Pump 0.20 mm, 5-21
Shim, Injection Pump 0.25 mm, 5-21
Shim, Injection Pump 0.30 mm, 5-21
Shim, 5-23
Shock Absorber Assem, 2-7, 2-17, 2-19
Shoe Steady Spring ,Front Brake, 2-13
Shoe Steady Spring, 2-21
Shuttle Valve Ls08--30--0--N, 4-9
Side Access Door, Rh, 636 W/Label, 2-23
Side Panel --Lh Assembly --636, 2-25
Side Panel --Rh Assembly --636, 2-23
Side Water Tank(Rotomould), 2-93
Home
Find...
Go To..

CROSS REFERENCE
6-21
636 9006292 (7--10)
Sight Gauge, 5” w/Thermometer, 1/2”, 4-3
Sleeve, Control, 5-23
Sleeve, Cyclone To Hopper Body -- Wldt,
2-77
Sleeve, Govnr [Ku], 5-24
Slip--On Recerptacle, 2-65
Slotted Fastener--525, 2-13, 2-21
Snap Clip -- 46 Mm (S/Plow), 2-5, 2-87
Snap Ring, Internal, 2-9, 2-11
Socket,Power Socket, 2-45
Solenoid Valve Sv08--21--0--V--00, 4-9
Solenoid Valve Sv08--47c--0--N--00, 4-9
Solenoid Valve Sv08--47d--0--N--00, 4-9
Solenoid Valve Sv10--21--0--V--00, 4-7,
4-11
Solenoid Valve,Blocking/Low
Flow,2way,Nc, 4-9
Spacer -- Black Nylon, 2-73, 2-75
Spacer -- Filter Assy, 3-13, 3-15
Spacer Cooling Fan,Kubota, 2-57, 3-5
Spacer Tube Cloudmaker 5mm L, 2-83,
2-87
Spacer, Alternator Bracket, 2-57
Spacer, Armrest, 2-41
Spacer, Cylinder Pivot Pin -- Machining,
2-69, 2-71
Spacer, Seat Front Left, 2-51
Spacer, Seat, Front, Lh, 2-41, 2-53
Spacer, Seat, 2-53
Spacer, Spinner Clean Cyclone, 2-77
Spacer,Door Lock Inspection Panel, 2-89
Speakers (80), 2-45
Speed Sensor (From Assy. M/L), 2-55,
2-81
Spherical Ball Joint, 2-69, 2-71
Spigot Weld -- Heater Vent, 2-53
Spinner Weldment, 2-77
Spiral Binding (8mm ID, 3--4 lines) (approx.
5 meters), 3-21
Spray Gun 3000Psi, 3-19
Spray Gun Assy, 3000 Psi, 3-19
Spray Head Nut, Atomiser, 2-95
Spray Head, Atomiser -- Bobbin, 1-1, 2-95
Spray Jet -- Brush --Green, 1-1, 2-95
Spray Nozzle [Red], 1-1, 2-95
Spring -- Compression, 2-89
Spring -- Hinged Back Trunking, 2-91
Spring --35 Od X 300, 2-69, 2-71
Spring Buckle,Front Brake, 2-13
Spring Torsion Cab Lockdown, 2-37
Spring, Cmpr, Relief [Ku], 5-7
Spring, Cmpr, Rocker [Ku], 5-13
Spring, Delivery Valve, 5-23
Spring, Ext, Govnr [Ku], 5-27
Spring, Plunger, 5-23
Spring, Start [Ku], 5-27
Spring, Tors [Ku], 5-26
Spring, Valve [Ku], 5-13
St St Button Hd Screw, M6 X 12 Long,
2-23, 2-25, 3-7
St St Button Hd Screw, M8 X 45 Long, 2-3,
2-79
Stay, Radiator, 2-65
Steel Retainer, 2-65
Steering Column Asse, 2-39
Steering Control Unit, 2-39
Steering Wheel, 2-39
Stop,Conical Progres, 2-17, 2-19, 2-37
Stopper, Cam [Ku], 5-15
Stopper, Fuel [Ku], 5-24
Straight Connector M6 X 5/6 Unf, 3-21
Straight Thread Connector Orfs/ Sae--Orb,
2-101, 2-103, 2-105, 2-107, 2-109,
2-111, 3-17
Straight Thread Elbow Orfs / Sae--Orb 1 1,
2-101
Straight Thread Elbow Orfs / Sae--Orb 1/2,
2-101, 2-103, 2-107
Straight Thread Elbow Orfs / Sae--Orb 1/4,
2-101, 2-103, 2-105, 2-107, 2-109,
2-111
Straight Thread Elbow Orfs / Sae--Orb 3/8,
2-101, 2-109, 3-17
Strainer -- Drain Cap, 2-93
Strainer, 1--1/2”--11NPT, 100Mesh,
NoBy--Pass, 1-1, 4-3
Strainer, Suction, 1-1, 4-3
Strainer/Cap Assembly, 2-93
Striker Pin Weldment --Rh Door, Cab, 2-29,
2-31
Strip, Wear -- Formed, 2-69, 2-71
Stud [Ku], 5-7, 5-11, 5-13, 5-26
Stud, 5-11, 5-21
Sump,Hopper Drain --636, 2-85
Sun -- Visor Assembly, 2-45
Support Bracket, Safety Chain, Rear Door,
2-91
Support Frame Inlet Tube --636, 2-5
Support Frame Weldment--W/Tank, 2-91
Surround,Switch, 2-43, 2-45
Switch --Safety Limit, 2-79
Switch Assembly, Hazard Flasher, 2-43
Switch Assembly, Off/On, (Double Pole
Double Throw), 2-43, 3-11
Switch Assembly, On/Off (Momentary),
2-43
Switch Assembly, On/Off (Single Pole),
2-43, 2-45, 3-19
Switch Assembly, On/Off/On (Momentary
Double Pole)n, 2-43
Switch Assembly, On/On/Off (Double
Pole), 2-43
Switch.Blanking Plat, 2-43, 2-45
Switch,Forward/Neutr, 2-41
Switch,Rotary Vam Assembly--, 2-43
Switch--Ignition 525, 2-39
Switch--Proximity--Ind (With Connector),
2-7
Swivel Fitting, 3000 Psi, Hose Reel, 3-19
Swivel Nut Branch Tee Orfs / Orfs / Orfs,
2-101, 2-111
Swivel Nut Elbow Orfs / Orfs Swivel 1/4--,
2-105
Swivel Nut Run Tee Orfs / Orfs Swivel /,
2-101, 2-105, 2-111
Swivel, Top End, 2-87
Swvel Nut Run T,Orfs/Orfs Swvl /Orfs 3/4,
2-101
T
Tachometer -- Us Spec, 2-43
Tail Assy, 90 Degree Plastic, 3-13
Tank Assy, Hyd Oil [W/ Usa/Sae
Adaptors]ٛ(See Breakdowns), 2-97
Tank Assy, Hyd Oil [W/ USA/Sae
Adaptors], 4-3
Tank, Water, Rear W/Label, 2-91
Tank,Water Filter--Assembly, 2-93
Tappet [Ku], 5-15
TeeAllenKeyWithS,2-3
Temperature Gauge --, 2-43
Temperature Sender, 2-55
Tension Spring,Lower ,Front Brake, 2-13
Tension Spring,Upper,Front Brake, 2-13
Thermostat, 160deg, 1.7d, 5-28
Tie Rod, Machined, H/Brake Bellcrank,
2-51
Tie, Cable, Nyl, 14.5l .30w 4.0 Max D,
2-51
Timer -- Glow Lamp -- 636, 2-43
Top R/H Door Hindge --636, 2-23
Top/Bottom, R/H Frame Hinge ,636, 2-23
Track Arm Lh Assembly, 2-7
Track Rod Assy, Close Bends, 2-15
Track Rod, Formed, Close Bends, 2-15
Trailing Arm Rh--Assembly, 2-7
Trailing Arm, Rh, Wldt, 2-7
Trailing Arm, Wldt, 2-7
Transducer,Mmu Water, 2-55
Tray,Battery,Weldment,636, 2-5
Trim, Edge, 8mm, 2-81
Trinary Switch Assembly, 3-9
Tube Connector, 4mm to 4mm, 3-21
Tube Weldment Turbo -- Air Cleaner E3B
E, 2-59
Tube Weldment, 2-59
Tube Wldt, Spigot, Woosh Inlet, 2-87
Tube, 4mm OD (50 meter coil), Grease
Filled, 3-21
Tube, Cylinder Spacer, Short -- Machining,
2-83
Tube, Handle, Whoosh, 2-87
Tube, Injector, Pipe #2 [Ku], 5-19
Tube, Injector, Pipe #32 [Ku], 5-19
Tube, Oil, 5-31
Tube, Pin [Ku], 5-3
Tube, Pivot, Inner, 2-69, 2-71
Tube, Seat, Valve, Oil [Ku], 5-7
Tube, Spacer, Cloudmaker, 40mm, 2-83
Tube, Stiffener, Hose, Rear Water Tank,
2-93
Turbo Assy, Charger [Ku], 5-29
Home
Find...
Go To..

CROSS REFERENCE
636 9006292 (7--10)
6-22
U
U--Type Recepticle -- Knurled Fastener,
2-23, 2-25
Union Tee Orfs / Orfs / Orfs 1/4, 2-105,
2-107
Upper Hinge Weld Assy, 2-25
Upper Hinge Wldt, Side Panel, 2-25
Upper Tension Spring, 2-21
Utpc Straight Thread Connector 3/8--7/16,
2-101, 2-103, 2-105, 2-109
Utpc Straight Thread Connector 1/4--7/16--,
2-105, 2-109
Utpc Straight Thread Elbow 1/4--9/16--18,
2-101, 2-103, 2-105, 2-111
V
Valve -- Solenoid -- 2 Way Int., 4-13
Valve --Solenoid -- Int. S229n, 4-13
Valve Body,2/2 Way D, 2-95
Valve Check Reverse Speed
Cv08--20--O--V--04, 4-9
Valve, Delivery, 5-23
Valve, Exhaust [Ku], 5-13
Valve, Hyd [100--600 Psi Cracking Press],
2-105
Valve, Intake [Ku], 5-13
Valve, Pressure Compensator
E c 1 0 -- 4 0 -- 0 -- V -- , 4 - 9
Valve, Sequence, 2-111
Valve, Spool 3 Way High Pressure, 4-5
Valve,D/A High Pressure Relief Valve Rv5,
4-7
Valve,Pressure Compensator,220 Spg
Ec50--, 4-7
Valve,Pressure Compensator,High
Pressure, 4-7, 4-11
Valve,Proportional Solenoid --Sp10 Opreat,
4-7
Valve,Proportional Solenoid--Sp08 Operat,
4-7
Valve,Relief,Direct Acting Poppet Rv08--2,
4-9
Valve-- Relief -- Int. 210 Bar, 4-13
Vent--Rectangular 525, 3-11
Video, Oprtr, Dvd [636], 3-23
Voice Box -- English, 2-59
Vr, Seal Kit, Relief, Hyd Valve [Gresen],
3-7
W
Wacher, Form A -- M5 -- Zn Ptd Per 100
Per, 2-79
Warning Lamp--Indicat, 2-43
Warning Light --Blue, 2-43
Washer [Ku], 5-24
Washer -- Forma -- M8 --St St, 2-29, 2-31,
2-81
Washer -- M6 Form C --St.St,A2, 2-57,
2-59, 2-81, 2-85, 2-87, 3-5
Washer -- M8 Form C St/St 314 Stainless
3, 2-81
Washer -- M8 Form C St/St 314, 2-53
Washer -- M8 X 25 Od -- St St, 2-37, 2-45,
2-61, 2-83, 2-85
Washer -- Plain -- 1/4”, 2-99
Washer -- Top Hat, 2-89
Washer, 3/8” SAE, 4-3
Washer, Collar, Gear [Ku], 5-15
Washer, Flat [Ku], 5-13, 5-26
Washer, Flat, 0.25, Fendr, 2-65
Washer, Flat, 0.25, Sae, 2-65, 2-83, 2-87
Washer, Flat, 0.25, Std, 2-5, 2-9, 2-11,
2-29, 2-31, 2-37, 2-55, 2-61, 2-63,
2-65, 2-73, 2-75, 2-79, 2-81, 2-83,
2-85, 2-93, 2-95, 2-97, 2-99, 2-109,
2-111, 3-5
Washer, Flat, 0.27B 0.69D .05, Ss, 2-77
Washer, Flat, 0.27b 0.69d .05, Ss, 2-5,
2-63, 2-79, 2-93
Washer, Flat, 0.31, Fendr, 2-63
Washer, Flat, 0.31, Std, 2-17, 2-59, 2-73,
2-75
Washer, Flat, 0.38, Std, 2-5, 2-37, 2-73,
2-75, 2-77, 2-81, 3-5
Washer, Flat, 0.38B 0.88D .08, Ss, 2-41,
2-59
Washer, Flat, 0.38b 0.88d .08, Ss, 2-73,
2-75, 2-77, 2-81, 2-85, 2-89, 2-91,
3-13, 3-15, 3-19
Washer, Flat, 0.38b 1.25d .12, Neo, 2-49,
2-73, 2-75
Washer, Flat, 0.50, Std, 2-9, 2-11, 2-17,
2-19, 2-31, 2-47, 2-69, 2-71
Washer, Flat, 0.56b, 3-19
Washer, Flat, 10, Ss, 2-27, 2-77, 2-85,
2-89
Washer, Flat, 10, 2-23, 2-25, 2-29, 2-31,
3-7
Washer, Flat, Belleville, .31, 2-97
Washer, Flat, Belleville, .38, 2-39, 2-91
Washer, Flat, Belleville, M10, 2-55, 2-73,
2-75
Washer, Flat, Belleville, M6, 2-63, 3-5
Washer, Flat, Belleville, M8, 2-5, 2-7, 2-9,
2-11, 2-15, 2-19, 2-55, 2-63, 2-91,
2-97, 3-5, 3-13, 3-15
Washer, Flat, M10, Fendr, 2-91
Washer, Flat, M6, Ss Rep.Bynone,
2-65
Washer, Form ’A’ -- M12 -- Zn Ptd Whee,
2-37
Washer, Form A -- M10, 2-41, 2-51
Washer, Form A -- M20 --St/St A2, 2-77
Washer, Lock, Int--Ext, 0.31, 2-5, 2-37
Washer, Lock, Split [Ku], 5-7, 5-26
Washer, Lock, Split, 5-29
Washer, Mudguard -- 6.35 I/D X 25.4 O/D,
2-87
Washer, Nylon Load Bearing, 2-41
Washer, Nylon, 1/4”, 4-3
Washer, Schnorr Locking M12, 2-27
Washer, Shaft, Rocker [Ku], 5-13
Washer, Spring, 5-21
Washer, Thrust [Ku], 5-24
Washer, Top King Pin -- Machining, 2-9,
2-11
Washer--36mmOdx14.5mmId, 2-99
Washer--Schnorr Serra, 2-83
Washer--Spring--1/4’, 2-57, 3-5
Washer--Spring--8mm Rect., 2-49, 2-57
Washer, 2-29, 2-31, 2-77, 2-81
Water Bottle -- Windscreen Wash, 2-27
Water Hose, Large Wa, 2-93
Water Hose, Small Wa, 2-93
Water Pump C/W Connector, 2-93
Water Valve Assembly, 2-95
Wedge,Seat--Weldment Cab, 2-53
Weight, Comp, Govnr [Ku], 5-24
Wheel Assembly,155/7, 2-13, 2-21
Wheel Cylinder,Front Brake, 2-13
Wheel Cylinder, 2-21
Wheel Hub Assy --Rear --5 Stud, 2-21
Wheel Hub Assy 5 Stud, 2-13
Wheel Stud -- M16 X 1.5 X 47 Lg, 2-13,
2-21
Wheel Trim, 636/525, 2-13, 2-21
Whoosh Handle Assembly, 2-87
Whoosh Handle, 2-87
Whoosh Hose Bracket, 2-87
Whoosh Nozzle -- Plstc, 2-87
Window Cassette -- Rh, 2-29
Window Cassette, Lh, 2-31
Windscreen Assy _C/W Pack & Carr, 2-27
Wing Mirror (Unbreak, 2-29, 2-31
Wing Mirror Arm, 2-29, 2-31
Wiper Arm -- 450mm (1, 2-27
Wiper Blade, Curved, 2-27
Wiper Motor Assy,5/6 Series, 2-27
Wire, Retaining --Fan Access Door, 2-89
Wiring Loom, Cab, instrument/ A--Post
Auto, 2-114
Wiring Loom,Cab Iqan, 2-114
Wiring Loom,Chassis, 2-114
Woosh Inlet Blanking Plate Wldt, 2-85
Woosh Inlet Outer, Weldment --636, 2-85
Woosh Inlet Pin Weldment --636, 2-85
Work Lamp -- 525, 2-27
Workshop Manual -- 636, 3-23
Y
Y--Piece Equal Hose Barb 16mm Plastic,
3-13
Home
Find...
Go To..