7400D NA Parts Manual 7400 Diesel
2012-03-06
: Sweepscrub 7400 Diesel Parts Manual 7400_Diesel_parts_manual 318 file product_file
Open the PDF directly: View PDF
.
Page Count: 276 [warning: Documents this large are best viewed by clicking the View PDF Link!]
- 7400D NA Parts Manual
- HOW TO USE THIS MANUAL
- STANDARD PARTS
- Fig. 1 -- General Recommended Maintenance Items
- Fig. 2 -- Replacement Brushes
- Fig. 3 -- Main Frame Group
- Fig. 4 -- Main Frame Brush Doors Group
- Fig. 5 -- Seat and Shroud Group
- Fig. 6 -- Main Frame Front Hood Group
- Fig. 7 -- Main Frame Engine Side Door Group
- Fig. 8 -- Main Frame Engine Cover Group
- Fig. 9 -- Steering Group
- Fig. 10 -- Electrical Instrument Panel Assembly
- Fig. 11 -- Electrical Circuit Breaker and Relay Group
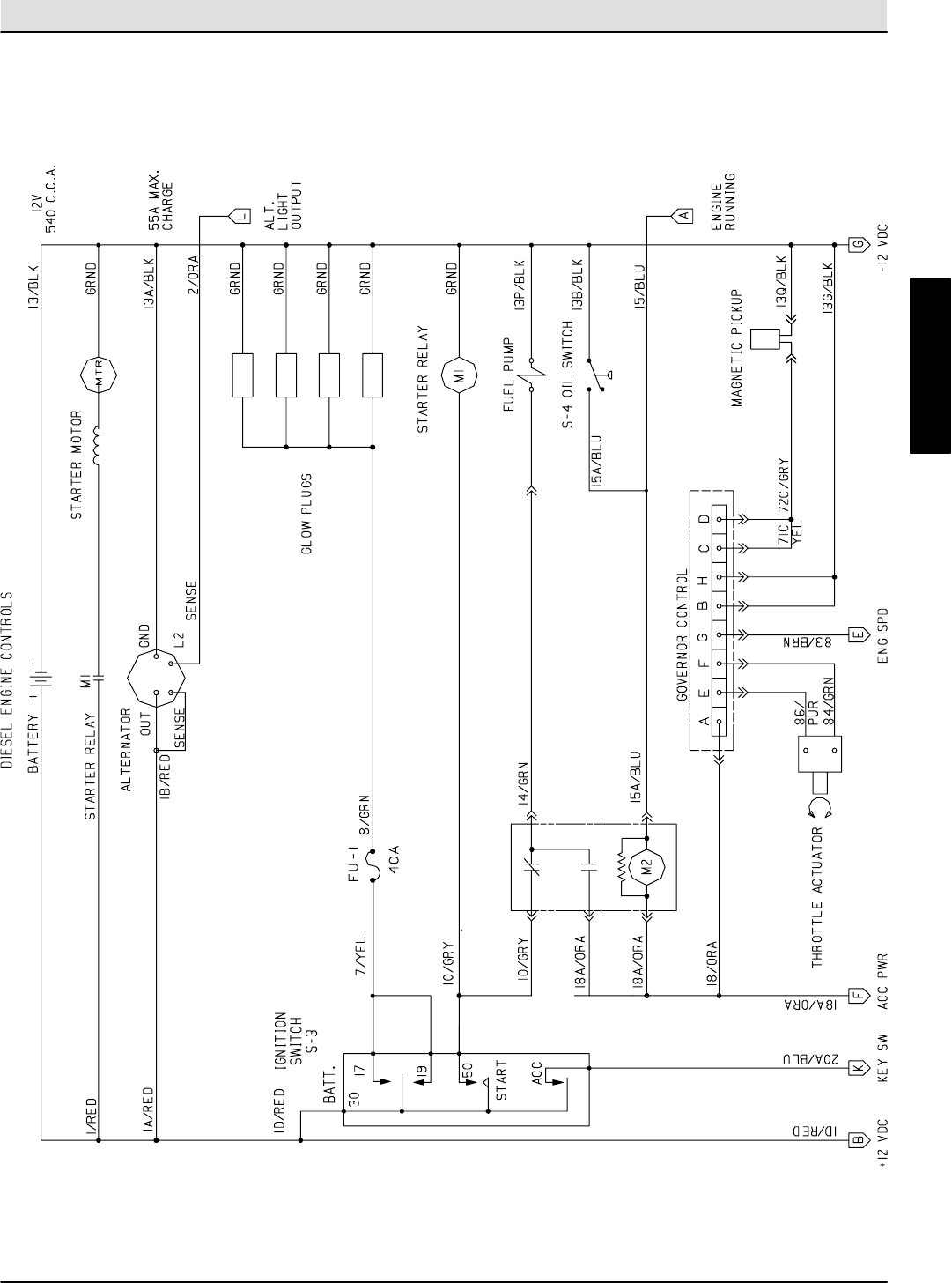
- Fig. 12 -- Engine and Governor Group (000000-- 007493)
- Fig. 13 -- Engine and Governor Group (007494-- )
- Fig. 14 -- Engine Mount Group
- Fig. 15 -- Engine Air Cleaner Group
- Fig. 16 -- Engine Alternator Group
- Fig. 17 -- Engine Muffler Group
- Fig. 18 -- Engine Fuel Tank Group
- Fig. 19 -- Engine Radiator Group
- Fig. 20 -- Engine Cooling Fan and Housing Group
- Fig. 21 -- Engine Battery Group
- Fig. 22 -- Wheel Group, Front Drive
- Fig. 23 -- Wheels and Brakes Group, Rear
- Fig. 24 -- Brake Pedal Group
- Fig. 25 -- Directional Pedal and Linkage Group
- Fig. 26 -- Vacuum Fan Group
- Fig. 27 -- Solution Control Group
- Fig. 28 -- Solution Tank Group
- Fig. 29 -- Recovery Tank Group
- Fig. 30 -- Solution and Recovery Tank Drain Group
- Fig. 31 -- Solution and Recovery Tank Gaskets Group
- Fig. 32 -- Hydraulic Schematic (000000-- 005613)
- Fig. 33 -- Hydraulic Schematic (005614-- )
- Fig. 34 -- Hydraulic Hose Group
- Fig. 35 -- Hydraulic Pumps Group
- Fig. 36 -- Hydraulic Valve Group
- Fig. 37 -- Hydraulic Reservoir Group
- Fig. 38 -- Hydraulic Filter and Cooler Group
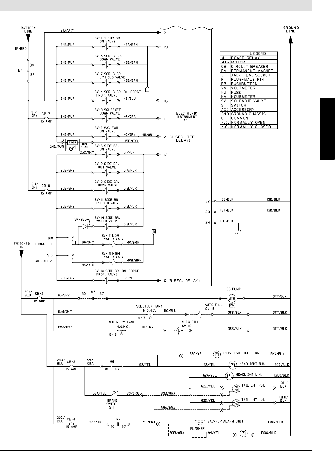
- Fig. 39 -- Electrical Schematic (000000-- 007548)
- Fig. 40 -- Electrical Schematic (007549-- )
- Fig. 41 -- Electrical Wire Harnesses Group
- Fig. 42 -- Scrub Head Lift Group
- Fig. 43 -- Scrub Brush Housing Group
- Fig. 44 -- Scrub Brush Drive Motor Group
- Fig. 45 -- Scrub Brush Left Side Squeegee Group
- Fig. 46 -- Scrub Brush Idler Group
- Fig. 47 -- Scrub Brush Right Side Squeegee Group
- Fig. 48 -- Scrub Head Debris Tray Frame Group
- Fig. 49 -- Scrub Head Debris Tray Trough Group
- Fig. 50 -- Rear Squeegee Lift Group
- Fig. 51 -- Rear Squeegee Linkage Group
- Fig. 52 -- Rear Squeegee Assembly
- Fig. 53 -- Rear Squeegee Caster Assembly
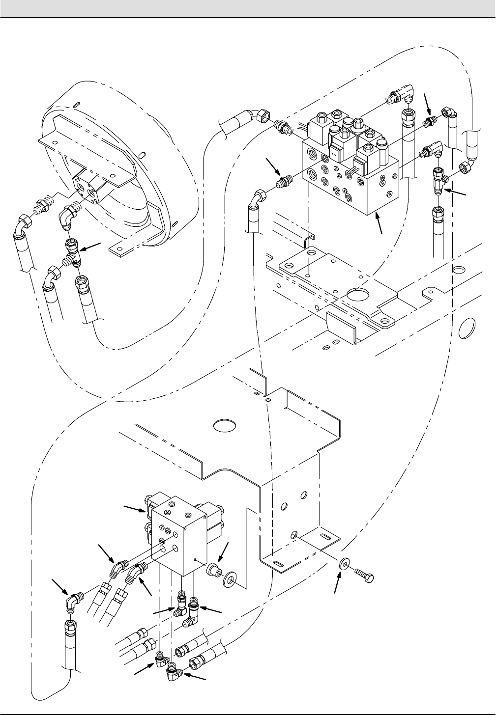
- Fig. 54 -- FaST Air Pump and Detergent Group
- Fig. 55 -- FaST Foam Filter Group
- Fig. 56 -- FaST Solution Pump Group
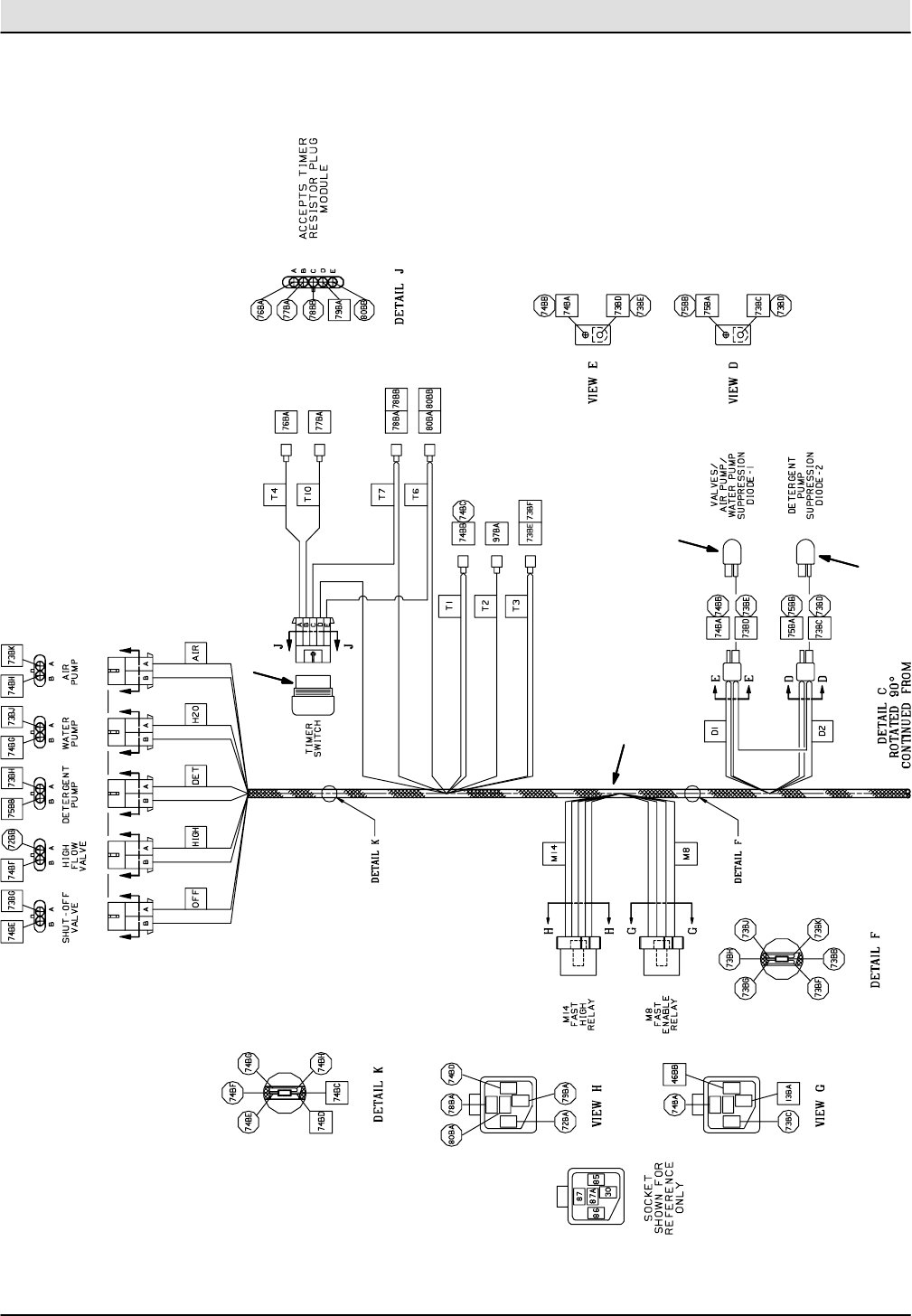
- Fig. 57 -- FaST Electrical Group
- Fig. 58 -- Label Group
- OPTIONS
- Fig. 1 -- Flashing Light Kit, Overhead Guard
- Fig. 2 -- Revolving Light Kit, Overhead Guard
- Fig. 3 -- Flashing Light Kit, LRC
- Fig. 4 -- Revolving Light Kit, LRC
- Fig. 5 -- ES and Auto Fill Group
- Fig. 6 -- ES Pump Column Group (000000-- 004203)
- Fig. 7 -- ES Pump Column Group (004204-- )
- Fig. 8 -- ES Detergent Tank Group
- Fig. 9 -- Backup Alarm Group
- Fig. 10 -- Side Brush Mount Group
- Fig. 11 -- Side Brush Motor Group
- Fig. 12 -- Side Brush Hydraulic Group (000000-- 005613)
- Fig. 13 -- Side Brush Hydraulic Group (005614-- )
- Fig. 14 -- Side Brush Hydraulic Hose Group (000000-- 005613)
- Fig. 15 -- Side Brush Hydraulic Hose Group (005614-- )
- Fig. 16 -- Side Brush FaST Foam Filter Group
- Fig. 17 -- Urethane Side Brush Squeegee Assembly
- Fig. 18 -- Overhead Guard Kit
- Fig. 19 -- Fire Extinguisher Kit
- Fig. 20 -- Protectoseal Fuel Tank Cap Group (000000-- 008999)
- Fig. 21 -- Seat Belt Kit
- Fig. 22 -- Grammer Seat Kit
- Fig. 23 -- Solid High Traction Tire Group
- Fig. 24 -- Solid Turf Tire and Wheel Assembly
- Fig. 25 -- Solid Non Marking Tire and Wheel Assembly
- Fig. 26 -- Solid Non Marking Turf Tire and Wheel Assembly
- Fig. 27 -- Urethane Squeegee Blade Kit
- Fig. 28 -- Positive Solution Control Drain Kit, Std
- Fig. 29 -- Positive Solution Control Drain Kit, ES
- Fig. 30 -- Squeegee Wand Kit
- Fig. 31 -- Transport Group
- Fig. 32 -- Heavy Duty Engine Air Filter Kit
- Fig. 33 -- Documentation Group
- BREAKDOWNS
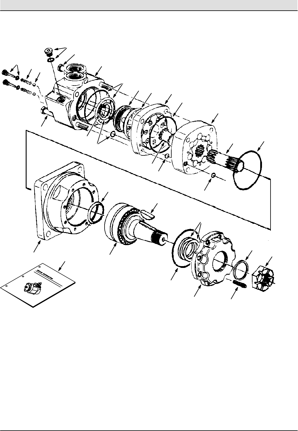
- Fig. 1 -- Hydraulic Pump Breakdown, 71720
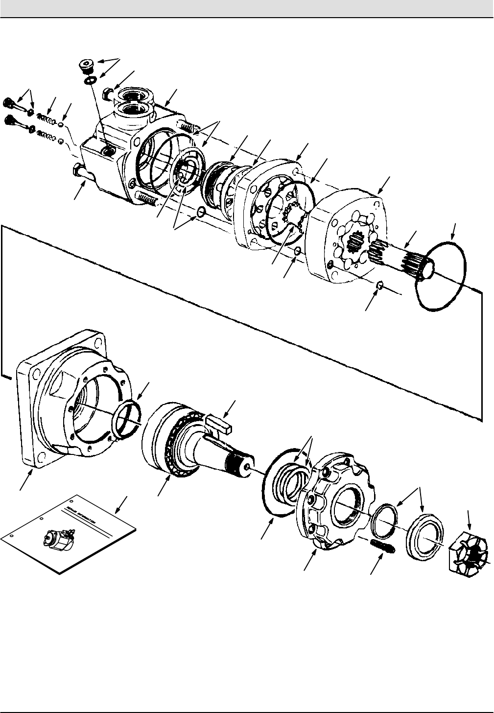
- Fig. 2 -- Hydraulic Pump Breakdown, 71716
- Fig. 5 -- Hydraulic Motor Breakdown, 71722
- Fig. 6 -- Hydraulic Motor Breakdown, 369816
- Fig. 7 -- Hydraulic Motor Breakdown, 397692
- Fig. 8 -- Hydraulic Motor Breakdown, 71729
- Fig. 9 -- Hydraulic Steering Valve Breakdown, 71713
- Fig. 10 -- Hydraulic Motor Breakdown, 73112
- Fig. 11 -- Hydraulic Motor Breakdown, 71719
- Fig. 12 -- Hydraulic Solenoid Valve Breakdown, 71705
- Fig. 13 -- Hydraulic Solenoid Valve Breakdown, Side Brush 71760
- Fig. 14 -- Hydraulic Solenoid Valve Breakdown, Nylon Brush, 71761
- Fig. 15 -- Hydraulic Solenoid Valve Breakdown, Side Brush and Nylon Brush, 71762
- Fig. 16 -- Hydraulic Solenoid Valve Breakdown, 71708
- Fig. 17 -- Extended Scrub Pump Breakdown, 20914
- Fig. 18 -- Extended Scrub Pump Breakdown, 379005
- Fig. 19 -- Extended Scrub Pump Breakdown, 20891
- Fig. 20 -- Extended Scrub Pump Breakdown, 1021210
- Fig. 21 -- Hydraulic Flow Sensor Switch Breakdown, 73430
- Fig. 22 -- Metering Solution Pump Breakdown, 73260
- Fig. 23 -- Hydraulic Pump Breakdown, 373453
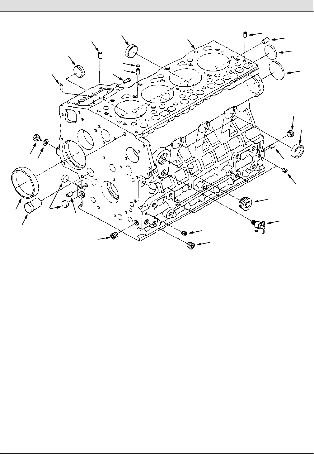
- ENGINE BREAKDOWN
- Fig. 1 -- Crankcase Group
- Fig. 2 -- Oil Pan Group
- Fig. 3 -- Cylinder Head Group
- Fig. 4 -- Gear Case Group
- Fig. 5 -- Water Pump Group
- Fig. 6 -- Main Bearing Case Group
- Fig. 7 -- Head Cover Group (Wxxxxx-- 3xxxxxx)
- Fig. 8 -- Head Cover Group (4xxxxx-- )
- Fig. 9 -- Manifold Group
- Fig. 10 -- Valve, Rocker Arm Group
- Fig. 11 -- Camshaft Group
- Fig. 12 -- Piston and Crankshaft Group
- Fig. 13 -- Flywheel Group
- Fig. 14 -- Starter Breakdown, 74405
- Fig. 15 -- Nozzle Holder and Glow Plug Group
- Fig. 16 -- Injection Pump Group
- Fig. 17 -- Injection Pump Breakdown
- Fig. 18 -- Fuel Camshaft Group
- Fig. 19 -- Idling Group
- Fig. 20 -- Speed Control Plate Group
- Fig. 21 -- Governor Group
- Fig. 22 -- Water Flange Group
- CROSS REFERENCE

7400
*MM426*
www.tennantco.com
MM426
Rev. 14 (3-2007)
(Diesel)
Rider Scrubber
Parts Manual
The Safe Scrubbing AlternativeR
ES Extended Scrub System
R
North America / International
Home
Find...
Go To..

When ordering replacement parts, use the illustrated parts list section in this manual. Before ordering parts or supplies,
be sure to have your machine model number and serial number available. Only use TENNANT Company supplied or
equivalent parts. Parts and supplies may be ordered online, by phone, or mail from any authorized parts and service
center, distributor or from any of the manufacturer’s subsidiaries.
This machine will provide excellent service. However, the best results will be obtained at minimum costs if:
SThe machine is operated with reasonable care.
SThe machine is maintained regularly - per the machine maintenance instructions provided.
SThe machine is maintained with manufacturer supplied or equivalent parts.
MACHINE DATA
Please fill out at time of installation for future reference.
Model No. --
Serial No. --
Machine Options --
Sales Rep. --
Sales Rep. phone no. --
Customer Number --
Installation Date --
Tennant Company
PO Box 1452
Minneapolis, MN 55440
Phone: (800) 553--8033 or (763) 513--2850
www.tennantco.com
FaST--PAK is a US registered and unregistered trademark of Tennant Company.
Specifications and parts are subject to change without notice.
Copyright E1998--2000, 2002--2007 TENNANT Company, Printed in U.S.A.
Home
Find...
Go To..

HOW TO USE THIS MANUAL
1-1
7400D MM426 (1--96)
HOW TO USE THIS MANUAL
This section on HOW TO USE THIS MANUAL will
tell you how to:
-- Find important machine information for
ordering correct repair parts.
-- Find TENNANT part numbers.
-- Order TENNANT parts and supplies.
IMPORTANT INFORMATION
When placing an order for parts, the machine
model and machine serial number are important.
Refer to the MACHINE DATA box which is filled
out during the installation of your machine. The
MACHINE DATA box is located on the inside of
the front cover of this manual.
The model number of your machine is on the side
of the machine.
The serial number of your machine is printed on
the machine data plate located as shown.
Home
Find...
Go To..

HOW TO USE THIS MANUAL
7400D MM426 (11--96)
1-2
FINDING A TENNANT PART NUMBER
This manual contains the following sections:
-- HOW TO USE THIS MANUAL
-- STANDARD PARTS
-- OPTIONS
-- BREAKDOWNS
-- ENGINE BREAKDOWN
-- CROSS REFERENCE
The STANDARD PARTS section lists repair parts
for standard machines. They are grouped in this
general order:
-- General wear parts.
-- Machine frame and related parts.
-- Machine propelling system.
-- Scrubbing components.
-- Electrical parts.
The OPTION section lists repair parts of options.
The BREAKDOWN section lists available repair
parts of major components.
All sections in this manual consist of parts
illustrations and corresponding parts lists.
The parts illustrations are numbered with Ref
numbers which refer to corresponding parts lists.
The parts lists include a number of columns of
information:
-- Ref -- column refers to the reference number
on the parts illustration.
∇-- indicates the part is an assembly.
Y-- indicates the part is included in the
assembly listed just before it.
-- Part No. -- column lists the TENNANT part
number for the part.
-- Serial Number -- column indicates the set of
machines the part number is applicable to.
Serial numbers change when the machine
design has been modified. The most current
design of the machine is shown in the main
illustration, older designs are boxed in a
corner of the illustration.
-- Description -- column is a brief description
of the part.
-- Qty. -- column lists the quantity of that part
used in that area of the machine.
Home
Find...
Go To..

HOW TO USE THIS MANUAL
1-3
7400D MM426 (1--96)
NOTE: If a service kit is installed on your
machine, be sure to keep the INSTRUCTION
BULLETIN which came with the kit. It contains
repair parts numbers needed for ordering future
parts.
NOTE: Fasteners used in this machine may be
metric or non-metric. Take care when replacing
hardware to replace with same thread size.
PLACING AN ORDER
Orders may be placed by phone, fax, or by mail.
Phone orders may need written confirmation.
Follow the steps below to insure prompt delivery:
1. Identify the model number of your machine.
2. Identify the serial number of your machine.
3. Find the part number of the part you need.
Do not order by page number or reference
number. If you are not able to find the part
number, call your TENNANT representative
for help or send the old part as a sample.
4. Determine the quantity of the part you need.
5. Provide the following company information:
-- Company name
-- Customer ID Number
-- Shipping address
-- Billing address
-- First and last name of person ordering
parts
-- Telephone number
-- Purchase order number
6. Provide definitive shipping instructions.
Home
Find...
Go To..

HOW TO USE THIS MANUAL
7400D MM426 (1--96)
1-4
Any claim for loss or damage to a shipment in
transit should be filed promptly with the
transportation company making the delivery.
Shipments will be complete unless the packing list
or order acknowledgement indicates items back
ordered.
If parts received are suspected to be incorrect or
defective, please contact the TENNANT
representative from whom you ordered the part.
They will give authorization for return and/or
handle replacement shipments when required.
Home
Find...
Go To..

STANDARD PARTS
2-1
7400D MM426 (12--05)
SECTION 2
Contents Page
Fig. 1 -- General Recommended
Maintenance Items 2-2.............
Fig. 2 -- Replacement Brushes 2-3............
Fig. 3 -- Mainframe Group 2-4................
Fig. 4 -- Brush Doors Group 2-6..............
Fig. 5 -- Seat and Shroud Group 2-8..........
Fig. 6 -- Front Hood Group 2-10..............
Fig. 7 -- Engine Side Door Group 2-12.........
Fig. 8 -- Engine Cover Group 2-14............
Fig. 9 -- Steering Group 2-16.................
Fig. 10 -- Instrument Panel Assembly 2-18.....
Fig. 11 -- Circuit Breaker and Relay Group 2-20.
Fig. 12 -- Engine and Governor Group
(000000--007493) 2-22.............
Fig. 13 -- Engine and Governor Group
(007494-- ) 2-24..............
Fig. 14 -- Engine Mount Group 2-26...........
Fig. 15 -- Engine Air Cleaner Group 2-28.......
Fig. 16 -- Engine Alternator Group 2-30........
Fig. 17 -- Engine Muffler Group 2-32...........
Fig. 18 -- Engine Fuel Tank Group 2-34........
Fig. 19 -- Engine Radiator Group 2-36.........
Fig. 20 -- Engine Cooling Fan and
Housing Group 2-38...............
Fig. 21 -- Engine Battery Group 2-40...........
Fig. 22 -- Wheel Group, Front Drive 2-42.......
Fig. 23 -- Wheels and Brakes Group, Rear 2-44.
Fig. 24 -- Brake Pedal Group 2-46.............
Fig. 25 -- Directional Pedal and
Linkage Group 2-48...............
Fig. 26 -- Vacuum Fan Group 2-50............
Fig. 27 -- Solution Control Group 2-52.........
Fig. 28 -- Solution Tank Group 2-54............
Fig. 29 -- Recovery Tank Group 2-56..........
Fig. 30 -- Solution and Recovery Tank
Drain Group 2-58..................
Fig. 31 -- Solution and Recovery Tank
Gaskets Group 2-60...............
Fig. 32 -- Hydraulic Schematic
(000000--005613) 2-62.............
Fig. 33 -- Hydraulic Schematic
(005614-- ) 2-64...............
Fig. 34 -- Hydraulic Hose Group 2-66..........
Fig. 35 -- Hydraulic Pumps Group 2-68.........
Fig. 36 -- Hydraulic Valve Group 2-70..........
Fig. 37 -- Hydraulic Reservoir Group 2-72......
Fig. 38 -- Hydraulic Filter and Cooler
Group 2-74.......................
Fig. 39 -- Electrical Schematic
(000000--007548) 2-76.............
Fig. 40 -- Electrical Schematic
(007549-- ) 2-79..............
Fig. 41 -- Electrical Wire Harnesses Group 2-82.
Fig. 42 -- Scrub Head Lift Group 2-88..........
Fig. 43 -- Scrub Brush Housing Group 2-90.....
Contents Page
Fig. 44 -- Scrub Brush Drive Motor Group 2-92..
Fig. 45 -- Scrub Brush Left Side Squeegee
Group 2-94.......................
Fig. 46 -- Scrub Brush Idler Group 2-96........
Fig. 47 -- Scrub Brush Right Side Squeegee
Group 2-98.......................
Fig. 48 -- Scrub Head Debris Tray Frame
Group 2-100......................
Fig. 49 -- Scrub Head Debris Tray Trough
Group 2-102......................
Fig. 50 -- Rear Squeegee Lift Group 2-104.....
Fig. 51 -- Rear Squeegee Linkage Group 2-106.
Fig. 52 -- Rear Squeegee Assembly 2-108......
Fig. 53 -- Rear Squeegee Caster Assembly 2-110
Fig. 54 -- FaST Air Pump and Detergent
Group 2-112......................
Fig. 55 -- FaST Foam Filter Group 2-114.......
Fig. 56 -- FaST Solution Pump Group 2-116....
Fig. 57 -- FaST Electrical Group 2-118.........
Fig. 58 -- Label Group 2-122..................
Home
Find...
Go To..

STANDARD PARTS
7400D MM426 (12--05)
2-2
D
Fig. 1 -- General Recommended Maintenance Items
Ref. Part No. Serial Number Description Qty.
o71452 (000000-- )Performance Pkg 400Hr Diesel 1
Y58120 (000000-- ) Filter Element, Air 1
Y55849 (000000-- ) Oil Cartridge 1
Y1017126 (000000-- ) Element, Fltr, Fuel 1
Y65221 (000000-- ) Element, Filter 1
Y58327 (000000-- )Belt, V, [3v] 41.0l [Hc41] 1
Y71728 (000000-- ) Cap, Breather, Hyd, 7.0 Ds 1
Y31613 (000000-- ) Strainer, Hyd, 25gpm 100mesh Psi 1
71235 (000000-- ) Hose, 3.0 Dia Squeegee 1
20971 (000000-- ) Hose, Vacuum 4.0 1
71102 (000000-- )Hose, Vacuum, Tray 1
71255 (000000-- ) Blade, Squeegee, Front 2
71256 (000000-- ) Blade, Squeegee, Rear 2
71839 (000000-- ) Squeegee Assy, S Br 2
12678 (000000-- ) Skirt, Side Brush 2
86859 (000000-- )Squeegee, Side 2
71200 (000000-- ) Skirt, Brush Arm, Rh 2
10165 (000000--003660 ) Wheel, 3 Inch Dia. 2
20833 (003661-- ) Wheel, 3 Inch Dia. 2
75050 (000000--003660 ) Bushing, Spanner -- Special 550 2
64425 (000000--003660 )Washer, .656B 1.25D .06 4
76943 (000000--003660 ) Bolt, Axle W/Zerk 2
02931 (000000-- ) Nut--Hxlocnyln .50--13 Regss18--8 2
21614 (000000-- ) Bumper Kit, Squeegee 2
58114 (000000-- ) Fan, Repair Kit, Reassembly 1
1021878 (007549-- )Detergent Pkg, 4 Liter, Sgl [Tco 665] 1
Home
Find...
Go To..

STANDARD PARTS
2-3
7400D MM426 (12--05)
Fig. 2 -- Replacement Brushes
1
2
3
4
5
6
6
10784 -- ALL
Ref. Part No. Serial Number Description Qty.
171170 (000000-- )Brush, Scb, Polypropylene 2
1 71612 (000000-- ) Brush, Scb, Super Abrasive 2
1 71171 (000000-- ) Brush, Scb, Soft Nylon 2
o2 05725 (000000-- ) Brush Assy, Scb, H. D. Polypropylene 1
Y3 24299 (000000-- ) Bracket Spring Retainer 1
Y414838 (000000-- )Spring, Brush Retaining 1
Y5 01684 (000000-- ) Washer, Flat, 0.25 Ss 1
Y6 32746 (000000-- ) Screw, Pan, M6 X 1.0 X 35, Ss 3
Y7 15539 (000000-- ) Hub, Drive, Brush, Disk, 3hole 5.8bc[6t] 1
o2 05726 (000000-- ) Brush Assy, Scb, Super Abrasive 1
Y324299 (000000-- )Bracket Spring Retainer 1
Y4 14838 (000000-- ) Spring, Brush Retaining 1
Y5 01684 (000000-- ) Washer, Flat, 0.25 Ss 1
Y6 32746 (000000-- ) Screw, Pan, M6 X 1.0 X 35, Ss 3
Y7 15539 (000000-- ) Hub, Drive, Brush, Disk, 3hole 5.8bc[6t] 1
o205724 (000000-- ) Brush Assy, Scb, Soft Nylon 1
Y3 24299 (000000-- ) Bracket Spring Retainer 1
Y4 14838 (000000-- ) Spring, Brush Retaining 1
Y5 01684 (000000-- ) Washer, Flat, 0.25 Ss 1
Y6 32746 (000000-- ) Screw, Pan, M6 X 1.0 X 35, Ss 3
Y715539 (000000-- )Hub, Drive, Brush, Disk, 3hole 5.8bc[6t] 1
Note: Scrub Brushes Must Be Matched With Proper Hydraulic Cartridge.
Home
Find...
Go To..

STANDARD PARTS
7400D MM426 (3--07)
2-4
Fig. 3 -- Main Frame Group
1
2
3
4
5
6
7
8
9
11
12
14
14
8
13
10
15
5
16
17
18
19
20
21
22
23
24
25
26
27
18
24
17
17
17
18
18
18
19
19
18 17
13
Home
Find...
Go To..

STANDARD PARTS
2-5
7400D MM426 (3--07)
354381 -- NA, D
Fig. 3 -- Main Frame Group
Ref. Part No. Serial Number Description Qty.
171289 (000000-- )Frame Wldt, Main 1
2 20789 (000000-- ) Insulation, S/Foam 1
3 71926 (000000-- ) Lintel Wldt, Hood 1
4 25820 (000000--007743 ) Lintel Wldt W/Label 1
5 20805 (000000-- ) Insulation, S/Foam 2
671961 (000000-- )Lintel Wldt, Rear, Rh 1
7 20935 (000000-- ) Bracket, Mounting 1
o8 71606 (000000-- ) Taillight Assy 2
Y45780 (000000-- ) Bulb, 12V .5A 4Cp #1157 1
9 20936 (000000-- ) Bracket, Mtg 1
10 53466 (000000-- )Clamp, Cable, Stl, 1.50 X 1.00W, 1H 1
11 09740 (000000-- ) Scr Hexssm 8X1.25 1
12 01685 (000000-- ) Washer Flt .31 Ss 1
13 08713 (000000-- ) Nut--Hxlocnyln M 8X1.25 Reg Ss 1
14 53466 (000000-- ) Clamp--Cable 1.50D 1.00W 2
15 71886 (000000-- )Plate, Filler 1
16 377448 (007744-- ) Lintel Wldt, W/ Label [7400] 1
17 39277 (000000-- ) Screw, Hex, M8 X 1.25 X 25 11
18 32491 (000000-- ) Washer, Flat, 0.31 Std 15
19 07791 (000000-- ) Nut, Hex, Flng, M8 X 1.25 9
20 12273 (000000-- )Screw, Hex, M8 X 1.25 X 20, Ss, Nl 2
21 13248 (000000-- ) Washer, Flat, 0.40b 1.12d .12, Stl, Pl 2
22 41345 (000000-- ) Screw, Hex, M12 X 1.75 X 25, 8.8 2
23 32486 (000000-- ) Washer, Flat, 0.50 Sae 2
24 54093 (000000-- ) Screw, Chz, M5 X 0.8 X 60, 4.8 4
25 16931 (000000-- )Screw, Hex, M8 X 1.25 X 20, 8.8 4
26 09010 (000000-- ) Screw, Hex, M8 X 1.25 X 25, Ss 2
27 32485 (000000-- ) Washer, Flat, 0.38 Sae 2
Home
Find...
Go To..

STANDARD PARTS
7400D MM426 (1--96)
2-6
Fig. 4 -- Main Frame Brush Doors Group
1
2
3
4
5
6789
12
32
10
11
7
89
6
5
Home
Find...
Go To..

STANDARD PARTS
2-7
7400D MM426 (9--99)
10478 -- NA, JP
Fig. 4 -- Main Frame Brush Doors Group
Ref. Part No. Serial Number Description Qty.
171322 (000000-- )Door Wldt, Brush, Lh 1
2 01686 (000000-- ) Washer Flt .38 Ss 9
3 09028 (000000-- ) Scr Hexssm 10X1.5 25 9
4 59195 (000000-- ) Latch, Hook, Rh 1
5 01684 (000000-- ) Washer Flt .25 Ss 4
609007 (000000-- )Scr Hexssm 6X1.0 25 4
7 59192 (000000-- ) Latch, Bolt 2
8 41619 (000000-- ) Washer Flt .50 Ss 2
9 07788 (000000-- ) Nut Hx Std Ss M12X1.75 2
10 71330 (000000-- ) Door Wldt, Brush, Rh 1
11 59194 (000000-- )Latch, Hook, Lh 1
12 20791 (000000-- ) Panel Wldt, Filler 1
Home
Find...
Go To..

STANDARD PARTS
7400D MM426 (3--05)
2-8
Fig. 5 -- Seat and Shroud Group
1
2
3
4
5
6
7
9
10
11
12
13
14
15
16
19
20
22
21
17
8
18
23
24
25
26
27
28
Home
Find...
Go To..

STANDARD PARTS
2-9
7400D MM426 (3--05)
10452 -- NA
Fig. 5 -- Seat and Shroud Group
Ref. Part No. Serial Number Description Qty.
171891 (000000-- )Bumper, Rubber 2
2 71487 (000000-- ) Skirt, Center 1
3 41178 (000000-- ) Washer--Flt .25 Fender Pltd 2
4 71962 (000000-- ) Panel, Seat, Rh 1
5 09010 (000000-- ) Scr Hexssm 8X1.25 25 3
601685 (000000-- )Washer Flt .31 Ss 3
7 71963 (000000-- ) Panel, Seat, Top 1
8 75272 (000000-- ) Hinge, Seat 1
9 71787 (000000-- ) Insulation, Acoustic, Seat 1
o10 77235 (000000-- ) Seat, Michigan 1
Y369810 (000000-- )Kit, Replacement, Armrest 1
Y388134 (000000-- ) Armrest, Molded 1
11 41186 (000000-- ) Washer--Belleville .31 Pltd 4
12 54615 (000000-- ) Rod, Seat 1
13 71790 (000000-- ) Tread, Floor, 14.2 11.7 1
14 58819 (000000-- )Tread, Floor, 11.6 3.0 1
15 25794 (000000--007548 ) Panel Assy, Instr W/Label 1
15 9000356 (007549-- ) Panel, Instmt, W/ Label [7400 Gm1.6l] 1
16 71980 (000000-- ) Plate, Floor 1
17 21638 (000000-- ) Seal, Bulb, Sd--0168 28.44 Lg 1
18 25678 (000000-- )Seal, Bulb, Sd--0504 68.75Lg 1
19 20788 (000000-- ) Insulation, S/Foam 1
20 87742 (000000-- ) Molding, Trim 11--14Ga 20.0 1
21 20813 (000000-- ) Seal, Bulb 1
22 72970 (000000-- ) Rivet, Plastic .250Dx.898 2
23 13248 (000000-- )Washer, .400B 1.12D .12Cr Znc 2
24 12273 (000000-- ) Scr--Hexss M8X 1.25 20 Nylonloc 2
25 41128 (000000-- ) Nut--Low Crown .31--18 Pltd 3
26 32984 (000000-- ) Washer--Loc Int .31 Pltd 3
27 369891 (000000-- ) Angle, Trim 1
28 47178--6 (007549-- )Button, Plug, 2.00h .04--.19 [Chm Stl] 1
Home
Find...
Go To..

STANDARD PARTS
7400D MM426 (3--07)
2-10
Fig. 6 -- Main Frame Front Hood Group
1
3
5
17
4
17
2
78
9
13
14
11
12
6
16
3
315
10
18
19
25
8
26
22
23
24
23
25
20
20
21
21
Home
Find...
Go To..

STANDARD PARTS
2-11
7400D MM426 (3--07)
10805 -- ALL
Fig. 6 -- Main Frame Front Hood Group
Ref. Part No. Serial Number Description Qty.
171205 (000000-- )Hood, Front 1
1 71238 (000000-- ) Hood, Front, Lpg 1
2 71613 (000000-- ) Molding, Trim 11--14Ga 116.0 1
3 58524 (000000-- ) Headlight, 12vdc, 50watt . A 2
4 21630 (000000-- ) Nut, U M5 X 0.8 8
524196 (000000-- )Screw Panssm 5X0.8 20 8
6 21623 (000000-- ) Latch, Hook 1
7 21628 (000000-- ) Bracket, Pin 1
8 32490 (000000-- ) Washer, Flat, 0.25, Std 4
9 59192 (000000-- ) Latch, Bolt 1
10 21626 (000000-- )Rod, Hood Release 1
11 01076 (000000-- ) Spring, Tens.50Odx.04Wire 2.5L 1
12 47744 (000000-- ) Swivel Control .250--28.25Dia 1
13 21627 (000000-- ) Knob, Hood 1
14 63469--3 (000000-- ) Bearing, Snap--In .38 Id 1
15 71243 (000000-- )Cable, Hood 1
16 09806 (000000-- ) Label, Tennant Logo 1
17 71941 (000000-- ) Hinge, Hood 2
18 41619 (000000-- ) Washer, Flat, 0.56b 1.38d .11, Ss 1
19 07788 (000000-- ) Nut, Hex, Std, M12 X 1.75, Ss 1
20 39277 (000000-- )Screw, Hex, M8 X 1.25 X 25, 8.8 12
21 32491 (000000-- ) Washer, Flat, 0.31, Std 12
22 06943 (000000-- ) Screw, Hex, M6 X 1.0 X 20, 8.8 1
23 32490 (000000-- ) Washer, Flat, 0.25, Std 2
24 08708 (000000-- ) Nut, Hex, Lock, M6 X 1.00, Nl 1
25 12274 (000000-- )Screw, Hex, M6 X 1.0 X 20, 8.8, Nl 6
26 06944 (000000-- ) Screw, Hex, M6 X 1.0 X 25, 8.8 2
Home
Find...
Go To..

STANDARD PARTS
7400D MM426 (11--96)
2-12
Fig. 7 -- Main Frame Engine Side Door Group
2
3
4
5
10
7
8
1
8
7
9
6
Home
Find...
Go To..

STANDARD PARTS
2-13
7400D MM426 (3--05)
10480 -- D
Fig. 7 -- Main Frame Engine Side Door Group
Ref. Part No. Serial Number Description Qty.
125673 (000000-- )Seal, Bulb, Sd--0168 27.75 Lg 1
2 391803 (000000-- ) Seal, Bulb, Sd--0504 32.50Lg 1
3 20784 (000000-- ) Insulation, S/Foam 1
4 71927 (000000-- ) Door, Side, Engine 1
5 20812 (000000--003113 ) Latch Kit, Door, Engine 1
641186 (000000-- )Washer--Belleville .31 Pltd 4
7 20802 (000000-- ) Bumper, Rubber 2
8 71931 (000000-- ) Bracket Wldt, Hinge 2
9 20822 (003114-- ) Latch, Door 1
10 20820 (003114-- ) Bracket, Latch 1
Home
Find...
Go To..

STANDARD PARTS
7400D MM426 (11--96)
2-14
Fig. 8 -- Main Frame Engine Cover Group
1
10
2
11
14
15
12
2
16
17 19
18
17
17
18
16
18 17 13
18
5
9
3
8
7
6
4
20
Home
Find...
Go To..

STANDARD PARTS
2-15
7400D MM426 (3--05)
10482 -- D
Fig. 8 -- Main Frame Engine Cover Group
Ref. Part No. Serial Number Description Qty.
120809 (000000-- ) Cover Assy, Engine Top 1
2 51787 (000000-- ) Bumper, Rubber 2
3 10632--5 (000000-- ) Grommet Rbr 0.25Id For .09Matl 1
4 21631 (000000-- ) Seal, Bulb, Sd--0168 29.25Lg 1
5 25677 (000000-- ) Seal--Bulb, Sd--0504 24.50Lg 1
620782 (000000-- )Insulation, S/Foam 1
7 20785 (000000-- ) Insulation, S/Foam 1
8 71939 (000000-- ) Bracket Wldt, Hinge, Lh 1
9 71929 (000000-- ) Bracket Wldt, Hinge, Rh 1
10 71934 (000000-- ) Cover, Filler Pocket 1
11 59514 (000000-- )Latch 1
12 53091 (000000-- ) Sprng,Tens,0.50Odx.05Wire 1.0L 1
13 59192 (000000-- ) Latch, Bolt 1
14 71898 (000000-- ) Rod, Latch, Engine Cover 1
15 21625 (000000-- ) Clip, Push On .187 Dia 1
o16 69906 (000000-- )Spring--Gas Assy, Engine Cover 2
Y17 58494 (000000-- ) Stud, Ball, Gas Spring 4
Y18 64595 (000000-- ) Clip Safety 4
19 71328 (000000-- ) Channel, Stiffener, Lintel 1
20 41186 (000000-- )Washer--Belleville .31 Pltd 4
Home
Find...
Go To..

STANDARD PARTS
7400D MM426 (3--96)
2-16
Fig. 9 -- Steering Group
7
1
15
11
10
12
5
16
13
8
2
3
9
4
4
8
17
14
14
6
18
Home
Find...
Go To..

STANDARD PARTS
2-17
7400D MM426 (9--99)
10808 -- ALL
Fig. 9 -- Steering Group
Ref. Part No. Serial Number Description Qty.
164651 (000000-- )Rod, Latch, Steering, Tilt 1
2 70717 (000000-- ) Ring, Retain, Ex0.50Od,Heavydt 1
3 22290 (000000-- ) Sprng,Comp,0.62Idx.06Wire 2.3L 1
4 70709 (000000-- ) Bearing, Flange .500B 2
5 47585 (000000-- ) Bearing--Flange,2 Hole 0.50Bore 3
675968 (000000-- )Seal, Bearing 1
7 04706 (000000-- ) Handle Lift Brush 1
8 73027 (000000-- ) Bracket Wldt, Steering, Tilt 1
9 73061 (000000-- ) Column, Steering #2 10Lg Wire 1
10 70622 (000000-- ) Seal, Boot, Steering Column 1
11 70623 (000000-- )Plate, Mount, Steering Boot 1
12 72970 (000000-- ) Rivet, Plastic .250D X .898 4
13 71713 (000000-- ) Steer Control, Hyd (See Breakdowns) 1
14 56690 (000000-- ) Ftg--Hyd Str Jm06/Om06 5
15 56398 (000000-- ) Wheel Steering 14Diax36T 1
16 71172 (000000-- )Panel, Tilt, Rh 1
17 71173 (000000-- ) Panel, Tilt, Lh 1
18 56185 (000000-- ) Nut--Hx Jam M20 X 1.5 4 Pltd 1
Home
Find...
Go To..

STANDARD PARTS
7400D MM426 (3--05)
2-18
Fig. 10 -- Electrical Instrument Panel Assembly
1
2
3
4
5
6
1
Home
Find...
Go To..

STANDARD PARTS
2-19
7400D MM426 (9--99)
10775 -- ALL
Fig. 10 -- Electrical Instrument Panel Assembly
Ref. Part No. Serial Number Description Qty.
o71593 (000000-- )Replm Kit, Instr.Panel 1
Y1 59976 (000000-- ) Replmt Kit, Case 1
Y2 59977 (000000-- ) Replmt Kit, Seal, 1
Y3 71594 (000000-- ) Replm Kit, Cir Board 1
Y4 56346 (000000-- ) Replmt Kit, Lamp, Fault (8) 1
Y571595 (000000-- )Replm Kit, Touch Panel 1
Y6 59971 (000000-- ) Replmt Kit, Lamp, Backlighting (8) 2
Home
Find...
Go To..
9003613
9003612

STANDARD PARTS
7400D MM426 (3--05)
2-20
Fig. 11 -- Electrical Circuit Breaker and Relay Group
1
2
4
5
6
7
8
9
10
11
15
16
17
18
15
14
13
8
8
9
3
12
3
19
1
20
21
22
23
Home
Find...
Go To..

STANDARD PARTS
2-21
7400D MM426 (3--07)
10777 -- D
Fig. 11 -- Electrical Circuit Breaker and Relay Group
Ref. Part No. Serial Number Description Qty.
o187536 (000000-- )Switch, Ign [Ku] 1
Y2 87866 (000000-- ) Key Set,Switch 1
3 10632--5 (000000-- ) Grommet Rbr 0.25Id For .09Matl 4
4 44078 (000000-- ) Switch, Pushmom, Spst100A 12V 1
5 56186 (000000-- ) Relay, Shrouded, 12 Vdc 6
672970 (000000-- )Rivet, Plastic .250Dx.898 6
7 27920 (000000--007548 ) Breaker--Curcuit, 5A Resetable 1
7 57803 (007549-- ) Circuitbreaker, 15.0a, Resetable 1
8 57803 (000000-- ) Breaker--Circuit, 15A Resetable 7
9 57751 (000000-- ) Boot,Circuit Breaker 8
10 369704 (000000-- )Horn, 12 Volt 1
11 71665 (000000-- ) Switch, Progressive 1
12 57807 (000000-- ) Cover, Rocker Switch Seal 1
13 67767 (000000-- ) Clamp--Cable,.69Dia. 62Wth 1
14 40678 (000000-- ) Clamp,Cable .44D .62Wide 1
15 69234 (000000-- )Clamp--Cable, 1.00Dia. .62Wth 2
16 30407 (000000-- ) Clip, Keeper, Open 2
17 86381 (000000-- ) Block, Fuse 1
18 87319 (000000-- ) Fuse, 40 Amp 1
19 02431 (000000-- ) Plugbtn .56H .03--.12 Blacknyl 1
20 382516 (000000-- )Boot, Switch 1
21 49263 (000000-- ) Tie, Cable, Nyl, 11.4l .19w 3.0 Max D 1
22 383165 (000000-- ) Boot, Switch, Ignition 1
23 762521 (007549-- ) Plug, Panl, Switch 2
Home
Find...
Go To..

STANDARD PARTS
7400D MM426 (3--05)
2-22
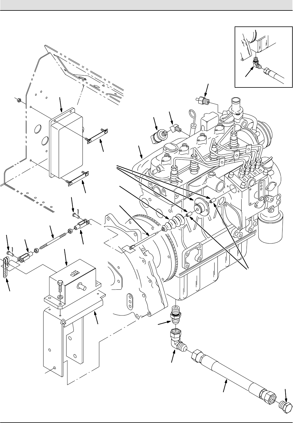
Fig. 12 -- Engine and Governor Group (000000--007493)
1
21
3
4
5
6
7
8
9
10
11
12
13
15
16
17
17
16
14
18
19
19
20
2
Home
Find...
Go To..

STANDARD PARTS
2-23
7400D MM426 (3--05)
10507 -- D
Fig. 12 -- Engine and Governor Group (000000--007493)
Ref. Part No. Serial Number Description Qty.
184625 (000000--007493 )Engine Assy (See Engine Breakdowns) 1
2 59884 (000000--007274 ) Fitting, Hyd, E90, Spcl 1
3 57568 (000000--007493 ) Hose--Hyd Low12 Jf/Jf 1
4 59885 (000000--007493 ) Fitting, Hyd Plg 1
5 24976 (000000--007493 ) Ftg--Brs E45 Pm02/Pf02 1
679399 (000000--007493 )Switch, Pressure Oil 1
7 36165 (000000--007493 ) Send Unit, Temperature 1
8 59640 (000000--007493 ) Bracket, Mounting, Actuator 1
o9 58391 (000000--007493 ) Throttle Assy, Block, Die 1
Y10 64939 (000000--007493 ) Bearing, Bronze 2
11 391815 (000000--007493 )Boot, Rubber 1
12 58362 (000000--007493 ) Rod, Cntrl, Throttle, .25D Dsl 1
13 9001201 (000000--007493 ) Kit, Ci, Actuator, Govnr, Dsl 1
374506 (000000--007493 ) Bearing, Sf1 Actuator 2
14 30481 (000000--007493 ) Lever Governor Actuator 1
15 04140 (000000--007493 )Stud, .25--28 3.0L .25--28 Znc 1
16 14595--1 (000000--007493 ) Clevis,Adjust.0.25--28Th.Cad. 2
17 14605 (000000--007493 ) Pin,Clevis,0.25 Dia.X 0.75 Lg 2
o18 56237 (000000--005818 ) Control Box, Governor, Die (Replaced by 374127) 1
Y374625 (000000--005818 ) Plug, Control Box 2
18 374127 (005819--007493 )Kit, Replmt, Control, Govnr, [All Purps] 1
19 59935 (000000--007493 ) Plate, Governor 2
20 35033 (007275--007493 ) Fitting, Hyd, E90, Jf12/Jm12 1
21 1015631 (007275--007493 ) Fitting, Hyd, Str, Spcl 1
Home
Find...
Go To..

STANDARD PARTS
7400D MM426 (12--05)
2-24
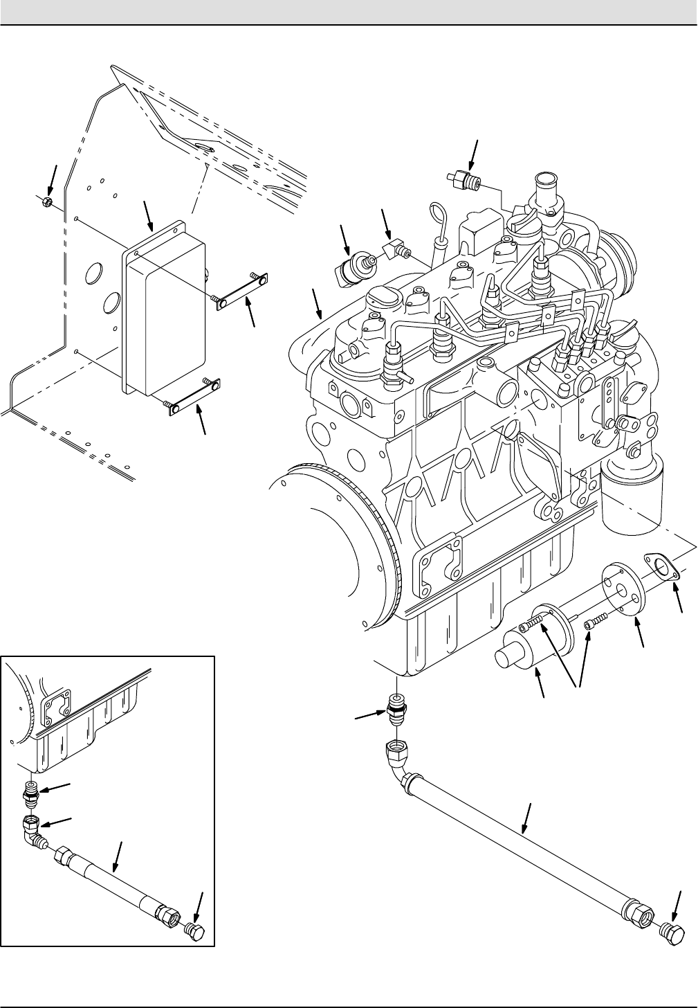
Fig. 13 -- Engine and Governor Group (007494-- )
2
3
4
5
6
7
8
9
10
1
11 12
13
14
8
15
16
17
18
Home
Find...
Go To..

STANDARD PARTS
2-25
7400D MM426 (12--05)
10507 -- D
Fig. 12 -- Engine and Governor Group (007494-- )
Ref. Part No. Serial Number Description Qty.
184625 (007494-- )Engine Assy (See Engine Breakdowns) 1
2 57568 (007494--007718 ) Hose--Hyd Low12 Jf/Jf 1
3 59885 (007494--007718 ) Fitting, Hyd Plg 1
4 24976 (007494-- ) Ftg--Brs E45 Pm02/Pf02 1
5 79399 (007494-- ) Switch, Pressure Oil 1
636165 (007494-- )Send Unit, Temperature 1
7 374127 (007494-- ) Kit, Replmt, Control, Govnr, [All Purps] 1
8 59935 (007494-- ) Plate, Governor 2
9 35033 (007494--007718 ) Fitting, Hyd, E90, Jf12/Jm12 1
10 9001444 (007494--007718 ) Drain Kit, Oil, Eng, Ci [7400 Kubota] 1
11 71385 (007494-- )Actuator, Govnr, Dsl 1
12 71388 (007494-- ) Screw, Soc, M6 X 1.0 X 16, 12.9 4
13 393401 (007494-- ) Adapter, Actuator, Govnr, Eng, Dsl 1
14 70165 (007494-- ) Gasket, Solenoid, Throttle [Ku] 16299 1
15 1023363 (007719-- ) Fitting, Hyd, Str, Spcl 1
16 78811 (007719-- )Hose, Hyd,Low08, Jf08str /Jf08e90 , 19.0 1
17 16376 (007719-- ) Fitting, Hyd, Plug, Jm08 1
18 06549 (000000-- ) Nut, Hex, Lock, M5 X 0.8, Nl 4
Home
Find...
Go To..

STANDARD PARTS
7400D MM426 (1--96)
2-26
Fig. 14 -- Engine Mount Group
1
3
4
5
8
9
10
11
12
13
10
11
11
6
2
7
11
10
Home
Find...
Go To..

STANDARD PARTS
2-27
7400D MM426 (9--99)
10513 -- D
Fig. 14 -- Engine Mount Group
Ref. Part No. Serial Number Description Qty.
155837 (000000-- )Adaptor,Flywheel Hsg 1
2 19252 (000000-- ) Coupling Assy, Flywheel 1
3 54911--16 (000000-- ) Dowel,Cyl.Block To Flywhl.Hsg. 2
4 58566 (000000-- ) Housing, Flywheel 1
5 57773 (000000-- ) Wire Ass’y--Elect.,Ground 1
674405 (000000-- )Starter, Diesel 1
7 55831 (000000-- ) Bracket, Mounting, Engine 1
8 57755 (000000-- ) Bracket, Mounting,Eng, Rear Rh 1
9 57754 (000000-- ) Bracket, Mounting, Eng,Rear,Lh 1
10 51176 (000000-- ) Dampner, Engine 3
11 04414 (000000-- )Washer, .531B 1.88D .12Hard Zn 3
12 59946 (000000-- ) Magnet, Pick--Up 3
13 30407 (000000-- ) Clip, Keeper, Open 4
Home
Find...
Go To..

STANDARD PARTS
7400D MM426 (3--98)
2-28
Fig. 15 -- Engine Air Cleaner Group
1
6
11
10
9
3
9
9
4
5
2
12
9
7
8
13
15 16
14
Home
Find...
Go To..

STANDARD PARTS
2-29
7400D MM426 (9--99)
10824 -- D
Fig. 15 -- Engine Air Cleaner Group
Ref. Part No. Serial Number Description Qty.
o158538 (000000-- )Air Cleaner 1
Y2 58120 (000000-- ) Filter Element, Air 1
Y3 02740 (000000-- ) Clamp Assy 1
Y4 02741 (000000-- ) Cup Assy 1
Y5 07562 (000000-- ) Nut,Wing .44--20 Special 1
651560--3 (000000-- )Clamp,Mounting,Cyclopac Aircl. 2
7 71418 (000000--003961 ) Hose, Air Cleaner, Outlet 1
8 71488 (000000--003961 ) Tube, Air Intake 1
9 14432 (000000-- ) Clamp--Wormdrive, 1.81-- 2.75D 4
10 03026 (000000-- ) Indicator Service Air Filter 1
11 58090 (000000-- )Hose, Moldedair Intake 1
12 53783 (000000-- ) Bracket, Mounting, Air Cleaner 1
13 58346 (003962-- ) Tube--Carb, Air Intake 1
14 364845 (003962-- ) Hose, Air Intake, Flex 1
15 72970 (003962-- ) Rivet, Plastic .250D X .898 4
16 20903 (003962-- )Guard, Intake 1
Home
Find...
Go To..

STANDARD PARTS
7400D MM426 (NIL)
2-30
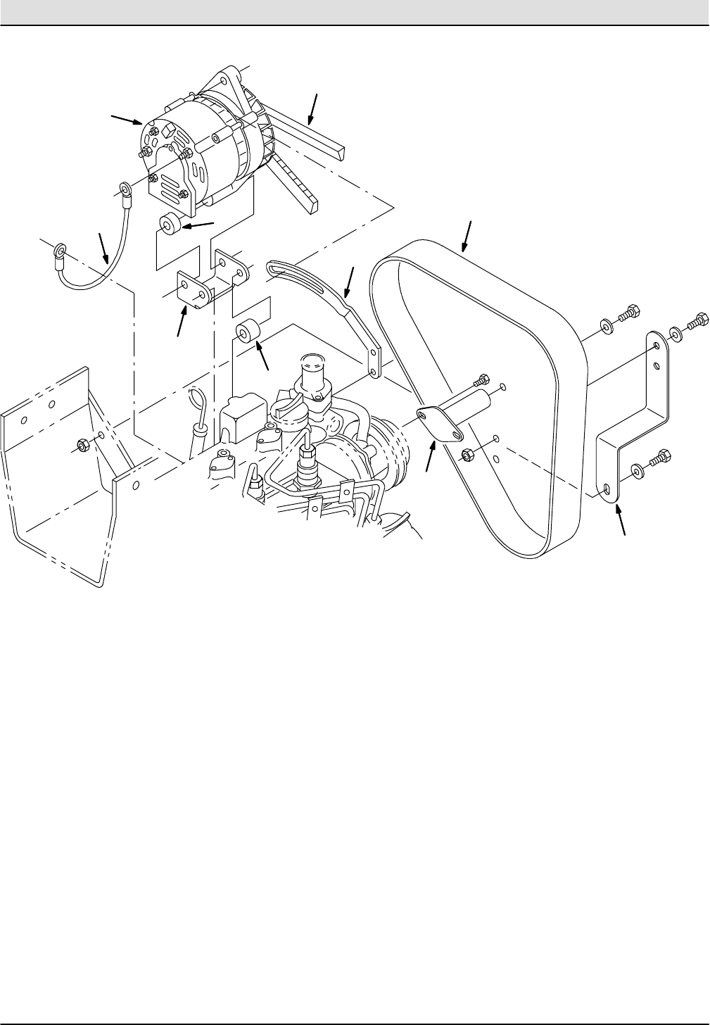
Fig. 16 -- Engine Alternator Group
1
2
3
4
5
6
7
9
10
8
Home
Find...
Go To..

STANDARD PARTS
2-31
7400D MM426 (9--99)
10517 -- D
Fig. 16 -- Engine Alternator Group
Ref. Part No. Serial Number Description Qty.
182731 (000000-- )Wire--Ground, Alternator 1
2 55855 (000000-- ) Bracket, Alternator 1
3 55863 (000000-- ) Sleeve,.438B1.00D .49 1
o4 60559 (000000-- ) Alternator, 50A/12V Mando 1
Y61931 (000000-- ) Regulator 1
Y86041 (000000-- )Bearing,Ball.669B 1.575D .472W 1
Y61529 (000000-- ) Brush Kit 1
Y61531 (000000-- ) Rectifier 1
Y70160 (000000-- ) Pulley, Alternator 1
5 07274 (000000-- ) Sleeve, .438B 1.00D .67 1
655856 (000000-- )Arm, Alternator 1
7 58327 (000000-- ) Belt, V Hc41X41 1
8 71429 (000000-- ) Guard, Belt, Die 1
9 71439 (000000-- ) Flange Wldt, Mtg, Guard 1
10 71442 (000000-- )Bracket, Mtg, Guard 1
Home
Find...
Go To..

STANDARD PARTS
7400D MM426 (3--02)
2-32
Fig. 17 -- Engine Muffler Group
1
3
5
2
6
7
4
7
8
9
11
10
12
13
14
15
16 17
14
Home
Find...
Go To..

STANDARD PARTS
2-33
7400D MM426 (6--00)
10822 -- D, NA, JP
Fig. 17 -- Engine Muffler Group
Ref. Part No. Serial Number Description Qty.
171485 (000000-- )Bracket, Muffler, Shield 1
2 71486 (000000-- ) Bracket, Shield 1
3 84579 (000000-- ) Clamp, Muffler, Tube, 1.75 Dia 1
4 33333 (000000-- ) Muffler--Exh, Ovl, To 112Cu Eng 1
5 74452 (000000-- ) Pipe, Exhaust, Die 1
671406 (000000-- )Tube, Exhaust, Diesel 1
7 24012 (000000-- ) Clamp--Muffler,For 1.62 Od Tube 2
8 33329 (000000-- ) Tailpipe, Muffler 1
9 374677 (000000--004962 ) Repl Kit, Muffler F/70214 1
10 54274 (000000--004962 ) Isolator--Vibration,125Lb.Ratng 1
11 30013 (000000--004962 )Washer--Flt .31 Fender Pltd 1
12 374676 (004963-- ) Angle, Muffler Hanger 1
13 16931 (004963-- ) Screw, Hex, M08 X 1.25 X 20 1
14 08709 (004963-- ) Nut, Hex, M08 X 1.25 2
15 374691 (004963-- ) Strap, Muffler Hanger 1
16 39277 (004963-- )Screw, Hex, M08 X 1.25 X 25 1
17 30013 (004963-- ) Washer, Flat, .31 Fender 1
Home
Find...
Go To..

STANDARD PARTS
7400D MM426 (3--07)
2-34
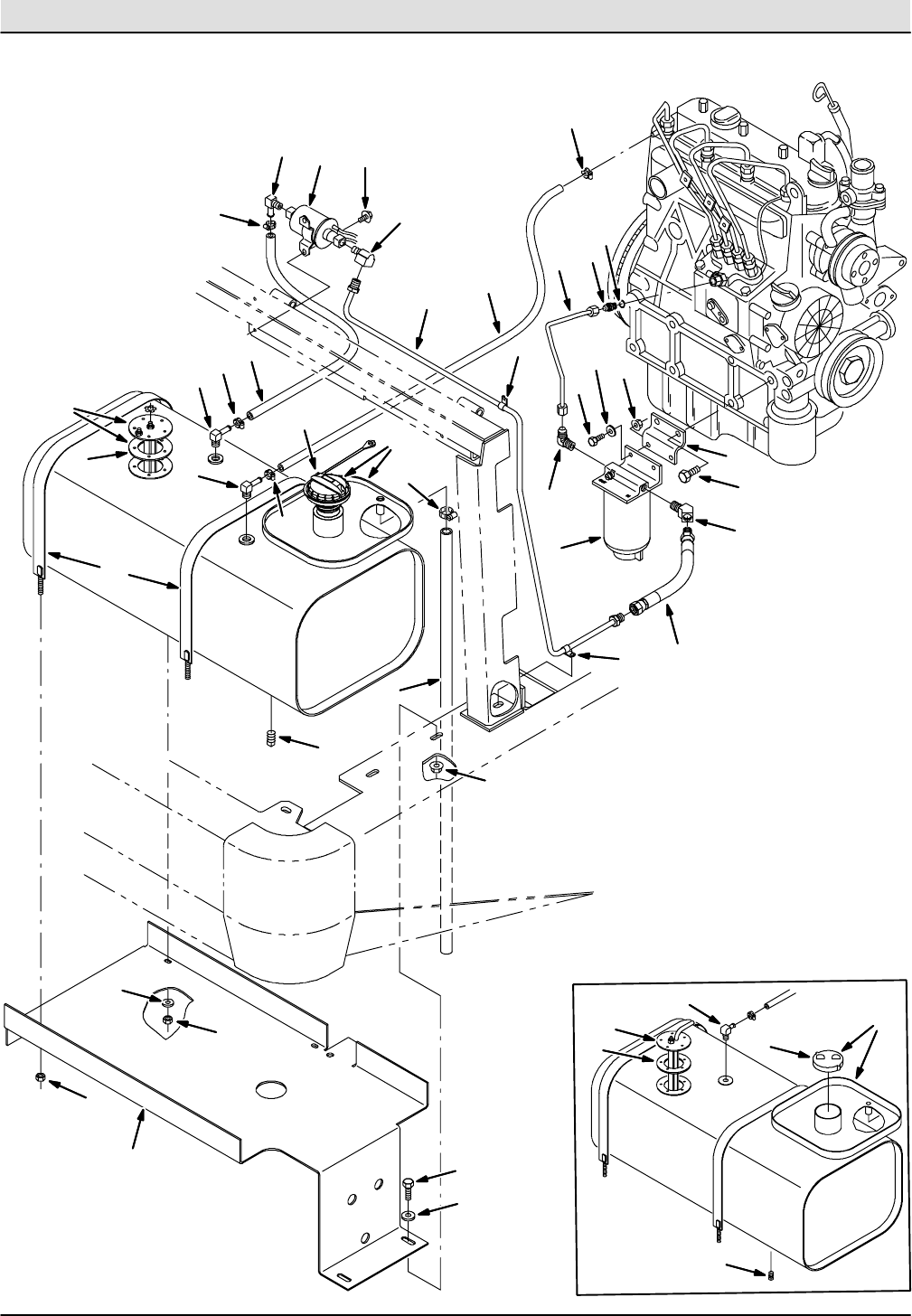
Fig. 18 -- Engine Fuel Tank Group
12
3
4
5
67
9
18
11
12
41
14
15
16
17
19
21
23 24
18
18
8
26
18
23
22
20
27
28 29
30
31
32
33
34
35
36
32
13
10
25
42
40
39 38
37
42
Home
Find...
Go To..

STANDARD PARTS
2-35
7400D MM426 (3--07)
10737 -- D, NA, JP
Fig. 18 -- Engine Fuel Tank Group
Ref. Part No. Serial Number Description Qty.
o158301 (000000-- )Ftg--Hyd Str 1
Y2 77002 (000000-- ) Seal, O--Ring .064X.30 1
3 58091 (000000-- ) Tube, Fuelline Assy, Dsl 1
4 06764 (000000-- ) Ftg--Hyd E90 Pm04/Jm04 1
5 72491 (000000-- ) Bracket, Mounting, Filter 1
o61016827 (000000-- )Filter Assy, Fuel, Dsl 1
Y1017126 (000000-- ) Element, Fltr, Fuel [Dn] 1
7 71445 (000000-- ) Ftg--Brs 1
8 71403 (000000-- ) Tray, Gas Tank 1
o9 71430 (000000--008999 ) Tank, Fuel 1
Y10 48267 (000000--008999 )Cap, Fuel 1
Y11 71432 (000000--008999 ) Sending Unit Tc 1
Y12 14131 (000000--008999 ) Gasket, 2.7D 1.5B.12T 5/ 2.1Bc 1
Y13 48126 (000000--008999 ) Ftg--Plug Npt 02Pm Sq Hd 1
14 71416 (000000-- ) Strap Wldt, Tank.06Tx1.0W 31.9 2
15 71427 (000000-- )Hose, Fuel, 0.50 Id 34.0L 1
16 54333 (000000-- ) Clamp--Wormdrive, 0.31-- 0.88D 1
17 82510 (000000-- ) Hose, Fuel Line .31 Idx14.0 1
18 43844 (000000-- ) Clamp--Wormdrive, 0.25-- 0.62D 4
19 53029 (000000-- ) Ftg--Brs E90 Bm05/Pm02 1
20 59015 (000000-- )Pump, Fuel 1
21 15555--1 (000000-- ) Ftg--Brs E90 If05/Pm02 1
22 71423 (000000-- ) Tube, Fuelline Gas 1
23 40678 (000000-- ) Clamp,Cable .44D .62Wide 2
24 70173 (000000-- ) Hose, Fuelline, 10.0L 1
25 32183 (000000--008999 )Ftg,Brass,E90,Barb.12Pt--.25Hse 1
26 71431 (000000-- ) Hose, Fuel, .188Id X.360L 1
27 06943 (000000-- ) Screw, Hex, M6 X 1.0 X 20, 8.8 2
28 32490 (000000-- ) Washer, Flat, 0.25 Std 2
29 07790 (000000-- ) Nut, Hex, Flng, M6 X 1.0 2
30 58286 (000000-- )Screw, Hex, M10 X 1.25 X 20, 8.8 2
31 74455 (000000-- ) Screw, Hex, M6 X 1.0 X 12, Fmg 2
32 32981 (000000-- ) Nut, Hex, Lock, .25--20, Nl 4
33 32483 (000000-- ) Washer, Flat, 0.25 Sae 2
34 16931 (000000-- ) Screw, Hex, M8 X 1.25 X 20, 8.8 4
35 32491 (000000-- )Washer, Flat, 0.31 Std 4
36 07791 (000000-- ) Nut, Hex, Flng, M8 X 1.25 4
o37 1030138 (009000-- ) Tank, Fuel, 11 Gal [7400 2007] 1
Y38 1032812 (009000-- ) Cap, Fuel, Tank 1
Yo39 1033901 (009000-- ) Send--unit, Fuel [2007] 1
YY 40 1033897 (009000-- )Gasket, Sender, Fuel 1
Y41 48126 (009000-- ) Ftg--Plug Npt 02Pm Sq Hd 1
42 9000355 (009000-- ) Fitting, Brs, E90, Em05/Pm04 2
Home
Find...
Go To..

STANDARD PARTS
7400D MM426 (12--05)
2-36
Fig. 19 -- Engine Radiator Group
2
3
4
5
67
8
9
10
1
11
12
13
14
15
16
17
18
19
20
21
22
23
24
25
26
27
28
29 30
31
32
33
34
35
36
37
38
37
16
32 33
16
16
16
16
10
10
10
16
16
13
13
13
13
26
11
11
11 22
14
23
32
33
13
Home
Find...
Go To..

STANDARD PARTS
2-37
7400D MM426 (3--07)
10814 -- D
Fig. 19 -- Engine Radiator Group
Ref. Part No. Serial Number Description Qty.
11018059 (000000-- )Radiator, F/1018059 Afmkt 1
2 51305 (000000-- ) Drain Cock,.25Npt Wh#120 Angl 1
3 1032822 (000000--007496 ) Cap, Radiator, 07psi 1
3 368132 (007497-- ) Cap, Radiator, 15psi 1
4 71947 (000000-- ) Strap, Radiator 1
571949 (000000-- )Panel, Shroud, Radiator 2
6 10632--14 (000000-- ) Grommet,Rbr,1.00Id,For .12Matl 1
7 22140 (000000-- ) Sleeve, .370B .50D .50 Butwcd 1
8 12333 (000000-- ) Scr--Hexssm 8X1.25 25 Nylnloc 1
9 30013 (000000-- ) Washer--Flt .31 Fender Pltd 1
10 58366 (000000-- )Clamp,Cable 1.25Dia 1.00W Neo 4
11 15675 (000000-- ) Scr Hexssm 8X1.25 4
12 71914 (000000-- ) Tube, Radiator, Upper 1
13 01685 (000000-- ) Washer Flt .31 Ss 5
14 08713 (000000-- ) Nut--Hxlocnyln M 8X1.25 Reg Ss 2
15 20917 (000000-- )Hose, Radiator 1
16 79381 (000000-- ) Clamp Wormdrive, 1.25--2.00 8
17 71916 (000000-- ) Hose, Radiator 1
18 71948 (000000-- ) Bracket, Mountin, Radiator 1
19 20969 (000000-- ) Tube, Radiator, Lower 1
20 20793 (000000-- )Hose, Radiator, Lower, Diesel 1
21 71950 (000000-- ) Bracket, Mounting, Radiator 1
22 12273 (000000-- ) Scr--Hexssm 8X1.25 20 Nylnloc 6
23 54274 (000000-- ) Isolator--Vibration,125Lb.Ratng 2
24 20792 (000000-- ) Hose, Radiator, Upper, Diesel 1
25 86328 (000000-- )Clamp--Cable, 1.50Dia 0.75W 1
26 13248 (000000-- ) Washer, .400B 1.12D .12Cr Znc 6
27 16931 (000000-- ) Screw, Hex, M8 X 1.25 X 20, 8.8 1
28 1023853 (007744-- ) Tank, Coolant, 04.7 03.3 4.7deep, 1liter 1
29 06941 (007744-- ) Screw, Hex, M6 X 1.0 X 10, 8.8 2
30 01684 (007744-- )Washer, Flat, 0.25 Ss 2
31 41430 (000000-- ) Nut, Hex, Lock, M10 X 1.5, Nl 2
32 06942 (000000-- ) Screw, Hex, M 6 X 1.0 X 16, 8.8 12
33 32490 (000000-- ) Washer, Flat, 0.25 Std 16
34 08708 (000000-- ) Nut, Hex, Lock, M 6 X 1.0, Nl 4
35 32491 (000000-- )Washer, Flat, 0.31 Std 1
36 07791 (000000-- ) Nut, Hex, Flng, M8 X 1.25 1
37 43844 (000000-- ) Clamp, Hose, Wormdrive, 0.25--0.62d 2
38 1014843 (000000-- ) Hose, Recvy, Coolant, 0.31id X 60l 1
Home
Find...
Go To..

STANDARD PARTS
7400D MM426 (3--07)
2-38
Fig. 20 -- Engine Cooling Fan and Housing Group
1
2
6
7
910
11
13
13
13
6
5
12
3
3
4
4
4
8
14
14
14
15
16
17
18
19
20
21
Home
Find...
Go To..

STANDARD PARTS
2-39
7400D MM426 (9--99)
10818 -- ALL
Fig. 20 -- Engine Cooling Fan and Housing Group
Ref. Part No. Serial Number Description Qty.
171482 (000000-- )Channel Wldt, Fan Motor 1
2 41185 (000000-- ) Washer--Belleville .25 Pltd 4
3 71484 (000000-- ) Bracket, Mtg, Fan 2
4 54274 (000000-- ) Isolator--Vibration,125Lb.Ratng 4
5 71480 (000000-- ) Panel, Transition 1
612317 (000000-- ) Scr Hexssm10X1.5 30 4
7 71719 (000000-- ) Motor, Hyd Gear (See Breakdowns) 1
8 52402 (000000-- ) Ftg--Hyd Str Jm06/Om08 1
9 47512 (000000-- ) Ftg--Hyd E90 Jm06/Om08 1
10 82825 (000000-- ) Fitting, Hyd, E90, Jm04/Om04, L 1
11 71287 (000000--008999 )Hub, Mounting, Fan 1
12 30559 (000000--008999 ) Fan, Pusher 1
13 13248 (000000-- ) Washer .400B 1.12D .12Cr Znc 4
14 09832 (000000-- ) Washer, .812B 1.06D .06Cr 8
15 1031566 (009000-- ) Fan, Cooling, 14.3d, 6 Blade, 0.5b Taper 1
16 32491 (009000-- )Washer, Flat, 0.31, Std 1
17 08709 (009000-- ) Nut, Hex, Lock, M8 X 1.25, Nl 1
18 39283 (000000-- ) Screw, Hex, M10 X 1.5 X 25, 8.8 2
19 32492 (000000-- ) Washer, Flat, 0.38 Std 2
20 41430 (000000-- ) Nut, Hex, Lock, M10 X 1.5, Nl 2
21 06943 (000000-- )Screw, Hex, M6 X 1.0 X 20, 8.8 4
Home
Find...
Go To..

STANDARD PARTS
7400D MM426 (1--96)
2-40
Fig. 21 -- Engine Battery Group
1
2
3
4
5
8
9
10
11
5
6
6
3
3
7
12
Home
Find...
Go To..

STANDARD PARTS
2-41
7400D MM426 (9--99)
10812 -- D
Fig. 21 -- Engine Battery Group
Ref. Part No. Serial Number Description Qty.
171169 (000000-- )Tray, Battery 1
2 09010 (000000-- ) Scr Hexssm 8X1.25 25 2
3 01685 (000000-- ) Washer Flt .31 Ss 4
4 72977 (000000-- ) Angle, Battery 1
5 13015 (000000-- ) Bolt,Hold Down,Battery, 7.5 Lg 2
639272 (000000-- )Nut--Wing .31--18 Pltd 2
7 10143 (000000-- ) Battery, 12V, Cc Amps:600 Wet 1
8 34823 (000000-- ) Cable, Batt. Pos. 33.0Lg 1
9 68873 (000000-- ) Boot,Batt.Term. 1--2Ga. Red 1
10 34821 (000000-- ) Cable, Batt, Neg. 36”L 1
11 68872 (000000-- )Boot,Batt.Term.1--2Ga. Black 1
12 69234 (000000-- ) Clamp--Cable, 1.00Dia. .62Wth 1
Home
Find...
Go To..

STANDARD PARTS
7400D MM426 (3.02)
2-42
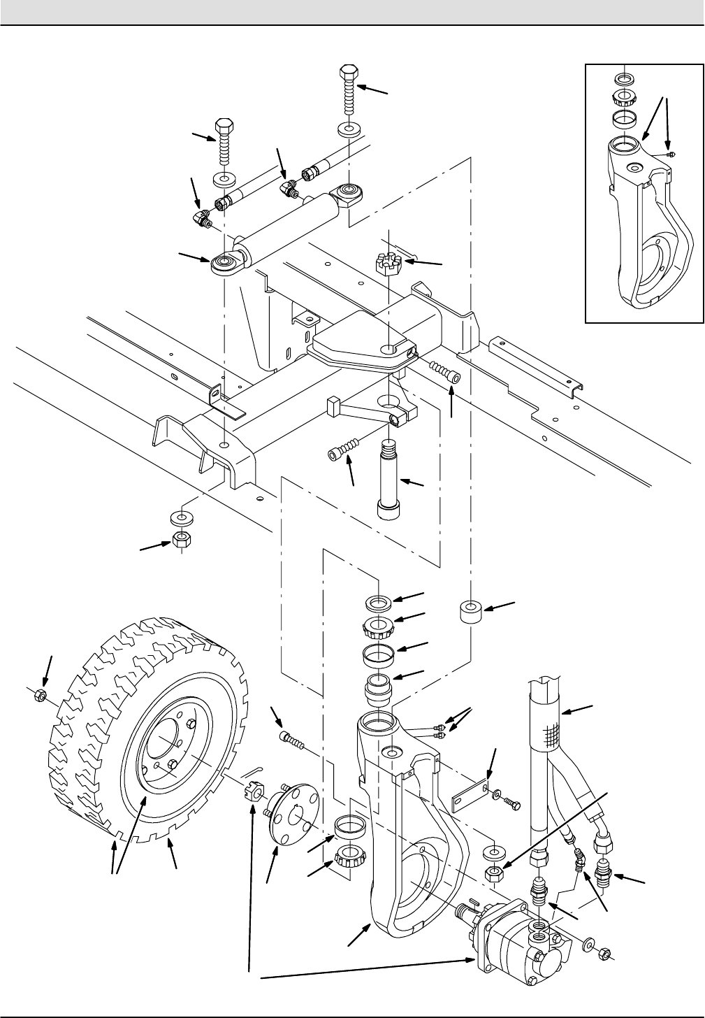
Fig. 22 -- Wheel Group, Front Drive
23
2
3
4
5
910
14
15
17
18
19
20
11 4
2
15
16
12
13
6
8
8
7
19
22
21 1
24
25
25
26
Home
Find...
Go To..

STANDARD PARTS
2-43
7400D MM426 (3--07)
10448 -- NA, JP
Fig. 22 -- Wheel Group, Front Drive
Ref. Part No. Serial Number Description Qty.
1374566 (000000--003817 )Replacement Kit, Drive Housing 1
2 51339 (000000-- ) Bearing--Cone, 1.38Bore 0.71Wth 2
3 47801 (000000-- ) Ftg, Grease.25--28Th Strt .63L 2
4 51338 (000000-- ) Bearing, Cup, 2.56d 0.55w 2
5 54051 (000000-- ) Washer, Thrust 1
673281 (000000-- )Pin,Support Wheel, Bar 1
7 54052 (000000-- ) Nut--Hex Slot 1.12--18 1
8 72926 (000000-- ) Scr Soc 1
o9 71344 (000000-- ) Tire & Wheel Assy, Front 1
Y10 71345 (000000-- ) Tire, Solid 5.00 X 8 X 3.75 1
11 24339 (000000-- )Nut Wheel .50--20 60 Angle 5
12 58842 (000000-- ) Plate -- Hose Support 1
13 71724 (000000--003524 ) Motor, Hyd Gear (See Breakdowns) (Replaced by 378710) 1
13 22604 (003525-- ) Motor, Hyd Gear (See Breakdowns) 1
14 19583 (000000-- ) Scr Soc .50--13X1.50 4
15 42223 (000000-- )Ftg--Hyd Str Jm10/Om12 2
16 34359 (000000-- ) Ftg--Hyd E45 Jm04/Om04 1
o17 54087 (000000-- ) Hub & Stud 1
Y32126 (000000-- ) Stud, Wheel .50--20 X 1.50 5
18 1029833 (000000-- ) Cylinder, Hyd, 2.0b 14.8l 08.00strk 3000 1
19 56820 (000000-- )Ftg--Hyd E90 Jm06/Om06 2
20 71340 (000000-- ) Sleeve, .88B 1.75D 1.12L, Stl 1
21 71341 (000000-- ) Scr--Hex .75--10x4.00 G5 Pltd 1
22 77345 (000000-- ) Scr--Hex .75--10x3.25 G5 Pltd 1
23 374562 (003818-- ) Housing, Support, Wheel 1
24 374560 (003818-- )Seal, Drive Grease Cavity 1
25 32987 (000000-- ) Nut, Hxlocnylon .75--10 2
26 57315 (000000-- ) Sleeve, Nyl, #37 5.0l 1
Home
Find...
Go To..

STANDARD PARTS
7400D MM426 (3--96)
2-44
Fig. 23 -- Wheels and Brakes Group, Rear
1
2
3
4
5
6
7
9
10
11
12
13
14
15
16 18
19
20
21
8
5
12
20
15
20
16
20
15
18
15
12
20
22
15
12 20
20
12
15
12
8
17
18
12 15
Home
Find...
Go To..

STANDARD PARTS
2-45
7400D MM426 (3--07)
10450 -- ALL
Fig. 23 -- Wheels and Brakes Group, Rear
Ref. Part No. Serial Number Description Qty.
o154577 (000000-- ) Brake Assy 2
Y66211 (000000-- ) Brake Shoe (Need 2) 2
Yo66213 (000000-- ) Brake Repair Kit 1
YY 70161 (000000-- ) Shaft, Cam, Chrome Plated 1
Y70158 (000000-- ) Spring, Return, Brakes 2
o254437 (000000-- )Wheel 2
Y3 54567 (000000-- ) Tire, 18X5X12.12 Solid 1
Y4 51338 (000000-- ) Bearing, Cup, 2.56d 0.55w 2
5 51339 (000000-- ) Bearing--Cone, 1.38Bore 0.71Wth 4
6 14242 (000000-- ) Nut--Hxslot 1.00--20 Pltd 2
754390 (000000-- )Cap, Hub 2
8 06598 (000000-- ) Pin,Clevis,0.50 Dia.X 1.42 Lg 2
9 71372 (000000-- ) Yoke Wldt, Lh 1
10 71373 (000000-- ) Yoke Wldt, Rh 1
11 75147 (000000-- ) Turnbuckle,.50--20Thd,2.2--4.4Lg 1
12 369781 (000000-- )Pulley, Cable, 1.5d, Nyl 9
13 71361 (000000-- ) Cable, Brake, Service 1
14 09088 (000000-- ) Pin,Clevis,0.37 Dia.X 1.00 Lg 2
15 54400 (000000-- ) Angle, Cable Keeper 8
16 09023 (000000-- ) Scr Hexssm 8X1.25 35 6
17 09026 (000000-- )Scr Hexssm 8X1.25 40 2
18 01685 (000000-- ) Washer Flt .31 Ss 8
19 08713 (000000-- ) Nut--Hxlocnyln M 8X1.25 Reg Ss 6
20 222460 (000000-- ) Spacer 8
21 71369 (000000-- ) Nut--Hx Jam .50--20 Left Pltd 1
22 69462 (000000-- )Sleeve, .401B 1.00D .38Hrs 1
Home
Find...
Go To..

STANDARD PARTS
7400D MM426 (11--96)
2-46
Fig. 24 -- Brake Pedal Group
2
3
4
5
67
89
10
1
3
11
12
13
12
Home
Find...
Go To..

STANDARD PARTS
2-47
7400D MM426 (9--99)
10456 -- ALL
Fig. 24 -- Brake Pedal Group
Ref. Part No. Serial Number Description Qty.
171360 (000000-- )Shaft Wldt, Brake 1
2 51109 (000000-- ) Pad 1
3 86751 (000000-- ) Bearing, Brake 2
4 23788 (000000-- ) Ring,Retain,Ex,0.98Od,E--Ring 2
5 58979 (000000-- ) Screw--Hex Ssm 6X1.0 4
654607 (000000-- )Spring, Torsion 1
7 22731 (000000-- ) Pedal, Brake Lock Ec 1
8 59009 (000000-- ) Spring, Tors 0.75D 1.00L .060W 1
9 46563 (000000-- ) Bshg,Sleeve,0.37Bx0.50Odx0.50L 1
10 71367 (000000-- ) Spring, Brake, Parking 1
11 71796 (000000-- ) Bracket, Brake 1
12 01684 (000000-- ) Washer Flt .25 Ss 8
13 08712 (000000-- ) Nut--Hxlocnyln M6X1.0 Reg Ss 4
Home
Find...
Go To..

STANDARD PARTS
7400D MM426 (3--05)
2-48
Fig. 25 -- Directional Pedal and Linkage Group
1
2
3
4
5
6
7
8
9
10
11
12
13
14
15
16
17
18
19
20
21
22
23
24
25
26
13
17
30
22
26 22
27
28
28
29
31
32 33
34
35
36
37
38
39
40
41
42
43
44
45
43
40
46 47 48
Home
Find...
Go To..

STANDARD PARTS
2-49
7400D MM426 (12--05)
10458 -- NA, CE
Fig. 25 -- Directional Pedal and Linkage Group
Ref. Part No. Serial Number Description Qty.
171677 (000000-- )Pedal, Lower, Propel 1
2 75305 (000000-- ) Pedal, Upper 1
3 59672 (000000-- ) Pin, Clevis .31 Dia X 4.50 Lg 1
4 86866 (000000-- ) Pin, Hair Cotter .38D .072 Wire 1
5 59668 (000000-- ) Pin, Clevis .50 Dia X 4.50 Lg 1
682839 (000000-- )Pad, Tread 1
7 63292 (000000-- ) Spring, Propel, Centering 1
8 71676 (000000-- ) Cable, Push--Pull 1
9 68866 (000000-- ) Rod End .250--28 .25Dia 1
10 14601 (000000-- ) Ball Joint, 250--28 1
11 26395--1 (000000-- )Clamp--Cable, 0.56Dia 0.38Wth 1
12 71682 (000000-- ) Arm Wldt, Propel 1
13 01683 (000000-- ) Washer Flt 10 Ss 2
14 83887 (000000-- ) Bracket, Safety Clip 1
15 71680 (000000-- ) Arm, Propel, Lower 1
16 54274 (000000-- )Isolator--Vibration,125Lb.Ratng 3
17 09832 (000000-- ) Washer, .812B 1.06D .06Cr. 6
18 32492 (000000-- ) Washer, Flat, 0.38 Std 3
19 71678 (000000-- ) Bracket, Propel 1
20 71681 (000000-- ) Bracket, Propel, Adjustment 1
21 73411 (000000-- )Shock Absorber 1
22 01685 (000000-- ) Washer Flt .31 Ss 4
23 09023 (000000-- ) Scr Hexssm 8X1.25 35 1
24 08713 (000000-- ) Nut--Hxlocnyln M 8X1.25 Reg Ss 1
25 16213 (000000-- ) Scr--Shld .312Dx1.00L .25--20 1
26 65441 (000000-- )Spacer, .259Id 375Od .250Lg 2
27 53963A (000000-- ) Scr--Hx .50--13 X 3.00 Full Thd 1
28 01704 (000000-- ) Nut--Hx Jam .50--13 Ss 3
29 78785 (000000-- ) Washer, .250B .88D .06Neoprene 1
30 84170 (000000-- ) Bracket, Retainer 1
31 49266 (000000-- )Tie, Cable, Nyl, 07.3l .19w 1.8 Max D 1
32 46559 (000000-- ) Screw, Hex, .38--16 X 1.25, Nl 2
33 32485 (000000-- ) Washer, Flat, .38 Sae 4
34 39285 (000000-- ) Screw, Hex, M10 X 1.5 X 40, 8.8 3
35 41430 (000000-- ) Nut, Hex, Lock, M10 X 1.5, Nl 3
36 83879 (000000-- )Screw, Hex, .31--24 X 0.75, Nl 1
37 39349 (000000-- ) Washer, Flat, 0.31 Sae 1
38 25049 (000000-- ) Screw, Hex, .25--20 X 1.75, 5 1
39 32490 (000000-- ) Washer, Flat, 0.25 Std 1
40 32989 (000000-- ) Washer, Lock, Int, .50 2
41 75934 (000000-- )Nut, Hex, Lock, .25--20, Nl 1
42 32981 (000000-- ) Nut, Hex, Lock, .25--20, Nl 1
43 01714 (000000-- ) Nut, Hex, Std, .25--28 2
44 32899 (000000-- ) Nut, Hex, Jam, .25--28 1
45 13513 (000000-- ) Nut, Hex, Lock, .25--28, Nl 1
46 1021315 (007549-- )Bracket, Shield 1
47 16931 (007549-- ) Screw, Hex, M8 X 1.25 X 20, 8.8 2
48 39349 (007549-- ) Washer, Flat, 0.31 Sae 2
Home
Find...
Go To..

STANDARD PARTS
7400D MM426 (11--96)
2-50
Fig. 26 -- Vacuum Fan Group
10
9
11
13
12
14
15
21
18
20
17
19 18
8
16
3
7
8
3
6
5
4
2
8
3
1
22
Home
Find...
Go To..

STANDARD PARTS
2-51
7400D MM426 (9--99)
10810 -- NA
Fig. 26 -- Vacuum Fan Group
Ref. Part No. Serial Number Description Qty.
120976 (000000-- )Housing Wldt, Vac Fan 1
2 54275A (000000-- ) Bracket, Mounting Motor 1
3 54274 (000000-- ) Isolator--Vibration,125Lb.Ratng 7
4 73112 (000000-- ) Motor, Hyd Gear (See Breakdowns) 1
5 56692 (000000-- ) Ftg--Hyd Str Jm08/Om10 1
656821 (000000-- )Ftg--Hyd E90 Jm08/Om10 1
7 77097 (000000-- ) Ftg--Hyd E90 Jm04/Om04 1
8 13248 (000000-- ) Washer .400B 1.12D .12Cr Znc 7
9 75456--3 (000000-- ) Shim .020Th 0.88Odx0.506Id 3
10 75456--4 (000000-- ) Shim .060Th 0.880Dxo.506Id 3
11 03922 (000000-- )Impeller 9.5 Dia. 18 Blade Mac 1
12 41130 (000000-- ) Nut--Low Crown .50--20 Pltd 1
13 58114 (000000-- ) Fan, Repair Kit, Reassembly 1
14 25821 (000000-- ) Housing, Vac Fan W/Label 1
15 41186 (000000-- ) Washer--Belleville .31 Pltd 6
16 20974 (000000-- )Bracket, Mounting, Fan 1
17 20971 (000000-- ) Hose, Vacuum 4.0 1
18 79380 (000000-- ) Clamp Wormdrive, 3.75--4.62 2
19 75375 (000000-- ) Flap,Containment 1
20 44961 (000000-- ) Tie, Cable 4.00 Max 14.50Lg 3
21 20982 (000000-- )Bracket, Discharge 1
22 20884 (000000-- ) Deflector, Fan 1
Home
Find...
Go To..

STANDARD PARTS
7400D MM426 (12--05)
2-52
Fig. 27 -- Solution Control Group
1
2
3
4
5
6
7
8
9
10
11
12
13
14
15
20
22
23
24
25
26
27
36
6
6
730
6
4
2
25
21
18
19
17
6
27
28
16
5
6
29
6
3
Home
Find...
Go To..

STANDARD PARTS
2-53
7400D MM426 (12--05)
10757 -- ALL
Fig. 27 -- Solution Control Group
Ref. Part No. Serial Number Description Qty.
171786 (000000-- ) Bracket, Sol Control 1
2 369850 (000000-- ) Valve, Water, Solenoid 2
3 08716 (000000-- ) Screw, Hex Ssm 6 X 1.0 20 4
4 01684 (000000-- ) Washer Flt .25 Ss 4
5 08712 (000000-- ) Nut Hxlocnyln M 6X1.0 Reg Ss 4
654333 (000000-- )Clamp--Wormdrive, 0.31-- 0.88D 9
7 71793 (000000-- ) Hose, Vinyl Clr .501Dx1.0Lng 2
8 71614 (000000-- ) Fitting Assy, Sol Control 1
9 50544 (000000-- ) Clamp--Cable, 1.12Dia 0.38Wth 1
10 09738 (000000-- ) Scr Hexssm 5X0.8 12 1
11 01683 (000000-- )Washer Flt10 Ss 1
12 09739 (000000-- ) Nut--Hxlocnyln M 5X0.8 Reg 18--8 1
13 20807 (000000-- ) Cap, Neoprene, Black 1
14 20806 (000000-- ) Cap, Neoprene, Black 1
15 20778 (000000-- ) Hose, Vinyl, Clear 1
16 20779 (000000-- )Hose, Vinyl, Clear 1
17 63244--3 (000000-- ) Ftg,Plstc,Elb,Barb.75Pt--.50Hse 1
18 42133A (000000-- ) Ftg,Plstc,Tee,.75--.75--.75Pipe 1
19 71982 (000000-- ) Fitting, Plastic Tee 12Bm/12Pm 1
20 79273--1 (000000-- ) Ftg,Plstc,Cplg,Barb.75Pt--.50Hs 1
21 1027294 (000000-- )Plate Wldt, Stiffener, Ss 1
22 56553 (000000-- ) Clamp--Conduit, 2 Slot 1.50Dia 1
23 01684 (000000-- ) Washer Flt .25 Ss 2
24 08712 (000000-- ) Nut Hxlocnyln M 6X1.0 Reg Ss 2
25 53466 (000000-- ) Clamp--Cable, 1.50Dia. 1.00W 2
26 20777 (000000-- )Hose, Vinyl, Clear 1
27 11399 (000000-- ) Clamp--Wormdrive, 0.81-- 1.50D 2
28 20959 (000000-- ) Fitting, Plastic E90 16Bm/12Pm 1
29 40678 (000000-- ) Clamp--Cable, 0.44D 0.62W Stl 1
30 43844 (000000-- )Clamp, Hose, Wormdrive, 0.25--0.62d 1
Home
Find...
Go To..

STANDARD PARTS
7400D MM426 (3--05)
2-54
Fig. 28 -- Solution Tank Group
1
2
3
4
5
6
78
9
10
11
12
13
14
15
16
19
14
12
11
11
13
15
17 18
11
20
20
22
22
21
23
23
Home
Find...
Go To..

STANDARD PARTS
2-55
7400D MM426 (12--05)
10761 -- D, NA, CE
Fig. 28 -- Solution Tank Group
Ref. Part No. Serial Number Description Qty.
120918 (000000-- )Tank, Solution, Lh 1
2 20919 (000000-- ) Replm Kit, Solution Tnk 1
3 75611 (000000-- ) Ftg--Plug Npt 12Pm Rd Hd Plstc. 1
4 73342 (000000-- ) Gasket, Check Valve 1
5 78840 (000000-- ) Valve, Check 1
678740 (000000-- )Plug, Cap, Check Valve 1
7 86755 (000000-- ) Cap, Plate 1
8 86591 (000000-- ) Gasket 1
9 1017218 (000000-- ) Washer, Flat, 0.321b 1.00d .12, Ss 4
10 12273 (000000-- ) Scr--Hexssm 8X1.25 20 Nylnloc 4
11 20996 (003431-- )Latch, Engine Door, Side 2
12 20995 (003431-- ) Cover, Solution Tank 2
13 20924 (000000-- ) Rod, Plastic 2
14 20958 (000000-- ) Sheet, Plastic, Backup 2
15 17188 (000000-- ) Clamp Wormdrive, 1.62--3.50 2
16 20927 (000000-- )Hose, Crossover 1
17 69784 (000000-- ) Ftg,Plstc,Nip. 0.75Ptx 1.68Lg 1
18 20811 (000000-- ) Fitting, Plastic Str 12Pf/16Pm 1
19 20810 (000000-- ) Strainer, Screen,Solution Tank 1
20 40678 (000000-- ) Clamp--Cable, 0.44D 0.62W Stl 2
21 20994 (000000--003430 )Cover Kit, Solution Tank 2
22 20997 (003431-- ) Gasket, Cover 2
23 391451 (007549-- ) Label, Attention Fast Users 2
Home
Find...
Go To..

STANDARD PARTS
7400D MM426 (9--04)
2-56
Fig. 29 -- Recovery Tank Group
1
2
25
4
5
6
7
8
9
10
11
12
13
17
18 19
20
21
22
23
24
3
4
20
20
26
23 20
10
11
13
14
15
16
Home
Find...
Go To..

STANDARD PARTS
2-57
7400D MM426 (3--07)
10763 -- NA
Fig. 29 -- Recovery Tank Group
Ref. Part No. Serial Number Description Qty.
o120980 (000000-- )Replm Kit, Recovery Tnk 1
Y2 20943 (000000-- ) Fitting, Special, Y, Tank 1
Y3 20983 (000000-- ) Clamp--Wormdrive 1
4 11399 (000000-- ) Clamp--Wormdrive, 0.81-- 1.50D 2
5 71236 (000000-- ) Hose, 1.0 Dia Tray 1
o624358 (000000-- ) Cap Assy,Tank 1
Y7 1031699 (000000-- ) Gasket, .19, 4.05id 5.29od [Buna] 1
8 86636 (000000-- ) Cover Lid 1
9 25818 (000000-- ) Demister Cover W/Label 1
10 20921 (000000-- ) Cover, Recovery Tank 2
11 20922 (000000-- )Seal, Tube, Silicone 2
12 20915 (000000-- ) Rod, Plastic 2
o13 20949 (000000-- ) Level Sensing Assy 1
Y14 73145 (000000-- ) Bellows, .75 Id 10.3L 1
Y15 50238 (000000-- ) Float Bottle 1
Y16 50256 (000000-- )Plug, Float 1
Y17 1008142 (000000-- ) Switch, Snap Actn, 250vdc 25a Spdt 1
18 86591 (000000-- ) Gasket 1
19 75611 (000000-- ) Ftg--Plug Npt 12Pm Rd Hd Plstc. 1
20 12273 (000000-- ) Scr--Hexssm 8X1.25 20 Nylnloc 9
21 1017218 (000000-- )Washer, Flat, 0.321b 1.00d .12, Ss 1
22 20937 (000000-- ) Bracket, Mtg, Tank 1
23 13248 (000000-- ) Washer, .400B 1.12D .12Cr Znc 7
24 71235 (000000-- ) Hose, 3.0 Dia Squeegee 1
25 23498 (000000-- ) Clamp--Wormdrive, 2.63-- 4.50D 1
26 1014563 (000000-- )Washer, Flat, 0.40b 1.12d .12, Ss 2
Home
Find...
Go To..

STANDARD PARTS
7400D MM426 (3--07)
2-58
Fig. 30 -- Solution and Recovery Tank Drain Group
1
3
6
7
8
9
10
11
12
13
14
15
16 17
18
19
20
21
7
3
4
1
6
14
12
13
10
98
11
16
2
4
5
5
Home
Find...
Go To..

STANDARD PARTS
2-59
7400D MM426 (3--01)
10765 -- ALL
Fig. 30 -- Solution and Recovery Tank Drain Group
Ref. Part No. Serial Number Description Qty.
o223533 (000000-- )Hose, Drain, Assy, 0.31id X 24.3l, Pvc 2
Yo1 32501 (000000-- ) Drain Kit, Cap 1
YY 2 32613 (000000-- ) Cap Drain 1
YY 3 32614 (000000-- ) Gasket Cap 1
YY 4 32669 (000000-- ) Ring Retain Ex, 0.75D 1
Y532508 (000000-- )Strap Cap Retainer 1
Y6 14880 (000000-- ) Cap, Drain Hose 1
Y7 24174 (000000-- ) Hose Assembly, Drain 1
Y8 41451 (000000-- ) Gasket Lid 1
Y9 79320 (000000-- ) Gasket, Drain Cap 1
Y10 41421 (000000-- )Seal, Hose 1
Yo11 24358 (000000-- ) Cap Assy, Tank, Drain 1
YY 12 1031699 (000000-- ) Gasket, .19, 4.05id 5.29od [Buna] 1
Y13 14864 (000000-- ) Cover, Insert 1
Y14 41454 (000000-- ) Clamp, Hose 1
Y15 12316 (000000-- )Scr Hexssm 5X0.8 25 1
Y16 01683 (000000-- ) Washer Flt 10 Ss 2
Y17 09739 (000000-- ) Nut--Hxlocnyln M 5X0.8 Reg 18--8 1
18 20938 (000000-- ) Cover, Cleanout 1
19 55035 (000000-- ) Button, Plug 1
20 12273 (000000-- )Scr--Hexssm 8X1.25 20 Nylnloc 3
21 01685 (000000-- ) Washer Flt .31 Ss 3
Home
Find...
Go To..

STANDARD PARTS
7400D MM426 (3--01)
2-60
Fig. 31 -- Solution and Recovery Tank Gaskets Group
1
1
Home
Find...
Go To..

STANDARD PARTS
2-61
7400D MM426 (3--01)
10759 -- ALL
Fig. 31 -- Solution and Recovery Tank Gaskets Group
Ref. Part No. Serial Number Description Qty.
120945 (000000-- )Gasket Set, Tank 1
Home
Find...
Go To..

STANDARD PARTS
7400D MM426 (12--02)
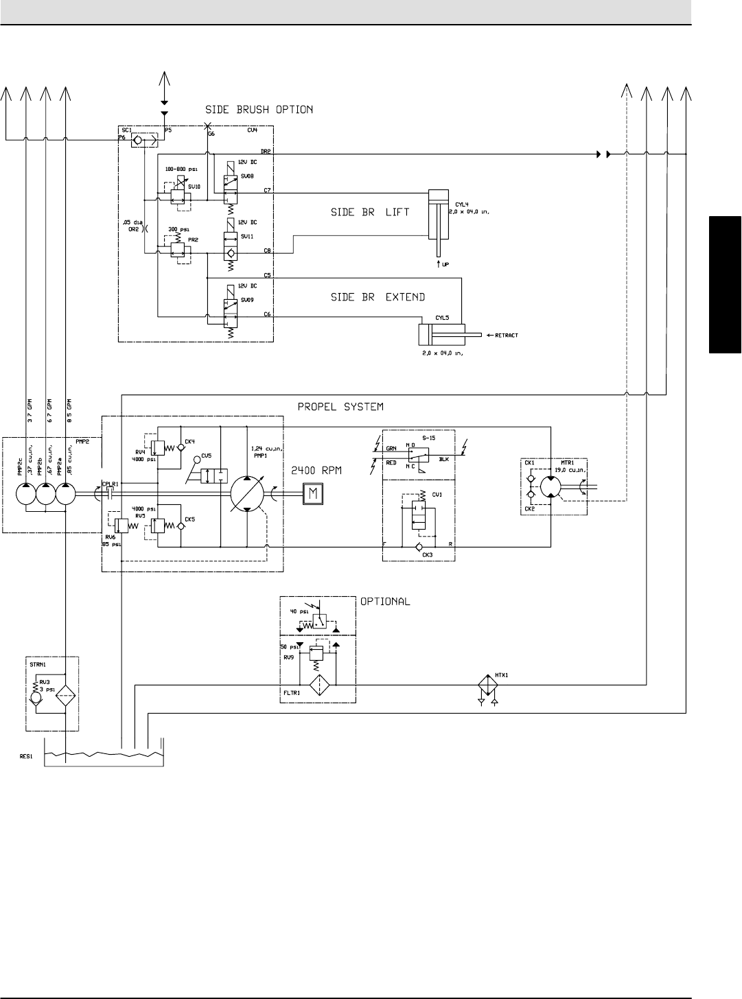
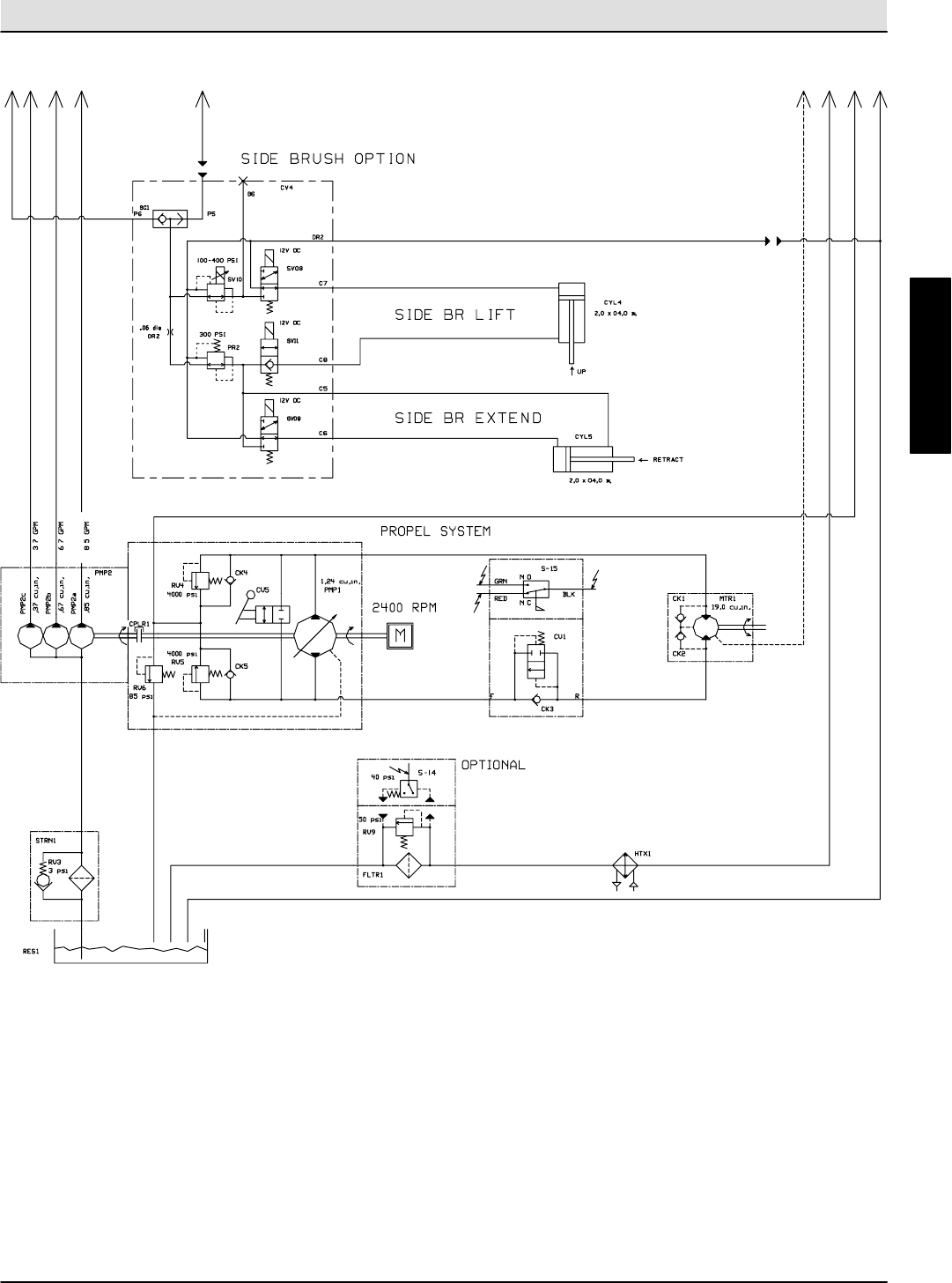
2-62
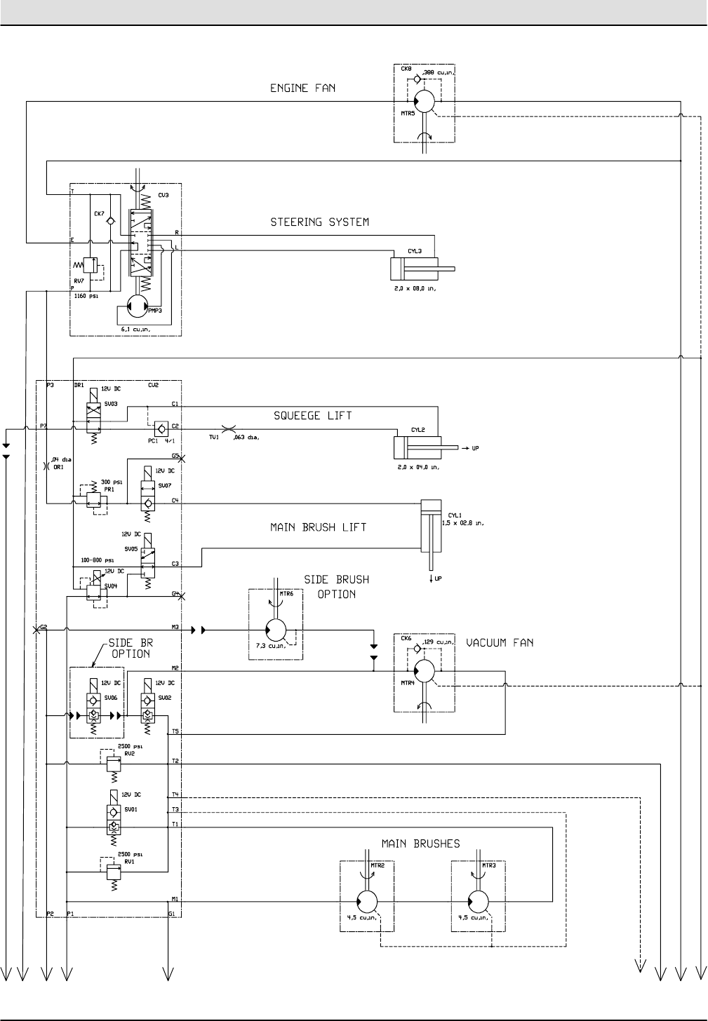
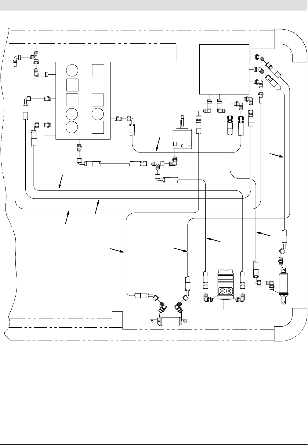
Fig. 32 -- Hydraulic Schematic (000000--005613)
ABCD EFGHI
71700, 10794 -- All
Home
Find...
Go To..

STANDARD PARTS
2-63
7400D MM426 (12--02)
Fig. 32 -- Hydraulic Schematic (000000--005613)
S-- 14
ABCD GHI
F
E
71700, 10794 -- All
Home
Find...
Go To..

STANDARD PARTS
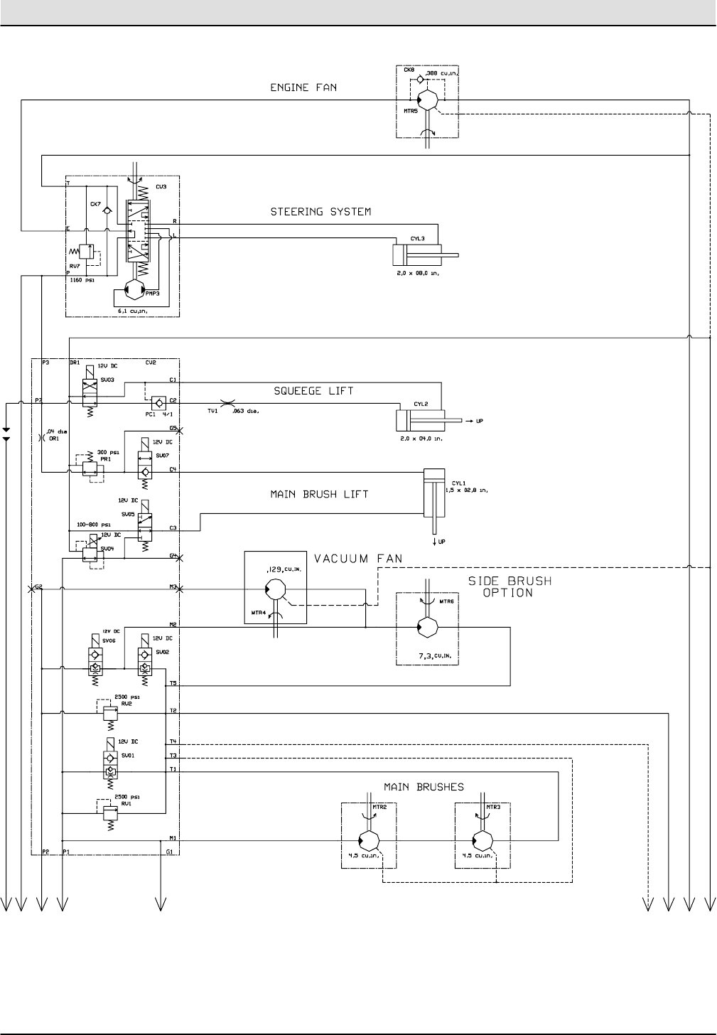
7400D MM426 (12--02)
2-64
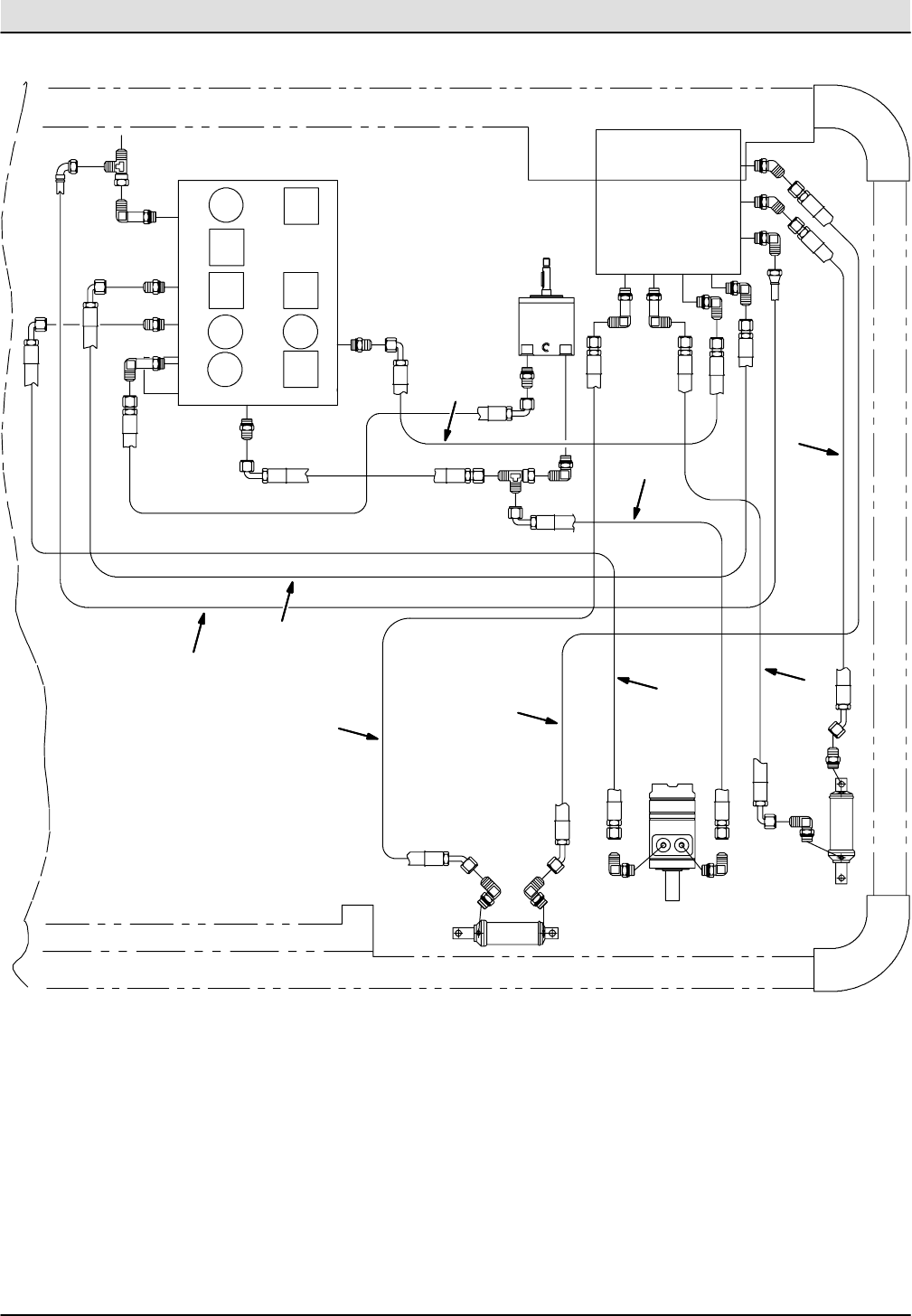
Fig. 33 -- Hydraulic Schematic (005614-- )
ABCD E FGHI
71700, 10794 -- All
Home
Find...
Go To..

STANDARD PARTS
2-65
7400D MM426 (12--02)
Fig. 33 -- Hydraulic Schematic (005614-- )
ABC D E FGHI
71700, 10794 -- All
Home
Find...
Go To..

STANDARD PARTS
7400D MM426 (12--02)
2-66
Fig. 34 -- Hydraulic Hose Group
M3
P7
G1
T3
T1
M1
T4
C3
C1
C2
C4
T2
R
E
P
L
T
T5
IN
OUT
P3
DR1
P2 M2 P1
Scrub
Brush
Motors
Steering
Valve
Control Valve
Front
Reservoir
Vac Fan
Wheel
Drive
Motor
Flow
Sensor
Switch
Cooling
Fan
Motor
Scrub Head
Lift Cylinder
Rear
SqueegeeLift
Cylinder
Pump
Cooler
Filter
2
3
4
5
6
7
8
9
10
1
11
12
13
14
15
16
17
18
19
20 21
22
23
24
25
26
1
1
1
1
7
Home
Find...
Go To..

STANDARD PARTS
2-67
7400D MM426 (12--02)
71700, 10747 -- ALL
Fig. 34 -- Hydraulic Hose Group
Ref. Part No. Serial Number Description Qty.
134355 (000000-- )Hose--Hyd Med08 Jf/J9 5
2 57964 (000000-- ) Hose--Hyd Med04 Jf/J9 1
3 59567 (000000-- ) Hose--Hyd Med06 1
4 34379 (000000-- ) Hose--Hyd Med04 Jf/J9 1
5 71733 (000000-- ) Hose--Hyd Med06 1
662100 (000000-- )Hose--Hyd Med06 Jf/Jf 1
7 49943 (000000-- ) Hose--Hyd Med06 Jf/Jf 2
8 59561 (000000-- ) Hose--Hyd 1
9 31610 (000000-- ) Hose--Hyd Med12 Jf/J9 1
10 71737 (000000-- ) Hose--Hyd Med12 1
11 71736 (000000-- )Hose--Hyd Med12 1
12 71735 (000000-- ) Hose--Hyd Med06 1
13 55700 (000000-- ) Hose--Hyd Med04 Jf/Jf 1
14 55691 (000000-- ) Hose--Hyd Med04 Jf/Jf 1
15 82817 (000000-- ) Hose--Hyd Med04 Jf/J9 1
16 71754 (000000-- )Hose--Hyd 1
17 77306 (000000-- ) Hose--Hyd Med04 1
18 71738 (000000-- ) Hose--Hyd Suc20 1
19 71744 (000000-- ) Hose--Hyd Ar10 1
20 71742 (000000-- ) Hose--Hyd Ar10 1
21 71743 (000000-- )Hose--Hyd 1
22 71741 (000000-- ) Hose--Hyd Ar 08 1
23 71745 (000000-- ) Hose--Hyd 1
24 71740 (000000-- ) Hose--Hyd Ar08 1
25 71739 (000000-- ) Hose--Hyd Ar 04 1
26 56555 (000000-- )Hose--Hyd Med06 Jf/Jf 1
Home
Find...
Go To..

STANDARD PARTS
7400D MM426 (3--07)
2-68
Fig. 35 -- Hydraulic Pumps Group
2
3
4
5
6
7
8
9
10
1
11
12
13
14
15
16
17
18
2
2
19
20
21
22
23
Home
Find...
Go To..

STANDARD PARTS
2-69
7400D MM426 (12--02)
354383 -- D
Fig. 35 -- Hydraulic Pumps Group
Ref. Part No. Serial Number Description Qty.
171720 (000000--006999 )Pump, Hyd Piston V 1.24 R 4000 (See Breakdowns) 1
2 42223 (000000-- ) Ftg--Hyd Str Jm10/Om12 3
3 44869 (000000-- ) Ftg--Hyd Str Jm08/Om08 1
4 35586 (000000-- ) Ftg--Hyd Tee Jm06Jfjm 1
5 42215 (000000-- ) Ftg--Hyd Tee Jm06Jmjf 1
654017 (000000-- )Ftg--Hyd E45 Jm10/Jf10 1
7 71716 (000000-- ) Pump, Hyd (See Breakdowns) 1
8 71721 (000000-- ) Coupler, Hyd Pump 1
9 65145--1 (000000-- ) O--Ring Gland 1
10 56692 (000000-- ) Ftg--Hyd Str Jm08/Om10 2
11 52402 (000000-- )Ftg--Hyd Str Jm06/Om08 1
12 47512 (000000-- ) Ftg--Hyd E90 Jm06/Om08 1
13 67811 (000000-- ) Ftg--Hyd Str Jm20/Om16 1
14 19544 (000000-- ) Ftg--Hyd E45 1
15 73430 (000000-- ) Switch, Hyd Flow Sensor (See Breakdowns) 1
16 71723 (000000-- )Bracket, Mtg, Flow Switch 1
17 53076 (000000-- ) Ftg--Hyd E90 Jm10/Om12 1
18 373453 (007000-- ) Pump, Hyd Piston [V] 1.24 [R] 4000 (See Breakdowns) 1
19 21198 (000000-- ) Screw, Hex, .38--16 X 1.25, 5 2
20 32485 (000000-- ) Washer, Flat, .38 Sae 2
21 39279 (000000-- )Screw, Hex, M 8 X 1.25 X 70, 8.8 2
22 39349 (000000-- ) Washer, Flat, 0.31 Sae 2
23 08709 (000000-- ) Nut, Hex, Lock, M 8 X 1.25 Nl 1
Home
Find...
Go To..

STANDARD PARTS
7400D MM426 (12--02)
2-70
Fig. 36 -- Hydraulic Valve Group
7
8
9
10
8
10
1
10
2
3
5
5
5
64
P2
M2
P1
T2
M1
T1
T4 T3 C1
C2
C3
C4
T5
P3
DR1
11
Home
Find...
Go To..

STANDARD PARTS
2-71
7400D MM426 (12--02)
10755 -- ALL
Fig. 36 -- Hydraulic Valve Group
Ref. Part No. Serial Number Description Qty.
171705 (000000-- )Valve, Hyd Cntrl Sol (See Breakdowns) 1
1 71761 (000000-- ) Valve Assy, Nylon Brush (See Breakdowns) 1
2 71409 (000000-- ) Bracket, Mtg, Valve 1
3 54274 (000000-- ) Isolator--Vibration,125Lb.Ratng 3
4 56690 (000000-- ) Ftg--Hyd Str Jm06/Om06 1
577097 (000000-- )Ftg--Hyd E90 Jm04/Om04 6
6 42260 (000000-- ) Ftg--Hyd Str Jm12/Om12 1
7 71727 (000000-- ) Fitting--Hyd E90 1
8 44868 (000000-- ) Ftg--Hyd E90 Jm08/Om08 2
9 44869 (000000-- ) Ftg--Hyd Str Jm08/Om08 1
10 69173 (000000-- )Ftg--Hyd E90 Jm08/Om08 3
11 13248 (000000-- ) Washer .400B 1.12D .12Cr Znc 3
Note: Scrub Brushes Must Be Matched With Proper Hydraulic Cartridge.
Home
Find...
Go To..

STANDARD PARTS
7400D MM426 (12--02)
2-72
Fig. 37 -- Hydraulic Reservoir Group
1
2
3
4
5
6
7
8
9
10
11
12
Home
Find...
Go To..

STANDARD PARTS
2-73
7400D MM426 (12--02)
10751 -- ALL
Fig. 37 -- Hydraulic Reservoir Group
Ref. Part No. Serial Number Description Qty.
154274 (000000-- )Isolator--Vibration,125Lb.Ratng 3
2 13248 (000000-- ) Washer .400B 1.12D .12Cr Znc 3
o3 71702 (000000-- ) Reservoir, Hyd 10.0Gal 1
Yo4 71728 (000000-- ) Cap, Hyd, Breather 40Mic 7.0Ds 1
YY 5 70006 (000000-- ) Gasket, Hyd Cap 1
640362 (000000-- ) Ftg--Hyd Plg Om10 1
7 31613 (000000-- ) Strainer--Hyd Suction 25--100--03 1
8 71726 (000000-- ) Fitting--Hyd E45 1
9 42260 (000000-- ) Ftg--Hyd Str Jm12/Om12 1
10 31599 (000000-- ) Ftg--Hyd Tee Jm04Omjm 1
11 56690 (000000-- )Ftg--Hyd Str Jm06/Om06 1
12 42226 (000000-- ) Ftg--E45 Jm08/Om08 1
Home
Find...
Go To..

STANDARD PARTS
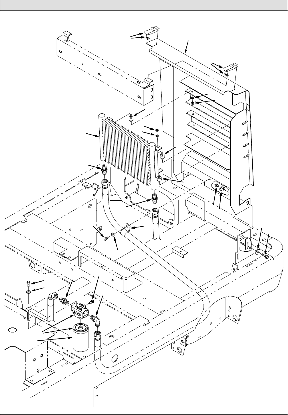
7400D MM426 (3--07)
2-74
Fig. 38 -- Hydraulic Filter and Cooler Group
3
4
5
6
7
8
9
10
1
11
12
13
14
15
16
17
18
19
20
11
4
4
6
2
5
19
21
Home
Find...
Go To..

STANDARD PARTS
2-75
7400D MM426 (3--07)
10749 -- D
Fig. 38 -- Hydraulic Filter and Cooler Group
Ref. Part No. Serial Number Description Qty.
171911 (000000-- )Grill Wldt 1
2 01685 (000000-- ) Washer, Flat, 0.31 Ss 1
3 20862 (000000-- ) Cooler, Hyd 1
4 51322 (000000-- ) Isolator--Vibration .31--18 4
5 43952 (000000-- ) Washer--Loc Int .31 Ss 8
642260 (000000-- )Ftg--Hyd Str Jm12/Om12 2
7 369845 (000000-- ) Pivot, Flanged 2
8 36996 (000000-- ) Washer 2
9 77347 (000000-- ) Scr Hexssm 10X1.5 35 2
10 08714 (000000-- ) Nut--Hxlocnyln M 10X1.5 Reg Ss 2
11 49800 (000000-- ) Latch, Elastic 2
o12 10664 (000000-- ) Filter Assy, Spin--On 1
Y13 65221 (000000-- ) Element, Filter 1
14 42260 (000000-- ) Ftg--Hyd Str Jm12/Om12 1
15 46481 (000000-- ) Ftg--Hyd E90 Jm12/Om12 1
16 58366 (000000-- )Clamp,Cable 1.25Dia 1.00W Neo 1
17 21195 (000000-- ) Screw, Hex, .38--16 X 0.75, 5 2
18 41187 (000000-- ) Washer, Belleville, .38 2
19 19313 (000000-- ) Nut, Hex, Std, .31--18 8
20 16735 (000000-- ) Screw, Hex, M 8 X 1.25 X 16, 8.8 1
21 65222 (000000-- )Send--unit, Fltr, Hyd (Option) 1
Home
Find...
Go To..

STANDARD PARTS
7400D MM426 (12--02)
2-76
Fig. 39 -- Electrical Schematic (000000--007548)
8/GRN
FU--1
40A
13Q/BLK
GLOW PLUGS
MAGNETIC
PICKUP
7/YEL
72C/GRY
71C/YEL
84/GRN
86/PUR
18C/ORA
THROTTLE
ACTUATOR
23C/GRY
PIN 20
TIED TO ENG.
OIL PRESS.
PIN 9
SCRUB BR.
MUST BE ON
5 SEC. DELAY
ES PUMP RUNS
30 SEC.
5 SEC. DELAY
1MIN.TOVAC
FAN SHUT--OFF
42A/YEL42/YEL
56/ORA
3
5
13
10
7
8
17
14
15
4
1
9
18
20
19A/BLU
13R/BLK
13K/BLK
13D/BLK
13G/BLK
23C/GRY
23C/GRY
23B/GRY 23/GRY
27/PUR
26/BRN
58/BLU
60/GRN
RECOVERY
TANK
SOLUTION
TANK
S--18 N.C.H.O.
S--17 N.O.H.C.
13N/BLK
FILTER SWITCH
S--14
HYDRAULIC
M6
LIGHTS
85 86
M7
REVERSE
85 86
83/BRN
10/GRY
15/BLU
15A
CB--1
15A
CB--5
15A
CB--5
15A
36/GRN
35/BRN
13H/BLK
14/GRN
18A/ORA
N.C.H.O.
GAS--DIESEL
13P/BLK
13B/BLK
C
S--4 OIL SWITCH15A/BLU
FUEL PUMP
10A/GRY
M2
STARTER RELAY
M1
18A/
ORA
18A/
ORA
18/ORA
8730
FLOW SWITCH
15/
BLU
M4 8685
28/YEL
M5 57/GRN
5.0A
S--15
23A/GRY
ES PUMP
MTR
DETERGENT METERING
85 86
REVERSE
RECOVERY TANK
S--8
S--1
M3
22/
YEL
8685 M3
1E/
RED CB--6
19/BLU
A
2/
ORA
C
IGNITION
SWITCH
S--3
CB--5
43/BLU
13L/BLK
13J/BLK
55A MAX.
CHARGE
1C/RED
1D/RED
2/ORA
A
L2
1B/RED
5/YEL
12V
540 C.C.A.
20A/BLU
20/BLU
10/GRY
4/YEL
HG
FEDC
B
A
CLOSES AT
225
°
F
ELECTRONIC
INSTRUMENT
PANEL
COOLANT TEMP
SENDER
FUEL SENDER
SE--1
SE--2
HORN BUTTON
15A
HORN
17
50
BATT.
30
19
ACC
START
SENSE
GOV
CONTROL
13A/BLK
STARTER MOTOR
13/BLK
BATTERY
ALTERNATOR
GND
OUT
1A/RED
STARTER RELAY
M1
1/RED MTR
10788 -- D
Home
Find...
Go To..

STANDARD PARTS
2-77
7400D MM426 (12--02)
Fig. 39 -- Electrical Schematic (000000--007548)
10788 -- D
Home
Find...
Go To..

STANDARD PARTS
7400D MM426 (3--05)
2-78
Home
Find...
Go To..

STANDARD PARTS
2-79
7400D MM426 (3--05)
Fig. 40 -- Electrical Schematic (007549-- )
391949, 354334 -- D
Home
Find...
Go To..

STANDARD PARTS
7400D MM426 (3--05)
2-80
Fig. 40 -- Electrical Schematic (007549-- )
1
2
3
4
5
6
391949, 354334 -- D
Home
Find...
Go To..

STANDARD PARTS
2-81
7400D MM426 (3--05)
Fig. 40 -- Electrical Schematic (007549-- )
1
2
3
4
5
6
391949, 354334 -- D
Home
Find...
Go To..

STANDARD PARTS
7400D MM426 (3--05)
2-82
Fig. 41 -- Electrical Wire Harnesses Group
AB
BA
MAGNETIC
PICK--UP
13Y/BLK 72E/GRN
GLOW PLUGS
8/GRN
86/PUR
84/GRN
ACTUATOR
1
Serial number
(000000--007493)
(007494-- )
Serial number
Home
Find...
Go To..

STANDARD PARTS
2-83
7400D MM426 (3--05)
Fig. 41 -- Electrical Wire Harnesses Group
2
3
Home
Find...
Go To..

STANDARD PARTS
7400D MM426 (3--05)
2-84
Fig. 41 -- Electrical Wire Harnesses Group
2
Home
Find...
Go To..

STANDARD PARTS
2-85
7400D MM426 (12--02)
Fig. 41 -- Electrical Wire Harnesses Group
SV2
24B/PUR
24B/PUR
48/GRY
47/BRN
24B/PUR
24B/PUR
45/GRY
AB
A
B
BA
BA
24B/PUR
46A/BRN
AB
A
B
AB
AB
A
B
25C/GRY
AB
A
B
46A/BRN
A
B
AB
SV7 46A/BRN
24B/PUR
SCRUB VALVE
BLOCK
MAIN
HARNESS
51C/PUR
SV5
SV1SV6
SV4
SV3
HYDRAULIC SOLENOID VALVES
SV--1 SCRUB BRUSH ON
SV--2 VACUUM FAN ON
SV--3 SQUEEGEE DOWN
SV--4 DOWN PRESS. PROPORTIONAL VALVE
SV--5 SCRUB BRUSH DOWN
SV--6 SIDE BRUSH ON
SV--7 SCRUB BRUSH UP -- HOLD
BA
MAIN INSTRUMENT
PANEL SOCKET
REAR VIEW
12
18
24
23
22
21
20
19
13 7
6
5
4
3
2
1
58/BLU
83/BRN
1A/RED
21B/GRY
13S/BLK
13T/BLK
13U/BLK
45/GRY
60/GRN
46/BRN
48/GRY
15/BLU
2/ORA
42/ORA
51/PUR
47/BRN
28/YEL
56/YEL
36/GRN
35/BRN
52/YEL
43/BLU
57/GRN
26/BRN
23/GRY
13A/BLK
1B/RED
2/ORA
E
S
EXC
L2
B
P
CONN. A.SOC. NO.
24
23
22
21
20
19
18
17
16
15
14
13
12
11
10
9
8
7
6
5
4
3
2
1
CONNECTOR WIRING
MANDO
ALTERNATOR
60559
TO
MAIN
HARNESS
TO
ENGINE
BLOCK
Serial number (005614 and above)
Serial number
(000000--005613)
Home
Find...
Go To..

STANDARD PARTS
7400D MM426 (12--05)
2-86
10792 -- D
Fig. 41 -- Electrical Wire Harnesses Group
Ref. Part No. Serial Number Description Qty.
171626 (000000-- )Harness, Main D 7400 1
2 73445 (000000-- ) Diode Assy 2
3 222290 (000000-- ) Diode, Ele, Plug 1
Home
Find...
Go To..

STANDARD PARTS
2-87
7400D MM426 (12--02)
Home
Find...
Go To..

STANDARD PARTS
7400D MM426 (12--05)
2-88
Fig. 42 -- Scrub Head Lift Group
21
19
8
18
22 4
16
15
14
43
17
20
18
19
10
13
12
12 11
9
7
6
5
13
1
2
7
6
22 4
23
23
24
25
26
27
2829
26
27
30
7
30
Home
Find...
Go To..

STANDARD PARTS
2-89
7400D MM426 (12--05)
10460 -- ALL
Fig. 42 -- Scrub Head Lift Group
Ref. Part No. Serial Number Description Qty.
156139 (000000-- )Shaft Wldt, Torque 1
2 56137 (000000-- ) Housing Wldt, Bearing Lh 1
3 09028 (000000-- ) Scr Hexssm 10X1.5 25 6
4 01686 (000000-- ) Washer Flt .38 Ss 10
5 56136 (000000-- ) Housing Wldt, Bearing Rh 1
o656103 (000000-- )Hub Assy, Mounting, Brush 2
Y7 56106 (000000-- ) Pin, Dowel, 0.5002 D X 1.50 L 2
8 06419 (000000-- ) Scr--Hex Ssm10X1.5 70 Full Thd 1
9 07787 (000000-- ) Nut Hx Std Ss M10X1.5 1
10 25684 (000000-- ) Bracket, Cylinder 1
11 379030 (000000-- )Cylinder, Hyd 1.5B 02.8S 2500 1
12 77097 (000000-- ) Ftg--Hyd E90 Jm04/Om04 2
13 94877 (000000-- ) Pin, Clevis 10D X 50L 2
14 48183 (000000-- ) Chain,Link#2/0,11Links,Zinc Pl 1
15 09011 (000000-- ) Scr Hexssm 8X1.25 30 1
16 01685 (000000-- )Washer Flt .31 Ss 1
17 08713 (000000-- ) Nut--Hxlocnyln M 8X1.25 Reg Ss 1
18 56077 (000000-- ) Rod, 3/8--24 Rh/Lh Thread 2
19 86780 (000000-- ) Rod End .375--24 Lh W/Stud 2
20 86781 (000000-- ) Rod End .375--24 W/Stud 1
21 63282 (000000-- )Ball Joint .375--24 Quick/Disc 1
22 50269 (000000-- ) Nut Hxlocnyln .38--24 Reg5518--8 4
23 56096 (000000-- ) Bearing, Nylon 2
24 06981 (000000-- ) Scr Hex M16X2.0 40 2
25 32494 (000000-- ) Washer Flt .62 Hard 2
26 82899 (000000-- )Nut, Hex, Jam, .38--24, Lh 2
27 20171 (000000-- ) Nut, Hex, Jam, .38--24 2
28 16931 (000000-- ) Screw, Hex, M8 X 1.25 X 20, 8.8 4
29 32491 (000000-- ) Washer, Flat, 0.31 Std 4
30 56167 (000000-- )Pin, Dowel, .50, 3.5L 2
Home
Find...
Go To..

STANDARD PARTS
7400D MM426 (3--05)
2-90
Fig. 43 -- Scrub Brush Housing Group
2
3
4
5
6
7
8
9
10
1
11
12
13
9
8
11
Home
Find...
Go To..

STANDARD PARTS
2-91
7400D MM426 (12--05)
353540 -- ALL
Fig. 43 -- Scrub Brush Housing Group
Ref. Part No. Serial Number Description Qty.
1391944 (000000-- )Housing, Brush 1
2 48079 (000000-- ) Bolt--Eye, .25--20Th .25B 1.4L 1
3 36542 (000000-- ) Sprng,Tens,0.38Odx.06Wire 6.0L 2
4 71630 (000000-- ) Pin, Guide 1
5 56149 (000000-- ) Pin, Guide 3
601686 (000000-- )Washer Flt .38 Ss 4
7 08714 (000000-- ) Nut--Hxlocnyln M10X1.5 Reg 18--8 4
8 71200 (000000-- ) Skirt, Brush Arm 2
9 71201 (000000-- ) Retainer, Skirt, Brush 2
10 09007 (000000-- ) Screw, Hex, M06 X 1.0 X 25, Ss 4
11 32490 (000000-- )Washer, Flt, .25 Std 2
12 32491 (000000-- ) Washer, Flt, .31 Std 1
13 05286 (000000-- ) Pin, Hair Cotter 2
Home
Find...
Go To..

STANDARD PARTS
7400D MM426 (12--02)
2-92
Fig. 44 -- Scrub Brush Drive Motor Group
2
3
4
5
6
7
8
9
10
1
11
12
13
14
15
16
17
18
15
6
18
3
8
7
13
Home
Find...
Go To..

STANDARD PARTS
2-93
7400D MM426 (12--02)
353541 -- ALL
Fig. 44 -- Scrub Brush Drive Motor Group
NOTE: Brush Drive Arm Assembly, Tennant Part Number 71660, includes Fig. 44 and Fig. 45.
Ref. Part No. Serial Number Description Qty.
171610 (000000-- )Plate, Mounting, Brush 1
2 56088 (000000-- ) Shaft, Pivot 1
3 39350 (000000-- ) Washer, Flt, .75 Sae 2
4 58677 (000000-- ) Bearing--Thrust, 1.031 Dia 1
5 23788 (000000-- ) Ring,Retain,Ex,0.98Od,E--Ring 1
671729 (000000-- )Motor, Hyd Gear In 4.5 B 1500 (See Breakdowns) 2
7 44868 (000000-- ) Ftg--Hyd E90 Jm08/Om08 3
8 55586 (000000-- ) Ftg--Hyd Str Jm04/Om04 2
9 57988 (000000-- ) Ftg--Hyd Tee Jm04Jmjf 1
10 44869 (000000-- ) Ftg--Hyd Str Jm08/Om08 1
11 39210 (000000-- )Ftg--Hyd E90 Jm04/Jf04 1
12 71166 (000000-- ) Tube, Hyd, Jf08 1
13 25686 (000000-- ) Plug Wldt, Brush Drive 2
14 56100 (000000-- ) Arm, Brush, Mach, Lh 1
15 56166 (000000-- ) Bearing, Flange 2
16 07783 (000000-- )Nut, Hex, Std, M20 X 2.5 1
17 01762 (000000-- ) Screw, Hex, .38--16 X 0.75, Nl 8
18 08182 (000000-- ) Pin, Cotter, .125 X 1.00 2
Home
Find...
Go To..

STANDARD PARTS
7400D MM426 (12--02)
2-94
Fig. 45 -- Scrub Brush Left Side Squeegee Group
1
2
34
5
6
9
10 11
12
13
14
15
16
17
18
19
20
21
22 23
24
5
5
15
10
7
6
6
5
34
10 11
5
8
6
7
23
10
9
Home
Find...
Go To..

STANDARD PARTS
2-95
7400D MM426 (3--07)
10466 -- ALL
Fig. 45 -- Scrub Brush Left Side Squeegee Group
NOTE: Brush Drive Arm Assembly, Tennant Part Number 71660, includes Fig. 44 and Fig. 45.
Ref. Part No. Serial Number Description Qty.
o25793 (000000-- )Squeegee Assy, Side, Lh 1
Y1 391804 (000000-- ) Bracket, Squeegee, Lh 1
Y2 378952 (000000-- ) Arm, Sq Lift 1
Y3 71607 (000000-- ) Bearing, .625B X .38 2
Y4 71608 (000000-- ) Sleeve, Bearing .625Od X .515 2
Y564425 (000000-- )Washer, ..656B 1.25D .06 5
Y6 39019 (000000-- ) Pin,Clevis,0.37 Dia.X 0.75 Lg 4
Y7 25737 (000000-- ) Spring, Ten,0.75Od.07Wire 3.5L 2
Y8 25709 (000000-- ) Arm, Lift, Squeegee 1
Y9 77347 (000000-- ) Screw Hexssm10X1.5 35 2
Y10 01686 (000000-- )Washer Flt .38 Ss 6
Y11 08714 (000000-- ) Nut--Hxlocnyln M10X1.5 Reg 18--8 2
Y12 25719 (000000-- ) Frame Wldt, Sq Lh 1
Y13 25730 (000000-- ) Bearing, Flange .625B X .50 1
Y14 25736 (000000-- ) Tube, 0.62d 0.41b 0.6l, Ss, Cham 1
Y15 09028 (000000-- )Scr Hexssm 10X1.5 25 1
Y16 01684 (000000-- ) Washer Flt .25 Ss 1
Y17 86859 (000000-- ) Squeegee, Side 1
Y18 86759 (000000-- ) Retainer, Squeegee 1
Y19 69582 (000000-- ) Pin,Clevis,0.31 Dia X 1.00 Lg 1
Y20 44906 (000000-- )Pin, Hair Cotter, 0.69 D .092 Wir 1
Y21 86865 (000000-- ) Guide, Side Squeegee 1
Y22 64173 (000000-- ) Bushing, Sleeve, 0.50b 0.59d 0.38l, Stl 1
Y23 86860 (000000-- ) Bearing, Thrust .500 2
Y24 09744 (000000-- )Scr Hexssm 6X1.0 1
Home
Find...
Go To..

STANDARD PARTS
7400D MM426 (12--02)
2-96
Fig. 46 -- Scrub Brush Idler Group
2
3
4
7
89
10
1
11
12
13
14
15
16
8
16
9
12
5
6
3
4
6
5
5
6
7
5
6
Home
Find...
Go To..

STANDARD PARTS
2-97
7400D MM426 (3--07)
353542 -- ALL
Fig. 46 -- Scrub Brush Idler Group
NOTE: Brush Idler Arm Assembly, Tennant Part Number 71662, includes Fig. 46 and Fig. 47.
Ref. Part No. Serial Number Description Qty.
171611 (000000-- )Plate, Mtg, Brush 1
2 56113 (000000-- ) Shaft, Pivot, Rh 1
3 56078 (000000-- ) Shaft, Brush, Idler 2
4 00927 (000000-- ) Key Square 0.25 0.25 01.25 Lg 2
5 25797 (000000-- ) Bearing Kit, Idler 1
609005 (000000-- )Ring,Retain,Ex,1.00Od,Basic 4
7 50270 (000000-- ) Fitting, Grease .12Nptf--Str 2
8 25686 (000000-- ) Plug Wldt, Brush Drive 2
9 12295 (000000-- ) Nut--Hxslot M20X2.5 8 Pltd 2
10 25689 (000000-- ) Arm, Brush, Mach, Rh 1
11 54618 (000000-- )Bushing, Flng, 1.00b 1.13d 1.00l 1
12 39350 (000000-- ) Washer, Flt, .75 Sae 2
13 58677 (000000-- ) Bearing--Thrust, 1.031 Dia 1
14 23788 (000000-- ) Ring,Retain,Ex,0.98Od,E--Ring 1
15 07783 (000000-- ) Nut, Hex, Std, M20 X 2.5 1
16 08182 (000000-- )Pin, Cotter, .125 X 1.00 2
Home
Find...
Go To..

STANDARD PARTS
7400D MM426 (12--02)
2-98
Fig. 47 -- Scrub Brush Right Side Squeegee Group
1
2
3
4
5
6
7
8
9
10
11
12
13
14
15
16
17
18
19
20
21
22
23
24
6
6
5
23
5
10
5
3
4
5
10
11
10
15
6
25
7
Home
Find...
Go To..

STANDARD PARTS
2-99
7400D MM426 (3--07)
10464 -- ALL
Fig. 47 -- Scrub Brush Right Side Squeegee Group
NOTE: Brush Idler Arm Assembly, Tennant Part Number 71662, includes Fig. 46 and Fig. 47.
Ref. Part No. Serial Number Description Qty.
o25792 (000000-- )Squeegee Assy, Side, Rh 1
Y1 391849 (000000-- ) Bracket, Sqge, Rh 1
Y2 378952 (000000-- ) Arm, Sq Lift 1
Y3 71607 (000000-- ) Bearing, .625B X .38 2
Y4 71608 (000000-- ) Sleeve, Bearing .625Od X .515 2
Y564425 (000000-- )Washer, .656B 1.25D .06 5
Y6 39019 (000000-- ) Pin,Clevis,0.37 Dia.X 0.75 Lg 4
Y7 25737 (000000-- ) Spring, Ten,0.75Od.07Wire 3.5L 2
Y8 25709 (000000-- ) Arm, Lift, Squeegee 1
Y9 77347 (000000-- ) Screw Hexssm10X1.5 35 1
Y10 01686 (000000-- )Washer Flt .38 Ss 6
Y11 08714 (000000-- ) Nut--Hxlocnyln M10X1.5 Reg 18--8 2
Y12 25733 (000000-- ) Frame Wldt, Sq Rh 1
Y13 25730 (000000-- ) Bearing, Flange .625B X .50 1
Y14 25736 (000000-- ) Tube, 0.62d 0.41b 0.6l, Ss, Cham 1
Y15 09028 (000000-- )Scr Hexssm 10X1.5 25 4
Y16 01684 (000000-- ) Washer Flt .25 Ss 1
Y17 86859 (000000-- ) Squeegee, Side 1
Y18 86759 (000000-- ) Retainer, Squeegee 1
Y19 69582 (000000-- ) Pin,Clevis,0.31 Dia X 1.00 Lg 1
Y20 44906 (000000-- )Pin, Hair Cotter, 0.69 D .092 Wir 1
Y21 86865 (000000-- ) Guide, Side Squeegee 1
Y22 64173 (000000-- ) Bushing, Sleeve, 0.50b 0.59d 0.38l, Stl 1
Y23 86860 (000000-- ) Bearing, Thrust .500 2
Y24 09744 (000000-- ) Scr Hexssm 6X1.0 1
Y25 06535 (000000-- )Screw, Flat M10X1.5 1
Home
Find...
Go To..

STANDARD PARTS
7400D MM426 (3--07)
2-100
Fig. 48 -- Scrub Head Debris Tray Frame Group
12
3
4
5
6
7
9
10
11
12
13
14
15
16
17 18
19
21
8
12 8
8
15
10
10 16
14
20
23
22
24
25
Home
Find...
Go To..

STANDARD PARTS
2-101
7400D MM426 (12--02)
10476 -- ALL
Fig. 48 -- Scrub Head Debris Tray Frame Group
Ref. Part No. Serial Number Description Qty.
171121 (000000-- )Pivot Wldt, Tray 1
2 391804 (000000-- ) Sleeve, Pivot, Lower 1
3 09029 (000000-- ) Scr Hexssm 12X1.75 40 1
4 41619 (000000-- ) Washer Flt .50 Ss 1
5 09741 (000000-- ) Nut--Hxlocnynmm12X1.75 Reg Ss 1
671251 (000000-- )Bracket, Wheel, Tray 1
7 09028 (000000-- ) Scr Hexssm 10X1.5 25 2
8 01686 (000000-- ) Washer Flt .38 Ss 4
9 09010 (000000-- ) Scr--Hexssm 8X1.25 25 2
10 01685 (000000-- ) Washer Flt .31 Ss 10
11 71263 (000000-- )Tray Wldt, Debris 1
12 71106 (000000-- ) Wheel, Tray, 1.75 Dia 2
13 71261 (000000-- ) Cover, Tray 1
14 71083 (000000-- ) Bracket, Cover 2
15 71084 (000000-- ) Plate, Cover 2
16 09740 (000000-- )Scr Hexssm 8X1.25 8
17 59194 (000000-- ) Latch, Hook, Lh 1
18 25714 (000000-- ) Spacer, Latch 2
19 07805 (000000-- ) Scr Hexssm 6X1.0 35 4
20 59192 (000000-- ) Latch, Bolt 1
21 40678 (000000-- )Clamp--Cable, 0.44D 0.62W Stl 1
22 53782 (000000-- ) Bearing--Thrust 0.75B 1.25D .06W 1
23 01684 (000000-- ) Washer Flt .25 Ss 4
24 41619 (000000-- ) Washer, Flat, 0.56b 1.38d .11, Ss 1
25 07788 (000000-- )Nut, Hex, Std, M12 X 1.75, Ss 1
Home
Find...
Go To..

STANDARD PARTS
7400D MM426 (12--02)
2-102
Fig. 49 -- Scrub Head Debris Tray Trough Group
1
2
3
4
5
6
7
8
9
10
78
67
11
Home
Find...
Go To..

STANDARD PARTS
2-103
7400D MM426 (12--02)
10773 -- ALL
Fig. 49 -- Scrub Head Debris Tray Trough Group
Ref. Part No. Serial Number Description Qty.
171260 (000000-- )Tray, Debris 1
2 71082 (000000-- ) Tube Wldt, Vacuum 1
3 71375 (000000-- ) Filter Wldt, Tray 1
4 71115 (000000-- ) Bracket, Filter 1
5 59393 (000000-- ) Spring, Trough Screen 1
608716 (000000-- )Screw,HexSsm6X1.020 3
7 01684 (000000-- ) Washer Flt .25 Ss 5
8 08712 (000000-- ) Nut Hxlocnyln M 6X1.0 Reg Ss 3
9 71102 (000000-- ) Hose, Vacuum, Tray 1
10 11399 (000000-- ) Clamp--Wormdrive, 0.81-- 1.50D 2
11 20889 (000000-- )Plate, Support 1
Home
Find...
Go To..

STANDARD PARTS
7400D MM426 (12--02)
2-104
Fig. 50 -- Rear Squeegee Lift Group
1
2
3
4
5
6
7
8
9
11
12
13
14
15
16
17
18
9
8
10
19
20
Home
Find...
Go To..

STANDARD PARTS
2-105
7400D MM426 (3--07)
10474 -- D
Fig. 50 -- Rear Squeegee Lift Group
Ref. Part No. Serial Number Description Qty.
171104 (000000-- )Bellcrank Wldt 1
2 64425 (000000-- ) Washer, .656B 1.25D .06 1
3 71658 (000000-- ) Sleeve, Bearing .62Od 1
4 07450 (000000-- ) Bearing, Thrust 1
5 04417 (000000-- ) Screw Hex Ssm 10X1.5 1
608714 (000000-- )Nut--Hxlocnyln M10X1.5 Reg Ss 1
7 33948 (000000-- ) Washer, Flat .38 1
8 71101 (000000-- ) Cable, Sq Lift, Metric 1
9 77488 (000000-- ) Pin,Clevis,0.19 Dia.X 0.62 Lg 2
10 223054 (000000-- ) Drum, Lift Cable 1
11 04733--10 (000000-- )Pin, Clevis,0.25 Dia X 2.44 Lg 1
12 06279 (000000-- ) Pin,Clevis,0.50 Dia.X 2.50 Lg 1
13 1028042 (000000-- ) Cylinder, Hyd, 2.0b 08.0l 04.00strk 2500 1
14 77097 (000000-- ) Ftg--Hyd E90 Jm04/Om04 1
15 34359 (000000-- ) Ftg--Hyd E45 Jm04/Om04 1
16 16456 (000000-- )Ftg--Hyd Rst Jm04/.063 1
17 51534 (000000-- ) Pin,Clevis,0.50 Dia.X 2.00 Lg 1
18 20868 (000000--003597 ) Cylinder Pin Kit, Sqge 1
19 63233 (003598-- ) Bushing, Sleeve, 0.50b 0.59d 0.50l, Bnz 2
20 06474A (003598-- )Pin, Clevis, 0.50Dia. X3.50Lg 1
Home
Find...
Go To..

STANDARD PARTS
7400D MM426 (3--07)
2-106
Fig. 51 -- Rear Squeegee Linkage Group
1
2
4
5
6
7
8
9
10
11
12
14
15
17
18
19
21 30
23
24
25
2
3
3
3
3
3
3
20
20
4
4
23
26
24
23 23
26
25
21
22
13
13
17
5
16
22
5
6
7
2
30
10
4
27
27
29
28
16
16
Home
Find...
Go To..

STANDARD PARTS
2-107
7400D MM426 (3--07)
10470 -- ALL
Fig. 51 -- Rear Squeegee Linkage Group
Ref. Part No. Serial Number Description Qty.
o369897 (000000-- )Kit, Repair, Linkage, Squeegee 1
Y1 71242 (000000-- ) Bracket Wldt, Sq Main 1
Y2 71113 (000000-- ) Rod, Threaded 4
Y3 05686 (000000-- ) Rod End M10 X1.5 W/Stud 8
Y4 32716 (000000-- ) Nut Hx, Jam M10X 1.5Ss 4
Y508714 (000000-- )Nut--Hxlocnyln M10X1.5 Reg 18--8 10
Y6 71204 (000000-- ) Spring, Centering 2
Y7 71211 (000000-- ) Block, Centering 2
Y8 25804 (000000-- ) Bracket, Stop 1
Y9 25819 (000000-- ) Pad, Neoprene 1
Y10 20806 (000000-- )Cap, Neoprene, Black 2
Y11 08712 (000000-- ) Nut Hxlocnyln M 6X1.0 Reg Ss 4
Y12 71248 (000000-- ) Bracket Wldt, Sq Secondary 1
Y13 25735 (000000-- ) Bearing, Flange .625Bx .38 2
Y14 71257 (000000-- ) Tube, 0.62d 0.41b 0.5l, Ss, Cham 2
Y15 77347 (000000-- )Screw Hexssm10X1.5 35 2
Y16 01686 (000000-- ) Washer Flt .38 Ss 4
Y17 11843 (000000-- ) Bolt--Eye, .38--16Th .28B 3.22L 2
Y18 01692 (000000-- ) Nut Hx Std Ss .38--16 2
Y19 59156 (000000-- ) Nut--Hxlocnyln .38--16 Regss18--8 2
Y20 71100 (000000-- )Spring, Tension 2
Y21 71210 (000000-- ) Baljoint, 3/8--24 2
Y22 50269 (000000-- ) Nut, Hex, Lock, .38--24, Nl, Ss 2
Y23 07449 (000000-- ) Bearing, Fiberglide 4
Y24 64425 (000000-- ) Washer, .656B 1.25D .06 2
Y25 33373 (000000-- )Ring, Retain,Ex,0.62Od,Heavydt 2
Y26 63468 (000000-- ) Washer, .687B 1.19D .06Cr. Cad 2
Y27 71245 (000000-- ) Caster, Squeegee 2
Y28 09007 (000000-- ) Screw, Hex, M6 X 1.0 X 25, Ss 2
Y29 08716 (000000-- ) Screw, Hex, M6 X 1.0 X 20, Ss 2
Y30 02939 (000000-- )Nut, Hex, Std, .38--24, Ss 4
Home
Find...
Go To..

STANDARD PARTS
7400D MM426 (12--02)
2-108
Fig. 52 -- Rear Squeegee Assembly
9
5
8
2
7
13
13
14
6
3
1
17
4
10
11
15
16
18
6
6
7
12
7
13
14
18
12
Home
Find...
Go To..

STANDARD PARTS
2-109
7400D MM426 (12--02)
10468 -- ALL
Fig. 52 -- Rear Squeegee Assembly
Ref. Part No. Serial Number Description Qty.
o25791 (000000-- )Squeegee Assy, Rear 1
Y1 71254 (000000-- ) Squeegee Wldt 1
Y2 71255 (000000-- ) Blade, Squeegee, Front 1
Y3 71256 (000000-- ) Blade, Squeegee, Rear 1
Y4 21597 (000000-- ) Strip Wldt, Rear Retainer 1
Y521600 (000000-- )Strip Wldt, Front Retainer 1
Y6 21603 (000000-- ) Pin 4
Y7 24555 (000000-- ) E--Ring, External .375 Dia 4
Y8 21608 (000000-- ) Pin Wldt, Front 1
Y9 21601 (000000-- ) Cam, Front 1
Y10 21606 (000000-- )Pin Wldt, Rear 1
Y11 21602 (000000-- ) Cam, Rear 1
Yo21614 (000000-- ) Bumper Kit, Squeegee 2
YY 12 21586 (000000-- ) Bumper, Squeegee 2
YY 13 79219 (000000-- ) Retainer 4
YY 14 71199 (000000-- )Pin, Hitch, .19Dia X 3.44 L 2
Y15 09028 (000000-- ) Scr Hexssm 10X1.5 25 4
Y16 01686 (000000-- ) Washer Flt .38 Ss 4
Y17 08714 (000000-- ) Nut--Hxlocnyln M10X1.5 Reg 18--8 4
Y18 03495 (000000-- )Strip, Non Slip 4
Home
Find...
Go To..

STANDARD PARTS
7400D MM426 (12--02)
2-110
Fig. 53 -- Rear Squeegee Caster Assembly
1
2
3
4
5
6
7
8
9
10
11
17
13
4
18
15 16
16
12
14
Home
Find...
Go To..

STANDARD PARTS
2-111
7400D MM426 (12--02)
10472 -- D
Fig. 53 -- Rear Squeegee Caster Assembly
Ref. Part No. Serial Number Description Qty.
o71245 (000000-- )Caster Assy, Squeegee, Rear 1
Y1 71117 (000000-- ) Bracket Wldt, Caster, Adj. 1
Y2 71123 (000000-- ) Arm, Linkage, R.H. 1
Y3 71124 (000000-- ) Arm, Linkage, L.H. 1
Y4 12364 (000000-- ) Ring,Retain,Ex,0.375D,Klipring 2
Y571274 (000000-- )Pin, Clevis .31D X 2.5L 1
Y6 71126 (000000-- ) Block 1
Y7 71090 (000000-- ) Knob, Caster 1
Y8 32490 (000000-- ) Washer, Flat,ll .25 Hard 1
Y9 71209 (000000-- ) Spring Comp 0.660Dx.09Wire3.5L 1
Y10 08713 (000000-- )Nut--Hxlocnyln M 8X1.25 Reg Ss 1
Y11 71202 (000000-- ) Bracket, Caster Lock 1
Y12 20833 (003661-- ) Wheel, 3 Inch Dia. 1
Y13 02931 (000000-- ) Nut--Hxlocnyln .50--13 Regss18--8 1
Y14 81952 (000000-- ) Scr--Hex .50 13 X 3.00 Ss 1
15 10165 (000000--003660 )Wheel, 3 Inch Dia. 1
16 64425 (000000--003660 ) Washer, .656B 1.25D .06 2
17 76943 (000000--003660 ) Bolt, Axle W/Zerk 1
18 75050 (000000--003660 ) Bushing, Spanner -- Special 550 1
Home
Find...
Go To..

STANDARD PARTS
7400D MM426 (3--07)
2-112
Fig. 54 -- FaST Air Pump and Detergent Group
2
3
4
5
6
7
8
9
10
1
11 12
13
14
15
16
17
18
19
20
21
22
23
24
25
26
27
2
3
66
6
6
6
6
9
4
4
4
8
25
5
17
Home
Find...
Go To..

STANDARD PARTS
2-113
7400D MM426 (3--05)
354323 -- NA
Fig. 54 -- FaST Air Pump and Detergent Group
Ref. Part No. Serial Number Description Qty.
11019209 (007549-- )Bracket Wldt, Mtg, Pump 1
2 09740 (007549-- ) Screw, Hex, M8 X 1.25 X 20, Ss 3
3 01685 (007549-- ) Washer, Flat, 0.31 Ss 3
4 54333 (007549-- ) Clamp, Hose, Wormdrive, 0.31--0.88d, .31w 4
5 1010684 (007549-- ) Fitting, Plstc, Tee, Bm08/Bm04/Bm08 2
61014575 (007549-- )Clamp, Hose, Plstc .351--.394 Id 8
7 1014986 (007549-- ) Hose, Afmkt, Pvc, Clr 0.25id 2ft 1
8 150525 (007549-- ) Fitting, Brs, Str, Pm02/Bm04 2
9 1014082 (007549-- ) Fitting, Brs, E90, Cf03/Pf02 2
10 1018097 (007549-- ) Pump, Detgt, 12vdc [560s] 1
11 09206 (007549-- )Screw, Hex, M4 X 0.7 X 12, 8.8 2
12 41579 (007549-- ) Washer, Flat, #8, Ss 2
13 1006415 (007549-- ) Hose, Afmkt, Pvc, Clr 0.25id 3ft 1
14 1002898 (007549-- ) Fitting, Plstc, Str, Bm04, Cplg, Fem 1
15 1002899 (007549-- ) Fitting, Plstc, Str, Pm04, Cplg, Mal 1
16 1005435 (007549-- )Fitting, Plstc, Pipe, Cap, Pf04 1
17 1011403 (007549-- ) Hose, Afmkt, Pvc, Brd 0.50id 1ft 2
18 1013902 (007549-- ) Valve, Check, 2gpm 2psi Bm04/Bm04 1
19 1018780 (007549-- ) Pump, Air, Ele, 12vdc 1
20 1005255 (007549-- ) Filter Assy, Air, Molded Ure 1
21 53466 (007549-- )Clamp, Cable, Stl, 1.50d X 1.00w, 1h 1
22 32491 (007549-- ) Washer, Flat, 0.31 Std 1
23 09010 (007549-- ) Screw, Hex, M8 X 1.25 X 25, Ss 1
24 762249 (007549-- ) Fitting, Brs, Str, Pm04/Bm08 1
25 1014987 (007549-- ) Hose, Afmkt, Pvc, Clr 0.25id 1ft 2
26 08709 (007549-- )Nut, Hex, Lock, M8 X 1.25, Nl 2
27 1021878 (007549-- ) Detergent Pkg, 4 Liter, Sgl [Tco 665] 1
Home
Find...
Go To..

STANDARD PARTS
7400D MM426 (3--07)
2-114
Fig. 55 -- FaST Foam Filter Group
3
4
5
6
8
9
10
1
11
12
13
14
15
16
17
2
2
2
2
2
2
1
14
7
14
8
4
Home
Find...
Go To..

STANDARD PARTS
2-115
7400D MM426 (3--07)
354324 -- ALL
Fig. 55 -- FaST Foam Filter Group
Ref. Part No. Serial Number Description Qty.
11005552 (007549-- )Fitting, Plstc, E90, Bm08/Pm12, Nyl 2
2 54333 (007549-- ) Clamp, Hose, Wormdrive, 0.31--0.88d, .31w 8
3 1006401 (007549-- ) Hose, Afmkt, Pvc, Brd 0.50id 3ft 2
4 64743 (007549-- ) Fitting, Plstc, Str, Bm08/Pm06 2
o5 1005302 (007549-- ) Filter, Inline, Pf06/Pf06, 80 Mesh 1
Y61005304 (007549-- )Screen, Fltr, 80 Mesh 1
7 64778 (007549-- ) Fitting, Plstc, E90, Bm08/Pm06 1
8 1011403 (007549-- ) Hose, Afmkt, Pvc, Brd 0.50id 1ft 2
9 1018499 (007549-- ) Fitting, Plstc, E90, Swivel, Bm08/Pf08s 1
10 1005086 (007549-- ) Tube, Pvc, Shc80, Clr, 4.0l 1
11 1002789 (007549-- )Filter, Foam 3
12 79273--1 (007549-- ) Fitting, Plstc, Str, Bm08/Pm12 1
13 1018337 (007549-- ) Tube Assy, Spray, Cyl, 1000mm [7400] 1
14 67767 (007549-- ) Clamp, Cable, Stl, 0.69d X 0.62w, 1h 3
15 08716 (007549-- ) Screw, Hex, M6 X 1.0 X 20, Ss 3
16 08712 (007549-- )Nut, Hex, Lock, M6 X 1.0, Ss, Nl 3
17 01684 (007549-- ) Washer, Flat, 0.25 Ss 6
Home
Find...
Go To..

STANDARD PARTS
7400D MM426 (3--07)
2-116
Fig. 56 -- FaST Solution Pump Group
2
3
45
6
7
8
910
1
11
12
13
14 15
16
17
18
19
20
22
23
24
25
27
26
30
3
3
3
3
3
3
3
3
7
6
28
29
32
31
34
6
3
3
3
3
3
26 27
21
6
6
13
13
13
13
3
33
35
36
Home
Find...
Go To..

STANDARD PARTS
2-117
7400D MM426 (3--07)
354325 -- ALL
Fig. 56 -- FaST Solution Pump Group
Ref. Part No. Serial Number Description Qty.
11018040 (007549--008085 )Pump, Soltn, Ele, 12vdc 1
1 1030878 (008086-- ) Pump, Soltn, Ele, 12vdc [W/O Chk Valve] 1
2 1018499 (007549-- ) Fitting, Plstc, E90, Swivel, Bm08/Pf08s 1
3 54333 (007549-- ) Clamp, Hose, Wormdrive, 0.31--0.88d, .31w 16
4 32746 (007549-- ) Screw, Pan, M6 X 1.0 X 35, Ss 4
501684 (007549-- )Washer, Flat, 0.25 Ss 4
6 1011403 (007549-- ) Hose, Afmkt, Pvc, Brd 0.50id 1ft 5
7 1010775 (007549-- ) Fitting, Plstc, Str, Bm08/Pm04 Nyl 2
8 398474 (007549-- ) Fitting, Brs, Tee, Pf04/Pf04/Pf04 1
9 150100 (007549-- ) Fitting, Brs, Str, Pf02/Pm04 1
10 1028582 (007549-- )Switch, Press, 0010psi Spst 1
11 1010668 (007549-- ) Fitting, Plstc, Y, Bm08/Bm08/Bm08 Nyl 1
12 1011521 (007549-- ) Hose, Afmkt, Pvc, Brd 0.50id 2ft 2
13 1010775 (008086-- ) Fitting, Plstc, Str, Bm08/Pm04, Nyl 5
o14 1030864 (008086-- ) Fitting Assy, Orifice, 0.070b, Pf04/Pf04 1
Y15 1005506 (008086-- )Fitting, Plstc, Cap, Spray, Pf04 1
Y16 1005507 (008086-- ) Fitting, Plstc, Body, Spray, Pf04 1
Y17 1005508 (008086-- ) Washer, Flat, 0.34b 0.75d .12, Viton 1
Y18 1018883 (008086-- ) Plate, Orifice, 0.070id 1
Y19 1006447 (008086-- ) Screen, 50 Mesh, Ss 1
o20 1030863 (008086-- )Fitting Assy, Orifice, 0.093b, Pf04/Pf04 1
Y21 1005506 (008086-- ) Fitting, Plstc, Cap, Spray, Pf04 1
Y22 1005507 (008086-- ) Fitting, Plstc, Body, Spray, Pf04 1
Y23 1005508 (008086-- ) Washer, Flat, 0.34b 0.75d .12, Viton 1
Y24 1018884 (008086-- ) Plate, Orifice, 0.093id 1
Y25 1006447 (008086-- )Screen, 50 Mesh, Ss 1
26 1018098 (007549-- ) Valve, Water, 12vdc, 6.0mm, 04pf 2
27 1010836 (007549-- ) Fitting, Brs, E90, Pm04/Bm08 2
28 63245--1 (007549-- ) Fitting, Plstc, Tee, Bm08/Bm08/Bm08 1
29 09252 (007549-- ) Screw, Hex, M5 X 0.8 X 20, 8.8 4
30 19066 (007549-- )Washer, Flat, #10 4
31 1013857 (007549-- ) Bracket, Mtg, Valve, Solenoid 1
32 06942 (007549-- ) Screw, Hex, M6 X 1.0 X 16, 8.8 2
33 01684 (007549-- ) Washer, Flat, 0.25 Ss 2
34 1024020 (007549-- ) Hose, Afmkt, Pvc, Wire 0.50id 1ft 1
35 9002438 (007549--008085 )Fitting Assy, Orifice [.070b] F/ 1018533 1
36 9002439 (007549--008085 ) Fitting Assy, Orifice [.093b] F/ 1018467 1
Home
Find...
Go To..

STANDARD PARTS
7400D MM426 (3--05)
2-118
Fig. 57 -- FaST Electrical Group
2
3
4
56
9
10
11
12
Home
Find...
Go To..

STANDARD PARTS
2-119
7400D MM426 (3--05)
Fig. 57 -- FaST Electrical Group
1
8
Home
Find...
Go To..

STANDARD PARTS
7400D MM426 (3--05)
2-120
Fig. 57 -- FaST Electrical Group
/
7
8
1
8
Home
Find...
Go To..

STANDARD PARTS
2-121
7400D MM426 (3--07)
Fig. 57 -- FaST Electrical Group
13
354326, 354327 -- ALL
Ref. Part No. Serial Number Description Qty.
1391939 (007549-- )Harness, Jumper [Fast 7400] 1
2 377084 (007549-- ) Switch, Rocker, 36vdc 05a Progressive 1
3 397889 (007549-- ) Switch, Rocker, 36vdc 05a Dpst On/N/On 1
4 1028580 (007549-- ) Timer, 9--41vdc, Recycling 1
5 06945 (007549-- ) Screw, Hex, M6 X 1.0 X 30, 8.8 1
601684 (007549-- )Washer, Flat, 0.25 Ss 1
7 1015096 (007549-- ) Resistor Assy W / 5 Pin Plug 1
8 222290 (007549-- ) Diode, Ele, Plug 3
9 56186 (007549-- ) Relay, 12vdc, 40a, Spdt N/O [Potter] 2
10 72970 (007549-- ) Rivet, Plstc, .250d X 0.898 2
11 1020195 (007549-- )Label Set, Opertnl [7400 Fast] 1
12 57772 (007549-- ) Button, Plug, Switch, 1.45 X 0.83 Hole 1
13 1031405 (007549-- ) Harness [7400/8410 Fast Update] 1
Home
Find...
Go To..

STANDARD PARTS
7400D MM426 (3--05)
2-122
Fig. 58 -- Label Group
59817
2
3
1
1
1
3
3
1
4
5
10799 -- NA
Ref. Part No. Serial Number Description Qty.
125817 (000000-- )Label Set, Info & Hzd 7400 1
2 71499 (000000-- ) Label, Numerals 7400 2
3 71491 (000000-- ) Label Set, Operational 1
4 1005416 (007549-- ) Label, Fast 1
51015012 (007549-- )Label [Nfsi Certification] 1
Home
Find...
Go To..

OPTIONS
3-1
7400D MM426 (3--07)
SECTION 3
Contents Page
Fig. 1 -- Flashing Light Kit, Overhead Guard 3-2
Fig. 2 -- Revolving Light Kit, Overhead Guard 3-4
Fig. 3 -- Flashing Light Kit, LRC 3-6...........
Fig. 4 -- Revolving Light Kit, LRC 3-8..........
Fig. 5 -- ES and Auto Fill Group 3-10..........
Fig. 6 -- ES Pump Column Group
(000000--004203) 3-12.............
Fig. 7 -- ES Pump Column Group
(004204-- ) 3-14.............
Fig. 8 -- ES Detergent Tank Group 3-16.......
Fig. 9 -- Backup Alarm Group 3-18............
Fig. 10 -- Side Brush Mount Group 3-20........
Fig. 11 -- Side Brush Motor Group 3-22........
Fig. 12 -- Side Brush Hydraulic Group
(000000--005613) 3-24.............
Fig. 13 -- Side Brush Hydraulic Group
(005614-- ) 3-26..............
Fig. 14 -- Side Brush Hydraulic Hose Group
(000000--005613) 3-28.............
Fig. 15 -- Side Brush Hydraulic Hose Group
(005614-- ) 3-30..............
Fig. 16 -- Side Brush FaST Foam Filter
Group 3-32.......................
Fig. 17 -- Urethane Side Brush Squeegee
Assembly 3-34....................
Fig. 18 -- Overhead Guard Kit 3-35............
Fig. 19 -- Fire Extinguisher Kit 3-36............
Fig. 20 -- Protectoseal Fuel Tank Cap
Group (000000--008999) 3-37.......
Fig. 21 -- Seat Belt Kit 3-38...................
Fig. 22 -- Grammer Seat Kit 3-39..............
Fig. 23 -- Solid High Traction Tire Group 3-40...
Fig. 24 -- Solid Turf Tire and Wheel
Assembly 3-41....................
Fig. 25 -- Solid Non Marking Tire and Wheel
Assembly 3-42....................
Fig. 26 -- Solid Non Marking Turf Tire and
Wheel Assembly 3-43..............
Fig. 27 -- Urethane Squeegee Blade Kit 3-44...
Fig. 28 -- Positive Solution Control Drain
Kit, Std 3-45......................
Fig. 29 -- Positive Solution Control Drain
Kit, ES 3-46......................
Fig. 30 -- Squeegee Wand Kit 3-47............
Fig. 31 -- Transport Group 3-48...............
Fig. 32 -- Heavy Duty Engine Air Filter Kit 3-49..
Fig. 33 -- Documentation Group 3-50..........
Home
Find...
Go To..

OPTIONS
7400D MM426 (3--07)
3-2
Fig. 1 -- Flashing Light Kit, Overhead Guard
2
3
4
5
6
7
8
9
1
15
11
12
13
14
10
Home
Find...
Go To..

OPTIONS
3-3
7400D MM426 (3--07)
10795 -- NA, JP
Fig. 1 -- Flashing Light Kit, Overhead Guard
Ref. Part No. Serial Number Description Qty.
o25761 (000000-- )Light Kit Flsh Ohg 1
Yo1 1017248 (007434-- ) Light, Flsh, Amb, 12--48 Vdc 1
YY 9000879 (007434-- ) Lens, Lamp, Amb, Strobe/Flasher 1
YY 9000845 (007434-- ) Lamp, Bulb, Lamp, Flsh 1
Y29192 (007434-- ) Terminal, Ring, .250, 16/14 Awg 1
Y55272 (007434-- )Terminal, Bullet, .156m, 12 Awg 1
Y2 57220 (000000-- ) Plate, Light Mtg. 1
Y3 59447 (000000-- ) Bracket, Mounting, Light, Ohg 1
Y4 10632--9 (000000-- ) Grommet,Rbr,0.56Id,For .13Matl 1
Y5 60288 (000000-- ) Harness, Revolv Light, Cab,Ohg 1
Y655248 (000000-- )Cabletie Mount, Adhesive 1
Y7 49266 (000000-- ) Tie, Cable 1.75D Max 7.50Lg 8
Y8 86330 (000000-- ) Duct, Vinyl .40X.75X10.0 .25D 2
Y9 86332 (000000-- ) Duct, Vinyl .40X.75X26.0 .25D 1
Y10 02850 (000000-- ) Nut, Hex, Lock, M4 X 0.7, Nl 2
Y11 24672 (000000-- )Screw, Hex, .25--20 X 0.75, Ss 2
Y12 27978 (000000-- ) Nut, Hex, Flng, .25--20 2
Y13 24265 (000000-- ) Screw, Pan, M4 X 0.7 X 16, Ss 2
Y14 19065 (000000-- ) Washer, Flat, #08 2
o15 82063 (000000--007433 ) Light, Flashing, Amber, 12V--Re 1
Y58520 (000000--007433 )Lens,Flashing Lite Fr207 Amber 1
Y45779 (000000--007433 ) Bulb, 12V .2A 32Cp #1156 1
58518 (000000--007433 ) Lens,Flashing Lite Fr207 Red 1
58519 (000000--007433 ) Lens,Flashing Lite Fr207 Blue 1
Home
Find...
Go To..

OPTIONS
7400D MM426 (3--07)
3-4
Fig. 2 -- Revolving Light Kit, Overhead Guard
2
3
4
5
6
7
8
9
1
11
12
13
14
10
15
Home
Find...
Go To..

OPTIONS
3-5
7400D MM426 (3--07)
10795 -- NA, JP
Fig. 2 -- Revolving Light Kit, Overhead Guard
Ref. Part No. Serial Number Description Qty.
o25763 (000000-- )Light Kit Revl Ohg 1
Yo1 1017250 (007433-- ) Lamp Strobe, Amb, 12--80 Vdc 1
YY 9000879 (007433-- ) Lens, Lamp, Amb, Strobe/Flasher 1
YY 9000846 (007433-- ) Lamp, Bulb, Lamp, Strobe 1
Y29192 (007433-- ) Terminal, Ring, .250, 16/14 Awg 1
Y55272 (007433-- )Terminal, Bullet, .156m, 12 Awg 1
Y2 57220 (000000-- ) Plate, Light Mtg. 1
Y3 59447 (000000-- ) Bracket, Mounting, Light, Ohg 1
Y4 10632--9 (000000-- ) Grommet,Rbr,0.56Id,For .13Matl 1
Y5 60288 (000000-- ) Harness, Revolv Light, Cab,Ohg 1
Y655248 (000000-- )Cabletie Mount, Adhesive 1
Y7 49266 (000000-- ) Tie, Cable 1.75D Max 7.50Lg 8
Y8 86330 (000000-- ) Duct, Vinyl .40X.75X10.0 .25D 2
Y9 86332 (000000-- ) Duct, Vinyl .40X.75X26.0 .25D 1
Y10 02850 (000000-- ) Nut, Hex, Lock, M4 X 0.7, Nl 2
Y11 24672 (000000-- )Screw, Hex, .25--20 X 0.75, Ss 2
Y12 27978 (000000-- ) Nut, Hex, Flng, .25--20 2
Y13 24265 (000000-- ) Screw, Pan, M4 X 0.7 X 16, Ss 2
Y14 19065 (000000-- ) Washer, Flat, #08 2
o15 82200 (000000--007432 ) Light,Rev.Amber 12V 1
Y44681--1 (000000--007432 )Lens,Rev.Light,Amber 1
Y45779 (000000--007432 ) Bulb, 12V .2A 32Cp #1156 1
44681 (000000--007432 ) Lens,Rev.Light,Red 1
44681--2 (000000--007432 ) Lens,Rev.Light,Blue 1
Home
Find...
Go To..

OPTIONS
7400D MM426 (3--07)
3-6
Fig. 3 -- Flashing Light Kit, LRC
15
4
5
6
7
3
9
10
1
11
12
2
13
14
8
Home
Find...
Go To..

OPTIONS
3-7
7400D MM426 (3--07)
10801 -- NA, JP
Fig. 3 -- Flashing Light Kit, LRC
Ref. Part No. Serial Number Description Qty.
o25765 (000000-- )Light Kit Flsh Lrc 1
Y1 71645 (000000-- ) Bracket Wldt, Rot Light 1
Y2 10632--9 (000000-- ) Grommet,Rbr,0.56Id,For .13Matl 1
Yo3 1017248 (007434-- ) Light, Flsh, Amb, 12--48 Vdc 1
YY 9000879 (007434-- ) Lens, Lamp, Amb, Strobe/Flasher 1
YY 9000845 (007434-- )Lamp, Bulb, Lamp, Flsh 1
Y29192 (007434-- ) Terminal, Ring, .250, 16/14 Awg 1
Y55272 (007434-- ) Terminal, Bullet, .156m, 12 Awg 1
Y4 71543 (000000-- ) Harness, Revol Light 1
Y5 86333 (000000-- ) Duct, Vinyl .40X.75X3.5 .25D 1
Y649266 (000000-- )Tie, Cable 1.75D Max 7.50Lg 8
Y7 45272 (000000-- ) Guard Wldt, Lights, Revl&Flsh 1
Y8 02850 (000000-- ) Nut, Hex, Lock, M4 X 0.7, Nl 2
Y9 41346 (000000-- ) Screw, Hex, M12 X 1.75 X 30, 8.8 2
Y10 32486 (000000-- ) Washer, Flat, 0.50 Sae 2
Y11 16931 (000000-- )Screw, Hex, M8 X 1.25 X 20, 8.8 2
Y12 07791 (000000-- ) Nut, Hex, Flng, M8 X 1.25 2
Y13 24265 (000000-- ) Screw, Pan, M4 X 0.7 X 16, Ss 2
Y14 19065 (000000-- ) Washer, Flat, #08 2
o15 82063 (000000--007433 ) Light, Flashing, Amber, 12V--Re 1
Y58520 (000000--007433 )Lens,Flashing Lite Fr207 Amber 1
Y45779 (000000--007433 ) Bulb, 12V .2A 32Cp #1156 1
58518 (000000--007433 ) Lens,Flashing Lite Fr207 Red 1
58519 (000000--007433 ) Lens,Flashing Lite Fr207 Blue 1
Home
Find...
Go To..

OPTIONS
7400D MM426 (3--07)
3-8
Fig. 4 -- Revolving Light Kit, LRC
15
4
5
6
7
3
9
10
1
11
12
2
13
14
8
Home
Find...
Go To..

OPTIONS
3-9
7400D MM426 (3--07)
10801 -- NA, JP
Fig. 4 -- Revolving Light Kit, LRC
Ref. Part No. Serial Number Description Qty.
o25767 (000000-- )Light Kit Revl Lrc 1
Y1 71645 (000000-- ) Bracket Wldt, Rot Light 1
Y2 10632--9 (000000-- ) Grommet,Rbr,0.56Id,For .13Matl 1
Yo3 1017250 (007433-- ) Lamp Strobe, Amb, 12--80 Vdc 1
YY 9000879 (007433-- ) Lens, Lamp, Amb, Strobe/Flasher 1
YY 9000846 (007433-- )Lamp, Bulb, Lamp, Strobe 1
Y29192 (007433-- ) Terminal, Ring, .250, 16/14 Awg 1
Y55272 (007433-- ) Terminal, Bullet, .156m, 12 Awg 1
Y4 71543 (000000-- ) Harness, Revol Light 1
Y5 86333 (000000-- ) Duct, Vinyl .40X.75X3.5 .25D 1
Y649266 (000000-- )Tie, Cable 1.75D Max 7.50Lg 8
Y7 45272 (000000-- ) Guard Wldt, Lights, Revl&Flsh 1
Y8 02850 (000000-- ) Nut, Hex, Lock, M4 X 0.7, Nl 2
Y9 41346 (000000-- ) Screw, Hex, M12 X 1.75 X 30, 8.8 2
Y10 32486 (000000-- ) Washer, Flat, 0.50 Sae 2
Y11 16931 (000000-- )Screw, Hex, M8 X 1.25 X 20, 8.8 2
Y12 07791 (000000-- ) Nut, Hex, Flng, M8 X 1.25 2
Y13 24265 (000000-- ) Screw, Pan, M4 X 0.7 X 16, Ss 2
Y14 19065 (000000-- ) Washer, Flat, #08 2
o15 82200 (000000--007432 ) Light,Rev.Amber 12V 1
Y44681--1 (000000--007432 )Lens,Rev.Light,Amber 1
Y45779 (000000--007432 ) Bulb, 12V .2A 32Cp #1156 1
44681 (000000--007432 ) Lens,Rev.Light,Red 1
44681--2 (000000--007432 ) Lens,Rev.Light,Blue 1
Home
Find...
Go To..

OPTIONS
7400D MM426 (9--04)
3-10
Fig. 5 -- ESandAutoFillGroup
2
3
4
5
6
7
8
10
1
11
12
13
14
15
16
17
18
19
20
21
22 23
25
24
26
27
28
29
8
8
8
8
12 28
1
1
1
8
30
9
Home
Find...
Go To..

OPTIONS
3-11
7400D MM426 (9--04)
10767 -- ALL
Fig. 5 -- ES and Auto Fill Group
Ref. Part No. Serial Number Description Qty.
o120956 (000000-- )Level Sensing Assy, Es 1
Y2 73145 (000000-- ) Bellows, .75 Id 10.3L 1
Y3 50238 (000000-- ) Float Bottle 1
Y4 50256 (000000-- ) Plug, Float 1
Y5 1008147 (000000-- ) Switch, Snap Actn, 250vdc 20a Dpdt 1
61008147 (000000-- )Switch, Snap Actn, 250vdc 20a Dpd 1
7 71628 (000000--003086 ) Fitting, Plastic, Str 1
8 63810 (000000-- ) Clamp, Hose, Wormdrive, 0.56--1.06d, .56w 6
9 73472 (000000-- ) Hose, Vinyl Clr, .62Idx 18.0Lg 1
10 30268 (000000--003086 ) Ftg Brs E90 1
11 73433 (000000-- )Valve, Solenoid, 12V Dc 2
12 1033507 (000000-- ) Fitting, Brs, Str, Pm08/Pm08 2
13 24450 (000000-- ) Ftg,Brs Tee Pf08 Pf Pf 1
14 48697 (000000--003086 ) Fitting--Brs 1
15 59901 (000000--003086 ) Fitting--Brs Str 1
16 15965 (000000-- )Plate Bent 1
17 73468 (000000-- ) Fitting--Pls E90 1
18 73478 (000000--003086 ) Hose, Vinyl Clr, .75Id x 65.0Lg 1
19 48988 (000000-- ) Nut--Hx Jam 1.00--14 Pltd 1
20 20955 (000000-- ) Washer, 1.03Lb 1.50D .036 Crs 1
21 10678 (000000-- )Fitting, Bulkhead Fem, 1
22 33295 (000000-- ) Ftg Qkdisc, Male 1
o23 375322 (000000-- ) Kit, Ftg, Garden Hose 1
Y24 01316 (000000-- ) Washer, .660B 1.00D .12Rbr 1
25 59900 (000000--003086 ) Hose, Vinyl Clear .62Id x 88 1
26 71888 (003087-- )Hose, Vinyl Clr, .62Idx 63.0Lg 1
27 73468 (003087-- ) Fitting--Pls E90 1
28 30268 (003087-- ) Ftg Brs E90 2
29 48697 (003087-- ) Fitting--Brs 1
30 71887 (003087-- )Hose, Vinyl Clr, .75Id x 58.0Lg 1
Home
Find...
Go To..

OPTIONS
7400D MM426 (12--05)
3-12
Fig. 6 -- ES Pump Column Group (000000--004203)
1
24
4
5
6
78
3
2
8
5
Home
Find...
Go To..

OPTIONS
3-13
7400D MM426 (12--05)
10769 -- ALL
Fig. 6 -- ES Pump Column Group (000000--004203)
Ref. Part No. Serial Number Description Qty.
120947 (000000--004203 )Screen, Sol Dbl Cylindrical 1
2 10575 (000000--004203 ) Fitting--Plastic E45 12Pf--12Pf 2
3 20957 (000000--004203 ) Hose, Pump 1
4 69784 (000000--004203 ) Ftg,Plstc,Nip. 0.75Ptx 1.68Lg 2
5 20914 (000000-- xxxxxx ) Pump, Column, Es(See Breakdowns)(Replaced by 379005) 1
5379005 ( xxxxxx--004203 )Pump, Column, Es(See Breakdowns)(Replaced by 81954) 1
6 77237 (000000--004203 ) Cover, Motor 1
7 01684 (000000--004203 ) Washer Flt .25 Ss 2
8 71168 (000000--004203 ) Clamp, Hose, Plastic 2
Home
Find...
Go To..

OPTIONS
7400D MM426 (3--07)
3-14
Fig. 7 -- ES Pump Column Group (004204-- )
9
2
4
4
7
6
3
2
7
6
8
5
1
Home
Find...
Go To..

OPTIONS
3-15
7400D MM426 (3--07)
10769 -- ALL
Fig. 7 -- ES Pump Column Group (004204-- )
Ref. Part No. Serial Number Description Qty.
120895 (004204--007432 )Filter, Solution 1
2 10575 (004204-- ) Fitting--Plastic E45 12Pf--12Pf 2
3 73742 (004204-- ) Hose, Pvc, Brd, 0.62id 0.88od 18.00l 1
4 69784 (004204-- ) Ftg,Plstc,Nip. 0.75Ptx 1.68Lg 2
5 20891 (004204--007432 ) Pump, Column, Es (See Breakdowns) (Replaced by
377422)
1
663810 (004204-- )Clamp, Hose, Wormdrive, 0.56--1.06d, .56w 2
7 1021210 (007433-- ) Pump Assy, Column, Es (See Breakdowns) 1
8 391946 (007433-- ) Harness, Jumper, Pump [7400/8410] 1
9 10573 (007433-- ) Strainer, Soltn, 20mesh, Cyl, 4.0d 08.0l 1
Home
Find...
Go To..

OPTIONS
7400D MM426 (9--04)
3-16
Fig. 8 -- ES Detergent Tank Group
12
3
4
5
6
7
8
9
10
11
12
13
14
15
16
17
18
19
20
2
2
2
3
1
16
23
21
22
Home
Find...
Go To..

OPTIONS
3-17
7400D MM426 (3--07)
10771 -- NA
Fig. 8 -- ES Detergent Tank Group
Ref. Part No. Serial Number Description Qty.
112273 (000000-- )Scr--Hexssm 8X1.25 20 Nylnloc 3
2 01685 (000000-- ) Washer Flt .31 Ss 6
3 09740 (000000-- ) Scr Hexssm 8X1.25 2
4 20942 (000000-- ) Bracket, Mtg, Tank 1
5 20941 (000000-- ) Bracket, Mounting, Tank 1
625822 (000000-- )Detergent Tank W/Label 1
o7 24358 (000000-- ) Cap Tank 1
Y8 1031699 (000000-- ) Gasket, .19, 4.05id 5.29od [Buna] 1
9 86636 (000000-- ) Cover Lid 1
10 20952 (000000-- ) Screen, Pump, Detergent 1
11 20950 (000000-- )Fitting--Barb, Strt 3/8 Id Hose 1
12 22786 (000000-- ) Hose, Vinyl, Cl Nyre .38Idx21L 1
13 20944 (000000-- ) Grommet, Detergent Tank 1
14 20951 (000000-- ) Fitting--Barb,90Deg,3/8 Id Hose 1
15 20999 (000000-- ) Hose, Vinyl, Clear Nylon Reinf 1
16 54333 (000000-- )Clamp--Wormdrive, 0.31-- 0.88D 2
17 63182--5 (000000-- ) Hose Vinyl Cl.,0.38 Idx31.00Lg 1
18 73260 (000000-- ) Pump, Detergent Metering (See Breakdowns) 1
19 67767 (000000-- ) Clamp--Cable,.69Dia. 62Wth 1
20 09010 (000000-- ) Scr Hexssm 8X1.25 25 1
21 24199 (000000-- )Scr Hesssm 5X0.8 16 2
22 01683 (000000-- ) Washer Flt .31Ss 2
23 09739 (000000-- ) Nut--Hxlocnyln M5X0.8 Reg Ss 2
Home
Find...
Go To..

OPTIONS
7400D MM426 (12--98)
3-18
Fig. 9 -- Backup Alarm Group
1
2
3
4
6
7
8
9
10
11
12 13 14
4
2
5
Home
Find...
Go To..

OPTIONS
3-19
7400D MM426 (3--07)
10828 -- ALL
Fig. 9 -- Backup Alarm Group
Ref. Part No. Serial Number Description Qty.
o25755 (000000-- )Kit, Ci, Alarm, Backup 1
Y1 71651 (000000-- ) Plate, Backup Alarm 1
Y2 71653 (000000-- ) Light, Backup 12V 2
Y3 61920 (000000-- ) Horn, Back--Up Alarm 2
Y4 54338--2 (000000-- ) Seal,Foam Rbr, .75 1.00W 3.5L 2
Y508712 (000000-- )Nut Hxlocnyln M 6X1.0 Reg Ss 2
Y6 24576 (000000-- ) Flasher, 12vdc [Hd552ps83] 1
Y7 71649 (000000-- ) Bracket Wldt, Backup Alarm 1
Y8 10632--9 (000000-- ) Grommet,Rbr,0.56Id,For .13Matl 1
Y9 71652 (000000-- ) Harness, Back Up Alarm 1
Y10 59962 (000000-- )Switch, Roller 1
Y11 71648 (000000-- ) Bracket, Switch 1
Y12 09738 (000000-- ) Scr Hexssm 5X0.8 12 2
Y13 01683 (000000-- ) Washer Flt 10 Ss 2
Y14 08716 (000000-- ) Screw Hex Ssm 6 X 1.0 20 2
Home
Find...
Go To..

OPTIONS
7400D MM426 (12--98)
3-20
Fig. 10 -- Side Brush Mount Group
2
3
4
5
6
7
9
10
1
11
12
13
14
15
16
17
18
19
20
21
22
23 24
25
26
27
28
29
20 9
5
5
4
15
15
2
2
5
6
2
34
4
19
14
5
31
8
30
8
30
Home
Find...
Go To..

OPTIONS
3-21
7400D MM426 (3--07)
10871 -- ALL
Fig. 10 -- Side Brush Mount Group
Ref. Part No. Serial Number Description Qty.
171855 (000000-- )Pivot Wldt, Side Brush 1
o2 63175--1 (000000-- ) Arm Assy, Link 4
Y3 63233 (000000-- ) Bushing, Sleeve, 0.50b 0.59d 0.50l, Bnz 2
4 59633 (000000-- ) Bearing, Thrust -- Fiberglide 16
5 01685 (000000-- ) Washer Flt .31 Ss 18
636845 (000000-- )Scr Hexss.38--16X1.50 8
7 59156 (000000-- ) Nut--Hxlocnyln .38--16 Regss18--8 8
8 71868 (000000-- ) Bearing, Sleeve,1Idx1.12Odx1.5 2
9 71869 (000000-- ) Bearing, Thrust, 11D X 1.75 Od 2
10 71866 (000000-- ) Plate, Pin Retaining, S Br 1
11 71860 (000000-- )Channel Wldt, Mtg, S Br 1
12 71863 (000000-- ) Pin Wldt, S Br 1
13 41619 (000000-- ) Washer Flt .50 Ss 2
14 09028 (000000-- ) Scr Hexssm10X1.5 25 6
15 63147 (000000-- ) Pin,Clevis,0.50 Dia.X 1.87 Lg 3
16 71815 (000000-- )Bracket Wldt, Mounting, Cyl 1
17 09740 (000000-- ) Scr Hexssm 8X1.25 3
18 01685 (000000-- ) Washer Flt .31 Ss 3
19 1028042 (000000-- ) Cylinder, Hyd, 2.0b 08.0l 04.00strk 2500 2
20 77097 (000000-- ) Ftg--Hyd E90 Jm04/Om04 2
21 77098 (000000-- )Ftg--Hyd E90 Jm06/Om04 1
22 50960 (000000-- ) Ftg--Hyd Str Jm06/Om04 1
23 71832 (000000-- ) Adaptor, Rod--End, S Br 1
24 06598 (000000-- ) Pin,Clevis,0.50 Dia.X 1.42 Lg 1
25 71874 (000000-- ) Rod--End,Ball Joint,Male,.50 1
26 71870 (000000-- )Bumper Wldt, S Br 1
27 09291 (000000-- ) Scr Hexssm10X1.5 20 4
28 53466 (000000-- ) Clamp--Cable, 1.50Dia 1.00W 2
29 44961 (000000-- ) Tie, Cable 4.00 Max 14.50Lg 6
30 63234 (000000-- ) Tube, 0.50d 0.38b 0.6l Ss 8
31 82830 (000000-- )Sleeve, Nylon 16.0L 1
Home
Find...
Go To..

OPTIONS
7400D MM426 (12--98)
3-22
Fig. 11 -- Side Brush Motor Group
2
4
6
7
8
9
10
1
12 13
14
15
16
17
18
20
21
22
23
24
2
3
11
12
13
13
12
17
17
22
18
19
5
25
Home
Find...
Go To..

OPTIONS
3-23
7400D MM426 (12--05)
10873 -- D
Fig. 11 -- Side Brush Motor Group
Ref. Part No. Serial Number Description Qty.
171722 (000000--004575 )Motor, Hyd Gear (See Breakdowns) (Replaced by 369820) 1
1 369816 (004576--006238 ) Motor, Hyd Gear (See Breakdowns) (Replaced by 377350) 1
1 397692 (006239-- ) Motor, Hyd Gear (See Breakdowns) 1
2 56821 (000000-- ) Ftg--Hyd E90 Jm08/Om10 2
3 71808 (000000-- ) Housing Wldt, Side Brush 1
471825 (000000-- )Guard Wldt, Sqge, S Br 1
5 57224 (000000-- ) Sleeve, Nylon 16.0L 1
6 53466 (000000-- ) Clamp--Cable, 1.50Dia 1.00W 1
7 71839 (000000-- ) Squeegee Assy, S Br 1
8 86759 (000000-- ) Retainer, Squeegee 1
912678 (000000-- )Skirt, Side Brush 1
10 12677 (000000-- ) Retainer, Side Brush 1
11 09007 (000000-- ) Scr Hexssm 6X1.0 25 3
12 01684 (000000-- ) Washer Flt .25 Ss 7
13 08712 (000000-- ) Nut Hxlocnyln M 6X1.0 Reg Ss 7
14 19191 (000000-- )Spacer Hub 1
15 377359 (000000-- ) Hub, Drive, Brush, Disk, 1.00b 6t 1
16 25611 (000000-- ) Spacer Hub 1
17 54333 (000000-- ) Clamp--Wormdrive, 0.31-- 0.88D 4
18 08716 (000000-- ) Screw, Hex Ssm 6 X 1.0 20 4
19 65587 (000000-- )Hose, Pvc, .50Idx.73Od 34.0Lg 1
20 369850 (000000-- ) Valve, Water, Solenoid 1
21 45487--6 (000000-- ) Hose Vinyl Cl.,0.50 Idx15.0 Lg 1
22 25620 (000000-- ) Ftg, Plastic Str Barb.25H/.50H 2
23 20801 (000000-- ) Bracket, Sol Control, Sb 1
24 222290 (000000-- )Diode, Ele, Plug 1
25 57564 (000000-- ) Molding, Trim 11--14Ga 5.00 1
Home
Find...
Go To..

OPTIONS
7400D MM426 (12--02)
3-24
Fig. 12 -- Side Brush Hydraulic Group (000000--005613)
C5
C8
P5
P6
DR2
C7
C6
M2
M3
P7
DR1
G1
2
3
5
6
7
8
9
10
1
11
12
13 14
15
16
4
Home
Find...
Go To..

OPTIONS
3-25
7400D MM426 (12--02)
10875 -- ALL
Fig. 12 -- Side Brush Hydraulic Group (000000--005613)
Ref. Part No. Serial Number Description Qty.
171708 (000000--005613 )Valve, Hyd Contol Sol (See Breakdowns) 1
2 54274 (000000--005613 ) Isolator--Vibration,125Lb.Ratng 3
3 13248 (000000--005613 ) Washer .400B 1.12D .12Cr Znc 3
4 71760 (000000--005613 ) Valve Assy, Side Brush (See Breakdowns) 1
4 71762 (000000--005613 ) Valve Assy, Side Br, Nylon Br (See Breakdowns) 1
582825 (000000--005613 )Ftg--Hyd E90 Jm04/Om04 1
6 47522 (000000--005613 ) Ftg--Hyd E45 Jm06/Om06 1
7 56820 (000000--005613 ) Ftg--Hyd E90 Jm06/Om06 1
8 34359 (000000--005613 ) Ftg--Hyd E45 Jm04/Om04 1
9 77097 (000000--005613 ) Ftg--Hyd E90 Jm04/Om04 1
10 56820 (000000--005613 )Ftg--Hyd E90 Jm06/Om06 1
11 71727 (000000--005613 ) Fitting--Hyd E90 1
12 45482 (000000--005613 ) Ftg--Hyd Tee Jm08Jmjf 1
13 44869 (000000--005613 ) Ftg--Hyd Str Jm08/Om08 1
14 55586 (000000--005613 ) Ftg--Hyd Str Jm04/Om04 1
15 42215 (000000--005613 )Ftg--Hyd Tee Jm06Jmjf 1
16 56690 (000000--005613 ) Ftg--Hyd Str Jm06/Om06 1
Home
Find...
Go To..

OPTIONS
7400D MM426 (12--02)
3-26
Fig. 13 -- Side Brush Hydraulic Group (005614-- )
C5
C8
P5
P6
DR2
C7 C6
M2
M3
P7
DR1
G1
2
3
5
6
7
8
9
10
1
11
12
13
14
15
4
Home
Find...
Go To..

OPTIONS
3-27
7400D MM426 (12--02)
10875 -- ALL
Fig. 13 -- Side Brush Hydraulic Group (005614-- )
Ref. Part No. Serial Number Description Qty.
171708 (005614-- )Valve, Hyd Contol Sol (See Breakdowns) 1
2 54274 (005614-- ) Isolator--Vibration,125Lb.Ratng 3
3 13248 (005614-- ) Washer .400B 1.12D .12Cr Znc 3
4 71760 (005614-- ) Valve Assy, Side Brush (See Breakdowns) 1
4 71762 (005614-- ) Valve Assy, Side Br, Nylon Br (See Breakdowns) 1
582825 (005614-- )Ftg--Hyd E90 Jm04/Om04 1
6 47522 (005614-- ) Ftg--Hyd E45 Jm06/Om06 1
7 56820 (005614-- ) Ftg--Hyd E90 Jm06/Om06 1
8 34359 (005614-- ) Ftg--Hyd E45 Jm04/Om04 1
9 77097 (005614-- ) Ftg--Hyd E90 Jm04/Om04 1
10 56820 (005614-- )Ftg--Hyd E90 Jm06/Om06 1
11 71727 (005614-- ) Fitting--Hyd E90 1
12 45482 (005614-- ) Ftg--Hyd Tee Jm08Jmjf 1
13 56690 (005614-- ) Ftg--Hyd Str Jm06/Om06 1
14 55586 (005614-- ) Ftg--Hyd Str Jm04/Om04 1
15 42215 (005614-- )Ftg--Hyd Tee Jm06Jmjf 1
Home
Find...
Go To..

OPTIONS
7400D MM426 (12--02)
3-28
Fig. 14 -- Side Brush Hydraulic Hose Group (000000--005613)
M3
P7
G1
T3
T1
M1
T4
C3
C1
C2
C4
P6
C7
C8
T2
T5
DR2
C5
C6
P5
P3
DR1
P2 M2 P1
2
3
4
5
6
7
7
1
8
Home
Find...
Go To..

OPTIONS
3-29
7400D MM426 (12--02)
10869 -- ALL
Fig. 14 -- Side Brush Hydraulic Hose Group (000000--005613)
Ref. Part No. Serial Number Description Qty.
131596 (000000--005613 )Hose--Hyd Med06 Jf/J9 1
2 71757 (000000--005613 ) Hose--Hyd Med06 Jf/J4 1
3 71756 (000000--005613 ) Hose--Hyd Ar 04 Jf/J4 1
4 71747 (000000--005613 ) Hose--Hyd Med06 1
5 71748 (000000--005613 ) Hose--Hyd Med04 1
631598 (000000--005613 )Hose--Hyd Med06 Jf/J9 1
7 71751 (000000--005613 ) Hose--Hyd Ar08 2
8 59581 (000000--005613 ) Hose--Hyd Ar 04 Jf/J4 1
Home
Find...
Go To..

OPTIONS
7400D MM426 (12--02)
3-30
Fig. 15 -- Side Brush Hydraulic Hose Group (005614-- )
M3
P7
G1
T3
T1
M1
T4
C3
C1
C2
C4
P6
C7
C8
T2
T5
DR2
C5
C6
P5
P3
DR1
P2 M2 P1
2
3
4
5
6
7
71
8
Home
Find...
Go To..

OPTIONS
3-31
7400D MM426 (12--02)
10869 -- ALL
Fig. 15 -- Side Brush Hydraulic Hose Group (005614-- )
Ref. Part No. Serial Number Description Qty.
131596 (005614-- )Hose--Hyd Med06 Jf/J9 1
2 71757 (005614-- ) Hose--Hyd Med06 Jf/J4 1
3 71756 (005614-- ) Hose--Hyd Ar 04 Jf/J4 1
4 71747 (005614-- ) Hose--Hyd Med06 1
5 71748 (005614-- ) Hose--Hyd Med04 1
631598 (005614-- )Hose--Hyd Med06 Jf/J9 1
7 71751 (005614-- ) Hose--Hyd Ar08 2
8 59581 (005614-- ) Hose--Hyd Ar 04 Jf/J4 1
Home
Find...
Go To..

OPTIONS
7400D MM426 (3--07)
3-32
Fig. 16 -- Side Brush FaST Foam Filter Group
3
4
5
6
9
10
1
11
12
13
14
15
16
17
18
19
20
21
22
23
24
2
2
2
2
2
2
2
2
2
2
2
8
8
18
24
1
7
14
14
2
8
2
48
Home
Find...
Go To..

OPTIONS
3-33
7400D MM426 (3--07)
354328 -- ALL
Fig. 16 -- Side Brush FaST Foam Filter Group
Ref. Part No. Serial Number Description Qty.
11005552 (007549-- )Fitting, Plstc, E90, Bm08/Pm12, Nyl 2
2 54333 (007549-- ) Clamp, Hose, Wormdrive, 0.31--0.88d, .31w 16
3 1006401 (007549-- ) Hose, Afmkt, Pvc, Brd 0.50id 3ft 1
4 64743 (007549-- ) Fitting, Plstc, Str, Bm08/Pm06 2
o5 1005302 (007549-- ) Filter, Inline, Pf06/Pf06, 80 Mesh 1
Y61005304 (007549-- )Screen, Fltr, 80 Mesh 1
7 64778 (007549-- ) Fitting, Plstc, E90, Bm08/Pm06 1
8 1011403 (007549-- ) Hose, Afmkt, Pvc, Brd 0.50id 1ft 4
9 1018499 (007549-- ) Fitting, Plstc, E90, Swivel, Bm08/Pf08s 1
10 1005086 (007549-- ) Tube, Pvc, Shc80, Clr, 4.0l 1
11 1002789 (007549-- )Filter, Foam 3
12 79273--1 (007549-- ) Fitting, Plstc, Str, Bm08/Pm12 1
13 1018337 (007549-- ) Tube Assy, Spray, Cyl, 1000mm [7400] 1
14 67767 (007549-- ) Clamp, Cable, Stl, 0.69d X 0.62w, 1h 3
15 08716 (007549-- ) Screw, Hex, M6 X 1.0 X 20, Ss 3
16 08712 (007549-- )Nut, Hex, Lock, M6 X 1.0, Ss, Nl 3
17 01684 (007549-- ) Washer, Flat, 0.25 Ss 6
18 1010668 (007549-- ) Fitting, Plstc, Y, Bm08/Bm08/Bm08 Nyl 2
19 1018333 (007549-- ) Fitting, Plstc, Rst, .50 Od/.125 Id 1
20 369850 (007549-- ) Valve, Water, Sol, 12vdc, 10bm/10bm 1
21 08716 (007549-- ) Screw, Hex, M6 X 1.0 X 20, Ss 2
22 01684 (007549-- ) Washer, Flat, 0.25 Ss 2
23 08712 (007549-- ) Nut, Hex, Lock, M6 X 1.0, Ss, Nl 2
24 1015070 (007549-- ) Hose, Afmkt, Pvc, Clr 0.50id 2ft 3
Home
Find...
Go To..

OPTIONS
7400D MM426 (12--02)
3-34
Fig. 17 -- Urethane Side Brush Squeegee Assembly
1
10877 -- NA, JP
Ref. Part No. Serial Number Description Qty.
171355 (000000-- )Squeegee Assy, S Br Urethane 1
Home
Find...
Go To..

OPTIONS
3-35
7400D MM426 (12--02)
Fig. 18 -- Overhead Guard Kit
1
23
10781 -- NA, JP
Ref. Part No. Serial Number Description Qty.
o25769 (000000-- )Guard Kit, Overhead 1
Y1 25744 (000000-- ) Tube Wldt, Leg, Ohg, Lh 1
Y2 25745 (000000-- ) Tube Wldt, Leg, Ohg, Rh 1
Y3 25746 (000000-- ) Guard Wldt, Oh, Top 1
Home
Find...
Go To..

OPTIONS
7400D MM426 (12--02)
3-36
Fig. 19 -- Fire Extinguisher Kit
1
07516 -- NA, JP
Ref. Part No. Serial Number Description Qty.
o20795 (000000-- )Extinguisher Kit 7400 1
Y1 25312 (000000-- ) Extinguisher, Fire 1
Home
Find...
Go To..

OPTIONS
3-37
7400D MM426 (3--07)
Fig. 20 -- Protectoseal Fuel Tank Cap Group (000000--008999)
1
10835 -- ALL
Ref. Part No. Serial Number Description Qty.
102506--6 (000000--008999 )Cap, Fuel, Protectoseal 1
Home
Find...
Go To..

OPTIONS
7400D MM426 (12--02)
3-38
Fig. 21 -- Seat Belt Kit
1
10837 -- ALL
Ref. Part No. Serial Number Description Qty.
o20798 (000000-- )Seat Belt Kit 7400 1
Y1 30533 (000000-- ) Belt, Seat 1
Home
Find...
Go To..

OPTIONS
3-39
7400D MM426 (12--02)
Fig. 22 -- Grammer Seat Kit
1
2
10839 -- NA, JP
Ref. Part No. Serial Number Description Qty.
o20800 (000000-- )Seat Kit, Grammer 7400 1
Y1 53845 (000000-- ) Seat, Grammer 1
Y2 71477 (000000-- ) Armrest Assy,Rh 1
Home
Find...
Go To..

OPTIONS
7400D MM426 (12--02)
3-40
Fig. 23 -- Solid High Traction Tire Group
1
10843 -- ALL
Ref. Part No. Serial Number Description Qty.
184597 (000000-- )Tire Assy, Solid, High Traction, 18.0 X 6.0 X 4.5Bc 1
Home
Find...
Go To..

OPTIONS
3-41
7400D MM426 (3--07)
Fig. 24 -- Solid Turf Tire and Wheel Assembly
2
3
1
352366 -- ALL
Ref. Part No. Serial Number Description Qty.
o1374605 (000000-- )Tire & Wheel Assy, Solid Turf 18X7 1
Y2 374604 (000000-- ) Tire, Solid 18X7X12.12 Turf 1
Y3 51338 (000000-- ) Bearing, Cup, 2.56d 0.55w 2
Home
Find...
Go To..

OPTIONS
7400D MM426 (3--07)
3-42
Fig. 25 -- Solid Non Marking Tire and Wheel Assembly
2
3
1
352368 -- ALL
Ref. Part No. Serial Number Description Qty.
o1374608 (000000-- )Tire & Wheel Assy, Solid Nonmark 1
Y2 374607 (000000-- ) Tire, Solid 18X5X12.12 Nonmark 1
Y3 51338 (000000-- ) Bearing, Cup, 2.56d 0.55w 2
Home
Find...
Go To..

OPTIONS
3-43
7400D MM426 (3--07)
Fig. 26 -- Solid Non Marking Turf Tire and Wheel Assembly
2
3
1
352366 -- ALL
Ref. Part No. Serial Number Description Qty.
o1374689 (000000-- )Tire & Wheel Assy, Solid Non MarkingTurf 18X7 1
Y2 374688 (000000-- ) Tire, Solid 18X7X12.12 Turf, Non Marking 1
Y3 51338 (000000-- ) Bearing, Cup, 2.56d 0.55w 2
Home
Find...
Go To..

OPTIONS
7400D MM426 (12--02)
3-44
Fig. 27 -- Urethane Squeegee Blade Kit
1
2
3
3
10847 -- NA, JP
Ref. Part No. Serial Number Description Qty.
o71357 (000000-- )Squeegee Kit, Urethane 1
Y1 71353 (000000-- ) Blade, Squeegee, Front 1
Y2 71354 (000000-- ) Blade, Squeegee, Rear, Urethan 1
Y3 12472 (000000-- ) Squeegee Assy, Side 2
Home
Find...
Go To..

OPTIONS
3-45
7400D MM426 (3--07)
Fig. 28 -- Positive Solution Control Drain Kit, Std
1
2
3
4
5
10850 -- NA, JP
Ref. Part No. Serial Number Description Qty.
o25778 (000000-- )Pos Sol Ctrl Drn Sys Kit Std 1
Yo1 25783 (000000-- ) Cap Assy, Pos Drain 1
YY 23456 (000000-- ) Cap, Drain 1
YY 375014 (000000-- ) Kit, Valve Handle 1
YY 374618 (000000-- ) Kit, Ball & Seal 1
YY 21031700 (000000-- )Gasket, .19, 2.00id 5.38od [Buna] 1
YY 3 20932 (000000-- ) Washer, Polyethlene 1
Y4 48734 (000000-- ) Coupler, Female X Hose Shank 1
Y5 75635 (000000-- ) Hose Assy, W/1cuff, 1.5d 120l 1.5 1
Home
Find...
Go To..

OPTIONS
7400D MM426 (3--07)
3-46
Fig. 29 -- Positive Solution Control Drain Kit, ES
1
3
4
5
1
2
3
2
10867 -- ALL
Ref. Part No. Serial Number Description Qty.
o25781 (000000-- )Pos Sol Ctrl Drn Sys Kit, Es 1
Yo1 25783 (000000-- ) Cap Assy, Pos Drain 2
YY 23456 (000000-- ) Cap, Drain 1
YY 375014 (000000-- ) Kit, Valve Handle 1
YY 374618 (000000-- ) Kit, Ball & Seal 1
YY 21031700 (000000-- )Gasket, .19, 2.00id 5.38od [Buna] 1
YY 3 20932 (000000-- ) Washer, Polyethlene 1
Y4 48734 (000000-- ) Coupler, Female X Hose Shank 1
Y5 75635 (000000-- ) Hose Assy, W/1cuff, 1.5d 120l 1.5 1
Home
Find...
Go To..

OPTIONS
3-47
7400D MM426 (12--02)
Fig. 30 -- Squeegee Wand Kit
2
3
4
5
6
7
8
9
1
3
6
10879 -- ALL
Ref. Part No. Serial Number Description Qty.
o25775 (000000-- )Squeegee Wand Kit 7400 1
Y1 69657 (000000-- ) Hose Assy, Wand Kit 1
Y2 69659 (000000-- ) Plunger, Spring .38--16 1
Y3 63448 (000000-- ) Wand, Metal -- 2PC 1
Y4 63451 (000000-- ) Nozzle, Plastic Wand 14.0 Lg 1
Y563430 (000000-- )Shoe, Plastic--Squeegee 14 In 1
Y6 67004 (000000-- ) Clip--Finger Grip 4
Y7 77322 (000000-- ) Panel, MTG, Hose 1
Y8 50304 (000000-- ) Spring, EXT 1
Y951787 (000000-- )Bumper, Rubber 4
Home
Find...
Go To..

OPTIONS
7400D MM426 (12--02)
3-48
Fig. 31 -- Transport Group
2
3
4
1
10914 -- NA, JP
Ref. Part No. Serial Number Description Qty.
114983 (000000-- )Bracket Tie Down 4
2 49800 (000000-- ) Latch, Elastic 1
3 01335 (000000-- ) Rivet, Pop--.125Dx.44X.25Dhd Al 4
4 78882 (000000-- ) Bracket, Tiedown, Seat 1
Home
Find...
Go To..

OPTIONS
3-49
7400D MM426 (12--05)
Fig. 32 -- Heavy Duty Engine Air Filter Kit
1
2
04712 -- D
Ref.
Part No. Machine Serial
Number Description Qty.
o57876 (000000-- )Kit, Air Filter, Heavy Duty 1
Y1 58121 (000000-- ) Element, Safety 1
Y2 07562 (000000-- ) Wingnut 1
Home
Find...
Go To..

OPTIONS
7400D MM426 (3--07)
3-50
Fig. 33 -- Documentation Group
07501 -- D, NA
Ref. Part No. Serial Number Description Qty.
1MM426 (000000-- )Manual Pkg 7400D 1
2 MM426JP (000000-- ) Manual Pkg 7400D, Japanese 1
o3 MM428 (000000-- ) Manual, Service 1
Y4 84660 (000000-- ) Manual, Eng, Kubo [V1505E] 1
5 25773 (000000-- ) Tape, Video, Operator 7400 1
6MM426ES (000000-- )Manual, OP/MT 7400, Spanish 1
6 MM426FR (000000-- ) Manual, OP/MT 7400, French 1
7 330710 (000000-- ) Manual, Cd--Rom, Oprtr & Parts, All (NA) 1
Home
Find...
Go To..

BREAKDOWNS
4-1
7400D MM426 (3--07)
SECTION 4
Contents Page
Fig. 1 -- Hydraulic Pump Breakdown,
71720 4-2........................
Fig. 2 -- Hydraulic Pump Breakdown,
71716 4-4........................
Fig. 3 -- Hydraulic Motor Breakdown,
71724 4-6........................
Fig. 4 -- Hydraulic Motor Breakdown,
22604 4-8........................
Fig. 5 -- Hydraulic Motor Breakdown,
71722 4-10.......................
Fig. 6 -- Hydraulic Motor Breakdown,
369816 4-11......................
Fig. 7 -- Hydraulic Motor Breakdown,
397692 4-12......................
Fig. 8 -- Hydraulic Motor Breakdown,
71729 4-13.......................
Fig. 9 -- Hydraulic Steering Valve Breakdown,
71713 4-14.......................
Fig. 10 -- Hydraulic Motor Breakdown,
73112 4-16.......................
Fig. 11 -- Hydraulic Motor Breakdown,
71719 4-17.......................
Fig. 12 -- Hydraulic Solenoid Valve Breakdown,
71705 4-18.......................
Fig. 13 -- Hydraulic Solenoid Valve Breakdown,
Side Brush 71760 4-20.............
Fig. 14 -- Hydraulic Solenoid Valve Breakdown,
Nylon Brush, 71761 4-22...........
Fig. 15 -- Hydraulic Solenoid Valve Breakdown,
Side Brush and Nylon Brush,
71762 4-24.......................
Fig. 16 -- Hydraulic Solenoid Valve Breakdown,
71708 4-26.......................
Fig. 17 -- Extended Scrub Pump Breakdown,
20914 4-28.......................
Fig. 18 -- Extended Scrub Pump Breakdown,
379005 4-30......................
Fig. 19 -- Extended Scrub Pump Breakdown,
20891 4-32.......................
Fig. 20 -- Extended Scrub Pump Breakdown,
1021210 4-34.....................
Fig. 21 -- Hydraulic Flow Sensor Switch
Breakdown, 73430 4-36............
Fig. 22 -- Metering Solution Pump
Breakdown, 73260 4-37............
Fig. 23 -- Hydraulic Pump Breakdown,
373453 4-38.....................
Home
Find...
Go To..

BREAKDOWNS
7400D MM426 (12--98)
4-2
Fig. 1 -- Hydraulic Pump Breakdown, 71720
1
2
3
4
5
6
7
9
10
11
12
13
14
15
17
18
19
20
21
22
23
24
25
15 8
8
15
21
15
15
9
16
10
15
11
26
Home
Find...
Go To..

BREAKDOWNS
4-3
7400D MM426 (9--99)
10852--09670 -- ALL
Fig. 1 -- Hydraulic Pump Breakdown, 71720
Ref. Part No. Serial Number Description Qty.
o71720 (000000-- )Pump, Hyd Piston V 1.24 R 4000 1
Y1 21925 (000000-- ) Shaft, Drive 1
Y2 21926 (000000-- ) Backplate Assy 1
Y3 21927 (000000-- ) Pump Housing Assy 1
Y4 70096 (000000-- ) Washer 1
Y502706 (000000-- )Rotating Kit 1
Y6 57897 (000000-- ) Camplate 1
Y7 74225 (000000-- ) Bearing, Thrust 1
Y8 74226 (000000-- ) Race, Bearing 2
Y9 02709 (000000-- ) Bearing Cam 2
Y10 70097 (000000-- )Washer 2
Y11 61891 (000000-- ) Screws 4
Y12 74229 (000000-- ) Spring 2
Y13 74230 (000000-- ) Plug S--A 2
Y14 55941 (000000-- ) Relief Valve 2
Y15 70103 (000000-- )Seal Kit, Pump 1
Y16 02705 (000000-- ) Race, Inner Bearing 1
Y17 52386 (000000-- ) Cover 1
Y18 70098 (000000-- ) Cover, Trunion 1
Y19 70099 (000000-- ) Cover, O--Ring 1
Y20 70100 (000000-- )Pin, Dowel 2
Y21 21928 (000000-- ) Screw, Cap 2
Y22 21929 (000000-- ) Screw, Cap 2
Y23 74237 (000000-- ) Key 1
Y24 74180 (000000-- ) Plate, Valve 1
Y25 74469 (000000-- )Valve, Dump 1
Y26 74248 (000000-- ) Repair Info, Pump 1
Home
Find...
Go To..

BREAKDOWNS
7400D MM426 (1--96)
4-4
Fig. 2 -- Hydraulic Pump Breakdown, 71716
1
2
4
5
6
7
8
9
10
11
11
11
1
2
11
11
11
11
11
11
11
3
3
9
8
5
Home
Find...
Go To..

BREAKDOWNS
4-5
7400D MM426 (9--99)
10861 -- ALL
Fig. 2 -- Hydraulic Pump Breakdown, 71716
Ref. Part No. Serial Number Description Qty.
o71716 (000000-- ) Pump, Hyd 1
Y1 21936 (000000-- ) Dowel Pin 4
Y2 21937 (000000-- ) Dowel Pin 4
Y3 21938 (000000-- ) Distance Plate 2
Y4 21939 (000000-- ) End Cover 1
Y521940 (000000-- )Spline Coupling 2
Y6 21941 (000000-- ) Bolt 4
Y7 21942 (000000-- ) Flange Kit 1
Y8 21943 (000000-- ) Pump Kit, Sec#1 1
Y9 21944 (000000-- ) Pump Kit, Sec#2 1
Y10 21945 (000000-- )Pump Kit, Sec#3 1
Y11 21946 (000000-- ) Seal Kit, Pump 1
Home
Find...
Go To..

BREAKDOWNS
7400D MM426 (12--98)
4-6
Fig. 3 -- Hydraulic Motor Breakdown, 71724
2
34
5
6
7
8
9
10
11
12
13
14
15
16
17
18
19
20
21
22
21
21
21
22
22
22
22
22
23 1
Home
Find...
Go To..

BREAKDOWNS
4-7
7400D MM426 (9--99)
09612--09670 -- ALL
Fig. 3 -- Hydraulic Motor Breakdown, 71724
Ref. Part No. Serial Number Description Qty.
o71724 (000000-- )Motor, Hyd Gear 1
Y1 79826 (000000-- ) Shaft S--A 1
Y2 74166 (000000-- ) Housing, Brg 1
Y3 79827 (000000-- ) Retainer, Frt 1
Y4 74168 (000000-- ) Screw, Cap 8
Y537616 (000000-- )Drive 1
Y6 37756 (000000-- ) Geroler 1
Y7 74122 (000000-- ) Plate, Valve 1
Y8 52405 (000000-- ) Valve 1
Y9 74123 (000000-- ) Valve 1
Y10 34178 (000000-- ) Spring 2
Y11 38968 (000000-- ) Ring 1
Y12 74125 (000000-- ) Bolt 3
Y13 38255 (000000-- ) Bolt 1
Y14 74171 (000000-- ) Housing Assy, 1
Y15 37766 (000000-- )Ball 2
Y16 34179 (000000-- ) Spring 2
Y17 74137 (000000-- ) Plug Assembly 2
Y18 74098 (000000-- ) Plug #4 1
Y19 45622 (000000-- ) Nut 1
Y20 45623 (000000-- )Key 1
Y21 33580 (000000-- ) Seal Kit, Rear 1
Y22 79828 (000000-- ) Seal Kit, Shaft 1
Y23 74249 (000000-- ) Instr. Repair Info, Motor 1
Home
Find...
Go To..

BREAKDOWNS
7400D MM426 (6--97)
4-8
Fig. 4 -- Hydraulic Motor Breakdown, 22604
1
2
34
5
6
7
8
9
10
11
12
13
14
15
16
17
18
19
20
21
22
21
21
21
22
22
22
22
22
23
Home
Find...
Go To..

BREAKDOWNS
4-9
7400D MM426 (9--99)
350628--09670 -- ALL
Fig. 4 -- Hydraulic Motor Breakdown, 22604
Ref. Part No. Serial Number Description Qty.
o22604 (000000-- )Motor, Hyd Gear 1
Y1 74165 (000000-- ) Shaft S--A 1
Y2 74166 (000000-- ) Housing, Brg 1
Y3 74167 (000000-- ) Retainer, Frt 1
Y4 74168 (000000-- ) Screw, Cap 8
Y537616 (000000-- )Drive 1
Y6 37756 (000000-- ) Geroler 1
Y7 74122 (000000-- ) Plate, Valve 1
Y8 52405 (000000-- ) Valve 1
Y9 74123 (000000-- ) Valve 1
Y10 34178 (000000-- ) Spring 2
Y11 38968 (000000-- ) Ring 1
Y12 74125 (000000-- ) Bolt 3
Y13 38255 (000000-- ) Bolt 1
Y14 74171 (000000-- ) Housing Assy, 1
Y15 37766 (000000-- )Ball 2
Y16 34179 (000000-- ) Spring 2
Y17 74137 (000000-- ) Plug Assembly 2
Y18 74098 (000000-- ) Plug #4 1
Y19 45622 (000000-- ) Nut 1
Y20 45623 (000000-- )Key 1
Y21 33580 (000000-- ) Seal Kit, Rear 1
Y22 79828 (000000-- ) Seal Kit, Shaft 1
Y23 74249 (000000-- ) Instr. Repair Info, Motor 1
Home
Find...
Go To..

BREAKDOWNS
7400D MM426 (9--99)
4-10
Fig. 5 -- Hydraulic Motor Breakdown, 71722
1
2
3
4
5
6
7
8
9
10
11
12
13
13
13
13
13
14
10859--09670 -- ALL
Ref. Part No. Serial Number Description Qty.
o71722 (000000-- )Motor, Hyd Gear In 04.5 R 1500 1
Y1 37555 (000000-- ) Screw 4
Y2 31354 (000000-- ) Flange Mounting 1
Y3 16695 (000000-- ) Race Thrust 1
Y4 45628 (000000-- ) Thrust Bearing 1
Y521924 (000000-- )Shaft, Output 1
Y6 74100 (000000-- ) Housing 1
Y7 74175 (000000-- ) Drive 1
Y8 74094 (000000-- ) Spacer Plate 1
Y9 74177 (000000-- ) Gerotor Assy 1
Y10 65230 (000000-- )Cap, End 1
Y11 74178 (000000-- ) Screw Cap 5
Y12 00500--15 (000000-- ) Key--Wdruff 0.25 1.00 1
Y13 61490 (000000-- ) Seal Replmt Kit 1
Y14 74250 (000000-- )Instr. Repair Info, Motor 1
Home
Find...
Go To..

BREAKDOWNS
4-11
7400D MM426 (9--99)
Fig. 6 -- Hydraulic Motor Breakdown, 369816
1
2
3
4
5
6
7
8
9
10
11
12
13
13
13
13
13
14
10859--09670 -- ALL
Ref. Part No. Serial Number Description Qty.
o369816 (000000-- )Motor, Hyd Gear In 04.5 R 1500 1
Y1 37555 (000000-- ) Screw 4
Y2 31354 (000000-- ) Flange Mounting 1
Y3 16695 (000000-- ) Race Thrust 1
Y4 45628 (000000-- ) Thrust Bearing 1
Y521924 (000000-- )Shaft, Output 1
Y6 74100 (000000-- ) Housing 1
Y7 74175 (000000-- ) Drive 1
Y8 74094 (000000-- ) Spacer Plate 1
Y9 74177 (000000-- ) Gerotor Assy 1
Y10 65230 (000000-- )Cap, End 1
Y11 74178 (000000-- ) Screw Cap 5
Y12 00500--15 (000000-- ) Key--Wdruff 0.25 1.00 1
Y13 22654 (000000-- ) Seal Replmt Kit 1
Y14 74250 (000000-- )Instr. Repair Info, Motor 1
Home
Find...
Go To..

BREAKDOWNS
7400D MM426 (9--04)
4-12
Fig. 7 -- Hydraulic Motor Breakdown, 397692
1
2
3
4
5
6
7
8
9
10
11
12
13
13
13
13
13
14
10859--09670 -- ALL
Ref. Part No. Serial Number Description Qty.
o397692 (000000-- )Motor, Hyd Gear In 04.5 R 1500 1
Y1 37555 (000000-- ) Screw 4
Y2 31354 (000000-- ) Flange Mounting 1
Y3 16695 (000000-- ) Race Thrust 1
Y4 45628 (000000-- ) Thrust Bearing 1
Y528854 (000000-- )Shaft, Output 1
Y6 74100 (000000-- ) Housing 1
Y7 74175 (000000-- ) Drive 1
Y8 74094 (000000-- ) Spacer Plate 1
Y9 74177 (000000-- ) Gerotor Assy 1
Y10 65230 (000000-- )Cap, End 1
Y11 74178 (000000-- ) Screw Cap 5
Y12 00500--15 (000000-- ) Key--Wdruff 0.25 1.00 1
Y13 22654 (000000-- ) Seal Replmt Kit 1
Y14 74250 (000000-- )Instr. Repair Info, Motor 1
Home
Find...
Go To..

BREAKDOWNS
4-13
7400D MM426 (9--04)
Fig. 8 -- Hydraulic Motor Breakdown, 71729
1
2
3
4
5
6
7
8
9
10
11
12
13
14
15
16
16
16
17
09606--09670 -- ALL
Ref. Part No. Serial Number Description Qty.
o71729 (000000-- )Motor, Hyd Gear In 4.5 B 1500 1
Y1 37555 (000000-- ) Screw 4
Y2 31354 (000000-- ) Flange Mounting 1
Y3 16695 (000000-- ) Race Thrust 1
Y4 45628 (000000-- ) Thrust Bearing 1
Y531375 (000000-- )Shaft, Output 1
Y6 74100 (000000-- ) Housingl 1
Y7 31379 (000000-- ) Drive 1
Y8 74094 (000000-- ) Spacer Plate 1
Y9 31383 (000000-- ) Gerotor Set 1
Y10 74095 (000000-- )End Cap 1
Y11 65241 (000000-- ) Cap Screw 5
Y12 74098 (000000-- ) Plug #4 1
Y13 74099 (000000-- ) Plug #10 2
Y14 00500--15 (000000-- ) Key--Wdruff 0.25 1.00 1
Y15 39527 (000000-- )Nut--Hxslot .75--16 Pltd 1
Y16 61490 (000000-- ) Seal Replmt Kit 1
Y17 74250 (000000-- ) Instr. Repair Info, Motor 1
Home
Find...
Go To..

BREAKDOWNS
7400D MM426 (9--99)
4-14
Fig. 9 -- Hydraulic Steering Valve Breakdown, 71713
14
1
2
3
4
5
6
7
8
Not Sold
11
12
13
13
Separately
13
13
9
10
Not Sold
Separately
Not Sold
Separately
Home
Find...
Go To..

BREAKDOWNS
4-15
7400D MM426 (9--99)
10830--09670 -- ALL
Fig. 9 -- Hydraulic Steering Valve Breakdown, 71713
Ref. Part No. Serial Number Description Qty.
o71713 (000000-- )Steer Control, Hyd#2 06.1 1160 1
Y1 74183 (000000-- ) Screw, Cap 7
Y2 74185 (000000-- ) Cap, End 1
Y3 74192 (000000-- ) Gerotor 1
Y4 74193 (000000-- ) Spacer 1
Y574222 (000000-- )Plate, Wear 1
Y6 74231 (000000-- ) Drive 1
Y7 74232 (000000-- ) Pin 1
Y8 21935 (000000-- ) Bearing Kit 1
Y9 21933 (000000-- ) Plug Assembly 1
Y10 21934 (000000-- )Relief Vlv Assy 1
Y11 74243 (000000-- ) Ring, Retaining 1
Y12 74196 (000000-- ) Spring Kit 1
Y13 74244 (000000-- ) Seal Kit, Stg 1
Y14 74245 (000000-- )Instr.Repair Info 1
Home
Find...
Go To..

BREAKDOWNS
7400D MM426 (9--99)
4-16
Fig. 10 -- Hydraulic Motor Breakdown, 73112
1
2
09664--09670 -- ALL
Ref. Part No. Serial Number Description Qty.
o73112 (000000-- )Motor, Hyd Gear Ex 0.13 L 3000 1
Y1 00954 (000000-- ) Key Square 0.12 0.12 01.00 Lg 1
Y74233 (000000-- ) Seal Kit, Hyd Mtr Gear Bn 1
Y2 IB3614 (000000-- ) Repair Info. 1
Home
Find...
Go To..

BREAKDOWNS
4-17
7400D MM426 (9--99)
Fig. 11 -- Hydraulic Motor Breakdown, 71719
1
2
09664--09670 -- ALL
Ref. Part No. Serial Number Description Qty.
o71719 (000000-- )Motor, Hyd Gear 1
Y1 00960 (000000-- ) Key Square 0.12 0.12 00.50 Lg 1
Y74233 (000000-- ) Seal Kit, Hyd Motor Gear 1
Y2 IB3614 (000000-- ) Instr. Motor Seal Kit F--74147 1
Home
Find...
Go To..

BREAKDOWNS
7400D MM426 (9--99)
4-18
Fig. 12 -- Hydraulic Solenoid Valve Breakdown, 71705
SV3
SV4
CK1
PR1
SV2
R2
R1
SV1
SV5
SV7
2
3
4
5
6
7
8
9
10
11
12
13
14
15
16
17
18
20
21
22
23
24
25
26
27
28
29
30
33
33
32
32
33
33
34
33
32
33
33 32
33
16
17
23
14
15
17
28
17
33
31
28
19
21
28
28
28
1
5
9
32
32
Home
Find...
Go To..

BREAKDOWNS
4-19
7400D MM426 (9--99)
10855 -- ALL
Fig. 12 -- Hydraulic Solenoid Valve Breakdown, 71705
Ref. Part No. Serial Number Description Qty.
o71705 (000000-- )Valve, Hyd Cntrl Sol 1
Yo1 25858 (000000-- ) Cartridge Repl Kit Std Brush 1
YY 2 79731 (000000-- ) Nut, Cart., Lng 1
YY 3 21923 (000000-- ) Spacer, Coil 1
YY 4 79711 (000000-- ) Seal Kit, Cart 1
YY 579740 (000000-- )Seal Kit, Coil 1
Yo6 79719 (000000-- ) Valve Stem 4W2P 1
YY 7 79728 (000000-- ) Nut, Cart 1
YY 8 79711 (000000-- ) Seal Kit, Cart 1
YY 9 79740 (000000-- ) Seal Kit, Coil 1
Yo10 21906 (000000-- )Valve Stem 3W2P 1
YY 11 79731 (000000-- ) Nut, Cart., Lng 1
YY 12 79711 (000000-- ) Seal Kit, Cart 1
YY 13 79740 (000000-- ) Seal Kit, Coil 1
Yo14 79739 (000000-- ) Stem, Valve 2
YY 15 79731 (000000-- )Nut, Cart., Lng 1
YY 16 79711 (000000-- ) Seal Kit, Cart 1
YY 17 79740 (000000-- ) Seal Kit, Coil 1
Yo18 21907 (000000-- ) Valve Stem N.C. 1
YY 19 79728 (000000-- ) Nut, Cart 1
YY 20 79711 (000000-- )Seal Kit, Cart 1
YY 21 79740 (000000-- ) Seal Kit, Coil 1
Yo22 65240 (000000-- ) Valve, Relief 2
YY 23 79711 (000000-- ) Seal Kit, Cart 1
Yo24 21919 (000000-- ) Cart,Pilot Chk 1
YY 25 79711 (000000-- )Seal Kit, Cart 1
Yo26 21904 (000000-- ) Cart, Psi 1
YY 27 79711 (000000-- ) Seal Kit, Cart 1
Y28 21916 (000000-- ) Coil, 12V 6
Y29 74099 (000000-- ) Plug #10 1
Y30 13907 (000000-- )Plug #8 1
Y31 13904 (000000-- ) Plug Gage #6 1
Y32 74098 (000000-- ) Plug #4 7
Y33 13902 (000000-- ) Plug #2 14
Y34 21920 (000000-- )Plug, Orifice Cp 1
Note: Scrub Brushes Must Be Matched With Proper Hydraulic Cartridge.
Home
Find...
Go To..

BREAKDOWNS
7400D MM426 (9--99)
4-20
Fig. 13 -- Hydraulic Solenoid Valve Breakdown, Side Brush 71760
SV3
SV4
CK1
PR1
SV2
R2
R1
SV1
SV5
SV7
SV6
10
11
12
13 16
18
20
21
14
15
17
28
17
33
31
28
19
21
28
32
14
14
15
17
22
23
24
25
26
27
28
30
33
33
32
32
33
33
29
33
32
33
33 32
33
16
17
23
22
2
3
4
5
6
7
8
9
28
28
1
5
9
15
17
28
17
32
16
Home
Find...
Go To..

BREAKDOWNS
4-21
7400D MM426 (9--99)
10863 -- ALL
Fig. 13 -- Hydraulic Solenoid Valve Breakdown, Side Brush 71760
Ref. Part No. Serial Number Description Qty.
o71760 (000000-- )Valve Assy, Side Brush 1
Yo1 25858 (000000-- ) Cartridge Repl Kit Std Brush 1
YY 2 79731 (000000-- ) Nut, Cart., Lng 1
YY 3 21923 (000000-- ) Spacer, Coil 1
YY 4 79711 (000000-- ) Seal Kit, Cart 1
YY 579740 (000000-- )Seal Kit, Coil 1
Yo6 79719 (000000-- ) Valve Stem 4W2P 1
YY 7 79728 (000000-- ) Nut, Cart 1
YY 8 79711 (000000-- ) Seal Kit, Cart 1
YY 9 79740 (000000-- ) Seal Kit, Coil 1
Yo10 21906 (000000-- )Valve Stem 3W2P 1
YY 11 79731 (000000-- ) Nut, Cart., Lng 1
YY 12 79711 (000000-- ) Seal Kit, Cart 1
YY 13 79740 (000000-- ) Seal Kit, Coil 1
Yo14 79739 (000000-- ) Stem, Valve 3
YY 15 79731 (000000-- )Nut, Cart., Lng 1
YY 16 79711 (000000-- ) Seal Kit, Cart 1
YY 17 79740 (000000-- ) Seal Kit, Coil 1
Yo18 21907 (000000-- ) Valve Stem N.C. 1
YY 19 79728 (000000-- ) Nut, Cart 1
YY 20 79711 (000000-- )Seal Kit, Cart 1
YY 21 79740 (000000-- ) Seal Kit, Coil 1
Yo22 65240 (000000-- ) Valve, Relief 2
YY 23 79711 (000000-- ) Seal Kit, Cart 1
Yo24 21919 (000000-- ) Cart,Pilot Chk 1
YY 25 79711 (000000-- )Seal Kit, Cart 1
Yo26 21904 (000000-- ) Cart, Psi 1
YY 27 79711 (000000-- ) Seal Kit, Cart 1
Y28 21916 (000000-- ) Coil, 12V 7
Y29 21920 (000000-- ) Plug, Orifice Cp 1
Y30 13907 (000000-- )Plug #8 1
Y31 13904 (000000-- ) Plug Gage #6 1
Y32 74098 (000000-- ) Plug #4 7
Y33 13902 (000000-- ) Plug #2 14
Note: Scrub Brushes Must Be Matched With Proper Hydraulic Cartridge.
Home
Find...
Go To..

BREAKDOWNS
7400D MM426 (9--99)
4-22
Fig. 14 -- Hydraulic Solenoid Valve Breakdown, Nylon Brush, 71761
SV3
SV4
CK1
PR1
SV2
R2
R1
SV1
SV5
SV7
2
3
4
5
6
7
8
9
10
11
12
13
14
15
16
17
18
20
21
22
23
24
25
26
27
28
29
30
33
33
32
32
33
33
34
33
32
33
33 32
33
16
17
23
14
15
17
28
17
33
31
28
19
21
28
28
28
1
5
9
32
Home
Find...
Go To..

BREAKDOWNS
4-23
7400D MM426 (9--99)
10855 -- ALL
Fig. 14 -- Hydraulic Solenoid Valve Breakdown, Nylon Brush, 71761
Ref. Part No. Serial Number Description Qty.
o71761 (000000-- ) Valve Assy, Nylon Brush 1
Yo1 25812 (000000-- ) Cartridge Repl Kit, Nylon Brush 1
YY 2 79731 (000000-- ) Nut, Cart., Lng 1
YY 3 21923 (000000-- ) Spacer, Coil 1
YY 4 79711 (000000-- ) Seal Kit, Cart 1
YY 579740 (000000-- )Seal Kit, Coil 1
Yo6 79719 (000000-- ) Valve Stem 4W2P 1
YY 7 79728 (000000-- ) Nut, Cart 1
YY 8 79711 (000000-- ) Seal Kit, Cart 1
YY 9 79740 (000000-- ) Seal Kit, Coil 1
Yo10 21906 (000000-- )Valve Stem 3W2P 1
YY 11 79731 (000000-- ) Nut, Cart., Lng 1
YY 12 79711 (000000-- ) Seal Kit, Cart 1
YY 13 79740 (000000-- ) Seal Kit, Coil 1
Yo14 79739 (000000-- ) Stem, Valve 2
YY 15 79731 (000000-- )Nut, Cart., Lng 1
YY 16 79711 (000000-- ) Seal Kit, Cart 1
YY 17 79740 (000000-- ) Seal Kit, Coil 1
Yo18 21907 (000000-- ) Valve Stem N.C. 1
YY 19 79728 (000000-- ) Nut, Cart 1
YY 20 79711 (000000-- )Seal Kit, Cart 1
YY 21 79740 (000000-- ) Seal Kit, Coil 1
Yo22 65240 (000000-- ) Valve, Relief 2
YY 23 79711 (000000-- ) Seal Kit, Cart 1
Yo24 21919 (000000-- ) Cart,Pilot Chk 1
YY 25 79711 (000000-- )Seal Kit, Cart 1
Yo26 21904 (000000-- ) Cart, Psi 1
YY 27 79711 (000000-- ) Seal Kit, Cart 1
Y28 21916 (000000-- ) Coil, 12V 6
Y29 74099 (000000-- ) Plug #10 1
Y30 13907 (000000-- )Plug #8 1
Y31 13904 (000000-- ) Plug Gage #6 1
Y32 74098 (000000-- ) Plug #4 7
Y33 13902 (000000-- ) Plug #2 14
Y34 21920 (000000-- )Plug, Orifice Cp 1
Note: Scrub Brushes Must Be Matched With Proper Hydraulic Cartridge.
Home
Find...
Go To..

BREAKDOWNS
7400D MM426 (9--99)
4-24
Fig. 15 -- Hydraulic Solenoid Valve Breakdown, Side Brush and Nylon Brush, 71762
SV3
SV4
CK1
PR1
SV2
R2
R1
SV1
SV5
SV7
SV6
10
11
12
13 16
18
20
21
14
15
17
28
17
33
31
28
19
21
28
32
14
14
15
17
22
23
24
25
26
27
28
30
33
33
32
32
33
33
29
33
32
33
33 32
33
16
17
23
22
2
3
4
5
6
7
8
9
28
28
1
5
9
15
17
28
17
32
16
Home
Find...
Go To..

BREAKDOWNS
4-25
7400D MM426 (9--99)
10863 -- ALL
Fig. 15 -- Hydraulic Solenoid Valve Breakdown, Side Brush and Nylon Brush, 71762
Ref. Part No. Serial Number Description Qty.
o71762 (000000-- )Valve Assy, Side Br, Nylon Br 1
Yo1 25812 (000000-- ) Cartridge Repl Kit, Nylon Brush 1
YY 2 79731 (000000-- ) Nut, Cart., Lng 1
YY 3 21923 (000000-- ) Spacer, Coil 1
YY 4 79711 (000000-- ) Seal Kit, Cart 1
YY 579740 (000000-- )Seal Kit, Coil 1
Yo6 79719 (000000-- ) Valve Stem 4W2P 1
YY 7 79728 (000000-- ) Nut, Cart 1
YY 8 79711 (000000-- ) Seal Kit, Cart 1
YY 9 79740 (000000-- ) Seal Kit, Coil 1
Yo10 21906 (000000-- )Valve Stem 3W2P 1
YY 11 79731 (000000-- ) Nut, Cart., Lng 1
YY 12 79711 (000000-- ) Seal Kit, Cart 1
YY 13 79740 (000000-- ) Seal Kit, Coil 1
Yo14 79739 (000000-- ) Stem, Valve 3
YY 15 79731 (000000-- )Nut, Cart., Lng 1
YY 16 79711 (000000-- ) Seal Kit, Cart 1
YY 17 79740 (000000-- ) Seal Kit, Coil 1
Yo18 21907 (000000-- ) Valve Stem N.C. 1
YY 19 79728 (000000-- ) Nut, Cart 1
YY 20 79711 (000000-- )Seal Kit, Cart 1
YY 21 79740 (000000-- ) Seal Kit, Coil 1
Yo22 65240 (000000-- ) Valve, Relief 2
YY 23 79711 (000000-- ) Seal Kit, Cart 1
Yo24 21919 (000000-- ) Cart,Pilot Chk 1
YY 25 79711 (000000-- )Seal Kit, Cart 1
Yo26 21904 (000000-- ) Cart, Psi 1
YY 27 79711 (000000-- ) Seal Kit, Cart 1
Y28 21916 (000000-- ) Coil, 12V 7
Y29 21920 (000000-- ) Plug, Orifice Cp 1
Y30 13907 (000000-- )Plug #8 1
Y31 13904 (000000-- ) Plug Gage #6 1
Y32 74098 (000000-- ) Plug #4 7
Y33 13902 (000000-- ) Plug #2 14
Note: Scrub Brushes Must Be Matched With Proper Hydraulic Cartridge.
Home
Find...
Go To..

BREAKDOWNS
7400D MM426 (9--99)
4-26
Fig. 16 -- Hydraulic Solenoid Valve Breakdown, 71708
SC1
SV8
SV9
SV10
PR2
SV11
2
3
4
5
6
7
8
9
10
1
11
12
13
14
15
16
17
18
19
20
21
5
14
14
14 9
8
6
9
97
20
20
19
13
Home
Find...
Go To..

BREAKDOWNS
4-27
7400D MM426 (9--99)
10857 -- ALL
Fig. 16 -- Hydraulic Solenoid Valve Breakdown, 71708
Ref. Part No. Serial Number Description Qty.
o71708 (000000-- )Valve, Hyd Cntrl Sol 1
Yo1 21931 (000000-- ) Cart, Psi Control 1
YY 2 79731 (000000-- ) Nut, Cart., Lng 1
YY 3 21923 (000000-- ) Spacer, Coil 1
YY 4 79711 (000000-- ) Seal Kit, Cart 1
YY 579740 (000000-- )Seal Kit, Coil 1
Yo6 21906 (000000-- ) Valve Stem 3W2P 2
YY 7 79731 (000000-- ) Nut, Cart., Lng 1
YY 8 79711 (000000-- ) Seal Kit, Cart 1
YY 9 79740 (000000-- ) Seal Kit, Coil 1
Yo10 21907 (000000-- )Valve Stem N.C. 1
YY 11 79728 (000000-- ) Nut, Cart 1
YY 12 79711 (000000-- ) Seal Kit, Cart 1
YY 13 79740 (000000-- ) Seal Kit, Coil 1
Y14 21916 (000000-- ) Coil, 12V 4
Yo15 21904 (000000-- )Cart, Psi 1
YY 16 79711 (000000-- ) Seal Kit, Cart 1
Yo17 21921 (000000-- ) Cart,Shuttle Chk 1
YY 18 79711 (000000-- ) Seal Kit, Cart 1
Y19 13902 (000000-- ) Plug #2 4
Y20 74098 (000000-- )Plug #4 3
Y21 21922 (000000-- ) Fitting, Plug, Valve, Hyd 1
Home
Find...
Go To..

BREAKDOWNS
7400D MM426 (9--99)
4-28
Fig. 17 -- Extended Scrub Pump Breakdown, 20914
1
2
3
4
5
6
7
8
9
10
11
12
13
14
15
16
17
Home
Find...
Go To..

BREAKDOWNS
4-29
7400D MM426 (3--07)
10845 -- ALL
Fig. 17 -- Extended Scrub Pump Breakdown, 20914
Ref. Part No. Serial Number Description Qty.
o20914 (000000-- )Pump, Column, Es 1
Yo1 23282 (000000-- ) Motor 12V Dc 1
YY 78829 (000000-- ) Brush Kit 1
Y2 1031699 (000000-- ) Gasket, .19, 4.05id 5.29od [Buna] 1
Y3 78830 (000000-- ) Washer, Rubber Gr 1
Y478833 (000000-- )Tubing, Vinyl 1
Y5 78398 (000000-- ) Fitting ,Str Gr 1
Y6 22790 (000000-- ) Retainer, Gasket 1
Y7 78836 (000000-- ) Column, Pump 1
Y8 23283 (000000-- ) Shaft, Pump 1
Y901644 (000000-- )Ftg,Plstc .5Barb .5Pf 1
Y10 78839 (000000-- ) Fitting , Elbow Gr 1
Yo11 78842 (000000-- ) Check Valve Kit 1
YY 12 78840 (000000-- ) Valve, Check 1
YY 13 73342 (000000-- ) Gasket, Check Valve 1
YY 14 78841 (000000-- )Flapper, Valve 1
Y15 78843 (000000-- ) Pump Body Kit 1
Y16 86575 (000000-- ) Cap, Drain 1
Y17 23285 (000000-- ) Sleeve 1
Home
Find...
Go To..

BREAKDOWNS
7400D MM426 (9--99)
4-30
Fig. 18 -- Extended Scrub Pump Breakdown, 379005
1
2
3
4
5
6
7
8
9
10
11
12
13
14
15
16
17
Home
Find...
Go To..

BREAKDOWNS
4-31
7400D MM426 (3--07)
10845 -- ALL
Fig. 18 -- Extended Scrub Pump Breakdown, 379005
Ref. Part No. Serial Number Description Qty.
o379005 (000000-- )Pump, Column, Es 1
Yo1 23282 (000000-- ) Motor 12V Dc 1
YY 78829 (000000-- ) Brush Kit 1
Y2 23285 (000000-- ) Sleeve 1
Y3 78830 (000000-- ) Washer, Rubber Gr 1
Y478833 (000000-- )Tubing, Vinyl 1
Y5 78398 (000000-- ) Fitting ,Str Gr 1
Y6 22790 (000000-- ) Retainer, Gasket 1
Y7 78836 (000000-- ) Column, Pump 1
Y8 23283 (000000-- ) Shaft, Pump 1
Y901644 (000000-- )Ftg,Plstc .5Barb .5Pf 1
Y10 78839 (000000-- ) Fitting , Elbow Gr 1
Yo11 78842 (000000-- ) Check Valve Kit 1
YY 12 78840 (000000-- ) Valve, Check 1
YY 13 73342 (000000-- ) Gasket, Check Valve 1
YY 14 78841 (000000-- )Flapper, Valve 1
Y15 78843 (000000-- ) Pump Body Kit 1
Yo16 24358 (000000-- ) Cap Assy, Tank 1
YY 17 1031699 (000000-- ) Gasket, .19, 4.05id 5.29od [Buna] 1
Home
Find...
Go To..

BREAKDOWNS
7400D MM426 (3--05)
4-32
Fig. 19 -- Extended Scrub Pump Breakdown, 20891
2
3
4
5
6
7
8
9
10
1
12
11
13
14
15
16
17
18
19
Home
Find...
Go To..

BREAKDOWNS
4-33
7400D MM426 (3--07)
352370 -- ALL
Fig. 19 -- Extended Scrub Pump Breakdown, 20891
Ref. Part No. Serial Number Description Qty.
o20891 (000000--- )Pump, Water 1
Yo1 23282 (000000--- ) Motor 12V Dc 1
YY 78829 (000000--- ) Kit, Brush 1
Yo2 24358 (000000--- ) Cap, Tank 1
YY 3 1031699 (000000--- ) Gasket, .19, 4.05id 5.29od [Buna] 1
Y478833 (000000--- )Tubin g, V inyl 1
Y5 23285 (000000--- ) Sleeve 1
Y6 78836 (000000--- ) Column 1
Y7 23283 (000000--- ) Shaft, Pump 1
Y8 78839 (000000--- ) Fitting 1
Yo978842 (000000--- )Check Valve Kit 1
YY 10 78840 (000000--- ) Valve, Check 1
YY 11 73342 (000000--- ) Gasket 1
YY 12 78841 (000000--- ) Flapper, Valve 1
Y13 78843 (000000--- ) Pump Body Kit 1
Y14 20892 (000000--- )Backflush,Cover Lid 1
Y15 20885 (000000--- ) Bracket, Solenoid Valve 1
Y16 20989 (000000--- ) Timer, Backflush 1
Y17 369850 (000000--- ) Valve, Water, Sol, 12vdc, 10bm/10bm 1
Y18 20988 (000000--- ) Wireharness, Backflush 1
Y19 20778 (000000--- )Hose,Vinyl,Clear 1
Home
Find...
Go To..

BREAKDOWNS
7400D MM426 (12--05)
4-34
Fig. 20 -- Extended Scrub Pump Breakdown, 1021210
2
3
4
5
6
7
8
9
10
1
11
12
13
14
15
16
17
Home
Find...
Go To..

BREAKDOWNS
4-35
7400D MM426 (3--07)
354377 -- ALL
Fig. 20 -- Extended Scrub Pump Breakdown, 1021210
Ref. Part No. Serial Number Description Qty.
o1021210 (000000-- )Pump Assy, Column, Es 1
Yo1 23282 (000000-- ) Motor 12V Dc 1
YY 78829 (000000-- ) Brush Kit 1
Yo2 24358 (000000-- ) Cap Assy, Tank 1
YY 3 1031699 (000000-- ) Gasket, .19, 4.05id 5.29od [Buna] 1
Y478833 (000000-- )Tubing, Vinyl 1
Y5 78398 (000000-- ) Fitting, Plstc, Str 1
Y6 78843 (000000-- ) Pump Body Kit 1
Y7 78836 (000000-- ) Column, Pump 1
Y8 23283 (000000-- ) Pump Shaft 1
Y978838 (000000-- )Fitting, Elbow Gr 1
Y10 78839 (000000-- ) Fitting , Elbow Gr 1
Yo11 78842 (000000-- ) Check Valve Kit 1
YY 12 78840 (000000-- ) Valve, Check 1
YY 13 73342 (000000-- ) Gasket, Check Valve 1
YY 14 78841 (000000-- )Flapper, Valve 1
Y15 78830 (000000-- ) Washer, Rubber 1
Y16 22790 (000000-- ) Insert, Cap 1
Y17 23285 (000000-- ) Sleeve Gr 1
Home
Find...
Go To..

BREAKDOWNS
7400D MM426 (9--99)
4-36
Fig. 21 -- Hydraulic Flow Sensor Switch Breakdown, 73430
6
3
5
2
7
1
4
10854 -- ALL
Ref. Part No. Serial Number Description Qty.
o73430 (000000-- )Switch, Hyd Flow Sensor 1
Y1 79712 (000000-- ) Actuator, Mag 1
Y2 79713 (000000-- ) Cushion, Piston 1
Y3 79714 (000000-- ) Switch Assy 1
Y4 13904 (000000-- ) Plug Gage #6 1
Y513902 (000000-- )Plug #2 1
Y6 79710 (000000-- ) Cart, Check Vlv 1
Y7 79715 (000000-- ) Spring 1
Home
Find...
Go To..

BREAKDOWNS
4-37
7400D MM426 (9--99)
Fig. 22 -- Metering Solution Pump Breakdown, 73260
Motor
Bracket
00112 -- ALL
Ref. Part No. Serial Number Description Qty.
o73260 (000000-- )Pump, Detergent Metering 1
Y1 63923 (000000-- ) Tubing Connctr.Kit, Pmp 1
Y2 21659 (000000-- ) Valve Kit, Poppet 1
Y3 21657 (000000-- ) Bellows Kit 1
Y4 78875 (000000-- ) Gear Motor Assy 1
Y502430 (000000-- )Crank Replmt.Kit,Pump 1
Home
Find...
Go To..

BREAKDOWNS
7400D MM426 (3--07)
4-38
Fig. 23 -- Hydraulic Pump Breakdown, 373453
2
3
4
5
6
7
8
9
10
1
11
12
13
14
15
15
16
17
18
19 20
21
22
23 24
25
26
27
28
11
11
11
11
16
23
13
14
8
10
21
20
Home
Find...
Go To..

BREAKDOWNS
4-39
7400D MM426 (3--07)
GM
Fig. 23 -- Hydraulic Pump Breakdown, 373453
Ref. Part No. Serial Number Description Qty.
o373453 (000000-- )Pump, Hyd, Piston [V] 1.24 [R] 4000 1
Y1 21925 (000000-- ) Shaft, Drive, Pump, Hyd 1
Y2 373427 (000000-- ) Cover, End 1
Y3 373389 (000000-- ) Housing 1
Y4 02706 (000000-- ) Kit, Rotating, Pump, Hyd 1
Y5373493 (000000-- )Plate, Cam 1
Y6 70096 (000000-- ) Washer, Flat, Pump, Hyd 1
Y7 55926 (000000-- ) Ring, Retaining, Pump, Hyd 1
Y8 373434 (000000-- ) Ring, Retining 2
Y9 74225 (000000-- ) Bearing, Thrust, Pump, Hyd 1
Y10 74226 (000000-- )Race, Bearing, Pump, Hyd 2
Y11 373398 (000000-- ) Kit, Seal, Hyd, Pump 1
Y12 373327 (000000-- ) Insert, Plate, Cam, Pump, Hyd 1
Y13 373391 (000000-- ) Washer, Pump, Hyd 6
Y14 373346 (000000-- ) Screw, Cap 6
Y15 373494 (000000-- )Valve, Relief, 4000 Psi 1
Y16 373317 (000000-- ) Bearing, Cone, Pump, Hyd 2
Y17 373393 (000000-- ) Plate, Cover 1
Y18 373394 (000000-- ) Plate, Cover 1
Y19 70100 (000000-- ) Pin, Dowel, Pump, Hyd 2
Y20 373347 (000000-- )Screw, Cap 2
Y21 373348 (000000-- ) Screw, Cap 2
Y22 74237 (000000-- ) Key, Shaft, Pump, Hyd 1
Y23 373395 (000000-- ) Bearing, Cup 2
Y24 74180 (000000-- ) Plate, Valve, Pump, Hyd 1
Y25 13907 (000000-- )Fitting, Plug, O--Ring 1
Y26 373413 (000000-- ) Actuator, Valve, Bypass 1
Y27 373402 (000000-- ) Kit, Shim 1
Y28 373429 (000000-- ) Instr, Repair, Pump 1
Home
Find...
Go To..

BREAKDOWNS
7400D MM426 (3--07)
4-40
Home
Find...
Go To..

ENGINE BREAKDOWN
5-1
7400D MM426 (3--05)
SECTION 5
Contents Page
Fig. 1 -- Crankcase Group 5-2................
Fig. 2 -- Oil Pan Group 5-4...................
Fig. 3 -- Cylinder Head Group 5-5.............
Fig. 4 -- Gear Case Group 5-6...............
Fig. 5 -- Water Pump Group 5-8..............
Fig. 6 -- Main Bearing Case Group 5-9........
Fig. 7 -- Head Cover Group
(Wxxxxx--3xxxxxx) 5-10............
Fig. 8 -- Head Cover Group (4xxxxx-- ) 5-11
Fig. 9 -- Manifold Group 5-12.................
Fig. 10 -- Valve, Rocker Arm Group 5-13.......
Fig. 11 -- Camshaft Group 5-14...............
Fig. 12 -- Piston and Crankshaft Group 5-16....
Fig. 13 -- Flywheel Group 5-18................
Fig. 14 -- Starter Breakdown, 74405 5-20.......
Fig. 15 -- Nozzle Holder and Glow Plug
Group 5-22.......................
Fig. 16 -- Injection Pump Group 5-24..........
Fig. 17 -- Injection Pump Breakdown 5-26......
Fig. 18 -- Fuel Camshaft Group 5-28...........
Fig. 19 -- Idling Group 5-29...................
Fig. 20 -- Speed Control Plate Group 5-30......
Fig. 21 -- Governor Group 5-31...............
Fig. 22 -- Water Flange Group 5-32............
Home
Find...
Go To..

ENGINE BREAKDOWN
7400D MM426 (1--96)
5-2
Fig. 1 -- Crankcase Group
1
2
3
4
5
6
7
8
9
10
11
12
13
14
15
16
17
18 19
20
21
22
6
2
12
11
6
Home
Find...
Go To..

ENGINE BREAKDOWN
5-3
7400D MM426 (3--07)
07406 -- 7400, 8200L, 6600L, D
Fig. 1 -- Crankcase Group
Ref. Part No. Description Qty.
184646 ¡)Crankcase 1
o1 372920 ©)Crankcase, Complt 1
Y2 70998 Cap, Sealing 6
Y3 39087 Cap, Sealing 1
Y4 39088 Plug 4
Y584647 Plug 1
Y6 71985 Plug 3
Y7 39051 Plug 2
Y8 361436 Plug, Expansion 3
Y9 71986 Plug, Expansion 1
Y10 71987 Pin, Straight 2
Y11 71988 Pin, Straight 2
Y12 71989 Pin, Straight 2
Y13 71990 Pin, Pipe 2
Y14 71991 Pin, Pipe 1
Y15 71992 Plug 1
Y16 39105 Pin, Start Spring 1
Y17 71993 Plug 1
Y18 39062 Plug 1
Y19 10895 Gasket 1
Y20 70887 Bush, Governor Gear 1
21 39063 O--Ring 1
22 70888 Assembly Cock, Drain 1
¡Kubota Serial number (Wxxxxx--3xxxxxx)
©Kubota Serial number number (4xxxxx-- )
Home
Find...
Go To..

ENGINE BREAKDOWN
7400D MM426 (3--07)
5-4
Fig. 2 -- Oil Pan Group
1
2
3
4
5
6
7
8
9
10
11
12
12
10
07409 -- 7400, 6600L, D
Ref. Part No. Description Qty.
171994 )Pan, Oil 1
2 70889 Gasket, Pan, Oil 1
3 71995 Screw, Hex [Ku] 26
4 70890 Plug 1
5 70891 Gasket, Plug, Drain [Ku] 1
670892 Element, Fltr, Oil, Eng, Spin--on[Ku] 1
7 39094 Screw, Hex [Ku] 1
8 41792 Seal Org [Ku] 1
9 70893 Dipstick [Ku] 1
o10 361428 Dipstick, Oil [Ku] 1
Y11 361366 Seal Org [Ku] 1
12 39073 Screw, Hex [Ku] 1
66187 Gasket Set 1
Home
Find...
Go To..

ENGINE BREAKDOWN
5-5
7400D MM426 (3--07)
Fig. 3 -- Cylinder Head Group
1
2
3
4
5
6
7
8
9
10 12
11
6
3
13
07411 -- 7400, 8200L, D
Ref. Part No. Description Qty.
171996 )Hook, Engine 1 1
2 71997 Hook, Engine 2 1
3 39073 Bolt 2
4 84631 ¡Head, Cyl, W/O Valve [Ku] 1
o4 372921 ©Head, Cyl [Ku] 1
Y551331 Cap, Sealing 1
Y6 39088 Plug 2
Y7 70895 Guide, Inlet Valve 4
Y8 70896 Guide, Exhaust Valve 4
Y9 71999 Cap, Sealing 3
10 70897 Bolt, Cylinder Head 18
11 70899 Gasket, Cyclinder Head 1
66194 Gasket Set, Upper 1
12 72010 Plug 1
13 39063 O--Ring 1
¡Kubota Serial number (Wxxxxx--3xxxxxx)
©Kubota Serial number number (4xxxxx-- )
Home
Find...
Go To..

ENGINE BREAKDOWN
7400D MM426 (9--99)
5-6
Fig. 4 -- Gear Case Group
1
2
3
4
5
6
78
9
28
29
30 31
14
15
16
17
18
19
21
22
23
11
12
13
25
26
10
2
27
20
24
Home
Find...
Go To..

ENGINE BREAKDOWN
5-7
7400D MM426 (3--07)
07413 -- 7400, 6600L, D
Fig. 4 -- Gear Case Group
Ref. Part No. Description Qty.
o172011 )Comp. Case, Gear 1
Y2 72012 Plug 4
Y3 12916 Joint, Pipe 1
Y4 70900 Spring 1
Y5 70901 Seat, Valve 1
Y670902 Ball 1
Y7 70903 Assembly Rotor, Oil Pump 1
Y8 70904 Cover, Oil Pump 1
Y9 72013 Screw 5
Y10 70905 Cover 1
Y11 70906 Bolt 1
Y12 70907 O--Ring 1
Y13 39103 O--Ring 1
14 72014 Bolt 1
15 72015 Bolt 2
16 72016 Bolt 1
17 72017 Stud 1
18 39121 Nut 1
19 39065 Washer, Spring 1
20 70909 Seal, Oil 1
21 70910 O--Ring 2
22 70911 O--Ring 2
23 72018 Stud 2
24 55849 Assembly Cartridge, Oil 1
25 39161 Oil Filter, Plug 1
26 70913 O--Ring 1
27 70189 Cover 1
28 70912 Gasket, Gear Case 1
29 72993 Bolt 3
30 72994 Bolt 4
31 72995 Bolt 2
Home
Find...
Go To..

ENGINE BREAKDOWN
7400D MM426 (3--07)
5-8
Fig. 5 -- Water Pump Group
1
2
3
4
5
6
7
8
9
10
07415 -- 6200L, 7400, 8200L, D
Ref. Part No. Description Qty.
o166205 )Assembly Pump, Water 1
Y2 70915 Bearing, Ball 1
Y3 70916 Assembly Seal, Mechanical 1
Y4 70917 Impeller, Water Pump 1
Y5 361440 Fitting, Pipe, Water [Ku] 1
Y670919 Flange, Pump, Water [Ku] 1
Y7 70920 Gasket, Pump, Water [Ku] 1
8 72997 Bolt 2
9 72996 Bolt 4
10 55847 Pully, Fan 1
Home
Find...
Go To..

ENGINE BREAKDOWN
5-9
7400D MM426 (3--07)
Fig. 6 -- Main Bearing Case Group
1
2
3
4
5
6
7
8
10
11
12
10
10
9
2
2
2
07417 -- 6200L, 7400, 8200L, D
Ref. Part No. Description Qty.
170921 )Assembly Case, Main Bearing 1
2 72998 Bolt, Bearing Case 1 8
3 70922 Gasket, Bearing Case 1
4 70923 Cover, Bearing Case 1
5 70924 Seal, Oil 1
670925 Gasket, Bearing Case Cover 1
7 72999 Bolt 8
8 39119 Bolt 9
9 70926 Assembly Case, Main Bearing 1 1
10 73479 Bolt. Bearing Case 2 3
11 70927 Assembly Case, Main Bearing 2 1
12 70928 Assembly Case, Main Bearing 3 1
Home
Find...
Go To..

ENGINE BREAKDOWN
7400D MM426 (3--07)
5-10
Fig. 7 -- Head Cover Group (Wxxxxx--3xxxxxx)
1
2
3
4
5
6
7
8
9
10
11
12
13
07419 -- 6200L, 7400, 8200L, D
Ref. Part No. Description Qty.
o173480 ¡)Cover, Cylinder Head 1
Y2 70929 ¡Gasket, Head Cover 1
Y3 73481 ¡Joint, Breather Pipe 1
Y4 70930 ¡Plate, Element 1 1
Y5 70931 ¡Plate, Element 2 1
Y670932 ¡Element, Breather 1
Y7 70933 ¡Oil Shield, Breather 1
Y8 73482 ¡Screw, With Washer 2
9 73483 ¡Nut, Cap 4
10 73484 ¡Gasket 4
11 361374 ¡Plug, Oil Filler 1
12 39162 ¡O--Ring 1
13 73485 ¡Pipe, Breather 1
¡Kubota Serial number (Wxxxxx--3xxxxxx)
©Kubota Serial number number (4xxxxx-- )
Home
Find...
Go To..

ENGINE BREAKDOWN
5-11
7400D MM426 (3--07)
Fig. 8 -- Head Cover Group (4xxxxx-- )
2
3
4
56
7
8
9
10
1
11
12
13
14
07419 -- 7400, 6600L, 8200L, D
Ref. Part No. Description Qty.
o1372918 ©)Cover Assy, Head, Cyl 1
Y2 70929 ©Gasket, Cover, Head, Cyl [Ku] 1
Y3 372912 ©Shield, Breather 1
Y4 372928 ©Valve, Breather, Complt 1
Y5 372927 ©Cover, Breather 1
Y6372900 ©Screw, Pan 4
Y7 30125 ©Pipe, Water 1
8 73483 ©Nut, Hex, Cap [Ku] 15952--92331 1
9 73484 ©Gasket, F/Bolt [Ku] 15951--96661 1
10 361374 ©Cap, Filler, Oil [Ku] 1
11 39162 ©Seal, Org [Ku] 04811--50300 1
12 372913 ©Tube, Breather 1
13 372901 ©Clamp, Hose 1
14 372904 ©Clamp, Hose 1
¡Kubota Serial number (Wxxxxx--3xxxxxx)
©Kubota Serial number number (4xxxxx-- )
Home
Find...
Go To..

ENGINE BREAKDOWN
7400D MM426 (3--07)
5-12
Fig. 9 -- Manifold Group
1
3
4
5
6
7
8
9
10
2
11
12
13
07421 -- 7400, 6600L, 8200L, D
Ref. Part No. Description Qty.
o1372905 ©)Manifold Assy, Inlet 1
Y2 73481 ©Pipe, Breather [Ku] 1
Y3 70934 ©Gasket, In--manifold 1
4 72996 Bolt 2
5 72994 Bolt 3
673487 Manifold, Exhaust, Front, Down 1
7 70935 Gasket, Ex--manifold 1
8 73488 Stud 8
9 361427 Nut 8
10 51332 Gasket Ku 1
11 40409 Bolt 3
o12 73486 ¡Manifold, Inlet 1
Y13 70934 ¡Gasket, Manifold, Intake [Ku] 1
¡Kubota Serial number (Wxxxxx--3xxxxxx)
©Kubota Serial number number (4xxxxx-- )
Home
Find...
Go To..

ENGINE BREAKDOWN
5-13
7400D MM426 (3--07)
Fig. 10 -- Valve, Rocker Arm Group
1
2
3
4
5
6
7
9
10
11
12
13
14
15
16
17 18
19
20
21
19
19
19
19
17
17
16
18
15
13
13
13
12
12
19
9
8
2
2
21
1
1
10
10
19
12
10
07423 -- 7400, 6600L, 8200L, D
Ref. Part No. Description Qty.
170936 )Valve, Inlet 4
2 70937 Valve, Exhaust 4
3 73491 Spring, Valve 8
4 73492 Retainer, Valve Spring 8
5 73493 Collet, Valve Spring 8
673494 Seal, Valve Stem 8
7 361392 Cap, Valve 8
o8 73495 Assembly Shaft, R--arm 1
Y9 73496 Screw, Set 2
10 73497 Bracket, Rocker Arm 4
11 73498 Stud 4
12 73499 Nut 4
13 73500 Washer, Plain 4
14 73501 Screw, Set 1
15 73502 Washer 1 2
16 73503 Washer 2 2
17 73504 Spring, Rocker Arm 3
18 73505 Cir--clip, External 2
o19 73506 Assembly Rocker Arm 8
Y20 73507 Screw, Adjusting 8
Y21 73508 Nut 8
Home
Find...
Go To..

ENGINE BREAKDOWN
7400D MM426 (3--05)
5-14
Fig. 11 -- Camshaft Group
1
23
4
5
6
7
89
10
11
12
13
14
15
Home
Find...
Go To..

ENGINE BREAKDOWN
5-15
7400D MM426 (3--07)
07425 -- 7400, 6600L, 8200L, D
Fig. 11 -- Camshaft Group
Ref. Part No. Description Qty.
112895 )Tappet 8
2 73509 Push Rod 8
o3 73510 Assembly Camshaft 1
Y4 39197 Screw, Set 1
Y5 73511 Gear, Camshaft 1
Y673512 Key, Feather 1
Y7 73513 Stopper, Camshaft 1
Y8 39160 Bolt 2
o9 73514 Comp Idle Gear 1 1
Y10 73515 Bush, Idle Gear 1
11 73516 Collar, Idle Gear 1 1
12 73517 Collar, Idle Gear 2 1
13 73518 Cir--clip, Idle Gear 1
14 73519 Shaft, Idle Gear 1 1
15 41973 Bolt 3
Home
Find...
Go To..

ENGINE BREAKDOWN
7400D MM426 (1--96)
5-16
Fig. 12 -- Piston and Crankshaft Group
1
2
34
5
6
7
8
9
11
12
13
14
10
17
16
18
19
20
21
22
23
15
22
4
Home
Find...
Go To..

ENGINE BREAKDOWN
5-17
7400D MM426 (3--07)
07427 -- 7400, 6500L, D
Fig. 12 -- Piston and Crankshaft Group
Ref. Part No. Description Qty.
173520 )Piston 4
1 73521 Piston 05 4
2 70938 Assembly Piston Ring 4
2 70939 Assembly Piston Ring 05 4
3 73522 Pin, Piston 4
473523 Cir--clip, Piston Pin 8
o5 73524 Assembly Connecting Rod 4
Y6 70940 Bush, Piston Pin 4
Y7 73525 Bolt, Connecting Rod 8
Y8 70941 Metal, Crankpin 4
Y866204 Metal, Crankpin 02 4
Y8 66207 Metal, Crankpin 04 4
o9 73526 Comp. Crankshaft 1
Y10 70942 Sleeve, Crankshaft 1
Y11 73527 Ball 4
Y12 73528 Gear, Crankshaft 1
Y13 73529 Key 1
Y14 73530 Gear, Oil Pump Drive 1
15 73532 Bolt 1
16 70943 Collar, Crankshaft 1
17 70944 O--Ring 1
18 70945 Metal, Crankshaft 1 1
18 70946 Metal, Crankshaft1 02 1
18 70947 Metal, Crankshaft1 04 1
19 70948 Metal, Crankshaft 2 3
19 70949 Metal, Crankshaft2 02 3
19 70950 Metal, Crankshaft2 04 3
20 70951 Metal, Crankshaft 3 1
20 70952 Metal, Crankshaft3 02 1
20 70953 Metal, Crankshaft3 04 1
21 10844 Metal, Side 1 2
21 70954 Metal, Side 1 02 2
21 70955 Metal, Side 1 04 2
22 10845 Metal, Side 2 2
22 30121 Metal, Side 2 02 2
22 30122 Metal,Side204 2
23 73531 Pulley, Fan Drive, 112mm 1
Home
Find...
Go To..

ENGINE BREAKDOWN
7400D MM426 (1--96)
5-18
Fig. 13 -- Flywheel Group
1
2
3
4
5
Rear End Plate
Home
Find...
Go To..

ENGINE BREAKDOWN
5-19
7400D MM426 (3--07)
07429 -- 7400, 6600L, 8200L, D
Fig. 13 -- Flywheel Group
Ref. Part No. Description Qty.
o170956 )Comp. Flywheel 1
Y2 70957 Gear, Ring 1
3 73533 Bolt, Flywheel 6
4 73534 Bolt 8
573535 Bolt 2
Home
Find...
Go To..

ENGINE BREAKDOWN
7400D MM426 (1--96)
5-20
Fig. 14 -- Starter Breakdown, 74405
1
2
3
4
5
6
7
8
9
10
11
12
13
14
15
16
17
18
19
20
21
22
23
24
18
Home
Find...
Go To..

ENGINE BREAKDOWN
5-21
7400D MM426 (3--07)
10182 -- 7400, 6600L, 8200L, D
Fig. 14 -- Starter Breakdown, 74405
Ref. Part No. Description Qty.
o174405 )Assy Starter 1
Y2 70196 Assy Yoke 1
Yo3 70197 Assy Armature 1
YY 4 70198 Bearing 1
YY 5 70199 Bearing 1
Y670200 Clutch, Over Running 1
Y7 70201 Frame, Drive End 1
Y8 70202 Assy Switch, Magneto 1
Y9 70203 Frame, End 1
Yo10 70204 Assy Holder, Brush 1
YY 11 70205 Spring, Brush 4
Y12 70206 Gear 1
Y13 70207 Retainer 1
Y14 73545 Roller 5
Y15 70208 Spring 1
Y16 73547 Ball 1
Y17 70209 Bolt 2
Y18 20433 O--Ring 2
Y19 70210 Bolt 2
Y20 20432 Assy Bolt 2
Y21 70211 Cover 1
Y22 73551 Nut, Hexagon 1
Y23 70212 Nut, Hexagon 1
Y24 70213 Pipe, Drain 1
Home
Find...
Go To..

ENGINE BREAKDOWN
7400D MM426 (3--05)
5-22
Fig. 15 -- Nozzle Holder and Glow Plug Group
1
3
52
6
7
8
10 11 12
13
14
17
15
16
15
6
5
4
8
8
8
9
Home
Find...
Go To..

ENGINE BREAKDOWN
5-23
7400D MM426 (3--07)
07433 -- 7400, 8200L, D
Fig. 15 -- Nozzle Holder and Glow Plug Group
Ref. Part No. Description Qty.
173554 )Pipe, Over Flow 1
2 73555 Screw 1
3 40166 Gasket 1
o4 361373 Assembly Pipe, Over Flow 1
Y5 361368 Band, Pipe 2
6393673 ¡Holder Assembly, Nozzle 4
6 393674 ©Holder Assembly, Nozzle 4
o6 372917 ¢Housing Assy, Nozzle 4
Y7 70964 Gasket 1
Y8 20719 Seal, Heat 1
970965 Pipe, Injection 1 1
10 70966 Pipe, Injection 2 1
11 70967 Pipe, Injection 3 1
12 70968 Pipe, Injection 4 1
13 30131 Clamp, Pipe 1 3
14 30132 Clamp, Pipe 2 3
15 84638 Plug, Glow 4
16 73560 Cord, Glow Plug 1
17 39508 Screw, With Washer 3
¡Kubota Serial Number (000000-- 489289)
©Kubota Serial Number (489290--3xxxxxx)
¢Kubota Serial Number (4xxxxx-- )
Home
Find...
Go To..

ENGINE BREAKDOWN
7400D MM426 (9--99)
5-24
Fig. 16 -- Injection Pump Group
1
2
3
4
5
6
7
8
9
10 11
8
Home
Find...
Go To..

ENGINE BREAKDOWN
5-25
7400D MM426 (3--07)
07437 -- 7400, 6600L, 8200L, D
Fig. 16 -- Injection Pump Group
Ref. Part No. Description Qty.
173565 )Fuel Pump Cover Plate 1
2 84635 Assembly Pump, Injection (See Injection Pump Breakdown) 1
3 70972 Shim, Injection Pump 0.20 mm 1
4 70973 Shim, Injection Pump 0.25 mm 2
4 84644 Shim, Injection Pump 0.30 mm 1
573561 Bolt 3
6 73562 Stud 3
7 73563 Nut, Cap 3
8 39065 Washer, Spring 6
9 70974 Gasket, Fuel Pump 1
10 39121 Nut 2
11 39065 Washer, Spring 2
Home
Find...
Go To..

ENGINE BREAKDOWN
7400D MM426 (9--99)
5-26
Fig. 17 -- Injection Pump Breakdown
1
2
3
4
5
6
7
8
9
10
11
12
13
14
15
16
17
18
19 20
21
22
23
24
25
26
Home
Find...
Go To..

ENGINE BREAKDOWN
5-27
7400D MM426 (3--07)
07439 -- 7400, 6600L, 8200L, D
Fig. 17 -- Injection Pump Breakdown
Ref. Part No. Description Qty.
o184635 )Assembly Pump, Injection 1
Y2 84648 Plunger, Pump 4
Y3 73567 Valve, Delivery 4
Y4 73568 Spring, Delivery Valve 4
Y5 73569 Gasket, Delivery Valve 4
Y673570 Holder, Delivery Valve 4
Y7 73571 O--Ring 4
Y8 73572 Flange, Sleeve 4
Y9 73573 Pin, Joint 4
Y10 73574 O--Ring 8
Y11 73575 Screw 8
Y12 73576 Assembly Tappet 4
Y13 73577 Pin, Tappet Guide 4
Y14 73578 Pin, Clamp 1
Y15 73579 Spring, Plunger 4
Y16 73580 Seat, Spring Upper 4
Y17 73581 Seat, Spring Lower 4
Y18 73582 Shim 1
Y19 84649 Rack, Control 1
Y20 84650 Plate 1
Y21 73585 Screw 5
Y22 73586 Sleeve, Control 4
Y23 84651 Screw, Follow 1
Y24 73588 Gasket 2
Y25 73589 Screw 1
Y26 73590 Gasket 1
Home
Find...
Go To..

ENGINE BREAKDOWN
7400D MM426 (3--07)
5-28
Fig. 18 -- Fuel Camshaft Group
1
2
3
4
5
6
7
8
9
10
11
12
13
14
15
16
17
18
19 20
21
15
15
15
07441 -- 7400, 6600L, 8200L, D
Ref. Part No. Description Qty.
184636 )Camshaft, Fuel 1
2 70975 Bearing, Ball 1
3 70976 Bearing, Ball 1
4 73592 Cam, Fuel 1
5 73593 Nut, Cap 1
673594 Key, Woodruff 1
7 73595 Gear, Injection Pump 1
8 40409 Bolt 3
9 73596 Stopper 1
10 71995 Bolt 2
o11 73597 Assembly Shaft, Governor 1
Y12 73598 Holder, Governor Gear 1
Y13 73599 Gear, Governor 1
Y14 73600 Holder, 1
Y15 73601 Comp. Weight, Governor 2
Y16 73602 Shaft, Governor Weight 2
Y17 70977 Sleeve, Governor 1
Y18 70978 Washer, Thrust 1
19 70979 Bearing, Ball 1
20 73603 Cir--clip, Governor Shaft 1
21 73604 Screw, Set 1
Home
Find...
Go To..

ENGINE BREAKDOWN
5-29
7400D MM426 (3--07)
Fig. 19 -- Idling Group
1
2
3
4
5
6
7
8
9
10
11
13
14
5
12
07443 -- 7400, 6600L, D
Ref. Part No. Description Qty.
o170980 )Assembly Apparatus, Idle 1
Y2 73605 Assembly Bolt, Adjusting 1
Y3 73606 Nut 1
Y4 73607 Nut, Cap 1
Y5 40166 Gasket 2
Y630136 Cap 1
7 73610 Bolt, Adjusting 1
8 73606 Nut 1
9 73607 Nut, Cap 1
10 40166 Gasket 2
11 30136 Cap 1
12 70188 Cover 1
13 70165 Gasket, Thrtl Blk 1
14 39160 Bolt 2
Home
Find...
Go To..

ENGINE BREAKDOWN
7400D MM426 (3--07)
5-30
Fig. 20 -- Speed Control Plate Group
1
2
3
4
5
6
7
8
910
11
12
13
14
15
16 17
5
3
07445 -- 7400, 6600L, 8200L, D
Ref. Part No. Description Qty.
o170982 )Assembly Plate, Control 1
Y2 73618 Lever, Speed Control 1
Y3 73619 Lever, Speed Control 2
Y4 73620 O--Ring 1
Y5 40407 Pin, Spring 2
Y673621 Washer, Plain 2
Y7 73622 Nut 2
Y8 73623 Comp. Lever, Governor 1
Y9 73624 Lever, Engine Stop 1
Y10 70983 Seal, Oil 1
Y11 73625 Spring, Return 1
Y12 73626 Shaft, Stop Lever 1
13 70984 Gasket 1
14 41973 Bolt 2
15 72018 Stud 2
16 39121 Nut 2
17 39065 Washer, Spring 2
Home
Find...
Go To..

ENGINE BREAKDOWN
5-31
7400D MM426 (3--07)
Fig. 21 -- Governor Group
1
2
4
5
6
7
8
9
10
11
12
13
14
4
4
3
3
3
07447 -- 7400, 6600L, 8200L, D
Ref. Part No. Description Qty.
170985 )Spring, Start 1
2 70986 Spring, Governor 1
o3 73627 Assembly Lever, Fork 1
Y4 70987 Comp. Lever, Fork 1 1
Y5 73628 Lever, Fork 2 1
Y673629 Shaft, Fork Lever 1
Y7 70988 Washer, Plain 1
Y8 70989 Bearing, Ball 1
Y9 73630 Cir--clip, External 1
10 73631 Cover, Fork Lever Shaft 1
11 361430 Gasket 1
12 39160 Bolt 2
13 70991 Collar 1 1
14 70992 Bearing, Ball 1
Home
Find...
Go To..

ENGINE BREAKDOWN
7400D MM426 (3--07)
5-32
Fig. 22 -- Water Flange Group
1
2
3
4
5
6
7
8
9
10
11
12
13
14
15
83
16
17
07451 -- 7400, 6500L, D
Ref. Part No. Description Qty.
o170993 )Comp. Flange, Water 1
Y2 361440 Pipe, Water Return 1 1
3 73632 Plug 2
4 70994 Gasket, Water Flange 1
5 41973 Bolt 3
672995 Bolt 1
7 73633 Pipe, Water Return 2 1
8 73634 Band, Pipe 2
o9 10852 ©Thermostat, 180deg, 1.7d 1
Y10 1010851 ©Gasket, Thermostat 1
11 73635 Cover, Thermostat 1
12 72996 Bolt 1
13 73636 Stud 1
14 39121 Nut 1
15 39065 Washer, Spring 2
o16 71455 ¡Thermostat , 180deg, 1.5d, W/Gasket 1
Y17 368092 ¡Gasket, Thermostat 1
¡Tennant Serial Number (000000-- xxxxxx)
©Tennant Serial Number ( xxxxxx-- )
Home
Find...
Go To..
368090
1.7 Dia.
1.7 Dia.
10851
368091

CROSS REFERENCE
6-1
7400D MM426 (3--07)
SECTION 6
CONTENTS PAGE
PART NUMBER TO PAGE NUMBER CROSS REFERENCE LIST 6-2......................................
PART DESCRIPTION TO PAGE NUMBER CROSS REFERENCE LIST 6-12...............................
Home
Find...
Go To..

CROSS REFERENCE
7400D MM426 (3--07)
6-2
PART NUMBER TO PAGE NUMBER CROSS REFERENCE LIST
Part Page
Number Number
IB3614 4-16, 4-17........
MM426 3-50........
MM426ES 3-50.....
MM426FR 3-50.....
MM426JP 3-50......
MM428 3-50........
00500--15 4-10, 4-11, 4-12,......
4-13
00927 2-97........
00954 4-16........
00960 4-17........
01076 2-11........
01316 3-11........
01335 3-48........
01644 4-29, 4-31........
01683 2-49, 2-53, 2-59,........
3-17, 3-19
01684 2-3, 2-7, 2-37, 2-47,........
2-53, 2-95, 2-99,
2-101, 2-103, 2-115,
2-117, 2-121, 3-13,
3-23, 3-33
01685 2-5, 2-9, 2-37, 2-41,........
2-45, 2-49, 2-59,
2-75, 2-89, 2-101,
2-113, 3-17, 3-21
01686 2-7, 2-89, 2-91, 2-95,........
2-99, 2-101, 2-107,
2-109
01692 2-107........
01704 2-49........
01714 2-49........
01762 2-93........
02430 4-37........
02431 2-21........
02506--6 3-37.......
02705 4-3........
02706 4-3, 4-39........
02709 4-3........
02740 2-29........
02741 2-29........
02850 3-3, 3-5, 3-7, 3-9........
02931 2-2, 2-111........
02939 2-107........
03026 2-29........
03495 2-109........
03922 2-51........
04140 2-23........
04414 2-27........
04417 2-105........
04706 2-17........
04733--10 2-105......
05286 2-91........
05686 2-107........
05724 2-3........
05725 2-3........
05726 2-3........
06279 2-105
........
06419 2-89........
Part Page
Number Number
06474A 2-105.......
06535 2-99........
06549 2-25........
06598 2-45, 3-21........
06764 2-35........
06941 2-37........
06942 2-37, 2-117........
06943 2-11, 2-35, 2-39........
06944 2-11........
06945 2-121........
06981 2-89........
07274 2-31........
07449 2-107........
07450 2-105........
07562 2-29, 3-49........
07783 2-93, 2-97........
07787 2-89........
07788 2-7, 2-11, 2-101........
07790 2-35........
07791 2-5, 2-35, 2-37, 3-7,........
3-9
07805 2-101........
08182 2-93, 2-97........
08708 2-11, 2-37........
08709 2-33, 2-39, 2-69,........
2-113
08712 2-47, 2-53, 2-103,........
2-107, 2-115, 3-19,
3-23, 3-33
08713 2-5, 2-37, 2-45, 2-49,........
2-89, 2-111
08714 2-75, 2-91, 2-95,........
2-99, 2-105, 2-107,
2-109
08716 2-53, 2-103, 2-107,........
2-115, 3-19, 3-23,
3-33
09005 2-97........
09007 2-7, 2-91, 2-107,........
3-23
09010 2-5, 2-9, 2-41, 2-101,........
2-113, 3-17
09011 2-89.........
09023 2-45, 2-49........
09026 2-45........
09028 2-7, 2-89, 2-95, 2-99,........
2-101, 2-109, 3-21
09029 2-101........
09088 2-45........
09206 2-113........
09252 2-117........
09291 3-21........
09738 2-53, 3-19........
09739 2-53, 2-59, 3-17........
09740 2-5, 2-101, 2-113,........
3-17, 3-21
09741 2-101........
09744 2-95, 2-99........
09806 2-11
........
Part Page
Number Number
09832 2-39, 2-49........
1002789 2-115, 3-33.......
1002898 2-113.......
1002899 2-113.......
1005086 2-115, 3-33.......
1005255 2-113.......
1005302 2-115, 3-33.......
1005304 2-115, 3-33.......
1005416 2-122.......
1005435 2-113.......
1005506 2-117.......
1005507 2-117.......
1005508 2-117.......
1005552 2-115, 3-33.......
1006401 2-115, 3-33.......
1006415 2-113.......
1006447 2-117.......
1008142 2-57.......
1008147 3-11.......
1010668 2-117, 3-33.......
1010684 2-113.......
1010775 2-117.......
1010836 2-117.......
1010851 5-32.......
1011403 2-113, 2-115, 2-117,.......
3-33
1011521 2-117.......
1013857 2-117.......
1013902 2-113.......
1014082 2-113.......
10143 2-41........
1014563 2-57.......
1014575 2-113.......
1014843 2-37.......
1014986 2-113.......
1014987 2-113.......
1015012 2-122.......
1015070 3-33.......
1015096 2-121.......
1015631 2-23.......
10165 2-2, 2-111........
1016827 2-35.......
1017126 2-2, 2-35.......
1017218 2-55, 2-57.......
1017248 3-3, 3-7.......
1017250 3-5, 3-9.......
1018040 2-117.......
1018059 2-37.......
1018097 2-113.......
1018098 2-117.......
1018333 3-33.......
1018337 2-115, 3-33.......
1018499 2-115, 2-117, 3-33.......
1018780 2-113.......
1018883 2-117.......
1018884 2-117.......
1019209 2-113.......
1020195 2-121.......
1021210 3-15, 4-35.......
Home
Find...
Go To..

CROSS REFERENCE
6-3
7400D MM426 (3--07)
Part Page
Number Number
1021315 2-49.......
1021878 2-2, 2-113.......
1023363 2-25.......
1023853 2-37.......
1024020 2-117.......
1027294 2-53.......
1028042 2-105, 3-21.......
1028580 2-121.......
1028582 2-117.......
1029833 2-43.......
1030138 2-35.......
1030863 2-117.......
1030864 2-117.......
1030878 2-117.......
1031405 2-121.......
1031566 2-39.......
1031699 2-57, 2-59, 3-17,.......
4-29, 4-31, 4-33,
4-35
1031700 3-45, 3-46.......
1032812 2-35.......
1032822 2-37.......
1033507 3-11.......
1033897 2-35.......
1033901 2-35.......
10573 3-15........
10575 3-13, 3-15........
10632--14 2-37......
10632--5 2-15, 2-21.......
10632--9 3-3, 3-5, 3-7, 3-9,.......
3-19
10664 2-75........
10678 3-11........
10844 5-17........
10845 5-17........
10852 5-32........
10895 5-3........
11399 2-53, 2-57, 2-103.........
11843 2-107.........
12273 2-5, 2-9, 2-37, 2-55,........
2-57, 2-59, 3-17
12274 2-11........
12295 2-97........
12316 2-59........
12317 2-39........
12333 2-37........
12364 2-111........
12472 3-44........
12677 3-23........
12678 2-2, 3-23........
12895 5-15........
12916 5-7........
13015 2-41
........
13248 2-5, 2-9, 2-37, 2-39,........
2-51, 2-57, 2-71,
2-73, 3-25, 3-27
13513 2-49........
13902 4-19, 4-21, 4-23,........
4-25, 4-27, 4-36
13904 4-19, 4-21, 4-23,........
4-25, 4-36
Part Page
Number Number
13907 4-19, 4-21, 4-23,........
4-25, 4-39
14131 2-35........
14242 2-45........
14432 2-29........
14595--1 2-23.......
14601 2-49........
14605 2-23........
14838 2-3........
14864 2-59........
14880 2-59........
14983 3-48........
150100 2-117........
150525 2-113........
15539 2-3........
15555--1 2-35.......
15675 2-37........
15965 3-11........
16213 2-49........
16376 2-25........
16456 2-105........
16695 4-10, 4-11, 4-12,........
4-13
16735 2-75........
16931 2-5, 2-33, 2-35, 2-37,........
2-49, 2-89, 3-7, 3-9
17188 2-55........
19065 3-3, 3-5, 3-7, 3-9........
19066 2-117........
19191 3-23........
19252 2-27........
19313 2-75........
19544 2-69........
19583 2-43........
20171 2-89........
20432 5-21........
20433 5-21........
20719 5-23........
20777 2-53........
20778 2-53, 4-33........
20779 2-53........
20782 2-15........
20784 2-13........
20785 2-15........
20788 2-9........
20789 2-5........
20791 2-7........
20792 2-37........
20793 2-37........
20795 3-36........
20798 3-38........
20800 3-39........
20801 3-23........
20802 2-13........
20805 2-5........
20806 2-53, 2-107........
20807 2-53........
20809 2-15........
20810 2-55........
20811 2-55.........
20812 2-13........
Part Page
Number Number
20813 2-9........
20820 2-13........
20822 2-13........
20833 2-2, 2-111........
20862 2-75........
20868 2-105........
20884 2-51........
20885 4-33........
20889 2-103........
20891 3-15, 4-33........
20892 4-33........
20895 3-15........
20903 2-29........
20914 3-13, 4-29........
20915 2-57........
20917 2-37........
20918 2-55........
20919 2-55........
20921 2-57........
20922 2-57........
20924 2-55........
20927 2-55........
20932 3-45, 3-46........
20935 2-5........
20936 2-5........
20937 2-57........
20938 2-59........
20941 3-17........
20942 3-17........
20943 2-57........
20944 3-17........
20945 2-61........
20947 3-13........
20949 2-57........
20950 3-17........
20951 3-17........
20952 3-17........
20955 3-11........
20956 3-11........
20957 3-13........
20958 2-55........
20959 2-53........
20969 2-37........
20971 2-2, 2-51........
20974 2-51........
20976 2-51........
20980 2-57........
20982 2-51........
20983 2-57........
20988 4-33........
20989 4-33
........
20994 2-55........
20995 2-55........
20996 2-55........
20997 2-55........
20999 3-17........
21195 2-75.........
21198 2-69.........
21586 2-109........
21597 2-109........
21600 2-109........
Home
Find...
Go To..

CROSS REFERENCE
7400D MM426 (3--07)
6-4
Part Page
Number Number
21601 2-109........
21602 2-109........
21603 2-109........
21606 2-109........
21608 2-109........
21614 2-2, 2-109........
21623 2-11........
21625 2-15........
21626 2-11........
21627 2-11........
21628 2-11........
21630 2-11........
21631 2-15........
21638 2-9........
21657 4-37........
21659 4-37........
21904 4-19, 4-21, 4-23,........
4-25, 4-27
21906 4-19, 4-21, 4-23,........
4-25, 4-27
21907 4-19, 4-21, 4-23,........
4-25, 4-27
21916 4-19, 4-21, 4-23,........
4-25, 4-27
21919 4-19, 4-21, 4-23,........
4-25
21920 4-19, 4-21, 4-23,........
4-25
21921 4-27........
21922 4-27........
21923 4-19, 4-21, 4-23,........
4-25, 4-27
21924 4-10, 4-11........
21925 4-3, 4-39........
21926 4-3........
21927 4-3........
21928 4-3........
21929 4-3........
21931 4-27........
21933 4-15........
21934 4-15........
21935 4-15........
21936 4-5........
21937 4-5........
21938 4-5........
21939 4-5........
21940 4-5........
21941 4-5........
21942 4-5........
21943 4-5........
21944 4-5........
21945 4-5........
21946 4-5........
22140 2-37........
222290 2-86, 2-121, 3-23........
222460 2-45........
22290 2-17........
223054 2-105........
223533 2-59........
22604 2-43, 4-9........
22654 4-11, 4-12........
Part Page
Number Number
22731 2-47........
22786 3-17........
22790 4-29, 4-31, 4-35........
23282 4-29, 4-31, 4-33,........
4-35
23283 4-29, 4-31, 4-33,........
4-35
23285 4-29, 4-31, 4-33,........
4-35
23456 3-45, 3-46........
23498 2-57........
23788 2-47, 2-93, 2-97........
24012 2-33........
24174 2-59........
24196 2-11........
24199 3-17........
24265 3-3, 3-5, 3-7, 3-9........
24299 2-3........
24339 2-43........
24358 2-57, 2-59, 3-17,........
4-31, 4-33, 4-35
24450 3-11........
24555 2-109........
24576 3-19........
24672 3-3, 3-5........
24976 2-23, 2-25........
25049 2-49........
25312 3-36........
25611 3-23.........
25620 3-23........
25673 2-13........
25677 2-15........
25678 2-9........
25684 2-89........
25686 2-93, 2-97........
25689 2-97........
25709 2-95, 2-99........
25714 2-101........
25719 2-95........
25730 2-95, 2-99........
25733 2-99........
25735 2-107........
25736 2-95, 2-99........
25737 2-95, 2-99........
25744 3-35........
25745 3-35........
25746 3-35........
25755 3-19........
25761 3-3........
25763 3-5........
25765 3-7........
25767 3-9........
25769 3-35
........
25773 3-50........
25775 3-47........
25778 3-45........
25781 3-46........
25783 3-45, 3-46........
25791 2-109........
25792 2-99........
25793 2-95........
Part Page
Number Number
25794 2-9........
25797 2-97........
25804 2-107........
25812 4-23, 4-25........
25817 2-122........
25818 2-57........
25819 2-107........
25820 2-5........
25821 2-51........
25822 3-17........
25858 4-19, 4-21........
26395--1 2-49.......
27920 2-21........
27978 3-3, 3-5........
28854 4-12........
29192 3-3, 3-5, 3-7, 3-9........
30013 2-33, 2-37........
30121 5-17........
30122 5-17........
30125 5-11........
30131 5-23........
30132 5-23........
30136 5-29........
30268 3-11........
30407 2-21, 2-27........
30481 2-23........
30533 3-38........
30559 2-39........
31354 4-10, 4-11, 4-12,........
4-13
31375 4-13........
31379 4-13........
31383 4-13........
31596 3-29, 3-31........
31598 3-29, 3-31........
31599 2-73........
31610 2-67........
31613 2-2, 2-73........
32126 2-43........
32183 2-35........
32483 2-35........
32485 2-5, 2-49, 2-69........
32486 2-5, 3-7, 3-9........
32490 2-11, 2-35, 2-37,........
2-49, 2-91, 2-111
32491 2-5, 2-11, 2-35, 2-37,........
2-39, 2-89, 2-91,
2-113
32492 2-39, 2-49........
32494 2-89........
32501 2-59........
32508 2-59........
32613 2-59........
32614 2-59........
32669 2-59........
32716 2-107........
32746 2-3, 2-117........
32899 2-49........
32981 2-35, 2-49........
32984 2-9........
32987 2-43........
Home
Find...
Go To..

CROSS REFERENCE
6-5
7400D MM426 (3--07)
Part Page
Number Number
32989 2-49........
330710 3-50........
33295 3-11........
33329 2-33........
33333 2-33........
33373 2-107........
33580 4-7, 4-9........
33948 2-105........
34178 4-7, 4-9........
34179 4-7, 4-9........
34355 2-67........
34359 2-43, 2-105, 3-25,........
3-27
34379 2-67........
34821 2-41........
34823 2-41........
35033 2-23, 2-25........
35586 2-69........
361366 5-4........
361368 5-23........
361373 5-23........
361374 5-10, 5-11........
361392 5-13........
361427 5-12........
361428 5-4........
361430 5-31........
361436 5-3........
361440 5-8, 5-32........
36165 2-23, 2-25........
364845 2-29........
365109 5-4........
36542 2-91........
368092 5-32........
368132 2-37........
36845 3-21........
369704 2-21........
369781 2-45........
369810 2-9........
369816 3-23, 4-11........
369845 2-75........
369850 2-53, 3-23, 3-33,........
4-33
369891 2-9........
369897 2-107........
36996 2-75........
372900 5-11........
372901 5-11........
372904 5-11........
372905 5-12........
372912 5-11........
372913 5-11........
372917 5-23
........
372918 5-11........
372920 5-3........
372921 5-5........
372927 5-11........
372928 5-11........
373317 4-39........
373327 4-39........
373346 4-39........
373347 4-39........
Part Page
Number Number
373348 4-39........
373389 4-39........
373391 4-39........
373393 4-39........
373394 4-39........
373395 4-39........
373398 4-39........
373402 4-39........
373413 4-39........
373427 4-39........
373429 4-39........
373434 4-39........
373453 2-69, 4-39........
373493 4-39........
373494 4-39........
374127 2-23, 2-25........
374506 2-23........
374560 2-43........
374562 2-43........
374566 2-43........
374604 3-41........
374605 3-41........
374607 3-42........
374608 3-42........
374618 3-45, 3-46........
374625 2-23........
374676 2-33........
374677 2-33........
374688 3-43........
374689 3-43........
374691 2-33........
375014 3-45, 3-46........
375322 3-11........
37555 4-10, 4-11, 4-12,........
4-13
37616 4-7, 4-9........
377084 2-121........
377359 3-23........
377448 2-5........
37756 4-7, 4-9........
37766 4-7, 4-9........
378952 2-95, 2-99........
379005 3-13, 4-31........
379030 2-89........
382516 2-21........
38255 4-7, 4-9........
383165 2-21........
388134 2-9........
38968 4-7, 4-9........
39019 2-95, 2-99........
39051 5-3........
39062 5-3........
39063 5-3, 5-5........
39065 5-7, 5-25, 5-30, 5-32........
39073 5-4, 5-5........
39087 5-3........
39088 5-3, 5-5........
39094 5-4........
39103 5-7........
39105 5-3........
39119 5-9.........
Part Page
Number Number
39121 5-7, 5-25, 5-30, 5-32........
391451 2-55........
39160 5-15, 5-29, 5-31........
39161 5-7........
39162 5-10, 5-11........
391803 2-13........
391804 2-95, 2-101........
391815 2-23........
391849 2-99........
391939 2-121........
391944 2-91........
391946 3-15........
39197 5-15........
39210 2-93........
39272 2-41........
39277 2-5, 2-11, 2-33........
39279 2-69........
39283 2-39........
39285 2-49........
393401 2-25........
39349 2-49, 2-69........
39350 2-93, 2-97........
393673 5-23........
393674 5-23........
39508 5-23........
39527 4-13........
397692 3-23, 4-12........
397889 2-121........
398474 2-117........
40166 5-23, 5-29........
40362 2-73........
40407 5-30........
40409 5-12, 5-28........
40678 2-21, 2-35, 2-53,........
2-55, 2-101
41128 2-9.........
41130 2-51.........
41178 2-9.........
41185 2-39.........
41186 2-9, 2-13, 2-15, 2-51.........
41187 2-75.........
41345 2-5........
41346 3-7, 3-9........
41421 2-59........
41430 2-37, 2-39, 2-49........
41451 2-59........
41454 2-59........
41579 2-113........
41619 2-7, 2-11, 2-101,........
3-21
41792 5-4........
41973 5-15, 5-30, 5-32
........
42133A 2-53.......
42215 2-69, 3-25, 3-27........
42223 2-43, 2-69........
42226 2-73........
42260 2-71, 2-73, 2-75........
43844 2-35, 2-37, 2-53........
43952 2-75........
44078 2-21........
44681--1 3-5, 3-9.......
Home
Find...
Go To..

CROSS REFERENCE
7400D MM426 (3--07)
6-6
Part Page
Number Number
44681--2 3-5, 3-9.......
44681 3-5, 3-9........
44868 2-71, 2-93........
44869 2-69, 2-71, 2-93,........
3-25
44906 2-95, 2-99........
44961 2-51, 3-21........
45272 3-7, 3-9........
45482 3-25, 3-27........
45487--6 3-23.......
45622 4-7, 4-9........
45623 4-7, 4-9........
45628 4-10, 4-11, 4-12,........
4-13
45779 3-3, 3-5, 3-7, 3-9........
45780 2-5........
46481 2-75........
46559 2-49........
46563 2-47........
47178--6 2-9.......
47512 2-39, 2-69........
47522 3-25, 3-27........
47585 2-17........
47744 2-11........
47801 2-43........
48079 2-91........
48126 2-35........
48183 2-89........
48267 2-35........
48697 3-11........
48734 3-45, 3-46........
48988 3-11........
49263 2-21........
49266 2-49, 3-3, 3-5, 3-7,........
3-9
49800 2-75, 3-48........
49943 2-67........
50238 2-57, 3-11........
50256 2-57, 3-11........
50269 2-89, 2-107........
50270 2-97........
50304 3-47........
50544 2-53........
50960 3-21........
51109 2-47.........
51176 2-27.........
51305 2-37........
51322 2-75........
51331 5-5........
51332 5-12........
51338 2-43, 2-45, 3-41,........
3-42, 3-43
51339 2-43, 2-45
........
51534 2-105........
51560--3 2-29.......
51787 2-15, 3-47........
52386 4-3........
52402 2-39, 2-69........
52405 4-7, 4-9........
53029 2-35........
53076 2-69........
Part Page
Number Number
53091 2-15........
53466 2-5, 2-53, 2-113,........
3-21, 3-23
53782 2-101........
53783 2-29........
53845 3-39........
53963A 2-49.......
54017 2-69........
54051 2-43........
54052 2-43........
54087 2-43........
54093 2-5........
54274 2-33, 2-37, 2-39,........
2-49, 2-51, 2-71,
2-73, 3-25, 3-27
54275A 2-51.......
54333 2-35, 2-53, 2-113,........
2-115, 2-117, 3-17,
3-23, 3-33
54338--2 3-19.......
54390 2-45........
54400 2-45........
54437 2-45........
54567 2-45........
54577 2-45........
54607 2-47........
54615 2-9........
54618 2-97........
54911--16 2-27......
55035 2-59........
55248 3-3, 3-5........
55272 3-3, 3-5, 3-7, 3-9........
55586 2-93, 3-25, 3-27........
55691 2-67........
55700 2-67........
55831 2-27........
55837 2-27........
55847 5-8........
55849 2-2, 5-7........
55855 2-31........
55856 2-31........
55863 2-31........
55926 4-39........
55941 4-3........
56077 2-89........
56078 2-97........
56088 2-93........
56096 2-89........
56100 2-93........
56103 2-89........
56106 2-89........
56113 2-97.........
56136 2-89........
56137 2-89
........
56139 2-89........
56149 2-91........
56166 2-93........
56167 2-89........
56185 2-17........
56186 2-21, 2-121........
56237 2-23........
Part Page
Number Number
56346 2-19........
56398 2-17........
56553 2-53........
56555 2-67........
56690 2-17, 2-71, 2-73,........
3-25, 3-27
56692 2-51, 2-69........
56820 2-43, 3-25, 3-27........
56821 2-51, 3-23........
57220 3-3, 3-5........
57224 3-23........
57315 2-43........
57564 3-23........
57568 2-23, 2-25........
57751 2-21........
57754 2-27........
57755 2-27........
57772 2-121........
57773 2-27........
57803 2-21........
57807 2-21........
57876 3-49........
57897 4-3........
57964 2-67........
57988 2-93........
58090 2-29........
58091 2-35........
58114 2-2, 2-51.........
58120 2-2, 2-29........
58121 3-49........
58286 2-35........
58301 2-35........
58327 2-2, 2-31........
58346 2-29........
58362 2-23........
58366 2-37, 2-75........
58391 2-23........
58494 2-15........
58518 3-3, 3-7........
58519 3-3, 3-7........
58520 3-3, 3-7........
58524 2-11........
58538 2-29........
58566 2-27........
58677 2-93, 2-97........
58819 2-9........
58842 2-43........
58979 2-47........
59009 2-47........
59015 2-35........
59156 2-107, 3-21........
59192 2-7, 2-11, 2-15,........
2-101
59194 2-7, 2-101........
59195 2-7........
59393 2-103........
59447 3-3, 3-5........
59514 2-15........
59561 2-67........
59567 2-67........
59581 3-29, 3-31........
Home
Find...
Go To..

CROSS REFERENCE
6-7
7400D MM426 (3--07)
Part Page
Number Number
59633 3-21........
59640 2-23........
59668 2-49........
59672 2-49........
59884 2-23........
59885 2-23, 2-25........
59900 3-11........
59901 3-11........
59935 2-23, 2-25........
59946 2-27........
59962 3-19........
59971 2-19........
59976 2-19........
59977 2-19........
60288 3-3, 3-5........
60559 2-31........
61490 4-10, 4-13........
61529 2-31........
61531 2-31........
61891 4-3........
61920 3-19........
61931 2-31........
62100 2-67........
63147 3-21........
63175--1 3-21.......
63182--5 3-17.......
63233 2-105, 3-21........
63234 3-21........
63244--3 2-53.......
63245--1 2-117.......
63282 2-89........
63292 2-49........
63430 3-47........
63448 3-47........
63451 3-47........
63468 2-107........
63469--3 2-11.......
63810 3-11, 3-15........
63923 4-37........
64173 2-95, 2-99........
64425 2-2, 2-95, 2-99,........
2-105, 2-107, 2-111
64595 2-15........
64651 2-17........
64743 2-115, 3-33........
64778 2-115, 3-33........
64939 2-23........
65145--1 2-69.......
65221 2-2, 2-75........
65222 2-75........
65230 4-10, 4-11, 4-12........
65240 4-19, 4-21, 4-23,........
4-25
65241 4-13........
65441 2-49........
65587 3-23........
66187 5-4........
66194 5-5........
66204 5-17........
66205 5-8........
66207 5-17........
Part Page
Number Number
66211 2-45.........
66213 2-45........
67004 3-47........
67767 2-21, 2-115, 3-17,........
3-33
67811 2-69.........
68866 2-49........
68872 2-41........
68873 2-41........
69173 2-71........
69234 2-21, 2-41........
69462 2-45........
69582 2-95, 2-99........
69657 3-47........
69659 3-47........
69784 2-55, 3-13, 3-15........
69906 2-15........
70006 2-73........
70096 4-3, 4-39........
70097 4-3........
70098 4-3........
70099 4-3........
70100 4-3, 4-39........
70103 4-3........
70158 2-45........
70160 2-31........
70161 2-45........
70165 2-25, 5-29........
70173 2-35........
70188 5-29........
70189 5-7........
70196 5-21........
70197 5-21........
70198 5-21........
70199 5-21........
70200 5-21........
70201 5-21........
70202 5-21........
70203 5-21........
70204 5-21........
70205 5-21........
70206 5-21........
70207 5-21........
70208 5-21........
70209 5-21........
70210 5-21........
70211 5-21.........
70212 5-21........
70213 5-21........
70622 2-17........
70623 2-17........
70709 2-17........
70717 2-17........
70887 5-3........
70888 5-3........
70889 5-4........
70892 5-4........
70893 5-4........
70895 5-5........
70896 5-5........
70897 5-5........
Part Page
Number Number
70899 5-5........
70900 5-7........
70901 5-7........
70902 5-7........
70903 5-7........
70904 5-7........
70905 5-7........
70906 5-7........
70907 5-7........
70909 5-7........
70910 5-7........
70911 5-7.........
70912 5-7........
70913 5-7........
70915 5-8........
70916 5-8........
70917 5-8........
70919 5-8........
70920 5-8........
70921 5-9........
70922 5-9........
70923 5-9........
70924 5-9........
70925 5-9........
70926 5-9........
70927 5-9........
70928 5-9........
70929 5-10, 5-11........
70930 5-10........
70931 5-10........
70932 5-10........
70933 5-10........
70934 5-12........
70935 5-12........
70936 5-13........
70937 5-13........
70938 5-17........
70939 5-17........
70940 5-17........
70941 5-17........
70942 5-17........
70943 5-17........
70944 5-17........
70945 5-17........
70946 5-17........
70947 5-17........
70948 5-17........
70949 5-17........
70950 5-17........
70951 5-17........
70952 5-17
........
70953 5-17........
70954 5-17........
70955 5-17........
70956 5-19........
70957 5-19........
70964 5-23........
70965 5-23........
70966 5-23........
70967 5-23........
70968 5-23........
Home
Find...
Go To..

CROSS REFERENCE
7400D MM426 (3--07)
6-8
Part Page
Number Number
70972 5-25........
70973 5-25........
70974 5-25........
70975 5-28........
70976 5-28........
70977 5-28........
70978 5-28........
70979 5-28........
70980 5-29........
70982 5-30........
70983 5-30........
70984 5-30........
70985 5-31........
70986 5-31........
70987 5-31........
70988 5-31........
70989 5-31........
70991 5-31........
70992 5-31........
70993 5-32........
70994 5-32........
70998 5-3........
71082 2-103........
71083 2-101........
71084 2-101........
71090 2-111........
71100 2-107.........
71101 2-105.........
71102 2-2, 2-103.........
71104 2-105.........
71106 2-101.........
71113 2-107.........
71115 2-103.........
71117 2-111.........
71121 2-101.........
71123 2-111.........
71124 2-111.........
71126 2-111.........
71166 2-93.........
71168 3-13.........
71169 2-41.........
71170 2-3.........
71171 2-3.........
71172 2-17.........
71173 2-17.........
71199 2-109.........
71200 2-2, 2-91........
71201 2-91........
71202 2-111........
71204 2-107........
71205 2-11
........
71209 2-111........
71210 2-107........
71211 2-107.........
71235 2-2, 2-57........
71236 2-57........
71238 2-11........
71242 2-107........
71243 2-11........
71245 2-107, 2-111........
71248 2-107........
Part Page
Number Number
71251 2-101........
71254 2-109........
71255 2-2, 2-109........
71256 2-2, 2-109........
71257 2-107........
71260 2-103........
71261 2-101........
71263 2-101........
71274 2-111........
71287 2-39........
71289 2-5........
71322 2-7........
71328 2-15........
71330 2-7........
71340 2-43........
71341 2-43........
71344 2-43........
71345 2-43........
71353 3-44........
71354 3-44........
71355 3-34........
71357 3-44........
71360 2-47........
71361 2-45........
71367 2-47........
71369 2-45........
71372 2-45........
71373 2-45........
71375 2-103........
71385 2-25........
71388 2-25........
71403 2-35........
71406 2-33........
71409 2-71........
71416 2-35........
71418 2-29........
71423 2-35........
71427 2-35........
71429 2-31........
71430 2-35........
71431 2-35........
71432 2-35........
71439 2-31........
71442 2-31........
71445 2-35........
71452 2-2........
71455 5-32........
71477 3-39........
71480 2-39........
71482 2-39........
71484 2-39
........
71485 2-33........
71486 2-33........
71487 2-9........
71488 2-29........
71491 2-122........
71499 2-122........
71543 3-7, 3-9........
71593 2-19........
71594 2-19........
71595 2-19........
Part Page
Number Number
71606 2-5........
71607 2-95, 2-99........
71608 2-95, 2-99........
71610 2-93........
71611 2-97.........
71612 2-3........
71613 2-11........
71614 2-53........
71626 2-86........
71628 3-11........
71630 2-91........
71645 3-7, 3-9........
71648 3-19........
71649 3-19........
71651 3-19........
71652 3-19........
71653 3-19........
71658 2-105........
71665 2-21........
71676 2-49........
71677 2-49........
71678 2-49........
71680 2-49........
71681 2-49........
71682 2-49........
71702 2-73........
71705 2-71, 4-19........
71708 3-25, 3-27, 4-27........
71713 2-17, 4-15........
71716 2-69, 4-5........
71719 2-39, 4-17........
71720 2-69, 4-3........
71721 2-69........
71722 3-23, 4-10........
71723 2-69........
71724 2-43, 4-7........
71726 2-73........
71727 2-71, 3-25, 3-27........
71728 2-2, 2-73........
71729 2-93, 4-13........
71733 2-67........
71735 2-67........
71736 2-67........
71737 2-67........
71738 2-67........
71739 2-67........
71740 2-67........
71741 2-67........
71742 2-67........
71743 2-67........
71744 2-67
........
71745 2-67........
71747 3-29, 3-31........
71748 3-29, 3-31........
71751 3-29, 3-31........
71754 2-67........
71756 3-29, 3-31........
71757 3-29, 3-31........
71760 3-25, 3-27, 4-21........
71761 2-71, 4-23........
71762 3-25, 3-27, 4-25........
Home
Find...
Go To..

CROSS REFERENCE
6-9
7400D MM426 (3--07)
Part Page
Number Number
71786 2-53........
71787 2-9........
71790 2-9........
71793 2-53........
71796 2-47........
71808 3-23........
71815 3-21........
71825 3-23........
71832 3-21........
71839 2-2, 3-23........
71855 3-21........
71860 3-21........
71863 3-21........
71866 3-21........
71868 3-21........
71869 3-21........
71870 3-21........
71874 3-21........
71886 2-5........
71887 3-11........
71888 3-11........
71891 2-9........
71898 2-15........
71911 2-75.........
71914 2-37........
71916 2-37........
71926 2-5........
71927 2-13........
71929 2-15........
71931 2-13........
71934 2-15........
71939 2-15........
71941 2-11........
71947 2-37........
71948 2-37........
71949 2-37........
71950 2-37........
71961 2-5........
71962 2-9........
71963 2-9........
71980 2-9........
71982 2-53........
71985 5-3........
71986 5-3........
71987 5-3........
71988 5-3........
71989 5-3........
71990 5-3........
71991 5-3........
71992 5-3........
71993 5-3
........
71995 5-4, 5-28........
71996 5-5........
71997 5-5........
71999 5-5........
72010 5-5........
72011 5-7.........
72012 5-7........
72013 5-7........
72014 5-7........
72015 5-7........
Part Page
Number Number
72016 5-7........
72017 5-7........
72018 5-7, 5-30........
72491 2-35........
72926 2-43........
72970 2-9, 2-17, 2-21, 2-29,........
2-121
72977 2-41........
72993 5-7........
72994 5-7, 5-12........
72995 5-7, 5-32........
72996 5-8, 5-12, 5-32........
72997 5-8........
72998 5-9........
72999 5-9........
73027 2-17........
73061 2-17........
73112 2-51, 4-16.........
73145 2-57, 3-11........
73260 3-17, 4-37........
73281 2-43........
73342 2-55, 4-29, 4-31,........
4-33, 4-35
73411 2-49.........
73430 2-69, 4-36........
73433 3-11........
73445 2-86........
73468 3-11........
73472 3-11........
73478 3-11........
73479 5-9........
73480 5-10........
73481 5-10, 5-12........
73482 5-10........
73483 5-10, 5-11........
73484 5-10, 5-11........
73485 5-10........
73486 5-12........
73487 5-12........
73488 5-12........
73491 5-13........
73492 5-13........
73493 5-13........
73494 5-13........
73495 5-13........
73496 5-13........
73497 5-13........
73498 5-13........
73499 5-13........
73500 5-13........
73501 5-13........
73502 5-13
........
73503 5-13........
73504 5-13........
73505 5-13........
73506 5-13........
73507 5-13........
73508 5-13........
73509 5-15........
73510 5-15........
73511 5-15.........
Part Page
Number Number
73512 5-15........
73513 5-15........
73514 5-15........
73515 5-15........
73516 5-15........
73517 5-15........
73518 5-15........
73519 5-15........
73520 5-17........
73521 5-17........
73522 5-17........
73523 5-17........
73524 5-17........
73525 5-17........
73526 5-17........
73527 5-17........
73528 5-17........
73529 5-17........
73530 5-17........
73531 5-17........
73532 5-17........
73533 5-19........
73534 5-19........
73535 5-19........
73545 5-21........
73547 5-21........
73551 5-21........
73554 5-23........
73555 5-23........
73560 5-23........
73561 5-25........
73562 5-25........
73563 5-25........
73565 5-25........
73567 5-27........
73568 5-27........
73569 5-27........
73570 5-27........
73571 5-27........
73572 5-27........
73573 5-27........
73574 5-27........
73575 5-27........
73576 5-27........
73577 5-27........
73578 5-27........
73579 5-27........
73580 5-27........
73581 5-27........
73582 5-27........
73585 5-27
........
73586 5-27........
73588 5-27........
73589 5-27........
73590 5-27........
73592 5-28........
73593 5-28........
73594 5-28........
73595 5-28........
73596 5-28........
73597 5-28........
Home
Find...
Go To..

CROSS REFERENCE
7400D MM426 (3--07)
6-10
Part Page
Number Number
73598 5-28........
73599 5-28........
73600 5-28........
73601 5-28........
73602 5-28........
73603 5-28........
73604 5-28........
73605 5-29........
73606 5-29........
73607 5-29........
73610 5-29........
73618 5-30........
73619 5-30........
73620 5-30........
73621 5-30........
73622 5-30........
73623 5-30........
73624 5-30........
73625 5-30........
73626 5-30........
73627 5-31........
73628 5-31........
73629 5-31........
73630 5-31........
73631 5-31........
73632 5-32........
73633 5-32........
73634 5-32........
73635 5-32........
73636 5-32........
73742 3-15........
74094 4-10, 4-11, 4-12,........
4-13
74095 4-13........
74098 4-7, 4-9, 4-13, 4-19,........
4-21, 4-23, 4-25,
4-27
74099 4-13, 4-19, 4-23........
74100 4-10, 4-11, 4-12,........
4-13
74122 4-7, 4-9........
74123 4-7, 4-9........
74125 4-7, 4-9........
74137 4-7, 4-9........
74165 4-9........
74166 4-7, 4-9........
74167 4-9........
74168 4-7, 4-9........
74171 4-7, 4-9........
74175 4-10, 4-11, 4-12........
74177 4-10, 4-11, 4-12........
74178 4-10, 4-11, 4-12........
74180 4-3, 4-39........
74183 4-15........
74185 4-15........
74192 4-15........
74193 4-15........
74196 4-15........
74222 4-15........
74225 4-3, 4-39........
74226 4-3, 4-39........
Part Page
Number Number
74229 4-3........
74230 4-3........
74231 4-15........
74232 4-15........
74233 4-16, 4-17........
74237 4-3, 4-39........
74243 4-15........
74244 4-15........
74245 4-15........
74248 4-3........
74249 4-7, 4-9........
74250 4-10, 4-11, 4-12,........
4-13
74405 2-27, 5-21........
74452 2-33........
74455 2-35........
74469 4-3........
75050 2-2, 2-111........
75147 2-45........
75272 2-9........
75305 2-49........
75375 2-51........
75456--3 2-51.......
75456--4 2-51.......
75611 2-55, 2-57.........
75635 3-45, 3-46........
75934 2-49........
75968 2-17........
762249 2-113........
762521 2-21........
76943 2-2, 2-111........
77002 2-35........
77097 2-51, 2-71, 2-89,........
2-105, 3-21, 3-25,
3-27
77098 3-21........
77235 2-9........
77237 3-13........
77306 2-67........
77322 3-47........
77345 2-43........
77347 2-75, 2-95, 2-99,........
2-107
77488 2-105........
78398 4-29, 4-31, 4-35........
78740 2-55........
78785 2-49........
78811 2-25.........
78829 4-29, 4-31, 4-33,........
4-35
78830 4-29, 4-31, 4-35........
78833 4-29, 4-31, 4-33,........
4-35
78836 4-29, 4-31, 4-33,........
4-35
78838 4-35........
78839 4-29, 4-31, 4-33,........
4-35
78840 2-55, 4-29, 4-31,........
4-33, 4-35
Part Page
Number Number
78841 4-29, 4-31, 4-33,........
4-35
78842 4-29, 4-31, 4-33,........
4-35
78843 4-29, 4-31, 4-33,........
4-35
78875 4-37........
78882 3-48........
79219 2-109........
79273--1 2-53, 2-115, 3-33.......
79320 2-59........
79380 2-51........
79381 2-37........
79399 2-23, 2-25........
79710 4-36........
79711 4-19, 4-21, 4-23,.........
4-25, 4-27
79712 4-36........
79713 4-36........
79714 4-36........
79715 4-36........
79719 4-19, 4-21, 4-23,........
4-25
79728 4-19, 4-21, 4-23,........
4-25, 4-27
79731 4-19, 4-21, 4-23,........
4-25, 4-27
79739 4-19, 4-21, 4-23,........
4-25
79740 4-19, 4-21, 4-23,........
4-25, 4-27
79826 4-7........
79827 4-7........
79828 4-7, 4-9........
81952 2-111........
82063 3-3, 3-7........
82200 3-5, 3-9........
82510 2-35........
82731 2-31........
82817 2-67........
82825 2-39, 3-25, 3-27........
82830 3-21........
82839 2-49........
82899 2-89........
83879 2-49........
83887 2-49........
84170 2-49........
84579 2-33........
84597 3-40........
84625 2-23, 2-25........
84631 5-5........
84635 5-25, 5-27........
84636 5-28........
84638 5-23........
84644 5-25........
84646 5-3........
84647 5-3........
84648 5-27........
84649 5-27........
84650 5-27........
84651 5-27........
Home
Find...
Go To..

CROSS REFERENCE
6-11
7400D MM426 (3--07)
Part Page
Number Number
84660 3-50........
86041 2-31........
86328 2-37........
86330 3-3, 3-5........
86332 3-3, 3-5........
86333 3-7, 3-9........
86381 2-21........
86575 4-29........
86591 2-55, 2-57........
86636 2-57, 3-17........
86751 2-47........
86755 2-55........
86759 2-95, 2-99, 3-23........
86780 2-89........
86781 2-89........
86859 2-2, 2-95, 2-99........
86860 2-95, 2-99........
86865 2-95, 2-99........
86866 2-49........
87319 2-21........
87536 2-21........
87742 2-9........
87866 2-21........
9000355 2-35.......
9000356 2-9.......
9000845 3-3, 3-7.......
9000846 3-5, 3-9.......
9000879 3-3, 3-5, 3-7, 3-9.......
9001201 2-23.......
9001444 2-25.......
9002438 2-117.......
9002439 2-117.......
94877 2-89........
Home
Find...
Go To..

CROSS REFERENCE
7400D MM426 (3--07)
6-12
PART DESCRIPTION TO PAGE NUMBER CROSS REFERENCE LIST
A
Actuator, Govnr, Dsl, 2-25
Actuator, Mag, 4-36
Actuator, Valve, Bypass, 4-39
Adapter, Actuator, Govnr, Eng, Dsl, 2-25
Adaptor, Rod--End, S Br, 3-21
Adaptor,Flywheel Hsg, 2-27
Air Cleaner, 2-29
Alternator, 50A/12V Mando, 2-31
Angle, Battery, 2-41
Angle, Cable Keeper, 2-45
Angle, Muffler Hanger, 2-33
Angle, Trim, 2-9
Arm Assy, Link, 3-21
Arm Wldt, Propel, 2-49
Arm, Alternator, 2-31
Arm, Brush, Mach, Lh, 2-93
Arm, Brush, Mach, Rh, 2-97
Arm, Lift, Squeegee, 2-95, 2-99
Arm, Linkage, L.H., 2-111
Arm, Linkage, R.H., 2-111
Arm, Propel, Lower, 2-49
Arm, Sq Lift, 2-95, 2-99
Armrest Assy,Rh, 3-39
Armrest, Molded, 2-9
Assembly Apparatus, Idle, 5-29
Assembly Bolt, Adjusting, 5-29
Assembly Camshaft, 5-15
Assembly Cartridge, Oil, 5-7
Assembly Case, Main Bearing 1, 5-9
Assembly Case, Main Bearing 2, 5-9
Assembly Case, Main Bearing 3, 5-9
Assembly Case, Main Bearing, 5-9
Assembly Cock, Drain, 5-3
Assembly Connecting Rod, 5-17
Assembly Lever, Fork, 5-31
Assembly Pipe, Over Flow, 5-23
Assembly Piston Ring 05, 5-17
Assembly Piston Ring, 5-17
Assembly Plate, Control, 5-30
Assembly Pump, Injection (See Injection
Pump Breakdown), 5-25
Assembly Pump, Injection, 5-27
Assembly Pump, Water, 5-8
Assembly Rocker Arm, 5-13
Assembly Rotor, Oil Pump, 5-7
Assembly Seal, Mechanical, 5-8
Assembly Shaft, Governor, 5-28
Assembly Shaft, R--arm, 5-13
Assembly Tappet, 5-27
Assy Armature, 5-21
Assy Bolt, 5-21
Assy Holder, Brush, 5-21
Assy Starter, 5-21
Assy Switch, Magneto, 5-21
Assy Yoke, 5-21
B
Backflush,Cover Lid, 4-33
Backplate Assy, 4-3
Baljoint, 3/8--24, 2-107
Ball Joint .375--24 Quick/Disc, 2-89
Ball Joint, 250--28, 2-49
Ball, 4-7, 4-9, 5-7, 5-17, 5-21
Band, Pipe, 5-23, 5-32
Battery, 12V, Cc Amps:600 Wet, 2-41
Bearing Cam, 4-3
Bearing Kit, Idler, 2-97
Bearing Kit, 4-15
Bearing, .625B X .38, 2-95, 2-99
Bearing, Ball, 5-8, 5-28, 5-31
Bearing, Brake, 2-47
Bearing, Bronze, 2-23
Bearing, Cone, Pump, Hyd, 4-39
Bearing, Cup, 2.56d 0.55w, 2-43, 2-45,
3-41, 3-42, 3-43
Bearing, Cup, 4-39
Bearing, Fiberglide, 2-107
Bearing, Flange .500B, 2-17
Bearing, Flange .625B X .50, 2-95, 2-99
Bearing, Flange .625Bx .38, 2-107
Bearing, Flange, 2-93
Bearing, Nylon, 2-89
Bearing, Sf1 Actuator, 2-23
Bearing, Sleeve,1Idx1.12Odx1.5, 3-21
Bearing, Snap--In .38 Id, 2-11
Bearing, Thrust .500, 2-95, 2-99
Bearing, Thrust -- Fiberglide, 3-21
Bearing, Thrust, 11D X 1.75 Od, 3-21
Bearing, Thrust, Pump, Hyd, 4-39
Bearing, Thrust, 2-105, 4-3
Bearing,Ball.669B 1.575D .472W, 2-31
Bearing--Cone, 1.38Bore 0.71Wth, 2-43,
2-45
Bearing--Flange,2 Hole 0.50Bore, 2-17
Bearing--Thrust 0.75B 1.25D .06W, 2-101
Bearing--Thrust, 1.031 Dia, 2-93, 2-97
Bearing, 5-21
Bellcrank Wldt, 2-105
Bellows Kit, 4-37
Bellows, .75 Id 10.3L, 2-57, 3-11
Belt,Seat,3-38
Belt, V Hc41X41, 2-31
Belt, V, [3v] 41.0l [Hc41], 2-2
Blade, Squeegee, Front, 2-2, 2-109, 3-44
Blade, Squeegee, Rear, Urethan, 3-44
Blade, Squeegee, Rear, 2-2, 2-109
Block, Centering, 2-107
Block, Fuse, 2-21
Block, 2-111
Bolt. Bearing Case 2, 5-9
Bolt, Adjusting, 5-29
Bolt, Axle W/Zerk, 2-2, 2-111
Bolt, Bearing Case 1, 5-9
Bolt, Connecting Rod, 5-17
Bolt, Cylinder Head, 5-5
Bolt, Flywheel, 5-19
Bolt,Hold Down,Battery, 7.5 Lg, 2-41
Bolt--Eye, .25--20Th .25B 1.4L, 2-91
Bolt--Eye, .38--16Th .28B 3.22L, 2-107
Bolt,4-5,4-7,4-9,5-4,5-5,5-7,5-8,5-9,
5-12, 5-15, 5-17, 5-19, 5-21, 5-25,
5-28, 5-29, 5-30, 5-31, 5-32
Boot, Rubber, 2-23
Boot, Switch, Ignition, 2-21
Boot, Switch, 2-21
Boot,Batt.Term. 1--2Ga. Red, 2-41
Boot,Batt.Term.1--2Ga. Black, 2-41
Boot,Circuit Breaker, 2-21
Bracket Spring Retainer, 2-3
Bracket Tie Down, 3-48
Bracket Wldt, Mtg, Pump, 2-113
Bracket Wldt, Backup Alarm, 3-19
Bracket Wldt, Caster, Adj., 2-111
Bracket Wldt, Hinge, Lh, 2-15
Bracket Wldt, Hinge, Rh, 2-15
Bracket Wldt, Hinge, 2-13
Bracket Wldt, Mounting, Cyl, 3-21
BracketWldt,RotLight,3-7,3-9
Bracket Wldt, Sq Main, 2-107
Bracket Wldt, Sq Secondary, 2-107
Bracket Wldt, Steering, Tilt, 2-17
Bracket, Alternator, 2-31
Bracket, Brake, 2-47
Bracket, Caster Lock, 2-111
Bracket, Cover, 2-101
Bracket, Cylinder, 2-89
Bracket, Discharge, 2-51
Bracket, Filter, 2-103
Bracket, Latch, 2-13
Bracket, Mountin, Radiator, 2-37
Bracket, Mounting Motor, 2-51
Bracket, Mounting, Actuator, 2-23
Bracket, Mounting, Air Cleaner, 2-29
Bracket, Mounting, Eng,Rear,Lh, 2-27
Bracket, Mounting, Engine, 2-27
Bracket, Mounting, Fan, 2-51
Bracket, Mounting, Filter, 2-35
Bracket, Mounting, Light, Ohg, 3-3, 3-5
Bracket, Mounting, Radiator, 2-37
Bracket, Mounting, Tank, 3-17
Bracket, Mounting,Eng, Rear Rh, 2-27
Bracket, Mounting, 2-5
Bracket, Mtg, Fan, 2-39
Bracket, Mtg, Flow Switch, 2-69
Bracket, Mtg, Guard, 2-31
Bracket, Mtg, Tank, 2-57, 3-17
Bracket, Mtg, Valve, Solenoid, 2-117
Bracket, Mtg, Valve, 2-71
Bracket, Mtg, 2-5
Bracket, Muffler, Shield, 2-33
Bracket, Pin, 2-11
Bracket, Propel, Adjustment, 2-49
Bracket, Propel, 2-49
Bracket, Retainer, 2-49
Bracket, Rocker Arm, 5-13
Bracket, Safety Clip, 2-49
Bracket, Shield, 2-33, 2-49
Bracket, Sol Control, Sb, 3-23
Home
Find...
Go To..

CROSS REFERENCE
6-13
7400D MM426 (3--07)
Bracket, Sol Control, 2-53
Bracket, Solenoid Valve, 4-33
Bracket, Sqge, Rh, 2-99
Bracket, Squeegee, Lh, 2-95
Bracket, Stop, 2-107
Bracket, Switch, 3-19
Bracket, Tiedown, Seat, 3-48
Bracket, Wheel, Tray, 2-101
Brake Assy, 2-45
Brake Repair Kit, 2-45
Brake Shoe (Need 2), 2-45
Breaker--Circuit, 15A Resetable, 2-21
Breaker--Curcuit, 5A Resetable, 2-21
Brush Assy, Scb, H. D. Polypropylene,
2-3
Brush Assy, Scb, Soft Nylon, 2-3
Brush Assy, Scb, Super Abrasive, 2-3
Brush Kit, 2-31, 4-29, 4-31, 4-35
Brush, Scb, Polypropylene, 2-3
Brush, Scb, Soft Nylon, 2-3
Brush, Scb, Super Abrasive, 2-3
Bshg,Sleeve,0.37Bx0.50Odx0.50L, 2-47
Bulb, 12V .2A 32Cp #1156, 3-3, 3-5,
3-7, 3-9
Bulb, 12V .5A 4Cp #1157, 2-5
Bumper Kit, Squeegee, 2-2, 2-109
Bumper Wldt, S Br, 3-21
Bumper, Rubber, 2-9, 2-13, 2-15, 3-47
Bumper, Squeegee, 2-109
Bush, Governor Gear, 5-3
Bush, Idle Gear, 5-15
Bush, Piston Pin, 5-17
Bushing, Flng, 1.00b 1.13d 1.00l, 2-97
Bushing, Sleeve, 0.50b 0.59d 0.38l, Stl,
2-95, 2-99
Bushing, Sleeve, 0.50b 0.59d 0.50l, Bnz,
2-105, 3-21
Bushing, Spanner -- Special 550, 2-2,
2-111
Button, Plug, 2.00h .04--.19 [Chm Stl],
2-9
Button, Plug, Switch, 1.45 X 0.83 Hole,
2-121
Button, Plug, 2-59
C
Cable, Batt. Pos. 33.0Lg, 2-41
Cable, Batt, Neg. 36”L, 2-41
Cable, Brake, Service, 2-45
Cable, Hood, 2-11
Cable, Push--Pull, 2-49
Cable, Sq Lift, Metric, 2-105
Cabletie Mount, Adhesive, 3-3, 3-5
Cam, Front, 2-109
Cam, Fuel, 5-28
Cam, Rear, 2-109
Camplate, 4-3
Camshaft, Fuel, 5-28
Cap Assy, Pos Drain, 3-45, 3-46
CapAssy,Tank,Drain,2-59
Cap Assy, Tank, 4-31, 4-35
Cap Assy,Tank, 2-57
Cap Drain, 2-59
Cap Screw, 4-13
Cap Tank, 3-17
Cap, Breather, Hyd, 7.0 Ds, 2-2
Cap, Drain Hose, 2-59
Cap, Drain, 3-45, 3-46, 4-29
Cap, End, 4-10, 4-11, 4-12, 4-15
Cap, Filler, Oil [Ku], 5-11
Cap, Fuel, Protectoseal, 3-37
Cap, Fuel, Tank, 2-35
Cap, Fuel, 2-35
Cap, Hub, 2-45
Cap, Hyd, Breather 40Mic 7.0Ds, 2-73
Cap, Neoprene, Black, 2-53, 2-107
Cap, Plate, 2-55
Cap, Radiator, 07psi, 2-37
Cap, Radiator, 15psi, 2-37
Cap, Sealing, 5-3, 5-5
Cap, Tank, 4-33
Cap, Valve, 5-13
Cap, 5-29
Cart,CheckVlv,4-36
Cart, Psi Control, 4-27
Cart, Psi, 4-19, 4-21, 4-23, 4-25, 4-27
Cart,Pilot Chk, 4-19, 4-21, 4-23, 4-25
Cart,Shuttle Chk, 4-27
Cartridge Repl Kit Std Brush, 4-19, 4-21
Cartridge Repl Kit, Nylon Brush, 4-23,
4-25
Caster Assy, Squeegee, Rear, 2-111
Caster, Squeegee, 2-107
Chain,Link#2/0,11Links,Zinc Pl, 2-89
Channel Wldt, Fan Motor, 2-39
Channel Wldt, Mtg, S Br, 3-21
Channel, Stiffener, Lintel, 2-15
Check Valve Kit, 4-29, 4-31, 4-33, 4-35
Cir--clip, External, 5-13, 5-31
Cir--clip, Governor Shaft, 5-28
Cir--clip, Idle Gear, 5-15
Cir--clip, Piston Pin, 5-17
Circuitbreaker, 15.0a, Resetable, 2-21
Clamp Assy, 2-29
Clamp Wormdrive, 1.25--2.00, 2-37
Clamp Wormdrive, 1.62--3.50, 2-55
Clamp Wormdrive, 3.75--4.62, 2-51
Clamp, Cable, Stl, 0.69d X 0.62w, 1h,
2-115, 3-33
Clamp, Cable, Stl, 1.50 X 1.00W, 1H, 2-5
Clamp, Cable, Stl, 1.50d X 1.00w, 1h,
2-113
Clamp, Hose, Plastic, 3-13
Clamp, Hose, Plstc .351--.394 Id, 2-113
Clamp, Hose, Wormdrive, 0.25--0.62d,
2-37, 2-53
Clamp, Hose, Wormdrive, 0.31--0.88d,
.31w, 2-113, 2-115, 2-117, 3-33
Clamp, Hose, Wormdrive, 0.56--1.06d,
.56w, 3-11, 3-15
Clamp, Hose, 2-59, 5-11
Clamp, Muffler, Tube, 1.75 Dia, 2-33
Clamp, Pipe 1, 5-23
Clamp, Pipe 2, 5-23
Clamp,Cable .44D .62Wide, 2-21, 2-35
Clamp,Cable 1.25Dia 1.00W Neo, 2-37,
2-75
Clamp,Mounting,Cyclopac Aircl., 2-29
Clamp--Cable 1.50D 1.00W, 2-5
Clamp--Cable, 0.44D 0.62W Stl, 2-53,
2-55, 2-101
Clamp--Cable, 0.56Dia 0.38Wth, 2-49
Clamp--Cable, 1.00Dia. .62Wth, 2-21,
2-41
Clamp--Cable, 1.12Dia 0.38Wth, 2-53
Clamp--Cable, 1.50Dia 1.00W, 3-21
Clamp--Cable, 1.50Dia 0.75W, 2-37
Clamp--Cable, 1.50Dia 1.00W, 3-23
Clamp--Cable, 1.50Dia. 1.00W, 2-53
Clamp--Cable,.69Dia. 62Wth, 2-21, 3-17
Clamp--Conduit, 2 Slot 1.50Dia, 2-53
Clamp--Muffler,For 1.62 Od Tube, 2-33
Clamp--Wormdrive, 0.25-- 0.62D, 2-35
Clamp--Wormdrive, 0.31-- 0.88D, 2-35,
2-53, 3-17, 3-23
Clamp--Wormdrive, 0.81-- 1.50D, 2-53,
2-57, 2-103
Clamp--Wormdrive, 1.81-- 2.75D, 2-29
Clamp--Wormdrive, 2.63-- 4.50D, 2-57
Clamp--Wormdrive, 2-57
Clevis,Adjust.0.25--28Th.Cad., 2-23
Clip Safety, 2-15
Clip, Keeper, Open, 2-21, 2-27
Clip, Push On .187 Dia, 2-15
Clip--Finger Grip, 3-47
Clutch, Over Running, 5-21
Coil, 12V, 4-19, 4-21, 4-23, 4-25, 4-27
Collar 1, 5-31
Collar, Crankshaft, 5-17
Collar, Idle Gear 1, 5-15
Collar, Idle Gear 2, 5-15
Collet, Valve Spring, 5-13
Column, Pump, 4-29, 4-31, 4-35
Column, Steering #2 10Lg Wire, 2-17
Column, 4-33
Comp Idle Gear 1, 5-15
Comp. Case, Gear, 5-7
Comp. Crankshaft, 5-17
Comp. Flange, Water, 5-32
Comp. Flywheel, 5-19
Comp. Lever, Fork 1, 5-31
Comp. Lever, Governor, 5-30
Comp. Oil Pan (Rear Sump), 5-4
Comp. Weight, Governor, 5-28
Control Box, Governor, Die (Replaced by
374127), 2-23
Cooler, Hyd, 2-75
Cord, Glow Plug, 5-23
Coupler, Female X Hose Shank, 3-45,
3-46
Coupler, Hyd Pump, 2-69
Coupling Assy, Flywheel, 2-27
Cover Assy, Engine Top, 2-15
Cover Assy, Head, Cyl, 5-11
Cover Kit, Solution Tank, 2-55
Cover Lid, 2-57, 3-17
Cover, Bearing Case, 5-9
Cover, Breather, 5-11
Home
Find...
Go To..

CROSS REFERENCE
7400D MM426 (3--07)
6-14
Cover, Cleanout, 2-59
Cover, Cylinder Head, 5-10
Cover, End, 4-39
Cover, Filler Pocket, 2-15
Cover, Fork Lever Shaft, 5-31
Cover, Insert, 2-59
Cover, Motor, 3-13
Cover, O--Ring, 4-3
Cover, Oil Pump, 5-7
Cover, Recovery Tank, 2-57
Cover, Rocker Switch Seal, 2-21
Cover, Solution Tank, 2-55
Cover, Thermostat, 5-32
Cover, Tray, 2-101
Cover, Trunion, 4-3
Cover, 4-3, 5-7, 5-21, 5-29
Crank Replmt.Kit,Pump, 4-37
Crankcase, Complt, 5-3
Crankcase, 5-3
Cup Assy, 2-29
Cushion, Piston, 4-36
Cylinder Pin Kit, Sqge, 2-105
Cylinder, Hyd 1.5B 02.8S 2500, 2-89
Cylinder, Hyd, 2.0b 08.0l 04.00strk 2500,
2-105, 3-21
Cylinder, Hyd, 2.0b 14.8l 08.00strk 3000,
2-43
D
Dampner, Engine, 2-27
Deflector, Fan, 2-51
Demister Cover W/Label, 2-57
Detergent Pkg, 4 Liter, Sgl [Tco 665], 2-2,
2-113
Detergent Tank W/Label, 3-17
Diode Assy, 2-86
Diode, Ele, Plug, 2-86, 2-121, 3-23
Distance Plate, 4-5
Door Wldt, Brush, Lh, 2-7
Door Wldt, Brush, Rh, 2-7
Door, Side, Engine, 2-13
Dowel Pin, 4-5
Dowel,Cyl.Block To Flywhl.Hsg., 2-27
Drain Cock,.25Npt Wh#120 Angl, 2-37
Drain Kit, Cap, 2-59
Drain Kit, Oil, Eng, Ci [7400 Kubota],
2-25
Drive, 4-7, 4-9, 4-10, 4-11, 4-12, 4-13,
4-15
Drum, Lift Cable, 2-105
Duct, Vinyl .40X.75X10.0 .25D, 3-3, 3-5
Duct, Vinyl .40X.75X26.0 .25D, 3-3, 3-5
Duct, Vinyl .40X.75X3.5 .25D, 3-7, 3-9
E
E--Ring, External .375 Dia, 2-109
Element, Breather, 5-10
Element, Filter, 2-2, 2-75
Element, Fltr, Fuel [Dn], 2-35
Element, Fltr, Fuel, 2-2
Element, Safety, 3-49
End Cap, 4-13
End Cover, 4-5
Engine Assy (See Engine Breakdowns),
2-23, 2-25
Extinguisher Kit 7400, 3-36
Extinguisher, Fire, 3-36
F
Fan, Cooling, 14.3d, 6 Blade, 0.5b Taper,
2-39
Fan, Pusher, 2-39
Fan, Repair Kit, Reassembly, 2-2, 2-51
Filter Assy, Air, Molded Ure, 2-113
FilterAssy,Fuel,Dsl,2-35
Filter Assy, Spin--On, 2-75
Filter Element, Air, 2-2, 2-29
Filter Wldt, Tray, 2-103
Filter, Foam, 2-115, 3-33
Filter, Inline, Pf06/Pf06, 80 Mesh, 2-115,
3-33
Filter, Oil--oil Pick Up Tube, 5-4
Filter, Solution, 3-15
Fitting , Elbow Gr, 4-29, 4-31
Fitting , Elbow Gr, 4-35
Fitting ,Str Gr, 4-29, 4-31
Fitting Assy, Orifice [.070b] F/ 1018533,
2-117
Fitting Assy, Orifice [.093b] F/ 1018467,
2-117
Fitting Assy, Orifice, 0.070b, Pf04/Pf04,
2-117
Fitting Assy, Orifice, 0.093b, Pf04/Pf04,
2-117
Fitting Assy, Sol Control, 2-53
Fitting, Brs, E90, Cf03/Pf02, 2-113
Fitting, Brs, E90, Em05/Pm04, 2-35
Fitting, Brs, E90, Pm04/Bm08, 2-117
Fitting, Brs, Str, Pf02/Pm04, 2-117
Fitting, Brs, Str, Pm02/Bm04, 2-113
Fitting, Brs, Str, Pm04/Bm08, 2-113
Fitting, Brs, Str, Pm08/Pm08, 3-11
Fitting, Brs, Tee, Pf04/Pf04/Pf04, 2-117
Fitting, Bulkhead Fem,, 3-11
Fitting, Elbow Gr, 4-35
Fitting, Grease .12Nptf--Str, 2-97
Fitting, Hyd Plg, 2-23, 2-25
Fitting, Hyd, E90, Jf12/Jm12, 2-23, 2-25
Fitting, Hyd, E90, Jm04/Om04, L, 2-39
Fitting, Hyd, E90, Spcl, 2-23
Fitting, Hyd, Plug, Jm08, 2-25
Fitting, Hyd, Str, Spcl, 2-23, 2-25
Fitting, Pipe, Water [Ku], 5-8
Fitting, Plastic E90 16Bm/12Pm, 2-53
Fitting, Plastic Str 12Pf/16Pm, 2-55
Fitting, Plastic Tee 12Bm/12Pm, 2-53
Fitting, Plastic, Str, 3-11
Fitting, Plstc, Pipe, Cap, Pf04, 2-113
Fitting, Plstc, Body, Spray, Pf04, 2-117
Fitting, Plstc, Cap, Spray, Pf04, 2-117
Fitting, Plstc, E90, Bm08/Pm06, 2-115,
3-33
Fitting, Plstc, E90, Bm08/Pm12, Nyl,
2-115, 3-33
Fitting, Plstc, E90, Swivel, Bm08/Pf08s,
2-115, 2-117, 3-33
Fitting, Plstc, Rst, .50 Od/.125 Id, 3-33
Fitting, Plstc, Str, Bm04, Cplg, Fem,
2-113
Fitting, Plstc, Str, Bm08/Pm04 Nyl,
2-117
Fitting, Plstc, Str, Bm08/Pm04, Nyl,
2-117
Fitting, Plstc, Str, Bm08/Pm06, 2-115,
3-33
Fitting, Plstc, Str, Bm08/Pm12, 2-115,
3-33
Fitting, Plstc, Str, Pm04, Cplg, Mal, 2-113
Fitting, Plstc, Str, 4-35
Fitting, Plstc, Tee, Bm08/Bm04/Bm08,
2-113
Fitting, Plstc, Tee, Bm08/Bm08/Bm08,
2-117
Fitting, Plstc, Y, Bm08/Bm08/Bm08 Nyl,
2-117, 3-33
Fitting, Plug, O--Ring, 4-39
Fitting, Plug, Valve, Hyd, 4-27
Fitting, Special, Y, Tank, 2-57
Fitting--Barb, Strt 3/8 Id Hose, 3-17
Fitting--Barb,90Deg,3/8 Id Hose, 3-17
Fitting--Brs Str, 3-11
Fitting--Brs, 3-11
Fitting--Hyd E45, 2-73
Fitting--Hyd E90, 2-71, 3-25, 3-27
Fitting--Plastic E45 12Pf--12Pf, 3-13,
3-15
Fitting--Pls E90, 3-11
Fitting, 4-33
Flange Kit, 4-5
Flange Mounting, 4-10, 4-11, 4-12, 4-13
Flange Wldt, Mtg, Guard, 2-31
Flange, Pump, Water [Ku], 5-8
Flange, Sleeve, 5-27
Flap,Containment, 2-51
Flapper, Valve, 4-29, 4-31, 4-33, 4-35
Flasher, 12vdc [Hd552ps83], 3-19
Float Bottle, 2-57, 3-11
Frame Wldt, Main, 2-5
Frame Wldt, Sq Lh, 2-95
Frame Wldt, Sq Rh, 2-99
Frame, Drive End, 5-21
Frame, End, 5-21
Ftg Brs E90, 3-11
Ftg Qkdisc, Male, 3-11
Ftg, Grease.25--28Th Strt .63L, 2-43
Ftg, Plastic Str Barb.25H/.50H, 3-23
Ftg,Brass,E90,Barb.12Pt--.25Hse, 2-35
Ftg,Brs Tee Pf08 Pf Pf, 3-11
Ftg,Plstc .5Barb .5Pf, 4-29, 4-31
Ftg,Plstc,Cplg,Barb.75Pt--.50Hs, 2-53
Ftg,Plstc,Elb,Barb.75Pt--.50Hse, 2-53
Ftg,Plstc,Nip. 0.75Ptx 1.68Lg, 2-55,
3-13, 3-15
Ftg,Plstc,Tee,.75--.75--.75Pipe, 2-53
Ftg--Brs E45 Pm02/Pf02, 2-23, 2-25
Home
Find...
Go To..

CROSS REFERENCE
6-15
7400D MM426 (3--07)
Ftg--Brs E90 Bm05/Pm02, 2-35
Ftg--Brs E90 If05/Pm02, 2-35
Ftg--Brs, 2-35
Ftg--E45 Jm08/Om08, 2-73
Ftg--Hyd E45 Jm04/Om04, 2-43, 2-105,
3-25, 3-27
Ftg--Hyd E45 Jm06/Om06, 3-25, 3-27
Ftg--Hyd E45 Jm10/Jf10, 2-69
Ftg--Hyd E45, 2-69
Ftg--Hyd E90 Jm04/Jf04, 2-93
Ftg--Hyd E90 Jm04/Om04, 2-51, 2-71,
2-89, 2-105, 3-21, 3-25, 3-27
Ftg--Hyd E90 Jm06/Om04, 3-21
Ftg--Hyd E90 Jm06/Om06, 2-43, 3-25,
3-27
Ftg--Hyd E90 Jm06/Om08, 2-39, 2-69
Ftg--Hyd E90 Jm08/Om08, 2-71, 2-93
Ftg--Hyd E90 Jm08/Om10, 2-51, 3-23
Ftg--Hyd E90 Jm10/Om12, 2-69
Ftg--Hyd E90 Jm12/Om12, 2-75
Ftg--Hyd E90 Pm04/Jm04, 2-35
Ftg--Hyd Plg Om10, 2-73
Ftg--Hyd Rst Jm04/.063, 2-105
Ftg--Hyd Str Jm04/Om04, 2-93, 3-25,
3-27
Ftg--Hyd Str Jm06/Om04, 3-21
Ftg--Hyd Str Jm06/Om06, 2-17, 2-71,
2-73, 3-25, 3-27
Ftg--Hyd Str Jm06/Om08, 2-39, 2-69
Ftg--Hyd Str Jm08/Om08, 2-69, 2-71,
2-93, 3-25
Ftg--Hyd Str Jm08/Om10, 2-51, 2-69
Ftg--Hyd Str Jm10/Om12, 2-43, 2-69
Ftg--Hyd Str Jm12/Om12, 2-71, 2-73,
2-75
Ftg--Hyd Str Jm20/Om16, 2-69
Ftg--Hyd Str, 2-35
Ftg--Hyd Tee Jm04Jmjf, 2-93
Ftg--Hyd Tee Jm04Omjm, 2-73
Ftg--Hyd Tee Jm06Jfjm, 2-69
Ftg--Hyd Tee Jm06Jmjf, 2-69, 3-25, 3-27
Ftg--Hyd Tee Jm08Jmjf, 3-25, 3-27
Ftg--Plug Npt 02Pm Sq Hd, 2-35
Ftg--Plug Npt 12Pm Rd Hd Plstc., 2-55,
2-57
Fuel Pump Cover Plate, 5-25
Fuse,40Amp,2-21
G
Gasket Cap, 2-59
Gasket Ku, 5-12
GasketLid,2-59
Gasket Set, Lower, 5-4
GasketSet,Tank,2-61
Gasket Set, Upper, 5-5
Gasket, .19, 2.00id 5.38od [Buna], 3-45,
3-46
Gasket, .19, 4.05id 5.29od [Buna], 2-57,
2-59, 3-17, 4-29, 4-31, 4-33, 4-35
Gasket, 2.7D 1.5B.12T 5/ 2.1Bc, 2-35
Gasket, Bearing Case Cover, 5-9
Gasket, Bearing Case, 5-9
Gasket, Check Valve, 2-55, 4-29, 4-31,
4-35
Gasket, Cover, Head, Cyl [Ku], 5-11
Gasket, Cover, 2-55
Gasket, Cyclinder Head, 5-5
Gasket, Delivery Valve, 5-27
Gasket, Drain Cap, 2-59
Gasket, Ex--manifold, 5-12
Gasket, F/Bolt [Ku] 15951--96661, 5-11
Gasket, Fuel Pump, 5-25
Gasket, Gear Case, 5-7
Gasket, Head Cover, 5-10
Gasket, Hyd Cap, 2-73
Gasket, In--manifold, 5-12
Gasket, Manifold, Intake [Ku], 5-12
Gasket, Oil Pan, 5-4
Gasket, Sender, Fuel, 2-35
Gasket, Solenoid, Throttle [Ku] 16299,
2-25
Gasket, Thermostat, 5-32
Gasket, Thrtl Blk, 5-29
Gasket, Water Flange, 5-32
Gasket, 2-55, 2-57, 4-33, 5-3, 5-10, 5-23,
5-27, 5-29, 5-30, 5-31
Gauge, Oil, 5-4
Gear Motor Assy, 4-37
Gear, Camshaft, 5-15
Gear, Crankshaft, 5-17
Gear, Governor, 5-28
Gear, Injection Pump, 5-28
Gear, Oil Pump Drive, 5-17
Gear, Ring, 5-19
Gear, 5-21
Geroler, 4-7, 4-9
Gerotor Assy, 4-10, 4-11, 4-12
Gerotor Set, 4-13
Gerotor, 4-15
Grill Wldt, 2-75
Grommet Rbr 0.25Id For .09Matl, 2-15,
2-21
Grommet, Detergent Tank, 3-17
Grommet,Rbr,0.56Id,For .13Matl, 3-3,
3-5, 3-7, 3-9, 3-19
Grommet,Rbr,1.00Id,For .12Matl, 2-37
Guard Kit, Overhead, 3-35
Guard Wldt, Lights, Revl&Flsh, 3-7, 3-9
Guard Wldt, Oh, Top, 3-35
Guard Wldt, Sqge, S Br, 3-23
Guard, Belt, Die, 2-31
Guard, Intake, 2-29
Guide Assy, Oil Gauge, 5-4
Guide, Exhaust Valve, 5-5
Guide, Inlet Valve, 5-5
Guide, Side Squeegee, 2-95, 2-99
H
Handle Lift Brush, 2-17
Harness [7400/8410 Fast Update], 2-121
Harness, Back Up Alarm, 3-19
Harness, Jumper [Fast 7400], 2-121
Harness, Jumper, Pump [7400/8410],
3-15
Harness, Main D 7400, 2-86
Harness, Revol Light, 3-7, 3-9
Harness, Revolv Light, Cab,Ohg, 3-3, 3-5
Head, Cyl [Ku], 5-5
Head, Cyl, W/O Valve [Ku], 5-5
Headlight, 12vdc, 50watt . A , 2-11
Hinge, Hood, 2-11
Hinge, Seat, 2-9
Holder Assembly, Nozzle, 5-23
Holder, Delivery Valve, 5-27
Holder, Governor Gear, 5-28
Holder,, 5-28
Hood, Front, Lpg, 2-11
Hood, Front, 2-11
Hook, Engine 1, 5-5
Hook, Engine 2, 5-5
Horn, 12 Volt, 2-21
Horn, Back--Up Alarm, 3-19
Hose Assembly, Drain, 2-59
Hose Assy, W/1cuff, 1.5d 120l 1.5, 3-45,
3-46
Hose Assy, Wand Kit, 3-47
Hose Vinyl Cl.,0.38 Idx31.00Lg, 3-17
Hose Vinyl Cl.,0.50 Idx15.0 Lg, 3-23
Hose, 3.0 Dia Squeegee, 2-2, 2-57
Hose, 1.0 Dia Tray, 2-57
Hose, Afmkt, Pvc, Brd 0.50id 1ft, 2-113,
2-115, 2-117, 3-33
Hose, Afmkt, Pvc, Brd 0.50id 2ft, 2-117
Hose, Afmkt, Pvc, Brd 0.50id 3ft, 2-115,
3-33
Hose, Afmkt, Pvc, Clr 0.25id 1ft, 2-113
Hose, Afmkt, Pvc, Clr 0.25id 2ft, 2-113
Hose, Afmkt, Pvc, Clr 0.25id 3ft, 2-113
Hose, Afmkt, Pvc, Clr 0.50id 2ft, 3-33
Hose, Afmkt, Pvc, Wire 0.50id 1ft, 2-117
Hose, Air Cleaner, Outlet, 2-29
Hose, Air Intake, Flex, 2-29
Hose, Crossover, 2-55
Hose, Drain, Assy, 0.31id X 24.3l, Pvc,
2-59
Hose, Fuel Line .31 Idx14.0, 2-35
Hose, Fuel, .188Id X.360L, 2-35
Hose, Fuel, 0.50 Id 34.0L, 2-35
Hose, Fuelline, 10.0L, 2-35
Hose, Hyd,Low08, Jf08str /Jf08e90 ,
19.0, 2-25
Hose, Moldedair Intake, 2-29
Hose, Pump, 3-13
Hose, Pvc, .50Idx.73Od 34.0Lg, 3-23
Hose, Pvc, Brd, 0.62id 0.88od 18.00l,
3-15
Hose, Radiator, Lower, Diesel, 2-37
Hose, Radiator, Upper, Diesel, 2-37
Hose, Radiator, 2-37
Hose, Recvy, Coolant, 0.31id X 60l, 2-37
Hose, Vacuum 4.0, 2-2, 2-51
Hose, Vacuum, Tray, 2-2, 2-103
Hose, Vinyl Clear .62Id x 88, 3-11
Hose, Vinyl Clr .501Dx1.0Lng, 2-53
Hose, Vinyl Clr, .62Idx 18.0Lg, 3-11
Hose, Vinyl Clr, .62Idx 63.0Lg, 3-11
Hose, Vinyl Clr, .75Id x 58.0Lg, 3-11
Home
Find...
Go To..

CROSS REFERENCE
7400D MM426 (3--07)
6-16
Hose, Vinyl Clr, .75Id x 65.0Lg, 3-11
Hose, Vinyl, Cl Nyre .38Idx21L, 3-17
Hose, Vinyl, Clear Nylon Reinf, 3-17
Hose, Vinyl, Clear, 2-53, 4-33
Hose--Hyd Ar 04 Jf/J4, 3-29, 3-31
Hose--Hyd Ar 04, 2-67
Hose--Hyd Ar 08, 2-67
Hose--Hyd Ar08, 2-67, 3-29, 3-31
Hose--Hyd Ar10, 2-67
Hose--Hyd Low12 Jf/Jf, 2-23, 2-25
Hose--Hyd Med04 Jf/J9, 2-67
Hose--Hyd Med04 Jf/Jf, 2-67
Hose--Hyd Med04, 2-67, 3-29, 3-31
Hose--Hyd Med06 Jf/J4, 3-29, 3-31
Hose--Hyd Med06 Jf/J9, 3-29, 3-31
Hose--Hyd Med06 Jf/Jf, 2-67
Hose--Hyd Med06, 2-67, 3-29, 3-31
Hose--Hyd Med08 Jf/J9, 2-67
Hose--Hyd Med12 Jf/J9, 2-67
Hose--Hyd Med12, 2-67
Hose--Hyd Suc20, 2-67
Hose--Hyd, 2-67
Housing Assy, Nozzle, 5-23
Housing Assy,, 4-7, 4-9
Housing Wldt, Bearing Lh, 2-89
Housing Wldt, Bearing Rh, 2-89
Housing Wldt, Side Brush, 3-23
Housing Wldt, Vac Fan, 2-51
Housing, Brg, 4-7, 4-9
Housing, Brush, 2-91
Housing, Flywheel, 2-27
Housing, Support, Wheel, 2-43
Housing, Vac Fan W/Label, 2-51
Housing, 4-10, 4-11, 4-12, 4-39
Housingl, 4-13
Hub & Stud, 2-43
Hub Assy, Mounting, Brush, 2-89
Hub, Drive, Brush, Disk, 1.00b 6t, 3-23
Hub, Drive, Brush, Disk, 3hole 5.8bc[6t],
2-3
Hub, Mounting, Fan, 2-39
I
Impeller 9.5 Dia. 18 Blade Mac, 2-51
Impeller, Water Pump, 5-8
Indicator Service Air Filter, 2-29
Insert, Cap, 4-35
Insert, Plate, Cam, Pump, Hyd, 4-39
Instr. Motor Seal Kit F--74147, 4-17
Instr. Repair Info, Motor, 4-7, 4-9, 4-10,
4-11, 4-12, 4-13
Instr.Repair Info, 4-15
Instr, Repair, Pump, 4-39
Insulation, Acoustic, Seat, 2-9
Insulation, S/Foam, 2-5, 2-9, 2-13, 2-15
Isolator--Vibration .31--18, 2-75
Isolator--Vibration,125Lb.Ratng, 2-33,
2-37, 2-39, 2-49, 2-51, 2-71, 2-73,
3-25, 3-27
J
Joint, Breather Pipe, 5-10
Joint, Pipe, 5-7
K
Key Set,Switch, 2-21
Key Square 0.12 0.12 00.50 Lg, 4-17
Key Square 0.12 0.12 01.00 Lg, 4-16
Key Square 0.25 0.25 01.25 Lg, 2-97
Key, Feather, 5-15
Key, Shaft, Pump, Hyd, 4-39
Key, Woodruff, 5-28
Key--Wdruff 0.25 1.00, 4-10, 4-11, 4-12,
4-13
Key, 4-3, 4-7, 4-9, 5-17
Kit, Air Filter, Heavy Duty, 3-49
Kit, Ball & Seal, 3-45, 3-46
Kit, Brush, 4-33
Kit, Ci, Actuator, Govnr, Dsl, 2-23
Kit, Ci, Alarm, Backup, 3-19
Kit, Ftg, Garden Hose, 3-11
Kit, Repair, Linkage, Squeegee, 2-107
Kit, Replacement, Armrest, 2-9
Kit, Replmt, Control, Govnr, [All Purps],
2-23, 2-25
Kit, Rotating, Pump, Hyd, 4-39
Kit, Seal, Hyd, Pump, 4-39
Kit, Shim, 4-39
Kit, Valve Handle, 3-45, 3-46
Knob, Caster, 2-111
Knob, Hood, 2-11
L
Label [Nfsi Certification], 2-122
Label Set, Info & Hzd 7400, 2-122
Label Set, Operational, 2-122
Label Set, Opertnl [7400 Fast], 2-121
Label, Attention Fast Users, 2-55
Label, Fast, 2-122
Label, Numerals 7400, 2-122
Label, Tennant Logo, 2-11
Lamp Strobe, Amb, 12--80 Vdc, 3-5, 3-9
Lamp, Bulb, Lamp, Flsh, 3-3, 3-7
Lamp, Bulb, Lamp, Strobe, 3-5, 3-9
Latch Kit, Door, Engine, 2-13
Latch, Bolt, 2-7, 2-11, 2-15, 2-101
Latch, Door, 2-13
Latch, Elastic, 2-75, 3-48
Latch, Engine Door, Side, 2-55
Latch, Hook, Lh, 2-7, 2-101
Latch, Hook, Rh, 2-7
Latch, Hook, 2-11
Latch, 2-15
Lens, Lamp, Amb, Strobe/Flasher, 3-3,
3-5, 3-7, 3-9
Lens,Flashing Lite Fr207 Amber, 3-3, 3-7
Lens,Flashing Lite Fr207 Blue, 3-3, 3-7
Lens,Flashing Lite Fr207 Red, 3-3, 3-7
Lens,Rev.Light,Amber, 3-5, 3-9
Lens,Rev.Light,Blue, 3-5, 3-9
Lens,Rev.Light,Red, 3-5, 3-9
Level Sensing Assy, Es, 3-11
Level Sensing Assy, 2-57
Lever Governor Actuator, 2-23
Lever, Engine Stop, 5-30
Lever, Fork 2, 5-31
Lever, Speed Control, 5-30
Light Kit Flsh Lrc, 3-7
Light Kit Flsh Ohg, 3-3
Light Kit Revl Lrc, 3-9
Light Kit Revl Ohg, 3-5
Light, Backup 12V, 3-19
Light, Flashing, Amber, 12V--Re, 3-3, 3-7
Light, Flsh, Amb, 12--48 Vdc, 3-3, 3-7
Light,Rev.Amber 12V, 3-5, 3-9
Lintel Wldt W/Label, 2-5
Lintel Wldt, Hood, 2-5
Lintel Wldt, Rear, Rh, 2-5
Lintel Wldt, W/ Label [7400], 2-5
M
Magnet, Pick--Up, 2-27
Manifold Assy, Inlet, 5-12
Manifold, Exhaust, Front, Down, 5-12
Manifold, Inlet, 5-12
Manual Pkg 7400D, Japanese, 3-50
Manual Pkg 7400D, 3-50
Manual, Cd--Rom, Oprtr & Parts, All
(NA), 3-50
Manual, Eng, Kubo [V1505E], 3-50
Manual, OP/MT 7400, French, 3-50
Manual, OP/MT 7400, Spanish, 3-50
Manual, Service, 3-50
Metal, Crankpin 02, 5-17
Metal, Crankpin 04, 5-17
Metal, Crankpin, 5-17
Metal, Crankshaft 1, 5-17
Metal, Crankshaft 2, 5-17
Metal, Crankshaft 3, 5-17
Metal, Crankshaft1 02, 5-17
Metal, Crankshaft1 04, 5-17
Metal, Crankshaft2 02, 5-17
Metal, Crankshaft2 04, 5-17
Metal, Crankshaft3 02, 5-17
Metal, Crankshaft3 04, 5-17
Metal, Side 1 02, 5-17
Metal, Side 1 04, 5-17
Metal, Side 1, 5-17
Metal, Side 2 02, 5-17
Metal, Side 2 04, 5-17
Metal, Side 2, 5-17
Molding, Trim 11--14Ga 20.0, 2-9
Molding, Trim 11--14Ga 116.0, 2-11
Molding, Trim 11--14Ga 5.00, 3-23
Motor 12V Dc, 4-29, 4-31, 4-33, 4-35
Motor, Hyd Gear (See Breakdowns)
(Replaced by 369820), 3-23
Motor, Hyd Gear (See Breakdowns)
(Replaced by 377350), 3-23
Motor, Hyd Gear (See Breakdowns)
(Replaced by 378710), 2-43
Home
Find...
Go To..

CROSS REFERENCE
6-17
7400D MM426 (3--07)
Motor, Hyd Gear (See Breakdowns),
2-39, 2-43, 2-51, 3-23
Motor, Hyd Gear Ex 0.13 L 3000, 4-16
Motor, Hyd Gear In 04.5 R 1500, 4-10,
4-11, 4-12
Motor, Hyd Gear In 4.5 B 1500 (See
Breakdowns), 2-93
Motor, Hyd Gear In 4.5 B 1500, 4-13
Motor,HydGear,4-7,4-9,4-17
Muffler--Exh, Ovl, To 112Cu Eng, 2-33
N
Nozzle, Plastic Wand 14.0 Lg, 3-47
Nut Hx Std Ss .38--16, 2-107
Nut Hx Std Ss M10X1.5, 2-89
Nut Hx Std Ss M12X1.75, 2-7
Nut Hx, Jam M10X 1.5Ss, 2-107
Nut Hxlocnyln .38--24 Reg5518--8, 2-89
Nut Hxlocnyln M 6X1.0 Reg Ss, 2-53,
2-103, 2-107, 3-19, 3-23
Nut Wheel .50--20 60 Angle, 2-43
Nut, Cap, 5-10, 5-25, 5-28, 5-29
Nut, Cart., Lng, 4-19, 4-21, 4-23, 4-25,
4-27
Nut, Cart, 4-19, 4-21, 4-23, 4-25, 4-27
Nut, Hex, Cap [Ku] 15952--92331, 5-11
Nut, Hex, Flng, .25--20, 3-3, 3-5
Nut, Hex, Flng, M6 X 1.0, 2-35
Nut, Hex, Flng, M8 X 1.25, 2-5, 2-35,
2-37, 3-7, 3-9
Nut, Hex, Jam, .25--28, 2-49
Nut, Hex, Jam, .38--24, Lh, 2-89
Nut, Hex, Jam, .38--24, 2-89
Nut, Hex, Lock, .25--20, Nl, 2-35, 2-49
Nut, Hex, Lock, .25--28, Nl, 2-49
Nut, Hex, Lock, .38--24, Nl, Ss, 2-107
Nut, Hex, Lock, M 6 X 1.0, Nl, 2-37
Nut, Hex, Lock, M 8 X 1.25 Nl, 2-69
Nut, Hex, Lock, M10 X 1.5, Nl, 2-37,
2-39, 2-49
Nut, Hex, Lock, M4 X 0.7, Nl, 3-3, 3-5,
3-7, 3-9
Nut, Hex, Lock, M5 X 0.8, Nl, 2-25
Nut, Hex, Lock, M6 X 1.0, Ss, Nl, 2-115,
3-33
Nut, Hex, Lock, M6 X 1.00, Nl, 2-11
Nut, Hex, Lock, M8 X 1.25, Nl, 2-39,
2-113
Nut, Hex, M08 X 1.25, 2-33
Nut, Hex, Std, .25--28, 2-49
Nut, Hex, Std, .31--18, 2-75
Nut, Hex, Std, .38--24, Ss, 2-107
Nut, Hex, Std, M12 X 1.75, Ss, 2-11,
2-101
Nut, Hex, Std, M20 X 2.5, 2-93, 2-97
Nut, Hexagon, 5-21
Nut, Hxlocnylon .75--10, 2-43
Nut, U M5 X 0.8, 2-11
Nut,Wing .44--20 Special, 2-29
Nut--Hex Slot 1.12--18, 2-43
Nut--Hx Jam 1.00--14 Pltd, 3-11
Nut--Hx Jam .50--13 Ss, 2-49
Nut--Hx Jam .50--20 Left Pltd, 2-45
Nut--Hx Jam M20 X 1.5 4 Pltd, 2-17
Nut--Hxlocnyln .38--16 Regss18--8,
2-107, 3-21
Nut--Hxlocnyln .50--13 Regss18--8, 2-2,
2-111
Nut--Hxlocnyln M 10X1.5 Reg Ss, 2-75
Nut--Hxlocnyln M 5X0.8 Reg 18--8, 2-53,
2-59
Nut--Hxlocnyln M 8X1.25 Reg Ss, 2-5,
2-37, 2-45, 2-49, 2-89, 2-111
Nut--Hxlocnyln M10X1.5 Reg 18--8, 2-91,
2-95, 2-99, 2-107, 2-109
Nut--Hxlocnyln M10X1.5 Reg Ss, 2-105
Nut--Hxlocnyln M5X0.8 Reg Ss, 3-17
Nut--Hxlocnyln M6X1.0 Reg Ss, 2-47
Nut--Hxlocnynmm12X1.75 Reg Ss, 2-101
Nut--Hxslot .75--16 Pltd, 4-13
Nut--Hxslot 1.00--20 Pltd, 2-45
Nut--Hxslot M20X2.5 8 Pltd, 2-97
Nut--Low Crown .50--20 Pltd, 2-51
Nut--Low Crown .31--18 Pltd, 2-9
Nut--Wing .31--18 Pltd, 2-41
Nut, 4-7, 4-9, 5-7, 5-12, 5-13, 5-25, 5-29,
5-30, 5-32
O
O--Ring Gland, 2-69
O--Ring, 5-3, 5-4, 5-5, 5-7, 5-10, 5-17,
5-21, 5-27, 5-30
Oil Cartridge, 2-2
Oil Filter, Plug, 5-7
Oil Shield, Breather, 5-10
P
Pad, Neoprene, 2-107
Pad, Tread, 2-49
Pad, 2-47
Panel Assy, Instr W/Label, 2-9
Panel Wldt, Filler, 2-7
Panel, Instmt, W/ Label [7400 Gm1.6l],
2-9
Panel, MTG, Hose, 3-47
Panel, Seat, Rh, 2-9
Panel, Seat, Top, 2-9
Panel, Shroud, Radiator, 2-37
Panel, Tilt, Lh, 2-17
Panel, Tilt, Rh, 2-17
Panel, Transition, 2-39
Pedal, Brake Lock Ec, 2-47
Pedal, Lower, Propel, 2-49
Pedal, Upper, 2-49
Performance Pkg 400Hr Diesel, 2-2
Pin Wldt, Front, 2-109
Pin Wldt, Rear, 2-109
Pin Wldt, S Br, 3-21
Pin, Clamp, 5-27
Pin, Clevis .31 Dia X 4.50 Lg, 2-49
Pin, Clevis .31D X 2.5L, 2-111
Pin, Clevis .50 Dia X 4.50 Lg, 2-49
Pin, Clevis 10D X 50L, 2-89
Pin, Clevis, 0.50Dia. X3.50Lg, 2-105
Pin, Clevis,0.25 Dia X 2.44 Lg, 2-105
Pin, Cotter, .125 X 1.00, 2-93, 2-97
Pin, Dowel, .50, 3.5L, 2-89
Pin, Dowel, 0.5002 D X 1.50 L, 2-89
Pin, Dowel, Pump, Hyd, 4-39
Pin, Dowel, 4-3
Pin, Guide, 2-91
Pin, Hair Cotter, 2-91
Pin, Hair Cotter .38D .072 Wire, 2-49
Pin, Hair Cotter, 0.69 D .092 Wir, 2-95,
2-99
Pin, Hitch, .19Dia X 3.44 L, 2-109
Pin, Joint, 5-27
Pin, Pipe, 5-3
Pin, Piston, 5-17
Pin, Spring, 5-30
Pin, Start Spring, 5-3
Pin, Straight, 5-3
Pin, Tappet Guide, 5-27
Pin,Clevis,0.19 Dia.X 0.62 Lg, 2-105
Pin,Clevis,0.25 Dia.X 0.75 Lg, 2-23
Pin,Clevis,0.31 Dia X 1.00 Lg, 2-95, 2-99
Pin,Clevis,0.37 Dia.X 0.75 Lg, 2-95, 2-99
Pin,Clevis,0.37 Dia.X 1.00 Lg, 2-45
Pin,Clevis,0.50 Dia.X 1.42 Lg, 2-45, 3-21
Pin,Clevis,0.50 Dia.X 1.87 Lg, 3-21
Pin,Clevis,0.50 Dia.X 2.00 Lg, 2-105
Pin,Clevis,0.50 Dia.X 2.50 Lg, 2-105
Pin,Support Wheel, Bar, 2-43
Pin, 2-109, 4-15
Pipe, Breather [Ku], 5-12
Pipe, Breather, 5-10
Pipe, Drain, 5-21
Pipe, Exhaust, Die, 2-33
Pipe, Injection 1, 5-23
Pipe, Injection 2, 5-23
Pipe, Injection 3, 5-23
Pipe, Injection 4, 5-23
Pipe, Over Flow, 5-23
Pipe, Water Return 1, 5-8, 5-32
Pipe, Water Return 2, 5-32
Pipe, Water, 5-11
Piston 05, 5-17
Piston, 5-17
Pivot Wldt, Side Brush, 3-21
Pivot Wldt, Tray, 2-101
Pivot, Flanged, 2-75
Plate -- Hose Support, 2-43
Plate Bent, 3-11
Plate Wldt, Stiffener, Ss, 2-53
Plate, Backup Alarm, 3-19
Plate, Cam, 4-39
Plate, Cover, 2-101, 4-39
Plate, Element 1, 5-10
Plate, Element 2, 5-10
Plate, Filler, 2-5
Plate, Floor, 2-9
Plate, Governor, 2-23, 2-25
Plate, Light Mtg., 3-3, 3-5
Plate, Mount, Steering Boot, 2-17
Plate, Mounting, Brush, 2-93
Home
Find...
Go To..

CROSS REFERENCE
7400D MM426 (3--07)
6-18
Plate, Mtg, Brush, 2-97
Plate, Orifice, 0.070id, 2-117
Plate, Orifice, 0.093id, 2-117
Plate, Pin Retaining, S Br, 3-21
Plate, Support, 2-103
Plate, Valve, Pump, Hyd, 4-39
Plate, Valve, 4-3, 4-7, 4-9
Plate, Wear, 4-15
Plate, 5-27
Plug #10, 4-13, 4-19, 4-23
Plug #2, 4-19, 4-21, 4-23, 4-25, 4-27,
4-36
Plug #4, 4-7, 4-9, 4-13, 4-19, 4-21, 4-23,
4-25, 4-27
Plug #8, 4-19, 4-21, 4-23, 4-25
PlugAssembly,4-7,4-9,4-15
Plug Gage #6, 4-19, 4-21, 4-23, 4-25,
4-36
Plug S--A, 4-3
Plug Wldt, Brush Drive, 2-93, 2-97
Plug, Cap, Check Valve, 2-55
Plug, Control Box, 2-23
Plug, Expansion, 5-3
Plug, Float, 2-57, 3-11
Plug, Glow, 5-23
Plug, Oil Filler, 5-10
Plug, Orifice Cp, 4-19, 4-21, 4-23, 4-25
Plug, Panl, Switch, 2-21
Plug, 5-3, 5-5, 5-7, 5-32
Plugbtn .56H .03--.12 Blacknyl, 2-21
Plunger, Pump, 5-27
Plunger, Spring .38--16, 3-47
Pos Sol Ctrl Drn Sys Kit Std, 3-45
Pos Sol Ctrl Drn Sys Kit, Es, 3-46
Pulley, Alternator, 2-31
Pulley, Cable, 1.5d, Nyl, 2-45
Pulley, Fan Drive, 112mm, 5-17
Pully, Fan, 5-8
Pump Assy, Column, Es (See
Breakdowns), 3-15
Pump Assy, Column, Es, 4-35
Pump Body Kit, 4-29, 4-31, 4-33, 4-35
Pump Housing Assy, 4-3
Pump Kit, Sec#1, 4-5
Pump Kit, Sec#2, 4-5
Pump Kit, Sec#3, 4-5
Pump Shaft, 4-35
Pump,Air,Ele,12vdc,2-113
Pump, Column, Es (See Breakdowns)
(Replaced by 377422), 3-15
Pump, Column, Es(See
Breakdowns)(Replaced by 379005),
3-13
Pump, Column, Es(See
Breakdowns)(Replaced by 81954),
3-13
Pump, Column, Es, 4-29, 4-31
Pump, Detergent Metering (See
Breakdowns), 3-17
Pump, Detergent Metering, 4-37
Pump, Detgt, 12vdc [560s], 2-113
Pump,Fuel,2-35
Pump, Hyd (See Breakdowns), 2-69
Pump, Hyd Piston [V] 1.24 [R] 4000 (See
Breakdowns), 2-69
Pump, Hyd Piston V 1.24 R 4000 (See
Breakdowns), 2-69
Pump, Hyd Piston V 1.24 R 4000, 4-3
Pump, Hyd, Piston [V] 1.24 [R] 4000,
4-39
Pump,Hyd,4-5
Pump, Soltn, Ele, 12vdc [W/O Chk
Valve], 2-117
Pump, Soltn, Ele, 12vdc, 2-117
Pump, Water, 4-33
Push Rod, 5-15
R
Race Thrust, 4-10, 4-11, 4-12, 4-13
Race, Bearing, Pump, Hyd, 4-39
Race, Bearing, 4-3
Race, Inner Bearing, 4-3
Rack, Control, 5-27
Radiator, F/1018059 Afmkt, 2-37
Rectifier, 2-31
Regulator, 2-31
Relay, 12vdc, 40a, Spdt N/O [Potter],
2-121
Relay, Shrouded, 12 Vdc, 2-21
ReliefValve,4-3
Relief Vlv Assy, 4-15
Repair Info., 4-16
Repair Info, Pump, 4-3
Repl Kit, Muffler F/70214, 2-33
Replacement Kit, Drive Housing, 2-43
Replm Kit, Cir Board, 2-19
Replm Kit, Instr.Panel, 2-19
Replm Kit, Recovery Tnk, 2-57
Replm Kit, Solution Tnk, 2-55
Replm Kit, Touch Panel, 2-19
Replmt Kit, Case, 2-19
Replmt Kit, Lamp, Backlighting (8), 2-19
Replmt Kit, Lamp, Fault (8), 2-19
Replmt Kit, Seal,, 2-19
Reservoir, Hyd 10.0Gal, 2-73
Resistor Assy W / 5 Pin Plug, 2-121
Retainer,Frt,4-7,4-9
Retainer, Gasket, 4-29, 4-31
Retainer,SideBrush,3-23
Retainer,Skirt,Brush,2-91
Retainer, Squeegee, 2-95, 2-99, 3-23
Retainer, Valve Spring, 5-13
Retainer, 2-109, 5-21
Ring Retain Ex, 0.75D, 2-59
Ring, Retain, Ex0.50Od,Heavydt, 2-17
Ring, Retain,Ex,0.62Od,Heavydt, 2-107
Ring, Retaining, Pump, Hyd, 4-39
Ring, Retaining, 4-15
Ring, Retining, 4-39
Ring,Retain,Ex,0.375D,Klipring, 2-111
Ring,Retain,Ex,0.98Od,E--Ring, 2-47,
2-93, 2-97
Ring,Retain,Ex,1.00Od,Basic, 2-97
Ring, 4-7, 4-9
Rivet, Plastic .250D X .898, 2-17, 2-29
Rivet, Plastic .250Dx.898, 2-9, 2-21
Rivet, Plstc, .250d X 0.898, 2-121
Rivet, Pop--.125Dx.44X.25Dhd Al, 3-48
Rod End .375--24 Lh W/Stud, 2-89
Rod End .375--24 W/Stud, 2-89
Rod End .250--28 .25Dia, 2-49
Rod End M10 X1.5 W/Stud, 2-107
Rod, 3/8--24 Rh/Lh Thread, 2-89
Rod, Cntrl, Throttle, .25D Dsl, 2-23
Rod, Hood Release, 2-11
Rod, Latch, Engine Cover, 2-15
Rod, Latch, Steering, Tilt, 2-17
Rod, Plastic, 2-55, 2-57
Rod, Seat, 2-9
Rod, Threaded, 2-107
Rod--End,Ball Joint,Male,.50, 3-21
Roller, 5-21
Rotating Kit, 4-3
S
Scr Hesssm 5X0.8 16, 3-17
Scr Hex M16X2.0 40, 2-89
Scr Hexss.38--16X1.50, 3-21
Scr Hexssm 12X1.75 40, 2-101
Scr Hexssm 5X0.8 12, 2-53, 3-19
Scr Hexssm 10X1.5 25, 2-7, 2-89, 2-95,
2-99, 2-101, 2-109
Scr Hexssm 10X1.5 35, 2-75
Scr Hexssm 5X0.8 25, 2-59
Scr Hexssm 6X1.0 35, 2-101
Scr Hexssm 6X1.0 25, 2-7, 3-23
Scr Hexssm 6X1.0, 2-95, 2-99
Scr Hexssm 8X1.25 25, 2-41, 3-17
Scr Hexssm 8X1.25 25, 2-9
Scr Hexssm 8X1.25 30, 2-89
Scr Hexssm 8X1.25 35, 2-45, 2-49
Scr Hexssm 8X1.25 40, 2-45
Scr Hexssm 8X1.25, 2-5, 2-37, 2-101,
3-17, 3-21
Scr Hexssm10X1.5 20, 3-21
Scr Hexssm10X1.5 25, 3-21
Scr Hexssm10X1.5 30, 2-39
Scr Soc .50--13X1.50, 2-43
Scr Soc, 2-43
Scr--Hex .50 13 X 3.00 Ss, 2-111
Scr--Hex .75--10x3.25 G5 Pltd, 2-43
Scr--Hex .75--10x4.00 G5 Pltd, 2-43
Scr--Hex Ssm10X1.5 70 Full Thd, 2-89
Scr--Hexss M8X 1.25 20 Nylonloc, 2-9
Scr--Hexssm 8X1.25 20 Nylnloc, 2-37,
2-55, 2-57, 2-59, 3-17
Scr--Hexssm 8X1.25 25 Nylnloc, 2-37
Scr--Hexssm 8X1.25 25, 2-101
Scr--Hx .50--13 X 3.00 Full Thd, 2-49
Scr--Shld .312Dx1.00L .25--20, 2-49
Screen, 50 Mesh, Ss, 2-117
Screen, Fltr, 80 Mesh, 2-115, 3-33
Screen, Pump, Detergent, 3-17
Screen, Sol Dbl Cylindrical, 3-13
Screw Cap, 4-10, 4-11, 4-12
Screw Hex Ssm 10X1.5, 2-105
Screw Hex Ssm 6 X 1.0 20, 3-19
Home
Find...
Go To..

CROSS REFERENCE
6-19
7400D MM426 (3--07)
Screw Hexssm10X1.5 35, 2-95, 2-99,
2-107
Screw Panssm 5X0.8 20, 2-11
Screw, Adjusting, 5-13
Screw, Cap, 4-3, 4-7, 4-9, 4-15, 4-39
Screw, Chz, M5 X 0.8 X 60, 4.8, 2-5
Screw, Flat M10X1.5, 2-99
Screw, Follow, 5-27
Screw, Hex Ssm 6 X 1.0 20, 2-53, 2-103,
3-23
Screw, Hex, .25--20 X 0.75, Ss, 3-3, 3-5
Screw, Hex, .25--20 X 1.75, 5, 2-49
Screw, Hex, .31--24 X 0.75, Nl, 2-49
Screw, Hex, .38--16 X 0.75, 5, 2-75
Screw, Hex, .38--16 X 0.75, Nl, 2-93
Screw, Hex, .38--16 X 1.25, 5, 2-69
Screw, Hex, .38--16 X 1.25, Nl, 2-49
Screw, Hex, M 6 X 1.0 X 16, 8.8, 2-37
Screw, Hex, M 8 X 1.25 X 16, 8.8, 2-75
Screw, Hex, M 8 X 1.25 X 70, 8.8, 2-69
Screw, Hex, M06 X 1.0 X 25, Ss, 2-91
Screw, Hex, M08 X 1.25 X 20, 2-33
Screw, Hex, M08 X 1.25 X 25, 2-33
Screw, Hex, M10 X 1.25 X 20, 8.8, 2-35
Screw, Hex, M10 X 1.5 X 40, 8.8, 2-49
Screw, Hex, M10 X 1.5 X 25, 8.8, 2-39
Screw, Hex, M12 X 1.75 X 25, 8.8, 2-5
Screw, Hex, M12 X 1.75 X 30, 8.8, 3-7,
3-9
Screw, Hex, M4 X 0.7 X 12, 8.8, 2-113
Screw, Hex, M5 X 0.8 X 20, 8.8, 2-117
Screw, Hex, M6 X 1.0 X 10, 8.8, 2-37
Screw, Hex, M6 X 1.0 X 12, Fmg, 2-35
Screw, Hex, M6 X 1.0 X 16, 8.8, 2-117
Screw, Hex, M6 X 1.0 X 20, 8.8, Nl, 2-11
Screw, Hex, M6 X 1.0 X 20, 8.8, 2-11,
2-35, 2-39
Screw, Hex, M6 X 1.0 X 20, Ss, 2-107,
2-115, 3-33
Screw, Hex, M6 X 1.0 X 25, 8.8, 2-11
Screw, Hex, M6 X 1.0 X 25, Ss, 2-107
Screw, Hex, M6 X 1.0 X 30, 8.8, 2-121
Screw, Hex, M8 X 1.25 X 20, 8.8, 2-5,
2-35, 2-37, 2-49, 2-89, 3-7, 3-9
Screw, Hex, M8 X 1.25 X 20, Ss, Nl, 2-5
Screw, Hex, M8 X 1.25 X 20, Ss, 2-113
Screw, Hex, M8 X 1.25 X 25, 8.8, 2-11
Screw, Hex, M8 X 1.25 X 25, Ss, 2-5,
2-113
Screw, Hex, M8 X 1.25 X 25, 2-5
Screw, Pan, M4 X 0.7 X 16, Ss, 3-3, 3-5,
3-7, 3-9
Screw, Pan, M6 X 1.0 X 35, Ss, 2-3,
2-117
Screw, Pan, 5-11
Screw, Set, 5-13, 5-15, 5-28
Screw, Soc, M6 X 1.0 X 16, 12.9, 2-25
Screw, With Washer, 5-10, 5-23
Screw--Hex Ssm 6X1.0, 2-47
Screw, 4-10, 4-11, 4-12, 4-13, 5-7, 5-23,
5-27
Screws, 4-3
Seal Kit, Cart, 4-19, 4-21, 4-23, 4-25,
4-27
Seal Kit, Coil, 4-19, 4-21, 4-23, 4-25,
4-27
Seal Kit, Hyd Motor Gear, 4-17
Seal Kit, Hyd Mtr Gear Bn, 4-16
Seal Kit, Pump, 4-3, 4-5
Seal Kit, Rear, 4-7, 4-9
Seal Kit, Shaft, 4-7, 4-9
Seal Kit, Stg, 4-15
Seal Replmt Kit, 4-10, 4-11, 4-12, 4-13
Seal, Bearing, 2-17
Seal, Boot, Steering Column, 2-17
Seal, Bulb, Sd--0168 27.75 Lg, 2-13
Seal, Bulb, Sd--0168 28.44 Lg, 2-9
Seal, Bulb, Sd--0168 29.25Lg, 2-15
Seal, Bulb, Sd--0504 32.50Lg, 2-13
Seal, Bulb, Sd--0504 68.75Lg, 2-9
Seal, Bulb, 2-9
Seal, Drive Grease Cavity, 2-43
Seal, Heat, 5-23
Seal, Hose, 2-59
Seal, O--Ring .064X.30, 2-35
Seal, Oil, 5-7, 5-9, 5-30
Seal, Org [Ku] 04811--50300, 5-11
Seal, Tube, Silicone, 2-57
Seal, Valve Stem, 5-13
Seal,Foam Rbr, .75 1.00W 3.5L, 3-19
Seal--Bulb, Sd--0504 24.50Lg, 2-15
Seat Belt Kit 7400, 3-38
Seat Kit, Grammer 7400, 3-39
Seat, Grammer, 3-39
Seat, Michigan, 2-9
Seat, Spring Lower, 5-27
Seat, Spring Upper, 5-27
Seat, Valve, 5-7
Send Unit, Temperature, 2-23, 2-25
Send--unit, Fltr, Hyd (Option), 2-75
Send--unit, Fuel [2007], 2-35
Sending Unit Tc, 2-35
Shaft S--A, 4-7, 4-9
Shaft Wldt, Brake, 2-47
Shaft Wldt, Torque, 2-89
Shaft, Brush, Idler, 2-97
Shaft, Cam, Chrome Plated, 2-45
Shaft, Drive, Pump, Hyd, 4-39
Shaft, Drive, 4-3
Shaft, Fork Lever, 5-31
Shaft, Governor Weight, 5-28
Shaft, Idle Gear 1, 5-15
Shaft, Output, 4-10, 4-11, 4-12, 4-13
Shaft, Pivot, Rh, 2-97
Shaft, Pivot, 2-93
Shaft, Pump, 4-29, 4-31, 4-33
Shaft, Stop Lever, 5-30
Sheet, Plastic, Backup, 2-55
Shield, Breather, 5-11
Shim .020Th 0.88Odx0.506Id, 2-51
Shim .060Th 0.880Dxo.506Id, 2-51
Shim, Injection Pump 0.20 mm, 5-25
Shim, Injection Pump 0.25 mm, 5-25
Shim, Injection Pump 0.30 mm, 5-25
Shim, 5-27
Shock Absorber, 2-49
Shoe, Plastic--Squeegee 14 In, 3-47
Skirt, Brush Arm, Rh, 2-2
Skirt, Brush Arm, 2-91
Skirt, Center, 2-9
Skirt, Side Brush, 2-2, 3-23
Sleeve Gr, 4-35
Sleeve, .370B .50D .50 Butwcd, 2-37
Sleeve, .401B 1.00D .38Hrs, 2-45
Sleeve, .438B 1.00D .67, 2-31
Sleeve, .88B 1.75D 1.12L, Stl, 2-43
Sleeve, Bearing .625Od X .515, 2-95,
2-99
Sleeve, Bearing .62Od, 2-105
Sleeve, Control, 5-27
Sleeve, Crankshaft, 5-17
Sleeve, Governor, 5-28
Sleeve, Nyl, #37 5.0l, 2-43
Sleeve, Nylon 16.0L, 3-21, 3-23
Sleeve, Pivot, Lower, 2-101
Sleeve,.438B1.00D .49, 2-31
Sleeve, 4-29, 4-31, 4-33
Spacer Hub, 3-23
Spacer Plate, 4-10, 4-11, 4-12, 4-13
Spacer, .259Id 375Od .250Lg, 2-49
Spacer, Coil, 4-19, 4-21, 4-23, 4-25, 4-27
Spacer, Latch, 2-101
Spacer, 2-45, 4-15
Spline Coupling, 4-5
Spring Comp 0.660Dx.09Wire3.5L, 2-111
Spring Kit, 4-15
Spring, Brake, Parking, 2-47
Spring, Brush Retaining, 2-3
Spring, Brush, 5-21
Spring, Centering, 2-107
Spring, Delivery Valve, 5-27
Spring, EXT, 3-47
Spring, Governor, 5-31
Spring, Plunger, 5-27
Spring, Propel, Centering, 2-49
Spring, Return, Brakes, 2-45
Spring, Return, 5-30
Spring, Rocker Arm, 5-13
Spring, Start, 5-31
Spring, Ten,0.75Od.07Wire 3.5L, 2-95,
2-99
Spring, Tens.50Odx.04Wire 2.5L, 2-11
Spring, Tension, 2-107
Spring, Tors 0.75D 1.00L .060W, 2-47
Spring, Torsion, 2-47
Spring, Trough Screen, 2-103
Spring, Valve, 5-13
Spring--Gas Assy, Engine Cover, 2-15
Spring, 4-3, 4-7, 4-9, 4-36, 5-7, 5-21
Sprng,Comp,0.62Idx.06Wire 2.3L, 2-17
Sprng,Tens,0.38Odx.06Wire 6.0L, 2-91
Sprng,Tens,0.50Odx.05Wire 1.0L, 2-15
Squeegee Assy, Rear, 2-109
Squeegee Assy, S Br Urethane, 3-34
Squeegee Assy, S Br, 2-2, 3-23
Squeegee Assy, Side, Lh, 2-95
Squeegee Assy, Side, Rh, 2-99
Squeegee Assy, Side, 3-44
Home
Find...
Go To..

CROSS REFERENCE
7400D MM426 (3--07)
6-20
Squeegee Kit, Urethane, 3-44
Squeegee Wand Kit 7400, 3-47
Squeegee Wldt, 2-109
Squeegee, Side, 2-2, 2-95, 2-99
Starter, Diesel, 2-27
Steer Control, Hyd (See Breakdowns),
2-17
Steer Control, Hyd#2 06.1 1160, 4-15
Stem, Valve, 4-19, 4-21, 4-23, 4-25
Stopper, Camshaft, 5-15
Stopper, 5-28
Strainer, Hyd, 25gpm 100mesh Psi, 2-2
Strainer, Screen,Solution Tank, 2-55
Strainer, Soltn, 20mesh, Cyl, 4.0d 08.0l,
3-15
Strainer--Hyd Suction 25--100--03, 2-73
Strap Cap Retainer, 2-59
Strap Wldt, Tank.06Tx1.0W 31.9, 2-35
Strap, Muffler Hanger, 2-33
Strap, Radiator, 2-37
Strip Wldt, Front Retainer, 2-109
Strip Wldt, Rear Retainer, 2-109
Strip, Non Slip, 2-109
Stud, .25--28 3.0L .25--28 Znc, 2-23
Stud, Ball, Gas Spring, 2-15
Stud, Wheel .50--20 X 1.50, 2-43
Stud, 5-7, 5-12, 5-13, 5-25, 5-30, 5-32
Switch Assy, 4-36
Switch, Hyd Flow Sensor (See
Breakdowns), 2-69
Switch, Hyd Flow Sensor, 4-36
Switch, Ign [Ku], 2-21
Switch, Press, 0010psi Spst, 2-117
Switch, Pressure Oil, 2-23, 2-25
Switch, Progressive, 2-21
Switch, Pushmom, Spst100A 12V, 2-21
Switch, Rocker, 36vdc 05a Dpst
On/N/On, 2-121
Switch, Rocker, 36vdc 05a Progressive,
2-121
Switch, Roller, 3-19
Switch, Snap Actn, 250vdc 20a Dpd,
3-11
Switch, Snap Actn, 250vdc 20a Dpdt,
3-11
Switch, Snap Actn, 250vdc 25a Spdt,
2-57
Swivel Control .250--28.25Dia, 2-11
T
Taillight Assy, 2-5
Tailpipe, Muffler, 2-33
Tank, Coolant, 04.7 03.3 4.7deep, 1liter,
2-37
Tank, Fuel, 11 Gal [7400 2007], 2-35
Tank, Fuel, 2-35
Tank, Solution, Lh, 2-55
Tape, Video, Operator 7400, 3-50
Tappet, 5-15
Terminal, Bullet, .156m, 12 Awg, 3-3,
3-5, 3-7, 3-9
Terminal, Ring, .250, 16/14 Awg, 3-3,
3-5, 3-7, 3-9
Thermostat , 180deg, 1.5d, W/Gasket,
5-32
Thermostat, 180deg, 1.7d, 5-32
Throttle Assy, Block, Die, 2-23
Thrust Bearing, 4-10, 4-11, 4-12, 4-13
Tie, Cable 1.75D Max 7.50Lg, 3-3, 3-5,
3-7, 3-9
Tie, Cable 4.00 Max 14.50Lg, 2-51, 3-21
Tie, Cable, Nyl, 07.3l .19w 1.8 Max D,
2-49
Tie, Cable, Nyl, 11.4l .19w 3.0 Max D,
2-21
Timer, 9--41vdc, Recycling, 2-121
Timer, Backflush, 4-33
Tire & Wheel Assy, Front, 2-43
Tire & Wheel Assy, Solid Non
MarkingTurf 18X7, 3-43
Tire & Wheel Assy, Solid Nonmark, 3-42
Tire & Wheel Assy, Solid Turf 18X7, 3-41
Tire Assy, Solid, High Traction, 18.0 X
6.0 X 4.5Bc, 3-40
Tire, 18X5X12.12 Solid, 2-45
Tire, Solid 18X5X12.12 Nonmark, 3-42
Tire, Solid 18X7X12.12 Turf, Non
Marking, 3-43
Tire, Solid 18X7X12.12 Turf, 3-41
Tire, Solid 5.00 X 8 X 3.75, 2-43
Tray Wldt, Debris, 2-101
Tray,Battery,2-41
Tray, Debris, 2-103
Tray, Gas Tank, 2-35
Tread, Floor, 11.6 3.0, 2-9
Tread, Floor, 14.2 11.7, 2-9
Tube Assy, Spray, Cyl, 1000mm [7400],
2-115, 3-33
Tube Wldt, Leg, Ohg, Lh, 3-35
Tube Wldt, Leg, Ohg, Rh, 3-35
Tube Wldt, Vacuum, 2-103
Tube, 0.50d 0.38b 0.6l Ss, 3-21
Tube, 0.62d 0.41b 0.5l, Ss, Cham, 2-107
Tube, 0.62d 0.41b 0.6l, Ss, Cham, 2-95,
2-99
Tube, Air Intake, 2-29
Tube, Breather, 5-11
Tube, Exhaust, Diesel, 2-33
Tube, Fuelline Assy, Dsl, 2-35
Tube, Fuelline Gas, 2-35
Tube, Hyd, Jf08, 2-93
Tube, Pvc, Shc80, Clr, 4.0l, 2-115, 3-33
Tube, Radiator, Lower, 2-37
Tube, Radiator, Upper, 2-37
Tube--Carb, Air Intake, 2-29
Tubing Connctr.Kit, Pmp, 4-37
Tubing, Vinyl, 4-29, 4-31, 4-33, 4-35
Turnbuckle,.50--20Thd,2.2--4.4Lg, 2-45
V
Valve Assy, Nylon Brush (See
Breakdowns), 2-71
Valve Assy, Nylon Brush, 4-23
Valve Assy, Side Br, Nylon Br (See
Breakdowns), 3-25, 3-27
Valve Assy, Side Br, Nylon Br, 4-25
Valve Assy, Side Brush (See
Breakdowns), 3-25, 3-27
Valve Assy, Side Brush, 4-21
Valve Kit, Poppet, 4-37
Valve Stem 3W2P, 4-19, 4-21, 4-23,
4-25, 4-27
Valve Stem 4W2P, 4-19, 4-21, 4-23, 4-25
Valve Stem N.C., 4-19, 4-21, 4-23, 4-25,
4-27
Valve, Breather, Complt, 5-11
Valve, Check, 2gpm 2psi Bm04/Bm04,
2-113
Valve, Check, 2-55, 4-29, 4-31, 4-33,
4-35
Valve, Delivery, 5-27
Valve, Dump, 4-3
Valve, Exhaust, 5-13
Valve, Hyd Cntrl Sol (See Breakdowns),
2-71
Valve, Hyd Cntrl Sol, 4-19, 4-27
Valve, Hyd Contol Sol (See
Breakdowns), 3-25, 3-27
Valve, Inlet, 5-13
Valve, Relief, 4000 Psi, 4-39
Valve, Relief, 4-19, 4-21, 4-23, 4-25
Valve, Solenoid, 12V Dc, 3-11
Valve, Water, 12vdc, 6.0mm, 04pf, 2-117
Valve, Water, Sol, 12vdc, 10bm/10bm,
3-33, 4-33
Valve, Water, Solenoid, 2-53, 3-23
Valve, 4-7, 4-9
W
Wand, Metal -- 2PC, 3-47
Washer .400B 1.12D .12Cr Znc, 2-39,
2-51, 2-71, 2-73, 3-25, 3-27
Washer 1, 5-13
Washer 2, 5-13
Washer Flt 10 Ss, 2-49
Washer Flt .25 Ss, 2-7, 2-53, 2-95, 2-99,
2-103, 3-13, 3-23
Washer Flt .31 Ss, 2-5, 2-9, 2-37, 2-41,
2-45, 2-49, 2-59, 2-89, 2-101, 3-17,
3-21
Washer Flt .38 Ss, 2-7, 2-89, 2-91, 2-95,
2-99, 2-101, 2-107, 2-109
Washer Flt .50 Ss, 2-7, 2-101, 3-21
Washer Flt .25 Ss, 2-47, 2-101
Washer Flt .31Ss, 3-17
Washer Flt .62 Hard, 2-89
Washer Flt 10 Ss, 2-59, 3-19
Washer Flt10 Ss, 2-53
Washer, .400B 1.12D .12Cr Znc, 2-9
Washer, ..656B 1.25D .06, 2-95
Washer, .250B .88D .06Neoprene, 2-49
Washer, .400B 1.12D .12Cr Znc, 2-37,
2-57
Washer, .531B 1.88D .12Hard Zn, 2-27
Home
Find...
Go To..

CROSS REFERENCE
6-21
7400D MM426 (3--07)
Washer, .656B 1.25D .06, 2-2, 2-105,
2-107, 2-111
Washer, .656B 1.25D .06, 2-99
Washer, .660B 1.00D .12Rbr, 3-11
Washer, .687B 1.19D .06Cr. Cad, 2-107
Washer, .812B 1.06D .06Cr., 2-49
Washer, .812B 1.06D .06Cr, 2-39
Washer, 1.03Lb 1.50D .036 Crs, 3-11
Washer, Belleville, .38, 2-75
Washer, Flat .38, 2-105
Washer, Flat, .31 Fender, 2-33
Washer, Flat, .38 Sae, 2-49, 2-69
Washer, Flat, #08, 3-3, 3-5, 3-7, 3-9
Washer, Flat, #10, 2-117
Washer, Flat, #8, Ss, 2-113
Washer, Flat, 0.25 Sae, 2-35
Washer, Flat, 0.25 Ss, 2-3, 2-37, 2-115,
2-117, 2-121, 3-33
Washer, Flat, 0.25 Std, 2-35, 2-37, 2-49
Washer, Flat, 0.25, Std, 2-11
Washer, Flat, 0.31 Sae, 2-49, 2-69
Washer, Flat, 0.31 Ss, 2-75, 2-113
Washer, Flat, 0.31 Std, 2-5, 2-35, 2-37,
2-89, 2-113
Washer, Flat, 0.31, Std, 2-11, 2-39
Washer, Flat, 0.321b 1.00d .12, Ss, 2-55,
2-57
Washer, Flat, 0.34b 0.75d .12, Viton,
2-117
Washer, Flat, 0.38 Sae, 2-5
Washer, Flat, 0.38 Std, 2-39, 2-49
Washer, Flat, 0.40b 1.12d .12, Ss, 2-57
Washer, Flat, 0.40b 1.12d .12, Stl, Pl,
2-5
Washer, Flat, 0.50 Sae, 2-5, 3-7, 3-9
Washer, Flat, 0.56b 1.38d .11, Ss, 2-11,
2-101
Washer,Flat,Pump,Hyd,4-39
Washer, Flat,ll .25 Hard, 2-111
Washer, Flt, .25 Std, 2-91
Washer, Flt, .31 Std, 2-91
Washer, Flt, .75 Sae, 2-93, 2-97
Washer, Lock, Int, .50, 2-49
Washer, Plain, 5-13, 5-30, 5-31
Washer, Polyethlene, 3-45, 3-46
Washer, Pump, Hyd, 4-39
Washer, Rubber Gr, 4-29, 4-31
Washer, Rubber, 4-35
Washer, Spring, 5-7, 5-25, 5-30, 5-32
Washer, Thrust, 2-43, 5-28
Washer--Belleville .25 Pltd, 2-39
Washer--Belleville .31 Pltd, 2-9, 2-13,
2-15, 2-51
Washer--Flt .25 Fender Pltd, 2-9
Washer--Flt .31 Fender Pltd, 2-33, 2-37
Washer--Loc Int .31 Ss, 2-75
Washer--Loc Int .31 Pltd, 2-9
Washer, 2-75, 4-3
Wheel Steering 14Diax36T, 2-17
Wheel, 3 Inch Dia., 2-2, 2-111
Wheel, Tray, 1.75 Dia, 2-101
Wheel, 2-45
Wingnut, 3-49
Wire Ass’y--Elect.,Ground, 2-27
Wire--Ground, Alternator, 2-31
Wireharness, Backflush, 4-33
Y
Yoke Wldt, Lh, 2-45
Yoke Wldt, Rh, 2-45
Home
Find...
Go To..

CROSS REFERENCE
7400D MM426 (3--07)
6-22
Home
Find...
Go To..

We Need Your Help...
As part of Tennant’s Zero Defects Program, we want to know about errors you have
found or suggestions you may have regarding our machine manuals. If you find an
error or have a suggestion, please complete this postage-paid form and mail it to us.
Thank you for helping us make zero defects a way of life at Tennant.
Manual No. Rev. No. Publish Date Page
Machine -Report Error -Suggestion
Name Date
Customer Number
Company
Address
City/State/Zip Code
Home
Find...
Go To..

Tape hereFold along dotted lines
NO POSTAGE
NECESSARY
IF MAILED
IN THE
UNITED SATES
BUSINESS REPLY MAIL
FIRST CLASS MAIL PERMIT NO. 94 MINNEAPOLIS, MN
POSTAGE WILL BE PAID BY ADDRESSEE
Technical Publications #15
701 North Lilac Drive
P.O. Box 1452
Minneapolis, MN 55440--9947
TENNANT COMPANY
Home
Find...
Go To..

We Need Your Help...
As part of Tennant’s Zero Defects Program, we want to know about errors you have
found or suggestions you may have regarding our machine manuals. If you find an
error or have a suggestion, please complete this postage-paid form and mail it to us.
Thank you for helping us make zero defects a way of life at Tennant.
Manual No. Rev. No. Publish Date Page
Machine -Report Error -Suggestion
Name Date
Customer Number
Company
Address
City/State/Zip Code
Home
Find...
Go To..

Tape hereFold along dotted lines
NO POSTAGE
NECESSARY
IF MAILED
IN THE
UNITED SATES
BUSINESS REPLY MAIL
FIRST CLASS MAIL PERMIT NO. 94 MINNEAPOLIS, MN
POSTAGE WILL BE PAID BY ADDRESSEE
Technical Publications #15
701 North Lilac Drive
P.O. Box 1452
Minneapolis, MN 55440--9947
TENNANT COMPANY
Home
Find...
Go To..