830 II NA Parts Manual
2012-03-19
: Sweepscrub 830 Ii Parts Manual 830_II_parts_manual 491 file product_file
Open the PDF directly: View PDF
.
Page Count: 428 [warning: Documents this large are best viewed by clicking the View PDF Link!]
- 830-II NA Parts Manual
- HOW TO USE THIS MANUAL
- STANDARD PARTS
- Fig. 1 -- Recommended General Maintenance Items
- Fig. 2 -- Replacement Brushes
- Fig. 3 -- Main Frame Group
- Fig. 4 -- Right Brush Door Group
- Fig. 5 -- Left Brush Door Group
- Fig. 6 -- Rear Axle Group
- Fig. 7 -- Front Axle And Transmission Group
- Fig. 8 -- Front Brake Cable And Lines Group (000000--003969)
- Fig. 9 -- Front Brake Cable And Lines Group (003970-- )
- Fig. 10 -- Main Brush Group
- Fig. 11 -- Main Brush Lift Group
- Fig. 12 -- Engine And Mount Group
- Fig. 13 -- Fuel Tank & Lines Group
- Fig. 14 -- Radiator And Hydraulic Cooler Group
- Fig. 15 -- Muffler Group
- Fig. 16 -- Air Cleaner Group (Standard Engine)
- Fig. 17 -- Air Cleaner Group (Waste Gated Turbo Engine)
- Fig. 18 -- Battery and Cables Group
- Fig. 19 -- Conveyor And Skirts Group
- Fig. 20 -- Conveyor Drive Group
- Fig. 21 -- Right Conveyor Lift Group
- Fig. 22 -- Left Conveyor Lift Group
- Fig. 23 -- Hopper Group
- Fig. 24 -- Hopper Filter Bags Group
- Fig. 25 -- Hopper Tilt Cylinders Group
- Fig. 26 -- Hopper Support Cylinder Group
- Fig. 27 -- Vacuum Fan Group
- Fig. 28 -- Electrical Schematic (000000-- 003706)
- Fig. 29 -- Wire Harnesses Group (000000-- 003706)
- Fig. 30 -- Electrical Schematic (003707-- )
- Fig. 31 -- Wire Harnesses Group (003707-- )
- Fig. 32 -- Front Cab Group
- Fig. 33 -- Left Cab Group
- Fig. 34 -- Right Cab Group
- Fig. 35 -- Left Cab Door Group
- Fig. 36 -- Right Cab Door Group
- Fig. 37 -- Cab Insulation and Seat Belt Group
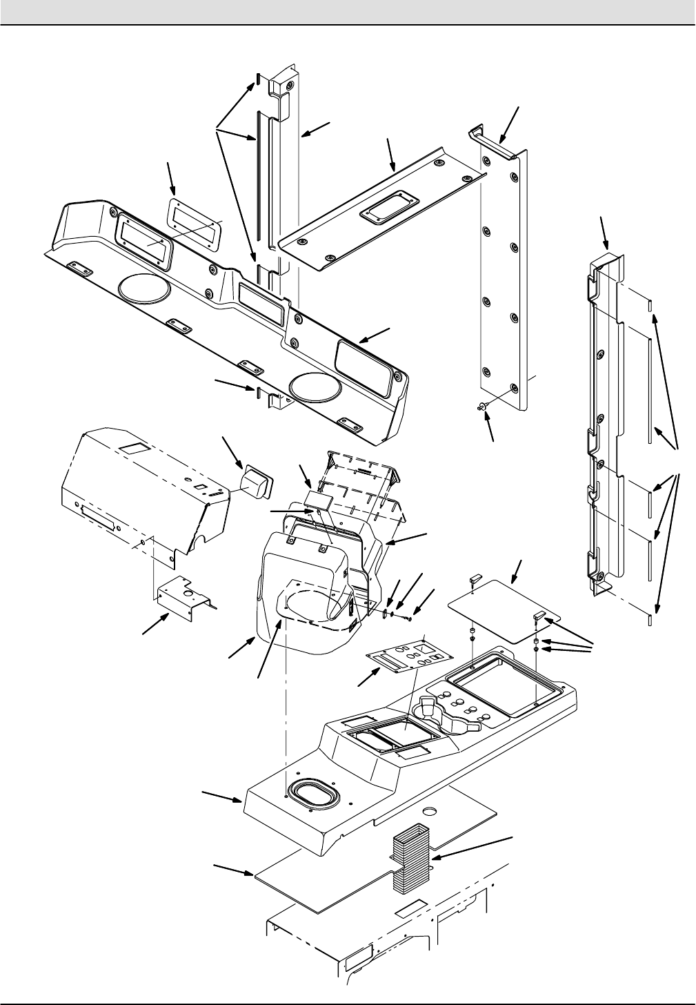
- Fig. 38 -- Cab Console and Covers Group
- Fig. 39 -- Cab Instruments and Controls Group
- Fig. 40 -- Cab Lights, Visor, and Pedal Group
- Fig. 41 -- Cab Heater Group
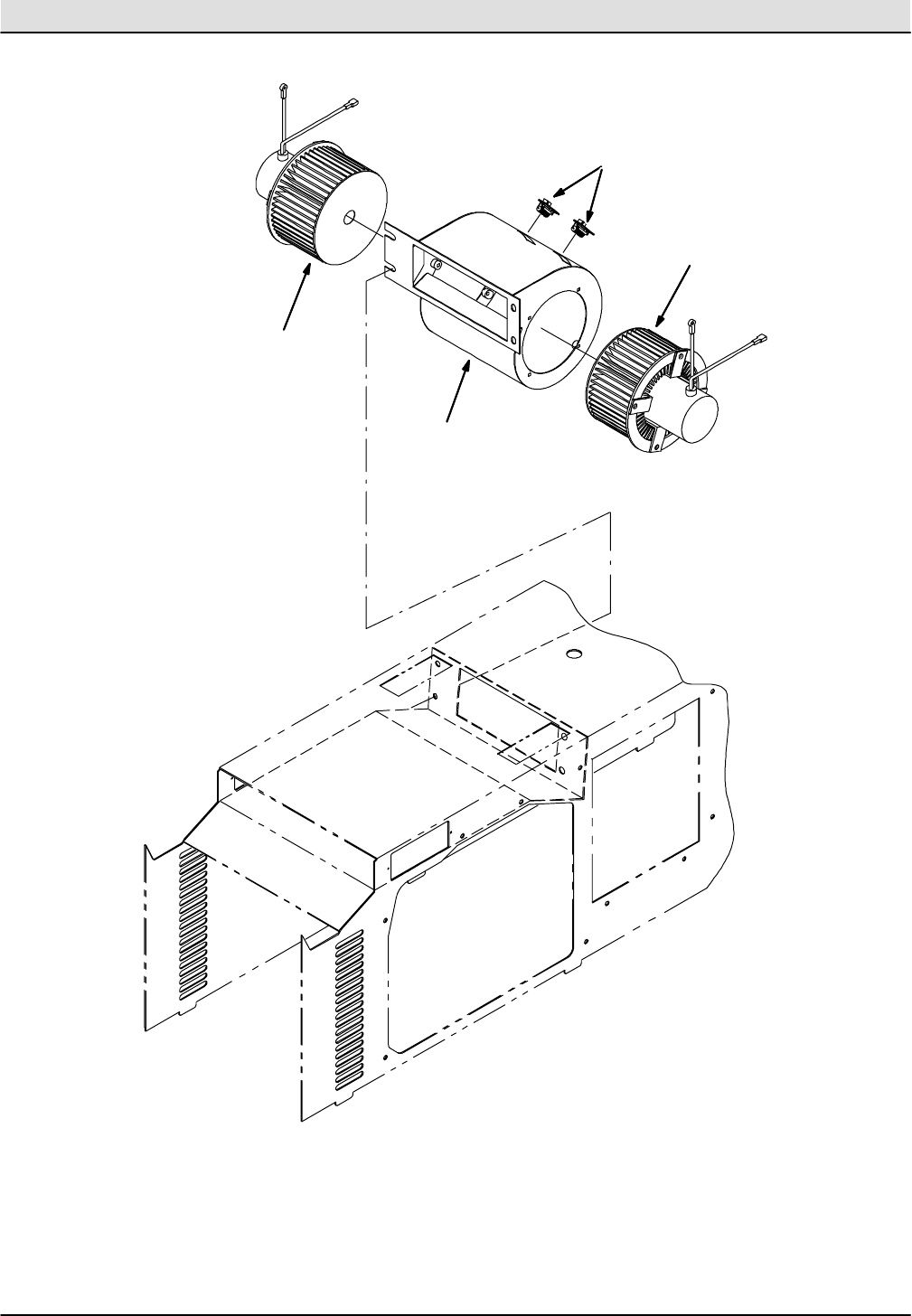
- Fig. 42 -- Blower Assembly
- Fig. 43 -- Instrument Panel Assembly
- Fig. 44 -- Steering Wheel Group
- Fig. 45 -- Right Side Brush Group
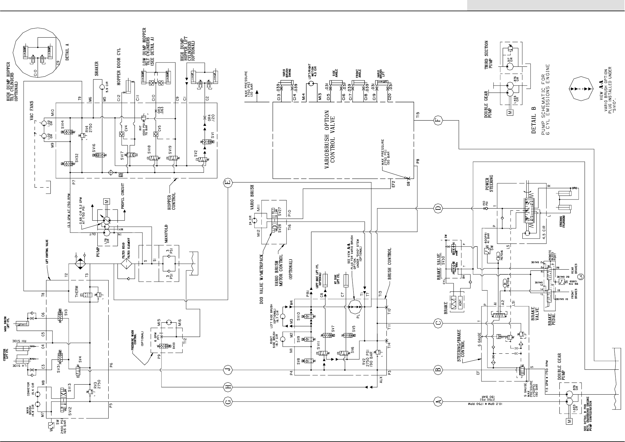
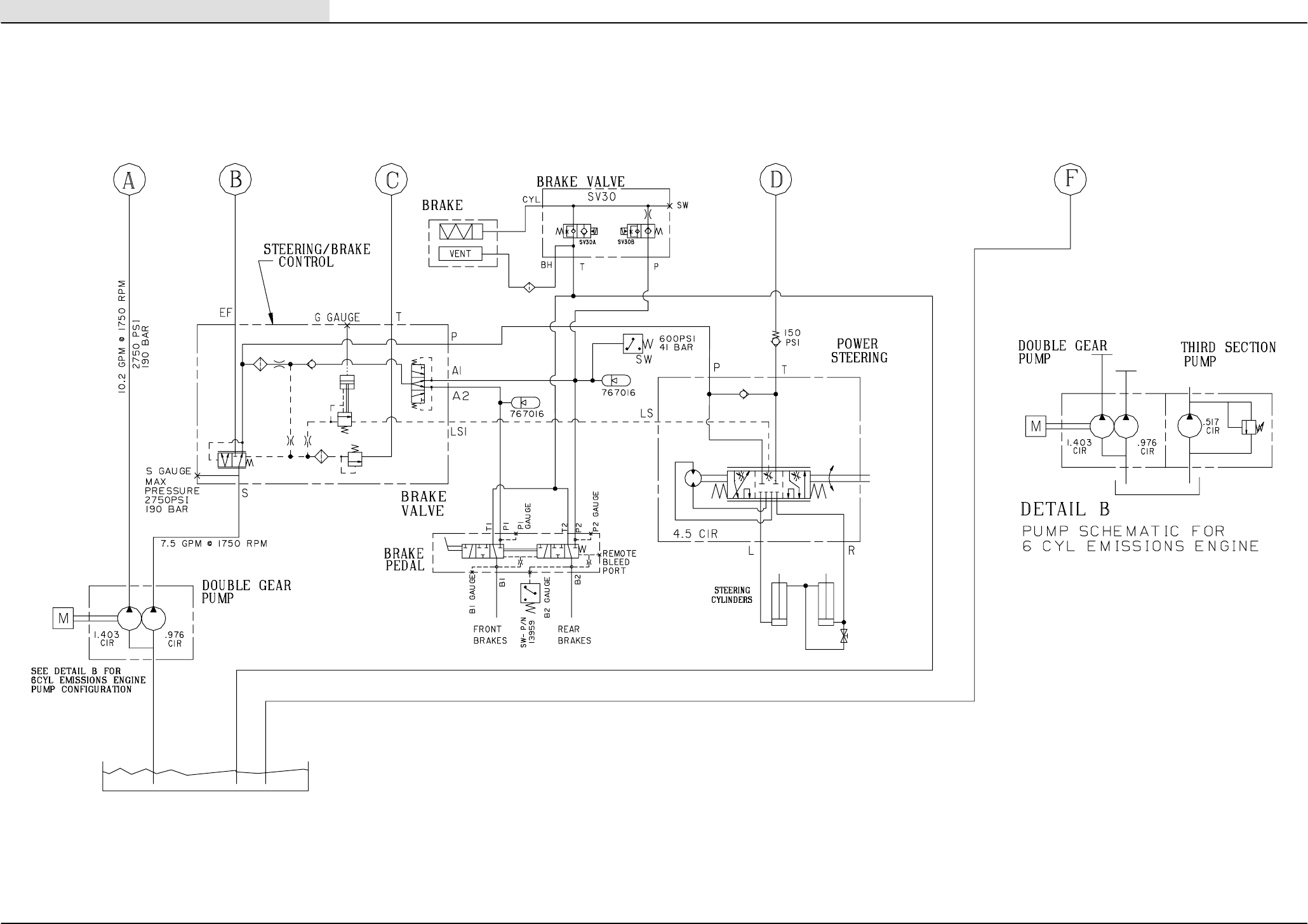
- Fig. 46 -- Hydraulic Schematic
- Fig. 47 -- Hydraulic Hose Group (000000-- 004521)
- Fig. 48 -- Hydraulic Reservoir Group
- Fig. 49 -- Hydraulic Pumps Group
- Fig. 50 -- Hydraulic Conveyor Lift Control Valve Group
- Fig. 51 -- Hydraulic Hopper Control Valve Group
- Fig. 52 -- Hydraulic Brush Control Valve Group
- Fig. 53 -- Hydraulic Steering and Brake Valve Group
- Fig. 54 -- Water Spray Group
- Fig. 55 -- Dry Dust Control Group
- Fig. 56 -- Labels Group
- OPTIONS
- Fig. 1 -- High Dump Hopper Lift Group
- Fig. 2 -- High Dump Hopper Lift Cylinders Group
- Fig. 3 -- Left Side Brush Group
- Fig. 4 -- Right Hand Vario Sweeping Brusht Arm Group
- Fig. 5 -- Right Hand Vario Sweeping Brusht Arm Group
- Fig. 6 -- Right Hand Vario Sweeping Brusht Dolly Group
- Fig. 7 -- Right Hand Hydraulic Vario Brush Control Group
- Fig. 8 -- Right Hand Hydraulic Vario Brush Control Group
- Fig. 9 -- Left Hand Vario Sweeping Brusht Arm Group
- Fig. 10 -- Left Hand Vario Sweeping Brusht Dolly Group
- Fig. 11 -- Left Hand Hydraulic Vario Brush Control Group
- Fig. 12 -- High Pressure Sprayer Wand Group
- Fig. 13 -- High Pressure Sprayer Pump Group
- Fig. 14 -- High Pressure Sprayer Hydraulic Hose Group
- Fig. 15 -- High Dump Hopper Hydraulic Hose Group
- Fig. 16 -- Vario Brush (000000-- 003174) and Left Hand Side Brush Hydraulic Hose Group
- Fig. 17 -- Vario Brush Hydraulic Hose Group (003175-- )
- Fig. 18 -- L. H. Steering Hydraulic Hose Group
- Fig. 19 -- Left Hand Operator Group
- Fig. 20 -- Cab Air Conditioner Heater Group
- Fig. 21 -- Vacuum Wand Group
- Fig. 22 -- Vacuum Wand Extension Group
- Fig. 23 -- Vacuum Wand Door Group
- Fig. 24 -- Hopper Cleanout Tool Kit
- Fig. 25 -- Foam Filled Tire Group
- Fig. 26 -- Protectoseal Fuel Cap Group
- Fig. 27 -- Rear Rubber Bumper Kit
- Fig. 28 -- Fire Extinguisher Group
- Fig. 29 -- Filter Bag Lift Kit
- Fig. 30 -- Hydrant Wash Down Group
- Fig. 31 -- Hydrant Hose Group
- Fig. 32 -- Engine Access Step Kit
- Fig. 33 -- Night Light Kit
- Fig. 34 -- Cab Rotating Light Kit
- Fig. 35 -- Brush Guard Kit
- Fig. 36 -- Radio Tape Deck Kit
- Fig. 37 -- Auto--Lube System Group
- Fig. 38 -- Side Brush Spring Kit
- Fig. 39 -- Side Brush Linkage Kit
- Fig. 40 -- Fourth Bar Linkage Kit
- Fig. 41 -- Documentation Group
- BREAKDOWNS
- Fig. 1 -- Hydraulic Piston Motor Breakdown, 767200
- Fig. 2 -- Hydraulic Piston Motor Breakdown, 762136
- Fig. 3 -- Hydraulic Gear Pump Breakdown, 762024
- Fig. 4 -- Hydraulic Steering Valve Breakdown, 762018
- Fig. 5 -- Hydraulic Motor Breakdown, 767020
- Fig. 6 -- Hydraulic Motor Breakdown, 762035
- Fig. 7 -- Hydraulic Gear Motor Breakdown, 762058
- Fig. 8 -- Hydraulic Gear Motor Breakdown, 762059
- Fig. 9 -- Hydraulic Motor Breakdown, 762045
- Fig. 10 -- Rear Axle And Spindle Breakdown
- Fig. 11 -- Rear Axle Wheel Hub and Brake Breakdown
- Fig. 12 -- Front Axle And Spindle Breakdown
- Fig. 13 -- Front Axle Wheel Hub and Brake Breakdown
- Fig. 14 -- Front Axle Differential Breakdown
- Fig. 15 -- Parking Brake Breakdown
- Fig. 16 -- Front Axle CV Joint Breakdown
- Fig. 17 -- Cat Pump Breakdown
- Fig. 18 -- Hydraulic Solenoid Valve Breakdown, 767218
- Fig. 19 -- Hydraulic Solenoid Valve Breakdown, 767007
- Fig. 20 -- Hydraulic Solenoid Valve Breakdown, 767007 (For High Dump Hopper Lift Option)
- Fig. 21 -- Hydraulic Solenoid Valve Breakdown, 768899
- Fig. 22 -- Hydraulic Solenoid Valve Breakdown, 768899 (For High Dump Hopper Lift Option)
- Fig. 23 -- Hydraulic Solenoid Valve Breakdown, 767008
- Fig. 24 -- Hydraulic Solenoid Valve Breakdown, 767009
- Fig. 25 -- Hydraulic Solenoid Valve Breakdown, 767220 (For Standard R.H. Side Brush)
- Fig. 26 -- Hydraulic Solenoid Valve Breakdown, 767220 (For Standard L.H. Side Brush)
- Fig. 27 -- Hydraulic Solenoid Valve Breakdown, 767208
- Fig. 28 -- Hydraulic Solenoid Valve Breakdown, 767215
- Fig. 29 -- Hydraulic Solenoid Valve Breakdown, 767207
- Fig. 30 -- Hydraulic Solenoid Valve Breakdown, 768883
- Fig. 31 -- Hydraulic Motor Breakdown, 762032
- ENGINE BREAKDOWN
- Fig. 1 -- Cylinder Block Group
- Fig. 2 -- Crankshafts, Pistons and Connecting Rods Group
- Fig. 3 -- Cylinder Head Group
- Fig. 4 -- Rocker Shaft Group
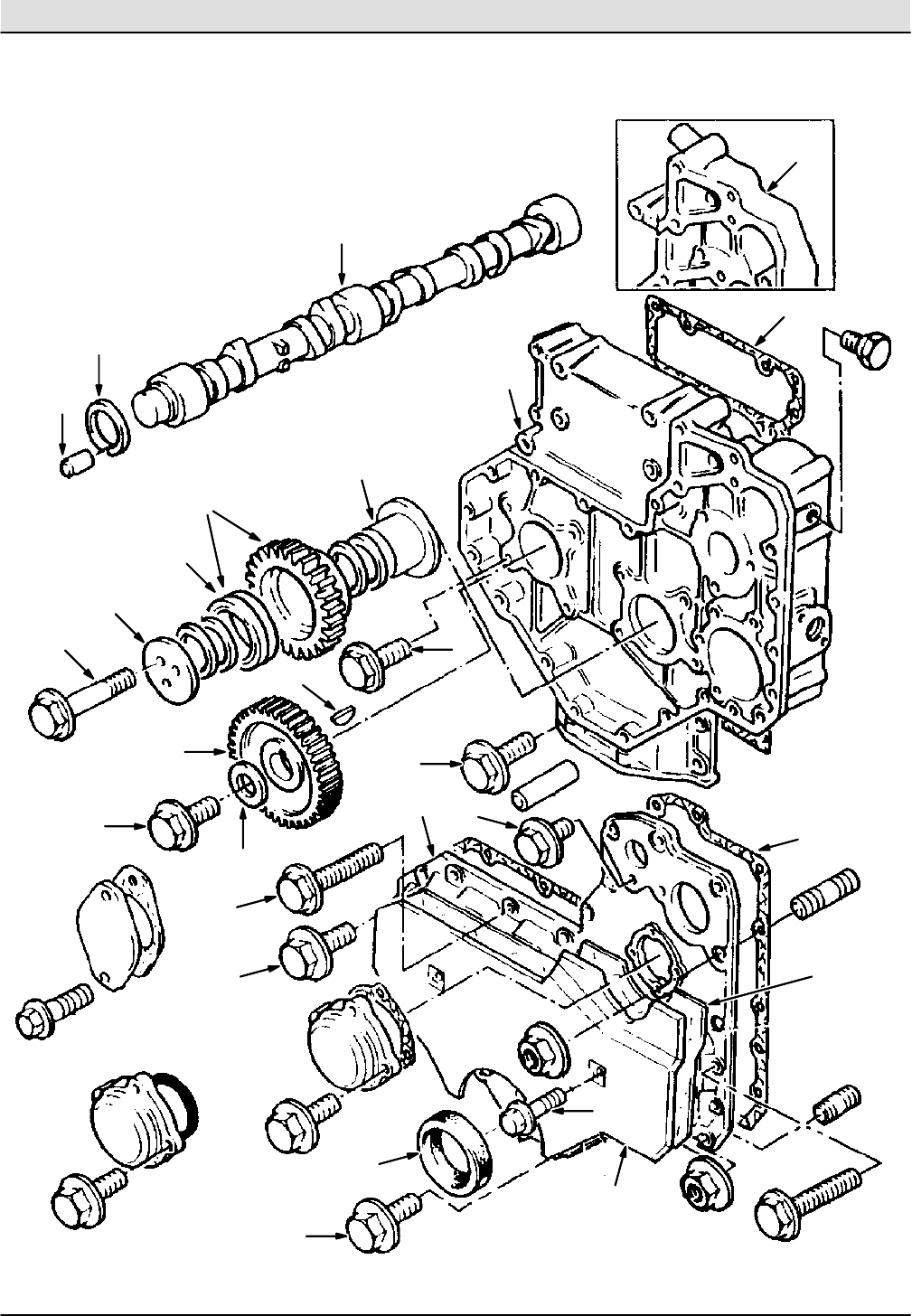
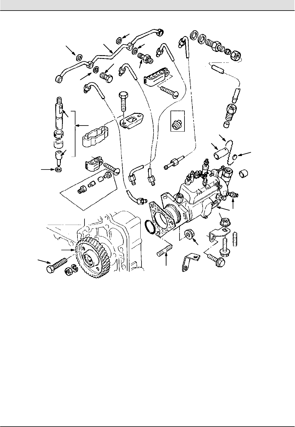
- Fig. 5 -- Timing Gear and Camshaft Group
- Fig. 6 -- Lubricating Oil Pump Group
- Fig. 7 -- Flywheel Housing Group
- Fig. 8 -- Flywheel Group
- Fig. 9 -- Starter Motor Group
- Fig. 10 -- Starter Motor Breakdown
- Fig. 11 -- Fan Drive Group
- Fig. 12 -- Fan Group
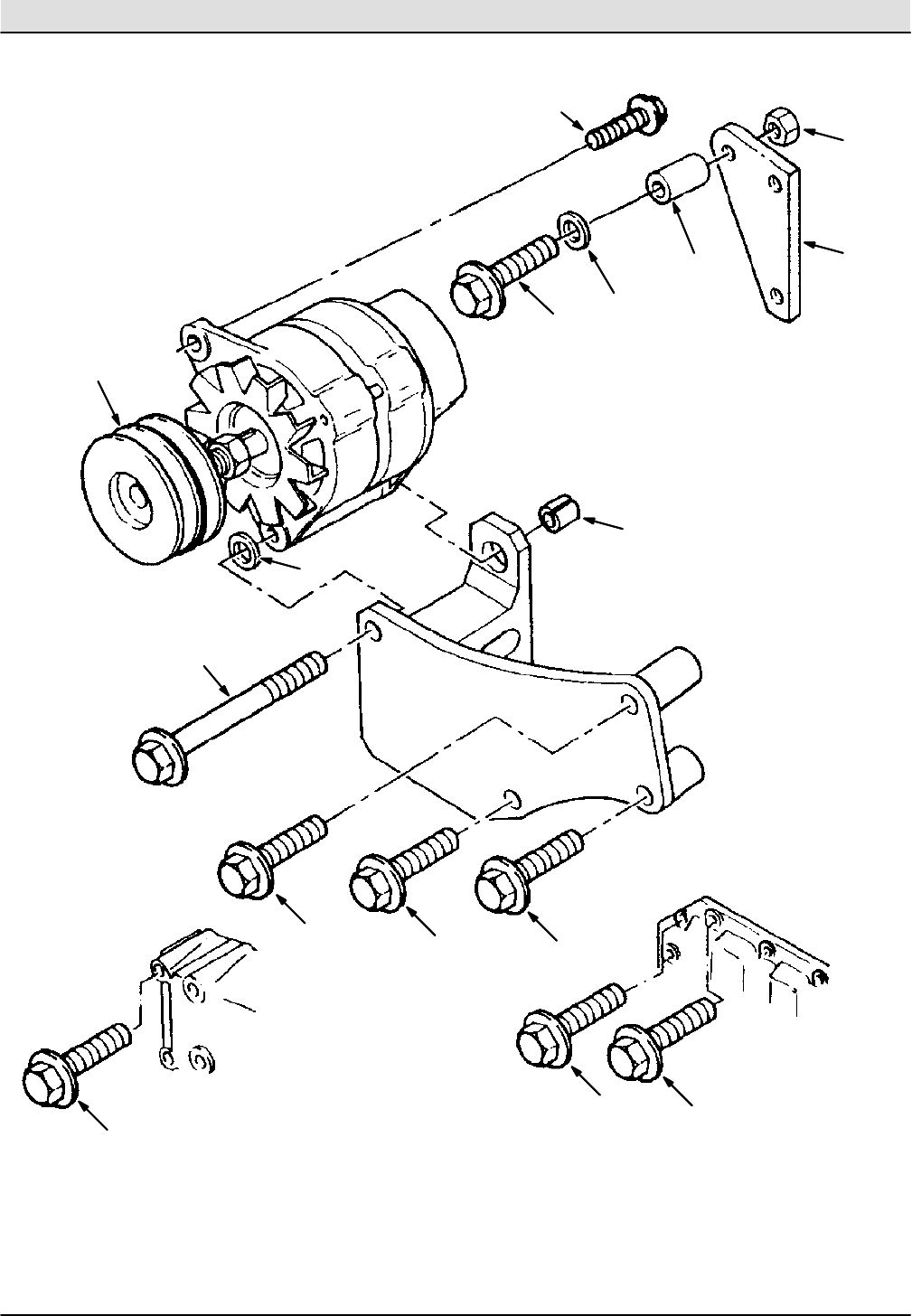
- Fig. 13 -- Alternator Group
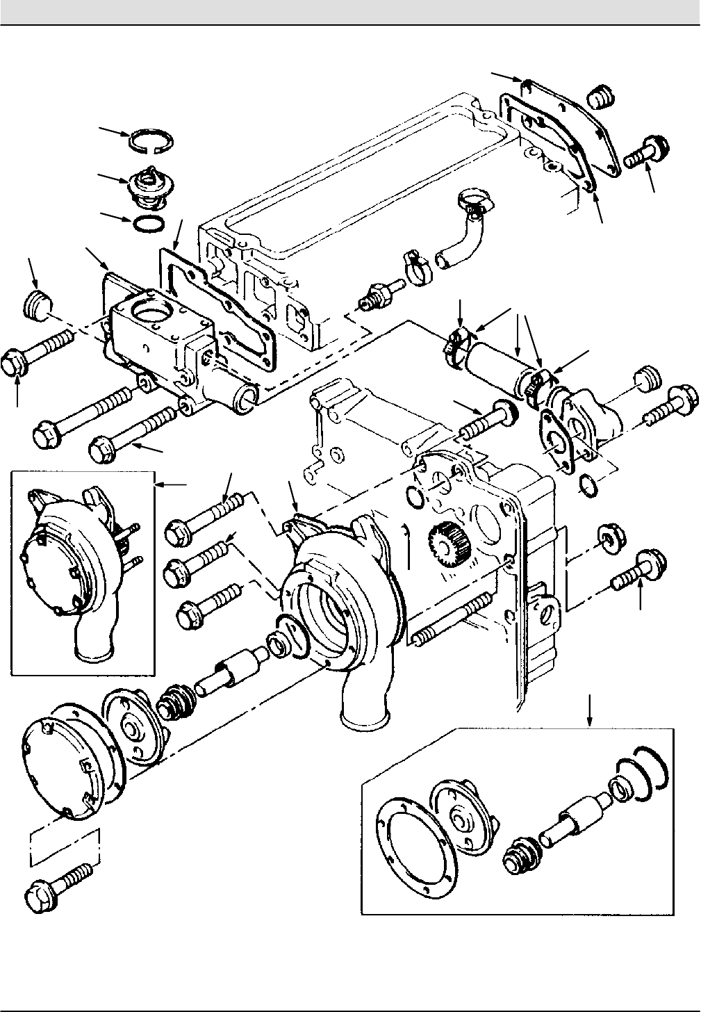
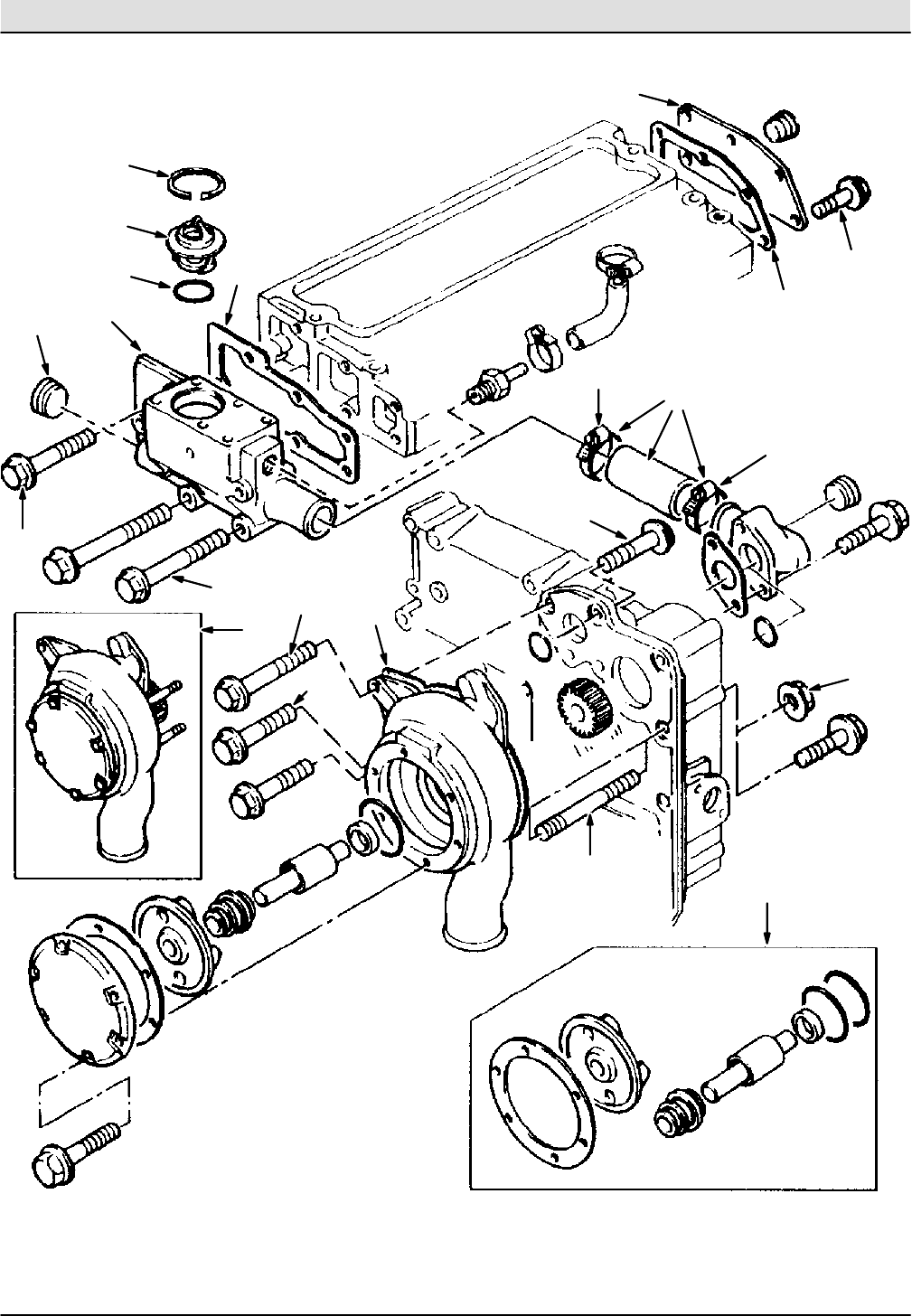
- Fig. 14 -- Water Pump Group
- Fig. 15 -- Front End Drive Input Group
- Fig. 16 -- Water Outlet Group
- Fig. 17 -- Gear Drive Group
- Fig. 18 -- Intake Heater Group
- Fig. 19 -- Engine Lifting Group
- Fig. 20 -- Mounting Group
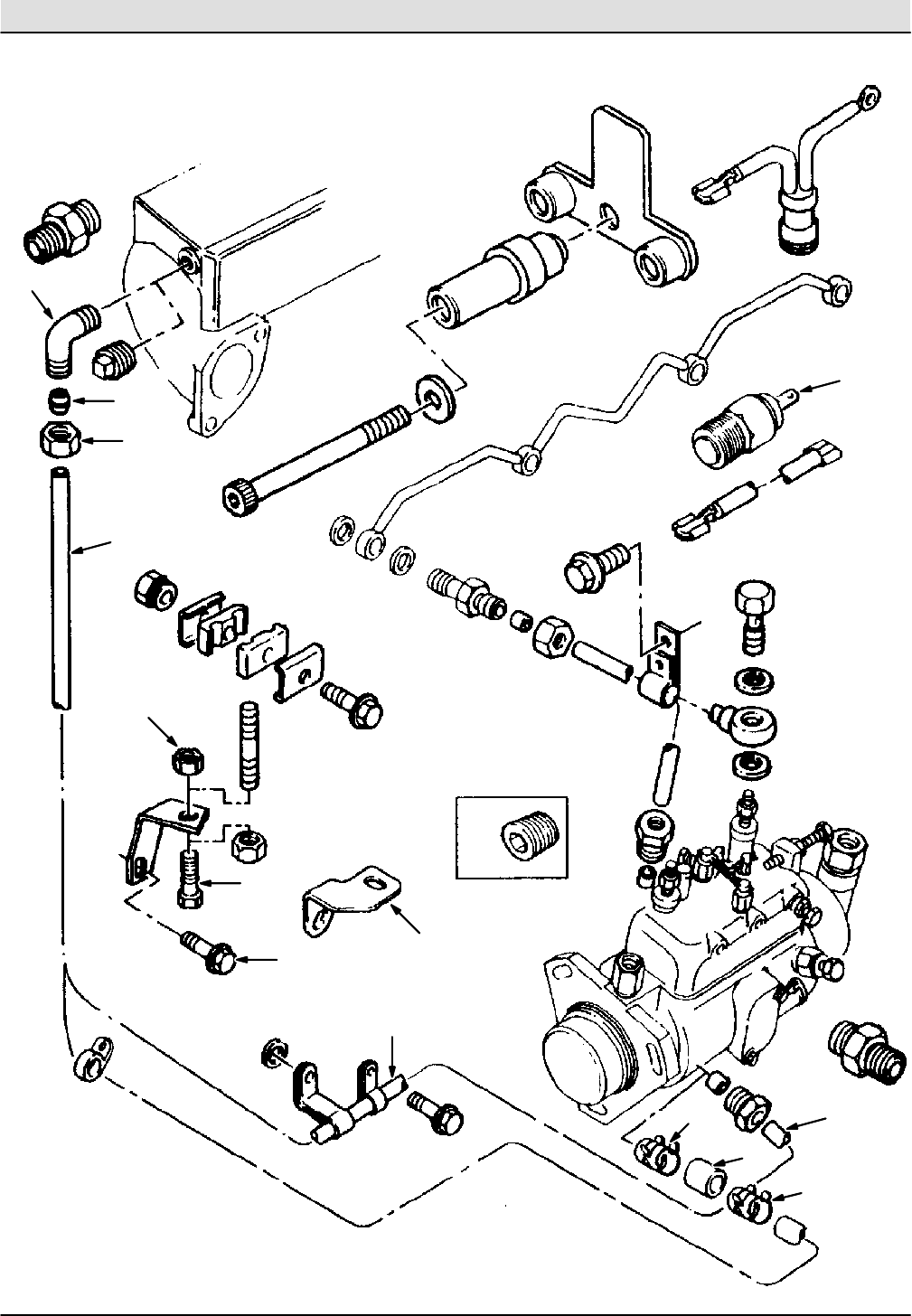
- Fig. 21 -- Fuel Injection Group
- Fig. 22 -- Fuel Injection Line Group
- Fig. 23 -- Lubricating Oil Filter and Integral Oil Cooler Group
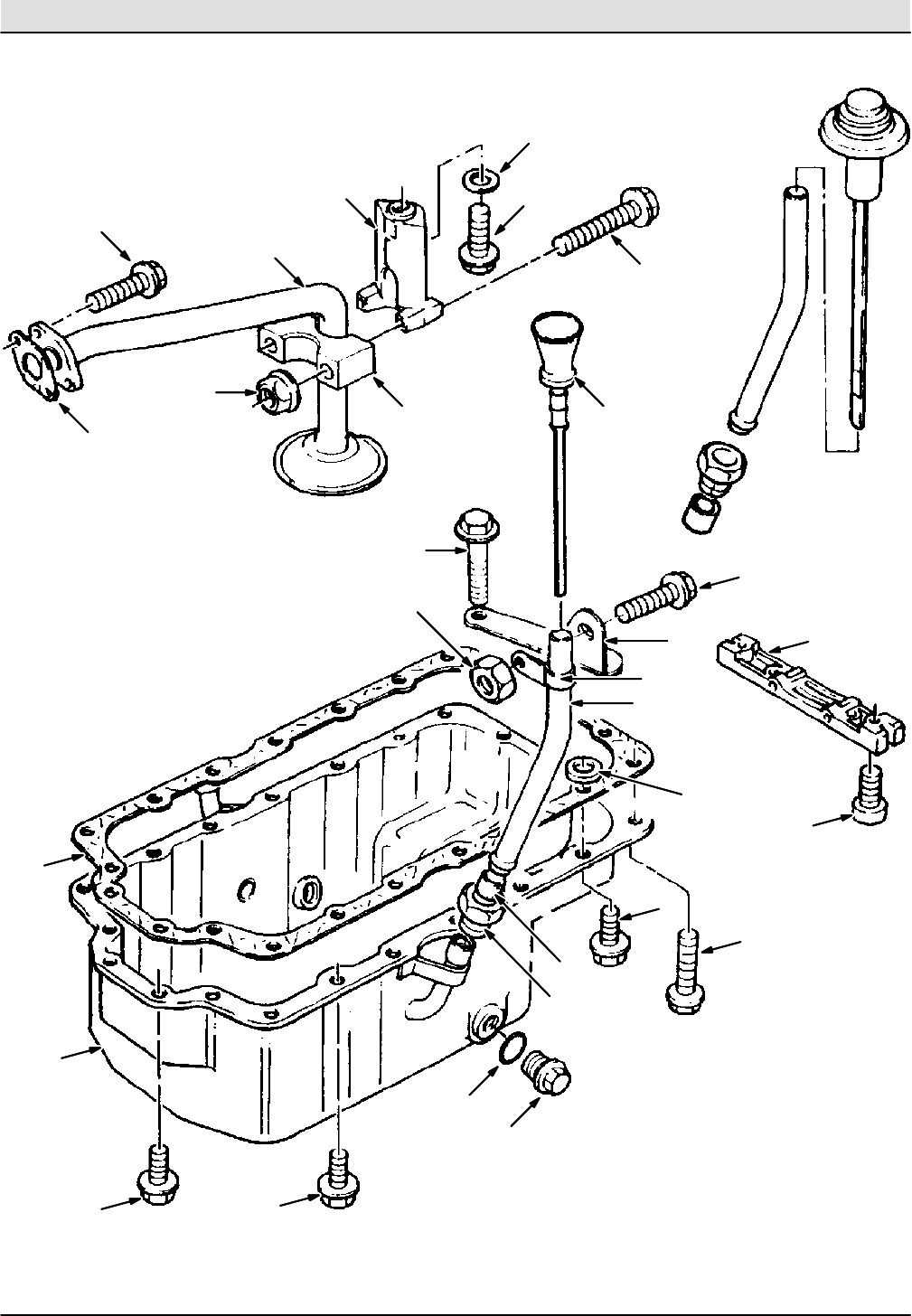
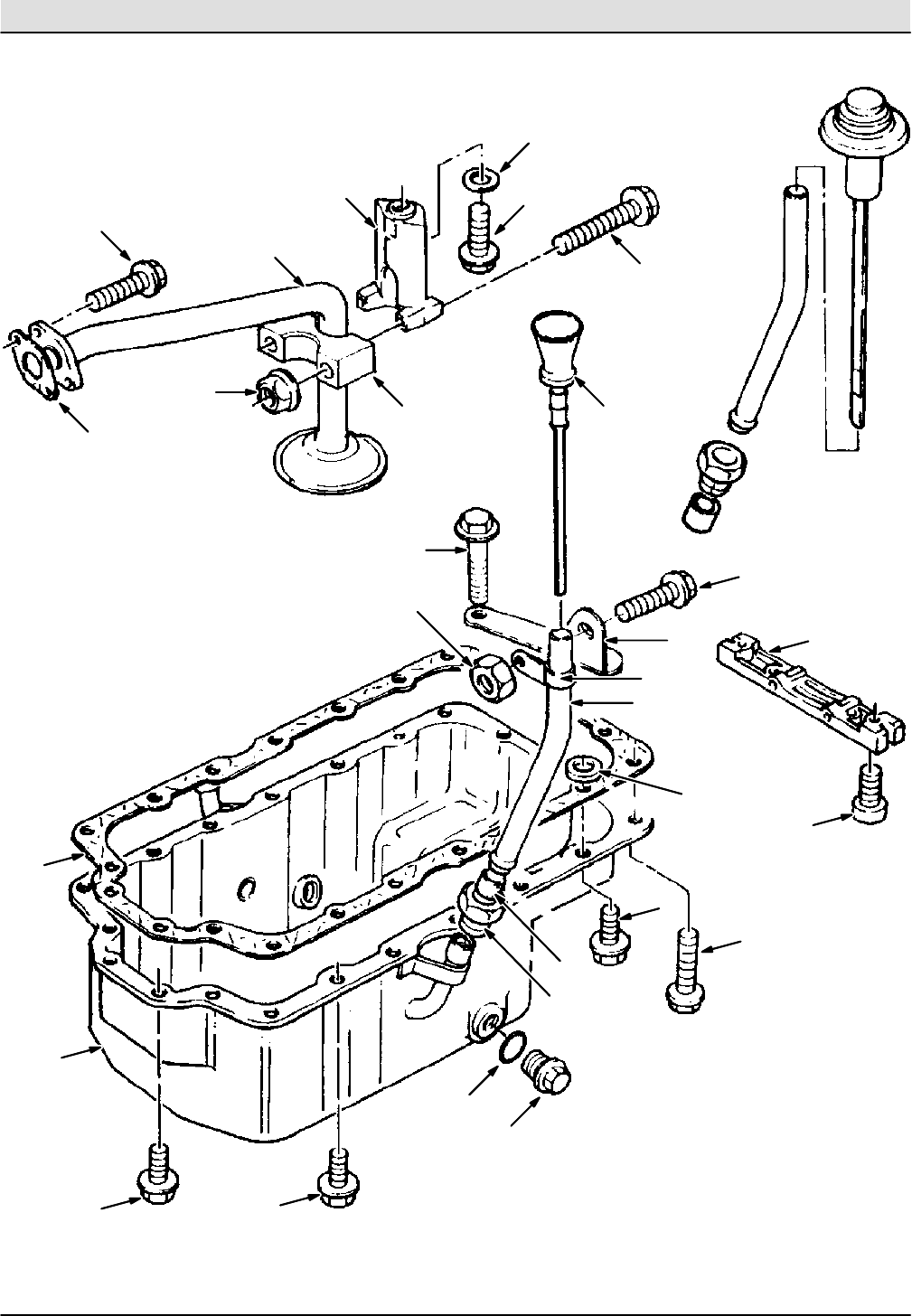
- Fig. 24 -- Lubricating Oil Sump Group
- Fig. 25 -- Lubricating Oil Filler and Breather Group
- Fig. 26 -- Induction Manifold Group
- Fig. 27 -- Exhaust Manifold Group
- Fig. 28 -- Exhaust Flange Group
- Fig. 29 -- Fuel Pump Group
- Fig. 30 -- Low Pressure Fuel Group
- Fig. 31 -- Fuel Pre--Lift Pump Group
- Fig. 32 -- Fuel Line Group
- Fig. 33 -- Adaptor Group
- Fig. 34 -- Fuel Pre--Lift Pump Group
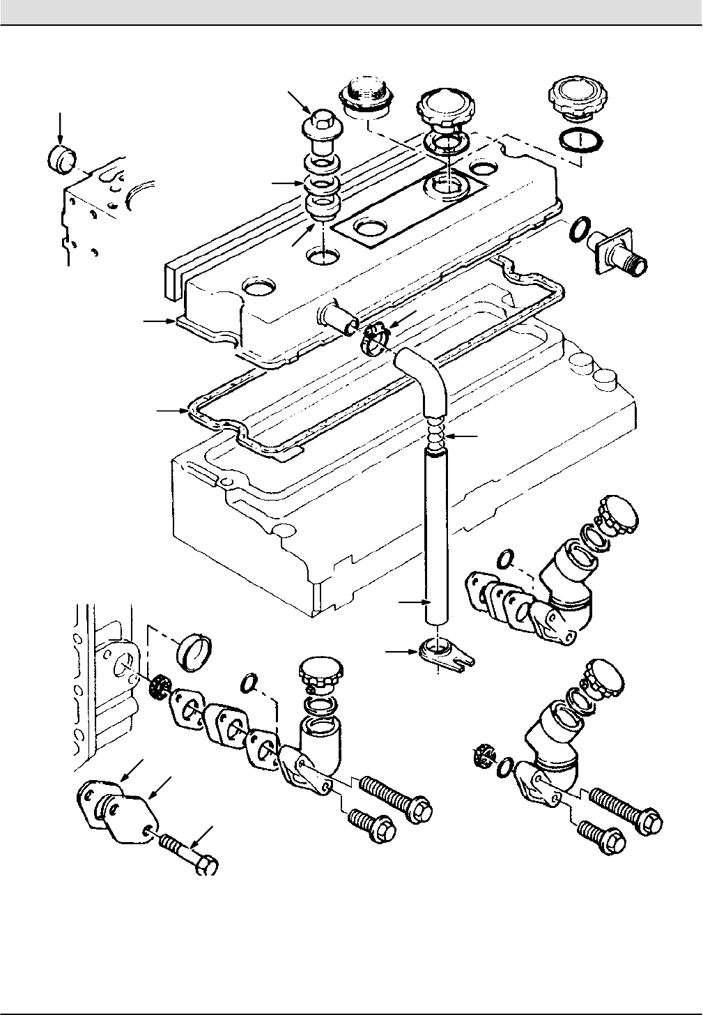
- Fig. 35 -- Top Gaskets Group
- Fig. 36 -- Bottom Gaskets Group
- TURBO ENGINE BREAKDOWN
- Fig. 1 -- Engine Block Group
- Fig. 2 -- Cylinder Block Group
- Fig. 3 -- Crankshafts, Pistons and Connecting Rods Group
- Fig. 4 -- Cylinder Head Group
- Fig. 5 -- Rocker Shaft Group
- Fig. 6 -- Timing Gear and Camshaft Group
- Fig. 7 -- Lubricating Oil Pump Group
- Fig. 8 -- Flywheel Housing Group
- Fig. 9 -- Flywheel Group
- Fig. 10 -- Starter Motor Group
- Fig. 11 -- Starter Motor Breakdown
- Fig. 12 -- Fan Drive Group
- Fig. 13 -- Fan Group
- Fig. 14 -- Alternator Group
- Fig. 15 -- Water Pump Group
- Fig. 16 -- Front End Drive Input Group
- Fig. 17 -- Water Outlet Group
- Fig. 18 -- Gear Drive Group
- Fig. 19 -- Intake Heater Group
- Fig. 20 -- Engine Lifting Group
- Fig. 21 -- Mounting Group
- Fig. 22 -- Fuel Injection Group
- Fig. 23 -- Fuel Injection Line Group
- Fig. 24 -- Lubricating Oil Filter and Integral Oil Cooler Group
- Fig. 25 -- Lubricating Oil Sump Group
- Fig. 26 -- Lubricating Oil Filler and Breather Group
- Fig. 27 -- Turbocharger Group
- Fig. 28 -- Turbochargers Manifolds Group
- Fig. 29 -- Turbochargers, Manifolds, and Air Charge Cooler Group
- Fig. 30 -- Exhaust Flange Group
- Fig. 31 -- Fuel Pump Group
- Fig. 32 -- Low Pressure Fuel Group
- Fig. 33 -- Fuel Filter Group
- Fig. 34 -- Fuel Filter Mount Group
- Fig. 35 -- Fuel Line Group
- Fig. 36 -- Fuel Pre--Lift Pump Group
- Fig. 37 -- Top Gaskets Group
- CROSS REFERENCE

830-II
Parts Manual
330430
Rev. 06
*330430*
Home
Find...
Go To..

This manual is furnished with each new TENNANT Model 830.
This manual consists of the How To Use This Manual; Standard Parts; Options; Breakdowns;
Engine Breakdowns; Turbo Engine Breakdowns; and Cross Reference sections.
MACHINE DATA
Please fill out at time of installation for future reference.
Machine Model Number -- 830--II
Machine Serial Number --
Machine Options --
TENNANT Representative/phone no. --
Customer ID Number --
Date of Installation --
Manual Number -- 330430
Revision: 06
Published: 12--02
Copyright E1998, 1999, 2000, 2001, 2002 TENNANT, Printed in U.S.A.
Home
Find...
Go To..

HOW TO USE THIS MANUAL
1-1
830--II 330430 (6--98)
HOW TO USE THIS MANUAL
This section on HOW TO USE THIS MANUAL will
tell you how to:
-- Find important machine information for
ordering correct repair parts.
-- Find TENNANT part numbers.
-- Order TENNANT parts and supplies.
IMPORTANT INFORMATION
When placing an order for parts, the machine
model and machine serial number are important.
Refer to the MACHINE DATA box which is filled
out during the installation of your machine. The
MACHINE DATA box is located on the inside of
the front cover of this manual.
The model number of your machine is on the side
of the machine.
The serial number of your machine is printed on
the machine data plate located as shown.
Home
Find...
Go To..

HOW TO USE THIS MANUAL
830--II 330430 (6--98)
1-2
FINDING A TENNANT PART NUMBER
This manual contains the following sections:
-- HOW TO USE THIS MANUAL
-- STANDARD PARTS
-- OPTIONS
-- BREAKDOWNS
-- ENGINE BREAKDOWNS
-- CROSS REFERENCE
The STANDARD PARTS section lists repair parts
for standard machines. They are grouped in this
general order:
-- General wear parts.
-- Machine frame and related parts.
-- Machine propelling system.
-- Scrubbing components.
-- Electrical parts.
The OPTION section lists repair parts of options.
The BREAKDOWN section lists available repair
parts of major components.
All sections in this manual consist of parts
illustrations and corresponding parts lists.
The parts illustrations are numbered with Ref
numbers which refer to corresponding parts lists.
The parts lists include a number of columns of
information:
-- Ref -- column refers to the reference number
on the parts illustration.
o-- indicates the part is an assembly.
Y
-- indicates the part is included in the
assembly listed just before it.
-- TENNANT Part No. -- column lists the
TENNANT part number for the part.
-- Serial Number -- column indicates the set of
machines the part number is applicable to.
Serial numbers change when the machine
design has been modified. The most current
design of the machine is shown in the main
illustration, older designs are boxed in a
corner of the illustration.
-- Description -- column is a brief description
of the part.
-- Qty. -- column lists the quantity of that part
used in that area of the machine.
Home
Find...
Go To..

HOW TO USE THIS MANUAL
1-3
830--II 330430 (6--98)
NOTE: If a service kit is installed on your
machine, be sure to keep the INSTRUCTION
BULLETIN which came with the kit. It contains
repair parts numbers needed for ordering future
parts.
NOTE: Fasteners used in this machine may be
metric or non-metric. Take care when replacing
hardware to replace with same thread size.
PLACING AN ORDER
Orders may be placed by phone, fax, or by mail.
Phone orders may need written confirmation.
Follow the steps below to insure prompt delivery:
1. Identify the model number of your machine.
2. Identify the serial number of your machine.
3. Find the part number of the part you need.
Do not order by page number or reference
number. If you are not able to find the part
number, call your TENNANT representative
for help or send the old part as a sample.
4. Determine the quantity of the part you need.
5. Provide the following company information:
-- Company name
-- Customer ID Number
-- Shipping address
-- Billing address
-- First and last name of person ordering
parts
-- Telephone number
-- Purchase order number
6. Provide definitive shipping instructions.
Home
Find...
Go To..

HOW TO USE THIS MANUAL
830--II 330430 (6--98)
1-4
Any claim for loss or damage to a shipment in
transit should be filed promptly with the
transportation company making the delivery.
Shipments will be complete unless the packing list
or order acknowledgement indicates items back
ordered.
If parts received are suspected to be incorrect or
defective, please contact the TENNANT
representative from whom you ordered the part.
They will give authorization for return and/or
handle replacement shipments when required.
Home
Find...
Go To..

STANDARD PARTS
2-1
830--II 330430 (12--02)
SECTION
2
Contents Page
Fig. 1 -- Recommended General
Maintenance Items 2-2.................
Fig. 2 -- Replacement Brushes 2-3................
Fig. 3 -- Main Frame Group 2-4..................
Fig. 4 -- Right Brush Door Group 2-6..............
Fig. 5 -- Left Brush Door Group 2-8...............
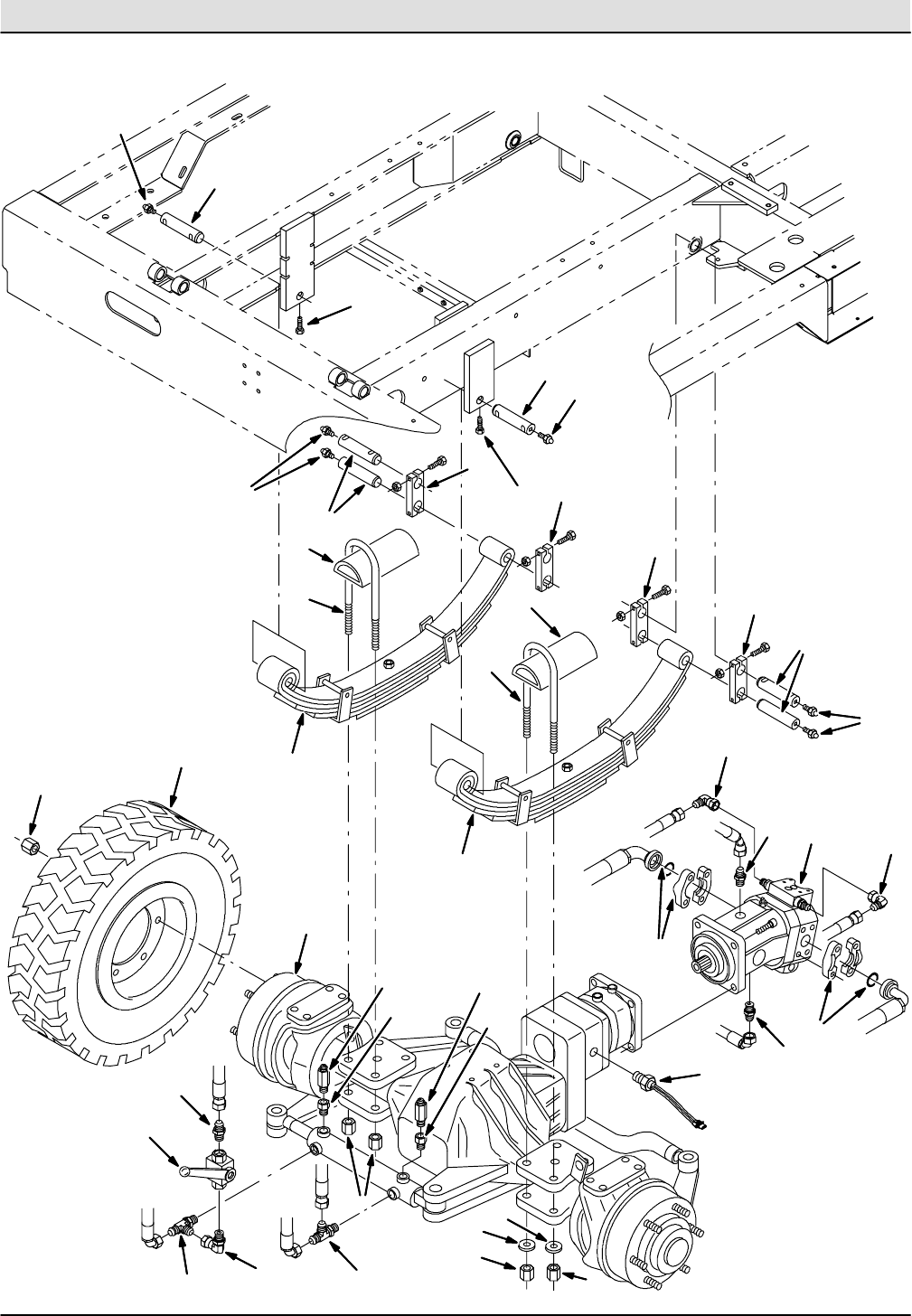
Fig. 6 -- Rear Axle Group 2-10...................
Fig. 7 -- Front Axle And Transmission Group 2-12...
Fig. 8 -- Front Brake Cable And Lines Group
(000000--003969) 2-14.................
Fig. 9 -- Front Brake Cable And Lines Group
(003970-- ) 2-16...................
Fig. 10 -- Main Brush Group 2-18..................
Fig. 11 -- Main Brush Lift Group 2-20..............
Fig. 12 -- Engine And Mount Group 2-22...........
Fig. 13 -- Fuel Tank & Lines Group 2-24............
Fig. 14 -- Radiator And Hydraulic Cooler Group 2-26.
Fig. 15 -- Muffler Group 2-28......................
Fig. 16 -- Air Cleaner Group (Standard Engine) 2-30.
Fig. 17 -- Air Cleaner Group
(Waste Gated Turbo Engine) 2-32........
Fig. 18 -- Battery and Cables Group 2-34...........
Fig. 19 -- Conveyor And Skirts Group 2-36.........
Fig. 20 -- Conveyor Drive Group 2-38..............
Fig. 21 -- Right Conveyor Lift Group 2-40...........
Fig. 22 -- Left Conveyor Lift Group 2-42............
Fig. 23 -- Hopper Group 2-44.....................
Fig. 24 -- Hopper Filter Bags Group 2-46...........
Fig. 25 -- Hopper Tilt Cylinders Group 2-48.........
Fig. 26 -- Hopper Support Cylinder Group 2-50......
Fig. 27 -- Vacuum Fan Group 2-52................
Fig. 28 -- Electrical Schematic (000000--003706) 2-54
Fig. 29 -- Wire Harnesses Group
(000000--003706) 2-61.................
Fig. 30 -- Electrical Schematic (003707-- ) 2-78..
Fig. 31 -- Wire Harnesses Group (003707-- ) 2-84
Fig. 32 -- Front Cab Group 2-102..................
Fig. 33 -- Left Cab Group 2-104...................
Fig. 34 -- Right Cab Group 2-106..................
Fig. 35 -- Left Cab Door Group 2-108..............
Fig. 36 -- Right Cab Door Group 2-110.............
Fig. 37 -- Cab Insulation and Seat Belt Group 2-112.
Fig. 38 -- Cab Console and Covers Group 2-114....
Fig. 39 -- Cab Instruments and Controls Group 2-116
Fig. 40 -- Cab Lights, Visor, and Pedal Group 2-118..
Fig. 41 -- Cab Heater Group 2-120................
Fig. 42 -- Blower Assembly 2-122.................
Contents Page
Fig. 43 -- Instrument Panel Assembly 2-124........
Fig. 44 -- Steering Wheel Group 2-126.............
Fig. 45 -- Right Side Brush Group 2-128............
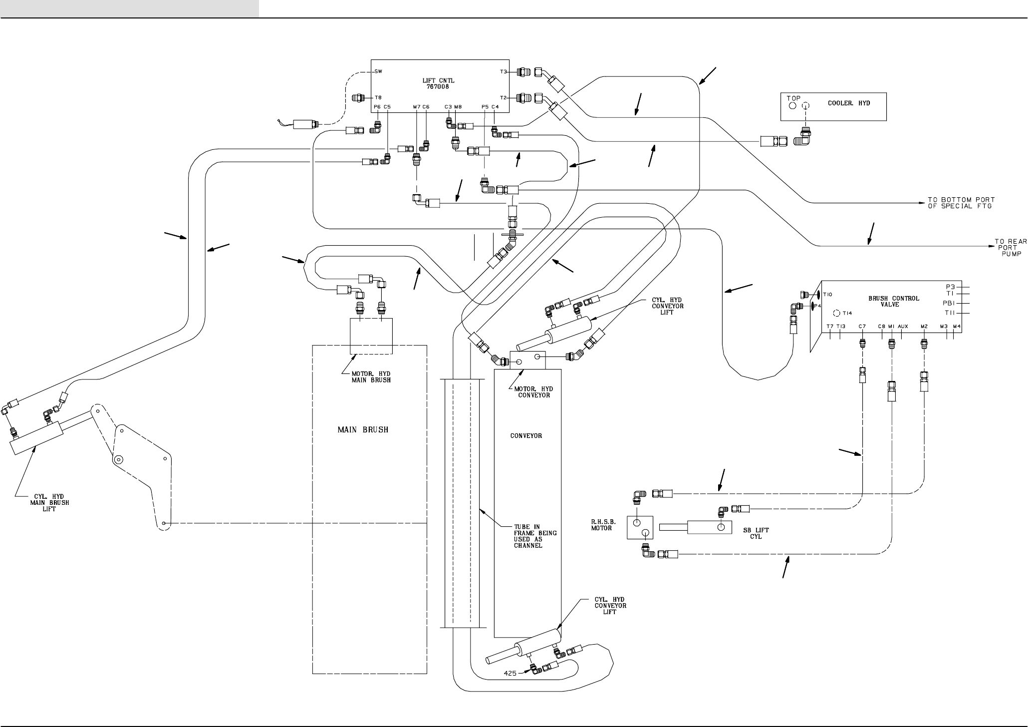
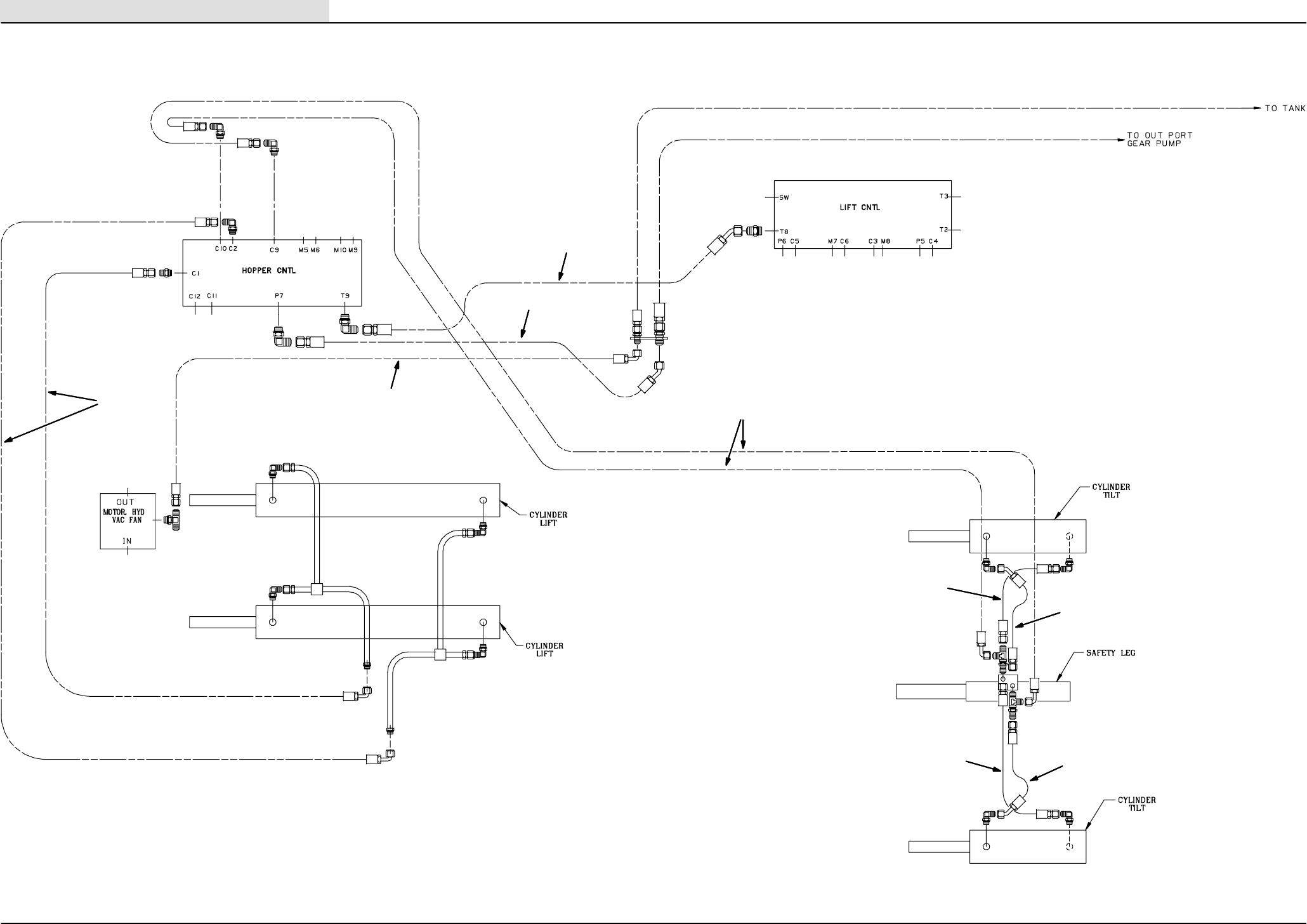
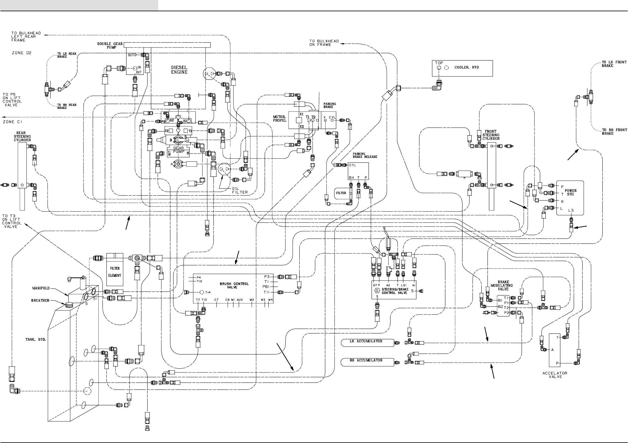
Fig. 46 -- Hydraulic Schematic 2-131...............
Fig. 47 -- Hydraulic Hose Group
(000000--004521) 2-137................
Fig. 48 -- Hydraulic Reservoir Group 2-144.........
Fig. 49 -- Hydraulic Pumps Group 2-146............
Fig. 50 -- Hydraulic Conveyor Lift
Control Valve Group 2-148..............
Fig. 51 -- Hydraulic Hopper Control
Valve Group 2-150.....................
Fig. 52 -- Hydraulic Brush Control
Valve Group 2-152.....................
Fig. 53 -- Hydraulic Steering and Brake
Valve Group 2-154.....................
Fig. 54 -- Water Spray Group 2-156................
Fig. 55 -- Dry Dust Control Group 2-158............
Fig. 56 -- Labels Group 2-160.....................
Home
Find...
Go To..

STANDARD PARTS
830--II 330430 (11--00)
2-2
351956
Fig. 1 -- Recommended General Maintenance Items
Ref.
TENNANT
Part No.
Machine Serial
Number Description Qty.
767013 (000000-- )Filter Element,Hyd.Spin On 1
762220 (000000-- ) Tee, Water Spray (Wet Dust Control) 1
762221 (000000-- ) Nozzle, Water Spray (Wet Dust Control) 2
762234 (000000-- ) Cap, Spray Nozzle (Wet Dust Control) 2
764018 (000000-- ) Filter,Fuel 1
52770--5 (000000-- )Filter Element,Oil (Standard Engine) 1
68986 (000000-- ) Filter Element,Oil (Turbo Engine) 1
764131 (000000-- ) Filter Element,Air Donaldson (Standard Engine) 1
764190 (000000-- ) Filter Element,Air Donaldson (Turbo Engine) 1
760098 (000000-- ) Plug And Cap Kit, Hyd Ftg 1
760099 (000000-- )O--Ring Kit, Seal Lok 1
761810 (000000-- ) Paint, Touch--up, Off--White, 12 oz. 1
761811 (000000-- ) Paint, Touch--up, Blue--Green, 12 oz. 1
65870--5 (000000-- ) Fluid, Hyd Oil, Lo Tp 5 Gal. 1
767766 (000000-- ) 424 Oil, Brakes, 2.5 Gal. 1
764260 (000000-- )Skirt Kit, Front (With 5 U--Nuts) (Dry Dust Control) 1
764261 (000000-- ) Skirt Kit, S. B. (1 Per Side With 5 U--Nuts)
(Dry Dust Control)
1
768089 (000000-- ) Skirt, Dust Containment (1 Per Side With 2 U--Nuts)
(Dry Dust Control)
2
760749 (000000-- ) Strip, Rubber Paddle 11
760897 (000000-- ) Skirt, Conveyor Lip 1
760882 (000000-- )Skirt, Conveyor Side 2
765845 (000000-- ) Guide, Conveyor Chain 4
760837 (000000-- ) Skirt, Side Deflectors 2
761117 (000000-- ) Skirt, Dust, Rear 1
761158 (000000-- ) Seal, Brush Door 2
86385 (000000-- )Grease, Anti--Corrosion Electrical 1
761501 (000000-- ) Filter Bag Lifting Kit 1
769657 (000000-- ) Filter, Cab Air Intake 1
760914 (000000-- ) Pin, Kit Connecting 1.654 1
760915 (000000-- ) Attachment, Repair Kit 1.654 1
Home
Find...
Go To..

STANDARD PARTS
2-3
830--II 330430 (12--02)
Fig. 2 -- Replacement Brushes
1
2
3
6
7
8
4
5
351955
Ref.
TENNANT
Part No.
Machine Serial
Number Description Qty.
1761126 (000000-- )Brush--Main Sweep,51Lg Strp Poly 1
2 761211 (000000-- ) Brush--Side Sweep 32D Poly&Wire, Side 1
2 761213 (000000-- ) Brush--Side Sweep --32D Flatwire, Side 1
2 761238 (000000-- ) Brush--Side Sweep --32D Poly, Side 1
2 761239 (000000-- ) Brush--Side Sweep --38D Poly, Vario 1
2761372 (000000-- )Brush--Side Sweep--38D Poly&Wire, Vario 1
o
3 768031 (000000-- ) Brush Kit, Segmented --32 D--Poly 1
Y
4 768025 (000000-- ) Plate, Side Brush 1
Y
5 768028 (000000-- ) Brush--Side Swp, 4 Segments--Poly 1
YY
760107 (000000-- ) Kit, Side Brush Spring 1
YY
769590 (000000-- )Kit, Ci, Linkage, Brush, Side 1
o
3 768032 (000000-- ) Brush Kit, Segmented --32 D--Flatwire 1
Y
4 768025 (000000-- ) Plate, Side Brush 1
Y
5 768029 (000000-- ) Brush--Side Swp, 4 Segments--Flatwire 1
YY
760107 (000000-- ) Kit, Side Brush Spring 1
YY
769590 (000000-- )Kit, Ci, Linkage, Brush, Side 1
o
3 768033 (000000-- ) Brush Kit, Segmented --32 D--Poly&Wire 1
Y
4 768025 (000000-- ) Plate, Side Brush 1
Y
5 768030 (000000-- ) Brush--Side Swp, 4 Segments--Poly&Wire 1
YY
760107 (000000-- ) Kit, Side Brush Spring 1
YY
769590 (000000-- )Kit, Ci, Linkage, Brush, Side 1
o
6 768034 (000000-- ) Brush Kit, Segmented --38 D--Poly 1
Y
7 768026 (000000-- ) Plate, Front Brush/Vario 1
Y
8 768028 (000000-- ) Brush--Side Swp, 4 Segments--Poly 1
o
6 768036 (000000-- ) Brush Kit, Segmented --38 D--Poly&Wire 1
Y
7768026 (000000-- )Plate, Front Brush/Vario 1
Y
8 768030 (000000-- ) Brush--Side Swp, 4 Segments--Poly&wire 1
Home
Find...
Go To..

STANDARD PARTS
830--II 330430 (11--00)
2-4
Fig. 3 -- Main Frame Group
2
122
21 4
2
2
10
6
18
7
7
18
12
14
14
13
6
9
21 20
15
2
21
22
23
25
25
19
3
9
21
20
15
7
8
7
8
5
16
17
24
11
11
27
28
26
29
30
29
33
31
31
36
34
37
38
32
35
Home
Find...
Go To..

STANDARD PARTS
2-5
830--II 330430 (8--99)
351857
Fig. 3 -- Main Frame Group
Ref.
TENNANT
Part No.
Machine Serial
Number Description Qty.
1765300 (000000-- )Frame Wldt 1
2 760357 (000000-- ) Fender 4
3 765360 (000000-- ) Step Wldt 2
4 765363 (000000-- ) Cover, Side Frame, Lh 1
o
5 766935 (000000--003144 ) Kit, Engine Door Lh 1
o
5766930 (003145-- )Door, Engine, Lh 1
o
6 761956 (000000-- ) Latch,Eng.Door 2
Y
761957 (000000-- ) Key, Engine Door 2
7 761044 (000000-- ) Bushing, Engine Door Hinge 4
8 761043 (000000-- ) Pin, Hinge, Lower 2
9761093 (000000-- )Pad,Cab Mount 2
o
10 766945 (000000--003144 ) Kit, Engine Door Rh 1
o
10 766940 (003145-- ) Door, Engine, Rh 1
11 766980 (000000-- ) Gas Spring 2
o
12 768620 (000000-- ) Taillight, Lh w/Connector 1
Y
762587 (000000-- )Gasket, Taillight 3
Y
45779 (000000-- ) Bulb, GE (Signal/tail) 2
Y
45780 (000000-- ) Bulb, GE (Brake/backup) 1
o
13 768619 (000000-- ) Taillight, Rh w/Connector 1
Y
762587 (000000-- ) Gasket, Taillight 3
Y
45779 (000000-- )Bulb, GE (signal/tail) 2
Y
45780 (000000-- ) Bulb, GE (Brake/backup) 1
14 762573 (000000-- ) Isolator, Taillight 12
15 768487 (000000-- ) Washer 4
16 75430 (000000-- ) Pad, Tread 1
17 760395 (000000-- )Retainer, Hoses 4
18 766966 (000000-- ) Pin, Hinge, Upper 2
19 369704 (000000-- ) Horn, 12V 1
20 764016 (000000-- ) Isolator, Cab, Rear 2
21 764073 (000000-- ) Washer, Special 4
22 763083 (000000-- )Bolt Weldt. 2
23 763126 (000000-- ) U--Nut, 10mmx1.25x0.75in 16
24 761237 (000000-- ) Molding, Rigid 4
25 765307 (000000-- ) Bushing 4
26 768614 (000000-- ) Lamp, Assy., Side Marker 2
27 766977 (000000--003144 )L.H. Bracket 1
28 766979 (000000--003144 ) R.H. Bracket 1
29 766987 (003145-- ) Door Limiter 2
30 766984 (003145-- ) Plate 1
31 51538 (000000-- ) Clevis Pin 2
32 765391 (000000-- )Grommet 2
33 60428 (000000-- ) Pivet 8
34 768411 (000000-- ) Bracket 1
35 768410 (000000-- ) Channel 1
36 768412 (000000-- ) Cable 1
37 768413 (000000-- )Pin 1
38 57702 (000000-- ) Cable 1
Home
Find...
Go To..

STANDARD PARTS
830--II 330430 (12--02)
2-6
Fig. 4 -- Right Brush Door Group
1
2
3
4
6
8
7
5
9
11
10
12
13
14
15
16
17
17
18
19
19
21
20
22
23
24
5
25
28
30
27 27 29
33
32
31
34
30
28
27
Home
Find...
Go To..

STANDARD PARTS
2-7
830--II 330430 (12--02)
351859
Fig. 4 -- Right Brush Door Group
Ref.
TENNANT
Part No.
Machine Serial
Number Description Qty.
1761114 (000000-- )Plate Wldt, Cage, Rh 1
2 768009 (000000-- ) Rod Link, Brush Support Adj 2
3 768205 (000000-- ) Plate Wldt, Support, Side, Rh 1
o
4 768222 (000000-- ) Skid Kit, Carbide, Rh & Lh 1
Y
768207 (000000-- ) Skid Weld’t, Carbide Rh 1
Y
768202 (000000-- )Skid Weld’t, Carbide Lh 1
Y
5 768209 (000000-- ) Cushion,Side Skids 1
Y
6 768210 (000000-- ) Strip, Retainer Skirt 1
7 761106 (000000-- ) Plate, Brush Guide 2
8 768211 (000000-- ) Strip, Retainer, Upper 1
9761170 (000000-- )Chain, Brush, Cage 1
10 761158 (000000-- ) Seal, Brush Door 1
11 760208 (000000-- ) Retainer, Side Skirt,Brushdoor 1
12 761121 (000000-- ) Seal, Vertical 1
13 761120 (000000-- ) Strip, Retainer, Vertical 2
14 760205 (000000-- )Seal,Brush Door 1
15 763075 (000000-- ) Rivet, Pop .156Dx.710x.312Dhd 5
16 761124 (000000-- ) Angle, Skid Chain 2
17 761125 (000000-- ) Chain, 2/0 13 Links 2
18 768043 (003436-- ) Door, Brush, Rh 1
19 761179 (000000-- )T--Handle, Latch 5” 2
20 764256 (000000-- ) Retainer 1
21 768099 (000000-- ) Seal 1
22 765336 (000000-- ) Support Wldt, Door Rh 1
23 19895 (000000-- ) Mat, Floor 2
24 60428 (000000-- )Rivet 8
25 768041 (000000--003435 ) Replacement Kit, Door, Brush Rh 1
26 47801 (000000-- ) Fitting, Grease, Str Pm04 .63l 4
27 39277 (000000-- ) Screw, Hex, M 8 X 1.25 X 25 10
28 763041 (000000-- ) Washer, Belleville, M08 14
29 32490 (000000-- )Washer, Flat, 0.25 Std 1
30 16931 (000000-- ) Screw, Hex, M 8 X 1.25 X 20 7
31 76570 (000000-- ) Screw, Hex, M 8 X 1.25 X 30 2
32 06943 (000000-- ) Screw, Hex, M 6 X 1.0 X 20 3
33 763040 (000000-- ) Washer, Belleville, M06 3
34 39890 (000000-- )Washer, Flat, M08 Fender 2
Home
Find...
Go To..

STANDARD PARTS
830--II 330430 (12--02)
2-8
Fig. 5 -- Left Brush Door Group
1
2
3
4
5
6
8
7
9
10
15
16
17
18
14
13
12
19
11
20
21
22
23
23
25
24
26
27
28
37
29
21
32
36
33
33
32
34
33
30
31 32
32
32
38
33
35
35
34
Home
Find...
Go To..
06415
08708

STANDARD PARTS
2-9
830--II 330430 (12--02)
351861
Fig. 5 -- Left Brush Door Group
Ref.
TENNANT
Part No.
Machine Serial
Number Description Qty.
1761104 (000000-- )Cage Wldt, Support, Brush 1
2 768009 (000000-- ) Rod Link, Brush Support Adj 2
3 768200 (000000-- ) Plate Wldt, Support, Side, Lh 1
4 761106 (000000-- ) Plate, Brush Guide 2
o
5 768222 (000000-- ) Skid Kit, Carbide, Rh & Lh 1
Y
768202 (000000-- )Skid Weld’t, Carbide Lh 1
Y
768207 (000000-- ) Skid Weld’t, Carbide Rh 1
Y
6 768209 (000000-- ) Cushion,Side Skids 1
Y
7 768210 (000000-- ) Strip, Retainer Skirt 1
8 768211 (000000-- ) Strip, Retainer, Upper 1
9761121 (000000-- )Seal, Vertical 1
10 761120 (000000-- ) Strip, Retainer, Vertical 2
11 761170 (000000-- ) Chain, Brush, Cage 1
12 761117 (000000-- ) Skirt, Rear Dust 1
13 761118 (000000-- ) Bracket, Retainer, Rear 1
14 761119 (000000-- )Strip, Retainer, Vertical 1
15 761158 (000000-- ) Seal, Brush, Door 1
16 760208 (000000-- ) Retainer, Side Skirt,Brushdoor 1
17 760205 (000000-- ) Seal,Brush Door 1
18 48183 (000000-- ) Chain,Link#2/0,11Links,Zinc Pl 1
19 763075 (000000-- )Rivet, Pop .156Dx.710x.312Dhd 5
20 761124 (000000-- ) Angle, Skid Chain 2
21 761125 (000000-- ) Chain, 2/0 13 Links 2
22 768042 (003436-- ) Door, Brush Lh 1
23 761179 (000000-- ) T--Handle, Latch 5” 2
24 764256 (000000-- )Retainer 1
25 768099 (000000-- ) Seal 1
26 765335 (000000-- ) Support Wldt, Brush Door Lh 1
27 765322 (000000-- ) Brush Wrap 1
28 60428 (000000-- ) Rivet 8
29 768040 (000000--003435 )Replacement Kit, Door, Brush Lh 1
30 47801 (000000-- ) Fitting, Grease, Str Pm04 .63l 2
31 09718 (000000-- ) Fitting, Grease, E90 Pm04 .75l 2
32 39277 (000000-- ) Screw, Hex, M 8 X 1.25 X 25 13
33 763041 (000000-- ) Washer, Belleville, M08 11
34 16931 (000000-- )Screw, Hex, M 8 X 1.25 X 20 6
35 39890 (000000-- ) Washer, Flat, M08 Fender 4
36 06943 (000000-- ) Screw, Hex, M 6 X 1.0 X 20 3
37 763040 (000000-- ) Washer, Belleville, M06 3
38 32490 (000000-- ) Washer, Flat, 0.25 Std 2
Home
Find...
Go To..

STANDARD PARTS
830--II 330430 (9--01)
2-10
Fig. 6 -- Rear Axle Group
1
1
2
2
3
4
5
6
7
8
9
10
10
11
12
13
13
14
15
14
15
16
17
18
18 20
20
19
19
21
3
23
22
Home
Find...
Go To..

STANDARD PARTS
2-11
830--II 330430 (12--02)
351863
Fig. 6 -- Rear Axle Group
Ref.
TENNANT
Part No.
Machine Serial
Number Description Qty.
1761017 (000000-- )Pin, Spring 6
2 06418 (000000-- ) Ftg, Grease.12 Npt Strt .66L 6
3 761010 (000000-- ) Nut, Special U--Bolt, .75 Deep 8
o
4 761011 (000000-- ) Tire & Rim Assy, (Bias Ply) 2
Y
761012 (000000-- ) Wheel 1
Y
761013 (000000-- )Tire,7.00X12 Hd Rib Lug, (Bias Ply) 1
Y
761014 (000000-- ) Tube,Tire 7.00X12, (Bias Ply) 1
Y
57048 (000000-- ) Washer, 0.53b 2.13d .11, Stl, Pl 1
o
4 761799 (000000-- ) Tire & Rim Assy, (Radial) 2
Y
761012 (000000-- ) Wheel 1
Y
761798 (000000-- )Tire,7.00X12, (Radial) 1
Y
761014 (000000-- ) Innertube, 7.00 X 12, [Tr440] 1
Y
57048 (000000-- ) Washer, .532 Bx2.13x.11 HR ZNC 1
5 761019 (000000-- ) Saddle, U--Bolt 2
6 761996 (000000-- ) Tube, Brake, Rear, Lh 1
7761997 (000000-- )Tube, Brake, Rear, Rh 1
8 34392 (000000-- ) Ftg--Hyd Tee 1
9 761004 (000000-- ) Spring, Rear Leaf 2
10 762432 (000000-- ) Ftg--Hyd, E90 2
11 761037 (000000-- xxxxxx ) Ftg, Str, Bulkhead 1
12 761005 (000000-- )U--Bolt, Rear Spring 4
13 761018 (000000-- ) Bar, Side Spring 4
14 762430 (000000-- ) Ftg--Hyd Bleeder, 4 2
15 762431 (000000-- ) Ftg--Hyd, 6 2
o
16 767702 (000000-- ) Axle, Rear (See Breakdowns) 1
Y
17 761025 (000000-- )Lug Nut, Flanged 12
Y
18 761995 (000000-- ) Hose 2
Y
19 761992 (000000-- ) Fitting, Brakeline 2
Y
20 761993 (000000-- ) Washer, Brakeline 2
21 761020 (000000-- ) Washer 8
22 21195 (000000-- )Screw Hex .38--16x.75 2
23 768872 (000000-- ) Screw Hex.38--16x 1.25 2
Home
Find...
Go To..

STANDARD PARTS
830--II 330430 (11--00)
2-12
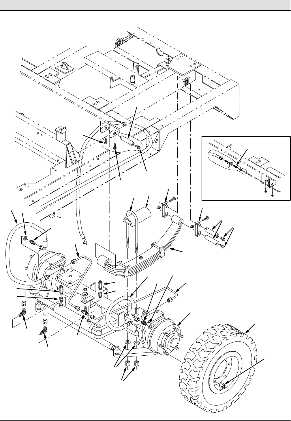
Fig. 7 -- Front Axle And Transmission Group
1
1
2
2
3
3
4
4
4
4
5
5
5
6
6
6
7
7
8
10
10
11
12
13 14
14
9
15
15
16
16
17 17
18
19
20
18
5
6
21
7
22 22
24
23
Home
Find...
Go To..

STANDARD PARTS
2-13
830--II 330430 (12--02)
351865
Fig. 7 -- Front Axle And Transmission Group
Ref.
TENNANT
Part No.
Machine Serial
Number Description Qty.
1761003 (000000--004467 )Spring, Front Leaf 2
1 770016 (004468-- ) Spring, Front Leaf 2
2 761019 (000000-- ) Saddle, U--Bolt 2
3 761022 (000000--004467 ) U--Bolt, Front Spring 4
3 761005 (004467-- ) U--Bolt, Front Spring 4
4761018 (000000-- )Bar, Side Spring 4
5 761017 (000000-- ) Pin, Spring 6
6 06418 (000000-- ) Ftg, Grease.12 Npt Strt .66L 6
7 761010 (000000-- ) Nut, Special U--Bolt, .75 Deep 8
8 762007 (000000-- ) Valve, Ball Hycon 1
o
9761011 (000000-- )Tire & Rim Assy, (Bias Ply) 2
Y
761012 (000000-- ) Wheel 1
Y
761013 (000000-- ) Tire,7.00X12 Hd Rib Lug, (Bias Ply) 1
Y
761014 (000000-- ) Tube,Tire 7.00X12, (Bias Ply) 1
Y
57048 (000000-- ) Washer, .532 Bx2.13x.11 HR ZNC 1
o
9761799 (000000-- )Tire & Rim Assy, (Radial) 2
Y
761012 (000000-- ) Wheel 1
Y
761798 (000000-- ) Tire,7.00X12, (Radial) 1
Y
761014 (000000-- ) Innertube, 7.00 X 12, [Tr440] 1
Y
761796 (000000-- ) Washer, Valve Stem Slot 1
10 762488 (000000-- )Ftg--Hyd Sae Flange 2
11 762136 (000000-- ) Motor, Piston, (See Breakdowns) 1
11 376059 (000000-- ) Motor, Hyd, Rebuilt, F/762136, (See Breakdowns) 1
12 762433 (000000-- ) Ftg--Hyd, Str 1
13 762441 (000000-- ) Ftg--Hyd, E90 1
14 762434 (000000-- )Ftg--Hyd, Tee 2
15 762109 (000000-- ) Fitting, Special 2
16 762427 (000000-- ) Ftg--Hyd, E90 2
17 762430 (000000-- ) Ftg--Hyd, Bleeder,4 2
18 762431 (000000-- ) Ftg--Hyd, 6 2
o
19 767701 (000000-- )Axle, Front (See Breakdowns) 1
Y
20 761025 (000000-- ) Lug Nut, Flanged 12
21 768608 (000000-- ) Sensor, Speed 1
22 761020 (000000-- ) Washer 8
23 21195 (000000-- ) Screw Hex .38--16x.75 2
24 768872 (000000-- )Screw Hex.38--16x 1.25 2
Home
Find...
Go To..

STANDARD PARTS
830--II 330430 (12--02)
2-14
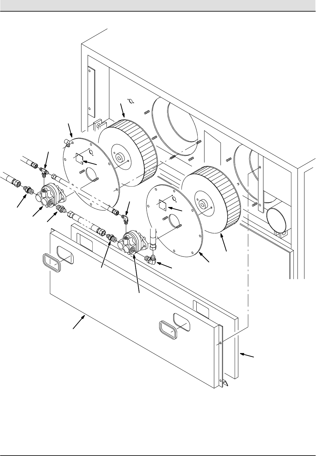
Fig. 8 -- Front Brake Cable And Lines Group (000000--003969)
A
B
C
1
2
3
4
5
6
7
78
9
10
10
10
11
12
13
14
15
16
17
18
19
20
21 18
21
2
3
22
Home
Find...
Go To..

STANDARD PARTS
2-15
830--II 330430 (12--02)
351867
Fig. 8 -- Front Brake Cable And Lines Group (000000--003969)
Ref.
TENNANT
Part No.
Machine Serial
Number Description Qty.
1767212 (000000--003969 )Valve, Brake 1
2 761992 (000000--003969 ) Fitting, Brake Line 2
3 761995 (000000--003969 ) Hose 2
4 762426 (000000--003969 ) Fitting, Hyd, Str 2
5 762434 (000000--003969 ) Fitting, Hyd 1
6762425 (000000--003969 )Fitting, Hyd 2
7 767422 (000000--003969 ) Fitting, Hyd, Tee 2
8 767421 (000000--003969 ) Fitting, Hyd, Str 2
9 767016 (000000--003969 ) Accumulator, Piston 2
10 70157 (000000--003969 ) Clamp, Cable 6
11 767025 (000000--003969 )Plate, Accumulator 1
12 761037 (000000--003969 ) Fitting, Str, Bkhd 1
13 765366 (000000--003969 ) Brakeline 1
14 761998 (000000--003969 ) Tube, Brake,Front, Rh 1
15 761999 (000000--003969 ) Tube, Brake Front, Lh 1
16 766031 (000000--003969 )Plate, Hyd Line 1
17 34392 (000000--003969 ) Fitting, Hyd, Tee 1
18 762427 (000000--003969 ) Fitting, Hyd, Elbow 2
19 767423 (000000--003969 ) Fitting, Hyd, Str 1
20 767207 (000000--003969 ) Valve, Hyd Cntrl Sol (See Breakdowns) 1
21 761993 (000000--003969 )Washer 2
22 13959 (000000--003969 ) Switch, Brakelight 1
Home
Find...
Go To..

STANDARD PARTS
830--II 330430 (12--02)
2-16
Fig. 9 -- Front Brake Cable And Lines Group (003970-- )
1
2
3
4
5
7
7
8
9
10
10
10
11
12
13
14
15
16
17
18 28
27
18
26
2
3
19
4
34
35
31
30 32
33
20
25
21
22
23
24
29
36
6
Home
Find...
Go To..

STANDARD PARTS
2-17
830--II 330430 (12--02)
351867
Fig. 9 -- Front Brake Cable And Lines Group (003970-- )
Ref.
TENNANT
Part No.
Machine Serial
Number Description Qty.
1767212 (003970-- )Valve, Brake 1
2 761992 (003970-- ) Fitting, Brake Line 2
3 761995 (003970-- ) Hose 2
4 762426 (003970-- ) Fitting, Hyd, Str 3
5 762434 (003970-- ) Fitting, Hyd 1
6762425 (003970-- )Fitting, Hyd 2
7 767422 (003970-- ) Fitting, Hyd, Tee 2
8 767421 (003970-- ) Fitting, Hyd, Str 2
9 767016 (003970-- ) Accumulator, Piston 2
10 70157 (003970-- ) Clamp, Cable 6
11 767025 (003970-- )Plate, Accumulator 1
12 761037 (003970-- xxxxxx ) Fitting, Str, Bkhd 1
13 770003 (003970-- xxxxxx ) Kit, Hose Hyd. Brake 1
14 761998 (003970-- ) Tube, Brake,Front, Rh 1
15 761999 (003970-- ) Tube, Brake Front, Lh 1
16 766031 (003970-- )Plate, Hyd Line 1
17 34392 (003970-- ) Fitting, Hyd, Tee 1
18 761993 (003970-- ) Washer 2
19 770148 (003970-- ) Switch, Press, 12vdc A Spst No 0060psi 1
20 768883 (003970-- ) Valve, Hyd., Brake, Parking (See Breakdowns) 1
21 768887 (003970-- )Plate, Valve 1
22 06950 (003970-- ) Screw, Hex m06 2
23 08708 (003970-- ) Nut, Hex m06 2
24 07799 (003970-- ) Washer m06 4
25 762428 (003970-- ) Fitting, Hyd 2
26 762426 (003970-- )Fitting, Hyd 1
27 768886 (003970-- ) Fitting, Hyd. Str 1
28 768884 (003970-- ) Fitting, Hyd. E90 1
29 762462 (003970-- ) Fitting, Hyd 1
30 55619 (003970-- ) Filter Assy. 1
31 55740 (003970-- )Filter, Oil 1
32 768885 (003970-- ) Fitting, Hyd. Str 1
33 762427 (003970-- ) Fitting, Hyd. Elbow 1
34 762178 (003970-- ) Guard, Hose 1
35 763116 (003970-- ) Tie, Cable 3
36 767427 (003970-- )Fitting, Hyd, Str 1
Home
Find...
Go To..
32483
.250SAE

STANDARD PARTS
830--II 330430 (12--02)
2-18
Fig. 10 -- Main Brush Group
1
2
4
5
67
8
9
10 11
12
5
4
3
13
13
Home
Find...
Go To..
06969 Screw, Hex (3)

STANDARD PARTS
2-19
830--II 330430 (9--01)
08712
Fig. 10 -- Main Brush Group
Ref.
TENNANT
Part No.
Machine Serial
Number Description Qty.
158366 (000000-- )Clamp--Cable, 1.25Dia. 1.0Wth 2
2 762045 (000000-- ) Motor,Hyd Main Brush (See Breakdowns) 1
3 761141 (000000-- ) Plug, Brush Drive, 1
4 761131 (000000-- ) Plug, Brush Guide 2
5 761128 (000000-- ) Pin, Brush Plug 6
6763134 (000000-- )Seal, Dust 1
7 761134 (000000-- ) Plug, Brush Idler 1
8 360074 (000000-- ) Bearing 2
9 763133 (000000-- ) Retaining Ring, 62 Dia 1
10 763131 (000000-- ) Retaining Ring, 30 Dia 1
11 761130 (000000-- )Plate, Lid, Brush Drive 1
12 762463 (000000-- ) Ftg--Hyd, Str 2
13 33342 (000000-- ) Nut--Hxlocnyln M16x2.0 Reg Pltd 6
Home
Find...
Go To..

STANDARD PARTS
830--II 330430 (8--99)
2-20
Fig. 11 -- Main Brush Lift Group
1
2
3
4
16
4
5
16
6
7
8
9
10
11
12
13
14
15
17
18
19
19
20
Home
Find...
Go To..
763036
06961
764070
12
13

STANDARD PARTS
2-21
830--II 330430 (12--02)
351869
Fig. 11 -- Main Brush Lift Group
Ref.
TENNANT
Part No.
Machine Serial
Number Description Qty.
1768014 (000000-- )Spring, Brush Lift 1
2 768019 (000000-- ) Arm Wldt 1
3 765370 (000000-- ) Plate, Arm 1
4 760916 (000000-- ) Pulley 2
5 765488 (000000-- ) Cable, Brush Lift 1
o
6762010 (000000-- )Cylinder, Hyd Main Brush Lift 1
Y
762072 (000000-- ) Kit, Seal, Cyl, Hyd 1
7 760925 (000000-- ) Pin, Brush Lift 1
8 760921 (000000-- ) Pin, Brush Lift 1
9 767211 (000000-- ) Orifice, Hyd Cylinder 1
10 762426 (000000-- )Ftg--Hyd, Str 1
11 762425 (000000-- ) Ftg--Hyd, E90 1
12 763022 (000000-- ) Bearing, Sleeve 30x38x10 2
13 763024 (000000-- ) Washer, Thrust 32.1x50.8x3.2 2
14 763003 (000000-- ) Bearing 1
15 763007 (000000-- )Bearing 1
16 763118 (000000-- ) Bearing 2
17 763050 (000000-- ) Bearing, Thrust 1
18 765380 (000000-- ) Hook, Threaded M20x10 1
19 765381 (000000-- ) Washer, 2.250x.812x.250 2
20 765461 (000000-- )Retaining Ring 1
Home
Find...
Go To..

STANDARD PARTS
830--II 330430 (12--02)
2-22
Fig. 12 -- Engine And Mount Group
12
3
4
5
6
7
8
10
9
11
9
8
8
7
10
9
8
14
936
19
19
36
20
18
30
16
21
25
13
15
15
17
34
35
12
14
22
32
23 24
31
29 33
26
27
28
38
37
Home
Find...
Go To..

STANDARD PARTS
2-23
830--II 330430 (12--02)
351871
Fig. 12 -- Engine And Mount Group
Ref.
TENNANT
Part No.
Machine Serial
Number Description Qty.
o
1766400 (000000-- )Engine Assy, (Std Engine) 1
Y
2 764018 (000000-- ) Filter Element, Fuel 1
Y
3 766691 (000000-- ) Belt,Alternator (Set Of 2) 1
Y
4 764017 (000000-- ) Pump,Fuel 1
Y
5 766690 (000000-- ) Alternator 1
Y
652770--5 (000000-- )Filter Element,Oil 1
o
1 766402 (000000-- ) Engine Assy, (Waste Gated Turbo Engine) 1
Y
2 764896 (000000-- ) Filter Element, Fuel 1
Y
3 766691 (000000-- ) Belt,Alternator (Set Of 2) 1
Y
4 764017 (000000-- ) Pump,Fuel 1
Y
5766690 (000000-- )Alternator 1
Y
6 68986 (000000-- ) Filter Element,Oil Turbo 1
7 764015 (000000-- ) Isolator, Mtg,Flywheel,Orange 2
8 764071 (000000-- ) Washer, Special 4
9 764070 (000000-- ) Washer, Special 4
10 764009 (000000-- )Support,Engine Flywheel 2
11 764011 (000000-- ) Support, Eng Fan, Side, Front 1
12 764012 (000000-- ) Support,Engine Fan Side Rear 1
13 766016 (000000-- ) Bracket,Oil Filter 1
14 764014 (000000-- ) Isolator, Mtg, Fan, Side 2
15 767314 (000000-- )Hose,Hyd 1
16 762409 (000000-- ) Hose,Hyd 1
17 762550 (000000-- ) Sender, Water Temp 1
18 762094 (003709-- ) Lever, Alternator 1
19 762456 (000000-- ) Ftg--Hyd, Str 2
20 762446 (000000-- )Ftg--Hyd, E90 1
21 762448 (000000-- ) Ftg--Hyd, Plug 1
22 768593 (000000-- ) Sensor, Magnetic Pickup 1
23 764045 (000000-- ) Cable, Engine Speed 1
24 766035 (000000-- ) Bracket,Throttle Cable 1
25 766033 (000000-- )Support Weldt,Engine 1
26 764006 (000000--004383 ) Flywheel Flange, Nylon 1
27 764008 (000000--004383 ) Hub, Pump Drive Sae ”C” 1
28 764007 (000000--004383 ) Plate, Pump Mount, 2 Bolt ”C” 1
29 764152 (000000-- ) Base, Remote Oil Filter 1
30 764151 (000000-- )Adaptor, Oil Filter 1
31 761292 (000000-- ) Clevi & Spring Assy .250 1
32 761293 (000000-- ) Clevi & Spring Assy .188 1
33 768627 (000000-- ) Sending Unit 1
34 769588 (004384-- ) Hub, Drive, Pump 1
35 769587 (004384-- )Plate, Mounting, Pump 1
36 79886 (000000-- ) Fitting, Hyd 2
37 761292 (000000-- ) Clevis Assy, .25 1
38 761293 (000000-- ) Clevis Assy, .19 1
Home
Find...
Go To..

STANDARD PARTS
830--II 330430 (11--00)
2-24
Fig. 13 -- Fuel Tank & Lines Group
1
2
3
4
6
7
8
9
10
11
12
5
12
23
9
9
13
Part of
Engine
8
9
9
14
16
15
16
17
19
18
20
21
22
14
15
Home
Find...
Go To..

STANDARD PARTS
2-25
830--II 330430 (12--02)
351873
Fig. 13 -- Fuel Tank & Lines Group
Ref.
TENNANT
Part No.
Machine Serial
Number Description Qty.
o
1764002 (000000-- )Fuel Tank 1
Y
2 764064 (000000-- ) Sending Unit,Fuel Tank 1
3 761035 (000000-- ) Filler, Neck, Fuel Tank 1
4 761036 (000000-- ) Cap, Fuel Tank Filler 1
5 765371 (000000-- ) Tube Assy, Return 1
6764087 (000000-- )Bracket,Filler Tube 1
7 764067 (000000-- ) Plate,Water Trap 1
8 32808 (000000-- ) Hose .25 Dia. Fuel LineL 2
9 43844 (000000-- ) Clamp--Wormdrive, 0.25-- 0.62D 8
10 764090 (000000-- ) Hose,Fuel Fill 2.25X3.75In Lg 1
11 22297 (000000-- )Clamp--Wormdrive, 1.56-- 2.50D L 1
12 76736 (000000-- ) Clamp--Cable, 0.38Dia 0.62Wth 2
13 14432 (000000-- ) Clamp--Wormdrive, 1.81-- 2.75D 2
14 764126 (000000-- ) Bracket Weldt 2
15 764129 (000000-- ) Strip, Rubber, Long 2
16 764139 (000000-- )Strip, Rubber, Short 4
17 766037 (000000-- ) Tube, Fuel Line, 90 1
18 764134 (000000-- ) Tube, Fuel Line 1
19 764839 (000000-- ) Olive 1
20 761503 (000000-- ) Tube, Fuel Line, Upper 1
21 761504 (000000-- )Tube , Fuel Line, Lower 1
22 766047 (000000-- ) Tube, Fuel line 1
22 766036 (000000--003865 ) Tube, Bleed--off Line (Waste Gated Turbo) 1
23 769819 (000000-- ) Hose, Fuel .31 Dia. 2
Home
Find...
Go To..

STANDARD PARTS
830--II 330430 (12--02)
2-26
Fig. 14 -- Radiator And Hydraulic Cooler Group
25
12
1
2
3
4
5
4
5
5
5
15
6
20
22
23
16 18
7
19
14
8
13
11
17
9
5
21
12
12
16
24
31
26
27
32
33
10
28
29
30 32
34
Home
Find...
Go To..

STANDARD PARTS
2-27
830--II 330430 (12--02)
351875
Fig. 14 -- Radiator And Hydraulic Cooler Group
Ref.
TENNANT
Part No.
Machine Serial
Number Description Qty.
o
1764010 (000000-- )Radiator (362mm) 1
Y
2 764047 (000000-- ) Cap,Radiator 1
3 764024 (000000-- ) Support,Radiator&Fan Shroud 1
4 760565 (000000-- ) Seal,Bulb 2
5 82661 (000000-- ) Isolator--Vibration .25--20 7
6764041 (000000-- )Seal,Foam Rad/Coolr.25X.75X28 1
7 764119 (000000-- ) Hose,Rad.Lower, 2x2x24 1
8 764290 (000000-- ) Hose,Radiator Upper 1
9 768870 (000000--003942 ) Replacement Kit, Tank Recovery Coolant 1
10 768870 (003942--004395 ) Replacement Kit, Tank Recovery Coolant 1
11 764069 (000000-- )Strap 1
12 22297 (000000-- ) Clamp--Wormdrive, 1.56-- 2.50D L 4
13 764183 (000000-- ) Valve, Water Shut--off, Manual 1
14 766412 (000000-- ) Cooler, Hydraulic Oil (318mm) 1
15 762484 (000000-- ) Ftg--Hyd, E90 2
16 766417 (000000-- )Hose,Radiator Overflow 5/16Id 1
17 47167 (000000-- ) Ftg--Str Npt/Npt 06pf/08pm 1
18 14432 (000000-- ) Clamp-- Worm, 1.81--275D 2
19 766044 (000000-- ) Shroud, Radiator, Upper 1
20 766046 (000000-- ) Shroud, Radiator, L.H. 1
21 766042 (000000-- )Shroud, Radiator, R.H. 1
22 766043 (000000-- ) Shroud, Radiator, Lower 1
23 762483 (000000-- ) Ftg--Hyd, E90 1
24 768896 (004396-- ) Bracket, Coolant Overflow 1
25 768897 (004396-- ) Tank, Hyd, 2.5 Qt Vol 1
26 32815 (004396-- )Tie, Cable, Nyl, 28.5l .50w 8.0 Max D 1
27 69234 (004396-- ) Clamp, Cable, Stl, 1.00d X 0.62w, 1h 1
28 06944 (004396-- ) Screw, Hex, M06 X 1.0 X 25, 8.8 1
29 32483 (004396-- ) Washer, Flt, .25 Sae 1
30 08708 (004396-- ) Nut, Hex, Lock, M06 X 1.0, Nl 1
31 76570 (004396-- )Screw Hex M08 4
32 32491 (004396-- ) Washer Flt .31 4
33 08709 (004396-- ) Nut, Hex Lock M08 4
34 51305 (000000-- ) Fitting, Draincock, .25npt 90 1
Home
Find...
Go To..
005023)
2 1032822 (005024- ) Cap, Radiator 1.5 in id ..............................................1
2 in id

STANDARD PARTS
830--II 330430 (6--98)
2-28
Fig. 15 -- Muffler Group
1
2
4
5
6
7
3
9
2
10
11
10
10
12
13
14
8
Home
Find...
Go To..

STANDARD PARTS
2-29
830--II 330430 (6--98)
08716
Fig. 15 -- Muffler Group
Ref.
TENNANT
Part No.
Machine Serial
Number Description Qty.
1764077 (000000-- )Muffler 1
2 764082 (000000-- ) Clamp, 2.5 Muffler 2
3 761824 (000000-- ) Flange, Exhaust 1
4 761825 (000000-- ) Elbow, Exhaust 1
5 764122 (000000-- ) Gasket, Exhaust 1
6764097 (000000-- )Bracket, Muffler, .25 1
7 764099 (000000-- ) Bracket, Muffler, .375, (Std Engine) 1
8 764105 (000000-- ) Bracket, Muffler, .375, (Turbo Engine) 1
9 764085 (000000-- ) Clamp,Muf 6--8 In 1
10 764098 (000000-- ) Spring,Exhaust 5
11 761826 (000000-- )Ring, Seal 1
12 764106 (000000-- ) Adapter, Exhaust Tube 1
13 764120 (000000-- ) Rain Cap, Exhaust 1
14 764123 (000000-- ) Tube, 2.5x6L 1
Home
Find...
Go To..

STANDARD PARTS
830--II 330430 (12--98)
2-30
Fig. 16 -- Air Cleaner Group (Standard Engine)
4
2
3
11
8
9
5
10
12
14
6
12
13
7
12
15
1
1
Home
Find...
Go To..

STANDARD PARTS
2-31
830--II 330430 (12--98)
351877
Fig. 16 -- Air Cleaner Group (Standard Engine)
Ref.
TENNANT
Part No.
Machine Serial
Number Description Qty.
o
1764027 (000000-- )Air Cleaner 1
Y
2 764131 (000000-- ) Filter Element,Air Donaldson 1
Y
3 60933 (000000-- ) Element, Filter Safety 1
Y
4 761830 (000000-- ) Aspirator,Air Cleaner 1
5 75689 (000000-- ) Hose, Rubber, Elbow, 3.0 (Std Engine) 1
6766414 (000000-- )Tube 1
7 764081 (000000-- ) Bracket,Air Cleaner Support (Std Engine) 1
8 764026 (000000-- ) Clamp, 3” Hose 2
9 24976 (000000-- ) Ftg--Brs E45 Pm02/Pf02 1
10 768567 (000000-- ) Switch, Vacuum Indicator 1
11 76321 (000000-- )Band,Mtg. 2
12 17188 (000000-- ) Clamp, Wormdrive, 1.62--3.5OD 3
13 766405 (000000-- ) Intake, Air, 90 1
14 764291 (000000-- ) Tube, Air Intake 3” 1
15 766420 (000000-- ) Bracket, Air Intake 1
Home
Find...
Go To..

STANDARD PARTS
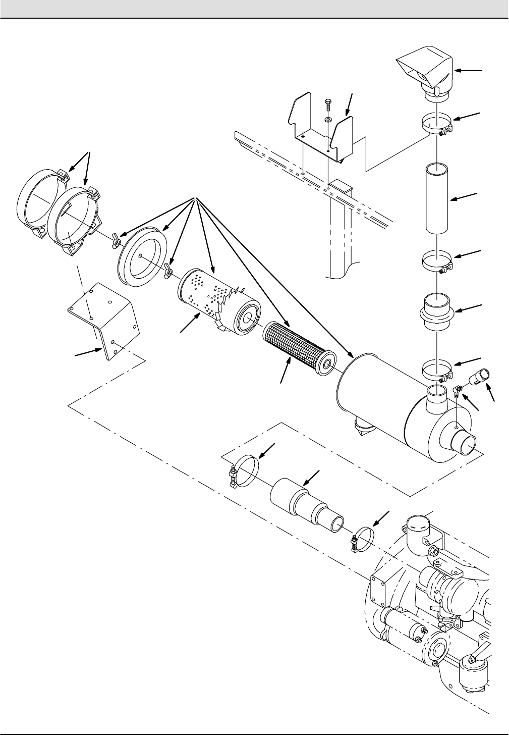
830--II 330430 (12--98)
2-32
Fig. 17 -- Air Cleaner Group (Waste Gated Turbo Engine)
1
2
3
4
5
8
910
12
11
15
14
11
11
6
7
13
Home
Find...
Go To..

STANDARD PARTS
2-33
830--II 330430 (12--98)
351879
Fig. 17 -- Air Cleaner Group (Waste Gated Turbo Engine)
Ref.
TENNANT
Part No.
Machine Serial
Number Description Qty.
o
1764168 (000000-- )Air Cleaner, 8 inch 1
Y
2 764190 (000000-- ) Element, 8 inch Air Cleaner 1
Y
3 764191 (000000-- ) Element, Safety 1
4 764182 (000000-- ) Clamp, 8 inch Air Cleaner 2
5 764028 (000000-- ) Bracket Weldt, Air Cleaner 1
617188 (000000-- )Clamp--Wormdrive, 1.62--3.5OD 1
7 764293 (000000-- ) Hose, Rubber 1
8 14432 (000000-- ) Clamp--Wormdrive, 1.81--2.75D 1
9 24976 (000000-- ) Ftg--Brs E45 Pm02/Pf02 1
10 768568 (000000-- ) Switch, Vacuum Indicator 1
11 766006 (000000-- )Clamp 3
12 766416 (000000-- ) Tube 1
13 766421 (000000-- ) Bracket 1
14 766406 (000000-- ) Elbow, Intake, Air 1
15 764292 (000000-- ) Hose, Taper, Air Cleaner 1
Home
Find...
Go To..

STANDARD PARTS
830--II 330430 (9--01)
2-34
Fig. 18 -- Battery and Cables Group
6
7
9
10
8
1
2
34
5
9
Home
Find...
Go To..

STANDARD PARTS
2-35
830--II 330430 (11--00)
351881
Fig. 18 -- Battery and Cables Group
Ref.
TENNANT
Part No.
Machine Serial
Number Description Qty.
1762558 (000000-- )Wire Assy, 20.0 Lg, 6 Ga, Red 1
2 766010 (000000-- ) Plate, Floor 1
3 762554 (000000-- ) Wire Assy, 48.0 Lg, 2 Ga, Pos 1
4 762556 (000000-- ) Wire Assy, 48.0 Lg, 2 Ga, Blk 1
5 762557 (000000-- ) Wire Assy, 36.0 Lg, 4 Ga, Blk 1
6762555 (000000-- )Wire Assy, 22.0 Lg, 2 Ga, Neg 1
7 10136 (000000-- ) Battery, 12V, Cc Amps:730 Wet 1
7 310580 (000000-- ) Battery, 12V, Cc Amps:1000 Wet 1
8 69234 (000000-- ) Clamp--Cable, 1.00Dia. .62Wth 1
9 766015 (000000-- ) Battery Box, Poly 1
10 766014 (000000-- )Support Wldt 1
Home
Find...
Go To..

STANDARD PARTS
830--II 330430 (8--99)
2-36
Fig. 19 -- Conveyor And Skirts Group
1
2
3
45
6
16
17
6
18
18
21
7
8
8
9
9
10
10
11
12
12
13
14
22
22
23
24
25
26
27
28
29
20
19
15
Not included in
conveyor kit
Home
Find...
Go To..

STANDARD PARTS
2-37
830--II 330430 (12--02)
351883
Fig. 19 -- Conveyor And Skirts Group
NOTE: The Conveyor Assembly, Tennant Part Number 765908, includes Fig. 19 and Fig. 20.
Ref.
TENNANT
Part No.
Machine Serial
Number Description Qty.
1761296 (000000-- )Conveyor Wldt, Bolt On Back 1
2 761804 (000000-- ) Panel,Rear Upper W/Label 1
3 765827 (000000-- ) Panel Wldt, Rear Lower 1
4 760851 (000000-- ) Hinge, Conveyor 1
5 760906 (000000-- ) Channel,Support Cover 1.654 2
6765845 (000000-- )Guide,Chain 4
7 760798 (000000-- ) Trough, Weldment Conveyor 1
8 760837 (000000-- ) Skirt, Side Deflector 2
9 760838 (000000-- ) Angle, Retainer Side Skirt 2
10 760882 (000000-- ) Skirt, Conveyor Side 2
11 760897 (000000-- )Skirt, Conveyor, Lip 1
12 760883 (000000-- ) Strip, Backup Uhmw 2
13 760884 (000000-- ) Strip, Backup Main Uhmw 1
14 760896 (000000-- ) Strip,Retainer Conveyer 1
15 763092 (000000-- ) Rivet, Blind, .188d X 0.45 X .38d, Ss 32
16 761148 (000000-- )Strip, Seal Conveyor 1
17 761153 (000000-- ) Strip, Seal, Conveyor, Lower 1
18 760785 (000000-- ) Seal,Conveyor 2
19 760794 (000000-- ) Plate, Weldment Back 1
20 09011 (000000-- ) Scr Hexssm 8x1.25 30 9
21 760875 (000000-- )Guard, Debris 1.654 2
22 41186 (000000-- ) Washer--Belleville .31 11
23 16931 (000000-- ) Scr Hex M 8x1.25 20 4
24 32129 (000000-- ) Scr Flt M 8x1.25 20 4
25 15678 (000000-- ) Scr Hexssm 6x1.0 8
26 08712 (000000-- )Nut--Hxlocnyln M 6x1.0 Reg Ss 6
27 08709 (000000-- ) Nut Hxlocnyln M 8x1.25 7
28 39277 (000000-- ) Scr Hex M 8x1.25 25 7
29 08713 (000000-- ) Nut--Hxlocnyln M 8x1.25 Reg Ss 9
Home
Find...
Go To..

STANDARD PARTS
830--II 330430 (12--02)
2-38
Fig. 20 -- Conveyor Drive Group
NOTE: The Conveyor Assembly, Tennant Part Number 765908, includes Fig. 19 and Fig. 20.
33
5
34
38
34
18
35
38
36
3
9
37
38
39
37
36
35
18 34
34
33
15
31
14
41
230
28
43
42
23
24
27
26
29
25
14 15
16
2
6
7
3
4
8
12
13
910
11
4
2
1
22
21 20 19
18
15
14
32
14
15
17
44
45
Not included
in conveyor
kit
46
40
50
49
48
47
Ref.
TENNANT
Part No.
Machine Serial
Number Description Qty.
1761279 (000000-- )Shaft Wldt, Upper 1
2 761283 (000000-- ) Sprocket, 15 Tooth, 1.64 Pitch Dia. 3
3 16930 (000000-- ) Screw, Hex, M10--1.5 X 50, 8.8 12
4 41187 (000000-- ) Washer, Belleville, .38 20
Home
Find...
Go To..

STANDARD PARTS
2-39
830--II 330430 (12--02)
351885
Fig. 20 -- Conveyor Drive Group
NOTE: The Conveyor Assembly, Tennant Part Number 765908, includes Fig. 19 and Fig. 20.
Ref.
TENNANT
Part No.
Machine Serial
Number Description Qty.
541430 (000000-- )Nut--Hxlocnyln 12
o
6 760901 (000000-- ) Chain, Grease, Seals 2
Y
760914 (000000-- ) Pin, Kit Connecting 1.654 Chain 2
Y
7 760915 (000000-- ) Attachment, Repair Kit 1.654 11
8 760905 (000000-- ) Angle 11
9760749 (000000-- )Strip, Rubber 11
10 760891 (000000-- ) Strip, Retainer Paddle 11
11 02995 (000000-- ) Screw, Hex, .38--16 X 1.25, Ss 44
12 09011 (000000-- ) Screw, Hex, M08--1.25 X 30, Ss 90
13 08713 (000000-- ) Nut, Hex, Lock, M08--1.25,Nl,Ss 90
14 765813 (000000-- )Shim 18Ga, Bearing Mount 4
15 765811 (000000-- ) Strip, Sprocket Upper 4
16 76736 (000000-- ) Clamp, Cable 1
17 760939 (000000-- ) Plate Wldt, Slide Bearing 1
18 760697 (000000-- ) Seal, Shaft 3
19 761254 (000000-- )Plate, Seal, Upper 1
o
20 761289 (000000-- ) Bearing, Flange, Roller 1
Y
21 765818 (000000-- ) Cap, Grease 1
22 765807 (000000-- ) Strap, Upper 1
23 760919 (000000-- ) Plate Wldt, Upper Drive 1
24 761108 (000000-- )Bearing, Flange 1
25 761286 (000000-- ) Retainer, Grease 1
26 765816 (000000-- ) O--Ring 1
27 761252 (000000-- ) Plate, Motor Mount 1
28 761266 (000000-- ) Spacer, Hex. .75x1.0 Long 4
o
29 767180 (000000-- )Motor, Hyd 1
Y
762116 (000000-- ) Kit, Seal 1
30 762465 (000000-- ) Fitting--Hyd, E45 2
31 761280 (000000-- ) Shaft Wldt, Lower 1
32 761284 (000000-- ) Idler, No Teeth, Split 1
33 761257 (000000-- )Plate, Conveyor Lower Rh & Lh 2
34 761265 (000000-- ) Shim, Lower Shaft 8
35 761253 (000000-- ) Plate, Seal, Lower 2
o
36 761111 (000000-- ) Bearing, Flange 2
Y
37 765817 (000000-- ) Cap, Grease 2
38 765806 (000000-- )Spacer, Strap 4
39 765805 (000000-- ) Strap, Lower 2
40 09029 (000000-- ) Screw, Hex SSM 12x1.75 4
41 760721 (000000-- ) Plate 2
42 763083 (000000-- ) Screw, Hex M20x2.5x1.20 2
43 763067 (000000-- )Nut, Hex Jam M20x2.5 2
44 763146 (000000-- ) Screw, Hex 4
45 32492 (000000-- ) Washer, Flat, 0.38 Std 11
46 59156 (000000-- ) Nut, Hex, Lock, .38--16, Nl, Ss 11
47 763100 (000000-- ) Screw, Hex, M12 X 1.75 X 60 1
48 39313 (000000-- )Nut, Hex, Std, M12 X 1.75 1
49 763043 (000000-- ) Washer, Belleville, M12 1
50 06970 (000000-- ) Screw, Hex, M12 X 1.75 X 45, 8.8 3
Home
Find...
Go To..

STANDARD PARTS
830--II 330430 (12--02)
2-40
Fig. 21 -- Right Conveyor Lift Group
1
22
24
8
9
7
2
5
6
11
10
4
3
23
19
13
12
20
15
21
25
18 14
16
17
26
Home
Find...
Go To..
Tower hardware and shims;
06969 - SCREW, HEX, M12 X 1.75 X 40, 8.8 .... qty 4
32486 - WASHER, FLAT, 0.50, SAE ............... qty 4
763111 - SHIM, .020
763110 - SHIM, .050

STANDARD PARTS
2-41
830--II 330430 (12--02)
351887
Fig. 21 -- Right Conveyor Lift Group
Ref.
TENNANT
Part No.
Machine Serial
Number Description Qty.
1765815 (000000-- )Tower Wldt, Conveyor, Rh 1
2 760754 (000000-- ) Plate, Cam, Rh 1
3 760757 (000000-- ) Stud, M12 X 90 2
4 763061 (000000-- ) Bumper, Engine Door 2
5 761049 (000000-- ) Plate, Engine Door Latch 1
6761051 (000000-- )Door Stop 1
o
7 398293 (000000-- ) Cylinder, Hyd Conveyor Lift 1
Y
762066 (000000-- ) Seal Kit 1
8 760756 (000000-- ) Roller, Guide 1
9 760755 (000000-- ) Washer, Cyl Head 1
10 761225 (000000-- )Eyebolt, .50--13X3.5” 1
11 760778 (000000-- ) Spring, Extension 1.18X.25X4.8 1
12 760834 (000000-- ) Spring, Ext Conveyor Tension 1
13 760833 (000000-- ) Eye Bolt, M20 X 190 1
14 760839 (000000-- ) Pivot Weldt, Tensioner 1
15 06975 (000000-- )Bolt, M12x90 1
16 763384 (000000-- ) Yoke, M12 2
17 763383 (000000-- ) Pin, Clevis Tensioner Conveyr 2
18 763380 (000000-- ) Bushing 1
19 760740 (000000-- ) Bearing, Cam Roller 52x14x20 1
20 32822 (000000-- )Handle, Grab 1
21 765810 (000000-- ) Washer, Spherical 2
22 760779 (000000-- ) Angle, Switch 1
23 762425 (000000-- ) Ftg--Hyd, E90 2
24 760786 (000000-- ) Seal,Conveyor Tower 1
25 32493 (000000-- )Washer Hard Flat .50 1
26 07783 (000000-- ) Nut, Hex, Std, M20 X 2.5 2
Home
Find...
Go To..
1035838
1040346
760753

STANDARD PARTS
830--II 330430 (12--02)
2-42
Fig. 22 -- Left Conveyor Lift Group
1
2
3
4
5
6
3
4
22
89
21
10
11
7
13
9
12
16
24
15
14
23
18
20
17
25
Home
Find...
Go To..
19
Tower hardware and shims;
06969 - SCREW, HEX, M12 X 1.75 X 40, 8.8 .... qty 4
32486 - WASHER, FLAT, 0.50, SAE ............... qty 4
763111 - SHIM, .020
763110 - SHIM, .050

STANDARD PARTS
2-43
830--II 330430 (12--02)
351889
Fig. 22 -- Left Conveyor Lift Group
Ref.
TENNANT
Part No.
Machine Serial
Number Description Qty.
1765814 (000000-- )Tower Wldt, Conveyor, Lh 1
2 760753 (000000-- ) Plate, Cam, Lh 1
3 760828 (000000-- ) Stud, M12 X 200 2
4 763061 (000000-- ) Bumper, Engine Door 2
5 761049 (000000-- ) Plate, Engine Door Latch 1
6761051 (000000-- )Door Stop 1
o
7 398293 (000000-- ) Cylinder, Hyd Conveyor Lift 1
Y
762066 (000000-- ) Seal Kit 1
8 760756 (000000-- ) Roller, Guide 1
9 760755 (000000-- ) Washer, Cyl Head 1
10 761225 (000000-- )Eyebolt, .50--13X3.5” 1
11 760778 (000000-- ) Spring, Extension 1.18X.25X4.8 1
12 760834 (000000-- ) Spring, Ext Conveyor Tension 1
13 760833 (000000-- ) Eye Bolt, M20 X 190 1
14 760839 (000000-- ) Pivot Weldt, Tensioner 1
15 06975 (000000-- )Bolt, M12x90 1
16 763384 (000000-- ) Yoke, M12 2
17 763383 (000000-- ) Pin, Clevis Tensioner Conveyr 2
18 763380 (000000-- ) Bushing 1
19 760740 (000000-- ) Bearing Cam, Roller 52x14x20 1
20 32822 (000000-- )Handle, Grab 1
21 762425 (000000-- ) Ftg--Hyd, E90 2
22 760786 (000000-- ) Seal,Conveyor Tower 1
23 32493 (000000-- ) Washer Hard Flat .50 1
24 765810 (000000-- ) Washer, Shperical 1
25 07783 (000000-- )Nut, Hex, Std, M20 X 2.5 2
Home
Find...
Go To..
1035838
1040346
760754

STANDARD PARTS
830--II 330430 (12--98)
2-44
Fig. 23 -- Hopper Group
17
18 19
20
21 28
15
33
13
25
34
26 27
16
14
12 22
1
24
30
10
8
11
4
3
23
31
96
5
32
2
29
7
36
37
35
38
39
40
24
Home
Find...
Go To..

STANDARD PARTS
2-45
830--II 330430 (12--02)
351891
Fig. 23 -- Hopper Group
Ref.
TENNANT
Part No.
Machine Serial
Number Description Qty.
o
760500 (000000-- )Hopper Assembly 1
Y
1 760100 (000000-- ) Hopper Wldt 1
Y
2 761545 (000000-- ) Door, Hopper, Rear 1
o
3 762011 (000000-- ) Cylinder, Hyd Hopper Door 1
Y
770028 (000000-- ) Kit, Seal, Cyl, Hyd 1
Y
4762064 (000000-- )Rod End,16Mm 1
5 760598 (000000-- ) Hook, Door Release 1
6 760586 (000000-- ) Pin, Hydraulic Cylinder 1
7 760577 (000000-- ) Bushing 1
8 765614 (000000-- ) Pivot Wldt, Hopper Right 1
9760682 (000000-- )Pin, Hyd Cyl 2
10 765612 (000000-- ) Pivot Wldt, Hopper Left 1
11 768621 (000000-- ) Panel,Right Side W/Label 1
12 768622 (000000-- ) Panel,Left Side W/Label 1
13 760503 (000000-- ) Cover, Hyd Hoses 1
o
14 768598 (000000-- )Light Assy Revl Amber 12V 1
Y
367946 (000000-- ) Lens, Rev. Light Amber 1
Y
768605 (000000-- ) Lamp, Halogen H1 12V 55W 1
15 760647 (000000-- ) Bracket,Cable Mount 1
16 762035 (000000-- ) Motor, Hyd Shaker W/End Ports (See Breakdowns) 1
17 760548 (000000-- )Beater Bar, Filter Bag 1
18 763244 (000000-- ) Seal, Shaft 2
19 760543 (000000-- ) Bushing, Rear Support 1
20 763278 (000000-- ) Bearing, Sleeve 1
21 760523 (000000-- ) Clamp, Gasket, Front 2
22 760504 (000000-- )Shutter, Vacuum 1
23 762426 (000000-- ) Ftg--Hyd, Str 2
24 762437 (000000-- ) Ftg--Hyd, E90 1
25 61923 (000000-- ) Alarm, Backup, Smart 1
26 367679 (000000-- ) Thermostat Assembly,155 Deg 1
27 82733 (000000-- )Gasket, Fire Switch 1
28 760522 (000000-- ) Gasket,Hopper Opening 1
29 760565 (000000-- ) Gasket,Rear Hopper Door 1
30 762591 (000000-- ) Switch, Micro 1
31 763284 (000000-- ) Bushing 2
32 763075 (000000-- )Rivet, Pop .156Dx.710x.312Dhd 18
33 760663 (000000-- ) Cable, Hopper Door Hook 1
34 761417 (000000-- ) Bar Flat, Rubber Hopper 1
35 47801 (000000-- ) Ftg, Grease 2
36 19065 (000000-- ) Washer Flt 08 18
37 761542 (000000-- )Angle, Switch 1
38 767045 (000000-- ) Plate 1
39 768613 (000000-- ) Lamp, W/Conector 1
40 761515 (000000-- ) Hopper up Alarm 1
Home
Find...
Go To..
160 deg

STANDARD PARTS
830--II 330430 (6--98)
2-46
Fig. 24 -- Hopper Filter Bags Group
1
2
3
4
5
6
7
5
6
69
8
8
Home
Find...
Go To..

STANDARD PARTS
2-47
830--II 330430 (6--98)
09190
Fig. 24 -- Hopper Filter Bags Group
Ref.
TENNANT
Part No.
Machine Serial
Number Description Qty.
o
761505 (000000-- )Filter Bag Assy, Hopper 1
Y
1 760537 (000000-- ) Filter Bag 1
Y
2 760536 (000000-- ) Separator, Filter Bag 10
Y
3 760545 (000000-- ) Rod Wldt, Filter Bag 20
Y
4 760535 (000000-- ) Rack, Filter Bag 1
5760529 (000000-- )Bracket, Filter Bag 2
6 760550 (000000-- ) Bar, Stop, Filter Bag 3
7 760538 (000000-- ) Cover, Filter Bag 1
8 760532 (000000-- ) Gasket,Filter Frame 1
9 760540 (000000-- ) Gasket,Filter Bag Cover 1
Home
Find...
Go To..

STANDARD PARTS
830--II 330430 (12--02)
2-48
Fig. 25 -- Hopper Tilt Cylinders Group
8
5
5
8
2
4
73
7
1
8
5
11
6
10
9
4
7
2
12
Home
Find...
Go To..

STANDARD PARTS
2-49
830--II 330430 (12--02)
351893
Fig. 25 -- Hopper Tilt Cylinders Group
Ref.
TENNANT
Part No.
Machine Serial
Number Description Qty.
1765450 (000000-- )Base, LIft, Lower 1
o
2 398294 (000000-- ) Cylinder, Hyd Hopper Tilt 2
Y
762195 (000000-- ) Seal Kit 1
3 762435 (000000-- ) Ftg--Hyd, Tee 1
4 762432 (000000-- ) Ftg--Hyd, Elbow 2
5760682 (000000-- )Pin Weldment, Safety Leg Lower 4
6 762591 (000000-- ) Switch, Micro 1
7 762434 (000000-- ) Ftg--Hyd, Tee 3
8 47801 (000000-- ) Ftg, Grease 4
9 59965 (000000-- ) Switch Assy, Roller--No 1
10 770025 (000000-- )Bracket, Switch 1
11 760447 (000000-- ) Spring, Overload Switch 1
12 762443 (000000-- ) Fitting, Hyd 1
Home
Find...
Go To..

STANDARD PARTS
830--II 330430 (6--98)
2-50
Fig. 26 -- Hopper Support Cylinder Group
1
3
5
7
8
8
9
6
10
2
4
Home
Find...
Go To..

STANDARD PARTS
2-51
830--II 330430 (6--98)
351895
Fig. 26 -- Hopper Support Cylinder Group
Ref.
TENNANT
Part No.
Machine Serial
Number Description Qty.
1760673 (000000-- )Hopper Support, Upper W/Label 1
2 761524 (000000-- ) Clip, Finger Clip, Metal 1
3 760691 (000000-- ) Hopper Support, Lower 1
4 760660 (000000-- ) Clip, Finger Clip 1
5 760554 (000000-- ) Tie Rod, Hopper Support 2
6760824 (000000-- )Pin W/Label 1
7 760695 (000000-- ) Pin Weldment,Safety Leg Upper 1
8 47801 (000000-- ) Ftg, Grease.25--28th Strt .63L 2
9 760679 (000000-- ) Pin Weldment,Safety Leg Lower 1
10 760668 (000000-- ) Bracket, Extended Pin 1
Home
Find...
Go To..

STANDARD PARTS
830--II 330430 (12--02)
2-52
Fig. 27 -- Vacuum Fan Group
1
1
2
2
3
3
8
4
6
7
6
6
4
9
5
10
Home
Find...
Go To..

STANDARD PARTS
2-53
830--II 330430 (12--02)
351897
Fig. 27 -- Vacuum Fan Group
Ref.
TENNANT
Part No.
Machine Serial
Number Description Qty.
1760562 (000000-- )Impeller, Intake 2
2 760560 (000000-- ) Plate, Fan Housing 2
3 760566 (000000-- ) Plate, Cover, Fan Housing 2
4 762032 (000000-- ) Motor, Hyd Vac Fan (See Breakdowns) 2
5 760563 (000000-- ) Guard, Motor 1
6762468 (000000-- )Ftg--Hyd, Str 3
7 762432 (000000-- ) Ftg--Hyd, E90 1
8 762469 (000000-- ) Ftg--Hyd, E90 1
9 762436 (000000-- ) Ftg--Hyd, Tee 1
10 770154 (000000-- ) Insulation, Acstc, Vacfan 1
Home
Find...
Go To..

STANDARD PARTS
830--II 330430 (12--02)
2-54
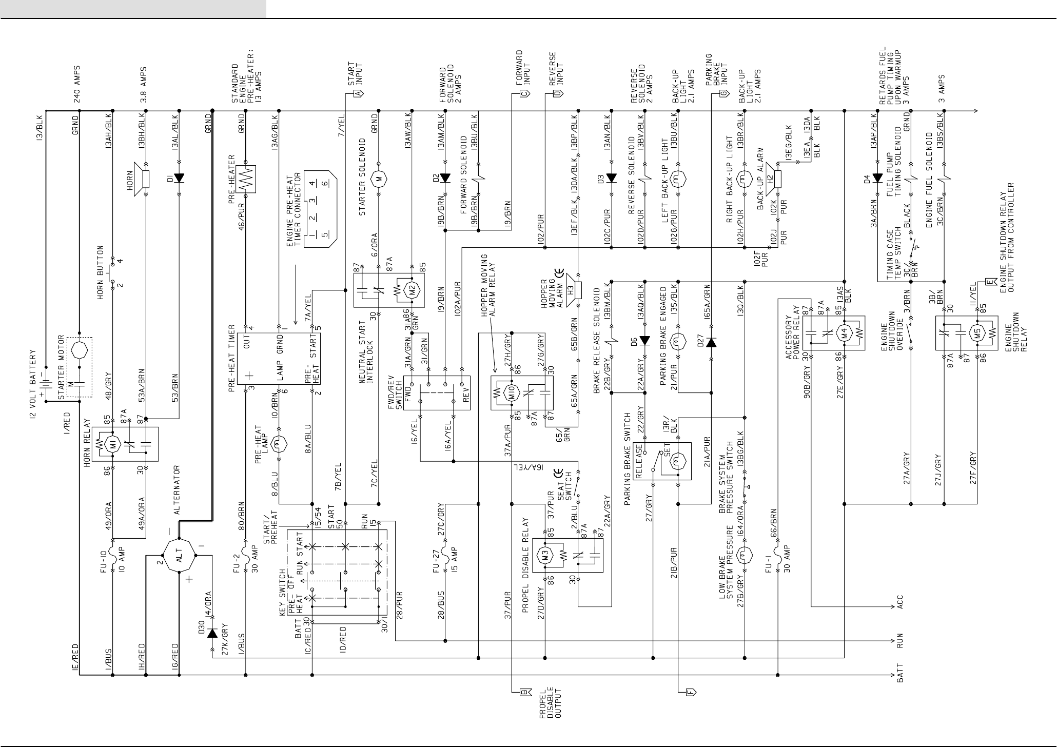
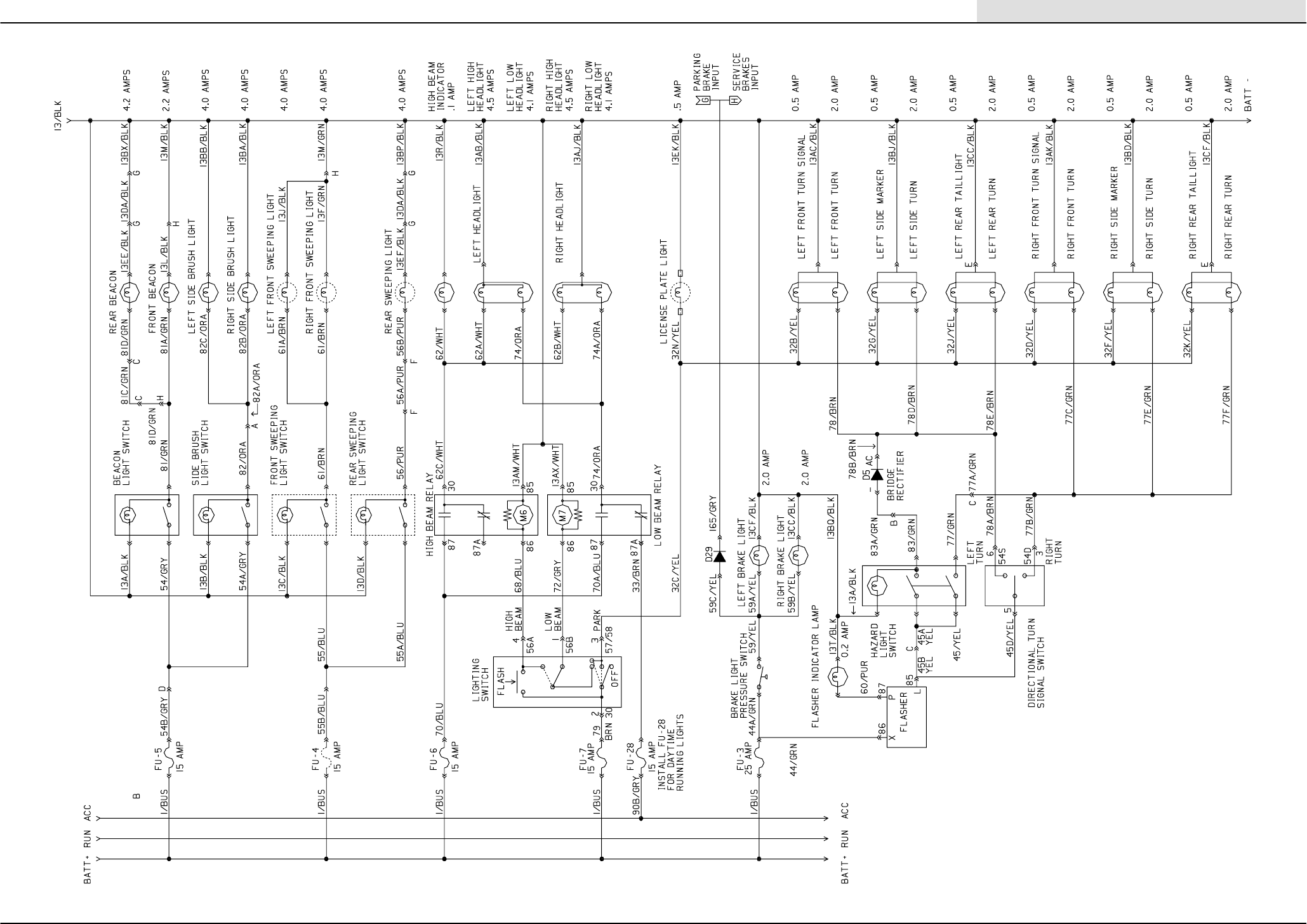
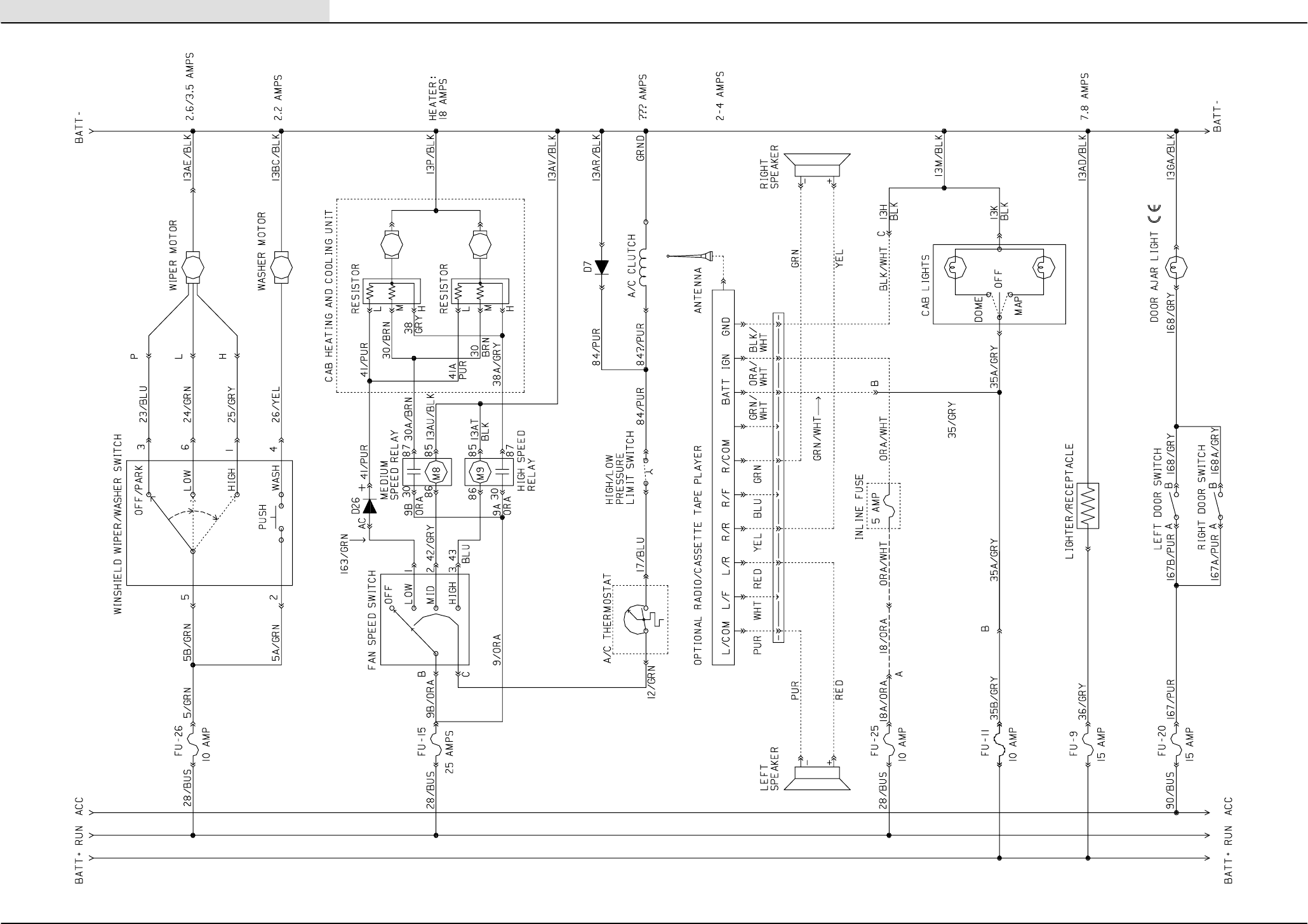
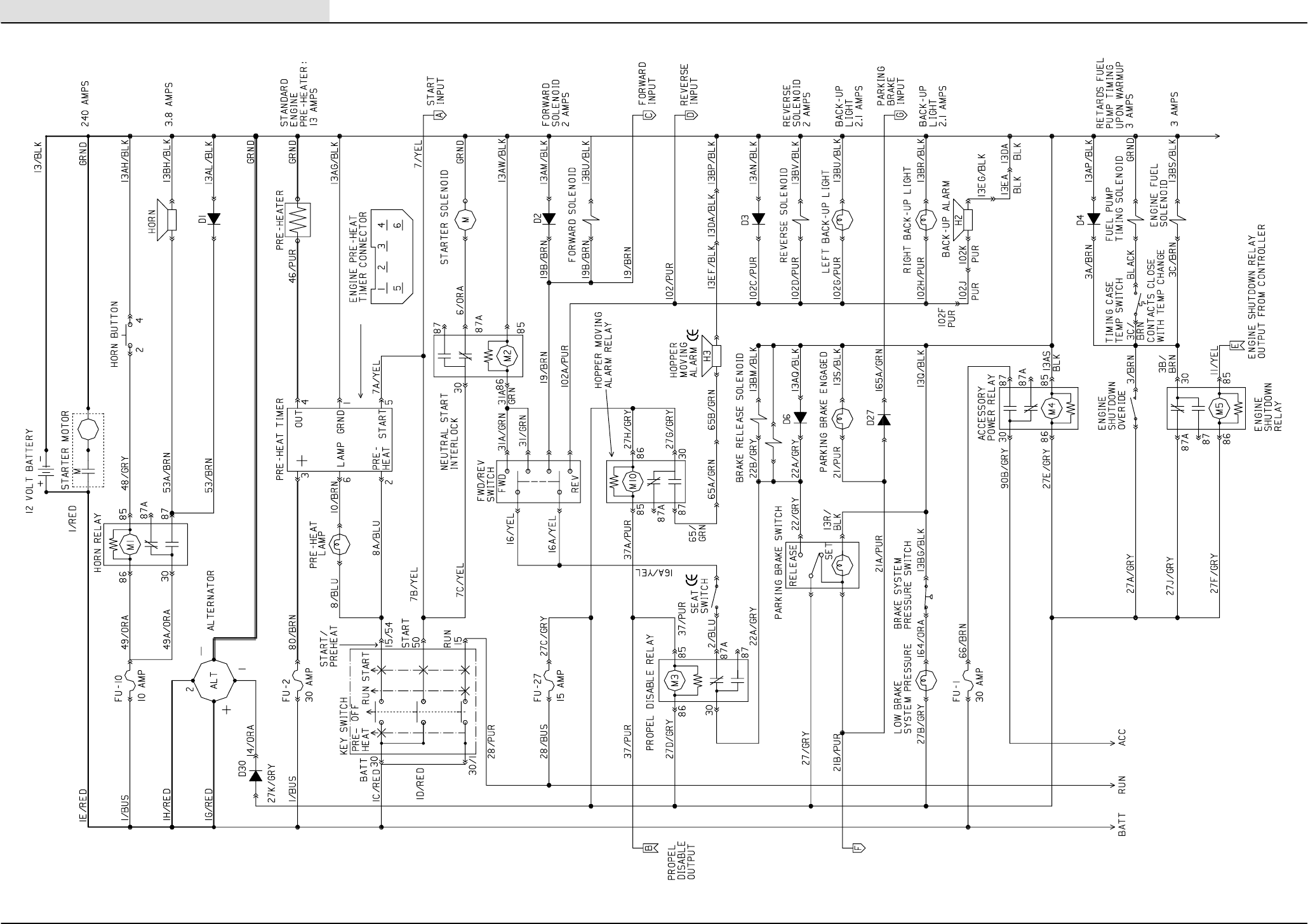
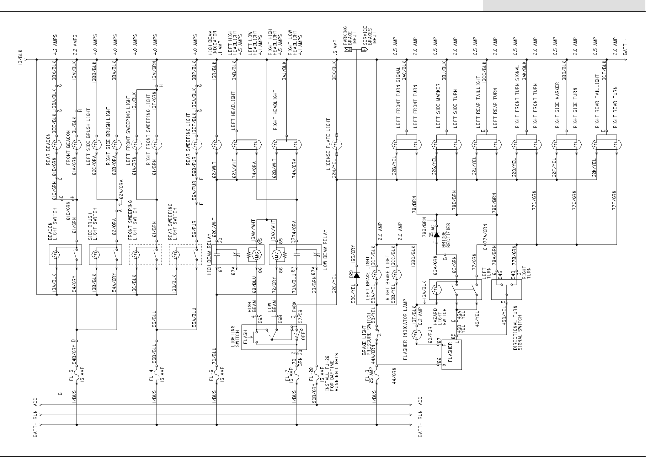
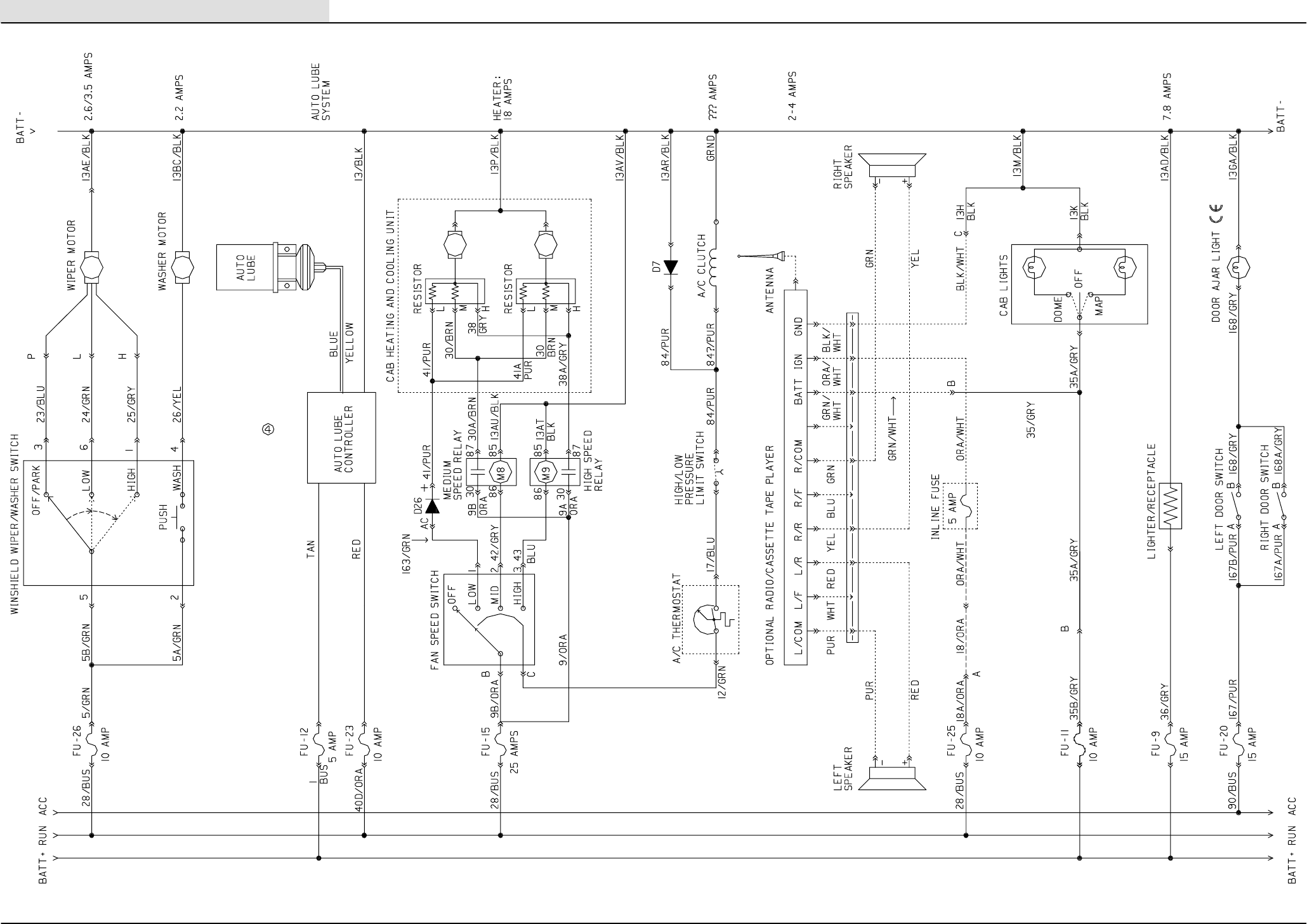
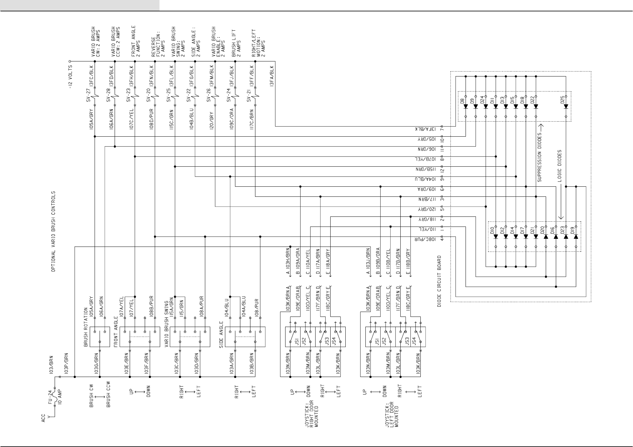
Fig. 28 -- Electrical Schematic (000000--003706)
351973
Home
Find...
Go To..

STANDARD PARTS
2-55
830--II 330430 (12--02)
Fig. 28 -- Electrical Schematic (000000--003706)
351973
Home
Find...
Go To..

STANDARD PARTS
830--II 330430 (12--02)
2-56
Fig. 28 -- Electrical Schematic (000000--003706)
351973
Home
Find...
Go To..

STANDARD PARTS
2-57
830--II 330430 (12--02)
Fig. 28 -- Electrical Schematic (000000--003706)
351973
Home
Find...
Go To..

STANDARD PARTS
830--II 330430 (12--02)
2-58
Fig. 28 -- Electrical Schematic (000000--003706)
351973
Home
Find...
Go To..

STANDARD PARTS
2-59
830--II 330430 (12--02)
Fig. 28 -- Electrical Schematic (000000--003706)
351973
Home
Find...
Go To..

STANDARD PARTS
830--II 330430 (11--00)
2-60
Home
Find...
Go To..

STANDARD PARTS
2-61
830--II 330430 (12--02)
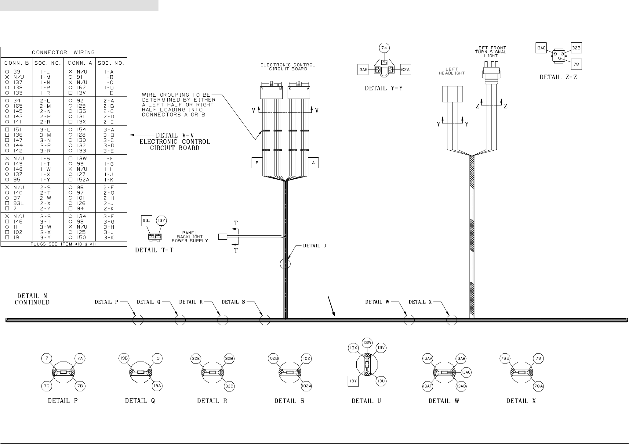
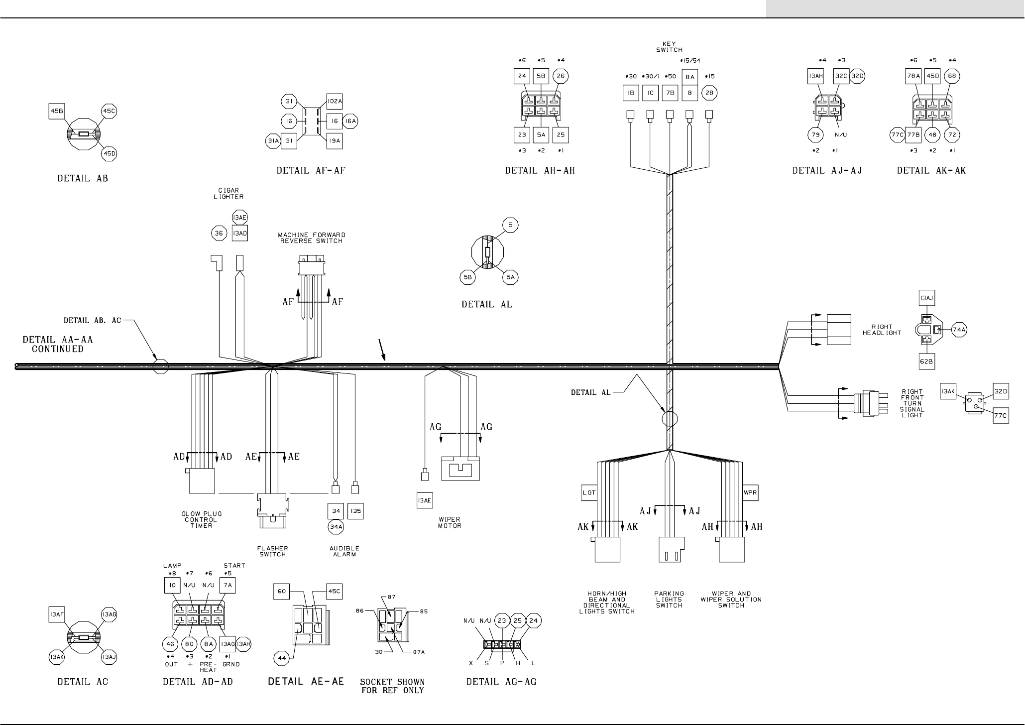
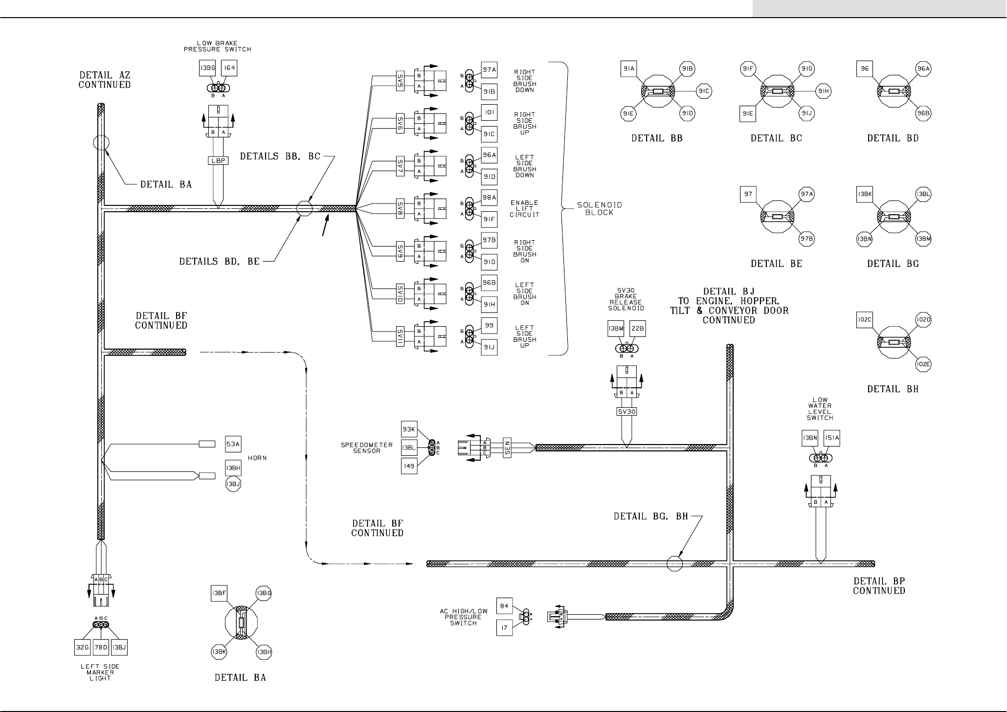
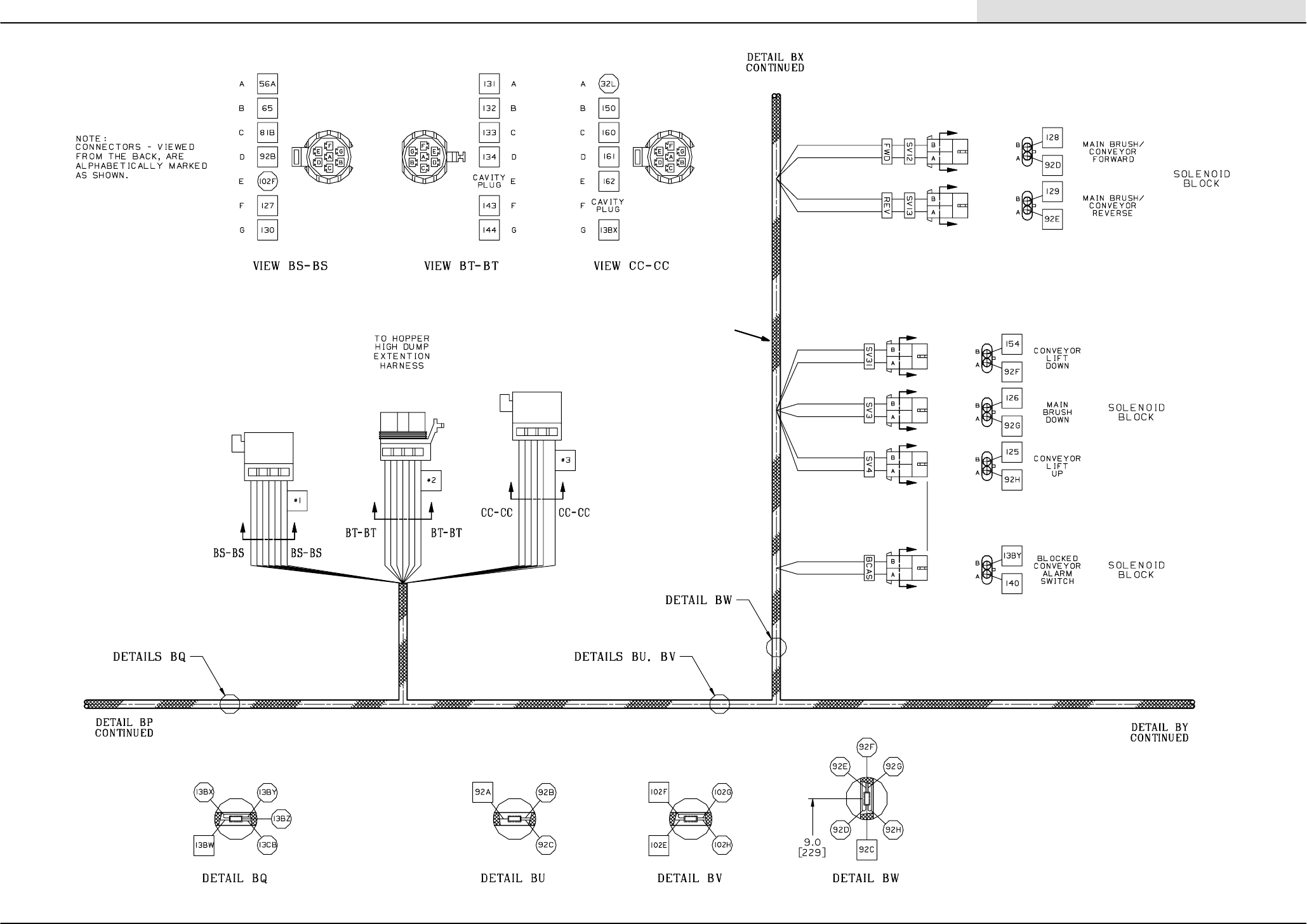
Fig. 29 -- Wire Harnesses Group (000000--003706)
1
Main Wire Harness
351975
Home
Find...
Go To..

STANDARD PARTS
830--II 330430 (12--02)
2-62
Fig. 29 -- Wire Harnesses Group (000000--003706)
1
Main Wire Harness
351975
Home
Find...
Go To..

STANDARD PARTS
2-63
830--II 330430 (12--02)
Fig. 29 -- Wire Harnesses Group (000000--003706)
1
Main Wire Harness
351975
Home
Find...
Go To..

STANDARD PARTS
830--II 330430 (12--02)
2-64
Fig. 29 -- Wire Harnesses Group (000000--003706)
1
Main Wire Harness
351975
Home
Find...
Go To..

STANDARD PARTS
2-65
830--II 330430 (12--02)
Fig. 29 -- Wire Harnesses Group (000000--003706)
Main Wire Harness
1
351975
Home
Find...
Go To..

STANDARD PARTS
830--II 330430 (12--02)
2-66
Fig. 29 -- Wire Harnesses Group (000000--003706)
Main Wire Harness
1
351975
Home
Find...
Go To..

STANDARD PARTS
2-67
830--II 330430 (12--02)
Fig. 29 -- Wire Harnesses Group (000000--003706)
Main Wire Harness
1
351975
Home
Find...
Go To..

STANDARD PARTS
830--II 330430 (12--02)
2-68
Fig. 29 -- Wire Harnesses Group (000000--003706)
Main Wire Harness
1
351975
Home
Find...
Go To..

STANDARD PARTS
2-69
830--II 330430 (12--02)
Fig. 29 -- Wire Harnesses Group (000000--003706)
Main Wire Harness
1
351975
Home
Find...
Go To..

STANDARD PARTS
830--II 330430 (12--02)
2-70
Fig. 29 -- Wire Harnesses Group (000000--003706)
Cab Wire Harness
77
13F
93
153
152
HIGH
PRESSURE
SPRAY
SWITCH
91
13E
H
HHPS
13G
13H
13J
CBA
ABC
DLDL
SBL
HAZ
BEA
RSL
FSL
6
6
13A 82
61A
61
61A
61
56
55A555554A545445A4545
35A
35
35
13M
13L
13L
13K
13J
13H
13G
13F
13E 13D13D 13C13C 13B13B 13A
RADIO
CONNECTIONS
18
L.H.
SWEEPING
LIGHT
CAB
OVERHEAD
SWITCHES
C
C
D
D
E
E
F
F
G
G
81A
13K
REAR
SWEEPING
LIGHT
SWITCH
FRONT
SWEEPING
LIGHT
SWITCH
SIDE BRUSH
LIGHT
SWITCH
81
BEACON
LIGHT
SWITCH
HAZARD
LIGHT
SWITCH
83
REVOLVING
BEACON
LIGHT
81
DOME
LIGHT
R.H.
SWEEPING
LIGHT
2
351976
Home
Find...
Go To..

STANDARD PARTS
2-71
830--II 330430 (12--02)
Fig. 29 -- Wire Harnesses Group (000000--003706)
Cab Wire Harness
81A
H
G
F
E
D
C
B
A
G
F
E
D
C
B
A
H
82
83
91
93
152
153
N/U
13M
H
77 G
56 F
55A E
54A D
45A C
35A B
A
18
H
G
F
E
D
C
B
A
TO MAIN
HARNESS
2
351976
Home
Find...
Go To..

STANDARD PARTS
830--II 330430 (12--02)
2-72
Fig. 29 -- Wire Harnesses Group (000000--003706)
Vario Brush Control Wire Harness (Optional)
VARIO
BRUSH
HARNESS
118C
117F
110D
109E
103K
EE
DD
CC
B
A
B
A
JS4
JS3
JS2
JS1
JOYSTICK
CONNECTIONS
103N103M
103L
118C
117F
110D
109E
103L 103M
103K
103N
JS4
JS3
JS2
JS1
3
351977
Home
Find...
Go To..

STANDARD PARTS
2-73
830--II 330430 (12--02)
Fig. 29 -- Wire Harnesses Group (000000--003706)
Vario Brush Wire Harness (Optional)
FU23
107C
107B
107A
118 118A
118B
117C
115C
115B
115A
109C
108B
108D
108C
105A
106A
104A
13FB
118
117
108C
104A
105
106
115B
36912
25811
14 710
110
107B
13FA
109
120
12
11
10
9
8
7
6
5
SOCKET
NO.
WIRE
NO.
1
2
3
4
103P
R.H. L.H.
117A
117B
117
110A
110B
110
103J
103G 103H
109B
109 109A
103J109B110B117B118B103H109A110A117A118A
L.H. JOYSTICK
HARNESS
R.H. JOYSTICK
HARNESS
CED BA
ABCDEEDCBA
ABDE C
DIODE
CIRCUIT
BOARD
108A 108B108 108A
FUSE
#23
103P
VARIO BRUSH
SWITCHES
F
F
E
E
D
D
C
C
BRS
BSS
FAS
SAS
CAB
GROUND
13FA
115
105
106
104 108
115A 115
103C 103D103B103A
107
103F
103G 103F
103C 103B 103D103E
SIDE
ANGLE
SWITCH
104104B
103E103A
107A 107
BRUSH
SWING
SWITCH
FRONT
ANGLE
SWITCH
BRUSH
ROTATION
SWITCH
4
768566
Home
Find...
Go To..

STANDARD PARTS
830--II 330430 (12--02)
2-74
Fig. 29 -- Wire Harnesses Group (000000--003706)
Hopper Lift Wire Harness (Optional)
SV20
REVERSE
FUNCTION
SV26
VARIO
BRUSH
ENABLE
SV22
BRUSH
SIDE
ANGLE
SV23
BRUSH
FRONT
ANGLE
SV24
BRUSH
LIFT
SV25
VARIO BRUSH
SWING
CCWCW
13FL 13FM
13FN13FK
13FJ
13FH
13FG
SV20
108D
B
AA
B13FN
13FM
13FL13FJ13FH13FG13FF
13FD
13FF
13FK
13FE
13FE
13FD
13FB
13FC
BA
BA
SV27
SV27
VARIO
BRUSH
CW
13FC 105A
BA
BA
SV28
SV28
VARIO
BRUSH
CCW
106A
SV21
RIGHT/LEFT
MOTION
117C
AB
AB
SV21 SV25SV24SV23SV22
BA
BA
BA
BA
BA
BA
AB
AB
107C 115C104B 109C
B
AA
B
120
SV26
5
351978
Home
Find...
Go To..
Vario Brush
4

STANDARD PARTS
2-75
830--II 330430 (12--02)
Fig. 29 -- Wire Harnesses Group (000000--003706)
Hopper Wire Harness
A
BB
A
13EK
32N
G
FCA
DE
B
#6
#5
#4
E
E
13EK
G13EA
NOT
USED
162B
161B
160B
F
E
D
C
B
A
NOTE:
CONNECTOR -- VIEWED
FROM THE BACK, ARE
ALPHABETICALLY MARKED
AS SHOWN.
150B
32N
LICENSE
PLATE
LIGHT
(OPTION)
13ED
13EB13EA
92K
92U
92T
92S
92R
92Q
AB
AB
AB
AB
AB
AB
AB
AB
SV16
FILTER
SHAKER
132B 92R 133B 92S
SV17
HOPPER
DOOR
RELEASE
134B 92T
SV14
VAC
FANS
162B 92U
SV32
HOPPER
ENABLE
SV18SV17 SV19 SV32
D
D
130B
131B
132B
127B
92K
F
92L 92M
92N
92P92Q
SV16SV14SV1 SV2
NOTE:
CONNECTOR -- VIEWED
FROM THE BACK, ARE
ALPHABETICALLY MARKED
AS SHOWN.
HOPPER
DOOR OPEN
SWITCH
143B13EB
SV19
HOPPER
TILT
FORWARD
92P131B
SV18
HOPPER
TILT
BACK
92N130B
SV2
HOPPER
LIFT
92M127B92L150B
HOPPER SOLENOID VALVES
SV1
HOPPER
LOWER
BA
BA
BA
BA
BA
BA
BA
BA
A
B
C
D
E
F
G
133B
134B
NOT
USED
143B
144B
C
C
A
B
C
DE
F
G
G
E
D
C
B
A
65B
81D
56C
102K
TO HOPPER
HARNESS
NOTE:
CONNECTOR -- VIEWED
FROM THE BACK, ARE
ALPHABETICALLY MARKED
AS SHOWN.
B
ED
ACF
G
6
351979
Home
Find...
Go To..

STANDARD PARTS
830--II 330430 (12--02)
2-76
Fig. 29 -- Wire Harnesses Group (000000--003706)
Hopper Wire Harness
13EF
13EL
OPTOPT OPT
13EF
13EE 161B160B
MISCELLANEOUS
OPTION POWER AND
GROUND CIRCUITS
13EJ
BA
BA
13EJ 65B
C.E.
BACK--UP
ALARM
13EE
13EL
HOPPER
REAR
BEACON
HOPPER
REAR
BEACON
13EH
13EG
81D
REAR
SWEEPING
LIGHT
56C
13EH
144B13ED
THERMAL
SENTRY
SWITCH
102K13EG
AB
BA
BACK--UP
ALARM
6
351979
Home
Find...
Go To..

STANDARD PARTS
2-77
830--II 330430 (12--02)
351974
Fig. 29 -- Wire Harnesses Group (000000--003706)
Ref.
TENNANT
Part No.
Machine Serial
Number Description Qty.
1768560 (000000--003706 )Harness, Main, Wire 1
2 768561 (000000--003706 ) Harness, Cab, Wire 1
3 768562 (000000--003706 ) Harness, Vario Brush Control, Wire 1
4 768566 (000000--003706 ) Harness, Vario Brush, Wire 1
5 768563 (000000--003706 ) Harness, Hopper Lift, Wire 1
6768565 (000000--003706 )Harness, Hopper, Wire 1
367407 (000000--003706 ) Wire, Jumper (Low Dump) 1
Home
Find...
Go To..
not shown

STANDARD PARTS
830--II 330430 (12--02)
2-78
Fig. 30 -- Electrical Schematic (003707-- )
351973
Home
Find...
Go To..

STANDARD PARTS
2-79
830--II 330430 (12--02)
Fig. 30 -- Electrical Schematic (003707-- )
351973
Home
Find...
Go To..

STANDARD PARTS
830--II 330430 (12--02)
2-80
Fig. 30 -- Electrical Schematic (003707-- )
351973
Home
Find...
Go To..

STANDARD PARTS
2-81
830--II 330430 (12--02)
Fig. 30 -- Electrical Schematic (003707-- )
351973
Home
Find...
Go To..

STANDARD PARTS
830--II 330430 (12--02)
2-82
Fig. 30 -- Electrical Schematic (003707-- )
351973
Home
Find...
Go To..

STANDARD PARTS
2-83
830--II 330430 (12--02)
Fig. 30 -- Electrical Schematic (003707-- )
351973
Home
Find...
Go To..

STANDARD PARTS
830--II 330430 (12--02)
2-84
Fig. 31 -- Wire Harnesses Group (003707-- )
1
Main Wire Harness
351975
Home
Find...
Go To..

STANDARD PARTS
2-85
830--II 330430 (12--02)
Fig. 31 -- Wire Harnesses Group (003707-- )
1
Main Wire Harness
351975
Home
Find...
Go To..

STANDARD PARTS
830--II 330430 (12--02)
2-86
Fig. 31 -- Wire Harnesses Group (003707-- )
1
Main Wire Harness
351975
Home
Find...
Go To..

STANDARD PARTS
2-87
830--II 330430 (12--02)
Fig. 31 -- Wire Harnesses Group (003707-- )
1
Main Wire Harness
351975
Home
Find...
Go To..

STANDARD PARTS
830--II 330430 (12--02)
2-88
Fig. 31 -- Wire Harnesses Group (003707-- )
Main Wire Harness
1
351975
Home
Find...
Go To..

STANDARD PARTS
2-89
830--II 330430 (12--02)
Fig. 31 -- Wire Harnesses Group (003707-- )
Main Wire Harness
1
351975
Home
Find...
Go To..

STANDARD PARTS
830--II 330430 (12--02)
2-90
Fig. 31 -- Wire Harnesses Group (003707-- )
Main Wire Harness
1
351975
Home
Find...
Go To..

STANDARD PARTS
2-91
830--II 330430 (12--02)
Fig. 31 -- Wire Harnesses Group (003707-- )
Main Wire Harness
1
351975
Home
Find...
Go To..

STANDARD PARTS
830--II 330430 (12--02)
2-92
Fig. 31 -- Wire Harnesses Group (003707-- )
Main Wire Harness
1
351975
Home
Find...
Go To..

STANDARD PARTS
2-93
830--II 330430 (12--02)
Fig. 31 -- Wire Harnesses Group (003707-- )
Cab Wire Harness
2
351976
Home
Find...
Go To..

STANDARD PARTS
830--II 330430 (12--02)
2-94
Fig. 31 -- Wire Harnesses Group (003707-- )
Cab Wire Harness
2
351976
Home
Find...
Go To..

STANDARD PARTS
2-95
830--II 330430 (12--02)
Fig. 31 -- Wire Harnesses Group (003707-- )
Vario Brush Control Wire Harness (Optional)
3
351977
Home
Find...
Go To..

STANDARD PARTS
830--II 330430 (12--02)
2-96
Fig. 31 -- Wire Harnesses Group (003707-- )
Vario Brush Wire Harness (Optional)
4
351980
Home
Find...
Go To..

STANDARD PARTS
2-97
830--II 330430 (12--02)
Fig. 31 -- Wire Harnesses Group (003707-- )
Vario Brush Wire Harness (Optional)
4
351980
Home
Find...
Go To..

STANDARD PARTS
830--II 330430 (12--02)
2-98
Fig. 31 -- Wire Harnesses Group (003707-- )
Hopper Lift Wire Harness (Optional)
5
351978
Home
Find...
Go To..

STANDARD PARTS
2-99
830--II 330430 (12--02)
Fig. 31 -- Wire Harnesses Group (003707-- )
Hopper Wire Harness
5
351978
Home
Find...
Go To..

STANDARD PARTS
830--II 330430 (12--02)
2-100
Fig. 31 -- Wire Harnesses Group (003707-- )
Parking Brake Jumper Wire Harness
6
351979
Home
Find...
Go To..

STANDARD PARTS
2-101
830--II 330430 (12--02)
351974
Fig. 31 -- Wire Harnesses Group (003707-- )
Ref.
TENNANT
Part No.
Machine Serial
Number Description Qty.
1768560 (003707-- )Harness, Main, Wire 1
2 768561 (003707-- ) Harness, Cab, Wire 1
3 768562 (003707-- ) Harness, Vario Brush Control, Wire 1
4 768566 (003707-- ) Harness, Vario Brush, Wire 1
5 768575 (003707-- ) Harness, Hopper W/HD 1
6768888 (003707-- )Harness, Jumper, Parking Brake 1
Home
Find...
Go To..

STANDARD PARTS
830--II 330430 (11--00)
2-102
Fig. 32 -- Front Cab Group
1
2
2
2
3
3
4
10
9
8
7
6
15
11
13
12
5
14
16
2
Home
Find...
Go To..

STANDARD PARTS
2-103
830--II 330430 (11--00)
351994
Fig. 32 -- Front Cab Group
Ref.
TENNANT
Part No.
Machine Serial
Number Description Qty.
1768444 (000000-- )Wldt, Steer Console 1
2 769617 (000000-- ) Louver, Spindle Nozz 6
3 769637 (000000-- ) Weldt, Mount, Strike 2
4 769610 (000000-- ) Pantograph Adapter Kit 1
5 761872 (000000-- ) Bulkhead Fitting 1
6769615 (000000-- )Arm, Wiper, Paneo 1
7 769609 (000000-- ) Blade, Wiper, 28” Bl 1
8 769631 (000000-- ) Foam, Filter, Recirc 2
9 769657 (000000-- ) Air Filter, Pleated 1
10 769659 (000000-- ) Assy, Filter Cover 1
11 769601 (000000-- )Drive Arm 1
12 769616 (000000-- ) Pivot Shaft, Wiper 1
13 761867 (000000-- ) Motor, Ele, Wiper 1
14 769071 (000000-- ) Kit, Link, Connecting 1
15 769620 (000000-- ) Window Clip, Glued--I 3
16 769630 (000000-- )Window, Front 1
Home
Find...
Go To..

STANDARD PARTS
830--II 330430 (6--98)
2-104
Fig. 33 -- Left Cab Group
1
9
5
8
6
10 3
4
3
4
2
7
Home
Find...
Go To..

STANDARD PARTS
2-105
830--II 330430 (6--98)
351939
Fig. 33 -- Left Cab Group
Ref.
TENNANT
Part No.
Machine Serial
Number Description Qty.
1769627 (000000-- )Assy,Door,Lh 1
2 769632 (000000-- ) Weldt, Lower Hinge 1
3 769635 (000000-- ) Weldt, Upper Hinge 2
4 769638 (000000-- ) Spacer, Door, Upper 2
5 768448 (000000-- ) Wldt, Seat Pedestal 1
6769654 (000000-- )Floor Mat, Lh Side 1
7 769658 (000000-- ) Assy, Console Cover, 1
8 769618 (000000-- ) Louver, 49Mmx121Mm B 1
9 769619 (000000-- ) Bulb Seal, ”D” 1
10 769602 (000000-- ) Hose,Washer .156X.34 1
Home
Find...
Go To..

STANDARD PARTS
830--II 330430 (6--98)
2-106
Fig. 34 -- Right Cab Group
8
5
3
2
6
7
9
1
2
3
4
Home
Find...
Go To..

STANDARD PARTS
2-107
830--II 330430 (6--98)
351941
Fig. 34 -- Right Cab Group
Ref.
TENNANT
Part No.
Machine Serial
Number Description Qty.
1769628 (000000-- )Assy,Door,Rh 1
2 769660 (000000-- ) Wldt, Upper Hinge, R 2
3 769638 (000000-- ) Spacer, Door, Upper 2
4 769661 (000000-- ) Wldt, Lower Hinge, R 1
5 768447 (000000-- ) Support, Seat, Drive 1
6769655 (000000-- )Floor Mat, Rh Side 1
7 769618 (000000-- ) Louver, 49Mmx121Mm B 1
8 769645 (000000-- ) Foam, Ctr Console, R 1
9 761893 (000000-- ) Bottle, Washer Fluid W/Pump 1
Home
Find...
Go To..

STANDARD PARTS
830--II 330430 (12--02)
2-108
Fig. 35 -- Left Cab Door Group
1
8
1
22
1
22
16
17
2
23
15
10
4
14 9
11
3
20
67
13
12 521
18
19
24
Home
Find...
Go To..
Window Latch replacement kit

STANDARD PARTS
2-109
830--II 330430 (12--02)
351984
Fig. 35 -- Left Cab Door Group
Ref.
TENNANT
Part No.
Machine Serial
Number Description Qty.
1769633 (000000-- )Window, Sliding, Lh 1
2 769636 (000000-- ) Window, Lower Door 1
3 769639 (000000-- ) Plate, Latch Cover 1
4 769644 (000000-- ) Foam, Lower Door, Ps 1
5 769646 (000000-- ) Rod, Cam Latch Relea 1
6769647 (000000-- )Rod, Cam Latch Relea 1
7 769649 (000000-- ) Rod, Inside Release 1
8 769653 (000000-- ) Tube, Mirror 1
9 769603 (000000-- ) Hose Plug, .8750 Hol 2
10 761981 (000000-- ) Seal, Bulb, 90 Deg. 1
11 769604 (000000-- )Hole Plug, .313 Hole 2
12 769605 (000000-- ) Clip--Rod, End Retain 1
13 769606 (000000-- ) Clip--Rod, End Retain 2
14 768456 (000000-- ) Grab Handle, Diecast 1
o
15 761910 (000000-- ) Latch, Pddl Rh W/Key 1
Y
761958 (000000-- )Key 1
16 761914 (000000-- ) Mirror, Convex 1
17 68445 (000000-- ) Mirror, Convex, Round 1
18 761915 (000000-- ) Clamp, Dovetail 1
19 769611 (000000-- ) Clip--Rod, End Retain 1
20 769612 (000000-- )Inside Rel W/Bezel 1
21 769614 (000000-- ) Cam Latch, Rh, Offse 1
22 769619 (000000-- ) Bulb Seal, ”D” 1
23 761909 (000000-- ) Rubber, Window 1
24 39236 (000000-- ) Screw, Pan, .25--20 X 1.00, Ss 4
Home
Find...
Go To..

STANDARD PARTS
830--II 330430 (12--02)
2-110
Fig. 36 -- Right Cab Door Group
2
1
21
1
19
23
14
8
3
15
16
21
1
410
17
12
18
6
7
13
22
9
911
20
5
12
24
Home
Find...
Go To..

STANDARD PARTS
2-111
830--II 330430 (12--02)
351986
Fig. 36 -- Right Cab Door Group
Ref.
TENNANT
Part No.
Machine Serial
Number Description Qty.
1769634 (000000-- )Window, Sliding, Rh 1
2 769636 (000000-- ) Window, Lower Door 1
3 769639 (000000-- ) Plate, Latch Cover 1
4 769644 (000000-- ) Foam, Lower Door, Ps 1
5 769646 (000000-- ) Rod, Cam Latch Relea 1
6769648 (000000-- )Rod, Lock, Rh 1
7 769650 (000000-- ) Rod, Inside Release 1
8 769653 (000000-- ) Tube, Mirror 1
9 769603 (000000-- ) Hose Plug, .8750 Hol 2
10 761981 (000000-- ) Seal, Bulb, 90 Deg. 1
11 769604 (000000-- )Hole Plug, .313 Hole 2
12 769605 (000000-- ) Clip--Rod, End Retain 2
13 769606 (000000-- ) Clip--Rod, End Retain 1
o
14 761922 (000000-- ) Latch, Pddl, Lh W/Key 1
Y
761958 (000000-- ) Key 1
15 761914 (000000-- )Mirror, Convex 1
16 68445 (000000-- ) Mirror, Convex, Round 1
17 761915 (000000-- ) Clamp, Dovetail 1
18 769664 (000000-- ) Clip--Rod, End Retain 1
19 769621 (000000-- ) Inside Release, W/Be 1
20 769623 (000000-- )CamLatch,OffsetLe 1
21 769619 (000000-- ) Bulb Seal, ”D” 1
22 768456 (000000-- ) Grab Handle, Diecast 1
23 761909 (000000-- ) Rubber, Window 1
24 39236 (000000-- ) Screw, Pan, .25--20 X 1.00, Ss 4
Home
Find...
Go To..

STANDARD PARTS
830--II 330430 (6--98)
2-112
Fig. 37 -- Cab Insulation and Seat Belt Group
3
4
1
2
5
6
6
Home
Find...
Go To..

STANDARD PARTS
2-113
830--II 330430 (6--98)
351937
Fig. 37 -- Cab Insulation and Seat Belt Group
Ref.
TENNANT
Part No.
Machine Serial
Number Description Qty.
1769643 (000000-- )Foam, Headliner, Rh 1
2 769641 (000000-- ) Foam,Rr Panel,Rh W/B 1
3 769642 (000000-- ) Foam, Headliner, Lh 1
4 769640 (000000-- ) Foam,Rr Panel,Lh W/B 1
5 768591 (000000-- ) Lamp, Flood, Side Brush 1
6769613 (000000-- )Seat Belt, Blk, Retr 2
Home
Find...
Go To..

STANDARD PARTS
830--II 330430 (11--00)
2-114
Fig. 38 -- Cab Console and Covers Group
7
2
3
1
4
5
6
8
9
10
11
12
13
14
15
16
20
19
17
18
18
18
21
24
23
22
Home
Find...
Go To..

STANDARD PARTS
2-115
830--II 330430 (11--00)
351988
Fig. 38 -- Cab Console and Covers Group
Ref.
TENNANT
Part No.
Machine Serial
Number Description Qty.
1768432 (000000-- )Panel, Console, Control, Cent 1
2 768449 (000000-- ) Plate 1
o
768442 (000000-- ) Shroud/Bezel, Instmt, Purch Kit 1
Y
3 768434 (000000-- ) Shroud, Instrument 1
Y
4 768433 (000000-- ) Bezel, Case, Instrument 1
5768430 (000000-- )Cover, Wire Channel, Top 1
6 768431 (000000-- ) Cover, Wire Channel, Back 1
7 768446 (000000-- ) Bezel, Switch, Center Console 1
8 768429 (000000-- ) Panel, Rear, Lh 1
9 768452 (000000-- ) Panel, Access 1
10 768453 (000000-- )Bracket, Cable, Throttle 1
11 761952 (000000-- ) Ashtray, Side Mounting, Chr 1
12 768425 (000000-- ) Panel, Console, Upper, Switch 1
13 768443 (000000-- ) Plate, Switch, Upper 1
14 768428 (000000-- ) Panel, Rear, Rh 1
15 768581 (000000-- )Circuit Board Power Supply 1
16 768603 (000000-- ) Support, Circuit Board 3
17 768492 (000000-- ) Duct, Air 2
18 768467 (000000-- ) Seal, Cab 1
19 12271 (000000-- ) U--Nut M6x 1.0 8
20 768595 (000000-- )Insulation, Console 1
21 72970 (000000-- ) Screw, Plastic Rivet 30
22 768451 (000000-- ) Latch, Cover, Access 2
23 763147 (000000-- ) Screw 8
24 763099 (000000-- ) Washer 8
Home
Find...
Go To..

STANDARD PARTS
830--II 330430 (11--00)
2-116
Fig. 39 -- Cab Instruments and Controls Group
1
2
3
4
5
7
8
3
18
18
9
10
13
14
16
17
20
21
12
23
24
25 2726 28 29 30
11
31
19
33
32
22
15
6
Home
Find...
Go To..

STANDARD PARTS
2-117
830--II 330430 (11--00)
352004
Fig. 39 -- Cab Instruments and Controls Group
Ref.
TENNANT
Part No.
Machine Serial
Number Description Qty.
1768493 (000000-- )Operator Seat with Connector 1
2 768485 (000000-- ) Seat 1
2 765283 (000000-- ) Kit, Seat, Suspension, Passenger (Optional) 1
3 769618 (000000-- ) Louver 2
4 762236 (000000-- ) Knob, Water Valve (Option) 4
5768610 (000000-- )Switch, Parking Brake 1
6 762521 (000000-- ) Plug, Panel Switch 8
7 762513 (000000-- ) Fuse, 10 Amp 5
7 762514 (000000-- ) Fuse, 15 Amp 7
7 762515 (004531-- ) Fuse, 20 Amp 1
7762583 (000000-- )Fuse, 25 Amp 2
7 762516 (000000-- ) Fuse, 30 Amp 2
8 768458 (000000-- ) Lever, Throttle 1
9 762525 (000000-- ) Switch, Paddle Rocker DPDT 1
10 761954 (000000-- ) Lighter, 12V Cig 1
11 762526 (000000-- )Switch, Rocker DPDT Momentary (Option) 3
12 768529 (000000-- ) Switch, Rocker SPDT on--off--on (Option) 1
13 768462 (000000-- ) Plate, Bottom, Vario (Option) 1
14 768461 (000000-- ) Bracket, Control, Vario (Option) 1
o
15 762505 (000000-- ) Joystick (Option) 1
Y
762575 (000000-- )Micro Switch, Joystick 4
16 768551 (000000-- ) Lamp,Warnig 4way 1
17 768552 (000000-- ) Lamp,Warnig 4way 1
18 761926 (000000-- ) Knob, Switch Fan (Air Conditioner Knob Optional) 3
19 768601 (000000-- ) Lamp,Warnig, Brake Pressure 1
20 768554 (000000-- )Lamp,Warnig, Tilt Indicator (High Dump only) 1
21 768609 (000000-- ) Switch, Engine Shutdown 1
22 768611 (000000-- ) Switch, Lights, 4--way Warning 1
23 768612 (000000-- ) Switch, Lights 2
24 768612 (000000-- ) Switch (Option) 3
25 768599 (000000-- )Circuit, Diode (Vario only) 1
26 768603 (000000-- ) Support, Circuit Board (Vario only) 3
27 57804 (000000-- ) Relay 10
28 222290 (000000-- ) Diode 10
29 768580 (000000-- ) Sensor, Directional Level (High Dump only) 1
30 10962 (000000-- )Diode, Bridge 2
31 768632 (000000-- ) Kit, Fuse Box 1
32 762520 (000000-- ) Bezel, Center Switch 7
33 762519 (000000-- ) Bezel, End Switch 6
31922 (000000-- ) Flasher Heavy Duty 1
762547 (000000-- )Buzzer 1
762604 (000000-- ) Glowplug preheater 1
768399 (000000-- ) Bracket 1
46236 (000000-- ) Clamp 1
Home
Find...
Go To..

STANDARD PARTS
830--II 330430 (6--98)
2-118
Fig. 40 -- Cab Lights, Visor, and Pedal Group
3
4
5
3
4
5
1
2
6
8
7
910
Home
Find...
Go To..

STANDARD PARTS
2-119
830--II 330430 (6--98)
351982
Fig. 40 -- Cab Lights, Visor, and Pedal Group
Ref.
TENNANT
Part No.
Machine Serial
Number Description Qty.
1769651 (000000-- )Wldt, Accelerator Pe 1
2 769652 (000000-- ) Bracket, Accelerator 1
3 769656 (000000-- ) Sun Visor 2
4 761881 (000000-- ) Light, Signal, Amber 2
5 769607 (000000-- ) Grommet, Turn Signal 2
635706 (000000-- )Bolt, .374--16X2.75 1
7 768570 (000000-- ) Dome Light W/Map 12V 1
8 769626 (000000-- ) Screw,.25--20X.75Blk 8
o
9 768550 (000000-- ) Headlight, Assy 2
Y
768607 (000000-- ) Lamp #4 1
o
10 768591 (000000-- )Side Brush Light R.H. 1
Y
768606 (000000-- ) Bulb 1
Home
Find...
Go To..

STANDARD PARTS
830--II 330430 (9--01)
2-120
Fig. 41 -- Cab Heater Group
2
3
4
5
6
7
8
9
10
1
11
6
6
6
6
3
Home
Find...
Go To..

STANDARD PARTS
2-121
830--II 330430 (12--98)
352510
Fig. 41 -- Cab Heater Group
Ref.
TENNANT
Part No.
Machine Serial
Number Description Qty.
1769024 (000000-- )Coil, Heater 1
2 769039 (000000-- ) Bracket, Coil 1
3 769040 (000000-- ) Seal, Weatherstrip 2
4 761950 (000000-- ) Valve, Water 1
5 769038 (000000-- ) Hose, Heater 1
663810 (000000-- )Clamp, Wormdrive 6
7 769046 (000000-- ) Hose, Heater 2
8 761946 (000000-- ) Cable, Push--Pull 1
9 761927 (000000-- ) Cable, Rotary Control 1
10 761924 (000000-- ) Switch, Fan, 3--Speed 1
11 761926 (000000-- )Knob, Switch 2
Home
Find...
Go To..
Control, Cable, Rotary

STANDARD PARTS
830--II 330430 (12--98)
2-122
Fig. 42 -- Blower Assembly
2
3
4
1
Home
Find...
Go To..

STANDARD PARTS
2-123
830--II 330430 (11--00)
352512
Fig. 42 -- Blower Assembly
Ref.
TENNANT
Part No.
Machine Serial
Number Description Qty.
o
769036 (000000-- )Blower, Assy 1
Y
1 769033 (000000-- ) Housing, Blower 1
Y
2 769032 (000000-- ) Motor, Assy, Blower, Rh 1
Y
3 769031 (000000-- ) Motor, Assy, Blower, Lh 1
Y
4 761936 (000000-- ) Resistor, Block 2
Home
Find...
Go To..
Lh
Rh

STANDARD PARTS
830--II 330430 (11--00)
2-124
Fig. 43 -- Instrument Panel Assembly
2
3
4
5
6
7
8
9
10
1
11
12
9
8
14
13
Home
Find...
Go To..

STANDARD PARTS
2-125
830--II 330430 (11--00)
352002
Fig. 43 -- Instrument Panel Assembly
Ref.
TENNANT
Part No.
Machine Serial
Number Description Qty.
o
768573 (000000--003706 )Kit, Instrument Panel Assembly 1
o
768571 (003707-- ) Instrument Panel Assembly 1
Yo
768574 (000000--003706 ) Panel Assembly, Control 1
Yo
768572 (003707-- ) Panel Assembly, Control 1
YY
1 768587 (000000-- ) Panel, Instrument 1
YY
273219 (000000-- )O Ring Seal 1
YY
3 27928 (000000-- ) Grommet, Ribbon Cable 1
YY
4 768583 (000000-- ) Cable, Ribbon, 34 Conductor 1
YY
5 364943 (000000-- ) Seal, Connector, 60 Pin 1
YY
6 768584 (000000-- ) Box, Instrument 1
YY
7364941 (000000-- )Plate, Backing 1
YY
8 364292 (000000-- ) Bracket, L 2
YY
9 02850 (000000-- ) Nut, Hex 8
YY
10 32515 (000000-- ) Screw, Pan 2
YY
11 768582 (000000-- ) Cable, Ribbon, 20 Conductor 1
YY
12 365183 (000000-- )Gasket, Box, Instrument 1
YY
13 364942 (000000-- ) Screw, Pan 2
Y
14 768586 (000000-- ) Panel, Touch 1
768578 (000000-- ) Replacement Kit, Controller, Micro 1
27964 (000000-- ) Static Strap 1
Home
Find...
Go To..
use 768573

STANDARD PARTS
830--II 330430 (12--02)
2-126
Fig. 44 -- Steering Wheel Group
1
2,15
3
4
5
6
78
8
9
10
11
12
13
14
13
17
16
Home
Find...
Go To..

STANDARD PARTS
2-127
830--II 330430 (12--02)
351924
Fig. 44 -- Steering Wheel Group
Ref.
TENNANT
Part No.
Machine Serial
Number Description Qty.
1768481 (000000-- )Wheel, Steering 1
2 768482 (000000-- ) Cover, Steering Wheel 1
o
3 762501 (000000-- ) Steering Column Switch 1
Y
4 762601 (000000-- ) Switch, Assy Wipers 1
Y
5 762602 (000000-- ) Switch, Assy Turn/Lights 1
Y
6762603 (000000-- )Screw, Switch Assy 2
7 762018 (000000-- ) Steering Unit, Hyd Q--Amp 1
8 762438 (000000-- ) Ftg--Hyd, Str 3
9 762427 (000000-- ) Ftg--Hyd, Elbow, 4--6 1
10 762504 (000000-- ) Switch, Key, Steering Column 1
11 762517 (000000-- )Key, Ignition Switch 2
12 768480 (000000-- ) Column, Steering (Tilt) 1
13 768457 (000000-- ) U Bolt 1
14 767409 (000000-- ) Ftg--Hyd, Str 1
15 57676 (000000-- ) Nut, Steering Wheel 1
16 770023 (000000-- )Rod, Thrd 1
17 26565 (000000-- ) Knob, Ball, 1.25d 0.38--16 Plstc 1
Home
Find...
Go To..

STANDARD PARTS
830--II 330430 (9--01)
2-128
Fig. 45 -- Right Side Brush Group
1
2
3
4
5
6
8
9
10
11
12
13
14
15
18
19
20
21
22
23
24
16
21
20
6
19
22
23
15
17
7
1
7
6
6
Home
Find...
Go To..

STANDARD PARTS
2-129
830--II 330430 (12--02)
351962
Fig. 45 -- Right Side Brush Group
Ref.
TENNANT
Part No.
Machine Serial
Number Description Qty.
1767411 (000000-- )Ftg--Hyd, E90 2
2 762059 (000000-- ) Motor, Hyd S Br W/End Ports (See Breakdowns) 1
3 761209 (000000-- ) Bracket,Hyd.Motor Support 1
4 768834 (000000-- ) Channel Weldt,Lower Support 1
5 761428 (000000-- ) Hub Weldt,Side Brush 1
6767642 (000000--004077 )Replacement Kit, Side Brush Linkage 1
7 768836 (004078-- ) Bar, Brush Support 3
o
8 762043 (000000-- ) Cylinder, Hyd S Br Lift 1
Y
762073 (000000-- ) Kit, Seal, Cyl, Hyd 1
9 761229 (000000-- ) Pin,Hyd.Cylinder 1
10 763005 (000000-- )Retaining Ring, M16 1
11 767644 (004078-- ) Shaft, Side Brush 1
12 768843 (000000-- ) Bracket,Side Brush Rh 1
13 761225 (000000-- ) Eyebolt, .50--13X3.5” 1
14 761223 (000000-- ) Spring 1
15 763003 (000000-- )Bearing 2
16 762425 (000000-- ) Ftg--Hyd, E90 1
17 47801 (000000-- ) Ftg, Grease.25--28Th Strt .63L 1
18 761215 (000000-- ) Skirt, Rubber 1
19 761216 (000000-- ) Retainer,Skirt 2
20 761217 (000000-- )Bracket,Skirt 2
21 40758 (000000-- ) Chain,Link#2/08 5Links,Br.Zinc 2
22 768842 (004078-- ) Tube 6
23 767641 (004078-- ) Bearing, Flange 6
24 763007 (000000-- ) Bearing 1
Home
Find...
Go To..

STANDARD PARTS
830--II 330430 (9--01)
2-130
Home
Find...
Go To..

STANDARD PARTS
2-131
830--II 330430 (9--01)
Fig. 46 -- Hydraulic Schematic
351943
Home
Find...
Go To..
OR2

STANDARD PARTS
830--II 330430 (9--01)
2-132
Fig. 46 -- Hydraulic Schematic
351943
Home
Find...
Go To..

STANDARD PARTS
2-133
830--II 330430 (9--01)
Fig. 46 -- Hydraulic Schematic
351943
Home
Find...
Go To..

STANDARD PARTS
830--II 330430 (9--01)
2-134
Fig. 46 -- Hydraulic Schematic
351943
Home
Find...
Go To..

STANDARD PARTS
2-135
830--II 330430 (9--01)
Fig. 46 -- Hydraulic Schematic
351943
Home
Find...
Go To..

STANDARD PARTS
830--II 330430 (9--01)
2-136
Fig. 46 -- Propel Circuit Hydraulic Schematic
351943
Home
Find...
Go To..

STANDARD PARTS
2-137
830--II 330430 (12--02)
Fig. 47 -- Hydraulic Hose Group
(000000--004521)
25
27
351943
Home
Find...
Go To..

STANDARD PARTS
830--II 330430 (12--02)
2-138
Fig. 47 -- Hydraulic Hose Group (004522-- )
23
4
5
6
7
8
9
10
1
11
12
13
14
17
18
19
20
21
22
23
24
26
28
40
41
43
58
51
53
54
55
56
57
58
59
66
71
70
52
60
72
73
351943
74
75
74
74
Home
Find...
Go To..

STANDARD PARTS
2-139
830--II 330430 (12--02)
Fig. 47 -- Hydraulic Hose Group
29
30
31
32
33
34
35
36
61
62
63
64
65
67
68
69
62
40
6
351943
Home
Find...
Go To..

STANDARD PARTS
830--II 330430 (9--01)
2-140
Fig. 47 -- Hydraulic Hose Group
15
16
37
38
39
42
44
4546
47
48
49
50
43
41
15
351943
Home
Find...
Go To..
M8
M7

STANDARD PARTS
2-141
830II 330430 (9--01)
351943
Fig. 47 -- Hydraulic Hose Group
Ref.
TENNANT
Part No.
Machine Serial
Number Description Qty.
1767222 (000000-- )Hose, Hyd 1
2 767243 (000000-- ) Hose, Hyd 1
3 767280 (000000-- ) Hose, Hyd 1
4 767308 (000000-- ) Hose, Hyd 1
5 767309 (000000-- ) Hose, Hyd 1
6767313 (000000-- )Hose, Hyd 1
7 767315 (000000-- ) Hose, Hyd 1
8 767324 (000000-- ) Hose, Hyd 1
9 767328 (000000-- ) Hose, Hyd 1
10 762399 (000000-- ) Hose, Hyd 1
11 767223 (000000-- )Hose, Hyd 1
12 767239 (000000-- ) Hose, Hyd 1
13 767241 (000000-- ) Hose, Hyd 1
14 767242 (000000-- ) Hose, Hyd 1
15 767249 (000000-- ) Hose, Hyd 2
16 767251 (000000-- )Hose, Hyd 1
17 767252 (000000-- ) Hose, Hyd 1
18 767254 (000000-- ) Hose, Hyd 1
19 767256 (000000-- ) Hose, Hyd 1
20 767257 (000000-- ) Hose, Hyd 1
21 767258 (000000-- )Hose, Hyd 1
22 767259 (000000-- ) Hose, Hyd 1
23 767305 (000000-- ) Hose, Hyd 1
24 767307 (000000-- ) Hose, Hyd 1
25 767316 (000000--004521 ) Hose, Hyd 1
26 767415 (000000-- )Hose, Hyd 1
27 767416 (000000--004521 ) Hose, Hyd 1
28 767417 (000000-- ) Hose, Hyd 1
29 767230 (000000-- ) Hose, Hyd 1
30 767231 (000000-- ) Hose, Hyd 1
31 767232 (000000-- )Hose, Hyd 1
32 767234 (000000-- ) Hose, Hyd 1
33 767235 (000000-- ) Hose, Hyd 1
34 767236 (000000-- ) Hose, Hyd 1
35 767237 (000000-- ) Hose, Hyd 1
36 767238 (000000-- )Hose, Hyd 1
37 767244 (000000-- ) Hose, Hyd 1
38 767245 (000000-- ) Hose, Hyd 1
39 767260 (000000-- ) Hose, Hyd 1
40 767266 (000000-- ) Hose, Hyd 1
41 767267 (000000-- )Hose, Hyd 1
42 767268 (000000-- ) Hose, Hyd 1
43 767270 (000000-- ) Hose, Hyd 1
44 767282 (000000-- ) Hose, Hyd 1
45 767283 (000000-- ) Hose, Hyd 1
46 767284 (000000-- )Hose, Hyd 1
47 767285 (000000-- ) Hose, Hyd 1
48 767286 (000000-- ) Hose, Hyd 1
49 767287 (000000-- ) Hose, Hyd 1
50 767288 (000000-- ) Hose, Hyd 1
Home
Find...
Go To..

STANDARD PARTS
830II 330430 (12--02)
2-142
Fig. 47 -- Hydraulic Hose Group
Ref.
TENNANT
Part No.
Machine Serial
Number Description Qty.
51 767261 (000000-- )Hose, Hyd 1
52 767262 (000000-- ) Hose, Hyd 1
53 767264 (000000-- ) Hose, Hyd 1
54 767265 (000000-- ) Hose, Hyd 1
55 762409 (000000-- ) Hose, Hyd 1
56 767269 (000000-- )Hose, Hyd 1
57 767306 (000000-- ) Hose, Hyd 1
58 767311 (000000-- ) Hose, Hyd 2
59 767312 (000000-- ) Hose, Hyd 1
60 767314 (000000-- ) Hose, Hyd 2
61 762335 (000000-- )Hose, Hyd 1
62 762349 (000000-- ) Hose, Hyd 2
63 762350 (000000-- ) Hose, Hyd 1
64 767224 (000000-- ) Hose, Hyd 1
65 767225 (000000-- ) Hose, Hyd 1
66 767418 (000000-- )Hose, Hyd 1
67 767290 (000000-- ) Hose, Hyd 1
68 767333 (000000-- ) Hose, Hyd 1
69 767334 (000000-- ) Hose, Hyd 1
70 767253 (000000-- ) Hose, Hyd 1
71 767255 (000000-- )Hose, Hyd 1
72 768881 (000000-- ) Hose, Hyd 1
73 768882 (000000-- ) Hose, Hyd 1
74 762425 (000000-- ) Fitting, Hyd 3
75 770002 (004522-- ) Hose, Hyd 1
Home
Find...
Go To..

STANDARD PARTS
2-143
830II 330430 (9--01)
Home
Find...
Go To..

STANDARD PARTS
830II 330430 (9--01)
2-144
Fig. 48 -- Hydraulic Reservoir Group
1
3
9
2
10
11
12
13
14
4
5
6
7
8
15
18
16
17
22
21
19
20
13
Home
Find...
Go To..

STANDARD PARTS
2-145
830II 330430 (9--01)
351899
Fig. 48 -- Hydraulic Reservoir Group
Ref.
TENNANT
Part No.
Machine Serial
Number Description Qty.
1767006 (000000-- )Tank, Hyd Oil 1
o
2 767012 (000000-- ) Filter, Head 1
Y
3 767013 (000000-- ) Filter Element,Hyd.Spin On 1
4 767011 (000000-- ) Nipple,Pipe 1
o
5 767019 (000000-- ) Hyd Filler Breather Assembly 1
Y
670006 (000000-- )Gasket, Hyd Cap 1
Y
7 61288 (000000-- ) Gasket, Hyd Tank Breather 2
8 767248 (000000-- ) Cap. Quick Disconnect 1
9 767271 (000000-- ) Ftg--Special 1
10 767272 (000000-- ) Fitting, Hyd 1
11 767275 (000000-- )Plate, Filter Mount 1
12 767273 (000000-- ) Manifold Block, Filter 1
13 762445 (000000-- ) Fitting, Hyd 2
14 79868 (000000-- ) Fitting, Hyd 1
15 762075 (000000-- ) Gauge, Sight 1
16 762437 (000000-- )Fitting, Hyd 1
17 762446 (000000-- ) Fitting, Hyd 1
18 762105 (000000-- ) Valve, Check, Vonberg 1
19 762438 (000000-- ) Fitting, Hyd 1
20 762435 (000000-- ) Fitting, Hyd 1
21 762448 (000000-- )Fitting, Hyd 1
22 762484 (000000-- ) Fitting--Hyd 1
Home
Find...
Go To..

STANDARD PARTS
830II 330430 (9--01)
2-146
Fig. 49 -- Hydraulic Pumps Group
13
18
10
15
1
9
6
8
2
15
14
12
7
5
4
17
3
12
11
18
16
19
20
8
Home
Find...
Go To..

STANDARD PARTS
2-147
830II 330430 (12--02)
351901
Fig. 49 -- Hydraulic Pumps Group
Ref.
TENNANT
Part No.
Machine Serial
Number Description Qty.
1767200 (000000-- )Pump, Piston (See Breakdowns) 1
o
769006 (000000-- ) Repl. Kit, Pump, Hyd Gear 1
Y
2 762024 (000000-- ) Pump, Hyd Gear 1.76 Cid (See Breakdowns) 1
Y
3 769004 (000000-- ) O--Ring 1
Y
4 769005 (000000-- ) O--Ring 1
5767005 (000000-- )Pump, Hyd Double Gear 1
6 762469 (000000-- ) Ftg--Hyd, Str 1
7 762433 (000000-- ) Ftg--Hyd, Str 1
8 762427 (000000-- ) Ftg--Hyd, E90 2
9 762425 (000000-- ) Ftg_Hyd, E90 1
10 762288 (000000-- )Ftg--Hyd, E90 1
11 762457 (000000-- ) Ftg--Hyd, Str 3
12 762487 (000000-- ) Ftg--Hyd Sae Flange 2
13 762446 (000000-- ) Ftg--Hyd, E90 1
14 762463 (000000-- ) Ftg--Hyd, Str 1
15 767407 (000000-- )Ftg--Hyd, E90 2
16 762464 (000000-- ) Ftg--Hyd, E90 1
o
17 762103 (000000-- ) Valve, Speed Control 1
Y
371748 (000000-- ) Kit, Seal 1
18 762425 (000000-- ) Ftg--Hyd, E90 3
19 762489 (000000-- )Ftg--Hyd, Str 1
20 767014 (000000-- ) O--Ring 2
Home
Find...
Go To..
1035508 Seal kit 1

STANDARD PARTS
830II 330430 (12--02)
2-148
Fig. 50 -- Hydraulic Conveyor Lift Control Valve Group
T2
C3
C4
C5
C6
P6
M7
M8
P5
T3
T8
SW
1
2
3
3
4
3
4
11
5
87
6
10
9
4
12
Home
Find...
Go To..

STANDARD PARTS
2-149
830II 330430 (12--02)
351907
Fig. 50 -- Hydraulic Conveyor Lift Control Valve Group
Ref.
TENNANT
Part No.
Machine Serial
Number Description Qty.
1767008 (000000-- )Valve, Hyd Control Sol (See Breakdowns) 1
2 767027 (000000-- ) Bracket, Hyd Valve Mtg 1
3 762425 (000000-- ) Fitting, Hyd 4
4 762463 (000000-- ) Fitting, Hyd 3
5 762464 (000000-- ) Fitting, Hyd 1
6762437 (000000-- )Fitting, Hyd 1
7 762481 (000000-- ) Fitting, Hyd 1
8 79868 (000000-- ) Fitting, Hyd 1
9 767033 (000000-- ) Cover, Valve, Outer 1
10 767040 (000000-- ) Cover Wldt, Valve, Inner 1
11 769077 (000000-- )Switch Assembly, Pressure, Hyd 1
12 768471 (000000-- ) Button, Plug 1
Home
Find...
Go To..

STANDARD PARTS
830II 330430 (9--01)
2-150
Fig. 51 -- Hydraulic Hopper Control Valve Group
M1O
M9
M6
C9
M5
C10
C12
C11
P7
T9
1
2
3
4
5
67
8
Home
Find...
Go To..

STANDARD PARTS
2-151
830II 330430 (9--01)
351909
Fig. 51 -- Hydraulic Hopper Control Valve Group
Ref.
TENNANT
Part No.
Machine Serial
Number Description Qty.
1767007 (000000--004332 )Valve, Hyd Control Sol--Hopper (See Breakdowns) 1
1 768899 (004333-- ) Valve, Hyd Control Sol--Hopper (See Breakdowns) 1
2 762432 (000000-- ) Fitting, Hyd 2
3 762433 (000000-- ) Fitting, Hyd 2
4 762463 (000000-- ) Fitting, Hyd 2
5762464 (000000-- )Fitting, Hyd 2
6 762428 (000000-- ) Fitting--Hyd, Str 1
7 762427 (000000-- ) Fitting, Hyd, Elbow 1
8 767026 (000000-- ) Angle, Hyd Valve Mount 1
Home
Find...
Go To..

STANDARD PARTS
830II 330430 (9--01)
2-152
Fig. 52 -- Hydraulic Brush Control Valve Group
T7
P4
P3
T13
T11
C7
M2
T14
M1 T10
1
2
8
4
7
4
6
5
4
3
9
8
Home
Find...
Go To..

STANDARD PARTS
2-153
830II 330430 (9--01)
351905
Fig. 52 -- Hydraulic Brush Control Valve Group
Ref.
TENNANT
Part No.
Machine Serial
Number Description Qty.
1767220 (000000-- )Valve, Hyd Control Sol--Sb (See Breakdowns) 1
2 767030 (000000-- ) Plate, Hyd Valve Mount 1
3 762437 (000000-- ) Fitting, Hyd 1
4 762445 (000000-- ) Fitting, Hyd 4
5 762446 (000000-- ) Fitting, Hyd 1
6762426 (000000-- )Fitting, Hyd, Str 1
7 762428 (000000-- ) Fitting--Hyd, Str 1
8 762494 (000000-- ) Fitting, Hyd, Plug 2
9 762447 (000000-- ) Fitting, Hyd 1
Home
Find...
Go To..

STANDARD PARTS
830II 330430 (9--01)
2-154
Fig. 53 -- Hydraulic Steering and Brake Valve Group
A1 LS1
T
EF
S
A2
P
5
2
1
8
9
10
6
4
3
2
11
7
Home
Find...
Go To..

STANDARD PARTS
2-155
830II 330430 (9--01)
351903
Fig. 53 -- Hydraulic Steering and Brake Valve Group
Ref.
TENNANT
Part No.
Machine Serial
Number Description Qty.
1767221 (000000-- )Valve, Steering Dual Accumulator 1
2 762457 (000000-- ) Fitting, Hyd 2
3 762438 (000000-- ) Fitting, Hyd 1
4 762428 (000000-- ) Fitting--Hyd, Str 1
5 762433 (000000-- ) Fitting, Hyd 1
633812 (000000-- )Fitting, Hyd, Plug 1
7 46482 (000000-- ) Fitting, Hyd, Plug 1
8 762436 (000000-- ) Fitting, Hyd 1
9 767424 (000000-- ) Fitting, Hyd 1
10 769078 (000000-- ) Switch Assembly, Pressure, Hyd 1
11 762445 (000000-- )Fitting, Hyd 1
Home
Find...
Go To..

STANDARD PARTS
830II 330430 (9--01)
2-156
Fig. 54 -- Water Spray Group
Right
Side
Brush
Left Side
Brush Option
10
12
13
7
14
11
1
4
3
9
10
8
7
2
19
17
20
21
17
11
6
9
10
22
21
21
21 21
21
23
23
21
22
19
17
25
27
28
21
18
3
6
5
16
29
30
28
18
26
24
View A--A
Vario Sweeping BrushtOption
6
32
33
34
35
36
36
31
8
20
12
10
21
15
21
20
24
37
24 24
Home
Find...
Go To..

STANDARD PARTS
2-157
830II 330430 (9--01)
351935
Fig. 54 -- Water Spray Group
Ref.
TENNANT
Part No.
Machine Serial
Number Description Qty.
1768301 (000000-- )Water Tank 1
2 57145 (000000-- ) Switch, Level Sensor 1
3 43844 (000000-- ) Clamp--Wormdrive, 0.25-- 0.62D 2
4 762204 (000000-- ) Indicator, Sight Tube 1
5 762225 (000000-- ) Ftg--Hyd Str 1
6762212 (000000-- )Tee, .50Fx.50Fx.50F 2
7 762233 (000000-- ) Nipple, .50Mx.50M 3
8 762228 (000000-- ) Valve, Vac Wand Spray .50F 3
9 762214 (000000-- ) Nipple, .50M X .75B 1
10 11399 (000000-- ) Clamp--Wormdrive, 0.81-- 1.50D 4
11 762213 (000000-- )Hose,Water .75Inx7.0Ft 1
12 40145 (000000-- ) Ftg,Plstc,Elb,Barb.50Pt--.75Hse 2
13 762209 (000000-- ) Filter, 50 Mesh 1
o
14 761828 (000000-- ) Pump, Water 12V (With Connectors) 1
Y
761832 (000000-- ) Upper Housing 1
Y
761833 (000000-- )Bypass Vlv.Kit 1
Y
761834 (000000-- ) Santoprene DiaphKit 1
15 762222 (000000-- ) Hose,Water .50 in x 8.0 Ft 1
16 17521 (000000-- ) Ftg, Plug 1
17 762217 (000000-- ) Valve, Water Spray 4
18 762219 (000000-- )Tee, .50Bx.50Bx.50B 2
19 767205 (000000-- ) Manifold, Water 1
20 63244--1 (000000-- ) Ftg,Plstc,Elb,Barb.50Pt--.50Hse 6
21 54333 (000000-- ) Clamp--Wormdrive, 0.31-- 0.88D 18
22 762259 (000000-- ) Hose,Water .50 In x 10.0 Ft 2
23 762223 (000000-- )Hose,Water .50 In x16.0 Ft 2
24 762249 (000000-- ) Ftg--Brs Str Bm08/Pm04 6
25 762220 (000000-- ) Tee, Water Spray 6
26 762221 (000000-- ) Nozzle, Water Spray 12
27 762234 (000000-- ) Cap, Spray Nozzle 12
28 762224 (000000-- )Hose,Water .50Inx1.0Ft 2
29 762246 (000000-- ) Hose,Water .50Inx2.08Ft 1
30 762245 (000000-- ) Hose,Water .50Inx0.29Ft 1
31 768324 (000000-- ) Hose, Water 1
32 768305 (000000-- ) Bracket, Nozzle 1
33 768320 (000000-- )Coupler, Cam 1
34 768323 (000000-- ) Plug, Dust, Cam Coupler 1
35 57702 (000000-- ) Cable 1
36 22297 (000000-- ) Clamp, Wormdrive 3
37 768311 (000000-- ) Nut Retainer M8 2
Home
Find...
Go To..
Filter Assy, Water, 50 Mesh

STANDARD PARTS
830II 330430 (9--01)
2-158
Fig. 55 -- Dry Dust Control Group
1
2
2
3
3
27
26
4
5
6
7
8
8
9
10 11
12
13
14
13
15
16
16
17
17
6
29
28
25
24
29
21
21
18
18
9
19
20
21
22
21
23
Home
Find...
Go To..

STANDARD PARTS
2-159
830II 330430 (9--01)
351913
Fig. 55 -- Dry Dust Control Group
Ref.
TENNANT
Part No.
Machine Serial
Number Description Qty.
112271 (000000-- )Nut, U, M06--1.0 32
2 41178 (000000-- ) Washer, Flat, .25 Fender 84
3 768091 (000000-- ) Bar, Seal, Upper 2
4 768101 (000000--003099 ) Kit, Brush Door, Lh 1
5 768102 (000000--003099 ) Kit, Brush Door, Rh 1
6764261 (000000-- )Skirt Kit, Side Brush 2
7 764260 (000000-- ) Skirt Kit, Front Dust Control 1
8 768100 (000000-- ) Shroud Assembly (Left Sidebrush Shroud Assy Optional) 2
9 764254 (000000-- ) Panel 1
10 764253 (000000-- ) Panel 1
11 764234 (000000-- )Panel 1
12 764235 (000000-- ) Panel 1
13 769087 (000000-- ) Arm, Seal, Upper 2
14 768096 (000000-- ) Shroud, Side Modified (When no Sidebrush is used) 1
15 764238 (000000-- ) Retainer 1
16 764263 (000000-- )Retainer, Front Ends SBDC 2
17 764240 (000000-- ) Retainer 2
18 764241 (000000-- ) Panel 2
19 764244 (000000-- ) Bar, Support, Rh 1
20 764245 (000000-- ) Bar, Support, Lh 1
21 764256 (000000-- )Retainer 4
22 760552 (000000-- ) Seal, Str W/.75 Bubble 52”Lg 1
23 760532 (000000-- ) Seal Kit, 15ft. 1
24 768103 (003100-- ) Bracket, Skirt, Lh 1
25 768104 (003100-- ) Bracket, Skirt, Rh 1
26 768038 (000000-- )Bracket, Dust Containment, Lh 1
27 768039 (000000-- ) Bracket, Dust Containment, Rh 1
28 768089 (003100-- ) Skirt, Dust Containment 2
29 58595 (003100-- ) Nut, U, M08--1.25 4
Home
Find...
Go To..

STANDARD PARTS
830II 330430 (9--01)
2-160
Fig. 56 -- Labels Group
1
2
3
4
6
8
7
7
5
351992 -- NA
Ref.
TENNANT
Part No.
Machine Serial
Number Description Qty.
109901 (000000-- )Label,Tennant Logo 1
2 17200 (000000-- ) Label, Tennant Logo-- 10.0 Blue 1
3 760980 (000000-- ) Label, Slow Moving Vehicle 1
4 768815 (000000-- ) Label, Numeral, 830--II 2
5 765960 (000000-- ) Label, Set, Info & Hazard 1
6768800 (000000-- )Label, Set, Operational 1
7 760984 (000000-- ) Label, Bias Tire 4
7 760983 (000000-- ) Label, Radial Tire 4
8 09905 (000000-- ) Label, Tennant Logo 2
Home
Find...
Go To..

OPTIONS
3-1
830--II 330430 (12--02)
SECTION
3
Contents Page
Fig. 1 -- High Dump Hopper Lift Group 3-2.........
Fig. 2 -- High Dump Hopper Lift Cylinders Group 3-4
Fig. 3 -- Left Side Brush Group 3-6...............
Fig. 4 -- Right Hand Vario Sweeping Brusht
Arm Group 3-8........................
Fig. 5 -- Right Hand Vario Sweeping Brusht
Arm Group 3-10.......................
Fig. 6 -- Right Hand Vario Sweeping Brusht
Dolly Group 3-12.......................
Fig. 7 -- Right Hand Hydraulic Vario Brush
Control Group 3-14.....................
Fig. 8 -- Right Hand Hydraulic Vario Brush
Control Group 3-16.....................
Fig. 9 -- Left Hand Vario Sweeping Brusht
Arm Group 3-18.......................
Fig. 10 -- Left Hand Vario Sweeping Brusht
Dolly Group 3-20.......................
Fig. 11 -- Left Hand Hydraulic Vario Brush
Control Group 3-22.....................
Fig. 12 -- High Pressure Sprayer Wand Group 3-24..
Fig. 13 -- High Pressure Sprayer Pump Group 3-26..
Fig. 14 -- High Pressure Sprayer Hydraulic
Hose Group 3-28......................
Fig. 15 -- High Dump Hopper Hydraulic
Hose Group 3-30......................
Fig. 16 -- Vario Brush (000000--003174)
and Left Hand Side Brush Hydraulic
Hose Group 3-32......................
Fig. 17 -- Vario Brush Hydraulic Hose Group
(003175-- ) 3-34...................
Fig. 18 -- L.H. Steering Hydraulic Hose Group 3-36..
Fig. 19 -- Left Hand Operator Group 3-38...........
Fig. 20 -- Cab Air Conditioner Heater Group 3-40....
Fig. 21 -- Vacuum Wand Group 3-42...............
Fig. 22 -- Vacuum Wand Extension Group 3-44.....
Fig. 23 -- Vacuum Wand Door Group 3-46..........
Fig. 24 -- Hopper Cleanout Tool Kit 3-48............
Fig. 25 -- Foam Filled Tire Group 3-49.............
Fig. 26 -- Protectoseal Fuel Cap Group 3-50........
Fig. 27 -- Rear Rubber Bumper Kit 3-51............
Fig. 28 -- Fire Extinguisher Group 3-52.............
Fig. 29 -- Filter Bag Lift Kit 3-53...................
Fig. 30 -- Hydrant Wash Down Group 3-54.........
Fig. 31 -- Hydrant Hose Group 3-55...............
Fig. 32 -- Engine Access Step Kit 3-56.............
Fig. 33 -- Night Light Kit 3-57.....................
Fig. 34 -- Cab Rotating Light Kit 3-58..............
Fig. 35 -- Brush Guard Kit 3-59...................
Fig. 36 -- Radio Tape Deck Kit 3-60................
Fig. 37 -- Auto--Lube System Group 3-62...........
Contents Page
Fig. 38 -- Side Brush Spring Kit 3-64...............
Fig. 39 -- Side Brush Linkage Kit 3-65..............
Fig. 40 -- Fourth Bar Linkage Kit 3-66..............
Fig. 41 -- Documentation Group 3-67..............
Home
Find...
Go To..

OPTIONS
830--II 330430 (12--02)
3-2
Fig. 1 -- High Dump Hopper Lift Group
2
3
4
5
6
7
8
9
10
1
11
12
13
14
15
16
17
18
19
20
21
22
23
24
25
26
27
30
31
32
34
33
31
30
20 18
21
12
30
12
26
30
19
31
27
18
18
20
20 21
21
27
35
36
29
21 29
37
21
28
Home
Find...
Go To..

OPTIONS
3-3
830--II 330430 (12--02)
351919
Fig. 1 -- High Dump Hopper Lift Group
Ref.
TENNANT
Part No.
Machine Serial
Number Description Qty.
1769547 (000000-- )Leg Assy, Upper W/Label 1
2 769548 (000000-- ) Leg Assy, Lower W/Label 1
o
3 769503 (000000-- ) Guide,Cam Roller,Lh 1
Y
4 765435 (000000-- ) Guide,Cam Roller,Up 1
o
5 769504 (000000-- ) Guide,Cam Roller,Rh 1
Y
6765435 (000000-- )Guide,Cam Roller,Up 1
7 765465 (000000-- ) Pulley, Lift,Brush 1
8 765620 (000000-- ) Mount,Frame,Rear Lh 1
9 765621 (000000-- ) Mount,Frame,Rear Rh 1
o
769509 (000000-- ) Pin Assy,Leg,Inside 2
Y
10 769510 (000000-- )Pin, Leg, Inside 2
11 06961 (000000-- ) Screw, Hex, M10 X 1.5 X 20, 8.8 2
12 769522 (000000-- ) Bushing, Sleeve, 30mmb 40mmd 25mml, Bnz 4
o
769511 (000000-- ) Pin Assy, Roller, Hpr 1
Y
13 769512 (000000-- ) Pin, Roller,Hopper 1
14 32988 (000000-- )Washer, Lock, Int, .38 1
o
769513 (000000-- ) Pin Assy,Leg,Outsid 2
Y
15 769514 (000000-- ) Pin, Leg, Outside 2
16 32492 (000000-- ) Washer, Flat, 0.38 Std 2
17 769522 (000000-- ) Bushing 2
18 769524 (000000-- )Bearing, Spherical 4
19 769528 (000000-- ) Follower, Cam 2
20 769529 (000000-- ) Ring, Retaining 4
21 769534 (000000-- ) Ftg, Nipple, Grease 6
22 39283 (000000-- ) Screw, Hex, M10 X 1.5 X 25, 8.8 12
23 763042 (000000-- )Washer, Belleville, M10 12
24 06992 (000000-- ) Screw, Hex, M20 X 2.5 X 50, 8.8 2
25 763067 (000000-- ) Nut, Hex, Jam M20 X 2.5 2
26 769541 (000000-- ) Screw 2
27 769542 (000000-- ) Nut, Lock, Ny 4
28 769554 (000000-- )Washer 4
29 47801 (000000-- ) Fitting, Grease, Str Pm04 .63l 2
30 769545 (000000-- ) Washer, Flat 7
31 769523 (000000-- ) Bushing, Sleeve 4
32 09294 (000000-- ) Screw, Soc, M 8 X 1.25 X 60, 12.9 3
33 08709 (000000-- )Nut, Hex, Lock, M 8 X 1.25 Nl 3
34 769549 (000000-- ) Roller, Hopper 1
35 768502 (000000-- ) Bracket 1
36 762591 (000000-- ) Switch 1
37 769563 (000000-- ) Bushing 2
Home
Find...
Go To..

OPTIONS
830--II 330430 (12--02)
3-4
Fig. 2 -- High Dump Hopper Lift Cylinders Group
C1
C2
2
3
4
5
6
7
8
10
1
11
12
14
15
16
17
18
19
20
26
22
23
24
25
26
27
28
29
30
22
27
26
26
16
23
10
25 24
24
24
18
15
26
13
19
19
20
9
20 8
26
14
11
3
21
Home
Find...
Go To..

OPTIONS
3-5
830--II 330430 (12--02)
351921
Fig. 2 -- High Dump Hopper Lift Cylinders Group
Ref.
TENNANT
Part No.
Machine Serial
Number Description Qty.
1765410 (000000--- )Cylinder, Lift 2
2 765445 (000000--- ) Support, Maintenance, Lift W/Label 1
3 765409 (000000--- ) Cylinder, Tilt 2
4 765444 (000000--- ) Tilt, Maintenance, Stand W/Label 1
5 769518 (000000--- ) Ring, Lock 1
o
769507 (000000--- )Pin Assy, Cyl,Lift 2
Y
6 769508 (000000--- ) Pin, Cyl, Lift 2
7 765491 (000000--- ) Tube 1
o
769515 (000000--- ) Pin Assy, Cyl,Tilt 2
Y
8 769516 (000000--- ) Pin, Cyl, Tilt 2
9765492 (000000--- )Tube 1
10 769523 (000000--- ) Bushing 3
11 769522 (000000--- ) Bushing 4
12 769561 (000000--- ) Pin, Rod Cyl, Lift 1
13 769562 (000000--- ) Bushing 1
14 769525 (000000--- )Bearing, Spherical 2
15 769526 (000000--- ) Bearing, Spherical 2
16 769527 (000000--- ) Rod, End, Cyl,Tilt 2
17 769530 (000000--- ) Fuse, Velocity 2
18 769531 (000000--- ) Fuse, Velocity 2
19 09294 (000000--- )Screw, Soc, M 8 X 1.25 X 60 6
20 08709 (000000--- ) Nut, Hex, Lock, M 8 X 1.25 6
21 769558 (000000--- ) Clevis Assy, Support 1
22 762438 (000000--- ) Fitting, Hyd 4
23 769540 (000000--- ) Nut, Jam 3
24 762425 (000000--- )Fitting, Hyd 4
25 762444 (000000--- ) Fitting, Hyd 2
26 47801 (000000--- ) Fitting, Grease 7
27 760682 (000000--- ) Pin Wldt, Safety Leg, Lower 2
28 760695 (000000--- ) Pin 1
29 762433 (000000--- )Fitting, Hyd 1
30 762432 (000000--- ) Fitting, Hyd 1
Home
Find...
Go To..

OPTIONS
830--II 330430 (12--02)
3-6
Fig. 3 -- Left Side Brush Group
C8
M3
M4
2
3
4
5
6
7
8
9
10
1
11
12
13
14
15
16
17
18
19
20
21
6
18
16
22
1
22
7
17
6
Home
Find...
Go To..

OPTIONS
3-7
830--II 330430 (12--02)
351966
Fig. 3 -- Left Side Brush Group
Ref.
TENNANT
Part No.
Machine Serial
Number Description Qty.
1767411 (000000-- )Ftg--Hyd, E90 2
2 762059 (000000-- ) Motor, Hyd S Br W/End Ports (See Breakdowns) 1
3 761209 (000000-- ) Bracket,Hyd.Motor Support 1
4 768834 (000000-- ) Channel Weldt,Lower Support 1
5 761428 (000000-- ) Hub Weldt,Side Brush 1
6767642 (000000--004077 )Replacement Kit, Side Brush Linkage 1
7 768836 (004078-- ) Bar, Wldt. Brush Support 3
o
8 762043 (000000-- ) Cylinder, Hyd S Br Lift 1
Y
762073 (000000-- ) Kit, Seal, Cyl, Hyd 1
9 761229 (000000-- ) Pin,Hyd.Cylinder 1
10 763005 (000000-- )Retaining Ring, M16 1
11 767644 (004078-- ) Shaft, Side Brush 1
12 768852 (000000-- ) Bracket Wldt,Side Brush Lh 1
13 761225 (000000-- ) Eyebolt, .50--13X3.5” 1
14 761223 (000000-- ) Spring 1
15 762425 (000000-- )Ftg--Hyd, E90 1
16 768842 (004078-- ) Tube 6
17 767641 (004078-- ) Bearing, Flange 6
18 763003 (000000-- ) Bearing, 2
19 47801 (000000-- ) Ftg, Grease.25--28Th Strt .63L 1
20 763007 (000000-- )Bearing 1
21 762426 (000000-- ) Ftg--Hyd, str 1
22 762445 (000000-- ) Ftg--Hyd, str 2
Home
Find...
Go To..

OPTIONS
830--II 330430 (6--98)
3-8
Fig. 4 -- Right Hand Vario Sweeping BrushtArm Group
1
2
3
4
6
5
15
24
25
20
8
8
10
8
8
10
7
11
9
21
12
14
13
17
10 17
26
28 18
19
16
23
22
21
27
1
10
25
29 30
31
32
33
33
29
32
31
33
33
34
34
Home
Find...
Go To..
jam nut 763034
763035
763035
763036
763031
39285
32969
38490

OPTIONS
3-9
830--II 330430 (12--02)
351917
Fig. 4 -- Right Hand Vario Sweeping BrushtArm Group
Ref.
TENNANT
Part No.
Machine Serial
Number Description Qty.
1762456 (000000--003174 )Ftg--Hyd, Str 2
2 761428 (000000--003174 ) Hub Weldt,Side Brush 1
3 761463 (000000--003174 ) Bracket,Water System 1
4 761451 (000000--003174 ) Bracket Weldt,Hyd.Motor Mount 1
o
5 761472 (000000--003174 ) Bracket Weldt,Front Hinge 1
Y
6761311 (000000--003174 )Bearing 1
o
7 761469 (000000--003174 ) Arm Weldt,Lower Brush Support 1
Y
8 761305 (000000--003174 ) Bearing 4
9 761445 (000000--003174 ) Spacer,Hyd.Pivot 1
10 761444 (000000--003174 ) Spacer,Hyd.Pivot 4
11 761464 (000000--003174 )Bracket Weldt,Hyd.Hose 1
o
12 762004 (000000--003174 ) Cylinder,Hyd, Brush Lift 1
Y
770029 (000000--003174 ) Kit, Seal, Cyl, Hyd 1
13 761343 (000000--003174 ) Spring 1
14 761225 (000000--003174 ) Eyebolt, .50--13X3.5” 1
15 762058 (000000--003174 )Motor, Hyd, Brush (See Breakdowns) 1
o
16 761470 (000000--003174 ) Arm Ass’y,Upper Brush Support 1
Y
17 761305 (000000--003174 ) Bearing 2
18 57702 (000000--003174 ) Cable, Door, Access 1
19 763026 (000000--003174 ) Pin,Hair Cotter 1.00D.178Wire 1
20 762002 (000000--003174 )Cylinder,Hyd, Curb Tilt 1
21 762425 (000000--003174 ) Ftg--Hyd, E90 3
22 767038 (000000--003174 ) Bracket, Hyd Hose Mount 1
23 767037 (000000--003174 ) Plate, Hyd Hose Mount 1
24 762003 (000000--003174 ) Cylinder,Hyd Brush Tilt 1
25 762433 (000000--003174 )Ftg--Hyd, Str 2
26 768077 (000000--003174 ) Latch, Weldt, Brush Support 1
27 763137 (000000--003174 ) Scr, Hex M16x2.0x100 1
28 33342 (000000--003174 ) Nut--Hxlocnyln M16x2.0 Reg Pltd 1
29 767247 (000000--003174 ) Check Valve, Load Handling 2
30 762442 (000000--003174 )Ftg--Hyd, E45 1
31 762435 (000000--003174 ) Ftg--Hyd, Tee 2
32 762441 (000000--003174 ) Ftg--Hyd, E90 2
33 762432 (000000--003174 ) Ftg--Hyd, E90 5
34 767278 (000000--003174 ) Hose--Hyd 2
Home
Find...
Go To..

OPTIONS
830--II 330430 (12--02)
3-10
Fig. 5 -- Right Hand Vario Sweeping BrushtArm Group
1
2
3
4
6
5
15
24
20
8
8
10
8
8
10
7
11
9
21
12
14
13
17
10 17
25
27
18
19
16
23
22
21
26
1
10
21
21
21
29
28
28
30
Home
Find...
Go To..
Jam nut 763034
763035
763035
39285
32969
38490

OPTIONS
3-11
830--II 330430 (12--02)
351917
Fig. 5 -- Right Hand Vario Sweeping BrushtArm Group
Ref.
TENNANT
Part No.
Machine Serial
Number Description Qty.
1762456 (003175-- )Ftg--Hyd, Str 2
2 761428 (003175-- ) Hub Weldt,Side Brush 1
3 761463 (003175-- ) Bracket,Water System 1
4 761451 (003175-- ) Bracket Weldt,Hyd.Motor Mount 1
o
5 761472 (003175-- ) Bracket Weldt,Front Hinge 1
Y
6761311 (003175-- )Bearing 1
o
7 761469 (003175-- ) Arm Weldt,Lower Brush Support 1
Y
8 761305 (003175-- ) Bearing 4
9 761445 (003175-- ) Spacer,Hyd.Pivot 1
10 761444 (003175-- ) Spacer,Hyd.Pivot 4
11 761464 (003175-- )Bracket Weldt,Hyd.Hose 1
o
12 762004 (003175-- ) Cylinder,Hyd, Brush Lift 1
Y
770029 (003238-- ) Kit, Seal, Cyl, Hyd 1
13 761343 (003175-- ) Spring 1
14 761225 (003175-- ) Eyebolt, .50--13X3.5” 1
15 762058 (003175-- )Motor, Hyd, Brush (See Breakdowns) 1
o
16 761470 (003175-- ) Arm Ass’y,Upper Brush Support 1
Y
17 761305 (003175-- ) Bearing 2
18 57702 (003175-- ) Cable, Door, Access 1
19 763026 (003175-- ) Pin,Hair Cotter 1.00D.178Wire 1
o
20 762002 (003175-- )Cylinder,Hyd, Curb Tilt 1
Y
770027 (003238-- ) Kit, Seal, Cyl, Hyd 1
21 762425 (003175-- ) Ftg--Hyd, E90 6
22 767038 (003175-- ) Bracket, Hyd Hose Mount 1
23 767037 (003175-- ) Plate, Hyd Hose Mount 1
o
24 762003 (003175-- )Cylinder,Hyd Brush Tilt 1
Y
770028 (003286-- ) Kit, Seal, Cyl, Hyd 1
25 768077 (003175-- ) Latch, Weldt, Brush Support 1
26 763137 (003175-- ) Scr, Hex M16x2.0x100 1
27 33342 (003175-- ) Nut--Hxlocnyln M16x2.0 Reg Pltd 1
28 763031 (003175-- )Screw, Hex, M14 X 1.5 X 130 5
29 763035 (003175-- ) Nut, Hex, M14 X 1.5 5
30 763036 (003175-- ) Nut, Hex, Lock, M20 X 2.5 1
Home
Find...
Go To..

OPTIONS
830--II 330430 (12--02)
3-12
Fig. 6 -- Right Hand Vario Sweeping BrushtDolly Group
1
2
3
3
19
16
18
17
16
22
21
6
4
5
12
20
8
15
14
13
11
9
9
8
5
7.
11
9
9
9
10 10
9
23
Home
Find...
Go To..
41445
41445
32494
32494
33342
33342
33342

OPTIONS
3-13
830--II 330430 (12--02)
351915
Fig. 6 -- Right Hand Vario Sweeping BrushtDolly Group
Ref.
TENNANT
Part No.
Machine Serial
Number Description Qty.
1761447 (000000-- )Guide Weldt,Undercarriage 1
2 761317 (000000-- ) Rack, Undercarriage 1
3 761460 (000000-- ) Block,Undercarriage Limiter 2
4 761458 (000000-- ) Hinge Weldt,Brush Arm 1
5 761455 (000000-- ) Pin,Spring Mount 2
6761457 (000000-- )Pin,Hinge 1
o
7 761479 (000000-- ) Dolly Weldt,Undercarriage 1
Y
8 761312 (000000-- ) Bearing 2
9 761345 (000000-- ) Bearing, Cam Follower 10
10 761307 (000000-- ) Ring, Retaining Ext 25Mm 2
11 761446 (000000-- )Washer 8
12 761448 (000000-- ) Cover,Undercarriage 1
13 767020 (000000-- ) Motor, Hyd, Brush Transprt (See Breakdowns) 1
14 761328 (000000-- ) Gear 1
15 761449 (000000-- ) Washer,Hyd.Motor 1
16 761340 (000000-- )Spring, Belleville 12
17 761454 (000000-- ) Pivot,Spring Guide 1
18 761453 (000000-- ) Guide, Spring 1
19 761355 (000000-- ) Washer, Mounting, Spring 1
20 762439 (000000-- ) Ftg--Hyd, Str 2
o
21 762006 (000000-- )Cylinder,Hyd, Brush Swing 1
Y
762072 (003268-- ) Kit, Seal, Cyl, Hyd 1
22 762425 (000000-- ) Ftg--Hyd, E90 2
23 763120 (000000-- ) Nut, Hex, Lock, M24x2.0nyln 1
Home
Find...
Go To..

OPTIONS
830--II 330430 (12--98)
3-14
Fig. 7 -- Right Hand Hydraulic Vario Brush Control Group
M12
P10
M11
T16
C19
C15
M14
C13
EF2 T5
P8 C17
C20
C16
M13
C14
C18
T7
T1
PB1
C8
M3
M4
123
3
5
4
6
7
2
3
3
8
8
Home
Find...
Go To..

OPTIONS
3-15
830--II 330430 (12--98)
351911
Fig. 7 -- Right Hand Hydraulic Vario Brush Control Group
Ref.
TENNANT
Part No.
Machine Serial
Number Description Qty.
1767218 (000000--003174 )Valve, Hyd Cntrl Sol -- Vario (See Breakdowns) 1
2 762446 (000000--003174 ) Ftg--Hyd, 90 3
3 762445 (000000--003174 ) Ftg--Hyd, Str 9
4 767024 (000000--003174 ) Bracket, Mtg 1
5 762426 (000000--003174 ) Ftg--Hyd 1
6762447 (000000--003174 )Ftg--Hyd 1
7 767208 (000000--003174 ) Valve, Hyd Cntrl Sol -- Vario (See Breakdowns) 1
8 762428 (000000--003174 ) Ftg--Hyd, Str 10
Home
Find...
Go To..

OPTIONS
830--II 330430 (11--00)
3-16
Fig. 8 -- Right Hand Hydraulic Vario Brush Control Group
T7
T1
PB1
C8
M3
M4
C19
C15
M14
C13
EF2
T5
P8
C17
C20
C16
M13
C14
C18
T15
T16
M12
M11
P10
2
3
4
5
6
7
8
1
8
8
3
2
3
7
8
8
8
3
3
10
9
11
Home
Find...
Go To..

OPTIONS
3-17
830--II 330430 (9--01)
351911
Fig. 8 -- Right Hand Hydraulic Vario Brush Control Group
Ref.
TENNANT
Part No.
Machine Serial
Number Description Qty.
1767218 (003175-- )Valve, Hyd Cntrl Sol -- Vario (See Breakdowns) 1
2 762446 (003175-- ) Ftg--Hyd, 90 2
3 762445 (003175-- ) Ftg--Hyd, Str 8
4 762437 (003175-- ) Ftg--Hyd, 90 1
5 762426 (003175-- ) Ftg--Hyd, Str 1
6767215 (003175-- )Valve, Hyd Cntrl Sol -- Vario (See Breakdowns) 1
7 762428 (003175-- ) Ftg--Hyd, Str 2
8 767429 (003175-- ) Ftg--Hyd, Str 8
9 768079 (003175-- ) Bracket 1
10 17188 (003175-- ) Hose Clamps 2
11 70157 (003175-- )Clamp, Cable 1
Home
Find...
Go To..

OPTIONS
830--II 330430 (12--02)
3-18
Fig. 9 -- Left Hand Vario Sweeping BrushtArm Group
1
2
3
4
6
5
15
24
20
8
8
10
8
8
10
7
11
9
21
12
14
13
17
10
17
25
27
18
19
16
23
22
21
1
10
26
21
21
29
30
28 28
Home
Find...
Go To..

OPTIONS
3-19
830--II 330430 (12--02)
352058
Fig. 9 -- Left Hand Vario Sweeping BrushtArm Group
Ref.
TENNANT
Part No.
Machine Serial
Number Description Qty.
1762456 (000000-- )Fitting, Hyd, Str 2
2 761428 (000000-- ) Hub, Brush 1
3 768067 (000000-- ) Bracket Wldt, Water Sys, Lh 1
4 768063 (000000-- ) Bracket Wldt, Motor Mount, Lh 1
o
5 768062 (000000-- ) Bracket Wldt, Front Hinge, Lh 1
Y
6761311 (000000-- )Bearing 1
o
7 768060 (000000-- ) Arm Wldt, Lower Brush Support 1
Y
8 761305 (000000-- ) Bearing 4
9 761445 (000000-- ) Spacer 1
10 761444 (000000-- ) Spacer 4
11 768078 (000000-- )Bracket, Hose, Hyd, Lh 1
o
12 762004 (000000-- ) Cylinder, Hyd 1
Y
770029 (003238-- ) Kit, Seal, Cyl, Hyd 1
13 761343 (000000-- ) Spring 1
14 761225 (000000-- ) Bolt, Eye 1
15 762058 (000000-- )Motor, Hyd 3Rd Brush 1
o
16 768061 (000000-- ) Arm Wldt, Upper Brush, Lh 1
Y
17 761305 (000000-- ) Bearing 2
18 57702 (000000-- ) Cable, Door, Access 1
19 763026 (000000-- ) Pin, Hair Cotter 1
o
20 762002 (000000-- )Cylinder, Hyd 1
Y
770027 (003238-- ) Kit, Seal, Cyl, Hyd 1
21 762425 (000000-- ) Fitting, Hyd 6
22 767038 (000000-- ) Bracket, Hyd Hose Mount 1
23 767037 (000000-- ) Plate, Hyd Hose Mount 1
o
24 762003 (000000-- )Cylinder, Hyd 1
Y
770028 (003286-- ) Kit, Seal, Cyl, Hyd 1
25 768053 (000000-- ) Latch Wldt, Brush Arm, Lh 1
26 763137 (000000-- ) Screw, Hex 1
27 33342 (000000-- ) Nut, Hex, Lock, M16 1
28 763031 (003175-- )Screw, Hex, M14 X 1.5 X 130 5
29 763035 (003175-- ) Nut, Hex, M14 X 1.5 5
30 763036 (003175-- ) Nut, Hex, Lock, M20 X 2.5 1
Home
Find...
Go To..

OPTIONS
830--II 330430 (12--02)
3-20
Fig. 10 -- Left Hand Vario Sweeping BrushtDolly Group
1
2
3
319
16
18
17
16
22
21
6
4
5
12
20
8
15
14
13
11
9
9
8
5
11
9
10
10
7
9
11
9
9
9
9
9
23
Home
Find...
Go To..

OPTIONS
3-21
830--II 330430 (12--02)
352060
Fig. 10 -- Left Hand Vario Sweeping BrushtDolly Group
Ref.
TENNANT
Part No.
Machine Serial
Number Description Qty.
1761447 (000000-- )Guide 1
2 761317 (000000-- ) Rack, Undercarriage 1
3 761460 (000000-- ) Block 2
4 768052 (000000-- ) Hinge Wldt, Brush Arm, Lh 1
5 761455 (000000-- ) Pin, Spring 2
6761457 (000000-- )Pin, Hinge 1
o
7 768056 (000000-- ) Dolly Wldt, Undercarriage 1
Y
8 761312 (000000-- ) Bearing 2
9 761345 (000000-- ) Bearing, Cam Follower 10
10 761307 (000000-- ) Ring, Retaining 2
11 761446 (000000-- )Washer 8
12 768066 (000000-- ) Cover, Undercarriage, Lh 1
13 767020 (000000-- ) Motor, Hyd Transport Vario 1
14 761328 (000000-- ) Gear 1
15 761449 (000000-- ) Washer 1
16 761340 (000000-- )Spring, Bellville 12
17 761454 (000000-- ) Pivot 1
18 761453 (000000-- ) Guide 1
19 761355 (000000-- ) Washer 1
20 762439 (000000-- ) Fitting, Hyd 2
o
21 762006 (000000-- )Cylinder, Hyd 1
Y
762072 (003268-- ) Kit, Seal, Cyl, Hyd 1
22 762425 (000000-- ) Fitting, Hyd 2
23 763120 (000000-- ) Nut, Hex, Lock, M24x2.0nyln 1
Home
Find...
Go To..

OPTIONS
830--II 330430 (11--00)
3-22
Fig. 11 -- Left Hand Hydraulic Vario Brush Control Group
C19
C15
M14
C13
EF2
T5
P8
C17
C20
C16
M13
C14
C18
T7
T1
PB1
C8
M3
M4
T15
T16
M12
M11
P10
1
2
3
5
6
7
2
34
8
3
3
3
8
8
8
7
10
9
11
Home
Find...
Go To..

OPTIONS
3-23
830--II 330430 (9--01)
352062
Fig. 11 -- Left Hand Hydraulic Vario Brush Control Group
Ref.
TENNANT
Part No.
Machine Serial
Number Description Qty.
1767218 (000000-- )Valve, Hyd Cntrl Sol -- Vario (See Breakdowns) 1
2 762446 (000000-- ) Ftg--Hyd, 90 2
3 762445 (000000-- ) Ftg--Hyd, Str 8
4 762437 (000000-- ) Ftg--Hyd, 90 1
5 767426 (000000-- ) Ftg--Hyd, Str 1
6767215 (000000-- )Valve, Hyd Cntrl Sol -- Vario (See Breakdowns) 1
7 762428 (000000-- ) Ftg--Hyd, Str 2
8 767429 (000000-- ) Ftg--Hyd, Str 8
9 768079 (000000-- ) Bracket 1
10 17188 (000000-- ) Hose Clamp 2
11 70157 (000000-- )Clamp, Cable 1
Home
Find...
Go To..

OPTIONS
830--II 330430 (8--99)
3-24
Fig. 12 -- High Pressure Sprayer Wand Group
1
2
3
4
5
6
7
8
9
10
11
12
13
14
15
16
17
18
19
20
21
23
24
25
26
27
28
29 30
15
14
Existing
Existing
22
31
32
33
34
35
36
31
32
34
15
8
15
Home
Find...
Go To..

OPTIONS
3-25
830--II 330430 (8--99)
351998
Fig. 12 -- High Pressure Sprayer Wand Group
Ref.
TENNANT
Part No.
Machine Serial
Number Description Qty.
1762272 (000000-- )Nozzle, High Pressure 1
2 762271 (000000-- ) Nozzle, Lo Pressure 1
3 762267 (000000-- ) Lance, Dual 1
4 762278 (000000-- ) Ftg--Hyd, Str 1
5 762266 (000000-- ) Handle, High Pressure Spray 1
6762270 (000000-- )Hose Assembly, Pressure Wash 1
7 762294 (000000-- ) Coupler Body, .375F Brass 1
8 762293 (000000-- ) Coupler Plug, .375M Ss 2
9 762264 (000000-- ) Valve, Unloader 1
10 762256 (000000-- ) Ftg--Hyd, E45 1
11 762265 (000000-- )Gauge, Glycerin 1
12 762292 (000000-- ) Ftg,Nipple Galv .375Npt Close 1
13 762254 (000000-- ) Ftg,90El Galv .375X.50 F Npt 1
14 762229 (000000-- ) Nipple, .50Mx.50B 2
15 54333 (000000-- ) Clamp--Wormdrive, 0.31-- 0.88D 4
16 762259 (000000-- )Hose, Water .50In X 10.0Ft 1
17 87677 (000000-- ) Sleeve--Nylon #20 20.0L 1
18 763115 (000000-- ) Tie, Cable 6.0 Lg 15
763116 (000000-- ) Tie, Cable 15.25 Lg 10
19 762233 (000000-- ) Nipple, .50Mx.50M 1
20 762212 (000000-- )Tee, .50Fx.50Fx.50F 1
21 40145 (000000-- ) Ftg,Plstc,Elb,Barb.50Pt--.75Hse 1
22 761524 (000000-- ) Clip, Finger Clip, Metal 1
23 762241 (000000-- ) Hose, Water , Polywire.50Inx12.0Ft 1
24 762291 (000000-- ) Ftg--Hyd, Str 8--8 1
25 762269 (000000-- )Filter, Inline Strainer 1
26 762290 (000000-- ) Ftg--Hyd, Str 8--8 1
27 63244--1 (000000-- ) Ftg, Plstc E90 1
28 762286 (000000-- ) Ftg--Hyd, Str 8 1
29 762284 (000000-- ) Ftg--Hyd, E90 8 1
30 762285 (000000-- )Ftg--Hyd, E90 8 1
31 768310 (000000-- ) Plate, Tool Holder 2
32 762297 (000000-- ) Angle 4
33 760660 (000000-- ) Clip, Storage Plastic 1
34 768314 (000000-- ) Molding, Trim 7.5 Ft 1
35 760599 (000000-- )Bracket, Tool Box 1
36 760672 (000000-- ) Angle 1
Home
Find...
Go To..

OPTIONS
830--II 330430 (8--99)
3-26
Fig. 13 -- High Pressure Sprayer Pump Group
2
3
4
5
6
7
8
9
10
1
11
12
13
14
14
Home
Find...
Go To..

OPTIONS
3-27
830--II 330430 (8--99)
352006
Fig. 13 -- High Pressure Sprayer Pump Group
Ref.
TENNANT
Part No.
Machine Serial
Number Description Qty.
1762261 (000000-- )Motor, Hyd High Press Sprayer 1
2 762277 (000000-- ) Plate, Mount, Hyd Motor 1
3 768309 (000000-- ) Guard, Pump Coupling 1
4 762280 (000000-- ) Coupling, Motor Press Washer 1
5 33691 (000000-- ) Chain,Rlr, 15Pitchs 1
633692 (000000-- )Link, Rlr.Chain 1
7 40143 (000000-- ) Coupling,Chain,L.H Half,Keyed 1
o
8 762260 (000000-- ) Pump, Cat 290 Press Wash (See Breakdowns) 1
Y
40144--4 (000000-- ) Oil, Crankcase, Cat Pump (For 1 oil change) 1
9 38321 (000000-- ) Pump Cover 1
10 40144--6 (000000-- )Key--5Mm 1
11 762281 (000000-- ) Ftg--Hyd, Plug 1
12 17521 (000000-- ) Ftg--Plug Npt 08Pm Sq Hd 1
13 762282 (000000-- ) Ftg--Hyd, Plug 1
14 39322 (000000-- ) Screw, Set .38 in 2
Home
Find...
Go To..

OPTIONS
830--II 330430 (9--01)
3-28
Fig. 14 -- High Pressure Sprayer Hydraulic Hose Group
2
3
1
2
4
5
6
7
8
7
5
5
351943
Home
Find...
Go To..

OPTIONS
3-29
830--II 330430 (8--99)
351996
Fig. 14 -- High Pressure Sprayer Hydraulic Hose Group
Ref.
TENNANT
Part No.
Machine Serial
Number Description Qty.
1767317 (000000-- )Hose, Hyd 1
2 767318 (000000-- ) Hose, Hyd 2
3 767327 (000000-- ) Hose, Hyd 1
4 762435 (000000-- ) Ftg--Hyd, Tee 1
5 762433 (000000-- ) Ftg--Hyd, Str 3
6762437 (000000-- )Ftg--Hyd, E90 1
7 762438 (000000-- ) Ftg--Hyd, Str 3
8 767009 (000000-- ) Valve, Hyd Cntrl Sol--Press Wash (See Breakdowns) 1
Home
Find...
Go To..

OPTIONS
830--II 330430 (9--01)
3-30
Fig. 15 -- High Dump Hopper Hydraulic Hose Group
2
3
4
5
6
71
34
351943
Home
Find...
Go To..

OPTIONS
3-31
830--II 330430 (11--00)
351943
Fig. 15 -- High Dump Hopper Hydraulic Hose Group
Ref.
TENNANT
Part No.
Machine Serial
Number Description Qty.
1767233 (000000-- )Hose, Hyd 1
2 767281 (000000-- ) Hose, Hyd 1
3 767319 (000000-- ) Hose, Hyd 2
4 767320 (000000-- ) Hose, Hyd 2
5 767321 (000000-- ) Hose, Hyd 2
6767323 (000000-- )Hose, Hyd 1
7 767325 (000000-- ) Hose, Hyd 2
Home
Find...
Go To..

OPTIONS
830--II 330430 (12--02)
3-32
Fig. 16 -- Vario Brush
(000000--003174)
and Left Hand Side Brush Hydraulic Hose Group
2
3
4
5
6
7
8
9
10
1
11
12
13 14
15
16
17
18
18
351943
351943
Home
Find...
Go To..

OPTIONS
3-33
830--II 330430 (12--02)
351943
Fig. 16 -- Vario Brush (000000--003174)
and Left Hand Side Brush Hydraulic Hose Group
Ref.
TENNANT
Part No.
Machine Serial
Number Description Qty.
1767246 (000000-- )Hose, Hyd 2
2 767250 (000000-- ) Hose, Hyd 1
3 767263 (000000--003174 ) Hose, Hyd 1
4 767291 (000000--003174 ) Hose, Hyd 1
5 767292 (000000--003174 ) Hose, Hyd 1
6767293 (000000--003174 )Hose, Hyd 1
7 767294 (000000--003174 ) Hose, Hyd 1
8 767295 (000000--003174 ) Hose, Hyd 1
9 767296 (000000--003174 ) Hose, Hyd 1
10 767297 (000000--003174 ) Hose, Hyd 2
11 767299 (000000--003174 )Hose, Hyd 1
12 767300 (000000--003174 ) Hose, Hyd 1
13 767301 (000000--003174 ) Hose, Hyd 1
14 767302 (000000--003174 ) Hose, Hyd 1
15 767303 (000000--003174 ) Hose, Hyd 1
16 767304 (000000--003174 )Hose, Hyd 1
17 767329 (000000--003174 ) Hose, Hyd 1
18 767278 (000000--003174 ) Hose, Hyd 2
Home
Find...
Go To..

OPTIONS
830--II 330430 (12--02)
3-34
Fig. 17 -- Vario Brush Hydraulic Hose Group (003175-- )
2
3
4
5
6
7
8
9
1
10
11
12
13
351943
Home
Find...
Go To..

OPTIONS
3-35
830--II 330430 (12--02)
351943
Fig. 17 -- Vario Brush Hydraulic Hose Group (003175-- )
Ref.
TENNANT
Part No.
Machine Serial
Number Description Qty.
1767446 (003175-- )Hose, Hyd 1
2 767436 (003175-- ) Hose, Hyd 1
3 767437 (003175-- ) Hose, Hyd 1
4 767431 (003175-- ) Hose, Hyd 2
5 767432 (003175-- ) Hose, Hyd 2
6767433 (003175-- )Hose, Hyd 1
7 767435 (003175-- ) Hose, Hyd 2
8 767444 (003175-- ) Hose, Hyd 1
9 767438 (003175-- ) Hose, Hyd 1
10 767440 (003175-- ) Hose, Hyd 1
11 767434 (003175-- )Hose, Hyd 1
12 767344 (003175-- ) Hose, Hyd 1
13 767445 (003175-- ) Hose, Hyd 1
Home
Find...
Go To..

OPTIONS
830--II 330430 (12--02)
3-36
Fig. 18 -- L.H. Steering Hydraulic Hose Group
2
3
4
5
6
7
8
1
351943
Home
Find...
Go To..

OPTIONS
3-37
830--II 330430 (12--02)
351943
Fig. 18 -- L.H. Steering Hydraulic Hose Group
Ref.
TENNANT
Part No.
Machine Serial
Number Description Qty.
1767343 (000000-- )Hose,Hyd 1
2 767341 (000000-- ) Hose,Hyd 1
3 767336 (000000-- ) Hose,Hyd 1
4 767342 (000000-- ) Hose,Hyd 1
5 767335 (000000-- ) Hose,Hyd 1
6767338 (000000-- )Hose,Hyd 1
7 767340 (000000-- ) Hose,Hyd 1
8 767339 (000000-- ) Hose,Hyd 1
Home
Find...
Go To..

OPTIONS
830--II 330430 (12--98)
3-38
Fig. 19 -- Left Hand Operator Group
1
4
3
8
7
10
9
6
5
11
2
Home
Find...
Go To..

OPTIONS
3-39
830--II 330430 (8--99)
352513
Fig. 19 -- Left Hand Operator Group
Ref.
TENNANT
Part No.
Machine Serial
Number Description Qty.
175428 (000000-- )Plugbtn .75H .03--.12 Blacknyl 1
2 768472 (000000-- ) Plugbtn, 0.375H, .172, Blk 3
3 768421 (000000-- ) Wiper Motor, 12V, Lh 1
4 768423 (000000-- ) Bracket, Throttle, Lh 1
5 768445 (000000-- ) Plate, Switch Blank 1
6768469 (000000-- )Panel, Console Upper L.H. 1
7 768477 (000000-- ) Cover, Floor Plate 1
8 768476 (000000-- ) Cover, Steering Column 1
9 768422 (000000-- ) Console, Steering, Lh 1
10 768496 (000000-- ) Bracket, Steering Column, Lh 1
11 768811 (000000-- )Label, Set, Cab Lh 1
Home
Find...
Go To..

OPTIONS
830--II 330430 (12--02)
3-40
Fig. 20 -- Cab Air Conditioner Heater Group
2
3
4
5
6
7
8
9
10
1
11
12
13
14
15
16 17
18
19
20
21
22
23
24
25
26
27
28 29
22
22
22
19
11
22
13
30
31
32
33 34
35
37
36 38
Home
Find...
Go To..

OPTIONS
3-41
830--II 330430 (12--02)
352508
Fig. 20 -- Cab Air Conditioner Heater Group
Ref.
TENNANT
Part No.
Machine Serial
Number Description Qty.
1768416 (000000-- )Coil, Condenser 1
2 761963 (000000-- ) Hinge 2
3 769021 (000000-- ) Dryer,Air--Cond 1
4 769029 (000000-- ) Clamp, Receiver, Dryer 1
5 769030 (000000-- ) Bracket, Receiver, Dryer 1
6769042 (000000-- )Switch, Pressure 1
o
7 769020 (000000-- ) Compressor,Air--Cond 1
Y
769080 (000000-- ) Clutch, Air--Cond 1
8 770009 (000000--004641 ) Kit, Ci, Pulley, A/C 1
9 764209 (000000-- ) Belt 1
10 767522 (000000-- )Hose,Ac 1
11 761961 (000000-- ) Seal, Oring 2
12 767523 (000000-- ) Hose,Ac 1
13 761960 (000000-- ) Seal, Oring 2
14 767521 (000000-- ) Hose,Ac 1
15 761962 (000000-- )Seal, Oring 2
16 761959 (000000-- ) Seal, Oring 1
17 769023 (000000-- ) Coil, Air--Cond, Heater 1
18 769039 (000000-- ) Bracket, Coil 1
19 769040 (000000-- ) Seal, Weatherstrip 2
20 761950 (000000-- )Valve, Water 1
21 769038 (000000-- ) Hose, Heater 1
22 63810 (000000-- ) Clamp, Wormdrive 6
23 769046 (000000-- ) Hose, Heater 2
24 761946 (000000-- ) Cable, Push--Pull 1
25 761927 (000000-- )Cable, Rotary Control 1
26 764212 (000000-- ) Switch, Cold Control 1
27 761924 (000000-- ) Switch, Fan, 3--Speed 1
28 761926 (000000-- ) Knob, Switch 3
29 222290 (000000-- ) Diode, Electric Plug 1
30 82661 (000000-- )Isolator 3
31 763096 (000000-- ) Bolt, M10x130 2
32 08166 (000000-- ) Nut, Hex, Stover, M10 X 1.5 2
33 761965 (000000-- ) Valve, Thermal Expansion 1
34 41346 (000000-- ) Screw, Hex 2
35 763043 (000000-- )Washer, Bellville 2
36 769593 (000000-- ) Pulley, Belt, V 2
37 770006 (004642-- ) Bracket Wldt, Compressor, A/C 2
38 39663 (000000-- ) Screw, Hex, .44--20 X 1.00, 5 4
Home
Find...
Go To..
Control, Cable, Rotary

OPTIONS
830--II 330430 (12--02)
3-42
Fig. 21 -- Vacuum Wand Group
1
2
3
4
5
6
7
8
9
10
11
8
1
2
12
Home
Find...
Go To..

OPTIONS
3-43
830--II 330430 (12--02)
09202
Fig. 21 -- Vacuum Wand Group
Ref.
TENNANT
Part No.
Machine Serial
Number Description Qty.
1763212 (000000-- )Clamp, 6” Dia Bridge R.S. 2
2 57702 (000000-- ) Cable, Door, Access 2
3 760507 (000000-- ) Support, Vacuum Hose 2
4 760509 (000000-- ) Hose, 6” Dia x 150 R.S. 1
5 760511 (000000-- ) Nozzle, Vacuum Hose 1
6760629 (000000-- )Boom, Vac Wand Hose 1
7 760640 (000000-- ) Strip, Rub Nylon 2
8 760649 (000000-- ) Strap, Vacuum Wand 2
9 763026 (000000-- ) Pin,Hair Cotter 1.00D.178Wire 1
10 760991 (000000-- ) Tube Wldt, Support, Rear 1
11 761233 (000000-- )Snap, Chain 0.25 Dia X 2.4 1
12 32815 (000000-- ) Tie, Cable, Nyl, 28.5l .50w 8.0 Max D 4
Home
Find...
Go To..

OPTIONS
830--II 330430 (12--98)
3-44
Fig. 22 -- Vacuum Wand Extension Group
1
1
2
3
Home
Find...
Go To..

OPTIONS
3-45
830--II 330430 (12--98)
351964
Fig. 22 -- Vacuum Wand Extension Group
Ref.
TENNANT
Part No.
Machine Serial
Number Description Qty.
1763212 (000000-- )Clamp, 6” Dia Bridge R.S. 2
2 760509 (000000-- ) Hose, 6” Dia x 150 R.S. 1
3 760665 (000000-- ) Tube, Coupler Vac Wand 1
Home
Find...
Go To..

OPTIONS
830--II 330430 (12--98)
3-46
Fig. 23 -- Vacuum Wand Door Group
1
2
3
4
5
6
7
89
10
5
5
5
4
9
Home
Find...
Go To..

OPTIONS
3-47
830--II 330430 (11--00)
351969
Fig. 23 -- Vacuum Wand Door Group
Ref.
TENNANT
Part No.
Machine Serial
Number Description Qty.
1760726 (000000-- )Door, Weldt Vacuum Door 1
2 769063 (000000-- ) Bracket, Hinge Mount, Rh 1
3 760727 (000000-- ) Bracket, Hinge Mount Lh 1
4 760729 (000000-- ) Hinge, Vacuum Wand Door 2
5 364614 (000000-- ) Bumper, Rubber Recessed 4
6762591 (000000-- )Switch, Micro 1
7 03292B (000000-- ) Grip, Handle--Rnd .72Id X 5.0L 1
8 760653 (000000-- ) Tube, Vac Wand Door 1
9 760660 (000000-- ) Clip,Finger Grip 2
10 760661 (000000-- ) Bracket,Clip Mount 1
Home
Find...
Go To..

OPTIONS
830--II 330430 (12--98)
3-48
Fig. 24 -- Hopper Cleanout Tool Kit
1
2
3
4
5
5
08705
Ref.
TENNANT
Part No.
Machine Serial
Number Description Qty.
o
760078 (000000-- )Hopper Cleanout Kit 1
Yo
79518 (000000-- ) Sludge Removal Tool Assy. 1
YY
1 03292B (000000-- ) Grip, Handle--Rnd .72Id X 5.0L 1
YY
2 79517 (000000-- ) Handle Weldt.,Sludge Removal 1
YY
3 79515 (000000-- ) Skirt.,25T3.0W11.0L 4/.31Hcomc 1
YY
479508--1 (000000-- )Strip,.11T2.5W10.0L 4/.31Hcomc 1
Y
5 760660 (000000-- ) Clip,Finger Grip 2
Home
Find...
Go To..

OPTIONS
3-49
830--II 330430 (12--98)
Fig. 25 -- Foam Filled Tire Group
1
09208
Ref.
TENNANT
Part No.
Machine Serial
Number Description Qty.
1760105 (000000-- )Tire Assy, Foam Filled, (Bias Ply) 1
1 761795 (000000-- ) Tire Assy, Foam Filled, (Radial) 1
Home
Find...
Go To..

OPTIONS
830--II 330430 (12--98)
3-50
Fig. 26 -- Protectoseal Fuel Cap Group
1
09209
Ref.
TENNANT
Part No.
Machine Serial
Number Description Qty.
102506--6 (000000-- )Cap, Fuel, Protectoseal 1
Home
Find...
Go To..

OPTIONS
3-51
830--II 330430 (9--01)
Fig. 27 -- Rear Rubber Bumper Kit
1
1
351971
Ref.
TENNANT
Part No.
Machine Serial
Number Description Qty.
o
760073 (000000-- )Rear Rubber Bumper Kit 1
Y
1 770504 (000000-- ) Bumper, Rear Rubber 2
Home
Find...
Go To..

OPTIONS
830--II 330430 (12--98)
3-52
Fig. 28 -- Fire Extinguisher Group
1
07516
Ref.
TENNANT
Part No.
Machine Serial
Number Description Qty.
125312 (000000-- )Extinguisher, Fire 1
Home
Find...
Go To..

OPTIONS
3-53
830--II 330430 (12--98)
Fig. 29 -- Filter Bag Lift Kit
1
1
10953
Ref.
TENNANT
Part No.
Machine Serial
Number Description Qty.
o
761501 (000000-- )Lift Kit, Filter Bag 1
Y
1 761791 (000000-- ) Angle, Weld’t, Filterbag Lift 2
Home
Find...
Go To..

OPTIONS
830--II 330430 (12--98)
3-54
Fig. 30 -- Hydrant Wash Down Group
1
2
3
4
4
3
351223
Ref.
TENNANT
Part No.
Machine Serial
Number Description Qty.
1760672 (000000-- )Angle 1
2 762253 (000000-- ) Hose Assy 1
3 768310 (000000-- ) Plate, Tool Holder 2
4 762297 (000000-- ) Angle 4
Home
Find...
Go To..

OPTIONS
3-55
830--II 330430 (12--98)
Fig. 31 -- Hydrant Hose Group
12
4
7
3
1
5
6
6
7
09207
Ref.
TENNANT
Part No.
Machine Serial
Number Description Qty.
1762207 (000000-- )Clamp, 1.25--2.12 Dia Power Gear 2
2 762201 (000000-- ) Coupling, Tank Fill Hose 1
3 762210 (000000-- ) Hose,Water Fill 1
4 768322 (000000-- ) Adaptor, Cam Coupler 1
5 760672 (000000-- ) Angle 1
6768310 (000000-- )Plate, Tool Holder 2
7 762297 (000000-- ) Angle 4
Home
Find...
Go To..

OPTIONS
830--II 330430 (12--98)
3-56
Fig. 32 -- Engine Access Step Kit
1
2
3
351990
Ref.
TENNANT
Part No.
Machine Serial
Number Description Qty.
o
760143 (000000-- )Engine Access Step Kit 1
Y
1 32822 (000000-- ) Handle, Grab 1
Y
2 761525 (000000-- ) Step, Large Folding 1
Y
3 761526 (000000-- ) Sitrip, Large Step 1
Home
Find...
Go To..

OPTIONS
3-57
830--II 330430 (12--02)
Fig. 33 -- Night Light Kit
2
3
3
1
1
2
2
3
1
352008
Ref.
TENNANT
Part No.
Machine Serial
Number Description Qty.
o
765293 (000000-- )Light Kit, Halogen Night 1
Yo
1 768555 (000000-- ) Light, Halogen Flood 3
YY
768606 (000000-- ) Lamp, Flood, Halogen 3
Y
2 762572 (000000-- ) Bracket, Light, Night Sweeping 3
Y
3 10632--11 (000000-- ) Grommet,Rbr,0.38Id,For .19Matl 2
Y
768612 (000000-- )Switch Kit, Spst 2
Y
762514 (000000-- ) Fuse, 15Amp 1
Home
Find...
Go To..

OPTIONS
830--II 330430 (11--00)
3-58
Fig. 34 -- Cab Rotating Light Kit
2
1
353286
Ref.
TENNANT
Part No.
Machine Serial
Number Description Qty.
o
765284 (000000-- )Lamp Assembly, Rotating, Cab 1
Yo
1 768598 (000000-- ) Lamp Assembly, Rotating 1
YY
367946 (000000-- ) Lens, Amber, Light, Revl 1
YY
768605 (000000-- ) Lamp, 12VDC, 55 Watt, Halogen 1
2 10632--11 (000000-- ) Grommet 1
Home
Find...
Go To..

OPTIONS
3-59
830--II 330430 (11--00)
Fig. 35 -- Brush Guard Kit
1
353285
Ref.
TENNANT
Part No.
Machine Serial
Number Description Qty.
o
765269 (000000-- )Kit, Guard, Brush 1
Yo
1 768604 (000000-- ) Guard, Rotating Lamp 1
Home
Find...
Go To..

OPTIONS
830--II 330430 (11--00)
3-60
Fig. 36 -- Radio Tape Deck Kit
1
2
3
1
1
45
8
1
6
7
Home
Find...
Go To..

OPTIONS
3-61
830--II 330430 (11--00)
353284
Fig. 36 -- Radio Tape Deck Kit
Ref.
TENNANT
Part No.
Machine Serial
Number Description Qty.
o
765292 (000000-- )Kit, Radio, Tape Deck 1
Y
1 768486 (000000-- ) Kit, Radio 1
Y
2 768435 (000000-- ) Bracket, Mtg, Radio 4
Y
3 06942 (000000-- ) Screw, Hex M06x1.0x16 4
Y
4 08708 (000000-- ) Nut, Hex, Lock, M06x1.0 4
Y
519066 (000000-- )Washer, Flt 1
Y
6 768438 (000000-- ) Bracket, Antenna 2
Y
7 12459 (000000-- ) Screw, Hex M06x1.0x20 1
Y
8 10632--11 (000000-- ) Grommet 1
Y
25831 (000000-- ) Connector 3
Y
78951 (000000-- )Terminal, Metripk280, Fem 16 3
Y
10917 (000000-- ) Seal 1
Y
78954 (000000-- ) Connector, Wire Lock 4
Y
49247 (000000-- ) Terminal 1
Y
762513 (000000-- ) Fuse 1
Home
Find...
Go To..

OPTIONS
830--II 330430 (9--01)
3-62
Fig. 37 -- Auto--Lube System Group
6
24
2, 7
3
4
1
5
12
8
9
10
11
13, 14, 15, 16, 17
18
19, 20
21, 22
23
Home
Find...
Go To..

OPTIONS
3-63
830--II 330430 (12--02)
353677
Fig. 37 -- Auto--Lube System Group
Ref.
TENNANT
Part No.
Machine Serial
Number Description Qty.
1761741 (000000-- )Fitting, Plug 1
2 761742 (000000-- ) Fitting, Elbow 1
3 761744 (000000-- ) Pump, Assy Lubrication 1
770035 (000000-- ) Reservoir, Grease, 10lbs 1
4 761748 (000000-- ) Fitting, Brass, Tee 1
5761752 (000000-- )Fitting, Pipe, Str 02pm--.25--28sae 1
6 761753 (000000-- ) Fitting, E90 Snap 1
7 761754 (000000-- ) Fitting, Brass, E90 02pm--03com 1
8 761755 (000000-- ) Fitting, Brass, Str 02pm--03com 1
9 761756 (000000-- ) Fitting, Brass, Str 03com--.25--28sae 1
10 761757 (000000-- )Fitting, Brass, E90 02pm--.25--28sae 1
11 761758 (000000-- ) Fitting, Pipe, Str 02pm--02pf 1
12 761759 (000000-- ) Tube, Plstc 5/16 Od 1
13 761761 (000000-- ) Valve, Metering #0 1
14 761762 (000000-- ) Valve, Metering #1 1
15 761763 (000000-- )Valve, Metering #2 1
16 761781 (000000-- ) Valve, Metering #3 1
17 761782 (000000-- ) Valve, Metering #8 1
18 761783 (000000-- ) Sleeve, Brass 05com 1
19 761784 (000000-- ) Nut, Brass 03com 1
20 761785 (000000-- )Nut, Brass 05com 1
21 761786 (000000-- ) Sleeve, Ferrule .188 Dia 1
22 761787 (000000-- ) Sleeve, Ferrule .312 1
23 761790 (000000-- ) Tube, Plstc, W/Grease .188 Od X 15 Ft 1
24 761595 (000000-- ) Fitting, Qf 1
761743 (000000-- )Fitting, Stud 1
761788 (000000-- ) Timer 1
761745 (000000-- ) Cable, Power 1
761746 (000000-- ) Plug, Outlet 1
761747 (000000-- ) Fitting, Plug 1
761749 (000000-- )Fitting, Str 1
761750 (000000-- ) Fitting, Str, Nipple Npt 1
761751 (000000-- ) Fitting, Brass, E90 1
761789 (000000-- ) Valve, Relief 1
770646 (000000-- ) ’Fitting, Tube, Union 1
770149 (000000-- )Label, Blank, 08.5 X 11.0 Clr Poly 1
Home
Find...
Go To..
769090 (000000- ) Grease, Gen Purpose, EP 35lbs 5 gal. Pail 1

OPTIONS
830--II 330430 (9--01)
3-64
Fig. 38 -- Side Brush Spring Kit
1
2
3
4
5
6
353152
Ref.
TENNANT
Part No.
Machine Serial
Number Description Qty.
o
760107 (000000-- )Spring Kit, Side Brush 1
Y
1 06969 (000000-- ) Screw Hex M12X1.75X40 1
Y
2 08711 (000000-- ) Nut HxLocNyln M12X1.75 1
Y
3 32486 (000000-- ) Washer Flt .50 SAE 2
Y
4 32985 (000000-- ) Nut HxLocNyln .50--13 Std. 1
Y
5761225 (000000-- )Eyebolt, .50--13X3.5” 1
Y
6 761235 (000000-- ) Spring, Tension 30X5.5X149 1
Home
Find...
Go To..

OPTIONS
3-65
830--II 330430 (12--02)
Fig. 39 -- Side Brush Linkage Kit
1
2
3
4
5
4
4
2
4
2
5
1
4
2
3
43
3
353883
Ref.
TENNANT
Part No.
Machine Serial
Number Description Qty.
o
767642 (000000-- )Kit, Ci, Linkage, Brush, Side 1
Y
1 768834 (000000-- ) Channel Wldt, Lower Support 1
Y
2 767641 (000000-- ) Bushing, Flng, 0.63b 0.82d 0.75l, Bnz 1
Y
3 768836 (000000-- ) Bar Wldt, Brush Support 1
Y
4 768842 (000000-- ) Tube, 00.62d 00.47b 00.8l Stl 1
Y
5767644 (000000-- )Shaft, Side Brush 1
Home
Find...
Go To..

OPTIONS
830--II 330430 (12--02)
3-66
Fig. 40 -- Fourth Bar Linkage Kit
1
2
34
5
4
2
3
7
6
5
7
353884
Ref.
TENNANT
Part No.
Machine Serial
Number Description Qty.
o
769590 (000000-- )Kit, Ci, Linkage, Brush, Side 1
Y
1 768836 (000000-- ) Bar Wldt, Brush Support 2
Y
2 767641 (000000-- ) Bushing, Flng, 0.63b 0.82d 0.75l, Bnz 2
Y
3 769589 (000000-- ) Spacer 2
Y
4 32486 (000000-- ) Washer, Flat, .50 Sae 2
Y
506973 (000000-- )Screw, Hex, M12 X 1.75 X 70, 8.8 2
Y
6 08167 (000000-- ) Nut, Hex, Stover, M12 X 1.75 2
Y
7 768842 (000000-- ) Tube, 00.62d 00.47b 00.8l Stl 2
Home
Find...
Go To..

OPTIONS
3-67
830--II 330430 (9--01)
Fig. 41 -- Documentation Group
000 MM 000
000 MM 000
1
2
3
4
5
7
8
6
9
07501 -- NA
Ref.
TENNANT
Part No.
Machine Serial
Number Description Qty.
1330430 (000000-- )Manual Pkg 830II 1
2 330435 (000000-- ) Service Manual Pkg 830 1
3 330431 (000000-- ) Manual--Fiche Pkg 830 1
4 330432 (000000-- ) Manual Op/Mt 830 Spanish 1
4 330433 (000000-- ) Manual Op/Mt 830 French 1
5765261 (000000-- )830 Oper/Video VHS 1
5 765262 (000000-- ) 830 Oper/Video PAL 1
6 330710 (000000-- ) Manual, CD--ROM, Oprts&Parts, All (NA) 1
6 330715 (000000-- ) Manual, CD--ROM, Service 1
7 330492 (000000-- ) Cummins, 4 Cylinder Engine Breakdown 1
8330493 (000000-- )Cummins, 6 Cylinder Engine Breakdown 1
9 330728 (000000-- ) Manual, Engine Perkins ES 1
Home
Find...
Go To..

OPTIONS
830--II 330430 (9--01)
3-68
Home
Find...
Go To..

BREAKDOWNS
4-1
830--II 330430 (9--01)
SECTION
4
Contents Page
Fig. 1 -- Hydraulic Piston Motor
Breakdown, 767200 4-2................
Fig. 2 -- Hydraulic Piston Motor
Breakdown, 762136 4-6................
Fig. 3 -- Hydraulic Gear Pump
Breakdown, 762024 4-8................
Fig. 4 -- Hydraulic Steering Valve
Breakdown, 762018 4-9................
Fig. 5 -- Hydraulic Motor Breakdown, 767020 4-10..
Fig. 6 -- Hydraulic Motor Breakdown, 762035 4-11..
Fig. 7 -- Hydraulic Gear Motor
Breakdown, 762058 4-12...............
Fig. 8 -- Hydraulic Gear Motor
Breakdown, 762059 4-14...............
Fig. 9 -- Hydraulic Motor Breakdown, 762045 4-16..
Fig. 10 -- Rear Axle And Spindle Breakdown 4-18...
Fig. 11 -- Rear Axle Wheel Hub and Brake
Breakdown 4-20.......................
Fig. 12 -- Front Axle And Spindle Breakdown 4-22...
Fig. 13 -- Front Axle Wheel Hub and Brake
Breakdown 4-24.......................
Fig. 14 -- Front Axle Differential Breakdown 4-26....
Fig. 15 -- Parking Brake Breakdown 4-28...........
Fig. 16 -- Front Axle CV Joint Breakdown 4-30......
Fig. 17 -- Cat Pump Breakdown 4-32..............
Fig. 18 -- Hydraulic Solenoid Valve
Breakdown, 767218 4-34...............
Fig. 19 -- Hydraulic Solenoid Valve
Breakdown, 767007 4-36...............
Fig. 20 -- Hydraulic Solenoid Valve
Breakdown, 767007
(For High Dump Hopper Lift Option) 4-38..
Fig. 21 -- Hydraulic Solenoid Valve
Breakdown, 768899 4-40...............
Fig. 22 -- Hydraulic Solenoid Valve
Breakdown, 768899
(For High Dump Hopper Lift Option) 4-42..
Fig. 23 -- Hydraulic Solenoid Valve
Breakdown, 767008 4-44...............
Fig. 24 -- Hydraulic Solenoid Valve
Breakdown, 767009 4-46...............
Fig. 25 -- Hydraulic Solenoid Valve
Breakdown, 767220
(For Standard R.H. Side Brush) 4-48.....
Fig. 26 -- Hydraulic Solenoid Valve
Breakdown, 767220
(For Standard L.H. Side Brush) 4-50......
Contents Page
Fig. 27 -- Hydraulic Solenoid Valve
Breakdown, 767208 4-52...............
Fig. 28 -- Hydraulic Solenoid Valve
Breakdown, 767215 4-54...............
Fig. 29 -- Hydraulic Solenoid Valve
Breakdown, 767207 4-56...............
Fig. 30 -- Hydraulic Solenoid Valve
Breakdown, 768883 4-58...............
Fig. 31 -- Hydraulic Motor Breakdown, 762032 4-60..
Home
Find...
Go To..

BREAKDOWNS
830--II 330430 (8--99)
4-2
Fig. 1 -- Hydraulic Piston Motor Breakdown, 767200
1
15
20
6
7
2
19
11
12
3
4
8
9
20
20
20
20
20
20
20
20
20
20 20
20
20
18
16
13
10
14
10
5
17
Home
Find...
Go To..

BREAKDOWNS
4-3
830--II 330430 (8--99)
Fig. 1 -- Hydraulic Piston Motor Breakdown, 767200
26
24
25
20
28
20
20
27
20
21
25
22 23
29
18
Home
Find...
Go To..

BREAKDOWNS
830--II 330430 (8--99)
4-4
Fig. 1 -- Hydraulic Piston Motor Breakdown, 767200
20
20
34
33
20
20
20
20
32
31
36
20
20
20
35
37
38
30
34
18
Home
Find...
Go To..

BREAKDOWNS
4-5
830--II 330430 (8--99)
8 3 0 -- I I -- A L L
Fig. 1 -- Hydraulic Piston Pump Breakdown, 767200
Ref.
TENNANT
Part No.
Manufacturer
Serial Number Description Qty.
o
767200 (000000-- )Pump, Piston, Rexroth 1
Y
1 763521 (000000-- ) Rotary Group 1
Y
2 763527 (000000-- ) Stroking Piston Assembly 1
Y
3 763931 (000000-- ) DA Control Assembly 1
Y
4 763535 (000000-- ) Stroking Piston Cover 1
Y
5763536 (000000-- )Stroking Piston Cover 1
Y
6 763537 (000000-- ) Thru Drive Charge Pump Assembly 1
Y
7 763538 (000000-- ) Snap Ring 1
Y
8 763934 (000000-- ) Snap Ring 1
Y
9 763943 (000000-- ) Orifice (0.8 mm) 1
Y
10 13904 (000000-- )Plug 2
Y
11 763443 (000000-- ) Eccentric Screw 1
Y
12 763539 (000000-- ) H.P.R.V. with Tow Option (4000--6100 psi) 2
Y
13 763446 (000000-- ) Charge Pressure Relief Valve Kit 1
Y
14 763447 (000000-- ) Plug 3
Y
15 13907 (000000-- )Plug 1
Y
16 763449 (000000-- ) DA Cartridge 1
Y
17 763450 (000000-- ) Jam Nut 1
Y
18 74098 (000000-- ) Plug 6
Y
19 763541 (000000-- ) Cap Screw 8
Y
20 763542 (000000-- )Seal KIt 1
Y
21 763518 (000000-- ) Shaft 1
Y
22 763519 (000000-- ) Bearing 1
Y
23 763520 (000000-- ) Retaining Ring 1
Y
24 763522 (000000-- ) Housing 1
Y
25 763523 (000000-- )Bushing 2
Y
26 763524 (000000-- ) Locating Pin 1
Y
27 79779 (000000-- ) Plug 1
Y
28 763525 (000000-- ) Pin 1
Y
29 763526 (000000-- ) Plug 1
Y
30 763528 (000000-- )P.O.R. Assembly 1
Y
31 763529 (000000-- ) Adjusting Screw 1
Y
32 763451 (000000-- ) Orifice (1.8 mm) 1
Y
33 763530 (000000-- ) Cap Screw 4
Y
34 763452 (000000-- ) Plug 3
Y
35 763531 (000000-- )Bushing Support 1
Y
36 763532 (000000-- ) Bushing 1
Y
37 763533 (000000-- ) Dowell Pin 2
Y
38 763534 (000000-- ) Port Block 1
Home
Find...
Go To..

BREAKDOWNS
830--II 330430 (8--99)
4-6
Fig. 2 -- Hydraulic Piston Motor Breakdown, 762136
1
2
3
4
5
6
78
9
10
11
12
13
4
8
9
9
Home
Find...
Go To..

BREAKDOWNS
4-7
830--II 330430 (12--02)
10975
Fig. 2 -- Hydraulic Piston Motor Breakdown, 762136
NOTE: This hydraulic motor is available as a “rebuilt” motor, Tennant part number 376059.
Ref.
TENNANT
Part No.
Manufacturer
Serial Number Description Qty.
o
762136 (000000-- )Motor, Piston, Rexroth 1
Y
1 763948 (000000-- ) Rotary Group 1
Y
2 763949 (000000-- ) Rear Cover Assembly 1
Y
3 763950 (000000-- ) DA Control Kit 1
Y
4 763951 (000000-- ) Check Valve Kit 2
Y
5763457 (000000-- )Swivel Orifice Kit 1
Y
6 763952 (000000-- ) Stroking Piston Cover 1
Y
7 763447 (000000-- ) Plug (M18 x 1.5) 2
Y
8 763461 (000000-- ) Stop Screw 2
Yo
9 763956 (000000-- ) Seal Kit 1
YY
10 763464 (000000-- )Shaft Seal 1
Y
11 763953 (000000-- ) Shim 1
Y
12 763954 (000000-- ) Housing 1
Y
13 763955 (000000-- ) Snap Ring 1
Home
Find...
Go To..

BREAKDOWNS
830--II 330430 (8--99)
4-8
Fig. 3 -- Hydraulic Gear Pump Breakdown, 762024
1
23
4
5
6
7
8
98
8
8
10308--09670
Ref.
TENNANT
Part No.
Manufacturer
Serial Number Description Qty.
o
762024 (000000-- )Pump, Hyd Gear 1.76 Cid 1
Y
1 763485 (000000-- ) Frontplate 1
Y
2 763486 (000000-- ) Backplate 1
Y
3 763487 (000000-- ) Body 1
Y
4 763488 (000000-- ) Drive Gear 1
Y
5763489 (000000-- )Idler Gear 1
Y
6 763490 (000000-- ) Screw, Cap 4
Y
7 763501 (000000-- ) Screw, Cap 4
Y
8 763503 (000000-- ) Seal Kit 1
9 763502 (000000-- ) Repair Info, Pmp 1
Home
Find...
Go To..

BREAKDOWNS
4-9
830--II 330430 (8--99)
Fig. 4 -- Hydraulic Steering Valve Breakdown, 762018
12
3
4
5
6
7
8910
11 12
13
14
15
16
17
15
15
15
15
15
Not Sold
Seperately
Not Sold
Seperately
O--Ring Grove
Back Side
O--Ring Grove
Back Side
O--Ring Grove
Back Side
10172--09670
Ref.
TENNANT
Part No.
Manufacturer
Serial Number Description Qty.
o
762018 (000000-- )Valve, Hydraulic Steering 1
Y
1 74174 (000000-- ) Cap, Screw 7
Y
2 74181 (000000-- ) Cap, End 1
Y
3 65235 (000000-- ) Gerotor Set 1
Y
4 74182 (000000-- ) Plate, Wear 1
Y
558596 (000000-- )Drive 1
Y
6 74218 (000000-- ) Pin 1
Y
7 74109 (000000-- ) Race, Bearing 2
Y
8 74110 (000000-- ) Bearing, Needle 1
Y
9 763401 (000000-- ) Bushing, Gland Seal 1
Y
10 74111 (000000-- )Ring, Retaining 1
Y
11 74186 (000000-- ) Retainer, Check 1
Y
12 74187 (000000-- ) Ball 1
Y
13 74188 (000000-- ) Seat, Check Ball 1
Y
14 74189 (000000-- ) Screw, Set 1
Y
15 763404 (000000-- )Seal Kit, Scu 1
Y
16 763403 (000000-- ) Spring Kit, Centering 1
Y
763402 (000000-- ) Check Valve, Inlet 1
17 763430 (000000-- ) Repair Info 1
Home
Find...
Go To..

BREAKDOWNS
830--II 330430 (8--99)
4-10
Fig. 5 -- Hydraulic Motor Breakdown, 767020
1
23
4
5
6
7
8
9
10
11
12
13
14
15
14
14
14
14
14
14
10310--09670
Ref.
TENNANT
Part No.
Manufacturer
Serial Number Description Qty.
o
767020 (000000-- )Motor, Hyd 3Rd Brush Transprt 1
Y
1 37555 (000000-- ) Screw 4
Y
2 763504 (000000-- ) Flg, Mtg 2--Bolt 1
Y
3 16695 (000000-- ) Race Thrust 1
Y
4 45628 (000000-- ) Thrust Bearing 1
Y
531357 (000000-- )Shaft, Output 1
Y
6 763505 (000000-- ) Housing 1
Y
7 74093 (000000-- ) Plug Housing 1
Y
8 34172 (000000-- ) Drive 1
Y
9 74094 (000000-- ) Spacer Plate 1
Y
10 (000000-- )Gerotor Assy 1
Y
11 38873 (000000-- ) Cover Cap 1
Y
12 74191 (000000-- ) Screw, Cap 7
Y
13 00500--15 (000000-- ) Key--Wdruff 0.25 1.00 Asa#0808 1
Y
14 28835 (000000-- ) Seal Kit, Motor A/H--Stnd 1
15 763507 (000000-- )Repair Info, Mtr 1
Home
Find...
Go To..

BREAKDOWNS
4-11
830--II 330430 (8--99)
Fig. 6 -- Hydraulic Motor Breakdown, 762035
1
2
3
4
5
6
7
8
9
10
11
12
13
14
15
16
15
15
15
15
15
15
10312--09670
Ref.
TENNANT
Part No.
Manufacturer
Serial Number Description Qty.
o
762035 (000000-- )Motor, Hyd Shaker W/End Ports 1
Y
1 37555 (000000-- ) Screw 4
Y
2 763504 (000000-- ) Flg, Mtg 2--Bolt 1
Y
3 16695 (000000-- ) Race Thrust 1
Y
4 45628 (000000-- ) Thrust Bearing 1
Y
5763508 (000000-- )Output Shaft 1
Y
6 74092 (000000-- ) Housing 1
Y
7 74093 (000000-- ) Plug, Housing 1
Y
8 34172 (000000-- ) Drive 1
Y
9 74094 (000000-- ) Spacer Plate 1
Y
10 763506 (000000-- )Gerotor Assy 1
Y
11 763509 (000000-- ) End Cap 1
Y
12 74191 (000000-- ) Screw, Cap 5
Y
13 74099 (000000-- ) Plug #10 2
Y
14 00500--15 (000000-- ) Key--Wdruff 0.25 1.00 Asa#0808 1
Y
15 28835 (000000-- )Seal Kit, Motor A/H--Stnd 1
16 763507 (000000-- ) Repair Info, Mtr 1
Home
Find...
Go To..

BREAKDOWNS
830--II 330430 (8--99)
4-12
Fig. 7 -- Hydraulic Gear Motor Breakdown, 762058
1
2
34
5
6
7
8910 11
12
13
14
15
16
17
18
17
17
17
17
17
Home
Find...
Go To..

BREAKDOWNS
4-13
830--II 330430 (8--99)
350298--09670
Fig. 7 -- Hydraulic Gear Motor Breakdown, 762058
Ref.
Tennant
Part No.
Manufactuer
Serial Number Description Qty.
o
762058 (000000-- )Motor, Hyd Gear 1
Y
1 21951 (000000-- ) Shaft/Brg Kit 1
Y
2 762083 (000000-- ) Housing, Brg 1
Y
3 51417 (000000-- ) Plate 1
Y
4 763512 (000000-- ) Drive 1
Y
5763513 (000000-- )Geroler 1
Y
6 02646 (000000-- ) Valve Plate 1
Y
7 57370 (000000-- ) Valve Drive 1
Y
8 02647 (000000-- ) Valve 1
Y
9 57373 (000000-- ) Balance Ring 1
Y
10 57374 (000000-- )Pin 2
Y
11 57375 (000000-- ) Spring 2
Y
12 74119 (000000-- ) Housing, Valve 1
Y
13 74098 (000000-- ) Plug #4 1
Y
14 763514 (000000-- ) Bolt 4
Y
15 38315 (000000-- )Key 1
Y
16 38490 (000000-- ) Nut 1
Y
17 21953 (000000-- ) Seal Kit, Mtr 1
18 79729 (000000-- ) Repair Info, Motor 1
Home
Find...
Go To..

BREAKDOWNS
830--II 330430 (8--99)
4-14
Fig. 8 -- Hydraulic Gear Motor Breakdown, 762059
1
2
34
5
6
7
8910 11
12
13
14
15
16
17
18
17
17
17
17
17
Home
Find...
Go To..

BREAKDOWNS
4-15
830--II 330430 (8--99)
350298--09670
Fig. 8 -- Hydraulic Gear Motor Breakdown, 762059
Ref.
Tennant
Part No.
Manufactuer
Serial Number Description Qty.
o
762059 (000000-- )Motor, Hyd Gear 1
Y
1 21951 (000000-- ) Shaft/Brg Kit 1
Y
2 762083 (000000-- ) Housing, Brg 1
Y
3 51417 (000000-- ) Plate 1
Y
4 02603 (000000-- ) Drive 1
Y
502645 (000000-- )Geroler 1
Y
6 02646 (000000-- ) Valve Plate 1
Y
7 57370 (000000-- ) Valve Drive 1
Y
8 02647 (000000-- ) Valve 1
Y
9 57373 (000000-- ) Balance Ring 1
Y
10 57374 (000000-- )Pin 2
Y
11 57375 (000000-- ) Spring 2
Y
12 763515 (000000-- ) Housing, Valve 1
Y
13 74098 (000000-- ) Plug #4 1
Y
14 74120 (000000-- ) Bolt 4
Y
15 38315 (000000-- )Key 1
Y
16 38490 (000000-- ) Nut 1
Y
17 21953 (000000-- ) Seal Kit, Mtr 1
18 79729 (000000-- ) Repair Info, Motor 1
Home
Find...
Go To..

BREAKDOWNS
830--II 330430 (8--99)
4-16
Fig. 9 -- Hydraulic Motor Breakdown, 762045
1
2
3
4
5
6
7
8
9
10
11
12
13 14
15
16
17
18
17
17
17
17
17
17
Home
Find...
Go To..

BREAKDOWNS
4-17
830--II 330430 (8--99)
10316--09670
Fig. 9 -- Hydraulic Motor Breakdown, 762045
Ref.
TENNANT
Part No.
Manufacturer
Serial Number Description Qty.
o
762045 (000000-- )Motor, Hyd Main Brush W/Ports 1
Y
1 02644 (000000-- ) Shaft Bearing Kit 1
Y
2 763517 (000000-- ) Housing, Bearng 1
Y
3 51417 (000000-- ) Plate 1
Y
4 87784 (000000-- ) Drive 1
Y
587785 (000000-- )Geroler 1
Y
6 02646 (000000-- ) Valve Plate 1
Y
7 57370 (000000-- ) Valve Drive 1
Y
8 02647 (000000-- ) Valve 1
Y
9 57373 (000000-- ) Balance Ring 1
Y
10 57374 (000000-- )Pin 2
Y
11 57375 (000000-- ) Spring 2
Y
12 763515 (000000-- ) Housing, Valve 1
Y
13 74098 (000000-- ) Plug #4 1
Y
14 763516 (000000-- ) Screw, Cap 4
Y
15 38490 (000000-- )Nut 1
Y
16 38315 (000000-- ) Key 1
Y
17 02643 (000000-- ) Seal Kit 1
18 79729 (000000-- ) Repair Info, Mtr 1
Home
Find...
Go To..

BREAKDOWNS
830--II 330430 (8--99)
4-18
Fig. 10 -- Rear Axle And Spindle Breakdown
1
2
3
4
5
6
7
119
12
13
10
8
17
16
9
18
19
20
21
22
23
24
25
26
27
28
29
Home
Find...
Go To..
Please refer to the Sentinel manual #331000 for the
most current parts information for this Breakdown.

BREAKDOWNS
4-19
830--II 330430 (9--01)
351945
Fig. 10 -- Rear Axle And Spindle Breakdown
NOTE: The Rear Axle Breakdown, Tennant part number 767702, includes Fig. 10 and Fig. 11.
Ref.
TENNANT
Part No.
Manufacturer
Serial Number Description Qty.
1761601 (000000-- )Rod End Pivot Lh 1
1 761602 (000000-- ) Rod End Pivot Rh 1
2 761603 (000000-- ) Steering Rod Rear 1
3 761727 (000000-- ) Nut, Rh 1
3 761728 (000000-- ) Nut, Lh 1
4767703 (000000-- )Rear Axle Housing 1
5 761607 (000000-- ) Screw, M8x50 2
6 08709 (000000-- ) Nut, Self Lock M8 2
7 761730 (000000-- ) Carrying Flange 2
8 761628 (000000-- ) Steering Housing 2
9761629 (000000-- )Pivoting Hub 4
10 761630 (000000-- ) Flange 1
11 761731 (000000-- ) Dust Cover 2
12 761631 (000000-- ) Grease Zerk 4
13 41346 (000000-- ) Screw, M12x30 4
14 761733 (000000-- )Steering Lever, Rh, Upper 1
15 761632 (000000-- ) Screw, M10x30 24
16 761609 (000000-- ) Gasket 4
17 761610 (000000-- ) Bearing 4
18 761635 (000000-- ) Steering Lever, Lower 1
18 761732 (000000-- )Steering Lever, Lower, Lh 1
19 761611 (000000-- ) Washer 16
20 06969 (000000-- ) Screw, M12x40 12
o
21 762080 (000000-- ) Cylinder, Hydraulic 1
Y
761714 (000000-- ) Seal Kit, Cylinder 1
22 761720 (000000-- )Spacer 1
23 761715 (000000-- ) Pivoting Hub 1
24 761716 (000000-- ) Rod End 1
25 761717 (000000-- ) Nut, M18x1.5 1
26 761718 (000000-- ) Cotter Pin 1
27 769093 (000000-- )Cylinder Anchor Pin 1
28 06960 (000000-- ) Screw M10x16 1
29 767704 (000000-- ) Plate 1
Home
Find...
Go To..
Please refer to the Sentinel manual #331000 for the
most current parts information for this Breakdown.

BREAKDOWNS
830--II 330430 (8--99)
4-20
Fig. 11 -- Rear Axle Wheel Hub and Brake Breakdown
1
2
345
6
7
8
9
10
11
12
3
13
14
14
14
15
16
3
17
18
19
20
21
22
3
23
24
Home
Find...
Go To..
Please refer to the Sentinel manual #331000 for the
most current parts information for this Breakdown.

BREAKDOWNS
4-21
830--II 330430 (12--02)
351947
Fig. 11 -- Rear Axle Wheel Hub and Brake Breakdown
NOTE: The Rear Axle Breakdown, Tennant part number 767702, includes Fig. 10and Fig. 11.
Ref.
TENNANT
Part No.
Manufacturer
Serial Number Description Qty.
o767768 (000000-- )Axle Assembly, Rear W/Brake 1
Y
1 767734 (000000-- ) Cover, Hub 1
Y
2 761648 (000000-- ) Screw 5
Y
3 767762 (000000-- ) Kit, Seal, Brake 1
Y
4 767738 (000000-- ) Nut 1
Y
5767739 (000000-- )Washer 1
Y
6 761644 (000000-- ) Bearing 1
Y
7 767764 (000000-- ) Spacer 1
Y
8 761025 (000000-- ) Nut, Lug, Flanged 6
Y
9 761641 (000000-- ) Stud 6
Y
10 767740 (000000-- )Hub, Wheel 1
Y
11 767741 (000000-- ) Bearing 1
Y
12 761632 (000000-- ) Screw 12
Y
13 767735 (000000-- ) Gasket 1
Y
14 767763 (000000-- ) Kit, Discs, Brake 1
Y
15 767745 (000000-- )Circlip 1
Y
16 767746 (000000-- ) Cover 1
Y
17 767747 (000000-- ) Screw 3
Y
18 767748 (000000-- ) Spring 3
Y
19 767749 (000000-- ) Hub, Brake 1
Y
20 767750 (000000-- )Plug 3
Y
21 761993 (000000-- ) Washer 3
Y
22 767752 (000000-- ) Piston 1
Y
23 767753 (000000-- ) Screw, Bleed 1
Y
24 761613 (000000-- ) Breather 1
Home
Find...
Go To..
Please refer to the Sentinel manual #331000 for the
most current parts information for this Breakdown.

BREAKDOWNS
830--II 330430 (12--02)
4-22
Fig. 12 -- Front Axle And Spindle Breakdown
1
2
3
4
5
6
7
8
9
10
12
13
14
15
16
17
18
19
20
21
22
23
24
25
26
7
6
12
11
27
27
Home
Find...
Go To..

BREAKDOWNS
4-23
830--II 330430 (12--02)
351949
Fig. 12 -- Front Axle And Spindle Breakdown
NOTE: The Front Axle Breakdown, Tennant part number 767701, includes Fig. 12, Fig. 13, Fig. 14, Fig. 15 and
Fig. 16.
Ref.
TENNANT
Part No.
Manufacturer
Serial Number Description Qty.
1761601 (000000-- )Rod End Pivot Lh 1
1 761602 (000000-- ) Rod End Pivot Rh 1
2 761727 (000000-- ) Nut, Rh 1
2 761728 (000000-- ) Nut, Lh 1
3 761600 (000000-- ) Steering Rod Front 1
4761606 (000000-- )Front Axle Housing 1
5 761607 (000000-- ) Screw, M8x50 2
6 761609 (000000-- ) Gasket 4
7 761610 (000000-- ) Bearing 4
8 761613 (000000-- ) Breather 1
9761615 (000000-- )Screw, M12x30 1
10 761616 (000000-- ) Magnetic Plug 2
11 08709 (000000-- ) Nut, Self Lock M8 2
12 761629 (000000-- ) Pivoting Hub 4
13 761630 (000000-- ) Flange 2
14 761631 (000000-- )Grease Zerk 4
15 06969 (000000-- ) Screw, M12x40 8
16 761611 (000000-- ) Washer 16
17 761634 (000000-- ) Steering Lever, Rh, Lower 1
18 761732 (000000-- ) Steering Lever, Lower 1
19 41346 (000000-- )Screw, M12x30 8
o
20 762080 (000000-- ) Cylinder, Hydraulic 1
Y
761714 (000000-- ) Seal Kit, Cylinder 1
21 761715 (000000-- ) Pivoting Hub 1
22 761716 (000000-- ) Rod End 1
23 761717 (000000-- )Nut, M18x1.5 1
24 08280 (000000-- ) Cotter Pin 1
25 769093 (000000-- ) Cylinder Anchor Pin 1
26 761720 (000000-- ) Spacer 1
27 767735 (000000-- ) Gasket, Axle 4
Home
Find...
Go To..

BREAKDOWNS
830--II 330430 (12--02)
4-24
Fig. 13 -- Front Axle Wheel Hub and Brake Breakdown
2
25
145
6
7
8
9
10
11
1
14
14
14
15
16
1
17
18
19
20
21
22
1
23
24
3
12
13
Home
Find...
Go To..
Please refer to the Sentinel manual #331000 for the
most current parts information for this Breakdown.

BREAKDOWNS
4-25
830--II 330430 (12--02)
352000
Fig. 13 -- Front Axle Wheel Hub and Brake Breakdown
NOTE: The Front Axle Breakdown, Tennant part number 767701, includes Fig. 12, Fig. 13, Fig. 14, Fig. 15 and
Fig. 16.
Ref.
TENNANT
Part No.
Manufacturer
Serial Number Description Qty.
o767767 (000000-- )Hub Assy, Front W/Brake 1
Y
1 767762 (000000-- ) Kit, Seal, Brake 1
Y
2 767737 (000000-- ) Flange, Driven 1
Y
3 761648 (000000-- ) Screw 10
Y
4 767738 (000000-- ) Nut 1
Y
5767739 (000000-- )Washer 1
Y
6 761644 (000000-- ) Bearing 1
Y
7 767764 (000000-- ) Spacer 1
Y
8 761641 (000000-- ) Stud 6
Y
9 767740 (000000-- ) Hub, Wheel 1
Y
10 767741 (000000-- )Bearing 1
Y
11 761632 (000000-- ) Screw 12
Y
12 767743 (000000-- ) Circlip 1
Y
13 767744 (000000-- ) Pin 2
Y
14 767763 (000000-- ) Kit, Discs, Brake 1
Y
15 767745 (000000-- )Circlip 1
Y
16 767746 (000000-- ) Cover 1
Y
17 767747 (000000-- ) Screw 3
Y
18 767748 (000000-- ) Spring 3
Y
19 767749 (000000-- ) Hub, Brake 1
Y
20 767750 (000000-- )Plug 3
Y
21 761993 (000000-- ) Washer 3
Y
22 767752 (000000-- ) Piston 1
Y
23 767753 (000000-- ) Screw, Bleed 1
Y
24 761613 (000000-- ) Breather 1
Y
25 761643 (000000-- )Cover 1
Home
Find...
Go To..
Please refer to the Sentinel manual #331000 for the
most current parts information for this Breakdown.

BREAKDOWNS
830--II 330430 (8--99)
4-26
Fig. 14 -- Front Axle Differential Breakdown
1
3
4
2
7
8
9
10
11
5
13
14
15
16
17
18
19
20
21
22
33
8
24
25
26
28 29
30
26
27
28
18
17
16
12
31
6
Home
Find...
Go To..

BREAKDOWNS
4-27
830--II 330430 (8--99)
351951
Fig. 14 -- Front Axle Differential Breakdown
NOTE: The Front Axle Breakdown, Tennant part number 767701, includes Fig. 12, Fig. 13, Fig. 14, Fig. 15 and
Fig. 16.
Ref.
TENNANT
Part No.
Manufacturer
Serial Number Description Qty.
139284 (000000-- )Screw, M10x1.5 8
o
761988 (000000-- ) Kit, Speed Reducer Gear Set 1
Y
2 761604 (000000-- ) Thrust Bushing 1
Y
3 761670 (000000-- ) Bearing 1
Y
4 761672 (000000-- ) Output Gear 1
Y
5761655 (000000-- )Nut 1
6 761682 (000000-- ) Pin, M8x20 2
7 761674 (000000-- ) Spacer 1
o
761987 (000000-- ) Kit, Differential Gear Set 1
Y
8 761650 (000000-- ) Planetary Gear 2
Y
9761651 (000000-- )Satellite Gear 2
Y
10 761652 (000000-- ) Differential Pivot 1
Y
11 761653 (000000-- ) Differential Flange 1
Y
12 761654 (000000-- ) Retaining Ring 2
Y
13 761669 (000000-- ) Lock Nut, D.25 1
Y
14 761649 (000000-- )Differential Housing 1
Y
15 761656 (000000-- ) Spacer 1
Y
16 761657 (000000-- ) Ring Gear, Matched Pinion 1
Y
17 761658 (000000-- ) Planetary Spherical Washer 2
Y
18 761659 (000000-- ) Satellite Spherical Washer 2
Y
19 761661 (000000-- )Spacer 2
Y
20 761662 (000000-- ) Spacer 1
Y
21 761663 (000000-- ) Screw, M12x20 1
Y
22 761664 (000000-- ) Screw, M14x1.5x40 12
Y
23 761665 (000000-- ) Washer, A6 1
Y
24 761666 (000000-- )Bearing 1
Y
25 761667 (000000-- ) Bearing 1
Y
26 761668 (000000-- ) Bearing, 32012 2
27 761608 (000000-- ) Differential Cover 1
28 761611 (000000-- ) Washer 10
29 41346 (000000-- )Screw, M12x30 9
30 761614 (000000-- ) Nut 1
31 761678 (000000-- ) Front Housing 1
Home
Find...
Go To..

BREAKDOWNS
830--II 330430 (11--00)
4-28
Fig. 15 -- Parking Brake Breakdown
1
2
32
4
6
7
5
7
7
7
2
2
2
11
2
10 12 13
14
15
16
17
18
19
14
9
9
2
8
Home
Find...
Go To..

BREAKDOWNS
4-29
830--II 330430 (11--00)
351953
Fig. 15 -- Parking Brake Breakdown
NOTE: The Front Axle Breakdown, Tennant part number 767701, includes Fig. 12, Fig. 13, Fig. 14, Fig. 15 and
Fig. 16.
Ref.
TENNANT
Part No.
Manufacturer
Serial Number Description Qty.
o767769 (000000-- )Brake Assembly, Parking 1
Y
1 767705 (000000-- ) Gear, Input 1
Y
2 767732 (000000-- ) Kit, Seal, Axle 1
Y
3 767707 (000000-- ) Bearing, Hub 1
Y
4 767709 (000000-- ) Circlip 1
Y
5767710 (000000-- )Circlip 1
Y
6 767711 (000000-- ) Sleave, Motor 1
Y
7 767733 (000000-- ) Kit, Brake, Disc 1
Y
8 767715 (000000-- ) Hub. Disks 1
Y
9 39309 (000000-- ) Screw, Soc, M10--1.5 X 25, Al 10
Y
10 06969 (000000-- )Screw, Hex, M12--1.75 X 40, 8.8 4
Y
11 767731 (000000-- ) Bearing 1
Y
12 767718 (000000-- ) Breather 1
Y
13 767719 (000000-- ) Housing, Motor 1
Y
14 767721 (000000-- ) Plug 3
Y
15 767726 (000000-- )Spring, Outer 10
Y
16 767727 (000000-- ) Spring, Inner 10
Y
17 767728 (000000-- ) Piston 1
Y
18 767729 (000000-- ) Cover, Springs 1
Y
19 767730 (000000-- ) Circlip 1
Home
Find...
Go To..

BREAKDOWNS
830--II 330430 (8--99)
4-30
Fig. 16 -- Front Axle CV Joint Breakdown
1
2
3
5
4
6
Home
Find...
Go To..
4
5
7

BREAKDOWNS
4-31
830--II 330430 (8--99)
10973
Fig. 16 -- Front Axle CV Joint Breakdown
NOTE: The Front Axle Breakdown, Tennant part number 767701, includes Fig. 12, Fig. 13, Fig. 14, Fig. 15 and
Fig. 16.
Ref.
TENNANT
Part No.
Manufacturer
Serial Number Description Qty.
o
761986 (000000-- )Kit, Cv Joints 2
Y
1 761618 (000000-- ) Dust Protector 1
Y
2 761660 (000000-- ) Cross Bearing Kit 2
Y
3 761623 (000000-- ) Bearing 1
Y
4 761624 (000000-- ) Ring 1
Y
5761625 (000000-- )Ring 1
Y
6 761626 (000000-- ) Bearing 1
Home
Find...
Go To..
7 1021410 Joint.............................................................................1
9001524

BREAKDOWNS
830--II 330430 (8--99)
4-32
Fig. 17 -- Cat Pump Breakdown
1
2
3
4
5
6
Home
Find...
Go To..

BREAKDOWNS
4-33
830--II 330430 (8--99)
351217
Fig. 17 -- Cat Pump Breakdown
Ref.
TENNANT
Part No.
Manufacturer
Serial Number Description Qty.
o
762260 (000000-- )Pump Breakdown, Cat 1
Y
40144--4 (000000-- ) Oil, Crankcase (For 1 oil change) 1
Y
1 40144--21 (000000-- ) Cup Kit 1
Y
2 40144--22 (000000-- ) Dischrg Quiet Vlv Kit 1
Y
3 40144--6 (000000-- ) Key, 5mm 1
Y
437778 (000000-- )Disc. Manifold 1
Y
5 38321 (000000-- ) Cover, Pump 1
Y
6 37573 (000000-- ) Cap, Oil Filler 1
Home
Find...
Go To..

BREAKDOWNS
830--II 330430 (8--99)
4-34
Fig. 18 -- Hydraulic Solenoid Valve Breakdown, 767218
1
Home
Find...
Go To..

BREAKDOWNS
4-35
830--II 330430 (8--99)
352450
Fig. 18 -- Hydraulic Solenoid Valve Breakdown, 767218
Ref.
TENNANT
Part No.
Manufacturer
Serial Number Description Qty.
o
767218 (000000-- )Valve, Hyd Cntrl Sol -- Vario 1
Y
1 22682 (000000-- ) Valve, 3P4W Do3 Cp 1
Home
Find...
Go To..

BREAKDOWNS
830--II 330430 (8--99)
4-36
Fig. 19 -- Hydraulic Solenoid Valve Breakdown, 767007
SV19
SV17
SV32
SV14
SV2
RV4
SV16
SV18 SV1 CV4
CV5
RV7
1
24
4
5
24 19 18
22
3
21
3
13
15
2
4
7
8
9
24
11
14
15
14 16
17
10
20
26
28
9
6
8
4
2
15
4
1
10
15
26
28 24
28
24
27
26
28
24
25
19
18
23
24
12
Home
Find...
Go To..

BREAKDOWNS
4-37
830--II 330430 (8--99)
352454
Fig. 19 -- Hydraulic Solenoid Valve Breakdown, 767007
Ref.
TENNANT
Part No.
Manufacturer
Serial Number Description Qty.
o
767007 (000000-- )Valve, Hyd Control Sol 1
Yo
1 21906 (000000-- ) Valve Stem 3W2P 2
YY
2 79731 (000000-- ) Nut 1
YY
3 79711 (000000-- ) Seal Kit, Cart 1
YY
4 79740 (000000-- ) Seal Kit, Coil 2
Yo
579716 (000000-- )Valve Stem 1
YY
6 79728 (000000-- ) Nut 1
YY
7 79711 (000000-- ) Seal Kit, Cart 1
YY
8 79740 (000000-- ) Seal Kit, Coil 2
Yo
9 22680 (000000-- ) Valve Stem N.O. Cp 2
Y
10 22685 (000000-- )Coil, 12V Cp 2
Yo
11 79719 (000000-- ) Valve Stem 4W2P 1
YY
12 79731 (000000-- ) Nut 1
YY
13 79711 (000000-- ) Seal Kit, Cart 1
YY
14 79740 (000000-- ) Seal Kit, Coil 2
Y
15 21916 (000000-- )Coil, 12V Cp 4
Yo
16 22689 (000000-- ) Cart,Psi Cn Cp 1
YY
17 79711 (000000-- ) Seal Kit, Cart 1
Yo
18 21919 (000000-- ) Cart, Pilot Chk 2
YY
19 79711 (000000-- ) Seal Kit, Cart 1
Yo
20 22687 (000000-- )Plug, Cavity Cp 1
YY
21 79711 (000000-- ) Seal Kit, Cart 1
Yo
22 22688 (000000-- ) Cart,Psi Cn Cp 1
YY
23 79711 (000000-- ) Seal Kit, Cart 1
Y
24 13902 (000000-- ) Plug 1
Y
25 79723 (000000-- )Plug 1
Y
26 13904 (000000-- ) Plug, Gauge 4
Y
27 22690 (000000-- ) Plug, Orifice Cp 1
Y
28 74098 (000000-- ) Plug 5
Home
Find...
Go To..

BREAKDOWNS
830--II 330430 (8--99)
4-38
Fig. 20 -- Hydraulic Solenoid Valve Breakdown, 767007
(For High Dump Hopper Lift Option)
SV19
SV17
SV32
SV14
SV2
RV4
SV16
SV18
SV1 CV4
CV5
RV7
2
1
3
4
5
6
8
7
8
9
4
9
Home
Find...
Go To..

BREAKDOWNS
4-39
830--II 330430 (8--99)
353144
Fig. 20 -- Hydraulic Solenoid Valve Breakdown, 767007
(For High Dump Hopper Lift Option)
Ref.
TENNANT
Part No.
Manufacturer
Serial Number Description Qty.
o
767007 (000000-- )Valve, Hyd Control Sol 1
Yo
1 21906 (000000-- ) Valve Stem 3W2P 2
YY
2 79731 (000000-- ) Nut 1
YY
3 79711 (000000-- ) Seal Kit, Cart 1
YY
4 79740 (000000-- ) Seal Kit, Coil 2
Yo
579716 (000000-- )Valve Stem 1
YY
6 79728 (000000-- ) Nut 1
YY
7 79711 (000000-- ) Seal Kit, Cart 1
YY
8 79740 (000000-- ) Seal Kit, Coil 2
Y
9 21916 (000000-- ) Coil, 12V Cp 4
Home
Find...
Go To..

BREAKDOWNS
830--II 330430 (9--01)
4-40
Fig. 21 -- Hydraulic Solenoid Valve Breakdown, 768899
SV19
SV17
SV32
SV14
SV2
RV4
SV16
SV18 SV1 CV4
CV5
RV7
1
24
4
5
24 19 18
22
3
21
3
13
15
2
4
7
8
9
24
11
14
15
14 16
17
10
20
26
28
9
6
8
4
2
15
4
1
10
15
26
28 24
28
24
27
26
28
24
25
19
18
23
24
12
24
29
30
31
Home
Find...
Go To..

BREAKDOWNS
4-41
830--II 330430 (9--01)
353675
Fig. 21 -- Hydraulic Solenoid Valve Breakdown, 768899
Ref.
TENNANT
Part No.
Manufacturer
Serial Number Description Qty.
o
768899 (000000-- )Valve, Hyd Control Sol 1
Yo
1 79718 (000000-- ) Valve Stem 3W2P 2
YY
2 79731 (000000-- ) Nut 1
YY
3 79711 (000000-- ) Seal Kit, Cart 1
YY
4 79740 (000000-- ) Seal Kit, Coil 2
Yo
579716 (000000-- )Valve Stem 1
YY
6 79728 (000000-- ) Nut 1
YY
7 79711 (000000-- ) Seal Kit, Cart 1
YY
8 79740 (000000-- ) Seal Kit, Coil 2
Yo
9 22680 (000000-- ) Valve Stem N.O. Cp 2
Y
10 22685 (000000-- )Coil, 12V Cp 2
Yo
11 79719 (000000-- ) Valve Stem 4W2P 1
YY
12 79731 (000000-- ) Nut 1
YY
13 79711 (000000-- ) Seal Kit, Cart 1
YY
14 79740 (000000-- ) Seal Kit, Coil 2
Y
15 21916 (000000-- )Coil, 12V Cp 4
Yo
16 22689 (000000-- ) Cart,Psi Cn Cp 1
YY
17 79711 (000000-- ) Seal Kit, Cart 1
Yo
18 373417 (000000-- ) Cart, Pilot Chk 2
YY
19 79711 (000000-- ) Seal Kit, Cart 1
Yo
20 22687 (000000-- )Plug, Cavity Cp 1
YY
21 79711 (000000-- ) Seal Kit, Cart 1
Yo
22 22688 (000000-- ) Cart,Psi Cn Cp 1
YY
23 79711 (000000-- ) Seal Kit, Cart 1
Y
24 13902 (000000-- ) Plug 26
Y
25 79723 (000000-- )Plug 2
Y
26 13904 (000000-- ) Plug, Gauge 5
Y
27 22690 (000000-- ) Plug, Orifice Cp 1
Y
28 74098 (000000-- ) Plug 6
Y
29 74099 (000000-- ) Plug 1
Y
30 13907 (000000-- )Plug 1
Y
31 373418 (000000-- ) Filter, 10 Micron 1
Home
Find...
Go To..

BREAKDOWNS
830--II 330430 (9--01)
4-42
Fig. 22 -- Hydraulic Solenoid Valve Breakdown, 768899
(For High Dump Hopper Lift Option)
SV19
SV17
SV32
SV14
SV2
RV4
SV16
SV18
SV1 CV4
CV5
RV7
2
1
3
4
5
6
8
7
8
9
4
9
Home
Find...
Go To..

BREAKDOWNS
4-43
830--II 330430 (9--01)
353676
Fig. 22 -- Hydraulic Solenoid Valve Breakdown, 768899
(For High Dump Hopper Lift Option)
Ref.
TENNANT
Part No.
Manufacturer
Serial Number Description Qty.
o
768899 (000000-- )Valve, Hyd Control Sol 1
Yo
1 79718 (000000-- ) Valve Stem 3W2P 1
YY
2 79731 (000000-- ) Nut 1
YY
3 79711 (000000-- ) Seal Kit, Cart 1
YY
4 79740 (000000-- ) Seal Kit, Coil 2
Yo
579716 (000000-- )Valve Stem 1
YY
6 79728 (000000-- ) Nut 1
YY
7 79711 (000000-- ) Seal Kit, Cart 1
YY
8 79740 (000000-- ) Seal Kit, Coil 2
Y
9 21916 (000000-- ) Coil, 12V Cp 2
Home
Find...
Go To..

BREAKDOWNS
830--II 330430 (9--01)
4-44
Fig. 23 -- Hydraulic Solenoid Valve Breakdown, 767008
RV3
SV31
SV3
SV4
2
3
4
5
6
1
13
5
5
5
15
15
15
2
3
4
11
12
13
14
10
13
7
8
9
9
Home
Find...
Go To..

BREAKDOWNS
4-45
830--II 330430 (9--01)
352456
Fig. 23 -- Hydraulic Solenoid Valve Breakdown, 767008
Ref.
TENNANT
Part No.
Manufacturer
Serial Number Description Qty.
o
767008 (000000-- )Valve, Hyd Cntrl Sol 1
Y
1 22682 (000000-- ) Valve, 3P4W Do3 Cp 1
Yo
2 79716 (000000-- ) Valve Stem 2
YY
3 79728 (000000-- ) Nut 1
YY
4 79711 (000000-- ) Seal Kit, Cart 1
YY
579740 (000000-- )Seal Kit, Coil 2
Yo
6 21906 (000000-- ) Valve Stem 3W2P 1
YY
7 79731 (000000-- ) Nut 1
YY
8 79711 (000000-- ) Seal Kit, Cart 1
YY
9 79740 (000000-- ) Seal Kit, Coil 2
Yo
10 22689 (000000-- )Cart,Psi Cn Cp 1
YY
11 79711 (000000-- ) Seal Kit, Cart 1
Y
12 22678 (000000-- ) Vlv, Thermostat Cp 1
Y
13 13902 (000000-- ) Plug 6
Y
14 13904 (000000-- ) Plug, Gauge 1
Y
15 21916 (000000-- )Solenoid, 12V 3
Home
Find...
Go To..

BREAKDOWNS
830--II 330430 (9--01)
4-46
Fig. 24 -- Hydraulic Solenoid Valve Breakdown, 767009
PF1
SV33
1
2
3
4
5
6
4
7
Home
Find...
Go To..

BREAKDOWNS
4-47
830--II 330430 (9--01)
352458
Fig. 24 -- Hydraulic Solenoid Valve Breakdown, 767009
Ref.
TENNANT
Part No.
Manufacturer
Serial Number Description Qty.
o
767009 (000000-- )Valve, Hyd Cntrl Sol 1
Yo
1 79716 (000000-- ) Valve Stem 1
YY
2 79728 (000000-- ) Nut 1
YY
3 79711 (000000-- ) Seal Kit, Cart 1
YY
4 79740 (000000-- ) Seal Kit, Coil 2
Yo
522692 (000000-- )Cart, Priority Cp 1
YY
6 22699 (000000-- ) Seal Kit, Cart. Cp 1
Y
7 21916 (000000-- ) Solenoid, 12V 1
Home
Find...
Go To..

BREAKDOWNS
830--II 330430 (9--01)
4-48
Fig. 25 -- Hydraulic Solenoid Valve Breakdown, 767220
(For Standard R.H. Side Brush)
RV2
SV6
SV11
SV5
SV8
SV9
SV7
SV10
1
2
3
4
4
5
5
6
6
7
7
8
8
8
8
9
10
11
14
12
12
13
15
16
17
17
17
18
18
19
19
19
20
20
20
20
19
22
21
21
21
21
17
23
Home
Find...
Go To..

BREAKDOWNS
4-49
830--II 330430 (9--01)
352452
Fig. 25 -- Hydraulic Solenoid Valve Breakdown, 767220
(For Standard R.H. Side Brush)
Ref.
TENNANT
Part No.
Manufacturer
Serial Number Description Qty.
o
767220 (000000-- )Valve, Hyd Cntrl Sol 1
Yo
1 79716 (000000-- ) Valve Stem 1
YY
2 79728 (000000-- ) Nut 1
YY
3 79711 (000000-- ) Seal Kit, Cart 1
YY
4 79740 (000000-- ) Seal Kit, Coil 2
Yo
579732 (000000-- )Valve Stem 2
YY
6 79731 (000000-- ) Nut 1
YY
7 79711 (000000-- ) Seal Kit, Cart 1
Y
8 79740 (000000-- ) Seal Kit, Coil 2
Yo
9 21906 (000000-- ) Valve Stem 3W2P 1
YY
10 79731 (000000-- )Nut 1
YY
11 79711 (000000-- ) Seal Kit, Cart 1
YY
12 79740 (000000-- ) Seal Kit, Coil 2
Yo
13 22687 (000000-- ) Plug, Cavity Cp 1
YY
14 79711 (000000-- ) Seal Kit, Cart 1
Yo
15 22689 (000000-- )Cart,Psi Cn Cp 1
YY
16 79711 (000000-- ) Seal Kit, Cart 1
Y
17 21916 (000000-- ) Solenoid, 12V 4
Y
18 74099 (000000-- ) Plug 2
Y
19 74098 (000000-- ) Plug 6
Y
20 13907 (000000-- )Plug 6
Y
21 13902 (000000-- ) Plug 5
Y
22 13904 (000000-- ) Plug, Gauge 2
Y
23 767219 (000000-- ) Plug, Set Screw (Vario Brush only) 1
Home
Find...
Go To..

BREAKDOWNS
830--II 330430 (9--01)
4-50
Fig. 26 -- Hydraulic Solenoid Valve Breakdown, 767220
(For Standard L.H. Side Brush)
RV2
SV6
SV11
SV5
SV8
SV9
SV7
SV10
1
2
3
4
5
4
6
7
8
8
9
10
11
12
12
13
13
13
14
14
Home
Find...
Go To..

BREAKDOWNS
4-51
830--II 330430 (12--02)
353143
Fig. 26 -- Hydraulic Solenoid Valve Breakdown, 767220
(For Standard L.H. Side Brush)
Ref.
TENNANT
Part No.
Manufacturer
Serial Number Description Qty.
o
767220 (000000-- )Valve, Hyd Cntrl Sol 1
Yo
1 79716 (000000-- ) Valve Stem 1
YY
2 79728 (000000-- ) Nut 1
YY
3 79711 (000000-- ) Seal Kit, Cart 1
YY
4 79740 (000000-- ) Seal Kit, Coil 2
Yo
579732 (000000-- )Valve Stem 1
YY
6 79731 (000000-- ) Nut 1
YY
7 79711 (000000-- ) Seal Kit, Cart 1
Y
8 79740 (000000-- ) Seal Kit, Coil 2
Yo
9 21906 (000000-- ) Valve Stem 3W2P 1
YY
10 79731 (000000-- )Nut 1
YY
11 79711 (000000-- ) Seal Kit, Cart 1
YY
12 79740 (000000-- ) Seal Kit, Coil 2
Y
13 21916 (000000-- ) Solenoid, 12vdc, Valve, Hyd 3
Y
14 74099 (000000-- ) Seal Kit, Cart 2
Home
Find...
Go To..

BREAKDOWNS
830--II 330430 (9--01)
4-52
Fig. 27 -- Hydraulic Solenoid Valve Breakdown, 767208
SV25
SV21
SV22
SV23
SV24
SV20
SV26
RV6
CS
1
2
13
6
9
15
11
5
15
11
5
8
12
7
14
10
18
20
18
18
18
21
18
18
19
21
21
18
16
17
3
1
4
5
4
42
5
3
Home
Find...
Go To..

BREAKDOWNS
4-53
830--II 330430 (9--01)
352515
Fig. 27 -- Hydraulic Solenoid Valve Breakdown, 767208
Ref.
TENNANT
Part No.
Manufacturer
Serial Number Description Qty.
o
767208 (000000-- )Valve, Hyd Cntrl Sol -- Vario 1
Yo
1 22697 (000000-- ) Valve Stem 4W2P Cp 5
YY
2 79728 (000000-- ) Nut 1
YY
3 22698 (000000-- ) Seal Kit, Cart. Cp 1
YY
4 79740 (000000-- ) Seal Kit, Coil 2
Y
522681 (000000-- )Coil, 12V Cp 7
Yo
6 22693 (000000-- ) Cart,Psi Cn Cp 1
YY
7 22698 (000000-- ) Seal Kit, Cart. Cp 1
Yo
8 22694 (000000-- ) Valve Stem 3W2P Cp 1
YY
9 79728 (000000-- ) Nut 1
YY
10 22698 (000000-- )Seal Kit, Cart. Cp 1
YY
11 79740 (000000-- ) Seal Kit, Coil 2
Yo
12 22696 (000000-- ) Valve Stem 4W2P Cp 1
YY
13 79728 (000000-- ) Nut 1
YY
14 22698 (000000-- ) Seal Kit, Cart. Cp 1
YY
15 79740 (000000-- )Seal Kit, Coil 2
Yo
16 22691 (000000-- ) Cart,Logic Cntl Cp 1
YY
17 22699 (000000-- ) Seal Kit, Cart. Cp 1
Y
18 13902 (000000-- ) Plug 17
Y
19 22670 (000000-- ) Plug, Orifice Cp 1
Y
20 79723 (000000-- )Plug 1
Y
21 74098 (000000-- ) Plug 6
Home
Find...
Go To..

BREAKDOWNS
830--II 330430 (9--01)
4-54
Fig. 28 -- Hydraulic Solenoid Valve Breakdown, 767215
SV25
SV21
SV22
SV23
SV24
CV9
CV7
CV8
CV6
SV20
SV26
RV6
CS
1
2
14
7
10
16
12
19
16
12
19
9
13
8
15
11
20
22
20
20
20
23
20
20
21
23
23
20
18
17
3
1
4
19
4
42
19
3
5
6
5
6
6
6
5
5
4
Home
Find...
Go To..

BREAKDOWNS
4-55
830--II 330430 (9--01)
352460
Fig. 28 -- Hydraulic Solenoid Valve Breakdown, 767215
Ref.
TENNANT
Part No.
Manufacturer
Serial Number Description Qty.
o
767215 (000000-- )Valve, Hyd Cntrl Sol 1
Yo
1 22697 (000000-- ) Valve Stem 4W2P Cp 5
YY
2 79728 (000000-- ) Nut 1
YY
3 22698 (000000-- ) Seal Kit, Cart. Cp 1
YY
4 79740 (000000-- ) Seal Kit, Coil 2
Yo
522679 (000000-- )Cart,Pilot Cntr Cp 4
YY
6 22698 (000000-- ) Seal Kit, Cart. Cp 1
Yo
7 22693 (000000-- ) Cart,Psi Cn Cp 1
YY
8 22698 (000000-- ) Seal Kit, Cart. Cp 1
Yo
9 22694 (000000-- ) Valve Stem 3W2P Cp 1
YY
10 79728 (000000-- )Nut 1
YY
11 22698 (000000-- ) Seal Kit, Cart. Cp 1
YY
12 79740 (000000-- ) Seal Kit, Coil 2
Yo
13 22696 (000000-- ) Valve Stem 4W2P Cp 1
YY
14 79728 (000000-- ) Nut 1
YY
15 22698 (000000-- )Seal Kit, Cart. Cp 1
YY
16 79740 (000000-- ) Seal Kit, Coil 2
Yo
17 22691 (000000-- ) Cart,Logic Cntl Cp 1
YY
18 22699 (000000-- ) Seal Kit, Cart. Cp 1
Y
19 22681 (000000-- ) Coil, 12V Cp 7
Y
20 13902 (000000-- )Plug 17
Y
21 22670 (000000-- ) Plug, Orifice Cp 1
Y
22 79723 (000000-- ) Plug 1
Y
23 74098 (000000-- ) Plug 6
Home
Find...
Go To..
373470

BREAKDOWNS
830--II 330430 (9--01)
4-56
Fig. 29 -- Hydraulic Solenoid Valve Breakdown, 767207
1
2
3
4
5
4
Home
Find...
Go To..

BREAKDOWNS
4-57
830--II 330430 (9--01)
353287
Fig. 29 -- Hydraulic Solenoid Valve Breakdown, 767207
Ref.
TENNANT
Part No.
Manufacturer
Serial Number Description Qty.
o
767207 (000000-- )Valve, Hyd Cntrl Sol 1
Yo
1 22694 (000000-- ) Valve Stem 1
YY
2 373360 (000000-- ) Nut 1
YY
3 22698 (000000-- ) Seal Kit, Cartridge 1
YY
4 373361 (000000-- ) Seal Kit, Coil 1
Y
522681 (000000-- )Coil 1
Home
Find...
Go To..

BREAKDOWNS
830--II 330430 (9--01)
4-58
Fig. 30 -- Hydraulic Solenoid Valve Breakdown, 768883
1
2
13 4
5
4
6
8
9
8
7
12
9
3
10
11
SV30B
SV30A
SW
OR1
Home
Find...
Go To..

BREAKDOWNS
4-59
830--II 330430 (9--01)
353288
Fig. 30 -- Hydraulic Solenoid Valve Breakdown, 768883
Ref.
TENNANT
Part No.
Manufacturer
Serial Number Description Qty.
o
768883 (000000-- )Valve, Hyd, Solenoid 1
Yo
1 768890 (000000-- ) Valve Stem, NC 1
YY
2 373360 (000000-- ) Nut 1
YY
3 373342 (000000-- ) Seal Kit, Cartridge 1
YY
4 373361 (000000-- ) Seal Kit, Coil 1
Yo
5768891 (000000-- )Valve Stem, NO 1
YY
6 373416 (000000-- ) Nut 1
YY
7 373342 (000000-- ) Seal Kit, Cartridge 1
YY
8 373361 (000000-- ) Seal Kit, Coil 1
Y
9 22681 (000000-- ) Coil, 12VDC 2
Y
10 21920 (000000-- )Plug 1
Y
11 13902 (000000-- ) Plug 1
Y
12 74098 (000000-- ) Plug 1
Y
13 13904 (000000-- ) Plug 1
Home
Find...
Go To..

BREAKDOWNS
830--II 330430 (12--02)
4-60
Fig. 31 -- Hydraulic Motor Breakdown, 762032
1
48
3
9
8
6
5
6
2
7
Ref.
TENNANT
Part No.
Manufacturer
Serial Number Description Qty.
o
762032 (000000-- )Motor, Hyd, Vacfan 1.02 Cid 1
Y
1 373561 (000000-- ) Backplate 1
Y
2 373562 (000000-- ) Frontplate 1
Y
3 373563 (000000-- ) Body 1
Y
4 373564 (000000-- ) Drive Gear 1
Y
5373565 (000000-- )Idler Gear 1
Y
6 373212 (000000-- ) Cap Screw 8
Y
7 373213 (000000-- ) Key 1
Y
8 762117 (000000-- ) Kit, Seal, Hyd Motor 1
9 373566 (000000-- ) Repair Info, Pmp 1
Home
Find...
Go To..

ENGINE BREAKDOWN
5-1
830--II 330430 (9--01)
SECTION
5
Contents Page
Fig. 1 -- Cylinder Block Group 5-2................
Fig. 2 -- Crankshafts, Pistons and
Connecting Rods Group 5-4.............
Fig. 3 -- Cylinder Head Group 5-6.................
Fig. 4 -- Rocker Shaft Group 5-8.................
Fig. 5 -- Timing Gear and Camshaft Group 5-10....
Fig. 6 -- Lubricating Oil Pump Group 5-12..........
Fig. 7 -- Flywheel Housing Group 5-14............
Fig. 8 -- Flywheel Group 5-15....................
Fig. 9 -- Starter Motor Group 5-16................
Fig. 10 -- Starter Motor Breakdown 5-17............
Fig. 11 -- Fan Drive Group 5-18...................
Fig. 12 -- Fan Group 5-19........................
Fig. 13 -- Alternator Group 5-20...................
Fig. 14 -- Water Pump Group 5-22.................
Fig. 15 -- Front End Drive Input Group 5-24.........
Fig. 16 -- Water Outlet Group 5-25................
Fig. 17 -- Gear Drive Group 5-26..................
Fig. 18 -- Intake Heater Group 5-27................
Fig. 19 -- Engine Lifting Group 5-28................
Fig. 20 -- Mounting Group 5-29...................
Fig. 21 -- Fuel Injection Group 5-30................
Fig. 22 -- Fuel Injection Line Group 5-32...........
Fig. 23 -- Lubricating Oil Filter and Integral
Oil Cooler Group 5-33..................
Fig. 24 -- Lubricating Oil Sump Group 5-34.........
Fig. 25 -- Lubricating Oil Filler and
Breather Group 5-36...................
Fig. 26 -- Induction Manifold Group 5-38...........
Fig. 27 -- Exhaust Manifold Group 5-39............
Fig. 28 -- Exhaust Flange Group 5-40..............
Fig. 29 -- Fuel Pump Group 5-41..................
Fig. 30 -- Low Pressure Fuel Group 5-42...........
Fig. 31 -- Fuel Filter Group 5-44...................
Fig. 32 -- Fuel Line Group 5-45...................
Fig. 33 -- Adaptor Group 5-46.....................
Fig. 34 -- Fuel Pre--Lift Pump Group 5-47...........
Fig. 35 -- Top Gaskets Group 5-48................
Fig. 36 -- Bottom Gaskets Group 5-49.............
Home
Find...
Go To..

ENGINE BREAKDOWN
830--II 330430 (12--98)
5-2
Fig. 1 -- Cylinder Block Group
1
2
5
6
5
8
9
10
12
13
14
15 16
17 19
20
21
22
24
17
25
26
27
29
33
35
36
37 39
40
45
46
47
51
52
56
57
17 17
13
41
Home
Find...
Go To..

ENGINE BREAKDOWN
5-3
830--II 330430 (12--98)
352374
Fig. 1 -- Cylinder Block Group
Ref.
Tennant
Part No.
Perkins
Part Number Description Qty.
1766631 ZZ50280 BLOCK, CYLINDER 1
2 763924 0650594 PLUG 1
5 764404 0650710 PLUG 6
6 764455 0650713 PLUG 1
8 764403 0650588 PLUG 2
9764456 33142111 THIMBLE 10
10 764461 32166329 BOLT 10
12 764953 31134165 BUSHING 1
13 764465 32418122 PLUG 6
14 764965 32416118 PLUG 3
15 764466 2485A204 PLUG 1
16 764467 32417134 PLUG 1
17 764836 32161114 PLUG 4
19 765039 32416119 PLUG 1
20 766665 32168212 PLUG 1
21 764471 3311R003 WASHER 1
o
22 763802 4142V066 HOUSING 1
Y
24 764473 2418F475 SEAL 1
25 765040 3681T012 JOINT 1
26 764409 2314H003 SCREW 12
27 765038 3212V002 SCREW 2
29 764478 0350009 DOWEL 2
33 766669 3314A103 PLUG 1
35 765036 4126X124 JET 1
36 765034 2116A022 DOWEL 1
o
37 763806 4138A017 VALVE 1
Y
39 763807 2538753 BALL 1
Y
40 763808 3174A004 SPRING 1
Y
41 763809 3271A003 RETAINER 1
45 764743 3623H008 PLATE 1
46 764877 3687W008 JOINT 1
47 764744 2314J033 SCREW 4
51 766664 3212T006 PLUG 2
52 766666 32417145 PLUG 1
56 764481 2182110 SCREW 3
57 764482 0920469 SPACER 3
Home
Find...
Go To..
58 372946 U5MK8121 Block, Long, w/o cam shaft and lifters 1
59 372947 AR39789 Block, Short, w/o cam shaft and lifters 1
764470

ENGINE BREAKDOWN
830--II 330430 (12--98)
5-4
Fig. 2 -- Crankshafts, Pistons and Connecting Rods Group
13
4
5
6
7
10
11
13
16
16
18
19
20
21
23
Home
Find...
Go To..

ENGINE BREAKDOWN
5-5
830--II 330430 (12--98)
352376
Fig. 2 -- Crankshafts, Pistons and Connecting Rods Group
Ref.
Tennant
Part No.
Perkins
Part Number Description Qty.
o
1764923 ZZ90145 KIT, CRANKSHAFT 1
Y
3 764484 81558 KIT, BEARING 1
Y
3 764485 81558A KIT, BEARING 1
Y
3 764486 81558B KIT, BEARING 1
Y
3 764487 81558C KIT, BEARING 1
Y
4763811 U5ME0006 KIT, BEARING 1
Y
4 763812 U5ME0006A KIT, BEARING 1
Y
4 763813 U5ME0006B KIT, BEARING 1
Y
4 763814 U5ME0006C KIT, BEARING 1
Y
5 764493 31137312 THRUST WASHER,TOP 1
Y
5764492 31137551 THRUST WASHER,TOP 1
Y
6 764495 31137322 THRUST WASHER, BOTTOM 1
Y
6 764494 31137561 THRUST WASHER, BOTTOM 1
7 766634 ZZ90188 CONN ROD (HI GRADE) 4
7 766635 ZZ90189 CONN ROD (INTERMEDIATE GR) 4
7766636 ZZ90190 CONN ROD (INTERMEDIATE GR) 4
7 766637 ZZ90191 CONN ROD (LOW GRADE) 4
10 764952 3112E011 BUSHING 1
11 766667 32762145 SCREW 2
13 766625 U5LP0058 KIT, PISTON (STD) 4
13 766626 U5LP0058B KIT, PISTON (+0.5MM) 4
13 766627 U5LP0058D KIT, PISTON (+1.0MM) 4
16 764951 2721332 CIRCLIP 2
18 766621 U4181A045 KIT, PISTON RING (STD) 4
18 766622 U4181A046 KIT, PISTON RING (+0.5MM) 4
18 766623 U4181A047 KIT, PISTON RING (+1.0MM) 4
19 764503 3117C061 GEAR, CRANKSHAFT 1
20 764402 0500012 WOODRUFF KEY 1
21 764499 33221328 NUT 2
23 766638 2135A001 THIMBLE 2
Home
Find...
Go To..

ENGINE BREAKDOWN
830--II 330430 (12--98)
5-6
Fig. 3 -- Cylinder Head Group
1
3
4
5
6
7
8
9
9
8
10
11
12
14
17
18
19
23
24
25
26
27
28
29
30
6
31
Home
Find...
Go To..

ENGINE BREAKDOWN
5-7
830--II 330430 (12--98)
352378
Fig. 3 -- Cylinder Head Group
Ref.
Tennant
Part No.
Perkins
Part Number Description Qty.
1766632 ZZ80255 HEAD, CYLINDER 1
3 766605 U3142H041 VALVE, INLET 4
4 766611 U3314A101 INSERT 4
5 766668 3313E021 GUIDE 4
6 766606 U3174P412 SPRING 8
7766600 U2418M507 SEAL 4
8 764978 3342N011 CAP 8
9 766658 3142W004 PIN, COTTER 16
10 766604 U3142D061 VALVE, EXHAUST 4
11 766612 U3314A102 INSERT 4
12 766613 U3318A705 GUIDE 4
14 766648 2418M505 SEAL 4
17 764465 32418122 PLUG 1
18 764404 0650710 PLUG 1
19 764517 2431A054 PLUG 4
23 766610 U3244A009 PIN, DOWEL 2
24 766614 U3681E039 GASKET, HEAD 1
25 766607 U3218J303 SCREW 8
26 766608 U3218J606 SCREW 12
27 766609 U3218J607 SCREW 2
28 764834 0650203 PLUG 1
29 764835 2411157 WASHER 1
30 765037 29990001 DOWEL 2
31 764408 2314H002 SCREW 3
Home
Find...
Go To..

ENGINE BREAKDOWN
830--II 330430 (12--98)
5-8
Fig. 4 -- Rocker Shaft Group
1
2
4
5
5
5
5
6
6
6
6
8
8
8
8
9
9
9
9
11
11
11
11
12
12
13
13
14
15
16
16
17
18
19
20
21
22
23
25 27
28
Home
Find...
Go To..

ENGINE BREAKDOWN
5-9
830--II 330430 (12--98)
352380
Fig. 4 -- Rocker Shaft Group
Ref.
Tennant
Part No.
Perkins
Part Number Description Qty.
o
1766633 ZZ90184 SHAFT, ROCKER 1
Yo
2 764926 ZZ90172 ROCKERSHAFT 1
YY
4 764524 0650507 PLUG 2
Y
5 763830 3818X901 BRACKET 4
Yo
6 765023 4115R005 LEVER 4
YY
8764954 31134166 BUSHING 1
Yo
9 765024 4115R006 LEVER 4
YY
11 764954 31134166 BUSHING 4
Y
12 764530 31744123 SPRING 2
Y
13 764531 31743108 SPRING 2
Y
14 764532 3775E012 CONNECTION 1
Y
15 764533 2233022 SCREW 1
Y
16 764535 33117426 SHIM 2
Y
17 764536 0720579 SCREW 8
Y
18 764537 0576052 NUT 8
Y
19 764971 3311K012 WASHER 2
Y
20 764539 0170151 CIRCLIP 2
Y
21 764434 33811113 OLIVE 1
22 763832 2313H331 STUD 3
23 764640 2318A605 NUT 3
25 764543 2314J607 SCREW 1
27 764544 31434307 PUSHROD 8
28 765042 3142U031 TAPPET 8
Home
Find...
Go To..

ENGINE BREAKDOWN
830--II 330430 (12--98)
5-10
Fig. 5 -- Timing Gear and Camshaft Group
1
2
3
4
5
6
7
8
9
10
11
12
13
15
16
17
18
19
20
21
22
23
29
30
31
1
4
Home
Find...
Go To..

ENGINE BREAKDOWN
5-11
830--II 330430 (12--98)
352382
Fig. 5 -- Timing Gear and Camshaft Group
Ref.
Tennant
Part No.
Perkins
Part Number Description Qty.
1764910 U3716C161 TIMING CASE 1
2 764871 3681P009 JOINT 1
3 764409 2314H003 SCREW 8
4 764547 2314H034 SCREW 6
5 766603 U3141D171 SHAFT, CAM 1
6763834 33153135 WASHER 1
7 764550 2116053 PIN 1
8 765044 3117L023 GEAR, CAMSHAFT 1
9 764402 0500012 WOODRUFF KEY 1
10 765043 2314J606 SCREW 1
11 764552 3321A003 WASHER 1
12 764553 33426161 HUB 1
o
13 764554 4111A013 GEAR, IDLER 1
Y
15 764457 0050345 BUSHING 1
16 765045 3241H009 PLATE 1
17 764556 2314J010 SCREW 3
18 766683 4142A404 COVER 1
19 764558 2418F436 SEAL 1
20 764999 3681P038 JOINT 1
21 764560 2314H013 SCREW 6
22 764410 2314H004 SCREW 1
23 764575 2314H005 SCREW 7
29 765020 3781N043 SHIELD 1
30 765019 3781N042 DAMPER 1
31 764567 2314F003 SCREW 2
Home
Find...
Go To..

ENGINE BREAKDOWN
830--II 330430 (12--98)
5-12
Fig. 6 -- Lubricating Oil Pump Group
1
2
3
5
6
7
8
17
18
18
19
18
18
20 29
30
31
31
32
35
38
39
40
41
42 43
Home
Find...
Go To..

ENGINE BREAKDOWN
5-13
830--II 330430 (12--98)
352384
Fig. 6 -- Lubricating Oil Pump Group
Ref.
Tennant
Part No.
Perkins
Part Number Description Qty.
1764568 4132F051 OIL PUMP 1
2 765046 3271H004 SHAFT 1
o
3 764571 4111A021 GEAR, IDLER 1
Y
5 764529 2511437 BUSHING 1
6 765047 33123125 WASHER 1
7764574 2722A206 CIRCLIP 1
8 764575 2314H005 SCREW 3
17 764576 3343F012 PIPE, OIL 1
18 764577 2415H201 O--RING 4
19 764578 3748C011 FLANGE 1
20 764410 2314H004 SCREW 2
29 764579 3763W011 ADAPTOR 1
30 764580 2314J008 SCREW 1
31 765048 33137409 THIMBLE 2
32 764582 3343M307 PIPE, OIL 1
o
35 764583 4138A036 RELIEF VALVE 1
Y
38 764584 2314F907 SCREW 3
Y
39 764585 32712726 PLUNGER 1
Y
40 764586 3174L003 SPRING 1
Y
41 764587 32712111 SEAT 1
Y
42 764588 2721130 CIRCLIP 1
43 764589 2314J011 SCREW 1
Home
Find...
Go To..

ENGINE BREAKDOWN
830--II 330430 (12--98)
5-14
Fig. 7 -- Flywheel Housing Group
1
2
3
6
7
9
10
11 12
13
352390
Ref.
Tennant
Part No.
Perkins
Part Number Description Qty.
1765051 3713M042 FLYWHEEL HOUSING 1
2 764591 36212132 PLATE 1
3 765049 2314H102 SCREW 2
6 763868 36843154 SEAL 1
7 765050 2487402 PLUG 1
9764595 2487204 PLUG 3
10 764596 0350025 DOWEL 2
11 766643 2314J204 SCREW 6
12 764420 2314J603 SCREW 2
13 764427 2487Y005 PLUG 1
Home
Find...
Go To..

ENGINE BREAKDOWN
5-15
830--II 330430 (12--98)
Fig. 8 -- Flywheel Group
1
3
4
5
352392
Ref.
Tennant
Part No.
Perkins
Part Number Description Qty.
o
1764597 4111D095 FLYWHEEL 1
Y
3 764598 31162121 GEAR, STARTER RING 1
4 764460 0096803 BOLT 6
5 764599 33117127 WASHER 6
Home
Find...
Go To..

ENGINE BREAKDOWN
830--II 330430 (12--98)
5-16
Fig. 9 -- Starter Motor Group
1
2
3
352394
Ref.
Tennant
Part No.
Perkins
Part Number Description Qty.
1764431 2873B071 STARTER MOTOR (SEE BREAKDOWN) 1
2 764407 2313C077 STUD 3
3 764422 2318A604 NUT 3
Home
Find...
Go To..

ENGINE BREAKDOWN
5-17
830--II 330430 (12--98)
Fig. 10 -- Starter Motor Breakdown
1
2
4
5
56
7
7
7
7
7
7
352396
Ref.
Tennant
Part No.
Perkins
Part Number Description Qty.
o
1764431 2873B071 STARTER MOTOR 1
Y
2 765052 28730201 KIT, BRUSH 1
Y
4 765054 28730267 DRIVE 1
Y
5 764603 28730238 KIT, BRUSH 1
Y
6 764604 28730193 KIT, BRAKE 1
Y
7765053 28730209 KIT, REPAIR 1
Home
Find...
Go To..

ENGINE BREAKDOWN
830--II 330430 (12--98)
5-18
Fig. 11 -- Fan Drive Group
1
6
7
8
352398
Ref.
Tennant
Part No.
Perkins
Part Number Description Qty.
1765056 4113H074 HOUSING 1
6 764418 2314J015 SCREW 4
7 766649 2614B659 BELT, FAN 1
8 766656 3115C111 PULLEY 1
Home
Find...
Go To..

ENGINE BREAKDOWN
5-19
830--II 330430 (12--02)
Fig. 12 -- Fan Group
3
7
8
9
10
352412
Ref.
Tennant
Part No.
Perkins
Part Number Description Qty.
3767601 2485C517 FAN 1
7 765060 2313H229 STUD 4
8 765061 2318D208 NUT 4
9 765062 3748W223 EXTENSION 1
10 764608 3748W202 EXTENSION 1
Home
Find...
Go To..

ENGINE BREAKDOWN
830--II 330430 (11--00)
5-20
Fig. 13 -- Alternator Group
1
3
4
5
6
7
8
9
10
11
12
14 15 16
16
17
Home
Find...
Go To..
11

ENGINE BREAKDOWN
5-21
830--II 330430 (11--00)
352414
Fig. 13 -- Alternator Group
Ref.
Tennant
Part No.
Perkins
Part Number Description Qty.
1766692 18900009 PULLEY, ALTERNATOR 1
3 764418 2314J015 SCREW 1
4 764618 3318H105 SLEEVE 1
6 764409 2314H003 SCREW 1
7 764907 U3623T012 BRACKET 1
8764575 2314H005 SCREW 1
9 766642 2314J007 SCREW 1
10 764936 2318D240 NUT 1
11 764613 2131A010 WASHER 1
12 764972 3312K026 SPACER 1
14 764636 2314J006 SCREW 2
15 766641 2314H018 SCREW 1
16 764609 2314K159 SCREW 2
17 764560 2314H013 SCREW 2
Home
Find...
Go To..

ENGINE BREAKDOWN
830--II 330430 (12--98)
5-22
Fig. 14 -- Water Pump Group
1
12
13
14
15
17
18
19
20
21
22
23
24
26
27
31
33
33
37
38
45
Home
Find...
Go To..

ENGINE BREAKDOWN
5-23
830--II 330430 (11--00)
352408
Fig. 14 -- Water Pump Group
Ref.
Tennant
Part No.
Perkins
Part Number Description Qty.
1766629 U5MW0164 PUMP, WATER 1
12 764414 2314H017 SCREW 3
12 764609 2314K159 SCREW 1
13 764747 2314H034 SCREW 3
14 766640 2314H012 SCREW 2
15 370806 2314K166 SCREW 1
17 766630 U7LW0161 KIT, REPAIR, WATER PUMP 1
18 766671 3623H024 COVER 1
19 764909 U3685R009 JOINT 1
20 764408 2314H002 SCREW 3
21 766677 3771K251 HOUSING 1
22 765006 3686D007 JOINT 1
23 764425 2431154 PLUG 1
24 764620 2314K161 SCREW 3
26 764412 2314H008 SCREW 3
27 764941 2485C025 THERMOSTAT 1
o
31 764918 U5MH0056 KIT, HOSE 1
Y
33 764929 21825198 CLIP 2
37 764983 3381J005 RING 1
38 764938 2415A090 O--RING 1
45 765008 3687Y016 JOINT 1
Home
Find...
Go To..

ENGINE BREAKDOWN
830--II 330430 (12--98)
5-24
Fig. 15 -- Front End Drive Input Group
2
3
4
352406
Ref.
Tennant
Part No.
Perkins
Part Number Description Qty.
2764776 3241N001 BLOCK 1
3 764777 32186137 BOLT 3
4 764778 3115T051 PULLEY, CRANK 1
Home
Find...
Go To..

ENGINE BREAKDOWN
5-25
830--II 330430 (12--98)
Fig. 16 -- Water Outlet Group
13
14
15
352410
Ref.
Tennant
Part No.
Perkins
Part Number Description Qty.
13 765016 3766P411 CONNECTION 1
14 765003 3684N017 JOINT 1
15 764409 2314H003 SCREW 4
Home
Find...
Go To..

ENGINE BREAKDOWN
830--II 330430 (12--98)
5-26
Fig. 17 -- Gear Drive Group
1
3
4
5
6
7
8
9
10
10
12
13
14
352416
Ref.
Tennant
Part No.
Perkins
Part Number Description Qty.
o
1764624 4113H068 ADAPTOR 1
Y
3 764625 2521A207 BEARING, BALL 1
Y
4 764626 3117C116 GEAR, HYD PUMP 1
Y
5 764627 2521A415 BEARING, BALL 1
Y
6 764628 2721A537 CIRCLIP 1
7764629 2415B167 O--RING 1
8 764630 2311D578 SCREW 1
9 764631 2311D559 SCREW 5
10 764425 2431154 PLUG 2
12 764632 2314C049 SCREW 1
13 764633 0920155 WASHER 1
14 764417 2314J004 SCREW 1
Home
Find...
Go To..

ENGINE BREAKDOWN
5-27
830--II 330430 (12--98)
Fig. 18 -- Intake Heater Group
1
352430
Ref.
Tennant
Part No.
Perkins
Part Number Description Qty.
1764634 2666108 INTAKE HEATER 1
Home
Find...
Go To..

ENGINE BREAKDOWN
830--II 330430 (12--98)
5-28
Fig. 19 -- Engine Lifting Group
2
1
5
2
352432
Ref.
Tennant
Part No.
Perkins
Part Number Description Qty.
1764908 U3648C008 PLATE 1
2 764416 2314J003 SCREW 4
5 764993 3654W007 PLATE 1
Home
Find...
Go To..

ENGINE BREAKDOWN
5-29
830--II 330430 (12--98)
Fig. 20 -- Mounting Group
3
3
4
4
7
352438
Ref.
Tennant
Part No.
Perkins
Part Number Description Qty.
3764639 2313M101 STUD 8
4 764640 2318A605 NUT 8
7 764641 2487208 PLUG 10
Home
Find...
Go To..

ENGINE BREAKDOWN
830--II 330430 (12--98)
5-30
Fig. 21 -- Fuel Injection Group
1
3
4
7
8
9
10
11
8
13
18
20
22
23
24
27
30
31
32
32
32
32
34
46
47
50
52
17
16
15
14
Home
Find...
Go To..

ENGINE BREAKDOWN
5-31
830--II 330430 (11--00)
352388
Fig. 21 -- Fuel Injection Group
Ref.
Tennant
Part No.
Perkins
Part Number Description Qty.
o
1766601 U2644G701 PUMP, INJECTION, FUEL 1
Y
766693 PIPE 1
Y
766694 WASHER, SEALING 1
Y
766695 OLIVE 1
Y
3 764657 28730179 SOLENOID 1
4766654 2648A116 CAP 1
7 766662 3211P004 STUD 3
8 764421 2318A603 NUT 4
9 766657 3117L212 GEAR, FUEL PUMP 1
10 764992 3644Y004 BRACKET 1
11 764409 2314H003 SCREW 1
13 764415 2314J002 SCREW 1
14 766684 3521H065 PIPE, FUEL, INJECTION #1 1
15 766685 3521H066 PIPE, FUEL, INJECTION #2 1
16 766686 3521H067 PIPE, FUEL, INJECTION #3 1
17 766687 3521H068 PIPE, FUEL, INJECTION #4 1
18 766653 2646E017 CLIP 2
20 764670 2646E019 CLIP 1
o
22 766602 U2645A058 NOZZLE, ADJ 4
Y
23 766651 2645A311 HOLDER 1
Y
24 766652 2645K609 NOZZLE 1
Y
27 369259 L311FF02 WASHER 4
30 764988 3558X051 LEAK--OFF PIPE 1
31 764981 3355V002 BOLT 1
32 764970 3311A001 WASHER 8
34 764962 3218R005 CONNECTION 3
46 766650 26420318 O--RING 1
47 764408 2314H002 SCREW 4
50 766655 2755A009 SEND--UNIT 1
52 766659 3162A001 WIRE 1
Home
Find...
Go To..

ENGINE BREAKDOWN
830--II 330430 (12--98)
5-32
Fig. 22 -- Fuel Injection Line Group
5
6
1
2
3
352386
Ref.
Tennant
Part No.
Perkins
Part Number Description Qty.
1766678 4121C057 PIPE, AIR 1
2 764676 3353D004 NUT 1
3 764823 3381A002 OLIVE 1
5 764432 33225412 UNION NUT 1
6764433 33811112 OLIVE 1
Home
Find...
Go To..

ENGINE BREAKDOWN
5-33
830--II 330430 (12--98)
Fig. 23 -- Lubricating Oil Filter and Integral Oil Cooler Group
1
4
7
23
352404
Ref.
Tennant
Part No.
Perkins
Part Number Description Qty.
1764737 3773K003 FILTER HEAD 1
4 764877 3687W008 JOINT 1
7 52770--5 2654403 OIL FILTER 1
23 764419 2314J034 SCREW 4
Home
Find...
Go To..

ENGINE BREAKDOWN
830--II 330430 (12--98)
5-34
Fig. 24 -- Lubricating Oil Sump Group
1
2
3
4
5
6
77
7
9
10
11
12 13
14
15
16
17
18
19
20
21
23
22
24
25
26
27
29
Home
Find...
Go To..

ENGINE BREAKDOWN
5-35
830--II 330430 (12--98)
352400
Fig. 24 -- Lubricating Oil Sump Group
Ref.
Tennant
Part No.
Perkins
Part Number Description Qty.
1764701 3717Y002 SUMP 1
2 764702 2487A020 PLUG 2
3 764703 2415715 O--RING 2
4 764868 3681K005 JOINT 1
5 765057 3627P023 BRIDGE PIECE 1
6764707 2311D039 SCREW 2
7 764408 2314H002 SCREW 18
9 764709 3575A018 PIPE, OIL 1
10 764888 36832137 JOINT 1
11 764710 2314H007 SCREW 2
12 764711 3824A021 BRACKET 1
13 764410 2314H004 SCREW 1
14 764712 0330807 SPACER 1
15 764713 2314F016 SCREW 2
16 764714 2318D802 NUT 2
17 763870 3735A011 CLAMP 1
18 764719 2314H031 SCREW 2
19 764409 2314H003 SCREW 1
20 764720 0920460 SPACER 1
21 765058 4126X091 TUBE 1
22 764716 3353D005 NUT 1
23 766672 3656P009 CLIP 1
24 764717 33812116 OLIVE 1
25 765059 3823D024 BRACKET 1
26 763886 2314J001 SCREW 1
27 764421 2318A603 NUT 1
29 370702 3178C126 DIPSTICK 1
Home
Find...
Go To..

ENGINE BREAKDOWN
830--II 330430 (12--98)
5-36
Fig. 25 -- Lubricating Oil Filler and Breather Group
1
3
8
9
10
11
12
13
14
15
31
32
33
34
36
Home
Find...
Go To..

ENGINE BREAKDOWN
5-37
830--II 330430 (12--98)
352402
Fig. 25 -- Lubricating Oil Filler and Breather Group
Ref.
Tennant
Part No.
Perkins
Part Number Description Qty.
1766620 U4142X125 COVER, CYL HEAD 1
3 766616 U3688X011 GASKET 1
8 764965 32416118 PLUG 1
9 764968 3274P003 NUT 1
10 369003 0920009 WASHER 3
11 369211 33817135 SEAL 3
12 764726 33872525 PIPE, BREATHER 3
13 766660 3175P003 SPRING 1
14 763879 2481877 HOSE CLIP 1
15 764728 36241123 BRACKET 1
31 764730 3617A001 PLATE 1
32 765001 3683H006 JOINT 1
33 764409 2314H003 SCREW 2
o
34 764733 4142X099 CAP AND SEAL 1
Y
36 764734 2415731 O--RING 1
Home
Find...
Go To..

ENGINE BREAKDOWN
830--II 330430 (12--98)
5-38
Fig. 26 -- Induction Manifold Group
1
2
3
4
5
6
7
11
8
9
10
352418
Ref.
Tennant
Part No.
Perkins
Part Number Description Qty.
1766618 U3777R111 MANIFOLD, INDUCTION 1
2 766617 U3777R092 MANIFOLD, INDUCTION 1
3 766615 U3681V012 GASKET 1
4 766645 2316A317 SCREW 8
5 766644 2316A117 SCREW 8
6764785 2431131 PLUG 1
6 766661 3211P002 PLUG 1
7 766674 3681X001 SEALANT 1
8 766676 3766T073 ELBOW 1
9 764410 2314H004 SCREW 2
10 764414 2314H017 SCREW 2
11 766675 3681X002 SEALANT 1
Home
Find...
Go To..

ENGINE BREAKDOWN
5-39
830--II 330430 (12--98)
Fig. 27 -- Exhaust Manifold Group
3
1
2
352420
Ref.
Tennant
Part No.
Perkins
Part Number Description Qty.
1766619 U3778E111 MANIFOLD, EXHAUST 1
2 766663 3211P018 STUD 12
3 766646 2318A734 NUT 12
Home
Find...
Go To..

ENGINE BREAKDOWN
830--II 330430 (12--98)
5-40
Fig. 28 -- Exhaust Flange Group
3
2
1
4
352422
Ref.
Tennant
Part No.
Perkins
Part Number Description Qty.
1761825 3767A011 ELBOW 1
2 764790 3681V502 GASKET 1
3 766639 2313C078 STUD 3
4 764423 2318A634 NUT 3
Home
Find...
Go To..

ENGINE BREAKDOWN
5-41
830--II 330430 (12--98)
Fig. 29 -- Fuel Pump Group
1
5
6
8
352426
Ref.
Tennant
Part No.
Perkins
Part Number Description Qty.
1763916 ULPK0005 LIFT PUMP 1
5 21796 36851123 JOINT 1
6 764794 2314H033 SCREW 4
8 763917 ULPR0001 KIT, REPAIR 1
Home
Find...
Go To..

ENGINE BREAKDOWN
830--II 330430 (12--98)
5-42
Fig. 30 -- Low Pressure Fuel Group
1
2
3
3
2
3
2
2
2
3
3
32
6
7
8
9
10
9
10
1
13
15
14
15
17 18
19
24
19
24
8
29
33
30
31
32
34
Home
Find...
Go To..

ENGINE BREAKDOWN
5-43
830--II 330430 (12--98)
352424
Fig. 30 -- Low Pressure Fuel Group
Ref.
Tennant
Part No.
Perkins
Part Number Description Qty.
1766682 4125T011 PIPE 1
2 30063 33532129 NUT 6
3 32590 33811114 OLIVE 6
6 764994 3656P004 CLIP 1
7 764995 3656P008 CLIP 1
8766670 3435P019 PIPE, FUEL 1
9 764432 33225412 UNION NUT 2
10 764433 33811112 OLIVE 2
13 764960 3172X004 CONNECTION 1
14 764963 3218R013 BOLT 1
15 766647 2415928 WASHER 2
17 764803 0576112 NUT 1
18 764804 0566003 OLIVE 1
19 766679 4122M012 PIPE 1
24 766680 4122T008 PIPE 1
29 764813 2314F006 SCREW 1
30 764814 2318A602 NUT 1
31 763921 0920496 WASHER 1
32 764811 3653R002 BRACKET 1
33 764812 2314F002 SCREW 1
34 764409 2314H003 SCREW 1
Home
Find...
Go To..

ENGINE BREAKDOWN
830--II 330430 (12--02)
5-44
Fig. 31 -- Fuel Pre--Lift Pump Group
1
2
2
3
3
11
11
12
12
11
12
352498
Ref.
Tennant
Part No.
Perkins
Part Number Description Qty.
1764947 2656F810 FILTER 1
2 764840 0650204 PLUG 2
3 764841 0920154 WASHER 2
11 30063 33532129 NUT 3
12 764839 0566004 OLIVE 3
764950 26560145 ELEMENT 1
Home
Find...
Go To..
32436
32435

ENGINE BREAKDOWN
5-45
830--II 330430 (12--98)
Fig. 32 -- Fuel Line Group
1
2
3
4
6
7
22
352440
Ref.
Tennant
Part No.
Perkins
Part Number Description Qty.
1766681 4124E177 PIPE 1
2 764822 33532148 NUT 1
3 764823 3381A002 OLIVE 1
4 764996 36568132 CLIP 1
6 764432 33225412 UNION NUT 1
7764433 33811112 OLIVE 1
22 766673 3656X014 CLIP 1
Home
Find...
Go To..

ENGINE BREAKDOWN
830--II 330430 (12--98)
5-46
Fig. 33 -- Adaptor Group
1 1
352444
Ref.
Tennant
Part No.
Perkins
Part Number Description Qty.
1764655 33552414 ADAPTOR 2
Home
Find...
Go To..

ENGINE BREAKDOWN
5-47
830--II 330430 (12--98)
Fig. 34 -- Fuel Pre--Lift Pump Group
1
3
3
3
4
4
4
8
89
9
16
17
18
19
352442
Ref.
Tennant
Part No.
Perkins
Part Number Description Qty.
1764837 2656086 FUEL FILTER 1
3 30063 33532129 NUT 3
4 764839 0566004 OLIVE 3
8 764840 0650204 PLUG 2
9 764841 0920154 WASHER 2
16 764842 26560016 WASHER 1
17 764843 0490786 JOINT 2
18 764844 26560075 CONTAINER 1
19 764845 26560614 PLUG 1
Home
Find...
Go To..
32436
32435

ENGINE BREAKDOWN
830--II 330430 (12--98)
5-48
Fig. 35 -- Top Gaskets Group
1
24
5
6
7
9
10
16
17 21
22
24
352446
Ref.
Tennant
Part No.
Perkins
Part Number Description Qty.
o
1766628 U5LT1002 KIT, GASKET 1
Y
2 766614 U3681E039 GASKET, HEAD 1
Y
4 764909 U3685R009 GASKET 1
Y
5 765006 3686D007 JOINT 1
Y
6 765012 3688C018 JOINT 1
Y
6761825 3767A011 ELBOW 1
Y
7 765003 3684N017 JOINT 1
Y
9 766615 U3681V012 GASKET 1
Y
10 764970 3311A001 WASHER 4
Y
16 766600 U2418M507 SEAL 4
Y
17 764433 33811112 OLIVE 1
Y
21 764804 0566003 OLIVE 1
Y
22 764900 U2418M505 SEAL 4
Y
24 32590 33811114 OLIVE 6
Home
Find...
Go To..

ENGINE BREAKDOWN
5-49
830--II 330430 (12--98)
Fig. 36 -- Bottom Gaskets Group
1
4
2
5
6
8
9
10
14 20
21
352448
Ref.
Tennant
Part No.
Perkins
Part Number Description Qty.
o
1766624 U5LB0322 KIT, GASKET 1
Y
2 764868 3681K005 JOINT 1
Y
4 764871 3681P009 JOINT 1
Y
5 764999 3681P038 JOINT 1
Y
6 765040 3681T012 JOINT 1
Y
8764877 3687W008 JOINT 1
Y
9 765001 3683H006 JOINT 1
Y
10 21796 36851123 JOINT 1
Y
14 764888 36832137 JOINT 1
Y
20 766650 26420318 JOINT 1
Y
21 765008 3687Y016 JOINT 1
Home
Find...
Go To..

ENGINE BREAKDOWN
830--II 330430 (12--98)
5-50
Home
Find...
Go To..

TURBO ENGINE BREAKDOWN
6-1
830--II 330430 (9--01)
SECTION
6
Contents Page
Fig. 1 -- Engine Block Group 6-2..................
Fig. 2 -- Cylinder Block Group 6-4................
Fig. 3 -- Crankshafts, Pistons and
Connecting Rods Group 6-6.............
Fig. 4 -- Cylinder Head Group 6-8.................
Fig. 5 -- Rocker Shaft Group 6-10................
Fig. 6 -- Timing Gear and Camshaft Group 6-12....
Fig. 7 -- Lubricating Oil Pump Group 6-14..........
Fig. 8 -- Flywheel Housing Group 6-16............
Fig. 9 -- Flywheel Group 6-17....................
Fig. 10 -- Starter Motor Group 6-18................
Fig. 11 -- Starter Motor Breakdown 6-19............
Fig. 12 -- Fan Drive Group 6-20...................
Fig. 13 -- Fan Group 6-21........................
Fig. 14 -- Alternator Group 6-22...................
Fig. 15 -- Water Pump Group 6-24.................
Fig. 16 -- Front End Drive Input Group 6-26.........
Fig. 17 -- Water Outlet Group 6-27................
Fig. 18 -- Gear Drive Group 6-28..................
Fig. 19 -- Intake Heater Group 6-29................
Fig. 20 -- Engine Lifting Group 6-30................
Fig. 21 -- Mounting Group 6-31...................
Fig. 22 -- Fuel Injection Group 6-32................
Fig. 23 -- Fuel Injection Line Group 6-34...........
Fig. 24 -- Lubricating Oil Filter and Integral
Oil Cooler Group 6-36..................
Fig. 25 -- Lubricating Oil Sump Group 6-38.........
Fig. 26 -- Lubricating Oil Filler and
Breather Group 6-40...................
Fig. 27 -- Turbocharger Group 6-42................
Fig. 28 -- Turbochargers Manifolds Group 6-43......
Fig. 29 -- Turbochargers, Manifolds, and
Air Charge Cooler Group 6-44...........
Fig. 30 -- Exhaust Flange Group 6-46..............
Fig. 31 -- Fuel Pump Group 6-47..................
Fig. 32 -- Low Pressure Fuel Group 6-48...........
Fig. 33 -- Fuel Filter Group 6-50...................
Fig. 34 -- Fuel Filter Mount Group 6-51.............
Fig. 35 -- Fuel Line Group 6-52...................
Fig. 36 -- Fuel Pre--Lift Pump Group 6-53...........
Fig. 37 -- Top Gaskets Group 6-54................
Home
Find...
Go To..

TURBO ENGINE BREAKDOWN
830--II 330430 (12--98)
6-2
Fig. 1 -- Engine Block Group
1
Home
Find...
Go To..

TURBO ENGINE BREAKDOWN
6-3
830--II 330430 (12--98)
352462
Fig. 1 -- Engine Block Group
Ref.
Tennant
Part No.
Perkins
Part Number Description Qty.
1764899 AL39762 SHORT ENGINE 1
2 764921 ZZ50265 KIT, CYLINDER BLOCK 1
2 764956 3135X063 LINER 4
2 764923 ZZ90145 KIT, CRANKSHAFT 1
2 764915 U5LH0003 KIT, PISTON 4
2764916 U5LL0024 KIT, PISTON 4
2 765033 4181A033 KIT, PISTON RING 4
2 764924 ZZ90170 KIT, CONROD 4
2 764484 81558 KIT, BEARING 10
2 763811 U5ME0006 KIT, BEARING 8
2764492 31137551 TOP 2
2 764494 31137561 BOTTOM 2
2 764473 2418F475 SEAL 1
2 763802 4142V066 HOUSING 1
Home
Find...
Go To..

TURBO ENGINE BREAKDOWN
830--II 330430 (12--98)
6-4
Fig. 2 -- Cylinder Block Group
1
3
3
2
4
5
5
6
8
9
10
11
12
12
13
15
16
17
18
19
21
22
23
24
25 26
27
28 29
33
32
30
34
35
36
38
43
Home
Find...
Go To..

TURBO ENGINE BREAKDOWN
6-5
830--II 330430 (12--98)
352464
Fig. 2 -- Cylinder Block Group
Ref.
Tennant
Part No.
Perkins
Part Number Description Qty.
1764921 ZZ50265 KIT, CYLINDER BLOCK 1
2 763924 0650594 PLUG 2
3 764836 32161114 PLUG 2
4 764956 3135X063 LINER 4
5 764404 0650710 PLUG 6
6764455 0650713 PLUG 1
8 764403 0650588 PLUG 1
9 764456 33142111 THIMBLE 10
10 764461 32166329 BOLT 10
11 764953 31134165 BUSHING 1
12 764465 32418122 PLUG 6
13 764965 32416118 PLUG 3
15 764470 0650582 PLUG 1
16 764471 3311R003 WASHER 1
17 765036 4126X124 JET 4
18 765034 2116A022 DOWEL 1
o
19 763806 4138A017 VALVE 4
Y
21 763807 2538753 BALL 1
Y
22 763808 3174A004 SPRING 1
Y
23 763809 3271A003 RETAINER 1
24 765035 32418124 PLUG 1
25 764743 3623H008 PLATE 1
26 764877 3687W008 JOINT 1
27 764744 2314J033 SCREW 4
28 764467 32417134 PLUG 1
29 765039 32416119 PLUG 1
o
30 763802 4142V066 HOUSING 1
Y
32 764473 2418F475 SEAL 1
33 765040 3681T012 JOINT 1
34 764409 2314H003 SCREW 12
35 765038 3212V002 SCREW 2
36 764478 0350009 DOWEL 2
38 764466 2485A204 PLUG 1
43 765037 29990001 DOWEL 2
Home
Find...
Go To..

TURBO ENGINE BREAKDOWN
830--II 330430 (12--98)
6-6
Fig. 3 -- Crankshafts, Pistons and Connecting Rods Group
13
4
5
6
7
10
11
13
16
16
18
19
20
12
Home
Find...
Go To..

TURBO ENGINE BREAKDOWN
6-7
830--II 330430 (12--98)
352376
Fig. 3 -- Crankshafts, Pistons and Connecting Rods Group
Ref.
Tennant
Part No.
Perkins
Part Number Description Qty.
o
1764923 ZZ90145 KIT, CRANKSHAFT 1
Y
3 764484 81558 KIT, BEARING 1
Y
3 764485 81558A KIT, BEARING 1
Y
3 764486 81558B KIT, BEARING 1
Y
3 764487 81558C KIT, BEARING 1
Y
4763811 U5ME0006 KIT, BEARING 1
Y
4 763812 U5ME0006A KIT, BEARING 1
Y
4 763813 U5ME0006B KIT, BEARING 1
Y
4 763814 U5ME0006C KIT, BEARING 1
Y
5 764492 31137551 TOP 1
Y
5764493 31137312 THRUST WASHER 1
Y
6 764494 31137561 BOTTOM 1
Y
6 764495 31137322 THRUST WASHER 1
o
7 764924 ZZ90170 KIT, CONROD 4
Y
10 764952 3112E011 BUSHING 1
Y
11 764964 32186142 SCREW 2
Y
12 764966 3246A001 DOWEL 2
13 764915 U5LH0003 KIT, PISTON 4
13 764916 U5LL0024 KIT, PISTON 4
16 764951 2721332 CIRCLIP 2
18 765033 4181A033 KIT, PISTON RING 4
19 764503 3117C061 GEAR, CRANKSHAFT 1
20 764402 0500012 WOODRUFF KEY 1
Home
Find...
Go To..

TURBO ENGINE BREAKDOWN
830--II 330430 (12--98)
6-8
Fig. 4 -- Cylinder Head Group
1
3
5
6
715
8
10
12
13
14
14
13
20
10
16
25
27
28
29
30
31
32
42
43
Home
Find...
Go To..

TURBO ENGINE BREAKDOWN
6-9
830--II 330430 (12--98)
352467
Fig. 4 -- Cylinder Head Group
Ref.
Tennant
Part No.
Perkins
Part Number Description Qty.
1764922 ZZ80238 KIT, CYL HEAD 1
3 764404 0650710 PLUG 1
5 764974 3314A061 INSERT 4
6 764973 3314A051 INSERT 4
7 764959 3142D041 VALVE, INLET 4
8764976 3318A721 GUIDE 4
10 764961 3174T003 SPRING 8
12 764901 U2418M506 SEAL 4
13 764978 3342N011 CAP 8
14 764905 U3142W004 COTTER 16
15 764958 3142D031 VALVE, EXHAUST 4
16 764975 3318A711 GUIDE 4
20 764900 U2418M505 SEAL 4
25 764408 2314H002 SCREW 3
27 764517 2431A054 PLUG 4
28 764518 32166222 SCREW 2
29 764519 32166219 BOLT 8
30 764520 32166221 BOLT 12
31 764998 3681E031 HEAD GASKET 1
31 765041 3681E033 HEAD GASKET 1
32 764928 2116081 DOWEL 2
42 764927 0650203 PLUG 1
43 764835 2411157 WASHER 1
Home
Find...
Go To..

TURBO ENGINE BREAKDOWN
830--II 330430 (12--98)
6-10
Fig. 5 -- Rocker Shaft Group
1
2
4
5
5
5
5
6
6
6
6
8
8
8
8
9
9
9
9
11
11
11
11
12
12
13
13
14
15
16
16
17
18
19
20
21
22
23
25 27
28
Home
Find...
Go To..

TURBO ENGINE BREAKDOWN
6-11
830--II 330430 (12--98)
352380
Fig. 5 -- Rocker Shaft Group
Ref.
Tennant
Part No.
Perkins
Part Number Description Qty.
o
1764925 ZZ90171 ROCKERSHAFT ASSY 1
Yo
2 764926 ZZ90172 ROCKERSHAFT 1
YY
4 764524 0650507 PLUG 2
Y
5 763830 3818X901 BRACKET 4
Yo
6 765023 4115R005 LEVER 4
YY
8764954 31134166 BUSHING 1
Yo
9 765024 4115R006 LEVER 4
YY
11 764954 31134166 BUSHING 4
Y
12 764530 31744123 SPRING 2
Y
13 764531 31743108 SPRING 2
Y
14 764532 3775E012 CONNECTION 1
Y
15 764533 2233022 SCREW 1
Y
16 764535 33117426 SHIM 2
Y
17 764536 0720579 SCREW 8
Y
18 764537 0576052 NUT 8
Y
19 764971 3311K012 WASHER 2
Y
20 764539 0170151 CIRCLIP 2
Y
21 764434 33811113 OLIVE 1
22 763832 2313H331 STUD 3
23 764640 2318A605 NUT 3
25 764543 2314J607 SCREW 1
27 764544 31434307 PUSHROD 8
28 765042 3142U031 TAPPET 8
Home
Find...
Go To..

TURBO ENGINE BREAKDOWN
830--II 330430 (12--98)
6-12
Fig. 6 -- Timing Gear and Camshaft Group
1
2
3
4
5
6
7
8
9
10
11
12
13
15
16
17
18
19
20
21
22
23
29
30
31
1
4
25
24
Home
Find...
Go To..

TURBO ENGINE BREAKDOWN
6-13
830--II 330430 (12--98)
352382
Fig. 6 -- Timing Gear and Camshaft Group
Ref.
Tennant
Part No.
Perkins
Part Number Description Qty.
1764910 U3716C161 TIMING CASE 1
2 764871 3681P009 JOINT 1
3 764409 2314H003 SCREW 8
4 764410 2314H004 SCREW 4
5 764957 3141D071 CAMSHAFT 1
6763834 33153135 WASHER 1
7 764550 2116053 PIN 1
8 765044 3117L023 GEAR, CAMSHAFT 1
9 764402 0500012 WOODRUFF KEY 1
10 765043 2314J606 SCREW 1
11 764552 3321A003 WASHER 1
12 764553 33426161 HUB 1
o
13 764554 4111A013 GEAR, IDLER 1
Y
15 764457 0050345 BUSHING 1
16 765045 3241H009 PLATE 1
17 764556 2314J010 SCREW 3
18 764914 U4142A404 COVER 1
19 764558 2418F436 SEAL 1
20 764999 3681P038 JOINT 1
21 764560 2314H013 SCREW 6
22 764410 2314H004 SCREW 1
23 764575 2314H005 SCREW 7
24 764561 2313M058 STUD 2
25 764421 2318A603 NUT 2
29 765020 3781N043 SHIELD 1
30 765019 3781N042 DAMPER 1
31 764567 2314F003 SCREW 2
Home
Find...
Go To..

TURBO ENGINE BREAKDOWN
830--II 330430 (12--98)
6-14
Fig. 7 -- Lubricating Oil Pump Group
1
2
3
5
6
7
8
17
18
18
19
18
18
20 29
30
31
31
32
35
38
39
40
41
42 43
Home
Find...
Go To..

TURBO ENGINE BREAKDOWN
6-15
830--II 330430 (12--98)
352384
Fig. 7 -- Lubricating Oil Pump Group
Ref.
Tennant
Part No.
Perkins
Part Number Description Qty.
1763836 4132F056 OIL PUMP 1
2 765046 3271H004 SHAFT 1
o
3 764571 4111A021 GEAR, IDLER 1
Y
5 764529 2511437 BUSHING 1
6 765047 33123125 WASHER 1
7764574 2722A206 CIRCLIP 1
8 764575 2314H005 SCREW 3
17 764576 3343F012 PIPE, OIL 1
18 764577 2415H201 O--RING 4
19 764578 3748C011 FLANGE 1
20 764410 2314H004 SCREW 2
29 764579 3763W011 ADAPTOR 1
30 764580 2314J008 SCREW 1
31 765048 33137409 THIMBLE 2
32 764582 3343M307 PIPE, OIL 1
o
35 763837 4138A037 RELIEF VALVE 1
Y
38 764584 2314F907 SCREW 3
Y
39 764585 32712726 PLUNGER 1
Y
40 764586 3174L003 SPRING 1
Y
41 764587 32712111 SEAT 1
Y
42 764588 2721130 CIRCLIP 1
43 764589 2314J011 SCREW 1
Home
Find...
Go To..

TURBO ENGINE BREAKDOWN
830--II 330430 (12--98)
6-16
Fig. 8 -- Flywheel Housing Group
1
2
3
6
7
9
10
11 12
13
352390
Ref.
Tennant
Part No.
Perkins
Part Number Description Qty.
1765051 3713M042 FLYWHEEL HOUSING 1
2 764591 36212132 PLATE 1
3 765049 2314H102 SCREW 2
6 763868 36843154 SEAL 1
7 765050 2487402 PLUG 1
9764595 2487204 PLUG 3
10 764596 0350025 DOWEL 2
11 766643 2314J204 SCREW 6
12 764420 2314J603 SCREW 2
13 764427 2487Y005 PLUG 1
Home
Find...
Go To..

TURBO ENGINE BREAKDOWN
6-17
830--II 330430 (12--98)
Fig. 9 -- Flywheel Group
1
3
4
5
352392
Ref.
Tennant
Part No.
Perkins
Part Number Description Qty.
o
1764597 4111D095 FLYWHEEL 1
Y
3 764598 31162121 GEAR, STARTER RING 1
4 764460 0096803 BOLT 6
5 764599 33117127 WASHER 6
Home
Find...
Go To..

TURBO ENGINE BREAKDOWN
830--II 330430 (12--98)
6-18
Fig. 10 -- Starter Motor Group
1
2
3
352394
Ref.
Tennant
Part No.
Perkins
Part Number Description Qty.
1764431 2873B071 STARTER MOTOR (SEE BREAKDOWN) 1
2 764407 2313C077 STUD 3
3 764422 2318A604 NUT 3
Home
Find...
Go To..

TURBO ENGINE BREAKDOWN
6-19
830--II 330430 (12--98)
Fig. 11 -- Starter Motor Breakdown
1
2
4
5
56
7
7
7
7
7
7
2
352396
Ref.
Tennant
Part No.
Perkins
Part Number Description Qty.
o
1764431 2873B071 STARTER MOTOR 1
Y
2 765052 28730201 KIT, BRUSH 1
Y
4 765054 28730267 DRIVE 1
Y
5 764603 28730238 KIT, BRUSH 1
Y
6 764604 28730193 KIT, BRAKE 1
Y
7765053 28730209 KIT, REPAIR 1
Home
Find...
Go To..

TURBO ENGINE BREAKDOWN
830--II 330430 (8--99)
6-20
Fig. 12 -- Fan Drive Group
1
6
7
8
352398
Ref.
Tennant
Part No.
Perkins
Part Number Description Qty.
1765056 4113H074 HOUSING 1
6 764418 2314J015 SCREW 4
7 766649 2614B659 BELT, FAN 1
8 766656 3115C111 PULLEY 1
Home
Find...
Go To..

TURBO ENGINE BREAKDOWN
6-21
830--II 330430 (11--00)
Fig. 13 -- Fan Group
3
7
8
9
352412
Ref.
Tennant
Part No.
Perkins
Part Number Description Qty.
3767601 2485C517 FAN 1
7 765060 2313H229 STUD 4
8 765061 2318D208 NUT 4
9 765062 3748W223 EXTENSION 1
Home
Find...
Go To..

TURBO ENGINE BREAKDOWN
830--II 330430 (11--00)
6-22
Fig. 14 -- Alternator Group
1
3
4
5
6
7
8
9
10
512
14 15 16
16
17
13
Home
Find...
Go To..

TURBO ENGINE BREAKDOWN
6-23
830--II 330430 (11--00)
352414
Fig. 14 -- Alternator Group
Ref.
Tennant
Part No.
Perkins
Part Number Description Qty.
1764611 3115A044 PULLEY, ALTERNATOR 1
3 764418 2314J015 SCREW 1
4 764618 3318H105 SLEEVE 1
5764613 2131A010 WASHER 2
6764409 2314H003 SCREW 1
7764907 U3623T012 BRACKET 1
8764575 2314H005 SCREW 1
9764580 2314J008 SCREW 1
10 764936 2318D240 NUT 1
12 764972 3312K026 SPACER 1
13 764616 3822P011 BRACKET 1
14 764636 2314J006 SCREW 2
15 764414 2314H017 SCREW 1
16 764609 2314K159 SCREW 2
17 764560 2314H013 SCREW 2
Home
Find...
Go To..

TURBO ENGINE BREAKDOWN
830--II 330430 (12--98)
6-24
Fig. 15 -- Water Pump Group
1
12
13
17
18
19
20
21
22
23
24
26
27
31
33
33
37
38
45
12
34
35
Home
Find...
Go To..

TURBO ENGINE BREAKDOWN
6-25
830--II 330430 (12--98)
352408
Fig. 15 -- Water Pump Group
Ref.
Tennant
Part No.
Perkins
Part Number Description Qty.
1766629 U5MW0164 WATER PUMP 1
12 764414 2314H017 SCREW 5
13 764794 2314H033 SCREW 3
17 764920 U7LW0147 KIT, REPAIR 1
18 764906 U3623H024 COVER 1
19 764909 U3685R009 JOINT 1
20 764408 2314H002 SCREW 3
21 765017 3771K214 HOUSING 1
22 765006 3686D007 JOINT 1
23 764425 2431154 PLUG 1
24 764620 2314K161 SCREW 3
26 764412 2314H008 SCREW 3
27 764941 2485C025 THERMOSTAT 1
o
31 764918 U5MH0056 KIT, HOSE 1
Y
33 369000 0180066 CLIP 2
33 764929 21825198 CLIP 2
34 764930 2313F068 STUD 2
35 764421 2318A603 NUT 2
37 764983 3381J005 RING 1
38 764938 2415A090 O--RING 1
45 765008 3687Y016 JOINT 1
Home
Find...
Go To..

TURBO ENGINE BREAKDOWN
830--II 330430 (12--98)
6-26
Fig. 16 -- Front End Drive Input Group
2
3
4
352406
Ref.
Tennant
Part No.
Perkins
Part Number Description Qty.
2764776 3241N001 BLOCK 1
3 764777 32186137 BOLT 3
4 764778 3115T051 PULLEY, CRANK 1
Home
Find...
Go To..

TURBO ENGINE BREAKDOWN
6-27
830--II 330430 (12--98)
Fig. 17 -- Water Outlet Group
13
14
15
352410
Ref.
Tennant
Part No.
Perkins
Part Number Description Qty.
13 765016 3766P411 CONNECTION 1
14 765003 3684N017 JOINT 1
15 764409 2314H003 SCREW 4
Home
Find...
Go To..

TURBO ENGINE BREAKDOWN
830--II 330430 (12--98)
6-28
Fig. 18 -- Gear Drive Group
1
3
4
5
6
7
8
9
12
13
14
352416
Ref.
Tennant
Part No.
Perkins
Part Number Description Qty.
o
1764624 4113H068 ADAPTOR 1
Y
3 764625 2521A207 BEARING, BALL 1
Y
4 764626 3117C116 GEAR, HYD PUMP 1
Y
5 764627 2521A415 BEARING, BALL 1
Y
6 764628 2721A537 CIRCLIP 1
7764629 2415B167 O--RING 1
8 764630 2311D578 SCREW 1
9 764631 2311D559 SCREW 5
12 764632 2314C049 SCREW 1
13 764633 0920155 WASHER 1
14 764417 2314J004 SCREW 1
Home
Find...
Go To..

TURBO ENGINE BREAKDOWN
6-29
830--II 330430 (12--98)
Fig. 19 -- Intake Heater Group
1
352430
Ref.
Tennant
Part No.
Perkins
Part Number Description Qty.
1764634 2666108 INTAKE HEATER 1
Home
Find...
Go To..

TURBO ENGINE BREAKDOWN
830--II 330430 (12--98)
6-30
Fig. 20 -- Engine Lifting Group
2
1
5
2
352432
Ref.
Tennant
Part No.
Perkins
Part Number Description Qty.
1764908 U3648C008 PLATE 1
2 764416 2314J003 SCREW 4
5 764993 3654W007 PLATE 1
Home
Find...
Go To..

TURBO ENGINE BREAKDOWN
6-31
830--II 330430 (12--98)
Fig. 21 -- Mounting Group
3
3
4
4
7
352438
Ref.
Tennant
Part No.
Perkins
Part Number Description Qty.
3764639 2313M101 STUD 8
4 764640 2318A605 NUT 8
7 764641 2487208 PLUG 10
Home
Find...
Go To..

TURBO ENGINE BREAKDOWN
830--II 330430 (12--98)
6-32
Fig. 22 -- Fuel Injection Group
7
7
11
12
13
28
30
31
31
36
39
40
43
7
Home
Find...
Go To..

TURBO ENGINE BREAKDOWN
6-33
830--II 330430 (12--98)
352388
Fig. 22 -- Fuel Injection Group
Ref.
Tennant
Part No.
Perkins
Part Number Description Qty.
7765030 4126A012 PIPE, AIR 1
11 763850 0576111 NUT 1
12 763851 0566002 OLIVE 1
13 763852 0201047 CONNECTION 1
28 764986 3386A004 HOSE 1
30 764409 2314H003 SCREW 1
31 764940 2481C002 CLIP 2
36 765032 4173A101 SWITCH 1
39 764415 2314J002 SCREW 1
40 764421 2318A603 NUT 1
43 764992 3644Y004 BRACKET 1
Home
Find...
Go To..

TURBO ENGINE BREAKDOWN
830--II 330430 (12--98)
6-34
Fig. 23 -- Fuel Injection Line Group
1
4
6
5
8
9
10
23
24
25
28
31
32
33
33
33
33
35
57
Home
Find...
Go To..

TURBO ENGINE BREAKDOWN
6-35
830--II 330430 (8--99)
352472
Fig. 23 -- Fuel Injection Line Group
Ref.
Tennant
Part No.
Perkins
Part Number Description Qty.
o
1764902 U2643U228 INJECTION PUMP 1
Y
766693 PIPE 1
Y
766694 WASHER, SEALING 1
Y
766695 OLIVE 1
4 764969 3281M002 SLEEVE 1
5764659 31718104 SEAL 1
6 764660 31718105 WIRE 1
8 764662 2313M059 STUD 3
9 764421 2318A603 NUT 3
10 764955 3117L192 GEAR, FUEL PUMP 1
o
23 764903 U2645L021 ATOMIZER 4
Y
24 764945 2645L306 HOLDER 1
Y
25 764946 2645L617 NOZZLE 1
28 369259 L311FF02 WASHER 4
31 764988 3558X051 LEAK--OFF PIPE 1
32 764962 3218R005 BOLT 3
33 764970 3311A001 WASHER 8
35 764981 3355V002 CONNECTION 1
57 764408 2314H002 SCREW 4
Home
Find...
Go To..
9004068 UFK4C739 INJECTION PUMP
(Starting with engine S/N U969465G) 1

TURBO ENGINE BREAKDOWN
830--II 330430 (12--98)
6-36
Fig. 24 -- Lubricating Oil Filter and Integral Oil Cooler Group
1
4
4
5
8
6
9
10
11
1213
17
17
18
18
18
18
18
18
20
21
22
23
30
32 33
35
36
40
37
Home
Find...
Go To..

TURBO ENGINE BREAKDOWN
6-37
830--II 330430 (12--98)
352478
Fig. 24 -- Lubricating Oil Filter and Integral Oil Cooler Group
Ref.
Tennant
Part No.
Perkins
Part Number Description Qty.
1763873 3773K004 FILTER HEAD 1
4 764877 3687W008 JOINT 2
5 763877 2314J040 SCREW 4
o
6 763874 2486A206 OIL COOLER 1
Y
8 764740 2486A211 GASKET 1
9763876 2486A209 CONNECTOR 1
10 68986 2654407 OIL FILTER 1
11 765031 4126K149 PIPE, WATER 1
12 764747 3656M003 CLIP 1
13 763886 2314J001 SCREW 1
17 764745 34821121 HOSE 3
18 763879 2481877 HOSE CLIP 8
20 763880 3573M009 PIPE, WATER 1
21 764609 2314K159 SCREW 1
22 763884 33246123 SPACER 1
23 763881 3346C006 ADAPTOR 1
30 764743 3623H008 PLATE 1
32 764744 2314J033 SCREW 4
33 764403 0650588 PLUG 1
35 763878 3773T101 ADAPTOR 1
36 765007 3686T006 JOINT 1
37 763885 3383A001 HOSE 1
40 764655 33552414 ADAPTOR 1
Home
Find...
Go To..

TURBO ENGINE BREAKDOWN
830--II 330430 (12--98)
6-38
Fig. 25 -- Lubricating Oil Sump Group
1
2
3
4
5
6
77
7
9
10
11
12 13
14
15
16
17
18
19
20
21
23
22
24
25
26
27
29
Home
Find...
Go To..

TURBO ENGINE BREAKDOWN
6-39
830--II 330430 (12--98)
352400
Fig. 25 -- Lubricating Oil Sump Group
Ref.
Tennant
Part No.
Perkins
Part Number Description Qty.
1764701 3717Y002 SUMP 1
2 764702 2487A020 PLUG 2
3 764703 2415715 O--RING 2
4 764868 3681K005 JOINT 1
5 765057 3627P023 BRIDGE PIECE 1
6764707 2311D039 SCREW 2
7 764408 2314H002 SCREW 18
9 764709 3575A018 PIPE, OIL 1
10 764888 36832137 JOINT 1
11 764710 2314H007 SCREW 2
12 764711 3824A021 BRACKET 1
13 764410 2314H004 SCREW 1
14 764712 0330807 SPACER 1
15 764713 2314F016 SCREW 2
16 764714 2318D802 NUT 2
17 763870 3735A011 CLAMP 1
18 764719 2314H031 SCREW 2
19 764409 2314H003 SCREW 1
20 764720 0920460 SPACER 1
21 765058 4126X091 TUBE 1
22 764716 3353D005 NUT 1
23 763872 36565517 CLIP 1
24 764717 33812116 OLIVE 1
25 765059 3823D024 BRACKET 1
26 763886 2314J001 SCREW 1
27 764421 2318A603 NUT 1
29 370702 3178C126 DIPSTICK 1
Home
Find...
Go To..

TURBO ENGINE BREAKDOWN
830--II 330430 (12--98)
6-40
Fig. 26 -- Lubricating Oil Filler and Breather Group
1
3
8
9
10
11
12
13
14
15
31
32
33
Home
Find...
Go To..

TURBO ENGINE BREAKDOWN
6-41
830--II 330430 (12--98)
352402
Fig. 26 -- Lubricating Oil Filler and Breather Group
Ref.
Tennant
Part No.
Perkins
Part Number Description Qty.
1764913 U3781F345 CYL. HEAD COVER 1
3 766616 U3688X011 GASKET 1
8 764965 32416118 PLUG 1
9 764968 3274P003 NUT 1
10 369003 0920009 WASHER 3
11 369211 33817135 SEAL 3
12 764726 33872525 PIPE, BREATHER 3
13 764727 31754119 SPRING 1
14 763879 2481877 HOSE CLIP 1
15 764728 36241123 BRACKET 1
31 764730 3617A001 PLATE 1
32 765001 3683H006 JOINT 1
33 764409 2314H003 SCREW 2
Home
Find...
Go To..

TURBO ENGINE BREAKDOWN
830--II 330430 (12--98)
6-42
Fig. 27 -- Turbocharger Group
1
27
352483
Ref.
Tennant
Part No.
Perkins
Part Number Description Qty.
1764904 U2674A093 TURBOCHARGER 1
27 765010 3688A008 JOINT 1
Home
Find...
Go To..

TURBO ENGINE BREAKDOWN
6-43
830--II 330430 (12--98)
Fig. 28 -- Turbochargers Manifolds Group
1
2
3
34
6
7
8
9
9
352487
Ref.
Tennant
Part No.
Perkins
Part Number Description Qty.
1764912 U3777R012 INDUCT. MANIFOLD 1
2 373194 2314H039 SCREW 4
3 764414 2314H017 SCREW 6
4 764911 U3766P361 ELBOW 1
6 764410 2314H004 SCREW 2
7765004 3684N505 JOINT 1
8 764985 3383E009 HOSE 1
9 764773 21825199 CLIP 2
Home
Find...
Go To..

TURBO ENGINE BREAKDOWN
830--II 330430 (12--98)
6-44
Fig. 29 -- Turbochargers, Manifolds, and Air Charge Cooler Group
123
4
5
6
7
8
9
10
11
12
14
15
6
16
17
18
19
22
23
24
25
26
27
28
29
30
31
32
41
18
19
Home
Find...
Go To..

TURBO ENGINE BREAKDOWN
6-45
830--II 330430 (12--98)
352485
Fig. 29 -- Turbochargers, Manifolds, and Air Charge Cooler Group
Ref.
Tennant
Part No.
Perkins
Part Number Description Qty.
1765018 3778E052 EXHAUST MANIFOLD 1
2 765013 3688C035 JOINT 2
3 373191 3275R003 STUD 4
4 373192 3331C004 NUT 4
5 765010 3688A008 JOINT 1
6764967 3254K013 STUD 7
7 764423 2318A634 NUT 4
8 765021 3823P006 BRACKET 1
9 764409 2314H003 SCREW 1
10 764415 2314J002 SCREW 2
11 764416 2314J003 SCREW 3
12 764979 3374E021 ADAPTOR 1
14 369024 2318A633 NUT 3
15 765015 3766E005 ELBOW 1
16 764982 33555138 CONNECITON 1
17 765027 4123T014 PIPE, OIL 1
18 764977 33225418 NUT 2
19 764839 0566004 OLIVE 2
22 764980 3353H004 ADAPTOR 1
23 764937 2411B122 WASHER 1
24 764989 3571C029 PIPE, OIL 1
25 765000 3683A004 JOINT 1
26 764933 2314F004 SCREW 2
27 764984 3383A006 HOSE 1
28 763879 2481877 HOSE CLIP 1
29 764990 3571C031 PIPE, OIL 1
30 764860 36832144 JOINT 1
31 764794 2314H033 SCREW 2
32 764408 2314H002 SCREW 1
41 373193 3218J015 SCREW 8
Home
Find...
Go To..

TURBO ENGINE BREAKDOWN
830--II 330430 (12--98)
6-46
Fig. 30 -- Exhaust Flange Group
9
10
11
12
352489
Ref.
Tennant
Part No.
Perkins
Part Number Description Qty.
9764789 3623E006 FLANGE 1
10 765012 3688C018 JOINT 1
11 764407 2313C077 STUD 3
12 764423 2318A634 NUT 3
Home
Find...
Go To..

TURBO ENGINE BREAKDOWN
6-47
830--II 330430 (12--98)
Fig. 31 -- Fuel Pump Group
1
5
6
8
13
352426
Ref.
Tennant
Part No.
Perkins
Part Number Description Qty.
1763916 ULPK0005 LIFT PUMP 1
5 21796 36851123 JOINT 1
6 764794 2314H033 SCREW 4
8 763917 ULPR0001 KIT, REPAIR 1
13 764409 2314H003 SCREW 1
Home
Find...
Go To..

TURBO ENGINE BREAKDOWN
830--II 330430 (12--98)
6-48
Fig. 32 -- Low Pressure Fuel Group
1
2
3
4
5
4
5
5
5
4
4
5
5
4
4
8
9
10
11
12
13
14
20
25
25
14 14
1
20
20
26
26
27
27
31
32
32
34
35
38
39
Home
Find...
Go To..

TURBO ENGINE BREAKDOWN
6-49
830--II 330430 (12--98)
352495
Fig. 32 -- Low Pressure Fuel Group
Ref.
Tennant
Part No.
Perkins
Part Number Description Qty.
1765029 4125T012 PIPE, FUEL 1
2 764995 3656P008 CLIP 1
3 764994 3656P004 CLIP 1
4 30063 33532129 NUT 6
5 32590 33811114 OLIVE 6
8764409 2314H003 SCREW 1
9 764811 3653R002 BRACKET 1
10 764812 2314F002 SCREW 1
11 764813 2314F006 SCREW 1
12 764814 2318A602 NUT 1
13 763921 0920496 WASHER 1
14 765026 4122M014 PIPE, FUEL 1
20 765025 4122M013 PIPE, FUEL 1
25 764987 3432A025 PIPE, FUEL 1
26 764432 33225412 UNION NUT 2
27 764433 33811112 OLIVE 2
31 764963 3218R013 BOLT 1
32 764802 0920146 WASHER 2
34 764803 0576112 NUT 1
35 764804 0566003 OLIVE 1
38 764960 3172X004 CONNECTION 1
39 765063 2481D301 CLIP 1
Home
Find...
Go To..

TURBO ENGINE BREAKDOWN
830--II 330430 (12--98)
6-50
Fig. 33 -- Fuel Filter Group
1
8
352493
Ref.
Tennant
Part No.
Perkins
Part Number Description Qty.
o
1764948 2656F815 FILTER 1
Y
8 764949 26560143 ELEMENT 1
Home
Find...
Go To..

TURBO ENGINE BREAKDOWN
6-51
830--II 330430 (12--98)
Fig. 34 -- Fuel Filter Mount Group
9
10
12
11
352428
Ref.
Tennant
Part No.
Perkins
Part Number Description Qty.
9765022 3831E011 BRACKET 1
10 764415 2314J002 SCREW 2
11 764417 2314J004 SCREW 2
12 764422 2318A604 NUT 2
Home
Find...
Go To..

TURBO ENGINE BREAKDOWN
830--II 330430 (12--98)
6-52
Fig. 35 -- Fuel Line Group
1
2
3
4
6
7
5
352440
Ref.
Tennant
Part No.
Perkins
Part Number Description Qty.
1765028 4124E128 PIPE, FUEL 1
2 764822 33532148 NUT 1
3 764823 3381A002 OLIVE 1
4 764996 36568132 CLIP 1
5 764997 36568133 CLIP 1
6764432 33225412 UNION NUT 1
7 764433 33811112 OLIVE 1
Home
Find...
Go To..

TURBO ENGINE BREAKDOWN
6-53
830--II 330430 (12--98)
Fig. 36 -- Fuel Pre--Lift Pump Group
1
2
2
3
3
11
11
12
12
11
12
352498
Ref.
Tennant
Part No.
Perkins
Part Number Description Qty.
1764947 2656F810 FILTER 1
2 764840 0650204 PLUG 2
3 764841 0920154 WASHER 2
11 30063 33532129 NUT 3
12 764839 0566004 OLIVE 3
764950 26560145 ELEMENT 1
Home
Find...
Go To..
32436
32435

TURBO ENGINE BREAKDOWN
830--II 330430 (12--98)
6-54
Fig. 37 -- Top Gaskets Group
1
2
3
4
5
6
78
9
10
11
12 14
15
13
16 17
352500
Ref.
Tennant
Part No.
Perkins
Part Number Description Qty.
o
1764917 U5LT0198 GASKET KIT 1
Y
2 764998 3681E031 HEAD GASKET 1
Y
3 765014 3688X005 JOINT 1
Y
4 764850 3687M018 JOINT 1
Y
5 765005 3685A012 JOINT 1
Y
6764944 2638C026 JOINT 1
Y
7 764853 3684A004 JOINT 1
Y
8 764856 3684N503 JOINT 1
Y
9 765013 3688C035 JOINT 2
Y
10 369259 L311FF02 WASHER 4
Y
11 765009 3688A007 JOINT 1
Y
12 765000 3683A004 JOINT 1
Y
13 764860 36832144 JOINT 1
Y
14 765011 3688C015 JOINT 1
Y
15 765002 36833155 JOINT 1
Y
16 764939 2418M504 SEAL 8
Y
17 764434 33811113 OLIVE 1
Home
Find...
Go To..

CROSS REFERENCE
7-1
830--II 330430 (12--02)
SECTION
7
CONTENTS PAGE
PART NUMBER TO PAGE NUMBER CROSS REFERENCE LIST 7-2......................................
PART DESCRIPTION TO PAGE NUMBER CROSS REFERENCE LIST 7-17...............................
Home
Find...
Go To..

CROSS REFERENCE
7-2
830--II 330430 (12--02)
PART NUMBER TO PAGE NUMBER CROSS REFERENCE LIST
Part Page
Number Number
AL39762 6-3......
L311FF02 5-31, 6-35, 6-54......
U2418M505 5-48, 6-9....
U2418M506 6-9....
U2418M507 5-7, 5-48....
U2643U228 6-35....
U2644G701 5-31....
U2645A058 5-31....
U2645L021 6-35.....
U2674A093 6-42....
U3141D171 5-11....
U3142D061 5-7....
U3142H041 5-7....
U3142W004 6-9....
U3174P412 5-7....
U3218J303 5-7.....
U3218J606 5-7.....
U3218J607 5-7.....
U3244A009 5-7....
U3314A101 5-7....
U3314A102 5-7....
U3318A705 5-7....
U3623H024 6-25....
U3623T012 5-21, 6-23....
U3648C008 5-28, 6-30....
U3681E039 5-7, 5-48....
U3681V012 5-38, 5-48....
U3685R009 5-23, 5-48, 6-25....
U3688X011 5-37, 6-41.....
U3716C161 5-11, 6-13....
U3766P361 6-43....
U3777R012 6-43....
U3777R092 5-38....
U3777R111 5-38.....
U3778E111 5-39.....
U3781F345 6-41....
U4142A404 6-13....
U4142X125 5-37....
U4181A045 5-5....
U4181A046 5-5....
U4181A047 5-5....
U5LB0322 5-49.....
U5LH0003 6-3, 6-7.....
U5LL0024 6-3, 6-7.....
U5LP0058 5-5.....
U5LP0058B 5-5....
U5LP0058D 5-5....
U5LT0198 6-54......
U5LT1002 5-48......
U5ME0006 5-5, 6-3, 6-7.....
U5ME0006A 5-5, 6-7....
U5ME0006B 5-5, 6-7....
U5ME0006C 5-5, 6-7....
U5MH0056 5-23, 6-25.....
U5MW0164 5-23, 6-25....
U7LW0147 6-25.....
U7LW0161 5-23.....
ULPK0005 5-41, 6-47.....
Part Page
Number Number
ULPR0001 5-41, 6-47.....
ZZ50265 6-3, 6-5......
ZZ50280 5-3......
ZZ80238 6-9......
ZZ80255 5-7......
ZZ90145 5-5, 6-3, 6-7......
ZZ90170 6-3, 6-7......
ZZ90171 6-11......
ZZ90172 5-9, 6-11......
ZZ90184 5-9......
ZZ90188 5-5......
ZZ90189 5-5......
ZZ90190 5-5......
ZZ90191 5-5......
00500--15 4-10, 4-11......
0050345 5-11, 6-13.......
0096803 5-15, 6-17.......
0170151 5-9, 6-11.......
0180066 6-25.......
0201047 6-33.......
02506--6 3-50.......
02603 4-15........
02643 4-17........
02644 4-17........
02645 4-15........
02646 4-13, 4-15, 4-17........
02647 4-13, 4-15, 4-17........
02850 2-125........
02995 2-39........
03292B 3-47, 3-48.......
0330807 5-35, 6-39.......
0350009 5-3, 6-5.......
0350025 5-14, 6-16.......
0490786 5-47.......
0500012 5-5, 5-11, 6-7, 6-13.......
0566002 6-33.......
0566003 5-43, 5-48, 6-49.......
0566004 5-44, 5-47, 6-45, 6-53.......
0576052 5-9, 6-11.......
0576111 6-33.......
0576112 5-43, 6-49.......
06418 2-11, 2-13........
0650203 5-7, 6-9.......
0650204 5-44, 5-47, 6-53.......
0650507 5-9, 6-11.......
0650582 6-5.......
0650588 5-3, 6-5, 6-37.......
0650594 5-3, 6-5.......
0650710 5-3, 5-7, 6-5, 6-9.......
0650713 5-3, 6-5.......
06942 3-61........
06943 2-7, 2-9........
06944 2-27........
06950 2-17........
06960 4-19........
06961 3-3........
06969 3-64, 4-19, 4-23, 4-29........
06970 2-39........
Part Page
Number Number
06973 3-66........
06975 2-41, 2-43........
06992 3-3........
0720579 5-9, 6-11.......
07783 2-41, 2-43........
07799 2-17........
08166 3-41........
08167 3-66........
08280 4-23........
08708 2-17, 2-27, 3-61........
08709 2-27, 2-37, 3-3, 3-5,........
4-19, 4-23
08711 3-64.........
08712 2-37........
08713 2-37, 2-39........
09011 2-37, 2-39.........
09029 2-39........
0920009 5-37, 6-41.......
0920146 6-49.......
0920154 5-44, 5-47, 6-53.......
0920155 5-26, 6-28.......
0920460 5-35, 6-39.......
0920469 5-3.......
0920496 5-43, 6-49.......
09294 3-3, 3-5........
09718 2-9........
09901 2-160........
09905 2-160........
10136 2-35........
10632--11 3-57, 3-58, 3-61......
10917 3-61........
10962 2-117........
11399 2-157.........
12271 2-115, 2-159........
12459 3-61........
13902 4-37, 4-41, 4-45, 4-49,........
4-53, 4-55, 4-59
13904 4-5, 4-37, 4-41, 4-45,........
4-49, 4-59
13907 4-5, 4-41, 4-49........
13959 2-15........
14432 2-25, 2-27, 2-33........
15678 2-37........
16695 4-10, 4-11........
16930 2-38........
16931 2-7, 2-9, 2-37........
17188 2-31, 2-33, 3-17, 3-23........
17200 2-160........
17521 2-157, 3-27........
18900009 5-21......
19065 2-45........
19066 3-61........
19895 2-7........
2116053 5-11, 6-13.......
2116081 6-9.......
2116A022 5-3, 6-5......
21195 2-11, 2-13.........
2131A010 5-21, 6-23......
Home
Find...
Go To..

CROSS REFERENCE
7-3
830--II 330430 (12--02)
Part Page
Number Number
2135A001 5-5......
21796 5-41, 5-49, 6-47........
2182110 5-3.......
21825198 5-23, 6-25......
21825199 6-43......
21906 4-37, 4-39, 4-45, 4-49,........
4-51
21916 4-37, 4-39, 4-41, 4-43,........
4-45, 4-47, 4-49, 4-51
21919 4-37........
21920 4-59........
21951 4-13, 4-15........
21953 4-13, 4-15........
222290 2-117, 3-41........
22297 2-25, 2-27, 2-157........
2233022 5-9, 6-11.......
22670 4-53, 4-55........
22678 4-45........
22679 4-55........
22680 4-37, 4-41........
22681 4-53, 4-55, 4-57, 4-59........
22682 4-35, 4-45........
22685 4-37, 4-41........
22687 4-37, 4-41, 4-49........
22688 4-37, 4-41........
22689 4-37, 4-41, 4-45, 4-49........
22690 4-37, 4-41........
22691 4-53, 4-55........
22692 4-47........
22693 4-53, 4-55........
22694 4-53, 4-55, 4-57........
22696 4-53, 4-55........
22697 4-53, 4-55........
22698 4-53, 4-55, 4-57........
22699 4-47, 4-53, 4-55........
2311D039 5-35, 6-39......
2311D559 5-26, 6-28......
2311D578 5-26, 6-28......
2313C077 5-16, 6-18, 6-46.....
2313C078 5-40.....
2313F068 6-25......
2313H229 5-19, 6-21.....
2313H331 5-9, 6-11.....
2313M058 6-13.....
2313M059 6-35.....
2313M101 5-29, 6-31.....
2314C049 5-26, 6-28.....
2314F002 5-43, 6-49......
2314F003 5-11, 6-13......
2314F004 6-45......
2314F006 5-43, 6-49......
2314F016 5-35, 6-39......
2314F907 5-13, 6-15......
2314H002 5-7, 5-23, 5-31, 5-35,.....
6-9, 6-25, 6-35, 6-39,
6-45
Part Page
Number Number
2314H003 5-3, 5-11, 5-21, 5-25,.....
5-31, 5-35, 5-37, 5-43,
6-5, 6-13, 6-23, 6-27,
6-33, 6-39, 6-41, 6-45,
6-47, 6-49
2314H004 5-11, 5-13, 5-35, 5-38,.....
6-13, 6-15, 6-39, 6-43
2314H005 5-11, 5-13, 5-21, 6-13,.....
6-15, 6-23
2314H007 5-35, 6-39.....
2314H008 5-23, 6-25.....
2314H012 5-23.....
2314H013 5-11, 5-21, 6-13, 6-23.....
2314H017 5-23, 5-38, 6-23, 6-25,.....
6-43
2314H018 5-21.....
2314H031 5-35, 6-39.....
2314H033 5-41, 6-25, 6-45, 6-47.....
2314H034 5-11, 5-23.....
2314H039 6-43.....
2314H102 5-14, 6-16.....
2314J001 5-35, 6-37, 6-39......
2314J002 5-31, 6-33, 6-45, 6-51......
2314J003 5-28, 6-30, 6-45......
2314J004 5-26, 6-28, 6-51......
2314J006 5-21, 6-23......
2314J007 5-21......
2314J008 5-13, 6-15, 6-23......
2314J010 5-11, 6-13......
2314J011 5-13, 6-15......
2314J015 5-18, 5-21, 6-20, 6-23......
2314J033 5-3, 6-5, 6-37......
2314J034 5-33......
2314J040 6-37......
2314J204 5-14, 6-16......
2314J603 5-14, 6-16......
2314J606 5-11, 6-13......
2314J607 5-9, 6-11......
2314K159 5-21, 5-23, 6-23, 6-37......
2314K161 5-23, 6-25......
2314K166 5-23......
2316A117 5-38......
2316A317 5-38......
2318A602 5-43, 6-49......
2318A603 5-31, 5-35, 6-13, 6-25,......
6-33, 6-35, 6-39
2318A604 5-16, 6-18, 6-51......
2318A605 5-9, 5-29, 6-11, 6-31......
2318A633 6-45......
2318A634 5-40, 6-45, 6-46......
2318A734 5-39......
2318D208 5-19, 6-21.....
2318D240 5-21, 6-23.....
2318D802 5-35, 6-39.....
2411157 5-7, 6-9.......
2411B122 6-45......
2415715 5-35, 6-39.......
2415731 5-37.......
2415928 5-43.......
2415A090 5-23, 6-25......
Part Page
Number Number
2415B167 5-26, 6-28......
2415H201 5-13, 6-15.....
2418F436 5-11, 6-13......
2418F475 5-3, 6-3, 6-5......
2418M504 6-54.....
2418M505 5-7.....
2431131 5-38.......
2431154 5-23, 5-26, 6-25.......
2431A054 5-7, 6-9......
2481877 5-37, 6-37, 6-41, 6-45.......
2481C002 6-33.....
2481D301 6-49.....
2485A204 5-3, 6-5......
2485C025 5-23, 6-25.....
2485C517 5-19, 6-21.....
2486A206 6-37......
2486A209 6-37......
2486A211 6-37......
2487204 5-14, 6-16.......
2487208 5-29, 6-31.......
2487402 5-14, 6-16.......
2487A020 5-35, 6-39......
2487Y005 5-14, 6-16......
24976 2-31, 2-33........
2511437 5-13, 6-15.......
2521A207 5-26, 6-28......
2521A415 5-26, 6-28......
25312 3-52........
2538753 5-3, 6-5.......
25831 3-61........
2614B659 5-18, 6-20......
2638C026 6-54.....
26420318 5-31, 5-49......
2645A311 5-31......
2645K609 5-31......
2645L306 6-35......
2645L617 6-35......
2646E017 5-31......
2646E019 5-31......
2648A116 5-31......
2654403 5-33.......
2654407 6-37.......
26560016 5-47......
26560075 5-47......
26560143 6-50......
26560145 5-44, 6-53......
26560614 5-47......
2656086 5-47.......
26565 2-127........
2656F810 5-44, 6-53......
2656F815 6-50......
2666108 5-27, 6-29.......
2721130 5-13, 6-15.......
2721332 5-5, 6-7.......
2721A537 5-26, 6-28......
2722A206 5-13, 6-15......
2755A009 5-31......
27928 2-125........
27964 2-125........
28730179 5-31......
Home
Find...
Go To..

CROSS REFERENCE
7-4
830--II 330430 (12--02)
Part Page
Number Number
28730193 5-17, 6-19......
28730201 5-17, 6-19......
28730209 5-17, 6-19......
28730238 5-17, 6-19......
28730267 5-17, 6-19......
2873B071 5-16, 5-17, 6-18, 6-19......
28835 4-10, 4-11........
29990001 5-7, 6-5......
30063 5-43, 5-44, 5-47, 6-49,........
6-53
310580 2-35........
3112E011 5-5, 6-7......
31134165 5-3, 6-5......
31134166 5-9, 6-11......
31137312 5-5, 6-7......
31137322 5-5, 6-7......
31137551 5-5, 6-3, 6-7......
31137561 5-5, 6-3, 6-7......
3115A044 6-23......
3115C111 5-18, 6-20......
3115T051 5-24, 6-26......
31162121 5-15, 6-17......
3117C061 5-5, 6-7......
3117C116 5-26, 6-28......
3117L023 5-11, 6-13......
3117L192 6-35......
3117L212 5-31......
31357 4-10........
3135X063 6-3, 6-5......
3141D071 6-13.....
3142D031 6-9.....
3142D041 6-9.....
3142U031 5-9, 6-11.....
3142W004 5-7.....
31434307 5-9, 6-11......
3162A001 5-31......
31718104 6-35......
31718105 6-35......
3172X004 5-43, 6-49......
31743108 5-9, 6-11......
31744123 5-9, 6-11......
3174A004 5-3, 6-5......
3174L003 5-13, 6-15......
3174T003 6-9......
31754119 6-41......
3175P003 5-37......
3178C126 5-35, 6-39.....
31922 2-117........
3211P002 5-38......
3211P004 5-31......
3211P018 5-39......
32129 2-37........
3212T006 5-3......
3212V002 5-3, 6-5......
32161114 5-3, 6-5......
32166219 6-9......
32166221 6-9......
32166222 6-9......
32166329 5-3, 6-5......
32168212 5-3......
Part Page
Number Number
32186137 5-24, 6-26......
32186142 6-7......
3218J015 6-45......
3218R005 5-31, 6-35.....
3218R013 5-43, 6-49.....
32416118 5-3, 5-37, 6-5, 6-41......
32416119 5-3, 6-5......
32417134 5-3, 6-5......
32417145 5-3......
32418122 5-3, 5-7, 6-5......
32418124 6-5......
3241H009 5-11, 6-13.....
3241N001 5-24, 6-26.....
3246A001 6-7......
32483 2-27........
32486 3-64, 3-66........
32490 2-7, 2-9........
32491 2-27........
32492 2-39, 3-3........
32493 2-41, 2-43........
32515 2-125........
3254K013 6-45......
32590 5-43, 5-48, 6-49........
32712111 5-13, 6-15......
32712726 5-13, 6-15......
3271A003 5-3, 6-5......
3271H004 5-13, 6-15.....
3274P003 5-37, 6-41......
3275R003 6-45.....
32762145 5-5......
32808 2-25........
32815 2-27, 3-43........
3281M002 6-35.....
32822 2-41, 2-43, 3-56........
32985 3-64........
32988 3-3........
330430 3-67........
330431 3-67........
330432 3-67........
330433 3-67........
330435 3-67........
330492 3-67........
330493 3-67........
330710 3-67........
330715 3-67........
330728 3-67........
33117127 5-15, 6-17......
33117426 5-9, 6-11......
3311A001 5-31, 5-48, 6-35......
3311K012 5-9, 6-11......
3311R003 5-3, 6-5......
33123125 5-13, 6-15......
3312K026 5-21, 6-23......
33137409 5-13, 6-15......
3313E021 5-7......
33142111 5-3, 6-5......
3314A051 6-9......
3314A061 6-9......
3314A103 5-3......
33153135 5-11, 6-13......
Part Page
Number Number
3318A711 6-9......
3318A721 6-9......
3318H105 5-21, 6-23.....
3321A003 5-11, 6-13......
33221328 5-5......
33225412 5-32, 5-43, 5-45, 6-49,......
6-52
33225418 6-45......
33246123 6-37......
3331C004 6-45.....
33342 2-19, 3-9, 3-11, 3-19........
33426161 5-11, 6-13......
3342N011 5-7, 6-9......
3343F012 5-13, 6-15......
3343M307 5-13, 6-15.....
3346C006 6-37.....
33532129 5-43, 5-44, 5-47, 6-49,......
6-53
33532148 5-45, 6-52......
3353D004 5-32.....
3353D005 5-35, 6-39.....
3353H004 6-45.....
33552414 5-46, 6-37......
33555138 6-45......
3355V002 5-31, 6-35......
33691 3-27........
33692 3-27........
3374E021 6-45......
33811112 5-32, 5-43, 5-45, 5-48,......
6-49, 6-52
33811113 5-9, 6-11, 6-54......
33811114 5-43, 5-48, 6-49......
33812 2-155........
33812116 5-35, 6-39......
33817135 5-37, 6-41......
3381A002 5-32, 5-45, 6-52......
3381J005 5-23, 6-25......
3383A001 6-37......
3383A006 6-45......
3383E009 6-43......
3386A004 6-33......
33872525 5-37, 6-41......
34172 4-10, 4-11........
3432A025 6-49......
3435P019 5-43......
34392 2-11, 2-15, 2-17........
34821121 6-37......
3521H065 5-31.....
3521H066 5-31.....
3521H067 5-31.....
3521H068 5-31.....
3558X051 5-31, 6-35......
35706 2-119........
3571C029 6-45.....
3571C031 6-45.....
3573M009 6-37.....
3575A018 5-35, 6-39......
360074 2-19........
3617A001 5-37, 6-41......
36212132 5-14, 6-16......
Home
Find...
Go To..

CROSS REFERENCE
7-5
830--II 330430 (12--02)
Part Page
Number Number
3623E006 6-46......
3623H008 5-3, 6-5, 6-37.....
3623H024 5-23.....
36241123 5-37, 6-41......
3627P023 5-35, 6-39......
364292 2-125........
3644Y004 5-31, 6-33......
364614 3-47........
364941 2-125........
364942 2-125........
364943 2-125........
365183 2-125........
3653R002 5-43, 6-49.....
3654W007 5-28, 6-30.....
36565517 6-39......
36568132 5-45, 6-52......
36568133 6-52......
3656M003 6-37.....
3656P004 5-43, 6-49......
3656P008 5-43, 6-49......
3656P009 5-35......
3656X014 5-45......
367407 2-77........
367679 2-45........
367946 2-45, 3-58........
3681E031 6-9, 6-54......
3681E033 6-9......
3681K005 5-35, 5-49, 6-39......
3681P009 5-11, 5-49, 6-13......
3681P038 5-11, 5-49, 6-13......
3681T012 5-3, 5-49, 6-5......
3681V502 5-40......
3681X001 5-38......
3681X002 5-38......
36832137 5-35, 5-49, 6-39......
36832144 6-45, 6-54......
36833155 6-54......
3683A004 6-45, 6-54......
3683H006 5-37, 5-49, 6-41.....
36843154 5-14, 6-16......
3684A004 6-54......
3684N017 5-25, 5-48, 6-27.....
3684N503 6-54.....
3684N505 6-43.....
36851123 5-41, 5-49, 6-47......
3685A012 6-54......
3686D007 5-23, 5-48, 6-25.....
3686T006 6-37......
3687M018 6-54.....
3687W008 5-3, 5-33, 5-49, 6-5,.....
6-37
3687Y016 5-23, 5-49, 6-25......
3688A007 6-54......
3688A008 6-42, 6-45......
3688C015 6-54.....
3688C018 5-48, 6-46.....
3688C035 6-45, 6-54.....
3688X005 6-54......
369000 6-25........
369003 5-37, 6-41........
Part Page
Number Number
369024 6-45........
369211 5-37, 6-41........
369259 5-31, 6-35, 6-54........
369704 2-5........
370702 5-35, 6-39........
370806 5-23........
3713M042 5-14, 6-16.....
371748 2-147........
3717Y002 5-35, 6-39......
373191 6-45........
373192 6-45........
373193 6-45........
373194 6-43........
373212 4-60........
373213 4-60........
373342 4-59........
373360 4-57, 4-59........
373361 4-57, 4-59........
373416 4-59........
373417 4-41........
373418 4-41........
373561 4-60........
373562 4-60........
373563 4-60........
373564 4-60........
373565 4-60........
373566 4-60........
3735A011 5-35, 6-39......
3748C011 5-13, 6-15......
3748W202 5-19.....
3748W223 5-19, 6-21.....
37555 4-10, 4-11........
37573 4-33........
376059 2-13........
3763W011 5-13, 6-15.....
3766E005 6-45......
3766P411 5-25, 6-27......
3766T073 5-38......
3767A011 5-40, 5-48......
3771K214 6-25......
3771K251 5-23......
3773K003 5-33......
3773K004 6-37......
3773T101 6-37......
3775E012 5-9, 6-11......
37778 4-33........
3778E052 6-45......
3781N042 5-11, 6-13.....
3781N043 5-11, 6-13.....
3818X901 5-9, 6-11......
3822P011 6-23......
3823D024 5-35, 6-39.....
3823P006 6-45......
3824A021 5-35, 6-39......
38315 4-13, 4-15, 4-17........
3831E011 6-51......
38321 3-27, 4-33........
38490 4-13, 4-15, 4-17........
38873 4-10........
39236 2-109, 2-111........
Part Page
Number Number
39277 2-7, 2-9, 2-37........
39283 3-3........
39284 4-27........
39309 4-29........
39313 2-39........
39322 3-27........
39663 3-41........
398293 2-41, 2-43........
398294 2-49........
39890 2-7, 2-9........
40143 3-27........
40144--21 4-33......
40144--22 4-33......
40144--4 3-27, 4-33.......
40144--6 3-27, 4-33.......
40145 2-157, 3-25........
40758 2-129........
4111A013 5-11, 6-13......
4111A021 5-13, 6-15......
4111D095 5-15, 6-17......
4113H068 5-26, 6-28......
4113H074 5-18, 6-20......
4115R005 5-9, 6-11......
4115R006 5-9, 6-11......
41178 2-159.........
41186 2-37.........
41187 2-38.........
4121C057 5-32.....
4122M012 5-43.....
4122M013 6-49.....
4122M014 6-49.....
4122T008 5-43......
4123T014 6-45......
4124E128 6-52......
4124E177 5-45......
4125T011 5-43......
4125T012 6-49......
4126A012 6-33......
4126K149 6-37......
4126X091 5-35, 6-39......
4126X124 5-3, 6-5......
4132F051 5-13......
4132F056 6-15......
41346 3-41, 4-19, 4-23, 4-27........
4138A017 5-3, 6-5......
4138A036 5-13......
4138A037 6-15......
4142A404 5-11......
4142V066 5-3, 6-3, 6-5......
4142X099 5-37......
41430 2-39........
4173A101 6-33......
4181A033 6-3, 6-7......
43844 2-25, 2-157........
45628 4-10, 4-11........
45779 2-5........
45780 2-5........
46236 2-117........
46482 2-155........
47167 2-27........
Home
Find...
Go To..

CROSS REFERENCE
7-6
830--II 330430 (12--02)
Part Page
Number Number
47801 2-7, 2-9, 2-45, 2-49,........
2-51, 2-129, 3-3, 3-5,
3-7
48183 2-9........
49247 3-61........
51305 2-27........
51417 4-13, 4-15, 4-17........
51538 2-5........
52770--5 2-2, 2-23, 5-33.......
54333 2-157, 3-25........
55619 2-17........
55740 2-17........
57048 2-11, 2-13........
57145 2-157........
57370 4-13, 4-15, 4-17........
57373 4-13, 4-15, 4-17........
57374 4-13, 4-15, 4-17........
57375 4-13, 4-15, 4-17........
57676 2-127........
57702 2-5, 2-157, 3-9, 3-11,........
3-19, 3-43
57804 2-117........
58366 2-19........
58595 2-159........
58596 4-9........
59156 2-39........
59965 2-49........
60428 2-5, 2-7, 2-9........
60933 2-31........
61288 2-145........
61923 2-45........
63244--1 2-157, 3-25.......
63810 2-121, 3-41........
65235 4-9........
65870--5 2-2.......
68445 2-109, 2-111........
68986 2-2, 2-23, 6-37........
69234 2-27, 2-35........
70006 2-145........
70157 2-15, 2-17, 3-17, 3-23........
72970 2-115........
73219 2-125........
74092 4-11........
74093 4-10, 4-11........
74094 4-10, 4-11........
74098 4-5, 4-13, 4-15, 4-17,........
4-37, 4-41, 4-49, 4-53,
4-55, 4-59
74099 4-11, 4-41, 4-49, 4-51........
74109 4-9........
74110 4-9.........
74111 4-9.........
74119 4-13.........
74120 4-15........
74174 4-9........
74181 4-9........
74182 4-9........
74186 4-9........
74187 4-9........
74188 4-9........
Part Page
Number Number
74189 4-9........
74191 4-10, 4-11........
74218 4-9........
75428 3-39........
75430 2-5........
75689 2-31........
760073 3-51........
760078 3-48........
760098 2-2........
760099 2-2........
760100 2-45........
760105 3-49........
760107 2-3, 3-64........
760143 3-56........
760205 2-7, 2-9........
760208 2-7, 2-9........
760357 2-5........
760395 2-5........
760447 2-49........
760500 2-45........
760503 2-45........
760504 2-45........
760507 3-43........
760509 3-43, 3-45........
760511 3-43........
760522 2-45........
760523 2-45........
760529 2-47........
760532 2-47, 2-159........
760535 2-47........
760536 2-47........
760537 2-47........
760538 2-47........
760540 2-47........
760543 2-45........
760545 2-47........
760548 2-45........
760550 2-47........
760552 2-159........
760554 2-51........
760560 2-53........
760562 2-53........
760563 2-53........
760565 2-27, 2-45........
760566 2-53........
760577 2-45........
760586 2-45........
760598 2-45........
760599 3-25........
760629 3-43........
760640 3-43........
760647 2-45........
760649 3-43........
760653 3-47........
760660 2-51, 3-25, 3-47, 3-48........
760661 3-47........
760663 2-45........
760665 3-45........
760668 2-51........
760672 3-25, 3-54, 3-55........
Part Page
Number Number
760673 2-51........
760679 2-51........
760682 2-45, 2-49, 3-5........
760691 2-51........
760695 2-51, 3-5........
760697 2-39........
760721 2-39........
760726 3-47........
760727 3-47........
760729 3-47........
760740 2-41, 2-43........
760749 2-2, 2-39........
760753 2-43........
760754 2-41........
760755 2-41, 2-43........
760756 2-41, 2-43........
760757 2-41........
760778 2-41, 2-43........
760779 2-41........
760785 2-37........
760786 2-41, 2-43........
760794 2-37........
760798 2-37........
760824 2-51........
760828 2-43........
760833 2-41, 2-43........
760834 2-41, 2-43........
760837 2-2, 2-37........
760838 2-37........
760839 2-41, 2-43........
760851 2-37........
760875 2-37........
760882 2-2, 2-37........
760883 2-37........
760884 2-37........
760891 2-39........
760896 2-37........
760897 2-2, 2-37........
760901 2-39........
760905 2-39........
760906 2-37........
760914 2-2, 2-39........
760915 2-2, 2-39........
760916 2-21........
760919 2-39........
760921 2-21........
760925 2-21........
760939 2-39........
760980 2-160........
760983 2-160........
760984 2-160........
760991 3-43........
761003 2-13........
761004 2-11........
761005 2-11, 2-13........
761010 2-11, 2-13........
761011 2-11, 2-13........
761012 2-11, 2-13........
761013 2-11, 2-13........
761014 2-11, 2-13........
Home
Find...
Go To..

CROSS REFERENCE
7-7
830--II 330430 (12--02)
Part Page
Number Number
761017 2-11, 2-13........
761018 2-11, 2-13........
761019 2-11, 2-13........
761020 2-11, 2-13........
761022 2-13........
761025 2-11, 2-13, 4-21........
761035 2-25........
761036 2-25........
761037 2-11, 2-15, 2-17........
761043 2-5........
761044 2-5........
761049 2-41, 2-43........
761051 2-41, 2-43........
761093 2-5........
761104 2-9........
761106 2-7, 2-9........
761108 2-39........
761111 2-39........
761114 2-7........
761117 2-2, 2-9........
761118 2-9........
761119 2-9........
761120 2-7, 2-9........
761121 2-7, 2-9........
761124 2-7, 2-9........
761125 2-7, 2-9........
761126 2-3........
761128 2-19........
761130 2-19........
761131 2-19........
761134 2-19........
761141 2-19........
761148 2-37........
761153 2-37........
761158 2-2, 2-7, 2-9........
761170 2-7, 2-9........
761179 2-7, 2-9........
761209 2-129, 3-7........
761211 2-3........
761213 2-3........
761215 2-129........
761216 2-129........
761217 2-129........
761223 2-129, 3-7........
761225 2-41, 2-43, 2-129, 3-7,........
3-9, 3-11, 3-19, 3-64
761229 2-129, 3-7........
761233 3-43........
761235 3-64........
761237 2-5........
761238 2-3........
761239 2-3........
761252 2-39........
761253 2-39........
761254 2-39........
761257 2-39........
761265 2-39........
761266 2-39........
761279 2-38........
761280 2-39........
Part Page
Number Number
761283 2-38........
761284 2-39........
761286 2-39........
761289 2-39........
761292 2-23........
761293 2-23........
761296 2-37........
761305 3-9, 3-11, 3-19........
761307 3-13, 3-21........
761311 3-9, 3-11, 3-19........
761312 3-13, 3-21........
761317 3-13, 3-21........
761328 3-13, 3-21........
761340 3-13, 3-21........
761343 3-9, 3-11, 3-19........
761345 3-13, 3-21........
761355 3-13, 3-21........
761372 2-3........
761417 2-45........
761428 2-129, 3-7, 3-9, 3-11,........
3-19
761444 3-9, 3-11, 3-19........
761445 3-9, 3-11, 3-19........
761446 3-13, 3-21........
761447 3-13, 3-21........
761448 3-13........
761449 3-13, 3-21........
761451 3-9, 3-11........
761453 3-13, 3-21........
761454 3-13, 3-21........
761455 3-13, 3-21........
761457 3-13, 3-21........
761458 3-13........
761460 3-13, 3-21........
761463 3-9, 3-11........
761464 3-9, 3-11........
761469 3-9, 3-11........
761470 3-9, 3-11........
761472 3-9, 3-11........
761479 3-13........
761501 2-2, 3-53........
761503 2-25........
761504 2-25........
761505 2-47........
761515 2-45........
761524 2-51, 3-25........
761525 3-56........
761526 3-56........
761542 2-45........
761545 2-45........
761595 3-63........
761600 4-23........
761601 4-19, 4-23........
761602 4-19, 4-23........
761603 4-19........
761604 4-27........
761606 4-23........
761607 4-19, 4-23........
761608 4-27........
761609 4-19, 4-23........
Part Page
Number Number
761610 4-19, 4-23........
761611 4-19, 4-23, 4-27........
761613 4-21, 4-23, 4-25........
761614 4-27........
761615 4-23........
761616 4-23........
761618 4-31........
761623 4-31........
761624 4-31........
761625 4-31........
761626 4-31........
761628 4-19........
761629 4-19, 4-23........
761630 4-19, 4-23........
761631 4-19, 4-23........
761632 4-19, 4-21, 4-25........
761634 4-23........
761635 4-19........
761641 4-21, 4-25........
761643 4-25........
761644 4-21, 4-25........
761648 4-21, 4-25........
761649 4-27........
761650 4-27........
761651 4-27........
761652 4-27........
761653 4-27........
761654 4-27........
761655 4-27........
761656 4-27........
761657 4-27........
761658 4-27........
761659 4-27........
761660 4-31........
761661 4-27........
761662 4-27........
761663 4-27........
761664 4-27........
761665 4-27........
761666 4-27........
761667 4-27........
761668 4-27........
761669 4-27........
761670 4-27........
761672 4-27........
761674 4-27........
761678 4-27........
761682 4-27........
761714 4-19, 4-23........
761715 4-19, 4-23........
761716 4-19, 4-23........
761717 4-19, 4-23........
761718 4-19........
761720 4-19, 4-23........
761727 4-19, 4-23........
761728 4-19, 4-23........
761730 4-19........
761731 4-19........
761732 4-19, 4-23........
761733 4-19........
Home
Find...
Go To..

CROSS REFERENCE
7-8
830--II 330430 (12--02)
Part Page
Number Number
761741 3-63........
761742 3-63........
761743 3-63........
761744 3-63........
761745 3-63........
761746 3-63........
761747 3-63........
761748 3-63........
761749 3-63........
761750 3-63........
761751 3-63........
761752 3-63........
761753 3-63........
761754 3-63........
761755 3-63........
761756 3-63........
761757 3-63........
761758 3-63........
761759 3-63........
761761 3-63........
761762 3-63........
761763 3-63........
761781 3-63........
761782 3-63........
761783 3-63........
761784 3-63........
761785 3-63........
761786 3-63........
761787 3-63........
761788 3-63........
761789 3-63........
761790 3-63........
761791 3-53........
761795 3-49........
761796 2-13........
761798 2-11, 2-13........
761799 2-11, 2-13........
761804 2-37........
761810 2-2........
761811 2-2........
761824 2-29........
761825 2-29, 5-40, 5-48........
761826 2-29........
761828 2-157........
761830 2-31........
761832 2-157........
761833 2-157........
761834 2-157........
761867 2-103........
761872 2-103........
761881 2-119........
761893 2-107........
761909 2-109, 2-111........
761910 2-109........
761914 2-109, 2-111........
761915 2-109, 2-111........
761922 2-111........
761924 2-121, 3-41........
761926 2-117, 2-121, 3-41........
761927 2-121, 3-41........
Part Page
Number Number
761936 2-123........
761946 2-121, 3-41........
761950 2-121, 3-41........
761952 2-115........
761954 2-117........
761956 2-5........
761957 2-5........
761958 2-109, 2-111........
761959 3-41........
761960 3-41........
761961 3-41........
761962 3-41........
761963 3-41........
761965 3-41........
761981 2-109, 2-111........
761986 4-31........
761987 4-27........
761988 4-27........
761992 2-11, 2-15, 2-17........
761993 2-11, 2-15, 2-17, 4-21,........
4-25
761995 2-11, 2-15, 2-17........
761996 2-11........
761997 2-11........
761998 2-15, 2-17........
761999 2-15, 2-17........
762002 3-9, 3-11, 3-19........
762003 3-9, 3-11, 3-19........
762004 3-9, 3-11, 3-19........
762006 3-13, 3-21........
762007 2-13........
762010 2-21........
762011 2-45........
762018 2-127, 4-9........
762024 2-147, 4-8........
762032 2-53, 4-60........
762035 2-45, 4-11........
762043 2-129, 3-7........
762045 2-19, 4-17........
762058 3-9, 3-11, 3-19, 4-13........
762059 2-129, 3-7, 4-15........
762064 2-45........
762066 2-41, 2-43........
762072 2-21, 3-13, 3-21........
762073 2-129, 3-7........
762075 2-145........
762080 4-19, 4-23........
762083 4-13, 4-15........
762094 2-23........
762103 2-147........
762105 2-145........
762109 2-13........
762116 2-39........
762117 4-60........
762136 2-13, 4-7........
762178 2-17........
762195 2-49........
762201 3-55........
762204 2-157........
762207 3-55........
Part Page
Number Number
762209 2-157........
762210 3-55........
762212 2-157, 3-25........
762213 2-157........
762214 2-157........
762217 2-157........
762219 2-157........
762220 2-2, 2-157........
762221 2-2, 2-157........
762222 2-157........
762223 2-157........
762224 2-157........
762225 2-157........
762228 2-157........
762229 3-25........
762233 2-157, 3-25........
762234 2-2, 2-157........
762236 2-117........
762241 3-25........
762245 2-157........
762246 2-157........
762249 2-157........
762253 3-54........
762254 3-25........
762256 3-25........
762259 2-157, 3-25........
762260 3-27, 4-33........
762261 3-27........
762264 3-25........
762265 3-25........
762266 3-25........
762267 3-25........
762269 3-25........
762270 3-25........
762271 3-25........
762272 3-25........
762277 3-27........
762278 3-25........
762280 3-27........
762281 3-27........
762282 3-27........
762284 3-25........
762285 3-25........
762286 3-25........
762288 2-147........
762290 3-25........
762291 3-25........
762292 3-25........
762293 3-25........
762294 3-25........
762297 3-25, 3-54, 3-55........
762335 2-142........
762349 2-142........
762350 2-142........
762399 2-141........
762409 2-23, 2-142........
Home
Find...
Go To..

CROSS REFERENCE
7-9
830--II 330430 (12--02)
Part Page
Number Number
762425 2-15, 2-17, 2-21, 2-41,........
2-43, 2-129, 2-142,
2-147, 2-149, 3-5, 3-7,
3-9, 3-11, 3-13, 3-19,
3-21
762426 2-15, 2-17, 2-21, 2-45,........
2-153, 3-7, 3-15, 3-17
762427 2-13, 2-15, 2-17,........
2-127, 2-147, 2-151
762428 2-17, 2-151, 2-153,........
2-155, 3-15, 3-17,
3-23
762430 2-11, 2-13........
762431 2-11, 2-13........
762432 2-11, 2-49, 2-53,........
2-151, 3-5, 3-9
762433 2-13, 2-147, 2-151,........
2-155, 3-5, 3-9, 3-29
762434 2-13, 2-15, 2-17, 2-49........
762435 2-49, 2-145, 3-9, 3-29........
762436 2-53, 2-155........
762437 2-45, 2-145, 2-149,........
2-153, 3-17, 3-23,
3-29
762438 2-127, 2-145, 2-155,........
3-5, 3-29
762439 3-13, 3-21........
762441 2-13, 3-9........
762442 3-9........
762443 2-49........
762444 3-5........
762445 2-145, 2-153, 2-155,........
3-7, 3-15, 3-17, 3-23
762446 2-23, 2-145, 2-147,........
2-153, 3-15, 3-17,
3-23
762447 2-153, 3-15........
762448 2-23, 2-145........
762456 2-23, 3-9, 3-11, 3-19........
762457 2-147, 2-155........
762462 2-17........
762463 2-19, 2-147, 2-149,........
2-151
762464 2-147, 2-149, 2-151........
762465 2-39........
762468 2-53........
762469 2-53, 2-147........
762481 2-149........
762483 2-27........
762484 2-27, 2-145........
762487 2-147........
762488 2-13........
762489 2-147........
762494 2-153........
762501 2-127........
762504 2-127........
762505 2-117........
762513 2-117, 3-61........
762514 2-117, 3-57........
762515 2-117........
Part Page
Number Number
762516 2-117........
762517 2-127........
762519 2-117........
762520 2-117........
762521 2-117........
762525 2-117........
762526 2-117........
762547 2-117........
762550 2-23........
762554 2-35........
762555 2-35........
762556 2-35........
762557 2-35........
762558 2-35........
762572 3-57........
762573 2-5........
762575 2-117........
762583 2-117........
762587 2-5........
762591 2-45, 2-49, 3-3, 3-47........
762601 2-127........
762602 2-127........
762603 2-127........
762604 2-117........
763003 2-21, 2-129, 3-7........
763005 2-129, 3-7........
763007 2-21, 2-129, 3-7........
763022 2-21........
763024 2-21........
763026 3-9, 3-11, 3-19, 3-43........
763031 3-11, 3-19........
763035 3-11, 3-19........
763036 3-11, 3-19........
763040 2-7, 2-9........
763041 2-7, 2-9........
763042 3-3........
763043 2-39, 3-41........
763050 2-21........
763061 2-41, 2-43........
763067 2-39, 3-3........
763075 2-7, 2-9, 2-45........
763083 2-5, 2-39........
763092 2-37........
763096 3-41........
763099 2-115........
763100 2-39........
763115 3-25........
763116 2-17, 3-25........
763118 2-21........
763120 3-13, 3-21........
763126 2-5........
763131 2-19........
763133 2-19........
763134 2-19........
763137 3-9, 3-11, 3-19........
763146 2-39........
763147 2-115........
76321 2-31........
763212 3-43, 3-45........
763244 2-45........
Part Page
Number Number
763278 2-45........
763284 2-45........
763380 2-41, 2-43........
763383 2-41, 2-43........
763384 2-41, 2-43........
763401 4-9........
763402 4-9........
763403 4-9........
763404 4-9........
763430 4-9........
763443 4-5........
763446 4-5........
763447 4-5, 4-7........
763449 4-5........
763450 4-5........
763451 4-5........
763452 4-5........
763457 4-7........
763461 4-7........
763464 4-7........
763485 4-8........
763486 4-8........
763487 4-8........
763488 4-8........
763489 4-8........
763490 4-8........
763501 4-8........
763502 4-8........
763503 4-8........
763504 4-10, 4-11........
763505 4-10........
763506 4-11........
763507 4-10, 4-11........
763508 4-11........
763509 4-11........
763512 4-13........
763513 4-13........
763514 4-13........
763515 4-15, 4-17........
763516 4-17........
763517 4-17........
763518 4-5........
763519 4-5........
763520 4-5........
763521 4-5........
763522 4-5........
763523 4-5........
763524 4-5........
763525 4-5........
763526 4-5........
763527 4-5........
763528 4-5........
763529 4-5........
763530 4-5........
763531 4-5........
763532 4-5........
763533 4-5........
763534 4-5........
763535 4-5........
763536 4-5........
Home
Find...
Go To..

CROSS REFERENCE
7-10
830--II 330430 (12--02)
Part Page
Number Number
763537 4-5........
763538 4-5........
763539 4-5........
763541 4-5........
763542 4-5........
763802 5-3, 6-3, 6-5........
763806 5-3, 6-5........
763807 5-3, 6-5........
763808 5-3, 6-5........
763809 5-3, 6-5........
763811 5-5, 6-3, 6-7........
763812 5-5, 6-7........
763813 5-5, 6-7........
763814 5-5, 6-7........
763830 5-9, 6-11........
763832 5-9, 6-11........
763834 5-11, 6-13........
763836 6-15........
763837 6-15........
763850 6-33........
763851 6-33........
763852 6-33........
763868 5-14, 6-16........
763870 5-35, 6-39........
763872 6-39........
763873 6-37........
763874 6-37........
763876 6-37........
763877 6-37........
763878 6-37........
763879 5-37, 6-37, 6-41, 6-45........
763880 6-37........
763881 6-37........
763884 6-37........
763885 6-37........
763886 5-35, 6-37, 6-39........
763916 5-41, 6-47........
763917 5-41, 6-47........
763921 5-43, 6-49........
763924 5-3, 6-5........
763931 4-5........
763934 4-5........
763943 4-5........
763948 4-7........
763949 4-7........
763950 4-7........
763951 4-7........
763952 4-7........
763953 4-7........
763954 4-7........
763955 4-7........
763956 4-7........
764002 2-25........
764006 2-23........
764007 2-23........
764008 2-23........
764009 2-23........
764010 2-27........
764011 2-23........
764012 2-23........
Part Page
Number Number
764014 2-23........
764015 2-23........
764016 2-5........
764017 2-23........
764018 2-2, 2-23........
764024 2-27........
764026 2-31........
764027 2-31........
764028 2-33........
764041 2-27........
764045 2-23........
764047 2-27........
764064 2-25........
764067 2-25........
764069 2-27........
764070 2-23........
764071 2-23........
764073 2-5........
764077 2-29........
764081 2-31........
764082 2-29........
764085 2-29........
764087 2-25........
764090 2-25........
764097 2-29........
764098 2-29........
764099 2-29........
764105 2-29........
764106 2-29........
764119 2-27........
764120 2-29........
764122 2-29........
764123 2-29........
764126 2-25........
764129 2-25........
764131 2-2, 2-31........
764134 2-25........
764139 2-25........
764151 2-23........
764152 2-23........
764168 2-33........
764182 2-33........
764183 2-27........
764190 2-2, 2-33........
764191 2-33........
764209 3-41........
764212 3-41........
764234 2-159........
764235 2-159........
764238 2-159........
764240 2-159........
764241 2-159........
764244 2-159........
764245 2-159........
764253 2-159........
764254 2-159........
764256 2-7, 2-9, 2-159........
764260 2-2, 2-159........
764261 2-2, 2-159........
764263 2-159........
Part Page
Number Number
764290 2-27........
764291 2-31........
764292 2-33........
764293 2-33........
764402 5-5, 5-11, 6-7, 6-13........
764403 5-3, 6-5, 6-37........
764404 5-3, 5-7, 6-5, 6-9........
764407 5-16, 6-18, 6-46........
764408 5-7, 5-23, 5-31, 5-35,........
6-9, 6-25, 6-35, 6-39,
6-45
764409 5-3, 5-11, 5-21, 5-25,........
5-31, 5-35, 5-37, 5-43,
6-5, 6-13, 6-23, 6-27,
6-33, 6-39, 6-41, 6-45,
6-47, 6-49
764410 5-11, 5-13, 5-35, 5-38,........
6-13, 6-15, 6-39, 6-43
764412 5-23, 6-25........
764414 5-23, 5-38, 6-23, 6-25,........
6-43
764415 5-31, 6-33, 6-45, 6-51........
764416 5-28, 6-30, 6-45........
764417 5-26, 6-28, 6-51........
764418 5-18, 5-21, 6-20, 6-23........
764419 5-33........
764420 5-14, 6-16........
764421 5-31, 5-35, 6-13, 6-25,........
6-33, 6-35, 6-39
764422 5-16, 6-18, 6-51........
764423 5-40, 6-45, 6-46........
764425 5-23, 5-26, 6-25........
764427 5-14, 6-16........
764431 5-16, 5-17, 6-18, 6-19........
764432 5-32, 5-43, 5-45, 6-49,........
6-52
764433 5-32, 5-43, 5-45, 5-48,........
6-49, 6-52
764434 5-9, 6-11, 6-54........
764455 5-3, 6-5........
764456 5-3, 6-5........
764457 5-11, 6-13........
764460 5-15, 6-17........
764461 5-3, 6-5........
764465 5-3, 5-7, 6-5........
764466 5-3, 6-5........
764467 5-3, 6-5........
764470 6-5........
764471 5-3, 6-5........
764473 5-3, 6-3, 6-5........
764478 5-3, 6-5........
764481 5-3........
764482 5-3........
764484 5-5, 6-3, 6-7........
764485 5-5, 6-7........
764486 5-5, 6-7........
764487 5-5, 6-7........
764492 5-5, 6-3, 6-7........
764493 5-5, 6-7........
764494 5-5, 6-3, 6-7........
Home
Find...
Go To..

CROSS REFERENCE
7-11
830--II 330430 (12--02)
Part Page
Number Number
764495 5-5, 6-7........
764499 5-5........
764503 5-5, 6-7........
764517 5-7, 6-9........
764518 6-9........
764519 6-9........
764520 6-9........
764524 5-9, 6-11........
764529 5-13, 6-15........
764530 5-9, 6-11........
764531 5-9, 6-11........
764532 5-9, 6-11........
764533 5-9, 6-11........
764535 5-9, 6-11........
764536 5-9, 6-11........
764537 5-9, 6-11........
764539 5-9, 6-11........
764543 5-9, 6-11........
764544 5-9, 6-11........
764547 5-11........
764550 5-11, 6-13........
764552 5-11, 6-13........
764553 5-11, 6-13........
764554 5-11, 6-13........
764556 5-11, 6-13........
764558 5-11, 6-13........
764560 5-11, 5-21, 6-13, 6-23........
764561 6-13........
764567 5-11, 6-13........
764568 5-13........
764571 5-13, 6-15........
764574 5-13, 6-15........
764575 5-11, 5-13, 5-21, 6-13,........
6-15, 6-23
764576 5-13, 6-15........
764577 5-13, 6-15........
764578 5-13, 6-15........
764579 5-13, 6-15........
764580 5-13, 6-15, 6-23........
764582 5-13, 6-15........
764583 5-13........
764584 5-13, 6-15........
764585 5-13, 6-15........
764586 5-13, 6-15........
764587 5-13, 6-15........
764588 5-13, 6-15........
764589 5-13, 6-15........
764591 5-14, 6-16........
764595 5-14, 6-16........
764596 5-14, 6-16........
764597 5-15, 6-17........
764598 5-15, 6-17........
764599 5-15, 6-17........
764603 5-17, 6-19........
764604 5-17, 6-19........
764608 5-19........
764609 5-21, 5-23, 6-23, 6-37........
764611 6-23........
764613 5-21, 6-23........
764616 6-23........
Part Page
Number Number
764618 5-21, 6-23........
764620 5-23, 6-25........
764624 5-26, 6-28........
764625 5-26, 6-28........
764626 5-26, 6-28........
764627 5-26, 6-28........
764628 5-26, 6-28........
764629 5-26, 6-28........
764630 5-26, 6-28........
764631 5-26, 6-28........
764632 5-26, 6-28........
764633 5-26, 6-28........
764634 5-27, 6-29........
764636 5-21, 6-23........
764639 5-29, 6-31........
764640 5-9, 5-29, 6-11, 6-31........
764641 5-29, 6-31........
764655 5-46, 6-37........
764657 5-31........
764659 6-35........
764660 6-35........
764662 6-35........
764670 5-31........
764676 5-32........
764701 5-35, 6-39........
764702 5-35, 6-39........
764703 5-35, 6-39........
764707 5-35, 6-39........
764709 5-35, 6-39........
764710 5-35, 6-39........
764711 5-35, 6-39........
764712 5-35, 6-39........
764713 5-35, 6-39........
764714 5-35, 6-39........
764716 5-35, 6-39........
764717 5-35, 6-39........
764719 5-35, 6-39........
764720 5-35, 6-39........
764726 5-37, 6-41........
764727 6-41........
764728 5-37, 6-41........
764730 5-37, 6-41........
764733 5-37........
764734 5-37........
764737 5-33........
764740 6-37........
764743 5-3, 6-5, 6-37........
764744 5-3, 6-5, 6-37........
764745 6-37........
764747 5-23, 6-37........
764773 6-43........
764776 5-24, 6-26........
764777 5-24, 6-26........
764778 5-24, 6-26........
764785 5-38........
764789 6-46........
764790 5-40........
764794 5-41, 6-25, 6-45, 6-47........
764802 6-49........
764803 5-43, 6-49........
Part Page
Number Number
764804 5-43, 5-48, 6-49........
764811 5-43, 6-49........
764812 5-43, 6-49........
764813 5-43, 6-49........
764814 5-43, 6-49........
764822 5-45, 6-52........
764823 5-32, 5-45, 6-52........
764834 5-7........
764835 5-7, 6-9........
764836 5-3, 6-5........
764837 5-47........
764839 2-25, 5-44, 5-47, 6-45,........
6-53
764840 5-44, 5-47, 6-53........
764841 5-44, 5-47, 6-53........
764842 5-47........
764843 5-47........
764844 5-47........
764845 5-47........
764850 6-54........
764853 6-54........
764856 6-54........
764860 6-45, 6-54........
764868 5-35, 5-49, 6-39........
764871 5-11, 5-49, 6-13........
764877 5-3, 5-33, 5-49, 6-5,........
6-37
764888 5-35, 5-49, 6-39........
764896 2-23........
764899 6-3........
764900 5-48, 6-9........
764901 6-9........
764902 6-35........
764903 6-35........
764904 6-42........
764905 6-9........
764906 6-25........
764907 5-21, 6-23........
764908 5-28, 6-30........
764909 5-23, 5-48, 6-25........
764910 5-11, 6-13........
764911 6-43........
764912 6-43........
764913 6-41........
764914 6-13........
764915 6-3, 6-7........
764916 6-3, 6-7........
764917 6-54........
764918 5-23, 6-25........
764920 6-25........
764921 6-3, 6-5........
764922 6-9........
764923 5-5, 6-3, 6-7........
764924 6-3, 6-7........
764925 6-11........
764926 5-9, 6-11........
764927 6-9........
764928 6-9........
764929 5-23, 6-25........
764930 6-25........
Home
Find...
Go To..

CROSS REFERENCE
7-12
830--II 330430 (12--02)
Part Page
Number Number
764933 6-45........
764936 5-21, 6-23........
764937 6-45........
764938 5-23, 6-25........
764939 6-54........
764940 6-33........
764941 5-23, 6-25........
764944 6-54........
764945 6-35........
764946 6-35........
764947 5-44, 6-53........
764948 6-50........
764949 6-50........
764950 5-44, 6-53........
764951 5-5, 6-7........
764952 5-5, 6-7........
764953 5-3, 6-5........
764954 5-9, 6-11........
764955 6-35........
764956 6-3, 6-5........
764957 6-13........
764958 6-9........
764959 6-9........
764960 5-43, 6-49........
764961 6-9........
764962 5-31, 6-35........
764963 5-43, 6-49........
764964 6-7........
764965 5-3, 5-37, 6-5, 6-41........
764966 6-7........
764967 6-45........
764968 5-37, 6-41........
764969 6-35........
764970 5-31, 5-48, 6-35........
764971 5-9, 6-11........
764972 5-21, 6-23........
764973 6-9........
764974 6-9........
764975 6-9........
764976 6-9........
764977 6-45........
764978 5-7, 6-9........
764979 6-45........
764980 6-45........
764981 5-31, 6-35........
764982 6-45........
764983 5-23, 6-25........
764984 6-45........
764985 6-43........
764986 6-33........
764987 6-49........
764988 5-31, 6-35........
764989 6-45........
764990 6-45........
764992 5-31, 6-33........
764993 5-28, 6-30........
764994 5-43, 6-49........
764995 5-43, 6-49........
764996 5-45, 6-52........
764997 6-52........
Part Page
Number Number
764998 6-9, 6-54........
764999 5-11, 5-49, 6-13........
765000 6-45, 6-54........
765001 5-37, 5-49, 6-41........
765002 6-54........
765003 5-25, 5-48, 6-27........
765004 6-43........
765005 6-54........
765006 5-23, 5-48, 6-25........
765007 6-37........
765008 5-23, 5-49, 6-25........
765009 6-54........
765010 6-42, 6-45........
765011 6-54........
765012 5-48, 6-46........
765013 6-45, 6-54........
765014 6-54........
765015 6-45........
765016 5-25, 6-27........
765017 6-25........
765018 6-45........
765019 5-11, 6-13........
765020 5-11, 6-13........
765021 6-45........
765022 6-51........
765023 5-9, 6-11........
765024 5-9, 6-11........
765025 6-49........
765026 6-49........
765027 6-45........
765028 6-52........
765029 6-49........
765030 6-33........
765031 6-37........
765032 6-33........
765033 6-3, 6-7........
765034 5-3, 6-5........
765035 6-5........
765036 5-3, 6-5........
765037 5-7, 6-5........
765038 5-3, 6-5........
765039 5-3, 6-5........
765040 5-3, 5-49, 6-5........
765041 6-9........
765042 5-9, 6-11........
765043 5-11, 6-13........
765044 5-11, 6-13........
765045 5-11, 6-13........
765046 5-13, 6-15........
765047 5-13, 6-15........
765048 5-13, 6-15........
765049 5-14, 6-16........
765050 5-14, 6-16........
765051 5-14, 6-16........
765052 5-17, 6-19........
765053 5-17, 6-19........
765054 5-17, 6-19........
765056 5-18, 6-20........
765057 5-35, 6-39........
765058 5-35, 6-39........
Part Page
Number Number
765059 5-35, 6-39........
765060 5-19, 6-21........
765061 5-19, 6-21........
765062 5-19, 6-21........
765063 6-49........
765261 3-67........
765262 3-67........
765269 3-59........
765283 2-117........
765284 3-58........
765292 3-61........
765293 3-57........
765300 2-5........
765307 2-5........
765322 2-9........
765335 2-9........
765336 2-7........
765360 2-5........
765363 2-5........
765366 2-15........
765370 2-21........
765371 2-25........
765380 2-21........
765381 2-21........
765391 2-5........
765409 3-5........
765410 3-5........
765435 3-3........
765444 3-5........
765445 3-5........
765450 2-49........
765461 2-21........
765465 3-3........
765488 2-21........
765491 3-5........
765492 3-5........
765612 2-45........
765614 2-45........
765620 3-3........
765621 3-3........
76570 2-7, 2-27........
765805 2-39........
765806 2-39........
765807 2-39........
765810 2-41, 2-43........
765811 2-39........
765813 2-39........
765814 2-43........
765815 2-41........
765816 2-39........
765817 2-39........
765818 2-39........
765827 2-37........
765845 2-2, 2-37........
765960 2-160........
766006 2-33........
766010 2-35........
766014 2-35........
766015 2-35........
766016 2-23........
Home
Find...
Go To..

CROSS REFERENCE
7-13
830--II 330430 (12--02)
Part Page
Number Number
766031 2-15, 2-17........
766033 2-23........
766035 2-23........
766036 2-25........
766037 2-25........
766042 2-27........
766043 2-27........
766044 2-27........
766046 2-27........
766047 2-25........
766400 2-23........
766402 2-23........
766405 2-31........
766406 2-33........
766412 2-27........
766414 2-31........
766416 2-33........
766417 2-27........
766420 2-31........
766421 2-33........
766600 5-7, 5-48........
766601 5-31........
766602 5-31........
766603 5-11........
766604 5-7........
766605 5-7........
766606 5-7........
766607 5-7........
766608 5-7........
766609 5-7........
766610 5-7........
766611 5-7........
766612 5-7........
766613 5-7........
766614 5-7, 5-48........
766615 5-38, 5-48........
766616 5-37, 6-41........
766617 5-38........
766618 5-38........
766619 5-39........
766620 5-37........
766621 5-5........
766622 5-5........
766623 5-5........
766624 5-49........
766625 5-5........
766626 5-5........
766627 5-5........
766628 5-48........
766629 5-23, 6-25........
766630 5-23........
766631 5-3........
766632 5-7........
766633 5-9........
766634 5-5........
766635 5-5........
766636 5-5........
766637 5-5........
766638 5-5........
766639 5-40........
Part Page
Number Number
766640 5-23........
766641 5-21........
766642 5-21........
766643 5-14, 6-16........
766644 5-38........
766645 5-38........
766646 5-39........
766647 5-43........
766648 5-7........
766649 5-18, 6-20........
766650 5-31, 5-49........
766651 5-31........
766652 5-31........
766653 5-31........
766654 5-31........
766655 5-31........
766656 5-18, 6-20........
766657 5-31........
766658 5-7........
766659 5-31........
766660 5-37........
766661 5-38........
766662 5-31........
766663 5-39........
766664 5-3........
766665 5-3........
766666 5-3........
766667 5-5........
766668 5-7........
766669 5-3........
766670 5-43........
766671 5-23........
766672 5-35........
766673 5-45........
766674 5-38........
766675 5-38........
766676 5-38........
766677 5-23........
766678 5-32........
766679 5-43........
766680 5-43........
766681 5-45........
766682 5-43........
766683 5-11........
766684 5-31........
766685 5-31........
766686 5-31........
766687 5-31........
766690 2-23........
766691 2-23........
766692 5-21........
766693 5-31, 6-35........
766694 5-31, 6-35........
766695 5-31, 6-35........
766930 2-5........
766935 2-5........
766940 2-5........
766945 2-5........
766966 2-5........
766977 2-5........
Part Page
Number Number
766979 2-5........
766980 2-5........
766984 2-5........
766987 2-5........
767005 2-147........
767006 2-145........
767007 2-151, 4-37, 4-39........
767008 2-149, 4-45........
767009 3-29, 4-47........
767011 2-145........
767012 2-145........
767013 2-2, 2-145........
767014 2-147........
767016 2-15, 2-17........
767019 2-145........
767020 3-13, 3-21, 4-10........
767024 3-15........
767025 2-15, 2-17........
767026 2-151........
767027 2-149........
767030 2-153........
767033 2-149........
767037 3-9, 3-11, 3-19........
767038 3-9, 3-11, 3-19........
767040 2-149........
767045 2-45........
767180 2-39........
767200 2-147, 4-5........
767205 2-157........
767207 2-15, 4-57........
767208 3-15, 4-53........
767211 2-21........
767212 2-15, 2-17........
767215 3-17, 3-23, 4-55........
767218 3-15, 3-17, 3-23, 4-35........
767219 4-49........
767220 2-153, 4-49, 4-51........
767221 2-155........
767222 2-141........
767223 2-141........
767224 2-142........
767225 2-142........
767230 2-141........
767231 2-141........
767232 2-141........
767233 3-31........
767234 2-141........
767235 2-141........
767236 2-141........
767237 2-141........
767238 2-141........
767239 2-141........
767241 2-141........
767242 2-141........
767243 2-141........
767244 2-141........
767245 2-141........
767246 3-33........
767247 3-9........
767248 2-145........
Home
Find...
Go To..

CROSS REFERENCE
7-14
830--II 330430 (12--02)
Part Page
Number Number
767249 2-141........
767250 3-33........
767251 2-141........
767252 2-141........
767253 2-142........
767254 2-141........
767255 2-142........
767256 2-141........
767257 2-141........
767258 2-141........
767259 2-141........
767260 2-141........
767261 2-142........
767262 2-142........
767263 3-33........
767264 2-142........
767265 2-142........
767266 2-141........
767267 2-141........
767268 2-141........
767269 2-142........
767270 2-141........
767271 2-145........
767272 2-145........
767273 2-145........
767275 2-145........
767278 3-9, 3-33........
767280 2-141........
767281 3-31........
767282 2-141........
767283 2-141........
767284 2-141........
767285 2-141........
767286 2-141........
767287 2-141........
767288 2-141........
767290 2-142........
767291 3-33........
767292 3-33........
767293 3-33........
767294 3-33........
767295 3-33........
767296 3-33........
767297 3-33........
767299 3-33........
767300 3-33........
767301 3-33........
767302 3-33........
767303 3-33........
767304 3-33........
767305 2-141........
767306 2-142........
767307 2-141........
767308 2-141........
767309 2-141........
767311 2-142........
767312 2-142........
767313 2-141........
767314 2-23, 2-142........
767315 2-141........
Part Page
Number Number
767316 2-141........
767317 3-29........
767318 3-29........
767319 3-31........
767320 3-31........
767321 3-31........
767323 3-31........
767324 2-141........
767325 3-31........
767327 3-29........
767328 2-141........
767329 3-33........
767333 2-142........
767334 2-142........
767335 3-37........
767336 3-37........
767338 3-37........
767339 3-37........
767340 3-37........
767341 3-37........
767342 3-37........
767343 3-37........
767344 3-35........
76736 2-25, 2-39........
767407 2-147........
767409 2-127........
767411 2-129, 3-7........
767415 2-141........
767416 2-141........
767417 2-141........
767418 2-142........
767421 2-15, 2-17........
767422 2-15, 2-17........
767423 2-15........
767424 2-155........
767426 3-23........
767427 2-17........
767429 3-17, 3-23........
767431 3-35........
767432 3-35........
767433 3-35........
767434 3-35........
767435 3-35........
767436 3-35........
767437 3-35........
767438 3-35........
767440 3-35........
767444 3-35........
767445 3-35........
767446 3-35........
767521 3-41........
767522 3-41........
767523 3-41........
767601 5-19, 6-21........
767641 2-129, 3-7, 3-65, 3-66........
767642 2-129, 3-7, 3-65........
767644 2-129, 3-7, 3-65........
767701 2-13........
767702 2-11........
767703 4-19........
Part Page
Number Number
767704 4-19........
767705 4-29........
767707 4-29........
767709 4-29........
767710 4-29........
767711 4-29........
767715 4-29........
767718 4-29........
767719 4-29........
767721 4-29........
767726 4-29........
767727 4-29........
767728 4-29........
767729 4-29........
767730 4-29........
767731 4-29........
767732 4-29........
767733 4-29........
767734 4-21........
767735 4-21, 4-23........
767737 4-25........
767738 4-21, 4-25........
767739 4-21, 4-25........
767740 4-21, 4-25........
767741 4-21, 4-25........
767743 4-25........
767744 4-25........
767745 4-21, 4-25........
767746 4-21, 4-25........
767747 4-21, 4-25........
767748 4-21, 4-25........
767749 4-21, 4-25........
767750 4-21, 4-25........
767752 4-21, 4-25........
767753 4-21, 4-25........
767762 4-21, 4-25........
767763 4-21, 4-25........
767764 4-21, 4-25........
767766 2-2........
767767 4-25........
767768 4-21........
767769 4-29........
768009 2-7, 2-9........
768014 2-21........
768019 2-21........
768025 2-3........
768026 2-3........
768028 2-3........
768029 2-3........
768030 2-3........
768031 2-3........
768032 2-3........
768033 2-3........
768034 2-3........
768036 2-3........
768038 2-159........
768039 2-159........
768040 2-9........
768041 2-7........
768042 2-9........
Home
Find...
Go To..

CROSS REFERENCE
7-15
830--II 330430 (12--02)
Part Page
Number Number
768043 2-7........
768052 3-21........
768053 3-19........
768056 3-21........
768060 3-19........
768061 3-19........
768062 3-19........
768063 3-19........
768066 3-21........
768067 3-19........
768077 3-9, 3-11........
768078 3-19........
768079 3-17, 3-23........
768089 2-2, 2-159........
768091 2-159........
768096 2-159........
768099 2-7, 2-9........
768100 2-159........
768101 2-159........
768102 2-159........
768103 2-159........
768104 2-159........
768200 2-9........
768202 2-7, 2-9........
768205 2-7........
768207 2-7, 2-9........
768209 2-7, 2-9........
768210 2-7, 2-9........
768211 2-7, 2-9........
768222 2-7, 2-9........
768301 2-157........
768305 2-157........
768309 3-27........
768310 3-25, 3-54, 3-55........
768311 2-157........
768314 3-25........
768320 2-157........
768322 3-55........
768323 2-157........
768324 2-157........
768399 2-117........
768410 2-5........
768411 2-5........
768412 2-5........
768413 2-5........
768416 3-41........
768421 3-39........
768422 3-39........
768423 3-39........
768425 2-115........
768428 2-115........
768429 2-115........
768430 2-115........
768431 2-115........
768432 2-115........
768433 2-115........
768434 2-115........
768435 3-61........
768438 3-61........
768442 2-115........
Part Page
Number Number
768443 2-115........
768444 2-103........
768445 3-39........
768446 2-115........
768447 2-107........
768448 2-105........
768449 2-115........
768451 2-115........
768452 2-115........
768453 2-115........
768456 2-109, 2-111........
768457 2-127........
768458 2-117........
768461 2-117........
768462 2-117........
768467 2-115........
768469 3-39........
768471 2-149........
768472 3-39........
768476 3-39........
768477 3-39........
768480 2-127........
768481 2-127........
768482 2-127........
768485 2-117........
768486 3-61........
768487 2-5........
768492 2-115........
768493 2-117........
768496 3-39........
768502 3-3........
768529 2-117........
768550 2-119........
768551 2-117........
768552 2-117........
768554 2-117........
768555 3-57........
768560 2-77, 2-101........
768561 2-77, 2-101........
768562 2-77, 2-101........
768563 2-77........
768565 2-77........
768566 2-77, 2-101........
768567 2-31........
768568 2-33........
768570 2-119........
768571 2-125........
768572 2-125........
768573 2-125........
768574 2-125........
768575 2-101........
768578 2-125........
768580 2-117........
768581 2-115........
768582 2-125........
768583 2-125........
768584 2-125........
768586 2-125........
768587 2-125........
768591 2-113, 2-119........
Part Page
Number Number
768593 2-23........
768595 2-115........
768598 2-45, 3-58........
768599 2-117........
768601 2-117........
768603 2-115, 2-117........
768604 3-59........
768605 2-45, 3-58........
768606 2-119, 3-57........
768607 2-119........
768608 2-13........
768609 2-117........
768610 2-117........
768611 2-117........
768612 2-117, 3-57........
768613 2-45........
768614 2-5........
768619 2-5........
768620 2-5........
768621 2-45........
768622 2-45........
768627 2-23........
768632 2-117........
768800 2-160........
768811 3-39........
768815 2-160........
768834 2-129, 3-7, 3-65........
768836 2-129, 3-7, 3-65, 3-66........
768842 2-129, 3-7, 3-65, 3-66........
768843 2-129........
768852 3-7........
768870 2-27........
768872 2-11, 2-13........
768881 2-142........
768882 2-142........
768883 2-17, 4-59........
768884 2-17........
768885 2-17........
768886 2-17........
768887 2-17........
768888 2-101........
768890 4-59........
768891 4-59........
768896 2-27........
768897 2-27........
768899 2-151, 4-41, 4-43........
769004 2-147........
769005 2-147........
769006 2-147........
769020 3-41........
769021 3-41........
769023 3-41........
769024 2-121........
769029 3-41........
769030 3-41........
769031 2-123........
769032 2-123........
769033 2-123........
769036 2-123........
769038 2-121, 3-41........
Home
Find...
Go To..

CROSS REFERENCE
7-16
830--II 330430 (12--02)
Part Page
Number Number
769039 2-121, 3-41........
769040 2-121, 3-41........
769042 3-41........
769046 2-121, 3-41........
769063 3-47........
769071 2-103........
769077 2-149........
769078 2-155........
769080 3-41........
769087 2-159........
769093 4-19, 4-23........
769503 3-3........
769504 3-3........
769507 3-5........
769508 3-5........
769509 3-3........
769510 3-3........
769511 3-3........
769512 3-3........
769513 3-3........
769514 3-3........
769515 3-5........
769516 3-5........
769518 3-5........
769522 3-3, 3-5........
769523 3-3, 3-5........
769524 3-3........
769525 3-5........
769526 3-5........
769527 3-5........
769528 3-3........
769529 3-3........
769530 3-5........
769531 3-5........
769534 3-3........
769540 3-5........
769541 3-3........
769542 3-3........
769545 3-3........
769547 3-3........
769548 3-3........
769549 3-3........
769554 3-3........
769558 3-5........
769561 3-5........
769562 3-5........
769563 3-3........
769587 2-23........
769588 2-23........
769589 3-66........
769590 2-3, 3-66........
769593 3-41........
769601 2-103........
769602 2-105........
769603 2-109, 2-111........
769604 2-109, 2-111........
769605 2-109, 2-111........
769606 2-109, 2-111........
769607 2-119........
769609 2-103........
Part Page
Number Number
769610 2-103........
769611 2-109........
769612 2-109........
769613 2-113........
769614 2-109........
769615 2-103........
769616 2-103........
769617 2-103........
769618 2-105, 2-107, 2-117........
769619 2-105, 2-109, 2-111........
769620 2-103........
769621 2-111........
769623 2-111........
769626 2-119........
769627 2-105........
769628 2-107........
769630 2-103........
769631 2-103........
769632 2-105........
769633 2-109........
769634 2-111........
769635 2-105........
769636 2-109, 2-111........
769637 2-103........
769638 2-105, 2-107........
769639 2-109, 2-111........
769640 2-113........
769641 2-113........
769642 2-113........
769643 2-113........
769644 2-109, 2-111........
769645 2-107........
769646 2-109, 2-111........
769647 2-109........
769648 2-111........
769649 2-109........
769650 2-111........
769651 2-119........
769652 2-119........
769653 2-109, 2-111........
769654 2-105........
769655 2-107........
769656 2-119........
769657 2-2, 2-103........
769658 2-105........
769659 2-103........
769660 2-107........
769661 2-107........
769664 2-111........
769819 2-25........
770002 2-142........
770003 2-17........
770006 3-41........
770009 3-41........
770016 2-13........
770023 2-127........
770025 2-49........
770027 3-11, 3-19........
770028 2-45, 3-11, 3-19........
770029 3-9, 3-11, 3-19........
Part Page
Number Number
770035 3-63........
770148 2-17........
770149 3-63........
770154 2-53........
770504 3-51........
770646 3-63........
78951 3-61........
78954 3-61........
79508--1 3-48.......
79515 3-48........
79517 3-48........
79518 3-48........
79711 4-37, 4-39, 4-41, 4-43,.........
4-45, 4-47, 4-49, 4-51
79716 4-37, 4-39, 4-41, 4-43,........
4-45, 4-47, 4-49, 4-51
79718 4-41, 4-43........
79719 4-37, 4-41........
79723 4-37, 4-41, 4-53, 4-55........
79728 4-37, 4-39, 4-41, 4-43,........
4-45, 4-47, 4-49, 4-51,
4-53, 4-55
79729 4-13, 4-15, 4-17........
79731 4-37, 4-39, 4-41, 4-43,........
4-45, 4-49, 4-51
79732 4-49, 4-51........
79740 4-37, 4-39, 4-41, 4-43,........
4-45, 4-47, 4-49, 4-51,
4-53, 4-55
79779 4-5........
79868 2-145, 2-149........
79886 2-23........
81558 5-5, 6-3, 6-7........
81558A 5-5, 6-7.......
81558B 5-5, 6-7.......
81558C 5-5, 6-7.......
82661 2-27, 3-41........
82733 2-45........
86385 2-2........
87677 3-25........
87784 4-17........
87785 4-17........
Home
Find...
Go To..

CROSS REFERENCE
7-17
830--II 330430 (12--02)
PART DESCRIPTION TO PAGE NUMBER CROSS REFERENCE LIST
424 Oil, Brakes, 2.5 Gal., 2-2
830 Oper/Video PAL, 3-67
830 Oper/Video VHS, 3-67
A
Accumulator, Piston, 2-15, 2-17
Adapter, Exhaust Tube, 2-29
Adaptor, Cam Coupler, 3-55
Adaptor, Oil Filter, 2-23
ADAPTOR, 5-13, 5-26, 5-46, 6-15, 6-28,
6-37, 6-45
Adjusting Screw, 4-5
Air Cleaner, 8 inch, 2-33
Air Cleaner, 2-31
Air Filter, Pleated, 2-103
Alarm, Backup, Smart, 2-45
Alternator, 2-23
Angle, Hyd Valve Mount, 2-151
Angle, Retainer Side Skirt, 2-37
Angle, Skid Chain, 2-7, 2-9
Angle, Switch, 2-41, 2-45
Angle, Weld’t, Filterbag Lift, 3-53
Angle, 2-39, 3-25, 3-54, 3-55
Arm Ass’y,Upper Brush Support, 3-9, 3-11
Arm Weldt,Lower Brush Support, 3-9, 3-11
Arm Wldt, Lower Brush Support, 3-19
Arm Wldt, Upper Brush, Lh, 3-19
Arm Wldt, 2-21
Arm, Seal, Upper, 2-159
Arm, Wiper, Paneo, 2-103
Ashtray, Side Mounting, Chr, 2-115
Aspirator,Air Cleaner, 2-31
Assy, Console Cover,, 2-105
Assy, Door, Lh, 2-105
Assy, Door, Rh, 2-107
Assy, Filter Cover, 2-103
ATOMIZER, 6-35
Attachment, Repair Kit 1.654, 2-2, 2-39
Axle Assembly, Rear W/Brake, 4-21
Axle, Front (See Breakdowns), 2-13
Axle, Rear (See Breakdowns), 2-11
B
Backplate,4-8,4-60
Balance Ring, 4-13, 4-15, 4-17
BALL, 5-3, 6-5
Ball, 4-9
Band,Mtg., 2-31
Bar Flat, Rubber Hopper, 2-45
Bar Wldt, Brush Support, 3-65, 3-66
Bar, Brush Support, 2-129
Bar, Seal, Upper, 2-159
Bar, Side Spring, 2-11, 2-13
Bar, Stop, Filter Bag, 2-47
Bar, Support, Lh, 2-159
Bar, Support, Rh, 2-159
Bar, Wldt. Brush Support, 3-7
Base, LIft, Lower, 2-49
Base, Remote Oil Filter, 2-23
Battery Box, Poly, 2-35
Battery, 12V, Cc Amps:1000 Wet, 2-35
Battery, 12V, Cc Amps:730 Wet, 2-35
Bearing Cam, Roller 52x14x20, 2-43
Bearing, 32012, 4-27
BEARING, BALL, 5-26, 6-28
Bearing, Cam Follower, 3-13, 3-21
Bearing, Cam Roller 52x14x20, 2-41
Bearing, Flange, Roller, 2-39
Bearing, Flange, 2-39, 2-129, 3-7
Bearing, Hub, 4-29
Bearing, Needle, 4-9
Bearing, Sleeve 30x38x10, 2-21
Bearing, Sleeve, 2-45
Bearing, Spherical, 3-3, 3-5
Bearing, Thrust, 2-21
Bearing,, 3-7
Bearing, 2-19, 2-21, 2-129, 3-7, 3-9, 3-11,
3-13, 3-19, 3-21, 4-5, 4-19, 4-21,
4-23, 4-25, 4-27, 4-29, 4-31
Beater Bar, Filter Bag, 2-45
BELT, FAN, 5-18, 6-20
Belt,Alternator (Set Of 2), 2-23
Belt, 3-41
Bezel, Case, Instrument, 2-115
Bezel, Center Switch, 2-117
Bezel, End Switch, 2-117
Bezel, Switch, Center Console, 2-115
Blade, Wiper, 28” Bl, 2-103
BLOCK, CYLINDER, 5-3
Block,Undercarriage Limiter, 3-13
BLOCK, 5-24, 6-26
Block, 3-21
Blower, Assy, 2-123
Body,4-8,4-60
Bolt Weldt., 2-5
Bolt, .374--16X2.75, 2-119
Bolt,Eye,3-19
Bolt, M10x130, 3-41
Bolt, M12x90, 2-41, 2-43
BOLT, 5-3, 5-15, 5-24, 5-31, 5-43, 6-5, 6-9,
6-17, 6-26, 6-35, 6-49
Bolt, 4-13, 4-15
Boom, Vac Wand Hose, 3-43
Bottle, Washer Fluid W/Pump, 2-107
BOTTOM,6-3,6-7
Box, Instrument, 2-125
Bracket Weldt, Air Cleaner, 2-33
Bracket Weldt,Front Hinge, 3-9, 3-11
Bracket Weldt,Hyd.Hose, 3-9, 3-11
Bracket Weldt,Hyd.Motor Mount, 3-9, 3-11
Bracket Weldt, 2-25
Bracket Wldt, Compressor, A/C, 3-41
Bracket Wldt, Front Hinge, Lh, 3-19
Bracket Wldt, Motor Mount, Lh, 3-19
Bracket Wldt, Water Sys, Lh, 3-19
Bracket Wldt,Side Brush Lh, 3-7
Bracket, Accelerator, 2-119
Bracket, Air Intake, 2-31
Bracket, Antenna, 3-61
Bracket, Cable, Throttle, 2-115
Bracket, Coil, 2-121, 3-41
Bracket, Control, Vario (Option), 2-117
Bracket, Coolant Overflow, 2-27
Bracket, Dust Containment, Lh, 2-159
Bracket, Dust Containment, Rh, 2-159
Bracket, Extended Pin, 2-51
Bracket, Filter Bag, 2-47
Bracket, Hinge Mount Lh, 3-47
Bracket, Hinge Mount, Rh, 3-47
Bracket, Hose, Hyd, Lh, 3-19
Bracket, Hyd Hose Mount, 3-9, 3-11, 3-19
Bracket, Hyd Valve Mtg, 2-149
Bracket, L, 2-125
Bracket, Light, Night Sweeping, 3-57
Bracket, Mtg, Radio, 3-61
Bracket, Mtg, 3-15
Bracket, Muffler, .25, 2-29
Bracket, Muffler, .375, (Std Engine), 2-29
Bracket, Muffler, .375, (Turbo Engine),
2-29
Bracket, Nozzle, 2-157
Bracket, Receiver, Dryer, 3-41
Bracket, Retainer, Rear, 2-9
Bracket, Skirt, Lh, 2-159
Bracket, Skirt, Rh, 2-159
Bracket, Steering Column, Lh, 3-39
Bracket, Switch, 2-49
Bracket, Throttle, Lh, 3-39
Bracket, Tool Box, 3-25
Bracket,Air Cleaner Support (Std Engine),
2-31
Bracket,Cable Mount, 2-45
Bracket,Clip Mount, 3-47
Bracket,Filler Tube, 2-25
Bracket,Hyd.Motor Support, 2-129, 3-7
Bracket,Oil Filter, 2-23
Bracket,Side Brush Rh, 2-129
Bracket,Skirt, 2-129
Bracket,Throttle Cable, 2-23
Bracket,Water System, 3-9, 3-11
BRACKET, 5-9, 5-21, 5-31, 5-35, 5-37,
5-43, 6-11, 6-23, 6-33, 6-39, 6-41,
6-45, 6-49, 6-51
Bracket, 2-5, 2-33, 2-117, 3-3, 3-17, 3-23
Brake Assembly, Parking, 4-29
Brakeline, 2-15
Breather, 4-21, 4-23, 4-25, 4-29
BRIDGE PIECE, 5-35, 6-39
Brush Kit, Segmented --32 D--Flatwire, 2-3
Brush Kit, Segmented --32 D--Poly&Wire,
2-3
Brush Kit, Segmented --32 D--Poly, 2-3
Brush Kit, Segmented --38 D--Poly&Wire,
2-3
Brush Kit, Segmented --38 D--Poly, 2-3
Brush Wrap, 2-9
Brush--Main Sweep,51Lg Strp Poly, 2-3
Brush--Side Sweep --32D Flatwire, Side,
2-3
Brush--Side Sweep --32D Poly, Side, 2-3
Home
Find...
Go To..

CROSS REFERENCE
7-18
830--II 330430 (12--02)
Brush--Side Sweep --38D Poly, Vario, 2-3
Brush--Side Sweep 32D Poly&Wire, Side,
2-3
Brush--Side Sweep--38D Poly&Wire, Vario,
2-3
Brush--Side Swp, 4 Segments--Flatwire,
2-3
Brush--Side Swp, 4 Segments--Poly&Wire,
2-3
Brush--Side Swp, 4 Segments--Poly&wire,
2-3
Brush--Side Swp, 4 Segments--Poly, 2-3
Bulb Seal, ”D”, 2-105, 2-109, 2-111
Bulb, GE (Brake/backup), 2-5
Bulb, GE (Signal/tail), 2-5
Bulb, GE (signal/tail), 2-5
Bulb, 2-119
Bulkhead Fitting, 2-103
Bumper, Engine Door, 2-41, 2-43
Bumper, Rear Rubber, 3-51
Bumper, Rubber Recessed, 3-47
Bushing Support, 4-5
Bushing, Engine Door Hinge, 2-5
Bushing, Flng, 0.63b 0.82d 0.75l, Bnz,
3-65, 3-66
Bushing, Gland Seal, 4-9
Bushing, Rear Support, 2-45
Bushing, Sleeve, 30mmb 40mmd 25mml,
Bnz, 3-3
Bushing, Sleeve, 3-3
BUSHING, 5-3, 5-5, 5-9, 5-11, 5-13, 6-5,
6-7, 6-11, 6-13, 6-15
Bushing, 2-5, 2-41, 2-43, 2-45, 3-3, 3-5,
4-5
Button, Plug, 2-149
Buzzer, 2-117
Bypass Vlv.Kit, 2-157
C
Cable, Brush Lift, 2-21
Cable, Door, Access, 3-9, 3-11, 3-19, 3-43
Cable, Engine Speed, 2-23
Cable, Hopper Door Hook, 2-45
Cable, Power, 3-63
Cable, Push--Pull, 2-121, 3-41
Cable, Ribbon, 20 Conductor, 2-125
Cable, Ribbon, 34 Conductor, 2-125
Cable, Rotary Control, 2-121, 3-41
Cable, 2-5, 2-157
Cage Wldt, Support, Brush, 2-9
Cam Latch, Offset Le, 2-111
Cam Latch, Rh, Offse, 2-109
CAMSHAFT, 6-13
CAP AND SEAL, 5-37
CapScrew,4-5,4-60
Cap. Quick Disconnect, 2-145
Cap, End, 4-9
Cap, Fuel Tank Filler, 2-25
Cap, Fuel, Protectoseal, 3-50
Cap, Grease, 2-39
Cap, Oil Filler, 4-33
Cap, Screw, 4-9
Cap, Spray Nozzle (Wet Dust Control), 2-2
Cap, Spray Nozzle, 2-157
Cap,Radiator, 2-27
CAP, 5-7, 5-31, 6-9
Carrying Flange, 4-19
Cart, Pilot Chk, 4-37, 4-41
Cart, Priority Cp, 4-47
Cart,Logic Cntl Cp, 4-53, 4-55
Cart,Pilot Cntr Cp, 4-55
Cart,Psi Cn Cp, 4-37, 4-41, 4-45, 4-49,
4-53, 4-55
Chain, 2/0 13 Links, 2-7, 2-9
Chain, Brush, Cage, 2-7, 2-9
Chain, Grease, Seals, 2-39
Chain,Link#2/0,11Links,Zinc Pl, 2-9
Chain,Link#2/08 5Links,Br.Zinc, 2-129
Chain,Rlr, 15Pitchs, 3-27
Channel Weldt,Lower Support, 2-129, 3-7
Channel Wldt, Lower Support, 3-65
Channel,Support Cover 1.654, 2-37
Channel, 2-5
Charge Pressure Relief Valve Kit, 4-5
Check Valve Kit, 4-7
Check Valve, Inlet, 4-9
Check Valve, Load Handling, 3-9
CIRCLIP, 5-5, 5-9, 5-13, 5-26, 6-7, 6-11,
6-15, 6-28
Circlip, 4-21, 4-25, 4-29
Circuit Board Power Supply, 2-115
Circuit, Diode (Vario only), 2-117
Clamp, 1.25--2.12 Dia Power Gear, 3-55
Clamp, 2.5 Muffler, 2-29
Clamp, 3” Hose, 2-31
Clamp, 6” Dia Bridge R.S., 3-43, 3-45
Clamp, 8 inch Air Cleaner, 2-33
Clamp, Cable, Stl, 1.00d X 0.62w, 1h, 2-27
Clamp, Cable, 2-15, 2-17, 2-39, 3-17, 3-23
Clamp, Dovetail, 2-109, 2-111
Clamp, Gasket, Front, 2-45
Clamp, Receiver, Dryer, 3-41
Clamp, Wormdrive, 1.62--3.5OD, 2-31
Clamp, Wormdrive, 2-121, 2-157, 3-41
Clamp,Muf 6--8 In, 2-29
Clamp-- Worm, 1.81--275D, 2-27
Clamp--Cable, 0.38Dia 0.62Wth, 2-25
Clamp--Cable, 1.00Dia. .62Wth, 2-35
Clamp--Cable, 1.25Dia. 1.0Wth, 2-19
Clamp--Wormdrive, 0.25-- 0.62D, 2-25,
2-157
Clamp--Wormdrive, 0.31-- 0.88D, 2-157,
3-25
Clamp--Wormdrive, 0.81-- 1.50D, 2-157
Clamp--Wormdrive, 1.56-- 2.50D L, 2-25,
2-27
Clamp--Wormdrive, 1.62--3.5OD, 2-33
Clamp--Wormdrive, 1.81-- 2.75D, 2-25
Clamp--Wormdrive, 1.81--2.75D, 2-33
CLAMP, 5-35, 6-39
Clamp, 2-33, 2-117
Clevi & Spring Assy .188, 2-23
Clevi & Spring Assy .250, 2-23
Clevis Assy, .19, 2-23
Clevis Assy, .25, 2-23
Clevis Assy, Support, 3-5
Clevis Pin, 2-5
Clip, Storage Plastic, 3-25
Clip, Finger Clip, Metal, 2-51, 3-25
Clip, Finger Clip, 2-51
Clip,Finger Grip, 3-47, 3-48
Clip--Rod, End Retain, 2-109, 2-111
CLIP, 5-23, 5-31, 5-35, 5-43, 5-45, 6-25,
6-33, 6-37, 6-39, 6-43, 6-49, 6-52
Clip, 5-45
Clutch, Air--Cond, 3-41
Coil, 12V Cp, 4-37, 4-39, 4-41, 4-43, 4-53,
4-55
Coil, 12VDC, 4-59
Coil, Air--Cond, Heater, 3-41
Coil, Condenser, 3-41
Coil, Heater, 2-121
Coil, 4-57
Column, Steering (Tilt), 2-127
Compressor,Air--Cond, 3-41
CONN ROD (HI GRADE), 5-5
CONN ROD (INTERMEDIATE GR), 5-5
CONN ROD (LOW GRADE), 5-5
CONNECITON, 6-45
CONNECTION, 5-9, 5-25, 5-31, 5-43,
6-11, 6-27, 6-33, 6-35, 6-49
Connector, Wire Lock, 3-61
CONNECTOR, 6-37
Connector, 3-61
Console, Steering, Lh, 3-39
CONTAINER, 5-47
Conveyor Wldt, Bolt On Back, 2-37
Cooler, Hydraulic Oil (318mm), 2-27
Cotter Pin, 4-19, 4-23
COTTER, 6-9
Coupler Body, .375F Brass, 3-25
Coupler Plug, .375M Ss, 3-25
Coupler, Cam, 2-157
Coupling, Motor Press Washer, 3-27
Coupling, Tank Fill Hose, 3-55
Coupling,Chain,L.H Half,Keyed, 3-27
Cover Cap, 4-10
Cover Wldt, Valve, Inner, 2-149
COVER, CYL HEAD, 5-37
Cover, Filter Bag, 2-47
Cover, Floor Plate, 3-39
Cover, Hub, 4-21
Cover, Hyd Hoses, 2-45
Cover, Pump, 4-33
Cover, Side Frame, Lh, 2-5
Cover, Springs, 4-29
Cover, Steering Column, 3-39
Cover, Steering Wheel, 2-127
Cover, Undercarriage, Lh, 3-21
Cover, Valve, Outer, 2-149
Cover, Wire Channel, Back, 2-115
Cover, Wire Channel, Top, 2-115
Cover,Undercarriage, 3-13
COVER, 5-11, 5-23, 6-13, 6-25
Cover, 4-21, 4-25
Cross Bearing Kit, 4-31
Cummins, 4 Cylinder Engine Breakdown,
3-67
Home
Find...
Go To..

CROSS REFERENCE
7-19
830--II 330430 (12--02)
Cummins, 6 Cylinder Engine Breakdown,
3-67
Cup Kit, 4-33
Cushion,Side Skids, 2-7, 2-9
CYL. HEAD COVER, 6-41
Cylinder Anchor Pin, 4-19, 4-23
Cylinder, Hyd Conveyor Lift, 2-41, 2-43
Cylinder, Hyd Hopper Door, 2-45
Cylinder, Hyd Hopper Tilt, 2-49
Cylinder, Hyd Main Brush Lift, 2-21
Cylinder, Hyd S Br Lift, 2-129, 3-7
Cylinder, Hyd, 3-19, 3-21
Cylinder, Hydraulic, 4-19, 4-23
Cylinder, Lift, 3-5
Cylinder, Tilt, 3-5
Cylinder,Hyd Brush Tilt, 3-9, 3-11
Cylinder,Hyd, Brush Lift, 3-9, 3-11
Cylinder,Hyd, Brush Swing, 3-13
Cylinder,Hyd, Curb Tilt, 3-9, 3-11
D
DA Cartridge, 4-5
DA Control Assembly, 4-5
DA Control Kit, 4-7
DAMPER, 5-11, 6-13
Differential Cover, 4-27
Differential Flange, 4-27
Differential Housing, 4-27
Differential Pivot, 4-27
Diode, Bridge, 2-117
Diode, Electric Plug, 3-41
Diode, 2-117
DIPSTICK, 5-35, 6-39
Disc. Manifold, 4-33
Dischrg Quiet Vlv Kit, 4-33
Dolly Weldt,Undercarriage, 3-13
Dolly Wldt, Undercarriage, 3-21
Dome Light W/Map 12V, 2-119
Door Limiter, 2-5
Door Stop, 2-41, 2-43
Door, Brush Lh, 2-9
Door, Brush, Rh, 2-7
Door, Engine, Lh, 2-5
Door, Engine, Rh, 2-5
Door, Hopper, Rear, 2-45
Door, Weldt Vacuum Door, 3-47
DOWEL, 5-3, 5-7, 5-14, 6-5, 6-7, 6-9, 6-16
Dowell Pin, 4-5
Drive Arm, 2-103
DriveGear,4-8,4-60
DRIVE, 5-17, 6-19
Drive, 4-9, 4-10, 4-11, 4-13, 4-15, 4-17
Dryer,Air--Cond, 3-41
Duct,Air,2-115
Dust Cover, 4-19
Dust Protector, 4-31
E
Eccentric Screw, 4-5
Elbow, Exhaust, 2-29
Elbow, Intake, Air, 2-33
ELBOW, 5-38, 5-40, 5-48, 6-43, 6-45
Element, 8 inch Air Cleaner, 2-33
Element, Filter Safety, 2-31
Element, Safety, 2-33
ELEMENT, 5-44, 6-50, 6-53
End Cap, 4-11
Engine Access Step Kit, 3-56
Engine Assy, (Std Engine), 2-23
Engine Assy, (Waste Gated Turbo Engine),
2-23
EXHAUST MANIFOLD, 6-45
EXTENSION, 5-19, 6-21
Extinguisher, Fire, 3-52
Eye Bolt, M20 X 190, 2-41, 2-43
Eyebolt, .50--13X3.5”, 2-41, 2-43, 2-129,
3-7, 3-9, 3-11, 3-64
F
FAN, 5-19, 6-21
Fender, 2-5
Filler, Neck, Fuel Tank, 2-25
Filter Assy., 2-17
Filter Bag Assy, Hopper, 2-47
Filter Bag Lifting Kit, 2-2
Filter Bag, 2-47
Filter Element, Fuel, 2-23
Filter Element,Air Donaldson (Standard
Engine), 2-2
Filter Element,Air Donaldson (Turbo
Engine), 2-2
Filter Element,Air Donaldson, 2-31
Filter Element,Hyd.Spin On, 2-2, 2-145
Filter Element,Oil (Standard Engine), 2-2
Filter Element,Oil (Turbo Engine), 2-2
Filter Element,Oil Turbo, 2-23
Filter Element,Oil, 2-23
FILTER HEAD, 5-33, 6-37
Filter, 10 Micron, 4-41
Filter, 50 Mesh, 2-157
Filter, Cab Air Intake, 2-2
Filter, Head, 2-145
Filter, Inline Strainer, 3-25
Filter, Oil, 2-17
Filter,Fuel, 2-2
FILTER, 5-44, 6-50, 6-53
Fitting, Brake Line, 2-15, 2-17
Fitting, Brakeline, 2-11
Fitting, Brass, E90 02pm--.25--28sae, 3-63
Fitting, Brass, E90 02pm--03com, 3-63
Fitting, Brass, E90, 3-63
Fitting, Brass, Str 02pm--03com, 3-63
Fitting, Brass, Str 03com--.25--28sae, 3-63
Fitting, Brass, Tee, 3-63
Fitting, Draincock, .25npt 90, 2-27
Fitting, E90 Snap, 3-63
Fitting, Elbow, 3-63
Fitting, Grease, E90 Pm04 .75l, 2-9
Fitting, Grease, Str Pm04 .63l, 2-7, 2-9,
3-3
Fitting, Grease, 3-5
Fitting, Hyd. E90, 2-17
Fitting, Hyd. Elbow, 2-17
Fitting, Hyd. Str, 2-17
Fitting, Hyd, Elbow, 2-15, 2-151
Fitting, Hyd, Plug, 2-153, 2-155
Fitting, Hyd, Str, 2-15, 2-17, 2-153, 3-19
Fitting, Hyd, Tee, 2-15, 2-17
Fitting, Hyd, 2-15, 2-17, 2-23, 2-49, 2-142,
2-145, 2-149, 2-151, 2-153, 2-155,
3-5, 3-19, 3-21
Fitting, Pipe, Str 02pm--.25--28sae, 3-63
Fitting, Pipe, Str 02pm--02pf, 3-63
Fitting, Plug, 3-63
Fitting, Qf, 3-63
Fitting, Special, 2-13
Fitting, Str, Bkhd, 2-15, 2-17
Fitting, Str, Nipple Npt, 3-63
Fitting, Str, 3-63
Fitting, Stud, 3-63
Fitting--Hyd, E45, 2-39
Fitting--Hyd, Str, 2-151, 2-153, 2-155
Fitting--Hyd, 2-145
Flange, Driven, 4-25
Flange, Exhaust, 2-29
FLANGE, 5-13, 6-15, 6-46
Flange, 4-19, 4-23
Flasher Heavy Duty, 2-117
Flg, Mtg 2--Bolt, 4-10, 4-11
Floor Mat, Lh Side, 2-105
Floor Mat, Rh Side, 2-107
Fluid, Hyd Oil, Lo Tp 5 Gal., 2-2
Flywheel Flange, Nylon, 2-23
FLYWHEEL HOUSING, 5-14, 6-16
FLYWHEEL, 5-15, 6-17
Foam, Ctr Console, R, 2-107
Foam, Filter, Recirc, 2-103
Foam, Headliner, Lh, 2-113
Foam, Headliner, Rh, 2-113
Foam, Lower Door, Ps, 2-109, 2-111
Foam,Rr Panel,Lh W/B, 2-113
Foam,Rr Panel,Rh W/B, 2-113
Follower, Cam, 3-3
Frame Wldt, 2-5
Front Axle Housing, 4-23
Front Housing, 4-27
Frontplate, 4-8, 4-60
Ftg, Grease.12 Npt Strt .66L, 2-11, 2-13
Ftg, Grease.25--28Th Strt .63L, 2-129, 3-7
Ftg, Grease.25--28th Strt .63L, 2-51
Ftg, Grease, 2-45, 2-49
Ftg, Nipple, Grease, 3-3
Ftg, Plstc E90, 3-25
Ftg, Plug, 2-157
Ftg, Str, Bulkhead, 2-11
Ftg,90El Galv .375X.50 F Npt, 3-25
Ftg,Nipple Galv .375Npt Close, 3-25
Ftg,Plstc,Elb,Barb.50Pt--.50Hse, 2-157
Ftg,Plstc,Elb,Barb.50Pt--.75Hse, 2-157,
3-25
Ftg--Brs E45 Pm02/Pf02, 2-31, 2-33
Ftg--Brs Str Bm08/Pm04, 2-157
Ftg--Hyd Bleeder, 4, 2-11
Ftg--Hyd Sae Flange, 2-13, 2-147
Ftg--Hyd Str, 2-157
Home
Find...
Go To..

CROSS REFERENCE
7-20
830--II 330430 (12--02)
Ftg--Hyd Tee, 2-11
Ftg--Hyd, 6, 2-13
Ftg--Hyd,6,2-11
Ftg--Hyd, 90, 3-15, 3-17, 3-23
Ftg--Hyd, Bleeder,4, 2-13
Ftg--Hyd, E45, 3-9, 3-25
Ftg--Hyd, E90 8, 3-25
Ftg--Hyd, E90, 2-11, 2-13, 2-21, 2-23, 2-27,
2-41, 2-43, 2-45, 2-53, 2-129, 2-147,
3-7, 3-9, 3-11, 3-13, 3-29
Ftg--Hyd, Elbow, 4--6, 2-127
Ftg--Hyd,Elbow,2-49
Ftg--Hyd, Plug, 2-23, 3-27
Ftg--Hyd, Str 8--8, 3-25
Ftg--Hyd, Str 8, 3-25
Ftg--Hyd, Str, 2-13, 2-19, 2-21, 2-23, 2-45,
2-53, 2-127, 2-147, 3-9, 3-11, 3-13,
3-15, 3-17, 3-23, 3-25, 3-29
Ftg--Hyd,str,3-7
Ftg--Hyd, Tee, 2-13, 2-49, 2-53, 3-9, 3-29
Ftg--Hyd, 3-15
Ftg--Plug Npt 08Pm Sq Hd, 3-27
Ftg--Special, 2-145
Ftg--Str Npt/Npt 06pf/08pm, 2-27
Ftg_Hyd, E90, 2-147
Fitting, Tube, Union, 3-63
FUEL FILTER, 5-47
Fuel Tank, 2-25
Fuse,10Amp,2-117
Fuse,15Amp,2-117
Fuse, 15Amp, 3-57
Fuse,20Amp,2-117
Fuse,25Amp,2-117
Fuse,30Amp,2-117
Fuse, Velocity, 3-5
Fuse, 3-61
G
Gas Spring, 2-5
GASKET KIT, 6-54
Gasket, Axle, 4-23
Gasket, Box, Instrument, 2-125
Gasket, Exhaust, 2-29
Gasket, Fire Switch, 2-45
GASKET, HEAD, 5-7, 5-48
Gasket, Hyd Cap, 2-145
Gasket, Hyd Tank Breather, 2-145
Gasket, Taillight, 2-5
Gasket,Filter Bag Cover, 2-47
Gasket,Filter Frame, 2-47
Gasket,Hopper Opening, 2-45
Gasket,Rear Hopper Door, 2-45
GASKET, 5-37, 5-38, 5-40, 5-48, 6-37,
6-41
Gasket, 4-19, 4-21, 4-23
Gauge, Glycerin, 3-25
Gauge, Sight, 2-145
GEAR, CAMSHAFT, 5-11, 6-13
GEAR, CRANKSHAFT, 5-5, 6-7
GEAR, FUEL PUMP, 5-31, 6-35
GEAR, HYD PUMP, 5-26, 6-28
GEAR, IDLER, 5-11, 5-13, 6-13, 6-15
Gear, Input, 4-29
GEAR, STARTER RING, 5-15, 6-17
Gear, 3-13, 3-21
Geroler, 4-13, 4-15, 4-17
Gerotor Assy, 4-10, 4-11
Gerotor Set, 4-9
Glowplug preheater, 2-117
Grab Handle, Diecast, 2-109, 2-111
Grease Zerk, 4-19, 4-23
Grease, Anti--Corrosion Electrical, 2-2
Grip, Handle--Rnd .72Id X 5.0L, 3-47, 3-48
Grommet, Ribbon Cable, 2-125
Grommet, Turn Signal, 2-119
Grommet,Rbr,0.38Id,For .19Matl, 3-57
Grommet, 2-5, 3-58, 3-61
Guard, Debris 1.654, 2-37
Guard, Hose, 2-17
Guard, Motor, 2-53
Guard, Pump Coupling, 3-27
Guard, Rotating Lamp, 3-59
Guide Weldt,Undercarriage, 3-13
Guide, Conveyor Chain, 2-2
Guide, Spring, 3-13
Guide,Cam Roller,Lh, 3-3
Guide,Cam Roller,Rh, 3-3
Guide,Cam Roller,Up, 3-3
Guide,Chain, 2-37
GUIDE, 5-7, 6-9
Guide, 3-21
H
H.P.R.V. with Tow Option (4000--6100 psi),
4-5
Handle Weldt.,Sludge Removal, 3-48
Handle, Grab, 2-41, 2-43, 3-56
Handle, High Pressure Spray, 3-25
Harness, Cab, Wire, 2-77, 2-101
Harness, Hopper Lift, Wire, 2-77
Harness, Hopper W/HD, 2-101
Harness, Hopper, Wire, 2-77
Harness, Jumper, Parking Brake, 2-101
Harness, Main, Wire, 2-77, 2-101
Harness, Vario Brush Control, Wire, 2-77,
2-101
Harness, Vario Brush, Wire, 2-77, 2-101
HEAD GASKET, 6-9, 6-54
HEAD, CYLINDER, 5-7
Headlight, Assy, 2-119
Hinge Weldt,Brush Arm, 3-13
Hinge Wldt, Brush Arm, Lh, 3-21
Hinge, Conveyor, 2-37
Hinge, Vacuum Wand Door, 3-47
Hinge, 3-41
HOLDER, 5-31, 6-35
Hole Plug, .313 Hole, 2-109, 2-111
Hook, Door Release, 2-45
Hook, Threaded M20x10, 2-21
Hopper Assembly, 2-45
Hopper Cleanout Kit, 3-48
Hopper Support, Lower, 2-51
Hopper Support, Upper W/Label, 2-51
Hopper up Alarm, 2-45
Hopper Wldt, 2-45
Horn, 12V, 2-5
Hose .25 Dia. Fuel LineL, 2-25
Hose Assembly, Pressure Wash, 3-25
Hose Assy, 3-54
Hose Clamp, 3-23
Hose Clamps, 3-17
HOSE CLIP, 5-37, 6-37, 6-41, 6-45
Hose Plug, .8750 Hol, 2-109, 2-111
Hose, 6” Dia x 150 R.S., 3-43, 3-45
Hose, Fuel .31 Dia., 2-25
Hose, Heater, 2-121, 3-41
Hose, Hyd, 2-141, 2-142, 3-29, 3-31, 3-33,
3-35
Hose, Rubber, Elbow, 3.0 (Std Engine),
2-31
Hose, Rubber, 2-33
Hose, Taper, Air Cleaner, 2-33
Hose, Water .50In X 10.0Ft, 3-25
Hose, Water , Polywire.50Inx12.0Ft, 3-25
Hose, Water, 2-157
Hose,Ac, 3-41
Hose,Fuel Fill 2.25X3.75In Lg, 2-25
Hose,Hyd, 2-23, 3-37
Hose,Rad.Lower, 2x2x24, 2-27
Hose,Radiator Overflow 5/16Id, 2-27
Hose,Radiator Upper, 2-27
Hose,Washer .156X.34, 2-105
Hose,Water .50 In x 10.0 Ft, 2-157
Hose,Water .50 in x 8.0 Ft, 2-157
Hose,Water .50 In x16.0 Ft, 2-157
Hose,Water .50Inx0.29Ft, 2-157
Hose,Water .50Inx1.0Ft, 2-157
Hose,Water .50Inx2.08Ft, 2-157
Hose,Water .75Inx7.0Ft, 2-157
Hose,Water Fill, 3-55
Hose--Hyd, 3-9
HOSE, 6-33, 6-37, 6-43, 6-45
Hose, 2-11, 2-15, 2-17
Housing, Bearng, 4-17
Housing, Blower, 2-123
Housing, Brg, 4-13, 4-15
Housing, Motor, 4-29
Housing, Valve, 4-13, 4-15, 4-17
HOUSING, 5-3, 5-18, 5-23, 6-3, 6-5, 6-20,
6-25
Housing, 4-5, 4-7, 4-10, 4-11
Hub Assy, Front W/Brake, 4-25
Hub Weldt,Side Brush, 2-129, 3-7, 3-9,
3-11
Hub. Disks, 4-29
Hub, Brake, 4-21, 4-25
Hub, Brush, 3-19
Hub, Drive, Pump, 2-23
Hub, Pump Drive Sae ”C”, 2-23
Hub, Wheel, 4-21, 4-25
HUB, 5-11, 6-13
Hyd Filler Breather Assembly, 2-145
I
IdlerGear,4-8,4-60
Idler, No Teeth, Split, 2-39
Home
Find...
Go To..

CROSS REFERENCE
7-21
830--II 330430 (12--02)
Impeller, Intake, 2-53
Indicator, Sight Tube, 2-157
INDUCT. MANIFOLD, 6-43
INJECTION PUMP, 6-35
Innertube, 7.00 X 12, [Tr440], 2-11, 2-13
INSERT, 5-7, 6-9
Inside Rel W/Bezel, 2-109
Inside Release, W/Be, 2-111
Instrument Panel Assembly, 2-125
Insulation, Acstc, Vacfan, 2-53
Insulation, Console, 2-115
INTAKE HEATER, 5-27, 6-29
Intake, Air, 90, 2-31
Isolator, Cab, Rear, 2-5
Isolator, Mtg, Fan, Side, 2-23
Isolator, Mtg,Flywheel,Orange, 2-23
Isolator, Taillight, 2-5
Isolator--Vibration .25--20, 2-27
Isolator, 3-41
J
Jam Nut, 4-5
JET, 5-3, 6-5
JOINT, 5-3, 5-11, 5-23, 5-25, 5-33, 5-35,
5-37, 5-41, 5-47, 5-48, 5-49, 6-5,
6-13, 6-25, 6-27, 6-37, 6-39, 6-41,
6-42, 6-43, 6-45, 6-46, 6-47, 6-54
Joystick (Option), 2-117
K
Key, 5mm, 4-33
Key, Engine Door, 2-5
Key, Ignition Switch, 2-127
Key--5Mm, 3-27
Key--Wdruff 0.25 1.00 Asa#0808, 4-10,
4-11
Key, 2-109, 2-111, 4-13, 4-15, 4-17, 4-60
KIT, BEARING, 5-5, 6-3, 6-7
Kit, Brake, Disc, 4-29
KIT, BRAKE, 5-17, 6-19
Kit, Brush Door, Lh, 2-159
Kit, Brush Door, Rh, 2-159
KIT, BRUSH, 5-17, 6-19
Kit, Ci, Linkage, Brush, Side, 2-3, 3-65,
3-66
Kit, Ci, Pulley, A/C, 3-41
KIT, CONROD, 6-3, 6-7
KIT, CRANKSHAFT, 5-5, 6-3, 6-7
Kit, Cv Joints, 4-31
KIT, CYL HEAD, 6-9
KIT, CYLINDER BLOCK, 6-3, 6-5
Kit, Differential Gear Set, 4-27
Kit, Discs, Brake, 4-21, 4-25
Kit, Engine Door Lh, 2-5
Kit, Engine Door Rh, 2-5
Kit, Fuse Box, 2-117
KIT, GASKET, 5-48, 5-49
Kit, Guard, Brush, 3-59
Kit, Hose Hyd. Brake, 2-17
KIT, HOSE, 5-23, 6-25
Kit, Instrument Panel Assembly, 2-125
Kit, Link, Connecting, 2-103
KIT, PISTON (+0.5MM), 5-5
KIT, PISTON (+1.0MM), 5-5
KIT, PISTON (STD), 5-5
KIT, PISTON RING (+0.5MM), 5-5
KIT, PISTON RING (+1.0MM), 5-5
KIT, PISTON RING (STD), 5-5
KIT, PISTON RING, 6-3, 6-7
KIT, PISTON, 6-3, 6-7
Kit, Radio, Tape Deck, 3-61
Kit, Radio, 3-61
KIT, Repair, Water Pump, 5-23
KIT, REPAIR, 5-17, 5-41, 6-19, 6-25, 6-47
Kit, Seal, Axle, 4-29
Kit, Seal, Brake, 4-21, 4-25
Kit, Seal, Cyl, Hyd, 2-21, 2-45, 2-129, 3-7,
3-9, 3-11, 3-13, 3-19, 3-21
Kit, Seal, Hyd Motor, 4-60
Kit, Seal, 2-39, 2-147
Kit, Seat, Suspension, Passenger
(Optional), 2-117
Kit, Side Brush Spring, 2-3
Kit, Speed Reducer Gear Set, 4-27
Knob, Ball, 1.25d 0.38--16 Plstc, 2-127
Knob, Switch Fan (Air Conditioner Knob
Optional), 2-117
Knob, Switch, 2-121, 3-41
Knob, Water Valve (Option), 2-117
L
L.H. Bracket, 2-5
Label, Bias Tire, 2-160
Label, Blank, 08.5 X 11.0 Clr Poly, 3-63
Label, Numeral, 830--II, 2-160
Label, Radial Tire, 2-160
Label, Set, Cab Lh, 3-39
Label, Set, Info & Hazard, 2-160
Label, Set, Operational, 2-160
Label, Slow Moving Vehicle, 2-160
Label, Tennant Logo-- 10.0 Blue, 2-160
Label, Tennant Logo, 2-160
Label,Tennant Logo, 2-160
Lamp #4, 2-119
Lamp Assembly, Rotating, Cab, 3-58
Lamp Assembly, Rotating, 3-58
Lamp, 12VDC, 55 Watt, Halogen, 3-58
Lamp, Assy., Side Marker, 2-5
Lamp, Flood, Halogen, 3-57
Lamp, Flood, Side Brush, 2-113
Lamp, Halogen H1 12V 55W, 2-45
Lamp, W/Conector, 2-45
Lamp,Warnig 4way, 2-117
Lamp,Warnig, Brake Pressure, 2-117
Lamp,Warnig, Tilt Indicator (High Dump
only), 2-117
Lance, Dual, 3-25
Latch Wldt, Brush Arm, Lh, 3-19
Latch, Cover, Access, 2-115
Latch, Pddl Rh W/Key, 2-109
Latch, Pddl, Lh W/Key, 2-111
Latch, Weldt, Brush Support, 3-9, 3-11
Latch,Eng.Door, 2-5
LEAK--OFF PIPE, 5-31, 6-35
Leg Assy, Lower W/Label, 3-3
Leg Assy, Upper W/Label, 3-3
Lens, Amber, Light, Revl, 3-58
Lens, Rev. Light Amber, 2-45
Lever, Alternator, 2-23
Lever, Throttle, 2-117
LEVER, 5-9, 6-11
Lift Kit, Filter Bag, 3-53
LIFT PUMP, 5-41, 6-47
Light Assy Revl Amber 12V, 2-45
Light Kit, Halogen Night, 3-57
Light, Halogen Flood, 3-57
Light, Signal, Amber, 2-119
Lighter, 12V Cig, 2-117
LINER, 6-3, 6-5
Link, Rlr.Chain, 3-27
Locating Pin, 4-5
Lock Nut, D.25, 4-27
Louver, 49Mmx121Mm B , 2-105
Louver, 49Mmx121Mm B, 2-107
Louver, Spindle Nozz, 2-103
Louver, 2-117
Lug Nut, Flanged, 2-11, 2-13
M
Magnetic Plug, 4-23
Manifold Block, Filter, 2-145
MANIFOLD, EXHAUST, 5-39
MANIFOLD, INDUCTION, 5-38
Manifold, Water, 2-157
Manual Op/Mt 830 French, 3-67
Manual Op/Mt 830 Spanish, 3-67
Manual Pkg 830II, 3-67
Manual, CD--ROM, Oprts&Parts, All (NA),
3-67
Manual, CD--ROM, Service, 3-67
Manual, Engine Perkins ES, 3-67
Manual--Fiche Pkg 830, 3-67
Mat, Floor, 2-7
Micro Switch, Joystick, 2-117
Mirror, Convex, Round, 2-109, 2-111
Mirror, Convex, 2-109, 2-111
Molding, Rigid, 2-5
Molding, Trim 7.5 Ft, 3-25
Motor, Assy, Blower, Lh, 2-123
Motor, Assy, Blower, Rh, 2-123
Motor, Ele, Wiper, 2-103
Motor, Hyd 3Rd Brush Transprt, 4-10
Motor, Hyd 3Rd Brush, 3-19
Motor, Hyd Gear, 4-13, 4-15
Motor,HydHighPressSprayer,3-27
Motor, Hyd Main Brush W/Ports, 4-17
Motor, Hyd S Br W/End Ports (See
Breakdowns), 2-129, 3-7
Motor, Hyd Shaker W/End Ports (See
Breakdowns), 2-45
Motor, Hyd Shaker W/End Ports, 4-11
Motor, Hyd Transport Vario, 3-21
Motor, Hyd Vac Fan (See Breakdowns),
2-53
Home
Find...
Go To..

CROSS REFERENCE
7-22
830--II 330430 (12--02)
Motor, Hyd, Brush (See Breakdowns), 3-9,
3-11
Motor, Hyd, Brush Transprt (See
Breakdowns), 3-13
Motor, Hyd, Rebuilt, F/762136, (See
Breakdowns), 2-13
Motor, Hyd, Vacfan 1.02 Cid, 4-60
Motor, Hyd, 2-39
Motor, Piston, (See Breakdowns), 2-13
Motor, Piston, Rexroth, 4-7
Motor,Hyd Main Brush (See Breakdowns),
2-19
Mount,Frame,Rear Lh, 3-3
Mount,Frame,Rear Rh, 3-3
Muffler, 2-29
N
Nipple, .50M X .75B, 2-157
Nipple, .50Mx.50B, 3-25
Nipple, .50Mx.50M, 2-157, 3-25
Nipple,Pipe, 2-145
NOZZLE, ADJ, 5-31
Nozzle, High Pressure, 3-25
Nozzle, Lo Pressure, 3-25
Nozzle, Vacuum Hose, 3-43
Nozzle, Water Spray (Wet Dust Control),
2-2
Nozzle, Water Spray, 2-157
NOZZLE, 5-31, 6-35
Nut HxLocNyln .50--13 Std., 3-64
Nut Hxlocnyln M 8x1.25, 2-37
Nut HxLocNyln M12X1.75, 3-64
Nut Retainer M8, 2-157
Nut, Brass 03com, 3-63
Nut, Brass 05com, 3-63
Nut, Hex Jam M20x2.5, 2-39
Nut, Hex Lock M08, 2-27
Nut, Hex m06, 2-17
Nut, Hex, Jam M20 X 2.5, 3-3
Nut, Hex, Lock, M24x2.0nyln, 3-13, 3-21
Nut, Hex, Lock, .38--16, Nl, Ss, 2-39
Nut, Hex, Lock, M 8 X 1.25 Nl, 3-3
Nut, Hex, Lock, M 8 X 1.25, 3-5
Nut, Hex, Lock, M06 X 1.0, Nl, 2-27
Nut, Hex, Lock, M06x1.0, 3-61
Nut, Hex, Lock, M08--1.25,Nl,Ss, 2-39
Nut, Hex, Lock, M16, 3-19
Nut, Hex, Lock, M20 X 2.5, 3-11, 3-19
Nut, Hex, M14 X 1.5, 3-11, 3-19
Nut, Hex, Std, M12 X 1.75, 2-39
Nut, Hex, Std, M20 X 2.5, 2-41, 2-43
Nut, Hex, Stover, M10 X 1.5, 3-41
Nut, Hex, Stover, M12 X 1.75, 3-66
Nut, Hex, 2-125
Nut, Jam, 3-5
Nut, Lh, 4-19, 4-23
Nut, Lock, Ny, 3-3
Nut, Lug, Flanged, 4-21
Nut, M18x1.5, 4-19, 4-23
Nut, Rh, 4-19, 4-23
Nut, Self Lock M8, 4-19, 4-23
Nut, Special U--Bolt, .75 Deep, 2-11, 2-13
Nut, Steering Wheel, 2-127
Nut, U, M06--1.0, 2-159
Nut, U, M08--1.25, 2-159
Nut--Hxlocnyln M 6x1.0 Reg Ss, 2-37
Nut--Hxlocnyln M 8x1.25 Reg Ss, 2-37
Nut--Hxlocnyln M16x2.0 Reg Pltd, 2-19,
3-9, 3-11
Nut--Hxlocnyln, 2-39
NUT, 5-5, 5-9, 5-16, 5-19, 5-21, 5-29, 5-31,
5-32, 5-35, 5-37, 5-39, 5-40, 5-43,
5-44, 5-45, 5-47, 6-11, 6-13, 6-18,
6-21, 6-23, 6-25, 6-31, 6-33, 6-35,
6-39, 6-41, 6-45, 6-46, 6-49, 6-51,
6-52, 6-53
Nut, 4-13, 4-15, 4-17, 4-21, 4-25, 4-27,
4-37, 4-39, 4-41, 4-43, 4-45, 4-47,
4-49, 4-51, 4-53, 4-55, 4-57, 4-59
O
O Ring Seal, 2-125
O--Ring Kit, Seal Lok, 2-2
O--RING, 5-13, 5-23, 5-26, 5-31, 5-35,
5-37, 6-15, 6-25, 6-28, 6-39
O--Ring, 2-39, 2-147
OIL COOLER, 6-37
OIL FILTER, 5-33, 6-37
OIL PUMP, 5-13, 6-15
Oil, Crankcase (For 1 oil change), 4-33
Oil, Crankcase, Cat Pump (For 1 oil
change), 3-27
OLIVE, 5-9, 5-32, 5-35, 5-43, 5-44, 5-45,
5-47, 5-48, 6-11, 6-33, 6-39, 6-45,
6-49, 6-52, 6-53, 6-54
Olive, 2-25, 5-31, 6-35
Operator Seat with Connector, 2-117
Orifice (0.8 mm), 4-5
Orifice (1.8 mm), 4-5
Orifice, Hyd Cylinder, 2-21
Output Gear, 4-27
Output Shaft, 4-11
P
P.O.R. Assembly, 4-5
Pad, Tread, 2-5
Pad,Cab Mount, 2-5
Paint, Touch--up, Blue--Green, 12 oz., 2-2
Paint, Touch--up, Off--White, 12 oz., 2-2
Panel Assembly, Control, 2-125
Panel Wldt, Rear Lower, 2-37
Panel, Access, 2-115
Panel, Console Upper L.H., 3-39
Panel, Console, Control, Cent, 2-115
Panel, Console, Upper, Switch, 2-115
Panel, Instrument, 2-125
Panel, Rear, Lh, 2-115
Panel, Rear, Rh, 2-115
Panel, Touch, 2-125
Panel,Left Side W/Label, 2-45
Panel,Rear Upper W/Label, 2-37
Panel,Right Side W/Label, 2-45
Panel, 2-159
Pantograph Adapter Kit, 2-103
Pin Assy, Cyl,Lift, 3-5
Pin Assy, Cyl,Tilt, 3-5
Pin Assy, Roller, Hpr, 3-3
Pin Assy,Leg,Inside, 3-3
Pin Assy,Leg,Outsid, 3-3
Pin W/Label, 2-51
Pin Weldment, Safety Leg Lower, 2-49
Pin Weldment,Safety Leg Lower, 2-51
Pin Weldment,Safety Leg Upper, 2-51
Pin Wldt, Safety Leg, Lower, 3-5
Pin, Brush Plug, 2-19
Pin, Brush Lift, 2-21
Pin, Clevis Tensioner Conveyr, 2-41, 2-43
PIN, COTTER, 5-7
Pin, Cyl, Lift, 3-5
Pin, Cyl, Tilt, 3-5
PIN, DOWEL, 5-7
Pin, Hair Cotter, 3-19
Pin, Hinge, Lower, 2-5
Pin, Hinge, Upper, 2-5
Pin, Hinge, 3-21
Pin, Hyd Cyl, 2-45
Pin, Hydraulic Cylinder, 2-45
Pin, Kit Connecting 1.654 Chain, 2-39
Pin, Kit Connecting 1.654, 2-2
Pin, Leg, Inside, 3-3
Pin, Leg, Outside, 3-3
Pin, M8x20, 4-27
Pin, Rod Cyl, Lift, 3-5
Pin, Roller,Hopper, 3-3
Pin, Spring, 2-11, 2-13, 3-21
Pin,Hair Cotter 1.00D.178Wire, 3-9, 3-11,
3-43
Pin,Hinge, 3-13
Pin,Hyd.Cylinder, 2-129, 3-7
Pin,Spring Mount, 3-13
PIN, 5-11, 6-13
Pin, 2-5, 3-5, 4-5, 4-9, 4-13, 4-15, 4-17,
4-25
PIPE, AIR, 5-32, 6-33
PIPE, BREATHER, 5-37, 6-41
PIPE, FUEL, INJECTION #1, 5-31
PIPE, FUEL, INJECTION #2, 5-31
PIPE, FUEL, INJECTION #3, 5-31
PIPE, FUEL, INJECTION #4, 5-31
PIPE, FUEL, 5-43, 6-49, 6-52
PIPE, OIL, 5-13, 5-35, 6-15, 6-39, 6-45
PIPE, WATER, 6-37
PIPE, 5-43, 5-45
Pipe, 5-31, 6-35
Piston, 4-21, 4-25, 4-29
Pivet, 2-5
Pivot Shaft, Wiper, 2-103
Pivot Weldt, Tensioner, 2-41, 2-43
Pivot Wldt, Hopper Left, 2-45
Pivot Wldt, Hopper Right, 2-45
Pivot,Spring Guide, 3-13
Pivot, 3-21
Pivoting Hub, 4-19, 4-23
Planetary Gear, 4-27
Planetary Spherical Washer, 4-27
Home
Find...
Go To..

CROSS REFERENCE
7-23
830--II 330430 (12--02)
Plate Wldt, Cage, Rh, 2-7
Plate Wldt, Slide Bearing, 2-39
Plate Wldt, Support, Side, Lh, 2-9
Plate Wldt, Support, Side, Rh, 2-7
Plate Wldt, Upper Drive, 2-39
Plate, Accumulator, 2-15, 2-17
Plate, Arm, 2-21
Plate, Backing, 2-125
Plate, Bottom, Vario (Option), 2-117
Plate, Brush Guide, 2-7, 2-9
Plate, Cam, Lh, 2-43
Plate, Cam, Rh, 2-41
Plate, Conveyor Lower Rh & Lh, 2-39
Plate, Cover, Fan Housing, 2-53
Plate, Engine Door Latch, 2-41, 2-43
Plate, Fan Housing, 2-53
Plate, Filter Mount, 2-145
Plate, Floor, 2-35
Plate, Front Brush/Vario, 2-3
Plate, Hyd Hose Mount, 3-9, 3-11, 3-19
Plate, Hyd Line, 2-15, 2-17
Plate, Hyd Valve Mount, 2-153
Plate, Latch Cover, 2-109, 2-111
Plate, Lid, Brush Drive, 2-19
Plate, Motor Mount, 2-39
Plate, Mount, Hyd Motor, 3-27
Plate, Mounting, Pump, 2-23
Plate, Pump Mount, 2 Bolt ”C”, 2-23
Plate, Seal, Lower, 2-39
Plate, Seal, Upper, 2-39
Plate, Side Brush, 2-3
Plate, Switch Blank, 3-39
Plate, Switch, Upper, 2-115
Plate, Tool Holder, 3-25, 3-54, 3-55
Plate, Valve, 2-17
Plate, Wear, 4-9
Plate, Weldment Back, 2-37
Plate,Water Trap, 2-25
PLATE, 5-3, 5-11, 5-14, 5-28, 5-37, 6-5,
6-13, 6-16, 6-30, 6-37, 6-41
Plate, 2-5, 2-39, 2-45, 2-115, 4-13, 4-15,
4-17, 4-19
Plug (M18 x 1.5), 4-7
Plug #10, 4-11
Plug #4, 4-13, 4-15, 4-17
Plug And Cap Kit, Hyd Ftg, 2-2
Plug Housing, 4-10
Plug, Brush Drive,, 2-19
Plug, Brush Guide, 2-19
Plug, Brush Idler, 2-19
Plug, Cavity Cp, 4-37, 4-41, 4-49
Plug, Dust, Cam Coupler, 2-157
Plug, Gauge, 4-37, 4-41, 4-45, 4-49
Plug, Housing, 4-11
Plug, Orifice Cp, 4-37, 4-41, 4-53, 4-55
Plug, Outlet, 3-63
Plug, Panel Switch, 2-117
Plug, Set Screw (Vario Brush only), 4-49
PLUG, 5-3, 5-7, 5-9, 5-14, 5-23, 5-26,
5-29, 5-35, 5-37, 5-38, 5-44, 5-47,
6-5, 6-9, 6-11, 6-16, 6-25, 6-31, 6-37,
6-39, 6-41, 6-53
Plug, 4-5, 4-21, 4-25, 4-29, 4-37, 4-41,
4-45, 4-49, 4-53, 4-55, 4-59
Plugbtn .75H .03--.12 Blacknyl, 3-39
Plugbtn, 0.375H, .172, Blk, 3-39
PLUNGER, 5-13, 6-15
Port Block, 4-5
PULLEY, ALTERNATOR, 5-21, 6-23
Pulley, Belt, V, 3-41
PULLEY, CRANK, 5-24, 6-26
Pulley, Lift,Brush, 3-3
PULLEY, 5-18, 6-20
Pulley, 2-21
Pump Breakdown, Cat, 4-33
Pump Cover, 3-27
Pump, Assy Lubrication, 3-63
Pump, Cat 290 Press Wash (See
Breakdowns), 3-27
Pump, Hyd Double Gear, 2-147
Pump, Hyd Gear 1.76 Cid (See
Breakdowns), 2-147
Pump, Hyd Gear 1.76 Cid, 4-8
PUMP, INJECTION, FUEL, 5-31
Pump, Piston (See Breakdowns), 2-147
Pump, Piston, Rexroth, 4-5
Pump, Water 12V (With Connectors),
2-157
PUMP, WATER, 5-23
Pump,Fuel, 2-23
PUSHROD, 5-9, 6-11
R
R.H. Bracket, 2-5
Race Thrust, 4-10, 4-11
Race, Bearing, 4-9
Rack, Filter Bag, 2-47
Rack, Undercarriage, 3-13, 3-21
Radiator (362mm), 2-27
Rain Cap, Exhaust, 2-29
Rear Axle Housing, 4-19
Rear Cover Assembly, 4-7
Rear Rubber Bumper Kit, 3-51
Relay, 2-117
RELIEF VALVE, 5-13, 6-15
Repair Info, Motor, 4-13, 4-15
Repair Info, Mtr, 4-10, 4-11, 4-17
Repair Info, Pmp, 4-8, 4-60
Repair Info, 4-9
Repl. Kit, Pump, Hyd Gear, 2-147
Replacement Kit, Controller, Micro, 2-125
Replacement Kit, Door, Brush Lh, 2-9
Replacement Kit, Door, Brush Rh, 2-7
Replacement Kit, Side Brush Linkage,
2-129, 3-7
Replacement Kit, Tank Recovery Coolant,
2-27
Reservoir, Grease, 10lbs, 3-63
Resistor, Block, 2-123
Retainer, Check, 4-9
Retainer, Front Ends SBDC, 2-159
Retainer, Grease, 2-39
Retainer, Hoses, 2-5
Retainer, Side Skirt,Brushdoor, 2-7, 2-9
Retainer,Skirt, 2-129
RETAINER,5-3,6-5
Retainer,2-7,2-9,2-159
Retaining Ring, 30 Dia, 2-19
Retaining Ring, 62 Dia, 2-19
Retaining Ring, M16, 2-129, 3-7
Retaining Ring, 2-21, 4-5, 4-27
Ring Gear, Matched Pinion, 4-27
Ring, Lock, 3-5
Ring, Retaining Ext 25Mm, 3-13
Ring, Retaining, 3-3, 3-21, 4-9
Ring, Seal, 2-29
RING, 5-23, 6-25
Ring, 4-31
Rivet, Blind, .188d X 0.45 X .38d, Ss, 2-37
Rivet, Pop .156Dx.710x.312Dhd, 2-7, 2-9,
2-45
Rivet, 2-7, 2-9
ROCKERSHAFT ASSY, 6-11
ROCKERSHAFT, 5-9, 6-11
Rod End Pivot Lh, 4-19, 4-23
Rod End Pivot Rh, 4-19, 4-23
Rod End,16Mm, 2-45
Rod End, 4-19, 4-23
Rod Link, Brush Support Adj, 2-7, 2-9
Rod Wldt, Filter Bag, 2-47
Rod, Cam Latch Relea, 2-109, 2-111
Rod, End, Cyl,Tilt, 3-5
Rod, Inside Release, 2-109, 2-111
Rod, Lock, Rh, 2-111
Rod, Thrd, 2-127
Roller, Guide, 2-41, 2-43
Roller, Hopper, 3-3
Rotary Group, 4-5, 4-7
Rubber, Window, 2-109, 2-111
S
Saddle, U--Bolt, 2-11, 2-13
Santoprene DiaphKit, 2-157
Satellite Gear, 4-27
Satellite Spherical Washer, 4-27
Scr Flt M 8x1.25 20, 2-37
Scr Hex M 8x1.25 20, 2-37
Scr Hex M 8x1.25 25, 2-37
Scr Hexssm 6x1.0, 2-37
Scr Hexssm 8x1.25 30, 2-37
Scr, Hex M16x2.0x100, 3-9, 3-11
Screw Hex .38--16x.75, 2-11, 2-13
Screw Hex M08, 2-27
Screw Hex M12X1.75X40, 3-64
Screw Hex.38--16x 1.25, 2-11, 2-13
Screw M10x16, 4-19
Screw, Bleed, 4-21, 4-25
Screw, Cap, 4-8, 4-10, 4-11, 4-17
Screw, Hex m06, 2-17
Screw, Hex M06x1.0x16, 3-61
Screw, Hex M06x1.0x20, 3-61
Screw, Hex M20x2.5x1.20, 2-39
Screw, Hex SSM 12x1.75, 2-39
Screw, Hex, .38--16 X 1.25, Ss, 2-39
Screw, Hex, .44--20 X 1.00, 5, 3-41
Screw, Hex, M 6 X 1.0 X 20, 2-7, 2-9
Home
Find...
Go To..

CROSS REFERENCE
7-24
830--II 330430 (12--02)
Screw, Hex, M 8 X 1.25 X 20, 2-7, 2-9
Screw, Hex, M 8 X 1.25 X 25, 2-7, 2-9
Screw, Hex, M 8 X 1.25 X 30, 2-7
Screw, Hex, M06 X 1.0 X 25, 8.8, 2-27
Screw, Hex, M08--1.25 X 30, Ss, 2-39
Screw, Hex, M10 X 1.5 X 20, 8.8, 3-3
Screw, Hex, M10 X 1.5 X 25, 8.8, 3-3
Screw, Hex, M10--1.5 X 50, 8.8, 2-38
Screw, Hex, M12 X 1.75 X 45, 8.8, 2-39
Screw, Hex, M12 X 1.75 X 60, 2-39
Screw, Hex, M12 X 1.75 X 70, 8.8, 3-66
Screw, Hex, M12--1.75 X 40, 8.8, 4-29
Screw, Hex, M14 X 1.5 X 130, 3-11, 3-19
Screw, Hex, M20 X 2.5 X 50, 8.8, 3-3
Screw, Hex, 2-39, 3-19, 3-41
Screw, M10x1.5, 4-27
Screw, M10x30, 4-19
Screw, M12x20, 4-27
Screw, M12x30, 4-19, 4-23, 4-27
Screw, M12x40, 4-19, 4-23
Screw, M14x1.5x40, 4-27
Screw, M8x50, 4-19, 4-23
Screw, Pan, .25--20 X 1.00, Ss, 2-109,
2-111
Screw, Pan, 2-125
Screw, Plastic Rivet, 2-115
Screw, Set .38 in, 3-27
Screw, Set, 4-9
Screw, Soc, M 8 X 1.25 X 60, 12.9, 3-3
Screw, Soc, M 8 X 1.25 X 60, 3-5
Screw, Soc, M10--1.5 X 25, Al, 4-29
Screw, Switch Assy, 2-127
Screw,.25--20X.75Blk, 2-119
SCREW, 5-3, 5-5, 5-7, 5-9, 5-11, 5-13,
5-14, 5-18, 5-21, 5-23, 5-25, 5-26,
5-28, 5-31, 5-33, 5-35, 5-37, 5-38,
5-41, 5-43, 6-5, 6-7, 6-9, 6-11, 6-13,
6-15, 6-16, 6-20, 6-23, 6-25, 6-27,
6-28, 6-30, 6-33, 6-35, 6-37, 6-39,
6-41, 6-43, 6-45, 6-47, 6-49, 6-51
Screw, 2-115, 3-3, 4-10, 4-11, 4-21, 4-25
Seal Kit, 15ft., 2-159
Seal Kit, Cart. Cp, 4-47, 4-53, 4-55
Seal Kit, Cart, 4-37, 4-39, 4-41, 4-43, 4-45,
4-47, 4-49, 4-51
Seal Kit, Cartridge, 4-57, 4-59
Seal Kit, Coil, 4-37, 4-39, 4-41, 4-43, 4-45,
4-47, 4-49, 4-51, 4-53, 4-55, 4-57,
4-59
Seal Kit, Cylinder, 4-19, 4-23
Seal Kit, Motor A/H--Stnd, 4-10, 4-11
Seal Kit, Mtr, 4-13, 4-15
Seal Kit, Scu, 4-9
Seal KIt, 4-5
Seal Kit, 2-41, 2-43, 2-49, 4-7, 4-8, 4-17
Seal, Brush Door, 2-2, 2-7
Seal, Brush, Door, 2-9
Seal, Bulb, 90 Deg., 2-109, 2-111
Seal, Cab, 2-115
Seal, Connector, 60 Pin, 2-125
Seal, Dust, 2-19
Seal, Oring, 3-41
Seal, Shaft, 2-39, 2-45
Seal, Str W/.75 Bubble 52”Lg, 2-159
Seal, Vertical, 2-7, 2-9
Seal, Weatherstrip, 2-121, 3-41
Seal,Brush Door, 2-7, 2-9
Seal,Bulb, 2-27
Seal,Conveyor Tower, 2-41, 2-43
Seal,Conveyor, 2-37
Seal,Foam Rad/Coolr.25X.75X28, 2-27
SEAL, 5-3, 5-7, 5-11, 5-14, 5-37, 5-48, 6-3,
6-5, 6-9, 6-13, 6-16, 6-35, 6-41, 6-54
Seal,2-7,2-9,3-61
SEALANT, 5-38
Seat Belt, Blk, Retr, 2-113
Seat, Check Ball, 4-9
SEAT, 5-13, 6-15
Seat, 2-117
SEND--UNIT, 5-31
Sender, Water Temp, 2-23
Sending Unit,Fuel Tank, 2-25
Sending Unit, 2-23
Sensor, Directional Level (High Dump
only), 2-117
Sensor, Magnetic Pickup, 2-23
Sensor, Speed, 2-13
Separator, Filter Bag, 2-47
Service Manual Pkg 830, 3-67
Shaft , 4-5
Shaft Bearing Kit, 4-17
Shaft Seal, 4-7
Shaft Wldt, Lower, 2-39
Shaft Wldt, Upper, 2-38
SHAFT, CAM, 5-11
Shaft, Output, 4-10
SHAFT, ROCKER, 5-9
Shaft, Side Brush, 2-129, 3-7, 3-65
Shaft/Brg Kit, 4-13, 4-15
SHAFT, 5-13, 6-15
SHIELD, 5-11, 6-13
Shim 18Ga, Bearing Mount, 2-39
Shim, Lower Shaft, 2-39
SHIM,5-9,6-11
Shim, 4-7
SHORT ENGINE, 6-3
Shroud Assembly (Left Sidebrush Shroud
Assy Optional), 2-159
Shroud, Instrument, 2-115
Shroud, Radiator, L.H., 2-27
Shroud, Radiator, Lower, 2-27
Shroud, Radiator, R.H., 2-27
Shroud, Radiator, Upper, 2-27
Shroud, Side Modified (When no
Sidebrush is used), 2-159
Shroud/Bezel, Instmt, Purch Kit, 2-115
Shutter, Vacuum, 2-45
Side Brush Light R.H., 2-119
Sitrip, Large Step, 3-56
Skid Kit, Carbide, Rh & Lh, 2-7, 2-9
Skid Weld’t, Carbide Lh, 2-7, 2-9
Skid Weld’t, Carbide Rh, 2-7, 2-9
Skirt Kit, Front (With 5 U--Nuts) (Dry Dust
Control), 2-2
Skirt Kit, Front Dust Control, 2-159
SkirtKit,S.B.(1PerSideWith5
U--Nuts)(Dry Dust Control), 2-2
Skirt Kit, Side Brush, 2-159
Skirt.,25T3.0W11.0L 4/.31Hcomc, 3-48
Skirt, Conveyor Lip, 2-2
Skirt, Conveyor Side, 2-2, 2-37
Skirt, Conveyor, Lip, 2-37
Skirt, Dust Containment (1 Per Side With 2
U--Nuts)(Dry Dust Control), 2-2
Skirt, Dust Containment, 2-159
Skirt,Dust,Rear,2-2
Skirt, Rear Dust, 2-9
Skirt, Rubber, 2-129
Skirt, Side Deflector, 2-37
Skirt, Side Deflectors, 2-2
Sleave, Motor, 4-29
Sleeve, Brass 05com, 3-63
Sleeve, Ferrule .188 Dia, 3-63
Sleeve, Ferrule .312, 3-63
Sleeve--Nylon #20 20.0L, 3-25
SLEEVE, 5-21, 6-23, 6-35
Sludge Removal Tool Assy., 3-48
Snap Ring, 4-5, 4-7
Snap, Chain 0.25 Dia X 2.4, 3-43
Solenoid, 12V, 4-45, 4-47, 4-49
Solenoid, 12vdc, Valve, Hyd, 4-51
SOLENOID, 5-31
Spacer Plate, 4-10, 4-11
Spacer, Door, Upper, 2-105, 2-107
Spacer, Hex. .75x1.0 Long, 2-39
Spacer, Strap, 2-39
Spacer,Hyd.Pivot, 3-9, 3-11
SPACER, 5-3, 5-21, 5-35, 6-23, 6-37, 6-39
Spacer, 3-19, 3-66, 4-19, 4-21, 4-23, 4-25,
4-27
Spring Kit, Centering, 4-9
Spring Kit, Side Brush, 3-64
Spring, Belleville, 3-13
Spring, Bellville, 3-21
Spring, Brush Lift, 2-21
Spring, Ext Conveyor Tension, 2-41, 2-43
Spring, Extension 1.18X.25X4.8, 2-41,
2-43
Spring, Front Leaf, 2-13
Spring, Inner, 4-29
Spring, Outer, 4-29
Spring, Overload Switch, 2-49
Spring, Rear Leaf, 2-11
Spring, Tension 30X5.5X149, 3-64
Spring,Exhaust, 2-29
SPRING, 5-3, 5-7, 5-9, 5-13, 5-37, 6-5,
6-9, 6-11, 6-15, 6-41
Spring, 2-129, 3-7, 3-9, 3-11, 3-19, 4-13,
4-15, 4-17, 4-21, 4-25
Sprocket, 15 Tooth, 1.64 Pitch Dia., 2-38
STARTER MOTOR (see breakdown), 5-16,
6-18
STARTER MOTOR, 5-17, 6-19
Static Strap, 2-125
Steering Column Switch, 2-127
Steering Housing, 4-19
Steering Lever, Lower, Lh, 4-19
Steering Lever, Lower, 4-19, 4-23
Home
Find...
Go To..

CROSS REFERENCE
7-25
830--II 330430 (12--02)
Steering Lever, Rh, Lower, 4-23
Steering Lever, Rh, Upper, 4-19
Steering Rod Front, 4-23
Steering Rod Rear, 4-19
Steering Unit, Hyd Q--Amp, 2-127
Step Wldt, 2-5
Step, Large Folding, 3-56
Stop Screw, 4-7
Strap, Lower, 2-39
Strap, Upper, 2-39
Strap, Vacuum Wand, 3-43
Strap, 2-27
Strip, Backup Main Uhmw, 2-37
Strip, Backup Uhmw, 2-37
Strip, Retainer Paddle, 2-39
Strip, Retainer Skirt, 2-7, 2-9
Strip, Retainer, Upper, 2-7, 2-9
Strip, Retainer, Vertical, 2-7, 2-9
Strip, Rub Nylon, 3-43
Strip, Rubber Paddle, 2-2
Strip, Rubber, Long, 2-25
Strip, Rubber, Short, 2-25
Strip, Rubber, 2-39
Strip, Seal Conveyor, 2-37
Strip, Seal, Conveyor, Lower, 2-37
Strip, Sprocket Upper, 2-39
Strip,.11T2.5W10.0L 4/.31Hcomc, 3-48
Strip,Retainer Conveyer, 2-37
Stroking Piston Assembly, 4-5
Stroking Piston Cover, 4-5, 4-7
Stud, M12 X 200, 2-43
Stud, M12 X 90, 2-41
STUD, 5-9, 5-16, 5-19, 5-29, 5-31, 5-39,
5-40, 6-11, 6-13, 6-18, 6-21, 6-25,
6-31, 6-35, 6-45, 6-46
Stud, 4-21, 4-25
SUMP, 5-35, 6-39
Sun Visor, 2-119
Support Weldt,Engine, 2-23
Support Wldt, Brush Door Lh, 2-9
Support Wldt, Door Rh, 2-7
Support Wldt, 2-35
Support, Circuit Board (Vario only), 2-117
Support, Circuit Board, 2-115
Support, Eng Fan, Side, Front, 2-23
Support, Maintenance, Lift W/Label, 3-5
Support, Seat, Drive, 2-107
Support, Vacuum Hose, 3-43
Support,Engine Fan Side Rear, 2-23
Support,Engine Flywheel, 2-23
Support,Radiator&Fan Shroud, 2-27
Switch (Option), 2-117
Switch Assembly, Pressure, Hyd, 2-149,
2-155
Switch Assy, Roller--No, 2-49
Switch Kit, Spst, 3-57
Switch, Assy Turn/Lights, 2-127
Switch, Assy Wipers, 2-127
Switch, Brakelight, 2-15
Switch, Cold Control, 3-41
Switch, Engine Shutdown, 2-117
Switch, Fan, 3--Speed, 2-121, 3-41
Switch, Key, Steering Column, 2-127
Switch, Level Sensor, 2-157
Switch, Lights, 4--way Warning, 2-117
Switch, Lights, 2-117
Switch, Micro, 2-45, 2-49, 3-47
Switch, Paddle Rocker DPDT, 2-117
Switch, Parking Brake, 2-117
Switch, Press, 12vdc A Spst No 0060psi,
2-17
Switch, Pressure, 3-41
Switch, Rocker DPDT Momentary (Option),
2-117
Switch, Rocker SPDT on--off--on (Option),
2-117
Switch, Vacuum Indicator, 2-31, 2-33
SWITCH, 6-33
Switch, 3-3
Swivel Orifice Kit, 4-7
T
T--Handle, Latch 5”, 2-7, 2-9
Taillight, Lh w/Connector, 2-5
Taillight, Rh w/Connector, 2-5
Tank, Hyd Oil, 2-145
Tank, Hyd, 2.5 Qt Vol, 2-27
TAPPET, 5-9, 6-11
Tee, .50Bx.50Bx.50B, 2-157
Tee, .50Fx.50Fx.50F, 2-157, 3-25
Tee, Water Spray (Wet Dust Control), 2-2
Tee, Water Spray, 2-157
Terminal, Metripk280, Fem 16, 3-61
Terminal, 3-61
Thermostat Assembly,155 Deg, 2-45
THERMOSTAT, 5-23, 6-25
THIMBLE, 5-3, 5-5, 5-13, 6-5, 6-15
Thru Drive Charge Pump Assembly, 4-5
Thrust Bearing, 4-10, 4-11
Thrust Bushing, 4-27
THRUST WASHER, BOTTOM, 5-5
THRUST WASHER, top, 5-5
THRUST WASHER, 6-7
Tie Rod, Hopper Support, 2-51
Tie, Cable 15.25 Lg, 3-25
Tie, Cable 6.0 Lg, 3-25
Tie, Cable, Nyl, 28.5l .50w 8.0 Max D,
2-27, 3-43
Tie, Cable, 2-17
Tilt, Maintenance, Stand W/Label, 3-5
Timer, 3-63
TIMING CASE, 5-11, 6-13
Tire & Rim Assy, (Bias Ply), 2-11, 2-13
Tire & Rim Assy, (Radial), 2-11, 2-13
Tire Assy, Foam Filled, (Bias Ply), 3-49
Tire Assy, Foam Filled, (Radial), 3-49
Tire,7.00X12 Hd Rib Lug, (Bias Ply), 2-11,
2-13
Tire,7.00X12, (Radial), 2-11, 2-13
TOP, 6-3, 6-7
Tower Wldt, Conveyor, Lh, 2-43
Tower Wldt, Conveyor, Rh, 2-41
Trough, Weldment Conveyor, 2-37
Tube , Fuel Line, Lower, 2-25
Tube Assy, Return, 2-25
Tube Wldt, Support, Rear, 3-43
Tube, 00.62d 00.47b 00.8l Stl, 3-65, 3-66
Tube, 2.5x6L, 2-29
Tube, Air Intake 3”, 2-31
Tube, Bleed--off Line (Waste Gated Turbo),
2-25
Tube, Brake Front, Lh, 2-15, 2-17
Tube, Brake, Rear, Lh, 2-11
Tube, Brake, Rear, Rh, 2-11
Tube, Brake,Front, Rh, 2-15, 2-17
Tube, Coupler Vac Wand, 3-45
Tube, Fuel Line, 90, 2-25
Tube, Fuel Line, Upper, 2-25
Tube, Fuel Line, 2-25
Tube, Fuel line, 2-25
Tube, Mirror, 2-109, 2-111
Tube, Plstc 5/16 Od, 3-63
Tube, Plstc, W/Grease .188 Od X 15 Ft,
3-63
Tube, Vac Wand Door, 3-47
Tube,Tire 7.00X12, (Bias Ply), 2-11, 2-13
TUBE, 5-35, 6-39
Tube, 2-31, 2-33, 2-129, 3-5, 3-7
TURBOCHARGER, 6-42
U
U Bolt, 2-127
U--Bolt, Front Spring, 2-13
U--Bolt, Rear Spring, 2-11
U--Nut M6x 1.0, 2-115
U--Nut, 10mmx1.25x0.75in, 2-5
UNION NUT, 5-32, 5-43, 5-45, 6-49, 6-52
Upper Housing, 2-157
V
Valve Drive, 4-13, 4-15, 4-17
Valve Plate, 4-13, 4-15, 4-17
Valve Stem 3W2P Cp, 4-53, 4-55
Valve Stem 3W2P, 4-37, 4-39, 4-41, 4-43,
4-45, 4-49, 4-51
Valve Stem 4W2P Cp, 4-53, 4-55
Valve Stem 4W2P, 4-37, 4-41
Valve Stem N.O. Cp, 4-37, 4-41
Valve Stem, NC, 4-59
Valve Stem, NO, 4-59
Valve Stem, 4-37, 4-39, 4-41, 4-43, 4-45,
4-47, 4-49, 4-51, 4-57
Valve, 3P4W Do3 Cp, 4-35, 4-45
Valve, Ball Hycon, 2-13
Valve, Brake, 2-15, 2-17
Valve, Check, Vonberg, 2-145
VALVE, EXHAUST, 5-7, 6-9
Valve, Hyd Cntrl Sol -- Vario, 4-53
Valve, Hyd Cntrl Sol (See Breakdowns),
2-15
Valve, Hyd Cntrl Sol -- Vario (See
Breakdowns), 3-15, 3-17, 3-23
Valve, Hyd Cntrl Sol -- Vario, 4-35
Valve, Hyd Cntrl Sol--Press Wash (See
Breakdowns), 3-29
Home
Find...
Go To..

CROSS REFERENCE
7-26
830--II 330430 (12--02)
Valve, Hyd Cntrl Sol, 4-45, 4-47, 4-49,
4-51, 4-55, 4-57
Valve, Hyd Control Sol (See Breakdowns),
2-149
Valve, Hyd Control Sol--Hopper (See
Breakdowns), 2-151
Valve, Hyd Control Sol--Sb (See
Breakdowns), 2-153
Valve, Hyd Control Sol, 4-37, 4-39, 4-41,
4-43
Valve, Hyd., Brake, Parking (See
Breakdowns), 2-17
Valve, Hyd, Solenoid, 4-59
Valve, Hydraulic Steering, 4-9
VALVE, INLET, 5-7, 6-9
Valve, Metering #0, 3-63
Valve, Metering #1, 3-63
Valve, Metering #2, 3-63
Valve, Metering #3, 3-63
Valve, Metering #8, 3-63
Valve, Relief, 3-63
Valve, Speed Control, 2-147
Valve, Steering Dual Accumulator, 2-155
Valve, Thermal Expansion, 3-41
Valve, Unloader, 3-25
Valve, Vac Wand Spray .50F, 2-157
Valve, Water Shut--off, Manual, 2-27
Valve, Water Spray, 2-157
Valve, Water, 2-121, 3-41
VALVE, 5-3, 6-5
Valve, 4-13, 4-15, 4-17
Vlv, Thermostat Cp, 4-45
W
Washer Flt .31, 2-27
Washer Flt .50 SAE, 3-64
Washer Flt 08, 2-45
Washer Hard Flat .50, 2-41, 2-43
Washer m06, 2-17
Washer, .532 Bx2.13x.11 HR ZNC, 2-11
Washer, .532 Bx2.13x.11 HR ZNC, 2-13
Washer, 0.53b 2.13d .11, Stl, Pl, 2-11
Washer, 2.250x.812x.250, 2-21
Washer, A6, 4-27
Washer, Belleville, .38, 2-38
Washer, Belleville, M06, 2-7, 2-9
Washer, Belleville, M08, 2-7, 2-9
Washer, Belleville, M10, 3-3
Washer, Belleville, M12, 2-39
Washer, Bellville, 3-41
Washer, Brakeline, 2-11
Washer, Cyl Head, 2-41, 2-43
Washer, Flat, .25 Fender, 2-159
Washer, Flat, .50 Sae, 3-66
Washer, Flat, 0.25 Std, 2-7, 2-9
Washer, Flat, 0.38 Std, 2-39, 3-3
Washer, Flat, M08 Fender, 2-7, 2-9
Washer, Flat, 3-3
Washer, Flt, .25 Sae, 2-27
Washer,Flt,3-61
Washer, Lock, Int, .38, 3-3
Washer, Mounting, Spring, 3-13
Washer, Sealing, 5-31, 6-35
Washer, Shperical, 2-43
Washer, Special, 2-5, 2-23
Washer, Spherical, 2-41
Washer, Thrust 32.1x50.8x3.2, 2-21
Washer, Valve Stem Slot, 2-13
Washer,Hyd.Motor, 3-13
Washer--Belleville .31, 2-37
WASHER, 5-3, 5-7, 5-9, 5-11, 5-13, 5-15,
5-21, 5-26, 5-31, 5-37, 5-43, 5-44,
5-47, 5-48, 6-5, 6-9, 6-11, 6-13, 6-15,
6-17, 6-23, 6-28, 6-35, 6-41, 6-45,
6-49, 6-53, 6-54
Washer, 2-5, 2-11, 2-13, 2-15, 2-17, 2-115,
3-3, 3-13, 3-21, 4-19, 4-21, 4-23,
4-25, 4-27
WATER PUMP, 6-25
Water Tank , 2-157
Weldt, Lower Hinge, 2-105
Weldt, Mount, Strike, 2-103
Weldt, Upper Hinge, 2-105
Wheel, Steering, 2-127
Wheel, 2-11, 2-13
Window Clip, Glued--I, 2-103
Window, Front, 2-103
Window, Lower Door, 2-109, 2-111
Window, Sliding, Lh, 2-109
Window, Sliding, Rh, 2-111
Wiper Motor, 12V, Lh, 3-39
Wire Assy, 20.0 Lg, 6 Ga, Red, 2-35
Wire Assy, 22.0 Lg, 2 Ga, Neg, 2-35
Wire Assy, 36.0 Lg, 4 Ga, Blk, 2-35
Wire Assy, 48.0 Lg, 2 Ga, Blk, 2-35
Wire Assy, 48.0 Lg, 2 Ga, Pos, 2-35
Wire, Jumper (Low Dump), 2-77
WIRE, 6-35
Wire, 5-31
Wldt, Accelerator Pe, 2-119
Wldt, Lower Hinge, R, 2-107
Wldt, Seat Pedestal , 2-105
Wldt, Steer Console, 2-103
Wldt, Upper Hinge, R, 2-107
WOODRUFF KEY, 5-5, 5-11, 6-7, 6-13
Y
Yoke, M12, 2-41, 2-43
Home
Find...
Go To..

We Need Your Help...
As part of Tennant’s Zero Defects Program, we want to know about errors you have
found or suggestions you may have regarding our machine manuals. If you find an
error or have a suggestion, please complete this postage-paid form and mail it to us.
Thank you for helping us make zero defects a way of life at Tennant.
Manual No. Rev. No. Publish Date Page
Machine -Report Error -Suggestion
Name Date
Customer Number
Company
Address
City/State/Zip Code
Home
Find...
Go To..

Tape hereFold along dotted lines
NO POSTAGE
NECESSARY
IF MAILED
IN THE
UNITED SATES
BUSINESS REPLY MAIL
FIRST CLASS MAIL PERMIT NO. 94 MINNEAPOLIS, MN
POSTAGE WILL BE PAID BY ADDRESSEE
Technical Publications #15
701 North Lilac Drive
P.O. Box 1452
Minneapolis, MN 55440--9947
TENNANT COMPANY
Home
Find...
Go To..

We Need Your Help...
As part of Tennant’s Zero Defects Program, we want to know about errors you have
found or suggestions you may have regarding our machine manuals. If you find an
error or have a suggestion, please complete this postage-paid form and mail it to us.
Thank you for helping us make zero defects a way of life at Tennant.
Manual No. Rev. No. Publish Date Page
Machine -Report Error -Suggestion
Name Date
Customer Number
Company
Address
City/State/Zip Code
Home
Find...
Go To..

Tape hereFold along dotted lines
NO POSTAGE
NECESSARY
IF MAILED
IN THE
UNITED SATES
BUSINESS REPLY MAIL
FIRST CLASS MAIL PERMIT NO. 94 MINNEAPOLIS, MN
POSTAGE WILL BE PAID BY ADDRESSEE
Technical Publications #15
701 North Lilac Drive
P.O. Box 1452
Minneapolis, MN 55440--9947
TENNANT COMPANY
Home
Find...
Go To..