Adfinity 17ST 20ST X20R Parts Manual
2016-03-07
: Sweepscrub Adfinity 17St 20St X20R Parts Manual Adfinity_17ST_20ST_X20R_parts_manual 1229 file product_file
Open the PDF directly: View PDF
.
Page Count: 46

AdfinityTM 17ST / 20ST
AdfinityTM X20R
PARTS LIST
Advance models: 908 7161 020
908 7162 020
9087290020
9096913000(6)2011-11
D6 Adfinity 17ST-20ST-X20R (6).indd 1 17/11/2011 16.14.29
D6 Adfinity 17ST-20ST-X20R (6).indd 2 17/11/2011 16.14.29

2007-01
2009-06 Adnity™ 17ST / 20ST / X20R 1
9096913000
DESCRIPTION
PLAN
GENERAL VIEW 2 - 3
SOLUTION TANK 4 - 5
RECOVERY TANK 6 - 7
CHASSIS SYSTEM 8 - 11
WHEELS SYSTEM 12 - 13
HANDLE ASSEMBLY 14 - 15
SOLUTION SYSTEM 16 - 17
ECOFLEX ™ SYSTEM 18 - 19
SQUEEGEE SYSTEM 20 - 21
BRUSH SYSTEMS Adnity™ 17ST / 20ST 22 - 23
BRUSH SYSTEMS Adnity™ X20R 24 - 25
SPLASH GUARDS 26 - 27
ACCESSORIES 28 - 29
CONTROL PANEL SYSTEM 30 - 33
ELECTRICAL COMPONENTS 34 - 37
WIRING DIAGRAM 38 - 39
RECOMMENDED SPARE PARTS 40 - 41
OPTIONALS 42
WHEN ORDERING PARTS
* Use the 8, 9 or 10 digit numbers from the “Ref. No.” columns in this parts list.
* Specify the model and serial number of the machine.
* Use the space below to record the model and serial number for future reference.
Model ___________________ Serial No. ___________________
* = Optional
# = Modied item No. or New item No.
[] = Not shown
TABLE OF CONTENTS
2010-11
D6 Adfinity 17ST-20ST-X20R (6).indd 1 17/11/2011 16.14.30

2007-01
2Adnity™ 17ST / 20ST / X20R 2009-06
9096913000
GENERAL VIEW GENERAL VIEW
15
3
4
5
6
10
9
12
13 1
11
7
2
14
8
2010-11 2010-11
D6 Adfinity 17ST-20ST-X20R (6).indd 2 17/11/2011 16.14.34

2007-01
2009-06 Adnity™ 17ST / 20ST / X20R 3
9096913000
GENERAL VIEW GENERAL VIEW
1 1 SOLUTION TANK
2 1 RECOVERY TANK
3 1 CHASSIS SYSTEM
4 1 WHEELS AND TRACTION ADFINITY™ X20R
5 1 WHEELS SYSTEM ADFINITY™ 17ST / 20ST
6 1 HANDLE ASSEMBLY
71 SOLUTION SYSTEM
81 SQUEEGEE SYSTEM
9 1 BRUSH SYSTEM ADFINITY™ 17ST
10 1 BRUSH SYSTEM ADFINITY™ 20ST
11 1 BRUSH SYSTEM ADFINITY™ X20R
12 1 CONTROL PANEL SYSTEM
13 1 ELECTRICAL COMPONENTS
14 1 ECOFLEX™ SYSTEM
15 1 BATTERY ASSEMBLY
Item
No.
Ref. No. Qty Description
2010-11 2010-11
D6 Adfinity 17ST-20ST-X20R (6).indd 3 17/11/2011 16.14.35

2007-01
4Adnity™ 17ST / 20ST / X20R 2009-06
9096913000
SOLUTION TANK SOLUTION TANK
8
21
12
19
5
DECAL CHECKED BY
38
9
37
1
13 20
4
4
1
48
44
4
1
1
1
10
3
1
1
21
8
15
1
NAME PLATE
1
14 49
7
11
6
1
50
2011-11 2011-11
D6 Adfinity 17ST-20ST-X20R (6).indd 4 17/11/2011 16.14.36

2007-01
2009-06 Adnity™ 17ST / 20ST / X20R 5
9096913000
SOLUTION TANK SOLUTION TANK
19098265000 1KIT, HARDWARE SOLUTION TANK
2145 8479 000 1 DOWEL M6
3 909 6550 000 1 PEDAL SUPPORT
49098345000 1KIT, DECALS
5 909 6596 000 1 GASKET
6909 6597 000 1 GASKET
7 909 6892 000 2 GASKET
8 9097630000 1KIT, HARDWARE SQUEEGEE LEVER FIXING
9909 6874 000 1KIT, CABLE TANK BLOCK
10 909 6649 000 1 BRACKET CONNECTOR SUPPORT
11 909 6841 000 1 WEIGHT
12A 9098673000 1KIT, SQUEEGEE LIFTING CABLE - TSB IT 2010-053
9098672000 1INSTALLATION INTRUCTIONS F/ SQUEEGEE LIFTING CABLE
13 909 6673 000 1 CAP
14 9096999000 1 PLATE PEDAL BRACKET (FOR ADFINITY™ 17ST / 20ST)
15 909 6681 000 1 FRESH WATER HOSE
19 1464116000 1 HANDLE RED PLASTIC F BATTERY CONNECTOR
20 L08812457 2 TANK LOCKING CAP
21# 9099374000 1 FITTING PIPE
37 909 6236 000 1 BLACK CAP
38 909 6320 000 1 SOLUTION TANK 35L
44 909 6650 000 1 SPONGE IN-LET FRESH WATER TANK
48* 9097290000 1 FILLING HOSE
49 9099137000 1NYLON PLATE (FOR ADFINITY™ X20R)
50# 146 0668 000 1 PANEL INSULATING
A: SEE TSB IT 2010-053
Item
No.
Ref. No. Qty Description
2011-11 2011-11
D6 Adfinity 17ST-20ST-X20R (6).indd 5 17/11/2011 16.14.36

2007-01
6Adnity™ 17ST / 20ST / X20R 2009-06
9096913000
RECOVERY TANK RECOVERY TANK
22A
27
23A
30
31
24
20
1
2
3
5
6
9
10
11
14
18
20
19
21
35A
32
37
3
35B
22B
23B
37
38
26
D6 Adfinity 17ST-20ST-X20R (6).indd 6 17/11/2011 16.14.37

2007-01
2009-06 Adnity™ 17ST / 20ST / X20R 7
9096913000
RECOVERY TANK RECOVERY TANK
1 909 6230 000 1 VACUUM HOSE
2# 9099165000 1 DRAIN HOSE
39097654000 1KIT, TANK FIXING
5L08603845 1 CLAMP
6909 6899 000 1PLUG D.4
9L08812259 2 CAGE FLOAT COMPLETE
10 L08812373 1 FLOATING BALL
11 9097681000 1KIT, CAGE FLOAT HOLDER
9097680000 1INSTALLATION INSTRUCTIONS F/ CAGE FLOAT H.
14 145 0543 000 2 CLAMP
18 909 6321 000 1 RECOVERY TANK 35L
19 909 6322 000 1 TANK COVER 35L
20 909 6337 000 2 SCREW CYL HD M5X12
21 909 6901 000 1 COVER TANK GASKET
22A 9096918000 1 GASKET SUCTION MOTOR
22B 9098057000 1 GASKET SUCTION MOTOR
23A 909 6490 000 1 GASKET SUCTION MOTOR
23B 9098056000 1 GASKET SUCTION MOTOR
24 909 6491 000 1 ACOUSTIC INSULATION PANEL
26 909 6672 000 1 FILTER
27# 9099401000 1 KIT, MOTOR VACUUM (M2)
30 909 6051 000 1 VACUUM MOTOR COVER
31 909 6442 000 1 ACOUSTIC INSULATION PIPE
32* 909 6734 000 1 KIT, RUBBER BAND
35A 909 5371 000 2CARBON BRUSH (AMETEK)
35B 9098231000 1KIT, CARBON BRUSH (VIPER)
37 909 6877 000 1KIT, HARDWAREVACUUM MOTOR
38* 909 5065 000 1 FILTER ANTIFOAMING TSB IT 2008-002
[39] 909 6876 000 1KIT, HARDWARE OLD TYPE CAGE SUP.FIXING FOR OLD CAGE FLOAT HOLDER
[40]*# 9098853000 1 ELBOW 90 SUCT.HOSE KIT RAL7001
A: FOR MOTOR 9099401000 (AMETEK)
B: FOR MOTOR 9098062000 (VIPER)
Item
No.
Ref. No. Qty Description
2011-11
D6 Adfinity 17ST-20ST-X20R (6).indd 7 17/11/2011 16.14.37

2007-01
8Adnity™ 17ST / 20ST / X20R 2009-06
9096913000
CHASSIS SYSTEM CHASSIS SYSTEM
23
9
5
20
6
4
1
22
15
12
2
23
24
25
Adnity™ 17ST / 20ST Adnity™ 17ST / 20ST
2011-11
D6 Adfinity 17ST-20ST-X20R (6).indd 8 17/11/2011 16.14.37

2007-01
2009-06 Adnity™ 17ST / 20ST / X20R 9
9096913000
CHASSIS SYSTEM CHASSIS SYSTEM
1909 6482 000 1 CHASSIS
2909 6486 000 1 BRUSH LIFTING LEVER
4 909 6539 000 1 ANTISKID MAT
5 909 6540 000 1 BUSHING FLANGED
6 909 6549 000 1 PEDAL BRUSH LIFTING
9 909 6594 000 3 BUSHING FLANGED
12 145 0524 000 3 PASSRING
15 909 6595 000 1 FLAT TIE HOLDER
20 33006051 1 RETAINING RING
22 909 6337 000 1 SCREW CYL HD M5X12
23 909 6878 000 1KIT, HARDWARE CHASSIS SYSTEM
24# 9099028000 2WHEEL CASTOR WITH HARDWARE KIT - TSB IT 2011-071
9099245000 1 INSTALLATION INSTRUCTIONS
24* 9098619000 2 WHEEL CASTOR PU SS WITH HARDWARE KIT
25# 9099014000 2 WHEEL CASTOR CHROMATE
Item
No.
Ref. No. Qty Description
Adnity™ 17ST / 20ST Adnity™ 17ST / 20ST
2011-11
D6 Adfinity 17ST-20ST-X20R (6).indd 9 17/11/2011 16.14.37

2007-01
10 Adnity™ 17ST / 20ST / X20R 2009-06
9096913000
CHASSIS SYSTEM CHASSIS SYSTEM
Adnity™ X20R Adnity™ X20R
821
11121314
1234191817715 16 10 9
5
6
27
2022
28
26
25
30
29
23
33
34
35
24
31
32
2011-11 2011-11
D6 Adfinity 17ST-20ST-X20R (6).indd 10 17/11/2011 16.14.38

2007-01
2009-06 Adnity™ 17ST / 20ST / X20R 11
9096913000
CHASSIS SYSTEM CHASSIS SYSTEM
Adnity™ X20R Adnity™ X20R
1 4 NUT HEX NYL M8 SS
2 4 WASHER 9X25X2 NYLON
3 1 LINK LIFT
4 1 PIN UPPER GAS SPRING
59097080000 1 SPRING GAS 100 N
6 56390013 1 ARM WELDMENT
71 SCREW SHOULDER 12X30 M10
83NUT HEX M5 UNI5588 SS
9 1 SCREW SHOULDER 12X16 M10
10 4 WASHER FLAT 12.7X35X1.5MM
11 56390031 1 BRACKET SWITCH
12 3 WASHER M5 UNI6592 SS
13 1 SENSOR PROXIMITY
14 3 SCREW M5X12 UNI5931 SS
15 2 NUT SELF L. M10 UNI7474
16 2 WASHER M12 UNI6592
17 1SPACER 12.2X30X16.5
18 1 PIN LOWER GAS SPRING
19 2 WASHER RUBBER
20 9098987000 1KIT, MOUNTING HARDWARE (ITEM 7-9-10-15-16-17)
21 9098988000 1KIT, SENSOR (SW3) (ITEM 8-11-12-13-14)
22 9098986000 1KIT, LINK (ITEM 1-2-3-18-19)
23 909 6482 000 1 CHASSIS
24# 9098587000 1 BRACKET TANK SUPPORTING
25# 9099157000 1 PEDAL BRUSH LIFTING
26 909 6539 000 1 ANTISKID MAT
27 909 6540 000 1 BUSHING FLANGED
28 33006051 1 RETAINING RING
29 909 6621 000 1 KNOB
30 33004010 1 SCREW HEX HD M10X30
31 9099028000 2WHEEL CASTOR WITH HARDWARE KIT - TSB IT 2011-071
9099245000 1 INSTALLATION INSTRUCTIONS
31*# 9098619000 2 WHEEL CASTOR PU SS WITH HARDWARE KIT
32 9099014000 2 WHEEL CASTOR CHROMATE
33 909 6595 000 1 FLAT TIE HOLDER
34 909 6337 000 1 SCREW CYL HD M5X12
35 145 0524 000 3 PASSRING
Item
No.
Ref. No. Qty Description
2011-11 2011-11
D6 Adfinity 17ST-20ST-X20R (6).indd 11 17/11/2011 16.14.38

2007-01
12 Adnity™ 17ST / 20ST / X20R 2009-06
9096913000
WHEELS SYSTEM WHEELS SYSTEM
WITH TRACTION
( ADFINITY™ X20R )
13
7
13
8
13
WITHOUT TRACTION
( ADFINITY™ 17ST - 20ST )
13
5
16
2
1
16
2010-11 2010-11
D6 Adfinity 17ST-20ST-X20R (6).indd 12 17/11/2011 16.14.39

2007-01
2009-06 Adnity™ 17ST / 20ST / X20R 13
9096913000
WHEELS SYSTEM WHEELS SYSTEM
19098298000 1KIT, HARDWARE DRIVE WHEELS
29097032000 2WHEEL FRONT DRIVE D.200 65SH
5146 0769 000 2 KEY
6909 6548 000 1MOTODIFFERENTIAL (M3)
7 909 6507 000 2 WHEEL
7* 9097167000 2 WHEEL FRONT D.200 65SH
8 909 6508 000 1 WHEELS SHAFT
13 9098299000 1KIT, HARDWARE WHEELS
16 145 5124 000 2 CARBON BRUSH
Item
No.
Ref. No. Qty Description
2010-11 2010-11
D6 Adfinity 17ST-20ST-X20R (6).indd 13 17/11/2011 16.14.39

2007-01
14 Adnity™ 17ST / 20ST / X20R 2009-06
9096913000
HANDLE ASSEMBLY HANDLE ASSEMBLY
25
20
2
4
4 23
4
10
4
3
3
1
3
24
5
11
4
19
4
2011-11 2011-11
Adnity™ X20R Adnity™ X20R
D6 Adfinity 17ST-20ST-X20R (6).indd 14 17/11/2011 16.14.39

2007-01
2009-06 Adnity™ 17ST / 20ST / X20R 15
9096913000
HANDLE ASSEMBLY HANDLE ASSEMBLY
19096907000 1 HANDLE HARNESS
2 909 6653 000 1 HANDLE BAR
39097622000 1KIT, SWITCH HOUSINGS UPPER/LOWER
49098300000 1KIT, HARDWARE HANDLE FIXING
5A# 9098792000 1 HOUSING SWITCH LOWER KIT
10 L08812279 2 CLAMP
11 L08812282 1 CAM HANDLE MICROSWITCH
19 145 1330 000 3 SPACER
20 909 6471 000 1 POTENTIOMETER KNOB
23 909 6677 000 2MICROSWITCH (SW1 - SW2)
24 9096923000 1 CAM HANDLE MICROSWITCH
25 909 6544 000 1 SPEED POTENTIOMETER HARNESS (RV2)
A: TSB IT 2010-060
Item
No.
Ref. No. Qty Description
2011-11 2011-11
Adnity™ X20R Adnity™ X20R
D6 Adfinity 17ST-20ST-X20R (6).indd 15 17/11/2011 16.14.40

2007-01
16 Adnity™ 17ST / 20ST / X20R 2009-06
9096913000
SOLUTION SYSTEM SOLUTION SYSTEM
Adfinity™ X20R
Adfinity™ 17ST / 20ST
12B
INTO THE TANK
13C
14
2B
4
8D
3
12B
11
10
4
4
12B
1
16
15
4
2010-11 2010-11
D6 Adfinity 17ST-20ST-X20R (6).indd 16 17/11/2011 16.14.40

2007-01
2009-06 Adnity™ 17ST / 20ST / X20R 17
9096913000
SOLUTION SYSTEM SOLUTION SYSTEM
19098777000 1KIT, RUBBER HOLDER
2B 9096994000 1 VALVE 3/8 PVC F
3L08603893 1KIT, NET FILTER WITH GASKET
49098301000 1KIT, HARDWARE SOLUTION SYSTEM
8D 9097166000 1KIT, FILTER CPL
10 909 6555 000 1 SOLENOID VALVE 24V (EV1)
11 909 6636 000 1 HOLDER RUBBER 1/2 FEMALE
12B 9096995000 1 KIT, VALVE ELBOW W/PIPES
13*C 9096916000 1 FILTER
14 909 5286 000 1 GASKET
15 9098985000 1KIT, SOLENOID VALVE (EV1) (FOR X20R)
16 9098981000 1KIT, SOLUTION HOSE (FOR X20R)
B: SEE TSB IT 2007-027a
C: SEE TSB IT 2007-015
D: SEE TSB IT 2007-021
Item
No.
Ref. No. Qty Description
2010-11 2010-11
D6 Adfinity 17ST-20ST-X20R (6).indd 17 17/11/2011 16.14.40

2007-01
18 Adnity™ 17ST / 20ST / X20R 2009-06
9096913000
1
NTO THE TANK
TO ELETTROVALVE
14
7
9
10
4
6
3
4
5
4
4
2
2
4
13
4
11
15
8
12
2
2
4
16
18
17
19
ECOFLEX™ SYSTEM ECOFLEX™ SYSTEM
2010-11 2010-11
Adnity™ X20R Adnity™ X20R
D6 Adfinity 17ST-20ST-X20R (6).indd 18 17/11/2011 16.14.41

2007-01
2009-06 Adnity™ 17ST / 20ST / X20R 19
9096913000
ECOFLEX™ SYSTEM ECOFLEX™ SYSTEM
1909 6743 000 1KIT, ECOFLEX™ SYSTEM
2909 6806 000 1KIT, HOSE CHEMICAL MIX
3 909 6902 000 1 DECAL REWRITABLE
49098264000 1KIT, HARDWARE 9098264000
556315108 1PUMP (M4)
6 909 6903 000 1 KIT, TANK CHEMICAL
7 56315517 1 CAP
856315522 1 VALVE NON RETURN
9 56315523 1 CAP
10 56315527 1 DRY BREAK
11 909 6592 000 1 CHEMICAL REGULATION ADHESIVE
12 909 6183 000 1PUMP (M5)
13 909 6536 000 1 FITTING
14 909 6639 000 1 BRAKET CHEMICAL MIXING
15 909 6187 000 1 HARNESS PUMP
16* 9098025000 1 KIT, ADAPTER DETERGENT P.I. 13.2.2009
17 9097023000 1 ADAPTOR CHEMICAL TANK
18 9097022000 1 SENSOR CHEMICAL MIX LEVEL
19 56390041 1 ORIFICE
Item
No.
Ref. No. Qty Description
2010-11 2010-11
Adnity™ X20R Adnity™ X20R
D6 Adfinity 17ST-20ST-X20R (6).indd 19 17/11/2011 16.14.42

2007-01
20 Adnity™ 17ST / 20ST / X20R 2009-06
9096913000
SQUEEGEE SYSTEM SQUEEGEE SYSTEM
5
19 3 9
10
8
17
15
21
2
1
6
4
18
2
2 2 2
23
2
24
38
25
41 46
49
47
36
27
48
48
30
30
26
D6 Adfinity 17ST-20ST-X20R (6).indd 20 17/11/2011 16.14.43

2007-01
2009-06 Adnity™ 17ST / 20ST / X20R 21
9096913000
SQUEEGEE SYSTEM SQUEEGEE SYSTEM
1 909 6494 000 1 SQUEEGEE BRACKET
2909 6885 000 1KIT, HARDWARE SQUEEGEE FIXING
3909 6497 000 1 PIN
4909 6537 000 1 RIGHT SPRING
5909 6538 000 1 LEFT SPRING
6 909 6543 000 2 PIN
833005915 1 WASHER FLAT 8X17
9L08238300 2 WASHER
10 33005607 3NUT SELFLOCKING M8
15 33005608 1 NUT
17 33005758 2 SPLIT PIN
18 909 6635 000 2 SELF-ADHESIVE TIE MOUNT
19 909 6052 000 1 SPRING SUPPORT
21 L08604251 1 WASHER FLAT 10X30
23 909 6045 000 1 SQUEEGEE SUPPORT
24 909 6851 000 1KIT, SQUEEGEE CPL ALU 30”
25 909 6483 000 1 BLADE SQUEEGEE FRONT
26 909 6484 000 1 BLADE SQUEEGEE REAR
27 909 6551 000 1 WING NUT M8X30 SS
30 9097637000 1KIT, SQUEEGEE FIXING
36 909 6044 000 1 SQUEEGEE
38 909 6055 000 1 STRAP, SQUEEGEE FRONT
41 909 6600 000 1 DOWEL M8X30 SS
46 909 6882 000 1KIT, FIXING SQUEEGEE
47 909 6883 000 2KIT, SQUEEGEE WHEEL
48 909 6884 000 2KIT, SQUEEGEE BUMPER ROLLER
49 909 6394 000 1 KIT, LATCH FOR SQUEEGEE
[50] 909 6860 000 1BLADES SQUEEGEE 740MM/29” (25-26)
[51] 9097548000 1KIT, WASHERS NYLON SQUEEGEE SUPPORT - TSB IT 2007-031
Item
No.
Ref. No. Qty Description
D6 Adfinity 17ST-20ST-X20R (6).indd 21 17/11/2011 16.14.43

2007-01
22 Adnity™ 17ST / 20ST / X20R 2009-06
9096913000
BRUSH SYSTEMS BRUSH SYSTEMS
11
9
7A
8
10
1
2
3
8
6
12
5 2
2
7B
2
2
2
4
2
13
2010-03 2011-11
Adnity™ 17ST / 20ST Adnity™ 17ST / 20ST
D6 Adfinity 17ST-20ST-X20R (6).indd 22 17/11/2011 16.14.44

2007-01
2009-06 Adnity™ 17ST / 20ST / X20R 23
9096913000
BRUSH SYSTEMS BRUSH SYSTEMS
1 909 6495 000 3 SHOULDER BOLT M10X16
2# 9099419000 1 KIT, HARDWARE BRUSH SYSTEM
3909 6485 000 1PLATE, DECK BRUSH HOLDER
49097184000 1VIBRATION DAMPING M8
5909 6887 000 1KIT, BUMPER ROLLER
69097093000 1KIT, HOLDERPOLYG.W/FLAGE
7A 909 6043 000 1 BRUSH DECK 450MM/17”
7B 909 6042 000 1 BRUSH DECK 530MM/20”
8 9098345000 1KIT, DECALS
9L08601624 1 PIPE HOLDER
10A 9098308000 1REDUCTION GEARMOTOR CPL.
11 909 5380 000 1CARBON BRUSH (4 PCS) FOR 909 6546 000 (LEROY SOMER)
11A 9098376000 1CARBON BRUSH (4 PCS) FOR 9098308000 (AMER)
12 L08812480 1HUB.BRUSH
13* 9097599000 1 PROTECTION MOTOR KIT TSB IT 2008-014
9097600000 1INSTRUCTIONS INSTALLATION PROT.MOT.KIT
A: STARTING FROM SERIAL NUMBER 111332741
Item
No.
Ref. No. Qty Description
2010-03 2011-11
Adnity™ 17ST / 20ST Adnity™ 17ST / 20ST
D6 Adfinity 17ST-20ST-X20R (6).indd 23 17/11/2011 16.14.44

2007-01
24 Adnity™ 17ST / 20ST / X20R 2009-06
9096913000
2
3
10
18
1
23
8
27
38
33
11
26
12
6
9
37
28
29
12
25
17
20
35
14
16
13
21
36
15
41
42
7
30 31
39
5
18
40
46
44
45 42
34
19
4
22
24
43
43
32
BRUSH SYSTEMS BRUSH SYSTEMS
2010-11 2010-11
Adnity™ X20R Adnity™ X20R
D6 Adfinity 17ST-20ST-X20R (6).indd 24 17/11/2011 16.14.45

2007-01
2009-06 Adnity™ 17ST / 20ST / X20R 25
9096913000
BRUSH SYSTEMS BRUSH SYSTEMS
1 2 HELICAL SPRING LOCK WASHER WASHER LOCK 1/4
2976068 1 PAD 20-IN RED 5100 5-BX
3 6 SCR. PAN PHIL SS 1/4-20 X .88
456390076 1 GASKET
5 1 SHIELD SPLASH
6 56390012 1 HOUSING BRUSH
7 56390037 1 DECAL DECK
81 GASKET DRIVER
98 NUT, SERRATED FLANGE
10 56390044 1 PAD DRIVER ASSY
11 3SCREW, 1/4-20 X 1/2” P.H.
12 5 NUT, HEX NYL LOC-THIN 1/4-20
13 2 WSH-WAVE 0.660”X0.860”X0.10”X070”
14 1 ROLLER BUMPER
15 1 CAP BLACK
16 1 SPACER 9X15X13
17 2WASHER, FLAT 5/16
18 5SCREW, 1/4-20 X 3/4 HEX HEAD
19 4 SCREW, 1/4-20 X 3/4 F.H.
20 2 WASHER, 3/8 LOCK
21 1 WASHER - FENDER 8.4X24.2MM
22 56380235 1KIT, RUBBER MOUNTING
23 56390002 1 WEIGHT-COUNTER
24 56390003 1 PLATE MOTOR
25 2 BRACKET LIFT
26 1 ECCENTRIC
27 1 DRIVER MOTOR
28 2SPACER, NYLON
29 2 SPACER, NYLON
30 56390072 1MOTOR, 24VDC (M1)
31 11055A 1 CARBON BRUSH SET
32 41601T 2 CONNECTOR
33 1 RETAINER, BEARING
34 9098979000 1KIT, STABLIZER STUD
35 2 BOLT, 3/8-24 X 1.0 HEX
36 1 BOLT, M8-1.25 X 30 HH SS
37 2SCREW, 1/4-20 X 2.00 HEX CAP
38 1 BEARING
39 3 WASHER, 1/4 FLAT S.S.
40 1 KEY 3/16 SQ X 3/4”
41 9098978000 1KIT, ROLLER BUMPER (ITEM 13-14-15-16-21-36)
42 9098980000 1KIT, LIFT BRACKET (ITEM 9-12-17-20-25-28-29-35-37)
43 9099001000 1 KIT, DECK HARDWARE (ITEM 1-3-18-19)
44 9098982000 1KIT, SPLASH GUARD (ITEM 5-12-18-39)
45 9098984000 1KIT, ECCENTRIC (ITEM 26-40)
46 9098983000 1KIT, DRIVER (ITEM 8-11-27-33-38)
Item
No.
Ref. No. Qty Description
2010-11 2010-11
Adnity™ X20R Adnity™ X20R
D6 Adfinity 17ST-20ST-X20R (6).indd 25 17/11/2011 16.14.45

2007-01
26 Adnity™ 17ST / 20ST / X20R 2009-06
9096913000
SPLASH GUARDS SPLASH GUARDS
SPLASH GUARD 17” KIT
SPLASH GUARD 20” KIT
23
Adfinity™ 17ST Adfinity™ 20ST
Adnity™ 17ST / 20ST Adnity™ 17ST / 20ST
D6 Adfinity 17ST-20ST-X20R (6).indd 26 17/11/2011 16.14.46

2007-01
2009-06 Adnity™ 17ST / 20ST / X20R 27
9096913000
SPLASH GUARDS SPLASH GUARDS
2 909 6737 000 1 KIT, SPLASH GUARD 17”
909 6745 000 1INSTALLATION INSTRUCTIONS F/ SPLASH GUARD
3 909 6736 000 1 KIT, SPLASH GUARD 20”
909 6745 000 1INSTALLATION INSTRUCTIONS F/ SPLASH GUARD
Item
No.
Ref. No. Qty Description
Adnity™ 17ST / 20ST Adnity™ 17ST / 20ST
D6 Adfinity 17ST-20ST-X20R (6).indd 27 17/11/2011 16.14.46

2007-01
28 Adnity™ 17ST / 20ST / X20R 2009-06
9096913000
ACCESSORIES ACCESSORIES
1
EXTRA PRESSURE KIT
4 - 10
5
6
9
3
7
Adfinity™ 17ST Adfinity™ 20ST
11
Adnity™ 17ST / 20ST Adnity™ 17ST / 20ST
D6 Adfinity 17ST-20ST-X20R (6).indd 28 17/11/2011 16.14.47

2007-01
2009-06 Adnity™ 17ST / 20ST / X20R 29
9096913000
ACCESSORIES ACCESSORIES
Adnity™ 17ST / 20ST
1 909 6738 000 1 KIT, EXTRA PRESSURE
909 6759 000 1INSTALLATION INSTRUCTIONS F/ EXTRA PRESSURE
Adnity™ 17ST
3L08837020 1 BRUSH PROLENE
3L08837021 1 BRUSH PROLITE
3L08837022 1 BRUSH UNION MIX
3L08837023 1 BRUSH MIDLITE
3L08837024 1 BRUSH MIDGRIT
4L08837017 1KIT, PAD HOLDER
Adnity™ 17ST / 20ST
5L08603966 1 RING NYLON
6L08837030 1 RETAINER PAD
Adnity™ 17ST / 20ST
7 L08603878 1KIT, SQUEEGEE CPL 30”
7 909 6851 000 1KIT, SQUEEGEE CPL ALU 30”
[8] 909 6483 000 1 BLADE NEOPRENE FRONT
[8] 909 6484 000 1 BLADE NEOPRENE REAR
[8] 909 6860 000 1KIT, BLADES NEOPRENE 30”
[8] 909 6858 000 1KIT, BLADES POLYURET. 30”
Adnity™ 20ST
9L08837025 1 BRUSH PROLENE
9L08837026 1 BRUSH PROLITE
9L08837027 1 BRUSH UNION MIX
9L08837028 1 BRUSH MIDLITE GRIT
9L08837029 1 BRUSH MID GRIT 240
9L08837065 1 BRUSH MAGNA GRIT 46
9L08837066 1BRUSH DYNA GRIT 80
9L08837067 1 BRUSH AGLITE GRIT 500
10 L08837018 1KIT, PAD HOLDER
11 9098343000 1KIT, THIRD BLADE
9098337000 1INSTALLATION INSTRUCTIONS F/ THIRD BLADE
Item
No.
Ref. No. Qty Description
Adnity™ 17ST / 20ST Adnity™ 17ST / 20ST
D6 Adfinity 17ST-20ST-X20R (6).indd 29 17/11/2011 16.14.48

2007-01
30 Adnity™ 17ST / 20ST / X20R 2009-06
9096913000
CONTROL PANEL SYSTEM CONTROL PANEL SYSTEM
6
6
6
6
16 18
17
3
1
6
6
19
4
6
6
6
14
2010-03 2010-03
Adnity™ 17ST / 20ST Adnity™ 17ST / 20ST
D6 Adfinity 17ST-20ST-X20R (6).indd 30 17/11/2011 16.14.48

2007-01
2009-06 Adnity™ 17ST / 20ST / X20R 31
9096913000
19098637000 1 DECAL CONTROL PANEL
3 909 6545 000 1 GASKET
49097006000 1ELECTRONIC CARD STARTING (EB1) FROM SERIAL NO. 072115094
69098302000 1KIT, HARDWARE CONTROL PANEL
14 9097649000 1KIT, COVER CONTROL PANEL
16 145 1261 000 4 WASHER
17 146 2090 000 2 SCREW CYL HD M5X16
18 909 5149 000 1 SUPPORT BATTERY CHARGER CABLE
19* 9096951000 1 COUNTER HOUR 24V (HN)
9096952000 1 INSTALLATION INSTRUCTIONS F/ COUNTER HOUR
[21] 145 8368 000 1FUSE 3A (F4)
Item
No.
Ref. No. Qty Description
CONTROL PANEL SYSTEM CONTROL PANEL SYSTEM
2010-03 2010-03
Adnity™ 17ST / 20ST Adnity™ 17ST / 20ST
D6 Adfinity 17ST-20ST-X20R (6).indd 31 17/11/2011 16.14.48

2007-01
32 Adnity™ 17ST / 20ST / X20R 2009-06
9096913000
CONTROL PANEL SYSTEM CONTROL PANEL SYSTEM
2
6
10
8
1
5
5
9
5
5
7
5
11
5
5
12
14
13
15
17
19
2010-11 2010-11
Adnity™ X20R Adnity™ X20R
D6 Adfinity 17ST-20ST-X20R (6).indd 32 17/11/2011 16.14.49

2007-01
2009-06 Adnity™ 17ST / 20ST / X20R 33
9096913000
CONTROL PANEL SYSTEM CONTROL PANEL SYSTEM
19098634000 1 DECAL CONTROL PANEL ADFINITY™ X20R
29098902000 1CARD ELECTRONIC CONTROL PANEL (EB1)
59098302000 1KIT, HARDWARE CONTROL PANEL
6 909 6545 000 1 GASKET
7909 5313 000 1 INSPECTION PLATE
8 146 2888 000 1SWITCH KEY WITH CAP (K1)
99098632000 1 COVER CONTROL PANEL
10 146 2887 000 1 KEY
11 909 6675 000 2 O-RING 132
12 145 1261 000 4 WASHER
13 146 2090 000 2 SCREW CYL HD M5X16
14 909 5149 000 1 SUPPORT CABLE
15* 9096951000 1 KIT, COUNTER HOUR 24V (HN)
9096952000 1 INSTALLATION INSTRUCTIONS F/ COUNTER HOUR
17 33004576 2 SCREW M6X16 UNI5933
19 33005604 2 NUT SELF L. M6 UNI7474
[20] 145 8368 000 2FUSE 3A (F4 - F6) (PCB FUNCTIONS - PUMP)
[21] 909 6678 000 1FUSE 20A (F5) (CLICK ON/OFF - BRUSH)
Item
No.
Ref. No. Qty Description
2010-11 2010-11
Adnity™ X20R Adnity™ X20R
D6 Adfinity 17ST-20ST-X20R (6).indd 33 17/11/2011 16.14.49

2007-01
34 Adnity™ 17ST / 20ST / X20R 2009-06
9096913000
ELECTRICAL COMPONENTS ELECTRICAL COMPONENTS
18
20
19
21
2
1
4
4
14
4
4
17
15
10
8
4
9
34
11
7
6
416
13
12
4
4
5
24
23
22
Adnity™ 17ST / 20ST Adnity™ 17ST / 20ST
D6 Adfinity 17ST-20ST-X20R (6).indd 34 17/11/2011 16.14.50

2007-01
2009-06 Adnity™ 17ST / 20ST / X20R 35
9096913000
ELECTRICAL COMPONENTS ELECTRICAL COMPONENTS
1145 8046 000 1 FUSE HOLDER
2909 6498 000 1 SUPPORT
3909 6676 000 2 SPACER M4 L=25
49098303000 1KIT, HARDWARE ELECTRIC SYSTEM
59098762000 1CONNECTOR 120A (C2)
6 909 5313 000 1 INSPECTION PLATE
79096914000 1 CABLE EXTENTION US
8 145 8513 000 1FUSE 30A (F2)
9145 3824 000 1STRIP FUSE 40A (F1)
10 145 1449 000 3 CLAMP
11 9098297000 1BATTERY CHARGER 24V 13A (CH)
12 9097208000 1 ELECTROMAGNETIC SWITCH 24V
13 33005912 3 WASHER M5 UNI6592
14 145 6132 000 3 INSERT M5
15 909 6622 000 1 RELAY 24V 40A (ES2)
16 146 1711 000 3SCREW M5X20 UNI7687
17 146 0660 000 2 BLADE FUSE HOLDER
18 9096963000 1 HARNESS ELECTRIC BOX
19 9096971000 1 MACHINE HARNESS
20 909 6840 000 1 HARNESS VACUUM CLEANER
21 9098871000 1 BATTERY HARNESS
22 L08338600 1 CABLE HOLDER
23 L08603668 2 SCREW THD FORM
24 146 1788 000 1 SCREW M4X12
Item
No.
Ref. No. Qty Description
Adnity™ 17ST / 20ST Adnity™ 17ST / 20ST
D6 Adfinity 17ST-20ST-X20R (6).indd 35 17/11/2011 16.14.50

2007-01
36 Adnity™ 17ST / 20ST / X20R 2009-06
9096913000
14 3 4
4
4
13
4
4
2
1
10
11
4
9 17
21
20
19
5
12
6
16
18
4
4
15
8
7
4
22
25
23
24
ELECTRICAL COMPONENTS ELECTRICAL COMPONENTS
2010-11 2010-11
Adnity™ X20R Adnity™ X20R
D6 Adfinity 17ST-20ST-X20R (6).indd 36 17/11/2011 16.14.50

2007-01
2009-06 Adnity™ 17ST / 20ST / X20R 37
9096913000
1145 8046 000 1 HOLDER FUSE
2909 6498 000 1 SUPPORT
3909 6676 000 2 SPACER M4 L=25
49098303000 1KIT, HARDWARE ELECTRIC SYSTEM
59098762000 1CONNECTOR 120A (C2)
6145 8513 000 2FUSE BLADE 30A (F2 - F3) (VACUUM - DRIVE MOTOR)
7145 1449 000 3 CLAMP
8145 6132 000 3 INSERT M5
9145 3824 000 1FUSE STRIP 40A (F1) (BRUSH MOTOR)
10 146 0660 000 2 BLADE FUSE HOLDER
11 9097209000 1ELECTROMAGNETIC SWITCH 24V (ES1) (BRUSH MOTOR CONTACTOR)
12 9096908000 1CARD ELECTRONIC TRACTION (EB2)
13 909 6622 000 1 RELAY 24V 40A (ES2) (VACUUM MOTOR CONTACTOR)
14 9096964000 1 HARNESS ELECTRIC BOX
15 33005912 3 WASHER M5 UNI6592
16 9098297000 1BATTERY CHARGER 24V 13A (CH)
17 9096914000 1 CABLE EXTENTION US
18 146 1711 000 3SCREW M5X20 UNI7687
19 L08338600 1 CABLE HOLDER
20 L08603668 2 SCREW THD FORM
21 146 1788 000 1 SCREW M4X12
22 9098903000 1 MACHINE HARNESS
23 909 6613 000 1 HARNESS VACUUM CLEANER
24 9098871000 1 BATTERY HARNESS
25 L08812093 4COVER, BATTERY TERMINAL
Item
No.
Ref. No. Qty Description
ELECTRICAL COMPONENTS ELECTRICAL COMPONENTS
2010-11 2010-11
Adnity™ X20R Adnity™ X20R
D6 Adfinity 17ST-20ST-X20R (6).indd 37 17/11/2011 16.14.51

2007-01
38 Adnity™ 17ST / 20ST / X20R 2009-06
9096913000
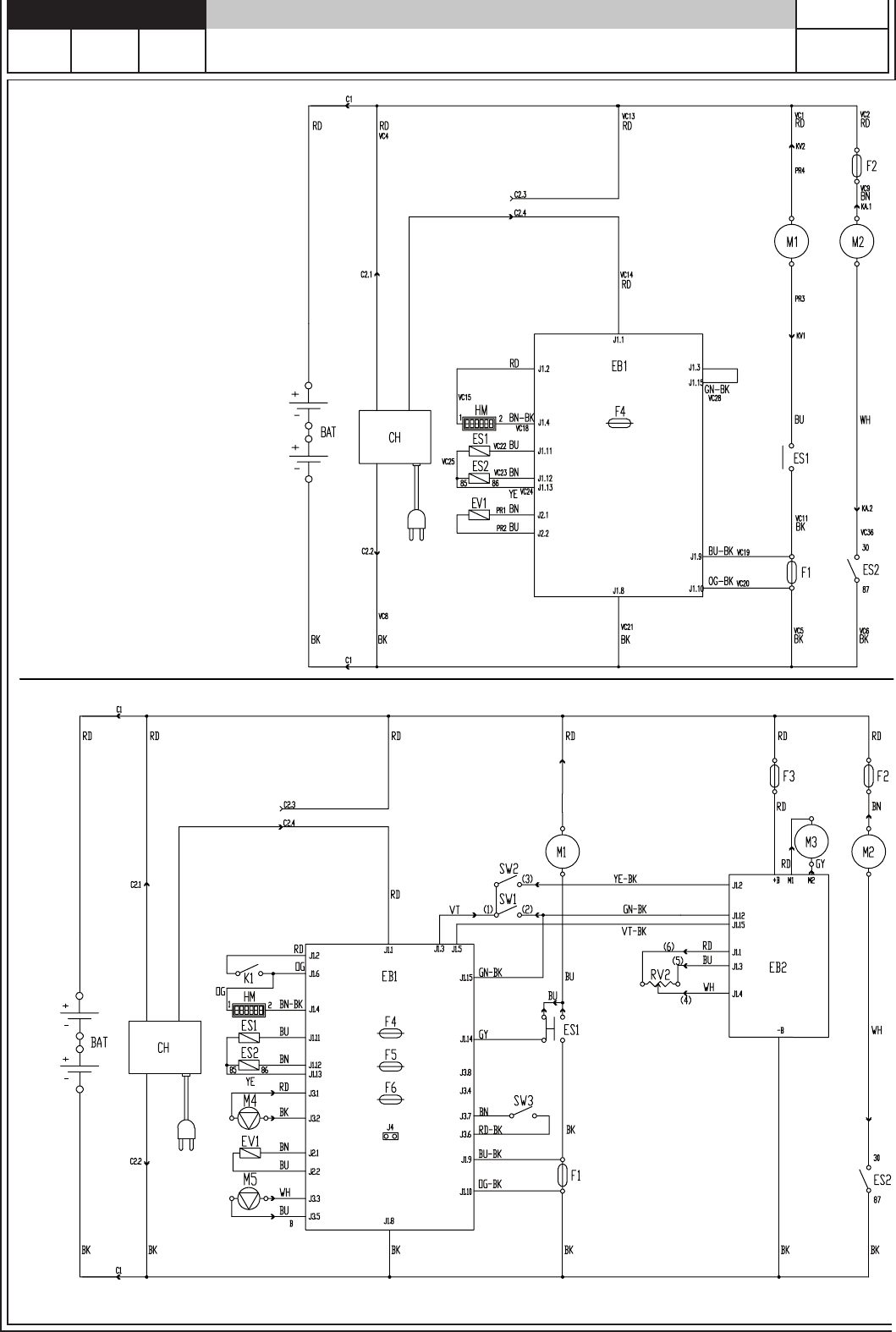
WIRING DIAGRAM WIRING DIAGRAM
Adfinity™ 17ST - 20ST
Adfinity™ X20R
2010-11 2010-11
D6 Adfinity 17ST-20ST-X20R (6).indd 38 17/11/2011 16.14.51

2007-01
2009-06 Adnity™ 17ST / 20ST / X20R 39
9096913000
WIRING DIAGRAM WIRING DIAGRAM
Key Ref. No. Description Models
BAT - 24V BATTERIES 17ST / 20ST / X20R
C1 - BATTERY CONNECTOR 17ST / 20ST / X20R
C2 9098762000 CHARGER CONNECTOR 17ST / 20ST / X20R
CH 9098297000 BATTERY CHARGER 17ST / 20ST / X20R
CS - BRUSH DECK CONNECTOR 17ST / 20ST
EB1 9097006000 CONTROL PANEL BOARD 17ST / 20ST
EB1 9098902000 CONTROL PANEL BOARD X20R
EB2 9096908000 DRIVE ELECTRONIC BOARD X20R
ES1 9097209000 BRUSH MOTOR ELECTROM. SWITCH 17ST / 20ST / X20R
ES2 909 6622 000 VACUUM MOTOR RELAY 17ST / 20ST / X20R
EV1 909 6555 000 ELECTROVALVE 17ST / 20ST
EV1 9098985000 ELECTROVALVE X20R
F1 145 3824 000 BRUSH DECK FUSE (40A) 17ST / 20ST / X20R
F2 145 8513 000 VACUUM MOTOR FUSE (30A) 17ST / 20ST / X20R
F3 145 8513 000 DRIVE SYSTEM FUSE (30A) X20R
F4 145 8368 000 LOW POWER CIRCUIT FUSE (3A) 17ST / 20ST / X20R
F5 909 6678 000 BRUSH RELEASE FUSE (20A) X20R
F6 145 8368 000 PUMP FUSE (3A) X20R
HM 9096951000 HOURMETER (OPT.) 17ST / 20ST / X20R
K1 146 2888 000 KEY SWITCH X20R
M1 9098308000 BRUSH MOTOR 17ST / 20ST
M1 56390072 BRUSH MOTOR X20R
M2 9099401000 VACUUM MOTOR 17ST / 20ST / X20R
M3 909 6548 000 DRIVE MOTOR X20R
M4 56315108 WATER PUMP X20R
M5 909 6183 000 DETERGENT PUMP X20R
RV2 909 6544 000 MAX SPEED POTENTIOMETER X20R
SW1 909 6677 000 BRUSH / DRIVE MICROSWITCH X20R
SW2 909 6677 000 REVERS GEAR MICROSWITCH X20R
SW3 9098988000 PROXIMITY SENSOR X20R
colour
BK - BLACK
BU - LIGHT BLUE
BN - BROWN
GN - GREEN
GY - GREY
OG - ORANGE
PK - PINK
RD - RED
VT - VIOLET
WH - WHITE
YE - YELLOW
2010-11 2010-11
D6 Adfinity 17ST-20ST-X20R (6).indd 39 17/11/2011 16.14.51

2007-01
40 Adnity™ 17ST / 20ST / X20R 2009-06
9096913000
RECOMMENDED SPARE PARTS RECOMMENDED SPARE PARTS
Ref. No. DESCRIPTION QTY MACHINES
SOLUTION TANK
909 6650 000 SPONGE INLET FRESH WATER 1 17ST / 20ST / X20R
909 6681 000 SOLUTION HOSE 1 17ST / 20ST / X20R
L08812457 CAP 2 17ST / 20ST / X20R
909 6662 000 SQUEEGEE LIFT CABLE 1 17ST / 20ST / X20R
909 6874 000 KIT, TANK CABLE 117ST / 20ST / X20R
9098265000 KIT, HARDWARE SOLUTION TANK 117ST / 20ST / X20R
RECOVERY TANK
909 6230 000 VACUUM HOSE 1 17ST / 20ST / X20R
# 9099165000 DRAIN HOSE 1 17ST / 20ST / X20R
L08812259 CAGE FLOAT COMPLETE 2 17ST / 20ST / X20R
L08812373 BALL FLOAT 1 17ST / 20ST / X20R
9097681000 KIT, CAGE FLOAT HOLDER 117ST / 20ST / X20R
145 0543 000 HOSE CLAMP 2 17ST / 20ST / X20R
909 6899 000 CAP 1 17ST / 20ST / X20R
909 6877 000 KIT, HARDWARE VACUUM MOTOR 117ST / 20ST / X20R
# 9099401000 KIT, MOTOR VACUUM (M2) 117ST / 20ST / X20R
#909 5371 000 KIT, CARBON BRUSH 117ST / 20ST / X20R
909 6491 000 PANEL ACOUSTIC INSULATION 1 17ST / 20ST / X20R
# 909 6490 000 GASKET VACUUM MOTOR 1 17ST / 20ST / X20R
#9096918000 GASKET VACUUM MOTOR 1 17ST / 20ST / X20R
CHASSIS SYSTEM
#9099028000 KIT, WHEEL CASTOR 117ST / 20ST / X20R
909 6878 000 KIT, HARDWARE CHASSIS SYSTEM 117ST / 20ST / X20R
9099014000 WHEEL CASTOR CHROMATE 2 X20R
9098987000 KIT, MOUNTING HARDWARE 2 X20R
WHEELS SYSTEM
909 6507 000 WHEEL FRONT D.200 217ST / 20ST
909 6548 000 MOTOR DRIVE 24V 200W (M3) 1 X20R
145 5124 000 CARBON BRUSHES FOR DRIVE MOTOR 2 X20R
9097032000 WHEEL FRONT DRIVE D.200 65SH 2 X20R
HANDLE BAR
9098300000 KIT, HARDWARE HANDLE ASSEMBLY 1 X20R
L08812282 CAM HANDLE MICROSWITCH 1 X20R
909 6544 000 SPEED POTENTIOMETER HARNESS (RV2) 1 X20R
9096923000 CAM HANDLE MICROSWITCH 1 X20R
909 6677 000 MICROSWITCH (SW2 - SW1) 2 X20R
SOLUTION SYSTEM
9096994000 VALVE ELBOW 1 17ST / 20ST / X20R
9097166000 KIT, FILTER 117ST / 20ST / X20R
9096995000 KIT, VALVE ELBOW WITH PIPES 117ST / 20ST / X20R
909 6555 000 ELECTROVALVE (EV1) 117ST / 20ST / X20R
9098985000 KIT, SOLENOID VALVE (EV1) 1 X20R
909 6636 000 BARB L=105 1 17ST / 20ST / X20R
9098777000 KIT, HOLDER RUBBER 117ST / 20ST / X20R
ECOFLEX™ SYSTEM
909 6743 000 KIT, ECOFLEX™ SYSTEM 1 X20R
909 6806 000 KIT, HOSE 1 X20R
56315108 FLOWJET WATER PUMP (M4) 1 X20R
909 6903 000 KIT, CHEMICAL TANK 1 X20R
56315517 REFILLING CAP 1 X20R
56315522 CHECK VALVE 1 X20R
56315523 CAP 1 X20R
56315527 FLOATING SENSOR 1 X20R
909 6183 000 CHEMICAL PUMP (M5) 1 X20R
909 6536 000 TEE FITTING 1 X20R
2011-11 2011-11
D6 Adfinity 17ST-20ST-X20R (6).indd 40 17/11/2011 16.14.51

2007-01
2009-06 Adnity™ 17ST / 20ST / X20R 41
9096913000
RECOMMENDED SPARE PARTS RECOMMENDED SPARE PARTS
Ref. No. DESCRIPTION QTY MACHINES
SQUEEGEE SYSTEM
909 6055 000 FRONT STRAP 1 17ST / 20ST / X20R
909 6044 000 WELDMENT SQUEEGEE TOOL 1 17ST / 20ST / X20R
9097637000 KIT, SQUEEGEE FIXING 117ST / 20ST / X20R
909 6551 000 KNOB 8X30 SS 117ST / 20ST / X20R
909 6484 000 BLADE NEOPRENE REAR 1 17ST / 20ST / X20R
909 6483 000 BLADE NEOPRENE FRONT 1 17ST / 20ST / X20R
909 6851 000 KIT, SQUEEGEE CPL ALU 30” 117ST / 20ST / X20R
909 6882 000 KIT, FIXING SQUEEGEE 117ST / 20ST / X20R
909 6883 000 KIT, SQUEEGEE WHEEL 117ST / 20ST / X20R
909 6884 000 KIT, SQUEEGEE BUMPER ROLLER 117ST / 20ST / X20R
909 6394 000 KIT, LATCH FOR SQUEEGEE 117ST / 20ST / X20R
909 6885 000 KIT, HARDWARE SQUEEGEE SUPPORT 117ST / 20ST / X20R
DISC SCRUB DECK
909 6043 000 BRUSH DECK 450MM/17” 117ST
909 6042 000 BRUSH DECK 530MM/20” 1 20ST
#9098308000 BRUSH MOTOR 450W 24V 135 RPM 1 17ST / 20ST
#9098376000 KIT, CARBON BRUSH 117ST / 20ST
9097184000 SHOCK ABSORBER 1 17ST / 20ST
9097093000 KIT, HOLDERPOLIG. W/FLAGE 117ST / 20ST
909 6887 000 KIT, BUMPER ROLLER 117ST / 20ST
#9099419000 KIT, HARDWARE BRUSH SYSTEM 117ST / 20ST
56390012 HOUSING BRUSH 1 X20R
56390072 MOTOR 24VDC (M1) 1 X20R
11055A CARBON BRUSH SET 1 X20R
41601T CONNECTOR 1 X20R
56390044 PAD DRIVER ASSY 1 X20R
56380235 KIT, RUBBER MOUNTING 1 X20R
#9098983000 KIT, DRIVER 1 X20R
CONTROL PANEL SYSTEM
9098302000 KIT, HARDWARE CONTROL PANEL 117ST / 20ST
9097006000 PCB FUNCTIONS 24V (EB1) 117ST / 20ST
9098637000 CONTROL PANEL DECAL 1 17ST / 20ST
145 8368 000 FUSE FUNCTION PCB 3A (F4) 117ST / 20ST
9098634000 DECAL CONTROL PANEL 1 X20R
146 2888 000 ON/OFF KEY SWITCH WATERPROOF (K1) 1 X20R
145 8368 000 FUSE 3A (F4 - F6) 1 X20R
909 6678 000 FUSE 20A (F5) 1 X20R
9098902000 ELECTRONIC CARD (EB1) 1 X20R
ELECTRICAL COMPONENTS
145 3824 000 FUSE STRIP 40A (F1) 117ST / 20ST / X20R
145 8513 000 FUSE BLADE 30A UL (F2) 117ST / 20ST / X20R
9098297000 CHARGER BATTERY 24V 13A (CH) 117ST / 20ST / X20R
9096908000 CARD ELECTRONIC (EB2) 1 X20R
9097209000 ELECTROMAGNETIC SWITCH (ES1) 1 X20R
909 6622 000 RELAY 24V 40A (ES2) 1 X20R
2011-11 2011-11
D6 Adfinity 17ST-20ST-X20R (6).indd 41 17/11/2011 16.14.51

2007-01
42 Adnity™ 17ST / 20ST / X20R 2009-06
9096913000
Ref. No. DESCRIPTION QTY MACHINES
ACCESSORIES
9097290000 REMOTE FILLIN HOSE 1
17ST / 20ST / X20R
909 5065 000 FILTER ANTIFOAMING 1
17ST / 20ST / X20R
9097599000 KIT, PROTECTION MOTOR 1
17ST / 20ST / X20R
9098343000 KIT, THIRD BLADE 1
17ST / 20ST / X20R
9096916000 FILTER 1
17ST / 20ST / X20R
9096951000 HOUR COUNTER (HN) 1
17ST / 20ST / X20R
909 6734 000 KIT, ELASTIC BAND 1
17ST / 20ST / X20R
9097167000 WHEEL FRONT D.200 65SH 2
17ST / 20ST / X20R
L08837020 BRUSHES - PROLENE 1
17ST / 20ST
L08837021 BRUSHES - PROLITE 1
17ST / 20ST
L08837022 BRUSHES - UNION MIX 1
17ST / 20ST
L08837023 BRUSHES - MIDLITE 1
17ST / 20ST
L08837024 BRUSHES - MID GRIT 1
17ST / 20ST
L08837017 KIT, PAD HOLDER 1
17ST / 20ST
56325504 BRUSHES - PROLENE 1
17ST / 20ST
L08837026 BRUSHES - PROLITE 1
17ST / 20ST
L08837027 BRUSHES - UNION MIX 1
17ST / 20ST
L08837028 BRUSHES - MIDLITE GRIT 1
17ST / 20ST
L08837029 BRUSHES - MID GRIT 240 1
17ST / 20ST
L08837065 BRUSHES - MAGNA GRIT 46 1
17ST / 20ST
L08837066 BRUSHES - DYNA GRIT 80 1
17ST / 20ST
L08837067 BRUSHES - AGLITE GRIT 500 1
17ST / 20ST
56325502 KIT, PAD HOLDER 1
17ST / 20ST
L08603878 KIT, SQUEEGEE CPL 30” 1
17ST / 20ST / X20R
909 6860 000 KIT, SQUEEGEE BLADES NEOPRENE 1
17ST / 20ST / X20R
909 6858 000 KIT, SQUEEGEE BLADES POLYURETAN 1
17ST / 20ST / X20R
909 6738 000 KIT, EXTRAPRESSURE 1
17ST / 20ST
9098619000 WHEELS CASTOR D.100 PU SS 1
17ST / 20ST / X20R
#9097599000 PROTECTION MOTOR KIT 1
17ST / 20ST
#9098853000 ELBOW 90 SUCT.HOSE KIT RAL7001 1
17ST / 20ST / X20R
OPTIONALS
2011-11
D6 Adfinity 17ST-20ST-X20R (6).indd 42 17/11/2011 16.14.51
D6 Adfinity 17ST-20ST-X20R (6).indd 43 17/11/2011 16.14.51

A Nilfisk-Advance Brand
14600 21st Avenue North
Plymouth, MN 55447-3408
www.advance-us.com
Phone: 800-989-2235
Fax: 800-989-6566
©2011 Nilfisk-Advance, Inc.
D6 Adfinity 17ST-20ST-X20R (6).indd 44 17/11/2011 16.14.51