ADV SC3000 Rider Scrubber Parts Manual
2013-03-27
: Sweepscrub Adv Sc3000 Rider Scrubber Parts Manual ADV_SC3000_rider_scrubber_parts_manual 748 file product_file
Open the PDF directly: View PDF  .
.
Page Count: 52

SC3000 26” Disc
SC3000 28” Cyl.
PARTS LIST
Advance models: 9087266020 - 26” Disc - Charger
                              9087267020 - 26” Disc - EcoFlex™ + Charger
                              9087268020 - 28” Cyl. - Charger
                              9087269020 - 28” Cyl. - EcoFlex™ + Charger
9098828000(2)2011-02
ADVANCE GAMMA1 (1)-2.indd   1 09/02/2011   14.30.50
ADVANCE GAMMA1 (1)-2.indd   2 09/02/2011   14.30.50

2010-10
SC3000 26” Disc - SC3000 28” Cyl. 1
9098828000
WHEN ORDERING PARTS
*  Use the 8, 9 or 10 digit numbers from the “Ref. No.” columns in this parts list.
*  Specify the model and serial number of the machine.
*  Use the space below to record the model and serial number for future reference.
Model  ___________________  Serial No.  ___________________
* = Optional
# = Modied item No. or New item No.
[ ] = Not shown
DESCRIPTION PLAN
GENERAL VIEW 2 - 3 
SOLUTION TANK 4 - 5
RECOVERY TANK 6 - 7
COLUMN SYSTEM 8 - 9
STEERING ASSY 10 - 11
STEEERING WHEEL SUPPORT ASSEMBLY 12 - 13
DRIVE WHEEL ASSEMBLY 14 - 15
CHASSIS SYSTEM 16 - 17
SOLUTION SYSTEM 18 - 19
ECOFLEX™ 20 - 21
SQUEEGEE RAISING ASSEMBLY 22 - 23
SQUEEGEE SYSTEMS 24 - 25
MAGIC DECK ASSEMBLY 26 - 27
BRUSHES DECK SYSTEM 28 - 29
MAGIC DECK ASSEMBLY CYL. BRUSH 30 - 31
CYL. BRUSHES SYSTEM 32 - 35
ELECTRICAL COMPONENTS 36 - 37
BATTERY CHARGER 38 - 39
ACCESSORIES 40 - 45
ELECTRICAL DIAGRAM 46 - 47
RECOMMENDED SPARE PARTS 48 - 49
TABLE OF CONTENTS
ADVANCE GAMMA1 (1)-2.indd   1 09/02/2011   14.30.50

2010-10
2SC3000 26” Disc - SC3000 28” Cyl.
9098828000
1
2
3
5
6
7
8
9
10
11
12
13
4
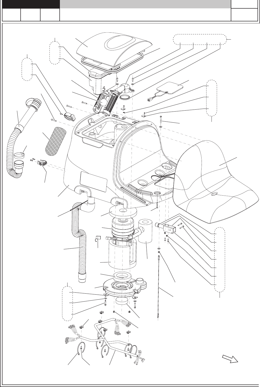
GENERAL VIEW GENERAL VIEW
ADVANCE GAMMA1 (1)-2.indd   2 09/02/2011   14.30.57

2010-10
SC3000 26” Disc - SC3000 28” Cyl. 3
9098828000
GENERAL VIEW GENERAL VIEW
1 1 SOLUTION TANK
2 1 RECOVERY TANK
3 1 COLUMN SYSTEM
4 1 STEERING ASSY
5 1 STEEERING WHEEL SUPPORT ASSEMBLY
6 1 DRIVE WHEEL ASSEMBLY
7 1 CHASSIS SYSTEM
81SOLUTION SYSTEM
9 1 SQUEEGEE SYSTEMS
10 1 BRUSHES DECK SYSTEM
11 1CYL. BRUSHES SYSTEM
12 1 ELECTRICAL COMPONENTS
13 1 BATTERY CHARGER
Item 
No.
Ref. No. Qty Description
ADVANCE GAMMA1 (1)-2.indd   3 09/02/2011   14.30.58

2010-10
4SC3000 26” Disc - SC3000 28” Cyl.
9098828000
 4 
 5 
 9
 13
 15
SEE ELECTRICAL
COMPONENTS
SEE SQUEEGEE
RAISING ASSY
SEE SOLUTION
SYSTEM
 18  24 25
11
 26
 36
32 33 23
39
 34
 35
 14
 6
 16
 22
 7
40
 1  2 
 12  17  31
 37  38
 21
 20
 21
Front
29
41
10
8
3
19
30
28
27
K2
K1
K3
SOLUTION TANK SOLUTION TANK
ADVANCE GAMMA1 (1)-2.indd   4 09/02/2011   14.30.59

2010-10
SC3000 26” Disc - SC3000 28” Cyl. 5
9098828000
SOLUTION TANK SOLUTION TANK
K4 1 2 CLAMP D.6 WHITE
K4 2 1 SCREW 3.9X13 UNI6954
K2 3 1 WASHER, FLAT 5x15 XL SS
4 L08812457 2 CAP TANK
K4 5 1 CLAMP 290X4.8
K3 6 4 WASHER 5X15 UNI6593
K3 7 2 SCREW M5X45 UNI5737
K2 8 1 CABLE OPENING CAP
K4 9 1 SCREW M6X20 UNI5739
K2 10 1 SCR, PAN PHIL M5x16 SS
11 9097797000 1 TANK SOLUTION RAL 7016
K1 12 1 COVER ELECTRIC COMPONENTS
K4 13 1 NUT HEX M6 UNI5589
K3 14 2 NUT SELF L. M5 UNI7474
K4 15 1 NUT SELF L. M6 UNI7474
K3 16 1 LEVER BATTERY CONNECTOR
K1-4 17 11 SCREW CYL HD 5X16 SELF L. 
K4 18 2 CLAMP BLACK 4,8x200
K2 19 1 NUT, HEX METRIC M5 SS 
K4 20 4 NUT SELF L. M10 UNI7474
K4 21 8 WASHER M10 UNI6592
K3 22 1 SPACER 6,5X12X10
23 909 6087 000 3 ELBOW CURVED 90. M 1/2
K4 24 3 SCREW M5X12 UNI7687 
K4 25 3 HOLDER.FLAT TIE 
K4 26 2 WASHER M10 UNI1751B 
K2 27 9097290000 1 HOSE FILLING
K2 28 2 SCREW 3.9X22 UNI6955 SS 
K2 29 1 CAP SOLUTION TANK
K2 30 1 SUPPORT HOSE FILLING
K1 31 1 GASKET ELECTR.COVER
32 9098173000 1 VALVE 1/2-1/2
33 9098175000 1 PIPE
34 9098224000 1 MUFF FRESH WATER
K3 35 1 BRACKET SUPPORT BATTERY
K4 36 2 SCREW M10X16 UNI5931
K4 37 4 CAP BLACK 
K4 38 4 SCREW M10X75 UNI5931
39 9097626000 1 VALVE ELBOW KIT 
K4 40 2 CLAMP 09/12-22 
K2 41 1 SCREW CAP 4,8mm 
K1 9098707000 1 COVER ELECTRIC COMPONENTS KIT 
K2 9098709000 1 CAP SOLUTION KIT
K3 9098710000 1 LEVER BATTERY KIT 
[K4] 9098711000 1 HW KIT SOLUTION TANK
Kit Item 
No.
Ref. No. Qty Description
ADVANCE GAMMA1 (1)-2.indd   5 09/02/2011   14.30.59

2010-10
6SC3000 26” Disc - SC3000 28” Cyl.
9098828000
RECOVERY TANK RECOVERY TANK
Front
 1 
 2 
 4 
 5 
 6 
 7 
 10 
 11 
 14 
 15 
 16 
 17 
 18 
 20 
 21 
 22 
 23 
 24 
 25 
 26 
 27 
 28 
 30 
 31 
 50
53 29933
 34 
 35 
 36 
 38 
 39 
 40 
 41 
 42 
44
43
37
13
8
19
12
 45 
 46 
 47 
 48 
 49 
 3 
 51
K1
 K2
52
K5
K6
 K3
 K4
ADVANCE GAMMA1 (1)-2.indd   6 09/02/2011   14.31.00

2010-10
SC3000 26” Disc - SC3000 28” Cyl. 7
9098828000
RECOVERY TANK RECOVERY TANK
1 909 6672 000 1 FILTER 
2 909 6489 000 1 GASKET VACUUM MOTOR
3 909 6491 000 1 PANEL ACOUSTIC INSULATION
K4 4 3 PLATE VACUUM COVER
K6 5 2 PLATE TANK COVER
K6 6 1 BUSH FLANGED
K4-7 7 5 WASHER 6X18 UNI6592
K5 8 1 SPACER 7X10X19
K1 9 2 WASHER 6X18X1.5 UNI6593
K6 10 2 SCREW CYL HD SELFL 3.9X12
K3 11 1 CLAMP.HOSE D.50
K5 12 2 SCREW M5X14 UNI5739
K5 13 2 SCREW M5X35 UNI5739
K4 14 3 SCREW M6X30 UNI5739
K7 15 1 SCREW M6X45 UNI5739
K3 16 3 SCREW M5X12 UNI5931 SS
K7 17 2 SCREW M6X35 UNI5931
K7 18 3 SCREW M6X35 UNI5933
K5 19 2 NUT SELF L. M5 UNI7474
K7 20 1 NUT SELF L. M6 UNI7474
21 56407361 1 CLAMP  PLASTIC
K7 22 6 CLAMP BLACK 4,8x200
23 146 0771 000 1 CLAMP
24 909 6051 000 1 COVER.VACUUM MOTOR
25 909 6242 000 1 MICROSWITCH 
K7 26 5 SCREW M5X12 UNI7687
27 909 6442 000 1 PIPE.ACOUSTIC INSULATION
K7 28 5 HOLDER.FLAT TIE 
K1 29 2 SCREW M6X20 ISO7380 SS
30 9097555000 1 GASKET VACUUM MOTOR
31 9097556000 1 MOTOR VACUUM 3ST 24V 420W
31* 9098455000 1 MOTOR VACUUM 3 STAGE 670W
[32] 9098456000 1 INSTRUCTIONS INSTALLATION
K1 33 1 GASKET CAGE FLOAT
K7 34 2 NUT JAW M6X6 INOX SS
35 9097801000 1 TANK RECOVERY RAL 7001
36 9097802000 1 COVER TANK RAL7001
K5 37 1 SUPPORT SAFETY BRACKET TA
38 9097858000 1 SEAT
39 9097935000 1 HOSE DRAIN
40 9098169000 1 HOSE SUCTION
41 9098172000 1 GASKET COVER 
42 9098177000 1 CABLE TANK STOP
K5 43 1 BRACKET STOP TANK
K5 44 1 CAP D.25 BLACK
K2 45 1 TRAY DEBRISE
K2 46 1 COVER TRAY DEBRISE
47 9098235000 1 HARNESS RECOVERY TANK
48 L08812259 2 CAGE.FLOAT CPL
49 L08812373 1 BALL FLOATING
50 9098716000 1 BRUSH CARBON KIT
51 L08066000 1 CLAMP RED
52* 909 5065 000 1 FILTER ANTIFOAMING
K1 53 1 CAGE FLOAT
K1 9097681000 1 CAGE FLOAT HOLDER KIT 
K2 9098712000 1 TRAY DEBRISE KIT
K3 909 6380 000 1 CLAMP KIT
K4 909 6877 000 1 HARDWARE MOTOR FIXING KIT
K5 9098713000 1 BRACKET STOP KIT 
K6 9098714000 1 TANK FIXING KIT
[K7] 9098715000 1 HARDWARE RECOVERY TANK KIT 
Kit Item 
No.
Ref. No. Qty Description
ADVANCE GAMMA1 (1)-2.indd   7 09/02/2011   14.31.00

2010-10
8SC3000 26” Disc - SC3000 28” Cyl.
9098828000
COLUMN SYSTEM COLUMN SYSTEM
 1 
 2 
 3 
 4 
 5 
 6 
 7 
 8 
 9 
 10 
 11 
 17
 12 
 13 
 15 
 16 
SEE STEERING ASSY
SEE CHASSIS ASSY
SEE STEERING WHEEL
SUPPORT ASSY
 19 
 20 
 21 
 22 
 14
 18
 24
 25
23
Front
ADVANCE GAMMA1 (1)-2.indd   8 09/02/2011   14.31.01

2010-10
SC3000 26” Disc - SC3000 28” Cyl. 9
9098828000
COLUMN SYSTEM COLUMN SYSTEM
K1 1 1 CLAMP D.6 WHITE
K1 2 1 SCREW 3.9X13 UNI6954
K1 3 7 CAP. BLACK
K1 4 3 SCREW M8X20 UNI5931
K1 5 3 SCREW M10X25 UNI5931
K1 6 2 SCREW M10X60 UNI5931
K1 7 2 SCREW M10X25 UNI5933
K1 8 2 SCREW M10X60 UNI5933 
K1 9 2 SCREW M10X75 UNI5931
K1 10 7 NUT SELF L. M10 UNI7474
K1 11 3 WASHER M8 UNI6592
K1 12 7 WASHER M10 UNI6592
K1 13 1 SCREW M8X50 UNI5931 THREA
K1 14 4 CAP SCREW
15 9097805000 1 FOOTBOARD WITH COLUMN RAL
16 9097806000 1 PROTECTION STEERING RING
17 9097934000 1 PEDAL SPEED CONTROL
18 33005604 1 NUT SELF L. M6 UNI7474
K1 19 1 RING D 40  UNI7436
K1 20 4 SCREW CYL HD 5X16 SELF L. 
21 9097950000 1 FOOTREST
22 9097957000 1 SPRING FOOTREST
23 9099051000 1 LABELS KIT 26”  DISC - 28” CYL.
24 33004352 1 SCREW M6X50 UNI5931
25 33003742 2 WASHER 6X18 UNI6593
[K1] 9098718000 1 HW KIT COLUMN SYSTEM
Kit Item 
No.
Ref. No. Qty Description
ADVANCE GAMMA1 (1)-2.indd   9 09/02/2011   14.31.02

2010-10
10 SC3000 26” Disc - SC3000 28” Cyl.
9098828000
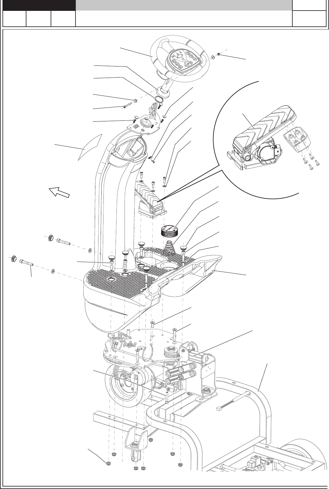
STEERING ASSY STEERING ASSY
5
4
2
10
15
9
8
14
6
17
20
19
SEE
LABELS KIT
18
11
3
13
12
1
7
16
21
Front
ADVANCE GAMMA1 (1)-2.indd   10 09/02/2011   14.31.03

2010-10
SC3000 26” Disc - SC3000 28” Cyl. 11
9098828000
STEERING ASSY STEERING ASSY
K1 1 10 SCREW 3.9X13 UNI6954
K1 2 3 SCREW M6X20 UNI5931
K1 3 4 NUT SELF L. M5 UNI7474
K1 4 3 WASHER M6 UNI1751B
K1 5 4 SCREW M5X45 UNI5931
6 9097785000 1 WHEEL STEERING D.320X281
7 9097786000 1 COVER DRIVE WHEEL
8 9097788000 1 LEVER RIGHT PA YELLOW
9 9097789000 1 LEVER LEFT PA
10 9097846000 1 TUBE ADJUST.STEERING WHEE
11 9097921000 1 GASKET ROUND D.2MM
12 9097922000 1 CARD ELECTRONIC DASHBOARD
13 9097923000 2 SPRING MOVING BOTTON
14 9097924000 2 SPRING TORSION FOR STEERI
15 9097925000 1 CAP REAR
16 9097986000 1 DECAL CONTROL PANEL
17 146 2888 000 1 SWITCH KEY WITH CAP
18 9097842000 1 PLATE FIXING STEERING WHE
19 9097843000 2 BUSH FLANGED D.40X44X52
20 146 2887 000 1 KEY -2 PCS-
21 9097792000 1 CABLE DASHBOARD EXTENSION
[K1] 9098719000 1 HW KIT STEERING ASSY
Kit Item 
No.
Ref. No. Qty Description
ADVANCE GAMMA1 (1)-2.indd   11 09/02/2011   14.31.03

2010-10
12 SC3000 26” Disc - SC3000 28” Cyl.
9098828000
STEERING WHEEL SUPP ASSY STEERING WHEEL SUPP ASSY
 16 
19A
20
 1 
 2 
 3 
 4 
 5 
 6 
 7 
 8 
 10 
 11 
 13 
 14 
 15 
17B
17A
 18 
 1 
 9 
Front
 12 
ADVANCE GAMMA1 (1)-2.indd   12 09/02/2011   14.31.03

2010-10
SC3000 26” Disc - SC3000 28” Cyl. 13
9098828000
STEERING WHEEL SUPP ASSY STEERING WHEEL SUPP ASSY
K1 1 2 SPACER 8.1X12X6.5
K1 2 1 NUT SELF L. M6 UNI7474
K1 3 1 RING D 17 UNI7435
4 33007699 1 KEY JOINT 5X25
K1 5 1 CLAMP BLACK 4,8x200
K1 6 1 BUSH (KIT ITEM 21)
K1 7 1 WASHER M16 UNI6592 
K1 8 1 SCREW GRUB M5X10 UNI5929
K1 9 3 WASHER 16X30 UNI6592
10 909 5943 000 1 PINION STEERING
11 9097840000 1 SHAFT STEERING L.546MM
12 9097844000 1 SHAFT STEERING L.66MM
13 9097845000 1 TUBE STEERING
K1 14 1 RING D 40  UNI7436
15 9098094000 1 HARNESS STEERING WHEEL
16 9098166000 1 SCREW SHOULDER M8X40
17A 9097937000 1 PLATE STEERING SUPPORT
17B 9098412000 1 PLATE STEERING SUPPORT
18 145 9619 000  1 JOINT UNIVERSAL D.17
19A 9098216000 1 BUSH FLANGED D.30X38X44
20A 9098191000 1 HARNESS FOOT BOARD
20B 9097932000 1  HARNESS FOOT BOARD
[K1] 9098720000 1 HW KIT STEERING WHEEL SUPPORT
A: ONLY FOR 26” DISC
B: ONLY FOR 28”CYL.
Kit Item 
No.
Ref. No. Qty Description
ADVANCE GAMMA1 (1)-2.indd   13 09/02/2011   14.31.03

2010-10
14 SC3000 26” Disc - SC3000 28” Cyl.
9098828000
DRIVE WHEEL ASSY DRIVE WHEEL ASSY
4
7
21
13
14
8
1
15
19
3
20
16A
5A
23
11
12
10
9
26
27
 2 
 6 
 17 
 25
 24
 31
 30
 18 
 28B
 29B
 22 
Front
ADVANCE GAMMA1 (1)-2.indd   14 09/02/2011   14.31.04

2010-10
SC3000 26” Disc - SC3000 28” Cyl. 15
9098828000
DRIVE WHEEL ASSY DRIVE WHEEL ASSY
K1 1 2 PIN 4X20 UNI6873
K1 2 1 CLAMP 4.8X430 WHITE
K1 3 4 SCREW M5X16  UNI5739
K1 4 3 SCREW M8X20 UNI5931
K1 5A 4 SCREW M6X35 UNI5933
K1 6 4 SCREW M10X25 UNI5933
K1 7 3 WASHER M8 UNI1751B
K1 8 3 CLAMP BLACK 4,8x200
K1 9 1 NUT RING
K1 10 1 WASHER M16 UNI6592
11 909 5941 000 1 SUPPORT BALL BEARING
12 909 5942 000 1 ROLLER BEARING
K1 13 1 SCREW M5X12 UNI7687 
K1 14 1 HOLDER.FLAT TIE
15 9097807000 1 SPACER CROWN STEERING
16A 9097809000 1 GEAR MAIN Z45
17 9097834000 1 MOTOR WHEEL W300 24V
18 9097837000 1 STEERING BRACKET
19 9097841000 1 CROWN STEERING Z100
20 9098165000 1 PROTECTION DRIVE WHEEL WI
21 9098407000 1 WHEEL DRIVE
22 9098430000 1 HARNESS WHEEL MOTOR
23 145 4691 000  1 BALL BEARING
24 9098625000 1 MOTOR ELECTRIC
25 9098627000 1 BRUSH CARBON KIT
K1 26 6 SCREW M6X20 UNI5739
K1 27 6 WASHER M6 UNI1751B
K1 28B 4 SCREW M6X35 UNI5739
K1 29B 4 WASHER M6 UNI1751B
30 9098626000 1 BRAKE ELECTRIC.RELEASED
31 9098800000 1 SEAL OIL
[K1] 9098721000 1 HW KIT DRIVE WHEEL 
A: ONLY FOR 26” DISC
B: ONLY FOR 28”CYL.
Kit Item 
No.
Ref. No. Qty Description
ADVANCE GAMMA1 (1)-2.indd   15 09/02/2011   14.31.04

2010-10
16 SC3000 26” Disc - SC3000 28” Cyl.
9098828000
CHASSIS SYSTEM CHASSIS SYSTEM
 4 
 5 
10
9
6
8
28
29
14
23
 11 
 18 
 19 
 22
24
33
31
26
15
 30 
 32   34
 35
 36
 16
32177
 21
 27
12
13
20
 25
 1 
Front  K1
 K1
 K3
 K4
 K4
K2
ADVANCE GAMMA1 (1)-2.indd   16 09/02/2011   14.31.05

2010-10
SC3000 26” Disc - SC3000 28” Cyl. 17
9098828000
CHASSIS SYSTEM CHASSIS SYSTEM
1 L08601574 1 HANDWHEEL M8X55
K2 2 2 WASHER 8X32 UNI6593
K2 3 2 SPACER D. 26X32X30
K1 4 1 SCREW M12X110 UNI5737
K1 5 3 SCREW M10X35  UNI5739
K4 6 2 SCREW M10X45  UNI5739
K2 7 2 SCREW M8X20 UNI5739
K4 8 1 NUT HEX M8 UNI5589
K4 9 4 SPACER D.10.5X14X3
K4 10 2 NUT SELF L. M10 UNI7474  
K1 11 1 WASHER M10 UNI1751B
K4 12 4 WASHER M10 UNI6592 
K4 13 4 WASHER M14 UNI6592
K4 14 1 SPACER ADJUSTING SQUEEGEE
K3 15 1 NUT RING
16 9097931000 2 ROD EYE M10
K2 17 2 WASHER 
K1 18 1 WASHER
K1 19 1 NUT SELF L. M12 UNI7474
K4 20 2 WASHER 16X30 UNI6592
K1 21 1 PIN FOR SQUEEGEE SPRING
22 909 6126 000 1 BUZZER 5-32V
K4 23 2 SCREW SHOULDER M10X16
K3 24 1 SCREW SHOULDER M12X25
25 9098236000 1 HARNESS REAR MACHINE
K3 26 1 WASHER M30 UNI6592
27 9098390000 1 SUPPORT SQUEEGEE DOWN
K4 28 1 SPACER D. 8X10X15.5
K4 29 1 SPACER WITH HOLE
30 9097798000 1 CHASSIS
K3 31 2 BUSH FLANGED D.30X32X37 
32 9097816000 2 WHEEL REAR D.254 80SH GRE
K3 33 1 BRACKET TURNING
34 9097827000 1 SUPPORT SQUEEGEE UPPER
K1 35 1 PIN SUPPORT SQUEEGEE SPRI 
K1 36 1 SPRING ZERO SETTING SQUEE
K1 9098722000 1 CENTRING SQUEEGEE KIT 
K2 9098723000 1 FIXING WHEELS KIT
K3 9098724000 1 BRACKET TURNING KIT (ONLY FOR 26” DISC)  
K4 9098725000 1 HW KIT ROD EYE
Kit Item 
No.
Ref. No. Qty Description
ADVANCE GAMMA1 (1)-2.indd   17 09/02/2011   14.31.05

2010-10
18 SC3000 26” Disc - SC3000 28” Cyl.
9098828000
SOLUTION SYSTEM SOLUTION SYSTEM
 12
 9
 8
 10
 6 5
 4
1
2
11
 7
14
15
3
16
13
17
Front
 K1
ADVANCE GAMMA1 (1)-2.indd   18 09/02/2011   14.31.06

2010-10
SC3000 26” Disc - SC3000 28” Cyl. 19
9098828000
SOLUTION SYSTEM SOLUTION SYSTEM
1* 9096916000 1 FILTER SOLUTION TANK
2 9097626000 1 VALVE ELBOW KIT 
K1 3 1 BODY FILTER
4 9098120000 1 PIPE MT.0.323
5 909 6087 000 1 NIPPLE 90° G1/2
6 9097484000 3 GASKET
K2 7 2 NUT SELF L. M8 UNI7474
8 909 6555 000 1 SOLENOID VALVE 24V
9909 6086 000 1 ELBOW CURVED M/F
10 9097115000 1 HOLDER RUBBER 1/2 FEMALE
11 9097821000 1 PIPE MT 1.02
K2 12 2 SCREW M8X75 UNI5737
K2 13 1 CLAMP BLACK 4,8x200
K1 14 9097943000 1 GASKET FOR WATER FILTER
K1 15 9097944000 1 FILTER NET SS 50 MESH FOR
K1 16 9097945000 1 OVER TRASPARENT FOR WATE
K2 17 3 CLAMP 09/12-22
K1 9098115000 1 FILTER WATER KIT
[K2] 9098726000 1 HW KIT SOLUTION SYSTEM
Kit Item 
No.
Ref. No. Qty Description
ADVANCE GAMMA1 (1)-2.indd   19 09/02/2011   14.31.06

2010-10
20 SC3000 26” Disc - SC3000 28” Cyl.
9098828000
ECOFLEX™ ECOFLEX™
K1
18
13
17
4
22
3
2
9
16
15
5
6
8
11
14
7
10
12
1
19
20
21
Front
2011-02
ADVANCE GAMMA1 (1)-2.indd   20 09/02/2011   14.31.07

2010-10
SC3000 26” Disc - SC3000 28” Cyl. 21
9098828000
ECOFLEX™ ECOFLEX™
K1 1 1 PIPE d.12 MT 0,64
K1 2 2 WASHER M3 UNI1751B
K1 3 2 WASHER M3 UNI6592
K1 4 909 6903 000 1 TANK CHEMICAL KIT
K1 5 56315522 1 VALVE CHECK
K1 6 1 PIPE SILICON di.4 de.7 MT 0,9
K1 7 3 CLAMP
K1 8 3 CLAMP CABLE BLACK
K1 9 2 SCREW HEX HD M3X12
K1 10 1 PIPE d.12 MT 0,38
K1 11 1 HOLDER RUBBER T
K1 12 909 6183 000 1 PUMP CHEMICAL MIX  
K1 13 5 CLAMP
K1 14 1 HOLDER RUBBER 1/2 FEMALE
K1 15 1 PIPE SILICON di.4 de.7 MT 0,9
K1 16 1 HOLDER RUBBER 90. D.5
K1 17 1 PIPE SILICON di.4 de.7 MT 0,315
K1 18 1 PIPE SILICON di.4 de.7 MT 0,910
K1 19# 1 CLAMP GREY
K1 20# 1 SCREW 3,9X13 UNI6954
K1 21# 1 DECAL DETERGENT ADJUSTING
K1 22# 1 TRANSPARENT ADHESIVE
K1 9097818000 1 ECOFLEX KIT
Kit Item 
No.
Ref. No. Qty Description
2011-02
ADVANCE GAMMA1 (1)-2.indd   21 09/02/2011   14.31.07

2010-10
22 SC3000 26” Disc - SC3000 28” Cyl.
9098828000
SQUEEGEE RAISING ASSY SQUEEGEE RAISING ASSY
6
5
14
12
13
11
9
K1
4
8
11
2
12
10
6
13
11
13
7
5
17
19
20
16
15
3
21
231
22
18
Front
Front
ADVANCE GAMMA1 (1)-2.indd   22 09/02/2011   14.31.08

2010-10
SC3000 26” Disc - SC3000 28” Cyl. 23
9098828000
SQUEEGEE RAISING ASSY SQUEEGEE RAISING ASSY
K1 1 1 NUT SELF L. M6 UNI7474 SS
K1 2 1 SCREW M6X50 UNI5931
K1 3 1 SCREW M6X55 UNI5931
K1 4 2 SCREW M6X25 UNI5933
K1 5 3 NUT SELF L. M6 UNI7474
K1 6 2 SPACER 6,5X12X10
K1 7 1 PLATE COUNTER
K1 8 1 SUPPORT COUNTERPLATE
K1 9 9097933000 1 CABLE SQUEEGEE LIFTING
K1 10 9097985000 1 JACK MOTOR 24V FOR SQUEEG
K1 11 9098248000 3 PULLEY D.30
K1 12 2 BRACKET PULLEY SUPPORT
K1 13 3 SPACER D. 6.5X10X10.5
K1 14 1 NUT HEX M6 UNI5721
K1 15 2 SCREW M6X14  UNI5739
K1 16 2 WASHER M6 UNI1751B
K1 17 1 NUT SELF L. M8 UNI7474
K1 18 1 SCREW M8X90 UNI5931
K1 19 1 BRACKET SUPPORT JACK MOTO
K1 20 4 SCREW CYL HD 5X16 SELF L.
K1 21 1 SCREW M6X20 ISO7380 SS
K1 22 1 SPACER 6.5X10X5
K1 23 1 WASHER 6X18X1.5 UNI6593
K1 9098708000 1 SQUEEGEE LIFTING KIT
Kit Item 
No.
Ref. No. Qty Description
ADVANCE GAMMA1 (1)-2.indd   23 09/02/2011   14.31.08

2010-10
24 SC3000 26” Disc - SC3000 28” Cyl.
9098828000
SQUEEGEE SYSTEMS  SQUEEGEE SYSTEMS
9
1
19 16
4
K1
4
15
14
10
14
10
13
19
5
3
6
18
17
11
7
12
2
8
Front
K2
K3
ADVANCE GAMMA1 (1)-2.indd   24 09/02/2011   14.31.08

2010-10
SC3000 26” Disc - SC3000 28” Cyl. 25
9098828000
SQUEEGEE SYSTEMS  SQUEEGEE SYSTEMS
K1 1 909 6551 000 1 KNOB M8X30 SS
K2 2 2 SCREW M8X30 UNI5739 SS
K3 3 1 LATCH SQUEEGEE
K1 4 9097637000 1 SQUEEGEE FIXING KIT
K3 5 2 SCREW M4X10 UNI7687 SS
K3 6 2 NUT SELF L. M4 UNI7474 SS
K2 7 2 ROLLER BUMPER
K2 8 2 CAP. BLACK
K2 9 2 SPACER 9X15X13
K1 10 2 WASHER M10 UNI6592
K2 11 2WASHER 10X18 UNI8840A
K2 12 2 WASHER SST
K1 13 909 6600 000 1 SCREW GRUB M8X30 UNI5929
K1 14 9098307000 2 WHEEL CASTOR D.42
K1 15 9098379000 1 WELDMENT SQUEEGEE TOOL
K1 16 9098380000 1 STRAP FRONT  SQUEEGEE 35
K1 17 9098381000 1 STRAP SKIRT REAR RIGHT 35
K1 18 9098382000 1 STRAP SKIRT REAR LEFT 35
K1 19 9098729000 1 BLADES PU  890MM/35” KIT 
K1 9098728000 1 SQUEEGEE CPL PU 890MM/35” KIT
K1 K2 909 6887 000 2 ROLLER BUMPER KIT
K1 K3 909 6394 000 1 LATCH SQUEEGEE KIT
Kit Item 
No.
Ref. No. Qty Description
ADVANCE GAMMA1 (1)-2.indd   25 09/02/2011   14.31.08

2010-10
26 SC3000 26” Disc - SC3000 28” Cyl.
9098828000
MAGIC DECK ASSEMBLY MAGIC DECK ASSEMBLY
SC3000 26” Disc SC3000 26” Disc 
20
25
19
36
37
35
27
2
23
33
1
32
9
5
11
10
4
40
26
14
3
22
29
21
34
8
12
35
16
17
15
13
24
7
28
31
30
6
38
39
7
44
41
42
43
18
Front
ADVANCE GAMMA1 (1)-2.indd   26 09/02/2011   14.31.09

2010-10
SC3000 26” Disc - SC3000 28” Cyl. 27
9098828000
MAGIC DECK ASSEMBLY MAGIC DECK ASSEMBLY
SC3000 26” Disc SC3000 26” Disc 
K1 1 1 SCREW M8X45 UNI5737
K1 2 1 SCREW M8X90 UNI5737
K1 3 1 SCREW M8X120 UNI5737
K1 4 1 SCREW M12X30 UNI5739
K1 5 1 SCREW M8X30 UNI5739
K1 6 1 NUT SELF L. M8 UNI7473
K1 7 3 NUT SELF L. M8 UNI7474
K1 8 4 NUT SELF L. M10 UNI7474
K1 9 1 WASHER M8 UNI1751B
K1 10 3 WASHER 12X40X4
K1 11 2 NUT SELF L. M12 UNI7474
K1 12 1 WASHER M24 UNI6592
K1 13 2 SCREW M12X35  UNI5931
14 909 5637 000 1 SPRING GAS
15 909 6520 000 8 SCREW SHOULDER M12X16
16 9097008000 8 BUSH FLANGED
17 9097197000 4 LEVER
K1 18 2 SCREW M8X20 UNI5933
19 9097810000 1 GEAR SLAVE
20 9097811000 1 PIN DRIVEN CROWN
21 9097812000 1 BUSH FLANGED D.30X32X37
22 9097819000 1 BRACKET ROTATING SUPPORT
23 9097822000 1 SUPPORT JACK
24 9097824000 2 BUSH D.18.2X40
25 9097835000 2 BUSH FLANGED D.35X39X47
26 9097836000 2 SPACER D. 8.5X15X42 
27 9097850000 1 SPRING DRAGGING DECK
28 9097852000 1 JACK MOTOR 24V FOR DECK
29 9097854000 1 BUSH D.32X54
30 9097938000 3 SPACER D. 8.5X15X10
31 9097939000 1 SPACER D. 8.5X15X33
32 9098176000 1 BRACKET LOWER JACK MOTOR
33 9098216000 1 BUSH FLANGED D.30X38X44
34 9098220000 1 BRACKET SUPPORT DECK
35 9097823000 2 NUT RING M25X1,5 KMA5
36 9097851000 1 SPRING ZERO SETTING BRUSH
37 9098239000 1 WASHER FLAT D.25.5X65X4
38 9098195000 1 FLANGE UP DRAGGING
K1 39 1 SCREW M8X110 UNI5737
K1 40 1 WASHER M12 UNI1751B
41 9098197000 1 SPRING INSERTION DRAGGING
42 9098196000 1 FLANGE DOWN DRAGGING
43 9097813000 1 GUIDE DRAGGING DECK
44 9098857000 1 RUBBER ANTISHOCK
[K1] 9098727000 1 HW SUPPORT BRUSH DECK KIT
Kit Item 
No.
Ref. No. Qty Description
ADVANCE GAMMA1 (1)-2.indd   27 09/02/2011   14.31.09

2010-10
28 SC3000 26” Disc - SC3000 28” Cyl.
9098828000
BRUSHES DECK SYSTEMS BRUSHES DECK SYSTEMS
SC3000 26” Disc SC3000 26” Disc
46
41
31
21
6251426
32
7
30
2
20
42
33
38
4
13
9
5
4
8
3
10
43
22
12
1
19
29
17
18
19
17
18
27
29
K1
K1
40
45
23 28
15
11
39
36
34
24 37
3516
44
Front
K2
K7
K8 K9
K5
K5
K6
K10
K5
K5
K3
K4
ADVANCE GAMMA1 (1)-2.indd   28 09/02/2011   14.31.13

2010-10
SC3000 26” Disc - SC3000 28” Cyl. 29
9098828000
BRUSHES DECK SYSTEMS BRUSHES DECK SYSTEMS
SC3000 26” Disc SC3000 26” Disc
K7 1 1 HOLDER POLYGONAL LEFT
2 909 5226 000 1 DECK BRUSH 26”
K2 3 2 WASHER 15
K2-3 4 6 WASHER 8X24 UNI6593
K2 5 2 SCREW M8X30 UNI5739 SS
K1 6 1 PLATE BENT
K9 7 6 SCREW M6X12 UNI7687 SS
K2 8 2 ROLLER BUMPER
K2 9 2 CAP. BLACK
K2 10 2 SPACER 9X15X13
K10 11 1 WASHER 10X30 UNI6593
K5 12 8 SCREW M8X20 UNI5739
K3 13 4 SCREW M8X25 UNI5739
K1 14 1 NUT HEX M6 UNI5589
K10 15 1 NUT SELF L. M10 UNI7473
K4 16 1 NUT SELF L. M10 UNI7474
K7-8 17 2 WASHER
K7-8 18 2 SCREW
K7-8 19 2 WASHER
K3 20 1 NUT RING
K5 21 145 8024 000 2 KEY JOINT
K5 22 8 WASHER
K6 23 2 PIN
K4 24 4 BUSH FLANGED
K1 25 2 SCREW M6X16 UNI7687 SS
K1 26 1 SCREW M6X20 UNI7687 SS
K8 27 1 HOLDER POLYGONAL LEFT
K6 28 1 CABLE STAINLESS STEEL
K7-8 29 L08812480 2 HUB.BRUSH
K9 30 6 CLAMP D.16
K5 31 2 REDUCTION GEARMOTOR 400W
K9 32 1 PIPE WATER
K3 33 2 BUSH FLANGED D.30X32X37
K3 34 1 BRACKET TURNING
K4 35 1 ARM SIDE
K10 36 1 SPACER THREADED
K4 37 1 SCREW SHOULDER M12X25
K3 38 1 SPACER SIDE ARM
K10 39 1 SCREW GRUB M10X40 UNI5929
40 9098741000 1 DECK BRUSHES 26” KIT
41 9098374000 1 HARNESS BRUSH DECK
K3 42 1WASHER M30 UNI6592
K2 43 6 NUT SELFLOCKING LOW M8 UN
K5 44 909 5380 000 2 BRUSH CARBON W/HOLDER KIT
45 909 5224 000 1 SPLASH GUARD DECK 26”
45* 9097474000 1 SPLASH GUARD W/BRISTLES 26”
46 9098761000 1 CONNECTOR 50A RED
K1 909 5398 000 1 SPLASH GUARD FIXING KIT 26” 
K2 909 6887 000 2 ROLLER BUMPER KIT
K3 9098730000 1 SPACER SIDE ARM KIT
K4 9098731000 1 ARM SIDE KIT
K5 9097638000 2 REDUCTION GEARMOTOR 400W
K6 909 6354 000 1 SPLIT PINS W/CABLE KIT
K7 9097640000 1 HOLDER POLYGONAL RIGHT 26”
K8 9097639000 1 HOLDER POLYGONAL LEFT 26” 
K9 9097644000 1 HOSE WATER BRUSH DECK 26” 
K10 9098732000 1 FIXING DECK KIT
Kit Item 
No.
Ref. No. Qty Description
ADVANCE GAMMA1 (1)-2.indd   29 09/02/2011   14.31.13

2010-10
30 SC3000 26” Disc - SC3000 28” Cyl.
9098828000
MAGIC DECK ASSEMBLY CYL. BRUSH MAGIC DECK ASSEMBLY CYL. BRUSH
SC3000 28” Cyl. SC3000 28” Cyl.
5
12
20
32
16
11
31
6
34
35
36
37
8
2
33
21 26
13
24
18
30
1
19
27
20 mm
25 mm 22
4
14
15
10
13
14
9
17
2
29
20
16
11
31
6
14 9417
13
15
10
25
28
8
37
23
3
7
Front
2011-02
ADVANCE GAMMA1 (2).indd   30 10/02/2011   17.27.43

2010-10
SC3000 26” Disc - SC3000 28” Cyl. 31
9098828000
MAGIC DECK ASSEMBLY CYL. BRUSH MAGIC DECK ASSEMBLY CYL. BRUSH
SC3000 28” Cyl. SC3000 28” Cyl.
K1 1 1 SCREW M8X100 UNI5737
K1 2 2 SCREW M12X30 UNI5739
K1 3 1 SCREW M8X30 UNI5739
K1 4 2 SCREW M12X30 UNI5931
K1 5 1 NUT SELF L. M8 UNI7474
K1 6 6 NUT SELF L. M10 UNI7474
K1 7 1 WASHER M8 UNI1751B
K1 8 2 WASHER M12 UNI1751B
K1 9 2 WASHER 12X40X4
K1 10 2 NUT SELF L. M12 UNI7474
K1 11 2 WASHER M24 UNI6592
12 9097920000 1 SPACER
K1 13 9 SCREW SHOULDER M12X16
14 9097008000 6 BUSH FLANGED
15 9097197000 3 LEVER
16 9097812000 2 BUSH FLANGED D.30X32X37
17 9097824000 2 BUSH D.18.2X40
18 9097835000 1 BUSH FLANGED D.35X39X47
19 9097850000 1 SPRING DRAGGING DECK
20 9097854000 2 BUSH D.32X54
21 9098121000 1 SPACER D.31X50X14.5 NYLON 
22 9098216000 1 BUSH FLANGED D.30X38X44
23 9098409000 1 BRACKET SUPPORT CYL.DECK
24 9098410000 1 SUPPORT JACK CYL.DECK
25 9098411000 1 BRACKET LOWER JACK MOTOR
26 9098415000 1 PLATE SPRING SUPPORT
27 9098416000 1 PIN SUPPORT JACK MOTOR CY
28 9098417000 1 JACK MOTOR 24V FOR CYL.DE
29 9098418000 1 BRACKET ROTATING SUPPORT
30 145 2381 000  1 BUSH
31 9097823000 2 NUT RING M25X1,5 KMA5
32 9098420000 1 SUPPORT ROTATING CYL.DECK
33 146 0549 000 3 BUSH FLANGED
K1 34 3 WASHER M10 UNI6592
35 9098419000 1 ARM SIDE CYL.DECK
36 9098421000 1 ARTICULATED JOINT FOR CYL
K1 37 2 WASHER 14X36X2,5
[K1] 9098733000 1 HW SUPPORT CYL. BRUSH DECK
Kit Item 
No.
Ref. No. Qty Description
ADVANCE GAMMA1 (1)-2.indd   31 09/02/2011   14.31.14

2010-10
32 SC3000 26” Disc - SC3000 28” Cyl.
9098828000
CYLINDRICAL BRUSHES DECK CYLINDRICAL BRUSHES DECK
SC3000 28” Cyl. SC3000 28” Cyl.
59
68
69
55 68
69
56
11
18
11
22
K2 45
10
35
15
37
7
61
34
24
40
35
15
10
29
38
6
2419
66
60
24
42
39
77
71
67 21
76
29
32
41
44 570
1
12
K4
72
2
78
Front
 K3
14
9
4
7
K1
ADVANCE GAMMA1 (1)-2.indd   32 09/02/2011   14.31.16

2010-10
SC3000 26” Disc - SC3000 28” Cyl. 33
9098828000
CYLINDRICAL BRUSHES DECK CYLINDRICAL BRUSHES DECK
SC3000 28” Cyl. SC3000 28” Cyl.
K6 1 3 NUT SELFLOCKING LOW M8 UN
K6 2 8 WASHER 6X18 UNI6592
K2 3 2 WASHER 8X24 UNI6593
K1 4 8 ROLLER BUMPER
K2 5 8 NUT SELF L. M6 UNI7474 SS
K6 6 1 NUT SELFLOCKING LOW M5 UN
K1 7 4 SCREW M6X70 UNI5933 
K6 8 4 SCREW M6X12 UNI7687
K1 9 4 SPACER 6.3X9.5X47
K6 10 4 SCREW M10X90 UNI5739
K6 11 8 SCREW M6X16 UNI5739
K6 12 3 SCREW M8X20 UNI5739
K2 13 4 SCREW M6X20 UNI5933
K1 14 4 NUT HEX M6 UNI5721 
K6 15 4 NUT HEX M10 UNI5589
16 9097960000 2 SKIRT SIDE CYL.DECK
K2 17 2 NUT SELF L. M8 UNI7474
K6 18 12 WASHER M6 UNI1751B
K6 19 2 SCREW M6X12 UNI5739 SS
K2 20 2 WASHER FLAT
21 9098658000 1 HARNESS FOR CYLINDRICAL BRUSH DECK
K2 22 2 KEY 5X15
K5 23 56407551 2 HUB
K6 24 7 WASHER M6 SS
K2 25 2 SCREW M6X20 SS
26 145 0461 000 8 WING NUT M6
K2 27 2 WASHER M6 SS
K2 28 6 SCREW M6X12 SS
K6 29 3 CLAMP BLACK 4,8x200
K2-5 30 145 2361 000  6 BALL BEARING 6202 2RS1
K2 31 4 SPACER 6.5X25X3
K4 32 2 PIN
K2 33 4 KEY 5X5X20
34 146 0708 000 2 INSULATOR M6 WHITE
35 146 1036 000 8 KNOB
K2 36 2 SPACER 15X20X4
K6 37 2 SCREW M6X14 UNI5739 SS
K6 38 1 SCREW M5X12 UNI7687 SS
K3 39 1SCREW M6X16 UNI7687 SS
K6 40 2SCREW M6X8 UNI5739 SS
K4 41 1 CABLE STAINLESS STEEL
K3 42 2 CLAMP HOSE D.18
K2 43 909 5728 000 2 HUB BRUSH
44 909 5752 000 2 GUARD SPLASH CYL.DECK
K2 45 2 SPACER 14X22X 8
K2 46 2 PIN BRUSH PULLEY
K2 47 2 SUPPORT BRUSH PULLEY
K2 48 909 5758 000 2 PULLEY
49 909 5761 000 1 BELT POLY-V
K2 50 909 5762 000 2 ROLLER BELT TENSIONER
K2 51 909 5763 000 4 BALL BEARING
K2 52 2 SPACER 12.5X16X 6
K2 53 2 BUSHING COLLARED
K2 54 2 PIN
55 909 5802 000 1 CRANKCASE MOTOR PROTECT.
56 909 5803 000 1 CRANKCASE MOTOR PROTECT.
Kit Item 
No.
Ref. No. Qty Description
ADVANCE GAMMA1 (1)-2.indd   33 09/02/2011   14.31.16

2010-10
34 SC3000 26” Disc - SC3000 28” Cyl.
9098828000
CYLINDRICAL BRUSHES DECK CYLINDRICAL BRUSHES DECK
74
26
75
16
73
8
65
25 27 43 46 47 528 53
33 30 33 45 48 31 13 54
62
63
31 13 50 51
18 2 64
49
57
58 30 23
58
30
23
26
75
16
Front
K5
K5
K2
K2
54 13 31 51 62 50 48 52 53 3
57
46 33 28 536 30 43 27 25
20 17 47
K2
K2
SC3000 28” Cyl. SC3000 28” Cyl.
ADVANCE GAMMA1 (1)-2.indd   34 09/02/2011   14.31.17

2010-10
SC3000 26” Disc - SC3000 28” Cyl. 35
9098828000
CYLINDRICAL BRUSHES DECK CYLINDRICAL BRUSHES DECK
SC3000 28” Cyl. SC3000 28” Cyl.
57 909 5964 000 2 KNOB M8
K5 58 2 SUPPORT BRUSH 690MM/28 CY
59 909 6225 000 1 CONTAINER DIRT
K3 60 2 SCREW M6X10 UNI7687 SS
61 909 6595 000 1 HOLDER.FLAT TIE
K2 62 909 6730 000 2 PULLEY POLY-V
63 909 6731 000 1 BELT POLY-V
64 909 6785 000 1 CRANKCASE.BELT PROTECTION
65 909 6786 000 1 CRANKCASE.BELT PROTECTION
K3 66 1 PIPE FITTING
K3 67 1 HOLDER RUBBER T D.13
68 9097291000 2 MOTOR ELECTRIC 600W 24V
69 L08603949 2 BRUSH CARBON KIT
70 9097847000 1 FRAME CYLINDRICAL DECK
K3 71 1 SUPPORT FOR T FITTING
72 9097936000 1 PROTECTION CYL.BRUSH DECK
73 9097952000 1 SUPPORT CYL.DECK LEFT SID
74 9097956000 1 SUPPORT CYL.DECK RIGHT SI
75 9097959000 2 PLATE SIDE SKIRT CYL.DECK
76 9098761000 1 CONNECTOR 50A RED
K3 77 1 WATER PIPE L320
K6 78 2 NUT SELF L. M6 UNI7474
K1 9098736000 4 BUMPER ROLLER KIT
K2 9098734000 2 TRANSMISSION BELT KIT
K3 9098735000 1 WATER PIPE KIT 
K4 909 6354 000 1 SPLIT PINS W/CABLE KIT
K5 9098737000 2 SUPPORT BRUSH KIT
[K6] 9098738000 1 HW KIT CYL. BRUSH DECK
Kit Item 
No.
Ref. No. Qty Description
ADVANCE GAMMA1 (1)-2.indd   35 09/02/2011   14.31.17

2010-10
36 SC3000 26” Disc - SC3000 28” Cyl.
9098828000
ELECTRICAL COMPONENTS ELECTRICAL COMPONENTS
12
18
19
20
13
1
26
7
5
9
4
14
15
16
10
113
8
17
Front
ADVANCE GAMMA1 (1)-2.indd   36 09/02/2011   14.31.18

2010-10
SC3000 26” Disc - SC3000 28” Cyl. 37
9098828000
ELECTRICAL COMPONENTS ELECTRICAL COMPONENTS
1 145 8046 000 1 STRIP FUSE HOLDER
K1 2 2 SCREW M4X16 UNI5739
K1 3 4 SCREW M5X12 UNI5739
K1 4 4 NUT SELF L. M5 UNI7474
K1 5 4 WASHER M4 UNI6592
K1 6 2 NUT SELF L. M4 UNI7474
K1 7 2 SPACER M4 L10 
K1 8 2 SCREW M4X8  UNI5739
9 9097208000 1 SWITCH ELECTROMAGNETIC
10 9099071000 1 CARD ELECTRONIC TRACTION
11 9097860000 1 PLATE FIXING ELECTRONIC C
12 9098190000 1 HARNESS EL.COMPON.BOX
13 9098897000 1 SENSOR PRESSURE KIT
14 145 8368 000   1 FUSE 3A
15 145 9853 000 1  FUSE 15A
16 9097830000  1 FUSE MIDIFUSE 100A
17 145 9854 000  1 STRIP FUSE 50A
18 9098659000 1 HARNESS BATTERY
19 9098762000 1 CONNECTOR 120A
20 9098761000 1CONNECTOR 50A RED
[K1] 9098739000 1 HW KIT ELECTRICAL COMPONENTS
Kit Item 
No.
Ref. No. Qty Description
ADVANCE GAMMA1 (1)-2.indd   37 09/02/2011   14.31.18

2010-10
38 SC3000 26” Disc - SC3000 28” Cyl.
9098828000
BATTERY CHARGER BATTERY CHARGER
13
K1
10
14
2
3
5
6
7
1
11
9
12
8
4
Front
ADVANCE GAMMA1 (1)-2.indd   38 09/02/2011   14.31.18

2010-10
SC3000 26” Disc - SC3000 28” Cyl. 39
9098828000
BATTERY CHARGER BATTERY CHARGER
K1 1 9098859000 1 HEATSINK
K1 2 2 WASHER 6X18 UNI6592
K1 3 1 SCREW M6X25  UNI5739
K1 4 4 SCREW M8X20 UNI5739
K1 5 1 NUT HEX M6 UNI5589
K1 6 4 NUT SELF L. M8 UNI7473
K1 7 1 NUT SELF L. M6 UNI7474
K1 8 4 WASHER M8 UNI6592
K1 9 9097916000 1 PLATE BATTERY CHARGER
K1 10 2 SCREW CYL HD 5X16 SELF L.
K1 11 2 SEAL
K1 12 9098630000 1 CHARGER BATTERY 24V 20A 
K1 13 9098677000 1 CABLE EXTENSION FOR CHARG US
K1 14 1 CLAMP CABLE BLACK 
K1 9098198000 1 BATTERY CHARGER KIT
9098215000 1 INSTALLATION INSTRUCTION
Kit Item 
No.
Ref. No. Qty Description
ADVANCE GAMMA1 (1)-2.indd   39 09/02/2011   14.31.19

2010-10
40 SC3000 26” Disc - SC3000 28” Cyl.
9098828000
ACCESSORIES ACCESSORIES
11
2
9
8
12
10
3
5
4
7
6
13
K1 K2
20
14
15
16
17
18
19
Front
Front
ADVANCE GAMMA1 (1)-2.indd   40 09/02/2011   14.31.19

2010-10
SC3000 26” Disc - SC3000 28” Cyl. 41
9098828000
ACCESSORIES ACCESSORIES
K1* 9097815000 1 MOP AND TRASH KIT
K1 2 5 SCREW M4X12 UNI5739
K1 3 4 NUT SELF L. M3 UNI7474
K1 4 5 NUT SELF L. M4 UNI7473
K1 5 33017513 2 HOLDER BROOM
K1 6 1 SHEET SUPPORT KIT
K1 7 9097947000 1 NET 6x5
K1 8 1 EXPANDER
K1 9 1 EXPANDER FLANGE
K1 10 1 SCREW M6X30  UNI5739 SS
K1 11 4 SCREW M3X10  UNI5739
K1 12 1 MOUSSE
K1 13 1 WASHER, FLAT
K2* 9098480000 1 BASKET KIT
K2 14 1 BASKET SUPPORT
K2 15 4 READ ROLLING SCR 5x16
K2 16 7 COVER FOR SCREW TCB 4.8mm
K2 17 9098250000 1 BASKET
K2 18 1 PARTITION
K2 19 3 THREAD ROLLING SCR, PAN PHIL
K2 20 1 DECAL TEMPLATE
Kit Item 
No.
Ref. No. Qty Description
ADVANCE GAMMA1 (1)-2.indd   41 09/02/2011   14.31.19

2010-10
42 SC3000 26” Disc - SC3000 28” Cyl.
9098828000
ACCESSORIES ACCESSORIES
K1
6
7
5
8
2
4
3
9
Front
ADVANCE GAMMA1 (1)-2.indd   42 09/02/2011   14.31.20

2010-10
SC3000 26” Disc - SC3000 28” Cyl. 43
9098828000
ACCESSORIES ACCESSORIES
K1* 9098164000 1 FLASHING BEACON KIT
K1 2 3 NUT SELF L. M4 UNI7474 SS
K1 3 2 SCREW M5X10 UNI5739
K1 4 2 WASHER M5 UNI1751B
K1 5 146 1155 000 1 BEACON, WARNING 10-120V
K1 6 1 SCREW 3.9X13 UNI6954
K1 7 1 FLASHING BEACON SUPPORT
K1 8 1 FLASHING BEACON WIRING
K1 9 1 CLAMP BLACK
[K2]* 9098772000 1 NOISE REDUCTION KIT
9098773000 1 ASSEMBLY INSTRUCION
Kit Item 
No.
Ref. No. Qty Description
ADVANCE GAMMA1 (1)-2.indd   43 09/02/2011   14.31.20

2010-10
44 SC3000 26” Disc - SC3000 28” Cyl.
9098828000
ACCESSORIES ACCESSORIES
2
1
7
6
3
4
5
8
ADVANCE GAMMA1 (1)-2.indd   44 09/02/2011   14.31.22

2010-10
SC3000 26” Disc - SC3000 28” Cyl. 45
9098828000
ACCESSORIES ACCESSORIES
BRUSHES D.330 FOR BRUSH DECK 26”
1* 909 5340 000 2 UNION MIX
1* 909 5332 000 2 PROLENE
1* 909 5338 000 2 PROLITE
1* 909 5334 000 2 MIDGRIT 240
1* 909 5336 000 2 MIDLITE GRIT 180
PAD HOLDERS
2* 909 5330 000 2 PAD HOLDER 330
3 L08603936 1 RING NYLON
4 L08603965 1 SEAL O-RING
5 L08837030 1 RETAINER PAD
6* 82256900 2 PAD 13 330MM RED 5PCS
6* 82257000 2 PAD 13 330MM WHITE 5PCS
6* 82257100 2 PAD 13 330MM BLACK 5PCS
6* 82357200 2 PAD 13 330MM GREEN 5PCS
6* 82322000 2 PAD 13 330MM BLUE 5PCS
6* 82322100 2 PAD 13 330MM BROWN 5PCS
CYLINDRICAL BRUSHES
7* 56412191 2 BRUSH SOFT NYLON 28” - YELLOW
7* 56412192 2 BRUSH HARD NYLON 28” - NATURAL
7* 56412046 2 BRUSH POLYPROPILENE 28” - RED
7* 56412193 2 BRUSH 180 GRIT 28” - BLUE/GREY
7* 56412194 2 BRUSH 80 GRIT 28” - BLACK
7* 56412195 2 BRUSH 46 GRIT 28” - ORANGE/BROWN
BLADES KITS
8* 9097804000 1 BLADES RUBBER 890MM/35” KIT
Kit Item 
No.
Ref. No. Qty Description
ADVANCE GAMMA1 (1)-2.indd   45 09/02/2011   14.31.23

2010-10
46 SC3000 26” Disc - SC3000 28” Cyl.
9098828000
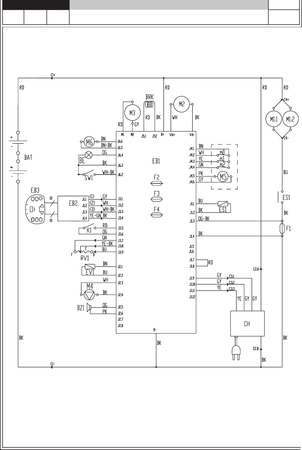
WIRING DIAGRAM
(*)
ADVANCE GAMMA1 (1)-2.indd   46 09/02/2011   14.31.23

2010-10
SC3000 26” Disc - SC3000 28” Cyl. 47
9098828000
WIRING DIAGRAM
BAT - 24V BATTERIES
BE 146 1155 000 BEACON (OPT)
BRK 9098626000 ELECTROMAGNETIC BRAKE
BZ1 909 6126 000 BUZZER
C1 9098762000 BATTERY CONNECTOR
C2 9098762000 MAIN CHARGER CONNECTOR
C3 9098762000 SECONDARY CHARGER CONNECTOR
C4 9098761000 BRUSH DECK CONNECTOR
CH 9098630000 BATTERY CHARGER
EB1 9099071000 MAIN ELECTRONIC BOARD
EB2 9097922000 CONTROL PANEL ELECTRONIC BOARD
EB3 9097986000 DECAL CONTROL PANEL ELECTRONIC BOARD
ES1 9097208000 BRUSH MOTOR ELECTROM. SWITCH
EV1 909 6555 000 ELECTROVALVE
F1 145 9854 000 BRUSH DECK FUSE
F2 9097830000 MAIN BOARD FUSE
F3 145 8368 000  LOW POWER CIRCUIT FUSE
F4 145 9853 000 ACTUATOR FUSE
K1 146 2888 000 KEY SWITCH
M1.1,2 9097178000 DISC BRUSH MOTOR
9097291000 CYL. BRUSH MOTOR
M2 9097556000 VACUUM MOTOR
M3 9098625000 DRIVE MOTOR
M4 909 6183 000 DETERGENT PUMP
M5 9097852000 DISC BRUSH DECK ACTUATOR MOTOR
9098417000 CYL. BRUSH DECK ACTUATOR MOTOR
M6 9097985000 SQUEEGEE ACTUATOR MOTOR
m0 - M6 POS. 0 MICROSWITCH
m1 - M6 POS. 1 MICROSWITCH
m2 - M6 POS. 2 MICROSWITCH
PR1 9098897000 WATER PRESSURE GAGE
RV1 9097934000 DRIVE PEDAL POTENTIOMETER
SW1 909 6242 000 SEAT MICROSWITCH
(*) ONLY FOR SC3000 26” DISC
KEY COLOURS
BK - BLACK
BU - LIGHT BLUE
BN - BROWN
GN - GREEN
GY - GREY
OG - ORANGE
PK - PINK
RD - RED
VT - VIOLET
WH - WHITE
YE - YELLOW
Key Ref. No. Description
ADVANCE GAMMA1 (1)-2.indd   47 09/02/2011   14.31.23

2010-10
48 SC3000 26” Disc - SC3000 28” Cyl.
9098828000
RECOMMENDED SPARE PARTS
Ref. No. DESCRIPTION QTY MACHINES
WEAR PARTS
9098716000 BRUSH CARBON KIT 1 26” - 28”C
9098729000 BLADES PU KIT 1 26” - 28”C
909 5224 000 SPLASH GUARD DECK 1 26”
9097960000 SKIRT SIDE CYL.DECK 2 28”C
ORDINARY MAINTENANCE
9097290000 HOSE FILLING 1 26” - 28”C
9097935000 HOSE DRAIN 1 26” - 28”C
9098169000 HOSE SUCTION 1 26” - 28”C
9098172000 GASKET COVER  1 26” - 28”C
9098407000 WHEEL DRIVE 1 26” - 28”C
9098627000 BRUSH CARBON KIT 1 26” - 28”C
9098115000 FILTER WATER 1 26” - 28”C
9098307000 WHEEL CASTOR D.42 2 26” - 28”C
9097816000 WHEEL REAR D.254 80SH GRE 2 26” - 28”C
909 5380 000 BRUSH CARBON W/HOLDER KIT 2 26”
909 5761 000 BELT POLY-V 1 28”C
909 6731 000 BELT POLY-V 1 28”C
L08603949 BRUSH CARBON KIT 2 28”C
9098734000 TRANSMISSION BELT KIT  2 28”C
EXTRAORDINARY MAINTENANCE
9098224000 MUFF FRESH WATER 1 26” - 28”C
9098709000 CAP SOLUTION KIT 1 26” - 28”C
909 6242 000 MICROSWITCH  1 26” - 28”C
9097556000 MOTOR VACUUM 3ST 24V 420W 1 26” - 28”C
9098177000 CABLE TANK STOP 1 26” - 28”C
909 6380 000 CLAMP KIT 1 26” - 28”C
9097796000 LEVER BLOCK STEERING WHEE 1 26” - 28”C
9097934000 PEDAL SPEED CONTROL 1 26” - 28”C
9097922000 CARD ELECTRONIC DASHBOARD 1 26” - 28”C
9097986000 DECAL CONTROL PANEL 1 26” - 28”C
146 2888 000 SWITCH KEY WITH CAP 1 26” - 28”C
146 2887 000 KEY -2 PCS- 1 26” - 28”C
9097792000 CABLE DASHBOARD EXTENSION 1 26” - 28”C
9098094000 HARNESS STEERING WHEEL 1 26” - 28”C
9098430000 HARNESS WHEEL MOTOR 1 26” - 28”C
9098626000 BRAKE ELECTRIC.RELEASED 1 26” - 28”C
9098625000 MOTOR ELECTRIC 1 26” - 28”C
909 6555 000 SOLENOID VALVE 24V 1 26” - 28”C
9098380000 STRAP FRONT  SQUEEGEE 35 1 26” - 28”C
9098381000 STRAP SKIRT REAR RIGHT 35 1 26” - 28”C
9098382000 STRAP SKIRT REAR LEFT 35 1 26” - 28”C
9098390000 SUPPORT SQUEEGEE DOWN 1 26” - 28”C
9097827000 SUPPORT SQUEEGEE UPPER 1 26” - 28”C
9097931000 ROD EYE M10 2 26” - 28”C
9097985000 JACK MOTOR 24V FOR SQUEEG 1 26” - 28”C
9098708000 SQUEEGEE LIFTING KIT 1 26” - 28”C
9098722000 CENTRING SQUEEGEE KIT 1 26” - 28”C
909 6394 000 LATCH SQUEEGEE KIT 1 26” - 28”C
145 8024 000 KEY JOINT 2 26”
9097178000 REDUCTION GEARMOTOR 400W 2 26”
9097640000 HOLDER POLYGONAL RIGHT 1 26”
9097639000 HOLDER POLYGONAL LEFT 1 26”
ADVANCE GAMMA1 (1)-2.indd   48 09/02/2011   14.31.23

2010-10
SC3000 26” Disc - SC3000 28” Cyl. 49
9098828000
RECOMMENDED SPARE PARTS
Ref. No. DESCRIPTION QTY MACHINES
EXTRAORDINARY MAINTENANCE
9097850000 SPRING DRAGGING DECK 1 26”
9097852000 JACK MOTOR 24V FOR DECK 1 26”
9097851000 SPRING ZERO SETTING BRUSH 1 26”
9097813000 GUIDE DRAGGING DECK 1 26”
9098417000 JACK MOTOR 24V FOR CYL.DE 1 28”C
145 0461 000 WING NUT M6 8 28”C
9097291000 MOTOR ELECTRIC 600W 24V 2 28”C
9098737000 BRUSH HOLDER KIT  2 28”C
9097208000 SWITCH ELECTROMAGNETIC 1 26” - 28”C
9099071000 CARD ELECTRONIC TRACTION 1 26” - 28”C
9098897000 SENSOR PRESSURE KIT 1 26” - 28”C
145 8368 000  FUSE 3A 1 26” - 28”C
145 9853 000 FUSE 15A 1 26” - 28”C
9097830000 FUSE MIDIFUSE 100A 1 26” - 28”C
145 9854 000 STRIP FUSE 50A 1 26” - 28”C
9098762000 CONNECTOR 120A 1 26” - 28”C
9098630000 CHARGER BATTERY 24V 25A  1 26” - 28”C
9098677000 CABLE EXTENSION FOR CHARG US 1 26” - 28”C
9098658000 HARNESS FOR CYLINDRICAL BRUSH DECK 1 28”C
9098374000 HARNESS BRUSH DECK 1 26”
ACCESSORIES / OPTIONS
9098455000 MOTOR VACUUM 3 STAGE 670W 1 26” - 28”C
9097474000 SPLASH GUARD W/BRISTLES 1 26”
9098198000 BATTERY CHARGER KIT 1 26” - 28”C
9097818000 ECOFLEX™ KIT 1 26” - 28”C
9097815000 MOP AND TRASH KIT 1 26” - 28”C
9098164000 BEACON KIT 1 26” - 28”C
9098480000 BASKET KIT 1 26” - 28”C
9097804000 BLADES RUBBER 890MM/35” KIT 1 26” - 28”C
9098772000 NOISE REDUCTION KIT 1 26” - 28”C
909 5340 000 UNION MIX 2 26”
909 5332 000 PROLENE 2 26”
909 5338 000 PROLITE 2 26”
909 5334 000 MIDGRIT 240 2 26”
909 5336 000 MIDLITE GRIT 180 2 26”
909 5330 000 PAD HOLDER 330 2 26”
56412191 BRUSH SOFT NYLON 28” - YELLOW 2 28”C
56412192 BRUSH HARD NYLON 28” - NATURAL 2 28”C
56412046 BRUSH POLYPROPILENE 28” - RED 2 28”C
56412193 BRUSH 180 GRIT 28” - BLUE/GREY 2 28”C
56412194 BRUSH 80 GRIT 28” - BLACK 2 28”C
56412195 BRUSH 46 GRIT 28” - ORANGE/BROWN 2 28”C
ADVANCE GAMMA1 (1)-2.indd   49 09/02/2011   14.31.23

14600 21st Avenue North
Plymouth, MN 55447-3408
www.advance-us.com
Phone: 800-989-2235
Fax: 800-989-6566
©2011 Nilfisk-Advance, Inc.
A Nilfisk-Advance Brand
ADVANCE GAMMA1 (1)-2.indd   50 09/02/2011   14.31.23