Advenger 3210D Parts Manual
2016-01-15
: Sweepscrub Advenger 3210D Parts Manual Advenger_3210D_parts_manual 1214 file product_file
Open the PDF directly: View PDF
.
Page Count: 50

1/03 revised 9/08 FORM NO. 56042438
PARTS LIST
Advance MODELS 56314000(2400D), 56314001(2600D), 56314002(2810D),
56314003(3210D), 56314004(2400C), 56314005(2600C), 56314006(2810C),
56314007(3210C), 56314791(2600D-AXP), 56314994(2810C-AXP),
56314992(2810D-AXP), 56314995(3210C-AXP), 56314993(3210D-AXP)
Nilfi sk MODELS 56314010(600S), 56314011(650S)(obs.), 56314012(700S),
56314013(800S), 56314014(600SC), 56314015(650SC)(obs.), 56314016(700SC),
56314017(800SC), 56316517(600S EDS), 56316518(600SC EDS), 56314998(700SC EDS),
56314996(700S EDS), 56314999(800SC EDS), 56314997(800S EDS)
Advenger™, Advenger™ AXP
BR 600S, 650S, 700S, 800S

1
FORM NO. 56042438
Advenger™ / BR 600S, 650S, 700S, 800S
03-1 TABLE OF CONTENTS
08-3
DESCRIPTION PAGE
Chassis System ......................................................................................2-3
Decal System .......................................................................................... 4-5
Detergent Injection System (AXP/EDS) .................................................. 6-7
Drive & Brake Pedal Assemblies ............................................................. 8-9
Electrical Panel Assembly ................................................................... 10-11
Front Wheel Assembly ........................................................................12-13
Recovery System ................................................................................ 14-15
Scrub System-Cylindrical .................................................................... 16-17
Scrub System-Disk (24”, 26”, 28”/BR 600S, 650S, 700S) ..................18-19
Scrub System-Disk (32” / BR 800S) ....................................................20-21
Skirt Assemblies-Cylindrical ................................................................22-23
Skirt Assemblies-Disk (Before TSBUS2004-884) ................................24-25
Skirt Assemblies-Disk (After TSBUS2004-884) ...................................26-27
Solution System (Standard) ................................................................28-29
Solution System (AXP/EDS) ...............................................................30-31
Squeegee Assembly ........................................................................... 32-33
Squeegee System ............................................................................... 34-35
Steering Column Assembly ................................................................. 36-37
Battery Watering System ..................................................................... 38-39
Wiring Diagram before SN Chart ........................................................40-41
Wiring Diagram after SN Chart ...........................................................42-43
Brush Selector Guide-Disk ....................................................................... 44
Brush Selector Guide-Cylindrical ............................................................. 45
Optional Kits And Accessories ............................................................ 46-47
WHEN ORDERING PARTS
* Use the 8 digit numbers from the “Ref. No.” columns in this parts list.
* Specify the model and serial number of the machine.
* Use the space below to record the model and serial number for future reference.
Model Serial No.

FORM NO. 56042438
Advenger™ / BR 600S, 650S, 700S, 800S
03-1
2
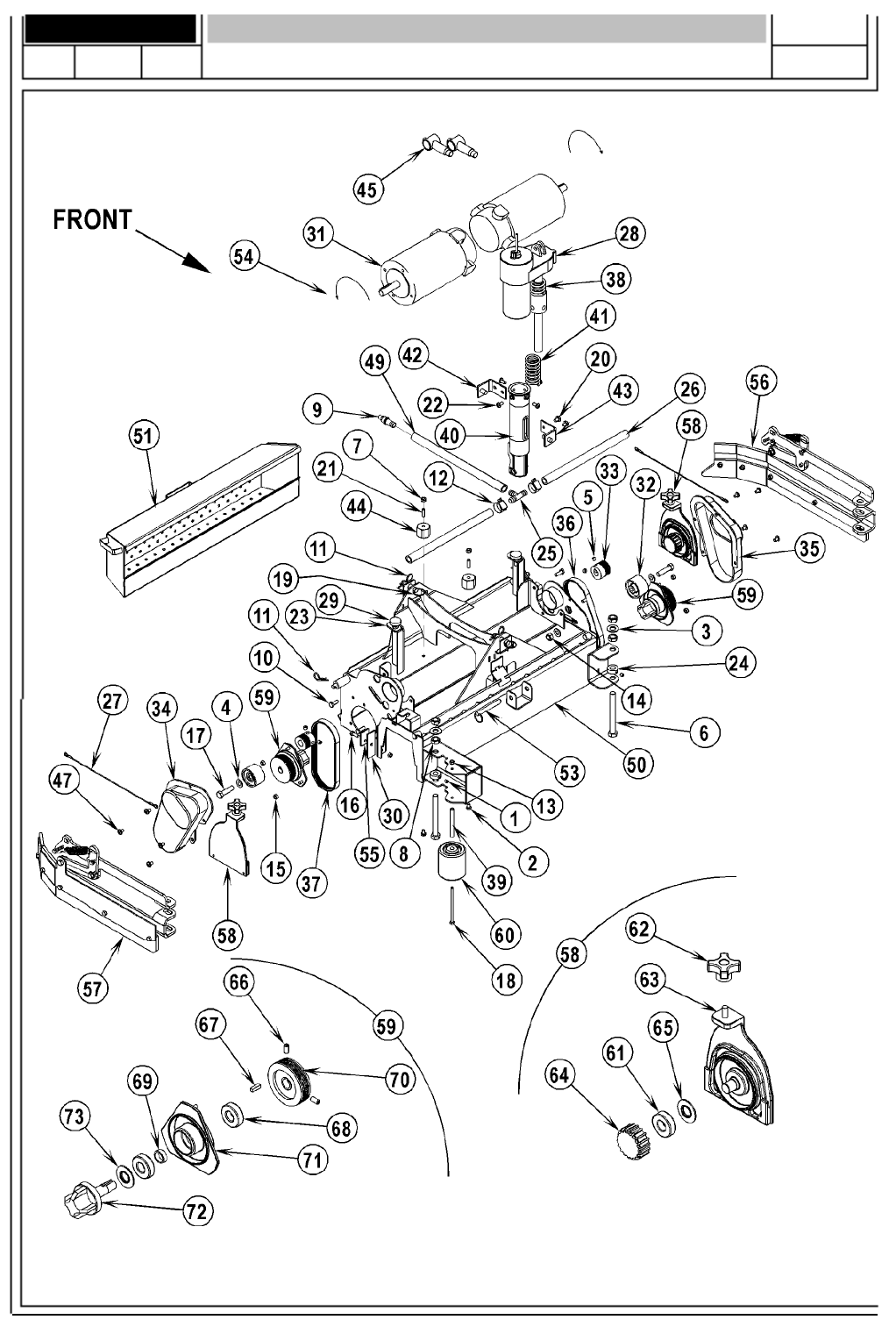
CHASSIS SYSTEM
05-5

3
FORM NO. 56042438
Advenger™ / BR 600S, 650S, 700S, 800S
03-1 CHASSIS SYSTEM
Item Ref. No. Qty Description
1 56001879 2 Wsh, Flt SAE 1/2
2 56002959 1 Pin, Cotter Hair
3 56003412 2 Scr, Hex Nyl Loc M12-1.25 x 35mm
4 56003442 2 Scr, Hex Nyl Loc M10-1.50 x 20mm
5 56367117 2 Wsh, Flt .406 x 1.50 x .1875
6 56367206 2 Bushing
7 56412122 4 Trim Edge
8 56009062 1 Scr, Pan Phil Thd Form 1/4-20 x .50
9 56420160 2 Bearing, Flange
10 56316540 2 Assembly, Wheel and Bearing (each assembly includes two bearings)
56412243 4 Bearing, Ball
** 56412341 2 Wheel Assy, Scrubber
** 56316541 2 Wheel Assy, Grey Non-Marking
11 56314092 1 Weldment, Chassis
12 56314152 1 Pin, Actuator
13 56314495 1 Linkage, Arm Weldment
14 56002084 1 Nut, Wing 1/4-20
15 56314537 1 Squeegee Stop Bracket
16 56002461 1 Scr, Hex Thd To Hd 5/16-18 x 4.00
17 56009122 1 Wsh, Flt .344 x .938 x .125
18 56009086 1 Nut, Hex Jam 5/16-18
19 56478246 1 Tie, Cable
* 56478246 5 Tie, Cable
* 56477613 9 Cable Tie
* = Not Shown
** = Optional
08-3

FORM NO. 56042438
Advenger™ / BR 600S, 650S, 700S, 800S
03-1
4
DECAL SYSTEM
08-3

5
FORM NO. 56042438
Advenger™ / BR 600S, 650S, 700S, 800S
03-1
Item Ref. No. Qty Description
1 56014601 1 Decal, Caution
2 56015276 1 Decal, Logo (Advance only)
56016348 1 Decal, Logo (Nilfi sk only)
3 56015179 1 Decal, Emergency
4 56015168 1 Decal, Battery Wiring
5 56016401 1 Decal, Parking Brake
6 56016402 1 Decal, Solution Flow (before TSBUS2004-874)
56015445 1 Decal, Solution Flow (after TSBUS2004-874) (not used on AXP/EDS models)
7 56016403 1 Decal, Circuit Breaker
8 56016405 2 Decal, Advenger (Advance only) NOTE 1
56016404 2 Decal, Advenger (Advance only) NOTE 2
56016637 2 Decal, Advenger AXP (Advance only)
56016406 2 Decal, Nilfi sk BR600S (Nilfi sk only) NOTE 1
56016671 2 Decal, Nilfi sk BR600S (Nilfi sk only) NOTE 2
56016630 2 Decal, Nilfi sk BR600S EDS (Nilfi sk only)
56016452 2 Decal, Nilfi sk BR650S (Nilfi sk only) NOTE 1
56016672 2 Decal, Nilfi sk BR650S (Nilfi sk only) NOTE 2
56016453 2 Decal, Nilfi sk BR700S (Nilfi sk only) NOTE 1
56016673 2 Decal, Nilfi sk BR700S (Nilfi sk only) NOTE 2
56016631 2 Decal, BR 700S EDS (Nilfi sk only)
56016454 2 Decal, Nilfi sk BR800S (Nilfi sk only) NOTE 1
56016674 2 Decal, Nilfi sk BR800S (Nilfi sk only) NOTE 2
56016632 2 Decal, BR 800S EDS (Nilfi sk only)
9 56015281 1 Decal, Logo 2 Inch (Advance only)
56016421 1 Decal, Logo 2 Inch (Nilfi sk only)
10 56016667 1 Decal, Ladder Diagram NOTE 3
56016746 1 Decal, Ladder Diagram NOTE 4
11 56014450 1 Decal, Patent Number
12 56016407 1 Decal, Smart Solutions (Advance only) NOTE 1
56016455 1 Decal, ECO Solutions (Nilfi sk only) NOTE 1
13 56314876 1 Floor Mat (Nilfi sk only after Sept. 2004)
NOTE 1: Used on machines built after serial number chart (ECO Solution & Smart Solution implemented).
NOTE 2: Used on machines built before serial number Chart A.
NOTE 3: Used on machines built before serial number Chart B.
NOTE 4: Used on machines built after serial number Chart B.
DECAL SYSTEM
08-3
NOTE 1 & 2 SERIAL NUMBER CHART “A”
1750239 - Advenger™ 2400D
1757986 - Advenger™ 2810D
1757999 - Advenger™ 3210D
1759162 - Advenger™ 2400C
1750252 - Advenger™ 2600C
1758000 - Advenger™ 2810C
1758002 - Advenger™ 3210C
1752024 - BR 600S
1752041 - BR 700S
1752046 - BR 800S
1752052 - BR 600SC
1752054 - BR 700SC
1753522 - BR 800SC
NOTE 3 & 4 SERIAL NUMBER CHART “B”
1837726 - Advenger™ 2400D
1839732 - Advenger™ 2600D
1837203 - Advenger™ 2810D
1837599 - Advenger™ 3210D
1839732 - Advenger™ 2400C
1839732 - Advenger™ 2600C
1837200 - Advenger™ 2810C
1837197 - Advenger™ 3210C
1837616 - BR 600S
1837623 - BR 700S
1839156 - BR 800S
1837650 - BR 600SC
1837652 - BR 700SC
1839732 - BR 800SC

FORM NO. 56042438
Advenger™ / BR 600S, 650S, 700S, 800S
03-1
606-3
DETERGENT INJECTION SYSTEM (AXP/EDS)

7
FORM NO. 56042438
Advenger™ / BR 600S, 650S, 700S, 800S
03-1 DETERGENT INJECTION SYSTEM (AXP/EDS)
08-3
Item Ref. No. Qty Description
56316537 1 Detergent Injection Assembly (items 1-21) TSBUS2006-922
1 56009025 3 Wsh, Flt .266 x .750 x .036
2 56478523 2 Tie, Cable
3 56002832 8 Nut, Hex Nyl Loc-Thin 10-24
4 56002840 2 Nut, Hex Nyl Loc-Thin 1/4-20
5 56002145 3 Scr, Pan Phil 1/4-20 x .50
6 56003580 5 Scr, Pan Phil SS 1/4-20 x .38
7 56003699 1 Bushing, 1/4 ID Snub
8 56200754 1 Gasket, Strip (Advance only)
9 56316110 1 Control Assembly TSBUS2006-922
10 56314937 1 Control Decal
11 56314939 1 Tray, Detergent
12 56314944 1 Weldment, Detergent Box
13 56314945 1 Cover, Detergent
14 56314946 1 Cover, Pump
15 56314953 1 Pad, Detergent
16 56314984 1 Pump, Detergent
17 56314991 1 Hose, Chem Resistant 14”
18 56315502 1 Chemical Bottle Assy.
56315511 1 Indicator Assy
** 56315535 A/R AXP Neutral Cleaner, 4 pack
** 56315537 A/R AXP Heavy Duty Cleaner & Degreaser, 4 pack
** 56315503 A/R Chem Bottle Assy (18-21)
19 56315517 1 Cap, Raw
20 56315523 1 Cap, Dry Break, 1/8 Barb, 90°
21 56315527 1 Insert, Dry Break
** = Optional, Not Included

FORM NO. 56042438
Advenger™ / BR 600S, 650S, 700S, 800S
03-1
8
DRIVE & BRAKE PEDAL ASSEMBLIES
08-9

9
FORM NO. 56042438
Advenger™ / BR 600S, 650S, 700S, 800S
03-1
Item Ref. No. Qty Description
1 56002733 1 Scr, Pan Phil 10-24 x .88
2 56002768 1 Nut, Hex Nyl Loc 10-24 (Advance only)
3 56003358 1 Scr, Hex M6-1.00 x 25mm
4 56003403 6 Nut, Hex Nyl Loc M6-1.00
5 56003428 4 Scr, Hex M6-1.00 x 75mm
6 56009030 2 Scr, Pan Phil Thd Form 10-24 x .38
7# 56009060 5 Wsh, Flt SS .260 x 1.000 x .074
8 56324505 1 Bearing, Flange
9# 56380440 1 Bushing, M6 x .375 x .295
10# 56380438 2 Spacer, Spring
11 56409471 1 Lever, Throttle
12 56409610 1 Link Weldment
13 56412094 1 Housing, Potentiometer
14 56454740 1 Potentiometer, 5K (R1)
15 56314037 1 Spring, Torsion
16# NA 1 Bracket, Foot Pedal NOTE 1
17# NA 1 Foot Pedal NOTE 1
18# 56314121 1 Bracket, Brake (Before SN 2062591) NOTE 2
# 56314677 1 Bracket, Brake (After SN 2062591)
19 56314122 1 Lock, Brake
20 56314138 1 Mat, Pedal
21 56314176 1 Mat, Pedal
22# 56314463 1 Pedal Weldment (Before SN 2062591) NOTE 2
# 56314678 1 Pedal Weldment (After SN 2062591)
23 56412331 1 Wire Assy.
24 56756318 2 Bearing, Flange
25# 56002098 4 Wsh, Flt SAE 1/4
26 56003119 7 Scr, Pan Phil SS 1/4-20 x .50
27# 56380439 1 Bushing
28 56003174 1 Scr, Hex Thd to Hd M6-1.0 x 16mm
29 56003268 1 Ring, Ret Ext Type E Reinf. 0.25 Dia
30# 56009025 1 Wsh, Flt .266 x .750 x .036
31# 56413421 1 Pedal Assy
# = Revised or new since last update
NOTE 1: If you need to replace either of these items please order Pedal Assembly 56413421.
#NOTE 2: If you need to replace either of these items on machines before SN (2062591) please order Brake Pedal Assembly 56314676.
DRIVE & BRAKE PEDAL ASSEMBLIES
08-9

FORM NO. 56042438
Advenger™ / BR 600S, 650S, 700S, 800S
03-1
10
ELECTRICAL PANEL ASSEMBLY
08-9

11
FORM NO. 56042438
Advenger™ / BR 600S, 650S, 700S, 800S
03-1
Item Ref. No. Qty Description
1 56002192 2 Scr, Pan Phil 10-24 x .75
2 56003119 6 Scr, Pan Phil SS 1/4-20 x .50
3 56002462 7 Scr, Pan Phil 1/4-20 x .38
4 56002561 3 Nut, Hex W/SHPRF 1/4-20
5 56009020 3 Stud
6 56002098 6 Wsh, Flt SAE 1/4
7 56387316 1 Circuit Breaker, 10 Amp (Control Circuit / F3)
8 56395455 1 Contactor (Brush Drive / K1) (Advance only)
9 56407193 1 Gasket
10 56412089 1 Fuse, 150 Amp (F1)
11 56412177 1 Horn / Backup Alarm (H1)
12 56459367 1 Boot, Reset Button
13 56459369 1 Boot, Reset Button
14 56469858 3 Standoff, Insulated
15# 56109533 1 Cover, Electrical
16 56314067 1 Controller (A1)
17 56314068 1 Electrical Panel
18 56364294 1 Circuit Breaker, 45 Amp (Wheel Drive / F2)
19# Deleted
20 56395453 1 Contactor (Vacuum System / K2) (Advance only)
21 56009051 1 Scr, Pan Phil Thd Form 8-32 x .38
22 56314956 1 Weldment, Harness Guide (Detergent Injection models only)
# = Revised or new since last update
ELECTRICAL PANEL ASSEMBLY
08-9

FORM NO. 56042438
Advenger™ / BR 600S, 650S, 700S, 800S
03-1
12
FRONT WHEEL ASSEMBLY
03-7

13
FORM NO. 56042438
Advenger™ / BR 600S, 650S, 700S, 800S
03-1 FRONT WHEEL ASSEMBLY
Item Ref. No. Qty Description
1 56002158 1 Scr, Soc Hd 5/16-18 x .88
2 56002826 1 Nut, Hex Nyl Loc-Thin 5/16-18
3 56003040 4 Scr, Hex Hd Loc 3/8-16 x .62
4 56003273 4 Scr, Soc Hd M8-1.25 x 70mm
5 56003274 4 Scr, Soc Hd M8-1.25 x 55mm
6 56009122 1 Wsh, Flt .344 x .938 x .125
7 56158143 1 Bearing Cup
8 56158151 1 Bearing Cone
9 56171081 1 Seal, Shaft
10 56378380 1 Bearing, Ball
11 56481699 1 Spring
12 56003220 1 Nut, Hex Nyl Loc-Thin 1-14 UNF
13 56003263 3 Rivet, Nylon Tree Push-In
14 56314032 1 Block, Bearing
15 56314116 1 Plate, Steering
16 56314157 1 Rod, Brake
17# 56314268 1 Motor / Drive Wheel Assy (M3) TSBUS2004-869,
TSBUS2008-1004
* 56314920 1 Drive Wheel Harness Kit TSBUS2004-869
* 56314282 1 Brake Lever Weldment
* 56314289 1 Brake Band TSBUS2008-1004
* 56412320 1 Carbon Brush Cover Kit (contains 4 seal rings & 4 brush covers)
* 56412321 1 Sealing Ring
* 56412322 1 Bearing, Ball, Gearbox Side
* 56412323 1 Bearing, Ball, Brush Side
* 56412325 1 Carbon Brush Kit
* 56314291 1 Brake Bar
# Deleted
* 56314269 1 Drive Wheel – P7 Scrubber Compound
** 56412339 1 Drive Wheel – Polyurethane
18 56314278 1 Plate, Splash Guard
19 56314283 1 Splash Guard
20 56314085 1 Spindle Weldment TSBUS2005-913
21 56305317 1 Clamp, P
22 56003653 1 Scr, Pan Phil M4 x 8
23 56003659 1 Scr, Button Soc SS 10-24 x .75
24 56009293 1 Nut, Hex Machine SS 10-24
25 56002006 1 Wsh, Flt SAE #6
# = Revised or new since last update
* = Not Shown
** = Optional
08-9

FORM NO. 56042438
Advenger™ / BR 600S, 650S, 700S, 800S
03-1
14
RECOVERY SYSTEM
08-9

15
FORM NO. 56042438
Advenger™ / BR 600S, 650S, 700S, 800S
03-1 RECOVERY SYSTEM
Item Ref. No. Qty Description
1 56002043 8 Scr, Pan Phil 10-24 x .38
2 56002098 7 Wsh, Flt SAE 1/4
3 56002108 6 Scr, Pan Phil 1/4-20 x 2.00
4 56002793 1 Scr, Pan Phil 5/16-18 x .75
5 56002896 5 Scr, Pan Phil SS 10-24 x .62
6 56314115 1 Pin, Cover Pivot
7 56324497 2 Cage, Float
8 56314704 1 Gasket
9 56391690 1 Ball, Float
10 56407361 1 Clamp, Plastic
11 56314760 1 Gasket, Vacuum Duct
12 56440213 3 Clamp, Hose SAE #32
13 56212236 1 Clamp, Plastic
14 56314036 1 Tank, Recovery
15 56314098 2 Foam Cylinder
16 56314099 1 Gasket
17 56314100 1 Muffl er, Top Panel
18 56314101 1 Muffl er, Bottom Panel
19 56314103 1 Gasket
20 56314749 1 Cover, Exhaust NOTE 1
21 56391807 1 Foam Acoustical NOTE 2
22 56314201 1 Cover, Vac Motor
23 56314203 1 Lid, Recovery
24 56314220 2 Tank Mount Bracket
25 56314706 1 Foam, Sound NOTE 2
26 56314371 1 Gasket
27 56314372 1 Screen, Filter
28 56314373 1 Filter
29 56314376 1 Plate, Separator
30# 56109539 1 Lid, Vac Filter
31 56314484 3 Mount, Vibration
32# 56601404 1 Drain Hose TSBUS2008-985
[ ]# 56601411 1 Drain Hose Cap Kit
[ ]# 56601410 1 Drain Hose Extension
33 56314488 1 Muffl er, Vac
34# Deleted
35 56314533 1 Vac Hose Assy
36 56458457 1 Hose, Vac 2.00 x 6.0 x 975018 NOTE 2
37 56397228 1 Motor, Vac 36VDC (M5 / Advance only)
* 56212223 1 Carbon Brush Set
56410065 1 Vac Motor Assy (M5 / Nilfi sk only)
* 56212223 1 Carbon Brush Set
38 56314400 1 Wire Rope, 9 Inch
39 56009191 2 Scr, Pan Phil Plastite 10-14 x .50
40 56314509 1 Spring
41 56385564 1 Clamp, P
42 56002507 4 Scr, Pan Phil 1/4-20 x .75
43 56314705 1 Foam, Sound NOTE 2
44 56477613 1 Tie, Cable NOTE 2
* 56314251 1 Harness Vac
45# 56001954 9 Wsh, Flt SAE #10
[ ] = Not Shown
# = Revised or new since last update
NOTE 1: 56314749 replaces previous parts 56314199 and 56314200 after serial number chart.
NOTE 2: Used on machines built after serial number chart.
08-9
NOTE 1 & 2 SERIAL NUMBER CHART
1750239 - Advenger™ 2400D
1757986 - Advenger™ 2810D
1757999 - Advenger™ 3210D
1759162 - Advenger™ 2400C
1750252 - Advenger™ 2600C
1758000 - Advenger™ 2810C
1758002 - Advenger™ 3210C
1752024 - BR 600S
1752041 - BR 700S
1752046 - BR 800S
1752052 - BR 600SC
1752054 - BR 700SC
1753522 - BR 800SC

FORM NO. 56042438
Advenger™ / BR 600S, 650S, 700S, 800S
03-1
16
SCRUB SYSTEM-CYLINDRICAL
05-6

17
FORM NO. 56042438
Advenger™ / BR 600S, 650S, 700S, 800S
03-1
Item Ref. No. Qty Description
1 56001841 2 Scr, Soc Set Loc 1/4-20 x .25
2 56001861 2 Scr, Hex Hd 1/4-20 x .38
3 56001879 2 Wsh, Flt SAE 1/2
4 56002063 4 Wsh, Flt SAE 3/8
5 56002086 4 Scr, Soc Set Loc 5/16-18 x .25
6 56002484 2 Scr, Hex Hd 1/2-13 x 4.50
7 56002561 2 Nut, Hex W/SHPRF 1/4-20
8 56002843 4 Nut, Hex Nyl Loc-Thin 1/2-13
9 56314310 1 Coupling, Quick Disconnect, Male
(only before TSBUS2005-888)
10 56002948 6 Scr, Hex Hd Loc 1/4-20 x .75
11 56002959 4 Pin, Cotter Hair
12 56112771 2 Clamp, Hose
13 56003403 1 Nut, Hex Nyl Loc M6-1.00
14 56003406 2 Nut, Hex Nyl Loc M10-1.50
15 56003426 8 Nut, Hex Nyl Loc SS M6-1.00
16 56003431 2 Scr, Hex Hd SS M6-1.00 x 16mm
17 56003491 2 Scr, Hex M10-1.50 x 40mm
18 56003492 1 Scr, Hex M6-1.00 x 95mm
19 56003671 2 Pin, Ring .50 x 1.25
20 56009019 2 Scr, Hex Thd Form 1/4-20 x .38
21 56009020 2 Stud
22 56009062 4 Scr, Pan Phil Thd Form 1/4-20 x .50
23 56009086 4 Nut, Hex Jam 5/16-18
24 56152811 2 Collar
25 56262549 1 Tee, Barb
26 56316555 2 Manifold, PVC 24 (BR 600S)
56316554 2 Manifold, PVC 26 (BR 650S)
56316553 2 Manifold, PVC 28 (BR 700S)
56316552 2 Manifold, PVC 32 (BR 800S)
27 56330391 2 Wire Rope, 12”
28 56393303 1 Lift Actuator, Brush (M1)
* 56388520 1 Plastic Nut
29 56401783 2 Leveler
30 56407391 2 Blade
31 56407431 2 Motor, 36VDC, .75HP (M7 / M8)
TSBUS2004-868
*# 56407489 1 Armature (Advance only)
*# 56410183 1 Bearing
* 56407492 1 Brush Cap Assy
* 56407493 4 Carbon Brush Assy
* 56407494 4 Brush Cover Cap
32 56407432 2 Idler, Belt
33 56407433 2 Sheave, Poly-V
34 56407434 1 Guard, Right Belt
35 56407435 1 Guard, Left Belt
36 56407465 1 Belt, Poly-V 180J6
37 56407466 1 Belt, Poly-V 190J6
38 56412071 1 Compression Spring
Item Ref. No. Qty Description
39 56412176 1 Bushing
40 56412262 1 Housing, Spring
41 56420018 1 Compression Spring
42 56420019 1 Nut Retainer
43 56420020 1 Nut Retainer
44 56469858 2 Standoff, Insulated
45 56493357 2 Insulator, Terminal
47 56003603 8 Scr, Pan Phil Thd Form 1/4-20 x .38mm
48 Serial Plate
49 56409462 1 Tube, Solution, Main
50 56316568 1 Housing Weld’t, 24” (BR 600S)
TSBUS2003-854 / TSBUS2005-899
56316569 1 Housing Weld’t, 26” (BR 650S)
TSBUS2003-854 / TSBUS2005-899
56316570 1 Housing Weld’t, 28” (BR 700S)
TSBUS2003-854 / TSBUS2005-899
56316571 1 Housing Weld’t, 32” (BR 800S)
TSBUS2003-854 / TSBUS2005-899
51 56314226 1 Hopper Weld’t, 24” (BR 600S)
56314232 1 Hopper Weld’t, 26” (BR 650S)
56397442 1 Hopper Weld’t, 28” (BR 700S)
56397443 1 Hopper Weld’t, 32” (BR 800S)
52 56314254 1 Harness, Brush Motor (Not Shown)
53 56314294 1 Pin, Hitch Cotterless
55 56314436 2 Strap
56 56314443 1 Left Skirt Assy NOTE 2
57 56314444 1 Right Skirt Assy NOTE 2
58 56314445 2 Idler End Assy (#61-65)
59 56407559 2 Drive End Assy (#66-73)
60 56412459 1 Wheel
61 56106070 1 Bearing, Ball
62 56407303 1 Knob
63 56315447 1 Idler Bearing Plate
64 56407551 1 Hub
65 56407558 1 Washer, Bearing
66 56002119 2 Scr, Soc Set Loc 1/4-20 x .50
67 56003237 1 Key, Sq. .19 x .62
68 56106070 2 Bearing, Ball
69 56407389 1 Spacer
70 56407442 1 Sheave, Poly-V
71 56315405 1 Bearing Plate
72# 56109527 1 Spindle
73 56407558 1 Washer, Bearing
* = Not Shown
# = Revised or new since last update
SCRUB SYSTEM-CYLINDRICAL
NOTE: See “BRUSH SELECTOR GUIDE” at back of manual for available scrub brushes.
NOTE 2: See “SKIRT ASSEMBLIES-CYLINDRICAL”.
08-9

FORM NO. 56042438
Advenger™ / BR 600S, 650S, 700S, 800S
03-1
18
SCRUB SYSTEM-DISK (24”, 26”, 28”/BR 600S, 650S, 700S)
08-3

19
FORM NO. 56042438
Advenger™ / BR 600S, 650S, 700S, 800S
03-1
Item Ref. No. Qty Description
1 56002938 18 Wsh, Flt SAE SS 5/16
2 56003246 2 Key, Sq .25 x 1.62
3 56003335 4 Scr, Hex Loc SS 5/16-18 x .88
4 56003405 6 Nut, Hex Nyl Loc SS M8-1.25
5 56003426 12 Nut, Hex Nyl Loc SS M6-1.00 (qty 8 on 24”)
6 56003431 8 Scr, Hex Hd SS M6-1.00 x 16mm
7 56003443 4 Scr, Hex Hd SS M6-1.00 x 20mm
(26” & 28” / BR 650S & BR 700S only)
8 56003477 6 Scr, Hex Loc SS M8-1.25 x 25mm
9 56003671 2 Pin, Ring .50 x 1.25
10 56009019 2 Scr, Hex Thd Form 1/4-20 x .38
11 56009030 6 Scr, Pan Phil Thd Form 10-24 x .38
12 56009057 4 Wsh, Flt Harden .344 x 1.000 x .120/.135
13 56009062 4 Scr, Pan Phil Thd Form 1/4-20 x .50
14 56009086 4 Nut, Hex Jam 5/16-18
15 56009096 2 Wsh, Flt .193 x .875 x .060
16 56249280 2 Tee, Barb
17 56366455 2 Plate, Stop
18 56366463 2 Spring Retainer
19 56385564 2 Clamp, P
20 56393303 1 Lift Actuator, Brush (M1)
* 56388520 1 Plastic Nut
21 56407053 4 Thermoid Disk
22 56407114 4 Knob TSBUS2007-963
23 56314030 2 Brush Holder
24 56407334 4 Knob
25 56412071 1 Compression Spring
26 56412262 1 Housing, Spring
27 56420018 1 Compression Spring
28 56420019 1 Nut Retainer
29 56420020 1 Nut Retainer
30 56003211 16 Scr, Hex Hd SS M6-1.00 x 12mm
31 56003263 18 Rivet, Nylon Tree Push-In
32 56003639 6 Scr, Hex Hd SS M8-1.25 x 30mm
33 56003657 4 Nut, Hex Jam M12-1.75
34 56003658 4 Scr, Hex Thd To Hd SS M12-1.75 x 70mm
35 56412189 1 Hose, Spriral .375
36 56249682 1 Tube, Solution
37 56262180 1 Tube, Spiral .375
38 56314053 2 Bracket, Motor
39 56314081 1 Weld’t, Disk Deck
(24”, 26”, 28” / BR 600S, BR 650S, BR 700S)
40 - See Disk Deck Blade Kits below
41 56314139 1 Motor Gearbox Assy (24” / BR 600S / M7)
56314140 1 Motor Gearbox Assy (26” / BR 650S / M7)
56314141 1 Motor Gearbox Assy (28” / BR 700S / M7)
* 56314359 2 Key, 6mm Square
* 56314499 2 Cover, Gearbox
* 56314560 2 Gearbox
* 56314580 1 Bearing (Fan End)
* 56412323 1 Bearing (Brush End)
* 56314582 1 Brush Ring
* 56314583 4 Carbon Brush
# 1 Deleted
Item Ref. No. Qty Description
42 56314218 2 Shaft, Hub Mount
43 56314261 2 Skirt Bracket, Forward
(26” & 28” / BR 650S & BR 700S only)
44 Intentionally Omitted
45 56314294 1 Pin, Hitch Cotterless
46 56314310 1 Coupling, Quick Disconnect, Male
(only before TSBUS2005-888)
47 56314349 1 Skirt Assy, Left (before TSBUS2004-884) NOTE 4
(24”, 26”, 28” / BR 600S, BR 650S, BR 700S)
56314885 1 Skirt Assy, Left (after TSBUS2004-884) NOTE 5
(24”, 26”, 28” / BR 600S, BR 650S, BR 700S)
48 56314350 1 Skirt Assy, Right (All Models / before TSBUS2004-884) NOTE 4
56314884 1 Skirt Assy, Right (All Models / after TSBUS2004-884) NOTE 5
49 56314359 2 Key, 6mm Sq. NOTE 4
50 - See Disk Deck Blade Kits below
51 56314499 2 Cover, Gearbox NOTE 4
52 56392277 1 Tube, Solution
53 56314108 2 Hub, Drive
54 56397300 1 Tee, Barb
55 56401783 2 Leg Leveler, 5/16-18
56 56412187 2 Hose, Spiral .375
57 56002768 2 Nut, Hex Nyl Loc 10-24 (Advance only)
58 56002959 2 Pin, Cotter Hair
24” / BR 600S Disk Deck Blade Kits (before TSBUS2004-884)
** 56314124 1 Kit, Gum Rubber 24 Disk NOTE 2
** 56314170 1 Kit, Neoprene 24 Disk NOTE 2
** 56314395 1 Kit, Linatex 24 Disk NOTE 2
** 56315724 1 Kit, Gum Rubber NOTE 3
** 56315723 1 Kit, Red Gum Rubber NOTE 3
26” / BR 650S Disk Deck Blade Kits (before TSBUS2004-884)
** 56314125 1 Kit, Gum Rubber 26 Disk NOTE 2
** 56314171 1 Kit, Neoprene 26 Disk NOTE 2
** 56314396 1 Kit, Linatex 26 Disk NOTE 2
** 56315724 1 Kit, Gum Rubber NOTE 3
** 56315723 1 Kit, Red Gum Rubber NOTE 3
28” / BR 700S Disk Deck Blade Kits (before TSBUS2004-884)
** 56314126 1 Kit, Gum Rubber 28 Disk NOTE 2
** 56314172 1 Kit, Neoprene 28 Disk NOTE 2
** 56314397 1 Kit, Linatex 28 Disk NOTE 2
** 56315724 1 Kit, Gum Rubber NOTE 3
** 56315723 1 Kit, Red Gum Rubber NOTE 3
24” / BR 600S Disk Deck Blade Kits (after TSBUS2004-884)
** 56314911 1 Kit, Gum Rubber 24 Disk NOTE 2
** 56314915 1 Kit, Linatex 24 Disk NOTE 2
** 56315722 1 Kit, Gum Rubber NOTE 3
** 56315721 1 Kit, Red Gum Rubber NOTE 3
26” / BR 650S Disk Deck Blade Kits (after TSBUS2004-884)
** 56314912 1 Kit, Gum Rubber 26 Disk NOTE 2
** 56314916 1 Kit, Linatex 26 Disk NOTE 2
** 56315722 1 Kit, Gum Rubber NOTE 3
** 56315721 1 Kit, Red Gum Rubber NOTE 3
28” / BR 700S Disk Deck Blade Kits (after TSBUS2004-884)
** 56314913 1 Kit, Gum Rubber 28 Disk NOTE 2
** 56314917 1 Kit, Linatex 28 Disk NOTE 2
** 56315722 1 Kit, Gum Rubber NOTE 3
** 56315721 1 Kit, Red Gum Rubber NOTE 3
# = Revised or new since last update
* = Not Shown
** = Optional
NOTE: See “BRUSH SELECTOR GUIDE” at back of manual for available scrub brushes.
08-9
SCRUB SYSTEM-DISK (24”, 26”, 28”/BR 600S, 650S, 700S)
NOTE 2: Disk Deck Blade Kits include the mounting fasteners (Rivet, Nylon Tree Push-In 56003263 item 31), the two blades (items 40 & 50) and two blades for use in Skirt
Assemblies (items 47 & 48).
NOTE 3: These Disk Deck Blade Kits include just the blades for use in the two Skirt Assemblies.
NOTE 4: See “SKIRT ASSEMBLIES-DISK (before TSBUS2004-884)”.
NOTE 5: See “SKIRT ASSEMBLIES-DISK (after TSBUS2004-884)”.

FORM NO. 56042438
Advenger™ / BR 600S, 650S, 700S, 800S
03-1
20
SCRUB SYSTEM-DISK (32”/BR 800S)
08-3

21
FORM NO. 56042438
Advenger™ / BR 600S, 650S, 700S, 800S
03-1 SCRUB SYSTEM-DISK (32”/BR 800S)
Item Ref. No. Qty Description
1 56002938 18 Wsh, Flt SAE SS 5/16
2 56003246 2 Key, Sq .25 x 1.62 NOTE 4
3 56003335 4 Scr, Hex Loc SS 5/16-18 x .88
(qty of 2 after NOTE 3)
4 56003405 6 Nut, Hex Nyl Loc SS M8-1.25
5 56003426 8 Nut, Hex Nyl Loc SS M6-1.00
6 56003431 8 Scr, Hex Hd SS M6-1.00 x 16mm
7 Intentionally omitted
8 56003477 6 Scr, Hex Loc SS M8-1.25 x 25mm
9 56003671 2 Pin, Ring .50 x 1.25
10 56009019 2 Scr, Hex Thd Form 1/4-20 x .38
11 56009030 6 Scr, Pan Phil Thd Form 10-24 x .38
12 56009057 4 Wsh, Flt Harden .344 x 1.000 x .120/.135
(qty of 2 after NOTE 3)
13 56009062 4 Scr, Pan Phil Thd Form 1/4-20 x .50
14 56009086 4 Nut, Hex Jam 5/16-18
15 56009096 2 Wsh, Flt .193 x .875 x .060
16 56249280 2 Tee, Barb
17 56366455 2 Plate, Stop
18 56366463 2 Spring Retainer
19 56385564 2 Clamp, P
20 56393303 1 Lift Actuator, Brush (M1)
* 56388520 1 Plastic Nut
21 56407053 4 Thermoid Disk
22 56407114 4 Knob TSBUS2007-963
23 56314030 2 Brush Holder
24 56407334 4 Knob
25 56412071 1 Compression Spring
26 56412262 1 Housing, Spring
27 56420018 1 Compression Spring
28 56420019 1 Nut Retainer
29 56420020 1 Nut Retainer
30 56003211 16 Scr, Hex Hd SS M6-1.00 x 12mm NOTE 4
56002885 6 Scr, Hex SS 3/8-16 x .75 NOTE 3
31 56003263 18 Rivet, Nylon Tree Push-In
32 56003639 6 Scr, Hex Hd SS M8-1.25 x 30mm
33 56003657 4 Nut, Hex Jam M12-1.75
34 56003658 4 Scr, Hex Thd To Hd SS M12-1.75 x 70mm
35 56412189 1 Hose, Spriral .375
36 56249682 1 Tube, Solution
37 56262180 1 Tube, Spiral .375
38 56314053 2 Bracket, Motor NOTE 4
56315701 2 Bracket, Motor NOTE 3
39 56314090 1 Weld’t, Disk Deck (32” / BR 800S)
40 - See Disk Deck Blade Kits below
41 56314335 1 Motor Gearbox Assy (32” / BR 800S / M7) NOTE 4
* 56314359 2 Key, 6mm Square
* 56314499 2 Cover, Gearbox
* 56314560 2 Gearbox
* 56314580 1 Bearing (Fan End)
* 56412323 1 Bearing (Brush End)
* 56314582 1 Brush Ring
* 56314583 4 Carbon Brush
# Deleted
Item Ref. No. Qty Description
42 56314218 2 Shaft, Hub Mount NOTE 4
43 Intentionally Omitted
44 Intentionally Omitted
45 56314294 1 Pin, Hitch Cotterless
46 56314310 1 Coupling, Quick Disconnect, Male
(only before TSBUS2005-888)
47 56314347 1 Skirt Assy, Left (32” / BR 800S / before TSBUS2004-884) NOTE 6
56314894 1 Skirt Assy, Left (32” / BR 800S / after TSBUS2004-884) NOTE 7
48 56314350 1 Skirt Assy, Right (All Models / before TSBUS2004-884) NOTE 6
56314884 1 Skirt Assy, Right (All Models / after TSBUS2004-884) NOTE 7
49 56314359 2 Key, 6mm Sq. NOTE 4
50 - See Disk Deck Blade Kits below
51 56314499 2 Cover, Gearbox NOTE 4
52 56392277 1 Tube, Solution
53 56314108 2 Hub, Drive
54 56397300 1 Tee, Barb
55 56401783 2 Leg Leveler, 5/16-18
56 56412187 2 Hose, Spiral .375
57 56002768 2 Nut, Hex Nyl Loc 10-24 (Advance only)
58 56002959 2 Pin, Cotter Hair
59 56315704 1 Gearbox Assy (32” / BR 800S / M7) NOTE 3
* 56315711 2 Gearbox
* 56407500 1 Brush Assy Kit
60 56315705 2 Spacer NOTE 3
32” / BR 800S Disk Deck Blade Kits (before TSBUS2004-884)
** 56314127 1 Kit, Gum Rubber 32 Disk NOTE 2
** 56314173 1 Kit, Neoprene 32 Disk NOTE 2
** 56314398 1 Kit, Linatex 32 Disk NOTE 2
** 56315724 1 Kit, Gum Rubber NOTE 5
** 56315723 1 Kit, Red Gum Rubber NOTE 5
32” / BR 800S Disk Deck Blade Kits (after TSBUS2004-884)
** 56314914 1 Kit, Gum Rubber 32 Disk NOTE 2
** 56314918 1 Kit, Linatex 32 Disk NOTE 2
** 56315722 1 Kit, Gum Rubber NOTE 3
** 56315721 1 Kit, Red Gum Rubber NOTE 3
# = Revised or new since last update
* = Not Shown
** = Optional
NOTE: See “BRUSH SELECTOR GUIDE” at back of manual for available scrub brushes.
NOTE 2: Disk Deck Blade Kits include the mounting fasteners (Rivet, Nylon Tree Push-In 56003263 item 31), the two blades (items 40 & 50) and two blades for use in Skirt
Assemblies (items 47 & 48).
NOTE 3: Only used after serial number 1931775.
NOTE 4: Only used before serial number 1931776.
NOTE 5: These Disk Deck Blade Kits include just the blades for use in the two Skirt Assemblies.
NOTE 6: See “SKIRT ASSEMBLIES-DISK (before TSBUS2004-884)”.
NOTE 7: See “SKIRT ASSEMBLIES-DISK (after TSBUS2004-884)”.
08-9

FORM NO. 56042438
Advenger™ / BR 600S, 650S, 700S, 800S
03-1
22
SKIRT ASSEMBLIES-CYLINDRICAL
LEFT SKIRT ASSEMBLY SHOWN

23
FORM NO. 56042438
Advenger™ / BR 600S, 650S, 700S, 800S
03-1
Item Ref. No. Qty Description
56314443 1 Left Skirt Assembly
56314444 1 Right Skirt Assembly
1 56001939 2 Wsh, Flt SAE 5/16
2 56003178 1 Scr, Hex M8-1.25 x 16mm
3 56003179 1 Scr, Hex Thd To Hd M8-1.25 x 20mm
4 56003389 1 Nut, Hex Nyl Loc M8-1.25
5 56003426 5 Nut, Hex Nyl Loc SS M6-1.00
6 56003431 6 Scr, Hex Hd SS M6-1.00 x 16mm
7 56003441 1 Scr, Hex Nyl Loc M6-1.00 x 15mm
8 56185263 2 Bearing, Sleeve
9 56320595 2 Bushing, .32 x .50 x .28
10 56407447 1 Skirt, Gum Rubber
** 56407392 1 Skirt, Neoprene
** 56410335 1 Skirt
11 56470672 1 Spring, Extension
12 56314435 1 Arm, Mount
13 56314437 1 Retainer, Skirt
14 56314439 1 Skirt Bracket Weld’t, Left
56314438 1 Skirt Bracket Weld’t, Right
15 56314440 1 Bracket, Mount, Left
56314441 1 Bracket, Mount, Right
** = Optional
NOTE: All quantities are for one skirt assembly only, there are two skirt assemblies on the machine.
SKIRT ASSEMBLIES-CYLINDRICAL
04-3

FORM NO. 56042438
Advenger™ / BR 600S, 650S, 700S, 800S
03-1
24
SKIRT ASSEMBLIES-DISK (BEFORE TSBUS2004-884)
08-3

25
FORM NO. 56042438
Advenger™ / BR 600S, 650S, 700S, 800S
03-1
Item Ref. No. Qty Description
56314347 1 Left Skirt Assembly (32” / BR 800S)
56314349 1 Left Skirt Assembly (24”, 26”, 28” / BR 600S, BR 650S, BR 700S)
56314350 1 Right Skirt Assembly (All Models)
1 56002098 2 Wsh, Flt SAE 1/4 NOTE 1
2 56003167 1 Scr, Hex M6-1.00 x 40mm NOTE 1
3 56009045 2 Wsh, Bowed .375 x .578 x .060 NOTE 1
4 56003426 8 Nut, Hex Nyl Loc SS M6-1.00
5 56003454 7 Scr, Hex Thd to Hd SS M6-1.00 x 20mm
6 56324499 1 Wheel, 3.00 NOTE 1
7 56471220 1 Bushing NOTE 1
8 56314058 1 Frame, Skirt LH
56314059 1 Frame, Skirt RH
9 - See Disk Deck Blade Kits below
10 56314341 1 Retainer, Blade
11 56016163 1 Decal, No Step (Right Skirt Assembly only)
24” / BR 600S Disk Deck Blade Kits
** 56314124 1 Kit, Gum Rubber 24 Disk NOTE 3
** 56314170 1 Kit, Neoprene 24 Disk NOTE 3
** 56314395 1 Kit, Linatex 24 Disk NOTE 3
** 56315724 1 Kit, Gum Rubber NOTE 4
** 56315723 1 Kit, Red Gum Rubber NOTE 4
26” / BR 650S Disk Deck Blade Kits
** 56314125 1 Kit, Gum Rubber 26 Disk NOTE 3
** 56314171 1 Kit, Neoprene 26 Disk NOTE 3
** 56314396 1 Kit, Linatex 26 Disk NOTE 3
** 56315724 1 Kit, Gum Rubber NOTE 4
** 56315723 1 Kit, Red Gum Rubber NOTE 4
28” / BR 700S Disk Deck Blade Kits
** 56314126 1 Kit, Gum Rubber 28 Disk NOTE 3
** 56314172 1 Kit, Neoprene 28 Disk NOTE 3
** 56314397 1 Kit, Linatex 28 Disk NOTE 3
** 56315724 1 Kit, Gum Rubber NOTE 4
** 56315723 1 Kit, Red Gum Rubber NOTE 4
32” / BR 800S Disk Deck Blade Kits
** 56314127 1 Kit, Gum Rubber 32 Disk NOTE 3
** 56314173 1 Kit, Neoprene 32 Disk NOTE 3
** 56314398 1 Kit, Linatex 32 Disk NOTE 3
** 56315724 1 Kit, Gum Rubber NOTE 4
** 56315723 1 Kit, Red Gum Rubber NOTE 4
** = Optional
NOTE 1: These items are on the Right Skirt Assembly PN 56314350 on all models, but only on the 32” / BR 800S Left Skirt Assembly PN56314347.
NOTE 2: All quantities are for one skirt assembly only, there are two skirt assemblies on the machine.
NOTE 3: Disk Deck Blade Kits include the mounting fasteners (Rivet, Nylon Tree Push-In 56003263), two skirt blades (item 9) and the two deck blades
(front & rear).
NOTE 4: These Disk Deck Blade Kits include just the blades for use in the two Skirt Assemblies.
SKIRT ASSEMBLIES-DISK (BEFORE TSBUS2004-884)
08-3

FORM NO. 56042438
Advenger™ / BR 600S, 650S, 700S, 800S
03-1
26
SKIRT ASSEMBLIES-DISK (AFTER TSBUS2004-884)
08-3

27
FORM NO. 56042438
Advenger™ / BR 600S, 650S, 700S, 800S
03-1 SKIRT ASSEMBLIES-DISK (AFTER TSBUS2004-884)
08-3
Item Ref. No. Qty Description
56314894 1 Left Skirt Assembly (32” / BR 800S)
56314885 1 Left Skirt Assembly (24”, 26”, 28” / BR 600S, BR 650S, BR 700S)
56314884 1 Right Skirt Assembly (All Models)
1 56324499 1 Wheel 3.00 NOTE 1
2 56016163 1 Decal, No Step (Right Skirt Assembly Only)
3 56471220 1 Bushing NOTE 1
4 56002098 2 Wsh, Flt Sae 1/4 NOTE 1
5 56003167 1 Scr,Hex M6-1.0x40mm NOTE 1
6 56003426 9 Nut, Hex Nyl Loc Ss M6x1.0 (qty of 8 on 56314885)
7 56003454 2 Scr Hex Thd To Hd Ss M6-1.0 X 20mm
8 56003695 6 Scr Hex Thd To Hd Ss M6-1.0 X 25mm
9 56003696 2 Wsh, Flt Ss .33 X 1.00 X.060
10 56009045 2 Wsh, Bowed .375x.578x.060 NOTE 1
11 - See Disk Deck Blade Kits below
12 - See Disk Deck Blade Kits below
13 56314888 1 Frame, Skirt Rh
14 56314889 1 Frame, Skirt Lh
15 56314891 1 Retainer, Blade
24” / BR 600S Disk Deck Blade Kits
** 56314911 1 Kit, Gum Rubber 24 Disk NOTE 3
** 56314915 1 Kit, Linatex 24 Disk NOTE 3
** 56315722 1 Kit, Gum Rubber NOTE 4
** 56315721 1 Kit, Red Gum Rubber NOTE 4
26” / BR 650S Disk Deck Blade Kits
** 56314912 1 Kit, Gum Rubber 26 Disk NOTE 3
** 56314916 1 Kit, Linatex 26 Disk NOTE 3
** 56315722 1 Kit, Gum Rubber NOTE 4
** 56315721 1 Kit, Red Gum Rubber NOTE 4
28” / BR 700S Disk Deck Blade Kits
** 56314913 1 Kit, Gum Rubber 28 Disk NOTE 3
** 56314917 1 Kit, Linatex 28 Disk NOTE 3
** 56315722 1 Kit, Gum Rubber NOTE 4
** 56315721 1 Kit, Red Gum Rubber NOTE 4
32” / BR 800S Disk Deck Blade Kits
** 56314914 1 Kit, Gum Rubber 32 Disk NOTE 3
** 56314918 1 Kit, Linatex 32 Disk NOTE 3
** 56315722 1 Kit, Gum Rubber NOTE 4
** 56315721 1 Kit, Red Gum Rubber NOTE 4
** = Optional
NOTE 1: These items are on the Right Skirt Assembly PN 56314884 on all models, but only on the 32” / BR 800S Left Skirt Assembly PN56314894.
NOTE 2: All quantities are for one skirt assembly only, there are two skirt assemblies on the machine.
NOTE 3: Disk Deck Blade Kits include the mounting fasteners (Rivet, Nylon Tree Push-In 56003263), four skirt blades (items 11 & 12) and the two deck
blades (front & rear).
NOTE 4: These Disk Deck Blade Kits include just the blades for use in the two Skirt Assemblies.

FORM NO. 56042438
Advenger™ / BR 600S, 650S, 700S, 800S
03-1
28
SOLUTION SYSTEM (STANDARD)
08-3

29
FORM NO. 56042438
Advenger™ / BR 600S, 650S, 700S, 800S
03-1 SOLUTION SYSTEM (STANDARD)
Item Ref. No. Qty Description
1 56001939 4 Wsh, Flt SAE 5/16
2 56001954 3 Wsh, Flt SAE #10
3 56009206 4 Scr, Truss Phil-Blk 10-24 x .50
4 56002035 8 Scr, Hex Hd 5/16-18 x .62
5 56002043 3 Scr, Pan Phil 10-24 x .38
6 56002066 3 Scr, Pan Phil 1/4-20 x .62
7 56002098 11 Wsh, Flt SAE 1/4
8 56002108 1 Scr, Pan Phil 1/4-20 x 2.00
9 56002507 2 Scr, Pan Phil 1/4-20 x .75
10 56002589 1 Scr, Hex Hd 6-32 x .50
11 56002674 5 Scr, Pan Phil 10-24 x 1.00
12 56002171 4 Scr, Pan Phil 10-24 x 2.00
13 56002793 2 Scr, Pan Phil 5/16-18 x .75
14 56002826 1 Nut, Hex Nyl Loc-Thin 5/16-18
15 56002830 1 Nut, Hex Nyl Loc 6-32
16 56002840 3 Nut, Hex Nyl Loc-Thin 1/4-20
17 56002900 5 Scr, Pan Phil SS 10-24 x .50
18 56002997 3 Scr, Pan Phil 1/4-20 x 1.75
19 7-82-00050 1 Switch (S2)
20 56003178 3 Scr, Hex M8-1.25 x 16mm
21 56003268 3 Ring, Ret Ext Type E Reinf. .25 Dia.
22 56003389 3 Nut, Hex Nyl Loc M8-1.25
23 56009002 2 Wsh, Flt .266 x .906 x .060
24 56009122 4 Wsh, Flt .344 x .938 x .125
25 56009205 4 Wsh, Flt SS #10
26 56219932 4 Clamp, Hose SAE #6
27 56255076 1 Cap, Pipe GHT Nylon
28 56344265 1 Clamp, Cable
29 56368776 1 Washer, Rubber
30 56372673 2 Boot, Battery Post
31 56409152 1 Barb, 90 Elbow, 1/2 x 1/2NPT NOTE 3
56314757 1 Barb, 90 Elbow 3/4 x 1/2NPT NOTE 4
32 56412196 1 Hinge NOTE 7
56314973 1 Hinge NOTE 8 (Advance only)
33 56412273 1 Barb, Adapter, 1/2 x 3/4GHT NOTE 3
56900273 1 Barb NOTE 4
34 56468553 1 Bushing, .27 x .37 x 1.30
35 56469380 1 Clamp, P
36 56478246 2 Tie, Cable
37 56003003 1 Scr, Pan Phil 5/16-18 x .62
38 56046309 2 Spacer, Phenolic
39 56050872 1 Spacer, Phenolic
40 56314899 1 Valve, Ball
41 56262180 1 Hose, Spiral .50ID x 7.00
42 8-69-00022 1 Seat NOTE 5
43 56314049 1 Solution Tank NOTE 7 (Advance only)
56314940 1 Solution Tank NOTE 8
44 56314066 1 Cover, Solution Tank, Assy
45 56314069 1 Gasket
Item Ref. No. Qty Description
46 56314072 1 Control Panel Assy (before TSBUS2006-922)
56316109 1 Control Panel Assy (after TSBUS2006-943)
* 56314713 1 Membrane Switch Assy TSBUS2006-932
* 56396188 1 Switch, Key
* 56396189 1 Key, Spare
47 56314153 1 Tee NOTE 3
56314758 1 Tee, Barb NOTE 4
48 56314759 1 Bracket, Valve (Before TSBUS2004-874) (Advance only)
56314882 1 Bracket, Valve (After TSBUS2004-874)
49 56314155 5 Clamp, Cable
50 56314608 4 Clamp, Cable
51 56314213 1 Cover, Actuator NOTE 7
56314975 1 Cover, Actuator Closed NOTE 8
52 56314292 1 Bar, Disconnect
53 56316526 1 Tank Mount Bracket
54 56314221 1 Weld’t, Seat Mount NOTE 2, NOTE 7
56314951 1 Weld’t, Seat Mount NOTE 8
55 56314223 1 Prop Rod
56 56314971 1 Harness, Main (before TSBUS2006-922)
56316114 1 Harness, Main (after TSBUS2006-922)
57 56314253 1 Charge Connector Assy
58 56314264 1 Hinge Bracket
59a 56314311 1 Coupling, Quick Disconnect Female (before TSBUS2005-888)
59b 56314904 1 Tube (after TSBUS2005-888)
60 56314401 1 Bracket, Water Valve (Before TSBUS2004-874) (Advance only)
56314881 1 Bracket, Water Valve (After TSBUS2004-874)
61 56314532 1 Panel, Battery Box
62 56314538 1 Strainer NOTE 3
56314756 1 Strainer NOTE 4
63 56386182 1 Hose, Spiral .50ID x 26.0
64 56397189 1 Spacer
65 56397215 1 Solenoid Valve Assy, 36V (L1)
66 56397508 1 Charge Connector Assy
67 56264318 1 Hose, Spiral .500 NOTE 3
56263218 1 Hose, .75 Clear PVC NOTE 4
68 56442003 1 Clamp, P
69 56314339 1 Kit, Battery Connector (includes items 70-73)
(Advance only) NOTE 1
70 56456460 4 Cable, Battery
71 56478246 10 Tie, Cable
72 56372673 10 Boot, Battery Post
73 56441600 1 Cable, Battery
74 56001993 2 Scr, Pan Phil 10-24 x .50 NOTE 4
75 56314755 1 Valve, Solution NOTE 4
76 56112771 4 Clamp, Hose SAE #10 NOTE 4
56219932 4 Clamp, Hose SAE #6 NOTE 3
77 56410162 1 Hose, Spiral .75 ID x 7.00 NOTE 4
56262180 1 Hose, Spiral .50 ID x 7.00 NOTE 3
* 56314119 1 Battery Spacer (Advance only)
78# 56264318 1 Hose, Spiral ..500
79# 56111385 1 Hose, Spiral .500
* = Not Shown
# = Revised or new since last update
08-9
NOTE 1: For Advance models “Battery Connector Kit” (56314339) is included with machine.
For Nilfi sk models battery cables are not included (after SN 1688856), but “Battery
Connector Kit” (56314326) can be ordered separately if battery connectors are
desired.
NOTE 2: Seat Weldment 56314221 was modifi ed as of serial #1726172 to accommodate
Onboard Charger Kit 56314753.
NOTE 3: Used on machines built before serial number chart “A”.
NOTE 4: Used on machines built after serial number chart “A”.
NOTE 5: Seat 56314035 is obsolete and replaced by 8-69-00022 in production. Order Seat
kit 56109292 to replace in the fi eld.
NOTE 6: Used on machines built after serial number chart “B”.
NOTE 7: Used on machines built before TSBUS2005-896.
NOTE 8: Used on machines built after TSBUS2005-896.
NOTE 3 & 4
SERIAL NUMBER CHART “A”
1750239 - Advenger 2400D
1757986 - Advenger 2810D
1757999 - Advenger 3210D
1759162 - Advenger 2400C
1750252 - Advenger 2600C
1758000 - Advenger 2810C
1758002 - Advenger 3210C
1752024 - BR 600S
1752041 - BR 700S
1752046 - BR 800S
1752052 - BR 600SC
1752054 - BR 700SC
1753522 - BR 800SC
NOTE 5 & 6
SERIAL NUMBER CHART “B”
1837726 - Advenger 2400D
1839732 - Advenger 2600D
1837203 - Advenger 2810D
1837599 - Advenger 3210D
1839732 - Advenger 2400C
1839732 - Advenger 2600C
1837200 - Advenger 2810C
1837197 - Advenger 3210C
1837616 - BR 600S
1837623 - BR 700S
1839156 - BR 800S
1837650 - BR 600SC
1837652 - BR 700SC
1839732 - BR 800SC

FORM NO. 56042438
Advenger™ / BR 600S, 650S, 700S, 800S
03-1
30
SOLUTION SYSTEM (AXP/EDS)
08-9

31
FORM NO. 56042438
Advenger™ / BR 600S, 650S, 700S, 800S
03-1 SOLUTION SYSTEM (AXP/EDS)
08-9
Item Ref. No. Qty Description
1 56255076 1 Cap, Pipe GHT Nylon
2 56368776 1 Washer, Rubber
3 56372673 2 Boot, Battery Post
4 56468553 1 Bushing, .27 x .37 x 1.3
5 56900273 1 Barb
6 56001939 4 Wsh, Flt SAE 5/16
7 56001954 5 Wsh, Flt SAE #10
8 Intentionally Omitted
9 56002035 8 Scr, Hex 5/16-18 x .62
10 56002043 3 Scr, Pan Phil 10-24 x .38
11 56002066 3 Scr, Pan Phil 1/4-20 x .62
12 56002098 7 Wsh, Flt SAE 1/4
13 56002108 1 Scr, Pan Phil 1/4-20 x 2.00
14 56002171 4 Scr, Pan Phil 10-24 x 2.00
15 56002674 5 Scr, Pan Phil 10-24 x 1.00
16 56002755 1 Scr, Flt Phil 1/4-20 x .50
17 56002793 2 Scr, Pan Phil 5/16-18 x .75
18 56002840 1 Nut, Hex Nyl Loc-Thin 1/4-20
19 56002900 7 Scr, Pan Phil SS 10-24 x .50
20 56002997 3 Scr, Pan Phil 1/4-20 x 1.75
21 56003178 3 Scr, Hex M8-1.25 x 16mm
22 7-82-00050 1 Switch (S2)
23 56003268 2 Ring, Ret Ext Type E Reinf. 0.25 Dia
24 56003389 3 Nut, Hex Nyl Loc M8-1.25
25 56009002 2 Wsh, Flt .266 x .906 x .060
26 56009122 4 Wsh, Flt .344 x .938 x .125
27 56009205 4 Wsh, Flt SS .219 x .500 x .047/.062
28 56009206 4 Scr, Truss Phil-Blk 10-24 x .50
29 56046309 2 Spacer, Phenolic
30 56050872 1 Spacer, Phenolic
31 56112771 4 Clamp, Hose SAE #10
32 56219932 8 Clamp, Hose SAE #6
33# 56262180 1 Hose, Spiral .50 Id x 7.00
34 56263218 1 Hose, .75 Clear PVC
35 56409462 1 Hose, Spiral .50 ID x 12
36 8-69-00022 1 Seat NOTE 1
37 56314066 1 Cover, Solution Tank, Assy
38 56314069 1 Gasket
39 56314072 1 Control Panel Assy (before TSBUS2006-922)
56316109 1 Control Panel Assy (after TSBUS2006-943)
* 56314713 1 Membrane Switch Assy TSBUS2006-932
* 56396188 1 Switch, Key
* 56396189 1 Key, Spare
Item Ref. No. Qty Description
40 56314147 1 Strainer
41 56314155 5 Clamp, Cable
42 56316526 1 Tank Mount Bracket
43 56314223 1 Prop Rod
44 56900069 2 Barb, 90 Elbow 1/2 x 3/8NPT
* 56314971 1 Harness, Main (before TSBUS2006-922)
56316114 1 Harness, Main (after TSBUS2006-922)
45 56314253 1 Charge Connector Assy
46 56314264 1 Hinge Bracket
47 56314292 1 Bar, Disconnect
48 56314904 1 Tube
49 56314608 4 Clamp, Cable
50 56314757 1 Barb, 90 Elbow 3/4 x 1/2NPT
51 56314758 1 Tee, Barb
52 56314881 1 Bracket, Valve
53 56314899 1 Valve, Solution
54 56314940 1 Solution Tank
55 56314947 1 Hose, Chem Resistant (Advance only)
56 56314943 1 Brkt, Seat
57 56314949 1 Weld’t, Seat Mount
58 56314960 1 Cover, Actuator
59 56316537 1 Assembly, Detergent Inject. (TSBUS2006-922)
(see Detergent Injection System)
60 56314965 1 Hose, PVC 1/4 x 3/8
61 56314973 1 Hinge (Advance only)
62 56314980 1 Harness, Chemical System
63 56314983 1 Tee Assembly
64 56212014 1 Pump, 36VDC
65 56397189 1 Spacer
66 56397215 1 Solenoid Valve Assy. 36V
67 56397508 1 Charge Connector Assy
68 56410162 1 Hose, Spiral .75 ID x 7.00
69 Intentionally Omitted
70 56442003 1 Clamp, P
71 56469380 1 Clamp, P
72 56478246 2 Tie, Cable
73 56314339 1 Kit, Battery Connector (items 74-77)
(Advance only)
74 56441600 1 Cable, Battery
75 56456460 4 Cable, Battery
76 56478246 10 Tie, Cable
77 56372673 10 Boot, Battery Post
78 56002733 2 Scr, Pan Phil 10-24 x .88
* 56314119 1 Spacer, Battery
(Advance only)
79 56316209 1 Check Valve Assy TSBUS2006-937
80# 56264318 1 Hose, Spiral .500
81# 56111385 1 Hose, Spiral .500
* = Not Shown
# = Revised or new since last update
NOTE 1: Seat 56314035 is obsolete and replaced by 8-69-00022 in production. Order Seat kit 56109292 to replace in the fi eld.

FORM NO. 56042438
Advenger™ / BR 600S, 650S, 700S, 800S
03-1
32
SQUEEGEE ASSEMBLY
04-3

33
FORM NO. 56042438
Advenger™ / BR 600S, 650S, 700S, 800S
03-1
Item Ref. No. Qty Description
56314327 1 Squeegee Assy (24” / BR 600S)
56314020 1 Squeegee Assy (26” & 28” / BR 650S & BR 700S)
56314358 1 Squeegee Assy (32” / BR 800S)
1 56003736 2 Scr, Hex Hd SS 5/16-18 x 2.75
2 56002851 2 Nut, Hex Nyl Loc-Thin SS 5/16-18
3 56002909 2 Scr, Pan Phil SS 6-32 x .38
4 56002938 2 Wsh, Flt SAE SS 5/16
5 56002907 2 Nut, Hex Nyl Loc SS 6-32 (Advance only)
6 56009111 4 Nut, Wing SS 1/4-20
7 56324350 2 Wheel
8 56370711 2 Nut, Thumb
9 56471194 1 Latch Assy
10 56003472 2 Scr, Soc Shd .38 x 1.00 x 5/16-18
11 56314317 1 Strap, Left Rear (24” / BR 600S)
56314026 1 Strap, Left Rear (26” & 28” / BR 650S & BR 700S)
56314323 1 Strap, Left Rear (32” / BR 800S)
12 56314318 1 Strap, Right Rear (24” / BR 600S)
56314027 1 Strap, Right Rear (26” & 28” / BR 650S & BR 700S)
56314324 1 Strap, Right Rear (32” / BR 800S)
13 56314316 1 Strap, Front (24” / BR 600S)
56314028 1 Strap, Front (26” & 28” / BR 650S & BR 700S)
56314322 1 Strap, Front (32” / BR 800S)
14 56314054 1 Kit, Standard Squeegee Blade (24” / BR 600S) NOTE #1
56314303 1 Kit, Standard Squeegee Blade (26” & 28” / BR 650S & BR 700S) NOTE #1
56314060 1 Kit, Standard Squeegee Blade (32” / BR 800S) NOTE #1
15 56314319 1 Squeegee Tool, Cast (24” / BR 600S)
56314271 1 Squeegee Tool, Cast (26” & 28” / BR 650S & BR 700S)
56314325 1 Squeegee Tool, Cast (32” / BR 800S)
24” / BR 600S Squeegee Blade Kits
** 56314055 1 Kit, Linatex Squeegee Blade NOTE #1
** 56314056 1 Kit, Neoprene Squeegee Blade NOTE #1
26” & 28” / BR 650S & BR 700S Squeegee Blade Kits
** 56314304 1 Kit, Linatex Squeegee Blade NOTE #1
**# 56315854 1 Blade Kit-Squeegee PU B NOTE #1
32” / BR 800S Squeegee Blade Kits
** 56314061 1 Kit, Linatex Squeegee Blade NOTE #1
**# 56315855 1 Blade Kit-Squeegee PU C NOTE #1
# = Revised or new since last update
** = Optional, Not Included
NOTE #1: All squeegee blade kits include both front and rear squeegee blades.
SQUEEGEE ASSEMBLY
08-9

FORM NO. 56042438
Advenger™ / BR 600S, 650S, 700S, 800S
03-1
34
SQUEEGEE SYSTEM
03-7

35
FORM NO. 56042438
Advenger™ / BR 600S, 650S, 700S, 800S
03-1
Item Ref. No. Qty Description
1 56001884 2 Nut, Hex Jam 5/16-24
2 56002082 1 Pin, SPR .19 x 1.00
3 56002866 6 Nut, Hex Nyl Loc-Thin 5/16-24
4 56003262 2 Ring, Ret Ext Type E .38 Dia.
5 56003497 1 Nut, Wing SS 5/16-24
6 56412067 1 Connecting Rod
7 56412088 1 Pin
8 56412124 1 Wheel
9 56412208 1 Roller
10 56412216 2 Spring, Extension
11 56412248 4 Spacer, Squeegee Cable
12 56412284 1 Knob, Squeegee Adjust
13 56412314 2 Connecting Rod
14 56003222 2 Pin, Cotter Hair
15 56003223 1 Pin, Cot Hair .148 x Dia .62/1.00
16 56003656 4 Clevis Pin .375 x 2.25
17 56314023 1 Squeegee Mount Weld’t.
18 56314327 1 Squeegee Assy (2400) NOTE 1
56314020 1 Squeegee Assy (2600, 2810) (BR 600S, 650S) NOTE 1
56314358 1 Squeegee Assy (3210) (BR 700S, 800S) NOTE 1
19 56395755 1 Rod End
20 56397230 1 Lift Actuator, Squeegee (M2) NOTE 2 TSBUS2004-864
21 56412312 2 Rod End, 5/16
22 56412313 2 Rod End, 5/16
23 56412340 1 Cable Assembly
24 56477756 1 Rod End
* = Not Shown
NOTE 1: BR 600S models before SN 1819567 used Squeegee Assy 56314327, after SN use Squeegee Assy 56314020. If replacing squeegee 56314327 with 56314020 on
either one of these two models (SN before 1819567) the Squeegee Stop Bracket needs to be set at the “IN” position. See TSBUS2005-891.
BR 700S models before SN1819567 used Squeegee Assy 56314020, after SN use Squeegee Assy 56314358. If replacing squeegee 56314020 with 56314358 on either one
of these two models (SN before 1819567) the Squeegee Stop Bracket needs to be set at the “IN” position. See TSBUS2005-891.
NOTE 2: From August of 2003 through March 1, 2004 Squeegee Lift Actuator 56314118 was used. All machines built prior to August 2003 and shipped after March 1, 2004
use Actuator 56397230. If you have a machine built between these two dates and are experiencing control panel circuit board or squeegee lift actuator problems you should
order Control & Actuator Update Kit, part number 56314710.
SQUEEGEE SYSTEM
08-3
FRONT
OUT
position
IN
position

FORM NO. 56042438
Advenger™ / BR 600S, 650S, 700S, 800S
03-1
36
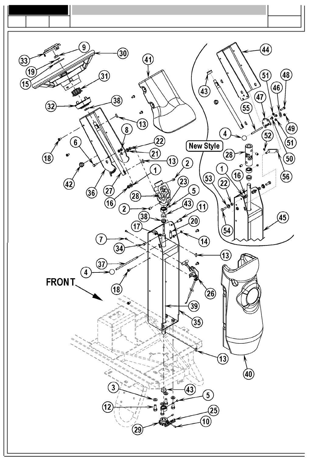
STEERING COLUMN ASSEMBLY
08-3

37
FORM NO. 56042438
Advenger™ / BR 600S, 650S, 700S, 800S
03-1 STEERING COLUMN ASSEMBLY
Item Ref. No. Qty Description
1 56001939 2 Wsh, Flt SAE 5/16
2 56001958 2 Scr, Soc Set Loc 3/8-16 x .50
3 56002063 4 Wsh, Flt SAE 3/8
4 56440817 1 Knob
5 56002086 2 Scr, Soc Set Loc 5/16-18 x .25
6 56002155 1 Scr, Hex Hd 1/4-20 x .75 NOTE 3
7 56002523 2 Scr, Pan Phil Thd Form 8-32 x .38 NOTE 5
8 56002840 2 Nut, Hex Nyl Loc-Thin 1/4-20 NOTE 3
9 56002843 1 Nut, Hex Nyl Loc-Thin 1/2-13
10 56002930 2 Scr, Soc Set Loc 1/4-20 x .38
11 56003179 2 Scr, Hex Thd To Hd M8-1.25 x 20mm NOTE 3
12 56003186 4 Scr, Hex Thd To Hd M10-1.50 x 25mm
13 56003228 4 Key, WDF .75 x .19
14 56003268 2 Ring, Ret Ext Type E Reinf .25 Dia NOTE 3
15 56003342 1 Wsh, Flt .88 x .25 x .13
16 56003389 2 Nut, Hex Nyl Loc M8-1.25
17 56003403 1 Nut, Hex Nyl Loc M6-1.00 NOTE 3
18 56009062 8 Scr, Pan Phil Thd Form 1/4-20 x .50
19 56001879 1 Wsh, Flt SAE 1/2
20 56245008 1 Spring, Extension NOTE 3
21 56302164 2 Bearing, Flange NOTE 3
22 56320595 2 Bushing .32 x .50 x .28
23 56367095 2 Collar, Shaft
24 Deleted Intentionally
25 56412198 1 Chain, Roller
26 56412281 1 Solution Control Cable NOTE 5
27 56420059 1 Shaft, Upper Steering
28 56454081 1 Universal Joint
29 56471148 1 Sprocket
30 56497306 1 Steering Wheel
31 56497560 1 Wheel Adapter
32 56497308 1 Cup
33 56497543 1 Cap
34 56003155 1 Scr, Hex M6-1.00 x 12mm NOTE 3
35 56314048 1 Lower Column Weldt NOTE 1 TSBUS2005-887 (Advance only)
56314877 1 Lower Column Weldt NOTE 2 TSBUS2005-887 NOTE 3
36 56314093 1 Column, Steering NOTE 3 TSBUS2007-960
37 56314094 1 Rod, Steering lock NOTE 3
38 56314148 3 Bearing, Nyliner (qty of 1 after serial number chart) TSBUS2005-887 NOTE 3
39 56314195 1 Shaft, Lower Steering
40 56314295 1 Shroud, Lower Column
41 56314296 1 Shroud, Upper Column
42 56900041 1 Plug, Cap
43 56250414 2 Bearing, Flange NOTE 2 TSBUS2005-887 (qty of 3 after serial number 1942863)
08-3
NOTE 1 & 2 SERIAL NUMBER CHART
1797475 - Advenger™ 2400C, 2400D, 2600C, 2600D, 2810D
1797186 - Advenger™ 3210D
1797261 - Advenger™ 2810C
1797187 - Advenger™ 3210C
1796877 - BR 600S
1796885 - BR 700S
1796896 - BR 800S
1796903 - BR 700SC
1796906 - BR 800SC
Item Ref. No. Qty Description
44 56413657 1 Column, Upper NOTE 4 (Advance only)
45 56413659 1 Lower Column Weldment NOTE 4
(Advance only)
46 56305072 1 Spring, Extension .075 NOTE 4
47 56413658 1 Ratchet, Steering Column NOTE 4
48 56002093 1 Scr, Hex 1/4-20 x 1.00 NOTE 4
49 56002840 1 Nut, Hex Nyl Loc-Thin 1/4-20 NOTE 4
50 56003039 2 Scr, Hex Hd Loc 1/4-20 x .50 NOTE 4
51 56003145 2 Nut, Hex Jam SS 1/4-20 NOTE 4
52 56003261 1 Ring, Ret Ext Type E 0.31 Dia NOTE 4
53 56413211 2 Bearing, Flange .625 x .500 x .250 NOTE 4
(Advance only)
54 56003436 2 Scr, Hex SS M8-1.25 x 25mm NOTE 4
55 56413664 1 Rod NOTE 4
56 56413661 1 Steering Pawl Weldment NOTE 4
(Advance only)
NOTE 1: Used on machines built before serial number chart.
NOTE 2: Used on machines built after serial number chart.
NOTE 3: Used on machines built before serial number 1942864.
NOTE 4: Used on machines built after serial number 1942863.
NOTE 5: Not used on AXP/EDS models.

FORM NO. 56042438
Advenger™ / BR 600S, 650S, 700S, 800S
03-1
38
BATTERY WATERING SYSTEM
06-3

39
FORM NO. 56042438
Advenger™ / BR 600S, 650S, 700S, 800S
03-1 BATTERY WATERING SYSTEM
Item Ref. No. Qty Description
56314974 1 Battery Watering System (items 1-2) (Standard on Advance Detergent Injection Models) (Advance only)
56314981 1 Battery Watering Kit (includes 56314974) (Advance only)
1 56314978 1 Pump (Advance only)
2 56314979 1 Manifold Assembly (Advance only)
08-3

FORM NO. 56042438
Advenger™ / BR 600S, 650S, 700S, 800S
03-1
40
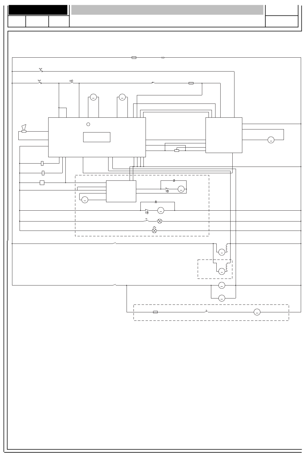
WIRING DIAGRAM before SN CHART
05-5
M7
MO T O R , B R US H
M
K1
CONTACT N.O.
M9
MOTOR, SIDE BROOM
M
M2
SQUEEGEE LIFT
ACTUATOR
M
M5
MO T O R , V AC
M
K2
CONTACTOR, VACUUM
S5
SW, SIDE BROOM
S2
SW, SEAT
21
M8
M
BT1
BATTE R Y , 36 Vdc
K1
CO NTAC TO R , BR USH
H3
LAMP, FLASHING
M1
BR US H L IF T
ACTUATOR
Amps = 3
M
F2
CIRCUIT BREAKER, 45 AMP
M3
MO T O R
WHEEL DRIVE
M
H2
LAMP, HEAD
12
F5
FUSE, 5 AMP
M6
MO T O R , V AC
M
M4
PUMP, ACCESSORY
M
L1
VALVE, SOLENOID
12
F1
FUSE, 150 A.
S3
S1
SW
SPST KEY
F3
CIRCUIT BREAKER, 10 AMP
H1
HORN-BACKUP ALARM
12
F4
FUSE, 1 A.
R1
POT. 5K OHM
1
2
3
S4
K2
CONTACT N.O.
RED
RED BLK
RED
RED BRN/YEL
BRN/YEL
BRN
RED/WHT
ORN/BLK
BLK/YEL
WH T /G R N
GRA
VIO
YEL/BLK
RED/GRN
BLU/BLK
RED/BLK
BRN/BL K
BLK
ORN/RED
GRN/BLK
WH T /B R N
WHT/BRN VIO/BLK
WH T /B R N
WH T /B R N
GR A/BL K
BRN/WHT
BLKWH T /B R N
WH T /B R N
WH T /B R N BLK
BLK
WHT /R E D
WH T /R E D
BLK
RED
WHT
WHT
RED
BLK
BRN/R E D
RED RED
YE L/VIO
BLK
BLU
BLK
BLK
BLU
BLK
BLU
YEL/VIO
BRN/R E D
BLK
BRN/WHT
BRN
ORN
ORN
ORN/BLU
ORN
VIO
YEL
YEL
B+ 1
B+ 2
KEY SW.
SEAT SW.
POT. LO
POT. HIGH
REV.
FOR./REV.
PIN 13 -- POT. LO
PIN 3 -- POT. HI
PIN 4 -- POT. WIPER
PIN 1 6 - RE V. AL ARM
PIN 6 -- BRAKE
B+
B-
M2
M1
PIN 8 -- SLOW/FAST
ACC
SOLUTION
VACUUM
BRUSH
OPTIONAL
NOTE: PRESSURE SWITCH ON
PART OF PUMP ASSEMBLY
NOTE: SWITCH IS PART OF
LAMP ASSEMBLY
B- 1
B- 2
B- 3
B- 4
A1
SPEED CONTROLLER
INTE RF AC E
THERMISTOR
I--VAC
I--BRUSH
E1
CONTROL BOARD
OPTIONAL
1AWG
10 AWG
16 AWG
16 AWG
8AWG
8AWG
16 AWG
18 AWG
18 AWG
16 AWG
22 AWG
HORN -
HORN +
OPTIONAL -- ON CYLINDRICAL MACHINE ONLY
SPEED LIMIT
J4-8
J2-5
J3-5
J3-6
J4-1 2
J4-6
J4-2
J2-1
J2-2
J2-3
J2-8
J4-7
J4-1
J2-7
J2-6
J2-1 0
J3-1
J3-4
J3-3
J3-2
J4-1 1
J4-1 0
J4-4
J4-9
J4-3
PIN5 -- KSI
STATUS J4-5
PIN9 -- STATUS
J2-9 PIN 18 -- SPEED LIMIT
SPEED LIMIT
MO T O R , B R US H
Amps = 2
Amps = . 1
Amps = . 3 1
Amps = . 3 3
Amps = . 3 3
Amps = 2 3
Amps = 3
Amps = 1 . 6 7
Amps = . 3
Amps = 1 8
Amps = 1 8
Amps = 2 2
Amps = 2 2
Amps = 8 . 8
12
12 +-
12
12
12
12
12 +-
12
+-
12
12 12 +-
-+
-+
12
12

41
FORM NO. 56042438
Advenger™ / BR 600S, 650S, 700S, 800S
03-1 WIRING DIAGRAM before SN CHART
Item Ref. No. Qty Description
A1 56314067 1 Controller
BT1 N/A Battery
E1 56314072 1 Control Panel Assy (before TSBUS2006-922)
56316109 1 Control Panel Assy (after TSBUS2006-943)
* 56314713 1 Membrane Switch Assy TSBUS2006-932
* 56396188 1 Switch, Key
*
56396189 1 Key, Spare
F1 56412089 1 Fuse, 150 Amp
F2 56364294 1 Circuit Breaker, 45 Amp (Wheel Drive)
F3 56387316 1 Circuit Breaker, 10 Amp (Control Circuit)
F4 N/A 1 Fuse, 1 Amp
F5 1 Fuse, 5 Amp (Side Broom / optional)
H1 56412177 1 Horn / Backup Alarm
H2 56314063 1 Headlight (optional)
H3 56416433 1 Strobe Light (optional)
K1 56395455 1 Contactor, Brush Motor
K2 56395453 1 Contactor, Vac Motor
L1 56397215 1 Solenoid Valve
M1 56393303 1 Lift Actuator, Brush
* 56388520 1 Plastic Nut
M2 56397230 1 Lift Actuator, Squeegee TSBUS2004-864
M3# 56314268 1 Motor, Drive Wheel TSBUS2004-869,
TSBUS2008-1004
* 56314920 1 Drive Wheel Harness Kit TSBUS2004-869
* 56314282 1 Brake Bar
* 56314289 1 Brake Band TSBUS2008-1004
* 56412320 1 Carbon Brush Cover Kit
(contains 4 seal rings & 4 brush covers)
* 56412321 1 Sealing Ring
* 56412322 1 Bearing, Ball, Gearbox Side
* 56412323 1 Bearing, Ball, Brush Side
* 56412325 1 Carbon Brush Kit
* 56314269 1 Drive Wheel – P7 Scrubber Compound
** 56412339 1 Drive Wheel – Polyurethane
M4 56212014 1 Motor, Pump (optional)
M5 56397228 1 Motor, Vac 36VDC (Advance only)
* 56212223 1 Carbon Brush Set
56410065 1 Vac Motor Assy (Nilfi sk only)
* 56212223 1 Carbon Brush Set
M6 56397228 1 Motor, Vac 36VDC (optional)
* 56212223 1 Carbon Brush Set
Item Ref. No. Qty Description
M7 56314139 1 Motor Gearbox Assy (24” / BR 600S - Disk)
56314140 1 Motor Gearbox Assy (26” / BR 650S - Disk)
56314141 1 Motor Gearbox Assy (28” / BR 700S - Disk)
56314335 1 Motor Gearbox Assy (32” / BR 800S - Disk)
* 56314359 2 Key, 6mm Square
* 56314499 2 Cover, Gearbox
* 56314560 2 Gearbox
* 56314580 1 Bearing (Fan End)
* 56412323 1 Bearing (Brush End)
* 56314582 1 Brush Ring
* 56314583 4 Carbon Brush
# Deleted
56407431 1 Motor, 36VDC, .75HP (Cylindrical)
TSBUS2004-868
*# 56407489 1 Armature (for 56407431) (Advance only)
*
# 56410183 1 Bearing (for 56407431)
* 56407492 1 Brush Cap Assy (for 56407431)
* 56407493 4 Carbon Brush Assy (for 56407431)
* 56407494 4 Brush Cover Cap (for 56407431)
M8 56407431 1 Motor, 36VDC, .75HP (Cylindrical)
TSBUS2004-868
*
# 56407489 1 Armature (for 56407431) (Advance only)
*
# 56410183 1 Bearing (for 56407431)
* 56407492 1 Brush Cap Assy (for 56407431)
* 56407493 4 Carbon Brush Assy (for 56407431)
* 56407494 4 Brush Cover Cap (for 56407431)
M9 56469530 1 Motor, Side Broom (optional)
R1 56454740 1 Potentiometer, 5K
S1 56396188 1 Switch, Key
* 56396189 1 Key, Spare
S2 7-82-00050 1 Switch, Seat
S3 N/A 1 Switch, Pump (part of M4)
S4 N/A 1 Switch, Headlight (part of H2)
S5 56372088 1 Switch, Side Broom (optional)
# = Revised or new since last update
* = Not Shown
** = Optional
08-9
Wiring diagram for Machines built
before this Serial Number Chart
2400D-1837726
2400C-1839732
2600D-1839732
2600C-1839732
2810D-1837203
3210D-1837599
2810C-1837200
3210C-1837197
BR600S-1837616
BR700S-1837623
BR800S-1839156
BR600SC-1837650
BR700SC-1837652
BR800SC-1839732
Lowes 3210D-1837646

FORM NO. 56042438
Advenger™ / BR 600S, 650S, 700S, 800S
03-1
42
WIRING DIAGRAM after SN CHART
06-3
1
2
-
+
-
+
12
1
2
12
-+
1
2
1
2
12
1
2
1
2
21
-+
-+
1
2
+-
12
12
12
-+
-+
12
12
12
-
+
1
2
-
+
1
2
1
2
3
M6
MOTOR, VAC
M
M9
MOTOR, SIDE BROOM
M
M3
MOTOR, WHEEL DRIVE
M
S1
SW, SPST KEY
K1
CONTACT N.O.
F3
CIRCUIT BREAKER, 45 AMP
M12
PUMP
CHEMICAL
M
F5
FUSE, 5 A.
S4
F4
FUSE, 1 A.
M5
MOTOR, VAC
M
S3
S2
SW, SEAT
M8
MOTOR, BRUSH
M
K4
CONTACTOR, VACUUM
M1
BRUSH LIFT
ACTUATOR
M
K2
CONTACT N.O.
BT1
BATTERY, 36 Vdc
H2
LAMP, HEAD
K5
CONTACTOR , BRUSH
D2
ZENER TVS
F2
CIRCUIT BREAKER, 10 AMP
S5
SW, SIDE BROOM
M2
SQUEEGEE LIFT
ACTUATOR
M
M7
MOTOR, BRUSH
M
L1
VALVE, SOLENOID
S6
F1
FUSE, 150 A.
M4
PUMP, ACCESSORY
M
H3
LAMP, FLASHING
M11
PUMP, SOLUTION
M
H1
HORN
BACKUP ALARM
D1
ZENER TVS
R1
POT. 5K OHM
RED BLK
RED
RED
BRN/YEL
BRN/YEL
BRN
RED/WHT
ORN/BLK
BLK/YEL
WHT/GRN
GRA
VIO
YEL/BLK
RED/GRN
BLU/BLK
RED/BLK
BRN/BLK
BLK
ORN/RED
GRN/BLK
WHT/BRN
BLK
WHT/BRN
WHT/BRN
BLK
BLK
RED
WHT
WHT
RED
BRN/RED
BRN/RED
RED RED
YEL/VIO
BLU
BLU
YEL/VIO
BLU
BLK
BRN
ORN
ORN
ORN/BLU
YEL
ORN
VIO
BLK
BLK
BLK
BLK
BLK
BLK
RED
WHT/BRN
WHT/BRN
GRA/BLK
WHT/RED
WHT/BRN
VIO/BLK
VIO/BLK
BRN/WHT
BRN/WHT
RED/WHT
BLU/GRA
BLK
WHT/BRN
WHT/BRN
BLK
VIO/BLK
WHT/BRN
BLK/WHT
BLU/YEL
WHT/BRN
YEL
B+ 1
B+ 2
KEY SW.
SEAT SW.
POT. LO
POT. HI
REV.
FOR./REV.
PIN 13-POT. LO
PIN 3-POT. HI
PIN 4-POT. WIPER
PIN 16
REV. ALARM
B+
B-
M2
M1
PIN 8-MODE
ACC
SOLUTION
VACUUM
BRUSH
B- 1
B- 2
B- 3
B- 4
A1
SPEED CONTROLLER
INTERFACE
THERMISTOR
I -- VAC
I -- BRUSH
E1
CONTROL BOARD
OPTIONAL
16 AWG
HORN -
HORN +
OPTIONAL -- ON CYLINDRICAL MACHINE ONLY
MODE
J4-8
J2-5
J3-5
J3-6
J4-12
J4-6
J4-2
J2-8
J4-7
J4-1
J2-7
J2-6
J2-10
J3-1
J3-4
J3-3
J3-2
J4-11
J4-10
J4-4
J4-9
J4-3
STATUS J4-5
PIN9-STATUS
J2-9
PIN 18-SPEED LIMIT
SPEED LIMIT
PIN5-KSI
PIN 6-BRAKE-
J2-2
J2-1
J2-3
J1-1
J1-2
J1-3
J1-4 J1-6
J1-7
J1-8
J1-9
J1-10
E2
CHEMICAL
SYSTEM
OPTIONAL

43
FORM NO. 56042438
Advenger™ / BR 600S, 650S, 700S, 800S
03-1 WIRING DIAGRAM after SN CHART
08-9
Item Ref. No. Qty Description
A1 56314067 1 Controller
BT1 N/A Battery
E1 56314072 1 Control Panel Assy (before TSBUS2006-922)
56316109 1 Control Panel Assy (after TSBUS2006-943)
* 56314713 1 Membrane Switch Assy TSBUS2006-932
*
56396188 1 Switch, Key
* 56396189 1 Key, Spare
E2 56316110 1 Control Assy. (Chemical Injection only)
TSBUS2006-922
F1 56412089 1 Fuse, 150 Amp
F2 56387316 1 Circuit Breaker, 10 Amp (Control Circuit)
F3 56364294 1 Circuit Breaker, 45 Amp (Wheel Drive)
F4 N/A 1 Fuse, 1 Amp
F5 1 Fuse, 5 Amp (Side Broom / optional)
H1 56412177 1 Horn / Backup Alarm
H2 56314063 1 Headlight (optional)
H3 56416433 1 Strobe Light (optional)
K1 56395455 1 Contactor, Brush Motor
K2 56395453 1 Contactor, Vac Motor
L1 56397215 1 Solenoid Valve
M1 56393303 1 Lift Actuator, Brush
* 56388520 1 Plastic Nut
M2 56397230 1 Lift Actuator, Squeegee
M3# 56314268 1 Motor, Drive Wheel TSBUS2004-869,
TSBUS2008-1004
* 56314282 1 Brake Bar
* 56314289 1 Brake Band
* 56412320 1 Carbon Brush Cover Kit
(contains 4 seal rings & 4 brush covers)
* 56412321 1 Sealing Ring
* 56412322 1 Bearing, Ball, Gearbox Side
* 56412323 1 Bearing, Ball, Brush Side
* 56412325 1 Carbon Brush Kit
* 56314269 1 Drive Wheel – P7 Scrubber Compound
** 56412339 1 Drive Wheel – Polyurethane
M4 56212014 1 Motor, Pump (optional)
M5 56397228 1 Motor, Vac 36VDC (Advance only)
* 56212223 1 Carbon Brush Set
56410065 1 Vac Motor Assy (Nilfi sk only)
* 56212223 1 Carbon Brush Set
M6 56397228 1 Motor, Vac 36VDC (optional / Advance)
* 56212223 1 Carbon Brush Set
56410065 1 Vac Motor Assy (optional / Nilfi sk)
* 56212223 1 Carbon Brush Set
Item Ref. No. Qty Description
M7 56314139 1 Motor Gearbox Assy (24” / BR 600S - Disk)
56314140 1 Motor Gearbox Assy (26” / BR 650S - Disk)
56314141 1 Motor Gearbox Assy (28” / BR 700S - Disk)
56314335 1 Motor Gearbox Assy (32” / BR 800S - Disk)
* 56314359 2 Key, 6mm Square
* 56314499 2 Cover, Gearbox
* 56314560 2 Gearbox
* 56314580 1 Bearing (Fan End)
* 56412323 1 Bearing (Brush End)
* 56314582 1 Brush Ring
* 56314583 4 Carbon Brush
*# Deleted
56407431 1 Motor, 36VDC, .75HP (Cylindrical)
TSBUS2004-868
*
# 56407489 1 Armature (for 56407431) (Advance only)
*# 56410183 1 Bearing (for 56407431)
* 56407492 1 Brush Cap Assy (for 56407431)
* 56407493 4 Carbon Brush Assy (for 56407431)
* 56407494 4 Brush Cover Cap (for 56407431)
M8 56407431 1 Motor, 36VDC, .75HP (Cylindrical)
TSBUS2004-868
*# 56407489 1 Armature (for 56407431) (Advance only)
*# 56410183 1 Bearing (for 56407431)
* 56407492 1 Brush Cap Assy (for 56407431)
* 56407493 4 Carbon Brush Assy (for 56407431)
* 56407494 4 Brush Cover Cap (for 56407431)
M9 56469530 1 Motor, Side Broom (optional)
M11 56212014 1 Pump, Solution (Detergent Injection only)
M12 56314984 1 Pump, Chemical (Detergent Injection only)
R1 56454740 1 Potentiometer, 5K
S1 56396188 1 Switch, Key
* 56396189 1 Key, Spare
S2 7-82-00050 1 Switch, Seat
S3 N/A 1 Switch, Pump (part of M4)
S4 N/A 1 Switch, Headlight (part of H2)
S5 56372088 1 Switch, Side Broom (optional)
S6 N/A 1 Switch, Pump (part of M11)
# = Revised or new since last update
* = Not Shown
** = Optional
Wiring diagram for Machines built after
this Serial Number Chart
2400D-1837726
2400C-1839732
2600D-1839732
2600C-1839732
2810D-1837203
3210D-1837599
2810C-1837200
3210C-1837197
BR600S-1837616
BR700S-1837623
BR800S-1839156
BR600SC-1837650
BR700SC-1837652
BR800SC-1839732
Lowes 3210D-1837646

FORM NO. 56042438
Advenger™ / BR 600S, 650S, 700S, 800S
03-1
44
DISC BRUSH APPLICATION GUIDE (SUGGESTION ONLY)
46 80 180 240 500 Union
Application Grit Grit Grit Grit Grit Prolene Prolite Mix
Stripping:
Concrete X X
Terrazzo X X
Ceramic/Quarry tile X
Vinyl tile X
General Scrubbing:
Concrete X X X X X
Terrazzo X X X X
Ceramic/Quarry tile X X X X
Marble X X
Vinyl tile X X X
Raised-rubber tile X X
Polishing:
Raised Disc Tile X
Marble X
Vinyl tile X
We provide brushes and pad holders that will give you the best possible performance between machine and fl oor. Following are descriptions
of the materials and their applications.
Union Mix: Medium grade natural fi bers for polishing fi nished fl oors with standard-speed equipment. Recommended for use in place of white
pads.
ProLite: Bristles are made from light-duty polypropylene for general scrubbing when you do not want to scratch or remove fi nish from the fl oor.
Recommended for use in place of red pads.
Prolene: Polypropylene material for medium-duty scrubbing on concrete, terrazzo and vinyl fl oor tile. Recommended for use in place of green
or blue pads.
Magna Grit: For extreme heavy-duty scrubbing or stripping of fl oors. This brush has extra large diameter silicon carbide grit impregnated synthetic
bristles. Recommended for use in place of black pads.
Dyna Grit: For aggresive, heavy-duty scrubbing or stripping of fl oors. Recommended for use in place of brown pads.
MidLite Grit: For general purpose scrubbing of sealed or unsealed concrete, stone, terrazzo, quarry tile and other resilient hard fl oor surfaces.
Recommended for use in place of green or blue pads.
MidGrit: For general purpose scrubbing when you need a lighter action for sealed or unsealed concrete, stone, terrazzo, quarry tile and other
resilient hard fl oor surfaces. Recommended for use in place of green or blue pads.
AgLite Grit: For light scrubbing when used wet; buffi ng or polishing when used dry on urethane coated, sealed concrete or other resilient hard
surface fl oors. Recommended for use in place of red or white pads.
Short Trim
Pad Holder: Made with a structural foam block and center ring for correct pad centering. It has a “shower feed” design for getting solution to the
fl oor.
BRUSH SELECTOR GUIDE-DISK
24” BRUSHES
56505750 - Short Trim Pad Holder
56505195 - Pad Retainer for 56505750
56505751 - Magna Grit
56505752 - Dyna Grit
56505753 - AgLite Grit
56505754 - Prolene
56505755 - Prolite
56505756 - Union Mix
56505757 - MidGrit
56505758 - MidLite Grit
26” BRUSHES
56505760 - Short Trim Pad Holder
56505195 - Pad Retainer for 56505760
56505761 - Magna Grit
56505762 - Dyna Grit
56505763 - AgLite Grit
56505764 - Prolene
56505765 - Prolite
56505766 - Union Mix
56505767 - MidGrit
56505768 - MidLite Grit
28” BRUSHES
56505800 - Short Trim Pad Holder
56505195 - Pad Retainer for 56505800
56505801 - Magna Grit
56505802 - Dyna Grit
56505803 - AgLite Grit
56505804 - Prolene
56505805 - Prolite
56505806 - Union Mix
56505807 - MidGrit
56505808 - MidLite Grit
32” BRUSHES
56505830 - Short Trim Pad Holder
56505195 - Pad Retainer for 56505830
56505831 - Magna Grit
56505832 - Dyna Grit
56505833 - AgLite Grit
56505834 - Prolene
56505835 - Prolite
56505836 - Union Mix
56505837 - MidGrit
56505838 - MidLite Grit
07-1

45
FORM NO. 56042438
Advenger™ / BR 600S, 650S, 700S, 800S
03-1
We provide brushes and pad holders that will give you the best possible performance between machine and fl oor. Following are descriptions
of the materials and their applications.
46 Grit Brush: Most aggressive grit brush. Used primarily to clean heavy buildup on concrete fl oors in factories, or for heavy
stripping of fi nish.
80 Grit Brush: Medium aggressive grit brush. Good all-around brush for medium to heavy buildup removal. Can also be
used for general stripping operations.
180 Grit Brush: Least aggressive grit brush. Used for daily cleaning of hard-fi nished fl oors.
Polypropylene Brush: Standard equipment brush. Low cost, yet effective in cleaning many common fl oor surfaces.
Stiff Nylon Brush: Cleaning action similar to polypropylene. More durable and wear-resistant than polypropylene.
Soft Nylon Brush: Least aggressive brush available. Used on soft-fi nish fl oors where a more aggressive brush would leave
scratch marks, or in applications requiring very light cleaning.
24” BRUSHES
56314389 - Soft Nylon
56314390 - Hard Nylon
56314391 - Prolene
56314392 - 180 Grit
56314393 - 80 Grit
56314394 - 46 Grit
BRUSH SELECTOR GUIDE-CYLINDRICAL
28” BRUSHES
56412191 - Soft Nylon
56412192 - Hard Nylon
56412046 - Prolene
56412193 - 180 Grit
56412194 - 80 Grit
56412195 - 46 Grit
26” BRUSHES
56314383 - Soft Nylon
56314384 - Hard Nylon
56314385 - Prolene
56314386 - 180 Grit
56314387 - 80 Grit
56314388 - 46 Grit
32” BRUSHES
56407473 - Soft Nylon
56407474 - Hard Nylon
56407475 - Prolene
56407476 - 180 Grit
56407477 - 80 Grit
56407478 - 46 Grit
05-2
CYLINDRICAL BRUSH APPLICATION GUIDE (SUGGESTION ONLY)
46 80 180 Polypro- Stiff Soft
Application Grit Grit Grit pylene Nylon Nylon
Stripping:
Concrete X X
Terrazzo X X
Ceramic/Quarry tile X
Vinyl tile X
General Scrubbing:
Concrete X X X X X
Terrazzo X X X X
Ceramic/Quarry tile X X X X
Marble X X X
Vinyl tile X X X X
Raised-rubber tile X X

FORM NO. 56042438
Advenger™ / BR 600S, 650S, 700S, 800S
03-1
46
Item Ref. No. Qty Description
Common Kits
** 56314753 1 Kit, On-Board Charger TSBUS2004-872 / TSBUS2008-984
** 56316251 1 Kit, OnBoard Charger, AGM TSBUS2008-984
** 56314301 1 Kit, Seat Armrests
** 56314302 1 Kit, Warning Beacon
** 56314306 1 Kit, Right Side Broom
** 56314308 1 Kit, Scrub-N-Vac Tool W/Pump
** 56412223 1 Kit, Vacuum Wand caddy
** 56314312 1 Kit, Seatbelt
** 56314313 1 Kit, Headlight headlight ,kit
Advance Only Kits
** 56314474 1 Kit, Deck 2400D (Advance only)
** 56314475 1 Kit, Deck 2400C (Advance only)
** 56314476 1 Kit, Deck 2600D (Advance only)
** 56314477 1 Kit, Deck 2600C (Advance only)
** 56314478 1 Kit, Deck 2810D (Advance only)
** 56314479 1 Kit, Deck 2810C (Advance only)
** 56314717 1 Kit, Deck 3210D (Advance only)
** 56314481 1 Kit, Deck 3210C (Advance only)
** 56314338 1 Kit, Dual Vac Motor (Advance only)
** 56314981 1 Kit, Battery Watering (Advance only)
** 56397453 1 Kit, Battery Fill Indicator (Advance only)
** 56314698 1 Kit, OnBoard Charger, GEL (Advance only) TSBUS2008-984
Nilfi sk Only Kits
** 56316520 1 Kit, Deck BR 600S (Nilfi sk only)
** 56316521 1 Kit, Deck BR 600SC (Nilfi sk only)
** 56316522 1 Kit, Deck BR 700S (Nilfi sk only)
** 56316523 1 Kit, Deck BR 700SC (Nilfi sk only)
** 56316186 1 Kit, Dual Vac Motor (Nilfi sk only)
Replacement parts for the kits listed above can be found on each kit’s associated instruction sheet.
24” / BR 600S Squeegee Blade Kits
** 56314054 1 Kit, Standard Squeegee Blade NOTE 1
** 56314055 1 Kit, Linatex Squeegee Blade NOTE 1
** 56314056 1 Kit, Neoprene Squeegee Blade NOTE 1
26” & 28” / BR 650S & BR 700S Squeegee Blade Kits
** 56314303 1 Kit, Standard Squeegee Blade NOTE 1
** 56314304 1 Kit, Linatex Squeegee Blade NOTE 1
**# 56315854 1 Blade Kit-Squeegee PU B NOTE #1
32” / BR 800S Squeegee Blade Kits
** 56314060 1 Kit, Standard Squeegee Blade NOTE 1
** 56314061 1 Kit, Linatex Squeegee Blade NOTE 1
**# 56315855 1 Blade Kit-Squeegee PU C NOTE #1
24” / BR 600S Disk Deck Blade Kits (Before TSBUS2004-884)
** 56314124 1 Kit, Gum Rubber 24 Disk NOTE 2
** 56314170 1 Kit, Neoprene 24 Disk NOTE 2
** 56314395 1 Kit, Linatex 24 Disk NOTE 2
** 56315724 1 Kit, Gum Rubber NOTE 3
** 56315723 1 Kit, Red Gum Rubber NOTE 3
26” / BR 650S Disk Deck Blade Kits (Before TSBUS2004-884)
** 56314125 1 Kit, Gum Rubber 26 Disk NOTE 2
** 56314171 1 Kit, Neoprene 26 Disk NOTE 2
** 56314396 1 Kit, Linatex 26 Disk NOTE 2
** 56315724 1 Kit, Gum Rubber NOTE 3
** 56315723 1 Kit, Red Gum Rubber NOTE 3
28” / BR 700S Disk Deck Blade Kits (Before TSBUS2004-884)
** 56314126 1 Kit, Gum Rubber 28 Disk NOTE 2
** 56314172 1 Kit, Neoprene 28 Disk NOTE 2
** 56314397 1 Kit, Linatex 28 Disk NOTE 2
** 56315724 1 Kit, Gum Rubber NOTE 3
** 56315723 1 Kit, Red Gum Rubber NOTE 3
32” / BR 800S Disk Deck Blade Kits (Before TSBUS2004-884)
** 56314127 1 Kit, Gum Rubber 32 Disk NOTE 2
** 56314173 1 Kit, Neoprene 32 Disk NOTE 2
** 56314398 1 Kit, Linatex 32 Disk NOTE 2
** 56315724 1 Kit, Gum Rubber NOTE 3
** 56315723 1 Kit, Red Gum Rubber NOTE 3
OPTIONAL KITS AND ACCESSORIES
08-9

47
FORM NO. 56042438
Advenger™ / BR 600S, 650S, 700S, 800S
03-1
Item Ref. No. Qty Description
24” / BR 600S Disk Deck Blade Kits (After TSBUS2004-884)
** 56314911 1 Kit, Gum Rubber 24 Disk NOTE 2
** 56314915 1 Kit, Linatex 24 Disk NOTE 2
** 56315722 1 Kit, Gum Rubber NOTE 3
** 56315721 1 Kit, Red Gum Rubber NOTE 3
26” / BR 650S Disk Deck Blade Kits (After TSBUS2004-884)
** 56314912 1 Kit, Gum Rubber 26 Disk NOTE 2
** 56314916 1 Kit, Linatex 26 Disk NOTE 2
** 56315722 1 Kit, Gum Rubber NOTE 3
** 56315721 1 Kit, Red Gum Rubber NOTE 3
28” / BR 700S Disk Deck Blade Kits (After TSBUS2004-884)
** 56314913 1 Kit, Gum Rubber 28 Disk NOTE 2
** 56314917 1 Kit, Linatex 28 Disk NOTE 2
** 56315722 1 Kit, Gum Rubber NOTE 3
** 56315721 1 Kit, Red Gum Rubber NOTE 3
32” / BR 800S Disk Deck Blade Kits (After TSBUS2004-884)
** 56314914 1 Kit, Gum Rubber 32 Disk NOTE 2
** 56314918 1 Kit, Linatex 32 Disk NOTE 2
** 56315722 1 Kit, Gum Rubber NOTE 3
** 56315721 1 Kit, Red Gum Rubber NOTE 3
Advance Optional Batteries
** 56391391 6 Battery, 6V, 305A/H (Advance only) TSBUS2008-984
** 56206079 6 Battery, 6V, 235A/H (Advance only) TSBUS2008-984
** 56315959 6 Battery, 6V, 315A/H AGM (Advance only) TSBUS2008-984
Advance Optional Battery Chargers
** 56395101 A/R Battery Charger, 36VDC, Auto, 20Amp, 120VAC/60HZ (Advance only)
** 56388502 A/R Battery Charger, 36VDC, Auto, 25Amp, 120VAC/60HZ (Advance only)
** 56388120 A/R Battery Charger, 36VDC, Auto, 36Amp, 120VAC/60HZ (Advance only)
** 56372190 A/R Battery Charger, 36VDC, 20Amp, 230VAC/50HZ (Advance only)
** 56388119 A/R Battery Charger, 36VDC, 36Amp, 230VAC/50HZ (Advance only)
Nilfi sk Optional Batteries
** L00200025 1 Battery Complete, 36V, 240A/H (Nilfi sk only)
** L00210019 1 Battery Complete, 36V, 220A/H (Nilfi sk only)
** 80566600 1 Battery Complete, 36V, 180A/H (set of 6) (Nilfi sk only)
** 80567900 1 Battery Complete, 36V, 255A/H (set of 6) (Nilfi sk only)
** 80564000 6 Battery, 36V, 180A/H (Nilfi sk only)
** 80565000 6 Battery, 36V, 255A/H (Nilfi sk only)
Nilfi sk Optional Battery Chargers
** L00173642 A/R Battery Charger-UK, 36VDC, Auto, 40Amp, 230VAC/50HZ (used on L00200025, 80567900, 80565000) (Nilfi sk only)
** 80569100 A/R Battery Charger-UK, 36VDC, Auto, 20Amp, 230VAC/50HZ (used on L00210019, 80566600, 80564000) (Nilfi sk only)
** L00193642 A/R Battery Charger-EU, 36VDC, Auto, 40Amp, 230VAC/50HZ (used on L00200025, 80567900, 80565000) (Nilfi sk only)
** 80569000 A/R Battery Charger-EU, 36VDC, Auto, 20Amp, 230VAC/50HZ (used on L00210019, 80566600, 80564000) (Nilfi sk only)
Common Accessories
** 56409441 A/R Programmer, 1311 User
** 56409823 A/R Programmer Cable
Advance Only Accessories
**# 56044323 A/R Literature Pack
Nilfi sk Only Accessories
**# 56044330 A/R Literature Pack
** = Optional, Not Included
# = Revised or new since last update
NOTE 1: All squeegee blade kits include both front and rear squeegee blades.
NOTE 2: Disk Deck Blade Kits include required mounting fasteners (Rivet, Nylon Tree Push-In 56003263), the 2 blades (forward and rear) for the deck and all skirt assembly
blades.
NOTE 3: These Disk Deck Blade Kits include just the blades for use in the two Skirt Assemblies.
08-9
OPTIONAL KITS AND ACCESSORIES

www.nilfi sk-advance.com © 2008