71279A Advolution 20XP Parts Manual
2014-01-08
: Sweepscrub Advolution 20Xp Parts Manual Advolution_20XP_Parts_Manual 974 file product_file
Open the PDF directly: View PDF
.
Page Count: 28

6/07 revised 11/11 Form Number 71279A
Instructions For Use and Parts List
Instrucciones para el uso y lista de piezas
Guides d’utilisation et liste des pièces
Advance Models: 01510A (20); 01510C (20);
01520A (20XP); 01520C (20XP)
English (2 - 7)
Español (8 - 13)
Français (14 - 19)
EN
ES
FR
Advolution 20
Advolution 20XP
PARTS LIST (21 - 27)

2 - FORM NO. 71279A - Advolution 20, 20XP
EN
ENGLISH
IMPORTANT SAFETY INSTRUCTIONS
This machine is only suitable for commercial use, for example in hotels, schools, hospitals, factories, shops and offi ces other than
normal residential housekeeping purposes.
When using an electrical appliance, basic precautions should always be followed, including the following:
Read all instructions before using.
WARNING!
To reduce risk of fi re, electric shock, or injury:
* Do not leave the appliance when it is plugged in. Unplug the unit from the outlet when not in use and before servicing.
* This machine is for dry use only and shall not be used or stored outdoors in wet conditions.
* To avoid electric shock, do not expose to rain. Store indoors.
* Do not allow to be used as a toy. Close attention is necessary when used by or near children.
* Use only as described in this manual. Use only manufacturer’s recommended attachments.
* Do not use with damaged cord or plug. If appliance is not working as it should, has been dropped, damaged, left outdoors,
or dropped into water, return it to a service center.
* Do not pull or carry by cord, use cord as a handle, close a door on a cord, or pull cord around sharp edges or corners. Do
not run appliance over cord. Keep cord away from heated surfaces.
* Do not unplug by pulling on cord. To unplug, grasp the plug, not the cord.
* Do not handle plug or appliance with wet hands.
* Do not put any object into openings. Do not use with any opening blocked; keep free of dust, lint, hair, and anything that
may reduce air fl ow.
* Keep hair, loose clothing, fi ngers, and all parts of body away from openings and moving parts.
* Turn off all controls before unplugging.
* Use extra care when cleaning on stairs.
* Do not use with fl ammable or combustible liquids such as gasoline or use in areas where they may be present.
* This appliance is provided with double insulation. Use only identical replacement parts.
* This machine is not suitable for picking up health endangering dust.
* Do not use without dust bag and / or fi lters in place.
* Connect to a properly grounded outlet only. See Grounding Instructions.
SAVE THESE INSTRUCTIONS
WARNING!
The Products sold with this Manual contain or may contain chemicals that are known to certain governments (such as the State of California, as identifi ed in its
Proposition 65 Regulatory Warning Law) to cause cancer, birth defects or other reproductive harm. In certain locations (including the State of California) pur-
chasers of these Products that place them in service at an employment job site or a publicly accessible space are required by regulation to make certain notices,
warnings or disclosures regarding the chemicals that are or may be contained in the Products at or about such work sites. It is the purchaser’s responsibility to
know the content of, and to comply with, any laws and regulations relating to the use of these Products in such environments. The Manufacturer disclaims any
responsibility to advise purchasers of any specifi c requirements that may be applicable to the use of the Products in such environments.
revised 4/11

FORM NO. 71279A - Advolution 20, 20XP - 3
GROUNDING INSTRUCTIONS
This appliance must be grounded. If it should electrically malfunction, grounding provides a path of least resistance for electric current to reduce
the risk of electric shock. This appliance is equipped with a cord having an equipment-grounding conductor and grounding plug. The plug must
be plugged into an appropriate outlet that is properly installed and grounded in accordance with all local codes and ordinances.
DANGER!
Improper connection of the equipment-grounding conductor can result in a risk of electric shock. Check with a qualifi ed electrician
or service person if you are in doubt as to whether the outlet is properly grounded. Do not modify the plug provided with the appli-
ance. If it will not fi t the outlet, have a proper outlet installed by a qualifi ed electrician.
If this appliance is for use on a nominal 120-volt circuit, it has a grounding plug that looks like the plug illustrated in Figure 1 below. A temporary
adapter illustrated in Figures 2 and 3 may be used to connect this plug to a 2-pole receptacle as shown in Figure 2 if a properly grounded outlet
is not available. The temporary adapter should be used only until a properly grounded outlet (Figure 1) can be installed by a qualifi ed electri-
cian. The green-colored rigid ear, tab, or the like extending from the adapter must be connected to a permanent ground such as a properly
grounded outlet box cover. Whenever the adapter is used, it must be held in place by a metal screw. Grounding adapters are not approved for
use in Canada.
Replace the plug if the grounding pin is damaged or broken. The Green (or Green/Yellow) wire in the cord is the grounding wire. When replacing
a plug, this wire must be attached to the grounding pin only.
Extension cords connected to this machine should be 12 gauge, three-wire cords with three-prong plugs and outlets. DO NOT use extension
cords more than 50 feet (15 m) long.
PLEASE NOTE: FOR NORTH AMERICA ONLY
EN
ENGLISH
If this appliance is for use on a nominal 230-volt circuit, it has a grounding plug that looks like the plug illustrated in Figure 4 below.
Replace the plug if the grounding pin is damaged or broken. The Green (or Green/Yellow) wire in the cord is the grounding wire. When replacing
a plug, this wire must be attached to the grounding pin only.
Extension cords connected to this machine should be 12 gauge, three-wire cords with three-prong plugs and outlets. DO NOT use extension
cords more than 50 feet (15 m) long.
FIGURE 4
GROUNDING PIN
GROUNDED
OUTLET

4 - FORM NO. 71279A - Advolution 20, 20XP
B
EN
ENGLISH
A
A
B
1
2
1
3
4
5
6
7
3

FORM NO. 71279A - Advolution 20, 20XP - 5
EN
ENGLISH
INTRODUCTION
This manual will help you get the most from your Advance fl oor machine. Read
it thoroughly before operating the machine.
This product is intended for commercial use only.
PARTS AND SERVICE
Repairs, when required, should be performed by your Authorized Advance
Service Center, who employs factory trained service personnel, and maintains
an inventory of Advance original replacement parts and accessories.
Call the Advance dealer named below for repair parts or service. Please
specify the Model and Serial Number when discussing your machine.
MODIFICATIONS
Modifi cations and additions to the cleaning machine which affect capacity
and safe operation shall not be performed by the customer or user without
prior written approval from Nilfi sk-Advance Inc. Unapproved modifi cations
will void the machine warranty and make the customer liable for any resulting
accidents.
NAME PLATE
The Model Number and Serial Number of your machine are shown on the
Nameplate on the bottom of the machine. This information is needed when
ordering repair parts for the machine. Use the space below to note the Model
Number and Serial Number of your machine for future reference.
MODEL NUMBER ______________________________________________
SERIAL NUMBER _____________________________________________
UNCRATE THE MACHINE
When the machine is delivered, carefully inspect the shipping carton and the
machine for damage. If damage is evident, save the shipping carton so that
it can be inspected. Contact the Advance Customer Service Department
immediately to fi le a freight damage claim (phone number is provided on the
back cover of this manual).
(A)-KNOW YOUR MACHINE
1 Operator Handle Grips
2 Switch Lever Safety Lock Button
3 Switch Levers - Squeeze - ON / Release - OFF
4 Handle Release Latch
5 Power Cord
6 Operator Handle
7 Motor Brush Wear Indicator Light
PREPARING THE FLOOR
Before each use of this machine, the fl oor must be clean and completely
dry. Clean the fl oor with an automatic fl oor scrubber or a damp mop, using a
solution of water and neutral cleaner.
CAUTION!
This machine should be used only on fl oors that are coated with a fl oor fi nish
suitable for burnishing. Contact your local Advance Distributor for further
information on fl oor fi nishing products.
PREPARING THE MACHINE FOR USE
WARNING!
This machine contains moving parts. To reduce the risk of injury,
always unplug the power cord before servicing.
B - INSTALLING THE PAD
To install a pad, tip the machine back on it’s handle. Remove the Pad Retainer
“A” (in the center of the pad holder) by turning counter-clockwise to loosen.
Put the proper size Pad “B” on the Pad Holder Hub “C”. Re-install the Pad
Retainer “A” by turning clockwise to tighten.
OPERATION
1 Unwrap the Power Cord (5) and plug it in to an outlet.
2 Unlatch the Operator Handle (6) by pushing forward on the Handle
Release Latch (4) with your foot. Continue to hold latch (4) while
pulling the handle (6) back. It is normal for the base of the machine
to lift off of the fl oor slightly when the handle is lowered. It will pull
itself down against the fl oor as soon as the motor is started.
3 Hold one of the Operator Hand Grips (1) fi rmly, push the Safety
Lock Button (2) and then compress the Switch Levers (3) to start the
motor. NOTE: The Safety Lock Button (2) will not depress unless
the Operator Handle (6) has been released and tilted back into the
operating position. When the dual controlled Switch Levers (3) are
released, the machine shuts off immediately.
4 Push the machine forward in a straight line, at a slow walking speed.
Overlap each pass about 1-3 inches (25-75 mm).
5 When using a polishing pad, check every 15 minutes to see if the pad
is loaded up with wax and dirt. If it is, turn the pad over to expose the
clean side, or install a clean pad.
revised 4/11

6 - FORM NO. 71279A - Advolution 20, 20XP
EN
ENGLISH
AFTER USE
1 Lift the Operator Handle (6) until it locks in the upright position.
NOTE: The Safety Lock Button (2) will not depress unless the
Operator Handle (6) has been released and tilted back into the
operating position. This will prevent the motor from being engaged
while Operator Handle (6) is in the storage position.
2 Unplug the Power Cord (5) and wrap it around the Handle Release
Latch (4) and the right Operator Handle Grip (1).
3 Check the skirt around the dust control housing. The skirt should be
replaced if it is worn out or torn.
4 Remove the pad from the machine. Clean the pad and hang it up to
dry. Allow buffi ng pads to dry completely before using again.
5 Wipe the entire machine with a clean, damp cloth.
6 Inspect the entire machine and all accessories for damage. Perform
any required maintenance or repairs before storage.
7 Store the machine in a clean, dry place with the Operator Handle (6)
locked in the upright position.
MAINTENANCE
C - DUST COLLECTION BAG
The dust collection bag should be removed and replaced after about every
20 hours of use. Tip the machine back onto it’s handle (6), the same as
you would if you were changing the pad. Squeeze in on the sides of the
bag cover “A” and remove it from the machine. Remove the dust bag “B”
(being careful not to spill any debris) and discard. Tip the machine back
upright. Push in on the sides of the new bag “B” to pop-it-open and install it
by pushing it down (grip the cardboard base of the bag) onto the (2) tubes
protruding from the base. Re-install the cover “A”.
MOTOR BRUSHES
This machine is equipped with a motor brush wear indicator light. If this light
comes on during use, contact your local Advance distributor to have the
motor serviced.
NOTE: If the supply cord is damaged, it must be replaced by the
manufacturer or its service agent or a similarly qualifi ed person in order to
avoid a hazard.
CAUTION!
The motor can be severely damaged if the machine is used for an extended
period of time with the light glowing.
TROUBLESHOOTING
SWIRL MARKS
• Floor not clean.
• Area not properly swept - debris in pad or brush.
• Improper pad for the job.
• Moving the machine too fast.
CIRCLES ON THE FLOOR
• Machine standing still while the pad is running.
FLOOR FINISH REMOVED
• Improper pad...too aggressive.
• Moving the machine too slowly.
MACHINE VIBRATES DURING OPERATION
• Defective pad... one side is more dense than the other.
• Machine left sitting on pad for extended period of time causing pad to
“take a set”.
• Pad not “seated” properly into pad holder bristles..
• Pad not centered on pad holder periphery.
• Pad not rated for RPM of high speed burnisher.
• Defective pad driver. Remove pad, hold machine up off of fl oor with
handle and start machine. If machine vibrates, replace pad driver.
MACHINE DOES NOT RUN
• Check plug for proper connection - on machine and at wall outlet.
• Check building circuit breaker.
• Call for service.

FORM NO. 71279A - Advolution 20, 20XP - 7
EN
ENGLISH
TECHNICAL SPECIFICATIONS (as installed and tested on the unit)
Model Advolution 20 Advolution 20XP
Model Number 01510A 01520A
Motor 1.5 hp (1.1 kW), 120V 1.5 hp (1.1 kW), 120V
Pad Speed 1,500 rpm 2,000 rpm
Pad Size 20” (51 cm) 20” (51cm)
Wheels 5” (13 cm) 5” (13 cm)
Cord Length 75’ (23 m) 75’ (23 m)
Height w/Handle 46” (117 cm) 46” (117 cm)
Weight (w/cord) 81 lbs. (36.8 kg) 83 lbs (37.7 kg)
Construction:
Handle Tube Tubular Steel Tubular Steel
Base Polyethylene Polyethylene
Model Advolution 20 Advolution 20XP
Model Number 01510C 01520C
Motor 1.5 hp (1.1 kW), 230V 1.5 hp (1.1 kW), 230V
Pad Speed 1,500 rpm 2,000 rpm
Pad Size 20” (51 cm) 20” (51cm)
Wheels 5” (13 cm) 5” (13 cm)
Cord Length 75’ (23 m) 75’ (23 m)
Height w/Handle 46” (117 cm) 46” (117 cm)
Weight (w/cord) 81 lbs. (36.8 kg) 83 lbs (37.7 kg)
Construction:
Handle Tube Tubular Steel Tubular Steel
Base Polyethylene Polyethylene

8 - FORM NO. 71279A - Advolution 20, 20XP
ES
ESPAÑOL
INSTRUCCIONES DE SEGURIDAD IMPORTANTES
Esta máquina únicamente es apropiada para el uso comercial, por ejemplo, en hoteles, escuelas, hopitales, fábricas, negocios y
ofi cinas y no para ser utilizada en la limpieza doméstica normal.
Al usar un artefacto eléctrico es necesario tomar precauciones básicas en todo momento, incluyendo:
Lea todas las instrucciones antes de usar el artefacto.
¡ADVERTENCIA!
Para reducir el riesgo de incendio, descargas eléctricas o lesiones:
* No deje el artefacto enchufado. Desconecte la unidad del tomacorriente cuando no la utiliza y antes de realizer el manten-
imiento de la misma.
* This machine is for dry use only and shall not be used or stored outdoors in wet conditions.
* Para evitar descargas eléctricas, no exponga la unidad a la lluvia. Guarde la unidad en un lugar cerrado, bajo techo.
* No permita que se utilice como un juguete. Hay que prestar mucha atención si la máquina es utilizada por niños o se usa
cerca de ellos.
* Use la máquina únicamente como se describe en este manual. Use únicamente accesorios recomendados por el fabri-
cante.
* No utilice la máquina si el cable o el enchufe están dañados. Si la máquina no funciona correctamente, se ha caído, ha sufrido
daños, ha sido dejada a la intemperie, o se ha caído al agua, llévela a un centro de servico.
* No tire del cable ni arrastre la máquina tirando del mismo, no lo utilice como si fuese una manija, no cierre la puerta sobre él,
ni lo doble alrededor de esquinas o bordes cortantes. No deje que la máquina pise el cable durante el uso. Mantenga el cable
lejos de superfi cies calientes.
* No desenchufe la máquina tirando del cable. Para desenchufar, tome el enchufe, no el cable.
* No manipule el enchufe ni la aspiradora con las manos húmedas.
* No introduzca objetos en las aberturas. No use la máquina si alguna de las aberturas está bloqueada; manténgala libre de
polvo, pelusa, cabellos y de cualquier otro elemento que pueda reducir el fl ujo de aire.
* Mantenga el cabello, la vestimenta fl oja, los dedos y el resto cuerpo lejos de aberturas y partes móviles.
* Apague todos los controles antes de desenchufar.
* Trabaje con extremco cuidado cuando realiza la limpieza de escaleras.
* No use la máquina con líquidos combustibles o infl amables, tales como gasolina, ni en los lugares donde puede haber fl uidos
de ese tipo.
* El presente artefacto cuenta con aislamiento doble. Utilice únicamente piezas de reemplazo idénticas.
* Esta máquina no es adecuada para recoger residuos peligrosos para la salud.
* No utilice la máquina si la bolsa y/o los fi ltros para el polvo no están en su lugar.
* Conecte la máquina únicamente en un tomacorriente con adecuada conexión a tierra. Lea las instrucciones para conexión a
tierra.
GUARDE ESTAS INSTRUCCIONES
ADVERTENCIA:
Los Productos a la venta en este Manual contienen, o pueden contener, productos químicos reconocidos por algunos gobiernos (como el Estado de California,
según lo indica en su Proposición 65, Ley de Advertencia Regulatoria) como causantes de cáncer, defectos de nacimiento u otros daños reproductivos. En algunas
jurisdicciones (incluido el Estado de California), los compradores de estos Productos que los coloquen en servicio en un emplazamiento laboral o en un espacio
de acceso público tienen la obligación regulatoria de realizar determinados avisos, advertencias o divulgaciones respecto de los productos químicos contenidos o
posiblemente contenidos en los Productos utilizados en tal lugar. Es la responsabilidad del comprador conocer y cumplir con todas las leyes y reglamentaciones
relacionadas con el uso de estos Productos en tales entornos. El Fabricante niega toda responsabilidad de informar a los compradores sobre requisitos específi cos
que pueden regir el uso de los Productos en tales entornos.
revised 4/11

FORM NO. 71279A - Advolution 20, 20XP - 9
INSTRUCCIONES DE CONEXIÓN A TIERRA
Esta máquina debe estar conectada a tierra. Si funcionase mal eléctricamente, la conexión a tierra brinda una ruta de menor resistencia para
la corriente eléctrica, con lo que se reduce el riesgo de descargas eléctricas. Este artefacto está equipado con un cable que cuenta con un
conductor para conexión a tierra del equipo y con un enchufe de conexión a tierra. El enchufe debe insertarse en un tomacorriente adecuado,
que esté correctamente instalado y conectado a tierra según todos los códigos y regulaciones locales.
¡PELIGRO!:
Una mala conexión del conductor de la toma de tierra del equipo puede resultar en un riesgo de descarga eléctrica. Consulte con
un electricista acreditado o con el personal del servicio técnico en caso de tener dudas respecto de la conexión a tierra. No modi-
fi que el enchufe que se suministra con el artefacto. Si no es adecuado para el tomacorriente, haga que un electricista acreditado
le instale un tomacorriente adecuado.
Este artefacto debe utilizarse en un circuito con 120 voltios de tensión nominal, y cuenta con un enchufe con conexión a tierra que es similar
al enchufe que se muestra en la Figura 1 más abajo. Puede utilizarse un adaptador temporal que se ilustra en las fi guras 2 y 3 para conectar
este enchufe a un receptáculo de 2 polos, tal y como se ve en la Figura 2, si no dispone de un tomacorriente adecuado. El adaptador temporal
debe usarse sólo hasta que un electricista acreditado pueda instalar un tomacorriente debidamente conectado a tierra (Figura 1). La orejeta,
lengüeta o accesorio similar de color verde, que sale del adaptador, debe ser conectado a una toma de tierra permanenete, como por ejemplo
la cubierta de la caja de un tomacorriente adecuadamente conectado a tierra. Siempre que se utilice el adaptador, hay que mantenerlo fi jo en
su lugar mediante un tornillo metálico. En Canadá no se permite el uso de adaptadores de toma de tierra.
Si la terminal de tierra está dañada o rota, cambie el enchufe. El hilo verde (o verde/amarillo) del cable es el hilo de tierra. Al cambiar el enchufe,
este hilo se debe adosar únicamente a la terminal de tierra.
Los cables de extensión conectados a esta máquina deben ser de calibre 12, de tres hilos, con enchufes y tomacorrientes de tres puntas. NO
USE cables de extensión que superen 50 pies (15 m) de longitud.
NOTA: ÙNICAMENTE PARA NORTEAAMÉRICA
ES
ESPAÑOL
FIGURA 4
Este artefacto debe utilizarse en un circuito con 230 voltios de tensión nominal, y cuenta con un enchufe con conexión a tierra que es similar al
enchufe que se muestra en la Figura 4 más abajo.
Si la terminal de tierra está dañada o rota, cambie el enchufe. El hilo verde (o verde/amarillo) del cable es el hilo de tierra. Al cambiar el enchufe,
este hilo se debe adosar únicamente a la terminal de tierra.
Los cables de extensión conectados a esta máquina deben ser de calibre 12, de tres hilos, con enchufes y tomacorrientes de tres puntas. NO
USE cables de extensión que superen 50 pies (15 m) de longitud.
Toma corriente con polo de tierra
Terminal de tierra

10 - FORM NO. 71279A - Advolution 20, 20XP
ES
ESPAÑOL
B
A
A
B
1
2
1
3
4
5
6
7
3

FORM NO. 71279A - Advolution 20, 20XP - 11
ES
ESPAÑOL
INTRODUCCIÓN
Este manual lo ayudará a aprovechar al máximo su máquina para pisos Nilfi sk-
Advance. Léalo a fondo antes de poner la máquina en funcionamiento.
Este producto se ha fabricado para el uso comercial.
PIEZAS Y MANTENIMENTO
Cuando sea necesario realizar reparaciones, las mismas deben ser efectuadas
por el Centro de Servicios autorizado de Nilfi sk-Advance, el cual emplea
personal de mantenimiento capacitado en fábrica y dispone de un inventario de
piezas de recambio y accesorios originales Nilfi sk-Advance.
Llame al distribuidor Nilfi sk-Advance citado más adelante para obtener piezas
de reemplazo o servicios de mantenimiento. Al referirse a la máquina, por
favor especifi que el modelo y número de serie de la misma.
MODIFICACIONES
Las modifi caciones y los agregados a la máquina de limpieza que afecten su
capacidad y su funcionamiento seguro no serán realizados por el cliente o
el usuario sin la autorización previa y por escrito de Nilfi sk-Advance Inc. Las
modifi caciones que no cuenten con la aprobación correspondiente anularán
la garantía de la máquina y harán que el cliente sea responsable de cualquier
accidente resultante.
PLACA DE IDENTIFICACIÓN
El número de modelo y el número de serie de su máquina aparecen en la
placa de identifi cación ubicada en la parte inferior de la máquina. Es necesario
contar con esta información para realizer pedidos de piezas de recambio para
la máquina. Use el espacio provisto o a continuación para anotar el número de
modelo y el número de serie de su máquina para referencia futura.
NÚMERO DE MODELO ________________________________
NÚMERO DE SERIE __________________________________
DESEMBALAJE DE LA MÁQUINA
Cuando reciba la màquina, inspeccione con cuidado la caja de embarque y la
máquina, para verifi car si hay algún daño. Si hay algún daño evidente, guarde
la caja de embarque de modo que se la pueda inspeccionar. Comuníques con
el Departamento de Atención al Cliente de Nilfi sk-Advance inmediatamente
para presentar un reclamo por daños en el fl ete (el número de teléfono aparece
en la contratapa de este manual.)
(A)-FAMILIARÍCESE CON SU MÁQUINA
1 Manijas para el operador
2 Botón de cierre de seguridad de la palanca de maniobras
3 Palancas de maniobras - Apretar - ENCENDIDO (ON) / Afl ojar -
APAGADO (OFF)
4 Palanca de compresión para soltar la manija
5 Cable de energía
6 Manija para el operador
7 Luz indicadora de desgaste del cepillo accionado por motor.
PREPARACIÓN DEL SUELO
Antes de utilizar la máquina, el suelo debe estar limpio y completamente
seco. Limpiar el suelo con una fregadora de suelos automática o una
fregona humedecida, utilizando una solución acuosa y un limpiador neutro.
¡PRECAUCIÓN!
Esta máquina sólo debe utilizarse en suelos que estén recubiertos con un
acabado de suelo adecuado para su bruñido. Contactar a su Agente local
de Nilfi sk-Advance para más información de los productos de acabado de
suelos.
PREPARACIÓN DE LA MÁQUINA PARA SU
USO
¡ADVERTENCIA!
Piezas mecánicas - Para reducir el riesgo de lesión, desenchufar el aparato
antes de efectuar trabajos de reparación o mantenimiento.
(B) - INSTALACIÓN DEL DISCO
Para instalar el disco, bascular la máquina sobre el manillar. Quitar el
retén «A» del disco (situado en el centro del soporte del disco) y girarlo en
sentido antihorario para afl ojarlo extraerlo. Colocar el disco «B» del tamaño
adecuado sobre el centro del soporte del disco «C». Volver a colocar el
retén «A» del disco girándolo en sentido horario para apretar.
FUNCIONAMIENTO
1 Desenroscas el cable de corriente (5) y enchufarlo a la toma.
2 Desbloquear el manillar del operador (6) tirando hacia adelante el
pestillo de desenganche del manillar (4) con el pie. Mantener el
pestillo sujeto (4) mientras se tira del manilla (6) hacia atrás. Es
normal que la base de la máquina se levante del suelo ligeramente
al bajar el manillar. Se colocará en su posición de nuevo al poner en
marcha el motor.
3 Sostener una de las asas del manillar del operador (1) con fuerza,
presionar el botón de bloqueo de seguridad (2) y a continuación
apretar las palancas de los interruptores (3) para arrancar el
motor. NOTA: El botón de bloqueo de seguridad (2) no bajará a
menos que el manillar del operador (6) se haya desenganchado y
balanceado hacia atrás en su posición de funcionamiento. Cuando
se sueltan las palancas de los interruptores dobles (3), la máquina
se apaga inmediatamente.
4 Hacer avanzar la máquina en línea recta, a una velocidad de paso
lento. Volver a recorrer cada paso cada 25-75 mm.)
5 Al utilizar un disco de pulido, verifi car cada 15 minutos para ver si
el disco tiene cera o está sucio. Si lo está, girar el disco para que la
parte limpia quede visible, o colocar uno de nuevo.
revised 4/11

12 - FORM NO. 71279A - Advolution 20, 20XP
ES
ESPAÑOL
DESPUÉS DE UTILIZAR
1 Levantar el manillar del operador (6) hasta que se bloquee en
su posición vertical. NOTA: El botón de bloqueo de seguridad
(2) no bajará a menos que el manillar del operador (6) se haya
desenganchado y balanceado hacia atrás en su posición de
funcionamiento. Así se evitará que el motor quede en marcha
mientras el manillar del operador (6) esté en la posición de
almacenaje.
2 Desenchufar el cable de corriente (5) y enrollarlo alrededor del
pestillo de desenganche del manillar (4) y el asa derecha del manillar
del operador (1).
3 Verifi car el faldón que hay alrededor del alojamiento de control del
polvo. Se debe cambiar el faldón si está gastado o desgarrado.
4 Quitar el disco de la máquina. Limpiar el disco y tenderlo para que se
seque. Dejar secar los discos antes de volverlos a utilizar.
5 Pasar un paño limpio y húmedo por toda la máquina.
6 Inspeccionar que toda la máquina y sus accesorios no estén
dañados. Efectuar cualquier trabajo de mantenimiento o reparación
necesario antes de guardar la máquina.
7 Guardar la máquina en un lugar limpio y seco con el manillar del
operador (6) bloqueado en la posición vertical.
MANTENIMIENTO
C - BOLSA DE RECOGIDA DE POLVO
La bolsa de recogida de polvo se tiene que quitar y cambiar transcurridas
aproximadamente 20 horas de uso. Balancear la máquina hacia atrás sobre
su manillar (6), del mismo modo que al cambiar el disco. Apretar a ambos
lados de la tapa «A» de la bolsa y extraerla de la máquina. Quitar la bolsa
de polvo «B» (vigilando de no verter los escombros) y desecharla. Volver a
poner la máquina en posición vertical. Presionar ambos lados de la nueva
bolsa «B» para que se abra e introducirla (cogerla por la base de cartón)
sobre los (2) tubos que sobresalen de la base. Volver a colocar la tapa «A».
ESCOBILLAS DEL MOTOR
Esta máquina viene equipada con una luz que indica el desgaste de las
escobillas del motor. Si la luz se enciende durante el funcionamiento de la
máquina, contactar a su agente Nilfi sk-Advance local para que realiza el
servicio del motor.
NOTA: Si el cable eléctrico se daña, debe reemplazarlo el fabricante o su
agente de servicio o una persona de cualifi cación similar para evitar cualquier
tipo de peligro.
¡PRECAUCIÓN!
El motor se puede dañar gravemente si la máquina se utiliza durante un largo
período de tiempo con la luz encendida.
LOCALIZACIÓN DE AVERÍAS
MARCAS EN FORMA DE TORBELLINO
• EL suelo no está limpio
• La zona no se barrido correctamente - hay escombros en el disco o
en el cepillo
• Disco no adecuado para la tarea a realizar.
• La máquina está siendo deslizada demasiado rápidamente.
CÍRCULOS EN EL SUELO
• La máquina no avanza cuando el disco sigue girando.
EL ACABADO DEL SUELO SALTA
• Disco no adecuado… demasiado agresivo.
• La máquina es desplazada demasiado lentamente.
LA MÁQUINA VIBRA DURANTE LA OPERACIÓN
• Disco defectuoso… un lado es más denso que el otro.
• Se ha dejado la máquina apoyada sobre el disco demasiado tiempo
lo cual ha provocado que el disco se haya deformado.
• El disco no está bien «asentado» en los anclajes de su soporte.
• El disco no está centrado en la periferia del soporte del disco
• El disco no tiene la capacidad para las revoluciones por minuto
(RPM) de la bruñidora de alta velocidad
• El motor del disco es defectuoso. Retire el disco, sostenga a la
máquina elevada del piso con la manija y arranque la máquina. Si la
máquina vibra, reemplace el motor del disco.
LA MÁQUINA NO FUNCIONA
• Comprobar que el enchufe esté bien conectado en la máquina y en
la toma de pared.
• Verifi car el disyuntor del circuito del edifi cio.
• Pedir asistencia.

FORM NO. 71279A - Advolution 20, 20XP - 13
ES
ESPAÑOL
ESPECIFICACIONES TÉCNICAS (según la instalación y las pruebas de la unidad)
Modelo Advolution 20 Advolution 20XP
Número de modelo 01510A 01520A
Motor 1.5 cv (1.1 kW), 120V 1.5 cv (1.1 kW), 120V
Velocidad de la almohadilla 1,500 rpm 2000 rpm
Tamaño de la almohadilla 20” (51 cm) 20” (51 cm)
Ruedas 5” (13 cm) 5” (13 cm)
Longitud del cable 75’ (23 m) 75’ (23 m)
Peso con manija 46” (117 cm) 46” (117 cm)
Peso (con cable) 81 lbs. (36.8 kg) 83 lbs (37.7 kg)
Construcción:
Tubo de la manija Acero tubular Acero tubular
Base Polyethylene Polyethylene
Modelo Advolution 20 Advolution 20XP
Número de modelo 01510C 01520C
Motor 1.5 cv (1.1 kW), 230V 1.5 cv (1.1 kW), 230V
Velocidad de la almohadilla 1,500 rpm 2000 rpm
Tamaño de la almohadilla 20” (51 cm) 20” (51 cm)
Ruedas 5” (13 cm) 5” (13 cm)
Longitud del cable 75’ (23 m) 75’ (23 m)
Peso con manija 46” (117 cm) 46” (117 cm)
Peso (con cable) 81 lbs. (36.8 kg) 83 lbs (37.7 kg)
Construcción:
Tubo de la manija Acero tubular Acero tubular
Base Polyethylene Polyethylene

14 - FORM NO. 71279A - Advolution 20, 20XP
CONSIGNES DE SÉCURITÉ IMPORTANTES
Cette machine est destinée à un usage commercial et peut, entre autres, être utilisée dans les hôtels, écoles, hôpitaux, usines,
magasins et bureaux. Elle n’a donc pas été conçue pour l’entretien ménager.
Lorsque vous utilisez un appareil électrique, il y a certaines règles de base que vous devez toujours observer, dont celle énoncée
ci-après.
Lire toutes les instructions avant d’utiliser l’appareil.
ATTENTION!
Afi n de réduire les risques d’incendie, de décharge électrique ou de blessure:
* Ne laissez pas l’appareil branché sur le secteur. Débranchez-le lorsque vous ne l’utilisez pas et avant de procéder à son
entretien.
* Afi n d’éviter tout risque de décharge électrique, n’exposez pas l’appareil à la pluie. Rangez la machine à l’intérieur d’un
bâtiment.
* Ne permettez pas qu’on l’utilise comme un jeu. Faites très attention lorsque l’appareil est utilisé par ou à proximité d’en-
fants.
* N’utilisez cet appareil que tel qu’il est décrit dans ce manuel. N’utilisez que les accessoires recommandés par le fabricant.
* N’utilisez pas l’appareil si le cordon ou la prise sont endommagés. Si l’appareil ne fonctionne pas correctement, est tombé,
endommagé, resté à l’extérieur voire même tombé dans l’eau, renvoyez-le au centre d’entretien.
* Ne tirez et ne portez pas l’appareil par le cordon électrique. Ne l’utilisez pas non plus comme poignée et ne l’enroulez pas
autour d’objets pointus ou tranchants. Évitez également de refermer une porte sur le cordon. Évitez de faire rouler l’appareil
sur le cordon. Gardez le cordon à l’écart de toute surface chauffée.
* Ne débranchez pas l’appareil en tirant sur le cordon. Pour ce faire, saisissez la prise et non le cordon.
* Ne manipulez pas la prise, le cordon ou l’appareil avec les mains humides.
* N’introduisez aucun objet dans les ouvertures de l’appareil. N’utilisez pas l’appareil si l’une de ses ouvertures est bloquée.
Veillez à ce que rien ne réduise le fl ux d’air : poussières, cheveux, peluches, etc.
* Prenez toutes les mesures nécessaires afi n d’éviter que les cheveux, doigts, bijoux ou vêtements amples ne soient entraînés
dans les parties mobiles de la machine ou pris dans une de ses ouvertures.
* Éteignez toutes les commandes avant de débrancher l’appareil.
* Faites très attention lorsque vous nettoyez les escaliers.
* N’utilisez pas la machine avec des liquides infl ammables ou combustibles tels que l’essence ou à proximité de telles subs-
tances.
* Cet appareil est fourni avec une double isolation. Veuillez utiliser des pièces de rechange identiques.
* Cette machine n’est pas conçue pour aspirer de la poussière dangereuse pour la santé.
* N’utilisez pas cette machine si le sac à poussière et/ou les fi ltres ne sont pas en place.
* Connectez uniquement l’appareil à une prise correctement mise à la terre. Voir Instructions de mise à la terre.
CONSERVEZ SOIGNEUSEMENT CES INSTRUCTIONS
AVERTISSEMENT !
Les Produits vendus avec le présent manuel contiennent ou peuvent contenir des produits chimiques reconnus par certains gouvernements (comme l’État
de Californie, par le biais de la proposition de loi d’avertissement réglementaire 65) comme provoquant des cancers, des anomalies congénitales et autres
dangers pour la reproduction. Dans certains endroits (comme l’État de Californie), les acheteurs de ces Produits, qui les utilisent sur un lieu de travail ou dans
un espace public, ont l’obligation d’apposer certains avis, avertissements ou informations concernant les produits chimiques qui sont ou peuvent être contenus
dans les Produits dans ces lieux ou aux alentours de ces lieux de travail. Il incombe à l’acheteur de connaître les dispositions de, et de respecter, toutes les lois
et réglementations ayant attrait à l’utilisation de ces Produits au sein de tels environnements. Le Fabricant rejette toute responsabilité d’informer les acheteurs
concernant des exigences spécifi ques qui peuvent s’appliquer à l’utilisation des Produits dans de tels environnements.
FR
FRANÇAIS
revised 4/11

FORM NO. 71279A - Advolution 20, 20XP - 15
INSTRUCTIONS DE MISE À LA TERRE
Cet appareil doit être mis à la terre. En cas de mauvais fonctionnement, la mise à la terre établit un trajet de moindre résistance pour le cou-
rant électrique pour réduire le risque de décharge électrique. Cet appareil est équipé d’un cordon doté d’un conducteur de mise à la terre de
l’équipement et d’une prise de mise à la terre. La prise doit être branchée dans une sortie appropriée correctement installée et mise à la terre
en accord avec tous les codes et consignes locaux.
DANGER!
Un conducteur de mise à la terre d’équipement incorrectement branché peut entraîner un risque de décharge électrique. Vérifi ez avec un élec-
tricien ou un technicien qualifi é si vous doutez de la mise à la terre correcte de la sortie. Ne modifi ez pas la prise fournie avec l’appareil. Si elle
ne peut être branchée, faites installer une sortie appropriée par un électricien qualifi é.
Cet appareil est destiné à être utilisé sur un circuit de 120 volts et possède une prise de mise à la terre illustrée sur la fi gure 1. Un adaptateur
temporaire illustré sur les fi gures 2 et 3 peut être utilisé pour brancher cette dernière sur une prise fi xe bipolaire, illustrée sur la fi gure 2, si une
sortie correctement mise à la terre n’est pas disponible. L’adaptateur temporaire pourra être utilisé jusqu’à ce q’une prise correctement mise à
la terre (fi gure 1) soit installée par un électricien qualifi é. La patte rigide, l’attache de couleur verte, ou autres du même genre, de l’adaptateur
doit être connectée à une mise à la terre permanente telle qu’un couvercle de boîte de prise correctement mis à la terre. Lorsque l’adaptateur
est utilisé, il doit être maintenu en position par une vis métallique. Les adaptateurs de mise à la terre ne sont pas conçus pour une utilisation
au Canada.
Remplacez la prise si la broche de mise à la terre est endommagée ou cassée.
Le fi l vert (ou vert/jaune) est le fi l de mise à la terre. Lorsque vous remplacez la prise, ce fi l doit être connecté à la broche de mise à la terre
uniquement.
Les cordons prolongateurs connectés à cette machine doivent être des cordons à trois conducteurs de jauge 12, avec prises et sorties à trois
broches. N’utilisez PAS des cordons prolongateurs de plus de 50 pieds (15 m).
REMARQUE : UNIQUEMENT POUR L’AMÉRIQUE DU NORD
FR
FRANÇAIS
FIGURE 4
Cet appareil est destiné à être utilisé sur un circuit de 230 volts et possède une prise de mise à la terre illustrée sur la fi gure 4.
Remplacez la prise si la broche de mise à la terre est endommagée ou cassée. Le fi l vert (ou vert/jaune) est le fi l de mise à la terre. Lorsque
vous remplacez la prise, ce fi l doit être connecté à la broche de mise à la terre uniquement.
Les cordons prolongateurs connectés à cette machine doivent être des cordons à trois conducteurs de jauge 12, avec prises et sorties à trois
broches. N’utilisez PAS des cordons prolongateurs de plus de 50 pieds (15 m).
Prise de courant avec mise à la terre
Broche de mise à la terre

16 - FORM NO. 71279A - Advolution 20, 20XP
FR
FRANÇAIS
B
A
A
B
1
2
1
3
4
5
6
7
3

FORM NO. 71279A - Advolution 20, 20XP - 17
FR
FRANÇAIS
INTRODUCTION
Ce manuel vous permettra de tirer le maximum de profi t de votre machine
Advance de nettoyage de sols. Lisez-le attentivement avant d’utiliser la
machine.
Ce produit est prévu pour une utilisation commerciale; pour le polissage,
nettoyage/polissage simultané, récurage, décapage et comme
shampouineuse rotative pour moquettes.
PIÈCES ET ENTRETIEN
Les réparations, lorsqu’elles sont requises, devront être réalisées par votre
centre d’entretien agréé Advance qui emploie un personnel d’entretien formé
en usine, et stocke un inventaire de pièces de remplacement et d’accessories
originaux Advance.
Contactez le concessionnaire Advance indiqué ci-dessous pour toute
réparation, pièce ou entretien. Veuillez spécifi er le Modèle et le Numéro de
série relatif à votre machine.
ALTÉRATIONS
Les altérations et ajouts d’éléments à la machine de lavage, qui affectent ses
capacités et son fonctionnement sécurisé, ne doivent pas être réalisés sans
le consentement préalable et écrit de Nilfi sk-Advance Inc. Toute altération
non approuvée annulera la garantie de la machine. En outre, le client sera
entièrement responsable des accidents associés.
PLAQUE SIGNALÉTIQUE
Le numéro du modéle et numéro de série de votre machine sont indiqués
sur la plaque signalétique audessous de la machine. Ces informations sont
nécessaires lorsque vous commandez des pièces de remplacement pour la
machine. Utilisez l’espace ci-dessous pour noter le numéro du modéle et
numéro de série de votre machine pour consultation ultérieure.
NUMÉRO DU MODÈLE ________________________________
NUMÉRO DE SÉRIE __________________________________
DÉBALLER LA MACHINE
Lorsque la machine vous est livrée, contrôlez minutieusement que la boîte
d’emballage et la machine ne présentent aucun dommage. Si elles sont
endommagées, conservez la boîte d’emballage afi n qu’elle puisse être
inspectée. Contactez immédiatement le service d’entretien Advance pour
déposer une demande de remboursement des dégâts de transport (le
numéro de téléphone est indiqué au dos de ce manuel).
(A)-CONNAÎTRE VOTRE MACHINE
1 Prises de la poignée de l’opérateur
2 Bouton de verrouillage de sécurité du levier d’interrupteur
3 Leviers d’interrupteur - Appuyer - MARCHE / Relâcher - ARRÊT
4 Levier de dégagement de la poignée
5 Câble d’alimentation
6 Manette de commande
7 Indicateur d’usure de la brosse du moteur.
PREPARATION DU SOL
Avant d’utiliser la machine, veillez à ce que le sol soit propre et parfaitement
sec. Nettoyez le sol à l’aide d’une nettoyeuse automatique ou avec un balai
humide en utilisant une solution composée d’eau et d’un détergent neutre.
¡ATTENTION!
Cette machine ne peut être utilisée que sur des sols recouverts d’une couche
de fi nition pouvant être polie. Pour obtenir de plus amples informations sur les
produits de fi nition des sols, contactez le revendeur Advance le plus proche.
PRÉPARATION DE LA MACHINE
¡AVERTISSEMENT!
Cette machine contient des pièces mobiles. Afi n de réduire le risque de
blessures, déconnectez toujours le câble d’alimentation avant de procéder à
l’entretien.
(B)-INSTALLATION DU TAMPON
Pour installer un tampon, faites basculer la machine vers l’arrière, sur sa
poignée. Enlevez la fi xation du tampon “A” (au centre du support de tampon)
en la faisant tourner dans le sens contraire des aiguilles d’une montre pour
la desserrer. Placez un tampon de format adéquat “B” sur le support “C”.
Replacez la fi xation du tampon “A” en la tournant dans le sens des aiguilles
d’une montre pour la serrer.
FONCTIONNEMENT
1 Désenroulez le câble d’alimentation (5) et branchez-le à une prise
correctement mise à la terre.
2 Débloquez la poignée (6) en poussant vers l’avant le loquet de
blocage de la poignée (4), avec votre pied. Maintenez le loquet (4)
enfoncé pendant que vous tirez sur la poignée (6). Il est normal que
la base de la machine se soulève légèrement du sol lorsque vous
abaissez la poignée. La machine se repose sur le sol d’elle-même
dès que vous démarrez le moteur.
3 Tenez fermement la poignée (1), enfoncez le bouton de verrouillage
de sécurité (2), puis actionnez les leviers des interrupteurs (3) pour
démarrer le moteur. REMARQUE : il est impossible d’enfoncer
le bouton e verrouillage de sécurité (2) tant que la poignée de
l’opérateur (6) n’est pas relâchée et inclinée en position de
fonctionnement.
Lorsque les deux leviers d’interrupteurs de contrôle (3) sont relâchés,
la machine s’éteint automatiquement.
4 Poussez la machine vers l’avant en ligne droite, à une vitesse lente.
Repassez sur chaque passe d’environ 25-75 mm.
5 Lorsque vous utilisez un tampon de polissage, vérifi ez toutes les 15
minutes si celui n’est pas recouvert de cire et de poussières. Si tel est
le cas, retournez-le de manière à utiliser la face propre ou installez un
nouveau tampon.
revised 4/11

18 - FORM NO. 71279A - Advolution 20, 20XP
FR
FRANÇAIS
APRÈS UTILISATION
1 Levez la poignée de l ‘opérateur (6) jusqu’à ce qu’elle se bloque
en position verticale. REMARQUE: : il est impossible d’enfoncer
le bouton e verrouillage de sécurité (2) tant que la poignée de
l’opérateur (6) n’est pas relâchée et inclinée en position de
fonctionnement. Ainsi, le moteur ne peut pas être démarré tant que la
poignée de l’opérateur (6) est en position de stockage.
2 Débranchez le cordon d’alimentatio n (5) et enroulez-le autour
du verrou de débloquage de la poignée (4) et de la poignée de
l’opérateur (1).
3 Vérifi ez la jupe autour du logement de comtrôle de la poussière. La
jupe doit être remplacée si elle est usée ou déchirée.
4 Retirez de la machine le patin. Nettoyez le patin et mettez-le à
sécher. Attendre que les patins de nettoyage soient complètement
secs avant de les réutiliser.
5 Essuyez l’ensemble de la machine avec un chiffon humide propre.
6 Inspectez la totalité de la machine ainsi que tous les accessories
pour contrôler qu’ils ne sont pas endommagés. Effectuez toute
réparation ou entretien requis avant de ranger la machine.
7 Conservez la machine dans un lieu propre et sec, avec la poignée de
l’opérateur (6) verrouillée en position verticale.
ENTRETIEN
C - FILTRE À AIR
Le fi ltre à air doit être retiré et remplacé après environ 20 heures d’utilisation.
Faites basculer la machine vers l’arrière sur sa poignée (6), comme vous
le feriez pour chagner le patin. Appuyez sur les côtés du couvercle du fi ltre
“A” et retirez-le de la machine. Retirez le fi ltre à air “B” (en veillant à ne
pas répandre des débris) et éliminez-le. Remettez la machine en position
verticale.Appuyez sur les côtés du nouveau fi ltre “B” pour l’ouvrir et installez-
le en le poussant vers le bas (saisissez la base en carton du fi ltre) sur les
tubes en saillie (2) du socle. Reposez le couvercle “A”.
BROSSES DU MOTEUR
Cette machine est équipée d’un voyant d’usure des brosses du moteur. Si
ce voyant s’allume pendant que vous utilisez la machine, contactez votre
revendeur Advance pour qu’il procède à l’entretien du moteur.
REMARQUE : Si le cordon d‘alimentation est endommagé, il doit être
remplacé par le fabricant ou son technicien de maintenance ou une personne
personne présetant les même compétences, pour éviter tout danger.
¡ATTENTION!
Si vous utilisez la machine pendant une longue période avec le voyant
allumé, vous risquez d’endommager sérieusement le moteur.
DIAGNOSTIC
TRACES SUR LE SOL
• Le sol n’est pas propre.
• Le zone n’a pas été correctement balayée - débris sur le patin ou la
brosse.
• Patin ou brosse incorrect pour la tâche.
• Déplacement trop rapide de la machine.
CERCLES SUR LE SOL
• La machine est restée immobile pendant que la brosse ou le patin
était en fonctionnement.
FINITION DU SOL ENLEVE
• Patin incorrect... trop agressif.
• Solution trop décapante.
LA MACHINE OSCILLE AU COURS DE L’OPÉRATION
• Patin défectueux... un côté est plus dense que l’autre.
• La machine est restée appuyée sur la brosse ou patin pendant trop
longtemps, causant aux poils de la brosse ou au patin de prendre une
forme incorrecte.
• Le patin n’est pas placé correctement sur les poils du support du
patin.
• Le patin n’est pas centré à la périphérie du support de patin.
• Le patin n’est pas conçu pour le régime du moteur ou pour une
polisseuse à haute vitesse.
• Entraîneur de patin défectueux. Retirez le patin, maintenez la
machine au dessus du sol à l’aide de la poignée, puis démarrez-la. Si
la machine oscille, remplacez l’entraîneur de patin.
LA MACHINE NE FONCTIONNE PAS
• Contrôlez que la prise est connectée correctement - sur la machine et
la prise murale.
• Contrôlez le coupe-circuit du bâtiment.
• Contactez le service de réparation.

FORM NO. 71279A - Advolution 20, 20XP - 19
FR
FRANÇAIS
SPÉCIFICATIONS TECHNIQUES (telles qu’installées et testées sur l’unité)
Modèle Advolution 20 Advolution 20XP
Numéro du modèle 01510A 01520A
Moteur 1.5 hp (1.1 kW), 120V 1.5 hp (1.1 kW), 120V
Vitesse du patin/brosse 1,500 tr/m 2000 tr/m
Tailee du patin/brosse 20” (51 cm) 20” (51 cm)
Roues 5” (13 cm) 5” (13 cm)
Longueur du câble 75’ (23 m) 75’ (32 m)
Hauteur avec poignée 46” (117 cm) 46” (117 cm)
Poids (avec câble) 81 livres (36.8 kg) 83 livres (37.7 kg)
Construction:
Tube poignée Acier tubulaire Acier tubulaire
Base Polyethylene Polyethylene
Modèle Advolution 20 Advolution 20XP
Numéro du modèle 01510C 01520C
Moteur 1.5 hp (1.1 kW), 230V 1.5 hp (1.1 kW), 230V
Vitesse du patin/brosse 1,500 tr/m 2000 tr/m
Tailee du patin/brosse 20” (51 cm) 20” (51 cm)
Roues 5” (13 cm) 5” (13 cm)
Longueur du câble 75’ (23 m) 75’ (32 m)
Hauteur avec poignée 46” (117 cm) 46” (117 cm)
Poids (avec câble) 81 livres (36.8 kg) 83 livres (37.7 kg)
Construction:
Tube poignée Acier tubulaire Acier tubulaire
Base Polyethylene Polyethylene


07-05 FORM NO. - 71279A - ADVOLUTION 20, 20XP - 21
DESCRIPTION PAGE
Advolution 20 Assy ..............................................................................22-23
Advolution 20XP Assy .........................................................................24-25
Handle Assy ............................................................................................. 26
Wiring Diagrams .......................................................................................27
WHEN ORDERING PARTS
* Use the part numbers from the “Part No.” columns in this parts list.
* Specify the model and serial number of the machine.
* Use the space below to record the model and serial number for future reference.
Model Serial No.
TABLE OF CONTENTS
revised 4/11

07-05
22 - FORM NO. - 71279A - ADVOLUTION 20, 20XP
ADVOLUTION 20 ASSY
revised 11/11
1
2
3
4
5
6
7
8
9
10
11
12
13
14
15
16
17
18 19
20
21
22
23
24
24
24
24
25
25
26
27 28
29

07-05 FORM NO. - 71279A - ADVOLUTION 20, 20XP - 23
revised 11/11
ADVOLUTION 20 ASSY
Item Ref. No. Qty Description
1# 56109768 1 Spring Gas TSBUS2011-0021
2# 56109743 1 Release Pedal Weldt TSBUS2011-0021
3
# 56109770 1 Mainframe Advance NDC TSBUS2011-0021 NOTE 1
4 56201018 4 Wheel 5.00 X 1.50
5 613920 1 Handle T-Knob
6 980413 1 Washer Retainer
7 980673 8 Washer Flat 1/2 X 7/8 X 3/64
8 11187A 1 Handle, Asm
9# 29916A 1 Mount Motor TSBUS2011-0021
10 30740A 1 Cover Motor
11 40935A 1 Motor 1.5hp 120/60 1500 Rpm
41029A 1 Motor, 1.1 kW 230V 1500 RPM
12 53793A 2 Pin Coiled 1/2 X 2.25
13 53836A 1 Spring Compression
14 54196A 2 Spring Extension
15# 56925A 1 Pad Driver TSBUS2009-1034
[ ] 57369A 1 Retainer, Pad
[ ] 57370A 1 Base, Retainer
16 61867A 1 Tube Mount Weldment
17 61868A 1 Pull-Pin Stem
18 61869A 1 Axle Rear
19 61871A 2 Axle Front
20 61872A 1 Axle Folding
21 61874A 1 Axle .50 X 7.60
22 71333A 1 Label Cover Motor 20
23 80284A 4 SCREW 10-32 UNF X .75 H.R.C.S.
24 80292A 10 Screw .25-20 X 1.00 Bhhr Sems
25 80295A 5 Washer Bowed
26# 80297A 4 Screw 1/4-20 X 1.75 Bh Zp Sems TSBUS2011-0021
27 80378A 1 Ring Retaining External 0.750”
28# 56382561 4 Spacer TSBUS2011-0021
29# 40257A 1 Adapter 5-15p To CEI 23-16/VII
MOTOR SERVICE PARTS
[ ] 912287 1 Rectifi er (120V)
[ ] 46105A 1 Rectifi er (240V)
[ ] 902550 1 Bearing 6203 (Upper)
[ ] 902547 1 Bearing 6205 (Lower)
[ ] 980076 1 Wave Washer
[ ] 51435A 1 Brush Board Assembly (120V)
[ ] 448396 4 Spring (part of 51435A)
[ ] 51405A 4 Brush, Carbon (part of 51435A)
[ ] 59606A 1 Varistor (part of 51435A)
[ ] 55647A 1 Yellow Lead (part of 51435A)
[ ] 55648A 1 Red Lead (part of 51435A)
[ ] 40411A 1 Brush Board Assembly (240V)
[ ] 448396 4 Spring (part of 40411A)
[ ] 40819A 4 Brush, Carbon (part of 40411A)
[ ] 59607A 1 Varistor (part of 40411A)
[ ] 55647A 1 Yellow Lead (part of 40411A)
[ ] 55648A 1 Red Lead (part of 40411A)
# = Revised or new since last update
NOTE 1: If you need to replace Mainframe 30738A please order Mainframe Kit 56109779

07-05
24 - FORM NO. - 71279A - ADVOLUTION 20, 20XP
ADVOLUTION 20XP ASSY
1
2
3
4
5
6
7
8
9
9
10
11
12
13
14
15
16
17
18 19
20
21
22
23
24 25
26
27
28
29
30
31
31
31
31
32
32
33
34
revised 4/11

07-05 FORM NO. - 71279A - ADVOLUTION 20, 20XP - 25
ADVOLUTION 20XP ASSY
Item Ref. No. Qty Description
1# 56109772 1 Spring Gas TSBUS2011-0021
2 30739A 1 Shroud Dust
3 201569 1 Bag, Paper 10 Pack
4
# 56109743 1 Release Pedal Weldt TSBUS2011-0021
5# 56109769 1 Mainframe Advance TSBUS2011-0021 NOTE 1
6 56201018 4 Wheel 5.00 X 1.50
7 56393565 1 Skirt Assy
8 613920 1 Handle T-Knob
9 980413 17 Washer Retainer
10 980673 8 Washer Flat 1/2 X 7/8 X 3/64
11 11116A 1 Handle Asm
12 29916A 1 Mount Motor
13 30740A 1 Cover Motor
14 30741A 1 Cover Dust Bag
15 40936A 1 Motor 1.5 Hp 120/60 2000 Rpm 24” Cord
41031A 1 Motor, 1.1kW 230V 2000 RPM
16 53793A 2 Pin Coiled 1/2 X 2.25
17 53836A 1 Spring Compression
18 54196A 2 Spring Extension
19 54434A 2 Clamp Cable
20 54435A 2 Gasket 2 Piece
21 56925A 1 Pad Driver TSBUS2009-1034
22 61867A 1 Tube Mount Weldment
23 61868A 1 Pull-Pin Stem
24 61869A 1 Axle Rear
25 61871A 2 Axle Front
26 61872A 1 Axle Folding
27 61874A 1 Axle .50 X 7.60
28 71334A 1 Label Motor Cover
29 80284A 4 SCREW 10-32 UNF X .75 H.R.C.S.
30 80290A 2 SCREW 10-32 X .38 HRCS
31 80292A 10 Screw .25-20 X 1.00 Bhhr Sems
32 80295A 5 Washer Bowed
33 80297A 4 Screw 1/4-20 X 1.75 Bh Zp Sems
34 80378A 1 Ring Retaining External 0.750”
MOTOR SERVICE PARTS
[ ] 912287 1 Rectifi er (120V)
[ ] 46105A 1 Rectifi er (240V)
[ ] 902550 1 Bearing 6203 (Upper)
[ ] 902547 1 Bearing 6205 (Lower)
[ ] 980076 1 Wave Washer
[ ] 51435A 1 Brush Board Assembly (120V)
[ ] 448396 4 Spring (part of 51435A)
[ ] 51405A 4 Brush, Carbon (part of 51435A)
[ ] 59606A 1 Varistor (part of 51435A)
[ ] 55647A 1 Yellow Lead (part of 51435A)
[ ] 55648A 1 Red Lead (part of 51435A)
[ ] 40411A 1 Brush Board Assembly (240V)
[ ] 448396 4 Spring (part of 40411A)
[ ] 40819A 4 Brush, Carbon (part of 40411A)
[ ] 59607A 1 Varistor (part of 40411A)
[ ] 55647A 1 Yellow Lead (part of 40411A)
[ ] 55648A 1 Red Lead (part of 40411A)
NOTE 1: If you need to replace Mainframe 30737A please order Mainframe Kit 56109778
revised 11/11

07-05
26 - FORM NO. - 71279A - ADVOLUTION 20, 20XP
HANDLE ASSY
Item Ref. No. Qty Description
1 920722 1 Nut 10-32 Esna
2 930113 2 Rivet 1/8 Pop Aluminum
3 29917A 1 Counterweight Advance
4 30645A 1 Lever Interlock Left
5 30646A 1 Lever Interlock Right
6 30747A 1 Handle Front Advance (120V)
30747C 1 Handle Front Advance (230V)
7 30748A 1 Handle Back Advance
8 39874A 2 End Cap
9 40938A 1 Cord, Power (120V)
40938C 1 Cord, Power (230V)
10 41024A 1 Cord, Interconnect (20) (120V)
41024C 1 Cord, Interconnect (20) (230V)
41071A 1 Cord, Interconnect (20XP) (120V)
41071C 1 Cord, Interconnect (20XP) (230V)
1
3
4
5
6
7
9
12
13
14
15
2 8
10
11
16
17
18
19
revised 4/11
Item Ref. No. Qty Description
11 53837A 1 Plug Hole
12 61866A 1 Handle Tube Weldment
13 70975A 1 Label Advance Handle
14 80290A 1 Screw 10-32 X .38 HRCS
15 80297A 6 Screw 1/4-20 X 1.75 Bh Zp Sems
16 40949A 1 Switch, SPST (120V)
40949C 1 Switch, SPST (230V)
17 56263648 1 Spring, Plate
18 56201592 1 Ball, 1/4 SS
19 56201031 1 Button, Lock

07-05 FORM NO. - 71279A - ADVOLUTION 20, 20XP - 27
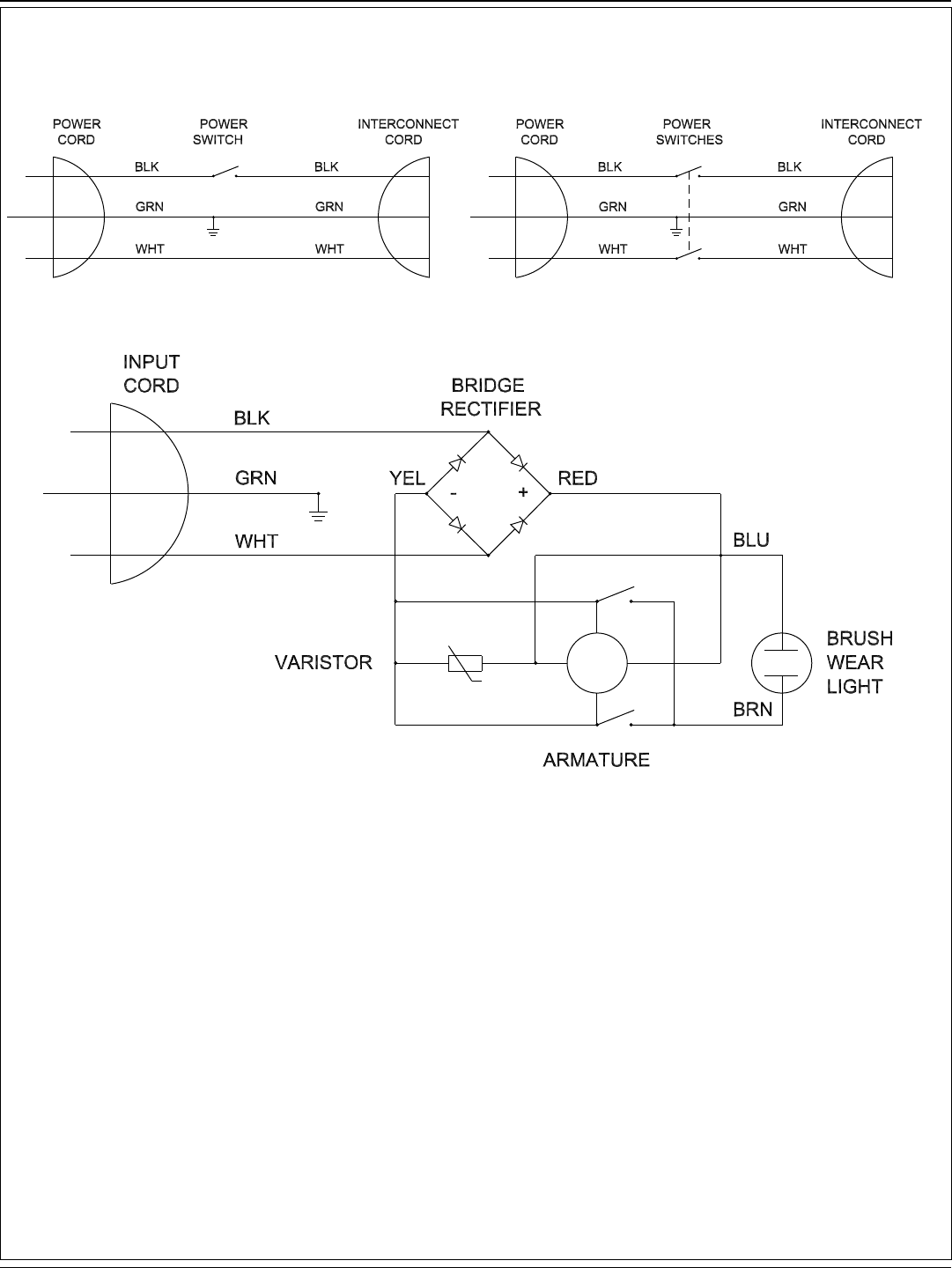
WIRING DIAGRAMS
revised 4/11
120V HANDLE 230V HANDLE
MOTOR

14600 21st Avenue North
Plymouth, MN 55447-3408
www.advance-us.com
Phone: 800-989-2235
Fax: 800-989-6566
©2011 Nilfi sk-Advance, Inc.
A Nilfi sk-Advance Brand
Nilfi sk-Advance Equipamentos de Limpeza Ltda.
Av. Dep. Emílio Carlos, 2.499 - Bairro do Limão - 02721-200
São Paulo - SP - Brasil
www.nilfi sk-advance.ind.br
www.plataforma.ind.br
Tel.: (11) 3959-0300
Fax: (11) 3959-0306
©2011 Nilfi sk-Advance, Inc.