56042480 AL 6150 Parts Manual
2011-08-15
: Sweepscrub Al 6150 Parts Manual AL_6150_parts_manual 101 file product_file
Open the PDF directly: View PDF
.
Page Count: 104 [warning: Documents this large are best viewed by clicking the View PDF Link!]

5/06 revised 2/09 FORM NO. 56042480
PARTS LIST
After Serial Number 630950
American-Lincoln Models: 576-500, 576-500CE, 576-503,
576-503CE, 576-504, 576-504CE, 576-505, 576-505CE,
576-506, 576-506CE
6150 IC
Power Sweeper

FORM NO. 56042480
6150 IC2
06-5
TABLE OF CONTENTS - PARTS LIST
FRONT WHEEL .......................................................................................................................................................................................................................... 3
REAR WHEEL ............................................................................................................................................................................................................................ 4
VAC FAN .................................................................................................................................................................................................................................... 6
BROOM DOOR .......................................................................................................................................................................................................................... 8
FLAP ASSEMBLY (WHEEL WELL) .......................................................................................................................................................................................... 10
MAIN BROOM LEVER ............................................................................................................................................................................................................. 12
MAIN BROOM IDLER .............................................................................................................................................................................................................. 13
MAIN BROOM DRIVER ........................................................................................................................................................................................................... 14
MAIN BROOM LIFT FRAME .................................................................................................................................................................................................... 15
SIDE BROOM ASSEMBLY ....................................................................................................................................................................................................... 16
SIDE BROOM LIFT SYSTEM .................................................................................................................................................................................................. 18
SIDE BROOM LEVER .............................................................................................................................................................................................................. 20
BROOM CHAMBER FLAPS AND SEALS ................................................................................................................................................................................ 22
BRAKE PEDAL ......................................................................................................................................................................................................................... 24
FILTER SHAKER ...................................................................................................................................................................................................................... 26
SEAT AND FLOOR ASSEMBLY ............................................................................................................................................................................................... 28
STEERING COLUMN ............................................................................................................................................................................................................... 30
EXHAUST PIPE ASSEMBLY .................................................................................................................................................................................................... 31
KAWASAKI 20 HP MUFFLER .................................................................................................................................................................................................. 32
FRONT BUMPER ..................................................................................................................................................................................................................... 33
HYDRAULIC OIL COOLER ...................................................................................................................................................................................................... 34
VALVE - CONTROL AND RELIEF (2 CYL) .............................................................................................................................................................................. 35
VALVE - CONTROL AND RELIEF (3 CYL. KUBOTA GAS & DIESEL) .................................................................................................................................... 36
FORWARD/REVERSE CONTROL (2 CYL) ............................................................................................................................................................................. 38
FORWARD/REVERSE CONTROL (3 CYL KUBOTA GAS & DIESEL) .................................................................................................................................... 40
RESERVOIR (2 CYL) ............................................................................................................................................................................................................... 42
RESERVOIR (3 CYL. KUBOTA GAS & DIESEL) ..................................................................................................................................................................... 44
FUEL TANK (GAS) ................................................................................................................................................................................................................... 46
FUEL TANK (DIESEL) .............................................................................................................................................................................................................. 48
HOPPER ASSEMBLY............................................................................................................................................................................................................... 50
HOPPER COVERS & GASKET ASSEMBLY ........................................................................................................................................................................... 52
HOPPER LIFT .......................................................................................................................................................................................................................... 54
HOPPER SIDES ....................................................................................................................................................................................................................... 55
DUMP DOOR ........................................................................................................................................................................................................................... 56
SAFETY ARM ........................................................................................................................................................................................................................... 58
HYDRAULIC FILTER (2 CYL) .................................................................................................................................................................................................. 59
HYDRAULIC FILTER (3 CYL KUBOTA GAS & DIESEL) ......................................................................................................................................................... 60
HYDRAULIC PUMP (2 CYL GAS/LP) ...................................................................................................................................................................................... 61
HYDRAULIC PUMP (3 CYL. KUBOTA GAS & DIESEL) .......................................................................................................................................................... 62
ENGINE COVER ...................................................................................................................................................................................................................... 64
ACCESS COVER ..................................................................................................................................................................................................................... 66
ENGINE (2 CYL. KAWASAKI GAS) ......................................................................................................................................................................................... 68
ENGINE (3 CYL. KUBOTA GAS) ............................................................................................................................................................................................. 70
ENGINE (3 CYL. KUBOTA DIESEL) ........................................................................................................................................................................................ 72
ENGINE (3 CYL. DUAL FUEL-LP) .......................................................................................................................................................................................... 74
HYDRAULIC HOSE DIAGRAM (3 CYL.) ................................................................................................................................................................................. 76
HYDRAULIC HOSE DIAGRAM (2 CYL.) ................................................................................................................................................................................. 78
ELECTRICAL ASSEMBLY (LIGHTS & HORN) ........................................................................................................................................................................ 80
BATTERY - ELECTRICAL ASSEMBLY (2 CYL KAWASAKI GAS) ........................................................................................................................................... 81
BATTERY - ELECTRICAL ASSEMBLY (3 CYL KUBOTA GAS & DIESEL) .............................................................................................................................. 82
ELECTRICAL HARNESS ROUTING (2 & 3 CYLINDER) ......................................................................................................................................................... 83
MACHINE HARNESS CONNECTIONS (2 & 3 CYLINDER) .................................................................................................................................................... 84
INSTRUMENT HOUSING ....................................................................................................................................................................................................... 86
INSTRUMENT PANEL ............................................................................................................................................................................................................. 88
DECALS ................................................................................................................................................................................................................................... 90
DECALS (continued) ................................................................................................................................................................................................................ 92
2 CYL. KAWASAKI LP (CE MODELS ONLY) ........................................................................................................................................................................... 94
CE - KIT .................................................................................................................................................................................................................................... 96
INSTRUMENT PANEL CONNECTION DIAGRAM ................................................................................................................................................................... 98
3-CYL. KUBOTA ENGINE ELECTRICAL SCHEMATIC ........................................................................................................................................................... 99
2-CYL. KAWASAKI ENGINE CONNECTION SCHEMATIC ................................................................................................................................................... 100
HYDRAULIC SCHEMATIC (2 CYL. GAS, LP & DIESEL) ...................................................................................................................................................... 101
ELECTRICAL SCHEMATIC (GAS, LP, DIESEL) .................................................................................................................................................................... 102
HYDRAULIC SCHEMATIC (3 CYL. GAS & DIESEL) ............................................................................................................................................................. 103
08-7

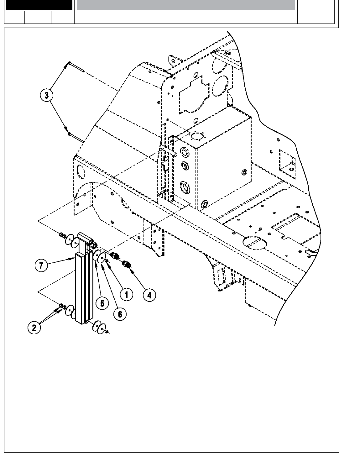
3
FORM NO. 56042480
6150 IC
06-5
Item Ref. No. Qty Description
1 0860-703 2 Axle/Shaft Assy
2 8-89-08076 2 Wheel Assy, Pneumatic 4 x 8
2a 8-89-08086 2 Wheel Assy, Solid Pneumatic Non Marking (Zoah model 576-508 only)
3 8-11-00030 2 Grease Cap
4 8-33-09089 2 Hub and Drum
5 8-80-05035 10 Stud
6 2-00-04621 4 Bearing Cup
7 2-00-02079 2 Bearing Cone (Sealed)
8 2-00-04622 2 Bearing Cone
9 2-00-05026 2 Nut
10 2-00-05024 2 Flat Washer
11 2-00-02436 2 Cotter Pin
12 2-00-02312 8 Lock Washer, 1/2 HS Med.
13 2-00-02689 8 Screw, 1/2-20 x 1.000 HHC
FRONT WHEEL
08-7

FORM NO. 56042480
6150 IC4
06-5
REAR WHEEL
07-10

5
FORM NO. 56042480
6150 IC
06-5 REAR WHEEL
Item Ref. No. Qty Description
1 8-92-00041 1 Yoke - Rear Wheel
2< 0885-089 1 Hydraulic Motor (2-cyl. Gas/LP)
2< 0885-092 1 Hydraulic Motor (3-cyl G, LP, D)
2-00-06551 1 Nut for 0885-089 & 0885-092
3 2-00-04621 2 Bearing, Outer Race (Cup Only)
4 2-00-02079 2 Roller Bearing
5 2-00-05024 1 Washer (Flat)
6 8-55-08131 1 Pivot Pin, Rear Wheel
7 2-00-02436 1 Cotter Pin, .18 Dia.
8 2-00-05026 1 Nut, Slotted Head
9 8-75-01136 2 Washer Thrust
10 8-89-08076 1 Wheel Assembly
8-85-06025 Tire Only (Service)
7-65-05021 Rim Assy., 5 x 8 3.75 (Service)
8-70-00093 Tube (Service)
7-18-00159 Decal, Pneum. Wheel Warning (Service)
10a 8-89-08086 1 Wheel Assy, Solid Pneumatic Non Marking (Zoah model 576-508 only)
7-65-05021 1 Rim Assy (Service)
8-85-06028 1 Tire, Solid Pneumatic Non Marking (Service)
11 8-65-00045 1 Retainer, Hydraulic Hose
12 7-17-05017 1 Hydraulic Cylinder
7-70-00021 1 Cylinder Seal Kit (service)
13 8-66-00149 1 Rod End
14 2-00-00566 1 Grease Zerk
15 2-00-04892 1 Fitting, 90°
16 2-00-05253 1 Clamp
17 2-00-04974 2 Fitting, Straight
18 8-30-05175 2 Guard, Hose
19 7-11-00048 1 Cap, 7/8 Hex Nut
20 8-55-08128 1 Pin, Steering Cylinder Pivot
21 8-15-01032 3 Collar
22 8-33-09093 1 Hub, Drive Wheel
23 8-80-05035 5 Stud
24 7-13-07176 1 Clamp - Pivot Pin
25 2-00-04803 1 Cotter Pin (1/8 Dia. X 2 Lg)
HARDWARE USED:
H15 2-00-00221 2 Screw, 1/4-20 x .750 HHC
H17* 2-00-00205 1 Screw, ¼-20 x 1.000 HHC
H26* 2-00-00641 1 Nut, ¼-20 Insert Fiber
H27* 2-00-03702 1 Washer, .625 x .281 x .063
H34 2-00-00208 2 Screw, 5/16 - 18 x .750 HHC
H44 2-00-00530 2 Lock Washer, 5/16 HS Med.
H60 2-00-02682 4 Screw, 1/2-13 x 2.750 HHC
H65 2-00-04936 4 Nut, 1/2-13 Fibre Lock
H72 2-00-00518 2 Lock Washer, Helical Spring
H74 2-00-03170 1 Flat Washer, 1.500 x .750 x .125
H75 2-00-00618 1 Nut, Hex Jam 3/8-16
H221 2-00-03335 2 Screw, Hex SOC Cap. .312 - 18 x .50
H333 2-00-04156 1 Nut - INS - Fibre - .75-16
< Seal Kit for both motors: 0880-687
07-10

FORM NO. 56042480
6150 IC6
06-5
VAC FAN
07-10

7
FORM NO. 56042480
6150 IC
06-5 VAC FAN
Item Ref. No. Qty Description
56109309 1 Vac Fan Assembly
1 0885-052 1 Vacuum Motor
2 2-00-05052 1 Fitting, Adapter, 7/16
3 2-00-05347 2 Threaded Insert 3-8-16
4 8-08-00842-1 1 Bracket, Vac Fan
5 2-00-00209 2 Bolt, Hex Head, 3/8-16 X 1 1/4 Ss
6 2-00-00252 4 Screw-Hhc .313-18 X 4 Gr 5
7 2-00-00451 1 Washer, Flat
8 2-00-00484 2 Flat Washer, .625 X .375 X .046
9 2-00-00632 1 Nut, 5/16-18, Insert Fiber
10 2-00-00641 4 Nut, Fiber Insert 1/4-20
11 2-00-00644 4 Nut, Hex, Insert Fiber, 5/16-18
12 2-00-02310 2 Washer-Lock, 3/8”, Helical Spring
13 2-00-03454 1 Hose Clamp
14 2-00-05204 2 13/16-16 Orsmx1/2-14 Nptf 90
15 2-95-04689 2 Washer-Axle
16 8-23-00012 1 Fan-Impeller
17 8-29-00183 1 Gasket - Blower
18 8-30-05169 1 Weldment-Guard Plate
19 8-33-02271 1 Hose, Blower Exhaust
20 8-72-00005 1 Shroud, Vac Fan
08-7

FORM NO. 56042480
6150 IC8
06-5
C1213-1/9702
H20
H20
H80
H23 H27
H27
H27
H15
H26
H26
H26
H27
10
6
7
8
3
4
1
5
9
2
BROOM DOOR

9
FORM NO. 56042480
6150 IC
06-5 BROOM DOOR
Item Ref. No. Qty Description
1 8-19-08068 1 Broom Door Weldment, Right
2 8-19-08067 1 Broom Door Weldment, Left
3 8-41-00052 2 Latch
4 8-32-00044 2 Hinge
5 8-39-00015 2 Latch Knob, Broom Door
6 8-58-05271 1 Plate, Idler Retainer
7 8-25-08212 2 Flap
8 8-13-07145 2 Clamp
9 8-75-01199 1 Spacer, Broom Door Latch
10 8-29-00232 1 Gasket
HARDWARE USED:
H15 2-00-00221 12 Screw, 1/4-20 x .750 HHC
H20 2-00-00203 6 Screw, 1/4-20 x 1.500 HHC
H23 2-00-01980 1 Screw, 1/4-20 x 1.500 HHC
H26 2-00-00641 14 Nut, 1/4-20 Insert Fiber
H27 2-00-03702 14 Washer, .625 x .281 x .063
H80 2-00-02196 8 Carriage Bolt, 1/4-20 x 1.000 RHM
H116 2-00-01951 8 Carriage Bolt, 1/4-20 x 1.250

FORM NO. 56042480
6150 IC10
06-5
FLAP ASSEMBLY (WHEEL WELL)
07-3
C-1227

11
FORM NO. 56042480
6150 IC
06-5 FLAP ASSEMBLY (WHEEL WELL)
Item Ref. No. Qty Description
1 8-25-08211 2 Flap, Wheel Well
2 8-13-07142 2 Clamp, Wheel Well Flap (Front)
3 8-13-07148 2 Clamp, Wheel Well Flap (Rear)
4 8-13-07147 2 Clamp, Wheel Well Flap (Front)
5 8-68-05090 1 Seal, Broom Chamber/Dump Door
6 2-00-05261 1 Threaded Insert
7 8-68-05088 1 Seal, Wheel Well (Right)
8 8-68-05089 1 Seal, Wheel Well (Left)
9* 8-34-09028 1 Insulation, Top
10* 8-34-09034 1 Insulation, Side
11 2-00-05261 12 Threaded Insert, 1/4-20
HARDWARE USED:
H83 2-00-04877 12 Screw, 1/4-20 x 1.000 BHS
* Use on Gas/LP & Diesel Machines Only
07-3

FORM NO. 56042480
6150 IC12
06-5
Item Ref. No. Qty Description
1 8-08-00773 1 Lift Weldment, Main Broom/Side Broom
2 8-39-00017 1 Main Broom Knob Assembly
3 8-66-00166 1 Lever Handle
4 8-39-00003 1 Small Control Knob
5 8-50-03002 1 Broom Adjustment Block
6 8-08-00831 1 Main Broom Adjustment Angle
7 2-00-00656 1 Nut-Hex Cap 1/2-13 Brass/Chrome
8 8-08-00779 1 Pivot, Main Broom Lift
9 8-66-00180 1 Rod, Main Broom Linkage
10 2-00-00776 2 Cotter Pin
11 2-95-04182 1 Nut, Elastic Stop
HARDWARE USED:
H17 2-00-00205 2 Screw, 1/4-20 x 1.000 HHC
H26 2-00-00641 2 Nut, 1/4-20 Insert Fiber
H27 2-00-03702 2 Washer, .625 x .281 x .063
H52 2-00-00402 1 Flat Washer, .750 x .390 x .094
H111 2-00-03296 1 Screw, 3/8-16 x 4.000 HHC
MAIN BROOM LEVER
C1201
H111
H27
H26
H52
H52
H17
08-7

13
FORM NO. 56042480
6150 IC
06-5 MAIN BROOM IDLER
Item Ref. No. Qty Description
1 8-16-00064 1 Broom Idler Arm Weldment
2 8-33-09090 1 Idler, Machined
3 2-00-04889 1 Bearing
4 2-00-04890 1 Retainer Clip
HARDWARE USED:
H106 2-00-04886 2 Screw, 3/8-16 x .500 HSHC
H107 2-00-04887 1 Screw
H108 8-75-01157 1 Thrust Washer
H109 2-00-00522 1 Lock Washer, 3/4 Helical Spring
H107
H109
H108
H106
C1204
07-3

FORM NO. 56042480
6150 IC14
06-5
Item Ref. No. Qty Description
1 8-16-00041 1 Driver, Broom Arm
2 0882-040 1 Motor, Hydraulic (3 Cyl. Only)
0882-037 1 Motor, Hydraulic (2 Cyl. Only)
3 2-00-02310 4 Lock Washer, 3/8 Helical Spring
4 2-00-00232 4 Bolt, 3/8-16 x .75 Fin. Hex Head
5 8-33-09046-1 1 Hub, Broom Driver
6 8-58-05160 1 Lock Plate, Broom Driver
7 2-00-04895 1 Fitting, Straight Connector
8 2-00-04885 2 Fitting, 90° Elbow (O-Ring)
9 2-00-00518 3 Lock Washer, 1/4 Helical Spring
10 2-00-03039 3 Set Screw, 1/4-20 x .625 HSHC
MAIN BROOM DRIVER
07-3

15
FORM NO. 56042480
6150 IC
06-5
Item Ref. No. Qty Description
1 8-03-04316 1 Main Broom Lift Frame
2 2-95-04182 6 Nut, Elastic Stop
HARDWARE USED:
H47 2-00-00232 1 Screw, 3/8-16 x .750 HHC
H49 2-00-00209 2 Screw, 3/8-16 x 1.250 HHC
H53 2-00-02310 1 Lock Washer, Helical Spring 3/8 Med.
H78 2-00-05187 4 Carriage Bolt, 3/8-16 x 1.250
H92 2-00-04801 4 Flat Washer, .875 x .375 x .125
Main Broom Options
N/S 8-08-03224 Ref. Proex
N/A 8-08-03225 Ref. Proex and Wire Main Broom
N/S 8-08-03226 Ref. Nylon
N/S 8-08-03227 Ref. Nylon, High Density Main Broom
N/S 8-08-03228 Ref. Fiber and Wire High Density Main Broom
MAIN BROOM LIFT FRAME
C1202
H47
H53
H78
H49
H92

FORM NO. 56042480
6150 IC16
06-5
C1250 H46
H43
H39
H47
H53
SIDE BROOM ASSEMBLY
07-3

17
FORM NO. 56042480
6150 IC
06-5 SIDE BROOM ASSEMBLY
Item Ref. No. Qty Description
1 0882-050 1 Side Broom Motor
2 8-55-08122 1 Pin, Side Broom Flange
3 8-08-03211 1 Side Broom
4 2-00-04921 2 Fitting
5 8-33-09091 1 Hub, Side Broom Weldment
HARDWARE USED:
H43 2-00-00409 3 Flat Washer, .687 x .344 x .062
H46 2-00-00644 3 Nut, 5/16-18, Insert Fiber
H47 2-00-00232 4 Screw, 3/8-16 x .750 HHC
H53 2-00-02310 4 Lock Washer, Helical Spring 3/8 Med.
H84 2-00-00218 3 Screw, 5/16-18 x 2.00 HHC
Side Broom Options
N/S 8-08-03212 Ref. Black Prolene Side Broom
N/S 8-08-03211 Ref. Nylon Side Broom
0880-439
Wire Bristle Side Broom Option
N/S 8-08-03199 1 Wire Side Broom
N/S 8-58-05248 1 Plate
N/S 2-00-04121 3 Screw #10 - 13 x .750 RHW

FORM NO. 56042480
6150 IC18
06-5
SIDE BROOM LIFT SYSTEM
07-10

19
FORM NO. 56042480
6150 IC
06-5 SIDE BROOM LIFT SYSTEM
Item Ref. No. Qty Description
1 8-08-00772 1 Bracket,Sb
2 8-42-05136-1 1 Link-Side Broom Lift
3 8-42-05136 1 Link-Side Broom Lift
4 8-08-00846 1 Bracket-Pivot-Side Broom
5 8-08-00790 1 Bracket-Side Broom
6 2-00-00209 8 Bolt, Hex Head, 3/8-16 X 1 1/4 Ss
7 2-00-00233 5 Bolt-Hex Head, Finished, 3/8-16 X 1.00
8 2-95-04182 13 Nut, Hex, Stop, 3/8-16
9 2-00-00402 2 Washer, 25/64” Id X 3/4” Od
10 2-00-02360 2 Nut, Hex, 3/8-16
11 7-76-00101 2 Spring-Brush Load
12 2-00-02709 2 Screw, 5/16-18 X 1.50 Lg, Full Thread, Hhc
13 2-00-00585 2 5/16-18, Hex Nut
14 2-00-00409 2 Flat Washer, .687 X .344 X .062
15 2-00-00644 3 Nut, Hex, Insert Fiber, 5/16-18
16 2-00-05356 1 5/-18 X 1.25”, Hex Head Screw
17 2-00-00586 1 Nut, Jam 5/16-18
18 56109182 1 Spring, Extension
19 56109183 1 Cable-Side Broom (Right Side)
07-10

FORM NO. 56042480
6150 IC20
06-5
SIDE BROOM LEVER
07-3
H50
H54
H35
H46 H54
H85
H113
H52
C-1218

21
FORM NO. 56042480
6150 IC
06-5 SIDE BROOM LEVER
Item Ref. No. Qty Description
1 56109270 1 Cable
2 8-39-00003 1 Control Knob
3 8-66-00167 1 Lever Handle, Side Broom
4 8-39-00013 1 Knob Assembly
5 8-08-00773 1 Broom Lift Weldment
6 8-08-00866 1 Bracket, Side Broom Angle Adjustment
7 8-50-03002 1 Broom Adjustment Block
8 7-60-00160 1 Pulley, Cable
9 2-95-04182 2 Nut, Fibre
HARDWARE USED:
H35 2-00-01255 1 Scr-HHC .313-18 x .875 GR5 ZN
H46 2-00-00644 1 Nut, 5/16-18, Insert Fiber
H50 2-00-00234 1 Screw, 3/8-16 x 1.500 HHC
H52 2-00-00402 1 Flat Washer, .750 x .390 x .094
H54 2-00-02360 2 Nut, 3/8-16 Hex.
H85 2-00-00650 1 Nut, Cap 3/8-16 Low Crown
H113 2-00-02603 1 Screw, 3/8-16 x 3.50 HHC
07-10

FORM NO. 56042480
6150 IC22
06-5
BROOM CHAMBER, FLAPS, & SEALS
07-10

23
FORM NO. 56042480
6150 IC
06-5 BROOM CHAMBER, FLAPS, & SEALS
Item Ref. No. Qty Description
1 8-27-07121 1 Frame Weldment
2 8-25-08213 1 Flap, Broom Chamber Outer
3 8-13-07143 1 Clamp, Broom Chamber Inner
4 8-25-08214 1 Flap, Broom Chamber Inner
5 8-13-07144 1 Clamp, Broom Chamber Outer
6 8-29-00257 1 Gasket
7 8-29-00232 1 Gasket
8 8-29-00234 1 Gasket
9 8-29-00233 3 Gasket
10 8-21-04048 2 Edging
11 7-21-03003 2 Edging
12 8-89-04016 6 Weight, 13.5 lbs.
13 8-29-00256 1 Gasket
14 8-21-04015 1 Edging
15 2-00-05187 1 Bolt Carr. 3/8-16 x 1.25 GR5 ZN
16 2-00-03829 1 Lk Wash Int/Ext Tooth ZN
17 56416517 1 Static Strap
18 2-00-04801 1 Wshr-Flat .875 x .380 x .120 TH ZN
19 2-95-04182 1 Nut – EL. Stop 3/8-16 ZN PL
20 2-00-01951 5 Carriage Bolt, 1/4-20 x 1.250
21 2-00-00641 5 Nut, 1/4-20 Insert Fiber
22 2-00-00247 2 Screw, ½ - 13 x 2.500 HHC
23 2-00-04936 2 Nut, ½ - 13 Fiber Lock
07-10

FORM NO. 56042480
6150 IC24
06-5
BRAKE PEDAL
80805-1/6-05
07-3

25
FORM NO. 56042480
6150 IC
06-5 BRAKE PEDAL
Item Ref. No. Qty Description
1 8-70-05302 1 Brake Cross Shaft
2 8-55-00037 1 Brake Pedal
3 7-41-05083 1 Lever, Parking Brake
4 8-75-01184 2 Spacer, Lever Mounting
5 8-10-00038 1 Cable
6 8-66-00185 2 Brake Rod (12”)
7 2-00-05169 1 Cable Clamp
8 8-50-05063 1 Pad, Pedal
9 7-76-00051 2 Spring
10 2-00-04909 4 Yoke Pin Assembly
11 8-14-01006 4 Clevis
12 2-95-01999 2 Nut, Jam
13 8-08-00833 1 Center Bracket, Brake Linkage
14 2-00-05330 2 Threaded Insert, 5/16-18
15 2-00-02708 1 Screw, 5/16-18 x 1.0 HHM
16 2-00-00207 2 Screw, 5/16-18 x 1.25 HHC
17 2-00-01770 2 Screw, 5/16-18 x 2.75 HHC
18 2-00-00409 4 Flat Washer, .687 x .344 x .062
19 2-00-00530 2 Lock Washer, 5/16 HS Med.
20 2-00-00585 2 Nut, Hex. 5/16-18 x .500 x .265
21 2-00-00644 6 Nut, 5/16-18, Insert Fiber
22 2-00-01255 2 Screw, 5/16-18 x .875 HHC
23 2-00-00402 1 Flat Washer, 0750 x 0391 x .093
07-3

FORM NO. 56042480
6150 IC26
06-5
FILTER SHAKER
SHAKER PLATE PIVOT 4.25±.12
SHAKER MOTOR AND
WEIGHT INSTALLATION
.75±.12
MOTOR FACE
10
2
H27
H26
5
4
H46
H69
14
H219
H37
H46
H86
H86
3LOCTITE
H62 SHIM AS REQ'D
7
9
6
H26
H27
H87 LOCTITE
1H34
11
12

27
FORM NO. 56042480
6150 IC
06-5 FILTER SHAKER
Item Ref. No. Qty Description
1 8-13-07139 1 Clamp, Filter
2 8-55-08119 1 Pin, Shaker Pivot
3 2-00-03589 2 1/2” Stop Collar
4 8-58-05284 1 Shaker Plate
5 8-03-04302 1 Shaker Arm
6 8-16-07406 1 Filter Shaker Motor Cover
7 0860-623 1 Filter Shaker Motor (12 vdc)
8* 0860-624 1 Filter Shaker Motor (36vdc)
9 8-89-04019 1 Weight
10 8-24-04148 1 Filter
8-24-04148-2 POLY Filter Option
11 8-13-07121 1 Shaker Mounting Angle
12 8-41-00053 1 Latch
13 8-90-07433 Ref. Wire, Hopper Shaker
14 8-08-00826 1 Shaker Mounting Angle
Item 13 is shown on the Connection Drawing on page 176, 176A, and 176B
HARDWARE USED:
H26 2-00-00641 6 Nut, 1/4-20 Insert Fiber
H27 2-00-03702 6 Washer, .625 x .281 x .063
H34 2-00-00208 2 Screw, 5/16-18 x .750 HHC
H37 2-00-00207 2 Screw, 5/16-18 x 1.250 HHC
H46 2-00-00644 4 Nut, 5/16-18, Insert Fiber
H62 2-00-00405 3 Flat Washer, 1.063 x .531 x .094
H69 2-00-01255 2 Screw, 5/16-18 x .875 HHC
H86 2-00-03575 6 Carriage Bolt, 1/4-20 x .750
H87 2-00-00263 1 Set Screw, 1/4-20 x .250 HSKCP
H219 2-00-05359 4 Nut, Serrated Flange 5/16-18
For Battery Machine Only
Frame and Shaker Adjustment Instructions:
1. Adjust Frame to Filter - Adjust fi lter frame pivot bolts and pawl of fi lter frame latch such that fi lter gasket compress approximately 1/8”.
2. Adjust shaker to fi lter - Adjust shaker arm (8-03-04302) such that it and shaker plate (8-58-05273) force fi lter screen to contact fi lter media. NOTE:
Do not compress fi lter media with shaker

FORM NO. 56042480
6150 IC28
06-5
SEAT & FLOOR ASSEMBLY
07-10

29
FORM NO. 56042480
6150 IC
06-5 SEAT & FLOOR ASSEMBLY
Item Ref. No. Qty Description
1 2-00-00206 5 Bolt 5/16-18, 3/4 Lg
2 2-00-00207 1 Screw, Hex Head 5/16-18 X 1.25”
3 8-69-00022 1 Seat
4 2-00-02196 7 1/4-20-1 Lg Carriage Bolt
5 2-00-00530 1 5/16” Lock Washer
6 2-00-03569 1 Bolt, Carriage
7 8-08-00834 1 Bracket
8 2-00-01951 1 Carriage Bolt 1/4-20 X 1.25 Lg
9 2-00-00409 7 Flat Washer, .687 X .344 X .062
10 2-00-04801 4 Flat Washer, 1.00 X .39 X .06
11 8-32-00044 2 Hinge-Door
12 8-33-05124 1 Housing-Seat And Fuel
13 8-41-00064 1 Latch-Seat Panel
14 2-00-00641 8 Nut, Fiber Insert 1/4-20
15 2-00-00594 1 Nut, Hex 1/4-20
16 2-00-00644 10 Nut, Hex, Insert Fiber, 5/16-18
17 8-52-00186 1 Panel-Seat Mtg
18 8-58-05782 1 Plate-Floor
19 7-72-05005 1 Slide Adjuster Kit
20 2-00-05330 2 Threaded Insert- 5/16-18
21 7-23-03048 1 Washer-Spr-Shakeproof
22 2-00-01676 8 Wshr-Flat, 1.063x.266x.063 Stl.
07-10

FORM NO. 56042480
6150 IC30
06-5
Item Ref. No. Qty Description
1 8-70-05303 1 Steering Column
2 8-60-05026 1 Steering Column Unit
3 8-33-05127 1 Steering, Housing
4 8-23-03072 1 Nut, Special
5 8-11-00052 1 Steering Wheel Cap
6 8-89-08074 1 Steering Wheel
7 2-00-04970 2 Fitting, Connector
8 2-00-05264 2 Fitting
9 2-00-05330 4 Threaded Insert, 5/16-18
HARDWARE USED:
H44 2-00-00530 4 Lock Washer, 5/16 HS Med.
H47 2-00-00232 2 Screw, 3/8-16 x .750 HHC
H50 2-00-00234 2 Screw, 3/8-16 x 1.500 HHC
H53 2-00-02310 4 Lock Washer, Helical Spring 3/8 Med.
H173 2-00-02709 4 Screw, 5/16-18 x 1.500
C1212
H44
H173
H47
H50
H53
STEERING COLUMN

31
FORM NO. 56042480
6150 IC
06-5
H48
H341
H55
H62
1
4
2
3
CUT .75" OFF END OF
MUFFLER OUTLET
C1331/0106
6
N
e
w
S
t
y
l
e
7
3
H341
5
H48
H62
H55 5
4
H341
EXHAUST PIPE ASSEMBLY
Item Ref. No. Qty Description
1 8-56-04055 1 Pipe - Upper - Exhaust NOTE 1
2 8-56-04056 1 Pipe - Lower - Exhaust NOTE 1
3 7-34-09015 1 Sleeve - Insulating
4 7-31-07017 1 Hanger, Muffl er
5 2-00-03404 2 Clamp
6 7-13-07076 1 Clamp - Muffl er 1 3/8
7 56109167 1 Tube, Exhaust NOTE 2
[ ]# 7-49-00034 1 Muffl er
[ ]# 7-29-00198 1 Muffl er Gasket
HARDWARE USED:
H48 2-00-00233 1 Screw, 3/8-16 x 1.000 HHC
H55 2-95-04182 1 Nut, Hex, Stop, 3/8-16
H62 2-00-00402 1 Washer, 25/64” Id X 3/4” OD
H341 2-00-04040 2 Muffl er Clamp
# = Revised or new since last update
NOTE 1: Old Style Only.
NOTE 2: New Style Only.
09-2

FORM NO. 56042480
6150 IC32
06-5
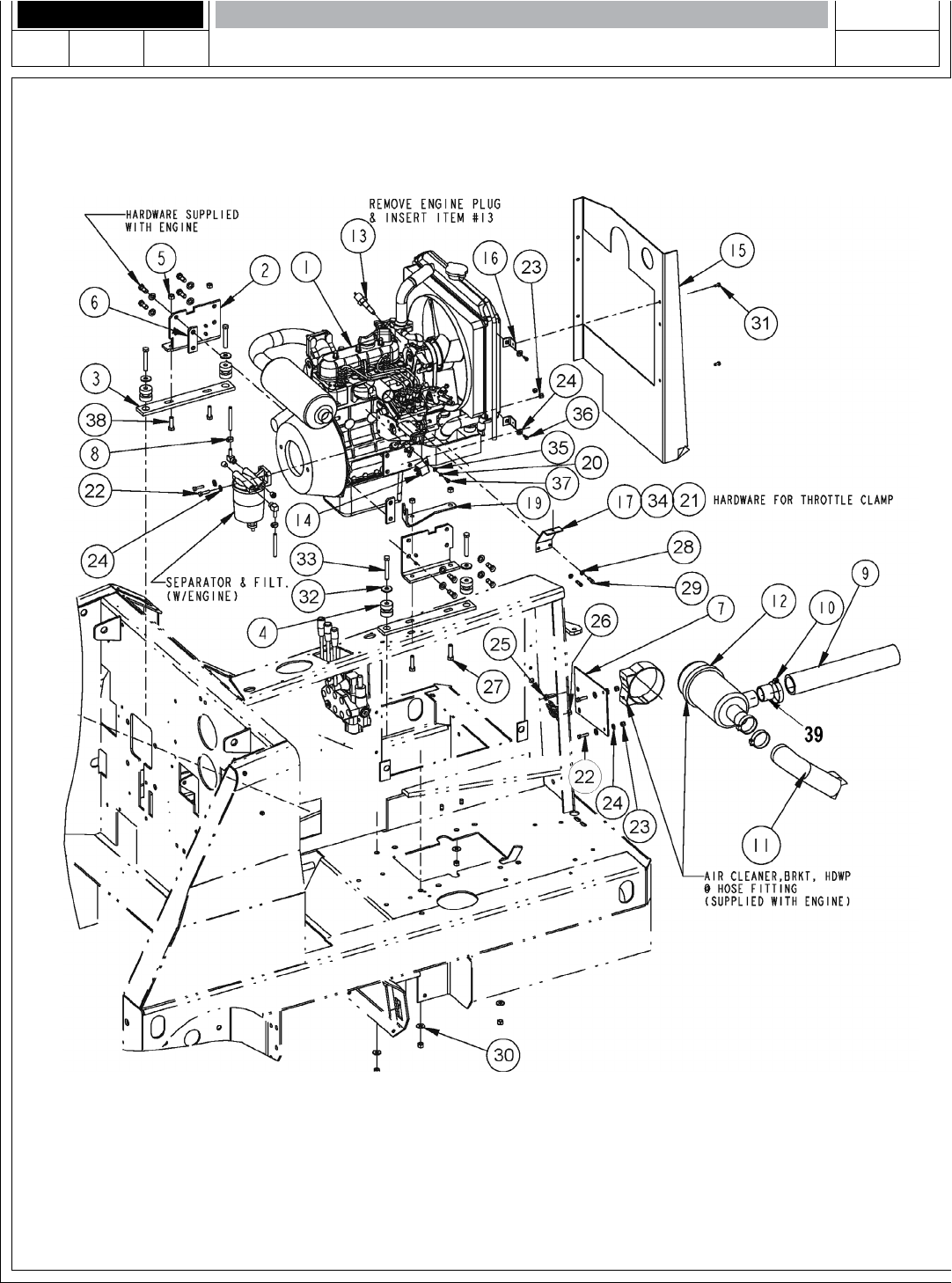
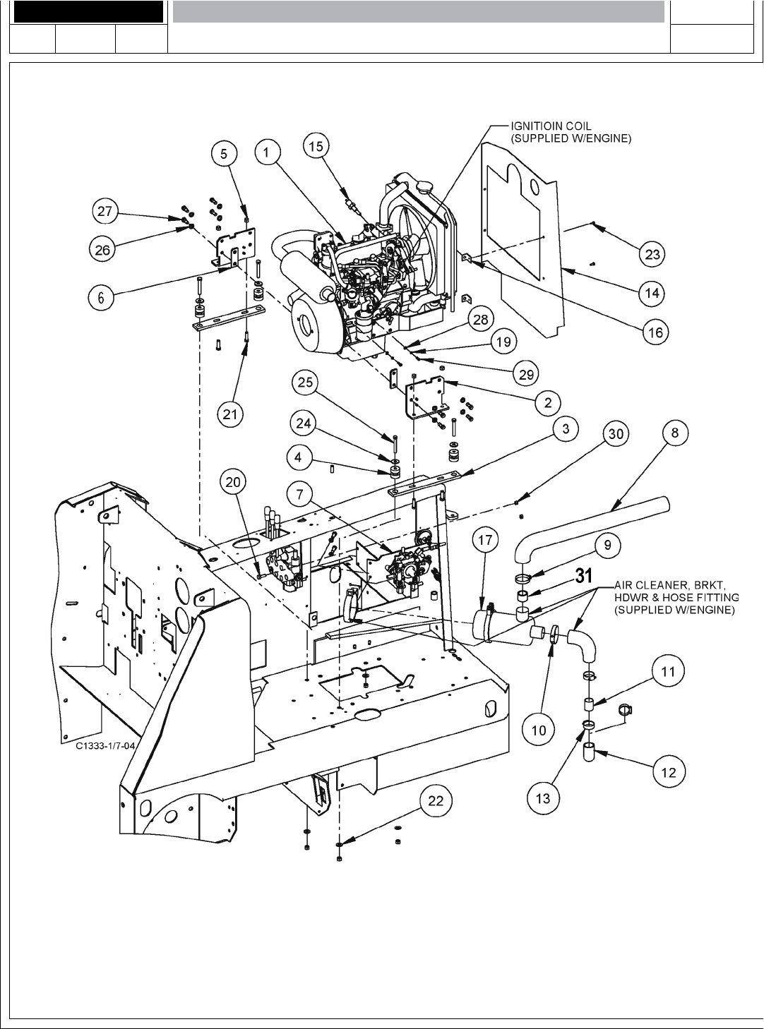
Item Ref. No. Qty Description
1 8-48-00021 1 Exhaust Manifold
2 7-34-09015 1 Sock
3 8-49-00027 1 Muffl er
4 8-08-00849 1 Bracket, Muffl er
5 2-00-02220 2 Hose Clamp
6 8-13-07066 2 Clamp
7 8-56-04048 1 Exhaust Pipe
HARDWARE USED:
H26 2-00-00641 2 Nut, 1/4-20 Insert Fiber
H43 2-00-00409 2 Flat Washer, .687 x .344 x .062
H44 2-00-00530 2 Lock Washer, 5/16 HS Med.
H53 2-00-02310 4 Lock Washer, Helical Spring 3/8 Med.
H86 2-00-03575 2 Carriage Bolt, 1/4-20 x .750
H154 2-00-04363 2 Screw, M8-1.250 x .750
KAWASAKI 20 HP MUFFLER (2-CYL. GAS)
H53
H23 H43 H44
H154
H86
C-1232

33
FORM NO. 56042480
6150 IC
06-5
Item Ref. No. Qty Description
1 8-08-05057 1 Front Bumper
HARDWARE USED:
H48 2-00-00232 10 Screw, 3/8-16 x .750 HHC
H53 2-00-02310 10 Lock Washer, Helical Spring 3/8 Med.
H94 2-00-00410 4 Flat Washer, .875 x .375 x .060
H225 2-00-04851 6 Washer, Engine Mount
FRONT BUMPER
H94
H53
H48
H225
C1234/9804

FORM NO. 56042480
6150 IC34
06-5
Item Ref. No. Qty Description
1 2-00-00641 2 Nut, Fiber Insert 1/4-20
2 2-00-02360 4 Nut, Hex, 3/8-16
3 2-00-04596 2 Screw, 1/4-20 X 3.50”, Hex Head
4 2-00-04970 2 Fitting, Str. -8 ORS x -8 SAE
5 2-00-05028 4 Washer-Flat 2.00 OD X .281 X .125
6 2-00-05236 4 Washer-Flat 2.00 OD X .28 X .08
7 8-62-01018 1 Oil Cooler NOTE
NOTE: If replacing hydraulic oil cooler number 8-62-01010 with the new oil cooler 8-62-01018 you will also need to order two of the fi ttings 2-00-
04970, because the cooler 8-62-01010 had fi ttings built in.
HYDRAULIC OIL COOLER
08-7

35
FORM NO. 56042480
6150 IC
06-5
Item Ref. No. Qty Description
1 8-88-00060 1 Control Valve
[ ] 7-88-00068 A/R Relief Valve (2500) (replacement part for 8-88-00060)
[ ] 7-70-00095 A/R Seal Kit (replacement part for 8-88-00060)
[ ] 56109168 A/R Knob (replacement part for 8-88-00060)
[ ] 56504492 A/R Boot, Neoprene (replacement part for 8-88-00060)
[ ] 56504493 A/R Handle, M10 x 180 (replacement part for 8-88-00060)
2 2-00-05264 3 Fitting
3 2-00-05162 1 Fitting - Tee
4 2-00-04970 3 Fitting, Connector
5 8-13-07153 Ref Mounting Bracket
6 2-00-04924 2 Fitting, Run Tee
7 2-00-04929 2 Fitting, Reducer
C1229gas
CONTROL/RELIEF VALVE - GAS/LP/DIESEL
Item Ref. No. Qty Description
8 2-00-04939 2 Fitting, Nut for Reducer
9 2-00-04928 1 Fitting, Tee
10 2-00-04957 1 Fitting
11 2-00-00644 2 Nut, 5/16-18, Insert Fiber
12 2-00-00409 1 Flat Washer, .687 x .344 x .062
13 2-00-00218 2 Screw, 5/16-18 x 2.000 HHC
[ ] = Not Shown
08-7

FORM NO. 56042480
6150 IC36
06-5
CONTROL/RELIEF VALVE (3 CYL. KUBOTA GAS & DIESEL)
07-3

37
FORM NO. 56042480
6150 IC
06-5 CONTROL/RELIEF VALVE (3 CYL. KUBOTA GAS & DIESEL)
Item Ref. No. Qty Description
1 8-88-00060 1 Control Valve
[ ] 7-88-00068 A/R Relief Valve (2500) (replacement part for 8-88-00060)
[ ] 7-70-00095 A/R Seal Kit (replacement part for 8-88-00060)
[ ] 56109168 A/R Knob (replacement part for 8-88-00060)
[ ] 56504492 A/R Boot, Neoprene (replacement part for 8-88-00060)
[ ] 56504493 A/R Handle, M10 x 180 (replacement part for 8-88-00060)
2 2-00-05264 3 Fitting
3 2-00-00228 2 Screw, .313-18 x 2.50 HHC
4 2-00-04970 3 Fitting - Connector
5 Intentionally Omitted
6 2-00-04924 2 Fitting - Run Tee
7 2-00-04929 2 Fitting - Reducer
8 2-00-04939 2 Fitting - Nut for Reducer
9 2-00-04928 1 Fitting - Tee
10 2-00-04957 1 Fitting
11 2-00-05162 1 Fitting - Run Tee
12 2-00-00409 10 Flat Washer, .687 x .344 x .062
13 Intentionally Omitted
14 2-00-00207 1 Screw, .313-18 x 1.25 HHC
15 2-00-00644 4 Nut, 5/16-18, Insert Fiber
16 8-08-00956 Ref Bracket - Air Cleaner
17 8-32-09013 Ref Horn
18 2-00-02369 4 3/8-16 Nut
[ ] = Not Shown
08-7

FORM NO. 56042480
6150 IC38
06-5
FWD/REV CONTROL (2 CYL. KAWASAKI GAS)
07-10

39
FORM NO. 56042480
6150 IC
06-5 FWD/REV CONTROL (2 CYL. KAWASAKI GAS)
Item Ref. No. Qty Description
1 8-55-00034 1 Adjustable Foot Pedal
2 8-55-00036 1 Pedal Base
3 8-08-00782 1 Bracket
4 2-00-05246 1 Pin
5 2-00-05247 2 Pin
6 2-00-05249 3 Cotter Pin
7 8-66-00182 1 Rod, Control Valve
8 7-25-02050 2 Rod End
9 8-58-05782 1 Floor Plate
10 8-41-05084 1 Lever, Valve
11 8-88-00063 1 Valve
12 8-75-01212 3 Spacer
13 2-00-04970 2 Fitting, Connector
14 2-00-04885 2 Fitting, 90° Elbow
15 2-00-04749 1 Spring Pin
16 2-95-01999 2 Nut, Hex
17 2-00-05347 1 Threaded Insert, 3/8-16
18 2-00-05261 2 Threaded Insert, 1/4-20
19 8-66-00186 1 Rod, Speed Limiter
20 7-15-01022 2 Collar
21 8-42-05140 1 Link, Speed Limiter
22 8-03-04317 1 Arm, Speed Limiter
23 7-09-01057 1 Bushing
24 7-76-00051 1 Spring Pin
25 8-16-07389 1 Cover
26 2-00-00646 1 Nut, Stop .313 - 18 STL
27 2-00-02369 1 Nut, Hex Jam, .375 Coarse THD.
HARDWARE USED:
H14 2-00-00219 2 Screw, 1/4-20 x .500 HHC
H26 2-00-00641 3 Nut, 1/4-20 Insert Fiber
H27 2-00-03702 3 Washer, .625 x .281 x .063
H36 2-00-00196 2 Carriage Bolt, 5/16-18 x 1.000
H37 2-00-00207 1 Screw, 5/16-18 x 1.250 HHC
H43 2-00-00409 1 Flat Washer, .687 x .344 x .062
H46 2-00-00644 4 Nut, 5/16-18, Insert Fiber
H49 2-00-00209 1 Screw, 3/8-16 x 1.250 HHC
H72 2-00-00518 2 Lock Washer, Helical Spring
H95 2-00-03382 2 Spring Washer, .875 x .500 x .015
H144 2-00-02303 1 Lock Washer, Int.
H172 2-00-04986 3 Screw, 1/4-20 x 4.500
H209 2-00-00586 2 Nut, Hex Jam 5/16 - 18 x .500 x .187
08-7

FORM NO. 56042480
6150 IC40
06-5
FW/REV CONTROL (3 CYL. KUBOTA GAS & DIESEL)
07-3

41
FORM NO. 56042480
6150 IC
06-5 FWD/REV CONTROL (3 CYL. KUBOTA GAS & DIESEL)
Item Ref. No. Qty Description
1 8-55-00034 1 Adj. Foot Pedal
2 8-55-00036 1 Pedal Base
3 8-08-00782 1 Bracket
4 2-00-05246 1 Pin
5 2-00-05247 2 Pin
6 2-00-05249 3 Cotter Pin
7 2-95-01999 1 Hex Nut
8 7-25-02050 1 Rod End
9 8-58-05782 1 Floor Plate
10 2-00-05347 1 3/8-16 Thread Insert
11 8-08-00912 1 Bracket - Forward/Reverse Control
12 7-16-00009 1 Accelerator Cable
13 2-00-00633 1 Nut, Fiber Insert 1/4-28
HARDWARE USED:
H36 2-00-00196 2 Carriage Bolt. 5/16-18 x 1.000
H46 2-00-00644 2 Nut, 5/16-18, Insert Fiber
H49 2-00-00209 1 Screw, 3/8-16 x 1.250 HHC
H52 2-00-00402 2 Flat Washer, .750 x .390 x .094
H55 2-95-04182 2 Nut, Hex, Stop, 3/8-16
H131 2-00-03855 2 Carriage Bolt, 3/8-16 x 1.000
H236 2-00-02369 1 Nut, Hex Jam, .38-16
07-3

FORM NO. 56042480
6150 IC42
06-5
C1222/9705
H26
H165^
H25*
H21^
8
7
14*
PST REQUIRED
6
11
12
13
10
5
3
4
9
2
1
RESERVOIR (2 CYL.)

43
FORM NO. 56042480
6150 IC
06-5 RESERVOIR (2 CYL.)
Item Ref. No. Qty Description
1 8-83-04040 1 Reservoir
2 8-11-00026 1 Filler Cap Assembly
3 8-24-04115 1 Strainer
4 8-48-05033 1 Sight Gauge
5^ 2-00-03952 1 Fitting, 90° Straight Elbow
5* 2-00-05074 1 Fitting, Elbow
6 2-00-05204 1 Fitting, cStraight Elbow
7^ 2-00-04917 1 Fitting, Reducer Tee
7* 2-00-04926 1 Fitting, Elbow
8^ 2-00-04927 1 Fitting, Tee
9* 8-75-01199 4 Spacer
10* 8-20-06042 1 Duct, Reservoir Air
11 8-33-02193 Ref. Hose
12 2-00-04987 1 Nipple
13 2-00-04957 1 Cap
14 2-00-01490 4 Screw, .25 - 20 x .875 HHC STL
^ Used on Gas, Diesel, and LP
* Used on Battery
HARDWARE USED:
H21 2-00-01769 4 Screw, ¼ - 20 x 1.750 HHC
H25 2-00-00594 4 Nut, Hex ¼ - 20 x .437 x .218
H26 2-00-00641 4 Nut, 1/4-20 Insert Fiber
H165 2-00-00589 4 Nut, Hex Jam, .25 - 20

FORM NO. 56042480
6150 IC44
06-5
C1222A2
TORQUE HOSE CLAMPS 21-25 FT/LBS
RESERVOIR (3 CYL. KUBOTA GAS & DIESEL)

45
FORM NO. 56042480
6150 IC
06-5 RESERVOIR (3 CYL. KUBOTA GAS & DIESEL)
Item Ref. No. Qty Description
1 8-83-04040 1 Reservoir
2 8-48-05033 1 Sight Gauge
3 8-11-00026 1 Filter Cap Assembly
4 2-00-04917 1 Fitting, -6 ORB - -4 ORB Reducer
5 2-00-04927 1 Fitting Tee
6 8-24-04115 1 Strainer
7 7-25-02038 1 Fitting, 3/4 NPT x 3/4 Hose Barb 90º
8 2-00-00205 4 Bolt, 1/4-20 Fin. Hex Head
9 2-00-00594 4 Nut, Hex 1/4-20 x .437 x .218
10 2-00-00641 4 Nut, 1/4-20 Insert Fiber
11 2-00-05162 1 Fitting, 4 ORS Run Tee
12 7-33-02700 1 Hose, Suction
13 2-00-06536 2 Clamp, 3/4” Hose
14 2-00-05204 1 Adapter, 13/16-16 x 1/2-14 NPTF 90°
15 2-00-04987 1 Fitting, -08 ORFS Nipple
16 2-00-04957 1 Fitting, 8 ORS Cap

FORM NO. 56042480
6150 IC46
06-5
FUEL TANK (GAS)
07-10

47
FORM NO. 56042480
6150 IC
06-5 FUEL TANK (GAS)
Item Ref. No. Qty Description
1 8-83-04029 1 Tank - Gas
2 8-26-04003 1 Float/Sender
3 7-11-00029 1 Cap
4 8-33-02341 1 Hose
5 2-00-04850 5 Hose Clamp
6 8-33-02268 1 Hose
7 2-00-04618 1 Fitting
8 2-00-05261 4 Thd Insert ¼-20
9 8-56-05021 1 Fitting
10 2-00-04602 1 Clamp
11 2-00-00641 6 Nut-Ins-Fibre .25-20 ZN PL
12 2-00-04590 5 Washer Stainless Steel
13 7-21-04031 1 Edging-Brush Drive Support
14 7-33-02337 1 Hose-64.5 Fuel Line
15 2-00-00051 2 Scr, .25-20 x .75
16 2-00-00501 2 Lk Wash Int Tooth ZN
17 2-00-03575 1 Bolt Carr. .25-20 x .75 GR5 ZN
18 2-00-04603 1 Clamp(Double) 1/2 OD
19 2-00-00222 1 Screw-HHM .25-20 x 1.25 GR5 ZN
20 2-00-03702 4 Wshr-Fl. .625x.281x.063 Stl.Zn
21 2-00-00221 2 Scw-Hhc .25-20 X .75 Gr8 Zn
22 2-00-02848 5 Screw-Rhm #10-32 X .50 Zn
23 2-00-00205 3 Bolt Hex Tap .25-20x1.0 Gr5
24 7-29-00348 1 Gasket, Sending Unit
25 2-00-01676 2 Wshr-Flat 1.063x.266x.063 Stl.
26 2-00-00518 4 Lk Wash 1/4 Med. Section Zn
07-10

FORM NO. 56042480
6150 IC48
06-5
FUEL TANK (DIESEL)
07-10

49
FORM NO. 56042480
6150 IC
06-5 FUEL TANK (DIESEL)
Item Ref. No. Qty Description
1 2-00-00060 2 Screw Rhm .25-20 X 1.25 Zn
2 2-00-00205 3 Bolt-Hex Head, Finished, 1/4-20
3 2-00-00221 3 Bolt-Hex Head, Finished, 1/4-20x3/4 Lg
4 2-00-00222 1 1/4-20 X 1.25 Lg Hex Head Screw
5 2-00-00501 3 Washer .25 Id X .44 Od X .046
6 2-00-00518 4 Washer, Lock, 1/4”, Helical Spring
7 2-00-00641 6 Nut, Fiber Insert 1/4-20
8 2-00-01676 2 Wshr-Flat, 1.063x.266x.063 Stl.
9 2-00-02848 5 Screw - 10-32 X .50 Rhm
10 2-00-03702 3 Washer, .625 X .281 X .063
11 2-00-04590 5 Washer, Sealing
12 2-00-04602 1 Clamp
13 2-00-04603 1 Clamp-Hose (Double) 1/2 O.D.
14 2-00-04618 2 Fitting
15 2-00-05261 3 Nutsert, 1/4-20
16 2-00-05363 7 Hose Clamp
17 7-11-00029 1 Cap
18 7-21-04022 1 Edging-Broom Chamber Cover
19 7-29-00348 1 Gasket, Sending Unit
20 7-33-02263 1 Hose
21 7-33-02304 1 Hose
22 8-24-04129 1 Fuel, Filter (Service)
23 8-26-04003 1 Float/Sender
24 8-33-02268 1 Hose
25 8-33-02341 1 Hose
26 8-56-05021 2 Fitting
27 8-83-04029 1 Tank, Fuel
28 7-33-02337 1 Hose-64.5 Fuel Line
07-10

FORM NO. 56042480
6150 IC50
06-5
HOPPER ASSEMBLY
08-7
H12
H26
H115
H26
H86
H15
C1206
19
1929
20
28
H46
34
35
27
12
H15
H27
H26
36
H36
37
18
38
5
30
23
26
32
H15
H89
33
H89
31
33
1
30
25
16

51
FORM NO. 56042480
6150 IC
06-5 HOPPER ASSEMBLY
Item Ref. No. Qty Description
1 8-32-06104 1 Hopper
2 8-17-05022 1 Lift Cylinder
3 8-25-08209 1 Hopper Flap
4 8-13-07138 1 Clamp, Hopper Flap
5 2-00-00566 2 Grease Zerk
7 8-05-01003 1 Baffl e, Hopper Air
8 8-55-08127 2 Pin, Hopper Pivot
9 2-00-00776 4 Cotter Pin
10 8-55-08112 1 Pin
12 2-00-05253 3 Clamp
13 2-00-04210 2 Clamp
14 25201A 2 Knob
15 8-09-01082 1 Bushing, Star
16 8-09-01083 2 Bushing, Liquid Tight
17 2-00-04895 2 Adapter, 7/16 ORB - 9/16 ORFS
18 2-95-04182 4 Nut, Fibre
19 8-08-00845 1 Bracket
20 8-82-00058 1 Switch
22 8-05-01002 1 Baffl e, Hopper Air
23 2-00-05319 2 Pin, Clevis
24 2-00-05249 2 Hair Pin Cotter
25 8-52-00190 1 Panel, Hopper Seal
26 2-00-05261 2 Threaded Insert, 1/4-20
27 2-00-00216 3 Bolt, Hex Hd, 3/8-16 x 2”
28 2-00-00409 1 Flat Washer, .687 x .344 x .062
29 56109164 1 Pin
30 56109165 2 Edging
31 2-00-00090 2 Screw, #8-32 x 1.50 LG, RHM
32 2-00-00518 2 Washer, Lock, 1/4”, Helical Spring
33 2-00-00466 4 Flat Washer - .625 x .203 x .031
34 7-60-00160 1 Pulley-Cable
35 7-13-07130 1 Clip, Cable
36 2-00-03940 2 Screw-T/C Hh #10-24 X .50 Lg
37 2-00-00410 1 Flat Washer - .875 X .375 X .060
38 2-00-00233 1 Bolt-Hex Head, Finished, 3/8-16 X 1.00
HARDWARE USED:
H12 2-00-01246 2 Nut, Hex Fiber Insert #10-24
H15 2-00-00221 4 Screw, 1/4-20 x .750 HHC
H26 2-00-00641 13 Nut, 1/4-20 Insert Fiber
H27 2-00-03702 2 Washer, .625 x .281 x .063
H36 2-00-00196 1 Carriage Bolt, 5/16-18 x 1.000
H46 2-00-00644 1 Nut, 5/16-18, Fiber Insert
H86 2-00-03575 9 Carriage Bolt, 1/4-20 x .750
H89 2-00-01372 4 Nut, #8-32 Steel Fiber Insert
H115 2-00-03062 2 Screw, #10-24 x 5/8 LG
08-7

FORM NO. 56042480
6150 IC52
06-5
80806-2/2-05
HOPPER COVERS & GASKET ASSEMBLY

53
FORM NO. 56042480
6150 IC
06-5 HOPPER COVERS & GASKET ASSEMBLY
Item Ref. No. Qty Description
1 8-16-07373 1 Cover, Filter (welded)
2 8-16-07374 1 Cover, Debris (welded)
3 8-29-00290 1 Gasket
4 8-29-00254 1 Gasket
5 8-08-00847 1 Bracket, RH Cover Hinge
6 8-10-00027 1 Cable
7 2-00-05330 4 Insert, 5/16-18 Threaded
8 8-08-00875 1 Bracket, LH Cover Hinge
9 2-00-00221 2 Screw, 1/4-20 x .625 HHC
10 2-00-00641 2 Nut 1/4-20 Fiber Insert
11 2-00-00530 4 Lock Washer, 5/16 HS Med.
12 2-00-00206 4 Screw, 5/16-18 x 1.0 HHC

FORM NO. 56042480
6150 IC54
06-5
Item Ref. No. Qty Description
1 8-08-00832 1 Bracket, Lift Cylinder Mounting
2 2-95-04182 2 Fiber Nut
3 7-75-01063 2 Spacer
4 8-65-00024 1 Plate, Retainer Hyd. Hose
5 8-08-07045 2 Edging
7 2-00-05261 2 1/4 - 20 THD Insert
8 2-00-02981 1 Screw, SHCP .50 - 13 x 2.50 Zinc
HARDWARE USED:
H22 2-00-02589 2 Screw, 1/4 - 20 x 2.000HHC
H64 2-00-00596 1 Nut, Hex ½ -13 x .750 x .437
H65 2-00-04936 1 Nut ½ - 13 Fiber Lock
H72 2-00-00518 2 Lock Washer, Helical Spring
H78 2-00-05187 2 Carriage Bolt 3/8 - 16 x 1.250
H92 2-00-04801 2 Flat Washer, .875 x .375 x .125
HOPPER LIFT
H72
H22
H52
H65
H78
H64
07-8

55
FORM NO. 56042480
6150 IC
06-5 HOPPER SIDES
Item Ref. No. Qty Description
1 8-16-07409 1 Cover, Side RH
2 8-16-07410 1 Cover, Side (LH)
3 8-45-05010 6 Lug, Cover Detent
4 2-00-03702 4 Washer, .625 x .281 x .063
5 2-00-00518 4 Washer, Lock, 1/4”, Helical Spring
6 2-00-00221 4 Bolt-Hex Head, Finished, 1/4-20x3/4 LG
7 2-00-03575 8 Bolt-Carr, .25-20 X .75 Gr5 Zn
8 2-00-00641 8 Nut, Fiber Insert 1/4-20
* 2-00-05330 4 Threaded Insert- 5/16-18
10 8-08-00875 1 Bracket, Hinge (L.H.)
11 8-08-00847 1 Bracket, Hinge (R.H.)
12 56002220 2 Wsh, Flt Std 5/16
13 56002221 2 Scr, Hex 5/16-18 X 1.00
14 56009250 4 Scr, Hex Thd Form 1/4-20 X .62
* = Not Shown
07-3
3
2
10
7
12
6
5
4
13
14
8
1
11

FORM NO. 56042480
6150 IC56
06-5
H26
H80
H86
H26
H98
H22
C-1207/9701
DUMP DOOR

57
FORM NO. 56042480
6150 IC
06-5 DUMP DOOR
Item Ref. No. Qty Description
1 8-19-08066 1 Hopper Door
2 8-68-05087 2 Seal, Dump Door
3 8-13-07140 2 Clamp, Door Seal
4 8-13-07141 2 Clamp, Door Vent Flap
5 8-25-08210 1 Flap, Dppr Vemt
6 7-17-05011 1 Cylinder
7 7-55-08121 1 Pin, Door Cylinder
8 8-55-08123 1 Pin, 3/4 Dia.
9 2-00-04462 1 Fitting, Street Tee
10 2-00-00540 2 Retaining Ring, 3/4 Dia.
11 8-29-00244 1 Gasket, Dump Door
12 2-00-04892 1 Fitting
13 8-88-00064 1 Valve
HARDWARE USED:
H22 2-00-02589 2 Screw, 1/4-20 x 2.000 HHC
H26 2-00-00641 20 Nut, 1/4-20 Insert Fiber
H80 2-00-02196 18 Carriage Bolt, 1/4-20 x 1.000 RHM
H86 2-00-03575 1 Carriage Bolt, 1/4-20 x .750
H98 2-00-05277 Screw, 1/2-13 x .750 HSHC

FORM NO. 56042480
6150 IC58
06-5
Item Ref. No. Qty Description
1 8-81-00179 1 Safety Arm Weld
2 2-00-02436 1 Cotter Pin
3 2-00-05261 1 Threaded Insert
HARDWARE USED:
H174 2-00-00183 1 Screw, 1/4-20 x .750 THM
SAFETY ARM
H72
H174
C-1221

59
FORM NO. 56042480
6150 IC
06-5 HYDRAULIC FILTER (2 CYL)
3
1
2
C1296/9804
6
5
4
OUT
IN
Item Ref. No. Qty Description
1 7-24-04013 1 Hydraulic Filter
7-24-04014 A/R Element ONLY (for 7-24-04013)
2 2-00-03952 2 Elbow, Street 90° 3/4 NPT
3 2-00-03890 1 Nipple, Pipe 3/4 NPT x 3.5
4 2-00-04487 2 Fitting, Street Tee
5 2-00-04474 3 Fitting Reducer
6 2-00-05203 3 Fitting
7 2-00-03891 1 3/4 NPT x 6.00 Pipe Nipple
8 2-00-03639 1 90° Elbow, 3/4 NPT
9 8-33-02202 Ref Hose, Hyd ORS 8 0-90 20”
10 7-33-02201 Ref Hose, Hyd ORS 8 Str x Jic 8ST

FORM NO. 56042480
6150 IC60
06-5
HYDRAULIC FILTER (3 CYL. KUBOTA GAS & DIESEL)
C1296Aecp/5-05
8-83-04040
8-33-02176
8-33-02193
7-33-02201
PST REQUIRED FOR ALL PIPE THREADS
Item Ref. No. Qty Description
1 2-00-03952 1 Elbow, Street 90° 3/4 NPT
2 2-00-03891 1 Nipple, 3/4 NPT x 6” Pipe
3 2-00-03639 1 90° Elbow, 3/4 NPT
4 2-95-04267 1 Nipple, 3/4 x 3” Pipe
5 7-24-04013 1 Hydraulic Filter
7-24-04014 A/R Element ONLY (for 7-24-04013)
6 2-00-06112 1 Fitting, -08 ORFS x 3/4 NPT (w/orifi ce)
7 2-00-04928 2 Fitting, -08 ORFS Run Tee
8 2-00-05046 1 Fitting, -08 ORFS 90° Street Elbow
9 2-00-04929 1 Fitting, -08 ORFS x -04 ORFS Reducer

61
FORM NO. 56042480
6150 IC
06-5 HYDRAULIC PUMP (2-CYL. GAS/LP)
80834revF/8-05
Item Ref. No. Qty Description
1 8-60-05038 1 Pump
2 8-33-05129 1 Housing - Pump Housing
3 8-16-05030 1 Coupling
4 2-00-00209 6 Screw, 3/8 - 16 x 1.250 HHC
5 8-33-02408 1 Hose
6 2-00-00402 6 Flat Washer, .750 x .390 x .094
7 2-00-04921 2 Fitting - 90° Elbow
8 2-00-04971 1 Fitting
9 8-16-07321 2 Cover
10 2-00-03761 1 Key
11 2-00-02310 6 Lock Washer, Helical Spring 3/8 Med.

FORM NO. 56042480
6150 IC62
06-5
HYDRAULIC PUMP (3 CYL. KUBOTA GAS & DIESEL)
07-3
80851-SHT01

63
FORM NO. 56042480
6150 IC
06-5 HYDRAULIC PUMP (3 CYL. KUBOTA GAS & DIESEL)
Item Ref. No. Qty Description
1 7-60-05058 1 Drive Pump, 1.28 Var. w/ .84 Gear & Rtn.
2 7-08-01263 1 Bracket, Rtn. Lever
3 7-25-02050 1 Rod End (Spherco)
4 2-95-01999 1 Nut, 1/4-28 Hex Jam
5 2-00-00633 1 Nut, 1/4-28 Fiber Insert
6 2-00-04885 2 Fitting, 90º Elbow (O-Ring)
7 2-00-05264 1 Fitting, #8 SAE, #4ORS Connector
8 2-00-00208 2 Screw, 5/16-18 x .75 HHC
9 2-00-00644 2 Nut, 5/16-18 Fiber Insert Hex
10 2-00-04921 1 Fitting, 10 SAE 90º - 8 ORS
11 Intentionally Omitted
12 2-00-04801 2 Flat Washer, .875 x .375 x .125
13 2-00-02310 2 Lock washer, Helical Spring 3/8 Med.
14 2-00-00234 2 Screw, 3/8-16 X 1.50 HHC
15 2-00-04752 1 Fitting, .50 NPT, .62 Hose
16 2-00-05196 1 Fitting, -8 ORB Hex Plug
17 2-00-04918 1 Fitting, Straight Connector NOTE 1
NOTE 1: The charge port on pump 7-60-05058 changed from 9/16-18 to 7/18-20. To replace the fi tting item 17 on machines built before February 2008 order
PN2-00-04895, for machines built after January 2008 order PN2-00-04918.
08-7

FORM NO. 56042480
6150 IC64
06-5
ENGINE COVER
30
25
32
31
80813-0/3-07

65
FORM NO. 56042480
6150 IC
06-5 ENGINE COVER
Item Ref. No. Qty Description
1 8-16-07367 1 Engine Cover
2 8-08-00844 1 Mounting Plate, Engine Cover
3 8-41-00051 1 Latch, Rotor
4 8-39-00014 1 Knob, Latch
5 7-21-03003 1 Edging
6 8-66-05012 1 Roller, Engine Cover Guide
7 2-95-04182 2 Nut, 3/8-16 Stop
8 8-29-00245 1 Gasket, Engine Cover
9 8-29-00246 1 Gasket, Engine Cover
10 2-00-05266 1 Clevis Pin
11 2-00-05249 1 Cotter Pin
12 8-08-00961 1 Bracket, Engine Cover Guide
13* 8-34-09030 1 Insulation, Cover
16 2-00-04801 2 Flat Washer, .875 x .375 x .125
24 2-00-05187 2 Carriage Bolt, 3/8-16 x 1.25
25 2-00-00402 3 Flat Washer, .750 x .391 x .093
26 2-00-00221 1 Screw, 1/4-20 x .75 HHC
27 2-00-00641 2 Nut, 1/4-20 Insert Fiber
28 2-00-00518 1 Lock Washer, Helical Spring
29 2-00-00222 2 Screw, 1/4-20 x 1.25 HHM
30 2-95-04182 2 Lock Nut, 3/8-16
31 2-00-04936 1 Insert, 1/2-13 Fibre
32 2-00-00233 2 Screw, .375-16 x 1.00
* Gas, LP, Diesel Only
07-3

FORM NO. 56042480
6150 IC66
06-5
80841/8-05
ACCESS COVER ASSEMBLY

67
FORM NO. 56042480
6150 IC
06-5 ACCESS COVER ASSEMBLY
Item Ref. No. Qty Description
1 7-23-03106 3 Washer, Screw-Captivated
2 7-23-03108 3 U Clip, Screw-Captivated
3 7-23-03113 3 Fastener, 1/4 Turn
4 8-16-07395 1 Cover, Power Panel
5 8-21-04057 1 Edging
6* 8-34-09035 1 Insulation, Center Wall
7 7-21-04044 1 Edging
8 2-00-03878 2 Grommet
*Gas, LP, Diesel only

FORM NO. 56042480
6150 IC68
06-5
9
11
1
6
13
2
3
10
7
8
54
H49
H53
H52
H44
H154
H43
H44
H34
H46
H178
C1238/9804
ENGINE (2 CYL. KAWASAKI GAS/LP)

69
FORM NO. 56042480
6150 IC
06-5 ENGINE (2 CYL. KAWASAKI GAS/LP)
Item Ref. No. Qty Description
1 0877-059 1 Engine
2 8-58-05783 1 Mounting Plate
3 2-00-05347 4 Threaded Insert, 3/8-16
4 8-16-00059 1 Cable, Choke
5 8-10-00042 1 Cable, Throttle
6 8-52-00187 1 Panel, Heat Baffl e
7 8-13-07153 1 Clip, Heat Baffl e
8 8-52-00183 1 Baffl e, Radiator Heat
9 8-33-02349 1 Hose
10 2-00-05330 1 Threaded Insert, 5/16-18
11 2-00-02216 1 Clamp, Hose
12 8-21-04015 1 Edging
13 0895-144 Ref. Harness, Engine (not shown)
14 2-00-00208 1 Screw, 5/16-18 x .750 HHC
15 2-00-00409 2 Flat Washer, .687 x .344 x .062
16 2-00-00530 5 Lock Washer, 5/16 HS Med.
17 2-00-00644 1 Nut, 5/16-18, Insert Fiber
18 2-00-00209 4 Screw, 3/8-16 x 1.250 HHC
19 2-00-00402 3 Flat Washer, .750 x .390 x .094
20 2-00-02310 4 Lock Washer, Helical Spring 3/8 Med.
21 2-00-04363 4 Screw, M8 - 1.250 x .750
22 2-00-00206 1 Screw, 5/16-18 x 1.000 HHC
KAWASAKI ENGINE SERVICE PARTS:
Oil Filter 8-24-04152
Oil Pressure Switch 8-82-00066 Fuel Pump 8-60-05031
Pump Case Gasket 8-29-00274 Thermostat 8-84-08004
Air Filter 8-24-04149 (foam) Rocker Case Gasket 8-29-00275
8-24-04150 (element) Water Pump 8-60-05032
Igniter 8-14-07013 Head Gasket 8-29-00263
Spark Plug (each) 8-75-03011 Ignition Coil 8-14-07014
Spark Plug Cap 8-75-03010 Solenoid 8-75-00015
Upper Cooling Hose 8-33-02354 Lower Cooling Hose 8-33-02355
Voltage Regulator 8-63-05015 Carburetor Gasket 8-29-00271
Carb. Cap Gasket 8-29-00265 Main Jet Gasket 8-29-00266
Muffl er Gasket 8-29-00267 Thermostat Cover Gasket 8-29-00268
Intake Manifold Gasket 8-29-00269 Intake Manifold Gasket 8-29-00270
Crankcase Cover Gasket 8-29-00272 Pump Cover Gasket 8-29-00273

FORM NO. 56042480
6150 IC70
06-5
ENGINE (3 CYL. KUBOTA GAS)
07-10

71
FORM NO. 56042480
6150 IC
06-5 ENGINE (3 CYL. KUBOTA GAS)
Item Ref. No. Qty Description
1 0877-067 1 Engine - 3 cyl Kubota Gas
7-33-05153 Flywheel Housing: SAE-B (service part)
2 8-08-00835 2 Bracket - Engine Mtg.
3 8-52-00173 2 Rail - Engine Mtg.
4 8-75-01155 4 Isolator - Vibration
5 2-95-04182 8 Fiber Nut
6 8-75-01222 2 Spacer - Engine Bracket
7 8-08-00956 1 Bracket - Air Filter
8 8-33-02405 1 Hose - Air Inlet
9 2-00-02216 1 Clamp - Hose
10 2-00-03404 1 Clamp - Hose
11 8-56-04054 1 Pipe - Air Intake
12 8-33-02361 1 Hose - Lower Air Cleaner
13 2-00-03404 3 Clamp - Hose
14 2-95-04388 1 Clamp - Hose
15 7-82-00031 1 Switch - Water Temp
16 8-52-00199 1 Panel - Radiator Heat
17 8-13-07160 2 Clip - Heat Baffl e
18 8-24-04160 Ref Air Cleaner Assy.
19 8-13-07174 Ref Clamp
20 0895-146 Ref Harness, Engine (not shown)
21 2-00-00519 2 Lock Washer, # 10 Med HS
22 2-00-02708 1 Screw, 5/16-18 x 1.000 HHM
23 2-00-00644 2 Nut, 5/16-18, Insert Fiber
24 2-00-00234 2 Screw, 3/8-16 x 1.50 HHC
25 2-00-00410 4 Flat Washer, .875 x .375 x .060
26 2-00-03940 2 Screw, #10-24 x .500 T/C HH
27 2-00-03266 4 Washer
28 2-00-00236 4 Screw, 3/8-16 x 2.500 HHC
29 2-00-00466 2 Flat Washer, .625 x .203 x .031
30 2-00-05148 2 Screw - HHC M5 x 0.8 x 16 MM
31 2-00-05490 1 Screw, M5 x 0.8 x 12mm
32 2-00-03702 3 Flat Washer, .625 x .281 x .063
33 2-00-00641 1 Nut, 1/4-20 Fiber Insert
34 2-00-00203 1 Nut, 3/8-16 Elastic Stop
35 7-08-01262 1 Bracket, Forward/Reverse Cable
36 2-00-00209 2 Screw, 3/8-16 x 1.25 HHC
37 56109310 1 Pipe, PVC SCh 40
08-7

FORM NO. 56042480
6150 IC72
06-5
ENGINE (3 CYL. KUBOTA DIESEL)
07-10

73
FORM NO. 56042480
6150 IC
06-5 ENGINE (3 CYL. KUBOTA DIESEL)
Item Ref. No. Qty Description
1 0877-070 1 Engine, 3-cyl Kubota Diesel
7-33-05153 Flywheel Housing: SAE-B (service part)
2 8-08-00835 2 Bracket, Engine Mtg
3 8-52-00173 2 Rail, Engine Mtg
4 8-75-01155 4 Isolator, Vibration
5 2-95-04182 8 Nut, 3/8-16 Fiber Insert
6 8-75-01222 2 Spacer, Engine Bracket
7 8-08-00956 1 Bracket , Air Filter
8 2-95-04388 2 Clamp, Hose
9 8-33-02405 1 Hose, Air Inlet
10 2-00-02216 3 Clamp, Hose
11 8-33-02363 1 Hose, Air Cleaner to Engine
12 8-24-04160 1 Air Cleaner Assy.
8-24-04161 1 Element, Air Cleaner (service part)
13 7-82-00031 1 Switch, Water Temperature
14 8-64-00012 1 Relay
15 8-52-00199 1 Panel, Radiator Heat
16 8-13-07160 2 Clip, Heat Baffl e
17 7-08-00763 1 Bracket, Throttle Mount
18 0895-145 1 Harness, Engine (not shown)
19 7-08-01262 1 Bracket, Forward/Reverse Cable
20 2-00-00519 1 Lock Washer, # 10 Med HS
21 2-00-01246 1 Nut, #10-24 Fiber Insert
22 2-00-00205 3 Screw, ¼-20 x 1.000 HHC
23 2-00-00641 4 Nut, ¼-20 Insert Fiber
24 2-00-03702 4 Washer, .625 x .281 x .063
25 2-00-02708 1 Screw, 5/16-18 x 1.000 HHM
26 2-00-00644 1 Nut, 5/16-18, Insert Fiber
27 2-00-00234 2 Screw, 3/8-16 x 1.50 HHC
28 2-00-00518 2 Lock Washer, Helical Spring
29 2-00-05279 2 Screw, M6 x 1.0 x 20 mm MHHC
30 2-00-00410 4 Flatwasher, .875 x .375 x .060
31 2-00-03940 2 Screw, #10 - 24 x .500 T/C HH
32 2-00-03266 4 Washer
33 2-00-00236 4 Screw, 3/8-16 x 2.500 HHC
34 2-00-04794 1 Screw, #10-24 x .625 BHS
35 2-00-00466 1 Flat Washer, .625 x .203 x .031
36 2-00-05490 1 Screw - M5 x 0.8 x 12 MM
37 2-00-05148 1 Screw - HHC M5 x 0.8 x 16 MM
38 2-00-00209 2 Screw, 3/8-16 x 1.25 HHC
39 56109310 1 Pipe, PVC SCh 40
* 56504460 1 Filter, Fuel Water Assy
* = Optional, Not Included
08-7

FORM NO. 56042480
6150 IC74
06-5
ENGINE (3 CYL. DUAL FUEL - LP)
07-10

75
FORM NO. 56042480
6150 IC
06-5 ENGINE (3 CYL. DUAL FUEL - LP)
Item Ref. No. Qty Description
1 0877-069 1 Engine - 3 cyl Kubota Gas
7-33-05153 Flywheel Housing: SAE-B (service part)
2 8-08-00835 2 Bracket - Engine Mtg.
3 8-52-00173 2 Rail - Engine Mtg.
4 8-75-01155 4 Isolator - Vibration
5 2-95-04182 8 Fiber Nut
6 8-75-01222 2 Spacer - Engine Bracket
7 8-08-00955 1 Bracket - Air Filter
8 8-33-02364 1 Hose - Air Inlet
9 2-00-02216 1 Clamp - Hose
10 2-00-03404 1 Clamp - Hose
11 8-56-04054 1 Pipe - Air Intake
12 8-33-02361 1 Hose - Lower Air Cleaner
13 2-00-03404 3 Clamp - Hose
14 8-52-00199 1 Panel - Radiator, Heat
15 7-82-00031 1 Switch - Water Temp
16 8-13-07160 2 Clip - Heat Baffl e
17 8-24-04160 1 Air Cleaner Assy.
8-24-04161 1 Element, Air Cleaner (service part)
18 0895-146 1 Harness, Engine (not shown)
19 2-00-00519 2 Lock Washer, # 10 Med HS
20 2-00-02708 1 Screw, 5/16-18 x 1.000 HHM
21 2-00-00209 4 Screw, 3/8-16 x 1.250 HHC
22 2-00-00410 4 Flat Washer, .875 x .375 x .060
23 2-00-03940 2 Screw, #10-24 x .500 T/C HH
24 2-00-03266 4 Washer
25 2-00-00236 4 Screw, 3/8-16 x 2.500 HHC
26 2-00-05042 8 Lockl Washer, M10
27 2-00-04366 8 Screw, M10 x 1.500 x 25mm
28 2-00-00466 2 Flat Washer, .625 x .203 x .031
29 2-00-05148 2 Screw - HHC M5 x 0.8 x 16 MM
30 2-00-00644 2 Nut, 5/16-18, Insert Fiber
31 56109310 1 Pipe, PVC SCh 40
08-7

FORM NO. 56042480
6150 IC76
06-5
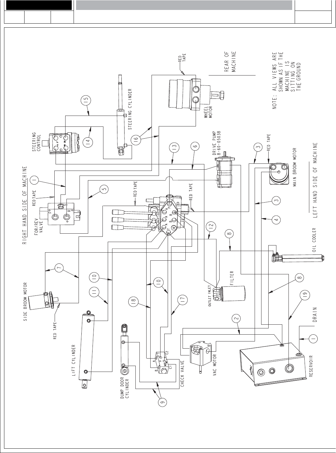
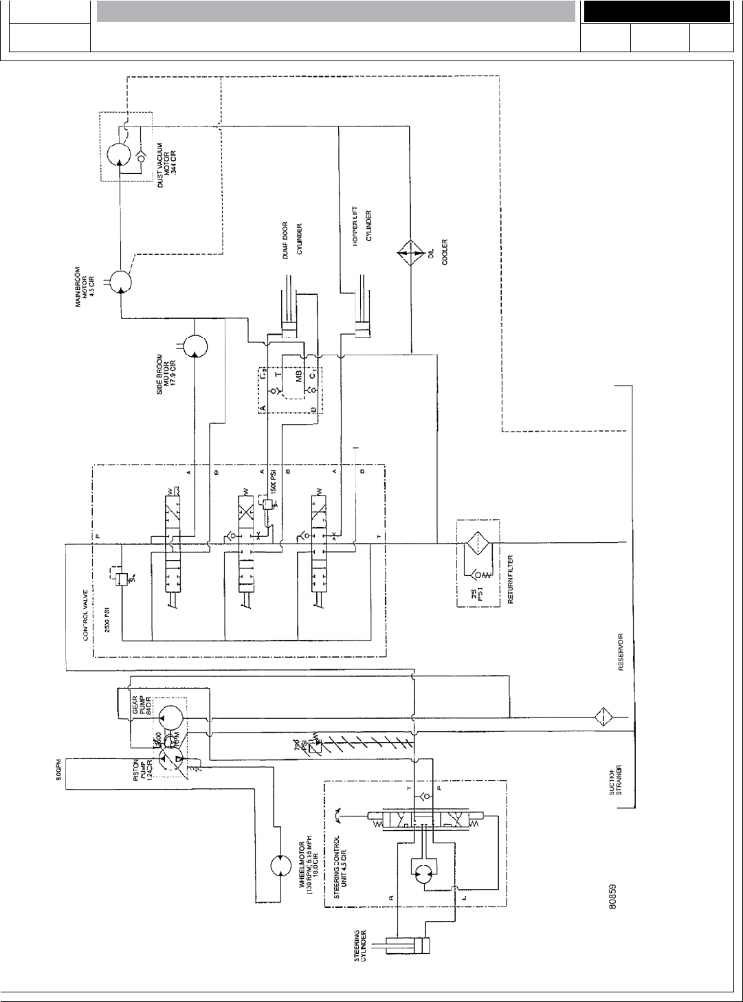
HYDRAULIC HOSE DIAGRAM (3 CYL.)
08-7
C0790-1
ALL VIEWS ARE SHOWN AS IF THE
MACHINE IS SITTING ON GROUND
18
17

77
FORM NO. 56042480
6150 IC
06-5 HYDRAULIC HOSE DIAGRAM (3 CYL.)
Item Ref. No. Qty Description
1 8-33-02193 2 #8 x 18.0” 0-0 ORS
2 8-33-02329 1 #4 x 30.0” 0-90 ORS
3 8-33-02325 2 #8 x 65.0” 0-0 ORS
4 7-33-02193 1 #4 x 49.0” 0-90 ORS
5 8-33-02191 2 #8 x 56.50” 0-0 ORS
7 8-33-02213 2 #8 x 88.0” 0-0 ORS
8 8-33-02419 2 #8 x 20.5” 0-45 ORS
9 8-33-02184 1 #4 x 50.5” 0-0 ORS
10 8-33-02199 3 #4 x 24.5” 0-90 ORS
11 7-33-02225 1 #4 x 38.0” 0-90 ORS
12 8-33-02176 3 #4 x 21.0” 0-90 ORS
13 7-33-02187 2 #8 x 42.0” 0-0 ORS
14 8-33-02179 1 #4 x 46.0” 0-0 ORS
15 8-33-02184 1 #4 x 50.5” 0-0 ORS
16 7-33-02189 1 #4 x 26.0” 0-90 ORS
17 8-33-02179 1 #4 x 46.0” 0-0 ORS
18 7-33-02700 1 3/4” ID Gates GMV (11”)
NOTE: ITEMS 1 - 17 ARE PART OF HOSE KIT 0860-670-1
08-7

FORM NO. 56042480
6150 IC78
06-5
80839revF/8-05
HYDRAULIC HOSE DIAGRAM (2 CYL.)

79
FORM NO. 56042480
6150 IC
06-5 HYDRAULIC HOSE DIAGRAM (2 CYL.)
Item Ref. No. Qty Description
1 8-33-02193 2 #8 x 18.0” 0-0 ORS
2 8-33-02329 1 #4 x 30.0” 0-90 ORS
3 8-33-02325 2 #8 x 65.0” 0-0 ORS
4 7-33-02193 1 #4 x 49.0” 0-90 ORS
5 8-33-02191 1 #8 x 56.5” 0-0 ORS
6 7-33-02206 1 #8 x 14.25” 0-90 ORS
7 8-33-02213 2 #8 x 88.0” 0-0 ORS
8 7-33-02201 2 #8 x 20.5” 0-0 ORS-JIC
9 8-33-02184 2 #4 x 55.5” 0-0 ORS
10 8-33-02199 3 #4 x 24.5” 0-90 ORS
11 7-33-02225 1 #4 x 38.0” 0-90 ORS
12 7-33-02205 1 #8 x 16.5” 0-90 ORS
13 7-33-02187 1 #8 x 42.0” 0-0 ORS
14 8-33-02179 1 #4 x 46.0” 0-0 ORS
15 8-33-02184 1 #4 x 50.5” 0-0 ORS
16 7-33-02192 2 #8 x 90.0” 0-90 ORS
17 8-33-02176 1 #4 x 21.0” 0-90 ORS
18 7-33-02189 1 #4 x 23.0” 0-90 ORS
19 8-33-02408 1 #12 x 20.0” 0-90 ORS
ALL HOSES PART OF KIT 0860-602

FORM NO. 56042480
6150 IC80
06-5
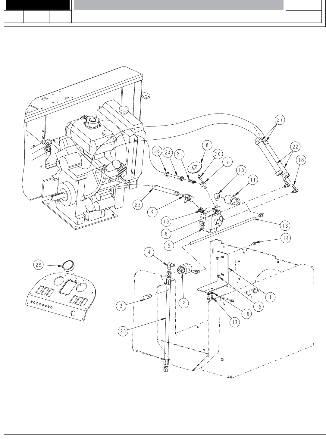
Item Ref. No. Qty Description
1^ 8-40-05051 2 Head Light
1* 8-40-05052 2 Head Light
2^ 8-40-05044 1 Tail Light
2* 8-40-05053 1 Tail Light
3 2-00-04210 1 Clamp
4^ 8-32-09013 1 Horn
4* 8-32-09008 1 Horn
5 8-75-01207 2 Spacer, Tail Light Mounting
6 2-00-02933 2 Screw-PH PN HD #10-24 x 3.50 ZN
HARDWARE USED:
H12 2-00-01246 2 Nut, Hex Fiber Insert #10-24
H102 2-00-04795 8 Screw, #10-24 x .750 BHS
^ Use on Gas/LP & Diesel Machines Only
* Use on Battery Machines Only
ELECTRICAL ASSEMBLY (LIGHTS & HORN)
H102
H12
6
C-1225
08-7

81
FORM NO. 56042480
6150 IC
06-5
Item Ref. No. Qty Description
1 0775-117 1 Battery
2 8-79-00126 1 Strap, Battery
3 2-00-04952 2 Boot, Red
4 8-90-07436 1 Positive Cable
5 8-90-07435 1 Negative Cable
6 8-20-06039 1 Duct, Wire
7 2-00-05261 2 Threaded Insert, 1/4-20
HARDWARE USED:
H15 2-00-00221 2 Screw, 1/4-20 x .750 HHC
H25 2-00-00594 2 Nut, Hex 1/4-20 x .437 x .218
H27 2-00-03702 2 Washer, .625 x .281 x .063
H72 2-00-00518 2 Lock Washer, Helical Spring
H86 2-00-03575 1 Carriage Bolt, 1/4-20 x .750
H141 2-00-00501 2 Lock Washer, Int.
BATTERY ELECTRICAL ASSEMBLY
H15
H72
H27
H81
H141
H144
H154
H25
H44
C-1226

FORM NO. 56042480
6150 IC82
06-5
BATTERY ELECTRICAL ASSEMBLY (3 CYL. KUBOTA GAS/DIESEL)
Item Ref. No. Qty Description
1 0775-117 1 Battery
2 8-79-00126 1 Strap - Battery
3 2-00-04952 2 Boot - Red
4 8-90-07436 1 POS Cable
5 8-90-07435 1 NEG Cable
6 8-20-06039 1 Duct - Wire
7 2-00-05261 2 ¼-20 Thd Insert
HARDWARE USED:
H25 2-00-00594 2 Nut, Hex ¼-20 x .437 x .218
H27 2-00-03702 2 Washer, .625 x .281 x .063
H44 2-00-00530 2 Lock Washer, 5/16 HS Med.
H72 2-00-00518 2 Lock Washer, Helical Spring
H86 2-00-00221 2 Screw, 1/4-20 x .750 HHC
H93 2-00-00222 2 Screw, ¼-20 x 1.250 HHM
H141 2-00-00501 2 Lock Washer, Int.
H144 2-00-02303 1 Lock Washer, Int.
H154 2-00-04363 1 Screw, M8-1.250 x .750
H93
H72
H27
TO
STARTER
3
CENTER ON
BATTERY
4
6
1
H86
H141 H25
7
2
5
H154
H44
H144 TO
ENGINE
GROUND
C1226a/0012
07-3

83
FORM NO. 56042480
6150 IC
06-5
A
A
B
B
C
C
D
D
E
E
GRN. WIRE
BLK. WIRE
SHAKER
RT.
HEAD
LIGHT
MOTOR
(WIRES 6,Neg)
8-90-07433
SHAKER
MOTOR
LT, HEAD
LIGHT
HORN
SWITCH
HORN
FUEL
TANK
SEE
INST. PANEL
MACHINE HARNESS
0895-141
FUEL PUMP HARNESS
0895-143
FUEL PUMP
TAIL
LIGHT
8
49
22
22
Neg
30
10 16
Neg
Neg
30
49
neg
Neg
Neg
10
10
30
31
HOPPER
DOOR
SWITCH
ANDERSON
NEG
POS
ANDERSON
NEG
POS
C2211
MACHINE HARNESS CONNECTIONS (2 & 3 CYLINDER)

FORM NO. 56042480
6150 IC84
06-5
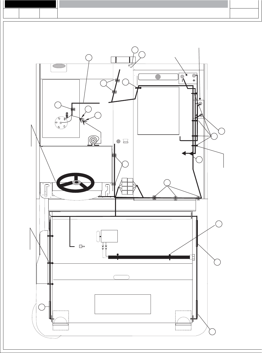
ELECTRICAL HARNESS ROUTING (2 & 3 CYLINDER)
-
-
-
A
A
B
B
C
C
D
D
SHAKER
RT.
HEAD
LIGHT
MOTOR
LT, HEAD
LIGHT
HORN
SWITCH
TIE HARNESS TO HYD.
HOSES WITH ITEM #2 SEE INST
. PANEL CONNECTION DWG
.
TIE HARNESS TO BATTERY(+)
CABLE TO KEEP AWAY
FROM EXHAUST PIPE,
ROUTE BEHIND EXHAUST
USE TWO HOLES IN FRAME
FOR ITEM #2.
HORN
FUEL
TANK
FUEL PUMP
TAIL
LIGHT
4
4
2
5
2
1
To starter
Battery location
2cyl engines
Battery location
3cyl engines
8
2
3
3
3
ADD ITEM #6
TO BOTTOM
LEFT BOLT ON
TAIL LIGHT,
THEN ADD
ITEM #7
6
10
7
HOPPER
DOOR
SWITCH
-
-
-
3
NEG
11
12
08-7

85
FORM NO. 56042480
6150 IC
06-5 ELECTRICAL HARNESS ROUTING (2 & 3 CYLINDER)
Item Ref. No. Qty Description
1 0895-141 1 Harness, Machine
2 2-00-04345 10 Tye Rap
3 7-13-07096 6 Clamp
4 8-20-06039 2 Duct 4.0”
5 8-20-06036 1 Duct 12.0”
6 2-00-04210 1 Clamp
7 2-00-01246 1 Nut, 10-24 lock
8 2-00-04952 1 Red Boot
9 2-00-04203 1 Black Boot
10 0895-143 1 Harness, Fuel Pump
11 2-00-04551 2 Connector, Male
12 2-00-04584 2 Connector, Female

FORM NO. 56042480
6150 IC86
06-5
SUPER GLUE
409 LEFT END
USE 2-00-00220, 0501, 3092
AS NEEDED IF PLASTIC DOES
NOT LAY FLAT ON LINTEL
C2193-6150
INSTRUMENT HOUSING

87
FORM NO. 56042480
6150 IC
06-5 INSTRUMENT HOUSING
Item Ref. No. Qty Description
1* 8-33-05118 1 Housing, Instrument
2* 8-33-05119 1 Housing, Center Wall
3 8-16-07356 1 Cover, Valve Slot
4* 8-52-00196 1 Panel, Control Valve
5 8-16-07355 1 Cover, Main Broom Slot
6 8-16-07354 1 Cover, Side Broom Slot
7* 8-52-00194 1 Panel, Main Broom
8* 8-52-00195 1 Panel, Side Broom
9 8-82-00024 1 Horn, Push Button
10 2-00-05283 1 Plug Button
11 8-52-00189 1 Panel, Throttle (Gas, LP, Diesel)
12 2-00-04513 1 Plug (Battery Only)
13 8-68-05081 1 Seal, Trim
14 2-00-02293 1 Lock Washer, Int. Tooth, .63 dia.
15 2-00-05337 21 Screw, #8-32 x .75 BHS SS
16 2-00-00460 18 Flat Washer, .437 x .192 x .031
17 2-00-01372 21 Nut, #8-32 Fiber Insert Lock
*Part of 0860-630

FORM NO. 56042480
6150 IC88
06-5
INSTRUMENT PANEL
07-3
SEE CHART
FOR RELAY
PART NO.
SEE CHART
FOR TIMER
PART NO.
SEE CHART
FOR WARNING
LIGHT PART NO.
IF TIMER 8-64-05011 IS USED,
USE 2-00-00071 BOLTS HERE
IF TIMER 8-64-00020
IS USED, USE 2-00-00071
& 2-00-00049 BOLTS HERE
SEE CHART
FOR GAUGE
PART NO.
SEE CHART FOR
SWITCH OR BLANK
PART NUMBERS
SEE CHART FOR
SWITCH OR BLANK
PART NUMBERS
80866-1_6150

89
FORM NO. 56042480
6150 IC
06-5 INSTRUMENT PANEL
0880-646 REAR WORK LIGHT-GAS, LP, DIESEL- (POSITION 2): 8-82-00072
0880-678 REAR WORK LIGHT-BATTERY-(POSITION 2): 8-82-00072
GAS
LP
DIESEL
BATT.
SWITCH POSITIONS
1 2 3 4 5 6
HEAD LIGHTS WORK LIGHT GLOW PLUG FILTER SHAKER DUST CONTROL THROTTLE
8-82-00072 2-00-05375 2-00-05375 8-82-00073 8-82-00072 2-00-05375
8-82-00072 2-00-05375 2-00-05375 8-82-00073 8-82-00072 2-00-05375
8-82-00072 2-00-05375 8-82-00073 8-82-00073 8-82-00072 2-00-05375
8-82-00072 2-00-05375 2-00-05375 8-83-00073 8-82-00072 2-00-05375
GAS
LP
DIESEL
BATT.
LIGHT POSITIONS
1 - 3 4 - 6 GAUGE TIMER RELAY (2 PER)
7-40-05052 7-40-05053 8-48-05032 8-64-05011 8-64-05009
7-40-05052 7-40-05053 7-11-04035 8-64-05011 8-64-05009
7-40-05052 7-40-05053 8-48-05032 8-64-05011 8-64-05009
NA 7-40-05038 7-48-05024 8-64-00020 8-64-00019
Item Ref. No. Qty Description
1 8-52-00203 1 Panel, Instrument
2 8-64-00008 7 Circuit Breaker (15 amp)
3 7-64-00025 1 Circuit Breaker (25 amp)
4 7-82-00026 1 Switch, Anti-Restart Key
2-60-02272 Ignition Key: (for 7-82-00026)
5 56478363 1 Gauge, Hour Meter
6 8-41-03014 1 Lens, Warning Light
7 0895-142 1 Harness, Instrument Panel (not shown)
8 8-58-05292-1 1 Plate, Warning Light
9 56109307 9 Insert, #8-32 Threaded
10 2-00-05337 9 Screw, #8-32 x .75 BHSC
11 8-08-00948 1 Bracket, Timer
12 2-00-01372 4 Nut, #8-32 Fiber Insert Lock
13 2-00-01246 3 Nut, #10-24 Elastic Stop
14 8-11-00044 7 Boot
15 56459369 1 Boot, Reset Button
08-7

FORM NO. 56042480
6150 IC90
06-5
DECALS
08-7

91
FORM NO. 56042480
6150 IC
06-5 DECALS
Item Ref. No. Qty Description
1<* REF 1 Hydraulic Fluid Only
2<* REF 1 Battery Charging Warning
3 8-18-00490 1 Bi-Directional Pedal - Horizontal
4<*~ 8-18-00487 1 Blank Square - Option Covers
5<* REF 3 Cover/Hopper Could Close
6<* REF 1 Diesel Fuel Only (Diesel only)
6<* REF 1 Gasoline Only (Gas only)
7<* REF 1 Do Not Use with Flammables
8<* REF 1 Electrical Hazard (Battery only)
9<* REF 1 Exhaust Warning (Gas, LP, Diesel)
10<* REF 1 Fire Hazard (Gas, Diesel)
11<* REF 1 Moving Belts - Stay Clear (Gas, LP, Diesel)
12<* REF 1 Moving Fan Blade - Stay Clear (Gas, LP, Diesel)
13<* REF 1 Patent /Patents Pending
14<* REF 7 Pinch Point - Stay Clear
15<* REF 1 Read Operator’s Manual
16<* REF 3 Split Rim Pneumatic Tires
17<* REF 1 Surface Hot - Stay Clear (Gas, LP, Diesel)
18<* REF 1 Turn Off/Lock Wheel
19 8-18-00536 1 6150
20 8-18-00549 1 A-L Technology (small) - Export Only
21 8-18-00525 1 American-Lincoln Logo (medium)
8-18-00528 1 Alto (large) - Export Only
22 8-18-00524 2 American-Lincoln Logo (small)
8-18-00548 1 A-L Technology (large) - Export Only
23 REF 1 Serial Plate
24 7-50-05136 3 Non-Skid
25 8-50-05055 1 Non-Skid
26 2-00-04115 2 Rivets
27 56109273 3 Decal, Jack Point
28 56109404 1 Decal, Low Sulfur Diesel (Diesel only) (American-Lincoln only)
~Can be ordered separately but is also included in 0760-855
<No-Text Warning Decals and English Text Decals contained in Kit 0760-855
*ALL WARNING/SAFETY DECALS WITH TEXT SOLD IN A KIT BY LANGUAGE:
DANISH 0760-850 ITALIAN 0760-851
DUTCH 0760-849 FRENCH 0760-847
NORWEGIAN 0760-852 SPANISH 0760-846
SWEDISH 0760-853 PORTUGUESE 0760-854
GERMAN 0760-848 ENGLISH 0760-880#
08-7

FORM NO. 56042480
6150 IC92
06-5
DECALS (continued)
07-10

93
FORM NO. 56042480
6150 IC
06-5 DECALS (continued)
Item Ref. No. Qty Description
1<* REF 1 Hydraulic Fluid Only
2<* REF 1 Battery Charging Warning
3 8-18-00490 1 Bi-Directional Pedal - Horizontal
4<*~ 8-18-00487 1 Blank Square - Option Covers
5<* REF 3 Cover/Hopper Could Close
6<* REF 1 Diesel Fuel Only (Diesel only)
6<* REF 1 Gasoline Only (Gas only)
7<* REF 1 Do Not Use with Flammables
8<* REF 1 Electrical Hazard (Battery only)
9<* REF 1 Exhaust Warning (Gas, LP, Diesel)
10<* REF 1 Fire Hazard (Gas, Diesel)
11<* REF 1 Moving Belts - Stay Clear (Gas, LP, Diesel)
12<* REF 1 Moving Fan Blade - Stay Clear (Gas, LP, Diesel)
13<* REF 1 Patent /Patents Pending
14<* REF 7 Pinch Point - Stay Clear
15<* REF 1 Read Operator’s Manual
16<* REF 3 Split Rim Pneumatic Tires
17<* REF 1 Surface Hot - Stay Clear (Gas, LP, Diesel)
18<* REF 1 Turn Off/Lock Wheel
19 8-18-00536 1 6150
20 8-18-00549 1 A-L Technology (small) - Export Only
21 8-18-00525 1 American-Lincoln Logo (medium)
8-18-00528 1 Alto (large) - Export Only
22 8-18-00524 2 American-Lincoln Logo (small)
8-18-00548 1 A-L Technology (large) - Export Only
23 REF 1 Serial Plate
24 7-50-05136 3 Non-Skid
25 8-50-05055 1 Non-Skid
26 2-00-04115 2 Rivets
27 56109273 3 Decal, Jack Point
~Can be ordered separately but is also included in 0760-855
<No-Text Warning Decals and English Text Warning Decals contained in Kit 0760-855
*ALL WARNING/SAFETY DECALS WITH TEXT SOLD IN A KIT BY LANGUAGE:
DANISH 0760-850 ITALIAN 0760-851
DUTCH 0760-849 FRENCH 0760-847
NORWEGIAN 0760-852 SPANISH 0760-846
SWEDISH 0760-853 PORTUGUESE 0760-854
GERMAN 0760-848 ENGLISH 0760-880
07-10

FORM NO. 56042480
6150 IC94
06-5
C1335/7-04
2-CYLINDER LP (CE MODELS ONLY)

95
FORM NO. 56042480
6150 IC
06-5 2-CYLINDER LP (CE MODELS ONLY)
Item Ref. No. Qty Description
1 7-08-01285 1 Bracket, LP Regulator
2 2-00-06093 1 Fitting, 1/4 NPT 3-way Bulkhead
3 2-00-06094 1 Fitting, 1/4 NPT LP Relief Vent
4 8-56-05023 1 Fitting, 1/4 NPT 45° Flare Elbow
5 2-60-02316 1 LP Regulator, Beam 60 (N19-7100)
6 2-00-06097 1 Fitting, 1/8 NPT M x 1/8 NPT F 90°
7 2-00-06098 1 Fitting, 1/8 NPT MXF XF Tee
8 7-82-00060 1 Switch, Vacuum
9 2-00-06101 1 Fitting, Fuel Outlet
10 56111309 1 Street Elbow, 1/8 x 1/8
11 2-60-02315 1 Lock-Off, LP Inline (N3-0342)
12 2-00-03815 2 Fitting, 3/8 Tube x 1/4 NPT 90° SS Elbow
13 7-87-02247 1 Tube, LP High Pressure
14 2-00-00221 2 Bolt, 1/4 x 3/4 long Fin. Hex Head
15 2-00-00641 2 Nut, 1/4-20 Fiber Insert
16 2-00-03702 2 Washer, .625 x .281 x .063
17 2-00-00219 2 Bolt, 1/4-20 Fin. Hex Head
18 2-00-05464 2 Elbow Fitting, 1/4 NPT x 3/8 Barb
19 2-00-01135 1 Bushing, 1/4 NPT F x 3/8 NPT M
20 2-00-06096 1 Fitting, 1/8 NPT Hex Nipple
21 2-00-05983 1 Fitting, 1/8 NPT x 5/16 Hose Barb
22 7-33-02658 2 Hose, 5/8 ID x 30” long Heater
23# 1 Hose, 12mm ID x 16.5” long LP
24 7-33-02660 1 Hose, LP Vapor (24” long)
25 7-33-02654 1 Hose, LP High Pressure (19.25” long)
26 2-00-05363 4 Clamp. Hose
27 2-00-03407 4 Clamp, Witteck #10P Hose
28 2-00-05281 1 Plug, Fuel Gauge
# = Revised or new since last update
09-2

FORM NO. 56042480
6150 IC96
06-5
CE - KIT
NOTE# 1: POSITION HOLE WHERE LATCH
CATCHES AND HOLES
BY AS MUNCH AS POSSIBLE BUT
NO LESS THAN 3/16".
17
16
15
Ø.201 (2 PLACES)
Ø.468
.83
1.86
SEE NOTE #1
FOR PLACEMENT
BROOM CHAMBER
14
13
12
Ø .281
(1 PLACE)
20.00
5.50
ENGINE COVER;
TOP VIEW
MOUNTING INSTRUCTIONS
1. DRILL ONE Ø.281 HOLE
2. MOUNT FIRE EXT. BRACKET
3. DRILL REMAINING (3) HOLES
ACCORDINGLY
REPLACES (8-50-00014)
18
11
9
8
1
07-10

97
FORM NO. 56042480
6150 IC
06-5 CE - KIT
Item Ref. No. Qty Description
1 56416517 1 Static Strap
2 8-83-04033 1 Fire Extinguisher (Placement Shown)
3 0880-650 1 Back-up Alarm (see Options)
4 8-41-05087 1 Latch (placement shown)
5 7-41-05099 1 Brake Handle (replaces 7-41-05083)
6 NA 1 CE Serial Plate (see decals)
7 8-31-06090 2 Latch Key
8 2-95-04182 1 Nut, Hex Nyl Loc 3/8-16
9 2-00-03266 1 Fan Washer
10 Intentionally Omitted
11 2-00-03855 1 Bolt, 3/8-16 x 1.00
12 2-00-03702 6 Washer-FL .625 x .281 x .063
13 2-00-00641 4 Nut-INS-Fiber .25-20 S.S. 42 NE-040
14 2-00-00220 6 Screw-HHS .25-20 x .63 GR 8 ZN
15 2-00-03062 2 Screw, #10-24 x.063 THM
16 2-00-01246 2 Insert, #10-24 Thin Nylon
17 2-00-00426 2 Flat Washer, .500 x .219 x .063
18 2-00-03829 1 Lock Washer, Int./Ext/ Tooth
08-7

FORM NO. 56042480
6150 IC98
06-5
08-7
INSTRUMENT PANEL CONNECTION DRAWING
87
14
25
36
87
14
25
36
87
14
25
36
1236
86 85
30
87A
87
86 85
30
87A
87
87
14
25
36
87
14
25
36
87
14
25
36
22
11 -
+
30
23
10
14
16
11
11
11
15
11
33
24
19 19
1
3
4
2
10 28 28
32
32
Neg
Neg
Neg
Neg
Neg
Neg
Neg Neg
28 11 10 985
CB1CB2CB3CB4
CB5
CB6CB7CB8
CB7
4
1
1
4
47
143211
31 30
11
6
17 17
21
520
18 17
20 18
34
34
25
13
12
11
S
Batt
IGN
ACC
ST
G
I
L
Fuel Gauge
Gas & Diesel only
Same wire: re - terminate
with 2-00-03418
For LPG light
Same wire
IC & Diesel Only:
Throttle Sw Dust Ctl Sw
Hopper temp
Option Only
Shaker Sw Glow Plug Sw
Diesel only
Work Light Sw Head Light Sw
11
41
Low LPG Light
LPG only
-
+
Neg
Volt Meter
Battery only
NEG
ONLY ON
6150 with
2cyl KAWASAKI 6150B only
Not used on
6150B only
Not used on
6150B only
All MPV & 6150IC
NOT USED ON
6150 with
2cyl KAWASAKI
12Ga wire added (Tape up wire 4)
6150 Battery Version ONLY
Use 25A CB 7-94-00025
For 6150 Battery Only
Wire 4 Not Used on 6150 Battery
6150 Battery Only
Remove spade terminal from
12Ga wire 47
& add Insulated Ring Terminal 2-00-04284
10
80864revC/12-04

99
FORM NO. 56042480
6150 IC
06-5
08-7
3-CYL. KUBOTA ENGINE ELECTRICAL SCHEMATIC - GAS, LP, DIESEL
BATTERY
A
B
C
E
F
G
H
J
K
L
M
N
P
D
IGNITION POWER
WATER TEMP SW SIGNAL
OIL PRESSURE SW SIGNAL
NOT USED
NOT USED
HOUR METER POWER
NOT USED
NOT USED
NOT USED
NOT USED
DIESEL GLOW PLUG RELAY
START/CRANK POWER
LOW LP SW SIGNAL
ALTERNATOR LIGHT SIGNAL
MPV-60 ONLY
MPV-60 ONLY
MPV-60 ONLY
ENGINE HARNESS CONNECTOR
10
9
12
13
14
41
32
23
M1
M6
30 87
86
85
STARTER MOTOR
GLOW PLUGS
GLOW PLUGS RELAY
BLK.
WHT.
RED
RUN
SOL.
1
1
1
10
10
10
12
12
42
25
25
7U
32
32
M6
40 AMP
ALT.
BAT.
IG
L
FUEL PUMP
BLK
WHT/BLK
10
OP-SW.
Low LPG-SW.
WT-SW.
M1
U
U
U
U
U
U
U
U
U
U
-
-
-
-
-
-
RUN SOL.
RUN SOL.
3085
86
87
32
42
1
Neg
42 13
13
27
27 12
12
14
14
Neg
Neg
Neg
Neg
41
Neg
1
1
25
25 9
9
10
10
10
10
Pre wired to ignition
Red
Blk
25
RED
WHT.
BLK.
GND
GND
WT-SW
WT-SW OP-SW
OP-SW
Vac-Sw
LPG only
Gas & LPG Carb
Fuel Shut off sol.
Glow Plgs
STARTER
STARTER Low LPG
Prs Sw
LPG
lock out sol
Diesel Only
ALT.
ALT.
(B+)
(B+)
(B+)
(B+)
1
1
ANDERSON
NEG
POS
ANDERSON
NEG
POS
ANDERSON
NEG
POS
ANDERSON
NEG
POS
U
U
LP LOCKOUT SOL.
FUEL SHUT-OFF SOL.
VAC. SW.
10
10
TO IGNITION
U
U
WIRE 10 & 23
SPLICED IN
ENGINE HARNESS
CONNECTIONS FOR DIESEL ENGINES
CONNECTIONS FOR GAS & LPG ENGINES

FORM NO. 56042480
6150 IC100
06-5
2-CYLINDER KAWASAKI ENGINE CONNECTION SCHEMATIC (GAS, LP)
BATTERY
A
B
C
E
F
G
H
J
K
L
M
N
P
D
IGNITION POWER
WATER TEMP SW SIGNAL
OIL PRESSURE SW SIGNAL
NOT USED
NOT USED
HOUR METER POWER
NOT USED
NOT USED
NOT USED
NOT USED
NOT USED
START/CRANK POWER
LOW LP SW SIGNAL
ALTERNATOR LIGHT SIGNAL
MPV-60 ONLY
MPV-60 ONLY
MPV-60 ONLY
ENGINE HARNESS CONNECTOR
10
9
12
13
14
41
23
M1 STARTER MOTOR
1
10
12
25
FUEL PUMP
BLK
WHT/BLK
10
OP-SW.
Low LPG-SW.
Low LPG-SW.
WT-SW.
M1
U
U
U
U
U
U
U
U
U
U
U
(+)
(-)
No. 1 CYL.
(+)
(-)
No. 2 CYL. Primary FUEL SHUT
OFF VALVE
SPARK
PLUGS
10
IGNITER
CHARGING
COIL
FLYWHEEL No. 1 CYL
No.2 CYL
PULSER
COIL
RELUCTOR
FUSE #8
25 AMP.
SLOW BLOW
1
Neg
1B
25
26
12
10
10
10 REGULATOR
-
-
IGNITER
(+)
(-)
No. 1 CYL.
(+)
(-)
No. 2 CYL.
STARTER
13
9
14
25
25
110 Neg
10
26
26
12
CHARGING
COIL
FLYWHEEL
B/Y
B/Y
B/W
W
P
P
Y
Y
R
R
R
Y
BB
L/R
Y/ W
Y/ W
R
Y/ W
Y
No. 1 CYL
OIL SW.
REGULATOR
CONNECTOR
ENGINE
CONNECTOR
FUEL SHUT OFF VALVE
FUEL SHUT OFF VALVE
No. 2 CYL
PULSER
COIL
ENGINE WIRING
FD62OD
KAWASAKI 19 HP
SPARK
PLUGS IGNITION
COILS
RELUCTOR
W/L
W/L
G/W
G/W
0/W
Y/ W
Y/ W
1
Neg
Neg 41
10
PPINK
YYELLOW
WWHITE
RRED
BBLACK
W/L WHT./BLUE
G/W GRN./WHT.
O/W ORG./WHT.
B/Y BLK./YEL.
B/W BLK./WHT.
Y/W YEL./WHT.
L/R BLUE/RED
ENGINE WIRE COLORS
-
ANDERSON
NEG
POS
ANDERSON
NEG
POS
UU
WIRES 10 & 23
SPLICED IN
ENGINE HARNESS
VAC. SW.
VAC. SW.
LPG SHUT OFF VALVE
80869revC/8-05
08-7

101
FORM NO. 56042480
6150 IC
06-5 HYDRAULIC SCHEMATIC - 2 CYL. GAS, LP & DIESEL
08-7

FORM NO. 56042480
6150 IC102
06-5
ELECTRICAL SCHEMATIC - GAS, LP, DIESEL
M5
M1
BATTERY
STARTER MOTOR
M1
MTR.
6
5
5
1M2
CB -1
15 AMP.
30 87
SHAKER MTR.
849
1
CB -2 HORN SW.
HORN
15 AMP.
2
3
4
10
1CB -3
CB 4
CB -5
BAT. 9
11
30
1
4
28
18
19 20
20
11
11K 33
21
34
34
7R
22
7H,7K
31
30
M7
FAN SOLENOID
HOP. TEMP LT.
HOP. TEMP.SW.
OPENS AT 140F
FUEL GUAGE LIGHT
M4
M7
(I) (S)
FG
87A
87A
30
30
FUEL GUAGE SENDER
SHAKER
MTR.SW.
DUST CTR
WSB.
SW.
WORK LIGHT
OPTION
LT. HEAD LIGHT
LIGHT
SW.
HOPPER SW.
MPV only
19 spliced to 11 in 6150 machine harness
(HELD CLOSED)
C
R
A
B
C
E
F
G
H
J
K
L
M
N
P
D
IGNITION POWER
SPEED SELECT INPUT 1
SPEED SELECT INPUT 2
WATER TEMP SW SIGNAL
OIL PRESSURE SW SIGNAL
NOT USED
HOUR METER POWER
NOT USED
NOT USED
Ground used on 6150 2cyl only
DIESEL GLOW PLUG RELAY
START/CRANK POWER
LOWLPSWSIGNAL
ALTERNATOR LIGHT SIGNAL
CHECK ENGINE (MIL) LIGHT SIGNAL
MPV-60 ONLY
MPV-60 ONLY
MPV-60 ONLY
ENGINE HARNESS CONNECTOR
24
10
25
ENGINE
SPEED
SW.
IDLE
SLOW
FAST
29
25
10
9
9
12
13
14
R
R
R
41
R
R40
32
23
32
GP- SW.
17
17
17
15
17
Neg
11
18
M4
M2
TD-1
16
7
2
3
86
86
85
85
FAN RELAY
SHAKER MTR. RELAY
TIMED
SHAKER
MTR.(20 SEC.) Neg
Neg
Neg
11
11
HOPPER TEMP OPTION.
7P
7S
7R
30
LT. HEAD LIGHT
RT. HEAD LIGHT
TAIL LIGHT
GRN.
SIDE BROOM LIGHT
28 WORK LIGHT SW.
CB -6
30
30
30
CB -7
CB -8
CB-7&CB-8
ARE 15 AMP
1
DEFROSTER
HEATER
2.4A ( LOW)
2.5A (HIGH)
1.75A ( LOW)
1.25-1.50 A (LOW)
1.6-2.0 A (HIGH)
2.9A (MED)
3.2A (HIGH)
MTR.
OFF
(LOW)
(MED)
(HIGH)
BM
OFF HIGH
LOW
DOME LIGHT
WIPER
RES.
MTR.
(PARK)
BL
B
(LOW)
(HIGH)
CC
RA
A
LEFT
GRN.
FU-2
FLASHER
BLU.
YEL.
YEL.
BRN.
BRN.
BRN.
RED/WHT
WHT
BLK
BLK
BLK
BLK
BLK
C
C
NO
NO
RED
RED
RED
RED FRONT
FRONT
REAR
REAR
RIGHT
TURN SIGNALS
INDICATOR
BU-SW.
BACK UP ALARM
STROBE
REV.
BR-SW. BRAKE LIGHT
16
HOPPER
DOOR
SWITCH
OPENS WHEN
HOPPER DOOR
IS FULL OPEN
HOPPER DOOR LIGHT
(C) (NC) Y
CLOGGED FILTER (NO) (C)
PRESS. SW.
Y
WORK LIGHT SW.
Note: Optional configuration
Wire 4 may be used to power Light Option CB-6
for Lights to turn off with Ign SW
Warning - If CAB Options CB7 are installed
then CB-6 must be powered by Wire 1
to prevent overloading ACC circuit of Key Switch.
Neg
Neg
Neg
Neg
80862revC/8-05
08-7

103
FORM NO. 56042480
6150 IC
06-5 HYDRAULIC SCHEMATIC - 3 CYL. KUBOTA GAS & DIESEL

14600 21st Avenue North
Plymouth, MN 55447-3408
www.americanlincoln.com
Phone: 800-331-7692
Fax: 877-877-2586
©2009 American-Lincoln