B10 Parts Manual 9010729 Rev02 NA/INTL
2015-06-23
: Sweepscrub B10 Parts Manual B10_parts_manual 1179 file product_file
Open the PDF directly: View PDF
.
Page Count: 69
- HOW TO ORDER PARTS
- GENERAL RECOMMENDED MAINTENANCE
- STANDARD PARTS
- PAD DRIVER GROUP, 610 MM (24 IN)
- PAD DRIVER GROUP, 686 MM (27 IN)
- MAIN FRAME GROUP
- SEAT GROUP
- STEERING GROUP
- INSTRUMENT PANEL GROUP
- FRONT DRIVE WHEEL GROUP
- BRAKE AND ACCELERATOR PEDAL GROUP (S/N 10644214- )
- BRAKE AND ACCELERATOR PEDAL GROUP (S/N 00000000- 10644213)
- HEAD LIFT GROUP
- MAIN HOUSING GROUP
- FRONT SHROUD GROUP
- ELECTRICAL PANEL GROUP
- ELECTRICAL COMPONENTS GROUP
- CIRCUITBOARD GROUP
- ACTIVE DUST CONTROL GROUP
- BATTERY GROUP, WET 435AH
- ON-BOARD CHARGER GROUP
- LABEL GROUP
- ELECTRICAL SCHEMATIC
- HARNESS GROUP, MAIN
- HARNESS GROUP, MOTOR
- HARNESS GROUP, CONTROL BOARD
- HARNESS GROUP, LIGHT
- HARNESS GROUP, ALARM
- HARNESS GROUP, MOTOR BRAKE
- OPTIONS
- BREAKDOWNS

North America / International
For the latest Parts manuals and other
language Operator manuals, visit:
www.tennantco.com/manuals
B10
*9010729*
www.tennantco.com
Parts Manual
9010729
Rev. 02 (06-2015)
Rider Burnisher
TennantTrueRParts

Ref Part No. Serial Number Description Qty.
1 82681 (000000- ) Bracket Wldt, Lpg Mount 1
o2 63810 (000000- ) Latch Assy, Lpg Tank Mtg, W/Nut 4
Y3 51839 (000000- ) Nut Adjustable, Lpg Tank Mtg 2
4 49263 (000000- ) Tie, Cable 3
5 82556 (000000- 001039) Bracket, Vaporizer 1
6 54930 (000000- ) Vaporizer, LPG 1
C
D
B
A
HOW TO ORDER PARTS - See diagram above
Only use TENNANT Company supplied or equivalent parts. Parts and supplies may be ordered online,
by phone, by fax or by mail.
Follow the steps below to ensure prompt delivery.
1. (A) Identify the machine model.
2. (B) Identify the machine serial number from the data label.
3. (C) Ensure the proper serial number is used from
the parts list.
4. Identify the part number and quantity.
Do not order by page or reference numbers.
5. Provide your name, company name, customer ID number,
billing and shipping address, phone number and
purchase order number.
6. Provide detail shipping instructions.
(D) - identifies an assembly
Y- identifies parts included in assembly
Please fill out at time of installation for
future reference.
Model No. -
Serial No. -
Machine Options -
Sales Rep. -
Sales Rep. phone no. -
Customer ID Number -
Installation Date -
Tennant Company
PO Box 1452
Minneapolis, MN 55440 USA
Phone: (800) 553- 8033 or
(763) 513- 2850
www.tennantco.com
Tennant Company N.V.
Industrielaan 6 5405 AB
P.O. Box 6 5400 AA
Uden- The Netherlands
europe@tennantco.com
www.tennantco.com
Specifications and parts are subject to change without notice.
Copyright E2013 - 2015 TENNANT Company, Printed in U.S.A.

TABLE OF CONTENTS
Tennant B10 (06- 2015) 3
STANDARD PARTS
GENERAL RECOMMENDED MAINTENANCE
ITEMS 4...................................
PAD DRIVER GROUP, 610 MM (24 IN) 6........
PAD DRIVER GROUP, 686 MM (27 IN) 8........
MAIN FRAME GROUP 10.......................
SEAT GROUP 12..............................
STEERING GROUP 14.........................
INSTRUMENT PANEL GROUP 16...............
FRONT DRIVE WHEEL GROUP 18..............
BRAKE AND ACCELERATOR PEDAL GROUP
(S/N 10644214- ) 20..................
BRAKE AND ACCELERATOR PEDAL GROUP
(S/N 00000000- 10644213) 22.................
HEAD LIFT GROUP 24.........................
MAIN HOUSING GROUP 26....................
FRONT SHROUD GROUP 28...................
ELECTRICAL PANEL GROUP 30................
ELECTRICAL COMPONENTS GROUP 32........
CIRCUITBOARD GROUP 34....................
ACTIVE DUST CONTROL GROUP 36............
BATTERY GROUP, WET 435AH 38..............
ON- BOARD CHARGER GROUP 40.............
LABEL GROUP 42.............................
ELECTRICAL SCHEMATIC 44...................
HARNESS GROUP, MAIN 46....................
HARNESS GROUP, MAIN - CONT’D 47..........
HARNESS GROUP, MOTOR 49.................
HARNESS GROUP, CONTROL BOARD 50.......
HARNESS GROUP, LIGHT 51...................
HARNESS GROUP, ALARM 52..................
HARNESS GROUP, MOTOR BRAKE 53..........
OPTIONS
BATTERY GROUP, AGM 390AH 54..............
OFF- BOARD CHARGER GROUP 56............
HYDROLINKRBATTERY WATERING SYSTEM
KIT 58......................................
FLASHING LIGHT KIT 60.......................
WALL ROLLER (686 MM / 27 IN HEAD)
GROUP 62..................................
BREAKDOWNS
ACTIVE DUST CONTROL BREAKDOWN,
1200929 64.................................
FRONT DRIVE WHEEL BREAKDOWN,
9008999 66.................................
STEERING CONTROL BREAKDOWN,
1019724 68.................................

GENERAL RECOMMENDED MAINTENANCE
Tennant B10 (06- 2015)
4
GENERAL RECOMMENDED MAINTENANCE ITEMS
Part No. Serial Number Description Qty.
9013143 (00000000- )Motor Kit, Burnish, Replmt [B10] 1
Y1206641 (00000000- )Brush Assy, Carbon, Afmkt (Includes Qty 8- Carbon
Brushes, 8- Springs & 2- Electrical Terminals)
1
00928 (00000000- )Key, Sq, 0.25 X 0.25, 1.00l 1
1205730 (00000000- )Shroud Assy, Dust- Cntrl, Stepped, 24.0d 1
1205728 (00000000- )Shroud Assy, Dust- Cntrl, Stepped, 27.0d 1
1200750 (00000000- )Skirt Assy, Shrd, 24.0d 1
1200686 (00000000- )Skirt Assy, Shrd, 27.0d 1
1213331 (00000000- )Driver Assy, Pad, 24d 1
1213332 (00000000- )Driver Assy, Pad, 27d 1
Y32506 (00000000- )Device, Centering, Rh Pad Retainer 1
Y1205787 (00000000- )Collar, Locking, Pad Driver, 6.1” 1
1204254 (00000000- )Pad, Burnish, 24.0d, Hairblend [1Pk = 1Pad] 1
1204255 (00000000- )Pad, Burnish, 27.0d, Hairblend [1Pk = 1Pad] 1
9010993 (00000000- )Bumper,Strip,Afmkt,3Ft 1
1048955 (00000000- )Switch, Seat, No [Delta 6440- 04] 1
1202142 (00000000- )Pad, Rbr, 0.12 X 1.4 X 22.7, Adh 1
1011402 (00000000- )Switch, Key 1
Y1017696 (00000000- )Key Set, Replmt [F/ Keyswitch 1011402] 1
1018505 (00000000- )Horn, 12- 48vdc [88.5 Decibels] 1
1200923 (00000000- )Actuator, 24vdc 1
1205672 (00000000- )Spring, Extn, 1.211od 0.200wir 05.5l 2
1202188 (00000000- )Bushing, Flng, 0.63b 0.75d 0.63l, Bnz 2
1014020 (00000000- )Roller, Lift, Dual Disk Head 2
1202820 (00000000- )Spring, Comp, 0.520b, 3.95l 2
1202539 (00000000- )Bushing, Flng, Ss, 0.404b 0.612d 0.674l 10
1202378 (00000000- )Bushing, 0.63b 0.75d 0.50l, Bnz 8
1202821 (00000000- )Spring, Comp, 0.520b, 6.5l 2
1202544 (00000000- )Spring, Comp, 0.550id, 0.120wir, 0.850l 2
1200585 (00000000- )Shunt, Current, 200a 1
1203357 (00000000- )Contactor Assy, 36vdc, 250a, Spst, No 1
1201381 (00000000- )Wire, Assy, Cable 16.0 2awg, Red 1
1201383 (00000000- )Harness, Battery, Orion 1
9011014 (00000000- )Circuitboard Kit, Afmkt 1
Y1030692 (00000000- )Vr, Fuse, 15a, Replmt 1
Y1016816 (00000000- )Pad, Thermal, Heat Sink 1
1205540 (00000000- )Boot, Terminal, Battery, 1/0- 2/0ga, Blk 12
1204146 (00000000- )Battery, Wet, 06vdc 435ah, W/ Box (Includes Hardware) 6
1204248 (00000000- )Battery, Agm, 06vdc 390ah, W/Box (Includes Hardware) 6
1201394 (00000000- )Harness, Charger, On Board [Orion] 1
1201389 (00000000- )Harness, Charger, Off Board [Orion] 1
1069053 (00000000- )Harness, Main [Orion] 1
1069866 (00000000- )Harness, Motor, [Orion] 1
ASSEMBLY
YINCLUDED IN ASSEMBLY

GENERAL RECOMMENDED MAINTENANCE
Tennant B10 (01- 2013) 5
GENERAL RECOMMENDED MAINTENANCE ITEMS
Part No. Serial Number Description Qty.
9011001 (00000000- )Charger Kit, 36vdc 120vac, On- Brd, [Na] 1
Y1206662 (00000000- )Fuse, 015a, 250vac [Baf- 15] 1
Y130155 (00000000- )Connector, Battery, 6ga 50a, Gray[2cont] 1
9011009 (00000000- )Charger Kit, 36vdc 120vac, Off- Brd, [Na] 1
Y1206662 (00000000- )Fuse, 015a, 250vac [Baf- 15] 1
Y130155 (00000000- )Connector, Battery, 6ga 50a, Gray[2cont] 1
1011735 (00000000- )Switch, Safety, Shutoff 1
1072040 (00000000- )Switch, Rocker, Spst, Paddle 1
1013132 (00000000- )Switch, Lever, Snap Actn 1
222460 (00000000- )Sleeve, P/M, 0.32b 0.50d 0.5l [430ss] 10
222178 (00000000- )Roller, Pyu, 1.88d 0.53b 3.05l 1
9007784 (00000000- )Bag, Vacuum, 6 Qt [1pick=1pkg/12 Bags]
(Qty 1 Included w/ Machine) (Active Dust Control Model)
1
9007866 (00000000- )Bag, Vacuum, 6 Qt [1pk=1ctn/16=192 Bags]
(Active Dust Control Model)
1
9007785 (00000000- )Bag, Cloth, Afkmt, 6 Qt (Qty 1 Included w/ Machine)
(Active Dust Control Model)
1
9007800 (00000000- )Filter, Exhaust [1pick=1pkg] (1 Pkg = 6 Filters)
(Active Dust Control Model)
1
9007812 (00000000- )Filter, Hepa, Fr/ (Active Dust Control Model) 1
9007802 (00000000- )Fan, Vacuum, Backpack, Fr(Includes 1- M4x6 Set Screw)
(Active Dust Control Model)
1
ASSEMBLY
YINCLUDED IN ASSEMBLY

STANDARD PARTS
Tennant B10 (06- 2015)
6
PAD DRIVER GROUP, 610 MM (24 IN)
355194
1
2
3
4
5
6
78
9
10
28
2
3
4
12
13
14
15
16
17
18
19 20
21
22
23
24
13
4
14
25
7
8
11
2
3
4
25
26
27
29
28
30

STANDARD PARTS
Tennant B10 (06- 2015) 7
PAD DRIVER GROUP, 610 MM (24 IN)
Ref. Part No. Serial Number Description Qty.
11201996 (00000000- )Screw, Hex, M8 X 1.25 X 140, Ss 2
201685 (00000000- )Washer, Flat, 0.38b 0.88d .08, Ss 4
341141 (00000000- )Washer, Lock, Int- Ext, 0.31 4
41028796 (00000000- )Washer, Flat, 0.33b 1.00d .18, Stl, Pl 5
51205469 (00000000- )Block, Mass, 24in Scrub Head, Long 9
69010993 (00000000- )Bumper,Strip,Afmkt,3Ft 1
71045487 (00000000- )Screw, Pan, Phl, M5 X 0.80 X 16, Blk 2
809739 (00000000- )Nut, Hex, Lock, M5 X 0.80, Nl, Ss 2
99013143 (00000000- )Motor Kit, Burnish, Replmt [B10] 1
Y1206641 (00000000- )Brush Assy, Carbon, Afmkt (Includes Qty 8- Carbon
Brushes, 8- Springs & 2- Electrical Terminals)
1
Y10 87435 (00000000- )Nut, Hex, Flexlock, .31- 18 2
Y11 39349 (00000000- )Washer, Flat, 0.31, Sae 2
Y12 32984 (00000000- )Washer, Lock, Int, 0.31 2
13 41186 (00000000- )Washer, Flat, Belleville, .31 5
14 1016399 (00000000- )Screw, Hex, M8 X 1.25 X 30, Nl, Ss 5
15 1205730 (00000000- )Shroud Assy, Dust- Cntrl, Stepped, 24.0d 1
16 1200750 (00000000- )Skirt Assy, Shrd, 24.0d 1
17 09200 (00000000- )Screw, Pan, Phl, M5 X 0.80 X 12, Ss 2
18 140011 (00000000- )Washer, Flat, 0.21b 0.45d .03, Ss 2
19 1206352 (00000000- )Bracket Wldt, Shroud, Crs 1
20 1200676 (00000000- )Plate, Backing, Dust- Cntrl 1
21 01685 (00000000- )Washer, Flat, 0.38b 0.88d .08, Ss 4
22 08713 (00000000- )Nut, Hex, Lock, M8 X 1.25, Nl, Ss 4
23 00928 (00000000- )Key, Sq, 0.25 X 0.25, 1.00l 1
24 1213331 (00000000- )Driver Assy, Pad, 24d 1
Y25 32506 (00000000- )Device, Centering, Rh Pad Retainer 1
Y26 1205787 (00000000- )Collar, Locking, Pad Driver, 6.1” 1
27 1204254 (00000000- )Pad, Burnish, 24.0d, Hairblend [1Pk = 1Pad] 1
28 386299 (00000000- )Screw, Hex, M8 X 1.25 X 100, Ss 2
29 1205475 (00000000- )Block, Mass, 24in Scrub Head, Short 6
30 1200757 (00000000- )Plate Wldt, Mount, Motor, 24in 1
ASSEMBLY
YINCLUDED IN ASSEMBLY

STANDARD PARTS
Tennant B10 (06- 2015)
8
PAD DRIVER GROUP, 686 MM (27 IN)
355195
1
2
3
22
24 23
5
6
7
8
9
10
11
12 13
14
15
16
17
6
21
7
20
18
18
19
4
23
24

STANDARD PARTS
Tennant B10 (06- 2015) 9
PAD DRIVER GROUP, 686 MM (27 IN)
Ref. Part No. Serial Number Description Qty.
19013143 (00000000- )Motor Kit, Burnish, Replmt [B10] 1
Y1206641 (00000000- )Brush Assy, Carbon, Afmkt (Includes Qty 8- Carbon
Brushes, 8- Springs & 2- Electrical Terminals)
1
Y287435 (00000000- )Nut, Hex, Flexlock, .31- 18 2
Y339349 (00000000- )Washer, Flat, 0.31, Sae 2
Y432984 (00000000- )Washer, Lock, Int, 0.31 2
51200543 (00000000- )Plate Wldt, Mount, Motor, 27in 1
641186 (00000000- )Washer, Flat, Belleville, .31 5
71016399 (00000000- )Screw, Hex, M8 X 1.25 X 30, Nl, Ss 5
81205728 (00000000- )Shroud Assy, Dust- Cntrl, Stepped, 27.0d 1
91200686 (00000000- )Skirt Assy, Shrd, 27.0d 1
10 09200 (00000000- )Screw, Pan, Phl, M5 X 0.80 X 12, Ss 2
11 140011 (00000000- )Washer, Flat, 0.21b 0.45d .03, Ss 2
12 1206352 (00000000- )Bracket Wldt, Shroud, Crs 1
13 1200676 (00000000- )Plate, Backing, Dust- Cntrl 1
14 01685 (00000000- )Washer, Flat, 0.38b 0.88d .08, Ss 4
15 08713 (00000000- )Nut, Hex, Lock, M8 X 1.25, Nl, Ss 4
16 00928 (00000000- )Key, Sq, 0.25 X 0.25, 1.00l 1
17 1213332 (00000000- )Driver Assy, Pad, 27d 1
Y18 32506 (00000000- )Device, Centering, Rh Pad Retainer 1
Y19 1205787 (00000000- )Collar, Locking, Pad Driver, 6.1” 1
20 1204255 (00000000- )Pad, Burnish, 27.0d, Hairblend [1Pk = 1Pad] 1
21 1028796 (00000000- )Washer, Flat, 0.33b 1.00d .18, Stl, Pl 1
22 9010993 (00000000- )Bumper,Strip,Afmkt,3Ft 1
23 09739 (00000000- )Nut, Hex, Lock, M5 X 0.80, Nl, Ss 2
24 1045487 (00000000- )Screw, Pan, Phl, M5 X 0.80 X 16, Blk 2
ASSEMBLY
YINCLUDED IN ASSEMBLY

STANDARD PARTS
Tennant B10 (01- 2013)
10
MAIN FRAME GROUP
355180
1
2
3
3
2
1
45
6
7
8
9
5
4
10 9
9
11
12
4
13
14
15
16
4
17
18
19
20
22
22
20 19
18
17
22
22 23
24
25
26
27
28
29
30
28
27
31
23
32
33 34
4
35
36
21
4
19
19
19
19
19
4
37
38
37
38

STANDARD PARTS
Tennant B10 (01- 2013) 11
MAIN FRAME GROUP
Ref. Part No. Serial Number Description Qty.
11016957 (00000000- )Cap, Vyl, 70mmid X 25mml 2
209005 (00000000- )Ring, Retaining, Ext, 1.00d, Basic 2
31038560 (00000000- )Tire Assy, Solid, 250mm X 80mm, 25mmid 2
4130773 (00000000- )Tie, Cable, Nyl, 11.0l, .14w, 3.0 Max. D 11
51202181 (00000000- )Grommet, Rbr, 2.13id, F/2.5h, .19 Matl 2
612333 (00000000- )Screw, Hex, M8 X 1.25 X 25, Ss, Nl 1
701685 (00000000- )Washer, Flat, 0.38b 0.88d .08, Ss 1
841141 (00000000- )Washer, Lock, Int- Ext, 0.31 1
910632- 13 (00000000- )Grommet, Rbr, 1.50id, F/1.8h, .19 Matl 3
10 1019349 (00000000- )Screw, Trs, M6 X 1.00 X 16, Ss, Sems 1
11 1018505 (00000000- )Horn, 12- 48vdc [88.5 Decibels] 1
12 1200530 (00000000- )Frame Wldt, Sppt, Main 1
13 71579 (00000000- )Strap, Static, W/Grommet, .19 1.1w 25.0l 1
14 01685 (00000000- )Washer, Flat, 0.38b 0.88d .08, Ss 1
15 08713 (00000000- )Nut, Hex, Lock, M8 X 1.25, Nl, Ss 1
16 30406 (00000000- )Clip, Keeper 3
17 1201529 (00000000- ) Jack Wldt 2
18 222504 (00000000- ) Screw, Hex, M8 X 1.25 X 55, Ss 4
19 01685 (00000000- )Washer, Flat, 0.38b 0.88d .08, Ss 12
20 41141 (00000000- )Washer, Lock, Int- Ext, 0.31 4
21 1034731 (00000000- )Screw, Hex, M6 X 1.00 X 16, Ss, Sems 2
22 12333 (00000000- )Screw, Hex, M8 X 1.25 X 25, Ss, Nl 8
23 1200540 (00000000- )Tube Wldt, Rop 2
24 140300 (00000000- )Clamp, Cable, Stl, 0.50d [Insulated] 1
25 08716 (00000000- ) Screw, Hex, M6 X 1.00 X 20, Ss 1
26 1202858 (00000000- )Bracket Wldt, Sppt, Front, Lh 1
27 01685 (00000000- )Washer, Flat, 0.38b 0.88d .08, Ss 4
28 08713 (00000000- )Nut, Hex, Lock, M8 X 1.25, Nl, Ss 4
29 01684 (00000000- )Washer, Flat, 0.27b 0.69d .05, Ss 1
30 08712 (00000000- )Nut, Hex, Lock, M6 X 1.00, Nl, Ss 1
31 1202846 (00000000- )Bracket Wldt, Sppt, Front, Rh 1
32 1201742 (00000000- )Bracket Wldt, Mounting, Switch 1
33 1013132 (00000000- )Switch, Lever, Snap Actn 1
34 33933 (00000000- )Screw, Pan, Phl, M3 X 0.50 X 25, Ss 2
35 41578 (00000000- )Washer, Flat, 06, Ss 2
36 579211 (00000000- )Nut, Hex, Lock, M3 X 0.50, Nl, Ss 2
37 01684 (00000000- )Washer, Flat, 0.27b 0.69d .05, Ss 2
38 11329 (00000000- )Screw, Hex, M6 X 1.00 X 16, Nl, Ss 2

STANDARD PARTS
Tennant B10 (01- 2013)
12
SEAT GROUP
355197
1
2
3
4
5
6
7
89
10
11
12
13
14
15
16
14
17
18
19
14
15
16
20
21
22
17
18
23
2
3
4
4
3
2
4
3
2
24 21
21
25
25 26
21
15
14
13

STANDARD PARTS
Tennant B10 (05- 2014) 13
SEAT GROUP
Ref. Part No. Serial Number Description Qty.
19005082 (10611440- )Seat Kit, Std, Replmt (Kit Includes Screw and Spacer) 1
11048932 (00000000- 10611439 )Seat, Std [Michigan, Model V- 2505]
(Replaced by 9005082)
1
269461 (00000000- )Washer, Flat, 0.38b 0.88d .12, Stl, Pl 4
31051052 (00000000- )Spacer, Rnd, .38b .88d .38l 4
449177 (00000000- )Screw, Pan, Phl, .31- 18 X 1.00, G2 4
51017054 (00000000- )Rail, Adj, Slide, Seat, 11.5l, W/ Latch 1
61017053 (00000000- )Rail, Adj, Slide, Seat, 11.5l 1
71048955 (00000000- )Switch, Seat, No [Delta 6440- 04] 1
8391951 (00000000- )Harness, Seat [ T7/Ssr ] 1
91204413 (00000000- )Plate Wldt, Cover, Hole, Flasher
(Models w/out Flashing Light Option)
1
10 1202142 (00000000- )Pad, Rbr, 0.12 X 1.4 X 22.7, Adh 1
11 9010990 (00000000- )Plate, Seat, Afmkt, Adc [B10] [Na/Aus] 1
11 9010991 (00000000- )Plate, Seat, Afmkt, Adc [B10] [Ce/Korea] 1
12 1020170 (00000000- )Molding, Afmkt, Trim, Pvc, .08 .11, 02ft 1
13 1058340 (00000000- )Plug, Hole, Rnd, .63h 0.1l, Blk 2
14 1202143 (00000000- ) Screw, Trs, M6 X 1.00 X 16, Phl, Nl, Blk 4
15 01685 (00000000- )Washer, Flat, 0.38b 0.88d .08, Ss 5
16 41437 (00000000- )Nut, Hex, Lock, .31- 18, Nl, Ss 4
17 08712 (00000000- )Nut, Hex, Lock, M6 X 1.00, Nl, Ss 3
18 01684 (00000000- )Washer, Flat, 0.27b 0.69d .05, Ss 3
19 41140 (00000000- )Washer, Lock, Int- Ext, 0.25 1
20 86952 (00000000- )Washer, Flat, 0.52b 1.25d .06, Nyl 1
21 30013 (00000000- )Washer, Flat, 0.31, Fendr 4
22 08713 (00000000- )Nut, Hex, Lock, M8 X 1.25, Nl, Ss 1
23 130773 (00000000- )Tie, Cable, Nyl, 11.0l, .14w, 3.0 Max. D 3
24 12333 (00000000- )Screw, Hex, M8 X 1.25 X 25, Ss, Nl 1
25 360801 (00000000- )Sleeve, 0.32b 0.50d 0.3l, 2cham, Ss 2
26 1201445 (00000000- )Bracket Wldt, Arm, Prop 1

STANDARD PARTS
Tennant B10 (01- 2013)
14
STEERING GROUP
355183
1
2
3
4
5
6
7
8
9
10
11
8
9
13
14
8
15
16
17
18
19
19
18 17
19 18 17
20
21
22
12

STANDARD PARTS
Tennant B10 (01- 2013) 15
STEERING GROUP
Ref. Part No. Serial Number Description Qty.
11019706 (00000000- )Cap, Wheel, Steering 1
208711 (00000000- )Nut, Hex, Lock, M12 X 1.75, Nl 1
364154 (00000000- )Washer, Flat, 0.53b 1.12d .11, Stl, Pl 1
41012002 (00000000- )Wheel, Steering, 300mm 1
51012437 (00000000- )Bellows, Shaft, Steering 1
61014328 (00000000- )Key, Sq, 05mm X 05mm, 25mml 1
71013164 (00000000- )Shaft, Steering, Wheel 1
800912 (00000000- )Key, Sq, 0.19 X 0.19, 1.00l 3
946820 (00000000- )Screw, Set, .31- 18 X 0.38, Nl 8
10 1040295 (00000000- )Joint, U, 0.75id 1
11 1200662 (00000000- )Shaft, Adapter, Steering 1
12 1202031 (00000000- )Collar, Shaft, 20.4b X 18.0w, Clr Zn Pl 1
13 1202305 (00000000- )Bushing, Flng, 20.0b 26.0d 12.0l, Bnz 1
14 1202861 (00000000- )Plate, Stiffener, Steering Sppt [B10] 1
15 01686 (00000000- )Washer, Flat, 0.44b 1.00d .08, Ss 4
16 09770 (00000000- )Screw, Hex, M10 X 1.50 X 25, Nl, Ss 4
17 08713 (00000000- )Nut, Hex, Lock, M8 X 1.25, Nl, Ss 3
18 01685 (00000000- )Washer, Flat, 0.38b 0.88d .08, Ss 3
19 69234 (00000000- )Clamp, Cable, Stl, 1.00d X 0.75w, 1hole 3
20 1018561 (00000000- )Support Wldt, Steering 1
21 223065 (00000000- )Bearing, Flng, 2hole, 0.75b [Nyl] 1
22 49826 (00000000- )Screw, Hex, M8 X 1.25 X 16, Nl, Ss 2

STANDARD PARTS
Tennant B10 (01- 2013)
16
INSTRUMENT PANEL GROUP
355181
FRONT
1
2
3
4
5
6
7
8
8
6
9
10
11
12
13
14
15
16

STANDARD PARTS
Tennant B10 (01- 2013) 17
INSTRUMENT PANEL GROUP
Ref. Part No. Serial Number Description Qty.
11011402 (00000000- )Switch, Key 1
Y21017696 (00000000- )Key Set, Replmt [F/ Keyswitch 1011402] 1
31014832 (00000000- )Switch, Horn 1
41072040 (00000000- )Switch, Rocker, Spst, Paddle 1
51011735 (00000000- )Switch, Safety, Shutoff 1
672969 (00000000- )Rivet, Plstc, .181d X 0.72 10
71012197 (00000000- )Cover, Panl, Instmt 1
81011952 (00000000- )Block, Pivot, Cover 2
91046313 (00000000- )Panel, Instmt, Rh 1
10 1014080 (00000000- )Gasket, Panl, Instmt, Rh, .13, Foam, Adh 1
11 1052607 (00000000- )Gasket, Panl, Instmt, Lh, .13, Foam, Adh 1
12 1069937 (00000000- )Panel, Instmt, Lh [Orion] 1
13 01685 (00000000- )Washer, Flat, 0.38b 0.88d .08, Ss 4
14 12333 (00000000- )Screw, Hex, M8 X 1.25 X 25, Ss, Nl 4
15 9010994 (00000000- )Column, Cntrl, Afmkt, Rm- Cptl (NA/AUS Models) 1
15 1205689 (00000000- )Column, Cntrl, Rm- Cptl, Trimmed [F/Badge
(CE/KO Models)
1
16 1016865 (00000000- )Cable, Ribbon, 90.6l 1
ASSEMBLY
YINCLUDED IN ASSEMBLY

STANDARD PARTS
Tennant B10 (01- 2013)
18
FRONT DRIVE WHEEL GROUP
355191
1
2
3
3
2
4
5
6
11
7
9
10
8
12
13
14
15
16
16
15
17
18
19
19
18
20
21
21

STANDARD PARTS
Tennant B10 (01- 2013) 19
FRONT DRIVE WHEEL GROUP
Ref. Part No. Serial Number Description Qty.
11200717 (00000000- )Bracket, Sppt, Power Wheel 1
209770 (00000000- )Screw, Hex, M10 X 1.50 X 25, Nl, Ss 8
301686 (00000000- )Washer, Flat, 0.44b 1.00d .08, Ss 8
41019724 (00000000- )Steer- Control Assy, Wheel Drive 1
500912 (00000000- )Key, Sq, 0.19 X 0.19, 1.00l 1
612333 (00000000- )Screw, Hex, M8 X 1.25 X 25, Ss, Nl 4
71065808 (00000000- )Harness, Motor, Brake [T7/Ssr] 1
Y81047186 (00000000- )Connector, Fem, 3 Recept [Mp630]
(Assembly Only - No Breakdown Available)
1
91019224 (00000000- )Strap, Nyl 1
10 19066 (00000000- )Washer, Flat, 0.25b 0.56d .05, Pl, 10 1
11 9008999 (00000000- )Gearbox Kit, Wheel, 250mm, W/ Connector 1
Y25837 (00000000- )Terminal, Fem, Mp280, Sealed, 22- 20ga 2
Y25830 (00000000- )Seal, Wire, 18- 22ga [Wp / Mp280 Sealed] 2
Y12 78950 (00000000- )Connector, Fem, 2cav, Mp280 Sealed
(Connector Only - No Assembly Available)
1
Y13 78952 (00000000- )Lock, Secondary, 2cav, Mp280 Sealed 1
14 130773 (00000000- )Tie, Cable, Nyl, 11.0l, .14w, 3.0 Max. D 4
15 361339 (00000000- )Screw, Hex, M6 X 1.00 X 16, Fmg 2
16 1016354 (00000000- )Clamp, Cable, Ss, 0.50d X 0.50w [Insul] 2
17 130161 (00000000- )Plug, Hole, Rnd, 0.88d, Blk 1
18 1064972 (00000000- )Bracket, Cord 2
19 33931 (00000000- )Screw, Pan, Phl, M4 X 0.70 X 30, Ss 2
20 01685 (00000000- )Washer, Flat, 0.38b 0.88d .08, Ss 2
21 02938 (00000000- )Washer, Lock, Int, 08, Ss 2
ASSEMBLY
YINCLUDED IN ASSEMBLY

STANDARD PARTS
Tennant B10 (05- 2014)
20
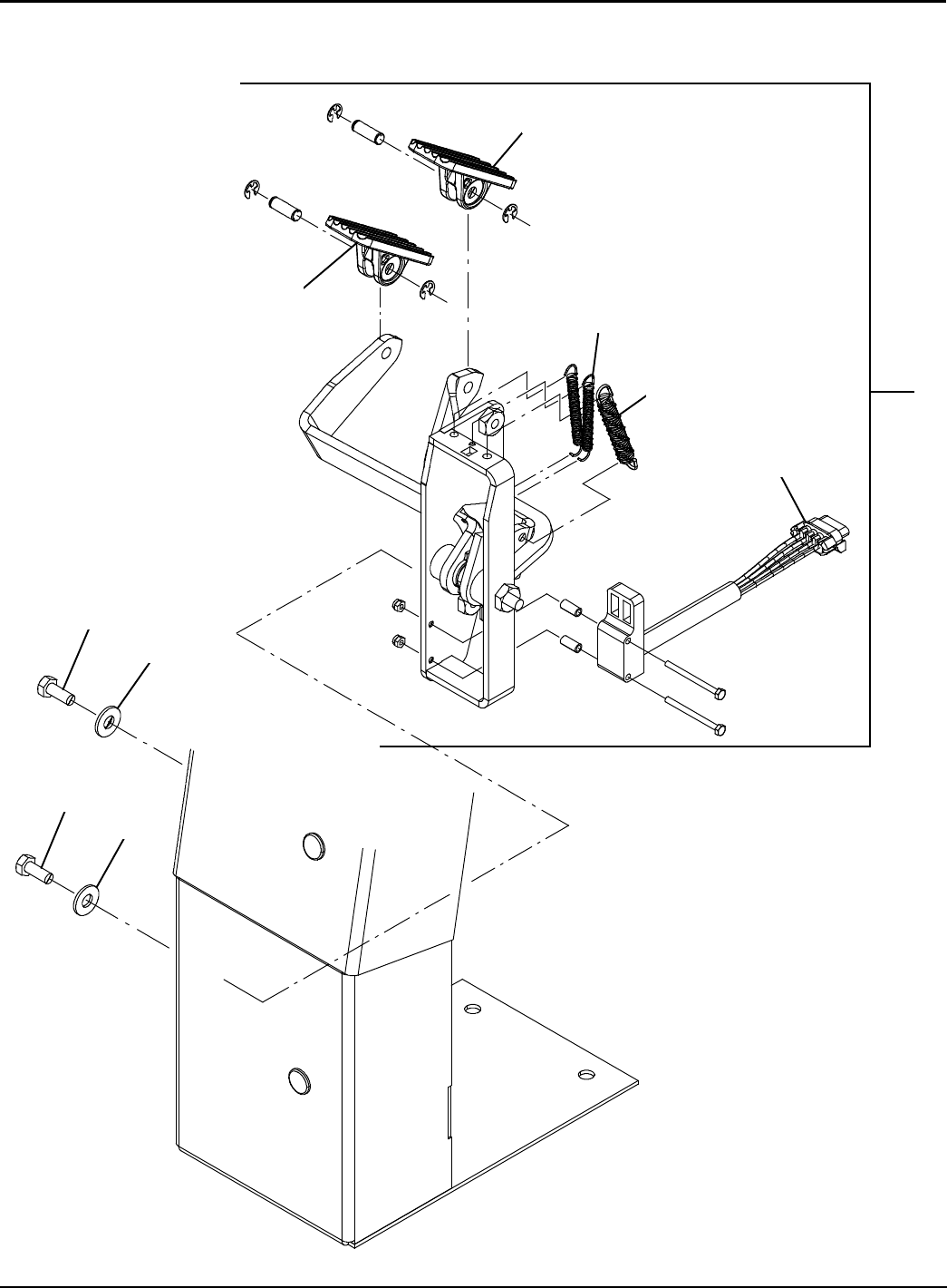
BRAKE AND ACCELERATOR PEDAL GROUP (S/N 10644214- )
355276
1
2
3
4
5
5
6
7
7
6

STANDARD PARTS
Tennant B10 (05- 2014) 21
BRAKE AND ACCELERATOR PEDAL GROUP (S/N 10644214- )
Ref. Part No. Serial Number Description Qty.
11072477 (10644214- )Pedal Assy, Accelerator, Brake 1
Y21058687 (00000000- )Vr, Sensor, Position [Hall] 1
Y31031716 (00000000- )Spring, Extn, 0.50od 0.07wir 03.0l 1
Y41061049 (00000000- )Vr, Spring, Extn, 0.35od 0.05wir 02.8l 2
Y51072478 (10644214- )Vr, Pedal, Foot, W/ Tread 1
612273 (00000000- )Screw, Hex, M8 X 1.25 X 20, Nl, Ss 2
701685 (00000000- )Washer, Flat, 0.38b 0.88d .08, Ss 2
ASSEMBLY
YINCLUDED IN ASSEMBLY

STANDARD PARTS
Tennant B10 (01- 2013)
22
BRAKE AND ACCELERATOR PEDAL GROUP (S/N 00000000- 10644213)
355187
1
2
3
4
5
5
6
7
7
6

STANDARD PARTS
Tennant B10 (05- 2014) 23
BRAKE AND ACCELERATOR PEDAL GROUP (S/N 00000000- 10644213)
Ref. Part No. Serial Number Description Qty.
19010657 (00000000- 10644213 )Pedal Assy Kit, Accelerator, Brake
(Replaced by 1072477)
1
Y21058687 (00000000- )Vr, Sensor, Position [Hall] 1
Y31031716 (00000000- )Spring, Extn, 0.50od 0.07wir 03.0l 1
Y41061049 (00000000- )Vr, Spring, Extn, 0.35od 0.05wir 02.8l 2
Y59010656 (00000000- 10644213 )Pedal Kit, Accelerator, Brake
(Replaced by 1072478)
1
612273 (00000000- )Screw, Hex, M8 X 1.25 X 20, Nl, Ss 2
701685 (00000000- )Washer, Flat, 0.38b 0.88d .08, Ss 2
ASSEMBLY
YINCLUDED IN ASSEMBLY

STANDARD PARTS
Tennant B10 (01- 2013)
24
HEAD LIFT GROUP
355182
1
2
3
4
5
67
8
9
10
11
12
12
13
4
5
14
15
15
16
14
17
4
5
18
19
20
21
19
22
23
24
25
25
26
27
28
29
30
31
32
5
4
27
28
33
29
30
5
434
30
29
28
27
21
35
36
37
38
21
38
27
28
39
29
30
29
30
10
10

STANDARD PARTS
Tennant B10 (01- 2013) 25
HEAD LIFT GROUP
Ref. Part No. Serial Number Description Qty.
11200818 (00000000- )Bracket, Mtg, Actuator 1
217461 (00000000- )Pin, Clevis, 0.37d X 1.75l 1
386866 (00000000- )Pin, Cotter, Hair, 0.38d .072 Wir 1
401685 (00000000- )Washer, Flat, 0.38b 0.88d .08, Ss 12
512333 (00000000- )Screw, Hex, M8 X 1.25 X 25, Ss, Nl 12
61200923 (00000000- )Actuator, 24vdc 1
71205672 (00000000- )Spring, Extn, 1.211od 0.200wir 05.5l 2
8130773 (00000000- )Tie, Cable, Nyl, 11.0l, .14w, 3.0 Max. D 1
911211 (00000000- )Pin, Clevis, 0.50d X 2.25l 1
10 02942 (00000000- )Pin, Hair, Cotter, 0.62d .120 Wir 3
11 1200702 (00000000- )Bracket, Wldt, Bellcrank 1
12 1202188 (00000000- )Bushing, Flng, 0.63b 0.75d 0.63l, Bnz 2
13 1200731 (00000000- )Bracket, Mount, Pivot 1
14 51538 (00000000- )Pin, Clevis, 0.50d X 5.00l 2
15 32486 (00000000- )Washer Flat,0.50,Sae 2
16 1201192 (00000000- )Actuator, Lift Wldt, Linkage 1
17 1200950 (00000000- )Bracket Wldt, Main, Linkage 1
18 1203909 (00000000- )Screw, Hex, M8 X 1.25 X 45, Ss, Nl 2
19 41186 (00000000- )Washer, Flat, Belleville, .31 4
20 1014020 (00000000- )Roller, Lift, Dual Disk Head 2
21 222460 (00000000- )Sleeve, P/M, 0.32b 0.50d 0.5l [430ss] 10
22 49826 (00000000- )Screw, Hex, M8 X 1.25 X 16, Nl, Ss 2
23 1017218 (00000000- )Washer, Flat, 0.32b 1.00d .12, Ss 2
24 1202820 (00000000- )Spring, Comp, 0.520b, 3.95l 2
25 20536- 2 (00000000- )Washer, Flat, 0.50b 1.00d .03, Nyl 4
26 1202401 (00000000- )Arm Wldt, Upper, 4bar 2
27 1202539 (00000000- )Bushing, Flng, Ss, 0.404b 0.612d 0.674l 10
28 1202378 (00000000- )Bushing, 0.63b 0.75d 0.50l, Bnz 8
29 01686 (00000000- )Washer, Flat, 0.44b 1.00d .08, Ss 10
30 1202948 (00000000- )Screw, Hex, M10 X 1.50 X 35, Ss, Nl 10
31 1202821 (00000000- )Spring, Comp, 0.520b, 6.5l 2
32 1202454 (00000000- )Rod, Guide, Spring 2
33 1200628 (00000000- )Spring, Knuckle, Guide 2
34 1202300 (00000000- )Plate Wldt, Pivot, Head 2
35 1014163 (00000000- )Screw, Hex, M8 X 1.25 X 60, Fl, Ss 2
36 01685 (00000000- )Washer, Flat, 0.38b 0.88d .08, Ss 2
37 1202544 (00000000- )Spring, Comp, 0.550id, 0.120wir, 0.850l 2
38 140127 (00000000- )Washer, Thrust, 0.51b 1.00d 0.12w, Brz 4
39 1205904 (00000000- )Arm Wldt, Lower 4bar Link 2

STANDARD PARTS
Tennant B10 (01- 2013)
26
MAIN HOUSING GROUP
355188
12
3
3
12
4
5
6
5
6
5
6
3
3
7
8
9
10
11 12
11
13
14
12
12

STANDARD PARTS
Tennant B10 (01- 2013) 27
MAIN HOUSING GROUP
Ref. Part No. Serial Number Description Qty.
11202128 (00000000- )Pad, Rbr, 0.12 X 0.7 X 12.0, Adh 2
21201264 (00000000- )Bracket, Spprt, Seat 2
31020341 (00000000- )Screw, Hex, M8 X 1.25 X 20, Ss, Sems 4
41200942 (00000000- )Panel, Access, Battery 1
51202143 (00000000- ) Screw, Trs, M6 X 1.00 X 16, Phl, Nl, Blk 4
61069322 (00000000- )Washer, Flat, 0.25, Sae, Blk 4
71201326 (00000000- )Body, Rear, Rm- Tl, Trimmed, Rider Brnshr
(NA/AUS/KO Models)
1
79010996 (00000000- )Body, Rear, Afmkt, On- Brd Chgr, Rm- Tl Ce (CE Models) 1
81202377 (00000000- )Cover, Motor 1
91014072 (00000000- )Bracket, Mtg, Tank 2
10 1020341 (00000000- )Screw, Hex, M8 X 1.25 X 20, Ss, Sems 4
11 1202404 (00000000- )Bracket Assy, Arm, Sppt, 2
12 12333 (00000000- )Screw, Hex, M8 X 1.25 X 25, Ss, Nl 6
13 01685 (00000000- )Washer, Flat, 0.38b 0.88d .08, Ss 4
14 1016331 (00000000- )Washer, Flat, 0.34b 1.25d .11, Ss 2

STANDARD PARTS
Tennant B10 (01- 2013)
28
FRONT SHROUD GROUP
355190
1
23
3
4
5
5
6
7
8
7
9
10
11
11
10

STANDARD PARTS
Tennant B10 (01- 2013) 29
FRONT SHROUD GROUP
Ref. Part No. Serial Number Description Qty.
11201772 (00000000- )Tread, Non- Skid, Cover 1
21200553 (00000000- )Cover, Access, Bolt 1
31202143 (00000000- ) Screw, Trs, M6 X 1.00 X 16, Phl, Nl, Blk 4
41201702 (00000000- )Shroud, Front, Rm- Tl, Rdr Brnshr 1
51020341 (00000000- )Screw, Hex, M8 X 1.25 X 20, Ss, Sems 4
61202258 (00000000- )Bracket, Mtg, Tank 2
741178 (00000000- )Washer, Flat, 0.25, Fendr 4
811329 (00000000- )Screw, Hex, M6 X 1.00 X 16, Nl, Ss 4
91201371 (00000000- )Cover, Wheel, Drive 1
10 1016331 (00000000- )Washer, Flat, 0.34b 1.25d .11, Ss 2
11 12333 (00000000- )Screw, Hex, M8 X 1.25 X 25, Ss, Nl 2

STANDARD PARTS
Tennant B10 (01- 2013)
30
ELECTRICAL PANEL GROUP
355196
1
2
3
4
7
9
10
11
12
1
2
13
14
15
16
6
5
16
15
2
8
1
2
2
2
17

STANDARD PARTS
Tennant B10 (01- 2013) 31
ELECTRICAL PANEL GROUP
Ref. Part No. Serial Number Description Qty.
108712 (00000000- )Nut, Hex, Lock, M6 X 1.00, Nl, Ss 4
201684 (00000000- )Washer, Flat, 0.27b 0.69d .05, Ss 4
31200885 (00000000- )Bracket, Connector, Plug (Models w/ Off- Board Charger) 1
41202117 (00000000- )Cover, Chrgr, Panel, Ele (Models w/ On- Board Charger) 1
51201337 (00000000- )Panel Wldt, Access, Ele (NA Models) 1
59010998 (00000000- )Panel, Access, Afmkt [Ce/Korea/Aus] 1
69010997 (00000000- )Seal, Bulb, Afmkt, 24 In 1
71204520 (00000000- )Circuitbreaker, 150a, Panel 1
81065954 (00000000- )Screw, Pan, Phl, M6 X 1.0 X 20, Blk 2
9579211 (00000000- )Nut, Hex, Lock, M3 X 0.50, Nl, Ss 2
10 39658 (00000000- )Washer, Lock, Int, 04 2
11 222683 (00000000- )Gasket, Hourmeter 1
12 377433 (00000000- )Gauge, Hourmeter, 12- 60vdc, Analog [10k] 1
13 1069314 (00000000- )Screw, Pan, Phl, M3 X 0.50 X 12, Blk 2
14 383720 (00000000- )Circuitbreaker, 05.0a, Resetable 2
15 1069322 (00000000- )Washer, Flat, 0.25, Sae, Blk 5
16 1202143 (00000000- ) Screw, Trs, M6 X 1.00 X 16, Phl, Nl, Blk 5
17 1202116 (00000000- )Bracket, Hose, Vacuum 1

STANDARD PARTS
Tennant B10 (01- 2013)
32
ELECTRICAL COMPONENTS GROUP
355201
1
2
3
4
5
6
7
8
9
7
10
11
8
12
11
8
11
2
13
10
8
14

STANDARD PARTS
Tennant B10 (01- 2013) 33
ELECTRICAL COMPONENTS GROUP
Ref. Part No. Serial Number Description Qty.
11201292 (00000000- )Panel Wldt, Component, Ele 1
21034731 (00000000- )Screw, Hex, M6 X 1.00 X 16, Ss, Sems 4
31200585 (00000000- )Shunt, Current, 200a 1
424265 (00000000- )Screw, Pan, Phl, M4 X 0.70 X 16, Ss 2
576062 (00000000- )Stand- Off, Wir, 0.25, Insulator, Panel 1
61017807 (00000000- )Rod, Thrd, Full, .25- 20 01.0l 1
707515 (00000000- )Washer, Lock, Int, 0.25, Ss 2
801684 (00000000- )Washer, Flat, 0.27b 0.69d .05, Ss 4
932520 (00000000- )Nut, Hex, Jam, .25- 20 1
10 02938 (00000000- )Washer, Lock, Int, 08, Ss 2
11 08712 (00000000- )Nut, Hex, Lock, M6 X 1.00, Nl, Ss 3
12 1203357 (00000000- )Contactor Assy, 36vdc, 250a, Spst, No 1
13 1201381 (00000000- )Wire, Assy, Cable 16.0 2awg, Red 1
14 1201383 (00000000- )Harness, Battery, Orion 1

STANDARD PARTS
Tennant B10 (01- 2013)
34
CIRCUITBOARD GROUP
355202
1
5
3
2
4
6
7
5
8
9
10
11
10
12
10
11
13
14
15
16
17
18
19
19
20
21

STANDARD PARTS
Tennant B10 (05- 2014) 35
CIRCUITBOARD GROUP
Ref. Part No. Serial Number Description Qty.
19011014 (00000000- )Circuitboard Kit, Afmkt 1
Y21030692 (00000000- )Vr, Fuse, 15a, Replmt 1
Y31016816 (00000000- )Pad, Thermal, Heat Sink 1
406922 (00000000- )Screw, Pan, Phl, M3 X 0.50 X 20, 4.8 4
53701.6 (00000000- )Screw, Pan, Phl, 06- 32 X 0.38, Shtmtl,Ss 2
61016825 (00000000- )Support, Circuitboard 2
755248 (00000000- )Mount, Cable Tie 1
81019218 (00000000- )Washer, Flat, 0.14b 0.31d .03, Nyl 4
9579211 (00000000- )Nut, Hex, Lock, M3 X 0.50, Nl, Ss 4
10 01684 (00000000- )Washer, Flat, 0.27b 0.69d .05, Ss 6
11 07785 (00000000- )Nut, Hex, Std, M6 X 1.00, Ss 4
12 32982 (00000000- )Washer, Lock, Int, 0.25 2
13 1201152 (00000000- )Seal, Rbr, Adh 1
14 9010999 (00000000- )Cover, Circuitboard, Afmkt 1
15 1070076 (00000000- )Harness, Control Board [Orion] 1
16 09739 (00000000- )Nut, Hex, Lock, M5 X 0.80, Nl, Ss 7
17 01683 (00000000- )Washer, Flat, 10, Ss 7
18 1016865 (00000000- )Cable, Ribbon, 90.6l 1
19 1034731 (00000000- )Screw, Hex, M6 X 1.00 X 16, Ss, Sems 4
20 1020168 (00000000- )Molding, Afmkt, Trim, Pvc, .08 .11, 01ft 1
21 1201311 (00000000- )Panel Wldt, Circuitboard 1
ASSEMBLY
YINCLUDED IN ASSEMBLY

STANDARD PARTS
Tennant B10 (01- 2013)
36
ACTIVE DUST CONTROL GROUP
355199
1
2
3
4
6
7
8
5
9
10
9
8
7

STANDARD PARTS
Tennant B10 (01- 2013) 37
ACTIVE DUST CONTROL GROUP
Ref. Part No. Serial Number Description Qty.
11200929 (00000000- )Vacuum, Recvy, Dust (See Breakdown) 1
2130773 (00000000- )Tie, Cable, Nyl, 11.0l, .14w, 3.0 Max. D 3
310632- 14 (00000000- )Grommet, Rbr, 1.00id, F/1.4h, .12 Matl 1
49010990 (00000000- )Plate, Seat, Afmkt, Adc [B10] [Na/Aus] 1
49010991 (00000000- )Plate, Seat, Afmkt, Adc [B10] [Ce/Korea] 1
5360943 (00000000- )Screw, Pan, Phl, 10- 14 X 0.75, F/ Plstc 4
61202116 (00000000- )Bracket, Hose, Vacuum 1
71069322 (00000000- )Washer, Flat, 0.25, Sae, Blk 2
81202143 (00000000- ) Screw, Trs, M6 X 1.00 X 16, Phl, Nl, Blk 2
944961 (00000000- )Tie, Cable, Nyl, 14.5l .30w 4.0 Max D 4
10 1201536 (00000000- )Hose Assy, Vac, 1.50id, 2 Cuff, E90 1

STANDARD PARTS
Tennant B10 (01- 2013)
38
BATTERY GROUP, WET 435AH
355206
1
2
3
4
5
3
6
6
35
4
3
3
8
2
1
2
2
21
1
2
2
2
7

STANDARD PARTS
Tennant B10 (01- 2013) 39
BATTERY GROUP, WET 435AH
Ref. Part No. Serial Number Description Qty.
159996 (00000000- )Cable, 02ga 13.0l Blk .34ring /.34ring 5
21205540 (00000000- )Boot, Terminal, Battery, 1/0- 2/0ga, Blk 12
3630375 (00000000- )Spacer, Battery, Foam, 1.25 X 3.3 X 13.7 6
4222682 (00000000- )Strap, Poly, Webbing 1.0 X 100.0 2
51204146 (00000000- )Battery, Wet, 06vdc 435ah, W/ Box (Includes Hardware) 6
61200734 (00000000- )Tray, Battery [Orion] 2
71205990 (00000000- )Cable Assy, 02ga Red, .31ring/Pp180 1
81201383 (00000000- )Harness, Battery, Orion 1

STANDARD PARTS
Tennant B10 (01- 2013)
40
ON- BOARD CHARGER GROUP
355209
1
2
3
4
5
6
7
17
9
67
10
11
13
14 15 16
8
18
12

STANDARD PARTS
Tennant B10 (01- 2013) 41
ON- BOARD CHARGER GROUP
Ref. Part No. Serial Number Description Qty.
11202117 (00000000- )Cover, Chrgr, Panel, Ele 1
201684 (00000000- )Washer, Flat, 0.27b 0.69d .05, Ss 2
308712 (00000000- )Nut, Hex, Lock, M6 X 1.00, Nl, Ss 2
4600168 (00000000- )Plate, Clamp, Strap 1
51009324 (00000000- )Screw, Pan, Phl, 10- 16 X 0.50,Blk[Typ17] 2
61202266 (00000000- )Hook, Cord, Dbl 2
71202143 (00000000- ) Screw, Trs, M6 X 1.00 X 16, Phl, Nl, Blk 4
81201394 (00000000- )Harness, Charger, On Board [Orion] 1
Y9130155 (00000000- )Connector, Battery, 6ga 50a, Gray[2cont] 1
10 1067526 (00000000- )Fastener, 8.0l [Hook And Loop] 1
11 9011001 (00000000- )Charger Kit, 36vdc 120vac, On- Brd, [Na] 1
Y12 1206662 (00000000- )Fuse, 015a, 250vac [Baf- 15] 1
Y13 130155 (00000000- )Connector, Battery, 6ga 50a, Gray[2cont] 1
11 9011002 (00000000- )Charger Kit, 36vdc 230vac, On- Brd, [Aus] 1
Y12 1206662 (00000000- )Fuse, 015a, 250vac [Baf- 15] 1
Y13 130155 (00000000- )Connector, Battery, 6ga 50a, Gray[2cont] 1
11 9011003 (00000000- )Charger Kit, 36vdc 230vac, On- Brd, [Uk] 1
Y12 1206662 (00000000- )Fuse, 015a, 250vac [Baf- 15] 1
Y13 130155 (00000000- )Connector, Battery, 6ga 50a, Gray[2cont] 1
14 01683 (00000000- )Washer, Flat, 10, Ss 4
15 07514 (00000000- )Washer, Lock, Int, 10, Ss 4
16 12316 (00000000- ) Screw, Hex, M5 X 0.80 X 25, Ss 4
17 06922 (00000000- )Screw, Pan, Phl, M3 X 0.50 X 20, 4.8 2
18 140019 (00000000- )Washer, Lock, Ext, 06 2
ASSEMBLY
YINCLUDED IN ASSEMBLY

STANDARD PARTS
Tennant B10 (05- 2014)
42
LABEL GROUP
11
23
4

STANDARD PARTS
Tennant B10 (01- 2013) 43
LABEL GROUP
Ref. Part No. Serial Number Description Qty.
11204362 (00000000- )Label, Set, Info/Hzrd [Na/Ce] [B10] 1
21202133 (00000000- )Label, Model, B10 2
31205477 (00000000- )Nameplate, Tennant, Dome, 5.5in 1
41205356 (00000000- )Label, True- Hepa [Filtration] 1

STANDARD PARTS
Tennant B10 (01- 2013)
44
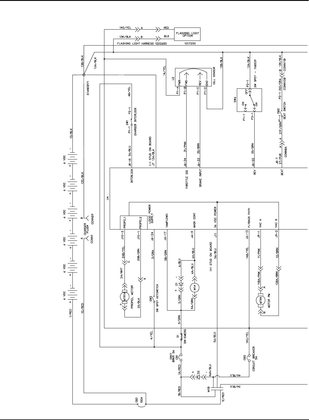
ELECTRICAL SCHEMATIC
1068703
1
2
3
4
5
6

STANDARD PARTS
Tennant B10 (01- 2013) 45
ELECTRICAL SCHEMATIC
1068703
1
2
3
4
5
6

STANDARD PARTS
Tennant B10 (01- 2013)
46
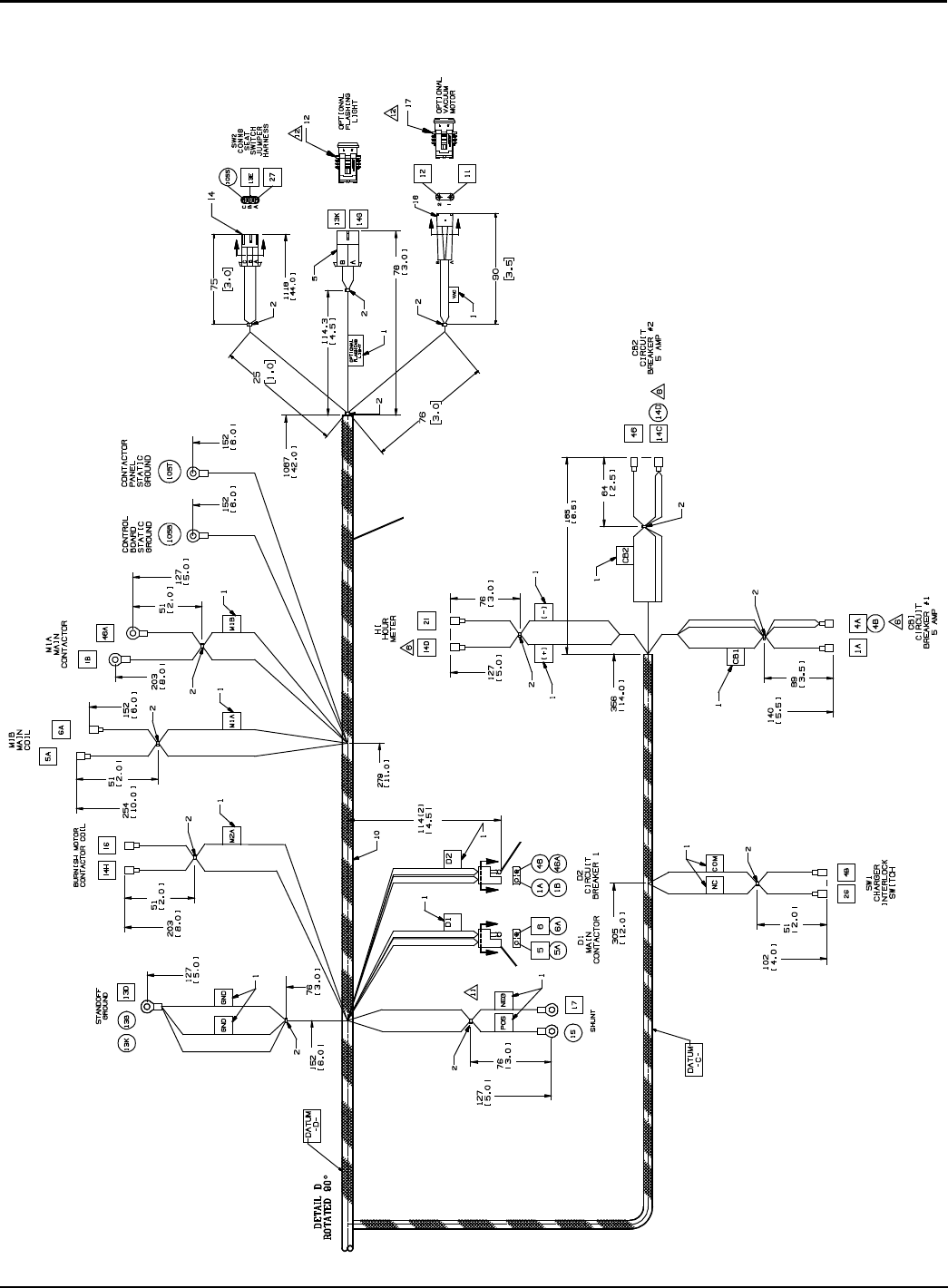
HARNESS GROUP, MAIN
355186
1
2
2

STANDARD PARTS
Tennant B10 (01- 2013) 47
HARNESS GROUP, MAIN - CONT’D
355186
1

STANDARD PARTS
Tennant B10 (01- 2013)
48
HARNESS GROUP, MAIN - CONT’D
355186
1
3
3
Ref. Part No. Serial Number Description Qty.
11069053 (00000000- )Harness, Main [Orion] 1
Y2222290 (00000000- )Diode, Ele, Plug 2
Y31013835 (00000000- )Connector Body, Fem, 2 Recept.[Molex] 2
ASSEMBLY
YINCLUDED IN ASSEMBLY

STANDARD PARTS
Tennant B10 (01- 2013) 49
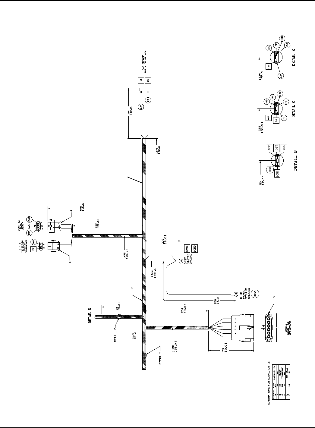
HARNESS GROUP, MOTOR
355189
1
Ref. Part No. Serial Number Description Qty.
11069866 (00000000- )Harness, Motor, [Orion] 1

STANDARD PARTS
Tennant B10 (01- 2013)
50
HARNESS GROUP, CONTROL BOARD
355210
1
Ref. Part No. Serial Number Description Qty.
11070076 (00000000- )Harness, Control Board [Orion] 1

STANDARD PARTS
Tennant B10 (01- 2013) 51
HARNESS GROUP, LIGHT
355213
76.2
3.00
431.8
17.00 50.8
2.00
14LL
13LL
REV/FLSH
LIGHT
A
B
2
1
TERMINAL A
TERMINAL B
5
5
WIRE # AWG COLOR WIRE SPEC TERMINAL A TERMINAL B
13LL 18 BLK UL- 1015/AWM P.E. 12077411 FEMALE TERMINAL WITH CABLE SEAL BULLET .156F
14LL 18 YEL UL- 1015/AWM P.E. 12077411 FEMALE TERMINAL WITH CABLE SEAL BULLET .156F
ITEM DESCRIPTION QTY
1 BLACK NYLON BRAIDING AS NEEDED
2CONNECTOR BODY 2F, 280MP/SERIES P.E. 15300027
CONNECTOR TPA, 280MP/SERIES P.E. 15300014 1
1
2
Ref. Part No. Serial Number Description Qty.
11202650 (00000000- )Harness, Light [Orion] 1
Y278950 (00000000- )Connector, Fem, 2cav, Mp280 Sealed
(Connector Only - No Assembly Available)
1
Y225837 (00000000- )Terminal, Fem, Mp280, Sealed, 22- 20ga 2
Y225830 (00000000- )Seal, Wire, 18- 22ga [Wp / Mp280 Sealed] 2
Y278952 (00000000- )Lock, Secondary, 2cav, Mp280 Sealed 1
ASSEMBLY
YINCLUDED IN ASSEMBLY

STANDARD PARTS
Tennant B10 (01- 2013)
52
HARNESS GROUP, ALARM
355211
1
Ref. Part No. Serial Number Description Qty.
11070046 (00000000- )Harness, Alarm, Orion 1

STANDARD PARTS
Tennant B10 (01- 2013) 53
HARNESS GROUP, MOTOR BRAKE
355212
1
23
4
Ref. Part No. Serial Number Description Qty.
11065808 (00000000- )Harness, Motor, Brake [T7/Ssr] 1
Y278950 (00000000- )Connector, Fem, 2cav, Mp280 Sealed
(Connector Only - No Assembly Available)
1
Y225837 (00000000- )Terminal, Fem, Mp280, Sealed, 22- 20ga 2
Y225830 (00000000- )Seal, Wire, 18- 22ga [Wp / Mp280 Sealed] 2
Y278952 (00000000- )Lock, Secondary, 2cav, Mp280 Sealed 1
Y31047186 (00000000- )Connector, Fem, 3 Recept [Mp630] 1
Y425850 (00000000- )Connector, Mal, 2cav, Mp280 Sealed 1
Y425832 (00000000- )Terminal, Mal, Mp280, Sealed, 18- 16ga 2
ASSEMBLY
YINCLUDED IN ASSEMBLY

OPTIONS
Tennant B10 (01- 2013)
54
BATTERY GROUP, AGM 390AH
355207
1
1
2
2
3
4
5
3
6
6
3
3
3
7
22
2
1
2
4
5
1
2
8

OPTIONS
Tennant B10 (01- 2013) 55
BATTERY GROUP, AGM 390AH
Ref. Part No. Serial Number Description Qty.
159996 (00000000- )Cable, 02ga 13.0l Blk .34ring /.34ring 5
21205540 (00000000- )Boot, Terminal, Battery, 1/0- 2/0ga, Blk 12
3630375 (00000000- )Spacer, Battery, Foam, 1.25 X 3.3 X 13.7 6
4222682 (00000000- )Strap, Poly, Webbing 1.0 X 100.0 2
51204248 (00000000- )Battery, Agm, 06vdc 390ah, W/Box (Includes Hardware) 6
61200734 (00000000- )Tray, Battery [Orion] 2
71205990 (00000000- )Cable Assy, 02ga Red, .31ring/Pp180 1
81201383 (00000000- )Harness, Battery, Orion 1

OPTIONS
Tennant B10 (01- 2013)
56
OFF- BOARD CHARGER GROUP
355208
1
2
456
7
8
9
10
11
12
13
14
3
15

OPTIONS
Tennant B10 (01- 2013) 57
OFF- BOARD CHARGER GROUP
Ref. Part No. Serial Number Description Qty.
106922 (00000000- )Screw, Pan, Phl, M3 X 0.50 X 20, 4.8 2
21200885 (00000000- )Bracket, Connector, Plug 1
31201389 (00000000- )Harness, Charger, Off Board [Orion] 1
Y4130155 (00000000- )Connector, Battery, 6ga 50a, Gray[2cont] 1
519064 (00000000- )Washer, Flat, 0.16b 0.38d .05, Pl, 06 2
675939 (00000000- )Nut, Hex, Lock, #06- 32, Nl 2
708712 (00000000- )Nut, Hex, Lock, M6 X 1.00, Nl, Ss 2
801684 (00000000- )Washer, Flat, 0.27b 0.69d .05, Ss 2
9579211 (00000000- )Nut, Hex, Lock, M3 X 0.50, Nl, Ss 2
10 601359 (00000000- )Plate, Backing, Switch 1
11 600437 (00000000- )Switch, Snap, 15a, Rlr 1
12 25005 (00000000- )Screw, Pan, Phl, 06- 32 X 1.00, G1 2
13 9011009 (00000000- )Charger Kit, 36vdc 120vac, Off- Brd, [Na] 1
Y14 1206662 (00000000- )Fuse, 015a, 250vac [Baf- 15] 1
Y15 130155 (00000000- )Connector, Battery, 6ga 50a, Gray[2cont] 1
13 9011010 (00000000- )Charger Kit, 36vdc 230vac, Off- Brd [Aus] 1
Y14 1206662 (00000000- )Fuse, 015a, 250vac [Baf- 15] 1
Y15 130155 (00000000- )Connector, Battery, 6ga 50a, Gray[2cont] 1
13 9011011 (00000000- )Charger Kit, 36vdc 230vac, Off- Brd [Uk] 1
Y14 1206662 (00000000- )Fuse, 015a, 250vac [Baf- 15] 1
Y15 130155 (00000000- )Connector, Battery, 6ga 50a, Gray[2cont] 1
ASSEMBLY
YINCLUDED IN ASSEMBLY

OPTIONS
Tennant B10 (01- 2013)
58
HYDROLINKRBATTERY WATERING SYSTEM KIT
355205
1
2
3
3
4
5

OPTIONS
Tennant B10 (01- 2013) 59
HYDROLINKRBATTERY WATERING SYSTEM KIT
Ref. Part No. Serial Number Description Qty.
9010301*(00000000- )Pump Kit, Fill, Battery,36vdc,Ci[Trojan] 1
Y11058939 (00000000- )Pump Kit, Fill, Battery 1
Y21201997 (00000000- )Tube, Water, Battery, 36vdc [Trojan] 1
Y31204142 (00000000- )Cap, Fill, Battery [Trojan] 6
Y41071084 (00000000- )Label, Tag, Battery [Hydrolink Watering] 1
Y5130773 (00000000- )Tie, Cable, Nyl, 11.0l, .14w, 3.0 Max. D 2
ASSEMBLY
YINCLUDED IN ASSEMBLY
*THIS KIT IS INTENDED FOR USE WITH TROJANRLEAD ACID BATTERIES ONLY.
HYDROLINKRIS A REGISTERED TRADEMARK OF TROJANRBATTERY COMPANY.

OPTIONS
Tennant B10 (06- 2015)
60
FLASHING LIGHT KIT
355203
1
2
3
43
4
5
6
6
7
8
9
8
9
9
8

OPTIONS
Tennant B10 (06- 2015) 61
FLASHING LIGHT KIT
Ref. Part No. Serial Number Description Qty.
9013017 (00000000- )Light Kit, Strobe, Ci, [B10/Sg Rider] 1
Y11045487 (00000000- )Screw, Pan, Phl, M5 X 0.80 X 16, Blk 2
Y21017250 (00000000- )Light, Strobe, Amb, 12- 48vdc 1
Y301683 (00000000- )Washer, Flat, 10, Ss 2
Y409739 (00000000- )Nut, Hex, Lock, M5 X 0.80, Nl, Ss 2
Y51202081 (00000000- )Bracket Wldt, Light, Flsh 1
Y610632- 2 (00000000- )Grommet, Rbr, 0.62id, F/0.9h, .12 Matl 2
Y7130773 (00000000- )Tie, Cable, Nyl, 11.0l, .14w, 3.0 Max. D 3
Y801684 (00000000- )Washer, Flat, 0.27b 0.69d .05, Ss 3
Y908712 (00000000- )Nut, Hex, Lock, M6 X 1.00, Nl, Ss 3
YN/S 1202650 (00000000- )Harness, Light [Orion] 1
YN/S 9011012 (00000000- )Conduit, Ele, Afmkt, .26id, 2ft (1205067) 1
ASSEMBLY
YINCLUDED IN ASSEMBLY

OPTIONS
Tennant B10 (01- 2013)
62
WALL ROLLER (686 MM / 27 IN HEAD) GROUP
355204
1
2
3
4
5
6
7
8
21

OPTIONS
Tennant B10 (01- 2013) 63
WALL ROLLER (686 MM / 27 IN HEAD) GROUP
Ref. Part No. Serial Number Description Qty.
112333 (00000000- )Screw, Hex, M8 X 1.25 X 25, Ss, Nl 2
201685 (00000000- )Washer, Flat, 0.38b 0.88d .08, Ss 2
31202105 (00000000- )Bracket, Mtg, Rlr, Wall 1
41206643 (00000000- )Bracket Wldt, Rlr,Wall 1
551528 (00000000- )Pin, Clevis, 0.50d X 1
608346 (00000000- )Pin, Cotter, .125 X 0.75 1
7222178 (00000000- )Roller, Pyu, 1.88d 0.53b 3.05l 1
841619 (00000000- )Washer, Flat, 0.56b 1.38d .11, Ss 1

BREAKDOWNS
Tennant B10 (01- 2013)
64
ACTIVE DUST CONTROL BREAKDOWN, 1200929
355198

BREAKDOWNS
Tennant B10 (01- 2013) 65
ACTIVE DUST CONTROL BREAKDOWN, 1200929
Ref. Part No. Serial Number Description Qty.
1200929 (00000000- )Vacuum, Recvy, Dust 1
Y19007783 (00000000- )Cover, Hsng, Fr/ (Includes 2- #8x0.624” Screw) 1
Y29007784 (00000000- )Bag, Vacuum, 6 Qt [1pick=1pkg/12 Bags]
(Qty 1 Included w/ Machine)
1
29007866 (00000000- )Bag, Vacuum, 6 Qt [1pk=1ctn/16=192 Bags] 1
Y39007785 (00000000- )Bag, Cloth, Afkmt, 6 Qt (Qty 1 Included w/ Machine) 1
Y49007788 (00000000- ) Latch, Backpack, Fr/
(Includes 4- #8x0.624” Screw & 4- M3 Washer)
1
Y59007789 (00000000- )Cover,Rear,Fr/6Qt[V-Bp-6] 1
Y69010838 (00000000- )Cover, Front, W/Hepa Label 1
Y79007813 (00000000- )Frame, Fltr, Cap, Fr/ 1
Y89007812 (00000000- )Filter, Hepa, Fr/ 1
Y99007811 (00000000- )Plate, Filter, Fr/ (Includes 4- #8x0.625” Screw) 1
Y10 9007810 (00000000- )Seal, Body, Fr/ 1
Y11 9007809 (00000000- )Cover, Motor, Fr/ 1
Y12 9007806 (00000000- )Mount, Motor, Kit, Fr/ 1
Y13 9007808 (00000000- )Shroud, Motor, Top, Fr/ 1
Y14 9007807 (00000000- )Mount, Motor, Bottom, Fr/ 1
Y15 9007801 (00000000- )Frame, Fltr, Bottom 1
Y16 9007800 (00000000- )Filter, Exhaust [1pick=1pkg] (1 Pkg = 6 Filters)
(Qty 1 Included w/ Machine)
1
Y17 9007799 (00000000- )Bumper, Fr/ (Includes 3- #8x0.625” Screw) 1
Y18 9010840 (00000000- )Cord, Power, W/Strainrelief W/Nut 1
Y19 9010841 (00000000- )Plug 1
Y20 9010839 (00000000- )Housing, Motor 1
Y21 9007817 (00000000- )Switch, Thermal, Fr/ (Includes 2- #6x0.375” Screw) 1
Y22 9007806 (00000000- )Mount, Motor, Kit, Fr/ 1
Y23 9007805 (00000000- )Shroud, Motor, Bottom, Fr/ (Includes 4- #8x0.625” Screw) 1
Y24 9007804 (00000000- )Mount, Motor, Bottom, Fr/ 1
Y25 9007803 (00000000- )Shroud, Motor, Bottom, Fr/ 1
Y26 9007802 (00000000- )Fan, Vacuum, Backpack, Fr/
(Includes 1- M4x6 Set Screw)
1
ASSEMBLY
YINCLUDED IN ASSEMBLY

BREAKDOWNS
Tennant B10 (01- 2013)
66
FRONT DRIVE WHEEL BREAKDOWN, 9008999
355192
1
2
3
4
5
6
7
8
9
10
11
12
13
14
15
16
17
18
19
20
21
22
23 24
25

BREAKDOWNS
Tennant B10 (01- 2013) 67
FRONT DRIVE WHEEL BREAKDOWN, 9008999
Ref. Part No. Serial Number Description Qty.
9008999 (00000000- )Gearbox Kit, Wheel, 250mm, W/ Connector 1
Y1391261 (00000000- )Vr, Brush Kit, Motor [Amer, 1pick=1kit] 1
Y1029225 (00000000- )Vr, Brush Kit, Carbon [1 Pac = 4pcs] 1
YY 21029224 (00000000- )Vr, Brush, Carbon [1 Pc] 4
Y1029226 (00000000- ) Vr, Brush Kit, Carbon [1 Pac = 2 Pcs] 1
YY 3398492 (00000000- )Brush, Carbon, Motor, Ele [Amer 1 Pc] 2
Y41029227 (00000000- )Vr, Bearing, Ball, Brush Side 1
Y51029228 (00000000- )Vr, Ring, Brushholder 1
Y6391262 (00000000- ) Vr, Brush Kit, Cover [Amer] 4
Y7391263 (00000000- )Vr, Seal, Ring [Amer] 1
Y8391264 (00000000- )Vr, Bearing, Gearbox, Side [Amer] 1
Y9391265 (00000000- )Vr, Bearing, Motor Side [Amer] 1
Y10 391467 (00000000- )Vr, Box, Ele, Connection 1
Y11 391468 (00000000- )Vr, Cover, Ele, Connection 11
Y12 372867 (00000000- )Vr, Armature 1
Y13 1029218 (00000000- )Vr, Screw, Mount, Wheel 8
Y14 9008896 (00000000- )Brake Kit, W/Connector 1
YY 15 78950 (00000000- )Connector, Fem, 2cav, Mp280 Sealed 1
YY 16 78952 (00000000- )Lock, Secondary, 2cav, Mp280 Sealed 1
YY 17 25837 (00000000- )Terminal, Fem, Mp280, Sealed, 22- 20ga 2
YY 18 25830 (00000000- )Seal, Wire, 18- 22ga [Wp / Mp280 Sealed] 2
YY 19 372870 (00000000- ) Vr, Disc, Brake 1
YY 20 372871 (00000000- )Vr, Adapter, Brake, Spl 1
Y21 372872 (00000000- )Vr, Sleeve, Rbr 1
Y22 372877 (00000000- )Vr, Guide, Brushholder, Slip Ring [Amer 1
Y23 372874 (00000000- )Vr, Bearing, Steering 1
Y24 391259 (00000000- )Vr, Tire, Solid, 250mm X 90mm Red 1
Y25 130161 (00000000- )Plug, Hole, Rnd, 0.88d, Blk 1
ASSEMBLY
YINCLUDED IN ASSEMBLY

BREAKDOWNS
Tennant B10 (01- 2013)
68
STEERING CONTROL BREAKDOWN, 1019724
355193
1
2
3
4
5
6
7
Ref. Part No. Serial Number Description Qty.
1019724 (00000000- )Steer- Control Assy, Wheel Drive 1
Y1372874 (00000000- )Vr, Bearing, Steering 1
Y2372875 (00000000- )Vr, Chain, Steering 1
Y3372876 (00000000- )Vr, Link, Master 1
Y4372881 (00000000- ) Vr, Sprocket 1
Y51029229 (00000000- )Vr, Shaft, Steering 1
Y61038313 (00000000- )Vr, Pin, Roll, 06mm X 28mml[T7/Ssrsteer] 1
Y71043371 (00000000- )Vr, Pulley, Tens 1
ASSEMBLY
YINCLUDED IN ASSEMBLY

BREAKDOWNS
Tennant B10 (01- 2013) 69