Clarke Clean Track S16 L18 Carpet Extractor Parts Manual
Clarke-Clean-Track-S16-L18-Carpet-Extractor-Parts-Manual clarke-clean-track-s16-l18-carpet-extractor-parts-manual clarke-clean-track-s16-l18-carpet-extractor-parts-manual 1700 file product_file sweepscrub
2016-12-23
: Sweepscrub Clarke-Clean-Track-S16-L18-Carpet-Extractor-Parts-Manual clarke-clean-track-s16-l18-carpet-extractor-parts-manual 1701 file product_file
Open the PDF directly: View PDF
.
Page Count: 24

Form No. 56042595 11/11 revised 12/14 REV B
Clean Track S16, L18
Parts List
Models: 56382723 (S16), 56382724 (L18)

TABLE OF CONTENTS
DESCRIPTION PAGE
Base System ........................................................................................... 2-3
Brush System .......................................................................................... 4-5
Decal System .......................................................................................... 6-7
Handle System 16 ................................................................................... 8-9
Handle System 18 ............................................................................... 10-11
Recovery System ................................................................................ 12-13
Solution Pump System ........................................................................ 14-15
Solution Tank Assy ..............................................................................16-17
Ladder Diagram .................................................................................. 18-19
Accessories .............................................................................................. 20
WHEN ORDERING PARTS
* Use the part numbers from the “Ref. No.” columns in this parts list.
* Specify the model and serial number of the machine.
* Use the space below to record the model and serial number for future reference.
Model Serial No.
11/11 1 56042595 - Clean Track S16, L18
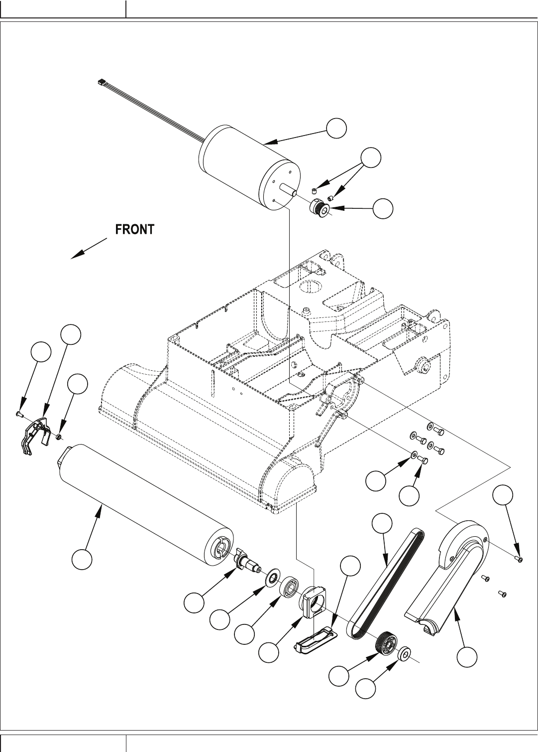
PARTS LIST

BASE SYSTEM
40
41
42
43
31
49
42
6
7
26 8
12
13
44
16
17
18
48
20
22
23
24
25
27
28
29
30
32
33
34
35
35
36
37
38
39
12
34
5
47
45
46
2 Clean Track S16, L18 - 56042595 11/11
PARTS LIST

BASE SYSTEM
Item Ref. No. Qty Description
1 56265067 1 Shoe Assembly, 16 (Clean Track S16) (items 2-5)
56265080 1 Shoe Assembly, 18 (Clean Track L18) (items 2-5)
2 56002865 6 Nut, Hex Nyl Loc-Thin 8-32
3 56002101 6 Scr, Soc Hd 8-32 x 0.50
4 56265068 1 Shoe Front, 16
56265081 1 Shoe Front, 18
5 56265069 1 Shoe Back, 16, Assy
56265082 1 Shoe Rear, 18, Assy
6 56002959 1 Pin, Cotter Hair
7 56009095 1 Nut, Conduit Lock 1/2-14
8 56398606 1 Spring, Ext .50 x 6.25
12 56265172 1 Panel, Exhaust
13 56228142 2 Spring, Compression
16 56002865 1 Nut, Hex Nyl Loc-Thin 8-32
17 56260071 1 Terminal Block
18 56265103 1 Rectifi er, 35 Amp
20 56265111 1 Adjustment Rod Weldment
22 56265073 2 Pin, Pivot
23 56002146 1 Scr, Pan Phil 8-32 x .62
24 56009060 2 Wsh, Flt SS .260 x 1.000 x .074
25 56265071 1 Gasket, Exhaust
26 56249505 2 Wheel
27 56003091 1 Scr, Pan Phil Plastite 10-14 x .75
28 56003120 2 Pin, Cotter Hair .0915 x .375
29 56003133 1 Pin, Spr .12 x .56
30 56003207 1 Clevis Pin .50 x 2.75
31 56002832 1 Nut, Hex Nyl Loc-Thin 10-24
32 56003691 2 Scr Hex Loc SS 1/4-20 x 4.50
33 56009097 2 Nut, Push Cap 1/2
34 56265057 1 Axle
35 56009191 5 Scr, Pan Phil Plastite 10-14 x .50
36 56200573 1 Gasket, Ring 1.75 x 2.75 x .19
37 56265020 1 Base, Extractor, 16 (Clean Track S16)
56265120 1 Base, Extractor, 18 (Clean Track L18)
38 56265031 1 Clip, Rod
39 56109548 1 Knob, Brush Adjustment
40 56002674 1 Scr, Pan Phil 10-24 x 1.00
41 56265119 1 Latch, Adjustment
42 56002098 2 Wsh, Flt SAE 1/4
43 56003193 1 Clevis Pin .25 x 1.625
44 56265237 1 Lever, Brush Adjustment
45 56003761 1 Scr, Soc Hd SS 10-32 x 1.50
46# 56384068 1 Spring-Left Wound-.255 O.D.
47 56002916 1 Wsh, Flt SAE SS #10
48 56265239 1 Knob
49 2-00-05249 1 Hair Pin-Cotter
# = Revised or new since last update
11/11 3 56042595 - Clean Track S16, L18
PARTS LIST
12/14

BRUSH SYSTEM
1
7
2
1
1
1
1
3
1
4
5
6
8
9
10
11
12
13
14
4 Clean Track S16, L18 - 56042595 11/11
PARTS LIST

BRUSH SYSTEM
Item Ref. No. Qty Description
1 56265204 1 Bearing/Spindle Kit
1 Spindle, Drive
1 Washer, Bearing
1 Bearing, Block
1 Sheave Poly-V 6J17
1 Bearing, Ball
1 Bearing, Ball
2 56262558 1 Sheave, Poly-V
3 56002849 1 Nut, Hex Nyl Loc-Thin SS 10-24
4 56001854 4 Scr, Hex Hd 1/4-20 x .50
5 56002098 4 Wsh, Flt SAE 1/4
6 56002900 1 Scr, Pan Phil SS 10-24 x .50
7 56009131 2 Scr, Soc Set Loc 5/16-18 x .31
8 56265024 1 Belt, Poly V
9 56265043 1 Clip, Brush Retainer
10 56265047 1 Belt Guard
11 56265075 1 Motor, 115 VDC, 1/3 HP
12 56265091 1 Cover, Pulley
13 56009191 3 Scr, Pan Phil Plastite 10-14 x .50
14 56265044 1 Brush Assembly 16
56265046 1 Brush, 16
56265099 1 Brush Assembly 18
56265065 1 Brush, 18
11/11 5 56042595 - Clean Track S16, L18
PARTS LIST

DECAL SYSTEM
1
2
3
4
5
6
6 Clean Track S16, L18 - 56042595 11/11
PARTS LIST

DECAL SYSTEM
Item Ref. No. Qty Description
1 56016717 1 Decal, Panel (Clean Track L18)
56016716 1 Decal, Panel (Clean Track S16)
2 56382744 1 Decal-Clean Track S16
56382745 1 Decal-Clean Track L18
3 56016718 1 Decal, Brush Pressure
4 56317151 1 Decal, CRI Bronze
5 56040958 1 Tag, CRI
6 56478523 1 Tie, Cable
11/11 7 56042595 - Clean Track S16, L18
PARTS LIST

HANDLE SYSTEM 16
1
2
3
4
5
6
7
8
9
10
11
12
13
14
16
17
18
19
20
15
21
22
23
8 Clean Track S16, L18 - 56042595 11/11
PARTS LIST 9/12

HANDLE SYSTEM 16
Item Ref. No. Qty Description
1 56381823 1 Switch, Rocker
2 56262518 1 Hook, Cord
3 56009095 2 Nut, Conduit Lock 1/2-14
4 56264123 2 Ratchet
5 1047 2 Knob
6 56264118 2 Ratchet
7 56002824 4 Scr, Pan Phil 10-24 x 1.25
8 56003092 2 Scr, Pan Phil Plastite 4-20 x .62
9 56009029 2 Scr, Pan Phil Thd Form 10-24 x .50
10 56009191 9 Scr, Pan Phil Plastite 10-14 x .50
11 56009227 2 Scr, Carriage 5/16-18 x 3.50
12 56265028 1 Cover, Handle, Front
13 56265029 1 Cover, Handle, Rear
14 56265053 1 Button, Spray
15 56265056 1 Circuit Breaker W/Boot
16 56265085 1 Main Cable Assy
17 56265098 1 Switch, SPDT Snapaction
18 56265143 2 Tube, Handle
19 56265159 1 Panel, Control
20 56265162 1 Cord, Power 14/3, SJT
21 56382685 1 Locking Spacer Switch Aluminum
22 56265090 1 Hook Handle Cover
23 56001993 3 Screw 10-24 X 0.5 Zinc PL
11/11 9 56042595 - Clean Track S16, L18
PARTS LIST
9/12

HANDLE SYSTEM 18
1
2
3
4
5
6
7
8
10
11 12
13
14
15
16
17
18
19
20
21
22
23
24
25
26
27
28
41 30
31
32
33
34
35
36
37
38
39
40
9
4
21
36
29
42
43
10 Clean Track S16, L18 - 56042595 11/11
PARTS LIST 9/12

HANDLE SYSTEM 18
Item Ref. No. Qty Description
1 56381823 1 Switch, Rocker (vacuum)
2 56381824 1 Switch, Rocker (solution)
3 56262518 1 Hook, Cord
4 56009095 2 Nut, Conduit Lock 1/2-14
5 56111503 2 Bearing, Flange
6 56056519 2 Compression Spring
7 56001841 2 Scr, Soc Set Loc 1/4-20 x .25
8 56009003 2 Wsh, Flt .516 x .938 x .075
9 56486112 1 Clamp, P
10 56002066 2 Scr, Pan Phil 1/4-20 x .62
11 56002395 6 Scr, Flt Phil 5/16-18 x .75
12 56009341 2 Scr, Button Soc 1/2-13 x 1.50
13 56002840 1 Nut, Hex Nyl Loc-Thin 1/4-20
14 56002843 2 Nut, Hex Nyl Loc-Thin 1/2-13
15 56003092 2 Scr, Pan Phil Plastite 4-20 x .62
16 56002098 2 Wsh, FLT SAE 1/4
17 56003284 2 Nut, Hex Nyl Loc 1/4-28
18 56009029 2 Scr, Pan Phil Thd Form 10-24 x .50
19 56009066 2 Scr, Pan Phil 8-32 x .31
20 56009131 4 Scr, Soc Set Loc 5/16-18 x .31
21 56009139 4 Scr, Pan Phil Loc 10-24 x .38
22 56009191 9 Scr, Pan Phil Plastite 10-14 x .50
23 56265241 2 Handle Adjustment Pivot
24 56265028 1 Cover, Handle, Front
25 56265162 1 Cord, Power 14/3, SJT
26 56265053 1 Button, Spray
27 56265054 1 Bail, Handle Release
28 56265055 1 Panel, Control
29 56265056 1 Circuit Breaker W/Boot (5 amps)
30 56265062 1 Cover, Flip Handle, Back
31 56109556 2 Gear, Handle
32 56265083 2 Handle Socket
33 56109557 2 Lock, Handle
34 56265098 1 Switch, SPDT Snapaction
35 56265128 2 Bellows, Handle
36 56265147 2 Wire Rope Assy
37 56265157 1 Tube, Handle
38 56265242 2 Pin
39 56265192 1 Main Cable Assy
40 56265197 1 Tube, Handle
41 56382685 2 Locking Spacer Switch Aluminum
42 56265090 1 Hook Handle Cover
43 56001993 3 Screw 10-24 X 0.5 Zinc PL
11/11 11 56042595 - Clean Track S16, L18
PARTS LIST
9/12

1
21
20
5
11
9
19
15
14
23
16
12
22
18
6
10
2
13
48
17 9
7
3
24
RECOVERY SYSTEM
12 Clean Track S16, L18 - 56042595 11/11
PARTS LIST

RECOVERY SYSTEM
Item Ref. No. Qty Description
1 56265096 1 Vac Motor, 120V
* 56264453 1 Carbon Brushes for 56265096 (one pair)
2 56265142 1 Vac Hose 1.50 x 48.00 x 975018 (Clean Track S16)
56265211 1 Vac Hose 1.50 x 54.00 x 975018 (Clean Track L18)
3 56331154 1 Clamp, Plastic
4 56324497 2 Cage, Float
5 56385437 1 Gasket
6 56391690 1 Ball, Float
7 56002124 2 Scr, Pan Phil 10-24 x .62
8 56003809 2 Scr-Hex SS 10-24 x 2.00
9 56009205 10 Wsh, Flt SS #10
10 56002836 2 Nut-Hex Nyl Loc SS 10-24
11 56265030 1 Cover, Vac Motor
12 56265034 1 Hose, Drain 1.5 Inch
13 56109528 1 Recovery Lid Assy
14 56265072 1 Gasket, Vac Cover
15 56440213 1 Clamp, Hose SAE #32
16 56265131 1 Tank, Recovery, 16 (Clean Track S16)
56265133 1 Tank, Recovery, 18 (Clean Track L18)
17 56265134 1 Duct, Float
18 56265163 1 Gasket
19 56265202 1 Vac Hose Assy
20 56314484 3 Mount, Vibration
21 56314760 1 Gasket, Vacuum Duct
22 56329145 1 Clamp, Hose SAE #24
23 56002900 8 Scr, Pan Phil SS 10-24 x .50
24 56009096 2 Wsh-Flt .193 x .875 x .060
11/11 13 56042595 - Clean Track S16, L18
PARTS LIST

4
5
6
7
8
9
11
12
13
15
14
16 10
18
2
3
1
13
17
SOLUTION PUMP SYSTEM
14 Clean Track S16, L18 - 56042595 11/11
PARTS LIST

SOLUTION PUMP SYSTEM
Item Ref. No. Qty Description
1 56756364 2 Clamp, Hose SAE #4
2 56265224 1 Pump 115V
3 56265033 2 Mount, Pump
4 56109513 1 Nozzle-Valve Assy-16 (items 6, 7, 8)
5 56264346 1 Hose, Polyester Braid (10.5”)
6 56265037 1 Valve, Solenoid 115V TSBUS2007-966
7 56265052 1 Nozzle, Spray
8 56470138 1 Barb, 90 Elbow 1/4 x 1/4NPT
9 56756364 1 Clamp, Hose SAE #4
10 56002875 2 Wsh, Flt SAE SS #8
11 56264346 1 Hose, Polyester Braid (10.5”)
12 56009078 1 Nut, Hex Jam SS 5/8-18
13 56265208 1 Socket, 1/8 FPT
14 56756364 1 Clamp, Hose SAE #4
15 56109732 1 Barb, Adapter Male 45 Degree
16 56003018 2 Scr, Pan Phil SS 8-32 x .38
17 56109503 1 Double Barb Assy
18 56109566 1 Barb, 90 Elbow 1/2 x 3/8 NPT
11/11 15 56042595 - Clean Track S16, L18
PARTS LIST

1
2
3
4
5
6
7
8
9
10
11
12
13
7
7
14
15
SOLUTION TANK ASSY
16 Clean Track S16, L18 - 56042595 11/11
PARTS LIST

SOLUTION TANK ASSY
Item Ref. No. Qty Description
1 56264119 1 Clamp, Power Cord (Clean Track L18 only)
2 56264137 1 Screen
3 56262190 1 Barb
4 56002003 2 Scr, Pan Phil 8-32 x .50 (Clean Track L18 only)
5 56002124 2 Scr, Pan Phil 10-24 x .62
6 56002145 1 Scr, Pan Phil 1/4-20 x .50 (Clean Track L18 only)
7 56219932 3 Clamp, Hose SAE #6
8 56407267 1 Hose, Spiral .500
9 56265132 1 Tank, Solution, 18 (Clean Track L18)
56265130 1 Tank, Solution, 16 (Clean Track S16)
10 56387302 1 Tube PVC .500X11.00 E00604
11 56109565 1 Barb, Adapter 1/2 x 3/8NPT
12 56486112 1 Clamp, P (Clean Track L18 only)
13 56109566 1 Barb, 90 Elbow 1/2 x 3/8NPT
14 56331154 1 Clamp, Plastic
15 56265206 1 Lid, Solution Tank (Clean Track S16 only)
revised 6/13
11/11 17 56042595 - Clean Track S16, L18
PARTS LIST

BLK
BLK
BLK (#4)
BLK (#1)
BLK (#2) BLK
GRN/YEL
BLK
BLK
BLK (#3)
115VAC
OPTIONAL
(USED ON 18" MACHINE)
GRN
WHT
BLK
S2
INTERMITTENT SPRAY
S2
INTERMITTENT SPRAY
1
2
3
F1
CIRCUIT BREAKER, 5 A.
F1
CIRCUIT BREAKER, 5 A.
12
+
-
~
~
D1
DIODE BRIDGE
+
-
~
~
D1
DIODE BRIDGE
S1
MODE SELECTION
S1
MODE SELECTION
1
2
3
4
5
6
M
M2
MOTOR, BRUSH
AMP = 3.4
M
M2
MOTOR, BRUSH
AMP = 3.4
-+
E_GND
M
1~
M3
AMP = 0.6
MOTOR, PUMP
M
1~
M3
AMP = 0.6
MOTOR, PUMP
12
3
S3
CONSTANT SPRAY
S3
CONSTANT SPRAY
1
2
3
4
5
6
L
N
G
L1
SOLENOID VALVE
AMP = .06
L1
SOLENOID VALVE
AMP = .06
12
M
1~
M1
MOTOR, VACUUM
AMP = 11.3
M
1~
M1
MOTOR, VACUUM
AMP = 11.3
12
3
LADDER DIAGRAM
18 Clean Track S16, L18 - 56042595 11/11
PARTS LIST

LADDER DIAGRAM
Item Ref. No. Qty Description
D1 56265103 1 Rectifi er, 35 Amp
F1 56265056 1 Circuit Breaker, 5 Amp
L1 56265037 1 Valve, Solenoid 115V TSBUS2007-966
M1 56265096 1 Motor Vacuum, 120V
[ ] 56264453 1 Carbon Brushes for 56265096 (one pair)
M2 56265075 1 Motor, Brush 115 VDC, 1/3 HP
M3 56265224 1 Pump 115V
S1 56381823 1 Switch, Mode Selection
S2 56265053 1 Switch, Intermittent Spray
S3 56381824 1 Switch, Constant Spray (Clean Track L18 only)
[ ] 56265187 1 Wire Assembly
[ ] 56265102 1 Wire Assembly
[ ] 56265087 1 Wire Assembly
[ ] 56265108 2 Wire Assembly (Clean Track L18 only)
[ ] = Not Shown
11/11 19 56042595 - Clean Track S16, L18
PARTS LIST

ACCESSORIES
OPTIONAL BRUSHES
Item Ref. No. Qty Description
16” Optional Brushes
56265044 1 Brush Assembly 16
56265175 1 Brush Assembly Blue 16 Hard
56265176 1 Brush Assembly 240 Grit 16
18” Optional Brushes
56265099 1 Brush Assembly 18
56265177 1 Brush Assembly Blue 18 Hard
56265178 1 Brush Assembly 240 Grit 18
ACCESSORY TOOLS
Item Ref. No. Qty Description
56314402 Wand Assembly w/Soft and Hard Floor Tools
56265173 Wand Assembly w/Soft Floor Tool
56262209 Stand Up Wand
56220109 Hand Tool
56380377 Spray Tip (for 56220109)
56220070 Upholstery Hand Tool
56265174 15’ Hose w/Waterline
56265112 Locking Extension Cord
56265368 8’ Hose w/Waterline
56265150 Hard Floor Tool
56265309 Plug Adaptor Kit
56265305 Drag Wand
56250314 14” Scrub/Vac Tool
revised 6/13
20 Clean Track S16, L18 - 56042595 11/11
PARTS LIST

A Nilfi sk-Advance Brand
14600 21st Avenue North
Plymouth, MN 55447-3408
www.clarkeus.com
Phone: 800-253-0367
Fax: 800-825-2753
©2014 Nilfi sk-Advance, Inc.