Clarke Ex40 16st 18lx Portable Carpet Extractor Operator Manual
2016-10-10
: Sweepscrub Clarke-Ex40-16St-18Lx-Portable-Carpet-Extractor-Operator-Manual clarke-ex40-16st-18lx-portable-carpet-extractor-operator-manual 1337 file product_file
Open the PDF directly: View PDF
.
Page Count: 56

Form No. 56091181 9/2015 REV A
Instructions For Use - Original Instructions / Instrucciones de uso / Mode d’ emploi
Models: 56265504 (16ST), 56265505 (18LX)
This book has important information for the use and safe operation of this machine. Failure to read
this book prior to operating or attempting any service or maintenance procedure to your Clarke ma-
chine could result in injury to you or to other personnel; damage to the machine or to other property
could occur as well. You must have training in the operation of this machine before using it. If your
operator(s) cannot read this manual, have it explained fully before attempting to operate this machine.
All directions given in this book are as seen from the operator’s position at the rear of the machine.
English (A2 - A12)
Español (B2 - B12)
Français (C2 - C12)
READ THIS BOOK
LEA ESTE MANUAL
LISEZ CE MANUEL
ES
EN
FR
EX40 18LX, EX40 16ST

A - 2 EX40 16ST, EX40 18LX - 56091181 9/2015
INSTRUCTIONS FOR USEA - ENGLISH
TABLE OF CONTENTS
Page
Introduction ................................................................................... A-3
Parts and Service ........................................................................... A-3
Nameplate ...................................................................................... A-3
Uncrating the Machine .................................................................... A-3
Cautions and Warnings .................................................................. A-4
Grounding Instructions ................................................................... A-5
Know Your Machine – EX40 18LX ...................................... A-6 – A-7
Know Your Machine – EX40 16ST ...................................... A-8 – A-9
Know Your Control Panel........................................................... A-10
Preparing the Machine for Use
Filling the Solution Tank .................................................................A-11
Before Using ..................................................................................A-11
Pre-Spraying the Carpet ................................................................A-11
Plan for Cleaning ...........................................................................A-11
Operation
Operating the Machine ......................................................A-12 – A-13
Using Attachments .............................................................A-12 – A-13
Hard Floor Kits .............................................................................. A-13
After Use
After Using the Machine ............................................................... A-14
Maintenance
Maintenance Schedule ................................................................. A-14
Vacuum Shoe Maintenance .......................................................... A-14
Spray Nozzle Maintenance ........................................................... A-15
Power Cord Maintenance ............................................................. A-15
Power Brush Maintenance ........................................................... A-15
Removing the Brush ..................................................................... A-15
Troubleshooting ............................................................................ A-16
Accessories / Options ................................................................... A-17
Technical Specifi cations ............................................................... A-17

9/2015 A - 3 56091181 - EX40 16ST, EX40 18LX
ENGLISH - AINSTRUCTIONS FOR USE
INTRODUCTION
This manual will help you get the most from your Clarke™ carpet extractor. Read it thoroughly before operating the machine.
This product is intended for commercial use only.
PARTS AND SERVICE
Repairs, when required, should be performed by your Authorized Clarke Service Center, who employs factory trained service personnel, and
maintains an inventory of Clarke original replacement parts and accessories.
MODIFICATIONS
Modifi cations and additions to the cleaning machine which affect capacity and safe operation shall not be performed by the customer or user without
prior written approval from Nilfi sk, Inc. Unapproved modifi cations will void the machine warranty and make the customer liable for any resulting
accidents.
NAMEPLATE
The Model Number (also known as Part Number) and Serial Number of your machine are shown on the Nameplate, located on the rear base of the
machine. This information is needed when ordering repair parts for the machine. Use the space below to note the Part Number and Serial Number
of your machine for future reference.
PART NO. ______________________________________________
SERIAL NO. ____________________________________________
UNCRATING THE MACHINE
When the machine is delivered, carefully inspect the shipping carton and the machine for damage. If damage is evident, save the shipping carton
so that it can be inspected. Contact the Clarke Customer Service Department immediately to fi le a freight damage claim.
WARNING!
The Products sold with this Manual contain or may contain chemicals that are known to certain governments (such as the State of California, as
identifi ed in its Proposition 65 Regulatory Warning Law) to cause cancer, birth defects or other reproductive harm. In certain locations (including the
State of California) purchasers of these Products that place them in service at an employment job site or a publicly accessible space are required
by regulation to make certain notices, warnings or disclosures regarding the chemicals that are or may be contained in the Products at or about
such work sites. It is the purchaser’s responsibility to know the content of, and to comply with, any laws and regulations relating to the use of these
Products in such environments. The Manufacturer disclaims any responsibility to advise purchasers of any specifi c requirements that may be
applicable to the use of the Products in such environments.

A - 4 EX40 16ST, EX40 18LX - 56091181 9/2015
INSTRUCTIONS FOR USEA - ENGLISH
IMPORTANT SAFETY INSTRUCTIONS
This machine is only suitable for commercial use, for example in hotels, schools, hospitals, shops and offi ces other than normal
residential housekeeping purposes.
When using an electrical appliance, basic precautions should always be followed, including the following:
Read all instructions before using this appliance.
WAR NING!
To reduce the risk of fi re, electric shock, or injury:
• Do not leave the appliance when it is plugged in. Unplug the unit from the outlet when not in use and before servicing.
• To avoid electric shock, do not expose to rain. Store indoors.
• This machine is not intended for use by persons (including children) with reduced physical, sensory or mental capabilities,
or lack of experience and knowledge.
• Do not allow to be used as a toy. Close attention is necessary when used near children.
• Use only as described in this manual. Use only the manufacturer’s recommended attachments.
• Do not use with damaged cord or plug. If the appliance is not working as it should be, has been dropped, damaged, left
outdoors or dropped into water, return it to a service center.
• Do not pull or carry by the cord, use the cord as a handle, close a door on the cord, or pull the cord around sharp edges
or corners. Do not run the appliance over the cord. Keep the cord away from heated surfaces.
• Do not unplug by pulling on the cord. To unplug, grasp the plug, not the cord.
• Do not handle the plug, cord or appliance with wet hands.
• Do not put any object into openings. Do not use with any opening blocked; keep free of dust, lint, hair, and anything that
may reduce air fl ow.
• Keep loose clothing, hair, fi ngers, and all parts of body away from openings and moving parts.
• Do not pick up anything that is burning or smoking, such as cigarettes, matches, or hot ashes, or any health endangering
dusts.
• Turn off all controls before unplugging.
• Use extra care when cleaning on stairs.
• Do not use to pick up fl ammable or combustible liquids such as petrol or use in areas where they may be present.
• If foam or liquid comes out with the vacuum exhaust, switch power off immediately. Verify that there are no foreign
objects obstructing the fl oat ball from moving freely. Contact Clarke if the problem persists.
• Liquid ejected at the spray nozzle could be dangerous as a result of its temperature, pressure or chemical content.
• Only use the brushes provided with the appliance or those specifi ed in the instruction manual. The use of other brushes
may impair safety.
SAVE THESE INSTRUCTIONS

9/2015 A - 5 56091181 - EX40 16ST, EX40 18LX
ENGLISH - AINSTRUCTIONS FOR USE
120VAC GROUNDING INSTRUCTIONS
This appliance must be grounded. If it should electrically malfunction, grounding provides a path of least resistance for electric current to reduce
the risk of electric shock. This appliance is equipped with a cord having an equipment-grounding conductor and grounding plug. The plug must be
plugged into an appropriate outlet that is properly installed and grounded in accordance with all local codes and ordinances.
DANGER!
Improper connection of the equipment-grounding conductor can result in a risk of electric shock. Check with a qualifi ed
electrician or service person if you are in doubt as to whether the outlet is properly grounded. Do not modify the plug
provided with the appliance. If it will not fi t the outlet, have a proper outlet installed by a qualifi ed electrician.
This appliance is for use on a nominal 120-volt circuit, and has a grounding plug that looks like the plug illustrated in Figure 1 below. A temporary
adapter illustrated in Figures 2 and 3 may be used to connect this plug to a 2-pole receptacle as shown in Figure 2 if a properly grounded outlet is
not available. The temporary adapter should be used only until a properly grounded outlet (Figure 1) can be installed by a qualifi ed electrician. The
green-colored rigid ear, tab, or the like extending from the adapter must be connected to a permanent ground such as a properly grounded outlet
box cover. Whenever the adapter is used, it must be held in place by a metal screw.
Grounding adapters are not approved for use in Canada.
Replace the plug if the grounding pin is damaged or broken.
The Green (or Green/Yellow) wire in the cord is the grounding wire. When replacing a plug, this wire must be attached to the grounding pin only.
Extension cords connected to this machine should be 2.5mm2 (12 AWG), three-wire cords with three-prong plugs and outlets. DO NOT use
extension cords more than 15 M (50 ft) long.
WARNING!
• If an extension cord is used, the plug and socket must be of watertight construction.
• Inadequate extension cords can be dangerous.
Grounding Pin
Tab for Grounding Screw
Adapter
Adapter
Metal Screw
FIGURE 1 FIGURE 2 FIGURE 3
Grounded Outlet Box
Grounded Outlet
PLEASE NOTE: FOR PARTS OF NORTH AMERICA ONLY. NOT APPROVED FOR USE IN CANADA.

A - 6 EX40 16ST, EX40 18LX - 56091181 9/2015
INSTRUCTIONS FOR USEA - ENGLISH
KNOW YOUR MACHINE – EX40 18LX
1 Solution Switches (quantity of 3)
2 Pigtail Cord
3 Vacuum Mode Selector Knob
3a Vacuum Shoe Mode
3b Accessory Mode
4 Automatic Float Shut-Off
5 Handle Angle Adjust Release Lever
6 Solution Tank
7 Brush Storage Lift Lever
8 Vacuum Shoe Release Lever
9 Vacuum Shoe
10 Solution Filter
11 Recovery Tank
12 Recovery Tank Drain Hose
13 Recovery Tank Dome Lid
14 Cord Retainer Strap
1
1
12
2
9
13
11
6
8
4
10
5
7
14
3a 3b
3

9/2015 A - 7 56091181 - EX40 16ST, EX40 18LX
ENGLISH - AINSTRUCTIONS FOR USE
KNOW YOUR MACHINE – EX40 18LX
15 Accessory Solution Port
16 Power Cord
17 Power Cord Locking Mechanism
18 Control Panel
19 Hand Tool (Optional)
20 Recovery Tank Handle
21 Solution Drain Hose / Level Indicator
22 Accessory Vacuum Hose Port
23 Handle Assembly
21
15
16
17
18
19
20
22
23

A - 8 EX40 16ST, EX40 18LX - 56091181 9/2015
INSTRUCTIONS FOR USEA - ENGLISH
KNOW YOUR MACHINE – EX40 16ST
1 Solution Switch
2 Pigtail Cord
3 Vacuum Mode Selector Knob
3a Vacuum Shoe Mode
3b Accessory Mode
4 Automatic Float Shut-Off
5 Handle Angle Adjust Release Levers (quantity of 2)
6 Solution Tank
7 Brush Storage Lift Lever
8 Vacuum Shoe Release Lever
9 Vacuum Shoe
10 Solution Filter
11 Recovery Tank
12 Recovery Tank Drain Hose
13 Recovery Tank Dome Lid
14 Cord Retainer Strap
1
12
2
9
13
11
6
8
4
10
5
7
14
3
3a 3b

9/2015 A - 9 56091181 - EX40 16ST, EX40 18LX
ENGLISH - AINSTRUCTIONS FOR USE
KNOW YOUR MACHINE – EX40 16ST
15 Accessory Solution Port
16 Power Cord
17 Power Cord Locking Mechanism
18 Control Panel
19 Hand Tool (Optional)
20 Recovery Tank Handle
21 Solution Drain Hose / Level Indicator
22 Accessory Vacuum Hose Port
23 Handle Assembly
21
15
16
17
18
19
20
22
23

A - 10 EX40 16ST, EX40 18LX - 56091181 9/2015
INSTRUCTIONS FOR USEA - ENGLISH
KNOW YOUR CONTROL PANEL
24 Main Power Switch
26 Circuit Breaker 5 Amp
27 Vacuum Shoe / Accessory Switch
26
27 24

9/2015 A - 11 56091181 - EX40 16ST, EX40 18LX
ENGLISH - AINSTRUCTIONS FOR USE
PREPARING THE MACHINE FOR USE
FILLING THE SOLUTION TANK
1 Turn the power switch to off (O) and then unplug the machine.
2 Open the Recovery Tank Dome Lid (13). Use the Recovery Tank Handle (20) and lift the recovery tank from the machine then set it off to the
side.
3 Read the dilution instructions on the detergent container. Then calculate the proper amount of detergent to mix with your machine’s solution
tank capacity of water; 9 Gallons (34 Liters) for EX40 16ST or 12 Gallons (45 Liters) for EX40 18LX.
BEFORE USING THE MACHINE
Thoroughly vacuum the carpet to be cleaned before using the automatic extractor.
PRE-SPRAYING THE CARPET
Pre-spray spots and heavy traffi c areas before extracting. Use a hand-held bottle sprayer or a pressurized “Hudson” type sprayer. Mix the pre-spray
according to the detergent manufacturer’s directions.
PLAN FOR CLEANING
Before you begin extracting, look at the area to be cleaned and plan your work. Divide the space into sections. Overlap each pass 2 inches (5 cm).
CAUTION!
Use low-sudsing, liquid detergents designed for
carpet extraction.
4 See Figure 4. Pour the detergent into the solution tank
and fi ll the tank with hot water (maximum temperature
54°C/130°F). Do not overfi ll the solution tank. The
maximum fi ll point is when the solution level reaches
the bottom of the lip on the tank opening (A).
NOTE: The Solution Tank has a built in Hose Holder
(B) which can be used to secure the end of the hose
while fi lling the tank.
5 Put the Recovery Tank back on the machine. Make
sure the Recovery Tank is properly seated on the
Solution Tank.
6 Place the Dome Lid (13) back down onto the recovery
tank.
NOTE: The hoses (C1, C2 & C3) that connect to the
dome lid attach by pushing the hose into the dome
lid opening and turning 1/4 turn clockwise to lock in.
Hose C1 = Vacuum Shoe Hose
Hose C2 = Accessory (wand or hand tool) Hose
Hose C3 = Vacuum Motor Hose (Do Not allow water
or foam to enter this hose)
FIGURE 4
A
B
E
10
C1 C3
C2
13

A - 12 EX40 16ST, EX40 18LX - 56091181 9/2015
INSTRUCTIONS FOR USEA - ENGLISH
OPERATING THE MACHINE
1 Follow the instructions in the Preparing the Machine for Use section of this manual.
3 Press the Vacuum Shoe / Accessory Switch (27) to the vacuum shoe position.
4 Unlock (press down) Brush Storage Lever (7) so that the brush is in contact with the fl oor.
5 Rotate the Vacuum Mode Selector Knob (3) to the Vacuum Shoe position (3a) for extracting. NOTE: The Knob (3) must be turned all the way
until the two arrows are pointing at each other, to get a complete seal.
6 Plug the machine into a properly grounded outlet. Turn Main Power Switch (24) to the On (I) position to start the vacuum motor, solution pump
and brush motor.
7 Continually hold the Solution Switch (1) to dispense solution. Once the Solution Switch (1) is released the solution fl ow will stop.
8 Begin cleaning by pulling the machine along in a straight line and overlap each pass by 2 inches (5 cm). Release the Solution Switch (1) prior
to turns to ensure complete extraction of solution from carpet.
9 Watch the fl uid entering the Recovery Tank Dome Lid (13). If there is a large amount of suds in the recovery tank, add a defoamer chemical to
the recovery tank.
CAUTION!
Empty the recovery tank before the fl uid or foam enters the vacuum motor.
If there is little or no fl uid entering the recovery tank, check the Solution Drain Hose / Level Indicator (21), the solution tank may be empty. Refi ll
the solution tank with water and the proper ratio of cleaning detergent.
10 The recovery tank has an Automatic Float Shut-Off (4) to block the vacuum system when the recovery tank is full. You can tell when the fl oat
closes by the sudden change in the sound of the vacuum motor. When the fl oat closes, the recovery tank must be emptied. The machine can
continue to dispense solution, but will not pick up water with the fl oat closed.
11 When the operator wants to stop cleaning or the recovery tank is full, release the Solution Switch (1). Then turn the main power switch Off (O)
and unplug the machine. Lock (pull up) Brush Storage Lift Lever (7) to place the brush in the storage position.
12 Move the machine to a designated waste water “DISPOSAL SITE” and empty the recovery tank. To empty, pull the Recovery Tank Drain Hose
(12) from its front storage hanger, then remove the plug (hold the end of the hose above the water level in the tank to avoid sudden, uncontrolled
fl ow of waste water). Refi ll the solution tank and continue cleaning.
USING ATTACHMENTS
To use accessory tools:
1 Rotate the Vacuum Mode Selector Knob (3) to the Accessory position (3b) for attachments. NOTE: The Knob (3) must be turned all the way
until the two arrows are pointing at each other, to get a complete seal.
2 Attach the accessory’s recovery hose to the machine’s Accessory Vacuum Port (22).
3 Attach the accessory’s solution hose to the machine’s Accessory Solution Port (15).
4 Press the Vacuum Shoe / Accessory Switch (27) to the accessory position.
5 Press the Main Power Switch (24) to the On (I) position to activate the vacuum motor and solution pump. See your Clarke Distributor for
accessories that may be used with the EX40 16ST™ / EX40 18LX™.
2 See Figure 5. Pull out the Handle Angle Adjust Release Lever (5) (quantity of
2 on EX40 16ST) to unlock the handle position. Adjust the handle height to the
most comfortable position for the operator. Push in Lever(s) (5) to lock handle
into position. NOTE: The EX40 18LX model can be used in a walk-behind mode
by rotating the handle to the vacuum shoe side and pushing rather than pulling
the machine (Shown at right).

9/2015 A - 13 56091181 - EX40 16ST, EX40 18LX
ENGLISH - AINSTRUCTIONS FOR USE
8
9
A
B
D
C
FIGURE 5
FIGURE 6
HARD FLOOR KITS
The vacuum shoe can be removed and replaced
with an optional Squeegee Tool (A) for use on hard
fl oors. See Figure 6. Push and hold in the Vacuum
Shoe Release Lever (8) and slide the Vacuum
Shoe (9) off of its mounting pin. Then disconnect
the Recovery Hose (B) from the vacuum shoe and
connect it to Hose Cuff (C) then Squeegee Tool
(A). Attach the squeegee tool to the machine at
the same mounting location used for the vacuum
shoe, simply push the Release Lever (D) and
slide the squeegee tool into place. NOTE: Hard
fl oor applications can require the use of a different
brush. Brush selector guide and part numbers can
be found in the Parts List.
1
12
13
4
7
3a 3b
3
24
27
5
21
15
22
5

A - 14 EX40 16ST, EX40 18LX - 56091181 9/2015
INSTRUCTIONS FOR USEA - ENGLISH
AFTER USING THE MACHINE
1 Turn the Power Switch OFF (O). Unplug the Power Cord (16). Coil the cord and hang it from the Cord Retainer Strap (14).
2 To empty the recovery tank, take the Recovery Drain Hose (12) off its hanger. Direct the hose to a designated waste water “DISPOSAL SITE”
and remove the plug (hold the end of the hose above the water level in the tank to avoid sudden, uncontrolled fl ow of waste water). Rinse the
tank with clean water. Inspect the recovery and drain hoses; replace if kinked or damaged.
3 To empty the solution tank, pull the Solution Drain Hose (21) off the elbow. Direct the hose to a designated waste water “DISPOSAL SITE”.
Rinse the tank with clean water. Inspect the solution hoses; replace if kinked or damaged.
4 Remove the brush, rinse with warm water and remove any built-up string, hair or carpet fi bers.
5 Disconnect the Recovery Hoses C1 and C2 (See Figure 4) from the Recovery Tank Dome Lid (13) and fl ush with warm water to wash any debris
out of the Recovery Hose and Vacuum Shoe. Do not fl ush hose C3 as this connects to the vacuum motor.
6 Wipe the machine with a damp cloth. Do not use abrasive chemicals or solvents.
7 Perform any required maintenance before storage. See Maintenance Schedule.
8 Store the machine indoors in a clean, dry place with the tank dome lid open. Keep from freezing.
9 Place the machine in the storage position. This will prevent the brush from taking a set which will increase the brush life and maintain the
performance of the brush. Lift up on the Brush Lift Lever (7) until the lever locks into the up storage position.
MAINTENANCE SCHEDULE
MAINTENANCE ITEM Daily Weekly Yearly
Check / Clean Power Brush X
Check / Clean Tanks & Hoses X
Check / Clean Vacuum Shut-Off Float X
Clean Vacuum Shoe X
Clean “Maintenance” Spray Nozzle X
Inspect & Clean Solution Filter X
*Flush a vinegar mixture through solution system X
**Check Carbon Brushes X
* Once a year or after 300 operating hours fl ush a white vinegar mixture (one quart vinegar to two gallons of water) through the machine. This will
help prevent a build-up of alkaline residue in the solution system.
** Have a Clarke service technician check the vacuum motor carbon brushes once a year or after 300 operating hours. The brush motor carbon
brushes check every 500 hours or once a year.
IMPORTANT!
Motor damage resulting from failure to service the carbon brushes is not covered under warranty. See the Limited Warranty
Statement.
VACUUM SHOE MAINTENANCE
Check the vacuum shoe daily. Remove any built-up string, hair or carpet fi bers. See Figure 7. Push and hold in the Vacuum Shoe Release Lever
(8) and slide the Vacuum Shoe (9) off of its mounting pin. Then disconnect the recovery hose from the vacuum shoe.
FIGURE 7
8
9

9/2015 A - 15 56091181 - EX40 16ST, EX40 18LX
ENGLISH - AINSTRUCTIONS FOR USE
SPRAY NOZZLE MAINTENANCE
Remove the Maintenance Spray Nozzle (A) once a week. See Figure 8. Turn the nozzle 1/4 turn counterclockwise to remove. Soak the nozzle
overnight in vinegar to remove chemical deposits. Do not use pins, wire, or similar to clean nozzle as this could destroy spray pattern.
SOLUTION FILTER MAINTENANCE
Once a week (or more often if necessary), inspect and clean the Solution Filter (10). Drain the recovery and solution tanks. Lift the recovery tank from
the machine and set it off to the side. See Figure 4. Keep the solution hose connected and turn the Filter Assembly (E) 1/4 turn counterclockwise to
loosen. Pull the fi lter assembly straight up and out of the solution tank. Reinstall after cleaning by following steps in reverse order.
POWER CORD MAINTENANCE
Once a week (or more often if necessary), check the power cord for cracked or damaged insulation, exposed wires in the cord or plug, and damaged
or missing ground pin. Replace damaged cord or plug immediately.
POWER BRUSH MAINTENANCE
Check the brush daily. Remove any built-up string, hair or carpet fi bers. When the machine is not in use it should be placed in the storage position.
This will prevent the brush from taking a set which will increase the brush life and maintain the performance of the brush.
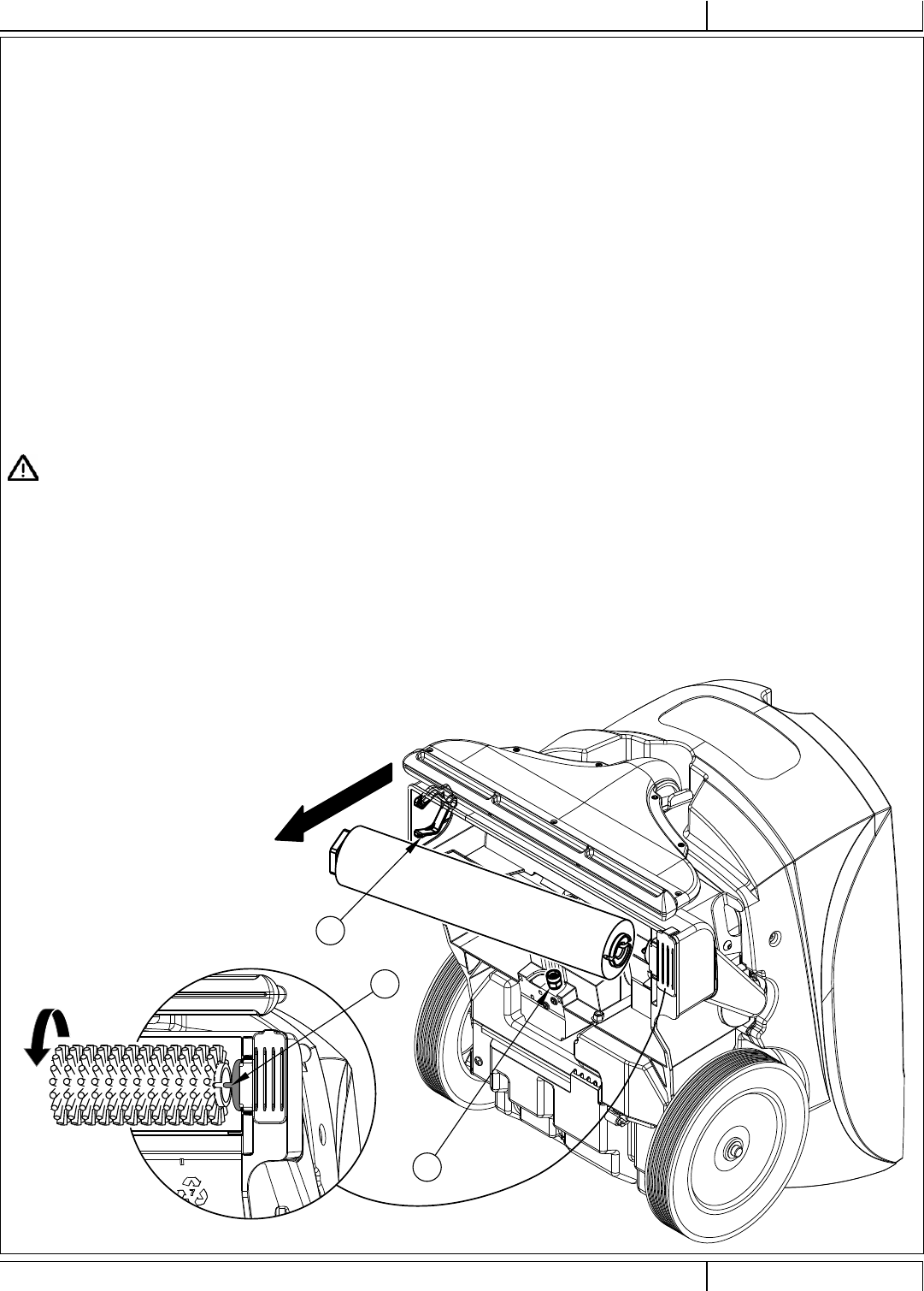
REMOVING THE BRUSH
CAUTION!
Turn the power switch off (O) and unplug the machine, before changing the brushes.
1 Empty both the recovery and solution tanks. Open the recovery tank dome lid. Lift the recovery tank from the machine and set it off to the side.
2 Place the Handle Assembly (23) into a vertical position and tip the machine over onto its back.
3 See Figure 8. Rotate the brush until the Drive Lug (B) is in a position where the fi ns on the drive lug are parallel to the fl oor.
4 Grab the brush at the end with the Brush Retainer Clip (C) and pull straight out.
5 Install a new brush at the drive lug end fi rst then push in the other brush end in until it snaps into the retainer clip.
FIGURE 8
A
C
B
3.
4.

A - 16 EX40 16ST, EX40 18LX - 56091181 9/2015
INSTRUCTIONS FOR USEA - ENGLISH
TROUBLESHOOTING
If the possible causes listed below are not the source of trouble, it is a symptom of something more serious. Contact your Clarke Service Center
immediately for service.
TRIPPING THE CIRCUIT BREAKER
The Circuit Breaker (26) is located on the Control Panel; it protects the electrical circuit and brush motor from damage due to overload conditions. If
the circuit breaker is tripped try to determine the cause.
Brush Circuit Breaker (5 Amp) Possible cause may be:
1 Debris wrapped around the brush drive (remove debris)
2 Electrical short circuit (have your Clarke Service Center or qualifi ed electrician check the machine)
Once the problem has been corrected, push the button in to reset the circuit breaker. If the button does not stay in, wait 5 minutes and try again. If
the circuit breaker trips repeatedly, call your Clarke Service Center for service.
POOR WATER PICKUP
Possible causes may be:
1 Vacuum Mode Selector Knob (3) is set to the wrong mode or not properly seated (rotate knob fully to align with arrow icon)
2 Recovery Tank Full (empty recovery tank)
3 Open recovery tank drain hose (secure drain hose cap or replace)
4 Recovery hose not connected at vacuum shoe (connect hose to vacuum shoe)
5 Recovery hoses not connected to the correct ports in the dome lid (connect hoses to correct ports)
6 Recovery hose is kinked or damaged (replace the hose)
7 Debris caught in vacuum shoe, mode selector paddle or recovery hose (clean vacuum shoe, mode selector and recovery hose)
8 Recovery tank dome lid gasket leak (replace gasket)
9 Seal on mode selector paddle is worn or missing (replace seal)
INADEQUATE SOLUTION FLOW
Possible causes may be:
1 Solution tank empty (fi ll solution tank)
2 Solution lines or solution fi lter clogged (fl ush lines and fi lter)
3 Solution line not connected to fi lter assembly (connect solution line)
4 Spray nozzle is plugged (clean spray nozzle)

9/2015 A - 17 56091181 - EX40 16ST, EX40 18LX
ENGLISH - AINSTRUCTIONS FOR USE
ACCESSORIES / OPTIONS
In addition to the standard components, the machine can be equipped with the following accessories/options, according to the machine’s specifi c
use.
• Brushes with harder or softer bristles
• Upholstery hand tool
• Different wand and hose options
TECHNICAL SPECIFICATIONS (as installed and tested on the unit)
Model Clarke
EX40 18LX
Clarke
EX40 16ST
Model No. 56265505 56265504
Voltage/frequency V/Hz 120 / 50-60 120 / 50-60
Rated Current Amp 14.9 14.5
Protection Class (electrical)
Protection Grade – – – –
Sound Pressure Level
IEC 60335-2-72: 2002 Amend. 1:2005, ISO 11201 dB(A)/20μPa 68 68
Sound Pressure level - KpA
(IEC 60335-2-72, ISO 11201) Uncertainty dB(A) 3 3
Vibrations at the Hand Controls (ISO 5349-1) m/s21.8 1.8
Vibrations at the Hand Controls
(ISO 5349-1) Uncertainty m/s20.2 0.2
Machine Width inch / cm 22.75 / 57.7 19.25 / 48.9
Minimum machine height with adjustable handlebar inch / cm 35.25 / 81.9 32 / 81.3
Maximum machine height with adjustable handlebar 56.5 / 143.5 46.5 / 118
Minimum machine length with adjustable handlebar 29.25 / 74.3 28 / 71.1
Maximum machine length with adjustable handlebar inch / cm 51 / 129.5 48.25 / 122.5
Solution Tank Capacity Gallon / L 12 / 45 9 / 34
Recovery Tank Capacity Gallon / L 12 / 45 7 / 26
Gross Weight* lbs/kg 118 / 53.5 102 / 46.3
Material Composition and Recyclability
Type % of machine weight % recyclable
Aluminum 5% 100%
Electrical / motors / engines - misc 23% 39%
Ferrous metals 3% 100%
Harnesses / cables 1% 83%
Liquids 0% 0%
Plastic - non-recyclable 10% 0%
Plastic - recyclable 10% 100%
Polyethylene 42% 90%
Rubber 7% 33%

B - 2 EX40 16ST, EX40 18LX - 56091181 9/2015
INSTRUCCIONES DE USOB - ESPAÑOL
ÍNDICE
Página
Introducción .................................................................................. B-3
Partes y Servicio ............................................................................. B-3
Placa nominal ................................................................................. B-3
Desempacar la máquina ................................................................. B-3
Precauciones y advertencias…………………………………………..B-4
Instrucciones de aterrizaje .............................................................. B-5
Conozca su máquina – EX40 18LX ....................................B-6 – B-7
Conozca su máquina – EX40 16ST ....................................B-8 – B-9
Conozca su panel de control ..................................................... B-10
Preparación de la máquina para su uso
El llenado del tanque de solución ..................................................B-11
Antes de usarla ..............................................................................B-11
Pre-aspersión de la alfombra ........................................................B-11
Plan para la limpieza .....................................................................B-11
Operación
La operación de la máquina ..............................................B-12 – B-13
Uso de los anexos .............................................................B-12 – B-13
Juegos para piso duro .................................................................. B-13
Después del uso
Después de usar la máquina ........................................................ B-14
Mantenimiento
Programa de mantenimiento ........................................................ B-14
Mantenimiento de la zapata aspiradora ....................................... B-14
Mantenimiento de la boquilla de aspersión .................................. B-15
Mantenimiento del cable de alimentación .................................... B-15
Mantenimiento de la escobilla de alimentación ............................ B-15
Cómo quitar la escobilla ............................................................... B-15
Solución de problemas ................................................................. B-16
Accesorios / Opciones .................................................................. B-17
Especifi caciones técnicas ............................................................. B-17
LEA ESTE MANUAL
Este manual contiene información importante acerca del uso y la seguridad de la máquina. Si no lee el manual
antes de utilizar su máquina Clarke o de intentar realizar los procedimientos de reparación o mantenimiento
de la misma, usted o el resto del personal podrían sufrir lesiones; asimismo, podrían producirse daños a la
máquina o a otras propiedades. Antes de utilizar la máquina, es necesario recibir la capacitación adecuada
en la operación de la misma. Si el operador de la máquina no sabe leer en español, explíquele el manual
exhaustivamente antes de que intente utilizarla.
Todas las indicaciones incluidas en este manual se ofrecen desde la posición del operador en la parte
posterior de la máquina.

9/2015 B - 3 56091181 - EX40 16ST, EX40 18LX
ESPAÑOL - BINSTRUCCIONES DE USO
INTRODUCCIÓN
Este manual le ayudará a sacar el mayor provecho de su aspiradora extractora de alfombras Clarke™. Léalo todo antes de operar la máquina.
Este producto está previsto solo para servicio comercial.
PARTES Y SERVICIO
De requerirse reparaciones, estas las debe hacer el Centro de servicio autorizado de Clarke de su localidad, que emplea personal de servicio
capacitado y mantiene un inventario de refacciones y accesorios originales de Nilfi sk.
MODIFICACIONES
Las modifi caciones y adiciones que afecten la capacidad y operación segura de la lavadora no deberá hacerlas ni el cliente ni el usuario sin
previa autorización por escrito de parte de Nilfi sk, Inc. Si se hacen modifi caciones sin aprobación, la garantía quedará invalidada y el cliente será
responsable de cualquier accidente que resulte.
PLACA NOMINAL
El Número de modelo (también conocido como Número de parte) y Número de serie de su máquina se encuentran en la Placa nominal, localizada
en la base trasera de la máquina. Al pedir refacciones para reparaciones de la máquina necesitará esta información. Use el espacio siguiente para
anotar el Número de Parte y Número de serie de su máquina para futura referencia.
Núm. de Parte ___________________________________________
Núm. de Serie ___________________________________________
DESEMPACADO DE LA MÁQUINA
Cuando se le entregue la máquina revise con cuidado si el embalaje del fl ete o la máquina tienen daños. Si hay señales de daños, guarde el
embalaje del fl ete para que pueda ser revisado. Contacte de inmediato al Departamento de servicio al cliente de Clarke para presentar un reclamo
por daños durante el embarque.
¡ADVERTENCIA!
Los productos que se venden junto con este Manual contienen o pueden contener sustancias químicas que algunos gobiernos identifi can (por
ej. el Estado de California, como lo identifi ca su Propuesta 65 de Ley de Advertencia Normativa (Proposition 65 Regulatory Warning Law)) como
causantes de cáncer, defectos de nacimiento u otros daños reproductivos. En algunos lugares (Incluyendo el Estado de California) los compradores
de estos Productos -que los ponen en servicio en el sitio de trabajo o un lugar de acceso público-, están obligados por ley a hacer ciertos avisos
acerca de los productos químicos que contienen o pueden contener los Productos en dichos sitios de trabajo o cerca de ellos. Es responsabilidad
del comprador conocer el contenido de cualquier ley y normatividad aplicable, así como de su cumplimiento, en cuanto al uso de estos Productos
en dichos ambientes. El Fabricante no es responsable de aconsejar a los compradores acerca cualesquiera requisitos específi cos que pudieren
ser aplicables al uso de los Productos en dichos ambientes.

B - 4 EX40 16ST, EX40 18LX - 56091181 9/2015
INSTRUCCIONES DE USOB - ESPAÑOL
INSTRUCCIONES IMPORTANTES DE SEGURIDAD
Esta máquina solo es adecuada para servicio comercial, por ejemplo en hoteles, escuelas, hospitales, tiendas y ofi cinas. No es para
un servicio normal de limpieza residencial.
Al usar un aparato eléctrico siempre se deben tener precauciones básicas, incluyendo las siguientes:
Lea todas las instrucciones antes de usar este aparato.
¡ADVERTENCIA!
Para reducir el riesgo de incendio, descargas eléctricas o lesio nes:
• No se aleje del aparato si está conectado. Cuando no use la unidad, o antes de darle servicio, desconéctela de la toma
de corriente.
• Para evitar descargas eléctricas no la exponga a la lluvia. Guárdela en interiores.
• Esta máquina no está pensada para ser usada por personas con capacidades limitadas tanto físicas como sensoriales
o mentales, ni aquellos sin la experiencia y conocimientos necesarios. Esto incluye a los niños.
• No permita que se use como un juguete. Cuando se use cerca de niños hay que prestar mucha atención.
• Úsela solo como lo indica este manual. Use solo los aditamentos recomendados por el fabricante.
• No la use con un cable o clavija dañados. Si el aparato no funciona como debería, o si se le ha dejado caer, se ha
dañado, se ha dejado a la intemperie o si ha caído en el agua, debe se devuelto a un centro de servicio.
• No lo jale ni lo conduzca con el cable. No use el cable como asa, ni tampoco machuque el cable con puertas ni roce el
cable contra bordes agudos o fi los. No pise el cable con el aparato. Mantenga el cable lejos de superfi cies calientes.
• No lo desconecte jalandolo del cable. Para desconectarlo, coja la clavija, no el cable.
• No coja la cavija, ni el cable o el aparato con las manos mojadas.
• No meta ningún objeto dentro de las aberturas. No lo use si cualqueir abertura está tapada. Manténgalo libre de polvo,
pelusas, pelo y cualquier cosa que reduzca el fl ujo de aire.
• Mantenga la ropa suelta, el pelo, los dedos y todas las partes del cuerpo lejos de todas las aberturas y partes en
movimiento.
• No recoja objetos en llamas o que echen humo, como los cigarillos, cerillos o cenizas calientes, ni cualquier polvo
dañino para la salud.
• Apague todos los controles antes de desconectarlo.
• Tenga especial cuidado al limpiar escaleras.
• No lo use para aspirar líquidos infl amables o combustibles, como gasolina. Tampoco lo use en áreas donde pueda
haber este tipo de líquidos.
• Si sale espuma o líquido por la salida de la aspiradora, apáguela de inmediato. Confi rme que no haya objetos extraños
que obstruyan el libre movimiento de la bola del fl otador. Si el problema persiste contacte a Clarke.
• El líquido eyectado por la boquilla de aspersión podría ser peligroso debido a su temperatura, presión, o su contenido
químico.
• Únicamente use las escobillas suministradas con el aparado o las especifi cadas en este manual de instrucciones. Si
usa otras escobillas puede impedir la seguridad.
GUARDE ESTAS INSTRUCCIONES

9/2015 B - 5 56091181 - EX40 16ST, EX40 18LX
ESPAÑOL - BINSTRUCCIONES DE USO
INSTRUCCIONES DE ATERRIZAJE DE 120 VCC
Este aparato debe estar aterrizado. En caso de un desperfecto eléctrico, el aterrizaje facilita una ruta de menor resistencia para la corriente
eléctrica, para así reducir el riesgo de una descarga eléctica. Este aparato está equipado con un cable que tiene un conductor aterrizado y clavija
con aterrizaje. La clavija debe enchufarse a una salida adecuada provista de un aterrizaje que cumpla con todos los códigos y ordenanzas locales.
¡PELIGRO!
Si el conductor con aterrizaje no está instalado correctamente, esto puede ser un riesgo de descarga eléctrica. Si tiene
dudas de que la salida esté aterrizada correctamente, revise con un electricista califi cado o un técnico de servicio. No altere
la clavija suministrada con el aparato. Si no encaja en la salida, haga que un electricista califi cado instale la salida eléctrica
correcta.
Este aparato está diseñado para ser usado en circuitos nominales de 120 voltios y tiene una clavija aterrizada que se aprece a la clavija de la
Figura 1 abajo. Si no se tiene una salida correctamente aterrizada, se puede usar un adaptador temporal como el de las Figuras 2 y 3 para conectar
esta clavija a una salida con receptáculo de 2 polos, como se ve en la Figura 2. El adaptador temporal debe usarse solo hasta que un electricista
califi cado instale una salida bien aterrizada (Figura 1). La oreja rígida, pestaña o parte similar de color verde que sale del adaptador se debe
conectar a una tierra permanente como una salida eléctirca de caja con tapa denidamente aterrizada. Cada vez que se usa el adaptador, se le debe
mantener en su sitio con un tornillo metálico.
Los adaptadores de aterrizaje no están aprobados en Canadá.
Si la pata de aterrizaje está dañado o roto, reemplace la clavija.
El alambre Verde (o Verde/Amarillo) del cable es el alambre de tierra. Al reemplazar una clavija, este alambre debe fi jarse únicamente a la pata
de aterrizaje.
La extensiones eléctricas conectadas a esta máquina deben ser cables tres alambres de 2.5mm2 (12 AWG), con clavijas y enchufes (machos y
hembras) de tres patas. NO USE extensiones eléctricas de más de 15 M (50ft) de largo.
¡ADVERTENCIA!
• Si se usa una extensión eléctrica, la clavija y el receptáculo debe ser de hechura hermética.
• Las extensiones eléctricas inadecuadas pueden ser peligrosas.
Grounding Pin
Tab for Grounding Screw
Adapter
Adapter
Metal Screw
FIGURE 1 FIGURE 2 FIGURE 3
Grounded Outlet Box
Grounded Outlet
ADVIERTA LO SIGUIENTE: SOLO PARA PARTES DE NORTEAMÉRICA. NO ESTÁ APROBADO EN CANADÁ.

B - 6 EX40 16ST, EX40 18LX - 56091181 9/2015
INSTRUCCIONES DE USOB - ESPAÑOL
CONOZCA SU MÁQUINA: EX40 18LX
1 Interruptores de solución (cantidad 3)
2 Cable espiral
3 Perilla selectora de modo de aspirado
3a Modo de zapata aspiradora
3b Modo accesorio
4 Cierre automático del fl otador
5 Palanca para soltar el ajuste del ángulo del asa
6 Tanque de solución
7 Palanca para guardar la escobilla
8 Palanca para soltar la zapata aspiradora
9 Zapata aspiradora
10 Filtro de solución
11 Tanque de recuperación
12 Manguera de drenado del tanque de recuperación.
13 Tapa de domo del tanque de recuperación.
14 Tira del retén del cable
1
1
12
2
9
13
11
6
8
4
10
5
7
14
3a 3b
3

9/2015 B - 7 56091181 - EX40 16ST, EX40 18LX
ESPAÑOL - BINSTRUCCIONES DE USO
CONOZCA SU MÁQUINA: EX40 18LX
15 Puerto accesorio de solución
16 Cable de alimentación
17 Mecanismo de seguro del cable de alimentación
18 Panel de Control
19 Herramienta de mano (Opcional)
20 Asa del tanque de recuperación
21 Manguera de drenado de solución / Indicador de nivel
22 Puerto de la manguera de aspiradora accesoria
23 Conjunto del asa
21
15
16
17
18
19
20
22
23

B - 8 EX40 16ST, EX40 18LX - 56091181 9/2015
INSTRUCCIONES DE USOB - ESPAÑOL
CONOZCA SU MÁQUINA: EX40 16ST
1 Interruptor de solución
2 Cable espiral
3 Perilla selectora de modo de aspirado
3a Modo de zapata aspiradora
3b Modo accesorio
4 Cierre automático del fl otador
5 Palancas (Cantidad 2) para soltar el ajuste del ángulo del asa
6 Tanque de solución
7 Palanca para guardar la escobilla
8 Palanca para soltar la zapata aspiradora
9 Zapata aspiradora
10 Filtro de solución
11 Tanque de recuperación
12 Manguera de drenado del tanque de recuperación.
13 Tapa de domo del tanque de recuperación.
14 Tira del retén del cable
1
12
2
9
13
11
6
8
4
10
5
7
14
3
3a 3b

9/2015 B - 9 56091181 - EX40 16ST, EX40 18LX
ESPAÑOL - BINSTRUCCIONES DE USO
CONOZCA SU MÁQUINA: EX40 16ST
15 Puerto accesorio de solución
16 Cable de alimentación
17 Mecanismo de seguro del cable de alimentación
18 Panel de Control
19 Herramienta de mano (Opcional)
20 Asa del tanque de recuperación
21 Manguera de drenado de solución / Indicador de nivel
22 Puerto de la manguera de aspiradora accesoria
23 Conjunto del asa
21
15
16
17
18
19
20
22
23

B - 10 EX40 16ST, EX40 18LX - 56091181 9/2015
INSTRUCCIONES DE USOB - ESPAÑOL
CONOZCA SU PANEL DE CONTROL
24 Interruptor principal
26 Cortacircuitos de 5 Amp
27 Zapata aspiradora / Interruptor de accesorios
26
27 24

9/2015 B - 11 56091181 - EX40 16ST, EX40 18LX
ESPAÑOL - BINSTRUCCIONES DE USO
PREPARACIÓN DE LA MÁQUINA PARA SU USO
LLENADO DEL TANQUE DE SOLUCIÓN
1 Apague el interruptor de potencia en Off (O) y luego desconecte la máquina.
2 Abra la tapa de domo del tanque de recuperación (13). Use el asa del tanque de recuperación (20) y eleve el tanque de recuperación de la
máquina y luego póngalo a un lado.
3 Lea las instrucciones de disolución en el recipiente del detergente. Luego calcule la cantidad correcta de detergente a mezclar con la cantidad
de agua del tanque de solución de su máquina; 9 galones (34 litros) para la EX40 16ST o 12 galones (45 litros) para la EX4018LX.
ANTES DE USAR AL MÁQUINA
Aspire por completo la alfombra que va a limpiar antes de usar la aspiradora extractora automática.
PRE-ASPERSIÓN DE LA ALFOMBRA
Antes del aspirado de extracción haga una pre-aspersión en las manchas y áreas de alto tráfi co. Use un aspersor de botella manual o un aspersor
presurizado tipo “Hudson”. Mezcle la pre-aspersión siguiendo las indicaciones del fabricante de detergente.
PLAN PARA LA LIMPIEZA
Antes de iniciar la aspiración de extracción, mire el área que va a limpiar y planee su trabajo. Divida el espacio en secciones. Traslape 2 pulgadas
(5 cm) en cada pasada.
¡PRECAUCIÓN!
Use detergentes líquidos de poca espuma,
diseñados para aspiración por extracción de
alfrombras.
4 Vea la Figura 4. Vierta el detergente en el tanque
de solución y llénelo de agua caliente (la temperatira
máxima es 54°C/130°F). No lene de más el tanque.
El nivel máximo de llenado es cuando la solución llega
al fondo del borde de la abertura del tanque (A).
NOTA: El Tanque de solución está provisto de un
Porta manguera (B) interconstruido, que se puede
usar para fi jar el extremo de la manguera al llenar el
tanque.
5 Vuelva a poner el Tanque de recuperación en
la máquina. Cerciórese de que el Tanque de
recuperación esté bien asentado en el Tanque de
solución.
6 Vuelva a poner la Tapa de domo (13) en el tanque de
recuperación.
NOTA: Las mangueras (C1, C2 y C3) se conectan a la
tapa de domo presionándolas contra la apertura en el
domo y luego girándolas 1/4 de vuelta en el sentido
del reloj para abrocharlas.
Manguera C1 = Manguera de zapata aspiradora
Manguera C2 = Manguera accesoria (varita o
herramienta de mano)
Manguera C3 = Manguera del motor de aspiradora
(No permita que entre agua ni espuma a esta
manguera)
FIGURA 4
A
B
E
10
C1 C3
C2
13

B - 12 EX40 16ST, EX40 18LX - 56091181 9/2015
INSTRUCCIONES DE USOB - ESPAÑOL
OPERACIÓN DE LA MÁQUINA
1 Siga las instrucciones en la sección de Preparación de la máquina para su uso de este manual.
3 Oprima la Zapata aspiradora / el interruptor de accesorio (27) a la posición de zapata aspiradora.
4 Suelte (oprima hacia abajo) la Palanca de guardado de escobilla (7) para que la escobilla no toque el piso.
5 Gire la perilla selectora de modo de aspiración (3) hasta que la Zapata aspiradora quede en posición (3a) de extracción. NOTA: Para que selle
completamente, la Perilla (3) debe girarse hasta que las dos fl echas apunten una contra la otra.
6 Conecte la máquina a una salida eléctrica correctamente aterrizada. Ponga el Interruptor principal de potencia (24) en posición On (I) para
arrancar el motor de la aspiradora, la bomba de solución y el motor de la escobilla.
7 Sostenga oprimido el Interruptor de solución (1) para disepensar solución. En cuanto se suelta el Interruptor de solución (1) se detiene el fl ujo
de solución.
8 Comience a limpiar jalando la máquina en línea recta traslapando 2 pulgadas (5 cm) en cada pasada. Suelte el Interruptor de solución (1) antes
de las vueltas para asegurar la completa extracción de la solución de la alfombra.
9 Observe el fl uido que entra por la tapa de domo del Tanque de recuperación (13). Si hay mucha espuma en el tanque de recuperación, añada
un producto desespumante al tanque de recuperación.
¡PRECAUCIÓN!
Vacíe el tanque de recuperación antes de que el fl uido o la espuma entren al motor de la aspiradora.
Si poco o nada de fl uido entra al tanque de recuperación, revise la manguera de solución / el Indicador de nivel (21), porque el tanque puede
estar vacío. Vuelva a llenar de agua el tanque de solución con la relación correcta de detergente limpiador.
10 El tanque de recuperación tiene un cierre automático de fl otador (4) para bloquear el sistema de vacío cuando el tanque de recuperación está
vacío. Se puede saber cuando el fl otador cierra, por el súbito cambio de sonido del motor de la aspiradora. Cuando el fl otador cierra, el tanque
de recuperación debe vaciarse. La máquina puede continuar dispoensando solución, pero no va a recoger agua con el fl otador cerrado.
11 Cuando el operario desea dejar de limpiar o si el tanque está lleno, debe soltar el Interruptor de solución (1). Entonces apague el interruptor de
potencia en Off (O) y desconecte la máquina. Ponga seguro (jale hacia arriba) a la Palanca para guardar la escobilla (7) para que la escobilla
quede en su posición de almacenamiento.
12 Mueva la máquina a un “SITIO DE DISPOSICIÓN” para agua residual y vacíe el tanque de recuperación. Para vaciar, jale la Manguera de
drenado del Tanque de recuperación (12) de su colgador de almacenamiento y luego quite el tapón (sostenga el extremo de la manguera sobre
el nivel de agua en el tanque para evitar que ocurra un fl ujo súbito descontrolado de agua residual). Vuelva a llenar el tanque de solución y
siga limpiando.
USO DE LOS ADITAMENTOS
A fi n de usar las herramientas accesorias:
1 Gire la Perilla selectora de modo de aspiración (3) hasta la posición de Accesorios (3b) para los aditamentos. NOTA: Para que selle
completamente, la Perilla (3) debe girarse hasta que las dos fl echas apunten una contra la otra.
2 Conecte la manguera de recuperación de accesorios al Puerto de Aspiración de accesorios (22).
3 Conecte la manguera de solución para accesorios al Puerto de Solución de accesorios (15).
4 Oprima la Zapata aspiradora / el interruptor de accesorio (27) a la posición de zapata aspiradora.
5 Ponga el Interruptor principal de potencia (24) en posición On (I) para arrancar el motor de la aspiradora, la bomba de solución. Consulte a su
Distribuidor de Clarke para saber cuáles accesorios puede usar con los modelos EX40 16ST™ / EX40 18LX™.
2 Vea la Figura 5. Jale hacia afuera la Palanca para soltar el ajuste del ángulo
del asa (5) (Cantidad 2 en la EX40 16ST) para soltar la posición del asa. Ajuste
la altura del asa a la posición más cómoda para el operario. Empuje la(s)
palanca(s) (5) para fi jar el asa en su posición. NOTA: El modelo EX40 18LX
puede usarse en modo de caminar desde atrás, girando el asa hacia el lado de
la zapata aspiradora y empujando la máquina en vez de jalarla (como se muestra
a la derecha).

9/2015 B - 13 56091181 - EX40 16ST, EX40 18LX
ESPAÑOL - BINSTRUCCIONES DE USO
8
9
A
B
D
C
FIGURA 5
FIGURA 6
JUEGOS PARA PISO DURO
La zapata aspiradora puede quitarse y reemplazarse
con una herramienta opcional de Limpiador de goma
(A) para pisos duros. Vea la Figura 6. Presione y
mantenga abajo la Palanca para soltar la Zapata
aspiradora (8) y deslice la Zapata aspiradora (9)
fuera de su pasador de montaje. Luego desconecte
el Manguera de recuperación (B) de la zapata
aspiradora y conéctela al manguito de cuello de la
manguera (C) y luego al Limpiador de goma (A). Fije
la herramienta de limpiador de goma a la máquina en
el mismo punto de montaje de la zapata aspiradora:
basta con empujar la Palanca para soltar (D) y
deslizar la herramienta de Limpiador de goma hasta
su lugar. NOTA: Las aplicacones para pisos duros
pueden requerir el uso de una escobilla distinta. En la
Lista de partes encontrará una guía de selección de
escobillas y sus números de parte.
1
12
13
4
7
3a 3b
3
24
27
5
21
15
22
5

B - 14 EX40 16ST, EX40 18LX - 56091181 9/2015
INSTRUCCIONES DE USOB - ESPAÑOL
DESPUÉS DE USAR LA MÁQUINA
1 Ponga el Interruptor de potencia, en OFF (O). Desconecte el Cable de alimentación (16). Embobine el cable y cuélguelo de la Correa Retén
de cable (14).
2 Para vaciar el tanque de recuperación, descuelgue de su colgador la Manguera de drenado de recuperación (12). Dirija la manguera al “SITIO
DE DISPOSICIÓN” de agua residual y quite el tapón (sostenga el extremo de la manguera sobre el nivel de agua en el tanque para evitar que
ocurra un fl ujo súbito descontrolado de agua residual). Enjuague el tanque con agua limpia. Inspeccione las mangueras de recuperación y
drenado; reemplácelas si están pellizcadas o dañadas.
3 Para vaciar el tanque de solución, jale de su codo la Manguera de drenado de recuperación (21). Dirija la manguera al “SITIO DE DISPOSICIÓN”
de agua residual. Enjuague el tanque con agua limpia. Inspeccione las mangueras de solución; reemplácelas si están pellizcadas o dañadas.
4 Quite la escobilla, enjuague con agua tibia y quite toda a cumulación de hilos, pelo o fi bras de alfomba.
5 Desconecte las Mangueras de recuperación C1 y C2 (Ver la Figura 4) desde la Tapa de domo del tanque de recuperación (13) y enjuáguelo
con agua tibia para sacar cualquier desecho de la Manguera de recuperación y Zapata aspiradora. No enjuague la manguera C3 ya que esta
se conecta al motor de la aspiradora.
6 Limpie la máquina con un trapo húmedo. No use productos abrasivos ni solventes.
7 Lleve a cabo cualquier mantenimiento que se requiera antes del almacenarla. Consulte el Programa de Mantenimiento.
8 Almacena la máquina en interiores, en un lugar limpio y seco con la tapa de domo abierta. Evite que se congele.
9 Ponga la máquina en posición de almacenamiento. Esto evitará que la escobilla se deforme y se amolde, lo que prolongará su vida y
mantendrá su desempeño. Levánte la Palanca de la escoblla (7) hasta que abroche en su posición de almacenamiento.
PROGRAMA DE MANTENIMIENTO
PARTIDA DE MANTENIMIENTO Diario Semanal Anual
Revise / Limpie la escobilla eléctrica X
Revise / Limpie Tanques y Mangueras X
Revise / Limpie el Flotador de cierre de aspiradora X
Limpie la Zapata aspiradora X
Limpie la boquilla de aspersión de “Mantenimiento” X
Inspeccione y limpie el fi ltro de solución X
*Enjuáguela con una mezcla de vinagre a través del sistema de
solución X
**Revise las escobillas de carbón X
* Una vez al año, o cada 300 horas de operación enjuague toda la máquina con una mezcla de vinagre blanco (un cuarto de galón (0.94 L) de
vinagre en dos galones de agua (7.57 L)). Esto ayudará a evitar que se acumule un resíduo alcalino en el sistema de solución.
** Haga que un técnico de servicio de Clarke revise las escobillas de carbón del motor de la aspiradora una vez al año o cada 300 horas de
operación. Las escobillas de carbón del motor se revisan cada 500 horas o una vez al año.
¡IMPORTANTE!
La garantía limitada no cubre daños al motor por no dar servicio a las escobillas de carbón. Lea la Declaración de Garantía
Limitada.
8
9
FIGURA 7
MANTENIMIENTO DE LA
ZAPATA ASPIRADORA
Revise diariamente la zapata aspiradora. Quite
cualquier acumulación de hilos, pelo o fi bras
de alfombra. Vea la Figura 7. Presione y
mantenga abajo la Palanca para soltar la Zapata
aspiradora (8) y deslice la Zapata aspiradora
(9) fuera de su pasador de montaje. Luego
desconecte la manguera de recuperación de la
zapata aspiradora.

9/2015 B - 15 56091181 - EX40 16ST, EX40 18LX
ESPAÑOL - BINSTRUCCIONES DE USO
MANTENIMIENTO DE LA BOQUILLA DE ASPERSIÓN
Quite la Boquilla de aspersión de mantenimiento (A) una vez a la semana. Vea la Figura 8. Para quitarla, gire la boquila 1/4 de vuelta contra el
sentido del reloj. Deje la boquilla metida en vinagre toda la noche para quitar los depósitos químicos. No use alfi leres, alambres ni objetos similares
para limpiar la boquilla, porque puede destruir el patrón de aspersión.
MANTENIMIENTO DEL FILTRO DE SOLUCIÓN
Una vez a la semana (o más a menudo de ser necesario), inspeccione y limpie el Filtro de Solución (10). Drene los tanques de recuperación y de
solución. Extraiga el tanque de recuperación de la máquina y póngalo a un lado. Vea la Figura 4. Mantenga la manguera de solución contectada y
gire el Conjunto de Filtro (E) 1/4 de vuelta contra el sentido del reloj para afl ojarlo. Jale el conjunto del fi ltro de forma recta hacia arriba y extráigalo
del tanque de solución. Después de limpiarlo vuelva a instalarlo siguiendo los pasos en el orden inverso.
MANTENIMIENTO DEL CABLE DE ALIMENTACIÓN
Una vez por semana (o más a menudo de ser necesario), revise que el aislamiento del cable de alimentación no tenga grietas ni daños, alambres
pelados en el cable o la clavija, y que las patas de esta no están dañadas o rotas. Reemplace el cable dañado o conectelo de inmediato.
MANTENIMIENTO DEL DE LA ESCOBILLA ELÉCTRICA
Revise diariamente la escobilla. Quite cualquier acumulación de hilos, pelo o fi bras de alfombra. Cuando la máquina no se usa, debe ponerse en
posición de almacenamiento. Esto evitará que la escobilla se deforme y se amolde, lo que prolongará su vida y mantendrá su desempeño.
CÓMO QUITAR LA ESCOBILLA
¡PRECAUCIÓN!
Antes de cambiar las escobillas ponga el interruptor de potencia en off (O) y desconecte la máquina.
1 Drene ambos tanques: el de recuperación y el de solución. Abra la tapa de domo del tanque de recuperación. Extraiga el tanque de
recuperación de la máquina y póngalo a un lado.
2 Ponga el Conjunto del asa (23) en posición vertical y voltee la máquina boca arriba.
3 Vea la Figura 8. Haga girar la escobilla hasta que la Rueda de Transmisión (B) quede en una posición donde sus salientes queden paralelas
al piso.
4 Sujete la escobilla por el extremo del Broche-retén de la escobilla (C) y sáquela jalándola con movimiento recto.
5 Instale una escobilla nueva, primero por el extremo de la Rueda de transmisión y luego meta a presión el otro extremo de la escobilla hasta
que abroche en el broche-retén.
FIGURA 8
A
C
B
3.
4.

B - 16 EX40 16ST, EX40 18LX - 56091181 9/2015
INSTRUCCIONES DE USOB - ESPAÑOL
SOLUCIÓN DE PROBLEMAS
Si las posibles causas que se listan a continuación no son el origen del problema, esto indicará que hay algo más grave. Contacte de inmediato a
su Centro de servicio de Clarke para darle servicio.
DISPARO DEL CORTACIRCUITOS
El Cortacircuitos (26) se localiza al Panel de Control; protege el circuito eléctrico y el motor de la escobilla de daños por sobrecargas. Si el
cortacircuitos se dispara trate de determinar la causa.
El cortacircuitos de la Escobilla (5 Amp). La causa probable puede ser:
1 Hay restos enredados alrededor de la transmisión de la escobilla (quite los restos)
2 Corto circuito eléctrico (haga que su Centro de servicio de Clarke o un técnico califi cado revisen la máquina)
Una vez que el problema fue corregido, oprima el botón para restablecer el cortacircuitos. Si el botón no se queda oprimido, espere 5 minutos y
vuelva a intentarlo. Si el cortacircuitos se dispara repetidamente, llame a su Centro de Servicio de Clarke para que le den servicio.
RECOGE POCA AGUA
Las causas posibles pueden ser:
1 La Perilla selectora de modo de aspiración (3) está puesta en el modo equivocado o no ha asentado correctamente (gire la perilla totalmente
para alinearla con la fl echa del icono)
2 El tanque de recuperación está lleno (vacíe el tanque de recuperación)
3 Abra la manguera de drenado del tanque de recuperación (fi je la capucha de la manguera de drenado o reemplácela)
4 La manguera de recuperación no se ha conectado a nivel de la zapata aspiradora (conecte la manguera a la zapata aspiradora)
5 Las mangueras de recuperación no están conectadas a los puertos correctos de la tapa de domo (conecte las mangueras a los puertos
correctos)
6 La manguera de recuperación está pellizcada o dañada (reemplácela)
7 Hay restos atrapados en la zapata aspiradora, en la paleta selectora de modo o la manguera de recuperación (limpie la zapata aspiradora, el
selector de modo y la manguera de recuperación)
8 Hay una fuga en el empaque de la tapa de domo del tanque de recuperación (reemplace el empaque)
9 El sello de la paleta selectora de modo está desgastada o se ha perdido (remplace el sello)
EL FLUJO DE SOLUCIÓN NO ES ADECUADO
Las causas posibles pueden ser:
1 El tanque de solución está vacío (llene el tanque de solución)
2 Las líneas de solución o el fi ltro están tapados (enjuague las líneas y el fi ltro)
3 La línea de solución no está conectada al conjunto del fi ltro (conecte la línea de solución)
4 La boquilla de aspersi´pon está tapada (limpie la boquilla)

9/2015 B - 17 56091181 - EX40 16ST, EX40 18LX
ESPAÑOL - BINSTRUCCIONES DE USO
ACCESORIOS / OPCIONES
Además de los componentes estándar la máquina puede estar equipada con los siguientes accesorios/opciones, dependiendo del uso específi co
de la máquina.
• Escobillas con cerdas más duras o más suaves
• Herramienta de mano para tapicería
• Diferentes opciones de varita y manguera
ESPECIFICACIONES TÉCNICAS (COMO SE INSTALÓ Y PROBÓ LA UNIDAD)
Modelo Clarke
EX40 18LX
Clarke
EX40 16ST
Modelo Núm. 56265505 56265504
Tensión/frecuencia V/Hz 120 / 50-60 120 / 50-60
Corriente nominal Amp 14.9 14.5
Clase de protección (eléctrica)
Grado de protección – – – –
Nivel de presión de sonido
IEC 60335-2-72: Enmienda del 2002 1:2005, ISO 11201 dB(A)/20μPa 68 68
Nivel de presión de sonido - KpA
(IEC 60335-2-72, ISO 11201) Incertidumbre dB(A) 3 3
Vibraciones en los Controles manuales (ISO 5349-1) m/s21.8 1.8
Vibraciones en los Controles manuales
(ISO 5349-1) Incertidumbre m/s20.2 0.2
Ancho de la máquina pulgadas / cm 22.75 / 57.7 19.25 / 48.9
Altura mínima de la máquina con barra de asa ajustable pulgadas / cm 35.25 / 81.9 32 / 81.3
Altura máxima de la máquina con barra de asa ajustable 56.5 / 143.5 46.5 / 118
Longitud mínima de la máquina con barra de asa
ajustable 29.25 / 74.3 28 / 71.1
Longitud máxima de la máquina con barra de asa
ajustable
pulgadas / cm 51 / 129.5 48.25 / 122.5
Capacidad del Tanque de solución Galón / L 12 / 45 9 / 34
Capacidad del tanque de recuperación Galón / L 12 / 45 7 / 26
Peso bruto* lb/kg 118 / 53.5 102 / 46.3
Composición de materiales y reciclabilidad
Tipo % del peso de la máquina % reciclable
Aluminio 5% 100%
Eléctrico / motores / motores - miscelan. 23% 39%
Metales ferrosos 3% 100%
Arneses / cables 1% 83%
Líquidos 0% 0%
Plástico: no reciclable 10% 0%
Plástico: reciclable 10% 100%
Polietileno 42% 90%
Hule 7% 33%

C - 2 EX40 16ST, EX40 18LX - 56091181 9/2015
MODE D‘ EMPLOIC - FRANÇAIS
LISEZ CE MANUEL
Ce Manuel contient des informations importantes concernant l’utilisation et le fonctionnement de cette machine
dans des conditions de sécurité optimales. La non-lecture de ce manuel avant d’utiliser ou d’entretenir votre
machine Clarke risque de provoquer un accident ou d’endommager la machine ou son environnement. Vous
devez avoir été formé à l’utilisation de cette machine avant de l’utiliser. Si l’opérateur n’est pas en mesure de
lire ce Manuel, il devra se le faire expliquer entièrement avant de tenter d’utiliser cette machine.
Toutes les directions données dans ce Manuel le sont par rapport à la position de l’opérateur, à l’arrière de la
machine.
TABLE DES MATIÈRES
Page
Introduction ................................................................................... C-3
Pièces et service après-vente ........................................................ C-3
Plaque d’identifi cation ..................................................................... C-3
Déballage de la machine ................................................................ C-3
Consignes de prudence et de sécurité ........................................... C-4
Instructions de mise à la terre ........................................................ C-5
Apprenez à connaître votre machine – EX40 18LX ......... C-6 – C-7
Apprenez à connaître votre machine – EX40 16ST ......... C-8 – C-9
Apprenez à connaître votre panneau de commande .............. C-10
Préparation de la machine
Remplissage du réservoir de solution ...........................................C-11
Avant l’utilisation ............................................................................C-11
Pré-vaporisation du tapis ...............................................................C-11
Planifi cation du nettoyage .............................................................C-11
Fonctionnement
Fonctionnement de la machine ........................................ C-12 – C-13
Utilisation des accessoires ............................................... C-12 – C-13
Kits pour sols durs ........................................................................ C-13
Après l’utilisation
Après l’utilisation de la machine ................................................... C-14
Entretien
Programme d’entretien ................................................................ C-14
Entretien de l’embout d’aspiration ................................................ C-14
Entretien du gicleur ....................................................................... C-15
Entretien du cordon électrique ...................................................... C-15
Entretien de la brosse mécanique ................................................ C-15
Démontage de la brosse .............................................................. C-15
Dépannage ................................................................................... C-16
Accessoires / Options ................................................................... C-17
Spécifi cations techniques ............................................................. C-17

9/2015 C - 3 56091181 - EX40 16ST, EX40 18LX
FRANÇAIS - CMODE D‘ EMPLOI
INTRODUCTION
Ce mode d’emploi vous permettra d’exploiter au maximum les fonctionnalités de votre extracteur Clarke™. Lisez-le attentivement avant d’utiliser la
machine.
Ce produit est conçu pour un usage commercial uniquement.
PIÈCES ET SERVICE APRÈS-VENTE
Les réparations nécessaires doivent être effectuées par votre centre de service agréé Clarke. Ce dernier emploie du personnel formé en usine et
maintient un inventaire de pièces de rechange et d’accessoires Clarke d’origine.
MODIFICATIONS
Les modifi cations et ajouts d’éléments à la machine, qui affectent ses capacités et son fonctionnement sécurisé, ne doivent pas être réalisés par le
client ou l’utilisateur sans le consentement préalable et écrit de Nilfi sk, Inc. Toute altération non approuvée annulera la garantie de la machine. En
outre, le client sera entièrement responsable des accidents associés.
PLAQUE D’IDENTIFICATION
Le numéro de modèle (également dénommé Référence) et le numéro de série de votre machine fi gurent sur la plaque d’identifi cation située derrière,
à la base de la machine. Ces informations sont nécessaires pour commander des pièces détachées. Utilisez l’espace ci-dessous pour consigner ces
renseignements en vue d’une utilisation ultérieure.
RÉFÉRENCE ___________________________________________
N° DE SÉRIE ___________________________________________
DÉBALLAGE DE LA MACHINE
Lors de la livraison de la machine, veuillez inspecter soigneusement le carton de conditionnement et la machine elle-même afi n de déceler
tout dommage éventuel. En cas de dommages manifestes, conservez le carton de conditionnement afi n d’en permettre l’inspection. Prenez
immédiatement contact avec le service clientèle de Clarke afi n de faire une déclaration de dégât de fret.
AVERTISSEMENT !
Les Produits vendus avec le présent manuel contiennent ou peuvent contenir des produits chimiques reconnus par certains gouvernements
(comme l’État de Californie, par le biais de la proposition de loi d’avertissement règlementaire 65) comme provoquant des cancers, des anomalies
congénitales et autres dangers pour la reproduction. Dans certains endroits (comme l’État de Californie), les acheteurs de ces Produits, qui les
utilisent sur un lieu de travail ou dans un espace public, ont l’obligation d’apposer certains avis, avertissements ou informations concernant les
produits chimiques qui sont ou peuvent être contenus dans les Produits dans ces lieux ou aux alentours de ces lieux de travail. Il incombe à
l’acheteur de connaître les dispositions de, et de respecter, toutes les lois et règlementations ayant attrait à l’utilisation de ces Produits au sein de
tels environnements. Le Fabricant rejette toute responsabilité d’informer les acheteurs concernant les exigences spécifi ques qui peuvent s’appliquer
à l’utilisation de ces Produits dans de tels environnements.

C - 4 EX40 16ST, EX40 18LX - 56091181 9/2015
MODE D‘ EMPLOIC - FRANÇAIS
CONSIGNES DE SÉCURITÉ IMPORTANTES
Cette machine est destinée à un usage commercial et peut être utilisée, entre autres, dans les hôtels, écoles, hôpitaux, magasins et
bureaux. Elle n’a donc pas été conçue pour l’entretien ménager.
Lorsque vous utilisez un appareil électrique, certaines règles de base doivent toujours être observées, dont celles énoncées ci-après.
Lisez toutes les instructions avant d’utiliser l’appareil.
AVERTISSEMENT !
Afi n de réduire les risques d’incendie, de décharge électrique ou de blessure :
• Ne laissez pas l’appareil sans surv eillance lorsqu’il est branché sur le secteur. Débranchez-le lorsque vous ne l’utilisez
pas et avant de procéder à son entretien.
• Afi n d’éviter tout risque de décharge électrique, n’exposez pas l’appareil à la pluie. Rangez la machine à l’intérieur.
• L’utilisation de cette machine n’est pas destinée aux personnes (notamment les enfants) qui souffrent de capacités
physiques, sensorielles ou mentales diminuées, ou d’un manque d’expérience et de connaissances.
• Cet appareil ne doit pas être utilisé comme un jouet. Faites très attention lorsque l’appareil est utilisé à proximité
d’enfants.
• Utilisez cet appareil uniquement comme décrit dans le présent manuel. Utilisez uniquement les accessoires recommandés
par le fabricant.
• N’utilisez pas l’appareil si le cordon ou la prise sont endommagés. Si l’appareil ne fonctionne pas correctement, est
tombé, endommagé, resté à l’extérieur, voire lâché dans l’eau, renvoyez-le au centre de service.
• Ne tirez pas et ne portez pas l’appareil par le cordon électrique. Ne l’utilisez pas non plus comme poignée et ne
l’enroulez pas autour d’objets pointus ou tranchants. Évitez également de refermer une porte sur le cordon. Évitez de
faire rouler l’appareil sur le cordon. Le cordon doit rester loin de toute surface chauffée.
• Ne débranchez pas l’appareil en tirant sur le cordon. Pour débrancher la machine, saisissez la prise et non le cordon.
• Ne manipulez pas la prise, le cordon ou l’appareil avec les mains humides.
• N’introduisez aucun objet dans les orifi ces de l’appareil. N’utilisez pas l’appareil si l’un de ses orifi ces est bloqué ;
conservez à l’abri des poussières, cheveux, peluches, etc., qui risquent de réduire le débit d’air.
• Évitez que des cheveux, doigts ou vêtements amples ne soient entraînés dans les parties mobiles de la machine ou pris
dans un de ses orifi ces.
• N’aspirez aucun objet brûlant ou fumant, tel que des cigarettes, des allumettes, des cendres chaudes, ni aucune
poussière nuisible à la santé.
• Placez toutes les commandes en position d’arrêt avant de débrancher l’appareil.
• Faites très attention en nettoyant des escaliers.
• N’utilisez pas la machine pour ramasser des liquides infl ammables ou combustibles tels que l’essence ou à proximité
de telles substances.
• Si de la mousse ou du liquide s’échappe avec l’air évacué, coupez immédiatement l’interrupteur principal. Vérifi ez
qu’aucun corps étranger n’empêche le fl otteur de bouger librement. Adressez-vous à Clarke si le problème persiste.
• Tout liquide éjecté du gicleur peut être dangereux en raison de sa température, de sa pression ou de sa nature chimique.
• Utilisez uniquement les brosses fournies avec l’appareil ou celles spécifi ées dans le mode d’emploi. L’utilisation d’autres
brosses peut mettre la sécurité en péril.
CONSERVEZ CES CONSIGNES

9/2015 C - 5 56091181 - EX40 16ST, EX40 18LX
FRANÇAIS - CMODE D‘ EMPLOI
INSTRUCTIONS DE MISE À LA TERRE POUR 120 V C.A.
Cet appareil doit être mis à la terre. En cas de mauvais fonctionnement, la mise à la terre établit un trajet de moindre résistance pour le courant
électrique afi n de réduire le risque de décharge électrique. Cet appareil est équipé d’un cordon doté d’un conducteur de protection et d’une prise de
mise à la terre. La prise doit être branchée à une prise murale appropriée, correctement installée et mise à la terre, en accord avec tous les codes
et consignes locaux.
DANGER !
Un conducteur de protection mal branché peut entraîner un risque de décharge électrique. Vérifi ez avec un électricien ou un
technicien qualifi é en cas de doute sur la mise à la terre correcte de la prise. Ne modifi ez pas la prise fournie avec l’appareil.
Si elle ne peut pas être branchée, faites installer une prise murale appropriée par un électricien qualifi é.
Cet appareil est destiné à être utilisé sur un circuit de 120 volts et possède une prise de mise à la terre comme celle illustrée à la Figure 1. Un
adaptateur temporaire illustré sur les Figures 2 et 3 peut être utilisé pour brancher cette dernière à une prise fi xe bipolaire, illustrée à la Figure 2,
si une prise correctement mise à la terre n’est pas disponible. L’adaptateur temporaire doit être utilisé jusqu’à ce qu’une prise correctement mise à
la terre (Figure 1) soit installée par un électricien qualifi é. La languette rigide de couleur verte, ou autre dispositif du même genre, de l’adaptateur
doit être connectée à une mise à la terre permanente, telle qu’une prise correctement reliée à la terre. Lorsque l’adaptateur est utilisé, il doit être
maintenu en position avec une vis métallique.
Les adaptateurs de mise à la terre ne sont pas conçus pour une utilisation au Canada.
Remplacez la prise si la broche de mise à la terre est endommagée ou cassée.
Le fi l vert (ou vert/jaune) est le fi l de terre. Lorsque vous remplacez la prise, ce fi l doit être connecté à la broche de mise à la terre uniquement.
Les cordons prolongateurs branchés à cette machine doivent être des rallonges à trois conducteurs de 2,5 mm² (12 AWG), avec des fi ches et des
prises à trois broches. N’utilisez pas des cordons prolongateurs de plus de 15 m (50 pieds).
AVERTISSEMENT !
• Si une rallonge est utilisée, la prise de la rallonge et la prise murale doivent être étanches.
• Les rallonges électriques inappropriées peuvent présenter des risques.
Grounding Pin
Tab for Grounding Screw
Adapter
Adapter
Metal Screw
FIGURE 1 FIGURE 2 FIGURE 3
Grounded Outlet Box
Grounded Outlet
REMARQUE : UNIQUEMENT POUR LES PIÈCES D’AMÉRIQUE DU NORD. UTILISATION NON APPROUVÉE AU CANADA.

C - 6 EX40 16ST, EX40 18LX - 56091181 9/2015
MODE D‘ EMPLOIC - FRANÇAIS
APPRENEZ À CONNAÎTRE VOTRE MACHINE – EX40 18LX
1 Commutateurs de solution (au nombre de 3)
2 Cordon queue de cochon
3 Sélecteur du mode d’aspiration
3a Mode avec embout d’aspiration
3b Mode avec accessoire
4 Fermeture à fl otteur automatique
5 Levier de déblocage de l’inclinaison de la poignée
6 Réservoir de solution
7 Levier de rangement de la brosse
8 Levier de déblocage de l’embout d’aspiration
9 Embout d’aspiration
10 Filtre de solution
11 Réservoir de récupération
12 Tuyau de vidange du réservoir de récupération
13 Capot du réservoir de récupération
14 Attache de retenue du cordon
1
1
12
2
9
13
11
6
8
4
10
5
7
14
3a 3b
3

9/2015 C - 7 56091181 - EX40 16ST, EX40 18LX
FRANÇAIS - CMODE D‘ EMPLOI
APPRENEZ À CONNAÎTRE VOTRE MACHINE – EX40 18LX
15 Orifi ce de solution de l’accessoire
16 Cordon d’alimentation
17 Mécanisme de blocage du cordon électrique
18 Panneau de commande
19 Accessoire manuel (optionnel)
20 Poignée du réservoir de récupération
21 Voyant de niveau / tuyau de vidange de la solution
22 Orifi ce du tuyau d’aspiration de l’accessoire
23 Ensemble poignée
21
15
16
17
18
19
20
22
23

C - 8 EX40 16ST, EX40 18LX - 56091181 9/2015
MODE D‘ EMPLOIC - FRANÇAIS
APPRENEZ À CONNAÎTRE VOTRE MACHINE – EX40 16ST
1 Interrupteur de solution
2 Cordon queue de cochon
3 Sélecteur du mode d’aspiration
3a Mode avec embout d’aspiration
3b Mode avec accessoire
4 Fermeture à fl otteur automatique
5 Leviers de déblocage de l’inclinaison de la poignée (au nombre de 2)
6 Réservoir de solution
7 Levier de rangement de la brosse
8 Levier de déblocage de l’embout d’aspiration
9 Embout d’aspiration
10 Filtre de solution
11 Réservoir de récupération
12 Tuyau de vidange du réservoir de récupération
13 Capot du réservoir de récupération
14 Attache de retenue du cordon
1
12
2
9
13
11
6
8
4
10
5
7
14
3
3a 3b

9/2015 C - 9 56091181 - EX40 16ST, EX40 18LX
FRANÇAIS - CMODE D‘ EMPLOI
APPRENEZ À CONNAÎTRE VOTRE MACHINE – EX40 16ST
15 Orifi ce de solution de l’accessoire
16 Cordon d’alimentation
17 Mécanisme de blocage du cordon électrique
18 Panneau de commande
19 Accessoire manuel (optionnel)
20 Poignée du réservoir de récupération
21 Voyant de niveau / tuyau de vidange de la solution
22 Orifi ce du tuyau d’aspiration de l’accessoire
23 Ensemble poignée
21
15
16
17
18
19
20
22
23

C - 10 EX40 16ST, EX40 18LX - 56091181 9/2015
MODE D‘ EMPLOIC - FRANÇAIS
APPRENEZ À CONNAÎTRE VOTRE PANNEAU DE COMMANDE
24 Interrupteur d’alimentation principal
26 Disjoncteur (5 A)
27 Interrupteur de l’accessoire / l’embout d’aspiration
26
27 24

9/2015 C - 11 56091181 - EX40 16ST, EX40 18LX
FRANÇAIS - CMODE D‘ EMPLOI
PRÉPARATION DE LA MACHINE À L’UTILISATION
REMPLISSAGE DU RÉSERVOIR DE SOLUTION
1 Tournez l’interrupteur d’alimentation en position d’arrêt (O), puis débranchez la machine.
2 Ouvrez le capot du réservoir de récupération (13). Utilisez la poignée du réservoir de récupération (20) et soulevez le réservoir de récupération
de la machine pour le mettre sur le côté.
3 Lisez les instructions de dilution fi gurant sur le récipient du détergent. Calculez ensuite la quantité appropriée de détergent à mélanger par
rapport à la capacité en eau du réservoir de solution de votre machine : 34 litres (9 gallons) pour le modèle EX40 16ST ou 45 litres (12 gallons)
pour EX40 18LX.
AVANT L’UTILISATION DE LA MACHINE
Aspirez le tapis à nettoyer en profondeur avant d’utiliser l’extracteur automatique.
PRÉ-VAPORISATION DU TAPIS
Pré-vaporisez les taches et les zones de forte circulation avant l’extraction. Utilisez un vaporisateur à main ou pressurisé. Préparez le mélange de
pré-vaporisation selon les indications du fabricant de détergents.
PLANIFICATION DU NETTOYAGE
Avant de commencer l’extraction, examinez la zone à nettoyer et planifi ez votre travail. Divisez l’espace en sections. Les passes doivent se
chevaucher de 5 cm.
ATTENTION !
Utilisez des détergents liquides peu moussants,
conçus pour le nettoyage des tapis.
4 Voir Figure 4. Versez le détergent dans le réservoir
de solution et remplissez ce dernier d’eau chaude
(température maximale 54°C). Veillez à ne pas
faire déborder le réservoir de solution. Le point de
remplissage maximal correspond au bas de la lèvre
de l’ouverture du réservoir (A).
NOTE : le réservoir de solution dispose d’un porte-
tuyau intégré (B) qui peut être utilisé pour fi xer
l’extrémité du tuyau pendant le remplissage du
réservoir.
5 Replacez le réservoir de récupération sur la machine.
Veillez à positionner correctement le réservoir de
récupération sur le réservoir de solution.
6 Replacez le capot (13) sur le réservoir de récupération.
NOTE : les tuyaux (C1, C2 & C3) qui se branchent au
capot se fi xent en poussant le tuyau dans l’ouverture
du capot et en tournant de 1/4 de tour dans le sens
horaire pour bloquer.
Tuyau C1 = Tuyau de l’embout d’aspiration
Tuyau C2 = Tuyau de l’accessoire (lance ou
accessoire manuel)
Tuyau C3 = Tuyau du moteur d’aspiration (Ne pas
laisser d’eau ou de mousse entrer dans ce tuyau)
FIGURE 4
A
B
E
10
C1 C3
C2
13

C - 12 EX40 16ST, EX40 18LX - 56091181 9/2015
MODE D‘ EMPLOIC - FRANÇAIS
UTILISATION DE LA MACHINE
1 Suivez les instructions de la section Préparation de la machine à l’utilisation du présent manuel.
(illustrée à droite).
3 Placez l’interrupteur Embout d’aspiration / Accessoire (27) sur la position Embout d’aspiration.
4 Débloquez (enfoncer) le levier de rangement de la brosse (7) afi n que la brosse soit en contact avec le sol.
5 Tournez le sélecteur du mode d’aspiration (3) sur la position Embout d’aspiration (3a) pour l’extraction. NOTE : vous devez tourner le bouton
(3) jusqu’au bout, jusqu’à ce que les fl èches pointent l’une vers l’autre, pour obtenir un joint complet.
6 Branchez la machine à une prise de courant correctement reliée à terre. Tournez l’interrupteur principal (24) en position de marche (I) pour
démarrer le moteur d’aspiration, la pompe de solution et le moteur des brosses.
7 Appuyez en continu sur l’interrupteur de solution (1) pour distribuer la solution. Quand vous relâchez l’interrupteur de solution (1), le fl ux de
solution cesse de s’écouler.
8 Procédez au nettoyage en tirant la machine le long d’une ligne droite et en veillant à ce que les passes se chevauchent sur environ 5 cm.
Relâchez l’interrupteur de solution (1) afi n d’assurer une extraction complète de la solution du tapis.
9 Surveillez le liquide entrant au niveau du capot du réservoir de récupération (13). En présence de mousse excessive dans le réservoir de
récupération, ajoutez un agent anti-mousse dans ce réservoir.
ATTENTION !
Videz le réservoir de récupération avant que le fl uide ou la mousse ne parvienne pas jusqu’au moteur d’aspiration.
Si la quantité de liquide entrant dans le réservoir de récupération est faible ou inexistante, vérifi ez l’indicateur de niveau / tuyau de vidange de
solution (21) ; le réservoir de solution est peut-être vide. Remplissez le réservoir de solution avec de l’eau et la quantité correcte de détergent.
10 Le réservoir de récupération est équipé d’un système de fermeture à fl otteur automatique (4) qui empêche la solution de pénétrer dans le
système d’aspiration lorsque le réservoir est plein. Une modifi cation soudaine du bruit du moteur d’aspiration vous permet de savoir quand le
fl otteur bloque le passage. Lorsque le fl otteur ferme le réservoir de récupération, ce dernier doit être vidé. La machine peut continuer à distribuer
la solution, mais ne ramassera pas d’eau avec le fl otteur fermé.
11 Lorsque vous souhaitez arrêter de nettoyer ou lorsque le réservoir de récupération est plein, vous devez relâcher l’interrupteur de solution (1).
Tournez ensuite l’interrupteur principal en position d’arrêt (O), puis débranchez la machine. Bloquez (tirer) le Levier de rangement de la brosse
(7) pour placer la brosse en position de rangement.
12 Conduisez la machine vers un « SITE DE DÉCHARGE » des eaux usées désigné et videz le réservoir de récupération. Pour le vider, tirez le
tuyau de vidange du réservoir de récupération (12) de son dispositif de rangement à l’avant, puis enlevez le bouchon (maintenez l’extrémité
au-dessus du niveau d’eau du réservoir afi n d’éviter tout déversement accidentel d’eaux usées). Remplissez à nouveau le réservoir de solution
et poursuivez le nettoyage.
UTILISATION DES ACCESSOIRES
Pour utiliser les accessoires :
1 Tournez le sélecteur du mode d’aspiration (3) sur la position Accessoire (3b) pour les accessoires. NOTE : vous devez tourner le bouton (3)
jusqu’au bout, jusqu’à ce que les fl èches pointent l’une vers l’autre, pour obtenir un joint complet.
2 Fixez le tuyau de récupération de l’accessoire à l’orifi ce d’aspiration Accessoire (22) de la machine.
3 Fixez le tuyau de solution de l’accessoire à l’orifi ce de solution Accessoire (15) de la machine.
4 Placez l’interrupteur Embout d’aspiration / Accessoire (27) sur la position Accessoire.
5 Tournez l’interrupteur principal (24) sur la position de marche (I) pour démarrer le moteur d’aspiration et la pompe de solution. Consultez votre
revendeur Clarke concernant les accessoires qui peuvent être utilisés avec les modèles EX40 16ST™ / EX40 18LX™.
2 Voir Figure 5. Tirez sur le levier de déblocage de l’inclinaison de la poignée (5)
(au nombre de 2 sur le modèle EX40 16ST) pour régler la position de la poignée.
Ajustez la hauteur de la poignée à la position la plus confortable pour l’opérateur.
Poussez les leviers (5) pour bloquer la poignée en position. NOTE : le modèle
EX40 18LX peut être utilisé en mode accompagné en tournant la poignée vers
le côté de l’embout d’aspiration et en poussant la machine au lieu de la tirer

9/2015 C - 13 56091181 - EX40 16ST, EX40 18LX
FRANÇAIS - CMODE D‘ EMPLOI
8
9
A
B
D
C
FIGURE 5
FIGURE 6
KITS POUR SOLS DURS
L’embout d’aspiration peut être enlevé et remplacé
par une raclette (A) (en option) pour sols durs. Voir
Figure 6. Maintenez enfoncé le levier de déblocage
de l’embout d’aspiration (8) et retirez l’embout
d’aspiration (9) en le faisant glisser de sa goupille de
fi xation. Ensuite, débranchez le tuyau de récupération
(B) de l’embout d’aspiration et branchez-le au raccord
du tuyau (C), puis à la raclette (A). Montez la raclette
sur la machine au même emplacement que l’embout
d’aspiration : il suffi t de pousser le levier de déblocage
(D) et de glisser la raclette en place. NOTE : il peut
s’avérer nécessaire d’utiliser une brosse différente
pour les sols durs. Le guide de sélection de la brosse
et les références se trouvent dans la liste des pièces.
1
12
13
4
7
3a 3b
3
24
27
5
21
15
22
5

C - 14 EX40 16ST, EX40 18LX - 56091181 9/2015
MODE D‘ EMPLOIC - FRANÇAIS
APRÈS L’UTILISATION DE LA MACHINE
1 Mettez l’interrupteur principal en position d’arrêt (O). Débranchez le cordon d’alimentation (16). Enroulez le cordon et suspendez-le à l’attache
de retenue du cordon (14).
2 Pour vider le réservoir de récupération, retirez le tuyau de vidange (12) de son dispositif de rangement. Dirigez le tuyau de vidange vers un
« SITE DE DÉCHARGE » des eaux usées désigné et enlevez le bouchon (maintenez l’extrémité au-dessus du niveau d’eau du réservoir afi n
d’éviter tout déversement accidentel et incontrôlable des eaux usées). Rincez le réservoir à l’eau claire. Vérifi ez les tuyaux de récupération et
d’aspiration, et remplacez-les s’ils sont endommagés ou présentent une quelconque anomalie.
3 Pour vider le réservoir de solution, retirez le tuyau de vidange (21) de son dispositif de rangement. Dirigez le tuyau vers un « SITE DE
DÉCHARGE » des eaux usées désigné. Rincez le réservoir à l’eau claire. Vérifi ez les tuyaux de solution et remplacez-les s’ils sont endommagés
ou présentent une quelconque anomalie.
4 Retirez la brosse, rincez-la à l’eau chaude et enlevez tous les fi ls, cheveux et fi bres de tapis amassés.
5 Débranchez les tuyaux de récupération C1 et C2 (Voir Figure 4) du capot du réservoir de récupération (13) et rincez à l’eau chaude pour
évacuer tous les débris du tuyau de récupération et de l’embout d’aspiration. Ne rincez pas le tuyau C3 car il est branché au moteur d’aspiration.
6 Essuyez la machine avec un chiffon humide. N’utilisez pas de produits chimiques abrasifs ou de solvants.
7 Avant de ranger la machine, effectuez toutes les tâches d’entretien nécessaires. Consultez le Programme d’entretien.
8 Rangez la machine à l’intérieur, dans un endroit propre et sec, le capot du réservoir étant ouvert. Maintenez-la à l’abri du gel.
9 Mettez la machine en position de stockage. Cela empêchera la brosse de s’abîmer et augmentera la durée de vie de la brosse tout en
conservant son effi cacité. Soulevez le levier de rangement de la brosse (7) jusqu’à ce qu’il se bloque en position de rangement.
PROGRAMME D’ENTRETIEN
ÉLÉMENT Tous les jours Toutes les
semaines Tous les ans
Vérifi cation / nettoyage de la brosse mécanique X
Vérifi cation / nettoyage des réservoirs et tuyaux X
Vérifi cation / nettoyage du système de fermeture à fl otteur de
l’aspiration X
Nettoyage de l’embout d’aspiration X
Nettoyage du gicleur de « maintenance » X
Inspection et nettoyage du fi ltre de solution X
*Rinçage du système de solution avec une solution au vinaigre X
**Vérifi cation des balais de carbone X
* Une fois par an ou après 300 heures de fonctionnement, rincez la machine avec un mélange de vinaigre blanc (un quart [0,94 L] de vinaigre pour
deux gallons [7,57 l] d’eau). Cela évitera l’accumulation de résidus alcalins dans le système de solution.
** Demandez à un technicien d’entretien Clarke de vérifi er les balais de carbone du moteur d’aspiration une fois par an ou toutes les 300 heures de
fonctionnement. Les balais de carbone des moteurs de brosses doivent être vérifi és une fois par an ou toutes les 500 heures de fonctionnement.
IMPORTANT !
Les dommages occasionnés au moteur suite à un manque d’entretien des balais de carbone ne sont pas couverts par la
garantie. Consultez la Déclaration de responsabilité limitée.
8
9
ENTRETIEN DE L’EMBOUT
D’ASPIRATION
Vérifi ez l’embout d’aspiration chaque jour. Enlevez tous
les fi ls, cheveux et fi bres de tapis accumulés. Voir Figure
7. Maintenez enfoncé le levier de déblocage de l’embout
d’aspiration (8) et retirez l’embout d’aspiration (9) en le faisant
glisser de sa goupille de fi xation. Débranchez ensuite le tuyau
de récupération de l’embout d’aspiration.
FIGURE 7

9/2015 C - 15 56091181 - EX40 16ST, EX40 18LX
FRANÇAIS - CMODE D‘ EMPLOI
ENTRETIEN DU GICLEUR
Retirez le gicleur de maintenance (A) une fois par semaine. Voir Figure 8. Tournez le gicleur de 1/4 de tour en sens horaire inverse pour le démonter.
Laissez tremper le gicleur toute une nuit dans du vinaigre afi n d’éliminer les dépôts chimiques. N’utilisez pas une broche, un fi l ou autre objet
similaire pour nettoyer le gicleur car le modèle de pulvérisation pourrait être détruit.
ENTRETIEN DU FILTRE DE SOLUTION
Une fois par semaine (ou plus souvent si nécessaire), inspectez et nettoyez le fi ltre de solution (10). Vidangez les réservoirs de récupération et
de solution. Soulevez le réservoir de récupération de la machine et déplacez-le sur le côté. Voir Figure 4. Laissez le tuyau de solution branché
et tournez le fi ltre (E) de 1/4 de tour en sens horaire inverse pour le desserrer. Tirez le fi ltre en ligne droite pour le sortir du réservoir de solution.
Réinstallez après le nettoyage en suivant les étapes dans l’ordre inverse.
ENTRETIEN DU CORDON ÉLECTRIQUE
Une fois par semaine (ou plus souvent si nécessaire), vérifi ez le cordon d’alimentation : la gaine ne présente aucune craquelure ou autre dommage ;
aucun fi l n’est dénudé dans le cordon ou la fi che ; les broches ne sont pas endommagées et la broche de mise à la terre est présente. Remplacez
immédiatement le cordon ou la prise s’ils sont endommagés.
ENTRETIEN DE LA BROSSE MÉCANIQUE
Vérifi ez la brosse chaque jour. Enlevez tous les fi ls, cheveux et fi bres de tapis accumulés. Lorsque vous n’utilisez pas la machine, mettez-la en
position de stockage. Cela empêchera la brosse de s’abîmer et augmentera la durée de vie de la brosse tout en conservant son effi cacité.
DÉMONTAGE DE LA BROSSE
ATTENTION !
Tournez l’interrupteur d’alimentation en position d’arrêt (O) avant de changer les brosses.
1 Videz à la fois les réservoirs de récupération et de solution. Ouvrez le capot du réservoir de récupération. Soulevez le réservoir de récupération
de la machine et déplacez-le sur le côté.
2 Placez l’ensemble poignée (23) en position verticale et basculez la machine sur sa face arrière.
3 Voir Figure 8. Faites tourner la brosse de sorte que le crabot d’entraînement (B) se trouve dans une position où ses ailettes sont parallèles au
sol.
4 Saisissez la brosse par l’extrémité engagée dans la pince de fi xation (C) et tirez fermement pour dégager la brosse.
5 Montez une nouvelle brosse en insérant d’abord l’extrémité dans le crabot d’entraînement, puis en poussant l’autre extrémité jusqu’à l’engager
complètement dans la pince de fi xation.
FIGURE 8
A
C
B
3.
4.

C - 16 EX40 16ST, EX40 18LX - 56091181 9/2015
MODE D‘ EMPLOIC - FRANÇAIS
DÉPANNAGE
Si les causes énumérées ci-dessous ne sont pas à l’origine du problème, vous êtes confronté à une panne plus sérieuse. Contactez immédiatement
le service d’assistance de Clarke.
DÉCLENCHEMENT DU DISJONCTEUR
Le disjoncteur (26) se trouve sur le panneau de commande ; il protège le circuit électrique et le moteur de la brosse contre les dommages provoqués
par des conditions de surcharge. Si le disjoncteur se déclenche, essayez d’en déterminer la cause.
Disjoncteur de la brosse (5 A). Causes probables :
1 Des débris sont enroulés autour de l’entraînement de la brosse (enlevez les débris)
2 Court-circuit électrique (appelez le centre de service de Clarke ou un technicien qualifi é pour qu’il vérifi e la machine).
Une fois le problème résolu, appuyez sur le bouton pour réenclencher le disjoncteur. Si le bouton ne reste pas enclenché, attendez 5 minutes, puis
essayez à nouveau. Si le disjoncteur se déclenche plusieurs fois de suite, contactez le centre de service de Clarke.
MAUVAISE RÉCUPÉRATION DE L’EAU
Causes probables :
1 Le sélecteur du mode d’aspiration (3) est réglé sur la mauvaise position ou est mal enfoncé (tournez complètement le sélecteur pour l’aligner
avec l’icône fl échée)
2 Le réservoir de récupération est plein (videz le réservoir de récupération)
3 Ouvrez le tuyau de vidange du réservoir de récupération (vérifi ez ou remplacez le bouchon du tuyau de vidange)
4 Le tuyau de récupération n’est pas branché à l’embout d’aspiration (branchez le tuyau à l’embout d’aspiration)
5 Les tuyaux de récupération ne sont pas branchés aux bons orifi ces du capot (branchez les tuyaux aux orifi ces corrects).
6 Le tuyau de récupération est tordu ou endommagé (remplacez le tuyau)
7 Des débris sont coincés dans l’embout d’aspiration, dans le levier du sélecteur de mode ou dans le tuyau de récupération (nettoyez l’embout
d’aspiration, le sélecteur de mode et le tuyau de récupération)
8 Fuite au niveau du joint du capot du réservoir de récupération (remplacez le joint)
9 Le joint sur le levier du sélecteur de mode est usé ou manquant (remplacez le joint).
FLUX DE SOLUTION INADÉQUAT
Causes probables :
1 Le réservoir de solution est vide (remplissez le réservoir de solution)
2 Les conduites ou le fi ltre de solution sont colmatés (rincez les conduites et le fi ltre)
3 La conduite de solution n’est pas branchée au fi ltre (branchez la conduite de solution)
4 Le gicleur est encrassé (nettoyez le gicleur).

9/2015 C - 17 56091181 - EX40 16ST, EX40 18LX
FRANÇAIS - CMODE D‘ EMPLOI
ACCESSOIRES / OPTIONS
En plus des composants standard, la machine peut être équipée des options / accessoires suivants, en fonction de son utilisation spécifi que.
• Brosses avec des poils plus durs ou plus souples
• Accessoire manuel pour les tissus d’ameublement
• Différentes options de lances et de tuyaux
SPÉCIFICATIONS TECHNIQUES (telles qu’installees et testees sur l’unite)
Modèle Clarke
EX40 18LX
Clarke
EX40 16ST
N° de modèle 56265505 56265504
Tension / fréquence V/Hz 120 / 50-60 120 / 50-60
Courant nominal A 14,9 14,5
Classe de protection (électrique)
Niveau de protection – – – –
Niveau de pression sonore
CEI 60335-2-72 : Modif. 2002 1:2005, ISO 11201 dB(A)/20μPa 68 68
Niveau de pression sonore - KpA
(CEI 60335-2-72, ISO 11201) Incertitude dB(A) 3 3
Vibrations au niveau des commandes manuelles (ISO 5349-1) m/s21,8 1,8
Vibrations au niveau des commandes manuelles
(ISO 5349-1) - Incertitude m/s20,2 0,2
Largeur de la machine pouce / cm 22,75 / 57,7 19,25 / 48,9
Hauteur minimum de la machine avec poignée ajustable pouce / cm 35,25 / 81,9 32 / 81,3
Hauteur maximum de la machine avec poignée ajustable 56,5 / 143,5 46,5 / 118
Longueur minimum de la machine avec poignée ajustable 29,25 / 74,3 28 / 71,1
Longueur maximum de la machine avec poignée ajustable pouce / cm 51 / 129,5 48,25 / 122,5
Capacité du réservoir de solution Gallon / L 12 / 45 9 / 34
Capacité du réservoir de récupération Gallon / L 12 / 45 7 / 26
Poids brut* livres / kg 118 / 53,5 102 / 46,3
Composition des matériaux et recyclabilité
Type % du poids de la machine % recyclable
Aluminium 5 % 100%
Système électrique / moteurs électriques /
moteurs – divers 23% 39%
Métaux ferreux 3% 100%
Faisceaux / câbles 1% 83%
Liquides 0% 0%
Plastique – non recyclable 10% 0%
Plastique – recyclable 10% 100%
Polyéthylène 42% 90%
Caoutchouc 7% 33%

A Nilfi sk Brand
9435 Winnetka Ave North
Minneapolis, MN 55445
www.clarkeus.com
Phone: 800-253-0367
Fax: 800-825-2753
©2016 Nilfi sk, Inc.