Clarke Focus Ii Rider Floor Scrubber Operator Manual
2016-10-10
: Sweepscrub Clarke-Focus-Ii-Rider-Floor-Scrubber-Operator-Manual clarke-focus-ii-rider-floor-scrubber-operator-manual 1321 file product_file
Open the PDF directly: View PDF
.
Page Count: 64

Form No. 56091040 5/12 revised 7/12
RIDER
AUTOSCRUBBER®
Instructions For Use - Original Instructions / Instrucciones de uso / Mode d’ emploi
Models: 56114000 (28D), 56114001 (34D OBC), 56114002 (34D)
56114003 (28B), 56114009 (28B OBC), 56114010 (28D OBC)
This book has important information for the use and safe operation of this machine. Failure to read this book prior to oper-
ating or attempting any service or maintenance procedure to your Clarke machine could result in injury to you or to other
personnel; damage to the machine or to other property could occur as well. You must have training in the operation of this
machine before using it. If your operator(s) cannot read this manual, have it explained fully before attempting to operate this
machine.
All directions given in this book are as seen from the operator’s position at the rear of the machine.
English (A2 - A20)
Español (B2 - B20)
Français (C2 - C20)
READ THIS BOOK
LEA ESTE MANUAL
LISEZ CE MANUEL ES
EN
FR

A - 2 Focus® II Rider - 56091040 5/12
INSTRUCTIONS FOR USEA - ENGLISH
TABLE OF CONTENTS
Page
Introduction ........................................................................................... A-2
Cautions and Warnings ........................................................................ A-3
Know Your Machine .....................................................................A-4 – A-5
Control Panel ........................................................................................ A-6
Prepare the Machine for Use
Install the Batteries ............................................................................... A-7
Install the Brushes ........................................................................A-8 - A-9
Install the Squeegee ...........................................................................A-10
Fill the Solution Tank .......................................................................... A-10
Detergent System ............................................................................... A-11
Operating the Machine
Scrubbing .................................................................................A-12 - A-13
Wet Vacuuming ........................................................................A-12 - A-13
After Use ............................................................................................. A-14
Maintenance Schedule ....................................................................... A-14
Lubricating the Machine ...........................................................A-14 - A-15
Charging the Batteries (Wet) .............................................................. A-16
Check the Battery Water Level ........................................................... A-16
Charging the Batteries (Gel) ............................................................... A-16
Squeegee Maintenance ...................................................................... A-17
Squeegee Adjustment ........................................................................ A-17
Side Skirt Maintenance ....................................................................... A-18
Side Skirt Maintenance ....................................................................... A-18
Troubleshooting .................................................................................. A-19
Technical Specifi cations ..................................................................... A-20
INTRODUCTION
This manual will help you get the most from your Clarke Rider Scrubber. Read it thoroughly before operating the machine.
Note: Bold numbers in parentheses indicate an item illustrated on pages A-4 – A-6.
This machine is only suitable for commercial use, for example in hotels, schools, hospitals, factories, shops, offi ces and rental businesses. The Focus II Rider is a
battery powered fl oor cleaning machine.
PARTS AND SERVICE
Repairs, when required, should be performed by your Authorized Clarke Service Center, who employs factory trained service personnel, and maintains an
inventory of Clarke original replacement parts and accessories.
Call the CLARKE DEALER named below for repair parts or service. Please specify the Model and Serial Number when discussing your machine.
MODIFICATIONS
Modifi cations and additions to the cleaning machine which affect capacity and safe operation shall not be performed by the customer or user without prior written
approval from Nilfi sk-Advance Inc. Unapproved modifi cations will void the machine warranty and make the customer liable for any resulting accidents.
NAME PLATE
The Model Number and Serial Number of your machine are shown on the Nameplate on the machine. This information is needed when ordering repair parts for
the machine. Use the space below to note the Model Number and Serial Number of your machine for future reference.
MODEL NUMBER ______________________________________________________
SERIAL NUMBER ______________________________________________________
UNCRATE THE MACHINE
When the machine is delivered, carefully inspect the shipping packaging and the machine for damage. If damage is evident, save the shipping carton (if
applicable) so that it can be inspected. Contact the Clarke Customer Service Department immediately to fi le a freight damage claim. Refer to the unpacking
instruction sheet included with the machine to remove the machine from the pallet.
WARNING!
The Products sold with this Manual contain or may contain chemicals that are known to certain governments (such as the State of California, as identifi ed in
its Proposition 65 Regulatory Warning Law) to cause cancer, birth defects or other reproductive harm. In certain locations (including the State of California)
purchasers of these Products that place them in service at an employment job site or a publicly accessible space are required by regulation to make certain
notices, warnings or disclosures regarding the chemicals that are or may be contained in the Products at or about such work sites. It is the purchaser’s
responsibility to know the content of, and to comply with, any laws and regulations relating to the use of these Products in such environments. The Manufacturer
disclaims any responsibility to advise purchasers of any specifi c requirements that may be applicable to the use of the Products in such environments.

5/12 A - 3 56091040 - Focus® II Rider
ENGLISH - AINSTRUCTIONS FOR USE
CAUTIONS AND WARNINGS
SYMBOLS
Clarke uses the symbols below to signal potentially dangerous conditions. Always read this information carefully and take the
necessary steps to protect personnel and property.
DANGER!
Is used to warn of immediate hazards that will cause severe personal injury or death.
WARNING!
Is used to call attention to a situation that could cause severe personal injury.
CAUTION!
Is used to call attention to a situation that could cause minor personal injury or damage to the machine or other property.
Read all instructions before using.
GENERAL SAFETY INSTRUCTIONS
Specifi c Cautions and Warnings are included to warn you of potential danger of machine damage or bodily harm.
WARNING!
* This machine shall be used only by properly trained and authorized persons.
* This machine is not intended for use by persons (including children) with reduced physical, sensory or mental capabilities, or lack of
experience and knowledge.
* While on ramps or inclines, avoid sudden stops. Avoid abrupt sharp turns. Use low speed down ramps. Clean only while descending
(driving down) the ramp.
* Keep sparks, fl ame and smoking materials away from batteries. Explosive gases are vented during normal operation.
* Charging the batteries produces highly explosive hydrogen gas. Charge batteries only in well-ventilated areas, away from open fl ame. Do
not smoke while charging the batteries.
* Remove all jewelry when working near electrical components.
* Turn the key switch off (O) and disconnect the batteries before servicing electrical components.
* Never work under a machine without safety blocks or stands to support the machine.
* Do not dispense fl ammable cleaning agents, operate the machine on or near these agents, or operate in areas where fl ammable liquids exist.
* Do not clean this machine with a pressure washer.
* Only use the brushes provided with the appliance or those specifi ed in the instruction manual. The use of other brushes may impair safety.
CAUTION!
* This machine is not approved for use on public paths or roads.
* This machine is not suitable for picking up hazardous dust.
* Do not use scarifi er discs and grinding stones. Clarke will not be held responsible for any damage to fl oor surfaces caused by scarifi ers or
grinding stones (can also cause damage to the brush drive system).
* When operating this machine, ensure that third parties, particularly children, are not endangered.
* Before performing any service function, carefully read all instructions pertaining to that function.
* Do not leave the machine unattended without fi rst turning the key switch off (O), removing the key and applying the parking brake.
* Turn the key switch off (O) and remove the key, before changing the brushes, and before opening any access panels.
* Take precautions to prevent hair, jewelry, or loose clothing from becoming caught in moving parts.
* Use caution when moving this machine in below freezing temperature conditions. Any water in the solution, recovery or detergent tanks or in
the hose lines could freeze, causing damage to valves and fi ttings. Flush with windshield washer fl uid.
* The batteries must be removed from the machine before the machine is scrapped. The disposal of the batteries should be safely done in
accordance with your local environmental regulations.
* Do not use on surfaces having a gradient exceeding that marked on the machine.
* All doors and covers are to be positioned as indicated in the instruction manual before using the machine.
* This machine should only be used and stored indoors.
SAVE THESE INSTRUCTIONS

A - 4 Focus® II Rider - 56091040 5/12
INSTRUCTIONS FOR USEA - ENGLISH
KNOW YOUR MACHINE
As you read this manual, you will occasionally run across a bold number or letter in parentheses - example: (2). These numbers refer to an item shown on these
pages unless otherwise noted. Refer back to these pages whenever necessary to pinpoint the location of an item mentioned in the text. NOTE: Refer to the
service manual for detailed explanations of each item illustrated on the next 4 pages.
1 Operator’s Seat
2 Solution Tank Drain Hose
3 Drive Pedal
4 Drive Wheel
5 Drive Wheel Circuit Breaker (70 Amp)
6 Control Circuit Circuit Breaker (10 Amp)
7 Emergency Stop
8 Scrub Deck
9 Rear Wheel
10 Battery Compartment Cover
11 Squeegee Assembly
12 Detergent Container Access Cover (detergent models only)
13 Detergent Container (detergent models only / not included)
14 Deck Skirt Removal Knobs
15 Battery Charger (optional / under seat)
16 Seat Adjustment Knob
17 Deck Skirt Height Adjustment Knob
18 Front Roller Bumper
1
23
4
5
6
7
8
9
10
11
13
14
14
12
15
17
18
17
16

5/12 A - 5 56091040 - Focus® II Rider
ENGLISH - AINSTRUCTIONS FOR USE
KNOW YOUR MACHINE
19 Solution Solenoid Valve
20 Solution Filter
21 Solution Shutoff Valve
22 Control Panel
23 Steering Wheel
24 Recovery Tank Cover
25 Recovery Tank Shutoff Float
26 Strainer Basket
27 Squeegee Storage Hook
28 Recovery Tank Drain Hose
29 Recovery Hose
30 Tie Down Locations
31 Squeegee Tilt Adjustment Knob
32 Rear Squeegee Blade Removal Latch
33 Front Squeegee Blade Removal Thumb Nut
34 Seat Prop-Rod
35 Solution Tank Fill Cover
36 Machine Battery Connector
37 Solution Tank Level Sight Tube
19
20
21
22
23
24 25 26
27
28
31
34
35
32
14
17
30
30
30
29
33
36
37

A - 6 Focus® II Rider - 56091040 5/12
INSTRUCTIONS FOR USEA - ENGLISH
CONTROL PANEL
A Key Switch
B Reverse LED
C Forward / Reverse Switch
D Speed Decrease Switch
E Speed Increase Switch
F Graphic Display
F1 Detergent Strength Indicator (points at H)
F2 Detergent Ratio Indicator
F3 Hour Meter
F4 Battery Indicator
F5 Fault Codes
F6 Speed Indicator
F7 Battery Low Indicator
G Horn Switch
H Detergent Strength Symbols
I Brush Pressure Decrease Switch
J Brush Pressure LEDs
TOP = HIGH
MIDDLE = MEDIUM
BOTTOM = LOW
K Brush Pressure Increase Switch
L Scrub ON/OFF LED
M Scrub ON/OFF Switch
N Solution Flow Rate LEDs
TOP = HIGH
MIDDLE = MEDIUM
BOTTOM = LOW
O Solution Control Switch
!
F
I
J
K
L
M
N
O
P
Q
R
SA
B
C
D
E
G
H
F2
F1
F3
F4
F5
F6
F7
TU
P Vacuum ON/OFF LED
Q Vacuum ON/OFF Switch
R Detergent ON/OFF LED
S Detergent Control Switch
T Do Not Pressure Wash Symbol
U Read All Instructions Before Using Symbol

5/12 A - 7 56091040 - Focus® II Rider
ENGLISH - AINSTRUCTIONS FOR USE
BATTERIES
If your machine shipped with batteries installed do the following:
Check that the batteries are connected to the machine (36).
Turn ON the Key Switch (A) and check the Battery Indicator (F4). If the gauge is completely fi lled the batteries are ready for use. If the gauge is less than
full the batteries should be charged before use. See the “Charging The Batteries” section.
IMPORTANT!: IF YOUR MACHINE HAS AN ONBOARD BATTERY CHARGER REFER TO THE OEM PRODUCT MANUAL FOR INSTRUCTIONS
REGARDING SETTING THE CHARGER FOR BATTERY TYPE.
If your machine shipped without batteries installed do the following:
Consult your Authorized Clarke dealer for recommended batteries.
Install the batteries by following the instructions below.
DO NOT install two 12 volt batteries in your machine. This affects the stability of the machine.
IMPORTANT!: IF YOUR MACHINE HAS AN ONBOARD BATTERY CHARGER REFER TO THE OEM PRODUCT MANUAL FOR INSTRUCTIONS
REGARDING SETTING THE CHARGER FOR BATTERY TYPE.
INSTALL THE BATTERIES
WARNING !
Use extreme caution when working with batteries. Sulfuric acid in batteries can cause severe injury if allowed to contact the skin or
eyes. Explosive hydrogen gas is vented from inside the batteries through openings in the battery caps. This gas can be ignited by
any electrical arc, spark or fl ame. If battery acid makes contact with your skin, fl ush the affected area with water for 5 minutes and
seek medical attention.
When Servicing Batteries...
* Remove all jewelry.
* Do not smoke.
* Wear safety glasses, a rubber apron and rubber gloves.
* Work in a well-ventilated area.
* Do not allow tools to touch more than one battery terminal at a time.
* ALWAYS disconnect the negative (ground) cable fi rst when replacing batteries
to prevent sparks.
* ALWAYS connect the negative cable last when installing batteries.
CAUTION !
Electrical components in this machine can be severely damaged
if the batteries are not installed and connected properly. Batteries
should be installed by Clarke or by a qualifi ed electrician.
1 Turn the Key Switch (A) off (O) and remove the key. Then swing open the
Battery Compartment Cover (10) and set the Seat Prop-Rod (34).
2 Using (2) people and an appropriate lifting strap, carefully lift the batteries into
the compartment tray exactly as shown. Refer to decal 56601416 battery
cable layout.
3 See Figure 1. Install battery cables as shown and tighten the nuts on the
battery terminals.
4 Install the battery boots and secure tightly to the battery cables with the
supplied tie straps.
5 Connect the battery pack connector to the machine connector (36) and close
the battery compartment cover.
CAUTION!
When changing batteries or the charger, please contact your local
authorized service center for correct battery, charger and machine
settings to prevent battery damage.
FIGURE 1
420Ah, 20 Hr. Rate

A - 8 Focus® II Rider - 56091040 5/12
INSTRUCTIONS FOR USEA - ENGLISH
INSTALL THE BRUSHES (DISC SYSTEM)
CAUTION !
Turn the key switch off (O) and remove the key, before changing the brushes, and before opening any access panels.
1 Make sure the Scrub Deck is in the RAISED position. Make sure the Key Switch (A) is off (O).
2 See Figure 2. Remove both side skirt assemblies. NOTE: The skirts are held in place by two large Knobs (AA). Loosen these knobs and slide the Skirt
Assemblies (AB) slightly forward and then off of the Scrub Deck.
3 Put a brush or pad driver (AC) under the scrub deck.
4 Align the slots in the brush gimbal with the lugs on the motor Gimbal (AD).
5 Pull the brush up until the gimbal locks.
6 Repeat steps 3, 4 & 5 to install the second brush or pad driver.
To Remove:
1 Make sure the Scrub Deck (8) is in the RAISED position. Make sure the Key Switch (A) is off (O).
2 Remove the side skirt assemblies.
3 Push down on two sides of the brush or pad driver until the gimbals release.
FIGURE 2

5/12 A - 9 56091040 - Focus® II Rider
ENGLISH - AINSTRUCTIONS FOR USE
INSTALL THE PAD (BOOST SYSTEM)
CAUTION !
Turn the key switch off (O) and remove the key, before changing the brushes, and before opening any access panels.
1 Make sure the Scrub Deck is in the RAISED position. Make sure the Key Switch (A) is off (O).
2 See Figure 3. Remove one of the side skirt assemblies. NOTE: The skirts are held in place by two large Knobs (AA). Loosen these knobs and slide the
Skirt Assembly (AB) slightly forward and then off of the Scrub Deck.
3 Press on a Pad (AC) under the fl ex plates as shown.
NOTE: Due to the design of some pads, the pad may not adhere well to the fi xed pad driver when it is pressed on by hand. If this is the case, after
positioning the pad on the head, lower the deck and operate momentarily to thoroughly affi x the pad to the pad driver. This is only required if planning to
transport the machine after installing the pad before use to prevent the pad from falling off.
FIGURE 3

A - 10 Focus® II Rider - 56091040 5/12
INSTRUCTIONS FOR USEA - ENGLISH
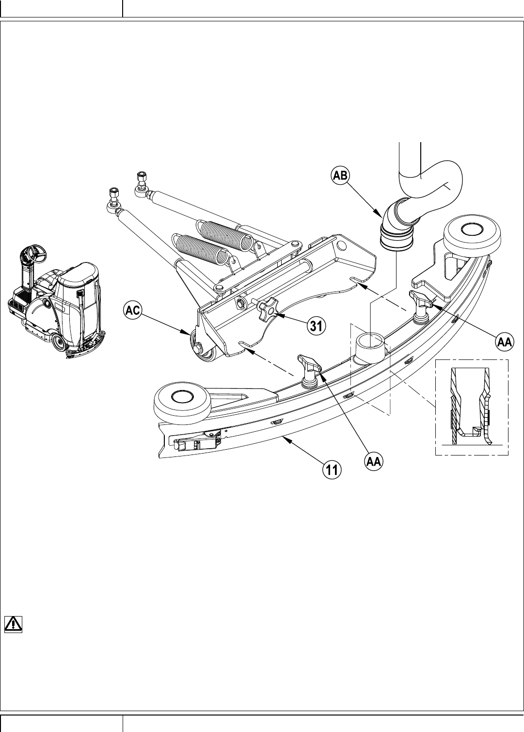
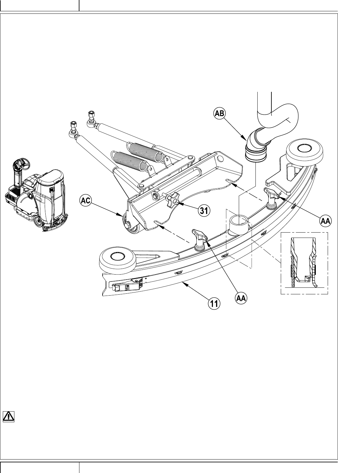
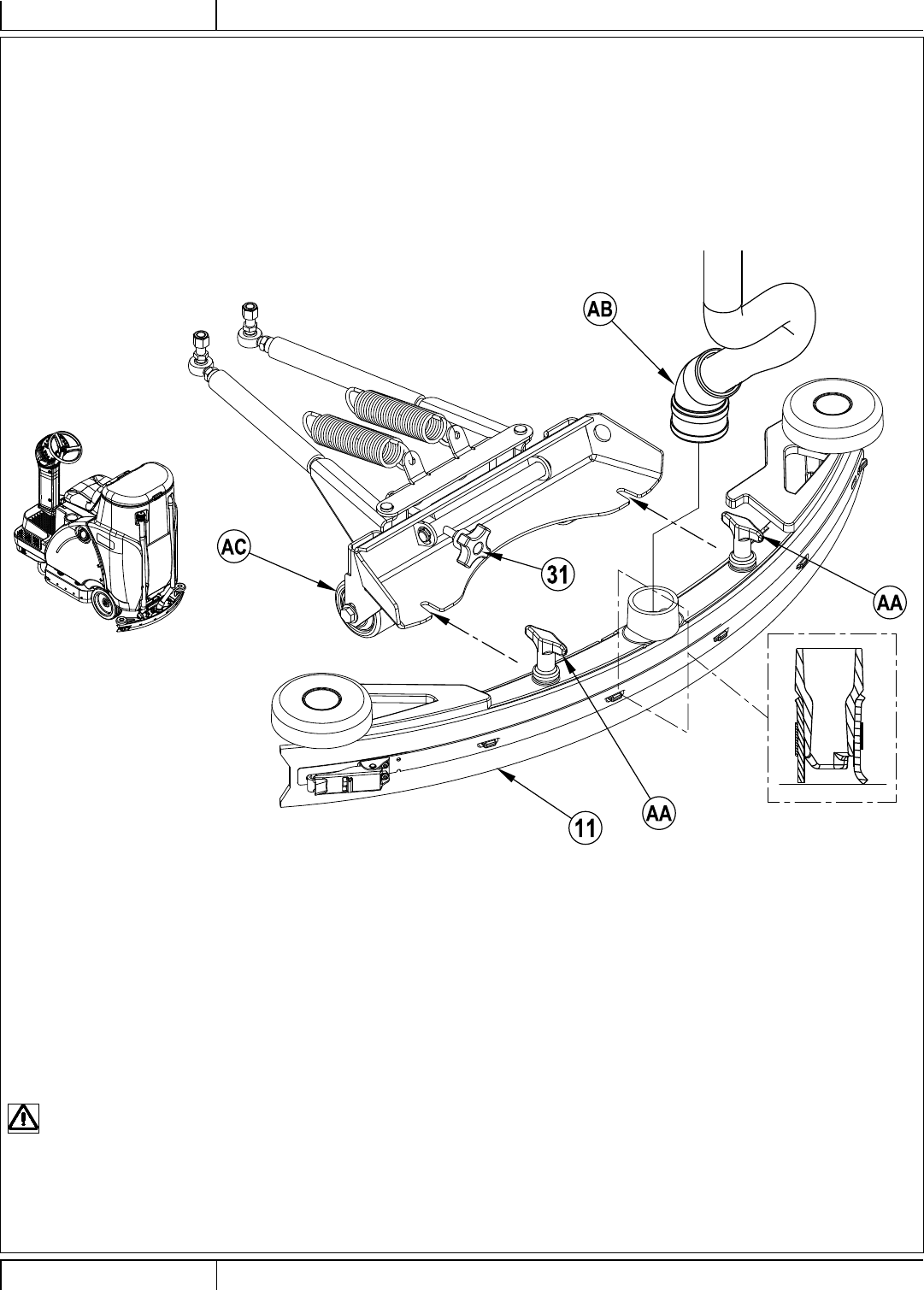
INSTALL THE SQUEEGEE
1 See Figure 4. Slide the Squeegee Assembly (11) onto the squeegee mount bracket and tighten the Squeegee Mount Thumb Nuts (AA).
2 Connect the Recovery Hose (AB) to the squeegee inlet.
3 Lower the squeegee, move the machine ahead slightly and adjust the squeegee tilt and height using the Squeegee Tilt Adjust Knob (31) and Squeegee
Height Wheel (AC) so that the rear squeegee blade touches the fl oor evenly across its entire width and is bent over slightly as shown in the squeegee cross
section.
FIGURE 4
FILL THE SOLUTION TANK
Read the cleaning chemical label and calculate the proper amount of chemical to mix for a tank that holds 31 US gallons (120 liters).
Open the Solution Tank Fill Cover (35), then fi ll the tank 1/3 full of water, add the cleaning chemical, then fi ll up the tank the remainder of the way. NOTE:
Detergent machines can either be used conventionally with detergent mixed in the tank or the detergent system can be used. When using the detergent
dispensing system do not mix detergent in the tank. Plain water should be used.
CAUTION!
Use only low-foaming, non-fl ammable liquid detergents intended for automatic scrubber machine applications. Water temperature
should not exceed 130 degrees Fahrenheit (55 degrees Celsius).

5/12 A - 11 56091040 - Focus® II Rider
ENGLISH - AINSTRUCTIONS FOR USE
DETERGENT SYSTEM PREPARATION AND USE
COMMON INSTRUCTIONS:
See Figure 5. Pressing and releasing the Detergent Switch (S) while the solution system is active will cause the detergent system to cycle through the available
detergent ratios one at a time. The system should be purged of previous detergent when switching to a different detergent. SERVICE NOTE: Move machine over
fl oor drain before purging because a small amount of detergent will be dispensed in the process.
To Purge When Changing Chemicals:
1 Disconnect and remove the Detergent Container (13).
2 Turn the Key Switch (A) ON. Press and hold the Solution Control Switch (O) and the Detergent Control Switch (S) for 3 seconds. NOTE: Once activated the
purge process takes about 10 seconds. Normally one purge cycle is adequate to purge the system.
Detergent Ratio:
1 The factory default detergent ratio is 1:32. Each press of the Detergent Control Switch (S) will cycle through the available ratios (1:32, 1:50, 1:64, 1:100,
1:128, 1:150, 1:200, 1:256, 1:300, 1:400). Pressing the switch once more after 1:400 will turn off the detergent system. The Detergent Strength Indicator (F1)
starts under the RED Strength Symbol (H) when at a ratio of 1:32 and will move left as you cycle through the ratios and end up under the GREEN Strength
Symbol (H) when at a ratio of 1:400. If the machine is turned OFF and then back ON again, the last setting is remembered.
DETERGENT INSTRUCTIONS:
A Detergent Container (13) can be installed behind the Detergent Container Access Cover (12) in the operator’s compartment. When installing a new container,
remove the factory cap and place the container in the detergent box. Install the Adapter (AA) and the Cap (AB) as shown.
FIGURE 5
13
AA
AB
A
O
S
F2
F1
H
F
Press for 3 seconds to purge

A - 12 Focus® II Rider - 56091040 5/12
INSTRUCTIONS FOR USEA - ENGLISH
OPERATING THE MACHINE
WARNING!
Be sure you understand the operator controls and their functions.
While on ramps or inclines, avoid sudden stops. Avoid abrupt sharp turns. Use low speed down ramps. Clean only while
descending (driving down) the ramp.
To Scrub...
Follow the instructions in “preparing the machine for use” section of this manual.
1 See Figure 6. Adjust the Operator’s Seat (1) if necessary by tipping up the seat and using the Seat Adjustment Knob (16).
2 Turn the Key Switch (A) ON (I). This will display the control panel indicator lights. Reference the Battery Indicator (F4) before proceeding.
3 To transport the machine to the work area, fi rst push the Forward / Reverse Switch (C) to select “reverse” if backing up and then apply pressure with your foot
on the Drive Pedal (3). Reverse Mode is indicated by the Reverse LED (B) glowing Amber and an audible alert from the horn.
4 Press and hold the Solution Control Switch (O) to pre-wet the fl oor, solution will be dispensed while the switch is held. NOTE: This will help prevent scarring
of the fl oor surface when starting to scrub with dry brushes. This can only be done prior to pressing the Scrub ON/OFF Switch (M).
5 Press the Scrub ON/OFF Switch (M), the scrub deck and squeegee will automatically be lowered to the fl oor. The scrub, vacuum, solution and detergent
systems all start when the Drive Pedal (3) is activated. NOTE: If the detergent is OFF when the machine is turned OFF it will remain OFF when the machine
is turned ON again.
The scrub pressure will default to LOW (bottom Brush Pressure LED (J) lit). Use the Brush Pressure Increase Switch (K) and Brush Pressure Decrease
Switch (I) to change between LOW, MEDIUM and HIGH Scrub modes.
NOTE: The solution fl ow rate can be changed independently of the scrub pressure by pressing the Solution Control Switch (O).
NOTE: The scrub, solution, vacuum and detergent systems are automatically enabled when the Scrub ON/OFF Switch (M) is pressed. The vacuum
system can be turned OFF or back ON by simply pressing its switch (Q) at any time during scrubbing. The Solution System can only be turned OFF by
cycling through all solution fl ow rates until no LEDs (N) are lit. The Scrub System can only be turned OFF by pressing the Scrub ON/OFF Switch (M). The
Detergent System can only be turned OFF by cycling through all detergent ratios to the last ratio 1:400 and then pressing the Detergent Control Switch (S)
one more time.
NOTE: When operating the machine in reverse the squeegee automatically raises.
6 Begin scrubbing by driving the machine forward in a straight line at a normal walking speed and overlap each path by 2-3 inches (50-75 mm). Adjust the
machine speed, scrub pressure and solution fl ow when necessary according to the condition of the fl oor. NOTE: The maximum speed can be varied by
pushing the Speed Increase Switch (E) or the Speed Decrease Switch (D) which will be indicated by the Speed Indicator (F6).
CAUTION!
To avoid damaging the fl oor, only start and stop the scrubbing function while the machine is in motion.
7 When scrubbing, check behind the machine occasionally to see that all of the waste water is being picked up. If there is water trailing the machine, you may
be dispensing too much solution, the recovery tank may be full, or the squeegee tool may require adjustment.
8 For extremely dirty fl oors, a one-pass scrubbing operation may not be satisfactory and a “double-scrub” operation may be required. This operation is the
same as a one-pass scrubbing except on the fi rst pass the squeegee is in the up position (press the Vacuum ON/OFF Switch (Q) to raise the squeegee).
This allows the cleaning solution to remain on the fl oor to work longer. The fi nal pass is made over the same area, with the squeegee lowered to pick up the
accumulated solution.
9 The recovery tank has a shut-off fl oat (25) that causes a change in pitch in the vac motor. When this fl oat is activated, the recovery tank must be emptied.
The machine will not pick up water with the fl oat activated.
10 When the operator wants to stop scrubbing:
Press the Scrub ON/OFF Switch (M) once. This will automatically stop the scrub brushes and solution fl ow and the scrub deck will raise up. The squeegee
will raise up after a brief delay and the vacuum will stop after a brief delay (this is to allow any remaining water to be picked up without turning the vacuum
back on).
11 Drive the machine to a designated waste water “DISPOSAL SITE” and empty the recovery tank. To empty, pull the Recovery Tank Drain Hose (28) from
its rear storage area, then unscrew the cap (hold the end of the hose above the water level in the tank to avoid sudden, uncontrolled fl ow of waste water).
Inspect and empty the Strainer Basket (26) in the recovery tank. Refi ll the solution tank and continue scrubbing.
NOTE: Make sure the Recovery Tank Cover (24) and the Recovery Tank Drain Hose (28) cap are properly seated or the machine will not pick-up water correctly.
When the batteries require recharging the Battery Low Indicator (F7) will come on. Then the scrub brushes and solution fl ow will stop and the scrub deck will raise
up. The squeegee will raise up after a brief delay and the vacuum will stop after a brief delay. Transport the machine to a service area and recharge the batteries
according to the instructions in the Battery section of this manual.

5/12 A - 13 56091040 - Focus® II Rider
ENGLISH - AINSTRUCTIONS FOR USE
OFF AISLE WAND USE
Steps to follow in fi tting the machine with optional attachments for off aisle wand use.
1 See Figure 6. Disconnect the Recovery Hose (29) from the Squeegee (11). Connect the hose from the wand kit to the recovery hose.
2 Attach suitable wet pick-up tools to the hose. (An optional Wand Kit PN56601087 is available from Clarke).
3 Turn the Key Switch (A) ON and press the Vacuum ON/OFF Switch (Q). NOTE: The operator cannot be in the seat for the vacuum motor(s) to run. The
vacuum motor(s) will run continuously until the switch is pressed again. The fl oat will stop the fl ow into the recovery tank when activated.
FIGURE 6
!
11 29
28
3
AB
C
D
E
G
I
J
K
L
M
N
O
P
Q
R
S
F
16
HF7
F3
F4
F2
F6
24
1

A - 14 Focus® II Rider - 56091040 5/12
INSTRUCTIONS FOR USEA - ENGLISH
AFTER USE
1 When fi nished scrubbing, press the Scrub ON/OFF Switch (M), this will automatically raise, retract and stop all the machine systems (brush, squeegee,
vacuum, solution and detergent. Then drive the machine to a service area for daily maintenance and review of other needed service upkeep.
2 To empty the solution tank:
Remove the Solution Tank Drain Hose (2) from its storage clamp. Direct the hose to a designated “DISPOSAL SITE” and remove the cap. Rinse the tank
with clean water.
3 To empty the recovery tank, pull the Recovery Tank Drain Hose (28) from its storage area. Direct the hose to a designated “DISPOSAL SITE” and unscrew
the cap (hold the end of the hose above the water level in the tank to avoid sudden, uncontrolled fl ow of waste water). Inspect and empty the Strainer Basket
(26) in the recovery tank. Rinse the tank with clean water.
4 Remove the brushes or pad holders. Rinse the brushes or pads in warm water and hang up to dry.
5 Remove the squeegee and rinse it with warm water. Open the Recovery tank cover and hang the squeegee from the recovery tank using the Squeegee
Storage Hook (27).
6 Check the maintenance schedule below and perform any required maintenance before storage.
7 Store the machine indoors in a clean dry place. Keep from freezing. Leave the tanks open to air them out.
8 Turn the Key Switch (A) OFF (O) and remove the key.
MAINTENANCE SCHEDULE
MAINTENANCE ITEM Daily Weekly Monthly Yearly
Charge Batteries X
Check/Clean Tanks & Hoses X
Check/Clean/Rotate the Brushes/Pads X
Check/Clean the Squeegee X
Check/Clean Vacuum Shut-Off Float X
Empty/Clean Strainer Basket in Recovery Tank X
Check Each Battery Cell(s) Water Level X
Inspect Scrub Housing Skirts X
Inspect and clean Solution Filter X
Purge Detergent System X
Lubrication of Machine X
* Check Carbon Brushes X
* Have an Authorized Clarke Service Center check the vacuum motor carbon motor brushes once a year or after 300 operating hours. The brush and drive motor
carbon brushes should be checked every 500 hours or once a year.
• Isolators are expected to last 250-1,000 hours depending on the application.
• Replace lower isolators annually or after every 250 hours, whichever comes fi rst.
LUBRICATING THE MACHINE - FIGURE 7
Grease fi tting locations (or apply grease to) (AA):
• Steering Chain
• Squeegee mount angle adjustment knob threads
• Side Skirt Height Adjustment Knobs
Once a month, apply light machine oil to lubricate the (BB):
• General Pivot Points For the Squeegee and Scrub Deck Linkage
ELECTROMAGNETIC BRAKE
See Figure 8. The Drive Wheel (4) has a built in electromagnetic brake
that is engaged whenever the Key Switch (A) is OFF or the Drive Pedal
(3) is in the neutral position. This brake can be manually overridden if
necessary by inserting a medium to large screwdriver behind the Yoke
(AA) as shown. This should only be done in the event you need to push
or pull the unit.
FIGURE 8
7/12

5/12 A - 15 56091040 - Focus® II Rider
ENGLISH - AINSTRUCTIONS FOR USE
FIGURE 7

A - 16 Focus® II Rider - 56091040 5/12
INSTRUCTIONS FOR USEA - ENGLISH
CHARGING WET BATTERIES
Charge the batteries each time the machine is used or when the Battery Indicator (F4) is reading less than full.
WARNING!
Do not top off the batteries before charging. Check to ensure the plates are covered only.
Charge batteries in a well-ventilated area. If battery acid makes contact with your skin, fl ush the affected area with water for 5 minutes and seek
medical attention.
Do not smoke while servicing the batteries.
When Servicing Batteries...
* Remove all jewelry
* Do not smoke
* Wear safety glasses, rubber gloves and a rubber apron
* Work in a well-ventilated area
* Do not allow tools to touch more than one battery terminal at a time
* ALWAYS disconnect the negative (ground) cable fi rst when replacing batteries to prevent sparks.
* ALWAYS connect the negative cable last when installing batteries.
If your machine shipped with an onboard battery charger do the following:
Turn the Key Switch (A) OFF. Open the Battery Compartment (10) for proper ventilation. Unwind the electrical cord from the side of the onboard charger and plug it into a properly
grounded outlet. Refer to the OEM product manual for more detailed operating instructions.
If your machine shipped without an onboard battery charger do the following:
Open the Battery Compartment (10) and set the Seat Prop-Rod (34). Disconnect the batteries from the machine and push the connector from the charger into the Machine Battery
Connector (36). Follow the instructions on the battery charger. SERVICE NOTE: Make sure you plug the battery charger into the connector that attaches to the batteries.
CAUTION!
To avoid damage to fl oor surfaces, wipe water and acid from the top of the batteries after charging. Under or overcharging will shorten battery life
and limit performance. Be sure to FOLLOW PROPER CHARGING INSTRUCTIONS!
CHECKING THE BATTERY WATER LEVEL
Check the water level of the batteries at least once a week.
Remove the vent caps and check the water level in each battery cell. Use distilled or demineralized water in a battery fi lling dispenser (available at most auto parts
stores) to fi ll each cell to the level indicator (or to .39 inches / 10 mm over the top of the separators). DO NOT over-fi ll the batteries!
CAUTION!
Acid can spill onto the fl oor if the batteries are overfi lled.
Tighten the vent caps. Wash the tops of the batteries with a solution of baking soda and water (2 tablespoons of baking soda to 1.26 gallons / 1 liter of water).
CHARGING GEL/AGM (VRLA) BATTERIES
Charge the batteries each time the machine is used or when the Battery Indicator (F4) is reading less than full.
WARNING!
Charge batteries in a well-ventilated area. If battery acid makes contact with your skin, fl ush the affected area with water for 5 minutes and seek
medical attention.
Do not smoke while servicing the batteries.
When Servicing Batteries...
* Remove all jewelry
* Do not smoke
* Wear safety glasses, rubber gloves and a rubber apron
* Work in a well-ventilated area
* Do not allow tools to touch more than one battery terminal at a time
* ALWAYS disconnect the negative (ground) cable fi rst when replacing batteries to prevent sparks.
* ALWAYS connect the negative cable last when installing batteries.
CAUTION!
Your voltage regulated lead acid (VRLA) battery will deliver superior performance and life ONLY IF IT IS RECHARGED PROPERLY! Under or
overcharging will shorten battery life and limit performance. Be sure to FOLLOW PROPER CHARGING INSTRUCTIONS! DO NOT ATTEMPT TO
OPEN THIS BATTERY! If a VRLA battery is opened, it loses its pressure and the plates become oxygen contaminated. THE WARRANTY WILL
BE VOIDED IF THE BATTERY IS OPENED.
If your machine shipped with an onboard battery charger do the following:
Turn the Key Switch (A) OFF. Open the Battery Compartment (10) for proper ventilation. Unwind the electrical cord from the side of the onboard charger and plug it into a properly
grounded outlet. Refer to the OEM product manual for more detailed operating instructions.
If your machine shipped without an onboard battery charger do the following:
Open the Battery Compartment (10) and set the Seat Prop-Rod (34). Disconnect the batteries from the machine and push the connector from the charger into the Machine Battery
Connector (36). Follow the instructions on the battery charger. SERVICE NOTE: Make sure you plug the battery charger into the connector that attaches to the batteries.
IMPORTANT: Make sure you have an appropriate charger for use on Gel cell batteries. Use only “voltage-regulated” or “voltage-limited” chargers.
Standard constant current or taper current chargers MUST NOT be used. A temperature-sensing charger is recommended, as manual adjustments are
never accurate and will damage any VRLA battery.

5/12 A - 17 56091040 - Focus® II Rider
ENGLISH - AINSTRUCTIONS FOR USE
SQUEEGEE MAINTENANCE
If the squeegee leaves narrow streaks or water, the blades may be dirty or damaged. Remove the squeegee, rinse it under warm water and inspect the blades.
Reverse or replace the blades if they are cut, torn, wavy or worn.
To Reverse or Replace the Rear Squeegee Wiping Blade...
1 See Figure 9. Raise the squeegee assembly off the fl oor, then unsnap the Rear Squeegee Blade Removal Latch (32).
2 Remove the Tension Strap (AA).
3 Slip the rear blade off the alignment pins.
4 The squeegee blade has 4 working edges. Turn the blade so a clean, undamaged edge points toward the front of the machine. Replace the blade if all 4
edges are nicked, torn or worn to a large radius.
5 Install the blade, following the steps in reverse order and adjust the squeegee tilt (31).
To Reverse or Replace the Front Squeegee Blade...
1 Raise the squeegee assembly off the fl oor, then loosen the (2) Thumb Nuts (AB) on top of the squeegee and remove the squeegee assembly from the
mount.
2 Loosen the Front Squeegee Blade Removal Thumb Nut (33), then remove Tension Strap (AC) and blade.
3 The squeegee blade has 4 working edges. Turn the blade so a clean, undamaged edge points toward the front of the machine. Replace the blade if all 4
edges are nicked, torn or worn to a large radius.
4 Install the blade, following the steps in reverse order and adjust the squeegee tilt.
SQUEEGEE ADJUSTMENT
There are two squeegee assembly adjustments possible, tilt and height.
Adjust the squeegee tilt whenever a blade is reversed or replaced, or if the squeegee is not wiping the fl oor dry.
1 Park the machine on a fl at, even surface and lower the squeegee. Then drive the machine forward enough to have the squeegee blades fold over to the
rear.
2 Adjust the squeegee tilt and height using the Squeegee Tilt Adjustment Knob (31) and Squeegee Height Wheel (AD) so that the rear squeegee blade
touches the fl oor evenly across its entire width and is bent over slightly as shown in the squeegee cross section.
FIGURE 9
AA
AB
AD 31
32
1 2
3
4
33
AC

A - 18 Focus® II Rider - 56091040 5/12
INSTRUCTIONS FOR USEA - ENGLISH
SIDE SKIRT MAINTENANCE
The side skirts’ function is to channel the waste water to the squeegee, helping contain the water within the machine’s cleaning path. During normal use the blades
will wear in time. The operator will notice a small amount of water leaking out underneath the side skirts. A height adjustment can easily be made to lower the
blades so that all the water can be picked up by the squeegee.
To reverse or replace the scrub system side skirt(s).
1 See Figure 10. Loosen the (2) side Deck Skirt Removal Knobs (14) (2 per side) and pull the Skirt Assemblies (AA) slightly forward (disc and BOOST only)
and then off from the scrub deck.
2 Remove all the hardware that holds the blades to the skirt housings.
3 The side skirts have 2 working edges. Turn the skirts so a clean, undamaged edge faces inward. Replace the skirts as a set if they are nicked, torn or worn
beyond their ability to be adjusted.
4 Reinstall the skirt housing assemblies onto the machine and adjust the skirt for proper contact to the fl oor when the brush deck is placed in the scrub position.
SIDE SKIRT HEIGHT ADJUSTMENT
1 See Figure 10. The side skirt housing knob retainer screw studs have Deck Skirt Height Adjustment Knobs (17), that are to be raised or lowered to
compensate for skirt wear.
2 To adjust, remove the Skirt Assemblies (AA) from the Scrub Deck (AB) to access the Deck Skirt Height Adjustment Knobs (17). Adjustment Tip: The Deck
Skirt Removal Knobs (14) can be loosened with skirts left on and the Deck Skirt Height Adjustment Knobs (17) rotated by reaching under the skirt housing.
Turn the Deck Skirt Height Adjustment Knobs 3 (17) (Up or Down) to where the skirts just fold over enough when scrubbing that all the waste water is contained
inside the skirting. NOTE: Make small adjustments to obtain good skirt wiping. Do not lower the skirts too much to where they fold over excessively and
cause unneeded blade wear.
FIGURE 10
Disc shown. Same procedure for BOOST.
AA
17
14
AB

5/12 A - 19 56091040 - Focus® II Rider
ENGLISH - AINSTRUCTIONS FOR USE
GENERAL MACHINE TROUBLESHOOTING
Problem Possible Cause Remedy
Poor water pick-up
Worn or torn squeegee blades Reverse or replace
Squeegee (11) out of adjustment Adjust so blades touch fl oor evenly
across entire width
Recovery tank full Empty recovery tank
Recovery Tank Drain Hose (28) leak Secure drain hose cap or replace
Recovery Tank Cover (24) gasket leak Replace gasket / Seat cover properly
Debris caught in Squeegee (11) Clean squeegee assembly
Recovery Hose (29) clogged Remove debris
Using too much solution Adjust solution fl ow at control panel
Poor scrubbing performance
Worn brush or pad Rotate or replace brushes
Wrong brush or pad type Consult Clarke
Wrong cleaning chemical Consult Clarke
Moving machine too fast Slow down
Not using enough solution Increase solution fl ow at control panel
Inadequate or no solution fl ow
Solution tank empty Fill solution tank
Solution lines, valves or fi lter (20) clogged Flush lines and clean solution fi lter
Solution Shutoff Valve (21) closed Open solution shutoff valve
Solution Solenoid Valve (19) Clean or replace valve
Machine does not power ON
Machine Battery Connector (36) disconnected Reconnect battery connectors
Operator seat safety switch Check for open circuit and replace
Main system controller Check error fault codes
(contact Clarke Authorized Service Center)
Tripped 10 Amp circuit breaker (6) Check for electrical short circuit & reset
No FWD/REV wheel drive
Emergency Stop Switch (7) tripped Reset the Emergency Stop Switch
Drive system speed controller Check error fault codes
(contact Clarke Authorized Service Center)
Tripped 70 Amp circuit breaker (5) Check for drive motor overload
No Detergent Flow
Empty Detergent Container (13) Fill detergent container
Plugged or kinked detergent fl ow line Purge system, straighten lines to
remove any kinks
Detergent pump Check pump and lines (may need priming)

A - 20 Focus® II Rider - 56091040 5/12
INSTRUCTIONS FOR USEA - ENGLISH
TECHNICAL SPECIFICATIONS (as installed and tested on the unit)
Model Focus II 28 D Focus II 28 B Focus II 34 D
Focus II 28 D OBC Focus II 28 B OBC Focus II 34 D OBC
Model No. 56114000 56114003 56114002
56114010 56114009 56114001
Voltage, Batteries V 24V 24V 24V
Battery Capacity Ah 238 238 238
Protection Grade IPX3 IPX3 IPX3
Sound Pressure Level
IEC 60335-2-72: 2002 Amend. 1:2005, ISO 11201 dB(A) 68.3dB LpA, 3dB KpA 68.6dB LpA, 3dB KpA 68.3dB LpA, 3dB KpA
Gross Weight lbs / kg 1,328/602 1,371/622 1,328/602
Empty Weight lbs / kg 547/248 590/267 547/248
Maximum Wheel Floor Loading (center front) psi / N/mm2152 / 1.05 152 / 1.05 152 / 1.05
Maximum Wheel Floor Loading (right rear) psi / N/mm2193 / 1.33 193 / 1.33 193 / 1.33
Maximum Wheel Floor Loading (left rear) psi / N/mm2154 / 1.06 154 / 1.06 154 / 1.06
Vibrations at the Hand Controls (ISO 5349-1) m/s2.181 .386 .181
Vibrations at the Seat (EN 1032) m/s20.014 0.132 0.014
Gradeability Transport 12.5% (7.1°) 12.5% (7.1°) 12.5% (7.1°)
Gradeability Cleaning 7.9% (4.5°) 7.9% (4.5°) 7.9% (4.5°)
OBC = Onboard Charger (IE: Focus II 28 D OBC)
Material Composition and Recyclability
Type % of machine weight % recyclable
Aluminum 5% 100%
Electrical / motors / engines - misc 19% 28%
Ferrous metals 35% 100%
Harnesses / cables 4% 81%
Liquids 0% 0%
Plastic - non-recyclable 9% 0%
Plastic - recyclable 2% 100%
Polyethylene 26% 92%
Rubber 1% 29%

B - 2 Focus® II Rider - 56091040 5/12
INSTRUCCIONES DE USOB - ESPAÑOL
ÍNDICE
Página
Introducción .........................................................................................................B-2
Precauciones y advertencias ...............................................................................B-3
Conozca su máquina ................................................................................. B-4 – B-5
Panel de control ...................................................................................................B-6
Preparación de la máquina para su uso
Instalación de las baterías ...................................................................................B-7
Instalación de los cepillos ...........................................................................B-8 - B-9
Instalación de la rasqueta ..................................................................................B-10
Llenado del depósito de solución ......................................................................B-10
Sistema de detergente ......................................................................................B-11
Manejo de la máquina
Fregado ..................................................................................................B-12 - B-13
Aspiración en húmedo ............................................................................B-12 - B-13
Después de la utilización ...................................................................................B-14
Programa de mantenimiento .............................................................................B-14
Lubricación de la máquina ......................................................................B-14 - B-15
Recarga de las baterías (líquido) ......................................................................B-16
Comprobación del nivel de agua de las baterías ..............................................B-16
Recarga de las baterías (gel) ............................................................................B-16
Mantenimiento de la rasqueta ...........................................................................B-17
Ajuste de la rasqueta .........................................................................................B-17
Mantenimiento del faldón lateral ........................................................................B-18
Resolución de problemas ..................................................................................B-19
Especifi caciones técnicas ..................................................................................B-20
INTRODUCCIÓN
Este manual le ayudará a obtener el máximo rendimiento de su limpiadora sobre ruedas Clarke. Léalo con atención antes de utilizar la máquina.
Nota: Los números que aparecen en negrita entre paréntesis indican elementos ilustrados en las páginas B-4 – B-6.
Esta máquina sólo es adecuada para el uso comercial, por ejemplo en hoteles, colegios, hospitales, fábricas, tiendas, ofi cinas y negocios de alquiler. La Focus II
Rider es una máquina de limpieza de pisos a batería.
COMPONENTES Y SERVICIO
Las reparaciones, cuando sean necesarias, deben ser realizadas por su Centro Autorizado de Servicio Clarke que utiliza personal de servicio formado en fábrica y
lleva un inventario de piezas de repuesto y accesorios Clarke originales.
Llame al DISTRIBUIDOR CLARKE que se indica a continuación para lo referente a piezas de repuesto y servicio. Por favor, especifi que el modelo y el número de
serie cuando hable de su máquina.
MODIFICACIONES
Las modifi caciones y los agregados a la máquina de limpieza que afecten su capacidad y su funcionamiento seguro no serán realizados por el cliente o el usuario
sin la autorización previa y por escrito de Nilfi sk-Advance Inc. Las modifi caciones que no cuenten con la aprobación correspondiente anularán la garantía de la
máquina y harán que el cliente sea responsable de cualquier accidente resultante.
PLACA DE IDENTIFICACIÓN
El Número de modelo y Número de serie de la máquina se indican en la placa de identifi cación instalada en la misma. Esta información es necesaria a la hora
de solicitar repuestos para la máquina. Utilice el espacio situado más adelante para anotar el número de modelo y el número de serie de la máquina para futuras
consultas.
NÚMERO DE MODELO __________________________________________________
NÚMERO DE SERIE ____________________________________________________
DESEMBALAJE DE LA MÁQUINA
Cuando reciba la máquina, examine con atención la caja del embalaje y la máquina, con el fi n de comprobar si existe algún daño. Si observa algún daño, guarde
la caja de embalaje (si procede) para que se pueda inspeccionar. Póngase en contacto inmediatamente con el Departamento de Servicio al Cliente de Clarke para
presentar una reclamación por daños en transporte. Consulte la hoja de instrucciones de desembalaje incluida con la máquina para sacar la máquina del palet.
¡ADVERTENCIA!
Los Productos a la venta con este Manual contienen, o pueden contener, productos químicos reconocidos por algunos gobiernos (como el Estado de California,
según lo indica en su Proposición 65, Ley de Advertencia Regulatoria) como causantes de cáncer, defectos de nacimiento u otros daños reproductivos. En
algunas jurisdicciones (incluido el Estado de California), los compradores de estos Productos que los coloquen en servicio en un emplazamiento laboral o en
un espacio de acceso público tienen la obligación regulatoria de realizar determinados avisos, advertencias o divulgaciones respecto de los productos químicos
contenidos o posiblemente contenidos en los Productos utilizados en tal lugar. Es la responsabilidad del comprador conocer y cumplir con todas las leyes y
reglamentaciones relacionadas con el uso de estos Productos en tales entornos. El Fabricante niega toda responsabilidad de informar a los compradores sobre
requisitos específi cos que pueden regir el uso de los Productos en tales entornos.

5/12 B - 3 56091040 - Focus® II Rider
ESPAÑOL - BINSTRUCCIONES DE USO
PRECAUCIONES Y ADVERTENCIAS
SÍMBOLOS
Clarke utiliza símbolos que se indican más abajo para señalar situaciones potencialmente peligrosas. Lea siempre con atención esta información
y tome las medidas necesarias para la protección de las personas y la propiedad.
¡PELIGRO!
Se utiliza para advertir de riesgos inmediatos que producirán lesiones personales graves o incluso fatales.
¡ADVERTENCIA!
Se utiliza para llamar la atención sobre una situación que podría producir lesiones personales graves.
¡PRECAUCIÓN!
Se utiliza para llamar la atención sobre una situación que podría provocar lesiones personales leves o daños en la máquina u otros objetos.
Lea todas las instrucciones antes de utilizar la máquina.
INSTRUCCIONES GENERALES DE SEGURIDAD
Se incluyen precauciones y advertencias específi cas que advierten de los peligros potenciales de daños a la máquina o lesiones personales.
¡ADVERTENCIA!
* Esta máquina únicamente deben utilizarla personas autorizadas y con la debida formación.
* Esta máquina no debe ser utilizada por personas (incluidos niños) con capacidades físicas, sensoriales o mentales reducidas, o con falta de
experiencia y conocimientos.
* Al circular sobre rampas o pendientes, evite las paradas bruscas. Evite las curvas muy cerradas. Circule lentamente al bajar rampas. Si está
en una rampa, limpie sólo al bajar por ella (descendiendo).
* Mantenga las chispas, llamas y materiales de fumadores alejados de las baterías. Durante el funcionamiento normal se desprenden gases
explosivos.
* Al recargar las baterías se produce gas hidrógeno altamente explosivo. Recargue las baterías exclusivamente en zonas bien ventiladas,
lejos de llamas sin proteger. No fume mientras recarga las baterías.
* Quítese todas las joyas cuando trabaje cerca de componentes eléctricos.
* Apague el interruptor de contacto (O) y desconecte las baterías antes de realizar mantenimiento o reparaciones en los componentes
eléctricos.
* Nunca trabaje debajo de una máquina sin colocar antes bloques o soportes de seguridad que sostengan la máquina.
* No aplique sustancias limpiadoras infl amables ni utilice la máquina sobre estas sustancias o cerca de ellas, ni tampoco en zonas en las que
haya líquidos infl amables.
• No limpie esta máquina con una limpiadora a presión.
* Use solamente los cepillos suministrados junto con el aparato o aquellos especifi cados en el manual de instrucciones. El uso de otros
cepillos puede afectar negativamente a la seguridad.
¡PRECAUCIÓN!
• Esta máquina no ha sido aprobada para su uso en vías públicas.
* Esta máquina no es apta para la recogida de “polvos peligrosos”.
* No utilizar discos de escarifi cación ni piedras abrasivas. No se podrá responsabilizar a Clarke de daño alguno a las superfi cies de los suelos
causado por escarifi cadores o piedras abrasivas (también puede causar daños al sistema de tracción del cepillo).
* Cuando utilice la máquina, asegúrese de que no existe peligro para terceras personas, especialmente niños.
* Antes de realizar cualquier función de mantenimiento o reparación, lea con atención todas las instrucciones relativas a la misma.
* No abandone la máquina sin antes apagar el interruptor de contacto (O), retirar la llave y *aplicar* el freno de estacionamiento.
* Apague el interruptor de contacto (O) y quite la llave antes de cambiar los cepillos y antes de abrir cualquiera de los paneles de acceso.
* Tome las debidas precauciones para evitar que el pelo, las joyas o las prendas sueltas queden atrapados entre elementos en movimiento.
* Sea cauto al mover esta máquina con temperaturas bajo cero. El agua de la solución, los depósitos de recuperación o detergente y de las
tuberías puede congelarse, causando daños a las válvulas y accesorios. Limpie con limpiaparabrisas.
* Retire las baterías de la máquina antes de su desguace. Las baterías deben desecharse de forma segura, de acuerdo con la reglamentación
medioambiental local.
* No utilice la máquina en superfi cies con pendientes superiores a las indicadas en la máquina.
* Antes de utilizar la máquina, todas las puertas y cubiertas deberían estar colocadas como se indica en el manual de instrucciones.
* Esta máquina sólo debe utilizarse y almacenarse bajo techo.
GUARDE ESTAS INSTRUCCIONES

B - 4 Focus® II Rider - 56091040 5/12
INSTRUCCIONES DE USOB - ESPAÑOL
CONOZCA SU MÁQUINA
A lo largo de este manual encontrará números o letras en negrita entre paréntesis – por ejemplo: (2). Estos números se refi eren a una pieza o componente que se
muestra en estas páginas, a menos que se indique lo contrario. Consulte estas páginas siempre que lo necesite para localizar alguna pieza o componente citado
en el texto. NOTA: Consulte el manual de servicio para obtener explicaciones más detalladas de cada objeto ilustrado en las siguientes 4 páginas.
1 Asiento del operador
2 Tubo de vaciado del depósito de solución
3 Pedal motriz
4 Rueda motriz
5 Disyuntor de la rueda de tracción (70 A)
6 Disyuntor del circuito de control (10 A)
7 Parada de emergencia
8 Plataforma de limpieza
9 Rueda trasera
10 Cubierta de compartimento de las baterías
11 Conjunto de rasqueta
12 Cubierta de acceso al depósito de detergente (sólo para
modelos con detergente)
13 Depósito de detergente (sólo para los modelos con
detergente / no incluido)
14 Mandos de retirada de la plataforma de limpieza
15 Cargador de batería (opcional / bajo el asiento)
16 Manija de ajuste del asiento
17 Mando de ajuste de altura del faldón de la plataforma
18 Parachoques del rodillo frontal
1
23
4
5
6
7
8
9
10
11
13
14
14
12
15
17
18
17
16

5/12 B - 5 56091040 - Focus® II Rider
ESPAÑOL - BINSTRUCCIONES DE USO
CONOZCA SU MÁQUINA
19 Válvula de solenoide de la solución
20 Filtro de solución
21 Válvula de cierre de la solución
22 Panel de control
23 Volante
24 Tapa del depósito de recuperación
25 Flotador de cierre del depósito de recuperación
26 Cesta de fi ltro
27 Gancho de almacenamiento de la rasqueta
28 Tubo de vaciado del depósito de recuperación
29 Tubo de recuperación
30 Puntos de sujeción
31 Mando de ajuste de inclinación de la rasqueta
32 Pestillo de retirada de la hoja de la rasqueta trasera
33 Tuerca de mariposa de retirada de la hoja de la rasqueta delantera
34 Varilla de apoyo del asiento
35 Tapa de llenado del depósito de solución
36 Conector de las baterías de la máquina
37 Tubo de indicación visual de nivel del tanque de solución
19
20
21
22
23
24 25 26
27
28
31
34
35
32
14
17
30
30
30
29
33
36
37

B - 6 Focus® II Rider - 56091040 5/12
INSTRUCCIONES DE USOB - ESPAÑOL
PANEL DE CONTROL
A Interruptor de contacto
B LED de marcha atrás
C Interruptor de avance/marcha atrás
D Interruptor de reducción de velocidad
E Interruptor de aumento de velocidad
F Pantalla gráfi ca
F1 Indicador de intensidad del detergente (ver H)
F2 Indicador de mezcla de detergente
F3 Contador horario
F4 Indicador de batería
F5 Códigos de error
F6 Indicador de velocidad
F7 Indicador de batería baja
G Interruptor de claxon
H Símbolos de intensidad del
detergente
I Interruptor de reducción de
presión de los cepillos
J LEDs de presión de los cepillos
SUPERIOR = ALTO
MEDIO = INTERMEDIO
INFERIOR = BAJO
K Interruptor de aumento de presión
de los cepillos
L LED de encendido/apagado de
fregado
M Interruptor de encendido/apagado
de fregado
!
F
I
J
K
L
M
N
O
P
Q
R
SA
B
C
D
E
G
H
F2
F1
F3
F4
F5
F6
F7
TU
N LEDs de tasa de fl ujo de la solución
SUPERIOR = ALTO
MEDIO = INTERMEDIO
INFERIOR = BAJO
O Interruptor de control de la solución
P LED de encendido/apagado de aspiración
Q Interruptor de encendido/apagado de
aspiración
R LED de encendido/apagado de detergente
S Interruptor de control del detergente
T Símbolo de No lavar a presión
U Símbolo de Lea todas las instrucciones
antes de utilizar

5/12 B - 7 56091040 - Focus® II Rider
ESPAÑOL - BINSTRUCCIONES DE USO
BATERÍAS
Si su máquina se entrega con baterías instaladas, realice lo siguiente:
Compruebe que las baterías estén conectadas a la máquina (36).
Encienda el conmutador de llave (A) y compruebe el indicador de batería (F4). Si el indicador está completamente lleno, las baterías están listas para el
uso. Si el indicador no está lleno, las baterías deberían cargarse antes de la utilización. Consulte la sección “Recarga de las baterías”.
¡IMPORTANTE!: SI SU MÁQUINA ESTÁ EQUIPADA CON UN CARGADOR DE BATERÍA A BORDO, CONSULTE EL MANUAL DEL PRODUCTO OEM
PARA OBTENER INSTRUCCIONES SOBRE EL AJUSTE DEL CARGADOR PARA EL TIPO DE BATERÍA.
Si su máquina se entrega sin baterías instaladas, realice lo siguiente:
Consulte con su distribuidor autorizado de Clarke en cuanto a las baterías recomendadas.
Instale las baterías siguiendo las instrucciones indicadas a continuación.
NO instale dos baterías de 12 voltios en su máquina. Esto afectará a la estabilidad de la máquina.
¡IMPORTANTE!: SI SU MÁQUINA ESTÁ EQUIPADA CON UN CARGADOR DE BATERÍA A BORDO, CONSULTE EL MANUAL DEL PRODUCTO OEM
PARA OBTENER INSTRUCCIONES SOBRE EL AJUSTE DEL CARGADOR PARA EL TIPO DE BATERÍA.
INSTALACIÓN DE LAS BATERÍAS
¡ADVERTENCIA!
Tome las máximas precauciones cuando trabaje con las baterías. El ácido sulfúrico de las baterías puede causar daños graves si
entra en contacto con la piel o con los ojos. Desde el interior de las baterías se libera, a través de unas aperturas en las tapas de las
baterías, gas explosivo de hidrógeno. Este gas puede incendiarse con cualquier arco eléctrico, chispa o llama. Si el ácido de batería
entra en contacto con su piel, enjuague la zona afectada con agua durante 5 minutos y consulte a un médico.
Cuando maneja las baterías...
* Quítese todas las joyas.
* No fume.
* Lleve gafas de seguridad, delantal de goma y guantes de goma.
* Trabaje en una zona bien ventilada.
* No permita que las herramientas toquen simultáneamente más de un borne de la
batería.
* Al sustituir las baterías, desconecte SIEMPRE en primer lugar el cable (de tierra)
negativo para evitar chispas.
* Al instalar las baterías, conecte SIEMPRE el cable negativo al fi nal.
¡PRECAUCIÓN!
Los componentes eléctricos de esta máquina pueden dañarse
seriamente si las baterías no están instaladas o conectadas
correctamente. Las baterías deben ser instaladas por Advance o por un
electricista cualifi cado.
1 Apague (O) el interruptor de llave (A) y quite la llave. A continuación abra la tapa
del compartimento de las baterías (10) y ajuste la varilla de apoyo (34).
2 Con (2) personas y una correa de elevación apropiada, levante con cuidado las
baterías hasta la bandeja del compartimento, exactamente tal y como se muestra.
Consulte la disposición de cables de batería de la pegatina 56601416.
3 Consulte la fi gura 1. Instale los cables de las baterías tal y como se muestra y
apriete las tuercas de los bornes de las baterías.
4 Instale los manguitos de las baterías y apriételos bien a los cables de las baterías
con las correas de sujeción provistas.
5 Conecte el conector del conjunto de las baterías al conector de la máquina (36) y
cierre la tapa del compartimento de las baterías.
¡PRECAUCIÓN!
Cuando cambie las baterías o el cargador, consulte con su centro local
de servicios autorizado los valores correctos para la batería, el cargador
y la máquina, a fi n de evitar daños a la batería.
FIGURA 1
420Ah, 20 Hr. Rate

B - 8 Focus® II Rider - 56091040 5/12
INSTRUCCIONES DE USOB - ESPAÑOL
INSTALACIÓN DE LOS CEPILLOS (SISTEMA DE DISCO)
¡PRECAUCIÓN!
Apague el interruptor de contacto (O) y quite la llave antes de cambiar los cepillos y antes de abrir cualquiera de los paneles de
acceso.
1 Asegúrese de que la plataforma de limpieza se encuentre en la posición ELEVADA. Asegúrese de que el interruptor de contacto (A) está apagado (O).
2 Consulte la fi gura 2. Retire ambos conjuntos de faldones laterales. NOTA: Los faldones se mantienen en su sitio gracias a dos mandos grandes (AA).
Afl oje ambos mandos, deslice los conjuntos de faldones (AB) hacia delante ligeramente y luego hacia afuera, para sacarlos de la plataforma de limpieza.
3 Coloque un motor de disco o cepillo (AC) bajo la plataforma de limpieza.
4 Alinee las lengüetas en la suspensión cardánica del cepillo con las ranuras de la suspensión cardánica del motor (AD).
5 Levante el cepillo hasta que la suspensión cardánica se trabe.
6 Repita los pasos 3, 4 y 5 para instalar el segundo cepillo o motor del disco.
Para extraerla:
1 Asegúrese de que la plataforma de limpieza (8) se encuentre en posición ELEVADA. Asegúrese de que el interruptor de contacto (A) esté apagado (O).
2 Retire los conjuntos de faldillas laterales.
3 Empuje hacia abajo los dos lados del cepillo o el motor del disco, hasta que se liberen las suspensiones cardánicas.
FIGURA 2

5/12 B - 9 56091040 - Focus® II Rider
ESPAÑOL - BINSTRUCCIONES DE USO
INSTALACIÓN DE LAS BAYETAS (SISTEMA REV)
¡PRECAUCIÓN!
Apague el interruptor de contacto (O) y quite la llave antes de cambiar los cepillos y antes de abrir cualquiera de los paneles de
acceso.
1 Asegúrese de que la plataforma de limpieza se encuentre en la posición ELEVADA. Asegúrese de que el interruptor de contacto (A) está apagado (O).
2 Consulte la fi gura 3. Retire los conjuntos de faldillas laterales. NOTA: Los faldones se mantienen en su sitio gracias a dos mandos grandes (AA). Afl oje
ambos mandos, deslice los conjuntos de faldones (AB) hacia delante ligeramente y luego hacia afuera, para sacarlos de la plataforma de limpieza.
3 Presione una bayeta (AC) bajo las placas fl exibles, como se muestra.
NOTA: Debido al diseño de algunas bayetas, es posible que la bayeta no se adhiera bien al motor de bayeta fi jo cuando se lo presione a mano. En este
caso, después de posicionar la bayeta en el cabezal, baje la plataforma y opere la máquina durante un momento para fi jar la bayeta al motor. Esto sólo es
necesario si planea transportar la máquina luego de instalar la bayeta, para evitar que la bayeta se caiga.
FIGURA 3

B - 10 Focus® II Rider - 56091040 5/12
INSTRUCCIONES DE USOB - ESPAÑOL
INSTALACIÓN DE LA RASQUETA
1 Ver la Figura 4. Deslice en conjunto de la rasqueta (11) sobre la abrazadera de montaje de la rasqueta y apriete las tuercas de palomilla de montaje de la
rasqueta (AA).
2 Conecte el tubo de recuperación (AB) a la entrada de la rasqueta.
3 Baje la rasqueta, desplace la máquina hacia delante y ajuste la inclinación y la altura de la rasqueta utilizando el mando de ajuste de inclinación de la
rasqueta (31) y la rueda de altura de la rasqueta (AC), de manera que la hoja de la rasqueta trasera toque el suelo homogéneamente en toda su anchura y
se doble ligeramente como se muestra en la sección transversal de la rasqueta.
FIGURA 4
LLENADO DEL DEPÓSITO DE SOLUCIÓN
Lea la etiqueta del producto químico de limpieza y calcule la cantidad adecuada de producto químico que se debe mezclar para un depósito con capacidad de 31
galones de EE.UU. (120 litros).
Abra la tapa de llenado del depósito de solución (35) y llene 1/3 del depósito de agua. Añada el producto químico de limpieza y llene el depósito todo lo que
reste. NOTA: Las máquinas que utilizan detergente pueden utilizarse normalmente con detergente mezclado en el depósito o con el sistema de aplicación de
detergente. Cuando utilice el sistema de dosifi cación de detergente, no mezcle detergente en el depósito. Debe utilizar agua limpia.
¡PRECAUCIÓN!
Utilice únicamente detergentes líquidos no infl amables de bajo poder espumante que estén diseñados para aplicaciones de fregado
automático. La temperatura del agua no deberá superar los 130 grados Fahrenheit (55 grados Celsius).

5/12 B - 11 56091040 - Focus® II Rider
ESPAÑOL - BINSTRUCCIONES DE USO
PREPARACIÓN Y USO DEL SISTEMA DE DETERGENTE
INSTRUCCIONES COMUNES:
Consulte la fi gura 5. Presionar y soltar el interruptor de detergente (S) mientras está activo el sistema de solución hará que el sistema de detergente pase
por todas las mezclas disponibles de a una. Elimine del sistema el detergente utilizado anteriormente antes de cambiar a un detergente diferente. NOTA DE
SERVICIO: Desplace la máquina sobre un punto de drenaje en el suelo antes de eliminar el detergente porque saldrá una pequeña cantidad durante el proceso.
Purgar al cambiar productos químicos:
1 Desconecte y retire el depósito de detergente (13)
2 Encienda el interruptor de llave (A). Presione y mantenga presionado el interruptor de control de solución (O) y el interruptor de control de detergente (S)
durante 3 segundos. NOTA: Una vez activado, el proceso de purga dura unos 10 segundos. Por lo general, un solo ciclo de purga es sufi ciente para purgar
el sistema.
Mezcla de detergente:
1 La mezcla de detergente predeterminada de fábrica es 1:32. Cada vez que presione el interruptor de control de detergente (S) verá pasar las mezclas
disponibles (1:32, 1:50, 1:64, 1:100, 1:128, 1:150, 1:200, 1:256, 1:300, 1:400). Si presiona el interruptor una vez más después de 1:400, apagará el sistema
de detergente. El indicador de intensidad de detergente (F1) comienza bajo el símbolo de intensidad ROJO (H) cuando está en una mezcla de 1:32 y se
mueve hacia la izquierda a medida que se va pasando por las distintas mezclas y se llega al símbolo de intensidad VERDE (H) al llegar a la mezcla de
1:400. Si la máquina se apaga y se enciende, se recordará la última confi guración realizada.
INSTRUCCIONES PARA EL DETERGENTE:
Puede instalarse un depósito de detergente (13) detrás de la cubierta de acceso al depósito de detergente (12) en el compartimento del operador. Al instalar un
nuevo depósito, retire la tapa de fábrica y coloque el cartucho en la caja de detergente. Instale el adaptador (AA) y la tapa (AB) como se muestra.
FIGURA 5
13
AA
AB
A
O
S
F2
F1
H
F
Presione durante 3 segundos para
purgar

B - 12 Focus® II Rider - 56091040 5/12
INSTRUCCIONES DE USOB - ESPAÑOL
MANEJO DE LA MÁQUINA
¡ADVERTENCIA!
Asegúrese de que comprende los controles del operador y sus funciones.
Al circular sobre rampas o pendientes, evite las paradas bruscas. Evite las curvas muy cerradas. Circule lentamente al bajar rampas.
Si está en una rampa, limpie sólo al bajar por ella (descendiendo).
Para fregar...
Siga las instrucciones de la sección “Preparación de la máquina para el uso” de este manual.
1 Ver fi gura 6. Ajuste el asiento del operador (1) si es necesario inclinando el asiento y utilizando la perilla de ajuste del asiento (16).
2 Encienda el interruptor de llave (A) (I). Se encenderán las luces indicadoras del panel de control. Consulte el indicador de estado de las baterías (F4) antes
de proceder.
3 Para transportar la máquina a la zona de trabajo, primero presione el interruptor de avance / marcha atrás (C) para seleccionar “marcha atrás” si necesita
ir marcha atrás, y luego presione con el pie el pedal de tracción (3). El modo de marcha atrás se indica por el LED de marcha atrás (B), de color amarillo, y
una alerta audible de la bocina.
4 Presione y mantenga presionado el interruptor de control (O) para prehumedecer el suelo; mientras se mantenga presionado el interruptor, se dispensará
solución. NOTA: Esto ayuda a evitar la escarifi cación de la superfi cie del suelo cuando se empieza a fregar con cepillos secos. Esto sólo puede hacerse
antes de pulsar el interruptor de encendido/apagado del fregado (M).
5 Presione el interruptor de encendido/apagado del fregado (M); la plataforma de fregado y la rasqueta se bajarán automáticamente al suelo. Los sistemas de
fregado, aspiración, solución y detergente se ponen en marcha cuando se activa el pedal de tracción (3). NOTA: Si el detergente está apagado cuando la
máquina se apague, seguirá apagado cuando la máquina se encienda.
La presión de fregado volverá al nivel BAJO predeterminado (LED inferior de presión de cepillo (J) encendido). Use el interruptor de aumento de la presión
de cepillo (K) y el interruptor de reducción de la presión de cepillo (I) para pasar por los modos de fregado BAJO, INTERMEDIO y ALTO.
NOTA: La tasa de fl ujo de la solución puede cambiarse independientemente de la presión de fregado presionando el interruptor de control de solución (O).
NOTA: Los sistemas de fregado, solución, aspiración y detergente se activan automáticamente cuando se presiona el interruptor de encendido/apagado del
fregado (M). El sistema de aspiración puede apagarse o volver a encenderse con sólo pulsar su interruptor (Q) en cualquier momento durante el fregado.
El sistema de solución sólo puede apagarse pasando por todas las tasas de fl ujo hasta que ningún LED (N) esté encendido. El sistema de fregado puede
apagarse pulsando el interruptor de encendido/apagado de fregado (M). El sistema de detergente sólo puede apagarse pasando por todas las mezclas de
detergente hasta la última, 1:400, y luego presionando el interruptor de control de detergente (S) una vez más.
NOTA: cuando se usa la máquina marcha atrás, la rasqueta se eleva automáticamente.
6 Empiece a fregar avanzando en línea recta a una velocidad de paseo normal, y solape cada trayectoria 50-75 mm. Ajuste la velocidad de la máquina, la
presión de fregado y el fl ujo de la solución cuando sea necesario según el estado del suelo. NOTA: La velocidad máxima puede modifi carse presionando el
interruptor de aumento de velocidad (E) o el interruptor de reducción de velocidad (D), lo cual será indicado en el indicador de velocidad (F6).
¡PRECAUCIÓN!
Para evitar dañar el piso, sólo arranque y detenga la función de fregado mientras la máquina esté en movimiento.
7 Cuando friegue, compruebe de vez en cuando que detrás de la máquina se está recogiendo el agua residual. Si queda agua en la trayectoria de la máquina,
puede que esté aplicando demasiada solución, que el depósito de recuperación esté lleno o que la rasqueta necesite un ajuste.
8 Para los pisos muy sucios, puede que una operación de fregado de una sola pasada no sea sufi ciente y que se necesite un “doble fregado”. Esta operación
es la misma que el fregado de un solo pase, salvo que en el primer pase la rasqueta está en la posición levantada (pulse el interruptor de encendido/
apagado de aspiración (Q) para levantar la rasqueta). Esto permite que la solución de limpieza permanezca en el suelo y actúe más tiempo. La última
pasada se hace en la misma zona, con la rasqueta bajada para recoger la solución acumulada.
9 El depósito de recuperación tiene fl otador de apagado (25) que modifi ca la altura en el motor de aspiración. Hay que vaciar el depósito de recuperación
cuando se activa este fl otador. La máquina no recogerá el agua si el fl otador está activado.
10 Cuando el operador desee dejar de fregar:
Presione el interruptor de encendido/apagado de fregado (M) una vez. Esto detendrá automáticamente los cepillos de fregado y el fl ujo de solución, y la
plataforma de limpieza se elevará. La rasqueta se levantará y la aspiración se detendrá tras un breve intervalo de tiempo (esto es así para que se pueda
recoger el agua que haya podido quedar sin tener que volver a encender la aspiración).
11 Conduzca la máquina a un LUGAR establecido para la ELIMINACIÓN de aguas residuales y vacíe el depósito de recuperación. Para vaciar, tire del tubo
de vaciado del depósito de recuperación (28) para sacarla de su zona de almacenamiento en la parte trasera, y, a continuación, retire el tapón (sostenga el
extremo del tubo por encima del nivel de agua para evitar la salida súbita e incontrolada de agua residual). Inspeccione y vacíe la canasta del fi ltro (26) del
depósito de recuperación. Vuelva a llenar el depósito de solución y siga fregando.
NOTA: Asegúrese de que la tapa del depósito de recuperación (24) y el tapón del tubo de vaciado del depósito de recuperación (28) estén bien asentados o la
máquina no recogerá el agua correctamente.
Cuando sea necesario recargar las baterías, se encenderá el indicador de batería baja (F7). Luego se detendrán los cepillos de fregado y el fl ujo de solución, y la
plataforma de limpieza se elevará. La rasqueta se elevará tras un breve intervalo de tiempo y la aspiración se detendrá tras un breve intervalo de tiempo. Lleve la
máquina a una zona de mantenimiento y recargue las baterías de acuerdo con las instrucciones de la sección de baterías de este manual.

5/12 B - 13 56091040 - Focus® II Rider
ESPAÑOL - BINSTRUCCIONES DE USO
USO DE LA VARILLA
Pasos a seguir para conectar a la máquina accesorios opcionales para utilizar la varilla.
1 Ver fi gura 6. Desconecte el tubo de recuperación (29) de la rasqueta (11). Conecte el tubo del kit de la varilla al tubo de recuperación.
2 Acople al tubo las herramientas de recogida adecuadas. (Hay disponible un kit de varilla opcional PN56601087 de Clarke).
3 Encienda el interruptor de contacto (A) y pulse el interruptor de encendido/apagado de aspiración (Q). NOTA: El operador no puede estar en el asiento para
que el/los motor(es) de aspiración funcione(n). El/Los motor(es) de aspiración funcionará(n) continuamente hasta que se vuelva a presionar el interruptor. El
fl otador detendrá el líquido que fl uye al depósito de recuperación cuando esté activado.
FIGURA 6
!
11 29
28
3
AB
C
D
E
G
I
J
K
L
M
N
O
P
Q
R
S
F
16
HF7
F3
F4
F2
F6
24
1

B - 14 Focus® II Rider - 56091040 5/12
INSTRUCCIONES DE USOB - ESPAÑOL
DESPUÉS DE LA UTILIZACIÓN
1 Cuando acabe de fregar, pulse el interruptor de encendido/apagado del fregado (M); esto hará que se eleven, se retraigan y se detengan todos los sistemas
de la máquina (cepillo, rasqueta, aspiración, solución y detergente). A continuación conduzca la máquina a la zona de mantenimiento para el mantenimiento
diario y la revisión de otros servicios necesarios.
2 Para vaciar el depósito de la solución:
Retire el tubo de drenaje de la solución (2) de su sujeción de almacenamiento. Dirija el tubo al lugar establecido para la eliminación de residuos y retire el
tapón. Enjuague el depósito con agua limpia.
3 Para vaciar el depósito de recuperación, retire el tubo de vaciado del depósito de recuperación (28) de su zona de almacenamiento. Dirija el tubo al lugar
establecido para la eliminación de residuos y desatornille el tapón (sostenga el extremo del tubo por encima del nivel de agua en el depósito para evitar
un fl ujo súbito e incontrolado de agua residual). Inspeccione y vacíe la canasta del fi ltro (26) del depósito de recuperación. Enjuague el depósito con agua
limpia.
4 Retire los cepillos o los portabayetas. Aclare los cepillos o las bayetas con agua templada y tiéndalos para que sequen.
5 Retire la rasqueta y aclárela con agua templada. Abra la cubierta del depósito de recuperación y cuelgue la rasqueta de dicho depósito utilizando el gancho
para almacenamiento de la rasqueta (27).
6 Compruebe el programa de mantenimiento que viene a continuación y realice cualquier operación de mantenimiento necesaria antes de guardar la máquina.
7 Almacene la máquina en un lugar interior, limpio y seco. Protéjala frente a la congelación. Deje los depósitos abiertos para airearlos.
8 Apague (O) el interruptor de llave (A) y quite la llave.
PROGRAMA DE MANTENIMIENTO
OPERACIÓN DE MANTENIMIENTO Diario Semanal Mensual Anual
Recarga de baterías X
Limpiar e inspeccionar depósitos y tubos X
Comprobar, limpiar y girar los cepillos y las bayetas X
Comprobar y limpiar la rasqueta X
Limpiar e inspeccionar el fl otador de cierre de la aspiración X
Vacíe/limpie el fi ltro de la cesta en el depósito de recuperación. X
Comprobar el nivel de agua de todas las celdas de las baterías X
Inspeccionar las faldillas contenedoras de fregado X
Inspeccionar y limpiar el fi ltro de la solución X
Sistema de purga de detergente X
Lubricación de la máquina X
*Verifi car los cepillos de carbono X
* Haga que el Centro de Servicio Autorizado de Clarke revise las escobillas de carbono del motor de aspiración una vez al año o transcurridas 300 horas de
funcionamiento. Se debe revisar las escobillas de carbono de los motores de tracción y fregado cada 500 horas o una vez al año.
• Se espera que los aislantes duren por 250-1.000 horas dependiendo de la aplicación.
• Reemplace los aislantes inferiores anualmente o después de cada 250 horas, lo que suceda primero.
LUBRICACIÓN DE LA MÁQUINA – FIGURA 7
Engrasar los accesorios (o aplicar grasa a) (AA):
• Cadena de dirección
• Roscas del botón de ajuste del ángulo de bancada de la rasqueta
• Mandos de ajuste de altura del faldón lateral
Una vez al mes, aplique aceite ligero de máquina para lubricar lo siguiente (BB):
• Puntos de pivotaje generales para la rasqueta y la bieleta de la plataforma de limpieza.
FRENO ELECTROMAGNÉTICO
Consulte la fi gura 8. La rueda motriz (4) tiene un freno
electromagnético integrado que se activa siempre que el conmutador
de llave (A) esté apagado o el pedal de tracción (3) esté en la posición
neutra. Este freno puede desactivarse manualmente cuando sea
necesario insertando un destornillador mediano o grande detrás de la
brida (AA) como se muestra. Esto sólo debe realizarse en caso de que
necesite empujar o tirar de la unidad.
FIGURA 8
7/12

5/12 B - 15 56091040 - Focus® II Rider
ESPAÑOL - BINSTRUCCIONES DE USO
FIGURA 7

B - 16 Focus® II Rider - 56091040 5/12
INSTRUCCIONES DE USOB - ESPAÑOL
RECARGA DE BATERÍAS HÚMEDAS
Recargue las baterías cada vez que se utilice la máquina o cuando el indicador de batería (F4) presente un nivel inferior al de carga completa.
¡ADVERTENCIA!
No rellene las baterías antes de recargarlas. Verifi que que sólo las placas estén cubiertas.
Recargue las baterías exclusivamente en una zona bien ventilada. Si el ácido de batería entra en contacto con su piel, enjuague la zona afectada
con agua durante 5 minutos y consulte a un médico.
No fume mientras maneja las baterías.
Cuando maneja las baterías...
* Quítese todas las joyas.
* No fume.
* Lleve gafas de seguridad, un delantal de goma y guantes de goma
* Trabaje en una zona bien ventilada.
* No permita que las herramientas toquen simultáneamente más de un borne de la batería.
* Al sustituir las baterías, desconecte SIEMPRE en primer lugar el cable (de tierra) negativo para evitar chispas.
* Al instalar las baterías, conecte SIEMPRE el cable negativo al fi nal.
Si su máquina está equipada con cargador de baterías a bordo, realice lo siguiente:
Apague el interruptor de llave (A). Abra el compartimento de las baterías (10) para establecer una ventilación adecuada. Desenrolle el cable eléctrico del lado del cargador de a bordo y enchúfelo
en una toma de corriente con la puesta a tierra adecuada. Consulte el manual del producto OEM para obtener instrucciones de funcionamiento más detalladas.
Si su máquina se envió sin cargador de baterías a bordo, realice lo siguiente:
Abra el compartimento de las baterías (10) y ajuste la varilla de apoyo (34). Desconecte las baterías de la máquina e introduzca el conector del cargador en el conector del conjunto de baterías
(36). Siga las instrucciones que aparecen encima del cargador de las baterías. NOTA DE SERVICIO: Asegúrese de que enchufa el cargador de baterías en el conector que se acopla a las
baterías.
¡PRECAUCIÓN!
Para evitar daños a la superfi cie del suelo, limpie siempre el agua y el ácido de la parte superior de las baterías después de la recarga. Una
recarga insufi ciente o excesiva reducirá la vida útil de la batería y limitará sus prestaciones. ¡Asegúrese de SEGUIR AL PIE DE LA LETRA LAS
INSTRUCCIONES DE RECARGA!
COMPROBACIÓN DEL NIVEL DE AGUA DE LAS BATERÍAS
Compruebe el nivel de agua de las baterías al menos una vez a la semana.
Retire las tapas de ventilación y verifi que el nivel de agua de cada celda de la batería. Utilice agua destilada o desmineralizada en un dispensador de relleno de baterías (disponible en la mayoría
de las tiendas de materiales para coches) para llenar todas las celdas hasta el indicador de nivel (o hasta 10 mm por encima de la parte superior de los separadores). ¡NO rellene demasiado las
baterías!
¡PRECAUCIÓN!
Si las baterías están demasiado llenas se puede salpicar ácido al suelo.
Apriete las cubiertas de ventilación. Limpie las partes superiores de las baterías con una solución de levadura química y agua (2 cucharadas de levadura química en 1 litro de agua).
RECARGA DE BATERÍAS DE GEL/AGM (VRLA)
Recargue las baterías cada vez que se utilice la máquina o cuando el indicador de batería (F4) presente un nivel inferior al de carga completa.
¡ADVERTENCIA!
Recargue las baterías exclusivamente en una zona bien ventilada. Si el ácido de batería entra en contacto con su piel, enjuague la zona afectada
con agua durante 5 minutos y consulte a un médico.
No fume mientras maneja las baterías.
Cuando maneja las baterías...
* Quítese todas las joyas.
* No fume.
* Lleve gafas de seguridad, un delantal de goma y guantes de goma
* Trabaje en una zona bien ventilada.
* No permita que las herramientas toquen simultáneamente más de un borne de la batería.
* Al sustituir las baterías, desconecte SIEMPRE en primer lugar el cable (de tierra) negativo para evitar chispas.
* Al instalar las baterías, conecte SIEMPRE el cable negativo al fi nal.
¡PRECAUCIÓN!
La batería de plomo ácido con regulación de tensión (VRLA) ofrece una vida útil y unas prestaciones superiores ¡SÓLO SI SE RECARGA
CORRECTAMENTE! Una recarga insufi ciente o excesiva reducirá la vida útil de la batería y limitará sus prestaciones. ¡Asegúrese de SEGUIR AL
PIE DE LA LETRA LAS INSTRUCCIONES DE RECARGA! ¡NO INTENTE ABRIR ESTA BATERÍA! Si la batería VRLA se abre, pierde su presión y
las placas se contaminan de oxígeno. LA GARANTÍA QUEDA ANULADA SI LA BATERÍA SE ABRE.
Si su máquina está equipada con cargador de baterías a bordo, realice lo siguiente:
Apague el interruptor de llave (A). Abra el compartimento de las baterías (10) para establecer una ventilación adecuada. Desenrolle el cable eléctrico del lado del cargador de a bordo y enchúfelo
en una toma de corriente con la puesta a tierra adecuada. Consulte el manual del producto OEM para obtener instrucciones de funcionamiento más detalladas.
Si su máquina se envió sin cargador de baterías a bordo, realice lo siguiente:
Abra el compartimento de las baterías (10) y ajuste la varilla de apoyo (34). Desconecte las baterías de la máquina e introduzca el conector del cargador en el conector del conjunto de baterías
(36). Siga las instrucciones que aparecen encima del cargador de las baterías. NOTA DE SERVICIO: Asegúrese de que enchufa el cargador de baterías en el conector que se acopla a las
baterías.
IMPORTANTE: Asegúrese de que dispone de un cargador adecuado para su uso con baterías de celdas de gel. Utilice únicamente cargadores de “regulación de tensión” o de
“limitación de tensión”. NO DEBEN utilizarse cargadores de corriente variable o de corriente constante estándar. Se recomienda el uso de un cargador sensible a la temperatura,
dado que los ajustes manuales nunca son precisos y dañarán cualquier batería VRLA.

5/12 B - 17 56091040 - Focus® II Rider
ESPAÑOL - BINSTRUCCIONES DE USO
MANTENIMIENTO DE LA RASQUETA
Si la rasqueta deja bandas estrechas de agua, puede que las hojas estén sucias o dañadas. Retire la rasqueta, aclárela con agua tibia e inspeccione las hojas.
Invierta las hojas o sustitúyalas si están cortadas, rasgadas, onduladas o desgastadas.
Para invertir o sustituir la hoja secadora de la rasqueta trasera...
1 Consulte la fi gura 9. Eleve la rasqueta del suelo y a continuación abra el pestillo de retirada de la hoja de la rasqueta trasera (32) en la rasqueta
2 Retire la correa de tensión (AA).
3 Deslice la hoja posterior para sacarla de las clavijas de alineación.
4 La hoja de la rasqueta tiene 4 bordes de trabajo. Gire la hoja de manera que un borde limpio e intacto apunte hacia la parte frontal de la máquina. Sustituya
la hoja si los 4 bordes están mellados, rotos o desgastados al mínimo.
5 Instale la hoja siguiendo los pasos en orden inverso y ajuste la inclinación de la rasqueta (31).
Para invertir o sustituir la hoja de la rasqueta delantera...
1 Eleve el conjunto de rasqueta del suelo y a continuación suelte las (2) tuercas de mariposa (AB) de la parte superior de la rasqueta, y retire el conjunto de
rasqueta del montaje.
2 Retire la tuerca de mariposa de retirada de la hoja de rasqueta delantera (33), y luego retire la correa de tensión y la hoja (AC).
3 La hoja de la rasqueta tiene 4 bordes de trabajo. Gire la hoja de manera que un borde limpio e intacto apunte hacia la parte frontal de la máquina. Sustituya
la hoja si los 4 bordes están mellados, rotos o desgastados al mínimo.
4 Instale la hoja siguiendo los pasos en orden inverso y ajuste la inclinación de la rasqueta.
AJUSTE DE LA RASQUETA
Hay dos ajustes posibles de la rasqueta: inclinación y altura.
Ajuste la inclinación de la rasqueta siempre que sustituya o invierta la hoja o cuando la rasqueta no deje seco el suelo.
1 Aparque la máquina en una superfi cie plana e igualada y baje la rasqueta. A continuación lleve la máquina hacia delante hasta que las hojas de la rasqueta
se plieguen hacia la parte trasera.
2 Ajuste la inclinación y la altura de la rasqueta utilizando el mando de ajuste de inclinación de la rasqueta (31) y la rueda de altura de la rasqueta (AD), de
manera que la hoja de la rasqueta trasera toque el suelo homogéneamente en toda la anchura y se doble ligeramente como se muestra en la sección
transversal de la rasqueta.
FIGURA 9
AA
AB
AD 31
32
1 2
3
4
33
AC

B - 18 Focus® II Rider - 56091040 5/12
INSTRUCCIONES DE USOB - ESPAÑOL
MANTENIMIENTO DEL FALDÓN LATERAL
La función de los faldones laterales es canalizar el agua residual hacia la rasqueta, lo que ayuda a mantener el agua dentro de la trayectoria de limpieza de la
máquina. Durante el uso normal las hojas se gastarán con el tiempo. El operador verá que una pequeña cantidad de agua sale por debajo de los faldones laterales.
Puede realizarse fácilmente un ajuste de la altura para bajar las hojas, de manera que la rasqueta pueda recoger toda el agua.
Para invertir o sustituir el/los faldón/faldones laterales del sistema de fregado.
1 Consulte la fi gura 10. Afl oje los (2) mandos para retirar el faldón lateral de la plataforma (14) (2 por cada lado) y tire de los conjuntos de los faldones (AA)
ligeramente hacia delante (sólo del disco y BOOST), y luego sáquelos de la plataforma de limpieza.
2 Retire todo el material que mantiene las hojas en los alojamientos de los faldones.
3 Los faldones laterales tienen 2 bordes funcionales. Gire los faldones para que haya un borde limpio y sin daños mirando hacia dentro. Sustituya los faldones
como un conjunto si están mellados, rotos o desgastados hasta tal punto que no puedan ajustarse.
4 Vuelva a instalar los conjuntos de los alojamientos de los faldones en la máquina, y ajuste el faldón para que haga un buen contacto con el suelo cuando la
plataforma de fregado esté en posición de fregado.
AJUSTE DE ALTURA DEL FALDÓN LATERAL
1 Consulte la fi gura 10. Los pernos del retén del mando del alojamiento del faldón lateral tienen mandos de ajuste de la altura del faldón de la plataforma (17)
que deben elevarse o bajarse para compensar el desgaste del faldón.
2 Para ajustarlos, retire los conjuntos de faldón (AA) de la plataforma de fregado (AB) para acceder a los mandos de ajuste de la altura del faldón de la
plataforma (17). Consejo para el ajuste: Los mandos de ajuste de altura del faldón de la plataforma (14) pueden afl ojarse con los faldones colocados, y los
mandos de ajuste de altura del faldón de la plataforma (17) pueden rotarse bajo el alojamiento de los faldones.
Gire los mandos de ajuste de altura del faldón de la plataforma 3 (17) (arriba o abajo) justo hasta donde las hojas se plieguen al fregar, de manera que toda el
agua residual se quede dentro de los faldones. NOTA: Realice pequeños ajustes para obtener un buen secado de los faldones. No baje los faldones hasta el
punto en que se plieguen excesivamente y sufran un desgaste innecesario.
FIGURA 10
Se muestra el disco. Igual procedimiento para BOOST.
AA
17
14
AB

5/12 B - 19 56091040 - Focus® II Rider
ESPAÑOL - BINSTRUCCIONES DE USO
SOLUCIÓN DE PROBLEMAS GENERALES DE LA MÁQUINA
Problema Posible causa Solución
Recogida escasa del agua
Hojas de la rasqueta gastadas o desgarradas Invierta o sustituya las cuchillas
Rasqueta (11) mal ajustada
Ajuste la rasqueta de manera que los faldones
toquen el suelo de manera uniforme
en toda su anchura
Depósito de recuperación lleno Vacíe el depósito de recuperación
Fuga del tubo de vaciado del depósito de
recuperación (28)
Sujete la tapa de la tubería de drenaje o
sustitúyala
Fuga en la junta de la tapa del tanque de
recuperación (24)
Sustituya la junta / Asiente correctamente la
tapa
Residuos atrapados en la rasqueta (11) Limpie el conjunto de rasqueta
Tubo de recuperación (29) obstruido Retire los residuos
Uso de demasiada solución Ajuste el fl ujo de la solución en el panel de
control
Fregado poco efi caz
Cepillo o bayeta desgastados Rote o sustituya los cepillos
Tipo de cepillo o bayeta incorrecto Consulte a Clarke
Limpiador químico incorrecto Consulte a Clarke
Movimiento demasiado rápido de la máquina. Reduzca la velocidad.
No se está utilizando sufi ciente solución. Aumente el fl ujo de la solución en el panel de
control
Flujo de solución inadecuado o
inexistente
Depósito de solución vacío Llene el depósito de solución
Tuberías, válvulas, fi ltro o canal de la solución
(20) obstruidos Lave las tuberías y limpie el fi ltro de solución
Válvula de cierre de la solución (21) cerrada Abra la válvula de cierre de la solución
Válvula de solenoide de la solución (19) Limpie o sustituya la válvula
La máquina no enciende
Conector de las baterías de la máquina (36)
desconectado Vuelva a conectar los conectores de las baterías
Conmutador de seguridad del asiento del
operador Compruebe si existe un cortocircuito y sustituya
Controlador principal del sistema
Compruebe los códigos de error
(hable con un Centro de Servicios Autorizado
de Clarke)
Disyuntor de 10 A (6) saltado Compruebe si existe un cortocircuito eléctrico y
reinicie
Ausencia de tracción de las ruedas
marcha adelante/atrás
Interruptor de parada de emergencia (7) saltado Restablezca el interruptor de parada de
emergencia
Controlador de velocidad del sistema de tracción
Compruebe los códigos de error
(hable con un Centro de Servicios Autorizado
de Clarke)
Disyuntor de 70 A (5) saltado Compruebe si se ha producido una sobrecarga
del motor de tracción
No hay fl ujo de detergente
Depósito de detergente (13) vacío Llene el depósito de detergente
Línea de fl ujo de detergente obstruida o torcida Purgue el sistema, enderece las líneas para
eliminar pliegues
Bomba de detergente Revise la bomba y las líneas (puede requerir
cebado)

B - 20 Focus® II Rider - 56091040 5/12
INSTRUCCIONES DE USOB - ESPAÑOL
ESPECIFICACIONES TÉCNICAS (según la instalación y las pruebas de la unidad)
Modelo Focus II 28 D Focus II 28 B Focus II 34 D
Focus II 28 D OBC Focus II 28 B OBC Focus II 34 D OBC
Nº de modelo 56114000 56114003 56114002
56114010 56114009 56114001
Tensión, baterías V 24V 24V 24V
Capacidad de la batería Ah 238 238 238
Grado de protección IPX3 IPX3 IPX3
Nivel de presión sonora
IEC 60335-2-72: 2002, enmienda 1:2005, ISO 11201 dB (A) 68.3dB LpA, 3dB KpA 68.6dB LpA, 3dB KpA 68.3dB LpA, 3dB KpA
Peso bruto lbs / kg 1,328/602 1,371/622 1,328/602
Peso vacío lbs / kg 547/248 590/267 547/248
Carga máxima en suelo de rueda (frontal central) psi / N/mm2152 / 1.05 152 / 1.05 152 / 1.05
Carga máxima en suelo de rueda (posterior derecha) psi / N/mm2193 / 1.33 193 / 1.33 193 / 1.33
Carga máxima en suelo de rueda (posterior
izquierda) psi / N/mm2154 / 1.06 154 / 1.06 154 / 1.06
Vibraciones en los controles manuales (ISO 5349-1) m/s2.181 .386 .181
Vibraciones en el asiento (EN 1032) m/s20.014 0.132 0.014
Inclinación en transporte 12.5% (7.1°) 12.5% (7.1°) 12.5% (7.1°)
Inclinación en limpieza 7.9% (4.5°) 7.9% (4.5°) 7.9% (4.5°)
OBC = Cargador a bordo (IE: Focus II 28 D OBC)
Composición del material y reciclaje
Tipo % del peso de la máquina % reciclable
Aluminio 5% 100%
Eléctrico / motores / misc. 19% 28%
Metales ferrosos 35% 100%
Arneses / cables 4% 81%
Líquidos 0% 0%
Plástico – no reciclable 9% 0%
Plástico – reciclable 2% 100%
Polietileno 26% 92%
Goma 1% 29%

C - 2 Focus® II Rider - 56091040 5/12
MODE D‘ EMPLOIC - FRANÇAIS
TABLE DES MATIÈRES
Page
Introduction ..........................................................................................................C-2
Avertissements ....................................................................................................C-3
Apprenez à connaître votre machine .........................................................C-4 – C-5
Panneau de commande ......................................................................................C-6
Préparation de la machine
Installation des batteries ......................................................................................C-7
Installation des brosses ..............................................................................C-8 - C-9
Installation de la raclette ....................................................................................C-10
Remplissage du réservoir de solution ...............................................................C-10
Système de détergent .......................................................................................C-11
Fonctionnement de la machine
Lavage ....................................................................................................C-12 - C-13
Aspiration humide ...................................................................................C-12 - C-13
Après l’utilisation ................................................................................................C-14
Programme d’entretien ......................................................................................C-14
Lubrifi cation de la machine .....................................................................C-14 - C-15
Chargement des batteries (humides) ................................................................C-16
Vérifi cation du niveau d’eau de la batterie .........................................................C-16
Chargement des batteries (sèches) ..................................................................C-16
Entretien de la raclette .......................................................................................C-17
Réglage de la raclette ........................................................................................C-17
Entretien de la bavette latérale ..........................................................................C-18
Réglage de la hauteur de la bavette latérale .....................................................C-18
Dépannage ........................................................................................................C-19
Spécifi cations techniques ..................................................................................C-20
INTRODUCTION
Ce manuel d’utilisation vous permettra d’exploiter au maximum les fonctionnalités de votre laveuse à conducteur porté Clarke. Lisez-le attentivement avant
d’utiliser la machine.
Note : les chiffres en gras entre parenthèses indiquent que la pièce fi gure sur les illustrations des pages C-4 à C-6.
Cette machine convient uniquement à une utilisation commerciale, comme dans les hôtels, écoles, hôpitaux, usines, magasins, bureaux et entreprises de location.
La laveuse Focus II Rider est une machine de lavage des sols alimentée par une batterie.
PIÈCES ET SERVICE APRÈS-VENTE
Les réparations nécessaires doivent être effectuées par votre centre de service agréé Clarke. Ce dernier emploie du personnel formé en usine et maintient un
inventaire de pièces de rechange et d’accessoires Clarke d’origine.
Pour tout entretien ou réparation, contactez votre REVENDEUR CLARKE. Veuillez préciser les numéros de modèle et de série de votre machine dans toute
communication.
MODIFICATIONS
Les modifi cations et ajouts d’éléments à la machine de lavage, qui affectent ses capacités et son fonctionnement sécurisé, ne doivent pas être réalisés sans le
consentement préalable et écrit de Nilfi sk-Advance Inc. Toute altération non approuvée annulera la garantie de la machine. En outre, le client sera entièrement
responsable des accidents associés.
PLAQUE D’IDENTIFICATION
Les numéros de modèle et de série fi gurent sur la plaque d’identifi cation de votre machine. Ces informations sont nécessaires pour commander des pièces
détachées. Utilisez l’espace ci-dessous pour consigner ces renseignements en vue d’une utilisation ultérieure.
NUMÉRO DE MODÈLE __________________________________________________
NUMÉRO DE SÉRIE ____________________________________________________
DÉBALLAGE DE LA MACHINE
Lors de la livraison de la machine, veuillez inspecter soigneusement l’emballage et la machine afi n de déceler tout dommage éventuel. En cas de dommage
manifeste, conservez le carton de conditionnement (au besoin) afi n d’en permettre l’inspection. Prenez immédiatement contact avec le service clientèle de Clarke
afi n de faire une déclaration de dégât de fret. Veuillez consulter la fi che d’instruction de déballage livrée avec la machine afi n d’enlever la machine de la palette.
AVERTISSEMENT !
Les Produits vendus avec le présent manuel contiennent ou peuvent contenir des produits chimiques reconnus par certains gouvernements (comme l’État
de Californie, par le biais de la proposition de loi d’avertissement réglementaire 65) comme provoquant des cancers, des anomalies congénitales et autres
dangers pour la reproduction. Dans certains endroits (comme l’État de Californie), les acheteurs de ces Produits, qui les utilisent sur un lieu de travail ou dans
un espace public, ont l’obligation d’apposer certains avis, avertissements ou informations concernant les produits chimiques qui sont ou peuvent être contenus
dans les Produits dans ces lieux ou aux alentours de ces lieux de travail. Il incombe à l’acheteur de connaître les dispositions de, et de respecter, toutes les lois
et réglementations ayant attrait à l’utilisation de ces Produits au sein de tels environnements. Le Fabricant rejette toute responsabilité d’informer les acheteurs
concernant les exigences spécifi ques qui peuvent s’appliquer à l’utilisation de ces Produits dans de tels environnements.

5/12 C - 3 56091040 - Focus® II Rider
FRANÇAIS - CMODE D‘ EMPLOI
AVERTISSEMENTS
SYMBOLES
Les symboles reproduits ci-dessous sont utilisés par Clarke pour attirer l’attention de l’opérateur sur des situations potentiellement dangereuses. Il
est donc conseillé de les lire attentivement et de prendre les mesures adéquates en vue de protéger le personnel et les biens.
DANGER !
Utilisé pour mettre en garde contre les dangers immédiats pouvant entraîner des blessures graves, voire un décès.
AVERTISSEMENT !
Utilisé pour attirer l’attention sur une situation susceptible d’entraîner des blessures graves.
ATTENTION !
Utilisé pour attirer l’attention sur une situation qui pourrait entraîner des blessures minimes ou des dommages mineurs de la machine ou autres
biens.
Veuillez lire l’ensemble des instructions avant d’utiliser la machine.
CONSIGNES GÉNÉRALES DE SÉCURITÉ
Les consignes spécifi ques de prudence et de sécurité mentionnées dans ce document ont pour but de vous informer sur les risques potentiels de
dommages matériels ou de blessures physiques.
AVERTISSEMENT !
* Cette machine doit être utilisée uniquement par un personnel parfaitement qualifi é et autorisé.
* L’utilisation de cette machine n’est pas destinée aux personnes (notamment les enfants) qui souffrent de capacités physiques, sensorielles
ou mentales diminuées, ou d’un manque d’expérience et de connaissances.
* Évitez les arrêts soudains lorsque la machine se trouve sur des rampes ou des pentes. Évitez les virages serrés. Adoptez une vitesse réduite
lorsque la machine est en descente. Ne nettoyez les sols que lorsque la machine est en descente.
* Éloignez les batteries de toute fl amme, étincelle ou substance fumigène. Des gaz explosifs sont dégagés lors du fonctionnement normal.
* De plus, du gaz hydrogène explosif s’échappe des batteries lorsqu’elles sont en charge. Procédez au chargement des batteries uniquement
dans une zone bien aérée, loin de toute fl amme nue. Ne fumez pas à proximité des batteries lorsqu’elles sont en charge.
* Enlevez tous vos bijoux lorsque vous travaillez à proximité de composants électriques.
* Placez l’interrupteur principal en position d’arrêt (O) et débranchez les batteries avant de procéder à l’entretien des composants électriques.
* Ne travaillez jamais sous une machine sans avoir placé au préalable des blocs de sécurité ou des étais pour soutenir la machine.
* Ne déversez pas des produits nettoyants infl ammables, ne faites pas fonctionner la machine sur ou à proximité de tels produits ou dans des
zones contenant des liquides infl ammables.
* Ne nettoyez pas cette machine avec un nettoyeur à haute pression.
* Utilisez uniquement les brosses fournies avec l’appareil ou celles spécifi ées dans le manuel d’utilisation. L’utilisation d’autres brosses peut
mettre la sécurité en péril.
ATTENTION !
* Cette machine n’est pas conçue pour une utilisation sur les voies publiques.
* Cette machine n’est pas conçue pour le ramassage des poussières dangereuses.
* N’utilisez pas de disques de scarifi cateur ni de meules. Clarke ne pourra en aucun cas être tenu pour responsable des dommages
occasionnés à vos sols par ce type d’équipement (vous risquez également d’endommager le système d’entraînement des brosses).
* Lors de l’utilisation de cette machine, assurez-vous que les autres personnes, et notamment les enfants, ne courent aucun risque.
* Avant de procéder à toute opération d’entretien, veuillez lire attentivement toutes les instructions qui s’y rapportent.
* Ne laissez pas la machine sans surveillance sans avoir, au préalable, placé l’interrupteur principal en position d’arrêt (O), enlevé la clé de
contact et actionné le frein à main.
* Tournez l’interrupteur principal en position d’arrêt (O) et enlevez la clé avant de remplacer les brosses et d’ouvrir un panneau d’accès.
* Prenez toutes les mesures nécessaires pour éviter que des cheveux, bijoux ou vêtements amples ne soient entraînés dans les parties
mobiles de la machine.
* Faites attention lorsque vous déplacez cette machine dans un endroit où la température peut descendre en dessous de zéro. L’eau contenue
dans les réservoirs de solution, de récupération ou de détergent ou dans les conduites risquerait de geler et d’endommager les vannes et les
raccords de la machine. Rincez avec un liquide de lave-glace.
* Prenez soin d’enlever les batteries de la machine avant de la mettre au rebut. Concernant l’élimination des batteries, respectez les
réglementations locales en matière d’environnement.
* N’utilisez pas cette machine sur des pentes dont l’inclinaison est supérieure à celle indiquée sur la machine.
* Tous les couvercles et portes doivent être dans la position indiquée dans le manuel d’utilisation avant de mettre la machine en service.
* Cette machine doit être utilisée et rangée uniquement à l’intérieur de bâtiments.
CONSERVEZ CES CONSIGNES

C - 4 Focus® II Rider - 56091040 5/12
MODE D‘ EMPLOIC - FRANÇAIS
APPRENEZ À CONNAÎTRE VOTRE MACHINE
En lisant ce manuel, vous rencontrerez à l’occasion un chiffre ou une lettre en gras et entre parenthèses, tel que : (2). Ces chiffres font référence à un élément
illustré sur ces pages, sauf indication contraire. Reportez-vous à ces pages dès que nécessaire afi n de repérer avec précision un élément mentionné dans le texte.
NOTE : consultez le manuel d’entretien pour obtenir des explications détaillées sur chaque élément illustré dans les 4 pages suivantes.
1 Siège de l’opérateur
2 Tuyau de vidange du réservoir de solution
3 Pédale d’entraînement
4 Roue motrice
5 Disjoncteur de la roue motrice (70 A)
6 Disjoncteur de commande (10 A)
7 Arrêt d’urgence
8 Plateau de lavage
9 Roue arrière
10 Couvercle du compartiment de batterie
11 Raclette
12 Couvercle d’accès au bidon de détergent (modèles à
détergent uniquement)
13 Bidon de détergent (modèles à détergent uniquement / non
fourni)
14 Boutons de démontage de la bavette du plateau
15 Chargeur de batterie (en option / sous le siège)
16 Bouton de réglage du siège
17 Bouton de réglage de la hauteur de la bavette du plateau
18 Galet pare-chocs avant
1
23
4
5
6
7
8
9
10
11
13
14
14
12
15
17
18
17
16

5/12 C - 5 56091040 - Focus® II Rider
FRANÇAIS - CMODE D‘ EMPLOI
APPRENEZ À CONNAÎTRE VOTRE MACHINE
19 Électrovanne de solution
20 Filtre de solution
21 Vanne d’arrêt de la solution
22 Panneau de commande
23 Volant
24 Couvercle du réservoir de récupération
25 Système de fermeture à fl otteur du réservoir de récupération
26 Panier-fi ltre
27 Crochet de rangement de la raclette
28 Tuyau de vidange du réservoir de récupération
29 Tuyau de récupération
30 Points d’amarrage
31 Bouton de réglage de l’inclinaison de la raclette
32 Loquet de démontage de la lame arrière de la raclette
33 Écrou à ailettes de démontage de la lame avant de la raclette
34 Tige de support du siège
35 Bouchon de remplissage du réservoir de solution
36 Connecteur de batterie de la machine
37 Tube de regard du niveau du réservoir de solution
19
20
21
22
23
24 25 26
27
28
31
34
35
32
14
17
30
30
30
29
33
36
37

C - 6 Focus® II Rider - 56091040 5/12
MODE D‘ EMPLOIC - FRANÇAIS
PANNEAU DE COMMANDE
A Interrupteur principal
B Voyant de recul
C Interrupteur de marche avant / arrière
D Interrupteur de ralentissement
E Interrupteur d’accélération
F Affi chage graphique
F1 Indicateur de la concentration du détergent (au niveau de H)
F2 Indicateur du taux de détergent
F3 Compteur horaire
F4 Indicateur de la batterie
F5 Codes d’erreur
F6 Indicateur de vitesse
F7 Indicateur de batterie faible
G Interrupteur de l’avertisseur sonore
H Symboles de concentration du détergent
I Interrupteur de réduction de la pression de la brosse
J Voyants de la pression de la brosse
HAUT = ÉLEVÉE
MILIEU = MOYENNE
BAS = FAIBLE
K Interrupteur d’augmentation de la pression de la brosse
L Voyant de marche / arrêt du lavage
M Interrupteur de marche / arrêt du lavage
N Voyants du débit de solution
HAUT = ÉLEVÉ
MILIEU = MOYEN
BAS = FAIBLE
O Interrupteur de contrôle de la solution
P Voyant de marche / arrêt de l’aspiration
Q Interrupteur de marche / arrêt de l’aspiration
R Voyant de marche / arrêt du détergent
S Interrupteur de contrôle du détergent
T Symbole « Nettoyage sans pression »
U Symbole « Lire toutes les instructions avant l’utilisation »
!
F
I
J
K
L
M
N
O
P
Q
R
SA
B
C
D
E
G
H
F2
F1
F3
F4
F5
F6
F7
TU

5/12 C - 7 56091040 - Focus® II Rider
FRANÇAIS - CMODE D‘ EMPLOI
BATTERIES
Si votre machine est livrée avec des batteries installées, procédez comme suit :
Vérifi ez que les batteries sont branchées à la machine (36).
Mettez l’interrupteur principal (A) en position de marche (I) et contrôlez l’indicateur de la batterie (F4). Si la jauge est complètement remplie, les batteries
sont prêtes à être utilisées. Si la jauge n’indique pas une pleine charge, chargez les batteries avant l’utilisation. Consultez la section « Chargement des
batteries ».
IMPORTANT ! SI VOTRE MACHINE EST DOTÉE D’UN CHARGEUR DE BATTERIE INTÉGRÉ, VEUILLEZ CONSULTER LE MANUEL DU FABRICANT
POUR OBTENIR DES INSTRUCTIONS SUR LE RÉGLAGE DU CHARGEUR EN FONCTION DU TYPE DE BATTERIE.
Si votre machine est livrée sans batteries installées, procédez comme suit :
Consultez votre revendeur agréé Clarke pour connaître les modèles de batterie recommandés.
Installez les batteries en suivant les instructions ci-dessous.
N’installez PAS deux batteries de 12 volts dans votre machine. Cela pourrait affecter la stabilité de la machine.
IMPORTANT ! SI VOTRE MACHINE EST DOTÉE D’UN CHARGEUR DE BATTERIE INTÉGRÉ, VEUILLEZ CONSULTER LE MANUEL DU FABRICANT
POUR OBTENIR DES INSTRUCTIONS SUR LE RÉGLAGE DU CHARGEUR EN FONCTION DU TYPE DE BATTERIE.
INSTALLATION DES BATTERIES
AVERTISSEMENT !
Soyez très prudent lorsque vous manipulez les batteries. L’acide sulfurique qu’elles contiennent peut provoquer des blessures
graves en cas de contact avec la peau ou les yeux. De l’hydrogène explosif émane de l’intérieur des batteries par les orifi ces
aménagés dans les bouchons de batterie. Ce gaz peut être enfl ammé par un arc électrique, une étincelle ou une fl amme. Si l’acide
de batterie entre en contact avec votre peau, rincez la zone contaminée à l’eau pendant 5 minutes et consultez un médecin.
Lors de l’entretien des batteries…
* Retirez tous vos bijoux.
* Ne fumez pas.
* Portez des lunettes de protection, ainsi qu’un tablier et des gants en caoutchouc.
* Travaillez dans une zone bien aérée.
* Veillez à ce que les outils ne touchent pas plusieurs bornes de la batterie en même
temps.
* Débranchez TOUJOURS le câble de polarité négative (terre) en premier lors du
remplacement des batteries afi n d’éviter des étincelles.
* Branchez TOUJOURS le câble négatif en dernier lors de l’installation des batteries.
ATTENTION !
Les composants électriques de cette machine peuvent être gravement
endommagés si les batteries ne sont pas installées et branchées
correctement. Nous vous conseillons de faire installer les batteries par
un technicien Clarke ou un électricien qualifi é.
1 Placez l’interrupteur principal (A) en position d’arrêt (O) et enlevez la clé. Ensuite,
basculez le couvercle du compartiment de batteries (10) pour l’ouvrir et réglez la
tige de support du siège (34).
2 Utilisez une sangle de levage et faites vous aider par une autre personne pour
installer les batteries dans le compartiment, exactement comme illustré. Consultez
l’autocollant 56601416 illustrant le schéma de câblage de la batterie.
3 Voir Figure 1. Installez les câbles de batterie comme illustré et serrez les écrous
sur les bornes de batterie.
4 Installez les gaines de la batterie et attachez-les solidement aux câbles de batterie
à l’aide des attaches fournies.
5 Branchez le connecteur du bloc de batterie au connecteur de la machine (36) et
fermez le couvercle du compartiment de batterie.
ATTENTION !
Pendant le remplacement des batteries ou du chargeur, veuillez
contacter votre centre de service local agréé pour connaître les réglages
corrects de la batterie, du chargeur et de la machine pour éviter tout
dommage.
FIGURE 1
420Ah, 20 Hr. Rate

C - 8 Focus® II Rider - 56091040 5/12
MODE D‘ EMPLOIC - FRANÇAIS
INSTALLATION DES BROSSES (SYSTÈME À DISQUES)
ATTENTION !
Tournez l’interrupteur principal en position d’arrêt (O) et enlevez la clé avant de remplacer les brosses et d’ouvrir un panneau
d’accès.
1 Assurez-vous que le plateau de lavage est en position HAUTE. Assurez-vous que l’interrupteur principal (A) est en position d’arrêt (O).
2 Voir Figure 2. Retirez les deux bavettes latérales. NOTE : les bavettes sont maintenues en place par deux gros boutons (AA). Desserrez ces boutons et
faites glisser les bavettes (AB) légèrement vers l’avant, puis retirez-les du plateau de lavage.
3 Installez un support de brosse ou un porte-tampon (AC) sous le plateau de lavage.
4 Alignez les encoches situées dans le cardan de la brosse avec les oreilles situées sur le cardan du moteur (AD).
5 Tirez la brosse vers le haut jusqu’à ce que le cardan se bloque.
6 Répétez les étapes 3, 4 et 5 pour installer le deuxième support de brosse ou porte-tampon.
Démontage :
1 Assurez-vous que le plateau de lavage (8) est en position HAUTE. Assurez-vous que l’interrupteur principal (A) est en position d’arrêt (O).
2 Enlevez les bavettes latérales.
3 Poussez sur les deux côtés du support de brosse ou du porte-tampon jusqu’à ce que les cardans soient relâchés.
FIGURE 2

5/12 C - 9 56091040 - Focus® II Rider
FRANÇAIS - CMODE D‘ EMPLOI
INSTALLATION DU TAMPON (SYSTÈME BOOST)
ATTENTION !
Tournez l’interrupteur principal en position d’arrêt (O) et enlevez la clé avant de remplacer les brosses et d’ouvrir un panneau
d’accès.
1 Assurez-vous que le plateau de lavage est en position HAUTE. Assurez-vous que l’interrupteur principal (A) est en position d’arrêt (O).
2 Voir Figure 3. Retirez une des bavettes latérales. NOTE : les bavettes sont maintenues en place par deux gros boutons (AA). Desserrez ces boutons et
faites glisser la bavette (AB) légèrement vers l’avant, puis retirez-la du plateau de lavage.
3 Poussez un tampon (AC) sous les plateaux fl exibles comme illustré.
NOTE : en raison de la conception de certains tampons, le tampon peut ne pas adhérer correctement au porte-tampon fi xe quand il est poussé à la main.
Dans ce cas, après avoir positionné le tampon sur la tête, descendez le plateau et faites fonctionner momentanément pour fi xer correctement le tampon au
porte-tampon. Cette opération est nécessaire uniquement si vous prévoyez de transporter la machine, après l’installation du tampon et avant l’utilisation,
pour éviter que le tampon ne tombe.
FIGURE 3

C - 10 Focus® II Rider - 56091040 5/12
MODE D‘ EMPLOIC - FRANÇAIS
INSTALLATION DE LA RACLETTE
1 Voir Figure 4. Faites glisser la raclette (11) sur le dispositif de fi xation de la raclette et vissez les écrous à ailettes du support de la raclette (AA).
2 Raccordez le tuyau de récupération (AB) à l’entrée de la raclette.
3 Abaissez la raclette, faites avancer légèrement la machine et réglez l’inclinaison et la hauteur de la raclette à l’aide du bouton de réglage de l’inclinaison de
la raclette (31) et de la roue de réglage de la hauteur de la raclette (AC) afi n que la lame arrière de la raclette touche le sol de manière uniforme sur toute sa
largeur et soit légèrement inclinée, comme illustré sur le schéma transversal de la raclette.
FIGURE 4
REMPLISSAGE DU RÉSERVOIR DE SOLUTION
Lisez l’étiquette du produit chimique et calculez la quantité correcte de produit que vous devez mélanger pour un réservoir ayant une contenance de 120 litres.
Ouvrez le bouchon de remplissage du réservoir de solution (35), puis remplissez-le d’eau à 1/3. Ajoutez le produit chimique de nettoyage. Ensuite, remplissez le
réservoir jusqu’en haut. NOTE : les machines à détergent peuvent être utilisées de manière classique en mélangeant le détergent dans le réservoir ou en utilisant
le système de détergent. Quand vous utilisez le système de distribution de détergent, ne mélangez pas le détergent dans le réservoir. Utilisez uniquement de l’eau
plate.
ATTENTION !
Utilisez uniquement des produits de nettoyage liquides, ininfl ammables et peu moussants, adaptés aux machines de nettoyage
automatiques. La température de l’eau ne doit pas dépasser 55 degrés Celsius.

5/12 C - 11 56091040 - Focus® II Rider
FRANÇAIS - CMODE D‘ EMPLOI
PRÉPARATION ET UTILISATION DU SYSTÈME DE DÉTERGENT
INSTRUCTIONS GÉNÉRALES :
Voir Figure 5. En appuyant et en relâchant l’interrupteur de détergent (S) pendant que le système de solution est activé, le système de détergent fait défi ler
les taux de détergent disponibles l’un après l’autre. Les résidus d’ancien détergent doivent être vidangés avant d’utiliser un détergent différent. NOTE POUR
L’ENTRETIEN : déplacez la machine sur une bouche d’écoulement avant la vidange car une petite quantité de détergent s’écoulera lors de ce processus.
Vidange lors du changement de produits chimiques :
1 Débranchez et retirez le bidon de détergent (13).
2 Placez l’interrupteur principal (A) en position de marche (I). Appuyez et maintenez enfoncés pendant 3 secondes l’interrupteur de contrôle de la solution
(O) et l’interrupteur de contrôle du détergent (S). NOTE : une fois activé, le processus de vidange prend environ 10 secondes. En général, un seul cycle de
vidange est suffi sant pour purger le système.
Taux de détergent :
1 Le taux de détergent réglé par défaut à l’usine est 1:32. À chaque appui sur l’interrupteur de contrôle du détergent (S), la machine fait défi ler les taux
disponibles l’un après l’autre (1:32, 1:50, 1:64, 1:100, 1:128, 1:150, 1:200, 1:256, 1:300, 1:400). Si vous appuyez une fois de plus après le taux 1:400, le
système de détergent s’arrête. L’indicateur de concentration du détergent (F1) s’allume sous le symbole de la concentration ROUGE (H) quand le taux 1 :32
est sélectionné. La fl èche se déplace ensuite vers la gauche quand vous augmentez le taux et arrive sous le symbole de concentration VERT (H) quand le
taux est 1 :400. Si la machine est mise hors tension et rallumée, le dernier réglage est rappelé.
INSTRUCTIONS RELATIVES AU DÉTERGENT :
Un bidon de détergent (13) peut être installé derrière le couvercle d’accès au bidon de détergent (12) dans le compartiment de l’opérateur. Lorsque vous installez
un bidon neuf, retirez le bouchon et placez le bidon dans le boîtier de détergent. Installez l’adaptateur (AA) et le bouchon (AB) comme illustré.
FIGURE 5
13
AA
AB
A
O
S
F2
F1
H
F
Appuyez pendant 3 secondes pour
vidanger

C - 12 Focus® II Rider - 56091040 5/12
MODE D‘ EMPLOIC - FRANÇAIS
UTILISATION DE LA MACHINE
AVERTISSEMENT !
Assurez-vous de bien comprendre les commandes et leurs fonctions.
Évitez les arrêts soudains lorsque la machine se trouve sur des rampes ou des pentes. Évitez les virages serrés. Adoptez une
vitesse réduite lorsque la machine est en descente. Ne nettoyez les sols que lorsque la machine est en descente.
Pour le lavage…
Respectez les instructions fi gurant dans la section « Préparation de la machine » du présent manuel.
1 Voir Figure 6. Réglez le siège de l’opérateur (1) si nécessaire en inclinant le siège et en utilisant le bouton de réglage du siège (16).
2 Placez l’interrupteur principal (A) en position de marche (I). Les voyants lumineux du panneau de commande s’allument. Observez l’indicateur de batterie
(F4) avant de continuer.
3 Pour transporter la machine dans la zone de travail, appuyez tout d’abord sur l’interrupteur de marche avant / arrière (C) pour sélectionner la marche
arrière si nécessaire. Ensuite, appuyez sur la pédale d’entraînement (3). Le mode de recul est indiqué par le voyant de recul (B) allumé en orange, qui
s’accompagne d’une alarme de l’avertisseur sonore.
4 Appuyez et maintenez enfoncé l’interrupteur de contrôle de la solution (O) pour pré-humidifi er le sol. La solution est distribuée tant que l’interrupteur est
enfoncé. NOTE : de cette manière, vous n’abîmerez pas le sol quand vous commencerez à nettoyer avec des brosses sèches. Vous pouvez réaliser cette
opération uniquement avant d’activer l’interrupteur de marche / arrêt du lavage (M).
5 Appuyez sur l’interrupteur de marche / arrêt du lavage (M). Le plateau de lavage et la raclette descendent automatiquement sur le sol. Les systèmes de
lavage, d’aspiration, de solution et de détergent démarrent tous quand la pédale d’entraînement (3) est enfoncée. NOTE : si le système de détergent est
éteint quand la machine est arrêtée, il restera éteint quand la machine sera remise en marche.
La pression de lavage est réglée par défaut sur BASSE (voyant du bas de la pression de la brosse (J) allumé). Utilisez l’interrupteur d’augmentation de la
pression de la brosse (K) et l’interrupteur de réduction de la pression de la brosse (I) pour commuter entre les modes de lavage FAIBLE, MOYEN et ÉLEVÉ.
NOTE : le débit de solution peut être modifi é indépendamment de la pression de lavage en appuyant sur l’interrupteur de contrôle de la solution (O).
NOTE : les systèmes de lavage, de solution, d’aspiration et de détergent sont activés automatiquement quand l’interrupteur de marche / arrêt du lavage
(M) est enfoncé. Pour arrêter ou réactiver le système d’aspiration, il suffi t d’appuyer sur son interrupteur (Q) à tout moment pendant le lavage. Le système
de solution peut être désactivé uniquement en faisant défi ler tous les débits de solution jusqu’à ce qu’aucun voyant (N) ne soit allumé. Vous pouvez arrêter
le système de lavage uniquement en appuyant sur l’interrupteur de marche / arrêt du lavage (M). Le système de détergent peut être arrêté uniquement en
faisant défi ler tous les taux de détergent jusqu’au dernier (1 :400) et en appuyant ensuite sur l’interrupteur de contrôle du détergent (S) une fois de plus.
NOTE : lorsque la machine fonctionne en marche arrière, la raclette remonte automatiquement.
6 Faites progresser la laveuse en ligne droite à une vitesse de 4-5 km/h en veillant à ce que les passages se chevauchent sur 50-75 mm. Réglez la vitesse
de la machine, la pression de lavage et le débit de solution quand nécessaire, en fonction de l’état du sol. NOTE : la vitesse maximale peut être modifi ée en
appuyant sur l’interrupteur d’accélération (E) ou l’interrupteur de ralentissement (D), la vitesse étant indiquée par l’indicateur de vitesse (F6).
ATTENTION !
Pour éviter d’abîmer le sol, démarrez et arrêtez uniquement la fonction de lavage quand la machine est en mouvement.
7 Lorsque vous nettoyez, assurez-vous, après votre passage, qu’il ne reste plus d’eau sale sur le sol. Si vous remarquez des traînées d’eau derrière la
machine, il se peut que cette dernière distribue trop de solution, que le réservoir de récupération soit plein ou que la raclette soit mal réglée.
8 Pour les sols extrêmement sales, il se peut qu’un seul passage ne suffi se pas et que vous deviez adopter la technique des « deux passages ». Cette
technique est fort semblable à la méthode habituelle. La seule différence réside dans le fait que, lors du premier passage, la raclette est en position relevée
(appuyez sur le bouton de marche / arrêt de l’aspiration (Q) pour relever la raclette). La solution de lavage peut ainsi agir plus longtemps sur le sol. Lors du
deuxième et dernier passage, la raclette est abaissée afi n de ramasser la solution accumulée.
9 Le réservoir de récupération est doté d’un système de fermeture à fl otteur (25) qui provoque un changement de pas du moteur d’aspiration. Si ce fl otteur est
activé, vous devez vider le réservoir de récupération. Quand le fl otteur est activé, la machine ne ramasse plus l’eau.
10 Quand l’opérateur souhaite arrêter le lavage :
Appuyez une fois sur l’interrupteur de marche / arrêt du lavage (M). De cette manière, les brosses de lavage et le débit de solution sont arrêtés
automatiquement et le plateau de lavage est relevé. La raclette remonte après un court instant et l’aspiration s’arrête après un court instant (afi n de pouvoir
ramasser l’eau résiduelle sans devoir réactiver l’aspiration).
11 Conduisez la machine vers un « SITE DE DÉCHARGE » des eaux usées et videz le réservoir de récupération. Pour le vider, tirez le tuyau de vidange du
réservoir de récupération (28) de son dispositif de rangement arrière, puis dévissez le bouchon (maintenez l’extrémité du tuyau au-dessus du niveau d’eau
du réservoir afi n d’éviter tout déversement accidentel des eaux usées). Inspectez et videz le panier-fi ltre (26) dans le réservoir de récupération. Remplissez à
nouveau le réservoir de solution et poursuivez le lavage.
NOTE : assurez-vous que le couvercle du réservoir de récupération (24) et le bouchon du tuyau de vidange du réservoir de récupération (28) sont bien en place.
Dans le cas contraire, la machine ne ramassera pas l’eau correctement.
Lorsque les batteries doivent être rechargées, le voyant de batterie faible (F7) s’allume. Ensuite, les brosses de lavage et le débit de solution s’arrêtent et le
plateau de lavage remonte. La raclette remonte après un court instant et l’aspiration s’arrête après un court instant. Transportez la machine vers une zone de
maintenance et rechargez les batteries conformément aux instructions de la section Batterie de ce manuel.

5/12 C - 13 56091040 - Focus® II Rider
FRANÇAIS - CMODE D‘ EMPLOI
UTILISATION DE LA MANCHE HORS PASSAGE
Procédure à suivre afi n d’équiper la machine des accessoires optionnels pour l’utilisation de la manche hors passage.
1 Voir Figure 6. Débranchez le tuyau de récupération (29) de la raclette (11). Branchez le tuyau du kit de la manche au tuyau de récupération.
2 Fixez au tuyau les accessoires adaptés au ramassage humide. (Clarke propose un kit de manche en option, réf. 56601087).
3 Tournez l’interrupteur principal (A) en position de marche et appuyez sur l’interrupteur de marche / arrêt d’aspiration (Q). NOTE : pour que le(s) moteur(s)
d’aspiration fonctionnent, l’opérateur ne peut pas être assis sur le siège. Le(s) moteur(s) d’aspiration fonctionne(nt) en continu jusqu’à un nouvel appui sur
l’interrupteur. Le fl otteur arrête le débit dans le réservoir de récupération quand il est activé.
FIGURE 6
!
11 29
28
3
AB
C
D
E
G
I
J
K
L
M
N
O
P
Q
R
S
F
16
HF7
F3
F4
F2
F6
24
1

C - 14 Focus® II Rider - 56091040 5/12
MODE D‘ EMPLOIC - FRANÇAIS
APRÈS L’UTILISATION
1 Lorsque vous avez terminé de nettoyer, appuyez sur l’interrupteur de marche / arrêt du lavage (M). De cette manière, tous les systèmes de la machine
(brosse, raclette, aspiration, solution et détergent) sont automatiquement levés, rétractés et arrêtés. Ensuite, conduisez la machine dans une zone de
maintenance où un technicien procédera à son entretien quotidien et effectuera les éventuelles réparations.
2 Pour vider le réservoir de solution :
Retirez le tuyau de vidange du réservoir de solution (2) de sa position de rangement. Dirigez le tuyau de vidange vers un « SITE DE DÉCHARGE » désigné
et enlevez le bouchon. Rincez le réservoir à l’eau claire.
3 Pour vider le réservoir de récupération, tirez le tuyau de vidange du réservoir (28) de son dispositif de rangement. Dirigez le tuyau de vidange vers un « SITE
DE DÉCHARGE » désigné et dévissez le bouchon (maintenez l’extrémité du tuyau au-dessus du niveau d’eau du réservoir afi n d’éviter tout déversement
accidentel des eaux usées). Inspectez et videz le panier-fi ltre (26) dans le réservoir de récupération. Rincez le réservoir à l’eau claire.
4 Enlevez les supports de brosses ou les porte-tampons. Rincez les brosses ou les tampons à l’eau chaude et suspendez-les pour qu’ils sèchent.
5 Retirez la raclette et rincez-la à l’eau chaude. Ouvrez le couvercle du réservoir de récupération et suspendez la raclette au réservoir à l’aide du crochet de
rangement de la raclette (27).
6 Consultez le programme d’entretien ci-dessous et, si nécessaire, effectuez les opérations requises avant de ranger la machine.
7 Rangez la machine dans un endroit sec et propre à l’intérieur d’un bâtiment. Maintenez-la à l’abri du gel. Laissez les réservoirs ouverts pour les aérer.
8 Placez l’interrupteur principal (A) en position d’arrêt (O) et enlevez la clé.
PROGRAMME D’ENTRETIEN
ÉLÉMENT Tous les
jours
Chaque
semaine
Tous les
mois
Tous les
ans
Chargement des batteries X
Vérifi cation / nettoyage des réservoirs et tuyaux X
Vérifi cation / lavage / rotation des brosses / tampons X
Vérifi cation / lavage de la raclette X
Vérifi cation / nettoyage du fl otteur du système de fermeture de
l’aspiration X
Vidage / nettoyage du panier-fi ltre dans le réservoir de récupération X
Vérifi cation du niveau d’eau dans chaque cellule de batterie X
Inspection des bavettes du dispositif de lavage X
Inspection et lavage du fi ltre de solution X
Vidange du système de détergent X
Graissage de la machine X
*Vérifi cation des balais de carbone X
* Demandez à un centre de service agréé Clarke de vérifi er les balais de carbone du moteur d’aspiration une fois par an ou toutes les 300 heures de
fonctionnement. Les balais de carbone des moteurs des brosses et du moteur d’entraînement doivent être vérifi és chaque année ou toutes les 500 heures de
fonctionnement.
• Les isolateurs sont prévus pour durer 250 à 1 000 heures en fonction de l’application.
• Remplacez les isolateurs inférieurs toutes les 250 heures dans la limite d’un an.
LUBRIFICATION DE LA MACHINE – FIGURE 7
Emplacement des raccords de graissage (ou appliquez de la graisse sur) (AA) :
• La chaîne de direction
• Les fi letages des boutons de réglage de l’inclinaison de la raclette
• Les boutons de réglage de la hauteur des bavettes latérales
Une fois par mois, appliquez une huile légère pour machines sur (BB) :
• Les points de pivotement généraux de la tringlerie de la raclette et du plateau de lavage
FREIN ÉLECTROMAGNÉTIQUE
Voir Figure 8. La roue motrice (4) est dotée d’un frein électromagnétique
intégré qui est activé dès que l’interrupteur principal (A) est en position
d’arrêt ou que la pédale d’entraînement (3) est en position neutre. Au
besoin, vous pouvez contourner manuellement ce frein en insérant un
tournevis grand ou moyen derrière le poussoir (AA) comme illustré. Vous
devez procéder ainsi uniquement si vous avez besoin de pousser ou de tirer
la machine.
FIGURE 8
7/12

5/12 C - 15 56091040 - Focus® II Rider
FRANÇAIS - CMODE D‘ EMPLOI
FIGURE 7

C - 16 Focus® II Rider - 56091040 5/12
MODE D‘ EMPLOIC - FRANÇAIS
CHARGEMENT DES BATTERIES HUMIDES
Chargez les batteries à chaque utilisation de la machine ou lorsque l’indicateur de batterie (F4) indique qu’elles ne sont pas complètement chargées.
AVERTISSEMENT !
Ne remplissez pas les batteries avant de les charger. Assurez-vous que les plaques sont simplement couvertes.
Chargez les batteries dans une zone bien aérée. Si l’acide de batterie entre en contact avec votre peau, rincez la zone contaminée à l’eau pendant 5 minutes et
consultez un médecin.
Ne fumez pas lorsque vous procédez à l’entretien des batteries.
Lors de l’entretien des batteries…
* Retirez tous vos bijoux.
* Ne fumez pas.
* Portez des lunettes de protection, ainsi qu’un tablier et des gants en caoutchouc.
* Travaillez dans une zone bien aérée.
* Veillez à ce que les outils ne touchent pas plusieurs bornes de batterie en même temps.
* Débranchez TOUJOURS le câble de polarité négative (terre) en premier lors du remplacement des batteries afi n d’éviter des étincelles.
* Branchez TOUJOURS le câble négatif en dernier lors de l’installation des batteries.
Si votre machine est livrée avec un chargeur de batterie intégré, procédez comme suit :
Placez l’interrupteur principal (A) en position d’arrêt. Ouvrez le compartiment de la batterie (10) pour assurer une aération correcte. Déroulez le cordon d’alimentation sur le côté du
chargeur intégré et branchez-le à une prise correctement reliée à la terre. Consultez le manuel du fabricant pour obtenir des consignes plus détaillées sur l’utilisation.
Si votre machine est livrée sans chargeur de batterie intégré, procédez comme suit :
Ouvrez le compartiment de la batterie (10) et réglez la tige de support du siège (34). Débranchez les batteries de la machine et enfoncez le connecteur du chargeur dans le connecteur
de la batterie de la machine (36). Suivez les instructions fi gurant sur le chargeur de batteries. NOTE POUR L’ENTRETIEN : assurez-vous de brancher le chargeur de batteries au
connecteur qui se fi xe aux batteries.
ATTENTION !
Pour éviter d’endommager le sol, essuyez l’eau et l’acide situés au sommet des batteries après un chargement. Un chargement insuffi sant ou excessif réduira la
durée de vie de la batterie et limitera ses performances. Assurez-vous de SUIVRE ATTENTIVEMENT LES INSTRUCTIONS DE CHARGEMENT !
VÉRIFICATION DU NIVEAU D’EAU DE LA BATTERIE
Vérifi ez le niveau d’eau des batteries au moins une fois par semaine.
Retirez les bouchons à évent et vérifi ez le niveau d’eau dans chaque cellule de batterie. Utilisez un distributeur rempli d’eau distillée ou déminéralisée (disponible dans la plupart des
magasins de pièces automobiles) pour remplir chaque cellule jusqu’au niveau indicateur (ou 10 mm au-dessus du sommet des séparateurs). NE remplissez PAS trop les batteries !
ATTENTION !
De l’acide peut être projeté sur le sol si les batteries sont trop remplies.
Serrez les bouchons à évent. Nettoyez les sommets des batteries avec une solution de bicarbonate de soude et d’eau (2 cuillères à soupe de bicarbonate de
soude pour 1 litre d’eau).
CHARGEMENT DES BATTERIES SÈCHES/AGM (VRLA)
Chargez les batteries à chaque utilisation de la machine ou lorsque l’indicateur de batterie (F4) indique qu’elles ne sont pas complètement chargées.
AVERTISSEMENT !
Chargez les batteries dans une zone bien aérée. Si l’acide de batterie entre en contact avec votre peau, rincez la zone contaminée à l’eau pendant 5 minutes et
consultez un médecin.
Ne fumez pas lorsque vous procédez à l’entretien des batteries.
Lors de l’entretien des batteries…
* Retirez tous vos bijoux.
* Ne fumez pas.
* Portez des lunettes de protection, ainsi qu’un tablier et des gants en caoutchouc.
* Travaillez dans une zone bien aérée.
* Veillez à ce que les outils ne touchent pas plusieurs bornes de batterie en même temps.
* Débranchez TOUJOURS le câble de polarité négative (terre) en premier lors du remplacement des batteries afi n d’éviter des étincelles.
* Branchez TOUJOURS le câble négatif en dernier lors de l’installation des batteries.
ATTENTION !
La batterie au plomb-acide à régulation par soupape (VRLA) vous offrira des performances et une durée de vie supérieures UNIQUEMENT SI VOUS LA
RECHARGEZ CORRECTEMENT ! Un chargement insuffi sant ou excessif réduira la durée de vie de la batterie et limitera ses performances. Assurez-vous de
SUIVRE ATTENTIVEMENT LES INSTRUCTIONS DE CHARGEMENT ! N’ESSAYEZ PAS D’OUVRIR CETTE BATTERIE ! Si vous ouvrez une batterie VRLA, elle
perdra sa pression et les plaques seront contaminées par l’oxygène. LA GARANTIE SERA ANNULÉE SI LA BATTERIE EST OUVERTE.
Si votre machine est livrée avec un chargeur de batterie intégré, procédez comme suit :
Placez l’interrupteur principal (A) en position d’arrêt. Ouvrez le compartiment de la batterie (10) pour assurer une aération correcte. Déroulez le cordon d’alimentation sur le côté du
chargeur intégré et branchez-le à une prise correctement reliée à la terre. Consultez le manuel du fabricant pour obtenir des consignes plus détaillées sur l’utilisation.
Si votre machine est livrée sans chargeur de batterie intégré, procédez comme suit :
Ouvrez le compartiment de la batterie (10) et réglez la tige de support du siège (34). Débranchez les batteries de la machine et enfoncez le connecteur du chargeur dans le connecteur
de la batterie de la machine (36). Suivez les instructions fi gurant sur le chargeur de batteries. NOTE POUR L’ENTRETIEN : assurez-vous de brancher le chargeur de batteries au
connecteur qui se fi xe aux batteries.
IMPORTANT : assurez-vous d’utiliser un chargeur adapté aux batteries à cellule sèche. Utilisez uniquement des chargeurs « à tension régulée » ou « à tension limitée ».
N’utilisez JAMAIS des chargeurs standards à courant constant ou à courant alternatif. Il est recommandé d’utiliser un chargeur à détection de température, car les
réglages manuels manquent de précision et risquent d’endommager les batteries VRLA.

5/12 C - 17 56091040 - Focus® II Rider
FRANÇAIS - CMODE D‘ EMPLOI
ENTRETIEN DE LA RACLETTE
Si la raclette ne ramasse pas toute l’eau ou laisse des traces derrière elle, il est possible que ses lames soient sales ou endommagées. Enlevez la raclette, rincez-
la sous l’eau chaude et vérifi ez les lames. Si les lames sont abîmées, tordues ou usées, remplacez-les ou retournez-les.
Pour retourner ou remplacer la lame arrière de la raclette…
1 Voir Figure 9. Soulevez la raclette du sol, puis déverrouillez le loquet de démontage de la lame arrière de la raclette (32).
2 Retirez la sangle de tension (AA).
3 Faites glisser la lame arrière hors des goupilles de positionnement.
4 Cette lame de raclette présente 4 chants de travail. Tournez la lame de sorte qu’un chant propre et non endommagé pointe vers l’avant de la machine. Si les
4 chants sont très abîmés, tordus ou usés, remplacez la lame.
5 Installez la lame en suivant la procédure dans l’ordre inverse et réglez l’inclinaison de la raclette (31).
Pour retourner ou remplacer la lame avant de la raclette…
1 Soulevez la raclette du sol et desserrez les (2) écrous à ailettes (AB) situés sur celle-ci, puis enlevez la raclette de son support.
2 Desserrez l’écrou à ailettes de démontage de la lame avant de raclette (33), puis enlevez la sangle de tension (AC) et la lame.
3 Cette lame de raclette présente 4 chants de travail. Tournez la lame de sorte qu’un chant propre et non endommagé pointe vers l’avant de la machine. Si les
4 chants sont très abîmés, tordus ou usés, remplacez la lame.
4 Installez la lame en suivant la procédure dans l’ordre inverse et réglez l’inclinaison de la raclette.
RÉGLAGE DE LA RACLETTE
La raclette présente deux niveaux de réglage : l’inclinaison et la hauteur.
L’inclinaison de la raclette doit être réglée à chaque fois qu’une lame est retournée ou remplacée, ou si le sol n’est pas sec après le passage de la raclette.
1 Garez la machine sur une surface plane et uniforme, puis abaissez la raclette. Faites ensuite avancer la machine jusqu’à ce que les lames de la raclette se
retournent vers l’arrière.
2 Réglez l’inclinaison et la hauteur de la raclette à l’aide du bouton de réglage de l’inclinaison de la raclette (31) et de la roue de réglage de la hauteur de la
raclette (AD) afi n que la lame arrière de la raclette touche le sol de manière uniforme sur toute sa largeur et qu’elle soit légèrement inclinée, comme illustré
sur le schéma transversal de la raclette.
FIGURE 9
AA
AB
AD 31
32
1 2
3
4
33
AC

C - 18 Focus® II Rider - 56091040 5/12
MODE D‘ EMPLOIC - FRANÇAIS
ENTRETIEN DE LA BAVETTE LATÉRALE
Les bavettes latérales permettent de canaliser les eaux usées vers la raclette, permettant de contenir l’eau dans le chemin de la machine. Il est normal que les
lames s’abîment avec le temps. L’opérateur remarquera alors qu’un peu d’eau s’échappe sous les bavettes latérales. La hauteur peut être facilement réglée. Il est
ainsi possible d’abaisser les lames de sorte que toute l’eau soit ramassée par la raclette.
Pour retourner ou remplacer la (les) bavette(s) latérale(s) du système de lavage.
1 Voir Figure 10. Desserrez les (2) boutons de démontage des bavettes du plateau (14) (2 de chaque côté) et tirez les bavettes (AA) légèrement vers l’avant
(systèmes à disque et BOOST uniquement) et retirez-les du plateau de lavage.
2 Enlevez tout le matériel qui fi xe les lames aux logements des bavettes.
3 Les bavettes latérales ont 2 chants de travail. Retournez les bavettes afi n qu’un chant propre et non endommagé soit tourné vers l’intérieur. Si les bavettes
sont abîmées, tordues ou usées à un tel point qu’il s’avère impossible de les régler, remplacez-les par groupe.
4 Replacez les logements des bavettes sur la machine et réglez la hauteur de la bavette afi n qu’elle soit en contact correct avec le sol lorsque le plateau de
lavage est en position de lavage.
RÉGLAGE DE LA HAUTEUR DE LA BAVETTE LATÉRALE
1 Voir Figure 10. Les goujons fi letés qui maintiennent les boutons des logements des bavettes latérales sont dotés de boutons de réglage de la hauteur de la
bavette du plateau (17) qui permettent de la relever ou de l’abaisser pour compenser l’usure des lames.
2 Pour régler, enlevez les bavettes (AA) du plateau de lavage (AB) afi n d’accéder aux boutons de réglage de la hauteur de la bavette du plateau (17). Astuce
de réglage : les boutons de démontage de la bavette du plateau (14) peuvent être desserrés en laissant les bavettes en place. Pour tourner les boutons de
réglage de la hauteur de la bavette du plateau (17), passez les mains sous le logement des bavettes.
Tournez les boutons de réglage de la hauteur de la bavette du plateau 3 (17) (vers le haut ou le bas) jusqu’à ce que les bavettes se courbent suffi samment
pendant le lavage afi n que toute l’eau reste entre les bavettes. NOTE : procédez par petits réglages afi n que le travail des bavettes soit correct. N’abaissez
pas trop les bavettes. En effet, si elles sont trop courbées, les lames risquent de s’user prématurément.
FIGURE 10
Disque illustré. Procédure identique pour BOOST.
AA
17
14
AB

5/12 C - 19 56091040 - Focus® II Rider
FRANÇAIS - CMODE D‘ EMPLOI
DÉPANNAGE GÉNÉRAL DE LA MACHINE
Problème Cause possible Solution
Mauvaise récupération de l’eau
Lames de raclette usées ou tordues Retourner ou remplacer
Raclette (11) mal réglée Régler les lames de telle sorte qu’elles touchent
le sol de manière uniforme sur toute leur largeur
Réservoir de récupération plein Vider le réservoir de récupération
Fuite du tuyau de vidange du réservoir de
récupération (28)
Serrer le bouchon du tuyau de vidange ou le
remplacer
Fuite au niveau du joint du couvercle du réservoir
de récupération (24)
Remplacer le joint / Repositionner le couvercle
correctement.
Débris coincés dans la raclette (11) Nettoyer la raclette
Tuyau de récupération (29) colmaté Enlever les débris
Utilisation d’une quantité trop importante de
solution
Régler le débit de solution sur le panneau de
commande
Mauvaises performances de lavage
Brosse ou tampon usé(e) Retourner ou remplacer les brosses
Mauvais type de brosse ou de tampon Consulter Clarke
Agent chimique inadapté Consulter Clarke
Déplacement trop rapide de la machine Ralentir
Utilisation d’une quantité de solution trop faible Augmenter le débit de solution sur le panneau
de commande
Débit de solution incorrect ou inexistant
Réservoir de solution vide Remplir le réservoir de solution
Conduites, vannes ou fi ltre de solution (20)
colmatés
Rincer les conduites et nettoyer le fi ltre de
solution
Vanne d’arrêt de la solution (21) fermée Ouvrir la vanne d’arrêt de la solution
Électrovanne de la solution (19) Nettoyer ou remplacer l’électrovanne
La machine ne se met pas sous
tension
Connecteur de batterie (36) débranché Rebrancher les connecteurs de batterie
Interrupteur de sécurité du siège de l’opérateur Vérifi er les circuits éventuellement ouverts et les
remplacer
Contrôleur principal du système Vérifi er les codes d’erreur
(contacter un centre de service agréé Clarke)
Disjoncteur de 10 A (6) déclenché Vérifi er la présence d’un court-circuit et
réinitialiser
Pas d’entraînement avance / recul des
roues
Arrêt d’urgence (7) déclenché Réinitialiser l’interrupteur d’arrêt d’urgence
Contrôleur de vitesse du système d’entraînement Vérifi er les codes d’erreur
(contacter un centre de service agréé Clarke)
Disjoncteur de 70 A (5) déclenché Vérifi er une éventuelle surcharge du moteur
d’entraînement
Aucun débit de détergent
Bidon de détergent (13) vide Remplir le bidon de détergent
Conduite de débit de détergent tordue ou
colmatée
Vidanger le système et redresser les conduites
pour éliminer les torsions
Pompe à détergent Vérifi er la pompe et les conduites (il est possible
qu’un amorçage soit nécessaire)

C - 20 Focus® II Rider - 56091040 5/12
MODE D‘ EMPLOIC - FRANÇAIS
SPÉCIFICATIONS TECHNIQUES (telles qu’installées et testées sur l’unité)
Modèle Focus II 28 D Focus II 28 B Focus II 34 D
Focus II 28 D OBC Focus II 28 B OBC Focus II 34 D OBC
N° de modèle 56114000 56114003 56114002
56114010 56114009 56114001
Tension, batteries V 24V 24V 24V
Capacité de la batterie Ah 238 238 238
Niveau de protection IPX3 IPX3 IPX3
Niveau de pression sonore
IEC 60335-2-72 : 2002 Modif. 1:2005, ISO 11201 dB(A) 68,3dB LpA, 3dB KpA 68,6dB LpA, 3dB KpA 68,3dB LpA, 3dB KpA
Poids brut livres/kg 1 328/602 1 371/622 1 328/602
Poids à vide livres/kg 547/248 590/267 547/248
Charge de roue maximum au sol (avant centre) psi / N/mm2152 / 1,05 152 / 1,05 152 / 1,05
Charge de roue maximum au sol (arrière droit) psi / N/mm2193 / 1,33 193 / 1,33 193 / 1,33
Charge de roue maximum au sol (arrière gauche) psi / N/mm2154 / 1,06 154 / 1,06 154 / 1,06
Vibrations au niveau des commandes manuelles (ISO
5349-1) m/s20,181 0,386 0,181
Vibrations au niveau du siège (EN 1032) m/s20,014 0,132 0,014
Transport en pente 12,5 % (7,1°) 12,5 % (7,1°) 12,5 % (7,1°)
Nettoyage en pente 7,9 % (4,5°) 7,9 % (4,5°) 7,9 % (4,5°)
OBC = Chargeur intégré (Équipement : Focus II 28 D OBC)
Composition des matériaux et recyclabilité
Type % du poids de la machine % recyclable
Aluminium 5 % 100 %
Système électrique / moteurs électriques / moteurs
– divers 19 % 28 %
Métaux ferreux 35 % 100 %
Faisceaux / câbles 4 % 81 %
Liquides 0 % 0 %
Plastique – non recyclable 9 % 0 %
Plastique – recyclable 2 % 100 %
Polyéthylène 26 % 92 %
Caoutchouc 1 % 29 %

A Nilfi sk-Advance Brand
14600 21st Avenue North
Plymouth, MN 55447-3408
www.clarkeus.com
Phone: 800-253-0367
Fax: 800-825-2753
©2012 Nilfi sk-Advance, Inc.