56042573 ES 4000 Parts Manual
2014-01-08
: Sweepscrub Es 4000 Parts Manual ES_4000_Parts_Manual 978 file product_file
Open the PDF directly: View PDF
.
Page Count: 32

ES4000
3/11 FORM NO. 56042573
PARTS LIST
Advance MODELS 56344200, 56344210

* Specify the model and serial number of the machine.
* Use the space below to record the model and serial number for future reference.
Model Serial No.
DESCRIPTION PAGE
Chassis System-1 ..............................................................................................2-3
Chassis System-2 ..............................................................................................4-5
Decal System .....................................................................................................6-7
Deck System ......................................................................................................8-9
Shoe Linkage Assy ............................................................................................. 10
Solenoid Valve Assy.............................................................................................11
Electrical System ...........................................................................................12-13
Electrical System-with Suppression ...............................................................14-15
Onboard Charger Assy ..................................................................................16-17
Control System ..............................................................................................18-19
Recovery System ...........................................................................................20-21
Solution System .............................................................................................22-23
Ladder Diagram-1 ..........................................................................................24-25
Ladder Diagram-2 ..........................................................................................26-27
Optional Kits and Accessories ............................................................................ 28
WHEN ORDERING PARTS
* Use the part numbers from the “Ref. No.” columns in this parts list. If the “Ref. No.” column is blank; look under the “Kit” column to identify
which kit contains the part in question, then use the kit callout, for example “K1”, to fi nd the “Ref. No.” for that kit.
TABLE OF CONTENTS
Kit Item Ref. No. Qty Description
K1 1 16 Washer Flat 3/16 Zinc Plat
K1 2 2 Screw-BHS-Brass-10-32x3/8-MS
K1 3 3 Washer EPDM 7/32 X 1/8
4 805 1 Chain-Cover
5 905 2 Caster Swivel 4 Gray Non MA
K1 6 2 Nut, Hex Nyl Loc 10-24
K1 7 3 Scr- Hex SS 1/4-20 X .75
K1 8 16 Scr, Hex Hd Loc 1/4-20 x .50
K1 9 3 Wsh, Flt SS .260 X 1.000 X .074
10 56113012 1 Solution Tank
11 56113034 2 Hinge Plate
K1 56113103 1 Kit-Hardware Solution Tank
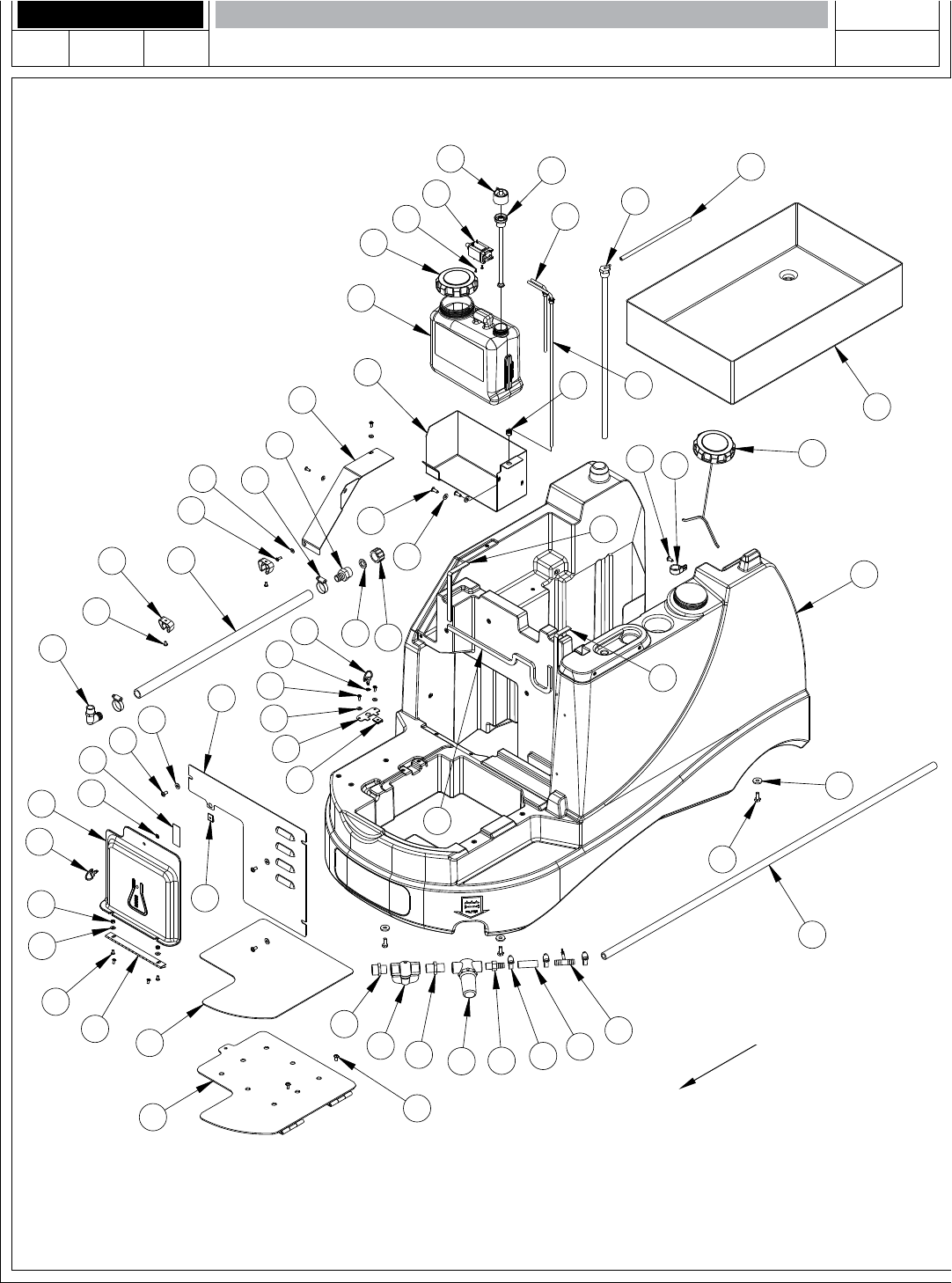
1
FORM NO. 56042573
ES4000
03-11

CHASSIS SYSTEM-1
ALUMINUM CASTING
(NOT AVAILABLE)
SEE NOTE
2
GEAR BOX
(NOT AVAILABLE)
BRACKET
(NOT AVAILABLE)
2
8
16
18
20
22 28
29
30
37
45
46
47
50
54
57
58 60
61
67 68
69 70
72
73
82
83
85
90
91
92
95
96
97
99
100
101
107
107
24
25
5
25
34
98
98b
98c 98d
98e
98f
98g
98h
98i 98a
FRONT
FORM NO. 56042573
ES4000 03-11
2

CHASSIS SYSTEM-1
Kit Item Ref. No. Qty Description
1 56418162 2 Bearing, Flange
K1 2 2 Wsh-Flt Sae 1/2
K4 3 1 Wsh, Flt Sae #10
K4 4 3 Scr, Soc Hd 5/16-18 X 0.75
K1 5 2 Wsh, Flt Std 3/8
K4 6 2 Wsh, Flt Sae 3/8
K4 7 1 Scr-Pan Phil 1/4-20 X .62
K4 8 1 Scr, Soc Hd 5/16-18 X 1.00
K4,K15 9 2 Wsh, Flt Sae #8
K5 10 2 Pin,Cotter 1/8 X 1
K4 11 2 Scr, Hex 3/8-16 X 1.00
K4,K15 12 2 Scr-Pan Phil 10-24 X 1.00
K4 13 1 Nut, Hex Nyl Loc 5/16-18
K4 14 1 Nut, Hex Nyl Loc 1/4-20
K4 15 2 Nut-Hex Nyl Loc 3/8-16
K4 16 1 Nut, Hex Nyl Loc-Thin 5/16-18
K4,K15 17 2 Nut, Hex Nyl Loc-Thin 10-24
K4 18 2 Nut, Hex Nyl Loc-Thin 1/4-20
K5,K6 19 4 Wsh-Flt Sae Ss 3/8
K4 20 2 Nut, Hex Nyl Loc 5/16-24
K4 21 2 Scr, Pan Phil Ss 8-32 X .38
K4 22 4 Scr,Hex Hd Loc 3/8-16x.62
K5,K6 23 4 Pin-Clevis .25 X 1.25
K4 24 1 Nut, Hex Nyl Loc-Thin 1-14
K1,K4, 25 6 Pin, Cotter Hair
K5
K6 26 2 Ring, Ret Ext Type E 0.38 Dia
K4 27 1 Scr, Hex 5/16-18 X 3.75
K1 28 2 Scr, Hex Loc M12-1.75 X 35mm
K4 29 2 Scr, Hex Loc M10-1.5 X 20mm
K4 30 4 Scr-Hex M10-1.5 X 40mm
K5 31 1 Pin-Clevis .50 X 1.25
K5,K6 32 4 Cotter, Hair Pin
K4 33 2 Pin-Clevis .375 X 1.75
K4 34 1 Scr-Carriage 1/4-20 X .88
K4 35 1 Wsh-Flt Ss .281 X 1.25 X .05
K4 36 1 Wsh, Int Shprf #10
K4 37 1 Scr, Hex Thd Form 10-24 X .38
K4 38 1 Scr, Hex Thd Form 10-24 X .50
K4 39 1 Nut-Hex Jam Ss 5/8-18
K5 40 1 Nut, Hex Jam 5/16-18
K4 41 1 Wsh, Flt .344 X .938 X .125
K4 42 2 Scr, Button Soc 1/4-20 X .50
43 56056871 1 Grommet
K15 44 56109503 1 Double Barb Assy
K2,K3 45 1 Bearing Cup
K2,K3 46 1 Bearing Cone
K2,K3 47 1 Seal,Shaft
K15 48 56219932 1 Clamp- Hose Sae #6
49 56220043 1 Solution Feed Hose
50 56244941 1 Bushing
51 56265033 1 Mount, Pump
52 56265208 1 Socket-1/8 Fpt
53 56305024 1 P-Clamp
K2 54 1 Block, Bearing
55 56317024 1 Valve, Solenoid 24v (L1)
K15 56 1 Pump, 24vdc (M9, S5)
[ ] 56109587 1 Pump Head Assembly (for 56344177)
[ ] 56109588 1 Check Valve Assembly (for 56344177)
57 56324195 1 Grommet
58 56324358 1 Hose, Vac 2.00 X 5.00 X 975018
59 56324505 2 Bearing, Flange
60 56344033 1 Chassis Weldment
K1 61 1 Deck Linkage Weldment
62 56344043 1 Pulley-Wire Rope
63 56344056 1 Bracket-Actuator Weldt
64 56344057 1 Bracket-Actuator
Kit Item Ref. No. Qty Description
65 56344059 1 Yoke Weldment
66 56344064 1 Valve Assembly (See Page 11)
67 56344070 1 Y-Tube
68 56344075 1 Hose Assembly
69 56344086 1 Hose Assembly
70 56344107 1 Lift Bar
71 56344108 1 Wire Rope Assembly
72 56344111 1 Wire Rope Assembly
73 56344122 1 Shoe Linkage Assembly (See Page 10)
74 56344132 1 Misting Nozzle Assy
[ ] 56344150 1 Nozzle-Quick Veejet W/Body
75 56344143 1 Connector Bracket Weldment
76 56344151 1 Misting Chamber Adapter
77 56344153 1 T-Knob Assembly
78 56344154 1 Gasket
79 56344157 1 Pin
80 56344160 1 Actuator-Motor 24v (M3)
81 56344161 1 Lift Actuator Assembly (M4)
81a 56109546 1 Spring Housing
81b 56109547 1 Spring Housing
81c 56109597 1 Actuator-Motor
81d 56412071 3 Compression Spring
82 56367117 2 Wsh, Flt .406 X 1.5 X .1875
K1 83 2 Bushing
84 56369594 1 Barb, Adapter 1/4 X 1/8npt
K2,K3 85 1 Bearing Ball
86 56410247 2 Clip, Conduit
87 56412088 1 Pin
88 56412177 1 Horn/Backup Alarm (H1)
K6 89 2 Spacer, Squeegee Cable
K5 90 1 Grommet
K1 91 2 Bearing, Flange
92 56440213 4 Clamp- Hose Sae #32
93 56456560 1 15.00” Hose
94 56470138 2 Barb, 90 Elbow 1/4 X 1/4npt
95 56477613 3 Tie, Cable
96 56477756 2 Rod End
97 56486112 1 Clamp-P
98 56601050 1 Motor / Drive Wheel (M1)
98a 56601472 1 Kit, Drive Motor Tire W/Hub (for 56601050)
98b 56601473 1 Replacement Motor, Drive Motor (for 56601050)
98c 56601471 1 Tire (for 56601050)
98d 56601509 1 Carbon Brush Kit (for 56601050)
98e 56601507 1 Brake, Electromagnetic (for 56601050) (Y1)
98f 56422174 1 Tire Puller Kit (for 56601050)
98g 56601506 1 Drive Motor Cover (for 56601050)
98h 56380310 1 Kit, Brake Lever (for 56601050)
98i 56504481 1 Cover, Gearbox Motor (for 56601050)
99 56601077 1 Spindle Weldt
100 56601159 1 Plate, Steering
101 56601482 2 Wheel
102 56601716 1 Ground Chain
K15 103 56756364 5 Clamp- Hose Sae #4
K15 104 56900069 1 Barb, 90 Elbow 1/2 X 3/8npt
105 56900756 1 Clip, Conduit
106 57275a 1 Pulley Squ. Cable
K1 107 2 Pin, Ring .50 X 1.25
K1 56344180 1 Hardware Kit – Deck Linkage
K2 56344188 1 Bearing Block Assembly
K3 56344181 1 Bearing Kit – Spindle
K4 56344185 1 Hardware Kit – Chassis
K5 56344186 1 Hardware Kit – Deck Lift
K6 56344187 1 Hardware Kit – Shoe Lift
K15 56344177 1 Pump Kit
[ ] = Not Shown
3
FORM NO. 56042573
ES4000
03-11

CHASSIS SYSTEM-2
FRONT
FRONT
119
10
79
65
40
71
62
32
23
105
36 102 338
93 103 44 51 56 17
104
48
9
12
84 39
75
52
103
11
74
76
92
78
6
15
77 59 14
66
42
81c
81b
81d
81a
86
87 89 26 33 80 13 64
4
63
25
81
103
49
21
94
19
95
41
27
32
23
43
106
788 53 35 18
55
FORM NO. 56042573
ES4000 03-11
4

CHASSIS SYSTEM-2
Kit Item Ref. No. Qty Description
1 56418162 2 Bearing, Flange
K1 2 2 Wsh-Flt Sae 1/2
K4 3 1 Wsh, Flt Sae #10
K4 4 3 Scr, Soc Hd 5/16-18 X 0.75
K1 5 2 Wsh, Flt Std 3/8
K4 6 2 Wsh, Flt Sae 3/8
K4 7 1 Scr-Pan Phil 1/4-20 X .62
K4 8 1 Scr, Soc Hd 5/16-18 X 1.00
K4,K15 9 2 Wsh, Flt Sae #8
K5 10 2 Pin,Cotter 1/8 X 1
K4 11 2 Scr, Hex 3/8-16 X 1.00
K4,K15 12 2 Scr-Pan Phil 10-24 X 1.00
K4 13 1 Nut, Hex Nyl Loc 5/16-18
K4 14 1 Nut, Hex Nyl Loc 1/4-20
K4 15 2 Nut-Hex Nyl Loc 3/8-16
K4 16 1 Nut, Hex Nyl Loc-Thin 5/16-18
K4,K15 17 2 Nut, Hex Nyl Loc-Thin 10-24
K4 18 2 Nut, Hex Nyl Loc-Thin 1/4-20
K5,K6 19 4 Wsh-Flt Sae Ss 3/8
K4 20 2 Nut, Hex Nyl Loc 5/16-24
K4 21 2 Scr, Pan Phil Ss 8-32 X .38
K4 22 4 Scr,Hex Hd Loc 3/8-16x.62
K5,K6 23 4 Pin-Clevis .25 X 1.25
K4 24 1 Nut, Hex Nyl Loc-Thin 1-14
K1,K4, 25 6 Pin, Cotter Hair
K5
K6 26 2 Ring, Ret Ext Type E 0.38 Dia
K4 27 1 Scr, Hex 5/16-18 X 3.75
K1 28 2 Scr, Hex Loc M12-1.75 X 35mm
K4 29 2 Scr, Hex Loc M10-1.5 X 20mm
K4 30 4 Scr-Hex M10-1.5 X 40mm
K5 31 1 Pin-Clevis .50 X 1.25
K5,K6 32 4 Cotter, Hair Pin
K4 33 2 Pin-Clevis .375 X 1.75
K4 34 1 Scr-Carriage 1/4-20 X .88
K4 35 1 Wsh-Flt Ss .281 X 1.25 X .05
K4 36 1 Wsh, Int Shprf #10
K4 37 1 Scr, Hex Thd Form 10-24 X .38
K4 38 1 Scr, Hex Thd Form 10-24 X .50
K4 39 1 Nut-Hex Jam Ss 5/8-18
K5 40 1 Nut, Hex Jam 5/16-18
K4 41 1 Wsh, Flt .344 X .938 X .125
K4 42 2 Scr, Button Soc 1/4-20 X .50
43 56056871 1 Grommet
K15 44 56109503 1 Double Barb Assy
K2,K3 45 1 Bearing Cup
K2,K3 46 1 Bearing Cone
K2,K3 47 1 Seal,Shaft
K15 48 56219932 1 Clamp- Hose Sae #6
49 56220043 1 Solution Feed Hose
50 56244941 1 Bushing
51 56265033 1 Mount, Pump
52 56265208 1 Socket-1/8 Fpt
53 56305024 1 P-Clamp
K2 54 1 Block, Bearing
55 56317024 1 Valve, Solenoid 24v (L1)
K15 56 1 Pump, 24vdc (M9, S5)
[ ] 56109587 1 Pump Head Assembly (for 56344177)
[ ] 56109588 1 Check Valve Assembly (for 56344177)
57 56324195 1 Grommet
58 56324358 1 Hose, Vac 2.00 X 5.00 X 975018
59 56324505 2 Bearing, Flange
60 56344033 1 Chassis Weldment
K1 61 1 Deck Linkage Weldment
62 56344043 1 Pulley-Wire Rope
63 56344056 1 Bracket-Actuator Weldt
64 56344057 1 Bracket-Actuator
Kit Item Ref. No. Qty Description
65 56344059 1 Yoke Weldment
66 56344064 1 Valve Assembly (See Page 11)
67 56344070 1 Y-Tube
68 56344075 1 Hose Assembly
69 56344086 1 Hose Assembly
70 56344107 1 Lift Bar
71 56344108 1 Wire Rope Assembly
72 56344111 1 Wire Rope Assembly
73 56344122 1 Shoe Linkage Assembly (See Page 10)
74 56344132 1 Misting Nozzle Assy
[ ] 56344150 1 Nozzle-Quick Veejet W/Body
75 56344143 1 Connector Bracket Weldment
76 56344151 1 Misting Chamber Adapter
77 56344153 1 T-Knob Assembly
78 56344154 1 Gasket
79 56344157 1 Pin
80 56344160 1 Actuator-Motor 24v (M3)
81 56344161 1 Lift Actuator Assembly (M4)
81a 56109546 1 Spring Housing
81b 56109547 1 Spring Housing
81c 56109597 1 Actuator-Motor
81d 56412071 3 Compression Spring
82 56367117 2 Wsh, Flt .406 X 1.5 X .1875
K1 83 2 Bushing
84 56369594 1 Barb, Adapter 1/4 X 1/8npt
K2,K3 85 1 Bearing Ball
86 56410247 2 Clip, Conduit
87 56412088 1 Pin
88 56412177 1 Horn/Backup Alarm (H1)
K6 89 2 Spacer, Squeegee Cable
K5 90 1 Grommet
K1 91 2 Bearing, Flange
92 56440213 4 Clamp- Hose Sae #32
93 56456560 1 15.00” Hose
94 56470138 2 Barb, 90 Elbow 1/4 X 1/4npt
95 56477613 3 Tie, Cable
96 56477756 2 Rod End
97 56486112 1 Clamp-P
98 56601050 1 Motor / Drive Wheel (M1)
98a 56601472 1 Kit, Drive Motor Tire W/Hub (for 56601050)
98b 56601473 1 Replacement Motor, Drive Motor (for 56601050)
98c 56601471 1 Tire (for 56601050)
98d 56601509 1 Carbon Brush Kit (for 56601050)
98e 56601507 1 Brake, Electromagnetic (for 56601050) (Y1)
98f 56422174 1 Tire Puller Kit (for 56601050)
98g 56601506 1 Drive Motor Cover (for 56601050)
98h 56380310 1 Kit, Brake Lever (for 56601050)
98i 56504481 1 Cover, Gearbox Motor (for 56601050)
99 56601077 1 Spindle Weldt
100 56601159 1 Plate, Steering
101 56601482 2 Wheel
102 56601716 1 Ground Chain
K15 103 56756364 5 Clamp- Hose Sae #4
K15 104 56900069 1 Barb, 90 Elbow 1/2 X 3/8npt
105 56900756 1 Clip, Conduit
106 57275a 1 Pulley Squ. Cable
K1 107 2 Pin, Ring .50 X 1.25
K1 56344180 1 Hardware Kit – Deck Linkage
K2 56344188 1 Bearing Block Assembly
K3 56344181 1 Bearing Kit – Spindle
K4 56344185 1 Hardware Kit – Chassis
K5 56344186 1 Hardware Kit – Deck Lift
K6 56344187 1 Hardware Kit – Shoe Lift
K15 56344177 1 Pump Kit
[ ] = Not Shown
5
FORM NO. 56042573
ES4000
03-11

DECAL SYSTEM
1
2
6
7
5
4
3
3
FRONT
FORM NO. 56042573
ES4000 03-11
6

DECAL SYSTEM
Kit Item Ref. No. Qty Description
K23 1 1 Decal, Caution
K23 2 1 Decal-Advance
K23 3 2 Decal
K23 4 1 Decal-Wet Dry
K23 5 1 Decal Open When Charging
K23 6 1 Decal, Circuit Breaker
K23 7 1 Decal-Battery Wiring
K23 56344197 1 Decal Kit – ES4000
7
FORM NO. 56042573
ES4000
03-11

DECK SYSTEM
1
3
5
6
31
12
15
32
17
18
22
25
28
30
16
40 34
37
39
33
44 48
51
52
ROTATION
ROTATION
2
3
4 7
9
11
13
14
19 19
20
21
26
29
8
35
36
38
41
42 43
45 46
50
67 70 68 69
71
66
FRONT
FRONT
58
59
60
61
62
63
64
65
10
27
53
54
55
56
57
23
FORM NO. 56042573
ES4000 03-11
8

DECK SYSTEM
Kit Item Ref. No. Qty Description
K20 1 4 Scr, Hex Ss 5/16-18 X .62
K7 2 5 Scr-Pan Phil Ss 10-24 X .38
K20 3 4 Scr, Soc Set Loc 5/16-18 X .25
K20 4 6 Wsh, Flt Sae 1/4
K20 5 2 Scr, Hex Ss 5/16-18 X 1.00
K20 6 1 Nut, Hex Nyl Loc Ss 1/4-20
K20 7 6 Scr,Hex Hd Loc 1/4-20x.75
8 56344028 1 Belt Guard
K8 9 1 Nut-Hex Nyl Loc M6-1
K20 10 3 Nut, Hex Nyl Loc Ss M6-1
K8 11 1 Scr-Hex M6-1 X 100mm
K20 12 1 Scr, Pan Phil Thd Form 1/4-20 X .38
K9 13 4 Scr, Pan Phil Thd Form 10-24 X .38
K20 14 1 Wsh, Bowed .375x.578x.060
K20 15 4 Wsh, Int Shprf 5/16
16 56344080 1 Tube Intake
K20 17 2 Nut, Hex Jam 5/16-18
K20 18 2 Wsh, Flt .344 X .938 X .125
K20 19 2 Scr, Button Soc 1/4-20 X .50
20 56314633 1 Brush Multi Surface 28
21 56315061 2 Motor-24 Vdc .5 Hp 1800 Rpm (M7, M8)
[ ] 56412257 1 Brush Cap Assy (for 56315061)
[ ] 56412287 1 Motor Brush/Spring Kit (for 56315061)
[ ] 56412258 4 Brush Assy (for 56315061)
[ ] 56412259 4 Brush Spring (for 56315061)
22 56315445 1 Cover Belt
23 56315448 1 Idler End Assy (#53-57)
24 56316053 1 Belt, Auto Tension
25 56316066 1 Sheave, Poly-V
K8 26 1 Wheel
27 56317157 1 Drive End Assy (#58-65)
28 56344000 1 Deck Weldment
29 56344011 1 Bracket-Belt Cover
K18 30 1 Hopper Weldment
K18 31 56003189 2 Scr, Pan Phil Ss 10-24 X .38
K18 32 56009060 2 Wsh, Flt Ss .260 X 1.000 X .074
K18 33 56344140 1 Blade Hopper
34 56344083 1 Gasket Intake
K7 35 1 Defl ector-Rear
K7 36 1 Clamping Bar
37 56344110 1 Hose-Molded
38 56602041 1 Block Bearing
39 56344137 1 Maintenance Nozzle Assy
[ ] 56262099 1 Nozzle-Spray
Kit Item Ref. No. Qty Description
40 56344081 1 Deck Bracket Weldment
41 56344141 1 Belt-Auto Tension
K9 42 1 Bumper
K9 43 1 Bumper Retainer
44 56344156 1 Restoration Nozzle Assy
[ ] 56344138 1 Nozzle-Spray
K9 45 1 Bumper
K9 46 1 Bumper Retainer
47 56344170 1 Sheave Poly-V
48 56401783 2 Leg Leveler 5/16-18
49 56409538 4 Insulator, Terminal
K8 50 1 Bushing
51 56602244 1 T-Knob Assembly
52 56756364 2 Clamp- Hose Sae #4
53 56106070 1 Bearing, Ball
54 56407558 1 Washer Bearing
55 56315447 1 Idler Bearing Plate
56 56396254 1 Knob
57 56407551 1 Hub Brush
58 56002119 2 Scr, Soc Set Loc 1/4-20 X .50
59 56003237 1 Key, Sq .19 X .62
60 56106070 2 Bearing, Ball
61 56109527 1 Spindle
62 56316054 1 Sheave, Poly-V
63 56381765 1 Bearing Plate
64 56407389 1 Spacer
65 56407558 1 Washer Bearing
K10,K14 66 1 Brush Multi-Surface
K14 67 1 Plug, Bearing
K14 68 1 Scr-Flt Phil Ss 10-24 x .62
K14 69 1 Bearing, Ball
K14 70 1 Washer, Bearing
K11 71 1 Pulley/Drive Spindle Kit
K7 56344182 1 Rear Defl ector Kit
K8 56344183 1 Bumper Wheel Kit
K9 56344184 1 Bumper Kit
K10 56344191 1 Brush Assembly
K11 56344192 1 Pulley/Drive Spindle Kit
K14 56344178 1 Bearing Kit
K18 56344179 1 Hopper Assembly
K20 56344194 1 Hardware Kit
– Scrub System
[ ] = Not Shown
9
FORM NO. 56042573
ES4000
03-11

SHOE LINKAGE ASSY
1
2
3
4
5
6
7
8
9
10
11
12
13
14
15
16
17
18
19
20
21
FRONT
Kit Item Ref. No. Qty Description
K13 1 2 Wsh-Flt Sae 1/2
K13 2 4 Wsh, Flt Sae #10
K12 3 12 Nut, Hex Nyl Loc Ss 1/4-20
K13 4 4 Nut, Hex Nyl Loc-Thin 5/16-18
K12 5 8 Scr, Pan Phil Ss 1/4-20 X 1.50
K12 6 4 Scr, Pan Phil Ss 1/4-20 X .75
K13 7 2 Nut-Hex Nyl Loc M12-1.75
K13 8 2 Scr-Hex M12-1.75 X 35mm
K13 9 2 Scr, Hex Thd Form 10-24 X .50
K13 10 2 Bearing, Flange
K13 11 2 Spring, Compression
12 56314206 2 Gas Spring
13 56317092 2 Bearing, Flange
K13 14 2 Pin
15 56317156 1 Shoe Spacer, Foam
16 56317164 2 Foam Strip
K12 17 2 Shoe Bracket Weldment
18 56344039 1 Shoe Support Weldment
K12 19 4 Shoe-Extractor
20 56344123 2 Chain Assembly
21 56344139 1 Defl ector
K12 56344189 1 Shoe Assembly
K13 56344190 1 Hardware Kit – Shoe Linkage
FORM NO. 56042573
ES4000 03-11
10

SOLENOID VALVE ASSY
Kit Item Ref. No. Qty Description
1 56003018 4 Scr, Pan Phil Ss 8-32 X .38
K19 2 2 Nipple, 1/4npt X .88/1.12
3 56220043 1 Solution Feed Hose
4 56264260 2 5.00” Hose
5 56265373 1 Hose, 1/4 X 21.00l, E00160
6 56317024 2 Valve, Solenoid 24v (L2, L3)
7 56344063 1 Bracket-Valve
K19 8 1 Elbow, 90 Street
9 56456560 1 15.00” Hose
K19 10 1 Barb, Adapter 1/4 X 1/4npt
K19 11 2 Barb, 90 Elbow 1/4 X 1/4npt
12 56508441 1 Tee,1/4 Id Hose, Barb
13 56756364 6 Clamp- Hose Sae #4
K19 14 1 Tee, Female Union
K19 56344174 1 Fitting Kit
– Valve Assembly
1
2
3
4 4
5
6
7
8
9
10
11
12 13
14
FRONT
11
FORM NO. 56042573
ES4000
03-11

ELECTRICAL SYSTEM
FRONT
1
2
3
4
5
6
7
8
9
10
11
12
13
15
16
18
19
21
22
23
24
25
26
27
28
29
30
31
32
33
35 36
37
38
39
41
42
43
27
20
FORM NO. 56042573
ES4000 03-11
12

ELECTRICAL SYSTEM
Kit Item Ref. No. Qty Description
K22 1 4 Scr, Flt Phil 10-24 X .62
K22 2 4 Scr-Pan Phil 1/4-20 X .50
K22 3 2 Scr-Pan Phil 8-32 X .62
K22 4 3 Nut, Hex W/ Shprf 1/4-20
K22 5 2 Nut, Hex Nyl Loc-Thin 1/4-20
K22 6 1 Wsh-Flt Sae Ss 1/4
K22 7 2 Scr-Pan Phil 1/4-20 X 1.75
K22 8 1 Scr, Hex Thd Form 10-24 X .38
K22 9 2 Stud
K22 10 1 Wsh, Flt Ss .260 X 1.000 X .074
K22 11 1 Stud, 1/4-20
12 56046309 2 Spacer, Phenolic
13 56157376 2 Grommet
[14] 56315320 2 Harness, Brush Motor
15 56321540 1 Grommet
16 56325219 1 Tie, Cable
[17] 56344092 1 Harness-Main
18 56344105 1 Interface Panel Assy (A1)
[ ] 56344093 1 Kit, Interface Panel (Membrane Switch, Interface Panel)
[ ] 56303553 1 Key Switch (S1)
[ ] 56303526 A/R Replacement Key Set
19 56372673 8 Boot-Battery Post
20 56407130 1 Disconnect, Emergency (S4)
21 56409485 3 Cable,Battery
22 56412089 1 Fuse, 150 Amp (F1)
23 56412179 1 Contactor, 24 Vdc (K2)
24 56454429 1 Circuit Breaker, 70 Amp (CB1)
25 56459369 1 Boot, Reset Button
26 56469858 3 Electrical Mount
27 56477613 7 Tie, Cable
28 56478246 8 Tie, Cable
29 56507644 1 Circuit Breaker, 10 Amp (CB2)
30 56601061 1 Controller, Speed (A2)
31 56601105 1 Panel
32 56601171 1 Connector Assy
33 56601172 1 Connector Assy
[34] 56601175 1 Traction Drive
35 56601183 1 Contactor 24v, 100 Amp (K1)
36 56601185 1 Panel
37 56601215 1 Prop Rod, Seat
38 56601251 1 Gasket
39 56601252 1 Gasket
[40] 56601431 1 Cable, Jumper
41 56601434 1 Emergency Button Guard
42 56601600 1 Foam Insert
43 56900144 1 Plug, Cap
K22 56344196 1 Hardware Kit
– Electrical System
[ ] = Not Shown
13
FORM NO. 56042573
ES4000
03-11

ELECTRICAL SYSTEM-WITH SUPPRESSION
1
3
4
5
6
7
8
9
10
11
12
13
14
15
16
18
19
20
21
22
23
24
25
26
27
28
29
30
30
31
32
33
34
35
36
38
39
40
41
42
44
45
46
2
FRONT
FORM NO. 56042573
ES4000 03-11
14

ELECTRICAL SYSTEM-WITH SUPPRESSION
Kit Item Ref. No. Qty Description
K22 1 4 Scr, Flt Phil 10-24 X .62
K22 2 4 Scr-Pan Phil 1/4-20 X .50
K22 3 2 Scr-Pan Phil 8-32 X .62
K22 4 3 Nut, Hex W/ Shprf 1/4-20
K22 5 2 Nut, Hex Nyl Loc-Thin 1/4-20
K22 6 1 Wsh-Flt Sae Ss 1/4
K22 7 2 Scr-Pan Phil 1/4-20 X 1.75
K22 8 1 Scr, Hex Thd Form 10-24 X .38
K22 9 2 Stud
K22 10 1 Wsh, Flt Ss .260 X 1.000 X .074
K22 11 1 Stud, 1/4-20
12 56046309 2 Spacer, Phenolic
13 56157376 2 Grommet
[14] 56315320 2 Harness-Brush Motor
15 56321540 1 Grommet
16 56325219 1 Tie, Cable
[17] 56344092 1 Harness-Main
18 56344105 1 Interface Panel Assy (A1)
[ ] 56344093 1 Kit, Interface Panel (Membrane Switch, Interface Panel)
[ ] 56303553 1 Key Switch (S1)
[ ] 56303526 A/R Replacement Key Set
19 56344173 2 Capacitor Assy
20 56372673 8 Boot-Battery Post
21 56380004 1 Ferrite Bead
22 56407130 1 Disconnect, Emergency (S4)
23 56409485 3 Cable,Battery
24 56412089 1 Fuse, 150 Amp (F1)
25 56412179 1 Contactor, 24 Vdc (K2)
26 56413883 1 Ferrite Bead
27 56454429 1 Circuit Breaker, 70 Amp (CB1)
28 56459369 1 Boot, Reset Button
29 56469858 3 Electrical Mount
30 56477613 8 Tie, Cable
31 56478246 8 Tie, Cable
32 56507644 1 Circuit Breaker, 10 Amp (CB2)
33 56601061 1 Controller, Speed (A2)
34 56601105 1 Panel
35 56601171 1 Connector Assy
36 56601172 1 Connector Assy
[37] 56601175 1 Traction Drive
38 56601183 1 Contactor 24v, 100 Amp (K1)
39 56601185 1 Panel
40 56601215 1 Prop Rod, Seat
41 56601251 1 Gasket
42 56601252 1 Gasket
[43] 56601431 1 Cable, Jumper
44 56601434 1 Emergency Button Guard
45 56601600 1 Foam Insert
46 56900144 1 Plug, Cap
K22 56344196 1 Hardware Kit
– Electrical System
[ ] = Not Shown
15
FORM NO. 56042573
ES4000
03-11

ONBOARD CHARGER ASSY
1
2
3
4
5
6
7
8
9
FORM NO. 56042573
ES4000 03-11
16

ONBOARD CHARGER ASSY
Kit Item Ref. No. Qty Description
NA 1 Onboard Charger Assembly NOTE 1
1 56001836 1 Scr, Hex 1/4-20 X .62
2 56001854 4 Scr, Hex 1/4-20 X .50
3 56009019 1 Scr, Hex Thd Form 1/4-20 X .38
4 56157376 1 Grommet
5 56172017 1 Clamp, P
6 56315124 1 Charger, On-Board 24V TSBUS2008-984
7 56315270 1 Charger Cord, US
8 56601417 1 Charger Mount Bracket
9 56478246 1 Cable Tie
NOTE 1: Standard in the following packages: 56344203, 56344204, 56344213, 56344214
17
FORM NO. 56042573
ES4000
03-11

CONTROL SYSTEM
FRONT
1
2
3
4
5
6
7
8
9
10
11
13
14
15
17
18
19
20
22
23
24
25
26
27
28
29
30
31
32
33
34
35
36
37
38
39
40
41
42
43
44
46
21
47
48
45
16
FORM NO. 56042573
ES4000 03-11
18

CONTROL SYSTEM
Kit Item Ref. No. Qty Description
1 8-69-00022 1 Seat
2 56001879 1 Wsh, Flt SAE 1/2
3 56001939 2 Wsh, Flt SAE 5/16
4 56002063 4 Wsh, Flt SAE 3/8
5 56002086 2 Scr, Soc Set Loc 5/16-18 X .25
6 56002098 4 Wsh, Flt SAE 1/4
7 56002145 3 Scr, Pan Phil 1/4-20 X .50
8 56002507 3 Scr, Pan Phil 1/4-20 X .75
9 56002843 1 Nut, Hex Nyl Loc-Thin 1/2-13
10 56002933 3 Scr, Hex Hd Loc 1/4-20x.38
11 56003081 2 Scr, Soc Set Loc 3/8-16 X .38
12 56003179 2 Scr, Hex Thd To Hd M8-1.25 X 20mm
13 56003186 4 Scr, Hex Thd To Hd M10-1.5 X 25mm
14 56003227 1 Key, Wdf .62 X .19
15 56003228 3 Key, Wdf .75 X .19
16 56003261 1 Ring, Ret Ext Type E 0.31 Dia
17 56003268 3 Ring, Ret Ext Type E Reinf. 0.25 Dia
18 56003389 2 Nut, Hex Nyl Loc M8-1.25
19 56003730 3 Scr, Soc Shd .38 X .25 X 5/16-18
20 56009051 2 Scr, Pan Phil Thd Form 8-32 X .38
21 56009062 4 Scr, Pan Phil Thd Form 1/4-20 X .50
22 56100393 1 Bushing
23 56250414 2 Bearing, Flange
24 56320595 2 Bushing .32 x .50 x .28
25 56362778 1 Knob
26 56367095 2 Collar, Shaft
27 56412198 1 Chain, Roller
28 56413211 2 Bearing, Flange .625 X .500 X .250
29 56413658 1 Ratchet, Steering Column
30 56454081 1 Universal Joint
31 56471148 1 Sprocket
32 56578222 1 Spring, Compression
33 56601052 1 Foot Pedal Assy (R1)
34 56601060 1 Steering Wheel
35 56601163 1 Lower Column Weldment
36 56601169 1 Upper Column Weldment
37 56601223 1 Shaft, Lower Steering
38 56601224 1 Shaft, Upper Steering
39 56601271 1 Knob, 5/16 Stud
40 56601284 1 Steering Pawl Weldment
41 56601292 1 Pull Lever
42 56601362 1 Seat Panel Weldment
43 56601484 1 Shroud, Lower Column
44 56601500 1 Boot, Steering
45 7-82-00050 1 Switch (S2)
46 56601683 1 Plug-Cap
47 56386407 1 Clip-Conduit
48 56601601 1 Foot Pedal Plate
19
FORM NO. 56042573
ES4000
03-11

RECOVERY SYSTEM
FRONT
FRONT
2
3
4
5
7
8
8
9
10
11
12
13
15
16
17
18
19
22
23
24
25
28
29
32
33
34
35
36
37
38
40
41
43
44
1
6
6
14
20
21
26
27
39
42
FORM NO. 56042573
ES4000 03-11
20

RECOVERY SYSTEM
Kit Item Ref. No. Qty Description
K16 1 4 Scr-Pan Phil 1/4-20 X .62
K16 2 6 Wsh, Flt Sae 1/4
K16 3 6 Scr, Hex 1/4-20 X 3.00
K16 4 2 Scr-Pan Phil 10-24 X .88
K16 5 2 Wsh-Flt Sae Ss 1/4
K16 6 6 Scr, Pan Phil Ss 10-24 X .62
K16 7 4 Scr, Pan Phil Ss 10-24 X 1.00
K16 8 6 Wsh-Flt Sae Ss #10
K16 9 5 Rivet, Nylon Tree Push-In (.25)
K16 10 2 Scr, Pan Phil Ss Plastite 1/4-10 X .50
K16 11 2 Scr, Pan Phil Ss Type Ab 10-16 X .75
K17 12 2 Gasket, Vacuum Duct
K17 13 2 Gasket, Vacuum Motor
14 56314517 1 Vac Hose Assembly
K17 15 2 Gasket, Vacuum Duct
16 56315847 1 Foam Tube Assembly
17 56324497 2 Cage, Float
18 56344074 1 Cover-Vac Motor
19 56344114 1 Tank-Recovery
20 56344116 1 Elbow Weldment
21 56344118 1 Gasket-Inlet
22 56344164 1 Bracket
23 56344165 1 Flap
24 56344168 2 Filter
25 56391690 1 Ball, Float
26 56407361 2 Clamp, Plastic
27 56440213 1 Clamp- Hose Sae #32
28 56477613 1 Tie, Cable
29 56601121 2 Gasket, Vac Filter
30 56601122 1 Plate, Vac
31 56601125 1 Filter
32 56601126 1 Gasket, Exhaust
33 56601127 1 Gasket, Vac
34 56601128 2 Hinge Clamp
35 56601130 1 Gasket, Recovery Lid
K17 36 2 Motor, Vac 24vdc (M5, M6)
[ ] 56397098 1 Carbon Brush Set of 2 (for 56344176)
K24 36 2 Motor, Vac W/Suppression 24vdc (M5, M6)
[ ] 56397098 1 Carbon Brush Set of 2 (for 56344199)
37 56601138 1 Strainer Basket
38 56601139 1 Recovery Lid
39 56601204 1 Hook, Drain Hose
40 56601250 2 Strap, Filter Cover
41 56601253 1 Filter Box
42 56601401 1 Drain Hose
43 56601421 1 Cover, Debris
44 56344198 1 Cover, Fltr Box W/Gskt
K16 56344175 1 Hardware Kit
– Recovery System
K17 56344176 1 Vacuum Motor Gasket Kit (Standard)
K24 56344199 1 Vacuum Motor Gasket Kit (EMC Suppression)
[ ] = Not Shown
21
FORM NO. 56042573
ES4000
03-11

SOLUTION SYSTEM
1
1
1
2
2
3
4
4
4
5
6
7
8
9
10
11
12
12
13
14
15
16
17
18
19
20
21
22
23 24
25
26 27
28
29
30
30
31
31 32
32
33 34
35
36 37
38
39
40
41
42
43
44
45
46
47
48
49
50
51
52
53
55
56 54
FRONT
FORM NO. 56042573
ES4000 03-11
22

SOLUTION SYSTEM
Kit Item Ref. No. Qty Description
K21 1 7 Wsh, Flt Sae #10
K21 2 5 Scr-Pan Phil 10-24 X .50
K21 3 3 Wsh, Flt Sae 1/4
K21 4 8 Scr-Pan Phil 1/4-20 X .50
K21 5 2 Scr, Pan Phil Thd Form 6-32 X .31
K21 6 4 Scr, Hex 5/16-18 X .75
K21 7 2 Nut, Hex Nyl Loc-Thin 10-24
K21 8 2 Wsh-Flt Sae Ss 1/4
K21 9 2 Scr, Pan Phil Ss 1/4-20 X .62
K21 10 3 Bushing, 1/4 Id Snub
K21 11 4 Wsh, Flt .344 X .938 X .125
K21 12 6 Scr, Pan Phil Loc 10-24 X .38
13 56016331 1 Decal-Chemical Ratio
14 56219932 3 Clamp- Hose Sae #6
15 56244969 2 Clamp- Hose Sae #12
16 56255076 1 Cap, Pipe Ght Nylon
17 56261265 1 Hose, .75 Clear Pvc, 25.00
18 56314757 1 Barb, 90 Elbow 3/4 X 1/2npt
19 56314942 1 Hose, Chem Resistant
20 56314983 1 Tee Assembly
21 56314991 1 Hose, Chem Resistant 14”
22 56315241 1 Pump, Chemical (M2)
23 56315285 1 Hinge
24 56315296 1 Solution Filter
25 56315517 1 Cap, Raw
26 56315523 1 Cap, Dry Break, 1/8 Barb, 90°
27 56315527 1 Insert, Dry Break
28 56344069 1 Hose Pvc Clear .50 Id
29 56368776 1 Washer, Rubber
30 56380132 2 Latch, 1/4 Turn
31 56380137 2 Retainer
32 56380141 2 Nut, Clamp
33 56381475 1 Ball Valve
34 56396330 1 Hose, Pvc Clear
35 56410097 3 Clamp, P
36 56412182 1 Nipple, Hex 3/4-14
37 56412184 1 Barb, Adapter 1/2 X 1/2 Npt
38 56601076 1 Solution Tank
39 56601106 1 Panel
40 56601202 1 Chemcial Bottle Cover
41 56601212 1 Nipple, Reducer 3/4”Npt X 1/2”Npt
42 56601213 1 Battery Box
43 56601246 1 Mat
44 56601268 1 Plate
45 56601273 1 Hose
46 56601339 1 Charger Cover Weldment
47 56601398 1 Bracket
48 56344172 1 Tube, Pressure Sensing W/Elbow
49 56601511 1 Plate
50 56601544 1 Chemical Bottle Assy
51 56601569 1 Gasket
52 56601570 1 Gasket
53 56601598 2 Hose Clip
54 56601599 1 Cap - Raw With Tether
55 56601685 1 Gasket
56 56900273 1 Barb, Adapter 3/4 X 3/4ght
K21 56344195 1 Hardware Kit
– Solution Assembly
23
FORM NO. 56042573
ES4000
03-11

LADDER DIAGRAM-1
A1
CONTROL BOARD
ON BOARD
BATTERY CHARGER
(OPTIONAL)
B+ B-
INTERLOCK
1
PIN 6 - BRAKE -
PIN 5 - STATUS
PIN 16 - REV. ALARM
PIN 8 - MODE
PIN 18 - SPEED LIMIT
PIN 13 - POT. LOW
PIN 4 - POT. WIPER
PIN 3 - HIGH
PIN 14 - BRAKE +
PIN 5 - KSI
B+
B-
M1
M2
A2
CURTIS 1228 SPEED
CONTROLLER
J3-1 B+
J3-8 B+
J3-14 KEY SWITCH
J3-12 VACUUM
CONTACTOR
J3-13 BRUSH
CONNACTOR
J3-11 MISTING
SOLUTION SOLENOID
J3-10 HORN +
J3-9 HORN -
J1-1 + CHEMICAL
PUMP
J1-3 - CHEMICAL
PUMP
SEAT
SWITCH J3-4
FORWARD/
REVERSE J3-6
STATUS J3-7
REVERSE J3-5
SPEED
LIMIT J2-4
POT. HIGH J2-6
POT. LOW J2-5
B- J1-8
B- J2-8
B- J2-7
B- J2-1
B- J2-2
OPTIONAL
OPTIONAL
1. ALL DIMENSIONS IN INCHES.
DRAWN
NOTES UNLESS OTHERW ISE
SPECIFIED
C
HE
C
KED
12-14-10 PMO
B
J1-7 RESTORE
SOLUTION SOLENOID
J3-3 MAINTENANCE
SOLUTION SOLENOID
NOTE: SW ITCH IS PART OF
PUMP ASSEMBLY
J1-2 SOLUTION
PUMP
GRA/BLK
GRA/BLK
BLK
BLK
BRN/YEL WHT/BRN
RED
RED
RED
BRN/YEL
RED
BRN
BRN
BRN GRA/BLK
WHT/RED
VIO/BLK
BRN
BRN
ORN/RED
GRN/BLK
RED
RED/YEL
BLK
BLK
BLU/GRA
BLK
BLK
WHT/BRN
GRA
VIO
YEL
YEL
BLK/WHT
RED/GRN
BLK
BLU/BLK
ORN/BLU
RED/WHT
RED/WHT
ORN
VIO YEL/BLK
BLK
BRN/BLK
BLK
BLK/WHT
BLU/ORNBRN
VIO/ORNBRN
B+
B-
L2
VALVE, SOLENOID
L2
VALVE, SOLENOID
1 2
EMERGENCY, STOP
S4
EMERGENCY, STOP
S4
L3
VALVE, SOLENOID
L3
VALVE, SOLENOID
1 2
CB1
CIRCUIT BREAKER, 70A.
CB1
CIRCUIT BREAKER, 70A.
12
S2
SWITCH, SEAT
S2
SWITCH, SEAT
21
M
M9
SOLUTION PUMP
M
M9
SOLUTION PUMP
+- R1
POT. 5 OHM
R1
POT. 5 OHM
C
B
A
Y1
BRAKE
Y1
BRAKE
1 2
M
M1
MOTOR, WHEEL DRIVE
M
M1
MOTOR, WHEEL DRIVE
2
1
L1
VALVE, SOLENOID
L1
VALVE, SOLENOID
1 2
LP1
LAMP, FLASHING
LP1
LAMP, FLASHING
1 2
CB2
CIRCUIT BREAKER, 10 AMP
CB2
CIRCUIT BREAKER, 10 AMP
12
BT1
BATTERY, 24 Vdc
BT1
BATTERY, 24 Vdc
+ -
M
M2
CHEMICAL PUMP
M
M2
CHEMICAL PUMP
+-
F1
FUSE, 150A.
F1
FUSE, 150A.
1 2
S5S5
1 2
K1
CONTACTOR, VACUUM
K1
CONTACTOR, VACUUM
K2
CONTACTOR, BRUSH
K2
CONTACTOR, BRUSH
S1
SW, SPST KEY
S1
SW, SPST KEY
1 2
H1
HORN
H1
HORN
- +
FORM NO. 56042573
ES4000 03-11
24

LADDER DIAGRAM-1
Item Ref. No. Qty Description
A1 56344105 1 Interface Panel Assembly
A2 56601061 1 Controller, Speed
BT1 N/A Battery
CB1 56454429 1 Circuit Breaker, 70 Amp
CB2 56507644 1 Circuit Breaker, 10 Amp
F1 56412089 1 Fuse, 150 Amp
H1 56412177 1 Horn/Backup Alarm
K1 56601183 1 Contactor 24v, 100 Amp
K2 56412179 1 Contactor, 24 Vdc
L1 56317024 1 Valve, Solenoid 24v
L2 56317024 1 Valve, Solenoid 24v
L3 56317024 1 Valve, Solenoid 24v
LP1 56601085 1 Beacon, Warning (optional)
M1 56601050 1 Motor / Drive Wheel
M2 56315241 1 Pump, Chemical
M3 56344160 1 Actuator-Motor 24v
M4 56344161 1 Lift Actuator Assembly
M5 56601132 1 Motor, Vac 24vdc
M6 56601132 1 Motor, Vac 24vdc
M7 56315061 1 Motor-24 Vdc .5 Hp 1800 Rpm TSBUS2010-1058
M8 56315061 1 Motor-24 Vdc .5 Hp 1800 Rpm TSBUS2010-1058
M9 56317045 1 Solution Pump, 24vdc
R1 N/A 1 Part of Footpedal Assy 56601052
S1 56303553 1 Ket Switch
S2 7-82-00050 1 Switch
S4 56407130 1 Disconnect, Emergency
Y1 56601507 1 Brake, Electromagnetic
56315124 1 Charger, On-Board 24v TSBUS2008-984
25
FORM NO. 56042573
ES4000
03-11

LADDER DIAGRAM-2
SHOE ACT(-) J1-9
SHOE ACT(+) J1-10
BRUSH ACT J1-4
BRUSH ACT J1-5
BRUSH MOTOR 1 SENSE J2-10
VACUUM MOTOR SENSE J2-9
BRUSH MOTOR 2 SENSE J1-6
A1
CONTROL BOARD
WHT
WHT
REDRED
RED
RED
RED BLK
WHT/GRN
BLK/YEL
BLU
ORN/BLK
BLK
BLK
YEL/VIO
BLK
BRN/RED
VOI/RED
B+ B-
M
M6
MOTOR, VAC
M
M6
MOTOR, VAC
1 2
M
M4
MOTOR, BRUSH LIFT ACTUACTOR
M
M4
MOTOR, BRUSH LIFT ACTUACTOR
-+
M
M7
MOTOR, BRUSH
M
M7
MOTOR, BRUSH
+-
K2
CONTACTOR, BRUSH
4 3
M
M8
MOTOR, BRUSH
M
M8
MOTOR, BRUSH
+-
M
M5
MOTOR, VAC
M
M5
MOTOR, VAC
1 2
K1
CONTACTOR, VACUUM
4 3
M
M3
MOTOR,SHOE LIFT ACTUACTOR
M
M3
MOTOR,SHOE LIFT ACTUACTOR
-+
FORM NO. 56042573
ES4000 03-11
26

LADDER DIAGRAM-2
Item Ref. No. Qty Description
A1 56344105 1 Interface Panel Assembly
A2 56601061 1 Controller, Speed
BT1 N/A Battery
CB1 56454429 1 Circuit Breaker, 70 Amp
CB2 56507644 1 Circuit Breaker, 10 Amp
F1 56412089 1 Fuse, 150 Amp
H1 56412177 1 Horn/Backup Alarm
K1 56601183 1 Contactor 24v, 100 Amp
K2 56412179 1 Contactor, 24 Vdc
L1 56317024 1 Valve, Solenoid 24v
L2 56317024 1 Valve, Solenoid 24v
L3 56317024 1 Valve, Solenoid 24v
LP1 56601085 1 Beacon, Warning (optional)
M1 56601050 1 Motor / Drive Wheel
M2 56315241 1 Pump, Chemical
M3 56344160 1 Actuator-Motor 24v
M4 56344161 1 Lift Actuator Assembly
M5 56601132 1 Motor, Vac 24vdc
M6 56601132 1 Motor, Vac 24vdc
M7 56315061 1 Motor-24 Vdc .5 Hp 1800 Rpm TSBUS2010-1058
M8 56315061 1 Motor-24 Vdc .5 Hp 1800 Rpm TSBUS2010-1058
M9 56317045 1 Solution Pump, 24vdc
R1 N/A 1 Part of Footpedal Assy 56601052
S1 56303553 1 Ket Switch
S2 7-82-00050 1 Switch
S4 56407130 1 Disconnect, Emergency
Y1 56601507 1 Brake, Electromagnetic
56315124 1 Charger, On-Board 24v TSBUS2008-984
27
FORM NO. 56042573
ES4000
03-11

OPTIONAL KITS AND ACCESSORIES
Item Ref. No. Qty Description
Kits
* 56397453 1 Kit-Battery Fill Indicator
* 7-03-04249 1 Kit-Seat Armrests
* 56601085 1 Kit-Warning Beacon
* 56422162 1 Kit-Seat Belt
* 56601527 1 Battery Watering Kit
* 56302198 1 Kit-Hour Meter
* 56315732 1 Quiq Programmer Kit
* 56344093 1 Interface Panel Kit
* 56601086 1 Debris Tray Kit
* 56380572 1 Aquawand Carpet Scrub Wand 13
* 56265174 1 15 Ft. Hose Assembly
* 56601545 1 Chemical Bottle Assembly
Replacement parts for the kits listed above can be found on each kit’s associated instruction sheet.
Brushes
* 56314633 1 Brush Multi-Surface 28 (Front)
* 56344191 1 Brush Assembly (Rear)
Optional Batteries
* 56391391 4 Battery, 6V, 305A/H TSBUS2008-984
* 56315959 4 Battery, 6V, 315A/H AGM TSBUS2008-984
* 56388582 4 Battery, 6V, 395A/H TSBUS2008-984
Optional Battery Chargers
* 56372947 A/R Battery Charger, 24VDC, Auto, 20Amp, 120VAC/60HZ TSBUS2008-984
* 56388109 A/R Battery Charger, 24VDC, Auto, 25Amp, 120VAC/60HZ TSBUS2008-984
* 56412272 A/R Battery Charger, 24VDC, Auto, 36Amp, 120VAC/60HZ TSBUS2008-984
* 56372203 A/R Battery Charger, 24VDC, 20Amp, 230VAC/50HZ TSBUS2008-984
* 56412271 A/R Battery Charger, 24VDC, 40Amp, 230VAC/50HZ TSBUS2008-984
* 56601095 A/R Kit, On Board Charger, US TSBUS2008-984
Accessories
* 56409441 A/R Programmer, 1311 User
* 56409823 A/R Programmer Cable
* 56044604 1 Literature Pack
* = Optional, Not Included
FORM NO. 56042573
ES4000 03-11
28

14600 21st Avenue North
Plymouth, MN 55447-3408
www.advance-us.com
Phone: 800-989-2235
Fax: 800-989-6566
©2011 Nilfi sk-Advance, Inc.
A Nilfi sk-Advance Brand